dormakaba Deutschland LEGMRD RFID Reader User Manual TM T9700V2 201707 en

Kaba GmbH RFID Reader TM T9700V2 201707 en

Users Manual

Terminal 97 0004043552 - 07/2017ENTechnical Manual
dormakaba EAD GmbH Albertistraße 3 78056 Villingen-Schwenningen Germany T: +49 (0)7720 603-0 www.dormakaba.com Company headquarters: HeiligenhausCopyright © dormakaba 2017All rights reserved.No part of this document may be reproduced or used in any form or by any means without prior written permis-sion of dormakaba Schweiz AG.All names and logos of third-party products and services are the property of their respective owners.Subject to technical changes.04043552 - 07/2017
Table of ContentsTechnical Manual304043552 - 07/2017 Terminal 97 00Table of Contents1 About this document 71.1 Validity 71.2 Target group 71.3 Content and purpose 71.4 Using the document 81.5 Additional documentation 81.6 Warnings 91.6.1 Hazard categories 91.6.2 Symbols 91.7 Information 91.8 Instructions 102 Basic safety information 112.1 Proper use 112.2 Assembly and installation 112.3 Service and maintenance 112.4 Accessories and spare parts 112.5 Electrical hazards 122.6 Handling of lithium batteries 122.7 ESD protective measures 132.8 Environmental protection 133 Product description 143.1 Overview 143.2 Technical data 153.2.1 System 153.2.2 Multimedia 153.2.3 Interfaces/Communication 163.2.4 Reader 163.2.5 Inputs/Outputs 163.2.6 Power supply 173.2.7 Uninterruptible power supply 173.2.8 Ambient conditions 173.2.9 Dimensions 183.3 Conformity 213.4 Marking 234 Construction and function 244.1 Device structure 244.1.1 Terminal housing - Front 254.1.2 Terminal housing - Rear side 264.1.3 Docking station 274.1.4 Interface assignment 314.1.5 Uninterruptible power supply UPS510 314.2 Product versions 324.2.1 Basic equipment 324.2.2 Optional equipment (not retrofittable) 324.2.3 Optional equipment (retrofittable) 324.2.4 Accessories 324.3 Terminal software 334.3.1 BaseApp 334.3.2 Kaba test program 334.3.3 B-Client HR30 terminal software 334.3.4 B-Client HR30 software options 334.4 System connection 364.4.1 Communication principle 36
Table of Contents Technical Manual4 04043552 - 07/2017Terminal 97 004.4.2 Parametrization 364.4.3 Authorizations 364.4.4 Data from the terminal 364.4.5 Operating states 374.4.6 Devices with biometric reader 374.5 Authentication types 384.5.1 Mode 1: Identification 384.5.2 Mode 2: Verification 384.5.3 Mode 3: Verification (ID) 384.5.4 Mode 4: Combination of modes 1 and 2 384.5.5 Mode 5: Combination of modes 2 and 3 384.5.6 Alternative types of authentication 394.5.7 Additional PIN entry 394.6 CardLink 405 Installation 415.1 Installation conditions 415.1.1 General 415.1.2 Installation site 415.1.3 Connections 415.1.4 Power supply 425.1.5 Cable entry 435.2 Installation lines 445.2.1 24 V DC power supply 445.2.2 Mains voltage supply 445.2.3 Ethernet 445.2.4 Inputs/Outputs 445.3 Fastening the docking station 455.4 Connections 465.4.1 Connecting the network cable 465.4.2 Connecting the mains voltage 465.4.3 Mains fuses 475.4.4 Connecting 24 V DC power supply 485.4.5 Digital inputs 495.4.6 Relay outputs 505.4.7 Connecting an external reader 515.5 Uninterruptible power supply UPS510 525.6 Fasten the terminal housing to the docking station. 536 Commissioning 546.1 Network requirements 546.1.1 Communication 546.1.2 Comparing finger templates 546.1.3 Automatic registration via B-COMM 546.2 Automatic registration via B-COMM 556.2.1 Cancelling automatic registration 556.3 Manual settings 566.4 Settings via the Kaba test program 576.4.1 Service language 576.4.2 Reader settings 576.5 Service Interface 606.5.1 Remote access 606.5.2 Accessing the service interface locally from the B-Client HR30terminal software. 616.5.3 Accessing the service interface locally from the BaseApp 626.6 Android system settings 636.6.1 Network settings 646.6.2 Settings for adjustment to the environment 676.7 Reader initialization 686.7.1 LEGIC 686.7.2 MIFARE (ARIOS) 696.7.3 MIFARE (Baltech) 696.8 SFTP server 70
Table of ContentsTechnical Manual504043552 - 07/2017 Terminal 97 006.8.1 Preconditions 706.8.2 Establishing an SFTP connection 706.8.3 Information on the key file 716.8.4 Important directories and files 726.9 Remote setup 737 Operation 747.1 Operating elements 747.2 Display 747.3 Touch screen 747.4 Navigation keys 757.5 RFID reader 767.6 Biometric reader 767.7 Swipe reader 777.8 Symbols for user guidance 787.8.1 Function keys 787.8.2 Input prompt 797.8.3 Error states 807.8.4 CardLink 807.8.5 Finger entry 817.9 BaseApp 827.9.1 Starting the application 827.9.2 App management 837.9.3 System Information 857.10 B-Client HR30 terminal software 867.10.1 Starting the terminal software 867.10.2 Shutting down the terminal software 877.10.3 Info functions 887.10.4 Registering new fingerprints at the terminal 898 Maintenance 938.1 Backup battery 938.1.1 Battery change 938.2 Replacement of the uninterruptible power supply UPS510 948.3 Cleaning the housing 948.4 Installation/Update of the terminal software 958.4.1 Data backup 958.4.2 Preparing installation/update 958.4.3 Performing an update 958.4.4 Performing the installation 968.5 Android update 969 Packaging/Returns 979.1 Complete devices 979.2 Electronic components 979.3 Labelling 9810 Disposal 99Index 101
Table of ContentsTechnical Manual604043552 - 07/2017 Terminal 97 00
About this documentTechnical Manual704043552 - 07/2017 Terminal 97 001 About this document1.1 ValidityThis document describes the product:Product designation: Terminal 97 00Product ID: 9700-K6Item number 04079701Terminal software: 735-05-X-K02 - B-Client HR30BaseApp: 771-05-X-K02Kaba test program 797-05-X-K02Date of manufacture: From April 2017This document describes all product versions and all optional features and functions. Optionsare subject to a charge and therefore only available if purchased. Additional features andfunctions may not be available at the time the document is issued and may only be availablefor purchase at a later date.1.2 Target groupThis quick start guide is intended for skilled persons only.The descriptions are intended for skilled persons trained by the manufacturer. The descrip-tions are no replacement for product training.For reasons of equipment safety, the installation, maintenance and service measures de-scribed in this documentation should only be carried out by skilled persons in accordance withEN 62368-1 (Audio/Video, Information and Communication Technology Equipment – Part 1:Safety Requirements).Skilled person is the designation for people who have the appropriate technical training andexperience in setting up the equipment. Skilled persons are expected to use their training andexperience to identify any risks to themselves and others that may arise while carrying outthese activities, and to minimise these risks as far as possible. It is the skilled person’s re-sponsibility to ensure that the conditions stated by the manufacturer and the applicable regu-lations and standards are complied with when carrying out these actions.This documentation is also used to provide information for persons with the following tasks:• Project planning and implementation• Putting the product into operation within a network• Connecting the product to the user software by programming customer applications• Customer-specific adjustment through parameter setting on the product1.3 Content and purposeContent is limited to the assembly, installation, commissioning and basic operation of theproduct.
About this document Technical Manual8 04043552 - 07/2017Terminal 97 001.4 Using the documentTo make it easier to find specific topics, please refer to the following document guidelines:• The contents list at the start of the document provides an overview of all topics.• The headings also list the relevant main chapter.• Cross-references provide the number of the chapter in which more information can befound. Example [   5.7].• There is an alphabetical index at the end of the document.1.5 Additional documentationSpecific parametrization of the terminal software:• B-Client HR30 reference manualWeb interface for commissioning:• Service interface reference manualKaba ARIOS security concept and required system adjustments for different MIFARE media:• Kaba MIFARE adjustments reference manualSupplementary documentation is available on the Kaba website. Technical manuals can befound in a secured area of the website.• Access is only granted after a valid login.• An account must be set up before logging in for the first time.Opening login screen:1. Open your internet browser and go to http://www.kaba.com.2. Choose your language in the top right-hand corner of the screen.3. Under 'Products', choose either the 'Access Management' or 'Workforce Management'product division.4. In the top right-hand corner of the screen, click on the following symbol:5. Enter your email address and password to log in or create a new account (see below).ðThe technical manuals can be found under 'Downloads'.Creating an account:1. Click 'Create account'.2. Fill in the data fields and confirm your entries.ðA confirmation link will be sent to your email address.3. Click on the confirmation link in your email to activate your account.
About this documentTechnical Manual904043552 - 07/2017 Terminal 97 001.6 WarningsWarnings with information, instructions and forbidden actions to prevent personal injury andmaterial damage are highlighted.Please note the warnings! These are intended to help avoid accidents and prevent damage.1.6.1 Hazard categoriesWarnings are divided into the following categories: DANGERHigh riskDesignates an imminent danger resulting in serious injuries or death. WARNINGMedium riskDesignates a potentially dangerous situation which can result in serious injuries or death. CAUTIONLow riskIndicates a potentially dangerous situation that can lead to minor injury.NOTICEImportant information about the correct use of the product.Non-adherence to the notes can lead to malfunctions. The product or something in its vicinitycould be damaged.1.6.2 SymbolsDepending on the hazard source, the following symbols are used for warnings.General hazard Hazard caused by electric powerRisk of explosion Risk to electronic componentscaused by electrostatic discharge1.7 InformationNotes are marked with an info symbol.Application tips, useful informationThey allow optimum use of the product and of its functions.
About this document Technical Manual10 04043552 - 07/2017Terminal 97 001.8 InstructionsStructure and symbols of the instructions are illustrated in the following example:üPrerequisite1. Step 1ðInterim result2. Step 2ðResult
Basic safety informationTechnical Manual1104043552 - 07/2017 Terminal 97 002 Basic safety informationThis product has been built according to the latest technology and accepted safety regula-tions. Nevertheless, handling this product can pose a risk to people and property.Read and observe the following safety information before using the product.2.1 Proper useThis product has been designed exclusively for use as set out in the chapter Product Descrip-tion. Any other use will be deemed improper use. The manufacturer accepts no liability for anyresulting damage. The user/operator bears sole responsibility for the risk.2.2 Assembly and installationCheck the device for visible damage caused by transport or wrong storage. Do not start upany damaged device!Assembly and installation of the product may only be done by skilled personnel (see chapter 1Target group).Mains voltage installations may only be carried out by a certified specialized company or au-thorized electricians.The product should only be installed in locations which fulfil the environmental and technicalconditions specified by the manufacturer.The manufacturer is not liable for damage arising due to improper handling or incorrect in-stallation.2.3 Service and maintenanceConversions and modifications to the product may only be done skilled personnel (see chapter1 Target group). Any conversions and modifications performed by other persons will exemptus from any liability.The elimination of faults and maintenance work may only be performed by skilled personnel(see chapter 1 Target group).2.4 Accessories and spare partsAccessories and spare parts must comply with the technical requirements of the manufac-turer. This is guaranteed with dormakaba original accessories and spare parts.
Basic safety information Technical Manual12 04043552 - 07/2017Terminal 97 002.5 Electrical hazardsInstallations involving the mains power may only be executed by approved specialist compan-ies or authorized skilled electricians. WARNINGLive connections at the docking station in devices equipped with integrated power supply unit(BEX120 motherboard)Carelessness can result in an electric shock.üThe terminal housing may only be removed from the docking station by skilled personnel.• Before removing the terminal housing from the docking station, the device must be de-en-ergized.• For permanently connected devices, the voltage must be switched off.• For devices supplied by a separable connection, the mains plug must be pulled.• Secure against being switched on again.• Check for absence of voltage.2.6 Handling of lithium batteriesTo back up the real-time clock RTC, the device is equipped with a lithium manganese dioxidebattery type CR2032.The battery is located on the rear side of the terminal housing. CAUTIONLithium batteries can explode or burst explosively.Improper handling of lithium batteries may result in fires and explosions.• Replace lithium batteries only with batteries of the same type.• Do not open, drill through or squash lithium batteries.• Do not burn lithium batteries or expose them to high temperatures.• Do not short-circuit lithium batteries.• Do not recharge lithium batteries.
Basic safety informationTechnical Manual1304043552 - 07/2017 Terminal 97 002.7 ESD protective measuresNOTICEDanger of damage to electronic components from electrostatic discharge.If electronic printed circuit boards and components are handled incorrectly, damage may oc-cur which leads to their complete breakdown or sporadic faults.• When installing and repairing the product, the general ESD protective measures are to beobserved.• When handling electronic components, wear the ESD wrist strap. Connect the end of thestrap to an ESD socket or an unpainted, earthed metal component. This will safely and ef-fectively conduct charges away from your body.• Only handle the edges of printed circuit boards. Do not touch printed circuit boards orconnecting plugs.• Put removed components on an anti-static surface or in an anti-static shielding container.• Avoid contact between printed circuit boards and clothing. The wrist strap only protectsthe printed circuit boards from static electricity on the body. Damage can still occur dueto static electricity on clothing.• Only transport and ship removed modules in ESD-shielding, conductive protective con-tainers.2.8 Environmental protectionIt is prohibited to dispose of the device in your domestic waste.Used devices contain valuable materials that should be recycled. Properly dispose of useddevices.Dispose of consumed batteries in accordance with state and local regulations.Carefully store the batteries to be disposed of to avoid short circuits, crushing or destructionof the battery casing.
Product description Technical Manual14 04043552 - 07/2017Terminal 97 003 Product description3.1 OverviewThe terminal 97 00 can be used for time and attendance and for providing customer-specificinformation and applications.The operating system used of the terminal 97 00 is 'Android’. This allows applications, so-called apps, to be used flexibly at the terminal. The system can be expanded at any time tomake it suitable for a wide range of tasks or also be supplemented by apps specifically de-veloped for customer requirements.For time and attendance, the B-Client HR30 terminal software is available. This terminalsoftware makes the device compatible in terms of data records with its predecessor series B-web and B-net, allowing it to be connected to the host system via UDP using the communica-tion software B-COMM. Connecting it to HTTP/HTTPS-based applications, such as b-commERP5, b+ or EACM, is also possible.To display information, the terminal is equipped with a 7' colour display with a resolution of800 x 480 pixels.The device is equipped with a touch screen operated by touching the glass front.The time data is recorded by a RFID proximity reader and/or a biometric CBM reader (de-pending on design)A proximity sensor activates the device in the sleep or standby mode.The terminal is equipped with an integrated microphone and an integrated loudspeaker and,optionally, with a camera system.Communication takes place via Ethernet. Alternatively and optionally, communication canalso take place via UMTS or WLAN.Optionally, 2 outputs (relays) and 4 digital inputs are available for control functions.
Product descriptionTechnical Manual1504043552 - 07/2017 Terminal 97 003.2 Technical data3.2.1 SystemOperating system• Android version 5.0.2 (Lollipop)CPU• BECO620 single-board CPU unitMemory• 2 GByte DDR3 RAM• 8 GByte eMMC Flash• Card slot for microSD or microSDHC cardParameters and data records are retained without supply voltage.RTCThe device has an integrated real-time clock. The function of the RTC is ensured for about 2years by a lithium battery type CR2032 (on the rear side of the device) even without powersupply of the device.Display• TFT LCD display module• Size: 17.8 cm (7.0”)• Resolution: 800 x 480 pixels (16:9/WVGA)• Colour depth: 24-bit (true colour)• Backlit with white LEDTouch screen• 7” PCAP touch screen over the complete display• 10-finger multitouch support• Resolution: 30 x 18 (x/y)• Optional splinter protectionBiometric proximity sensor• Optic proximity sensor for activating the biometric reader (option)• Range 10-50 mm, sensitivity adjustable in 3 steps, can be switched offTerminal proximity sensor• Activates the device from the sleep or standby mode when approaching it within approx.0.5 m3.2.2 MultimediaCamera (option)• Integrated ¼ inch camera; resolution 5 megapixelsAudio• Integrated microphone• Integrated loudspeaker with power amplifier (3 W)• 3.5 mm line-out jack
Product description Technical Manual16 04043552 - 07/2017Terminal 97 003.2.3 Interfaces/CommunicationEthernet interface• IEEE802.3 compatible10BASE-T/100BASE-TX /1000BASE-T Auto sensing, Auto MDIX• IEEE802.1x security concept, EAP type MD5WLAN (option)• Mini PCIe WLAN adapter conforming to IEEE802.11 b/g/n (2.4 GHz)• Encryption: WPA-PSK, WPA2-PSK and WEP securityMobile radio (option)• Mini PCIe HSPE module• UMTS/HSPA: 850/900/1900/2100MHz• GSM/GPRS/EDGE: 850/900/1800/1900 MHzSerial interface RS-232 (option)• Baud rates: 9600/19200/38400/57600/115200• Hardware handshake (RTS/CTS)USB• 1 x USB 2.0 (host); 5 V/500 mA; for example for connecting an external reader3.2.4 ReaderDepending on model, the device supports the following readers:RFID reader• MRD - LEGIC prime/advant, MIFARE Classic/DESFire• HID - iCLASS SE, iCLASS, Prox, Prox II• HITAG - EM4102, HITAG1, HITAG2Biometric fingerprint reader• Biometric module (CBM) with integrated database for fingerprints.• Optionally as CBM-E with extended approvals (PIV-IQS with FBI certification and FIPS201 approved template evaluation)• Depending on model, the reader has a storage capacity for 500, 3000 or 5000 persons (2fingers per person)Swipe reader in substructure housing• Magnetic stripe tracks 1, 2, 3• Red light barcode• Infrared barcode3.2.5 Inputs/Outputs2 relay outputs (option)• One potential-free switchover contact each• Contact loading capacity: 30 V AC/DC; max. 2 A4 digital inputs (option)• Galvanically isolated from system• Input voltage: max. 30 V DC, min. -30 V DC
Product descriptionTechnical Manual1704043552 - 07/2017 Terminal 97 003.2.6 Power supplyFor the power supply of the device, the following alternatives are possible:• PoE (Power over Ethernet)• Mains power input (docking station with BEX120 motherboard required)• 24 V DC power supply (docking station with BEX121 motherboard required)PoE (Power over Ethernet)Power supply of the terminal via the 8-wire Ethernet cable (max. 100 m)• In accordance with IEEE802.3at/type 1 class 0 (0,44-12,95 W)• Supported feed processes: Spare pair feed and phantom feedMains voltage input• Voltage range: 100–240 V AC• Frequency: 50/60 Hz• Current consumption: max. 200 mA24 V DC power supply• Voltage range: 22–30 V DC• Current consumption: max. 1 AOnly power supply units that fulfil the following requirements may be used for power supply:LPS (Limited Power Source) and SELV (Safety Extra Low Voltage) in accordance with IEC/EN/UL/CSA 60950-1 or ES1 and PS2 in accordance with IEC/EN/UL/CSA 62368-1.3.2.7 Uninterruptible power supplyUPS510 (option)The UPS510 consists of an electronic part with charging circuit and a rechargeable battery.The components are housed in a self-contained housing. Uninterruptible operation of thedevice in case of power supply failure is ensured by an NiMH battery with a capacity of 2100mAh. The battery is fully charged after a charging time of 10 hours.The UPS510 ensures operation in case of power supply failure for up to 30 minutes or approx.200 bookings, whatever occurs first.Condition: New battery, 100% charged, temperature 20 ° - 25 °C.3.2.8 Ambient conditionsIngress protection according to IEC 60529• IP20 (devices with swipe reader)• IP40 (devices with RFID and CBM readers)Prerequisite: Cable entry from below using the enclosed grommetsRelative humidity• 5% - 85%, non-condensingAmbient temperature• -5 °C – +45 °C (operation without UPS)• 0 °C – +40 °C (operation with UPS)• -25 °C – +70 °C (storage without UPS)• -20 °C – +45 °C (storage with UPS)
Product description Technical Manual18 04043552 - 07/2017Terminal 97 003.2.9 Dimensionsall dimensions are given in mm.3.2.9.1 Terminal housing3.2.9.2 Terminal with substructure housing
Product descriptionTechnical Manual1904043552 - 07/2017 Terminal 97 003.2.9.3 Docking station3.2.9.4 Surface-mounted protective metal housing (accessories)
Product description Technical Manual20 04043552 - 07/2017Terminal 97 003.2.9.5 Flush-mounted housing (accessories)
Product descriptionTechnical Manual2104043552 - 07/2017 Terminal 97 003.3 ConformityThis product conforms to the following standards:EN 62368-1:2014 EN 55032:2015EN 55024+A1:2015according to the provisions of the EU directives2014/35/EU - Low Voltage Directive (LVD)2014/30/EU - Electromagnetic Compatibility (EMC)The RFID readers MRD (LEGIC & MIFARE) and HID iCLASS SE / Prox used in this productcomply with the following standardsEN 300330-2 V1.6.1EN 301489-3 V1.6.1according to the provisions of the EU directive2014/53/EU - Radio Equipment Directive (RED)RoHS This device complies with the regulations of the Directive 2011/65/EU of the European Parlia-ment and of the Council of June 8, 2011, on the restriction of the use of certain hazardoussubstances in electrical and electronic equipment.The original declaration of conformity can be downloaded in PDF format from www.kaba.com/conformity.In addition, the product also complies with the following standardsUL62368-1:2014-12CAN/CSA-22.2 No. 62368-1:2014-12 FCC Code of Federal Regulations, CFR 47, Part 15, Sections 15.107 and 15.109 (Class B) IC Industry Canada Radio Standards Specifications ICES-003 Issue 5, Sections 5(a)(i) and 5(b)(i) Class B (ITE)The RFID readers MRD (LEGIC & MIFARE) and HID iCLASS SE / Prox used in this productcomply with the following standardsFCC Code of Federal Regulations, CFR 47, Part 15, Sections 15.207, 15.209, 15.215 and 15.225 IC Industry Canada Radio Standards Specifications RSS-GEN Issue 4, Sections 8.8, 8.9, 8.10 andRSS-210 Issue 8, Section A2.6 (Category I Equipment) FCC § 15.19This device complies with Part 15 of the FCC rules. Operation is subject to the following twoconditions: (1) This device may not cause harmful interference, and (2) this device must acceptany interference received, including interference that may cause undesired operation.FCC § 15.21 (Warning Statement)[Any] changes or modifications not expressly approved by the party responsible for compli-ance could void the user’s authority to operate the equipment.FCC § 15.105Note: This equipment has been tested and found to comply with the limits for a Class A di-gital device, pursuant to part 15 of the FCC Rules. These limits are designed to provide reas-onable protection against harmful interference when the equipment is operated in a commer-cial environment. This equipment generates, uses, and can radiate radio frequency energyand, if not installed and used in accordance with the instruction manual, may cause harmful
Product description Technical Manual22 04043552 - 07/2017Terminal 97 00interference to radio communications. Operation of this equipment in a residential area islikely to cause harmful interference in which case the user will be required to correct the inter-ference at his own expense.Canada RSS-GENThis device complies with Industry Canada’s licence-exempt RSSs. Operation is subject to thefollowing two conditions: (1) This device may not cause interference; and (2) This device mustaccept any interference, including interference that may cause undesired operation of thedevice.Le présent appareil est conforme aux CNR d’Industrie Canada applicables aux appareils radioexempts de licence. L’exploitation est autorisée aux deux conditions suivantes : 1) l’appareil nedoit pas produire de brouillage; 2) l’utilisateur de l’appareil doit accepter tout brouillage radi-oélectrique subi, même si le brouillage est susceptible d’en compromettre le fonctionnement.
Product descriptionTechnical Manual2304043552 - 07/2017 Terminal 97 003.4 MarkingThe rating plate is located on the underside of the device. Information given on the rating plate:• Designation of the device• Item number• Serial number• Date of manufacture• Connection data (supply voltage)• CE marking• WEEE marking according to DIN EN 50419
Construction and function Technical Manual24 04043552 - 07/2017Terminal 97 004 Construction and function4.1 Device structureThe device consists of the terminal housing (1) and the docking station (2).The docking station is the wall mounting element of the device and, depending on the equip-ment, the docking station contains additional electronics.
Construction and functionTechnical Manual2504043552 - 07/2017 Terminal 97 004.1.1 Terminal housing - FrontThe terminal housing is the core device. The terminal housing essentially contains the CPU, theTFT display with touch screen and up to two internal readers.1 Integrated camera (option)2 Camera flash (option)3 Proximity sensor4 Infrared LED for proximity sensor5 Biometric reader (option)6 Substructure housing with alternative RFID reader or swipe reader (option)7 RFID reader (option)8 TFT LCD display with PCAP touch screen
Construction and function Technical Manual26 04043552 - 07/2017Terminal 97 004.1.2 Terminal housing - Rear sideAfter removing the terminal housing from the docking station, the terminal rear side becomesaccessible.The rear side of the terminal housing contains, among other things, the connection area andcard slots.1 Audio line-out (3.5 mm jack)2 USB port3 Ethernet port (RJ45 socket)4 CR2032 lithium battery for back-up of the RTC real-time clock5 Card slot for a micro SIM card6 Card slot for a microSD or microSDHC card
Construction and functionTechnical Manual2704043552 - 07/2017 Terminal 97 004.1.3 Docking stationThe docking station is the wall mounting element of the device and is part of the standardequipment. The docking station is fastened to the wall. The terminal housing is placed on thedocking station and secured.The docking station has cut-outs for entry of the installation cables. The installation cablescan be entered from below and from the rear.1 Motherboard (option)2 Locking pin for the terminal housing3 Motherboard/terminal housing contact4 Long holes for wall mounting5 Snap-in retaining tabs for the terminal housing6 Connection terminal for the relay outputs7 RJ45 connection for an external reader via RS-2328 Cut-outs for cable entry from the rear9 Cut-outs for cable entry from below10 Cable clamps11 Connection terminal for the additional interface (option)12 Connection terminal for the inputs
Construction and function Technical Manual28 04043552 - 07/2017Terminal 97 004.1.3.1 Docking station without motherboardIn its basic equipment, the docking station does not include any electronics. In this case, thedocking station serves as pure wall mounting element.Communication takes place via the Ethernet network. The device is supplied with power viaPoE (Power over Ethernet). This is why only the network cable has to be connected to the ter-minal housing.The network cable can be introduced into the docking station from the rear or from below.
Construction and functionTechnical Manual2904043552 - 07/2017 Terminal 97 004.1.3.2 Docking station with motherboardOptionally, the docking station is equipped with a motherboard.The motherboard is available in 3 different versions. The differences refer to the design of thepower supply. Otherwise, the motherboards are identical.• BEX122 motherboard - Power supply via PoE• BEX121 motherboard - Power supply by 24 V DC• BEX120 motherboard - Power supply by mains voltageIn general, the motherboard has the following hardware equipment:RS-232C interfaceThe RS-232C interface can be used for connecting an external reader, for example a CCD bar-code scanner.It is connected to the RJ45 socket of the motherboard.Additional interfaceThe motherboard has a slot for an optional interface module. The BEX301 - RS-232C interfaceor BEX302 - RS-485 interface can be used.The interface can be used for customized applications. The additional interface is without usein the standard equipment.The interface signals are connected via a 6-pin terminal on the motherboard.OutputsThe motherboard has 2 relay outputs with changeover contacts. The relays can be used, forexample, for activating door openers or signal generators.InputsThe motherboard has 4 digital inputs. The inputs can be used for a door opener key, accesscontrol or a customized application.Sabotage contactDevices whose docking station is equipped with a motherboard are provided with a sabotagecontact.The sabotage contact is activated when the terminal housing is disconnected from the dock-ing station plus motherboard.This causes the device to generate an appropriate alarm record. Prerequisite: Device suppliedvia PoE or via a UPS510. Not possible for devices supplied by the motherboard and notequipped with a UPS, since after removal of the terminal housing from the docking stationthe power supply is also disconnected.Whether hardware options are supported, depends in part on the terminal software used andthe acquired software options!
Construction and function Technical Manual30 04043552 - 07/2017Terminal 97 004.1.3.3 Docking station with BEX122 motherboardThe BEX122 motherboard is used in devices whose power supply takes place via PoE. TheBEX122 motherboard is not equipped with an additional power supply unit nor with a powersupply input.4.1.3.4 Docking station with BEX121 motherboardFor power supply of the device, the BEX121 motherboard has a 24 V DC input with over-voltage protection and transient filter. This motherboard is used when the device is suppliedwith 24 V DC.4.1.3.5 Docking station with BEX120 motherboardThe BEX120 motherboard has a 100–240 V AC mains voltage input and an integrated limitedpower source power supply unit (LPS). This motherboard is used when the device is suppliedwith mains voltage.
Construction and functionTechnical Manual3104043552 - 07/2017 Terminal 97 004.1.3.6 Overview of the equipmentEquipment/Motherboard none BEX120 BEX121 BEX122Power supplyPoE X X24 V DC XMains voltage XInterfacesRS-232C interface X X XAdditional interface X X XInputs/Outputs2 relay outputs X X X4 digital inputs X X X4.1.4 Interface assignmentCOM port AssignmentCOM1 Internal reader (integrated into terminal housing)COM2 Internal reader (integrated into terminal housing)COM3 Additional interface (docking station motherboard)COM4 RS-232 for external reader (docking station motherboard)4.1.5 Uninterruptible power supply UPS510The uninterruptible power supply UPS510 ensures operation in case of short-term power sup-ply failure.The UPS510 is snapped into place on the rear side of the terminal housing.The UPS510 can be retrofitted or replaced at any time.
Construction and function Technical Manual32 04043552 - 07/2017Terminal 97 004.2 Product versions4.2.1 Basic equipmentTerminal housing• 7” WVGA display• 7” touch screen• Proximity sensor• Ethernet 10/100/1000• Power supply via PoE (Power over Ethernet)Docking station• Docking station as wall mounting element without electronics4.2.2 Optional equipment (not retrofittable)Multimedia• CameraCommunication• WLAN• Mobile radioReader integrated into terminal housing• RFID reader (MRD, HID, HITAG)• Biometric fingerprint reader (CBM/CBM-E for 500, 3000 or 5000 persons)Reader in additional substructure housing• Magnetic card reader• Barcode swipe reader• Other RFID readers4.2.3 Optional equipment (retrofittable)Protection in case of power supply failure• Uninterruptible power supply UPS510Docking station with motherboardBEX120, BEX121 and BEX122 motherboards:• RS-232C interface for connecting an external reader• Adapter for additional interface• 2 relay outputs• 4 digital inputsBEX121 motherboard:• Power supply input for external 24 V DCBEX120 motherboard:• Power supply connection for mains voltage4.2.4 Accessories• Elastic protective frame• Surface-mounted protective metal housing• Flush-mounted housing
Construction and functionTechnical Manual3304043552 - 07/2017 Terminal 97 004.3 Terminal software4.3.1 BaseAppThe BaseApp is the user interface of the android-based terminal. The BaseApp is part of thebasic equipment and forms the platform for all applications (apps) used on the terminal.The BaseApp essentially performs the following functions:• Protection of the operating system from unauthorized access (system isolation). Onlycontrolled access to the android operating system is possible.• Organization and start-up of applications (apps).• Provision of functions and interfaces for access to the hardware.• Provision of service functions via a web interface (service interface) for commissioningand maintenance of the device.4.3.2 Kaba test programThe Kaba test program application (TP) has already been installed on the terminal ex works.The test program app offers the following functions:• Adjustment of various system settings locally to the device• Retrieval of system information• Testing of individual system components4.3.3 B-Client HR30 terminal softwareThe B-Client HR30 terminal software allows the device to be used as time and attendanceterminal.The B-Client HR30 terminal software makes the device compatible in terms of data recordswith terminals of the B-web and B-net series, allowing it to be connected to the host systemvia the communication software B-COMM.4.3.4 B-Client HR30 software optionsThe usable range of functions of the device is given by the options activated in the 'sop.ini’ li-cence file by means of the corresponding licence key.Some software options require an appropriate hardware equipment.Upon purchasing an additional software option later on, the existing licence file must be re-placed with the new extended licence file.The sop.ini is located in the following directory/data/data/com.kaba.apps.hr/files/init.From the parameters, you can determine which functions are active.The relevant parameters are located in the [BClientHR30] section.Each parameter has the value true or false.
Construction and function Technical Manual34 04043552 - 07/2017Terminal 97 004.3.4.1 Licence for the B-Client HR30 terminal software.Entry in the licence file:[BClientHR30]BClientHR30Enabled=true4.3.4.2 CardLinkEntry in the licence file:CardLinkEnabled=trueEnables CardLink update and CardLink validation in connection with LEGIC or MIFARE read-ers.4.3.4.3 Data encryptionEntry in the licence file:EncryptionEnabled=trueData encryption via Ethernet UDP in connection with the communication software B-COMM.Data encryption via HTTPS with XML communication.4.3.4.4 Door controlEntry in the licence file:AccessControlEnabled=trueHardware prerequisite: Docking station with motherboardEnables:• Use of 4 inputs for door surveillance and door opening.• Use of 2 relay outputs for door opening or break signal control• Check for time profiles:• PIN check.• Check for double access.4.3.4.5 LocalEnrollmentEntry in the licence file:LocalEnrollmentEnabled=trueEnables the registration of new fingerprints via the biometric reader locally at the terminal.4.3.4.6 Memory optionsEntry in the licence file (possible values: 0, 1, 2, 3, 4):BufferConfiguration=The following overview shows the maximum possible number of data records in the respectivememory option.Record type/Option 0 1 2 3 4* 4Master records 200 1,000 2,000 10,000 30,000 50,000Registration records 10,000 10,000 10,000 10,000 30,000 50,000Update records* 400 2,000 4,000 20,000 60,000 -Validation records* 200 1,000 2,000 10,000 30,000 -*in connection with CardLink
Construction and functionTechnical Manual3504043552 - 07/2017 Terminal 97 004.3.4.7 Starting native appsEntry in the licence file:NativeAppEnabled=trueEnables the start of native apps from B-Client HR30.4.3.4.8 Partner applicationEntry in the licence file:PartnerinterfaceEnabled=trueSupports partner applications. Partner application is called from B-Client HR30 with data transfer.4.3.4.9 Browser startEntry in the licence file:BrowserEnabled=trueEnables the browser to be started from B-Client HR30. Transferred data can be displayed orweb sites can be loaded.4.3.4.10 Replacement terminalEntry in the licence file:ReplacementEnabled=trueIdentifies a replacement terminal.In connection with the communication software B-COMM, the terminal can be easily andcomfortably replaced with a device containing the same hardware when servicing is required.The licence file of the replaced device is automatically adapted during commissioning and in-stalled in the replacement terminal.
Construction and function Technical Manual36 04043552 - 07/2017Terminal 97 004.4 System connectionThis chapter describes the principle of host host connection and applies exclusively to deviceswith B-Client terminal software. For detailed descriptions, please refer to the referencemanual of the terminal software.4.4.1 Communication principleCommunication between the terminal 97 00 and a superior host computer takes place via anEthernet network as standard.Data exchange between the B-Client HR30 terminal software and the customer applicationtakes place via a communication software. The communication software transmits the datarecords collected by the terminals to files or transmits them to the customer application via adefined interface.4.4.2 ParametrizationThe varied functions of the terminal depend in particular on the set parameters. Parametriza-tion allows extensive adaptation to a wide range of applications. During parametrization thecurrently valid parameters are changed and stored in the memory of the terminal. The re-quired parameters are provided by the customer application and transmitted to the terminalin the form of parameter records.4.4.3 AuthorizationsInformation relevant to authorizations are provided by the customer application in the formof personnel master records.All information relating to a certain badge number or group is stored in the master record.The master record contains information on authorizations, time profiles, person-related dis-play texts and the PIN number.Master records can be stored in the terminal. This allows the terminal itself to decide whethera booking is authorized. Whether a booking is authorized, can also be inquired by the host inthe 'online’ operating state. In this case, no master records are required in the terminal. Mas-ter records can be transmitted to the terminal at any time, resulting in the current master re-cord being overwritten. Individual master records can be deleted by the host. Likewise, masterrecords can be requested by the host.The number of master records that can be loaded to the terminal depends on the device hard-ware and on the licensed memory configuration.4.4.4 Data from the terminalAfter a booking, the terminal generates a registration record. The registration records con-tains the information who has booked when at which terminal by pressing which function key.At what time this registration record will be transmitted to the host computer, depends onthe operating state of the terminal.Certain states and events result in the generation of alarm records and status records.
Construction and functionTechnical Manual3704043552 - 07/2017 Terminal 97 004.4.5 Operating states4.4.5.1 OnlineAfter a booking, the terminal carries out the parametrized tests and enters the test result inthe registration data record as error detection. The registration data record is transmitted tothe host. Following this, the terminal expects a logical booking response from the host. Alongwith it, the host communicates to the terminal the decision whether or not the booking is au-thorized.If the terminal does not receive a logical booking response from the host, it will switch to theoffline operating state and decide itself based on the parametrized tests whether the bookingis authorized. As soon as the host can be reached again, all data records saved in the mean-time in offline will be transmitted to the host. Then the terminal automatically switches againto the online operating state.4.4.5.2 OfflineAfter a booking, the terminal carries out the parametrized tests and decides immediatelywhether or not the booking was authorized by sending an internal booking response. Depend-ing on the parametrization, registration records are stored in the terminal. As soon as thehost can be reached, all data records saved since the last transmission will be transmitted tothe host.4.4.5.3 AutonomousAfter a booking, the terminal carries out the parametrized tests and decides immediatelywhether or not the booking was authorized by sending an internal booking response. Depend-ing on the parametrization, registration records of authorized and unauthorized bookings arestored in the terminal.If the host can be reached, any error and alarm records that may be available will be trans-mitted to the host.The saved registration data records are transmitted to the host on request together with aspecial data record.4.4.6 Devices with biometric readerBiometric softwareWhen communicating via B-COMM, the program package B-COMM - Biometrics option is re-quired for managing and distributing the finger templates.Communication with the Finger Template Control Service (FTCS) of the biometrics softwaretakes place via Ethernet/UDP and a separate channel.When connected to HTTP/HTTPS-based applications, the distribution of the finger templatesalso takes place via the HTTP/HTTPS host channel.Standalone modeAlternatively, operation without a biometric host is also possible. In this ‘Standalone mode’, allfingerprints of persons must be registered by the reader of the terminal. In this case, the fin-ger templates are only saved in the reader’s internal database. If they get lost, all personshave to be registered again at the terminal.This is why the Standalone mode without biometric software is only recommended for verysmall solutions (max. 20 persons).
Construction and function Technical Manual38 04043552 - 07/2017Terminal 97 004.5 Authentication typesDevices equipped with biometric reader can be operated in 5 authentication modes. Modes 2to 5 require an additional RFID reader.4.5.1 Mode 1: IdentificationMode 1 is the typical biometric identificationThe biometric features of all persons authorized to book are registered by an enrollment sta-tion and distributed to the individual readers.During a booking the fingerprint of the person is registered. The biometric features are com-pared to the data records If a matching reference data record is found, the person has beenidentified. The associated ID is sent in the registration data record to the superior access con-trol manager.4.5.2 Mode 2: VerificationMode 2 is a verification based on time profiles. The person's biometric data is stored on theRFID badge, which is used for verification.First, a person books using the RFID badge. The ID segment and the biometric segment areread. The master record and biometric time profile check shows whether a biometric verifica-tion is required.If a verification is required, the biometric reader is activated. This is the request for the personto put on the finger. The registered biometric features are now compared to the data saved inthe biometric segment. If the features of the fingerprint are identical, the booking is valid.4.5.3 Mode 3: Verification (ID)Mode 3 is a verification based on time profiles of two identification features. The ID of theRFID badge is compared to the ID of biometric identification.First, a person books using the RFID badge. The ID segment is read.The master record and biometric time profile check shows whether an additional biometricidentification is carried out.If a biometric identification is required, the biometric reader is activated. This is the requestfor the person to put on the finger. The biometric features are compared to the data recordsof the reader's internal database. If the matching reference data record is found, the two IDsare compared. If the IDs are identical, the booking is valid.4.5.4 Mode 4: Combination of modes 1 and 2Mode 4 allows parallel use of biometric identification and biometric verification based on timeprofiles. A maximum of 5000 persons can be authenticated per identification. If this capacityis insufficient, further persons can be authenticated by verification.4.5.5 Mode 5: Combination of modes 2 and 3Mode 5 allows parallel use of verification based on time profiles and verification (ID). This al-lows parallel operation of RFID badges with and without biometric segment.
Construction and functionTechnical Manual3904043552 - 07/2017 Terminal 97 004.5.6 Alternative types of authenticationFor people with less defined biometric characteristics an alternative way of authenticationcan be enabled. This is made possible by storing a biometric identification in the personnelmaster record, see reference manual of the terminal software.The following options are possible instead of biometric identification:• Entry of the ID on the keypad (only mode 1)• Entry of the ID via the RFID badge4.5.7 Additional PIN entryA PIN entry via the keypad can be requested via the time profile for all types of authentication(see reference manual of the B-Client terminal software).In order to increase security, an additional PIN should be requested, following the alternativeentry of the ID number.
Construction and function Technical Manual40 04043552 - 07/2017Terminal 97 004.6 CardLinkPrincipleMechatronic CardLink components, i.e. passage ways without connection to a physical net-work, are generated and configured together with the online components in a central system.All authorizations can be managed and assigned in a common access profile.The access rights are stored on the user medium.Each user medium must be validated at regular intervals at an online reader. If certain condi-tions (entry-access authorization, participation in CardLink) are met, a type of validity stampis written onto the medium. Access is only granted on the CardLink component (4) if the cor-responding entry-access authorizations are available and the validation is correct. Thanks tothis mechanism, a user medium registered as lost is either actively locked (withdrawal of thevalidation) or loses its authorization automatically after validation expires.Commissioning of the CardLink componentsCardLink components can be digital locking cylinders (actuators), cabinet locks, registrationunits/readers/terminals, etc.The Kaba programmer is the link between the system and the standalone component.The Kaba programmer is used to transmit all basic parametrizations manually to the Card-Link components: Generally, the following initialization data are transferred to the CardLinkcomponent: Management area number, door number, time zones, validity period of the valid-ation and component name.Writing authorization profiles to a badge for the first timeWith the help of the software, the authorization profiles for employees, visitors, outside com-panies, etc. are defined and written once to a segment of the badge, for example using an au-thorization reader.Validation functionDuring validation a new ‘time stamp’ is stored on the badge, while the authorization profilesremain unchanged. Within the time stamp, the badge user can enter certain areas and passthrough doors in accordance with his authorization profiles. The ‘time stamp’ can be writtenon the badge using an authorization reader or a CardLink-capable terminal. After the timewindow has expired, the authorization becomes void.Update functionAn update is carried out whenever authorization profiles on a badge undergo changes. This isthe case, for example, when an employee changes in-house to a new area of responsibility andtherefore receives other authorizations for doors, rooms, etc. Upon holding her badge in frontof the time and attendance terminal and pressing the update key, the new authorization pro-files will be written to the badge. The employee can now move freely in the building inside theenabled areas and within the stored time zones.MediaThe following badge technologies are supported:CardLink Version 1.0 LEGIC primeCardLink Version 1.1 LEGIC advant, MIFARE Classic and MIFARE DESFire
InstallationTechnical Manual4104043552 - 07/2017 Terminal 97 005 Installation5.1 Installation conditions5.1.1 GeneralAn accurate installation of all components is a basic requirement for a properly functioningdevice. The following installation instructions must be adhered to.5.1.2 Installation siteDistancesRFID fields which are close together can influence one another, thereby reducing the readingand writing distances. An all-round clearance of 20 cm must be maintained between twodevices with RFID readers.Mounting heightRecommended mounting height 140 cm to the top edge of the terminal.Electromagnetic fieldsDo not install the device in the vicinity of strong electromagnetic fields caused, for example,by switched-mode power supplies, electric power lines, phase control etc. Electromagneticfields can adversely affect read performance or cause malfunctions, especially in the case ofcontactless RFID readers.Electromagnetic fields may impair the touch screen functions.Sun irradiationDirect sun irradiation leads to reflections within the display area (resulting in poor readabilityof the display.)Direct sun irradiation may impair the function of the biometric reader.Direct sun irradiation may impair the function of the proximity sensors.Avoid installation at places with direct sun irradiation.5.1.3 ConnectionsThe following connectors must have been prepared at the installation site of the terminal:• Power supply for the terminal• Ethernet network (in case of host communication via Ethernet)• Signal lines to inputs/outputs (optional).
Installation Technical Manual42 04043552 - 07/2017Terminal 97 005.1.4 Power supply5.1.4.1 PoE power supplyFor PoE power supply [}3.2.6], a PSE (Power Sourcing Equipment) must be provided on thenetwork cable for power feeding.Possible methods for feeding the power supply via the PSE:• End span (direct supply, e.g. via PoE switch)• Midspan (supply via intermediate sources, e.g. PoE injector)5.1.4.2 24 V DC power supplyDevices with docking station equipped with BEX121 motherboard. It has a 24 V DC input withovervoltage protection and transient filter for supplying power to the terminal.Only power supply units that fulfil the following requirements may be used for power supply:LPS (Limited Power Source) and SELV (Safety Extra Low Voltage) in accordance with IEC/EN/UL/CSA 60950-1 or ES1 and PS2 in accordance with IEC/EN/UL/CSA 62368-1.5.1.4.3 Mains voltage supplyOnly devices with docking station equipped with BEX120 motherboard. It has a 100-240 V ACmains voltage input and an integrated limited power source power supply unit (LPS).The mains voltage supply can be designed as stationary wiring or as separable connection.For the terminal, a separate fuse-protected circuit must be provided. If the mains voltagesupply is designed as a separable connection, the following applies:• The mains socket with grounded contact must be in the immediate vicinity of the device.• The mains plug must be freely accessible.If the mains voltage supply is designed as stationary wiring, the following applies:• An easily accessible circuit breaker must be provided.• The circuit breaker (LS) must be designed for max. 10 A.• The electrical system of the building must be equipped with an all-pole supply circuitswitch.
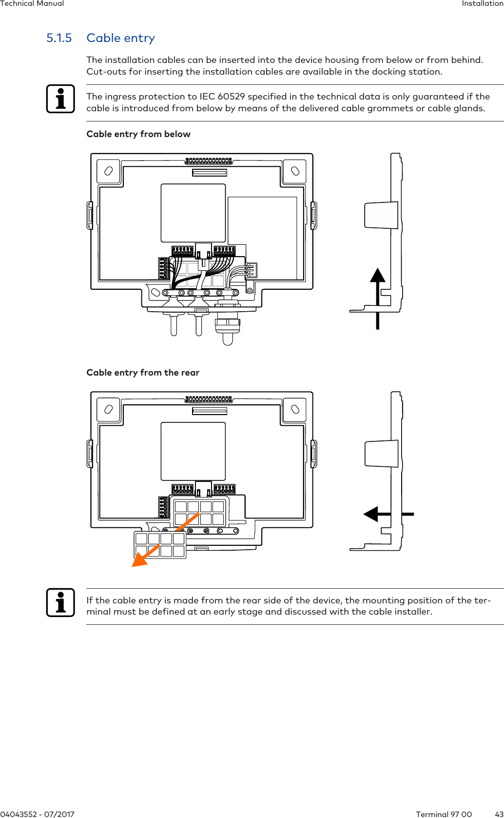
InstallationTechnical Manual4304043552 - 07/2017 Terminal 97 005.1.5 Cable entryThe installation cables can be inserted into the device housing from below or from behind.Cut-outs for inserting the installation cables are available in the docking station.The ingress protection to IEC 60529 specified in the technical data is only guaranteed if thecable is introduced from below by means of the delivered cable grommets or cable glands.Cable entry from belowCable entry from the rearIf the cable entry is made from the rear side of the device, the mounting position of the ter-minal must be defined at an early stage and discussed with the cable installer.
Installation Technical Manual44 04043552 - 07/2017Terminal 97 005.2 Installation lines5.2.1 24 V DC power supplyA 3-wire cable is required for supplying power to the terminal (+24 V/0 V/ground wire).The housing of the terminal must be connected to earth. Therefore, the ground wire must becarried from the power supply to the terminal.The terminal is designed for the following max. wire sizes:Diameter (Ø): 2.7 mmCross-section: 2.5 mm2AWG number: 12In case of long lines, the voltage drop due to line resistance will have to be taken into account.5.2.2 Mains voltage supplyA 3-wire cable is required for the mains voltage supply (phase/zero/protective conductor).The terminal is designed for the following max. wire sizes:Diameter (Ø): 2.7 mmCross-section: 2.5 mm2AWG number: 125.2.3 EthernetNetwork cable with RJ45 plug, line requirement: CAT.5 S-UTP 4 x 2 AWG 24 oder AWG 22 (ac-cording to EIA/TIA568) or higher quality.5.2.4 Inputs/OutputsThe terminals for the signal lines are designed for the following max. wire sizes:Diameter (Ø): 0.3 – 1.4 mmCross-section: 0.08 – 1 mm2AWG number: 28 - 16Recommended cable:CAT.5 S-UTP 4 x 2 AWG 24 or AWG 22 (according to EIA/TIA568) or higher.
InstallationTechnical Manual4504043552 - 07/2017 Terminal 97 005.3 Fastening the docking station   First make the required cut-outs for introducing the installation line(s). Introduce the install-ation lines from below or from the rear.Fastening the docking station, dimensions in mm. The docking station is mounted directly to the wall using screws/dowels. There are three ovalfastening holes(1) in the docking station for fastening.Fastening material (included in the delivery):• 3 wood screws Ø 4.5 x 35 (2)• 3 washers (3)• 3 dowels 6 mm (4)The washers (3) cover the fastening hole (1) completely after tightening the screw. The de-livered washers must also be used if you use other fastening screws (depending on themounting surface).In case of soft mounting surfaces, make sure that the housing is not pressed into the surfacewhen mounting it.The unevenness of the mounting surface may not exceed 0.5 mm. The unevenness of themounting surface may have to be compensated for or adjusted by means of suitable meas-ures (e.g. washers).If the mounting surface is not even, we recommend using the mounting plate (5). It is placedbetween the wall and the docking station. The relatively rigid mounting plate avoids mechan-ical distortion of the docking station.The mounting plate is available as accessory under the order number 04043450.
Installation Technical Manual46 04043552 - 07/2017Terminal 97 005.4 ConnectionsEstablish connections in de-energized state only!5.4.1 Connecting the network cable  The Ethernet connection (RJ45 socket) is located on the rear of the terminal housing.The network cable should protrude approx. 15 to max. 18 cm from the wall so that the dis-tance between docking station and terminal housing is enough to easily plug in the networkconnector.The network cable is then stored in a loop in the pocket on the rear of the terminal housing.5.4.2 Connecting the mains voltageOnly devices with BEX120 motherboard!üInstallations at the mains voltage may only be executed by a trained electrical specialist.üThe mains line is de-energized.1. Connect the mains line to the terminal.2. Secure the N and L wires with a cable binder (1).
InstallationTechnical Manual4704043552 - 07/2017 Terminal 97 005.4.3 Mains fusesOnly devices with BEX120 motherboard!The mains fuses are located under the sheet metal cover (1). Remove the cover in the follow-ing way:üThe mains power supply is off.1. Unscrew the screw (2), TORX T10.2. Unscrew the M4 nut (3) using a wrench with size 7.3. Push the sheet metal cover (1) slightly upwards (unhinge it) and remove itThe mains voltage is secured with fuses on 2 poles.The fuses (4) are of the plug-in type and can be easily replaced.4 = 2x subminiature fuse (radial) T 1.0 A/250 V, order number 04037221The fuses may only be replaced with fuses of the same type.
Installation Technical Manual48 04043552 - 07/2017Terminal 97 005.4.4 Connecting 24 V DC power supplyOnly devices with BEX121 motherboard!For the power supply of the device, use only power supply units that fulfil the requirements toEN60950-1:2006 as limited power source.Connect the 24 V DC power supply and the ground wire to the terminal (1).Fuses for the 24 V DC power supplyThe 24 V DC power supply is secured with fuses on 2 poles. The fuses (2) are of the plug-intype and can be easily replaced.2 = SMD fuse T 1.0 A/125 V, order number 04036925The fuses may only be replaced with fuses of the same type.
InstallationTechnical Manual4904043552 - 07/2017 Terminal 97 005.4.5 Digital inputsOnly devices with optional motherboard and B-Client HR30 ‘Door control’ software option.4 digital inputs are available. The inputs can be used for a door opener key, access control or acustomized application.Assignment of inputs E1 to E4 depends on the configuration.The inputs can be controlled by a simple switch or a relay contact. The corresponding input isconnected to common ground. An open input is recognized as ‘high’ due to the internal pull-upresistor. Ground potential equals ‘low’.LevelHigh = + 4.5 V to + 30 V or open Low = - 30 V to + 1.5 V Assignment/switching conditions (B-Client HR30)Input Function Open/High Ground/LowE1 Door frame contact Door open Idle stateE2 Door-opener push but-tonIdle state Door opens (relay 2)E3 Block terminal Idle state Terminal blocksE4 - - -Principle
Installation Technical Manual50 04043552 - 07/2017Terminal 97 005.4.6 Relay outputsOnly devices with optional motherboard and B-Client HR30 ‘Door control’ software option.Two potential-free relay outputs with one change-over contact each are available.Contact loading capacity: 30 V AC/DC; max. 2 AThe function and assignment of relays 1 + 2 depend on the settings of the terminal software.For inductive loads that are supplied with direct current, the included diode (a freewheelingdiode) must be connected parallel to the load to suppress interference. Make sure that the di-ode is connected in reverse-bias direction. When using an AC voltage power supply, the in-cluded varistor type S10K30 must be connected in parallel.The diode or varistor must be connected directly to the load and must not be fitted in the ter-minal.
InstallationTechnical Manual5104043552 - 07/2017 Terminal 97 005.4.7 Connecting an external readerOnly devices with optional motherboard!An additional external reader, for example a CCD barcode scanner, can be connected to thedevice.The reader can be connected to the COM4 port of the device. Further hardware and softwareoptions are not required.To ensure correct function, the reader must be configured and activated via the Service inter-face [}6.5] or the Kaba test program [}6.4.2].1 RJ45 connection for reader with RS-232C levels. The barcode scanners provided by Kaba as accessories work with RS232C levels.2 Fuse for the power supply of the external reader, SMD fuse T375 mA, order number 04107874Assignment of the RJ45 socket (1)181 5 V DC; max. 300 mA 5 TxD (of the reader)2 - 6 -3 GND 7 -4 - 8 -Hardware handshake is not supported, no transmission delay for scanner data, communica-tion parameters: 9600, 8, N, 1 (can be set).Power supply for the readerThe power supply of the external reader can take place via the 5 V DC of the RJ45 socket. Themaximum allowed current is 300 mA.
Installation Technical Manual52 04043552 - 07/2017Terminal 97 005.5 Uninterruptible power supply UPS510The device may optionally be equipped with the uninterruptible power supply UPS510. TheUPS510 is snapped into place on the rear side of the terminal housing. The UPS510 can be ret-rofitted at any time.Inserting UPS510 To hold the UPS510, a recess is located on the rear of the terminal. The contact is located inthe upper part.1. Slide the UPS510 with the contact on the underside forward into the recess as far as itwill go.2. Press the lower part of the UPS510 against the terminal until the holder locks into place.Removing UPS5101. Unlock USSV510 by pressing the detent lever towards the UPS.2. Extract the lower part of the UPS510 and then pull it downwards and remove it.
InstallationTechnical Manual5304043552 - 07/2017 Terminal 97 005.6 Fasten the terminal housing to the docking station.NOTICEFor safety reasons (device safety and personal protection), the electronic components andconnections in the docking station may not be openly accessible.Therefore, the terminal must be installed directly after the docking station if you use deviceswith optional motherboard in the docking station.For devices with docking station without motherboard (PoE), the terminal housing may alsobe installed later on.Fasten the terminal housing (1) as follows to the docking station (2):1. Plug the network cable into the RJ45 socket on the rear of the terminal housing and laythe cable in a loop in the pocket on the rear of the terminal housing.2. Push the terminal housing (1) into the docking station (2) until the lateral tabs (3) lock intoplace. Make sure that the terminal housing does not get jammed!3. Secure the terminal housing on the docking station with the safety screw M4x10 TORX-TR(3). This requires a SoftFinish® TORX® T20H screwdriver with a bore in the tip for TORX®screws with locking pin.Only devices with optional ‘screw-in wall-mounted version’.1. Screw countersunk screws (4) into the tabs. This requires a TORX® T8 screwdriver.
Commissioning Technical Manual54 04043552 - 07/2017Terminal 97 006 Commissioning6.1 Network requirementsStart-up and communication in regular operation are done via an Ethernet network.To guarantee unhindered and trouble-free data traffic, the UDP ports used for communica-tion must have been enabled.The firewall configuration must therefore be adapted accordingly.6.1.1 CommunicationThe UDP port used for communication between B-COMM and the terminal must have beenenabled.The UDP port is in the range from 7700 hex. to 77EF hex. (30464 dec. to 30703 dec.), depend-ing on configuration.6.1.2 Comparing finger templatesDevices equipped with a biometric CBM reader require another UDP port for exchanging bio-metric data.The UDP port used for the FTCS or BCFTC stream must have been enabled.The UDP port is in the range from 7800 hex. to 78EF hex. (30720 dec. to 30959 dec.), depend-ing on configuration.6.1.3 Automatic registration via B-COMMThe network must have been equipped with a working DHCP server.It must be possible to transfer UDP data packages unhindered to the B-COMM server.• IP address 239.255.255.250, UDP port 1900 dec. and UDP port 7900 (30976dec.) musthave been enabled.• The SSDP service has to be enabled in the Windows service management.• The SFTP connection via the standard port 22 must have been enabled.
CommissioningTechnical Manual5504043552 - 07/2017 Terminal 97 006.2 Automatic registration via B-COMMStart-up of the terminal takes place largely automatically in connection with the communica-tion software B-COMM.The device is preset at the factory for automatic registration via B-COMM.For communication via WLAN, the connection must have been previously set up and activ-ated. This is done via the system settings.System requirements• B-COMM communication software version 4.0 and higher.• Network with a working DHCP server.Start-up procedure1. Connect the power supply for the device.ðAfter booting, the device cyclically reports to the B-COMMs active in the network.ðAt this point, until start-up by a B-COMM is complete, the message ‘Waiting for registration’ is displayed on the dis-play.ðOnce the device is detected by B-COMM, the relevant data that identifies the devicewill be queried.ðIf the device is not known, it will be entered in B-COMM under the B-COMM Terminal Discovery client under BCTDS (Terminal Discovery Stream).2. Add device in B-COMM to the desired communication channel.3. Provide device with the appropriate communication parameters.ðAfter having assigned the device permanently to B-COMM, B-COMM first updatesthe settings of the device and then makes a backup of the settings together with the'sop.ini’ licence file.ðThe device now reports to the B-COMMs active in the network that registration hasbeen carried out, after which the device will be removed again from the BCTDSstream by the other B-COMMS.4. Load specific parameters and master records to the device.ðThe terminal software is restarted automatically. After that, the device is ready-to-oper-ate.6.2.1 Cancelling automatic registrationAutomatic registration via B-COMM can be cancelled, in order to perform settings, for ex-ample, manually.üThe device is waiting for registration by B-COMM. The message ‘Waiting for registration’is shown on the display.1. Touch the Back icon   in the navigation bar.2. Confirm cancellation.ðCancellation takes place after no more than 10 seconds, followed by starting the terminalsoftware.The device can be reset to the registration mode via the Service Interface.
Commissioning Technical Manual56 04043552 - 07/2017Terminal 97 006.3 Manual settingsConfiguration and parameter setting of the terminal are done largely via the B-COMM communication software.Manual settings can be made locally on the device or from a remote location.Settings locally on the device:• Settings via the Service interface [}6.5]• Settings via the Kaba test program [}6.4]• Android system settings [}6.6]Options for making settings from a remote location:• Remote setup [}6.9]• Service Interface [}6.5]Network settingsTo change network settings, for example assignment of a fixed terminal IP address, the fol-lowing options are available:• Locally on the device via Android system settings [}6.6]• Locally on the device via Service interface [}6.5]• Remote via the Service interface [}6.5]Condition: The device must already have an IP address, which must be known.
CommissioningTechnical Manual5704043552 - 07/2017 Terminal 97 006.4 Settings via the Kaba test programThe Kaba test program is in general installed on the device. Apart from various test and infofunctions, the Kaba test program also offers the option to make system-specific settings,such as the configuration of the readers.Loading the settings of the Kaba test programüThe start screen of the Base App [}7.9] is displayed.1. Touch the icon designated ‘TP’.ðThe Kaba test program is started.2. Select ‘Settings’.ðThe settings of the Kaba test program are displayed.6.4.1 Service languageThis function allows you to select the language for service texts and the Kaba test program.6.4.2 Reader settingsConfiguration of the internally and externally connected readers.These reader settings correspond to the device configuration at the time of delivery. The func-tion is usually only required if an external reader is connected at a later stage or if LEGIC isswitched over to MIFARE in connection with an MRD reader.
Commissioning Technical Manual58 04043552 - 07/2017Terminal 97 006.4.2.1 Reader typeDepending on the device, up to three readers can be configured. The reader type connected tothe respective interface is set under ‘Type’. If no reader is available, ‘NONE’ must be set asreader type.Type Supported readersNONE No reader connectedLEGIC_4200 RMs SM-4200 LEGIC advant & SM-4200-M (MRD in LEGICmode)MIFARE Kaba MIFARE (ARIOS security concept)MIFARE_4200 RMs SM-4200-M (MRD in MIFARE mode)BIOMETRIC_CBM Biometric CBM readerHID_ICLASS_SE_PROX HID iCLASS SE / prox readerHID_PROX HID proximity readerHID_ICLASS HID iCLASS readerBARCODE Barcode, CCD barcode scannerMAGNETIC Magnetic swipe, Baltech MIFARE, HitagSPECIAL2 Reader with serial FLI2/FLI3SPECIAL Reader with serial FLITRANSPARENT Special applicationsDevices with MRD reader (multi-reader device)Devices with MRD reader (RMs SM-4200-M) support LEGIC or MIFARE media, depending onthe reader type set.For LEGIC media, the ‘LEGIC_4200’ reader type has been factory-preset.For processing MIFARE media, the reader type must be changed to ‘MIFARE_4200’.LEGIC media are configured in the same way as pure LEGIC readers by means of anSM-4200 chip via the files ‘mediaact.ini’ and ‘mediadef.ini’.MIFARE media are configured in the same way as the predecessor ‘Kaba MIFARE’ via the ‘sys-tem.ini’ file.6.4.2.2 InterfaceTo set the interface the reader is connected to.The device supports up to three readers. Depending on options, the reader assignment of theCOM ports is as follows:First internal reader Second internal reader External readerCOM2 (RFID) - COM4COM2 (substructure reader) - COM4COM2 (RFID) COM1 (substructure reader) COM4COM1 (CBM) - COM4COM1 (CBM) COM2 (RFID) COM4COM1 (CBM) COM2 (substructure reader) COM4
CommissioningTechnical Manual5904043552 - 07/2017 Terminal 97 006.4.2.3 Guard timeThe guard time is used to avoid accidental double bookings. After a booking, the next badgewill not be read until the guard time has expired.The time is given in ms. Presetting = 2000 ms.
Commissioning Technical Manual60 04043552 - 07/2017Terminal 97 006.5 Service InterfaceThe service interface provides the functions that are required for start-up, maintenance, anddiagnostics of the device.Operation and a detailed description of the service functions can be found in the followingdocumentation:• Service Interface reference manual6.5.1 Remote accessThe service interface is provided by the web server integrated into the device. Access takesplace via the network connection of the device, either directly or via the network. For directconnection, an Ethernet cross-over cable (crossed RJ-45 cable) or an Ethernet patch cable 1:1can be used (Auto MDIX).The service interface can be accessed from a service PC via a web browser by typing thedevice IP address into the address box.
CommissioningTechnical Manual6104043552 - 07/2017 Terminal 97 006.5.2 Accessing the service interface locally from the B-Client HR30terminal software.Access the service interface from the B-Client HR30 terminal softwareüB-Client HR30 terminal software has been started [}7.9.1] and is in the Basic view.1. Touch the Back icon   in the navigation bar [}7.4].By default, the actuating time is 4 seconds, but can be adjusted to between 1 and 15seconds.ðAfter the set actuating time has expired, the password prompt appears.2. Enter a password or leave the field empty if no password has been stored.NOTE: No password has been stored for the device in its delivery state. A password can beassigned using the parameter records X02/X12. See reference manual of the terminalsoftware.3. Press ‘OK’ to confirm.NOTICE! Three invalid password entries will lock the dialog. It must then be unlocked viathe parameter record I2.4. Select ‘Settings’.ðThe start page of the service interface appears on the display.Without any touch interaction, the service interface will be automatically closed again after 3minutes.
Commissioning Technical Manual62 04043552 - 07/2017Terminal 97 006.5.3 Accessing the service interface locally from the BaseAppAccess the service interface from the BaseApp.üThe start screen of the Base App is displayed.1. Touch the Back icon   in the navigation bar [}7.4].ðA menu appears in the lower display area2. Touch ‘Preferences’ðA BaseApp function selection is displayed.3. Touch 'Launch Service Interface' under Service Interface.ðThe start page of the service interface appears on the display.Without any touch interaction, the service interface will be automatically closed again after 3minutes.
CommissioningTechnical Manual6304043552 - 07/2017 Terminal 97 006.6 Android system settingsSystem-specific settings, connection settings, such as assignment of a fixed IP address, canbe made via the android system settings.Access the android system settingsüThe start screen of the Base App is displayed.1. Touch the ‘Settings’ application.ðThe main menu of the android system settings is displayed.
Commissioning Technical Manual64 04043552 - 07/2017Terminal 97 006.6.1 Network settingsOpen the Ethernet menu:üThe main menu of the android system settings is displayed.1. Select ‘Ethernet’ under ‘Wireless & networks’.ðThe menu containing the Ethernet functions is displayed.6.6.1.1 Displaying the current network configurationüThe menu containing the Ethernet functions is displayed.1. Select ‘Ethernet connection details’.ðThe current network configuration is displayed.Example:
CommissioningTechnical Manual6504043552 - 07/2017 Terminal 97 006.6.1.2 Adjusting the Ethernet settingsüThe menu containing the Ethernet functions is displayed.1. Select ‘Ethernet - configure Ethernet devices’ðThe Ethernet settings are displayedRequesting an IP address from the DHCP server1. Activate ‘DHCP’.2. Apply setting by pressing ‘Save’ and leave the function.Static IP configuration1. Activate ‘Static IP’.2. Enter network parameters.3. Apply setting by pressing ‘Save’ and leave the function.
Commissioning Technical Manual66 04043552 - 07/2017Terminal 97 006.6.1.3 Network securityThe terminal supports the following authentication procedure for access controls to the localnetwork:• EAP (Extensible Authentication Protocol) according to IEEE 802.1x• EAP type MD5 with identity and passwordConfiguration of IEEE 802.1x authenticationüThe menu containing the Ethernet functions is displayed.1. Select ‘Configure network authentication IEEE 802.1x’ under ‘Security’.2. Select EAP method (MD5), enter identity and password.3. Touch ‘Start’
CommissioningTechnical Manual6704043552 - 07/2017 Terminal 97 006.6.2 Settings for adjustment to the environmentDisplay brightnessThe display brightness can be adjusted as follows:üThe main menu of the android system settings is displayed.1. Select ‘Display‘ under ‘Device’.ðThe display functions are displayed.2. Select ‘Brightness level’.3. Use the slide control to set the desired brightness.Sleep settingAfter a defined time without user activity, the display brightness is automatically reduced.The time until this sleep mode is initiated can be set in a range between 15 seconds and onehour. The sleep mode can also be deactivated.The sleep setting can be adjusted as follows:üThe main menu of the android system settings is displayed.1. Select ‘Display‘ under ‘Device’.ðThe display functions are displayed.2. Select ‘Sleep’.3. Select desired time or deactivate function (Never).The sleep mode is finished when the internal motion sensor detects a person or any user activ-ity takes place at the device.Volume settingThe volume for the acoustic operator guidance via the system loudspeaker can be adjusted asfollows:üThe main menu of the android system settings is displayed.1. Select ‘Sound & notification’ under ‘Device’.ðThe sound settings are displayed.2. Use the ‘Media volume’ slide control to set the desired volume.
Commissioning Technical Manual68 04043552 - 07/2017Terminal 97 006.7 Reader initializationSome RFID readers must be initialized during initial start-up.6.7.1 LEGICLEGIC readers require a reader launch in certain cases:• If a read-protected segment is to be used.• If writing to a write-protected segment is to be done, for example during a CardLink ap-plication.Reader launchüThe reader launch requires an SAM 63 card (security card C2) containing the correspond-ing segment area.1. Hold the SAM 63 card in front of the reader if the device expects an RFID input in normaloperation.ðThe start of the sequence is confirmed by means of an acoustic signal.ðThree successive acoustic signals are output if the process cannot be executed, for ex-ample if the reader has already been launched.2. The SAM 63 card must be present uninterruptedly in the reading area for about 15-20seconds.ðAfter a successful launch, 3 short acoustic signals are output.ðEight successive signals are output when an error occurs.3. Remove the SAM 63 card from the field.Reader delaunchüThe reader is delaunched using an SAM 64 card.1. Hold the SAM 64 card in front of the reader if the device expects an RFID input in normaloperation.ðThe start of the sequence is confirmed by means of an acoustic signal.ðThree successive acoustic signals are output if the process cannot be executed, for ex-ample if the reader has already been launched.2. The SAM 64 card must be present uninterruptedly in the reading area for about 15-20seconds.ðAfter a successful delaunch, 3 short acoustic signals are output.ðEight successive signals are output when an error occurs.3. Remove the SAM 64 card from the field.
CommissioningTechnical Manual6904043552 - 07/2017 Terminal 97 006.7.2 MIFARE (ARIOS)In systems with ARIOS security concept, the site key must be distributed to the individualreaders.The site key can be distributed in two ways.• Site key distribution via B-COMM.• Site key distribution via programming master A or B.For details, please refer to the reference manual of the terminal software.6.7.3 MIFARE (Baltech)The MIFARE reader must be activated by a MIFARE configuration card:1. Turn off the device.2. Turn on the device.3. Hold the MIFARE configuration card in front of the reader for about 10 seconds.
Commissioning Technical Manual70 04043552 - 07/2017Terminal 97 006.8 SFTP serverThe device provides an SFTP server for a secure, encrypted connection via the 'Secure FileTransfer Protocol’ (SFTP).6.8.1 PreconditionsFor SFTP access to the terminal, the following is required:• SFTP client, for example WinSCP. WinSCP (Windows Secure CoPy) is a free 'open source’SFTP and FTP client for Microsoft Windows.• Kaba key file. The standard key file is available for download on the Internet at the Kabasite in the secured area (Extranet).• The SFTP connection via the standard port 22 must have been enabled.6.8.2 Establishing an SFTP connectionAfter installation and start of the SFTP client, the login window appears.Required settings:File protocol: SFTPHost name: <IP address> e.g. 10.10.11.79Port number: 22User name: rootPassword: leave blankPrivate key file: Select key file on local computer.1. Make the following entries and settings2. Click “Login” .3. Enter pass phrase. Pass phrase for standard key = kaba
CommissioningTechnical Manual7104043552 - 07/2017 Terminal 97 004. Click "OK" ðThe connection to the terminal is being established.6.8.3 Information on the key fileThe device is equipped with a standard key file ex works.It can be replaced with an adjusted customized key file via the function 'SSH key replacement’of the B-COMM communication software.The SSH key can be reset to standard via the service interface or the BaseApp settings locallyon the device.
Commissioning Technical Manual72 04043552 - 07/2017Terminal 97 006.8.4 Important directories and filesPath: /data/data/com.kaba.apps.hr/files/Directory File DescriptionEEPROMsetting Parameter used for the system startdiagnosis statisticsHR.dat Statisticsinit application.ini Settings of the B-Client terminal softwareb-client_xml.ini HTTP/HTTPS/XML function parametersencoding.ini Definition of special charactersinterface.ini B-Client terminal software designlabelinfo.ini Info textssop.ini Software licence filetext.ini Texts for dynamic listsSSL root.pem HTTPS certificatesroot.crttransfer record.dat Transfer directory for control files, see chapter6.9input.cmdreboot.cmdPath: /data/data/com.kaba.apps.ba/files/Directory File Descriptiondiagnosis debug.err Error logfiledebug.log System logfiledebug.bak Backup of debug.loginit communication.ini Communication settingsdebug.ini Logging settingsmediaact.ini Settings for LEGIC 4200 readermediadef.inisystem.ini System settingsterminal.ini Terminal settings
CommissioningTechnical Manual7304043552 - 07/2017 Terminal 97 006.9 Remote setupThe following settings can also be transferred to the device via SFTP [}6.8]:• Host configuration• FTCS host configuration• Reader settingsThis type of start-up should only be carried out by experienced system specialists.Procedure:1. Establish SFTP connection to the device.2. Load the following file in ASCII mode to the local computer: /data/data/com.kaba.apps.hr/files/EEPROMsettingThis file contains the parameter used for the last start.3. Rename file to reboot.cmd.4. Adjust the parameter values in the file accordingly.NOTE: Changes in the sections [General] and [Ethernet] will not be applied!5. Enter ‘RESET’ in the first line of the file. Example:RESET [Ethernet] MAC Addr=00:07:cc:00:62:e4 Terminal Addr=10.10.5.85...6. Copy the reboot.cmd file to the following directory on the device: /data/data/com.kaba.apps.hr/files/transfer/ðThe file will be identified within approx. 15 seconds and the parameter values will be ap-plied.ðThe terminal software is then restarted with the changed settings.
Operation Technical Manual74 04043552 - 07/2017Terminal 97 007 Operation7.1 Operating elements1 Display and touch screen2 Reader window for finger placement (only devices with optional biometric reader)3 Entry field for RFID media (only devices with optional RFID reader)4 Card swipe (only devices with optional swipe reader in substructure housing)7.2 DisplayFor displaying the user interface and outputting specific information, a 7” colour TFT display isused.7.3 Touch screenThe device has a 7” touch screen, which extends over the entire display surface. The touchscreen is operated by touching the glass surface with a finger.
OperationTechnical Manual7504043552 - 07/2017 Terminal 97 007.4 Navigation keysBy wiping from the right display edge to the left, the navigation bar is displayed. The naviga-tion bar contains the android navigation keys. Upon touching the individual symbols, the following functions will be executed:Upon touching the individual symbols, the following functions will be executed:HomeUpon touching the Home symbol, the desktop view (start screen) of the device opens. Sincethe android is capable of multitasking, active programs keep running in the background.SearchUpon touching the search symbol, the search function for each active program is displayed.MenuUpon touching the menu symbol, a menu is displayed whose options refer to the current pro-gram or the current screen display.BackUpon touching the Back icon, it is possible to return to the display view shown last in eachcase, i.e., for example, from the submenu to the main menu.When the system is expecting an input, a virtual keypad is shown on the display. In this inputmode, the Back icon points downwards. Upon touching the Back icon, the input mode is fin-ished, and the virtual keypad disappears.The Home key and Search key are without function within the B-Client terminal software,test program and BaseApp.
Operation Technical Manual76 04043552 - 07/2017Terminal 97 007.5 RFID readerContact-free media are simply held in front of the entry field of the RFID reader on the ter-minal.The reading process, in particular in connection with biometric verification or CardLink, cantake several seconds. RFIDDo not remove the RFID medium from the input field until success-ful read-in has been signalled.7.6 Biometric readerThe biometric reader is ready as soon as the reading window is lit.The finger must be placed in the centre of the reading window of the biometric reader.After a valid booking, a short acoustic signal can be heard.Finger positionOnly if finger position and pressure on the reader window are optimal, is a correct fingerprintread-in ensured.• The finger has to be slightly humid.• The finger has to be gently pressed onto the window.• The fingerprint has to be in the centre of the reader window.
OperationTechnical Manual7704043552 - 07/2017 Terminal 97 007.7 Swipe readerSwiftly swipe magnetic-stripe badges and barcode badges through the reading bar in any dir-ection.The magnetic stripe is on the back of the badge, pointing towards the scanning unit.The barcode is on the front of the badge, pointing towards the scanning unit.In connection with magnetic-stripe badges, automatic detection of the booking direction ispossible.This function must be enabled by settings in the terminal software.Thus, for example, swiping from left to right can generate an IN booking and swiping fromright to left an OUT booking.
Operation Technical Manual78 04043552 - 07/2017Terminal 97 007.8 Symbols for user guidanceThe following standard symbols are available to the terminal software for user guidance. Thesymbols are part of the BaseApp.Display contents, functions and operating sequences depend on the terminal software set-tings.7.8.1 Function keysIN Production data collectionOUT CardLinkOfficial absence CafeteriaBreak Kiosk 1Query Kiosk 2Time query Logfile 1Access 1 Logfile 2Access 2 Logfile 3Visitor registration Additional settingsCloud NewsRoom reservation Shift schedule
OperationTechnical Manual7904043552 - 07/2017 Terminal 97 00Briefing Master recordsSpecial function Time and attendance 1Holiday Time and attendance 2Survey Time and attendance 3NFC Biometrics7.8.2 Input promptThe following symbols signal to the operator what entry is currently expected.Badge entry via RFID reader orswipe reader expected.Finger entry via biometric readerexpected.Entry of an RFID badge with bio-metric segment for biometricverification expected.ID or PIN entry expected.If the system configuration alternatively allows for several entries, symbols with several pos-sible entry types are displayed, for example:Finger entry or badge entry orentry via keypad expected.Finger entry or entry via keypadexpected.
Operation Technical Manual80 04043552 - 07/2017Terminal 97 007.8.3 Error statesThe following symbols signal to the operator error states during a bookingInvalid biometric verificationFingerprint is not identical to the finger template on the badge or finger tem-plate does not exist.Invalid biometric verificationNo biometric segment on badge detected or error while reading finger tem-plate.Invalid biometric identificationThe database of the CBM reader does not contain any finger templates (data-base empty).Invalid biometric identificationFinger not contained in databaseReading error7.8.4 CardLinkWhen using the optional CardLink function, the following symbols are relevant.A CardLink update is available.During a CardLink validation or CardLink update, an error has occurred.
OperationTechnical Manual8104043552 - 07/2017 Terminal 97 007.8.5 Finger entryWhile the fingerprint is read in, the user is guided event-driven by the biometric reader.The following symbols are displayed to signal the error states to the user.Place finger more to the left.Place finger more to the right.Place finger more to the top.Place finger more to the bottom.Press finger more strongly.Latent fingerClean reading window of the biometric readerThe database of the CBM reader does not contain any finger templates(database empty).This state is displayed immediately after enabling the reader.
Operation Technical Manual82 04043552 - 07/2017Terminal 97 007.9 BaseAppThe BaseApp is the user interface shown after closing an application.The BaseApp essentially performs the following functions:• Protection of the operating system from unauthorized access (system isolation).• Only controlled access to the operating system is possible.• Organization and start-up of applications (apps).• Provision of functions and interfaces for access to the hardware.7.9.1 Starting the applicationOn the start screen of the BaseApp, the applications (apps) available to the user are shown inthe form of symbols (icons).Depending on the number of applications, this list can run over several pages. The number ofpages is indicated by the dots below the list. The active page is characterized by a filled dot.Upon touching the corresponding icon, the application is started.For example, Kaba terminal software:• Icon HR30 = B-Client HR30 terminal software• Icon TP = Kaba test program
OperationTechnical Manual8304043552 - 07/2017 Terminal 97 007.9.2 App managementThis function determines which applications (apps) are displayed on the start screen and arethus available to the operator. The order of the app icons can also be adjusted.In addition, a default application started automatically with the system can be defined.Starting app administrationüThe start screen of the Base App is displayed.1. Touch the Back icon   in the navigation bar [}7.4].2. Select ‘Preferences’.3. Select ‘App management’.ðThe submenu of the app management is displayed.
Operation Technical Manual84 04043552 - 07/2017Terminal 97 007.9.2.1 Managing the apps displayedThe available applications (apps) are displayed in a list.To place an app on the BaseApp start screen, the check box on the right must be checked.On the left next to the app icon, the order number is shown. The order number indicates theorder of the apps on the BaseApp start screen. To change the order, touch the icon of the cor-responding app and move it to the desired position in the order.7.9.2.2 Autostart for default app.If the function ‘Enable switch to default app’ is active, the application defined under ‘Selectdefault app’ will be started automatically when starting the device.7.9.2.3 Selection of the default appThe function ‘Select default app’ is used to define the default app.
OperationTechnical Manual8504043552 - 07/2017 Terminal 97 007.9.3 System InformationThe BaseApp menu can be used to display miscellaneous system information.Displaying system InformationüThe start screen of the Base App is displayed.1. Touch the Back icon   in the navigation bar [}7.4].2. Select ‘System Information’.ðThe system information is displayed.
Operation Technical Manual86 04043552 - 07/2017Terminal 97 007.10 B-Client HR30 terminal software7.10.1 Starting the terminal softwareIn the start screen of the BaseApp [}7.9], the available applications (apps) are displayed.Touch the icon designated ‘HR30’ to start the B-Client HR30 terminal software.The B-Client HR30 user interface is shown on the display of the terminal.The appearance of the device software can be adjusted specifically for each customer and istherefore variable. Accordingly, the default user interface shown above must be considered anexample.
OperationTechnical Manual8704043552 - 07/2017 Terminal 97 007.10.2 Shutting down the terminal softwareShut down the B-Client terminal software as follows:1. Touch the Back icon   in the navigation bar [}7.4].NOTE: By default, the actuating time is 4 seconds, but can be adjusted to between 1 and15 seconds.ðAfter the set actuating time has expired, the password prompt appears.2. Enter a password or leave the field empty if no password has been stored.NOTE: No password has been stored for the device in its delivery state. A password can beassigned using the parameter records X02/X12. See reference manual of the terminalsoftware.3. Press ‘OK’ to confirm.NOTICE! Three invalid password entries will lock the dialog. It must then be unlocked viathe parameter record I2.ðThe terminal software is shut down, and the BaseApp user interface [}7.9] is displayed.
Operation Technical Manual88 04043552 - 07/2017Terminal 97 007.10.3 Info functionsIn the menu of the B-Client HR30 terminal software, two info functions are available.üB-Client HR30 terminal software has been started. [}7.10.1]1. Touch the Menu icon   in the navigation bar [}7.4].ðAfter the set actuating time has expired, the password prompt appears.NOTE: By default, the actuating time is 4 seconds, but can be adjusted to between 1and 15 seconds.2. Enter a password or leave the field empty if no password has been stored.NOTE: No password has been stored for the device in its delivery state. A password can beassigned using the parameter records X02/X12. See reference manual of the terminalsoftware.3. Press ‘OK’ to confirm.ðThe menu is displayed.Host communicationThe following information is displayed:• B-Client HR30 version• Terminal IP address• Host IP address and port• Group identification and device identification• Current readersNetwork communicationThe following information is displayed:• Terminal IP address• Network mask• MAC address• DNS• Gateway• DHCP server address
OperationTechnical Manual8904043552 - 07/2017 Terminal 97 007.10.4 Registering new fingerprints at the terminalThe function ‘Local Enrollment’ of the B-Client HR30 terminal software allows new finger-prints to be registered via the biometric reader at the terminal.Prerequisites:• Terminal with biometric reader• B-Client HR30 terminal software with ‘Local Enrollment’ software option7.10.4.1 Displaying the functionüB-Client HR30 terminal software has been started [}7.10.1].1. Touch the Menu icon   in the navigation bar [}7.4].ðAfter the set actuating time has expired, the password prompt appears.NOTE: By default, the actuating time is 4 seconds, but can be adjusted to between 1and 15 seconds.2. Enter a password or leave the field empty if no password has been stored.NOTE: No password has been stored for the device in its delivery state. A password can beassigned using the parameter records X02/X12. See reference manual of the terminalsoftware.3. Press ‘OK’ to confirm.4. Select 'Local Enrollment'.ðThe main menu is displayed. The biometric mode and the current assignment of the in-ternal reader database are additionally displayed.
Operation Technical Manual90 04043552 - 07/2017Terminal 97 007.10.4.2 EnrollThis function allows persons to be registered via the biometric reader of the terminal. The fin-gerprints are stored in the internal reader database.Operation with biometric softwareDuring normal operation with biometric software, the new finger templates are synchronizeddirectly using the Finger Template Control Service (FTCS).The function 'Enroll’ is only executed if an FTCS connection is already available via the BCFTCstream.Standalone modeIn standalone mode, the function is also executed without FTCS connection.Procedure2 fingers per person are registered. 3 pictures are taken of each finger. To do so, each fingerhas to be briefly placed on the reader window three times. A quality value is specified for eachregistration process.The quality of the registered fingers is subdivided into three levels.Quality of number Quality of text> 120 very good60-120 good< 60 poorOptimal finger positionIf the finger position is not ideal during enrollment, symbols to that effect are shown on thedisplay [}7.8.5].Registering a person1. Select 'Enroll'.2. Enter template ID.NOTE: The person is identified by means of the template ID. The length of the ID is presetby the 'PresetEnroll' parameter.3. Press 'OK’ to confirm the template ID.
OperationTechnical Manual9104043552 - 07/2017 Terminal 97 004. Place first finger on the reading window.ðA successful read-in of a finger is confirmed by means of a short acoustic signal.5. Remove finger briefly and then place it again.The hand symbol on the display signals which finger has to be placed which number oftimes (orange) and which fingers have been registered how many times (green).ðAfter successful registration of the 6 (2x3) finger prints, a green hand will be dis-played.ðAt the end of the procedure, the overall quality of the registered fingers and a promptwill be displayed, asking you whether you want to save the template.6. If you want the finger template to be saved, press 'Yes’ to confirm.If the quality is poor, the procedure should be repeated. If the quality of a finger is re-peatedly poor, a different finger should be registered.
Operation Technical Manual92 04043552 - 07/2017Terminal 97 007.10.4.3 UnenrollThis function allows individual finger templates to be deleted from the reader database instandalone mode.The selection of the finger template to be deleted can take place in one of the following ways.•Numpad The template ID is entered on the virtual keypad.•Reader The finger whose template is to be deleted must be placed on the reader.•List The template ID is selected from a list.7.10.4.4 IdentificationThis function allows identification of an individual. After calling the function, the finger has tobe placed on the reader window. The associated ID is shown on the display.7.10.4.5 ListThis function lists all template IDs stored in the database.The function is only available if the database contains fewer than 100 template IDs.After selecting an ID, it can also be deleted by pressing 'Unenroll’.7.10.4.6 Erase DBThis function allows all finger templates to be erased from the local database of the reader.For safety reasons, you are prompted for a code. The Erase PIN is always '439235'.
MaintenanceTechnical Manual9304043552 - 07/2017 Terminal 97 008 Maintenance8.1 Backup batteryTo back up the real-time clock RTC, the device is equipped with a lithium manganese dioxidebattery type CR2032.The battery is located on the rear side of the terminal housing.The backup battery must be replaced with a new one every 10years.8.1.1 Battery change CAUTIONLithium batteries can explode or burst explosively.Improper handling of lithium batteries may result in fires and explosions.• Replace lithium batteries only with batteries of the same type.• Do not open, drill through or squash lithium batteries.• Do not burn lithium batteries or expose them to high temperatures.• Do not short-circuit lithium batteries.• Do not recharge lithium batteries.1. Remove the terminal housing from the docking station.2. Remove UPS510 [}5.5] (if present)3. NOTE: Do not use tools such as a screwdriver and the like.Remove the old backup battery carefully by hand from the battery holder.4. Push the new battery into the holder until it snaps into place.5. Mount UPS510 (if present) again.6. Fasten the terminal housing again to the docking station.7. Reset terminal time.
Maintenance Technical Manual94 04043552 - 07/2017Terminal 97 008.2 Replacement of the uninterruptible power supply UPS510To guarantee the buffer time as specified in the technical data, the uninterruptible powersupply UPS510 has to be replaced every 3years with a new one.Perform dismounting and mounting of the uninterruptible power supply UPS510 as described[}5.5].8.3 Cleaning the housingTo clean the housing, use a soft, lint-free cloth and a mild window cleaning agent!NOTICEOther agents may result in damage to the housing.Observe the following instructions in order to avoid producing damage to the housing and thereader window of the biometric reader (if present) during the cleaning process:• Do not use alcohol, such as ethanol and isopropanol• Do not use aggressive solvents• Do not use cleaning agents with added powder• Avoid scratching and abrasive movements
MaintenanceTechnical Manual9504043552 - 07/2017 Terminal 97 008.4 Installation/Update of the terminal softwareFor the installation or update of the terminal software on the terminal, an installation tool isavailable. This so-called SFTP installer can be downloaded for the particular terminal soft-ware in the secured area of the dormakaba website (Extranet).InstallationFor initial installation or in order to replace a faulty installation, a complete installation of theterminal software is required.The installation process will reset any settings already made.UpdateAn update is performed in order to update the already existing terminal software to a newversion.During an update process, only the program files will be replaced. Existing settings are re-tained.8.4.1 Data backupBefore an update or a new installation of the terminal software is made, the following datamust be backed up.• Device configuration and parametrization• If specific layout adjustments are made, the 'interface.ini’ file and pictures must bebacked up on a local drive.8.4.2 Preparing installation/updateüAuthorization for access to dormakaba Extranet [}1.5].1. Download SFTP installer from dormakaba Extranet.2. Unzip ZIP file to a local directory.3. If the SSH key for SFTP access was changed: Copy relevant key file (*.ppk) to the directory of the SFTP installer. In the 'Standard_Software.ini' file, enter the file name of the key file under 'Key_Path='.Format Key_Path='<File name>.ppk'4. Start the installation tool by double-clicking 'SFTP Installer.exe'.ðThe first prompt of the user guidance is displayed.8.4.3 Performing an update1. Select the device type.2. Select 'Update’.3. Select terminal software (B-Client HR30)4. Select add-ons (BaseApp + test program)5. Enter IP address and SFTP access data.ðA summary of the installation data is displayed.6. Start process.ðThe process can take several minutes. Successful execution is confirmed by the install-ation tool.7. Restart the device.ðThe terminal software is now up-to-date.
Maintenance Technical Manual96 04043552 - 07/2017Terminal 97 008.4.4 Performing the installation1. Select the device type.2. Select 'Installation’3. Select terminal software (B-Client HR30)4. Select add-ons (BaseApp + test program)5. Enter IP address and SFTP access data.ðA summary of the installation data is displayed.6. Start process.ðThe process can take several minutes. Successful execution is confirmed by the install-ation tool.7. Restart the device.8. Start-up of the device:Perform host configuration, adjust reader settings in accordance with device configura-tion, and transfer parameter and master records to the device.8.5 Android updateIf an update of the operating system is required, it will be provided by the dormakaba Supportin the form of the 'update.zip’ file.The 'update.zip’ file is copied to the directory/cache of the terminal via SFTP.The directory is interrogated by the system once a minute. If the file is detected, the operatingsystem is updated automatically and then the terminal is restarted.
Packaging/ReturnsTechnical Manual9704043552 - 07/2017 Terminal 97 009 Packaging/ReturnsComponents and devices that are not correctly packaged could be damaged during transportand result in costs.When sending dormakaba products, please observe the following notes.Dormakaba is not liable for damage to products caused by inadequate packaging.9.1 Complete devicesThe original packaging is specially designed for the device. It offers the best possible protec-tion against damage during transport.When returning goods, always use the original packaging!If this is not possible, please use packaging that prevents the device from being damaged.• Use a sturdy, thick-walled transport box or a cardboard box. The transport box should belarge enough that there is 8–10cm space between the device and the edge of the con-tainer.• Wrap the device in suitable material or put it in a bag.• Put generous padding around the device, e.g. foam padding or air cushions. The devicemust not be able to move around within the packaging.• Only use dust-free, environmentally-friendly packaging material.9.2 Electronic componentsESD-sensitive electronic components such as printed circuit boards, readers etc. are to bestored, transported and shipped in suitable ESD protective packaging. Electronic componentsmust only be packaged at ESD-proof work stations and carried out by people who are famil-iar with and apply the general ESD protective regulations.Electronic components must be returned in packaging with sufficient ESD protection in orderto• make warranty claims in the event of malfunctions of any kind.• Replacement of electronic printed circuit boards and components in the replacement pro-cedure.To ensure high quality standards, electronic components delivered in packaging without suffi-cient ESD protection will neither be analysed nor repaired, but rather forwarded on directlyfor disposal.
Packaging/Returns Technical Manual98 04043552 - 07/2017Terminal 97 009.3 LabellingIncluding all returns paperwork and labelling the package correctly enables us to process yourcase quickly. Please ensure that a delivery note is enclosed in each package. The delivery noteshould contain the following information:• Number of devices or components in each package.• Item numbers, serial numbers, designations.• Address of your company/contact person.• Reason for return, e.g. repair exchange.• Accurate description of fault.In the event of returns from outside of the EU, a customs invoice with the real customs valueand customs tariff no. will also be required.
DisposalTechnical Manual9904043552 - 07/2017 Terminal 97 0010 Disposal  This product complies with the WEEE directive and is, according to DIN EN standard 50419,marked with the WEEE symbol 'crossed-out wheeled bin’.The symbol refers to separate disposal of electric and electronic devices in EU countries.According to the European WEEE directive, the device must not be disposed of together withdomestic waste.The components of the device must be separately recycled or disposed of. Used devices con-tain valuable materials that must be recycled. Poisonous and dangerous components cancause lasting damage to the environment if disposed of improperly.According to the German Electrical and Electronic Equipment Act (ElektroG), the system op-erator has the duty to return electrical and electronic equipment at the end of their lifetimefree-of-charge to the manufacturer, point of sale or public collection points established forthis purpose.Disposal in Germany: At the end of use of the goods supplied, Kaba GmbH will take them back for a proper disposalin accordance with the legal regulations (German Electrical and Electronic Equipment Act,ElektroG). Charges incurred for transport to the manufacturer will be at the expense of theowner of the waste electrical equipment.Disposal in Switzerland:The equipment must be returned to an electrical equipment collection point according toVREG.In the EU, electrical and electronic equipment has to be disposed of according to national dis-posal and environmental legislation.Deletion of person-related dataIndividuals are responsible for the deletion of their personal data.Dispose of packaging in accordance with environmental regulations.The packaging materials can be recycled. Please do not dispose of the packaging with house-hold waste, instead send them for recycling.Lithium batteriesTo back up the real-time clock RTC, the device is equipped with a lithium manganese dioxidebattery type CR2032.The battery is located on the rear side of the terminal housing.Remove battery before returning the device [}8.1].Do not dispose of the batteries in your domestic waste.Used lithium batteries must be returned to a disposal system according to national and localregulations.To prevent short circuits and the resulting heating, lithium batteries must not be stored ortransported unprotected. Examples of suitable measures against short circuits include:• Placing the battery in a plastic bag• Covering poles with adhesive tapeSee also safety instructions in Handling of lithium batteries [}2.6].Uninterruptible power supply UPS510The device is optionally equipped with the uninterruptible power supply UPS510.The UPS510 contains an NiMH rechargeable battery.Remove UPS before returning the device [}5.5].
Disposal Technical Manual100 04043552 - 07/2017Terminal 97 00Do not dispose of the UPS in your domestic waste!The UPS must be disposed of according to state and local regulations.
IndexTechnical Manual10104043552 - 07/2017 Terminal 97 00IndexNumerical24 V DC power supply 17, 48AAmbient conditions 17Ambient temperature 17Android 15Android navigation keys 75Android system settings 63Android update 96App management 83Audio 15Audio line-out 26Authentication types 38Authorizations 36Automatic registration via B-COMM 55BBack 75BaseApp 33, 82Basic safety information 11B-Client HR30 33B-COMM 37BEX120 motherboard 30, 46BEX121 motherboard 30, 48BEX122 motherboard 30Biometric reader 16, 76Biometric software 37Browser start 35CCable entry 43Camera 15, 25Cancelling automatic registration 55Card slot 15, 26CardLink 34, 40CE conformity 21Cleaning the housing 94Communication principle 36Conformity 21Connecting an external reader 51Connecting the mains voltage 46Connections 46Contact loading capacity 16, 50CPU unit 15CR2032 lithium battery 26DData encryption 34Deleting finger templates 92Device structure 24Digital inputs 16, 49Dimensional drawings 18Dimensions 18Display 15Display brightness 67Disposal 99Docking station 27Door control 34Door frame contact 49Door-opener push button 49EEEPROMsetting 73ElektroG 99Enroll 90ESD protective measures 13Ethernet connection 26, 46Ethernet interface 16External reader 51FFastening material 45Fastening the docking station 45Finger position 76Flash 25Flush-mounted housing 20FTCS 37GGround wire 48GSM 16Guard time 59HHome 75HSPE module 16
Index Technical Manual102 04043552 - 07/2017Terminal 97 00IIdentification 38IEEE 802.1x 66Info functions 88Ingress protection 17Ingress protection according to IEC 60529 43Inputs 16, 49Installation lines 44Installation of the terminal software 95Interfaces 16KKaba test program 57LLanguage for service texts 57License file 33Lithium battery 26Local Enrollment 89LocalEnrollment 34Loudspeaker 15MMAC address 88Mains fuses 47Mains input fuse 47Mains voltage input 17Manual settings 56Marking 23Memory 15Memory options 34Menu 75Microphone 15microSD card 26Mobile radio 16Mounting height 41Mounting plate 45MRD reader 58Multimedia 15NNative apps 35Navigation bar 75Navigation keys 75Network cable 44Network connection 46Network requirements 54Network settings 64OOperating elements 74Operating states 37Operating system 15Operating system update 96Outputs 16PPackaging 97Parametrization 36Partner application 35Power over Ethernet 17Power supply 17Proper use 11Protective conductor 46Protective housing 19Proximity sensor 15, 25RRating plate 23Reader 16Reader type 58Real-time clock RTC 93reboot.cmd 73Registering fingerprints 90Registering new fingerprints at the terminal 89Relative humidity 17Relay outputs 16, 50Remote setup 73Replacement terminal 35Replacing the backup battery 93Returns 97RFID reader 16, 76RoHS 21RS-232 16, 51RTC 15SSafety 11Safety information 11Search 75Service language 57SFTP server 70SIM card 26sop.ini 33SSH key 71Starting B-Client HR30 86Starting the application 82
IndexTechnical Manual10304043552 - 07/2017 Terminal 97 00Sun irradiation 41Supplementary documentation 8Surface-mounted protective metal housing 19Swipe reader 77Symbols 75System 15System connection 36TTerminal housing 25Terminal software update 95Test program 33, 57Time and attendance 33Touch screen 15UUMTS 16Unenroll 92Uninterruptible power supply 17, 52Update of the terminal software 95update.zip 96UPS510 17, 52USB 16USB port 26User interface 82VVerification 38Volume setting 67WWasher 45WEEE Directive 99WLAN 16

Navigation menu