em trak Marine Electronics 425-0013 Marine Class A AIS Transceiver with WLAN User Manual Apollo EN

em-trak Marine Electronics Ltd Marine Class A AIS Transceiver with WLAN Apollo EN

Exhibit 08 - 201-0625 Apollo user manual EN v6

AIS Class A / Inland TransceiverInstallation and Operation Manual
Thank you for purchasing this AIS Class A transceiver / Inland AIS.This product has been engineered to offer you the highest level of perfor-mance and durability and we hope that it will provide many years of reliable service. We constantly strive to achieve the highest possible quality standards, should you encounter any problems with this product, please contact your dealer who will be pleased to offer any assistance you require.
List of abbreviationsPage  1List of abbreviationsAIS Automatic Identification SystemAIS SART AIS Search and Rescue TransmitterAP Access Point (Relating to WiFi behaviour)AtoN AIS Aid to NavigationCD Compact DiscCE European Declaration of ConformityCOG Coarse Over GroundCOM Common (electrical)CPA Closest Point of ApproachCS Carrier SenseDC Direct CurrentDec DecimalDGPS Differential GPSDGNSS Differential GNSSDHCP Dynamic Host Configuration ProtocolDSC Digital Selective CallingDTM DatumECDIS Electronic Chart Display and Information SystemENI Unique European Vessel Identification NumberEPFS Electronic Position Fixing SystemERI Electronic Reporting InternationalETA Estimated Time of ArrivalEXT ExternalFCC Federal Communications CommitteeGLONASS Globalnaya Navigazionnaya Sputnikovaya SistemaGND Electrical GroundGNSS Global Navigation Satellite System
List of abbreviationsPage  2GPS Global Positioning SystemHex HexadecimalIEC International Electrotechnical CommissionIMO International Maritime OrganisationINT InternalIPx6 Ingress Protection (to powerful water jets)ISO International Standards OrganisationKt KnotsLAT LatitudeLCD Liquid Crystal DisplayLON LongitudeLR Long RangeMKD Minimum Keyboard and DisplayMMSI Maritime Mobile Service IdentityNC Normally Closed (electrical)NAV NavigationNM Nautical MilesNMEA National Marine Electronics AssociationPGN Parameter Group NumberPI Presentation InterfaceR&TTE Radio equipment and Telecommunications TerminalEquipmentRADAR Radio Detection and RangingRAIM Receiver Autonomous Integrity MonitoringROT Rate of TurnRX ReceiveSD Secure DigitalSOG Speed Over Ground
List of abbreviationsPage  3SOLAS Safety of Life at SeaSRM Safety Related MessageTCP Transmission Control ProtocolTCPA Time to Closest Point of ApproachTNC Threaded Neill–Concelman (a type of connector)TPI Threads per InchTX TransmitUDP User Datagram ProtocolUHF Ultra High FrequencyUTC Universal Time Co-ordinatedVDO AIS own-ship broadcast dataVDM All VDL AIS messages receivedVHF Very High FrequencyVSWR Voltage Standing Wave RatioWEEE Waste Electrical & Electronic EquipmentWiFi Wireless networking technology
List of abbreviationsPage  4
Table of contentsPage 5Table of contents1 Notices ............................................................ 111.1 Safety Warnings............................................................................. 111.2 General Notices ............................................................................. 121.3 Regulatory Statements .................................................................. 132 Introduction .................................................... 152.1 About AIS....................................................................................... 153  Installation and Configuration ...................... 173.1 What’s in the Box? ......................................................................... 173.2 Preparing for Installation ................................................................ 173.3 Installation Procedures .................................................................. 183.4 Connecting the Equipment............................................................. 273.5 Grounding the Transceiver ............................................................ 343.6 Connection to an NMEA2000 network (optional)........................... 343.7 Turning the Transceiver On ........................................................... 354 Operation ........................................................ 374.1 Display and Controls...................................................................... 374.2 Button Functions ............................................................................ 374.3 Adjusting Display Brightness ......................................................... 384.4 Changing Navigation Status .......................................................... 384.5 Menu Navigation ............................................................................ 394.6 Information Displayed .................................................................... 414.7 Configuring Vessel Information...................................................... 464.8 Configuring Voyage Information .................................................... 484.9 Passwords and Security ................................................................ 494.10 Confirming Correct Operation ........................................................ 494.11 Communication Test ...................................................................... 504.12 Displaying AIS Targets .................................................................. 514.13 Micro SD card data input ............................................................... 534.14 WiFi Feature .................................................................................. 555 Inland mode.................................................... 57
Table of contentsPage 65.1 Mode SOLAS / Inland AIS.............................................................. 576 Technical Information.................................... 616.1 Interface Circuits ............................................................................ 616.2 Output Drive Capability of Bi-directional Ports ............................... 626.3 DGNSS Port................................................................................... 626.4 Input Data Sentence Formats ........................................................ 636.5 AIS Transceiver Overall Dimensions ............................................. 636.6 GNSS Antenna Drawing ................................................................ 646.7 Transmission Intervals ................................................................... 646.8 Interface Sentences ....................................................................... 666.9 Unused Fields ................................................................................ 676.10 Proprietary Sentences.................................................................... 686.11 Priority of Sensor Ports .................................................................. 686.12 Compatibility Mode......................................................................... 706.13 Message 24 Content ...................................................................... 706.14 NMEA 2000 PGN List .................................................................... 716.15 Troubleshooting ............................................................................. 737  Junction Box Accessory ............................... 757.1 What’s in the Box ........................................................................... 757.2 Installation ...................................................................................... 757.3 Connecting External Equipment..................................................... 767.4 Technical Information..................................................................... 778 Technical Specification ................................. 798.1 Applicable Equipment Standards ................................................... 798.2 Product Category ........................................................................... 808.3 Physical.......................................................................................... 808.4 Environmental ................................................................................ 808.5 Electrical......................................................................................... 808.6 Display and User Interface............................................................. 818.7 Internal GNSS ................................................................................ 818.8 TDMA Transmitter.......................................................................... 828.9 TDMA receiver ............................................................................... 82
Table of contentsPage 78.10 DSC Receiver ................................................................................ 828.11 RF Connections ............................................................................. 838.12 Data interface................................................................................. 838.13 Power and Data Connector Information......................................... 848.14 Open Source Licences................................................................... 848.15 Product Versions............................................................................ 849 Installation Record......................................... 859.1 Vessel Details ................................................................................ 85
Table of contentsPage 8
List of figures and tablesPage 9List of figures and tablesFigure 1  The AIS Network.................................................................. 15Figure 2  What’s in the Box?............................................................... 17Figure 3  Typical AIS Transceiver Connection.................................... 19Figure 4  Mounting the Transceiver .................................................... 21Figure 5  Desk Mounting the AIS Transceiver .................................... 22Figure 6  Panel Mounting the AIS Transceiver ................................... 23Figure 7  GNSS Antenna Location...................................................... 24Figure 8  GNSS Antenna Connection ................................................. 25Figure 9  VHF Antenna Location......................................................... 26Figure 10  VHF Antenna Connection .................................................... 27Figure 11  Serial Input Port Connection................................................ 28Figure 12  14 way Connector Cable Wiring Connections ..................... 28Table 1  14 way Connector Serial Data Ports.................................... 29Figure 13  Serial Bi-directional Port Connection ................................... 30Figure 14  18 way Connector Cable Wiring Connections ..................... 31Table 2  18 way Connector Serial Data Ports.................................... 31Table 3  Alarm Relay Connections .................................................... 32Figure 15  Power Connection ............................................................... 33Table 4  Power Supply Connections.................................................. 33Figure 16  Grounding the Transceiver .................................................. 34Figure 17  Transceiver Front Panel ...................................................... 37Figure 18  Home Page Menu Screen ................................................... 39Figure 19  Main Menu Structure ........................................................... 40Figure 20  Display Layout ..................................................................... 41Table 5  Alarms List ........................................................................... 44Figure 21  Vessel Dimension Measurement ......................................... 47Figure 22  Enter Password Screen ....................................................... 49Figure 23  Target List Screen ............................................................... 51Figure 24  AIS target symbols displayed .............................................. 52Figure 25  Micro SD card Socket .......................................................... 54Figure 26  Blue Sign Interface Connection Options.............................. 59Figure 27  Input Port Schematic ........................................................... 61Figure 28  Data Output Port Schematic ................................................ 62Figure 29  Transceiver Dimensions ...................................................... 63Figure 30  GNSS Antenna .................................................................... 64Table 6  IEC61162 Transmission Interval for Periodic Sentences .... 65Table 7  IEC61162 Sentences Input and Output ............................... 66Table 8  Unused Fields...................................................................... 68Table 9  Port Priority Order................................................................ 69
List of figures and tablesPage 10Table 10  PGN Lists............................................................................. 72Table 11  Troubleshooting ...................................................................74Figure 31  Junction Box - What’s in the Box ......................................... 75Figure 32  Connecting the External Equipment ....................................76Figure 33  GNSS Antenna Position....................................................... 86
NoticesPage  111NoticesWhen reading this manual please pay particular attention to warnings marked with the warning triangle symbol shown on the left. These are important messages for safety, installation and usage of the transceiver.1.1 Safety WarningsThis equipment must be installed in accordance with the instructions provided in this manual. Failure to do so will seriously affect its perfor-mance and reliability. It is strongly recommended that a trained tech-nician installs and configures this product.This product must be connected to protective earth via the earth connection point. It is essential that the earth connection point is used in all installations, regardless of what other equipment is connected. The earth connection point must be bonded to pro-tective earth using as short a connection as possible.This equipment is intended as an aid to navigation and is not a re-placement for proper navigational judgement. Information provided by the equipment must not be relied upon as accurate. User decisions based upon information provided by the equipment are done so en-tirely at the users own risk.Do not install this equipment in a flammable atmosphere such as in an engine room or near to fuel tanks.It is recommended that this product is not installed in direct sunlight or under a windshield where it can be subjected to excessive solar heat-ing. Do not attempt to service this equipment as doing so may cause fire, electric shock or malfunction and will invalidate the warranty. If any malfunctions are detected contact your supplier or service agent.!!!!!!!
NoticesPage  12NOT ALL SHIPS CARRY AIS. The Officer of the Watch should al-ways be aware that other ships and, in particular, leisure craft, fishing vessels and warships may not be fitted with AIS. Any AIS equipment fitted on other ships as a mandatory carriage requirement may also be off based on the Master’s professional judgement.1.2 General Notices1.2.1 Position SourceAll marine AIS transceivers utilise a satellite based location system such as the GLONASS or GPS satellite networks.The accuracy of a GNSS position fix is variable and affected by fac-tors such as the antenna positioning, how many satellites are used to determine a position and for how long satellite information has been received.1.2.2 Compass Safe DistanceThe compass safe distance of this transceiver is 0.5m or greater for a 0.3° de-viation.1.2.3 Product CategoryThis product is categorized as ‘protected’ in accordance with the definitions provided in IEC 60945.1.2.4 Disposal of Transceiver and PackagingPlease dispose of this AIS transceiver in accordance with the European WEEE Directive or with the applicable local regulations for disposal of electri-cal equipment. Please dispose of the packaging in an environmentally friendly manner.1.2.5 Accuracy of this ManualThis manual is intended as a guide to the installation, setup and use of this product. If you are in any doubt about any aspect of this product, please con-tact your dealer.!!
NoticesPage  131.3 Regulatory Statements1.3.1 Declaration of Conformity - R&TTEThe manufacturer of this product declares that this product is in compliance with the essential requirements and other provisions of the R&TTE directive. The declaration of conformity is provided as a PDF file on the product CD sup-plied with the product. The product carries the CE mark, notified body number and alert symbol as required by the R&TTE directive. The product is intended for sale in the following member states: Great Britain, France, Spain, Sweden, Austria, Netherlands, Portugal, Denmark, Norway, Belgium, Italy, Finland, Ire-land, Luxembourg, Germany and Czech Republic.1.3.2 FCC NoticeThis equipment has been tested and found to comply with the limits for a class A digital device, pursuant to part 15 of the FCC Rules. These limits are designed to provide reasonable protection against harmful interference in a residential installation. This equipment gen-erates, uses and can radiate radio frequency energy and, if not in-stalled and used in accordance with the instructions, may cause harmful interference to radio communications.This device complies with part 15 of the FCC Rules. Operation is sub-ject to the following two conditions:(1)This device may not cause harmful interference, and(2) this device must accept any interference received, including inter-ference that may cause undesired operation.Changes or modifications not expressly approved by the party re-sponsible for compliance could void the user's authority to operate the equipment.!
NoticesPage  141.3.3 Industry Canada NoticeThis device complies with Industry Canada licence-exempt RSS stan-dard(s). Operation is subject to the following two conditions:1.This device may not cause interference, and2.This device must accept any interference, including interferencethat may cause undesired operation of the device.This Class A digital apparatus complies with Canadian ICES-003.Le présent appareil est conforme aux CNR d'Industrie Canada appli-cables aux appareils radio exempts de licence. L'exploitation est au-torisée aux deux conditions suivantes:1. L'appareil ne doit pas produire de brouillage, et2. L'utilisateur de l'appareil doit accepter tout brouillage radioélec-trique subi, même si le brouillage est susceptible d'en compromettre le Fonctionnement.Cet appareil numérique de la classe A est conforme à la norme NMB-003 du Canada.!
IntroductionPage  152 Introduction2.1 About AISThe marine Automatic Identification System (AIS) is a location and vesselinformation reporting system. It allows vessels equipped with AIS toautomatically and dynamically share and regularly update their position,speed, course and other information such as vessel identity with similarlyequipped vessels. Position is derived from GLONASS or GPS andcommunication between vessels is by VHF digital transmissions. Figure 1 The AIS Network
IntroductionPage  16
Installation and ConfigurationPage  173 Installation and Configuration3.1 What’s in the Box?Please ensure all items are present and if any of the items are missing please contact your dealer.Figure 2 What’s in the Box?3.2 Preparing for InstallationIn addition to the items provided with the transceiver the following items will be required to complete the installation:3.2.1 VHF AntennaConnection of a suitable VHF antenna will be required for the AIS transceiver to operate. The antenna cable should be terminated with a PL-259 (or UHF) connector. A surge arrestor should be fitted in line with VHF antenna connec-tor. See section 3.3.3 for more information.Mounting bracketPower cable 14 way data cable 18 way data cable GNSS antenna and cableProduct CDProductmanualAIS transceiverFixingsWarranty cardProduct MountingTemplateQuick StartGuideQuick OperationGuide
Installation and ConfigurationPage  18Please take note of the warnings listed at the start of this manual regarding the installation and use of antennas.3.2.2 Antenna CablesThe supplied GNSS antenna is provided with 10 metres (32.8ft) of cable. If this is not sufficient to reach between the desired GNSS antenna location and the AIS transceiver you will require an extension cable. Please contact your dealer for details.3.2.3 GNSS Antenna MountA mounting bracket is required for the supplied GNSS antenna.3.2.4 Data Interface CablesSuitable screened, multi core cable will be required to connect the ships sen-sor (DGPS, Gyro etc.) data ports to the AIS transceiver. 3.3 Installation ProceduresBefore beginning installation of your AIS transceiver, please ensure that you read all of the instructions in this manual.
Installation and ConfigurationPage  19The following sections explain the installation process step by step for each of the main system elements. A typical system and connection diagram is pro-vided in Figure 3 Figure 3 Typical AIS Transceiver ConnectionNMEA2000Above decksBelow decksOptional connectionsChassis/GNDGNSS antennaVHF antenna12/24V DC SupplyDisplays(ECDIS, RADAR)Surge arrestorShip’s sensor data (DGPS, GYRO, Heading)
Installation and ConfigurationPage  203.3.1 Step 1 - Installing the AIS TransceiverPlease note the following guidelines when selecting a location for your AIS transceiver:●The AIS transceiver must be fitted in a location where it is at least0.5m (1ft 8ins) from a compass or any magnetic device. ●There should be adequate space around the AIS transceiver forrouting of cables. See Figure 29 for details of the AIS transceiverdimensions. ●The ambient temperature around the AIS transceiver should bemaintained between -15°C and +55°C (5°F to 131°F). Ensureadequate ventilation is present when panel mounting the transceiver.●It is recommended that the AIS transceiver be installed in a 'belowdecks' environment protected from the weather.●The transceiver is supplied with four self tapping screws forattachment of the AIS transceiver to a suitable surface using thesupplied bracket. Please refer to Figure 5 for guidance. ●The transceiver can be panel mounted using the four self tappingscrews provided. Please refer to Figure 6 for guidance. Accessbehind the panel is required when using this mounting option.●The AIS transceiver should be mounted in a location where thedisplay is visible to the user at the position from which the vessel isnormally operated.A pilot plug connection option is included in the 18 way connector located on the rear panel of the AIS transceiver. To provide the pilot plug an optional ac-cessory can be purchased.
Installation and ConfigurationPage  21Figure 4 Mounting the TransceiverRefer to Figure 29 for dimensions. A drilling and cutting template is provided with the transceiver.To panel mount the unit it is necessary to remove the 4 off socket cap screws recessed in front of the unit. See Figure 6.Desk mountedPanel mountedOverhead mounted(reverse mounting bracket)
Installation and ConfigurationPage  22Figure 5 Desk Mounting the AIS Transceiver
Installation and ConfigurationPage  23Figure 6 Panel Mounting the AIS Transceiver3.3.2 Installing the GNSS AntennaFor mounting the GNSS antenna supplied with your AIS transceiver you will require a one inch 14 TPI pole mount. Contact your dealer to source a mount suitable for the installation location. Please note the following guidelines when selecting a location for the GNSS antenna:●The GNSS antenna mount should be secured to a rigid surface.●The GNSS antenna should be located where it has a clear,unobstructed view of the sky overhead.
Installation and ConfigurationPage  24●The GNSS antenna should be mounted as high as possible, howeverit is not recommended to mount the antenna on the top of a high mastwhere the motion of the vessel will cause the antenna to move andpotentially reduce the accuracy of the GNSS position.●Route the GNSS antenna cable to the AIS transceiver. If extensioncables are required all junctions should be made using appropriateco-axial connectors and made watertight.Connect the GNSS antenna cable to the GNSS connector on the AIS trans-ceiver.Figure 7 GNSS Antenna LocationGNSS antenna should be at least 5m (16ft)from RADAR or satellite communicationantennas. It should also be away fromthe RADAR beam path and mounted on a rigid surface.RADAR beam pathGNSS antenna5m (16ft)
Installation and ConfigurationPage  25Figure 8 GNSS Antenna Connection3.3.3 Installing the VHF AntennaPlease note the following guidelines when selecting and locating the AIS VHF antenna:●The VHF antenna should be located as high as possible andpositioned as far from other antennas as possible.●The VHF antenna should have omnidirectional vertical polarization.●Where possible the VHF antenna should be installed at least 3m(10ft) away from other transmitting radio, satellite and RADARantennas.●Ideally the AIS VHF antenna should be mounted directly above orbelow the ship’s primary VHF radiotelephone antenna, with nohorizontal separation and with a minimum of 2m vertical separation.Refer to Figure 9 for further guidance.●The VHF antenna cable should be kept as short as possible tominimize signal loss. High quality, low loss coaxial cable appropriateto the installation location should be used. ●The VHF antenna cable should be terminated in a PL-259 co-axialconnector for connection to the AIS transceiver.●Any outdoor installed connectors in the antenna cables should bewaterproof by design.GNSS antennaconnection
Installation and ConfigurationPage  26●Antenna cables should be installed in separate signal cable channelsat least 10cm (4ins) away from power supply cables. Crossing ofcables should be done at right angles and sharp bends in theantenna cables should be avoided.●It is recommended that a suitable surge arrestor is fitted in-line withthe VHF antenna connector.Connect the VHF antenna cable to the VHF connector on the AIS transceiver as shown in Figure 10.Figure 9 VHF Antenna LocationVHF antenna should be at least3m (10ft) from other transmitting radio,satellite and RADAR antennas.3m (10ft)VHF antenna
Installation and ConfigurationPage  27Figure 10 VHF Antenna Connection3.4 Connecting the Equipment3.4.1 Data ConnectionsThe transceiver is supplied with a 2m (6.5 ft) 18 way data cable and a 2m (6.5 ft) 14 way data cable for connection of the transceiver to external sensors and equipment.3.4.2 Sensor ConfigurationThe transceiver has six NMEA0183 (IEC61162-1/2) data ports for connection of ship’s sensors and display equipment as described in Table 1 and Table 2. There are three input only ports for ship’s sensor data and three bidirectional high speed ports for connection of display equipment such as Radar or elec-tronic chart displays. VHF antennaconnection
Installation and ConfigurationPage  283.4.3 Data Input Ports (14 way connector)Figure 11 Serial Input Port ConnectionFigure 12 14 way Connector Cable Wiring Connections14 way interfaceconnectionPIN1367258912111413104WIRE COLOURBLACKBROWNBLUEREDORANGEPURPLEGREENWHITE WHITE/BLACKGREYYELLOWRED/BLACKPINKDRAIN WIRESIGNALBLUE SIGN NBLUE SIGN PSILENT NSILENT PSENSOR 1 RX ASENSOR 1 RX BSENSOR 1 COMSENSOR 2 RX ASENSOR 2 RX BSENSOR 2 COMSENSOR 3 RX ASENSOR 3 RX BSENSOR 3 COMCHASSIS987612 11 1054 32114 13
Installation and ConfigurationPage  29Table 1  14 way Connector Serial Data PortsNote: Any unused ports should be terminated by a 120 Ohm resistor across RX A and RX B signals. 3.4.4 Silent mode switchTo activate the Silent mode switch, apply a voltage of between 2V and 30V to the SILENT P (Pin 7) and SILENT N (Pin 6) terminals of the 14 way connector.Data port Function TypeDefault Baud rate1 Sensor 1 input (DGNSS - COG/SOG/LAT/LON)Receive only 48002 Sensor 2 input(Rate of Turn)Receive only 48003 Sensor 3 input(Gyro heading)Receive only 4800
Installation and ConfigurationPage  303.4.5 Data Bi-directional Ports (18 way connector)Figure 13 Serial Bi-directional Port Connection18 way interfaceconnection
Installation and ConfigurationPage  31Figure 14 18 way Connector Cable Wiring ConnectionsTable 2  18 way Connector Serial Data PortsNote: Any unused ports should be terminated by a 120 Ohm resistor across RX A and RX B signals. Data port Function TypeDefault Baud rate4 External display / ECDIS Bi-directional 384005 Pilot port Bi-directional 384006 Long range/DGPS/Ext DisplayBidirectional 38400PINWIRE COLOURSIGNALLR DGPS TX ALR DGPS TX BLR DGPS RX ALR DGPS RX BLR DGPS COMPILOT TX APILOT TX BPILOT RX APILOT RX BPILOT COMALARM NCALARM COMEXT DISPLAY TX AEXT DISPLAY TX BEXT DISPLAY RX AEXT DISPLAY RX BEXT DISPLAY COMCHASSISORANGEBROWNPURPLEBLUEBLACKREDRED/WHITEPINKYELLOWGREENGREYWHITEORANGE/WHITEBLACK/WHITEBROWN/WHITEYELLOW/WHITEGREEN/WHITEDRAIN WIRE34781256101116121317141815911 10 9 7815 14 121365 3418 162117
Installation and ConfigurationPage  32All sensor ports can be configured via the Interface settings menu which can be found under the ‘System settings’-> ‘Interfaces’ menu option. The Interface settings menu also includes the ability to disable the requirement for external GNSS sensors to provide a DTM (Datum) sentence. 3.4.6 Alarm ConnectionsThe transceiver also provides connections to the alarm relay contacts. The alarm relay connections are described in Table 3.Table 3  Alarm Relay ConnectionsAlarm connection Function Contact ratingCOM Alarm relay common connection 2A at 220VDC or 60W maximumNC Alarm relay normally closed connectionIf an external GNSS device which does not provide a DTM sentence is connected to the transceiver and the trans-ceiver is configured to require DTM sentences, the exter-nal GNSS data will not be accepted by the transceiver. If no DTM sentence is required the WGS84 datum will be used as a coordinate origin and the external GNSS de-vice must be configured to output position using this da-tum.!
Installation and ConfigurationPage  333.4.7 Power ConnectionPower is connected to the transceiver via the supplied 2 way power cable as shown in Figure 15. Figure 15 Power ConnectionTable 4  Power Supply Connections*Connection to an emergency power source is an IMO requirement for SOLAS vessels.The power supply current ratings and recommended fusing or circuit breaker currents are as follows: ●A 12VDC supply should be able to provide a peak current of 6.0Aand be fused at 10.0A.Wire colour Function Connect toRed Power supply + 12V or 24V DC power supply from ships emergency power source*Black Power supply - Power supply groundPower connection
Installation and ConfigurationPage  34●A 24VDC supply should be able to provide a peak current of 4.0Aand should be fused at 6.3A. 3.5 Grounding the TransceiverAn M4 grounding screw and ring crimp are provided in the fixing kit to allow connection to the grounding point on the rear of the transceiver chassis as in-dicated in Figure 16.Figure 16 Grounding the TransceiverThis product must be connected to protective earth via the earth connection point. It is essential that the earth connection point is used in all installations, regardless of what other equipment is connected. The earth connection point must be bonded to pro-tective earth using as short a connection as possible.3.6 Connection to an NMEA2000 network (optional)The AIS transceiver can be connected to an NMEA2000 network by a suitable NMEA2000 network cable available from your local dealer. If your vessel has an NMEA2000 network please refer to the relevant documentation for you NMEA2000 equipment. Once connected, and with your chart plotter also con-nected you will be able to receive AIS targets on your chart plotter.Ground screwand ring tag!
Installation and ConfigurationPage  353.7 Turning the Transceiver OnThe transceiver does not have an on/off switch and will operate immediately that power is applied to the unit.
Installation and ConfigurationPage  36
OperationPage  374 OperationPlease read the warning notices at the front of this manual before operating the AIS transceiver. 4.1 Display and ControlsFigure 17 Transceiver Front PanelThe front panel of the transceiver is shown in Figure 17with each control marked. 4.2 Button FunctionsScroll wheel. This is used to highlight information presented on the display. The scroll wheel can also be pressed to confirm data entry or select informa-tion. Navigation status / Screen brightness key. When pressed with a short press will go to the Navigation status screen. When pressed and held it will go to the display brightness screen.Scroll wheel(push to select)Function keys(up, down, left right)Back / HomeMicro SD cardslot behind doorNavigation status / Screen brightnessSelectOptions menuDisplay
OperationPage  38Options menu key. Provides access to additional features and relevant shortcuts on certain screens. Back / Home key. When pressed with a short press cancels the current oper-ation and moves to the previous menu or if pressed and held will return to the home screen.Select key. When pressed selects the current option highlighted on the screen.Up, down, left and right function keys. Provide an alternative means of navigating around the screen.Speaker. The speaker is located behind the ‘Scroll’ wheel and can provide an audible sound when a key is pressed, a message is received, or an alarm is activated. Sounds can be enabled or disabled via the Sounds Settings menu. Micro SD card. The micro SD card socket (behind the door) is provided to al-low uploading of new software to the transceiver.Display. The display shows essential AIS operating information and allows for configuration of the transceiver via the menus.4.3 Adjusting Display BrightnessPress and hold the ‘Navigation/Screen brightness’ key. The screen will change to the Display and unit settings menu screen. 4.4 Changing Navigation StatusPress the ‘Navigation/Screen brightness’ key. The screen will change to the Navigation menu screen. Move to the desired navigation status icon to select it.
OperationPage  394.5 Menu NavigationFigure 18 Home Page Menu Screen4.5.1 Main / Sub MenusMenus are displayed as a set of icons which can be navigated between using the controls. Selection of an icon will then display the information beneath in accordance with Figure 19. Pressing the Back/home’ key will exit the menu.HOME16:58:29 SOG  21.1ktUTC  + 1h COG  88.0°50° 32.0286’ N0° 55.2715’  WTarget list Voyagedata settings Target plotMessages Alarms Own dynamic data System settingsINT. GNSS
OperationPage  40Figure 19 Main Menu StructureMESSAGE INBOXSENT MESSAGESCOMPOSE MESSAGEINLAND PERSONS ON BOARDUSER SETTINGSINTERFACESSYSTEM INFORMATIONADVANCEDOPERATING MODEHELP AND SUPPORTVESSEL DATA SETTINGSGNSS SOURCEALARM SETTINGSREGIONAL AREASINSTALLATION AND AIS SART TESTRANGE AND LONG RANGE SETTINGSLOGGINGSOFTWARE UPDATESSAVE/RESTORE & RESET SETTINGSDISPLAY AND UNIT SETTINGSSOUND SETTINGSLANGUAGETIME AND DATEPASSWORDFILTER AND CPA/TCPA SETTINGSWiFi SETTINGSGNSS SOURCEEXTERNAL DISPLAY PORT SETTINGSPILOT PORT SETTINGSLONG RANGE PORT SETTINGSNMEA2000 SETTINGSTARGET LISTVOYAGE DATATARGET PLOTMESSAGESALARMSOWN DYNAMIC DATASYSTEM SETTINGSPORT DATA VIEWSENSOR PORT 1SENSOR PORT 2SENSOR PORT 3HOME
OperationPage  414.5.2 Data Entry ScreensSome screens allow you to enter data, such as vessel parameters. On these screens you navigate to the desired field and select the appropriate menu item. Some data entry items require a password, this is shown by means of a ‘Padlock’ icon. Pressing the ‘Back/home’ key will exit these menus.4.5.3 Keyboard/Keypad ScreensSome screens require text or numeric entry. When these are selected, a virtual keyboard is displayed which can be used to enter text or numbers.4.5.4     Options MenuOn certain screens, the Options Menu will bring up a further list of functions specific to that screen. This is indicated by this icon. 4.6 Information DisplayedFigure 20 Display Layout4.6.1 Menu TitleRefers to the current menu displayed from Figure 19.4.6.2 TimeTime derived from GNSS satellites or AIS Base Stations.1WHOME Int. GNSS16:58:29SOG  21.1ktUTC  + 1h COG  88.0°50° 32.0286’ N0° 55.2715’  WSpeed / CourseTimeTime osetMenu titleMain displayareaStatus indicatorsMessagesRXTXFilteringBlue sign (Inland only)Navigation statusAlarmsPosition
OperationPage  424.6.3 Time OffsetOffset from UTC, set on the ‘Time and date’ menu.4.6.4 Speed/CourseVessel speed and course as taken from GNSS satellite data.4.6.5 PositionVessel position taken from GNSS source.4.6.6 IconsRX - Illuminates to show receiving an AIS message.TX - Illuminates to show transmission of an AIS message.Filtering - Illuminated to show that target filter settings apply.Blue sign - Inland only. Display of Blue Sign status.Navigation status - Vessel navigation status.Alarms - Displays an icon to show the presence of acknowledged or unacknowledged AIS alarms.Messages - Displays an envelope icon with a number to show the pres-ence of AIS messages received See menu ‘Messages’.Status indicators - Displays “INLAND” if in inland mode. Displays type of GNSS being used and displays “1W” if the vessel power has changed to 1W.4.6.7 AlarmsThe transceiver performs self checking functions continuously. If a self check fails a display will appear on the screen notifying the operator of this. This will be accompanied by a sound. The alarm can be acknowledged via an on-screen message. The list of currently active AIS Alarms can be displayed by accessing the ‘Alarms’ menu. If any alarm condition persists, contact your dealer or installer.
OperationPage  43Possible alarm conditions are listed Table 5:Alarm DescriptionTX Malfunction This alarm will occur if the MMSI has not been configured. This alarm can also occur if the radio hard-ware has failed to select the correct fre-quency, that the output power is too low or a transmitter shutdown has occurred.In this situation, ALR 001 is output over the PI.The alarm will be cleared if the transmitter recovers normal operation.RX Channel x Malfunction This alarm occurs should the receiver hard-ware malfunction. The receiver is identified by the value of x (as shown below). The following alarms will be generated over the PI in this condition:ALR 003 - Rx Channel 1ALR 004 - Rx Channel 2ALR 005 - DSC (Channel 70)If the receiver returns to normal operation this alarm will be cleared. Antenna VSWR exceeds limitThis alarm occurs if there is a problem with your antenna or antenna connection.External EPFS lost This alarm occurs if the position from the external Electronic Position Fixing System (i.e. GNSS) is invalid or lost.No valid COG information This alarm occurs if the transceiver has no valid Course Over Ground information from any connected sensor.No valid SOG information This alarm occurs if the transceiver has no valid Speed Over Ground information from any connected sensor.Heading lost or invalid This alarm occurs if the transceiver has no valid heading information from any con-nected sensor, or if the heading is undefined.
OperationPage  44Table 5: Alarms ListNo valid ROT information This alarm occurs if the transceiver has no Rate Of Turn information from connected sensors or via internal calculation.No sensor position in use This alarm occurs if the transceiver has no valid position information from any connected sensor.UTC Sync Invalid This alarm indicates that the transmitter is no longer directly synchronized with the GNSS receiver. This may be because the GNSS receiver cannot receive sufficient satellites.Nav Status Incorrect NavStatus incorrectThis alarm will occur if the navigation status is in conflict with the current speed of the ves-sel. For example the alarm will activate if the Navigation status is set to moored, but the vessel speed is greater than 3 knots. Correct the navigation status to clear this alarm.Active AIS SART An active AIS SART (AIS Search and Res-cue Transmitter) message has been received. The SART will be displayed as the top item in the target list. Select this item to see the location of the SART. Internal / External GNSS mismatchThis alarm occurs if the difference in position reported by the internal and external GNSS receivers is too large. Check the vessel dimensions and GNSS antenna locations have been entered correctly.Heading sensor offset This alarm occurs if the difference between the course over ground and heading data is greater than 45° for more than 5 minutes. This alarm only occurs if the vessel speed over ground is greater than 5 knots.Alarm Description
OperationPage  454.6.8 MessagesAIS text messages and Safety Related Messages (SRMs) can be received from other AIS equipped vessels and also sent to specific vessels (addressed messages) or sent to all vessels in range (broadcast messages).Reception of an AIS text message is indicated by the presence of the message icon at the top of the screen. This icon is shown whenever there are unread AIS text messages. Messages can be reviewed and replied to via the In-box.The transceiver can store up to a maximum of 20 messages in the In-box and 20 messages in the Sent folder. If the number of messages exceeds 20 then the oldest message will be overwritten.When a Safety Related Message is received the user will be notified immedi-ately with a pop-up showing the message. Standard text messages are not displayed on receipt, however the message icon will be displayed at the top of the screen.AIS messages can be viewed, created and transmitted from the ‘Messages’ menu.The available options are:Compose - takes you to the message composition screenIn-box - takes you to the received message list viewSent - shows a list of recently sent messages.To compose a new message, select the type of message from the drop down menu and the destination. This can be by directly entering the MMSI, or by se-lecting from a list of visible targets.The message text is entered using the on screen keyboard. Messages are lim-ited to 80 characters in length.Class B transceivers are permitted to receive broadcast SRMs and broadcast text messages, however this function is not man-datory. Class B transceivers are not able to receive addressed SRM or text messages. There is therefore no guarantee that text messages or SRMs sent to a Class B transceiver will be received.4.6.9 Long Range MessagesIf the transceiver is connected to a long range communication system via the long range communications port then long range interrogations may be re-ceived. These are requests for information from a distant base station beyond normal AIS operation range.The transceiver can be configured to automatically respond to Long Range (LR) interrogations, or you can opt to respond to any interrogation manually. !
OperationPage  46Automatic response is the default setting, but this can be changed on the ‘Ra-dio and Long Range Settings’ menu.When a Long range interrogation is received you will be alerted by an on-screen pop-up message.In automatic response mode simply review and acknowledge the notification screen using ‘Acknowledge’. In manual response mode you should review the request and select either the ‘Respond’ or ‘Decline’ option as appropriate.4.6.10 Help and Support ScreenThis screen is available from the ‘System Settings’ menu and provides contact information for the product manufacturer.It also provides relevant information from the User Manual.4.6.11 User Settings ScreenFrom this screen, it is possible to set the display brightness, set the display to a day or night colour scheme, set the operating units to metric or nautical, and configure the sounds emitted by the device. It is also possible from this screen to set the UTC time offset, change the password, change the filter settings and display the menus in a number of non-English languages.4.7 Configuring Vessel Information4.7.1 Pre-configuration ChecksTo proceed with configuration the steps in Section 3 should already have been completed.4.7.2 Configuring Vessel Identification InformationThe transceiver must be configured with information about the vessel on which it is installed prior to operation. The following information is required to be en-tered in the ‘Vessel data settings’ menu:●MMSI - Vessel MMSI number, this can usually be found on the shipsVHF radio license and should be the same MMSI as used for theVHF / DSC radio.●Ship Name (limited to 20 characters)●Call sign - Vessel radio call sign (limited to 7 characters)●IMO - Vessel’s IMO identification number (if applicable)●Ship type - Selected from the menu provided.●Dimensions of the location of the GNSS antenna connected directlyto the AIS transceiver (Internal GNSS)
OperationPage  47●Dimensions of the location of an optional GNSS antenna connectedto the AIS transceiver via an NMEA interface.4.7.3 Configuring the Internal GNSS ReceiverThe internal GNSS receiver can be configured to operate in one of three modes:●GLONASS and GPS – in this mode the position fix is derived fromboth the GLONASS and GPS network in parallel. This mode is thedefault setting and gives the best performance.●GPS – in this mode only GPS satellites are used for the position fix.●GLONASS – in this mode only GLONASS satellites are used for theposition fix.The operating mode can be selected from the ‘GNSS source’ option in the ‘Ad-vanced’ settings menu.The antenna dimensions should be entered in metres according to the dia-gram provided in Figure 21. Figure 21 Vessel Dimension MeasurementRef AAntennaRef A + Ref B = Length in metres Ref C + Ref D = Beam in metresRef BStern BowRef CRef D
OperationPage  484.8 Configuring Voyage Information4.8.1 Configure Voyage Related DataThe transceiver must be configured with information about its voyage prior to operation. To enter the vessel identification information select the ‘Voyage Data settings’ option.The following information is required:●Navigation Status - Navigational status selected from the icons onthe screen.●Destination - Ships next destination port (limited to 20 characters).●ETA - Estimated time / date of arrival at destination (using UTC time).●Draught - Maximum present static draught to the nearest 1/10th of ametre.●Persons on Board - Number of crew on board (optional).
OperationPage  494.9 Passwords and SecurityCertain important information stored within the transceiver cannot be changedwithout knowledge of the password. When trying to edit any of this protectedinformation you will be prompted to enter the password.The password entry screen is shown in Figure 22. Highlight the required char-acter, then press ‘Select’ to enter that character. When all characters of the password have been entered, select ‘OK’. Figure 22 Enter Password ScreenFollowing configuration of the transceiver the password should be changed from its default value of ‘0000’ (four zeros) to another alpha numeric code. Password change is carried out by selecting ‘User Settings’ -> ‘Password’.The password should be recorded on the installation record found in Section 9.4.10 Confirming Correct OperationFollowing entry of the vessel and voyage information the transceiver will com-mence normal operation. Correct operation should be verified as follows:1. Select the ‘Own dynamic data’ option from the main menu.16:58:29 SOG  21.1ktUTC  + 1h COG  88.0°50° 32.0286’ N0° 55.2715’  WPASSWORD SETTINGSEnter the current password:1234567890 .QWE R T Y U I OAZXCVBNM!? OKPSDFGHJ KL
OperationPage  502. Check that the displayed position, course, speed and heading are cor-rect by comparing to the display associated to the connected positionsource and other data sources.3. Check that the ‘TX’ icon flashes periodically. 4. If the vessel is in an area where other AIS equipped vessels are pres-ent press the ‘Back / Home’ key and select ‘Target list’ to check thatdata from other AIS equipped vessels is displayed.5. Go to the ‘System settings / System Information’ screen and select‘Hardware status’, check that the supply voltage and antenna VSWRare correct.The transceiver is now operational and should remain powered unless autho-rised by the local maritime authority. The installation record at the rear of this manual should be completed and left on board the vessel.4.11 Communication TestIt is possible to conduct an AIS communication test with another AIS equipped vessel. This test sends an AIS message to another vessel and checks for a response. The transceiver will display a list of vessels from which one can be selected for a communication test.This feature can be selected from the ‘Advanced Settings’-> ’Installation and AIS SART Test’ menu.From this screen you can also switch on or off the display of test messages from AIS Search and Rescue Transceivers. If ‘Display AIS SART Test Mes-sages’ is set to On, messages from AIS SARTs in Test mode will be displayed.
OperationPage  514.12 Displaying AIS Targets4.12.1 Target ListThe Target List Screen is the primary screen for displaying AIS targets re-ceived. This is the first screen displayed when the unit is switched on, but can also be accessed from the Target List option on the main menu.Figure 23 Target List ScreenBy default the target list is sorted by range but can be sorted on any column by using the left and right ‘Function’ keys to select a column and pressing the 'Select' key to sort either in ascending or descending order. Navigation up and down the list is via the up and down arrow keys or scroll wheel. Selecting a highlighted target using the Select key will bring up more details of that target. The Options menu on this screen provides additional actions which can be performed on the target list.Different symbols are shown for an AIS target depending on the type of target and its status, these are shown in Figure 24. These symbols are common to the Target list and Target plot displays.NAME/MMSI Range Bearing CPA TCPA Type AgeTARGET LIST16:58:29 SOG  21.1ktUTC  + 1h COG  88.0°50° 32.0286’ N0° 55.2715’  WDUBLIN FISHER 1m 50sBBBSPROXIMITY CRAFT 1m 47sATLANTIC PRIDE 0m 1s212222222 0m 36sEMSLAKE 0m 45sPIER 4 0m 6s4441101753.15NM15.5NM6.9NM6.7NM-5.2NM35.8NM3.15NM15.5NM6.9NM6.7NM-5.2NM35.8NM-----5h 38m-120.8022.6037.20313.40-86.60167.300m 5sVisible:   12    Filtered out:   0INT. GNSS
OperationPage  52Figure 24 AIS target symbols displayed4.12.2 Target FilteringFrom the Target List options menu, if 'Show Filter Settings' is selected, a screen is displayed indicating which filter parameters can be set to reduce the amount of data displayed on screen. This screen can also be accessed through ‘System Settings’-> ‘User Settings’.Filters can be toggled on and off on the target list by pressing the ‘Options menu’ key and selecting ‘Toggle filters off’. The bottom line of the target list shows how many targets are visible or filtered out. If a filter is set, the filter icon is displayed at the top of the screen.The Filters icon does not represent CPA/TCPA alarm settings.4.12.3 CPA/TCPA SettingsThe transceiver can be configured to filter out approaching vessels which fall within certain limits. The Closest Point of Approach (CPA) defines a boundary around the own vessel upon which, if breached, will trigger the filter. Time to Closest Point of Approach (TCPA) can only be set if CPA is set, and will trigger the filter if the time to the CPA limit is breached.These parameters are set on the ‘Filtering and CPA/TCPA Settings’ menu.The target list shows targets which trigger the TCPA/CPA filter red.These CPA/TCPA figures are calculated solely on AIS data and should not be used for anti-collision purposes.Note: Setting the CPA/TCPA filter will not activate the Filters Icon.4.12.4 Target PlotThe Target Plot screen shows the location of other AIS equipped vessels and shore stations relative to your own vessel. The target plot screen provides a basic overview of AIS targets and should not be regarded as a substitute for AIS Class AO Position AtoNBase stationAIS SARTAIS SAR AircraftO Position AtoNBBSAIS Class BAIS AtoN
OperationPage  53display of AIS information on a dedicated electronic chart display system (EC-DIS).The plot range can be adjusted by rotating the scroll wheel which cycles through the ranges 0.2NM up to 100NM. The range relates to the radius of the outer range ring shown on the screen.Individual targets can be selected by using the arrow keys. When selected a square outline will appear around the target and the vessel details will be shown on the left hand side of the screen.By pressing the options menu key, additional display features can be selected.If the Own Vessel Details option is selected the left hand side of the screen will change to show own vessel dynamic data.If the MOB Details Display option is selected, the target plot will change to show only AIS-MOB, AIS-SART, and AIS-EPIRB devices. The left hand side of the screen will show the range and relative bearing to whichever target is currently highlighted using the arrow keys.4.13 Micro SD card data inputOn the front of the transceiver under the door on the lower left hand side is a socket for a Micro SD memory card. See Figure 25. This can be used to up-grade the unit firmware or to log port data. Note the orientation of the Micro SD card, which is critical to ensure the product is not damaged.
OperationPage  54Figure 25 Micro SD card Socket4.13.1 Upgrading the Unit FirmwareIf a Micro SD card that contains valid upgrade firmware is inserted into the card socket, the unit will recognize the new firmware and will display a message asking you if you want to install it. The system will guide you to the appropriate menu screen, where the firmware update can be applied.4.13.2 Logging Ports to the Micro SD cardIf a Micro SD card is inserted into the card socket, the AIS transceiver can be configured to output specific data to the card. This is accessed from the indi-vidual port menu (from the ‘System settings’ -> ‘Interfaces’ menu.) If the ‘Log port to SD Card’ option is set to ‘On’, data will be output from that port to the Micro SD card, if one is inserted into the card socket. Only one port can be logged to the Micro SD card at a time.4.13.3 Saving/Loading SettingsFrom the ‘Save/Restore & reset settings’ menu, all system settings and trans-ceiver configuration data can be saved to the Micro SD card, if one is inserted
OperationPage  55into the card socket. Settings previously saved can be restored, thus restoring the transceiver to a previous configuration. ‘Reset settings’ will restore the unit to its factory defaults and is protected by the unit password. 4.14 WiFi FeatureThe AIS transceiver provides features to operate with vessel WiFi networks, or to create its own network. Access the WiFi menu through ‘Interfaces’ -> ‘Wi-Fi settings’.4.14.1 Client ModeIf client mode is selected, the transceiver will search for available WiFi net-works to connect to. If one is selected a password may be required, and upon connection the details of the connection will be shown in the bottom right cor-ner of the screen. Once a WiFi connection is made, the transceiver will output a range of NMEA sentences over the selected WiFi port.4.14.2 Access Point ModeIf the transceiver is configured as a WiFi access point (AP) it will create its own WiFi network, allowing other WiFi enabled devices to connect to it. Once con-nections are made, a range of NMEA sentences will be transmitted from the transceiver to any connected devices.4.14.3 Advanced WiFi FeaturesWithin the ‘WiFi’ screen, certain parameters can be changed such as Channel Number, Protocol, Port, Encryption, etc. These are recommended for ad-vanced users only.WiFi is switched off by selecting ‘Disable’ in the ‘Select Operating mode’ box.
OperationPage  56
Inland modePage  575 Inland mode5.1 Mode SOLAS / Inland AISThe transceiver supports both standard ‘high seas’ operation and ‘Inland AIS’ operation. Inland AIS is an extension of AIS intended for use on board vessels navigating Inland waterways.5.1.1 Switching between ‘Class A’ and ‘Inland AIS’ ModesTo switch between operating modes select the ‘System settings' ->  ‘Operating mode’ option. Set the ‘Operating mode’ setting to ‘Inland AIS’ or ‘Class A /SO-LAS’ before saving the setting. When the transceiver is configured to operate in Inland AIS mode the word ‘INLAND’ is shown permanently in the Menu title bar.5.1.2 Entering Inland vessel identification settingsAdditional vessel identification information is required for Inland operation along with some changes to the standard AIS configuration. The following ad-ditional information must be entered into the AIS transceiver:●A quality setting for the speed, course and heading data sourcesconnected to the AIS is required. The quality setting can be ‘high’ or‘low’ for each data source. The low setting should be used unless atype approved sensor (e.g. a gyro providing heading information) isconnected to the AIS transceiver.The additional identification information can be entered via the ‘Vessel data settings’ menu. The following standard AIS vessel identification information must be updated for Inland AIS:●The vessels ENI - this is an 8 digit number allocated to the vessel.●The ship type as an ERI selected from the menu provided.●The length and beam of the ship to the nearest 10cm (greateraccuracy than standard AIS configuration). These updates are all made using the process described in section 4.7.2!The information entered and transmitted in Inland mode is not the same as that transmitted in SOLAS mode. After switching modes, please check your voyage and vessel data settings to ensure the configuration is correct.
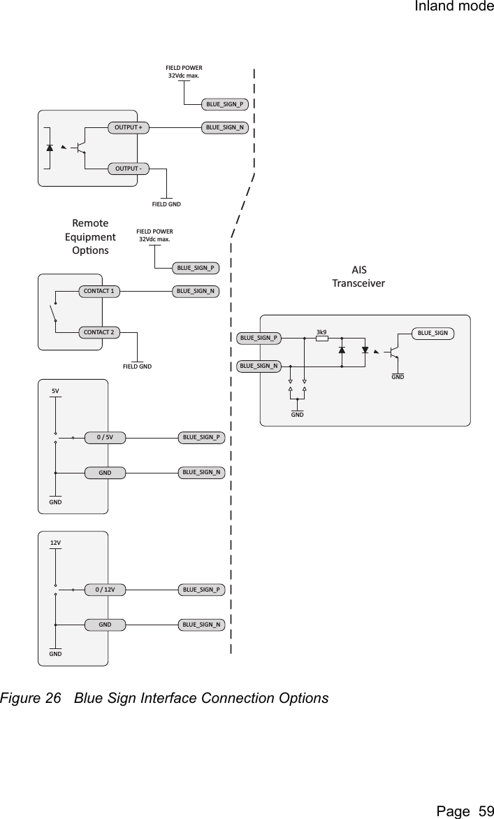
Inland modePage  585.1.3 Entering Inland Vessel Voyage SettingsAdditional voyage related information is required for Inland operation along with some changes to the standard AIS configuration. The following additional information must be entered into the AIS transceiver:●The vessel’s load status (Loaded, Unloaded, or Unknown).●The number of blue cones or blue flag status for the cargo.●The static draught of the vessel to the nearest centimetre.●The number of crew, passengers and other shipboard personnel.The additional identification information can be entered via the ‘Voyage data settings’ menu.The voyage destination should be entered using UN terminal location codes and ERI terminal codes where possible when in Inland Mode5.1.4 Inland Alarm MaskingInland AIS installations do not typically include connection of external GNSS, Heading or Rate of Turn sensors to the transceiver. The system alarms asso-ciated with these sensors can be disabled in Inland mode through the ‘Alarm Settings’ screen.5.1.5 Blue Sign SwitchWhen operating in Inland mode it is possible to connect a ‘blue sign’ switch to the AIS transceiver.The transceiver provides an isolated input for Blue Sign switch connection. It comprises two connections BLUE_SIGN_P and BLUE_SIGN_N. When en-abled for Inland Waterways operation and the BLUE_SIGN_P terminal has a positive voltage with respect to BLUE_SIGN_N the Blue Sign status will be present on the display and transmitted accordingly in AIS position reports. See Figure 26. Suitable options for connection to the Blue Sign interface are shown in Figure 26.Settings for the blue sign switch are available by selecting the ‘System set-tings’ option followed by the 'Operating mode’ sub menu.Select the ‘Blue sign switch’ option to set up the blue sign switch.!Neither Blue Sign terminal should be connected to any other point on the AIS transceiver side of any isolation barrier present in the vessel wiring.
Inland modePage  59Figure 26 Blue Sign Interface Connection OptionsGND0 / 12V12VGNDGND0 / 5V5VGNDBLUE_SIGN_PBLUE_SIGN_NBLUE_SIGN_PBLUE_SIGN_NCONTACT 2CONTACT 1BLUE_SIGN_PBLUE_SIGN_NOUTPUT -OUTPUT +RemoteEquipment KƉƟŽŶƐBLUE_SIGNBLUE_SIGN_PBLUE_SIGN_NGNDGND3k9FIELD GNDFIELD POWER32Vdc max.BLUE_SIGN_PBLUE_SIGN_NFIELD POWER32Vdc max.FIELD GNDAIS dƌĂŶƐĐĞŝǀĞƌ
Inland modePage  60
Technical InformationPage  616 Technical Information6.1 Interface Circuits6.1.1 Sensor Data Input PortThe sensor data input port schematic is shown in Figure 27.Figure 27 Input Port SchematicA logical low input is defined as: A-B < -0.2V.A logical high input is defined as: A-B > +0.2V.6.1.2 Bi-directional Data PortsThe input circuitry of the bi-directional data ports is identical to the input circuit-ry for the sensor data input ports described in the preceding section. The out-put circuitry consists of a differential line driver IC (Analog Devices ADM2587E) and is shown in Figure 28.Oscillator RectierRegulatorDecodeDigital isolation TransceiverVISOINEncodeDecodeEncodeDecodeADM2587ERX_ATxDVccDEYZABRxDRERXTo UARTData input portIsolation BarrierRX_BRX_COMEncodeVISOOUTDC to DC ConverterGND1GND2
Technical InformationPage  62Figure 28 Data Output Port Schematic6.2 Output Drive Capability of Bi-directional PortsBi-directional ports can supply an output current of up to 30mA. The outputvoltages are 0 (low) and 3.3V (high). Effective load resistance should be inexcess of 100 Ohms. 6.3 DGNSS PortThe DGNSS correction port is intended for connection to a Beacon Receiver. The port has the same physical characteristics as the bi-directional data ports as described in the preceding sections. If connection of a beacon receiver is not required this port can be re-configured as an additional bi-directional port to IEC61162-2. Oscillator RectierRegulatorDecodeDigital isolation TransceiverVISOINEncodeDecodeEncodeDecodeADM2587ERX_ATxDVccDEYZABRxDRERXTXFrom UART Data output portIsolation BarrierRX_BTX_ATX_BRX_COMEncodeVISOOUTDC to DC ConverterGND1GND2Each bi-directional data port is isolated from the other bi-directional data ports and from the transceiver’s internal power supply. !
Technical InformationPage  636.4 Input Data Sentence FormatsAll data input is via IEC61162 / NMEA 0183 sentences. For details of the sen-tences and their checksums please refer to IEC61162-1.6.5 AIS Transceiver Overall DimensionsFigure 29 Transceiver Dimensions165 mm111 mm196 mm143 mm152 mm130 mm79 mm49 mm
Technical InformationPage  646.6 GNSS Antenna DrawingFigure 30 GNSS Antenna* The dimensions of the supplied antenna may vary from those shown here.6.7 Transmission IntervalsThe IEC61162 sentences are in general output in response to a specific event,such as initiation of a binary message via the user interface. Certain messagesare output over the ports at regular transmission intervals. Table 6 lists eachsentence type and the transmission interval.68mm75mmTNC (male)TNC (male)10m RG58 cable
Technical InformationPage  65Table 6  IEC61162 Transmission Interval for Periodic SentencesOutput Sentence TypeTransmission Interval CommentsVDO Once a second Own vessel VDL reports. When a report is not generated by the transceiver a ‘dummy’ VDO is generated in its place. ALR (inac-tive)Once a minute If no alarms are active, a single empty ALR sentence is outputALR (active)Once every thirty sec-ondsIf any alarms are active, an ALR sentence is output for each active alarm.ABK, ACA, LR1, LR2, LR3, LRF, LRI, TXT, VDMOnly transmitted when specifically initiated by an external event
Technical InformationPage  666.8 Interface SentencesThe IEC61162 sentences accepted by and output by the transceiver serialdata ports are listed in Table 7. Table 7  IEC61162 Sentences Input and OutputData Port Input Sentences Output SentencesSensor 1Sensor 2Sensor 3DTM, GBS, GGA, GLL, GNS, HDT, RMC, ROT, VBW, VTG, THSN/AExternal displayPilotLong rangeABM, ACA, ACK, AIR, BBM, DTM, GBS, GGA, GLL, GNS, HDT, LRF, LRI, RMC, ROT, SSD, VBW, VSD, VTG, EPV, SPW, THSABK, ACA, ALR, LR1, LR2, LR3, LRF, LRI, TXT, VDM, VDO, TRL, VERDGPS RTCM SC-104 binary format
Technical InformationPage  676.9 Unused FieldsUnused fields in the above sentences are listed in Table 8 below. All fields of other input and output sentences that are not in this table are used..Sentence Unused Fields DescriptionAIR 9101112Channel of InterrogationMessage ID 1.1 Station 1 reply slotMessage ID 1.2 Station 1 reply slotMessage ID 2.1 Station 2 reply slotDTM 2357Local datum subdivision codeLat offset, min, N/S Longitude offset, min, E/W Altitude offset, (meter) GBS 45678Expected error in altitude ID of most likely failed satellite Probability of missed detection for most likely failed satellite Estimate of bias on most likely failed satellite Standard deviation of bias estimate GGA 56789101112No. of satellites in use, 00-12 Horizontal dilution of precision Antenna altitude above/below mean sea level (geoid) Units of antenna altitude, m - Geoidal separation Units of geoidal separation, m Age of diff. GPS data Differential reference station ID 0000-1023 GNS 5678910Number of satellites in use, 00-99 Horizontal dilution of precisionAntenna altitude, m, above mean-sea-level Geoidal separation, mAge of differential data Differential reference station ID
Technical InformationPage  68Table 8  Unused Fields6.10 Proprietary SentencesThe transceiver outputs no proprietary sentences in normal operation.6.11 Priority of Sensor PortsThe transceiver automatically assigns a priority scheme to connectedsensors. Data from the highest priority sensor will always be used. Sensorinput priority is for: ●Position●COG+SOG●Heading●Rate-of-Turn The sensor input ports have a priority order as shown in Table 9RMC 78Date: dd/mm/yy Magnetic variation, degrees, E/W VBW 12378910Longitudinal water speed, knots Transverse water speed, knots Status: water speed Stern transverse water speed, knots Status: stern water speed Stern transverse ground speedStatus: stern ground speed VTG 2 Course over ground, degrees mag-netic Port Priority (1 = highest)Sensor 1 1Sensor 2 2Sensor 3 3Sentence Unused Fields Description
Technical InformationPage  69Table 9  Port Priority Order6.11.1 Position Priority SchemePosition information is taken from the highest priority source reporting DTM with WGS84 or datum override and RMC. If no RMC sentences are available, position shall be taken from the highest priority source reporting DTM with WGS84 or datum override and any one of: • GGA•GNS•GLLThe following sentences are only processed only if they are from the currently selected position source: •RMC• GGA•GNS•GLL•GBS•GRS•GSA•GSV•GFAWhen no position has been received on the selected port for 30 seconds, the port is deselected as a position source, and a new source selected as de-scribed above. 6.11.2 Course and Speed Priority SchemeCOG and SOG are taken from the highest priority source reporting any one of: • RMC (with DTM=WGS84 or datum override)•VTG•VBWVTG and VBW are only processed if they are from the currently selected COG & SOG source. When no COG+SOG has been received on the selected port External Display 4Pilot 5Long Range 6Port Priority (1 = highest)
Technical InformationPage  70for 30 seconds, the port shall be deselected as a COG+SOG source, and a new source selected as described above.6.11.3 Heading Priority SchemeHeading shall be taken from the highest priority sensor reporting any one of: •HDT•THSHDT and THS are only processed if they are from the currently selected Head-ing source. When no heading has been received on the selected port for 30 seconds, the port shall be deselected as a heading source, and a new source selected as described above 6.11.4 Rate of Turn Priority SchemeRate-of-Turn shall be taken from the highest priority sensor reporting ROT. ROT shall only be processed if they are from the currently selected Rate-of-Turn source. When no Rate-of-Turn has been received on the selected port for 30 seconds, the port shall be deselected as a Rate-of-Turn source, and a new source selected as described above. 6.12 Compatibility ModeSome devices require the use of Compatibility Mode for correct operation.When operating in the standard mode the fix quality flag indicates the type of GNSS position that is being reported. In compatibility mode, the fix quality re-ported will either be No GNSS or GNSS.On the ‘Interfaces’ screen, under the configuration menu for each sensor port there is an On/Off toggle which can be set if Compatibility Mode is required for that port.6.13 Message 24 ContentThe Unit Serial Number transmitted in AIS Message 24B, in response to a Message 15 request, is encoded as follows (note that these characters repre-sent individual bits in the data):wwww wwyy yxxx xxxx xxxxw = week (0 - 63)y = years since 2014 (0 - 7)x = incrementing number (0 - 2047)
Technical InformationPage  716.14 NMEA 2000 PGN ListThe PGN’s listed in Table 10 are supported by the transceiver. There are no unused fields.PGN(Dec.)PGN(Hex)Title in NMEA Data-base Usage NMEA 0183059392 0E800 ISO Acknowledgment out059904 0EA00 ISO Request in, out060928 0EE00 ISO Address Claim in, out065240 0FED8 ISO Commanded Addressin, out126208 1ED00 Group Function in, out126992 1F010 System Time out126993 1F011 Heartbeat out126996 1F014 Product Information in, out127520 1F112 Vessel Heading in127251 1F113 Rate of Turn in129025 1F801 GNSS Position (Rapid Update)out RMC129026 1F802 GNSS Direction Data in, out RMC129029 1F805 GNSS Position Data in, out129038 1F80E AIS Class A Position Reportout VDO, VDM129039 1F80F AIS Class B Position Reportout VDO, VDM129040 1F810 AIS Class B Extended Position Reportout129041 1F811 AIS AtoN Report out VDO, VDM129545 1FA09 GNSS RAIM in
Technical InformationPage  72Table 10  PGN Lists129793 1FB01 AIS UTC and Date Reportout VDO, VDM129794 1FB02 AIS Class A Static and Voyage Related Dataout VDO, VDM129795 1FB03 AIS Addressed Binary Messageout129796 1FB04 AIS Acknowledge out129797 1FB05 AIS Binary Broadcast Messageout129798 1FB06 AIS SAR Aircraft Posi-tion Reportout VDO, VDM129801 1FB09 AIS Addressed SRM out129802 1FB0A AIS Safety Broadcast Binary Messageout VDO, VDM129809 1FB11 AIS Class B CS Static Data Report Part Aout VDO, VDM129810 1FB12 AIS Class B CS Static Data Report Part Bout VDO, VDMPGN(Dec.)PGN(Hex)Title in NMEA Data-base Usage NMEA 0183
Technical InformationPage  736.15 TroubleshootingIssues Possible cause and remedyNo data is being received by a connected chart plotter• Check that the power supply is connected correctly.• Check that the power supply is a 12V or 24V supply.• Check that the connections to the chart plotter are correct.The screen is not illumi-nated• Check that the power supply is connected correctly.• Check that the power supply is a 12V or 24V supply.The RED ‘Alarm’ icon is illuminated• The unit may not have a valid MMSI. Check that the AIS transceiver is correctly configured with a valid MSSI.• The VHF antenna may be faulty. Please check the connection to the VHF antenna and that the VHF antenna is not damaged. The alarm icon may illuminate briefly if the power supply is interrupted or the VHF antenna characteristics are briefly affected.• No GPS position fix can be obtained. Please check the transceiver is located where the internal GPS antenna has a clear sky view or that an external GPS antenna is properly connected and installed. Review the GPS signal strength graph in ‘System settings / GNSS Source’.• The power supply is outside the allowable range. Check that the power supply is within the range 9.6V to 31.2V• If none of the above correct the error condi-tion please contact your dealer for advice.• Check for error and alarm messages in the ‘Alarms’ menu.
Technical InformationPage  74Table 11  TroubleshootingIf the guidance given in the table above does not rectify the problem you are experiencing, please contact your dealer for further assistance.My MMSI is being received by other ves-sels but my vessel name is not shown on their chart plotter or PC.• Some older AIS devices and chart plotters do not process the specific class B mes-sage which provides the vessel name (message 24). This is not a fault of your AIS transceiver. software upgrades are available for may older chart plotters which will correct this issue. The other vessel should update its AIS unit and/or chart plot-ting software to receive AIS message 24.
Junction Box AccessoryPage  757 Junction Box Accessory7.1 What’s in the BoxThe items below are included in the junction box purchase. If any of these items are missing, please contact your dealer.Figure 31 Junction Box - What’s in the Box7.2 InstallationThe junction box should be mounted within 2m of the AIS transceiver, to en-sure that the cable can be run without compromising its performance.1. Connect the two extension cables between the transceiver and the junction box.2. Remove the lid of the junction box using a 3mm Allen Key. Route your accessory cables through the waterproof cable glands and find the appropriate terminal blocks to fix them to.3. Use the connector diagrams shown in Figure 12 and Figure 14 as your guide.4. Secure the earth/screen/shield of the accessory cables to the metallic strips of the junction box or to the appropriate connection on the termi-nal block.5. By default, the 120 Ohm jumper connectors should all be fitted to termi-nate any unused ports. If a port requires no termination, then that port’s jumper can be removed.6. Secure the accessory cables within the junction box with cable ties.7. Refit the lid securely to ensure waterproofing.Quick StartGuide18 wayextension cable14 wayextension cableJunctionBoxSelf-Tapping Screws
Junction Box AccessoryPage  767.3 Connecting External EquipmentFigure 32 shows an example of how external equipment could be connected through the junction box accessory. Figure 32 Connecting the External EquipmentWhen connecting external equipment the following procedures should be ob-served.• The common line should be connected to the sensor port if one is avail-able.• The shield in the cable used to connect the external equipment should be connected at one end only, Refer to the manufacturers documentation regarding cable construction.• The chassis connection can be made with EITHER a drain wire OR directly to the cable shield using exposed wire links on the junction box printed circuit board, depending on the cable construction.COMRx ARx BCOMRx ARx BTx ATx BCOMShieldTx ATx BRx ARx BCOMShieldTx ATx BChassisChassisSensor(eg. external GNSS)Junction boxAIS transceiverChart plotterSensor port 3Sensor port 2Sensor port 1(Orange, Purple,Green wires)Externaldisplay portPilot portLR/DGPS portEarth studconnection1317
Junction Box AccessoryPage  777.4 Technical Information7.4.1 Physical7.4.2 Environmental7.4.3 Data Connector InformationJunction Box Dimensions 235mm x 69mm x 233mm (WxHxD)Junction Box Weight0.65kgOperating Temperature Range -15°C to +55°CMaximum Operating Humidity 90% at +40°C, non-condensingWater Ingress Rating IPx618 way data connectorChogori23018525-04-RCMating Half Chogori23018221-0114 way data connectorChogori23014525-05-RCMating Half Chogori23014221-01
Junction Box AccessoryPage  78
Technical SpecificationPage  798 Technical Specification8.1 Applicable Equipment StandardsIEC61993-2Ed. 2.02012-10Class A shipborne equipment of the universal auto-matic identification system (AIS) – Operational and performance requirements, methods of test and required test resultsIEC609454th Ed.2002-08Maritime navigation and radio communication equip-ment and systems –General requirements – Methods of testing and required test resultsIEC61162-1Ed. 4.02010-11Maritime navigation and radio communication equip-ment and systems –Digital interfaces - Single talker and multiple listenersIEC61162-2Ed. 1.01998-09Maritime navigation and radio communication equip-ment and systems –Digital interfaces - Single talker and multiple listen-ers, high speed transmissionIEC61162-32008+A2:2014Maritime navigation and radio communication equip-ment and systems -Digital interfaces - Part 3: Serial data instrument net-work.ITU-R M.1371-502/2014Technical characteristics for an automatic identifica-tion system using time division multiple access in the VHF maritime mobile bandIEC61108-12nd Ed.2003-07Global Navigation Satellite Systems (GNSS) –Part 1: Global positioning system (GPS) - Receiver equipment - Performance standards, methods of testing and required test resultsIEC6118-021st Ed.1998-06Global navigation satellite systems (GNSS) - Part 2: Global navigation satellite system (GLONASS) - Receiver equipment - Performance standards, meth-ods of testing and required test resultsCCNR VTT Ed. 1.223.4.2013Central commission for Navigation on the Rhine, Inland AIS Equipment- Vessel Tracking and Tracing Standard for Inland Navigation
Technical SpecificationPage  808.2 Product Category8.3 Physical8.4 Environmental8.5 ElectricalProduct Category  This product is categorized as ‘protected’ in accor-dance with the definitions provided in IEC 60945Transceiver Dimensions 152mm x 165mm x 111mm (WxHxD), see Figure 29 for drawing)Transceiver Weight1.5kgCompass Safe Distance0.5m (Transceiver)Operating Temperature Range -15°C to +55°CMaximum Operating Humidity 90% at +40°C, non-condensingWater Ingress Rating IPx6, IPx7Supply Voltage 12 to 24V DC (absolute min 10.8V, absolute max 31.2 V)Power Consumption < 12WCurrent Consumption @12 VDC Supply0.9A typical, 6.0A peakCurrent consumption @24 VDC supply0.5A typical, 4.0A peak
Technical SpecificationPage  818.6 Display and User Interface8.7 Internal GNSSDisplay 800 x 480 pixel colour LCD with adjustable backlightLuminance 500cd/m2 max, 75cd/m2 defaultRecommended Viewing Distance45cmKeypad Five function keys and three menu keys with adjust-able backlightRotary Control Encoder with push functionSpeaker 600mW@750Hz 11mm x 15mmReceiver Chan-nels32 channels GPS and GLONASS operating modesTime to First Fix Typically 26 secondsFrequency L1 GPS band, 1575.42MHz and L1 GLONASS band 1597.1 - 1609.5MHzAccuracy 2.5m CEP / 5.0m SEP without differential correction2.0m CEP / 3.0m SEP with SBAS or RTCM DGPS correctionAntenna Require-mentActive antenna (5V bias) with gain >15dB
Technical SpecificationPage  828.8 TDMA Transmitter8.9 TDMA receiver8.10 DSC ReceiverFrequency Range 156.025MHz to 162.025MHzChannel Bandwidth 25kHzOutput Power 1W or 12.5W (automatic selection)Data Transmission Rate 9600 bits/sModulation Mode 25kHz GMSKNumber of Receivers 3Frequency Range 156.025MHz to 162.025MHzChannel Bandwidth 25kHzSensitivity <-107dBm for 20% PERModulation Mode 25kHz GMSKAdjacent Channel Selectivity 70dBSpurious Response Rejection 70dBNumber of Receivers 1Frequency 156.525MHz (Channel 70)Channel Bandwidth 25kHzSensitivity -107dBm @ BER <10-2Modulation mode 25kHz AFSKAdjacent channel selectivity 70dBSpurious response rejection 70dB
Technical SpecificationPage  838.11 RF Connections8.12 Data interfaceVHF Antenna Connection SO-239 / UHFVHF Port Impedance 50 OhmsGNSS Antenna Connections TNC femaleGNSS Port Impedance 50 OhmsSensor Data Input PortsNumber of Ports 3Standard IEC61162-1 / -2Baud Rate 4800 baud or 38400 baudPort Impedance 54K OhmsBidirectional Data Ports (including pilot port)Number of Ports 3Standard IEC61162-1 / -2Baud Rate 4800 or 38400 baudPort Impedance 54K OhmDifferential Correction PortStandard ITU 823-2 / RTCM SC-104Baud Rate 4800 baud or 38400 baudPort Impedance 54K OhmsBlue Sign PortPort Impedance 10K Ohms
Technical SpecificationPage  848.13 Power and Data Connector Information8.14 Open Source LicencesThis product contains open source software. For details please see the ‘Sys-tem information’ screen.8.15 Product VersionsAt delivery, the product contains the following software and hardware ver-sions:MKD Software: 110400.01.09MKD Firmware: 110400.01.09Modem Software: 110200.01.02MKD Hardware: 1Modem Hardware:1The ‘System Information’ screen will display the currently installed software and hardware versions on the transceiver. If this differs from that stated here, please check Online for an updated manual.Silent Mode PortPort Impedance 10K OhmsNMEA 2000 Port:Load Equivalency Number (LEN)1Power Con-nectorChogori22002525-04-RCMating Half Chogori22002221-0118 way Data ConnectorChogori23018525-04-RCMating Half Chogori23018221-0114 way Data ConnectorChogori23014525-05-RCMating Half Chogori23014221-01
Installation RecordPage  859 Installation RecordThe following installation record should be completed and retained on board the vessel once the AIS transceiver has been installed and com-missioned.9.1 Vessel DetailsVessel NameFlag StateIMO Number MMSI NumberOwner Radio Call SignType of Vessel Gross Regis-tered TonnageLength (m) Beam (m)AIS Transceiver Serial NumberInstallation PasswordRadio Software Version NumberMKD Software Version NumberExternal GNSS Antenna Location (all dimensions in meters, refer to diagram below A= B= C= D=
Installation RecordPage  86Figure 33 GNSS Antenna PositionConnected equipment type (where applicable note equipment and AIS data port in each case.The following drawings should be provided and attached to this installa-tion record.• Antenna layout for VHF and GNSS antennas• AIS arrangement drawing• Block diagram showing interconnection of equipment(D)GPS ReceiverGyro CompassROT IndicationSpeed LogECDISRadarOther EquipmentPower SupplyRef AAntennaRef A + Ref B = Length in metres Ref C + Ref D = Beam in metresRef BStern BowRef CRef D
Installation RecordPage  87Maintenance RecordInstaller DetailModification record numberDetails (enter details of modifications to the transceiver including software updates)12345678910Installed by (name)Installation com-pany nameDate of installa-tionVessel location at installationSignature
Installation RecordPage  88
201-0625:6Manufacturer’s Code: 427NMEA 2000 Product Code: xxxxx

Navigation menu