f u n k e AVIONICS FSG2T VHF/AM COM Transceiver FSG 2T User Manual 2T Installation Manual Part 1
f.u.n.k.e. AVIONICS GmbH VHF/AM COM Transceiver FSG 2T 2T Installation Manual Part 1
Contents
- 1. 2T Installation Manual Part 1
- 2. 2T Installation Manual Part 2
2T Installation Manual Part 1

«0+]
N+]FKDQQHOVSDFLQJ
/%$2-762
')61R %;;;;
)&&,'
%9<;;;;;; :DWW9+)$0
$9,$7,2175$16&(,9(5
,QVWDOODWLRQ2SHUDWLRQ
DSSOLHVIRU)6*7: DUWLFOHQR )
%HIRUHLQVWDOOLQJDQGRSHUDWLQJWKHWUDQVFHLYHU
SOHDVHUHDGWKLVPDQXDOWKRURXJKO\
3OHDVHREVHUYHWKH6DIHW\,QIRUPDWLRQ
.HHSIRUIXUWKHUXVH
'RFXPHQW1R ,0
$UWLFOHQR '
5HYLVLRQ
'DWHRI,VVXH -XQH
2ZQHUV1DPH
6HULDO
$YLRQLFV'LYLVLRQ
(USIWLQJHU6WUDH'/DQGVEHUJ*HUPDQ\
7HOHSKRQH)D[
HPDLOILUPD#GLWWHOFRP,QWHUQHWZZZGLWWHOFRP

9+)$05$',2)6*7
&+$11(/$9,$7,2175$16&(,9(5
3DJH-XQH
0DQXDO5HYLVLRQ+LVWRU\
0$18$/ ,0
5(9,6,21
5HWDLQWKHVHLQVWUXFWLRQVLQWKHIURQWRIWKH,QVWDOODWLRQ2SHUDWLRQ0DQXDODVD
5(&25'2)5(9,6,216
3$*( 5($621)25&+$1*(

9+)$05DGLR)6*7
&+$11(/$9,$7,2175$16&(,9(5
-XQH 3DJH
7DEOHRI&RQWHQW
3DJH
0DQXDO5HYLVLRQ+LVWRU\
7DEOHRI&RQWHQW
/LVWRI,OOXVWUDWLRQV
$EEUHYLDWLRQVDQG$FURQ\PV
6HFWLRQ )RU<RXU6DIHW\
8VHG6\PEROV
6HFWLRQ *HQHUDO'HVFULSWLRQ
$ERXWWKLVGRFXPHQW
*HQHUDO'HVFULSWLRQ
$SSOLFDWLRQ
2SHUDWLRQ'HVFULSWLRQ
7HFKQLFDO'HVFULSWLRQ
6\VWHPDQG7\SH$SSURYDO,QIRUPDWLRQ
5HFDOLEUDWLRQ,QIRUPDWLRQ
2SHUDWLQJ/LFHQVH
(TXLSPHQWVXSSOLHG
2SWLRQDO$FFHVVRULHV
(TXLSPHQWUHTXLUHGEXWQRWVXSSOLHG
6RPHZRUGVDERXW0LFURSKRQHV
6HFWLRQ ,QVWDOODWLRQ
*HQHUDO
8QSDFNLQJDQG,QVSHFWLQJ(TXLSPHQW
3UHLQVWDOODWLRQ7HVW
3DUWLFXODU5HPDUNVWR)6*77UDQVPLWWHU0RGXODWLRQ
0HFKDQLFDO,QVWDOODWLRQ
7UDQVFHLYHULQVWDOODWLRQ
&RPSDVVGHYLDWLRQ
$QWHQQDLQVWDOODWLRQ
$LUERUQHZLULQJ
*HQHUDOUHFRPPHQGDWLRQV
:LULQJWKH0LFURSKRQHV
0LFURSKRQHVHWWLQJ
'\QDPLF0LFURSKRQHV
6WDQGDUG&DUERQDPSOLILHG(OHFWUHWDPSOLILHG'\QDPLF0LFURSKRQHV
,QWHUFRP,&
/RXGVSHDNHU+HDGVHWLQWHUFRQQHFWLRQ
237,21$/$)([WHUQDO2SHUDWLRQ
%DFNOLJKWLQJ
&RQQHFWLRQWRD9GFDLUERUQHV\VWHP
6HFWLRQ 5HFRPPHQGHG6HWXS6HTXHQFH
*HQHUDO
0LFURSKRQH6HWXS
6HWXSXVLQJ/RXGVSHDNHU-XQFWLRQ%R[DQGRQHRUWZRLGHQWLFDO
QRQDPSOLILHG'\QDPLF0LFURSKRQHV
6HWXSXVLQJWZRQRQDPSOLILHG'\QDPLF0LFURSKRQHVRQ0,&LQSXWSLQ
DQG0,&LQSXWSLQ
6HWXSXVLQJRQHRUWZRLGHQWLFDODPSOLILHG6WDQGDUG&DUERQ0LFURSKRQHV
RQ0,&LQSXWSLQ

9+)$05$',2)6*7
&+$11(/$9,$7,2175$16&(,9(5
3DJH-XQH
7DEOHRI&RQWHQW
3DJH
6HWXSXVLQJWZRDPSOLILHG6WDQGDUG&DUERQ0LFURSKRQHVRQ
0,&LQSXWSLQDQG0,&LQSXWSLQ
6HWXSXVLQJQRQDPSOLILHGPLFURSKRQHVRQRQHLQSXWDQG
DPSOLILHGPLFURSKRQHVRQWKHRWKHU
$GMXVWLQJWKH7UDQVPLWWHU6LGHWRQH
,IDSSOLFDEOH±&KHFNWKH,QWHUFRP0RGH
&KHFNWKH5;+HDGSKRQH9ROXPH
)L[LQJWKHUDGLR
7HVWLQJRQWKH*URXQGZLWKHQJLQH2II
*URXQGFKHFNVZLWKHQJLQHUXQQLQJLIDSSOLFDEOH
6HFWLRQ )XQFWLRQDO'HVFULSWLRQ
,QWURGXFWLRQ
2SHUDWRUV&RQWUROV
)UHTXHQF\'LVSOD\/&'
(UURU&RGHV
&RQQHFWRUVDQGFRQWUROVDWUHDUVLGH
5HVHW
6HFWLRQ 2SHUDWLRQ
,QWURGXFWLRQ
7XUQLQJ216HOHFWLQJ)UHTXHQF\$XGLR9ROXPH
5HFHLYH/LVWHQ2SHUDWLRQ
7UDQVPLW7DON2SHUDWLRQ
0HPRU\3URJUDPPLQJ
3URJUDPPLQJZKLOHLQ'LUHFW7XQH0RGH
3URJUDPPLQJZKLOHLQ&KDQQHO0RGH
92;,QWHUFRP
,QWHUFRP2SWLRQ$)(;7(51$/HQDEOHG
237,21$)([WHUQDO
%DFNOLJKWLQJ
7XUQLQJ2))
&KHFNLQJWKHDLUFUDIWRQERDUGVXSSO\
2SHUDWLQJWLPHVRI)6*7VXSSOLHGIURPD9EDWWHU\RQO\
(PHUJHQF\2SHUDWLRQ
$SSHQGL[$ 7HFKQLFDO6XPPDU\
$ *HQHUDO
$ 'LPHQVLRQV:HLJKW
$ 3RZHU6XSSO\)XVHV
$ 5HFHLYHU6SHFLILFDWLRQ
$ 7UDQVPLWWHU6SHFLILFDWLRQ
$SSHQGL[% (QYLURQPHQWDO3HUIRUPDQFH&ODVVLILFDWLRQ
$SSHQGL[& &HUWLILFDWHV
:DUUDQW\&RS\ULJKW±6HUYLFH,QIRUPDWLRQ

9+)$05DGLR)6*7
&+$11(/$9,$7,2175$16&(,9(5
-XQH 3DJH
/LVWRI,OOXVWUDWLRQV
)LJ 3DJH
3UH,QVWDOODWLRQ7HVW6HWXS
'HYLDWLRQRIDFRPSDVVE\DQRSHUDWLQJ)6*7GHSHQGVRQ
WKHGLVWDQFHEHWZHHQFRPSDVVFHQWHUDQGFRQWRXURIWUDQVFHLYHU
)6*7'LPHQVLRQV,QVWDOODWLRQ'UDZLQJ
6WDQGDUG+RRNXS'LDJUDPXVLQJSUHZLUHGFDEOHKDUQHVV$1)
RQH0,&LQSXWIRUQRQDPSOLILHG'\QDPLF0LFURSKRQHV
,17(5&20+RRNXS'LDJUDPIRUWZRVHDWDSSOLFDWLRQXVLQJSUHZLUHGFDEOHKDUQHVV
$1)RQH0,&LQSXWIRUQRQDPSOLILHG'\QDPLF0LFURSKRQHV
,17(5&20+RRNXS'LDJUDPIRUWZRVHDWDSSOLFDWLRQXVLQJ
WZR0,&LQSXWVIRUQRQDPSOLILHG'\QDPLF0LFURSKRQHVKDUGZLUHG
,17(5&20+RRNXS'LDJUDPIRUWZRVHDWDSSOLFDWLRQXVLQJ
WZR0,&LQSXWVIRU$PSOLILHG6WDQGDUG&DUERQ0LFURSKRQHV
,17(5&200,&6HOHFWRU6ZLWFK+RRNXS'LDJUDPIRUVLQJOHRU
WZRVHDWDSSOLFDWLRQXVLQJ$PSOLILHG6WDQGDUG&DUERQ0LFURSKRQHVDQG
QRQDPSOLILHG'\QDPLF0LFURSKRQHV
2SHUDWRUV&RQWUROVDQG,QGLFDWRUV

9+)$05$',2)6*7
&+$11(/$9,$7,2175$16&(,9(5
3DJH-XQH
$EEUHYLDWLRQVDQG$FURQ\PV
$& $LUFUDIW
$1 $UWLFOH1XPEHU:DOWHU'LWWHO*PE+
$*& $XWRPDWLF*DLQ&RQWURO
$K $PSHUHKRXU
$0 $PSOLWXGH0RGXODWLRQ
$17 $QWHQQD
$VV\ $VVHPEO\
$:* $PHULFDQ:LUH*DXJH
FFZ &RXQWHUFORFNZLVHWXUQOHIW
&+ &KDQQHO
FZ &ORFNZLVHWXUQULJKW
G% 'HFLEHO
GLD 'LDPHWHU
(0) (OHFWURPRWLYH)RUFHYROWDJHRIDQ
RSHQFLUFXLW
)&+ )UHTXHQF\&KDQQHO
)/ )OLJKW/HYHO
J $FFHOHUDWLRQGXHWRJUDYLW\
*1' *URXQG
+, +LJK3RZHU
+] +HUW]
,&$2 ,QWHUQDWLRQDO&LYLO$YLDWLRQ
2UJDQL]DWLRQ
,) ,QWHUPHGLDWH)UHTXHQF\
N+] .LORKHUW]
/&' /LTXLG&U\VWDO'LVSOD\
/(' /LJKW(PLWWLQJ'LRGH
/2 /RZ3RZHU
/26 /LQH2I6LJKW
P 0RGXODWLRQ
P$ 0LOOLDPSHUH
0' 0RGH
0+] 0HJDKHUW]
0,& 0LFURSKRQH
P: 0LOOLZDWW
10 1DXWLFDOPLOHV
Q: 1DQRZDWW
3(3 3HDN(QYHORSH3RZHU
3// 3KDVH/RFNHG/RRS
SSP 3DUWVSHUPLOOLRQ
377 3XVK7R7DON
S: 3LFRZDWW
3:5 3RZHU
5) 5DGLR)UHTXHQF\
UPV (IIHFWLYHYDOXHURRWPHDQVTXDUH
5; 5HFHLYH
611 6LJQDOWR1RLVH5DWLR
6,1$' 5DWLR
63.5 /RXGVSHDNHU
64 6TXHOFK
67%< 6WDQGE\
672 6WRUH
6:5 6WDQGLQJ:DYH5DWLR
727 7LPHRXWWLPHU
7; 7UDQVPLW
9&2 9ROWDJH&RQWUROOHG2VFLOODWRU
9DF 9ROWVDOWHUQDWLQJFXUUHQW
9GF 9ROWVGLUHFWFXUUHQW
9)2 9DULDEOHIUHTXHQF\RVFLOODWRU
9+) 9HU\+LJK)UHTXHQF\
92/ 9ROXPH
96:5 9ROWDJH6WDQGLQJ:DYH5DWLR
::DWW
2KP
& 'HJUHHV&HQWLJUDGH
) 'HJUHHV)DKUHQKHLW

9+)$05$',2)6*7
)RU<RXU6DIHW
\
-XQH 3DJH
6HFWLRQ )RU<RXU6DIHW\
(YHU\UDGLRZKHQWUDQVPLWWLQJUDGLDWHVHQHUJ\LQWRWKHDWPRVSKHUHWKDWPD\XQGHU
FHUWDLQFRQGLWLRQVFDXVHWKHJHQHUDWLRQRIVSDUNV$OOXVHUVRIRXUUDGLRVVKRXOGEHDZDUH
RIWKHIROORZLQJZDUQLQJ
'RQRWRSHUDWHWKLVUDGLRLQDQH[SORVLYHDWPRVSKHUHSHWUROHXPIXHOV
VROYHQWVGXVWHWF
'XULQJQRUPDOXVHWKHUDGLRZLOOVXEMHFW\RXWRUDGLRIUHTXHQF\HQHUJ\VXEVWDQWLDOO\EHORZ
WKHOHYHOZKHUHDQ\NLQGRIKDUPLVUHSRUWHG
7KHUHDUHQRXVHUUHSODFHDEOHSDUWVLQVLGHWKH)6*7,IWKHUDGLRIDLOVLWPXVW
EHUHWXUQHGWRD:DOWHU'LWWHO*PE+DSSURYHGUHSDLUIDFLOLW\
7KHOLFHQVHHRIDUDGLRVWDWLRQLVUHVSRQVLEOHDWDOOWLPHVIRUWKHSURSHURSHUDWLRQRIWKH
VWDWLRQ5DGLRRSHUDWRUVVKRXOGXVHWKHIROORZLQJJXLGHOLQHVWRPDNHWKLVUDGLRDXVHIXO
WRROIRUVDIHDQGHIILFLHQWIOLJKW
'2127WUDQVPLWZKHQWKHDQWHQQDLVYHU\FORVHWRRUWRXFKLQJH[SRVHGSDUWVRIWKH
ERG\HVSHFLDOO\WKHIDFHDQGH\HV3HUVRQVZLWKSDFHPDNHUVVKRXOGEHDZDUHWKDW
SURSHUIXQFWLRQLQJPD\EHDIIHFWHGZKHQLQWKHYLFLQLW\RIWKHDQWHQQD
'2127WUDQVPLWZLWKRXWDQWHQQDFRQQHFWHG
'2127RSHUDWHWKHUDGLRRQDQXQSURWHFWHGSRZHUVXSSO\5HSODFHDEORZQIXVHRQO\
DJDLQVWFRUUHFWW\SHZLWKVSHFLILHGQRPLQDOYDOXH,QYHVWLJDWHWKHFDXVH
'2127WUDQVPLWRQDEXV\FKDQQHO
'2127SUHVVWKHWUDQVPLW377NH\ZKHQQRWDFWXDOO\GHVLULQJWRWUDQVPLW
'2127WUDQVPLWZLWKWKHDQWHQQDLQVLGHDLUFUDIWRUYHKLFOH7KLVPD\FDXVH
PDOIXQFWLRQRIRQERDUGDYLRQLFVWULJJHUWKHYHKLFOHDLUEDJRULQWHUIHUHRQERDUG
LQVWUXPHQWV$OZD\VRSHUDWHWKHUDGLR)6*7ZLWKDVXLWDEOHRXWGRRUH[WHUQDO
DQWHQQD$VVXUHDSSURSULDWHOLJKWQLQJSURWHFWLRQJURXQGLQJZKHUHHOHYDWHGRXWGRRU
DQWHQQDVDUHXVHG
'2127RSHUDWHWKHUDGLRZKLOVWGULYLQJ,WVKRXOGDOVREHQRWLFHGWKDWHYHQWKHXVHRI
DKDQGKHOGPLFURSKRQHZKLOHGULYLQJFRXOGFRQVWLWXWHDQRIIHQFHXQGHUWKH5RDG
7UDIILF5HJXODWLRQVLQFHUWDLQFRXQWULHV
'2127DOORZFKLOGUHQWRSOD\ZLWKDQ\UDGLRHTXLSPHQWFRQWDLQLQJDWUDQVPLWWHU
'2127XVHDUDGLR)6*7IRUDLUERUQHRSHUDWLRQZKLFKLVPDUNHGDV
&+$11(/21/<0RGH
$OZD\VVZLWFK2))WKHUDGLRILUVWZKHQLQVWDOOLQJWKHXQLWLQWRYHKLFOHVDLUFUDIWRU
FDUU\LQJFDVHVRUZKHQUHPRYLQJIURPLW
$OZD\VVZLWFK2))WKHUDGLREHIRUHVWDUWLQJDQDLUFUDIWRUYHKLFOHHQJLQH
:KHQRSHUDWLQJWKH)6*7RQD9GF9GFVRXUFHDVXLWDEOH9ROWDJH
&RQYHUWHU9GF9GFRIDWOHDVW$PSVPXVWEHXVHG
7KH)6*7VKRXOGEHXVHGH[FOXVLYHO\IRUDYLDWLRQUHODWHGFRPPXQLFDWLRQ
SXUSRVHV
8QDXWKRUL]HGPRGLILFDWLRQVDQGFKDQJHVRIWKHV\VWHPDUHIRUELGGHQ
6XIILFLHQWVSHHFKYROXPHLVYHU\LPSRUWDQW:KLOHWKHOLSVDUHYHU\FORVHDQGIDFLQJWKH
PLFURSKRQHVSHDNORXGDQGFOHDU3URSHUVSHHFKOHYHOLVLQGLFDWHGE\WKH\HOORZ
IOLFNHULQJ/('RQWKH)6*7IURQWSDQHO
,QDLUFUDIWYHKLFOHVDVXLWDEOHQRLVHFDQFHOLQJPLFURSKRQHRUKHDGVHWVKDOOEHXVHG

9+)$05$',2)6*7
)RU<RXU6DIHW\
3DJH-XQH
$EDFNXSPLFURSKRQHVKRXOGDOZD\VEHFDUULHGGXULQJDQ\IOLJKW(YHQQHZ
PLFURSKRQHVFDQIDLO
3ULRUWRDQ\IOLJKWYHULI\SURSHU)6*7IXQFWLRQVE\PHDQVRIDVKRUWUDGLRFKHFN
,WKDVKRZHYHUWREHWDNHQLQWRDFFRXQWWKDWZLWKDIDXOW\DQWHQQDRULWVFDEOHWKLV&20
WHVWPD\DEVROXWHO\WXUQRXWSRVLWLYHDWWKHDLUILHOGRULQVKRUWGLVWDQFHWRWKHJURXQG
VWDWLRQ%XWDWDGLVWDQFHRIWRPLOHVDIDXOW\DQWHQQDDQGRUFDEOHVZLOOFDXVH
FRPPXQLFDWLRQEUHDNGRZQ
3XVKWR7DONNH\VPD\VWLFNRFFDVLRQDOO\
7KHWUDQVPLVVLRQVLJQDOLQJ5('RUIOLFNHULQJ<(//2:/('VKDOOEHWXUQWR&/($5RU
*5((1ZKHQUHOHDVLQJWKH377NH\
+RZHYHUDIWHUPRUHWKDQWZRPLQXWHVFRQWLQXRXVWUDQVPLWWLQJE\VWXFNEXWWRQRU
RSHUDWRUFDXVHGWKHEXLOWLQWUDQVPLWWLPHRXWWLPHUGLVDEOHVWKHWUDQVPLWWHULQRUGHUWR
DYRLGFRQWLQXRXVFKDQQHOEORFNLQJ$FRQWLQXRXVO\IODVKLQJGLVSOD\ZDUQVWKHXVHU
5HIHUWRDSSURSULDWHKLQWVLQWKLVPDQXDO
8VHG6\PEROV
,QWKLVPDQXDOWKHIROORZLQJV\PEROVDUHXVHG
:$51,1*
GHVFULEHVDQLPPHGLDWHWKUHDWHQLQJGDQJHU)DLOLQJWRREVHUYHWKHQRWH
PD\FDXVHGHDWKRUKHDYLHVWLQMXULHV
&$87,21
GHVFULEHVDVSHFLDOQRWHIRURSHUDWLRQ)DLOLQJWRREVHUYHWKHQRWHPD\
FDXVHGDPDJHRIWKHWUDQVFHLYHUDQGRUVWRUHGGDWDPD\EHGHOHWHG
,03257$17
GHVFULEHVH[SODQDWLRQVDQGRWKHUXVHIXOKLQWV)DLOLQJWRREVHUYHWKHQRWH
PD\FDXVHGHJUDGHGSHUIRUPDQFHDQGRUXQVDWLVI\LQJRSHUDWLRQ

9+)$05$',2)6*7
*HQHUDO'HVFULSWLRQ
-XQH 3DJH
6HFWLRQ *HQHUDO'HVFULSWLRQ
$ERXWWKLVGRFXPHQW
7KLVLQVWDOODWLRQDQGRSHUDWLRQPDQXDO,0UHIHUVWRD)6*7$UWLFOH
1XPEHU)DQGFRQWDLQVLQVWUXFWLRQVDQGGHVFULSWLRQVIRUDSSOLFDWLRQLQVWDOODWLRQ
SUHVHWWLQJRSHUDWLRQDQGWHVWLQJDVZHOODVKRRNXSGLDJUDPVIRUWKHXQLYHUVDOPXOWL
XVH)6*79+)$07UDQVFHLYHURI:DOWHU'LWWHO*PE+/XIWIDKUW
JHUDHWHEDX'/DQGVEHUJ*HUPDQ\
$GGLWLRQDOO\WKH0DLQWHQDQFH0DQXDO050FRQWDLQV&LUFXLW'HVFULSWLRQ2YHU
KDXODQG0DLQWHQDQFH,QVWUXFWLRQV$OLJQPHQW3URFHGXUHV7HVWLQJ,QVWUXFWLRQVDQGDQ
,OOXVWUDWHG3DUWV/LVW
*HQHUDO'HVFULSWLRQ
7KH)6*79+)$0&20LVDPLQLDWXUL]HGOLJKWZHLJKWSDQHOPRXQWHGVLQJOH
EORFNWUDQVFHLYHURSHUDWLQJLQWKH9+)$0DLUEDQGUDGLRIUHTXHQF\UDQJH0+]
0+]WKXVSURYLGLQJFKDQQHOVZLWKN+]FKDQQHOVSDFLQJFRYHULQJD
VWDQGDUGFRPPXQLFDWLRQVGLVWDQFHRI10QDXWLFDOPLOHVDW)/
$SSOLFDWLRQ
7KHHTXLSPHQWLVDSSURYHGIRUDLUERUQHRSHUDWLRQDV&20&20&20LQ)L[HG
:LQJDQG+HOLFRSWHUDLUFUDIWDQGIRUJURXQGXVHLQDQ\3RUWDEOH)L[HG%DVHGRU0RELOH
RSHUDWLRQ
8OWUDORZSRZHUFRQVXPSWLRQLQFRQMXQFWLRQZLWKH[WUHPHO\ZLGH'&VXSSO\YROWDJH
UDQJHVPDOOGLPHQVLRQVDQGZLGHVFRSHRIDFFHVVRULHVDOORZXQLYHUVDODLUERUQH
DSSOLFDWLRQVLQDQ\SRZHUHGDLUFUDIWPRWRUJOLGHUDQG8OWUDOLJKWDQGLQJOLGHUDQG
EDOORRQIRUSULPDU\RUDOVREDWWHU\VXSSOLHGEDFNXSRSHUDWLRQ
8QLYHUVDOXVHLQJURXQGYHKLFOHDVZHOODVIRUFRPSDFWSRUWDEOHFDVHVDQGIRUGHVNWRS
RUUDFNPRXQWHGORFDORUUHPRWHFRQWUROOHGIL[HGEDVHSULPDU\RUDOVREDWWHU\VXSSOLHG
EDFNXSRSHUDWLRQVDUHIXUWKHUDSSOLFDWLRQV3OHDVHDOZD\VHQVXUHVXLWDEOHDQWHQQD
VROXWLRQV
2SHUDWLRQ'HVFULSWLRQ
7KHWUDQVFHLYHUILWVLQWRDVWDQGDUGóLQPPGLDPHWHULQVWUXPHQWKROHDQGLVIL[HG
E\IRXUVFUHZV0,QVWDOODWLRQGHSWKEHKLQGWKHIURQWSDQHOLQFOXGLQJFRQQHFWRUVDQG
ZLULQJLVPP
&RQQHFWLRQVDWWKHUHDUSDQHOWRWKHHOHFWULFDOHQYLURQPHQWDUHDFKLHYHGYLDD6WDQGDUG
'%PDOHFRQQHFWRUXVLQJDZLULQJKDUQHVVDQGD%1&DQWHQQDFRQQHFWRU
$OORSHUDWLRQDOFRQWURODQGGLVSOD\HOHPHQWVDUHORFDWHGRQWKHQLJKWGHVLJQIURQWSDQHO
7UDQVPLW5HFHLYH0RGHPRGXODWLRQOHYHORU,QWHUFRPLVLQGLFDWHGE\DFRORUVLJQDOLQJ
/('RQWKHIURQWSDQHO
7KHEDFNOLW/LTXLG&U\VWDO'LVSOD\/&'VKRZVWKHDFWLYHIUHTXHQF\RQERDUGVXSSO\RU
PHPRU\FKDQQHOQXPEHUDVZHOODV(5525FRGHVLIDSSOLFDEOH'XULQJVZLWFKRQWKH
ILUPZDUHYHUVLRQLVVKRZQDQGDGLVSOD\FKHFNLVSHUIRUPHG
7ZRGLVSOD\PRGHVDUHXVHUVHOHFWDEOH
)5(48(1&<02'( $FWLYH)UHTXHQF\DQGDFWXDORQERDUGYROWDJHDUHVKRZQDWWKH
GLVSOD\7XUQLQJSXVKLQJWKH)&+NQREFKDQJHV)UHTXHQF\
&+$11(/02'( $FWLYH&KDQQHO1XPEHU«DQGDVVRFLDWHG)UHTXHQF\
DUHVKRZQDWWKHGLVSOD\7XUQLQJWKH)&+NQREFKDQJHVSUHVHW
&KDQQHO1XPEHUDQGDVVRFLDWHG)UHTXHQF\5HSURJUDPPLQJ
ZLWKRXWUHVWULFWLRQ

9+)$05$',2)6*7
*HQHUDO'HVFULSWLRQ
3DJH -XQH
2SWLRQDOO\±RQO\IRUJURXQGEDVHGRSHUDWLRQ±DSDUWLFXODUPRGHFDQEHVHWZKHUHWKH
RSHUDWLRQLVOLPLWHGWRXVHRQO\SUHVHWFKDQQHOV7RVHWWKLVPRGHWKHUDGLRKDVWREH
RSHQHG7KLVPD\RQO\EHSHUIRUPHGE\DQDSSURYHGUHSDLUIDFLOLW\
SUHVHWPHPRU\FKDQQHOVDQGWKHODVWRSHUDWLQJVHWWLQJUHPDLQDOOVWRUHGLQDQRQ
YRODWLOHPHPRU\6ZLWFKLQJ2))RUSRZHUIDLOXUHGRHVQRWUHVXOWLQORVVRIPHPRU\
LQIRUPDWLRQ
7XUQLQJWKHOHIWLQQHUNQREDGMXVWVORXGVSHDNHURUKHDGVHWDXGLROHYHO)XOOFFZSRVLWLRQ
WXUQVWKHUDGLR2))
7KHFRQWLQXRXVO\YDULDEOH64NQREOHIWRXWHUULQJDGMXVWVWKH6TXHOFKWKUHVKROG)XOO
FFZSRVLWLRQWXUQVWKH64FLUFXLW2))IXOO5HFHLYHUVHQVLWLYLW\FRQWLQXRXV5;QRLVHLV
DXGLEOHGXULQJ5;0RGH
2QWKHUHDUSDQHODSLQ68%'FRQQHFWRUIRUWKHDLUFUDIWZLULQJLVORFDWHG,WFRQWDLQV
WZRLQGHSHQGHQWPLFURSKRQHLQSXWVZKLFKFDQEHVHWLQGLYLGXDOO\E\',/VZLWFKHV
VXLWDEOHHLWKHUIRU
'\QDPLFQRQDPSOLILHGPLFURSKRQHV
$PSOLILHG'\QDPLF(OHFWUHW6WDQGDUG&DUERQ0LFURSKRQHVZLWKRUZLWKRXW'&
VXSSO\RU
RQHLQSXWIRUD'\QDPLFQRQDPSOLILHGPLFURSKRQHDQGWKHRWKHULQSXWIRUDQ
$PSOLILHG'\QDPLF(OHFWUHW6WDQGDUG&DUERQ0LFURSKRQH
)RUHDFK0,&LQSXWWKHPLFURSKRQHVLJQDOFDQEHDGMXVWHGE\SRWHQWLRPHWHUDQG
WRPRGXODWHWKHWUDQVFHLYHUSURSHUO\$GGLWLRQDOO\VXSSO\FXUUHQWIRUDPSOLILHGRU
6WDQGDUGFDUERQPLFURSKRQHVIRUHDFK0,&LQSXWFDQEHVHWE\',/VZLWFKHVWRP$
P$P$RUQRQH
3KRQHDXGLRRXWSXWLVDGMXVWDEOHE\SRWHQWLRPHWHUDWWKHUHDUSDQHO
)RUWZRVHDWDLUFUDIWDQGQRLV\HQYLURQPHQWWKHYRLFHDFWLYDWHG92;,QWHUFRPLVDORQJ
H[SHFWHGIHDWXUH,WHOLPLQDWHVFRQVWDQWEDFNJURXQGQRLVHVLQFHLWLVRQO\DFWLYHZKHQ
\RXWDON
7HFKQLFDO'HVFULSWLRQ
%RWK7UDQVPLWWHUDQG5HFHLYHUXVHWKHVDPHGLJLWDOIUHTXHQF\V\QWKHVL]HUDQGDQ
DFFXUDWHUHIHUHQFHFU\VWDO7KHWUDQVPLWIUHTXHQF\LVWXQHGVLPXOWDQHRXVO\ZLWKWKH
5HFHLYHIUHTXHQF\6LPSOH[RSHUDWLRQ
7KHVLQJOHVXSHUKHW5HFHLYHURIIHUVKLJKLPPXQLW\DJDLQVWLQEDQGDQGRXWRIEDQG5)
LQWHUIHUHQFHLQWHUPRGXODWLRQDQGFURVVPRGXODWLRQLQFOXGLQJ,&$2$QQH[)0
LPPXQLW\LQWHUPRGXODWLRQ
7KHDXWRPDWLF5HFHLYHU$0)0QRLVH6TXHOFKWKUHVKROGLVFRQWLQXRXVO\DGMXVWDEOHRQ
WKHIURQWSDQHOE\WKH64NQRE)XOOFZSRVLWLRQRIWKH64NQREUHTXLUHVPD[LPXP
G%P9WRRSHQWKH6TXHOFK)XOOFFZSRVLWLRQRIWKH64NQRERIIHUV
PD[LPXP5HFHLYHUJDLQWKH6TXHOFKLVDOZD\VRSHQDQG5;QRLVHLVFRQWLQXRXVO\
DXGLEOHZKLOHLQ5;0RGH
7KHWUDQVFHLYHUFDQEHVXSSOLHGGLUHFWO\IURPDQ\SURSHUO\IXVHG±9GFSRZHU
VRXUFHDLUFUDIWYHKLFOHHWFZLWKVXIILFLHQWFXUUHQWVXSSO\FDSDELOLW\
$VDVSHFLILF)6*7IHDWXUHLQWHJUDOFRQWUROVHQDEOHIXOOWUDQVFHLYHURSHUDWLRQ
ZLWKRXWDQ\GHJUDGDWLRQHYHQGXULQJ(PHUJHQF\6XSSO\&RQGLWLRQEHWZHHQ9GFDQG
9GF
$VXLWDEOH'&UHJXODWRULVUHTXLUHGIRUVXSSO\IURP9GFEXVHV
,Q8OWUDOLJKWV*OLGHUV%DOORRQVRU3RUWDEOHVZLWKRXWRQERDUGHOHFWULFSRZHUJHQHUDWLRQ
V\VWHPORQJWHUPRSHUDWLRQIURPD9GFEDWWHU\PLQ$KLVDSSURSULDWH

9+)$05$',2)6*7
*HQHUDO'HVFULSWLRQ
-XQH 3DJH
7KHRQERDUGYROWDJHLVPRQLWRUHGFRQWLQXRXVO\:KHQVXSSO\YROWDJHGURSVEHORZ
9GFWKH6XSSO\,QGLFDWLRQRQWKH/&GLVSOD\VWDUWVIODVKLQJDVDORZVXSSO\ZDUQLQJ
%HORZWR9GFWKH)6*7WXUQV2))LWVHOIEXWZLOOFRPHEDFNLQWRRSHUDWLRQ
ZKHQWKHVXSSO\YROWDJHVLQFUHDVHVUHWXUQVWRPRUHWKDQVRPH9GF7KHODVWXVHG
VHWWLQJVUHPDLQKRZHYHUDFWLYH
$QDXGLRORZSDVVILOWHUIRUDUHDVXVLQJ&/,0$;RSHUDWLRQZLWKN+]FKDQQHOVSDFLQJ
LVLQFRUSRUDWHGLQWKH)6*7WRVXSSUHVVPXOWLFDUULHUEHDWDXGLRWRQHV
7KHDXGLRDPSOLILHUSURYLGHV$)SRZHUWRWKHVSHDNHU:DWWVLQWR2KPVDQGP:
LQWR2KPVIRUKHDGSKRQHV
7KHVROLGVWDWHWHPSHUDWXUHFRQWUROOHGWUDQVPLWWHULVZLGHEDQGWXQHGIURPWR
0+]DQGGHOLYHUVVRPH:DWWVWUDQVPLWWHU5)FDUULHUSRZHU
$NH\HGWUDQVPLWWHUZLWKRXWRUZLWKWRRORZPLFURSKRQHPRGXODWLRQLQSXWYROWDJHLV
LQGLFDWHG5('E\WKHVWDWXV/('DWWKH)6*7IURQWSDQHO'HWDLOHGLQIRUPDWLRQ
UHJDUGLQJ7;PRGXODWLRQPRQLWRULQJDQGVHWWLQJLVJLYHQLQ0LFURSKRQH6HWXS
,Q5HFHLYH0RGHIRU,QWHUFRPSXUSRVHV,QWHUFRPVHOHFWRUVZLWFKWKHPLFURSKRQHLQSXW
OHYHOHQDEOHVYRLFHDFWLYDWHG92;SLORWFUHZLQWHUFRPPXQLFDWLRQ7KLVDOORZVLQ
5HFHLYH0RGHDYRLFHDFWLYDWHGLQWHUFRPPXQLFDWLRQQRDGGLWLRQDODFFHVVRULHVQHHGHG
EHWZHHQSLORWDQGFUHZZKHQXVLQJWKH,QWHUFRPZLULQJKDUQHVVKHDGVHWVSURSHUPLNH
LQSXWVHWWLQJDQGVXIILFLHQWVSHHFKYROXPH
,QWHUFRPSKRQHDXGLRYROXPHFDQEHDGMXVWHGLQGLYLGXDOO\E\WKH92/NQRERQWKHIURQW
SDQHO,QDGGLWLRQ92;21LVRSWLFDOO\LQGLFDWHGE\WKH*5((17;5;6WDWXV/('RQWKH
IURQWSDQHO
'XULQJ,QWHUFRPDVORQJDVD5HFHLYHVLJQDOH[LVWVWKH,QWHUFRPDXGLROHYHOLVUHGXFHG
E\G%KDOIOHYHODQGWKH5HFHLYHUDXGLRGRPLQDWHVWKHUHIRUH
7KH)6*7LVHTXLSSHGDOVRZLWKDWUDQVPLWWLPHRXWWLPHU7KLVDYRLGVEORFNHG
FKDQQHODIWHUPLQXWHVFRQWLQXRXV7;VWXFNEXWWRQGRHVQRWEORFNDFKDQQHO
FRQWLQXRXVO\DQGLVLQGLFDWHGE\DFRQWLQXRXVO\EOLQNLQJGLVSOD\6KRXOGVXFKVWXFN
EXWWRQPDOIXQFWLRQFRQWLQXHWKH)6*7LVUHDG\IRUDQRWKHUPLQXWHWUDQVPLVVLRQ
SHULRGZKHQWXUQLQJ2))DQG21WKHXQLWDJDLQHJIRUHPHUJHQF\RUEOLQG
WUDQVPLVVLRQ
237,217KHH[WHUQDO$)LQSXWDOORZVLQWHUFRQQHFWLRQRI9ROWDXGLRVRXUFHV
HVSHFLDOO\LQDLUFUDIWXVLQJRWKHU&20925/2&'0(0.5DQGRUHOHFWULF
YDULRPHWHUV7KLVDOORZVVLJQDOPRQLWRULQJGXULQJ5HFHLYH0RGHE\VSHDNHUDQGRU
KHDGSKRQHLQ,QWHUFRP0RGH7KLVRSWLRQFDQRQO\EHHQDEOHGE\DQLQWHUQDOVROGHU
EULGJHSHUIRUPHGE\DQDSSURYHG$YLRQLFV6HUYLFH6KRSPDUNHGRQWKHLQIRUPDWLRQ
ODEHO7KLVLQFUHDVHVWKH6WDQGE\FXUUHQWFRQVXPSWLRQXSWRP$,QDGGLWLRQWKH
92;,QWHUFRP)XQFWLRQLVWKHQGLVDEOHG
([WHUQDO$)LQSXW5HFHLYHDQG,QWHUFRPDXGLROLVWHQLQJWKURXJKKHDGSKRQHVLV
VLPXOWDQHRXVO\SRVVLEOHLQ5HFHLYH6WDQGE\0RGH
6\VWHPDQG7\SH$SSURYDO,QIRUPDWLRQ
7KH'XDO0RGH9+)$0$LUEDQG7UDQVFHLYHU)6*7FRPSOLHVZLWK,&$2N+]
FKDQQHOVSDFLQJDQGDOVRPHHWVDSSOLFDEOH1DWLRQDODQG,QWHUQDWLRQDO7\SH$SSURYDO
UHTXLUHPHQWVIRUDQ\DLUERUQHDQGJURXQGRSHUDWLRQ
-762$XWKRUL]DWLRQ/%$2-762/%$/XIWIDKUW%XQGHVDPWLVEDVHGRQ
(852&$(('%$LUERUQHUHTXLUHPHQWN+]21/<&+VSDFLQJ
)0,PPXQLW\UHTXLUHPHQWVDFFRUGLQJWR,&$2$11(;DJDLQVW)0%URDGFDVW5)
,QWHUIHUHQFH

9+)$05$',2)6*7
*HQHUDO'HVFULSWLRQ
3DJH -XQH
$XGLRILOWHULQJUHTXLUHGLQDUHDVZLWK&/,0$;RSHUDWLRQLQN+]FKDQQHOVSDFLQJ
$VVRFLDWHG(852&$((''57&$'2'(QYLURQPHQWDOUHTXLUHPHQWVIRU
)L[HG:LQJDQG+HOLFRSWHUDLUFUDIW
$VVRFLDWHG(852&$(('%6RIWZDUHUHTXLUHPHQWVEDVHGRQ('%/HYHO&
7\SH$SSURYDOUHTXLUHPHQWVIRUJURXQGRSHUDWLRQPHHWLQJ(76,(1
&(&RQIRUPLW\UHTXLUHPHQWVIRUJURXQGRSHUDWLRQPHHWLQJ(76,(1
DQG
')6'HXWVFKH)OXJVLFKHUXQJ1R'*HUPDQJURXQG7\SH$SSURYDO
',1,62'FVXSSO\LQ9GFYHKLFOH
)&&&RPSOLDQFHZLWK3DUWUHFHLYHUDQG3DUWWUDQVPLWWHUSHQGLQJ
)$$762$XWKRUL]DWLRQSHQGLQJ
5HFDOLEUDWLRQ,QIRUPDWLRQ
,03257$17
)RUDLUERUQHDSSOLFDWLRQVQRIUHTXHQF\UHFDOLEUDWLRQLVQHFHVVDU\
VLQFHDSSOLFDWLRQVLQWKHN+]FKDQQHOVSDFLQJUHTXLUHDIUHTXHQF\
DFFXUDF\WROHUDQFHRIOHVVWKDQSSP
)RUWKHILUVWWLPHDIWHUWKUHH\HDUV)6*7HTXLSPHQWIRUJURXQG
DSSOLFDWLRQVUHTXLUHFKHFNLQJDQGUHFDOLEUDWLRQRIWKHKLJKSUHFLVLRQ
UHIHUHQFHIUHTXHQF\WROHUDQFHEHWWHUWKDQSSP
$OOWROHUDQFHVLQFOXGHWKHIXOORSHUDWLQJWHPSHUDWXUHUDQJHRI
&&))
&KHFNLQJDQGUHFDOLEUDWLRQPXVWEHSHUIRUPHGE\WKHHTXLSPHQW
PDQXIDFWXUHURUWKURXJKDXWKRUL]HGDQGDSSURYHGDYLRQLFVVHUYLFHV
2SHUDWLQJ/LFHQVH
,03257$17
'HSHQGLQJRQQDWLRQDOUHJXODWLRQV9+)$0DLUERUQHDQGRU9+)$0
JURXQGRSHUDWLRQPD\UHTXLUHDQLQGLYLGXDOQDWLRQDORSHUDWLQJOLFHQVH
6XFKOLFHQVHLVXVXDOO\JUDQWHGE\WKHUHVSRQVLEOH1DWLRQDO7HOHFRP
PXQLFDWLRQV$XWKRULW\WKURXJKVXLWDEOHDSSOLFDWLRQIRUPV
$LUFUDIWUHJLVWUDWLRQRSHUDWRUVQDPHDGGUHVVDQGRSHUDWLQJOLFHQVH
SD\PHQWGHWDLOVUDGLRW\SHPRGHO6HULDOQXPEHU-762QXPEHU
/%$2-762DQG')6QXPEHU';;;;;RUZKHQ
DSSOLFDEOHWKH)&&,'QXPEHU%9<;;;;
([DPSOH
(TXLSPHQWVXSSOLHG
'HVFULSWLRQ $1
:DWW9+)$07UDQVFHLYHU)6*7,QVWDOODWLRQDQG2SHUDWLRQ
0DQXDO2SHUDWLQJ,QVWUXFWLRQVVFUHZV0[:DUUDQW\FDUGWR
FRYHUPRQWKV
)

9+)$05$',2)6*7
*HQHUDO'HVFULSWLRQ
-XQH 3DJH
2SWLRQDO$FFHVVRULHV
:LGHDFFHVVRU\VFRSHDOORZV)6*7LQVWDOODWLRQDQGRSHUDWLRQLQDLUFUDIWLQ
JURXQGV\VWHPVIL[HGSRUWDEOHDQGPRELOHLQWRYHKLFOHV
'HVFULSWLRQ $1
&RQQHFWRUNLW68%'SLQLQFOPRXQWLQJKDUGZDUH :
)ROGHGWRSDQWHQQDIRUJOLGHUVDQWLVWDWLF0+]PIW
FDEOH5*&8%1&FRQQHFWRU$SSOLHVIRUZRRGRU*53WDLOILQ
QRWIRUPHWDORUFDUERQILEHUWDLOILQ
)
5RGDQWHQQDVZLYHOW\SHPIWFDEOHZRXW5)SOXJ :
%1&DQWHQQDFRQQHFWRUVROGHUW\SH (
&DEOH+DUQHVV6HWPIWQXPEHUHGDQGFRORUFRGHGFDEOHV
SRODUL]HGFRQQHFWRUVIRUXVHZLWK/RXGVSHDNHU-XQFWLRQ%R[ )
,QWHUFRP&DEOH+DUQHVV6HWPIWQXPEHUHGDQGFRORU
FRGHGFDEOHVSRODUL]HGFRQQHFWRUVIRUXVHZLWK/RXGVSHDNHU
-XQFWLRQ%R[FRPHVZLWKSDQHOPRXQW,QWHUFRP6ZLWFK
)
/RXGVSHDNHU-XQFWLRQ%R[:DWWVPDOOVWXUG\KRXVLQJWZR
SROH',1MDFNVWRFRQQHFWG\QDPLFPLFURSKRQHVRUKHDGVHWVLQ
SDUDOOHOWHUPLQDOIRU377NH\ILWVKDUQHVV)RU)
)
'\QDPLFKHDGVHWQRLVHFDQFHOLQJFRLOHGFRUG
SROHSOXJ88 :
$GDSWHUFDEOHIRUKHDGVHW:WRILWSROH',1MDFN )
'\QDPLFJRRVHQHFNERRPPLFURSKRQHPIWFDEOH
SROH',1FRQQHFWRUHVSHFLDOO\IRUJOLGHUVDQGPRWRUJOLGHUV )
'\QDPLFPLFURSKRQHIRU3&SRUWDEOHDQGFDUPRELOHXVHPHWDO
KRXVLQJFRLOHGFRUG377NH\SROH',1SOXJ )
5HWDLQLQJEUDFNHWILWVPLFURSKRQH) (
'\QDPLFKDQGPLFURSKRQHFRLOHGFRUG377NH\SROH',1
SOXJ )
0LFURSKRQHEUDFNHWWRNHHSPLFURSKRQH) :
'\QDPLFPLFURSKRQHORXGVSHDNHUFRLOHGFRUG377NH\SROH',1
SOXJVHDOHG )
377NH\PIWFDEOHSHUPDQHQWLQVWDOODWLRQRQWKHFRQWURO
VWLFN )
,QOLQH377NH\8$8FRLOHGFRUGSROH',1SOXJFRQQHFWV
GLUHFWO\WR/RXGVSHDNHU-XQFWLRQ%R[RU3RUWDEOHVDQGKHDGVHW$1
:FOLSDOORZVDWWDFKLQJWRFORWKLQJ
)
%DWWHU\%R[9GF$KOHDGEDWWHU\VWXUG\VWHHODOXPLQXP
FDVHPRXQWSODWHIRUTXLFNUHPRYDO$FLUFXLWEUHDNHU/('
EDWWHU\WHVWVHWSROH',1VRFNHWSROH',1SOXJ
)
$XWRPDWLFEDWWHU\FKDUJHU'/9DF2XWSXW9GF
P$)RUDOODLUERUQHDQGSRUWDEOH9GFOHDGEDWWHULHV )
9HKLFOHPRXQWEUDFNHWSHUPLWVWKH)6*7WREHPRXQWHGXQGHU
RUDERYHWKHGDVKRIDYHKLFOHDLUFUDIW )

9+)$05$',2)6*7
*HQHUDO'HVFULSWLRQ
3DJH -XQH
(TXLSPHQWUHTXLUHGEXWQRWVXSSOLHG
D 9+)DLUFUDIWDQWHQQDZLWKFRD[FDEOH5*&8DQG%1&FRQQHFWRU0DOH
E +HDGSKRQH2KPVW\SLFDODQGRUORXGVSHDNHU2KPV
F 1RQDPSOLILHGG\QDPLFPLFURSKRQH2KP
RUDPSOLILHG(OHFWUHW6WDQGDUGFDUERQPLFURSKRQH
ZLWKRUZLWKRXW377NH\VHSDUDWH0,&LQSXWVDPSOLILHGQRQDPSOLILHG
G $OWHUQDWLYHO\WREDQGFKHDGVHWVZLWKVLPLODUVSHFLILFDWLRQV
H %DWWHU\SRZHUVXSSO\XQLW9GFPLQLPXP$KIRUDLUFUDIWZLWKRXWHOHFWULFDO
V\VWHP
I 3XVKWRWDONNH\HJVWLFNPRXQWHGLIPLFURSKRQHZLWKRXW377NH\LVXVHG
J SROH68%'FRQQHFWRUW\SH'%6DQGFRYHULIQRSUHZLUHGFDEOHKDUQHVVLV
XVHG
6RPHZRUGVDERXW0LFURSKRQHV
,03257$17
D 5DGLRSHUIRUPDQFHDQGV\VWHPUHOLDELOLW\VLJQLILFDQWO\GHSHQGRQTXDOLW\
DFRXVWLFDFFHVVRULHVDQGWKHLUSURSHUDXGLROHYHOLQJDGMXVWPHQWV3OHDVH
DYRLGXVHRIORZTXDOLW\ORZSHUIRUPDQFHDFFHVVRULHV
E $IWHULQVWDOODWLRQFRPSOHWLRQRSWLPL]HGDFRXVWLFVSHUIRUPDQFHUHTXLUHV
SURSHUPLNHDXGLRV\VWHPVHOHFWLRQDQGLWVDSSURSULDWHOHYHODGMXVWPHQW
QRQDPSOLILHGG\QDPLFRU6WDQGDUGFDUERQPLFURSKRQHVV\VWHP
F 6LQFHWKHUDGLR)6*7KDVJRWWZRVHSDUDWHPLFURSKRQHLQSXWVLW
LVSRVVLEOHWRFRQQHFWDQGDGMXVWGLIIHUHQWPLFURSKRQHW\SHVWHFKQLTXHV
RQVHSDUDWH0,&LQSXWV
)XUWKHUPRUHWZRPLFURSKRQHVFDQEHFRQQHFWHGLQSDUDOOHOWRRQHLQSXW
EXWWKHQ
PDNHVXUHWKDWRQO\PLFURSKRQHVRILGHQWLFDOW\SHFKDUDFWHULVWLFV
PD\EHLQWHUFRQQHFWHGLQSDUDOOHODQGDSSURSULDWHO\WRJHWKHUDGMXVWHG
PDWFKHG
G '\QDPLFPLFURSKRQHVUHTXLUHVKLHOGHGZLULQJDQGJDOYDQLFVHSDUDWLRQRI
PLNHJURXQGVIURPDQ\RWKHUVLJQDOJURXQGHJ'&LQSXW'&RXWSXW
'LPPHU6SHDNHU3KRQH377DQGH[WHUQDO$)LQSXWJURXQG
H 6WDQGDUG&DUERQFRPSDWLEOHDPSOLILHGPLFURSKRQHVPD\HPSOR\
'\QDPLFRU(OHFWUHWDFRXVWLFVWUDQVGXFHUV$PSOLILHGPLFURSKRQHJURXQG
PD\EHFRQQHFWHGWRJHWKHUZLWKRWKHUJURXQGVHJIRU'&LQSXW
VZLWFKHGRXWSXWVSHDNHUSKRQH377GLPPHUH[WHUQDODXGLRLQSXW
I 2SHUDWLRQRIDPSOLILHGPLFURSKRQHV\VWHPVFORVHWRWKH5)UDGLDWLQJ
DQWHQQDRQSRUWDEOHFDVHRUORFDWHGFORVHWRWKHFRFNSLWPD\EHKHDYLO\
LQWHUIHUHGIURPRZQUDGLDWHGVWURQJDQWHQQD5)ILHOGVWUHQJWKDQG
EHFRPHXQVWDEOHRVFLOODWHVRUFDXVHVPRGXODWLRQGLVWRUWLRQ9HULI\VXFK
HIIHFWVZKLFKDUHSRVVLEO\FDXVHGE\5)E\UHSODFLQJWKHUDGLDWLQJ
DQWHQQDDJDLQVWDQDUWLILFLDODQWHQQD5)GXPP\ORDGWHPSRUDULO\

9+)$05$',2)6*7
,QVWDOODWLRQ
-XQH 3DJH
6HFWLRQ ,QVWDOODWLRQ
*HQHUDO
7KLVVHFWLRQFRQWDLQVLQVWUXFWLRQVDQGVXJJHVWLRQVWREHFRQVLGHUHGEHIRUHLQVWDOOLQJWKH
UDGLR)6*7LQWRDQDLUFUDIW&ORVHDGKHUHQFHWRWKHVHVXJJHVWLRQVZLOODVVXUH
PRUHVDWLVIDFWRU\SHUIRUPDQFHIURPWKHHTXLSPHQW
,QIRUPDWLRQLQWKLVVHFWLRQDUHLQWHQGHGIRUFHUWLILHGDYLRQLFVVKRSVRQO\:RUNVXFKDV
LQVWDOODWLRQZLULQJDQGWHVWLQJVKRXOGRQO\EHFDUULHGRXWE\DTXDOLILHGWHFKQLFLDQ
,03257$17
,ILQVWDOODWLRQLQWRDQDLUFUDIWLVPDGHE\RWKHUWKDQDFHUWLILHGDYLRQLFVVKRS
\RXKDYHWRFRQVXOW\RXUUHVSRQVLEOHDLUFUDIW$YLRQLFV$LUZRUWKLQHVV
,QVSHFWRUEHIRUHWKHLQVWDOODWLRQ±WRJHWDXWKRUL]HGFHUWLILFDWLRQRI\RXU
FRPSOHWHGLQVWDOODWLRQ
7KHFRQGLWLRQVDQGWHVWVUHTXLUHGIRU-762DQG)$$762DSSURYDORIWKLV
DUWLFOHDUHPLQLPXPSHUIRUPDQFHVWDQGDUGV,WLVWKHUHVSRQVLELOLW\RIWKRVH
GHVLULQJWRLQVWDOOWKLVDUWLFOHHLWKHURQRUZLWKLQDVSHFLILFW\SHRUFODVVRI
DLUFUDIWWRGHWHUPLQHWKDWWKHDLUFUDIWLQVWDOODWLRQFRQGLWLRQVDUHZLWKLQWKH
-762RU)$$762VWDQGDUGV,IQRWZLWKLQWKHVHVWDQGDUGVWKHDUWLFOH
)6*7PD\EHLQVWDOOHGRQO\LIIXUWKHUHYDOXDWLRQE\WKHDSSOLFDQW
GRFXPHQWVDQDFFHSWDEOHLQVWDOODWLRQDQGLVDSSURYHGE\WKH$GPLQLVWUDWRU
8QSDFNLQJDQG,QVSHFWLQJ(TXLSPHQW
8QSDFNWKHHTXLSPHQWFDUHIXOO\DQGLQVSHFWHDFKLWHPIRUHYLGHQFHRIGDPDJHLQFXUUHG
GXULQJVKLSPHQW)6*7VHULDOQXPEHUPXVWFRPSO\ZLWKUHOHYDQWGHWDLOV
PHQWLRQHGLQ$LUZRUWKLQHVV$SSURYDO7DJDQGGHOLYHU\QRWHGHWDLOVDWWDFKHGWRWKH
VKLSPHQW
,IDGDPDJHFODLPPXVWEHILOHGVDYHWKHVKLSSLQJFRQWDLQHUDQGDOOSDFNLQJPDWHULDOVWR
VXEVWDQWLDWH\RXUFODLP7KHFODLPVKRXOGEHILOHGZLWKWKHWUDQVSRUWDWLRQFRPSDQ\DV
VRRQDVSRVVLEOH
,IDGDPDJHLVQRWHGDIWHUWKHILUVWWHVWQRWLI\WKHWUDQVSRUWDWLRQFRPSDQ\LQZULWLQJZLWK
DGYDQFHHPDLOSKRQHRUID[DGYLFHDERXWKLGGHQWUDQVSRUWGDPDJH
$FRS\RIVXFKDFODLPLQFOXGLQJDOOLQIRUPDWLRQIURPWKHW\SHODEHOLVWREHIRUZDUGHG
ZLWKRXWGHOD\DOVRWR:DOWHU'LWWHO*PE+
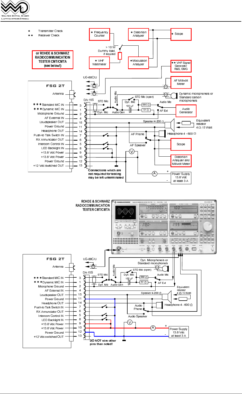
3UHLQVWDOODWLRQ7HVW
%HIRUHLQVWDOOLQJWKHUDGLRLQWRDQDLUFUDIWYHKLFOHRUSRUWDEOHFDUU\LQJFDVHDVKRUWEXW
FRPSUHKHQVLYHIXQFWLRQDOEHQFKWHVWWKURXJKDFHUWLILHGDYLRQLFVVKRSLVUHFRPPHQGHG
D ,QWHUFRQQHFWWKHUDGLRZLWKDWHVWZLULQJKDUQHVVDFFRUGLQJWR)LJXUHWRWKHWHVW
EHQFKVHWXS)RU)6*7VHWVXSSO\WR9GFDWUDGLRLQSXWWHUPLQDOV7XUQ
21WKHUDGLRZLWKWKH92/VZLWFKRQIURQWSDQHO6ZLWFK2))WKH6TXHOFKE\URWDWLQJ
WKH64NQREWRIXOO\FRXQWHUFORFNZLVHSRVLWLRQ
9HULI\ZKHWKHURQDOOFKDQQHOVZLWKLQ0+]DOPRVWLGHQWLFDOVWURQJ
FRQWLQXRXV5HFHLYHUDFRXVWLFQRLVHZLWKRXWVWUDQJHRUUK\WKPLFFKDUDFWHULVWLFLV
DXGLEOH
E ,Q5HFHLYH0RGHFZFORFNZLVHURWDWHDGMXVWWKHGRWPDUNLQJRIWKH64NQRERQWKH
GRWPDUNHGRQIURQWSDQHO
9HULI\ZKHWKHU5HFHLYHUVHQVLWLYLW\RQDOOFKDQQHOVFRPSOLHVZLWKWHFKQLFDOGDWD
PDNHVHQVLWLYLW\WHVWVFRYHULQJWKHZKROHIUHTXHQF\UDQJH
$WDOPRVWIXOOFFZDQGIXOOFZSRVLWLRQWKH6TXHOFKWKUHVKROGVKDOOEHZLWKLQ9
G%PDQG9G%P2KPVYDU\VLJQDOJHQHUDWRURXWSXWOHYHO

9+)$05$',2)6*7
,QVWDOODWLRQ
3DJH -XQH
F &RQQHFWD2KP:DWWPHWHUDQGDG%RUG%WKURXJKOLQH5)DWWHQXDWRUSDG
.H\WKHWUDQVPLWWHUDQGFKHFN5)RXWSXWOHYHODSSUR[LPDWHO\:FDUULHU
G )RU$PSOLILHG6WDQGDUG&DUERQ0LFURSKRQHVDGMXVWWKHDXGLRJHQHUDWRUWR
+]DQGDSSO\VLJQDOYLDGHFRXSOLQJFDSDFLWRUWRWKH6WDQGDUG&DUERQ0,&
LQSXW:LWKP9WRP9UPVLQSXWWKHWUDQVPLWWHUVKDOODFKLHYHPRUHWKDQ
$0GHSHQGVRQ0,&VHQVLWLYLW\VHWWLQJ,QFUHDVH$)LQSXWWRP9UPVREVHUYH
PRGXODWLRQHQYHORSHQRRYHUPRGXODWLRQVKDOORFFXUGHSWKRIPRGXODWLRQPXVW
UHPDLQOHVVWKDQ
H )RU'\QDPLF0LFURSKRQHVDGMXVWWKHDXGLRJHQHUDWRUWR+]DQGDSSO\VLJQDO
YLDDWWHQXDWRUWRWKH'\QDPLF0,&LQSXW:LWKVRPHP9WRP9UPVLQSXWWKH
WUDQVPLWWHUVKDOODFKLHYHPRUHWKDQ$0GHSHQGVRQ0,&VHQVLWLYLW\VHWWLQJ
,QFUHDVH$)LQSXWWRP9UPVDQGREVHUYHPRGXODWLRQHQYHORSH1RRYHU
PRGXODWLRQVKDOORFFXUGHSWKRIPRGXODWLRQPXVWUHPDLQOHVVWKDQ$0
127( 3URSHUPRGXODWLRQLQSXWOHYHOVHWWLQJLVLQGLFDWHGZKHQWKHWLPHGHOD\HG
FRQWURO/('RQWKHIURQWSDQHOMXVWFKDQJHVIURPUHGWRRORZPRGXODWLRQ
OHYHOWR\HOORZDSSURSULDWHPRGXODWLRQOHYHOVHWWLQJ
3DUWLFXODU5HPDUNVWR)6*77UDQVPLWWHU0RGXODWLRQ
+LJKO\GHPDQGLQJVSHFLILFUHTXLUHPHQWVVKDOOEHFRPSUHKHQVLYHO\FRQVLGHUHGDV
IROORZV
9RLFHPRGXODWLRQZLWKLWVW\SLFDOG\QDPLFSHDNVIDVWDQGODUJHOHYHOFKDQJHVVKDOO
PRGXODWHWKHWUDQVPLWWHUZLWKSHDN$0GHSWKRIQRWPRUHWKDQVRPH
)DFWRU\VHWWLQJRIWKHYHU\VSHFLILF)6*7YRLFHSURFHVVRUUHVXOWVLQD
UHPDUNDEOH$9(5$*(RIDSSUR[LPDWHO\$0GHSWKYRLFHDQG6LQHPRGXODWLRQ
7KXVRSWLPL]HGXVDJHRIWKH5)FDUULHULVDFKLHYHG
'RQRWFKDQJHWKLVVHWWLQJRWKHUZLVHWKHVWULQJHQWN+]7UDQVPLWWHU5)(PLVVLRQ
6SHFWUXP0DVNLVQRORQJHUPDLQWDLQHG
7KH)6*7LQFRUSRUDWHVDVSHFLDO',77(/92,&(352&(6625ZKLFKLV
PDWFKHGEHVWWRPHHWWKHUHTXLUHPHQWVRIWKHSDUWLFXODUHQYLURQPHQWDOQRLVHOHYHO
VLWXDWLRQ
D 7KLVHQVXUHVDQDOZD\VORXGDQGFOHDUWUDQVPLWWHUPRGXODWLRQXQGHUFRQVLGHUDWLRQ
RIVSHFLILFWHVWUHTXLUHPHQWV
E (YHQXQGHUWKHVHYHU\VSHFLILFFRQGLWLRQVIXOILOOPHQWRIWKHFULWLFDOKLJKO\
GHPDQGLQJ5)(PLVVLRQ6SHFWUXP0DVNLVDFKLHYHG
F 7KHFRUUHFWPLFURSKRQHOHYHOVHWWLQJLVDFKLHYHGZKHQ±VOLJKWO\WLPHGHOD\HG±WKH
IURQWVLJQDOLQJ/('FKDQJHVIURP5('WRIOLFNHULQJ<(//2:ZKLOHVSHDNLQJLQ
7UDQVPLW0RGHORXGFOHDUDQGFORVHWRWKHPLFURSKRQHWUDQVGXFHUHOHPHQW
$OWKRXJKGXHWRWKHVSHFLILFYRLFHSURFHVVRUFRPSUHVVLRQRIPRGXODWLRQSHDNVZKHQ
WHVWHGZLWKPD[LPXPVLQHZDYHPRGXODWLRQVLJQDODFRQYHQWLRQDOWHVWLQJRI
VWDQGDUGPRGXODWLRQGLVWRUWLRQPHDVXUHPHQWVLVSRVVLEOH7KLVGRHVKRZHYHUUHIHU
RQO\WRVLQHZDYHIRUPWHVWLQJ,WZLOOEHWKHUHIRUHUHVXOWLQKLJKHUWKDQWKHXVXDO
VLQXVPRGXODWLRQGLVWRUWLRQEXWZLOOVWD\IDUEHORZWKHPD[LPXPDOORZHG
PRGXODWLRQGLVWRUWLRQIDFWRUZLWKVLQXVPRGXODWLRQ
7KHUHIRUHMXGJHPHQWRIWKHHIIHFWLYHO\RFFXSLHGWRWDOWUDQVPLWWHUEDQGZLGWK
VSHFWUXPPDVNLVWKHRQO\WUXHUHDOPHDVXUHPHQWPHWKRG6XFKPHDVXUHPHQWV
FDQEHPDGHRQO\ZLWKVSHFLILFWHVWVHWXS+RZHYHUWKHIURQW/('DVVLVWVRSWLFDOO\
)RUWHVWVRIWKH)6*7PRGXODWLRQFDSDELOLW\DVLQHPRGXODWLRQVLJQDOLVXVHIXO
RQO\DWRUEHORZVRPH$0GHSWKDQGLVRQWKHRWKHUKDQGKHOSIXORQO\LQ
GHWHUPLQLQJRISRVVLEOHRYHUPRGXODWLRQEXWLVQRWDSSOLFDEOHWRMXGJHYRLFH
GLVWRUWLRQDQ\PRUH

9+)$05$',2)6*7
,QVWDOODWLRQ
-XQH 3DJH
25
IRU0,&VHWWLQJUHIHUWR
)LJ)6*7
3UH,QVWDOODWLRQ7HVWVHWXS

9+)$05$',2)6*7
,QVWDOODWLRQ
3DJH -XQH
0HFKDQLFDO,QVWDOODWLRQ
7UDQVFHLYHULQVWDOODWLRQ
$Q\UDGLRLQVWDOODWLRQLQWRDQDLUFUDIWVKDOOEHFRRUGLQDWHGZLWKERWKWKHOLFHQVHG
LQVSHFWRUZKRFHUWLILHVWKHLQVWDOODWLRQDQGZLWKWKHDLUFUDIWPDQXIDFWXUHUVLQVWDOODWLRQ
LQVWUXFWLRQV
&HUWLI\LQJWKHDLUFUDIWLQVWDOODWLRQPD\EHVXEMHFWWRVSHFLILF1DWLRQDO5HJXODWLRQV
7KH)6*79+)$0WUDQVFHLYHULVGHVLJQHGWREHLQVWDOOHGULJLGLQWRWKH
LQVWUXPHQWSDQHORURSHUDWLQJFRQVROHIURPLWVUHDUVLGHLQWRDVWDQGDUGóLQFKPP
GLDPHWHULQVWUXPHQWKROH6KRFNPRXQWVDUHQRWUHTXLUHGHYHQQRWIRUKHOLFRSWHU
LQVWDOODWLRQ)RUGLPHQVLRQVDQGSRVLWLRQLQJRIWKHIL[LQJKROHVUHIHUWR)LJXUH
6HOHFWDUDGLRORFDWLRQGLVWDQWWRKHDWVRXUFHV$OOHTXLSPHQWFRQWUROVVKDOOEHUHDGLO\
DFFHVVLEOHIURPWKHSLORWVQRUPDOVHDWHGSRVLWLRQ7KHDSSURSULDWHRSHUDWRUFUHZ
PHPEHUVVKDOOKDYHDQXQREVWUXFWHGYLHZRIWKHGLVSOD\DQGDFFHVVWRWKHFRQWURO
NQREVZKHQLQWKHQRUPDOVHDWHGSRVLWLRQ
6XIILFLHQWURRPDWOHDVWPPLQFKHVEHKLQGIURQWSDQHOPXVWEHOHIWIRUZLULQJ
DFFRPPRGDWLRQ)L[LQJRIWKHWUDQVFHLYHULVDFKLHYHGE\XVHRIFURVVUHFHVVHG3DQ
KHDGVFUHZV0[PPVXSSOLHG7KHVHVFUHZVDUHVXIILFLHQWIRUSDQHOWKLFNQHVV
EHWZHHQPPDQGPP«LQFK
&RPSDVVGHYLDWLRQ
&RPSDVVGHYLDWLRQFDXVHGE\)6*7LVOHVVWKDQFPIRUGHIOHFWLRQ
&DWHJRU\=LQDFFRUGDQFHZLWK(852&$((''57&$'2'HQYLURQPHQWDO
WHVWFRQGLWLRQV
&RPSDVV'HYLDWLRQ 'LVWDQFH
FPLQ
FPLQ
FPLQ
FPLQ
FPLQ
FPLQ
)LJ 'HYLDWLRQRIDFRPSDVVE\DWUDQVPLWWLQJ)6*7GHSHQGVRQWKH
GLVWDQFHEHWZHHQFRPSDVVFHQWHUDQGFRQWRXURIWUDQVFHLYHU
'LVWDQFH
>FP@
&RPSDVV
'HYLDWLRQ
>@

9+)$05$',2)6*7
,QVWDOODWLRQ
-XQH 3DJH
)LJ)6*7
'LPHQVLRQV
,QVWDOODWLRQ'UDZLQJ
«PP
«PP
PP
PP
&XWRXWWREHSUHSDUHGRU
6WDQGDUGó,QVWUXPHQW+ROH
%$&.3$1(/02817,1*

9+)$05$',2)6*7
,QVWDOODWLRQ
3DJH -XQH
$QWHQQDLQVWDOODWLRQ
<RXUUDGLR)6*7LVRQO\DVJRRGDVWKHDQWHQQD
)RURSHUDWLRQDYHUWLFDOSRODUL]HG2KPEURDGEDQGDLUFUDIW&20DQWHQQDLVUHTXLUHG
7KHDQWHQQDPXVWEHDEOHWRUDGLDWH5)HQHUJ\HYHQO\DQGRPQLGLUHFWLRQDO
)LUVWRIDOOORRNXSWKHDLUFUDIWVPDQXDOIRUDQWHQQDLQVWDOODWLRQLQVWUXFWLRQV
7KHDQWHQQDLQVWDOODWLRQORFDWLRQPXVWEHFDUHIXOO\SODQQHG,WZRXOGEHWKHEHVWWR
FRQVXOWWKH$LUFUDIW&HUWLI\LQJ,QVSHFWRU,QRUGHUWRDFKLHYHEHVWUHVXOWVLQWRDOO
GLUHFWLRQVLQVWDOODWLRQLQVWUXFWLRQVPXVWEHIXOO\FRPSOLHGZLWK
)RUDLUFUDIWZLWKPHWDOIXVHODJHZHUHFRPPHQGRXUDQWHQQDDUWLFOH1R:
7KHDQWHQQDLVPRXQWHGYHUWLFDOO\DVSRVVLEOHRQRUXQGHUWKHIXVHODJH/RFDWLRQ
VKRXOGEHHYHQDZD\IURPKRUL]RQWDOO\VFUHHQLQJPHWDOSDUWVOLNHSURSHOOHU
XQGHUFDUULDJHYHUWLFDOPHWDOILQVHWFIRUPD[LPXPUDGLRUDQJHLQWRDOOKRUL]RQWDO
GLUHFWLRQV
'LVWDQFHWRRWKHUDLUFUDIWDQWHQQDVOLNHDQRWKHU&20RU1$9DQWHQQDVKRXOGEHDW
OHDVWPIHHW:KHQXVLQJWZRUDGLRV)6*7DGLVWDQFHRIPIHHW
EHWZHHQ&20DQWHQQDVLVVXIILFLHQW
7KHDQWHQQDPRXQWLQJDUHDVKRXOGEHDVIODWDVSRVVLEOH
7KHPHWDOOLFFRQWDFWEHWZHHQDLUFUDIWVXUIDFHVWUXFWXUHDQGWKHDQWHQQDFDEOHRXWHU
FRQGXFWRUVKLHOGPXVWEHGXUDEOHDQGUREXVW7KHHOHFWULFDOFRQWDFWVKDOOUHPDLQ
FRQWLQXRXVO\JRRGVDIHDJDLQVWYLEUDWLRQDQGFRUURVLRQ
)RUZRRGDQGILEHUJODVV*53DLUFUDIWRUDOXPLQXPFRXQWHUZHLJKWVWULSVHD
FPIHHWORQJFPLQFKHVZLGHDUHUHFRPPHQGHGEXWVKDOOEHSODFHG
PRVWO\KRUL]RQWDOO\LQWKHVKDSHRIDVWDU
7KHVHVWHOODWHFRXQWHUZHLJKWVPXVWEHFHQWUDOO\VFUHZHGWRJHWKHUZLWKWKHDQWHQQD
VRFNHW&DUHIRUDSHUPDQHQWJRRGHOHFWULFDOFRQWDFW
$OWHUQDWLYHO\IRUDLUFUDIWZLWKQRQPHWDOOLFVXUIDFHVWUXFWXUHLQVLGHWKHIXVHODJHD
PHWDOIRLOPLQ[FP[IHHWFDQEHVWXFNLQ7KHDQWHQQDVRFNHWZLOOWKHQ
EHSODFHGLQWKHIRLOFHQWHUWRJHWKHUZLWKDPHWDOOLFJURXQGFRQWDFWVXSSRUWSODWH
&RQVXOWDLUFUDIWPDQXIDFWXUHUVLQVWUXFWLRQVWRYHULI\SURSHUDQWHQQDORFDWLRQ
)RUDLUFUDIWZLWKIXVHODJHDQGRUWDLOILQPDGHRIQRQFRQGXFWLYHPDWHULDORXUYHUWLFDO
IROGHGWRSDQWHQQDDUWLFOHQR)LVVXLWDEOH,QVWDOODWLRQLVPDGHSUHIHUDEO\
GXULQJPDQXIDFWXULQJWKHWDLOILQ$QLQVWDOODWLRQGUDZLQJLVDYDLODEOHRQUHTXHVW
,03257$17&DUERQILEHULVFRQGXFWLQJDQGPD\VKLHOGWKHDQWHQQD
&DUHIXOVHDOLQJRIDOORSHQLQJVRIWKHRXWHUVNLQLVPDQGDWRU\0DNHVXUHWKDW
HOHFWULFDOFRQWDFWVUHPDLQSHUPDQHQWJRRGHYHQXQGHUEDGHQYLURQPHQWDOFRQGLWLRQV
8VHRQO\KLJKTXDOLW\FRD[FDEOHW\SH5*&8$YRLGDQ\VKDUSFDEOHEHQG
UDGLXV!PPPRXQWLQJSUHVVXUHVWUDLQDQGDQ\H[FHVVLYHFRD[FDEOHOHQJWK
3ODFHDOOZLULQJLQFOXGLQJDQWHQQDFDEOHGLVWDQWWRRWKHUZLULQJZKLFKFDUULHVKHDY\$&
FXUUHQWVDQGGLVWDQWWRDQ\DLUFUDIWFRQWUROV
$Q\RSHUDWLQJNLQHPDWLFVWULPPLQJDQGDOOFRQWUROKDQGOHVPXVWEHDEVROXWHO\IUHHLQ
DOOGLUHFWLRQV
(QVXUHWKH%1&DQWHQQDSOXJLVQRWVKRUWHQHGEHWZHHQLQQHUDQGRXWHUFRQGXFWRU
2KPPHWHU5HVLVWDQFHLQGLFDWHVDVKRUWLQVLGHWKHDQWHQQDFRQQHFWRUZKLOH
VRPHWRLQGLFDWHVWKHDQWHQQDFDEOHUHVLVWDQFHZKLOHDQLQWHUQDOO\VWDWLF
SURWHFWHGDQWHQQDLVXVHG$VLPSOHURGDQWHQQDLVWHVWHGIRUORZUHVLVWLYHFRQWDFW
EHWZHHQLQQHUFDEOHFRQGXFWRUDQGUDGLDWRUDQGRXWHUFRQGXFWRUWRFRXQWHUZHLJKW
<RXVKRXOGSRVVHVVDUHDVRQDEOHNQRZOHGJHRIDQWHQQDLQVWDOODWLRQVDQGWKH
LPSRUWDQFHRIJURXQGSODQHVEHIRUHDWWHPSWLQJWKHIROORZLQJ&KHFNWKHDQWHQQD
PDWFKLQJXVLQJ96:5PHWHURYHUWKHZKROHIUHTXHQF\UDQJHIRU96:5OHVV
WKDQ,WPD\EHKHOSIXOQHFHVVDU\WRFXWVOLJKWO\WKHOHQJWKRIWKHUDGLDWRURU
FRXQWHUZHLJKWOHQJWKIRURSWLPL]HGDQWHQQDHIILFLHQF\DQGPDWFKLQJ
5(0(0%(5$JRRGDQWHQQDLVWKHEHVW5)DPSOLILHU

9+)$05$',2)6*7
,QVWDOODWLRQ
-XQH 3DJH
$LUERUQHZLULQJ
5HIHUWR)LJXUHVWRRIRQERDUGZLULQJ
*HQHUDOUHFRPPHQGDWLRQV
$OZD\VHQVXUHSHUPDQHQWJRRGVWDEOHHOHFWULFDOFRQWDFWVDQGHIILFLHQW5)
LQWHUIHUHQFHVXSSUHVVLRQRIDOOHOHFWULFDOV\VWHPVOLNHJHQHUDWRUDOWHUQDWRULJQLWLRQ
HOHFWURQLFYDULRPHWHUHWFHVSHFLDOO\FRQVLGHUYLEUDWLRQDQGFRUURVLRQHIIHFWV
&RQVXOWWKHDLUFUDIWLQVWDOODWLRQOLFHQVLQJLQVSHFWRU
&RQQHFWWKHSRVLWLYH9GFSRZHUZLUHQRUPDOO\UHGWRSLQVDQG%HFDXVH
RIFXUUHQWUHTXLUHPHQWVLWLVHVVHQWLDOWKDWWKHFRQQHFWLRQLVPDGHWRERWKSLQV
RWKHUZLVHSUREOHPVPD\DULVH7KHSRVLWLYHZLUHPXVWEHFRQQHFWHGWRWKHDLUFUDIW
SRZHUYLDDFLUFXLWEUHDNHULQOLQHIXVHDPSVRUDXWRPDWLFFLUFXLWEUHDNHUDPS
DQGWKURXJKDUDGLRPDVWHUVZLWFKQRWGLUHFWWRWKHEDWWHU\'RQRWFRQQHFWWRSRZHU
XQWLOLQVWDOODWLRQLVFRPSOHWHDQGFURVVFKHFNHG
&RQQHFWWKHQHJDWLYH9GFJURXQGZLUHQRUPDOO\EOXHWRSLQVDQG
%HFDXVHRIFXUUHQWUHTXLUHPHQWVLWLVHVVHQWLDOWKDWWKHFRQQHFWLRQLVPDGHWRERWK
SLQVRWKHUZLVHSUREOHPVPD\DULVH7KHJURXQGZLUHPXVWEHFRQQHFWHGWRDJRRG
FOHDQFRQWDFWWKDWSURYLGHVDGXUDEOHSDWKWRWKHDLUFUDIWJURXQG3UHIHUDJURXQGZLUH
GLUHFWWRWKHEDWWHU\VQHJDWLYHWHUPLQDO
3RZHUEXVFLUFXLWEUHDNHUVDUHWREHPRXQWHGLQWKH$&EUHDNHUSDQHORULQVWUXPHQW
SDQHOVXFKWKDWWKH\ZLOOEHDFFHVVLEOHLQIOLJKWDQGVDIHIURPSK\VLFDOGDPDJH
'RQRWDOORZWKHKDUQHVVWRGURRSEHWZHHQFODPSVHVSHFLDOO\LILWLVDKHDY\KDUQHVV
'RQRWDOORZWKHZLUHVLQWKHKDUQHVVWRFRPHLQFRQWDFWZLWKVKDUSVXUIDFHVRUULGH
DJDLQVWDQ\PRYDEOHSDUW
'RQRWLQVWDOOZLWKRXWDOORZLQJIRUVHUYLFHORRSVVWUDLQUHOLHIWKLVZLOOKHOSWRSUHYHQW
XQGXHVWUHVVRQWKHFRQQHFWRUVDQGDOORZIRUHDVLHUUHSDLURIZLUHWHUPLQDWLRQV
'RQRWDOORZKDUQHVVWRURXWHWKURXJKKLJKKHDWDUHDVZLWKRXWDGHTXDWHWKHUPR
SURWHFWLRQ
'RQRWLQVWDOOKDUQHVVHVLQDUHDVWKDWDUHVXEMHFWWRFKHPLFDOGDPDJH
5DGLRZLULQJVKDOOEHORFDWHGPRVWGLVWDQWWRRWKHUKLJK$&FXUUHQWVFDUU\LQJOHDGV
5RXWHDOOZLULQJLQFOXGLQJDQWHQQDFDEOHGLVWDQWIURPDLUFUDIWFRQWURODQGKDQGOLQJ
FRPSRQHQWV3ODFH'&SRZHUOLQHVDWOHDVWFPLQFKHVDZD\IURPFRPSDVV
8VHRQO\DYLDWLRQJUDGHZLULQJPDWHULDO/1UHVS/1LQVHOIH[WLQJXLVKLQJ
TXDOLW\DQGZLWK!9ROWLVRODWLRQ
3UHVFULEHGFDEOHGLDPHWHUVPXVWEHFRPSOLHGZLWK
*URXQGORRSVPXVWEHDYRLGHG
&DEOHVDUHVROGHUHGWRWKH6WDQGDUG'%IHPDOHFRQQHFWRU6ROGHUMRLQWVVKDOOEH
VXSSRUWHGE\VKULQNLQJRUUXEEHUVOHHYHV&RQQHFWRUEDFNVKHOOPXVWQRWFODPSRU
GDPDJHWKHFDEOHV
6HFXUHWKHUDGLRFRQQHFWRUE\WKHVOLGLQJORFNWRDYRLGXQZDQWHGFRQQHFWRU
ORRVHQLQJ
3UHZLUHGFDEOHKDUQHVVDVVHPEOLHVDUHFRORUFRGHGIRUVLPSOHSOXJLQLQVWDOODWLRQV
ZKHQXVHGZLWKRSWLRQDOORXGVSHDNHUMXQFWLRQER[HVDQGG\QDPLFPLFURSKRQHVIRU
DOONLQGRIDLUFUDIW
(OHFWURQLFYDULRPHWHUVHOGRPFRPSO\ZLWKDLUERUQH5)HQYLURQPHQWDOW\SHDSSURYDO
UHTXLUHPHQWV$OORIWKHNQRZQPRGHOVDWSULQWLQJWLPHRIWKLVPDQXDOKDYHWRRXU
NQRZOHGJHDVRPHHYHQIDUWRRKLJKUDGLDWHG5)LQWHUIHUHQFHHPLVVLRQ,Q
)6*77UDQVPLW0RGHWKHRSHUDWRUPD\HYHQEHIDFHGZLWKUDGLRHQHUJ\
EDVHGIXQFWLRQDOYDULRPHWHULQIOXHQFH6OLJKWLPSURYHPHQWPD\EHDFKLHYHGZKHQWKH
YDULRPHWHUZLULQJLVERWKVKLHOGHGDQGURXWHGQRWLQSDUDOOHOEXWGLVWDQWWRWKHUDGLR
ZLULQJ(YHQWXDOO\VKRUWEXWEXON\JURXQGLQJFRQWDFWVEHWZHHQDOOUDGLRDQG
YDULRPHWHUFDVHVPD\LPSURYHWKLV(YDULRPHWHU5)VXVFHSWLELOLW\FDSDELOLW\)XUWKHU
PHDVXUHVWRLPSURYH5)LPPXQLW\PD\EHREWDLQHGIURPWKHYDULRPHWHU
PDQXIDFWXUHUDQGLQVRPHFDVHVDOVRIURPWKHDLUFUDIWPDQXIDFWXUHU

9+)$05$',2)6*7
,QVWDOODWLRQ
3DJH -XQH
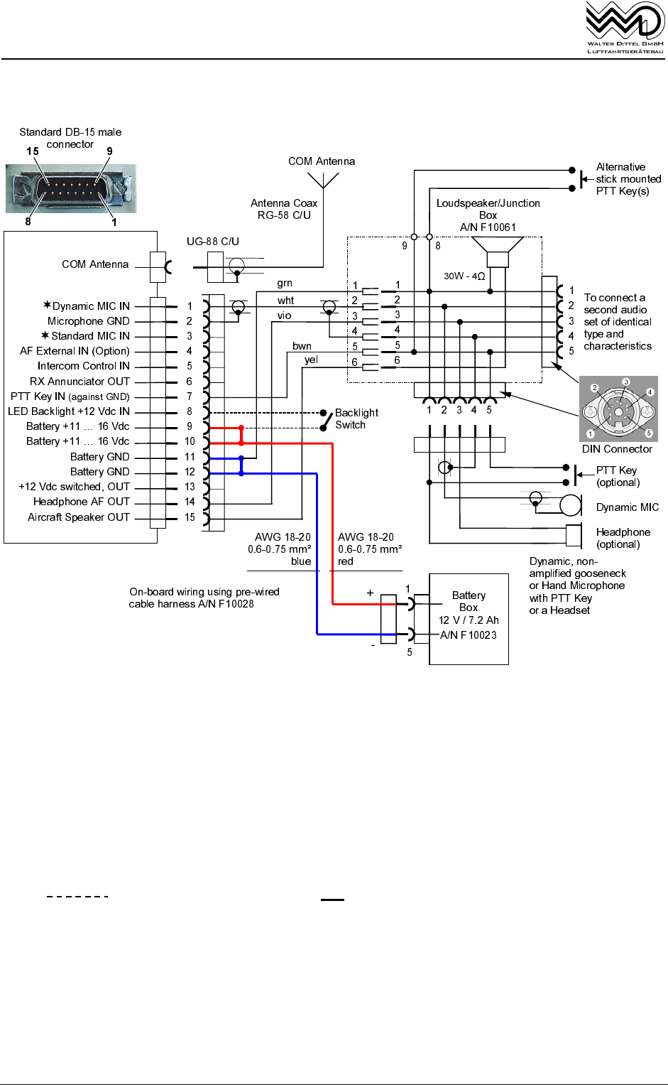
)6*7
127(6
'2127ZLUHRWKHUSLQVWKDQQRWHG&RQQHFWLRQVZKLFKDUHQRWUHTXLUHGIRU\RXU
LQVWDOODWLRQPD\EHOHIWXQWHUPLQDWHG
$OOZLUHVDUH$:*PPðXQOHVVRWKHUZLVHQRWHG
)RU0,&VHWWLQJUHIHUWR
%XLOWLQ$XWRPDWLF&LUFXLW%UHDNHUSURYLGHGZKHQXVLQJ%DWWHU\%R[$1)
/HQJWKRISUHZLUHGFDEOHKDUQHVV)PIW
DQGFRD[DQWHQQDFDEOHDUHQRWLQFOXGHGLQSUHZLUHGFDEOHKDUQHVV
$1)
)LJ)6*7
6WDQGDUG+RRNXS'LDJUDPXVLQJSUHZLUHGFDEOHKDUQHVV$1)
RQH0,&LQSXWIRU
RQHQRQDPSOLILHG'\QDPLF0LFURSKRQHRU
WZRQRQDPSOLILHG'\QDPLF0LFURSKRQHVLGHQWLFDOLQSDUDOOHO

9+)$05$',2)6*7
,QVWDOODWLRQ
-XQH 3DJH
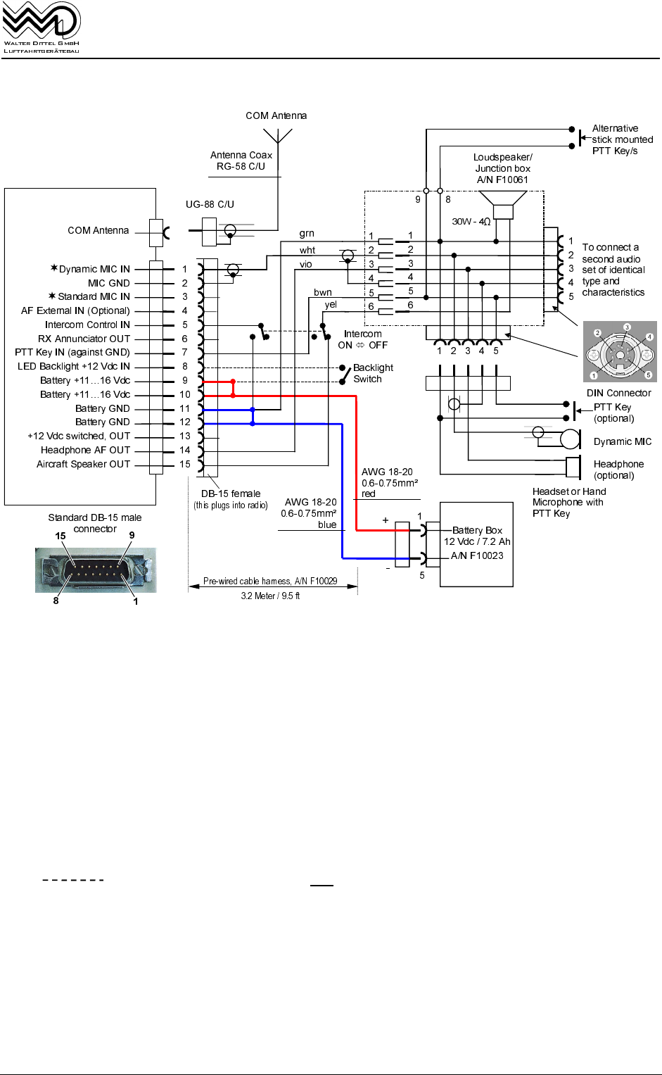
)6*7
127(6
'2127ZLUHRWKHUSLQVWKDQQRWHG&RQQHFWLRQVZKLFKDUHQRWUHTXLUHGIRU\RXU
LQVWDOODWLRQPD\EHOHIWXQWHUPLQDWHG
$OOZLUHV$:*PPðXQOHVVRWKHUZLVHQRWHG
)RU0,&VHWWLQJUHIHUWR
,QWHUFRPRSHUDWLRQUHTXLUHVPLFURSKRQHVZKLFKSURYLGHDXGLR287ZLWKWKH377NH\GH
HQHUJL]HGQRWNH\HG
%XLOWLQ$XWRPDWLF&LUFXLW%UHDNHUSURYLGHGZKHQXVLQJ%DWWHU\3RZHU6XSSO\$1)
/HQJWKRISUHZLUHGFDEOHKDUQHVV)PIW
DQGFRD[DQWHQQDFDEOHDUHQRWLQFOXGHGLQSUHZLUHGFDEOHKDUQHVV
$1)
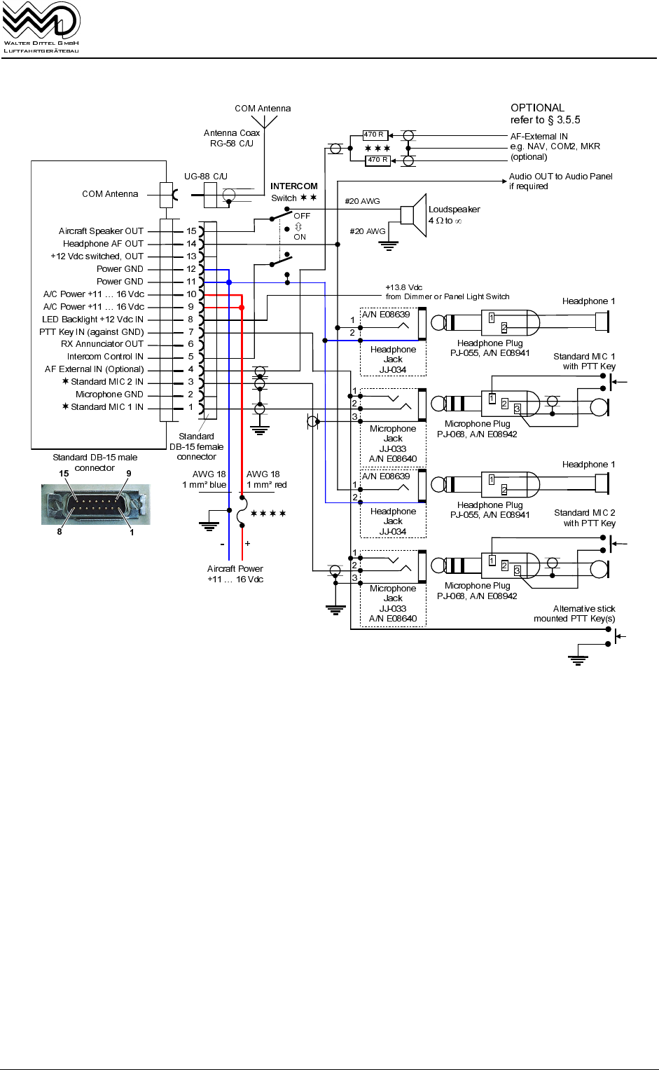
)LJ)6*7ZLWK,17(5&20
+RRNXS'LDJUDPIRUWZRVHDWDSSOLFDWLRQXVLQJSUHZLUHGFDEOHKDUQHVV$1)
RQH0,&LQSXWIRU
WZRQRQDPSOLILHG'\QDPLF0LFURSKRQHVLGHQWLFDOLQSDUDOOHO

9+)$05$',2)6*7
,QVWDOODWLRQ
3DJH -XQH
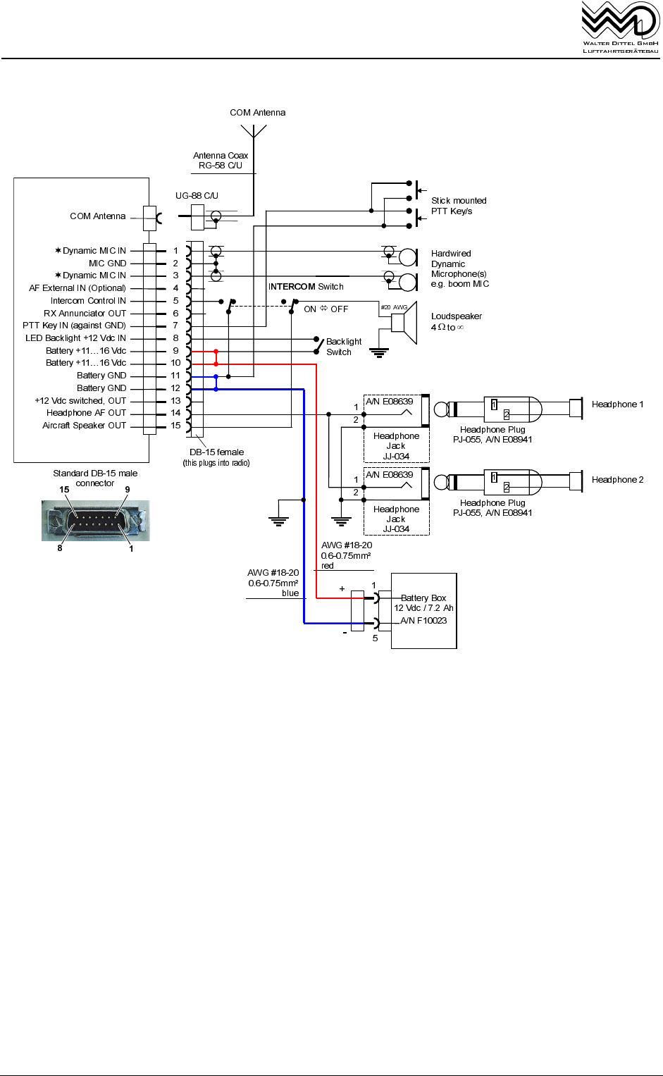
)6*7
127(6
'2127ZLUHRWKHUSLQVWKDQQRWHG&RQQHFWLRQVZKLFKDUHQRWUHTXLUHGIRU\RXU
LQVWDOODWLRQPD\EHOHIWXQWHUPLQDWHG
$OOZLUHV$:*PPðXQOHVVRWKHUZLVHQRWHG
)RU0,&VHWWLQJUHIHUWR
0LFURSKRQHVKLHOGLQJVKRXOGRQO\EHFRQQHFWHGWR0,&JURXQGDWWKHUDGLRHQGDQG
LQVXODWHGDJDLQVWFRPPRQJURXQGDWWKH0,&HQG
,17(5&20RSHUDWLRQUHTXLUHVDVHOHFWRUVZLWFKGRXEOHSROHGRXEOHWKURZ
:LULQJZLWKRXW,17(5&20FRQQHFWORXGVSHDNHUGLUHFWWRSLQ
%XLOWLQ$XWRPDWLF&LUFXLW%UHDNHU$SURYLGHGZKHQXVLQJ%DWWHU\%R[$1)
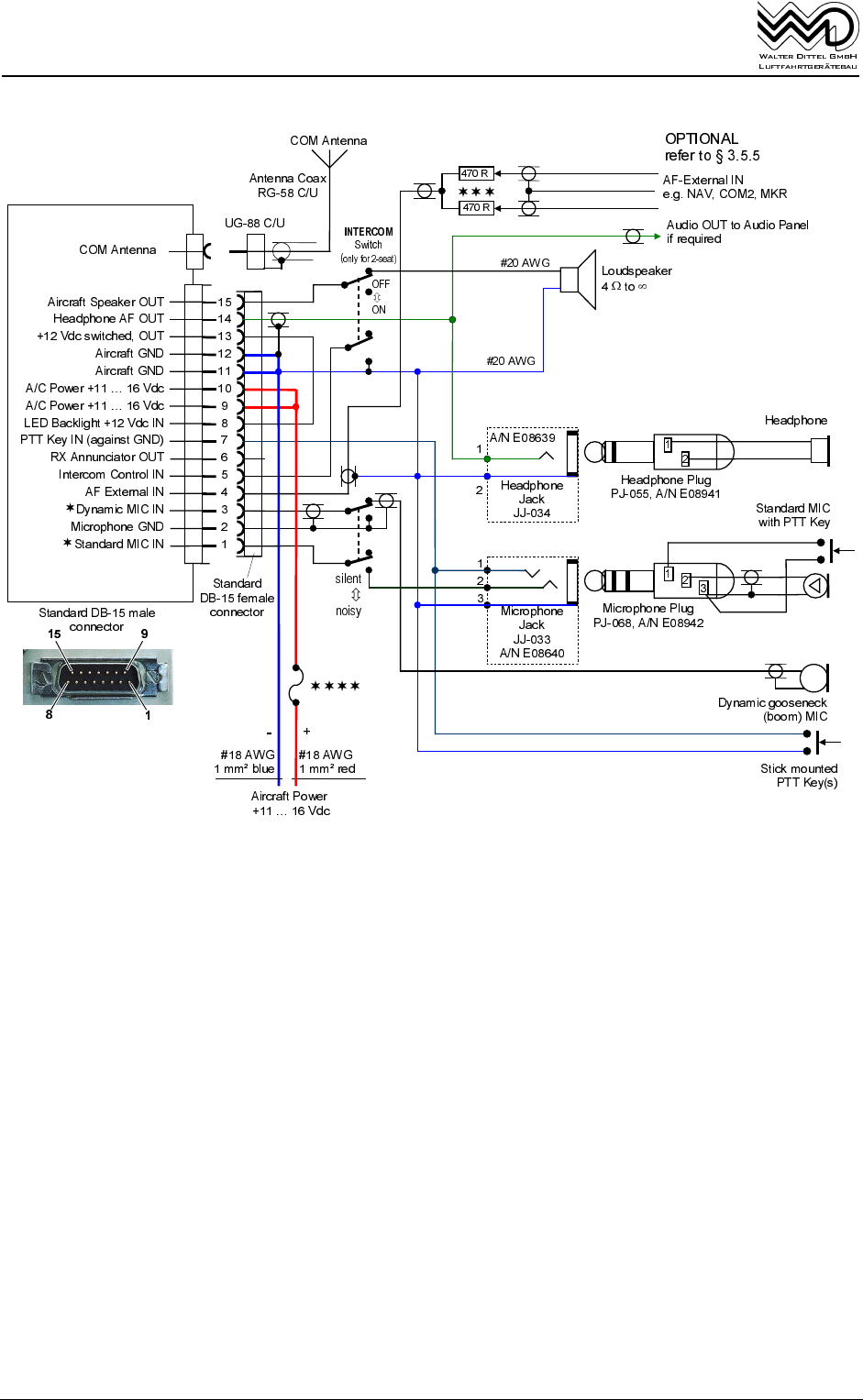
)LJ)6*7ZLWK,17(5&20
+RRNXS'LDJUDPIRUWZRVHDWDSSOLFDWLRQXVLQJ
WZR0,&LQSXWVIRU
WZRVHSDUDWHGLIIHUHQWKDUGZLUHGQRQDPSOLILHG'\QDPLF
0LFURSKRQHV

9+)$05$',2)6*7
,QVWDOODWLRQ
-XQH 3DJH
)6*7
127(6
'2127ZLUHRWKHUSLQVWKDQQRWHG&RQQHFWLRQVZKLFKDUHQRWUHTXLUHGIRU\RXU
LQVWDOODWLRQPD\EHOHIWXQWHUPLQDWHG
$OOZLUHV$:*PPðXQOHVVRWKHUZLVHQRWHG
$OOSRZHU*URXQGVDUHDLUIUDPHJURXQGV
,QWHUFRPRSHUDWLRQUHTXLUHVDPLFURSKRQHZKLFKSURYLGHVDXGLR287ZLWKWKH377NH\
GHHQHUJL]HGQRWNH\HG
,QWHUFRPRSHUDWLRQUHTXLUHVDVHOHFWRUVZLWFKGRXEOHSROHGRXEOHWKURZ
3RZHUEXVFLUFXLWEUHDNHUVDUHWREHPRXQWHGLQWKH$&EUHDNHUSDQHORULQVWUXPHQW
SDQHOVXFKWKDWWKH\ZLOOEHDFFHVVLEOHLQIOLJKWDQGVDIHIURPSK\VLFDOGDPDJH
)RU0,&VHWWLQJUHIHUWR
:LULQJZLWKRXW,QWHUFRPFRQQHFW$&VSHDNHUGLUHFWWRSLQVDQG
,IPRUHWKDQRQH$)VRXUFHLVRODWLRQUHVLVWRUV2KPVKDOOEHLQVWDOOHG
)XVH$PSTXLFNDFWLQJRUFLUFXLWEUHDNHU$PS
)LJ)6*7ZLWK,17(5&20
+RRNXS'LDJUDPIRUWZRVHDWDSSOLFDWLRQXVLQJ
WZR0,&LQSXWVIRU
WZRVHSDUDWHHYHQGLIIHUHQW$PSOLILHG6WDQGDUG&DUERQ
0LFURSKRQHV

9+)$05$',2)6*7
,QVWDOODWLRQ
3DJH -XQH
)6*7
'2127ZLUHRWKHUSLQVWKDQQRWHG&RQQHFWLRQVZKLFKDUHQRWUHTXLUHGIRU\RXU
LQVWDOODWLRQPD\EHOHIWXQWHUPLQDWHG
$OOZLUHV$:*PPðXQOHVVRWKHUZLVHQRWHG
$OOSRZHU*URXQGVDUHDLUIUDPHJURXQGV
)RUWZRVHDWDSSOLFDWLRQFRQQHFWVHFRQGDXGLRVHWKHDGSKRQH6WDQGDUG0,&ERRP
0,&DQG377NH\LQSDUDOOHOWRWKHILUVWRQH%RWKDXGLRVHWVPXVWEHRIWKHVDPHW\SH
,QWHUFRPRSHUDWLRQUHTXLUHVPLFURSKRQHVZKLFKSURYLGHDXGLR287ZLWKWKH377NH\
GHHQHUJL]HGQRWNH\HG
,QWHUFRPRSHUDWLRQUHTXLUHVDVHOHFWRUVZLWFKGRXEOHSROHGRXEOHWKURZ
7HUPLQDWHDXGLRVKLHOGVDWUDGLRHQGRQO\
3RZHUEXVFLUFXLWEUHDNHUVDUHWREHPRXQWHGLQWKH$&EUHDNHUSDQHORULQVWUXPHQW
SDQHOVXFKWKDWWKH\ZLOOEHDFFHVVLEOHLQIOLJKWDQGVDIHIURPSK\VLFDOGDPDJH
)RU0,&VHWWLQJUHIHUWR
:LULQJZLWKRXW,QWHUFRPFRQQHFW$&VSHDNHUGLUHFWWRSLQVDQG
,IPRUHWKDQRQH$)VRXUFHLVRODWLRQUHVLVWRUV2KPVKDOOEHLQVWDOOHG
)XVH$PSTXLFNDFWLQJRUFLUFXLWEUHDNHU$PS
)LJ)6*7ZLWK0,&6HOHFWRU6ZLWFKDQG,17(5&20
+RRNXS'LDJUDPIRUVLQJOHRUWZRVHDWDSSOLFDWLRQXVLQJ
$PSOLILHG6WDQGDUG&DUERQ0LFURSKRQHVGXULQJVHOIODXQFKLQJQRLV\
DQG
QRQDPSOLILHG'\QDPLF*RRVHQHFN0LFURSKRQHVGXULQJVRDULQJVLOHQW

9+)$05$',2)6*7
,QVWDOODWLRQ
-XQH 3DJH
:LULQJWKH0LFURSKRQHV
,03257$17
5DGLRSHUIRUPDQFHDQGV\VWHPUHOLDELOLW\VLJQLILFDQWO\GHSHQGRQTXDOLW\
DFRXVWLFDFFHVVRULHVDQGWKHLUSURSHUDXGLROHYHOLQJDGMXVWPHQWV
$IWHULQVWDOODWLRQFRPSOHWLRQRSWLPL]HGDFRXVWLFVSHUIRUPDQFHUHTXLUHV
SURSHUPLNHDXGLRV\VWHPVHOHFWLRQDQGLWVDSSURSULDWHLQLWLDOOHYHO
DGMXVWPHQWQRQDPSOLILHGG\QDPLFRU6WDQGDUGFDUERQPLFURSKRQHV
V\VWHP
,WLVSRVVLEOHWRFRQQHFWWZRPLFURSKRQHVLQSDUDOOHOEXW
PDNHVXUHWKDWRQO\PLFURSKRQHVRILGHQWLFDOW\SHFKDUDFWHULVWLFVPD\EH
LQWHUFRQQHFWHGLQSDUDOOHODQGDSSURSULDWHO\WRJHWKHUDGMXVWHGPDWFKHG
3OHDVHDYRLGXVHRIORZTXDOLW\ORZSHUIRUPDQFHDFFHVVRULHV
'\QDPLFPLFURSKRQHVUHTXLUHVKLHOGHGZLULQJDQGJDOYDQLFVHSDUDWLRQRI
PLNHJURXQGVIURPDQ\RWKHUVLJQDOJURXQGHJ'&LQSXW'&RXWSXW
6SHDNHUSKRQH377DQGH[WHUQDO$)LQSXWJURXQG7KH0,&*1'VKRXOG
RQO\EHFRQQHFWHGDWWKHUDGLRVHQG
6WDQGDUG&DUERQFRPSDWLEOH$PSOLILHGPLFURSKRQHVPD\HPSOR\'\QDPLF
RU(OHFWUHWDFRXVWLFVWUDQVGXFHUV$PSOLILHGPLFURSKRQHJURXQGPD\EH
FRQQHFWHGWRJHWKHUZLWKRWKHUJURXQGVHJIRU'&LQSXWVZLWFKHGRXWSXW
VSHDNHUSKRQH377GLPPHUH[WHUQDODXGLRLQSXW
2SHUDWLRQRIDPSOLILHGPLFURSKRQHV\VWHPVFORVHWRWKH5)UDGLDWLQJ
DQWHQQDRQSRUWDEOHFDVHRUORFDWHGFORVHWRWKHFRFNSLWPD\EHKHDYLO\
LQWHUIHUHGIURPRZQUDGLDWHGVWURQJDQWHQQD5)ILHOGVWUHQJWKDQGEHFRPH
XQVWDEOHRVFLOODWHVRUFDXVHVPRGXODWLRQGLVWRUWLRQ9HULI\VXFKHIIHFWV
ZKLFKDUHSRVVLEO\FDXVHGE\5)E\UHSODFLQJWKHUDGLDWLQJDQWHQQD
DJDLQVWDWHPSRUDULO\FRQQHFWHGDUWLILFLDODQWHQQD5)GXPP\ORDG
0LFURSKRQHVHWWLQJ
,03257$17
%RWKPLFURSKRQHLQSXWVPXVWHLWKHUEHWHUPLQDWHGZLWKDSSURSULDWH
PLFURSKRQHVRUWKHQRWXVHG0,&LQSXWPXVWEHVHWIRU$PSOLILHG
0LFURSKRQHSRVLWLRQ9
7KH)6*7RIIHUVWZRVHSDUDWHVHOHFWDEOHDQGDGMXVWDEOH0,&LQSXWV<RXKDYH
WKHFKRLFHRIFRQQHFWLQJRQHRUWZRG\QDPLFQRQDPSOLILHGPLFURSKRQHVDQGRURQH
RUWZR6WDQGDUG&DUERQDPSOLILHGPLFURSKRQHVWRWKHUDGLR7KH0,&LQSXWVSLQ
DQGDUHVHOHFWDEOHE\',/VZLWFKHVDWWKHUHDU8VHDVXLWDEOHWRROWRVHWWKH
VZLWFKHV7KHSLQQRUHIHUVWRWKH6WDQGDUG'%FRQQHFWRU
:KHQXVLQJ'\QDPLF0LFURSKRQHVRQLQSXWSLQVHW',/VZLWFKWR'GHIDXOW
:KHQXVLQJ'\QDPLF0LFURSKRQHVRQLQSXWSLQVHW',/VZLWFKWR'
:KHQXVLQJ$PSOLILHG0LFURSKRQHVRQLQSXWSLQVHW',/VZLWFKWR9
:KHQXVLQJ$PSOLILHG0LFURSKRQHVRQLQSXWSLQVHW',/VZLWFKWR9GHIDXOW
2))
P$
2))
P$
9
'
2))
P$
2))
P$
9
'
6HWWLQJVIRU0,&,QSXW
DWSLQ
6HWWLQJV
IRU
0,&,QSXW
DWSLQ
3KRQH
DGMXVW
0,&
/HYHODW
SLQ
0,&
/HYHODW
SLQ