Grizzly G0759 User Manual A4aac9e1 6396 46fa 96eb Ea9ac05b722d
User Manual: grizzly g0759 Grizzly Cordless Drill G0759 User Guide |
Open the PDF directly: View PDF 
.
Page Count: 70

COPYRIGHT © FEBRUARY, 2014 BY GRIZZLY INDUSTRIAL, INC., REVISED APRIL, 2014 (TS)
WARNING: NO PORTION OF THIS MANUAL MAY BE REPRODUCED IN ANY SHAPE
 OR FORM WITHOUT THE WRITTEN APPROVAL OF GRIZZLY INDUSTRIAL, INC.
 (FOR MODELS MANUFACTURED SINCE 1/14) #TS16276  PRINTED IN CHINA
The Model G0759 is the same machine as the Model G0704 except the Model G0759 has a 3-axis DRO. 
Besides the differences noted in this insert, all other content in the Model G0704 owner's manual applies 
to this machine. Before operating your new machine, you MUST read and understand this insert, the entire 
Model G0704 manual, and the DRO manual to reduce the risk of injury when using this machine.
If you have any further questions about this manual insert or the differences between the Model G0759 
and the Model G0704, contact our Technical Support at (570) 546-9663 or email techsupport@grizzly.com.
MODEL G0759
MILL/DRILL
w/STAND & DRO
MANUAL INSERT

-2- Model G0759 (Mfd. Since 1/14)
The information contained herein is deemed accurate as of 4/7/2014 and represents our most recent product specifications.
Due to our ongoing improvement efforts, this information may not accurately describe items previously purchased. PAGE 1 OF 3Model G0759
MACHINE DATA
SHEET
Customer Service #: (570) 546-9663 · To Order Call: (800) 523-4777 · Fax #: (800) 438-5901
MODEL G0759 MILL/DRILL WITH STAND AND DRO
Product Dimensions:
Weight.............................................................................................................................................................. 280 lbs.
Width (side-to-side) x Depth (front-to-back) x Height........................................................................... 38 x 24 x 31 in.
Footprint (Length x Width).............................................................................................................. 15- 3/4 x 16-1/2 in.
Space Required for Full Range of Movement (Width x Depth).................................................................... 57 x 25 in.
Shipping Dimensions:
Carton #1
Type................................................................................................................................................ Wood Crate
Content................................................................................................................................................. Machine
Weight.................................................................................................................................................... 315 lbs.
Length x Width x Height............................................................................................................. 30 x 28 x 36 in.
Carton #2
Type........................................................................................................................................... Cardboard Box
Content...................................................................................................................................................... Stand
Weight...................................................................................................................................................... 77 lbs.
Length x Width x Height............................................................................................................. 17 x 17 x 33 in.
Electrical:
Power Requirement........................................................................................................... 110V, Single-Phase, 60 Hz
Prewired Voltage................................................................................................................................................. 110V
Full-Load Current Rating........................................................................................................................................ 12A
Minimum Circuit Size.............................................................................................................................................. 15A
Connection Type....................................................................................................................................... Cord & Plug
Power Cord Included.............................................................................................................................................. Yes
Power Cord Length................................................................................................................................................. 6 ft.
Power Cord Gauge......................................................................................................................................... 16 AWG
Plug Included.......................................................................................................................................................... Yes
Included Plug Type................................................................................................................................................ 5-15
Switch Type................................................................................................................................ ON/OFF Push Button
Motors:
Main
Type..................................................................................................................................................... Universal
Horsepower................................................................................................................................................ 1 HP
Phase............................................................................................................................................ Single-Phase
Amps............................................................................................................................................................ 12A
Speed................................................................................................................................................ 4300 RPM
Power Transfer ................................................................................................................................. Gear Drive
Bearings..................................................................................................... Shielded & Permanently Lubricated

Model G0759 (Mfd. Since 1/14) -3-
The information contained herein is deemed accurate as of 4/7/2014 and represents our most recent product specifications.
Due to our ongoing improvement efforts, this information may not accurately describe items previously purchased. PAGE 2 OF 3Model G0759
Main Specifications:
Operation Info
Spindle Travel.............................................................................................................................................. 2 in.
Max Distance Spindle to Column.......................................................................................................... 7-1/2 in.
Max Distance Spindle to Table................................................................................................................. 13  in.
Longitudinal Table Travel (X-Axis)...................................................................................................... 18-7/8 in.
Cross Table Travel (Y-Axis).................................................................................................................. 6-7/8 in.
Vertical Head Travel (Z-Axis)..................................................................................................................... 11 in.
Head Tilt (Left/Right)........................................................................................................ Left 90, Right 90 deg.
Drilling Capacity for Cast Iron................................................................................................................... 3/4 in.
Drilling Capacity for Steel......................................................................................................................... 5/8 in.
End Milling Capacity.................................................................................................................................. 3/4 in
Face Milling Capacity............................................................................................................................ 2-1/2 in.
Table Info
Table Length........................................................................................................................................ 26-5/8 in.
Table Width......................................................................................................................................... 7-1/16 in.
Table Thickness.................................................................................................................................... 1-3/4 in.
Number of T-Slots............................................................................................................................................ 3
T-Slot Size................................................................................................................................................ 1/2 in.
T-Slots Centers...................................................................................................................................... 2-1/2 in.
Spindle Info
Spindle Taper.............................................................................................................................................. R-8
Number of Vertical Spindle Speeds...................................................................................................... Variable
Range of Vertical Spindle Speeds................................................................................................ 50-2250 RPM
Quill Diameter......................................................................................................................................... 2.36 in.
Drawbar Thread Size............................................................................................................................. 7/16-20
Drawbar Length................................................................................................................................. 9-11/16 in.
Spindle Bearings......................................................................................................... Tapered Roller Bearings
Construction
Spindle Housing/Quill........................................................................................................................... Cast Iron
Table....................................................................................................................... Precision-Ground Cast Iron
Head.................................................................................................................................................... Cast Iron
Column/Base....................................................................................................................................... Cast Iron
Base..................................................................................................................................................... Cast Iron
Stand.......................................................................................................................................................... Steel
Paint....................................................................................................................................................... Enamel
Other Specifications:
Country Of Origin ............................................................................................................................................... China
Warranty ........................................................................................................................................................... 1 Year
Approximate Assembly & Setup Time .............................................................................................................. 1 Hour
Serial Number Location ...................................................................................................... ID Label on Head Casting
Sound Rating ..................................................................................................................................................... 80 db.
ISO 9001 Factory .................................................................................................................................................. Yes
CSA Certified .......................................................................................................................................................... No
Features:
Digital spindle scale reads metric, inches, zero, set, on/off
Forward/reverse switch
Chip guard
Digital display for spindle speed
Dovetail column
Front mounted fine feed knob
Coolant trough

-4- Model G0759 (Mfd. Since 1/14)
Column & Stand
Please Note: We do our best to stock replacement parts whenever possible, but we cannot guarantee that all parts shown here 
are available for purchase. Call (800) 523-4777 or visit our online parts store at www.grizzly.com to check for availability.
2
3
3
4
5
6
7
8
9
10
11
20
21
22
52
58
59
60
44
64 65
61
63
62
76
100-3
100-2
100-1
100
75
74
51
60
60
44
59
71
70
16
16
72
73
57
66
67
68
69
14
15
39
58
40
57
51
19
19
19
50
2324
12
1
49
48
30
29
28
27
26
25
16
13
14 15 17
18
19
31
31-1
32
33
47 46
34
35 36 37 39
38
40
41
45 3644 44
43
42
7 77
54
55
56
39
412
412-1
412-2
412-3
412-4

Model G0759 (Mfd. Since 1/14) -5-
Column & Stand
REF PART # DESCRIPTION REF PART # DESCRIPTION
1 P0759001 Z-AXIS SLIDE 43 P0759043 Z-AXIS HANDWHEEL SHAFT
2 P0759002 SET SCREW M6-1 X 16 44 P0759044 KEY 4 X 4 X 12
3 P0759003 FLAT WASHER 8MM 45 P0759045 PILLOW BLOCK
4 P0759004 LOCK WASHER 8MM 46 P0759046 SPACER
5 P0759005 CAP SCREW M8-1.25 X 25 47 P0759047 PINION GEAR
6 P0759006 FLAT WASHER 12MM 48 P0759048 COLUMN
7 P0759007 LOCK WASHER 12MM 49 P0759049 Z-AXIS SCALE
8 P0759008 CAP SCREW M12-1.75 X 40 50 P0759050 THREADED SLEEVE M6-1 X 16
9 P0759009 T-BOLT M10-1.5 51 P0759051 CAP SCREW M6-1 X 14
10 P0759010 FLAT WASHER 10MM 52 P0759052 X-AXIS LEADSCREW BRACKET (LH)
11 P0759011 LOCK WASHER 10MM 54 P0759054 TABLE
12 P0759012 HEX NUT M10-1.5 55 P0759055 COOLANT HOSE FITTING
13 P0759013 SLIDE ALIGNMENT BLOCK 56 P0759056 X-AXIS LEADSCREW BRACKET (RH)
14 P0759014 LOCK PLUNGER, BRASS 57 P0759057 TABLE HANDWHEEL HANDLE M6-1 X 10
15 P0759015 ADJUSTABLE HANDLE M8-1.25 X 20 58 P0759058 TABLE HANDWHEEL
16 P0759016 GIB ADJUSTMENT SCREW 59 P0759059 TABLE GRADUATED DIAL
17 P0759017 Z-AXIS GIB 60 P0759060 THRUST BEARING 51200
18 P0759018 HEADSTOCK ANGLE SCALE 61 P0759061 CAP SCREW M6-1 X 10
19 P0759019 CAP SCREW M5-.8 X 10 62 P0759062 LIMIT STOP
20 P0759020 Z-AXIS WAY COVER 63 P0759063 T-NUT M6-1
21 P0759021 HEX NUT M5-.8 64 P0759064 X-AXIS SCALE
22 P0759022 Z-AXIS WAY COVER BRACKET 65 P0759065 X-AXIS LEADSCREW
23 P0759023 Y-AXIS WAY COVER 66 P0759066 X-AXIS LEADSCREW NUT
24 P0759024 Y-AXIS WAY COVER BRACKET 67 P0759067 CAP SCREW M4-.7 X 20
25 P0759025 Z-AXIS LEADSCREW LOCK NUT 68 P0759068 SADDLE
26 P0759026 THRUST BEARING 51203 69 P0759069 TABLE STOP BLOCK
27 P0759027 BEVEL GEAR 70 P0759070 Y-AXIS GIB
28 P0759028 KEY 4 X 4 X 16 71 P0759071 Y-AXIS LEADSCREW NUT
29 P0759029 Z-AXIS LEADSCREW 72 P0759072 X-AXIS GIB
30 P0759030 Z-AXIS LEADSCREW NUT 73 P0759073 CAP SCREW M6-1 X 25
31 P0759031 CAP SCREW M5-.8 X 12 74 P0759074 X-AXIS BEARING HOUSING
31-1 P0759031-1 FLAT WASHER 5MM 75 P0759075 X-AXIS LEADSCREW
32 P0759032 BEARING COVER 76 P0759076 BASE
33 P0759033 CAP SCREW M8-1.25 X 20 77 P0759077 CAP SCREW M12-1.75 X 90
34 P0759034 COLUMN TOP PLATE 100 P0759100 STAND ASSEMBLY
35 P0759035 COLLAR FLANGE 100-1 P0759100-1 STAND CABINET
36 P0759036 CAP SCREW M5-.8 X 12 100-2 P0759100-2 STAND DOOR
37 P0759037 Z-AXIS GRADUATED DIAL 100-3 P0759100-3 STAND DOOR LATCH
38 P0759038 Z-AXIS HANDWHEEL 412 P0759412 X/Z-AXIS DRO ASSEMBLY
39 P0759039 HANDWHEEL CURVED PLATE SPRING 412-1 P0759412-1 DRO DISPLAY
40 P0759040 HEX NUT M8-1.25 412-2 P0759412-2 X-AXIS DRO SCALE
41 P0759041 Z-AXIS HANDWHEEL HANDLE M6-1 X 10 412-3 P0759412-3 Y-AXIS DRO SCALE
42 P0759042 BALL BEARING 6001ZZ 412-4 P0759412-4 Z-AXIS DRO SCALE

-6- Model G0759 (Mfd. Since 1/14)
Electrical Box
83
84
79
85
89
88
92
96
86
91
91
91
81
86
87
80
80-1
78
94
90
94
93
95
REF PART # DESCRIPTION REF PART # DESCRIPTION
78 P0759078 CIRCUIT BOARD JD-014 5WR02J 88 P0759088 ELECTRICAL BOX
79 P0759079 POTENTIOMETER W/ KNOB WX14-12 89 P0759089 CAP SCREW M5-.8 X 8
80 P0759080 CAP SCREW M3-.5 X 16 90 P0759090 ELECTRICAL BOX REAR COVER
80-1 P0759080-1 HEX NUT M3-.5 91 P0759091 FUSE HOLDER
81 P0759081 CIRCUIT BOARD CESX 1101-28 92 P0759092 FUSE 15A 250V FAST-ACTING, GLASS
83 P0759083 ON/OFF SWITCH KEDU KJD-178/120V 93 P0759093 POWER CORD 18G 3W 72" 5-15 
84 P0759084 CAP SCREW M4-.7 X 10 94 P0759094 STRAIN RELIEF M20 X 1.5 TYPE-3
85 P0759085 CONTROL PANEL PLATE 95 P0759095 FWD/REV SWITCH KEDU EN61058
86 P0759086 CAP SCREW M4-.7 X 6 96 P0759096 FUSE 10A 250V FAST-ACTING, GLASS
87 P0759087 RPM DIGITAL DISPLAY ZD-SX-THL

Model G0759 (Mfd. Since 1/14) -7-
Headstock
206-2
206-1
201
202
225
226
225-2 225-1
208
209
209-2
209-1
210
211
212
213
211
210
207
206
205
204
203
219
220
215
214
240
239
228
229
230
231
221
221-1
221-2
222
223
224
227
216 217 218
254
247
251
248
250
249
296 246
246-1
265
264
263
262 261
260
259
258
257
256
255
255-1
243
243
293
294
295
242
241 232
276
233 235 252
236
237
244
245
234
275 274
266
273
272 271
270
269
268
267
276
240
246-2
292
238
234-1
234-2
401
402
403
404 405
406
407 408
409
411
410

-8- Model G0759 (Mfd. Since 1/14)
Headstock
REF PART # DESCRIPTION REF PART # DESCRIPTION
201 P0759201 QUILL RETAINING CLIP 243 P0759243 HANDWHEEL CURVED PLATE SPRING
202 P0759202 BUSHING 244 P0759244 FINE DOWNFEED GRADUATED DIAL
203 P0759203 COMPRESSION SPRING 245 P0759245 WORM SHAFT
204 P0759204 EXT RETAINING RING 45MM 246-1 P0759246-1 DRAWBAR 7/16-20 x 9-11/16
205 P0759205 BALL BEARING 6209ZZ 246-2 P0759246-2 DRAWBAR RETAINER CAP
206 P0759206 COMBO GEAR 60/70T 246 P0759246 SPINDLE R8
206-1 P0759206-1 SPINDLE RING 16MM 247 P0759247 SPINDLE RING
206-2 P0759206-2 CAP SCREW M3-.5 X 8 248 P0759248 TAPERED ROLLER BEARING 32005
207 P0759207 ANGULAR CONTACT BEARING 7007-2RS 249 P0759249 QUILL
208 P0759208 EXT RETAINING RING 15MM 250 P0759250 QUILL SEAL, RUBBER (UPPER)
209 P0759209 GEAR 37T 251 P0759251 PRELOAD ADJUSTER NUT
209-1 P0759209-1 GEAR GUARD 252 P0759252 ADJUSTER SCREW M5-.8 X 10
209-2 P0759209-2 CAP SCREW M3-.5 X 6 254 P0759254 DOWEL PIN 6 X 30
210 P0759210 EXT RETAINING RING 32MM 255 P0759255 DOWNFEED LEVER M10-1.5 X 14
211 P0759211 BALL BEARING 6002ZZ 255-1 P0759255-1 DOWNFEED LEVER GRIP M10-1.5
212 P0759212 COMBO GEAR 42/62T 256 P0759256 KNOB BOLT M8-1.25 X 30
213 P0759213 SHAFT 257 P0759257 COARSE DOWNFEED HUB
214 P0759214 KEY 5 X 5 X 50 258 P0759258 DOWNFEED GRADUATED DIAL
215 P0759215 KEY 5 X 5 X 12 259 P0759259 COMPRESSION SPRING
216 P0759216 FORK 260 P0759260 CAP SCREW M4-.7 X 40
217 P0759217 FORK ARM 261 P0759261 DOWNFEED FLANGE
218 P0759218 SET SCREW M5-.8 X 8 262 P0759262 BUSHING
219 P0759219 DRAWBAR CAP 263 P0759263 WORM GEAR
220 P0759220 MOTOR COVER V2.11.12 264 P0759264 KEY 4 X 4 X 12
221 P0759221 MOTOR 750W 110VDC 265 P0759265 GEAR SHAFT 16T
221-1 P0759221-1 CARBON BRUSH 2-PC SET 266 P0759266 RIVET 2 X 5MM NAMEPLATE, STEEL
221-2 P0759221-2 CARBON BRUSH CAP 1-PC 267 P0759267 HI/LO INDICATOR PLATE
222 P0759222 FLAT WASHER 4MM 268 P0759268 SET SCREW M8-1.25 X 8
223 P0759223 CAP SCREW M4-.7 X 8 269 P0759269 COMPRESSION SPRING
224 P0759224 CAP SCREW M6-1 X 14 270 P0759270 STEEL BALL 6.5MM
225 P0759225 SPEED SENSOR BRACKET 271 P0759271 HI/LO HANDWHEEL
225-1 P0759225-1 SPEED SENSOR CORD 272 P0759272 SET SCREW M5-.8 X 16
225-2 P0759225-2 CAP SCREW M3-.5 X 6 273 P0759273 SPEED KNOB PLATE
226 P0759226 SPEED SENSOR 274 P0759274 FORK SHAFT FLANGE
227 P0759227 MOTOR MOUNT 275 P0759275 FORK SHAFT
228 P0759228 CAP SCREW M5-.8 X 12 276 P0759276 CAP SCREW M3-.5 X 16
229 P0759229 MOTOR GEAR RING 292 P0759292 SPINDLE PIN
230 P0759230 GEAR 20T 293 P0759293 DRILL CHUCK ARBOR R8 X B16
231 P0759231 KEY 4 X 4 X 6 294 P0759294 DRILL CHUCK B16 3-16MM
232 P0759232 SET SCREW M5-.8 X 6 295 P0759295 DRILL CHUCK KEY 1/4" STD 11T SD-3/4"
233 P0759233 CAP SCREW M3-.5 X 6 296 P0759296 TAPERED ROLLER BEARING 32007
234 P0759234 Z-AXIS DRO ASSEMBLY 401 P0759401 HEX WRENCH 6MM
234-1 P0759234-1 Z-AXIS DRO BRACKET 402 P0759402 HEX WRENCH 5MM
234-2 P0759234-2 CAP SCREW M4-.7 X 10 403 P0759403 HEX WRENCH 4MM
235 P0759235 Z-AXIS DRO SLIDE MOUNT 404 P0759404 HEX WRENCH 3MM
236 P0759236 ADJUSTABLE HANDLE M8-1.25 X 20 405 P0759405 HEX WRENCH 2MM
237 P0759237 LOCK PLUNGER, BRASS 406 P0759406 WRENCH 8 X 10MM OPEN-ENDS
238 P0759238 HEADSTOCK CASTING 407 P0759407 WRENCH 17 X 19MM OPEN-ENDS
239 P0759239 HEADSTOCK REAR COVER 408 P0759408 SCREWDRIVER FLAT #2
240 P0759240 CAP SCREW M4-.7 X 8 409 P0759409 SCREWDRIVER PHILLIPS #2
241 P0759241 FINE FEED KNOB 410 P0759410 BOTTLE FOR OIL
242 P0759242 HEADSTOCK FRONT COVER 411 P0759411 TOOLBOX

Model G0759 (Mfd. Since 1/14) -9-
Chip Guard
297
277 278 279
280
281
282
283 284
285
286
287
288
289
REF PART # DESCRIPTION REF PART # DESCRIPTION
277 P0759277 FLAT WASHER 3MM 284 P0759284 LIMIT SWITCH DATER KW1-103
278 P0759278 HEX NUT M3-.5 285 P0759285 PROTECTIVE PAPER
279 P0759279 CAP SCREW M4-.7 X 20 286 P0759286 SET SCREW M5-.8 X 10
280 P0759280 EXT RETAINING RING 12MM 287 P0759287 CHIP GUARD POST
281 P0759281 WAVY WASHER 20MM 288 P0759288 CHIP GUARD
282 P0759282 GUARD MOUNTING BLOCK 289 P0759289 CAP SCREW M4-.7 X 18
283 P0759283 LIMIT SWITCH L-BRACKET, COPPER 297 P0759297 CAP SCREW M3-.5 X 16

-10- Model G0759 (Mfd. Since 1/14)
Labels
Safety labels help reduce the risk of serious injury caused by machine hazards. If any label comes 
off or becomes unreadable, the owner of this machine MUST replace it in the original location 
before resuming operations. For replacements, contact (800) 523-4777 or www.grizzly.com.
REF PART # DESCRIPTION REF PART # DESCRIPTION
301 P0759301 READ MANUAL LABEL 307 P0759307 GRIZZLY GREEN TOUCH-UP PAINT
302 P0759302 SAFETY GLASSES LABEL 308 P0759308 CUTTER WARNING LABEL
303 P0759303 MACHINE ID LABEL 309 P0759309 ENTANGLEMENT LABEL
304 P0759304 HIGH/LOW SPEED LABEL 310 P0759310 AVOID OVERHEATING LABEL
305 P0759305 GRIZZLY PUTTY TOUCH-UP PAINT 311 P0759311 GRIZZLY.COM LABEL
306 P0759306 MODEL NUMBER LABEL 312 P0759312 ELECTRICITY LABEL
301 302
303
304
305
306
307
308
309
310
311
312

MODEL G0704
MILL/DRILL WITH STAND
OWNER'S MANUAL
COPYRIGHT © FEBRUARY, 2010 BY GRIZZLY INDUSTRIAL, INC. REVISED FEBRUARY, 2013 (TR)
WARNING: NO PORTION OF THIS MANUAL MAY BE REPRODUCED IN ANY SHAPE
 OR FORM WITHOUT THE WRITTEN APPROVAL OF GRIZZLY INDUSTRIAL, INC.
(FOR MODELS MANUFACTURED SINCE 08/11) #JB12468  PRINTED IN CHINA

This manual provides critical safety instructions on the proper setup, 
operation, maintenance, and service of this machine/tool. Save this 
document, refer to it often, and use it to instruct other operators. 
Failure to read, understand and follow the instructions in this manual 
may result in fire or serious personal injury—including amputation, 
electrocution, or death.
The owner of this machine/tool is solely responsible for its safe use. 
This responsibility includes but is not limited to proper installation in 
a safe environment, personnel training and usage authorization, 
proper inspection and maintenance, manual availability and compre-
hension, application of safety devices, cutting/sanding/grinding tool 
integrity, and the usage of personal protective equipment.
The manufacturer will not be held liable for injury or property damage 
from negligence, improper training, machine modifications or misuse.
Some dust created by power sanding, sawing, grinding, drilling, and 
other construction activities contains chemicals known to the State 
of California to cause cancer, birth defects or other reproductive 
harm. Some examples of these chemicals are:
•  Lead from lead-based paints.
•  Crystalline silica from bricks, cement and other masonry products.
•  Arsenic and chromium from chemically-treated lumber.
Your risk from these exposures varies, depending on how often you 
do this type of work. To reduce your exposure to these chemicals: 
Work in a well ventilated area, and work with approved safety equip-
ment, such as those dust masks that are specially designed to filter 
out microscopic particles.
Table of Contents
INTRODUCTION ............................................... 2
Manual Accuracy ........................................... 2
Contact Info.................................................... 2
Machine Description ...................................... 2
Identification ................................................... 3
Electronic Controls Identification ................... 4
SECTION 1: SAFETY ....................................... 8
Safety Instructions for Machinery .................. 8
Additional Safety for Mill/Drills ..................... 10
SECTION 2: POWER SUPPLY ...................... 11
SECTION 3: SETUP ....................................... 13
Needed for Setup ......................................... 13
Unpacking .................................................... 13
Inventory ...................................................... 14
Cleanup ........................................................ 15
Site Considerations ...................................... 16
Moving & Placing Machine .......................... 17
Mounting to Shop Floor ............................... 18
Assembly ..................................................... 19
Drill Chuck Arbor .......................................... 19
Power Connection........................................ 20
Test Run & Spindle Break-in ....................... 21
SECTION 4: OPERATIONS ........................... 22
Operation Overview ..................................... 22
Basic Controls .............................................. 23
Digital Readout Unit ..................................... 25
Calculating Spindle Speed ........................... 26
Spindle Speed and Direction ....................... 27
Spindle Height Controls ............................... 28
Drill Chuck.................................................... 29
Loading Tooling ........................................... 30
Headstock Travel (Z-Axis and Rotation) ...... 31
Table Travel ................................................. 32
SECTION 5: ACCESSORIES ......................... 33
SECTION 6: MAINTENANCE ......................... 36
Schedule ...................................................... 36
Lubrication ................................................... 36
SECTION 7: SERVICE ................................... 39
Troubleshooting ........................................... 39
Gibs .............................................................. 41
Leadscrew Backlash .................................... 42
Digital Readout Unit Battery Replacement . . 42
Motor Service ............................................... 43
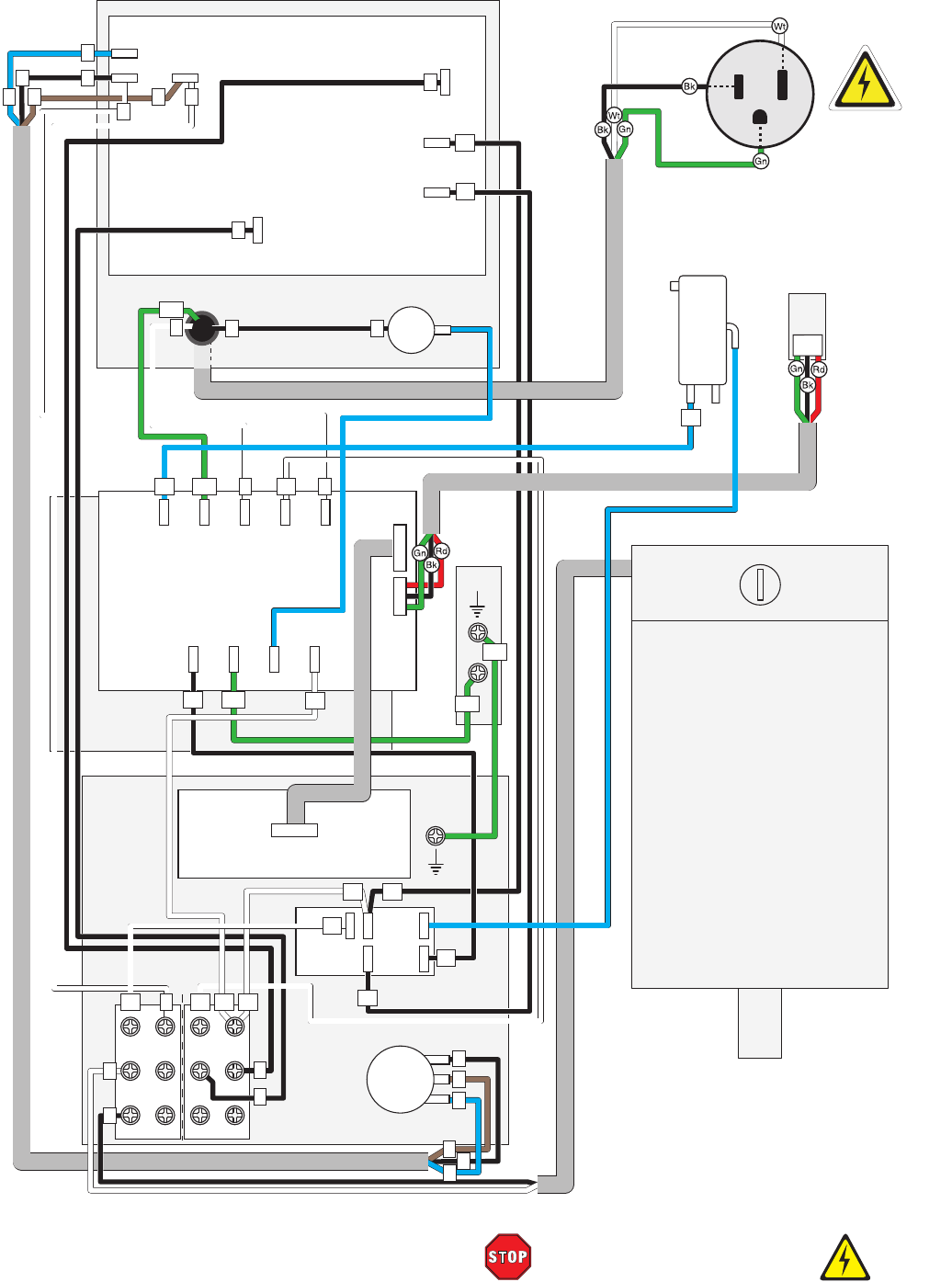
SECTION 8: WIRING ...................................... 44
Wiring Safety Instructions ............................ 44
Wiring Diagram ............................................ 45
Electrical Components ................................. 46
SECTION 9: PARTS ....................................... 47
Column Breakdown...................................... 47
Column Parts List ........................................ 48
Electrical Box Breakdown & Parts List ........ 49
Headstock Breakdown ................................. 50
Headstock Parts List .................................... 51
Chip Guard Breakdown & Parts List ............ 52
Labels Breakdown & Parts List .................... 53
WARRANTY AND RETURNS ........................ 57

-2- Model G0704 (Mfg. Since 0 8/11)
INTRODUCTION
Machine Description
We  stand  behind  our  machines.  If  you  have 
any questions  or  need  help,  use  the  information  
below to contact us. Before contacting, please get 
the serial  number  and  manufacture  date  of  your 
machine. This will help us help you faster.
Grizzly Technical Support
1203 Lycoming Mall Circle
Muncy, PA  17756
Phone: (570) 546-9663
Email: techsupport@grizzly.com
We want your feedback on this manual. What did 
you  like  about  it?  Where  could  it  be  improved? 
Please take a few minutes to give us feedback.
Grizzly Documentation Manager
P.O. Box 2069
Bellingham, WA  98227-2069
Email: manuals@grizzly.com
Contact Info
We are proud to offer this manual with your new 
machine!  We've  made  every  effort  to  be  exact 
with  the  instructions,  specifications,  drawings, 
and  photographs  of  the  machine  we  used  when 
writing this manual. However, sometimes we still 
make 
an occasional mistake.
Also, owing to our policy of continuous improve-
ment, your machine may not exactly match the 
manual
.
 If you find this to be the case, and the dif-
ference between the manual and machine leaves 
you  in  doubt, 
check  our  website  for  the  latest 
manual update or call technical support for help.
Before calling, find the manufacture date of your 
machine by looking at the date stamped into the  
machine  ID  label  (see  below).  This  will  help  us  
determine  if  the  manual  version  you  received 
matches the manufacture date of your machine.
For your convenience, we 
post all available man
-
uals and 
manual updates for free 
on our website 
at 
www.grizzly.com. Any updates to your
 model 
of
  machine  will  be  reflected  in  these  documents 
as soon as they are complete.
Manufacture Date 
of Your Machine
Manual Accuracy
The  mill/drill  is  used  to  shape  metal  and  solid 
workpieces by removing material with the use of 
a rotating cutting tool.
In milling operations, the cutting tool remains sta-
tionary while the workpiece is drawn across it by 
moving the table.
In  drilling  operations,  the  workpiece  is  held  sta-
tionary on the table while the cutting tool moves 
up-and-down  with  the  movement  of  the  spindle 
and head.

Model G0704 (Mfg. Since 0 8/11)-3-
Identification
Figure 1. G0704 Identification.
A.  Drawbar Cap and Drawbar
B.  Vertical (Z-Axis) Handwheel 
C.  Speed Range Selector Knob
D.  Vertical Travel Lock
E.  Fine Feed Lock Knob
F.  Quill Feed Lever
G.  Table
H.  Longitudinal (X-Axis) Handwheel
I.  Longitudinal Table Stop
J.  Table Cross Travel Locks
K.  Table Longitudinal Travel Lock 
L.  Table Center Stop
M.  Machine Stand
N.  Storage Access Door
O.  Cross (Y-Axis) Handwheel
P.  Longitudinal Scale
Q.  Drill Chuck
R.  Headstock Tilt Scale
S.  Chip Guard
T.  Quill Lock Lever
U.  Fine Feed Knob
V.  Digital Readout (Page 4)
W.  Control Panel (Page 4)
X.  Headstock
Y.  Column
H
H
AB
R
S
P
O
N
I
I
L
J
M
W
X
Y
V
U
G
F
D
D
C
E
K
K
T
Q

-4- Model G0704 (Mfg. Since 0 8 /11)
Electronic Controls Identification
Figure 2. G0704 electronic controls identification.
A.  Spindle RPM Readout
B.  Spindle Digital Readout OFF Button 
C.  Digital Readout ON/ZERO Button
D.  Digital Readout Battery Cover & Battery
E.  Spindle Depth Display DECREASE Button
F.  Spindle Depth Display INCREASE Button
G.  IN/MM Unit Selection Button
H.  Spindle Depth Display 
I.  Spindle Direction Selection Knob
J.  Variable Spindle Speed Knob
K.  START/Emergency STOP Buttons
H
A
B
I
K
J
G
FD
C
E

Model G0704 (Mfg. Since 0 8/11)-5-
The information contained herein is deemed accurate as of 3/3/2014 and represents our most recent product specifications.
Due to our ongoing improvement efforts, this information may not accurately describe items previously purchased. PAGE 1 OF 3Model G0704
MACHINE DATA
SHEET
Customer Service #: (570) 546-9663 · To Order Call: (800) 523-4777 · Fax #: (800) 438-5901
MODEL G0704 DRILL/MILL WITH STAND
Product Dimensions:
Weight.............................................................................................................................................................. 265 lbs.
Width (side-to-side) x Depth (front-to-back) x Height........................................................................... 38 x 24 x 31 in.
Footprint (Length x Width)............................................................................................................... 15-3/4 x 16-1/2 in.
Space Required for Full Range of Movement (Width x Depth).................................................................... 57 x 25 in.
Shipping Dimensions:
Carton #1
Type................................................................................................................................................ Wood Crate
Content................................................................................................................................................. Machine
Weight.................................................................................................................................................... 295 lbs.
Length x Width x Height............................................................................................................. 30 x 28 x 36 in.
Carton #2
Type........................................................................................................................................... Cardboard Box
Content...................................................................................................................................................... Stand
Weight...................................................................................................................................................... 77 lbs.
Length x Width x Height............................................................................................................. 17 x 17 x 33 in.
Electrical:
Power Requirement........................................................................................................... 110V, Single-Phase, 60 Hz
Prewired Voltage.................................................................................................................................................. 110V
Full-Load Current Rating........................................................................................................................................ 12A
Minimum Circuit Size.............................................................................................................................................. 15A
Connection Type....................................................................................................................................... Cord & Plug
Power Cord Included.............................................................................................................................................. Yes
Power Cord Length................................................................................................................................................. 6 ft.
Power Cord Gauge......................................................................................................................................... 16 AWG
Plug Included.......................................................................................................................................................... Yes
Included Plug Type................................................................................................................................................ 5-15
Switch Type........................................................................................... ON/OFF Push Button Switch w/Safety Cover
Motors:
Main
Type..................................................................................................................................................... Universal
Horsepower................................................................................................................................................ 1 HP
Phase............................................................................................................................................ Single-Phase
Amps............................................................................................................................................................ 12A
Speed................................................................................................................................................ 4300 RPM
Power Transfer ................................................................................................................................. Gear Drive
Bearings..................................................................................................... Shielded & Permanently Lubricated

-6- Model G0704 (Mfg. Since 08 /11)
The information contained herein is deemed accurate as of 3/3/2014 and represents our most recent product specifications.
Due to our ongoing improvement efforts, this information may not accurately describe items previously purchased. PAGE 2 OF 3Model G0704
Main Specifications:
Operation Info
Spindle Travel.............................................................................................................................................. 2 in.
Max Distance Spindle to Column.......................................................................................................... 7-1/2 in.
Max Distance Spindle to Table.................................................................................................................. 13 in.
Longitudinal Table Travel (X-Axis)...................................................................................................... 18-7/8 in.
Cross Table Travel (Y-Axis).................................................................................................................. 6-7/8 in.
Vertical Head Travel (Z-Axis)..................................................................................................................... 11 in.
Head Tilt (Left/Right).............................................................................................................................. 90 deg.
Drilling Capacity for Cast Iron................................................................................................................... 3/4 in.
Drilling Capacity for Steel......................................................................................................................... 5/8 in.
End Milling Capacity................................................................................................................................. 3/4 in.
Face Milling Capacity............................................................................................................................ 2-1/2 in.
Table Info
Table Length........................................................................................................................................ 26-5/8 in.
Table Width......................................................................................................................................... 7-1/16 in.
Table Thickness.................................................................................................................................... 1-3/4 in.
Number of T-Slots............................................................................................................................................ 3
T-Slot Size................................................................................................................................................ 1/2 in.
T-Slots Centers...................................................................................................................................... 2-1/2 in.
Spindle Info
Spindle Taper............................................................................................................................................... R-8
Number of Vertical Spindle Speeds...................................................................................................... Variable
Range of Vertical Spindle Speeds............................................................................................. 50 – 2250 RPM
Quill Diameter......................................................................................................................................... 2.36 in.
Drawbar Thread Size............................................................................................................................. 7/16-20
Drawbar Length................................................................................................................................. 9-11/16 in.
Spindle Bearings......................................................................................................... Tapered Roller Bearings
Construction
Spindle Housing/Quill........................................................................................................................... Cast Iron
Table....................................................................................................................... Precision-Ground Cast Iron
Head.................................................................................................................................................... Cast Iron
Column/Base....................................................................................................................................... Cast Iron
Base..................................................................................................................................................... Cast Iron
Stand.......................................................................................................................................................... Steel
Paint....................................................................................................................................................... Enamel
Other Specifications:
Country Of Origin ............................................................................................................................................... China
Warranty ........................................................................................................................................................... 1 Year
Approximate Assembly & Setup Time .............................................................................................................. 1 Hour
Serial Number Location ...................................................................................................... ID Label on Head Casting
Sound Rating ..................................................................................................................................................... 80 dB
ISO 9001 Factory .................................................................................................................................................. Yes
CSA Certified .......................................................................................................................................................... No
Features:
Digital spindle scale reads metric, inches, zero, set, on/off
Forward/reverse switch
Chip guard
Digital display for spindle speed
Dovetail column
Front mounted fine feed knob
Coolant trough

Model G0704 (Mfg. Since 0 8/11)-7-
The information contained herein is deemed accurate as of 3/3/2014 and represents our most recent product specifications.
Due to our ongoing improvement efforts, this information may not accurately describe items previously purchased. PAGE 3 OF 3Model G0704
Accessories Included:
Drill chuck 3–16mm with B16 taper
Drill chuck arbor B16 x R8
Two T-bolts
Two open-ended combo wrenches
Chuck key
Oil bottle
Extra fuse
Hex wrenches
Standard and Phillips screwdrivers
Tool box

-8- Model G0704 (Mfg. Since 0 8/11)
ELECTRICAL EQUIPMENT INJURY RISKS. You 
can be shocked, burned, or killed by touching live 
electrical  components  or  improperly  grounded 
machinery. To reduce this risk, only allow qualified 
service  personnel  to  do  electrical  installation  or 
repair work, and always disconnect power before 
accessing or exposing electrical equipment.
DISCONNECT POWER FIRST. 
Always  discon-
nect machine from power supply BEFORE making 
adjustments, changing tooling, or servicing machine. 
This prevents an injury risk from unintended startup 
or contact with live electrical components.
EYE PROTECTION. Always wear ANSI-approved 
safety glasses or a face shield when operating or 
observing  machinery  to  reduce  the  risk  of  eye 
injury or blindness from flying particles. Everyday 
eyeglasses are not approved safety glasses.
OWNER’S MANUAL. Read and understand this 
owner’s manual BEFORE using machine. 
TRAINED OPERATORS ONLY. Untrained oper-
ators  have  a  higher  risk  of  being  hurt  or  killed. 
Only  allow  trained/supervised  people  to  use  this 
machine.  When  machine  is  not  being  used,  dis-
connect  power,  remove  switch  keys,  or  lock-out 
machine to prevent unauthorized use—especially 
around children. Make workshop kid proof!
DANGEROUS ENVIRONMENTS. Do  not  use 
machinery in areas that are wet, cluttered, or have 
poor lighting. Operating machinery in these areas 
greatly increases the risk of accidents and injury.
MENTAL ALERTNESS REQUIRED. Full mental 
alertness is required for safe operation of machin-
ery. Never operate under the influence of drugs or 
alcohol, when tired, or when distracted.
For Your Own Safety, Read Instruction 
Manual Before Operating This Machine
The purpose of safety symbols is to attract your attention to possible hazardous conditions. 
This manual uses a series of symbols and signal words intended to convey the level of impor-
tance of the safety messages. The progression of symbols is described below. Remember that 
safety messages by themselves do not eliminate danger and are not a substitute for proper 
accident prevention measures. Always use common sense and good judgment.
Indicates a potentially hazardous situation which, if not avoided, 
MAY result in minor or moderate injury. It may also be used to alert 
against unsafe practices.
Indicates a potentially hazardous situation which, if not avoided, 
COULD result in death or serious injury.
Indicates an imminently hazardous situation which, if not avoided, 
WILL result in death or serious injury.
This symbol is used to alert the user to useful information about 
proper operation of the machine.
NOTICE
Safety Instructions for Machinery
SECTION 1: SAFETY

Model G0704 (Mfg. Since 0 8/11)-9-
WEARING PROPER APPAREL. Do not wear
clothing, apparel or jewelry that can become
entangled in moving parts. Always tie back or
coverlonghair.Wearnon-slipfootweartoavoid
accidentalslips,whichcouldcauselossofwork-
piececontrol.
hAzARdOus  dusT.  Dust created while using
machinery may cause cancer, birth defects, or
long-term respiratory damage. Be aware of dust
hazardsassociatedwitheachworkpiecematerial,
andalwayswearaNIOSH-approvedrespiratorto
reduceyourrisk.
hEARING PROTECTION.Alwayswearhear-
ing protection when operating or observing loud
machinery.Extendedexposuretothisnoise
withouthearing protectioncan cause permanent
hearingloss.
REMOVE AdJusTING TOOLs. Tools left on
machinerycanbecomedangerousprojectiles
uponstartup.Neverleavechuckkeys,wrenches,
or any other tools on machine. Always verify
removalbeforestarting!
INTENdEd  usAGE. Only use machine for its
intendedpurposeandnevermakemodifications
not approved by Grizzly. Modifying machine or
using it differently than intended may result in
malfunctionormechanicalfailurethatcanleadto
seriouspersonalinjuryordeath!
AWKWARd POsITIONs. Keep proper footing
andbalanceatalltimeswhenoperatingmachine.
Donotoverreach!Avoidawkwardhandpositions
that make workpiece control difficult or increase
theriskofaccidentalinjury.
ChILdREN & BYsTANdERs. Keepchildrenand
bystandersatasafedistancefromtheworkarea.
Stopusingmachineiftheybecomeadistraction.
GuARds & COVERs.Guardsandcoversreduce
accidental contact with moving parts or flying
debris. Make sure they are properly installed,
undamaged,andworkingcorrectly.
FORCING MAChINERY.Donotforcemachine.
Itwill do the job saferand better at the ratefor
whichitwasdesigned.
NEVER  sTANd ON MAChINE. Serious injury
may occur if machine is tipped or if the cutting
toolisunintentionallycontacted.
sTABLE MAChINE. Unexpectedmovementdur-
ing operation greatly increases risk of injury or
lossofcontrol.Beforestarting,verifymachineis
stableandmobilebase(ifused)islocked.
usE RECOMMENdEd ACCEssORIEs.Consult
thisowner’smanualorthemanufacturerforrec-
ommended accessories. Using improper acces-
sorieswillincreasetheriskofseriousinjury.
uNATTENdEd OPERATION. Toreducethe
risk of accidental injury, turn machine off and
ensure all moving parts completely stop before
walkingaway.Neverleavemachinerunning
whileunattended.
MAINTAIN WITh CARE.Followallmaintenance
instructions and lubrication schedules to keep
machine in good working condition. A machine
that is improperly maintained could malfunction,
leadingtoseriouspersonalinjuryordeath.
ChECK  dAMAGEd PARTs. Regularly inspect
machine for any condition that may affect safe
operation.Immediatelyrepairorreplacedamaged
ormis-adjustedpartsbeforeoperatingmachine.
MAINTAIN POWER CORds.  When disconnect-
ing cord-connected machines frompower,grab
andpulltheplug—NOTthecord.Pullingthecord
maydamage the wires inside.Donothandle
cord/plugwithwethands.Avoidcorddamageby
keepingitawayfromheatedsurfaces,hightraffic
areas,harshchemicals,andwet/damplocations.
EXPERIENCING  dIFFICuLTIEs.  Ifatanytime
youexperiencedifficultiesperformingtheintend-
edoperation,stopusingthemachine!Contactour
TechnicalSupportat(570)546-9663.

-10- Model G0704 (Mfg. Since 0 8/11)
Additional Safety for Mill/Drills
UNDERSTANDING CONTROLS. Make sure you 
understand the use and operation of all controls.
SAFETY ACCESSORIES. Always  use  a      chip  
guard in addition to your safety glasses when mill-
ing/drilling to prevent bodily injury.
WORK HOLDING. Before  starting  the  machine, 
be  certain  the  workpiece  has  been  properly 
clamped to the table. NEVER hold the workpiece 
by hand when using the mill/drill.
CHUCK KEY SAFETY.  Always  remove  your 
chuck key, drawbar wrench, and any service tools 
immediately after use.
SPINDLE SPEEDS.  Select  the  spindle  speed 
that is appropriate for the type of work and mate-
rial.  Allow  the  mill/drill  to  gain  full  speed  before 
beginning a cut. 
POWER DISRUPTION. In  the  event  of  a  local 
power outage during use of the mill, drill turn OFF 
all  switches  to  avoid  possible  sudden  start  up 
once power is restored.
SPINDLE DIRECTION CHANGES. Never reverse 
spindle direction while the spindle is turning.
MACHINE CARE AND MAINTENANCE. Never 
operate the mill/drill with damaged or worn parts. 
Maintain your mill/drill in proper working condition. 
Perform  routine  inspections  and  maintenance 
promptly. Put away adjustment tools after use.
STOPPING SPINDLE. DO NOT stop the mill/drill 
using your hand against the chuck.
BE ATTENTIVE. DO NOT leave the mill/drill run-
ning unattended for any reason. 
DISCONNECT POWER. Make sure the mill/drill is 
turned OFF, disconnected from its power source 
and  all  moving  parts  have  come  to  a  complete 
stop  before  starting  any  inspection,  adjustment, 
or maintenance procedure.
AVOIDING ENTANGLEMENT. Keep loose cloth-
ing articles such as sleeves, belts or jewelry items 
away from the  spindle. Never wear gloves  when 
operating the mill/drill.
TOOL HOLDING. Always  use  the  proper  tools 
for  the  material  you  are  machining.  Make  sure 
they are  held  firmly  in  the  proper  tool  holder  for 
the job.
CLE AN - U P. DO NOT clear chips by hand. Use a 
brush, and never clear chips while the spindle is 
turning.
CUTTING TOOL INSPECTION. Inspect drills and 
end  mills  for  sharpness,  chips,  or  cracks  before 
each use. Replace dull, chipped, or cracked cut-
ting  tools  immediately.  Handle  new  cutting  tools 
with care. Leading edges are very sharp and can 
cause lacerations.
EXPERIENCING DIFFICULTIES. If  at  any  time 
you  are  experiencing  difficulties  performing  the 
intended  operation,  stop  using  the  machine! 
Contact  our  Technical  Support  at  (570)  546-
9663.
No list of safety guidelines can be complete. Every shop environment is different. Like all 
machines there is danger associated with the Model G0704. Accidents are frequently caused by 
lack of familiarity or failure to pay attention. Use this machine with respect and caution to lessen 
the possibility of operator injury. If normal safety precautions are overlooked or ignored, serious 
personal injury may occur.

Model G0704 (Mfg. Since 0 8/11)-11-
SECTION 2: POWER SUPPLY
Availability
Before installing the machine, consider the avail-
ability and proximity of the required power supply 
circuit.  If  an  existing  circuit  does  not  meet  the 
requirements for this machine, a new circuit must 
be installed. To minimize the risk of electrocution, 
fire,  or equipment  damage, installation work and 
electrical wiring must be done by an electrican or  
qualified service personnel in accordance with all 
applicable codes and standards.
Electrocution, fire, or 
equipment damage may 
occur if machine is not 
correctly grounded and 
connected to the power 
supply.
Full-Load Current Rating
The  full-load  current  rating  is  the  amperage  a 
machine draws at 100% of the rated output power. 
On  machines  with  multiple  motors,  this  is  the 
amperage drawn by the largest motor or sum of all 
motors and electrical  devices that  might operate 
at one time during normal operations.
Full-Load Current Rating at 110V ..... 3.2 Amps
The full-load current is not the maximum amount 
of amps that the machine will draw. If the machine 
is overloaded, it will draw additional amps beyond 
the full-load rating.
If the machine is overloaded for a sufficient length 
of time, damage, overheating, or fire may result—
especially  if  connected  to  an  undersized  circuit. 
To  reduce  the risk of these  hazards, avoid over-
loading  the  machine  during  operation  and  make 
sure it is connected to a power supply circuit that 
meets the requirements in the following section.
For your own safety and protection of 
property, consult an electrician if you are 
unsure about wiring practices or electrical 
codes in your area.
Circuit Requirements
Note: The circuit requirements listed in this man-
ual apply to a dedicated circuit—where only one 
machine will be running at a time. If this machine 
will be connected to a shared circuit where mul-
tiple machines will be running at the same time, 
consult a qualified electrician to ensure that the 
circuit is properly sized for safe operation.
A  power  supply  circuit  includes  all  electrical 
equipment between the breaker box or fuse panel 
in the building and the machine. The power sup-
ply circuit used for this machine must be sized to 
safely handle the full-load current drawn from the 
machine  for  an  extended  period  of  time.  (If  this 
machine  is  connected  to  a  circuit  protected  by 
fuses, use a time delay fuse marked D.)
This  machine  is  prewired  to  operate  on  a  110V 
power supply circuit that has a verified ground and 
meets the following requirements:
Nominal Voltage ............................... 110V/120V
Cycle ..........................................................60 Hz
Phase ........................................... Single-Phase
Power Supply Circuit ......................... 15 Amps

-12- Model G0704 (Mfg. Since 0 8/11)
Improper connection of the equipment-grounding 
wire  can  result  in  a  risk  of  electric  shock.  The 
wire with  green insulation (with or without yellow 
stripes) is the equipment-grounding wire. If repair 
or replacement of the power cord or plug is nec-
essary, do not connect the equipment-grounding 
wire to a live (current carrying) terminal.
Check with a qualified electrician or service per-
sonnel if you do not understand these grounding 
requirements, or if you are in doubt about whether 
the  tool  is  properly  grounded.  If  you  ever  notice 
that a cord  or  plug is damaged or worn, discon-
nect it from power, and immediately replace it with 
a new one.
Extension Cords
We  do  not  recommend  using an  extension  cord 
with  this  machine. 
If you must  use  an  extension 
cord, only use it if absolutely necessary and only 
on a temporary basis.
Extension  cords  cause voltage  drop,  which  may 
damage electrical components and shorten motor 
life. Voltage drop increases as the extension cord 
size gets longer and the gauge size gets smaller 
(higher gauge numbers indicate smaller sizes).
Any extension cord used with this machine must 
contain  a  ground  wire,  match  the  required  plug 
and  receptacle,  and  meet  the  following  require-
ments:
Minimum Gauge Size ...........................16 AWG
Maximum Length (Shorter is Better).......50 ft.
Grounding & Plug Requirements
Figure 3. Typical 5-15 plug and receptacle.
Grounding Prong
Neutral Hot
5-15 PLUG
GROUNDED
5-15 RECEPTACLE
Serious injury could occur if you connect 
the machine to power before completing the 
setup process. DO NOT connect to power 
until instructed later in this manual.
SHOCK HAZARD!
Two-prong outlets do not meet the grounding 
requirements for this machine. Do not modify 
or use an adapter on the plug provided—if 
it will not fit the outlet, have a qualified 
electrician install the proper outlet with a 
verified ground.
This  machine  MUST  be  grounded.  In  the  event 
of certain malfunctions or breakdowns, grounding 
reduces the  risk  of electric  shock  by providing  a 
path of least resistance for electric current.
This machine is equipped with a power cord that 
has an equipment-grounding wire and a ground-
ing  plug  (similar  to  the  figure  below).  The  plug 
must only be inserted into a matching receptacle 
(outlet) that is properly installed and grounded in 
accordance with all local codes and ordinances.

Model G0704 (Mfg. Since 0 8/11)-13-
SECTION 3: SETUP
The  following  are  needed  to  complete the  setup 
process, but are not included with your machine:
Description Qty
•  Precision Level ........................................... 1
•  Safety Glasses (for each person) ............... 1
•  Standard Screwdriver #3 ............................ 1
•  Solvent/Cleaner .......................................... 1
•  Shop Rags .................................................. 1
•  Metal Shim Stock ....................................... 1
•  Brass Hammer ........................................... 1
•  Lifting Strap (Rated for at least 500 lbs.) .... 1
•  Lifting Equipment
  (Rated for at least 500 lbs.) ........................ 1
•  An Assistant ............................................... 1
Needed for Setup
Wear safety glasses dur-
ing the entire set up pro-
cess!
This machine presents 
serious injury hazards 
to untrained users. Read 
through this entire manu-
al to become familiar with 
the controls and opera-
tions before starting the 
machine!
The Model G0704 is a  
heavy machine. Serious 
personal injury may occur 
if safe moving meth-
ods are not used. To be 
safe, get assistance and 
use power equipment to 
move the shipping crate 
and remove the machine 
from the crate. 
Your  machine  was  carefully  packaged  for  safe 
transportation.  Remove  the  packaging  materials 
from  around  your machine  and inspect  it.  If you 
discover any damage, please call us immediately 
at (570) 546-9663
 for advice. 
Save the containers and all packing materials for 
possible  inspection  by  the  carrier  or  its  agent. 
Otherwise, filing a freight claim can be difficult.
When you are completely satisfied with the condi-
tion of your shipment, inventory the contents.
Unpacking
SUFFOCATION HAZARD!
Keep children and pets away 
from plastic bags or packing 
materials shipped with this 
machine. Discard immediately.

-14- Model G0704 (Mfg. Since 0 8 /11)
Inventory
Contents Qty
A.  Mill/Drill w/Stand ......................................... 1
B.  Open End Combo Wrench 17/19 ................ 1
C.  Open End Combo Wrench 8/10 ................. 1
D.  Bottle for Oil ............................................... 1
E.  Tool Box...................................................... 1
F.  Large Handwheel Handle ........................... 1
G.  Small Handwheel Handles ......................... 3
H.  T-Bolts M10-1.5 x 60 (vise mounting) ......... 2
  Flat Washers 10mm (vise mounting) .......... 2
  Hex Nuts M10-1.5 (vise mounting).............. 2
I.  Drill Chuck .................................................. 1
J.  Chuck Key .................................................. 1
K. Phillips Screwdriver .................................... 1
L.  Flat Screwdriver .......................................... 1
M.  Arbor B16 x R8 ........................................... 1
N.  Hex Wrench Set 2, 3, 4, 5, & 6mm ...... 1 ea.
O.  Spindle Pin ................................................. 1
Not Shown:
  Hex Bolts M10-1.5 x 50 .............................. 4
  Flat Washers 10mm ................................... 4
Figure 4. G0704 out of the crate.
A
Figure 5. Inventory.
B
D
E
GH
IJ
LK
M
C
F
NO
The following is a list of items shipped with your 
machine. Before beginning setup, lay these items 
out and inventory them.
If any non-proprietary parts are missing (e.g. a 
nut or a washer), we will gladly replace them; or 
for the sake of expediency, replacements can be 
obtained at your local hardware store.
NOTICE
If you cannot find an item on this list, care-
fully check around/inside the machine and 
packaging materials. Often, these items get 
lost in packaging materials while unpack-
ing or they are pre-installed at the factory.

Model G0704 (Mfg. Since 0 8/11)-15-
The  unpainted  surfaces  of  your  machine  are 
coated  with  a  heavy-duty  rust  preventative  that 
prevents corrosion during shipment and  storage. 
This rust preventative works extremely well, but it 
will take a little time to clean.
Be  patient  and  do  a  thorough  job  cleaning  your 
machine. The time you spend doing this now will 
give you a better appreciation for the proper care 
of your machine's unpainted surfaces.
There are many ways to remove this rust preven
-
tative, but the following steps work well in a wide 
variety  of  situations.  Always  follow the  manufac
-
turer’s instructions with any cleaning product you 
use and make sure you work in a well-ventilated 
area to minimize exposure to toxic fumes.
Before cleaning, gather the following:
•
  Disposable Rags
•
  Cleaner/degreaser (WD•40 works well)
•
  Safety glasses & disposable gloves
•
  Plastic paint scraper (optional)
Basic steps for removing rust preventative:
1.
  Put on safety glasses.
2.
 Coat  the  rust  preventative  with  a  liberal 
amount of cleaner/degreaser, then let it soak 
for 5–10 minutes.
3.
  Wipe off the surfaces. If your cleaner/degreas-
er is effective, the rust preventative will wipe 
off easily. If you have a plastic paint scraper, 
scrape off as much as you can first, then wipe 
off the rest with the rag.
4.
  Repeat Steps 2–3 as necessary until clean, 
then coat all unpainted surfaces with a quality 
metal protectant to prevent rust.
Gasoline or products 
with low flash points can 
explode or cause fire if 
used to clean machin-
ery. Avoid cleaning with 
these products.
Many cleaning solvents 
are toxic if concentrat-
ed amounts are inhaled. 
Only work in a well-venti-
lated area.
NOTICE
Avoid chlorine-based solvents, such as 
acetone or brake parts cleaner, that may 
damage painted surfaces. Test all cleaners 
in an inconspicuous area before using to 
make sure they will not damage paint.
Cleanup

-16- Model G0704 (Mfg. Since 0 8/11)
Site Considerations
Figure 6. Space required for full machine range of motion.
Weight Load
Refer to the Machine Data Sheet for the weight 
of your machine. Make sure that the surface upon 
which the machine is placed will bear the weight 
of the machine, additional equipment that may be 
installed on the machine, and the heaviest work-
piece that will be used. Additionally, consider the 
weight  of  the  operator  and  any  dynamic  loading 
that may occur when operating the machine.
Space Allocation
Consider  the  largest  size  of  workpiece  that  will 
be  processed  through  this  machine  and  provide 
enough space  around the  machine for adequate 
operator  material  handling  or  the  installation  of 
auxiliary equipment. With permanent installations, 
leave enough space around the machine to open 
or remove doors/covers as required by the main-
tenance  and  service  described  in  this  manual. 
See below for required space allocation.
Physical Environment
The  physical  environment where  the  machine  is 
operated is important for safe operation and lon-
gevity  of  machine components. For best results, 
operate this machine in a dry environment that is 
free  from  excessive moisture,  hazardous  chemi-
cals,  airborne  abrasives,  or  extreme  conditions. 
Extreme conditions for this type of machinery are 
generally  those  where  the  ambient  temperature 
range  exceeds  41°–104°F;  the  relative  humidity 
range exceeds 20–95% (non-condensing); or the 
environment  is  subject  to  vibration,  shocks,  or 
bumps.
Electrical Installation
Place this machine near an existing power source. 
Make  sure  all  power  cords  are  protected  from 
traffic,  material  handling,  moisture,  chemicals, 
or  other  hazards.  Make  sure  to  leave  access  to 
a  means  of  disconnecting  the  power  source  or 
engaging a lockout/tagout device, if required.
Lighting
Lighting  around  the  machine  must  be  adequate 
enough that operations can be performed safely. 
Shadows, glare, or strobe effects that may distract 
or impede the operator must be eliminated.
Children or untrained people 
may be seriously injured by 
this machine. Only install in an 
access restricted location.
57"
25"
30"
Wall
37.25"
24"

Model G0704 (Mfg. Since 0 8/11)-17-
To remove your machine from the shipping 
crate and place it in position:
1.  Place the crate adjacent to the location where 
your machine will be placed, then remove the 
shipping crate from the pallet.
2.  Position the stand into the desired location.
3.  Use the vertical handwheel to raise the head-
stock as far as possible.
4.  Hang a lifting strap from the fork of a forklift 
and place it under the head of the mill/drill, as 
shown in Figure 7. Take care not to place the 
straps  over  any  controls  that  may  be  dam-
aged during transit.
Figure 7. Lifting strap.
Moving & Placing 
Machine
The Model G0704 is a  
heavy machine. Serious 
personal injury may occur 
if safe moving methods 
are not used. To be safe, 
get assistance and use 
power equipment to move 
the shipping crate and 
remove the machine from 
the crate. 
5.  Unbolt the machine from the pallet, then with 
an  assistant  steadying  the  machine  to  pre-
vent it from  swinging,  lift it slightly  off  of the 
pallet. Use the cross handwheel to move the 
table  forward  or  backward  as  necessary  to 
balance the machine so it hangs as close to 
level as possible.
6.  Lift  the  machine  and  carefully  place  it  onto 
the stand.
7.  Bolt  the  machine  to  the  stand  with  the  four 
M10-1.25 x 50 hex bolts and flat washers. 
—If you are placing the machine on a work-
bench, it must be securely mounted to the 
workbench surface.
  The strongest mounting option is a "Through 
Mount"  where  holes  are  drilled  all  the  way 
through the workbench, and hex bolts, wash-
ers,  and  hex  nuts  are  used  to  secure  the 
machine to the workbench.
Machine Base 
Workbench 
Hex
Bolt
Flat Washer 
Flat Washer 
Lock Washer 
Hex Nut 
Figure 8. Example of a through mount setup.
Machine Base
Workbench
Lag Screw
Flat Washer
Figure 9. Example of a direct mount setup.
Another  option  for  mounting  is  a  "Direct  Mount" 
where the machine is simply secured to the work-
bench with a lag screw.
Lifting Strap

-18- Model G0704 (Mfg. Since 0 8 /11)
Although  not  required,  we  recommend  that  you 
mount  your  new  machine  cabinet  to  the  floor. 
Because this is  an  optional step and floor mate-
rials  may  vary,  floor  mounting  hardware  is  not 
included. Generally, you can either bolt the cabi-
net  to  the  floor  or  mount  it  on  machine  mounts. 
Both  options  are  described  below.  Whichever 
option  you  choose,  it  is  necessary  to  level  the 
cabinet with a precision level.
Bolting to Concrete Floors
Lag  shield  anchors  with  lag  bolts  and  anchor 
studs  (Figure 10)  are  two  popular  methods  for 
anchoring an object to a concrete floor. We sug-
gest you research the many options and methods 
for mounting your machine and  choose  the best 
that fits your specific application.
Mounting to Shop 
Floor
Figure 10. Typical fasteners for mounting to 
concrete floors.
NOTICE
Anchor studs are stronger and more per-
manent alternatives to lag shield anchors; 
however, they will stick out of the floor, 
which may cause a tripping hazard if you 
decide to move your machine.
Figure 11. Machine mount example.
Using Machine Mounts
Using machine mounts, shown in Figure 11, gives 
the advantage of fast leveling and vibration reduc-
tion.  The  large  size  of  the  foot  pads  distributes 
the weight of the machine to reduce strain on the 
floor.
NOTICE
We strongly recommend securing your 
machine to the floor if it is hardwired to the 
power source. Consult with your electrician 
to ensure compliance with local codes.

Model G0704 (Mfg. Since 0 8/11)-19 -
Assembly
Assembly of the Model G0704 consists of attach-
ing the four handwheel handles to the machine.
To assemble your machine:
1.  With  a  #3  standard  screwdriver,  install  the 
large  handwheel  handle  on  the  elevation 
handwheel (Figure 12).
2.  Use  the  same  method  to  install  the  three 
small  handwheel  handles  to  the  three  table 
travel handwheels (Figure 13).
Figure 13. Table handwheel handles.
Figure 12. Elevation handwheel handle.
Elevation 
Handwheel
Elevation 
Handwheel 
Handle
Your machine includes  an B-16 drill chuck arbor 
and  drill  chuck.  Before  use,  the  drill  chuck  must 
be  installed  onto  the  arbor.  The  This  drill  chuck 
installation is intended to be semi-permanent. 
Tip: For a permanent installation, chill the arbor 
in the freezer for 15 minutes before performing the 
following procedure. The taper will expand as it 
returns to room temperature, permanently locking 
the chuck.
To install the drill chuck onto the arbor:
1.  Clean  the  grease  off  the  drill  chuck  and  all 
taper  mating  surfaces.  Pay  particular  atten-
tion  to  the  B-16  bore  in  the  drill  chuck—it 
must be free from all grease, oil, and debris.
2.  Retract the drill chuck jaws fully by turning the 
body of the drill chuck counterclockwise.
3.  Insert the  arbor  into  the  drill  chuck.  Tap  the 
arbor lightly with a brass or other soft-headed 
hammer to get a good fit.  
 Note: While it may not seem like there is 
anything keeping the drill chuck in place, the 
B-16 Taper fit provides a strong bond and will 
hold the drill chuck tightly (Figure 14).
Figure 14. Drill chuck.
R-8 Arbor w/ 
B-16 Chuck 
Taper
Brass Tip
Drill Chuck Arbor
4.  Refer  to  Page  29  for  detailed  instructions 
for installing or removing the drill chuck and 
arbor in the spindle.

-20- Model G0704 (Mfg. Since 0 8/11)
Power Connection
After  you  have  completed  all  previous  setup 
instructions and circuit requirements, the machine 
is ready to be connected to the power supply.
To  avoid  unexpected  startups  or  property  dam-
age, use the following steps whenever connecting 
or disconnecting the machine.
Connecting Power
Figure 15. Connecting power.
1. TurnthemachinepowerswitchOFF.
2.
 Insert the power cord plug into a
matching
power supply receptacle. The machine
is
nowconnectedtothepowersource.
Disconnecting Power
Figure 16. Disconnecting power.
1. TurnthemachinepowerswitchOFF.
2.
Graspthemoldedplugandpullit
completely
outofthereceptacle.Donotpullbythe
cord
asthismaydamagethewiresinside.

Model G0704 (Mfg. Since 0 8/11)-21-
Test Run & Spindle 
Break-in
The Model G0704 spindle speed can be set from 
50–2250 RPM. You must follow the proper break-
in  procedures  to  ensure  the  spindle  bearings 
break-in and seat before putting any milling load 
on the machine. 
To test run and break-in the spindle bearings: 
1. Do  all  lubrication  procedures  highlighted  in 
Lubrication in  Section 6: MAINTENANCE 
on Page 36.
2.  Make sure there are no obstructions around 
or underneath the spindle.
3.  Place the spindle direction selection knob in 
the  "0"  (OFF)  position  and  press  the  emer-
gency STOP button (Figure 17)
Figure 17. Test run controls.
4.  Connect the mill/drill to the power source.
5.  Turn  the  speed  range  selector  knob  to  the 
"L"  (low)  position  (Figure  1  on Page 3)  and 
rotate the variable spindle speed knob all the 
way to the left (slowest) position.
6.  Place  the  spindle  direction  knob  in  the  "F" 
(Forward)  position.  Squeeze  the  tab  on  the 
emergency  STOP  button,  pull  it  open,  then 
press the green button. The spindle will begin 
to turn at a low RPM.
Emergency 
STOP Button
Variable Spindle 
Speed Knob
Spindle 
Direction 
Knob
Spindle RPM 
Readout
Failure to follow start up and spindle break-
in procedures will likely cause rapid deteri-
oration of spindle and other related parts.
NOTICE
10.  Increase  the  speed  to  1000  RPM  and  let  it 
run for another ten minutes.
11.  Increase  the  speed  to  2200  RPM  and  let  it 
run for another ten minutes.
12.  Turn the mill/drill OFF. 
13.  Set the spindle to rotate in the opposite direc-
tion, then press the green button and let it run 
at 1000 RPM for another ten minutes.
DO NOT leave the area while break-in pro-
cedure is under way. You must be ready to 
stop the machine if a problem occurs.
NOTICE
—When  operating  correctly,  the  machine 
runs  smoothly  with  little  or  no  vibration  or 
rubbing noises.
— Investigate and correct strange or unusual 
noises  or  vibrations  before  operating  the 
machine  further.  Always  disconnect  the 
machine from power when investigating or 
correcting potential problems.
7.  Press  the  emergency  STOP  button.  The 
machine should stop.
—If  the  machine  does  stop,  the  emergency 
STOP button safety feature is working cor-
rectly. Continue to Step 8.
—If  the  machine  does  not  stop,  the  emer-
gency  STOP  button  safety  feature  is  not 
working correctly. This safety feature must 
work properly before proceeding with regu-
lar operations. Call Tech Support for help.
8.  Open the emergency STOP button cover and 
press the green button to start the spindle. 
9.  While  watching  the  spindle  RPM  readout, 
turn the variable spindle speed knob until the 
mill/drill  reaches  approximately  600  RPM, 
then let it run for a minimum of 10 minutes.

-22- Model G0704 (Mfg. Since 0 8 /11)
To complete a typical operation, the operator 
does the following:
1.  Loosens the vertical travel locks, then adjusts 
the  headstock  height  above  the  table  to 
ensure  there  is  sufficient  room  to install  the 
tooling  in  the  spindle  and  the  workpiece  on 
the table. 
2.  Installs the desired tooling for the job.
3.  Positions  the  workpiece  as  needed  for  the 
operation,  then  clamps  the  workpiece  using 
applicable clamping devices, or a vise that is 
already  mounted  on  the  table  to  ensure  the 
workpiece does not move during the milling/
drilling operation.
4.  Positions  the  cutter  or  drill  bit  near  the 
workpiece, then tightens vertical travel locks.
5.  Selects the appropriate spindle speed for the 
milling  or  drilling  operation  using  the  speed 
selector  knob  and  variable  spindle  speed 
knob.
6.   Unlocks the X- and Y-axis table locks.
7.  Wears safety glasses or a face shield.
8.  Turns the spindle direction selection knob to 
the desired direction.
9.  Loosens the quill lock lever and uses the quill 
feed lever or the fine feed knob to set the cut-
ting tool height according to the workpiece.
10.  For  milling  operations,  uses  the  table 
handwheels  to  move  the  table  so  the  cutter 
removes material evenly from the workpiece.  
   For  drilling  operations,  uses  the  quill  feed 
lever  or  fine  feed  knob  to  lower  the  drill  bit 
into the workpiece, then raises the drill bit out 
of the workpiece using the same controls. 
11.  Turns  the  spindle  direction  knob  to  the  "0" 
position to stop the spindle.
SECTION 4: OPERATIONS
Operation Overview
The purpose of this overview is to provide the nov-
ice machine operator with a basic understanding 
of how the machine is used during operation, so 
the
 machine controls/components
 discussed later 
in this manual
 are easier to understand.
Due  to  the  generic  nature  of  this  overview,  it  is 
not intended to be an instructional guide. To learn 
more  about  specific  operations,  read  this  entire 
manual  and 
seek  additional  training  from  expe
-
rienced 
machine  operators,  and  do  additional 
research outside of this manual by reading "how-
to" books, trade magazines, or websites.
Damage to your eyes and lungs could result 
from using this machine without proper pro-
tective gear. Always wear safety glasses and 
a respirator when operating this machine.
To reduce the risk of 
serious injury when using 
this machine, read and 
understand this entire 
manual before operating.
NOTICE
If you have never used this type of machine 
or equipment before, WE STRONGLY REC-
OMMEND that you read books, review 
industry trade magazines, or get formal 
training before beginning any projects. 
Regardless of the content in this section, 
Grizzly Industrial will not be held liable for 
accidents caused by lack of training.

Model G0704 (Mfg. Since 0 8/11)-23-
Basic Controls
Use the descriptions and figures below to become 
familiar with the basic controls of your machine.
Vertical Handwheel: Raises  and  lowers  the 
headstock (Z-Axis).
Speed Range Selector Knob: Selects low range 
(L) or high range (H) for the spindle speed. 
Vertical Travel Locks: Lock  the  position  of  the 
headstock to the column. 
Fine Feed Lock Knob:  Engages  the  fine  feed 
knob for precise control of vertical quill travel.
Fine Feed Knob: Provides fine control over verti-
cal quill travel.
Quill Feed Levers:  Provide  coarse  control  over 
vertical quill travel.
Figure 18. Head controls.
Vertical 
Travel 
Locks
Vertical Handwheel
Quill 
Feed 
Lever
Fine 
Feed 
Knob
Fine 
Feed 
Lock 
Knob
Speed 
Range 
Selector 
Knob
Drawbar Cap: Covers  the  drawbar  and  upper 
portion of the spindle.
Drawbar:  Secures  collets  and  tooling  in  the 
spindle taper.
Spindle and Chuck: Provide  a  mounting  place 
for tooling.
Quill Lock Lever: Locks  the  vertical  position  of 
the quill when tightened.
Figure 19. Headstock controls (continued).
Quill Lock 
Lever
Drawbar Cap 
& Drawbar
Spindle & 
Chuck
Loose hair, clothing, or 
jewelry could get caught 
in machinery and cause 
serious personal injury. 
Keep these items away 
from moving parts at all 
times to reduce this risk.
To reduce the risk of 
serious injury when using 
this machine, read and 
understand this entire 
manual before beginning 
any operations.

-24- Model G0704 (Mfg. Since 0 8/11)
OFF Button: Turns OFF the display.
ON/0 Button:  Turns  ON  the  display  with  the 
first  press.  Pressed  again  resets  the  display  to 
0.000".
IN/MM Button: Toggles the units displayed.
 Button: Increases the current depth reading.
 Button: Decreases the current depth reading.
Spindle RPM Readout:  Displays  the  speed  of 
the spindle rotation.
Emergency STOP Button: Interrupts the flow of 
power to the machine.
Variable Spindle Speed Knob:  Changes  the 
speed of the spindle rotation.
Spindle Direction Selection Knob:  Changes 
the direction of spindle rotation.
Figure 21. Control panel.
Spindle RPM Readout
Emergency 
STOP Button
Variable Spindle 
Speed Knob
Spindle Direction 
Selection Knob
Figure 22. Digital readout unit controls.
ON/0 Button
IN/MM Button
 Button
 Button
OFF Button
Figure 20. Table controls.
Cross Handwheel: Moves the table forward and 
backward (Y-Axis).
Longitudinal Handwheels: Move the table from 
side to side (X-Axis). 
Longitudinal Table Locks: Lock the longitudinal 
position of the table when tightened.
Cross Table Locks: Lock  the  cross  position  of 
the table when tightened.
Cross Handwheel
Longitudinal 
Handwheels
Cross Table Locks
Longitudinal 
Table Locks

Model G0704 (Mfg. Since 0 8/11)-25-
Digital Readout Unit
The  digital  readout  unit  gives  a  precise  reading 
of  the  vertical  positioning  of  the  quill.  It  can  be 
zeroed at any position and manually increased or 
decreased independent of quill position when the 
operation requires it (Figure 23).
Figure 23. Digital readout controls.
ON/0 Button
IN/MM Button
 Button
 Button
OFF Button
Battery Cover
To use the digital readout:
1.  Press  the  ON/0  button.  A  reading  should 
appear on the display.
2.  Press  the  IN/MM  button  to  select  whether 
units  will  be  displayed  in  inches  or  millime-
ters. Each press of the button switches from 
one unit to the other.
3.  If you want to "zero" the readout at any time, 
press  the  ON/0  button.  The  current  reading 
will be cleared and the scale will be reset to 
0.000.
  If you want to increase or decrease the read-
ing at any time, press the appropriate   or   
button. This is useful when calibrating the mill 
to known dimensions on a workpiece.
4.  When  the  operation  is  complete,  press  the 
OFF button to conserve the battery.

-26- Model G0704 (Mfg. Since 0 8 /11)
Calculating Spindle 
Speed
Closely  follow  the  proper  spindle    speed  and 
proper feed rate to produce good results, reduce 
undue  strain  on  all  moving  parts  and  increase 
operator safety.
Prior  to  milling,  determine  the  spindle  speed 
needed to cut your workpiece, then set the speed 
on the machine.
To determine the needed spindle speed:
1.  Use the table in Figure 24 to  determine the 
cutting speed required for the material of your 
workpiece.
2.  Measure the diameter of your cutting tool in 
inches.
3.  Use  the  following  formula  to  determine  the 
needed spindle RPM for your operation:
 (Cutting Speed x 4) /Tool Diameter = RPM
Cutting Speeds for High Speed Steel (HSS) 
Cutting Tools
Workpiece Material Cutting Speed (sfm)
Aluminum & Alloys 300
Brass & Bronze 150
Copper 100
Cast Iron, soft 80
Cast Iron, hard 50
Mild Steel 90
Cast Steel 80
Alloy Steel, hard 40
Tool Steel 50
Stainless Steel 60
Titanium 50
Plastics 300-800
Wood 300-500
Note: For carbide cutting tools, double the cut-
ting speed. These values are a guideline only. 
Refer to the MACHINERY'S HANDBOOK for 
more detailed information.
Figure 24. Cutting speed table for HSS cutting 
tools.

Model G0704 (Mfg. Since 0 8/11)-27-
Spindle Speed and 
Direction
Setting  the  speed  on  the  Model  G0704  is  a  two 
part  process.  The  gearbox in the headstock  has 
two gear ranges and the motor is a variable speed 
unit.  Together,  these  two  systems  provide  an 
overall speed range of 50–2250 RPM.
When the dial is turned up all the way, the motor 
draws  the  full  amperage  level.  When  combined 
with  a  cutting  load,  the  motor  can  overheat  and 
become damaged. If high speeds are needed, put 
the speed range into high "H" then turn the vari-
able  speed  dial  down,  away  from  the  maximum 
position. If the maximum RPM is needed, reduce 
the  cutting  load  as  much  as  possible  and  mini-
mize the operation time at these speeds.
To set the spindle speed:
1.  Determine the appropriate spindle speed for 
your  operation.  See  Calculating Spindle 
Speed on Page 26.
2.  Select  the  appropriate  speed  range  using 
the  speed  range  selector  knob  (Figure  25). 
"H"  represents  the  high  speed  range,  which 
is capable of spindle speeds from 100–2250 
RPM.  "L"  represents  the  low  range,  which 
is  capable  of  spindle  speeds  from  50–1125 
RPM.
 Note: To maximize spindle torque, use the 
low range.
 Note: It may be necessary to rotate the 
spindle by hand to get the gears to mesh 
properly.
3.  Make sure the work area is clear and that all 
safety precautions are taken.
Figure 25. Speed selector knob.
Speed Selection 
Knob
4.   Turn the  variable  spindle  speed knob  to  the 
far  left  (slowest)  position,  then  press  the 
green start button and use the spindle direc-
tion  selection  knob  to  choose  the  direction 
of  spindle  travel  and  start  spindle  rotation 
(Figure 26).
Figure 26. Spindle direction selection knob.
5.   Watch the RPM readout and adjust the vari-
able spindle speed knob as needed until the 
desired RPM is reached.
Spindle Direction 
Selection Knob
RPM Readout
Variable Spindle 
Speed Knob
NOTICE
AVOID OVERHEATING MOTOR!
DO NOT operate with variable speed dial at 
full RPM for than a couple minutes or motor 
overheating may occur. Instead, achieve the 
same spindle speed by using the high “H” 
speed range and reducing the motor RPM 
by turning the variable speed dial down.

-28- Model G0704 (Mfg. Since 0 8 /11)
Changing Spindle Position Using 
Fine Feed Knob
1.  Unlock the quill lock lever and tighten the fine 
feed lock knob. 
2.  Rotate  the  fine  feed  knob  to  lower  or  raise 
the spindle in small increments. Observe the 
scale  on  the  knob  or  the  digital  readout  to 
monitor movement in thousandths of an inch 
(Figure 28).
3.  Tighten the quill lock lever to hold the spindle 
in a particular position if you choose.
 Tip: Milling with the spindle fully extended 
can cause tool chatter. For maximum spindle 
rigidity when milling, it is better to keep the 
spindle retracted into the headstock as far 
as possible with the quill lock lever tightened, 
and the fine feed knob tightened.
Figure 28. Fine spindle feed controls.
Fine Feed 
Scale
Fine Feed 
Knob
Spindle Height 
Controls
The spindle height is controlled by the quill feed 
lever and the fine feed knob.
Changing Spindle Position Using 
Quill Feed Levers
1.  Unlock the quill lock lever and loosen the fine 
feed lock knob.
2.  Pull  down  on  any  of  the  coarse  downfeed 
levers  to  adjust  the  vertical  position  of  the 
spindle. Observe the spindle height scale or 
digital readout to monitor movement in inches 
or millimeters.
Tip: Milling with the spindle fully extended can 
cause tool chatter. For maximum spindle 
rigidity when milling, it is better to keep the 
spindle retracted into the headstock as far 
as possible with the spindle lock and the 
downfeed selector knob tightened.
Quill 
lock 
lever
Quill Feed 
Lever
Figure 27. Spindle controls.
Spindle 
Height 
Scale
Quill 
lock 
lever
Fine Feed 
Knob
Quill Feed 
Lever
Fine Feed 
Lock 
Knob
Fine Feed 
Lock 
Knob

Model G0704 (Mfg. Since 0 8/11)-29-
Drill Chuck
Figure 29. Tightening the drawbar.
5.  Hold the chuck with one hand and finish loos-
ening the drawbar until the chuck falls out of 
the spindle.
 Note:  The chuck is attached to the arbor 
using a B-16 taper. This attachment is con-
sidered to be semi-permanent. There should 
be no need to remove the chuck from the 
arbor. 
4.  Use  the  included  spindle  pin  to  prevent  the 
spindle  from  turning  while  you use  an  8mm 
wrench to loosen the drawbar 2–3 turns. DO 
NOT continue loosening the drawbar without 
supporting the drill chuck or it will fall from the 
spindle.
To remove the chuck and arbor from the 
spindle:
1.  DISCONNECT MILL/DRILL FROM POWER!
2.  Remove the drawbar cap.
3.  Lock  the  quill  in  place  with  the  quill  lock 
lever.
To install the drill chuck and arbor:
1.  DISCONNECT MILL/DRILL FROM POWER!
2.  Remove the drawbar cap.
3.  Insert the chuck arbor into the spindle, mak-
ing sure  to line  up the  slot in  the arbor  with 
the pin in the spindle.
4.  Thread  the  drawbar  into  the  arbor  until  the 
arbor is seated up into the spindle taper.
5.  Use  the  included  spindle  pin  to  prevent  the 
spindle  from  turning  while  you use  an  8mm 
wrench to tighten the drawbar.
NOTICE
The Model G0704 drawbar will extract the 
arbor from the spindle. Once the arbor or 
collet has broken free from the spindle 
taper, be sure to properly support it while 
continuing to loosen the drawbar. Failure 
to properly support the arbor or collet 
while loosening the drawbar will result in 
the arbor or collet falling out of the spindle, 
causing damage to machine components.
 Note: Do not overtighten the drawbar. 
Overtightening makes arbor removal difficult 
and will damage the arbor and threads.
6.  Re-install the drawbar cap.
Drawbar
Spindle Pin

-30- Model G0704 (Mfg. Since 0 8/11)
Your Model G0704 features an R-8 spindle taper, 
which  gives  the  freedom  to  use  standard  R-8 
cutting  tools  and  collets.  These  optional  collets 
come in many sizes, typically ranging from 1⁄16" to 
7⁄8" and 3mm to 20mm, and should be matched to 
your cutting tool shank size. 
To install the tooling:
1.  DISCONNECT MILL/DRILL FROM POWER!
2.  Remove the drawbar cap.
3.  Carefully clean the surface of the tooling and 
spindle taper. Ensure that it is free of debris 
and is lightly oiled.
4.  If you are using a cutting tool and collet, insert 
the cutting tool into the collet, then insert the 
collet up into the spindle taper, making sure 
the slot in the collet lines up with the pin in the 
spindle.
  If  you  are  using  a  cutting  tool  that  installs 
directly into the spindle, insert the tool into the 
spindle taper, making sure the slot in the tool 
lines up with the pin in the spindle.
5.   Slide  the  tooling  upward  until it  makes  con-
tact with the drawbar threads.
6.  Hand thread the drawbar into the tooling until 
the tooling draws up into the spindle taper.
7.  Use  the  included  spindle  pin  to  prevent  the 
spindle  from  turning  while  you use  an  8mm 
wrench to tighten the drawbar. 
 Note: Do not overtighten the drawbar. 
Overtightening makes collet removal difficult 
and will damage the drawbar threads, collet, 
and the spindle taper. Keep in mind that the 
taper keeps the collet and tool in place. The 
drawbar simply aids in seating the taper.
Loading Tooling To remove the collet:
1.  DISCONNECT MILL/DRILL FROM POWER!
2.  Remove the drawbar cap.
3.  Lock  the  quill  in  place  with  the  quill  lock 
lever.
4.  Use  the  included  spindle  pin  to  prevent  the 
spindle  from  turning  while  you use  an  8mm 
wrench to loosen the drawbar 2–3 turns. DO 
NOT continue loosening the drawbar without 
supporting  the  collet  or  it  will  fall  from  the 
spindle.
LACERATION  HAZARD! 
Leading edges of end mills 
and other cutting tools can 
be very sharp. Protect your 
hands with gloves or a shop 
towel when handling.
5.   Protect  the  table  surface  with  a  piece  of 
cardboard  and  hold  the  cutter/tool  with  a 
shop towel to prevent it from falling out of the 
collet.  Continue  loosening  the  drawbar  until 
the collet is freed from the spindle.
NOTICE
The Model G0704 drawbar will extract the 
arbor from the spindle. Once the arbor or 
collet has broken free from the spindle 
taper, be sure to properly support it while 
continuing to loosen the drawbar. Failure 
to properly support the arbor or collet 
while loosening the drawbar will result in 
the arbor or collet falling out of the spindle, 
causing damage to machine components.

Model G0704 (Mfg. Since 0 8/11)-31-
2.  Turn the vertical handwheel shown in Figure 
30 to raise or lower the headstock, then lock 
the vertical travel lock levers.
 Note: For maximum spindle rigidity when 
milling, keep the spindle retracted into the 
headstock as far as possible with the quill 
lock lever locked and with the fine feed lock 
knob tightened.
Headstock Travel 
(Z-Axis and Rotation)
Headstock  height  is  adjustable  in  the  vertical 
Z-axis  to  accept  large  workpieces.  For  unique 
milling  operations,  the  headstock  can  be  tilted 
right or left between 0° and 90°.
To raise or lower the headstock:
1.  Unlock the vertical travel lock levers shown in 
Figure 30.
To tilt the headstock to the left or right:
1.  DISCONNECT MILL/DRILL FROM POWER.
Figure 30. Headstock slide controls.
Vertical 
Travel Lock 
Levers
Vertical 
Handwheel
Figure 31. Headstock tilt controls.
Center Bolt
Tilt  Scale
Angle 
Lock Nut 
1 of 3
2.  Support  the  headstock  with  one  hand,  then 
using the included 17/19mm combo wrench, 
loosen  the  headstock  center  bolt  and  three 
angle lock nuts (Figure 31).
During the following steps, be aware that the 
headstock is top-heavy and will swing if it is 
not well supported once the center bolt and 
lock nut are loosened. Always support the 
headstock with one hand when loosening 
these fasteners. Failure to do so may result 
in unexpected movement of the headstock, 
causing damage to the machine and per-
sonal injury.
3.  While watching the tilt scale, rotate the head-
stock  to  the  required  angle,  then  retighten 
the center bolt and angle lock nut to hold the 
headstock in place.

-32- Model G0704 (Mfg. Since 08 /11)
Figure 33. Table locks and scales.
Table Travel
The mill/drill table can be moved in the longitudi-
nal (X-axis) and cross (Y-axis) directions.
Longitudinal Feed
The  X-axis  is  moved  by  the  handwheels  shown 
in  Figure  32 at  the  end  of  the  table.  These 
handwheels will move the table in both directions 
side-to-side.  One  complete  revolution  of  either 
handwheel  moves  the  longitudinal  feed  0.100". 
There is also a scale on the front of the table for 
use  when  a  tight  tolerance  is  not  required.  The 
longitudinal  feed  can  be  locked  in  position  by 
table locks located on the front of the table (see 
Figure 33).
Cross Feed
The Y-axis shown in Figure 32, is moved with the 
handwheel  on  the  front  of  the  table  base.  One 
complete revolution of the handwheel moves the 
cross slide 0.100". The cross feed can be locked 
into position by a  table lock  lever located on the 
right side of the cross slide underneath the table 
(see Figure 33).
Figure 32. Table X- and Y-axis controls.
X-Axis Scale
X-Axis Table Lock Levers
Y-Axis Table Lock Levers
X-Axis Handwheels
Y-Axis Handwheel

Model G0704 (Mfg. Since 0 8/11)-33-
SECTION 5: ACCESSORIES
ACCESSORIES
H8177—Worktable with Angle
Enjoy having an economical way to support your 
workpiece at an array of angles. This high-quality 
tilting  worktable  is  quick  and  easy  to  setup  and 
use.
Figure 35. Worktable with angle.
Figure 34. Horizontal milling worktable.
H8179—Horizontal Milling Table 
Take  advantage of  the  G0704 mill/drill 90°  tilting 
headstock feature. Install this lifted cast-iron hori-
zontal milling table for the correct clearance when 
making those side-milling operations.
H8179
Some aftermarket accessories  can be 
installed on this machine that  could cause 
it to function improperly, increasing the risk 
of serious personal injury. To minimize this 
risk, only install accessories recommended 
for this machine by Grizzly.
NOTICE
Refer to www.grizzly.com or the newest 
copy of the Grizzly Catalog for other acces-
sories available for this machine. 
G5684—R-8 Vertical Collet Rack
No more loose  R-8 collets  laying around in  your 
tool box. Organize with this handy collet rack and 
you won’t be looking at each one for the  correct 
size. Set on your bench or mount to a wall. Holds 
48 collets.
Figure 36. Model G5684 Tilt Table.

-34- Model G0704 (Mfg. Since 0 8 /11)
Figure 41. H5685 4" Rotary Table.
H5685—4" Rotary Table
The perfect rotary table for all you model makers 
and  those  doing  smaller  precision  work.  Comes 
with clamping kit.
G9322—Boring Head Combo Set
Hardened  and  ground  adjusting  screws  along 
with a wide base design guarantee a long life and 
trouble-free  use. Includes  a  2"  boring  head, R-8 
arbor with 7/16"-20 TPI, and a 12 piece 3/4" boring 
bar set.
Figure 37. G9324 Boring Head Combo Set.
G9760—20-PC. 2 & 4 Flute TiN End Mill Set.
Includes  these  sizes  and  styles  in  two  and  four 
flute  styles:  3/16",  1/4",  5/16",  3/8",  7/16",  1/2",  9/16",  5/8", 
3/8", 11/16", and 3/4".
Figure 38. G9760 20-PC End Mill Set.
Figure 39. Model G8683Z Mini Shop Fox® 
Mobile Base.
G8683Z—Mini Shop Fox® Mobile Base
Don't let the little size of this one fool you. It shares 
the same design concepts as its two bigger broth-
ers, giving you an amazing 600 lb. load capacity 
in one small package!
H8257—Primrose Armor Plate with Moly-D 
Machine and Way Oil 1 Quart
This superior machine and way lubricant prevents 
stick  slip  and  chatter  due  to  anti-friction  capa-
bilities  resulting  in  greater  precision  machining 
capabilities.  Provides  the  thinnest  oil  film  pos-
sible while effectively providing needed lubrication 
and  rust/corrosion  protection.  Adhesive/cohesive 
components  are  added  for  vertical  surfaces. 
Resists squeeze out, running, dripping  and  non-
gumming.
T10067—8 Pc. R-8 Quick Change Collet Set
T10068—16 Pc. R-8 Quick Change Collet Set
These are the best collet sets we've ever carried. 
They can be used in production shops and for high 
precision work. Includes R-8 quick change collet 
chuck,  1⁄4",  5⁄16",  3⁄8",  1⁄2",  5⁄8",  3⁄4"  and  1"  collets, 
spanner  wrench  and  moulded  plastic  case.  The 
16 pc. set includes everything in the 8 pc. set plus 
1⁄8", 3⁄16", 7⁄16", 9⁄16", 11 ⁄16", 13 ⁄16", 7⁄8", and 15⁄16" collets. 
Made in Taiwan!
Figure 40. T10067 & T10068 Collet Sets.

Model G0704 (Mfg. Since 0 8/11)-35-
G9512—T-Slot Nuts, 4 PK, 1/2" Slot, 3/8"-16
Heat  treated  steel  T-Slot  Nuts  with  black  oxide 
finish  feature  an  imperfect  thread  in  the  base  of 
the T-nut to eliminate any danger of screwing the 
clamping  stud  through  and  damaging  the  table 
slot.
Figure 42. Model G9512 T-Slot Nuts.
G9849—Magnetic Base/Dial Indicator Combo
Precision  measurements  and  setups  have  never 
been  so  easy.  Magnetic  base  engages  with  just 
the  turn  of  a  switch  and  allows  pinpoint  adjust-
ment.  The  dial  indicator  features  0-1"  travel  and 
has a resolution of 0.001". This fine set includes a 
molded case for protection and convenience.
Figure 44. Model G9849 Indicator/Base Combo
G5758—Tilt Table 5" x 7"
Set your work at  any angle  with  these  sturdy  tilt 
tables. Heavy-duty  construction  includes  T-slots, 
two locking screws and precision base that allows 
the table to tilt from -45 Degrees to +45 Degrees. 
Table size: 5" x 7".
Figure 43. Model G5758 Tilt Table.

-36- Model G0704 (Mfg. Since 0 8/11)
SECTION 6: MAINTENANCE
Always disconnect power 
to the machine before 
performing maintenance. 
Failure to do this may 
result in serious person-
al injury.
For  optimum  performance  from  your  machine, 
follow this maintenance schedule and refer to any 
specific instructions given in this section.
Daily Check:
•  Make  sure  mill/drill  is  disconnected  from 
power when not in use.
•  Check for loose mounting bolts.
• Make sure mill/drill is clean and lubricated.
• Check for worn or damaged wires.
• Check for any other unsafe condition.
Monthly Check:
•  Check that gibs are adjusted properly.
Biannual Check:
•  Lubricate headstock lead screw and gears.
Schedule
Regular  lubrication  will  ensure  your  mill/drill  per-
forms  at  its  highest  potential. Regularly  wipe  all 
sliding surfaces with Primrose® Way Oil (Page 34) 
or a light machine oil, then move the components 
back  and  forth  several  times  to  ensure  smooth 
movements  (Figures  45–47).  Every  six  months, 
or more often with heavy use, clean and lubricate 
the leadscrews and vertical handwheel ring & pin-
ion gears, as outlined on Page 38.
Protect  other  unpainted  cast  iron  surfaces  with 
regular  applications  of  products  like  G96®  Gun 
Treatment, SLIPIT®, or Boeshield® T-9.
Lubrication
Figure 45. Vertical way lube location (both 
sides).
Figure 46. Cross way lube locations.
Figure 47. Longitudinal way lube locations.

Model G0704 (Mfg. Since 0 8/11)-37-
6.  Lift  or  remove  the  rubber  way  cover,  then  
use  mineral  spirits  and  a  brush  to  clean  as 
much  of  the  existing  grease  and  debris  as 
possible  off  of  the  cross  travel  leadscrew 
shown in Figure 49. Allow leadscrew to dry.
Every six months, or more frequently under heavy 
use, we recommend that you clean and lubricate 
the leadscrews and vertical handwheel gears with 
a light machine oil and multi-purpose grease.
Tools Needed:  Qty
Hex Wrench 3, 4mm .......................................... 1
Multi-Purpose Lithium Grease ........................... 1
Paint Brush for Grease Application ................... 1
Oil Bottle of 10-30w Synthetic Oil ..................... 1
Stiff-Bristled Nylon Brush for Cleaning .............. 1
Mineral Spirits ................. As needed for cleaning
Shop Rags ...................... As needed for cleaning
To lubricate the leadscrews: 
1.  DISCONNECT MILL/DRILL FROM POWER!
2.  Lower the headstock as far as you can with-
out the spindle contacting the table surface.
3.  Use  mineral  spirits  and  a  brush  to  clean  as 
much  of  the  existing  grease  and  debris  as 
possible  off  of  the  vertical  leadscrew  shown 
in Figure 48. Allow leadscrew to dry.
Figure 48. Vertical leadscrew location.
Figure 49. Cross travel leadscrew location.
Figure 50. Longitudinal leadscrew location.
4.  Apply  light  machine  oil  to  the  exposed 
leadscrew threads, then move the headstock 
through its full range of motion several times 
to disperse the oil along the full length of the 
leadscrew.
5.  Using  the  cross  handwheel,  move  the  table 
as far forward as possible.
7.  Apply  light  machine  oil  to  the  exposed 
leadscrew  threads,  then  move  the  table 
through its full range of cross motion several 
times to disperse the oil along the full length 
of the leadscrew.
8.  Using  the  longitudinal  handwheel,  move  the 
table as far to one side as possible.
9.  From  beneath  the  table,  use  mineral  spirits 
and a brush to clean as much of the existing 
grease and debris as possible off of the longi-
tudinal travel leadscrew shown in Figure 50. 
Allow the leadscrew to dry.
10.  Apply  light  machine  oil  to  the  exposed 
leadscrew  threads,  then  move  the  table 
through  its  full  range  of  longitudinal  motion 
several times to disperse the oil along the full 
length of the leadscrew.

-38- Model G0704 (Mfg. Since 0 8 /11)
Figure 51. Bushing cap removal.
Figure 53. Handwheel removal.
Figure 52. Bushing oil location.
To lubricate the vertical leadscrew bushing 
and ring & pinion gears: 
1.  DISCONNECT MILL/DRILL FROM POWER!
2.  Remove the bushing cap by unthreading the 
four cap screws that secure it (Figure 51).
3.  Apply  several  drops  of  light  machine  oil  to 
the  bushing  edge,  then  rotate  the  vertical 
handwheel to disperse the oil (Figure 52).
Bushing Cap
4.  Replace the bushing cap.
5.  Remove  the  acorn  nut  and  flat  washer  that 
secure  the  vertical  handwheel,  then  remove 
the handwheel (Figure 53).
6.  Remove the four cap screws that secure the 
handwheel  shaft  pillow  block,  then  carefully 
remove the assembly (Figure 54).
Figure 54. Handwheel gears.
7.  Use  mineral  spirits  and  a  brush  and  rag  to 
clean  as  much  of  the  existing  grease  and 
debris as  possible  off  of  the  ring  and  pinion 
gears. Allow the parts to dry.
8.  Apply  a  liberal  coat  of  multi-purpose  grease 
to the pinion gear.
9.  Re-assemble  the  machine  by  reversing  the 
steps above.
Pinion Gear
Ring Gear
Pillow Block

Model G0704 (Mfg. Since 0 8/11)-39-
SECTION 7: SERVICE
Troubleshooting
Symptom Possible Cause Possible Solution
Machine does not 
start.
1.  Circuit breaker on machine tripped.
2.  Plug at fault or wired incorrectly.
3.  Motor wired incorrectly.
4.  Wall fuse/circuit breaker is blown/tripped.
5.  Wiring is open/has high resistance.
6.  Machine power switch is at fault.
7.  Motor is at fault.
1.  Press  reset  button  on  motor  junction  box;  reduce 
load on motor to prevent overheating.
2.  Ensure plug is not damaged and is wired correctly.
3.  Ensure motor wiring is correct.
4.  Ensure  circuit  size  is  correct  and  a  short  does  not 
exist. Reset breaker or replace fuse.
5.  Check  for  broken  wires  or  disconnected/corroded 
connections; repair/replace as necessary. 
6.  Ensure switch is wired correctly; replace if at fault.
7.  Test/repair/replace.
Machine stalls or is 
overloaded.
1.  Feed rate/cutting speed too fast.
2.  Wrong cutter type.
3.  Machine is undersized for the task or tooling 
is incorrect for the task.
4.  Motor connection is wired incorrectly.
5.  Motor bearings are at fault.
6.  Motor has overheated.
7.  Motor is at fault.
1.  Decrease feed rate/cutting speed.
2.  Use the correct cutter for the task.
3.  Use smaller or sharper tooling; reduce  feed rate or 
spindle speed; use cutting fluid if possible.
4.  Wire motor correctly for the intended voltage.
5.  Test by rotating shaft; rotational grinding/loose shaft 
requires bearing replacement.
6.  Clean off motor, let cool, and reduce workload.
7.  Test/repair/replace motor.
Machine has 
vibration or noisy 
operation.
1.  Motor or machine component is loose.
2.  Excessive depth of cut.
3.  Cutter/tooling is loose.
4.  Cutter is dull or at fault.
5.  Bit is chattering.
6.  Machine  is  incorrectly  mounted  or  sits 
unevenly.
7.  Motor bearings are at fault.
1.  Inspect/replace stripped or damaged bolts/nuts, and 
re-tighten with thread locking fluid.
2.  Decrease depth of cut.
3.  Make sure tooling is properly secured.
4.  Replace/resharpen cutter.
5.  Replace/sharpen  bit;  index  bit  to  workpiece;  use 
appropriate feed rate and cutting RPM.
6.  Tighten/replace  mounting  bolts  in  bench;  relocate/
shim machine.
7.  Test by rotating shaft; rotational grinding/loose shaft 
requires bearing replacement.
Troubleshooting
Review the troubleshooting and procedures in this section if a problem develops with your machine. If you 
need replacement parts or additional help with a procedure, call our Technical Support at (570) 546-9663. 
Note: Please gather the serial number and manufacture date of your machine before calling.

-40- Model G0704 (Mfg. Since 0 8/11)
Symptom Possible Cause Possible Solution
Tool slips in collet. 1.  Collet  is  not  fully  drawn  up  into 
spindle taper.
2.  Wrong size collet.
3.  Debris on collet or in spindle taper.
4.  Taking too big of a cut.
1.  Tighten drawbar.
2.  Measure  tool  shank  diameter  and  match  with 
appropriate diameter collet.
3.  Clean collet and spindle taper.
4.   Lessen depth of cut and allow chips to clear.
Breaking tools or cutters. 1.  Spindle speed too  slow/feed rate  is 
too fast.
2.  Cutting tool getting too hot.
3.  Taking too big of a cut.
4.  Spindle extended too far down.
1.  Set  spindle  speed  correctly  (Page  27)  or  use  a 
slower feed rate. 
2.  Use  coolant  fluid  or  oil  for  appropriate  application. 
(Follow cutting fluid manufacturer's recommendation 
for proper use and safety.)
3.  Decrease depth of cut.
4.  Fully  retract  spindle  and  lower  headstock.  This 
increases rigidity.
Workpiece vibrates or 
chatters during operation.
1.  Table locks not tight. 
2.  Quill lock lever not tight.
3.  Workpiece  not  securely  clamped  to 
table or into mill vice.
4.  Spindle speed is too slow /feed rate 
is too fast.
5.  Spindle extended too far down.
1.  Tighten down table locks (Page 32).
2.  Tighten quill lock lever.
3.  Check that clamping is tight and sufficient for the job. 
Make sure mill vice is tight to the table.
4.  Set  spindle  speed  correctly  (Page  27)  or  use  a 
slower feed rate. 
5.  Fully  retract  spindle  and  lower  headstock.  This 
increases rigidity.
Table is hard to move. 1.  Table locks are tightened down.
2.  Chips have loaded up on ways.
3.  Ways are dry and need lubrication.
4.  Table limit stops are interfering.
5.  Gibs are too tight.
1.  Make sure table locks are fully released.
2.  Frequently  clean  away  chips  that  load  up  during 
milling operations.
3.  Lubricate ways and handles (Page 36).
4.  Check to make sure that all table limit stops are not 
in the way.
5.  Adjust gibs (see Page 41).
Bad surface finish. 1.  Spindle  speed is  too  slow/feed rate 
is too fast.
2.  Using a dull or incorrect cutting tool.
3.  Wrong rotation of cutting tool.
4.  Workpiece not securely clamped.
5.  Spindle extended too far down.
1.  Set  spindle  speed  correctly  (Page  27)  or  use  a 
slower feed rate. 
2.  Sharpen cutting tool or select one that better suits the 
operation.
3.  Check for proper cutting rotation for cutting tool.
4.  Secure properly to the table.
5.  Fully  retract  spindle  and  lower  headstock.  This 
increases rigidity.

Model G0704 (Mfg. Since 0 8/11)- 41-
Gibs  are  wedge-shaped  pieces  of  metal  that 
fill  the  gap  between  the  sliding  surfaces  of  the 
machine.  By  adjusting  the  position  of  the  gib  in 
its gap, you can remove any play that might exist 
between the adjacent components. The gibs are 
pre-adjusted  at  the  factory  but  due  to  storage, 
break-in,  and  usage,  may  require  adjustment.  If 
movement seems too tight at first, make sure that 
all the rust preventative that was shipped on the 
machine is removed from the ways. Lubricate the 
ways  with  oil,  and  work  the  table  back-and-forth 
several times until the movement is easier.
To adjust the table gibs: 
1.  DISCONNECT MILL/DRILL FROM POWER!
2.  Loosen the table travel locks (Figure 55).
Gibs
Figure 55. Table gib adjustment screw locations.
To adjust the headstock gibs: 
1.  DISCONNECT MILL/DRILL FROM POWER!
2.  Remove the  two  screws  that secure  the  top 
end of the way cover, pull it down to expose 
the lower gib screw, then loosen the vertical 
travel locks (Figure 56).
3.  Loosen  or  tighten  the  front  and  rear  gib 
screws (Figure 55) in an alternating manner 
to adjust the cross travel gib. 
  The table should slide smoothly in the cross 
direction  with  no  play  or  looseness.  Do  not 
overtighten  the  gibs  or  premature  slide  and 
gib wear will occur.
4.  Lubricate the cross way and gib.
5.  Repeat  the  process  for  the  longitudinal  way 
gib  using  the  gib  adjustment  screws  on  the 
left and right sides of the table base.
3.  Loosen  or  tighten  the  upper  and  lower  gib 
screws (Figure 56) in an alternating manner 
to adjust the headstock gib. 
  The headstock should slide smoothly with no 
play or looseness. Do not overtighten the gibs 
or premature slide and gib wear will occur.
4.  Lubricate the headstock way and gib.
5.  Re-install the way cover.
Figure 56. Headstock gib adjustment.
Upper Gib Screw
Lower Gib Screw
Vertical 
Travel 
Locks
Cross Gib Screw
(1 of 2 shown)
Longitudinal Gib Screw 
(1 of 2 shown)
Locations of 
Corresponding Gib Screws
Way Cover

-42- Model G0704 (Mfg. Since 0 8 /11)
Figure 57. X-axis leadscrew adjusters.
Leadscrew Backlash
Digital Readout Unit 
Battery Replacement
When you turn the handwheels to adjust the posi-
tion of the table, you will notice slight play (back-
lash) in the handwheel before the table begins to 
move. If this play is greater than 0.008" (measured 
with the dial at the base of each handwheel), then 
you will need to adjust the leadscrew nuts. 
To reach the adjustment screws on the leadscrew 
nut,  you  may  have  to  fabricate  extensions  for 
your hex wrenches. When adjusting, make adjust-
ments in small increments. Attempting to reduce 
backlash  to  less  than  0.003"  is  impractical  and 
will add unnecessary wear to both the leadscrews 
and the leadscrew nuts.
To adjust the X-axis leadscrew:
1.  Locate  the  X-axis  leadscrew  nut  under  the 
middle of the table. The head on the adjust-
ment screws face to the right (Figure 57).
To adjust the Y-axis leadscrew nut:
1.  Locate  the  leadscrew  nut  underneath  the 
table through the hole in the base under the 
rubber way cover.
2.  Tighten  the  adjustment  screws  on  the 
leadscrew  nut  in  the  same  manner  as 
described  for  the  X-axis  leadscrew  adjust-
ment.
3.  Test  the  adjustment  by  turning  one  of  the 
cross handwheels. The ideal amount of play 
when properly adjusted is 0.003"–0.006".
2.  Tighten the adjustment screws.
3.  Test  the  adjustment  by  turning  one  of  the 
longitudinal  handwheels.  The  ideal  amount 
of  play  when  properly  adjusted  is  0.003"–
0.006".
Figure 58. Battery replacement.
Battery Cover
If  the  digital  readout  unit  stops  functioning,  the 
battery must be replaced.
To replace the digital readout unit battery:
1.  Use a wide (#3) standard screwdriver or the 
edge  of  a  coin  to  remove  the  battery  cover 
(Figure 58).
2.  Remove the old battery, dispose of it accord-
ing  to  state  and  federal  regulations,  then 
replace it with a new one.
3.  Replace the battery cover.
Location of 
Adjustment Screws

Model G0704 (Mfg. Since 0 8/11)-43-
Motor Service
The  bearings  inside  the  motor  are  shielded  and 
lubricated for the life of the bearing and require no 
routine maintenance.
This  motor  is  equipped  with  long  life  carbon 
brushes.  Brush  life  expectancy  is  affected  by 
motor loading. Heavy  motor loading  will result in 
reduced brush life. If you notice a loss in power or 
if  the  motor  becomes  excessively  noisy,  inspect 
the brushes. If the brushes are worn down to 1⁄4'' 
(6mm)  or  less,  it  is  time  to  replace  them.  When 
checking brushes, be sure to return each brush to 
the same hole in the same direction that it came 
from.  When  replacing  old  brushes,  replace  both 
brushes at the same time.
Tools Needed:  Qty
Hex Wrench 3mm .............................................. 1
Standard Screwdriver #2 ................................... 1 
To inspect and replace the motor brushes:
1.  DISCONNECT MILL/DRILL FROM POWER!
2.  Un-install  the  motor  cover  by  removing  the 
four cap screws that secure it (Figure 59).
Figure 59. Removing motor cover.
Motor Cover
Cap Screw (1 of 4)
3.  Unscrew one of the brush caps to expose the 
brush assembly (Figure 60).
Figure 60. Removing brush cap.
Figure 61. Installing new brush assembly.
4.  Remove the old brush assembly. If the brush 
is  worn  down  to  less  than  1⁄4''  (6mm)  then 
replace it with a new one. Otherwise re-install 
the brush (Figure 61).
5.  Replace the brush cap to secure the brush in 
place.
6.  Repeat  for  second  brush  assembly  on  the 
other side of the motor.
Brush Cap
Brush 
Assembly

-44- Model G0704 (Mfg. Since 0 8/11)
SHOCK HAZARD. Working on wiring that is con-
nected to a power source is extremely dangerous. 
Touching  electrified  parts  will  result  in  personal 
injury  including  but  not  limited  to  severe  burns, 
electrocution,  or  death.  Disconnect  the  power 
from the machine before servicing electrical com-
ponents!
MODIFICATIONS.  Modifying  the  wiring  beyond 
what is shown in the diagram may lead to unpre-
dictable  results,  including  serious  injury  or  fire. 
This includes the installation of unapproved after-
market parts.
WIRE CONNECTIONS.  All  connections  must 
be  tight  to  prevent  wires  from  loosening  during 
machine  operation.  Double-check  all  wires  dis-
connected or connected during any wiring task to 
ensure tight connections.
CIRCUIT REQUIREMENTS. You  MUST  follow 
the  requirements  at  the  beginning  of  this  man-
ual when  connecting  your  machine  to  a  power 
source.
WIRE/COMPONENT DAMAGE. Damaged wires 
or  components  increase  the  risk  of  serious  per-
sonal injury, fire, or machine damage. If you notice 
that any wires or components are damaged while 
performing  a  wiring  task,  replace  those  wires  or 
components.
MOTOR WIRING. The  motor  wiring  shown  in 
these  diagrams  is  current  at  the time  of  printing 
but may not match your machine. If you find this 
to be the case, use the wiring diagram inside the 
motor junction box.
CAPACITORS/INVERTERS. Some  capacitors 
and power inverters store an electrical charge for 
up  to  10  minutes  after  being  disconnected  from 
the  power  source.  To  reduce  the  risk  of  being 
shocked, wait at least this long before working on 
capacitors.
EXPERIENCING DIFFICULTIES. If you are expe-
riencing difficulties understanding the information 
included  in  this  section,  contact  our  Technical 
Support at (570) 546-9663.
Wiring Safety Instructions
The photos and diagrams 
included in this section are 
best viewed in color. You 
can view these pages in 
color at www.grizzly.com.
These pages are current at the time of printing. However, in the spirit of improvement, we may make chang-
es to the electrical systems of future machines. Compare the manufacture date of your machine to the one 
stated in this manual, and study this section carefully.
If there are differences between your machine and what is shown in this section, call Technical Support at 
(570) 546-9663 for assistance BEFORE making any changes to the wiring on your machine. An updated 
wiring  diagram  may  be  available.  Note: Please gather the serial
 number and manufacture date of your 
machine before calling. This information can be found on the main machine label.
SECTION 8: WIRING
machine

Model G0704 (Mfg. Since 08 /11)-45-
READ ELECTRICAL SAFETY 
ON PAGE 44!
Wiring Diagram
GND
GND
1
1
2
2
4
6
2
1
7
3
3
11
122 2 5
N
NL
L
7
5
10
10
14
13
13
24
24 24
PE
PE PE
PE
L1
L1
24
24
11
11
3
3
14
24
P3
P1 P2 A1
A1
9
5
1
11
7
3
12
8
4
10
6
2
24
14
23
13
L1
L2
A
Circuit Board
Fuse Holder
Guard 
Limit Switch
Spindle 
RPM Sensor
Circuit Board
RPM Display
Spindle Direction Knob
Spindle Speed Knob
On/off Switch
IN
OUT N E L V
N E L B A
Neutral
Hot
Ground
110 VAC
5-15 Plug
PE
Motor 
110V
1HP
93ZYT-008
750W
60Hz
Motor 
Brushes
10A
See Figure 62
See Figure 63
See Figure 65
See Figure 64

-46- Model G0704 (Mfg. Since 0 8/11)
READ ELECTRICAL SAFETY 
ON PAGE 44!
Electrical Components
Figure 62. Rear panel. Figure 64. Control panel wiring.
Figure 63. Chip guard limit switch. Figure 65. Side panel.

Model G0704 (Mfg. Since 0 8/11)-47-
2
3
3
4
5
6
7
8
9
10
11
20
21
22
52
5859
60
44
64
65
61
63
62
76
75
74
51
60
60
44
59
71
70
16
16
72
73
57
66
67
68
6914
15
39
58
40
57
51
19
19
19
50
2324
12
1
49
48
30
29
28
27
26
25
16
13
14 15 17
18
19
31
31-1
32
33
47
46
34 35 36 37 39
38
40
41
45 3644 44
43
42
7 77
54 55 56
Column Breakdown
SECTION 9: PARTS

-48- Model G0704 (Mfg. Since 0 8 /11)
Column Parts List
REF PART # DESCRIPTION REF PART # DESCRIPTION
1 P0704001 Z-AXIS SLIDE 39 P0704039 SPRING PIECE
2 P0704002 SET SCREW M6-1 X 16 40 P0704040 HEX NUT M8-1.25
3 P0704003 FLAT WASHER 8MM 41 P0704041 Z-AXIS HANDWHEEL HANDLE M6-1 X 10
4 P0704004 LOCK WASHER 8MM 42 P0704042 BALL BEARING 6001ZZ
5 P0704005 CAP SCREW M8-1.25 X 25 43 P0704043 Z-AXIS HANDWHEEL SHAFT
6 P0704006 FLAT WASHER 12MM 44 P0704044 KEY 4 X 4 X 12
7 P0704007 LOCK WASHER 12MM 45 P0704045 PILLOW BLOCK
8 P0704008 CAP SCREW M12-1.75 X 40 46 P0704046 SPACER
9 P0704009 T-BOLT M10-1.5 47 P0704047 PINION GEAR
10 P0704010 FLAT WASHER 10MM 48 P0704048 COLUMN
11 P0704011 LOCK WASHER 10MM 49 P0704049 Z-AXIS SCALE
12 P0704012 HEX NUT M10-1.5 50 P0704050 THREADED SLEEVE M6-1 X 16
13 P0704013 SLIDE ALIGNMENT BLOCK 51 P0704051 CAP SCREW M6-1 X 14
14 P0704014 LOCK PLUNGER, BRASS 52 P0704052 X-AXIS LEADSCREW BRACKET (LH)
15 P0704015 ADJUSTABLE HANDLE M8-1.25 X 20 54 P0704054 TABLE
16 P0704016 GIB ADJUSTMENT SCREW 55 P0704055 COOLANT HOSE FITTING
17 P0704017 Z-AXIS GIB 56 P0704056 X-AXIS LEADSCREW BRACKET (RH)
18 P0704018 HEADSTOCK ANGLE SCALE 57 P0704057 TABLE HANDWHEEL HANDLE M6-1 X 10
19 P0704019 CAP SCREW M5-.8 X 10 58 P0704058 TABLE HANDWHEEL
20 P0704020 Z-AXIS WAY COVER 59 P0704059 TABLE GRADUATED DIAL
21 P0704021 HEX NUT M5-.8 60 P0704060 THRUST BEARING 51200
22 P0704022 Z-AXIS WAY COVER BRACKET 61 P0704061 CAP SCREW M6-1 X 10
23 P0704023 Y-AXIS WAY COVER 62 P0704062 LIMIT STOP
24 P0704024 Y-AXIS WAY COVER BRACKET 63 P0704063 T-NUT M6-1
25 P0704025 Z-AXIS LEADSCREW LOCK NUT 64 P0704064 X-AXIS SCALE
26 P0704026 THRUST BEARING 51203 65 P0704065 X-AXIS LEADSCREW
27 P0704027 BEVEL GEAR 66 P0704066 X-AXIS LEADSCREW NUT
28 P0704028 KEY 4 X 4 X 16 67 P0704067 CAP SCREW M4-.7 X 20
29 P0704029 Z-AXIS LEADSCREW 68 P0704068 SADDLE
30 P0704030 Z-AXIS LEADSCREW NUT 69 P0704069 TABLE STOP BLOCK
31 P0704031 CAP SCREW M5-.8 X 12 70 P0704070 Y-AXIS GIB
31-1 P0704031-1 FLAT WASHER 5MM 71 P0704071 Y-AXIS LEADSCREW NUT
32 P0704032 BEARING COVER 72 P0704072 X-AXIS GIB
33 P0704033 CAP SCREW M8-1.25 X 20 73 P0704073 CAP SCREW M6-1 X 25
34 P0704034 COLUMN TOP PLATE 74 P0704074 X-AXIS BEARING HOUSING
35 P0704035 COLLAR FLANGE 75 P0704075 X-AXIS LEADSCREW
36 P0704036 CAP SCREW M5-.8 X 12 76 P0704076 BASE
37 P0704037 Z-AXIS GRADUATED DIAL 77 P0704077 CAP SCREW M12-1.75 X 90
38 P0704038 Z-AXIS HANDWHEEL

Model G0704 (Mfg. Since 0 8/11)-49-
83
84
79
85
89
88
92V2
96
86
91
91
91
81
86
87
80
80-1
78
94
90
94
93
95
Electrical Box Breakdown & Parts List
REF PART # DESCRIPTION REF PART # DESCRIPTION
78 P0704078 CIRCUIT BOARD JD-014 5WR02J 88 P0704088 ELECTRICAL BOX
79 P0704079 SPINDLE SPEED KNOB WX14-12 89 P0704089 CAP SCREW M5-.8 X 8
80 P0704080 CAP SCREW M3-.5 X 16 90 P0704090 ELECTRICAL BOX REAR COVER
80-1 P0704080-1 HEX NUT M3-.5 91 P0704091 FUSE HOLDER
81 P0704081 CIRCUIT BOARD CESX 1101-28 92V2 P0704092V2 FUSE 15A 250V FAST-ACTING GLASS V2.01.11
83 P0704083 ON/OFF SWITCH KEDU KJD-178/120V 93 P0704093 POWER CORD 18G 3W 72" 5-15 
84 P0704084 CAP SCREW M4-.7 X 10 94 P0704094 STRAIN RELIEF M20 X 1.5 TYPE-3
85 P0704085 CONTROL PANEL PLATE 95 P0704095 FWD/REV SWITCH KEDU EN61058
86 P0704086 CAP SCREW M4-.7 X 6 96 P0704096 FUSE 10A 250V FAST-ACTING GLASS
87 P0704087 RPM DIGITIAL DISPLAY ZD-SX-THL

-50- Model G0704 (Mfg. Since 0 8/11)
206-2
206-1
201
202
225
226
225-2
225-1
208
209
209-2
209-1
210
211
212
213
211
210
207
206
205
204
203
219
220V2
215
214
240
239
228
229
230
231
221V2
221-1V2
221-2V2
222
223
224
227
216 217 218
254
247
251
248
250
249
296
246V2
246-1
265
264
263262
261
260
259
258
257
256
255
255-1
243
243
293
294
295
242 241 232
276
233 235
252
236 237
244
245
234
275 274
266
273
272 271
270
269
268
267
276
240
246-2
292
238
234-1
234-2
401
402
403
404
405
406
407 408
409
411
410
Headstock Breakdown

Model G0704 (Mfg. Since 0 8/11)-51-
REF PART # DESCRIPTION REF PART # DESCRIPTION
201 P0704201 QUILL RETAINING CLIP 243 P0704243 SPRING PIECE
202 P0704202 BUSHING 244 P0704244 FINE DOWNFEED GRADUATED DIAL
203 P0704203 COMPRESSION SPRING 245 P0704245 WORM SHAFT
204 P0704204 EXT RETAINING RING 45MM 246V2 P0704246 SPINDLE R8 V2.08.11
205 P0704205 BALL BEARING 6209ZZ 246-1 P0704246-1 DRAWBAR 7/16-20 x 9-11/16
206 P0704206 COMBO GEAR 60/70T 246-2 P0704246-2 DRAWBAR RETAINER CAP
206-1 P0704206-1 SPINDLE RING 16MM 247 P0704247 SPINDLE RING
206-2 P0704206-2 CAP SCREW M3-.5 X 8 248 P0704248 TAPERED ROLLER BEARING 32005
207 P0704207 ANGULAR CONTACT BEARING 7007-2RS 249 P0704249 QUILL
208 P0704208 EXT RETAINING RING 15MM 250 P0704250 QUILL SEAL, RUBBER (UPPER)
209 P0704209 GEAR 37T 251 P0704251 PRELOAD ADJUSTER NUT
209-1 P0704209-1 GEAR GUARD 252 P0704252 ADJUSTER SCREW M5-.8 X 10
209-2 P0704209-2 CAP SCREW M3-.5 X 6 254 P0704254 DOWEL PIN 6 X 30
210 P0704210 EXT RETAINING RING 32MM 255 P0704255 DOWNFEED LEVER M10-1.5 X 14
211 P0704211 BALL BEARING 6002ZZ 255-1 P0704255-1 DOWNFEED LEVER GRIP M10-1.5
212 P0704212 COMBO GEAR 42/62T 256 P0704256 KNOB BOLT M8-1.25 X 30
213 P0704213 SHAFT 257 P0704257 COARSE DOWNFEED HUB
214 P0704214 KEY 5 X 5 X 50 258 P0704258 DOWNFEED GRADUATED DIAL
215 P0704215 KEY 5 X 5 X 12 259 P0704259 COMPRESSION SPRING
216 P0704216 FORK 260 P0704260 CAP SCREW M4-.7 X 40
217 P0704217 FORK ARM 261 P0704261 DOWNFEED FLANGE
218 P0704218 SET SCREW M5-.8 X 8 262 P0704262 BUSHING
219 P0704219 DRAWBAR CAP 263 P0704263 WORM GEAR
220V2 P0704220V2 MOTOR COVER V2.11.12 264 P0704264 KEY 4 X 4 X 12
221V2 P0704221V2 MOTOR 1HP 110V 1-PH V2.11.12 265 P0704265 GEAR SHAFT 16T
221-1V2 P0704221-1V2 CARBON BRUSH 1-PC V2.11-12 266 P0704266 RIVET 2 X 5MM NAMEPLATE, STEEL
221-2V2 P0704221-2V2 CARBON BRUSH CAP 1-PC V2.11.12 267 P0704267 HI/LO INDICATOR PLATE
222 P0704222 FLAT WASHER 4MM 268 P0704268 SET SCREW M8-1.25 X 8
223 P0704223 CAP SCREW M4-.7 X 8 269 P0704269 COMPRESSION SPRING
224 P0704224 CAP SCREW M6-1 X 14 270 P0704270 STEEL BALL 6.5MM
225 P0704225 SPEED SENSOR BRACKET 271 P0704271 HI/LO HANDWHEEL
225-1 P0704225-1 SPEED SENSOR CORD 272 P0704272 SET SCREW M5-.8 X 16
225-2 P0704225-2 CAP SCREW M3-.5 X 6 273 P0704273 SPEED KNOB PLATE
226 P0704226 SPEED SENSOR 274 P0704274 FORK SHAFT FLANGE
227 P0704227 MOTOR MOUNT 275 P0704275 FORK SHAFT
228 P0704228 CAP SCREW M5-.8 X 12 276 P0704276 CAP SCREW M3-.5 X 16
229 P0704229 MOTOR GEAR RING 292 P0704292 SPINDLE PIN
230 P0704230 GEAR 20T 293 P0704293 DRILL CHUCK ARBOR R8 X B16
231 P0704231 KEY 4 X 4 X 6 294 P0704294 DRILL CHUCK B16 3-16MM
232 P0704232 SET SCREW M5-.8 X 6 295 P0704295 CHUCK KEY 1/4" STD 11T SD-3/4"
233 P0704233 CAP SCREW M3-.5 X 6 296 P0704296 TAPERED ROLLER BEARING 32007
234 P0704234 Z-AXIS DRO ASSEMBLY 401 P0704401 HEX WRENCH 6MM
234-1 P0704234-1 Z-AXIS DRO BRACKET 402 P0704402 HEX WRENCH 5MM
234-2 P0704234-2 CAP SCREW M4-.7 X 10 403 P0704403 HEX WRENCH 4MM
235 P0704235 Z-AXIS DRO SLIDE MOUNT 404 P0704404 HEX WRENCH 3MM
236 P0704236 ADJUSTABLE HANDLE M8-1.25 X 20 405 P0704405 HEX WRENCH 2MM
237 P0704237 LOCK PLUNGER, BRASS 406 P0704406 WRENCH 8 X 10MM OPEN-ENDS
238 P0704238 HEADSTOCK CASTING 407 P0704407 WRENCH 17 X 19MM OPEN-ENDS
239 P0704239 HEADSTOCK REAR COVER 408 P0704408 SCREWDRIVER FLAT #2
240 P0704240 CAP SCREW M4-.7 X 8 409 P0704409 SCREWDRIVER PHILLIPS #2
241 P0704241 FINE FEED KNOB 410 P0704410 BOTTLE FOR OIL
242 P0704242 HEADSTOCK FRONT COVER 411 P0704411 TOOLBOX
Headstock Parts List

-52- Model G0704 (Mfg. Since 0 8/11)
290
277 278 279
280
281
282
283 284
285
286
287
288
289
Chip Guard Breakdown & Parts List
REF PART # DESCRIPTION REF PART # DESCRIPTION
277 P0704277 FLAT WASHER 3MM 284 P0704284 LIMIT SWITCH DATER KW1-103
278 P0704278 HEX NUT M3-.5 285 P0704285 PROTECTIVE PAPER
279 P0704279 CAP SCREW M4-.7 X 20 286 P0704286 SET SCREW M5-.8 X 10
280 P0704280 EXT RETAINING RING 12MM 287 P0704287 CHIP GUARD POST
281 P0704281 WAVY WASHER 20MM 288 P0704288 CHIP GUARD
282 P0704282 GUARD MOUNTING BLOCK 289 P0704289 CAP SCREW M4-.7 X 18
283 P0704283 SPACER, COPPER 290 P0704290 CAP SCREW M3-.5 X 16

Model G0704 (Mfg. Since 0 8/11)-53-
Safety labels warn about machine hazards and ways to prevent injury. The owner of this machine 
MUST maintain the original location and readability of the labels on the machine. If any label is 
removed or becomes unreadable, REPLACE that label before using the machine again. Contact 
Grizzly at (800) 523-4777 or www.grizzly.com to order new labels. 
301
310 302 303
304
305
306
307
308
309
REF PART # DESCRIPTION REF PART # DESCRIPTION
301 P0704301 READ MANUAL LABEL 306 P0704306 MODEL NUMBER LABEL
302 P0704302 SAFETY GLASSES LABEL 307 P0704307 GREEN TOUCH-UP PAINT
303 P0704303 MACHINE ID LABEL 308 P0704308 CUTTER WARNING LABEL
304 P0704304 HIGH/LOW SPEED LABEL 309 P0704309 ENTANGLEMENT LABEL
305 P0704305 PUTTY TOUCH-UP PAINT 310 P0704310 AVOID OVERHEATING LABEL
Labels Breakdown & Parts List

-54- Model G0704 (Mfg. Since 0 8 /11)
NOTES

CUT ALONG DOTTED LINE
Name _____________________________________________________________________________  
Street _____________________________________________________________________________
City  _______________________ State _________________________ Zip  _____________________
Phone # ____________________ Email  _________________________________________________
Model # ____________________ Order # _______________________ Serial # __________________
WARRANTY CARD
The following information is given on a voluntary basis. It will be used for marketing purposes to help us develop 
better products and services. Of course, all information is strictly confidential.
1.  How did you learn about us?
   ____ Advertisement    ____ Friend   ____ Catalog
   ____ Card Deck    ____ Website   ____ Other:
2.  Which of the following magazines do you subscribe to?
3.  What is your annual household income?
   ____ $20,000-$29,000    ____ $30,000-$39,000   ____ $40,000-$49,000
   ____ $50,000-$59,000    ____ $60,000-$69,000   ____ $70,000+
4.  What is your age group?
   ____ 20-29    ____ 30-39   ____ 40-49
   ____ 50-59    ____ 60-69   ____ 70+
5.  How long have you been a woodworker/metalworker?
   ____ 0-2 Years   ____ 2-8 Years   ____ 8-20 Years     ____20+ Years
6.  How many of your machines or tools are Grizzly?
   ____ 0-2   ____ 3-5   ____ 6-9    ____10+
7.  Do you think your machine represents a good value?   _____Yes   _____No
8.  Would you recommend Grizzly Industrial to a friend?   _____Yes   _____No
9.  Would you allow us to use your name as a reference for Grizzly customers in your area?
 Note: We never use names more than 3 times.   _____Yes   _____No
10.  Comments: _____________________________________________________________________
  _________________________________________________________________________________  
  _________________________________________________________________________________  
  _________________________________________________________________________________  
____ Cabinetmaker & FDM
____ Family Handyman
____ Hand Loader
____ Handy
____ Home Shop Machinist
____ Journal of Light Cont.
____ Live Steam
____ Model Airplane News
____ Old House Journal
____ Popular Mechanics
____ Popular Science
____ Popular Woodworking
____ Precision Shooter
____ Projects in Metal
____ RC Modeler
____ Rie
____ Shop Notes
____ Shotgun News
____ Today’s Homeowner
____ Wood
____ Wooden Boat
____ Woodshop News
____ Woodsmith
____ Woodwork
____ Woodworker West
____ Woodworker’s Journal
____ Other:

TAPE ALONG EDGES--PLEASE DO NOT STAPLE
FOLD ALONG DOTTED LINE
FOLD ALONG DOTTED LINE
GRIZZLY INDUSTRIAL, INC.
P.O. BOX 2069
BELLINGHAM, WA  98227-2069
Place
Stamp
Here
Name_______________________________
Street_______________________________
City______________State______Zip______
Send a Grizzly Catalog to a friend:

WARRANTY AND RETURNS
Grizzly Industrial, Inc. warrants every product it sells for a period of 1 year to the original purchaser from 
the date of purchase. This warranty does not apply to defects due directly or indirectly to misuse, abuse, 
negligence, accidents, repairs or alterations or lack of maintenance. This is Grizzly’s sole written warranty 
and any and all warranties that may be implied by law, including any merchantability or fitness, for any par-
ticular purpose, are hereby limited to the duration of this written warranty. We do not warrant or represent 
that the merchandise complies with the provisions of any law or acts unless the manufacturer so warrants. 
In no event shall Grizzly’s liability under this warranty exceed the purchase price paid for the product and 
any legal actions brought against Grizzly shall be tried in the State of Washington, County of Whatcom.
We shall in no event be liable for death, injuries to persons or property or for incidental, contingent, special, 
or consequential damages arising from the use of our products.
To take advantage of this warranty, contact us by mail or phone and give us all the details. We will then 
issue you a “Return Number,’’  which must be  clearly posted on  the outside  as  well as the inside  of  the 
carton.  We  will  not  accept  any  item  back  without  this  number.  Proof  of  purchase  must  accompany  the 
merchandise. 
The manufacturers reserve the right to change specifications at any time because they constantly strive to 
achieve better quality equipment. We make every effort to ensure that our products meet high quality and 
durability standards and we hope you never need to use this warranty.
Please feel free to write or call us if you have any questions about the machine or the manual. 
Thank you again for your business and continued support. We hope to serve you again soon.
WARRANTY AND RETURNS
