ifm electronic DTRHFKQ RFID read/write head User Manual UserManual
ifm electronic gmbh RFID read/write head UserManual
UserManual.pdf

Installation Instructions
RF identification system
Read/write head
ANT515
ANT516
80233226 / 00 11 / 2015
UK
2
Content
1 Preliminary note ���������������������������������������������������������������������������������������������������4
1�1 Symbols used �����������������������������������������������������������������������������������������������4
2 Safety instructions �����������������������������������������������������������������������������������������������4
2�1 General ��������������������������������������������������������������������������������������������������������� 4
2�2 Radio equipment ������������������������������������������������������������������������������������������5
2�3 Interference of electronic and medical devices ��������������������������������������������5
3 Functions and features ����������������������������������������������������������������������������������������5
4 Functions �������������������������������������������������������������������������������������������������������������5
4�1 Operating principle ���������������������������������������������������������������������������������������5
4�2 Overview �������������������������������������������������������������������������������������������������������6
5 Installation������������������������������������������������������������������������������������������������������������6
5�1 General installation instructions ��������������������������������������������������������������������6
5�2 Notes on ID tag mounting �����������������������������������������������������������������������������6
5�3 Avoiding interference ������������������������������������������������������������������������������������7
5�4 Mechanical design ���������������������������������������������������������������������������������������� 7
5�5 Installation on tanks with mounting adapter �������������������������������������������������7
5�6 Installation on bypass pipes with mounting adapter �������������������������������������8
5�7 Installation without mounting adapter �����������������������������������������������������������9
5�8 Mounting distances ���������������������������������������������������������������������������������������9
5�9 Positioning of the ID tags ����������������������������������������������������������������������������10
6 Electrical connection ������������������������������������������������������������������������������������������10
6�1 Wiring ���������������������������������������������������������������������������������������������������������10
6�2 UL approval ������������������������������������������������������������������������������������������������ 11
7 Display elements ����������������������������������������������������������������������������������������������� 11
8 Operation �����������������������������������������������������������������������������������������������������������12
9 Dimensions ��������������������������������������������������������������������������������������������������������12
9�1 Bore hole dimensions of the mounting adapter ������������������������������������������12
9�2 Bore hole dimensions of the device ������������������������������������������������������������12
10 Technical data �������������������������������������������������������������������������������������������������� 12
11 Maintenance, repair, disposal ��������������������������������������������������������������������������13
12 Approvals/standards ����������������������������������������������������������������������������������������13

3
UK
12�1 Radio approvals ����������������������������������������������������������������������������������������13
12�1�1 Overview �������������������������������������������������������������������������������������������13
12�1�2 Europe ����������������������������������������������������������������������������������������������13
12�1�3 USA ��������������������������������������������������������������������������������������������������13
12�1�4 Canada ���������������������������������������������������������������������������������������������14
12�1�5 Taiwan ����������������������������������������������������������������������������������������������14
12�1�6 Australia �������������������������������������������������������������������������������������������� 14
12�2 EC declaration of conformity ��������������������������������������������������������������������14

4
1 Preliminary note
This document is part of the device and contains information about the correct
handling of the product�
This document is intended for specialists� These specialists are people who are
qualified by their training and their experience to see risks and to avoid possible
hazards that may be caused during operation or maintenance of the device�
Read this document before use to familiarise yourself with operating conditions,
installation and operation� Keep this document during the entire duration of use of
the device�
1.1 Symbols used
►Instructions
→Cross-reference
Important note
Non-compliance can result in malfunction or interference�
Information
Supplementary note
2 Safety instructions
2.1 General
Observe the operating instructions� Non-observance of the instructions, operation
which is not in accordance with use as prescribed below, wrong installation or
incorrect handling can affect the safety of operators and machinery�
The installation and connection must comply with the applicable national and
international standards� Responsibility lies with the person installing the device�
The device must only be installed, connected and put into operation by a qualified
electrician as the safe function of the device and machinery is only guaranteed
when installation is correctly carried out�
Disconnect the unit externally before handling it�
In case of malfunction of the device or uncertainties please contact the
manufacturer� Tampering with the device can seriously affect the safety of
operators and machinery� This is not permitted and leads to an exclusion of liability
and warranty�

5
UK
2.2 Radio equipment
In general, radio equipment must not be used in the vicinity of petrol stations, fuel
depots, chemical plants or blasting operations�
►Do not transport and store any flammable gases, liquids or explosive
substances near the unit�
2.3 Interference of electronic and medical devices
Operation can affect the function of electronic devices that are not correctly
shielded�
►Disconnect the device in the vicinity of medical equipment�
►Contact the manufacturer of the corresponding device in case of any
interference�
3 Functions and features
In connection with the evaluation unit DTE10x the read/write head ANT51x
enables non-contact reading and/or writing of the RFID transponders (ID tags)
conforming to the system�
The data is converted into digitally coded values and provided to the evaluation
unit�
4 Functions
4.1 Operating principle
The ID tags are operated passively, i�e� without battery� The energy required for
operation is supplied by the read/write head�
The physical principle of the energy transfer is based on inductive coupling� The
integrated antenna coil in the read/write head generates a magnetic field which
partly penetrates the antenna coil of the ID tag� A voltage is generated by induction
that supplies the data carrier with energy�

6
4.2 Overview
Art� no�:
Function:
Type designation:
Operating frequency:
Type:
ANT515 / ANT516
Read/write head
DTRHF KQRWIDUS03
13,56 MHz
Rectangular
5 Installation
5.1 General installation instructions
When mounting several read/write heads adhere to the minimum distances
between the systems�
Flush mounting of a read/write head in metal reduces the read/write
distance�
The immediate vicinity of powerful HF emission sources such as welding
transformers or converters can affect operation of the read/write heads�
Information on the available mounting accessories is available on our website at:
www�ifm�com → Data sheet search → e.g. ANT515 → Accessories
5.2 Notes on ID tag mounting
If the ID tags are mounted in/on metal, the read/write distance is reduced�
For positioning the ID tags the read/write heads are marked with an
antenna symbol on the active face� It designates the middle of the
integrated antenna coil and has to correspond with the middle of the ID tag�
The orientation of the read/write head antenna axis must correspond with
the axis of the ID tag coil�

7
UK
5.3 Avoiding interference
The device generates a modulated electrical field with a frequency of 13�56 MHz�
To avoid interference of the data communication no other devices generating
interference emission in this frequency band must be operated in the vicinity� Such
devices are for example frequency converters and switched-mode power supplies�
5.4 Mechanical design
1
1: Sensing face
5.5 Installation on tanks with mounting adapter
1
2
A
3
B
4
C
The mounting adapter is available as accessory (order no� E12153)�
Figure A
►Insert the device with the upper side (1) into the mounting adapter�
►Press the lower side of the device (2) against the adapter�

8
Figure B
►Fasten the device to the adapter using the supplied screws (3)�
Figure C
►Fasten the mounting adapter including the inserted device to the tank at the
desired height using suitable screws (4)�
The device can be inserted into the mounting adapter E12153 in both
directions�
5�6 Installation on bypass pipes with mounting adapter
The mounting adapter is available as accessory (order no� E12163)�
►Fasten the device to the bypass at the desired height using common plastic
cable ties� Insert the cable ties through the openings of the mounting adapter
and tighten firmly�
Metal cable ties may influence the degree of efficiency of the device�
Use plastic cable ties�

9
UK
5.7 Installation without mounting adapter
►Fasten the device at the intended installation location using suitable screws or
suitable glue�
►Align the cut-outs as shown�
5.8 Mounting distances
Operating mode Distance side (A) Distance front (B)
For reading and writing ≥ 100 mm ≥ 120 mm

10
5.9 Positioning of the ID tags
D
►Align the ID tag on the antenna central axis
Distance read/write head (D)
ID tag Type metal plastics
E80371 32 mm 34 mm
All indications apply to static read/write operations�
6 Electrical connection
6.1 Wiring
►Connect the device to the evaluation unit DTE10x using the M12 connection�
Voltage is supplied via the evaluation unit�
4
1
3
L+
1
3
4
L
DATA
A selection of sockets is available on our website at:
www�ifm�com → Data sheet search → e.g. ANT515 → Accessories
Cables with the following characteristics are suitable for the connection:
Length Ohmic resistance (feed + return line) Effective cable capacity
< 20 m max. 3Ω max� 3 nF

11
UK
6.2 UL approval
For units with cULus approval and the scope of validity cULus:
►Supply the device from an isolating transformer having a secondary UL- listed
fuse rated
a) 5 A at voltages of 0���20 Vrms (0���28�3 Vp)
b) 100/Vp at voltages of 20���30 Vrms (28�3���42�4 Vp)
7 Display elements
2
1
1: Sensing face
2: LED
LED Status Description
Green ON Operating voltage OK
OFF Operating voltage missing
FLASHING SLOWLY Deactivated
Yellow ON (permanently) ID tag detected
ON (pulse) ID tag read/written successfully
FLASHING QUICKLY Error when reading/writing on ID tag
OFF No ID tag in the field
or faulty ID tag in the field
or invalid ID tag in the field
Green +
yellow
FLASHING ALTERNATELY error in communication or device fault

12
8 Operation
The read/write head is configured via the connected evaluation unit DTE10x� You
can find more information about the operation in the manual:
www�ifm�com → Data sheet search → e.g. DTE100 → Operating instructions
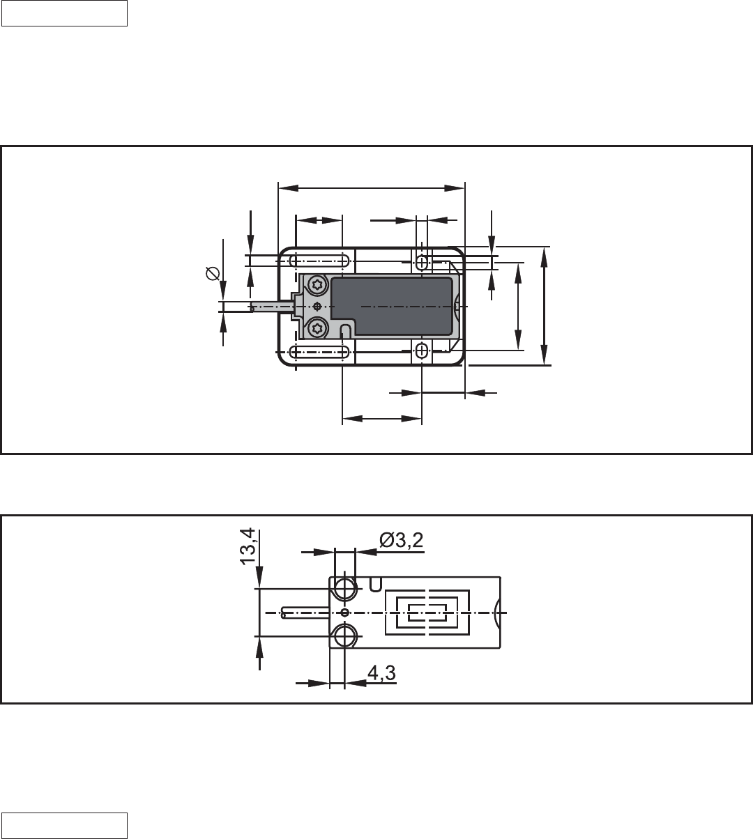
9 Dimensions
9.1 Bore hole dimensions of the mounting adapter
13
15 3,2
57
2,9
24
28
4,2
36
3,2
9.2 Bore hole dimensions of the device
10 Technical data
The data sheets are available on our website at:
www�ifm�com → Data sheet search → e.g. ANT515

13
UK
11 Maintenance, repair, disposal
The operation of the unit is maintenance-free� For perfect functioning: Keep the
sensing face and a clear space, if any, free from deposits and foreign bodies�
When replacing the device ensure that installation is done in the same way and
that the same type of unit is used� It is not possible to repair the unit� After use
dispose of the unit in an environmentally friendly way in accordance with the
applicable national regulations�
12 Approvals/standards
12.1 Radio approvals
12.1.1 Overview
The overview of the approval status of a unit is available on our website at:
www�ifm�com → Data sheet search → e.g. ANT515 → More information
12.1.2 Europe
Use in all EU countries
12.1.3 USA
Notices FCC:
This device complies with Part 15 of the FCC Rules� Operation is subject to the
following two conditions:
1� this device may not cause harmful interference, and
2� this device must accept any interference received, including interference that
may cause undesired operation�
Changes or modifications made to this equipment not expressly approved by
ifm electronic may void the FCC authorization to operate this equipment�
NOTE: This equipment has been tested and found to comply with the limits for
a Class A digital device, pursuant to Part 15 of the FCC Rules� These limits are
designed to provide reasonable protection against harmful interference when the
equipment is operated in a commercial environment� This equipment generates,
uses, and can radiate radio frequency energy and, if not installed and used in
accordance with the instruction manual, may cause harmful interference to radio
communications� Operation of this equipment in a residential area is likely to
cause harmful interference in which case the user will be required to correct the
interference at his own expense�

14
12.1.4 Canada
Notices IC:
This device complies with Industry Canada license-exempt RSS standards�
Operation is subject to the following two conditions:
1� the device may not cause interference, and
2� the user of the device must accept any interference received, including
interference that may cause undesired operation�
12.1.5 Taiwan
Administrative Regulations on Low Power Radio Wave Devices warning
Article 12
Unless granted permission by NCC, no company, firm, or user shall alter
the frequency, increase the transmitting power, or alter the original design
characteristics or operating functions of an approved low-power radio-frequency
device�
Article 14
Low-power radio-frequency devices shall not affect aircraft security nor interfere
with legal communications� If such interference occurs, the user shall immediately
cease operating the device until improvement is made and the interference no
longer exists�
Legal communications refers to the wireless telecommunication operations that
comply with the Telecommunications Act� Low-power radio-frequency devices
must accept any interference received from legal communications and ISM radio
wave devices�
12.1.6 Australia
Use in Australia:
12.2 EC declaration of conformity
You can find the EC declaration of conformity on our website at:
www�ifm�com → Data sheet search → e.g. ANT515 → More information

15
UK