u blox Malmo 0953 Wireless Communication System Module User Manual
u-blox Malmo AB Wireless Communication System Module
user manual

u-blox
Copyright © 2014 u-blox AG Page 1 of 24
ODIN-W160 USER MANUAL

u-blox
Copyright © 2014 u-blox AG Page 2 of 24
1 Table of Content
1 Table of Content
2 Introduction
2.1 Document Overview
2.2 Key Features
2.3 Product Variants
3 Electrical Interface and Connectors
3.1 Primary Side Connector
3.2 Secondary Side Connector
3.3 J6 External Antenna Connector
3.4 Electrical Characteristics
3.4.1 Power Supply
3.4.2 I/O DC Characteristics
3.4.3 LPO Requirements
3.5 Host Interface
3.5.1 Wireless LAN and SDIO
3.5.2 Bluetooth UART
3.6 Environmental Characteristics
3.7 Mechanical Characteristics
4 Antenna Information
4.1 External Antennas
4.2 Antenna Accessories
4.3 Antennas
4.3.1 Recommended antennas
4.3.2 Alternative antennas
5 Mounting Information
5.1 Module Dimensions
5.2 PCB Solder Lands
5.2.1 Host Board
5.2.2 Mounting Process
6 Regulatory Information
6.1 CE compliance
6.1.1 Equipment classes
6.1.2 Declaration of Conformity
6.2 IC and FCC compliance
6.2.1 IC compliance
6.2.2 Conformité aux normes d’IC
6.2.3 FCC statement
6.3 Compliance with RoHS Directive
7 Guidelines for Efficient and Safe Use
7.1 General
7.2 Product Care
7.3 Radio Frequency Exposure
7.4 Electronic Equipment
7.5 Potentially Explosive Atmospheres
7.6 Safety Compliance

u-blox
Copyright © 2014 u-blox AG Page 3 of 24
2 Introduction
The ODIN-W160 is a Multi Radio Module providing both IEEE 802.11a,b,g,n Wireless LAN and Bluetooth 4.0, including Classic Bluetooth
. It has been developed for integration in industrial devices. The module provides features such as low power,and Bluetooth low energy
robustness, reliability and compatibility. By using the module the work needed to implement IEEE 802.11 and/or Bluetooth in a device is
minimized as it provides, together with the driver package, all software, hardware, type approval, EMC certification etc. It is developed for
reliable, high demanding industrial devices and applications and delivers high performance.
The Wireless LAN section of the module can be operated on 5 frequency bands and conforms to IEEE 802.11a,b,g and 802.11n single
stream.
ISM Band (2412 – 2472 MHz), 13 channels with a separation of 5MHz
UNII band-1 (5180 – 5240 MHz), 4 channels with a separation of 20MHz
UNII band-2 (5260 5320 MHz), 4 channels with a separation of 20MHz –
UNII band-2e (5500 – 5700 MHz), 11 channels with a separation of 20MHz
UNII band-3 (5745 – 5825 MHz), 5 channels with a separation of 20MHz
The Bluetooth section of ODIN-W160 operates in the unlicensed ISM band between 2402 – 2480 MHz
hasand two operating modes . with somewhat different behaviour
Bluetooth Classic (BT+EDR)
In this operating mode it uses 79 RF channels with 1 MHz spacing
Bluetooth Low Energy (BLE)
In this operating mode it uses 39 RF channels with 2 MHz spacing
ODIN-W160

u-blox
Copyright © 2014 u-blox AG Page 4 of 24
2.1 Document Overview
This User Manual is applicable to the following Wireless LAN module:
ODIN-W160
2.2 Key Features
Multiradio module:
Dual-band Wireless LAN operation (IEEE 802.11-2007a,b,g and single stream IEEE 802.11n)
Bluetooth 4.0
Ready-to-use:
No production tests required
RF tuned from factory
Contains own MAC address
Host interfaces:
Wireless LAN: SDIO
Bluetooth: UART
RF parameters and MAC address: I C
2
Small footprint
22.3 x 14.8 x 2.9 mm
WEP, AES hardware accelerators
WPA and WPA2 support - both personal and enterprise modes
Quality of Service: 802.11e and WMM
Ad-hoc and infrastructure mode
Radio type approved for Europe
Unlicensed Modular Transmitter Approval for US (FCC) and Canada (IC)
Compliant with EMC standards
Medical approval
Industrial temperature range -40 to +85 °C
Support for low power modes
External antenna via U.FL connector
2.3 Product Variants
Product name Regulatory ID
FCC ID
IC ID
Description
ODIN-W160 Model: ODIN-W160
PVH0953
5325A-0953
Wireless LAN IEEE 802.11a,b,g,n module with U.FL. coaxial connector for external antenna

u-blox
Copyright © 2014 u-blox AG Page 5 of 24
3 Electrical Interface and Connectors
Host interface and control signals are accessible via PCB solder lands at the edge of the PCB.
3.1 Primary Side Connector
Top view of module, J6 is a HIROSE type U.FL coaxial connector for external antenna.
3.2 Secondary Side Connector

u-blox
Copyright © 2014 u-blox AG Page 6 of 24
3.3 J6 External Antenna Connector
J6 is the external antenna connector. It is used for both transmit and receive. The port impedance to match is 50 ohm.
J6 pin nr Pin name Signal level Type Description
1 Ant-1 RF I/O U.FL. external antenna port (50 ohm)
3.4 Electrical Characteristics
3.4.1 Power Supply
3.4.1.1 Supply Voltage Requirements
Symbol Parameter Min Typ. Max Unit
VDD Supply voltage 3.0 3.3 3.6 V
VIO IO Supply voltage 1.75 1.8 1.9 V
3.4.2 I/O DC Characteristics
Symbol Parameter Min Typ Max Unit
VIL LOW level input voltage 0 0.35 x V
IO V
V
IH HIGH level input voltage 0.65 x VIO V
IO V
VOL LOW level output voltage 0.0 0.45 V
VOH HIGH level output voltage V - 0.45
IO V
IO V
IIO Sink and source current 8.0 mA
CIO Input capacitance 8 pF
3.4.3 LPO Requirements
Symbol Parameter Min Typ Max Unit
LPO-32kHz Frequency 32763 32768 32773 Hz
3.5 Host Interface
The module has two primary host interfaces, SDIO for the Wireless LAN section and UART for the Bluetooth section.
3.5.1 Wireless LAN and SDIO
The interface between the host and the module is a standard SDIO interface (See SDIO spec Version 2.0) with Out Of Band interrupt,
supporting maximum clock rate of 25MHz. The SDIO interface also supports the following features:
Both 1 and 4 bit data bus
Functions number 0 and 2
Multi-Block data transfer
The WLAN block uses function 2. Function 0 is used for the common I/O area.
Read the safety notes in section Guidelines for Efficient and Safe Use before using the modules.

u-blox
Copyright © 2014 u-blox AG Page 7 of 24
3.5.2 Bluetooth UART
The module incorporates one UART dedicated to the Bluetooth Host Controller Interface (HCI) transport layer. The HCI interface is used to
transport commands, events, ACL and synchronous data between the device and its host using HCI data packets.
The following HCI transport layers are supported (detected automatically when communication starts):
HCI four-wire (H4)
HCI three-wire (H5)
The HCI interface has a 256 byte receive buffer and supports most baud rates, including all normal PC rates, up to a maximum of 4 Mbps.
After power-up, the baud rate is set for 115.2kbps. The maximum baud rate deviation supported is -2.5%, +1.5%.
The baud rate can be changed with a vendor specific command. The module responds with a Command Complete Event (still at
115.2kbps), after which the baud rate change takes place. The only parameter needed is the desired baud rate.
HCI hardware includes the following features:
Receiver detection of break, idle, framing, FIFO overflow, and parity error conditions
Transmitter underflow detection
CTR/RTS hardware flow control (H4)
XON/XOFF soft flow control (H5)
Parameter Values
Baud rates Min: 37.5 kbps
Max: 4000 kbps
Default baud rate 115.2 kbps
Data bits 8
Stop bits 1
Parity none
Flow control None, XON/XOFF, CTS/RTS
3.6 Environmental Characteristics
Parameter Min Typ Max Unit
Storage temperature -40 +95 degC
Operating temperature -40 +85 degC
3.7 Mechanical Characteristics
Parameter Value type Value Unit
Weight Typ 1.5 g
Outline dimension Typ 22.3 x 14.8 x 2.9 (+/- 0.1 mm) mm

u-blox
Copyright © 2014 u-blox AG Page 8 of 24
4 Antenna Information
This chapter gives an overview of the different external antennas that can be fitted to the module.
4.0.0.1 Caution
4.1 External Antennas
External antennas are connected to the module via the on board U.FL connector. Some antennas are connected directly to the U.FL
connector and some are connected via a U.FL to SMA (cB-ACC-18 or cB-ACC-48) or U.FL to reversed polarity SMA (cB-ACC-38) adapter
cable.
The sections below lists the antennas that are included in the radio type approvals of the module. For each antenna the "Approvals" field
defines in what country/region the antenna is allowed to use. Definitions of the "Approvals" field are:
FCC - The antenna is included in the FCC test reports, and thus approved for use in countries that accept the FCC radio approvals,
primarily US.
IC - The antenna is included in the IC (Industrie Canada) test reports, and thus approved for use in countries that accept the IC
radio approvals, primarily Canada.
R&TTE - The antenna is included in the R&TTE test reports, and thus approved for use in countries that accept the R&TTE radio
approvals, primarily the European countries.
In general, antennas with Reverse Polarity SMA connector or U.FL connector are included in FCC, IC and R&TTE radio tests.
Antennas with SMA connector are not allowed to be used in Canada and USA due to FCC/IC regulations but are in general included in
R&TTE radio tests.
Antennas with a part number in the form "cB-ACC-XX" are available for orders via the connectBlue distribution network.
For information about other antennas please contact connectBlue
4.2 Antenna Accessories
Part Number cB-ACC-18 / cB-ACC-48
Name U.FL to SMA adapter cable
Connector U.FL and SMA jack (outer thread and pin receptacle)
Cable length 120 mm
Cable loss Less than 0.5 dB
Comment The SMA connector can be mounted in a panel
Approval R&TTE
This radio transmitter IC: 5325A-0953 has been approved by Industry Canada to operate with the antenna types listed below with
the maximum permissible gain and required antenna impedance for each antenna type indicated. Antenna types not included in
this list, having a gain greater than the maximum gain indicated for that type, are strictly prohibited for use with this device.
Cet émetteur radio IC: 5325A-0953 a été approuvé par Industry Canada pour fonctionner avec les types d’antenne énumérés
ci-dessous avec le gain maximum autorisé et l’impédance nécessaire pour chaque type d’antenne indiqué. Les types d’antenne
ne figurant pas dans cette liste et ayant un gain supérieur au gain maximum indiqué pour ce type-là sont strictement interdits
d’utilisation avec cet appareil.

u-blox
Copyright © 2014 u-blox AG Page 9 of 24
Part Number cB-ACC-38
Name U.FL to Reverse Polarity SMA adapter cable
Connector U.FL and Reverse Polarity SMA jack (outer thread and pin)
Cable length 120 mm
Cable loss Less than 0.5 dB
Comment The Reverse Polarity SMA connector can be mounted in a panel
Approval FCC, IC, R&TTE
4.3 Antennas
4.3.1 Recommended antennas
Part Number cB-ACC-53
Name Ex-IT WLAN RP-SMA
(dual-band)
Manufacture ProAnt
Polarization Vertical
Gain / Imp. +3.0 dBi / 50ohm @ 2.4 GHz
+3.0 dBi / 50ohm @ 5 GHz
Size Ø 10 x 107 mm
Connector Reverse Polarity SMA plug (inner thread and pin receptacle)
Comment To be used together with the U.FL to RP-SMA adapter cable
(cB-ACC-38)
Approval FCC, IC, R&TTE
Part Number cB-ACC-63

u-blox
Copyright © 2014 u-blox AG Page 10 of 24
Name Ex-IT 2400-MHF 28-001
Manufacture ProAnt
Polarization Vertical
Gain / Imp. +2.0 dBi / 50ohm @ 2.4 GHz
Size Ø 12 x 28 mm
Cable length 100 mm
Connector U.FL
Comment To be connected to the U.FL connector residing on the module
Approval FCC, IC, R&TTE
Part Number cB-ACC-61
Name Ex-IT 2400-RP-SMA 28-001
Manufacture ProAnt
Polarization Vertical
Gain / Imp. +2.0 dBi / 50ohm @ 2.4 GHz
Size Ø 12 x 28 mm
Connector Reverse Polarity SMA plug (inner thread and pin receptacle)
Comment To be used together with the U.FL to RP-SMA adapter cable
(cB-ACC-38)
Approval FCC, IC, R&TTE
Part Number cB-ACC-64
Name Ex-IT 2400-RP-SMA 70-002
Manufacture ProAnt
Polarization Vertical
Gain / Imp. +3.0 dBi / 50ohm @ 2.4 GHz
Size Ø 10 x 86 mm

u-blox
Copyright © 2014 u-blox AG Page 11 of 24
Connector Reverse Polarity SMA plug (inner thread and pin receptacle)
Comment To be used together with the U.FL to RP-SMA adapter cable
(cB-ACC-38)
Approval FCC, IC, R&TTE
Part Number cB-ACC-60
Name Ex-IT 2400-MHF 70-001
Manufacture ProAnt
Polarization Vertical
Gain / Imp. +3.0 dBi / 50ohm @ 2.4 GHz
Size Ø 10 x 70 mm
Cable length 100 mm
Connector U.FL
Comment To be connected to the U.FL connector residing on the module
Approval FCC, IC, R&TTE
Part Number cB-ACC-81
Name InSide-WLAN Square
(dual band)
Manufacture ProAnt
Polarization Vertical
Gain / Imp. +3.0 dBi / 50ohm @ 2.4 GHz
+3.0 dBi / 50ohm @ 5 GHz
Size 24 x 22 mm
Cable length 100 mm
Connector U.FL
Comment To be connected to the U.FL connector residing on the module
Approval FCC, IC, R&TTE
Part Number N/A

u-blox
Copyright © 2014 u-blox AG Page 12 of 24
Name InSide Fold WLAN
(dual band)
Manufacture ProAnt
Polarization Vertical
Gain / Imp. +2.5 dBi / 50ohm @ 2.4 GHz
+3.5 dBi / 50ohm @ 5 GHz
Size 35 x 25 x 3.3 mm
Cable length 100 mm
Connector U.FL
Comment To be connected to the U.FL connector residing on the module
Approval FCC, IC, R&TTE
Part Number cB-ACC-55
Name InSide-WLAN
(dual band)
Manufacture ProAnt
Polarization Vertical
Gain / Imp. +3.0 dBi / 50ohm @ 2.4 GHz
+3.0 dBi / 50ohm @ 5 GHz
Size 27 x 12 mm (triangular)
Cable length 100 mm
Connector U.FL
Comment To be connected to the U.FL connector residing on the module
Approval FCC, IC, R&TTE
Part Number cB-ACC-67

u-blox
Copyright © 2014 u-blox AG Page 13 of 24
Name OutSide-2400
Manufacture ProAnt
Polarization Vertical
Gain / Imp. +3.0 dBi / 50ohm @ 2.4 GHz
Size 36 x 18 x 16 mm
Cable length 70 mm
Connector U.FL
Comment To be connected to the U.FL connector residing on the module
Approval FCC, IC, R&TTE
Part Number cB-ACC-66
Name FlatWhip 2400
Manufacture ProAnt
Gain / Imp. +3.0 dBi / 50ohm @ 2.4 GHz
Size Ø 50.0 x 30.0 mm
Connector SMA plug (inner thread and pin)
Comment To be used together with the U.FL to SMA adapter cable
(cB-ACC-18 or cB-ACC-48)
Approval R&TTE
4.3.2 Alternative antennas
The alternative antennas are available for backward compatibility but not recommended for new designs.
Part Number cB-ACC-54

u-blox
Copyright © 2014 u-blox AG Page 14 of 24
Name Ex-IT WLAN SMA
(dual-band)
Manufacture ProAnt
Polarization Vertical
Gain / Imp. +3.0 dBi / 50ohm @ 2.4 GHz
+3.0 dBi / 50ohm @ 5 GHz
Size Ø 10 x 107 mm
Connector SMA plug (inner thread and pin)
Comment To be used together with the U.FL to SMA adapter cable
(cB-ACC-18 or cB-ACC-48)
Approval R&TTE
Part Number N/A
Name Ex-IT 2400-SMA 28-001
Manufacture ProAnt
Polarization Vertical
Gain / Imp. +2.0 dBi / 50ohm @ 2.4 GHz
Size Ø 12 x 28 mm
Connector SMA plug (inner thread and pin)
Comment To be used together with the U.FL to SMA adapter cable
(cB-ACC-18 or cB-ACC-48)
Approval R&TTE
Part Number N/A
Name Ex-IT 2400-SMA 70-002
Manufacture ProAnt
Polarization Vertical
Gain / Imp. +3.0 dBi / 50ohm @ 2.4 GHz
Size Ø 10 x 86 mm

u-blox
Copyright © 2014 u-blox AG Page 15 of 24
Connector SMA plug (inner thread and pin)
Comment To be used together with the U.FL to SMA adapter cable
(cB-ACC-18 or cB-ACC-48)
Approval R&TTE
Part Number cB-ACC-57
Name InSide 2400
Manufacture ProAnt
Polarization Vertical
Gain / Imp. +3.0 dBi / 50ohm @ 2.4 GHz
Size 27 x 12 mm (triangular)
Cable length 100 mm
Connector U.FL
Comment To be connected to the U.FL connector residing on the module
Approval FCC, IC, R&TTE

u-blox
Copyright © 2014 u-blox AG Page 16 of 24
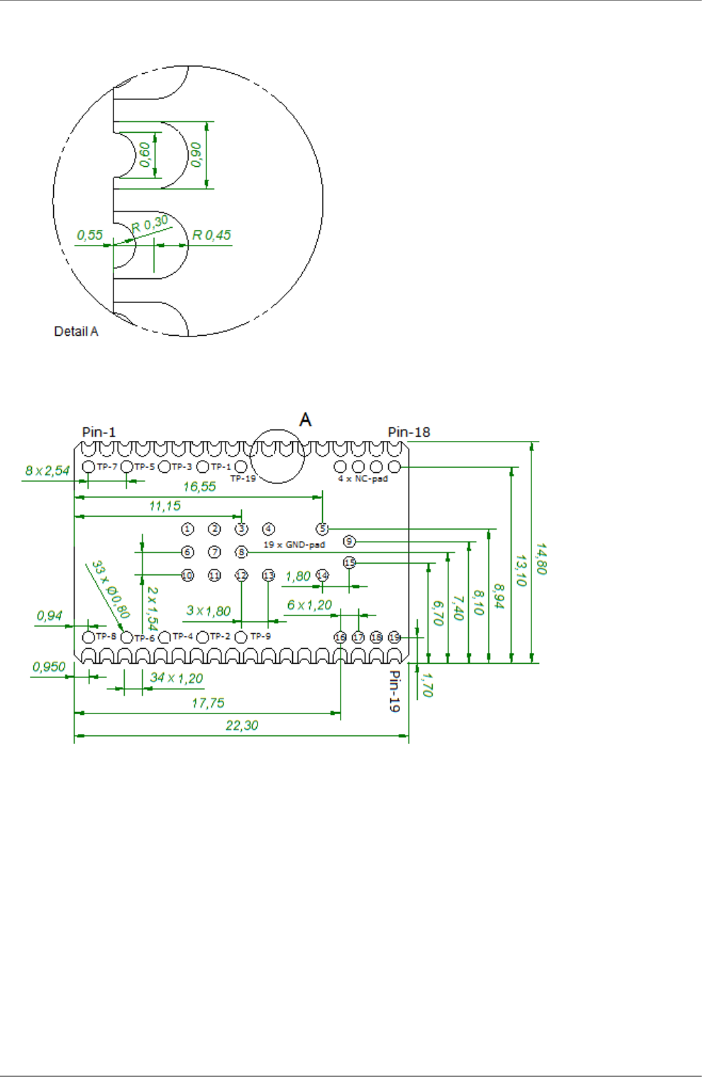
5 Mounting Information
5.1 Module Dimensions

u-blox
Copyright © 2014 u-blox AG Page 17 of 24
1.
Tolerances:
Outline dimensions +/- 0.2mm

u-blox
Copyright © 2014 u-blox AG Page 18 of 24
5.2 PCB Solder Lands
5.2.1 Host Board
The host PCB footprint should not contain any traces or vias under the module except the pads connecting to the solder lands of connector
J4- and the 19 supplementary GND-pads. TP- and NC-pads are not mandatory but can be used to get a better balance of the solder
process.
5.2.2 Mounting Process
Although connectBlue devices will withstand two re-flow soldering processes (T < 250°C) we strongly recommend the modules not
max
being subjected to more than one soldering process after being shipped from connectBlue thus the modules are populated on the host
product in the final solder processing step.
The PCB in our modules is UL recognized ZPMV2 min. 130 °C flame class V-0 with ENIG coated solder lands.
The modules are produced in a lead-free process with a lead-free soldering paste.
It is recommended that the customers make their own electrical, climate, stress and vibration tests on the final assembled product
to secure that the manufacturing process hasn't damaged or affected the module in any way.
The modules are delivered in ESD bags (for small quantities) or tape-on-reel
Modules delivered on tape-on-reel are packaged in sealed drypack" bags, MSL-3
Modules delivered in ESD bag are not in a sealed drypack
The device recommended maximum re-flow temperature is 245°C for 10 sec.
The device absolute maximum re-flow temperature is 250°C for 3 sec.

u-blox
Copyright © 2014 u-blox AG Page 19 of 24
6 Regulatory Information
6.1 CE compliance
6.1.1 Equipment classes
Depending on which frequency bands this multi-radio module can operate in it is defined as either class-1 or class-2 radio equipment.
The End-product that utilise the module inherits the equipment class of the module.
Class-1 radio equipment can be placed on the market and put into service without restrictions.
(article 1 of Commission Decision 2000/299/EC of April 6 2000)
Class-2 radio equipment is equipment for which Member States apply restrictions as indicated in Article 1(2) of the Decision, which
also assigns the “Alert Sign” as “Equipment Class Identifier” for this class.
This multi-radio module is defined as class-1 radio equipment when it is restricted to operate in the following frequency bands:
Bluetooth ISM band 2400 – 2483.5 MHzclassic,
Bluetooth , ISM band 2400 – 2483.5 MHzLow Energy
WLAN, ISM band 2400 – 2483.5 MHz
WLAN, U-NII band-2e 5470 – 5725 MHz
If the end product allows the multi radio module to be operated in the band 5150 – 5350 MHz (WLAN channel: 36 – 64) it is defined as
class-2 radio equipment and must be marked accordingly.
Class-2 radio equipment must have the "alert" sign affixed on the equipment, packaging and printed in the user instruction manual.
The ODIN-W160 uses harmonised frequency bands thus it is comprised by subclass H01 of class 2 equipment, for which notification in
accordance with article 6(4) of the R&TTE directive is not necessary.
A definition of subclasses of Class 2 equipment can be found in the following link:
http://ec.europa.eu/enterprise/sectors/rtte/files/rtte-subclass2_en.pdf
The table below shows the restrictions when operating the module in WLAN mode within the European countries
band Channel number Channel frequency Indoor Use allowed Outdoor Use allowed Radio Equipment Class
ISM 1 - 13 2412 - 2472 MHz Yes Yes 1
U-NII 1 36 - 48 5180 - 5240 MHz Yes No 2
U-NII 2 52 - 64 5260 - 5320 MHz Yes No 2
U-NII 2e 100 - 140 5500 - 5700 MHz Yes Yes 1
U-NII 3 149 - 165 5745 - 5825 MHz No No -
Guidance on how the End product that utilise this module is marked in accordance with the R&TTE directive is found in the
following links:
http://ec.europa.eu/enterprise/sectors/rtte/documents/index_en.htm#h2-5
http://ec.europa.eu/enterprise/sectors/rtte/documents/guidance/index_en.htm
A direct link to the quick guide to the marking requirements can be found here:
http://ec.europa.eu/enterprise/sectors/rtte/files/guidance/guidance_en.pdf

u-blox
Copyright © 2014 u-blox AG Page 20 of 24
6.1.2 Declaration of Conformity
We, connectBlue AB, of
Norra Vallgatan 64 3V
SE-211 22 Malmö, Sweden
declare under our sole responsibility that our product:
ODIN-W160
to which this declaration relates, conforms to the following product specifications:
R&TTE Directive 1999/5/EC
Effective use of frequency spectrum:
EN 300 328 V1.8.1 (2012-06)
EN 301 893 V1.7.1 (2012-06)
EMC:
EN 301 489-1 V1.9.2 (2011-09)
EN 301 489-17 V2.2.1 (2012-09)
EN 61000-6-2 (2005)
Health and safety:
EN 60950-1:2006 + A11:2009
IEC 60950-1:2005
EN 62311:2008 (WLAN)
EN 62479:2010 (BT + BLE)
Medical Electrical Equipment
IEC 60601-1-2 : 2007

u-blox
Copyright © 2014 u-blox AG Page 21 of 24
1.
2.
1.
2.
1.
2.
6.2 IC and FCC compliance
6.2.1 IC compliance
This device complies with Industry Canada licence-exempt RSS standard(s).
Operation is subject to the following two conditions:
this device may not cause interference, and
this device must accept any interference, including interference that may cause undesired operation of the device.
Under Industry Canada regulations, this radio transmitter may only operate using an antenna of a type and maximum (or lesser) gain
approved for the transmitter by Industry Canada. To reduce potential radio interference to other users, the antenna type and its gain should
be so chosen that the equivalent isotropically radiated power (e.i.r.p.) is not more than that necessary for successful communication.
The device for operation in the band 5150-5250 MHz is only for indoor use to reduce the potential for harmful interference to co-channel
mobile satellite systems; the maximum antenna gain permitted for devices in the bands 5250-5350 MHz and 5470-5725 MHz shall comply
with the e.i.r.p. limit; and the maximum antenna gain permitted for devices in the band 5725-5825 MHz shall comply with the e.i.r.p. limits
specified for point-to-point and non point-to-point operation as appropriate.
Operation in the 5600-5650 MHz band is not allowed in Canada. High-power radars are allocated as primary users (i.e. priority users) of the
bands 5250-5350 MHz and 5650-5850 MHz and that these radars could cause interference and/or damage to LE-LAN devices.
This equipment complies with IC RSS-102 radiation exposure limits set forth for an uncontrolled environment. This equipment should be
installed and operated with minimum distance 20 cm between the radiator & your body.
6.2.2 Conformité aux normes d’IC
Cet appareil est conforme à la(aux) norme(s) RSS sans licence d’Industry Canada.
Son utilisation est soumise aux deux conditions suivantes :
Cet appareil ne doit pas causer d’interférences et
il doit accepter toutes interférences reçues, y compris celles susceptibles d’avoir des effets indésirables sur son fonctionnement.
Conformément aux réglementations d’Industry Canada, cet émetteur radio ne peut fonctionner qu’à l’aide d’une antenne dont le type et le
gain maximal (ou minimal) ont été approuvés pour cet émetteur par Industry Canada. Pour réduire le risque d’interférences avec d’autres
utilisateurs, il faut choisir le type d’antenne et son gain de telle sorte que la puissance isotrope rayonnée équivalente (p.i.r.e) ne soit pas
supérieure à celle requise pour obtenir une communication satisfaisante.
Le dispositif de fonctionnement dans la bande 5150-5250 MHz est réservé à une utilisation en intérieur pour réduire le risque
d'interférences nuisibles à la co-canal systèmes mobiles par satellite, le gain d'antenne maximal autorisé pour les appareils dans les
bandes 5250-5350 MHz et 5470-5725 MHz doit se conformer à la pire limite, et le gain d'antenne maximal autorisé pour les appareils dans
la bande 5725-5825 MHz doivent être conformes avec le pire limites spécifiées à point-à-ponctuelles et non point-à-point de
fonctionnement selon qu'il convient.
Opération dans la bande 5600-5650 MHz n'est pas autorisée au Canada. Haute puissance radars sont désignés comme utilisateurs
principaux (c.-àutilisateurs prioritaires) des bandes 5250-5350 MHz et 5650-5850 MHz et que ces radars pourraient causer des
interférences et / ou des dommages à dispositifs LAN-EL.
Cet équipement respecte les limites d’exposition aux rayonnements IC RSS-102 définies pour un environnement non contrôlé. Il doit être
installé et utilisé en maintenant une distance minimum de 20 cm entre le radiateur et votre corps.
6.2.3 FCC statement
This device complies with Part 15 of the FCC Rules. Operation is subject to the following two conditions:
this device may not cause harmful interference, and
this device must accept any interference received, including interference that may cause undesired operation.

u-blox
Copyright © 2014 u-blox AG Page 22 of 24
1.
2.
1.
2.
1.
2.
This equipment has been tested and found to comply with the limits for a Class B digital device,
pursuant to Part 15 of the FCC Rules. These limits are designed to provide reasonable
protection against harmful interference in a residential installation. This equipment generates,
uses and can radiate radio frequency energy and, if not installed and used in accordance with
the instructions, may cause harmful interference to radio communications. However, there is no
guarantee that interference will not occur in a particular installation. If this equipment does cause
harmful interference to radio or television reception, which can be determined by turning the
equipment off and on, the user is encouraged to try to correct the interference by one or more of
the following measures:
Reorient or relocate the receiving antenna
Increase the separation between the equipment and receiver
Connect the equipment into an outlet on a circuit different from that to which the receiver is connected
Consult the dealer or an experienced radio/TV technician for help.
6.2.3.1 End product labelling requirements
For an end product using the product ODIN-W160 there MUST be a label containing, at least, the following information:
This device contains
FCC ID: PVH0953
IC: 5325A-0953
The label must be affixed on an exterior surface of the end product such that it will be visible upon inspection in compliance with the
modular approval guidelines developed by the FCC.
6.2.3.1.1 FCC end product labelling
In accordance with 47 CFR § 15.19 the end product shall bear the following statement in a conspicuous location on the device:
"This device complies with Part 15 of the FCC Rules. Operation is subject to the following two conditions:
this device may not cause harmful interference, and
this device must accept any interference received, including interference that may cause undesired operation."
When the device is so small or for such use that it is not practicable to place the statement
above on it, the information shall be placed in a prominent location in the instruction manual or pamphlet supplied to the user or,
alternatively, shall be placed on the container in which the device is marketed. However, the FCC ID label must be displayed on the device.
In case, where the final product will be installed in locations where the end-consumer
is not able to see the FCC ID and/or this statement, the FCC ID and the statement shall also be included in the end-product manual.
6.2.3.1.2 IC end product labelling
User manuals for licence-exempt LPDs shall contain the following or equivalent statements in a conspicuous position:
Operation is subject to the following two conditions:
this device may not cause interference, and
this device must accept any interference, including interference that may cause undesired operation of the device.
6.2.3.1.3 Étiquetage du produit final conforme à IC
Les manuels d’utilisation d’appareils de faible puissance, sans licence, feront figurer à un endroit bien visible les mentions suivantes ou
équivalentes:
Son utilisation est soumise aux deux conditions suivantes:
Cet appareil ne doit pas causer d’interférences et
il doit accepter toutes interférences reçues, y compris celles susceptibles d’avoir des effets indésirables sur son fonctionnement.

u-blox
Copyright © 2014 u-blox AG Page 23 of 24
6.2.3.2 Antenna
Our module ODIN-W160 is for OEM integrations only.
The module must in the end-product be installed in such manner that only the authorized antennas can be used.
6.2.3.3 Caution
6.2.3.4 RF-exposure statement
This equipment complies with FCC radiation exposure limits set forth for an uncontrolled environment. This equipment should be installed
and operated with minimum distance 20 cm between the radiator & your body.
This equipment complies with IC RSS-102 radiation exposure limits set forth for an uncontrolled environment. This equipment should be
installed and operated with minimum distance 20 cm between the radiator & your body.
Cet équipement est conforme aux limites d'exposition de rayonnement d'IC RSS-102 déterminées pour un environnement non contrôlé. Cet
équipement devrait être installé et actionné avec la distance minimum 20 cm entre le radiateur et votre corps.
Any notification to the end user of installation or removal instructions about the integrated radio module is NOT allowed
6.3 Compliance with RoHS Directive
The ODIN-W160 are produced according to the RoHS (Restriction of the use of certain Hazardous Substances in electrical and electronic
equipment) directive and complies with the directive.
Any changes or modifications NOT explicitly APPROVED by connectBlue AB could cause the module to cease to comply
with FCC rules part 15, and thus void the user's authority to operate the equipment.
Within the frequency band 5150 to 5250 MHz the module type ODIN-W160 is restricted to indoor operations to reduce
any potential for harmful interference to co-channel MSS operation.
§15.407 statement; in case of absence of information to transmit or operational failure the module types ODIN-W160 will
automatically discontinue transmission.

u-blox
Copyright © 2014 u-blox AG Page 24 of 24
7 Guidelines for Efficient and Safe Use
7.1 General
Read this information before using your ODIN-W160 module.
For any exceptions, due to national requirements or limitations, when using your WLAN module, please contact connectBlue AB.
7.2 Product Care
Do not expose your product to liquid or moisture.
Do not expose you product to extreme hot or cold temperature.
Do not expose your product to lit candles, cigarettes, cigars, open flames, etc.
Do not drop, throw or try to bend your product since rough treatment could damage your product.
Do not attempt to disassemble your product. Doing so will void warranty. The product does not contain consumer serviceable or
replaceable components. Service should only be performed by connectBlue AB.
Do not paint your product as the paint could prevent normal use.
If your product is not to be used for a longer period, store it in a dry place free from damp, dust and not subjected to extreme
temperatures.
The clearance and creepage distances required by the end product must be withheld when the module is installed.
The cooling of the end product shall not negatively be influenced by the installation of the module when the module is installed.
7.3 Radio Frequency Exposure
The ODIN-W160 WLAN module contains a small radio transmitter and receiver.
During communication with other WLAN products the ODIN-W160 module transmits and receives radio frequency (RF) electromagnetic
fields (microwaves) in the frequency range 2412 - 2462 MHz, 5180 - 5240 MHz, 5260 - 5320 MHz, and 5500 - 5700 MHz.
The output power of the radio transmitter is very low.
When using the module, you will be exposed to some of the transmitted RF energy. This exposure is well below the prescribed limits in all
national and international RF safety standards and regulations.
7.4 Electronic Equipment
Most modern electronic equipment, for example, in hospitals and cars, is shielded from RF energy. However, certain electronic equipment
is not. Therefore:
7.5 Potentially Explosive Atmospheres
Turn off your electronic device before entering an area with potentially explosive atmosphere. It is rare, but your electronic device could
generate sparks. Sparks in such areas could cause an explosion or fire resulting in bodily injury or even death.
Areas with a potentially explosive atmosphere are often, but not always, clearly marked. They include fueling areas, such as petrol station,
below deck on boats, fuel or chemical transfer or storage facilities, and areas where the air contains chemicals or particles, such as grain,
dust, or metal powders.
7.6 Safety Compliance
In order to fulfil the safety standard EN 60950-1:2006 the WLAN module ODIN-W160 must be supplied by a Class-2 Limited Power Source.
Changes or modifications to the product not expressly approved by connectBlue AB will void the user's authority to operate the
equipment.
This equipment emits RF energy. Please insure that all medical devices used in proximity to this device meet appropriate
susceptibility specifications for this type of RF energy.