u blox 1EHQ37NN UMTS/GSM//LTE Data Module User Manual TOBY L4 series
u-blox AG UMTS/GSM//LTE Data Module TOBY L4 series
u blox >
Contents
- 1. TempConfidential_TOBY-L4_SysIntegrManual_UBX-16024839
- 2. TempConfidential_TOBY-L4_SysIntegrManual_UBX-16024839_rev1
TempConfidential_TOBY-L4_SysIntegrManual_UBX-16024839

TOBY-L4 series
LTE Advanced (Cat 6) modules
with 3G and 2G fallback
System Integration Manual
Abstract
This document describes the features and the system integration of
TOBY-L4 series multi-mode cellular modules.
The modules are a complete and cost efficient LTE-FDD, LTE-TDD,
DC-HSPA+, (E)GPRS multi-mode and multi-band solution with uCPU
embedded Linux programming capability. The modules offer up to
301.5 Mb/s download and up to 51.0 Mb/s upload data rates with
Category 6 LTE-Advanced carrier aggregation technology in the
compact TOBY form factor.
www.u-blox.com
UBX-16024839 - R04

TOBY-L4 series - System Integration Manual
UBX-16024839 - R04
Page 2 of 143
Document Information
Title
TOBY-L4 series
Subtitle
LTE Advanced (Cat 6) modules
with 3G and 2G fallback
Document type
System Integration Manual
Document number
UBX-16024839
Revision, date
R04
08-Feb-2018
Disclosure restriction
Product Status
Corresponding content status
Functional Sample
Draft
For functional testing. Revised and supplementary data will be published later.
In Development /
Prototype
Objective Specification
Target values. Revised and supplementary data will be published later.
Engineering Sample
Advance Information
Data based on early testing. Revised and supplementary data will be published later.
Initial Production
Early Prod. Information
Data from product verification. Revised and supplementary data may be published later.
Mass Production /
End of Life
Production Information
Final product specification.
This document applies to the following products:
Name
Type number
Modem version
Application version
PCN reference
Product status
TOBY-L4006
TOBY-L4006-00A-00
TBD
TBD
TBD
Functional Sample
TOBY-L4006-50A-00
40.24
A00.02
UBX-18007908
Engineering Sample
TOBY-L4106
TOBY-L4106-00A-00
TBD
TBD
TBD
Functional Sample
TOBY-L4106-50A-00
40.24
A00.02
UBX-18007908
Engineering Sample
TOBY-L4206
TOBY-L4206-00A-00
TBD
TBD
TBD
Functional Sample
TOBY-L4206-50A-00
TBD
TBD
TBD
Functional Sample
TOBY-L4906
TOBY-L4906-00A-00
TBD
TBD
TBD
Functional Sample
TOBY-L4906-50A-00
40.19
A00.02
UBX-17058711
Engineering Sample
u-blox reserves all rights to this document and the information contained herein. Products, names, logos and designs described herein may in
whole or in part be subject to intellectual property rights. Reproduction, use, modification or disclosure to third parties of this document or
any part thereof without the express permission of u-blox is strictly prohibited.
The information contained herein is provided “as is” and u-blox assumes no liability for the use of the information. No warranty, either
express or implied, is given, including but not limited, with respect to the accuracy, correctness, reliability and fitness for a particular purpose
of the information. This document may be revised by u-blox at any time. For most recent documents, please visit www.u-blox.com.
Copyright © 2018, u-blox AG
u-blox® is a registered trademark of u-blox Holding AG in the EU and other countries. Microsoft and Windows are either registered
trademarks or trademarks of Microsoft Corporation in the United States and/or other countries. All other registered trademarks or
trademarks mentioned in this document are property of their respective owners.

TOBY-L4 series - System Integration Manual
UBX-16024839 - R04 Preface
Page 3 of 143
Preface
u-blox Technical Documentation
As part of our commitment to customer support, u-blox maintains an extensive volume of technical
documentation for our products. In addition to our product-specific technical data sheets, the following manuals
are available to assist u-blox customers in product design and development.
AT Commands Manual: This document provides the description of the AT commands supported by the
u-blox cellular modules.
System Integration Manual: This document provides the description of u-blox cellular modules’ system
from the hardware and the software point of view, it provides hardware design guidelines for the optimal
integration of the cellular modules in the application device and it provides information on how to set up
production and final product tests on application devices integrating the cellular modules.
Application Note: These documents provide guidelines and information on specific hardware and/or
software topics on u-blox cellular modules. See Related documents for a list of Application Notes related to
your Cellular Module.
How to use this Manual
The TOBY-L4 series System Integration Manual provides the necessary information to successfully design and
configure the u-blox cellular modules.
This manual has a modular structure. It is not necessary to read it from the beginning to the end.
The following symbols are used to highlight important information within the manual:
An index finger points out key information pertaining to module integration and performance.
A warning symbol indicates actions that could negatively impact or damage the module.
Questions
If you have any questions about u-blox Cellular Integration:
Read this manual carefully.
Contact our information service on the homepage http://www.u-blox.com/
Technical Support
Worldwide Web
Our website (http://www.u-blox.com/) is a rich pool of information. Product information, technical documents
can be accessed 24h a day.
By E-mail
Contact the closest Technical Support office by email. Use our service pool email addresses rather than any
personal email address of our staff. This makes sure that your request is processed as soon as possible. You will
find the contact details at the end of the document.
Helpful Information when Contacting Technical Support
When contacting Technical Support, have the following information ready:
Module type (TOBY-L4106) and firmware version
Module configuration
Clear description of your question or the problem
A short description of the application
Your complete contact details

TOBY-L4 series - System Integration Manual
UBX-16024839 - R04 Contents
Page 4 of 143
Contents
Preface ................................................................................................................................ 3
Contents .............................................................................................................................. 4
1 System description ....................................................................................................... 7
1.1 Overview .............................................................................................................................................. 7
1.2 Architecture ........................................................................................................................................ 10
1.3 Pin-out ............................................................................................................................................... 12
1.4 Operating modes ................................................................................................................................ 20
1.5 Supply interfaces ................................................................................................................................ 22
1.5.1 Module supply input (VCC) ......................................................................................................... 22
1.5.2 RTC back-up supply (V_BCKP) ..................................................................................................... 30
1.5.3 Generic digital interfaces supply output (V_INT) ........................................................................... 30
1.6 System function interfaces .................................................................................................................. 31
1.6.1 Module power-on ....................................................................................................................... 31
1.6.2 Module power-off ....................................................................................................................... 33
1.6.3 Module reset ............................................................................................................................... 35
1.6.4 Module / host configuration selection ......................................................................................... 35
1.7 Antenna interfaces ............................................................................................................................. 36
1.7.1 Antenna RF interfaces (ANT1 / ANT2) .......................................................................................... 36
1.7.2 Antenna detection interface (ANT_DET) ...................................................................................... 38
1.8 SIM interfaces ..................................................................................................................................... 38
1.8.1 SIM interfaces.............................................................................................................................. 38
1.8.2 SIM detection interface ............................................................................................................... 38
1.9 Data communication interfaces .......................................................................................................... 39
1.9.1 USB interface............................................................................................................................... 40
1.9.2 UART interfaces ........................................................................................................................... 41
1.9.3 SPI interfaces ............................................................................................................................... 44
1.9.4 DDC (I2C) interfaces ..................................................................................................................... 45
1.9.5 SDIO interface ............................................................................................................................. 45
1.9.6 RGMII interface ........................................................................................................................... 46
1.10 eMMC interface .............................................................................................................................. 47
1.11 Audio interfaces .............................................................................................................................. 48
1.11.1 Analog audio interfaces ............................................................................................................... 48
1.11.2 Digital audio interface ................................................................................................................. 49
1.12 ADC interfaces ................................................................................................................................ 50
1.13 General Purpose Input/Output ........................................................................................................ 50
1.14 Reserved pins (RSVD) ...................................................................................................................... 51
2 Design-in ..................................................................................................................... 52
2.1 Overview ............................................................................................................................................ 52
2.2 Supply interfaces ................................................................................................................................ 53

TOBY-L4 series - System Integration Manual
UBX-16024839 - R04 Contents
Page 5 of 143
2.2.1 Module supply (VCC) .................................................................................................................. 53
2.2.2 RTC back-up supply (V_BCKP) ..................................................................................................... 66
2.2.3 Generic digital interfaces supply output (V_INT) ........................................................................... 67
2.3 System functions interfaces ................................................................................................................ 68
2.3.1 Module power-on (PWR_ON) ...................................................................................................... 68
2.3.2 Module reset (RESET_N) .............................................................................................................. 69
2.3.3 Module / host configuration selection ......................................................................................... 70
2.4 Antenna interface ............................................................................................................................... 71
2.4.1 Antenna RF interfaces (ANT1 / ANT2) .......................................................................................... 71
2.4.2 Antenna detection interface (ANT_DET) ...................................................................................... 77
2.5 SIM interfaces ..................................................................................................................................... 79
2.5.1 Guidelines for SIM circuit design.................................................................................................. 79
2.5.2 Guidelines for SIM layout design ................................................................................................. 85
2.6 Data communication interfaces .......................................................................................................... 86
2.6.1 USB interface............................................................................................................................... 86
2.6.2 UART interfaces ........................................................................................................................... 89
2.6.3 SPI interfaces ............................................................................................................................... 93
2.6.4 DDC (I2C) interfaces ..................................................................................................................... 94
2.6.5 SDIO interface ............................................................................................................................. 98
2.6.6 RGMII interface ......................................................................................................................... 100
2.7 eMMC interface ............................................................................................................................... 101
2.8 Audio interface ................................................................................................................................. 102
2.8.1 Analog audio interface .............................................................................................................. 102
2.8.2 Digital audio interface ............................................................................................................... 111
2.9 ADC interfaces ................................................................................................................................. 113
2.10 General Purpose Input/Output ...................................................................................................... 114
2.11 Reserved pins (RSVD) .................................................................................................................... 115
2.12 Module placement ........................................................................................................................ 115
2.13 Module footprint and paste mask ................................................................................................. 116
2.14 Thermal guidelines ........................................................................................................................ 117
2.15 Design-in checklist ........................................................................................................................ 118
2.15.1 Schematic checklist ................................................................................................................... 118
2.15.2 Layout checklist ......................................................................................................................... 119
2.15.3 Antenna checklist ...................................................................................................................... 119
3 Handling and soldering ........................................................................................... 120
3.1 Packaging, shipping, storage and moisture preconditioning ............................................................. 120
3.2 Handling ........................................................................................................................................... 120
3.3 Soldering .......................................................................................................................................... 121
3.3.1 Soldering paste.......................................................................................................................... 121
3.3.2 Reflow soldering ....................................................................................................................... 121
3.3.3 Optical inspection ...................................................................................................................... 122
3.3.4 Cleaning .................................................................................................................................... 122
3.3.5 Repeated reflow soldering ......................................................................................................... 123

TOBY-L4 series - System Integration Manual
UBX-16024839 - R04 Contents
Page 6 of 143
3.3.6 Wave soldering.......................................................................................................................... 123
3.3.7 Hand soldering .......................................................................................................................... 123
3.3.8 Rework ...................................................................................................................................... 123
3.3.9 Conformal coating .................................................................................................................... 123
3.3.10 Casting ...................................................................................................................................... 123
3.3.11 Grounding metal covers ............................................................................................................ 123
3.3.12 Use of ultrasonic processes ........................................................................................................ 123
4 Approvals .................................................................................................................. 124
4.1 Product certification approval overview ............................................................................................. 124
4.2 US Federal Communications Commission notice ............................................................................... 125
4.2.1 Safety warnings review the structure ......................................................................................... 125
4.2.2 Declaration of conformity .......................................................................................................... 125
4.2.3 Modifications ............................................................................................................................ 126
4.3 Innovation, Science and Economic Development Canada notice ....................................................... 127
4.3.1 Declaration of Conformity ......................................................................................................... 127
4.3.2 Modifications ............................................................................................................................ 128
4.4 European Conformance CE mark ...................................................................................................... 130
4.5 Chinese CCC and SRRC certifications ............................................................................................... 131
5 Product testing ......................................................................................................... 132
5.1 u-blox in-series production test ......................................................................................................... 132
5.2 Test parameters for OEM manufacturers........................................................................................... 133
5.2.1 “Go/No go” tests for integrated devices .................................................................................... 133
5.2.2 RF functional tests ..................................................................................................................... 133
Appendix ........................................................................................................................ 135
A Migration between TOBY-L2 and TOBY-L4 ............................................................ 135
A.1 Overview .......................................................................................................................................... 135
A.2 Pin-out comparison between TOBY-L2 and TOBY-L4 ........................................................................ 137
B Glossary .................................................................................................................... 139
Related documents......................................................................................................... 141
Revision history .............................................................................................................. 142
Contact ............................................................................................................................ 143

TOBY-L4 series - System Integration Manual
UBX-16024839 - R04 System description
Page 7 of 143
1 System description
1.1 Overview
The TOBY-L4 series modules support multi-band LTE-FDD, LTE-TDD, DC-HSPA+, and (E)GPRS radio access
technologies (see Table 1) in the very small TOBY 248-pin LGA form-factor (35.6 x 24.8 mm), which is easy to
integrate in compact designs.
TOBY-L4 series modules are form-factor compatible with the other u-blox cellular module families (including
SARA, LISA, LARA, and TOBY form-factors): this allows customers to take maximum advantage of their hardware
and software investments, and provides very short time-to-market.
With LTE-Advanced carrier aggregation category 6 data rates up to 301.5 Mbit/s (downlink) / 51.0 Mbit/s
(uplink), the modules are ideal for applications requiring the highest data-rates and high-speed internet access.
Reduced cost variants supporting LTE Cat 4 or LTE Cat 1 will be available for lower speed or “pure” telematics
devices.
TOBY-L4 series include the following LTE Cat 6 modules with 3G and 2G fallback:
TOBY-L4006 modules, mainly designed for operation in North America
TOBY-L4106 modules, mainly designed for operation in Europe
TOBY-L4206 modules, mainly designed for operation in Asia-Pacific and South America
TOBY-L4906 modules, mainly designed for operation in China
TOBY-L4 series modules include the following product versions:
The “00” product versions, integrating the u-blox uCPU on-chip processor to allow customers to run their
dedicated applications on an embedded Linux distribution based on Yocto, with RIL-Core connectivity APIs
The “50” product versions, which can be controlled by an external application processor through standard
and u-blox proprietary AT commands described in the u-blox AT Commands Manual [2]
TOBY-L4 series modules are the ideal product for the development of all kinds of automotive devices, such as
smart antennas and in-dash telematics / infotainment devices, supporting a comprehensive set of HW interfaces
(including RGMII/RMII for Ethernet and analog audio) over a very extended temperature range that allow the
establishment of an emergency call up to +95 °C, complemented by a set of state-of-the art security features.
TOBY-L4 series modules are also the perfect choice for consumer fixed-wireless terminals, mobile routers and
gateways, applications requiring video streaming and many other industrial (M2M) applications.
TOBY-L4 series modules are manufactured in ISO/TS 16949 certified sites, with the highest production standards
and the highest quality and reliability. Each module is fully tested and inspected during production. The modules
are qualified according to the automotive requirements as for systems installed in vehicles.

TOBY-L4 series - System Integration Manual
UBX-16024839 - R04 System description
Page 8 of 143
Table 1 summarizes the main features and interfaces of the TOBY-L4 series modules.
Model
Region
Bands
Interfaces
Features
Grade
LTE FDD bands
LTE TDD bands
UMTS FDD bands
GSM bands
UART
USB 2.0 device/host*
USB 3.0 device**
SPI
RGMII / RMII
eMMC
SDIO
DDC (I2C)
SIM
GPIO
ADC
Antenna supervisor
CA / MIMO / Rx Diversity
Analog audio
Digital Audio
uCPU for customer applications
GNSS via modem
Wi-Fi via modem
Network indication
Jamming detection
Embedded TCP/UDP stack
Embedded HTTP, FTP, SSL
FOTA
Dual stack IPv4/IPv6
Standard
Professional
Automotive
TOBY-L4006-00
North
America
2,4,5
7,12
13,29
2
4,5
850
1900
4
1
1
2
1
1
1
2
2
14
2
●
●
●
●
●
●
●
●
●
●
●
●
●
TOBY-L4006-50
North
America
2,4,5
7,12
13,29
2
4,5
850
1900
1
1
2
9
●
●
●
●
●
●
●
TOBY-L4106-00
EMEA
1,3
7,8
20
38
1,8
900
1800
4
1
1
2
1
1
1
2
2
14
2
●
●
●
●
●
●
●
●
●
●
●
●
●
TOBY-L4106-50
EMEA
1,3
7,8
20
38
1,8
900
1800
1
1
2
9
●
●
●
●
●
●
●
TOBY-L4206-00
APAC,
South
America
1,3,5
7,8,9
19,28
1
5,8
Quad
4
1
1
2
1
1
1
2
2
14
2
●
●
●
●
●
●
●
●
●
●
●
●
●
TOBY-L4206-50
APAC,
South
America
1,3,5
7,8,9
19,28
1
5,8
Quad
1
1
2
9
●
●
●
●
●
●
●
TOBY-L4906-00
China
1,3
39
40,41
1,8
900
1800
4
1
1
2
1
1
1
2
2
14
2
●
●
●
●
●
●
●
●
●
●
●
●
●
TOBY-L4906-50
China
1,3
39
40,41
1,8
900
1800
1
1
2
9
●
●
●
●
●
●
●
* USB 2.0 host role not supported by the "50" product versions
** USB 3.0 interface supported by future firmware versions
Table 1: TOBY-L4 series main features summary

TOBY-L4 series - System Integration Manual
UBX-16024839 - R04 System description
Page 9 of 143
TOBY-L4 series modules provide multi-band 4G / 3G / 2G multi-mode radio access technologies, based on the
3GPP Release 10 protocol stack, with the main characteristics summarized in Table 2 and Table 3.
LTE
3G
2G
LTE-Advanced Carrier Aggregation
Frequency Division Duplex (LTE FDD)
Time Division Duplex (LTE TDD)
Down-Link CA / MIMO / Rx diversity
Dual-Cell High Speed Packet Access
Frequency Division Duplex (UMTS FDD)
Down-Link Rx diversity
Enhanced Data rate GSM Evolution (EDGE)
Time Division Multiple Access (TDMA)
DL Advanced Rx Performance Phase 1
LTE FDD Power Class
Class 3 (23 dBm)
LTE TDD Power Class
Class 3 (23 dBm)
UMTS FDD Power Class
Class 3 (24 dBm)
GMSK Power Class
Class 4 (33 dBm) for GSM/E-GSM bands
Class 1 (30 dBm) for DCS/PCS bands
8-PSK Power Class
Class E2 (27 dBm) for GSM/E-GSM bands
Class E2 (26 dBm) for DCS/PCS bands
Data rate
LTE category 6:
up to 301.5 Mbit/s DL
up to 51.0 Mbit/s UL
Data rate
FDD UE categories:
DL cat.24, up to 42.2 Mbit/s
UL cat.6, up to 5.76 Mbit/s
Data rate
GPRS multi-slot class 33, CS1-CS4:
up to 107.0 kbit/s DL
up to 85.6 kbit/s UL
EDGE multi-slot class 33, MCS1-MCS9
up to 296.0 kbit/s DL
up to 236.8 kbit/s UL
Table 2: TOBY-L4 series LTE, 3G and 2G characteristics summary
Module
Region
LTE FDD bands
LTE TDD bands
LTE CA
UMTS FDD bands
GSM bands
TOBY-L4006
North America
12 (700 MHz)
17 (700 MHz)
29 (700 MHz)
13 (750 MHz)
5 (850 MHz)
4 (1700 MHz)
2 (1900 MHz)
7 (2600 MHz)
4 + 17
2 + 13
2 + 17
2 + 29
4 + 5
4 + 4
4 + 13
4 + 29
5 (850 MHz)
4 (1700 MHz)
2 (1900 MHz)
GSM 850
PCS 1900
TOBY-L4106
EMEA,
APAC
20 (800 MHz)
8 (900 MHz)
3 (1800 MHz)
1 (2100 MHz)
7 (2600 MHz)
38 (2600 MHz)
3 + 20
7 + 20
3 + 3
3 + 7
8 (900 MHz)
1 (2100 MHz)
E-GSM 900
DCS 1800
TOBY-L4206
APAC,
South America
28 (750 MHz)
19 (850 MHz)
5 (850 MHz)
8 (900 MHz)
9 (1800 MHz)
3 (1800 MHz)
1 (2100 MHz)
7 (2600 MHz)
3 + 28
3 + 7
7 + 28
3 + 3
1 + 8
3 + 19
1 + 19
5 (850 MHz)
8 (900 MHz)
1 (2100 MHz)
GSM 850
E-GSM 900
DCS 1800
PCS 1900
TOBY-L4906
China
3 (1800 MHz)
1 (2100 MHz)
39 (1900 MHz)
40 (2300 MHz)
41 (2500 MHz)
3 + 3
40 + 40
41 + 41
39 + 41
8 (900 MHz)1
1 (2100 MHz)
E-GSM 900
DCS 1800
Table 3: TOBY-L4 series supported bands
2
and Carrier Aggregation combinations summary
1
Down-Link Rx diversity not supported on this band
2
TOBY-L4 series modules support all the E-UTRA channel bandwidths for each operating band according to 3GPP TS 36.521-1 [13].

TOBY-L4 series - System Integration Manual
UBX-16024839 - R04 System description
Page 10 of 143
1.2 Architecture
Figure 1 summarizes the internal architecture of the TOBY-L4 series modules.
Cellular
Base-band
Processor
Memory
Power Management Unit
26 MHz
32.768 kHz
ANT1
RF
Transceiver
ANT2
V_INT (I/O)
V_BCKP (RTC)
VCC (Supply)
2 x SIM
USB 2.0 / 3.0
2 x ADC
Power on
External reset
PAs
LNAs Filters
Filters
Duplexer
Filters
PAs
LNAs Filters
Filters
Duplexer
Filters
LNAs FiltersFilters
LNAs FiltersFilters
Switch
Switch
2 x DDC (I2C)
SDIO
4 x UART
Analog audio
Antenna detection
Host Select
2 x SPI
RGMII
eMCC
2 x Digital audio (I2S)
GPIOs
Figure 1: TOBY-L4 series modules simplified block diagram
TOBY-L4 series modules internally consist of the RF, Baseband and Power Management sections described herein
with more details than the simplified block diagrams of Figure 1.
RF section
The RF section is composed of an RF transceiver, PAs, LNAs, crystal oscillator, filters, duplexers and RF switches.
The Tx signal is pre-amplified by the RF transceiver, then output to the primary antenna input/output port
(ANT1) of the module via power amplifier (PA), SAW band pass filters band, specific duplexer and antenna
switch.
Dual receiving paths are implemented according to Carrier Aggregation, MIMO, and Receiver Diversity radio
technologies supported by the modules as LTE category 6 and HSDPA category 24 User Equipments: incoming
signals are received through the primary (ANT1) and the secondary (ANT2) antenna input ports which are
connected to the RF transceiver via specific antenna switch, diplexer, duplexer, LNA, SAW band pass filters.
RF transceiver performs modulation, up-conversion of the baseband I/O signals for Tx, down-conversion and
demodulation of the dual RF signals for Rx. The RF transceiver contains:
Single chain high linearity receivers with integrated LNAs for multi-band multi-mode CA operation,
Highly linear RF demodulator / modulator capable GMSK, 8-PSK, QPSK, 16-QAM, 64-QAM
RF synthesizer,
VCO.
Power Amplifiers (PA) amplify the Tx signal modulated by the RF transceiver
RF switches connect the primary (ANT1) and secondary (ANT2) antenna ports to the suitable Tx / Rx path
SAW duplexers and band pass filters separate the Tx and Rx signal paths and provide RF filtering
26 MHz voltage-controlled temperature-controlled crystal oscillator (VC-TCXO) generates the clock reference
in active mode or connected mode.

TOBY-L4 series - System Integration Manual
UBX-16024839 - R04 System description
Page 11 of 143
Baseband and power management section
The Baseband and Power Management section is composed of the following main elements:
A mixed signal ASIC, which integrates
o Microprocessor for control functions
o DSP core for cellular Layer 1 and digital processing of Rx and Tx signal paths
o Memory interface controller
o Dedicated peripheral blocks for control of the USB, SIM and generic digital interfaces
o Interfaces to the RF transceiver ASIC
Memory system, which includes NAND flash and LPDDR2 RAM
Voltage regulators to derive all the subsystem supply voltages from the module supply input VCC
Voltage source for external use: V_INT
Hardware power on
Hardware reset
Low power idle mode support
32.768 kHz crystal oscillator to provide the clock reference in the low power idle mode, which can be set by
enabling the power saving configuration.

TOBY-L4 series - System Integration Manual
UBX-16024839 - R04 System description
Page 12 of 143
1.3 Pin-out
Table 4 lists the pin-out of the TOBY-L4 series modules, with pins grouped by function.
Function
Pin Name
Pin No
I/O
Description
Remarks
Power
VCC
70,71,72
I
Module supply input
VCC supply circuit affects the RF performance and
compliance of the device integrating the module with
applicable required certification schemes.
See section 1.5.1 for functional description / requirements.
See section 2.2.1 for external circuit design-in.
GND
2, 30, 32, 44,
46, 69, 73, 74,
76, 78, 79, 80,
82, 83, 85, 86,
88-90, 92-
152, 209, 219,
226, 229, 232,
235, 238, 241
N/A
Ground
GND pins are internally connected each other.
External ground connection affects the RF and thermal
performance of the device.
See section 1.5.1 for functional description.
See section 2.2.1 for external circuit design-in.
V_BCKP
3
I/O
RTC back-up supply
If the VCC voltage is below the operating range, the RTC
block can be externally supplied through the V_BCKP pin.
See section 1.5.2 for functional description.
See section 2.2.2 for external circuit design-in.
V_INT
5
O
Generic digital
interfaces supply
output
V_INT = 1.8 V (typical) generated by internal DC/DC
regulator when the module is switched on.
Test-Point for diagnostic access is recommended.
See section 1.5.3 for functional description.
See section 2.2.3 for external circuit design-in.
System
PWR_ON
20
I
Power-on input
Internal 35 k pull-up resistor to internal 1.3 V supply rail.
Test-Point for diagnostic access is recommended.
See section 1.6.1 for functional description.
See section 2.3.1 for external circuit design-in.
RESET_N
23
I
External reset input
Internal 100 k pull-up resistor to V_INT.
Test-Point for diagnostic access is recommended.
See section 1.6.3 for functional description.
See section 2.3.2 for external circuit design-in.
HOST_SELECT0
26
I/O /
I
GPIO /
External Interrupt
1.8 V GPIO or External Interrupt configurable by uCPU API.
See sections 1.6.4, 1.13 for functional description.
See sections 2.3.3, 2.10 for external circuit design-in.
HOST_SELECT1
62
I/O /
I
GPIO /
External Interrupt
1.8 V GPIO or External Interrupt configurable by uCPU API.
See sections 1.6.4, 1.13 for functional description.
See sections 2.3.3, 2.10 for external circuit design-in.
Antennas
ANT1
81
I/O
Primary antenna
Main Tx / Rx antenna interface.
50 nominal characteristic impedance.
Antenna circuit affects the RF performance and application
device compliance with required certification schemes.
See section 1.7.1 for functional description / requirements.
See section 2.4 for external circuit design-in.
ANT2
87
I
Secondary antenna
Rx only for Down-Link CA, MIMO and Rx diversity.
50 nominal characteristic impedance.
Antenna circuit affects the RF performance and application
device compliance with required certification schemes.
See section 1.7.1 for functional description / requirements.
See section 2.4 for external circuit design-in.
ANT_DET
75
I
Antenna detection
ADC for antenna presence detection function.
See section 1.7.2 for functional description.
See section 2.4.2 for external circuit design-in.

TOBY-L4 series - System Integration Manual
UBX-16024839 - R04 System description
Page 13 of 143
Function
Pin Name
Pin No
I/O
Description
Remarks
SIM0
VSIM
59
O
SIM0 supply output
VSIM = 1.8 V / 3 V output as per the connected SIM type.
See section 1.8 for functional description.
See section 2.5 for external circuit design-in.
SIM_IO
57
I/O
SIM0 data
Data input/output for 1.8 V / 3 V SIM.
Internal 4.7 k pull-up to VSIM.
See section 1.8 for functional description.
See section 2.5 for external circuit design-in.
SIM_CLK
56
O
SIM0 clock
3.9 MHz clock output for 1.8 V / 3 V SIM.
See section 1.8 for functional description.
See section 2.5 for external circuit design-in.
SIM_RST
58
O
SIM0 reset
Reset output for 1.8 V / 3 V SIM.
See section 1.8 for functional description.
See section 2.5 for external circuit design-in.
SIM1
VSIM1
172
O
SIM1 supply output
VSIM1 = 1.8 V / 3 V output as per the connected SIM type.
See section 1.8 for functional description.
See section 2.5 for external circuit design-in.
SIM1_IO
178
I/O
SIM1 data
Data input/output for 1.8 V / 3 V SIM.
Internal 4.7 k pull-up to VSIM1.
See section 1.8 for functional description.
See section 2.5 for external circuit design-in.
SIM1_CLK
182
O
SIM1 clock
3.9 MHz clock output for 1.8 V / 3 V SIM.
See section 1.8 for functional description.
See section 2.5 for external circuit design-in.
SIM1_RST
177
O
SIM1 reset
Reset output for 1.8 V / 3 V SIM.
See section 1.8 for functional description.
See section 2.5 for external circuit design-in.
USB
VUSB_DET
4
I
USB detect input
VBUS (5 V typical) generated by the host must be connected
to this pin to enable the module USB device interface.
Test-Point for diagnostic / FW update access is
recommended.
See section 1.9.1 for functional description.
See section 2.6.1 for external circuit design-in.
USB_D–
27
I/O
USB High-Speed 2.0
diff. transceiver (–)
90 nominal differential impedance (Z0).
30 nominal common mode impedance (ZCM).
Pull-up or pull-down resistors and external series resistors as
required by the USB 2.0 specifications [3] are part of the
USB pin driver and need not be provided externally.
Test-Point for diagnostic / FW update access is recommended.
See section 1.9.1 for functional description.
See section 2.6.1 for external circuit design-in.
USB_D+
28
I/O
USB High-Speed 2.0
diff. transceiver (+)
90 nominal differential impedance (Z0).
30 nominal common mode impedance (ZCM).
Pull-up or pull-down resistors and external series resistors as
required by the USB 2.0 specifications [3] are part of the
USB pin driver and need not be provided externally.
Test-Point for diagnostic / FW update access is recommended.
See section 1.9.1 for functional description.
See section 2.6.1 for external circuit design-in.
USB_ID
168
I
USB device
identification
Pin for ID resistance measurement.
See section 1.9.1 for functional description.
See section 2.6.1 for external circuit design-in.

TOBY-L4 series - System Integration Manual
UBX-16024839 - R04 System description
Page 14 of 143
Function
Pin Name
Pin No
I/O
Description
Remarks
USB_SSTX+
175
O
USB Super-Speed 3.0
diff. transmitter (+)
90 nominal differential characteristic impedance.
Internal series 100 nF capacitor for AC coupling.
Compliant with USB Revision 3.0 specification [4].
See section 1.9.1 for functional description.
See section 2.6.1 for external circuit design-in.
USB_SSTX–
176
O
USB Super-Speed 3.0
diff. transmitter (–)
90 nominal differential characteristic impedance.
Internal series 100 nF capacitor for AC coupling.
Compliant with USB Revision 3.0 specification [4].
See section 1.9.1 for functional description.
See section 2.6.1 for external circuit design-in.
USB_SSRX+
170
I
USB Super-Speed 3.0
diff. receiver (+)
90 nominal differential characteristic impedance.
Compliant with USB Revision 3.0 specification [4].
See section 1.9.1 for functional description.
See section 2.6.1 for external circuit design-in.
USB_SSRX–
171
I
USB Super-Speed 3.0
diff. receiver (–)
90 nominal differential characteristic impedance.
Compliant with USB Revision 3.0 specification [4].
See section 1.9.1 for functional description.
See section 2.6.1 for external circuit design-in.
UART0
RXD
17
O
UART0 data output
1.8 V output, Circuit 104 (RXD) in ITU-T V.24.
Test-Point for diagnostic access recommended.
See section 1.9.2 for functional description.
See section 2.6.2 for external circuit design-in.
TXD
16
I
UART0 data input
1.8 V input, Circuit 103 (TXD) in ITU-T V.24.
Internal active pull-up to V_INT.
Test-Point for diagnostic access recommended.
See section 1.9.2 for functional description.
See section 2.6.2 for external circuit design-in.
CTS
15
O
UART0 clear to send
output
1.8 V output, Circuit 106 (CTS) in ITU-T V.24.
See section 1.9.2 for functional description.
See section 2.6.2 for external circuit design-in.
RTS
14
I
UART0 ready to
send input
1.8 V input, Circuit 105 (RTS) in ITU-T V.24.
Internal active pull-up to V_INT.
See section 1.9.2 for functional description.
See section 2.6.2 for external circuit design-in.
DSR
10
I/O /
I
GPIO /
External Interrupt
1.8 V GPIO or External Interrupt configurable by uCPU API.
See sections 1.9.2, 1.13 for functional description.
See sections 2.6.1, 2.10 for external circuit design-in.
RI
11
O /
I/O /
I
UART0 ring indicator /
GPIO /
External Interrupt
1.8 V output, Circuit 125 (RI) in ITU-T V.24.
Configurable as GPIO or External Interrupt.
See sections 1.9.2, 1.13 for functional description.
See sections 2.6.1, 2.10 for external circuit design-in.
DTR
13
I/O /
I
GPIO /
External Interrupt
1.8 V GPIO or External Interrupt configurable by uCPU API.
See sections 1.9.2, 1.13 for functional description.
See sections 2.6.1, 2.10 for external circuit design-in.
DCD
12
I/O /
I
GPIO /
External Interrupt
1.8 V GPIO or External Interrupt configurable by uCPU API.
See sections 1.9.2, 1.13 for functional description.
See sections 2.6.1, 2.10 for external circuit design-in.

TOBY-L4 series - System Integration Manual
UBX-16024839 - R04 System description
Page 15 of 143
Function
Pin Name
Pin No
I/O
Description
Remarks
UART1
RXD1
160
O /
O
UART1 data output /
SPI1 MOSI
1.8 V output, Circuit 104 (RXD) in ITU-T V.24,
alternatively configurable as SPI1 MOSI by uCPU API.
See section 1.9.2 / 1.9.3 for functional description.
See section 2.6.2 / 2.6.3 for external circuit design-in.
TXD1
159
I /
I
UART1 data input /
SPI1 MISO
1.8 V input, Circuit 103 (TXD) in ITU-T V.24,
alternatively configurable as SPI1 MISO by uCPU API.
Internal pull-up to V_INT enabled when UART1 data input.
See section 1.9.2 / 1.9.3 for functional description.
See section 2.6.2 / 2.6.3 for external circuit design-in.
CTS1
195
O /
O
UART1 CTS output /
SPI1 Chip Select
1.8 V output, Circuit 106 (CTS) in ITU-T V.24,
alternatively configurable as SPI1 Chip Select by uCPU API.
See section 1.9.2 / 1.9.3 for functional description.
See section 2.6.2 / 2.6.3 for external circuit design-in.
RTS1
193
I /
O
UART1 RTS input /
SPI1 Clock
1.8 V input, Circuit 105 (RTS) in ITU-T V.24,
alternatively configurable as SPI1 Clock by uCPU API.
Internal pull-up to V_INT enabled when UART1 RTS input.
See section 1.9.2 / 1.9.3 for functional description.
See section 2.6.2 / 2.6.3 for external circuit design-in.
UART2
RXD2
162
O
UART2 data output
1.8 V output, Circuit 104 (RXD) in ITU-T V.24.
See section 1.9.2 for functional description.
See section 2.6.2 for external circuit design-in.
TXD2
161
I
UART2 data input
1.8 V input, Circuit 103 (TXD) in ITU-T V.24.
Internal active pull-up to V_INT.
See section 1.9.2 for functional description.
See section 2.6.2 for external circuit design-in.
UART3
RXD3
19
O
UART3 data output
1.8 V output, Circuit 104 (RXD) in ITU-T V.24.
See section 1.9.2 for functional description.
See section 2.6.2 for external circuit design-in.
TXD3
18
I
UART3 data input
1.8 V input, Circuit 103 (TXD) in ITU-T V.24.
Internal active pull-up to V_INT.
See section 1.9.2 for functional description.
See section 2.6.2 for external circuit design-in.
SPI0
SPI_MOSI
174
O
SPI0 Master Output
Slave Input
1.8 V, SPI0 data output.
See section 1.9.3 for functional description.
See section 2.6.3 for external circuit design-in.
SPI_MISO
169
I
SPI0 Master Input
Slave Output
1.8 V, SPI0 data input.
See section 1.9.3 for functional description.
See section 2.6.3 for external circuit design-in.
SPI_SCLK
179
O
SPI0 Shift Clock
1.8 V, SPI0 clock.
See section 1.9.3 for functional description.
See section 2.6.3 for external circuit design-in.
SPI_CS
173
O
SPI0 Chip Select 0
1.8 V, SPI0 chip select 0.
See section 1.9.3 for functional description.
See section 2.6.3 for external circuit design-in.
I2C0
SCL
54
O
I2C0 clock
1.8 V open drain.
External pull-up required.
See section 1.9.4 for functional description.
See section 2.6.4 for external circuit design-in.
SDA
55
I/O
I2C0 data
1.8 V open drain.
External pull-up required.
See section 1.9.4 for functional description.
See section 2.6.4 for external circuit design-in.

TOBY-L4 series - System Integration Manual
UBX-16024839 - R04 System description
Page 16 of 143
Function
Pin Name
Pin No
I/O
Description
Remarks
I2C1
SCL1
54
O
I2C1 clock
1.8 V open drain.
External pull-up required.
See section 1.9.4 for functional description.
See section 2.6.4 for external circuit design-in.
SDA1
55
I/O
I2C1 data
1.8 V open drain.
External pull-up required.
See section 1.9.4 for functional description.
See section 2.6.4 for external circuit design-in.
SDIO
SDIO_D0
66
I/O
SDIO serial data [0]
SDIO interface for communication with Wi-Fi / Bluetooth.
See section 1.9.5 for functional description.
See section 2.6.5 for external circuit design-in.
SDIO_D1
68
I/O
SDIO serial data [1]
SDIO interface for communication with Wi-Fi / Bluetooth.
See section 1.9.5 for functional description.
See section 2.6.5 for external circuit design-in.
SDIO_D2
63
I/O
SDIO serial data [2]
SDIO interface for communication with Wi-Fi / Bluetooth.
See section 1.9.5 for functional description.
See section 2.6.5 for external circuit design-in.
SDIO_D3
67
I/O
SDIO serial data [3]
SDIO interface for communication with Wi-Fi / Bluetooth.
See section 1.9.5 for functional description.
See section 2.6.5 for external circuit design-in.
SDIO_CLK
64
O
SDIO serial clock
SDIO interface for communication with Wi-Fi / Bluetooth.
See section 1.9.5 for functional description.
See section 2.6.5 for external circuit design-in.
SDIO_CMD
65
I/O
SDIO command
SDIO interface for communication with Wi-Fi / Bluetooth.
See section 1.9.5 for functional description.
See section 2.6.5 for external circuit design-in.
Ethernet
V_ETH
221
O
Ethernet Interface
supply output
Ethernet (RGMII / RMII) interface supply output.
See section 1.9.6 for functional description.
See section 2.6.6 for external circuit design-in.
ETH_TX_CLK
29
O
Ethernet
Transmission Clock
RGMII: Transmit reference clock (TXC).
RMII: Reference clock (REF_CLK).
See section 1.9.6 for functional description.
See section 2.6.6 for external circuit design-in.
ETH_TX_CTL
33
O
Ethernet Transmit
Control
RGMII: Control signal for the transmit data (TXEN on TXC
rising edge; TXEN xor TXER on TXC falling edge).
RMII: Control signal for the transmit data (TX_EN).
See section 1.9.6 for functional description.
See section 2.6.6 for external circuit design-in.
ETH_TXD0
37
O
Ethernet Transmit
Data [0]
RGMII: Tx data bit 0 / 4 on TXC rising / falling edges.
RMII: Tx data bit 0 in sync with REF_CLK.
See section 1.9.6 for functional description.
See section 2.6.6 for external circuit design-in.
ETH_TXD1
36
O
Ethernet Transmit
Data [1]
RGMII: Tx data bit 1 / 5 on TXC rising / falling edges.
RMII: Tx data bit 1 in sync with REF_CLK.
See section 1.9.6 for functional description.
See section 2.6.6 for external circuit design-in.
ETH_TXD2
35
O
Ethernet Transmit
Data [2]
RGMII: Tx data bit 2 / 6 on TXC rising / falling edges.
RMII: Not used.
See section 1.9.6 for functional description.
See section 2.6.6 for external circuit design-in.
ETH_TXD3
34
O
Ethernet Transmit
Data [3]
RGMII: Tx data bit 3 / 7 on TXC rising / falling edges.
RMII: Not used.
See section 1.9.6 for functional description.
See section 2.6.6 for external circuit design-in.

TOBY-L4 series - System Integration Manual
UBX-16024839 - R04 System description
Page 17 of 143
Function
Pin Name
Pin No
I/O
Description
Remarks
ETH_RX_CLK
43
I
Ethernet Receive
Clock
RGMII: Receive reference clock (RXC).
RMII: Not used.
See section 1.9.6 for functional description.
See section 2.6.6 for external circuit design-in.
ETH_RX_CTL
42
I
Ethernet Receive
Control
RGMII: Control signal for receive data (RXDV on RXC rising
edge; RXDV xor RXER on RXC falling edge).
RMII: Control signal for receive data, contains carrier sense
(CRS) and data valid (RX_DV) information.
See section 1.9.6 for functional description.
See section 2.6.6 for external circuit design-in.
ETH_RXD0
38
I
Ethernet Receive
Data [0]
RGMII: Rx data bit 0 / 4 on RXC rising / falling edges.
RMII: Rx data bit 0 in sync with REF_CLK.
See section 1.9.6 for functional description.
See section 2.6.6 for external circuit design-in.
ETH_RXD1
39
I
Ethernet Receive
Data [1]
RGMII: Rx data bit 1 / 5 on RXC rising / falling edges.
RMII: Rx data bit 1 in sync with REF_CLK.
See section 1.9.6 for functional description.
See section 2.6.6 for external circuit design-in.
ETH_RXD2
40
I
Ethernet Receive
Data [2]
RGMII: Rx data bit 2 / 6 on RXC rising / falling edges.
RMII: Not used.
See section 1.9.6 for functional description.
See section 2.6.6 for external circuit design-in.
ETH_RXD3
41
I
Ethernet Receive
Data [3]
RGMII: Rx data bit 3 / 7 on RXC rising / falling edges.
RMII: Not used.
See section 1.9.6 for functional description.
See section 2.6.6 for external circuit design-in.
ETH_INTR
220
I
Ethernet Interrupt
Input
Input for the detection of an interrupt event in the PHY.
See section 1.9.6 for functional description.
See section 2.6.6 for external circuit design-in.
ETH_MDIO
222
I/O
Ethernet
Management Data
Input Output
Ethernet management data input / output.
See section 1.9.6 for functional description.
See section 2.6.6 for external circuit design-in.
ETH_MDC
223
O
Ethernet
Management Data
Clock
Ethernet management data clock output.
See section 1.9.6 for functional description.
See section 2.6.6 for external circuit design-in.
eMMC
V_MMC
210
O
Multi-Media Card
Interface supply
output
Embedded Multi-Media / SD Card memory supply.
See section 1.10 for functional description.
See section 2.7 for external circuit design-in.
MMC_D0
214
I/O
Multi-Media Card
Data [0]
Embedded Multi-Media / SD Card memory data [0].
See section 1.10 for functional description.
See section 2.7 for external circuit design-in.
MMC_D1
212
I/O
Multi-Media Card
Data [1]
Embedded Multi-Media / SD Card memory data [1].
See section 1.10 for functional description.
See section 2.7 for external circuit design-in.
MMC_D2
217
I/O
Multi-Media Card
Data [2]
Embedded Multi-Media / SD Card memory data [2].
See section 1.10 for functional description.
See section 2.7 for external circuit design-in.
MMC_D3
213
I/O
Multi-Media Card
Data [3]
Embedded Multi-Media / SD Card memory data [3].
See section 1.10 for functional description.
See section 2.7 for external circuit design-in.
MMC_CMD
215
I/O
Multi-Media Card
Command
Embedded Multi-Media / SD Card memory command.
See section 1.10 for functional description.
See section 2.7 for external circuit design-in.
MMC_CLK
216
O
Multi-Media Card
Clock
Embedded Multi-Media / SD Card memory clock.
See section 1.10 for functional description.
See section 2.7 for external circuit design-in.

TOBY-L4 series - System Integration Manual
UBX-16024839 - R04 System description
Page 18 of 143
Function
Pin Name
Pin No
I/O
Description
Remarks
MMC_RST_N
211
O
Multi-Media Card
Reset
Embedded Multi-Media / SD Card memory reset.
See section 1.10 for functional description.
See section 2.7 for external circuit design-in.
MMC_CD_N
218
I
Multi-Media Card
Detect
Embedded Multi-Media / SD Card detect.
See section 1.10 for functional description.
See section 2.7 for external circuit design-in.
I2S0
I2S_TXD
51
O
I2S0 transmit data
I2S transmit data output.
See sections 1.11 for functional description.
See sections 2.8 for external circuit design-in.
I2S_RXD
53
I
I2S0 receive data
I2S receive data input.
See sections 1.11 for functional description.
See sections 2.8 for external circuit design-in.
I2S_CLK
52
I/O
I2S0 clock
I2S serial clock.
See sections 1.11 for functional description.
See sections 2.8 for external circuit design-in.
I2S_WA
50
I/O
I2S0 word alignment
I2S word alignment.
See sections 1.11 for functional description.
See sections 2.8 for external circuit design-in.
I2S1
I2S1_TXD
206
O
I2S1 transmit data
I2S transmit data output.
See sections 1.11 for functional description.
See sections 2.8 for external circuit design-in.
I2S1_RXD
207
I
I2S1 receive data
I2S receive data input.
See sections 1.11 for functional description.
See sections 2.8 for external circuit design-in.
I2S1_CLK
208
I/O
I2S1 clock
I2S serial clock.
See sections 1.11 for functional description.
See sections 2.8 for external circuit design-in.
I2S1_WA
205
I/O
I2S1 word alignment
I2S word alignment.
See sections 1.11 for functional description.
See sections 2.8 for external circuit design-in.
Analog
audio
MIC_BIAS
231
O
Microphone supply
output
Supply output for external microphones.
See sections 1.11 for functional description.
See sections 2.8 for external circuit design-in.
MIC_GND
230
I
Microphone analog
reference
Local ground for the external microphone.
See sections 1.11 for functional description.
See sections 2.8 for external circuit design-in.
MIC1_P
237
I
MIC1 differential
analog audio input (+)
MIC1 differential analog audio signal input (positive).
See sections 1.11 for functional description.
See sections 2.8 for external circuit design-in.
MIC1_N
236
I
MIC1 differential
analog audio input (–)
MIC1 differential analog audio signal input (negative).
See sections 1.11 for functional description.
See sections 2.8 for external circuit design-in.
MIC2_P
234
I
MIC2 differential
analog audio input (+)
MIC2 differential analog audio signal input (positive).
See sections 1.11 for functional description.
See sections 2.8 for external circuit design-in.
MIC2_N
233
I
MIC2 differential
analog audio input (–)
MIC2 differential analog audio signal input (negative).
See sections 1.11 for functional description.
See sections 2.8 for external circuit design-in.

TOBY-L4 series - System Integration Manual
UBX-16024839 - R04 System description
Page 19 of 143
Function
Pin Name
Pin No
I/O
Description
Remarks
SPK_P
227
O
Differential analog
audio output (+)
Differential analog audio signal output (positive).
See sections 1.11 for functional description.
See sections 2.8 for external circuit design-in.
SPK_N
228
O
Differential analog
audio output (–)
Differential analog audio signal output (negative).
See sections 1.11 for functional description.
See sections 2.8 for external circuit design-in.
ADC
ADC1
240
I
ADC input
See section 1.12 for functional description.
See section 2.9 for external circuit design-in.
ADC2
239
I
ADC input
See section 1.12 for functional description.
See section 2.9 for external circuit design-in.
GPIO
GPIO1
21
I/O
GPIO
1.8 V GPIO with alternatively configurable functions.
See section 1.13 for functional description.
See section 2.10 for external circuit design-in.
GPIO2
22
I/O
GPIO
1.8 V GPIO with alternatively configurable functions.
See section 1.13 for functional description.
See section 2.10 for external circuit design-in.
GPIO3
24
I/O
GPIO
1.8 V GPIO with alternatively configurable functions.
Configurable as External Interrupt by uCPU API.
See section 1.13 for functional description.
See section 2.10 for external circuit design-in.
GPIO4
25
I/O
GPIO
1.8 V GPIO with alternatively configurable functions.
Configurable as SPI0 Chip Select 1 by uCPU API.
See sections 1.13, 1.9.3 for functional description.
See sections 2.10, 2.6.3 for external circuit design-in.
GPIO5
60
I/O
GPIO
1.8 V GPIO with alternatively configurable functions.
See section 1.13 for functional description.
See section 2.10 for external circuit design-in.
GPIO6
61
I/O
GPIO
1.8 V GPIO with alternatively configurable functions.
See section 1.13 for functional description.
See section 2.10 for external circuit design-in.
GPIO7
248
I/O
GPIO
1.8 V GPIO with alternatively configurable functions.
See section 1.13 for functional description.
See section 2.10 for external circuit design-in.
GPIO8
247
I/O
GPIO
1.8 V GPIO with alternatively configurable functions.
See section 1.13 for functional description.
See section 2.10 for external circuit design-in.
Reserved
RSVD
6
N/A
Reserved pin
This pin must be connected to ground.
See sections 1.14 and 2.11
RSVD
1, 7-9, 31, 45,
47-49, 77, 84,
91, 153-158,
163-167, 180,
181, 183-192,
194, 196-202,
224, 225, 242,
243, 244-246
N/A
Reserved pin
Leave unconnected.
See sections 1.14 and 2.11
Table 4: TOBY-L4 series module pin definition, grouped by function

TOBY-L4 series - System Integration Manual
UBX-16024839 - R04 System description
Page 20 of 143
1.4 Operating modes
TOBY-L4 series modules have several operating modes. The operating modes are defined in Table 5 and
described in detail in Table 6, providing general guidelines for operation.
General Status
Operating Mode
Definition
Power-down
Not-powered mode
VCC supply not present or below operating range: module is switched off.
Power-off mode
VCC supply within operating range and module is switched off.
Normal Operation
Idle mode
Module processor core runs with 32 kHz reference generated by the internal oscillator.
Active mode
Module processor core runs with 26 MHz reference generated by the internal oscillator.
Connected mode
RF Tx/Rx data connection enabled and processor core runs with 26 MHz reference.
Table 5: TOBY-L4 series modules operating modes definition
Mode
Description
Transition between operating modes
Not-powered
Module is switched off.
Application interfaces are not accessible.
When VCC supply is removed, the modules enter not-powered mode.
When in not-powered mode, the modules do not switch on by
applying VCC supply, or by using the PWR_ON pin.
When in not-powered mode, the modules go to power-off mode by
applying VCC supply.
Power-off
Module is switched off: normal shutdown by an
appropriate power-off event (see 1.6.2).
Application interfaces are not accessible.
When the modules are switched off by an appropriate power-off event
(see 1.6.2), the modules enter power-off mode from active mode.
When in power-off mode, the modules can be switched on by means
of the PWR_ON pin (see 1.6.1).
When in power-off mode, the modules enter not-powered mode by
removing VCC supply.
Idle
Module is switched on with application
interfaces temporarily disabled or suspended to
reduce the current consumption (see 1.5.1.5)
due to power saving configuration enabled by
AT+UPSV command or uCPU API
The modules automatically switch from the active mode to low power
idle mode whenever possible if power saving is enabled.
The modules wake up from low power idle mode to active mode due
to any necessary network related activity, external wake-up through
the operating interfaces, or wake-up by means of dedicated uCPU API.
Active
Module is switched on with application
interfaces enabled or not suspended: the
module is ready to communicate with an
external device by means of the application
interfaces unless power saving configuration is
enabled by AT+UPSV command or uCPU API.
When the modules are switched on by an appropriate power-on event
(see 1.6.1), the module enter active mode from power-off mode.
If power saving configuration is enabled by the AT+UPSV command or
uCPU API, the module automatically switches from active to idle mode
whenever possible and the module wakes up from idle to active mode
in the events listed above (see idle mode to active mode transition
description above).
When a RF Tx/Rx data or voice connection is initiated or when RF Tx/Rx
is required due to a connection previously initiated, the module
switches from active to connected mode.
Connected
RF Tx/Rx data connection is in progress.
The module is prepared to accept data signals
from an external device unless power saving
configuration is enabled by AT+UPSV command
or uCPU API.
When a data or voice connection is initiated, the module enters
connected mode from active mode.
Connected mode is suspended if Tx/Rx data or voice is not in progress.
In such case, the module automatically switches from connected to
active mode and then, if power saving configuration is enabled by the
AT+UPSV command or uCPU API, the module automatically switches
to idle mode whenever possible. Vice-versa, the module wakes up from
idle to active mode and then connected mode if RF Tx/Rx is necessary.
When a data connection is terminated, the module returns to the
active mode.
Table 6: TOBY-L4 series modules operating modes descriptions

TOBY-L4 series - System Integration Manual
UBX-16024839 - R04 System description
Page 21 of 143
Figure 2 describes the transition between the various operating modes.
If power saving is enabled
and there is no activity for
a defined time interval
Any wake up event described
in the module operating
modes summary table above
Incoming/outgoing call or
other dedicated device
network communication
No RF Tx/Rx in progress,
Call terminated,
Communication dropped
Remove VCC
Switch ON:
•PWR_ON
Not
powered
Power off
ActiveConnected Idle
Switch OFF:
•AT+CPWROFF
•uCPU API
•PWR_ON
Apply VCC
Figure 2: TOBY-L4 series modules operating modes transitions

TOBY-L4 series - System Integration Manual
UBX-16024839 - R04 System description
Page 22 of 143
1.5 Supply interfaces
1.5.1 Module supply input (VCC)
The modules must be supplied via the three VCC pins that represent the module power supply input.
The VCC pins are internally connected to the RF power amplifier and to the integrated Power Management Unit:
all supply voltages needed by the module are generated from the VCC supply by integrated voltage regulators,
including the Real Time Clock supply, V_INT generic digital interfaces supply, VSIM SIM card supply, V_ETH
RGMII interface supply, V_MMC eMMC interface supply, and any other internal rail.
During operation, the current drawn by the TOBY-L4 series modules through the VCC pins can vary by several
orders of magnitude. This ranges from the pulse of current consumption during GSM transmitting bursts at
maximum power level in connected mode (as described in section 1.5.1.2) to the low current consumption
during low power idle mode with power saving enabled (as described in section 1.5.1.5).
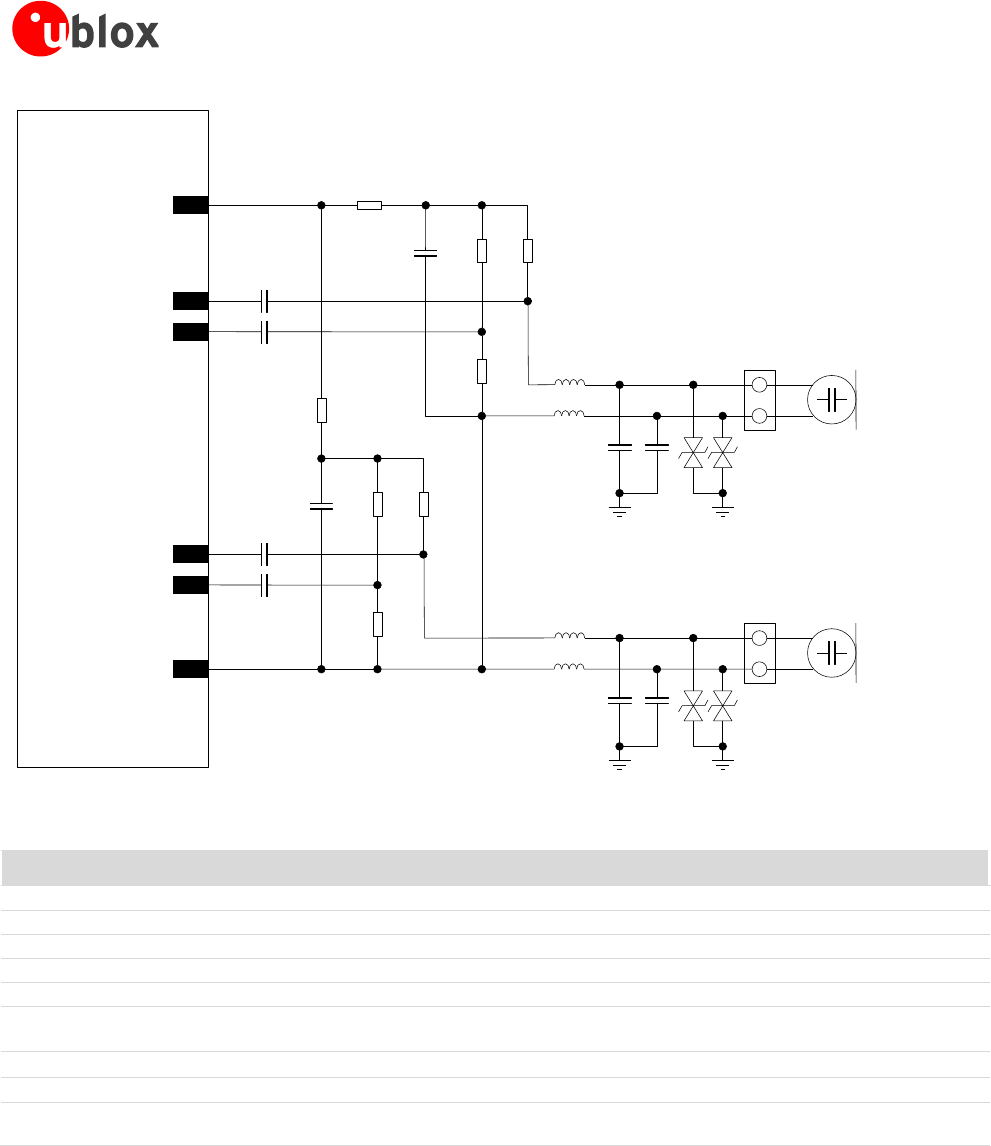
Figure 3 provides a simplified block diagram of the TOBY-L4 series modules’ internal VCC supply routing.
72
VCC
71
VCC
70
VCC
TOBY-L4 series
Power
Management
Unit
Memory
Baseband
Processor
Transceiver
RF PMU
Cellular
Power Amplifiers
Figure 3: TOBY-L4 series modules’ internal VCC supply routing simplified block diagram

TOBY-L4 series - System Integration Manual
UBX-16024839 - R04 System description
Page 23 of 143
1.5.1.1 VCC supply requirements
Table 7 summarizes the requirements for the VCC modules supply. See section 2.2.1 for suggestions on how to
properly design a VCC supply circuit compliant with the requirements listed in Table 7.
The supply circuit affects the RF compliance of the device integrating TOBY-L4 series modules
with applicable required certification schemes as well as antenna circuit design. Compliance is
guaranteed if the requirements summarized in Table 7 are fulfilled.
Item
Requirement
Remark
VCC nominal voltage
Within VCC normal operating range:
3.40 V min. / 4.40 V max.
RF performance is guaranteed when VCC PA voltage is
inside the normal operating range limits.
RF performance may be affected when VCC PA voltage is
outside the normal operating range limits, though the
module is still fully functional until the VCC voltage is
inside the extended operating range limits.
VCC voltage during
normal operation
Within VCC extended operating range:
3.00 V min. / 4.50 V max.
VCC voltage must be above the extended operating range
minimum limit to switch-on the module.
The module may switch-off when the VCC voltage drops
below the extended operating range minimum limit.
Operation above VCC extended operating range is not
recommended and may affect device reliability.
VCC average current
Support with adequate margin the highest averaged
VCC current consumption value in connected mode
conditions
The maximum average current consumption can be
greater than the specified value according to the actual
antenna mismatching, temperature and supply voltage.
Sections 1.5.1.2, 1.5.1.3 and 1.5.1.4 describe the current
consumption profiles in 2G, 3G and LTE connected modes.
VCC peak current
Support with margin the highest peak VCC current
consumption value in connected mode conditions
The specified maximum peak of current consumption
occurs during the GSM single transmit slot in 850/900
MHz connected mode, in case of a mismatched antenna.
Section 1.5.1.2 describes 2G Tx peak/pulse current.
VCC voltage drop
during 2G Tx slots
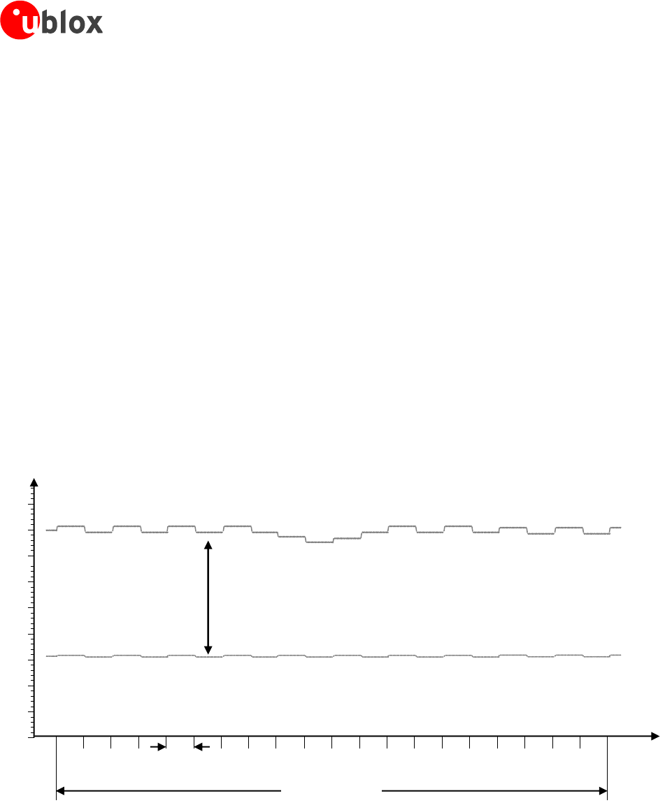
Lower than 400 mV
Supply voltage drop values greater than recommended
during 2G TDMA transmission slots directly affect the RF
compliance with the applicable certification schemes.
Figure 5 describes supply voltage drop during 2G Tx slots.
VCC voltage ripple
during 2G/3G/LTE Tx
Noise in the supply must be minimized
High supply voltage ripple values during LTE/3G/2G RF
transmissions in connected mode directly affect the RF
compliance with applicable certification schemes.
Figure 5 describes supply voltage ripple during RF Tx.
VCC under/over-shoot
at start/end of Tx slots
Absent or at least minimized
Supply voltage under-shoot or over-shoot at the start or
the end of 2G TDMA transmission slots directly affect the
RF compliance with the applicable certification schemes.
Figure 5 describes supply voltage under/over-shoot
Table 7: Summary of VCC modules supply requirements

TOBY-L4 series - System Integration Manual
UBX-16024839 - R04 System description
Page 24 of 143
1.5.1.2 VCC current consumption in 2G connected mode
When a GSM call is established, the VCC module current consumption is determined by the current
consumption profile typical of the GSM transmitting and receiving bursts.
The peak of current consumption during a transmission slot is strictly dependent on the RF transmitted power,
which is regulated by the network (the current base station). The transmitted power in the transmit slot is also
the more relevant factor for determining the average current consumption.
If the module is transmitting in 2G single-slot mode in the 850 or 900 MHz bands, at the maximum RF power
level (approximately 2 W or 33 dBm in the allocated transmit slot/burst) the current consumption can reach an
upper peak for 576.9 µs (width of the transmit slot/burst) with a periodicity of 4.615 ms (width of 1 frame =
8 slots/burst), so with a 1/8 duty cycle according to GSM TDMA (Time Division Multiple Access).
If the module is transmitting in 2G single-slot mode in the 1800 or 1900 MHz bands, the current consumption
figures are considerably lower than the one in the low bands, due to the 3GPP transmitter output power
specifications.
During a GSM call, current consumption is not so significantly high in receiving or in monitor bursts and is low in
the inactive unused bursts.
Figure 4 shows an example of the module current consumption profile versus time in 2G single-slot mode.
Time [ms]
RX
slot
unused
slot
unused
slot
TX
slot
unused
slot
unused
slot
MON
slot
unused
slot
RX
slot
unused
slot
unused
slot
TX
slot
unused
slot
unused
slot
MON
slot
unused
slot
GSM frame
4.615 ms
(1 frame = 8 slots)
Current [A]
200 mA
60-120 mA
1900 mA
Peak current depends
on TX power and
actual antenna load
GSM frame
4.615 ms
(1 frame = 8 slots)
60-120 mA
10-40 mA
0.0
1.5
1.0
0.5
2.0
2.5
Figure 4: VCC current consumption profile versus time during a 2G single-slot call (1 TX slot, 1 RX slot)
Figure 5 illustrates VCC voltage profile versus time during a 2G single-slot call, according to the relative VCC
current consumption profile illustrated in Figure 4.
Time [ms]
undershoot
overshoot
ripple
drop
Voltage [mV]
3.8 V
(typ)
RX
slot
unused
slot
unused
slot
TX
slot
unused
slot
unused
slot
MON
slot
unused
slot
RX
slot
unused
slot
unused
slot
TX
slot
unused
slot
unused
slot
MON
slot
unused
slot
GSM frame
4.615 ms
(1 frame = 8 slots)
GSM frame
4.615 ms
(1 frame = 8 slots)
Figure 5: VCC voltage profile versus time during a 2G single-slot call (1 TX slot, 1 RX slot)

TOBY-L4 series - System Integration Manual
UBX-16024839 - R04 System description
Page 25 of 143
When a GPRS connection is established, more than one slot can be used to transmit and/or more than one slot
can be used to receive. The transmitted power depends on the network conditions, which set the peak current
consumption, but following the 3GPP specifications, the maximum Tx RF power is reduced if more than one slot
is used to transmit, so the maximum peak of current is not as high as can be the case with a 2G single-slot call.
If the module transmits in GPRS class 12 in the 850 or 900 MHz bands, at the maximum RF power control level,
the current consumption can reach a quite high peak but lower than the one achievable in 2G single-slot mode.
This happens for 2.307 ms (width of the 4 transmit slots/bursts) with a periodicity of 4.615 ms (width of 1 frame
= 8 slots/bursts), so with a 1/2 duty cycle, according to 2G TDMA.
If the module is in GPRS connected mode in the 1800 or 1900 MHz bands, the current consumption figures are
quite less high than the one in the low bands, due to 3GPP transmitter output power specifications.
Figure 6 reports the current consumption profiles in GPRS class 12 connected mode, in the 850 or 900 MHz
bands, with 4 slots used to transmit and 1 slot used to receive.
It must be noted that the actual current consumption of the module in 2G connected mode depends also on the
specific concurrent activities performed by the integrated CPU, beside the actual Tx power and antenna load.
Time [ms]
RX
slot
unused
slot
TX
slot
TX
slot
TX
slot
TX
slot
MON
slot
unused
slot
RX
slot
unused
slot
TX
slot
TX
slot
TX
slot
TX
slot
MON
slot
unused
slot
GSM frame
4.615 ms
(1 frame = 8 slots)
Current [A]
200mA
60-130mA
Peak current depends
on TX power and
actual antenna load
GSM frame
4.615 ms
(1 frame = 8 slots)
1600 mA
0.0
1.5
1.0
0.5
2.0
2.5
Figure 6: VCC current consumption profile during a 2G GPRS/EDGE multi-slot connection (4 TX slots, 1 RX slot)
For EDGE connections, the VCC current consumption profile is very similar to the GPRS current profile, so the
image shown in Figure 6, representing the current consumption profile in GPRS class 12 connected mode, is
valid for the EDGE class 12 connected mode as well.

TOBY-L4 series - System Integration Manual
UBX-16024839 - R04 System description
Page 26 of 143
1.5.1.3 VCC current consumption in 3G connected mode
During a 3G connection, the module can transmit and receive continuously due to the Frequency Division Duplex
(FDD) mode of operation with the Wideband Code Division Multiple Access (WCDMA).
The current consumption depends on output RF power, which is always regulated by the network (the current
base station) sending power control commands to the module. These power control commands are logically
divided into a slot of 666 µs, so the rate of power change can reach a maximum rate of 1.5 kHz.
There are no high current peaks as in the 2G connection, since transmission and reception are continuously
enabled due to FDD WCDMA implemented in the 3G that differs from the TDMA implemented in the 2G case.
In the worst case scenario, corresponding to a continuous transmission and reception at maximum output power
(approximately 250 mW or 24 dBm), the average current drawn by the module at the VCC pins is considerable.
At the lowest output RF power (approximately 0.01 µW or –50 dBm), the current drawn by the internal power
amplifier is strongly reduced. The total current drawn by the module at the VCC pins is due to baseband
processing and transceiver activity.
Figure 7 shows an example of the current consumption profile of the module in 3G WCDMA/DC-HSPA+
continuous transmission mode.
It must be noted that the actual current consumption of the module in 3G connected mode depends also on the
specific concurrent activities performed by the integrated CPU, beside the actual Tx power and antenna load.
Time
[ms]
3G frame
10 ms
(1 frame = 15 slots)
Current [mA]
Current consumption value
depends on TX power and
actual antenna load
170 mA
1 slot
666 µs
850 mA
0
300
200
100
500
400
600
700
Figure 7: VCC current consumption profile versus time during a 3G connection (TX and RX continuously enabled)

TOBY-L4 series - System Integration Manual
UBX-16024839 - R04 System description
Page 27 of 143
1.5.1.4 VCC current consumption in LTE connected mode
During an LTE connection, the module can transmit and receive continuously due to the Frequency Division
Duplex (FDD) mode of operation used in LTE radio access technology.
The current consumption depends on output RF power, which is always regulated by the network (the current
base station) sending power control commands to the module. These power control commands are logically
divided into a slot of 0.5 ms (time length of one Resource Block), thus the rate of power change can reach a
maximum rate of 2 kHz.
The current consumption profile is similar to that in 3G radio access technology. Unlike the 2G connection
mode, which uses the TDMA mode of operation, there are no high current peaks since transmission and
reception are continuously enabled in FDD.
In the worst case scenario, corresponding to a continuous transmission and reception at maximum output power
(approximately 250 mW or 24 dBm), the average current drawn by the module at the VCC pins is considerable.
At the lowest output RF power (approximately 0.1 µW or –40 dBm), the current drawn by the internal power
amplifier is greatly reduced and the total current drawn by the module at the VCC pins is due to baseband
processing and transceiver activity.
Figure 8 shows an example of the module current consumption profile versus time in LTE connected mode.
It must be noted that the actual current consumption of the module in LTE connected mode depends also on the
specific concurrent activities performed by the integrated CPU, beside the actual Tx power and antenna load.
Time
[ms]
Current [mA]
Current consumption value
depends on TX power and
actual antenna load
1 Slot
1 Resource Block
(0.5 ms) 1 LTE Radio Frame
(10 ms)
0
300
200
100
500
400
600
700
800
900
Figure 8: VCC current consumption profile versus time during LTE connection (TX and RX continuously enabled)

TOBY-L4 series - System Integration Manual
UBX-16024839 - R04 System description
Page 28 of 143
1.5.1.5 VCC current consumption in cyclic idle/active mode (power saving enabled)
The power saving configuration is disabled by default, but it can be enabled using the AT+UPSV command (see
the u-blox AT Commands Manual [2]) or the dedicated uCPU API. When power saving is enabled, the module
automatically enters the low power idle mode whenever possible, reducing current consumption.
During low power idle mode, the module processor runs with 32 kHz reference clock frequency.
When the power saving configuration is enabled and the module is registered or attached to a network, the
module automatically enters the low power idle mode whenever possible, but it must periodically monitor the
paging channel of the current base station (paging block reception), in accordance with the 2G/3G/LTE system
requirements, even if connected mode is not enabled by the application. When the module monitors the paging
channel, it wakes up to the active mode to enable the reception of the paging block. In between, the module
switches to low power idle mode. This is known as discontinuous reception (DRX).
The module processor core is activated during the paging block reception, and automatically switches its
reference clock frequency from 32 kHz to the 26 MHz used in active mode.
The time period between two paging block receptions is defined by the network. This is the paging period
parameter, fixed by the base station through the broadcast channel sent to all users on the same serving cell:
For 2G radio access technology, the paging period can vary from 470.8 ms (DRX = 2, length of 2 x 51 2G
frames = 2 x 51 x 4.615 ms) up to 2118.4 ms (DRX = 9, length of 9 x 51 2G frames = 9 x 51 x 4.615 ms)
For 3G radio access technology, the paging period can vary from 640 ms (DRX = 6, i.e. length of 26 3G
frames = 64 x 10 ms) up to 5120 ms (DRX = 9, length of 29 3G frames = 512 x 10 ms).
For LTE radio access technology, the paging period can vary from 320 ms (DRX = 5, i.e. length of 25 LTE
frames = 32 x 10 ms) up to 2560 ms (DRX = 8, length of 28 LTE frames = 256 x 10 ms).
Figure 9 illustrates a typical example of the module current consumption profile when power saving is enabled.
The module is registered with the network, automatically enters the low power idle mode and periodically wakes
up to active mode to monitor the paging channel for the paging block reception.
~50 ms
IDLE MODE ACTIVE MODE IDLE MODE
Active Mode
Enabled
Idle Mode
Enabled
2G case: 0.44-2.09 s
3G case: 0.61-5.09 s
LTE case: 0.27-2.51 s
IDLE MODE
~50 ms
ACTIVE MODE
Time [s]
Current [mA]
Time [ms]
Current [mA]
RX
Enabled
0
100
0
100
Figure 9: VCC current consumption profile with power saving enabled and module registered with the network: the module is
in low-power idle mode and periodically wakes up to active mode to monitor the paging channel for paging block reception

TOBY-L4 series - System Integration Manual
UBX-16024839 - R04 System description
Page 29 of 143
1.5.1.6 VCC current consumption in fixed active mode (power saving disabled)
When power saving is disabled, the module does not automatically enter the low power idle mode whenever
possible: the module remains in active mode. Power saving configuration is by default disabled. It can also be
disabled using the AT+UPSV command (see the u-blox AT Commands Manual [2]) or the dedicated uCPU API.
The module processor core is activated during idle mode, and the 26 MHz reference clock frequency is used. It
would draw more current during the paging period than that in the power saving mode.
Figure 10 illustrates a typical example of the module current consumption profile when power saving is disabled.
In such a case, the module is registered with the network and while active mode is maintained, the receiver is
periodically activated to monitor the paging channel for paging block reception.
It must be noted that the actual current consumption of the module in active mode depends on the specific
concurrent activities performed by the integrated CPU.
ACTIVE MODE
2G case: 0.44-2.09 s
3G case: 0.61-5.09 s
LTE case: 0.32-2.56 s
Paging period
Time [s]
Current [mA]
Time [ms]
Current [mA]
RX
Enabled
0
100
0
100
Figure 10: VCC current consumption profile with power saving disabled and module registered with the network: active mode
is always held and the receiver is periodically activated to monitor the paging channel for paging block reception

TOBY-L4 series - System Integration Manual
UBX-16024839 - R04 System description
Page 30 of 143
1.5.2 RTC back-up supply (V_BCKP)
When the VCC module supply input voltage is within the valid operating range, the internal Power Management
Unit (PMU) supplies the Real Time Clock (RTC) through the rail available at the V_BCKP pin.
The RTC provides the module time reference (date and time) that is used to set the wake-up interval during the
low power idle mode periods, and is able to make the programmable alarm functions available.
If the VCC module supply input voltage is under the minimum operating limit (e.g. during the not powered
mode), the RTC can be externally supplied through the V_BCKP pin. This lets the time reference (date and time)
run until the V_BCKP voltage is within its valid range, even when the main supply is not provided to the module.
Consider that the module cannot switch on if a valid voltage is not present on VCC even when the RTC is
supplied through V_BCKP (meaning that VCC is mandatory to switch on the module).
The RTC has a very low current consumption, but is highly temperature dependent.
If V_BCKP is left unconnected and the module main supply is not applied to the VCC pins, the RTC is supplied
from a small bypass capacitor mounted inside the module. However, this small capacitor is not able to provide a
long buffering time: within a few milliseconds the voltage on V_BCKP will drop below the valid range. This has
no impact on cellular connectivity, as all the module functionalities do not rely on date and time settings.
1.5.3 Generic digital interfaces supply output (V_INT)
The V_INT output pin of the TOBY-L4 series modules is connected to an internal 1.8 V supply. This supply is
internally generated by a switching step-down regulator integrated in the Power Management Unit and it is
internally used to source the generic digital I/O interfaces of the cellular module, as illustrated in Figure 11. The
output of this regulator is enabled when the module is switched on and it is disabled when the module is
switched off.
Baseband
Processor
70
VCC
71
VCC
72
VCC
5
V_INT
Switching
Step-Down
Power
Management
TOBY-L4 series
Digital I/O
Figure 11: TOBY-L4 series generic digital interfaces supply output (V_INT) simplified block diagram
The switching regulator operates in Pulse Width Modulation (PWM) mode for greater efficiency at high output
loads and it automatically switches to Pulse Frequency Modulation (PFM) power save mode for greater efficiency
at low output loads.

TOBY-L4 series - System Integration Manual
UBX-16024839 - R04 System description
Page 31 of 143
1.6 System function interfaces
1.6.1 Module power-on
TOBY-L4 series modules can be switched on in the following way:
Low pulse on the PWR_ON pin, which is normally set high by an internal pull-up, for a valid time period,
when the applied VCC voltage is stable at its nominal value within the valid operating range.
As illustrated in Figure 12, the TOBY-L4 series PWR_ON input is equipped with an internal active pull-up resistor
to an internal 1.3 V supply rail: the PWR_ON input voltage thresholds are different from the other generic digital
interfaces, and the line should be driven by an open drain, by an open collector or by a contact switch, without
an external pull-up resistor.
Detailed electrical characteristics and specifications are described in TOBY-L4 series Data Sheet [1].
Baseband
Processor
20
PWR_ON
TOBY-L4 series
Power-on
Power
Management
Power-on
35k
1.3 V
Figure 12: TOBY-L4 series PWR_ON input description
TOBY-L4 series modules do not switch on by applying the VCC supply only: a low pulse must be forced on
the PWR_ON pin when the VCC voltage is stable at its nominal value within the valid operating range.

TOBY-L4 series - System Integration Manual
UBX-16024839 - R04 System description
Page 32 of 143
Figure 13 shows the module power-on sequence, describing the following phases:
The VCC module supply is stable at its nominal value within the normal operating range
The PWR_ON input pin is set low for a valid time period, representing the switch-on event.
All the generic digital pins of the modules are tri-stated until the switch-on of their supply source (V_INT):
any external signal connected to the generic digital pins must be tri-stated or set low at least until the
activation of the V_INT supply output to avoid latch-up of circuits and allow a clean boot of the module.
The V_INT generic digital interfaces supply output is enabled by the integrated power management unit.
The RESET_N line rises suddenly to the high logic level due to internal pull-up to V_INT.
The internal reset signal is held low by the integrated power management unit: the baseband processor core
and all the digital pins of the modules are held in reset state.
When the internal reset signal is released, any digital pin is set in the correct sequence from the reset state
to the default operational configured state. The duration of this pins’ configuration phase differs within the
generic digital interfaces and the USB interface due to host / device enumeration timings (see section 1.9.1).
The module is fully ready to operate after all interfaces are configured.
VCC
PWR_ON
V_INT
RESET_N
Internal Reset
System State
Digital Pins State
Internal Reset → Operational Operational
Tristate / Floating
OFF
ON
Internal Reset
0 ms
~35 ms
~3 s
Start of interface
configuration
Module interfaces
are configured
The module starts
the switch-on routine
Figure 13: TOBY-L4 series power-on sequence description
The Internal Reset signal is not available on a module pin, but the host application can monitor the V_INT
pin to sense the start of the TOBY-L4 series module power-on sequence.
Before the switch-on of the generic digital interface supply source (V_INT) of the module, no voltage
driven by an external application should be applied to any generic digital interface of the module.
Before the TOBY-L4 series module is fully ready to operate, the host application processor should not send
any AT command over the AT communication interface (USB) of the module.
The duration of the TOBY-L4 series modules’ switch-on routine can vary depending on the application /
network settings and any concurrent module activities.

TOBY-L4 series - System Integration Manual
UBX-16024839 - R04 System description
Page 33 of 143
1.6.2 Module power-off
TOBY-L4 series can be properly switched off by:
AT+CPWROFF command
3
(see the u-blox AT Commands Manual [2])
uCPU application
4
Low pulse on the PWR_ON pin, which is normally set high by an internal pull-up, for a valid time period (see
the TOBY-L4 series Data Sheet [1]), module normal switch-off: the internal switch-off sequence of the
module starts when the external application releases the PWR_ON line from the low logic level, after that it
has been set low for an appropriate time period.
The methods listed above represent the appropriate normal switch-off events, triggering an appropriate normal
switch-off procedure of the module: the current parameter settings are saved in the module’s non-volatile
memory and a clean network detach is performed.
An abrupt under-voltage shutdown occurs on TOBY-L4 series modules when the VCC module supply is removed.
If this occurs, it is not possible to perform the storing of the current parameter settings in the module’s non-
volatile memory or to perform a clean network detach.
It is highly recommended to avoid an abrupt removal of the VCC supply during TOBY-L4 series modules
normal operations: the switch-off procedure must be started by an appropriate switch-off event (see
above), and then a suitable VCC supply must be held at least until the end of the modules’ internal
switch-off sequence, which occurs when the generic digital interfaces supply output (V_INT) is switched
off by the module.
An abrupt emergency shutdown procedure is triggered on TOBY-L4 series modules when a long enough low
pulse is set at the PWR_ON input pin (see the TOBY-L4 series Data Sheet [1], module emergency switch-off). In
this case, storage of the current parameter settings in the module’s non-volatile memory and the clean network
detach are not performed.
This abrupt emergency shutdown procedure is intended only for use for emergency, e.g. if the module does not
provide a reply to a specific AT command after a time period longer than the one defined in the u-blox AT
Commands Manual [2], or if shutdown via a normal switch-off procedure fails.
An over-temperature shutdown occurs on TOBY-L4 series modules when the temperature measured within the
cellular module reaches a critical range.
3
Not supported by "00" product version
4
Not supported by "50" product version

TOBY-L4 series - System Integration Manual
UBX-16024839 - R04 System description
Page 34 of 143
Figure 14 describes the TOBY-L4 series modules’ switch-off sequence started by means of the PWR_ON input
pin, allowing storage of current parameter settings in the module’s non-volatile memory and a clean network
detach, with the following phases
A low pulse with the appropriate time duration is applied at the PWR_ON input pin, which is normally set
high by an internal pull-up: the module starts the switch-off routine when the PWR_ON signal is released
from the low logical level.
At the end of the switch-off routine, all the digital pins are tri-stated and all the internal voltage regulators
are turned off, including the generic digital interfaces supply (V_INT).
Then, the module remains in power-off mode as long as a switch-on event does not occur (i.e. applying a
suitable low level pulse to the PWR_ON input pin), and enters not-powered mode if the supply is removed
from the VCC pins.
VCC
PWR_ON
RESET_N
V_INT
Internal Reset
System State
BB Pads State
OFF
Tristate / Floating
ON
Operational -> Tristate
Operational
0 s
~2.5 s
~5 s
The module starts
the switch-off routine
VCC
can be removed
Figure 14: TOBY-L4 series power-off sequence description
The Internal Reset signal is not available on a module pin, but the application can monitor the V_INT pin
to sense the end of the power-off sequence.
The VCC supply can be removed only after the end of the module internal switch-off routine, i.e. only
after that the V_INT voltage level has gone low.
The duration of each phase in the TOBY-L4 series modules’ switch-off routines can largely vary depending
on the application / network settings and the concurrent module activities.

TOBY-L4 series - System Integration Manual
UBX-16024839 - R04 System description
Page 35 of 143
1.6.3 Module reset
TOBY-L4 series modules can be properly reset (rebooted) by:
AT+CFUN command
5
(see the u-blox AT Commands Manual [2])
uCPU application
6
The methods listed above represent appropriate reset (reboot) events, triggering an appropriate “internal” or
“software” reset of the module: the current parameter settings are saved in the module’s non-volatile memory
and a clean network detach is performed.
An abrupt hardware reset occurs on TOBY-L4 series modules when a low level is applied on the RESET_N input
pin. In this case, the current parameter settings are not saved in the module’s non-volatile memory and a clean
network detach is not performed.
It is highly recommended to avoid an abrupt hardware reset of the module by forcing a low level on the
RESET_N input during modules normal operation: the RESET_N line should be set low only if reset via AT
commands or if the uCPU application fails.
As illustrated in Figure 15, the RESET_N input pins are equipped with an internal pull-up to the V_INT supply.
Baseband
Processor
23
RESET_N
TOBY-L4 series
5
V_INT
Reset
100k
Figure 15: TOBY-L4 series RESET_N input equivalent circuit description
1.6.4 Module / host configuration selection
Host Select pins are not supported by the "50" product version.
TOBY-L4 series modules include two 1.8 V digital pins (HOST_SELECT0, HOST_SELECT1), which can be
configured for External Interrupt detection or as GPIO by means of the uCPU API.
5
Not supported by "00" product version
6
Not supported by "50" product version

TOBY-L4 series - System Integration Manual
UBX-16024839 - R04 System description
Page 36 of 143
1.7 Antenna interfaces
1.7.1 Antenna RF interfaces (ANT1 / ANT2)
TOBY-L4 series modules provide two RF interfaces for connecting the external antennas:
The ANT1 represents the primary RF input/output for transmission and reception of LTE/3G/2G RF signals.
The ANT1 pin has a nominal characteristic impedance of 50 and must be connected to the primary Tx / Rx
antenna through a 50 transmission line to allow clean RF transmission and reception.
The ANT2 represents the secondary RF input for the reception of the RF signals for CA, MIMO and Rx
diversity configurations supported by TOBY-L4 series modules as a required feature for LTE category 6 UEs.
The ANT2 pin has a nominal characteristic impedance of 50 and must be connected to the secondary Rx
antenna through a 50 transmission line to allow for clean RF reception.
1.7.1.1 Antenna RF interfaces requirements
Table 8, Table 9 and Table 10 summarize the requirements for the antennas’ RF interfaces (ANT1 / ANT2). See
section 2.4.1 for suggestions on how to correctly design antennas circuits which are compliant with these
requirements.
The antenna circuits affect the RF compliance of the device integrating TOBY-L4 series modules
with the applicable required certification schemes (for more details see section 4). Compliance is
guaranteed if the antenna RF interfaces (ANT1 / ANT2) requirements summarized in Table 8,
Table 9 and Table 10 are fulfilled.
Item
Requirements
Remarks
Impedance
50 nominal characteristic impedance
The impedance of the antenna RF connection must match the 50
impedance of the ANT1 port.
Frequency Range
See the TOBY-L4 series Data Sheet [1]
The required frequency range of the antenna connected to the ANT1
port depends on the operating bands of the used cellular module and
the used mobile network.
Return Loss
S11 < -10 dB (VSWR < 2:1) recommended
S11 < -6 dB (VSWR < 3:1) acceptable
The Return loss or the S11, as the VSWR, refers to the amount of
reflected power, measuring how well the antenna RF connection
matches the 50 characteristic impedance of the ANT1 port.
The impedance of the antenna termination must match as much as
possible the 50 nominal impedance of the ANT1 port over the
operating frequency range, reducing as much as possible the amount
of reflected power.
Efficiency
> -1.5 dB ( > 70% ) recommended
> -3.0 dB ( > 50% ) acceptable
The radiation efficiency is the ratio of the radiated power to the power
delivered to antenna input: the efficiency is a measure of how well an
antenna receives or transmits.
The radiation efficiency of the antenna connected to the ANT1 port
needs to be enough high over the operating frequency range to
comply with the Over-The-Air (OTA) radiated performance
requirements, as Total Radiated Power (TRP) and the Total Isotropic
Sensitivity (TIS), specified by applicable related certification schemes.
Maximum Gain
According to radiation exposure limits
The power gain of an antenna is the radiation efficiency multiplied by
the directivity: the gain describes how much power is transmitted in
the direction of peak radiation to that of an isotropic source.
The maximum gain of the antenna connected to ANT1 port must not
exceed the herein stated value to comply with regulatory agencies’
radiation exposure limits.
Input Power
> 33 dBm ( > 2 W )
The antenna connected to the ANT1 port must support with adequate
margin the maximum power transmitted by the modules.
Table 8: Summary of primary Tx/Rx antenna RF interface (ANT1) requirements

TOBY-L4 series - System Integration Manual
UBX-16024839 - R04 System description
Page 37 of 143
Item
Requirements
Remarks
Impedance
50 nominal characteristic impedance
The impedance of the antenna RF connection must match the 50
impedance of the ANT2 port.
Frequency Range
See the TOBY-L4 series Data Sheet [1]
The required frequency range of the antennas connected to ANT2
port depends on the operating bands of the used cellular module and
the used mobile network.
Return Loss
S11 < -10 dB (VSWR < 2:1) recommended
S11 < -6 dB (VSWR < 3:1) acceptable
The Return loss or the S11, as the VSWR, refers to the amount of
reflected power, measuring how well the antenna RF connection
matches the 50 characteristic impedance of the ANT2 port.
The impedance of the antenna termination must match as much as
possible the 50 nominal impedance of the ANT2 port over the
operating frequency range, reducing as much as possible the amount
of reflected power.
Efficiency
> -1.5 dB ( > 70% ) recommended
> -3.0 dB ( > 50% ) acceptable
The radiation efficiency is the ratio of the radiated power to the power
delivered to antenna input: the efficiency is a measure of how well an
antenna receives or transmits.
The radiation efficiency of the antenna connected to the ANT2 port
needs to be enough high over the operating frequency range to
comply with the Over-The-Air (OTA) radiated performance
requirements, as the TIS, specified by applicable related certification
schemes.
Table 9: Summary of secondary Rx antenna RF interface (ANT2) requirements
Item
Requirements
Remarks
Efficiency
imbalance
< 0.5 dB recommended
< 1.0 dB acceptable
The radiation efficiency imbalance is the ratio of the primary (ANT1)
antenna efficiency to the secondary (ANT2) antenna efficiency: the
efficiency imbalance is a measure of how much better an antenna
receives or transmits compared to the other antenna.
The radiation efficiency of the secondary antenna needs to be roughly
the same as the radiation efficiency of the primary antenna for good
RF performance.
Envelope
Correlation
Coefficient
< 0.4 recommended
< 0.5 acceptable
The Envelope Correlation Coefficient (ECC) between the primary
(ANT1) and the secondary (ANT2) antenna is an indicator of 3D
radiation pattern similarity between the two antennas: low ECC results
from antenna patterns with radiation lobes in different directions.
The ECC between the primary and secondary antennas needs to be
low enough to comply with the radiated performance requirements
specified by related certification schemes.
Isolation
> 15 dB recommended
> 10 dB acceptable
The antenna to antenna isolation is the loss between the primary
(ANT1) and the secondary (ANT2) antenna: high isolation results from
low coupled antennas.
The isolation between primary and secondary antenna needs to be
high for good RF performance.
Table 10: Summary of primary (ANT1) and secondary (ANT2) antennas relationship requirements

TOBY-L4 series - System Integration Manual
UBX-16024839 - R04 System description
Page 38 of 143
1.7.2 Antenna detection interface (ANT_DET)
The antenna detection is based on ADC measurement. The ANT_DET pin is an Analog to Digital Converter
(ADC) provided to sense the antenna presence.
The antenna detection function provided by ANT_DET pin is an optional feature that can be implemented if the
application requires it.
The ANT_DET pin generates a DC current and measures the resulting DC voltage, thus determining the
resistance from the antenna connector provided on the application board to GND. So the requirements to
achieve antenna detection functionality are the following:
an RF antenna assembly with a built-in resistor (diagnostic circuit) must be used
an antenna detection circuit must be implemented on the application board
See section 2.4.2 for the antenna detection circuit on the application board and the diagnostic circuit in the
antenna assembly design-in guidelines.
1.8 SIM interfaces
1.8.1 SIM interfaces
TOBY-L4 series modules provide two SIM interfaces for the direct connection of two external SIM cards/chips,
which can be used alternatively (only one SIM at a time can be used for network access):
SIM0 interface (VSIM, SIM_IO, SIM_CLK, SIM_RST pins), which is enabled by default
SIM1 interface (VSIM1, SIM1_IO, SIM1_CLK, SIM1_RST pins), which can be alternatively enabled by
dedicated AT command
7
(see the u-blox AT Commands Manual [2]), or by means of the uCPU application
8
.
Both 1.8 V and 3 V SIM types are supported by the SIM interfaces. Activation and deactivation with an
automatic voltage switch from 1.8 V to 3 V is implemented according to ISO-IEC 7816-3 specifications.
High-speed SIM/ME interface and the PPS procedure for baud-rate selection is implemented according to the
values proposed by the SIM card/chip.
Both the VSIM supply output and the VSIM1 supply output provide internal short circuit protection to limit the
start-up current and protect the SIM from short circuits.
1.8.2 SIM detection interface
The GPIO5 pin of TOBY-L4 series modules can be configured to detect the mechanical / physical presence of an
external SIM card connected to the SIM0 interface. The pin can sense SIM card presence as intended to be
properly connected to the mechanical switch of a SIM card holder as described in section 2.5:
Low logic level at GPIO5 input pin is recognized as SIM card not present
High logic level at GPIO5 input pin is recognized as SIM card present
The SIM card detection function provided by GPIO5 pin is an optional feature that can be implemented / used or
not according to the application requirements: an Unsolicited Result Code (URC) is generated each time that
there is a change of status.
The optional function “SIM card hot insertion/removal” can be additionally configured on the GPIO5 pin, in
order to enable / disable the SIM0 interface upon detection of external SIM card physical insertion / removal.
7
Not supported by the "00" product version
8
Not supported by the "50" product version

TOBY-L4 series - System Integration Manual
UBX-16024839 - R04 System description
Page 39 of 143
1.9 Data communication interfaces
TOBY-L4 series modules provide the following serial communication interfaces:
USB interface (see section 1.9.1):
USB Super-Speed 3.0 compliant interface
9
, with the module acting as a USB device:
USB High-Speed 2.0 compliant interface, with the module acting as a USB device or host11, providing:
AT command
10
Data communication
Ethernet-over-USB virtual channel (CDC-NCM)
FW upgrades
Trace log capture (diagnostic purposes)
Auxiliary channel to tune internal audio parameters using a dedicated external tool
Linux console for uCPU API development and debug11
Communication with external processor / device by means of uCPU API
11
Up to four UART interfaces (see section 1.9.2):
UART0 interface, providing:
Communication with external serial devices by means of uCPU API11
Trace log capture (diagnostic purposes)
Ring Indicator functionality
UART1 interface
12
, providing:
Communication with external serial devices by means of uCPU API11
UART2 interface, providing:
Communication with external serial devices by means of uCPU API11
UART3 interface, providing:
Linux console for uCPU API development and debug11
Up to two SPI interfaces11 (see section 1.9.3):
SPI0 interface, with the module acting as SPI master, providing:
Communication with external SPI slave devices by means of uCPU API
SPI1 interface12, with the module acting as SPI master, providing:
Communication with external SPI slave devices by means of uCPU API
Two DDC I2C bus compatible interfaces11 (see section 1.9.4):
I2C0 interface, with the module acting as I2C master, providing:
Communication with u-blox GNSS positioning chips / modules
Communication with external I2C slave devices by means of uCPU API
I2C1 interface, with the module acting as I2C master, providing:
Communication with external I2C slave devices by means of uCPU API
SDIO interface11, with the module acting as SDIO host, providing (see section 1.9.5):
Communication with compatible u-blox short range radio modules by means of uCPU API
Communication with external SDIO devices by means of uCPU API
RGMII / RMII interface11, with the module acting as Ethernet MAC, providing (see section 1.9.6):
Ethernet connection enabled by means of uCPU API, through the external Ethernet PHY
9
Supported by future FW versions
10
Not supported by the "00" product version
11
Not supported by the "50" product version
12
UART1 and SPI1 interfaces can be used alternatively, in mutually exclusive way, by means of uCPU API

TOBY-L4 series - System Integration Manual
UBX-16024839 - R04 System description
Page 40 of 143
1.9.1 USB interface
The USB Super-Speed 3.0 compliant interface will be supported by future firmware versions.
The USB High-Speed 2.0 host role is not supported by the "50" product versions.
TOBY-L4 series modules include a USB Super-Speed 3.0 compliant interface, supporting up to 5 Gbit/s data rate,
and also including a USB High-Speed 2.0 compliant interface, supporting up to 480 Mbit/s data rate.
The USB High-Speed 2.0 compliant interface consists of the following pins:
USB_D+/USB_D–, USB High-Speed differential transceiver data lines as per USB 2.0 specification [3]
VUSB_DET input pin, which senses the VBUS USB supply presence (nominally 5 V at the source) to detect
the host connection and enable the USB 2.0 interface with the module acting as a USB device.
Neither the USB interface, nor the whole module is supplied by the VUSB_DET input pin, which senses the
VBUS USB supply voltage presence and absorbs few microamperes.
USB_ID pin, available for USB ID resistance measurement:
if the USB_ID pin is externally connected to GND, then the module acts as a USB host
if the USB_ID pin is externally left unconnected (floating), then the module acts as a USB device
The USB High-Speed 2.0 compliant interface, with the module acting as a USB device, provides:
AT command
13
Data communication
Ethernet-over-USB virtual channel
Trace log capture (diagnostic purposes)
Auxiliary channel to tune internal audio parameters using a dedicated external tool
Linux console for uCPU applications development and debug
14
FW upgrades
The module, acting as a USB device, identifies itself by its VID (Vendor ID) and PID (Product ID) combination,
included in the USB device descriptor according to the USB 2.0 specifications [3].
If the module, acting as a USB device, is connected to the USB host before the module is switched on, or if the
module is reset (rebooted) with the USB connected to the host, the VID and PID are automatically updated
during the boot of the module. First, the VID and PID are the following:
VID = 0x8087
PID = 0x0801
This VID and PID combination identifies a USB profile where no USB function described above is available: the AT
commands must not be sent to the module over the USB profile identified by this VID and PID combination.
Then, after a time period (depending on the host / device enumeration timings), the VID and PID are updated to
the one where the normal operative functions (AT, Data, Ethernet-over-USB, Trace, Linux console) are available.
VID and PID for normal operative functions are the following:
VID = 0x1546
PID = 0x1010
The USB High-Speed 2.0 compliant interface, with the module acting as USB host (OTG), provides:
Communication with external device by means of the uCPU application
13
Not supported by the "00" product version
14
Not supported by the "50" product version

TOBY-L4 series - System Integration Manual
UBX-16024839 - R04 System description
Page 41 of 143
The USB Super-Speed 3.0 compliant interface as per USB 3.0 specifications [4], with the module acting as a USB
device, consists of the following additional pins:
USB_SSTX+/USB_SSTX–, USB Super-Speed differential transmitter data lines
USB_SSRX+/USB_SSRX–, USB Super-Speed differential receiver data lines
USB drivers are available for Windows operating system platforms. TOBY-L4 series modules are compatible with
standard Linux/Android USB kernel drivers.
1.9.2 UART interfaces
UART interfaces are not supported by the "50" product version, except for trace logging (diagnostic
purposes) and Ring Indicator functionality over the UART0 interface.
1.9.2.1 UART0 interface
The UART0 Universal Asynchronous Receiver/Transmitter serial interface has CMOS compatible signal levels
(0 V for ON / active state and 1.8 V for OFF / idle state), providing:
Communication with external devices by means of the uCPU API, over the following pins:
o RXD module output and TXD module input data lines
o CTS module output and RTS module input hardware flow control lines
Trace logging (diagnostic purpose), over the following pins:
o RXD module output and TXD module input data lines
Ring Indicator functionality, over the following pin:
o RI module output line
The UART0 interface can operate at 9.6 kbit/s, 19.2 kbit/s, 38.4 kbit/s, 57.6 kbit/s, 115.2 kbit/s, 230.4 kbit/s,
460.8 kbit/s, 921.6 kbit/s, 3 Mbit/s, 3.25 Mbit/s and 6.5 Mbit/s baud rates, with 8N1 frame format (illustrated in
Figure 16), and with hardware flow control output (CTS line) driven to the OFF state when the module is not
prepared to accept data by the UART0 interface.
D0 D1 D2 D3 D4 D5 D6 D7
Start of 1-Byte
transfer
Start Bit
(Always 0)
Possible Start of
next transfer
Stop Bit
(Always 1)
t
bit
= 1/(Baudrate)
Normal Transfer, 8N1
Figure 16: Description of UART 8N1 frame format (8 data bits, no parity, 1 stop bit)

TOBY-L4 series - System Integration Manual
UBX-16024839 - R04 System description
Page 42 of 143
The RI line can notify an incoming call: the RI line is switched from the OFF state to the ON state with a 4:1 duty
cycle and a 5 s period (ON for 1 s, OFF for 4 s, see Figure 17), until the DTE attached to the module sends the
ATA string and the module accepts the incoming data call. The RING string sent by the module (DCE) to the
serial port at constant time intervals is not correlated with the switch of the RI line to the ON state.
Figure 17: RI behavior during an incoming call
The RI output line can notify an SMS arrival. When the SMS arrives, the RI line switches from OFF to ON for 1 s
(see Figure 18), if the feature is enabled by the AT+CNMI command (see the u-blox AT Commands Manual [2]).
Figure 18: RI behavior at SMS arrival
This behavior allows the DTE to stay in power saving mode until the DCE related event requests service.
For SMS arrival, if several events coincidently occur or in quick succession, each event independently triggers the
RI line, although the line will not be deactivated between each event. As a result, the RI line may stay to ON for
more than 1 s, if an incoming call is answered within less than 1 s (with ATA or if auto-answering is set to
ATS0=1) then the RI line is set to OFF earlier, so that:
RI line monitoring cannot be used by the DTE to determine the number of received SMSs.
For multiple events (incoming call plus SMS received), the RI line cannot be used to discriminate the two
events, but the DTE must rely on subsequent URCs and interrogate the DCE with the suitable commands.
The RI line can additionally notify URCs and/or incoming data, if the feature is enabled by the specific AT+URING
command (for more details, see the u-blox AT Commands Manual [2]): the RI line is asserted when one of the
configured events occur and it remains asserted for 1 s unless another configured event will happen, with the
same behavior illustrated in Figure 18.
The DTR, DSR, DCD and RI pins can be alternatively configured for External Interrupt detection or as GPIO by
means of the uCPU API. The RI pin can be alternatively configured as GPIO by an AT command.
SMS arrives
time [s]
0
RI ON
RI OFF
1s
time [s]
0
RI ON
RI OFF
1s
1s
time [s]
151050
RI ON
RI OFF
Call incomes
1s
time [s]
151050
RI ON
RI OFF
Call incomes

TOBY-L4 series - System Integration Manual
UBX-16024839 - R04 System description
Page 43 of 143
1.9.2.2 UART1 interface
The UART1 Universal Asynchronous Receiver/Transmitter serial interface, with CMOS compatible signal levels
(0 V for ON / active state and 1.8 V for OFF / idle state), can operate as a
serial interface for communication with external devices by means of the uCPU API, with the following pins:
o RXD1 module output and TXD1 module input data lines
o CTS1 module output and RTS1 module input hardware flow control lines
The UART1 interface can operate at 9.6 kbit/s, 19.2 kbit/s, 38.4 kbit/s, 57.6 kbit/s, 115.2 kbit/s, 230.4 kbit/s,
460.8 kbit/s, 921.6 kbit/s, 3 Mbit/s, 3.25 Mbit/s and 6.5 Mbit/s baud rates, with 8N1 frame format (illustrated in
Figure 16), and with hardware flow control output (CTS1 line) driven to the OFF state when the module is not
prepared to accept data by the UART1 interface.
The UART1 interface can be alternatively, in mutually exclusive way, configured as SPI1 interface by means of the
uCPU API, for communication with external devices with the following pins:
o RXD1 pin, alternatively configured as SPI1 Master Output Slave Input (module output)
o TXD1 pin, alternatively configured as SPI1 Master Input Slave Output (module input)
o CTS1 pin, alternatively configured as SPI1 Chip Select (module output)
o RTS1 pin, alternatively configured as SPI1 Clock (module output)
1.9.2.3 UART2 interface
The UART2 Universal Asynchronous Receiver/Transmitter serial interface, with CMOS compatible signal levels
(0 V for ON / active state and 1.8 V for OFF / idle state), can operate as a
serial interface for communication with external devices by means of the uCPU API, with the following pins:
o RXD2 module output and TXD2 module input data lines
The UART2 interface can operate at 9.6 kbit/s, 19.2 kbit/s, 38.4 kbit/s, 57.6 kbit/s, 115.2 kbit/s, 230.4 kbit/s,
460.8 kbit/s, 921.6 kbit/s, 3 Mbit/s, 3.25 Mbit/s and 6.5 Mbit/s baud rates, with 8N1 frame format (illustrated in
Figure 16).
1.9.2.4 UART3 interface
The UART3 Universal Asynchronous Receiver/Transmitter serial interface, with CMOS compatible signal levels
(0 V for ON / active state and 1.8 V for OFF / idle state), can operate as
Linux console for uCPU API development and debug, with the following pins:
o RXD3 module output and TXD3 module input data lines
The UART3 interface can operate at 9.6 kbit/s, 19.2 kbit/s, 38.4 kbit/s, 57.6 kbit/s, 115.2 kbit/s, 230.4 kbit/s,
460.8 kbit/s, 921.6 kbit/s, 3 Mbit/s, 3.25 Mbit/s and 6.5 Mbit/s baud rates, with 8N1 frame format (illustrated in
Figure 16).

TOBY-L4 series - System Integration Manual
UBX-16024839 - R04 System description
Page 44 of 143
1.9.3 SPI interfaces
SPI interfaces are not supported by the "50" product version.
1.9.3.1 SPI0 interface
The SPI0 1.8 V Serial Peripheral Interface supports communication with an external SPI slave devices, with the
module acting as SPI master, by means of the uCPU API, with the following pins:
SPI_MOSI pin, SPI0 Master Output Slave Input (module output)
SPI_MISO pin, SPI0 Master Input Slave Output (module input)
SPI_SCLK pin, SPI0 Serial Clock (module output)
SPI_CS pin, SPI0 Chip Select 0 (module output)
GPIO4 pin, alternatively configured as SPI0 Chip Select 1 (module output)
The SPI0 Serial Clock signal can be configured to different operating frequencies: 26 MHz (maximum frequency),
and 26 / n MHz, where n is 2, 3, 4, etc.
1.9.3.2 SPI1 interface
The SPI1 1.8 V Serial Peripheral Interface supports communication with an external SPI slave devices, with the
module acting as SPI master, by means of the uCPU API, with the following UART1 pins configured as alternative
functions, in a mutually exclusive way:
RXD1 pin, alternatively configured as SPI1 Master Output Slave Input (module output)
TXD1 pin, alternatively configured as SPI1 Master Input Slave Output (module input)
RTS1 pin, alternatively configured as SPI1 Serial Clock (module output)
CTS1 pin, alternatively configured as SPI1 Chip Select (module output)
The SPI1 Serial Clock signal can be configured at various operating frequencies: 26 MHz (maximum frequency),
and 26 / n MHz, where n is 2, 3, 4, etc.

TOBY-L4 series - System Integration Manual
UBX-16024839 - R04 System description
Page 45 of 143
1.9.4 DDC (I2C) interfaces
DDC (I2C) interfaces are not supported by the "50" product version.
1.9.4.1 I2C0 interface
The SDA and SCL pins represent the I2C0 1.8 V I2C bus compatible Display Data Channel (DDC) interface, with
the module acting as I2C master, available for
communication with u-blox GNSS chips / modules
communication with other external I2C devices by means of the uCPU API
The I2C0 interface pins of the module are open drain outputs conforming to the I2C bus specifications [6],
supporting up to 100 kbit/s data rate in Standard mode, and up to 400 kbit/s data rate in Fast mode. External
pull-up resistors to suitable 1.8 V supply (e.g. V_INT) are required for operations.
u-blox has implemented special features to ease the design effort required for the integration of a u-blox cellular
module with a u-blox GNSS receiver.
Combining a u-blox cellular module with a u-blox GNSS receiver allows designers to have full access to the
positioning receiver directly via the cellular module: it relays control messages to the GNSS receiver via a
dedicated DDC (I2C) interface. An interface connected to the positioning receiver is not necessary: the cellular
module allows full control of the GNSS receiver.
The modules provide embedded GNSS aiding that is a set of specific features developed by u-blox to improve the
cellular / GNSS system power consumption and the GNSS performance, decreasing the Time-To-First-Fix (TTFF),
thus allowing to calculate the position in a shorter time with higher accuracy.
1.9.4.2 I2C1 interface
The SDA and SCL pins represent the I2C1 I2C bus compatible Display Data Channel (DDC) interface, with the
module acting as the I2C master, available for
communication with other external I2C devices by means of uCPU API
The I2C1 interface pins of the module are open drain outputs conforming to the I2C bus specifications [6],
supporting up to 100 kbit/s data rate in Standard mode, and up to 400 kbit/s data rate in Fast mode. External
pull-up resistors to a suitable 1.8 V supply (e.g. V_INT) are required for operations.
1.9.5 SDIO interface
SDIO interface is not supported by the "50" product version.
TOBY-L4 series modules include a 4-bit Secure Digital Input Output interface (SDIO_D0, SDIO_D1, SDIO_D2,
SDIO_D3, SDIO_CLK, SDIO_CMD), where the module acts as an SDIO host controller designed to
communicate with compatible u-blox short range radio communication modules by means of the uCPU API
communicate with external SDIO devices by means of the uCPU API
The SDIO interface supports up to 832 Mbit/s data rate with SD 3.0 SDR104 mode at 208 MHz clock frequency.
Combining a u-blox cellular module with a u-blox short range communication module gives designers full access
to the Wi-Fi module directly via the cellular module, so that a second interface connected to the Wi-Fi module is
not necessary. The cellular module allows a full control of the Wi-Fi module, because Wi-Fi control messages are
relayed to the Wi-Fi module via the dedicated SDIO interface.
u-blox has implemented special features in the cellular modules to ease the design effort for the integration of a
u-blox cellular module with a u-blox short range Wi-Fi module to provide Router functionality.

TOBY-L4 series - System Integration Manual
UBX-16024839 - R04 System description
Page 46 of 143
1.9.6 RGMII interface
RGMII interface is not supported by the "50" product version.
TOBY-L4 series modules include an Ethernet Media Access Control (MAC) block supporting up to 1 Gbit/s data
rate via a Reduced Gigabit Media-Independent Interface compliant with the RGMII Version 1.3 specification [7]
and the RMII Revision 1.2 specification [8].
The module represents an Ethernet MAC controller, which can be connected to an external Ethernet physical
transceiver (PHY) chip for communication with a remote processor over Ethernet.
The following signals are provided for communication and management of an external Ethernet PHY:
V_ETH Interface supply output
ETH_TX_CLK RGMII Transmit reference Clock (TXC) output
RMII Reference Clock (REF_CLK) output
ETH_TX_CTL RGMII Transmit Control output, driven on both edges of the Transmit clock (TXC)
RMII Transmit Enable (TXEN) output, synchronous with Reference Clock (REF_CLK)
ETH_TXD0 RGMII / RMII Transmit Data [0], from MAC to PHY (module output)
ETH_TXD1 RGMII / RMII Transmit Data [1], from MAC to PHY (module output)
ETH_TXD2 RGMII Transmit Data [2], from MAC to PHY (module output)
ETH_TXD3 RGMII Transmit Data [3], from MAC to PHY (module output)
ETH_RX_CLK RGMII Receive reference Clock (RXC) input
ETH_RX_CTL RGMII Receive Control input, sampled on both edges of the Receive clock (RXC)
RMII Carrier Sense (CRS) / Receive Data Valid (RX_DV) input
ETH_RXD0 RGMII / RMII Receive Data [0], from PHY to MAC (module input)
ETH_RXD1 RGMII / RMII Receive Data [1], from PHY to MAC (module input)
ETH_RXD2 RGMII Receive Data [2], from PHY to MAC (module input)
ETH_RXD3 RGMII Receive Data [3], from PHY to MAC (module input)
ETH_INTR Ethernet Interrupt Input, from PHY to MAC (module input)
When this signal is high, it indicates an interrupt event in the PHY
ETH_MDIO Management Data Input Output, bidirectional signal (module input/output)
ETH_MDC Management Data Clock, from MAC to PHY (module output)

TOBY-L4 series - System Integration Manual
UBX-16024839 - R04 System description
Page 47 of 143
1.10 eMMC interface
The eMMC interface is not supported by the "50" product version.
TOBY-L4 series modules include a 4-bit embedded Multi-Media Card interface compliant with the JESD84-B451
Embedded Multimedia Card (eMMC) Electrical Standard 4.51 [9].
The following signals are provided for connection and management of an external eMMC / SD memory by
means of the uCPU API:
V_MMC Interface supply output (module output)
MMC_D0 Multi-Media Card Data [0], bidirectional signal (module input/output)
MMC_D1 Multi-Media Card Data [1], bidirectional signal (module input/output)
MMC_D2 Multi-Media Card Data [2], bidirectional signal (module input/output)
MMC_D3 Multi-Media Card Data [3], bidirectional signal (module input/output)
MMC_CMD Multi-Media Card Command, bidirectional signal (module input/output)
MMC_CLK Multi-Media Card Clock (module output)
MMC_RST_N Multi-Media Card Reset (module output)
MMC_CD_N Multi-Media Card Detect (module input)

TOBY-L4 series - System Integration Manual
UBX-16024839 - R04 System description
Page 48 of 143
1.11 Audio interfaces
1.11.1 Analog audio interfaces
TOBY-L4 series modules provide the following analog audio interfaces:
Analog audio inputs (analog audio uplink path)
15
:
First differential analog audio input (MIC1_P, MIC1_N), which can be connected to the output of an
external analog audio device, or an external microphone for voice call or eCall purposes.
The MIC1_P / MIC1_N pins are internally directly connected to a differential input (positive/negative)
of the Audio Front-End, consisting of a Low Noise Amplifier integrated in a dedicated IC, without any
internal series capacitor for DC blocking. The LNA is internally followed by an integrated sigma-delta
ADC connecting the analog Audio Front-End to the digital audio processing system.
Second differential analog audio input (MIC2_P, MIC2_N), which can be connected to the output of
an external analog audio device, or an external microphone for voice call or eCall purposes.
The MIC2_P / MIC2_N pins are internally directly connected to a differential input (positive/negative)
of the Audio Front-End, consisting of a Low Noise Amplifier integrated in a dedicated IC, without any
internal series capacitor for DC blocking. The LNA is internally followed by an integrated sigma-delta
ADC connecting the analog Audio Front-End to the digital audio processing system.
Supply output for external microphones (MIC_BIAS), which can provide the bias / supply for external
microphones by means of a simple circuit implemented on the application board.
The MIC_BIAS pin is internally connected to the output of a low noise LDO linear regulator integrated
in a dedicated IC, with appropriate internal bypass capacitor provided to guarantee stable operation of
the linear regulator.
Local ground for the external microphone (MIC_GND)
The MIC_GND pin is internally connected to ground as a sense line, representing a clean ground
reference for the analog audio input.
Analog audio output (analog audio downlink path):
Differential analog audio output (SPK_P, SPK_N), which can be connected to the input of an external
analog audio device, or an external speaker.
The SPK_P / SPK_N pins are internally directly connected to a differential output (positive/negative) of
the Audio Front-End, consisting of a low power audio amplifier integrated in a dedicated IC, without
any internal series capacitor for DC blocking. The low power audio amplifier is internally preceded by
an integrated DAC connecting the analog Audio Front-End to the digital audio processing system.
15
The first differential analog audio input (MIC1_P, MIC1_N) and the second differential analog audio input (MIC2_P, MIC2_N) interfaces
can be used alternatively, in mutually exclusive way.

TOBY-L4 series - System Integration Manual
UBX-16024839 - R04 System description
Page 49 of 143
1.11.2 Digital audio interface
TOBY-L4 series modules include two 4-wire I2S digital audio interfaces:
I2S0 digital audio interface, consisting of the following pins:
I2S_TXD data output
I2S_RXD data input
I2S_CLK bit clock input/output
I2S_WA world alignment / synchronization signal input/output
I2S1 digital audio interface consisting of the following pins:
I2S1_TXD data output
I2S1_RXD data input
I2S1_CLK bit clock input/output
I2S1_WA world alignment / synchronization signal input/output
The second digital audio interface (I2S1) will be supported by future firmware versions.
Both I2S0 and I2S1 digital audio interfaces are suitable to transfer digital audio data with an external compatible
digital audio device, as an audio codec or as an audio digital signal processor.
The I2S interfaces can be alternatively set in different modes:
PCM mode (short synchronization signal): I2S word alignment signal is set high for 1 or 2 clock cycles for the
synchronization, and then is set low for 16 clock cycles according to the 17 or 18 clock cycles frame length.
Normal I2S mode (long synchronization signal): I2S word alignment is set high / low with a 50% duty cycle
(high for 16 clock cycles / low for 16 clock cycles, according to the 32 clock cycles frame length).
The I2S interface can be alternatively set in 2 different roles:
Master mode
Slave mode
The sample rate of transmitted/received words, which corresponds to the I2S word alignment / synchronization
signal frequency (<I2S_sample_rate>), can be alternatively set to:
8 kHz
11.025 kHz
12 kHz
16 kHz
22.05 kHz
24 kHz
32 kHz
44.1 kHz
48 kHz
96 kHz
192 kHz
The modules support I2S transmit and I2S receive data 16-bit words long, linear. Data is transmitted and read in
2’s complement notation. The MSB is transmitted and read first.
I2S clock signal frequency depends on the frame length, the sample rate and the selected mode of operation:
17 x <I2S_sample_rate> or 18 x <I2S_sample_rate> in PCM mode (short synchronization signal)
16 x 2 x <I2S_sample_rate> in Normal I2S mode (long synchronization signal)

TOBY-L4 series - System Integration Manual
UBX-16024839 - R04 System description
Page 50 of 143
1.12 ADC interfaces
The ADC pins are not supported by the "50" product version.
TOBY-L4 series modules include Analog to Digital Converter inputs (ADC1, ADC2), which can be handled by
means of the dedicated uCPU API.
1.13 General Purpose Input/Output
TOBY-L4 series modules "00" product versions include 14 pins (GPIO1, GPIO2, GPIO3, GPIO4, GPIO5, GPIO6,
GPIO7, GPIO8, HOST_SELECT0, HOST_SELECT1, DTR, DSR, DCD, and RI) that can be configured by the uCPU
application as general purpose input/output or to provide custom functions as summarized in Table 11.
Function
Description
Configurable GPIOs
External Interrupt
External Interrupt detection (module input)
GPIO3, HOST_SELECT0, HOST_SELECT1, DTR,
DSR, DCD, RI
SPI Chip Select
SPI0 Chip Select 1 (module output)
GPIO4
GNSS supply enable
Enable/disable the supply of u-blox GNSS receiver connected to
the cellular module over the I2C0 interface
GPIO2
GNSS data ready
Sense when u-blox GNSS receiver connected to the module is
ready for sending data over the I2C0 interface
GPIO3
GNSS RTC sharing
RTC synchronization signal to the u-blox GNSS receiver connected
to the cellular module over the I2C0 interface
GPIO4
SIM card detection
External SIM card physical presence detection
GPIO5
SIM card hot
insertion/removal
Enable / disable SIM interface upon detection of external SIM card
physical insertion / removal
GPIO5
Wi-Fi enable
Switch-on/off the external u-blox Wi-Fi module connected to the
cellular module over the SDIO interface
GPIO1
Wake-up
Wake-up the module from Suspend to RAM state
GPIO3
Core dump
Indicates core dump sent over Ethernet RGMII / RMII interface
GPIO8
Input
Input to sense high or low digital level
GPIO1, GPIO2, GPIO3, GPIO4, GPIO5, GPIO6,
GPIO7, GPIO8, HOST_SELECT0, HOST_SELECT1,
DTR, DSR, DCD, RI
Output
Output to set the high or the low digital level
GPIO1, GPIO2, GPIO3, GPIO4, GPIO5, GPIO6,
GPIO7, GPIO8, HOST_SELECT0, HOST_SELECT1,
DTR, DSR, DCD, RI
Pin disabled
Output tri-stated with an internal active pull-down enabled
GPIO1, GPIO2, GPIO3, GPIO4, GPIO5, GPIO6,
GPIO7, GPIO8, HOST_SELECT0, HOST_SELECT1,
DTR, DSR, DCD, RI
Table 11: TOBY-L4 series modules "00" product versions GPIO custom functions summary

TOBY-L4 series - System Integration Manual
UBX-16024839 - R04 System description
Page 51 of 143
TOBY-L4 series modules "50" product versions include 9 pins (GPIO1, GPIO2, GPIO3, GPIO4, GPIO5, GPIO6,
GPIO7, GPIO8, and RI) that can be configured by AT commands as general purpose input/output or to provide
custom functions as summarized in Table 12.
Function
Description
Configurable GPIOs
Ring Indicator
UART0 Ring Indicator functionality (Circuit 125 in ITU-T V.24)
RI
SIM card detection
External SIM card physical presence detection
GPIO5
SIM card hot
insertion/removal
Enable / disable SIM interface upon detection of external SIM card
physical insertion / removal
GPIO5
Input
Input to sense high or low digital level
GPIO1, GPIO2, GPIO3, GPIO4, GPIO5, GPIO6,
GPIO7, GPIO8, RI
Output
Output to set the high or the low digital level
GPIO1, GPIO2, GPIO3, GPIO4, GPIO5, GPIO6,
GPIO7, GPIO8, RI
Pin disabled
Output tri-stated with an internal active pull-down enabled
GPIO1, GPIO2, GPIO3, GPIO4, GPIO5, GPIO6,
GPIO7, GPIO8, RI
Table 12: TOBY-L4 series modules "50" product versions GPIO custom functions summary
1.14 Reserved pins (RSVD)
TOBY-L4 series modules have pins reserved for future use, marked as RSVD: they can all be left unconnected on
the application board, except
the RSVD pin number 6 that must be externally connected to ground

TOBY-L4 series - System Integration Manual
UBX-16024839 - R04 Design-in
Page 52 of 143
2 Design-in
2.1 Overview
For optimal integration of the modules in the application PCB, follow the design guidelines stated in this section.
Every application circuit must be properly designed to guarantee the correct functionality of the relative
interface, but a number of points require greater attention during the design of the application device.
The following list provides a rank of importance in the application design, starting with the most significant:
1. Module antenna connection:
Antenna circuit directly affects the RF compliance of the device integrating a TOBY-L4 series module with
applicable certification schemes. Very carefully follow the suggestions provided in section 2.4 for the
schematic and layout design.
2. Module supply:
The supply circuit affects the RF compliance of the device integrating a TOBY-L4 series module with
applicable required certification schemes as well as the antenna circuit design. Very carefully follow the
suggestions provided in section 2.2.1 for the schematic and layout design.
3. USB interface:
Accurate design is required to guarantee USB functionality. Carefully follow the suggestions provided in
section 2.6.1 for the schematic and layout design.
4. SIM interface:
Accurate design is required to guarantee SIM card functionality reducing the risk of RF coupling. Carefully
follow the suggestions provided in section 2.5 for the schematic and layout design.
5. System functions:
Accurate design is required to guarantee well defined voltage level during operation at Reset and Power-on
inputs. Carefully follow the suggestions provided in section 2.3 for the schematic and layout design.
6. Analog audio:
Accurate design is required to obtain clear and high quality audio reducing the risk of noise from audio lines
due to both supply burst noise coupling and RF detection. Carefully follow the suggestions provided in
section 2.8.1 for the schematic and layout design.
7. SDIO, RGMII, eMMC interfaces:
Accurate design is required to guarantee SDIO, RGMII, eMMC interfaces functionality. Carefully follow the
suggestions provided in section 2.6.5, 2.6.6, 2.7 for the schematic and layout design.
8. ADC interfaces:
Accurate design is required to guarantee ADC interfaces functionality. Carefully follow the suggestions
provided in section 2.9 for the schematic and layout design.
9. Other digital interfaces: (UART, SPI, I2C, I2S, Host Select, GPIOs, and Reserved pins).
Accurate design is required to guarantee correct functionality and reduce the risk of digital data frequency
harmonics coupling. Follow the suggestions provided in sections 2.6.1, 2.6.3, 2.6.4, 2.8.2, 2.3.3, 2.10, 2.11.
10. Other supplies: V_BCKP RTC supply and V_INT generic digital interfaces supply.
Correct design is required to guarantee functionality. Follow the suggestions provided in 2.2.2 and 2.2.3.
It is recommended to also follow the specific design guidelines provided by each manufacturer of any
external part selected for the application board that integrates the u-blox cellular modules.

TOBY-L4 series - System Integration Manual
UBX-16024839 - R04 Design-in
Page 53 of 143
2.2 Supply interfaces
2.2.1 Module supply (VCC)
2.2.1.1 General guidelines for VCC supply circuit selection and design
All the available VCC pins must be connected to the external supply minimizing the power loss due to series
resistance.
GND pins are internally connected. Application design shall connect all the available pads to solid ground on the
application board, since a good (low impedance) connection to external ground can minimize power loss and
improve RF and thermal performance.
TOBY-L4 series modules must be sourced through the VCC pins with a suitable DC power supply that should
meet the following prerequisites to comply with the modules’ VCC requirements summarized in Table 7.
The suitable DC power supply can be selected according to the application requirements (see Figure 19) between
the different possible supply sources types, which most common ones are the following:
Switching regulator
Low Drop-Out (LDO) linear regulator
Rechargeable Lithium-ion (Li-Ion) or Lithium-ion polymer (Li-Pol) battery
Primary (disposable) battery
Main Supply
Available?
Battery
Li-Ion 3.7 V
Linear LDO
Regulator
Main Supply
Voltage > 5V?
Switching Step-Down
Regulator
No, portable device
No, less than 5 V
Yes, greater than 5 V
Yes, always available
Figure 19: VCC supply concept selection
The switching step-down regulator is the typical choice when the available primary supply source has a nominal
voltage much higher (e.g. greater than 5 V) than the operating supply voltage of TOBY-L4 series. The use of
switching step-down provides the best power efficiency for the overall application and minimizes current drawn
from the main supply source. See sections 2.2.1.2, 2.2.1.6, 2.2.1.10, 2.2.1.11 for specific design-in.
The use of an LDO linear regulator becomes convenient for a primary supply with a relatively low voltage (e.g.
less or equal than 5 V). In this case the typical 90% efficiency of the switching regulator diminishes the benefit
of voltage step-down and no true advantage is gained in input current savings. On the opposite side, linear
regulators are not recommended for high voltage step-down as they dissipate a considerable amount of energy
in thermal power. See sections 2.2.1.3, 2.2.1.6, 2.2.1.10, 2.2.1.11 for specific design-in.
If TOBY-L4 series modules are deployed in a mobile unit where no permanent primary supply source is available,
then a battery will be required to provide VCC. A standard 3-cell Li-Ion or Li-Pol battery pack directly connected
to VCC is the usual choice for battery-powered devices. During charging, batteries with Ni-MH chemistry
typically reach a maximum voltage that is above the maximum rating for VCC, and should therefore be avoided.
See sections 2.2.1.4, 2.2.1.6, 2.2.1.10, 2.2.1.11 for specific design-in.
Keep in mind that the use of rechargeable batteries requires the implementation of a suitable charger circuit
which is not included in the modules. The charger circuit must be designed to prevent over-voltage on VCC pins,
and it should be selected according to the application requirements: a DC/DC switching charger is the typical
choice when the charging source has an high nominal voltage (e.g. ~12 V), whereas a linear charger is the

TOBY-L4 series - System Integration Manual
UBX-16024839 - R04 Design-in
Page 54 of 143
typical choice when the charging source has a relatively low nominal voltage (~5 V). If both a permanent primary
supply / charging source (e.g. ~12 V) and a rechargeable back-up battery (e.g. 3.7 V Li-Pol) are available at the
same time as possible supply source, then a suitable charger / regulator with integrated power path
management function can be selected to supply the module while simultaneously and independently charging
the battery. See sections 2.2.1.7, 2.2.1.8, and 2.2.1.4, 2.2.1.6, 2.2.1.10, 2.2.1.11 for specific design-in.
An appropriate primary (not rechargeable) battery can be selected taking into account the maximum current
specified in the TOBY-L4 series Data Sheet [1] during connected mode, considering that primary cells might have
weak power capability. See sections 2.2.1.5, and 2.2.1.6, 2.2.1.10, 2.2.1.11 for specific design-in.
The usage of more than one DC supply at the same time should be evaluated carefully: depending on the supply
source characteristics, different DC supply systems can result as mutually exclusive.
The usage of a regulator or a battery not able to support the highest peak of VCC current consumption specified
in the TOBY-L4 series Data Sheet [1] is generally not recommended. However, if the selected regulator or battery
is not able to support the highest peak current of the module, it must be able to support with adequate margin
at least the highest averaged current consumption value specified in the TOBY-L4 series Data Sheet [1]. The
additional energy required by the module during a 2G Tx slot can be provided by an appropriate bypass tank
capacitor or a super-capacitor with very large capacitance and very low ESR placed close to the module VCC
pins. Depending on the actual capability of the selected regulator or battery, the required capacitance can be
considerably larger than 1 mF and the required ESR can be in the range of few tens of m. Carefully evaluate
the super-capacitor characteristics since aging and temperature may affect the actual characteristics.
The following sections highlight some design aspects for each of the supplies listed above providing application
circuit design-in compliant with the module VCC requirements summarized in Table 7.
2.2.1.2 Guidelines for VCC supply circuit design using a switching regulator
The use of a switching regulator is suggested when the difference from the available supply rail source to the
VCC value is high, since switching regulators provide good efficiency transforming a 12 V or greater voltage
supply to the typical 3.8 V value of the VCC supply.
The characteristics of the switching regulator connected to VCC pins should meet the following prerequisites to
comply with the module VCC requirements summarized in Table 7:
Power capability: the switching regulator with its output circuit must be capable of providing a voltage
value to the VCC pins within the specified operating range and must be capable of delivering to VCC pins
the maximum peak / pulse current consumption during Tx burst at maximum Tx power specified in the
TOBY-L4 series Data Sheet [1].
Low output ripple: the switching regulator together with its output circuit must be capable of providing a
clean (low noise) VCC voltage profile.
High switching frequency: for best performance and for smaller applications it is recommended to select a
switching frequency ≥ 600 kHz (since L-C output filter is typically smaller for high switching frequency). The
use of a switching regulator with a variable switching frequency or with a switching frequency lower than
600 kHz must be evaluated carefully since this can produce noise in the VCC voltage profile and therefore
negatively impact LTE/3G/2G modulation spectrum performance. An additional L-C low-pass filter between
the switching regulator output to VCC supply pins can mitigate the ripple at the input of the module, but
adds extra voltage drop due to resistive losses on series inductors.
PWM mode operation: it is preferable to select regulators with Pulse Width Modulation (PWM) mode.
While in connected mode, the Pulse Frequency Modulation (PFM) mode and PFM/PWM modes transitions
must be avoided to reduce noise on VCC voltage profile. Switching regulators can be used that are able to
switch between low ripple PWM mode and high ripple PFM mode, provided that the mode transition occurs
when the module changes status from the idle/active modes to connected mode. It is permissible to use a
regulator that switches from the PWM mode to the burst or PFM mode at an appropriate current threshold.

TOBY-L4 series - System Integration Manual
UBX-16024839 - R04 Design-in
Page 55 of 143
Figure 20 and Table 13 show an example of a high reliability power supply circuit, where the module VCC input
is supplied by a step-down switching regulator capable of delivering maximum current with low output ripple
and with fixed switching frequency in PWM mode operation greater than 1 MHz.
12V
C5
R3
C4
R2
C2C1
R1
VIN
RUN
VC
RT
PG
SYNC
BD
BOOST
SW
FB
GND
6
7
10
9
5
C6
1
2
3
8
11
4
C7 C8
D1 R4
R5
L1
C3
U1
TOBY-L4 series
71 VCC
72 VCC
70 VCC
GND
Figure 20: Example of high reliability VCC supply application circuit using a step-down regulator
Reference
Description
Part Number - Manufacturer
C1
10 µF Capacitor Ceramic X7R 5750 15% 50 V
C5750X7R1H106MB - TDK
C2
10 nF Capacitor Ceramic X7R 0402 10% 16 V
GRM155R71C103KA01 - Murata
C3
680 pF Capacitor Ceramic X7R 0402 10% 16 V
GRM155R71H681KA01 - Murata
C4
22 pF Capacitor Ceramic C0G 0402 5% 25 V
GRM1555C1H220JZ01 - Murata
C5
10 nF Capacitor Ceramic X7R 0402 10% 16 V
GRM155R71C103KA01 - Murata
C6
470 nF Capacitor Ceramic X7R 0603 10% 25 V
GRM188R71E474KA12 - Murata
C7
22 µF Capacitor Ceramic X5R 1210 10% 25 V
GRM32ER61E226KE15 - Murata
C8
330 µF Capacitor Tantalum D_SIZE 6.3 V 45 m
T520D337M006ATE045 - KEMET
D1
Schottky Diode 40 V 3 A
MBRA340T3G - ON Semiconductor
L1
10 µH Inductor 744066100 30% 3.6 A
744066100 - Wurth Electronics
R1
470 k Resistor 0402 5% 0.1 W
2322-705-87474-L - Yageo
R2
15 k Resistor 0402 5% 0.1 W
2322-705-87153-L - Yageo
R3
22 k Resistor 0402 5% 0.1 W
2322-705-87223-L - Yageo
R4
390 k Resistor 0402 1% 0.063 W
RC0402FR-07390KL - Yageo
R5
100 k Resistor 0402 5% 0.1 W
2322-705-70104-L - Yageo
U1
Step-Down Regulator MSOP10 3.5 A 2.4 MHz
LT3972IMSE#PBF - Linear Technology
Table 13: Components for high reliability VCC supply application circuit using a step-down regulator

TOBY-L4 series - System Integration Manual
UBX-16024839 - R04 Design-in
Page 56 of 143
Figure 21 and the components listed in Table 14 show an example of a low-cost power supply circuit, where the
VCC module supply is provided by a step-down switching regulator capable of delivering to VCC pins the
specified maximum peak / pulse current, transforming a 12 V supply input.
TOBY-L4 series
12V
R5
C6C1
VCC
INH
FSW
SYNC
OUT
GND
2
6
31
7
8
C3
C2
D1 R1
R2
L1
U1
GND
FB
COMP
5
4
R3
C4
R4
C5
71 VCC
72 VCC
70 VCC
Figure 21: Example of low cost VCC supply application circuit using a step-down regulator
Reference
Description
Part Number - Manufacturer
C1
22 µF Capacitor Ceramic X5R 1210 10% 25 V
GRM32ER61E226KE15 – Murata
C2
100 µF Capacitor Tantalum B_SIZE 20% 6.3V 15m
T520B107M006ATE015 – Kemet
C3
5.6 nF Capacitor Ceramic X7R 0402 10% 50 V
GRM155R71H562KA88 – Murata
C4
6.8 nF Capacitor Ceramic X7R 0402 10% 50 V
GRM155R71H682KA88 – Murata
C5
56 pF Capacitor Ceramic C0G 0402 5% 50 V
GRM1555C1H560JA01 – Murata
C6
220 nF Capacitor Ceramic X7R 0603 10% 25 V
GRM188R71E224KA88 – Murata
D1
Schottky Diode 25V 2 A
STPS2L25 – STMicroelectronics
L1
5.2 µH Inductor 30% 5.28A 22 m
MSS1038-522NL – Coilcraft
R1
4.7 k Resistor 0402 1% 0.063 W
RC0402FR-074K7L – Yageo
R2
910 Resistor 0402 1% 0.063 W
RC0402FR-07910RL – Yageo
R3
82 Resistor 0402 5% 0.063 W
RC0402JR-0782RL – Yageo
R4
8.2 k Resistor 0402 5% 0.063 W
RC0402JR-078K2L – Yageo
R5
39 k Resistor 0402 5% 0.063 W
RC0402JR-0739KL – Yageo
U1
Step-Down Regulator 8-VFQFPN 3 A 1 MHz
L5987TR – ST Microelectronics
Table 14: Components for low cost VCC supply application circuit using a step-down regulator

TOBY-L4 series - System Integration Manual
UBX-16024839 - R04 Design-in
Page 57 of 143
2.2.1.3 Guidelines for VCC supply circuit design using a Low Drop-Out linear regulator
The use of a linear regulator is suggested when the difference from the available supply rail source and the VCC
value is low. The linear regulators provide high efficiency when transforming a 5 VDC supply to a voltage value
within the module VCC normal operating range.
The characteristics of the Low Drop-Out (LDO) linear regulator connected to the VCC pins should meet the
following prerequisites to comply with the module VCC requirements summarized in Table 7:
Power capabilities: the LDO linear regulator with its output circuit must be capable of providing a voltage
value to the VCC pins within the specified operating range and must be capable of delivering to the VCC
pins the maximum peak / pulse current consumption during Tx burst at maximum Tx power specified in the
TOBY-L4 series Data Sheet [1].
Power dissipation: the power handling capability of the LDO linear regulator must be checked to limit its
junction temperature to the maximum rated operating range (i.e. check the voltage drop from the maximum
input voltage to the minimum output voltage to evaluate the power dissipation of the regulator).
Figure 22 and the components listed in Table 15 show an example of a power supply circuit where the VCC
module supply is provided by an LDO linear regulator capable of delivering the required current with a suitable
power handling capability.
It is recommended to configure the LDO linear regulator to generate a voltage supply value slightly below the
maximum limit of the module VCC normal operating range (e.g. ~4.1 V for the VCC, as in the circuits illustrated
in Figure 22 and Table 15). This reduces the power on the linear regulator and improves the thermal design of
the circuit.
5V
C1 R1
IN OUT
ADJ
GND
1
24
5
3
C2R2
R3
U1
SHDN
TOBY-L4 series
71 VCC
72 VCC
70 VCC
GND
C3
Figure 22: Example of high reliability VCC supply application circuit using an LDO linear regulator
Reference
Description
Part Number - Manufacturer
C1, C2
10 µF Capacitor Ceramic X5R 0603 20% 6.3 V
GRM188R60J106ME47 - Murata
C3
330 µF Capacitor Tantalum D_SIZE 6.3 V 45 m
T520D337M006ATE045 - KEMET
R1
47 k Resistor 0402 5% 0.1 W
RC0402JR-0747KL - Yageo Phycomp
R2
9.1 k Resistor 0402 5% 0.1 W
RC0402JR-079K1L - Yageo Phycomp
R3
3.9 k Resistor 0402 5% 0.1 W
RC0402JR-073K9L - Yageo Phycomp
U1
LDO Linear Regulator ADJ 3.0 A
LT1764AEQ#PBF - Linear Technology
Table 15: Components for high reliability VCC supply application circuit using an LDO linear regulator

TOBY-L4 series - System Integration Manual
UBX-16024839 - R04 Design-in
Page 58 of 143
Figure 23 and the components listed in Table 16 show an example of a low-cost power supply circuit, where the
VCC module supply is provided by an LDO linear regulator capable of delivering the specified highest peak /
pulse current, with suitable power handling capability. The regulator illustrated in this example supports a limited
input voltage range and it includes internal circuitry for current and thermal protection.
It is recommended to configure the LDO linear regulator to generate a voltage supply value slightly below the
maximum limit of the module’s VCC normal operating range (e.g. ~4.1 V as in the circuit illustrated in Figure 23
and Table 16). This reduces the power on the linear regulator and improves the whole thermal design of the
supply circuit.
5V
C1
IN OUT
ADJ
GND
1
24
5
3
C2R1
R2
U1
EN
TOBY-L4 series
71 VCC
72 VCC
70 VCC
GND
C3
Figure 23: Example of a low cost VCC supply application circuit using an LDO linear regulator
Reference
Description
Part Number - Manufacturer
C1, C2
10 µF Capacitor Ceramic X5R 0603 20% 6.3 V
GRM188R60J106ME47 - Murata
C3
330 µF Capacitor Tantalum D_SIZE 6.3 V 45 m
T520D337M006ATE045 - KEMET
R1
27 k Resistor 0402 5% 0.1 W
RC0402JR-0727KL - Yageo Phycomp
R2
4.7 k Resistor 0402 5% 0.1 W
RC0402JR-074K7L - Yageo Phycomp
U1
LDO Linear Regulator ADJ 3.0 A
LP38501ATJ-ADJ/NOPB - Texas Instrument
Table 16: Components for a low cost VCC supply application circuit using an LDO linear regulator

TOBY-L4 series - System Integration Manual
UBX-16024839 - R04 Design-in
Page 59 of 143
2.2.1.4 Guidelines for VCC supply circuit design using a rechargeable Li-Ion or Li-Pol battery
Rechargeable Li-Ion or Li-Pol batteries connected to the VCC pins should meet the following prerequisites to
comply with the module’s VCC requirements as summarized in Table 7:
Maximum pulse and DC discharge current: the rechargeable Li-Ion battery with its related output circuit
connected to the VCC pins must be capable of delivering a pulse current as the maximum peak / pulse
current consumption during Tx burst at the maximum Tx power specified in the TOBY-L4 series Data
Sheet [1] and must be capable of extensively delivering a DC current as the maximum average current
consumption as specified in the TOBY-L4 series Data Sheet [1]. The maximum discharge current is not always
reported in the data sheets of batteries, but the maximum DC discharge current is typically almost equal to
the battery capacity in Amp-hours divided by 1 hour.
DC series resistance: the rechargeable Li-Ion battery with its output circuit must be capable of avoiding a
VCC voltage drop below the operating range summarized in Table 7 during transmit bursts.
2.2.1.5 Guidelines for VCC supply circuit design using a primary (disposable) battery
The characteristics of a primary (non-rechargeable) battery connected to the VCC pins should meet the following
prerequisites to comply with the module’s VCC requirements as summarized in Table 7:
Maximum pulse and DC discharge current: the non-rechargeable battery with its related output circuit
connected to the VCC pins must be capable of delivering a pulse current as the maximum peak current
consumption during Tx burst at the maximum Tx power specified in the TOBY-L4 series Data Sheet [1] and
must be capable of extensively delivering a DC current as the maximum average current consumption as
specified in the TOBY-L4 series Data Sheet [1]. The maximum discharge current is not always reported in the
data sheets of batteries, but the maximum DC discharge current is typically almost equal to the battery
capacity in Amp-hours divided by 1 hour.
DC series resistance: the non-rechargeable battery with its output circuit must be capable of avoiding a
VCC voltage drop below the operating range as summarized in Table 7 during transmit bursts.

TOBY-L4 series - System Integration Manual
UBX-16024839 - R04 Design-in
Page 60 of 143
2.2.1.6 Additional guidelines for VCC supply circuit design
To reduce voltage drops, use a low impedance power source. The series resistance of the power supply lines
(connected to the modules’ VCC and GND pins) on the application board and battery pack should also be
considered and minimized: cabling and routing must be as short as possible to minimize power losses.
Three pins are allocated to the VCC supply. Several pins are designated for GND connection. It is recommended
to correctly connect all of them to supply the module to minimize series resistance losses.
For modules supporting 2G radio access technology, to avoid voltage drop undershoot and overshoot at the
start and end of a transmit burst during a GSM call (when current consumption on the VCC supply can rise up as
specified in the TOBY-L4 series Data Sheet [1]), place a bypass capacitor with large capacitance (at least 100 µF)
and low ESR near the VCC pins, for example:
330 µF capacitance, 45 m ESR (e.g. KEMET T520D337M006ATE045, Tantalum Capacitor)
To reduce voltage ripple and noise, improving RF performance especially if the application device integrates an
internal antenna, place the following bypass capacitors near the VCC pins:
68 pF capacitor with Self-Resonant Frequency in the 800/900 MHz range (e.g. Murata GRM1555C1H680J)
15 pF capacitor with Self-Resonant Frequency in 1800/1900 MHz range (e.g. Murata GRM1555C1E150J)
8.2 pF capacitor with Self-Resonant Frequency in 2500/2600 MHz range (e.g. Murata GRM1555C1H8R2D)
10 nF capacitor (e.g. Murata GRM155R71C103K) to filter digital logic noise from clocks and data sources
100 nF capacitor (e.g. Murata GRM155R61C104K) to filter digital logic noise from clocks and data sources
A suitable series ferrite bead can be correctly placed on the VCC line for additional noise filtering if required by
the specific application according to the whole application board design.
C2
GND
C3 C4
TOBY-L4 series
71
VCC
72
VCC
70
VCC
C1 C5 C6
3V8
+
Figure 24: Suggested schematic for the VCC bypass capacitors to reduce ripple / noise on the supply voltage profile
Reference
Description
Part Number - Manufacturer
C1
8.2 pF Capacitor Ceramic C0G 0402 5% 50 V
GRM1555C1H8R2DZ01 - Murata
C2
15 pF Capacitor Ceramic C0G 0402 5% 50 V
GRM1555C1H150JA01 - Murata
C3
68 pF Capacitor Ceramic C0G 0402 5% 50 V
GRM1555C1H680JA01 - Murata
C4
10 nF Capacitor Ceramic X7R 0402 10% 16 V
GRM155R71C103KA01 - Murata
C5
100 nF Capacitor Ceramic X7R 0402 10% 16 V
GRM155R71C104KA01 - Murata
C6
330 µF Capacitor Tantalum D_SIZE 6.3 V 45 m
T520D337M006ATE045 - KEMET
Table 17: Suggested components to reduce ripple / noise on the VCC
The necessity of each part depends on the specific design, but it is recommended to provide all the bypass
capacitors illustrated in Figure 24 / Table 17 if the application device integrates an internal antenna.
The ESD sensitivity rating of the VCC supply pins is 1 kV (HBM as per JESD22-A114). A higher protection
level can be required if the line is externally accessible on the application board, e.g. if the accessible
battery connector is directly connected to the supply pins. A higher protection level can be achieved by
mounting an ESD protection (e.g. EPCOS CA05P4S14THSG varistor) close to the accessible point.

TOBY-L4 series - System Integration Manual
UBX-16024839 - R04 Design-in
Page 61 of 143
2.2.1.7 Guidelines for the external battery charging circuit
TOBY-L4 series modules do not have an on-board charging circuit. Figure 25 provides an example of a battery
charger design which is suitable for applications that are battery powered with a Li-Ion (or Li-Polymer) cell.
In the application circuit, a rechargeable Li-Ion (or Li-Polymer) battery cell, that features the correct pulse and DC
discharge current capabilities and the correct DC series resistance, is directly connected to the VCC supply input
of the module. Battery charging is completely managed by the STMicroelectronics L6924U Battery Charger IC
that, from a USB power source (5.0 V typ.), charges the battery as a linear charger, in three phases:
Pre-charge constant current (active when the battery is deeply discharged): the battery is charged with a
low current, set to 10% of the fast-charge current.
Fast-charge constant current: the battery is charged with the maximum current, configured by the value
of an external resistor to a value suitable for USB power source (~500 mA).
Constant voltage: when the battery voltage reaches the regulated output voltage (4.2 V), the L6924U
starts to reduce the current until the charge termination is done. The charging process ends when the
charging current reaches the value configured by an external resistor to ~15 mA or when the charging timer
reaches the value configured by an external capacitor to ~9800 s.
Using a battery pack with an internal NTC resistor, the L6924U can monitor the battery temperature to protect
the battery from operating under unsafe thermal conditions.
The L6924U, as a linear charger, is more suitable for applications where the charging source has a relatively low
nominal voltage (~5 V), so that a switching charger is suggested for applications where the charging source has
a relatively high nominal voltage (e.g. ~12 V, see the following section 2.2.1.8 for the specific design-in).
C5 C8C7C6 C9
GND
TOBY-L4 series
71 VCC
72 VCC
70 VCC
+
USB
Supply
C3 R4
θ
U1
IUSB
IAC
IEND
TPRG
SD
VIN
VINSNS
MODE
ISEL
C2C1
5V0
TH
GND
VOUT
VOSNS
VREF
R1
R2
R3
Li-Ion/Li-Pol
Battery Pack
D1
B1
C4
Li-Ion/Li-Polymer
Battery Charger IC
D2
Figure 25: Li-Ion (or Li-Polymer) battery charging application circuit
Reference
Description
Part Number - Manufacturer
B1
Li-Ion (or Li-Polymer) battery pack with 470 NTC
Various manufacturer
C1, C4
1 µF Capacitor Ceramic X7R 0603 10% 16 V
GRM188R71C105KA12 - Murata
C2, C6
10 nF Capacitor Ceramic X7R 0402 10% 16 V
GRM155R71C103KA01 - Murata
C3
1 nF Capacitor Ceramic X7R 0402 10% 50 V
GRM155R71H102KA01 - Murata
C5
330 µF Capacitor Tantalum D_SIZE 6.3 V 45 m
T520D337M006ATE045 - KEMET
C7
100 nF Capacitor Ceramic X7R 0402 10% 16 V
GRM155R61A104KA01 - Murata
C8
68 pF Capacitor Ceramic C0G 0402 5% 50 V
GRM1555C1H680JA01 - Murata
C9
15 pF Capacitor Ceramic C0G 0402 5% 50 V
GRM1555C1H150JA01 - Murata
D1, D2
Low Capacitance ESD Protection
CG0402MLE-18G - Bourns
R1, R2
24 k Resistor 0402 5% 0.1 W
RC0402JR-0724KL - Yageo Phycomp
R3
3.3 k Resistor 0402 5% 0.1 W
RC0402JR-073K3L - Yageo Phycomp
R4
1.0 k Resistor 0402 5% 0.1 W
RC0402JR-071K0L - Yageo Phycomp
U1
Single Cell Li-Ion (or Li-Polymer) Battery Charger IC
L6924U - STMicroelectronics
Table 18: Suggested components for Li-Ion (or Li-Polymer) battery charging application circuit

TOBY-L4 series - System Integration Manual
UBX-16024839 - R04 Design-in
Page 62 of 143
2.2.1.8 Guidelines for external battery charging and power path management circuit
Application devices where both a permanent primary supply / charging source (e.g. ~12 V) and a rechargeable
back-up battery (e.g. 3.7 V Li-Pol) are available at the same time as possible supply source should implement a
suitable charger / regulator with integrated power path management function to supply the module and the
whole device while simultaneously and independently charging the battery.
Figure 26 reports a simplified block diagram circuit showing the working principle of a charger / regulator with
an integrated power path management function. This component allows the system to be powered by a
permanent primary supply source (e.g. ~12 V) using the integrated regulator which simultaneously and
independently recharges the battery (e.g. 3.7 V Li-Pol) that represents the back-up supply source of the system:
the power path management feature permits the battery to supplement the system current requirements when
the primary supply source is not available or cannot deliver the peak system current.
A power management IC should meet the following prerequisites to comply with the module’s VCC
requirements as summarized in Table 7:
High efficiency internal step down converter, compliant with the performances specified in section 2.2.1.2
Low internal resistance in the active path Vout – Vbat, typically lower than 50 m
High efficiency switch mode charger with separate power path control
GND
Power path management IC
VoutVin
θ
Li-Ion/Li-Pol
Battery Pack
GND
System
12 V
Primary
Source
Charge
controller
DC/DC converter
and battery FET
control logic
Vbat
Figure 26: Charger / regulator with integrated power path management circuit block diagram
Figure 27 and the components listed in Table 19 provide an application circuit example where the MPS MP2617
switching charger / regulator with integrated power path management function provides the supply to the
cellular module while concurrently and autonomously charging a suitable Li-Ion (or Li-Polymer) battery with the
correct pulse and DC discharge current capabilities and the correct DC series resistance according to the
rechargeable battery recommendations as described in section 2.2.1.4.
The MP2617 IC constantly monitors the battery voltage and selects whether to use the external main primary
supply / charging source or the battery as the supply source for the module, and starts a charging phase
accordingly.
The MP2617 IC normally provides a supply voltage to the module regulated from the external main primary
source allowing immediate system operation even under missing or deeply discharged battery: the integrated
switching step-down regulator is capable to provide up to 3 A output current with low output ripple and fixed
1.6 MHz switching frequency in PWM mode operation. The module load is satisfied in priority, then the
integrated switching charger will take the remaining current to charge the battery.
Additionally, the power path control allows an internal connection from the battery to the module with a low
series internal ON resistance (40 m typical), in order to supplement additional power to the module when the
current demand increases over the external main primary source or when this external source is removed.

TOBY-L4 series - System Integration Manual
UBX-16024839 - R04 Design-in
Page 63 of 143
Battery charging is managed in three phases:
Pre-charge constant current (active when the battery is deeply discharged): the battery is charged with a
low current, set to 10% of the fast-charge current.
Fast-charge constant current: the battery is charged with the maximum current, configured by the value
of an external resistor to a value suitable for the application.
Constant voltage: when the battery voltage reaches the regulated output voltage (4.2 V), the current is
progressively reduced until the charge termination is done. The charging process ends when the charging
current reaches 10% of the fast-charge current or when the charging timer reaches the value configured by
an external capacitor.
Using a battery pack with an internal NTC resistor, the MP2617 can monitor the battery temperature to protect
the battery from operating under unsafe thermal conditions.
Several parameters, such as the charging current, the charging timings, the input current limit, the input voltage
limit, and the system output voltage, can be easily set according to the specific application requirements to the
actual electrical characteristics of the battery and the external supply / charging source: suitable resistors or
capacitors must be accordingly connected to the related pins of the IC.
C10 C13
GND
C12C11 C14
TOBY-L4 series
71 VCC
72 VCC
70 VCC
+
Primary
Source
R3
U1
EN
ILIM
ISET
TMR
AGND
VIN
C2C1
12V
NTC
PGND
SW
SYS
BAT
C4
R1
R2
D1
θ
Li-Ion/Li-Pol
Battery Pack
B1
C5
Li-Ion/Li-Polymer Battery
Charger / Regulator with
Power Path Managment
VCC
C3 C6
L1
BST
D2
VLIM
R4
R5
C7 C8
Figure 27: Li-Ion (or Li-Polymer) battery charging and power path management application circuit
Reference
Description
Part Number - Manufacturer
B1
Li-Ion (or Li-Polymer) battery pack with 10 k NTC
Various manufacturer
C1, C5, C6
22 µF Capacitor Ceramic X5R 1210 10% 25 V
GRM32ER61E226KE15 - Murata
C2, C4, C11
100 nF Capacitor Ceramic X7R 0402 10% 16 V
GRM155R61A104KA01 - Murata
C3
1 µF Capacitor Ceramic X7R 0603 10% 25 V
GRM188R71E105KA12 - Murata
C7, C13
68 pF Capacitor Ceramic C0G 0402 5% 50 V
GRM1555C1H680JA01 - Murata
C8, C14
15 pF Capacitor Ceramic C0G 0402 5% 25 V
GRM1555C1E150JA01 - Murata
C10
330 µF Capacitor Tantalum D_SIZE 6.3 V 45 m
T520D337M006ATE045 - KEMET
C12
10 nF Capacitor Ceramic X7R 0402 10% 16 V
GRM155R71C103KA01 - Murata
D1, D2
Low Capacitance ESD Protection
CG0402MLE-18G - Bourns
R1, R3, R5
10 k Resistor 0402 5% 1/16 W
RC0402JR-0710KL - Yageo Phycomp
R2
1.0 k Resistor 0402 5% 0.1 W
RC0402JR-071K0L - Yageo Phycomp
R4
22 k Resistor 0402 5% 1/16 W
RC0402JR-0722KL - Yageo Phycomp
L1
1.2 µH Inductor 6 A 21 m 20%
7447745012 - Wurth
U1
Li-Ion/Li-Polymer Battery DC/DC Charger / Regulator
with integrated Power Path Management function
MP2617 - Monolithic Power Systems (MPS)
Table 19: Suggested components for a Li-Ion (or Li-Polymer) battery charging and power path management application circuit

TOBY-L4 series - System Integration Manual
UBX-16024839 - R04 Design-in
Page 64 of 143
2.2.1.9 Guidelines for removing VCC supply
As described in section 1.6.2 and Figure 14, the VCC supply can be removed after the end of the TOBY-L4 series
module’s internal power-off sequence, which must be properly started as described in section 1.6.2.
Removing the VCC power can be useful in order to minimize the current consumption when the TOBY-L4 series
modules are switched off. Then, the modules can be switched on again by re-applying the VCC supply.
If the VCC supply is generated by a switching or an LDO regulator, the application processor may control the
input pin of the regulator which is provided to enable / disable the output of the regulator (as for example, the
RUN input pin for the regulator illustrated in Figure 20, the INH input pin for the regulator illustrated in Figure
21, the SHDNn input pin for the regulator illustrated in Figure 22, or the EN input pin for the regulator illustrated
in Figure 23), in order to apply / remove the VCC supply.
If the regulator that generates the VCC supply does not provide an on / off pin, or for other applications such as
the battery-powered ones, the VCC supply can be switched off using an appropriate external p-channel MOSFET
controlled by the application processor by means of a suitable inverting transistor as shown in Figure 28, given
that the external p-channel MOSFET has provided:
Very low RDS(ON) (for example, less than 50 m), to minimize voltage drops
Adequate maximum Drain current (see the TOBY-L4 series Data Sheet [1] for module consumption figures)
Low leakage current, to minimize the current consumption
C3
GND
C2C1 C4
TOBY-L4 series
71 VCC
72 VCC
70 VCC
+
VCC Supply Source
GND
GPIO C5
R1
R3
R2
T2
T1
Application
Processor
Figure 28: Example of application circuit for VCC supply removal
Reference
Description
Part Number - Manufacturer
R1
47 k Resistor 0402 5% 0.1 W
RC0402JR-0747KL - Yageo Phycomp
R2
10 k Resistor 0402 5% 0.1 W
RC0402JR-0710KL - Yageo Phycomp
R3
100 k Resistor 0402 5% 0.1 W
RC0402JR-07100KL - Yageo Phycomp
T1
P-Channel MOSFET Low On-Resistance
AO3415 - Alpha & Omega Semiconductor Inc.
T2
NPN BJT Transistor
BC847 - Infineon
C1
330 µF Capacitor Tantalum D_SIZE 6.3 V 45 m
T520D337M006ATE045 - KEMET
C2
10 nF Capacitor Ceramic X7R 0402 10% 16 V
GRM155R71C103KA01 - Murata
C3
100 nF Capacitor Ceramic X7R 0402 10% 16 V
GRM155R61A104KA01 - Murata
C4
56 pF Capacitor Ceramic C0G 0402 5% 25 V
GRM1555C1E560JA01 - Murata
C5
15 pF Capacitor Ceramic C0G 0402 5% 25 V
GRM1555C1E150JA01 - Murata
Table 20: Components for VCC supply removal application circuit
It is highly recommended to avoid an abrupt removal of the VCC supply during the TOBY-L4 series
module’s normal operations: the power off procedure must be started as described in section 1.6.2, and
then a suitable VCC supply must be held at least until the end of the modules’ internal power off
sequence, which occurs when the generic digital interfaces supply output (V_INT) is switched off by the
module.

TOBY-L4 series - System Integration Manual
UBX-16024839 - R04 Design-in
Page 65 of 143
2.2.1.10 Guidelines for VCC supply layout design
A clean connection of the module VCC pins with a DC supply source is required for correct RF performance.
Guidelines are summarized in the following list:
All the available VCC pins must be connected to the DC source.
VCC connection must be as wide as possible and as short as possible.
Any series component with Equivalent Series Resistance (ESR) greater than few milliohms must be avoided.
VCC connection must be routed through a PCB area separated from RF lines / parts, sensitive analog signals
and sensitive functional units: it is good practice to interpose at least one layer of PCB ground between the
VCC track and other signal routing.
Coupling between VCC and digital lines, especially USB, must be avoided.
The tank bypass capacitor with low ESR for current spikes smoothing described in section 2.2.1.6 should be
placed close to the VCC pins. If the main DC source is a switching DC-DC converter, place the large
capacitor close to the DC-DC output and minimize the VCC track length. Otherwise consider using separate
capacitors for the DC-DC converter and module tank capacitor.
The bypass capacitors in the pF range illustrated in Figure 24 and Table 17 should be placed as close as
possible to the VCC pins, where the VCC line narrows close to the module input pins, improving the RF
noise rejection in the band centered on the Self-Resonant Frequency of the pF capacitors. This is highly
recommended if the application device integrates an internal antenna.
Since VCC input provides the supply to the RF Power Amplifiers, any voltage ripple at high frequency may
result in unwanted spurious modulation of the transmitter RF signal. This is more likely to happen with
switching DC-DC converters, in which case it is better to select the highest operating frequency for the
switcher and add a large L-C filter before connecting to the TOBY-L4 series modules in the worst case.
Shielding of switching DC-DC converter circuit, or at least the use of shielded inductors for the switching
DC-DC converter, may be considered since all switching power supplies may potentially generate interfering
signals as a result of high-frequency high-power switching.
If the VCC is protected by a transient voltage suppressor to ensure that the voltage maximum ratings are not
exceeded, place the protecting device along the path from the DC source toward the module, preferably
closer to the DC source (otherwise protection functionality may be compromised).
2.2.1.11 Guidelines for grounding layout design
A clean connection of the module GND pins with the application board solid ground layer is required for correct
RF performance. It significantly reduces EMC issues and provides a thermal heat sink for the module.
Connect each GND pin with the application board solid GND layer. It is strongly recommended that each
GND pad surrounding the VCC pins has one or more dedicated via down to the application board solid
ground layer.
The VCC supply current flows back to the main DC source through GND as the ground current: provide an
adequate return path with a suitable uninterrupted ground plane to the main DC source.
It is recommended to implement one layer of the application board as a ground plane as wide as possible.
If the application board is a multilayer PCB, then all the board layers should be filled with GND plane as
much as possible and each GND area should be connected together with a complete via stack down to the
main ground layer of the board.
If the whole application device is composed of more than one PCB, then it is required to provide a good and
solid ground connection between the GND areas of all the multiple PCBs.
Good grounding of the GND pads also ensures the thermal heat sink. This is critical during connection,
when the real network commands the module to transmit at maximum power: correct grounding helps
prevent module overheating.

TOBY-L4 series - System Integration Manual
UBX-16024839 - R04 Design-in
Page 66 of 143
2.2.2 RTC back-up supply (V_BCKP)
2.2.2.1 Guidelines for V_BCKP circuit design
TOBY-L4 series modules provide the V_BCKP pin, which can be used to:
power the Real Time Clock (RTC) only when the voltage value at VCC main module supply input is too low
The RTC can be supplied from an external back-up battery or capacitor through the V_BCKP pin, when the main
module voltage supply is not applied to the VCC pins. This lets the time reference (date and time) run as long as
the V_BCKP voltage is within its valid range, even when the main supply is not provided to the module.
Figure 29 and Table 21 describe possible application circuits for V_BCKP Real Time Clock (RTC) back-up supply:
a. 100 µF capacitor, to let the RTC run for ~1 minute after the VCC removal
b. 70 mF super-capacitor with a 4.7 k series resistor, to let the RTC run for ~1 hour after the VCC removal
c. Coin non-rechargeable battery with series diode, to let the RTC run for days after the VCC removal
TOBY-L4 series
C1
a.
3V_BCKP
R2
TOBY-L4 series
C2
(SuperCap)
b.
3V_BCKP
D3
TOBY-L4 series
B3
c.
3V_BCKP
Figure 29: RTC back-up supply (V_BCKP) application circuits using a capacitor, a super-capacitor, or a non-rechargeable battery
Reference
Description
Part Number - Manufacturer
C1
100 µF Tantalum Capacitor
GRM43SR60J107M - Murata
R2
4.7 k Resistor 0402 5% 0.1 W
RC0402JR-074K7L - Yageo Phycomp
C2
70 mF Capacitor
XH414H-IV01E - Seiko Instruments
Table 21: Example of components for RTC back-up supply (V_BCKP)
The V_BCKP supply output pin provides internal short circuit protection to limit the start-up current and protect
the device in short circuit situations. No additional external short circuit protection is required.
The V_BCKP pin can be left unconnected if the RTC timing is not required when the VCC supply is
removed.
The internal regulator for V_BCKP is optimized for low leakage current and very light loads. Do not apply
loads which might exceed the limit for the maximum available current from V_BCKP supply, as this can
cause malfunctions in the module. The TOBY-L4 series Data Sheet [1] describes the detailed electrical
characteristics.
The ESD sensitivity rating of the V_BCKP supply pin is 1 kV (HBM according to JESD22-A114). A higher
protection level can be required if the line is externally accessible on the application board, e.g. if an
accessible back-up battery connector is directly connected to the V_BCKP pin, and it can be achieved by
mounting an ESD protection (e.g. EPCOS CA05P4S14THSG varistor array) close to the accessible point.
2.2.2.2 Guidelines for V_BCKP layout design
The V_BCKP supply requires careful layout: avoid injecting noise on this voltage domain, as it may affect the
stability of the internal circuitry.

TOBY-L4 series - System Integration Manual
UBX-16024839 - R04 Design-in
Page 67 of 143
2.2.3 Generic digital interfaces supply output (V_INT)
2.2.3.1 Guidelines for V_INT circuit design
TOBY-L4 series provide the V_INT generic digital interfaces 1.8 V supply output, which can be mainly used to:
Indicate when the module is switched on (as described in sections 1.6.1, 1.6.2)
Pull-up SIM detection signal (see section 2.5 for more details)
Supply voltage translators to connect 1.8 V module generic digital interfaces to 3.0 V devices (e.g. see 2.6.1)
Pull-up DDC (I2C) interface signals (see section 2.6.4 for more details)
Supply a 1.8 V u-blox GNSS receiver (see section 2.6.4 for more details)
Supply an external device as an external 1.8 V audio codec (see section 2.8.2 for more details)
The V_INT supply output pin provides internal short circuit protection to limit the start-up current and protect
the device in short circuit situations. No additional external short circuit protection is required.
Do not apply loads which might exceed the limit for the maximum available current from V_INT supply as
this can cause malfunctions in the internal circuitry.
Since the V_INT supply is generated by an internal switching step-down regulator, it is not recommended
to supply sensitive analog circuitry without adequate filtering for digital noise.
V_INT can only be used as an output: do not connect any external supply source on V_INT.
The ESD sensitivity rating of the V_INT supply pin is 1 kV (Human Body Model according to JESD22-
A114). A higher protection level could be required if the line is externally accessible and it can be achieved
by mounting an ESD protection (e.g. EPCOS CA05P4S14THSG varistor array) close to the accessible point.
It is recommended to monitor the V_INT pin to sense the end of the internal switch-off sequence of
TOBY-L4 series modules: the VCC supply can be removed only after V_INT goes low
It is recommended to provide direct access to the V_INT pin on the application board by means of an
accessible test point directly connected to the V_INT pin, for diagnostic purposes.
2.2.3.2 Guidelines for V_INT layout design
The V_INT supply output is generated by an integrated switching step-down converter. Because of this, it can be
a source of noise: avoid coupling with sensitive signals.

TOBY-L4 series - System Integration Manual
UBX-16024839 - R04 Design-in
Page 68 of 143
2.3 System functions interfaces
2.3.1 Module power-on (PWR_ON)
2.3.1.1 Guidelines for PWR_ON circuit design
TOBY-L4 series PWR_ON input is equipped with an internal active pull-up resistor to an internal 1.3 V supply rail
as illustrated in Figure 30: an external pull-up resistor is not required and should not be provided.
If connecting the PWR_ON input to a push button, the pin will be externally accessible on the application
device. According to EMC/ESD requirements of the application, an additional ESD protection should be provided
close to the accessible point, as illustrated in Figure 30 and Table 22.
The ESD sensitivity rating of the PWR_ON pin is 1 kV (Human Body Model according to JESD22-A114).
A higher protection level can be required if the line is externally accessible on the application board, e.g. if
an accessible push button is directly connected to the PWR_ON pin, and it can be achieved by mounting
an ESD protection (e.g. EPCOS CA05P4S14THSG varistor) close to the accessible point.
An open drain or open collector output is suitable to drive the PWR_ON input from an application processor, as
the pin is equipped with an internal active pull-up resistor, as illustrated in Figure 30.
TOBY-L4 series
20 PWR_ON
Power-on
push button
ESD
Open
Drain
Output
Application
Processor
TOBY-L4 series
35 k
1.3 V
20 PWR_ON
TP TP
35 k
1.3 V
Figure 30: PWR_ON application circuits using a push button and an open drain output of an application processor
Reference
Description
Remarks
ESD
CT0402S14AHSG - EPCOS
Varistor array for ESD protection
Table 22: Example ESD protection component for the PWR_ON application circuit
It is recommended to provide direct access to the PWR_ON pin on the application board by means of an
accessible test point directly connected to the PWR_ON pin, for diagnostic purposes.
2.3.1.2 Guidelines for PWR_ON layout design
The power-on circuit (PWR_ON) requires careful layout since it is the sensitive input available to switch on the
TOBY-L4 series modules. It is required to ensure that the voltage level is well defined during operation and no
transient noise is coupled on this line, otherwise the module might detect a spurious power-on request.

TOBY-L4 series - System Integration Manual
UBX-16024839 - R04 Design-in
Page 69 of 143
2.3.2 Module reset (RESET_N)
2.3.2.1 Guidelines for RESET_N circuit design
TOBY-L4 series RESET_N line is equipped with an internal pull-up to the V_INT supply as illustrated in Figure 31.
An external pull-up resistor is not required.
If connecting the RESET_N input to a push button, the pin will be externally accessible on the application device.
According to the EMC/ESD requirements of the application, an additional ESD protection device (e.g. the EPCOS
CA05P4S14THSG varistor) should be provided close to the accessible point on the line connected to this pin, as
illustrated in Figure 31 and Table 23.
The ESD sensitivity rating of the RESET_N pin is 1 kV (HBM according to JESD22-A114). A higher
protection level can be required if the line is externally accessible on the application board, e.g. if an
accessible push button is directly connected to the RESET_N pin, and it can be achieved by mounting an
ESD protection (e.g. EPCOS CA05P4S14THSG varistor) close to the accessible point.
An open drain output is suitable to drive the RESET_N input from an application processor as it is equipped with
an internal pull-up to V_INT supply, as illustrated in Figure 31.
A compatible push-pull output of an application processor can also be used. In any case, take care to set the
correct level in all the possible scenarios to avoid an inappropriate module reset.
TOBY-L4 series
5V_INT
23 RESET_N
Power-on
push button
ESD
Open
Drain
Output
Application
Processor
TOBY-L4 series
5V_INT
23 RESET_N
TP TP
100 k100 k
Figure 31: RESET_N application circuits using a push button and an open drain output of an application processor
Reference
Description
Remarks
ESD
Varistor for ESD protection
CT0402S14AHSG - EPCOS
Table 23: Example of ESD protection component for the RESET_N application circuits
If the external reset function is not required by the customer application, the RESET_N input pin can be
left unconnected to external components, but it is recommended to provide direct access on the
application board by means of an accessible test point directly connected to the RESET_N pin.
2.3.2.2 Guidelines for RESET_N layout design
The RESET_N circuit requires careful layout due to the pin function: ensure that the voltage level is well defined
during operation and no transient noise is coupled on this line, otherwise the module might detect a spurious
reset request. It is recommended to keep the connection line to the RESET_N pin as short as possible.

TOBY-L4 series - System Integration Manual
UBX-16024839 - R04 Design-in
Page 70 of 143
2.3.3 Module / host configuration selection
Host Select pins are not supported by the "50" product version.
2.3.3.1 Guidelines for HOST_SELECTx circuit design
TOBY-L4 series modules include two 1.8 V digital pins (HOST_SELECT0, HOST_SELECT1), which can be
configured for External Interrupt detection or as GPIO by means of the uCPU API: the pins can be connected to
external devices following the guidelines provided in section 2.10.
Do not apply voltage to the HOST_SELECT0 and HOST_SELECT1 pins before the switch-on of their
supply source (V_INT), to avoid latch-up of circuits and allow a correct boot of the module.
The ESD sensitivity rating of the HOST_SELECT0 and HOST_SELECT1 pins is 1 kV (HBM as per JESD22-
A114). A higher protection level could be required if the lines are externally accessible and it can be
achieved by mounting an ESD protection (e.g. EPCOS CA05P4S14THSG varistor array) close to the
accessible points.
If the functionality of the HOST_SELECT0 and HOST_SELECT1 pins is not required, the pins can be left
unconnected on the application board.
2.3.3.2 Guidelines for HOST_SELECTx layout design
The design for the HOST_SELECT0 and HOST_SELECT1 pins functions is generally not critical for layout.

TOBY-L4 series - System Integration Manual
UBX-16024839 - R04 Design-in
Page 71 of 143
2.4 Antenna interface
TOBY-L4 series modules provide two RF interfaces for connecting the external antennas:
The ANT1 pin represents the primary RF input/output for LTE/3G/2G RF signals transmission and reception.
The ANT2 pin represents the secondary RF input for MIMO and Rx diversity RF signals reception.
Both the ANT1 and the ANT2 pins have a nominal characteristic impedance of 50 and must be connected to
the related antenna through a 50 transmission line to allow correct transmission / reception of RF signals.
Two antennas (one connected to ANT1 pin and one connected to ANT2 pin) must be used to support the
CA, MIMO and Rx diversity configurations. This is a required feature for LTE category 6 User Equipments
(up to 301.5 Mbit/s Down-Link data rate) according to the 3GPP specifications.
2.4.1 Antenna RF interfaces (ANT1 / ANT2)
2.4.1.1 General guidelines for antenna selection and design
The antenna is the most critical component to be evaluated. Designers must take care of the antennas from all
perspectives at the very start of the design phase when the physical dimensions of the application board are
under analysis/decision, since the RF compliance of the device integrating TOBY-L4 series modules with all the
applicable required certification schemes depends on the antenna radiating performance.
LTE/3G/2G antennas are typically available in the types of linear monopole or PCB antennas such as patches or
ceramic SMT elements.
External antennas (e.g. linear monopole)
o External antennas basically do not imply a physical restriction to the design of the PCB where the TOBY-
L4 series module is mounted.
o The radiation performance mainly depends on the antennas. It is required to select antennas with
optimal radiating performance in the operating bands.
o RF cables should be carefully selected to have minimum insertion losses. Additional insertion loss will be
introduced by low quality or long cable. Large insertion loss reduces both transmit and receive radiation
performance.
o A high quality 50 RF connector provides suitable PCB-to-RF-cable transition. It is recommended to
strictly follow the layout and cable termination guidelines provided by the connector manufacturer.
Integrated antennas (e.g. patch-like antennas):
o Internal integrated antennas imply a physical restriction to the design of the PCB:
An integrated antenna excites RF currents on its counterpoise, typically the PCB ground plane of the
device that becomes part of the antenna: its dimension defines the minimum frequency that can be
radiated. Therefore, the ground plane can be reduced down to a minimum size that should be similar to
the quarter of the wavelength of the minimum frequency that must be radiated, given that the
orientation of the ground plane relative to the antenna element must be considered.
The isolation between the primary and the secondary antennas must be as high as possible and the
correlation between the 3D radiation patterns of the two antennas must be as low as possible. In
general, a separation of at least a quarter wavelength between the two antennas is required to achieve
a good isolation and low pattern correlation.
As a numerical example, the physical restriction to the PCB design can be considered as following:
Frequency = 750 MHz Wavelength = 40 cm Minimum GND plane size = 10 cm

TOBY-L4 series - System Integration Manual
UBX-16024839 - R04 Design-in
Page 72 of 143
o Radiation performance depends on the whole PCB and antenna system design, including product
mechanical design and usage. Antennas should be selected with optimal radiating performance in the
operating bands according to the mechanical specifications of the PCB and the whole product.
o It is recommended to select a pair of custom antennas designed by an antennas’ manufacturer if the
required ground plane dimensions are very small (e.g. less than 6.5 cm long and 4 cm wide). The
antenna design process should begin at the start of the whole product design process.
o It is highly recommended to strictly follow the detailed and specific guidelines provided by the antenna
manufacturer regarding correct installation and deployment of the antenna system, including PCB layout
and matching circuitry.
o Further to the custom PCB and product restrictions, antennas may require tuning to obtain the required
performance for compliance with all the applicable required certification schemes. It is recommended to
consult the antenna manufacturer for the design-in guidelines for antenna matching relative to the
custom application.
In both cases, selecting external or internal antennas, these recommendations should be observed:
Select antennas providing optimal return loss (or VSWR) figures over all the operating frequencies.
Select antennas providing optimal efficiency figures over all the operating frequencies.
Select antennas providing similar efficiency for both the primary (ANT1) and the secondary (ANT2) antenna.
Select antennas providing appropriate gain figures (i.e. combined antenna directivity and efficiency figures)
so that the electromagnetic field radiation intensity does not exceed the regulatory limits specified in certain
countries (e.g. by the FCC in the United States).
Select antennas capable of providing a low Envelope Correlation Coefficient between the primary (ANT1)
and the secondary (ANT2) antenna: the 3D antenna radiation patterns should have lobes in different
directions.
2.4.1.2 Guidelines for antenna RF interface design
Guidelines for ANT1 / ANT2 pins RF connection design
Correct transition between the ANT1 / ANT2 pads and the application board PCB must be provided,
implementing the following design-in guidelines for the application PCB layout close to the ANT1 / ANT2 pads:
On a multilayer board, the whole layer stack below the RF connection should be free of digital lines.
Increase GND keep-out (i.e. clearance, a void area) around the ANT1 / ANT2 pads, on the top layer of the
application PCB, to at least 250 µm up to the adjacent pads metal definition and up to 400 µm on the area
below the module, to reduce parasitic capacitance to ground, as illustrated in the left example of Figure 32.
Add GND keep-out (i.e. clearance, a void area) on the buried metal layer below the ANT1 / ANT2 pads if
the top-layer to buried layer dielectric thickness is below 200 µm, to reduce parasitic capacitance to ground,
as illustrated in the right example of Figure 32.
Min.
250 µm
Min. 400 µm GND
ANT1
GND clearance
on very close buried layer
below ANT1 pad
GND clearance
on top layer
around ANT1 pad
Min.
250 µm
Min. 400 µm
GND
ANT2
GND clearance
on very close buried layer
below ANT2 pad
GND clearance
on top layer
around ANT2 pad
Figure 32: GND keep-out area on top layer around ANT1 / ANT2 pads and on very close buried layer below ANT1 / ANT2 pads

TOBY-L4 series - System Integration Manual
UBX-16024839 - R04 Design-in
Page 73 of 143
Guidelines for RF transmission line design
Any RF transmission line, such as the ones from the ANT1 and ANT2 pads up to the related antenna connector
or up to the related internal antenna pad, must be designed so that the characteristic impedance is as close as
possible to 50 .
RF transmission lines can be designed as a micro strip (consists of a conducting strip separated from a ground
plane by a dielectric material) or a strip line (consists of a flat strip of metal which is sandwiched between two
parallel ground planes within a dielectric material). The micro strip, implemented as a coplanar waveguide, is the
most common configuration for printed circuit boards.
Figure 33 and Figure 34 provide two examples of suitable 50 coplanar waveguide designs. The first example
of an RF transmission line can be implemented for a 4-layer PCB stack-up herein illustrated, and the second
example of an RF transmission line can be implemented for a 2-layer PCB stack-up herein illustrated.
35 µm
35 µm
35 µm
35 µm
270 µm
270 µm
760 µm
L1 Copper
L3 Copper
L2 Copper
L4 Copper
FR-4 dielectric
FR-4 dielectric
FR-4 dielectric
380 µm 500 µm500 µm
Figure 33: Example of a 50 coplanar waveguide transmission line design for the described 4-layer board layup
35 µm
35 µm
1510 µm
L2 Copper
L1 Copper
FR-4 dielectric
1200 µm 400 µm400 µm
Figure 34: Example of a 50 coplanar waveguide transmission line design for the described 2-layer board layup
If the two examples do not match the application PCB stack-up, the 50 characteristic impedance calculation
can be made using the HFSS commercial finite element method solver for electromagnetic structures from Ansys
Corporation, or using freeware tools like AppCAD from Agilent (www.agilent.com) or TXLine from Applied
Wave Research (www.mwoffice.com), taking care of the approximation formulas used by the tools for the
impedance computation.
To achieve a 50 characteristic impedance, the width of the transmission line must be chosen depending on:
the thickness of the transmission line itself (e.g. 35 µm in the examples of Figure 33 and Figure 34)
the thickness of the dielectric material between the top layer (where the transmission line is routed) and the
inner closer layer implementing the ground plane (e.g. 270 µm in Figure 33, 1510 µm in Figure 34)

TOBY-L4 series - System Integration Manual
UBX-16024839 - R04 Design-in
Page 74 of 143
the dielectric constant of the dielectric material (e.g. dielectric constant of the FR-4 dielectric material in
Figure 33 and Figure 34)
the gap from the transmission line to the adjacent ground plane on the same layer of the transmission line
(e.g. 500 µm in Figure 33, 400 µm in Figure 34)
If the distance between the transmission line and the adjacent GND area (on the same layer) does not exceed
5 times the track width of the micro strip, use the “Coplanar Waveguide” model for the 50 calculation.
Additionally to the 50 impedance, the following guidelines are recommended for transmission line design:
Minimize the transmission line length: the insertion loss should be minimized as much as possible, in the
order of a few tenths of a dB.
Add GND keep-out (i.e. clearance, a void area) on buried metal layers below any pad of a component
present on the RF transmission lines, if the top-layer to buried layer dielectric thickness is below 200 µm, to
reduce parasitic capacitance to ground.
The transmission lines width and spacing to GND must be uniform and routed as smoothly as possible: avoid
abrupt changes of width and spacing to GND.
Add GND stitching vias around the transmission lines, as illustrated in Figure 35.
Ensure a solid metal connection of the adjacent metal layer on the PCB stack-up to the main ground layer,
providing enough vias on the adjacent metal layer, as illustrated in Figure 35.
Route RF transmission lines far from any noise source (as switching supplies and digital lines) and from any
sensitive circuit (as USB).
Avoid stubs on the transmission lines.
Avoid signal routing in parallel to the transmission lines or crossing the transmission lines on a buried metal
layer.
Do not route the microstrip lines below discrete components or other mechanics placed on the top layer.
An example of a suitable RF circuit design is illustrated in Figure 35. In this case, the ANT1 and ANT2 pins are
directly connected to SMA connectors by means of suitable 50 transmission lines, designed with a suitable
layout.
SMA Connector
Primary Antenna
SMA Connector
Secondary Antenna
TOBY-L4
Figure 35: Example of the circuit and layout for antenna RF circuits on the application board

TOBY-L4 series - System Integration Manual
UBX-16024839 - R04 Design-in
Page 75 of 143
Guidelines for RF termination design
RF terminations must provide a characteristic impedance of 50 as well as the RF transmission lines up to the RF
terminations themselves, to match the characteristic impedance of the ANT1 / ANT2 ports of the modules.
However, real antennas do not have a perfect 50 load on all the supported frequency bands. Therefore, to
reduce as much as possible any performance degradation due to antennas mismatch, the RF terminations must
provide optimal return loss (or VSWR) figures over all the operating frequencies, as summarized in Table 8 and
Table 9.
If external antennas are used, the antenna connectors represent the RF termination on the PCB:
Use suitable 50 connectors providing a correct PCB-to-RF-cable transition.
Strictly follow the connector manufacturer’s recommended layout, for example:
o SMA Pin-Through-Hole connectors require GND keep-out (i.e. clearance, a void area) on all the layers
around the central pin up to the annular pads of the four GND posts, as shown in Figure 35.
o U.FL surface-mounted connectors require no conductive traces (i.e. clearance, a void area) in the area
below the connector between the GND land pads.
Cut out the GND layer under RF connectors and close to buried vias, in order to remove stray capacitance
and thus keep the RF line 50 , e.g. the active pad of U.FL connectors needs to have a GND keep-out (i.e.
clearance, a void area) at least on the first inner layer to reduce parasitic capacitance to ground.
If integrated antennas are used, the RF terminations are represented by the integrated antennas themselves. The
following guidelines should be followed:
Use antennas designed by an antenna manufacturer, providing the best possible return loss (or VSWR).
Provide a ground plane large enough according to the relative integrated antenna requirements. The ground
plane of the application PCB can be reduced down to a minimum size that must be similar to one quarter of
a wavelength of the minimum frequency that must be radiated. As a numerical example,
Frequency = 750 MHz Wavelength = 40 cm Minimum GND plane size = 10 cm
It is highly recommended to strictly follow the detailed and specific guidelines provided by the antenna
manufacturer regarding correct installation and deployment of the antenna system, including PCB layout
and matching circuitry.
Further to the custom PCB and product restrictions, antennas may require a tuning to comply with all the
applicable required certification schemes. It is recommended to consult the antenna manufacturer for the
design-in guidelines for the antenna matching relative to the custom application.
Additionally, these recommendations regarding the antenna system placement must be followed:
Do not place antennas within a closed metal case.
Do not place the antennas in close vicinity to the end user since the emitted radiation in human tissue is
limited by regulatory requirements.
Place the antennas far from sensitive analog systems or employ countermeasures to reduce EMC issues.
Take care of interaction between co-located RF systems since the LTE/3G/2G transmitted power may interact
or disturb the performance of companion systems.
Place the two LTE antennas providing low Envelope Correlation Coefficient (ECC) between the primary
(ANT1) and secondary (ANT2) antenna: the antenna 3D radiation patterns should have lobes in different
directions. The ECC between the primary and secondary antennas needs to be low enough to comply with
the radiated performance requirements specified by related certification schemes, as indicated in Table 10.
Place the two LTE antennas providing enough high isolation (see Table 10) between the primary (ANT1) and
secondary (ANT2) antennas. The isolation depends on the distance between antennas (separation of at least
a quarter wavelength required for good isolation), antenna type (using antennas with different polarization
improves isolation), and the antenna 3D radiation patterns (uncorrelated patterns improve isolation).

TOBY-L4 series - System Integration Manual
UBX-16024839 - R04 Design-in
Page 76 of 143
Examples of antennas
Table 24 lists some examples of possible internal on-board surface-mount antennas.
Manufacturer
Part Number
Product Name
Description
Taoglas
PA.710.A
Warrior
GSM / WCDMA / LTE SMD Antenna
698..960 MHz, 1710..2170 MHz, 2300..2400 MHz, 2490..2690 MHz
40.0 x 6.0 x 5.0 mm
Taoglas
PA.711.A
Warrior II
GSM / WCDMA / LTE SMD Antenna
Pairs with the Taoglas PA.710.A Warrior for LTE MIMO applications
698..960 MHz, 1710..2170 MHz, 2300..2400 MHz, 2490..2690 MHz
40.0 x 6.0 x 5.0 mm
Antenova
SR4L002
Lucida
GSM / WCDMA / LTE SMD Antenna
698..960 MHz, 1710..2170 MHz, 2300..2400 MHz, 2490..2690 MHz
35.0 x 8.5 x 3.2 mm
Table 24: Examples of internal surface-mount antennas
Table 25 lists some examples of possible internal off-board PCB-type antennas with cable and connector.
Manufacturer
Part Number
Product Name
Description
Taoglas
FXUB66.07.0150C
Maximus
GSM / WCDMA / LTE PCB Antenna with cable and U.FL
698..960 MHz, 1390..1435 MHz, 1575.42 MHz, 1710..2170 MHz,
2300..2700 MHz, 3400..3600 MHz, 4800..6000 MHz
120.2 x 50.4 mm
Ethertronics
5001537
Prestta
GSM / WCDMA / LTE PCB Antenna with cable
704..960 MHz, 1710..2170 MHz, 2300..2400 MHz, 2500..2690 MHz
80.0 x 18.0 mm
Table 25: Examples of internal antennas with cable and connector
Table 26 lists some examples of possible external antennas.
Manufacturer
Part Number
Product Name
Description
Taoglas
GSA.8827.A.101111
Phoenix
GSM / WCDMA / LTE adhesive-mount antenna with cable and SMA(M)
698..960 MHz, 1575.42 MHz, 1710..2700 MHz
105 x 30 x 7.7 mm
Taoglas
MA241.BI.001
Genesis
GSM / WCDMA / LTE MIMO 2-in-1 adhesive-mount combination antenna
waterproof IP67 rated with cable and SMA(M)
698..960 MHz, 1710..2690 MHz
205.8 x 58 x 12.4 mm
Laird Tech.
TRA6927M3PW-001
GSM / WCDMA / LTE screw-mount antenna with N-type(F)
698..960 MHz, 1710..2170 MHz, 2300..2700 MHz
83.8 x Ø 36.5 mm
Laird Tech.
OC69271-FNM
GSM / WCDMA / LTE pole-mount antenna with N-type(M)
698..960 MHz, 1710..2690 MHz
248 x Ø 24.5 mm
Laird Tech.
CMD69273-30NM
GSM / WCDMA / LTE ceiling-mount MIMO antenna with cables & N-type(M)
698..960 MHz, 1710..2700 MHz
43.5 x Ø 218.7 mm
Pulse Electronics
WA700/2700SMA
GSM / WCDMA / LTE clip-mount MIMO antenna with cables and SMA(M)
698..960 MHz,1710..2700 MHz
149 x 127 x 5.1 mm
Table 26: Examples of external antennas

TOBY-L4 series - System Integration Manual
UBX-16024839 - R04 Design-in
Page 77 of 143
2.4.2 Antenna detection interface (ANT_DET)
2.4.2.1 Guidelines for ANT_DET circuit design
Figure 36 and Table 27 describe the recommended schematic / components for the antennas detection circuit
that must be provided on the application board and for the diagnostic circuit that must be provided on the
antennas’ assembly to achieve primary and secondary antenna detection functionality.
Application Board
Antenna Cable
TOBY-L4 series
81
ANT1
75
ANT_DET R1
C1 D1
C2 J1
Z0= 50 ohm Z0= 50 ohm Z0= 50 ohm
Primary Antenna Assembly
R2
C4
L3
Radiating
Element
Diagnostic
Circuit
L2
L1
Antenna Cable
87
ANT2
C3 J2
Z0= 50 ohm Z0= 50 ohm Z0= 50 ohm
Secondary Antenna Assembly
R3
C5
L4
Radiating
Element
Diagnostic
Circuit
Figure 36: Suggested schematic for the antenna detection circuit on the application board and the diagnostic circuit on the
antennas assembly
Reference
Description
Part Number - Manufacturer
C1
27 pF Capacitor Ceramic C0G 0402 5% 50 V
GRM1555C1H270J - Murata
C2, C3
33 pF Capacitor Ceramic C0G 0402 5% 50 V
GRM1555C1H330J - Murata
D1
Very Low Capacitance ESD Protection
PESD0402-140 - Tyco Electronics
L1, L2
68 nH Multilayer Inductor 0402 (SRF ~1 GHz)
LQG15HS68NJ02 - Murata
R1
10 k Resistor 0402 1% 0.063 W
RK73H1ETTP1002F - KOA Speer
J1, J2
SMA Connector 50 Through Hole Jack
SMA6251A1-3GT50G-50 - Amphenol
C4, C5
22 pF Capacitor Ceramic C0G 0402 5% 25 V
GRM1555C1H220J - Murata
L3, L4
68 nH Multilayer Inductor 0402 (SRF ~1 GHz)
LQG15HS68NJ02 - Murata
R2, R3
15 k Resistor for Diagnostic
Various Manufacturers
Table 27: Suggested components for the antenna detection circuit on the application board and the diagnostic circuit on the
antennas assembly
The antenna detection circuit and diagnostic circuit suggested in Figure 36 and Table 27 are explained here:
When antenna detection is forced by the AT+UANTR command, ANT_DET generates a DC current
measuring the resistance (R2 // R3) from the antenna connectors (J1, J2) provided on the application board
to GND.
DC blocking capacitors are needed at the ANT1 / ANT2 pins (C2, C3) and at the antenna radiating element
(C4, C5) to decouple the DC current generated by the ANT_DET pin.
Choke inductors with a Self Resonance Frequency (SRF) in the range of 1 GHz are needed in series at the
ANT_DET pin (L1, L2) and in series at the diagnostic resistor (L3, L4), to avoid a reduction of the RF
performance of the system, improving the RF isolation of the load resistor.
Additional components (R1, C1 and D1 in Figure 36) are needed at the ANT_DET pin as ESD protection.
The ANT1 / ANT2 pins must be connected to the antenna connector by means of a transmission line with a
nominal characteristic impedance as close as possible to 50 .

TOBY-L4 series - System Integration Manual
UBX-16024839 - R04 Design-in
Page 78 of 143
The DC impedance at the RF port for some antennas may be a DC open (e.g. linear monopole) or a DC short to
reference GND (e.g. PIFA antenna). For those antennas without the diagnostic circuit of Figure 36, the measured
DC resistance is always at the limits of the measurement range (respectively open or short), and there is no
means to distinguish between a defect on the antenna path with similar characteristics (respectively: removal of
linear antenna or RF cable shorted to GND for a PIFA antenna).
Furthermore, any other DC signal injected to the RF connection from an ANT connector to a radiating element
will alter the measurement and produce invalid results for antenna detection.
It is recommended to use an antenna with a built-in diagnostic resistor in the range from 5 k to 30 k
to assure good antenna detection functionality and avoid a reduction of module RF performance. The
choke inductor should exhibit a parallel Self Resonance Frequency (SRF) in the range of 1 GHz to improve
the RF isolation of the load resistor.
For example:
Consider an antenna with a built-in DC load resistor of 15 k. Using the +UANTR AT command, the module
reports the resistance value evaluated from the antenna connector provided on the application board to GND:
Reported values close to the used diagnostic resistor nominal value (i.e. values from 13 k to 17 k if a
15 k diagnostic resistor is used) indicate that the antenna is properly connected.
Values close to the measurement range maximum limit (approximately 50 k) or an open-circuit
“over range” report (see the u-blox AT Commands Manual [2]) means that that the antenna is not
connected or the RF cable is broken.
Reported values below the measurement range minimum limit (1 k) indicate a short to GND at the
antenna or along the RF cable.
Measurement inside the valid measurement range and outside the expected range may indicate an incorrect
connection, damaged antenna or wrong value of antenna load resistor for diagnostics.
The reported value could differ from the real resistance value of the diagnostic resistor mounted inside the
antenna assembly due to the antenna cable length, the antenna cable capacity or the measurement method
used.
If the primary / secondary antenna detection function is not required by the customer application, the
ANT_DET pin can be left unconnected and the ANT1 / ANT2 pins can be directly connected to the
related antenna connector by means of a 50 transmission line as illustrated in Figure 35.
2.4.2.2 Guidelines for ANT_DET layout design
The recommended layout for the primary antenna detection circuit to be provided on the application board to
achieve the primary antenna detection functionality, implementing the recommended schematic illustrated in
Figure 36 and Table 27, is explained here:
The ANT1 / ANT2 pins must be connected to the antenna connector by means of a 50 transmission line,
implementing the design guidelines described in section 2.4.1 and the recommendations of the SMA
connector manufacturer.
DC blocking capacitor at ANT1 / ANT2 pins (C2, C3) must be placed in series to the 50 RF line.
The ANT_DET pin must be connected to the 50 transmission line by means of a sense line.
Choke inductors in series at the ANT_DET pin (L1, L2) must be placed so that one pad is on the 50
transmission line and the other pad represents the start of the sense line to the ANT_DET pin.
The additional components (R1, C1 and D1) on the ANT_DET line must be placed as ESD protection.

TOBY-L4 series - System Integration Manual
UBX-16024839 - R04 Design-in
Page 79 of 143
2.5 SIM interfaces
2.5.1 Guidelines for SIM circuit design
Guidelines for SIM cards, SIM connectors and SIM chips selection
TOBY-L4 series modules provide two SIM interfaces for the direct connection of two external SIM cards/chips,
which can be used alternatively (only one SIM at a time can be used for network access):
SIM0 interface (VSIM, SIM_IO, SIM_CLK, SIM_RST pins), enabled by default
SIM1 interface (VSIM1, SIM1_IO, SIM1_CLK, SIM1_RST pins), alternatively enabled
The ISO/IEC 7816, the ETSI TS 102 221 and the ETSI TS 102 671 specifications define the physical, electrical and
functional characteristics of Universal Integrated Circuit Cards (UICC), which contains the Subscriber
Identification Module (SIM) integrated circuit that securely stores all the information needed to identify and
authenticate subscribers over the LTE/3G/2G network.
Removable UICC / SIM card contact mapping is defined by ISO/IEC 7816 and ETSI TS 102 221 as follows:
Contact C1 = VCC (Supply) It must be connected to VSIM / VSIM1
Contact C2 = RST (Reset) It must be connected to SIM_RST / SIM1_RST
Contact C3 = CLK (Clock) It must be connected to SIM_CLK / SIM1_CLK
Contact C4 = AUX1 (Auxiliary contact) It must be left not connected
Contact C5 = GND (Ground) It must be connected to GND
Contact C6 = VPP (Programming supply) It can be left not connected
Contact C7 = I/O (Data input/output) It must be connected to SIM_IO / SIM1_IO
Contact C8 = AUX2 (Auxiliary contact) It must be left not connected
A removable SIM card can have 6 contacts (C1, C2, C3, C5, C6, C7) or 8 contacts, also including the auxiliary
contacts C4 and C8. Only 6 contacts are required and must be connected to the module SIM interface.
Removable SIM cards are suitable for applications requiring a change of SIM card during the product’s lifetime.
A SIM card holder can have 6 or 8 positions if a mechanical card presence detector is not provided, or it can
have 6+2 or 8+2 positions if two additional pins relative to the normally-open mechanical switch integrated in
the SIM connector for the mechanical card presence detection are provided. Select a SIM connector providing
6+2 or 8+2 positions if the optional SIM detection feature is required by the custom application, otherwise a
connector without an integrated mechanical presence switch can be selected.
Solderable UICC / SIM chip contact mapping (M2M UICC Form Factor) is defined by ETSI TS 102 671 as:
Case Pin 8 = UICC Contact C1 = VCC (Supply) It must be connected to VSIM / VSIM1
Case Pin 7 = UICC Contact C2 = RST (Reset) It must be connected to SIM_RST / SIM1_RST
Case Pin 6 = UICC Contact C3 = CLK (Clock) It must be connected to SIM_CLK / SIM1_CLK
Case Pin 5 = UICC Contact C4 = AUX1 (Aux.contact) It must be left not connected
Case Pin 1 = UICC Contact C5 = GND (Ground) It must be connected to GND
Case Pin 2 = UICC Contact C6 = VPP (Progr. supply) It can be left not connected
Case Pin 3 = UICC Contact C7 = I/O (Data I/O) It must be connected to SIM_IO / SIM1_IO
Case Pin 4 = UICC Contact C8 = AUX2 (Aux. contact) It must be left not connected
A solderable SIM chip has 8 contacts and can also include the auxiliary contacts C4 and C8 for other uses, but
only 6 contacts are required and must be connected to the module SIM card interface as described above.
Solderable SIM chips are suitable for M2M applications where it is not required to change the SIM once installed.

TOBY-L4 series - System Integration Manual
UBX-16024839 - R04 Design-in
Page 80 of 143
Guidelines for single SIM card connection without detection
A removable SIM card placed in a SIM card holder must be connected to the SIM0 or the SIM1 interface of
TOBY-L4 series modules as illustrated in Figure 37, where the optional SIM detection feature is not implemented.
Follow these guidelines to connect the module to a SIM connector without SIM presence detection:
Connect the UICC / SIM contact C1 (VCC) to the VSIM or the VSIM1 pin of the module.
Connect the UICC / SIM contact C7 (I/O) to the SIM_IO or the SIM1_IO pin of the module.
Connect the UICC / SIM contact C3 (CLK) to the SIM_CLK or the SIM1_CLK pin of the module.
Connect the UICC / SIM contact C2 (RST) to the SIM_RST or the SIM1_RST pin of the module.
Connect the UICC / SIM contact C5 (GND) to ground.
Provide a 100 nF bypass capacitor (e.g. Murata GRM155R71C104K) on SIM supply line, close to the relative
pad of the SIM connector, to prevent digital noise.
Provide a bypass capacitor of about 22 pF to 47 pF (e.g. Murata GRM1555C1H470J) on each SIM line, very
close to each related pad of the SIM connector, to prevent RF coupling especially when the RF antenna is
placed closer than 10 - 30 cm from the SIM card holder.
Provide a very low capacitance (i.e. less than 10 pF) ESD protection (e.g. Tyco PESD0402-140) on each
externally accessible SIM line, close to each relative pad of the SIM connector. The ESD sensitivity rating of
the SIM interface pins is 1 kV (HBM). So that, according to EMC/ESD requirements of the custom
application, a higher protection level can be required if the lines are externally accessible on the application
device.
Limit the capacitance and series resistance on each SIM signal to match the SIM requirements (27.7 ns is the
maximum allowed rise time on the clock line, 1.0 µs is the maximum allowed rise time on the data and reset
lines).
TOBY-L4 series
VSIMx
SIMx_IO
SIMx_CLK
SIMx_RST
SIM CARD
HOLDER
C
5
C
6
C
7
C
1
C
2
C
3
SIM Card
Bottom View
(contacts side)
C1
VPP (C6)
VCC (C1)
IO (C7)
CLK (C3)
RST (C2)
GND (C5)
C2 C3 C5
J1
C4 D1 D2 D3 D4
C
8
C
4
Figure 37: Application circuits for the connection to a single removable SIM card, with SIM detection not implemented
Reference
Description
Part Number - Manufacturer
C1, C2, C3, C4
47 pF Capacitor Ceramic C0G 0402 5% 50 V
GRM1555C1H470JA01 - Murata
C5
100 nF Capacitor Ceramic X7R 0402 10% 16 V
GRM155R71C104KA01 - Murata
D1, D2, D3, D4
Very Low Capacitance ESD Protection
PESD0402-140 - Tyco Electronics
J1
SIM Card Holder, 6 p, without card presence switch
Various manufacturers, as C707 10M006 136 2 - Amphenol
Table 28: Example of components for the connection to a single removable SIM card, with SIM detection not implemented

TOBY-L4 series - System Integration Manual
UBX-16024839 - R04 Design-in
Page 81 of 143
Guidelines for single SIM chip connection
A solderable SIM chip (M2M UICC Form Factor) must be connected the SIM0 / SIM1 interface of TOBY-L4 series
modules as illustrated in Figure 38.
Follow these guidelines to connect the module to a solderable SIM chip without SIM presence detection:
Connect the UICC / SIM contact C1 (VCC) to the VSIM or the VSIM1 pin of the module.
Connect the UICC / SIM contact C7 (I/O) to the SIM_IO or the SIM1_IO pin of the module.
Connect the UICC / SIM contact C3 (CLK) to the SIM_CLK or the SIM1_CLK pin of the module.
Connect the UICC / SIM contact C2 (RST) to the SIM_RST or the SIM1_RST pin of the module.
Connect the UICC / SIM contact C5 (GND) to ground.
Provide a 100 nF bypass capacitor (e.g. Murata GRM155R71C104K) at the SIM supply line close to the
relative pad of the SIM chip, to prevent digital noise.
Provide a bypass capacitor of about 22 pF to 47 pF (e.g. Murata GRM1555C1H470J) on each SIM line, to
prevent RF coupling especially when the RF antenna is placed closer than 10 - 30 cm from the SIM lines.
Limit the capacitance and series resistance on each SIM signal to match the SIM requirements (20.5 ns is the
maximum rise time on the clock line, 1.0 µs is the maximum rise time on the data and reset lines).
TOBY-L4 series
VSIMx
SIMx_IO
SIMx_CLK
SIMx_RST
SIM CHIP
SIM Chip
Bottom View
(contacts side)
C1
VPP (C6)
VCC (C1)
IO (C7)
CLK (C3)
RST (C2)
GND (C5)
C2 C3 C5
U1
C4
2
8
3
6
7
1
C1 C5
C2 C6
C3 C7
C4 C8
8
7
6
5
1
2
3
4
Figure 38: Application circuits for the connection to a single solderable SIM chip, with SIM detection not implemented
Reference
Description
Part Number - Manufacturer
C1, C2, C3, C4
47 pF Capacitor Ceramic C0G 0402 5% 50 V
GRM1555C1H470JA01 - Murata
C5
100 nF Capacitor Ceramic X7R 0402 10% 16 V
GRM155R71C104KA01 - Murata
U1
SIM chip (M2M UICC Form Factor)
Various Manufacturers
Table 29: Example of components for the connection to a single solderable SIM chip, with SIM detection not implemented

TOBY-L4 series - System Integration Manual
UBX-16024839 - R04 Design-in
Page 82 of 143
Guidelines for single SIM card connection with detection
If the optional SIM card detection feature is required by the application, then a removable SIM card placed in a
SIM card holder must be connected to the SIM0 interface of TOBY-L4 series modules as illustrated in Figure 39:
Follow these guidelines to connect the module to a SIM connector implementing SIM presence detection:
Connect the UICC / SIM contact C1 (VCC) to the VSIM pin of the module.
Connect the UICC / SIM contact C7 (I/O) to the SIM_IO pin of the module.
Connect the UICC / SIM contact C3 (CLK) to the SIM_CLK pin of the module.
Connect the UICC / SIM contact C2 (RST) to the SIM_RST pin of the module.
Connect the UICC / SIM contact C5 (GND) to ground.
Connect one pin of the normally-open mechanical switch integrated in the SIM connector (e.g. the SW2 pin
as illustrated in Figure 39) to the GPIO5 input pin of the module.
Connect the other pin of the normally-open mechanical switch integrated in the SIM connector (e.g. the
SW1 pin as illustrated in Figure 39) to the V_INT 1.8 V supply output of the module by means of a strong
(e.g. 1 k) pull-up resistor, as the R1 resistor in Figure 39.
Provide a weak (e.g. 470 k) pull-down resistor at the SIM detection line, as the R2 resistor in Figure 39.
Provide a 100 nF bypass capacitor (e.g. Murata GRM155R71C104K) at the SIM supply line, close to the
related pad of the SIM connector, to prevent digital noise.
Provide a bypass capacitor of about 22 pF to 47 pF (e.g. Murata GRM1555C1H470J) on each SIM line, very
close to each related pad of the SIM connector, to prevent RF coupling especially when the RF antenna is
placed closer than 10 - 30 cm from the SIM card holder.
Provide a very low capacitance (i.e. less than 10 pF) ESD protection (e.g. Tyco PESD0402-140) on each
externally accessible SIM line, close to each related pad of the SIM connector: ESD sensitivity rating of the
SIM interface pins is 1 kV (HBM), so that, according to the EMC/ESD requirements of the custom application,
a higher protection level can be required if the lines are externally accessible on the application device.
Limit the capacitance and series resistance on each SIM signal to match the SIM requirements (20.5 ns is the
maximum rise time on the clock line, 1.0 µs is the maximum rise time on the data and reset lines).
TOBY-L4 series
5
V_INT
60
GPIO5
SIM CARD
HOLDER
C
5
C
6
C
7
C
1
C
2
C
3
SIM Card
Bottom View
(contacts side)
C1
VPP (C6)
VCC (C1)
IO (C7)
CLK (C3)
RST (C2)
GND (C5)
C2 C3 C5
J1
C4
SW1
SW2
D1 D2 D3 D4 D5 D6
R2
R1
C
8
C
4
TP
59
VSIM
57
SIM_IO
56
SIM_CLK
58
SIM_RST
Figure 39: Application circuit for the connection to a single removable SIM card, with SIM detection implemented
Reference
Description
Part Number - Manufacturer
C1, C2, C3, C4
47 pF Capacitor Ceramic C0G 0402 5% 50 V
GRM1555C1H470JA01 - Murata
C5
100 nF Capacitor Ceramic X7R 0402 10% 16 V
GRM155R71C104KA01 - Murata
D1, … , D6
Very Low Capacitance ESD Protection
PESD0402-140 - Tyco Electronics
R1
1 k Resistor 0402 5% 0.1 W
RC0402JR-071KL - Yageo Phycomp
R2
470 k Resistor 0402 5% 0.1 W
RC0402JR-07470KL- Yageo Phycomp
J1
SIM Card Holder, 6 + 2 p, with card presence switch
Various manufacturers, as CCM03-3013LFT R102 - C&K
Table 30: Example of components for the connection to a single removable SIM card, with SIM detection implemented

TOBY-L4 series - System Integration Manual
UBX-16024839 - R04 Design-in
Page 83 of 143
Guidelines for dual SIM card / chip connection
Two SIM cards / chips can be connected to the SIM interfaces of TOBY-L4 modules as illustrated in Figure 40.
TOBY-L4 series modules do not support the usage of two SIMs at the same time, but two SIMs can be populated
on the application board:
connecting the first SIM to the SIM0 interface of the module and connecting the second SIM to the SIM1
interface of the module, as illustrated in Figure 40 top side
In this case, the SIM interface and the related external SIM card / chip to be used can be selected by means
of the AT+XSIMSWITCH command (see u-blox AT Commands Manual [2]) or by means of uCPU application,
performing the SIM switch operation
providing a suitable switch to connect only the first or only the second SIM at a time to the SIM0 interface of
the module, as illustrated in Figure 40 bottom side
In this case, if the SIM hot insertion / removal feature is enabled on the GPIO5 pin by AT commands (see
sections 1.8.2 and 1.13, and the u-blox AT Commands Manual [2], +UGPIOC, +UDCONF=50 commands) or
by means of uCPU application, than the switch from the first to the second external SIM can be properly
done when a Low logic level is present on the GPIO5 pin (“SIM not inserted” = SIM interface not enabled),
without the necessity of a module re-boot, so that the SIM interface will be re-enabled by the module to use
the second SIM when a high logic level is re-applied on the GPIO5 pin. The application processor will drive
the SIM switch using its own GPIO to properly select the SIM that is used by the module. Another GPIO may
be used to handle the SIM hot insertion / removal function of TOBY-L4 series modules, which can also be
handled by other external circuits or by the cellular module GPIO according to the application requirements.
The dual SIM connection circuit illustrated in Figure 40 can be implemented for SIM chips as well.
If it is required to switch between more than 2 SIMs, a circuit similar to the one illustrated in Figure 40 bottom
side can be implemented, using suitable switches.
Follow these guidelines to connect the module to two external UICC / SIM:
Connect the contact C1 (VCC) of the first external UICC / SIM to the VSIM pin of the module and the one
of the second external UICC / SIM to the VSIM1 pin of the module.
Connect the contact C7 (I/O) of the first external UICC / SIM to the SIM_IO pin of the module and the one
of the second external UICC / SIM to the SIM1_IO pin of the module.
Connect the contact C3 (CLK) of the first external UICC / SIM to the SIM_CLK pin of the module and the
one of the second external UICC / SIM to the SIM1_CLK pin of the module.
Connect the contact C2 (RST) of the first external UICC / SIM to the SIM_RST pin of the module and the
one of the second external UICC / SIM to the SIM1_RST pin of the module.
Connect the contact C5 (GND) of each external UICC / SIM to ground.
Provide a 100 nF bypass capacitor (e.g. Murata GRM155R71C104K) at the SIM supply (VSIM / VSIM1),
close to the related pad of each external UICC / SIM, to prevent digital noise.
Provide a bypass capacitor of about 22 pF to 47 pF (e.g. Murata GRM1555C1H470J) on each SIM line, very
close to each related pad of each external SIM connector, to prevent RF coupling especially when the RF
antenna is placed closer than 10 - 30 cm from the SIM card holders.
Provide a very low capacitance (i.e. less than 10 pF) ESD protection (e.g. Tyco Electronics PESD0402-140) on
each externally accessible SIM line, close to each pad of each external SIM connector, according to the
EMC/ESD requirements of the custom application.
Limit the capacitance and series resistance on each SIM signal to match the SIM requirements (20.5 ns is the
maximum rise time on the clock line, 1.0 µs is the maximum rise time on the data and reset lines).
If a circuit as the one illustrated in Figure 40 bottom side is implemented, use a suitable low on resistance
(i.e. few ohms) and low on capacitance (i.e. few pF) 2-throw analog switch (e.g. Fairchild FSA2567) as SIM
switch to ensure high-speed data transfer according to SIM requirements.

TOBY-L4 series - System Integration Manual
UBX-16024839 - R04 Design-in
Page 84 of 143
TOBY-L4 series
C1
FIRST
SIM CARD
VPP (C6)
VCC (C1)
IO (C7)
CLK (C3)
RST (C2)
GND (C5)
C2 C3 C5
J1
C4 D1 D2 D3 D4
59
VSIM
57
SIM_IO
56
SIM_CLK
58
SIM_RST
SECOND
SIM CARD
VPP (C6)
VCC (C1)
IO (C7)
CLK (C3)
RST (C2)
GND (C5)
J2
C6 C7 C8 C10
C9 D5 D6 D7 D8
182
SIM1_CLK
172
VSIM1
178
SIM1_IO
177
SIM1_RST
TOBY-L4 series
C1
FIRST
SIM CARD
VPP (C6)
VCC (C1)
IO (C7)
CLK (C3)
RST (C2)
GND (C5)
C2 C3 C5
J1
C4 D1 D2 D3 D4
GND
U1
59
VSIM VSIM 1VSIM
2VSIM
VCC
C11
4PDT
Analog
Switch
3V8
57
SIM_IO DAT 1DAT
2DAT
56
SIM_CLK CLK 1CLK
2CLK
58
SIM_RST RST 1RST
2RST
SEL
SECOND
SIM CARD
VPP (C6)
VCC (C1)
IO (C7)
CLK (C3)
RST (C2)
GND (C5)
J2
C6 C7 C8 C10
C9 D5 D6 D7 D8
Application
Processor
GPIO
R1
Figure 40: Application circuits for the connection to two removable SIM cards, with SIM detection not implemented
Reference
Description
Part Number – Manufacturer
C1 – C4, C6 – C9
33 pF Capacitor Ceramic C0G 0402 5% 25 V
GRM1555C1H330JZ01 – Murata
C5, C10, C11
100 nF Capacitor Ceramic X7R 0402 10% 16 V
GRM155R71C104KA01 – Murata
D1 – D8
Very Low Capacitance ESD Protection
PESD0402-140 - Tyco Electronics
R1
47 k Resistor 0402 5% 0.1 W
RC0402JR-0747KL- Yageo Phycomp
J1, J2
SIM Card Holder, 6 + 2 p., with card presence switch
CCM03-3013LFT R102 - C&K Components
U1
4PDT Analog Switch,
with Low On-Capacitance and Low On-Resistance
FSA2567 - Fairchild Semiconductor
Table 31: Example of components for the connection to two removable SIM cards, with SIM detection not implemented

TOBY-L4 series - System Integration Manual
UBX-16024839 - R04 Design-in
Page 85 of 143
2.5.2 Guidelines for SIM layout design
The layout of the SIM card interfaces lines (VSIM, SIM_CLK, SIM_IO, SIM_RST for the SIM0 interface, and
VSIM1, SIM1_IO, SIM1_CLK, SIM1_RST for the SIM1 interface) may be critical if the SIM card is placed far
away from the TOBY-L4 series modules or in close proximity to the RF antenna: these two cases should be
avoided or at least mitigated as described below.
In the first case, the long connection can cause the radiation of some harmonics of the digital data frequency as
any other digital interface. It is recommended to keep the traces short and avoid coupling with the RF line or
sensitive analog inputs.
In the second case, the same harmonics can be picked up and create self-interference that can reduce the
sensitivity of LTE/3G/2G receiver channels whose carrier frequency is coincidental with the harmonic frequencies.
It is strongly recommended to place the RF bypass capacitors suggested in Figure 37 near the SIM connector.
In addition, since the SIM card is typically accessed by the end user, it can be subjected to ESD discharges. Add
adequate ESD protection as suggested to protect the module SIM pins near the SIM connector.
Limit the capacitance and series resistance on each SIM signal to match the SIM specifications. The connections
should always be kept as short as possible.
Avoid coupling with any sensitive analog circuit, since the SIM signals can cause the radiation of some harmonics
of the digital data frequency.

TOBY-L4 series - System Integration Manual
UBX-16024839 - R04 Design-in
Page 86 of 143
2.6 Data communication interfaces
2.6.1 USB interface
2.6.1.1 Guidelines for USB circuit design
Different application circuits can be implemented for the USB interface according to specific use-case:
USB 2.0 interface, with the module acting as USB device, as illustrated in Figure 41 and Table 32
USB 2.0 interface, with the module acting as USB host, as illustrated in Figure 42 and Table 33
USB 3.0 interface, with the module acting as USB device, as illustrated in Figure 43 and Table 34
USB pull-up or pull-down resistors and external series resistors on the USB_D+ and USB_D– lines as required by
the USB 2.0 specification [3] are part of the module USB pins driver and do not need to be externally provided.
Series DC decoupling capacitors are internally provided on the USB_SSTX+ and USB_SSTX– lines as required by
the USB 3.0 specification [4] and do not need to be externally provided.
The USB_SSTX+/USB_SSTX– USB Super-Speed differential transmitter data output lines of the module must be
connected to the USB Super-Speed differential receiver data input lines of the external USB 3.0 host.
The USB_SSRX+/USB_SSRX– USB Super-Speed differential receiver data input lines of the module must be
connected to the USB Super-Speed differential transmitter data output lines of the external USB 3.0 host, with
series DC decoupling capacitors being provided on the host side as per the USB 3.0 specification [4].
Routing the USB pins to a connector, they will be externally accessible on the application device. According to
the EMC/ESD requirements of the application, an additional ESD protection device with very low capacitance
should be provided close to the accessible point on the line connected to this pin.
The USB interface pins ESD sensitivity rating is 1 kV (Human Body Model according to JESD22-A114F).
A higher protection level could be required if the lines are externally accessible and it can be achieved by
mounting a very low capacitance (i.e. less or equal to 1 pF) ESD protection (e.g. Tyco Electronics
PESD0402-140 ESD protection device) on the lines connected to these pins, close to the accessible points.
The USB pins of the modules can be directly connected to the USB host application processor without additional
ESD protections if they are not externally accessible or according to EMC/ESD requirements.
D+
D–
GND
28 USB_D+
27 USB_D–
GND
USB 2.0 DEVICE
CONNECTOR
VBUS
D+
D–
GND
USB 2.0 HOST
PROCESSOR
TOBY-L4 series
VBUS
4VUSB_DET
D1 D2 D3 C1 C1
28 USB_D+
27 USB_D–
GND
TOBY-L4 series
4VUSB_DET
168 USB_ID
168 USB_ID
170 USB_SSRX+
171 USB_SSRX–
175 USB_SSTX+
176 USB_SSTX–
170 USB_SSRX+
171 USB_SSRX–
175 USB_SSTX+
176 USB_SSTX–
Figure 41: USB 2.0 interface application circuits, with TOBY-L4 series module acting as a USB device
Reference
Description
Part Number - Manufacturer
C1
100 nF Capacitor Ceramic X7R 0402 10% 16 V
GRM155R61A104KA01 - Murata
D1, D2, D3
Very Low Capacitance ESD Protection
PESD0402-140 - Tyco Electronics
Table 32: Component for USB 2.0 interface application circuits, with TOBY-L4 series module acting as a USB device

TOBY-L4 series - System Integration Manual
UBX-16024839 - R04 Design-in
Page 87 of 143
D+
D–
GND
28 USB_D+
27 USB_D–
GND
USB 2.0 HOST
CONNECTOR
VBUS
D+
D–
GND
USB 2.0 DEVICE
PROCESSOR
TOBY-L4 series
VBUS
4VUSB_DET
D1 D2 D3 C2 C2
28 USB_D+
27 USB_D–
GND
TOBY-L4 series
4VUSB_DET
168 USB_ID
168 USB_ID
170 USB_SSRX+
171 USB_SSRX–
175 USB_SSTX+
176 USB_SSTX–
170 USB_SSRX+
171 USB_SSRX–
175 USB_SSTX+
176 USB_SSTX–
Boost
INOUT
Boost
INOUT
C1
5V 5V
C1
VCC VCC
U1 U1
Figure 42: USB 2.0 interface application circuits, with TOBY-L4 series module acting as a USB host
Reference
Description
Part Number - Manufacturer
C1, C2
10 µF Capacitor Ceramic X7R 5750 15% 50 V
C5750X7R1H106MB - TDK
D1, D2, D3
Very Low Capacitance ESD Protection
PESD0402-140 - Tyco Electronics
U1
DC/DC Boost Regulator
Various Manufacturer
Table 33: Component for USB 2.0 interface application circuits, with TOBY-L4 series module acting as a USB host
D+
D–
GND
28 USB_D+
27 USB_D–
GND
USB 3.0 DEVICE
CONNECTOR
VBUS
D+
D–
GND
USB 2.0 HOST
PROCESSOR
TOBY-L4 series
VBUS
4VUSB_DET
D1 D2 D3 C1 C1
28 USB_D+
27 USB_D–
GND
TOBY-L4 series
4VUSB_DET
168 USB_ID
168 USB_ID
170 USB_SSRX+
171 USB_SSRX–
175 USB_SSTX+
176 USB_SSTX–
170 USB_SSRX+
171 USB_SSRX–
175 USB_SSTX+
176 USB_SSTX–
SSRX+
SSRX–
SSTX+
SSTX–
C3
SSTX+
SSTX–
SSRX+
SSRX–
C2
Figure 43: USB 3.0 interface application circuits, with TOBY-L4 series module acting as a USB device
Reference
Description
Part Number - Manufacturer
C1, C2, C3
100 nF Capacitor Ceramic X7R 0402 10% 16 V
GRM155R61A104KA01 - Murata
D1, D2, D3
Very Low Capacitance ESD Protection
PESD0402-140 - Tyco Electronics
Table 34: Component for USB 3.0 interface application circuits, with TOBY-L4 series module acting as a USB device
USB High-Speed 2.0 host role is not supported by the "50" product versions.
USB Super-Speed 3.0 compliant interface will be supported by future firmware versions.
If the USB interface pins are not used, they can be left unconnected on the application board, but it is
recommended to provide accessible test points directly connected to the VUSB_DET, USB_D+, USB_D–
pins, for diagnostic and FW update purposes.

TOBY-L4 series - System Integration Manual
UBX-16024839 - R04 Design-in
Page 88 of 143
2.6.1.2 Guidelines for USB layout design
The USB_D+/USB_D–, USB_SSTX+/USB_SSTX– and USB_SSRX+/USB_SSRX– lines require accurate layout
design to achieve reliable signaling at the high speed data rates (up to 480 Mbit/s or up to 5 Gbit/s) supported
by the USB 2.0 or USB 3.0 interface.
The characteristic impedance of the USB_D+/USB_D–, USB_SSTX+/USB_SSTX– and USB_SSRX+/USB_SSRX–
lines is specified by the USB 2.0 specification [3] and the USB 3.0 specification [4]. The most important parameter
is the differential characteristic impedance applicable for the odd-mode electromagnetic field, which should be
as close as possible to 90 differential. Signal integrity may be degraded if the PCB layout is not optimal,
especially when the USB signaling lines are very long.
Use the following general routing guidelines to minimize signal quality problems:
Route USB_D+/USB_D–, USB_SSTX+/USB_SSTX– and USB_SSRX+/USB_SSRX– lines as a differential pair
Route USB_D+/USB_D–, USB_SSTX+/USB_SSTX– and USB_SSRX+/USB_SSRX– lines as short as possible
Ensure the differential characteristic impedance (Z0) is as close as possible to 90
Ensure the common mode characteristic impedance (ZCM) is as close as possible to 30
Consider design rules for USB_D+/USB_D–, USB_SSTX+/USB_SSTX– and USB_SSRX+/USB_SSRX– similar
to RF transmission lines, these being coupled differential micro-strip or buried stripline: avoid any stubs,
abrupt change of layout, and route on clear PCB area
Figure 44 and Figure 45 provide two examples of coplanar waveguide designs with differential characteristic
impedance close to 90 and common mode characteristic impedance close to 30 . The first transmission line
can be implemented for a 4-layer PCB stack-up herein illustrated; the second transmission line can be
implemented for a 2-layer PCB stack-up herein illustrated.
35 µm
35 µm
35 µm
35 µm
270 µm
270 µm
760 µm
L1 Copper
L3 Copper
L2 Copper
L4 Copper
FR-4 dielectric
FR-4 dielectric
FR-4 dielectric
350 µm 400 µm400 µm350 µm400 µm
Figure 44: Example of USB line design, with Z0 close to 90 and ZCM close to 30 , for the described 4-layer board layup
35 µm
35 µm
1510 µm
L2 Copper
L1 Copper
FR-4 dielectric
740 µm 410 µm410 µm740 µm410 µm
Figure 45: Example of USB line design, with Z0 close to 90 and ZCM close to 30 , for the described 2-layer board layup

TOBY-L4 series - System Integration Manual
UBX-16024839 - R04 Design-in
Page 89 of 143
2.6.2 UART interfaces
UART interfaces are not supported by the "50" product version, except for trace logging (diagnostic
purposes) and Ring Indicator functionality over the UART0 interface.
2.6.2.1 Guidelines for UART circuit design
4-wire UART
If RS-232 compatible signal levels are needed, the Maxim MAX13234E voltage level translator can be used. This
chip translates voltage levels from 1.8 V (module side) to the RS-232 standard.
If a 1.8 V external Processor / Device is used, the circuit should be implemented as illustrated in Figure 46.
TxD
1.8V Processor / Device
RxD
RTS
CTS
GND
TOBY-L4 series
TXDx
RXDx
RTSx
CTSx
GND
0ΩTP
0ΩTP
Figure 46: 4-wire UART interface application circuit to connect an external 1.8 V processor / device
If a 3.0 V external Processor / Device is used, then it is recommended to connect the 1.8 V UART interface of the
module by means of appropriate unidirectional voltage translators using the module V_INT output as a 1.8 V
supply for the voltage translators on the module side, as illustrated in Figure 47.
5V_INT
TxD
3V Processor / Device
RxD
RTS
CTS
GND
TOBY-L4 series
TXDx
RXDx
RTSx
CTSx
GND
1V8
B1 A1
GND
U1
B3A3
VCCBVCCA
Unidirectional
Voltage Translator
C1 C2
3V0
DIR3
DIR2 OE
DIR1
VCC
B2 A2
B4A4
DIR4
TP
0ΩTP
0ΩTP
Figure 47: 4-wire UART interface application circuit to connect an external 3.0V processor / device
Reference
Description
Part Number - Manufacturer
C1, C2
100 nF Capacitor Ceramic X7R 0402 10% 16 V
GRM155R61A104KA01 - Murata
U1
Unidirectional Voltage Translator
SN74AVC4T77416 - Texas Instruments
Table 35: Component for 4-wire UART interface application circuit to connect an external 3.0V processor / device
Test-Points for diagnostic access are recommended to be provided on the UART0 TXD and RXD lines.
They are not required on other UART lines.
16
Voltage translator providing partial power down feature so that the external 3.0 V supply can be ramped up before the V_INT 1.8 V supply

TOBY-L4 series - System Integration Manual
UBX-16024839 - R04 Design-in
Page 90 of 143
2-wire UART
If the functionality of the CTSx and RTSx are not required in the application, or the lines are not available, then:
Consider to connect the module RTSx input line to GND or to the CTSx output line of the module, since the
module requires RTSx active (low electrical level) if HW flow-control is enabled
If RS-232 compatible signal levels are needed, the Maxim MAX13234E voltage level translator can be used. This
chip translates voltage levels from 1.8 V (module side) to the RS-232 standard.
If a 1.8 V external Processor / Device is used, the circuit that should be implemented as illustrated in Figure 48.
TxD
1.8V Processor / Device
RxD
GND
TOBY-L4 series
TXDx
RXDx
GND
0ΩTP
0ΩTP
Figure 48: 2-wire UART interface application circuit to connect an external 1.8V processor / device
If a 3.0 V external Processor / Device is used, then it is recommended to connect the 1.8 V UART interface of the
module by means of appropriate unidirectional voltage translators using the module V_INT output as a 1.8 V
supply for the voltage translators on the module side, as illustrated in Figure 49.
5V_INT
TxD
3V Processor / Device
RxD
GND
TOBY-L4 series
TXDx
RXDx
GND
1V8
B1 A1
GND
U1
VCCBVCCA
Unidirectional
Voltage Translator
C1 C2
3V0
DIR1
DIR2
OE
VCC
B2 A2
TP
0ΩTP
0ΩTP
Figure 49: 2-wire UART interface application circuit to connect an external 3.0 V processor / device
Reference
Description
Part Number - Manufacturer
C1, C2
100 nF Capacitor Ceramic X7R 0402 10% 16 V
GRM155R61A104KA01 - Murata
U1
Unidirectional Voltage Translator
SN74AVC2T24517 - Texas Instruments
Table 36: Component for 2-wire UART interface application circuit to connect an external 3.0 V processor / device
Test-Points for diagnostic access are recommended to be provided on the UART0 TXD and RXD lines for
diagnostic purposes. Test-Points are not required on other UART lines.
17
Voltage translator providing partial power down feature so that the external 3.0 V supply can be ramped up before V_INT 1.8 V supply

TOBY-L4 series - System Integration Manual
UBX-16024839 - R04 Design-in
Page 91 of 143
Ring Indicator
If a 1.8 V external Processor / Device is used, the Ring Indicator circuit should be implemented as illustrated in
Figure 50.
1.8V Processor / Device
RI
GND
TOBY-L4 series
11 RI
GND
Figure 50: Ring Indicator application circuit to connect an external 1.8V processor / device
If a 3.0 V external Processor / Device is used, then it is recommended to connect the 1.8 V Ring Indicator output
of the module by means of appropriate unidirectional voltage translators using the module V_INT output as a
1.8 V supply for the voltage translator on the module side, as illustrated in Figure 51.
5V_INT
RI
3V Processor / Device
GND
TOBY-L4 series
11 RI
GND
1V8
B1 A1
GND
U1
VCCBVCCA
Unidirectional
Voltage Translator
C1 C2
3V0
DIR2
OE
VCC
B2 A2
TP
DIR1
Figure 51: Ring Indicator application circuit to connect an external 3.0V processor / device
Reference
Description
Part Number - Manufacturer
C1, C2
100 nF Capacitor Ceramic X7R 0402 10% 16 V
GRM155R61A104KA01 - Murata
U1
Unidirectional Voltage Translator
SN74AVC2T24518 - Texas Instruments
Table 37: Component for the Ring Indicator application circuit to connect an external 3.0V processor / device
18
Voltage translator providing partial power down feature so that the external 3.0 V supply can be ramped up before the V_INT 1.8 V supply

TOBY-L4 series - System Integration Manual
UBX-16024839 - R04 Design-in
Page 92 of 143
Additional considerations
If a 3.0 V external Processor / Device is used, the voltage scaling from any 3.0 V output of the external Processor
/ Device to the corresponding 1.8 V input of the module can be implemented as an alternative low-cost solution,
by means of an appropriate voltage divider. Consider the value of the pull-up integrated at the input of the
module for the correct selection of the voltage divider resistance values and mind that any DTE signal connected
to the module must be tri-stated or set low when the module is in power-down mode and during the module
power-on sequence (at least until the activation of the V_INT supply output of the module), to avoid latch-up of
circuits and allow a clean boot of the module (see the remark below).
Moreover, the voltage scaling from any 1.8 V output of the cellular module to the corresponding 3.0 V input of
the external Processor / Device can be implemented by means of an appropriate low-cost non-inverting buffer
with open drain output. The non-inverting buffer should be supplied by the V_INT supply output of the cellular
module. Consider the value of the pull-up integrated at each input of the external Processor / Device (if any) and
the baud rate required by the application for the appropriate selection of the resistance value for the external
pull-up biased by the application processor supply rail.
Do not apply voltage to any UART interfaces pin before the switch-on of the UART supply source (V_INT),
to avoid latch-up of circuits and allow a clean boot of the module.
The ESD sensitivity rating of UART interfaces pins is 1 kV (Human Body Model according to JESD22-A114).
A higher protection level could be required if the lines are externally accessible and it can be achieved by
mounting an ESD protection (e.g. EPCOS CA05P4S14THSG varistor array) close to the accessible points.
If the UART interfaces pins are not used, they can be left unconnected on the application board, but it is
recommended to provide accessible test points directly connected to the UART0 TXD and RXD pins for
diagnostic purposes.
2.6.2.2 Guidelines for UART layout design
The UART serial interface requires the same considerations regarding electro-magnetic interference as any other
digital interface. Keep the traces short and avoid coupling with RF line or sensitive analog inputs, since the
signals can cause the radiation of some harmonics of the digital data frequency.

TOBY-L4 series - System Integration Manual
UBX-16024839 - R04 Design-in
Page 93 of 143
2.6.3 SPI interfaces
SPI interfaces are not supported by the "50" product version.
2.6.3.1 Guidelines for SPI circuit design
TOBY-L4 series modules include up to two 1.8 V Serial Peripheral Interfaces to communicate with external SPI
slave devices, with the module acting as SPI master, by means of the uCPU API.
Figure 52 describes a possible application circuit for the SPI0 interface, where two SPI slave devices are
connected to the module using the two SPI0 Chip Select 0 (SPI_CS pin) and SPI0 Chip Select 1 (GPIO4 pin) to
select the specific SPI slave device.
The external SPI slave device must provide compatible voltage levels (1.80 V typ.), otherwise it is recommended
to connect the 1.8 V SPI interface of the module to the external 3.0 V (or similar) SPI device by means of
appropriate unidirectional voltage translators (e.g. TI SN74AVC4T774 or SN74AVC2T245, providing partial
power down feature so that the digital audio device 3.0 V supply can be also ramped up before V_INT 1.8 V
supply), using the module’s V_INT output as a 1.8 V supply for the voltage translators on the module side.
TOBY-L4 series
(Master, 1.8V)
SCLK
CS
MOSI
MISO
GND
SPI_SCLK
SPI_CS
SPI_MOSI
SPI_MISO
SPI Device
(Slave, 1.8V)
GND
SCLK
CS
MOSI
MISO
SPI Device
(Slave, 1.8V)
GND
GPIO4
Figure 52: SPI interface application circuit for connecting two external SPI slave devices
Do not apply voltage to any SPI interface pins before the switch-on of the SPI supply source (V_INT), to
avoid latch-up of circuits and allow a clean boot of the module.
The ESD sensitivity rating of SPI interfaces pins is 1 kV (Human Body Model according to JESD22-A114).
A higher protection level could be required if the lines are externally accessible and it can be achieved by
mounting an ESD protection (e.g. EPCOS CA05P4S14THSG varistor array) close to the accessible points.
If the SPI interfaces pins are not used, they can be left unconnected on the application board.
2.6.3.2 Guidelines for SPI layout design
The SPI serial interface requires the same considerations regarding electro-magnetic interference as any other
digital interface. Keep the traces short and avoid coupling with RF line or sensitive analog inputs, since the
signals can cause the radiation of some harmonics of the digital data frequency.

TOBY-L4 series - System Integration Manual
UBX-16024839 - R04 Design-in
Page 94 of 143
2.6.4 DDC (I2C) interfaces
DDC (I2C) interfaces are not supported by the "50" product version.
2.6.4.1 General guidelines for DDC (I2C) circuit design
The DDC I2C-bus pins of the module are open drain outputs conforming to the I2C bus specifications [6]. External
pull-up resistors to a suitable 1.8 V supply (e.g. V_INT) are required for operations: for example, 4.7 k resistors
can be commonly used.
Connect the DDC (I2C) pull-ups to the V_INT 1.8 V supply source, or another 1.8 V supply source enabled
after V_INT (e.g., as the GNSS 1.8 V supply present in Figure 54 application circuit), as any external signal
connected to the DDC (I2C) interface must not be set high before the switch-on of the V_INT supply of
DDC (I2C) pins, to avoid latch-up of circuits and allow a clean boot of the module.
The signal shape is defined by the values of the pull-up resistors and the bus capacitance. Long wires on the bus
will increase the capacitance. If the bus capacitance is increased, use pull-up resistors with a nominal resistance
value lower than 4.7 k, to match the I2C bus specifications [6] regarding the rise and fall times of the signals.
Figure 53 and Table 38 describe typical application circuits for connecting TOBY-L4 series modules to 1.8 V I2C
devices (see Figure 53 top side) or 3 V I2C devices (see Figure 53 bottom side).
1.8V I2C Device
SDA
SCL
1V8
5V_INT
R1 R2
1V8 1V8
SDAx
SCLx
TOBY-L4 series
R1 R2
3V0
SDAx
SCLx
R3 R4
1V8
SDA_A SDA_B
GND
U1
SCL_ASCL_B
VCCA
VCCB
I2C-bus Bidirectional
Voltage Translator
5V_INT
C1 C2
SDA
SCL
OE
GND GND
3V I2C Device TOBY-L4 series
GND GND
Figure 53: Application circuit for connecting TOBY-L4 series modules to 1.8 V or 3 V I2C devices
Reference
Description
Part Number - Manufacturer
R1, R2, R3, R4
4.7 k Resistor 0402 5% 0.1 W
RC0402JR-074K7L - Yageo Phycomp
C1, C2
100 nF Capacitor Ceramic X7R 0402 10% 16 V
GRM155R71C104KA01 - Murata
U1
I2C-bus Bidirectional Voltage Translator
TCA9406DCUR19 - Texas Instruments
Table 38: Components for connecting TOBY-L4 series modules to 1.8 V or 3 V I2C devices
The ESD sensitivity rating of the DDC (I2C) pins is 1 kV (Human Body Model according to JESD22-A114).
A higher protection level could be required if the lines are externally accessible and it can be achieved by
mounting an ESD protection (e.g. EPCOS CA05P4S14THSG varistor array) close to the accessible points.
If the pins are not used as DDC bus interface, they can be left unconnected.
19
Voltage translator providing partial power down feature so that the external 3 V supply can be also ramped up before V_INT 1.8 V supply

TOBY-L4 series - System Integration Manual
UBX-16024839 - R04 Design-in
Page 95 of 143
Connection with u-blox 1.8 V GNSS receivers
Figure 54 shows an application circuit for connecting the cellular modules to a u-blox 1.8 V GNSS receiver.
SDA / SCL pins of the cellular module are directly connected to the relative I2C pins of the u-blox 1.8 V GNSS
receiver, with appropriate pull-up resistors connected to the 1.8 V GNSS supply enabled after the V_INT
supply of the I2C pins of the cellular module.
GPIO2 pin is connected to the shutdown input pin (SHDNn) of the LDO regulators providing the 1.8 V
supply rail for the u-blox 1.8 V GNSS receiver implementing the “GNSS enable” function, with an
appropriate pull-down resistor mounted on the GPIO2 line to avoid an improper switch-on of the u-blox
GNSS receiver.
GPIO3 and GPIO4 pins are directly connected respectively to the TXD1 and EXTINT0 pins of the u-blox
1.8 V GNSS receiver providing “GNSS Tx data ready” and “GNSS RTC sharing” functions.
R1
IN
OUT
GND
GNSS LDO
Regulator
SHDNn
u-blox GNSS
1.8 V receiver
SDA2
SCL2
R2
1V8 1V8
VMAIN1V8
U1
22 GPIO2
SDA
SCL
C1
TxD1 GPIO3
55
54
24
VCC
R3
GNSS Tx data ready
GNSS supply enabled
TOBY-L4 series
EXTINT0 GPIO4
25
GNSS RTC sharing
Figure 54: Application circuit for connecting TOBY-L4 series modules to u-blox 1.8 V GNSS receivers
Reference
Description
Part Number - Manufacturer
R1, R2
4.7 k Resistor 0402 5% 0.1 W
RC0402JR-074K7L - Yageo Phycomp
R3
47 k Resistor 0402 5% 0.1 W
RC0402JR-0747KL - Yageo Phycomp
U1, C1
Voltage Regulator for GNSS receiver and capacitor
See GNSS receiver Hardware Integration Manual
Table 39: Components for connecting TOBY-L4 series modules to u-blox 1.8 V GNSS receivers
Custom functions over GPIO pins, to improve the integration with u-blox positioning chips and modules,
will be supported by future firmware versions.

TOBY-L4 series - System Integration Manual
UBX-16024839 - R04 Design-in
Page 96 of 143
Figure 55 illustrates an alternative application circuit solution in which the cellular module supplies a u-blox 1.8 V
GNSS receiver. The V_INT 1.8 V regulated supply output of the cellular module can be used as supply source for
a u-blox 1.8 V GNSS receiver (u-blox 6 generation receiver or newer) instead of using an external voltage
regulator, as shown in Figure 54. The V_INT supply is able to support the maximum current consumption of
these positioning receivers.
The internal switching step-down regulator that generates the V_INT supply is set to 1.8 V (typical) when the
cellular module is switched on and it is disabled when the module is switched off.
The supply of the u-blox 1.8 V GNSS receiver can be switched off using an external p-channel MOS controlled by
the GPIO2 pin of the cellular modules by means of a suitable inverting transistor as shown in Figure 55,
implementing the “GNSS supply enable” function. If this feature is not required, the V_INT supply output can be
directly connected to the u-blox 1.8 V GNSS receiver, so that it will switch on when V_INT output is enabled.
According to the V_INT supply output voltage ripple characteristic specified in the TOBY-L4 series Data Sheet [1]:
Additional filtering may be needed to properly supply an external LNA, depending on the characteristics of
the used LNA, adding a series ferrite bead and a bypass capacitor (e.g. the Murata BLM15HD182SN1 ferrite
bead and the Murata GRM1555C1H220J 22 pF capacitor) at the input of the external LNA supply line.
u-blox GNSS
1.8 V receiver
TxD1
SDA2
SCL2
VCC
1V8
C1
R3
5V_INT
R5
R4
TP
T2
T1
R1 R2
1V8 1V8
GNSS data ready
GNSS supply enabled 22 GPIO2
SDA
SCL
GPIO3
55
54
24
TOBY-L4 series
EXTINT0 GPIO4
25
GNSS RTC sharing
Figure 55: Application circuit for connecting TOBY-L4 series modules to u-blox 1.8 V GNSS receivers using V_INT as supply
Reference
Description
Part Number - Manufacturer
R1, R2
4.7 k Resistor 0402 5% 0.1 W
RC0402JR-074K7L - Yageo Phycomp
R3
47 k Resistor 0402 5% 0.1 W
RC0402JR-0747KL - Yageo Phycomp
R4
10 k Resistor 0402 5% 0.1 W
RC0402JR-0710KL - Yageo Phycomp
R5
100 k Resistor 0402 5% 0.1 W
RC0402JR-07100KL - Yageo Phycomp
T1
P-Channel MOSFET Low On-Resistance
IRLML6401 - International Rectifier or NTZS3151P - ON Semi
T2
NPN BJT Transistor
BC847 - Infineon
C1
100 nF Capacitor Ceramic X7R 0402 10% 16 V
GRM155R71C104KA01 - Murata
Table 40: Components for connecting TOBY-L4 series modules to u-blox 1.8 V GNSS receivers using V_INT as supply
Custom functions over GPIO pins, to improve the integration with u-blox positioning chips and modules,
will be supported by future firmware versions.

TOBY-L4 series - System Integration Manual
UBX-16024839 - R04 Design-in
Page 97 of 143
Connection with u-blox 3.0 V GNSS receivers
Figure 56 shows an application circuit for connecting the cellular modules to a u-blox 3.0 V GNSS receiver:
As the SDA and SCL pins of the cellular module are not tolerant up to 3.0 V, the connection to the related
I2C pins of the u-blox 3.0 V GNSS receiver must be provided using a suitable I2C-bus Bidirectional Voltage
Translator with appropriate pull-up resistors (e.g. the TI TCA9406 additionally provides the partial power
down feature so that the GNSS 3.0 V supply can be ramped up before the V_INT 1.8 V cellular supply).
GPIO2 pin is connected to the shutdown input pin (SHDNn) of the LDO regulators providing the 3.0 V
supply rail for the u-blox 3.0 V GNSS receiver implementing the “GNSS enable” function, with an
appropriate pull-down resistor mounted on the GPIO2 line to avoid an improper switch-on of the u-blox
GNSS receiver.
As the GPIO3 and GPIO4 pins of the cellular module are not tolerant up to 3.0 V, the connection to the
related pins of the u-blox 3.0 V GNSS receiver must be provided using a suitable Unidirectional General
Purpose Voltage Translator (e.g. TI SN74AVC2T245, which additionally provides the partial power down
feature so that the 3.0 V GNSS supply can be also ramped up before the V_INT 1.8 V cellular supply).
u-blox GNSS
3.0 V receiver
24 GPIO3
1V8
B1 A1
GND
U3
B2A2
VCCBVCCA
Unidirectional
Voltage Translator
C4 C5
3V0
TxD1
R1
INOUT
GNSS LDO Regulator
SHDNn
R2
VMAIN3V0
U1
22 GPIO2
55 SDA
54 SCL
R4 R5
1V8
SDA_A SDA_B
GND
U2
SCL_ASCL_B
VCCA
VCCB
I2C-bus Bidirectional
Voltage Translator
5V_INT
C1
C2 C3
R3
SDA2
SCL2
VCC
DIR1
DIR2 OEn
OE
GNSS data ready
GNSS supply enabled
GND
TOBY-L4 series
EXTINT0 GPIO4
25
GNSS RTC sharing
Figure 56: Application circuit for connecting TOBY-L4 series modules to u-blox 3.0 V GNSS receivers
Reference
Description
Part Number - Manufacturer
R1, R2, R4, R5
4.7 k Resistor 0402 5% 0.1 W
RC0402JR-074K7L - Yageo Phycomp
R3
47 k Resistor 0402 5% 0.1 W
RC0402JR-0747KL - Yageo Phycomp
C2, C3, C4, C5
100 nF Capacitor Ceramic X5R 0402 10% 10V
GRM155R71C104KA01 - Murata
U1, C1
Voltage Regulator for GNSS receiver and capacitor
See GNSS receiver Hardware Integration Manual
U2
I2C-bus Bidirectional Voltage Translator
TCA9406DCUR - Texas Instruments
U3
Generic Unidirectional Voltage Translator
SN74AVC2T245 - Texas Instruments
Table 41: Components for connecting TOBY-L4 series modules to u-blox 3.0 V GNSS receivers
Custom functions over GPIO pins, to improve the integration with u-blox positioning chips and modules,
will be supported by future firmware versions.
2.6.4.2 Guidelines for DDC (I2C) layout design
The DDC (I2C) serial interface requires the same considerations regarding electro-magnetic interference as any
other digital interface. Keep the traces short and avoid coupling with RF line or sensitive analog inputs, since the
signals can cause the radiation of some harmonics of the digital data frequency.

TOBY-L4 series - System Integration Manual
UBX-16024839 - R04 Design-in
Page 98 of 143
2.6.5 SDIO interface
The SDIO interface is not supported by the "50" product version.
2.6.5.1 Guidelines for SDIO circuit design
TOBY-L4 series modules include a 4-bit Secure Digital Input Output interface (SDIO_D0, SDIO_D1, SDIO_D2,
SDIO_D3, SDIO_CLK, SDIO_CMD), where the module acts as an SDIO host controller designed to
communicate with compatible u-blox short range radio communication modules by means of the uCPU API
communicate with external SDIO devices by means of the uCPU API
Connection with u-blox short range radio communication modules
Figure 58 and Table 43 show an application circuit for connecting TOBY-L4 series cellular modules to u-blox
EMMY-W161 short range radio communication modules supporting IEEE 802.11a/b/g/n/ac data rates for Wi-Fi:
The SDIO pins of the cellular module are connected to the related SDIO pins of the u-blox EMMY-W161
short range radio communication module, with appropriate low value series damping resistors to avoid
reflections and other losses in signal integrity, which may create ringing and loss of a square wave shape.
The most appropriate value for the series damping resistors on the SDIO lines depends on the specific line
lengths and layout implemented. In general, the SDIO series resistors are not strictly required, but it is
recommended to slow the SDIO signal, for example with 22 or 33 resistors, and avoid any possible
ringing problem without violating the rise / fall time requirements.
The V_INT supply output pin of the cellular module is connected to the shutdown input pin (SHDNn) of the
two LDO regulators providing the 3.3 V and 1.8 V supply rails for the u-blox EMMY-W161 module, with
appropriate pull-down resistors to avoid an improper switch-on of the Wi-Fi module before the switch-on of
the V_INT supply source of the cellular module SDIO interface pins.
The GPIO1 pin of the cellular module is connected to the active low full power down input pin (PDn) of the
u-blox EMMY-W161 module, implementing the Wi-Fi enable function.
The WLAN antenna RF input/output (ANT1) of the u-blox EMMY-W161 Wi-Fi module is directly connected
to a Wi-Fi antenna considering that the u-blox EMMY-W161 module integrates a 2.4 GHz BAW band pass
filter that enables co-existence with LTE RF signals.
R2
LDO regulator
EMMY-W161
Wi-Fi module
3V3VCC
U1
C1
R1
SD_D0
19
SD_D1
20
SD_D2
21
SD_D3
22
SD_CLK
17
SD_CMD
18
OUTIN
SENSE
BYP
SHDNn
GND
TOBY-L4 series
cellular module
SDIO_D0 66
SDIO_D1 68
SDIO_D2 63
SDIO_D3 67
SDIO_CLK 64
SDIO_CMD 65
V_INT 5
C3
3V3
25
C5
LDO regulator 1V8VCC
U2
C2
OUTIN
SENSE
BYP
SHDNn
GND C4
VIO1
26
C6
VIO2
27
R3
R4
R5
R6
R7
ANT1 45
ANT2 40
Wi-Fi
antenna
Wi-Fi enable PDn
28
GPIO1 21
GNDGND
3V3
Open Drain Buffer R8
Figure 57: Application circuit for TOBY-L4 cellular module and u-blox EMMY-W161 short range radio communication module

TOBY-L4 series - System Integration Manual
UBX-16024839 - R04 Design-in
Page 99 of 143
Reference
Description
Part Number - Manufacturer
C1, C2
1 µF Capacitor Ceramic X7R 0603 10% 25 V
GRM188R71E105KA12 - Murata
C3, C4
10 nF Capacitor Ceramic X7R 0402 10% 16 V
GRM155R71C103KA01 - Murata
C5, C6
10 µF Capacitor Ceramic X5R 0603 20% 6.3 V
GRM188R60J106ME47 - Murata
R1
470 k Resistor 0402 5% 0.1 W
RK73B1ETTD474J - KOA
R2, R3, R4, R5, R6, R7
22 Resistor 0402 5% 0.1 W
RK73B1ETTP220J - KOA
R8
47 k Resistor 0402 5% 0.1 W
RK73B1ETTD473J - KOA
R9
47 k Resistor 0402 5% 0.1 W
RK73B1ETTD473J - KOA
U1
LDO Linear Regulator 3.3 V 0.5 A
LT1963CS8-3.3 - Linear Technology
U2
LDO Linear Regulator 1.8 V 0.3 A
LT1962EMS8-1.8 - Linear Technology
Table 42: Components for connecting TOBY-L4 cellular modules and u-blox EMMY-W161 short range communication modules
Connection with external SDIO devices
Figure 58 and Table 43 show an application circuit example for connecting the SDIO interface of TOBY-L4 series
modules to a 1.8 V SDIO device: the SDIO pins of the cellular module are connected to the related SDIO pins of
the SDIO device, with appropriate low value series damping resistors to avoid reflections and other losses in
signal integrity, which may create ringing and loss of a square wave shape.
The most appropriate value for the series damping resistors on the SDIO lines depends on the specific line
lengths and layout implemented. In general, the SDIO series resistors are not strictly required, but it is
recommended to slow the SDIO signal, for example with 22 or 33 resistors, and avoid any possible ringing
problem without violating the rise / fall time requirements.
R2
SDIO Device
SD_D0
SD_D1
SD_D2
SD_D3
SD_CLK
SD_CMD
TOBY-L4 series
SDIO_D0 66
SDIO_D1 68
SDIO_D2 63
SDIO_D3 67
SDIO_CLK 64
SDIO_CMD 65
R3
R4
R5
R6
GNDGND
R1
Figure 58: Application circuit for connecting TOBY-L4 series modules to a 1.8 V SDIO device
Reference
Description
Part Number - Manufacturer
R1, R2, R3, R4, R5, R6
22 Resistor 0402 5% 0.1 W
RK73B1ETTP220J - KOA
Table 43: Components for connecting TOBY-L4 series modules to a 1.8 V SDIO device
The ESD sensitivity rating of SDIO interface pins is 1 kV (HMB according to JESD22-A114). A higher
protection level could be required if the lines are externally accessible and this can be achieved by
mounting a very low capacitance ESD protection (e.g. Tyco Electronics PESD0402-140 ESD) close to the
accessible points.
If the SDIO interface pins are not used, they can be left unconnected on the application board.
2.6.5.2 Guidelines for SDIO layout design
The SDIO serial interface requires the same considerations regarding electro-magnetic interference as any other
high speed digital interface.
Keep the traces short, avoid stubs and avoid coupling with RF lines / parts or sensitive analog inputs, since the
signals can cause the radiation of some harmonics of the digital data frequency.
Consider the usage of low value series damping resistors to avoid reflections and other losses in signal integrity,
which may create ringing and loss of a square wave shape.

TOBY-L4 series - System Integration Manual
UBX-16024839 - R04 Design-in
Page 100 of 143
2.6.6 RGMII interface
The RGMII interface is not supported by the "50" product version.
2.6.6.1 Guidelines for RGMII circuit design
TOBY-L4 series modules include an Ethernet Media Access Control (MAC) block supporting up to 1 Gbit/s data
rate via a Reduced Gigabit Media-Independent Interface compliant with the RGMII Version 1.3 specification [7]
and the RMII Revision 1.2 specification [8].
The module represents an Ethernet MAC controller, which can be connected to a compatible external Ethernet
physical transceiver (PHY) chip to provide communication over Ethernet as illustrated in Figure 59.
Recommended compatible Ethernet PHY chips are:
Marvell 88E1510
Marvell 88E1512
TOBY-L4 series
Ethernet
MAC
RGMII
Connector
Ethernet
PHY
Unshielded Twisted Pair
Figure 59: RGMII interface application circuit block diagram
The ESD sensitivity rating of RGMII interface pins is 1 kV (HMB according to JESD22-A114). A higher
protection level could be required if the lines are externally accessible and it can be achieved by mounting
a very low capacitance ESD protection (e.g. Tyco Electronics PESD0402-140 ESD) close to the accessible
points.
If the RGMII interface pins are not used, they can be left unconnected on the application board.
2.6.6.2 Guidelines for RGMII layout design
The RGMII / RMII interface requires the same considerations regarding electro-magnetic interference as any other
high speed digital interface.
Keep the traces short, avoid stubs and avoid coupling with RF lines / parts or sensitive analog inputs, since the
signals can cause the radiation of some harmonics of the digital data frequency.
Consider the usage of low value series damping resistors to avoid reflections and other losses in signal integrity,
which may create ringing and loss of a square wave shape.

TOBY-L4 series - System Integration Manual
UBX-16024839 - R04 Design-in
Page 101 of 143
2.7 eMMC interface
The eMMC interface is not supported by the "50" product version.
2.7.1.1 Guidelines for eMMC circuit design
TOBY-L4 series modules include a 4-bit embedded Multi-Media Card interface compliant with JESD84-B451
Embedded Multimedia Card (eMMC) Electrical Standard 4.51 [9], which can be handled by means of the uCPU
API.
The eMMC interface can be connected to an external eMMC / SD memory as defined by the standard.
Pull-up resistors can be added on MMC_D0, MMC_D1, MMC_D2 and MMC_D3 data lines, the MMC_CLK
clock line and the MMC_CMD command line, to increase the rise time on the signals so as to compensate for
any capacitance on the board, even if not strictly required.
The ESD sensitivity rating of eMMC interface pins is 1 kV (HMB according to JESD22-A114). A higher
protection level could be required if the lines are externally accessible and it can be achieved by mounting
a very low capacitance ESD protection (e.g. Tyco Electronics PESD0402-140 ESD) close to the accessible
points.
If the eMMC interface pins are not used, they can be left unconnected on the application board.
2.7.1.2 Guidelines for eMMC layout design
The eMMC interface requires the same considerations regarding electro-magnetic interference as any other high
speed digital interface.
Keep the traces short, avoid stubs and avoid coupling with RF lines / parts or sensitive analog inputs, since the
signals can cause the radiation of some harmonics of the digital data frequency.
Consider the usage of low value series damping resistors to avoid reflections and other losses in signal integrity,
which may create ringing and loss of a square wave shape.

TOBY-L4 series - System Integration Manual
UBX-16024839 - R04 Design-in
Page 102 of 143
2.8 Audio interface
2.8.1 Analog audio interface
2.8.1.1 Guidelines for analog audio uplink path circuit design
Guidelines for connecting two external microphones
Figure 60 and Table 44 show an application circuit connecting the uplink path of the analog audio interface of
TOBY-L4 series modules to two electret microphones:
One external 2.2 k electret microphone is connected to the MIC1_P / MIC1_N analog audio uplink path
One external 2.2 k electret microphone is connected to the MIC2_P / MIC2_N analog audio uplink path
The first differential analog audio input (MIC1_P, MIC1_N) and the second differential analog audio input
(MIC2_P, MIC2_N) interfaces can be used alternatively, in mutually exclusive way. For example, one can be used
for voice call purposes, the other can be used for eCall purposes.
As in the example circuit in Figure 60 and Table 44, the following general guidelines are recommended for the
design of an analog audio circuit connecting two external electret microphones:
Provide a correct supply to the used electret microphones, as for example providing a clean connection from
the MIC_BIAS supply output to the microphones. It is suggested to implement a bridge structure:
o The microphones, with their nominal intrinsic resistance value, represent one resistor of the bridge.
o To achieve good supply noise rejection, the ratio of the two resistances in one leg (e.g. R2 / R3 resistors
in Figure 60) should be equal to the ratio of the two resistances in the other leg (e.g. R4 / MIC1),
meaning that R2 must be equal to R4 (e.g. 2.2 k) and R3 must be equal to the microphone nominal
intrinsic resistance value (e.g. 2.2 k for MIC1).
Using the MIC_BIAS supply output of the module, provide a suitable series resistor at the MIC_BIAS supply
output and then mount a suitable large bypass capacitor to provide additional supply noise filtering. See the
R1 and R5 series resistors (1.5 k) and the C1 and C5 bypass capacitors (10 µF).
Do not place a bypass capacitor directly at the MIC_BIAS supply output, since a suitable internal bypass
capacitor is already provided to guarantee stable operation of the internal regulator.
Connect the reference of the microphone circuit to the MIC_GND pin of the module as a sense line.
Provide a suitable series capacitor at both MIC1_P / MIC1_N and MIC2_P / MIC2_N analog uplink inputs for
DC blocking (as the C2 / C3 and C7 / C8 100 nF Murata GRM155R71C104K capacitors in Figure 60). This
provides a high-pass filter for the microphone DC bias with the correct cut-off frequency according to the
value of the resistors of the microphone supply circuit. Then connect the signal lines to the microphone.
Provide the correct parts on each line connected to the external microphone as noise and EMI
improvements, to minimize RF coupling and TDMA noise, according to the custom application requirements.
o Mount an 82 nH series inductor with a Self Resonance Frequency ~1 GHz (e.g. the Murata
LQG15HS82NJ02) on each microphone line (L1 / L2 and L3 / L4 inductors in Figure 60).
o Mount a 27 pF bypass capacitor (e.g. Murata GRM1555C1H270J) from each microphone line to the
solid ground plane (C4 / C5 and C9 / C10 capacitors in Figure 60).
Use microphones designed for GSM applications, which typically have internal built-in bypass capacitor(s)
with Self-Resonant Frequency in the cellular frequency range(s).
Provide additional ESD protection (e.g. Bourns CG0402MLE-18G varistor) if the analog audio lines will be
externally accessible on the application device, according to the EMC/ESD requirements of the custom
application. Mount the protection close to an accessible point of the line (D1 / D2 and D3 / D4 in Figure 60).

TOBY-L4 series - System Integration Manual
UBX-16024839 - R04 Design-in
Page 103 of 143
TOBY-L4 series
MIC1_P
R1
R2 R4
MIC1_N
R3
C1
MIC_BIAS
C2
C3
D1
L2
L1
C5C4
Microphone
Connector MIC1
J1
D2
MIC2_P
R6 R8
MIC2_N
R7
C6
MIC_GND
C7
C8
D3
L4
L3
C9C10
Microphone
Connector MIC2
J2
D4
R5
Figure 60: Application circuit connecting the analog audio interface to two external electret microphones
Reference
Description
Part Number – Manufacturer
C1, C6
10 µF Capacitor Ceramic X5R 0603 20% 6.3 V
GRM188R60J106ME47 – Murata
C2, C3, C7, C8
100 nF Capacitor Ceramic X7R 0402 10% 16 V
GRM155R71C104KA88 – Murata
C4, C5, C9, C10
27 pF Capacitor Ceramic C0G 0402 5% 25 V
GRM1555C1H270JA01 – Murata
D1, D2, D3, D4
Low Capacitance ESD Protection
CG0402MLE-18G - Bourns
J1, J2
Microphone Connector
Various Manufacturers
L1, L2, L3, L4
82 nH Multilayer inductor 0402
(self resonance frequency ~1 GHz)
LQG15HS82NJ02 – Murata
MIC1, MIC2
2.2 k Electret Microphone
Various Manufacturers
R1, R5
1.5 k Resistor 0402 5% 0.1 W
RC0402JR-071K5L – Yageo Phycomp
R2, R3, R4,
R6, R7, R8
2.2 k Resistor 0402 5% 0.1 W
RC0402JR-072K2L – Yageo Phycomp
Table 44: Example of components for connecting the analog audio interface to two electret microphones

TOBY-L4 series - System Integration Manual
UBX-16024839 - R04 Design-in
Page 104 of 143
Guidelines for connecting one external microphone
Figure 61 and Table 45 show an application circuit connecting the uplink path of the analog audio interface of
TOBY-L4 series modules to one electret microphone:
One external 2.2 k electret microphone is connected to an analog audio uplink path of the module
The same circuit can be implemented for the MIC1_P / MIC1_N and MIC2_P / MIC2_N differential analog audio
inputs of the module.
As in the example circuit in Figure 61 and Table 45, the following general guidelines are recommended for the
design of an analog audio circuit connecting an external electret microphone:
Provide a correct supply to the used electret microphone, as for example providing a clean connection from
the MIC_BIAS supply output to the microphone. It is suggested to implement a bridge structure:
o The electret microphone, with its nominal intrinsic resistance value, represents one resistor of the bridge.
o To achieve good supply noise rejection, the ratio of the two resistances in one leg (R2 / R3) should be
equal to the ratio of the two resistances in the other leg (R4 / MIC), i.e. R2 must be equal to R4 (e.g.
2.2 k) and R3 must be equal to the microphone nominal intrinsic resistance value (e.g. 2.2 k).
Using the MIC_BIAS supply output of the module, provide a suitable series resistor at the MIC_BIAS supply
output and then mount a suitable large bypass capacitor to provide additional supply noise filtering. See the
R1 series resistor (2.2 k) and the C1 bypass capacitor (10 µF).
Do not place a bypass capacitor directly at the MIC_BIAS supply output, since a suitable internal bypass
capacitor is already provided to guarantee stable operation of the internal regulator.
Connect the reference of the microphone circuit to the MIC_GND pin of the module as a sense line.
Provide a suitable series capacitor at both MIC1_P / MIC1_N and/or MIC2_P / MIC2_N analog uplink inputs
for DC blocking (as the C2 and C3 Murata GRM155R71C104K 100 nF capacitors in Figure 61). This provides
a high-pass filter for the microphone DC bias with the correct cut-off frequency according to the value of
the resistors of the microphone supply circuit. Then connect the signal lines to the microphone.
Provide the correct parts on each line connected to the external microphone as noise and EMI
improvements, to minimize RF coupling and TDMA noise, according to the custom application requirements.
o Mount an 82 nH series inductor with a Self Resonance Frequency ~1 GHz (e.g. the Murata
LQG15HS82NJ02) on each microphone line (L1 and L2 inductors in Figure 61).
o Mount a 27 pF bypass capacitor (e.g. Murata GRM1555C1H270J) from each microphone line to the
solid ground plane (C4 and C5 capacitors in Figure 61).
Use a microphone designed for GSM applications, which typically has internal built-in bypass capacitor(s)
with Self-Resonant Frequency in the cellular frequency range(s).
Provide additional ESD protection (e.g. Bourns CG0402MLE-18G varistor) if the analog audio lines will be
externally accessible on the application device, according to the EMC/ESD requirements of the custom
application. Mount the protection close to an accessible point of the line (D1-D2 in Figure 61).

TOBY-L4 series - System Integration Manual
UBX-16024839 - R04 Design-in
Page 105 of 143
TOBY-L4 series
MICx_P
R1
R2 R4
MICx_N
R3
C1
MIC_BIAS
MIC_GND
C2
C3
D1
L2
L1
C5C4
Microphone
Connector MIC
J1
D2
Figure 61: Application circuit connecting the analog audio interface to one external electret microphone
Reference
Description
Part Number – Manufacturer
C1
10 µF Capacitor Ceramic X5R 0603 20% 6.3 V
GRM188R60J106ME47 – Murata
C2, C3
100 nF Capacitor Ceramic X7R 0402 10% 16 V
GRM155R71C104KA88 – Murata
C4, C5
27 pF Capacitor Ceramic C0G 0402 5% 25 V
GRM1555C1H270JA01 – Murata
D1, D2
Low Capacitance ESD Protection
CG0402MLE-18G - Bourns
J1
Microphone Connector
Various Manufacturers
L1, L2
82 nH Multilayer inductor 0402
(self resonance frequency ~1 GHz)
LQG15HS82NJ02 – Murata
MIC
2.2 k Electret Microphone
Various Manufacturers
R1, R2, R3, R4
2.2 k Resistor 0402 5% 0.1 W
RC0402JR-072K2L – Yageo Phycomp
Table 45: Example of components for connecting the analog audio interface to one external electret microphone

TOBY-L4 series - System Integration Manual
UBX-16024839 - R04 Design-in
Page 106 of 143
Guidelines for connecting one external analog audio device output
Figure 62 and Table 46 describe application circuits connecting the uplink path of the analog audio interface of
TOBY-L4 series modules to analog audio output of generic external analog audio devices:
One differential analog audio output is connected to an analog audio uplink path of the module
One single-ended analog audio output is connected to an analog audio uplink path of the module
The same circuits can be implemented for the MIC1_P / MIC1_N and MIC2_P / MIC2_N differential analog
audio inputs of the module.
Guidelines for the connection to a differential analog audio output:
The MIC1_P / MIC1_N and/or MIC2_P / MIC2_N balanced input of the module must be connected to the
differential output of the external audio device by means of series capacitors for DC blocking (e.g. 10 µF) to
decouple the bias present at the module input, as illustrated in the Figure 62 left side.
Guidelines for the connection to a single-ended analog audio output:
A suitable single-ended to differential circuit must be inserted from the single-ended output of the external
audio device to the MIC1_P / MIC1_N and/or MIC2_P / MIC2_N balanced input of the module, as
illustrated in the Figure 62 right side: 10 µF series capacitors are provided to decouple the bias present at the
module input, and a voltage divider is provided to adapt the signal level from the external device to the
module.
Additional guidelines for any connection:
Audio devices with differential analog I/O are preferable, as they are more immune to external disturbances.
The DC-block series capacitor acts as a high-pass filter for audio signals, with a cut-off frequency depending
on both the values of the capacitor and on the input impedance of the device. For example: for differential
input impedance of 600 , the two 10 µF capacitors will set the -3 dB cut-off frequency to 53 Hz, while for
a single-ended connection to a 600 external device, the cut-off frequency with just the single 10 µF
capacitor will be 103 Hz. In both cases, the high-pass filter has a low enough cut-off for the correct
frequency response.
Use a suitable power-on sequence to avoid audio bump due to charging of the capacitor: the final audio
stage should be always enabled as the last one.
The signal levels can be adapted by setting the internal gains, but additional circuitry must be inserted if the
audio device output level is too high for MIC1_P / MIC1_N and/or MIC2_P / MIC2_N, as the voltage dividers
present in the circuits illustrated in Figure 62 right side to properly adapt the signal level.
TOBY-L4 series
GND
MICx_P
Analog OUT (-)
Analog OUT (+)
Audio Device
GND
MICx_N
C1
C2
TOBY-L4 series
GND
MICx_P
Audio Device
GND
MICx_N
Analog OUT
R2
R1
C3
C4
Figure 62: Application circuits to connect the module to audio devices with suitable differential or single-ended output
Reference
Description
Part Number – Manufacturer
C1, C2, C3, C4
10 µF Capacitor X5R 0603 5% 6.3 V
GRM188R60J106M – Murata
R1
0 Resistor 0402 5% 0.1 W
RC0402JR-070RL – Yageo Phycomp
R2
Not populated
Table 46: Example of components for connecting audio devices with suitable analog differential or single-ended output

TOBY-L4 series - System Integration Manual
UBX-16024839 - R04 Design-in
Page 107 of 143
2.8.1.2 Guidelines for analog audio downlink path circuit design
Guidelines for connecting an external low-power receiver / speaker
Figure 63 and Table 47 show an application circuit connecting the downlink path of the analog audio interface
of TOBY-L4 series modules to a low-power receiver / speaker:
A 16 receiver / speaker is connected to the analog audio downlink path of the module
As in the example circuit in Figure 63 and Table 47, the following general guidelines are recommended for the
design of an analog audio circuit connecting a low-power receiver / speaker:
Connect the SPK_P and SPK_N analog downlink outputs directly to the receiver / speaker (which resistance
rating must be greater than 14 ).
Provide suitable parts on each line connected to the receiver / speaker as noise and EMI improvements, to
minimize RF coupling, according to EMC requirements of the custom application.
o Mount a 27 pF bypass capacitor (e.g. Murata GRM1555C1H270J) from each speaker line to the solid
ground plane (C1 and C2 capacitors in Figure 63).
Provide additional ESD protection (e.g. Bourns CG0402MLE-18G varistor) if the analog audio lines will be
externally accessible on the application device, according to the EMC/ESD requirements of the custom
application. Mount the protection close to an accessible point of the line (D1 and D2 in Figure 63).
TOBY-L4 series
SPK_P
SPK_N
D1
C1 C2
SPK
Speaker
Connector
J1
D2
Figure 63: Application circuit connecting the analog audio interface to a low-power speaker
Reference
Description
Part Number – Manufacturer
C1, C2
27 pF Capacitor Ceramic C0G 0402 5% 25 V
GRM1555C1H270JA01 – Murata
D1, D2,
Low Capacitance ESD Protection
CG0402MLE-18G - Bourns
J1
Speaker Connector
Various Manufacturers
SPK
16 Speaker
Various Manufacturers
Table 47: Example of components for connecting the analog audio interface to a low-power speaker

TOBY-L4 series - System Integration Manual
UBX-16024839 - R04 Design-in
Page 108 of 143
Guidelines for connecting an external high-power loudspeaker
Figure 64 and Table 48 show an application circuit connecting the downlink path of the analog audio interface
of TOBY-L4 series modules to a high-power loudspeaker:
An external 8 or 4 loudspeaker is connected to the analog audio downlink path of the module through
an external audio amplifier, which must be provided on the application board to amplify the low power
audio signal provided by the downlink path of the module.
As in the example circuit in Figure 64 and Table 48, the following general guidelines are recommended for the
design of an analog audio circuit connecting a high-power loudspeaker:
Provide a DC blocking series capacitor at both SPK_P and SPK_N analog downlink outputs (C1 and C2
Murata GRM155R71C473K 47 nF capacitors in Figure 64). Then connect the lines to the differential input of
a suitable external audio amplifier, the differential output of which must be connected to the 8 or 4
loudspeaker. (See the Analog Devices SSM2305CPZ filter-less mono 2.8 W class-D Audio Amplifier in the
circuit illustrated in Figure 64.)
Provide suitable parts on each line connected to the external loudspeaker as noise and EMI improvements, to
minimize RF coupling, according to the EMC requirements of the custom application.
o Mount a 27 pF bypass capacitor (e.g. Murata GRM1555C1H270J) from each loudspeaker line to the
solid ground plane (C3 and C4 capacitors in Figure 64).
Provide additional ESD protection (e.g. Bourns CG0402MLE-18G varistor) if the analog audio lines will be
externally accessible on the application device, according to the EMC/ESD requirements of the custom
application. The protection should be mounted close to an accessible point of the line (D1 and D2 parts in
the circuit illustrated in Figure 64).
TOBY-L4 series
SPK_P
SPK_N
C3 C4
LSPK
Loud-Speaker
Connector
J1
OUT+
IN+
GND
U1
OUT-
IN-
C1
C2
R1
R2
VDD
C6C5
Audio
Amplifier
VCC
D1 D2
Figure 64: Application circuit connecting the analog audio interface to a high-power loudspeaker
Reference
Description
Part Number – Manufacturer
C1, C2
47 nF Capacitor Ceramic X7R 0402 10% 16V
GRM155R71C473KA01 – Murata
C3, C4
27 pF Capacitor Ceramic C0G 0402 5% 25 V
GRM1555C1H270JA01 – Murata
C5
10 µF Capacitor Ceramic X5R 0603 20% 6.3 V
GRM188R60J106ME47 – Murata
C6
100 nF Capacitor Ceramic X7R 0402 10% 16 V
GRM155R71C104KA88 – Murata
D1, D2
Low Capacitance ESD Protection
CG0402MLE-18G - Bourns
J1
Speaker Connector
Various Manufacturers
LSPK
8 Loud-Speaker
Various Manufacturers
MIC
2.2 k Electret Microphone
Various Manufacturers
R1, R2
0 Resistor 0402 5% 0.1 W
RC0402JR-070RL – Yageo Phycomp
U1
Filter-less Mono 2.8 W Class-D Audio Amplifier
SSM2305CPZ – Analog Devices
Table 48: Example of components for connecting the analog audio interface to a high-power loudspeaker

TOBY-L4 series - System Integration Manual
UBX-16024839 - R04 Design-in
Page 109 of 143
Guidelines for connecting one external analog audio device input
Figure 65 and Table 49 describe application circuits connecting the downlink path of the analog audio interface
of TOBY-L4 series modules to analog audio input of generic external analog audio devices:
One differential analog audio input is connected to an analog audio downlink path of the module
One single-ended analog audio input is connected to an analog audio downlink path of the module
Guidelines for the connection to a differential analog audio input:
The SPK_P / SPK_N balanced output of the module must be connected to the differential input of the
external audio device by means of series capacitors for DC blocking (e.g. 10 µF) to decouple the bias present
at the module output, as illustrated in the left side of Figure 65.
Guidelines for the connection to a single-ended analog audio input:
A suitable differential to single-ended circuit must be inserted from the SPK_P / SPK_N balanced output of
the module to the single-ended input of the external audio device, as illustrated in the Figure 65 right side:
10 µF series capacitors are provided to decouple the bias present at the module output, and a voltage
divider is provided to properly adapt the signal level from module output to external audio device input.
Additional guidelines for any connection:
Audio devices with differential analog I/O are preferable, as they are more immune to external disturbances.
The DC-block series capacitor acts as a high-pass filter for audio signals, with a cut-off frequency depending
on both the values of capacitor and on the input impedance of the device. For example: for differential input
impedance of 600 , the two 10 µF capacitors will set the -3 dB cut-off frequency to 53 Hz, while for
single-ended connection to a 600 external device, the cut-off frequency with just the single 10 µF
capacitor will be 103 Hz. In both cases. the high-pass filter has a low enough cut-off for the correct
frequency response.
Use a suitable power-on sequence to avoid audio bump due to charging of the capacitor: the final audio
stage should be always enabled as the last one.
The signal levels can be adapted by setting the internal gains, but additional circuitry must be inserted if
SPK_P / SPK_N output level of the module is too high for the audio device input, as the voltage dividers
present in the circuits illustrated in Figure 65 right side to properly adapt the signal level.
TOBY-L4 series
C1
C2
SPK_N
SPK_P
GND
Analog IN (-)
Analog IN (+)
Audio Device
GND
TOBY-L4 series
SPK_N
SPK_P
GND
Analog IN
Audio Device
GND
C3
C4 R2
R1
Figure 65: Application circuits to connect the module to audio devices with suitable differential or single-ended input
Reference
Description
Part Number – Manufacturer
C1, C2, C3, C4
10 µF Capacitor X5R 0603 5% 6.3 V
GRM188R60J106M – Murata
R1
0 Ω Resistor 0402 5% 0.1 W
RC0402JR-070RL – Yageo Phycomp
R2
Not populated
Table 49: Example of components for connecting audio devices with suitable analog differential or single-ended input

TOBY-L4 series - System Integration Manual
UBX-16024839 - R04 Design-in
Page 110 of 143
2.8.1.3 Guidelines for analog audio layout design
Accurate design of the analog audio circuit is very important to obtain clear and high quality audio. The GSM
signal burst has a repetition rate of 217 Hz that lies in the audible range. A careful layout is required to reduce
the risk of noise from audio lines due to both VCC burst noise coupling and RF detection.
General guidelines for the uplink path (microphone), which is commonly the most sensitive, are the following:
Avoid coupling of any noisy signal to microphone lines: it is strongly recommended to route microphone
lines away from the module VCC supply line, any switching regulator line, RF antenna lines, digital lines and
any other possible noise source.
Avoid coupling between the microphone and speaker / receiver lines.
Optimize the mechanical design of the application device, the position, orientation and mechanical fixing
(for example, using rubber gaskets) of microphone and speaker parts in order to avoid echo interference
between the uplink path and downlink path.
Keep ground separation from microphone lines to other noisy signals. Use an intermediate ground layer or
vias wall for coplanar signals.
For an external audio device providing differential microphone input, route the microphone signal lines as a
differential pair embedded in ground to reduce differential noise pick-up. The balanced configuration will
help reject the common mode noise.
Cross other signals lines on adjacent layers with 90° crossing.
Place bypass capacitor for RF very close to the active microphone. The preferred microphone should be
designed for GSM applications which typically have an internal built-in bypass capacitor for RF very close to
active device. If the integrated FET detects the RF burst, the resulting DC level will be in the pass-band of the
audio circuitry and cannot be filtered by any other device.
General guidelines for the downlink path (speaker / receiver) are the following:
The physical width of the audio output lines on the application board must be wide enough to minimize
series resistance since the lines are connected to low impedance speaker transducers.
Avoid coupling of any noisy signal to speaker lines: it is recommended to route speaker lines away from the
module VCC supply line, any switching regulator line, RF antenna lines, digital lines and any other possible
noise source.
Avoid coupling between speaker / receiver and microphone lines.
Optimize the mechanical design of the application device, the position, orientation and mechanical fixing
(for example, using rubber gaskets) of speaker and microphone parts in order to avoid echo interference
between the downlink path and uplink path.
For external audio device providing differential speaker / receiver output, route the speaker signal lines as a
differential pair embedded in ground up to reduce differential noise pick-up. The balanced configuration will
help reject the common mode noise.
Cross other signals lines on adjacent layers with 90° crossing.
Place the RF bypass capacitor close to the speaker.
The ESD sensitivity rating of analog audio interface pins is 1 kV (HBM, according to JESD22-A114).
A higher protection level could be required if the lines are externally accessible and it can be achieved by
mounting a general purpose ESD protection (e.g. EPCOS CA05P4S14THSG varistor array) close to the
accessible points.
If the analog audio pins functionality is not used, they can be left unconnected on the application board.

TOBY-L4 series - System Integration Manual
UBX-16024839 - R04 Design-in
Page 111 of 143
2.8.2 Digital audio interface
The second digital audio interface (I2S1) will be supported by future firmware versions.
2.8.2.1 Guidelines for digital audio circuit design
The I2S digital audio interfaces can be connected to an external digital audio device for voice applications.
Any external digital audio device compliant with the configuration of the digital audio interface of the TOBY-L4
series cellular module can be used, given that the external digital audio device must provide:
The opposite role: slave or master role, as TOBY-L4 series modules may act as master or slave
The same mode and frame format: PCM / short synch mode or Normal I2S / long synch mode with
o data in 2’s complement notation, linear
o MSB transmitted first
o data word length = 16-bit (16 clock cycles)
o frame length = synch signal period:
17-bit or 18-bit in PCM / short alignment mode (16 + 1 or 16 + 2 clock cycles, with the Word
Alignment / Synchronization signal set high for 1 clock cycle or 2 clock cycles)
32-bit in Normal I2S mode / long alignment mode (16 x 2 clock cycles)
The same sample rate, i.e. synch signal frequency, <I2S_sample_rate> parameter:
o 8 kHz, 11.025 kHz, 12 kHz, 16 kHz, 22.05 kHz, 24 kHz, 32 kHz, 44.1 kHz, 48 kHz, 96 kHz, 192 kHz
The same serial clock frequency:
o 17 x <I2S_sample_rate> or 18 x <I2S_sample_rate> in PCM / short alignment mode, or
o 16 x 2 x <I2S_sample_rate> in Normal I2S mode / long alignment mode
Compatible voltage levels (1.80 V typ.), otherwise it is recommended to connect the 1.8 V digital audio
interface of the module to the external 3.0 V (or similar) digital audio device by means of appropriate
unidirectional voltage translators (e.g. TI SN74AVC4T774 or SN74AVC2T245, providing a partial power
down feature so that the digital audio device 3.0 V supply can be also ramped up before V_INT 1.8 V
supply), using the module V_INT output as 1.8 V supply for the voltage translators on the module side.
An appropriate specific application circuit must be implemented and configured according to the particular
external digital audio device or audio codec used and according to the application requirements.
Examples of manufacturers offering compatible audio codec parts are the following:
Maxim Integrated (as the MAX9860, MAX9867, MAX9880A audio codecs)
Texas Instruments / National Semiconductor
Cirrus Logic / Wolfson Microelectronics
Nuvoton Technology
Asahi Kasei Microdevices
Realtek Semiconductor
Figure 66 and Table 50 describe application circuits for the digital audio interfaces, considering these scenarios:
1.8 V digital audio device with slave role connected to a digital audio interface of the module set as master
1.8 V digital audio device with master role connected to a digital audio interface of the module set as slave
3.0 V digital audio device with slave role connected to a digital audio interface of the module set as master
3.0 V digital audio device with master role connected to a digital audio interface of the module set as slave
The same circuits can be implemented for both the I2S0 and the I2S1 digital audio interfaces of the module.

TOBY-L4 series - System Integration Manual
UBX-16024839 - R04 Design-in
Page 112 of 143
TOBY-L4 series
(Master, 1.8V)
BCLK
LRCLK
SDIN
SDOUT
GND
V_INT
I2Sx_CLK
I2Sx_WA
I2Sx_TXD
I2Sx_RXD
Audio Device
(Slave, 1.8V)
GND
TOBY-L4 series
(Slave, 1.8V)
BCLK
LRCLK
SDIN
SDOUT
GND
V_INT
I2Sx_CLK
I2Sx_WA
I2Sx_TXD
I2Sx_RXD
Audio Device
(Master, 1.8V)
GND
VDD
1V8
VDD
1V8
1V8
B1 A1
GND
U1
B3 A3
VCCB VCCA
Unidirectional
Voltage Translator
C2
C1
3V0
DIR2
DIR3OE
DIR1
B2 A2
B4 A4
DIR4
TOBY-L4 series
(Master, 1.8V)
BCLK
LRCLK
SDIN
SDOUT
GND
V_INT
I2Sx_CLK
I2Sx_WA
I2Sx_TXD
I2Sx_RXD
Audio Device
(Slave, 3.0V)
GND
VDD
TOBY-L4 series
(Slave, 1.8V)
BCLK
LRCLK
SDIN
SDOUT
GND
V_INT
I2Sx_CLK
I2Sx_WA
I2Sx_TXD
I2Sx_RXD
Audio Device
(Master, 3.0V)
GND
VDD
1V8
B1 A1
GND
U2
B3 A3
VCCB VCCA
Unidirectional
Voltage Translator
C4
C3
3V0
DIR2
DIR4
OE
DIR3
B2 A2
B4 A4
DIR1
Figure 66: I2S interface application circuit with an external audio codec to provide voice capability
Reference
Description
Part Number – Manufacturer
C1, C2, C3, C4
100 nF Capacitor Ceramic X5R 0402 10% 10V
GRM155R71C104KA01 – Murata
U1, U2
Unidirectional Voltage Translator
SN74AVC4T77420 - Texas Instruments
Table 50: Example of components for an audio voice codec application circuit
Do not apply voltage to any I2S pin before the switch-on of the I2S supply source (V_INT), to avoid latch-
up of circuits and allow a clean boot of the module.
The ESD sensitivity rating of the I2S interface pins is 1 kV (Human Body Model according to JESD22-A114).
A higher protection level could be required if the lines are externally accessible and it can be achieved by
mounting a general purpose ESD protection (e.g. EPCOS CA05P4S14THSG varistor array) close to the
accessible points.
If the I2S digital audio pins are not used, they can be left unconnected on the application board.
2.8.2.2 Guidelines for digital audio layout design
I2S interface and clock output lines require the same considerations regarding electromagnetic interference as
any other high speed digital interface. Keep the traces short and avoid coupling with RF lines / parts or sensitive
analog inputs, since the signals can cause the radiation of some harmonics of the digital data frequency.
20
Voltage translator providing partial power down feature so that the external 3 V supply can be also ramped up before V_INT 1.8 V supply

TOBY-L4 series - System Integration Manual
UBX-16024839 - R04 Design-in
Page 113 of 143
2.9 ADC interfaces
The ADC pins are not supported by the "50" product version.
2.9.1.1 Guidelines for ADC circuit design
TOBY-L4 series modules include Analog to Digital Converter inputs (ADC1, ADC2), which can be handled by
means of the dedicated uCPU API.
The ADC pins can be connected to external circuits for general purpose voltage measurements.
The voltage value at the ADC input must be within the range reported in the TOBY-L4 series Data Sheet [1].
If an external voltage divider is implemented to increase the measurement voltage range, check the input
resistance of the ADC inputs reported in the TOBY-L4 series Data Sheet [1]: if the Thévenin's equivalent of the
external circuit has a significant value as compared to the input resistance of the ADC inputs, this should be
taken into account and corrected to properly associate the ADC response to the voltage source value,
implementing an appropriate ADC calibration procedure.
The ESD sensitivity rating of ADC interface pins is 1 kV (Human Body Model according to JESD22-A114).
A higher protection level could be required if the lines are externally accessible and it can be achieved by
mounting an ESD protection (e.g. EPCOS CA05P4S14THSG varistor array) close to the accessible points.
If the ADC pins are not used, they can be left unconnected on the application board.
2.9.1.2 Guidelines for ADC layout design
The Analog to Digital Converters (ADC1, ADC2) are high impedance analog inputs. The conversion accuracy will
be degraded if noise is injected. Low-pass filter may be used to improve noise rejection; typically L-C tuned for RF
rejection gives better results.

TOBY-L4 series - System Integration Manual
UBX-16024839 - R04 Design-in
Page 114 of 143
2.10 General Purpose Input/Output
2.10.1.1 Guidelines for GPIO circuit design
A typical usage of TOBY-L4 series modules’ GPIOs can be the following:
Wi-Fi enable function provided by GPIO1 (see Figure 58 in section 2.6.5)21
GNSS supply enable function provided by GPIO2 (see Figure 54, Figure 56 in section 2.6.4)
21
GNSS Tx data ready function provided by GPIO3 (see Figure 54, Figure 56 in section 2.6.4)21
GNSS RTC sharing function provided by GPIO4 (see Figure 54, Figure 56 in section 2.6.4)21
SIM card detection provided by the GPIO5 (see Figure 39 / Table 30 in section 2.5)
Other configurations of the TOBY-L4 series modules’ GPIOs are possible, as illustrated in section 1.13.
Use transistors with at least an integrated resistor in the base pin or otherwise put a 10 k resistor on the
board in series with the GPIO of TOBY-L4 series modules.
Do not apply voltage to any GPIO of the module before the switch-on of the GPIOs supply (V_INT), to
avoid latch-up of circuits and allow a clean module boot. If the external signals connected to the module
cannot be tri-stated or set low, insert a multi-channel digital switch (e.g. TI SN74CB3Q16244, TS5A3159,
TS5A63157) between the two-circuit connections and set to high impedance before V_INT switch-on.
The ESD sensitivity rating of the GPIO pins is 1 kV (Human Body Model according to JESD22-A114).
A higher protection level could be required if the lines are externally accessible and it can be achieved by
mounting an ESD protection (e.g. EPCOS CA05P4S14THSG varistor array) close to the accessible points.
If the GPIO pins are not used, they can be left unconnected on the application board.
2.10.1.2 Guidelines for general purpose input/output layout design
The general purpose inputs / outputs pins are generally not critical for layout.
21
Not supported by "50" product version

TOBY-L4 series - System Integration Manual
UBX-16024839 - R04 Design-in
Page 115 of 143
2.11 Reserved pins (RSVD)
TOBY-L4 series modules have pins reserved for future use, marked as RSVD. All the RSVD pins are to be left
unconnected on the application board except the following RSVD pins as illustrated in Figure 67:
the RSVD pin number 6 that must be externally connected to ground
TOBY-L4 series
RSVD
6
RSVD
Figure 67: Application circuit for the reserved pins (RSVD)
2.12 Module placement
An optimized placement allows a minimum RF line’s length and a closer path from the DC source for VCC.
Make sure that the module, analog parts and RF circuits are clearly separated from any possible source of
radiated energy. In particular, digital circuits can radiate digital frequency harmonics, which can produce
electromagnetic interference that affects the module, analog parts and RF circuits’ performance. Implement
suitable countermeasures to avoid any possible electromagnetic compatibility issues.
Make sure that the module, RF and analog parts / circuits, and high speed digital circuits are clearly separated
from any sensitive part / circuit which may be affected by electromagnetic interference, or employ
countermeasures to avoid any possible electromagnetic compatibility issue.
Provide enough clearance between the module and any external part.
The heat dissipation during continuous transmission at maximum power can significantly raise the
temperature of the application base-board below the TOBY-L4 series modules: avoid placing temperature
sensitive devices close to the module.

TOBY-L4 series - System Integration Manual
UBX-16024839 - R04 Design-in
Page 116 of 143
2.13 Module footprint and paste mask
Figure 68 and Table 51 describe the suggested footprint (i.e. copper mask) and the paste mask (i.e. stencil)
layout for TOBY-L4 series modules, to be implemented on the application PCB.
The proposed land pattern layout (i.e. the footprint, the application board top-layer copper mask) reflects the
modules’ pads layout, with the pads on the application board designed as the LGA pads of the module.
I
A
D
F
K
M1
M1
M2
P2
B
G1 HJ
L N
M1
M1
M3
II OJJ J
E
P3
F
P1 H
O
M1
H
G2G2
G1
H
J
I
H
O
O
0.80
1.50
1.45
0.60
0.10
0.17
Copper
Paste
1.10
1.10
1.00
1.00
0.05
0.05
Paste
Copper
1.10
1.10
0.90
0.90
0.10
0.10 Paste
Copper
0.80
1.50
1.38
0.60
0.10
0.06
Paste
Copper
Figure 68: Suggested footprint and stencil design for TOBY-L4 series modules, to be implemented on application PCB (top view)
Parameter
Value
Parameter
Value
Parameter
Value
Parameter
Value
A
35.6 mm
G1
1.10 mm
K
3.15 mm
N
2.10 mm
B
24.8 mm
G2
2.00 mm
L
7.15 mm
O
1.10 mm
D
2.40 mm
H
0.80 mm
M1
1.80 mm
P1
1.10 mm
E
2.25 mm
I
1.50 mm
M2
3.40 mm
P2
1.25 mm
F
1.45 mm
J
0.30 mm
M3
2.25 mm
P3
2.85 mm
Table 51: Suggested footprint design dimensions for TOBY-L4 series modules, to be implemented on application PCB
The Non Solder Mask Defined (NSMD) pad type is recommended over the Solder Mask Defined (SMD) pad type,
implementing the solder mask opening 50 µm larger per side than the corresponding copper pad.
The suggested paste mask (i.e. stencil) layout to mount TOBY-L4 series modules on the application PCB is also
illustrated in Figure 68. Different stencil apertures layout for any specific pad is recommended:
Green marked pads: Paste layout enlarged on the lateral side and reduced on other sides (see Figure 68)
Light-Green marked pads: Paste layout reduced circumferentially to Copper layout (see Figure 68)
Blue marked pads: Paste layout reduced circumferentially 0.05 mm to Copper layout (see Figure 68)
Light-Blue marked pads: Paste layout reduced circumferentially 0.1 mm to Copper layout (see Figure 68)
The recommended solder paste thickness is 150 µm, according to application production process requirements.
These are recommendations only and not specifications. The exact mask geometries, distances and stencil
thicknesses must be adapted to the specific production processes (e.g. soldering) of the customer.

TOBY-L4 series - System Integration Manual
UBX-16024839 - R04 Design-in
Page 117 of 143
2.14 Thermal guidelines
Modules’ temperature range and thermal parameters are specified in the TOBY-L4 series Data Sheet [1].
The most critical condition concerning module thermal performance is the uplink transmission at maximum
power (data upload in connected mode), because when the baseband processor runs at full speed, radio circuits
are all active and the RF power amplifier is driven to higher output RF power. This scenario is not often
encountered in real networks (for example, see the Terminal Tx Power distribution for WCDMA, taken from
operation on a live network, described in the GSMA TS.09 Battery Life Measurement and Current Consumption
Technique [10]); however the application should be correctly designed to cope with it.
During transmission at maximum RF power, the TOBY-L4 series modules generate thermal power that may
exceed 4 W in the worst case condition: this is an indicative value since the exact generated power strictly
depends on operating conditions such as the actual antenna return loss, the number of allocated TX resource
blocks, the transmitting frequency band, etc. The generated thermal power must be adequately dissipated
through the thermal and mechanical design of the application.
The spreading of the actual Module-to-Ambient thermal resistance (Rth,M-A) depends on the module operating
condition. The overall temperature distribution is influenced by the configuration of the active components
during the specific mode of operation and their different thermal resistance toward the case interface.
The actual Module-to-Ambient thermal resistance value and the relative increase of module temperature
will differ according to the specific mechanical deployments of the module, e.g. application PCB with
different dimensions and characteristics, mechanical shells enclosure, or forced air flow.
The increase of the thermal dissipation, i.e. the reduction of the actual Module-to-Ambient thermal resistance,
will decrease the temperature of the modules’ internal circuitry for a given operating ambient temperature. This
improves the device long-term reliability in particular for applications operating at high ambient temperature.
Recommended hardware techniques to be used to improve heat dissipation in the application:
Connect each GND pin with solid ground layer of the application board and connect each ground area of
the multilayer application board with a complete thermal via stacked down to the main ground layer.
Provide a ground plane as wide as possible on the application board.
Optimize antenna return loss, to optimize overall electrical performance of the module including a decrease
of module thermal power.
Optimize the thermal design of any high-power components included in the application, such as linear
regulators and amplifiers, to optimize overall temperature distribution in the application device.
Select the material, the thickness and the surface of the box (i.e. the mechanical enclosure) of the
application device that integrates the module so that it provides good thermal dissipation.
Further hardware techniques that may be considered to improve the heat dissipation in the application:
Provide a heat sink component on the backside of the application board, below the cellular module, as a
large part of the heat is transported through the GND pads of the TOBY-L4 series LGA modules and
dissipated over the backside of the application board.
Force ventilation air-flow within the mechanical enclosure.
Beside the reduction of the Module-to-Ambient thermal resistance implemented with the correct application
hardware design, the increase of module temperature can be moderated by suitable application software
implementation:
Enable power saving configuration by means of the AT+UPSV command or the uCPU API.
Enable module connected mode for a given time period and then disable it for a time period long enough to
properly mitigate temperature increase.

TOBY-L4 series - System Integration Manual
UBX-16024839 - R04 Design-in
Page 118 of 143
2.15 Design-in checklist
This section provides a design-in checklist.
2.15.1 Schematic checklist
The following are the most important points for a simple schematic check:
DC supply must provide a nominal voltage at the VCC pin within the operating range limits.
DC supply must be capable of supporting both the highest peak and the highest averaged current
consumption values in connected mode, as specified in the TOBY-L4 series Data Sheet [1].
VCC voltage supply should be clean, with very low ripple/noise: provide the suggested bypass capacitors,
in particular if the application device integrates an internal antenna.
Do not apply loads which might exceed the limit for the maximum available current from V_INT supply.
Check that the voltage level of any connected pin does not exceed the relative operating range.
Provide accessible test points directly connected to the following pins of the TOBY-L4 series modules:
V_INT, PWR_ON and RESET_N for diagnostic purposes.
Capacitance and series resistance must be limited on each SIM signal to match the SIM specifications.
Insert the suggested pF capacitors on each SIM signal and low capacitance ESD protections if accessible.
Check UART signals direction, as the modules’ signal names follow the ITU-T V.24 Recommendation [5].
Provide accessible test points directly connected to all the UART pins of the TOBY-L4 series modules
(TXD, RXD) for diagnostic purposes.
Provide accessible test points directly connected to all the UART3 pins of the TOBY-L4 series modules
(TXD3, RXD3) for Linux console access.
Capacitance and series resistance must be limited on each high speed line of the USB interface.
Provide accessible test points directly connected to the USB 2.0 interface pins of the TOBY-L4 series
modules (VUSB_DET, USB_D+ and USB_D–) for diagnostic and FW update purposes.
Consider providing appropriate low value series damping resistors on SDIO lines to avoid reflections.
Add a suitable pull-up resistor (e.g. 4.7 k) to V_INT or another suitable 1.8 V supply on each DDC (I2C)
interface line, if the interface is used.
Check the digital audio interface specifications to connect a suitable external audio device.
Capacitance and series resistance must be limited on master clock output line and each I2S interface line
Consider passive filtering parts on each used analog audio line.
Use transistors with at least an integrated resistor in the base pin or otherwise put a 10 k resistor on
the board in series to the GPIO when those are used to drive LEDs.
Provide suitable precautions for EMC / ESD immunity as required on the application board.
Do not apply voltage to any generic digital interface pin of TOBY-L4 series modules before the switch-on
of the generic digital interface supply source (V_INT).
All unused pins can be left unconnected except the RSVD pin number 6 of TOBY-L4 series modules,
which must be connected to GND.

TOBY-L4 series - System Integration Manual
UBX-16024839 - R04 Design-in
Page 119 of 143
2.15.2 Layout checklist
The following are the most important points for a simple layout check:
Check 50 nominal characteristic impedance of the RF transmission line connected to the ANT1 and
the ANT2 ports (antenna RF interfaces).
Ensure no coupling occurs between the RF interface and noisy or sensitive signals (primarily analog audio
input/output signals, SIM signals, high-speed digital lines such as the USB, SDIO, RGMII, eMMC, SPI and
other data lines).
Optimize placement for minimum length of the RF line.
Check the footprint and paste mask designed for TOBY-L4 series modules as illustrated in section 2.13.
VCC line should be as wide and as short as possible.
Route VCC supply line away from RF lines / parts and other sensitive analog lines / parts.
The VCC bypass capacitors in the picoFarad range should be placed as close as possible to the VCC pins,
in particular if the application device integrates an internal antenna.
Ensure an optimal grounding connecting each GND pin with the application board solid ground layer.
Use as many vias as possible to connect the ground planes on a multilayer application board, providing a
dense line of vias at the edges of each ground area, in particular along the RF and high speed lines.
Keep routing short and minimize parasitic capacitance on the SIM lines to preserve signal integrity.
USB 2.0 and USB 3.0 data line traces must meet characteristic impedance requirements as per USB 2.0
specification [3] and USB 3.0 specification [4], and should not be routed close to any RF line / part.
Keep the SDIO traces short, avoid stubs, avoid coupling with any RF line / part and consider low value
series damping resistors to avoid reflections and other losses in signal integrity.
Ensure appropriate RF precautions for the Wi-Fi and Cellular technologies coexistence .
Ensure appropriate RF precautions for the GNSS and Cellular technologies coexistence.
Route analog audio signals away from noisy sources (primarily RF interface, VCC, switching supplies).
The audio outputs lines on the application board must be wide enough to minimize series resistance.
2.15.3 Antenna checklist
Antenna termination should provide a 50 characteristic impedance with VSWR at least less than 3:1
(recommended 2:1) on operating bands in the deployment geographical area.
Follow the recommendations of the antenna producer for correct antenna installation and deployment
(PCB layout and matching circuitry).
Ensure compliance with any regulatory agency RF radiation requirement.
Ensure high and similar efficiency for both the primary (ANT1) and the secondary (ANT2) antennas.
Ensure high isolation between the primary (ANT1) and the secondary (ANT2) antennas.
Ensure a low Envelope Correlation Coefficient between the primary (ANT1) and the secondary (ANT2)
antennas: the 3D antenna radiation patterns should have radiation lobes in different directions.
Ensure high isolation between the cellular antennas and any other antenna or transmitter.

TOBY-L4 series - System Integration Manual
UBX-16024839 - R04 Handling and soldering
Page 120 of 143
3 Handling and soldering
No natural rubbers, no hygroscopic materials or materials containing asbestos are employed.
3.1 Packaging, shipping, storage and moisture preconditioning
For information about the TOBY-L4 series reels / tapes, Moisture Sensitivity levels (MSD), shipment and storage
information, as well as drying for preconditioning, see the TOBY-L4 series Data Sheet [1] and the u-blox Package
Information Guide [16].
3.2 Handling
The TOBY-L4 series modules are Electro-Static Discharge (ESD) sensitive devices.
Ensure ESD precautions are implemented during handling of the module.
Electrostatic discharge (ESD) is the sudden and momentary electric current that flows between two objects at
different electrical potentials caused by direct contact or induced by an electrostatic field. The term is usually
used in the electronics and other industries to describe momentary unwanted currents that may cause damage
to electronic equipment.
The ESD sensitivity for each pin of TOBY-L4 series modules (as Human Body Model according to JESD22-A114F)
is specified in the TOBY-L4 series Data Sheet [1].
ESD prevention is based on establishing an Electrostatic Protective Area (EPA). The EPA can be a small working
station or a large manufacturing area. The main principle of an EPA is that there are no highly charging materials
near ESD sensitive electronics, all conductive materials are grounded, workers are grounded, and charge build-up
on ESD sensitive electronics is prevented. International standards are used to define typical EPA and can be
obtained for example from International Electrotechnical Commission (IEC) or American National Standards
Institute (ANSI).
In addition to standard ESD safety practices, the following measures should be taken into account whenever
handling the TOBY-L4 series modules:
Unless there is a galvanic coupling between the local GND (i.e. the work table) and the PCB GND, then the
first point of contact when handling the PCB must always be between the local GND and PCB GND.
Before mounting an antenna patch, connect the ground of the device.
When handling the module, do not come into contact with any charged capacitors and be careful when
contacting materials that can develop charges (e.g. patch antenna, coax cable, soldering iron,…).
To prevent electrostatic discharge through the RF pin, do not touch any exposed antenna area. If there is
any risk that such an exposed antenna area is touched in a non-ESD protected work area, implement
suitable ESD protection measures in the design.
When soldering the module and patch antennas to the RF pin, make sure to use an ESD safe soldering iron.

TOBY-L4 series - System Integration Manual
UBX-16024839 - R04 Handling and soldering
Page 121 of 143
3.3 Soldering
3.3.1 Soldering paste
"No Clean" soldering paste is strongly recommended for TOBY-L4 series modules, as it does not require cleaning
after the soldering process has taken place. The paste listed in the example below meets these criteria.
Soldering Paste: OM338 SAC405 / Nr.143714 (Cookson Electronics)
Alloy specification: 95.5% Sn / 3.9% Ag / 0.6% Cu (95.5% Tin / 3.9% Silver / 0.6% Copper)
95.5% Sn / 4.0% Ag / 0.5% Cu (95.5% Tin / 4.0% Silver / 0.5% Copper)
Melting Temperature: +217 °C
Stencil Thickness: 150 µm for base boards
The final choice of the soldering paste depends on the approved manufacturing procedures.
The paste-mask geometry for applying soldering paste should meet the recommendations in section 2.13.
The quality of the solder joints on the connectors (“half vias”) should meet the appropriate IPC
specification.
3.3.2 Reflow soldering
A convection type-soldering oven is strongly recommended for TOBY-L4 series modules over the infrared
type radiation oven. Convection heated ovens allow precise control of the temperature and all parts will be
heated up evenly, regardless of material properties, thickness of components and surface color.
Refer to the ”IPC-7530 Guidelines for temperature profiling for mass soldering (reflow and wave) processes”
guide, published in 2001.
Reflow profiles are to be selected according to the following recommendations.
Failure to observe these recommendations can result in severe damage to the device!
Preheat phase
Initial heating of component leads and balls. Residual humidity will be dried out. Note that this preheat phase
will not replace prior baking procedures.
Temperature rise rate: max 3 °C/s If the temperature rise is too rapid in the preheat phase, it may cause
excessive slumping.
Time: 60 – 120 s If the preheat is insufficient, rather large solder balls tend to be
generated. Conversely, if performed excessively, fine balls and large
balls will be generated in clusters.
End Temperature: 150 °C - 200 °C If the temperature is too low, non-melting tends to be caused in
areas containing large heat capacity.
Heating/ reflow phase
The temperature rises above the liquidus temperature of +217 °C. Avoid a sudden rise in temperature as the
slump of the paste could become worse.
Limit time above +217 °C liquidus temperature: 40 - 60 s
Peak reflow temperature: +245 °C
Cooling phase
A controlled cooling avoids negative metallurgical effects (solder becomes more brittle) of the solder and
possible mechanical tensions in the products. Controlled cooling helps to achieve bright solder fillets with a good
shape and low contact angle.
Temperature fall rate: max 4 °C/s

TOBY-L4 series - System Integration Manual
UBX-16024839 - R04 Handling and soldering
Page 122 of 143
To avoid falling off, modules should be placed on the topside of the motherboard during soldering.
The soldering temperature profile chosen at the factory depends on additional external factors, such as the
choice of soldering paste, size, thickness and properties of the base board, etc.
Exceeding the maximum soldering temperature and the maximum liquidus time limit in the
recommended soldering profile may permanently damage the module.
Preheat Heating Cooling
[°C] Peak Temp. 245°C [°C]
250 250
Liquidus Temperature
217 217
200 200
40 - 60 s
End Temp.
max 4°C/s
150 - 200°C
150 150
max 3°C/s
60 - 120 s
100 Typical Leadfree 100
Soldering Profile
50 50
Elapsed time [s]
Figure 69: Recommended soldering profile
The modules must not be soldered with a damp heat process.
3.3.3 Optical inspection
After soldering the TOBY-L4 series modules, inspect the modules optically to verify that the module is properly
aligned and centered.
3.3.4 Cleaning
Cleaning the modules is not recommended. Residues underneath the modules cannot be easily removed with a
washing process.
Cleaning with water will lead to capillary effects where water is absorbed in the gap between the baseboard
and the module. The combination of residues of soldering flux and encapsulated water leads to short circuits
or resistor-like interconnections between neighboring pads. Water will also damage the sticker and the ink-
jet printed text.
Cleaning with alcohol or other organic solvents can result in soldering flux residues flooding into the two
housings, areas that are not accessible for post-wash inspections. The solvent will also damage the sticker
and the ink-jet printed text.
Ultrasonic cleaning will permanently damage the module, in particular the quartz oscillators.
For best results, use a "no clean" soldering paste and eliminate the cleaning step after the soldering.

TOBY-L4 series - System Integration Manual
UBX-16024839 - R04 Handling and soldering
Page 123 of 143
3.3.5 Repeated reflow soldering
Only a single reflow soldering process is encouraged for boards with a module populated on it.
3.3.6 Wave soldering
Boards with combined through-hole technology (THT) components and surface-mount technology (SMT) devices
require wave soldering to solder the THT components. TOBY-L4 series LGA modules must not be soldered with a
wave soldering process.
3.3.7 Hand soldering
Hand soldering is not recommended.
3.3.8 Rework
Rework is not recommended.
Never attempt a rework on the module itself, e.g. replacing individual components. Such actions
immediately terminate the warranty.
3.3.9 Conformal coating
Certain applications employ a conformal coating of the PCB using HumiSeal® or other related coating products.
These materials affect the HF properties of the cellular modules and it is important to prevent them from flowing
into the module.
The RF shields do not provide 100% protection for the module from coating liquids with low viscosity, and
therefore care is required in applying the coating.
Conformal coating of the module will void the warranty.
3.3.10 Casting
If casting is required, use viscose or another type of silicon pottant. The OEM is strongly advised to qualify such
processes in combination with the cellular modules before implementing this in production.
Casting will void the warranty.
3.3.11 Grounding metal covers
Attempts to improve grounding by soldering ground cables, wick or other forms of metal strips directly onto the
EMI covers is done at the customer's own risk. The numerous ground pins should be sufficient to provide
optimum immunity to interferences and noise.
u-blox gives no warranty for damages to the cellular modules caused by soldering metal cables or any
other forms of metal strips directly onto the EMI covers.
3.3.12 Use of ultrasonic processes
The cellular modules contain components which are sensitive to ultrasonic waves. Use of any ultrasonic
processes (cleaning, welding etc.) may cause damage to the module.
u-blox gives no warranty against damages to the cellular modules caused by any ultrasonic processes.

TOBY-L4 series - System Integration Manual
UBX-16024839 - R04 Approvals
Page 124 of 143
4 Approvals
For the complete list and specific details regarding the certification schemes approvals, see the TOBY-L4
series Data Sheet [1], or contact the u-blox office or sales representative nearest you.
4.1 Product certification approval overview
Product certification approval is the process of certifying that a product has passed all tests and criteria required
by specifications, typically called “certification schemes” that can be divided into three distinct categories:
Regulatory certification
o Country specific approval required by local government in most regions and countries, such as:
CE (Conformité Européenne) marking for the European Union
FCC (Federal Communications Commission) approval for the United States
Industry certification
o Telecom industry specific approval verifying the interoperability between devices and networks:
GCF (Global Certification Forum), a partnership between mainly European device manufacturers
and network operators to ensure and verify global interoperability between devices and networks
PTCRB (PCS Type Certification Review Board), created by United States network operators to ensure
and verify interoperability between devices and North America networks
Operator certification
o Operator specific approval required by some mobile network operator, such as:
AT&T network operator in the United States
Even using a module already approved under all major certification schemes, the application device integrating
the module must be approved under all the certification schemes required by the specific application device to
be deployed into the market. The required certification scheme approvals and relative testing specifications differ
depending on the country or the region where the device integrating the module is intended to be deployed, on
the relative vertical market of the device, on type, features and functionalities of the whole application device,
and on the network operators where the device is intended to operate.
Check the appropriate applicability of the TOBY-L4 series module’s approvals while starting the
certification process of the device integrating the module: the re-use of the u-blox cellular module’s
approval can significantly reduce the cost and time-to-market of the application device certification.
The certification of the application device that integrates a TOBY-L4 series module and the compliance of
the application device with all the applicable certification schemes, directives and standards are the sole
responsibility of the application device manufacturer.
TOBY-L4 series modules are certified according to all the supported capabilities, functions and options stated in
the Protocol Implementation Conformance Statement document (PICS) of the module. The PICS, according to
the 3GPP TS 51.010-2 [11], 3GPP TS 34.121-2 [12], 3GPP TS 36.521-2 [14] and 3GPP TS 36.523-2 [15]
documents, is a statement of the implemented and supported capabilities, functions and options of a device.
The PICS document of the application device integrating TOBY-L4 series modules must be updated from
the module PICS statement if any feature stated as supported by the module in its PICS document is not
implemented or disabled in the application device.

TOBY-L4 series - System Integration Manual
UBX-16024839 - R04 Approvals
Page 125 of 143
4.2 US Federal Communications Commission notice
United States Federal Communications Commission (FCC) IDs:
u-blox TOBY-L4006 cellular modules: XPY1EHQ37NN
4.2.1 Safety warnings review the structure
Equipment for building-in. The requirements for fire enclosure must be evaluated in the end product
The clearance and creepage current distances required by the end product must be withheld when the
module is installed
The cooling of the end product shall not negatively be influenced by the installation of the module
Excessive sound pressure from earphones and headphones can cause hearing loss
No natural rubbers, no hygroscopic materials nor materials containing asbestos are employed
4.2.2 Declaration of conformity
This device complies with Part 15 of the FCC rules. Operation is subject to the following two conditions:
this device may not cause harmful interference
this device must accept any interference received, including interference that may cause undesired operation
Radiofrequency radiation exposure Information: this equipment complies with FCC radiation
exposure limits prescribed for an uncontrolled environment for fixed and mobile use conditions.
This equipment should be installed and operated with a minimum distance of 20 cm between
the radiator and the body of the user or nearby persons. This transmitter must not be
co-located or operating in conjunction with any other antenna or transmitter except in
accordance with FCC procedures and as authorized in the module certification filing.
The gain of the system antenna(s) used for the TOBY-L4006 modules (i.e. the combined
transmission line, connector, cable losses and radiating element gain) must not exceed the value
specified in the FCC Grant for mobile and fixed or mobile operating configurations:
o 10.2 dBi in the 700 MHz band, i.e. LTE FDD-12 band
o 10.2 dBi in the 750 MHz band, i.e. LTE FDD-13 band
o 4.0 dBi in the 850 MHz band, i.e. GSM 850, UMTS FDD-5 or LTE FDD-5 band
o 5.5 dBi in the 1700 MHz band, i.e. UMTS FDD-4 or LTE FDD-4 band
o 2.7 dBi in the 1900 MHz band, i.e. GSM 1900, UMTS FDD-2 or LTE FDD-2 band

TOBY-L4 series - System Integration Manual
UBX-16024839 - R04 Approvals
Page 126 of 143
4.2.3 Modifications
The FCC requires the user to be notified that any changes or modifications made to this device that are not
expressly approved by u-blox could void the user's authority to operate the equipment.
Manufacturers of mobile or fixed devices incorporating the TOBY-L4006 modules are authorized
to use the FCC Grants of the TOBY-L4006 modules for their own final products according to the
conditions referenced in the certificates.
The FCC Label shall in the above case be visible from the outside, or the host device shall bear a
second label stating:
"Contains FCC ID: XPY1EHQ37NN" resp.
IMPORTANT: Manufacturers of portable applications incorporating the TOBY-L4006 modules are
required to have their final product certified and apply for their own FCC Grant related to the
specific portable device. This is mandatory to meet the SAR requirements for portable devices.
Changes or modifications not expressly approved by the party responsible for compliance could
void the user's authority to operate the equipment.
Additional Note: as per 47CFR15.105 this equipment has been tested and found to comply with
the limits for a Class B digital device, pursuant to part 15 of the FCC Rules. These limits are
designed to provide reasonable protection against harmful interference in a residential
installation. This equipment generates, uses and can radiate radio frequency energy and, if not
installed and used in accordance with the instructions, may cause harmful interference to radio
communications. However, there is no guarantee that interference will not occur in a particular
installation. If this equipment does cause harmful interference to radio or television reception,
which can be determined by turning the equipment off and on, the user is encouraged to try to
correct the interference by one or more of the following measures:
o Reorient or relocate the receiving antenna
o Increase the separation between the equipment and receiver
o Connect the equipment into an outlet on a circuit different from that to which the receiver
is connected
o Consultant the dealer or an experienced radio/TV technician for help

TOBY-L4 series - System Integration Manual
UBX-16024839 - R04 Approvals
Page 127 of 143
4.3 Innovation, Science and Economic Development Canada notice
ISED Canada (formerly known as IC - Industry Canada) Certification Numbers:
u-blox TOBY-L4006 cellular modules: 8595A-1EHQ37NN
4.3.1 Declaration of Conformity
This device complies with the ISED Canada licence-exempt RSS standard(s). Operation is subject to the following
two conditions:
this device may not cause harmful interference
this device must accept any interference received, including interference that may cause undesired operation
Radiofrequency radiation exposure Information: this equipment complies with radiation
exposure limits prescribed for an uncontrolled environment for fixed and mobile use conditions.
This equipment should be installed and operated with a minimum distance of 20 cm between
the radiator and the body of the user or nearby persons. This transmitter must not be co-
located or operating in conjunction with any other antenna or transmitter except as authorized
in the certification of the product.
The gain of the system antenna(s) used for the TOBY-L4006 modules (i.e. the combined
transmission line, connector, cable losses and radiating element gain) must not exceed not
exceed the value specified in the ISED Canada Certificate Grant for mobile and fixed or mobile
operating configurations:
o 7.1 dBi in the 700 MHz band, i.e. LTE FDD-12 band
o 7.0 dBi in the 750 MHz band, i.e. LTE FDD-13 band
o 0.7 dBi in the 850 MHz band, i.e. GSM 850, UMTS FDD-5 or LTE FDD-5 band
o 5.5 dBi in the 1700 MHz band, i.e. UMTS FDD-4 or LTE FDD-4 band
o 2.7 dBi in the 1900 MHz band, i.e. GSM 1900, UMTS FDD-2 or LTE FDD-2 band

TOBY-L4 series - System Integration Manual
UBX-16024839 - R04 Approvals
Page 128 of 143
4.3.2 Modifications
The ISED Canada requires the user to be notified that any changes or modifications made to this device that are
not expressly approved by u-blox could void the user's authority to operate the equipment.
Manufacturers of mobile or fixed devices incorporating the TOBY-L4006 modules are authorized
to use the ISED Canada Certificates of the TOBY-L4006 modules for their own final products
according to the conditions referenced in the certificates.
The ISED Canada Label shall in the above case be visible from the outside, or the host device
shall bear a second label stating:
"Contains IC: 8595A-1EHQ37NN" resp.
Innovation, Science and Economic Development Canada (ISED) Notices
This Class B digital apparatus complies with Canadian CAN ICES-3(B) / NMB-3(B) and RSS-210.
Operation is subject to the following two conditions:
o this device may not cause interference
o this device must accept any interference, including interference that may cause undesired
operation of the device
Radio Frequency (RF) Exposure Information
The radiated output power of the u-blox Cellular Module is below the Innovation, Science and
Economic Development Canada (ISED) radio frequency exposure limits. The u-blox Cellular
Module should be used in such a manner such that the potential for human contact during
normal operation is minimized.
This device has been evaluated and shown compliant with the ISED RF Exposure limits under
mobile exposure conditions (antennas are greater than 20 cm from a person's body).
This device has been certified for use in Canada. Status of the listing in the Innovation, Science
and Economic Development’s REL (Radio Equipment List) can be found at the following web
address:
http://www.ic.gc.ca/app/sitt/reltel/srch/nwRdSrch.do?lang=eng
Additional Canadian information on RF exposure also can be found at the following web
address: http://www.ic.gc.ca/eic/site/smt-gst.nsf/eng/sf08792.html
IMPORTANT: Manufacturers of portable applications incorporating the TOBY-L4006 modules are
required to have their final product certified and apply for their own Innovation, Science and
Economic Development Canada Certificate related to the specific portable device. This is
mandatory to meet the SAR requirements for portable devices.
Changes or modifications not expressly approved by the party responsible for compliance could
void the user's authority to operate the equipment.

TOBY-L4 series - System Integration Manual
UBX-16024839 - R04 Approvals
Page 129 of 143
Avis d'Innovation, Sciences et Développement économique Canada (ISDE)
Cet appareil numérique de classe B est conforme aux normes canadiennes CAN ICES-3(B) /
NMB-3(B) et CNR-210.
Son fonctionnement est soumis aux deux conditions suivantes :
o cet appareil ne doit pas causer d'interférence
o cet appareil doit accepter toute interférence, notamment les interférences qui peuvent
affecter son fonctionnement
Informations concernant l'exposition aux fréquences radio (RF)
La puissance de sortie émise par l’appareil de sans fil u-blox Cellular Module est inférieure à la
limite d'exposition aux fréquences radio d'Innovation, Sciences et Développement économique
Canada (ISDE). Utilisez l’appareil de sans fil u-blox Cellular Module de façon à minimiser les
contacts humains lors du fonctionnement normal.
Ce périphérique a été évalué et démontré conforme aux limites d'exposition aux fréquences
radio (RF) d'IC lorsqu'il est installé dans des produits hôtes particuliers qui fonctionnent dans
des conditions d'exposition à des appareils mobiles (les antennes se situent à plus de
20 centimètres du corps d'une personne).
Ce périphérique est homologué pour l'utilisation au Canada. Pour consulter l'entrée
correspondant à l’appareil dans la liste d'équipement radio (REL - Radio Equipment List)
d'Industrie Canada rendez-vous sur:
http://www.ic.gc.ca/app/sitt/reltel/srch/nwRdSrch.do?lang=fra
Pour des informations supplémentaires concernant l'exposition aux RF au Canada rendez-vous
sur: http://www.ic.gc.ca/eic/site/smt-gst.nsf/fra/sf08792.html
IMPORTANT: les fabricants d'applications portables contenant les modules TOBY-L4006 doivent
faire certifier leur produit final et déposer directement leur candidature pour une certification
FCC ainsi que pour un certificat ISDE Canada délivré par l'organisme chargé de ce type
d'appareil portable. Ceci est obligatoire afin d'être en accord avec les exigences SAR pour les
appareils portables.
Tout changement ou modification non expressément approuvé par la partie responsable de la
certification peut annuler le droit d'utiliser l'équipement.

TOBY-L4 series - System Integration Manual
UBX-16024839 - R04 Approvals
Page 130 of 143
4.4 European Conformance CE mark
TOBY-L4906 modules have been evaluated against the essential requirements of the Radio Equipment Directive
2014/53/EU.
In order to satisfy the essential requirements of the 2014/53/EU RED, the modules are compliant with the
following standards:
Radio Spectrum Efficiency (Article 3.2):
o EN 301 511
o EN 301 908-1
o EN 301 908-2
o EN 301 908-13
Electromagnetic Compatibility (Article 3.1b):
o EN 301 489-1
o EN 301 489-52
Health and Safety (Article 3.1a)
o EN 60950-1
o IEC 62368-1 and EN 62368-1
Radiofrequency radiation exposure information: this equipment complies with radiation
exposure limits prescribed for an uncontrolled environment for fixed and mobile use conditions.
This equipment should be installed and operated with a minimum distance of 20 cm between
the radiator and the body of the user or nearby persons. This transmitter must not be co-
located or operating in conjunction with any other antenna or transmitter except as authorized
in the certification of the product.
The gain of the system antenna(s) used for the TOBY-L4906 modules (i.e. the combined
transmission line, connector, cable losses and radiating element gain) must not exceed the
following values for mobile and fixed or mobile operating configurations:
o 2.9 dBi in the 900 MHz band, i.e. GSM 900 or UMTS FDD-8 band
o 8.8 dBi in the 1800 MHz band, i.e. GSM 1800 or LTE FDD-3 band
o 12.7 dBi in the 1900 MHz band, i.e. LTE TDD-39 band
o 12.3 dBi in the 2100 MHz band, i.e. UMTS FDD-1 or LTE FDD-1 band
o 13.0 dBi in the 2300 MHz band, i.e. LTE TDD-40 band
o 13.0 dBi in the 2500 MHz band, i.e. LTE TDD-41 band
The conformity assessment procedure for the modules, referred to in Article 17 and detailed in Annex II of
Directive 2014/53/EU, has been followed.
Thus, the following marking is included in the product:

TOBY-L4 series - System Integration Manual
UBX-16024839 - R04 Approvals
Page 131 of 143
4.5 Chinese CCC and SRRC certifications
TOBY-L4906 modules have the CCC (China Compulsory Certification) and the SRRC (State Radio Regulation of
China) grants.

TOBY-L4 series - System Integration Manual
UBX-16024839 - R04 Product testing
Page 132 of 143
5 Product testing
5.1 u-blox in-series production test
u-blox focuses on high quality for its products. All units produced are fully tested automatically in the production
line. Stringent quality control process has been implemented in the production line. The defective units are
analyzed in detail to improve production quality.
This is achieved with automatic test equipment (ATE) in the production line, which logs all production and
measurement data. A detailed test report for each unit can be generated from the system. Figure 70 illustrates
the typical automatic test equipment (ATE) in a production line.
The following typical tests are among the production tests:
Digital self-test (firmware download, Flash firmware verification, IMEI programming)
Measurement of voltages and currents
Adjustment of ADC measurement interfaces
Functional tests (serial interface communication, SIM card communication)
Digital tests (GPIOs and other interfaces)
Measurement and calibration of RF characteristics in all supported bands (such as receiver S/N verification,
frequency tuning of the reference clock, calibration of transmitter and receiver power levels, etc.)
Verification of RF characteristics after calibration (i.e. modulation accuracy, power levels, spectrum, etc. are
checked to ensure they are all within tolerances when calibration parameters are applied)
Figure 70: Automatic test equipment for module tests

TOBY-L4 series - System Integration Manual
UBX-16024839 - R04 Product testing
Page 133 of 143
5.2 Test parameters for OEM manufacturers
Because of the testing performed by u-blox (with 100% coverage), an OEM manufacturer does not need to
repeat firmware tests or measurements of the module RF performance or tests over analog and digital interfaces
in their production test.
However, an OEM manufacturer should focus on:
Module assembly on the device; it should be verified that:
o Soldering and handling processes did not damage the module components
o All module pins are well soldered on the device board
o There are no short circuits between pins
Component assembly on the device; it should be verified that:
o Communications with the external host controller can be established
o The interfaces between the module and external devices are working
o Overall RF performance test of the device including the antenna
Dedicated tests can be implemented to check the device. For example, the measurement of module current
consumption when set in a specified status can detect a short circuit if compared with a “Golden Device” result.
In addition, module AT commands can be used to perform functional tests on digital interfaces (communication
with host controller, check SIM interface, GPIOs, etc.), on audio interfaces (audio loop for test purposes can be
enabled as described in the u-blox AT Commands Manual [2]), and to perform RF performance tests (see the
following section 5.2.2 for details).
5.2.1 “Go/No go” tests for integrated devices
A “Go/No go” test is typically performed to compare the signal quality with a “Golden Device” in a location
with excellent network coverage and known signal quality. This test should be performed after data connection
has been established. AT+CSQ is the typical AT command used to check signal quality in term of RSSI. See the u-
blox AT Commands Manual [2] for details of the AT command.
These kinds of test may be useful as a “go/no go” test but not for RF performance measurements.
This test is suitable to check the functionality of communication with the host controller or SIM card as well as
the power supply. It is also a means to verify if the components are well soldered at the antenna interface.
5.2.2 RF functional tests
The overall RF functional test of the OEM device integrating the cellular module, including the antenna(s), can be
performed in the OEM production line with basic instruments such as a spectrum analyzer (or an RF power
meter) and a signal generator with the assistance of the AT+UTEST command over the AT command user
interface.
The AT+UTEST command provides a simple interface to set the module to Rx or Tx test modes ignoring the
LTE/3G/2G signaling protocol. The command can set the module into:
transmitting mode in a specified channel and power level in all supported modulation schemes and bands
receiving mode in a specified channel to returns the measured power level in all supported bands
See the u-blox AT Commands Manual [2] for the AT+UTEST command syntax description.

TOBY-L4 series - System Integration Manual
UBX-16024839 - R04 Product testing
Page 134 of 143
This feature allows the measurement of the transmitter and receiver power levels to check component assembly
related to the module antenna interface and to check other device interfaces on which RF performance depends.
To avoid module damage during the transmitter test, a suitable antenna according to module
specifications or a 50 termination must be connected to the ANT1 port.
To avoid module damage during receiver, test the maximum power level received at the ANT1
and ANT2 ports which must meet the module specifications.
The AT+UTEST command sets the module to emit RF power ignoring LTE/3G/2G signaling protocol. This
emission can generate interference that can be prohibited by law in some countries. The use of this
feature is intended for testing purposes in controlled environments by qualified users and must not be
used during normal module operation. Follow the instructions suggested in the u-blox documentation.
u-blox assumes no responsibilities for the inappropriate use of this feature.
Figure 71 illustrates a typical test setup for such an RF functional test.
Application Board
TOBY-L4 series
ANT1
Application
Processor
AT
commands
Cellular
antenna
Spectrum
Analyzer
or
Power
Meter
IN
Wideband
antenna
TX
Application Board
TOBY-L4 series
ANT1
Application
Processor
AT
commands
Cellular
antennas
Signal
Generator
OUT
Wideband
antenna
RX
ANT2
Figure 71: Setup with spectrum analyzer or power meter and signal generator for radiated measurements

TOBY-L4 series - System Integration Manual
UBX-16024839 - R04 Appendix
Page 135 of 143
Appendix
A Migration between TOBY-L2 and TOBY-L4
A.1 Overview
TOBY-L2 and TOBY-L4 series cellular modules have the same TOBY form factor (35.6 x 24.8 mm LGA), with a
different number of pins: as illustrated in Figure 72, TOBY-L2 modules have 152 pins, while TOBY-L4 modules
have the same 152 pins of TOBY-L2 modules plus 96 additional pins, reaching a total number of 248 pins.
Figure 72 shows that all the functions provided by the 152 pins of TOBY-L2 modules are also available on the
same pins of TOBY-L4 modules, which provide additional functions (RGMII and UART3 interfaces) on RSVD pins
of TOBY-L2 modules, intended to be left unconnected on a board designed for TOBY-L2 modules.
This means that TOBY-L2 and TOBY-L4 series modules can be alternatively mounted on a single application
board using exactly the same copper mask, solder mask and paste mask: TOBY-L4 series modules can be
mounted on any design appropriately implemented for TOBY-L2 modules, given that any additional interface
provided by TOBY-L4 modules will result not connected.
SDIO_CMD
SDIO_D0
GND
VCC
VCC
GND
ANT_DET
SDA
SIM_IO
SIM_RST
GPIO5
GPIO6
SDIO_D2
SDIO_CLK
RSVD
RSVD
I2S_WA
I2S_CLK
I2S_RXD
SDIO_D1
VCC
GND
SCL
SIM_CLK
VSIM
HOST_SELECT1
RSVD
I2S_TXD
SDIO_D3
V_INT
VUSB_DET
GND
RSVD
GPIO1
RSVD
RSVD
TXD
RSVD
USB_D-
HOST_SELECT0
GPIO3
RESET_N
V_BCKP
GPIO2
PWR_ON
RXD
USB_D+
GPIO4
GND
RSVD
GND
GND
RSVD
GND
GND
GND
GND
GND
GND
GND
GND
GND
RSVD
ANT2
ANT1
GND
RSVD
GND
GND
RSVD
GND
RSVD
RSVD
RSVD
RSVD
RSVD
RSVD
RSVD
RSVD
RSVD
RSVD
RSVD
RI
DSR
RSVD
CTS
DTR
DCD
RSVD
RSVD
RTS
RSVD
11
10
7
5
4
2
1
21
19
18
16
15
13
12
29
27
26
24
23
8
6
3
22
20
17
14
28
25
9
65
66
69
71
72
74
75
55
57
58
60
61
63
64
47
49
50
52
53
68
70
73
54
56
59
62
48
51
67
90
91
92 78 77 76
93 100
79808385868889 828487 81
32
31
30 44 45 46
145 152
43423937363433 403835 41
999897969594
106105104103102101
108107
124123
130129128127126125
136135134133132131
138137
144143142141140139
151150149148147146
114113112111110109
120119118117116115
122121
TOBY-L2
Pin 93-152: GND
SDIO_CMD
SDIO_D0
GND
VCC
VCC
GND
ANT_DET
SDA
SIM_IO
SIM_RST
GPIO5
GPIO6
SDIO_D2
SDIO_CLK
RSVD
RSVD
I2S_WA
I2S_CLK
I2S_RXD
SDIO_D1
VCC
GND
SCL
SIM_CLK
VSIM
HOST_SELECT1
RSVD
I2S_TXD
SDIO_D3
V_INT
VUSB_DET
GND
RSVD
GPIO1
RXD3
TXD3
TXD
ETH_TX_CLK
USB_D-
HOST_SELECT0
GPIO3
RESET_N
V_BCKP
GPIO2
PWR_ON
RXD
USB_D+
GPIO4
GND
RSVD
GND
GND
RSVD
GND
GND
GND
GND
GND
GND
GND
GND
GND
RSVD
ANT2
ANT1
GND
RSVD
GND
GND
RSVD
GND
ETH_RX_CLK
ETH_RX_CTL
ETH_RXD1
ETH_TXD0
ETH_TXD1
ETH_TXD3
ETH_TX_CTL
ETH_RXD2
ETH_RXD0
ETH_TXD2
ETH_RXD3
RI
DSR
RSVD
CTS
DTR
DCD
RSVD
RSVD
RTS
RSVD
11
RI
10
DSR
7
RSVD
5
V_INT
4
VUSB_D ET
2
GND
1
RSVD
21
GPIO1
19
RSVD
18
RSVD
16
TXD
15
CTS
13
DTR
12
DCD
29
ETH_ TX_CLK
27
USB_D –
26
HOST_ SELECT0
24
GPIO3
23
RESET_N
8
RSVD
6
RSVD
3
V_BCKP
22
GPIO2
20
PWR_ON
17
RXD
14
RTS
28
USB_D +
25
GPIO4
9
RSVD
65
SDIO_C MD
66
SDIO_D 0
69
GND
71
VCC
72
VCC
74
GND
75
ANT_D ET
55
SDA
57
SIM_IO
58
SIM_R ST
60
GPIO5
61
GPIO6
63
SDIO_D 2
64
SDIO_C LK
47
RSVD
49
RSVD
50
I2S_WA
52
I2S_CL K
53
I2S_RXD
68
SDIO_D 1
70
VCC
73
GND
54
SCL
56
SIM_C LK
59
VSIM
62
HOST_ SELECT1
48
RSVD
51
I2S_TXD
67
SDIO_D 3
90
GND
91
RSVD
92
GND
78
GND 77
RSVD
76
GND
93
GND
100
GND
79
GND
80
GND
83
GND
85
GND
86
GND
88
GND
89
GND
82
GND
84
RSVD
87
ANT2
81
ANT1
32
GND
31
RSVD
30
GND
44
GND
45
RSVD 46
GND
145
GND
152
GND
43
ETH_
RX_CL K
42
ETH_
RX_CTL
39
ETH_
RXD1
37
ETH_
TXD0
36
ETH_
TXD1
34
ETH_
TXD3
33
ETH_
TX_CTL
40
ETH_
RXD2
38
ETH_
RXD0
35
ETH_
TXD2
41
ETH_
RXD3
99
GND
98
GND
97
GND
96
GND
95
GND
94
GND
106
GND
105
GND
104
GND
103
GND
102
GND
101
GND
108
GND
107
GND
124
GND
123
GND
130
GND
129
GND
128
GND
127
GND
126
GND
125
GND
136
GND
135
GND
134
GND
133
GND
132
GND
131
GND
138
GND
137
GND
144
GND
143
GND
142
GND
141
GND
140
GND
139
GND
151
GND
150
GND
149
GND
148
GND
147
GND
146
GND
114
GND
113
GND
112
GND
111
GND
110
GND
109
GND
120
GND
119
GND
118
GND
117
GND
116
GND
115
GND
122
GND
121
GND
TOBY-L4
155
RSVD
153
RSVD
157
RSVD
156
RSVD
154
RSVD
158
RSVD
195
CTS1
193
RTS1
197
RSVD
196
RSVD
194
RSVD
198
RSVD
207
I2S1_RXD
206
I2S1_TXD
203
SCL1
201
RSVD
200
RSVD
217
MMC_D2
215
MMC_CMD
214
MMC_D0
212
MMC_D1
211
MMC_ RST_N
209
GND
208
I2S1_CL K
222
ETH_ MDIO
220
ETH_ INTR
219
GND
204
SDA1
202
RSVD
199
RSVD
218
MMC_CD_N
216
MMC_CLK
213
MMC_D3
210
V_MMC
221
V_ETH
205
I2S1_WA
223
ETH_ MDC
240
ADC1
241
GND
244
RSVD
246
RSVD
247
GPIO8
230
MIC_GND
232
GND
233
MIC2_ N
235
GND
236
MIC1_ N
238
GND
239
ADC2
225
RSVD
227
SPK_P
228
SPK_N
243
RSVD
245
RSVD
248
GPIO7
229
GND
231
MIC_ BIAS
234
MIC2_ P
237
MIC1_ P
226
GND
242
RSVD
224
RSVD
162
RXD2
161
TXD2
160
RXD1
159
TXD1
168
USB_I D
163
RSVD
167
RSVD
166
RSVD
165
RSVD
164
RSVD
172
VSIM1
171
USB_SSR X–
170
USB_SSR X+
169
SPI_MISO
182
SIM1_C LK
181
RSVD
180
RSVD
179
SPI_SCL K
178
SIM1_IO
173
SPI_CS
177
SIM1_R ST
176
USB_SSTX–
175
USB_SSTX+
174
SPI_MOSI
188
RSVD
183
RSVD
187
RSVD
186
RSVD
185
RSVD
184
RSVD
192
RSVD
191
RSVD
190
RSVD
189
RSVD
Pin 93-152: GND
Figure 72: TOBY-L2 and TOBY-L4 series modules pad layout and pin assignment
TOBY modules are also form-factor compatible with the u-blox LISA, SARA and LARA cellular module families:
although TOBY modules, LISA modules (33.2 x 22.4 mm, 76-pin LCC), SARA modules (26.0 x 16.0 mm, 96-pin
LGA) and LARA modules (26.0 x 24.0 mm, 100-pin LGA) each have different form factors, the footprints for the
TOBY, LISA, SARA and LARA modules have been developed to ensure layout compatibility.
With the u-blox “nested design” solution, any TOBY, LISA, SARA or LARA module can be alternatively mounted
on the same space of a single “nested” application board as described in the Nested Design Application Note
[19].

TOBY-L4 series - System Integration Manual
UBX-16024839 - R04 Appendix
Page 136 of 143
Figure 73 summarizes the LTE, 3G and 2G operating frequency bands of TOBY-L2 and TOBY-L4 series modules.
TOBY-L200
704 960
800 850 900 950750700
1717 55
V
VIIIVIII
V
850
900
850
900
II II
II
IV IV
1710 2170
1700 1750 1800 1850 1900 1950 2000 2050 2100 2150
2500 2690
2500 2550 2600 2650 2700
4 42 2 7 7
2200 2250 2300 2400 24502350
TOBY-L201
704
800 850 900 950750700
894
1717 55
1313
VV II II
1710
1700 1750 1800 1850 1900 1950 2000 2050 2100 2150
2155
4 42 2
2500 2550 2600 2650 27002200 2250 2300 2400 24502350
1800
1900 1900
1800
TOBY-L210
800 850 900 950
791
750
V
960
700
20 20
55
88
V
VIIIVIII
V
850
900
850
900
II II
II
1700 1750 1800 1850 1900 1950 2000 2050 2100 2150
1710 2170
2500 2550 2600 2650 2700
2500 2690
3 3 11 7 7
2200 2250 2300 2400 24502350
1800
1900 1900
1800
TOBY-L280
TOBY-L4206
TOBY-L4906
TOBY-L4006
TOBY-L4106
800 850 900 950
703
750700
960
2828
55
88
800 850 900 950
703
750
960
700
1919
V
VIIIVIII
V
800 850 900 950750
960
700
850
900
850
900
900900
880
699 894
800 850 900 950750700
800 850 900 950750
960
700
703
55
1313
12 12
29
VV
VIIIVIII
850850
900900
20 20 88
2828
55
88
V
VIIIVIII
V
850
900
850
900
VIIIVIII
3 3 11 7 7
II
II II
3 3 7 7
II
11
3 3 11 7 7
II
1800
1900 1900
1800
2170 2500 2690
1700 1750 1800 1850 1900 1950 2000 2050 2100 2150
1710 2170 2500 2690
2500 2550 2600 2650 27002200 2250 2300 2400 24502350
1700 1750 1800 1850 1900 1950 2000 2050 2100 2150
1710
2500 2550 2600 2650 27002200 2250 2300 2400 24502350
1700 1750 1800 1850 1900 1950 2000 2050 2100 2150
1710 2170
1800
1900 1900
1800
1800 1800
2500 2550 2600 2650 2700
2655
2200 2250 2300 2400 24502350
2300
4039 41
1710 2155
1700 1750 1800 1850 1900 1950 2000 2050 2100 2150
2690
2500 2550 2600 2650 27002200 2250 2300 2400 24502350
1700 1750 1800 1850 1900 1950 2000 2050 2100 2150
1710 2170
2500 2550 2600 2650 2700
2500 2690
2200 2250 2300 2400 24502350
7 74 42 2
II IIIV IV
1900 1900
1800 1800
38
2500
3 3 11
II
TOBY-L220
800 850 900 950
824
750
960
700 1700 1750 1800 1850 1900 1950 2000 2050 2100 2150
1710 2170
2500 2550 2600 2650 27002200 2250 2300 2400 24502350
1919
55
88
VIIIVIII II
3 3 11
XIXXIX
= W-CDMA bands = GSM bands= LTE FDD bands
LEGENDA
= LTE TDD bands
Figure 73: Summary of TOBY-L2 and TOBY-L4 series modules LTE, 3G and 2G operating frequency bands

TOBY-L4 series - System Integration Manual
UBX-16024839 - R04 Appendix
Page 137 of 143
A.2 Pin-out comparison between TOBY-L2 and TOBY-L4
TOBY-L2
TOBY-L4
Pin No
Pin Name
Description
Pin Name
Description
Remarks for migration
1
RSVD
Reserved
RSVD
Reserved
2
GND
Ground
GND
Ground
3
V_BCKP
RTC Back-up Supply
V_BCKP
RTC Back-up Supply
4
VUSB_DET
Not supported
VUSB_DET
VBUS USB supply (5 V) detection
5 V must be applied at VUSB_DET
of TOBY-L4 to enable USB device.
The pin must be left unconnected
on TOBY-L2, as it is not supported.
5
V_INT
1.8 V Interfaces Supply Output
V_INT
1.8 V Interfaces Supply Output
6
RSVD
Reserved
This pin must be connected to GND
RSVD
Reserved
This pin must be connected to GND
7-9
RSVD
Reserved
RSVD
Reserved
10
DSR
UART DSR Output22 / GPIO23
DSR
GPIO24 / EINT24
11
RI
UART RI Output22 / GPIO23
RI
UART0 RI Output / GPIO / EINT24
12
DCD
UART DCD Output22 / GPIO23
DCD
GPIO24 / EINT24
13
DTR
UART DTR Input22 / GPIO23
DTR
GPIO24 / EINT24
14
RTS
UART RTS Input22
RTS
UART0 RTS Input24
15
CTS
UART CTS Output22
CTS
UART0 CTS Output24
16
TXD
UART Data Input22
TXD
UART0 Data Input24
17
RXD
UART Data Output22
RXD
UART0 Data Output24
18
RSVD
Reserved
TXD3
UART3 Data Input24
RSVD UART3
19
RSVD
Reserved
RXD3
UART3 Data Output24
RSVD UART3
20
PWR_ON
Power-on Input
Internal 50k pull-up to VCC
Switch-on, Switch-off
PWR_ON
Power-on Input
Internal 35k pull-up to 1.3 V
Switch-on, Switch-off
Internal pull-up slightly different
No functional difference
21
GPIO1
GPIO23
GPIO1
GPIO
22
GPIO2
GPIO23
GPIO2
GPIO
23
RESET_N
Reset signal Input
Internal 50k pull-up to VCC
Reset, Switch-on, Switch-off
RESET_N
Reset signal Input
Internal 100k pull-up to V_INT
Reset
Internal pull-up slightly different.
Function slightly different.
24
GPIO3
GPIO23
GPIO3
GPIO
25
GPIO4
GPIO23
GPIO4
GPIO
26
HOST_SELECT0
Not supported
HOST_SELECT0
GPIO24 / EINT24
Not supported GPIO / EINT
27
USB_D-
USB Data I/O (D-)
USB_D-
USB Data I/O (D-)
28
USB_D+
USB Data I/O (D+)
USB_D+
USB Data I/O (D+)
29
RSVD
Reserved
ETH_TX_CLK
Ethernet Transmission Clock24
RSVD RGMII
30
GND
Ground
GND
Ground
31
RSVD
Reserved
RSVD
Reserved
32
GND
Ground
GND
Ground
33
RSVD
Reserved
ETH_TX_CTL
Ethernet Transmit Control24
RSVD RGMII
34
RSVD
Reserved
ETH_TXD3
Ethernet Transmit Data [3]24
RSVD RGMII
35
RSVD
Reserved
ETH_TXD2
Ethernet Transmit Data [2]24
RSVD RGMII
36
RSVD
Reserved
ETH_TXD1
Ethernet Transmit Data [1]24
RSVD RGMII
37
RSVD
Reserved
ETH_TXD0
Ethernet Transmit Data [0]24
RSVD RGMII
38
RSVD
Reserved
ETH_RXD0
Ethernet Receive Data [0]24
RSVD RGMII
39
RSVD
Reserved
ETH_RXD1
Ethernet Receive Data [1]24
RSVD RGMII
40
RSVD
Reserved
ETH_RXD2
Ethernet Receive Data [2]24
RSVD RGMII
41
RSVD
Reserved
ETH_RXD3
Ethernet Receive Data [3]24
RSVD RGMII
42
RSVD
Reserved
ETH_RX_CTL
Ethernet Receive Control24
RSVD RGMII
43
RSVD
Reserved
ETH_RX_CLK
Ethernet Receive Clock24
RSVD RGMII
44
GND
Ground
GND
Ground
45
RSVD
Reserved
RSVD
Reserved
46
GND
Ground
GND
Ground
22
Not supported by "00" product versions
23
Not supported by "00", "01", "60" product versions
24
Not supported by "50" product versions

TOBY-L4 series - System Integration Manual
UBX-16024839 - R04 Appendix
Page 138 of 143
TOBY-L2
TOBY-L4
Pin No
Pin Name
Description
Pin Name
Description
Remarks for migration
47-49
RSVD
Reserved
RSVD
Reserved
50
I2S_WA
I2S Word Alignment22 / GPIO23
I2S_WA
I2S Word Alignment
I2S / GPIO I2S
51
I2S_TXD
I2S Data Output22 / GPIO23
I2S_TXD
I2S Data Output
I2S / GPIO I2S
52
I2S_CLK
I2S Clock22 / GPIO23
I2S_CLK
I2S Clock
I2S / GPIO I2S
53
I2S_RXD
I2S Data Input22 / GPIO23
I2S_RXD
I2S Data Input
I2S / GPIO I2S
54
SCL
I2C Clock Output25
SCL
I2C Clock Output26
55
SDA
I2C Data I/O25
SDA
I2C Data I/O26
56
SIM_CLK
SIM Clock Output
SIM_CLK
SIM Clock Output
57
SIM_IO
SIM Data I/O
SIM_IO
SIM Data I/O
58
SIM_RST
SIM Reset Output
SIM_RST
SIM Reset Output
59
VSIM
SIM Supply Output
VSIM
SIM Supply Output
60
GPIO5
GPIO25
GPIO5
GPIO
61
GPIO6
GPIO25
GPIO6
GPIO
62
HOST_SELECT1
Not supported
HOST_SELECT1
GPIO26 / EINT26
Not supported GPIO / EINT
63
SDIO_D2
SDIO serial data [2]25
SDIO_D2
SDIO serial data [2]26
64
SDIO_CLK
SDIO serial clock25
SDIO_CLK
SDIO serial clock26
65
SDIO_CMD
SDIO command25
SDIO_CMD
SDIO command26
66
SDIO_D0
SDIO serial data [0]25
SDIO_D0
SDIO serial data [0]26
67
SDIO_D3
SDIO serial data [3]25
SDIO_D3
SDIO serial data [3]26
68
SDIO_D1
SDIO serial data [1]25
SDIO_D1
SDIO serial data [1]26
69
GND
Ground
GND
Ground
70-72
VCC
Module Supply Input
3.40 V – 4.35 V normal range
3.20 V – 4.35 V extended range
VCC
Module Supply Input
3.40 V – 4.40 V normal range
3.00 V – 4.50 V extended range
Larger operating ranges on TOBY-L4
73-74
GND
Ground
GND
Ground
75
ANT_DET
Antenna Detection Input25
ANT_DET
Antenna Detection Input
76
GND
Ground
GND
Ground
77
RSVD
Reserved
RSVD
Reserved
78-80
GND
Ground
GND
Ground
81
ANT1
RF Antenna Input/Output
Up to six LTE bands
Up to five 3G bands
Up to four 2G bands
ANT1
RF Antenna Input/Output
Up to seven LTE bands
Up to three 3G bands
Up to four 2G bands
No RF functional difference
Different operating bands (Figure 73)
82-83
GND
Ground
GND
Ground
84
RSVD
Reserved
RSVD
Reserved
85-86
GND
Ground
GND
Ground
87
ANT2
RF Antenna Input
ANT2
RF Antenna Input
No RF functional difference
Different operating bands (Figure 73)
88-90
GND
Ground
GND
Ground
91
RSVD
Reserved
RSVD
Reserved
92-152
GND
Ground
GND
Ground
152-248
Pins not available
Additional functions
Not available Additional functions
Table 52: TOBY-L2 and TOBY-L4 series modules pin assignment with remarks for migration
For further details regarding the characteristics, capabilities, usage or settings applicable for each interface
of the cellular modules, see the TOBY-L4 series Data Sheet [1], the TOBY-L2 series Data Sheet [17], the
TOBY-L2 / MPCI-L2 series System Integration Manual [18], and the u-blox AT Commands Manual [2].
25
Not supported by "00", "01", "60" product versions
26
Not supported by "50" product versions

TOBY-L4 series - System Integration Manual
UBX-16024839 - R04 Appendix
Page 139 of 143
B Glossary
3GPP
3rd Generation Partnership Project
8-PSK
8 Phase-Shift Keying modulation
16QAM
16-state Quadrature Amplitude Modulation
64QAM
64-state Quadrature Amplitude Modulation
ACM
Abstract Control Model
ADC
Analog to Digital Converter
AP
Application Processor
API
Application Program Interface
ASIC
Application-Specific Integrated Circuit
AT
AT Command Interpreter Software Subsystem, or attention
BAW
Bulk Acoustic Wave
CA
Carrier Aggregation
CSFB
Circuit Switched Fall-Back
DC
Direct Current
DCE
Data Communication Equipment
DDC
Display Data Channel interface
DL
Down-Link (Reception)
DRX
Discontinuous Reception
DSP
Digital Signal Processing
DTE
Data Terminal Equipment
EDGE
Enhanced Data rates for GSM Evolution
EMC
Electro-Magnetic Compatibility
EMI
Electro-Magnetic Interference
eMMC
Embedded Multi-Media Card
ESD
Electro-Static Discharge
ESR
Equivalent Series Resistance
E-UTRA
Evolved Universal Terrestrial Radio Access
FDD
Frequency Division Duplex
FEM
Front End Module
FOAT
Firmware Over AT commands
FOTA
Firmware Over The Air
FTP
File Transfer Protocol
FW
Firmware
GMSK
Gaussian Minimum-Shift Keying modulation
GND
Ground
GNSS
Global Navigation Satellite System
GPIO
General Purpose Input Output
GPRS
General Packet Radio Service
GPS
Global Positioning System
HBM
Human Body Model
HSDPA
High Speed Downlink Packet Access
HSUPA
High Speed Uplink Packet Access
HTTP
HyperText Transfer Protocol
HW
Hardware
I/Q
In phase and Quadrature
I2C
Inter-Integrated Circuit interface
I2S
Inter IC Sound interface
LDO
Low-Dropout

TOBY-L4 series - System Integration Manual
UBX-16024839 - R04 Appendix
Page 140 of 143
LGA
Land Grid Array
LNA
Low Noise Amplifier
LPDDR
Low Power Double Data Rate synchronous dynamic RAM memory
LTE
Long Term Evolution
M2M
Machine-to-Machine
MIMO
Multi-Input Multi-Output
N/A
Not Applicable
N.A.
Not Available
OEM
Original Equipment Manufacturer device: an application device integrating a u-blox cellular module
OTA
Over The Air
PA
Power Amplifier
PCM
Pulse Code Modulation
PCN
Product Change Notification / Information Note / Sample Delivery Note
PCS
Personal Communications Service
PFM
Pulse Frequency Modulation
PMU
Power Management Unit
PWM
Pulse Width Modulation
QPSK
Quadrature Phase Shift Keying
RF
Radio Frequency
RGMII
Reduced Gigabit Media Independent Interface
RMII
Reduced Media Independent Interface
RSE
Radiated Spurious Emission
RTC
Real Time Clock
SAW
Surface Acoustic Wave
SDIO
Secure Digital Input Output
SDN / PCN / IN
Sample Delivery Note / Product Change Notification / Information Note
SIM
Subscriber Identification Module
SMS
Short Message Service
SPI
Serial Peripheral Interface
SRF
Self Resonant Frequency
SSL
Secure Socket Layer
TBD
To Be Defined
TCP
Transmission Control Protocol
TDD
Time Division Duplex
TDMA
Time Division Multiple Access
TIS
Total Isotropic Sensitivity
TP
Test-Point
TRP
Total Radiated Power
UART
Universal Asynchronous Receiver-Transmitter
uCPU
u-blox universal Central Processing Unit
UICC
Universal Integrated Circuit Card
UL
Up-Link (Transmission)
UMTS
Universal Mobile Telecommunications System
USB
Universal Serial Bus
VoLTE
Voice over LTE
VSWR
Voltage Standing Wave Ratio
W-CDMA
Wideband Code Division Multiple Access
Wi-Fi
Wireless Local Area Network (IEEE 802.11 short range radio technology)
WLAN
Wireless Local Area Network (IEEE 802.11 short range radio technology)
WWAN
Wireless Wide Area Network (GSM / UMTS / LTE cellular radio technology)

TOBY-L4 series - System Integration Manual
UBX-16024839 - R04 Related documents
Page 141 of 143
Related documents
[1] u-blox TOBY-L4 series Data Sheet, Docu No UBX-16009856
[2] u-blox AT Commands Manual, Docu No UBX-13002752
[3] Universal Serial Bus Rev. 2.0 specification, http://www.usb.org/developers/docs/usb20_docs/
[4] Universal Serial Bus Rev. 3.0 specification, http://www.usb.org/developers/docs/documents_archive/
[5] ITU-T Recommendation V.24 - 02-2000 - List of definitions for interchange circuits between Data
Terminal Equipment (DTE) and Data Circuit-terminating Equipment (DCE),
http://www.itu.int/rec/T-REC-V.24-200002-I/en
[6] I2C-bus specification and user manual - Rev. 5 - 9 October 2012 - NXP Semiconductors,
http://www.nxp.com/documents/user_manual/UM10204.pdf
[7] Reduced Gigabit Media-Independent Interface (RGMII) Version 1.3,
www.hp.com/rnd/pdfs/RGMIIv1_3.pdf
[8] Reduced Media-Independent Interface (RMII) Specification, Rev. 1.2
[9] JESD84-B451 - Embedded Multimedia Card (eMMC), Electrical Standard 4.51
[10] GSM Association TS.09 - Battery Life Measurement and Current Consumption Technique
https://www.gsma.com/newsroom/wp-content/uploads//TS.09_v10.0.pdf
[11] 3GPP TS 51.010-2 - Technical Specification Group GSM/EDGE Radio Access Network; Mobile Station
(MS) conformance specification; Part 2: Protocol Implementation Conformance Statement (PICS)
[12] 3GPP TS 34.121-2 - Technical Specification Group Radio Access Network; User Equipment (UE)
conformance specification; Radio transmission and reception (FDD); Part 2: Implementation
Conformance Statement (ICS)
[13] 3GPP TS 36.521-1 - Evolved Universal Terrestrial Radio Access; User Equipment conformance
specification; Radio transmission and reception; Part 1: Conformance Testing
[14] 3GPP TS 36.521-2 - Evolved Universal Terrestrial Radio Access (E-UTRA); User Equipment conformance
specification; Radio transmission and reception; Part 2: Implementation Conformance Statement (ICS)
[15] 3GPP TS 36.523-2 - Evolved Universal Terrestrial Radio Access (E-UTRA) and Evolved Packet Core (EPC);
User Equipment conformance specification; Part 2: Implementation Conformance Statement (ICS)
[16] u-blox Package Information Guide, Docu No UBX-14001652
[17] u-blox TOBY-L2 series Data Sheet, Docu No UBX-13004573
[18] u-blox TOBY-L2 / MPCI-L2 series System Integration Manual, Docu No UBX- 13004618
[19] u-blox Nested Design Application Note, Docu No UBX-16007243
Some of the above documents can be downloaded from the u-blox web-site (http://www.u-blox.com/).

TOBY-L4 series - System Integration Manual
UBX-16024839 - R04 Revision history
Page 142 of 143
Revision history
Revision
Date
Name
Status / Comments
R01
03-Mar-2017
sses
Initial release
R02
02-Aug-2017
sses
Added document applicability to "50" product versions.
Updated FW features supported by "00" product versions.
Updated 3G maximum data rate. Clarified Rx diversity support.
Updated Power-on and Power-off sections.
Updated USB, UART, I2C, GPIOs supported functions / features.
Updated support of SIM interfaces and digital audio interfaces.
Corrected some typo in migration between TOBY-L2 and TOBY-L4.
Minor other corrections.
R03
03-Jan-2018
sses
Added USB capabilities.
Added data rate supported by UART, SPI and I2C interfaces.
Added SDIO capabilities and application circuit.
Updated recommended Ethernet PHY chips.
Added analog audio use-cases and digital audio interfaces capabilities.
Added GPIOs capabilities.
Clarified application circuits with SIM interfaces.
Minor other corrections.
R04
08-Feb-2018
sses
Updated TOBY-4006-50A / TOBY-4106-50A product status.
Added FCC, ISED, CE, CCC and SRRC sections including related approvals info.
Updated minimum limit for VCC normal operating range.

TOBY-L4 series - System Integration Manual
UBX-16024839 - R04 Contact
Page 143 of 143
Contact
For complete contact information visit us at http://www.u-blox.com/
u-blox Offices
North, Central and South America
u-blox America, Inc.
Phone: +1 703 483 3180
E-mail: info_us@u-blox.com
Regional Office West Coast:
Phone: +1 408 573 3640
E-mail: info_us@u-blox.com
Technical Support:
Phone: +1 703 483 3185
E-mail: support_us@u-blox.com
Headquarters
Europe, Middle East, Africa
u-blox AG
Phone: +41 44 722 74 44
E-mail: info@u-blox.com
Support: support@u-blox.com
Asia, Australia, Pacific
u-blox Singapore Pte. Ltd.
Phone: +65 6734 3811
E-mail: info_ap@u-blox.com
Support: support_ap@u-blox.com
Regional Office Australia:
Phone: +61 2 8448 2016
E-mail: info_anz@u-blox.com
Support: support_ap@u-blox.com
Regional Office China (Beijing):
Phone: +86 10 68 133 545
E-mail: info_cn@u-blox.com
Support: support_cn@u-blox.com
Regional Office China (Chongqing):
Phone: +86 23 6815 1588
E-mail: info_cn@u-blox.com
Support: support_cn@u-blox.com
Regional Office China (Shanghai):
Phone: +86 21 6090 4832
E-mail: info_cn@u-blox.com
Support: support_cn@u-blox.com
Regional Office China (Shenzhen):
Phone: +86 755 8627 1083
E-mail: info_cn@u-blox.com
Support: support_cn@u-blox.com
Regional Office India:
Phone: +91 80 4050 9200
E-mail: info_in@u-blox.com
Support: support_in@u-blox.com
Regional Office Japan (Osaka):
Phone: +81 6 6941 3660
E-mail: info_jp@u-blox.com
Support: support_jp@u-blox.com
Regional Office Japan (Tokyo):
Phone: +81 3 5775 3850
E-mail: info_jp@u-blox.com
Support: support_jp@u-blox.com
Regional Office Korea:
Phone: +82 2 542 0861
E-mail: info_kr@u-blox.com
Support: support_kr@u-blox.com
Regional Office Taiwan:
Phone: +886 2 2657 1090
E-mail: info_tw@u-blox.com
Support: support_tw@u-blox.com