u blox LISAU200 3.75G HSPA Wireless Module User Manual LISA U series
u-blox AG 3.75G HSPA Wireless Module LISA U series
u blox >
Contents
- 1. 08 integrators manual
- 2. 08 revised integrators manual
- 3. MANUAL
- 4. Host user guide
- 5. LISA-U2_SysIntegrManual
08 integrators manual

LISA-U series
3.75G HSPA / HSPA+
Wireless Modules
System Integration Manual
Abstract
This document describes the features and the system integration of
LISA-U1 series HSPA and LISA-U2 series HSPA+ wireless modules.
These modules are a complete and cost efficient 3.75G solution
offering up to six-band HSDPA/HSUPA and quad-band GSM/EGPRS
voice and/or data transmission technology in a compact form factor.
locate, communicate, accelerate
33.2 x 22.4 x 2.6 mm
www.u-blox.com

LISA-U series - System Integration Manual
3G.G2-HW-10002-A1
Page 2 of 160
Document Information
Title
LISA-U series
Subtitle
3.75G HSPA / HSPA+
Wireless Modules
Document type
System Integration Manual
Document number
3G.G2-HW-10002-A1
Document status
Advance Information
Document status information
Objective
Specification
This document contains target values. Revised and supplementary data will be published
later.
Advance
Information
This document contains data based on early testing. Revised and supplementary data will
be published later.
Preliminary
This document contains data from product verification. Revised and supplementary data
may be published later.
Released
This document contains the final product specification.
This document applies to the following products:
Name
Type number
Firmware version
PCN / IN
LISA-U100
LISA-U100-00S-00
10.72
3G.G2-SW-11000
LISA-U100-01S-00
11.40
n.a.
LISA-U110
LISA-U110-00S-00
10.72
3G.G2-SW-11000
LISA-U110-01S-00
11.40
n.a.
LISA-U120
LISA-U120-00S-00
10.72
3G.G2-SW-11000
LISA-U120-01S-00
11.40
n.a.
LISA-U130
LISA-U130-00S-00
10.72
3G.G2-SW-11000
LISA-U130-01S-00
11.40
n.a.
LISA-U130-01A-00
11.40
n.a.
LISA-U200
LISA-U200-00S-00
TBD
N/A
LISA-U200-01S-00
TBD
N/A
LISA-U230
LISA-U230-01S-00
TBD
N/A
LISA-U230-01A-00
TBD
N/A
This document and the use of any information contained therein, is subject to the acceptance of the u-blox terms and conditions. They
can be downloaded from www.u-blox.com.
u-blox makes no warranties based on the accuracy or completeness of the contents of this document and reserves the right to make
changes to specifications and product descriptions at any time without notice.
u-blox reserves all rights to this document and the information contained herein. Reproduction, use or disclosure to third parties without
express permission is strictly prohibited. Copyright © 2012, u-blox AG.
u-blox® is a registered trademark of u-blox Holding AG in the EU and other countries.

LISA-U series - System Integration Manual
3G.G2-HW-10002-A1 Advance Information Preface
Page 3 of 160
Preface
u-blox Technical Documentation
As part of our commitment to customer support, u-blox maintains an extensive volume of technical
documentation for our products. In addition to our product-specific technical data sheets, the following manuals
are available to assist u-blox customers in product design and development.
AT Commands Manual: This document provides the description of the supported AT commands by the
LISA-U series modules to verify all implemented functionalities.
System Integration Manual: This Manual provides hardware design instructions and information on how to
set up production and final product tests.
Application Note: document provides general design instructions and information that applies to all u-blox
Wireless modules. See Section Related documents for a list of Application Notes related to your Wireless
Module.
How to use this Manual
The LISA-U series System Integration Manual provides the necessary information to successfully design in and
configure these u-blox wireless modules.
This manual has a modular structure. It is not necessary to read it from the beginning to the end.
The following symbols are used to highlight important information within the manual:
An index finger points out key information pertaining to module integration and performance.
A warning symbol indicates actions that could negatively impact or damage the module.
Questions
If you have any questions about u-blox Wireless Integration, please:
Read this manual carefully.
Contact our information service on the homepage http://www.u-blox.com
Read the questions and answers on our FAQ database on the homepage http://www.u-blox.com
Technical Support
Worldwide Web
Our website (www.u-blox.com) is a rich pool of information. Product information, technical documents and
helpful FAQ can be accessed 24h a day.
By E-mail
Contact the nearest of the Technical Support offices by email. Use our service pool email addresses rather than
any personal email address of our staff. This makes sure that your request is processed as soon as possible. You
will find the contact details at the end of the document.
Helpful Information when Contacting Technical Support
When contacting Technical Support please have the following information ready:
Module type (e.g. LISA-U100) and firmware version
Module configuration
Clear description of your question or the problem
A short description of the application
Your complete contact details

LISA-U series - System Integration Manual
3G.G2-HW-10002-A1 Advance Information Contents
Page 4 of 160
Contents
Preface ................................................................................................................................ 3
Contents .............................................................................................................................. 4
1 System description ....................................................................................................... 7
1.1 Overview .............................................................................................................................................. 7
1.2 Architecture .......................................................................................................................................... 9
1.2.1 Functional blocks ......................................................................................................................... 10
1.2.2 Hardware differences between LISA-U series modules ................................................................. 12
1.3 Pin-out ............................................................................................................................................... 13
1.4 Operating modes ................................................................................................................................ 17
1.5 Power management ........................................................................................................................... 19
1.5.1 Power supply circuit overview ...................................................................................................... 19
1.5.2 Module supply (VCC) .................................................................................................................. 20
1.5.3 Current consumption profiles ...................................................................................................... 28
1.5.4 RTC Supply (V_BCKP) .................................................................................................................. 32
1.5.5 Interface supply (V_INT) ............................................................................................................... 34
1.6 System functions ................................................................................................................................ 35
1.6.1 Module power-on ....................................................................................................................... 35
1.6.2 Module power-off ....................................................................................................................... 39
1.6.3 Module reset ............................................................................................................................... 40
1.7 RF connection ..................................................................................................................................... 42
1.8 (U)SIM interface .................................................................................................................................. 42
1.8.1 (U)SIM functionality ..................................................................................................................... 44
1.9 Serial communication ......................................................................................................................... 45
1.9.1 Serial interfaces configuration ..................................................................................................... 45
1.9.2 Asynchronous serial interface (UART)........................................................................................... 46
1.9.3 USB interface............................................................................................................................... 61
1.9.4 SPI interface ................................................................................................................................ 64
1.9.5 MUX Protocol (3GPP 27.010) ...................................................................................................... 68
1.10 DDC (I2C) interface .......................................................................................................................... 69
1.10.1 Overview ..................................................................................................................................... 69
1.10.2 DDC application circuit ................................................................................................................ 69
1.11 Audio Interface ............................................................................................................................... 74
1.11.1 Analog Audio interface ............................................................................................................... 74
1.11.2 Digital Audio interface ................................................................................................................. 80
1.11.3 Voiceband processing system ...................................................................................................... 85
1.12 General Purpose Input/Output (GPIO) ............................................................................................. 87
1.13 Reserved pins (RSVD) ...................................................................................................................... 96
1.14 Schematic for LISA-U series module integration .............................................................................. 97
1.15 Approvals ........................................................................................................................................ 99

LISA-U series - System Integration Manual
3G.G2-HW-10002-A1 Advance Information Contents
Page 5 of 160
1.15.1 R&TTED and European Conformance CE mark ............................................................................ 99
1.15.2 IC ................................................................................................................................................ 99
1.15.3 Federal communications commission notice .............................................................................. 100
1.15.4 a-tick AUS Certification ............................................................................................................. 103
2 Design-In ................................................................................................................... 104
2.1 Design-in checklist ............................................................................................................................ 104
2.1.1 Schematic checklist ................................................................................................................... 104
2.1.2 Layout checklist ......................................................................................................................... 105
2.1.3 Antenna checklist ...................................................................................................................... 105
2.2 Design Guidelines for Layout ............................................................................................................ 106
2.2.1 Layout guidelines per pin function ............................................................................................. 106
2.2.2 Footprint and paste mask .......................................................................................................... 116
2.2.3 Placement ................................................................................................................................. 118
2.3 Thermal aspects ................................................................................................................................ 119
2.4 Antenna guidelines ........................................................................................................................... 120
2.4.1 Antenna termination ................................................................................................................. 121
2.4.2 Antenna radiation ..................................................................................................................... 122
2.4.3 Antenna detection functionality ................................................................................................ 123
2.5 ESD precautions ................................................................................................................................ 126
2.5.1 ESD immunity test overview ...................................................................................................... 126
2.5.2 ESD immunity test of LISA-U series reference design.................................................................. 126
2.5.3 ESD application circuits .............................................................................................................. 128
3 Features description ................................................................................................. 131
3.1 Firmware (upgrade) Over AT (FOAT) ................................................................................................. 131
3.1.1 Overview ................................................................................................................................... 131
3.1.2 FOAT procedure ........................................................................................................................ 131
3.2 TCP/IP and UDP/IP ............................................................................................................................. 131
3.2.1 Multiple PDP contexts and sockets............................................................................................. 131
3.3 FTP and FTPS .................................................................................................................................... 132
3.4 HTTP and HTTPS ............................................................................................................................... 132
3.5 AssistNow clients and GPS integration .............................................................................................. 132
3.6 Jamming Detection ........................................................................................................................... 132
3.7 In-Band modem ................................................................................................................................ 133
3.8 Smart Temperature Management ..................................................................................................... 133
3.8.1 Smart Temperature Supervisor (STS) .......................................................................................... 134
3.8.2 Threshold Definitions ................................................................................................................. 136
3.9 Hybrid positioning and CellLocate ..................................................................................................... 136
3.9.1 Positioning through cellular information: CellLocate .................................................................. 136
3.9.2 Hybrid positioning ..................................................................................................................... 138
4 Handling and soldering ........................................................................................... 139
4.1 Packaging, shipping, storage and moisture preconditioning ............................................................. 139
4.2 Soldering .......................................................................................................................................... 139

LISA-U series - System Integration Manual
3G.G2-HW-10002-A1 Advance Information Contents
Page 6 of 160
4.2.1 Soldering paste.......................................................................................................................... 139
4.2.2 Reflow soldering ....................................................................................................................... 139
4.2.3 Optical inspection ...................................................................................................................... 141
4.2.4 Cleaning .................................................................................................................................... 141
4.2.5 Repeated reflow soldering ......................................................................................................... 141
4.2.6 Wave soldering.......................................................................................................................... 141
4.2.7 Hand soldering .......................................................................................................................... 141
4.2.8 Rework ...................................................................................................................................... 141
4.2.9 Conformal coating .................................................................................................................... 141
4.2.10 Casting ...................................................................................................................................... 142
4.2.11 Grounding metal covers ............................................................................................................ 142
4.2.12 Use of ultrasonic processes ........................................................................................................ 142
5 Product Testing......................................................................................................... 143
5.1 u-blox in-series production test ......................................................................................................... 143
5.2 Test parameters for OEM manufacturer ............................................................................................ 143
5.2.1 ‘Go/No go’ tests for integrated devices ...................................................................................... 144
5.2.2 Functional tests providing RF operation ..................................................................................... 144
Appendix ........................................................................................................................ 147
A Migration to LISA-U2 series wireless modules ....................................................... 147
A.1 Checklist for migration ..................................................................................................................... 147
A.2 Software migration ........................................................................................................................... 148
A.2.1 Software migration from LISA-U1 series to LISA-U2 series wireless modules .............................. 148
A.3 Hardware migration.......................................................................................................................... 148
A.3.1 Hardware migration from LISA-U1 series to LISA-U2 series wireless modules ............................. 148
A.3.2 Pin-out comparison LISA-U1 series vs. LISA-U2 series ................................................................. 149
A.3.3 Layout comparison LISA-U1 series vs. LISA-U2 series .................................................................. 155
B Glossary .................................................................................................................... 156
Related documents......................................................................................................... 158
Revision history .............................................................................................................. 159
Contact ............................................................................................................................ 160

LISA-U series - System Integration Manual
3G.G2-HW-10002-A1 Advance Information System description
Page 7 of 160
1 System description
1.1 Overview
LISA-U series wireless modules integrate full-feature 3G UMTS/HSxPA and 2G GSM/GPRS/EDGE protocol stack
with Assisted GPS support. These SMT modules come in the compact LISA form factor, featuring Leadless Chip
Carrier (LCC) packaging technology.
3G UMTS/HSDPA/HSUPA Characteristics
2G GSM/GPRS/EDGE Characteristics
Class A User Equipment1
Class B Mobile Station2
UMTS Terrestrial Radio Access (UTRA) Frequency Division Duplex (FDD)
3GPP Release 6 High Speed Packet Access (HSPA) for LISA-U1
series
3GPP Release 7 Evolved High Speed Packet Access (HSPA+) for
LISA-U2 series
Rx Diversity for LISA-U230
GSM EDGE Radio Access (GERA)
3GPP Release 6 for LISA-U1 series
3GPP Release 7 for LISA-U2 series
Rx Diversity for LISA-U230
2-band support for LISA-U100, LISA-U120:
Band II (1900 MHz), Band V (850 MHz)
2-band support for LISA-U110, LISA-U130:
Band I (2100 MHz), Band VIII (900 MHz)
4-band support for LISA-U200-00:
Band I (2100 MHz), Band II (1900 MHz),
Band V (850 MHz), Band VI (800 MHz)
6-band support for LISA-U200-01, LISA-U230:
Band I (2100 MHz), Band II (1900 MHz), Band IV (1700 MHz),
Band V (850 MHz), Band VI (800 MHz), Band VIII (900 MHz)
4-band support
GSM 850 MHz, E-GSM 900 MHz,
DCS 1800 MHz, PCS 1900 MHz
WCDMA/HSDPA/HSUPA Power Class
Power Class 3 (24 dBm) for WCDMA/HSDPA/HSUPA mode
GSM/GPRS Power Class
Power Class 4 (33 dBm) for GSM/E-GSM bands
Power Class 1 (30 dBm) for DCS/PCS bands
EDGE Power Class
Power Class E2 (27 dBm) for GSM/E-GSM bands
Power Class E2 (26 dBm) for DCS/PCS bands
PS (Packet Switched) Data Rate
HSUPA category 6, up to 5.76 Mb/s UL
HSDPA category 8 up to 7.2 Mb/s DL for LISA-U1 series,
LISA-U200
HSDPA category 14 up to 21.1 Mb/s DL for LISA-U230
WCDMA PS data up to 384 kb/s DL/UL
PS (Packet Switched) Data Rate
GPRS multislot class 334, coding scheme CS1-CS4,
up to 107 kb/s DL, 85.6 kb/s UL for LISA-U2 series
GPRS multislot class 124, coding scheme CS1-CS4,
up to 85.6 kb/s DL/UL for LISA-U1 for LISA-U1 series
EDGE multislot class 333, coding scheme MCS1-MCS9,
up to 296 kb/s DL, 236.8 kb/s UL for LISA-U2
EDGE multislot class 124, coding scheme MCS1-MCS9,
up to 236.8 kb/s DL/UL for LISA-U1
CS (Circuit Switched) Data Rate
WCDMA CS data up to 64 kb/s DL/UL
CS (Circuit Switched) Data Rate
GSM CS data up to 9.6 kb/s DL/UL
supported in transparent/non transparent mode
Table 1: LISA-U series UMTS/HSDPA/HSUPA and GSM/GPRS/EDGE characteristics
Operation modes I to III are supported on GSM/GPRS network, with user-defined preferred service selectable
from GSM to GPRS. Paging messages for GSM calls can be optionally monitored during GPRS data transfer in
not-coordinating NOM II-III.
Direct Link mode is supported for TCP / UDP sockets except for LISA-U1xx-00 module versions.
1
Device can work simultaneously in Packet Switch and Circuit Switch mode: voice calls are possible while the data connection is active
2
Device can be attached to both GPRS and GSM services (i.e. Packet Switch and Circuit Switch mode) using one service at a time. If for
example during data transmission an incoming call occurs, the data connection is suspended to allow the voice communication. Once the
voice call has terminated, the data service is resumed.
3
GPRS/EDGE multislot class 33 implies a maximum of 5 slots in DL (reception) and 4 slots in UL (transmission) with 6 slots in total.
4
GPRS/EDGE multislot class 12 implies a maximum of 4 slots in DL (reception) and 4 slots in UL (transmission) with 5 slots in total.

LISA-U series - System Integration Manual
3G.G2-HW-10002-A1 Advance Information System description
Page 8 of 160
Regarding 3G transmit and receive data rate capability, LISA-U series modules implement 3G High-Speed Uplink
Packet Access (HSUPA) category 6, LISA-U1 series and LISA-U200 modules implement 3G High Speed Downlink
Packet Access (HSDPA) category 8, while LISA-U230 modules implement the 3G HSDPA category 14. HSUPA and
HSDPA categories determine the maximum speed at which data can be respectively transmitted and received:
higher categories allowing faster data transfer rates as indicated in Table 1.
The 3G network automatically performs adaptive coding and modulation using a choice of forward error
correction code rate and choice of modulation type, to achieve the highest possible data rate and data
transmission robustness according to the quality of the radio channel.
Regarding 2G transmit and receive data rate capability, LISA-U1 series modules implement GPRS/EGPRS class 12,
while LISA-U2 series modules implement GPRS/EGPRS class 33. GPRS and EGPRS classes determine the maximum
number of timeslots available for upload and download and thus the speed at which data can be transmitted
and received: higher classes typically allowing faster data transfer rates as indicated in Table 1.
The 2G network automatically configures the number of timeslots used for reception or transmission (voice calls
take precedence over GPRS/EGPRS traffic) and channel encoding (from Coding Scheme 1 up to Modulation and
Coding Scheme 9), performing link adaptation to achieve the highest possible data rate.
A summary of interfaces and features provided by LISA-U series modules is described in the Table 2. Note that
LISA-U130-01 and LISA-U230-01 are available in standard and automotive quality grade versions.
Module
Technology
Bands
Interface
Audio
Functions
HSUPA [Mb/s]
HSDPA [Mb/s]
UMTS/HSPA bands [MHz]
GSM/GPRS/EDGE quad-band
UART
SPI (5 wire)
USB
DDC for u-blox GPS
GPIO
Analog Audio
Digital Audio
Network indication
Antenna Supervisor
Jamming detection
Embedded TCP/UDP stack
HTTP, SSL
GPS via Modem
Embedded AssistNow
FW update over AT (FOAT)
In-band modem
Rx diversity
CellLocate
SIM Access Profile (SAP)
LISA-U100-00
5.76
7.2
850/1900
•
1
1
1
1
5
•
•
•
•
•
LISA-U100-01
5.76
7.2
850/1900
•
1
1
1
1
5
•
•
•
•
•
•
•
•
•
LISA-U110-00
5.76
7.2
900/2100
•
1
1
1
1
5
•
•
•
•
•
LISA-U110-01
5.76
7.2
900/2100
•
1
1
1
1
5
•
•
•
•
•
•
•
•
•
LISA-U120-00
5.76
7.2
850/1900
•
1
1
1
1
5
1
1
•
•
•
•
•
LISA-U120-01
5.76
7.2
850/1900
•
1
1
1
1
5
1
1
•
•
•
•
•
•
•
•
•
LISA-U130-00
5.76
7.2
900/2100
•
1
1
1
1
5
1
1
•
•
•
•
•
LISA-U130-01
5.76
7.2
900/2100
•
1
1
1
1
5
1
1
•
•
•
•
•
•
•
•
•
•
LISA-U200-00
5.76
7.2
800/850/
1900/2100
•
1
1
1
1
14
•
•
•
•
•
•
LISA-U200-01
5.76
7.2
800/850/900/
1700/1900/2100
•
1
1
1
1
14
2
•
•
•
•
•
•
•
•
•
•
•
LISA-U230-01
5.76
21.1
800/850/900/
1700/1900/2100
•
1
1
1
1
14
2
•
•
•
•
•
•
•
•
•
•
•
•
Table 2: LISA-U series features summary

LISA-U series - System Integration Manual
3G.G2-HW-10002-A1 Advance Information System description
Page 9 of 160
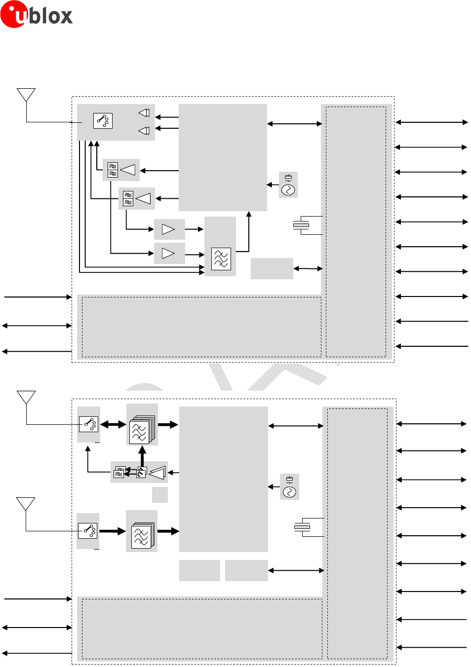
1.2 Architecture
Wireless
Base-band
Processor
Memory
Power Management Unit
RF
Transceiver
26 MHz
32.768 kHz
SAW
Filter
FEM & 2G PA
ANT
LNA
3G PA
LNA
3G PA
DDC (for GPS)
(U)SIM Card
UART
SPI
USB
GPIO(s)
Power On
External Reset
V_BCKP (RTC)
Vcc (Supply)
V_INT (I/O)
Digital Audio (I2S)
AnalogAudio
Figure 1: LISA-U1 series block diagram (for available options refer to the product features summary in Table 2)
Wireless
Base-band
Processor
Memory
Power Management Unit
26 MHz
32.768 kHz
ANT
Switch & Multi band & mode PA
DDC (for GPS)
(U)SIM Card
UART
SPI
USB
GPIO(s)
Power On
External Reset
V_BCKP (RTC)
Vcc (Supply)
V_INT (I/O)
Digital Audio (I2S)
RF
SWITCH
RF
Transceiver
Duplexers
& Filters
ANT_DIV
RF
SWITCH
Filter
Bank
PA
PMU
Transceiver
PMU
Figure 2: LISA-U2 series block diagram (for available options refer to the product features summary in Table 2)

LISA-U series - System Integration Manual
3G.G2-HW-10002-A1 Advance Information System description
Page 10 of 160
1.2.1 Functional blocks
LISA-U series modules consist of the following internal functional blocks: RF section, Baseband and Power
Management Unit section.
LISA-U1 series RF section
A shielding box includes the RF high-power signal circuitry, namely:
Front-End Module (FEM) with integrated quad-band 2G Power Amplifier and antenna switch multiplexer
Two single-band 3G HSPA/WCDMA Power Amplifier modules with integrated duplexers
The RF antenna pad (ANT) is directly connected to the FEM, which dispatches the RF signals according to the
active mode. For time-duplex 2G operation, the incoming signal at the active Receiver (RX) slot is applied to
integrated SAW filters for out-of-band rejection and then sent to the appropriate receiver port of the RF
transceiver. During the allocated Transmitter (TX) slots, the low level signal coming from the RF transceiver is
enhanced by the 2G power amplifier module and then directed to the antenna through the FEM. The 3G
transmitter and receiver are instead active at the same time due to frequency-domain duplex operation. The
switch integrated in the FEM connects the antenna port to the passive duplexer which separates the TX and RX
signal paths. The duplexer itself provides front-end RF filtering for RX band selection while combining the
amplified TX signal coming from the fixed gain linear power amplifier.
In the same shielding box that includes the RF high-power signal circuitry there are all the low-level analog RF
components, namely:
Dual-band HSPA/WCDMA and quad-band EDGE/GPRS/GSM transceiver
Voltage Controlled Temperature Compensated 26 MHz Crystal Oscillator (VC-TCXO)
Low Noise Amplifier (LNA) and SAW RF filters for 2G and 3G receivers
While operating in 3G mode, the RF transceiver performs direct up-conversion and down-conversion of the
baseband I/Q signals, with the RF voltage controlled gain amplifier being used to set the uplink TX power. In the
downlink path, the external LNA enhances the RX sensitivity while discrete inter-stage SAW filters additionally
improve the rejection of out-of-band blockers. An internal programmable gain amplifier optimizes the signal
levels before delivering to the analog I/Q to baseband for further digital processing.
For 2G operations, a constant gain direct conversion receiver with integrated LNAs and highly linear RF
quadrature demodulator are used to provide the same I/Q signals to baseband as well. In transmission mode, the
up-conversion is implemented by means of a digital sigma-delta transmitter or polar modulator depending on
the modulation to be transmitted.
In all the modes, a fractional-N sigma-delta RF synthesizer and an on-chip 3.296-4.340 GHz voltage controlled
oscillator are used to generate the local oscillator signal.
The frequency reference to RF oscillators is provided by the 26 MHz VC-TCXO. The same signal is buffered to the
baseband as a master reference for clock generation circuits while operating in active mode.
LISA-U2 series RF section
A shielding box contains the RF high-power signal circuitry, including:
Multimode Single Chain Power Amplifier Module used for 3G HSPA/WCDMA and 2G EDGE/GSM operations
Power Management Unit with integrated DC/DC converter for the Power Amplifier Module
The RF antenna pad (ANT) is directly connected to the main antenna switch, which dispatches the RF signals
according to the active mode. For time-duplex 2G operation, the incoming signal at the active Receiver (RX) slot
is applied by the main antenna switch to the duplexer SAW filter bank for out-of-band rejection and then sent to
the appropriate receiver port of the RF transceiver. During the allocated Transmitter (TX) slots, the low level
signal coming from the RF transceiver is enhanced by the power amplifier and then directed to the antenna pad
through the main antenna switch. The 3G transmitter and receiver are active at the same time due to frequency-
domain duplex operation. The switch integrated in the main antenna switch connects the antenna port to the
duplexer SAW filter bank which separates the TX and RX signal paths. The duplexer itself provides front-end RF
filtering for RX band selection while combining the amplified TX signal coming from the power amplifier.

LISA-U series - System Integration Manual
3G.G2-HW-10002-A1 Advance Information System description
Page 11 of 160
A separated shielding box contains all the other analog RF components, including:
Main Antenna Switch
Duplexer SAW filter bank
Antenna Switch for diversity receiver
SAW filter bank for diversity receiver
Six-band HSPA/WCDMA and quad-band EDGE/GPRS/GSM transceiver
Power Management Unit with integrated DC/DC converter for the Power Amplifier Module
Voltage Controlled Temperature Compensated 26 MHz Crystal Oscillator (VC-TCXO)
While operating in 3G mode, the RF transceiver performs direct up-conversion and down-conversion of the
baseband I/Q signals, with the RF voltage controlled gain amplifier being used to set the uplink TX power. In the
downlink path, the integrated LNA enhances the RX sensitivity while discrete inter-stage SAW filters additionally
improve the rejection of out-of-band blockers. An internal programmable gain amplifier optimizes the signal
levels before delivering to the analog I/Q to baseband for further digital processing.
For 2G operations, a constant gain direct conversion receiver with integrated LNAs and highly linear RF
quadrature demodulator are used to provide the same I/Q signals to the baseband as well. In transmission mode,
the up-conversion is implemented by means of a digital sigma-delta transmitter or polar modulator depending
on the modulation to be transmitted.
The RF antenna pad for the diversity receiver (ANT_DIV) available on LISA-U230 modules is directly connected to
the antenna switch for the diversity receiver, which dispatches the incoming RF signals to the dedicated SAW
filter bank for out-of-band rejection and then to the diversity receiver port of the RF transceiver.
In all the modes, a fractional-N sigma-delta RF synthesizer and an on-chip 3.296-4.340 GHz voltage controlled
oscillator are used to generate the local oscillator signal.
The frequency reference to RF oscillators is provided by the 26 MHz VC-TCXO. The same signal is buffered to the
baseband as a master reference for clock generation circuits while operating in active mode.
LISA-U series modulation techniques
Modulation techniques related to radio technologies supported by LISA-U series modules, are listed as follows:
GSM GSMK
GPRS GMSK
EDGE GMSK / 8-PSK
WCDMA QPSK
HSDPA QPSK / 16-QAM
HSUPA QPSK / 16-QAM
LISA-U series Baseband and Power Management Unit section
Another shielding box of LISA-U series modules includes all the digital circuitry and the power supplies, basically
the following functional blocks:
Wireless baseband processor, a mixed signal ASIC which integrates:
Microprocessor for controller functions, 2G & 3G upper layer software
DSP core for 2G Layer 1 and audio processing
3G coprocessor and HW accelerator for 3G Layer 1 control software and routines
Dedicated HW for interfaces management
Memory system in a Multi-Chip Package (MCP) integrating two devices:
NOR flash non-volatile memory
DDR SRAM volatile memory
Power Management Unit (PMU), used to derive all the system supply voltages from the module supply VCC

LISA-U series - System Integration Manual
3G.G2-HW-10002-A1 Advance Information System description
Page 12 of 160
32.768 kHz crystal, connected to the Real Time Clock (RTC) oscillator to provide the clock reference in idle or
power-off mode
1.2.2 Hardware differences between LISA-U series modules
Main hardware differences between the LISA-U series modules are summarized in Table 3.
Characteristic
LISA-U1 series
LISA-U2 series
3G bands
LISA-U100, LISA-U120:
Band II (1900 MHz), Band V (850 MHz)
LISA-U110, LISA-U130:
Band I (2100 MHz), Band VIII (900 MHz)
LISA-U200-00:
Band I (2100 MHz), Band II (1900 MHz),
Band V (850 MHz), Band VI (800 MHz)
LISA-U200-01, LISA-U230:
Band I (2100 MHz), Band II (1900 MHz),
Band IV (1700 MHz), Band V (850 MHz),
Band VI (800 MHz), Band VIII (900 MHz)
HSDPA data rate
LISA-U1 series:
HSDPA category 8, up to 7.2 Mb/s DL
LISA-U200:
HSDPA category 8, up to 7.2 Mb/s DL
LISA-U230:
HSDPA category 14, up to 21.1 Mb/s DL
EDGE/GPRS data rate
EDGE multislot class 12, MCS1-MCS9,
up to 236.8 kb/s DL/UL
GPRS multislot class 12, CS1-CS4,
up to 85.6 kb/s DL/UL
EDGE multislot class 33, MCS1-MCS9,
up to 296 kb/s DL, 236.8 kb/s UL
GPRS multislot class 33, CS1-CS4,
up to 107 kb/s DL, 85.6 kb/s UL
Rx diversity
LISA-U1 series:
Not supported
LISA-U200:
Not supported
LISA-U230:
Supported: ANT_DIV RF input for Rx diversity
Analog audio
LISA-U100, LISA-U110:
Not supported
LISA-U120, LISA-U130:
One differential input, one differential output
LISA-U2 series:
Not supported
Digital audio
LISA-U100, LISA-U110:
Not supported
LISA-U120, LISA-U130:
One 4-wire digital audio interface
LISA-U200-00:
Not supported
LISA-U200-01, LISA-U230:
Two 4-wire digital audio interfaces
CODEC_CLK clock output for external codec
GPIO
5 GPIOs
14 GPIOs
VCC operating range
VCC normal operating range: 3.4 V – 4.2 V
VCC extended operating range: 3.1 V – 4.2 V
VCC normal operating range: 3.3 V – 4.4 V
VCC extended operating range: 3.1 V – 4.5 V
V_BCKP operating range
V_BCKP output: 2.3 V typ.
V_BCKP input: 1.0 V – 2.5 V
V_BCKP output: 1.8 V typ.
V_BCKP input: 1.0 V – 1.9 V
Exposed GND area
One signals keep-out area on the top layer of the
application board, due to one exposed GND area on
the bottom layer of the module (see Figure 61)
Two signals keep-out areas on the top layer of the
application board, due to two exposed GND areas
on the bottom layer of the module (see Figure 62)
Table 3: Main hardware differences between LISA-U series modules
For additional details and minor hardware differences between the LISA-U series modules, refer to section A.3.

LISA-U series - System Integration Manual
3G.G2-HW-10002-A1 Advance Information System description
Page 13 of 160
1.3 Pin-out
Table 4 lists the pin-out of the LISA-U series modules, with pins grouped by function.
Function
Pin
Module
No
I/O
Description
Remarks
Power
VCC
All
61, 62, 63
I
Module supply
input
Clean and stable supply is required: low ripple and
low voltage drop must be guaranteed.
Voltage provided has to be always above the
minimum limit of the operating range.
Consider that there are large current spikes in
connected mode, when a GSM call is enabled.
VCC pins are internally connected, but all the
available pads must be connected to the external
supply in order to minimize power loss due to
series resistance.
See section 1.5.2
GND
All
1, 3, 6, 7,
8, 17, 25,
28, 29, 30,
31, 32, 33,
34, 35, 36,
37, 38, 60,
64, 65, 66,
67, 69, 70,
71, 72, 73,
75, 76
N/A
Ground
GND pins are internally connected but a good
(low impedance) external ground connection can
improve RF performance: all GND pins must be
externally connected to ground.
V_BCKP
All
2
I/O
Real Time Clock
supply
input/output
V_BCKP = 2.3 V (typical) on LISA-U1 series
V_BCKP = 1.8 V (typical) on LISA-U2 series
generated by the module when VCC supply
voltage is within valid operating range.
See section 1.5.4
V_INT
All
4
O
Digital Interfaces
supply output
V_INT = 1.8V (typical) generated by the module
when it is switched-on and the RESET_N (external
reset input pin) is not forced to the low level.
See section 1.5.5
VSIM
All
50
O
SIM supply
output
VSIM = 1.80 V typical or 2.90 V typical generated
by the module according to the SIM card type.
See section 1.8
RF
ANT
All
68
I/O
RF input/output
for main Tx/Rx
antenna
50 nominal impedance.
See section 1.7, section 2.4 and section 2.2.1.1
ANT_DIV
LISA-U230
74
I
RF input for Rx
diversity antenna
50 Ω nominal impedance
See section 1.7, section 2.4 and section 2.2.1.1
SIM
SIM_IO
All
48
I/O
SIM data
Internal 4.7 k pull-up to VSIM.
Must meet SIM specifications.
See section 1.8
SIM_CLK
All
47
O
SIM clock
Must meet SIM specifications.
See section 1.8
SIM_RST
All
49
O
SIM reset
Must meet SIM specifications.
See section 1.8
SPI
SPI_MISO
All
57
O
SPI Data Line
Output
Module Output: module runs as an SPI slave.
Shift data on rising clock edge (CPHA=1).
Latch data on falling clock edge (CPHA=1).
Idle high.
See section 1.9.4
SPI_MOSI
All
56
I
SPI Data Line
Input
Module Input: module runs as an SPI slave.
Shift data on rising clock edge (CPHA=1).
Latch data on falling clock edge (CPHA=1).
Idle high.
Internal active pull-up to V_INT (1.8 V) enabled.
See section 1.9.4

LISA-U series - System Integration Manual
3G.G2-HW-10002-A1 Advance Information System description
Page 14 of 160
Function
Pin
Module
No
I/O
Description
Remarks
SPI_SCLK
All
55
I
SPI Serial Clock
Input
Module Input: module runs as an SPI slave.
Idle low (CPOL=0).
Internal active pull-down to GND enabled.
See section 1.9.4
SPI_SRDY
All
58
O
SPI Slave Ready
Output
Module Output: module runs as an SPI slave.
Idle low.
See section 1.9.4
SPI_MRDY
All
59
I
SPI Master Ready
Input
Module Input: module runs as an SPI slave.
Idle low.
Internal active pull- down to GND enabled.
See section 1.9.4
DDC
SCL
All
45
O
I2C bus clock line
Fixed open drain. External pull-up required.
See section 1.10
SDA
All
46
I/O
I2C bus data line
Fixed open drain. External pull-up required.
See section 1.10
UART
RxD
All
16
O
UART data
output
Circuit 104 (RxD) in ITU-T V.24.
Provide access to the pin for FW update and
debugging if the USB interface is connected to the
application processor.
See section 1.9.2
TxD
All
15
I
UART data input
Circuit 103 (TxD) in ITU-T V.24.
Internal active pull-up to V_INT (1.8 V) enabled.
Provide access to the pin for FW update and
debugging if the USB interface is connected to the
application processor.
See section 1.9.2
CTS
All
14
O
UART clear to
send output
Circuit 106 (CTS) in ITU-T V.24.
Provide access to the pin for debugging if the USB
interface is connected to the application
processor.
See section 1.9.2
RTS
All
13
I
UART ready to
send input
Circuit 105 (RTS) in ITU-T V.24.
Internal active pull-up to V_INT (1.8 V) enabled.
Provide access to the pin for debugging if the USB
interface is connected to the application
processor.
See section 1.9.2
DSR
All
9
O
UART data set
ready output
Circuit 107 (DSR) in ITU-T V.24.
See section 1.9.2
RI
All
10
O
UART ring
indicator output
Circuit 125 (RI) in ITU-T V.24.
See section 1.9.2
DTR
All
12
I
UART data
terminal ready
input
Circuit 108/2 (DTR) in ITU-T V.24.
Internal active pull-up to V_INT (1.8 V) enabled.
See section 1.9.2
DCD
All
11
O
UART data carrier
detect output
Circuit 109 (DCD) in ITU-T V.24.
See section 1.9.2
GPIO
GPIO1
All
20
I/O
GPIO
See section 1.12
GPIO2
All
21
I/O
GPIO
See section 1.12
GPIO3
All
23
I/O
GPIO
See section 1.12
GPIO4
All
24
I/O
GPIO
See section 1.12
GPIO5
All
51
I/O
GPIO
See section 1.12
GPIO6
LISA-U2
39
I/O
GPIO
See section 1.12
GPIO7
LISA-U2
40
I/O
GPIO
See section 1.12
GPIO8
LISA-U2
53
I/O
GPIO
See section 1.12
GPIO9
LISA-U2
54
I/O
GPIO
See section 1.12
GPIO10
LISA-U2
55
I/O
GPIO
See section 1.12
GPIO11
LISA-U2
56
I/O
GPIO
See section 1.12
GPIO12
LISA-U2
57
I/O
GPIO
See section 1.12

LISA-U series - System Integration Manual
3G.G2-HW-10002-A1 Advance Information System description
Page 15 of 160
Function
Pin
Module
No
I/O
Description
Remarks
GPIO13
LISA-U2
58
I/O
GPIO
See section 1.12
GPIO14
LISA-U2
59
I/O
GPIO
See section 1.12
USB
VUSB_DET
All
18
I
USB detect input
Input for VBUS (5 V typical) USB supply sense to
enable USB interface.
Provide access to the pin for FW update and
debugging if the USB interface is not connected to
the application processor.
See section 1.9.3
USB_D-
All
26
I/O
USB Data Line D-
90 Ω nominal differential impedance
Pull-up or pull-down resistors and external series
resistors as required by the USB 2.0 high-speed
specification [8] are part of the USB pad driver and
need not be provided externally.
Provide access to the pin for FW update and
debugging if the USB interface is not connected to
the application processor.
See section 1.9.3
USB_D+
All
27
I/O
USB Data Line
D+
90 Ω nominal differential impedance
Pull-up or pull-down resistors and external series
resistors as required by the USB 2.0 high-speed
specification [8] are part of the USB pad driver and
need not be provided externally.
Provide access to the pin for FW update and
debugging if the USB interface is not connected to
the application processor.
See section 1.9.3
System
PWR_ON
All
19
I
Power-on input
PWR_ON pin has high input impedance.
Do not keep floating in noisy environment:
external pull-up required.
See section 1.6.1
RESET_N
All
22
I
External reset
input
Internal 10 kΩ pull-up to V_BCKP.
See section 1.6.3
Analog
Audio
MIC_N
LISA-U120
LISA-U130
39
I
Differential
analog audio
input (negative)
Differential analog input shared for all analog path
modes: handset, headset, hands-free mode.
Internal DC blocking capacitor.
See section 1.11.1
MIC_P
LISA-U120
LISA-U130
40
I
Differential
analog audio
input (positive)
Differential analog input shared for all analog path
modes: handset, headset, hands-free mode.
Internal DC blocking capacitor.
See section 1.11.1
SPK_P
LISA-U120
LISA-U130
53
O
Differential
analog audio
output (positive)
Differential analog audio output shared for all
analog path modes: earpiece, headset and
loudspeaker mode.
See section 1.11.1
SPK_N
LISA-U120
LISA-U130
54
O
Differential
analog audio
output (negative)
Differential analog audio output shared for all
analog path modes: earpiece, headset and
loudspeaker mode.
See section 1.11.1
Digital
Audio
I2S_CLK
LISA-U120
LISA-U130
LISA-U200-01
LISA-U230
43
I/O
First I2S clock
Check device specifications to ensure compatibility
to module supported modes.
See section 1.11.2.
I2S_RXD
LISA-U120
LISA-U130
LISA-U200-01
LISA-U230
44
I
First I2S receive
data
Internal active pull-down to GND enabled.
Check device specifications to ensure compatibility
to module supported modes.
See section 1.11.2.
I2S_TXD
LISA-U120
LISA-U130
LISA-U200-01
LISA-U230
42
O
First I2S transmit
data
Check device specifications to ensure compatibility
to module supported modes.
See section 1.11.2.

LISA-U series - System Integration Manual
3G.G2-HW-10002-A1 Advance Information System description
Page 16 of 160
Function
Pin
Module
No
I/O
Description
Remarks
I2S_WA
LISA-U120
LISA-U130
LISA-U200-01
LISA-U230
41
I/O
First I2S word
alignment
Check device specifications to ensure compatibility
to module supported modes.
See section 1.11.2.
I2S1_CLK
LISA-U200-01,
LISA-U230
53
I/O
Second I2S clock
Check device specifications to ensure compatibility
to module supported modes.
See section 1.11.2.
I2S1_RXD
LISA-U200-01
LISA-U230
39
I
Second I2S
receive data
Internal active pull-down to GND enabled.
Check device specifications to ensure compatibility
to module supported modes.
See section 1.11.2.
I2S1_TXD
LISA-U200-01
LISA-U230
40
O
Second I2S
transmit data
Check device specifications to ensure compatibility
to module supported modes.
See section 1.11.2.
I2S1_WA
LISA-U200-01
LISA-U230
54
I/O
Second I2S word
alignment
Check device specifications to ensure compatibility
to module supported modes.
See section 1.11.2.
CODEC_CLK
LISA-U200-01
LISA-U230
52
O
Clock output
Digital clock output for external audio codec
See section 1.11.2.
Reserved
RSVD
All
5
N/A
RESERVED pin
This pin must be connected to ground
See section 1.13
RSVD
LISA-U1
LISA-U200-00
52
N/A
RESERVED pin
Pad disabled
See section 1.13
RSVD
LISA-U1
LISA-U200
74
N/A
RESERVED pin
Do not connect
See section 1.13
RSVD
LISA-U100
LISA-U110
LISA-U200-00
43
N/A
RESERVED pin
Pad disabled
See section 1.13
RSVD
LISA-U100
LISA-U110
LISA-U200-00
44
N/A
RESERVED pin
Pad disabled
See section 1.13
RSVD
LISA-U100
LISA-U110
LISA-U200-00
42
N/A
RESERVED pin
Pad disabled
See section 1.13
RSVD
LISA-U100
LISA-U110
LISA-U200-00
41
N/A
RESERVED pin
Pad disabled
See section 1.13
RSVD
LISA-U100
LISA-U110
39
N/A
RESERVED pin
Do not connect
See section 1.13
RSVD
LISA-U100
LISA-U110
40
N/A
RESERVED pin
Do not connect
See section 1.13
RSVD
LISA-U100
LISA-U110
53
N/A
RESERVED pin
Do not connect
See section 1.13
RSVD
LISA-U100
LISA-U110
54
N/A
RESERVED pin
Do not connect
See section 1.13
Table 4: LISA-U series modules pin definition, grouped by function

LISA-U series - System Integration Manual
3G.G2-HW-10002-A1 Advance Information System description
Page 17 of 160
1.4 Operating modes
LISA-U series modules have several operating modes. Table 5 summarizes the various operating modes and
provides general guidelines for operation.
Operating Mode
Description
Features / Remarks
Transition condition
General Status: Power-down
Not-Powered
Mode
VCC supply not present or
below operating range.
Microprocessor switched off
(not operating).
RTC only operates if supplied
through V_BCKP pin.
Module is switched off.
Application interfaces are not accessible.
Internal RTC timer operates only if a valid
voltage is applied to V_BCKP pin.
Module cannot be switched on by a
falling edge provided on the PWR_ON
input, or by a preset RTC alarm or by a
rising edge provided on the RESET_N
input.
Module can be switched on applying
VCC supply.
Power-Off Mode
VCC supply within operating
range.
Microprocessor switched off
(not operating).
Only RTC runs.
Module is switched off: normal shutdown
by AT+CPWROFF command (refer to
u-blox AT Commands Manual [3]), or by
PWR_ON held low for more than 1 s
(LISA-U2 series only).
Application interfaces are not accessible.
Only the internal RTC timer in operation.
Module can be switched on by a falling
edge on the PWR_ON input, or by a
preset RTC alarm, or by a rising edge on
the RESET_N input.
General Status: Normal Operation
Idle-Mode
Microprocessor runs with
32 kHz as reference oscillator.
Module does not accept data
signals from an external
device.
If power saving is enabled, the module
automatically enters idle-mode whenever
possible.
Application interfaces are disabled.
If hardware flow control is enabled, the
CTS line to ON state indicates that the
module is in active mode and the UART
interface is enabled: the line is driven in
the OFF state when the module is not
prepared to accept data by the UART
interface.
If hardware flow control is disabled, the
CTS line is fixed to ON state.
Module by default is not set to
automatically enter idle-mode whenever
possible, unless power saving
configuration is enabled by appropriate
AT command (refer to u-blox AT
Commands Manual [3], AT+UPSV).
Module enters automatically idle-mode
when power saving is enabled and
there is no activity for the defined time
interval:
Module registered with the
network and power saving
enabled. Periodically wakes up to
active mode to monitor the paging
channel for the paging block
reception according to network
indication
Module not registered with the
network and power saving is
enabled. Periodically wakes up to
monitor external activity
Module wakes up from idle-mode to
active-mode in the following events:
Incoming voice or data call
RTC alarm occurs
Data received on UART interface
(refer to 1.9.2)
RTS input line set to the ON state
by the DTE if the AT+UPSV=2
command is sent to the module
(refer to 1.9.2)
USB detection, applying 5 V (typ.)
to the VUSB_DET pin
The connected USB host forces a
remote wakeup of the module as
USB device (refer to 1.9.3)
The connected SPI master indicates
to the module that it is ready for
transmission or reception, by the
SPI/IPC SPI_MRDY input signal
(refer to 1.9.4)

LISA-U series - System Integration Manual
3G.G2-HW-10002-A1 Advance Information System description
Page 18 of 160
Operating Mode
Description
Features / Remarks
Transition condition
Active-Mode
Microprocessor runs with
26 MHz as reference
oscillator.
The module is prepared to
accept data signals from an
external device.
Module is switched on and is fully active.
The application interfaces are enabled,
unless power saving configuration is
enabled by the AT+UPSV command (refer
to sections 1.9.2.3, 1.9.3.2, 1.9.4.2 and
u-blox AT Commands Manual [3]).
Power saving is not enabled by default: it
can be enabled by the AT+UPSV
command (see u-blox AT Commands
Manual [3]).
If power saving is enabled, the module
automatically enters idle-mode and
application interfaces are disabled
whenever possible (refer to sections
1.9.2.3, 1.9.3.2, 1.9.4.2 and u-blox AT
Commands Manual [3], AT+UPSV).
Connected-Mode
Voice or data call enabled.
Microprocessor runs with
26 MHz as reference
oscillator.
The module is prepared to
accept data signals from an
external device.
The module is switched on and a voice
call or a data call (2G/3G) is in progress.
Module is fully active.
The application interfaces are enabled,
unless power saving configuration is
enabled by the AT+UPSV command (see
section 1.9.2.3, 1.9.3.2, 1.9.4.2 and the
u-blox AT Commands Manual [3]).
When call terminates, the module
returns to the active operating mode.
Table 5: Module operating modes summary
Transition between the different modes is described in Figure 3.
Switch ON:
•Apply VCC
If power saving is enabled
and there is no activity for
a defined time interval
Any wake up event described
in the module operating
modes summary table above
Incoming/outgoing call or
other dedicated device
network communication
Call terminated,
communication dropped
Remove VCC
Switch ON:
•PWR_ON
•RESET_N
•RTC Alarm
Not
powered
Power off
ActiveConnected Idle
Switch OFF:
•AT+CPWROFF
•PWR_ON (LISA-U2 only)
Figure 3: Operating modes transition

LISA-U series - System Integration Manual
3G.G2-HW-10002-A1 Advance Information System description
Page 19 of 160
1.5 Power management
1.5.1 Power supply circuit overview
LISA-U series modules feature a power management concept optimized for the most efficient use of supplied
power. This is achieved by hardware design utilizing a power efficient circuit topology (Figure 4), and by power
management software controlling the module’s power saving mode.
Baseband Processor
2G/3G
Power Amplifier(s)
Switching
Step-Down
5 x 10 µF
61
VCC
62
VCC
63
VCC
50
VSIM
2
V_BCKP
4
V_INT
Linear
LDO
Linear
LDO
Switching
Step-Down
Linear
LDO
Linear
LDO
Linear
LDO
I/O
EBU
CORE
Analog
SIM
RTC
NOR Flash
DDR SRAM
RF Transceiver
Memory
Power Management Unit
22 µF 10 µF (LISA-U1)
220 nF (LISA-U2) 220 nF
2G/3G PA
PMU
(LISA-U2)
Transceiver
PMU
(LISA-U2)
(LISA-U1)
Figure 4: LISA-U series power management simplified block diagram
Pins with supply function are reported in Table 6, Table 11 and Table 14.
LISA-U series modules must be supplied via the VCC pins. There is only one main power supply input, available
on the three VCC pins that must be all connected to the external power supply

LISA-U series - System Integration Manual
3G.G2-HW-10002-A1 Advance Information System description
Page 20 of 160
The VCC pins are directly connected to the RF power amplifiers and to the integrated Power Management Unit
(PMU) within the module: all supply voltages needed by the module are generated from the VCC supply by
integrated voltage regulators.
V_BCKP is the Real Time Clock (RTC) supply. When the VCC voltage is within the valid operating range, the
internal PMU supplies the Real Time Clock and the same supply voltage will be available to the V_BCKP pin. If
the VCC voltage is under the minimum operating limit (for example, during not powered mode), the Real Time
Clock can be externally supplied via the V_BCKP pin (see section 1.5.4).
When a 1.8 V or a 3 V SIM card type is connected, LISA-U series modules automatically supply the SIM card via
the VSIM pin. Activation and deactivation of the SIM interface with automatic voltage switch from 1.8 to 3 V is
implemented, in accordance to the ISO-IEC 7816-3 specifications.
The same voltage domain used internally to supply the digital interfaces is also available on the V_INT pin, to
allow more economical and efficient integration of the LISA-U series modules in the final application.
The integrated Power Management Unit also provides the control state machine for system start up and system
reset control.
1.5.2 Module supply (VCC)
The LISA-U series modules must be supplied through the VCC pins by a DC power supply. Voltages must be
stable: during operation, the current drawn from VCC can vary by some orders of magnitude, especially due to
surging consumption profile of the GSM system (described in the section 1.5.3). It is important that the system
power supply circuit is able to support peak power (refer to LISA-U1 series Data Sheet [1] and LISA-U2 series
Data Sheet [2] for the detailed specifications).
Name
Description
Remarks
VCC
Module power supply input
VCC pins are internally connected, but all the available pads
must be connected to the external supply in order to
minimize the power loss due to series resistance.
Clean and stable supply is required: low ripple and low
voltage drop must be guaranteed.
Voltage provided must always be above the minimum limit of
the operating range.
Consider that during a GSM call there are large current spikes
in connected mode.
GND
Ground
GND pins are internally connected but a good (low
impedance) external ground can improve RF performance: all
available pads must be connected to ground.
Table 6: Module supply pins
VCC pins ESD sensitivity rating is 1 kV (Human Body Model according to JESD22-A114F). Higher
protection level can be required if the line is externally accessible on the application board. Higher
protection level can be achieved by mounting an ESD protection (e.g. EPCOS CA05P4S14THSG varistor
array) on the line connected to this pin, close to accessible point.
The voltage provided to the VCC pins must be within the normal operating range limits as specified in the
LISA-U1 series Data Sheet [1] and LISA-U2 series Data Sheet [2]. Complete functionality of the module is only
guaranteed within the specified minimum and maximum VCC voltage normal operating range.
The module cannot be switched on if the VCC voltage value is below the specified normal operating
range minimum limit: ensure that the input voltage at VCC pins is above the minimum limit of the
normal operating range for more than 1 s after the start of the switch-on of the module.

LISA-U series - System Integration Manual
3G.G2-HW-10002-A1 Advance Information System description
Page 21 of 160
When LISA-U series modules are in operation, the voltage provided to VCC pins can go outside the normal
operating range limits but must be within the extended operating range limits specified in LISA-U1 series Data
Sheet [1] and LISA-U2 series Data Sheet [2]. Occasional deviations from the ETSI specifications may occur when
the input voltage at VCC pins is outside the normal operating range and is within the extended operating range.
LISA-U series modules switch off when VCC voltage value drops below the specified extended operating
range minimum limit: ensure that the input voltage at VCC pins never drops below the minimum limit of
the extended operating range when the module is switched on, not even during a GSM transmit burst,
where the current consumption can rise up to maximum peaks of 2.5 A in case of a mismatched
antenna load.
Operation above the normal operating range maximum limit is not recommended and
extended exposure beyond it may affect device reliability.
Stress beyond the VCC absolute maximum ratings can cause permanent damage to the
module: if necessary, voltage spikes beyond VCC absolute maximum ratings must be restricted
to values within the specified limits by using appropriate protection.
When designing the power supply for the application, pay specific attention to power losses and
transients. The DC power supply must be able to provide a voltage profile to the VCC pins with the
following characteristics:
o Voltage drop during transmit slots must be lower than 400 mV
o No undershoot or overshoot at the start and at the end of transmit slots
o Voltage ripple during transmit slots must be minimized:
lower than 70 mVpp if fripple ≤ 200 kHz
lower than 10 mVpp if 200 kHz < fripple ≤ 400 kHz
lower than 2 mVpp if fripple > 400 kHz
Time
undershoot
overshoot
ripple
ripple
drop
Voltage
3.8 V
(typ)
RX
slot
unused
slot
unused
slot
TX
slot
unused
slot
unused
slot
MON
slot
unused
slot
RX
slot
unused
slot
unused
slot
TX
slot
unused
slot
unused
slot
MON
slot
unused
slot
GSM frame
4.615 ms
(1 frame = 8 slots)
GSM frame
4.615 ms
(1 frame = 8 slots)
Figure 5: Description of the VCC voltage profile versus time during a GSM call
Any degradation in power supply performance (due to losses, noise or transients) will directly affect the
RF performance of the module since the single external DC power source indirectly supplies all the
digital and analog interfaces, and also directly supplies the RF power amplifier (PA).

LISA-U series - System Integration Manual
3G.G2-HW-10002-A1 Advance Information System description
Page 22 of 160
The voltage at the VCC pins must ramp from 2.5 V to 3.2 V within 1 ms. This VCC slope allows a proper
switch on of the module, that is switched on when the voltage rises to the VCC normal operating range
starting from a voltage value lower than 2.25 V.
1.5.2.1 VCC application circuits
LISA-U series modules must be supplied through the VCC pins by one (and only one) proper DC power supply
that must be one of the following:
Switching regulator
Low Drop-Out (LDO) linear regulator
Rechargeable Lithium-ion (Li-Ion) or Lithium-ion polymer (Li-Pol) battery
Primary (disposable) battery
Main Supply
Available?
Battery
Li-Ion 3.7 V
Linear LDO
Regulator
Main Supply
Voltage
>5 V?
Switching
Step-Down
Regulator
No, portable device
No, less than 5 V
Yes, greater than 5 V
Yes, always available
Figure 6: VCC supply concept selection
The switching step-down regulator is the typical choice when the available primary supply source has a nominal
voltage much higher (e.g. greater than 5 V) than the LISA-U series modules operating supply voltage. The use of
switching step-down provides the best power efficiency for the overall application and minimizes current drawn
from the main supply source.
The use of an LDO linear regulator becomes convenient for a primary supply with a relatively low voltage (e.g.
less than 5 V). In this case the typical 90% efficiency of the switching regulator will diminish the benefit of
voltage step-down and no true advantage will be gained in input current savings. On the opposite side, linear
regulators are not recommended for high voltage step-down as they will dissipate a considerable amount of
energy in thermal power.
If LISA-U series modules are deployed in a mobile unit where no permanent primary supply source is available,
then a battery will be required to provide VCC. A standard 3-cell Li-Ion or Li-Pol battery pack directly connected
to VCC is the usual choice for battery-powered devices. During charging, batteries with Ni-MH chemistry
typically reach a maximum voltage that is above the maximum rating for VCC, and should therefore be avoided.
The use of primary (not rechargeable) battery is uncommon, since the most cells available are seldom capable of
delivering the burst peak current for a GSM call due to high internal resistance.
Keep in mind that the use of batteries requires the implementation of a suitable charger circuit (not included in
LISA-U series modules). The charger circuit should be designed in order to prevent over-voltage on VCC beyond
the upper limit of the absolute maximum rating.
The following sections highlight some design aspects for each of the supplies listed above.

LISA-U series - System Integration Manual
3G.G2-HW-10002-A1 Advance Information System description
Page 23 of 160
Switching regulator
The characteristics of the switching regulator connected to VCC pins should meet the following requirements:
Power capability: the switching regulator with its output circuit must be capable of providing a voltage
value to the VCC pins within the specified operating range and must be capable of delivering 2.5 A current
pulses with 1/8 duty cycle to the VCC pins
Low output ripple: the switching regulator together with its output circuit must be capable of providing a
clean (low noise) VCC voltage profile
High switching frequency: for best performance and for smaller applications select a switching frequency
≥ 600 kHz (since L-C output filter is typically smaller for high switching frequency). The use of a switching
regulator with a variable switching frequency or with a switching frequency lower than 600 kHz must be
carefully evaluated since this can produce noise in the VCC voltage profile and therefore negatively impact
GSM modulation spectrum performance. An additional L-C low-pass filter between the switching regulator
output to VCC supply pins can mitigate the ripple on VCC, but adds extra voltage drop due to resistive
losses on series inductors
PWM mode operation: select preferably regulators with Pulse Width Modulation (PWM) mode. While in
active mode Pulse Frequency Modulation (PFM) mode and PFM/PWM mode transitions must be avoided to
reduce the noise on the VCC voltage profile. Switching regulators able to switch between low ripple PWM
mode and high efficiency burst or PFM mode can be used, provided the mode transition occurs when the
module changes status from idle/active mode to connected mode (where current consumption increases to a
value greater than 100 mA): it is permissible to use a regulator that switches from the PWM mode to the
burst or PFM mode at an appropriate current threshold (e.g. 60 mA)
Output voltage slope: the use of the soft start function provided by some voltage regulator must be
carefully evaluated, since the voltage at the VCC pins must ramp from 2.5 V to 3.2 V within 1 ms to allow a
proper switch-on of the module
Figure 7 and the components listed in Table 7 show an example of a high reliability power supply circuit, where
the module VCC is supplied by a step-down switching regulator capable of delivering 2.5 A current pulses with
low output ripple and with fixed switching frequency in PWM mode operation greater than 1 MHz. The use of a
switching regulator is suggested when the difference from the available supply rail to the VCC value is high:
switching regulators provide good efficiency transforming a 12 V supply to the typical 3.8 V value of the VCC
supply.
LISA-U series
12V
C6
R3
C5
R2
C3C2
C1
R1
VIN
RUN
VC
RT
PG
SYNC
BD
BOOST
SW
FB
GND
6
7
10
9
5
C7
1
2
3
8
11
4
C8 C9
L2
D1 R4
R5
L1
C4
U1
62 VCC
63 VCC
61 VCC
GND
Figure 7: Suggested schematic design for the VCC voltage supply application circuit using a step-down regulator

LISA-U series - System Integration Manual
3G.G2-HW-10002-A1 Advance Information System description
Page 24 of 160
Reference
Description
Part Number - Manufacturer
C1
47 µF Capacitor Aluminum 0810 50 V
MAL215371479E3 - Vishay
C2
10 µF Capacitor Ceramic X7R 5750 15% 50 V
C5750X7R1H106MB - TDK
C3
10 nF Capacitor Ceramic X7R 0402 10% 16 V
GRM155R71C103KA01 - Murata
C4
680 pF Capacitor Ceramic X7R 0402 10% 16 V
GRM155R71H681KA01 - Murata
C5
22 pF Capacitor Ceramic COG 0402 5% 25 V
GRM1555C1H220JZ01 - Murata
C6
10 nF Capacitor Ceramic X7R 0402 10% 16 V
GRM155R71C103KA01 - Murata
C7
470 nF Capacitor Ceramic X7R 0603 10% 25 V
GRM188R71E474KA12 - Murata
C8
22 µF Capacitor Ceramic X5R 1210 10% 25 V
GRM32ER61E226KE15 - Murata
C9
330 µF Capacitor Tantalum D_SIZE 6.3 V 45 mΩ
T520D337M006ATE045 - KEMET
D1
Schottky Diode 40 V 3 A
MBRA340T3G - ON Semiconductor
L1
10 µH Inductor 744066100 30% 3.6 A
744066100 - Wurth Electronics
L2
1 µH Inductor 7445601 20% 8.6 A
7445601 - Wurth Electronics
R1
470 kΩ Resistor 0402 5% 0.1 W
2322-705-87474-L - Yageo
R2
15 kΩ Resistor 0402 5% 0.1 W
2322-705-87153-L - Yageo
R3
22 kΩ Resistor 0402 5% 0.1 W
2322-705-87223-L - Yageo
R4
390 kΩ Resistor 0402 1% 0.063 W
RC0402FR-07390KL - Yageo
R5
100 kΩ Resistor 0402 5% 0.1 W
2322-705-70104-L - Yageo
U1
Step Down Regulator MSOP10 3.5 A 2.4 MHz
LT3972IMSE#PBF - Linear Technology
Table 7: Suggested components for the VCC voltage supply application circuit using a step-down regulator
Low Drop-Out (LDO) linear regulator
The characteristics of the LDO linear regulator connected to the VCC pins should meet the following
requirements:
Power capabilities: the LDO linear regulator with its output circuit must be capable of providing a proper
voltage value to the VCC pins and of delivering 2.5 A current pulses with 1/8 duty cycle
Power dissipation: the power handling capability of the LDO linear regulator must be checked to limit its
junction temperature to the maximum rated operating range (i.e. check the voltage drop from the max input
voltage to the min output voltage to evaluate the power dissipation of the regulator)
Output voltage slope: the use of the soft start function provided by some voltage regulators must be
carefully evaluated, since the voltage at the VCC pins must ramp from 2.5 V to 3.2 V within 1 ms to allow a
proper switch-on of the module
Figure 8 and the components listed in Table 8 show an example of a power supply circuit, where the VCC
module supply is provided by an LDO linear regulator capable of delivering 2.5 A current pulses, with proper
power handling capability. The use of a linear regulator is suggested when the difference from the available
supply rail and the VCC value is low: linear regulators provide high efficiency when transforming a 5 V supply to
the 3.8 V typical value of the VCC supply.

LISA-U series - System Integration Manual
3G.G2-HW-10002-A1 Advance Information System description
Page 25 of 160
5V
C1 R1
IN OUT
ADJ
GND
1
24
5
3
C2R2
R3
U1
SHDN
LISA-U series
62 VCC
63 VCC
61 VCC
GND
Figure 8: Suggested schematic design for the VCC voltage supply application circuit using an LDO linear regulator
Reference
Description
Part Number - Manufacturer
C1
10 µF Capacitor Ceramic X5R 0603 20% 6.3 V
GRM188R60J106ME47 - Murata
C2
10 µF Capacitor Ceramic X5R 0603 20% 6.3 V
GRM188R60J106ME47 - Murata
R1
47 kΩ Resistor 0402 5% 0.1 W
RC0402JR-0747KL - Yageo Phycomp
R2
4.7 kΩ Resistor 0402 5% 0.1 W
RC0402JR-074K7L - Yageo Phycomp
R3
2.2 kΩ Resistor 0402 5% 0.1 W
RC0402JR-072K2L - Yageo Phycomp
U1
LDO Linear Regulator ADJ 3.0 A
LT1764AEQ#PBF - Linear Technology
Table 8: Suggested components for VCC voltage supply application circuit using an LDO linear regulator
Rechargeable Li-Ion or Li-Pol battery
Rechargeable Li-Ion or Li-Pol batteries connected to the VCC pins should meet the following requirements:
Maximum pulse and DC discharge current: the rechargeable Li-Ion battery with its output circuit must be
capable of delivering 2.5 A current pulses with 1/8 duty-cycle to the VCC pins and must be capable of
delivering a DC current greater than the module maximum average current consumption to VCC pins. The
maximum pulse discharge current and the maximum DC discharge current are not always reported in
battery data sheets, but the maximum DC discharge current is typically almost equal to the battery capacity
in Amp-hours divided by 1 hour
DC series resistance: the rechargeable Li-Ion battery with its output circuit must be capable of avoiding a
VCC voltage drop greater than 400 mV during transmit bursts
Primary (disposable) battery
The characteristics of a primary (non-rechargeable) battery connected to VCC pins should meet the following
requirements:
Maximum pulse and DC discharge current: the non-rechargeable battery with its output circuit must be
capable of delivering 2.5 A current pulses with 1/8 duty-cycle to the VCC pins and must be capable of
delivering a DC current greater than the module maximum average current consumption at the VCC pins.
The maximum pulse and the maximum DC discharge current is not always reported in battery data sheets,
but the maximum DC discharge current is typically almost equal to the battery capacity in Amp-hours
divided by 1 hour
DC series resistance: the non-rechargeable battery with its output circuit must be capable of avoiding a
VCC voltage drop greater than 400 mV during transmit bursts

LISA-U series - System Integration Manual
3G.G2-HW-10002-A1 Advance Information System description
Page 26 of 160
Additional recommendations for the VCC supply application circuits
To reduce voltage drops, use a low impedance power source. The resistance of the power supply lines
(connected to the VCC and GND pins of the module) on the application board and battery pack should also be
considered and minimized: cabling and routing must be as short as possible in order to minimize power losses.
Three pins are allocated for VCC supply. Another twenty pins are designated for GND connection. Even if all the
VCC pins and all the GND pins are internally connected within the module, it is recommended to properly
connect all of them to supply the module in order to minimize series resistance losses.
To avoid undershoot and overshoot on voltage drops at the start and end of a transmit burst during a GSM call
(when current consumption on the VCC supply can rise up to 2.5 A in the worst case), place a 330 µF low ESR
capacitor (e.g. KEMET T520D337M006ATE045) near the VCC pins.
The use of very large capacitors (i.e. greater then 1000 µF) on the VCC line and the use of the soft start function
provided by some voltage regulators must be carefully evaluated, since the voltage at the VCC pins must ramp
from 2.5 V to 3.2 V within 1 ms to allow a proper switch on of the module.
To reduce voltage ripple and noise, place the following near the VCC pins:
100 nF capacitor (e.g Murata GRM155R61A104K) to filter digital logic noise from clocks and data sources
10 nF capacitor (e.g. Murata GRM155R71C103K) to filter digital logic noise from clocks and data sources
10 pF capacitor (e.g. Murata GRM1555C1E100J) to filter EMI in the 1800 / 1900 / 2100 MHz bands
39 pF capacitor (e.g. Murata GRM1555C1E390J) to filter EMI in the 850 / 900 MHz bands
Figure 9 shows the complete configuration but the mounting of each single component depends on the
application design.
3V8
C1 C4
GND
C3C2 C5
LISA-U series
62 VCC
63 VCC
61 VCC
+
Figure 9: Suggested schematic design to reduce voltage ripple and noise and to avoid undershoot/ overshoot on voltage drops
Reference
Description
Part Number - Manufacturer
C1
330 µF Capacitor Tantalum D_SIZE 6.3 V 45 mΩ
T520D337M006ATE045 - KEMET
C2
100 nF Capacitor Ceramic X7R 0402 10% 16 V
GRM155R61A104KA01 - Murata
C3
10 nF Capacitor Ceramic X7R 0402 10% 16 V
GRM155R71C103KA01 - Murata
C4
39 pF Capacitor Ceramic C0G 0402 5% 25 V
GRM1555C1E390JA01 - Murata
C5
10 pF Capacitor Ceramic C0G 0402 5% 25 V
GRM1555C1E100JA01 - Murata
Table 9: Suggested components to reduce voltage ripple and noise and to avoid undershoot/ overshoot on voltage drops

LISA-U series - System Integration Manual
3G.G2-HW-10002-A1 Advance Information System description
Page 27 of 160
External battery charging application circuit
LISA-U series modules don’t have an on-board charging circuit. An example of a battery charger design, suitable
for applications that are battery powered with a Li-Ion (or Li-Polymer) cell, is provided in Figure 10.
In the application circuit, a rechargeable Li-Ion (or Li-Polymer) battery cell, that features proper pulse and DC
discharge current capabilities and proper DC series resistance, is directly connected to the VCC supply input of
LISA-U series module. Battery charging is completely managed by the STMicroelectronics L6924U Battery
Charger IC that, from a USB power source (5.0 V typ.), charges as a linear charger the battery, in three phases:
Pre-charge constant current (active when the battery is deeply discharged): the battery is charged with a
low current, set to 10% of the fast-charge current
Fast-charge constant current: the battery is charged with the maximum current, configured by the value
of an external resistor to a value suitable for USB power source (~500 mA)
Constant voltage: when the battery voltage reaches the regulated output voltage (4.2 V), the L6924U
starts to reduce the current until the charge termination is done. The charging process ends when the
charging current reaches the value configured by an external resistor to ~15 mA or when the charging timer
reaches the value configured by an external capacitor to ~9800 s
Using a battery pack with an internal NTC resistor, the L6924U can monitor the battery temperature to protect
the battery from operating under unsafe thermal conditions.
Alternatively the L6924U, providing input voltage range up to 12 V, can charge from an AC wall adapter. When
a current-limited adapter is used, it can operate in quasi-pulse mode, reducing power dissipation.
C5 C8
GND
C7C6 C9
LISA-U series
62 VCC
63 VCC
61 VCC
+
USB
Supply
C3 R4
θ
U1
IUSB
IAC
IEND
TPRG
SD
VIN
VINSNS
MODE
ISEL
C2C1
5V0
TH
GND
VOUT
VOSNS
VREF
R1
R2
R3
Li-Ion/Li-Pol
Battery Pack
D1
B1
C4
Li-Ion/Li-Polymer
Battery Charger IC
Figure 10: Li-Ion (or Li-Polymer) battery charging application circuit
Reference
Description
Part Number - Manufacturer
B1
Li-Ion (or Li-Polymer) battery pack with 470 Ω NTC
Various manufacturer
C1, C4
1 µF Capacitor Ceramic X7R 0603 10% 16 V
GRM188R71C105KA12 - Murata
C2, C6
10 nF Capacitor Ceramic X7R 0402 10% 16 V
GRM155R71C103KA01 - Murata
C3
1 nF Capacitor Ceramic X7R 0402 10% 50 V
GRM155R71H102KA01 - Murata
C5
330 µF Capacitor Tantalum D_SIZE 6.3 V 45 mΩ
T520D337M006ATE045 - KEMET
C7
100 nF Capacitor Ceramic X7R 0402 10% 16 V
GRM155R61A104KA01 - Murata
C8
39 pF Capacitor Ceramic C0G 0402 5% 25 V
GRM1555C1E390JA01 - Murata
C9
10 pF Capacitor Ceramic C0G 0402 5% 25 V
GRM1555C1E100JA01 - Murata
D1
Low Capacitance ESD Protection
USB0002RP or USB0002DP - AVX
R1, R2
24 kΩ Resistor 0402 5% 0.1 W
RC0402JR-0724KL - Yageo Phycomp
R3
3.3 kΩ Resistor 0402 5% 0.1 W
RC0402JR-073K3L - Yageo Phycomp
R4
1.0 kΩ Resistor 0402 5% 0.1 W
RC0402JR-071K0L - Yageo Phycomp
U1
Single Cell Li-Ion (or Li-Polymer) Battery Charger IC
for USB port and AC Adapter
L6924U - STMicroelectronics
Table 10: Suggested components for Li-Ion (or Li-Polymer) battery charging application circuit

LISA-U series - System Integration Manual
3G.G2-HW-10002-A1 Advance Information System description
Page 28 of 160
1.5.3 Current consumption profiles
During operation, the current drawn by the LISA-U series modules through the VCC pins can vary by several
orders of magnitude. This ranges from the high peak of current consumption during GSM transmitting bursts at
maximum power level in 2G connected mode, to continuous high current drawn in UMTS connected mode, to
the low current consumption during power saving in idle-mode.
1.5.3.1 2G connected mode
When a GSM call is established, the VCC consumption is determined by the current consumption profile typical
of the GSM transmitting and receiving bursts.
The current consumption peak during a transmission slot is strictly dependent on the transmitted power, which
is regulated by the network. If the module is transmitting in GSM talk mode in the GSM 850 or in the E-GSM
900 band and at the maximum RF power control level (approximately 2 W or 33 dBm in the allocated transmit
slot/burst) the current consumption can reach up to 2500 mA (with a highly unmatched antenna) for 576.9 µs
(width of the transmit slot/burst) with a periodicity of 4.615 ms (width of 1 frame = 8 slots/burst), so with a 1/8
duty cycle according to GSM TDMA (Time Division Multiple Access). If the module is in GSM connected mode in
the DCS 1800 or in the PCS 1900 band, the current consumption figures are lower than the one in the GSM 850
or in the E-GSM 900 band, due to 3GPP transmitter output power specifications (refer to refer to LISA-U1 series
Data Sheet [1] and LISA-U2 series Data Sheet [2]).
During a GSM call, current consumption is in the order of 60-130 mA in receiving or in monitor bursts and is
about 10-40 mA in the inactive unused bursts (low current period). The more relevant contribution to determine
the average current consumption is set by the transmitted power in the transmit slot.
An example of current consumption profile of the data module in GSM talk mode is shown in Figure 11.
Time [ms]
RX
slot
unused
slot
unused
slot
TX
slot
unused
slot
unused
slot
MON
slot
unused
slot
RX
slot
unused
slot
unused
slot
TX
slot
unused
slot
unused
slot
MON
slot
unused
slot
GSM frame
4.615 ms
(1 frame = 8 slots)
Current [A]
200 mA
60-130 mA
2500 mA
Peak current
depends on
TX power
GSM frame
4.615 ms
(1 frame = 8 slots)
1.5
1.0
0.5
0.0
2.5
2.0
60-130 mA 10-40 mA
Figure 11: VCC current consumption profile versus time during a GSM call (1 TX slot, 1 RX slot), with VCC=3.8 V
When a GPRS connection is established there is a different VCC current consumption profile also determined by
the transmitting and receiving bursts. In contrast to a GSM call, during a GPRS connection more than one slot
can be used to transmit and/or more than one slot can be used to receive. The transmitted power depends on
network conditions, which set the peak current consumption, but following the GPRS specifications the
maximum transmitted RF power is reduced if more than one slot is used to transmit, so the maximum peak of
current consumption is not as high as can be in case of a GSM call.
If the module transmits in GPRS class 12 connected mode in the GSM 850 or in the E-GSM 900 band at the
maximum power control level, the current consumption can reach up to 1600 mA (with unmatched antenna).

LISA-U series - System Integration Manual
3G.G2-HW-10002-A1 Advance Information System description
Page 29 of 160
This happens for 2.307 ms (width of the 4 transmit slots/bursts) with a periodicity of 4.615 ms (width of 1 frame
= 8 slots/bursts), so with a 1/2 duty cycle, according to GSM TDMA. If the module is in GPRS connected mode in
the DCS 1800 or in the PCS 1900 band, the current consumption figures are lower than in the GSM 850 or in
the E-GSM 900 band, due to 3GPP transmitter output power specifications (refer to LISA-U1 series Data
Sheet [1] and LISA-U2 series Data Sheet [2]).
Figure 12 reports the current consumption profiles in GPRS class 12 connected mode, in the GSM 850 or in the
E-GSM 900 band, with 4 slots used to transmit and 1 slot used to receive.
Time [ms]
RX
slot
unused
slot
TX
slot
TX
slot
TX
slot
TX
slot
MON
slot
unused
slot
RX
slot
unused
slot
TX
slot
TX
slot
TX
slot
TX
slot
MON
slot
unused
slot
GSM frame
4.615 ms
(1 frame = 8 slots)
Current [A]
200mA
60-130mA
Peak current
depends on
TX power
GSM frame
4.615 ms
(1 frame = 8 slots)
1.5
1.0
0.5
0.0
2.5
2.0
1600 mA
60-130mA10-40mA
Figure 12: VCC current consumption profile versus time during a GPRS/EDGE connection (4TX slots, 1 RX slot), with VCC=3.8 V
In case of EDGE connections the VCC current consumption profile is very similar to the GPRS current profile, so
the image shown in Figure 12, representing the current consumption profile in GPRS class 12 connected mode,
is valid for the EDGE class 12 connected mode as well.
LISA-U2 series modules support GPRS and EDGE class 33: up to 4 slots can be used to transmit, as in the class 12
mode, and up to 2 slots can be used to receive in the same frame since up to 6 slots can be used in total. So, the
VCC current consumption figures in GPRS and EDGE class 33 connected modes are similar to the current profile
in GPRS and EDGE class 12 connected modes, since the same number of transmit slots are used.
1.5.3.2 3G connected mode
During a 3G connection, the module can transmit and receive continuously due to the Frequency Division Duplex
(FDD) mode of operation with the Wideband Code Division Multiple Access (WCDMA). The current consumption
depends again on output RF power, which is always regulated by network commands. These power control
commands are logically divided into a slot of 666 µs, thus the rate of power change can reach a maximum rate
of 1.5 kHz. There are no high current peaks as in the 2G connection, since transmission and reception are
continuously enabled due to FDD WCDMA implemented in the 3G that differs from the TDMA implemented in
the 2G case. In the worst scenario, corresponding to a continuous transmission and reception at maximum
output power (approximately 250 mW or 24 dBm), the current drawn by the module at the VCC pins is in the
order of continuous 600-700 mA. Even at lowest output RF power (approximately 0.01 µW or -50 dBm), the
current still remains in the order of 200 mA due to module baseband processing and transceiver activity.
An example of current consumption profile of the data module in UMTS continuous transmission mode is shown
in Figure 13.

LISA-U series - System Integration Manual
3G.G2-HW-10002-A1 Advance Information System description
Page 30 of 160
Time
[ms]
3G frame
10 ms
(1 frame = 15 slots)
Current [mA]
170 mA
Depends
on TX
power
1 slot
666 µs
670 mA
300
200
100
0
500
400
600
700
Figure 13: VCC current consumption profile versus time during a UMTS connection, with VCC=3.8 V
When a packet data connection is established, the actual current profile depends on the amount of transmitted
packets; there might be some periods of inactivity between allocated slots where current consumption drops
about 100 mA. Alternatively, at higher data rates the transmitted power is likely to increase due to the higher
quality signal required by the network to cope with enhanced data speed.
1.5.3.3 2G and 3G cyclic idle/active mode (power saving enabled)
The power saving configuration is by default disabled, but it can be enabled using the appropriate AT command
(refer to u-blox AT Commands Manual [3], AT+UPSV command). When power saving is enabled, the module
automatically enters idle-mode whenever possible.
When power saving is enabled, the module is registered or attached to a network and a voice or data call is not
enabled, the module automatically enters idle-mode whenever possible, but it must periodically monitor the
paging channel of the current base station (paging block reception), in accordance to GSM system requirements.
When the module monitors the paging channel, it wakes up to active mode, to enable the reception of paging
block. In between, the module switches to idle-mode. This is known as GSM discontinuous reception (DRX).
The module processor core is activated during the paging block reception, and automatically switches its
reference clock frequency from 32 kHz to the 26 MHz used in active-mode.
The time period between two paging block receptions is defined by the network (2G or 3G). This is the paging
period parameter, fixed by the base station through broadcast channel sent to all users on the same serving cell.
In case of 2G network, the time interval between two paging block receptions can be from 470.76 ms (DRX = 2,
i.e. width of 2 GSM multiframes = 2 x 51 GSM frames = 2 x 51 x 4.615 ms) up to 2118.42 ms (DRX = 9, i.e.
width of 9 GSM multiframes = 9 x 51 frames = 9 x 51 x 4.615 ms).
In case of 3G network, the principle is similar but time interval changes from 640 ms (DRX = 6, i.e. the width of
26 x 3G frames = 64 x 10 ms = 640 ms) up to 5120 ms (DRX = 9, i.e. width of 29 x 3G frames = 512 x 10 ms =
5120 ms).
An example of a module current consumption profile is shown in Figure 14: the module is registered with the
network (2G or 3G), automatically enters idle-mode and periodically wakes up to active mode to monitor the
paging channel for paging block reception.

LISA-U series - System Integration Manual
3G.G2-HW-10002-A1 Advance Information System description
Page 31 of 160
~30 ms
IDLE MODE ACTIVE MODE IDLE MODE
500-700 µA
Active Mode
Enabled
Idle Mode
Enabled
500-700 µA
2G case: 60-130 mA
3G case: 50-90 mA
2G case: 0.44-2.09 s
3G case: 0.61-5.09 s
IDLE MODE
2G or 3G case: ~30 ms
ACTIVE MODE
Time [s]
Current [mA]
150
100
50
0
Time [ms]
Current [mA]
150
100
50
0
5-10 mA 10-25 mA
2G case: 60-130 mA
3G case: 50-90 mA
PLL
Enabled
RX
Enabled
35-40 mA
DSP
Enabled
Figure 14: Description of VCC current consumption profile versus time when the module is registered with 2G or 3G networks:
the module is in idle-mode and periodically wakes up to active mode to monitor the paging channel for paging block reception
1.5.3.4 2G and 3G fixed active mode (power saving disabled)
Power saving configuration is by default disabled, or it can be disabled using the appropriate AT command (refer
to u-blox AT Commands Manual [3], AT+UPSV command). When power saving is disabled, the module doesn’t
automatically enter idle-mode whenever possible: the module remains in active mode.
The module processor core is activated during active-mode, and the 26 MHz reference clock frequency is used.
An example of the current consumption profile of the data module when power saving is disabled is shown in
Figure 15: the module is registered with the network, active-mode is maintained, and the receiver and the DSP
are periodically activated to monitor the paging channel for paging block reception.

LISA-U series - System Integration Manual
3G.G2-HW-10002-A1 Advance Information System description
Page 32 of 160
ACTIVE MODE
10-25 mA
10-25 mA
2G case: 0.47-2.12 s
3G case: 0.64-5.12 s
Paging period
Time [s]
Current [mA]
150
100
50
0
Time [ms]
Current [mA]
150
100
50
0
10-25 mA
RX
Enabled
DSP
Enabled
35-40 mA
2G case: 60-130 mA
3G case: 50-90 mA
2G case: 60-130 mA
3G case: 50-90 mA
Figure 15: Description of the VCC current consumption profile versus time when power saving is disabled: active-mode is
always held, and the receiver and the DSP are periodically activated to monitor the paging channel for paging block reception
1.5.4 RTC Supply (V_BCKP)
The V_BCKP pin connects the supply for the Real Time Clock (RTC) and Power-On / Reset internal logic. This
supply domain is internally generated by a linear regulator integrated in the Power Management Unit. The
output of this linear regulator is always enabled when the main voltage supply provided to the module through
VCC is within the valid operating range, with the module switched-off or powered-on.
Name
Description
Remarks
V_BCKP
Real Time Clock supply
V_BCKP output voltage = 2.3 V (typical) on LISA-U1 series
V_BCKP output voltage = 1.8 V (typical) on LISA-U2 series
Generated by the module to supply Real Time Clock when
VCC supply voltage is within valid operating range.
Table 11: Real Time Clock supply pin
The V_BCKP pin ESD sensitivity rating is 1 kV (Human Body Model according to JESD22-A114F). Higher
protection level could be required if the line is externally accessible on the application board. Higher
protection level can be achieved by mounting an ESD protection (e.g. EPCOS CA05P4S14THSG varistor
array) on the line connected to this pin, close to accessible point.

LISA-U series - System Integration Manual
3G.G2-HW-10002-A1 Advance Information System description
Page 33 of 160
The RTC provides the time reference (date and time) of the module, also in power-off mode, when the V_BCKP
voltage is within its valid range (specified in the Input characteristics of Supply/Power pins table in LISA-U1 series
Data Sheet [1] and LISA-U2 series Data Sheet [2]). The RTC timing is normally used to set the wake-up interval
during idle-mode periods between network paging, but is able to provide programmable alarm functions by
means of the internal 32.768 kHz clock.
The RTC can be supplied from an external back-up battery through the V_BCKP, when the main voltage supply
is not provided to the module through VCC. This lets the time reference (date and time) run until the V_BCKP
voltage is within its valid range, even when the main supply is not provided to the module.
The RTC oscillator doesn't necessarily stop operation (i.e. the RTC counting doesn't necessarily stop) when
V_BCKP voltage value drops below the specified operating range minimum limit (1.00 V): the RTC value read
after a system restart could be not reliable as explained in the following Table 12.
V_BCKP voltage value
RTC value reliability
Notes
1.00 V < V_BCKP < 1.90 V (LISA-U2 series)
1.00 V < V_BCKP < 2.50 V (LISA-U1 series)
RTC oscillator doesn't stop operation
RTC value read after a restart of the system is reliable
V_BCKP within operating range
0.05 V < V_BCKP < 1.00 V
RTC oscillator doesn't necessarily stop operation
RTC value read after a restart of the system is not reliable
V_BCKP below operating range
0.00 V < V_BCKP < 0.05 V
RTC oscillator stops operation
RTC value read after a restart of the system is reliable
V_BCKP below operating range
Table 12: RTC value reliability as function of V_BCKP voltage value
Consider that the module cannot switch on if a valid voltage is not present on VCC even when the RTC is
supplied through V_BCKP (meaning that VCC is mandatory to switch-on the module).
The RTC has very low power consumption, but is highly temperature dependent. For example at 25°C, with the
V_BCKP voltage equal to the typical output value, the power consumption is approximately 2 µA (refer to the
Input characteristics of Supply/Power pins table in the LISA-U1 series Data Sheet [1] and in the LISA-U2 series
Data Sheet [2] for the detailed specification), whereas at 70°C and an equal voltage the power consumption
increases to 5-10 µA.
The internal regulator for V_BCKP is optimized for low leakage current and very light loads. It is not
recommended to use V_BCKP to supply external loads.
If V_BCKP is left unconnected and the module main voltage supply is removed from VCC, the RTC is supplied
from the bypass capacitor mounted inside the module. However, this capacitor is not able to provide a long
buffering time: within few milliseconds the voltage on V_BCKP will go below the valid range (1 V min). This has
no impact on wireless connectivity, as all the functionalities of the module do not rely on date and time setting.
Leave V_BCKP unconnected if the RTC is not required when the VCC supply is removed. The date and
time will not be updated when VCC is disconnected. If VCC is always supplied, then the internal
regulator is supplied from the main supply and there is no need for an external component on V_BCKP.
If RTC is required to run for a time interval of T [s] at 25°C when VCC supply is removed, place a capacitor with a
nominal capacitance of C [µF] at the V_BCKP pin. Choose the capacitor using the following formula:
C [µF] = (Current_Consumption [µA] x T [s]) / Voltage_Drop [V]
= 1.92 x T [s] for LISA-U1 series
= 2.50 x T [s] for LISA-U2 series
For example, a 100 µF capacitor (such as the Murata GRM43SR60J107M) can be placed at V_BCKP to provide a
long buffering time. This capacitor will hold V_BCKP voltage within its valid range for around 50 s at 25°C, after
the VCC supply is removed. If a very long buffering time is required, a 70 mF super-capacitor (e.g. Seiko

LISA-U series - System Integration Manual
3G.G2-HW-10002-A1 Advance Information System description
Page 34 of 160
Instruments XH414H-IV01E) can be placed at V_BCKP, with a 4.7 k series resistor to hold the V_BCKP voltage
within its valid range for approximately 10 hours at 25°C, after the VCC supply is removed. The purpose of the
series resistor is to limit the capacitor charging current due to the large capacitor specifications, and also to let a
fast rise time of the voltage value at the V_BCKP pin after VCC supply has been provided. These capacitors will
allow the time reference to run during battery disconnection.
LISA-U series
C1
(a)
2V_BCKP
R2
LISA-U series
C2
(superCap)
(b)
2V_BCKP
D3
LISA-U series
B3
(c)
2V_BCKP
Figure 16: Real time clock supply (V_BCKP) application circuits: (a) using a 100 µF capacitor to let the RTC run for ~50 s after VCC
removal; (b) using a 70 mF capacitor to let RTC run for ~10 hours after VCC removal; (c) using a non-rechargeable battery
Reference
Description
Part Number - Manufacturer
C1
100 µF Tantalum Capacitor
GRM43SR60J107M - Murata
R2
4.7 kΩ Resistor 0402 5% 0.1 W
RC0402JR-074K7L - Yageo Phycomp
C2
70 mF Capacitor
XH414H-IV01E - Seiko Instruments
Table 13: Example of components for V_BCKP buffering
If longer buffering time is required to allow the time reference to run during a disconnection of the VCC supply,
then an external battery can be connected to V_BCKP pin. The battery should be able to provide a proper
nominal voltage and must never exceed the maximum operating voltage for V_BCKP (specified in the Input
characteristics of Supply/Power pins table in LISA-U1 series Data Sheet [1] and in LISA-U2 series Data Sheet [2]).
The connection of the battery to V_BCKP should be done with a suitable series resistor for a rechargeable
battery, or with an appropriate series diode for a non-rechargeable battery. The purpose of the series resistor is
to limit the battery charging current due to the battery specifications, and also to allow a fast rise time of the
voltage value at the V_BCKP pin after the VCC supply has been provided. The purpose of the series diode is to
avoid a current flow from the module V_BCKP pin to the non-rechargeable battery.
Combining a LISA-U series wireless module with a u-blox GPS receiver, the VCC supply of the GPS receiver is
controlled by the wireless module by means of the GPS supply enable function provided by the GPIO2 of the
wireless module. In this case the V_BCKP supply output of the LISA-U series wireless module can be connected
to the V_BCKP backup supply input pin of the GPS receiver to provide the supply for the GPS real time clock and
backup RAM when the VCC supply of the wireless module is within its operating range and the VCC supply of
the GPS receiver is disabled. This enables the u-blox GPS receiver to recover from a power breakdown with either
a Hotstart or a Warmstart (depending on the duration of the GPS VCC outage) and to maintain the
configuration settings saved in the backup RAM. Refer to section 1.10 for more details regarding the application
circuit with a u-blox GPS receiver.
1.5.5 Interface supply (V_INT)
The same voltage domain used internally to supply the digital interfaces is also available on the V_INT pin. The
internal regulator that generates the V_INT supply is a switching step down converter that is directly supplied
from VCC. The voltage regulator output is set to 1.8 V (typical) when the module is switched on and is disabled
when the module is switched off or when the RESET_N pin is forced the low level. The switching regulator
operates in Pulse Width Modulation (PWM) for high output current mode but automatically switches to Pulse

LISA-U series - System Integration Manual
3G.G2-HW-10002-A1 Advance Information System description
Page 35 of 160
Frequency Modulation (PFM) at low output loads for greater efficiency, e.g. when the module is in idle-mode
between paging periods.
Name
Description
Remarks
V_INT
Digital Interfaces supply output
V_INT = 1.8V (typical) generated by the module when it is
switched-on and the RESET_N (external reset input pin) is
not forced to the low level.
V_INT is the internal supply for digital interfaces.
The user may draw limited current from this supply rail.
Table 14: Interface supply pin
The V_INT pin ESD sensitivity rating is 1 kV (Human Body Model according to JESD22-A114F). Higher
protection level could be required if the line is externally accessible on the application board. Higher
protection level can be achieved by mounting an ESD protection (e.g. EPCOS CA05P4S14THSG varistor
array) on the line connected to this pin, close to accessible point.
Since it supplies internal digital circuits (see Figure 4), V_INT is not suited to directly supply any sensitive analog
circuit: the voltage ripple can range from 15 mVpp during active mode (PWM), to 70 mVpp in idle-mode (PFM).
V_INT can be used to supply external digital circuits operating at the same voltage level as the digital
interface pins, i.e. 1.8 V (typical). It is not recommended to supply analog circuitry without adequate
filtering for digital noise.
Don’t apply loads which might exceed the limit for maximum available current from V_INT supply, as
this can cause malfunctions in internal circuitry supplies to the same domain. The detailed electrical
characteristics are described in LISA-U1 series Data Sheet [1] and LISA-U2 series Data Sheet [2].
V_INT can only be used as an output; don’t connect any external regulator on V_INT. If not used, this
pin should be left unconnected.
The V_INT digital interfaces supply output is mainly used to:
Pull-up DDC (I2C) interface signals (see section 1.10.2 for more details)
Pull-up SIM detection signal (see section 1.8 for more details)
Supply voltage translators to connect digital interfaces of the module to a 3.0 V device (see section 1.9.2.4)
Indicate when the module is switched on and the RESET_N (external reset input) is not forced low
1.6 System functions
1.6.1 Module power-on
The power-on sequence of LISA-U series modules is initiated in one of these ways:
Rising edge on the VCC pin to a valid voltage as module supply (i.e. applying module supply)
Low level on the PWR_ON pin (i.e. forcing to the low level the pin normally high by external pull-up)
Rising edge on the RESET_N pin (i.e. releasing from low level the pin, normally high by internal pull-up)
RTC alarm (i.e. pre-programmed scheduled time by AT+CALA command)

LISA-U series - System Integration Manual
3G.G2-HW-10002-A1 Advance Information System description
Page 36 of 160
Name
Description
Remarks
PWR_ON
Power-on input
PWR_ON pin has high input impedance.
Do not keep floating in noisy environment:
external pull-up required.
Table 15: Power-on pin
The PWR_ON pin ESD sensitivity rating is 1 kV (Human Body Model according to JESD22-A114F). Higher
protection level could be required if the line is externally accessible on the application board. Higher
protection level can be achieved by mounting an ESD protection (e.g. EPCOS CA05P4S14THSG varistor
array) on the line connected to this pin, close to accessible point.
1.6.1.1 Rising edge on VCC
When a supply is connected to VCC pins, the module supply supervision circuit controls the subsequent
activation of the power up state machines: the module is switched on when the voltage rises up to the VCC
normal operating range minimum limit starting from a voltage value lower than 2.25 V (refer to LISA-U1 series
Data Sheet [1] and LISA-U2 series Data Sheet [2] for the VCC normal operating range minimum limit).
The voltage at the VCC pins must ramp from 2.5 V to 3.2 V within 1 ms to switch on the module.
1.6.1.2 Low level on PWR_ON
The module power-on sequence starts when a low level is forced on the PWR_ON input for at least 5 ms.
The electrical characteristics of the PWR_ON input pin are slightly different between LISA-U1 series and LISA-U2
series modules, and are different from the other digital I/O interfaces: the pin provides different input voltage
thresholds and is tolerant of voltages up to the module supply level. The detailed electrical characteristics are
described in LISA-U1 series Data Sheet [1] and LISA-U2 series Data Sheet [2].
The PWR_ON pin has high input impedance and is weakly pulled to the high level on the module. Avoid
keeping it floating in a noisy environment. To hold the high logic level stable, the PWR_ON pin must be
connected to a pull-up resistor (e.g. 100 kΩ) biased by the V_BCKP supply pin of the module.
Following are some typical examples of application circuits to turn the module on using the PWR_ON input pin.
The simplest way to turn on the module is to use a push button that shorts the PWR_ON input to ground: in
this case the V_BCKP supply pin can be used to bias the pull-up resistor.
If PWR_ON input is connected to an external device (e.g. application processor), it is suggested to use an open
drain output on the external device with an external pull-up resistor (e.g. 100 kΩ) biased by the V_BCKP supply
pin of the module.
A push-pull output of an application processor can also be used: in this case the pull-up can be used to pull the
PWR_ON level high when the application processor is switched off. If the high-level voltage of the push-pull
output pin of the application processor is greater than the maximum input voltage operating range of the
V_BCKP pin (refer to the V_BCKP Input characteristics of Supply/Power pins table in LISA-U1 series Data
Sheet [1] and LISA-U2 series Data Sheet [2]), the V_BCKP supply cannot be used to bias the pull-up resistor: the
supply rail of the application processor or the VCC supply could be used, but this will increase the V_BCKP (RTC
supply) current consumption when the module is in not-powered mode (VCC supply not present). Using a push-
pull output of the external device, take care to fix the proper level in all the possible scenarios to avoid an
inappropriate switch-on of the module.

LISA-U series - System Integration Manual
3G.G2-HW-10002-A1 Advance Information System description
Page 37 of 160
LISA-U series
Rext
2V_BCKP
19 PWR_ON
Power-on
push button
ESD
Open
Drain
Output
Application
Processor
LISA-U series
Rext
2V_BCKP
19 PWR_ON
Figure 17: PWR_ON application circuits using a push button and an open drain output of an application processor
Reference
Description
Remarks
Rext
100 kΩ Resistor 0402 5% 0.1 W
External pull-up resistor
ESD
CT0402S14AHSG - EPCOS
Varistor array for ESD protection
Table 16: Example of pull-up resistor and ESD protection for the PWR_ON application circuits
1.6.1.3 Rising edge on RESET_N
LISA-U series modules can be switched on by means of the RESET_N input pin: the RESET_N signal must be
forced low for at least 50 ms and then released to generate a rising edge that starts the module power-on
sequence.
RESET_N input pin can also be used to perform an “external” or “hardware” reset of the module, as described
in the section 1.6.3.
Electrical characteristics of the LISA-U series RESET_N input are slightly different from the other digital I/O
interfaces: the pin provides different input voltage thresholds. Detailed electrical characteristics are described in
LISA-U1 series Data Sheet [1] and LISA-U2 series Data Sheet [2].
RESET_N is pulled high to V_BCKP by an integrated pull-up resistor also when the module is in power-off
mode. Therefore an external pull-up is not required on the application board.
The simplest way to switch on the module by means of the RESET_N input pin is to use a push button that
shorts the RESET_N pin to ground: the module will be switched on at the release of the push button, since the
RESET_N will be forced to the high level by the integrated pull-up resistor, generating a rising edge.
If RESET_N is connected to an external device (e.g. an application processor on an application board) an open
drain output can be directly connected without any external pull-up. A push-pull output can be used too: in this
case make sure that the high level voltage of the push-pull circuit is below the maximum voltage operating
range of the RESET_N pin (specified in the RESET_N pin characteristics table in LISA-U1 series Data Sheet [1]
and LISA-U2 series Data Sheet [2]). To avoid unwanted power-on or reset of the module make sure to fix the
proper level at the RESET_N input pin in all possible scenarios.
Some typical examples of application circuits using the RESET_N input pin are described in the section 1.6.3.

LISA-U series - System Integration Manual
3G.G2-HW-10002-A1 Advance Information System description
Page 38 of 160
1.6.1.4 Real Time Clock (RTC) alarm
If a voltage within the operating range is maintained at the VCC pin, the module can be switched on by the RTC
alarm when the RTC system reaches a pre-programmed scheduled time (refer to the u-blox AT Commands
Manual [3], AT+CALA command). The RTC system will then initiate the boot sequence by instructing the Power
Management Unit to turn on power. Also included in this setup is an interrupt signal from the RTC block to
indicate to the baseband processor that an RTC event has occurred.
1.6.1.5 Additional considerations
The module is switched on when the VCC voltage rises up to the normal operating range (i.e. applying module
supply): the first time that the module is used, it is switched on in this way. Then, LISA-U series modules can be
switched off by means of the AT+CPWROFF command. When the module is in power-off mode, i.e. the
AT+CPWROFF command has been sent and a voltage value within the normal operating range limits is still
provided to the VCC pin, the digital input-output pads of the baseband chipset (i.e. all the digital pins of the
module) are locked in tri-state (i.e. floating). The power down tri-state function isolates the module pins from its
environment, when no proper operation of the outputs can be guaranteed.
The module can be switched on from power-off mode by forcing a proper start-up event (i.e. low level on the
PWR_ON pin, or an RTC alarm). After the detection of a start-up event, all the digital pins of the module are
held in tri-state until all the internal LDO voltage regulators are turned on in a defined power-on sequence. Then,
as described in Figure 18, the baseband core is still held in reset state for a time interval: the internal reset signal
(which is not available on a module pin) is still low and any signal from the module digital interfaces is held in
reset state. The reset state of all the digital pins is reported in the pin description table of LISA-U1 series Data
Sheet [1] and LISA-U2 series Data Sheet [2]. When the internal signal is released, the configuration of the
module interfaces starts: during this phase any digital pin is set in a proper sequence from the reset state to the
default operational configuration. Finally, the module is fully ready to operate when all interfaces are configured.
VCC
V_BCKP
PWR_ON
V_INT
Internal Reset
System State
BB Pads State
Internal Reset → Operational Operational
Tristate / Floating
Internal Reset
OFF
ON
*
Start-up
event
0 ms
~5 ms
~6 ms
~35 ms
~1500 ms
PWR_ON
can be set high
Start of interface
configuration
All interfaces
are configured
Figure 18: LISA-U series power-on sequence description (* - the PWR_ON signal state is not relevant during this phase)
The Internal Reset signal is not available on a module pin.
Any external signal connected to the UART interface, SPI/IPC interface, I2S interfaces and GPIOs must be
tri-stated when the module is in power-down mode, when the external reset is forced low and during

LISA-U series - System Integration Manual
3G.G2-HW-10002-A1 Advance Information System description
Page 39 of 160
the module power-on sequence (at least for 1500 ms after the start-up event), to avoid latch-up of
circuits and let a proper boot of the module. If the external signals connected to the wireless module
cannot be tri-stated, insert a multi channel digital switch (e.g. Texas Instruments SN74CB3Q16244,
TS5A3159, or TS5A63157) between the two-circuit connections and set to high impedance during
module power down mode, when external reset is forced low and during power on sequence.
1.6.2 Module power-off
The correct way to switch off LISA-U series modules is by means of +CPWROFF AT command (more details in
u-blox AT Commands Manual [3]): in this way the current parameter settings are saved in the module’s
non-volatile memory and a proper network detach is performed.
LISA-U2 series modules can additional be properly switched off by means of the PWR_ON input pin: the
PWR_ON signal must be held to the low logic level for more than 1 s to start the module power-off sequence.
In this way, current parameter settings are saved in LISA-U2 series module’s non-volatile memory and a correct
network detach is performed: the same sequence is performed as by the +CPWROFF AT command.
An under-voltage shutdown occurs on LISA-U series modules when the VCC supply is removed, but in this case
the current parameter settings are not saved in the module’s non-volatile memory and a proper network detach
cannot be performed.
The power-off sequence by means of +CPWROFF AT command is described in Figure 19. When the +CPWROFF
AT command is sent, the module starts the switch-off routine replying OK on the AT interface. At the end of the
switch-off routine, all digital pins are locked in tri-state by the module and all the internal LDO voltage regulators
except the RTC supply (V_BCKP) are turned off in a defined power-off sequence. The module remains in
power-off mode as long as a switch on event doesn’t occur (i.e. applying a low level on the PWR_ON pin, or
releasing from low level the RESET_N pin, or by a pre-programmed RTC alarm), and enters not-powered mode if
the supply is removed from the VCC pin.
Current parameter settings are stored to the module’s non-volatile memory and a network detach is performed
before the OK reply from AT+CPWROFF command on all LISA-U series modules except LISA-U1xx-00 versions.
Storage of parameters and network detach are performed before the end of the switch-off routine, but not
necessary before the OK reply from AT+CPWROFF command on LISA-U1xx-00 versions.
Since the time to perform a network detach depends on the network settings, the duration of the switch off
routine phases can differ from the typical values reported in Figure 19.
VCC
V_BCKP
PWR_ON *
V_INT
Internal Reset
System State
BB Pads State Operational
OFF
Tristate / Floating
ON
Operational → Tristate / Floating
AT+CPWROFF
sent to the module
0 ms
~50 ms
~400 ms
OK
replied by the module
Figure 19: LISA-U series Power-off sequence description (* - the PWR_ON signal state is not relevant during this phase)

LISA-U series - System Integration Manual
3G.G2-HW-10002-A1 Advance Information System description
Page 40 of 160
The Internal Reset signal is not available on a module pin.
Tristated pins are always subject to floating caused by noise: to prevent unwanted effects, fix them with
proper pull-up or pull down resistors to stable voltage rails to fix their level when the module is in Power
down state.
Any external signal connected to the UART interface, SPI/IPC interface, I2S interfaces and GPIOs must be
tri-stated when the module is in power-down mode, when the external reset is forced low and during
the module power-on sequence (at least for 1500 ms after the start-up event), to avoid latch-up of
circuits and allow a proper boot of the module. If the external signals connected to the wireless module
cannot be tri-stated, insert a multi channel digital switch (e.g. Texas Instruments SN74CB3Q16244,
TS5A3159, or TS5A63157) between the two-circuit connections and set to high impedance during
module power down mode, when external reset is forced low and during power-on sequence.
1.6.3 Module reset
LISA-U series modules reset can be performed in one of 2 ways:
Forcing a low level on the RESET_N input pin, causing an “external” or “hardware” reset
Via AT command, causing an “internal” or “software” reset
RESET_N input pin: force low for at least 50 ms; either an “external” or “hardware” reset is performed. This
causes an asynchronous reset of the entire module, including the integrated Power Management Unit, except
for the RTC internal block: the V_INT interfaces supply is switched off and all the digital pins are tri-stated, but
the V_BCKP supply and the RTC block are enabled. Forcing an “external” or “hardware” reset, the current
parameter settings are not saved in the module’s non-volatile memory and a proper network detach is not
performed.
AT+CFUN command (more details in u-blox AT Commands Manual [3]): in this case an “internal” or
“software” reset is performed, causing an asynchronous reset of the baseband processor, excluding the
integrated Power Management Unit and the RTC internal block: the V_INT interfaces supply is enabled and each
digital pin is set in its internal reset state (reported in the pin description table in LISA-U1 series Data Sheet [1]
and LISA-U2 series Data Sheet [2]), the V_BCKP supply and the RTC block are enabled. Forcing an “internal” or
“software” reset, the current parameter settings are saved in the module’s non-volatile memory and a proper
network detach is performed.
When RESET_N is released from the low level, the module automatically starts its power-on sequence from the
reset state. The same procedure is followed for the module reset via AT command after having performed the
network detach and the parameter saving in non-volatile memory.
The internal reset state of all digital pins is reported in the pin description table in LISA-U1 series Data
Sheet [1] and LISA-U2 series Data Sheet [2].
Name
Description
Remarks
RESET_N
External reset input
Internal 10 k pull-up to V_BCKP
Table 17: Reset pin
The RESET_N pin ESD sensitivity rating is 1 kV (Human Body Model according to JESD22-A114F). Higher
protection level could be required if the line is externally accessible on the application board. Higher
protection level can be achieved by mounting an ESD protection (e.g. EPCOS CA05P4S14THSG varistor
array) on the line connected to this pin, close to accessible point.
For more details about RESET_N circuit precautions for ESD immunity please refer to chapter 2.5.3.
The electrical characteristics of RESET_N are different from the other digital I/O interfaces. The detailed electrical
characteristics are described in LISA-U1 series Data Sheet [1] and LISA-U2 series Data Sheet [2].

LISA-U series - System Integration Manual
3G.G2-HW-10002-A1 Advance Information System description
Page 41 of 160
RESET_N is pulled high by an integrated 10 k pull-up resistor to V_BCKP. Therefore an external pull-up is not
required on the application board.
Following are some typical examples of application circuits using the RESET_N input pin.
The simplest way to reset the module is to use a push button that shorts the RESET_N pin to ground.
If RESET_N is connected to an external device (e.g. an application processor on an application board) an open
drain output can be directly connected without any external pull-up. A push-pull output can be used too: in this
case make sure that the high level voltage of the push-pull circuit is below the maximum voltage operating
range of the RESET_N pin (specified in the RESET_N pin characteristics table in LISA-U1 series Data Sheet [1]
and LISA-U2 series Data Sheet [2]). To avoid unwanted reset of the module make sure to fix the proper level at
the RESET_N input pin in all possible scenarios.
As ESD immunity test precaution, a 47 pF bypass capacitor (e.g. Murata GRM1555C1H470JA01) and a series
ferrite bead (e.g. Murata BLM15HD182SN1) must be added on the RESET_N line pin of LISA-U1 series modules
and an additional 220 nF bypass capacitor (e.g. Murata GRM155R60J224KE01) must be added as close as
possible to the RESET_N pin of LISA-U2 series modules to avoid a module reset caused by an electrostatic
discharge applied to the application board (for more details, refer to chapter 2.5.3).
LISA-U series
2V_BCKP
22 RESET_N
Reset
push button
ESD
Open
Drain
Output
Application
Processor
LISA-U series
2V_BCKP
22 RESET_N
Rint
Rint
FB1
C1
FB2
C3
C2
C4
Figure 20: RESET_N application circuits using a push button and an open drain output of an application processor
Reference
Description
Remarks
ESD
Varistor for ESD protection.
CT0402S14AHSG - EPCOS
C1, C3
47 pF Capacitor Ceramic C0G 0402 5% 50 V
GRM1555C1H470JA01 - Murata
C2, C4
220 nF Capacitor Ceramic X5R 0402 10% 6.3 V
GRM155R60J224KE01 - Murata
FB1, FB2
Chip Ferrite Bead for Noise/EMI Suppression
BLM15HD182SN1 - Murata
Rint
10 kΩ Resistor 0402 5% 0.1 W
Internal pull-up resistor
Table 18: Example of ESD protection components for the RESET_N application circuit
Any external signal connected to the UART interface, SPI/IPC interface, I2S interfaces and GPIOs must be
tri-stated when the module is in power-down mode, when the external reset is forced low and during
the module power-on sequence (at least for 1500 ms after the start-up event), to avoid latch-up of
circuits and allow a proper boot of the module. If the external signals connected to the wireless module

LISA-U series - System Integration Manual
3G.G2-HW-10002-A1 Advance Information System description
Page 42 of 160
cannot be tri-stated, insert a multi channel digital switch (e.g. Texas Instruments SN74CB3Q16244,
TS5A3159, or TS5A63157) between the two-circuit connections and set to high impedance during
module power down mode, when external reset is forced low and during power-on sequence.
1.7 RF connection
The ANT pin, provided by all LISA-U series modules, represents the main RF input/output used to transmit and
receive the 2G and 3G RF signal: the main antenna must be connected to this pad. The ANT pin has a nominal
characteristic impedance of 50 and must be connected to the antenna through a 50 transmission line to
allow transmission and reception of radio frequency (RF) signals in the 2G and 3G operating bands.
The ANT_DIV pin, provided by LISA-U230 modules, represents the RF input for the integrated diversity receiver:
the antenna for the Rx diversity should be connected to this pad. The ANT_DIV pin has a nominal characteristic
impedance of 50 and must be connected to the antenna for the Rx diversity through a 50 transmission line
to allow reception of radio frequency (RF) signals in the 2G and 3G operating bands.
Name
Module
Description
Remarks
ANT
All
RF input/output for main Tx/Rx antenna
Zo = 50 nominal characteristic impedance.
ANT_DIV
LISA-U230
RF input for Rx diversity antenna
Zo = 50 nominal characteristic impedance.
Table 19: Antenna pins
ESD immunity rating of the ANT port of LISA-U1 series modules is 500 V (according to IEC 61000-4-2).
ESD immunity rating of the ANT port of LISA-U200-00 modules is 1000 V (according to IEC 61000-4-2).
Higher protection level could be required if the line is externally accessible on the application board (for
further details see section 2.5.3).
Choose an antenna with optimal radiating characteristics for the best electrical performance and overall module
functionality. An internal antenna, integrated on the application board, or an external antenna, connected to the
application board through a proper 50 connector, can be used. See section 2.4 and section 2.2.1.1 for further
details regarding antenna guidelines.
The recommendations of the antenna producer for correct installation and deployment (PCB
layout and matching circuitry) must be followed.
If an external antenna is used, the PCB-to-RF-cable transition must be implemented using either a suitable 50
connector, or an RF-signal solder pad (including GND) that is optimized for 50 characteristic impedance.
If antenna supervisor functionality is required, the main antenna connected to the ANT pin should have a built in
DC diagnostic resistor to ground to get proper detection functionality (See section 2.4.3).
If the Rx diversity is not implemented, ANT_DIV pin can be left unconnected on the application board.
1.8 (U)SIM interface
High-speed SIM/ME interface is implemented as well as automatic detection of the required SIM supporting
voltage.
Both 1.8 V and 3 V SIM types are supported: activation and deactivation with automatic voltage switch from
1.8 V to 3 V is implemented, according to ISO-IEC 7816-3 specifications. The SIM driver supports the PPS

LISA-U series - System Integration Manual
3G.G2-HW-10002-A1 Advance Information System description
Page 43 of 160
(Protocol and Parameter Selection) procedure for baud-rate selection, according to the values determined by the
SIM Card.
Name
Description
Remarks
VSIM
SIM supply
1.80 V typical or 2.90 V typical
Automatically generated by the module
SIM_CLK
SIM clock
3.25 MHz clock frequency
SIM_IO
SIM data
Open drain, internal 4.7 k pull-up resistor to VSIM
SIM_RST
SIM reset
Table 20: SIM Interface pins
A low capacitance (i.e. less than 10 pF) ESD protection (e.g. Infineon ESD8V0L2B-03L or AVX
USB0002RP) must be placed near the SIM card holder on each line (VSIM, SIM_IO, SIM_CLK,
SIM_RST). The SIM interface pins ESD sensitivity rating is 1 kV (Human Body Model according to
JESD22-A114F): higher protection level is required if the lines are connected to an SIM card connector,
since they are externally accessible on the application board.
For more details about the general precautions for ESD immunity about SIM interface pins please refer
to chapter 2.5.3.
Figure 21 shows an application circuit connecting the LISA-U series module and the SIM card placed in a SIM
card holder, using the SIM detection function provided by GPIO5 pin.
Note that, as defined by ETSI TS 102 221 or ISO/IEC 7816, SIM card contacts assignment is as follows:
Contact C1 = VCC (Supply) It must be connected to VSIM
Contact C2 = RST (Reset) It must be connected to SIM_RST
Contact C3 = CLK (Clock) It must be connected to SIM_CLK
Contact C4 = AUX1 (Auxiliary contact for USB interface and other uses) It must be left not connected
Contact C5 = GND (Ground) It must be connected to GND
Contact C6 = VPP (Programming supply) It must be connected to VSIM
Contact C7 = I/O (Data input/output) It must be connected to SIM_IO
Contact C8 = AUX2 (Auxiliary contact for USB interface and other uses) It must be left not connected
A SIM card can have 6 contacts (C1 = VCC, C2 = RST, C3 = CLK, C5 = GND, C6 = VPP, C7 = I/O) or 8 contacts
(providing also the auxiliary contacts C4 = AUX1 and C8 = AUX2). The contacts number depends if additional
features, that are not supported by the (U)SIM card interface of the LISA-U series modules, are provided by the
SIM card (contacts C4 = AUX1 and C8 = AUX2 for USB interfaces and other uses).
A SIM card holder can have 6 or 8 positions if a mechanical card presence detector is not provided, or it can
have 6+2 or 8+2 positions if two additional pins for the mechanical card presence detection are provided.
Figure 21 shows an application circuit connecting a LISA-U series module and a SIM card placed in a SIM card
holder with 6+2 pins (as the CCM03-3013LFT R102 connector, produced by C&K Components, which provides
2 pins for the mechanical card presence detection), using the SIM detection function provided by the GPIO5 of
LISA-U series module. This configuration allows the module to detect if a SIM card is present in the connector.
The SW1 and SW2 pins of the SIM card holder are connected to a normally-open mechanical switch integrated
in the SIM connector. The following cases are available
SIM card not present: the GPIO5 signal is forced low by the pull-down resistor connected to ground (i.e. the
switch integrated in the SIM connector is open)
SIM card present: the GPIO5 signal is forced high by the pull-up resistor connected to V_INT (i.e. the switch
integrated in the SIM connector is closed)

LISA-U series - System Integration Manual
3G.G2-HW-10002-A1 Advance Information System description
Page 44 of 160
LISA-U series
C1
SIM CARD
HOLDER
CCVCC (C1)
CCVPP (C6)
CCIO (C7)
CCCLK (C3)
CCRST (C2)
GND (C5)
C2 C3 C5
D2 D3
C
5
C
6
C
7
C
1
C
2
C
3
SIM Card
Bottom View
(contacts side)
J1
50
VSIM
48
SIM_IO
47
SIM_CLK
49
SIM_RST
C4
SW1
SW2
4
V_INT
51
GPIO5
R2
R1
D1
Figure 21: SIM interface application circuit
Reference
Description
Part Number - Manufacturer
C1, C2, C3, C4
33 pF Capacitor Ceramic COG 0402 5% 25 V
GRM1555C1H330JZ01 - Murata
C5
100 nF Capacitor Ceramic X7R 0402 10% 16 V
GRM155R71C104KA01 - Murata
D1, D2, D3
Low capacitance ESD protection
USB0002RP or USB0002DP - AVX
R1
1 kΩ Resistor 0402 5% 0.1 W
RC0402JR-071KL - Yageo Phycomp
R2
470 kΩ Resistor 0402 5% 0.1 W
RC0402JR-07470KL- Yageo Phycomp
J1
SIM Card Holder
Various Manufacturers,
CCM03-3013LFT R102 - C&K Components
Table 21: Example of components for SIM card connection
When connecting the module to an SIM connector, perform the following steps on the application board:
Bypass digital noise via a 100 nF capacitor (e.g. Murata GRM155R71C104K) on the SIM supply (VSIM)
To prevent RF coupling in case the module RF antenna is placed closer than 10 - 30 cm from the SIM card
holder, connect a bypass capacitor of about 22 pF to 47 pF (e.g. Murata GRM1555C1H470J) at each SIM
signal (VSIM, SIM_CLK, SIM_IO, SIM_RST) to ground near the SIM connector
Mount very low capacitance (i.e. less than 10 pF) ESD protection (e.g. Infineon ESD8V0L2B-03L or AVX
USB0002) near the SIM card connector
Limit capacitance and series resistance on each SIM signal to match the requirements for the SIM interface
(27.7 ns is the maximum allowed rise time on the SIM_CLK line, 1.0 µs is the maximum allowed rise time on
the SIM_IO and SIM_RST lines): always route the connections to keep them as short as possible
1.8.1 (U)SIM functionality
The following SIM services are supported:
Abbreviated Dialing Numbers (ADN)
Fixed Dialing Numbers (FDN)
Last Dialed Numbers (LDN)
Service Dialing Numbers (SDN)
USIM Application Toolkit (USAT) R99 is supported.

LISA-U series - System Integration Manual
3G.G2-HW-10002-A1 Advance Information System description
Page 45 of 160
1.9 Serial communication
LISA-U series modules provide the following serial communication interfaces where AT command interface and
Packet-Switched / Circuit-Switched Data communication are concurrently available:
One asynchronous serial interface (UART) that provides complete RS-232 functionality conforming to
ITU-T V.24 Recommendation [4], with limited data rate. The UART interface can be used for firmware
upgrade
One Inter Processor Communication (IPC) interface that includes a synchronous SPI-compatible interface,
with maximum data rate of 26 Mb/s
One high-speed USB 2.0 compliant interface, with maximum data rate of 480 Mb/s. The single USB interface
implements several logical devices. Each device is a USB communications device class (or USB CDC), that is a
composite Universal Serial Bus device class. The USB interface can be used for firmware upgrade
The LISA-U series modules are designed to operate as an HSPA wireless modem, which represents the data
circuit-terminating equipment (DCE) as described by the ITU-T V.24 Recommendation [4]. A customer application
processor connected to the module through one of the interfaces represents the data terminal equipment (DTE).
All the interfaces listed above are controlled and operated with:
AT commands according to 3GPP TS 27.007 [5]
AT commands according to 3GPP TS 27.005 [6]
AT commands according to 3GPP TS 27.010 [7]
u-blox AT commands
For the complete list of supported AT commands and their syntax refer to the u-blox AT Commands
Manual [3].
The following serial communication interfaces can be used for firmware upgrade:
The UART interface, using the RxD and TxD lines only
The USB interface, using all the lines provided (VUSB_DET, USB_D+ and USB_D-)
To directly enable PC (or similar) connection to the module for firmware upgrade, provide direct access
on the application board to the VUSB_DET, USB_D+ and USB_D- lines of the module (or to the RxD
and TxD lines). Also provide access to the PWR_ON or the RESET_N pins, or enable the DC supply
connected to the VCC pin to start the module firmware upgrade (see Firmware Update Application
Note [18]).
The following sub-chapters describe the serial interfaces configuration and provide a detailed description of each
interface for the application circuits.
1.9.1 Serial interfaces configuration
UART, USB and SPI/IPC serial interfaces are available as AT command interface and for Packet-Switched / Circuit-
Switched Data communication. The serial interfaces are configured as described in Table 22 (for information
about further settings, please refer to the u-blox AT Commands Manual [3]).

LISA-U series - System Integration Manual
3G.G2-HW-10002-A1 Advance Information System description
Page 46 of 160
Interface
AT Settings
Comments
UART interface
Enabled
Multiplexing mode can be enabled by AT+CMUX command providing following channels:
Channel 0: control channel
Channel 1 – 5: AT commands /data connection
Channel 6: GPS tunneling
All LISA-U2 series modules versions except LISA-U200-00 provide an additional channel:
Channel 7: SIM Access Profile dedicated port
AT+IPR=115200
Baud rate: 115200 b/s
AT+ICF=3,1
Frame format: 8 bits, no parity, 1 stop bit
AT&K3
HW flow control enabled
AT&S1
DSR line set ON in data mode and set OFF in command mode
AT&D1
Upon an ON-to-OFF transition of DTR, the DCE enters online command state and issues
an OK result code
AT&C1
Circuit 109 changes in accordance with the Carrier detect status; ON if the Carrier is
detected, OFF otherwise
USB interface
Enabled
6 CDCs are available, configured as described in the following list:
USB1: AT commands / data connection
USB2: AT commands / data connection
USB3: AT commands / data connection
USB4: GPS tunneling dedicated port
USB5: 2G and BB trace dedicated port
USB6: 3G trace dedicated port
All LISA-U2 series modules versions except LISA-U200-00 provide an additional CDC:
USB7: SIM Access Profile dedicated port
AT&K3
HW flow control enabled
AT&S1
DSR line set ON in data mode and set OFF in command mode
AT&D1
Upon an ON-to-OFF transition of DTR, the DCE enters online command state and issues
an OK result code
AT&C1
Circuit 109 changes in accordance with the Carrier detect status; ON if the Carrier is
detected, OFF otherwise
SPI interface
Enabled
Multiplexing mode can be enabled by AT+CMUX command providing following channels:
Channel 0: control channel
Channel 1 – 5: AT commands /data connection
Channel 6: GPS tunneling
All LISA-U2 series modules versions except LISA-U200-00 provide an additional channel:
Channel 7: SIM Access Profile dedicated port
AT&K3
HW flow control enabled
AT&S1
DSR line set ON in data mode and set OFF in command mode
AT&D1
Upon an ON-to-OFF transition of DTR, the DCE enters online command state and issues
an OK result code
AT&C1
Circuit 109 changes in accordance with the Carrier detect status; ON if the Carrier is
detected, OFF otherwise
Table 22: Default serial interfaces configuration
1.9.2 Asynchronous serial interface (UART)
The UART interface is a 9-wire unbalanced asynchronous serial interface that provides AT commands interface,
PSD and CSD data communication, firmware upgrade.
UART interface provides RS-232 functionality conforming to the ITU-T V.24 Recommendation (more details
available in ITU Recommendation [4]), with CMOS compatible signal levels: 0 V for low data bit or ON state, and
1.8 V for high data bit or OFF state. Two different external voltage translators (e.g. Maxim MAX3237E and Texas
Instruments SN74AVC8T245PW) could be used to provide full RS-232 (9 lines) compatible signal levels. The
Texas Instruments chip provides the translation from 1.8 V to 3.3 V, while the Maxim chip provides the necessary
RS-232 compatible signal towards the external connector. If a UART interface with only 5 lines is needed, the
Maxim 13234E voltage level translator can be used. This chip translates the voltage levels from 1.8 V (module

LISA-U series - System Integration Manual
3G.G2-HW-10002-A1 Advance Information System description
Page 47 of 160
side) to the RS-232 standard. For detailed electrical characteristics refer to LISA-U1 series Data Sheet [1] and
LISA-U2 series Data Sheet [2].
The LISA-U series modules are designed to operate as an HSPA wireless modem, which represents the data
circuit-terminating equipment (DCE) as described by the ITU-T V.24 Recommendation [4]. A customer application
processor connected to the module through the UART interface represents the data terminal equipment (DTE).
The signal names of the LISA-U series modules UART interface conform to the ITU-T V.24
Recommendation [4].
UART interfaces include the following lines:
Name
Description
Remarks
DSR
Data set ready
Module output
Circuit 107 (Data set ready) in ITU-T V.24
RI
Ring Indicator
Module output
Circuit 125 (Calling indicator) in ITU-T V.24
DCD
Data carrier detect
Module output
Circuit 109 (Data channel received line signal detector) in ITU-T V.24
DTR
Data terminal ready
Module input
Circuit 108/2 (Data terminal ready) in ITU-T V.24
Internal active pull-up to V_INT (1.8 V) enabled.
RTS
Ready to send
Module hardware flow control input
Circuit 105 (Request to send) in ITU-T V.24
Internal active pull-up to V_INT (1.8 V) enabled.
CTS
Clear to send
Module hardware flow control output
Circuit 106 (Ready for sending) in ITU-T V.24
TxD
Transmitted data
Module data input
Circuit 103 (Transmitted data) in ITU-T V.24
Internal active pull-up to V_INT (1.8 V) enabled.
RxD
Received data
Module data output
Circuit 104 (Received data) in ITU-T V.24
GND
Ground
Table 23: UART interface signals
The UART interface pins ESD sensitivity rating is 1 kV (Human Body Model according to JESD22-A114F).
Higher protection level could be required if the lines are externally accessible on the application board.
Higher protection level can be achieved by mounting an ESD protection (e.g. EPCOS CA05P4S14THSG
varistor array) on the lines connected to these pins, close to accessible points.
1.9.2.1 UART features
All flow control handshakes are supported by the UART interface and can be set by appropriate AT commands
(see u-blox AT Commands Manual [3], &K, +IFC, \Q AT commands): hardware flow control (RTS/CTS), software
flow control (XON/XOFF), or none flow control.
Hardware flow control is enabled by default.
The following baud rates can be configured using AT commands:
1200 b/s
2400 b/s

LISA-U series - System Integration Manual
3G.G2-HW-10002-A1 Advance Information System description
Page 48 of 160
4800 b/s
9600 b/s
19200 b/s
38400 b/s
57600 b/s
115200 b/s
230400 b/s
460800 b/s
The default baud rate is 115200 b/s. Autobauding is not supported.
The frame format can be:
8N1 (8 data bits, No parity, 1 stop bit)
8E1 (8 data bits, even parity, 1 stop bit)
8O1 (8 data bits, odd parity, 1 stop bit)
8N2 (8 data bits, No parity, 2 stop bits)
7E1 (7 data bits, even parity, 1 stop bit)
7O1 (7 data bits, odd parity, 1 stop bit)
The default frame configuration with fixed baud rate is 8N1, described in the Figure 22.
D0 D1 D2 D3 D4 D5 D6 D7
Start of 1-Byte
transfer
Start Bit
(Always 0)
Possible Start of
next transfer
Stop Bit
(Always 1)
t
bit
= 1/(Baudrate)
Normal Transfer, 8N1
Figure 22: UART default frame format (8N1) description
1.9.2.2 UART signal behavior (AT commands interface case)
See Table 5 for a description of operating modes and states referred to in this section.
At the switch on of the module, before the initialization of the UART interface, as described in the power-on
sequence reported in the Figure 18, each pin is first tri-stated and then is set to its relative internal reset state
that is reported in the pin description table in LISA-U1 series Data Sheet [1] and LISA-U2 series Data Sheet [2]. At
the end of the boot sequence, the UART interface is initialized, the module is by default in active mode and the
UART interface is enabled. The configuration and the behavior of the UART signals after the boot sequence are
described below.
For a complete description of data and command mode please refer to u-blox AT Commands
Manual [3].

LISA-U series - System Integration Manual
3G.G2-HW-10002-A1 Advance Information System description
Page 49 of 160
RxD signal behavior
The module data output line (RxD) is set by default to OFF state (high level) at UART initialization. The module
holds RxD in OFF state until no data is transmitted by the module.
TxD signal behavior
The module data input line (TxD) is set by default to OFF state (high level) at UART initialization. The TxD line is
then held by the module in the OFF state if the line is not activated by the DTE: an active pull-up is enabled
inside the module on the TxD input.
CTS signal behavior
The module hardware flow control output (CTS line) is set to the ON state (low level) at UART initialization.
If the hardware flow control is enabled (for more details please refer to u-blox AT Commands Manual [3], AT&K,
AT\Q, AT+IFC AT command) the CTS line indicates when the UART interface is enabled (data can be sent and
received): the module drives the CTS line to the ON state or to the OFF state when it is either able or not able to
accept data from the DTE (refer to chapter 1.9.2.3 for the complete description).
If the hardware flow control is not enabled, the CTS line is always held in the ON state after UART initialization.
In case of hardware flow control enabled, when CTS line is ON the UART is enabled and the module is
in active mode. Instead, CTS line to OFF doesn’t necessary mean that the module is in idle-mode, but
only that the UART is not enabled (the module could be forced to stay in active-mode for instance by
USB).
When the power saving configuration is enabled and the hardware flow-control is not implemented in
the DTE/DCE connection, data sent by the DTE can be lost: the first character sent when the module is in
idle-mode won’t be a valid communication character (refer to chapter 1.9.2.3 for the complete
description).
When the MUX protocol is active on UART interface, the CTS line state is mapped to FCon / FCoff MUX
command for flow control issues outside the power saving configuration while the physical CTS line is
still used as a power state indicator. For more details please refer to Mux Implementation Application
Note [16].
RTS signal behavior
The hardware flow control input (RTS line) is set by default to the OFF state (high level) at UART initialization.
The RTS line is then held by the module in the OFF state if the line is not activated by the DTE: an active pull-up
is enabled inside the module on the RTS input.
If the HW flow control is enabled (for more details please refer to u-blox AT Commands Manual [3] AT&K, AT\Q,
AT+IFC command description) the RTS line is monitored by the module to detect permission from the DTE to
send data to the DTE itself. If the RTS line is set to OFF state, any on-going data transmission from the module is
immediately interrupted or any subsequent transmission forbidden until the RTS line changes to ON state.
The DTE must be able to still accept a certain number of characters after the RTS line has been set to
OFF state: the module guarantees the transmission interruption within 2 characters from RTS state
change.
If AT+UPSV=2 is set and HW flow control is disabled, the RTS line is monitored by the module to manage the
power saving configuration:
When an OFF-to-ON transition occurs on the RTS input line, the UART is enabled and the module is forced
to active-mode; after 20 ms from the transition the switch is completed and data can be received without
loss. The module can’t enter idle-mode and the UART is keep enabled as long as the RTS input line is held in
the ON state

LISA-U series - System Integration Manual
3G.G2-HW-10002-A1 Advance Information System description
Page 50 of 160
If RTS is set to OFF state by the DTE, the module automatically enters idle-mode whenever possible as in the
AT+UPSV=1 configuration (cyclic idle/active mode), but UART is disabled (held in low power mode)
For more details please refer to chapter 1.9.2.3 and u-blox AT Commands Manual [3], AT+UPSV command.
DSR signal behavior
If AT&S0 is set, the DSR module output line is set by default to ON state (low level) at UART initialization and is
then always held in the ON state.
If AT&S1 is set, the DSR module output line is set by default to OFF state (high level) at UART initialization. The
DSR line is then set to the OFF state when the module is in command mode or in online command mode and is
set to the ON state when the module is in data mode.
The above behavior is valid for both Packet-Switched and Circuit-Switched Data transfer.
DTR signal behavior
The DTR module input line is set by default to OFF state (high level) at UART initialization. The DTR line is then
held by the module in the OFF state if the line is not activated by the DTE: an active pull-up is enabled inside the
module on the DTR input. Module behavior according to DTR status depends on the AT command
configuration (see u-blox AT Commands Manual [3], &D AT command).
DCD signal behavior
If AT&C0 is set, the DCD module output line is set by default to ON state (low level) at UART initialization and is
then always held in the ON state.
If AT&C1 is set, the DCD module output line is set by default to OFF state (high level) at UART initialization. The
DCD line is then set by the module in accordance with the carrier detect status: ON if the carrier is detected, OFF
otherwise. In case of voice call DCD is set to ON state when the call is established. For a data call there are the
following scenarios:
GPRS data communication: Before activating the PPP protocol (data mode) a dial-up application must
provide the ATD*99***<context_number># to the module: with this command the module switches from
command mode to data mode and can accept PPP packets. The module sets the DCD line to the ON state,
then answers with a CONNECT to confirm the ATD*99 command. Please note that the DCD ON is not
related to the context activation but with the data mode
CSD data call: To establish a data call the DTE can send the ATD<number> command to the module which
sets an outgoing data call to a remote modem (or another data module). Data can be transparent (non
reliable) or non transparent (with the reliable RLP protocol). When the remote DCE accepts the data call, the
module DCD line is set to ON and the CONNECT <communication baudrate> string is returned by the
module. At this stage the DTE can send characters through the serial line to the data module which sends
them through the network to the remote DCE attached to a remote DTE
In case of a voice call DCD is set to ON state on all the serial communication interfaces supporting the
AT command interface. (including MUX virtual channels, if active).
DCD is set to ON during the execution of a command requiring input data from the DTE (all the
commands where a prompt is issued; see AT commands +CMGS, +CMGW, +USOWR, +USODL,
+UDWNFILE in u-blox AT Commands Manual [3]). The DCD line is set to ON state as soon as the switch
to binary/text input mode is completed and the prompt is issued; DCD line is set to OFF as soon as the
input mode is interrupted or completed.

LISA-U series - System Integration Manual
3G.G2-HW-10002-A1 Advance Information System description
Page 51 of 160
DCD line is kept to ON state even during the online command state to indicate that the data call is still
established even if suspended, while if the module enters command mode DSR line is set to OFF state.
For more details refer to DSR signal behavior description.
In case of scenarios for which the DCD line setting is requested for different reasons (e.g. SMS texting
during online command state), the DCD line changes to guarantee the correct behavior for all the
scenarios. For instance, in case of SMS texting in online command state, if the data call is released, the
DCD line will be kept to ON till the SMS command execution is completed (even if the data call release
would request the DCD setting to OFF).
RI signal behavior
The RI module output line is set by default to the OFF state (high level) at UART initialization. Then, during an
incoming call, the RI line is switched from OFF state to ON state with a 4:1 duty cycle and a 5 s period (ON for
1 s, OFF for 4 s, see Figure 23), until the DTE attached to the module sends the ATA string and the module
accepts the incoming data call. The RING string sent by the module (DCE) to the serial port at constant time
intervals is not correlated with the switch of the RI line to the ON state.
Figure 23: RI behavior during an incoming call
The RI line can notify an SMS arrival. When the SMS arrives, the RI line switches from OFF to ON for 1 s (see
Figure 24), if the feature is enabled by the proper AT command (please refer to u-blox AT Commands
Manual [3], AT+CNMI command).
Figure 24: RI behavior at SMS arrival
This behavior allows the DTE to stay in power saving mode until the DCE related event requests service.
In case of SMS arrival, if several events occur coincidently or in quick succession each event triggers the RI line
independently, although the line will not be deactivated between each event. As a result, the RI line may stay to
ON for more than 1 s.
If an incoming call is answered within less than 1 s (with ATA or if autoanswering is set to ATS0=1) than the RI
line will be set to OFF earlier.
As a result:
RI line monitoring can’t be used by the DTE to determine the number of received SMSes.
SMS arrives
time [s]
0
RI ON
RI OFF
1s
SMS
time [s]
0
RI ON
RI OFF
1s
1s
time [s]
151050
RI ON
RI OFF
Call incomes
1s
time [s]
151050
RI ON
RI OFF
Call incomes

LISA-U series - System Integration Manual
3G.G2-HW-10002-A1 Advance Information System description
Page 52 of 160
In case of multiple events (incoming call plus SMS received), the RI line can’t be used to discriminate the
two events, but the DTE must rely on the subsequent URCs and interrogate the DCE with the proper
commands.
1.9.2.3 UART and power-saving
The power saving configuration is controlled by the AT+UPSV command (for the complete description please
refer to u-blox AT Commands Manual [3], AT+UPSV command). When power saving is enabled, the module
automatically enters idle-mode whenever possible, otherwise the active-mode is maintained by the module. The
AT+UPSV command sets the module power saving configuration, but also configures the UART behavior in
relation to the power saving configuration. The conditions for the module entering idle-mode also depend on
the UART power saving configuration.
The different power saving configurations that can be set by the AT+UPSV command are described in the
following subchapters and are summarized in Table 24. For more details on the command description please
refer to u-blox AT commands Manual [3].
AT+UPSV
HW flow control
RTS line
Communication during idle-mode and wake up
0
Enabled (AT&K3)
ON
Data sent by the DTE will be correctly received by the module.
0
Enabled (AT&K3)
OFF
Data sent by the module will be buffered by the module and will be correctly received by
the DTE when it will be ready to receive data (i.e. RTS line will be ON).
0
Disabled (AT&K0)
ON
Data sent by the DTE will be correctly received by the module.
0
Disabled (AT&K0)
OFF
Data sent by the module will be correctly received by the DTE if it is ready to receive data,
otherwise data will be lost.
1
Enabled (AT&K3)
ON
Data sent by the DTE will be buffered by the DTE and will be correctly received by the
module when active-mode is entered.
1
Enabled (AT&K3)
OFF
Data sent by the module will be buffered by the module and will be correctly received by
the DTE when it is ready to receive data (i.e. RTS line will be ON).
1
Disabled (AT&K0)
ON
If the module is in idle-mode, when a low-to-high transition occurs on the TxD input line,
the module switches from idle-mode to active-mode after 20 ms: this is the “wake up time”
of the module. As a consequence, the first character sent when the module is in idle-mode
(i.e. the wake up character) won’t be a valid communication character because it can’t be
recognized, and the recognition of the subsequent characters is guaranteed only after the
complete wake-up (i.e. after 20 ms).
1
Disabled (AT&K0)
OFF
Data sent by the module will be correctly received by the DTE if it is ready to receive data,
otherwise data will be lost.
2
Enabled (AT&K3)
ON
Not Applicable: HW flow control cannot be enabled with AT+UPSV=2.
2
Enabled (AT&K3)
OFF
Not Applicable: HW flow control cannot be enabled with AT+UPSV=2.
2
Disabled (AT&K0)
ON
The module is forced in active-mode and it can’t enter idle-mode until RTS line is set to OFF
state. When a high-to-low (i.e. OFF-to-ON) transition occurs on the RTS input line, the
module switches from idle-mode to active-mode after 20 ms: this is the “wake up time” of
the module.
2
Disabled (AT&K0)
OFF
When a low-to-high transition occurs on the TxD input line, the UART is re-enabled and if
the module was in idle-mode it switches from idle-mode to active-mode after 20 ms: this is
the “wake up time” of the module. As a consequence, the first character sent when the
module is in idle-mode (i.e. the wake up character) won’t be a valid communication
character because it can’t be recognized, and the recognition of the subsequent characters
is guaranteed only after the complete wake-up (i.e. after 20 ms).
Table 24: UART and power-saving summary
AT+UPSV=0: power saving disabled, fixed active-mode
The module doesn’t enter idle-mode and the UART interface is enabled (data can be sent and received): the CTS
line is always held in the ON state after UART initialization. This is the default configuration.

LISA-U series - System Integration Manual
3G.G2-HW-10002-A1 Advance Information System description
Page 53 of 160
AT+UPSV=1: power saving enabled, cyclic idle/active mode
The module automatically enters idle-mode whenever possible, if a voice or data call (2G or 3G) is not enabled,
and periodically wakes up from idle-mode to active-mode to monitor the paging channel of the current base
station (paging block reception), according to 2G or 3G discontinuous reception (DRX) specification.
The time period between two paging receptions is defined by the current base station (i.e. by the network):
If the module is registered with a 2G network, the paging reception period can vary from ~0.47 s (DRX = 2,
i.e. 2 x 51 2G-frames) up to ~2.12 s (DRX = 9, i.e. 9 x 51 2G-frames)
If the module is registered with a 3G network, the paging reception period can vary from 0.64 s (DRX = 6,
i.e. 26 3G-frames) up to 5.12 s (DRX = 9, i.e. 29 3G-frames).
The UART interface is automatically disabled whenever possible, if data has not been received or sent by the
UART for the timeout configured by the +UPSV AT command, and is periodically enabled to receive or send
data. When the module is in idle-mode, the UART interface is always disabled. When the module is in
active-mode or connected-mode, the UART interface is automatically disabled to reduce the consumed power, if
data has not been received or sent by the UART for the configured timeout.
The time period of the UART enable/disable cycle is configured differently when the module is registered with a
2G network compared to when the module is registered with a 3G network:
2G: the UART is enabled synchronously to paging receptions, but not necessarily at every paging reception
(to reduce the consumed power): the UART interface is enabled for 20 ms concurrently to a paging
reception, and then, as data has not been received or sent, the UART is disabled until the first paging
reception that occurs after a timeout of 2.0 s, and therefore the interface is enabled again
3G: the UART is enabled asynchronously to paging receptions: the UART interface is enabled for 20 ms, and
then, as data has not been received or sent, the UART is disabled for 2.5 s, and afterwards the interface is
enabled again
Not registered: when the module is not registered with a network, the UART interface is enabled for 20 ms,
and then, if data has not been received or sent, the UART is disabled for 2.5 s, and afterwards the interface
is enabled again
When UART interface is disabled, data transmitted by the DTE will be lost if hardware flow control is disabled. If
hardware flow control is enabled, data will be buffered by the DTE and will be correctly received by the module
when UART interface is enabled again.
When UART interface is enabled, data can be received. When a character is received, it forces the UART interface
to stay enabled for a longer time and it forces the module to stay in the active-mode for a longer time.
The active-mode duration depends by:
Network parameters, related to the time interval for the paging block reception (minimum of ~11 ms)
Duration of UART enable time in absence of data reception (20 ms)
Time period from the last data received at the serial port during the active-mode: the module doesn’t enter
idle-mode until a timeout expires. This timeout is configured by the second parameter of the +UPSV AT
command, from 40 2G-frames (i.e. 40 x 4.615 ms = 184 ms) up to 65000 2G-frames (i.e. 65000 x 4.615 ms
= 300 s). Default value is 2000 2G-frames (i.e. 2000 x 4.615 ms = 9.2 s)
Every subsequent character received during the active-mode, resets and restarts the timer; hence the active-
mode duration can be extended indefinitely.
The hardware flow-control output (CTS line) indicates when the UART interface is enabled (data can be sent and
received), if HW flow control is enabled, as illustrated in Figure 25.

LISA-U series - System Integration Manual
3G.G2-HW-10002-A1 Advance Information System description
Page 54 of 160
time [s]
CTS ON
CTS OFF
UART disabled
2G/3G: 20 ms
UART enabled
2G/3G: ~9.2 s (default)
UART enabled
Data input
2G: 2.10-3.75 s
3G: 2.50 s
Figure 25: CTS behavior with power saving enabled (AT+UPSV=1) and HW flow control enabled: the CTS output line indicates
when the UART interface of the module is enabled (CTS = ON = low level) or disabled (CTS = OFF = high level)
AT+UPSV=2: power saving enabled and controlled by the RTS line
If the RTS line is set to OFF by the DTE the module is allowed to enter idle-mode as for UPSV=1 case. Instead,
the UART is disabled as long as RTS line is set to OFF.
If the RTS line is set to ON by the DTE the module is not allowed to enter idle-mode and the UART is kept
enabled until the RTS line is set to OFF.
When an OFF-to-ON transition occurs on the RTS input line, the UART is re-enabled and the module switches
from idle-mode to active-mode in 20 ms. This configuration can only be enabled with the module HW flow
control disabled.
Since HW flow control is disabled, the CTS line is always set to ON by the module.
When the RTS line is set to OFF by the DTE, the timeout to enter idle-mode from the last data received
at the serial port during the active-mode is the one previously set with the AT+UPSV=1 configuration or
it is the default value.
If the module must transmit some data (e.g. URC), the UART is temporarily enabled even if the RTS line
is set to OFF; UART wake-up in case of RTS line set to OFF is also possible via data reception (as
described in the following).
If the USB is connected and active, the module is forced to stay in active-mode, therefore +UPSV=1 and
+UPSV=2 modes are overruled, but in any case they have effect on the UART behavior (they configure
UART power saving mode, when it is enabled/disabled).
Wake up from idle-mode to active-mode via data reception
If data is transmitted by the DTE during the module idle-mode, it will be lost (not correctly received by the
module) in the following cases:
+UPSV=1 with hardware flow control disabled
+UPSV=2 with hardware flow control disabled and RTS line set to OFF
When the module is in idle-mode, the TxD input line of the module is always configured to wake up the module
from idle-mode to active-mode via data reception: when a low-to-high transition occurs on the TxD input line, it
causes the wake-up of the system. The module switches from idle-mode to active-mode within 20 ms from the
first data reception: this is the “wake up time” of the module. As a consequence, the first character sent when
the module is in idle-mode (i.e. the wake up character) won’t be a valid communication character because it
can’t be recognized, and the recognition of the subsequent characters is guaranteed only after the complete
wake-up (i.e. after 20 ms).
Figure 26 and Figure 27 show an example of common scenarios and timing constraints:
HW flow control set in the DCE, and no HW flow control set in the DTE, needed to see the CTS line
changing on DCE

LISA-U series - System Integration Manual
3G.G2-HW-10002-A1 Advance Information System description
Page 55 of 160
Power saving configuration is active and the timeout from last data received to idle-mode start is set to 2000
frames (AT+UPSV=1,2000)
Figure 26 shows the case where DCE is in idle-mode and a wake-up is forced. In this scenario the only character
sent by the DTE is the wake-up character; as a consequence, the DCE will return to idle-mode when the timeout
from last data received expires. (2000 frames without data reception).
CTS OFF
CTS ON
Active mode is held for 2000 GSM frames (~9.2 s)
time
Wake up time: up to 15.6 ms
time
TxD
module
input
Wake up character
Not recognized by DCE
Figure 26: Wake-up via data reception without further communication
Figure 27 shows the case where in addition to the wake-up character further (valid) characters are sent. The
wake up character wakes-up the DCE. The other characters must be sent after the “wake up time” of 20 ms. If
this condition is satisfied, the characters are recognized by the DCE. The DCE is allowed to re-enter idle-mode
after 2000 GSM frames from the latest data reception.
CTS OFF
CTS ON
Active mode is held for 2000 GSM frames (~9.2s)
after the last data received
time
Wake up time: up to 15.6 ms
time
TxD
module
input
Wake up character
Not recognized by DCE
Valid characters
Recognized by DCE
Figure 27: Wake-up via data reception with further communication
LISA-U2 series modules don’t wake-up from idle-mode to active-mode via data reception by TxD input
line, if HW flow control is enabled.
The “wake-up via data reception” feature can’t be disabled.

LISA-U series - System Integration Manual
3G.G2-HW-10002-A1 Advance Information System description
Page 56 of 160
The “wake-up via data reception” feature can be used in both +UPSV=1 and +UPSV=2 case (when RTS
line is set to OFF).
In command mode, if HW flow control is not implemented by the DTE, the DTE must always send a
dummy “AT” to the module before each command line: the first character will not be ignored if the
module is in active-mode (i.e. the module will reply “OK”), or it will represent the wake up character if
the module is in idle-mode (i.e. the module won’t reply).
No dummy “AT” is required from the DTE during connected-mode since the module continues to be in
active-mode and doesn’t need to be woken-up. Furthermore in data mode a dummy “AT” would affect
the data communication.
1.9.2.4 UART application circuits
Providing the full RS-232 functionality (using the complete V.24 link)
For complete RS-232 functionality conforming to ITU Recommendation [4] in DTE/DCE serial communication, the
complete UART interface of the module (DCE) must be connected to a 1.8V DTE as described in Figure 28.
TxD
Application Processor
(1.8V DTE)
RxD
RTS
CTS
DTR
DSR
RI
DCD
GND
LISA-U series
(DCE)
15 TXD
12 DTR
16 RXD
13 RTS
14 CTS
9DSR
10 RI
11 DCD
GND
0 Ω
0 Ω
TP
TP
0 Ω
0 Ω
TP
TP
Figure 28: UART interface application circuit with complete V.24 link in DTE/DCE serial communication (1.8V DTE)
If a 3.0 V Application Processor is used, appropriate voltage translators must be utilized, as described in Figure
29.

LISA-U series - System Integration Manual
3G.G2-HW-10002-A1 Advance Information System description
Page 57 of 160
4V_INT
TxD
Application Processor
(3.0V DTE)
RxD
RTS
CTS
DTR
DSR
RI
DCD
GND
LISA-U series
(DCE)
15 TXD
12 DTR
16 RXD
13 RTS
14 CTS
9DSR
10 RI
11 DCD
GND
0 Ω
0 Ω
TP
TP
0 Ω
0 Ω
TP
TP
1V8
B1 A1
GND
U1
B3A3
VCCBVCCA
Unidirectional
Voltage Translator
C1 C2
3V0
DIR3
DIR2 OE
DIR1
VCC
B2 A2
B4A4
DIR4
1V8
B1 A1
GND
U2
B3A3
VCCBVCCA
Unidirectional
Voltage Translator
C3 C4
3V0
DIR1
DIR3 OE
B2 A2
B4A4
DIR4
DIR2
Figure 29: UART interface application circuit with complete V.24 link in DTE/DCE serial communication (3.0 V DTE)
Reference
Description
Part Number - Manufacturer
C1, C2, C3, C4
100 nF Capacitor Ceramic X7R 0402 10% 16 V
GRM155R61A104KA01 - Murata
U1, U2
Unidirectional Voltage Translator
SN74AVC4T774 - Texas Instruments
Table 25: Component for UART application circuit with complete V.24 link in DTE/DCE serial communication (3.0 V DTE)

LISA-U series - System Integration Manual
3G.G2-HW-10002-A1 Advance Information System description
Page 58 of 160
Providing the TxD, RxD, RTS and CTS lines only (not using the complete V.24 link)
If the functionality of the DSR, DCD, RI and DTR lines is not required in the application, or the lines are not
available, the circuit with a 1.8 V Application Processor should be implemented as described in Figure 30:
Connect the module DTR input line to GND, since the module requires DTR active (low electrical level)
Leave DSR, DCD and RI lines of the module unconnected and floating
TxD
Application Processor
(1.8V DTE)
RxD
RTS
CTS
DTR
DSR
RI
DCD
GND
LISA-U series
(DCE)
15 TXD
12 DTR
16 RXD
13 RTS
14 CTS
9DSR
10 RI
11 DCD
GND
0 Ω
0 Ω
TP
TP
0 Ω
0 Ω
TP
TP
Figure 30: UART interface application circuit with partial V.24 link (5-wire) in the DTE/DCE serial communication (1.8V DTE)
If a 3.0 V Application Processor is used, proper voltage translator must be utilized, as described in Figure 31.
4V_INT
TxD
Application Processor
(3.0V DTE)
RxD
RTS
CTS
DTR
DSR
RI
DCD
GND
LISA-U series
(DCE)
15 TXD
12 DTR
16 RXD
13 RTS
14 CTS
9DSR
10 RI
11 DCD
GND
0 Ω
0 Ω
TP
TP
0 Ω
0 Ω
TP
TP
1V8
B1 A1
GND
U1
B3A3
VCCBVCCA
Unidirectional
Voltage Translator
C1 C2
3V0
DIR3
DIR2 OE
DIR1
VCC
B2 A2
B4A4
DIR4
Figure 31: UART interface application circuit with partial V.24 link (5-wire) in DTE/DCE serial communication (3.0 V DTE)
Reference
Description
Part Number - Manufacturer
C1, C2
100 nF Capacitor Ceramic X7R 0402 10% 16 V
GRM155R61A104KA01 - Murata
U1
Unidirectional Voltage Translator
SN74AVC4T774 - Texas Instruments
Table 26: Component for UART application circuit with partial V.24 link (5-wire) in DTE/DCE serial communication (3.0 V DTE)
If only TxD, RxD, RTS and CTS lines are provided, as implemented in Figure 30 and in Figure 31, the procedure
to enable power saving depends on the HW flow-control status. If HW flow-control is enabled (AT&K3, that is

LISA-U series - System Integration Manual
3G.G2-HW-10002-A1 Advance Information System description
Page 59 of 160
the default setting) power saving will be activated by AT+UPSV=1. Through this configuration, when the module
is in idle-mode, data transmitted by the DTE will be buffered by the DTE and will be correctly received by the
module when active-mode is entered.
If the HW flow-control is disabled (AT&K0), the power saving can be enabled by AT+UPSV=2. The module is in
idle-mode until a high-to-low (i.e. OFF-to-ON) transition on the RTS input line will switch the module from
idle-mode to active-mode in 20 ms. The module will be forced in active-mode if the RTS input line is held in the
ON state.
Providing the TxD and RxD lines only (not using the complete V24 link)
If the functionality of the CTS, RTS, DSR, DCD, RI and DTR lines is not required in the application, or the lines
are not available, the circuit with a 1.8 V Application Processor should be implemented as described in Figure 32:
Connect the module CTS output line to the module RTS input line, since the module requires RTS active
(low electrical level) if HW flow-control is enabled (AT&K3, that is the default setting), and CTS is active (low
electrical level) when the module is in active mode, the UART interface is enabled and the HW flow-control is
enabled
Connect the module DTR input line to GND, since the module requires DTR active (low electrical level)
Leave DSR, DCD and RI lines of the module unconnected and floating
TxD
Application Processor
(1.8V DTE)
RxD
RTS
CTS
DTR
DSR
RI
DCD
GND
LISA-U series
(DCE)
15 TXD
12 DTR
16 RXD
13 RTS
14 CTS
9DSR
10 RI
11 DCD
GND
0 Ω
0 Ω
TP
TP
0 ΩTP
TP
Figure 32: UART interface application circuit with partial V.24 link (3-wire) in the DTE/DCE serial communication (1.8V DTE)
If a 3.0 V Application Processor is used, proper voltage translator must be utilized, as described in Figure 33.

LISA-U series - System Integration Manual
3G.G2-HW-10002-A1 Advance Information System description
Page 60 of 160
4V_INT
TxD
Application Processor
(3.0V DTE)
RxD
DTR
DSR
RI
DCD
GND
LISA-U series
(DCE)
15 TXD
12 DTR
16 RXD
9DSR
10 RI
11 DCD
GND
0 Ω
0 Ω
TP
TP
1V8
B1 A1
GND
U1
VCCBVCCA
Unidirectional
Voltage Translator
C1 C2
3V0
DIR1
DIR2 OE
VCC
B2 A2
RTS
CTS
13 RTS
14 CTS
0 ΩTP
TP
Figure 33: UART interface application circuit with partial V.24 link (3-wire) in DTE/DCE serial communication (3.0 V DTE)
Reference
Description
Part Number - Manufacturer
C1, C2
100 nF Capacitor Ceramic X7R 0402 10% 16 V
GRM155R61A104KA01 - Murata
U1
Unidirectional Voltage Translator
SN74AVC2T245 - Texas Instruments
Table 27: Component for UART application circuit with partial V.24 link (3-wire) in DTE/DCE serial communication (3.0 V DTE)
If only TxD and RxD lines are provided, as described in Figure 32 and in Figure 33, and HW flow-control is
disabled (AT&K0), the power saving will be enabled by AT+UPSV=1. The module enters active-mode 20 ms after
a low-to-high transition on the TxD input line, and the recognition of the subsequent characters is guaranteed
until the module is in active-mode.
Data delivered by the DTE can be lost using this configuration and the following settings:
o HW flow-control enabled in the module (AT&K3, that is the default setting)
o Module power saving enabled by AT+UPSV=1
o HW flow-control disabled in the DTE
In this case the first character sent when the module is in idle-mode will be a wake-up character and
won’t be a valid communication character (refer to chapter 1.9.1.3 for the complete description).
If power saving is enabled the application circuit with the TxD and RxD lines only is not recommended.
During command mode the DTE must send to the module a wake-up character or a dummy “AT”
before each command line (refer to chapter 1.9.1.3 for the complete description), but during data mode
the wake-up character or the dummy “AT” would affect the data communication.

LISA-U series - System Integration Manual
3G.G2-HW-10002-A1 Advance Information System description
Page 61 of 160
Additional considerations
If the module USB interface is connected to the application processor, it is highly recommended to
provide direct access to RxD, TxD, CTS and RTS lines of the module for execution of firmware upgrade
over UART and for debug purpose: testpoints can be added on the lines to accommodate the access and
a 0 Ω series resistor must be mounted on each line to detach the module pin from any other connected
device. Otherwise, if the USB interface is not connected to the application processor, it is highly
recommended to provide direct access to VUSB_DET, USB_D+, USB_D- lines for execution of firmware
upgrade over USB and for debug purpose. In both cases, provide as well access to RESET_N pin, or to
the PWR_ON pin, or enable the DC supply connected to the VCC pin to start the module firmware
upgrade (see Firmware Update Application Note [18]).
If the UART interface is not used, all the UART interface pins can be left unconnected, but it is highly
recommended to provide direct access to the RxD, TxD, CTS and RTS lines for execution of firmware
upgrade and for debug purpose.
Any external signal connected to the UART interface must be tri-stated when the module is in power-
down mode, when the external reset is forced low and during the module power-on sequence (at least
for 1500 ms after the start-up event), to avoid latch-up of circuits and allow a proper boot of the
module. If the external signals connected to the wireless module cannot be tri-stated, insert a multi
channel digital switch (e.g. Texas Instruments SN74CB3Q16244, TS5A3159, or TS5A63157) between
the two-circuit connections and set to high impedance during module power down mode, when
external reset is forced low and during power-on sequence.
1.9.3 USB interface
LISA-U series modules provide a high-speed USB interface at 480 Mb/s compliant with the Universal Serial Bus
Revision 2.0 specification [8]. It acts as a USB device and can be connected to any USB host such as a PC or other
Application Processor.
The USB-device shall look for all upper-SW-layers like any other serial device. This means that LISA-U series
modules emulate all serial control logical lines.
If the logical DTR line isn't enabled by the USB host, the LISA-U1xx-00 modules don’t answer to AT
commands by the USB interface.
Name
Description
Remarks
VUSB_DET
USB detect input
Apply 5 V typical to enable USB
USB_D+
USB Data Line D+
90 Ω nominal differential impedance.
Pull-up or pull-down resistors and external series resistors as
required by the USB 2.0 high-speed specification [8] are part
of the USB pad driver and need not be provided externally.
USB_D-
USB Data Line D-
90 Ω nominal differential impedance.
Pull-up or pull-down resistors and external series resistors as
required by the USB 2.0 high-speed specification [8] are part
of the USB pad driver and need not be provided externally.
Table 28: USB pins
The USB interface pins ESD sensitivity rating is 1 kV (Human Body Model according to JESD22-A114F).
Higher protection level could be required if the lines are externally accessible on the application board.
Higher protection level can be achieved by mounting a very low capacitance (i.e. less or equal to 1 pF)
ESD protection (e.g. Tyco Electronics PESD0402-140 ESD protection device) on the lines connected to
these pins, close to accessible points.

LISA-U series - System Integration Manual
3G.G2-HW-10002-A1 Advance Information System description
Page 62 of 160
1.9.3.1 USB features
LISA-U series modules simultaneously support 6 USB CDC (Communications Device Class) that assure multiple
functionalities to the USB physical interface. The 6 available CDCs are configured as described in the following
list:
USB1: AT commands / data connection
USB2: AT commands / data connection
USB3: AT commands / data connection
USB4: GPS tunneling dedicated port
USB5: 2G and BB trace dedicated port
USB6: 3G trace dedicated port
All LISA-U2 series modules versions except LISA-U200-00 provide an additional USB CDC:
USB7: SIM Access Profile dedicated port
The user can concurrently use AT command interface on one CDC and Packet-Switched / Circuit-Switched Data
communication on another CDC.
All LISA-U2 series modules versions except LISA-U200-00 support audio over USB capabilities: Audio Device Class
is implemented to provide an audio streaming interface, which transfers audio data over isochronous pipes.
USB drivers for Windows XP, Windows Vista, Windows 7, Windows CE, Windows EC and Android are available.
LISA-U series module identifies itself by its VID (Vendor ID) and PID (Product ID) combination, included in the USB
device descriptor.
VID and PID of LISA-U series modules are the following:
VID = 0x1546
PID = 0x1101 for LISA-U1 series
PID = 0x1102 for LISA-U2 series
If the USB interface of LISA-U series module is connected to the host before the module switch on, or if the
module is reset with the USB interface connected to the host, the VID and PID are automatically updated
runtime, after the USB detection. First, VID and PID are the following:
VID = 0x058B
PID = 0x0041
Then, after a time period (~5 s), VID and PID are updated to the following:
VID = 0x1546
PID = 0x1101 for LISA-U1 series
PID = 0x1102 for LISA-U2 series
1.9.3.2 USB and power saving
If power saving is enabled by AT command (AT+UPSV=1 or AT+UPSV=2), the LISA-U series module automatically
enters the USB suspended state when the device has observed no bus traffic for a specified period (refer to the
Universal Serial Bus Revision 2.0 specification [8]). In suspended state, the module maintains any internal status
as USB device, including its address and configuration. In addition, the module enters the suspended state when
the hub port it is attached to is disabled: this is referred to as USB selective suspend. The module exits suspend
mode when there is bus activity.
LISA-U series module is capable of USB remote wake-up signaling: i.e. may request the host to exit suspend
mode or selective suspend by using electrical signaling to indicate remote wake-up. This notifies the host that it
should resume from its suspended mode, if necessary, and service the external event that triggered the
suspended USB device to signal the host. Remote wake-up is accomplished using electrical signaling described in
the Universal Serial Bus Revision 2.0 specification [8].

LISA-U series - System Integration Manual
3G.G2-HW-10002-A1 Advance Information System description
Page 63 of 160
When the USB enters suspended state, the average VCC module current consumption of LISA-U series module is
~400 µA higher then when the USB is not attached to a USB host.
If power saving is disabled by AT+UPSV=0 and the LISA-U series module is attached to a USB host as USB device,
is configured and is not suspended, the average VCC module current consumption in fixed active mode is
increased to ~40 mA.
1.9.3.3 USB application circuit
Since the module acts as a USB device, the USB supply (5.0 V typ.) must be provided to VUSB_DET by the
connected USB host. The USB interface is enabled only when a valid voltage as USB supply is detected by the
VUSB_DET input. Neither the USB interface, nor the whole module is supplied by the VUSB_DET input: the
VUSB_DET senses the USB supply voltage and absorbs few microamperes.
The USB_D+ and USB_D- lines carry the USB serial data and signaling. The lines are used in single ended mode
for relatively low speed signaling handshake, as well as in differential mode for fast signaling and data transfer.
USB pull-up or pull-down resistors on pins USB_D+ and USB_D- as required by the Universal Serial Bus Revision
2.0 specification [8] are part of the USB pad driver and do not need to be externally provided.
External series resistors on pins USB_D+ and USB_D- as required by the Universal Serial Bus Revision 2.0
specification [8] are also integrated: characteristic impedance of USB_D+ and USB_D- lines is specified by the
USB standard. The most important parameter is the differential characteristic impedance applicable for
odd-mode electromagnetic field, which should be as close as possible to 90 differential: signal integrity may
be degraded if the PCB layout is not optimal, especially when the USB signaling lines are very long.
LISA-U series
VBUS
D+
D-
GND
18 VUSB_DET
27 USB_D+
26 USB_D-
GND
C1
USB DEVICE
CONNECTOR
D1 D2 D3
Figure 34: USB Interface application circuit
Reference
Description
Part Number - Manufacturer
D1, D2, D3
Very Low Capacitance ESD Protection
PESD0402-140 - Tyco Electronics
C2
100 nF Capacitor Ceramic X7R 0402 10% 16 V
GRM155R61A104KA01 - Murata
Table 29: Component for USB application circuit
If the USB interface is not connected to the application processor, it is highly recommended to provide
direct access to the VUSB_DET, USB_D+, USB_D- lines for execution of firmware upgrade over USB
and for debug purpose: testpoints can be added on the lines to accommodate the access. Otherwise, if
the USB interface is connected to the application processor, it is highly recommended to provide direct
access to the RxD, TxD, CTS and RTS lines for execution of firmware upgrade over UART and for debug
purpose. In both cases, provide as well access to RESET_N pin, or to the PWR_ON pin, or enable the
DC supply connected to the VCC pin to start the module firmware upgrade (see Firmware Update
Application Note [18]).

LISA-U series - System Integration Manual
3G.G2-HW-10002-A1 Advance Information System description
Page 64 of 160
If the USB interface is not used, the USB_D+, USB_D- and VUSB_DET pins can be left unconnected,
but it is highly recommended to provide direct access to the lines for execution of firmware upgrade and
for debug purpose.
1.9.4 SPI interface
SPI is a master-slave protocol: the module runs as an SPI slave, i.e. it accepts AT commands on its SPI interface
without specific configuration. The SPI-compatible synchronous serial interface cannot be used for FW upgrade.
The standard 3-wire SPI interface includes two signals to transmit and receive data (SPI_MOSI and SPI_MISO)
and a clock signal (SPI_SCLK).
LISA-U series modules provide two handshake signals (SPI_MRDY and SPI_SRDY), added to the standard 3-wire
SPI interface, implementing the 5-wire Inter Processor Communication (IPC) interface.
The purpose of the IPC interface is to achieve high speed communication (up to 26 Mb/s) between two
processors following the same IPC specifications: the module baseband processor and an external processor.
High speed communication is possible only if both sides follow the same Inter Processor Communication (IPC)
specifications.
Name
Description
Remarks
SPI_MISO
SPI Data Line.
Master Input, Slave Output
Module Output.
Idle high.
Shift data on rising clock edge (CPHA=1).
Latch data on falling clock edge (CPHA=1).
MSB is shifted first.
SPI_MOSI
SPI Data Line.
Master Output, Slave Input
Module Input.
Idle high.
Shift data on rising clock edge (CPHA=1).
Latch data on falling clock edge (CPHA=1).
MSB is shifted first.
Internal active pull-up to V_INT (1.8 V) enabled.
SPI_SCLK
SPI Serial Clock.
Master Output, Slave Input
Module Input.
Idle low (CPOL=0).
Up to 26 MHz supported.
Internal active pull-down to GND enabled.
SPI_MRDY
SPI Master Ready to transfer data control line.
Master Output, Slave Input
Module Input.
Idle low.
Internal active pull-down to GND enabled.
SPI_SRDY
SPI Slave Ready to transfer data control line.
Master Input, Slave Output
Module Output.
Idle low.
Table 30: SPI interface signals
The SPI interface pins ESD sensitivity rating is 1 kV (Human Body Model according to JESD22-A114F).
Higher protection level could be required if the lines are externally accessible on the application board.
Higher protection level can be achieved by mounting a low capacitance (i.e. less than 10 pF) ESD
protection (e.g. AVX USB0002 varistor array) on the lines connected to these pins, close to accessible
points.
1.9.4.1 IPC communication protocol overview
The module runs as an SPI slave, i.e. it accepts AT commands on its SPI interface without specific configuration.
The SPI-device shall look for all upper-SW-layers like any other serial device. This means that LISA-U series
modules emulate all serial logical lines: the transmission and the reception of the data are similar to an
asynchronous device.

LISA-U series - System Integration Manual
3G.G2-HW-10002-A1 Advance Information System description
Page 65 of 160
Two additional signals (SPI_MRDY and SPI_SRDY) are added to the SPI lines to communicate the state of
readiness of the two processors: they are used as handshake signals to implement the data flow.
The function of the SPI_MRDY and SPI_SRDY signals is twofold:
For transmitting data the signal indicates to the data receiver that data is available to be transmitted
For receiving data the signal indicates to the transmitter that the receiver is ready to receive data
Due to this setup it is possible to use the control signals as interrupt lines waking up the receiving part when
data is available for transfer. When the handshaking has taken place, the transfer occurs just as if it were a
standard SPI interface without chip select functionality (i.e. one master - one slave setup).
SPI_MRDY is used by the application processor (i.e. the master) to indicate to the module baseband processor
(i.e. the slave) that it is ready to transmit or receive (IPC master ready signal), and can also be used by the
application processor to wake up the module baseband processor if it is in idle-mode.
SPI_SRDY line is used by the module baseband processor (i.e. the slave) to indicate to the application processor
(i.e. the master) that it is ready to transmit or receive (IPC slave ready signal), and can also be used by the module
baseband processor to wake up the application processor if it is in hibernation.
SPI_MRDY
SPI_SRDY
DATA_EXCHANGE
SPI_MOSI
SPI_MISO
Header Data
SPI_SCLK
Figure 35: IPC Data Flow: SPI_MRDY and SPI_SRDY line usage combined with the SPI protocol
For the correct implementation of the SPI protocol, the frame size is known by both sides before a packet
transfer of each packet. The frame is composed by a header with fixed size (always 4 bytes) and a payload with
variable length (must be a multiple of 4 bytes).
The same amount of data is exchanged in both directions simultaneously. Both sides set their readiness lines
(SPI_MRDY / SPI_SRDY) independently when they are ready to transfer data. For the correct transmission of the
data the other side must wait for the activating interrupt to allow the transfer of the other side.
The master starts the clock shortly after SPI_MRDY and SPI_SRDY are set to active. The number of clock
periods sent by the master is exactly that one of the frame-size to be transferred. The SPI_SRDY line will be set
low after the master sets the clock line to idle state. The SPI_MRDY line is also set inactive after the clock line is
set idle, but in case of a big transfer containing multiple packets, the SPI_MRDY line stays active.
1.9.4.2 IPC communication and power saving
If power saving is enabled by AT command (AT+UPSV=1 or AT+UPSV=2), the LISA-U series module automatically
enters idle-mode when the master indicates that it is not ready to transmit or receive by the SPI_MRDY signal,
or when the LISA-U series module itself doesn’t transfer data.

LISA-U series - System Integration Manual
3G.G2-HW-10002-A1 Advance Information System description
Page 66 of 160
1.9.4.3 IPC communication examples
In the following, three IPC communication scenarios are described:
Slave initiated data transfer, with a sleeping master
Master initiated data transfer, with a sleeping slave
Slave ended data transfer
Slave initiated transfer with a sleeping master
Figure 36: Data transfer initiated by LISA-U series module (slave), with a sleeping application processor (master)
When the master is sleeping (idle-mode), the following actions happen:
1. The slave indicates the master that is ready to send data by activating SPI_SRDY
2. When the master becomes ready to send, it signalizes this by activating SPI_MRDY
3. The master activates the clock and the two processors exchange the communication header and data
4. If the data has been exchanged, the slave deactivates SPI_SRDY to process the received information. The
master does not need to de-assert SPI_MRDY as it controls the SPI_SCLK
5. After the preparation, the slave activates again SPI_SRDY and wait for SPI_SCLK activation. When the clock
is active, all the data is transferred without intervention. If there is more data to transfer (flag set in any of
the headers), the process will repeat from step 3
Master initiated transfer with a sleeping slave
Figure 37: Data transfer initiated by application processor (master) with a sleeping LISA-U series module (slave)
When the slave is sleeping (idle-mode), the following actions happen:
1. The Master wakes the slave by setting the SPI_MRDY line active
2. As soon as the slave is awake, it signals it by activating SPI_SRDY
3. The master activates the clock and the two processors exchange the communication header and data
SPI_MRDY
SPI_SRDY
DATA EXCHG
1
2
4
5
Header
Data
Header
3
SPI_MRDY
SPI_SRDY
DATA EXCHG
2
4
5
Header
Data
Header
3
1

LISA-U series - System Integration Manual
3G.G2-HW-10002-A1 Advance Information System description
Page 67 of 160
4. If the data has been exchanged, the slave deactivates SPI_SRDY to process the received information. The
master does not need to de-assert SPI_MRDY as it controls the SPI_SCLK
5. After the preparation, the slave activates again SPI_SRDY and wait for SPI_SCLK activation. When the clock
is active, all data is transferred without intervention. If there is more data to transfer (flag set in any of the
headers), the process will repeat from step 3
Slave ended transfer
Figure 38: Data transfer terminated and then restarted by LISA-U series module (slave)
Starting from the state where data transfer is ongoing, the following actions will happen:
1. In case of the last transfer, the master will lower its SPI_MRDY line. After the data-transfer is finished the
line must be low. If the slave has already set its SPI_SRDY line, the master must raise its line to initiate the
next transfer (slave-waking-procedure)
2. If the data has been exchanged, the slave will deactivate SPI_SRDY to process the received information. This
is the normal behavior
3. The slave will indicate the master that is ready to send data by activating SPI_SRDY
4. When the master is ready to send, it will signalize this by activating SPI_MRDY. This is optional, when
SPI_MRDY is low before
5. The slave indicates immediately after a transfer termination that it is ready to start transmission again. In this
case the slave will raise SPI_SRDY again. The SPI_MRDY line can be either high or low: the master has only
to ensure that the SPI_SRDY change will be detected correctly via interrupt
For more details regarding IPC communication protocol please refer to SPI Application Note [19].
1.9.4.4 IPC application circuit
SPI_MOSI is the data line input for the module since it runs as SPI slave: it must be connected to the data line
output (MOSI) of the application processor that runs as an SPI master.
SPI_MISO is the data line output for the module since it runs as SPI slave: it must be connected to the data line
input (MISO) of the application processor that runs as an SPI master.
SPI_SCLK is the clock input for the module since it runs as SPI slave: it must be connected to the clock line
output (SCLK) of the application processor that runs as an SPI master.
SPI_MRDY is an input for the module able to detect an external interrupt which comes from the application
processor.
SPI_SRDY is an output for the module, and the application processor should be able to detect an external
interrupt which comes from the module on its connected pin.
Signal integrity of the high speed data lines may be degraded if the PCB layout is not optimal, especially when
the SPI lines are very long: keep routing short and minimize parasitic capacitance to preserve signal integrity.
SPI_MRDY
SPI_SRDY
DATA EXCHG
5
2
1
Header
Data
3
4

LISA-U series - System Integration Manual
3G.G2-HW-10002-A1 Advance Information System description
Page 68 of 160
LISA-U series
(SPI slave)
MOSI
Application Processor
(SPI master)
MISO
SCLK
Interrupt
GPIO
GND
56 SPI_MOSI
59 SPI_MRDY
57 SPI_MISO
55 SPI_SCLK
58 SPI_SRDY
GND
Figure 39: IPC Interface application circuit
If direct access to the USB or the UART interfaces of the module is not provided, it is recommended to
provide direct access to the SPI_MOSI, SPI_MISO, SPI_SCLK, SPI_MRDY, SPI_SRDY lines of the
module for debug purpose: testpoints can be added on the lines to accommodate the access and a 0 Ω
series resistor must be mounted on each line to detach the module pin from any other connected
device.
If the SPI/IPC interface is not used, the SPI_MOSI, SPI_MISO, SPI_SCLK, SPI_MRDY, SPI_SRDY pins
can be left unconnected.
Any external signal connected to the SPI / IPC interface must be tri-stated when the module is in power-
down mode, when the external reset is forced low and during the module power-on sequence (at least
for 1500 ms after the start-up event), to avoid latch-up of circuits and allow a proper boot of the
module. If the external signals connected to the wireless module cannot be tri-stated, insert a multi
channel digital switch (e.g. Texas Instruments SN74CB3Q16244, TS5A3159, or TS5A63157) between
the two-circuit connections and set to high impedance during module power down mode, when
external reset is forced low and during power-on sequence.
1.9.5 MUX Protocol (3GPP 27.010)
LISA-U series modules have a software layer with MUX functionality, 3GPP TS 27.010 Multiplexer Protocol [7],
available either on the UART or on the SPI physical link. The USB interface doesn’t support the multiplexer
protocol.
This is a data link protocol (layer 2 of OSI model) which uses HDLC-like framing and operates between the
module (DCE) and the application processor (DTE) and allows a number of simultaneous sessions over the used
physical link (UART or SPI): the user can concurrently use AT command interface on one MUX channel and
Packet-Switched / Circuit-Switched Data communication on another MUX channel. The multiplexer protocol can
be used on one serial interface (UART or SPI) at a time. Each session consists of a stream of bytes transferring
various kinds of data such as SMS, CBS, PSD, GPS, AT commands in general. This permits, for example, SMS to
be transferred to the DTE when a data connection is in progress.
The following virtual channels are defined:
Channel 0: control channel
Channel 1 – 5: AT commands /data connection
Channel 6: GPS tunneling
All LISA-U2 series modules versions except LISA-U200-00 provide an additional channel:
Channel 7: SIM Access Profile dedicated port
For more details please refer to GSM Mux implementation Application Note [16].

LISA-U series - System Integration Manual
3G.G2-HW-10002-A1 Advance Information System description
Page 69 of 160
1.10 DDC (I2C) interface
1.10.1 Overview
An I2C compatible Display Data Channel (DDC) interface for communication with u-blox GPS receivers is available
on LISA-U series modules. The communication between a u-blox wireless module and a u-blox GPS receiver is
only provided by this DDC (I2C) interface.
Name
Description
Remarks
SCL
I2C bus clock line
Open drain. External pull-up required.
SDA
I2C bus data line
Open drain. External pull-up required.
Table 31: DDC pins
The DDC (I2C) interface pins ESD sensitivity rating is 1 kV (HBM according to JESD22-A114F). Higher
protection level could be required if the lines are externally accessible on the application board. Higher
protection level can be achieved by mounting an ESD protection (e.g. EPCOS CA05P4S14THSG varistor
array) on the lines connected to these pins, close to accessible points.
u-blox has implemented special features in LISA-U series wireless modules to ease the design effort required for
the integration of a u-blox wireless module with a u blox GPS receiver.
Combining a u-blox wireless module with a u-blox GPS receiver allows designers to have full access to the GPS
receiver directly via the wireless module: it relays control messages to the GPS receiver via a dedicated DDC (I2C)
interface. A 2nd interface connected to the GPS receiver is not necessary: AT commands via the UART serial
interface of the wireless module allows a fully control of the GPS receiver from any host processor.
LISA-U series modules feature embedded GPS aiding that is a set of specific features developed by u-blox to
enhance GPS performance, decreasing Time To First Fix (TTFF), thus allowing to calculate the position in a shorter
time with higher accuracy.
The DDC (I2C) interface of all LISA-U2 series modules versions except LISA-U200-00 can be used to communicate
with u-blox GPS receivers and at the same time to control an external audio codec: the LISA-U2 series module
acts as an I2C master which can communicate to two I2C slaves as allowed by the I2C bus specifications. Refer to
section 1.11.2 for an application circuit with an external audio codec.
LISA-U200-00 modules versions don’t support an I2C compatible Display Data Channel (DDC) interface
for communication with u-blox GPS receivers and don’t feature embedded GPS aiding.
For more details regarding the handling of the DDC (I2C) interface and the GPS aiding features please
refer to u-blox AT Commands Manual [3] (AT+UGPS, AT+UGPRF, AT+UGPIOC commands) and GPS
Implementation Application Note [17].
1.10.2 DDC application circuit
The DDC (I2C) interface of LISA-U series modules is used to connect the wireless module to a u-blox GPS receiver:
the communication with the u-blox GPS receiver by DDC (I2C) interface is enabled by the AT+UGPS command
(for more details refer to u-blox AT Commands Manual [3]). The SDA and SCL lines must be connected to the
DDC (I2C) interface pins of the u-blox GPS receiver (i.e. the SDA2 and SCL2 pins of the u-blox GPS receiver) on
the application board to allow the communication between the wireless module and the u-blox GPS receiver.
To be compliant to the I2C bus specifications, the module bus interface pads are open drain output and pull up
resistors must be used. Since the pull-up resistors are not mounted on the module, they must be mounted

LISA-U series - System Integration Manual
3G.G2-HW-10002-A1 Advance Information System description
Page 70 of 160
externally. Resistor values must conform to the I2C bus specifications [9]. If a LISA-U series module is connected
by the DDC (I2C) bus to a u-blox GPS receiver (only one device can be connected on the DDC bus), use a pull-up
resistor of 4.7 k . Pull-ups must be connected to a supply voltage of 1.8 V (typical), since this is the voltage
domain of the DDC pins. V_INT digital interfaces supply output can be used to provide 1.8 V for the pull-ups
(for detailed electrical characteristics see LISA-U1 series Data Sheet [1] and LISA-U2 series Data Sheet [2]).
DDC Slave-mode operation is not supported, the module can act as master only.
Two lines, serial data (SDA) and serial clock (SCL), carry information on the bus. SCL is used to synchronize data
transfers, and SDA is the data line. Since both lines are open drain outputs, the DDC devices can only drive them
low or leave them open. The pull-up resistor pulls the line up to the supply rail if no DDC device is pulling it
down to GND. If the pull-ups are missing, SCL and SDA lines are undefined and the DDC bus will not work.
The signal shape is defined by the values of the pull-up resistors and the bus capacitance. Long wires on the bus
will increase the capacitance. If the bus capacitance is increased, use pull-up resistors with nominal resistance
value lower than 4.7 k , to match the I2C bus specifications [9].regarding rise and fall times of the signals.
Capacitance and series resistance must be limited on the bus to match the I2C specifications (1.0 µs is
the maximum allowed rise time on the SCL and SDA lines): route connections as short as possible.
If the pins are not used as DDC bus interface, they can be left unconnected.
LISA-U series modules support these GPS aiding types:
Local aiding
AssistNow Online
AssistNow Offline
AssistNow Autonomous
The embedded GPS aiding features can be used only if the DDC (I2C) interface of the wireless module is
connected to the u-blox GPS receivers.
The GPIO pins can handle:
GPS receiver power-on/off (“GPS supply enable” function provided by GPIO2)
The wake up from idle-mode when the GPS receiver is ready to send data (“GPS data ready” function
provided by GPIO3)
The RTC synchronization signal to the GPS receiver (“GPS RTC sharing” function provided by GPIO4)
LISA-U1xx-00 modules versions don’t support the following further features related to GPS functionality:
o LISA-U1xx-00 modules versions don’t enter idle-mode when the DDC (I2C) interface is enabled by
the AT+UGPS command, even if power saving is enabled by the AT+UPSV command
o LISA-U1xx-00 modules versions don’t support “GPS data ready” and “GPS RTC sharing” functions
o LISA-U1xx-00 modules versions don’t support AssistNow Autonomous GPS aiding
The GPIO2 is by default configured to provide the “GPS supply enable” function (parameter <gpio_mode> of
AT+UGPIOC command set to 3 by default), to enable or disable the supply of the u-blox GPS receiver connected
to the wireless module by the AT+UGPS command. The pin is set as
Output / High, to switch on the u-blox GPS receiver, if the parameter <mode> of AT+UGPS command is set
to 1
Output / Low, to switch off the u-blox GPS receiver, if the parameter <mode> of AT+UGPS command is set
to 0 (default setting)
The pin must be connected to the active-high enable pin (or the active-low shutdown pin) of the voltage
regulator that supplies the u-blox GPS receiver on the application board.

LISA-U series - System Integration Manual
3G.G2-HW-10002-A1 Advance Information System description
Page 71 of 160
The “GPS supply enable” function improves the power consumption of the GPS receiver. When the GPS
functionality is not required, the GPS receiver can be completely switched off by the wireless module that is
controlled by the application processor with AT commands.
The GPIO3 is by default configured to provide the “GPS data ready” function (parameter <gpio_mode> of
AT+UGPIOC command set to 4 by default), to sense when the u-blox GPS receiver connected to the wireless
module is ready to send data by the DDC (I2C) interface. The pin will be set as
Input, to sense the line status, waking up the wireless module from idle-mode when the u-blox GPS receiver
is ready to send data by the DDC (I2C) interface, if the parameter <mode> of +UGPS AT command is set to 1
and the parameter <GPS_IO_configuration> of +UGPRF AT command is set to 16
Tri-state with an internal active pull-down enabled, otherwise (default setting)
The pin that provides the “GPS data ready” function must be connected to the data ready output of the u-blox
GPS receiver (i.e. the pin TxD1 of the u-blox GPS receiver) on the application board.
The “GPS data ready” function provides an improvement in the power consumption of the wireless module.
When power saving is enabled in the wireless module by the AT+UPSV command and the GPS receiver doesn’t
send data by the DDC (I2C) interface, the module automatically enters idle-mode whenever possible. With the
“GPS data ready” function the GPS receiver can indicate to the wireless module that it is ready to send data by
the DDC (I2C) interface: the GPS receiver can wake up the wireless module if it is in idle-mode, so that data sent
by the GPS receiver will not be lost by the wireless module even if power saving is enabled.
The GPIO4 is by default configured to provide the “GPS RTC sharing” function (parameter <gpio_mode> of
+UGPIOC AT command set to 5), to provide an RTC (Real Time Clock) synchronization signal at the power up of
the u-blox GPS receiver connected to the wireless module. The pin will be set as
Output, to provide an RTC synchronization signal to the u-blox GPS receiver for RTC sharing if the parameter
<mode> of AT+UGPS command is set to 1 and the parameter <GPS_IO_configuration> of +UGPRF AT
command is set to 32
Output / Low, otherwise (default setting)
The pin that provides the “GPS RTC sharing” function must be connected to the RTC synchronization signal of
the u-blox GPS receiver (i.e. the pin EXTINT0 of the u-blox GPS receiver) on the application board.
The “GPS RTC sharing” function provides improved GPS receiver performance, decreasing the Time To First Fix
(TTFF), and thus allowing to calculate the position in a shorter time with higher accuracy. When GPS local aiding
is enabled, the wireless module automatically uploads data such as position, time, ephemeris, almanac, health
and ionospheric parameter from the GPS receiver into its local memory, and restores this to the GPS receiver at
the next power up of the GPS receiver.
The application circuit for connecting a LISA-U series wireless module to a u-blox 1.8 V GPS receiver is illustrated
in Figure 40.
SDA and SCL pins of the LISA-U series wireless module are directly connected to the relative pins of the u-blox
1.8 V GPS receiver, with appropriate pull-up resistors.
GPIO3 and GPIO4 pins are directly connected respectively to the TxD1 and EXTINT0 pins of the u-blox 1.8 V
GPS receiver to provide “GPS data ready” and “GPS RTC sharing” functions.
A pull-down resistor is mounted on the GPIO2 line to avoid a switch on of the GPS module when the LISA-U
series module is in the internal reset state.
The V_BCKP supply output of the LISA-U series wireless module is connected to the V_BCKP backup supply
input pin of the GPS receiver to provide the supply for the GPS real time clock and backup RAM when the VCC
supply of the wireless module is within its operating range and the VCC supply of the GPS receiver is disabled.
This enables the u-blox GPS receiver to recover from a power breakdown with either a Hotstart or a Warmstart
(depending on the duration of the GPS VCC outage) and to maintain the configuration settings saved in the
backup RAM.

LISA-U series - System Integration Manual
3G.G2-HW-10002-A1 Advance Information System description
Page 72 of 160
“GPS data ready” and “GPS RTC sharing” functions are not supported by all u-blox GPS receivers HW or
ROM/FW versions. Refer to the GPS Implementation Application Note [17] or to the Hardware
Integration Manual of the u-blox GPS receivers for the supported features.
Functions not supported by LISA-Uxxx-00 versions
LISA-U series
R1
INOUT
GND
GPS LDO
Regulator
SHDN
u-blox
1.8 V GPS receiver
SDA2
SCL2
R2
1V8 1V8
VMAIN1V8
U1
21 GPIO2
SDA
SCL
C1
TxD1
EXTINT0
GPIO3
GPIO4
46
45
23
24
VCC
R3
V_BCKP V_BCKP
2
Functions not supported by LISA-U200-00 version
Figure 40: DDC Application circuit for u-blox 1.8 V GPS receiver
Reference
Description
Part Number - Manufacturer
R1, R2
4.7 kΩ Resistor 0402 5% 0.1 W
RC0402JR-074K7L - Yageo Phycomp
R3
47 kΩ Resistor 0402 5% 0.1 W
RC0402JR-0747KL - Yageo Phycomp
U1
Voltage Regulator for GPS Receiver
See GPS Receiver Hardware Integration Manual
Table 32: Components for DDC application circuit for u-blox 1.8 V GPS receiver
The application circuit for the connection of a LISA-U series wireless module to a u-blox 3.0 V GPS receiver is
illustrated in Figure 41.
If a u-blox 3 V GPS receiver is used, the SDA, SCL, GPIO3 and GPIO4 pins of the LISA-U series wireless module
cannot be directly connected to the u-blox 3 V GPS receiver: a proper I2C-bus Bidirectional Voltage Translator
must be used for the SDA and SCL signals, and a general purpose Voltage Translator must be used for the
GPIO3 and GPIO4 signals. The V_BCKP supply output of the wireless module can be directly connected to the
V_BCKP backup supply input pin of the GPS receiver as in the application circuit for a u-blox 1.8 V GPS receiver.

LISA-U series - System Integration Manual
3G.G2-HW-10002-A1 Advance Information System description
Page 73 of 160
LISA-U series
u-blox
3.0 V GPS receiver
23 GPIO3
24 GPIO4
1V8
B1 A1
GND
U3
B2A2
VCCBVCCA
Unidirectional
Voltage Translator
C4 C5
3V0
TxD1
EXTINT0
R1
INOUT
GND
GPS LDO
Regulator
SHDN
R2
VMAIN3V0
U1
21 GPIO2
46 SDA
45 SCL
R4 R5
1V8
SDA1 SDA2
GND
U2
SCL1SCL2
VREF1VREF2
I2C-bus Bidirectional
Voltage Translator
4V_INT
C1
C2 C3
R3
SDA2
SCL2
VCC
Functions not supported by LISA-Uxxx-00 versions
DIR1
DIR2
2V_BCKPV_BCKP
OE
Functions not supported by LISA-U200-00 version
Figure 41: DDC Application circuit for u-blox 3.0 V GPS receiver
Reference
Description
Part Number - Manufacturer
R1, R2, R4, R5
4.7 kΩ Resistor 0402 5% 0.1 W
RC0402JR-074K7L - Yageo Phycomp
R3
47 kΩ Resistor 0402 5% 0.1 W
RC0402JR-0747KL - Yageo Phycomp
C2, C3, C4, C5
100 nF Capacitor Ceramic X5R 0402 10% 10V
GRM155R71C104KA01 - Murata
U1
Voltage Regulator for GPS Receiver
See GPS Receiver Hardware Integration Manual
U2
I2C-bus Bidirectional Voltage Translator
PCA9306DCURG4 - Texas Instruments
U3
Generic Unidirectional Voltage Translator
SN74AVC2T245 - Texas Instruments
Table 33: Components for DDC application circuit for u-blox 3.0 V GPS receiver

LISA-U series - System Integration Manual
3G.G2-HW-10002-A1 Advance Information System description
Page 74 of 160
1.11 Audio Interface
LISA-U120 and LISA-U130 modules provide analog and digital input/output audio interfaces:
Differential analog audio input (MIC_P, MIC_N) and differential analog audio output (SPK_P, SPK_N)
4-wire I2S digital audio interface (I2S_CLK, I2S_RXD, I2S_TXD and I2S_WA)
All LISA-U2 series modules versions except LISA-U200-00 provide two digital input/output audio interfaces:
1. 4-wire I2S digital audio interfaces (I2S_CLK, I2S_RXD, I2S_TXD and I2S_WA)
2. 4-wire I2S digital audio interfaces (I2S1_CLK, I2S1_RXD, I2S1_TXD and I2S1_WA)
Audio signal routing can be controlled by the dedicated AT command +USPM (refer to u-blox AT Commands
Manual [3]). This command allows setting the audio path mode, composed by the uplink audio path and the
downlink audio path.
Each uplink path mode defines the physical input (i.e. the analog or the digital audio input) and the set of
parameters to process the uplink audio signal (uplink gains, uplink digital filters, echo canceller parameters). For
example the “Headset microphone” uplink path uses the differential analog audio input with the default
parameters for the headset profile.
Each downlink path mode defines the physical output (i.e. the analog or the digital audio output) and the set of
parameters to process the downlink audio signal (downlink gains, downlink digital filters and sidetone). For
example the “Mono headset” downlink path uses the differential analog audio output with the default
parameters for the headset profile.
The set of parameters to process the uplink or the downlink audio signal can be changed with dedicated AT
commands for each uplink or downlink path and then stored in two profiles in the non volatile memory (refer to
u-blox AT Commands Manual [3] for Audio parameters tuning commands).
1.11.1 Analog Audio interface
LISA-U100, LISA-U110 and LISA-U2 series modules versions don’t support analog audio interface.
1.11.1.1 Uplink path (differential analog audio input)
The pins related to the differential analog audio input are:
MIC_P / MIC_N: Differential analog audio signal inputs (positive/negative). These two pins are provided with
internal series 100 nF capacitors for DC blocking that connect the module pads to the differential input of a
Low Noise Amplifier. The LNA output is internally connected to the digital processing system by an
integrated sigma-delta analog-to-digital converter
The analog audio input is selected when the parameter <main_uplink> in AT+USPM command is set to
“Headset microphone”, “Handset microphone” or “Hands-free microphone”: the uplink analog path profiles
use the same physical input but have different sets of audio parameters (for more details please refer to u-blox
AT Commands Manual [3], AT+USPM, AT+UMGC, AT+UUBF, AT+UHFP commands).
There is no microphone supply pin available on the module: an external low noise LDO voltage regulator should
be added to provide a proper supply for a microphone.
Detailed electrical characteristics of the differential analog audio input can be found in the LISA-U1 series Data
Sheet [1].

LISA-U series - System Integration Manual
3G.G2-HW-10002-A1 Advance Information System description
Page 75 of 160
1.11.1.2 Downlink path (differential analog audio output)
The pins related to the differential analog audio output are:
SPK_P / SPK_N: Differential analog audio signal output (positive/negative). These two pins are internally
directly connected to the differential output of a low power audio amplifier, for which the input is internally
connected to the digital processing system by to an integrated digital-to-analog converter
The analog audio output is selected when the parameter <main_downlink> in AT+USPM command is set to
“Normal earpiece”, “Mono headset” or “Loudspeaker”: the downlink analog path profiles use the same
physical output but have different sets of audio parameters (for more details please refer to u-blox AT
Commands Manual [3], AT+USPM, AT+USGC, AT+UDBF, AT+USTN commands).
The differential analog audio output can be directly connected to a headset earpiece or handset earpiece but is
not able to drive an 8 speaker.
Detailed electrical characteristics of the differential audio output can be found in LISA-U1 series Data Sheet [1].
Warning: excessive sound pressure from headphones can cause hearing loss.
Table 34 lists the signals related to analog audio functions.
Name
Module
Description
Remarks
MIC_P
LISA-U120
LISA-U130
Differential analog audio input (Positive)
Shared for all uplink analog path modes:
handset, headset, hands-free mode.
Internal DC blocking capacitor.
MIC_N
LISA-U120
LISA-U130
Differential analog audio input (Negative)
Shared for all uplink analog path modes:
handset, headset, hands-free mode.
Internal DC blocking capacitor.
SPK_P
LISA-U120
LISA-U130
Differential analog audio output (Positive)
Shared for all uplink analog path modes:
earpiece, headset, loudspeaker mode.
SPK_N
LISA-U120
LISA-U130
Differential analog audio output (Negative)
Shared for all uplink analog path modes:
earpiece, headset, loudspeaker mode.
Table 34: Analog audio interface pins
The audio pins ESD sensitivity rating is 1 kV (Human Body Model according to JESD22-A114F). Higher
protection level could be required if the lines are externally accessible on the application board. Higher
protection level can be achieved by mounting an ESD protection (e.g. EPCOS CA05P4S14THSG varistor
array) on the lines connected to these pins, close to accessible points.
All corresponding differential audio lines must be routed in pairs, be embedded in GND (have the
ground lines as close as possible to the audio lines), and maintain distance from noisy lines such as VCC
and from components such as switching regulators.
If the audio pins are not used, they can be left unconnected on the application board.
1.11.1.3 Headset mode
Headset mode is the default audio operating mode of the LISA-U120 and LISA-U130 modules. The headset
profile is configured when the uplink audio path is set to “Headset microphone” and the downlink audio path is
set to “Mono headset” (refer to u-blox AT Commands Manual [3]: AT+USPM command: <main_uplink>,
<main_downlink> parameters):
Headset microphone must be connected to the module differential input MIC_P / MIC_N
Headset receiver must be connected to the module differential output SPK_P / SPK_N

LISA-U series - System Integration Manual
3G.G2-HW-10002-A1 Advance Information System description
Page 76 of 160
Figure 42 shows an example of an application circuit connecting a headset (with a 2.2 k electret microphone
and a 32 receiver) to the LISA-U120 and LISA-U130 modules, with an external low noise LDO voltage
regulator to provide a proper supply for the microphone.
Mount an 82 nH series inductor (e.g. Murata LQG15HS82NJ02) on each microphone line, and a 27 pF
bypass capacitor (e.g. Murata GRM1555C1H270J) on all audio lines to minimize RF coupling and TDMA
noise.
The physical width of the audio outputs lines on the application board must be wide enough to
minimize series resistance.
LISA-U120/U130
C2 C3 C4
J1
2
5
3
4
6
1
L2
54
SPK_N
53
SPK_P
39
MIC_N
40
MIC_P
D1
AUDIO HEADSET
CONNECTOR
D2
INOUT
GND
Low Noise
LDO Regulator VMAIN
U1
R4
R1
C6
R3R2 C5
2V5
Sense lines connected to GND in one star point
L1
C1
C7
Figure 42: Headset mode application circuit
Reference
Description
Part Number – Manufacturer
C1, C2, C3, C4
27 pF Capacitor Ceramic COG 0402 5% 25 V
GRM1555C1H270JA01 – Murata
C5, C6, C7
10 µF Capacitor Ceramic X5R 0603 20% 6.3 V
GRM188R60J106ME47 – Murata
D1, D2
Low Capacitance ESD Protection
USB0002RP or USB0002DP – AVX
L1, L2
82 nH Multilayer inductor 0402
(self resonance frequency ~1 GHz)
LQG15HS82NJ02 – Murata
J1
Audio Headset 2.5 mm Jack Connector
SJ1-42535TS-SMT – CUI, Inc.
R1, R2, R3, R4
2.2 kΩ Resistor 0402 5% 0.1 W
RC0402JR-072K2L – Yageo Phycomp
U1
Low Noise LDO Linear Regulator 2.5 V 300 mA
LT1962EMS8-2.5#PBF- Linear Technology
Table 35: Example of components for headset jack connection
1.11.1.4 Handset mode
The handset profile is configured when the uplink audio path is set to “Handset microphone” and the downlink
audio path is set to “Normal earpiece” (refer to u-blox AT commands manual [3]: AT+USPM command:
<main_uplink>, <main_downlink> parameters):
Handset microphone must be connected to the module differential input MIC_P / MIC_N
Handset receiver must be connected to the module differential output SPK_P / SPK_N

LISA-U series - System Integration Manual
3G.G2-HW-10002-A1 Advance Information System description
Page 77 of 160
Figure 43 shows an example of an application circuit connecting a handset (with a 2.2 k electret microphone
and a 32 receiver) to the LISA-U120 and LISA-U130 modules, with an external low noise LDO voltage
regulator to provide a proper supply for the microphone.
Mount an 82 nH series inductor (e.g. Murata LQG15HS82NJ02) on each microphone line and a 27 pF
bypass capacitor (e.g. Murata GRM1555C1H270J) on all audio lines to minimize RF coupling and TDMA
noise.
The physical width of the audio outputs lines on the application board must be wide enough to
minimize series resistance.
LISA-U120/U130
C1 C2 C3 J1
4
3
2
1
L1
53
SPK_P
54
SPK_N
40
MIC_P
39
MIC_N
D1
AUDIO
HANDSET
CONNECTOR
D2
INOUT
GND
Low Noise
LDO Regulator
U1
R4
R1
C6
R3R2 C5
2V5
Sense lines connected to GND in one star point
C4
L2
VMAIN
C7
Figure 43: Handset mode application circuit
Reference
Description
Part Number – Manufacturer
C1, C2, C3, C4
27 pF Capacitor Ceramic COG 0402 5% 25 V
GRM1555C1H270JA01 – Murata
C5, C6, C7
10 µF Capacitor Ceramic X5R 0603 20% 6.3 V
GRM188R60J106ME47 – Murata
D1, D2
Low Capacitance ESD Protection
USB0002RP or USB0002DP – AVX
L1, L2
82nH Multilayer inductor 0402
(self resonance frequency ~1 GHz)
LQG15HS82NJ02 – Murata
J1
Audio Handset Jack Connector, 4Ckt (4P4C)
52018-4416 – Molex
R1, R2, R3, R4
2.2 kΩ Resistor 0402 5% 0.1 W
RC0402JR-072K2L – Yageo Phycomp
U1
Low Noise LDO Linear Regulator 2.5 V 300 mA
LT1962EMS8-2.5#PBF- Linear Technology
Table 36: Example of components for handset connection
1.11.1.5 Hands-free mode
The hands-free profile is configured when the uplink audio path is set to “Hands-free microphone” and the
downlink audio path is set to “Loudspeaker” (refer to u-blox AT commands manual [3]: AT+USPM command:
<main_uplink>, <main_downlink> parameters):
Hands-free microphone signal must be connected to the module differential input MIC_P / MIC_N
High power loudspeaker must be connected to the output of an external audio amplifier, for which the
input must be connected to the module differential output SPK_P / SPK_N
The module differential analog audio output is not able to drive an 8 speaker: an external audio amplifier
must be provided on the application board to amplify the low power audio signal provided by the module
differential output SPK_P / SPK_N.

LISA-U series - System Integration Manual
3G.G2-HW-10002-A1 Advance Information System description
Page 78 of 160
Hands-free functionality is implemented using appropriate digital signal processing algorithms for voice-band
handling (echo canceller and automatic gain control), managed via software (refer to u-blox AT commands
manual [3], AT+UHFP command).
Figure 43 shows an example of an application circuit connecting a 2.2 k electret microphone and an 8
speaker to the LISA-U120 and LISA-U130 modules, with an external low noise LDO voltage regulator to provide
a proper supply for the microphone and with an external audio amplifier to amplify the low power audio signal
provided by the module differential output.
Mount an 82 nH series inductor (e.g. Murata LQG15HS82NJ02) on each microphone line and a 27 pF
bypass capacitor (e.g. Murata GRM1555C1H270J) on all audio lines to minimize RF coupling and TDMA
noise.
The physical width of the audio outputs lines on the application board must be wide enough to
minimize series resistance.
C1 C2
C3
L1
39
MIC_N
53
SPK_P
40
MIC_P
54
SPK_N
D1
Microphone
Connector
D2
INOUT
GND
Low Noise
LDO Regulator
U1
R4
R1
C6
R3R2 C5
2V5
Sense lines connected to GND in one star point
C4
SPK
L2
MIC
Speaker
Connector
OUT+
IN+
GND
VMAIN
U2
OUT-
IN-
C8
C9
R5
R6
VDD
C11C10
LISA-U120/U130
Audio
Amplifier
J1
J2
VMAIN
C7
Figure 44: Hands-free mode application circuit
Reference
Description
Part Number – Manufacturer
C1, C2, C3, C4
27 pF Capacitor Ceramic COG 0402 5% 25 V
GRM1555C1H270JZ01 – Murata
C5, C6, C7, C10
10 µF Capacitor Ceramic X5R 0603 20% 6.3 V
GRM188R60J106ME47 – Murata
C8, C9
47 nF Capacitor Ceramic X7R 0402 10% 16V
GRM155R71C473KA01 – Murata
C11
100 nF Capacitor Ceramic X5R 0402 10% 10V
GRM155R71C104KA01 – Murata
D1, D2
Low Capacitance ESD Protection
USB0002RP or USB0002DP – AVX
J1
Microphone Connector
J2
Speaker Connector
L1, L2
82nH Multilayer inductor 0402
(self resonance frequency ~1 GHz)
LQG15HS82NJ02 – Murata
MIC
2.2 k Electret Microphone

LISA-U series - System Integration Manual
3G.G2-HW-10002-A1 Advance Information System description
Page 79 of 160
Reference
Description
Part Number – Manufacturer
R1, R2, R3, R4
2.2 kΩ Resistor 0402 5% 0.1 W
RC0402JR-072K2L – Yageo Phycomp
R5, R6
0 Ω Resistor 0402 5% 0.1 W
RC0402JR-070RL – Yageo Phycomp
SPK
8 Loudspeaker
U1
Low Noise LDO Linear Regulator 2.5 V 300 mA
LT1962EMS8-2.5#PBF- Linear Technology
U2
Filter-less Mono 2.8 W Class-D Audio Amplifier
SSM2305CPZ – Analog Devices
Table 37: Example of components for hands-free connection
1.11.1.6 Connection to an external analog audio device
The differential analog audio input / output can be used to connect the module to an external analog audio
device. Audio devices with a differential analog input / output are preferable, as they are more immune to
external disturbances.
If the external analog audio device is provided with a differential analog audio input, the SPK_P / SPK_N
balanced output of the module must be connected to the differential input of the external audio device through
a DC-block 10 µF series capacitor (e.g. Murata GRM188R60J106M) to decouple the bias present at the module
output (see SPK_P / SPK_N common mode output voltage in the LISA-U1 series Data Sheet [1]). Use a suitable
power-on sequence to avoid audio bump due to charging of the capacitor: the final audio stage should be
always enabled as last one.
If the external analog audio device is provided with a single ended analog audio input, a proper differential to
single ended circuit must be inserted from the SPK_P / SPK_N balanced output of the module to the single
ended input of the external audio device. A simple application circuit is described in Figure 45: 10 µF series
capacitors (e.g. Murata GRM188R60J106M) are provided to decouple the bias present at the module output,
and a voltage divider is provided to properly adapt the signal level from the module output to the external audio
device input.
The DC-block series capacitor acts as high-pass filter for audio signals, with cut-off frequency depending on both
the values of capacitor and on the input impedance of the external audio device. For example: in case of
differential input impedance of 600 , the two 10 µF capacitors will set the -3 dB cut-off frequency to 53 Hz,
while for single ended connection to 600 external device, the cut-off frequency with just the single 10 µF
capacitor will be 103 Hz. In both cases the high-pass filter has a low enough cut-off to not impact the audio
signal frequency response.
The signal levels can be adapted by setting gain using AT commands, but additional circuitry must be inserted if
the SPK_P / SPK_N output level of the module is too high for the input of the audio device.
If the external analog audio device is provided with a differential analog audio output, the MIC_P / MIC_N
balanced input of the module must be connected directly to the differential output of the external audio device.
Series capacitors are not needed since MIC_P / MIC_N pins are provided with internal 100 nF capacitors for DC
blocking (see LISA-U1 series Data Sheet [1]).
If the external analog audio device is provided with a single ended analog audio output, a proper single ended to
differential circuit has to be inserted from the single ended output of the external audio device to the
MIC_P / MIC_N balanced input of the module. A simple application circuit is described in Figure 45: a voltage
divider is provided to properly adapt the signal level from the external audio device output to the module input.
The signal levels can be adapted by setting gain using AT commands, but additional circuitry must be inserted if
the output level of the audio device is too high for MIC_P / MIC_N. Please refer to Figure 45 for the application
circuits.
To enable the audio path corresponding to the differential analog audio input / output, please refer to
u-blox AT Commands Manual [3]: AT+USPM command.
To tune audio levels for the external device please refer to u-blox AT Commands Manual [3] (AT+USGC,
AT+UMGC commands).

LISA-U series - System Integration Manual
3G.G2-HW-10002-A1 Advance Information System description
Page 80 of 160
LISA-U120/U130
C1
C2
54
SPK_N
53
SPK_P
GND
40
MIC_P
GND
Negative Analog IN
Positive Analog IN
Negative Analog OUT
Positive Analog OUT
Audio Device
Reference
Reference
39
MIC_N
LISA-U120/U130
54
SPK_N
53
SPK_P
GND
40
MIC_P
GND
Analog IN
Audio Device
Reference
Reference
39
MIC_N
Analog OUT
C3
C4 R2
R1
R4
R3
Figure 45: Application circuits to connect the module to audio devices with proper differential or single-ended input/output
Reference
Description
Part Number – Manufacturer
C1, C2, C3, C4
10 µF Capacitor X5R 0603 5% 6.3 V
GRM188R60J106M – Murata
R1, R3
0 Ω Resistor 0402 5% 0.1 W
RC0402JR-070RL – Yageo Phycomp
R2, R4
Not populated
Table 38: Connection to an analog audio device
1.11.2 Digital Audio interface
LISA-U100, LISA-U110 and LISA-U200-00 modules versions don’t support digital audio interface.
LISA-U120 and LISA-U130 modules provide one bidirectional 4-wire I2S digital audio interface, while all LISA-U2
series modules versions except LISA-U200-00 provide two bidirectional 4-wire I2S digital audio interfaces for
connecting to remote digital audio devices.
LISA-U series modules can act as an I2S master or I2S slave. In master mode the word alignment and clock signals
of the I2S digital audio interface are generated by the module. In slave mode these signal must be generated by
the remote device.
Table 39 lists the signals related to digital audio functions.

LISA-U series - System Integration Manual
3G.G2-HW-10002-A1 Advance Information System description
Page 81 of 160
Name
Module
Description
Remarks
I2S_TXD
LISA-U120-0x
LISA-U130-0x
LISA-U2xx-01
I2S transmit data
Module output
I2S_RXD
LISA-U120-0x
LISA-U130-0x
LISA-U2xx-01
I2S receive data
Module input
I2S_CLK
LISA-U120-00
LISA-U130-00
I2S clock
Module output in master mode
LISA-U120-01
LISA-U130-01
LISA-U2xx-01
I2S clock
Module output in master mode
Module input in slave mode
I2S_WA
LISA-U120-00
LISA-U130-00
I2S word alignment
Module output in master mode
LISA-U120-01
LISA-U130-01
LISA-U2xx-01
I2S word alignment
Module output in master mode
Module input in slave mode
I2S1_TXD
LISA-U2xx-01
Second I2S transmit data
Module output
I2S1_RXD
LISA-U2xx-01
Second I2S receive data
Module input
I2S1_CLK
LISA-U2xx-01
Second I2S clock
Module output in master mode
Module input in slave mode
I2S1_WA
LISA-U2xx-01
Second I2S word alignment
Module output in master mode
Module input in slave mode
CODEC_CLK
LISA-U2xx-01
Digital clock output
Digital clock output for external audio codec
Configurable to 26 MHz or 13 MHz
Table 39: Digital audio interface pins
The I2S interfaces and CODEC_CLK pins ESD sensitivity rating is 1 kV (Human Body Model according to
JESD22-A114F). Higher protection level could be required if the lines are externally accessible on the
application board. Higher protection level can be achieved by mounting a general purpose ESD
protection (e.g. EPCOS CA05P4S14THSG varistor array) on the lines connected to the I2S interfaces pins,
close to accessible points, and a low capacitance (i.e. less than 10 pF) ESD protection (e.g. AVX
USB0002) on the line connected to CODEC_CLK pin, close to accessible point.
The I2S interface can be set to two modes, by the <I2S_mode> parameter of the AT+UI2S command:
PCM mode
Normal I2S mode
The I2S interface can be set to two configurations, by the <I2S_Master_Slave> parameter of AT+UI2S:
Master mode
Slave mode
LISA-U120-00 and LISA-U130-00 modules versions don’t support I2S slave mode: module acts as master
only.
The sample rate of transmitted/received words can be set, by the <I2S_sample_rate> parameter of AT+UI2S, to:
8 kHz
11.025 kHz
12 kHz
16 kHz
22.05 kHz
24 kHz

LISA-U series - System Integration Manual
3G.G2-HW-10002-A1 Advance Information System description
Page 82 of 160
32 kHz
44.1 kHz
48 kHz
The sample rate of transmitted and received words of LISA-U120-00 and LISA-U130-00 modules cannot
be configured: the sample rate is fixed at 8 kHz only.
The <main_uplink> and <main_downlink> parameters of the AT+USPM command must be properly configured
to select the I2S digital audio interfaces paths (for more details please refer to u-blox AT Commands Manual [3]):
<main_uplink> has to be properly set to select:
o the first I2S interface (using I2S_RXD module input)
o the second I2S interface (using I2S1_RXD module input)
<main_downlink> has to be properly set to select:
o the first I2S interface (using I2S_TXD module output)
o the second I2S interface (using I2S1_TXD module output)
Parameters of digital path can be configured and saved as the normal analog paths, using appropriate path
parameter as described in the u-blox AT Commands Manual [3], +USGC, +UMGC, +USTN AT command. Analog
gain parameters of microphone and speakers are not used when digital path is selected.
The I2S receive data input and the I2S transmit data output signals are respectively connected in parallel to the
analog microphone input and speaker output signals, so resources available for analog path can be shared:
Digital filters and digital gains are available in both uplink and downlink direction. They can be properly
configured by the AT commands
Ringer tone and service tone are mixed on the TX path when active (downlink)
The HF algorithm acts on I2S path
Refer to the u-blox AT Commands Manual [3]: AT+UI2S command for possible settings of I2S interface.
1.11.2.1 I2S interface - PCM mode
Main features of the I2S interface in PCM mode:
I2S runs in PCM - short alignment mode (configurable by AT commands)
I2S word alignment signal can be configured to 8, 11.025, 12, 16, 22.05, 24, 32, 44.1, 48 kHz
I2S word alignment toggles high for 1 or 2 CLK cycles of synchronization (configurable), then toggles low for
16 CLK cycles of sample width. Frame length can be 1 + 16 = 17 bits or 2 + 16 = 18 bits
I2S clock frequency depends on frame length and <sample_rate>. Can be 17 x <sample_rate> or 18 x
<sample_rate>
I2S transmit and I2S receive data are 16 bit words long with the same sampling rate as I2S word alignment,
mono. Data is in 2’s complement notation. MSB is transmitted first
When I2S word alignment toggles high, the first synchronization bit is always low. Second synchronization
bit (present only in case of 2 bit long I2S word alignment configuration) is MSB of the transmitted word (MSB
is transmitted twice in this case)
I2S transmit data changes on I2S clock rising edge, I2S receive data changes on I2S clock falling edge

LISA-U series - System Integration Manual
3G.G2-HW-10002-A1 Advance Information System description
Page 83 of 160
1.11.2.2 I2S interface - Normal I2S mode
Normal I2S supports:
16 bits word
Mono interface
Configurable sample rate: 8, 11.025, 12, 16, 22.05, 24, 32, 44.1, 48 kHz
Main features of I2S interface in normal I2S mode:
I2S word alignment signal always runs at <sample_rate> and synchronizes 2 channels (timeslots on word
alignment high, word alignment low)
I2S transmit data is composed of 16 bit words, dual mono (the words are written on both channels). Data
are in 2’s complement notation. MSB is transmitted first. The bits are written on I2S clock rising or falling
edge (configurable)
I2S receive data is read as 16 bit words, mono (words are read only on the timeslot with WA high). Data is
read in 2’s complement notation. MSB is read first. The bits are read on the I2S clock edge opposite to I2S
transmit data writing edge (configurable)
I2S clock frequency is 16 bits x 2 channels x <sample_rate>
The modes are configurable through a specific AT command (refer to the related chapter in u-blox AT
Commands Manual [3], +UI2S AT command) and the following parameters can be set:
MSB can be 1 bit delayed or non-delayed on I2S word alignment edge
I2S transmit data can change on rising or falling edge of I2S clock signal (rising edge in this example)
I2S receive data are read on the opposite front of I2S clock signal
1.11.2.3 I2S interface application circuits
The I2S digital audio interfaces of LISA-U series modules can be connected to an external digital audio device that
supports the same mode (i.e. PCM or Normal I2S mode), proper configuration (slave or master), the same sample
rate, and the same voltage level of the relative wireless module.
Figure 46 shows an application circuit with a generic digital audio device.
43
I2S_CLK
41
I2S_WA
I2S Clock
I2S Word Alignment
LISA-U120-xx
LISA-U130-xx
LISA-U2xx-01
42
I2S_TXD
44
I2S_RXD
I2S Data Input
I2S Data Output
GND GND
1.8 V Digital
Audio Device
Figure 46: I2S interface application circuit with a generic digital audio device
Figure 47 shows an application circuit for I2S digital audio interfaces of LISA-U2xx-01 modules, providing voice
capability using an external audio voice codec. DAC and ADC integrated in the external audio codec respectively
converts an incoming digital data stream to analog audio output through a mono amplifier and converts the
microphone input signal to the digital bit stream over the digital audio interface.

LISA-U series - System Integration Manual
3G.G2-HW-10002-A1 Advance Information System description
Page 84 of 160
An I2S digital audio interface of the wireless module (that acts as an I2S master) is connected to the digital audio
interface of the external audio codec (that acts as an I2S slave).
The CODEC_CLK digital output clock of the wireless module is connected to the clock input of the external
audio codec to provide clock reference.
Signal integrity of the high speed lines may be degraded if the PCB layout is not optimal, especially when the
CODEC_CLK clock line or also the I2S digital audio interface lines are very long: keep routing short and minimize
parasitic capacitance to preserve signal integrity.
The external audio codec is controlled by the wireless module using the DDC (I2C) interface: this interface can be
used to communicate with u-blox GPS receivers and at the same time to control an external audio codec on all
LISA-U2 series modules versions except LISA-U200-00.
The V_INT supply output of the wireless module provides the supply to the external audio codec, defining a
proper voltage level for the digital interfaces.
53
I2S1_CLK
54
I2S1_WA
R2R1
BCLK
GND
U1
LRCLK
C3C2
LISA-U2xx-01
Audio
Codec
40
I2S1_TXD
39
I2S1_RXD
SDIN
SDOUT
46
SDA
45
SCL
SDA
SCL
52
CODEC_CLK MCLK
GND
IRQn
R3 C1
C10
D2
C9
SPK
Speaker
Connector
OUTP
OUTN
J2
4
V_INT
VDD
MICBIAS
C4 R4
C5
C6
L1
MICLN
MICLP
D1
Microphone
Connector
L2
MIC
C8 C7
J1
MICGND R5
1V8
Figure 47: I2S interface application circuit with an external audio codec to provide voice capability
Reference
Description
Part Number – Manufacturer
C1
100 nF Capacitor Ceramic X5R 0402 10% 10V
GRM155R71C104KA01 – Murata
C2, C4, C5, C6
1 µF Capacitor Ceramic X5R 0402 10% 6.3 V
GRM155R60J105KE19 – Murata
C3
10 µF Capacitor Ceramic X5R 0603 20% 6.3 V
GRM188R60J106ME47 – Murata
C7, C8, C9, C10
27 pF Capacitor Ceramic COG 0402 5% 25 V
GRM1555C1H270JZ01 – Murata
D1, D2
Low Capacitance ESD Protection
USB0002RP or USB0002DP – AVX
J1
Microphone Connector
Various manufacturers
J2
Speaker Connector
Various manufacturers
L1, L2
82nH Multilayer inductor 0402
(self resonance frequency ~1 GHz)
LQG15HS82NJ02 – Murata
MIC
2.2 k Electret Microphone
Various manufacturers
R1, R2
4.7 kΩ Resistor 0402 5% 0.1 W
RC0402JR-074K7L - Yageo Phycomp
R3
10 kΩ Resistor 0402 5% 0.1 W
RC0402JR-0710KL - Yageo Phycomp

LISA-U series - System Integration Manual
3G.G2-HW-10002-A1 Advance Information System description
Page 85 of 160
Reference
Description
Part Number – Manufacturer
R4, R5
2.2 kΩ Resistor 0402 5% 0.1 W
RC0402JR-072K2L – Yageo Phycomp
SPK
32 Speaker
Various manufacturers
U1
16-Bit Mono Audio Voice Codec
MAX9860ETG+ - Maxim
Table 40: Example of components for audio voice codec application circuit
If the I2S digital audio pins are not used, they can be left unconnected on the application board.
Any external signal connected to the digital audio interfaces must be tri-stated when the module is in
power-down mode, when the external reset is forced low and during the module power-on sequence
(at least for 1500 ms after the start-up event), to avoid latch-up of circuits and allow a proper boot of
the module. If the external signals connected to the wireless module cannot be tri-stated, insert a multi
channel digital switch (e.g. Texas Instruments SN74CB3Q16244, TS5A3159, or TS5A63157) between
the two-circuit connections and set to high impedance during power down mode, when external reset is
forced low and during power-on sequence.
1.11.3 Voiceband processing system
The voiceband processing on the LISA-U series modules is implemented in the DSP core inside the baseband
chipset. The analog audio front-end of the chipset is connected to the digital system through 16 bit ADC
converters in the uplink path, and through 16 bit DAC converters in the downlink path. External digital audio
devices can be interfaced directly to the DSP digital processing part via the I2S digital interface. The analog
amplifiers are skipped in this case.
Possible processing of audio signal are:
Speech encoding (uplink) and decoding (downlink).The following speech codecs are supported in firmware
on the DSP:
Fullrate, enhanced full rate, and half rate speech encoding and decoding
Adaptive multi rate (full rate and half rate) speech encoding and decoding
Mandatory sub-functions:
Discontinuous transmission, DTX (GSM 46.031, 46.041, 46.081 and 46.093 standards)
Voice activity detection, VAD (GSM 46.032, 46.042, 46.082 and 46.094 standards)
Background noise calculation (GSM 46.012, 46.022, 46.062 and 46.092 standards)
Function configurable via specific AT commands (refer to the u-blox AT Commands Manual [3])
Signal routing: +USPM command
Analog amplification, Digital amplification: +USGC,+CLVL, +CRSL, +CMUT command
Digital filtering: +UUBF, +UDBF commands
Hands-free algorithms (echo cancellation, Noise suppression, Automatic Gain control) +UHFP command
Sidetone generation (feedback of uplink speech signal to downlink path): +USTN command
Playing/mixing of alert tones:
Service tones: Tone generator with 3 sinus tones +UPAR command
User generated tones: Tone generator with a single sinus tone +UTGN command
PCM audio files (for prompting): The storage format of PCM audio files is 8 kHz sample rate, signed 16
bits, little endian, mono
With exception of the speech encoder/decoder, this audio processing can be controlled by AT commands.

LISA-U series - System Integration Manual
3G.G2-HW-10002-A1 Advance Information System description
Page 86 of 160
This processing is implemented within the different blocks of the voiceband processing system:
Sample-based Voice-band Processing (single sample processed at 8 kHz / 16 kHz)
Frame-based Voice-band Processing (frames of 160 / 320 samples are processed every 20 ms)
These blocks are connected by buffers (circular buffer and voiceband sample buffer) and sample rate converters
(for 8 / 16 to 47.6 kHz conversion).
Voiceband audio processing implemented in the DSP core of LISA-U series modules is summarized in Figure 48.
DAC
ADC Switch
Microphone
Analog Gain
UF
2/6
UF
1/5
Hands-
free
To
Radio TX
Scal_Mic
Digital Gain
Sidetone
SPK_P/N Switch
Scal_Rec
Digital Gain
HS Analog
gain
Tone
Generator
From
Radio RX
Speech
level
I2Sx RX
PCM
Player
18
dB
UF
4/8
UF
3/7
DF
3/7
DF
4/8
DF
1/5
DF
2/6
Legend:
UF= uplink filter
DF = downlink filter
Mix_Afe
I2S Transmit Data
MIC_P/N
I2S Receive Data
Figure 48: Voiceband processing system block diagram

LISA-U series - System Integration Manual
3G.G2-HW-10002-A1 Advance Information System description
Page 87 of 160
1.12 General Purpose Input/Output (GPIO)
The LISA-U1 series modules provide 5 pins (GPIO1-GPIO5), while the LISA-U2 series modules provide 14 pins
(GPIO1-14) which can be configured as general purpose input or output, or can be configured to provide special
functions via u-blox AT commands (for further details refer to u-blox AT Commands Manual [3], +UGPIOC,
+UGPIOR, +UGPIOW, +UGPS, +UGPRF, +USPM).
The following functions are available in the LISA-U series modules:
GSM Tx burst indication:
GPIO1 pin can be configured by AT+UGPIOC to indicate when a GSM Tx burst/slot occurs, setting the
parameter <gpio_mode> of AT+UGPIOC command to 9.
No GPIO pin is by default configured to provide the “GSM Tx burst indication” function.
The pin configured to provide the “GSM Tx burst indication” function is set as
o Output / High, since ~10 µs before the start of first Tx slot, until ~5 µs after the end of last Tx slot
o Output / Low, otherwise
The pin configured to provide the “GSM Tx burst indication” function can be connected on the application
board to an input pin of an application processor to indicate when a GSM Tx burst/slot occurs.
GPS supply enable:
The GPIO2 is by default configured by AT+UGPIOC command to enable or disable the supply of the u-blox
GPS receiver connected to the wireless module.
The GPIO1, GPIO3, GPIO4 or GPIO5 pins can be configured to provide the “GPS supply enable” function,
alternatively to the default GPIO2 pin, setting the parameter <gpio_mode> of AT+UGPIOC command to 3.
The “GPS supply enable” mode can be provided only on one pin per time: it is not possible to
simultaneously set the same mode on another pin.
The pin configured to provide the “GPS supply enable” function is set as
o Output / High, to switch on the u-blox GPS receiver, if the parameter <mode> of AT+UGPS
command is set to 1
o Output / Low, to switch off the u-blox GPS receiver, if the parameter <mode> of AT+UGPS
command is set to 0 (default setting)
The pin configured to provide the “GPS supply enable” function must be connected to the active-high
enable pin (or the active-low shutdown pin) of the voltage regulator that supplies the u-blox GPS receiver on
the application board.
LISA-U200-00 modules version don’t support “GPS supply enable” function.
GPS data ready:
Only the GPIO3 pin provides the “GPS data ready” function, to sense when a u-blox GPS receiver connected
to the wireless module is ready to send data via the DDC (I2C) interface, setting the parameter <gpio_mode>
of AT+UGPIOC command to 4.
The pin configured to provide the “GPS data ready” function will be set as
o Input, to sense the line status, waking up the wireless module from idle-mode when the u-blox GPS
receiver is ready to send data via the DDC (I2C) interface; this is possible if the parameter <mode>
of AT+UGPS command is set to 1 and the parameter <GPS_IO_configuration> of AT+UGPRF
command is set to 16
o Tri-state with an internal active pull-down enabled, otherwise (default setting)
The pin that provides the “GPS data ready” function must be connected to the data ready output of the
u-blox GPS receiver (i.e. the pin TxD1 of the u-blox GPS receiver) on the application board.

LISA-U series - System Integration Manual
3G.G2-HW-10002-A1 Advance Information System description
Page 88 of 160
LISA-U1xx-00 and LISA-U200-00 modules versions don’t support “GPS data ready” function.
GPS RTC sharing:
Only the GPIO4 pin provides the “GPS RTC sharing” function, to provide an RTC (Real Time Clock)
synchronization signal to the u-blox GPS receiver connected to the wireless module, setting the parameter
<gpio_mode> of AT+UGPIOC command to 5.
The pin configured to provide the “GPS RTC sharing” function will be set as
o Output, to provide an RTC (Real Time Clock) synchronization signal to the u-blox GPS receiver if the
parameter <mode> of AT+UGPS command is set to 1 and the parameter <GPS_IO_configuration>
of AT+UGPRF command is set to 32
o Output / Low, otherwise (default setting)
The pin that provides the “GPS RTC sharing” function must be connected to the RTC synchronization input
of the u-blox GPS receiver (i.e. the pin EXTINT0 of the u-blox GPS receiver) on the application board.
LISA-U1xx-00 and LISA-U200-00 modules versions don’t support “GPS RTC sharing” function.
SIM card detection:
The GPIO5 pin is by default configured by AT+UGPIOC command to detect SIM card presence.
Only the GPIO5 pin can be configured to provide the “SIM card detection” function, setting the parameter
<gpio_mode> of AT+UGPIOC command to 7 (default setting).
The pin configured to provide the “SIM card detection” function is set as
o Input with an internal active pull-down enabled, to sense SIM card presence
The pin must be connected on the application board to SW2 pin of the SIM card holder, which must provide
2 pins for the mechanical card presence detection, with a 470 kΩ pull-down resistor. SW1 pin of the SIM
card holder must be connected to V_INT pin of the module, by a 1 kΩ pull-up resistor. Refer to Figure 49
and section 1.8 for the detailed application circuit. The GPIO5 signal will be pulled low by the pull-down
when a SIM card is not inserted in the holder, and will be pulled high by the pull-up when a SIM card is
present.
Network status indication:
GPIO1, GPIO2, GPIO3, GPIO4 or GPIO5 can be configured to indicate network status (i.e. no service,
registered home 2G network, registered home 3G network, registered visitor 2G network, registered visitor
3G network, voice or data 2G/3G call enabled), setting the parameter <gpio_mode> of AT+UGPIOC
command to 2.
No GPIO pin is by default configured to provide the “Network status indication” function.
The “Network status indication” mode can be provided only on one pin per time: it is not possible to
simultaneously set the same mode on another pin.
The pin configured to provide the “Network status indication” function is set as
o Continuous Output / Low, if no service (no network coverage or not registered)
o Cyclic Output / High for 100 ms, Output / Low for 2 s, if registered home 2G network
o Cyclic Output / High for 50 ms, Output / Low for 50 ms, Output / High for 50 ms, Output / Low for
2 s, if registered home 3G network
o Cyclic Output / High for 100 ms, Output / Low for 100 ms, Output / High for 100 ms, Output / Low
for 2 s, if registered visitor 2G network (roaming)
o Cyclic Output / High for 50 ms, Output / Low for 50 ms, Output / High for 50 ms, Output / Low for
100 ms, if registered visitor 3G network (roaming)
o Continuous Output / High, if voice or data 2G/3G call enabled

LISA-U series - System Integration Manual
3G.G2-HW-10002-A1 Advance Information System description
Page 89 of 160
The pin configured to provide the “Network status indication” function can be connected on the application
board to an input pin of an application processor or can drive a LED by a transistor with integrated resistors
to indicate network status.
Module status indication:
The GPIO13 and GPIO1 pins can be configured to indicate module status (power-off mode, i.e. module
switched off, versus idle, active or connected mode, i.e. module switched on), properly setting the
parameter <gpio_mode> of AT+UGPIOC command to 10.
No GPIO pin is by default configured to provide the “Module status indication”.
The pin configured to provide the “Module status indication” function is set as
o Output / High, when the module is switched on (any operating mode during module normal
operation: idle, active or connected mode)
o Output / Low, when the module is switched off (power off mode)
The “Module status indication” mode can be provided only on one pin at a time: it is not possible to
simultaneously set the same mode on another pin.
LISA-U1 series modules and LISA-U200-00 modules versions don’t support “Module status indication”.
Module operating mode indication:
The GPIO14 and GPIO5 pins can be configured to indicate module operating mode (idle-mode versus active
or connected mode), properly setting the parameter <gpio_mode> of AT+UGPIOC command to 11.
No GPIO pin is by default configured to provide the “Module operating mode indication”.
The pin configured to provide the “Module operating mode indication” function is set as
o Output / High, when the module is in active or connected mode
o Output / Low, when the module is in idle-mode (that can be reached if power saving is enabled by
+UPSV AT command: for further details refer to u-blox AT Commands Manual [3])
The “Module operating mode indication” mode can be provided only on one pin at a time: it is not possible
to simultaneously set the same mode on another pin.
LISA-U1 series modules and LISA-U200-00 versions don’t support “Module operating mode indication”.
I2S digital audio interface:
The GPIO6, GPIO7, GPIO8, GPIO9 pins are by default configured as the second I2S digital audio interface
(I2S1_RXD, I2S1_TXD, I2S1_CLK, I2S1_WA respectively).
Only these pins can be configured as the second I2S digital audio interface, correctly setting the parameter
<gpio_mode> of AT+UGPIOC command to 12 (default setting).
LISA-U1 series modules and LISA-U200-00 versions don’t support the second I2S digital audio interface
over GPIOs.
SPI serial interface:
GPIO10, GPIO11, GPIO12, GPIO13 and GPIO14 pins are by default configured as the SPI / IPC serial
interface (SPI_SCLK, SPI_MOSI, SPI_MISO, SPI_SRDY and SPI_MRDY respectively).
Only these pins can be configured as the SPI / IPC serial interface, correctly setting the parameter
<gpio_mode> of AT+UGPIOC command to 13 (default setting).

LISA-U series - System Integration Manual
3G.G2-HW-10002-A1 Advance Information System description
Page 90 of 160
LISA-U1 series modules don’t support SPI / IPC serial interface over GPIOs: the SPI / IPC pins provide the
SPI / IPC function only and cannot be configured as GPIO.
General purpose input:
All the GPIOs can be configured as input to sense high or low digital level through AT+UGPIOR command,
setting the parameter <gpio_mode> of AT+UGPIOC command to 1.
The “General purpose input” mode can be provided on more than one pin at a time: it is possible to
simultaneously set the same mode on another pin (also on all the GPIOs).
No GPIO pin is by default configured as “General purpose input”.
The pin configured to provide the “General purpose input” function is set as
o Input, to sense high or low digital level by AT+UGPIOR command.
The pin can be connected on the application board to an output pin of an application processor to sense the
digital signal level.
General purpose output:
All the GPIOs can be configured as output to set the high or the low digital level through AT+UGPIOW
command, setting the parameter <gpio_mode> of +UGPIOC AT command to 0.
The “General purpose output” mode can be provided on more than one pin per time: it is possible to
simultaneously set the same mode on another pin (also on all the GPIOs).
No GPIO pin is by default configured as “General purpose output”.
The pin configured to provide the “General purpose output” function is set as
o Output / Low, if the parameter <gpio_out_val> of AT+UGPIOW command is set to 0
o Output / High, if the parameter <gpio_out_val> of AT+UGPIOW command is set to 1
The pin can be connected on the application board to an input pin of an application processor to provide a
digital signal.
Pad disabled:
All the GPIOs can be configured in tri-state with an internal active pull-down enabled, as a not used pin,
setting the parameter <gpio_mode> of +UGPIOC AT command to 255.
The “Pad disabled” mode can be provided on more than one pin per time: it is possible to simultaneously
set the same mode on another pin (also on all the GPIOs).
The pin configured to provide the “Pad disabled” function is set as
o Tri-state with an internal active pull-down enabled
The configurations of all the GPIO pins of LISA-U series modules are described in Table 41.
Pin
Module
Name
Description
Remarks
20
LISA-U1xx-xx
GPIO1
GPIO
By default, the pin is configured as Pad disabled.
Can be alternatively configured by the AT+UGPIOC command as
Output
Input
Network Status Indication
GPS Supply Enable
GSM Tx Burst Indication
LISA-U200-00
GPIO1
GPIO
By default, the pin is configured as Pad disabled.
Can be alternatively configured by the AT+UGPIOC command as
Output
Input
Network Status Indication
GSM Tx Burst Indication

LISA-U series - System Integration Manual
3G.G2-HW-10002-A1 Advance Information System description
Page 91 of 160
Pin
Module
Name
Description
Remarks
LISA-U2xx-01
GPIO1
GPIO
By default, the pin is configured as Pad disabled.
Can be alternatively configured by the AT+UGPIOC command as
Output
Input
Network Status Indication
GPS Supply Enable
GSM Tx Burst Indication
Module Status Indication
21
LISA-U1xx-xx
LISA-U2xx-01
GPIO2
GPIO
By default, the pin is configured to provide GPS Supply Enable function.
Can be alternatively configured by the +UGPIOC command as
Output
Input
Network Status Indication
Pad disabled
LISA-U200-00
GPIO2
GPIO
By default, the pin is configured as Pad disabled.
Can be alternatively configured by the +UGPIOC command as
Output
Input
Network Status Indication
23
LISA-U1xx-00
GPIO3
GPIO
By default, the pin is configured as Pad disabled.
Can be alternatively configured by the +UGPIOC command as
Output
Input
Network Status Indication
GPS Supply Enable
LISA-U200-00
GPIO3
GPIO
By default, the pin is configured as Pad disabled.
Can be alternatively configured by the +UGPIOC command as
Output
Input
Network Status Indication
LISA-U1xx-01
LISA-U2xx-01
GPIO3
GPIO
By default, the pin is configured to provide GPS Data Ready function.
Can be alternatively configured by the +UGPIOC command as
Output
Input
Network Status Indication
GPS Supply Enable
Pad disabled
24
LISA-U1xx-00
GPIO4
GPIO
By default, the pin is configured as Pad disabled.
Can be alternatively configured by the +UGPIOC command as
Output
Input
Network Status Indication
GPS Supply Enable
LISA-U200-00
GPIO4
GPIO
By default, the pin is configured as Pad disabled.
Can be alternatively configured by the +UGPIOC command as
Output
Input
Network Status Indication
LISA-U1xx-01
LISA-U2xx-01
GPIO4
GPIO
By default, the pin is configured to provide GPS RTC sharing function.
Can be alternatively configured by the +UGPIOC command as
Output
Input
Network Status Indication
GPS Supply Enable
Pad disabled

LISA-U series - System Integration Manual
3G.G2-HW-10002-A1 Advance Information System description
Page 92 of 160
Pin
Module
Name
Description
Remarks
51
LISA-U1xx-xx
GPIO5
GPIO
By default, the pin is configured to provide SIM card detection function.
Can be alternatively configured by the +UGPIOC command as
Output
Input
Network Status Indication
GPS Supply Enable
Pad disabled
LISA-U200-00
GPIO5
GPIO
By default, the pin is configured to provide SIM card detection function.
Can be alternatively configured by the +UGPIOC command as
Output
Input
Network Status Indication
Pad disabled
LISA-U2xx-01
GPIO5
GPIO
By default, the pin is configured to provide SIM card detection function.
Can be alternatively configured by the +UGPIOC command as
Output
Input
Network Status Indication
GPS Supply Enable
Module Operating Mode Indication
Pad disabled
39
LISA-U200-00
GPIO6
GPIO
By default, the pin is configured as Pad disabled.
Can be alternatively configured by the +UGPIOC command as
Output
Input
LISA-U2xx-01
I2S1_RXD /
GPIO6
2nd I2S receive data /
GPIO
By default, the pin is configured as 2nd I2S receive data input.
Can be alternatively configured by the +UGPIOC, +USPM commands as
Output
Input
Pad disabled
40
LISA-U200-00
GPIO7
GPIO
By default, the pin is configured as Pad disabled.
Can be alternatively configured by the +UGPIOC command as
Output
Input
LISA-U2xx-01
I2S1_TXD /
GPIO7
2nd I2S transmit data /
GPIO
By default, the pin is configured as 2nd I2S transmit data output.
Can be alternatively configured by the +UGPIOC, +USPM commands as
Output
Input
Pad disabled
53
LISA-U200-00
GPIO8
GPIO
By default, the pin is configured as Pad disabled.
Can be alternatively configured by the +UGPIOC command as
Output
Input
LISA-U2xx-01
I2S1_CLK /
GPIO8
2nd I2S clock /
GPIO
By default, the pin is configured as 2nd I2S clock input/output.
Can be alternatively configured by the +UGPIOC, +USPM commands as
Output
Input
Pad disabled
54
LISA-U200-00
GPIO9
GPIO
By default, the pin is configured as Pad disabled.
Can be alternatively configured by the +UGPIOC command as
Output
Input
LISA-U2xx-01
I2S1_WA /
GPIO9
2nd I2S word alignment /
GPIO
By default, the pin is configured as 2nd I2S word alignment input/output.
Can be alternatively configured by the +UGPIOC, +USPM commands as
Output
Input
Pad disabled

LISA-U series - System Integration Manual
3G.G2-HW-10002-A1 Advance Information System description
Page 93 of 160
Pin
Module
Name
Description
Remarks
55
LISA-U2xx-xx
SPI_SCLK /
GPIO10
SPI Serial Clock /
GPIO
By default, the pin is configured as SPI Serial Clock Input:
Idle low (CPOL=0)
Internal active pull-down to GND enabled
Can be alternatively configured by the +UGPIOC command as
Output
Input
Pad disabled
56
LISA-U2xx-xx
SPI_MOSI /
GPIO11
SPI Data Line /
GPIO
By default, the pin is configured as SPI Data Line Input:
Shift data on rising clock edge (CPHA=1)
Latch data on falling clock edge (CPHA=1)
Idle high
Internal active pull-up to V_INT enabled
Can be alternatively configured by the +UGPIOC command as
Output
Input
Pad disabled
57
LISA-U2xx-xx
SPI_MISO /
GPIO12
SPI Data Line Output /
GPIO
By default, the pin is configured as SPI Data Line Output:
Shift data on rising clock edge (CPHA=1)
Latch data on falling clock edge (CPHA=1)
Idle high
Can be alternatively configured by the +UGPIOC command as
Output
Input
Pad disabled
58
LISA-U200-00
SPI_SRDY /
GPIO13
SPI Slave Ready /
GPIO
By default, the pin is configured as SPI Slave Ready Output:
Idle low
Can be alternatively configured by the +UGPIOC command as
Output
Input
Pad disabled
LISA-U2xx-01
SPI_SRDY /
GPIO13
SPI Slave Ready /
GPIO
By default, the pin is configured as SPI Slave Ready Output:
Idle low
Can be alternatively configured by the +UGPIOC command as
Output
Input
Module Status Indication
Pad disabled
59
LISA-U200-00
SPI_MRDY /
GPIO14
SPI Master Ready /
GPIO
By default, the pin is configured as SPI Master Ready Input:
Idle low
Internal active pull-down to GND enabled
Can be alternatively configured by the +UGPIOC command as
Output
Input
Pad disabled
LISA-U2xx-01
SPI_MRDY /
GPIO14
SPI Master Ready /
GPIO
By default, the pin is configured as SPI Master Ready Input:
Idle low
Internal active pull-down to GND enabled
Can be alternatively configured by the +UGPIOC command as
Output
Input
Module Operating Mode Indication
Pad disabled
Table 41: GPIO pins
The GPIO pins ESD sensitivity rating is 1 kV (Human Body Model according to JESD22-A114F). Higher
protection level could be required if the lines are externally accessible on the application board. Higher

LISA-U series - System Integration Manual
3G.G2-HW-10002-A1 Advance Information System description
Page 94 of 160
protection level can be achieved by mounting an ESD protection (e.g. EPCOS CA05P4S14THSG varistor
array) on the lines connected to these pins, close to accessible points.
An application circuit for a typical GPIOs usage is described in Figure 49:
Network indication function provided by the GPIO1 pin
GPS supply enable function provided by the GPIO2 pin (function not supported by LISA-U200-00)
GPS data ready function provided by the GPIO3 pin (function not supported by LISA-Uxxx-00)
GPS RTC sharing function provided by the GPIO4 pin (function not supported by LISA-Uxxx-00)
SIM card detection function provided by the GPIO5 pin
Use transistors with at least an integrated resistor in the base pin or otherwise put a 10 kΩ resistor on
the board in series to the GPIO.
If the GPIO pins are not used, they can be left unconnected on the application board.
Any external signal connected to GPIOs must be tri-stated when the module is in power-down mode,
when the external reset is forced low and during the module power-on sequence (at least for 1500 ms
after the start-up event), to avoid latch-up of circuits and allow a proper boot of the module. If the
external signals connected to the module cannot be tri-stated, insert a multi channel digital switch (e.g.
Texas Instruments SN74CB3Q16244, TS5A3159, or TS5A63157) between the two-circuit connections
and set to high impedance during module power down mode, when external reset is forced low and
during power-on sequence.
SIM card holder
SW1
SW2
4
V_INT
51
GPIO5
R3
R2
OUTIN
GND
LDO Regulator
SHDN
3V8 1V8
GPIO3
GPIO4
TxD1
EXTINT0
23
24
R1
VCC
GPIO2 21
LISA-U series u-blox
1.8 V GPS receiver
U1
J1
C1
R4
R6
3V8
Network Indicator
R5
GPS Supply Enable
GPS Data Ready
GPS RTC Sharing
SIM Detection
20
GPIO1
DL1
T1
D1
Functions not supported by LISA-Uxxx-00 versions
Function not supported by LISA-U200-00 version
Figure 49: GPIO application circuit

LISA-U series - System Integration Manual
3G.G2-HW-10002-A1 Advance Information System description
Page 95 of 160
Reference
Description
Part Number - Manufacturer
R1
47 kΩ Resistor 0402 5% 0.1 W
Various manufacturers
U1
Voltage Regulator for GPS Receiver
See GPS Module Hardware Integration Manual
R2
1 kΩ Resistor 0402 5% 0.1 W
Various manufacturers
R3
470 kΩ Resistor 0402 5% 0.1 W
Various manufacturers
D1
ESD Transient Voltage Suppressor
USB0002RP or USB0002DP - AVX
J1
SIM Card Holder
CCM03-3013LFT R102 - C&K Components (or equivalent)
R4
10 kΩ Resistor 0402 5% 0.1 W
Various manufacturers
R5
47 kΩ Resistor 0402 5% 0.1 W
Various manufacturers
R6
820 Ω Resistor 0402 5% 0.1 W
Various manufacturers
DL1
LED Red SMT 0603
LTST-C190KRKT - Lite-on Technology Corporation
T1
NPN BJT Transistor
BC847 - Infineon
Table 42: Components for GPIO application circuit
An application circuit for the module status indication function, provided by LISA-U2xx-01 GPIO13 and GPIO1
pins to indicate module status (power-off mode, i.e. module switched off, versus idle, active or connected mode,
i.e. module switched on), is described in Figure 50.
The logic level of the pin configured to provide module status indication, that is set high when the module is
switched on and low when the module is switched off, is inverted by a transistor biased by the V_BCKP supply,
which is generated by the module when a valid VCC is applied.
Input (1.8V)
V_BCKP 2
LISA-U2xx-01 Application
Processor
R1
R3
Module Status Indication
R2
20
GPIO1 T1
Figure 50: Module status indication application circuit
Reference
Description
Part Number - Manufacturer
R1, R3
47 kΩ Resistor 0402 5% 0.1 W
Various manufacturers
R2
100 kΩ Resistor 0402 5% 0.1 W
Various manufacturers
T1
NPN BJT Transistor
BC847 - Infineon
Table 43: Components for module status indication application circuit

LISA-U series - System Integration Manual
3G.G2-HW-10002-A1 Advance Information System description
Page 96 of 160
1.13 Reserved pins (RSVD)
LISA-U series modules have pins reserved for future use. All the RSVD pins, except pin number 5, can be left
unconnected on the application board. The application circuit is illustrated in Figure 51.
Pin 5 (RSVD) must be connected to GND.
LISA-U120/U130
5
RSVD
52
RSVD
74
RSVD
LISA-U100/U110
5
RSVD
52
RSVD
74
RSVD
39
RSVD
40
RSVD
41
RSVD
42
RSVD
43
RSVD
44
RSVD
53
RSVD
54
RSVD
LISA-U230
5
RSVD
LISA-U200-00
5
RSVD
52
RSVD
74
RSVD
41
RSVD
42
RSVD
43
RSVD
44
RSVD
LISA-U200-01
5
RSVD
74
RSVD
Figure 51: Application circuit for the reserved pins (RSVD)

LISA-U series - System Integration Manual
3G.G2-HW-10002-A1 Advance Information System description
Page 97 of 160
1.14 Schematic for LISA-U series module integration
Figure 52 is an example of a schematic diagram where a LISA-U1 series module is integrated into an application
board, using all the interfaces of the module.
47pF
SIM Card Holder
CCVCC (C1)
CCVPP (C6)
CCIO (C7)
CCCLK (C3)
CCRST (C2)
GND (C5)
47pF 47pF 100nF
50VSIM
48SIM_IO
47SIM_CLK
49SIM_RST
47pF
SW1
SW2
4V_INT
51GPIO5
470k
1k
ESD ESD ESD ESD ESD ESD
TXD
RXD
RTS
CTS
DTR
DSR
RI
DCD
GND
15 TXD
12 DTR
16 RXD
13 RTS
14 CTS
9DSR
10 RI
11 DCD
GND
3V8
330µF 39pF GND
10nF100nF 10pF
LISA-U1 series
62 VCC
63 VCC
61 VCC
+
100µF
2V_BCKP
MOSI
MISO
SCLK
Interrupt
GPIO
GND
56 SPI_MOSI
59 SPI_MRDY
57 SPI_MISO
55 SPI_SCLK
58 SPI_SRDY
GND
VBUS
D+
D-
GND
18 VUSB_DET
27 USB_D+
26 USB_D-
GND
100nF
5RSVD
52RSVD
74RSVD
GND
RTC
back-up
27pF 27pF 27pF
82nH
54SPK_N
53SPK_P
39
MIC_N
40MIC_P
ESD
Headset Connector
ESD
INOUT
GND
Low Noise LDO Regulator 3V8
2.2k
2.2k
10µF
2.2k
2.2k 10µF
2V5
Sense lines connected
to GND in one star point
82nH
27pF
10µF
ESD ESD
u-blox
1.8V GPS Receiver
4.7k
OUTIN
GND
LDO Regulator
SHDN
SDA
SCL
4.7k
3V8 1V8_GPS
SDA2
SCL2
GPIO3
GPIO4
TxD1
EXTINT0
46
45
23
24
47k
VCC
GPIO2 21
ANT 68 Antenna
1.8V DTE
1.8V SPI Master
USB 2.0 Host
1.8V Digital
Audio Device
I2S_RXD
I2S_CLK
I2S Data Output
I2S Clock
I2S_TXD
I2S_WA
I2S Data Input
I2S Word Alligment
44
43
42
41
LISA-U120/ U130 only
20 GPIO1
3V8
Network
Indicator
22 RESET_N
Ferrite Bead
47pF
Application
Processor
Open
Drain
Output
19 PWR_ON
100kΩ
Open
Drain
Output
0Ω
0Ω
TP
TP
Functions not supported by LISA-U1xx-00 versions
0Ω
0Ω
TP
TP
Figure 52: Example of schematic diagram to integrate LISA-U1 series modules in an application board, using all the interfaces

LISA-U series - System Integration Manual
3G.G2-HW-10002-A1 Advance Information System description
Page 98 of 160
Figure 53 is an example of a schematic diagram where a LISA-U2 series module is integrated into an application
board, using all the interfaces of the module.
TXD
RXD
RTS
CTS
DTR
DSR
RI
DCD
GND
15 TXD
12 DTR
16 RXD
13 RTS
14 CTS
9DSR
10 RI
11 DCD
GND
3V8
330µF 39pF GND
10nF100nF 10pF
LISA-U2 series
62 VCC
63 VCC
61 VCC
+
100µF
2V_BCKP
MOSI
MISO
SCLK
Interrupt
GPIO
GND
56 SPI_MOSI
59 SPI_MRDY
57 SPI_MISO
55 SPI_SCLK
58 SPI_SRDY
GND
VBUS
D+
D-
GND
18 VUSB_DET
27 USB_D+
26 USB_D-
GND
100nF
5RSVD
74ANT_DIV
GND
RTC
back-up
u-blox
1.8V GPS Receiver
4.7k
OUTIN
GND
LDO Regulator
SHDN
SDA
SCL
4.7k
3V8 1V8_GPS
SDA2
SCL2
GPIO3
GPIO4
TxD1
EXTINT0
46
45
23
24
47k
VCC
GPIO2 21
ANT 68
Main Tx/Rx
Antenna
1.8V DTE
1.8V SPI Master
USB 2.0 Host
20 GPIO1
3V8
Network
Indicator
22 RESET_N
Ferrite Bead
47pF
Application
Processor
Open
Drain
Output
19 PWR_ON
100kΩ
Open
Drain
Output
0Ω
0Ω
TP
TP
Functions not supported by LISA-U200-00 version
0Ω
0Ω
TP
TP
1.8V Digital
Audio Device
I2S_RXD
I2S_CLK
I2S Data Output
I2S Clock
I2S_TXD
I2S_WA
I2S Data Input
I2S Word Alligment
44
43
42
41
V_INT
BCLK
LRCLK
10µF1µF
Audio Codec
MAX9860
SDIN
SDOUT
SDA
SCL
53I2S1_CLK
54I2S1_WA
40I2S1_TXD
39I2S1_RXD
52CODEC_CLK MCLK
IRQn
10k
100nF
VDD
SPK
OUTP
OUTN
27pF 27pF ESD ESD
MIC
MICBIAS 1µF 2.2k
1µF
1µF
82nH
MICLN
MICLP
82nH
MICGND
2.2k
ESD ESD
27pF27pF
V_INT
Rx Diversity
Antenna LISA-U230 only
47pF
SIM Card Holder
CCVCC (C1)
CCVPP (C6)
CCIO (C7)
CCCLK (C3)
CCRST (C2)
GND (C5)
47pF 47pF 100nF
50VSIM
48SIM_IO
47SIM_CLK
49SIM_RST
47pF
SW1
SW2
4V_INT
51GPIO5
470k
1k
ESD ESD ESD ESD ESD ESD
V_INT
Figure 53: Example of schematic diagram to integrate LISA-U2 series modules in an application board, using all the interfaces

LISA-U series - System Integration Manual
3G.G2-HW-10002-A1 Advance Information System description
Page 99 of 160
1.15 Approvals
LISA-U series modules have been or will be approved under the following schemes:
[EU] R&TTE (Radio and Telecommunications Terminal Equipment Directive)
[EU] CE (Conformité Européenne)
[EU] GCF – CC (Global Certification Forum-Certification Criteria)
[EU] GCF – FT (Global Certification Forum- Field Trials)
[USA] FCC (Federal Communications Commission)
[USA] PTCRB (PCS Type Certification Review Board)
[Canada]: IC (Industry Canada)
[South Africa]: ICASA (Independent Communications Authority of South Africa)
[Australia]: a-tick
[Korea]: KCC (Korean Communications Commission)
[Japan]: JATE
[Japan]: TELEC
LISA-U series modules will be approved by the following network operators:
USA: AT&T
Canada: Rogers
1.15.1 R&TTED and European Conformance CE mark
Products bearing the CE marking comply with the R&TTE Directive (99/5/EC), EMC Directive (89/336/EEC) and
the Low Voltage Directive (73/23/EEC) issued by the Commission of the European Community.
Compliance with these directives implies conformity to the following European Norms:
Radio Frequency spectrum efficiency:
o EN 301 511
o EN 301 908-1
o EN 301 908-2
Electromagnetic Compatibility:
o EN 301 489-1
o EN 301 489-7
o EN 301 489-24
Safety
o EN 60950-1: 2006
Notified Body identification number for LISA-U100, LISA-U110, LISA-U120 and LISA-U130 is 0890.
Notified Body identification number for LISA-U200 is 0862.
1.15.2 IC
The IC Certification Numbers for the LISA-U series modules are:
LISA-U100: 8595A-LISAU120
LISA-U120: 8595A-LISAU120
LISA-U200: 8595A-LISAU200

LISA-U series - System Integration Manual
3G.G2-HW-10002-A1 Advance Information System description
Page 100 of 160
1.15.3 Federal communications commission notice
The FCC ID for the LISA-U series modules are
LISA-U100: XPYLISAU120
LISA-U120: XPYLISAU120
LISA-U200: XPYLISAU200
1.15.3.1 Safety Warnings review the structure
Equipment for building-in. The requirements for fire enclosure must be evaluated in the end product
The clearance and creepage current distances required by the end product must be withheld when the
module is installed
The cooling of the end product shall not negatively be influenced by the installation of the module
Excessive sound pressure from earphones and headphones can cause hearing loss
No natural rubbers, no hygroscopic materials nor materials containing asbestos are employed
1.15.3.2 Declaration of Conformity - United States only
This device complies with Part 15 of the FCC rules. Operation is subject to the following two conditions:
this device may not cause harmful interference
this device must accept any interference received, including interference that may cause undesired operation
Radiofrequency radiation exposure Information: this equipment complies with FCC radiation
exposure limits prescribed for an uncontrolled environment for fixed and mobile use
conditions. This equipment should be installed and operated with a minimum distance of 20
cm between the radiator and the body of the user or nearby persons. This transmitter must
not be co-located or operating in conjunction with any other antenna or transmitter.
The system antenna(s) used for LISA-U200 must not exceed 1.11 dBi (GSM 850 MHz), 1.55 dBi
(GSM 1900 MHz), 7.31 dBi (FDD Band V) and 5.39 dBi (FDD Band II) for mobile and fixed or
mobile operating configurations.
1.15.3.3 Modifications
The FCC requires the user to be notified that any changes or modifications made to this device that are not
expressly approved by u-blox could void the user's authority to operate the equipment.
Manufacturers of mobile or fixed devices incorporating the LISA-U series modules are
authorized to use the FCC Grants and Industry Canada Certificates of the LISA-U series
modules for their own final products according to the conditions referenced in the certificates.
The FCC Label shall in the above case be visible from the outside, or the host device shall bear
a second label stating:
LISA-U100: "Contains FCC ID: XPYLISAU120" resp.
LISA-U120: "Contains FCC ID: XPYLISAU120" resp.
LISA-U200: "Contains FCC ID: XPYLISAU200" resp.
The IC Label shall in the above case be visible from the outside, or the host device shall bear a
second label stating:
LISA-U100: "Contains IC: 8595A-LISAU120" resp.

LISA-U series - System Integration Manual
3G.G2-HW-10002-A1 Advance Information System description
Page 101 of 160
LISA-U120: "Contains IC: 8595A-LISAU120" resp.
LISA-U200: "Contains IC: 8595A-LISAU200" resp.
Canada, Industry Canada (IC) Notices
This Class B digital apparatus complies with Canadian ICES-003 and RSS-210.
Operation is subject to the following two conditions:
o this device may not cause interference
o this device must accept any interference, including interference that may cause undesired
operation of the device
Radio Frequency (RF) Exposure Information
The radiated output power of the u-blox Wireless Module is below the Industry Canada (IC)
radio frequency exposure limits. The u-blox Wireless Module should be used in such a manner
such that the potential for human contact during normal operation is minimized.
This device has been evaluated and shown compliant with the IC RF Exposure limits under
mobile exposure conditions (antennas are greater than 20cm from a person's body).
This device has been certified for use in Canada. Status of the listing in the Industry Canada’s
REL (Radio Equipment List) can be found at the following web address:
http://www.ic.gc.ca/app/sitt/reltel/srch/nwRdSrch.do?lang=eng
Additional Canadian information on RF exposure also can be found at the following web
address: http://www.ic.gc.ca/eic/site/smt-gst.nsf/eng/sf08792.html
IMPORTANT: Manufacturers of portable applications incorporating the LISA-U series modules
are required to have their final product certified and apply for their own FCC Grant and
Industry Canada Certificate related to the specific portable device. This is mandatory to meet
the SAR requirements for portable devices.
Changes or modifications not expressly approved by the party responsible for compliance
could void the user's authority to operate the equipment.
Canada, avis d'Industrie Canada (IC)
Cet appareil numérique de classe B est conforme aux normes canadiennes ICES-003 et RSS-210.
Son fonctionnement est soumis aux deux conditions suivantes:
o cet appareil ne doit pas causer d'interférence
o cet appareil doit accepter toute interférence, notamment les interférences qui peuvent
affecter son fonctionnement
Informations concernant l'exposition aux fréquences radio (RF)
La puissance de sortie émise par l’appareil de sans fil u-blox Wireless Module est inférieure à
la limite d'exposition aux fréquences radio d'Industrie Canada (IC). Utilisez l’appareil de sans
fil u-blox Wireless Module de façon à minimiser les contacts humains lors du fonctionnement
normal.
Ce périphérique a été évalué et démontré conforme aux limites d'exposition aux fréquences
radio (RF) d'IC lorsqu'il est installé dans des produits hôtes particuliers qui fonctionnent dans
des conditions d'exposition à des appareils mobiles (les antennes se situent à plus de 20
centimètres du corps d'une personne).
Ce périphérique est homologué pour l'utilisation au Canada. Pour consulter l'entrée
correspondant à l’appareil dans la liste d'équipement radio (REL - Radio Equipment List)
d'Industrie Canada rendez-vous sur:
http://www.ic.gc.ca/app/sitt/reltel/srch/nwRdSrch.do?lang=fra
Pour des informations supplémentaires concernant l'exposition aux RF au Canada rendez-vous
sur : http://www.ic.gc.ca/eic/site/smt-gst.nsf/eng/sf08792.html
IMPORTANT: les fabricants d'applications portables contenant les modules LISA-U1 series
doivent faire certifier leur produit final et déposer directement leur candidature pour une
certification FCC ainsi que pour un certificat Industrie Canada délivré par l'organisme chargé

LISA-U series - System Integration Manual
3G.G2-HW-10002-A1 Advance Information System description
Page 102 of 160
de ce type d'appareil portable. Ceci est obligatoire afin d'être en accord avec les exigences SAR
pour les appareils portables.
Tout changement ou modification non expressément approuvé par la partie responsable de la
certification peut annuler le droit d'utiliser l'équipement.

LISA-U series - System Integration Manual
3G.G2-HW-10002-A1 Advance Information System description
Page 103 of 160
1.15.4 a-tick AUS Certification
The equipment may not function when mains power fail either on the packaging or with the
equipment.
LISA-U2 series is not a-tick AUS certified.

LISA-U series - System Integration Manual
3G.G2-HW-10002-A1 Advance Information Design-In
Page 104 of 160
2 Design-In
2.1 Design-in checklist
This section provides a design-in checklist.
2.1.1 Schematic checklist
The following are the most important points for a simple schematic check:
DC supply must provide a nominal voltage at VCC pin above the minimum operating range limit.
DC supply must be capable of providing 2.5 A current pulses, providing a voltage at VCC pin above the
minimum operating range limit and with a maximum 400 mV voltage drop from the nominal value.
VCC supply should be clean, with very low ripple/noise: suggested passive filtering parts can be inserted.
VCC voltage must ramp from 2.5 V to 3.2 V within 1 ms to allow a proper switch-on of the module.
Connect only one DC supply to VCC: different DC supply systems are mutually exclusive.
Do not leave PWR_ON floating: add a pull-up resistor to V_BCKP.
Don’t apply loads which might exceed the limit for maximum available current from V_INT supply.
Check that voltage level of any connected pin does not exceed the relative operating range.
Capacitance and series resistance must be limited on each SIM signal to match the SIM specifications.
Insert the suggested low capacitance ESD protection and passive filtering parts on each SIM signal.
Check UART signals direction, since the signal names follow the ITU-T V.24 Recommendation [4].
Provide appropriate access to USB interface and/or to UART RxD, TxD lines and access to PWR_ON
and/or RESET_N lines on the application board in order to flash/upgrade the module firmware.
Provide appropriate access to USB interface and/or to UART RxD, TxD, CTS, RTS lines for debugging.
Capacitance and series resistance must be limited on each line of the SPI / IPC interface.
Add a proper pull-up resistor to a proper supply on each DDC (I2C) interface line, if the interface is used.
Capacitance and series resistance must be limited on each line of the DDC interface.
Use transistors with at least an integrated resistor in the base pin or otherwise put a 10 kΩ resistor on
the board in series to the GPIO when those are used to drive LEDs.
Connect the pin number 5 (RSVD) to ground.
Insert the suggested passive filtering parts on each used analog audio line.
Check the digital audio interface specifications to connect a proper device.
Capacitance and series resistance must be limited on CODEC_CLK line and each I2S interface line.
Provide proper precautions for ESD immunity as required on the application board.
Any external signal connected to the UART interface, SPI/IPC interface, I2S interfaces and GPIOs must be
tri-stated when the module is in power-down mode, when the external reset is forced low and during
the module power-on sequence (at least for 1500 ms after the start-up event), to avoid latch-up of
circuits and let a proper boot of the module.
All unused pins can be left floating on the application board except the PWR_ON pin (must be
connected to V_BCKP by a pull-up resistor) and the RSVD pin number 5 (must be connected to GND).

LISA-U series - System Integration Manual
3G.G2-HW-10002-A1 Advance Information Design-In
Page 105 of 160
2.1.2 Layout checklist
The following are the most important points for a simple layout check:
Check 50 nominal characteristic impedance of the RF transmission line connected to the ANT pad
(main RF input/output) and to the ANT_DIV pad (RF input for Rx diversity).
Follow the recommendations of the antenna producer for correct antenna installation and deployment
(PCB layout and matching circuitry).
Ensure no coupling occurs with other noisy or sensitive signals (primarily analog audio input/output
signals, SIM signals).
VCC line should be wide and short.
Route VCC supply line away from sensitive analog signals.
The high-power audio outputs lines on the application board must be wide enough to minimize series
resistance.
Ensure proper grounding.
Consider “No-routing” areas for the Data Module footprint.
Optimize placement for minimum length of RF line and closer path from DC source for VCC.
Design USB_D+ / USB_D- connection as 90 differential pair.
Keep routing short and minimize parasitic capacitance on the SPI lines to preserve signal integrity.
Keep routing short and minimize parasitic capacitance on CODEC_CLK line to preserve signal integrity.
2.1.3 Antenna checklist
Antenna should have 50 impedance, V.S.W.R less than 3:1 (recommended 2:1)on operating bands in
deployment geographical area.
Follow the recommendations of the antenna producer for correct antenna installation and deployment
(PCB layout and matching circuitry).
Follow the additional guidelines for products marked with the FCC logo (United States only) reported in
the chapter 2.2.1.1 and 1.15.3.2
The antenna connected to the ANT pad should have built in DC resistor to ground to get proper
antenna detection functionality.
The antenna for the Rx diversity connected to the ANT_DIV pin should be carefully separated from the
main Tx/Rx antenna connected to the ANT pin to ensure highly uncorrelated receive signals on each
antenna. The distance between the two antennas should be greater than half a wavelength of the
lowest used frequency (i.e. distance greater than ~20 cm, for 2G/3G low bands) to distinguish between
different multipath channels, for proper spatial diversity implementation.

LISA-U series - System Integration Manual
3G.G2-HW-10002-A1 Advance Information Design-In
Page 106 of 160
2.2 Design Guidelines for Layout
The following design guidelines must be met for optimal integration of LISA-U series modules on the final
application board.
2.2.1 Layout guidelines per pin function
This section groups LISA-U series modules pins by signal function and provides a ranking of importance in layout
design.
V_BCKP
GND
V_INT
RSVD
GND
GND
GND
DSR
RI
DCD
DTR
GND
RTS
CTS
TXD
RXD
GND
VUSB_DET
PWR_ON
GPIO1
GPIO2
RESET_N
GPIO3
GPIO4
GND
USB_D-
USB_D+
2
3
4
5
6
7
8
9
10
11
12
1
13
14
15
16
17
18
19
20
21
22
23
24
25
26
27
GND
VCC
VCC
VCC
GND
SPI_MRDY
SPI_SRDY
SPI_MISO
SPI_MOSI
SPI_SCLK
SPK_N
GND
SPK_P
RSVD
GPIO5
VSIM
SIM_RST
SIM_IO
SIM_CLK
SDA
SCL
I2S_RXD
I2S_CLK
I2S_TXD
I2S_WA
MIC_P
MIC_N
64
63
62
61
60
59
58
57
56
55
54
65
53
52
51
50
49
48
47
46
45
44
43
42
41
40
39
29
30
31
32
33
34
35
36
37
38
28
GND
GND
GND
GND
GND
GND
GND
GND
GND
GND
GND
75
74
73
72
71
70
69
68
67
66
76
GND
RSVD
GND
GND
GND
GND
GND
ANT
GND
GND
GND
LISA-U1 series
(Top View)
V_BCKP
GND
V_INT
RSVD
GND
GND
GND
DSR
RI
DCD
DTR
GND
RTS
CTS
TXD
RXD
GND
VUSB_DET
PWR_ON
GPIO1
GPIO2
RESET_N
GPIO3
GPIO4
GND
USB_D-
USB_D+
2
3
4
5
6
7
8
9
10
11
12
1
13
14
15
16
17
18
19
20
21
22
23
24
25
26
27
GND
VCC
VCC
VCC
GND
SPI_MRDY / GPIO14
SPI_SRDY / GPIO13
SPI_MISO / GPIO12
SPI_MOSI / GPIO11
SPI_SCLK / GPIO10
GPIO9 / I2S1_WA
GND
GPIO8 / I2S1_CLK
RSVD / CODEC_CLK
GPIO5
VSIM
SIM_RST
SIM_IO
SIM_CLK
SDA
SCL
RSVD / I2S_RXD
RSVD / I2S_CLK
RSVD / I2S_TXD
RSVD / I2S_WA
GPIO7 / I2S1_TXD
GPIO6 / I2S1_RXD
64
63
62
61
60
59
58
57
56
55
54
65
53
52
51
50
49
48
47
46
45
44
43
42
41
40
39
29
30
31
32
33
34
35
36
37
38
28
GND
GND
GND
GND
GND
GND
GND
GND
GND
GND
GND
75
74
73
72
71
70
69
68
67
66
76
GND
GND
GND
GND
GND
GND
ANT
GND
GND
GND
/ RSVDANT_DIV
LISA-U2 series
(Top View)
Very Important
Careful Layout
Common Practice
Legend:
Figure 54: LISA-U1 and LISA-U2 series modules pin-out (top view) with ranked importance for layout design

LISA-U series - System Integration Manual
3G.G2-HW-10002-A1 Advance Information Design-In
Page 107 of 160
Rank
Function
Pin(s)
Layout
Remarks
1st
RF Antenna
Main RF input/output
Very Important
Design for 50 characteristic impedance.
See section 2.2.1.1
RF input for Rx diversity
Very Important
Design for 50 characteristic impedance.
See section 2.2.1.1
2nd
Main DC Supply
Very Important
VCC line should be wide and short. Route away
from sensitive analog signals.
See section 2.2.1.2
3rd
USB Signals
Very Important
Route USB_D+ and USB_D- as differential lines:
design for 90 differential impedance.
See section 2.2.1.3
4th
Analog Audio
Careful Layout
Avoid coupling with noisy signals.
See section 2.2.1.4
Audio Inputs
MIC_P, MIC_N
Audio Outputs
SPK_P, SPK_N
5th
Ground
GND
Careful Layout
Provide proper grounding.
See section 2.2.1.5
6th
Sensitive Pin:
Careful Layout
Avoid coupling with noisy signals.
See section 2.2.1.6
Backup Voltage
V_BCKP
Power-On
PWR_ON
7th
High-speed digital pins:
Careful Layout
Avoid coupling with sensitive signals.
See section 2.2.1.7
SPI Signals
SPI_SCLK, SPI_MISO,
SPI_MOSI, SPI_SRDY,
SPI_MRDY
Clock Output
CODEC_CLK
8th
Digital pins and
supplies:
Common
Practice
Follow common practice rules for digital pin
routing.
See section 2.2.1.8
SIM Card Interface
VSIM, SIM_CLK,
SIM_IO, SIM_RST
Digital Audio
(If implemented)
I2S_CLK, I2S_RXD,
I2S_TXD, I2S_WA
I2S1_CLK, I2S1_RXD,
I2S1_TXD, I2S1_WA
DDC
SCL, SDA
UART
TXD, RXD, CTS, RTS,
DSR, RI, DCD, DTR
External Reset
RESET_N
General Purpose I/O
GPIO1, GPIO2, GPIO3,
GPIO4, GPIO5
GPIO6, GPIO7, GPIO8,
GPIO9, GPIO10, GPIO11,
GPIO12, GPIO13, GPIO14
USB detection
VUSB_DET
Supply for Interfaces
V_INT
Table 44: Pin list in order of decreasing importance for layout design
2.2.1.1 RF antenna connection
The ANT pin (main RF input/output) and the ANT_DIV pin (RF input for diversity receiver provided by LISA-U230
modules) are very critical in layout design. The PCB line must be designed to provide 50 nominal characteristic
impedance and minimum loss up to radiating element.
Provide proper transition between the ANT pad and the ANT_DIV pad to application board PCB
Increase GND keep-out (i.e. clearance) for ANT and ANT_DIV pads to at least 250 µm up to adjacent pads
metal definition and up to 500 µm on the area below the module, as described in Figure 55
USB_D-
USB_D+
VCC
ANT
ANT_DIV

LISA-U series - System Integration Manual
3G.G2-HW-10002-A1 Advance Information Design-In
Page 108 of 160
Add GND keep-out (i.e. clearance) on buried metal layers below ANT and ANT_DIV pads and below any
other pad of component present on the RF line, if top-layer to buried layer dielectric thickness is below
200 µm, to reduce parasitic capacitance to ground (see Figure 55 for the description of the GND keep-out
area below ANT and ANT_DIV pads)
The transmission line up to antenna connector or pad may be a micro strip or a stripline. In any case must be
designed to achieve 50 Ω characteristic impedance
Microstrip lines are usually easier to implement and the reduced number of layer transitions up to antenna
connector simplifies the design and diminishes reflection losses. However, the electromagnetic field extends
to the free air interface above the stripline and may interact with other circuitry
Buried striplines exhibit better shielding to external and internally generated interferences. They are therefore
preferred for sensitive application. In case a stripline is implemented, carefully check that the via pad-stack
does not couple with other signals on the crossed and adjacent layers
Minimize the transmission line length; the insertion loss should be minimized as much as possible, in the
order of a few tenths of a dB
The transmission line should not have abrupt change to thickness and spacing to GND, but must be uniform
and routed as smoothly as possible
The transmission line must be routed in a section of the PCB where minimal interference from noise sources
can be expected
Route RF transmission line far from other sensitive circuits as it is a source of electromagnetic interference
Avoid coupling with VCC routing and analog audio lines
Ensure solid metal connection of the adjacent metal layer on the PCB stack-up to main ground layer
Add GND vias around transmission line
Ensure no other signals are routed parallel to transmission line, or that other signals cross on adjacent metal
layer
If the distance between the transmission line and the adjacent GND area (on the same layer) does not
exceed 5 times the track width of the micro strip, use the “Coplanar Waveguide” model for 50 Ω
characteristic impedance calculation
Don’t route microstrip line below discrete component or other mechanics placed on top layer
When terminating transmission line on antenna connector (or antenna pad) it is very important to strictly
follow the connector manufacturer’s recommended layout
GND layer under RF connectors and close to buried vias should be cut out in order to remove stray
capacitance and thus keep the RF line 50 Ω. In most cases the large active pad of the integrated antenna or
antenna connector needs to have a GND keep-out (i.e. clearance) at least on first inner layer to reduce
parasitic capacitance to ground. Note that the layout recommendation is not always available from
connector manufacturer: e.g. the classical SMA Pin-Through-Hole needs to have GND cleared on all the
layers around the central pin up to annular pads of the four GND posts. Check 50 Ω impedance of ANT and
ANT_DIV lines
Ensure no coupling occurs with other noisy or sensitive signals
The antenna for the Rx diversity should be carefully separated from the main Tx/Rx antenna to ensure that
uncorrelated signals are received at each antenna, because signal improvement is dependent on the cross
correlation and relative signal strength levels between the two received signals. The distance between the
two antennas should be greater than half a wavelength of the lowest used frequency (i.e. distance greater
than ~20 cm, for 2G/3G low bands) to distinguish between different multipath channels, for proper spatial
diversity implementation

LISA-U series - System Integration Manual
3G.G2-HW-10002-A1 Advance Information Design-In
Page 109 of 160
Min. 500 um
Min.
250 um
Top layer Buried metal layer
GND
plane
Microstrip
50 ohm
Figure 55: GND keep-out area on top layer around ANT and ANT_DIV pads and on buried layer below ANT and ANT_DIV pads
Any RF transmission line on PCB should be designed for 50 Ω characteristic impedance.
Ensure no coupling occurs with other noisy or sensitive signals.
Additional guidelines for products marked with the FCC logo - United States only
LISA-U series modules can only be used with a host antenna circuit trace layout according to these guidelines; a
host system designer must follow the guidelines to keep the original Grant of LISA-U series modules.
Strict compliance to the layout reference design already approved (described in the following guidelines)
is required to ensure that only approved antenna shall be used in the host system.
If in a host system there is any difference from the trace layout already approved, it requires a Class II
permissive change or a new grant as appropriate as FCC defines.
Compliance of this device in all final host configurations is the responsibility of the Grantee.
The approved reference design for LISA-U series modules has a structure of 4 layers described in the following.
The Layer 1 (top layer, see Figure 56) provides a micro strip line to connect the ANT pin of the LISA-U series
module to the antenna connector. The ANT pin of the LISA-U series module must be soldered on the designed
pad which is connected to the antenna connector by a micro strip. The characteristics of the micro strip line
(coplanar wave guide) are the following:
Thickness = 0.035 mm
Width = 0.26 mm
Length = 7.85 mm
Gap (signal to GND) = 0.5 mm
The micro strip line must be designed to achieve 50 Ω characteristic impedance: the dimensions of the micro
strip line must be calculated in a host system according to PCB characteristics provided by PCB manufacturer.

LISA-U series - System Integration Manual
3G.G2-HW-10002-A1 Advance Information Design-In
Page 110 of 160
Pad designed for the ANT pin
Antenna connector
Microstrip line
Figure 56: Layer 1 (top layer) of u-blox approved interface board for LISA-U series modules
The thickness of the dielectric (FR4 Prepreg 1080) from Layer 1 (top layer) to Layer 2 (inner layer) is 0.27 mm.
The Layer 2 (inner layer, described in Figure 57) provides a GND plane.
Layer 2 thickness is 0.035 mm.
Figure 57: Layer 2 (inner layer) of u-blox approved interface board for LISA-U series modules
The dielectric thickness (FR4 Laminate 7628) from Layer 2 (inner layer) to Layer 3 (inner layer) is 0.76 mm.
The Layer 3 (inner layer, described in Figure 58) is designed for signals routing and GND plane.
Layer 3 thickness is 0.035 mm.

LISA-U series - System Integration Manual
3G.G2-HW-10002-A1 Advance Information Design-In
Page 111 of 160
Figure 58: Layer 3 (inner layer) of u-blox approved interface board for LISA-U series modules
The dielectric thickness (FR4 Prepreg 1080) from Layer 3 (inner layer) to Layer 4 (bottom layer) is 0.27 mm.
The Layer 4 (bottom layer, described in Figure 59) is designed for signals routing, components placement and
GND plane.
Layer 4 thickness is 0.035 mm.
Figure 59: Layer 4 (bottom layer) of u-blox approved interface board for LISA-U series modules
The antenna gain must not exceed the levels reported in the chapter 1.15.3.2 to preserve the original u-
blox FCC ID.
The antenna must be installed and operated with a minimum distance of 20 cm from all persons and
must not be co-located or operating in conjunction with any other antenna or transmitter.
Under the requirements of FCC Section 15.212(a)-iv, the module must contain a permanently attached antenna,
or contain an unique antenna connector, and be marketed and operated only with specific antenna(s).
In accordance with FCC Section 15.203, the antenna should use a unique coupling connector to the
approved reference design for LISA-U series modules, to ensure that the design will not be deployed
with antenna of different characteristic from the approved type.

LISA-U series - System Integration Manual
3G.G2-HW-10002-A1 Advance Information Design-In
Page 112 of 160
The use of standard SMA type connector is not permitted, as its standard usage allows easy replacement of the
attached antenna. However RP-SMA (Reverse-Polarized-SMA) connector type fulfills the minimum requirements
to prevent exchangeability of antenna on the reference design.
2.2.1.2 Main DC supply connection
The DC supply of LISA-U series modules is very important for the overall performance and functionality of the
integrated product. For detailed description, check the design guidelines in section 1.5.2. Some main
characteristics are:
VCC pins are internally connected, but it is recommended to use all the available pins in order to minimize
the power loss due to series resistance
VCC connection may carry a maximum burst current in the order of 2.5 A. Therefore, it is typically
implemented as a wide PCB line with short routing from DC supply (DC-DC regulator, battery pack, etc)
The module automatically initiates an emergency shutdown if supply voltage drops below hardware
threshold. In addition, reduced supply voltage can set a worst case operation point for RF circuitry that may
behave incorrectly. It follows that each voltage drop in the DC supply track will restrict the operating margin
at the main DC source output. Therefore, the PCB connection must exhibit a minimum or zero voltage drop.
Avoid any series component with Equivalent Series Resistance (ESR) greater than a few milliohms
Given the large burst current, VCC line is a source of disturbance for other signals. Therefore route VCC
through a PCB area separated from sensitive analog signals. Typically it is good practice to interpose at least
one layer of PCB ground between VCC track and other signal routing
The VCC supply current supply flows back to main DC source through GND as ground current: provide
adequate return path with suitable uninterrupted ground plane to main DC source
A tank capacitor with low ESR is often used to smooth current spikes. This is most effective when placed as
close as possible to VCC. From main DC source, first connect the capacitor and then VCC. If the main DC
source is a switching DC-DC converter, place the large capacitor close to the DC-DC output and minimize
the VCC track length. Otherwise consider using separate capacitors for DC-DC converter and LISA-U series
module tank capacitor. Note that the capacitor voltage rating may be adequate to withstand the charger
over-voltage if battery-pack is used
VCC is directly connected to the RF power amplifiers. Add capacitor in the pF range from VCC to GND along
the supply path
Since VCC is directly connected to RF Power Amplifiers, voltage ripple at high frequency may result in
unwanted spurious modulation of transmitter RF signal. This is more likely to happen with switching DC-DC
converters, in which case it is better to select the highest operating frequency for the switcher and add a
large L-C filter before connecting to the LISA-U series modules in the worst case
The large current generates a magnetic field that is not well isolated by PCB ground layers and which may
interact with other analog modules (e.g. VCO) even if placed on opposite side of PCB. In this case route VCC
away from other sensitive functional units
The typical GSM burst has a periodic nature of approx. 217 Hz, which lies in the audible audio range. Avoid
coupling between VCC and audio lines (especially microphone inputs)
If VCC is protected by transient voltage suppressor / reverse polarity protection diode to ensure that the
voltage maximum ratings are not exceeded, place the protecting device along the path from the DC source
toward the LISA-U series module, preferably closer to the DC source (otherwise functionality may be
compromised)
VCC line should be wide and short.
Route away from sensitive analog signals.

LISA-U series - System Integration Manual
3G.G2-HW-10002-A1 Advance Information Design-In
Page 113 of 160
2.2.1.3 USB signal
The LISA-U series modules include a high-speed USB 2.0 compliant interface with a maximum throughput of 480
Mb/s (see Section 1.9.3). Signals USB_D+ / USB_D- carry the USB serial data and signaling. The lines are used in
single ended mode for relatively low speed signaling handshake, as well as in differential mode for fast signaling
and data transfer. Characteristic impedance of USB_D+ / USB_D- lines is specified by USB standard. The most
important parameter is the differential characteristic impedance applicable for odd-mode electromagnetic field,
which should be as close as possible to 90 differential: signal integrity may be degraded if PCB layout is not
optimal, especially when the USB signaling lines are very long.
Route USB_D+ / USB_D- lines as a differential pair
Ensure the differential characteristic impedance is as close as possible to 90
Consider design rules for USB_D+ / USB_D- similar to RF transmission lines, being them coupled differential
micro-strip or buried stripline: avoid any stubs, abrupt change of layout, and route on clear PCB area
2.2.1.4 Analog audio (LISA-U120 / LISA-U130 only)
Accurate analog audio design is very important to obtain clear and high quality audio. The GSM signal burst has
a repetition rate of 217 Hz that lies in the audible range. A careful layout is required to reduce the risk of noise
from audio lines due to both VCC burst noise coupling and RF detection.
Analog audio is separated in the two paths,
1. Audio Input (uplink path): MIC_P / MIC_N
2. Audio Outputs (downlink path): SPK_P / SPK_N
The most sensitive is the uplink path, since the analog input signals are in the microVolts range.
Avoid coupling of any noisy signals to microphone input lines
It is strongly recommended to route MIC signals away from battery and RF antenna lines. Try to skip fast
switching digital lines as well
Keep ground separation from other noisy signals. Use an intermediate GND layer or vias wall for coplanar
signals
MIC_P and MIC_N are sensed differentially within the module. Therefore they should be routed as a
differential pair up to the audio signal source
Cross other signals lines on adjacent layers with 90° crossing
Place bypass capacitor for RF very close to active microphone. The preferred microphone should be designed
for GSM applications which typically have internal built-in bypass capacitor for RF very close to active device.
If the integrated FET detects the RF burst, the resulting DC level will be in the pass-band of the audio
circuitry and cannot be filtered by any other device
The bias for an external electret active microphone is not provided by the module. Verify that microphone is
properly biased from an external low noise supply and verify that the supply noise is properly filtered
Output audio lines have two separated configurations.
SPK_P / SPK_N are high level balanced output. They are DC coupled and must be used with a speaker
connected in bridge configuration
Route SPK_P / SPK_N as differential pair, to reduce differential noise pick-up. The balanced configuration
will help reject the common mode noise
Consider enlarging PCB lines, to reduce series resistive losses, when the audio output is directly connected to
low impedance speaker transducer
Use twisted pair cables for balanced audio usage

LISA-U series - System Integration Manual
3G.G2-HW-10002-A1 Advance Information Design-In
Page 114 of 160
If DC decoupling is required, a large capacitor needs to be used, typically in the microFarad range,
depending on the load impedance, in order to not increase the lower cut-off frequency of its High-Pass RC
filter response
2.2.1.5 Module grounding
Good connection of the module with application board solid ground layer is required for correct RF
performance. It significantly reduces EMC issues and provides a thermal heat sink for the module.
Connect each GND pin with application board solid GND layer. It is strongly recommended that each GND
pad surrounding VCC pins have one or more dedicated via down to the application board solid ground layer
The shielding metal tabs are connected to GND, and are a fundamental part of electrical grounding and
thermal heat-sink. Connect them to board solid ground layer, by soldering them on the baseboard using
PCB plated through holes connected to GND net
If the application board is a multilayer PCB, then it is required to connect together each GND area with
complete via stack down to main board ground layer
It is recommended to implement one layer of the application board as ground plane
Good grounding of GND pads will also ensure thermal heat sink. This is critical during call connection, when
the real network commands the module to transmit at maximum power: proper grounding helps prevent
module overheating
2.2.1.6 Other sensitive pins
A few other pins on the LISA-U series modules requires careful layout.
RTC supply (V_BCKP): avoid injecting noise on this voltage domain as it may affect the stability of sleep
oscillator
Power-On (PWR_ON): is the digital input to switch-on the LISA-U series modules. Ensure that the voltage
level is well defined during operation and no transient noise is coupled on this line, otherwise the module
might detect a spurious power-on request
2.2.1.7 High-speed digital pins
The following high speed digital pins require careful layout:
Serial Peripheral Interface (SPI): can be used for high speed data transfer (UMTS/HSPA) between the
LISA-U series modules and the host processor, with a data rate up to 26 Mb/s (see Section 1.9.3). The
high-speed data rate is carried by signals SPI_SCLK, SPI_MISO and SPI_MOSI, while SPI_SRDY and
SPI_MRDY behave as handshake signals with relatively low activity
Digital Clock Output (CODEC_CLK): can be used to provide a 26 MHz or 13 MHz digital clock to an
external audio codec
Follow these hints for high speed digital pins layout:
High-speed signals become sources of digital noise, route away from RF and other sensitive analog signals
Keep routing short and minimize parasitic capacitance to preserve digital signal integrity

LISA-U series - System Integration Manual
3G.G2-HW-10002-A1 Advance Information Design-In
Page 115 of 160
2.2.1.8 Digital pins and supplies
External Reset (RESET_N): input for external reset, a logic low voltage will reset the module
SIM Card Interface (VSIM, SIM_CLK, SIM_IO, SIM_RST): the SIM layout may be critical if the SIM card is
placed far away from the LISA-U series modules or in close proximity to the RF antenna. In the first case the
long connection can cause the radiation of some harmonics of the digital data frequency. In the second case
the same harmonics can be picked up and create self-interference that can reduce the sensitivity of GSM
Receiver channels whose carrier frequency is coincidental with harmonic frequencies. The latter case, placing
the RF bypass capacitors, suggested in Figure 21, near the SIM connector will mitigate the problem. In
addition, since the SIM card is typically accessed by the end user, it can be subjected to ESD discharges: add
adequate ESD protection to protect module SIM pins near the SIM connector
Digital Audio (I2S_CLK, I2S_RX, I2S_TX, I2S_WA and I2S1_CLK, I2S1_RXD, I2S1_TXD, I2S1_WA): the
I2S interface requires the same consideration regarding electro-magnetic interference as the SIM card. Keep
the traces short and avoid coupling with RF line or sensitive analog inputs
DDC (SCL, SDA): the DDC interface requires the same consideration regarding electro-magnetic
interference as the SIM card. Keep the traces short and avoid coupling with RF line or sensitive analog inputs
UART (TXD, RXD, CTS, RTS, DSR, RI, DCD, DTR): the serial interface requires the same consideration
regarding electro-magnetic interference as the SIM card. Keep the traces short and avoid coupling with RF
line or sensitive analog inputs
General Purpose I/O (GPIOx): the general purpose input/output pins are generally not critical for layout
Reserved pins: these pins are reserved for future use. Leave them unconnected on the baseboard
USB detection (VUSB_DET): this input will generate an interrupt to the baseband processor for USB
detection. The USB supply (5.0 V typ.) must be provided to VUSB_DET by the connected USB host to enable
the USB interface of the module
Interfaces Supply (V_INT): this supply output is generated by an integrated switching step down
converter, used internally to supply the digital interfaces. Because of this, it can be a source of noise: avoid
coupling with sensitive signals

LISA-U series - System Integration Manual
3G.G2-HW-10002-A1 Advance Information Design-In
Page 116 of 160
2.2.2 Footprint and paste mask
The following figure describes the footprint and provides recommendations for the paste mask for LISA-U series
modules. These are recommendations only and not specifications. Note that the copper and solder masks have
the same size and position.
33.2 mm [1307.1 mil]
22.4 mm [881.9 mil]
2.3 mm
[90.6 mil]
0.8 mm
[31.5 mil]
1.1 mm
[43.3 mil]
0.8 mm
[31.5 mil]
1.0 mm
[39.3 mil]
5.7 mm
[224.4 mil]
33.2 mm [1307.1 mil]
22.4 mm [881.9 mil]
2.3 mm
[90.6 mil]
1.2 mm
[47.2 mil]
1.1 mm
[43.3 mil]
0.8 mm
[31.5 mil]
0.9 mm
[35.4 mil]
5.7 mm
[224.4 mil]
0.6 mm
[23.6 mil]
Stencil: 150 µm
Figure 60: LISA-U series modules suggested footprint and paste mask
To improve the wetting of the half vias, reduce the amount of solder paste under the module and increase the
volume outside of the module by defining the dimensions of the paste mask to form a T-shape (or equivalent)
extending beyond the copper mask. The solder paste should have a total thickness of 150 µm.
The paste mask outline needs to be considered when defining the minimal distance to the next
component.
The exact geometry, distances, stencil thicknesses and solder paste volumes must be adapted to the
specific production processes (e.g. soldering etc.) of the customer.
The bottom layer of LISA-U1 series modules has one unprotected copper area for GND, shown in Figure 61.
The bottom layer of LISA-U2 series modules has two unprotected copper areas for GND, shown in Figure 62.
Consider “No-routing” areas for the LISA-U series modules footprint as follows: signal keep-out area on
the top layer of the application board, below LISA-U series modules, due to GND opening on module
bottom layer (see Figure 61 and Figure 62).

LISA-U series - System Integration Manual
3G.G2-HW-10002-A1 Advance Information Design-In
Page 117 of 160
33.2 mm
11.85 mm
22.4 mm
5.3 mm 5.25 mm
1.4 mm
1.0 mm
PIN 1
LISA-U1 bottom side
(through module view)
Exposed GND on LISA-U1 module bottom layer
Signals keep-out area on application board
Figure 61: Signals keep-out area on the top layer of the application board, below LISA-U1 series modules
33.2 mm
5.25 mm
22.4 mm
5.3 mm 5.25 mm5.3 mm
1.3 mm
1.4 mm
1.0 mm
PIN 1
LISA-U2 bottom side
(through module view)
Exposed GND on LISA-U2 module bottom layer
Signals keep-out areas on application board
Figure 62: Signals keep-out areas on the top layer of the application board, below LISA-U2 series modules

LISA-U series - System Integration Manual
3G.G2-HW-10002-A1 Advance Information Design-In
Page 118 of 160
2.2.3 Placement
Optimize placement for minimum length of RF line and closer path from DC source for VCC.
Make sure that RF and analog circuits are clearly separated from any other digital circuits on the system board.
Provide enough clearance between the module and any external part due to solder and paste masks design.
Milled edges that are present at module PCB corners, away from module pins metallization, can slightly increase
module dimensions from the width and the height described in the mechanical specifications sections of LISA-U1
series Data Sheet [1] and LISA-U2 series Data Sheet [2]: provide enough clearance between module PCB corners
and any other external part mounted on the application board.
The heat dissipation during continuous transmission at maximum power can significantly raise the
temperature of the application base-board below the LISA-U series modules: avoid placing temperature
sensitive devices (e.g. GPS receiver) close to the module.

LISA-U series - System Integration Manual
3G.G2-HW-10002-A1 Advance Information Design-In
Page 119 of 160
2.3 Thermal aspects
The operating temperature range is specified in LISA-U1 series Data Sheet [1] and LISA-U2 series Data
Sheet [2].
The most critical condition concerning thermal performance is the uplink transmission at maximum power (data
upload or voice call in connected mode), when the baseband processor runs at full speed, radio circuits are all
active and the RF power amplifier is driven to higher output RF power. This scenario is not often encountered in
real networks; however the application should be correctly designed to cope with it.
During transmission at maximum RF power the LISA-U series modules generate thermal power that can exceed
2 W: this is an indicative value since the exact generated power strictly depends on operating condition such as
the number of allocated TX slot and modulation (GMSK or 8PSK) or data rate (WCDMA), transmitting frequency
band, etc. The generated thermal power must be adequately dissipated through the thermal and mechanical
design of the application.
The Module-to-Ambient thermal resistance (Rth,M-A) of LISA-U series modules mounted on a 90 mm x 70 mm x
1.46 mm 4-Layers PCB with a high coverage of copper in still air conditions ranges between 9 and 12 °C/W. The
spreading of Rth,M-A depends on the operating condition (e.g. 2G or 3G mode, transmit band): the overall
temperature distribution is influenced by the configuration of the active components during the specific mode of
operation and their different thermal resistance toward the case interface.
With this setup, the increase of the module temperature
5
referred to idle state initial condition
6
is:
around 7°C during a voice call at maximum power
19°C during GPRS data transfer with 4 TX slots
16°C during EDGE data transfer with 4 TX slots
up to 25°C in UMTS connection at max TX power
Case-to-Ambient thermal resistance value will be different for other mechanical deployments of the
module, e.g. PCB with different size and characteristics, mechanical shells enclosure, or forced air flow.
The increase of thermal dissipation, i.e. reducing the thermal resistance, will decrease the operating temperature
for internal circuitry of LISA-U series modules for a given operating ambient temperature. This improves the
device long-term reliability for applications operating at high ambient temperature.
A few techniques may be used to reduce the thermal resistance in the application:
Forced ventilation air-flow within mechanical enclosure
Heat sink attached to the module top side, with electrically insulated / high thermal conductivity adhesive, or
on the backside of the application board, below the wireless module
Connect each GND pin with solid ground layer of the application board and connect each ground area of
the multilayer application board with complete via stack down to main ground layer
For example, after the installation of a robust aluminum heat-sink with forced air ventilation on the back of the
same application board described above, the Module-to-Ambient thermal resistance is reduced to
1.5 ÷ 3.5 °C/W. The effect of lower Rth,M-A can be seen from the module temperature which now becomes:
around 1.5°C above the ambient temperature during a voice call at maximum power
3°C during GPRS data transfer with 4 TX slots
2.5°C during EDGE data transfer with 4 TX slots
5.5°C in UMTS connection at max TX power
5
Temperature is measured by internal sensor of wireless module
6
Steady state thermal equilibrium is assumed. The module’s temperature in idle state can be considered equal to ambient temperature

LISA-U series - System Integration Manual
3G.G2-HW-10002-A1 Advance Information Design-In
Page 120 of 160
2.4 Antenna guidelines
Antenna characteristics are essential for good functionality of the module. Antenna radiating performance has
direct impact on the reliability of connections over the Air Interface. A bad termination of the ANT pin (main RF
input/output) and the ANT_DIV pin (RF input for diversity receiver provided by LISA-U230 modules) can result in
poor performance of the module.
The following parameters should be checked:
Item
Recommendations
Impedance
50 Ω nominal characteristic impedance
Frequency Range
Depends on the LISA-U series module HW version and on the Mobile Network used.
LISA-U100, LISA-U120:
824..960 MHz (GSM 850, GSM 900, UMTS B5)
1710..1990 MHz (GSM 1800, GSM 1900, UMTS B2)
LISA-U110, LISA-U130:
824..960 MHz (GSM 850, GSM 900, UMTS B8)
1710..2170 MHz (GSM 1800, GSM 1900, UMTS B1)
LISA-U200-00:
824..960 MHz (GSM 850, GSM 900, UMTS B5, UMTS B6)
1710..2170 MHz (GSM 1800, GSM 1900, UMTS B1, UMTS B2)
LISA-U200-01, LISA-U230-01:
824..960 MHz (GSM 850, GSM 900, UMTS B5, UMTS B6, UMTS B8)
1710..2170 MHz (GSM 1800, GSM 1900, UMTS B1, UMTS B2, UMTS B4)
Input Power
>2 W peak
V.S.W.R
<2:1 recommended, <3:1 acceptable
Return Loss
S11<-10 dB recommended, S11<-6 dB acceptable
Table 45: General recommendation for GSM antenna
The antenna gain shall remain below the levels reported in the chapter 1.15.3.2 to preserve
the original u-blox FCC ID.
Please note that some 2G and 3G bands are overlapping. This depends on worldwide band allocation for
telephony services, where different bands are deployed for different geographical regions.
If the LISA-U110, LISA-U130 or LISA-U2 series modules are planned for use on the entire supported bands, then
an antenna that supports the 824..960 MHz and the 1710..2170 MHz frequency range should be selected. If the
LISA-U100 or LISA-U120 modules are planned for use with the entire range of supported bands, then an
antenna that supports the 824..960 MHz and the 1710..1990 MHz frequency range should be selected.
Otherwise, for fixed applications in specific geographical region, antenna requirements can be relaxed for non-
deployed frequency bands. Refer to the operating RF frequency bands table in LISA-U1 series Data Sheet [1] and
LISA-U2 series Data Sheet [2] for the detailed uplink and downlink frequency ranges of each supported band.
LISA-U230 modules provide 2G and 3G dynamic receive diversity (Rx diversity) capability to improve the quality
and reliability of the wireless link. This feature can be optionally used connecting a second antenna to the
ANT_DIV pin, to receive an RF input signal that is processed by the module to increase the performance. All the
antenna guidelines and recommendations reported are applicable also to the Rx diversity antenna design, even if
the antenna for the Rx diversity is not used to transmit.
GSM antennas are typically available as:
Linear monopole: typical for fixed applications. The antenna extends mostly as a linear element with a
dimension comparable to lambda/4 of the lowest frequency of the operating band. Magnetic base may be
available. Cable or direct RF connectors are common options. The integration normally requires the
fulfillment of some minimum guidelines suggested by antenna manufacturer
Patch-like antenna: better suited for integration in compact designs (e.g. mobile phone). These are mostly
custom designs where the exact definition of the PCB and product mechanical design is fundamental for
tuning of antenna characteristics

LISA-U series - System Integration Manual
3G.G2-HW-10002-A1 Advance Information Design-In
Page 121 of 160
For integration observe these recommendations:
Ensure 50 Ω antenna termination, minimize the V.S.W.R. or return loss, as this will optimize the electrical
performance of the module. See section 2.4.1
Select antenna with best radiating performance. See section 2.4.2
If a cable is used to connect the antenna radiating element to application board, select a short cable with
minimum insertion loss. The higher the additional insertion loss due to low quality or long cable, the lower
the connectivity
Follow the recommendations of the antenna manufacturer for correct installation and deployment
Do not include antenna within closed metal case
Do not place the main antenna in close vicinity to end user since the emitted radiation in human tissue is
limited by S.A.R. regulatory requirements
Do not use directivity antenna since the electromagnetic field radiation intensity is limited in some countries
Take care of interaction between co-located RF systems since the GSM transmitted power may interact or
disturb the performance of companion systems
Place antenna far from sensitive analog systems or employ countermeasures to reduce electromagnetic
compatibility issues that may arise
The antenna for the Rx diversity should be carefully separated from the main Tx/Rx antenna to ensure
uncorrelated signals received at each antenna, because signal improvement is dependent on the cross
correlation and relative signal strength levels between the two received signals. The distance between the
two antennas should be greater than half a wavelength of the lowest used frequency (i.e. distance greater
than ~20 cm, for 2G/3G low bands) to distinguish between different multipath channels
2.4.1 Antenna termination
The LISA-U series modules are designed to work on a 50 load. However, real antennas have no perfect 50
load on all the supported frequency bands. Therefore, to reduce as much as possible performance degradation
due to antenna mismatch, the following requirements should be met:
Measure the antenna termination with a network analyzer: connect the antenna through a coaxial cable to the
measurement device, the |S11| indicates which portion of the power is delivered to antenna and which portion is
reflected by the antenna back to the module output.
A good antenna should have an |S11| below -10 dB over the entire frequency band. Due to miniaturization,
mechanical constraints and other design issues, this value will not be achieved. An |S11| value of about -6 dB - (in
the worst case) - is acceptable.
Figure 63 shows an example of this measurement:
Figure 63: |S11| sample measurement of a penta-band antenna that covers in a small form factor the 4 GSM bands (850 MHz, 900
MHz, 1800 MHz and 1900 MHz) and the UMTS Band I

LISA-U series - System Integration Manual
3G.G2-HW-10002-A1 Advance Information Design-In
Page 122 of 160
Figure 64 shows comparable measurements performed on a wideband antenna. The termination is better, but
the size of the antenna is considerably larger.
Figure 64: |S11| sample measurement of a wideband antenna
2.4.2 Antenna radiation
An indication of the antenna’s radiated power can be approximated by measuring the |S21| from a target antenna
to the measurement antenna, using a network analyzer with a wideband antenna. Measurements should be
done at a fixed distance and orientation, and results compared to measurements performed on a known good
antenna. Figure 65 through Figure 66 show measurement results. A wideband log periodic-like antenna was
used, and the comparison was done with a half lambda dipole tuned at 900 MHz frequency. The measurements
show both the |S11| and |S21| for the penta-band internal antenna and for the wideband antenna.
Figure 65: |S11| and |S21| comparison between a 900 MHz tuned half wavelength dipole (green/purple) and a penta-band internal
antenna (yellow/cyan)
The half lambda dipole tuned at 900 MHz is known and has good radiation performance (both for gain and
directivity). Then, by comparing the |S21| measurement with antenna under investigation for the frequency where
the half dipole is tuned (e.g. marker 3 in Figure 65) it is possible to make a judgment on the antenna under test:
if the performance is similar then the target antenna is good.

LISA-U series - System Integration Manual
3G.G2-HW-10002-A1 Advance Information Design-In
Page 123 of 160
Figure 66: |S11| and |S21| comparison between a 900 MHz tuned half wavelength dipole (green/purple) and a wideband
commercial antenna (yellow/cyan)
Instead if |S21| values for the tuned dipole are much better than the antenna under evaluation (like for marker 1/2
area of Figure 66, where dipole is 5 dB better), then it can be argued that the radiation of the target antenna
(the wideband dipole in this case) is considerably less.
The same procedure should be repeated on other bands with half wavelength dipole re-tuned to the band under
investigation.
For good antenna radiation performance, antenna dimensions should be comparable to a quarter of the
wavelength. Different antenna types can be used for the module, many of them (e.g. patch antennas,
monopole) are based on a resonating element that works in combination with a ground plane. The
ground plane, ideally infinite, can be reduced down to a minimum size that must be similar to one
quarter of the wavelength of the minimum frequency that has to be radiated (transmitted/received).
Numerical sample: frequency = 1 GHz wavelength = 30 cm minimum ground plane (or antenna
size) = 7.5 cm. Below this size, the antenna efficiency is reduced.
2.4.3 Antenna detection functionality
The internal antenna detect circuit is based on ADC measurement at ANT: the RF port is DC coupled to the ADC
unit in the baseband chip which injects a DC current (10 µA for 128 µs) on ANT and measures the resulting DC
voltage to evaluate the resistance from ANT pad to GND.
The antenna detection is forced by the +UANTR AT command: refer to the u-blox AT Commands Manual [3] for
more details on how to access this feature.
To achieve antenna detection functionality, use an RF antenna with built-in resistor from ANT signal to GND, or
implement an equivalent solution with a circuit between the antenna cable connection and the radiating
element as shown in Figure 67.

LISA-U series - System Integration Manual
3G.G2-HW-10002-A1 Advance Information Design-In
Page 124 of 160
Application Board Antenna Assembly
Diagnostic Circuit
LISA-U series
ADC
Current
Source
RF
Choke
DC
Blocking
Front-End
RF Module
RF
Choke
DC
Blocking
Radiating
Element
Zo=50 Ω
Resistor for
Diagnostic
Coaxial Antenna Cable
ANT
Figure 67: Antenna detection circuit and antenna with diagnostic resistor
Examples of components for the antenna detection diagnostic circuit are reported in the following table:
Description
Part Number - Manufacturer
DC Blocking Capacitor
Murata GRM1555C1H220JA01 or equivalent
RF Choke Inductor
Murata LQG15HS68NJ02, LQG15HH68NJ02 or equivalent (Self Resonance Frequency ~1GHz)
Resistor for Diagnostic
15 k 5%, various Manufacturers
Table 46: Example of components for the antenna detection diagnostic circuit
Please note that the DC impedance at RF port for some antennas may be a DC open (e.g. linear monopole) or a
DC short to reference GND (e.g. PIFA antenna). For those antennas, without the diagnostic circuit of Figure 67,
the measured DC resistance will always be at the limits of the measurement range (respectively open or short),
and there will be no mean to distinguish between a defect on antenna path with similar characteristics
(respectively: removal of linear antenna or RF cable shorted to GND for PIFA antenna).
Furthermore, any other DC signal injected to the RF connection from ANT connector to radiating element will
alter the measurement and produce invalid results for antenna detection.
It is recommended to use an antenna with a built-in diagnostic resistor in the range from 5 kΩ to 30 kΩ
to assure good antenna detection functionality and to avoid a reduction of module RF performance. The
choke inductor should exhibit a parallel Self Resonance Frequency (SRF) in the range of 1 GHz to
improve the RF isolation of load resistor.
For example:
Consider a GSM antenna with built-in DC load resistor of 15 k . Using the +UANTR AT command, the module
reports the resistance value evaluated from ANT connector to GND:
Reported values close to the used diagnostic resistor nominal value (i.e. values from 13 kΩ to 17 kΩ if a
15 kΩ diagnostic resistor is used) indicate that the antenna is properly connected

LISA-U series - System Integration Manual
3G.G2-HW-10002-A1 Advance Information Design-In
Page 125 of 160
Values close to the measurement range maximum limit (approximately 50 kΩ) or an open-circuit
“over range” report (see u-blox AT Commands Manual [3]) means that that the antenna is not connected or
the RF cable is broken
Reported values below the measurement range minimum limit (1 kΩ) will highlight a short to GND at
antenna or along the RF cable
Measurement inside the valid measurement range and outside the expected range may indicate an improper
connection, damaged antenna or wrong value of antenna load resistor for diagnostic
Reported value could differ from the real resistance value of the diagnostic resistor mounted inside the
antenna assembly due to antenna cable length, antenna cable capacity and the used measurement method

LISA-U series - System Integration Manual
3G.G2-HW-10002-A1 Advance Information Design-In
Page 126 of 160
2.5 ESD precautions
2.5.1 ESD immunity test overview
The immunity of the device (i.e. the application board where LISA-U series module is mounted) to the
Electrostatic Discharge (ESD) must be certified in compliance to the testing standard CENELEC EN 61000-4-2 [11]
and the radio equipment standards ETSI EN 301 489-1 [12], ETSI EN 301 489-7 [13], ETSI EN 301 489-24 [14],
which requirements are summarized in Table 47.
The ESD immunity test is performed at the enclosure port, defined by ETSI EN 301 489-1 [12] as the physical
boundary through which the electromagnetic field radiates. If the device implements an integral antenna, the
enclosure port is seen as all insulating and conductive surfaces housing the device. If the device implements a
removable antenna, the antenna port can be separated from the enclosure port. The antenna port includes the
antenna element and its interconnecting cable surfaces.
The applicability of ESD immunity test to the whole device depends on the device classification as defined by ETSI
EN 301 489-1 [12]. Applicability of ESD immunity test to the relative device ports or the relative interconnecting
cables to auxiliary equipments, depends on device accessible interfaces and manufacturer requirements, as
defined by ETSI EN 301 489-1 [12].
Contact discharges are performed at conductive surfaces, while air discharges are performed at insulating
surfaces. Indirect contact discharges are performed on the measurement setup horizontal and vertical coupling
planes as defined in CENELEC EN 61000-4-2 [11].
For the definition of integral antenna, removable antenna, antenna port, device classification refer to
ETSI EN 301 489-1 [12].
The contact and air discharges are defined in CENELEC EN 61000-4-2 [11].
Application
Category
Immunity Level
All exposed surfaces of the radio equipment and ancillary equipment
in a representative configuration
Contact Discharge
4 kV
Air Discharge
8 kV
Table 47: Electromagnetic Compatibility ESD immunity requirements as defined by standards CENELEC EN 61000-4-2, ETSI EN
301 489-1 V1.8.1, ETSI EN 301 489-7 V1.3.1, ETSI EN 301 489-24 V1.4.1
2.5.2 ESD immunity test of LISA-U series reference design
Although electromagnetic compatibility (EMC) certification must be performed by the final application of the
radio equipment under test (i.e. the application board where LISA-U series module is mounted), EMC
certification (including ESD immunity) have been successfully performed on LISA-U1 series and LISA-U200-00
modules reference design according to CENELEC EN 61000-4-2 [11], ETSI EN 301 489-1 [12], ETSI EN 301 489-7
[13] and ETSI EN 301 489-24 [14] standards.
The EMC approved reference design consists of a LISA-U1 series or a LISA-U200-00 module soldered on a
motherboard which provides an interface to power supply, SIM card, headset and communication port. An
external antenna is connected to an SMA connector provided on the motherboard.
Since an external antenna is used, the antenna port can be separated from the enclosure port. The reference
design is not enclosed in a box so the enclosure port is not indentified with physical surfaces. Therefore, some
test cases cannot be applied. Only the antenna port is identified as accessible for direct ESD exposure.
The reference application implements all precautions described in the section 2.5.3. ESD immunity test results
and applicability are reported in Table 48 according to test requirements CENELEC EN 61000-4-2 [11],
ETSI EN 301 489-1 [12], ETSI EN 301 489-7 [13] and ETSI EN 301 489-24 [14].

LISA-U series - System Integration Manual
3G.G2-HW-10002-A1 Advance Information Design-In
Page 127 of 160
Category
Application
Immunity Level
Contact Discharge to coupling planes (indirect contact discharge)
Enclosure
+2 kV / -2 kV
+4 kV / -4 kV
Contact Discharges to conducted surfaces (direct contact discharge)
Enclosure port
Not Applicable7
Contact Discharges to conducted surfaces (direct contact discharge)
Antenna port
(only antenna with completely
insulating surface can be used)
Not Applicable8
Air Discharge at insulating surfaces
Enclosure port
Not Applicable9
Air Discharge at insulating surfaces
Antenna port
+2 kV /
(only antenna with completely
insulating surface can be used)
+4 kV /
+8 kV /
Table 48: Enclosure ESD immunity level (as defined by standards CENELEC EN 61000-4-2, ETSI EN 301 489-1 V1.8.1, ETSI EN 301
489-7 V1.3.1, ETSI EN 301 489-24 V1.4.1) of LISA-U1 series and LISA-U200-00 modules application reference design
7
LISA-U1 series or LISA-U200-00 module mounted on application design:
Not Applicability: EUT with insulating enclosure surface, EUT without enclosure surface
Applicability: EUT with conductive enclosure surface
8
LISA-U1 series or LISA-U200-00 module mounted on application design:
Not Applicability: Antenna with insulating surface
Applicability: Antenna with conductive surface
9
LISA-U1 series or LISA-U200-00 module mounted on application design:
Applicability: EUT with insulating enclosure surface
Not Applicability: EUT with conductive enclosure surface, EUT without enclosure surface

LISA-U series - System Integration Manual
3G.G2-HW-10002-A1 Advance Information Design-In
Page 128 of 160
2.5.3 ESD application circuits
The application circuits described in this section should be implemented, depending on the application board
handling, to satisfy ESD immunity test requirements. These are defined in CENELEC EN 61000-4-2 [11], ETSI EN
301 489-1 [12] and ETSI EN 301 489-7 [13], and performed at the device enclosure in compliance to the
category level defined in ETSI EN 301 489-1 [12]. The test requirements are summarized in Table 47.
Antenna interface
With LISA-U1 series modules, the ANT pin provides ESD immunity up to 500 V (contact and air discharge
according to IEC 61000-4-2): higher protection level is required if the line is externally accessible on the device
(i.e. the application board where LISA-U1 series module is mounted).
The following precautions are suggested to satisfy ESD immunity test requirements using LISA-U1 series
modules:
If the device implements an embedded antenna, the insulating enclosure of the device should provide
protection to direct contact discharge up to +4 kV / -4 kV and protection to air discharge up to +8 kV / -8 kV
to the antenna interface
If the device implements an external antenna, the antenna and its connecting cable should provide a
completely insulated enclosure able to provide protection to direct contact discharge up to +4 kV / -4 kV and
protection to air discharge up to +8 kV / -8 kV to the whole antenna and cable surfaces
With the LISA-U200-00 module, the ANT pin provides ESD immunity up to 1000 V (contact and air discharge
according to IEC 61000-4-2): higher protection level is required if the line is externally accessible on the device
(i.e. the application board where LISA-U200-00 module is mounted).
The following precautions are suggested for satisfying ESD immunity test requirements using LISA-U200-00
modules:
If the device implements an embedded antenna, the device insulating enclosure should provide protection to
direct contact discharge up to +4 kV / -4 kV and protection to air discharge up to +8 kV / -8 kV to the
antenna interface
If the device implements an external antenna, the antenna and its connecting cable should provide a
completely insulated enclosure able to provide protection to direct contact discharge up to +4 kV / -4 kV and
protection to air discharge up to +8 kV / -8 kV to the whole antenna and cable surfaces
If the device implements an external antenna and the antenna and its connecting cable don’t provide a
completely insulated enclosure able to provide protection to direct contact discharge up to +4 kV / -4 kV and
protection to air discharge up to +8 kV / -8 kV to the whole antenna and cable surfaces, an external high
pass filter, consisting of a series 15 pF capacitor (Murata GRM1555C1H150JA01) and a shunt 39 nH coil
(Murata LQG15HN39NJ102) should be implemented at the antenna port as described in Figure 68
Antenna detection functionality is not provided when implementing the high pass filter described in
Figure 68 and Table 49, as ESD protection for the LISA-U200-00 antenna port.

LISA-U series - System Integration Manual
3G.G2-HW-10002-A1 Advance Information Design-In
Page 129 of 160
External Antenna Enclosure
Application Board
LISA-U200-00
ANT
Radiating
Element
Zo = 50 Ohm
Coaxial Antenna Cable
Antenna Port
Enclosure Port
C
L
Figure 68: LISA-U200-00 antenna port ESD immunity protection application circuit
Reference
Description
Part Number - Manufacturer
C
15 pF Capacitor Ceramic C0G 0402 5% 50 V
GRM1555C1H150JA01 - Murata
L
39 nH Multilayer Chip Inductor L0G 0402 5%
LQG15HN39NJ102 - Murata
Table 49: Example of components for LISA-U200-00 antenna port ESD immunity protection application circuit
With LISA-U230 modules, the ANT_DIV pin provides ESD immunity up to +4 kV / -4 kV for direct Contact
Discharge and up to +8 kV / -8 kV for Air Discharge: no further precaution to ESD immunity test is needed.
RESET_N pin
The following precautions are suggested for the RESET_N line of LISA-U series modules, depending on the
application board handling, to satisfy ESD immunity test requirements:
A 47 pF bypass capacitor (e.g. Murata GRM1555C1H470JA01) must be mounted on the line termination
connected to the RESET_N pin to avoid a module reset caused by an electrostatic discharge applied to the
application board enclosure
A series ferrite bead (e.g. Murata BLM15HD182SN1) must be added on the line connected to the RESET_N
pin to avoid a module reset caused by an electrostatic discharge applied to the application board enclosure
An additional 220 nF bypass capacitor (e.g. Murata GRM155R60J224KE01) must be mounted as close as
possible to the RESET_N pin of LISA-U2 series modules to avoid a module reset caused by an electrostatic
discharge applied to the application board enclosure
It is recommended to keep the connection line to RESET_N as short as possible
Maximum ESD sensitivity rating of the RESET_N pin is 1 kV (Human Body Model according to JESD22-A114F).
Higher protection level could be required if the RESET_N pin is externally accessible on the application board.
The following precautions are suggested to achieve higher protection level:
A general purpose ESD protection device (e.g. EPCOS CA05P4S14THSG varistor array or EPCOS
CT0402S14AHSG varistor) should be mounted on the RESET_N line, close to accessible point
For the RESET_N application circuit description refer to Figure 20 and Table 18 reported in section 1.6.3.

LISA-U series - System Integration Manual
3G.G2-HW-10002-A1 Advance Information Design-In
Page 130 of 160
SIM interface
The following precautions are suggested for LISA-U series modules SIM interface (VSIM, SIM_RST, SIM_IO,
SIM_CLK pins), depending on the application board handling, to satisfy ESD immunity test requirements:
A 47 pF bypass capacitor (e.g. Murata GRM1555C1H470J) must be mounted on the lines connected to
VSIM, SIM_RST, SIM_IO and SIM_CLK pins to assure SIM interface functionality when an electrostatic
discharge is applied to the application board enclosure
It is suggested to use as short as possible connection lines at SIM pins
Maximum ESD sensitivity rating of SIM interface pins is 1 kV (Human Body Model according to JESD22-A114F).
Higher protection level could be required if SIM interface pins are externally accessible on the application board.
The following precautions are suggested to achieve higher protection level:
A low capacitance (i.e. less than 10 pF) ESD protection device (e.g. Infineon ESD8V0L2B-03L or AVX
USB0002) should be mounted on each SIM interface line, close to accessible points (i.e. close to the SIM
card holder)
For the SIM interface application circuit description refer to Figure 21 and Table 21 reported in section 1.8.
Other pins and interfaces
All the module pins that are externally accessible on the device (i.e. the application board where LISA-U series
module is mounted) should be included in the ESD immunity test since they are considered to be a port as
defined in ETSI EN 301 489-1 [12]. Depending on applicability, to satisfy ESD immunity test requirements
according to ESD category level, all the module pins that are externally accessible should be protected up to +4
kV / -4 kV for direct Contact Discharge and up to +8 kV / -8 kV for Air Discharge applied to the enclosure
surface.
The maximum ESD sensitivity rating of all the other pins of the module is 1 kV (Human Body Model according to
JESD22-A114F). Higher protection level could be required if the relative pin is externally accessible on the
application board. The following precautions are suggested to achieve higher protection level:
USB interface: a very low capacitance (i.e. less or equal to 1 pF) ESD protection device (e.g. Tyco Electronics
PESD0402-140 ESD protection device) should be mounted on the USB_D+ and USB_D- lines, close to the
accessible points (i.e. close to the USB connector)
SPI interface: a low capacitance (i.e. less than 10 pF) ESD protection device (e.g. Infineon ESD8V0L2B-03L
or AVX USB0002) should be mounted on the SPI_MISO, SPI_MOSI, SPI_SCLK, SPI_MRDY, SPI_SRDY
lines, close to accessible points
CODEC_CLK: a low capacitance (i.e. less than 10 pF) ESD protection device (e.g. Infineon ESD8V0L2B-03L or
AVX USB0001) should be mounted on the CODEC_CLK line, close to accessible point
Other pins: a general purpose ESD protection device (e.g. EPCOS CA05P4S14THSG varistor array or EPCOS
CT0402S14AHSG varistor) should be mounted on the relative line, close to accessible point

LISA-U series - System Integration Manual
3G.G2-HW-10002-A1 Advance Information Features description
Page 131 of 160
3 Features description
3.1 Firmware (upgrade) Over AT (FOAT)
Not supported by LISA-U1xx-00 modules.
3.1.1 Overview
This feature allows upgrading the module Firmware over UART and USB, using AT Commands.
AT Command AT+UFWUPD triggers a reboot followed by the upgrade procedure at specified a baud rate
(refer to u-blox AT Commands Manual [3] for more details)
The Xmodem-1k protocol is used for downloading the new Firmware image via a terminal application
A special boot loader on the module performs firmware installation, security verifications and module reboot
Firmware authenticity verification is performed via a security signature during the download. The firmware is
then installed, overwriting the current version. In case of power loss during this phase, the boot loader
detects a fault at the next wake-up, and restarts the firmware download from the Xmodem-1k handshake.
After completing the upgrade, the module is reset again and wakes-up in normal boot
3.1.2 FOAT procedure
The application processor must proceed in the following way:
Send the AT+UFWUPD command through the UART or over the USB interface, specifying the file type and
the desired baud rate
Reconfigure the serial communication at the selected baud rate, without flow control with the Xmodem-1k
protocol
Send the new FW image via Xmodem-1k
3.2 TCP/IP and UDP/IP
Via the AT commands it’s possible to access the TCP/IP and UDP/IP functionalities over the Packet Switched data
connection. For more details about AT commands see the u-blox AT Commands Manual [3].
Direct Link mode for TCP and UDP sockets is supported by all LISA-U series modules except LISA-U1xx-00
versions. Sockets can be set in Direct Link mode to establish a transparent end-to-end communication with an
already connected TCP or UDP socket via serial interface.
3.2.1 Multiple PDP contexts and sockets
Two PDP context types are defined:
“external” PDP context: IP packets are built by the DTE, the MT’s IP instance runs the IP relay function only
“internal” PDP context: the PDP context (relying on the MT’s TCP/IP stack) is configured, established and
handled via the data connection management packet switched data commands described in u-blox AT
commands manual [3]
Multiple PDP contexts are supported. The DTE can access these PDP contexts either alternatively through the
physical serial port, or simultaneously through the virtual serial ports of the multiplexer (multiplexing mode
MUX), with the following constraints:
Using the MT’s embedded TCP/IP stack, only 1 internal PDP context is supported. This IP instance supports
up to 7 sockets

LISA-U series - System Integration Manual
3G.G2-HW-10002-A1 Advance Information Features description
Page 132 of 160
Using only external PDP contexts, it is possible to have at most 3 IP instances (with 3 different IP addresses)
simultaneously. If in addition the internal PDP context is used, at most 2 external PDP contexts can be
activated
Secondary PDP contexts (PDP contexts sharing the IP address of a primary PDP context) are also supported.
Traffic Flow Filters for such secondary contexts shall be specified according to 3GPP TS 23.060 [20].
At most 2 secondary PDP contexts can be activated, since the maximum number of PDP contexts, both normal
and secondary, is always 3.
3.3 FTP and FTPS
Not supported by LISA-U1xx-00 modules.
LISA-U series modules support the File Transfer Protocol and Secure File Transfer Protocol functionalities via AT
commands. Files are read and stored in the local file system of the module. For more details about AT commands
see u-blox AT Commands Manual [3].
3.4 HTTP and HTTPS
Not supported by LISA-U1xx-00 modules.
HTTP and HTTPS clients are implemented in LISA-U series modules. HEAD, GET, POST, DELETE and PUT
operations are available. The file size to be uploaded / downloaded depends on the free space available in the
local file system (FFS) at the moment of the operation. Up to 4 client contexts can be simultaneously used.
For more details about AT commands see the u-blox AT Commands Manual [3].
3.5 AssistNow clients and GPS integration
Not supported by LISA-U200-00 modules.
For customers using u-blox GPS receivers, LISA-U series wireless modules feature embedded AssistNow clients.
AssistNow A-GPS provides better GPS performance and faster Time-To-First-Fix. The clients can be enabled and
disabled with an AT command (see the u-blox AT Commands Manual [3]).
LISA-U series modules act as a stand-alone AssistNow client, making AssistNow available with no additional
requirements for resources or software integration on an external host micro controller. Full access to u-blox GPS
receivers is available via the LISA-U series, through a dedicated DDC (I2C) interface, while the available GPIOs can
handle the GPS device power-on/off. This means that GSM/WCDMA and GPS can be controlled through a single
serial port from any host processor.
3.6 Jamming Detection
Not supported by LISA-U1xx-00 modules.
In real network situations modules can experience various kind of out-of-coverage conditions: limited service
conditions when roaming to networks not supporting the specific SIM, limited service in cells which are not
suitable or barred due to operators’ choices, no cell condition when moving to poorly served or highly interfered
areas. In the latter case, interference can be artificially injected in the environment by a noise generator covering
a given spectrum, thus obscuring the operator’s carriers entitled to give access to the GSM/UMTS service.

LISA-U series - System Integration Manual
3G.G2-HW-10002-A1 Advance Information Features description
Page 133 of 160
The Jamming Detection Feature detects such “artificial” interference and reports the start and stop of such
conditions to the client, which can react appropriately by e.g. switching off the radio transceiver in order to
reduce power consumption and monitoring the environment at constant periods.
The feature consists of detecting, at radio resource level, an anomalous source of interference and signaling it to
the client with an unsolicited indication when the detection is entered or released. The jamming condition occurs
when:
The module has lost synchronization with the serving cell and cannot select any other cell
The band scan reveals at least n carriers with power level equal or higher than threshold
On all such carriers, no synchronization is possible
The number of minimum disturbing carriers and the power level threshold can be configured by the client by
using the AT+UCD command [3].
The jamming condition is cleared when any of the above mentioned statements does not hold.
The congestion (i.e. jamming) detection feature can be enabled and configured by the +UCD AT command (for
more details refer to the u-blox AT Commands Manual [3]).
3.7 In-Band modem
Not supported by LISA-U100, LISA-U110, LISA-U120, LISA-U130-00, LISA-U200-00 modules versions.
LISA-U series modules implements the in-Band modem solution for eCall according to the 3GPP TS 26.267
specification [15].
According to the eCall (Pan-European automatic in-vehicle emergency call system) specification, an eCall must
be generated automatically or manually following an car accident using GSM cellular service “112”. When
activated, the in-vehicle eCall system (IVS) creates an emergency call carrying both voice and data (e.g. vehicle
GPS position) directly to the nearest 112 Public Safety Answering Point (PSAP) to quickly decide upon detaching
rescue services to the known position.
Figure 69: In-Band modem diagram flow
In-Band modem allows the fast and reliable transmission of vehicle Minimum Set of Data (MSD - 140 bytes) and
the establishment of a voice emergency call using the same physical channel (voice channel) without any
modifications of the existing cellular network architecture.
In-Band modem is a mandatory feature to meet the eCall requirements and to develop in vehicle devices fully
supporting eCall.
3.8 Smart Temperature Management
Wireless modules – independent of the specific model –always have a well defined operating temperature range.
This range should be respected to guarantee full device functionality and long life span.

LISA-U series - System Integration Manual
3G.G2-HW-10002-A1 Advance Information Features description
Page 134 of 160
Nevertheless there are environmental conditions that can affect operating temperature, e.g. if the device is
located near a heating/cooling source, if there is/isn’t air circulating, etc.
The module itself can also influence the environmental conditions; such as when it is transmitting at full power.
In this case its temperature increases very quickly and can raise the temperature nearby.
The best solution is always to properly design the system where the module is integrated. Nevertheless an extra
check/security mechanism embedded into the module is a good solution to prevent operation of the device
outside of the specified range.
3.8.1 Smart Temperature Supervisor (STS)
The Smart Temperature Supervisor is activated and configured by a dedicated AT+USTS command. Please refer
to u-blox AT Commands Manual [3] for more details.
The wireless module measures the internal temperature (Ti) and its value is compared with predefined thresholds
to identify the actual working temperature range.
Temperature measurement is done inside the wireless module: the measured value could be different
from the environmental temperature (Ta).
Warning
area
t-1 t+1 t+2
t-2
Valid temperature range
Safe
area
Dangerous
area
Dangerous
area
Warning
area
Figure 70: Temperature range and limits
The entire temperature range is divided into sub-regions by limits (see Figure 70) named t-2, t-1, t+1 and t+2.
Within the first limit, (t-1 < Ti < t+1), the wireless module is in the normal working range, the Safe Area
In the Warning Area, (t-2 < Ti < t.1) or (t+1 < Ti < t+2), the wireless module is still inside the valid temperature
range, but the measured temperature approaches the limit (upper or lower). The module sends a warning to
the user (through the active AT communication interface), which can take, if possible, the necessary actions
to return to a safer temperature range or simply ignore the indication. The module is still in a valid and good
working condition
Outside the valid temperature range, (Ti < t-2) or (Ti > t+2), the device is working outside the specified range
and represents a dangerous working condition. This condition is indicated and the device shuts down to
avoid damage
For security reasons the shutdown is suspended in case an emergency call in progress. In this case the
device will switch off at call termination.
The user can decide at anytime to enable/disable the Smart Temperature Supervisor feature. If the
feature is disabled there is no embedded protection against disallowed temperature conditions.
Figure 71 shows the flow diagram implemented in LISA-U series modules for the Smart Temperature Supervisor.

LISA-U series - System Integration Manual
3G.G2-HW-10002-A1 Advance Information Features description
Page 135 of 160
IF STS
enabled
Read
temperature
IF
(t-1<Ti<t+1)
IF
(t-2<Ti<t+2)
Send
notification
(warning)
Send
notification
(dangerous)
Wait emergency
call termination
IF
emerg.
call in
progress
Shut the device
down
Yes
No
Yes
Yes
No
No
No
Yes
Send
shutdown
notification
Feature enabled
(full logic or
indication only)
IF
Full Logic
Enabled
Feature disabled:
no action
Temperature is
within normal
operating range
Yes
Tempetature
is within
warning area
Tempetature is
outside valid
temperature range
No
Featuere enabled
in full logic mode
Feature enabled in
indication only mode:
no further actions
Send
notification
(safe)
Previously
outside of
Safe Area
Tempetature
is back to
safe area
No
No
further
actions
Yes
Figure 71: Smart Temperature Supervisor (STS) flow diagram

LISA-U series - System Integration Manual
3G.G2-HW-10002-A1 Advance Information Features description
Page 136 of 160
3.8.2 Threshold Definitions
When the application of wireless module operates at extreme temperatures with Smart Temperature Supervisor
enabled, the user should note that outside the valid temperature range the device will automatically shut down
as described above.
The input for the algorithm is always the temperature measured within the wireless module (Ti, internal). This
value can be higher than the working ambient temperature (Ta, ambient), since (for example) during
transmission at maximum power a significant fraction of DC input power is dissipated as heat This behavior is
partially compensated by the definition of the upper shutdown threshold (t+2) that is slightly higher than the
declared environmental temperature limit.
The temperature thresholds are defined according the Table 50.
Symbol
Parameter
Temperature
Remarks
t-2
Low temperature shutdown
–40 °C
Equal to the absolute minimum temperature rating for the wireless
module (the lower limit of the extended temperature range)
t-1
Low temperature warning
–30 °C
10°C above t-2
t+1
High temperature warning
+77 °C
20°C below t+2. The higher warning area for upper range ensures
that any countermeasures used to limit the thermal heating will
become effective, even considering some thermal inertia of the
complete assembly.
t+2
High temperature shutdown
+97 °C
Equal to the internal temperature Ti measured in the worst case
operating condition at typical supply voltage when the ambient
temperature Ta in the reference setup (*) equals the absolute
maximum temperature rating (upper limit of the extended
temperature range)
(*)LISA-U series module mounted on a 90 mm x 70 mm x 1.46 mm 4-Layers PCB with a high coverage of copper within climatic chamber
Table 50: Thresholds definition for Smart Temperature Supervisor on the LISA-U series modules
The sensor measures board temperature inside the shields, which can differ from ambient temperature.
3.9 Hybrid positioning and CellLocate
Not supported by LISA-U1xx-00 and LISA-U200-00 modules versions.
Although GPS is a widespread technology, its reliance on the visibility of extremely weak GPS satellite signals
means that positioning is not always possible. Especially difficult environments for GPS are indoors, in enclosed
or underground parking garages, as well as in urban canyons where GPS signals are blocked or jammed by
multipath interference. The situation can be improved by augmenting GPS receiver data with cellular network
information to provide positioning information even when GPS reception is degraded or absent. This additional
information can benefit numerous applications.
3.9.1 Positioning through cellular information: CellLocate
u-blox CellLocate enables the estimation of device position based on the parameters of the mobile network cells
visible to the specific device. To estimate its position the u-blox Wireless module sends the CellLocate server the
parameters of network cells visible to it using a UDP connection. In return the server provides the estimated
position based on the CellLocate database. The u-blox Wireless module can either send the parameters of the
visible home network cells only (normal scan) or the parameters of all surrounding cells of all mobile operators
(deep scan).

LISA-U series - System Integration Manual
3G.G2-HW-10002-A1 Advance Information Features description
Page 137 of 160
Normal scan is only possible in 2G mode.
The CellLocate database is compiled from the position of devices which observed, in the past, a specific cell or
set of cells (historical observations) as follows:
1. Several devices reported their position to the CellLocate server when observing a specific cell (the As in
the picture represent the position of the devices which observed the same cell A)
2. CellLocate server defines the area of Cell A visibility
3. If a new device reports the observation of Cell A CellLocate is able to provide the estimated position
from the area of visibility

LISA-U series - System Integration Manual
3G.G2-HW-10002-A1 Advance Information Features description
Page 138 of 160
4. The visibility of multiple cells provides increased accuracy based on the intersection of areas of visibility.
CellLocate is implemented using a set of two AT commands that allow configuration of the CellLocate service
(AT+ULOCCELL) and requesting position according to the user configuration (AT+ULOC). The answer is provided
in the form of an unsolicited AT command including latitude, longitude and estimated accuracy.
The accuracy of the position estimated by CellLocate depends on the availability of historical
observations in the specific area.
3.9.2 Hybrid positioning
With u-blox Hybrid positioning technology, u-blox wireless devices can be triggered to provide their current
position using either a u-blox GPS receiver or the position estimated from CellLocate. The choice depends on
which positioning method provides the best and fastest solution according to the user configuration, exploiting
the benefit of having multiple and complementary positioning methods.
Hybrid positioning is implemented through a set of three AT commands that allow configuration of the GNSS
receiver (AT+ULOCGNSS), configuration of the CellLocate service (AT+ULOCCELL), and requesting the position
according to the user configuration (AT+ULOC). The answer is provided in the form of an unsolicited AT
command including latitude, longitude and estimated accuracy (if the position has been estimated by
CellLocate), and additional parameters if the position has been computed by the GNSS receiver.
The configuration of mobile network cells does not remain static (e.g. new cells are continuously added or
existing cells are reconfigured by the network operators). For this reason, when a Hybrid positioning method has
been triggered and the GNSS receiver calculates the position, a database self-learning mechanism has been
implemented so that these positions are sent to the server to update the database and maintain its accuracy.
The use of hybrid positioning requires a connection via the DDC (I2C) bus between the LISA-U series wireless
module and the u-blox GPS receiver (Refer to chapter 1.10).
Refer to GPS Implementation Application Note [17] for the complete description of the feature.
u-blox is extremely mindful of user privacy. When a position is sent to the CellLocate server u-blox is
unable to track the SIM used or the specific device.

LISA-U series - System Integration Manual
3G.G2-HW-10002-A1 Advance Information Handling and soldering
Page 139 of 160
4 Handling and soldering
No natural rubbers, no hygroscopic materials or materials containing asbestos are employed.
4.1 Packaging, shipping, storage and moisture preconditioning
For information pertaining to reels and tapes, Moisture Sensitivity levels (MSD), shipment and storage
information, as well as drying for preconditioning see the LISA-U1 series Data Sheet [1], the LISA-U2 series Data
Sheet [2] and u-blox Package Information Guide [22].
The LISA-U series modules are Electro-Static Discharge (ESD) sensitive devices.
Ensure ESD precautions are implemented during handling of the module.
4.2 Soldering
4.2.1 Soldering paste
Use of "No Clean" soldering paste is strongly recommended, as it does not require cleaning after the soldering
process has taken place. The paste listed in the example below meets these criteria.
Soldering Paste: OM338 SAC405 / Nr.143714 (Cookson Electronics)
Alloy specification: 95.5% Sn / 3.9% Ag / 0.6% Cu (95.5% Tin / 3.9% Silver / 0.6% Copper)
95.5% Sn / 4.0% Ag / 0.5% Cu (95.5% Tin / 4.0% Silver / 0.5% Copper)
Melting Temperature: 217°C
Stencil Thickness: 150 µm for base boards
The final choice of the soldering paste depends on the approved manufacturing procedures.
The paste-mask geometry for applying soldering paste should meet the recommendations in section 2.2.2
The quality of the solder joints on the connectors (’half vias’) should meet the appropriate IPC
specification.
4.2.2 Reflow soldering
A convection type-soldering oven is strongly recommended over the infrared type radiation oven.
Convection heated ovens allow precise control of the temperature and all parts will be heated up evenly,
regardless of material properties, thickness of components and surface color.
Consider the "IPC-7530 Guidelines for temperature profiling for mass soldering (reflow and wave) processes,
published 2001".
Reflow profiles are to be selected according to the following recommendations.
Failure to observe these recommendations can result in severe damage to the device!
Preheat phase
Initial heating of component leads and balls. Residual humidity will be dried out. Please note that this preheat
phase will not replace prior baking procedures.
Temperature rise rate: max 3°C/s If the temperature rise is too rapid in the preheat phase it may cause
excessive slumping.

LISA-U series - System Integration Manual
3G.G2-HW-10002-A1 Advance Information Handling and soldering
Page 140 of 160
Time: 60 – 120 s If the preheat is insufficient, rather large solder balls tend to be
generated. Conversely, if performed excessively, fine balls and large
balls will be generated in clusters.
End Temperature: 150 - 200°C If the temperature is too low, non-melting tends to be caused in
areas containing large heat capacity.
Heating/ reflow phase
The temperature rises above the liquidus temperature of 217°C. Avoid a sudden rise in temperature as the slump
of the paste could become worse.
Limit time above 217°C liquidus temperature: 40 - 60 s
Peak reflow temperature: 245°C
Cooling phase
A controlled cooling avoids negative metallurgical effects (solder becomes more brittle) of the solder and
possible mechanical tensions in the products. Controlled cooling helps to achieve bright solder fillets with a good
shape and low contact angle.
Temperature fall rate: max 4°C / s
To avoid falling off, modules should be placed on the topside of the motherboard during soldering.
The soldering temperature profile chosen at the factory depends on additional external factors like choice of
soldering paste, size, thickness and properties of the base board, etc.
Exceeding the maximum soldering temperature and the maximum liquidus time limit in the
recommended soldering profile may permanently damage the module.
Preheat Heating Cooling
[°C] Peak Temp. 245°C [°C]
250 250
Liquidus Temperature
217 217
200 200
40 - 60 s
End Temp.
max 4°C/s
150 - 200°C
150 150
max 3°C/s
60 - 120 s
100 Typical Leadfree 100
Soldering Profile
50 50
Elapsed time [s]
Figure 72: Recommended soldering profile
LISA-U series modules must not be soldered with a damp heat process.

LISA-U series - System Integration Manual
3G.G2-HW-10002-A1 Advance Information Handling and soldering
Page 141 of 160
4.2.3 Optical inspection
After soldering the LISA-U series modules, inspect the modules optically to verify that he module is properly
aligned and centered.
4.2.4 Cleaning
Cleaning the soldered modules is not recommended. Residues underneath the modules cannot be easily
removed with a washing process.
Cleaning with water will lead to capillary effects where water is absorbed in the gap between the baseboard
and the module. The combination of residues of soldering flux and encapsulated water leads to short circuits
or resistor-like interconnections between neighboring pads. Water will also damage the sticker and the ink-
jet printed text.
Cleaning with alcohol or other organic solvents can result in soldering flux residues flooding into the two
housings, areas that are not accessible for post-wash inspections. The solvent will also damage the sticker
and the ink-jet printed text.
Ultrasonic cleaning will permanently damage the module, in particular the quartz oscillators.
For best results use a "no clean" soldering paste and eliminate the cleaning step after the soldering.
4.2.5 Repeated reflow soldering
Only a single reflow soldering process is encouraged for boards with a LISA-U series module populated on it. The
reason for this is the risk of the module falling off due to high weight in relation to the adhesive properties of
the solder.
4.2.6 Wave soldering
Boards with combined through-hole technology (THT) components and surface-mount technology (SMT) devices
require wave soldering to solder the THT components. Only a single wave soldering process is encouraged for
boards populated with LISA-U series modules.
4.2.7 Hand soldering
Hand soldering is not recommended.
4.2.8 Rework
The LISA-U series modules can be unsoldered from the baseboard using a hot air gun.
Avoid overheating the module.
After the module is removed, clean the pads before placing.
Never attempt a rework on the module itself, e.g. replacing individual components. Such
actions immediately terminate the warranty.
4.2.9 Conformal coating
Certain applications employ a conformal coating of the PCB using HumiSeal® or other related coating products.
These materials affect the HF properties of the LISA-U series modules and it is important to prevent them from
flowing into the module.
The RF shields do not provide 100% protection for the module from coating liquids with low viscosity, therefore
care is required in applying the coating.
Conformal Coating of the module will void the warranty.

LISA-U series - System Integration Manual
3G.G2-HW-10002-A1 Advance Information Handling and soldering
Page 142 of 160
4.2.10 Casting
If casting is required, use viscose or another type of silicon pottant. The OEM is strongly advised to qualify such
processes in combination with the LISA-U series modules before implementing this in the production.
Casting will void the warranty.
4.2.11 Grounding metal covers
Attempts to improve grounding by soldering ground cables, wick or other forms of metal strips directly onto the
EMI covers is done at the customer's own risk. The numerous ground pins should be sufficient to provide
optimum immunity to interferences and noise.
u-blox gives no warranty for damages to the LISA-U series modules caused by soldering metal cables or
any other forms of metal strips directly onto the EMI covers.
4.2.12 Use of ultrasonic processes
LISA-U series modules contain components which are sensitive to Ultrasonic Waves. Use of any Ultrasonic
Processes (cleaning, welding etc.) may cause damage to the module.
u-blox gives no warranty against damages to the LISA-U series modules caused by any Ultrasonic
Processes.

LISA-U series - System Integration Manual
3G.G2-HW-10002-A1 Advance Information Product Testing
Page 143 of 160
5 Product Testing
5.1 u-blox in-series production test
u-blox focuses on high quality for its products. All units produced are fully tested. Defective units are analyzed in
detail to improve the production quality.
This is achieved with automatic test equipment, which delivers a detailed test report for each unit. The following
measurements are done:
Digital self-test (firmware download, Flash firmware verification, IMEI programming)
Measurement of voltages and currents
Adjustment of ADC measurement interfaces
Functional tests (Serial interface communication, analog audio interface, real time clock, battery charger,
temperature sensor, antenna detection, SIM card communication)
Digital tests (GPIOs, digital interfaces)
Measurement and calibration of RF characteristics in all supported bands (Receiver S/N verification, frequency
tuning of reference clock, calibration of transmitter and receiver power levels)
Verification of RF characteristics after calibration (modulation accuracy, power levels and spectrum
performance are checked to be within tolerances when calibration parameters are applied)
Figure 73: Automatic test equipment for module tests
5.2 Test parameters for OEM manufacturer
Because of the testing done by u-blox (with 100% coverage), an OEM manufacturer doesn’t need to repeat
firmware tests or measurements of the module RF performance or tests over analog and digital interfaces in their
production test.
An OEM manufacturer should focus on:
Module assembly on the device; it should be verified that:
o Soldering and handling process did not damaged the module components
o All module pins are well soldered on device board
o There are no short circuits between pins

LISA-U series - System Integration Manual
3G.G2-HW-10002-A1 Advance Information Product Testing
Page 144 of 160
Component assembly on the device; it should be verified that:
o Communication with host controller can be established
o The interfaces between module and device are working
o Overall RF performance test of the device including antenna
Dedicated tests can be implemented to check the device. For example, the measurement of module current
consumption when set in a specified status can detect a short circuit if compared with a “Golden Device” result.
Module AT commands are used to perform functional tests (communication with host controller, check SIM card
interface, check communication between module and GPS, GPIOs, etc.) and to perform RF performance tests.
5.2.1 ‘Go/No go’ tests for integrated devices
A ‘Go/No go’ test is to compare the signal quality with a “Golden Device” in a position with excellent 2G/3G
network coverage and after having dialed a call (refer to u-blox AT Commands Manual [3], AT+CSQ command:
<rssi>, <ber> parameters).
These kinds of test may be useful as a ‘go/no go’ test but not for RF performance measurements.
This test is suitable to check the communication with host controller and SIM card, the audio and power supply
functionality and verify if components at antenna interface are well soldered.
5.2.2 Functional tests providing RF operation
Overall RF performance test of the device including antenna can be performed with basic instruments such as a
standard spectrum analyzer and signal generator using an AT interface and AT+UTEST command.
The AT+UTEST command gives a simple interface to set the module to Rx and Tx test modes ignoring 2G/3G
signaling protocol. The command can set the module:
In transmitting mode in a specified channel and power level in all supported modulation schemes (single slot
GMSK, single slot 8PSK, WCDMA) and bands 2G, 3G
In receiving mode in a specified channel to returns the measured power level in all supported bands 2G, 3G
The AT+UTEST command used to perform these functional tests is available on all LISA-U series modules
versions except LISA-U1xx-00.
Refer to u-blox AT Commands Manual [3], for AT+UTEST command syntax description.
Refer to End user test Application Note [21], for AT+UTEST command user guide, limitations and
examples of use.

LISA-U series - System Integration Manual
3G.G2-HW-10002-A1 Advance Information Product Testing
Page 145 of 160
Application Board
LISA-U series
ANT
Application
Processor AT
Commands
Wireless
Antenna
Spectrum
Analyzer
IN
Wideband
Antenna
TX
Application Board
LISA-U series
ANT
Application
Processor AT
Commands
Wireless
Antenna
Signal
Generetor
OUT
Wideband
Antenna
RX
Figure 74: Setup with spectrum analyzer and signal generator for radiated measurement
This feature allows the measurement of the transmitter and receiver power levels to check component assembly
related to the module antenna interface and to check other device interfaces from which depends the RF
performance.
To avoid module damage during transmitter test, a proper antenna according to module
specifications or a 50 Ω termination must be connected to ANT pin.
To avoid module damage during receiver test the maximum power level received at ANT pin
must meet module specifications.
The AT+UTEST command sets the module to emit RF power ignoring 2G/3G signalling protocol. This
emission can generate interference that can be prohibited by law in some countries. The use of this
feature is intended for testing purpose in controlled environments by qualified user and must not be
used during the normal module operation. Follow instructions suggested in u-blox documentation.
u-blox assumes no responsibilities for the inappropriate use of this feature.

LISA-U series - System Integration Manual
3G.G2-HW-10002-A1 Advance Information Product Testing
Page 146 of 160
Example of production tests for OEM manufacturer:
1. Trigger TX GMSK burst at low Power Control Level (lower than 15) or a RX measure reporting to check:
o If ANT pin is soldered
o If ANT pin is in short circuit
o If module was damaged during soldering process or during handling (ESD, mechanical shock…)
o If antenna matching components on application board are soldered
o If integrated antenna is correctly connected
To avoid module damage during transmitter test when good antenna termination is not
guaranteed, use a low Power Control Level (i.e. PCL lower or equal to 15). u-blox assumes no
responsibilities for module damaging caused by an inappropriate use of this feature.
2. Trigger TX GMSK burst at maximum PCL:
o To check if the power supply is correctly assembled and is able to deliver the required current
3. Trigger TX GMSK and 8PSK burst and WCDMA signal:
o To measure current consumption
o To check if module components was damaged during soldering process or during handling (ESD,
mechanical shock,…)
4. Trigger RX measurement:
o To test receiver signal level. Assuming that there are no losses between ANT pin or ANT_DIV pin
and input power source, be aware that the power level estimated by the module can vary
approximately within 3GPP tolerances for the average value
o To check if module was damaged during soldering process or during handling (ESD, mechanical
shock…)
5. Trigger TX GMSK and 8PSK burst and WCDMA signal and RX measurement to check:
o Overall RF performance of the device including antenna measuring TX and RX power levels

LISA-U series - System Integration Manual
3G.G2-HW-10002-A1 Advance Information Appendix
Page 147 of 160
Appendix
A Migration to LISA-U2 series wireless modules
Migrating LISA-U1 series designs to LISA-U2 series modules is a fairly straightforward procedure. Nevertheless
there are some points to be considered during the migration.
Not all of the functionalities available with LISA-U1 series modules are supported by all LISA-U2 series
modules versions. These include:
o Analog Audio Interfaces are not supported by all LISA-U2 series modules
o Digital Audio Interfaces are supported by all LISA-U2 series modules versions except LISA-U200-00
o Embedded AssistNow Software, GPS via Modem, Hybrid positioning and CellLocate functionalities
are supported by all LISA-U2 series modules versions except LISA-U200-00
o In-Band modem is supported by all LISA-U2 series modules versions except LISA-U200-00
A.1 Checklist for migration
Have you chosen the optimal module?
For HSDPA category 14, 6-band 3G, Digital Audio Interfaces support, select the LISA-U230-01 version.
For HSDPA category 8, 6-band 3G, Digital Audio Interfaces support, select the LISA-U200-01 version.
For HSDPA category 8, 4-band 3G support, select the LISA-U200-00 version.
Check LISA-U2 series Hardware Requirements
Check the supported 3G bands for proper antenna circuit development, since LISA-U2 supports
different 3G bands in comparison to LISA-U1 series wireless modules.
Check audio requirements, since Analog Audio Interfaces are not supported by LISA-U2 series.
Check audio requirements, since Digital Audio Interfaces are supported by all LISA-U2 series modules
versions except LISA-U200-00.
Check the PWR_ON input voltage thresholds, since they are slightly changed in comparison to LISA-U1
series modules. By the way, this is not relevant driving the PWR_ON input by an open drain or open
collector driver as recommended.
Check the PWR_ON behavior, since LISA-U2 can be switched off forcing PWR_ON pin to the low level
for at least 1 s.
Check the RESET_N input voltage thresholds, since they are slightly changed in comparison to LISA-U1
series modules. By the way, this is not relevant driving the RESET_N input by an open drain or open
collector driver as recommended.
Check the V_BCKP operating characteristics, since they are slightly changed in comparison to LISA-U1
series modules.
Check board layout, since additional signals keep-out area must be implemented on the top layer of the
application board, below LISA-U2 modules, due to GND opening on module bottom layer.
Check section A.3 Hardware migration.

LISA-U series - System Integration Manual
3G.G2-HW-10002-A1 Advance Information Appendix
Page 148 of 160
Check LISA-U2 series Software Requirements
Not all of the functionalities available with LISA-U1 series modules are supported by all the LISA-U2
series modules versions. These include:
o Analog Audio Interfaces are not supported by all LISA-U2 series modules
o Digital Audio Interfaces are supported by all LISA-U2 series modules versions except LISA-U200-00
o Embedded AssistNow Software, GPS via Modem, Hybrid positioning and CellLocate functionalities
are supported by all LISA-U2 series modules versions except LISA-U200-00
o In-band modem is supported by all LISA-U2 series modules versions except LISA-U200-00
Check section A.2 Software migration.
A.2 Software migration
A.2.1 Software migration from LISA-U1 series to LISA-U2 series wireless modules
Software migration from LISA-U1 series to LISA-U2 series wireless modules is a straightforward procedure.
Nevertheless there are some differences to be considered with firmware version. Like predecessors, LISA-U2
series wireless module supports AT commands according to 3GPP standards: TS 27.007 [5], TS 27.005 [6],
TS 27.010 [7] and the u-blox AT command extension. Backward compatibility has been maintained as far as
possible.
For the complete list of supported AT commands and their syntax see u-blox AT Commands Manual [3].
A.3 Hardware migration
A.3.1 Hardware migration from LISA-U1 series to LISA-U2 series wireless modules
LISA-U2 series wireless modules have been designed with backward compatibility in mind but some minor
differences were unavoidable. These minor differences will however not be relevant for the majority of the
LISA-U1 series designs.
Clean and stable supply is required by LISA-U2 as by LISA-U1 series: low ripple and low voltage drop must be
guaranteed at VCC pins. The voltage provided has to be within the normal operating range limits to allow
module switch-on and has to be above the minimum limit of the extended operating range to avoid module
switch-off. Consider that there are large current spikes in connected mode, when a GSM call is enabled.
LISA-U2 series provide wider VCC input voltage range compared to LISA-U1 series.
The ANT pin has 50 Ω nominal characteristic impedance and must be connected to the antenna through a 50 Ω
transmission line to allow transmission and reception of radio frequency (RF) signals in the 2G and 3G operating
bands. The recommendations of the antenna producer for correct installation and deployment (PCB layout and
matching circuitry) must be followed.
The antenna and the whole RF circuit must provide optimal radiating characteristics on the entire supported
bands: note that LISA-U2 supports different 3G bands in comparison to LISA-U1 series wireless modules.
LISA-U230 modules provide the RF antenna input for Rx diversity on the pin 74 (named ANT_DIV): it has an
impedance of 50 Ω. The same pad is a reserved pin on LISA-U1 series and LISA-U200 modules.
Analog audio interfaces are not supported by LISA-U2 series modules, but a second 4-wire I2S digital audio
interface is provided instead of the 4 analog audio pins on all LISA-U2 series modules versions except
LISA-U200-00. The same 4 pins can be configured as GPIO on all LISA-U2 series modules versions.

LISA-U series - System Integration Manual
3G.G2-HW-10002-A1 Advance Information Appendix
Page 149 of 160
Digital audio interfaces are supported by all LISA-U2 series modules versions except LISA-U200-00: the relative
pins are configured as pad disabled on LISA-U200-00 version.
PWR_ON and RESET_N input voltage thresholds are slightly changed in comparison to LISA-U1 series modules,
but this is not relevant driving PWR_ON and RESET_N inputs by open drain / collector drivers as recommended.
LISA-U2 series modules can be switched off forcing PWR_ON pin to the low level for at least 1 s.
V_BCKP operating characteristics are slightly changed in comparison to LISA-U1 series modules.
The 5 pins of the SPI / IPC Serial Interface can be configured as GPIOs on LISA-U2 series modules.
LISA-U2 series wireless modules are SMT modules and come in the same compact form factor of LISA-U1 series,
featuring Leadless Chip Carrier (LCC) packaging technology.
Additional signals keep-out area must be implemented on the top layer of the application board, below LISA-U2
modules, due to GND opening on module bottom layer.
Detailed pinout and layout comparisons between LISA-U1 series and LISA-U2 series modules, with remarks for
migration, are provided in the subsections A.3.2 and A.3.3.
For more information regarding LISA-U1 and LISA-U2 series modules electrical characteristics refer to LISA-U1
series Data Sheet [1] and LISA-U2 series Data Sheet [2].
A.3.2 Pin-out comparison LISA-U1 series vs. LISA-U2 series
65
64
63
62
61
60
59
58
57
56
55
54
53
52
51
50
49
48
47
46
45
44
43
42
41
GND
VCC
VCC
VCC
GND
SPI_MRDY
SPI_SRDY
SPI_MISO
SPI_MOSI
SPI_SCLK
RSVD / SPK_N
GND
RSVD / SPK_P
RSVD
GPIO5
VSIM
SIM_RST
SIM_IO
SIM_CLK
SDA
SCL
RSVD / I2S_RXD
RSVD / I2S_CLK
RSVD / I2S_TXD
RSVD / I2S_WA
1
2
3
4
5
6
7
8
9
10
11
12
13
14
15
16
17
18
19
20
21
22
23
24
25
V_BCKP
GND
V_INT
RSVD
GND
GND
GND
DSR
RI
DCD
DTR
GND
RTS
CTS
TXD
RXD
GND
VUSB_DET
PWR_ON
GPIO1
GPIO2
RESET_N
GPIO3
GPIO4
GND
26
27
USB_D-
USB_D+
40
39
RSVD / MIC_P
RSVD / MIC_N
28
29
30
31
32
33
34
35
36
37
38
GND
GND
GND
GND
GND
GND
GND
GND
GND
GND
GND 76
75
74
73
72
71
70
69
68
67
66
GND
RSVD
GND
GND
GND
GND
GND
ANT
GND
GND
GND
LISA-U1
Top View
Figure 75: LISA-U1 series pin assignment
65
64
63
62
61
60
59
58
57
56
55
54
53
52
51
50
49
48
47
46
45
44
43
42
41
GND
VCC
VCC
VCC
GND
SPI_MRDY / GPIO14
SPI_SRDY / GPIO13
SPI_MISO / GPIO12
SPI_MOSI / GPIO11
SPI_SCLK / GPIO10
GPIO9 / I2S1_WA
GND
GPIO8 / I2S1_CLK
RSVD / CODEC_CLK
GPIO5
VSIM
SIM_RST
SIM_IO
SIM_CLK
SDA
SCL
RSVD / I2S_RXD
RSVD / I2S_CLK
RSVD / I2S_TXD
RSVD / I2S_WA
1
2
3
4
5
6
7
8
9
10
11
12
13
14
15
16
17
18
19
20
21
22
23
24
25
V_BCKP
GND
V_INT
RSVD
GND
GND
GND
DSR
RI
DCD
DTR
GND
RTS
CTS
TXD
RXD
GND
VUSB_DET
PWR_ON
GPIO1
GPIO2
RESET_N
GPIO3
GPIO4
GND
26
27
USB_D-
USB_D+
40
39
GPIO7 / I2S1_TXD
GPIO6 / I2S1_RXD
28
29
30
31
32
33
34
35
36
37
38
GND
GND
GND
GND
GND
GND
GND
GND
GND
GND
GND 76
75
74
73
72
71
70
69
68
67
66
GND
RSVD / ANT_DIV
GND
GND
GND
GND
GND
ANT
GND
GND
GND
LISA-U2
Top View
Figure 76: LISA-U2 series pin assignment
(highlighted name/function changes)

LISA-U series - System Integration Manual
3G.G2-HW-10002-A1 Advance Information Appendix
Page 150 of 160
LISA-U1
LISA-U2
No
Name
Description
Name
Description
Remarks for Migration
1
GND
Ground
GND
Ground
2
V_BCKP
RTC supply
input/output
V_BCKP
RTC supply
input/output
V_BCKP operating characteristics difference:
LISA-U1:
o V_BCKP output = 2.3V typ.
o V_BCKP input = 1.0V min / 2.5V max
LISA-U2:
o V_BCKP output = 1.8V typ.
o V_BCKP input = 1.0V min / 1.9V max
3
GND
Ground
GND
Ground
4
V_INT
Digital Interfaces
supply output
V_INT
Digital Interfaces
supply output
No difference:
V_INT output = 1.8V typ.
5
RSVD
RESERVED pin
RSVD
RESERVED pin
No difference:
This pin must be connected to GND
6
GND
Ground
GND
Ground
7
GND
Ground
GND
Ground
8
GND
Ground
GND
Ground
9
DSR
UART data set ready
output
DSR
UART data set ready
output
No difference:
Circuit 107 (DSR) in ITU-T V.24.
10
RI
UART ring indicator
output
RI
UART ring indicator
output
No difference:
Circuit 125 (RI) in ITU-T V.24.
11
DCD
UART data carrier
detect output
DCD
UART data carrier
detect output
No difference:
Circuit 109 (DCD) in ITU-T V.24.
12
DTR
UART data terminal
ready input
DTR
UART data terminal
ready input
No difference:
Circuit 108/2 (DTR) in ITU-T V. 24.
13
RTS
UART ready to send
input
RTS
UART ready to send
input
No difference:
Circuit 105 (RTS) in ITU-T V.24.
14
CTS
UART clear to send
output
CTS
UART clear to send
output
No difference:
Circuit 106 (CTS) in ITU-T V.24.
15
TXD
UART transmitted
data input
TXD
UART transmitted
data input
No difference:
Circuit 103 (TxD) in ITU-T V.24.
16
RXD
UART received data
output
RXD
UART received data
output
No difference:
Circuit 104 (RxD) in ITU-T V.24.
17
GND
Ground
GND
Ground
18
VUSB_DET
USB detect input
VUSB_DET
USB detect input
No difference:
Input for VBUS (5V typical) USB supply sense.
19
PWR_ON
Power-on input
PWR_ON
Power-on input
Forcing PWR_ON to the low level for at least 5 ms
causes a switch-on of LISA-U1 and LISA-U2.
PWR_ON operating voltage difference:
LISA-U1:
o L-level input = -0.30V min / 0.65V max
o H-level input = 2.00 min / 4.20V max
o External pull-up (e.g. to V_BCKP) required
LISA-U2:
o L-level input = -0.30V min / 0.65V max
o H-level input = 1.50V min / 4.40V max
o External pull-up (e.g. to V_BCKP) required
Additional feature provided by LISA-U2:
LISA-U2 can be switched-off forcing PWR_ON pin to
the low level for at least 1 s.
20
GPIO1
GPIO
GPIO1
GPIO
By default, the pin is configured as Pad disabled, and
can be alternatively configured to provide the GSM Tx
Burst Indication, Network Status Indication or as GPIO
Additional features provided by LISA-U2xx-01:
the pin can be alternatively configured to provide
Module Status Indication

LISA-U series - System Integration Manual
3G.G2-HW-10002-A1 Advance Information Appendix
Page 151 of 160
LISA-U1
LISA-U2
No
Name
Description
Name
Description
Remarks for Migration
21
GPIO2
GPIO
GPIO2
GPIO
No difference from LISA-U1xx-0x to LISA-U2xx-01:
By default, the pin is configured to provide the GPS
Supply Enable function, and can be alternatively
configured as GPIO
Different configuration on LISA-U200-00:
By default, the pin is configured as Pad disabled, and
can be alternatively configured as GPIO
22
RESET_N
External reset input
RESET_N
External reset input
Forcing RESET_N to the low level for at least 50 ms
causes a hardware reset of LISA-U1 and LISA-U2.
RESET_N operating voltage difference:
LISA-U1:
o L-level input = -0.30V min / 0.65V max
o H-level input = 1.69V min / 2.48V max
o Internal 10kΩ pull-up to V_BCKP (2.3V typ)
LISA-U2:
o L-level input = -0.30V min / 0.51V max
o H-level input = 1.32V min / 2.01V max
o Internal 10kΩ pull-up to V_BCKP (1.8V typ)
23
GPIO3
GPIO
GPIO3
GPIO
No difference from LISA-U1xx-00 to LISA-U2xx-00:
By default, the pin is configured as Pad disabled, and
can be alternatively configured as GPIO
No difference from LISA-U1xx-01 to LISA-U2xx-01:
By default, the pin is configured to provide the GPS
Tx Data Ready function, and can be alternatively
configured as GPIO.
24
GPIO4
GPIO
GPIO4
GPIO
No difference from LISA-U1xx-00 to LISA-U2xx-00:
By default, the pin is configured as Pad disabled, and
can be alternatively configured as GPIO
No difference from LISA-U1xx-01 to LISA-U2xx-01:
By default, the pin is configured to provide the GPS
RTC sharing (time aiding) function, and can be
alternatively configured as GPIO.
25
GND
Ground
GND
Ground
26
USB_D-
USB Data Line D-
input/output
USB_D-
USB Data Line D-
input/output
No difference:
90 Ω nominal differential impedance.
Pull-up/down & series resistors provided internally.
27
USB_D+
USB Data Line D+
input/output
USB_D+
USB Data Line D+
input/output
No difference:
90 Ω nominal differential impedance.
Pull-up/down & series resistors provided internally.
28
GND
Ground
GND
Ground
29
GND
Ground
GND
Ground
30
GND
Ground
GND
Ground
31
GND
Ground
GND
Ground
32
GND
Ground
GND
Ground
33
GND
Ground
GND
Ground
34
GND
Ground
GND
Ground
35
GND
Ground
GND
Ground
36
GND
Ground
GND
Ground
37
GND
Ground
GND
Ground
38
GND
Ground
GND
Ground
39
RSVD
LISA-U100-0x,
LISA-U110-0x:
RESERVED pin
GPIO6
LISA-U200-00:
GPIO
New feature provided by LISA-U2:
By default, the pin is configured as Pad disabled, and
can be alternatively configured as GPIO
MIC_N
LISA-U120-0x,
LISA-U130-0x:
Differential analog
audio input (neg.)
I2S1_RXD /
GPIO6
LISA-U200-01,
LISA-U230-01:
2nd I2S receive data
input /
GPIO
Different features provided by LISA-U2:
By default, the pin is configured as receive data input
of the second digital audio interface, and can be
alternatively configured as GPIO

LISA-U series - System Integration Manual
3G.G2-HW-10002-A1 Advance Information Appendix
Page 152 of 160
LISA-U1
LISA-U2
No
Name
Description
Name
Description
Remarks for Migration
40
RSVD
LISA-U100-0x,
LISA-U110-0x:
RESERVED pin
GPIO7
LISA-U200-00:
GPIO
New feature provided by LISA-U2:
By default, the pin is configured as Pad disabled, and
can be alternatively configured as GPIO
MIC_P
LISA-U120-0x,
LISA-U130-0x:
Differential analog
audio input (pos.)
I2S1_TXD /
GPIO7
LISA-U200-01,
LISA-U230-01:
2nd I2S transmit data
output /
GPIO
Different features provided by LISA-U2:
By default, the pin is configured as transmit data
output of the second digital audio interface, and can
be alternatively configured as GPIO
41
RSVD
LISA-U100-0x,
LISA-U110-0x:
RESERVED pin
RSVD
LISA-U200-00:
RESERVED pin
No difference:
Pad disabled on LISA-U200-00.
I2S_WA
LISA-U120-0x,
LISA-U130-0x:
I2S word alignment
I2S_WA
LISA-U200-01,
LISA-U230-01:
1st I2S word alignment
input/output
No difference:
I2S word alignment input/output
42
RSVD
LISA-U100-0x,
LISA-U110-0x:
RESERVED pin
RSVD
LISA-U200-00:
RESERVED pin
No difference:
Pad disabled on LISA-U200-00.
I2S_TXD
LISA-U120-0x,
LISA-U130-0x:
I2S transmit data
output
I2S_TXD
LISA-U200-01,
LISA-U230-01:
1st I2S transmit data
output
No difference:
I2S transmit data output
43
RSVD
LISA-U100-0x,
LISA-U110-0x:
RESERVED pin
RSVD
LISA-U200-00:
RESERVED pin
No difference:
Pad disabled on LISA-U200-00.
I2S_CLK
LISA-U120-0x,
LISA-U130-0x:
I2S clock
I2S_CLK
LISA-U200-01,
LISA-U230-01:
1st I2S clock
input/output
No difference:
I2S clock input/output
44
RSVD
LISA-U100-0x,
LISA-U110-0x:
RESERVED pin
RSVD
LISA-U200-00:
RESERVED pin
No difference:
Pad disabled on LISA-U200-00.
I2S_RXD
LISA-U120-0x,
LISA-U130-0x:
I2S receive data
input
I2S_RXD
LISA-U200-01,
LISA-U230-01:
1st I2S receive data
input
No difference:
I2S receive data input
45
SCL
I2C bus clock line
output
SCL
I2C bus clock line
output
No difference:
Fixed open drain.
External pull-up resistor (e.g. to V_INT) required
46
SDA
I2C bus data line
input/output
SDA
I2C bus data line
input/output
No difference:
Fixed open drain.
External pull-up resistor (e.g. to V_INT) required
47
SIM_CLK
SIM clock output
SIM_CLK
SIM clock output
No difference:
3.25 MHz clock frequency for SIM card
48
SIM_IO
SIM data
input/output
SIM_IO
SIM data
input/output
No difference:
Internal 4.7 kΩ pull-up resistor to VSIM.
49
SIM_RST
SIM reset output
SIM_RST
SIM reset output
No difference:
Reset output for SIM card
50
VSIM
SIM supply output
VSIM
SIM supply output
No difference:
VSIM output = 1.80 V typ or 2.90 V typ
51
GPIO5
GPIO
GPIO5
GPIO
By default, the pin is configured to provide the SIM
card presence detection function.
Additional features provided by LISA-U2xx-01:
The pin can be alternatively configured to provide
Module Operating Mode Indication
52
RSVD
RESERVED pin
RSVD
LISA-U200-00:
RESERVED pin
No difference:
Pad disabled on LISA-U200-00.

LISA-U series - System Integration Manual
3G.G2-HW-10002-A1 Advance Information Appendix
Page 153 of 160
LISA-U1
LISA-U2
No
Name
Description
Name
Description
Remarks for Migration
CODEC_CLK
LISA-U200-01,
LISA-U230-01:
Clock output
New feature provided by LISA-U2:
Digital clock output for external audio codec
53
RSVD
LISA-U100-0x,
LISA-U110-0x:
RESERVED pin
GPIO8
LISA-U200-00:
GPIO
New feature provided by LISA-U2:
By default, the pin is configured as Pad disabled, and
can be alternatively configured as GPIO
SPK_P
LISA-U120-0x,
LISA-U130-0x:
Differential analog
audio output (pos.)
I2S1_CLK /
GPIO8
LISA-U200-01,
LISA-U230-01:
2nd I2S clock
input/output /
GPIO
Different features provided by LISA-U2:
By default, the pin is configured as clock input/output
of the second digital audio interface, and can be
alternatively configured as GPIO
54
RSVD
LISA-U100-0x,
LISA-U110-0x:
RESERVED pin
GPIO9
LISA-U200-00:
GPIO
New feature provided by LISA-U2:
By default, the pin is configured as Pad disabled, and
can be alternatively configured as GPIO
SPK_N
LISA-U120-0x,
LISA-U130-0x:
Differential analog
audio output (neg.)
I2S1_WA /
GPIO9
LISA-U200-01,
LISA-U230-01:
2nd I2S word alignment
input/output /
GPIO
Different features provided by LISA-U2:
By default, the pin is configured as word alignment
input/output of the second digital audio interface,
and can be alternatively configured as GPIO
55
SPI_SCLK
SPI Serial Clock Input
SPI_SCLK /
GPIO10
SPI Serial Clock Input /
GPIO
SPI / IPC Clock Input (CPOL=0, internal pull-down) by
default on LISA-U1 and LISA-U2
Additional features provided by LISA-U200-00:
The pin can be alternatively configured as GPIO
Additional features provided by LISA-U2xx-01:
The pin can be alternatively configured as GPIO
56
SPI_MOSI
SPI Data Line Input
SPI_MOSI /
GPIO11
SPI Data Line Input /
GPIO
SPI / IPC Data Line Input, (CPHA=1, internal pull-up)
by default on LISA-U1 and LISA-U2.
Additional features provided by LISA-U200-00:
The pin can be alternatively configured as GPIO
Additional features provided by LISA-U2xx-01:
The pin can be alternatively configured as GPIO
57
SPI_MISO
SPI Data Line Output
SPI_MISO /
GPIO12
SPI Data Line Output /
GPIO
SPI / IPC Data Line Output (CPHA=1, idle high) by
default on LISA-U1 and LISA-U2.
Additional features provided by LISA-U2:
The pin can be alternatively configured as GPIO
58
SPI_SRDY
SPI Slave Ready
Output
SPI_SRDY /
GPIO13
SPI Slave Ready
Output /
GPIO
SPI / IPC Slave Ready Output (idle low) by default on
LISA-U1 and LISA-U2
Additional features provided by LISA-U2xx-01:
The pin can be alternatively configured to provide
Module Status Indication
59
SPI_MRDY
SPI Master Ready
Input
SPI_MRDY /
GPIO14
SPI Master Ready
Input /
GPIO
SPI / IPC Master Ready Input (Internal pull-down, Idle
low) by default on LISA-U1 and LISA-U2.
Additional features provided by LISA-U2xx-01:
The pin can be alternatively configured to provide
Module Operating Mode Indication
60
GND
Ground
GND
Ground
61
VCC
Module supply input
VCC
Module supply input
VCC operating voltage difference:
LISA-U1:
o VCC normal range = 3.4 V min / 4.2 V max
o VCC extended range = 3.1 V min / 4.2 V max
LISA-U2:
o VCC normal range = 3.3 V min / 4.4 V max
o VCC extended range = 3.1 V min / 4.5 V max

LISA-U series - System Integration Manual
3G.G2-HW-10002-A1 Advance Information Appendix
Page 154 of 160
LISA-U1
LISA-U2
No
Name
Description
Name
Description
Remarks for Migration
62
VCC
Module supply input
VCC
Module supply input
VCC operating voltage difference:
LISA-U1:
o VCC normal range = 3.4 V min / 4.2 V max
o VCC extended range = 3.1 V min / 4.2 V max
LISA-U2:
o VCC normal range = 3.3 V min / 4.4 V max
o VCC extended range = 3.1 V min / 4.5 V max
63
VCC
Module supply input
VCC
Module supply input
VCC operating voltage difference:
LISA-U1:
o VCC normal range = 3.4 V min / 4.2 V max
o VCC extended range = 3.1 V min / 4.2 V max
LISA-U2:
o VCC normal range = 3.3 V min / 4.4 V max
o VCC extended range = 3.1 V min / 4.5 V max
64
GND
Ground
GND
Ground
65
GND
Ground
GND
Ground
66
GND
Ground
GND
Ground
67
GND
Ground
GND
Ground
68
ANT
RF antenna
ANT
RF input/output for
main Tx/Rx antenna
RF antenna input/output
50 Ω nominal impedance
3G band support difference:
LISA-U100/U120:
o Band II (1900), Band V (850)
LISA-U110/U130:
o Band I (2100), Band VIII (900)
LISA-U200:
o Band I (2100), Band II (1900),
Band V (850), Band VI (800)
LISA-U230:
o Band I (2100), Band II (1900), Band IV (1700),
Band V (850), Band VI (800), Band VIII (900)
69
GND
Ground
GND
Ground
70
GND
Ground
GND
Ground
71
GND
Ground
GND
Ground
72
GND
Ground
GND
Ground
73
GND
Ground
GND
Ground
74
RSVD
RESERVED pin
RSVD
LISA-U200-0x:
RESERVED pin
No difference:
Leave unconnected.
ANT_DIV
LISA-U230-01:
RF input for
Rx diversity antenna
New feature provided by LISA-U2:
RF antenna input for Rx diversity
50 Ω nominal impedance
75
GND
Ground
GND
Ground
76
GND
Ground
GND
Ground
Table 51: Pinout comparison LISA-U1 series vs. LISA-U2 series

LISA-U series - System Integration Manual
3G.G2-HW-10002-A1 Advance Information Appendix
Page 155 of 160
A.3.3 Layout comparison LISA-U1 series vs. LISA-U2 series
Additional signals keep-out area must be implemented on the top layer of the application board, below LISA-U2
modules, due to GND opening on module bottom layer, as described in Figure 77 and Figure 78.
33.2 mm
11.85 mm
22.4 mm
5.3 mm 5.25 mm
1.4 mm
1.0 mm
PIN 1
LISA-U1 bottom side
(through module view)
Exposed GND on LISA-U1 module bottom layer
Signals keep-out area on application board
Figure 77: Signals keep-out area on the top layer of the application board, below LISA-U1 series modules
33.2 mm
5.25 mm
22.4 mm
5.3 mm 5.25 mm5.3 mm
1.3 mm
1.4 mm
1.0 mm
PIN 1
LISA-U2 bottom side
(through module view)
Exposed GND on LISA-U2 module bottom layer
Signals keep-out areas on application board
Figure 78: Signals keep-out areas on the top layer of the application board, below LISA-U2 series modules

LISA-U series - System Integration Manual
3G.G2-HW-10002-A1 Advance Information Appendix
Page 156 of 160
B Glossary
ADC
Analog to Digital Converter
AP
Application Processor
AT
AT Command Interpreter Software Subsystem, or attention
CBCH
Cell Broadcast Channel
CS
Coding Scheme
CSD
Circuit Switched Data
CTS
Clear To Send
DC
Direct Current
DCD
Data Carrier Detect
DCE
Data Communication Equipment
DCS
Digital Cellular System
DDC
Display Data Channel
DSP
Digital Signal Processing
DSR
Data Set Ready
DTE
Data Terminal Equipment
DTM
Dual Transfer Mode
DTR
Data Terminal Ready
EBU
External Bus Interface Unit
EDGE
Enhanced Data rates for GSM Evolution
E-GPRS
Enhanced GPRS
FDD
Frequency Division Duplex
FEM
Front End Module
FOAT
Firmware Over AT commands
FTP
File Transfer Protocol
FTPS
FTP Secure
GND
Ground
GPIO
General Purpose Input Output
GPRS
General Packet Radio Service
GPS
Global Positioning System
GSM
Global System for Mobile Communication
HF
Hands-free
HSDPA
High Speed Downlink Packet Access
HTTP
HyperText Transfer Protocol
HTTPS
Hypertext Transfer Protocol over Secure Socket Layer
HW
Hardware
I/Q
In phase and Quadrature
I2C
Inter-Integrated Circuit
I2S
Inter IC Sound
IP
Internet Protocol
IPC
Inter Processor Communication

LISA-U series - System Integration Manual
3G.G2-HW-10002-A1 Advance Information Appendix
Page 157 of 160
LNA
Low Noise Amplifier
MCS
Modulation Coding Scheme
NOM
Network Operating Mode
PA
Power Amplifier
PBCCH
Packet Broadcast Control Channel
PCM
Pulse Code Modulation
PCS
Personal Communications Service
PFM
Pulse Frequency Modulation
PMU
Power Management Unit
RF
Radio Frequency
RI
Ring Indicator
RTC
Real Time Clock
RTS
Request To Send
RXD
RX Data
SAW
Surface Acoustic Wave
SIM
Subscriber Identification Module
SMS
Short Message Service
SMTP
Simple Mail Transfer Protocol
SPI
Serial Peripheral Interface
SRAM
Static RAM
TCP
Transmission Control Protocol
TDMA
Time Division Multiple Access
TXD
TX Data
UART
Universal Asynchronous Receiver-Transmitter
UDP
User Datagram Protocol
UMTS
Universal Mobile Telecommunications System
USB
Universal Serial Bus
UTRA
UMTS Terrestrial Radio Access
VC-TCXO
Voltage Controlled - Temperature Compensated Crystal Oscillator
WCDMA
Wideband CODE Division Multiple Access

LISA-U series - System Integration Manual
3G.G2-HW-10002-A1 Advance Information Related documents
Page 158 of 160
Related documents
[1] u-blox LISA-U1 series Data Sheet, Docu No 3G.G1-HW-10001
[2] u-blox LISA-U2 series Data Sheet, Docu No 3G.G1-HW-11004
[3] u-blox AT Commands Manual, Docu No WLS-SW-11000
[4] ITU-T Recommendation V.24, 02-2000. List of definitions for interchange circuits between data
terminal equipment (DTE) and data circuit-terminating equipment (DCE).
http://www.itu.int/rec/T-REC-V.24-200002-I/en
[5] 3GPP TS 27.007 - AT command set for User Equipment (UE) (Release 1999)
[6] 3GPP TS 27.005 - Use of Data Terminal Equipment - Data Circuit terminating; Equipment (DTE - DCE)
interface for Short Message Service (SMS) and Cell Broadcast Service (CBS) (Release 1999)
[7] 3GPP TS 27.010 - Terminal Equipment to User Equipment (TE-UE) multiplexer protocol (Release 1999)
[8] Universal Serial Bus Revision 2.0 specification, http://www.usb.org/developers/docs/
[9] I2C-Bus Specification Version 2.1 Philips Semiconductors (January 2000),
http://www.nxp.com/acrobat_download/literature/9398/39340011_21.pdf
[10] RFC3267 - Real-Time Transport Protocol (RTP) Payload Format and File Storage, Format for the
Adaptive Multi-Rate (AMR) and Adaptive Multi-Rate Wideband (AMR-WB) Audio Codecs
[11] CENELEC EN 61000-4-2 (2001): "Electromagnetic compatibility (EMC) - Part 4-2: Testing and
measurement techniques - Electrostatic discharge immunity test".
[12] ETSI EN 301 489-1 V1.8.1: “Electromagnetic compatibility and Radio spectrum Matters (ERM);
ElectroMagnetic Compatibility (EMC) standard for radio equipment and services; Part 1: Common
technical requirements”
[13] ETSI EN 301 489-7 V1.3.1 “Electromagnetic compatibility and Radio spectrum Matters (ERM);
ElectroMagnetic Compatibility (EMC) standard for radio equipment and services; Part 7: Specific
conditions for mobile and portable radio and ancillary equipment of digital cellular radio
telecommunications systems (GSM and DCS)“
[14] ETSI EN 301 489-24 V1.4.1 "Electromagnetic compatibility and Radio spectrum Matters (ERM);
ElectroMagnetic Compatibility (EMC) standard for radio equipment and services; Part 24: Specific
conditions for IMT-2000 CDMA Direct Spread (UTRA) for Mobile and portable (UE) radio and ancillary
equipment"
[15] 3GPP TS 26.267 - Technical Specification Group Services and System Aspects; eCall Data Transfer; In-
band modem solution; General description (Release 9)
[16] GSM Mux Implementation Application Note, Docu No WLS-CS-11002
[17] GPS Implementation Application Note, Docu No GSM.G1-CS-09007
[18] Firmware Update Application Note, Docu No WLS-CS-11001
[19] SPI Interface application Note, Docu No 3G.G2-CS-11000
[20] 3GPP TS 23.060 - Technical Specification Group Services and System Aspects; General Packet Radio
Service (GPRS); Service description
[21] End user test Application Note, Docu No TBD
[22] u-blox Package Information Guide, Docu. No GPS-X-11004
Some of the above documents can be downloaded from u-blox web-site (http://www.u-blox.com).

LISA-U series - System Integration Manual
3G.G2-HW-10002-A1 Advance Information Revision history
Page 159 of 160
Revision history
Revision
Date
Name
Status / Comments
-
21/10/2010
sses
Initial Release
1
11/01/2011
sses
Thickness information added
GPIO description improved
2
26/04/2011
lpah
Update to Advance Information status
3
07/07/2011
lpah
Update to Preliminary status
A
26/10/2011
sses
Changed status to Objective Specification
Initial release for LISA-U series
From LISA-U1xx-00 system integration manual, added description and
integration of LISA-U1xx-01, LISA-U200-00, LISA-U2xx-01
Added notes regarding VCC normal and extended operating ranges
Added RTC value reliability as function of V_BCKP voltage value
Added recommendation regarding any external signal connected to
the UART interface, SPI/IPC interface, I2S interfaces and GPIOs when
the module is in power-down mode, when the external reset is forced
low and during the module power-on sequence: must be tri-stated to
avoid latch-up of circuits and let a proper boot of the module.
A1
22/11/2011
sses
Update to Advance Information status
Updated module behavior during power-off sequence.
Added LISA-U200-00 ESD application circuit for antenna port.
Added application circuit for the module status indication function.

LISA-U series - System Integration Manual
3G.G2-HW-10002-A1 Advance Information Contact
Page 160 of 160
Contact
For complete contact information visit us at www.u-blox.com
u-blox Offices
North, Central and South America
u-blox America, Inc.
Phone: +1 (703) 483 3180
E-mail: info_us@u-blox.com
Regional Office West Coast:
Phone: +1 (703) 483 3184
E-mail: info_us@u-blox.com
Technical Support:
Phone: +1 (703) 483 3185
E-mail: support_us@u-blox.com
Headquarters
Europe, Middle East, Africa
u-blox AG
Phone: +41 44 722 74 44
E-mail: info@u-blox.com
Support: support @u-blox.com
Asia, Australia, Pacific
u-blox Singapore Pte. Ltd.
Phone: +65 6734 3811
E-mail: info_ap@u-blox.com
Support: support_ap@u-blox.com
Regional Office China:
Phone: +86 10 68 133 545
E-mail: info_cn@u-blox.com
Support: support_cn@u-blox.com
Regional Office Japan:
Phone: +81 3 5775 3850
E-mail: info_jp@u-blox.com
Support: support_jp@u-blox.com
Regional Office Korea:
Phone: +82 2 542 0861
E-mail: info_kr@u-blox.com
Support: support_kr@u-blox.com
Regional Office Taiwan:
Phone: +886 2 2657 1090
E-mail: info_tw@u-blox.com
Support: support_tw@u-blox.com