u blox SARAU280 UMTS Voice and Data Module User Manual SARA G3 and SARA U2 series
u-blox AG UMTS Voice and Data Module SARA G3 and SARA U2 series
u blox >
User Manual

SARA-G3 and SARA-U2 series
GSM/GPRS and GSM/EGPRS/HSPA
Cellular Modules
System Integration Manual
Abstract
This document describes the features and the system integration of
the SARA-G3 series GSM/GPRS cellular modules and the SARA-
U2
GSM/EGPRS/HSPA cellular modules.
These modules are complete and cost efficient solutions offering
voice and/or data communication over diverse cellular radio access
technologies in the same compact SARA form factor: the SARA-
G3
series support up to 4-band GSM/GPRS while the SARA-
U2 series
support 2-band high-speed HSPA and up to 2-band GSM/EGPRS.
www.u
-blox.com
UBX
-13000995 - R11

SARA-G3 and SARA-U2 series - System Integration Manual
Document Information
Title SARA-G3 and SARA-U2 series
Subtitle GSM/GPRS and GSM/EGPRS/HSPA
Cellular Modules
Document type System Integration Manual
Document number UBX-13000995
Revision, date R12 30-Jan-2015
Document status Early Production Information
Document status explanation
Objective Specification Document contains target values. Revised and supplementary data will be published later.
Advance Information Document contains data based on early testing. Revised and supplementary data will be published later.
Early Production Information Document contains data from product verification. Revised and supplementary data may be published later.
Production Information Document contains the final product specification.
This document applies to the following products:
Name Type number Modem version Application version SDN / IN / PCN
SARA-G300 SARA-G300-00S-00 08.58 GSM.G2-TN-13007
SARA-G310 SARA-G310-00S-00 08.58 GSM.G2-TN-13007
SARA-G340 SARA-G340-00S-00 08.49 UBX-14000382
SARA-G340-01S-00 08.70 A00.02 UBX-14039634
SARA-G350 SARA-G350-00S-00 08.49 GSM.G2-TN-13002
SARA-G350-01S-00 08.70 A00.02 UBX-14039634
SARA-G350-01B-00 08.70 A00.02 TBD
SARA-G350 ATEX SARA-G350-00X-00 08.49 GSM.G2-TN-13002
SARA-U260 SARA-U260-00S-00 23.20 A01.00 UBX-14015739
SARA-U270 SARA-U270-00S-00 23.20 A01.00 UBX-14015739
SARA-U270 ATEX SARA-U270-00X-00 23.20 A01.00 TBD
SARA-U280 SARA-U280-00S-00 23.28 A01.00 TBD
u-blox reserves all rights to this document and the information contained herein. Products, names, logos and designs described herein may in
whole or in part be subject to intellectual property rights. Reproduction, use, modification or disclosure to third parties of this document or
any part thereof without the express permission of u-blox is strictly prohibited.
The information contained herein is provided “as is” and u-blox assumes no liability for the use of the information. No warranty, either
express or implied, is given, including but not limited, with respect to the accuracy, correctness, reliability and fitness for a particular purpose
of the information. This document may be revised by u-blox at any time. For most recent documents, please visit www.u-blox.com.
Copyright © 2015, u-blox AG
Trademark Notice
Microsoft and Windows are either registered trademarks or trademarks of Microsoft Corporation in the United States and/or other countries.
All other registered trademarks or trademarks mentioned in this document are property of their respective owners.
UBX-13000995 - R12
Page 2 of 196

SARA-G3 and SARA-U2 series - System Integration Manual
Preface
u-blox Technical Documentation
As part of our commitment to customer support, u-blox maintains an extensive volume of technical
documentation for our products. In addition to our product-specific technical data sheets, the following manuals
are available to assist u-blox customers in product design and development.
• AT Commands Manual: This document provides the description of the AT commands supported by the
u-blox cellular modules.
• System Integration Manual: This document provides the description of u-blox cellular modules’ system
from the hardware and the software point of view, it provides hardware design guidelines for the optimal
integration of the cellular modules in the application device and it provides information on how to set up
production and final product tests on application devices integrating the cellular modules.
• Application Notes: These documents provide guidelines and information on specific hardware and/or
software topics on u-blox cellular modules. See Related documents for a list of application notes related to
your cellular module.
How to use this Manual
The SARA-G3 and SARA-U2 series System Integration Manual provides the necessary information to successfully
design in and configure these u-blox cellular modules.
This manual has a modular structure. It is not necessary to read it from the beginning to the end.
The following symbols are used to highlight important information within the manual:
An index finger points out key information pertaining to module integration and performance.
A warning symbol indicates actions that could negatively impact or damage the module.
Questions
If you have any questions about u-blox cellular Integration:
• Read this manual carefully.
• Contact our information service on the homepage http://www.u-blox.com
Technical Support
Worldwide Web
Our website (http://www.u-blox.com) is a rich pool of information. Product information and technical documents
can be accessed 24h a day.
By E-mail
If you have technical problems or cannot find the required information in the provided documents, contact the
closest Technical Support office. To ensure that we process your request as soon as possible, use our service pool
email addresses rather than personal staff email addresses. Contact details are at the end of the document.
Helpful Information when Contacting Technical Support
When contacting Technical Support, have the following information ready:
• Module type (e.g. SARA-G350) and firmware version
• Module configuration
• Clear description of your question or the problem
• A short description of the application
• Your complete contact details
UBX-13000995 - R12 Early Production Information Preface
Page 3 of 196

SARA-G3 and SARA-U2 series - System Integration Manual
Contents
Preface ................................................................................................................................ 3
Contents .............................................................................................................................. 4
1 System description ....................................................................................................... 8
1.1 Overview .............................................................................................................................................. 8
1.2 Architecture ........................................................................................................................................ 10
1.2.1 Internal blocks ............................................................................................................................. 12
1.3 Pin-out ............................................................................................................................................... 13
1.4 Operating modes ................................................................................................................................ 18
1.5 Supply interfaces ................................................................................................................................ 20
1.5.1 Module supply input (VCC) ......................................................................................................... 20
1.5.2 RTC supply input/output (V_BCKP) .............................................................................................. 28
1.5.3 Generic digital interfaces supply output (V_INT) ........................................................................... 29
1.6 System function interfaces .................................................................................................................. 30
1.6.1 Module power-on ....................................................................................................................... 30
1.6.2 Module power-off ....................................................................................................................... 33
1.6.3 Module reset ............................................................................................................................... 35
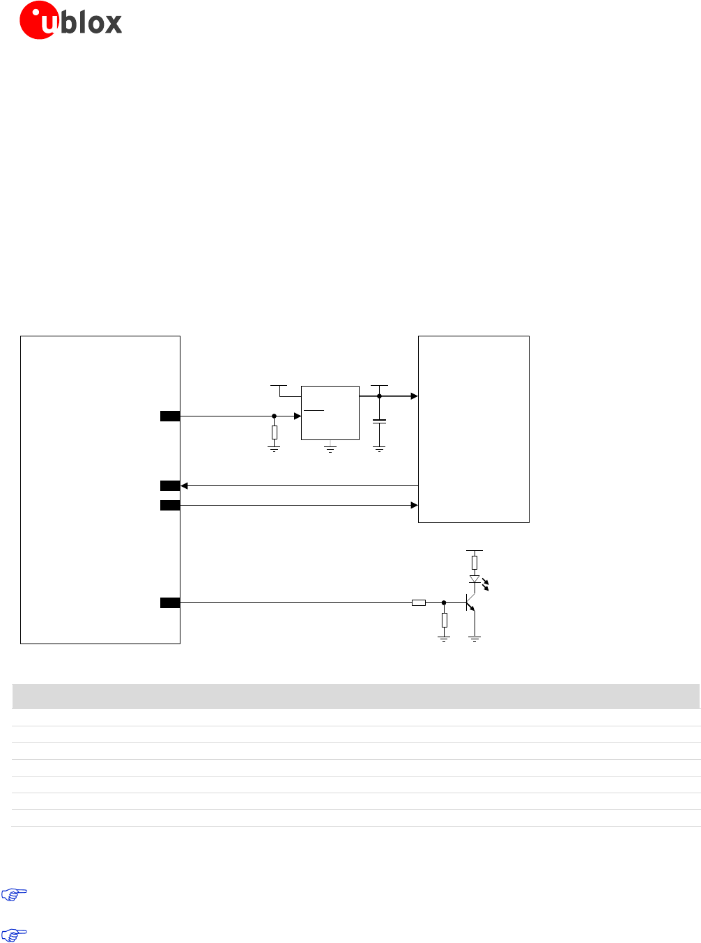
1.6.4 External 32 kHz signal input (EXT32K) ......................................................................................... 36
1.6.5 Internal 32 kHz signal output (32K_OUT) .................................................................................... 36
1.7 Antenna interface ............................................................................................................................... 37
1.7.1 Antenna RF interface (ANT) ......................................................................................................... 37
1.7.2 Antenna detection interface (ANT_DET) ...................................................................................... 39
1.8 SIM interface ...................................................................................................................................... 39
1.8.1 (U)SIM card interface ................................................................................................................... 39
1.8.2 SIM card detection interface (SIM_DET) ....................................................................................... 39
1.9 Serial interfaces .................................................................................................................................. 40
1.9.1 Asynchronous serial interface (UART)........................................................................................... 40
1.9.2 Auxiliary asynchronous serial interface (UART AUX) ..................................................................... 53
1.9.3 USB interface............................................................................................................................... 53
1.9.4 DDC (I2C) interface ...................................................................................................................... 55
1.10 Audio interface ............................................................................................................................... 57
1.10.1 Analog audio interface ................................................................................................................ 57
1.10.2 Digital audio interface ................................................................................................................. 59
1.10.3 Voice-band processing system ..................................................................................................... 61
1.11 General Purpose Input/Output (GPIO) ............................................................................................. 64
1.12 Reserved pins (RSVD) ...................................................................................................................... 68
1.13 System features............................................................................................................................... 69
1.13.1 Network indication ...................................................................................................................... 69
1.13.2 Antenna detection ...................................................................................................................... 69
1.13.3 Jamming detection ...................................................................................................................... 69
UBX-13000995 - R12 Early Production Information Contents
Page 4 of 196

SARA-G3 and SARA-U2 series - System Integration Manual
1.13.4 TCP/IP and UDP/IP ....................................................................................................................... 70
1.13.5 FTP .............................................................................................................................................. 70
1.13.6 HTTP ........................................................................................................................................... 70
1.13.7 SMTP ........................................................................................................................................... 70
1.13.8 SSL .............................................................................................................................................. 71
1.13.9 Dual stack IPv4/IPv6 ..................................................................................................................... 72
1.13.10 Smart temperature management ............................................................................................. 73
1.13.11 AssistNow clients and GNSS integration ................................................................................... 76
1.13.12 Hybrid positioning and CellLocate® .......................................................................................... 76
1.13.13 Firmware upgrade Over AT (FOAT) .......................................................................................... 79
1.13.14 Firmware upgrade Over The Air (FOTA) .................................................................................... 79
1.13.15 In-Band modem (eCall / ERA-GLONASS) .................................................................................. 80
1.13.16 SIM Access Profile (SAP) ........................................................................................................... 80
1.13.17 Power saving ........................................................................................................................... 82
2 Design-in ..................................................................................................................... 83
2.1 Overview ............................................................................................................................................ 83
2.2 Supply interfaces ................................................................................................................................ 84
2.2.1 Module supply (VCC) .................................................................................................................. 84
2.2.2 RTC supply (V_BCKP) ................................................................................................................... 96
2.2.3 Interface supply (V_INT) ............................................................................................................... 98
2.3 System functions interfaces ................................................................................................................ 99
2.3.1 Module power-on (PWR_ON) ...................................................................................................... 99
2.3.2 Module reset (RESET_N) ............................................................................................................ 100
2.3.3 32 kHz signal (EXT32K and 32K_OUT) ....................................................................................... 101
2.4 Antenna interface ............................................................................................................................. 103
2.4.1 Antenna RF interface (ANT) ....................................................................................................... 103
2.4.2 Antenna detection interface (ANT_DET) .................................................................................... 110
2.5 SIM interface .................................................................................................................................... 113
2.6 Serial interfaces ................................................................................................................................ 119
2.6.1 Asynchronous serial interface (UART)......................................................................................... 119
2.6.2 Auxiliary asynchronous serial interface (UART AUX) ................................................................... 125
2.6.3 Universal Serial Bus (USB) .......................................................................................................... 127
2.6.4 DDC (I2C) interface .................................................................................................................... 129
2.7 Audio interface ................................................................................................................................. 135
2.7.1 Analog audio interface .............................................................................................................. 135
2.7.2 Digital audio interface ............................................................................................................... 141
2.8 General Purpose Input/Output (GPIO) ............................................................................................... 144
2.9 Reserved pins (RSVD) ........................................................................................................................ 145
2.10 Module placement ........................................................................................................................ 145
2.11 Module footprint and paste mask ................................................................................................. 146
2.12 Thermal guidelines ........................................................................................................................ 147
2.13 ESD guidelines .............................................................................................................................. 149
2.13.1 ESD immunity test overview ...................................................................................................... 149
UBX-13000995 - R12 Early Production Information Contents
Page 5 of 196

SARA-G3 and SARA-U2 series - System Integration Manual
2.13.2 ESD immunity test of u-blox SARA-G3 and SARA-U2 reference designs..................................... 149
2.13.3 ESD application circuits .............................................................................................................. 150
2.14 SARA-G350 ATEX and SARA-U270 ATEX integration in explosive atmospheres applications ......... 152
2.14.1 General guidelines ..................................................................................................................... 152
2.14.2 Guidelines for VCC supply circuit design ................................................................................... 153
2.14.3 Guidelines for antenna RF interface design ................................................................................ 154
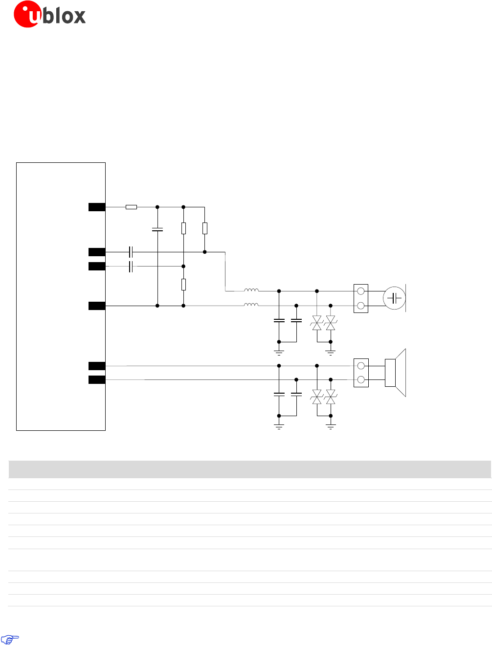
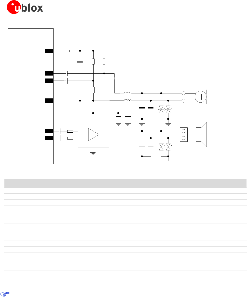
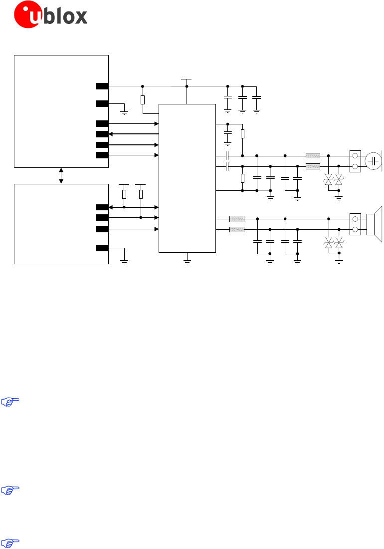
2.15 Schematic for SARA-G3 and SARA-U2 series module integration .................................................. 156
2.15.1 Schematic for SARA-G300 / SARA-G310 modules integration ................................................... 156
2.15.2 Schematic for SARA-G340 / SARA-G350 modules integration ................................................... 157
2.15.3 Schematic for SARA-U2 series modules integration ................................................................... 158
2.16 Design-in checklist ........................................................................................................................ 159
2.16.1 Schematic checklist ................................................................................................................... 159
2.16.2 Layout checklist ......................................................................................................................... 160
2.16.3 Antenna checklist ...................................................................................................................... 160
3 Handling and soldering ........................................................................................... 161
3.1 Packaging, shipping, storage and moisture preconditioning ............................................................. 161
3.2 Handling ........................................................................................................................................... 161
3.3 Soldering .......................................................................................................................................... 162
3.3.1 Soldering paste.......................................................................................................................... 162
3.3.2 Reflow soldering ....................................................................................................................... 162
3.3.3 Optical inspection ...................................................................................................................... 163
3.3.4 Cleaning .................................................................................................................................... 163
3.3.5 Repeated reflow soldering ......................................................................................................... 164
3.3.6 Wave soldering.......................................................................................................................... 164
3.3.7 Hand soldering .......................................................................................................................... 164
3.3.8 Rework ...................................................................................................................................... 164
3.3.9 Conformal coating .................................................................................................................... 164
3.3.10 Casting ...................................................................................................................................... 164
3.3.11 Grounding metal covers ............................................................................................................ 164
3.3.12 Use of ultrasonic processes ........................................................................................................ 164
4 Approvals .................................................................................................................. 165
4.1 Product certification approval overview ............................................................................................. 165
4.2 Federal Communications Commission and Industry Canada notice ................................................... 166
4.2.1 Safety warnings review the structure ......................................................................................... 166
4.2.2 Declaration of conformity .......................................................................................................... 166
4.2.3 Modifications ............................................................................................................................ 167
4.3 R&TTED and European conformance CE mark .................................................................................. 168
4.4 Anatel certification ........................................................................................................................... 169
4.5 CCC mark ........................................................................................................................................ 170
4.6 SARA-G350 ATEX and LISA-U270 ATEX conformance for use in explosive atmospheres ................... 170
5 Product testing ......................................................................................................... 172
5.1 u-blox in-series production test ......................................................................................................... 172
UBX-13000995 - R12 Early Production Information Contents
Page 6 of 196

SARA-G3 and SARA-U2 series - System Integration Manual
5.2 Test parameters for OEM manufacturer ............................................................................................ 172
5.2.1 “Go/No go” tests for integrated devices .................................................................................... 173
5.2.2 Functional tests providing RF operation ..................................................................................... 173
Appendix ........................................................................................................................ 176
A Migration between LISA and SARA-G3 modules ................................................... 176
A.1 Overview .......................................................................................................................................... 176
A.2 Checklist for migration ..................................................................................................................... 177
A.3 Software migration ........................................................................................................................... 178
A.4 Hardware migration.......................................................................................................................... 178
A.4.1 Supply interfaces ....................................................................................................................... 178
A.4.2 System functions interfaces ....................................................................................................... 179
A.4.3 Antenna interface ..................................................................................................................... 180
A.4.4 SIM interface ............................................................................................................................. 181
A.4.5 Serial interfaces ......................................................................................................................... 181
A.4.6 Audio interfaces ........................................................................................................................ 182
A.4.7 GPIO pins .................................................................................................................................. 182
A.4.8 Reserved pins ............................................................................................................................ 182
A.4.9 Pin-out comparison between LISA and SARA-G3 ....................................................................... 183
B Migration between SARA-G3 and SARA-U2 ........................................................... 188
B.1 Overview .......................................................................................................................................... 188
B.2 Pin-out comparison between SARA-G3 and SARA-U2 ...................................................................... 189
B.3 Schematic for SARA-G3 and SARA-U2 integration ............................................................................ 191
C Glossary .................................................................................................................... 192
Related documents......................................................................................................... 194
Revision history .............................................................................................................. 195
Contact ............................................................................................................................ 196
UBX-13000995 - R12 Early Production Information Contents
Page 7 of 196

SARA-G3 and SARA-U2 series - System Integration Manual
1 System description
1.1 Overview
SARA-G3 series GSM/GPRS cellular modules and SARA-U2 series GSM/EGPRS/HSPA cellular modules are versatile
solutions offering voice and/or data communication over diverse radio access technologies in the same miniature
SARA LGA form factor (26 x 16 mm) that allows seamless drop-in migration between the two SARA-G3 and
SARA-U2 series and easy migration to u-blox LISA-U series GSM/EGPRS/HSPA+ modules, LISA-C2 series CDMA
modules, TOBY-L1 series LTE modules and to TOBY-L2 series GSM/EGPRS/DC-HSPA+/LTE modules.
SARA-G350 and SARA-G340 are respectively quad-band and dual-band full feature GSM/GPRS cellular modules
with a comprehensive feature set including an extensive set of internet protocols and access to u-blox GNSS
positioning chips and modules, with embedded A-GPS (AssistNow Online and AssistNow Offline) functionality.
SARA-G310 and SARA-G300 are respectively quad-band and dual-band GSM/GPRS cellular modules targeted for
high volume cost sensitive applications, providing GSM/GPRS functionalities with a reduced set of additional
features to minimize the customer’s total cost of ownership.
SARA-U2 series include variants supporting band combination for North America and band combination for
Europe, Asia and other countries. For each combination, a complete UMTS/GSM variant and a cost-saving
UMTS-only variant are available. All SARA-U2 series modules provide a rich feature set including an extensive set
of internet protocols, dual-stack IPv4 / IPv6 and access to u-blox GNSS positioning chips and modules, with
embedded A-GPS (AssistNow Online and AssistNow Offline) functionality.
Table 1 describes a summary of interfaces and features provided by SARA-G3 and SARA-U2 series modules.
Module Data rate Bands Interfaces Audio
Functions Grade
3G Up
-Link [Mb/s]
3G Down
-Link [Mb/s]
2G Up
-Link [kb/s]
2G Down
-Link [kb/s]
3G bands [MHz]
2G bands [MHz]
UART
USB
DDC
(I2C)
GPIO
Analog
audio
Digital audio
Network indication
Antenna
supervisor
Jamming detection
Embedded TCP
/ UDP
Embedded
HTTP, FTP
Embedded
SSL / TLS
GNSS via Modem
AssistNow
Software
CellLocate®
FW update
via serial
FOTA
eCall / ERA
-GLONASS
Low power idle
-mode
Dual stack IPv4/IPv6
ATEX certification
Standard
Professional
Automotive
SARA-G300
42.8
85.6 900/1800
2 •
E
SARA-G310
42.8
85.6 4-band 2 • E
SARA-G340
42.8
85.6 900/1800
2 1 4 1 1 • • • • • V • • • •
• •
SARA-G350
42.8
85.6 4-band 2 1 4 1 1 • • • • • V • • • • A
• •
SARA-G350 ATEX
42.8
85.6 4-band 2 1 4 1 1 • • • • • • • • •
• • •
SARA-U260 5.76
7.2
85.6
236.8
850/1900
850/1900
1 1 1 9 1 • • • • • • • • • •
• •
SARA-U270 5.76
7.2
85.6
236.8
900/2100
900/1800
1 1 1 9 1 • • • • • • • • • •
• • •
SARA-U270 ATEX
5.76
7.2
85.6
236.8
900/2100
900/1800
1 1 1 9 1 • • • • • • • • • •
• • • •
SARA-U280 5.76
7.2
850/1900
1 1 1 9 1 • • • • • • • • • •
• •
A = available upon request
V = available from product version “01” onwards
E = 32 kHz signal at EXT32K input pin is required for low power idle-mode
Table 1: SARA-G3 and SARA-U2 series1 features summary
1 SARA-G350 ATEX modules provide the same feature set of the SARA-G350 modules plus the certification for use in potentially explosive
atmospheres; the same applies for SARA-U270 ATEX modules and SARA-U270 modules. Unless otherwise specified, SARA-G350 refers to all
SARA-G350 ATEX and SARA-G350 modules, whereas SARA-U270 refers to all SARA-U270 ATEX modules and SARA-U270 modules.
UBX-13000995 - R12 Early Production Information System description
Page 8 of 196

SARA-G3 and SARA-U2 series - System Integration Manual
Table 2 reports a summary of 2G cellular characteristics of SARA-G3 and SARA-U2 series modules.
Item SARA-U260 SARA-U270 SARA-G300 / SARA-G340 SARA-G310 / SARA-G350
Protocol stack
3GPP Release 7
3GPP Release 7
3GPP Release 99
3GPP Release 99
MS class Class B2 Class B2 Class B2 Class B2
Bands3 GSM 850 MHz
PCS 1900 MHz
E-GSM 900 MHz
DCS 1800 MHz
E-GSM 900 MHz
DCS 1800 MHz
GSM 850 MHz
E-GSM 900 MHz
DCS 1800 MHz
PCS 1900 MHz
Power class Class 4 (33 dBm)
for 850 band
Class 1 (30 dBm)
for 1900 band
Class 4 (33 dBm)
for 900 band
Class 1 (30 dBm)
for 1800 band
Class 4 (33 dBm)
for 900 band
Class 1 (30 dBm)
for 1800 band
Class 4 (33 dBm)
for 850/900 bands
Class 1 (30 dBm)
for 1800/1900 bands
PS data rate
4
GPRS multi-slot class 125
CS 1-4, 85.6 kb/s DL
CS 1-4, 85.6 kb/s UL
EDGE multi-slot class 125
MCS 1-9, 236.8 kb/s DL
MCS 1-4, 70.4 kb/s UL
GPRS multi-slot class 125
CS 1-4, 85.6 kb/s DL
CS 1-4, 85.6 kb/s UL
EDGE multi-slot class 125
MCS 1-9, 236.8 kb/s DL
MCS 1-4, 70.4 kb/s UL
GPRS multi-slot class 106
CS 1-4, 85.6 kb/s DL
CS 1-4, 42.8 kb/s UL4
GPRS multi-slot class 106
CS 1-4, 85.6 kb/s DL
CS 1-4, 42.8 kb/s UL
CS data rate4 Up to 9.6 kb/s DL/UL
Transparent mode
Non transparent mode
Up to 9.6 kb/s DL/UL
Transparent mode
Non transparent mode
Up to 9.6 kb/s DL/UL
Transparent mode
Non transparent mode
Up to 9.6 kb/s DL/UL
Transparent mode
Non transparent mode
Table 2: SARA-G3 series and SARA-U2 series 2G characteristics summary
Table 3 reports a summary of 3G cellular characteristics of SARA-U2 series modules.
Item SARA-U260 SARA-U270 SARA-U280
Protocol stack 3GPP Release 7 3GPP Release 7 3GPP Release 7
UE class Class A7 Class A7 Class A7
Bands Band V (850 MHz)
Band II (1900 MHz)
Band VIII (900 MHz)
Band I (2100 MHz)
Band V (850 MHz)
Band II (1900 MHz)
Power class Class 3 (24 dBm)
for all bands
Class 3 (24 dBm)
for all bands
Class 3 (24 dBm)
for all bands
PS data rate4 HSUPA category 6
5.76 Mb/s UL
HSDPA category 8
7.2 Mb/s DL
HSUPA category 6
5.76 Mb/s UL
HSDPA category 8
7.2 Mb/s DL
HSUPA category 6
5.76 Mb/s UL
HSDPA category 8
7.2 Mb/s DL
CS data rate4 Up to 64 kb/s DL/UL Up to 64 kb/s DL/UL Up to 64 kb/s DL/UL
Table 3: SARA-U2 series 3G characteristics summary
2 Device can be attached to both GPRS and GSM services (i.e. Packet Switch and Circuit Switch mode) using one service at a time.
3 The 2G 850 / 1900 MHz and 3G 850 / 1900 MHz bands are mainly operative in America. The 2G 900 / 1800 MHz and 3G 900 / 2100 MHz
bands are mainly operative in Europe, Asia and other countries.
4 The maximum bit rate of the module depends on the actual network environmental conditions and settings.
5 GPRS/EDGE multi-slot class 12 implies a maximum of 4 slots in DL (reception) and 4 slots in UL (transmission) with 5 slots in total.
6 GPRS multi-slot class 10 implies a maximum of 4 slots in DL (reception) and 2 slots in UL (transmission) with 5 slots in total.
7 Device can work simultaneously in Packet Switch and Circuit Switch mode: voice calls are possible while the data connection is active
without any interruption in service.
UBX-13000995 - R12 Early Production Information System description
Page 9 of 196

SARA-G3 and SARA-U2 series - System Integration Manual
1.2 Architecture
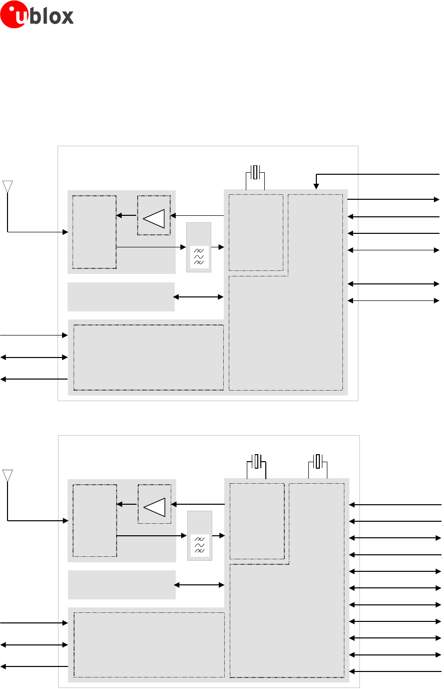
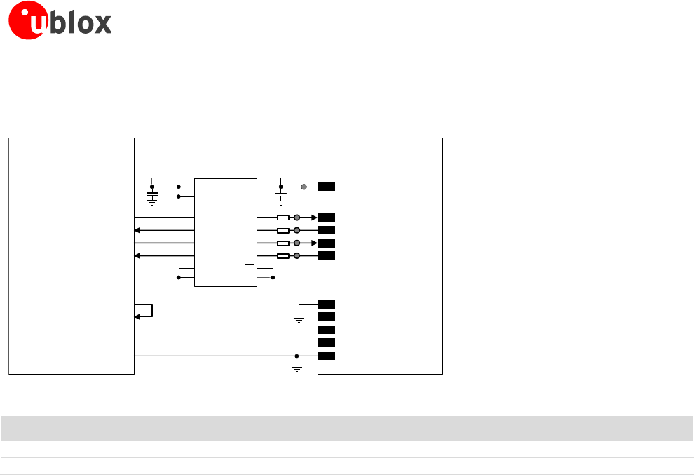
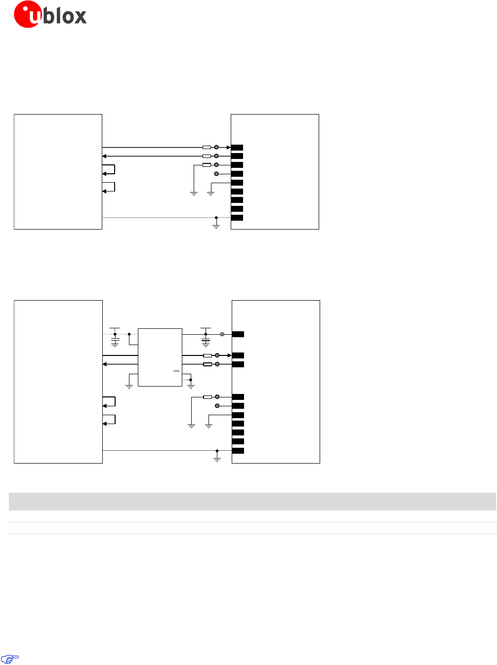
Figure 1 summarizes the architecture of SARA-G300 and SARA-G310 modules, while Figure 2 summarizes the
architecture of SARA-G340 and SARA-G350 modules, describing the internal blocks of the modules, consisting
of the RF, Baseband and Power Management main sections, and the available interfaces.
Memory
V_BCKP (RTC)
V_INT (I/O)
32 kHz
26 MHz
RF
Transceiver
Power
Management
ANT SAW
Filter
Switch
VCC (Supply)
32 kHz
Auxiliary UART
SIM
UART
Power-On
Reset
Cellular
BaseBand
Processor
PA
Figure 1: SARA-G300 and SARA-G310 modules block diagram
Memory
V_BCKP (RTC)
V_INT (I/O)
26 MHz 32.768 kHz
RF
Transceiver
Power
Management
Cellular
BaseBand
Processor
ANT SAW
Filter
Switch
PA
VCC (Supply)
Auxiliary UART
DDC (for GNSS)
SIM Card Detection
SIM
UART
Power-On
Reset
Digital Audio
Analog Audio
GPIO
Antenna Detection
Figure 2: SARA-G340 and SARA-G350 modules block diagram
UBX-13000995 - R12 Early Production Information System description
Page 10 of 196

SARA-G3 and SARA-U2 series - System Integration Manual
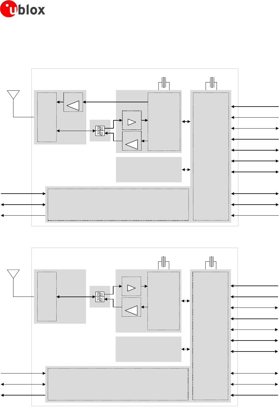
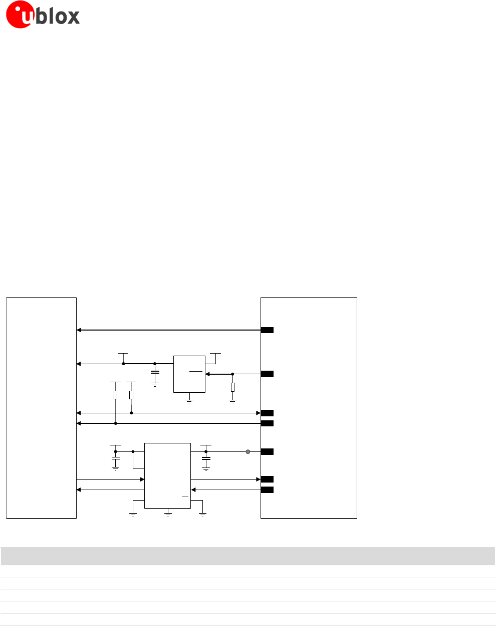
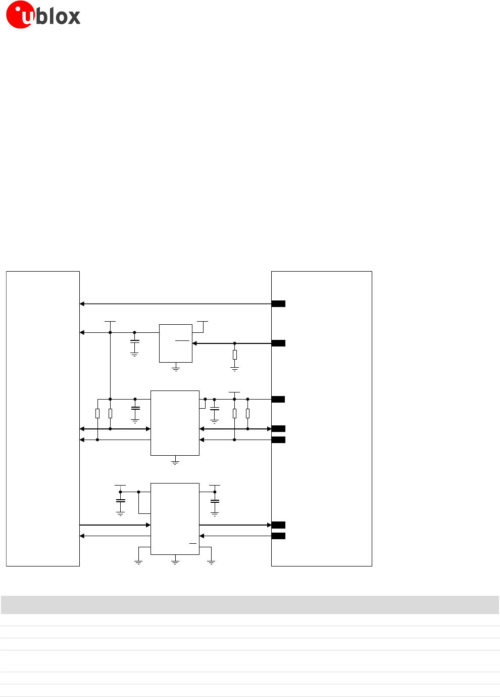
Figure 3 summarizes the architecture of SARA-U260 and SARA-U270 modules, while Figure 4 summarizes the
architecture of SARA-U280 modules, describing the internal blocks of the modules, consisting of the RF,
Baseband and Power Management main sections, and the available interfaces.
Memory
V_BCKP (RTC)
V_INT (I/O)
RF
Transceiver
Power
Management
Cellular
BaseBand
Processor
ANT
VCC (Supply)
USB
DDC (I2C)
SIM card detection
SIM
UART
Power-On
Reset
Digital audio (I2S)
GPIO
Antenna detection
3G PA
26 MHz
Duplexer
Filter
Switch
2G PA
LNA
32.768 kHz
Figure 3: SARA-U260 and SARA-U270 modules block diagram
Memory
V_BCKP (RTC)
V_INT (I/O)
RF
Transceiver
Power
Management
Cellular
BaseBand
Processor
ANT
VCC (Supply)
USB
DDC (I2C)
SIM card detection
SIM
UART
Power-On
Reset
Digital audio (I2S)
GPIO
Antenna detection
3G PA
26 MHz
Duplexer
Filter
Switch
LNA
32.768 kHz
Figure 4: SARA-U280 modules block diagram
UBX-13000995 - R12 Early Production Information System description
Page 11 of 196

SARA-G3 and SARA-U2 series - System Integration Manual
1.2.1 Internal blocks
SARA-G3 and SARA-U2 series modules internally consist of the RF, Baseband and Power Management sections
here described with more details than the simplified block diagrams of Figure 1, Figure 2, Figure 3 and Figure 4.
RF section
The RF section is composed of the following main elements:
• 2G / 3G RF transceiver performing modulation, up-conversion of the baseband I/Q signals, down-conversion
and demodulation of the RF received signals. The RF transceiver includes:
Constant gain direct conversion receiver with integrated LNAs
Highly linear RF quadrature GMSK demodulator
Digital Sigma-Delta transmitter GMSK modulator
Fractional-N Sigma-Delta RF synthesizer
3.8 GHz VCO
Digital controlled crystal oscillator
• 2G / 3G Power Amplifier, which amplifies the signals modulated by the RF transceiver
• RF switch, which connects the antenna input/output pin (ANT) of the module to the suitable RX/TX path
• RX diplexer SAW (band pass) filters
• 26 MHz crystal, connected to the digital controlled crystal oscillator to perform the clock reference in
active-mode or connected-mode
Baseband and Power Management section
The Baseband and Power Management section is composed of the following main elements:
• Baseband processor, a mixed signal ASIC which integrates:
Microprocessor for controller functions
DSP core for 2G / 3G Layer 1 and audio processing
Dedicated peripheral blocks for parallel control of the digital interfaces
Audio analog front-end
• Memory system in a multi-chip package integrating two devices:
NOR flash non-volatile memory
RAM volatile memory
• Voltage regulators to derive all the system supply voltages from the module supply VCC
• Circuit for the RTC clock reference in low power idle-mode:
SARA-G340, SARA-G350 and SARA-U2 series modules are equipped with an internal 32.768 kHz crystal
connected to the oscillator of the RTC (Real Time Clock) block that gives the RTC clock reference needed
to provide the RTC functions as well as to reach the very low power idle-mode (with power saving
configuration enabled by the AT+UPSV command).
SARA-G300 and SARA-G310 modules are not equipped with an internal 32.768 kHz crystal: a proper
32 kHz signal must be provided at the EXT32K input pin of the modules to give the RTC clock reference
and to provide the RTC functions as well as to reach the very low power idle-mode (with power saving
configuration enabled by AT+UPSV). The 32K_OUT output pin of SARA-G300 and SARA-G310 provides
a 32 kHz reference signal suitable only to feed the EXT32K input pin, furnishes the reference clock for
the RTC, and allows low power idle-mode and RTC functions support with modules switched on.
UBX-13000995 - R12 Early Production Information System description
Page 12 of 196

SARA-G3 and SARA-U2 series - System Integration Manual
1.3 Pin-out
Table 4 lists the pin-out of the SARA-G3 and SARA-U2 series modules, with pins grouped by function.
Function Pin Name Module Pin No I/O Description Remarks
Power VCC All 51, 52, 53
I Module supply
input
VCC pins are internally connected each other.
VCC supply circuit affects the RF performance and
compliance of the device integrating the module
with applicable required certification schemes.
See section 1.5.1 for functional description and
requirements for the VCC module supply.
See section 2.2.1 for external circuit design-in.
GND All 1, 3,
5, 14,
20-
22, 30,
32, 43, 50
,
54, 55,
57-61,
63-96
N/A Ground GND pins are internally connected each other.
External ground connection affects the RF and
thermal performance of the device.
See section 1.5.1 for functional description.
See section 2.2.1 for external circuit design-in.
V_BCKP All 2 I/O Real Time Clock
supply
input/output
V_BCKP = 2.3 V (typical) on SARA-G3 series.
V_BCKP = 1.8 V (typical) on SARA-U2 series.
V_BCKP is generated by internal low power linear
regulator when valid VCC supply is present.
See section 1.5.2 for functional description.
See section 2.2.2 for external circuit design-in.
V_INT All 4 O Generic Digital
Interfaces supply
output
V_INT = 1.8 V (typical), generated by internal DC/DC
regulator when the module is switched on.
See section 1.5.3 for functional description.
See section 2.2.3 for external circuit design-in.
System PWR_ON All 15 I Power-on input High input impedance: input voltage level has to be
properly fixed, e.g. adding external pull-up.
See section 1.6.1 for functional description.
See section 2.3.1 for external circuit design-in.
RESET_N All 18 I External reset
input
A series Schottky diode is integrated in the module
as protection, and then an internal 10 kΩ pull-up
resistor to V_INT is provided.
See section 1.6.3 for functional description.
See section 2.3.2 for external circuit design-in.
EXT32K SARA-G300
SARA-G310
31 I 32 kHz input Input for RTC reference clock, needed to enter the
low power idle-mode and provide RTC functions.
See section 1.6.4 for functional description.
See section 2.3.3 for external circuit design-in.
32K_OUT SARA-G300
SARA-G310
24 O 32 kHz output 32 kHz output suitable only to feed the EXT32K
input giving the RTC reference clock, allowing low
power idle-mode and RTC functions support.
See section 1.6.5 for functional description.
See section 2.3.3 for external circuit design-in.
Antenna ANT All 56 I/O RF input/output
for antenna
50
Ω
nominal characteristic impedance.
Antenna circuit affects the RF performance and
compliance of the device integrating the module
with applicable required certification schemes.
See section 1.7 for functional description and
requirements for the antenna RF interface.
See section 2.4 for external circuit design-in.
ANT_DET SARA-G340
SARA-G350
SARA-U2
62 I Input for antenna
detection
ADC input for antenna detection function.
See section 1.7.2 for functional description.
See section 2.4.2 for external circuit design-in.
UBX-13000995 - R12 Early Production Information System description
Page 13 of 196

SARA-G3 and SARA-U2 series - System Integration Manual
Function Pin Name Module Pin No I/O Description Remarks
SIM VSIM All 41 O SIM supply output VSIM = 1.80 V typ. or 2.85 V typ. automatically
generated according to the connected SIM type.
See section 1.8 for functional description.
See section 2.5 for external circuit design-in.
SIM_IO All 39 I/O SIM data Data input/output for 1.8 V / 3 V SIM
Internal 4.7 kΩ pull-up to VSIM.
See section 1.8 for functional description.
See section 2.5 for external circuit design-in.
SIM_CLK All 38 O SIM clock 3.25 MHz clock output for 1.8 V / 3 V SIM
See section 1.8 for functional description.
See section 2.5 for external circuit design-in.
SIM_RST All 40 O SIM reset Reset output for 1.8 V / 3 V SIM
See section 1.8 for functional description.
See section 2.5 for external circuit design-in.
SIM_DET All 42 I /
I/O
SIM detection /
GPIO
1.8 V input for SIM presence detection function.
Pin configurable also as GPIO on SARA-U2 series.
See section 1.8.2 for functional description.
See section 2.5 for external circuit design-in.
UART RXD All 13 O UART data output 1.8 V output, Circuit 104 (RXD) in ITU-T V.24,
for AT, data, FOAT on SARA-G3 series modules,
for AT, data, FOAT, FW upgrade via EasyFlash tool
and diagnostic on SARA-U2 series modules.
See section 1.9.1 for functional description.
See section 2.6.1 for external circuit design-in.
TXD All 12 I UART data input 1.8 V input, Circuit 103 (TXD) in ITU-T V.24,
for AT, data, FOAT on SARA-G3 series modules,
for AT, data, FOAT, FW upgrade via EasyFlash tool
and diagnostic on SARA-U2 series modules.
Internal active pull-up to V_INT.
See section 1.9.1 for functional description.
See section 2.6.1 for external circuit design-in.
CTS All 11 O UART clear to
send output
1.8 V output, Circuit 106 (CTS) in ITU-T V.24.
See section 1.9.1 for functional description.
See section 2.6.1 for external circuit design-in.
RTS All 10 I UART ready to
send input
1.8 V input, Circuit 105 (RTS) in ITU-T V.24.
Internal active pull-up to V_INT.
See section 1.9.1 for functional description.
See section 2.6.1 for external circuit design-in.
DSR All 6 O UART data set
ready output
1.8 V output, Circuit 107 (DSR) in ITU-T V.24.
See section 1.9.1 for functional description.
See section 2.6.1 for external circuit design-in.
RI All 7 O UART ring
indicator output
1.8 V output, Circuit 125 (RI) in ITU-T V.24.
See section 1.9.1 for functional description.
See section 2.6.1 for external circuit design-in.
DTR All 9 I UART data
terminal ready
input
1.8 V input, Circuit 108/2 (DTR) in ITU-T V.24.
Internal active pull-up to V_INT.
See section 1.9.1 for functional description.
See section 2.6.1 for external circuit design-in.
DCD All 8 O UART data carrier
detect output
1.8 V input, Circuit 109 (DCD) in ITU-T V.24.
See section 1.9.1 for functional description.
See section 2.6.1 for external circuit design-in.
UBX-13000995 - R12 Early Production Information System description
Page 14 of 196

SARA-G3 and SARA-U2 series - System Integration Manual
Function Pin Name Module Pin No I/O Description Remarks
Auxiliary
UART
RXD_AUX SARA-G3 28 O Auxiliary UART
data output
1.8 V output, Circuit 104 (RXD) in ITU-T V.24,
for FW upgrade via EasyFlash tool and diagnostic.
Access by external test-point is recommended.
See section 1.9.2 for functional description.
See section 2.6.2 for external circuit design-in.
TXD_AUX SARA-G3 29 I Auxiliary UART
data input
1.8 V input, Circuit 103 (TXD) in ITU-T V.24,
for FW upgrade via EasyFlash tool and diagnostic.
Access by external test-point is recommended.
Internal active pull-up to V_INT.
See section 1.9.2 for functional description.
See section 2.6.2 for external circuit design-in.
USB VUSB_DET SARA-U2 17 I USB detect input High-Speed USB 2.0 interface input for VBUS (5 V
typical) USB supply sense. USB available for AT, data,
FOAT, FW upgrade via EasyFlash tool and diagnostic.
See section 1.9.3 for functional description.
See section 2.6.3 for external circuit design-in.
USB_D- SARA-U2 28 I/O USB Data Line D- High-Speed USB 2.0 interface data line for AT, data,
FOAT, FW upgrade via EasyFlash tool and diagnostic.
90 Ω nominal differential impedance.
Pull-up, pull-down and series resistors as required by
USB 2.0 specifications [14] are part of the USB pin
driver and need not be provided externally.
See section 1.9.3 for functional description.
See section 2.6.3 for external circuit design-in.
USB_D+ SARA-U2 29 I/O USB Data Line D+ High-Speed USB 2.0 interface data line for AT, data,
FOAT, FW upgrade via EasyFlash tool and diagnostic.
90 Ω nominal differential impedance.
Pull-up, pull-down and series resistors as required by
USB 2.0 specifications [14] are part of the USB pin
driver and need not be provided externally.
See section 1.9.3 for functional description.
See section 2.6.3 for external circuit design-in.
DDC SCL SARA-G340
SARA-G350
SARA-U2
27 O I2C bus clock line 1.8 V open drain, for the communication with the
u-blox positioning modules / chips. Communication
with other external I2C-slave devices as an audio
codec is additionally supported by SARA-U2 series.
External pull-up required.
See section 1.9.4 for functional description.
See section 2.6.4 for external circuit design-in.
SDA SARA-G340
SARA-G350
SARA-U2
26 I/O I2C bus data line 1.8 V open drain, for the communication with
u-blox positioning modules / chips. Communication
with other external I2C-slave devices as an audio
codec is additionally supported by SARA-U2 series.
External pull-up required.
See section 1.9.4 for functional description.
See section 2.6.4 for external circuit design-in.
UBX-13000995 - R12 Early Production Information System description
Page 15 of 196

SARA-G3 and SARA-U2 series - System Integration Manual
Function Pin Name Module Pin No I/O Description Remarks
Analog
Audio
MIC_BIAS SARA-G340
SARA-G350
46 O Microphone
supply output
Supply output (2.2 V typ) for external microphone.
See section 1.10.1 for functional description.
See section 2.7.1 for external circuit design-in.
MIC_GND SARA-G340
SARA-G350
47 I Microphone
analog reference
Local ground for the external microphone (reference
for the analog audio uplink path).
See section 1.10.1 for functional description.
See section 2.7.1 for external circuit design-in.
MIC_N SARA-G340
SARA-G350
48 I Differential
analog audio
input (negative)
Differential analog audio signal input (negative)
shared for all the analog uplink path modes:
handset, headset, hands-free mode.
No internal DC blocking capacitor.
See section 1.10.1 for functional description.
See section 2.7.1 for external circuit design-in.
MIC_P SARA-G340
SARA-G350
49 I Differential
analog audio
input (positive)
Differential analog audio signal input (positive)
shared for all the analog uplink path modes:
handset, headset, hands-free mode.
No internal DC blocking capacitor.
See section 1.10.1 for functional description.
See section 2.7.1 for external circuit design-in.
SPK_P SARA-G340
SARA-G350
44 O Differential
analog audio
output (positive)
Differential analog audio signal output (positive)
shared for all the analog downlink path modes:
earpiece, headset and loudspeaker mode.
See section 1.10.1 for functional description.
See section 2.7.1 for external circuit design-in.
SPK_N SARA-G340
SARA-G350
45 O Differential
analog audio
output (negative)
Differential analog audio signal output (negative)
shared for all the analog downlink path modes:
earpiece, headset and loudspeaker mode.
See section 1.10.1 for functional description.
See section 2.7.1 for external circuit design-in.
Digital
Audio
I2S_CLK SARA-G340
SARA-G350
SARA-U2
36 O /
I/O
I2S clock /
GPIO
1.8 V serial clock for PCM / normal I2S modes.
Pin configurable also as GPIO on SARA-U2 series.
See section 1.10.2 for functional description.
See section 2.7.2 for external circuit design-in.
I2S_RXD SARA-G340
SARA-G350
SARA-U2
37 I /
I/O
I2S receive data /
GPIO
1.8 V data input for PCM / normal I2S modes.
Pin configurable also as GPIO on SARA-U2 series.
Internal active pull-down to GND.
See section 1.10.2 for functional description.
See section 2.7.2 for external circuit design-in.
I2S_TXD SARA-G340
SARA-G350
SARA-U2
35 O /
I/O
I2S transmit data /
GPIO
1.8 V data output for PCM / normal I2S modes.
Pin configurable also as GPIO on SARA-U2 series.
See section 1.10.2 for functional description.
See section 2.7.2 for external circuit design-in.
I2S_WA SARA-G340
SARA-G350
SARA-U2
34 O /
I/O
I2S word alignment
/
GPIO
1.8 V word alignment for PCM / normal I2S modes
Pin configurable also as GPIO on SARA-U2 series.
See section 1.10.2 for functional description.
See section 2.7.2 for external circuit design-in.
CODEC_CLK SARA-U2 19 O Clock output 1.8 V master clock output for external audio codec
See section 1.10.2 for functional description.
See section 2.7.2 for external circuit design-in
UBX-13000995 - R12 Early Production Information System description
Page 16 of 196

SARA-G3 and SARA-U2 series - System Integration Manual
Function Pin Name Module Pin No I/O Description Remarks
GPIO GPIO1 SARA-G340
SARA-G350
SARA-U2
16 I/O GPIO 1.8 V GPIO by default configured as pin disabled.
See section 1.11 for functional description.
See section 2.8 for external circuit design-in.
GPIO2 SARA-G340
SARA-G350
SARA-U2
23 I/O GPIO 1.8 V GPIO by default configured to provide the
custom GNSS supply enable function.
See section 1.11 for functional description.
See section 2.8 for external circuit design-in.
GPIO3 SARA-G340
SARA-G350
SARA-U2
24 I/O GPIO 1.8 V GPIO by default configured to provide the
custom GNSS data ready function.
See section 1.11 for functional description.
See section 2.8 for external circuit design-in.
GPIO4 SARA-G340
SARA-G350
SARA-U2
25 I/O GPIO 1.8 V GPIO by default configured to provide the
custom GNSS RTC sharing function.
See section 1.11 for functional description.
See section 2.8 for external circuit design-in.
Reserved RSVD All 33 N/A RESERVED pin This pin must be connected to ground.
See section 2.9
RSVD SARA-G3 17, 19 N/A RESERVED pin Leave unconnected.
See section 2.9
RSVD SARA-G340
SARA-G350
SARA-U2
31 N/A RESERVED pin Internally not connected. Leave unconnected.
See section 2.9
RSVD SARA-G300
SARA-G310
16, 23,
25-27,
34-37
N/A RESERVED pin Pin disabled. Leave unconnected.
See section 2.9
RSVD SARA-G300
SARA-G310
SARA-U2
44-49 N/A RESERVED pin Leave unconnected.
See section 2.9
RSVD SARA-G300
SARA-G310
62 N/A RESERVED pin Leave unconnected.
See section 2.9
Table 4: SARA-G3 and SARA-U2 series modules pin definition, grouped by function
UBX-13000995 - R12 Early Production Information System description
Page 17 of 196

SARA-G3 and SARA-U2 series - System Integration Manual
1.4 Operating modes
SARA-G3 modules have several operating modes. The operating modes defined in Table 5 and described in
detail in Table 6 provide general guidelines for operation.
General Status Operating Mode Definition
Power-down Not-Powered Mode VCC supply not present or below operating range: module is switched off.
Power-Off Mode VCC supply within operating range and module is switched off.
Normal Operation Idle-Mode Module processor core runs with 32 kHz reference, that is generated by:
• The internal 32 kHz oscillator (SARA-G340, SARA-G350 and SARA-U2 series)
• The 32 kHz signal provided at the EXT32K pin (SARA-G300 and SARA-G310)
Active-Mode Module processor core runs with 26 MHz reference generated by the internal oscillator.
Connected-Mode Voice or data call enabled and processor core runs with 26 MHz reference.
Table 5: Module operating modes definition
Operating
Mode Description Transition between operating modes
Not-Powered Module is switched off.
Application interfaces are not accessible.
Internal RTC operates on SARA-G340/G350,
SARA-U2 if a valid voltage is applied to V_BCKP.
Additionally, a proper external 32 kHz signal
must be fed to EXT32K on SARA-G300/G310
modules to let internal RTC timer running.
When VCC supply is removed, the module enters not-powered mode.
When in not-powered mode, the modules cannot be switched on by
PWR_ON, RESET_N or RTC alarm.
When in not-powered mode, the modules can be switched on applying
VCC supply (see 2.3.1) so that the module switches from not-powered
to active-mode.
Power-Off Module is switched off: normal shutdown by an
appropriate power-off event (see 1.6.2).
Application interfaces are not accessible.
Internal RTC operates on SARA-G340/G350,
SARA-U2 as V_BCKP is internally generated.
A proper external 32 kHz signal must be fed to
the EXT32K pin on SARA-G300/G310 to let RTC
timer running that otherwise is not in operation.
When the module is switched off by an appropriate power-off event
(see 1.6.2), the module enters power-off mode from active-mode.
When in power-off mode, the modules can be switched on by
PWR_ON, RESET_N or RTC alarm (see 2.3.1): the module switches
from power-off to active-mode.
When VCC supply is removed, the module switches from power-off
mode to not-powered mode.
Idle The module is not ready to communicate with
an external device by means of the application
interfaces as configured to reduce consumption.
The module automatically enters idle-mode
whenever possible if power saving is enabled by
the AT+UPSV command (see u-blox AT
Commands Manual [3]), reducing power
consumption (see section 1.5.1.4).
The CTS output line indicates when the UART
interface is disabled/enabled due to the module
idle/active-mode according to power saving and
HW flow control settings (see 1.9.1.3, 1.9.1.4).
Power saving configuration is not enabled by
default: it can be enabled by AT+UPSV (see the
u-blox AT Commands Manual [3]).
A proper 32 kHz signal must be fed to the
EXT32K pin of SARA-G300/G310 modules to let
idle-mode that otherwise cannot be reached
(this is not needed for the other SARA-G3 and
SARA-U2 series modules).
The module automatically switches from active-mode to idle-mode
whenever possible if power saving is enabled (see sections 1.5.1.4,
1.9.1.4 and to the u-blox AT Commands Manual [3], AT+UPSV).
The module wakes up from idle to active mode in the following events:
• Automatic periodic monitoring of the paging channel for the
paging block reception according to network conditions (see
1.5.1.4, 1.9.1.4)
• Automatic periodic enable of the UART interface to receive and
send data, if AT+UPSV=1 power saving is set (see 1.9.1.4)
• RTC alarm occurs (see u-blox AT Commands Manual [3], +CALA)
• Data received on UART interface, according to HW flow control
(AT&K) and power saving (AT+UPSV) settings (see 1.9.1.4)
• RTS input line set to the ON state by the DTE, if HW flow control
is disabled by AT&K3 and AT+UPSV=2 is set (see 1.9.1.4)
• DTR input line set to the ON state by the DTE, if AT+UPSV=3
power saving is set (see 1.9.1.4)
• USB detection, applying 5 V (typ.) to VUSB_DET input (see 1.9.3)
• The connected USB host forces a remote wakeup of the module
as USB device (see 1.9.3)
• GNSS data ready: when the GPIO3 pin is informed by the
connected u-blox GNSS receiver that it is ready to send data over
the DDC (I2C) communication interface (see 1.11, 1.9.4)
UBX-13000995 - R12 Early Production Information System description
Page 18 of 196

SARA-G3 and SARA-U2 series - System Integration Manual
Operating
Mode Description Transition between operating modes
Active The module is ready to communicate with an
external device by means of the application
interfaces unless power saving configuration is
enabled by the AT+UPSV command (see
sections 1.5.1.4, 1.9.1.4 and to the u-blox AT
Commands Manual [3]).
When the module is switched on by an appropriate power-on event
(see 2.3.1), the module enters active-mode from not-powered or
power-off mode.
If power saving configuration is enabled by the AT+UPSV command,
the module automatically switches from active to idle-mode whenever
possible and the module wakes up from idle to active-mode in the
events listed above (see idle to active transition description).
When a voice call or a data call is initiated, the module switches from
active-mode to connected-mode.
Connected A voice call or a data call is in progress.
The module is ready to communicate with an
external device by means of the application
interfaces unless power saving configuration is
enabled by the AT+UPSV command (see
sections 1.5.1.4, 1.9.1.4 and the u-blox AT
Commands Manual [3]).
When a voice call or a data call is initiated, the module enters
connected-mode from active-mode.
When a voice call or a data call is terminated, the module returns to
the active-mode.
Table 6: Module operating modes description
Figure 5 describes the transition between the different operating modes.
Switch ON:
•Apply VCC
If power saving is enabled
and there is no activity for
a defined time interval
Any wake up event described
in the module operating
modes summary table above
Incoming/outgoing call or
other dedicated device
network communication
No RF Tx/Rx in progress,
Call terminated,
Communication dropped
Remove VCC
Switch ON:
•PWR_ON
•RTC alarm
•RESET_N
(SARA-U2)
Not
powered
Power off
ActiveConnected Idle
Switch OFF:
•AT+CPWROFF
•PWR_ON
(SARA-U2)
Figure 5: Operating modes transition
UBX-13000995 - R12 Early Production Information System description
Page 19 of 196

SARA-G3 and SARA-U2 series - System Integration Manual
1.5 Supply interfaces
1.5.1 Module supply input (VCC)
The modules must be supplied via the three VCC pins that represent the module power supply input.
The VCC pins are internally connected to the RF power amplifier and to the integrated Power Management Unit:
all supply voltages needed by the module are generated from the VCC supply by integrated voltage regulators,
including V_BCKP Real Time Clock supply, V_INT digital interfaces supply and VSIM SIM card supply.
During operation, the current drawn by the SARA-G3 and SARA-U2 series modules through the VCC pins can
vary by several orders of magnitude. This ranges from the high peak of current consumption during GSM
transmitting bursts at maximum power level in connected-mode (as described in section 1.5.1.2), to the low
current consumption during low power idle-mode with power saving enabled (as described in section 1.5.1.4).
1.5.1.1 VCC supply requirements
Table 7 summarizes the requirements for the VCC module supply. See section 2.2.1 for all the suggestions to
properly design a VCC supply circuit compliant to the requirements listed in Table 7.
VCC supply circuit affects the RF compliance of the device integrating SARA-G3 and SARA-U2
series modules with applicable required certification schemes as well as antenna circuit design.
Compliance is guaranteed if the VCC requirements summarized in the Table 7 are fulfilled.
For the additional specific requirements for SARA-G350 ATEX and SARA-U270 ATEX modules integration
in potentially explosive atmospheres applications, see section 2.14.
Item Requirement Remark
VCC nominal voltage Within VCC normal operating range:
3.35 V min. / 4.50 V max for SARA-G3 series
3.30 V min. / 4.40 V max for SARA-U2 series
The module cannot be switched on if VCC voltage value
is below the normal operating range minimum limit.
Ensure that the input voltage at VCC pins is above the
minimum limit of the normal operating range for at least
more than 3 s after the module switch-on.
VCC voltage during
normal operation
Within VCC extended operating range:
3.00 V min. / 4.50 V max for SARA-G3 series
3.10 V min. / 4.50 V max for SARA-U2 series
The module may switch off when VCC voltage drops
below the extended operating range minimum limit.
Operation above extended operating range limit is not
recommended and may affect device reliability.
VCC average current Support with adequate margin the highest averaged
VCC current consumption value in connected-mode
conditions specified in SARA-G3 series Data Sheet [1]
and in SARA-U2 series Data Sheet [2].
The highest averaged VCC current consumption can be
greater than the specified value according to the actual
antenna mismatching, temperature and VCC voltage.
See 1.5.1.2, 1.5.1.3 for connected-mode current profiles.
VCC peak current Support with margin the highest peak VCC current
consumption value specified in SARA-G3 series Data
Sheet [1] and in SARA-U2 series Data Sheet [2].
The specified highest peak of VCC current consumption
occurs during GSM single transmit slot in 850/900 MHz
connected-mode, in case of mismatched antenna.
See 1.5.1.2 for 2G connected-mode current profiles.
VCC voltage drop
during 2G Tx slots
Lower than 400 mV VCC voltage drop directly affects the RF compliance with
applicable certification schemes.
Figure 7 describes VCC voltage drop during Tx slots.
VCC voltage ripple
during 2G/3G Tx
Lower than 50 mVpp if fripple
≤
200 kHz
Lower than 10 mVpp if 200 kHz < fripple ≤ 400 kHz
Lower than 2 mVpp if f
ripple
> 400 kHz
VCC voltage ripple directly affects the RF compliance with
applicable certification schemes.
Figure 7 describes VCC voltage ripple during Tx slots.
VCC under/over-shoot
at start/end of Tx slots
Absent or at least minimized VCC under/over-shoot directly affects the RF compliance
with applicable certification schemes.
Figure 7 describes VCC voltage under/over-shoot.
Table 7: Summary of VCC supply requirements
UBX-13000995 - R12 Early Production Information System description
Page 20 of 196

SARA-G3 and SARA-U2 series - System Integration Manual
1.5.1.2 VCC current consumption in 2G connected-mode
When a GSM call is established, the VCC consumption is determined by the current consumption profile typical
of the GSM transmitting and receiving bursts.
The current consumption peak during a transmission slot is strictly dependent on the transmitted power, which
is regulated by the network. The transmitted power in the transmit slot is also the more relevant factor for
determining the average current consumption.
If the module is transmitting in 2G single-slot mode (as in GSM talk mode) in the 850 or 900 MHz bands, at the
maximum RF power control level (approximately 2 W or 33 dBm in the Tx slot/burst), the current consumption
can reach an high peak / pulse (see SARA-G3 series Data Sheet [1] and SARA-U2 series Data Sheet [2]) for
576.9 µs (width of the transmit slot/burst) with a periodicity of 4.615 ms (width of 1 frame = 8 slots/burst), so
with a 1/8 duty cycle according to GSM TDMA (Time Division Multiple Access).
If the module is transmitting in 2G single-slot mode in the 1800 or 1900 MHz bands, the current consumption
figures are quite less high than the one in the low bands, due to 3GPP transmitter output power specifications.
During a GSM call, current consumption is not so significantly high in receiving or in monitor bursts and it is low
in the bursts unused to transmit / receive.
Figure 6 shows an example of the module current consumption profile versus time in GSM talk mode.
Time [ms]
RX
slot
unused
slot
unused
slot
TX
slot
unused
slot
unused
slot
MON
slot
unused
slot
RX
slot
unused
slot
unused
slot
TX
slot
unused
slot
unused
slot
MON
slot
unused
slot
GSM frame
4.615 ms
(1 frame = 8 slots)
Current [A]
200 mA
60-120 mA
1900 mA
Peak current depends
on TX power and
actual antenna load
GSM frame
4.615 ms
(1 frame = 8 slots)
1.5
1.0
0.5
0.0
2.0
60-120 mA
10-40 mA
Figure 6: VCC current consumption profile versus time during a GSM call (1 TX slot, 1 RX slot)
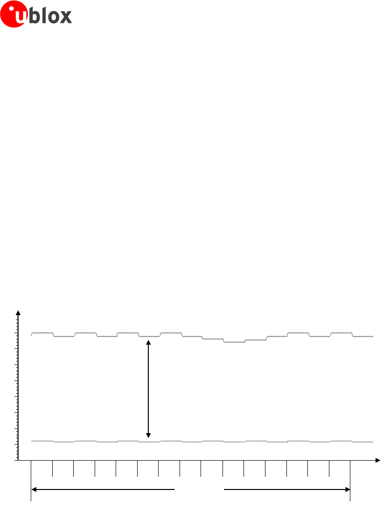
Figure 7 illustrates VCC voltage profile versus time during a GSM call, according to the related VCC current
consumption profile described in Figure 6.
Time
undershoot
overshoot
ripple
drop
Voltage
3.8 V
(typ)
RX
slot
unused
slot
unused
slot
TX
slot
unused
slot
unused
slot
MON
slot
unused
slot
RX
slot
unused
slot
unused
slot
TX
slot
unused
slot
unused
slot
MON
slot
unused
slot
GSM frame
4.615 ms
(1 frame = 8 slots)
GSM frame
4.615 ms
(1 frame = 8 slots)
Figure 7: Description of the VCC voltage profile versus time during a GSM call (1 TX slot, 1 RX slot)
UBX-13000995 - R12 Early Production Information System description
Page 21 of 196

SARA-G3 and SARA-U2 series - System Integration Manual
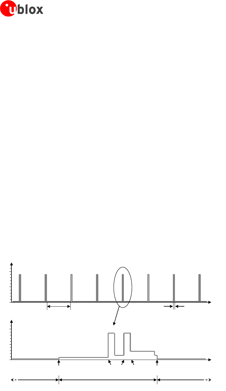
When a GPRS connection is established, more than one slot can be used to transmit and/or more than one slot
can be used to receive. The transmitted power depends on network conditions, which set the peak current
consumption, but following the GPRS specifications the maximum transmitted RF power is reduced if more than
one slot is used to transmit, so the maximum peak of current is not as high as can be in case of a GSM call.
If the module transmits in GPRS multi-slot class 10 or 12, in 850 or 900 MHz bands, at maximum RF power level,
the consumption can reach a quite high peak but lower than the one achievable in 2G single-slot mode. This
happens for 1.154 ms (width of the 2 Tx slots/bursts) in case of multi-slot class 10 or for 2.308 ms (width of the
4 Tx slots/bursts) in case of multi-slot class 12, with a periodicity of 4.615 ms (width of 1 frame = 8 slots/bursts),
so with a 1/4 or 1/2 duty cycle, according to GSM TDMA.
If the module is in GPRS connected-mode in 1800 or 1900 MHz bands, consumption figures are lower than in
the 850 or 900 MHz band, due to 3GPP Tx power specifications.
Figure 8 reports the current consumption profiles in GPRS connected-mode, in the 850 or 900 MHz bands, with
2 slots used to transmit and 1 slot used to receive, as for the GPRS multi-slot class 10.
Time [ms]
RX
slot
unused
slot
unused
slot
TX
slot
TX
slot
unused
slot
MON
slot
unused
slot
RX
slot
unused
slot
unused
slot
TX
slot
TX
slot
unused
slot
MON
slot
unused
slot
GSM frame
4.615 ms
(1 frame = 8 slots)
Current [A]
60-120mA
GSM frame
4.615 ms
(1 frame = 8 slots)
1.5
1.0
0.5
0.0
60-120mA 10-40mA
200mA
Peak current depends
on TX power and
actual antenna load
1600 mA
Figure 8: VCC current consumption profile versus time during a GPRS multi-slot class 10 connection (2 TX slots, 1 RX slot)
Figure 9 reports the current consumption profiles in GPRS connected-mode, in the 850 or 900 MHz bands, with
4 slots used to transmit and 1 slot used to receive, as for the GPRS multi-slot class 12.
Time [ms]
RX
slot
unused
slot
TX
slot
TX
slot
TX
slot
TX
slot
MON
slot
unused
slot
RX
slot
unused
slot
TX
slot
TX
slot
TX
slot
TX
slot
MON
slot
unused
slot
GSM frame
4.615 ms
(1 frame = 8 slots)
Current [A]
60-120mA
GSM frame
4.615 ms
(1 frame = 8 slots)
1.5
1.0
0.5
0.0
60-120mA
10-40mA
200mA
Peak current depends
on TX power and
actual antenna load
1600 mA
Figure 9: VCC current consumption profile versus time during a GPRS multi-slot class 12 connection (4 TX slots, 1 RX slot)
For detailed current consumption values during 2G single-slot or multi-slot connection see SARA-G3 series Data
Sheet [1] and SARA-U2 series Data Sheet [2].
UBX-13000995 - R12 Early Production Information System description
Page 22 of 196

SARA-G3 and SARA-U2 series - System Integration Manual
1.5.1.3 VCC current consumption in 3G connected mode
During a 3G connection, the SARA-U2 modules can transmit and receive continuously due to the Frequency
Division Duplex (FDD) mode of operation with the Wideband Code Division Multiple Access (WCDMA).
The current consumption depends again on output RF power, which is always regulated by network commands.
These power control commands are logically divided into a slot of 666 µs, thus the rate of power change can
reach a maximum rate of 1.5 kHz.
There are no high current peaks as in the 2G connection, since transmission and reception are continuously
enabled due to FDD WCDMA implemented in the 3G that differs from the TDMA implemented in the 2G case.
In the worst scenario, corresponding to a continuous transmission and reception at maximum RF output power
(approximately 250 mW or 24 dBm), the average current drawn by the module at the VCC pins is high (see the
SARA-U2 series Data Sheet [2]). Even at lowest RF output power level (approximately 0.01 µW or -50 dBm), the
average current is still not so low as in the equivalent 2G case, also due to module continuous baseband
processing and transceiver activity.
Figure 10 shows an example of current consumption profile of SARA-U2 series modules in 3G WCDMA/HSPA
continuous transmission and reception mode. For detailed current consumption values during a 3G connection
see the SARA-U2 series Data Sheet [2].
Time
[ms]
3G frame
10 ms
(1 frame = 15 slots)
Current [mA]
Current consumption
depends on TX power and
actual antenna load
170 mA
1 slot
666 µs
850 mA
0
300
200
100
500
400
600
700
800
Figure 10: VCC current consumption profile versus time during a 3G connection (TX and RX continuously enabled)
UBX-13000995 - R12 Early Production Information System description
Page 23 of 196

SARA-G3 and SARA-U2 series - System Integration Manual
1.5.1.4 VCC current consumption in cyclic idle/active-mode (power saving enabled)
The power saving configuration is by default disabled, but it can be enabled using the appropriate AT command
(see u-blox AT Commands Manual [3], AT+UPSV command). When power saving is enabled, the module
automatically enters low power idle-mode whenever possible, reducing current consumption.
During idle-mode, the module processor runs with 32 kHz reference clock:
• the internal oscillator automatically generates the 32 kHz clock on SARA-G340, SARA-G350, SARA-U2 series
• a valid 32 kHz signal must be properly provided to the EXT32K input pin of the SARA-G300 and
SARA-G310 modules to let low power idle-mode, that otherwise cannot be reached by these modules.
When the power saving configuration is enabled and the module is registered or attached to a network, the
module automatically enters the low power idle-mode whenever possible, but it must periodically monitor the
paging channel of the current base station (paging block reception), in accordance to the 2G or 3G system
requirements, even if connected-mode is not enabled by the application. When the module monitors the paging
channel, it wakes up to the active-mode, to enable the reception of paging block. In between, the module
switches to low power idle-mode. This is known as discontinuous reception (DRX).
The module processor core is activated during the paging block reception, and automatically switches its
reference clock frequency from 32 kHz to the 26 MHz used in active-mode.
The time period between two paging block receptions is defined by the network. This is the paging period
parameter, fixed by the base station through broadcast channel sent to all users on the same serving cell.
• In case of 2G radio access technology, the paging period varies from 470.8 ms (DRX = 2, length of 2 x 51
2G frames = 2 x 51 x 4.615 ms) up to 2118.4 ms (DRX = 9, length of 9 x 51 2G frames = 9 x 51 x 4.615 ms)
• In case of 3G radio access technology, the paging period can vary from 640 ms (DRX = 6, i.e. length of 26
3G frames = 64 x 10 ms) up to 5120 ms (DRX = 9, length of 29 3G frames = 512 x 10 ms).
Figure 11 roughly describes the current consumption profile of SARA-G300 and SARA-G310 modules (when
their EXT32K input pin is fed by an external 32 kHz signal with characteristics compliant to the one specified in
SARA-G3 series Data Sheet [1]), or the SARA-G340 and SARA-G350 modules, or the SARA-U2 modules, when
power saving is enabled. The module is registered with the network, automatically enters the very low power
idle-mode, and periodically wakes up to active-mode to monitor the paging channel for paging block reception.
20-30 ms
IDLE MODE ACTIVE MODE IDLE MODE
300-600 µA
Active Mode
Enabled
Idle Mode
Enabled
300-600 µA
60-120 mA
2G case: 0.44-2.09 s
3G case: 0.61-5.09 s
IDLE MODE
20-30 ms
ACTIVE MODE
Time [s]
Current [mA]
100
50
0
Time [ms]
Current [mA]
100
50
0
4-5 mA
60-120 mA
RX
Enabled
20-40 mA
DSP
Enabled
Figure 11: VCC current consumption profile versus time of the SARA-G300 and SARA-G310 modules (with the EXT32K input fed
by a proper external 32 kHz signal), or the SARA-G340 and SARA-G350 modules, or the SARA-U2 modules, when registered
with the network, with power saving enabled: the very low power idle-mode is reached and periodical wake up to active-mode
are performed to monitor the paging channel
UBX-13000995 - R12 Early Production Information System description
Page 24 of 196

SARA-G3 and SARA-U2 series - System Integration Manual
Figure 12 roughly describes the current consumption profile of SARA-G300 and SARA-G310 modules when the
EXT32K input pin is fed by the 32K_OUT output pin provided by these modules, when power saving is enabled.
The module is registered with the network, automatically enters the low power idle-mode and periodically wakes
up to active-mode to monitor the paging channel for paging block reception.
20-30 ms
IDLE MODE ACTIVE MODE IDLE MODE
3-4 mA
Active Mode
Enabled
Idle Mode
Enabled
3-4 mA
60-120 mA
0.44-2.09 s
IDLE MODE
20-30 ms
ACTIVE MODE
Time [s]
Current [mA]
100
50
0
Time [ms]
Current [mA]
100
50
0
4-5 mA
60-120 mA
RX
Enabled
20-40 mA
DSP
Enabled
Figure 12: VCC current consumption profile versus time of the SARA-G300 and SARA-G310 modules (with the EXT32K input pin
fed by the 32K_OUT output pin provided by these modules), when registered with the network, with power saving enabled:
the low power idle-mode is reached and periodical wake up to active-mode are performed to monitor the paging channel
For detailed current consumption values with the module registered with 2G or 3G network with power saving
enabled (cyclic idle/active-mode) see SARA-G3 series Data Sheet [1] and SARA-U2 series Data Sheet [2].
UBX-13000995 - R12 Early Production Information System description
Page 25 of 196

SARA-G3 and SARA-U2 series - System Integration Manual
1.5.1.5 VCC current consumption in fixed active-mode (power saving disabled)
Power saving configuration is by default disabled, or it can be disabled using the appropriate AT command (see
u-blox AT Commands Manual [3], AT+UPSV command). When power saving is disabled, the module does not
automatically enter idle-mode whenever possible: the module remains in active-mode.
The module processor core is activated during active-mode, and the 26 MHz reference clock frequency is used.
Figure 13 roughly describes the current consumption profile of the SARA-G300 and SARA-G310 modules (when
the EXT32K input pin is fed by external 32 kHz signal with characteristics compliant to the one specified in
SARA-G3 series Data Sheet [1], or by the 32K_OUT output pin provided by these modules), or the SARA-G340
and SARA-G350 modules (except ‘00’ versions), when power saving is disabled: the module is registered with
the network, active-mode is maintained, and the receiver and the DSP are periodically activated to monitor the
paging channel for paging block reception.
ACTIVE MODE
60-120 mA
0.47-2.12 s
Paging period
Time [s]
Current [mA]
100
50
0
Time [ms]
Current [mA]
100
50
0
3-5 mA
60-120 mA
RX
Enabled
20-40 mA
DSP
Enabled
3-5 mA
3-5 mA
Figure 13: VCC current consumption profile versus time of the SARA-G300 and SARA-G310 modules (with the EXT32K input pin
fed by proper external 32 kHz signal or by 32K_OUT output pin), or SARA-G340 and SARA-G350 modules (except ‘00’ versions),
when registered with the network, with power saving disabled: the active-mode is always held, and the receiver and the DSP
are periodically activated to monitor the paging channel
UBX-13000995 - R12 Early Production Information System description
Page 26 of 196

SARA-G3 and SARA-U2 series - System Integration Manual
Figure 14 roughly describes the current consumption profile of the SARA-G300 and SARA-G310 modules (when
their EXT32K input is not fed by a signal, i.e. left unconnected), or the SARA-G340 and SARA-G350 modules
(‘00’ versions only), or the SARA-U2 modules, when power saving is disabled: the module is registered with the
network, active-mode is maintained, and the receiver and the DSP are periodically activated to monitor the
paging channel for paging block reception.
ACTIVE MODE
10-18 mA
60-120 mA
2G case: 0.47-2.12 s
3G case: 0.64-5.12 s
Paging period
Time [s]
Current [mA]
100
50
0
Time [ms]
Current [mA]
100
50
0
10-18 mA
60-120 mA
RX
Enabled
20-40 mA
DSP
Enabled
10-18 mA
Figure 14: VCC current consumption profile versus time of the SARA-G300 and SARA-G310 modules (when their EXT32K input is
not fed by a signal), or the SARA-G340 and SARA-G350 modules (‘00’ versions only), or the SARA-U2 modules, when registered
with the network, with power saving disabled: the active-mode is always held, and the receiver and the DSP are periodically
activated to monitor the paging channel
For detailed current consumption values with the module registered with 2G or 3G network with power saving
disabled (fixed active-mode) see the SARA-G3 series Data Sheet [1] and SARA-U2 series Data Sheet [2].
UBX-13000995 - R12 Early Production Information System description
Page 27 of 196

SARA-G3 and SARA-U2 series - System Integration Manual
1.5.2 RTC supply input/output (V_BCKP)
The V_BCKP pin of SARA-G3 and SARA-U2 series modules connects the supply for the Real Time Clock (RTC)
and Power-On internal logic. This supply domain is internally generated by a linear LDO regulator integrated in
the Power Management Unit, as described in Figure 15. The output of this linear regulator is always enabled
when the main voltage supply provided to the module through the VCC pins is within the valid operating range,
with the module switched off or switched on.
Baseband
Processor
51
VCC
52
VCC
53
VCC
2
V_BCKP
Linear
LDO RTC
Power
Management
SARA-G340 / SARA-G350
SARA-U2 series
32 kHz
Baseband
Processor
51
VCC
52
VCC
53
VCC
2
V_BCKP
Linear
LDO RTC
Power
Management
SARA-G300 / SARA-G310
32 kHz
31
EXT32K
Figure 15: RTC supply input/output (V_BCKP) and 32 kHz RTC timing reference clock simplified block diagram
The RTC provides the module time reference (date and time) that is used to set the wake-up interval during the
idle-mode periods between network paging, and is able to make available the programmable alarm functions.
The RTC functions are available also in power-down mode when the V_BCKP voltage is within its valid range
(specified in the “Input characteristics of Supply/Power pins” table in the SARA-G3 series Data Sheet [1] and
SARA-U2 series Data Sheet [2]) and, for SARA-G300 / SARA-G310 modules only, when their EXT32K input pin is
fed by an external 32.768 kHz signal with proper characteristics (specified in the “EXT32K pin characteristics”
table in SARA-G3 series Data Sheet [1]). See the u-blox AT Commands Manual [3] for more details.
The RTC can be supplied from an external back-up battery through the V_BCKP, when the main voltage supply
is not provided to the module through VCC. This lets the time reference (date and time) run until the V_BCKP
voltage is within its valid range, even when the main supply is not provided to the module.
The RTC oscillator does not necessarily stop operation (i.e. the RTC counting does not necessarily stop) when
V_BCKP voltage value drops below the specified operating range minimum limit (1.00 V): the RTC value read
after a system restart could be not reliable, as explained in Table 8.
V_BCKP voltage value RTC value reliability Notes
1.00 V < V_BCKP < 2.40 V RTC oscillator does not stop operation
RTC value read after a restart of the system is reliable
V_BCKP within operating range
0.05 V < V_BCKP < 1.00 V RTC oscillator does not necessarily stop operation
RTC value read after a restart of the system is not reliable
V_BCKP below operating range
0.00 V < V_BCKP < 0.05 V RTC oscillator stops operation
RTC value read after a restart of the system is reliable
V_BCKP below operating range
Table 8: RTC value reliability as function of V_BCKP voltage value
Consider that the module cannot switch on if a valid voltage is not present on VCC even when the RTC is
supplied through V_BCKP (meaning that VCC is mandatory to switch on the module).
UBX-13000995 - R12 Early Production Information System description
Page 28 of 196

SARA-G3 and SARA-U2 series - System Integration Manual
The RTC has very low power consumption, but is highly temperature dependent. For example at 25 °C, with the
V_BCKP voltage equal to the typical output value, the current consumption is approximately 2 µA (see the
“Input characteristics of Supply/Power pins” table in the SARA-G3 series Data Sheet [1] and SARA-U2 series Data
Sheet [2] for the detailed specification), whereas at 70 °C and an equal voltage the current consumption
increases to 5-10 µA.
If V_BCKP is left unconnected and the module main voltage supply is removed from VCC, the RTC is supplied
from the bypass capacitor mounted inside the module. However, this capacitor is not able to provide a long
buffering time: within few milliseconds the voltage on V_BCKP will go below the valid range (1 V min). This has
no impact on cellular connectivity, as all the module functionalities do not rely on date and time setting.
1.5.3 Generic digital interfaces supply output (V_INT)
The same 1.8 V voltage domain used internally to supply the generic digital interfaces of SARA-G3 and SARA-U2
series modules is also available on the V_INT supply output pin, as described in Figure 16.
Baseband
Processor
51
VCC
52
VCC
53
VCC
4
V_INT
Switching
Step-Down
Digital I/O
Interfaces
Power
Management
SARA-G3 / SARA-U2 series
Figure 16: SARA-G3 and SARA-U2 series interfaces supply output (V_INT) simplified block diagram
The internal regulator that generates the V_INT supply is a switching step-down converter that is directly
supplied from VCC. The voltage regulator output is set to 1.8 V (typical) when the module is switched on and it
is disabled when the module is switched off.
The switching regulator operates in Pulse Width Modulation (PWM) for greater efficiency at high output loads
when the module is in active-mode or in connected-mode. When the module is in low power idle-mode
between paging periods and with power saving configuration enabled by the appropriate AT command, it
automatically switches to Pulse Frequency Modulation (PFM) for greater efficiency at low output loads. See the
u-blox AT Commands Manual [3], +UPSV command.
UBX-13000995 - R12 Early Production Information System description
Page 29 of 196

SARA-G3 and SARA-U2 series - System Integration Manual
1.6 System function interfaces
1.6.1 Module power-on
1.6.1.1 Switch-on events
Table 9 summarizes the possible switch-on events for the SARA-G3 and SARA-U2 series modules.
SARA-G3 SARA-U2
From
Not-Powered Mode
Applying valid VCC supply voltage (i.e. VCC rise edge),
ramping from 2.5 V to 3.2 V within 4 ms
Applying valid VCC supply voltage (i.e. VCC rise edge),
ramping from 2.5 V to 3.2 V within 1 ms
From
Power-Off Mode
Low level on PWR_ON pin for 5 ms min. Low pulse on PWR_ON pin for 50 µs min. / 80 µs max.
RTC alarm programmed by AT+CALA command
(Not supported by SARA-G300 / SARA-G310)
RTC alarm programmed by AT+CALA command
RESET_N pin released from low level
Table 9: Summary of SARA-G3 and SARA-U2 modules’ switch-on events
When the SARA-G3 and SARA-U2 series modules are in the not-powered mode (i.e. switched off with the VCC
module supply not applied), they can be switched on by:
• Rising edge on the VCC supply input to a valid voltage for modules supply: the modules switch on applying
VCC supply starting from a voltage value lower than 2.25 V, providing a fast VCC voltage slope, as it must
ramp from 2.5 V to 3.2 V within 4 ms on SARA-G3 modules and within 1 ms on SARA-U2 modules, and
reaching a proper nominal VCC voltage value within the normal operating range.
• Alternately, the RESET_N pin can be held low during the VCC rising edge, so that the module switches on
by releasing the RESET_N pin when the VCC voltage stabilizes at its nominal value within the normal range.
The status of the PWR_ON input pin of SARA-G3 and SARA-U2 series modules while applying the VCC module
supply is not relevant: during this phase the PWR_ON pin can be set high or low by the external circuit.
When the SARA-G3 and SARA-U2 series modules are in the power-off mode (i.e. switched off by means of the
AT+CPWROFF command, with valid VCC module supply applied), they can be switched on by:
• Low level / pulse on PWR_ON pin, which is normally set high by an external pull-up, for a valid time period.
As described in Figure 17, there is no internal pull-up resistor on the PWR_ON pin of the modules: the pin has
high input impedance and is weakly pulled high by the internal circuit. Therefore the external circuit must be
able to hold the high logic level stable, e.g. providing an external pull-up resistor (for design-in see section 2.3.1).
The PWR_ON input voltage thresholds are different from the other generic digital interfaces of the modules:
refer to SARA-G3 series Data Sheet [1] and SARA-U2 series Data Sheet [2] for detailed electrical characteristics.
Baseband
Processor
15
PWR_ON
SARA-G3 / SARA-U2 series
Power-on
Power
Management
Power-on
Figure 17: PWR_ON input description
The SARA-G340, SARA-G350 and SARA-U2 series can be also switched on from power-off mode by:
• RTC alarm pre-programmed by AT+CALA command at specific time (see u-blox AT Commands Manual [3]).
The SARA-U2 series modules can be also switched on from power-off mode by:
• Low pulse on the RESET_N pin, which is normally set high by an internal pull-up (refer to section 1.6.3 and
to the SARA-U2 series Data Sheet [2] for the description of the RESET_N input electrical characteristics).
UBX-13000995 - R12 Early Production Information System description
Page 30 of 196

SARA-G3 and SARA-U2 series - System Integration Manual
1.6.1.2 Switch-on sequence from not-powered mode
Figure 18 shows the modules power-on sequence from the not-powered mode, describing the following phases:
• The external supply is applied to the VCC module supply inputs, representing the start-up event.
• The status of the PWR_ON input pin while applying the VCC module supply is not relevant: during this
phase the PWR_ON pin can be set high or low by the external circuit, but in Figure 18 it is assumed that the
PWR_ON line rise suddenly to high logic level due to external pull-up connected to V_BCKP or VCC.
• The V_BCKP RTC supply output is suddenly enabled by the module as VCC reaches a valid voltage value.
• The RESET_N line of SARA-U2 series rise suddenly to high logic level due to internal pull-up to V_BCKP.
• All the generic digital pins of the modules are tri-stated until the switch-on of their supply source (V_INT):
any external signal connected to the generic digital pins must be tri-stated or set low at least until the
activation of the V_INT supply output to avoid latch-up of circuits and allow a proper boot of the module.
• The V_INT generic digital interfaces supply output is enabled by the integrated power management unit.
• The RESET_N line of SARA-G3 series rise suddenly to high logic level due to internal pull-up to V_INT.
• The internal reset signal is held low by the integrated power management unit: the baseband processor core
and all the digital pins of the modules are held in reset state.
• When the internal reset signal is released by the integrated power management unit, the processor core
starts to configure the digital pins of the modules to each default operational state.
• The duration of this pins’ configuration phase differs within generic digital interfaces (3 s typical) and the
USB interface due to specific host / device enumeration timings (5 s typical, see section 1.9.3). The host
application processor should not send any AT command over the AT interfaces (USB, UART) of the modules
until the end of this interfaces’ configuration phase to allow a proper boot of the module.
• After the interfaces’ configuration phase, the application can start sending AT commands, and the following
starting procedure is suggested to check the effective completion of the module internal boot sequence:
send AT and wait for the response with a 30 s timeout, iterate it 4 times without resetting or removing the
VCC supply of the module, and then run the application
VCC
V_BCKP
PWR_ON
SARA-U2 RESET_N
V_INT
SARA-G3 RESET_N
Internal Reset
System State
Digital Pins State
Internal Reset → Operational Operational
Tristate / Floating
OFF
ON
Internal Reset
Start of interface
configuration
Module interfaces
are configured
Start-up
event
Figure 18: SARA-G3 and SARA-U2 series power-on sequence from not-powered mode
The Internal Reset signal is not available on a module pin, but the application can monitor the V_INT pin
to sense the start of the power-on sequence.
Before the switch-on of the generic digital interface supply source (V_INT) of the module, no voltage
driven by an external application should be applied to any generic digital interface of the modules.
UBX-13000995 - R12 Early Production Information System description
Page 31 of 196

SARA-G3 and SARA-U2 series - System Integration Manual
1.6.1.3 Switch-on sequence from power-off mode
Figure 19 shows the modules power-on sequence from the power-off mode, describing the following phases:
• The external supply is still applied to the VCC inputs as it is assumed that the module has been previously
switched off by means of the AT+CPWROFF command: the V_BCKP output is internally enabled as proper
VCC is present, the RESET_N of SARA-U2 series is set to high logic level due to internal pull-up to V_BCKP,
the PWR_ON is set to high logic level due to external pull-up connected to V_BCKP or VCC.
• The PWR_ON input pin is set low for a valid time period, representing the start-up event.
• All the generic digital pins of the modules are tri-stated until the switch-on of their supply source (V_INT):
any external signal connected to the generic digital pins must be tri-stated or set low at least until the
activation of the V_INT supply output to avoid latch-up of circuits and allow a proper boot of the module.
• The V_INT generic digital interfaces supply output is enabled by the integrated power management unit.
• The RESET_N line of SARA-G3 series rise suddenly to high logic level due to internal pull-up to V_INT.
• The internal reset signal is held low by the integrated power management unit: the baseband processor core
and all the digital pins of the modules are held in reset state.
• When the internal reset signal is released by the integrated power management unit, the processor core
starts to configure the digital pins of the modules to each default operational state.
• The duration of this pins’ configuration phase differs within generic digital interfaces (3 s typical) and the
USB interface due to specific host / device enumeration timings (5 s typical, see section 1.9.3). The host
application processor should not send any AT command over the AT interfaces (USB, UART) of the modules
until the end of this interfaces’ configuration phase to allow a proper boot of the module.
• After the interfaces’ configuration phase, the application can start sending AT commands, and the following
starting procedure is suggested to check the effective completion of the module internal boot sequence:
send AT and wait for the response with a 30 s timeout, iterate it 4 times without resetting or removing the
VCC supply of the module, and then run the application.
VCC
V_BCKP
PWR_ON
SARA-U2 RESET_N
V_INT
SARA-G3 RESET_N
Internal Reset
System State
Digital Pins State
Internal Reset → Operational Operational
Tristate / Floating
OFF
ON
Internal Reset
Start of interface
configuration
Module interfaces
are configured
Start-up
event
Figure 19: SARA-G3 and SARA-U2 series power-on sequence from power-off mode
The Internal Reset signal is not available on a module pin, but the application can monitor the V_INT pin
to sense the start of the power-on sequence.
Before the switch-on of the generic digital interface supply source (V_INT) of the module, no voltage
driven by an external application should be applied to any generic digital interface of the modules.
UBX-13000995 - R12 Early Production Information System description
Page 32 of 196

SARA-G3 and SARA-U2 series - System Integration Manual
1.6.2 Module power-off
1.6.2.1 Switch-off events
The SARA-G3 and SARA-U2 series modules can be properly switched off by:
• AT+CPWROFF command (more details in u-blox AT Commands Manual [3]).
The SARA-U2 series modules can be properly switched off also by:
• Low pulse on the PWR_ON pin, which is normally set high by an external pull-up, for a valid time period
(see the SARA-U2 series Data Sheet [2] for the detailed electrical characteristics of the PWR_ON input).
In both the cases listed above, the current parameter settings are saved in the module’s non-volatile memory and
a proper network detach is performed: these are the correct ways to switch off the modules.
An abrupt under-voltage shutdown occurs on SARA-G3 and SARA-U2 series modules when the VCC module
supply is removed, but in this case the current parameter settings are not saved in the module’s non-volatile
memory and a proper network detach cannot be performed.
It is highly recommended to avoid an abrupt removal of the VCC supply during SARA-G3 and SARA-U2
series modules normal operations: the power off procedure must be properly started by the appplication,
as by the AT+CPWROFF command, waiting the command response for a proper time period (see u-blox
AT Commands Manual [3]), and then a proper VCC supply must be held at least until the end of the
modules’ internal power off sequence, which occurs when the generic digital interfaces supply output
(V_INT) is switched off by the module.
An abrupt hardware shutdown occurs on SARA-U2 modules when a low level is applied to the RESET_N input.
In this case, the current parameter settings are not saved in the module’s non-volatile memory and a proper
network detach is not performed.
It is highly recommended to avoid an abrupt hardware shutdown of the module by forcing a low level on
the RESET_N input pin during module normal operation: the RESET_N line should be set low only if reset
or shutdown via AT commands fails or if the module does not reply to a specific AT command after a time
period longer than the one defined in the u-blox AT Commands Manual [3].
An over-temperature or an under-temperature shutdown occurs on SARA-G3 and SARA-U2 series modules
when the temperature measured within the cellular module reaches the dangerous area, if the optional Smart
Temperature Supervisor feature is enabled and configured by the dedicated AT command. For more details see
section 1.13.10 and to the u-blox AT Commands Manual [3], +USTS AT command.
The Smart Temperature Supervisor feature is not supported by SARA-G300 and SARA-G310.
UBX-13000995 - R12 Early Production Information System description
Page 33 of 196

SARA-G3 and SARA-U2 series - System Integration Manual
1.6.2.2 Switch-off sequence by AT+CPWROFF
Figure 20 describes the SARA-G3 and SARA-U2 series modules power-off sequence, properly started sending the
AT+CPWROFF command, allowing storage of current parameter settings in the module’s non-volatile memory
and a proper network detach, with the following phases:
• When the +CPWROFF AT command is sent, the module starts the switch-off routine.
• The module replies OK on the AT interface: the switch-off routine is in progress.
• At the end of the switch-off routine, all the digital pins are tri-stated and all the internal voltage regulators
are turned off, including the generic digital interfaces supply (V_INT), except the RTC supply (V_BCKP).
• Then, the module remains in power-off mode as long as a switch on event does not occur (e.g. applying a
proper low level to the PWR_ON input, or applying a proper low level to the RESET_N input), and enters
not-powered mode if the supply is removed from the VCC pins.
VCC
V_BCKP
PWR_ON
SARA-U2 RESET_N
V_INT
SARA-G3 RESET_N
Internal Reset
System State
Digital Pins State Operational
OFF
Tristate / Floating
ON
Operational → Tristate
AT+CPWROFF
sent to the module
OK
replied by the module
VCC
can be removed
Figure 20: SARA-G3 and SARA-U2 series power-off sequence description
The Internal Reset signal is not available on a module pin, but the application can monitor the V_INT pin
to sense the end of the SARA-G3 and SARA-U2 series power-off sequence.
The duration of each phase in the SARA-G3 and SARA-U2 series modules’ switch-off routines can largely
vary depending on the application / network settings and the concurrent module activities.
UBX-13000995 - R12 Early Production Information System description
Page 34 of 196

SARA-G3 and SARA-U2 series - System Integration Manual
1.6.3 Module reset
SARA-G3 and SARA-U2 series modules can be properly reset (rebooted) by:
• AT+CFUN command (see the u-blox AT Commands Manual [3] for more details).
This command causes an “internal” or “software” reset of the module, which is an asynchronous reset of the
module baseband processor. The current parameter settings are saved in the module’s non-volatile memory and
a proper network detach is performed: this is the proper way to reset the modules.
An abrupt hardware reset occurs on SARA-G3 and SARA-U2 series modules when a low level is applied on the
RESET_N input pin for a specific time period. In this case, the current parameter settings are not saved in the
module’s non-volatile memory and a proper network detach is not performed.
It is highly recommended to avoid an abrupt hardware reset of the module by forcing a low level on the
RESET_N input during modules normal operation: the RESET_N line should be set low only if reset or
shutdown via AT commands fails or if the module does not provide a reply to a specific AT command
after a time period longer than the one defined in the u-blox AT Commands Manual [3].
As described in Figure 21, both the SARA-G3 and SARA-U2 series modules are equipped with an internal pull-up
resistor which pulls the line to the high logic level when the RESET_N pin is not forced low from the external.
The pull-up is internally biased by V_INT on SARA-G3 modules and is biased by V_BCKP on SARA-U2 modules.
A series Schottky diode is mounted inside the SARA-G3 modules, increasing the RESET_N input voltage range.
Refer to the SARA-G3 series Data Sheet [1] and the SARA-U2 series Data Sheet [2] for the detailed electrical
characteristics of the RESET_N input.
Baseband
Processor
18
RESET_N
SARA-U2 series
Reset
Power
Management
Reset
10k
V_BCKP
Baseband
Processor
18
RESET_N
SARA-G3 series
Reset
10k
V_INT
Figure 21: RESET_N input description
When a low level is applied to the RESET_N input, it causes an “external” or “hardware” reset of the modules,
with the following behavior of SARA-G3 and SARA-U2 series modules due to different internal circuits:
• SARA-G3 modules: reset of the processor core, excluding the Power Management Unit and the RTC block.
The V_INT generic digital interfaces supply is switched on and each digital pin is set in its internal reset state.
The V_BCKP supply and the RTC block are switched on.
• SARA-U2 modules: reset of the processor core and the Power Management Unit, excluding the RTC block.
The V_INT generic digital interfaces supply is switched off and all digital pins are tri-stated (not supplied).
The V_BCKP supply and the RTC block are switched on.
Before the switch-on of the generic digital interface supply source (V_INT) of the module, no voltage
driven by an external application should be applied to any generic digital interface of the modules.
The internal reset state of all digital pins is reported in the pin description table in the SARA-G3 series
Data Sheet [1] and in the SARA-U2 series Data Sheet [2].
UBX-13000995 - R12 Early Production Information System description
Page 35 of 196

SARA-G3 and SARA-U2 series - System Integration Manual
1.6.4 External 32 kHz signal input (EXT32K)
The EXT32K pin is not available on SARA-G340, SARA-G350 and SARA-U2 series modules.
The EXT32K pin of SARA-G300 / SARA-G310 modules is an input pin that must be fed by a proper 32 kHz
signal to make available the reference clock for the Real Time Clock (RTC) timing, used by the module processor
when in the low power idle-mode.
SARA-G300 / SARA-G310 modules can enter the low power idle-mode only if a proper 32 kHz signal is provided
at the EXT32K input pin, with power saving configuration enabled by the AT+UPSV command. In this way the
different current consumption figures can be reached with the EXT32K input fed by the 32K_OUT output or by
a proper external 32 kHz signal (for more details see section 1.5.1.4 and to “Current consumption” section in
SARA-G3 series Data Sheet [1]).
SARA-G300 / SARA-G310 modules can provide the RTC functions (as RTC timing by AT+CCLK command and
RTC alarm by AT+CALA command) only if a proper 32 kHz signal is provided at the EXT32K input pin. The RTC
functions will be available only when the module is switched on if the EXT32K input is fed by the 32K_OUT
output, or they will be available also when the module is not powered or switched off if the EXT32K input is fed
by a proper external 32 kHz signal.
SARA-G3 series Data Sheet [1] describes the detailed electrical characteristics of the EXT32K input pin.
The 32 kHz reference clock for the RTC timing is automatically generated by the internal oscillator provided on
the SARA-G340, SARA-G350 and SARA-U2 series modules: the same pin (31) is a reserved (RSVD) pin internally
not connected, since an external 32 kHz signal is not needed to enter the low power idle-mode and to provide
the RTC functions.
1.6.5 Internal 32 kHz signal output (32K_OUT)
The 32K_OUT pin is not available on SARA-G340, SARA-G350 and SARA-U2 series modules.
The 32K_OUT pin of SARA-G300 / SARA-G310 modules is an output pin that provides a 32 kHz reference signal
generated by the module, suitable only to feed the EXT32K input pin of SARA-G300 / SARA-G310 modules, to
make available the reference clock for the Real Time Clock (RTC) timing, so that the modules can enter the low
power idle-mode and can provide the RTC functions with modules switched on.
The 32K_OUT pin does not provide the 32 kHz output signal when the SARA-G300 / SARA-G310 modules are
in power down mode: the EXT32K input pin must be fed by an external proper 32 kHz signal to make available
the RTC functions when the modules are not powered or switched off.
SARA-G340, SARA-G350 and SARA-U2 series modules do not provide the 32K_OUT output, as there is no
EXT32K input to feed on the modules: the pin 24 constitute the GPIO3 on these modules.
UBX-13000995 - R12 Early Production Information System description
Page 36 of 196

SARA-G3 and SARA-U2 series - System Integration Manual
1.7 Antenna interface
1.7.1 Antenna RF interface (ANT)
The ANT pin of SARA-G3 and SARA-U2 series modules represents the RF input/output for 2G or 3G cellular RF
signals reception and transmission. The ANT pin has a nominal characteristic impedance of 50 Ω and must be
connected to the antenna through a 50 Ω transmission line for proper RF signals reception and transmission.
1.7.1.1 Antenna RF interface requirements
Table 10 summarizes the requirements for the antenna RF interface (ANT). See section 2.4.1 for suggestions to
properly design an antenna circuit compliant to these requirements.
The antenna circuit affects the RF compliance of the device integrating SARA-G3 and SARA-U2
series module with applicable required certification schemes. Compliance is guaranteed if the
antenna RF interface (ANT) requirements summarized in Table 10 are fulfilled.
Item Requirements Remarks
Impedance 50 Ω nominal characteristic impedance The nominal characteristic impedance of the antenna RF
connection must match the ANT pin 50 Ω impedance.
Frequency Range See the SARA-G3 series Data Sheet [1] and the
SARA-U2 series Data Sheet [2]
The required frequency range of the antenna depends on
the operating bands supported by the cellular module.
Return Loss S11 < -10 dB (VSWR < 2:1) recommended
S11 < -6 dB (VSWR < 3:1) acceptable
The Return loss or the S11, as the VSWR, refers to the
amount of reflected power, measuring how well the RF
antenna connection matches the 50 Ω impedance.
The impedance of the antenna RF termination must match
as much as possible the 50 Ω impedance of the ANT pin
over the operating frequency range, reducing as much as
possible the amount of reflected power.
Efficiency > -1.5 dB ( > 70% ) recommended
> -3.0 dB ( > 50% ) acceptable
The radiation efficiency is the ratio of the radiated power
to the power delivered to antenna input: the efficiency is a
measure of how well an antenna receives or transmits.
The efficiency needs to be enough high over the operating
frequency range to comply with the Over-The-Air radiated
performance requirements, as Total Radiated Power and
Total Isotropic Sensitivity, specified by certification schemes
Maximum Gain See section 4.2.2 for maximum gain limits The power gain of an antenna is the radiation efficiency
multiplied by the directivity: the maximum gain describes
how much power is transmitted in the direction of peak
radiation to that of an isotropic source.
The maximum gain of the antenna connected to ANT pin
must not exceed the values stated in section 4.2.2 to
comply with regulatory agencies radiation exposure limits.
Input Power > 2 W peak The antenna connected to ANT pin must support the
maximum power transmitted by the modules.
Detection Application board with antenna detection circuit If antenna detection is required by the custom application,
proper antenna detection circuit must be implemented on
the application board as described in section 2.4.2.
Antenna assembly with built-in diagnostic circuit If antenna detection is required by the custom application,
the external antenna assembly must be provided with
proper diagnostic circuit as described in section 2.4.2.
Table 10: Summary of antenna RF interface (ANT) requirements
For the additional specific requirements applicable to the integration of SARA-G350 ATEX and
SARA-U270 ATEX modules in applications intended for use in potentially explosive atmospheres, see
section 2.14.
UBX-13000995 - R12 Early Production Information System description
Page 37 of 196

SARA-G3 and SARA-U2 series - System Integration Manual
UBX-13000995 - R12 Early Production Information System description
Page 38 of 196

SARA-G3 and SARA-U2 series - System Integration Manual
1.7.2 Antenna detection interface (ANT_DET)
Antenna detection interface (ANT_DET) is not supported by SARA-G300 and SARA-G310 modules.
The antenna detection is based on ADC measurement. The ANT_DET pin is an Analog to Digital Converter
(ADC) provided to sense the antenna presence.
The antenna detection function provided by ANT_DET pin is an optional feature that can be implemented if the
application requires it. The antenna detection is forced by the +UANTR AT command. See the u-blox AT
Commands Manual [3] for more details on this feature.
The ANT_DET pin generates a DC current (20 µA for 5.4 ms on SARA-G340 / SARA-G350, 10 µA for 128 µs on
SARA-U2 modules) and measures the resulting DC voltage, thus determining the resistance from the antenna
connector provided on the application board to GND. So, the requirements to achieve antenna detection
functionality are the following:
• an RF antenna assembly with a built-in resistor (diagnostic circuit) must be used
• an antenna detection circuit must be implemented on the application board
See section 2.4.2 for antenna detection circuit on application board and diagnostic circuit on antenna assembly
design-in guidelines.
1.8 SIM interface
1.8.1 (U)SIM card interface
SARA-G3 and SARA-U2 series modules provide a high-speed SIM/ME interface, including automatic detection
and configuration of the voltage required by the connected (U)SIM card or chip.
Both 1.8 V and 3 V SIM types are supported: activation and deactivation with automatic voltage switch from
1.8 V to 3 V is implemented, according to ISO-IEC 7816-3 specifications. The VSIM supply output pin provides
internal short circuit protection to limit start-up current and protect the device in short circuit situations.
The SIM driver supports the PPS (Protocol and Parameter Selection) procedure for baud-rate selection, according
to the values determined by the SIM Card.
SIM Application Toolkit is supported by all SARA-G3 and SARA-U2 series except SARA-G300 and SARA-G310.
1.8.2 SIM card detection interface (SIM_DET)
Not supported by SARA-G300-00S and SARA-G310-00S modules.
The SIM_DET pin is configured as an external interrupt to detect the SIM card mechanical / physical presence.
The pin is configured as input with an internal active pull-down enabled, and it can sense SIM card presence only
if properly connected to the mechanical switch of a SIM card holder as described in section 2.5:
• Low logic level at SIM_DET input pin is recognized as SIM card not present
• High logic level at SIM_DET input pin is recognized as SIM card present
The SIM card detection function provided by SIM_DET pin is an optional feature that can be implemented / used
or not according to the application requirements: an Unsolicited Result Code (URC) is generated each time that
there is a change of status (for more details see the u-blox AT Commands Manual [3], “simind” value of the
<descr> parameter of the +CIND and +CMER commands.
The optional function “SIM card hot insertion/removal” can be additionally enabled on the SARA-U2 modules’
SIM_DET pin by AT commands (see section 1.11 and u-blox AT Commands Manual [3], +UGPIOC, +UDCONF).
UBX-13000995 - R12 Early Production Information System description
Page 39 of 196

SARA-G3 and SARA-U2 series - System Integration Manual
1.9 Serial interfaces
SARA-G3 and SARA-U2 series modules provide the following serial communication interfaces:
• UART interface: 9-wire unbalanced 1.8 V asynchronous serial interface available for AT commands, data
communication, FW upgrades by means of the FOAT feature (see 1.9.1)
• Auxiliary UART interface (not supported by SARA-U2 series): 3-wire unbalanced 1.8 V asynchronous serial
interface available for FW upgrades by means of the u-blox EasyFlash tool and for diagnostic (see 1.9.2)
• USB interface (not supported by SARA-G3 series): High-Speed USB 2.0 compliant interface available for AT
commands, data communication, FW upgrades by means of the FOAT feature, FW upgrades by means of
the u-blox EasyFlash tool and for diagnostic (see 1.9.3)
• DDC interface (not supported by SARA-G300 / SARA-G310): I2C compatible 1.8 V interface available for the
communication with u-blox positioning chips / modules and additionally, except for SARA-G3 series, with
other external I2C devices as an audio codec (see 1.9.4)
1.9.1 Asynchronous serial interface (UART)
1.9.1.1 UART features
The UART interface is a 9-wire 1.8 V unbalanced asynchronous serial interface available for AT commands and
for packet-switched / circuit-switched data communication on all the SARA-G3 and SARA-U2 series modules.
The UART interface provides RS-232 functionality conforming to the ITU-T V.24 Recommendation (more details
available in ITU Recommendation [10]), with CMOS compatible signal levels: 0 V for low data bit or ON state,
and 1.8 V for high data bit or OFF state. For detailed electrical characteristics see SARA-G3 series Data Sheet [1]
and SARA-U2 series Data Sheet [2].
SARA-G3 and SARA-U2 series modules are designed to operate as a 2G or 3G cellular modem, which represents
the Data Circuit-terminating Equipment (DCE) according to the ITU-T V.24 Recommendation [10]. The
application processor connected to the module through the UART interface represents the Data Terminal
Equipment (DTE).
The signal names of SARA-G3 and SARA-U2 series modules’ UART interface conform to the ITU-T V.24
Recommendation [10]: e.g. the TXD line represents the data transmitted by the DTE (application
processor data line output) and received by the DCE (module data line input).
All flow control handshakes are supported by the UART interface and can be set by appropriate AT commands
(see u-blox AT Commands Manual [3], &K, +IFC, \Q AT commands): hardware flow control (RTS/CTS), software
flow control (XON/XOFF), or none flow control.
Hardware flow control is enabled by default.
SARA-G3 modules support the autobauding: the baud rate automatic detection is performed each time the DTE
sends AT commands. After the detection the module works at the detected baud rate and the baud rate can be
runtime changed by the DTE or by AT command (see u-blox AT Commands Manual [3], +IPR command).
SARA-U2 modules support only the one-shot autobauding: the baud rate automatic detection is performed only
once, at module start up. After the detection the module works at the detected baud rate and the baud rate can
only be changed by AT command (see u-blox AT Commands Manual [3], +IPR command).
SARA-G3 modules’ autobauding and SARA-U2 modules’ one-shot autobauding are enabled by default.
UBX-13000995 - R12 Early Production Information System description
Page 40 of 196

SARA-G3 and SARA-U2 series - System Integration Manual
The following baud rates can be configured by AT command (see u-blox AT Commands Manual [3], +IPR):
• 1200 b/s
• 2400 b/s
• 4800 b/s
• 9600 b/s
• 19200 b/s
• 38400 b/s
• 57600 b/s
• 115200 b/s, default value when the autobauding or the one-shot autobauding are disabled
• 230400 b/s
• 460800 b/s
• 921600 b/s
460800 b/s and 921600 b/s baud rates are not supported by SARA-G3 series modules.
1200 b/s and 230400 b/s baud rates cannot be automatically detected by SARA-G3 series modules.
460800 b/s and 921600 b/s baud rates cannot be automatically detected by SARA-U2 series modules.
SARA-G3 modules support the automatic frame recognition in conjunction with autobauding.
SARA-U2 modules support the one-shot automatic frame recognition in conjunction with one-shot autobauding.
SARA-G3 series modules’ automatic frame recognition and SARA-U2 series modules’ one-shot automatic
frame recognition are enabled by default, as autobauding and one-shot autobauding.
The following frame formats can be configured by AT command (see u-blox AT Commands Manual [3], +ICF):
• 8N1 (8 data bits, No parity, 1 stop bit), default frame configuration with fixed baud rate
• 8E1 (8 data bits, even parity, 1 stop bit)
• 8O1 (8 data bits, odd parity, 1 stop bit)
• 8N2 (8 data bits, No parity, 2 stop bits)
• 7E1 (7 data bits, even parity, 1 stop bit)
• 7O1 (7 data bits, odd parity, 1 stop bit)
Figure 22 describes the 8N1 frame format, which is the default configuration with fixed baud rate.
D0 D1 D2 D3 D4 D5 D6 D7
Start of 1-Byte
transfer
Start Bit
(Always 0)
Possible Start of
next transfer
Stop Bit
(Always 1)
t
bit
= 1/(Baudrate)
Normal Transfer, 8N1
Figure 22: Description of UART default frame format (8N1) with fixed baud rate
UBX-13000995 - R12 Early Production Information System description
Page 41 of 196

SARA-G3 and SARA-U2 series - System Integration Manual
The module firmware can be updated over the UART interface by means of:
• the Firmware upgrade Over AT (FOAT) feature, on all the SARA-G3 and SARA-U2 series modules
• the u-blox EasyFlash tool, on SARA-U2 series modules only
For more details on FW upgrade procedures see section 1.13 and Firmware update application note [25].
1.9.1.2 UART AT interface configuration
The UART interface of SARA-G3 and SARA-U2 series modules is available as AT command interface with the
default configuration described in Table 11 (for more details and information about further settings, see the
u-blox AT Commands Manual [3]).
Interface AT Settings Comments
UART interface AT interface: enabled AT command interface is enabled by default on the UART physical interface
AT+IPR=0 Automatic baud rate detection enabled by default on SARA-G3 series
One-shot automatic baud rate detection enabled by default on SARA-U2 series
AT+ICF=0 Automatic frame format recognition enabled by default on SARA-G3 series
One-shot automatic frame format recognition enabled by default on SARA-U2 series
AT&K3 HW flow control enabled by default
AT&S1 DSR line set ON in data mode8 and set OFF in command mode8
AT&D1 Upon an ON-to-OFF transition of DTR, the DCE enters online command mode8 and issues
an OK result code
AT&C1 Circuit 109 changes in accordance with the Carrier detect status; ON if the Carrier is
detected, OFF otherwise
MUX protocol: disabled Multiplexing mode is disabled by default and it can be enabled by AT+CMUX command.
The following virtual channels are defined:
• Channel 0: control channel
• Channel 1: AT and Data
• Channel 2: AT and Data
• Channel 3: AT and Data (not available on SARA-G300 / SARA-G310 modules)
• Channel 4: AT and Data (not available on SARA-G300 / SARA-G310 modules)
• Channel 5: AT and Data (not available on SARA-G300 / SARA-G310 modules)
• Channel 6: GNSS tunneling (not available on SARA-G300 / SARA-G310 modules)
• Channel 7: SIM Access Profile (not available on SARA-G3 series modules)
Table 11: Default UART AT interface configuration
8 Refer to the u-blox AT Commands Manual [3] for the definition of the interface data mode, command mode and online command mode.
UBX-13000995 - R12 Early Production Information System description
Page 42 of 196

SARA-G3 and SARA-U2 series - System Integration Manual
1.9.1.3 UART signal behavior
At the module switch-on, before the UART interface initialization (as described in the power-on sequence
reported in Figure 18 or Figure 19), each pin is first tri-stated and then is set to its related internal reset state9. At
the end of the boot sequence, the UART interface is initialized, the module is by default in active-mode, and the
UART interface is enabled as AT commands interface.
The configuration and the behavior of the UART signals after the boot sequence are described below. See
section 1.4 for definition and description of module operating modes referred to in this section.
RXD signal behavior
The module data output line (RXD) is set by default to the OFF state (high level) at UART initialization. The
module holds RXD in the OFF state until the module does not transmit some data.
TXD signal behavior
The module data input line (TXD) is set by default to the OFF state (high level) at UART initialization. The TXD
line is then held by the module in the OFF state if the line is not activated by the DTE: an active pull-up is enabled
inside the module on the TXD input.
CTS signal behavior
The module hardware flow control output (CTS line) is set to the ON state (low level) at UART initialization.
If the hardware flow control is enabled, as it is by default, the CTS line indicates when the UART interface is
enabled (data can be sent and received). The module drives the CTS line to the ON state or to the OFF state
when it is either able or not able to accept data from the DTE over the UART (see 1.9.1.4 for more details).
If hardware flow control is enabled, then when the CTS line is OFF it does not necessarily mean that the
module is in low power idle-mode, but only that the UART is not enabled, as the module could be forced
to stay in active-mode for other activities, e.g. related to the network or related to other interfaces.
When the multiplexer protocol is active, the CTS line state is mapped to FCon / FCoff MUX command for
flow control issues outside the power saving configuration while the physical CTS line is still used as a
power state indicator. For more details, see Mux Implementation Application Note [23].
The CTS hardware flow control setting can be changed by AT commands (for more details, see u-blox AT
Commands Manual [3], AT&K, AT\Q, AT+IFC AT command).
If the hardware flow control is not enabled, the CTS line after the UART initialization behaves as following:
• on SARA-U2 modules the CTS line is always held in the ON state
• on SARA-G3 modules the CTS line is set in the ON or OFF state accordingly to the power saving state as
illustrated in Figure 25 if AT+UPSV=2 is set, and the CTS line is held in the ON state otherwise
When the power saving configuration is enabled and the hardware flow-control is not implemented in the
DTE/DCE connection, data sent by the DTE can be lost: the first character sent when the module is in the
low power idle-mode will not be a valid communication character (see 1.9.1.4 for more details).
9 Refer to the pin description table in the SARA-G3 series Data Sheet [1] and SARA-U2 series Data Sheet [2].
UBX-13000995 - R12 Early Production Information System description
Page 43 of 196

SARA-G3 and SARA-U2 series - System Integration Manual
RTS signal behavior
The hardware flow control input (RTS line) is set by default to the OFF state (high level) at UART initialization.
The module then holds the RTS line in the OFF state if the line is not activated by the DTE: an active pull-up is
enabled inside the module on the RTS input.
If the HW flow control is enabled, as it is by default, the module monitors the RTS line to detect permission from
the DTE to send data to the DTE itself. If the RTS line is set to the OFF state, any on-going data transmission
from the module is interrupted until the subsequent RTS line change to the ON state.
The DTE must still be able to accept a certain number of characters after the RTS line is set to the OFF
state: the module guarantees the transmission interruption within two characters from RTS state change.
Module behavior according to RTS hardware flow control status can be configured by AT commands (for more
details, see u-blox AT Commands Manual [3], AT&K, AT\Q, AT+IFC command descriptions).
If AT+UPSV=2 is set and HW flow control is disabled, the module monitors the RTS line to manage the power
saving configuration:
• When an OFF-to-ON transition occurs on the RTS input line, the UART is enabled and the module wakes up
to active-mode: after ~20 ms from the OFF-to-ON transition the UART / module wake up is completed and
data can be received without loss. The module cannot enter the low power idle-mode and the UART is kept
enabled as long as the RTS input line is held in the ON state
• If the RTS input line is set to the OFF state by the DTE, the UART is disabled (held in low power mode) and
the module automatically enters low power idle-mode whenever possible
For more details, see section 1.9.1.4 and u-blox AT Commands Manual [3], AT+UPSV command.
DSR signal behavior
If AT&S1 is set, as it is by default, the DSR module output line is set by default to the OFF state (high level) at
UART initialization. The DSR line is then set to the OFF state when the module is in command mode or in online
command mode and is set to the ON state when the module is in data mode (see the u-blox AT Commands
Manual [3] for the definition of the interface data mode, command mode and online command mode).
If AT&S0 is set, the DSR module output line is set by default to the ON state (low level) at UART initialization and
is then always held in the ON state.
DTR signal behavior
The DTR module input line is set by default to the OFF state (high level) at UART initialization. The module then
holds the DTR line in the OFF state if the line is not activated by the DTE: an active pull-up is enabled inside the
module on the DTR input.
Module behavior according to DTR status can be changed by AT command (for more details, see u-blox AT
Commands Manual [3], AT&D command description).
If AT+UPSV=3 is set, the DTR line is monitored by the module to manage the power saving configuration:
• When an OFF-to-ON transition occurs on the DTR input line, the UART is enabled and the module wakes up
to active-mode: after ~20 ms from the OFF-to-ON transition the UART / module wake up is completed and
data can be received without loss. The module cannot enter the low power idle-mode and the UART is kept
enabled as long as the DTR input line is held in the ON state
• If the DTR input line is set to the OFF state by the DTE, the UART is disabled (held in low power mode) and
the module automatically enters low power idle-mode whenever possible
For more details, see section 1.9.1.4 and u-blox AT Commands Manual [3], AT+UPSV command.
AT+UPSV=3 power saving configuration control by the DTR input is not supported by SARA-G3 modules.
UBX-13000995 - R12 Early Production Information System description
Page 44 of 196

SARA-G3 and SARA-U2 series - System Integration Manual
DCD signal behavior
If AT&C1 is set, as it is by default, the DCD module output line is set by default to the OFF state (high level) at
UART initialization. The module then sets the DCD line according to the carrier detect status: ON if the carrier is
detected, OFF otherwise. For voice calls, DCD is set to the ON state when the call is established. For a data call
there are the following scenarios (see the u-blox AT Commands Manual [3] for the definition of the interface
data mode, command mode and online command mode):
• Packet Switched Data call: Before activating the PPP protocol (data mode) a dial-up application must
provide the ATD*99***<context_number># to the module: with this command the module switches from
command mode to data mode and can accept PPP packets. The module sets the DCD line to the ON state,
then answers with a CONNECT to confirm the ATD*99 command. The DCD ON is not related to the context
activation but with the data mode
• Circuit Switched Data call: To establish a data call, the DTE can send the ATD<number> command to the
module which sets an outgoing data call to a remote modem (or another data module). Data can be
transparent (non reliable) or non transparent (with the reliable RLP protocol). When the remote DCE accepts
the data call, the module DCD line is set to ON and the CONNECT <communication baudrate> string is
returned by the module. At this stage the DTE can send characters through the serial line to the data
module which sends them through the network to the remote DCE attached to a remote DTE
The DCD is set to ON during the execution of the +CMGS, +CMGW, +USOWR, +USODL AT commands
requiring input data from the DTE: the DCD line is set to the ON state as soon as the switch to binary/text
input mode is completed and the prompt is issued; DCD line is set to OFF as soon as the input mode is
interrupted or completed (for more details see the u-blox AT Commands Manual [3]).
The DCD line is kept in the ON state, even during the online command mode, to indicate that the data
call is still established even if suspended, while if the module enters command mode, the DSR line is set to
the OFF state. For more details see DSR signal behavior description.
For scenarios when the DCD line setting is requested for different reasons (e.g. SMS texting during online
command mode), the DCD line changes to guarantee the correct behavior for all the scenarios. For
instance, in case of SMS texting in online command mode, if the data call is released, the DCD line is kept
to ON till the SMS command execution is completed (even if the data call release would request the DCD
setting to OFF).
If AT&C0 is set, the DCD module output line is set by default to the ON state (low level) at UART initialization
and is then always held in the ON state.
UBX-13000995 - R12 Early Production Information System description
Page 45 of 196

SARA-G3 and SARA-U2 series - System Integration Manual
RI signal behavior
The RI module output line is set by default to the OFF state (high level) at UART initialization. Then, during an
incoming call, the RI line is switched from the OFF state to the ON state with a 4:1 duty cycle and a 5 s period
(ON for 1 s, OFF for 4 s, see Figure 23), until the DTE attached to the module sends the ATA string and the
module accepts the incoming data call. The RING string sent by the module (DCE) to the serial port at constant
time intervals is not correlated with the switch of the RI line to the ON state.
Figure 23: RI behavior during an incoming call
The RI line can notify an SMS arrival. When the SMS arrives, the RI line switches from OFF to ON for 1 s (see
Figure 24), if the feature is enabled by the AT+CNMI command (see the u-blox AT Commands Manual [3]).
Figure 24: RI behavior at SMS arrival
This behavior allows the DTE to stay in power saving mode until the DCE related event requests service.
For SMS arrival, if several events coincidently occur or in quick succession each event independently triggers the
RI line, although the line will not be deactivated between each event. As a result, the RI line may stay to ON for
more than 1 s.
If an incoming call is answered within less than 1 s (with ATA or if auto-answering is set to ATS0=1) than the RI
line is set to OFF earlier.
As a result:
RI line monitoring cannot be used by the DTE to determine the number of received SMSes.
For multiple events (incoming call plus SMS received), the RI line cannot be used to discriminate the two
events, but the DTE must rely on the subsequent URCs and interrogate the DCE with proper commands.
The RI line can additionally notify all the URCs and all the incoming data (PPP, Direct Link, sockets, FTP), if the
feature is enabled by the AT+URING command (for more details see u-blox AT Commands Manual [3]): the RI
line is asserted when one of the configured events occur and it remains asserted for 1 s unless another
configured event will happen, with the same behavior described in Figure 24.
The AT+URING command for the notification of all the URCs and all the incoming data (PPP, Direct Link,
sockets, FTP) over the RI line output is not supported by SARA-G3 modules.
SMS arrives
time [s]
0
RI ON
RI OFF
1s
SMS
time [s]
0
RI ON
RI OFF
1s
1s
time [s]
15
1050
RI ON
RI OFF
Call incomes
1s
time [s]
15
1050
RI ON
RI OFF
Call incomes
UBX-13000995 - R12 Early Production Information System description
Page 46 of 196

SARA-G3 and SARA-U2 series - System Integration Manual
1.9.1.4 UART and power-saving
The power saving configuration is controlled by the AT+UPSV command (for the complete description, see
u-blox AT Commands Manual [3]). When power saving is enabled, the module automatically enters low power
idle-mode whenever possible, and otherwise the active-mode is maintained by the module (see section 1.4 for
definition and description of module operating modes referred to in this section).
The AT+UPSV command configures both the module power saving and also the UART behavior in relation to the
power saving. The conditions for the module entering idle-mode also depend on the UART power saving
configuration.
Three different power saving configurations can be set by the AT+UPSV command:
• AT+UPSV=0, power saving disabled: module forced on active-mode and UART interface enabled (default)
• AT+UPSV=1, power saving enabled: module cyclic active / idle-mode and UART enabled / disabled
• AT+UPSV=2, power saving enabled and controlled by the UART RTS input line
• AT+UPSV=3, power saving enabled and controlled by the UART DTR input line
The AT+UPSV=3 power saving configuration is not supported by SARA-G3 modules.
The different power saving configurations that can be set by the +UPSV AT command are described in details in
the following subsections. Table 12 summarizes the UART interface communication process in the different
power saving configurations, in relation with HW flow control settings and RTS input line status. For more
details on the +UPSV AT command description, refer to u-blox AT commands Manual [3].
AT+UPSV
HW flow control RTS line DTR line Communication during idle-mode and wake up
0 Enabled (AT&K3) ON ON or OFF Data sent by the DTE are correctly received by the module.
Data sent by the module is correctly received by the DTE.
0 Enabled (AT&K3) OFF ON or OFF Data sent by the DTE should be buffered by the DTE and will be correctly
received by the module when RTS is set to ON.
Data sent by the module is buffered by the module and will be correctly
received by the DTE when it is ready to receive data (i.e. RTS line will be ON).
0 Disabled (AT&K0) ON or OFF ON or OFF Data sent by the DTE is correctly received by the module.
Data sent by the module is correctly received by the DTE if it is ready to receive
data, otherwise data is lost.
1 Enabled (AT&K3) ON ON or OFF Data sent by the DTE should be buffered by the DTE and will be correctly
received by the module when active-mode is entered.
Data sent by the module is correctly received by the DTE.
1 Enabled (AT&K3) OFF ON or OFF Data sent by the DTE should be buffered by the DTE and will be correctly
received by the module when active-mode is entered.
Data sent by the module is buffered by the module and will be correctly
received by the DTE when it is ready to receive data (i.e. RTS line will be ON).
1 Disabled (AT&K0) ON or OFF ON or OFF The first character sent by the DTE is lost, but after ~20 ms the UART and the
module are waked up: recognition of subsequent characters is guaranteed after
the complete UART / module wake-up.
Data sent by the module is correctly received by the DTE if it is ready to receive
data, otherwise data is lost.
2 Enabled (AT&K3) ON or OFF ON or OFF Not Applicable: HW flow control cannot be enabled with AT+UPSV=2.
2 Disabled (AT&K0) ON ON or OFF Data sent by the DTE is correctly received by the module.
Data sent by the module is correctly received by the DTE if it is ready to receive
data, otherwise data is lost.
2 Disabled (AT&K0) OFF ON or OFF Data sent by the DTE is lost by SARA-U2 modules.
The first character sent by the DTE is lost by SARA-G3 modules, but after
~20 ms the UART and the module are waked up: recognition of subsequent
characters is guaranteed after the complete UART / module wake-up.
Data sent by the module is correctly received by the DTE if it is ready to receive
data, otherwise data is lost.
UBX-13000995 - R12 Early Production Information System description
Page 47 of 196

SARA-G3 and SARA-U2 series - System Integration Manual
AT+UPSV
HW flow control RTS line DTR line Communication during idle-mode and wake up
3 Enabled (AT&K3) ON ON Data sent by the DTE is correctly received by the module.
Data sent by the module is correctly received by the DTE.
3 Enabled (AT&K3) ON OFF Data sent by the DTE is lost by the module.
Data sent by the module is correctly received by the DTE.
3 Enabled (AT&K3) OFF ON Data sent by the DTE is correctly received by the module.
Data sent by the module is buffered by the module and will be correctly
received by the DTE when it is ready to receive data (i.e. RTS line will be ON).
3 Enabled (AT&K3) OFF OFF Data sent by the DTE is lost by the module.
Data sent by the module is buffered by the module and will be correctly
received by the DTE when it is ready to receive data (i.e. RTS line will be ON).
3 Disabled (AT&K0) ON or OFF ON Data sent by the DTE is correctly received by the module.
Data sent by the module is correctly received by the DTE if it is ready to receive
data, otherwise data are lost.
3 Disabled (AT&K0) ON or OFF OFF Data sent by the DTE is lost by the module.
Data sent by the module is correctly received by the DTE if it is ready to receive
data, otherwise data are lost.
Table 12: UART and power-saving summary
AT+UPSV=0: power saving disabled, fixed active-mode
The module does not enter idle-mode and the UART interface is enabled (data can be sent and received): the
CTS line is always held in the ON state after UART initialization. This is the default configuration.
AT+UPSV=1: power saving enabled, cyclic idle/active-mode
On SARA-G3 modules, when the AT+UPSV=1 command is issued by the DTE, the UART is disabled after the
timeout set by the second parameter of the +UPSV AT command (for more details see u-blox AT commands
Manual [3]).
On SARA-U2 modules, when the AT+UPSV=1 command is issued by the DTE, the UART is immediately disabled.
Afterwards, the UART of SARA-G3 and SARA-U2 series modules is periodically enabled to receive or send data
and, if data has not been received or sent over the UART, the interface is automatically disabled whenever
possible according to the timeout configured by the second parameter of the +UPSV AT command.
The module automatically enters the low power idle-mode whenever possible but it wakes up to active-mode
according to the UART periodic wake up so that the module cyclically enters the low power idle-mode and the
active-mode. Additionally, the module wakes up to active-mode according to any required activity related to the
network or any other required activity related to the functions / interfaces of the module.
The UART is enabled, and the module does not enter low power idle-mode, in the following cases:
• During the periodic UART wake up to receive or send data
• If the module needs to transmit some data over the UART (e.g. URC)
• On SARA-G3 modules, during a CSD data call and a PSD data call with external context activation
• On SARA-G3 modules, during a voice call
• If a character is sent by the DTE with HW flow control disabled, the first character sent causes the system
wake-up due to the “wake up via data reception” feature described in the following subsection, and the
UART will be then kept enabled after the last data received according to the timeout set by the second
parameter of the AT+UPSV=1 command
The module, outside an active call, periodically wakes up from idle-mode to active-mode to monitor the paging
channel of the current base station (paging block reception), according to 2G or 3G discontinuous reception
(DRX) specification.
UBX-13000995 - R12 Early Production Information System description
Page 48 of 196

SARA-G3 and SARA-U2 series - System Integration Manual
The time period between two paging receptions is defined by the current base station (i.e. by the network):
• If the module is registered with a 2G network, the paging reception period can vary from ~0.47 s (DRX = 2,
i.e. 2 x 51 2G-frames) up to ~2.12 s (DRX = 9, i.e. 9 x 51 2G-frames)
• If the module is registered with a 3G network, the paging reception period can vary from 0.64 s (DRX = 6,
i.e. 26 3G-frames) up to 5.12 s (DRX = 9, i.e. 29 3G-frames)
The time period of the UART enable/disable cycle is configured differently when the module is registered with a
2G network compared to when the module is registered with a 3G network:
• 2G: the UART is synchronously enabled to every paging reception on SARA-G3 modules, whereas the UART
is not necessarily enabled at every paging reception on SARA-U2 modules: the UART is enabled concurrently
to a paging reception, and then, as data has not been received or sent, the UART is disabled until the first
paging reception that occurs after a timeout of 2.0 s, and therefore the interface is enabled again
• 3G: the UART is asynchronously enabled to paging receptions, as the UART is enabled for ~20 ms, and then,
if data are not received or sent, the UART is disabled for 2.5 s, and afterwards the interface is enabled again
• Not registered: when a module is not registered with a network, the UART is enabled for ~20 ms, and then,
if data has not been received or sent, the UART is disabled for ~2.1 s on SARA-G3 modules or for 2.5 s on
SARA-U2 modules, and afterwards the interface is enabled again
The module active-mode duration outside an active call depends on:
• Network parameters, related to the time interval for the paging block reception (minimum of ~11 ms)
• Duration of UART enable time in absence of data reception (~20 ms)
• The time period from the last data received at the serial port during the active-mode: the module does not
enter idle-mode until a timeout expires. The second parameter of the +UPSV AT command configures this
timeout, from 40 2G-frames (i.e. 40 x 4.615 ms = 184 ms) up to 65000 2G-frames (i.e. 65000 x 4.615 ms =
300 s). Default value is 2000 2G-frames (i.e. 2000 x 4.615 ms = 9.2 s)
The active-mode duration can be extended indefinitely since every subsequent character received during the
active-mode, resets and restarts the timer.
The timeout is ignored only by SARA-U2 modules immediately after AT+UPSV=1 has been sent, so that the
UART interface is disabled and the module may enter idle-mode immediately after the AT+UPSV=1 is sent
The hardware flow-control output (CTS line) indicates when the UART interface is enabled (data can be sent and
received over the UART), if HW flow control is enabled, as illustrated in Figure 25.
time [s]
CTS ON
CTS OFF
UART disabled
~10 ms (min)
UART enabled
~9.2 s (default)
UART enabled
Data input
0.47-2.10 s
Figure 25: CTS behavior with power saving enabled (AT+UPSV=1) and HW flow control enabled: the CTS output line indicates
when the UART interface of the module is enabled (CTS = ON = low level) or disabled (CTS = OFF = high level)
UBX-13000995 - R12 Early Production Information System description
Page 49 of 196

SARA-G3 and SARA-U2 series - System Integration Manual
AT+UPSV=2: power saving enabled and controlled by the RTS line
This configuration can only be enabled with the module hardware flow control disabled by AT&K0 command.
The UART interface is immediately disabled after the DTE sets the RTS line to OFF.
Then, the module automatically enters idle-mode whenever possible according to any required activity related to
the network or any other required activity related to the functions / interfaces of the module.
The UART is disabled as long as the RTS line is held to OFF, but the UART is enabled in the following cases:
• If the module needs to transmit some data over the UART (e.g. URC)
• On SARA-G3 modules, during a CSD data call and a PSD data call with external context activation
• On SARA-G3 modules, during a voice call
• On SARA-G3 modules, if a data is sent by the DTE, it causes the system wake-up due to the “wake up via
data reception” feature described in the following subsection, and the UART will be then kept enabled after
the last data received according to the timeout previously set with the AT+UPSV=1 configuration
When an OFF-to-ON transition occurs on the RTS input line, the UART is re-enabled and the module, if it was in
idle-mode, switches from idle to active-mode after ~20 ms: this is the UART and module “wake up time”.
If the RTS line is set to ON by the DTE the module is not allowed to enter the low power idle-mode and the
UART is kept enabled.
On SARA-G3 modules, the CTS output line indicates the power saving state as illustrated in Figure 25,
even with AT+UPSV=2.
AT+UPSV=3: power saving enabled and controlled by the DTR line
The AT+UPSV=3 power saving configuration is not supported by SARA-G3 modules.
The AT+UPSV=3 configuration can be enabled regardless the flow control setting on UART. In particular, the HW
flow control can be enabled (AT&K3) or disabled (AT&K0) on UART during this configuration.
The UART interface is immediately disabled after the DTE sets the DTR line to OFF.
Then, the module automatically enters idle-mode whenever possible according to any required activity related to
the network or any other required activity related to the functions / interfaces of the module.
The UART is disabled as long as the DTR line is set to OFF, but the UART is enabled in the following cases:
• If the module needs to transmit some data over the UART (e.g. URC)
When an OFF-to-ON transition occurs on the DTR input line, the UART is re-enabled and the module, if it was in
idle-mode, switches from idle to active mode after 20 ms: this is the UART and module “wake up time”.
If the DTR line is set to ON by the DTE, the module is not allowed to enter idle-mode and the UART is kept
enabled until the DTR line is set to OFF.
When the AT+UPSV=3 configuration is enabled, the DTR input line can still be used by the DTE to control the
module behavior according to AT&D command configuration (see u-blox AT Commands Manual [3]).
The CTS output line indicates the UART power saving state as illustrated in Figure 25, if HW flow control
is enabled with AT+UPSV=3.
UBX-13000995 - R12 Early Production Information System description
Page 50 of 196

SARA-G3 and SARA-U2 series - System Integration Manual
Wake up via data reception
The UART wake up via data reception consists of a special configuration of the module TXD input line that
causes the system wake-up when a low-to-high transition occurs on the TXD input line. In particular, the UART
is enabled and the module switches from the low power idle-mode to active-mode within ~20 ms from the first
character received: this is the system “wake up time”.
As a consequence, the first character sent by the DTE when UART is disabled (i.e. the wake up character) is not a
valid communication character even if the wake up via data reception configuration is active, because it cannot
be recognized, and the recognition of the subsequent characters is guaranteed only after the complete system
wake-up (i.e. after ~20 ms).
The UART wake up via data reception configuration is active in the following cases:
• On SARA-G3 series, the TXD input line is configured to wake up the system via data reception if:
o AT+UPSV=1 is set with HW flow control disabled
o AT+UPSV=2 is set with HW flow control disabled, and the RTS line is set OFF
• On SARA-U2 series, the TXD input line is configured to wake up the system via data reception only if
o AT+UPSV=1 is set with hardware flow control disabled
On SARA-U2 series, the UART wake up via data reception configuration is not active on the TXD input,
and therefore all the data sent by the DTE is lost, if:
o AT+UPSV=2 is set with HW flow control disabled, and the RTS line is set OFF
o AT+UPSV=3 is set, regardless HW flow control setting, and the DTR line is set OFF
Figure 26 and Figure 27 show examples of common scenarios and timing constraints:
• AT+UPSV=1 power saving configuration is active and the timeout from last data received to idle-mode start
is set to 2000 frames (AT+UPSV=1,2000)
• Hardware flow control is disabled
Figure 26 shows the case where the module UART is disabled and only a wake-up is forced. In this scenario the
only character sent by the DTE is the wake-up character; as a consequence, the DCE module UART is disabled
when the timeout from last data received expires (2000 frames without data reception, as the default case).
OFF
ON
DCE UART is enabled for 2000 GSM frames (~9.2 s)
time
Wake up time: ~20 ms
time
TXD input
Wake up character
Not recognized by DCE
UART
OFF
ON
Figure 26: Wake-up via data reception without further communication
UBX-13000995 - R12 Early Production Information System description
Page 51 of 196

SARA-G3 and SARA-U2 series - System Integration Manual
Figure 27 shows the case where in addition to the wake-up character further (valid) characters are sent. The
wake up character wakes-up the module UART. The other characters must be sent after the “wake up time” of
~20 ms. If this condition is satisfied, the module (DCE) recognizes characters. The module will disable the UART
after 2000 GSM frames from the latest data reception.
DCE UART is enabled for 2000 GSM frames (~9.2s)
after the last data received
time
Wake up time: ~20 ms
time
Wake up character
Not recognized by DCE
Valid characters
Recognized by DCE
OFF
ON
TXD input
UART
OFF
ON
Figure 27: Wake-up via data reception with further communication
The “wake-up via data reception” feature cannot be disabled.
In command mode10, if autobauding is enabled and the DTE does not implement HW flow control, the
DTE must always send a character to the module before the “AT” prefix set at the beginning of each
command line: the first character is ignored if the module is in active-mode, or it represents the wake-up
character if the module is in idle-mode.
In command mode10, if autobauding is disabled, the DTE must always send a dummy “AT” before each
command line: the first character is not ignored if the module is in active-mode (i.e. the module replies
“OK”), or it represents the wake up character if the module is in low power idle-mode (i.e. the module
does not reply).
No wake-up character or dummy “AT” is required from the DTE during a voice or data call since the
module UART interface continues to be enabled and does not need to be woken-up. Furthermore in data
mode10 a dummy “AT” would affect the data communication.
Additional considerations for SARA-U2 modules
SARA-U2 modules are forced to stay in active-mode if the USB is connected and not suspended, and therefore
the AT+UPSV=1, AT+UPSV=2 or AT+UPSV=3 settings are overruled but they have effect on the UART behavior:
they configure UART interface power saving, so that UART is enabled / disabled according to the AT+UPSV=1,
AT+UPSV=2 or AT+UPSV=3 settings.
To set the AT+UPSV=1, AT+UPSV=2 or AT+UPSV=3 configuration over the USB interface of SARA-U2 modules,
the autobauding must be previously disabled on the UART by the +IPR AT command over the used AT interface
(the USB), and this +IPR AT command configuration must be saved in the module’ non-volatile memory (see
u-blox AT Commands Manual [3]). Then, after the subsequent module re-boot, AT+UPSV=1, AT+UPSV=2 or
AT+UPSV=3 can be issued over the used AT interface (the USB): all the AT profiles are updated accordingly.
10 Refer to the u-blox AT Commands Manual [3] for the definition of the interface data mode, command mode and online command mode.
UBX-13000995 - R12 Early Production Information System description
Page 52 of 196

SARA-G3 and SARA-U2 series - System Integration Manual
1.9.1.5 Multiplexer protocol (3GPP 27.010)
SARA-G3 and SARA-U2 series modules have a software layer with MUX functionality, the 3GPP TS 27.010
Multiplexer Protocol [13], available on the UART physical link. The auxiliary UART, the USB and the DDC (I2C)
serial interfaces do not support the multiplexer protocol.
This is a data link protocol (layer 2 of OSI model) which uses HDLC-like framing and operates between the
module (DCE) and the application processor (DTE) and allows a number of simultaneous sessions over the used
physical link (UART or SPI): the user can concurrently use AT command interface on one MUX channel and
Packet-Switched / Circuit-Switched Data communication on another multiplexer channel. Each session consists of
a stream of bytes transferring various kinds of data such as SMS, CBS, PSD, GNSS, AT commands in general. This
permits, for example, SMS to be transferred to the DTE when a data connection is in progress.
The following virtual channels are defined:
• Channel 0: control channel
• Channel 1: AT and Data
• Channel 2: AT and Data
• Channel 3: AT and Data (not available on SARA-G300 / SARA-G310 modules)
• Channel 4: AT and Data (not available on SARA-G300 / SARA-G310 modules)
• Channel 5: AT and Data (not available on SARA-G300 / SARA-G310 modules)
• Channel 6: GNSS tunneling (not available on SARA-G300 / SARA-G310 modules)
• Channel 7: SIM Access Profile (not available on SARA-G3 series modules)
For more details, refer to Mux implementation Application Note [23].
1.9.2 Auxiliary asynchronous serial interface (UART AUX)
The auxiliary UART interface is not available on SARA-U2 series modules.
SARA-G3 modules provide the auxiliary UART interface: it is a 3-wire unbalanced 1.8 V asynchronous serial
interface (only the RXD_AUX data output and TXD_AUX data input are provided), available for module FW
upgrade by means of the u-blox EasyFlash tool and for diagnostic purpose.
The AT commands interface is not available on the auxiliary UART interface.
1.9.3 USB interface
The USB interface is not available on SARA-G3 series modules.
1.9.3.1 USB features
SARA-U2 modules include a High-Speed USB 2.0 compliant interface with maximum data rate of 480 Mb/s
between the module and a host processor.
The module itself acts as a USB device and can be connected to any USB host such as a Personal Computer or an
embedded application microprocessor for AT commands, data communication, FW upgrade by means of the
FOAT feature, FW upgrade by means of the u-blox EasyFlash tool and for diagnostic purpose.
The USB_D+/USB_D- pins carry USB serial data and signaling while the VUSB_DET input pin senses the VBUS
USB supply presence (nominally +5 V at the source) to detect the host connection and enable the interface.
The USB interface of the module is enabled only if a valid voltage is detected by the VUSB_DET input (see the
SARA-U2 series Data Sheet [2]). Neither the USB interface, nor the whole module is supplied by the VUSB_DET
input: the VUSB_DET senses the USB supply voltage and absorbs few microamperes.
UBX-13000995 - R12 Early Production Information System description
Page 53 of 196

SARA-G3 and SARA-U2 series - System Integration Manual
SARA-U2 modules provide by default the following USB profile with the listed set of available USB functions
(USB CDCs, Communications Device Classes):
• USB1: AT and Data (AT command interface and packet-switched / circuit-switched data communication)
• USB2: AT and Data (AT command interface and packet-switched / circuit-switched data communication)
• USB3: AT and Data (AT command interface and packet-switched / circuit-switched data communication)
• USB4: GPS (tunneling communication with the u-blox GNSS receiver connected over I2C interface)
• USB5: Primary Log (diagnostic purpose)
• USB6: Secondary Log (diagnostic purpose)
• USB7: SAP (SIM Access Profile)
The user can concurrently use the AT command interface on one CDC, and packet-switched / circuit-switched
data communication on another CDC.
The module firmware can be upgraded over the USB interface using the u-blox EasyFlash tool or by means of AT
command (for more details see section 1.13.13 and Firmware update application note [25]).
For more details on the configuration of the USB interface of SARA-U2 modules, see the u-blox AT
Commands Manual [3], +UUSBCONF AT command.
USB CDC/ACM drivers are available for the following operating system platforms:
• Windows 2000
• Windows XP
• Windows Vista
• Windows 7
• Windows 8
• Windows CE 5.0
• Windows Embedded CE 6.0
• Windows Embedded Compact 7
• Windows Embedded Automotive 7
• Windows Mobile 5
• Windows Mobile 6
• Windows Mobile 6.1
• Windows Mobile 6.5
SARA-U2 modules are compatible with standard Linux/Android USB kernel drivers.
The USB profile of SARA-U2 module identifies itself by its VID (Vendor ID) and PID (Product ID) combination,
included in the USB device descriptor according to the USB 2.0 specifications [14].
VID and PID of the SARA-U2 module USB profile with the set of USB functions described in details above (AT and
Data, GNSS tunneling, Diagnostic, SAP) are the following:
• VID = 0x1546
• PID = 0x1102
If the USB interface of a SARA-U2 module is connected to the host before the module switch on, or if the
module is reset with the USB interface connected to the host, the VID and PID are automatically updated
runtime, after the USB detection. First, VID and PID are the following:
• VID = 0x058B
• PID = 0x0041
UBX-13000995 - R12 Early Production Information System description
Page 54 of 196

SARA-G3 and SARA-U2 series - System Integration Manual
This VID and PID combination identifies a USB profile where the set of USB functions described in details above
(AT and Data, GNSS tunneling, Diagnostic, SAP) are not available: AT commands must not be sent to the module
over the USB profile identified by this VID and PID combination.
Then, after a time period (roughly 5 s, depending on the host / device enumeration timings), the VID and PID are
updated to the following ones, which are related to the SARA-U2 module USB profile with the set of USB
functions described in details above (AT and Data, GNSS tunneling, Diagnostic, SAP):
• VID = 0x1546
• PID = 0x1102
1.9.3.2 USB and power saving
If power saving is enabled by the AT+UPSV command, the modules automatically enter the USB suspended state
when the device has observed no bus traffic for a specified time period (see the USB 2.0 specifications [14]). In
suspended state, the module maintains any USB internal status as device. In addition, the module enters the
suspended state when the hub port it is attached to is disabled. This is referred to as USB selective suspend.
The module exits suspend mode when there is bus activity. If the USB is connected and not suspended, the
module is forced to stay in active-mode, therefore the AT+UPSV settings are overruled but they have effect on
the power saving configuration of the other interfaces.
The modules are capable of USB remote wake-up signaling: i.e. it may request the host to exit suspend mode or
selective suspend by using electrical signaling to indicate remote wake-up. This notifies the host that it should
resume from its suspended mode, if necessary, and service the external event. Remote wake-up is accomplished
using electrical signaling described in the USB 2.0 specifications [14].
For the module current consumption description with power saving enabled and USB suspended, or with power
saving disabled and USB not suspended, see sections 1.5.1.4, 1.5.1.5 and SARA-U2 series Data Sheet [2].
1.9.4 DDC (I2C) interface
SARA-G300 and SARA-G310 modules do not support DDC (I2C) interface.
An I2C bus compatible Display Data Channel (DDC) interface for communication with u-blox GNSS receivers is
available on SDA and SCL pins of SARA-G340, SARA-G350 and SARA-U2 modules. Only this interface provides
the communication between the u-blox cellular module and u-blox positioning chips and modules.
SARA-U2 modules additionally support the communication with other external I2C devices as an audio codec.
The AT commands interface is not available on the DDC (I2C) interface.
DDC (I2C) slave-mode operation is not supported: the cellular module can act as master only, and the connected
u-blox GNSS receiver or any other external I2C devices acts as slave in the DDC (I2C) communication.
Two lines, serial data (SDA) and serial clock (SCL), carry information on the bus. SCL is used to synchronize data
transfers, and SDA is the data line. To be compliant to the I2C bus specifications, the module interface pins are
open drain output and pull up resistors must be externally provided conforming to the I2C bus specifications [15].
u-blox has implemented special features in SARA-G340, SARA-G350 and SARA-U2 modules to ease the design
effort required for the integration of a u-blox cellular module with a u blox GNSS receiver.
Combining a u-blox cellular module with a u-blox GNSS receiver allows designers to have full access to the
positioning receiver directly via the cellular module: it relays control messages to the GNSS receiver via a
dedicated DDC (I2C) interface. A 2nd interface connected to the positioning receiver is not necessary: AT
commands via the UART or USB serial interface of the cellular module allows a fully control of the GNSS receiver
from any host processor.
UBX-13000995 - R12 Early Production Information System description
Page 55 of 196

SARA-G3 and SARA-U2 series - System Integration Manual
SARA-G340, SARA-G350 and SARA-U2 modules feature embedded GNSS aiding that is a set of specific features
developed by u-blox to enhance GNSS performance, decreasing the Time To First Fix (TTFF), thus allowing to
calculate the position in a shorter time with higher accuracy.
SARA-G340, SARA-G350 and SARA-U2 modules support these GNSS aiding types:
• Local aiding
• AssistNow Online
• AssistNow Offline
• AssistNow Autonomous
The embedded GNSS aiding features can be used only if the DDC (I2C) interface of the cellular module is
connected to the u-blox GNSS receivers.
SARA-G340, SARA-G350 and SARA-U2 cellular modules provide additional custom functions over GPIO pins to
improve the integration with u-blox positioning chips and modules. GPIO pins can handle:
• GNSS receiver power-on/off: “GNSS supply enable” function provided by GPIO2 improves the positioning
receiver power consumption. When the GNSS functionality is not required, the positioning receiver can be
completely switched off by the cellular module that is controlled by AT commands
• The wake up from idle-mode when the GNSS receiver is ready to send data: “GNSS data ready” function
provided by GPIO3 improves the cellular module power consumption. When power saving is enabled in the
cellular module by the AT+UPSV command and the GNSS receiver does not send data by the DDC (I2C)
interface, the module automatically enters idle-mode whenever possible. With the “GNSS data ready”
function the GNSS receiver can indicate to the cellular module that it is ready to send data by the DDC (I2C)
interface: the positioning receiver can wake up the cellular module if it is in idle-mode, so the cellular
module does not lose the data sent by the GNSS receiver even if power saving is enabled
• The RTC synchronization signal to the GNSS receiver: “GNSS RTC sharing” function provided by GPIO4
improves GNSS receiver performance, decreasing the Time To First Fix (TTFF), and thus allowing to calculate
the position in a shorter time with higher accuracy. When GPS local aiding is enabled, the cellular module
automatically uploads data such as position, time, ephemeris, almanac, health and ionospheric parameter
from the positioning receiver into its local memory, and restores this to the GNSS receiver at the next power
up of the positioning receiver
For more details regarding the handling of the DDC (I2C) interface, the GNSS aiding features and the
GNSS related functions over GPIOs, see section 1.11, to the u-blox AT Commands Manual [3] (AT+UGPS,
AT+UGPRF, AT+UGPIOC AT commands) and the GNSS Implementation Application Note [24].
“GNSS data ready” and “GNSS RTC sharing” functions are not supported by all u-blox GNSS receivers
HW or ROM/FW versions. See the GNSS Implementation Application Note [24] or to the Hardware
Integration Manual of the u-blox GNSS receivers for the supported features.
As additional improvement for the GNSS receiver performance, the V_BCKP supply output of SARA-G340,
SARA-G350 and SARA-U2 modules can be connected to the V_BCKP supply input pin of u-blox positioning
chips and modules to provide the supply for the GNSS real time clock and backup RAM when the VCC supply of
the cellular module is within its operating range and the VCC supply of the GNSS receiver is disabled.
This enables the u-blox positioning receiver to recover from a power breakdown with either a hot start or a
warm start (depending on the duration of the GNSS receiver VCC outage) and to maintain the configuration
settings saved in the backup RAM.
UBX-13000995 - R12 Early Production Information System description
Page 56 of 196

SARA-G3 and SARA-U2 series - System Integration Manual
1.10 Audio interface
SARA-G300 and SARA-G310 modules do not support audio interface.
The following audio interfaces are provided by SARA-G3 and SARA-U2 series modules:
• SARA-G340 and SARA-G350 modules provide one analog audio interface and one digital audio interface
• SARA-U2 modules provide one digital audio interface
The audio interfaces can be selected and set by the dedicated AT command +USPM (refer to the u-blox AT
Commands Manual [3]): this command allows setting the audio path mode, composed by the uplink audio path
and the downlink audio path.
Each uplink path mode defines the physical input (i.e. the analog or the digital audio input) and the set of
parameters to process the uplink audio signal (uplink gains, uplink digital filters, echo canceller parameters). For
example the “Headset microphone” uplink path uses the differential analog audio input with the default
parameters for the headset profile.
Each downlink path mode defines the physical output (i.e. the analog or the digital audio output) and the set of
parameters to process the downlink audio signal (downlink gains, downlink digital filters and sidetone). For
example the “Mono headset” downlink path uses the differential analog audio output with the default
parameters for the headset profile.
The set of parameters to process the uplink or the downlink audio signal can be changed with dedicated AT
commands for each uplink or downlink path and then stored in two profiles in the non volatile memory (refer to
u-blox AT Commands Manual [3] for Audio parameters tuning commands).
1.10.1 Analog audio interface
SARA-U2 modules do not provide analog audio interface.
1.10.1.1 Uplink path
SARA-G340 / SARA-G350 pins related to the analog audio uplink path are:
• MIC_P / MIC_N: Differential analog audio signal inputs (positive/negative). These two pins are internally
directly connected to the differential input of an integrated Low Noise Amplifier, without any internal series
capacitor for DC blocking. The LNA output is internally connected to the digital processing system by an
integrated sigma-delta analog-to-digital converter
• MIC_BIAS: Supply output for an external microphone. The pin is internally connected to the output of a low
noise LDO linear regulator provided with proper internal bypass capacitor to guarantee stable operation of
the linear regulator
• MIC_GND: Local ground for the external microphone. The pin is internally connected to ground as a sense
line as the reference for the analog audio input
The analog audio input is selected when the parameter <main_uplink> in AT+USPM command is set to
“Headset microphone”, “Handset microphone” or “Hands-free microphone”: the uplink analog path profiles
use the same physical input but have different sets of audio parameters (for more details, refer to u-blox AT
Commands Manual [3], AT+USPM, AT+UMGC, AT+UUBF, AT+UHFP commands).
SARA-G3 series Data Sheet [1] provides the detailed electrical characteristics of the analog audio uplink path.
UBX-13000995 - R12 Early Production Information System description
Page 57 of 196

SARA-G3 and SARA-U2 series - System Integration Manual
1.10.1.2 Downlink path
SARA-G340 / SARA-G350 pins related to the analog audio downlink path are:
• SPK_P / SPK_N: Differential analog audio signal output (positive/negative). These two pins are directly
connected internally to the differential output of a low power audio amplifier, for which the input is
connected internally to the digital processing system by to an integrated digital-to-analog converter.
The analog audio output is selected when the parameter <main_downlink> in AT+USPM command is set to
“Normal earpiece”, “Mono headset” or “Loudspeaker”: the downlink analog path profiles use the same
physical output but have different sets of audio parameters (for more details, refer to the u-blox AT Commands
Manual [3], AT+USPM, AT+USGC, AT+UDBF, AT+USTN commands).
The differential analog audio output of SARA-G340 and SARA-G350 modules (SPK_P / SPK_N) is able to directly
drive loads with resistance rating greater than 14 Ω: it can be directly connected to a headset earpiece or
handset earpiece but cannot directly drive a 8 Ω or 4 Ω loudspeaker for the hands-free mode.
SARA-G3 series Data Sheet [1] provides the detailed electrical characteristics of the analog audio downlink path.
Warning: excessive sound pressure from headphones can cause hearing loss.
1.10.1.3 Headset mode
Headset mode is the default audio operating mode of the modules. The headset profile is configured when the
uplink audio path is set to “Headset microphone” and the downlink audio path is set to “Mono headset” (refer
to u-blox AT Commands Manual [3]: AT+USPM command: <main_uplink>, <main_downlink> parameters).
1.10.1.4 Handset mode
The handset profile is configured when the uplink audio path is set to “Handset microphone” and the downlink
audio path is set to “Normal earpiece” (refer to u-blox AT commands manual [3]: AT+USPM command:
<main_uplink>, <main_downlink> parameters).
1.10.1.5 Hands-free mode
The hands-free profile is configured when the uplink audio path is set to “Hands-free microphone” and the
downlink audio path is set to “Loudspeaker” (refer to u-blox AT commands manual [3]: AT+USPM command:
<main_uplink>, <main_downlink> parameters).
Hands-free functionality is implemented using appropriate digital signal processing algorithms for voice-band
handling (echo canceller and automatic gain control), managed via software (refer to u-blox AT commands
manual [3], AT+UHFP command).
UBX-13000995 - R12 Early Production Information System description
Page 58 of 196

SARA-G3 and SARA-U2 series - System Integration Manual
1.10.2 Digital audio interface
SARA-G340, SARA-G350 and SARA-U2 modules provide one 1.8 V bidirectional 4-wire (I2S_TXD data output,
I2S_RXD data input, I2S_CLK clock, I2S_WA world alignment) I2S digital audio interface that can be used for
digital audio communication with external digital audio devices as an audio codec.
The I2S interface can be set to two modes, by the <I2S_mode> parameter of the AT+UI2S command:
• PCM mode
• Normal I2S mode
The I2S interface can be set to two configurations, by the <I2S_Master_Slave> parameter of AT+UI2S:
• Master mode
• Slave mode
SARA-G340 and SARA-G350 modules do not support I2S slave mode: module acts as master only.
The sample rate of transmitted/received words can be set, by the <I2S_sample_rate> parameter of AT+UI2S, to:
• 8 kHz
• 11.025 kHz
• 12 kHz
• 16 kHz
• 22.05 kHz
• 24 kHz
• 32 kHz
• 44.1 kHz
• 48 kHz
SARA-G340 and SARA-G350 modules do not support the <I2S_sample_rate> parameter of AT+UI2S: the
sample rate is fixed at 8 kHz only.
The <main_uplink> and <main_downlink> parameters of the AT+USPM command must be properly configured
to select the I2S digital audio interfaces paths (for more details, refer to u-blox AT Commands Manual [3]):
• <main_uplink> must be properly set to select:
o the I2S interface (using I2S_RXD module input)
• <main_downlink> must be properly set to select:
o the I2S interface (using I2S_TXD module output)
Parameters of digital path can be configured and saved as described in the u-blox AT Commands Manual [3],
+USGC, +UMGC, +USTN AT commands. Analog gain parameters are not used when digital path is selected.
The I2S receive data input and the I2S transmit data output signals are respectively connected in parallel to the
analog microphone input and speaker output signals, so resources available for analog path can be shared:
• Digital filters and digital gains are available in both uplink and downlink direction
• Ringer tone and service tone are mixed on the TX path when active (downlink)
• The HF algorithm acts on I2S path
Refer to the u-blox AT Commands Manual [3]: AT+UI2S command for possible settings of I2S interface.
UBX-13000995 - R12 Early Production Information System description
Page 59 of 196

SARA-G3 and SARA-U2 series - System Integration Manual
1.10.2.1 I2S interface – PCM mode
Main features of the I2S interface in PCM mode, which are configurable via a specific AT command (for further
details see the related section in the u-blox AT Commands Manual [3], +UI2S AT command):
• I2S runs in PCM – short alignment mode
• I2S word alignment signal is configured by the <I2S_sample_rate> parameter
• I2S word alignment is set high for 1 or 2 clock cycles for the synchronization, and then is set low for 16 clock
cycles of sample width. The frame length, according to the length of the high pulse for the synchronization,
can be 1 + 16 = 17 bits or 2 + 16 = 18 bits
• I2S clock frequency depends on the frame length and the sample rate. It can be 17 x <I2S_sample_rate> or
18 x <I2S_sample_rate>
• I2S transmit and I2S receive data are 16 bit words long with the same sampling rate as I2S word alignment,
mono. Data is in 2’s complement notation. MSB is transmitted first
• When I2S word alignment toggles high, the first synchronization bit is always low. Second synchronization
bit (present only in case of 2 bit long I2S word alignment configuration) is MSB of the transmitted word (MSB
is transmitted twice in this case)
• I2S transmit data changes on I2S clock rising edge, I2S receive data changes on I2S clock falling edge
1.10.2.2 I2S interface – Normal I2S mode
Normal I2S supports:
• 16 bits word
• Mono interface
• Sample rate: <I2S_sample_rate> parameter
Main features of I2S interface in normal I2S mode, which are configurable via a specific AT command (for further
details see the related section in the u-blox AT Commands Manual [3], +UI2S AT command):
• I2S runs in normal I2S – long alignment mode
• I2S word alignment signal always runs at the <I2S_sample_rate> and synchronizes 2 channels (timeslots on
word alignment high, word alignment low)
• I2S transmit data is composed of 16 bit words, dual mono (the words are written on both channels). Data
are in 2’s complement notation. MSB is transmitted first. The bits are written on I2S clock rising or falling
edge (configurable)
• I2S receive data is read as 16 bit words, mono (words are read only on the timeslot with WA high). Data is
read in 2’s complement notation. MSB is read first. The bits are read on the I2S clock edge opposite to I2S
transmit data writing edge (configurable)
• I2S clock frequency is 16 bits x 2 channels x <I2S_sample_rate>
Additionally, the following parameters can be set by means of the +UI2S AT command:
• MSB can be 1 bit delayed or non-delayed on I2S word alignment edge
• I2S transmit data can change on rising or falling edge of I2S clock signal
• I2S receive data are read on the opposite front of I2S clock signal
UBX-13000995 - R12 Early Production Information System description
Page 60 of 196

SARA-G3 and SARA-U2 series - System Integration Manual
1.10.3 Voice-band processing system
1.10.3.1 SARA-G340 / SARA-G350 modules audio processing
The voice-band processing on the SARA-G340 / SARA-G350 modules is implemented in the DSP core inside the
baseband chipset. The analog audio front-end of the chipset is connected to the digital system through 16 bit
ADC converters in the uplink path, and through 16 bit DAC converters in the downlink path. External digital
audio devices can directly be interfaced to the DSP digital processing part via the I2S digital interface. The analog
amplifiers are skipped in this case.
The voice-band processing system can be split up into three different blocks:
• Sample-based Voice-band Processing (single sample processed at 8 kHz, every 125 µs)
• Frame-based Voice-band Processing (frames of 160 samples are processed every 20 ms)
• MIDI synthesizer running at 47.6 kHz
These three blocks are connected by buffers and sample rate converters (for 8 to 47.6 kHz conversion)
I2S_RXD
Switch
MIC
Uplink
Analog Gain
Uplink
Filter 2
Uplink
Filter 1
To
Radio TX
Uplink
Digital Gain
Downlink
Filter 1
Downlink
Filter 2
MIDI
Player
SPK Switch
I2Sx TX
I2S_TXD
Scal_Rec
Digital Gain
SPK
Analog Gain
Gain_Out
Digital Gain
From
Radio RX
Speech
Level
I2Sx RX
Sample Based Processing Frame Based Processing
Circular
Buffer
Sidetone
Digital Gain
DAC
ADC
Tone
Generator
AMR
Player
Hands-Free
Voiceband Sample Buffer
Figure 28: SARA-G340 / SARA-G350 modules audio processing system block diagram
The sample-based voice-band processing main task is to transfer the voice-band samples from either analog
audio front-end uplink path or I2Sx RX path to the Voice-band Sample Buffer and from the Voice-band Sample
Buffer to the analog audio front-end downlink path and/or I2Sx TX path. While doing this the samples are scaled
by digital gains and processed by digital filters both in the uplink and downlink direction and the sidetone is
generated mixing scaled uplink samples to the downlink samples (refer to the u-blox AT Commands Manual [3],
+UUBF, +UDBF, +UMGC, +USGC, +USTN commands).
The frame-based voice-band processing implements the Hands-Free algorithm. This consists of the Echo
Canceller, the Automatic Gain Control and the Noise Suppressor. Hands-Free algorithm acts on the uplink signal
only. Algorithms are configurable with AT commands (refer to the u-blox AT Commands Manual [3], +UHFP
command). The frame-based voice-band processing also implements an AMR player. The speech uplink path
final block before radio transmission is the speech encoder. Symmetrically, on downlink path, the starting block
is the speech decoder which extracts speech signal from the radio receiver.
The circular buffer is a 3000 word buffer to store and mix the voice-band samples from Midi synthesizer. The
buffer has a circular structure, so that when the write pointer reaches the end of the buffer, it is wrapped to the
begin address of the buffer.
UBX-13000995 - R12 Early Production Information System description
Page 61 of 196

SARA-G3 and SARA-U2 series - System Integration Manual
Two different sample-based sample rate converters are used: an interpolator, required to convert the
sample-based voice-band processing sampling rate of 8 kHz to the analog audio front-end output rate of
47.6 kHz; a decimator, required to convert the circular buffer sampling rate of 47.6 kHz to the I2Sx TX or the
uplink path sample rate of 8 kHz.
The following speech codecs are supported by SARA-G340 / SARA-G350 firmware on the DSP:
• GSM Half Rate (TCH/HS)
• GSM Full Rate (TCH/FS)
• GSM Enhanced Full Rate (TCH/EFR)
• 3GPP Adaptive Multi Rate (AMR) (TCH/AFS+TCH/AHS)
o In AMR Full Rate (AFS) the Active CODEC Set is selected from an overall set of 8 data rates:
12.2 – 10.2 – 7.95 – 7.40 – 6.70 – 5.90 – 5.15 – 4.75 kb/s
o In AMR Half Rate (AHS) the overall set comprises 6 different data rates:
7.95 – 7.40 – 6.70 – 5.90 – 5.15 – 4.75 kb/s
1.10.3.2 SARA-U2 modules audio processing system
The voiceband processing on the SARA-U2 modules is implemented in the DSP core inside the baseband chipset.
The external digital audio devices can be interfaced directly to the DSP digital processing part via the I2S digital
interface. With exception of the speech encoder/decoder, audio processing can be controlled by AT commands.
The audio processing is implemented within the different blocks of the voiceband processing system:
• Sample-based Voice-band Processing (single sample processed at 16 kHz for Wide Band AMR codec or
8 kHz for all other speech codecs)
• Frame-based Voice-band Processing (frames of 320 samples for Wide Band AMR codec or 160 samples for
all other speech codecs are processed every 20 ms)
These blocks are connected by buffers (circular buffer and voiceband sample buffer) and sample rate converters
(for 8 / 16 to 47.6 kHz conversion).
The voiceband audio processing implemented in the DSP core of SARA-U2 modules is summarized in Figure 29.
Switch
I2S_RXD UBF
2/6
UBF
1/5
Hands-
free
To
Radio TX
Uplink
Digital Gain
I2S_TXD
Switch
Scal_Rec
Digital Gain
Tone
Generator
I2Sx RX UBF
4/8
UBF
3/7
DBF
3/7
DBF
4/8
DBF
1/5
DBF
2/6
Legend:
UBF= Uplink Biquad Filter
DBF = Downlink Biquad Filter
I2Sx TX
Sidetone
From
Radio RX
Speech level
PCM
Player
Mix_Afe
Figure 29: SARA-U2 modules audio processing system block diagram
UBX-13000995 - R12 Early Production Information System description
Page 62 of 196

SARA-G3 and SARA-U2 series - System Integration Manual
SARA-U2 modules audio signal processing algorithms are:
• Speech encoding (uplink) and decoding (downlink).The following speech codecs are supported in firmware
on the DSP for speech encoding and decoding:
GERAN GMSK codecs
o GSM HR (GSM Half Rate)
o GSM FR (GSM Full Rate)
o GSM EFR (GSM Enhanced Full Rate)
o HR AMR (GSM Half Rate Adaptive Multi Rate - Narrow Band)
o FR AMR (GSM Full Rate Adaptive Multi Rate - Narrow Band)
o FR AMR-WB (GSM Full Rate Adaptive Multi Rate - Wide Band)
UTRAN codecs:
o UMTS AMR2 (UMTS Adaptive Multi Rate version 2 – Narrow Band)
o UMTS AMR-WB (UMTS Adaptive Multi Rate – Wide Band)
• Mandatory sub-functions:
o Discontinuous transmission, DTX (GSM 46.031, 46.041, 46.081 and 46.093 standards)
o Voice activity detection, VAD (GSM 46.032, 46.042, 46.082 and 46.094 standards)
o Background noise calculation (GSM 46.012, 46.022, 46.062 and 46.092 standards)
• Function configurable via specific AT commands (refer to the u-blox AT Commands Manual [3])
o Signal routing: +USPM command
o Analog amplification, digital amplification: +USGC, +CLVL, +CRSL, +CMUT command
o Digital filtering: +UUBF, +UDBF commands
o Hands-free algorithms (echo cancellation, Noise suppression, Automatic Gain control) +UHFP
command
o Sidetone generation (feedback of uplink speech signal to downlink path): +USTN command
o Playing/mixing of alert tones:
Service tones: Tone generator with 3 sinus tones +UPAR command
User generated tones: Tone generator with a single sinus tone +UTGN command
PCM audio files (for prompting): The storage format of PCM audio files is 8 kHz sample rate, signed
16 bits, little endian, mono
UBX-13000995 - R12 Early Production Information System description
Page 63 of 196

SARA-G3 and SARA-U2 series - System Integration Manual
1.11 General Purpose Input/Output (GPIO)
SARA-G300 and SARA-G310 modules do not support GPIOs.
SARA-G340, SARA-G350 and SARA-U2 modules provide pins which can be configured as general purpose input
or output, or can be configured to provide special functions via u-blox AT commands (for further details refer to
the u-blox AT Commands Manual [3], +UGPIOC, +UGPIOR, +UGPIOW, +UGPS, +UGPRF):
• SARA-G340 and SARA-G350 modules provide 4 configurable GPIO pins: GPIO1, GPIO2, GPIO3, GPIO4
• SARA-U2 modules provide 9 configurable GPIO pins: GPIO1, GPIO2, GPIO3, GPIO4, I2S_RXD, I2S_TXD,
I2S_CLK, I2S_WA, SIM_DET
The following functions are available:
• Network status indication:
The GPIO1, or the GPIO2, GPIO3, GPIO4 and, on SARA-U2 series only, the SIM_DET, alternatively from
their default settings, can be configured to indicate network status (i.e. no service, registered home network,
registered visitor network, voice or data call enabled), setting the parameter <gpio_mode> of AT+UGPIOC
command to 2.
No GPIO pin is by default configured to provide the “Network status indication” function.
The “Network status indication” mode can be provided only on one pin per time: it is not possible to
simultaneously set the same mode on another pin.
The pin configured to provide the “Network status indication” function is set as
o Continuous Low,
if no service (no network coverage or not registered)
o Cyclically High for 100 ms, Low for 2 s,
if registered home 2G network
o Cyclically High for 50 ms, Low for 50 ms, High for 50 ms, Low for 2 s,
if registered home 3G network
o Cyclically High for 100 ms, Low for 100 ms, High for 100 ms, Low for 2 s,
if registered visitor 2G network (roaming)
o Cyclically High for 50 ms, Low for 50 ms, High for 50 ms, Low for 100 ms,
if registered visitor 3G network (roaming)
o Continuous High,
if voice or data 2G/3G call enabled
• GSM Tx burst indication:
GPIO1 pin can be configured by AT+UGPIOC to indicate when a GSM Tx burst/slot occurs, setting the
parameter <gpio_mode> of AT+UGPIOC command to 9.
No GPIO pin is by default configured to provide the “GSM Tx burst indication” function.
The pin configured to provide the “GSM Tx burst indication” function is set as
o High, since ~10 µs before the start of first Tx slot, until ~5 µs after the end of last Tx slot
o Low, otherwise
SARA-U280 module does not support the “GSM Tx burst indication” function on GPIO1, as the module
does not support 2G radio access technology.
UBX-13000995 - R12 Early Production Information System description
Page 64 of 196

SARA-G3 and SARA-U2 series - System Integration Manual
• GNSS supply enable:
The GPIO2 is by default configured by AT+UGPIOC command to enable or disable the supply of the u-blox
GNSS receiver connected to the cellular module.
The GPIO1, GPIO3, GPIO4 pins and, on SARA-U2 series only, also the SIM_DET pin, can be configured to
provide the “GNSS supply enable” function, alternatively to the default GPIO2 pin, setting the parameter
<gpio_mode> of AT+UGPIOC command to 3. The “GNSS supply enable” mode can be provided only on
one pin per time: it is not possible to simultaneously set the same mode on another pin.
The pin configured to provide the “GNSS supply enable” function is set as
o High, to switch on the u-blox GNSS receiver, if AT+UGPS parameter <mode> is set to 1
o Low, to switch off the u-blox GNSS receiver, if AT+UGPS parameter <mode> is set to 0 (default)
• GNSS data ready:
Only the GPIO3 pin provides the “GNSS data ready” function, to sense when a u-blox GNSS receiver
connected to the cellular module is ready to send data via the DDC (I2C) interface, setting the parameter
<gpio_mode> of AT+UGPIOC command to 4.
The pin configured to provide the “GNSS data ready” function is set as
o Input, to sense the line status, waking up the cellular module from idle-mode when the u-blox
GNSS receiver is ready to send data via the DDC (I2C) interface, if the first AT+UGPS parameter is
set to 1 and the first AT+UGPRF parameter is set to 16
o Tri-state with an internal active pull-down enabled, otherwise (default setting)
• GNSS RTC sharing:
Only the GPIO4 pin provides the “GNSS RTC sharing” function, to provide an RTC (Real Time Clock)
synchronization signal to the u-blox GNSS receiver connected to the cellular module, setting the parameter
<gpio_mode> of AT+UGPIOC command to 5.
The pin configured to provide the “GNSS RTC sharing” function is set as
o Output, to provide an RTC (Real Time Clock) synchronization signal to the u-blox GNSS receiver if
the first AT+UGPS parameter is set to 1 and the first AT+UGPRF parameter is set to 32
o Low, otherwise (default setting)
• SIM card detection:
The SIM_DET pin of SARA-G3 modules is by default configured to detect SIM card mechanical presence and
this configuration cannot be changed by AT command.
The SIM_DET pin of SARA-U2 modules is by default configured to detect SIM card mechanical presence as
default setting of the AT+UGPIOC command: the “SIM card detection” function is enabled as the parameter
<gpio_mode> of AT+UGPIOC command is set to 7 (default setting).
The SIM_DET pin configured to provide the “SIM card detection” function is set as
o Input with an internal active pull-down enabled, to sense SIM card mechanical presence
The SIM_DET pin can sense the SIM card mechanical presence only if properly connected to the mechanical
switch of a SIM card holder as described in section 2.5:
o Low logic level at SIM_DET input pin is recognized as SIM card not present
o High logic level at SIM_DET input pin is recognized as SIM card present
SARA-U2 modules provide the additional function “SIM card hot insertion/removal” on the SIM_DET pin,
which can be enabled using the AT+UDCONF=50 command if the “SIM card detection” function is enabled
by AT+UGPIOC (for more details see u-blox AT Commands Manual [3]): in this case the SIM interface of the
SARA-U2 modules is disabled when a Low logic level is recognized at SIM_DET input pin (within 20 ms from
the start of the Low level) and it is enabled when an High logic level at SIM_DET input pin is recognized.
SARA-G3 series do not support the additional function “SIM card hot insertion/removal”
UBX-13000995 - R12 Early Production Information System description
Page 65 of 196

SARA-G3 and SARA-U2 series - System Integration Manual
• Module status indication:
The GPIO1 pin of SARA-U2 modules can be configured to indicate module status (power-off mode, i.e.
module switched off, versus idle, active or connected mode, i.e. module switched on), by properly setting
the parameter <gpio_mode> of AT+UGPIOC command to 10.
No GPIO pin is by default configured to provide the “Module status indication”.
The pin configured to provide the “Module status indication” function is set as
o High, when the module is switched on (any operating mode during module normal operation)
o Low, when the module is switched off (power off mode)
SARA-G3 series do not support “Module status indication” function.
• Module operating mode indication:
The SIM_DET pin of SARA-U2 modules can be configured to indicate module operating mode status (the
low power idle-mode versus active or connected mode), by properly setting the parameter <gpio_mode> of
AT+UGPIOC command to 11.
No GPIO pin is by default configured to provide the “Module operating mode indication”.
The pin configured to provide the “Module operating mode indication” function is set as
o Output / High, when the module is in active or connected mode
o Output / Low, when the module is in idle-mode (that can be reached if power saving is enabled by
+UPSV AT command: for further details see u-blox AT Commands Manual [3])
SARA-G3 series do not support “Module operating mode indication”.
• I2S digital audio interface:
The I2S_RXD, I2S_TXD, I2S_CLK, I2S_WA pins of SARA-U2 modules are by default configured as the I2S
digital audio interface.
Only these pins of SARA-U2 modules can be configured as the I2S digital audio interface, by correctly setting
the parameter <gpio_mode> of AT+UGPIOC command to 12 (default setting).
SARA-G3 series do not support the I2S digital audio interface over GPIOs.
• General purpose input:
All the GPIOs can be configured as input to sense high or low digital level through AT+UGPIOR command,
setting the parameter <gpio_mode> of AT+UGPIOC command to 1.
The “General purpose input” mode can be provided on more than one pin at a time.
No GPIO pin is by default configured as “General purpose input”.
The pin configured to provide the “General purpose input” function is set as
o Input, to sense high or low digital level by AT+UGPIOR command.
• General purpose output:
All the GPIOs can be configured as output to set the high or the low digital level through AT+UGPIOW
command, setting the parameter <gpio_mode> of +UGPIOC AT command to 0.
The “General purpose output” mode can be provided on more than one pin per time.
No GPIO pin is by default configured as “General purpose output”.
The pin configured to provide the “General purpose output” function is set as
o Output / Low, if the parameter <gpio_out_val> of AT+UGPIOW command is set to 0
o Output / High, if the parameter <gpio_out_val> of AT+UGPIOW command is set to 1
UBX-13000995 - R12 Early Production Information System description
Page 66 of 196

SARA-G3 and SARA-U2 series - System Integration Manual
• Pin disabled:
All the GPIOs can be configured in tri-state with an internal active pull-down enabled, as a not used pin,
setting the parameter <gpio_mode> of +UGPIOC AT command to 255.
The “Pin disabled” mode can be provided on more than one pin per time: it is possible to simultaneously set
the same mode on another pin (also on all the GPIOs).
The pin configured to provide the “Pin disabled” function is set as
o Tri-state with an internal active pull-down enabled
Table 13 describes the configurations of all SARA-G340, SARA-G350 and SARA-U2 modules’ GPIO pins.
Pin Module Name Description Remarks
16 SARA-G340
SARA-G350
GPIO1 GPIO By default, the pin is configured as Pin disabled.
Can be alternatively configured by the AT+UGPIOC command as
• Output
• Input
• Network Status Indication
• GNSS Supply Enable
• GSM Tx Burst Indication
SARA-U260
SARA-U270
GPIO1 GPIO By default, the pin is configured as Pin disabled.
Can be alternatively configured by the AT+UGPIOC command as
• Output
• Input
• Network Status Indication
• GNSS Supply Enable
• GSM Tx Burst Indication
• Module Status Indication
SARA-U280 GPIO1 GPIO By default, the pin is configured as Pin disabled.
Can be alternatively configured by the AT+UGPIOC command as
• Output
• Input
• Network Status Indication
• GNSS Supply Enable
• Module Status Indication
23 SARA-G340
SARA-G350
SARA-U2 series
GPIO2 GPIO By default, the pin is configured to provide GNSS Supply Enable function.
Can be alternatively configured by the +UGPIOC command as
• Output
• Input
• Network Status Indication
• Pin disabled
24 SARA-G340
SARA-G350
SARA-U2 series
GPIO3 GPIO By default, the pin is configured to provide GNSS Data Ready function.
Can be alternatively configured by the +UGPIOC command as
• Output
• Input
• Network Status Indication
• GNSS Supply Enable
• Pin disabled
25 SARA-G340
SARA-G350
SARA-U2 series
GPIO4 GPIO By default, the pin is configured to provide GNSS RTC sharing function.
Can be alternatively configured by the +UGPIOC command as
• Output
• Input
• Network Status Indication
• GNSS Supply Enable
• Pin disabled
UBX-13000995 - R12 Early Production Information System description
Page 67 of 196

SARA-G3 and SARA-U2 series - System Integration Manual
Pin Module Name Description Remarks
42 SARA-G340
SARA-G350
SIM_DET SIM detection By default, the pin is configured to provide SIM card detection function.
The pin cannot be alternatively configured by the +UGPIOC command.
SARA-U2 series
SIM_DET GPIO By default, the pin is configured to provide SIM card detection function.
Can be alternatively configured by the +UGPIOC command as
• Output
• Input
• Network Status Indication
• GNSS Supply Enable
• Module Operating Mode Indication
• Pin disabled
34 SARA-U2 series
I2S_WA GPIO By default, the pin is configured to provide I2S word alignment function.
Can be alternatively configured by the +UGPIOC command as
• Output
• Input
• Pin disabled
35 SARA-U2 series
I2S_TXD GPIO By default, the pin is configured to provide I
2
S data output function.
Can be alternatively configured by the +UGPIOC command as
• Output
• Input
• Pin disabled
36 SARA-U2 series
I2S_CLK GPIO By default, the pin is configured to provide I2S clock function.
Can be alternatively configured by the +UGPIOC command as
• Output
• Input
• Pin disabled
37 SARA-U2 series
I2S_RXD GPIO By default, the pin is configured to provide I2S data input function.
Can be alternatively configured by the +UGPIOC command as
• Output
• Input
• Pin disabled
Table 13: GPIO pins configurations
1.12 Reserved pins (RSVD)
SARA-G3 and SARA-U2 series modules have pins reserved for future use: they can all be left unconnected on the
application board, except the RSVD pin number 33 that must be externally connected to ground.
UBX-13000995 - R12 Early Production Information System description
Page 68 of 196

SARA-G3 and SARA-U2 series - System Integration Manual
1.13 System features
1.13.1 Network indication
Not supported by SARA-G300 and SARA-G310 modules.
The GPIO1, or the GPIO2, GPIO3, GPIO4 and, on SARA-U2 series only, the SIM_DET, alternatively from their
default settings, can be configured to indicate network status (i.e. no service, registered home network,
registered visitor network, voice or data call enabled), by means of the AT+UGPIOC command.
For the detailed description, see section 1.11 and to u-blox AT Commands Manual [3], GPIO commands.
1.13.2 Antenna detection
Not supported by SARA-G300 and SARA-G310 modules.
ANT_DET pin of SARA-G340, SARA-G350 and SARA-U2 series modules is an Analog to Digital Converter (ADC)
provided to sense the presence of an external antenna when optionally set by the +UANTR AT command.
The external antenna assembly must be provided with a built-in resistor (diagnostic circuit) to be detected, and
an antenna detection circuit must be implemented on the application board properly connecting the antenna
detection input (ANT_DET) to the antenna RF interface (ANT).
For more details regarding feature description and detection / diagnostic circuit design-in see sections 1.7.2 and
2.4.2, and to the u-blox AT Commands Manual [3].
1.13.3 Jamming detection
Not supported by SARA-G300 and SARA-G310 modules.
In real network situations modules can experience various kind of out-of-coverage conditions: limited service
conditions when roaming to networks not supporting the specific SIM, limited service in cells which are not
suitable or barred due to operators’ choices, no cell condition when moving to poorly served or highly interfered
areas. In the latter case, interference can be artificially injected in the environment by a noise generator covering
a given spectrum, thus obscuring the operator’s carriers entitled to give access to the cellular service.
The Jamming Detection Feature detects such “artificial” interference and reports the start and stop of such
conditions to the client, which can react appropriately by e.g. switching off the radio transceiver to reduce
power consumption and monitoring the environment at constant periods.
The feature detects, at radio resource level, an anomalous source of interference and signals it to the client with
an unsolicited indication when the detection is entered or released. The jamming condition occurs when:
• The module has lost synchronization with the serving cell and cannot select any other cell
• The band scan reveals at least n carriers with power level equal or higher than threshold
• On all such carriers, no synchronization is possible
The client can configure the number of minimum disturbing carriers and the power level threshold by using the
AT+UCD command [3].
The jamming condition is cleared when any of the above mentioned statements does not hold.
The congestion (i.e. jamming) detection feature can be enabled and configured by the +UCD AT command (for
more details see the u-blox AT Commands Manual [3]).
UBX-13000995 - R12 Early Production Information System description
Page 69 of 196

SARA-G3 and SARA-U2 series - System Integration Manual
1.13.4 TCP/IP and UDP/IP
Not supported by SARA-G300 and SARA-G310 modules.
Via the AT commands it is possible to access the embedded TCP/IP and UDP/IP stack functionalities over the
Packet Switched data connection. For more details about AT commands see u-blox AT Commands Manual [3].
Direct Link mode for TCP and UDP sockets is supported. Sockets can be set in Direct Link mode to establish a
transparent end-to-end communication with an already connected TCP or UDP socket via serial interface. In
Direct Link mode, data sent to the serial interface from an external application processor is forwarded to the
network and vice-versa.
To avoid data loss while using Direct Link, enable HW flow control on the serial interface.
1.13.5 FTP
Not supported by SARA-G300 and SARA-G310 modules.
SARA-G340, SARA-G350 and SARA-U2 series modules support the File Transfer Protocol functionalities via AT
commands. Files are read and stored in the local file system of the module.
SARA-U2 series modules support also Secure File Transfer Protocol functionalities providing SSL encryption.
For more details about AT commands see the u-blox AT Commands Manual [3].
1.13.6 HTTP
Not supported by SARA-G300 and SARA-G310 modules.
SARA-G340, SARA-G350 and SARA-U2 modules support Hyper-Text Transfer Protocol functionalities as an HTTP
client is implemented: HEAD, GET, POST, DELETE and PUT operations are available. The file size to be uploaded /
downloaded depends on the free space available in the local file system (FFS) at the moment of the operation.
Up to 4 HTTP client contexts can simultaneously be used.
SARA-U2 modules support also Secure Hyper-Text Transfer Protocol functionalities providing SSL encryption.
For more details about AT commands see the u-blox AT Commands Manual [3].
1.13.7 SMTP
Not supported by SARA-G300, SARA-G310 and SARA-U2 modules.
SARA-G340 and SARA-G350 modules support SMTP client functionalities. It is possible to specify the common
parameters (e.g. server data, authentication method, etc. can be specified), to send an email to a SMTP server.
Emails can be sent with or without attachment. Attachments are stored in the module local file system.
For more details about AT commands see the u-blox AT Commands Manual [3].
UBX-13000995 - R12 Early Production Information System description
Page 70 of 196

SARA-G3 and SARA-U2 series - System Integration Manual
1.13.8 SSL
Not supported by SARA-G300 and SARA-G310 modules.
Not supported by SARA-G340-00S and SARA-G350-00S / SARA-G350-00X modules.
The modules support the Secure Sockets Layer (SSL) / Transport Layer Security (TLS) with certificate key sizes up
to 4096 bits to provide security over the FTP and HTTP protocols.
The modules:
o support the server authentication without the root certificate verification
o do not support the mutual authentication (use of client certificates)
SSL/TLS Version SARA-U series SARA-G series
SSL 2.0 NO NO
SSL 3.0 YES NO
TLS 1.0 YES YES
TLS 1.1 NO NO
TLS 1.2 NO NO
Table 14: SSL/TLS version support
Algorithm SARA-U series SARA-G series
RSA YES YES
PSK NO YES
Table 15: Authentication
Algorithm SARA-U series SARA-G series
RC4 YES YES
DES NO YES
3DES NO YES
AES128 YES YES
AES256 NO YES
Table 16: Encryption
Algorithm SARA-U series SARA-G series
MD5 YES YES
SHA/SHA1 YES YES
SHA256 NO YES
SHA384 NO YES
Table 17: Message digest
UBX-13000995 - R12 Early Production Information System description
Page 71 of 196

SARA-G3 and SARA-U2 series - System Integration Manual
Description Registry value SARA-U series SARA-G series
TLS_RSA_WITH_AES_128_CBC_SHA 0x00,0x2F YES YES
TLS_RSA_WITH_AES_128_CBC_SHA256 0x00,0x3C NO YES
TLS_RSA_WITH_AES_256_CBC_SHA 0x00,0x35 NO YES
TLS_RSA_WITH_AES_256_CBC_SHA256 0x00,0x3D NO YES
TLS_RSA_WITH_3DES_EDE_CBC_SHA 0x00,0x0A NO YES
TLS_RSA_WITH_DES_CBC_SHA 0x00,0x09 NO YES
TLS_RSA_WITH_RC4_128_MD5
0x00,0x04
YES
YES
TLS_RSA_WITH_RC4_128_SHA 0x00,0x05 YES YES
TLS_PSK_WITH_AES_128_CBC_SHA 0x00,0x8C NO YES
TLS_PSK_WITH_AES_256_CBC_SHA 0x00,0x8D NO YES
TLS_PSK_WITH_3DES_EDE_CBC_SHA 0x00,0x8B NO YES
TLS_RSA_PSK_WITH_AES_128_CBC_SHA 0x00,0x94 NO YES
TLS_RSA_PSK_WITH_AES_256_CBC_SHA 0x00,0x95 NO YES
TLS_RSA_PSK_WITH_3DES_EDE_CBC_SHA 0x00,0x93 NO YES
TLS_PSK_WITH_AES_128_CBC_SHA256 0x00,0xAE NO YES
TLS_PSK_WITH_AES_256_CBC_SHA384 0x00,0xAF NO YES
TLS_RSA_PSK_WITH_AES_128_CBC_SHA256 0x00,0xB6 NO YES
TLS_RSA_PSK_WITH_AES_256_CBC_SHA384 0x00,0xB7 NO YES
Table 18: TLS cipher suite registry
1.13.9 Dual stack IPv4/IPv6
Not supported by SARA-G3 modules.
SARA-U2 modules support both Internet Protocol version 4 and Internet Protocol version 6.
For more details about dual stack IPv4/IPv6 see the u-blox AT Commands Manual [3].
UBX-13000995 - R12 Early Production Information System description
Page 72 of 196

SARA-G3 and SARA-U2 series - System Integration Manual
1.13.10 Smart temperature management
Not supported by SARA-G300 and SARA-G310 modules.
Cellular modules – independent of the specific model – always have a well-defined operating temperature range.
This range should be respected to guarantee full device functionality and long life span.
Nevertheless there are environmental conditions that can affect operating temperature, e.g. if the device is
located near a heating/cooling source, if there is/is not air circulating, etc.
The module itself can also influence the environmental conditions; such as when it is transmitting at full power.
In this case its temperature increases very quickly and can raise the temperature nearby.
The best solution is always to properly design the system where the module is integrated. Nevertheless an extra
check/security mechanism embedded into the module is a good solution to prevent operation of the device
outside of the specified range.
Smart Temperature Supervisor (STS)
The Smart Temperature Supervisor is activated and configured by a dedicated AT+USTS command. See u-blox
AT Commands Manual [3] for more details.
The cellular module measures the internal temperature (Ti) and its value is compared with predefined thresholds
to identify the actual working temperature range.
Temperature measurement is done inside the module: the measured value could be different from the
environmental temperature (Ta).
Warning
area
t-1 t+1 t+2
t-2
Valid temperature range
Safe
area
Dangerous
area
Dangerous
area
Warning
area
Figure 30: Temperature range and limits
The entire temperature range is divided into sub-regions by limits (see Figure 30) named t-2, t-1, t+1 and t+2.
• Within the first limit, (t-1 < Ti < t+1), the cellular module is in the normal working range, the Safe Area
• In the Warning Area, (t-2 < Ti < t.1) or (t+1 < Ti < t+2), the cellular module is still inside the valid temperature
range, but the measured temperature approaches the limit (upper or lower). The module sends a warning to
the user (through the active AT communication interface), which can take, if possible, the necessary actions
to return to a safer temperature range or simply ignore the indication. The module is still in a valid and good
working condition
• Outside the valid temperature range, (Ti < t-2) or (Ti > t+2), the device is working outside the specified range
and represents a dangerous working condition. This condition is indicated and the device shuts down to
avoid damage
For security reasons the shutdown is suspended in case an emergency call in progress. In this case the
device switches off at call termination.
The user can decide at anytime to enable/disable the Smart Temperature Supervisor feature. If the feature
is disabled there is no embedded protection against disallowed temperature conditions.
UBX-13000995 - R12 Early Production Information System description
Page 73 of 196

SARA-G3 and SARA-U2 series - System Integration Manual
Figure 31 shows the flow diagram implemented in the SARA-G340 and SARA-G350 modules for the Smart
Temperature Supervisor.
IF STS
enabled
Read
temperature
IF
(t-1<Ti<t+1)
IF
(t-2<Ti<t+2)
Send
notification
(warning)
Send
notification
(dangerous)
Wait emergency
call termination
IF
emerg.
call in
progress
Shut the device
down
Yes
No
Yes
Yes
No
No
No
Yes
Send
shutdown
notification
Feature enabled
(full logic or
indication only)
IF
Full Logic
Enabled
Feature disabled:
no action
Temperature is
within normal
operating range
Yes
Tempetature
is within
warning area
Tempetature is
outside valid
temperature range
No
Featuere enabled
in full logic mode
Feature enabled in
indication only mode:
no further actions
Send
notification
(safe)
Previously
outside of
Safe Area
Tempetature
is back to
safe area
No
No
further
actions
Yes
Figure 31: Smart Temperature Supervisor (STS) flow diagram
UBX-13000995 - R12 Early Production Information System description
Page 74 of 196

SARA-G3 and SARA-U2 series - System Integration Manual
Threshold definitions
When the module application operates at extreme temperatures with Smart Temperature Supervisor enabled,
the user should note that outside the valid temperature range the device automatically shuts down as described
above.
The input for the algorithm is always the temperature measured within the cellular module (Ti, internal). This
value can be higher than the working ambient temperature (Ta, ambient), since (for example) during
transmission at maximum power a significant fraction of DC input power is dissipated as heat. This behavior is
partially compensated by the definition of the upper shutdown threshold (t+2) that is slightly higher than the
declared environmental temperature limit.
Table 19 defines the temperature thresholds for SARA-G340 and SARA-G350 modules.
Symbol Parameter Temperature Remarks
t-2 Low temperature shutdown –40 °C Equal to the absolute minimum temperature rating for the cellular
module (the lower limit of the extended temperature range)
t
-1
Low temperature warning –30 °C 10 °C above t
-2
t+1 High temperature warning +85 °C
10 °C below t+2. The higher warning area for upper range ensures
that any countermeasures used to limit the thermal heating will
become effective, even considering some thermal inertia of the
complete assembly.
t+2 High temperature shutdown +95 °C
Equal to the internal temperature Ti measured in the worst case
operating condition at typical supply voltage when the ambient
temperature Ta in the reference setup (*) equals the absolute
maximum temperature rating (upper limit of the extended
temperature range)
(*) SARA-G340 / SARA-G350 module mounted on a 79 x 62 x 1.41 mm 4-Layers PCB with a high coverage of copper
Table 19: Thresholds definition for Smart Temperature Supervisor on the SARA-G340 and SARA-G350 modules
Table 20 defines the temperature thresholds for SARA-U2 modules.
Symbol Parameter Temperature Remarks
t-2 Low temperature shutdown –40 °C Equal to the absolute minimum temperature rating for the cellular
module (the lower limit of the extended temperature range)
t
-1
Low temperature warning –30 °C 10 °C above t
-2
t+1 High temperature warning +77 °C
20 °C below t+2. The higher warning area for upper range ensures
that any countermeasures used to limit the thermal heating will
become effective, even considering some thermal inertia of the
complete assembly.
t+2 High temperature shutdown +97 °C
Equal to the internal temperature Ti measured in the worst case
operating condition at typical supply voltage when the ambient
temperature Ta in the reference setup (*) equals the absolute
maximum temperature rating (upper limit of the extended
temperature range)
(*) SARA-U2 module mounted on a 79 x 62 x 1.41 mm 4-Layers PCB with a high coverage of copper
Table 20: Thresholds definition for Smart Temperature Supervisor on the SARA-U2 modules
The sensor measures board temperature inside the shields, which can differ from ambient temperature.
UBX-13000995 - R12 Early Production Information System description
Page 75 of 196

SARA-G3 and SARA-U2 series - System Integration Manual
1.13.11 AssistNow clients and GNSS integration
Not supported by SARA-G300 and SARA-G310 modules.
For customers using u-blox GNSS receivers, SARA-G340, SARA-G350 and SARA-U2 modules feature embedded
AssistNow clients. AssistNow A-GPS provides better GNSS performance and faster Time-To-First-Fix. The clients
can be enabled and disabled with an AT command (see the u-blox AT Commands Manual [3]).
SARA-G340, SARA-G350 and SARA-U2 modules act as a stand-alone AssistNow client, making AssistNow
available with no additional requirements for resources or software integration on an external host micro
controller. Full access to u-blox positioning receivers is available via the cellular modules, through a dedicated
DDC (I2C) interface, while the available GPIOs can handle the positioning chipset / module power-on/off. This
means that the cellular module and the positioning chips and modules can be controlled through a single serial
port from any host processor.
1.13.12 Hybrid positioning and CellLocate®
Not supported by SARA-G300 and SARA-G310 versions.
Although GNSS is a widespread technology, reliance on the visibility of extremely weak GNSS satellite signals
means that positioning is not always possible, particularly in shielded environments such as indoors and enclosed
park houses, or when a GNSS jamming signal is present. The situation can be improved by augmenting GNSS
receiver data with network cell information to provide a level of redundancy that can benefit numerous
applications.
Positioning through cellular information: CellLocate®
u-blox CellLocate® enables the device position estimation based on the parameters of the mobile network cells
visible to the specific device. To estimate its position the module sends the CellLocate® server the parameters of
network cells visible to it using a UDP connection. In return the server provides the estimated position based on
the CellLocate® database. SARA-G340, SARA-G350 and SARA-U2 modules can either send the parameters of
the visible home network cells only (normal scan) or the parameters of all surrounding cells of all mobile
operators (deep scan).
The CellLocate® database is compiled from the position of devices which observed, in the past, a specific cell or
set of cells (historical observations) as follows:
UBX-13000995 - R12 Early Production Information System description
Page 76 of 196

SARA-G3 and SARA-U2 series - System Integration Manual
1. Several devices reported their position to the CellLocate® server when observing a specific cell (the As in the
picture represent the position of the devices which observed the same cell A)
2. CellLocate® server defines the area of Cell A visibility
3. If a new device reports the observation of Cell A CellLocate® is able to provide the estimated position from
the area of visibility
UBX-13000995 - R12 Early Production Information System description
Page 77 of 196

SARA-G3 and SARA-U2 series - System Integration Manual
4. The visibility of multiple cells provides increased accuracy based on the intersection of areas of visibility.
CellLocate® is implemented using a set of two AT commands that allow configuration of the CellLocate® service
(AT+ULOCCELL) and requesting position according to the user configuration (AT+ULOC). The answer is provided
in the form of an unsolicited AT command including latitude, longitude and estimated accuracy.
The accuracy of the position estimated by CellLocate® depends on the availability of historical observations
in the specific area.
Hybrid positioning
With u-blox hybrid positioning technology, u-blox cellular modules can be triggered to provide their current
position using either a u-blox GNSS receiver or the position estimated from CellLocate®. The choice depends on
which positioning method provides the best and fastest solution according to the user configuration, exploiting
the benefit of having multiple and complementary positioning methods.
Hybrid positioning is implemented through a set of three AT commands that allow GNSS receiver configuration
(AT+ULOCGNSS), CellLocate® service configuration (AT+ULOCCELL), and requesting the position according to
the user configuration (AT+ULOC). The answer is provided in the form of an unsolicited AT command including
latitude, longitude and estimated accuracy (if the position has been estimated by CellLocate®), and additional
parameters if the position has been computed by the GNSS receiver.
The configuration of mobile network cells does not remain static (e.g. new cells are continuously added or
existing cells are reconfigured by the network operators). For this reason, when a hybrid positioning method has
been triggered and the GNSS receiver calculates the position, a database self-learning mechanism has been
implemented so that these positions are sent to the server to update the database and maintain its accuracy.
The use of hybrid positioning requires a connection via the DDC (I2C) bus between the cellular modules and the
u-blox GNSS receiver (see section 2.6.4).
See GNSS Implementation Application Note [24] for the complete description of the feature.
u-blox is extremely mindful of user privacy. When a position is sent to the CellLocate® server u-blox is
unable to track the SIM used or the specific device.
UBX-13000995 - R12 Early Production Information System description
Page 78 of 196

SARA-G3 and SARA-U2 series - System Integration Manual
1.13.13 Firmware upgrade Over AT (FOAT)
Overview
This feature allows upgrading the module Firmware over the AT interface of the module (the UART for SARA-G3
modules, the UART or the USB for SARA-U2 modules), using AT Commands.
• The AT+UFWUPD command triggers a reboot followed by the upgrade procedure at specified a baud rate
(see u-blox AT Commands Manual [3] for more details)
• A special boot loader on the module performs firmware installation, security verifications and module reboot
• Firmware authenticity verification is performed via a security signature during the download. The firmware is
then installed, overwriting the current version. In case of power loss during this phase, the boot loader
detects a fault at the next wake-up, and restarts the firmware download from the Xmodem-1k handshake.
After completing the upgrade, the module is reset again and wakes-up in normal boot
FOAT procedure
The application processor must proceed in the following way:
• Send the AT+UFWUPD command through the AT interface, specifying file type and desired baud rate
• Reconfigure serial communication at selected baud rate, with the used protocol
• Send the new FW image via the used protocol
For more details, see the Firmware Update Application Note [25].
1.13.14 Firmware upgrade Over The Air (FOTA)
Not supported by SARA-G300 and SARA-G310 modules and SARA-U2 series.
Supported upon request on SARA-G340 and SARA-G350 modules.
This feature allows upgrading the module firmware over the air, i.e. over the cellular network. The main idea
with updating firmware over the air is to reduce the amount of data required for transmission to the module.
This is achieved by downloading only a “delta file” instead of the full firmware. The delta contains only the
differences between the two firmware versions (old and new), and is compressed.
For more details, see the Firmware Update Application Note [25].
UBX-13000995 - R12 Early Production Information System description
Page 79 of 196

SARA-G3 and SARA-U2 series - System Integration Manual
1.13.15 In-Band modem (eCall / ERA-GLONASS)
Not supported by SARA-G300 / SARA-G310 / SARA-U260 / SARA-U280 modules.
SARA-G340, SARA-G350 and SARA-U2 modules support an In-Band modem solution for the European eCall
and the Russian ERA-GLONASS emergency call applications over cellular networks, implemented according to
3GPP TS 26.267 [22], BS EN 16062:2011 [30] and ETSI TS 122 101 [31] specifications.
eCall (European) and ERA-GLONASS (Russian) are initiatives to combine mobile communications and satellite
positioning to provide rapid assistance to motorists in the event of a collision. The eCall automated emergency
response system is based on GPS, and the ERA-GLONASS is based on the GLONASS positioning system.
When activated, the in-vehicle systems (IVS) automatically initiate an emergency call carrying both voice and data
(including location data) directly to the nearest Public Safety Answering Point (PSAP) to determine whether
rescue services should be dispatched to the known position.
Figure 32: eCall and ERA-GLONASS automated emergency response systems diagram flow
For more details regarding the In-Band modem solution for the European eCall and the Russian ERA-GLONASS
emergency call applications see the u-blox eCall / ERA-GLONASS Application Note [29].
1.13.16 SIM Access Profile (SAP)
Not supported by SARA-G3 modules.
SIM access profile (SAP) feature allows SARA-U2 modules to access and use a remote (U)SIM card instead of the
local SIM card directly connected to the module (U)SIM interface.
SARA-U2 modules provide a dedicated USB SAP channel and dedicated multiplexer SAP channel over UART for
communication with the remote (U)SIM card.
The communication between SARA-U2 modules and the remote SIM is conformed to client-server paradigm: the
SARA-U2 module is the SAP client establishing a connection and performing data exchange to an SAP server
directly connected to the remote SIM that is used by SARA-U2 module for GSM/UMTS network operations. The
SAP communication protocol is based on the SIM Access Profile Interoperability Specification [28].
SARA-U2 modules do not support SAP server role: the module acts as SAP client only.
A typical application using the SAP feature is the scenario where a device such as an embedded car-phone with
an integrated SARA-U2 module uses a remote SIM included in an external user device (e.g. a simple SIM card
reader or a portable phone), which is brought into the car. The car-phone accesses the GSM/UMTS network
using the remote SIM in the external device.
UBX-13000995 - R12 Early Production Information System description
Page 80 of 196

SARA-G3 and SARA-U2 series - System Integration Manual
SARA-U2 modules, acting as an SAP client, can be connected to an SAP server by a completely wired
connection, as shown in Figure 33.
Device including SARA-U2
GSM/UMTS
Interface
SAP
Serial Interface
(SAP channel over
USB or UART)
Local SIM
(optional)
SARA-U2
SAP Client
Application
Processor
Device including SIM
SAP
Serial Interface
Remote SIM
Mobile
Equipment
SAP Server
Figure 33: Remote SIM access via completely wired connection
As stated in the SIM Access Profile Interoperability Specification [28], the SAP client can be connected to the SAP
server by means of a Bluetooth wireless link, using additional Bluetooth transceivers. In this case, the application
processor wired to SARA-U2 modules establishes and controls the Bluetooth connection using the SAP profile,
and routes data received over a serial interface channel to data transferred over a Bluetooth interface and vice
versa, as shown in Figure 34.
Device including SARA-U2
SAP
Serial Interface
(SAP channel o ver
USB or UART)
GSM/UMTS
Interface
Local SIM
(optional)
SARA-U2
SAP Client
Application
Processor
SAP
Bluetooth
Interface
Bluetooth
Transceiver
Device including SIM
Remote SIM
Mobile
Equipment
SAP Server
Bluetooth
Transceiver
Figure 34: Remote SIM access via Bluetooth and wired connection
The application processor can start an SAP connection negotiation between SARA-U2 module SAP client and an
SAP server using custom AT command (for more details refer to u-blox AT Commands Manual [3]).
While the connection with the SAP server is not fully established, the SARA-U2 module continues to operate
with the attached (local) SIM, if present. Once the connection is established and negotiated, the SARA-U2
module performs a detach operation from the local SIM followed by an attach operation to the remote one.
Then the remotely attached SIM is used for any GSM/UMTS network operation.
URC indications are provided to inform the user about the state of both the local and remote SIM. The insertion
and the removal of the local SIM card are notified if a proper card presence detection circuit using the SIM_DET
pin of SARA-U2 modules is implemented as shown in the section 2.5, and if the related “SIM card detection”
and “SIM hot insertion/removal” functions are enabled by AT commands (for more details see u-blox AT
Commands Manual [3], +UGPIOC, +UDCONF=50 AT commands).
Upon SAP deactivation, the SARA-U2 modules perform a detach operation from the remote SIM followed by an
attach operation to the local one, if present.
UBX-13000995 - R12 Early Production Information System description
Page 81 of 196

SARA-G3 and SARA-U2 series - System Integration Manual
1.13.17 Power saving
The power saving configuration is by default disabled, but it can be enabled using the AT+UPSV command.
When power saving is enabled, the module automatically enters the low power idle-mode whenever possible,
reducing current consumption.
During low power idle-mode, the module is not ready to communicate with an external device by means of the
application interfaces, since it is configured to reduce power consumption. It can be woken up from idle-mode
to active-mode by the connected application processor, by the connected u-blox positioning receiver or by
network activities, as described in Table 6.
During idle-mode, the module processor core runs with the RTC 32 kHz reference clock, which is generated by:
• The internal 32 kHz oscillator, in case of SARA-G340, SARA-G350 and SARA-U2 modules
• The 32 kHz signal provided at the EXT32K input pin, in case of SARA-G300 and SARA-G310 modules
SARA-G300 and SARA-G310 need a 32 kHz signal at EXT32K input to reach the low power idle-mode.
For the complete description of the AT+UPSV command, refer to the u-blox AT Commands Manual [3].
For the definition and the description of SARA-G3 and SARA-U2 series modules operating modes, including the
events forcing transitions between the different operating modes, refer to section 1.4.
For the description of current consumption in idle and active operating modes, refer to sections 1.5.1.4, 1.5.1.5.
For the description of the UART settings related to module power saving configuration, refer to section 1.9.1.4.
For the description of the USB settings related to module power saving configuration, refer to section 1.9.3.2.
For the description of the EXT32K input and related application circuit design-in, refer to sections 1.6.4, 2.3.3.
UBX-13000995 - R12 Early Production Information System description
Page 82 of 196

SARA-G3 and SARA-U2 series - System Integration Manual
2 Design-in
2.1 Overview
For an optimal integration of SARA-G3 and SARA-U2 series modules in the final application board follow the
design guidelines stated in this section.
Every application circuit must be properly designed to guarantee the correct functionality of the related interface,
however a number of points require higher attention during the design of the application device.
The following list provides a ranking of importance in the application design, starting from the highest relevance:
1. Module antenna connection: ANT and ANT_DET pins. Antenna circuit directly affects the RF compliance of
the device integrating a SARA-G3 and SARA-U2 series module with the applicable certification schemes.
Very carefully follow the suggestions provided in section 2.4 for schematic and layout design.
2. Module supply: VCC and GND pins. The supply circuit affects the RF compliance of the device integrating a
SARA-G3 and SARA-U2 series module with applicable certification schemes as well as antenna circuit design.
Very carefully follow the suggestions provided in section 2.2.1 for schematic and layout design.
3. USB interface: USB_D+, USB_D- and VUSB_DET pins. Accurate design is required to guarantee USB 2.0
high-speed interface functionality. Carefully follow the suggestions provided in the related section 2.6.1 for
schematic and layout design.
4. SIM interface: VSIM, SIM_CLK, SIM_IO, SIM_RST, SIM_DET pins. Accurate design is required to guarantee
SIM card functionality and compliance with applicable conformance standards, reducing also the risk of RF
coupling. Carefully follow the suggestions provided in section 2.5 for schematic and layout design.
5. System functions: RESET_N, PWR_ON pins. Accurate design is required to guarantee that the voltage level
is well defined during operation. Carefully follow the suggestions provided in section 2.3 for schematic and
layout design.
6. Analog audio interface: MIC_BIAS, MIC_GND, MIC_P, MIC_N uplink and SPK_P, SPK_N downlink pins.
Accurate design is required to obtain clear and high quality audio reducing the risk of noise from audio lines
due to both supply burst noise coupling and RF detection. Carefully follow the suggestions provided in
section 2.7.1 for schematic and layout design.
7. Other digital interfaces: UART and auxiliary UART interfaces, DDC I2C-compatible interface, digital audio
interface and GPIOs. Accurate design is required to guarantee proper functionality and reduce the risk of
digital data frequency harmonics coupling. Follow the suggestions provided in sections 2.6.1, 2.6.2, 2.6.4,
2.7.2 and 2.8 for schematic and layout design.
8. 32 kHz signal: the EXT32K input pin and the 32K_OUT output pin of SARA-G300 and SARA-G310 modules
require accurate layout design as it may affect the stability of the RTC reference. Follow the suggestions
provided in section 2.3.3 for schematic and layout design.
9. Other supplies: the V_BCKP RTC supply input/output and the V_INT digital interfaces supply output.
Accurate design is required to guarantee proper functionality. Follow the suggestions provided in sections
2.2.2 and 2.2.3 for schematic and layout design.
UBX-13000995 - R12 Early Production Information Design-in
Page 83 of 196

SARA-G3 and SARA-U2 series - System Integration Manual
2.2 Supply interfaces
2.2.1 Module supply (VCC)
2.2.1.1 General guidelines for VCC supply circuit selection and design
VCC pins are internally connected, but connect all the available pins to the external supply to minimize the
power loss due to series resistance.
GND pins are internally connected but connect all the available pins to solid ground on the application board,
since a good (low impedance) connection to external ground can minimize power loss and improve RF and
thermal performance.
SARA-G3 and SARA-U2 series modules must be supplied through the VCC pins by a proper DC power supply
that should comply with the module VCC requirements summarized in Table 7.
The proper DC power supply can be selected according to the application requirements (see Figure 35) between
the different possible supply sources types, which most common ones are the following:
• Switching regulator
• Low Drop-Out (LDO) linear regulator
• Rechargeable Lithium-ion (Li-Ion) or Lithium-ion polymer (Li-Pol) battery
• Primary (disposable) battery
Main Supply
Available?
Battery
Li-Ion 3.7 V
Linear LDO
Regulator
Main Supply
Voltage > 5V?
Switching Step-Down
Regulator
No, portable device
No, less than 5 V
Yes, greater than 5 V
Yes, always available
Figure 35: VCC supply concept selection
The DC/DC switching step-down regulator is the typical choice when the available primary supply source has a
nominal voltage much higher (e.g. greater than 5 V) than the modules VCC operating supply voltage. The use of
switching step-down provides the best power efficiency for the overall application and minimizes current drawn
from the main supply source. Refer to sections 2.2.1.2 and 2.2.1.6, 2.2.1.9, 2.2.1.10 for specific design-in.
The use of an LDO linear regulator becomes convenient for a primary supply with a relatively low voltage (e.g.
less than 5 V). In this case the typical 90% efficiency of the switching regulator diminishes the benefit of voltage
step-down and no true advantage is gained in input current savings. On the opposite side, linear regulators are
not recommended for high voltage step-down as they dissipate a considerable amount of energy in thermal
power. Refer to sections 2.2.1.3 and 2.2.1.6, 2.2.1.9, 2.2.1.10 for specific design-in.
If the modules are deployed in a mobile unit where no permanent primary supply source is available, then a
battery will be required to provide VCC. A standard 3-cell Li-Ion or Li-Pol battery pack directly connected to VCC
is the usual choice for battery-powered devices. During charging, batteries with Ni-MH chemistry typically reach
a maximum voltage that is above the maximum rating for VCC, and should therefore be avoided. Refer to
sections 2.2.1.4 and 2.2.1.6, 2.2.1.9, 2.2.1.10 for specific design-in.
Keep in mind that the use of rechargeable batteries requires the implementation of a suitable charger circuit
which is not included in SARA-G3 and SARA-U2 series modules. The charger circuit has to be designed to
prevent over-voltage on VCC pins of the module, and it should be selected according to the application
requirements: a DC/DC switching charger is the typical choice when the charging source has an high nominal
UBX-13000995 - R12 Early Production Information Design-in
Page 84 of 196

SARA-G3 and SARA-U2 series - System Integration Manual
voltage (e.g. ~12 V), whereas a linear charger is the typical choice when the charging source has a relatively low
nominal voltage (~5 V). If both a permanent primary supply / charging source (e.g. ~12 V) and a rechargeable
back-up battery (e.g. 3.7 V Li-Pol) are available at the same time in the application as possible supply source,
then a proper charger / regulator with integrated power path management function can be selected to supply
the module while simultaneously and independently charging the battery. Refer to sections 2.2.1.7, 2.2.1.8,
2.2.1.6, 2.2.1.9, and 2.2.1.10 for specific design-in.
The use of a primary (not rechargeable) battery is in general uncommon, but appropriate parts can be selected
given that the most cells available are seldom capable of delivering the burst peak current for a GSM call due to
high internal resistance. Refer to sections 2.2.1.5, 2.2.1.6, 2.2.1.9, and 2.2.1.10 for specific design-in.
The usage of more than one DC supply at the same time should be carefully evaluated: depending on the supply
source characteristics, different DC supply systems can result as mutually exclusive.
The usage of a regulator or a battery not able to support the highest peak of VCC current consumption specified
in the SARA-G3 series Data Sheet [1] and in the SARA-U2 series Data Sheet [2] is generally not recommended.
However, if the selected regulator or battery is not able to support the highest peak current of the module, it
must be able to support at least the highest averaged current consumption value specified in the SARA-G3 series
Data Sheet [1] and in the SARA-U2 series Data Sheet [2]. The additional energy required by the module during a
2G Tx slot can be provided by an appropriate bypass tank capacitor or supercapacitor with very large capacitance
and very low ESR placed close to the module VCC pins. Depending on the actual capability of the selected
regulator or battery, the required capacitance can be considerably larger than 1 mF and the required ESR can be
in the range of few tens of mΩ. Carefully evaluate the implementation of this solution since aging and
temperature conditions significantly affect the actual capacitor characteristics.
The following sections highlight some design aspects for each of the supplies listed above providing application
circuit design-in compliant with the module VCC requirements summarized in Table 7.
For the additional specific guidelines for SARA-G350 ATEX and SARA-U270 ATEX modules integration in
potentially explosive atmospheres applications, refer to section 2.14.
2.2.1.2 Guidelines for VCC supply circuit design using a switching regulator
The use of a switching regulator is suggested when the difference from the available supply rail to the VCC value
is high: switching regulators provide good efficiency transforming a 12 V or greater voltage supply to the typical
3.8 V value of the VCC supply.
The characteristics of the switching regulator connected to VCC pins should meet the following prerequisites to
comply with the module VCC requirements summarized in Table 7:
• Power capability: the switching regulator with its output circuit must be capable of providing a voltage
value to the VCC pins within the specified operating range and must be capable of delivering to VCC pins
the specified maximum peak / pulse current with 1/8 duty cycle (refer to the SARA-G3 series Data Sheet [1]
or the SARA-U2 series Data Sheet [2]).
• Low output ripple: the switching regulator together with its output circuit must be capable of providing a
clean (low noise) VCC voltage profile.
• High switching frequency: for best performance and for smaller applications select a switching frequency
≥ 600 kHz (since L-C output filter is typically smaller for high switching frequency). The use of a switching
regulator with a variable switching frequency or with a switching frequency lower than 600 kHz must be
carefully evaluated since this can produce noise in the VCC voltage profile and therefore negatively impact
GSM modulation spectrum performance. An additional L-C low-pass filter between the switching regulator
output to VCC supply pins can mitigate the ripple on VCC, but adds extra voltage drop due to resistive
losses on series inductors.
UBX-13000995 - R12 Early Production Information Design-in
Page 85 of 196

SARA-G3 and SARA-U2 series - System Integration Manual
• PWM mode operation: it is preferable to select regulators with Pulse Width Modulation (PWM) mode.
While in connected-mode Pulse Frequency Modulation (PFM) mode and PFM/PWM mode, transitions must
be avoided to reduce the noise on the VCC voltage profile. Switching regulators that are able to switch
between low ripple PWM mode and high efficiency burst or PFM mode can be used, provided the mode
transition occurs when the module changes status from idle/active-mode to connected-mode (where current
consumption increases to a value greater than 100 mA): it is permissible to use a regulator that switches
from the PWM mode to the burst or PFM mode at an appropriate current threshold (e.g. 60 mA).
• Output voltage slope: the use of the soft start function provided by some voltage regulators should be
carefully evaluated, since the VCC pins voltage must ramp from 2.5 V to 3.2 V in less than 1 ms to switch on
the SARA-U2 modules or in less than 4 ms to switch on the SARA-G3 modules by applying VCC supply, that
otherwise can be switched on by forcing a low level on the RESET_N pin during the VCC rising edge and
then releasing the RESET_N pin when the VCC supply voltage stabilizes at its proper nominal value.
Figure 36 and the components listed in Table 21 show an example of a high reliability power supply circuit,
where the module VCC is supplied by a step-down switching regulator capable of delivering to VCC pins the
specified maximum peak / pulse current, with low output ripple and with fixed switching frequency in PWM
mode operation greater than 1 MHz.
SARA-G3 / SARA-U2
12V
C5
R3
C4
R2
C2
C1
R1
VIN
RUN
VC
RT
PG
SYNC
BD
BOOST
SW
FB
GND
6
7
10
9
5
C6
1
2
3
8
11
4
C7 C8
D1 R4
R5
L1
C3
U1
52
VCC
53
VCC
51
VCC
GND
Figure 36: Suggested schematic design for the VCC voltage supply application circuit using a step-down regulator
Reference Description Part Number - Manufacturer
C1 10 µF Capacitor Ceramic X7R 5750 15% 50 V C5750X7R1H106MB - TDK
C2 10 nF Capacitor Ceramic X7R 0402 10% 16 V GRM155R71C103KA01 - Murata
C3 680 pF Capacitor Ceramic X7R 0402 10% 16 V GRM155R71H681KA01 - Murata
C4 22 pF Capacitor Ceramic C0G 0402 5% 25 V GRM1555C1H220JZ01 - Murata
C5 10 nF Capacitor Ceramic X7R 0402 10% 16 V GRM155R71C103KA01 - Murata
C6 470 nF Capacitor Ceramic X7R 0603 10% 25 V GRM188R71E474KA12 - Murata
C7 22 µF Capacitor Ceramic X5R 1210 10% 25 V GRM32ER61E226KE15 - Murata
C8 330 µF Capacitor Tantalum D_SIZE 6.3 V 45 mΩ T520D337M006ATE045 - KEMET
D1 Schottky Diode 40 V 3 A MBRA340T3G - ON Semiconductor
L1 10 µH Inductor 744066100 30% 3.6 A 744066100 - Wurth Electronics
R1 470 kΩ Resistor 0402 5% 0.1 W 2322-705-87474-L - Yageo
R2
15 kΩ Resistor 0402 5% 0.1 W
2322-705-87153-L - Yageo
R3 22 kΩ Resistor 0402 5% 0.1 W 2322-705-87223-L - Yageo
R4 390 k
Ω
Resistor 0402 1% 0.063 W RC0402FR-07390KL - Yageo
R5 100 kΩ Resistor 0402 5% 0.1 W 2322-705-70104-L - Yageo
U1 Step-Down Regulator MSOP10 3.5 A 2.4 MHz LT3972IMSE#PBF - Linear Technology
Table 21: Suggested components for the VCC voltage supply application circuit using a step-down regulator
UBX-13000995 - R12 Early Production Information Design-in
Page 86 of 196

SARA-G3 and SARA-U2 series - System Integration Manual
Figure 37 and the components listed in Table 22 show an example of a low cost power supply circuit, where the
VCC module supply is provided by a step-down switching regulator capable of delivering to VCC pins the
specified maximum peak / pulse current, transforming a 12 V supply input.
SARA-G3 / SARA-U2
12V
R5
C6C1
VCC
INH
FSW
SYNC
OUT
GND
2
6
31
7
8
C3
C2
D1 R1
R2
L1
U1
GND
FB
COMP
5
4
R3
C4
R4
C5
52 VCC
53 VCC
51 VCC
Figure 37: Suggested low cost solution for the VCC voltage supply application circuit using step-down regulator
Reference Description Part Number - Manufacturer
C1 22 µF Capacitor Ceramic X5R 1210 10% 25 V GRM32ER61E226KE15 – Murata
C2 100 µF Capacitor Tantalum B_SIZE 20% 6.3V 15mΩ T520B107M006ATE015 – Kemet
C3 5.6 nF Capacitor Ceramic X7R 0402 10% 50 V GRM155R71H562KA88 – Murata
C4 6.8 nF Capacitor Ceramic X7R 0402 10% 50 V GRM155R71H682KA88 – Murata
C5 56 pF Capacitor Ceramic C0G 0402 5% 50 V GRM1555C1H560JA01 – Murata
C6 220 nF Capacitor Ceramic X7R 0603 10% 25 V GRM188R71E224KA88 – Murata
D1 Schottky Diode 25V 2 A STPS2L25 – STMicroelectronics
L1 5.2 µH Inductor 30% 5.28A 22 mΩ MSS1038-522NL – Coilcraft
R1 4.7 kΩ Resistor 0402 1% 0.063 W RC0402FR-074K7L – Yageo
R2 910 Ω Resistor 0402 1% 0.063 W RC0402FR-07910RL – Yageo
R3 82 Ω Resistor 0402 5% 0.063 W RC0402JR-0782RL – Yageo
R4 8.2 kΩ Resistor 0402 5% 0.063 W RC0402JR-078K2L – Yageo
R5 39 kΩ Resistor 0402 5% 0.063 W RC0402JR-0739KL – Yageo
U1 Step-Down Regulator 8-VFQFPN 3 A 1 MHz L5987TR – ST Microelectronics
Table 22: Suggested components for low cost solution VCC voltage supply application circuit using a step-down regulator
2.2.1.3 Guidelines for VCC supply circuit design using a Low Drop-Out (LDO) linear regulator
The use of a linear regulator is suggested when the difference from the available supply rail and the VCC value is
low: linear regulators provide high efficiency when transforming a 5 V supply to a voltage value within the
module VCC normal operating range.
The characteristics of the LDO linear regulator connected to the VCC pins should meet the following
prerequisites to comply with the module VCC requirements summarized in Table 7:
• Power capabilities: the LDO linear regulator with its output circuit must be capable of providing a proper
voltage value to the VCC pins and of delivering to VCC pins the specified maximum peak / pulse current
with 1/8 duty cycle (refer to the SARA-G3 series Data Sheet [1] or the SARA-U2 series Data Sheet [2]).
• Power dissipation: the power handling capability of the LDO linear regulator must be checked to limit its
junction temperature to the maximum rated operating range (i.e. check the voltage drop from the max input
voltage to the min output voltage to evaluate the power dissipation of the regulator).
UBX-13000995 - R12 Early Production Information Design-in
Page 87 of 196

SARA-G3 and SARA-U2 series - System Integration Manual
• Output voltage slope: the use of the soft start function provided by some voltage regulator should be
carefully evaluated, since the VCC pins voltage must ramp from 2.5 V to 3.2 V in less than 1 ms to switch on
the SARA-U2 modules or in less than 4 ms to switch on the SARA-G3 modules by applying VCC supply, that
otherwise can be switched on by forcing a low level on the RESET_N pin during the VCC rising edge and
then releasing the RESET_N pin when the VCC supply voltage stabilizes at its proper nominal value.
Figure 38 and the components listed in Table 23 show an example of a high reliability power supply circuit,
where the VCC module supply is provided by an LDO linear regulator capable of delivering the specified highest
peak / pulse current, with proper power handling capability. The regulator described in this example supports a
wide input voltage range, and it includes internal circuitry for reverse battery protection, current limiting, thermal
limiting and reverse current protection.
It is recommended to configure the LDO linear regulator to generate a voltage supply value slightly below the
maximum limit of the module VCC normal operating range (e.g. ~4.1 V as in the circuit described in Figure 38
and Table 23). This reduces the power on the linear regulator and improves the whole thermal design of the
supply circuit.
5V
C1
IN OUT
ADJ
GND
1
24
5
3
C2R1
R2
U1
SHDN
SARA-G3 / SARA-U2
52
VCC
53
VCC
51
VCC
GND
Figure 38: Suggested schematic design for the VCC voltage supply application circuit using an LDO linear regulator
Reference Description Part Number - Manufacturer
C1, C2 10 µF Capacitor Ceramic X5R 0603 20% 6.3 V GRM188R60J106ME47 - Murata
R1 9.1 kΩ Resistor 0402 5% 0.1 W RC0402JR-079K1L - Yageo Phycomp
R2 3.9 kΩ Resistor 0402 5% 0.1 W RC0402JR-073K9L - Yageo Phycomp
U1 LDO Linear Regulator ADJ 3.0 A LT1764AEQ#PBF - Linear Technology
Table 23: Suggested components for VCC voltage supply application circuit using an LDO linear regulator
Figure 39 and the components listed in Table 24 show an example of a low cost power supply circuit, where the
VCC module supply is provided by an LDO linear regulator capable of delivering the specified highest peak /
pulse current, with proper power handling capability. The regulator described in this example supports a limited
input voltage range and it includes internal circuitry for current and thermal protection.
It is recommended to configure the LDO linear regulator to generate a voltage supply value slightly below the
maximum limit of the module VCC normal operating range (e.g. ~4.1 V as in the circuit described in Figure 39
and Table 24). This reduces the power on the linear regulator and improves the whole thermal design of the
supply circuit.
UBX-13000995 - R12 Early Production Information Design-in
Page 88 of 196

SARA-G3 and SARA-U2 series - System Integration Manual
5V
C1
IN OUT
ADJ
GND
1
24
5
3
C2R1
R2
U1
EN
SARA-G3 / SARA-U2
52
VCC
53
VCC
51
VCC
GND
Figure 39: Suggested schematic design for the VCC voltage supply application circuit using an LDO linear regulator
Reference Description Part Number - Manufacturer
C1, C2 10 µF Capacitor Ceramic X5R 0603 20% 6.3 V GRM188R60J106ME47 - Murata
R1 27 kΩ Resistor 0402 5% 0.1 W RC0402JR-0727KL - Yageo Phycomp
R2 4.7 kΩ Resistor 0402 5% 0.1 W RC0402JR-074K7L - Yageo Phycomp
U1 LDO Linear Regulator ADJ 3.0 A LP38501ATJ-ADJ/NOPB - Texas Instrument
Table 24: Suggested components for VCC voltage supply application circuit using an LDO linear regulator
2.2.1.4 Guidelines for VCC supply circuit design using a rechargeable Li-Ion or Li-Pol battery
Rechargeable Li-Ion or Li-Pol batteries connected to the VCC pins should meet the following prerequisites to
comply with the module VCC requirements summarized in Table 7:
• Maximum pulse and DC discharge current: the rechargeable Li-Ion battery with its output circuit must be
capable of delivering to VCC pins the specified maximum peak / pulse current with 1/8 duty cycle, and a DC
current greater than the module maximum average current consumption (refer to the SARA-G3 series Data
Sheet [1] or the SARA-U2 series Data Sheet [2]). The maximum pulse discharge current and the maximum
DC discharge current are not always reported in battery data sheets, but the maximum DC discharge current
is typically almost equal to the battery capacity in Amp-hours divided by 1 hour.
• DC series resistance: the rechargeable Li-Ion battery with its output circuit must be capable of avoiding a
VCC voltage drop greater than 400 mV during transmit bursts.
2.2.1.5 Guidelines for VCC supply circuit design using a primary (disposable) battery
The characteristics of a primary (non-rechargeable) battery connected to VCC pins should meet the following
prerequisites to comply with the module VCC requirements summarized in Table 7:
• Maximum pulse and DC discharge current: the non-rechargeable battery with its output circuit must be
capable of delivering to VCC pins the specified maximum peak / pulse current with 1/8 duty cycle, and a DC
current greater than the module maximum average current consumption (refer to the SARA-G3 series Data
Sheet [1] or the SARA-U2 series Data Sheet [2]). The maximum pulse and the maximum DC discharge
current is not always reported in battery data sheets, but the maximum DC discharge current is typically
almost equal to the battery capacity in Amp-hours divided by 1 hour.
• DC series resistance: the non-rechargeable battery with its output circuit must be capable of avoiding a
VCC voltage drop greater than 400 mV during transmit bursts.
UBX-13000995 - R12 Early Production Information Design-in
Page 89 of 196

SARA-G3 and SARA-U2 series - System Integration Manual
2.2.1.6 Additional guidelines for VCC supply circuit design
To reduce voltage drops, use a low impedance power source. The resistance of the power supply lines
(connected to the VCC and GND pins of the module) on the application board and battery pack should also be
considered and minimized: cabling and routing must be as short as possible to minimize power losses.
Three pins are allocated for VCC supply. Another twenty pins are designated for GND connection. Even if all the
VCC pins and all the GND pins are internally connected within the module, it is recommended to properly
connect all of them to supply the module to minimize series resistance losses.
To avoid voltage drop undershoot and overshoot at the start and end of a transmit burst during a single-slot 2G
voice/data call (when current consumption on the VCC supply can rise up to the maximum peak / pulse current
specified in the SARA-G3 series Data Sheet [1] or in the SARA-U2 series Data Sheet [2]), place a bypass capacitor
with large capacitance (more than 100 µF) and low ESR near the VCC pins, for example:
• 330 µF capacitance, 45 mΩ ESR (e.g. KEMET T520D337M006ATE045, Tantalum Capacitor)
The use of very large capacitors (i.e. greater then 1000 µF) on the VCC line should be carefully evaluated, since
the voltage at the VCC pins voltage must ramp from 2.5 V to 3.2 V in less than 1 ms to switch on the SARA-U2
modules or in less than 4 ms to switch on the SARA-G3 modules by applying VCC supply, that otherwise can be
switched on by forcing a low level on the RESET_N pin during the VCC rising edge and then releasing the
RESET_N pin when the VCC supply voltage stabilizes at its proper nominal value.
To reduce voltage ripple and noise, especially if the application device integrates an internal antenna, place the
following bypass capacitors near the VCC pins:
• 100 nF capacitor (e.g Murata GRM155R61C104K) to filter digital logic noise from clocks and data sources
• 10 nF capacitor (e.g. Murata GRM155R71C103K) to filter digital logic noise from clocks and data sources
• 56 pF capacitor with Self-Resonant Frequency in 800/900 MHz range (e.g. Murata GRM1555C1E560J) to
filter transmission EMI in the GSM/EGSM bands
• 15 pF capacitor with Self-Resonant Frequency in 1800/1900 MHz range (e.g. Murata GRM1555C1E150J) to
filter transmission EMI in the DCS/PCS bands
A series ferrite bead for GHz band noise (e.g. Murata BLM18EG221SN1) can be placed close to the VCC pins of
the module for additional noise filtering, but in general it is not strictly required.
Figure 40 shows the complete configuration but the mounting of each single component depends on the
application design: it is recommended to provide all the VCC bypass capacitors as described in Figure 40
and Table 25 if the application device integrates an internal antenna.
C4
GND
C3 C2
SARA-G3 / SARA-U2
52
VCC
53
VCC
51
VCC
3V8
C1
+
C5
Figure 40: Suggested schematic and layout design for the VCC bypass capacitors to reduce ripple / noise on VCC voltage profile
and to avoid undershoot / overshoot on VCC voltage drops
UBX-13000995 - R12 Early Production Information Design-in
Page 90 of 196

SARA-G3 and SARA-U2 series - System Integration Manual
Reference Description Part Number - Manufacturer
C1 330 µF Capacitor Tantalum D_SIZE 6.3 V 45 mΩ T520D337M006ATE045 - KEMET
C2 100 nF Capacitor Ceramic X7R 0402 10% 16 V GRM155R71C104KA01 - Murata
C3 10 nF Capacitor Ceramic X7R 0402 10% 16 V GRM155R71C103KA01 - Murata
C4 56 pF Capacitor Ceramic C0G 0402 5% 25 V GRM1555C1E560JA01 - Murata
C5 15 pF Capacitor Ceramic C0G 0402 5% 25 V GRM1555C1E150JA01 - Murata
Table 25: Suggested components to reduce ripple / noise on VCC and to avoid undershoot/ overshoot on VCC voltage drops
ESD sensitivity rating of the VCC supply pins is 1 kV (Human Body Model according to JESD22-A114).
Higher protection level can be required if the line is externally accessible on the application board, e.g. if
accessible battery connector is directly connected to VCC pins. Higher protection level can be achieved by
mounting an ESD protection (e.g. EPCOS CA05P4S14THSG varistor array) close to accessible point.
2.2.1.7 Guidelines for external battery charging circuit
Application devices that are powered by a Li-Ion (or Li-Polymer) battery pack should implement a suitable battery
charger design as SARA-G3 and SARA-U2 series modules do not have an on-board charging circuit.
In the application circuit example described in Figure 41, a rechargeable Li-Ion (or Li-Polymer) battery pack, that
features proper pulse and DC discharge current capabilities and proper DC series resistance, is directly connected
to the VCC supply input of the module. Battery charging is fully managed by the STMicroelectronics L6924U
Battery Charger IC that, from a USB source (5.0 V typ.), charges as a linear charger the battery, in three phases:
• Pre-charge constant current (active when the battery is deeply discharged): the battery is charged with a
low current, set to 10% of the fast-charge current
• Fast-charge constant current: the battery is charged with the maximum current, configured by the value
of an external resistor to a value suitable for USB power source (~500 mA)
• Constant voltage: when the battery voltage reaches the regulated output voltage (4.2 V), the L6924U
starts to reduce the current until the charge termination is done. The charging process ends when the
charging current reaches the value configured by an external resistor to ~15 mA or when the charging timer
reaches the value configured by an external capacitor to ~9800 s
Using a battery pack with an internal NTC resistor, the L6924U can monitor the battery temperature to protect
the battery from operating under unsafe thermal conditions.
The L6924U, as linear charger, is more suitable for applications where the charging source has a relatively low
nominal voltage (~5 V), so that a switching charger is suggested for applications where the charging source has
a relatively high nominal voltage (e.g. ~12 V, refer to the following section 2.2.1.8 for specific design-in), even if
the L6924U can also charge from an AC wall adapter as its input voltage range is tolerant up to 12 V: when a
current-limited adapter is used, it can operate in quasi-pulse mode, reducing power dissipation.
UBX-13000995 - R12 Early Production Information Design-in
Page 91 of 196

SARA-G3 and SARA-U2 series - System Integration Manual
C5 C8
GND
C7C6 C9
SARA-G3 / SARA-U2
52
VCC
53
VCC
51
VCC
+
USB
Supply
C3 R4
θ
U1
I
USB
I
AC
I
END
T
PRG
SD
V
IN
V
INSNS
MODE
ISEL
C2C1
5V
TH
GND
V
OUT
V
OSNS
V
REF
R1
R2
R3
Li-Ion/Li-Pol
Battery Pack
D1
B1
C4
Li-Ion/Li-Polymer
Battery Charger IC
D2
Figure 41: Li-Ion (or Li-Polymer) battery charging application circuit
Reference Description Part Number - Manufacturer
B1 Li-Ion (or Li-Polymer) battery pack with 470 Ω NTC Various manufacturer
C1, C4 1 µF Capacitor Ceramic X7R 0603 10% 16 V GRM188R71C105KA12 - Murata
C2, C6 10 nF Capacitor Ceramic X7R 0402 10% 16 V GRM155R71C103KA01 - Murata
C3 1 nF Capacitor Ceramic X7R 0402 10% 50 V GRM155R71H102KA01 - Murata
C5 330 µF Capacitor Tantalum D_SIZE 6.3 V 45 mΩ T520D337M006ATE045 - KEMET
C7 100 nF Capacitor Ceramic X7R 0402 10% 16 V GRM155R61A104KA01 - Murata
C8 56 pF Capacitor Ceramic C0G 0402 5% 25 V GRM1555C1E560JA01 - Murata
C9 15 pF Capacitor Ceramic C0G 0402 5% 25 V GRM1555C1E150JA01 - Murata
D1, D2 Low Capacitance ESD Protection CG0402MLE-18G - Bourns
R1, R2 24 kΩ Resistor 0402 5% 0.1 W RC0402JR-0724KL - Yageo Phycomp
R3 3.3 kΩ Resistor 0402 5% 0.1 W RC0402JR-073K3L - Yageo Phycomp
R4 1.0 kΩ Resistor 0402 5% 0.1 W RC0402JR-071K0L - Yageo Phycomp
U1 Single Cell Li-Ion (or Li-Polymer) Battery Charger IC
for USB port and AC Adapter
L6924U - STMicroelectronics
Table 26: Suggested components for Li-Ion (or Li-Polymer) battery charging application circuit
2.2.1.8 Guidelines for external battery charging and power path management circuit
Application devices where both a permanent primary supply / charging source (e.g. ~12 V) and a rechargeable
back-up battery (e.g. 3.7 V Li-Pol) are available at the same time as possible supply source should implement a
suitable charger / regulator with integrated power path management function to supply the module and the
whole device while simultaneously and independently charging the battery.
Figure 42 reports a simplified block diagram circuit showing the working principle of a charger / regulator with
integrated power path management function. This component allows the system to be powered by a permanent
primary supply source (e.g. ~12 V) using the integrated regulator which simultaneously and independently
recharges the battery (e.g. 3.7 V Li-Pol) that represents the back-up supply source of the system: the power path
management feature permits the battery to supplement the system current requirements when the primary
supply source is not available or cannot deliver the peak system currents.
A power management IC should meet the following prerequisites to comply with the module VCC requirements
summarized in Table 7:
• High efficiency internal step down converter, compliant with the performances specified in section 2.2.1.2
• Low internal resistance in the active path Vout – Vbat, typically lower than 50 mΩ
• High efficiency switch mode charger with separate power path control
UBX-13000995 - R12 Early Production Information Design-in
Page 92 of 196

SARA-G3 and SARA-U2 series - System Integration Manual
GND
Power path management IC
VoutVin
θ
Li-Ion/Li-Pol
Battery Pack
GND
System
12 V
Primary
Source
Charge
controller
DC/DC converter
and battery FET
control logic
Vbat
Figure 42: Charger / regulator with integrated power path management circuit block diagram
Figure 43 and the components listed in Table 27 provide an application circuit example where the MPS MP2617
switching charger / regulator with integrated power path management function provides the supply to the
cellular module while concurrently and autonomously charging a suitable Li-Ion (or Li-Polymer) battery with
proper pulse and DC discharge current capabilities and proper DC series resistance according to the rechargeable
battery recommendations described in section 2.2.1.4.
The MP2617 IC constantly monitors the battery voltage and selects whether to use the external main primary
supply / charging source or the battery as supply source for the module, and starts a charging phase accordingly.
The MP2617 IC normally provides a supply voltage to the module regulated from the external main primary
source allowing immediate system operation even under missing or deeply discharged battery: the integrated
switching step-down regulator is capable to provide up to 3 A output current with low output ripple and fixed
1.6 MHz switching frequency in PWM mode operation. The module load is satisfied in priority, then the
integrated switching charger will take the remaining current to charge the battery.
Additionally, the power path control allows an internal connection from battery to the module with a low series
internal ON resistance (40 mΩ typical), in order to supplement additional power to the module when the current
demand increases over the external main primary source or when this external source is removed.
Battery charging is managed in three phases:
• Pre-charge constant current (active when the battery is deeply discharged): the battery is charged with a
low current, set to 10% of the fast-charge current
• Fast-charge constant current: the battery is charged with the maximum current, configured by the value
of an external resistor to a value suitable for the application
• Constant voltage: when the battery voltage reaches the regulated output voltage (4.2 V), the current is
progressively reduced until the charge termination is done. The charging process ends when the charging
current reaches the 10% of the fast-charge current or when the charging timer reaches the value configured
by an external capacitor
Using a battery pack with an internal NTC resistor, the MP2617 can monitor the battery temperature to protect
the battery from operating under unsafe thermal conditions.
Several parameters as the charging current, the charging timings, the input current limit, the input voltage limit,
the system output voltage can be easily set according to the specific application requirements, as the actual
electrical characteristics of the battery and the external supply / charging source: proper resistors or capacitors
have to be accordingly connected to the related pins of the IC.
UBX-13000995 - R12 Early Production Information Design-in
Page 93 of 196

SARA-G3 and SARA-U2 series - System Integration Manual
C9 C12
GND
C11C10 C13
SARA-G3 / SARA-U2
52 VCC
53 VCC
51 VCC
+
Primary
Source
R3
U1
EN
ILIM
ISET
TMR
AGND
VIN
C2C1
12V
NTC
PGND
SW
SYS
BAT
C4
R1
R2
D1
θ
Li-Ion/Li-Pol
Battery Pack
B1
C5
Li-Ion/Li-Polymer Battery
Charger / Regulator with
Power Path Managment
VCC
C3 C6
L1
BST
D2
VLIM
R4
R5
C7 C8
Figure 43: Li-Ion (or Li-Polymer) battery charging and power path management application circuit
Reference Description Part Number - Manufacturer
B1 Li-Ion (or Li-Polymer) battery pack with 10 kΩ NTC Various manufacturer
C1, C5, C6 22 µF Capacitor Ceramic X5R 1210 10% 25 V GRM32ER61E226KE15 - Murata
C2, C4, C10 100 nF Capacitor Ceramic X7R 0402 10% 16 V GRM155R61A104KA01 - Murata
C3 1 µF Capacitor Ceramic X7R 0603 10% 25 V GRM188R71E105KA12 - Murata
C7, C12 56 pF Capacitor Ceramic C0G 0402 5% 25 V GRM1555C1E560JA01 - Murata
C8, C13 15 pF Capacitor Ceramic C0G 0402 5% 25 V GRM1555C1E150JA01 - Murata
C9 330 µF Capacitor Tantalum D_SIZE 6.3 V 45 mΩ T520D337M006ATE045 - KEMET
C11 10 nF Capacitor Ceramic X7R 0402 10% 16 V GRM155R71C103KA01 - Murata
D1, D2 Low Capacitance ESD Protection CG0402MLE-18G - Bourns
R1, R3, R5 10 kΩ Resistor 0402 5% 1/16 W RC0402JR-0710KL - Yageo Phycomp
R2 1.0 kΩ Resistor 0402 5% 0.1 W RC0402JR-071K0L - Yageo Phycomp
R4 22 kΩ Resistor 0402 5% 1/16 W RC0402JR-0722KL - Yageo Phycomp
L1 1.2 µH Inductor 6 A 21 mΩ 20% 7447745012 - Wurth
U1 Li-Ion/Li-Polymer Battery DC/DC Charger / Regulator
with integrated Power Path Management function
MP2617 - Monolithic Power Systems (MPS)
Table 27: Suggested components for Li-Ion (or Li-Polymer) battery charging and power path management application circuit
UBX-13000995 - R12 Early Production Information Design-in
Page 94 of 196

SARA-G3 and SARA-U2 series - System Integration Manual
2.2.1.9 Guidelines for VCC supply layout design
Good connection of the module VCC pins with DC supply source is required for correct RF performance.
Guidelines are summarized in the following list:
• All the available VCC pins must be connected to the DC source.
• VCC connection must be as wide as possible and as short as possible.
• Any series component with Equivalent Series Resistance (ESR) greater than few milliohms must be avoided.
• VCC connection must be routed through a PCB area separated from sensitive analog signals and sensitive
functional units: it is good practice to interpose at least one layer of PCB ground between VCC track and
other signal routing.
• Coupling between VCC and audio lines (especially microphone inputs) must be avoided, because the typical
GSM burst has a periodic nature of approx. 217 Hz, which lies in the audible audio range.
• The tank bypass capacitor with low ESR for current spikes smoothing described in Figure 40 and Table 25
should be placed close to the VCC pins. If the main DC source is a switching DC-DC converter, place the
large capacitor close to the DC-DC output and minimize the VCC track length. Otherwise consider using
separate capacitors for DC-DC converter and cellular module tank capacitor.
• The bypass capacitors in the pF range described in Figure 40 and Table 25 should be placed as close as
possible to the VCC pins. This is highly recommended if the application device integrates an internal
antenna.
• Since VCC is directly connected to RF Power Amplifiers, voltage ripple at high frequency may result in
unwanted spurious modulation of transmitter RF signal. This is more likely to happen with switching DC-DC
converters, in which case it is better to select the highest operating frequency for the switcher and add a
large L-C filter before connecting to the SARA-G3 and SARA-U2 series modules in the worst case.
• If VCC is protected by transient voltage suppressor to ensure that the voltage maximum ratings are not
exceeded, place the protecting device along the path from the DC source toward the cellular module,
preferably closer to the DC source (otherwise protection functionality may be compromised).
2.2.1.10 Guidelines for grounding layout design
Good connection of the module GND pins with application board solid ground layer is required for correct RF
performance. It significantly reduces EMC issues and provides a thermal heat sink for the module.
• Connect each GND pin with application board solid GND layer. It is strongly recommended that each GND
pin surrounding VCC pins have one or more dedicated via down to the application board solid ground layer.
• The VCC supply current flows back to main DC source through GND as ground current: provide adequate
return path with suitable uninterrupted ground plane to main DC source.
• It is recommended to implement one layer of the application board as ground plane as wide as possible.
• If the application board is a multilayer PCB, then all the board layers should be filled with GND plane as
much as possible and each GND area should be connected together with complete via stack down to the
main ground layer of the board.
• If the whole application device is composed by more than one PCB, then it is required to provide a good and
solid ground connection between the GND areas of all the different PCBs.
• Good grounding of GND pins also ensures thermal heat sink. This is critical during call connection, when the
real network commands the module to transmit at maximum power: proper grounding helps prevent
module overheating.
UBX-13000995 - R12 Early Production Information Design-in
Page 95 of 196

SARA-G3 and SARA-U2 series - System Integration Manual
2.2.2 RTC supply (V_BCKP)
2.2.2.1 Guidelines for V_BCKP circuit design
If RTC timing is required to run for a time interval of T [s] at 25 °C when VCC supply is removed, place a
capacitor with a nominal capacitance of C [µF] at the V_BCKP pin. Choose the capacitor using the following
formula:
C [µF] = (Current_Consumption [µA] x T [s]) / Voltage_Drop [V]
= 1.5 x T [s] for SARA-G3 series
= 2.5 x T [s] for SARA-U2 series
For example, a 100 µF capacitor (such as the Murata GRM43SR60J107M) can be placed at V_BCKP to provide a
long buffering time. This capacitor holds V_BCKP voltage within its valid range for around 70 s (SARA-G3 series)
or for around 40 s (SARA-U2 series) at 25 °C, after the VCC supply is removed.
If a very long buffering time is required, a 70 mF super-capacitor (e.g. Seiko Instruments XH414H-IV01E) can be
placed at V_BCKP, with a 4.7 kΩ series resistor to hold the V_BCKP voltage within its valid range for ~13 hours
(SARA-G3 series) or for ~8 hours (SARA-U2 series) at 25 °C, after the VCC supply is removed. The purpose of the
series resistor is to limit the capacitor charging current due to the large capacitor specifications, and also to let a
fast rise time of the voltage value at the V_BCKP pin after VCC supply has been provided. These capacitors allow
the time reference to run during battery disconnection.
SARA-G3 series
SARA-U2 series
C1
(a)
2
V_BCKP
R2
SARA-G3 series
SARA-U2 series
C2
(superCap)
(b)
2
V_BCKP
D3
SARA-G3 series
SARA-U2 series
B3
(c)
2
V_BCKP
Figure 44: Real time clock supply (V_BCKP) application circuits: (a) using a 100 µF capacitor to let the RTC run for ~1 minute after
VCC removal; (b) using a 70 mF capacitor to let RTC run for ~10 hours after VCC removal; (c) using a non-rechargeable battery
Reference Description Part Number - Manufacturer
C1 100 µF Tantalum Capacitor GRM43SR60J107M - Murata
R2 4.7 kΩ Resistor 0402 5% 0.1 W RC0402JR-074K7L - Yageo Phycomp
C2 70 mF Capacitor XH414H-IV01E - Seiko Instruments
Table 28: Example of components for V_BCKP buffering
If longer buffering time is required to allow the RTC time reference to run during a disconnection of the VCC
supply, then an external battery can be connected to V_BCKP pin. The battery should be able to provide a
proper nominal voltage and must never exceed the maximum operating voltage for V_BCKP (specified in the
Input characteristics of Supply/Power pins table in the SARA-G3 series Data Sheet [1] or in the SARA-U2 series
Data Sheet [2]). The connection of the battery to V_BCKP should be done with a suitable series resistor for a
rechargeable battery, or with an appropriate series diode for a non-rechargeable battery. The purpose of the
series resistor is to limit the battery charging current due to the battery specifications, and also to allow a fast
rise time of the voltage value at the V_BCKP pin after the VCC supply has been provided. The purpose of the
series diode is to avoid a current flow from the module V_BCKP pin to the non-rechargeable battery.
If the RTC timing is not required when the VCC supply is removed, it is not needed to connect the
V_BCKP pin to an external capacitor or battery. In this case the date and time are not updated when VCC
UBX-13000995 - R12 Early Production Information Design-in
Page 96 of 196

SARA-G3 and SARA-U2 series - System Integration Manual
is disconnected. If VCC is always supplied, then the internal regulator is supplied from the main supply
and there is no need for an external component on V_BCKP.
Combining a SARA-G3 or a SARA-U2 cellular module with a u-blox GNSS positioning receiver, the positioning
receiver VCC supply is controlled by the cellular module by means of the “GNSS supply enable” function
provided by the GPIO2 of the cellular module. In this case the V_BCKP supply output of the cellular module can
be connected to the V_BCKP backup supply input pin of the GNSS receiver to provide the supply for the
positioning real time clock and backup RAM when the VCC supply of the cellular module is within its operating
range and the VCC supply of the GNSS receiver is disabled. This enables the u-blox GNSS receiver to recover
from a power breakdown with either a hot start or a warm start (depending on the duration of the positioning
VCC outage) and to maintain the configuration settings saved in the backup RAM. Refer to section 2.6.4 for
more details regarding the application circuit with a u-blox GNSS receiver.
On SARA-G300 and SARA-G310 modules, the V_BCKP supply output can be used to supply an external 32 kHz
oscillator which provides a 32 kHz signal to the EXT32K input pin as reference clock for the RTC timing, so that
the modules can enter the low power idle-mode and can make available the RTC functions.
The internal regulator for V_BCKP is optimized for low leakage current and very light loads. Do not apply
loads which might exceed the limit for maximum available current from V_BCKP supply, as this can cause
malfunctions in the module. SARA-G3 series Data Sheet [1] and SARA-U2 series Data Sheet [2] describe
the detailed electrical characteristics.
V_BCKP supply output pin provides internal short circuit protection to limit start-up current and protect the
device in short circuit situations. No additional external short circuit protection is required.
ESD sensitivity rating of the V_BCKP supply pin is 1 kV (Human Body Model according to JESD22-A114).
Higher protection level can be required if the line is externally accessible on the application board, e.g. if
an accessible back-up battery connector is directly connected to V_BCKP pin, and it can be achieved by
mounting an ESD protection (e.g. EPCOS CA05P4S14THSG varistor array) close to the accessible point.
2.2.2.2 Guidelines for V_BCKP layout design
RTC supply (V_BCKP) requires careful layout: avoid injecting noise on this voltage domain as it may affect the
stability of the 32 kHz oscillator.
UBX-13000995 - R12 Early Production Information Design-in
Page 97 of 196

SARA-G3 and SARA-U2 series - System Integration Manual
2.2.3 Interface supply (V_INT)
2.2.3.1 Guidelines for V_INT circuit design
The V_INT digital interfaces 1.8 V supply output can be mainly used to:
• Pull-up DDC (I2C) interface signals (see section 2.6.4 for more details)
• Pull-up SIM detection signal (see section 2.5 for more details)
• Supply voltage translators to connect digital interfaces of the module to a 3.0 V device (see section 2.6.1)
• Supply a 1.8 V u-blox 6 or subsequent GNSS receiver (see section 2.6.4 for more details)
• Indicate when the module is switched on (see sections 1.6.1, 1.6.2 for more details)
Do not apply loads which might exceed the limit for maximum available current from V_INT supply, as
this can cause malfunctions in internal circuitry supplies to the same domain. The SARA-G3 series Data
Sheet [1] and the SARA-U2 series Data Sheet [2] describe the detailed electrical characteristics.
V_INT can only be used as an output; do not connect any external regulator on V_INT.
Since the V_INT supply is generated by an internal switching step-down regulator, the V_INT voltage ripple can
range from 15 mVpp during active-mode or connected-mode (when the switching regulator operates in PWM
mode), to 90 mVpp (SARA-G3 series) or 70 mVpp (SARA-U2 series) in low power idle-mode (when the switching
regulator operates in PFM mode).
It is not recommended to supply sensitive analog circuitry without adequate filtering for digital noise.
V_INT supply output pin provides internal short circuit protection to limit start-up current and protect the device
in short circuit situations. No additional external short circuit protection is required.
ESD sensitivity rating of the V_INT supply pin is 1 kV (Human Body Model according to JESD22-A114).
Higher protection level could be required if the line is externally accessible on the application board.
Higher protection level can be achieved by mounting an ESD protection (e.g. EPCOS CA05P4S14THSG
varistor array) close to accessible point.
If the V_INT supply output is not required by the customer application, since DDC (I2C) interface and SIM
detection functions are not used, voltage translations of digital interfaces are not needed and sensing
when the module is switched on is not needed, the V_INT pin can be left unconnected to external
components, but it is recommended providing direct access on the application board by means of
accessible testpoint directly connected to the V_INT pin.
2.2.3.2 Guidelines for V_INT layout design
V_INT digital interfaces supply output is generated by an integrated switching step-down converter, used
internally to supply the digital interfaces. Because of this, it can be a source of noise: avoid coupling with
sensitive signals.
UBX-13000995 - R12 Early Production Information Design-in
Page 98 of 196

SARA-G3 and SARA-U2 series - System Integration Manual
2.3 System functions interfaces
2.3.1 Module power-on (PWR_ON)
2.3.1.1 Guidelines for PWR_ON circuit design
Connecting the PWR_ON input to a push button that shorts the PWR_ON pin to ground, provide an external
pull-up resistor (e.g. 100 kΩ) biased by the V_BCKP supply pin of the module, as described in Figure 45 and
Table 29. Connecting the PWR_ON input to a push button, the pin will be externally accessible on the
application device: according to EMC/ESD requirements of the application, provide an additional ESD protection
(e.g. EPCOS CA05P4S14THSG varistor array) on the line connected to this pin, close to accessible point.
The PWR_ON pin has high input impedance and is weakly pulled to the high level on the module. Avoid
keeping it floating in a noisy environment. To hold the high logic level stable, the PWR_ON pin must be
connected to a pull-up resistor (e.g. 100 kΩ) biased by the V_BCKP supply pin of the module.
ESD sensitivity rating of the PWR_ON pin is 1 kV (Human Body Model according to JESD22-A114). Higher
protection level can be required if the line is externally accessible on the application board, e.g. if an
accessible push button is directly connected to PWR_ON pin. Higher protection level can be achieved by
mounting an ESD protection (e.g. EPCOS CA05P4S14THSG varistor array) close to accessible point.
When connecting the PWR_ON input to an external device (e.g. application processor), use an open drain
output on the external device with an external pull-up resistor (e.g. 100 kΩ) biased by the V_BCKP supply pin of
the module, as described in Figure 45 and Table 29.
A compatible push-pull output of an application processor can also be used: in this case the pull-up can be
provided to pull the PWR_ON level high when the application processor is switched off. If the high-level voltage
of the push-pull output pin of the application processor is greater than the maximum input voltage operating
range of the V_BCKP pin (refer to the SARA-G3 series Data Sheet [1] and the SARA-U2 series Data Sheet [2]),
the V_BCKP supply cannot be used to bias the pull-up resistor: the supply rail of the application processor or the
module VCC supply could be used, but this increases the V_BCKP (RTC supply) current consumption when the
module is in not-powered mode (VCC supply not present). Using a push-pull output of the external device, take
care to fix the proper level in all the possible scenarios to avoid an inappropriate module switch-on.
SARA-G3 series
SARA-U2 series
Rext
2
V_BCKP
15
PWR_ON
Power-on
push button
ESD
Open
Drain
Output
Application
Processor
SARA-G3 series
SARA-U2 series
Rext
2
V_BCKP
15
PWR_ON
TP TP
Figure 45: PWR_ON application circuits using a push button and an open drain output of an application processor
Reference Description Remarks
Rext 100 kΩ Resistor 0402 5% 0.1 W External pull-up resistor
ESD CT0402S14AHSG - EPCOS Varistor array for ESD protection
Table 29: Example of pull-up resistor and ESD protection for the PWR_ON application circuit
It is recommended to provide direct access to the PWR_ON pin on the application board by means of
accessible testpoint directly connected to the PWR_ON pin.
UBX-13000995 - R12 Early Production Information Design-in
Page 99 of 196

SARA-G3 and SARA-U2 series - System Integration Manual
2.3.1.2 Guidelines for PWR_ON layout design
The power-on circuit (PWR_ON) requires careful layout since it is the sensitive input available to switch on the
SARA-G3 and SARA-U2 series modules until a valid VCC supply is provided after that the module has been
switched off by the AT+CPWROFF command: ensure that the voltage level is well defined during operation and
no transient noise is coupled on this line, otherwise the module might detect a spurious power-on request.
2.3.2 Module reset (RESET_N)
2.3.2.1 Guidelines for RESET_N circuit design
As described in Figure 21, the module has an internal pull-up resistor on the reset input line: an external pull-up
is not required on the application board.
Connecting the RESET_N input to a push button that shorts the RESET_N pin to ground, the pin will be
externally accessible on the application device: according to EMC/ESD requirements of the application, provide
an additional ESD protection (e.g. EPCOS CA05P4S14THSG varistor array) on the line connected to this pin, close
to accessible point, as described in Figure 46 and Table 30.
ESD sensitivity rating of the RESET_N pin is 1 kV (Human Body Model according to JESD22-A114). Higher
protection level can be required if the line is externally accessible on the application board, e.g. if an
accessible push button is directly connected to RESET_N pin. Higher protection level can be achieved by
mounting an ESD protection (e.g. EPCOS CA05P4S14THSG varistor array) close to accessible point.
Connecting the RESET_N input to an external device (e.g. application processor), an open drain output can be
directly connected without any external pull-up, as described in Figure 46 and Table 30: the internal pull-up
resistor provided by the module pulls the line to the high logic level when the RESET_N pin is not forced low by
the application processor. A compatible push-pull output of an application processor can be used too.
SARA-G3 series
SARA-U2 series
18 RESET_N
Reset
push button
ESD
Open
Drain
Output
Application
Processor
SARA-G3 series
SARA-U2 series
18 RESET_N
TP TP
Figure 46: RESET_N application circuits using a push button and an open drain output of an application processor
Reference Description Remarks
ESD Varistor for ESD protection CT0402S14AHSG - EPCOS
Table 30: Example of ESD protection component for the RESET_N application circuit
If the external reset function is not required by the customer application, the RESET_N input pin can be
left unconnected to external components, but it is recommended providing direct access on the
application board by means of accessible testpoint directly connected to the RESET_N pin.
UBX-13000995 - R12 Early Production Information Design-in
Page 100 of 196

SARA-G3 and SARA-U2 series - System Integration Manual
2.3.2.2 Guidelines for RESET_N layout design
The reset circuit (RESET_N) requires careful layout due to the pin function: ensure that the voltage level is well
defined during operation and no transient noise is coupled on this line, otherwise the module might detect a
spurious reset request. It is recommended to keep the connection line to RESET_N as short as possible.
2.3.3 32 kHz signal (EXT32K and 32K_OUT)
The EXT32K and 32K_OUT pins are not available on SARA-G340, SARA-G350 and SARA-U2 modules.
2.3.3.1 Guidelines for EXT32K and 32K_OUT circuit design
The application circuit of Figure 47 describes how the 32K_OUT output pin of SARA-G300 / SARA-G310
modules can be connected to the EXT32K input pin, providing the 32 kHz signal which constitutes the Real
Time Clock (RTC) reference clock, so that the modules can enter the low power idle-mode, reaching low current
consumption figures (refer to the section 1.5.1.4 and to the SARA-G3 series Data Sheet [1]), and can provide the
RTC functions when the module is switched on.
24 32K_OUT
SARA-G300
SARA-G310
31 EXT32K
Figure 47: EXT32K application circuit using the 32 kHz signal provided by the 32K_OUT output
The application circuit of Figure 48 and Table 31 describe how an external oscillator can be connected to the
EXT32K input pin of SARA-G300 / SARA-G310 modules, providing the external 32 kHz signal which constitutes
the RTC reference clock, so that the modules can enter the very low power idle-mode, reaching very low current
consumption figures (refer to the section 1.5.1.4 and to the SARA-G3 series Data Sheet [1]), and can provide the
RTC functions when the RTC block is switched on since V_BCKP voltage is within the valid range.
2V_BCKP
GND
SARA-G300
SARA-G310
31 EXT32K
32 kHz Oscillator
GND
CLKOUT
OE
VCC
C1
U1
Figure 48: EXT32K application circuit using an external 32 kHz oscillator
Reference Description Remarks
C1 100 nF Capacitor Ceramic X7R 0402 10% 16 V GRM155R61A104KA01 - Murata
U1 Low Power Clock Oscillator 32.768 kHz OV-7604-C7 - Micro Crystal or SG-3040LC - EPSON TOYOCOM
Table 31: Example of components for the EXT32K application circuit
UBX-13000995 - R12 Early Production Information Design-in
Page 101 of 196

SARA-G3 and SARA-U2 series - System Integration Manual
The two different solutions described in Figure 47 and Figure 48 are alternative and mutually exclusive: only one
of the two proposed solutions must be implemented according to the required current consumption figures for
the idle-mode (for the detailed characteristics see the SARA-G3 series Data Sheet [1]).
As additional solution, alternative and mutually exclusive to the two described in Figure 47 and Figure 48, a
proper 32 kHz signal can be provided to the EXT32K input by the used application processor, if capable.
The EXT32K input and the 32K_OUT output are not available on SARA-G340 and SARA-G350 modules since
the internal oscillator generates the 32 kHz RTC reference clock.
ESD sensitivity rating of the EXT32K input pin and the 32K_OUT output pin is 1 kV (Human Body Model
according to JESD22-A114). Higher protection level can be required if the line is externally accessible on
the application board. Higher protection level can be achieved by mounting an ESD protection (e.g.
EPCOS CA05P4S14THSG varistor array) close to accessible point.
If the customer application does not require the low power idle-mode and the RTC functions, the EXT32K
input pin and the 32K_OUT output pin can be left not connected.
2.3.3.2 Guidelines for EXT32K and 32K_OUT layout design
The EXT32K input pin and the 32K_OUT output pin require accurate layout design: avoid injecting noise on
these pins as it may affect the stability of the RTC timing reference.
UBX-13000995 - R12 Early Production Information Design-in
Page 102 of 196

SARA-G3 and SARA-U2 series - System Integration Manual
2.4 Antenna interface
The ANT pin, provided by all the SARA-G3 and SARA-U2 series modules, represents the RF input/output used to
transmit and receive the 2G/3G RF cellular signals: the antenna must be connected to this pin. The ANT pin has
a nominal characteristic impedance of 50 Ω and must be connected to the antenna through a 50 Ω transmission
line to allow transmission and reception of radio frequency (RF) signals in the 2G and 3G operating bands.
2.4.1 Antenna RF interface (ANT)
2.4.1.1 General guidelines for antenna selection and design
The cellular antenna is the most critical component to be evaluated: care must be taken about it at the start of
the design development, when the physical dimensions of the application board are under analysis/decision,
since the RF compliance of the device integrating a SARA-G3 and SARA-U2 series module with all the applicable
required certification schemes depends from antenna radiating performance.
Cellular antennas are typically available as:
• External antenna (e.g. linear monopole):
o External antenna usage basically does not imply physical restrictions on the design of the PCB
where the SARA-G3 and SARA-U2 series module is mounted.
o The radiation performance mainly depends on the antenna: select the antenna with optimal
radiating performance in the operating bands.
o If antenna detection functionality is required, select an antenna assembly provided with a proper
built-in diagnostic circuit with a resistor connected to ground: see guidelines in section 2.4.2.
o Select an RF cable with minimum insertion loss: additional insertion loss due to low quality or long
cable reduces radiation performance.
o Select a suitable 50 Ω connector providing proper PCB-to-RF-cable transition: it is recommended to
strictly follow the layout and cable termination guidelines provided by the connector manufacturer.
• Integrated antenna (PCB antennas such as patches or ceramic SMT elements):
o Internal integrated antenna implies physical restriction to the design of the PCB: the ground plane
can be reduced down to a minimum size that must be similar to the quarter of the wavelength of
the minimum frequency that has to be radiated. As numerical example:
Frequency = 824 MHz Wavelength = 36.4 cm Minimum GND plane size = 9.1 cm
o The radiation performance depends on the whole PCB and antenna system design, including
product mechanical design and usage: select the antenna with optimal radiating performance in
the operating bands according to the mechanical specifications of the PCB and the whole product.
o Select a complete custom antenna designed by an antenna manufacturer if the required ground
plane dimensions are very small (e.g. less than 6.5 cm long and 4 cm wide): the antenna design
process should begin at the start of the whole product design process.
o Select an integrated antenna solution provided by an antenna manufacturer if the required ground
plane dimensions are large enough according to the related integrated antenna solution
specifications: the antenna selection and the definition of its placement in the product layout
should begin at the start of the product design process.
o It is highly recommended to strictly follow the detailed and specific guidelines provided by the
antenna manufacturer regarding correct installation and deployment of the antenna system,
including PCB layout and matching circuitry.
o Further to the custom PCB and product restrictions, the antenna may require tuning to obtain the
required performance for compliance with the applicable certification schemes. It is recommended
to ask the antenna manufacturer for the design-in guidelines related to the custom application.
UBX-13000995 - R12 Early Production Information Design-in
Page 103 of 196

SARA-G3 and SARA-U2 series - System Integration Manual
In both cases, selecting an external or an internal antenna, observe these recommendations:
• Select an antenna providing optimal return loss (or V.S.W.R.) figure over all the operating frequencies.
• Select an antenna providing optimal efficiency figure over all the operating frequencies.
• Select an antenna providing appropriate gain figure (i.e. combined antenna directivity and efficiency figure)
so that the electromagnetic field radiation intensity do not exceed the regulatory limits specified in some
countries (e.g. by FCC in the United States, as reported in section 4.2.2).
For the additional specific guidelines for SARA-G350 ATEX and SARA-U270 ATEX modules integration in
potentially explosive atmospheres applications, see section 2.14.
2.4.1.2 Guidelines for antenna RF interface design
Guidelines for ANT pin RF connection design
Proper transition between the ANT pin and the application board PCB must be provided, implementing the
following design-in guidelines for the layout of the application PCB close to the pad designed for the ANT pin:
• On a multi layer board, the whole layer stack below the RF connection should be free of digital lines
• Increase GND keep-out (i.e. clearance, a void area) around the ANT pad, on the top layer of the application
PCB, to at least 250 µm up to adjacent pads metal definition and up to 400 µm on the area below the
module, to reduce parasitic capacitance to ground, as described in the left picture in Figure 49
• Add GND keep-out (i.e. clearance, a void area) on the buried metal layer below the ANT pad if the top-layer
to buried layer dielectric thickness is below 200 µm, to reduce parasitic capacitance to ground, as described
in the right picture in Figure 49
Min.
250 µm
Min. 400 µm GND
ANT
GND clearance
on very close buried layer
below ANT pad
GND clearance
on top layer
around ANT pad
Figure 49: GND keep-out area on the top layer around ANT pad and on the very close buried layer below ANT pad
Guidelines for RF transmission line design
The transmission line from the ANT pad up to antenna connector or up to the internal antenna pad must be
designed so that the characteristic impedance is as close as possible to 50 Ω.
The transmission line can be designed as a micro strip (consists of a conducting strip separated from a ground
plane by a dielectric material) or a strip line (consists of a flat strip of metal which is sandwiched between two
parallel ground planes within a dielectric material). The micro strip, implemented as a coplanar waveguide, is the
most common configuration for printed circuit board.
UBX-13000995 - R12 Early Production Information Design-in
Page 104 of 196

SARA-G3 and SARA-U2 series - System Integration Manual
Figure 50 and Figure 51 provide two examples of proper 50 Ω coplanar waveguide designs. The first
transmission line can be implemented in case of 4-layer PCB stack-up herein described, the second transmission
line can be implemented in case of 2-layer PCB stack-up herein described.
35 um
35 um
35 um
35 um
270 um
270 um
760 um
L1 Copper
L3 Copper
L2 Copper
L4 Copper
FR-4 dielectric
FR-4 dielectric
FR-4 dielectric
380 um 500 um500 um
Figure 50: Example of 50 Ω coplanar waveguide transmission line design for the described 4-layer board layup
35 um
35 um
1510 um
L2 Copper
L1 Copper
FR-4 dielectric
1200 um 400 um
400 um
Figure 51: Example of 50 Ω coplanar waveguide transmission line design for the described 2-layer board layup
If the two examples do not match the application PCB layup, the 50 Ω characteristic impedance calculation can
be made using the HFSS commercial finite element method solver for electromagnetic structures from Ansys
Corporation, or using freeware tools like AppCAD from Agilent (www.agilent.com) or TXLine from Applied
Wave Research (www.mwoffice.com), taking care of the approximation formulas used by the tools for the
impedance computation.
To achieve a 50 Ω characteristic impedance, the width of the transmission line must be chosen depending on:
• the thickness of the transmission line itself (e.g. 35 µm in the example of Figure 50 and Figure 51)
• the thickness of the dielectric material between the top layer (where the transmission line is routed) and the
inner closer layer implementing the ground plane (e.g. 270 µm in Figure 50, 1510 µm in Figure 51)
• the dielectric constant of the dielectric material (e.g. dielectric constant of the FR-4 dielectric material in
Figure 50 and Figure 51)
• the gap from the transmission line to the adjacent ground plane on the same layer of the transmission line
(e.g. 500 µm in Figure 50, 400 µm in Figure 51)
If the distance between the transmission line and the adjacent GND area (on the same layer) does not exceed 5
times the track width of the micro strip, use the “Coplanar Waveguide” model for the 50 Ω calculation.
UBX-13000995 - R12 Early Production Information Design-in
Page 105 of 196

SARA-G3 and SARA-U2 series - System Integration Manual
Additionally to the 50 Ω impedance, the following guidelines are recommended for the transmission line design:
• Minimize the transmission line length: the insertion loss should be minimized as much as possible, in the
order of a few tenths of a dB.
• Add GND keep-out (i.e. clearance, a void area) on buried metal layers below any pad of component present
on the RF transmission line, if top-layer to buried layer dielectric thickness is below 200 µm, to reduce
parasitic capacitance to ground.
• The transmission line width and spacing to GND must be uniform and routed as smoothly as possible: avoid
abrupt changes of width and spacing to GND.
• Add GND vias around transmission line, as described in Figure 52.
• Ensure solid metal connection of the adjacent metal layer on the PCB stack-up to main ground layer,
providing enough on the adjacent metal layer, as described in Figure 52.
• Route RF transmission line far from any noise source (as switching supplies and digital lines) and from any
sensitive circuit (as analog audio lines).
• Avoid stubs on the transmission line.
• Avoid signal routing in parallel to transmission line or crossing the transmission line on buried metal layer.
• Do not route microstrip line below discrete component or other mechanics placed on top layer.
Two examples of proper RF circuit design are reported in the Figure 52, where the antenna detection circuit is
not implemented (if the antenna detection function is required by the application, follow the guidelines for
circuit and layout implementation reported in section 2.4.2):
• In the first example described on the left, the ANT pin is directly connected to an SMA connector by means
of a proper 50 Ω transmission line, designed with proper layout.
• In the second example described on the right, the ANT pin is connected to an SMA connector by means of a
proper 50 Ω transmission line, designed with proper layout, with an additional high pass filter (consisting of
a proper series capacitor and a proper shunt inductor) to improve the ESD immunity at the antenna port of
SARA-U2 modules as described in section 2.13 (a series 0 Ω jumper can be mounted for SARA-G3 modules
instead of the high pass filter as no further precaution to ESD immunity test is needed).
SARA module
SMA
connector
SARA module
SMA
connector
High-pass filter for
SARA-U2 ANT port
ESD immunity increase
Figure 52: Suggested circuit and layout for antenna RF circuit on application board, if antenna detection is not required
UBX-13000995 - R12 Early Production Information Design-in
Page 106 of 196

SARA-G3 and SARA-U2 series - System Integration Manual
Guidelines for RF termination design
The RF termination must provide a characteristic impedance of 50 Ω as well as the RF transmission line up to the
RF termination itself, to match the characteristic impedance of the ANT pin of the module.
However, real antennas do not have perfect 50 Ω load on all the supported frequency bands. Therefore, to
reduce as much as possible performance degradation due to antenna mismatch, the RF termination must
provide optimal return loss (or V.S.W.R.) figure over all the operating frequencies, as summarized in Table 10.
If an external antenna is used, the antenna connector represents the RF termination on the PCB:
• Use a suitable 50 Ω connector providing proper PCB-to-RF-cable transition.
• Strictly follow the connector manufacturer’s recommended layout, for example:
o SMA Pin-Through-Hole connectors require GND keep-out (i.e. clearance, a void area) on all the
layers around the central pin up to annular pads of the four GND posts, as shown in Figure 52.
o U.FL surface mounted connectors require no conductive traces (i.e. clearance, a void area) in the
area below the connector between the GND land pads.
• Cut out the GND layer under RF connectors and close to buried vias, to remove stray capacitance and thus
keep the RF line 50 Ω: e.g. the active pad of U.FL connectors needs to have a GND keep-out (i.e. clearance,
a void area) at least on first inner layer to reduce parasitic capacitance to ground
If an integrated antenna is used, the RF termination is represented by the integrated antenna itself:
• Use an antenna designed by an antenna manufacturer, providing the best possible return loss (or V.S.W.R.).
• Provide a ground plane large enough according to the related integrated antenna requirements: the ground
plane of the application PCB can be reduced to a minimum size that must be similar to one quarter of
wavelength of the minimum frequency that has to be radiated. As numerical example:
Frequency = 824 MHz Wavelength = 36.4 cm Minimum GND plane size = 9.1 cm
• It is highly recommended to strictly follow the detailed and specific guidelines provided by the antenna
manufacturer regarding correct installation and deployment of the antenna system, including PCB layout
and matching circuitry.
• Further to the custom PCB and product restrictions, the antenna may require a tuning to comply with all the
applicable required certification schemes. It is recommended to consult the antenna manufacturer for the
design-in guidelines for the antenna related to the custom application.
Additionally, these recommendations regarding the antenna system must be followed:
• Do not include antenna within closed metal case.
• Do not place the antenna in close vicinity to end users, since the emitted radiation in human tissue is limited
by regulatory requirements.
• Place the antenna far from sensitive analog systems or employ countermeasures to reduce electromagnetic
compatibility issues.
• Take care of interaction between co-located RF systems since the GSM / UMTS transmitted RF power may
interact or disturb the performance of companion systems.
• The antenna shall provide optimal efficiency figure over all the operating frequencies.
• The antenna shall provide appropriate gain figure (i.e. combined antenna directivity and efficiency figure) so
that the electromagnetic field radiation intensity does not exceed the regulatory limits specified in some
countries (e.g. by FCC in the United States, as reported in section 4.2.2).
UBX-13000995 - R12 Early Production Information Design-in
Page 107 of 196

SARA-G3 and SARA-U2 series - System Integration Manual
Examples of antennas
Table 32 lists some examples of possible internal on-board surface-mount antennas.
Manufacturer Part Number Product Name Description
Taoglas PA.25.A Anam GSM / WCDMA SMD Antenna
824..960 MHz, 1710..2170 MHz
36.0 x 6.0 x 5.0 mm
Taoglas PA.710.A Warrior GSM / WCDMA / LTE SMD Antenna
698..960 MHz, 1710..2170 MHz, 2300..2400 MHz, 2490..2690 MHz
40.0 x 6.0 x 5.0 mm
Taoglas PCS.06.A Havok GSM / WCDMA / LTE SMD Antenna
698..960 MHz, 1710..2170 MHz, 2500..2690 MHz
42.0 x 10.0 x 3.0 mm
Antenova A10340 Calvus GSM / WCDMA SMD Antenna
824..960 MHz, 1710..2170 MHz
28.0 x 8.0 x 3.2 mm
Ethertronics P522304 Prestta GSM / WCDMA SMD Antenna
824..960 MHz, 1710..2170 MHz
35.0 x 9.0 x 3.2 mm
2J 2JE04 GSM / WCDMA SMD Antenna
824..960 MHz, 1710..2170 MHz
24.0 x 5.5 x 4.4 mm
Yaego ANT3505B000TWPENA GSM / WCDMA SMD Antenna
824..960 MHz, 1710..2170 MHz
35.0 x 5.0 x 6.0 mm
Table 32: Examples of internal surface-mount antennas
Table 33 lists some examples of possible internal off-board PCB-type antennas with cable and connector.
Manufacturer Part Number Product Name Description
Taoglas FXP14.A.07.0100A GSM / WCDMA PCB Antenna with cable and U.FL connector
824..960 MHz, 1710..2170 MHz
70.4 x 20.4 mm
Taoglas FXP14R.A.07.0100A GSM / WCDMA PCB Antenna with cable and U.FL connector
Integrated 10k shunt diagnostic resistor
824..960 MHz, 1710..2170 MHz
80.0 x 20.8 mm
Taoglas PC29.09.0100A TheStripe GSM / WCDMA PCB Antenna with cable and MMCX(M)RA connector
824..960 MHz, 1710..2170 MHz
80.4 x 29.4 mm
Taoglas FXUB63.07.0150C GSM / WCDMA / LTE PCB Antenna with cable and U.FL connector
698..960 MHz, 1575.42 MHz, 1710..2170 MHz, 2400..2690 MHz
96.0 x 21.0 mm
Ethertronics P522310 Prestta GSM / WCDMA PCB Antenna with cable and U.FL connector
824..960 MHz, 1710..2170 MHz
41.0 x 15.0 mm
EAD FSQS35241-UF-10 SQ7 GSM / WCDMA / LTE PCB Antenna with cable and U.FL connector
690..960 MHz, 1710..2170 MHz, 2500..2700 MHz
110.0 x 21.0 mm
Yaego ANTX100P001BWPEN3 GSM / WCDMA PCB Antenna with cable and I-PEX connector
824..960 MHz, 1710..2170 MHz
50.0 x 20.0 mm
Table 33: Examples of internal antennas with cable and connector
UBX-13000995 - R12 Early Production Information Design-in
Page 108 of 196

SARA-G3 and SARA-U2 series - System Integration Manual
Table 34 lists some examples of possible external antennas.
Manufacturer Part Number Product Name Description
Taoglas GSA.8827.A.101111 Phoenix GSM / WCDMA / LTE low-profile adhesive-mount Antenna with cable
and SMA(M) connector
698..960 MHz, 1575.42 MHz, 1710..2170 MHz, 2490..2690 MHz
105 x 30 x 7.7 mm
Taoglas GSA.8821.A.301721 I-Bar GSM / WCDMA low-profile adhesive-mount Antenna with cable and
Fakra (code-D) connector
824..960 MHz, 1710..2170 MHz
106.7 x 14.7 x 5.8 mm
Taoglas TG.30.8112 GSM / WCDMA / LTE swivel dipole Antenna with SMA(M) connector
698..960 MHz, 1575.42 MHz, 1710..2170 MHz, 2400..2700 MHz
148.6 x 49 x 10 mm
Taoglas OMB.8912.03F21 GSM / WCDMA pole-mount Antenna with N-type (F) connector
824..960 MHz, 1710..2170 MHz
527 x Ø 26 mm
Taoglas FW.92.RNT.M GSM / WCDMA whip monopole Antenna with RP-N-
type(M) connector
824..960 MHz, 1710..2170 MHz
274 x Ø 20 mm
Nearson T6150AM GSM / WCDMA swivel monopole Antenna with SMA(M) connector
824..960 MHz, 1710..2170 MHz
179.3 x 22 x 6.5 mm
Laird Tech. MAF94300 HEPTA-SM GSM / WCDMA swivel monopole Antenna with SMA(M) connector
824..960 MHz, 1575.42 MHz,1710..2170 MHz, 2400..2500 MHz
161 x 9.3 mm
Laird Tech. TRA806/171033P GSM / WCDMA screw-mount Antenna with N-type(F) connector
824..960 MHz, 1710..2170 MHz
69.8 x Ø 38.1 mm
Laird Tech. CMS69273 GSM / WCDMA / LTE ceiling-mount Antenna with N-type(F) connector
698..960 MHz, 1575.42 MHz, 1710..2700 MHz
86 x Ø 199 mm
Laird Tech. OC69271-FNM GSM / WCDMA / LTE pole-mount Antenna with N-type(M) connector
698..960 MHz, 1710..2690 MHz
248 x Ø 24.5 mm
Abracon APAMS-102 GSM / WCDMA low-profile adhesive-mount Antenna with cable and
SMA(M) connector
824..960 MHz, 1710..2170 MHz
138 x 21 x 6 mm
Table 34: Examples of external antennas
UBX-13000995 - R12 Early Production Information Design-in
Page 109 of 196

SARA-G3 and SARA-U2 series - System Integration Manual
2.4.2 Antenna detection interface (ANT_DET)
Antenna detection interface (ANT_DET) is not supported by SARA-G300 and SARA-G310 modules.
2.4.2.1 Guidelines for ANT_DET circuit design
Figure 53 and Table 35 describe the recommended schematic and components for the antenna detection circuit
to be provided on the application board for the diagnostic circuit that must be provided on the antenna
assembly to achieve antenna detection functionality.
Application Board
Antenna Cable
SARA-G340 / SARA-G350
SARA-U2 series
56
ANT
62
ANT_DET
R1
C1 D1
L1
C2
J1
Z0= 50 ΩZ0= 50 ΩZ0= 50 ohm
Antenna Assembly
R2
C4
L3
Radiating
Element
Diagnostic
Circuit
GND
L2
C3
Figure 53: Suggested schematic for antenna detection circuit on application board and diagnostic circuit on antenna assembly
Reference Description Part Number - Manufacturer
C1 27 pF Capacitor Ceramic C0G 0402 5% 50 V GRM1555C1H270J - Murata
C2 33 pF Capacitor Ceramic C0G 0402 5% 50 V GRM1555C1H330J - Murata
D1
Very Low Capacitance ESD Protection
PESD0402-140 - Tyco Electronics
L1 68 nH Multilayer Inductor 0402 (SRF ~1 GHz) LQG15HS68NJ02 - Murata
R1 10 kΩ Resistor 0402 1% 0.063 W RK73H1ETTP1002F - KOA Speer
J1 SMA Connector 50
Ω
Through Hole Jack SMA6251A1-3GT50G-50 - Amphenol
C3 SARA:U2: 15 pF Capacitor Ceramic C0G 0402 5% 50 V GRM1555C1H150J - Murata
SARA-G3: 0 Ω jumper 0402 Various Manufacturers
L2 SARA:U2: 39 nH Multilayer Inductor 0402 (SRF ~1 GHz) LQG15HN39NJ02 - Murata
SARA-G3: Do not install
C4 22 pF Capacitor Ceramic C0G 0402 5% 25 V GRM1555C1H220J - Murata
L3 68 nH Multilayer Inductor 0402 (SRF ~1 GHz) LQG15HS68NJ02 - Murata
R2 15 kΩ Resistor for Diagnostic Various Manufacturers
Table 35: Suggested components for antenna detection circuit on application board and diagnostic circuit on antenna assembly
The antenna detection circuit and diagnostic circuit suggested in Figure 53 and Table 35 are here explained:
• When antenna detection is forced by the +UANTR AT command, the ANT_DET pin generates a DC current
measuring the resistance (R2) from the antenna connector (J1) provided on the application board to GND.
• DC blocking capacitors are needed at the ANT pin (C2) and at the antenna radiating element (C4) to
decouple the DC current generated by the ANT_DET pin.
• Choke inductors with a Self Resonance Frequency (SRF) in the range of 1 GHz are needed in series at the
ANT_DET pin (L1) and in series at the diagnostic resistor (L3), to avoid a reduction of the RF performance of
the system, improving the RF isolation of the load resistor.
• Additional components (R1, C1 and D1 in Figure 53) are needed at the ANT_DET pin as ESD protection.
UBX-13000995 - R12 Early Production Information Design-in
Page 110 of 196

SARA-G3 and SARA-U2 series - System Integration Manual
• Additional high pass filter (C3 and L2 in Figure 53) is provided at the ANT pin as ESD immunity improvement
for SARA-U2 modules (a series 0 Ω jumper can be mounted for SARA-G340 and SARA-G350 modules
instead of the high pass filter, as no further precaution to ESD immunity test is needed).
• The ANT pin must be connected to the antenna connector by means of a transmission line with nominal
characteristics impedance as close as possible to 50 Ω.
The DC impedance at RF port for some antennas may be a DC open (e.g. linear monopole) or a DC short to
reference GND (e.g. PIFA antenna). For those antennas, without the diagnostic circuit of Figure 53, the measured
DC resistance is always at the limits of the measurement range (respectively open or short), and there is no mean
to distinguish between a defect on antenna path with similar characteristics (respectively: removal of linear
antenna or RF cable shorted to GND for PIFA antenna).
Furthermore, any other DC signal injected to the RF connection from ANT connector to radiating element will
alter the measurement and produce invalid results for antenna detection.
It is recommended to use an antenna with a built-in diagnostic resistor in the range from 5 kΩ to 30 kΩ
to assure good antenna detection functionality and avoid a reduction of module RF performance. The
choke inductor should exhibit a parallel Self Resonance Frequency (SRF) in the range of 1 GHz to improve
the RF isolation of load resistor.
For example:
Consider an antenna with built-in DC load resistor of 15 kΩ. Using the +UANTR AT command, the module
reports the resistance value evaluated from the antenna connector provided on the application board to GND:
• Reported values close to the used diagnostic resistor nominal value (i.e. values from 13 kΩ to 17 kΩ if a
15 kΩ diagnostic resistor is used) indicate that the antenna is properly connected.
• Values close to the measurement range maximum limit (approximately 50 kΩ) or an open-circuit
“over range” report (see u-blox AT Commands Manual [3]) means that that the antenna is not connected or
the RF cable is broken.
• Reported values below the measurement range minimum limit (1 kΩ) highlights a short to GND at antenna
or along the RF cable.
• Measurement inside the valid measurement range and outside the expected range may indicate an improper
connection, damaged antenna or wrong value of antenna load resistor for diagnostic.
• Reported value could differ from the real resistance value of the diagnostic resistor mounted inside the
antenna assembly due to antenna cable length, antenna cable capacity and the used measurement method.
If the antenna detection function is not required by the customer application, the ANT_DET pin can be
left not connected and the ANT pin can be directly connected to the antenna connector by means of a
50 Ω transmission line as described in Figure 52.
UBX-13000995 - R12 Early Production Information Design-in
Page 111 of 196

SARA-G3 and SARA-U2 series - System Integration Manual
2.4.2.2 Guidelines for ANT_DET layout design
Figure 54 describes the recommended layout for the antenna detection circuit to be provided on the application
board to achieve antenna detection functionality, implementing the recommended schematic described in the
previous Figure 53 and Table 35.
SARA-G340 / SARA-G350
SARA-U2 series module
C2
R1
D1
C1
L1
J1
C3 L2
Figure 54: Suggested layout for antenna detection circuit on application board
The antenna detection circuit layout suggested in Figure 54 is here explained:
• The ANT pin is connected to the antenna connector by means of a 50 Ω transmission line, implementing the
design guidelines described in section 2.4.1 and the recommendations of the SMA connector manufacturer.
• DC blocking capacitor at the ANT pin (C2) is placed in series to the 50 Ω transmission line.
• The ANT_DET pin is connected to the 50 Ω transmission line by means of a sense line.
• Choke inductor in series at the ANT_DET pin (L1) is placed so that one pad is on the 50 Ω transmission line
and the other pad represents the start of the sense line to the ANT_DET pin.
• The additional components (R1, C1 and D1) on the ANT_DET line are placed as ESD protection.
• The additional high pass filter (C3 and L2) on the ANT line are placed as ESD immunity improvement for
SARA-U2 modules (a series 0 Ω jumper can be mounted for SARA-G340 and SARA-G350 modules instead
of the high pass filter, as no further precaution to ESD immunity test is needed).
UBX-13000995 - R12 Early Production Information Design-in
Page 112 of 196

SARA-G3 and SARA-U2 series - System Integration Manual
2.5 SIM interface
2.5.1.1 Guidelines for SIM circuit design
Guidelines for SIM cards, SIM connectors and SIM chips selection
The ISO/IEC 7816, the ETSI TS 102 221 and the ETSI TS 102 671 specifications define the physical, electrical and
functional characteristics of Universal Integrated Circuit Cards (UICC) which contains the Subscriber Identification
Module (SIM) integrated circuit that securely stores all the information needed to identify and authenticate
subscribers over the cellular network.
Removable UICC / SIM card contacts mapping is defined by ISO/IEC 7816 and ETSI TS 102 221as follows:
• Contact C1 = VCC (Supply) It must be connected to VSIM
• Contact C2 = RST (Reset) It must be connected to SIM_RST
• Contact C3 = CLK (Clock) It must be connected to SIM_CLK
• Contact C4 = AUX1 (Auxiliary contact) It must be left not connected
• Contact C5 = GND (Ground) It must be connected to GND
• Contact C6 = VPP (Programming supply) It must be connected to VSIM
• Contact C7 = I/O (Data input/output) It must be connected to SIM_IO
• Contact C8 = AUX2 (Auxiliary contact) It must be left not connected
A removable SIM card can have 6 contacts (C1 = VCC, C2 = RST, C3 = CLK, C5 = GND, C6 = VPP, C7 = I/O) or
8 contacts, providing also the auxiliary contacts C4 = AUX1 and C8 = AUX2 for USB interfaces and other uses.
Only 6 contacts are required and must be connected to the module SIM card interface as described above, since
the modules do not support the additional auxiliary features (contacts C4 = AUX1 and C8 = AUX2).
Removable SIM card are suitable for applications where the SIM changing is required during the product lifetime.
A SIM card holder can have 6 or 8 positions if a mechanical card presence detector is not provided, or it can
have 6+2 or 8+2 positions if two additional pins related to the normally-open mechanical switch integrated in
the SIM connector for the mechanical card presence detection are provided: select a SIM connector providing
6+2 or 8+2 positions if the optional SIM detection feature is required by the custom application, otherwise a
connector without integrated mechanical presence switch can be selected.
Solderable UICC / SIM chip contacts mapping (M2M UICC Form Factor) is defined by ETSI TS 102 671 as follows:
• Package Pin 8 = UICC Contact C1 = VCC (Supply) It must be connected to VSIM
• Package Pin 7 = UICC Contact C2 = RST (Reset) It must be connected to SIM_RST
• Package Pin 6 = UICC Contact C3 = CLK (Clock) It must be connected to SIM_CLK
• Package Pin 5 = UICC Contact C4 = AUX1 (Auxiliary contact) It must be left not connected
• Package Pin 1 = UICC Contact C5 = GND (Ground) It must be connected to GND
• Package Pin 2 = UICC Contact C6 = VPP (Programming supply) It must be connected to VSIM
• Package Pin 3 = UICC Contact C7 = I/O (Data input/output) It must be connected to SIM_IO
• Package Pin 4 = UICC Contact C8 = AUX2 (Auxiliary contact) It must be left not connected
A solderable SIM chip has 8 contacts and can provide also the auxiliary contacts C4 = AUX1 and C8 = AUX2 for
USB interfaces and other uses, but only 6 contacts are required and must be connected to the module SIM card
interface as described above, since SARA-G3 and SARA-U2 modules do not support the additional auxiliary
features (contacts C4 = AUX1 and C8 = AUX2).
Solderable SIM chips are suitable for M2M applications where it is not required to change the SIM once installed.
UBX-13000995 - R12 Early Production Information Design-in
Page 113 of 196

SARA-G3 and SARA-U2 series - System Integration Manual
Guidelines for single SIM card connection without detection
An application circuit for the connection to a single removable SIM card placed in a SIM card holder is described
in Figure 55, where the optional SIM detection feature is not implemented (see the circuit described in Figure 57
if the SIM detection feature is required).
Follow these guidelines connecting the module to a SIM connector without SIM presence detection:
• Connect the UICC / SIM contacts C1 (VCC) and C6 (VPP) to the VSIM pin of the module.
• Connect the UICC / SIM contact C7 (I/O) to the SIM_IO pin of the module.
• Connect the UICC / SIM contact C3 (CLK) to the SIM_CLK pin of the module.
• Connect the UICC / SIM contact C2 (RST) to the SIM_RST pin of the module.
• Connect the UICC / SIM contact C5 (GND) to ground.
• Provide a 100 nF bypass capacitor (e.g. Murata GRM155R71C104K) at the SIM supply line (VSIM), close to
the related pad of the SIM connector, to prevent digital noise.
• Provide a bypass capacitor of about 22 pF to 47 pF (e.g. Murata GRM1555C1H470J) on each SIM line
(VSIM, SIM_CLK, SIM_IO, SIM_RST), very close to each related pad of the SIM connector, to prevent RF
coupling especially in case the RF antenna is placed closer than 10 - 30 cm from the SIM card holder.
• Provide a low capacitance (i.e. less than 10 pF) ESD protection (e.g. Tyco Electronics PESD0402-140) on each
externally accessible SIM line, close to each related pad of the SIM connector: ESD sensitivity rating of the
SIM interface pins is 1 kV (Human Body Model according to JESD22-A114), so that, according to the
EMC/ESD requirements of the custom application, higher protection level can be required if the lines are
externally accessible on the application device.
• Limit capacitance and series resistance on each SIM signal (SIM_CLK, SIM_IO, SIM_RST) to match the
requirements for the SIM interface (27.7 ns is the maximum allowed rise time on the SIM_CLK line, 1.0 µs is
the maximum allowed rise time on the SIM_IO and SIM_RST lines).
SARA-G3 / SARA-U2
41
VSIM
39
SIM_IO
38
SIM_CLK
40
SIM_RST
4
V_INT
42
SIM_DET
SIM CARD
HOLDER
C
5
C
6
C
7
C
1
C
2
C
3
SIM Card
Bottom View
(contacts side)
C1
VPP (C6)
VCC (C1)
IO (C7)
CLK (C3)
RST (C2)
GND (C5)
C2 C3 C5
J1
C4 D1 D2 D3 D4
C
8
C
4
TP
Figure 55: Application circuit for the connection to a single removable SIM card, with SIM detection not implemented
Reference Description Part Number - Manufacturer
C1, C2, C3, C4 47 pF Capacitor Ceramic C0G 0402 5% 50 V GRM1555C1H470JA01 - Murata
C5 100 nF Capacitor Ceramic X7R 0402 10% 16 V GRM155R71C104KA01 - Murata
D1, D2, D3, D4 Very Low Capacitance ESD Protection PESD0402-140 - Tyco Electronics
J1 SIM Card Holder
6 positions, without card presence switch
Various Manufacturers,
C707 10M006 136 2 - Amphenol
Table 36: Example of components for the connection to a single removable SIM card, with SIM detection not implemented
UBX-13000995 - R12 Early Production Information Design-in
Page 114 of 196

SARA-G3 and SARA-U2 series - System Integration Manual
Guidelines for single SIM chip connection
An application circuit for the connection to a single solderable SIM chip (M2M UICC Form Factor) is described in
Figure 56, where the optional SIM detection feature is not implemented (see the circuit described in Figure 57 if
the SIM detection feature is required).
Follow these guidelines connecting the module to a solderable SIM chip without SIM presence detection:
• Connect the UICC / SIM contacts C1 (VCC) and C6 (VPP) to the VSIM pin of the module.
• Connect the UICC / SIM contact C7 (I/O) to the SIM_IO pin of the module.
• Connect the UICC / SIM contact C3 (CLK) to the SIM_CLK pin of the module.
• Connect the UICC / SIM contact C2 (RST) to the SIM_RST pin of the module.
• Connect the UICC / SIM contact C5 (GND) to ground.
• Provide a 100 nF bypass capacitor (e.g. Murata GRM155R71C104K) at the SIM supply line (VSIM) close to
the related pad of the SIM chip, to prevent digital noise.
• Provide a bypass capacitor of about 22 pF to 47 pF (e.g. Murata GRM1555C1H470J) on each SIM line
(VSIM, SIM_CLK, SIM_IO, SIM_RST), to prevent RF coupling especially in case the RF antenna is placed
closer than 10 - 30 cm from the SIM card holder.
• Limit capacitance and series resistance on each SIM signal (SIM_CLK, SIM_IO, SIM_RST) to match the
requirements for the SIM interface (27.7 ns is the maximum allowed rise time on the SIM_CLK line, 1.0 µs is
the maximum allowed rise time on the SIM_IO and SIM_RST lines).
41
VSIM
39
SIM_IO
38
SIM_CLK
40
SIM_RST
4
V_INT
42
SIM_DET SIM CHIP
SIM Chip
Bottom View
(contacts side)
C1
VPP (C6)
VCC (C1)
IO (C7)
CLK (C3)
RST (C2)
GND (C5)
C2 C3 C5
U1
C4
2
8
3
6
7
1
C1 C5
C2 C6
C3 C7
C4 C8
8
7
6
5
1
2
3
4
TP
SARA-G3 / SARA-U2
Figure 56: Application circuit for the connection to a single solderable SIM chip, with SIM detection not implemented
Reference Description Part Number - Manufacturer
C1, C2, C3, C4 47 pF Capacitor Ceramic C0G 0402 5% 50 V GRM1555C1H470JA01 - Murata
C5 100 nF Capacitor Ceramic X7R 0402 10% 16 V GRM155R71C104KA01 - Murata
U1 SIM chip (M2M UICC Form Factor) Various Manufacturers
Table 37: Example of components for the connection to a single solderable SIM chip, with SIM detection not implemented
UBX-13000995 - R12 Early Production Information Design-in
Page 115 of 196

SARA-G3 and SARA-U2 series - System Integration Manual
Guidelines for single SIM card connection with detection
SIM card detection is not supported by SARA-G300-00S and SARA-G310-00S modules.
An application circuit for the connection to a single removable SIM card placed in a SIM card holder is described
in Figure 57, where the optional SIM card detection feature is implemented.
Follow these guidelines connecting the module to a SIM connector implementing SIM presence detection:
• Connect the UICC / SIM contacts C1 (VCC) and C6 (VPP) to the VSIM pin of the module.
• Connect the UICC / SIM contact C7 (I/O) to the SIM_IO pin of the module.
• Connect the UICC / SIM contact C3 (CLK) to the SIM_CLK pin of the module.
• Connect the UICC / SIM contact C2 (RST) to the SIM_RST pin of the module.
• Connect the UICC / SIM contact C5 (GND) to ground.
• Connect one pin of the mechanical switch integrated in the SIM connector (as the SW2 pin in Figure 57) to
the SIM_DET input pin, providing a weak pull-down resistor (e.g. 470 kΩ, as R2 in Figure 57).
• Connect the other pin of the mechanical switch integrated in the SIM connector (as SW1 pin in Figure 57) to
the V_INT 1.8 V supply output by means of a strong pull-up resistor (e.g. 1 kΩ, as R1 in Figure 57).
• Provide a 100 nF bypass capacitor (e.g. Murata GRM155R71C104K) at the SIM supply line (VSIM), close to
the related pad of the SIM connector, to prevent digital noise.
• Provide a bypass capacitor of about 22 pF to 47 pF (e.g. Murata GRM1555C1H470J) on each SIM line
(VSIM, SIM_CLK, SIM_IO, SIM_RST), very close to each related pad of the SIM connector, to prevent RF
coupling especially in case the RF antenna is placed closer than 10 - 30 cm from the SIM card holder.
• Provide a low capacitance (i.e. less than 10 pF) ESD protection (e.g. Tyco Electronics PESD0402-140) on each
externally accessible SIM line, close to each related pad of the SIM connector: ESD sensitivity rating of SIM
interface pins is 1 kV (HBM according to JESD22-A114), so that, according to the EMC/ESD requirements of
the custom application, higher protection level can be required if the lines are externally accessible.
• Limit capacitance and series resistance on each SIM signal to match the requirements for the SIM interface
(27.7 ns = max allowed rise time on SIM_CLK, 1.0 µs = max allowed rise time on SIM_IO and SIM_RST).
SARA-G3 / SARA-U2
41
VSIM
39
SIM_IO
38
SIM_CLK
40
SIM_RST
4
V_INT
42
SIM_DET
SIM CARD
HOLDER
C
5
C
6
C
7
C
1
C
2
C
3
SIM Card
Bottom View
(contacts side)
C1
VPP (C6)
VCC (C1)
IO (C7)
CLK (C3)
RST (C2)
GND (C5)
C2 C3 C5
J1
C4
SW1
SW2
D1 D2 D3 D4 D5 D6
R2
R1
C
8
C
4
TP
Figure 57: Application circuit for the connection to a single removable SIM card, with SIM detection implemented
Reference Description Part Number - Manufacturer
C1, C2, C3, C4 47 pF Capacitor Ceramic C0G 0402 5% 50 V GRM1555C1H470JA01 - Murata
C5 100 nF Capacitor Ceramic X7R 0402 10% 16 V GRM155R71C104KA01 - Murata
D1
–
D6 Very Low Capacitance ESD Protection PESD0402-140 - Tyco Electronics
R1 1 kΩ Resistor 0402 5% 0.1 W RC0402JR-071KL - Yageo Phycomp
R2 470 kΩ Resistor 0402 5% 0.1 W RC0402JR-07470KL- Yageo Phycomp
J1 SIM Card Holder
6 + 2 positions, with card presence switch
Various Manufacturers,
CCM03-3013LFT R102 - C&K Components
Table 38: Example of components for the connection to a single removable SIM card, with SIM detection implemented
UBX-13000995 - R12 Early Production Information Design-in
Page 116 of 196

SARA-G3 and SARA-U2 series - System Integration Manual
Guidelines for dual SIM card / chip connection
Two SIM card / chip can be connected to the modules’ SIM interface as described in the circuit of Figure 58.
SARA-G3 and SARA-U2 modules do not support the usage of two SIM at the same time, but two SIM can be
populated on the application board providing a proper switch to connect only the first SIM or only the second
SIM per time to the SIM interface of the SARA-G3 and SARA-U2 modules as described in Figure 58.
SARA-G3 modules do not support SIM hot insertion / removal: the module is able to properly use a SIM only if
the SIM / module physical connection is provided before the module boot and then held for normal operation.
Switching from one SIM to another one can only be properly done within one of these two time periods:
• after module switch-off by the AT+CPWROFF and before module switch-on by PWR_ON
• after network deregistration by AT+COPS=2 and before module reset by AT+CFUN=16 or RESET_N
SARA-U2 modules support SIM hot insertion / removal on the SIM_DET pin: if the feature is enabled using the
specific AT commands (refer to sections 1.8.2 and 1.11, and to the u-blox AT Commands Manual [3], +UGPIOC,
+UDCONF commands), the switch from first SIM to the second SIM can be properly done when a Low logic level
is present on the SIM_DET pin (‘SIM not inserted’ = SIM interface not enabled), without the necessity of a
module re-boot, so that the SIM interface will be re-enabled by the module to use the second SIM when an High
logic level will be re-applied on the SIM_DET pin.
In the application circuit example represented in Figure 58, the application processor will drive the SIM switch
using its own GPIO to properly select the SIM that is used by the module. Another GPIO may be used to handle
the SIM hot insertion / removal function of SARA-U2 modules, which can also be handled by other external
circuits or by the cellular module GPIO according to the application requirements.
The dual SIM connection circuit described in Figure 58 can be implemented for SIM chips as well, providing
proper connection between SIM switch and SIM chip as described in Figure 56.
If it is required to switch between more than two SIMs, a circuit similar to the one described in Figure 58 can be
implemented: for example, in case of four SIM circuit, using a proper 4-pole 4-throw switch (or, alternatively,
four 1-pole 4-throw switches) instead of the suggested 4-pole 2-throw switch.
Follow these guidelines connecting the module to two SIM connectors:
• Use a proper low on resistance (i.e. few ohms) and low on capacitance (i.e. few pF) 2-throw analog switch
(e.g. Fairchild FSA2567) as SIM switch to ensure high-speed data transfer according to SIM requirements.
• Connect the contacts C1 (VCC) and C6 (VPP) of the two UICC / SIM to the VSIM pin of the module by
means of a proper 2-throw analog switch (e.g. Fairchild FSA2567).
• Connect the contact C7 (I/O) of the two UICC / SIM to the SIM_IO pin of the module by means of a proper
2-throw analog switch (e.g. Fairchild FSA2567).
• Connect the contact C3 (CLK) of the two UICC / SIM to the SIM_CLK pin of the module by means of a
proper 2-throw analog switch (e.g. Fairchild FSA2567).
• Connect the contact C2 (RST) of the two UICC / SIM to the SIM_RST pin of the module by means of a
proper 2-throw analog switch (e.g. Fairchild FSA2567).
• Connect the contact C5 (GND) of the two UICC / SIM to ground.
• Provide a 100 nF bypass capacitor (e.g. Murata GRM155R71C104K) at the SIM supply line (VSIM), close to
the related pad of the two SIM connectors, to prevent digital noise.
• Provide a bypass capacitor of about 22 pF to 47 pF (e.g. Murata GRM1555C1H470J) on each SIM line
(VSIM, SIM_CLK, SIM_IO, SIM_RST), very close to each related pad of the two SIM connectors, to prevent
RF coupling especially in case the RF antenna is placed closer than 10 - 30 cm from the SIM card holders.
• Provide a very low capacitance (i.e. less than 10 pF) ESD protection (e.g. Tyco Electronics PESD0402-140) on
each externally accessible SIM line, close to each related pad of the two SIM connectors, according to the
EMC/ESD requirements of the custom application.
• Limit capacitance and series resistance on each SIM signal (SIM_CLK, SIM_IO, SIM_RST) to match the
requirements for the SIM interface (27.7 ns is the maximum allowed rise time on the SIM_CLK line, 1.0 µs is
the maximum allowed rise time on the SIM_IO and SIM_RST lines).
UBX-13000995 - R12 Early Production Information Design-in
Page 117 of 196

SARA-G3 and SARA-U2 series - System Integration Manual
SARA-G3 / SARA-U2
C1
FIRST
SIM CARD
VPP (C6)
VCC (C1)
IO (C7)
CLK (C3)
RST (C2)
GND (C5)
C2 C3 C5
J1
C4 D1 D2 D3 D4
GND
U1
41
VSIM VSIM 1VSIM
2VSIM
VCC
C11
4PDT
Analog
Switch
3V8
39
SIM_IO DAT 1DAT
2DAT
38
SIM_CLK CLK 1CLK
2CLK
40
SIM_RST RST 1RST
2RST
SEL
SECOND
SIM CARD
VPP (C6)
VCC (C1)
IO (C7)
CLK (C3)
RST (C2)
GND (C5)
J2
C6 C7 C8 C10
C9 D5 D6 D7 D8
Application
Processor
GPIO
R1
Figure 58: Application circuit for the connection to two removable SIM cards, with SIM detection not implemented
Reference Description Part Number - Manufacturer
C1 – C4, C6 – C9 33 pF Capacitor Ceramic C0G 0402 5% 25 V GRM1555C1H330JZ01 - Murata
C5, C10, C11 100 nF Capacitor Ceramic X7R 0402 10% 16 V GRM155R71C104KA01 - Murata
D1 – D8 Very Low Capacitance ESD Protection PESD0402-140 - Tyco Electronics
R1 47 kΩ Resistor 0402 5% 0.1 W RC0402JR-0747KL- Yageo Phycomp
J1, J2 SIM Card Holder
6 positions, without card presence switch
Various Manufacturers,
C707 10M006 136 2 - Amphenol
U1 4PDT Analog Switch,
with Low On-Capacitance and Low On-Resistance
FSA2567 - Fairchild Semiconductor
Table 39: Example of components for the connection to two removable SIM cards, with SIM detection not implemented
2.5.1.2 Guidelines for SIM layout design
The layout of the SIM card interface lines (VSIM, SIM_CLK, SIM_IO, SIM_RST) may be critical if the SIM card is
placed far away from the SARA-G3 and SARA-U2 series modules or in close proximity to the RF antenna: these
two cases should be avoided or at least mitigated as described below.
In the first case, the long connection can cause the radiation of some harmonics of the digital data frequency as
any other digital interface: keep the traces short and avoid coupling with RF line or sensitive analog inputs.
In the second case, the same harmonics can be picked up and create self-interference that can reduce the
sensitivity of GSM / UMTS receiver channels whose carrier frequency is coincidental with harmonic frequencies:
placing the RF bypass capacitors suggested in Figure 57 near the SIM connector will mitigate the problem.
In addition, since the SIM card is typically accessed by the end user, it can be subjected to ESD discharges: add
adequate ESD protection as suggested in Figure 57 to protect module SIM pins near the SIM connector.
Limit capacitance and series resistance on each SIM signal to match the SIM specifications: the connections
should always be kept as short as possible.
Avoid coupling with any sensitive analog circuit, since the SIM signals can cause the radiation of some harmonics
of the digital data frequency.
UBX-13000995 - R12 Early Production Information Design-in
Page 118 of 196

SARA-G3 and SARA-U2 series - System Integration Manual
2.6 Serial interfaces
2.6.1 Asynchronous serial interface (UART)
2.6.1.1 Guidelines for UART circuit design
Providing the full RS-232 functionality (using the complete V.24 link)
If RS-232 compatible signal levels are needed, two different external voltage translators (e.g. Maxim MAX3237E
and Texas Instruments SN74AVC8T245PW) can be used to provide full RS-232 (9 lines) functionality. The Texas
Instruments chip provides the translation from 1.8 V to 3.3 V and vice versa, while the Maxim chip provides the
translation from 3.3 V to RS-232 compatible signal level and vice versa.
If a 1.8 V Application Processor (DTE) is used and complete RS-232 functionality as per ITU Recommendation [10]
is required in the DTE/DCE serial communication, then the complete 1.8 V UART interface of the module (DCE)
must be connected to a 1.8 V DTE as described in Figure 59.
TxD
Application Processor
(1.8V DTE)
RxD
RTS
CTS
DTR
DSR
RI
DCD
GND
SARA-G3 / SARA-U2
(1.8V DCE)
12
TXD
9
DTR
13
RXD
10
RTS
11
CTS
6
DSR
7
RI
8
DCD
GND
0ΩTP
0ΩTP
0ΩTP
0ΩTP
Figure 59: UART interface application circuit with complete V.24 link in DTE/DCE serial communication (1.8 V DTE)
If a 3.0 V Application Processor (DTE) is used, then it is recommended to connect the 1.8 V UART interface of the
module (DCE) by means of appropriate unidirectional voltage translators using the module V_INT output as
1.8 V supply for the voltage translators on the module side, as described in Figure 60.
4V_INT
TxD
Application Processor
(3.0V DTE)
RxD
RTS
CTS
DTR
DSR
RI
DCD
GND
SARA-G3 / SARA-U2
(1.8V DCE)
12 TXD
9DTR
13 RXD
10 RTS
11 CTS
6DSR
7RI
8DCD
GND
1V8
B1 A1
GND
U1
B3A3
VCCBVCCA
Unidirectional
Voltage Translator
C1 C2
3V0
DIR3
DIR2 OE
DIR1
VCC
B2 A2
B4A4
DIR4
1V8
B1
A1
GND
U2
B3A3
VCCBVCCA
Unidirectional
Voltage Translator
C3 C4
3V0
DIR1
DIR3 OE
B2 A2
B4A4
DIR4
DIR2
TP
0ΩTP
0ΩTP
0ΩTP
0ΩTP
Figure 60: UART interface application circuit with complete V.24 link in DTE/DCE serial communication (3.0 V DTE)
Reference Description Part Number - Manufacturer
C1, C2, C3, C4 100 nF Capacitor Ceramic X7R 0402 10% 16 V GRM155R61A104KA01 - Murata
U1, U2 Unidirectional Voltage Translator SN74AVC4T774 - Texas Instruments
Table 40: Component for UART application circuit with complete V.24 link in DTE/DCE serial communication (3.0 V DTE)
UBX-13000995 - R12 Early Production Information Design-in
Page 119 of 196

SARA-G3 and SARA-U2 series - System Integration Manual
Providing the TXD, RXD, RTS, CTS and DTR lines only (not using the complete V.24 link)
If the functionality of the DSR, DCD and RI lines is not required, or the lines are not available:
• Leave DSR, DCD and RI lines of the module unconnected and floating
If RS-232 compatible signal levels are needed, two different external voltage translators (e.g. Maxim MAX3237E
and Texas Instruments SN74AVC4T774) can be used. The Texas Instruments chips provide the translation from
1.8 V to 3.3 V, while the Maxim chip provides the translation from 3.3 V to RS-232 compatible signal level.
Figure 61 describes the circuit that should be implemented as if a 1.8 V Application Processor (DTE) is used,
given that the DTE will behave properly regardless DSR input setting.
TxD
Application Processor
(1.8V DTE)
RxD
RTS
CTS
DTR
DSR
RI
DCD
GND
SARA-G3 / SARA-U2
(1.8V DCE)
15
TXD
12
DTR
16
RXD
13
RTS
14
CTS
9
DSR
10
RI
11
DCD
GND
0 Ω
0 Ω
TP
TP
0 Ω
0 Ω
TP
TP
Figure 61: UART interface application circuit with partial V.24 link (6-wire) in the DTE/DCE serial communication (1.8 V DTE)
If a 3.0 V Application Processor (DTE) is used, then it is recommended to connect the 1.8 V UART interface of the
module (DCE) by means of appropriate unidirectional voltage translators using the module V_INT output as
1.8 V supply for the voltage translators on the module side, as described in Figure 62, given that the DTE will
behave properly regardless DSR input setting.
4
V_INT
TxD
Application Processor
(3.0V DTE)
RxD
RTS
CTS
DTR
DSR
RI
DCD
GND
SARA-G3 / SARA-U2
(1.8V DCE)
15
TXD
12
DTR
16
RXD
13
RTS
14
CTS
9
DSR
10
RI
11
DCD
GND
0 Ω
0 Ω
TP
TP
0 Ω
0 Ω
TP
TP
1V8
B1 A1
GND
U1
B3A3
VCCBVCCA
Unidirectional
Voltage Translator
C1 C2
3V0
DIR3
DIR2 OE
DIR1
VCC
B2 A2
B4A4
DIR4
1V8
B1 A1
GND
U2
VCCBVCCA
Unidirectional
Voltage Translator
C3
3V0
DIR1
OE
B2 A2
DIR2 C4
Figure 62: UART interface application circuit with partial V.24 link (6-wire) in DTE/DCE serial communication (3.0 V DTE)
Reference Description Part Number - Manufacturer
C1, C2, C3, C4 100 nF Capacitor Ceramic X7R 0402 10% 16 V GRM155R61A104KA01 - Murata
U1 Unidirectional Voltage Translator SN74AVC4T774 - Texas Instruments
U2 Unidirectional Voltage Translator SN74AVC2T245 - Texas Instruments
Table 41: Component for UART application circuit with partial V.24 link (6-wire) in DTE/DCE serial communication (3.0 V DTE)
UBX-13000995 - R12 Early Production Information Design-in
Page 120 of 196

SARA-G3 and SARA-U2 series - System Integration Manual
If only TXD, RXD, RTS, CTS and DTR lines are provided (as implemented in Figure 61 and in Figure 62) and if
HW flow-control is enabled (AT&K3, default setting), the power saving can be activated as it can be done when
the complete UART link is provided (9-wire, as implemented in Figure 59 and in Figure 60), i.e. in these ways:
• AT+UPSV=1: the module automatically enters the low power idle-mode whenever possible and the UART
interface is periodically enabled, as described in section 1.9.1.4, reaching low current consumption.
With this configuration, when the module is in idle-mode, the data transmitted by the DTE will be buffered
by the DTE and will be correctly received by the module when active-mode is entered.
• AT+UPSV=3: the module automatically enters the low power idle-mode whenever possible and the UART
interface is enabled by the DTR line, as described in section 1.9.1.4, reaching very low current consumption.
With this configuration, not supported only by SARA-G3 modules, when the module is in idle-mode, the
UART is re-enabled 20 ms after DTR has been set ON, and the recognition of subsequent characters is
guaranteed until the module is in active-mode.
If the HW flow-control is disabled (AT&K0), it is recommended to enable the power saving in one of these ways:
• AT+UPSV=2: the module automatically enters the low power idle-mode whenever possible and the UART
interface is enabled by the RTS line, as described in section 1.9.1.4, reaching very low current consumption.
With this configuration, when the module is in idle-mode, the UART is re-enabled 20 ms after RTS has been
set ON, and the recognition of subsequent characters is guaranteed until the module is in active-mode.
• AT+UPSV=3: the module automatically enters the low power idle-mode whenever possible and the UART
interface is enabled by the DTR line, as described in section 1.9.1.4, reaching very low current consumption.
With this configuration, not supported only by SARA-G3 modules, when the module is in idle-mode, the
UART is re-enabled 20 ms after DTR has been set ON, and the recognition of subsequent characters is
guaranteed until the module is in active-mode.
Providing the TXD, RXD, RTS and CTS lines only (not using the complete V.24 link)
If the functionality of the DSR, DCD, RI and DTR lines is not required in, or the lines are not available:
• Connect the module DTR input line to GND, since the module requires DTR active (low electrical level)
• Leave DSR, DCD and RI lines of the module unconnected and floating
If RS-232 compatible signal levels are needed, the Maxim 13234E voltage level translator can be used. This chip
translates voltage levels from 1.8 V (module side) to the RS-232 standard.
If a 1.8 V Application Processor (DTE) is used, the circuit should be implemented as described in Figure 63.
TxD
Application Processor
(1.8V DTE)
RxD
RTS
CTS
DTR
DSR
RI
DCD
GND
SARA-G3 / SARA-U2
(1.8V DCE)
12
TXD
9
DTR
13
RXD
10
RTS
11
CTS
6
DSR
7
RI
8
DCD
GND
0ΩTP
0ΩTP
0ΩTP
0ΩTP
Figure 63: UART interface application circuit with partial V.24 link (5-wire) in the DTE/DCE serial communication (1.8 V DTE)
UBX-13000995 - R12 Early Production Information Design-in
Page 121 of 196

SARA-G3 and SARA-U2 series - System Integration Manual
If a 3.0 V Application Processor (DTE) is used, then it is recommended to connect the 1.8 V UART interface of the
module (DCE) by means of appropriate unidirectional voltage translators using the module V_INT output as
1.8 V supply for the voltage translators on the module side, as described in Figure 64.
4
V_INT
TxD
Application Processor
(3.0V DTE)
RxD
RTS
CTS
DTR
DSR
RI
DCD
GND
SARA-G3 / SARA-U2
(1.8V DCE)
12
TXD
9
DTR
13
RXD
10
RTS
11
CTS
6
DSR
7
RI
8
DCD
GND
1V8
B1 A1
GND
U1
B3
A3
VCCBVCCA
Unidirectional
Voltage Translator
C1 C2
3V0
DIR3
DIR2 OE
DIR1
VCC
B2 A2
B4A4
DIR4
TP
0ΩTP
0ΩTP
0ΩTP
0ΩTP
Figure 64: UART interface application circuit with partial V.24 link (5-wire) in DTE/DCE serial communication (3.0 V DTE)
Reference Description Part Number - Manufacturer
C1, C2 100 nF Capacitor Ceramic X7R 0402 10% 16 V GRM155R61A104KA01 - Murata
U1 Unidirectional Voltage Translator SN74AVC4T774 - Texas Instruments
Table 42: Component for UART application circuit with partial V.24 link (5-wire) in DTE/DCE serial communication (3.0 V DTE)
If only TXD, RXD, RTS and CTS lines are provided, as implemented in Figure 63 and in Figure 64, and if HW
flow-control is enabled (AT&K3, default setting), the power saving can be activated in this way:
• AT+UPSV=1: the module automatically enters the low power idle-mode whenever possible and the UART
interface is periodically enabled, as described in section 1.9.1.4, reaching low current consumption.
With this configuration, when the module is in idle-mode, data transmitted by the DTE will be buffered by
the DTE and will be correctly received by the module when active-mode is entered.
If the HW flow-control is disabled (AT&K0), it is recommended to enable the power saving in this way:
• AT+UPSV=2: the module automatically enters the low power idle-mode whenever possible and the UART
interface is enabled by the RTS line, as described in section 1.9.1.4, reaching very low current consumption.
With this configuration, when the module is in idle-mode, the UART is re-enabled 20 ms after RTS has been
set ON, and the recognition of subsequent characters is guaranteed until the module is in active-mode.
Providing the TXD and RXD lines only (not using the complete V24 link)
If the functionality of the CTS, RTS, DSR, DCD, RI and DTR lines is not required in the application, or the lines
are not available:
• Connect the module RTS input line to GND or to the CTS output line of the module: since the module
requires RTS active (low electrical level) if HW flow-control is enabled (AT&K3, that is the default setting),
the pin can be connected using a 0 Ω series resistor to GND or to the active-module CTS (low electrical level)
when the module is in active-mode, the UART interface is enabled and the HW flow-control is enabled.
• Connect the module DTR input line to GND, since the module requires DTR active (low electrical level).
• Leave DSR, DCD and RI lines of the module unconnected and floating.
UBX-13000995 - R12 Early Production Information Design-in
Page 122 of 196

SARA-G3 and SARA-U2 series - System Integration Manual
If RS-232 compatible signal levels are needed, the Maxim 13234E voltage level translator can be used. This chip
translates voltage levels from 1.8 V (module side) to the RS-232 standard.
If a 1.8 V Application Processor (DTE) is used, the circuit that should be implemented as described in Figure 65:
TxD
Application Processor
(1.8V DTE)
RxD
RTS
CTS
DTR
DSR
RI
DCD
GND
SARA-G3 / SARA-U2
(1.8V DCE)
12
TXD
9
DTR
13
RXD
10
RTS
11
CTS
6
DSR
7
RI
8
DCD
GND
0ΩTP
0ΩTP
0ΩTP
TP
Figure 65: UART interface application circuit with partial V.24 link (3-wire) in the DTE/DCE serial communication (1.8 V DTE)
If a 3.0 V Application Processor (DTE) is used, then it is recommended to connect the 1.8 V UART interface of the
module (DCE) by means of appropriate unidirectional voltage translators using the module V_INT output as
1.8 V supply for the voltage translators on the module side, as described in Figure 66.
4
V_INT
TxD
Application Processor
(3.0V DTE)
RxD
DTR
DSR
RI
DCD
GND
SARA-G3 / SARA-U2
(1.8V DCE)
12
TXD
9
DTR
13
RXD
6
DSR
7
RI
8
DCD
GND
1V8
B1 A1
GND
U1
VCCBVCCA
Unidirectional
Voltage Translator
C1 C2
3V0
DIR1
DIR2 OE
VCC
B2 A2
RTS
CTS
10
RTS
11
CTS
TP
0ΩTP
0ΩTP
0ΩTP
TP
Figure 66: UART interface application circuit with partial V.24 link (3-wire) in DTE/DCE serial communication (3.0 V DTE)
Reference Description Part Number - Manufacturer
C1, C2 100 nF Capacitor Ceramic X7R 0402 10% 16 V GRM155R61A104KA01 - Murata
U1 Unidirectional Voltage Translator SN74AVC2T245 - Texas Instruments
Table 43: Component for UART application circuit with partial V.24 link (3-wire) in DTE/DCE serial communication (3.0 V DTE)
If only TXD and RXD lines are provided, as described in Figure 65 or in Figure 66, and HW flow-control is
disabled (AT&K0), the power saving must be enabled in this way:
• AT+UPSV=1: the module automatically enters the low power idle-mode whenever possible and the UART
interface is periodically enabled, as described in section 1.9.1.4, reaching low current consumption.
With this configuration, when the module is in idle-mode, the UART is re-enabled 20 ms after the first data
reception, and the recognition of subsequent characters is guaranteed until the module is in active-mode.
If only TXD and RXD lines are provided, data delivered by the DTE can be lost with these settings:
o HW flow-control enabled in the module (AT&K3, that is the default setting)
o Module power saving enabled by AT+UPSV=1
o HW flow-control disabled in the DTE
UBX-13000995 - R12 Early Production Information Design-in
Page 123 of 196

SARA-G3 and SARA-U2 series - System Integration Manual
In this case the first character sent when the module is in idle-mode will be a wake-up character and will
not be a valid communication character (see section 1.9.1.4 for the complete description).
If power saving is enabled the application circuit with the TXD and RXD lines only is not recommended.
During command mode the DTE must send to the module a wake-up character or a dummy “AT” before
each command line (see section 1.9.1.4 for the complete description), but during data mode the wake-up
character or the dummy “AT” would affect the data communication.
Additional considerations
If a 3.0 V Application Processor (DTE) is used, the voltage scaling from any 3.0 V output of the DTE to the
apposite 1.8 V input of the module (DCE) can be implemented, as an alternative low-cost solution, by means of
an appropriate voltage divider. Consider the value of the pull-up integrated at the input of the module (DCE) for
the correct selection of the voltage divider resistance values and mind that any DTE signal connected to the
module has to be tri-stated or set low when the module is in power-down mode and during the module power-
on sequence (at least until the activation of the V_INT supply output of the module), to avoid latch-up of circuits
and allow a proper boot of the module (see the remark below).
Moreover, the voltage scaling from any 1.8 V output of the cellular module (DCE) to the apposite 3.0 V input of
the Application Processor (DTE) can be implemented by means of an appropriate low-cost non-inverting buffer
with open drain output. The non-inverting buffer should be supplied by the V_INT supply output of the cellular
module. Consider the value of the pull-up integrated at each input of the DTE (if any) and the baud rate required
by the application for the appropriate selection of the resistance value for the external pull-up biased by the
application processor supply rail.
If the USB interface of SARA-U2 modules is connected to the host application processor, the UART can be
left unconnected as not required for AT and data communication, but it is anyway highly recommended
to provide direct access to the TXD, RXD, RTS, CTS pins of SARA-U2 modules for the execution of
firmware upgrade over UART using the u-blox EasyFlash tool and for dignostic purpose: provide a
testpoint on each line to accommodate the access and provide a 0 Ω series resistor on each line to detach
the module pin from any other connected device.
Any external signal connected to the UART interface must be tri-stated or set low when the module is in
power-down mode and during the module power-on sequence (at least until the activation of the V_INT
supply output of the module), to avoid latch-up of circuits and allow a proper boot of the module. If the
external signals connected to the cellular module cannot be tri-stated or set low, insert a multi channel
digital switch (e.g. Texas Instruments SN74CB3Q16244, TS5A3159, or TS5A63157) between the
two-circuit connections and set to high impedance during module power down mode and during the
module power-on sequence.
ESD sensitivity rating of UART interface pins is 1 kV (Human Body Model according to JESD22-A114).
Higher protection level could be required if the lines are externally accessible on the application board.
Higher protection level can be achieved by mounting an ESD protection (e.g. EPCOS CA05P4S14THSG
varistor array) close to accessible points.
2.6.1.2 Guidelines for UART layout design
The UART serial interface requires the same consideration regarding electro-magnetic interference as any other
digital interface. Keep the traces short and avoid coupling with RF line or sensitive analog inputs, since the
signals can cause the radiation of some harmonics of the digital data frequency.
UBX-13000995 - R12 Early Production Information Design-in
Page 124 of 196

SARA-G3 and SARA-U2 series - System Integration Manual
2.6.2 Auxiliary asynchronous serial interface (UART AUX)
Auxiliary UART interface is not supported by SARA-U2 modules.
2.6.2.1 Guidelines for UART AUX circuit design
The auxiliary UART interface can be connected to an application processor if it can be set in pass-through mode
so that the auxiliary UART interface can be accessed for SARA-G3 modules’ firmware upgrade by means of the
u-blox EasyFlash tool and for diagnostic purpose.
It is highly recommended to provide direct access to the TXD_AUX, RXD_AUX pins of SARA-G3 modules
for execution of firmware upgrade over auxiliary UART using the u-blox EasyFlash tool and for diagnostic
purpose: provide a testpoint on each line to accommodate the access and provide a 0 Ω series resistor on
each line to detach the module pin from any other connected device.
The circuit with a 1.8 V application processor should be implemented as described in Figure 67.
TxD
Application Processor
(1.8V DTE)
RxD
SARA-G3 series
(1.8V DCE)
29
TXD_AUX
28
RXD_AUX
GND GND
0 ohm
0 ohm
TestPoint
TestPoint
Figure 67: UART AUX interface application circuit connecting a 1.8 V application processor
If a 3.0 V application processor is used, then it is recommended to connect the 1.8 V auxiliary UART interface of
the module by means of appropriate unidirectional voltage translators using the module V_INT output as 1.8 V
supply for the voltage translators on the module side, as described in Figure 68.
4
V_INT
TxD
Application Processor
(3.0V DTE)
RxD
GND
SARA-G3 series
(1.8V DCE)
29
TXD_AUX
28
RXD_AUX
GND
1V8
B1 A1
GND
U1
VCCBVCCA
Unidirectional
Voltage Translator
C1 C2
3V0
DIR1
DIR2
OE
VCC
B2 A2
0 ohm
0 ohm
TP
TP
TP
Figure 68: UART AUX interface application circuit connecting a 3.0 V application processor
Reference Description Part Number - Manufacturer
C1, C2 100 nF Capacitor Ceramic X7R 0402 10% 16 V GRM155R61A104KA01 - Murata
U1 Unidirectional Voltage Translator SN74AVC2T245 - Texas Instruments
Table 44: Component for UART AUX interface application circuit connecting a 3.0 V application processor
See Firmware Update Application Note [25] for additional guidelines regarding the procedure for SARA-G3
modules’ firmware upgrade over the auxiliary UART interface using the u-blox EasyFlash tool.
UBX-13000995 - R12 Early Production Information Design-in
Page 125 of 196

SARA-G3 and SARA-U2 series - System Integration Manual
Any external signal connected to the auxiliary UART interface must be tri-stated or set low when the
module is in power-down mode and during the module power-on sequence (at least until the activation
of the V_INT output), to avoid latch-up of circuits and allow a proper boot of the module. If the external
signals connected to the cellular module cannot be tri-stated or set low, insert a multi channel digital
switch (e.g. TI SN74CB3Q16244, TS5A3159, or TS5A63157) between the two-circuit connections and set
to high impedance during module power down mode and during the module power-on sequence.
ESD sensitivity rating of auxiliary UART pins is 1 kV (Human Body Model according to JESD22-A114).
Higher protection level could be required if the lines are externally accessible on the application board.
Higher protection level can be achieved by mounting an ESD protection (e.g. EPCOS CA05P4S14THSG
varistor array) close to accessible points.
2.6.2.2 Guidelines for UART AUX layout design
The auxiliary UART serial interface is not critical for the layout design since it is not used during normal operation
of SARA-G3 modules. Ensure accessibility to the TXD_AUX and RXD_AUX pins providing test points on the
application board.
UBX-13000995 - R12 Early Production Information Design-in
Page 126 of 196

SARA-G3 and SARA-U2 series - System Integration Manual
2.6.3 Universal Serial Bus (USB)
USB interface is not supported by SARA-G3 modules.
2.6.3.1 Guidelines for USB circuit design
The USB_D+ and USB_D- lines carry the USB serial data and signaling. The lines are used in single ended mode
for full speed signaling handshake, as well as in differential mode for high speed signaling and data transfer.
USB pull-up or pull-down resistors on USB_D+ and USB_D- as required by the Universal Serial Bus Revision 2.0
specification [14] are part of the USB pin driver and do not need to be externally provided.
Series resistors on USB_D+ and USB_D- as required by Universal Serial Bus Revision 2.0 specification [14] are
also integrated and do not need to be externally provided.
Since the module acts as a USB device, the VBUS USB supply (5.0 V typ.) generated by the USB host must be
connected to the VUSB_DET input, which absorbs few microamperes to sense the host connection and enable
the USB interface of the module.
If connecting the USB_D+ and USB_D- pins to a USB device connector, the pin will be externally accessible on
the application device. According to EMC/ESD requirements of the application, an additional ESD protection
device with very low capacitance should be provided close to accessible point on the line connected to this pin,
as described in Figure 69 and Table 45.
The USB interface pins ESD sensitivity rating is 1 kV (Human Body Model according to JESD22-A114F).
Higher protection level could be required if the lines are externally accessible and it can be achieved by
mounting a very low capacitance (i.e. less or equal to 1 pF) ESD protection (e.g. Tyco Electronics
PESD0402-140 ESD protection device) on the lines connected to these pins, close to accessible points.
The USB pins of the modules can be directly connected to the USB host application processor without additional
ESD protections if they are not externally accessible or according to EMC/ESD requirements.
SARA-U2 series
D+
D-
GND
29
USB_D+
28
USB_D-
GND
USB DEVICE
CONNECTOR
D1 D2
VBUS
SARA-U2 series
D+
D-
GND
29
USB_D+
28
USB_D-
GND
USB HOST
PROCESSOR
C1
17
VUSB_DET
C1
17
VUSB_DET
VBUS
D3
Figure 69: USB Interface application circuits
Reference Description Part Number - Manufacturer
C1 100 nF Capacitor Ceramic X7R 0402 10% 16 V GRM155R61A104KA01 - Murata
D1, D2, D3 Very Low Capacitance ESD Protection PESD0402-140 - Tyco Electronics
Table 45: Component for USB application circuits
If the USB interface is not required by the customer application, as the UART interface is used for AT and
data communication with the host application processor, the USB pins can be left unconnected, but it is
highly recommended providing direct access on the application board by means of accessible testpoint
directly connected to the VUSB_DET, USB_D+, USB_D- pins of SARA-U2 modules.
UBX-13000995 - R12 Early Production Information Design-in
Page 127 of 196

SARA-G3 and SARA-U2 series - System Integration Manual
2.6.3.2 Guidelines for USB layout design
The USB_D+ / USB_D- lines require accurate layout design to achieve reliable signaling at the high speed data
rate (up to 480 Mb/s) supported by the USB serial interface.
The characteristic impedance of the USB_D+ / USB_D- lines is specified by the Universal Serial Bus Revision 2.0
specification [14]. The most important parameter is the differential characteristic impedance applicable for the
odd-mode electromagnetic field, which should be as close as possible to 90 Ω differential. Signal integrity may
be degraded if PCB layout is not optimal, especially when the USB signaling lines are very long.
Use the following general routing guidelines to minimize signal quality problems:
• Route USB_D+ / USB_D- lines as a differential pair.
• Route USB_D+ / USB_D- lines as short as possible.
• Ensure the differential characteristic impedance (Z0) is as close as possible to 90 Ω.
• Ensure the common mode characteristic impedance (ZCM) is as close as possible to 30 Ω.
• Consider design rules for USB_D+ / USB_D- similar to RF transmission lines, being them coupled differential
micro-strip or buried stripline: avoid any stubs, abrupt change of layout, and route on clear PCB area.
• Avoid coupling with any RF line or sensitive analog inputs, since the signals can cause the radiation of some
harmonics of the digital data frequency.
Figure 70 and Figure 71 provide two examples of coplanar waveguide designs with differential characteristic
impedance close to 90 Ω and common mode characteristic impedance close to 30 Ω. The first transmission line
can be implemented in case of 4-layer PCB stack-up herein described, the second transmission line can be
implemented in case of 2-layer PCB stack-up herein described.
35 µm
35 µm
35 µm
35 µm
270 µm
270 µm
760 µm
L1 Copper
L3 Copper
L2 Copper
L4 Copper
FR-4 dielectric
FR-4 dielectric
FR-4 dielectric
350 µm 400 µm400 µm350 µm400 µm
Figure 70: Example of USB line design, with Z0 close to 90 Ω and ZCM close to 30 Ω, for the described 4-layer board layup
35 µm
35 µm
1510 µm
L2 Copper
L1 Copper
FR-4 dielectric
740 µm 410 µm410 µm740 µm410 µm
Figure 71: Example of USB line design, with Z0 close to 90 Ω and ZCM close to 30 Ω, for the described 2-layer board layup
UBX-13000995 - R12 Early Production Information Design-in
Page 128 of 196

SARA-G3 and SARA-U2 series - System Integration Manual
2.6.4 DDC (I2C) interface
DDC (I2C) interface is not supported by SARA-G300 and SARA-G310 modules.
2.6.4.1 Guidelines for DDC (I2C) circuit design
General considerations
The DDC I2C-bus master interface of SARA-G340, SARA-G350 and SARA-U2 cellular modules can be used to
communicate with u-blox GNSS receivers and, on SARA-U2 modules only, it can be also used to communicate
with other external I2C-bus slaves as an audio codec. Beside the general considerations reported below, see:
• the following parts of this section for specific guidelines for the connection to u-blox GNSS receivers.
• the section 2.7.2 for an application circuit example with an external audio codec I2C-bus slave.
To be compliant to the I2C-bus specifications, the module bus interface pins are open drain output and pull up
resistors must be mounted externally. Resistor values must conform to I2C bus specifications [15]: for example,
4.7 kΩ resistors can be commonly used.
Connect the external DDC (I2C) pull-ups to the V_INT 1.8 V supply source, or another supply source
enabled after V_INT (e.g., as the GNSS 1.8 V supply present in Figure 72 application circuit), as any
external signal connected to the DDC (I2C) interface must not be set high before the switch-on of the
V_INT supply of the DDC (I2C) pins, to avoid latch-up of circuits and let a proper boot of the module.
The signal shape is defined by the values of the pull-up resistors and the bus capacitance. Long wires on the bus
increase the capacitance. If the bus capacitance is increased, use pull-up resistors with nominal resistance value
lower than 4.7 kΩ, to match the I2C bus specifications [15] regarding rise and fall times of the signals.
Capacitance and series resistance must be limited on the bus to match the I2C specifications (1.0 µs is the
maximum allowed rise time on the SCL and SDA lines): route connections as short as possible.
ESD sensitivity rating of the DDC (I2C) pins is 1 kV (Human Body Model according to JESD22-A114).
Higher protection level could be required if the lines are externally accessible and it can be achieved by
mounting an ESD protection (e.g. EPCOS CA05P4S14THSG varistor array) close to accessible points.
If the pins are not used as DDC bus interface, they can be left unconnected.
UBX-13000995 - R12 Early Production Information Design-in
Page 129 of 196

SARA-G3 and SARA-U2 series - System Integration Manual
Connection with u-blox 1.8 V GNSS receivers
Figure 72 shows an application circuit example for connecting a SARA-G340, SARA-G350 or SARA-U2 cellular
module to a u-blox 1.8 V GNSS receiver:
• The SDA and SCL pins of the cellular module are directly connected to the related pins of the u-blox 1.8 V
GNSS receiver, with appropriate pull-up resistors connected to the 1.8 V GNSS supply enabled after the
V_INT supply of the I2C pins of the cellular module.
• The GPIO2 pin is connected to the active-high enable pin of the voltage regulator that supplies the u-blox
1.8 V GNSS receiver providing the “GNSS supply enable” function. A pull-down resistor is provided to avoid
a switch on of the positioning receiver when the cellular module is switched off or in the reset state.
• The GPIO3 and GPIO4 pins are directly connected respectively to TXD1 and EXTINT0 pins of the u-blox
1.8 V GNSS receiver providing “GNSS data ready” and “GNSS RTC sharing” functions.
• The V_BCKP supply output of the cellular module is connected to the V_BCKP backup supply input pin of
the GNSS receiver to provide the supply for the GNSS real time clock and backup RAM when the VCC supply
of the cellular module is within its operating range and the VCC supply of the GNSS receiver is disabled. This
enables the u-blox GNSS receiver to recover from a power breakdown with either a hot start or a warm start
(depending on the actual duration of the GNSS VCC outage) and to maintain the configuration settings
saved in the backup RAM.
SARA-G340 / SARA-G350
SARA-U2 series
R1
INOUT
GND
GNSS LDO
Regulator
SHDN
u-blox GNSS
1.8 V receiver
SDA2
SCL2
R2
1V8 1V8
VMAIN
1V8
U1
23 GPIO2
SDA
SCL
C1
TxD1
EXTINT0
GPIO3
GPIO4
26
27
24
25
VCC
R3
V_BCKP V_BCKP
2
GNSS data ready
GNSS RTC sharing
GNSS supply enabled
Figure 72: Application circuit for connecting SARA-G3 / SARA-U2 modules to u-blox 1.8 V GNSS receivers
Reference Description Part Number - Manufacturer
R1, R2 4.7 kΩ Resistor 0402 5% 0.1 W RC0402JR-074K7L - Yageo Phycomp
R3 47 kΩ Resistor 0402 5% 0.1 W RC0402JR-0747KL - Yageo Phycomp
U1 Voltage Regulator for GNSS receiver See GNSS receiver Hardware Integration Manual
Table 46: Components for connecting SARA-G3 / SARA-U2 modules to u-blox 1.8 V GNSS receivers
Figure 73 illustrates an alternative solution as supply for u-blox 1.8 V GNSS receivers: the V_INT 1.8 V regulated
supply output of SARA-G340 / SARA-G350 / SARA-U2 cellular modules can be used to supply a u-blox 1.8 V
GNSS receiver of the u-blox 6 generation (or any newer u-blox GNSS receiver generation) instead of using an
external voltage regulator as shown in the previous Figure 72. The V_INT supply is able to support the maximum
current consumption of these positioning receivers.
The internal switching step-down regulator that generates the V_INT supply is set to 1.8 V (typical) when the
cellular module is switched on and it is disabled when the module is switched off.
UBX-13000995 - R12 Early Production Information Design-in
Page 130 of 196

SARA-G3 and SARA-U2 series - System Integration Manual
The supply of the u-blox 1.8 V GNSS receiver can be switched off using an external p-channel MOSFET
controlled by the GPIO2 pin by means of a proper inverting transistor as shown in Figure 73, implementing the
“GNSS supply enable” function. If this feature is not required, the V_INT supply output can be directly
connected to the u-blox 1.8 V GNSS receiver, so that it will be switched on when V_INT output is enabled.
The V_INT supply output provides low voltage ripple (up to 15 mVpp) when the module is in active-mode or in
connected-mode, but it provides higher voltage ripple (up to 90 mVpp on SARA-G3 series, or up to 70 mVpp on
SARA-U2 series) when the module is in the low power idle-mode with power saving configuration enabled by
the AT+UPSV (see u-blox AT Commands Manual [3]).
According to the voltage ripple characteristic of the V_INT supply output:
• The power saving configuration cannot be enabled to use V_INT output to properly supply any 1.8 V GNSS
receiver of the u-blox 6 generation and any 1.8 V GNSS receiver of the u-blox 7 generation or any newer
u-blox GNSS receiver generation with TCXO.
• The power saving configuration can be enabled to use V_INT output to properly supply any 1.8 V GNSS
receiver of the u-blox 7 generation or any newer u-blox GNSS receiver generation without TCXO.
• Additional filtering may be needed to properly supply an external LNA, depending on the characteristics of
the used LNA, adding a series ferrite bead and a bypass capacitor (e.g. the Murata BLM15HD182SN1 ferrite
bead and the Murata GRM1555C1H220J 22 pF capacitor) at the input of the external LNA supply line.
SARA-G340 / SARA-G350
SARA-U2 series
u-blox GNSS
1.8 V receiver
TxD1
EXTINT0
GPIO3
GPIO4
24
25
V_BCKP V_BCKP
2
SDA2
SCL2
23 GPIO2
SDA
SCL
26
27
VCC
1V8
C1
R3
4V_INT
R5
R4
TP
T2
T1
R1 R2
1V8 1V8
GNSS data ready
GNSS RTC sharing
GNSS supply enabled
Figure 73: Application circuit for connecting SARA-G3 / SARA-U2 modules to u-blox 1.8 V GNSS receivers using V_INT as supply
Reference Description Part Number - Manufacturer
R1, R2 4.7 kΩ Resistor 0402 5% 0.1 W RC0402JR-074K7L - Yageo Phycomp
R3 47 kΩ Resistor 0402 5% 0.1 W RC0402JR-0747KL - Yageo Phycomp
R4 10 kΩ Resistor 0402 5% 0.1 W RC0402JR-0710KL - Yageo Phycomp
R5 100 kΩ Resistor 0402 5% 0.1 W RC0402JR-07100KL - Yageo Phycomp
T1 P-Channel MOSFET Low On-Resistance IRLML6401 - International Rectifier or NTZS3151P - ON Semi
T2 NPN BJT Transistor BC847 - Infineon
C1 100 nF Capacitor Ceramic X7R 0402 10% 16 V GRM155R71C104KA01 - Murata
Table 47: Components for connecting SARA-G3 / SARA-U2 modules to u-blox 1.8 V GNSS receivers using V_INT as supply
For additional guidelines regarding the design of applications with u-blox 1.8 V GNSS receivers see the GNSS
Implementation Application Note [24] and to the Hardware Integration Manual of the u-blox GNSS receivers.
UBX-13000995 - R12 Early Production Information Design-in
Page 131 of 196

SARA-G3 and SARA-U2 series - System Integration Manual
Connection with u-blox 3.0 V GNSS receivers
Figure 74 shows an application circuit example for connecting a SARA-G340 or a SARA-G350 cellular module to
a u-blox 3.0 V GNSS receiver:
• The SDA and SCL pins of SARA-G340 / SARA-G350 are directly connected to the related pins of the u-blox
3.0 V GNSS receiver, with appropriate pull-up resistors connected to the 3.0 V GNSS supply enabled after
the V_INT supply of the I2C pins of the cellular module. An I2C-bus Voltage Translator is not needed because
the SARA-G340 / SARA-G350 DDC (I2C) pins are capable up to 3.3 V.
• The GPIO2 is connected to the active-high enable pin of the voltage regulator that supplies the u-blox 3.0 V
GNSS receiver providing the “GNSS supply enable” function. A pull-down resistor is provided to avoid a
switch on of the positioning receiver when the cellular module is switched off or in the reset state.
• As the GPIO3 and GPIO4 pins of SARA-G340 / SARA-G350 cellular modules are not tolerant up to 3.0 V,
the connection to the related pins of the u-blox 3.0 V GNSS receiver must be provided using a proper
Unidirectional General Purpose Voltage Translator (e.g. TI SN74AVC2T245, which additionally provides the
partial power down feature so that the 3.0 V GNSS supply can be also ramped up before the V_INT 1.8 V
cellular supply).
• The V_BCKP supply output of SARA-G340 / SARA-G350 is directly connected to the V_BCKP backup supply
input pin of the u-blox 3.0 V GNSS receiver as in the application circuit for a u-blox 1.8 V GNSS receiver.
SARA-G340 / SARA-G350
R1
INOUT
GND
GNSS LDO
Regulator
SHDN
u-blox GNSS
3.0 V receiver
SDA2
SCL2
R2
3V0 3V0
VMAIN3V0
U1
23
GPIO2
SDA
SCL
C1
26
27
VCC
R3
V_BCKP V_BCKP
2
24
GPIO3
25
GPIO4
1V8
B1 A1
GND
U2
B2A2
VCCBVCCA
Unidirectional
Voltage Translator
C2 C3
3V0
TxD1
EXTINT0
4
V_INT
DIR1
DIR2 OE
GNSS data ready
GNSS RTC sharing
TP
GNSS supply enabled
Figure 74: Application circuit for connecting SARA-G3 modules to u-blox 3.0 V GNSS receivers
Reference Description Part Number – Manufacturer
R1, R2 4.7 k
Ω
Resistor 0402 5% 0.1 W RC0402JR-074K7L - Yageo Phycomp
R3 47 k
Ω
Resistor 0402 5% 0.1 W RC0402JR-0747KL - Yageo Phycomp
C2, C3 100 nF Capacitor Ceramic X5R 0402 10% 10V GRM155R71C104KA01 - Murata
U1 Voltage Regulator for GNSS receiver See GNSS receiver Hardware Integration Manual
U2 Generic Unidirectional Voltage Translator SN74AVC2T245 - Texas Instruments
Table 48: Components for connecting SARA-G3 modules to u-blox 3.0 V GNSS receivers
UBX-13000995 - R12 Early Production Information Design-in
Page 132 of 196

SARA-G3 and SARA-U2 series - System Integration Manual
Figure 75 shows an application circuit example for connecting a SARA-U2 cellular module to a u-blox 3.0 V
GNSS receiver:
• As the SDA and SCL pins of the SARA-U2 cellular module are not tolerant up to 3.0 V, the connection to
the related I2C pins of the u-blox 3.0 V GNSS receiver must be provided using a proper I2C-bus Bidirectional
Voltage Translator (e.g. TI TCA9406, which additionally provides the partial power down feature so that the
GNSS 3.0 V supply can be ramped up before the V_INT 1.8 V cellular supply), with proper pull-up resistors.
• The GPIO2 is connected to the active-high enable pin of the voltage regulator that supplies the u-blox 3.0 V
GNSS receiver providing the “GNSS supply enable” function. A pull-down resistor is provided to avoid a
switch on of the positioning receiver when the cellular module is switched off or in the reset state.
• As the GPIO3 and GPIO4 pins of the SARA-U2 cellular modules are not tolerant up to 3.0 V, the connection
to the related pins of the u-blox 3.0 V GNSS receiver must be provided using a proper Unidirectional General
Purpose Voltage Translator (e.g. TI SN74AVC2T245, which additionally provides the partial power down
feature so that the 3.0 V GNSS supply can be also ramped up before the V_INT 1.8 V cellular supply).
• The V_BCKP supply output of the cellular module can be directly connected to the V_BCKP backup supply
input pin of the GNSS receiver as in the application circuit for a u-blox 1.8 V GNSS receiver.
SARA-U2 series
u-blox GNSS
3.0 V receiver
24 GPIO3
25 GPIO4
1V8
B1 A1
GND
U3
B2A2
VCCBVCCA
Unidirectional
Voltage Translator
C4 C5
3V0
TxD1
EXTINT0
R1
INOUT
GND
GNSS LDO
Regulator
SHDN
R2
VMAIN3V0
U1
23 GPIO2
26 SDA
27 SCL
R4 R5
1V8
SDA_A SDA_B
GND
U2
SCL_ASCL_B
VCCA
VCCB
I2C-bus Bidirectional
Voltage Translator
4V_INT
C1
C2 C3
R3
SDA2
SCL2
VCC
DIR1
DIR2
2V_BCKP
V_BCKP
OE
OE
GNSS data ready
GNSS RTC sharing
GNSS supply enabled
Figure 75: Application circuit for connecting SARA-U2 modules to u-blox 3.0 V GNSS receivers
Reference Description Part Number - Manufacturer
R1, R2, R4, R5 4.7 k
Ω
Resistor 0402 5% 0.1 W RC0402JR-074K7L - Yageo Phycomp
R3 47 k
Ω
Resistor 0402 5% 0.1 W RC0402JR-0747KL - Yageo Phycomp
C2, C3, C4, C5 100 nF Capacitor Ceramic X5R 0402 10% 10V GRM155R71C104KA01 - Murata
U1, C1 Voltage Regulator for GNSS receiver and related
output bypass capacitor
See GNSS receiver Hardware Integration Manual
U2 I2C-bus Bidirectional Voltage Translator TCA9406DCUR - Texas Instruments
U3 Generic Unidirectional Voltage Translator SN74AVC2T245 - Texas Instruments
Table 49: Components for connecting SARA-U2 modules to u-blox 3.0 V GNSS receivers
UBX-13000995 - R12 Early Production Information Design-in
Page 133 of 196

SARA-G3 and SARA-U2 series - System Integration Manual
For additional guidelines regarding the design of applications with u-blox 3.0 V GNSS receivers see the GNSS
Implementation Application Note [24] and to the Hardware Integration Manual of the u-blox GNSS receivers.
2.6.4.2 Guidelines for DDC (I2C) layout design
The DDC (I2C) serial interface requires the same consideration regarding electro-magnetic interference as any
other digital interface. Keep the traces short and avoid coupling with RF line or sensitive analog inputs, since the
signals can cause the radiation of some harmonics of the digital data frequency.
UBX-13000995 - R12 Early Production Information Design-in
Page 134 of 196

SARA-G3 and SARA-U2 series - System Integration Manual
2.7 Audio interface
2.7.1 Analog audio interface
SARA-G300, SARA-G310 and SARA-U2 modules do not provide analog audio interface.
2.7.1.1 Guidelines for microphone and speaker connection circuit design (headset / handset modes)
SARA-G340 and SARA-G350 modules provide one analog audio input path and one analog audio output path:
the same paths are used for both headset and handset modes, so that basically the same application circuit can
be implemented for both headset and handset modes.
Figure 76 shows an application circuit for the analog audio interface in headset and handset modes, connecting
a 2.2 kΩ electret microphone and a 16 Ω receiver / speaker:
• External microphone can be connected to the uplink path of the module, since the module provides supply
and reference as well as differential signal input for the external microphone.
• A 16 Ω receiver / speaker can be directly connected to the balanced output of the module, since the
differential analog audio output of the module is able to directly drive loads with resistance rating greater
than 14 Ω.
As in the example circuit in Figure 76, follow the general guidelines for the design of an analog audio circuit for
both headset and handset modes:
• Provide proper supply to the used electret microphone, providing a proper connection from the MIC_BIAS
supply output to the microphone. It is suggested to implement a bridge structure:
o The electret microphone, with its nominal intrinsic resistance value, represents one resistor of the
bridge.
o To achieve good supply noise rejection, the ratio of the two resistance in one leg (R2/R3) should be
equal to the ratio of the two resistance in the other leg (R4/MIC), i.e. R2 has to be equal to R4 (e.g.
2.2 kΩ) and R3 has to be equal to the microphone nominal intrinsic resistance value (e.g. 2.2 kΩ).
• Provide a proper series resistor at the MIC_BIAS supply output and then mount a proper large bypass
capacitor to provide additional supply noise filtering. See the R1 series resistor (2.2 kΩ) and the C1 bypass
capacitor (10 µF).
• Do not place a bypass capacitor directly at the MIC_BIAS supply output, since proper internal bypass
capacitor is already provided to guarantee stable operation of the internal regulator.
• Connect the reference of the microphone circuit to the MIC_GND pin of the module as a sense line.
• Provide a proper series capacitor at both MIC_P and MIC_N analog uplink inputs for DC blocking (as the C2
an C3 100 nF Murata GRM155R71C104K capacitors in Figure 76). This provides a high-pass filter for the
microphone DC bias with proper cut-off frequency according to the value of the resistors of the microphone
supply circuit. Then connect the signal lines to the microphone.
• Provide proper parts on each line connected to the external microphone as noise and EMI improvements, to
minimize RF coupling and TDMA noise, according to the custom application requirements.
o Mount an 82 nH series inductor with a Self Resonance Frequency ~1 GHz (e.g. the Murata
LQG15HS82NJ02) on each microphone line (L1 and L2 inductors in Figure 76).
o Mount a 27 pF bypass capacitor (e.g. Murata GRM1555C1H270J) from each microphone line to
solid ground plane (C4 and C5 capacitors in Figure 76).
• Use a microphone designed for GSM applications, which typically has an internal built-in bypass capacitor.
• Connect the SPK_P and SPK_N analog downlink outputs directly to the receiver / speaker (which resistance
rating must be greater than 14 Ω).
UBX-13000995 - R12 Early Production Information Design-in
Page 135 of 196

SARA-G3 and SARA-U2 series - System Integration Manual
• Provide proper parts on each line connected to the receiver / speaker as noise and EMI improvements, to
minimize RF coupling, according to EMC requirements of the custom application.
o Mount a 27 pF bypass capacitor (e.g. Murata GRM1555C1H270J) from each speaker line to solid
ground plane (C6 and C7 capacitors in Figure 76).
• Provide additional ESD protection (e.g. Bourns CG0402MLE-18G varistor) if the analog audio lines will be
externally accessible on the application device, according to the EMC/ESD requirements of the custom
application. Mount the protection close to an accessible point of the line (D1-D4 in Figure 76).
SARA-G340
SARA-G350
49
MIC_P
R1
R2 R4
44
SPK_P
48
MIC_N
45
SPK_N
R3
C1
46
MIC_BIAS
47
MIC_GND
C2
C3
D3
D1
C6 C7
L2
L1
C5C4
SPK
Speaker
Connector
J2
Microphone
Connector MIC
J1
D4
D2
Figure 76: Analog audio interface headset and handset mode application circuit
Reference Description Part Number – Manufacturer
C1 10 µF Capacitor Ceramic X5R 0603 20% 6.3 V GRM188R60J106ME47 – Murata
C2, C3 100 nF Capacitor Ceramic X7R 0402 10% 16 V GRM155R71C104KA88 – Murata
C4, C5, C6, C7 27 pF Capacitor Ceramic C0G 0402 5% 25 V GRM1555C1H270JA01 – Murata
D1, D2, D3, D4 Low Capacitance ESD Protection CG0402MLE-18G - Bourns
J1 Microphone Connector Various Manufacturers
J2 Speaker Connector Various Manufacturers
L1, L2 82 nH Multilayer inductor 0402
(self resonance frequency ~1 GHz)
LQG15HS82NJ02 – Murata
MIC
2.2 kΩ Electret Microphone
Various Manufacturers
R1, R2, R3, R4 2.2 k
Ω
Resistor 0402 5% 0.1 W RC0402JR-072K2L – Yageo Phycomp
SPK 16 Ω Speaker Various Manufacturers
Table 50: Example of components for analog audio interface headset and handset mode application circuit
If the analog audio interface is not used, the analog audio pins (MIC_BIAS, MIC_GND, MIC_P, MIC_N,
SPK_P, SPK_N) can be left unconnected on the application board.
UBX-13000995 - R12 Early Production Information Design-in
Page 136 of 196

SARA-G3 and SARA-U2 series - System Integration Manual
2.7.1.2 Guidelines for microphone and loudspeaker connection circuit design (hands-free mode)
Figure 77 shows an application circuit for the analog audio interface in hands-free mode, connecting a 2.2 kΩ
electret microphone and an 8 Ω or 4 Ω loudspeaker:
• External microphone can be connected to the uplink path of the module, since the module provides supply
and reference as well as differential signal input for the external microphone.
• Using a 8 Ω or 4 Ω loudspeaker for the hands-free mode, an external audio amplifier must be provided on
the application board to amplify the low power audio signal provided by the downlink path of the module,
so that the external audio amplifier will drive the 8 Ω or 4 Ω loudspeaker, since differential analog audio
output of the module is able to directly drive loads with resistance rating greater than 14 Ω.
As in the example circuit in Figure 77, follow the general guidelines for the design of an analog audio circuit for
hands-free mode:
• Provide proper supply to the used electret microphone, providing a proper connection from the MIC_BIAS
supply output to the microphone. It is suggested to implement a bridge:
o The electret microphone, with its nominal intrinsic resistance value, represents one resistor of the
bridge.
o To achieve good supply noise rejection, the ratio of the two resistance in one leg (R2/R3) should be
equal to the ratio of the two resistance in the other leg (R4/MIC), i.e. R2 has to be equal to R4 (e.g.
2.2 kΩ) and R3 must be equal to the microphone nominal intrinsic resistance value (e.g. 2.2 kΩ).
• Provide a series resistor at the MIC_BIAS supply output and then mount a good bypass capacitor to provide
additional supply noise filtering, as the R1 series resistor (2.2 kΩ) and the C1 bypass capacitor (10 µF).
• Do not place a bypass capacitor directly at the MIC_BIAS supply output, since proper internal bypass
capacitor is already provided to guarantee stable operation of the internal regulator.
• Connect the reference of the microphone circuit to the MIC_GND pin of the module as a sense line.
• Provide a proper series capacitor at both MIC_P and MIC_N analog uplink inputs for DC blocking (C2 and
C3 100 nF Murata GRM155R71C104K capacitors in Figure 77). This provides a high-pass filter for the
microphone DC bias with proper cut-off frequency according to the value of the resistors of the microphone
supply circuit. Then connect the signal lines to the microphone.
• Provide proper parts on each line connected to the external microphone as noise and EMI improvements, to
minimize RF coupling and TDMA noise, according to the custom application requirements.
o Mount an 82 nH series inductor with a Self Resonance Frequency ~1 GHz (e.g. the Murata
LQG15HS82NJ02) on each microphone line (L1 and L2 inductors in Figure 77).
o Mount a 27 pF bypass capacitor (e.g. Murata GRM1555C1H270J) from each microphone line to
solid ground plane (C4 and C5 capacitors in Figure 77).
• Use a microphone designed for GSM applications, which typically have internal built-in bypass capacitor.
• Provide a 47 nF series capacitor at both SPK_P and SPK_N analog downlink outputs for DC blocking (C8
and C9 Murata GRM155R71C473K capacitors in Figure 77). Then connect the lines to the differential input
of a proper external audio amplifier, differential output which must be connected to the 8 Ω or 4 Ω
loudspeaker. (See the Analog Devices SSM2305CPZ filter-less mono 2.8 W class-D Audio Amplifier in the
circuit described in Figure 77.)
• Provide proper parts on each line connected to the external loudspeaker as noise and EMI improvements, to
minimize RF coupling, according to EMC requirements of the custom application.
o Mount a 27 pF bypass capacitor (e.g. Murata GRM1555C1H270J) from each loudspeaker line to
solid ground plane (C6 and C7 capacitors in Figure 77).
• Provide additional ESD protection (e.g. Bourns CG0402MLE-18G varistor) if the analog audio lines will be
externally accessible on the application device, according to the EMC/ESD requirements of the custom
application. The protection should be mounted close to an accessible point of the line (D1-D4 parts in the
circuit described in Figure 77).
UBX-13000995 - R12 Early Production Information Design-in
Page 137 of 196

SARA-G3 and SARA-U2 series - System Integration Manual
SARA-G340
SARA-G350
49
MIC_P
R1
R2 R4
44
SPK_P
48
MIC_N
45
SPK_N
R3
C1
46
MIC_BIAS
47
MIC_GND
C2
C3
C6 C7
L2
L1
C5C4
LSPK
Loud-Speaker
Connector
J2
Microphone
Connector MIC
J1
OUT+
IN+
GND
U1
OUT-
IN-
C8
C9
R5
R6
VDD
C11C10
Audio
Amplifier
VCC
D3
D1
D4
D2
Figure 77: Analog audio interface hands-free mode application circuit
Reference Description Part Number – Manufacturer
C1, C10 10 µF Capacitor Ceramic X5R 0603 20% 6.3 V GRM188R60J106ME47 – Murata
C2, C3, C11 100 nF Capacitor Ceramic X7R 0402 10% 16 V GRM155R71C104KA88 – Murata
C4, C5, C6, C7 27 pF Capacitor Ceramic C0G 0402 5% 25 V GRM1555C1H270JA01 – Murata
C8, C9 47 nF Capacitor Ceramic X7R 0402 10% 16V GRM155R71C473KA01 – Murata
D1, D2, D3, D4 Low Capacitance ESD Protection CG0402MLE-18G - Bourns
J1 Microphone Connector Various Manufacturers
J2 Speaker Connector Various Manufacturers
L1, L2 82 nH Multilayer inductor 0402
(self resonance frequency ~1 GHz)
LQG15HS82NJ02 – Murata
LSPK 8 Ω Loud-Speaker Various Manufacturers
MIC 2.2 k
Ω
Electret Microphone Various Manufacturers
R1, R2, R3, R4 2.2 k
Ω
Resistor 0402 5% 0.1 W RC0402JR-072K2L – Yageo Phycomp
R5, R6 0 Ω Resistor 0402 5% 0.1 W RC0402JR-070RL – Yageo Phycomp
U1 Filter-less Mono 2.8 W Class-D Audio Amplifier SSM2305CPZ – Analog Devices
Table 51: Example of components for analog audio interface hands-free mode application circuit
If the analog audio interface is not used, the analog audio pins (MIC_BIAS, MIC_GND, MIC_P, MIC_N,
SPK_P, SPK_N) can be left unconnected on the application board.
UBX-13000995 - R12 Early Production Information Design-in
Page 138 of 196

SARA-G3 and SARA-U2 series - System Integration Manual
2.7.1.3 Guidelines for external analog audio device connection circuit design
The differential analog audio I/O can be used to connect the module to an external analog audio device. Audio
devices with a differential analog I/O are preferable, as they are more immune to external disturbances.
Figure 78 and Table 52 describe the application circuits, following the suggested circuit design-in.
Guidelines for the connection to a differential analog audio input:
• The SPK_P / SPK_N balanced output of the module must be connected to the differential input of the
external audio device by means of series capacitors for DC blocking (e.g. 10 µF) to decouple the bias present
at the module output, as described in the left side of Figure 78.
Guidelines for the connection to a single ended analog audio input:
• A proper differential to single ended circuit must be inserted from the SPK_P / SPK_N balanced output of
the module to the single ended input of the external audio device, as described in the Figure 78 right side:
10 µF series capacitors are provided to decouple the bias present at the module output, and a voltage
divider is provided to properly adapt the signal level from module output to external audio device input.
Guidelines for the connection to a differential analog audio output:
• The MIC_P / MIC_N balanced input of the module must be connected to the differential output of the
external audio device by means of series capacitors for DC blocking (e.g. 10 µF) to decouple the bias present
at the module input, as described in the Figure 78 left side.
Guidelines for the connection to a single ended analog audio output:
• A proper single ended to differential circuit has to be inserted from the single ended output of the external
audio device to the MIC_P / MIC_N balanced input of the module, as described in the Figure 78 right side:
10 µF series capacitors are provided to decouple the bias present at the module input, and a voltage divider
is provided to properly adapt the signal level from the external device output to the module input.
Additional guidelines for any connection:
• The DC-block series capacitor acts as high-pass filter for audio signals, with cut-off frequency depending on
both the values of capacitor and on the input impedance of the device. For example: in case of differential
input impedance of 600 Ω , the two 10 µF capacitors will set the -3 dB cut-off frequency to 53 Hz, while for
single ended connection to 600 Ω external device, the cut-off frequency with just the single 10 µF capacitor
will be 103 Hz. In both cases the high-pass filter has a low enough cut-off for proper frequency response.
• Use a suitable power-on sequence to avoid audio bump due to charging of the capacitor: the final audio
stage should be always enabled as last one.
• The signal levels can be adapted by setting gain using AT commands (see u-blox AT Commands Manual [3],
+USGC, +UMGC), but additional circuitry must be inserted if SPK_P / SPK_N output level of the module is
too high for the audio device input or if the audio device output level is too high for MIC_P / MIC_N, as the
voltage dividers present in the circuits described in Figure 78 right side to properly adapt the signal level.
SARA-G340
SARA-G350
C1
C2
45
SPK_N
44
SPK_P
GND
49
MIC_P
GND
Analog IN (-)
Analog IN (+)
Analog OUT (-)
Analog OUT (+)
Audio Device
GND
GND
48
MIC_N
C3
C4
SARA-G340
SARA-G350
45
SPK_N
44
SPK_P
GND
49
MIC_P
GND
Analog IN
Audio Device
GND
Reference
48
MIC_N
Analog OUT
C5
C6 R2
R1
R4
R3
C7
C8
46
MIC_BIAS
47
MIC_GND
46
MIC_BIAS
47
MIC_GND
Figure 78: Application circuits to connect the module to audio devices with proper differential or single-ended input/output
UBX-13000995 - R12 Early Production Information Design-in
Page 139 of 196

SARA-G3 and SARA-U2 series - System Integration Manual
Reference Description Part Number – Manufacturer
C1, C2, C3, C4,
C5, C6, C7, C8
10 µF Capacitor X5R 0603 5% 6.3 V GRM188R60J106M – Murata
R1, R3 0
Ω
Resistor 0402 5% 0.1 W RC0402JR-070RL – Yageo Phycomp
R2, R4 Not populated
Table 52: Connection to an analog audio device
2.7.1.4 Guidelines for analog audio layout design
Accurate analog audio design is very important to obtain clear and high quality audio. The GSM signal burst has
a repetition rate of 217 Hz that lies in the audible range. A careful layout is required to reduce the risk of noise
from audio lines due to both VCC burst noise coupling and RF detection.
Guidelines for the uplink path, which is the most sensitive since the analog input signals are in the microVolts
range, are the following:
• Avoid coupling of any noisy signal to microphone lines: it is strongly recommended to route microphone
lines away from module VCC supply line, any switching regulator line, RF antenna lines, digital lines and any
other possible noise source.
• Keep ground separation from microphone lines to other noisy signals. Use an intermediate ground layer or
vias wall for coplanar signals.
• Route microphone signal lines as a differential pair embedded in ground to reduce differential noise pick-up.
The balanced configuration will help reject the common mode noise.
• Route microphone reference as a signal line since the MIC_GND pin is internally connected to ground as a
sense line as the reference for the analog audio input.
• Cross other signals lines on adjacent layers with 90° crossing.
• Place bypass capacitor for RF very close to active microphone. The preferred microphone should be designed
for GSM applications which typically have internal built-in bypass capacitor for RF very close to active device.
If the integrated FET detects the RF burst, the resulting DC level will be in the pass-band of the audio
circuitry and cannot be filtered by any other device.
Guidelines for the downlink path are the following:
• The physical width of the audio output lines on the application board must be wide enough to minimize
series resistance since the lines are connected to low impedance speaker transducer.
• Avoid coupling of any noisy signal to speaker lines: it is recommended to route speaker lines away from
module VCC supply line, any switching regulator line, RF antenna lines, digital lines and any other possible
noise source.
• Route speaker signal lines as a differential pair embedded in ground up to reduce differential noise pick-up.
The balanced configuration will help reject the common mode noise.
• Cross other signals lines on adjacent layers with 90° crossing.
• Place bypass capacitor for RF close to the speaker.
UBX-13000995 - R12 Early Production Information Design-in
Page 140 of 196

SARA-G3 and SARA-U2 series - System Integration Manual
2.7.2 Digital audio interface
SARA-G300 and SARA-G310 modules do not provide digital audio interface.
2.7.2.1 Guidelines for digital audio circuit design
The I2S digital audio interface of SARA-G3 and SARA-U2 series modules can be connected to an external digital
audio device for voice applications.
Any external digital audio device compliant to the configuration of the digital audio interface of the cellular
module can be used, given that the external digital audio device has to provide:
• The opposite role: slave for SARA-G3 modules that act as master only; slave or master for SARA-U2 modules
that may act as master or slave
• The same mode and frame format: PCM / short alignment or Normal I2S mode / long alignment mode with
o data in 2’s complement notation
o MSB transmitted first
o word length = 16-bit
o frame length = 17-bit or 18-bit in PCM / short alignment mode (16 + 1 or 16 + 2 clock cycles, with
Word Aligment / Synchronization signal set high for 1 clock cycle or 2 clock cycles), or
o frame length = 32-bit in Normal I2S mode / long alignment mode (16 x 2 clock cycles)
• The same sample rate and serial clock frequency: as the clock frequency depends on the frame length and
the sample rate, the clock frequency can be
o 17 x <I2S_sample_rate> or 18 x <I2S_sample_rate> in PCM / short alignment mode, or
o 16 x 2 x <I2S_sample_rate> in Normal I2S mode / long alignment mode
• Compatible voltage levels (1.80 V typ.), otherwise it is recommended to connect the 1.8 V digital audio
interface of the module to the external 3.0 V (or similar) digital audio device by means of appropriate
unidirectional voltage translators (e.g. Texas Instruments SN74AVC4T774 or SN74AVC2T245), using the
module V_INT output as 1.8 V supply for the voltage translators on the module side
For the appropriate selection of a compliant external digital audio device, see the section 1.10.2 including
subsections 1.10.2.1 and 1.10.2.2. See the +UI2S AT command description in the u-blox AT Commands
Manual [3] for further details regarding the capabilities and the possible settings of I2S digital audio interface of
SARA-G3 and SARA-U2 series modules.
Figure 79 and Table 53 describe an application circuit example for the I2S digital audio interface of SARA-U2
modules providing voice capability using an external audio voice codec. DAC and ADC integrated in the external
audio codec respectively converts an incoming digital data stream to analog audio output through a mono
amplifier and converts the microphone input signal to the digital bit stream over the digital audio interface.
• The module’s I2S interface (I2S master) is connected to the related pins of the external audio codec (I2S slave).
• The V_INT output supplies the external audio codec, defining proper digital interfaces voltage level.
• The external audio codec is controlled by the SARA-U2 module using the DDC (I2C) interface: this interface
can be concurrently used to communicate with u-blox GNSS receivers and with an external audio codec.
• The CODEC_CLK pin of the SARA-U2 module (that provides a suitable digital output clock) is connected to
the clock input of the external audio codec to provide clock reference.
• Additional components are provided for EMC and ESD immunity conformity: a 10 nF bypass capacitor and a
series chip ferrite bead noise/EMI suppression filter provided on each microphone line input and speaker line
output of the external codec as described in Figure 79 and Table 53. The necessity of these or other
additional parts for EMC improvement may depend on the specific application board design.
UBX-13000995 - R12 Early Production Information Design-in
Page 141 of 196

SARA-G3 and SARA-U2 series - System Integration Manual
R2R1
GND
U1
SARA-U2 series
Audio
Codec
26
SDA
27
SCL
SDA
SCL
19
CODEC_CLK
MCLK
GND
R3 C3C2
C1
4
V_INT
VDD
1V8
MICBIAS
C4 R4
C5
C6
EMI1
MICLN
MICLP
Microphone
Connector
EMI2
MIC
C12 C11
J1
MICGND
R5 C8 C7
SPK
Speaker
Connector
OUTP
OUTN
J2
C10 C9
C14 C13
EMI3
EMI4
IRQn
BCLK
LRCLK
SDIN
SDOUT
36
I2S_CLK
34
I2S_WA
35
I2S_TXD
37
I2S_RXD
1V81V8
D3
D1
D4
D2
Figure 79: Application circuit for connecting SARA-U2 modules with an external audio codec to provide voice capability
Reference Description Part Number – Manufacturer
C1 100 nF Capacitor Ceramic X5R 0402 10% 10V GRM155R71C104KA01 – Murata
C2, C4, C5, C6 1 µF Capacitor Ceramic X5R 0402 10% 6.3 V GRM155R60J105KE19 – Murata
C3 10 µF Capacitor Ceramic X5R 0603 20% 6.3 V GRM188R60J106ME47 – Murata
C7, C8, C9, C10 27 pF Capacitor Ceramic COG 0402 5% 25 V GRM1555C1H270JZ01 – Murata
C11, C12, C13, C14 10 nF Capacitor Ceramic X5R 0402 10% 50V GRM155R71C103KA88 – Murata
D1, D2, D3, D4 Low Capacitance ESD Protection CG0402MLE-18G – Bourns
EMI1, EMI2, EMI3,
EMI4
Chip Ferrite Bead Noise/EMI Suppression Filter
1800 Ohm at 100 MHz, 2700 Ohm at 1 GHz
BLM15HD182SN1 – Murata
J1 Microphone Connector Various manufacturers
J2 Speaker Connector Various manufacturers
MIC 2.2 kΩ Electret Microphone Various manufacturers
R1, R2 4.7 k
Ω
Resistor 0402 5% 0.1 W RC0402JR-074K7L - Yageo Phycomp
R3 10 k
Ω
Resistor 0402 5% 0.1 W RC0402JR-0710KL - Yageo Phycomp
R4, R5 2.2 k
Ω
Resistor 0402 5% 0.1 W RC0402JR-072K2L – Yageo Phycomp
SPK 32 Ω Speaker Various manufacturers
U1 16-Bit Mono Audio Voice Codec MAX9860ETG+ - Maxim
Table 53: Example of components for connecting SARA-U2 modules with an external audio codec to provide voice capability
Figure 80 describes an application circuit example for connecting the I2S digital audio interface of SARA-G340,
SARA-G350 and SARA-U2 modules to an external audio voice codec, using the same parts listed in Table 53.
• The module’s I2S interface (I2S master) is connected to the related pins of the external audio codec (I2S slave).
• The V_INT output supplies the external audio codec, defining proper digital interfaces voltage level.
• The external audio codec is controlled by the application processor using the DDC (I2C) interface.
• The clock output of the application processor is connected to the clock input of the external audio codec to
provide clock reference.
• Additional components are provided for EMC and ESD immunity conformity: a 10 nF bypass capacitor and a
series chip ferrite bead noise/EMI suppression filter provided on each microphone line input and speaker line
output of the external codec as described in Figure 80 and Table 53. The necessity of these or other
additional parts for EMC improvement may depend on the specific application board design.
UBX-13000995 - R12 Early Production Information Design-in
Page 142 of 196

SARA-G3 and SARA-U2 series - System Integration Manual
R2R1
GND
U1
SARA-G340 / SARA-G350
SARA-U2 series
Audio
Codec
SDA
SCL
SDA
SCL
Clock Output
MCLK
GND
R3 C3C2
C1
4
V_INT
VDD
1V8
MICBIAS
C4 R4
C5
C6
EMI1
MICLN
MICLP
Microphone
Connector
EMI2
MIC
C12 C11
J1
MICGND
R5 C8 C7
SPK
Speaker
Connector
OUTP
OUTN
J2
C10 C9
C14 C13
EMI3
EMI4
IRQn
BCLK
LRCLK
SDIN
SDOUT
36
I2S_CLK
34
I2S_WA
35
I2S_TXD
37
I2S_RXD
1V81V8
Application Processor
GND
AT interface
D3
D1
D4
D2
Figure 80: Application circuit for connecting SARA-G3 / SARA-U2 modules with an external audio codec
As in general any external digital audio device compliant to the configuration of the digital audio interface of the
cellular module can be used, various external audio codecs other than the one described in Figure 79, Figure 80
and Table 53 can be used to provide voice capability. For example the Maxim MAX9867 audio codec, the Maxim
MAX9880A audio codec as well as many other parts produced by the same or other various manufacturers
(including Texas Instruments, Wolfson / Cirrus Logic, Freescale, etc) can be used instead of the Maxim MAX9860
audio codec described above, implementing and configuring an appropriate application circuit according to the
specific device and application requirements.
Any external signal connected to the digital audio interface must be tri-stated or set low when the module
is in power-down mode and during the module power-on sequence (at least until the activation of the
V_INT supply output of the module), to avoid latch-up of circuits and allow a proper boot of the module.
If the external signals connected to the cellular module cannot be tri-stated or set low, insert a multi
channel digital switch (e.g. Texas Instruments SN74CB3Q16244, TS5A3159, or TS5A63157) between the
two-circuit connections and set to high impedance during module power down mode and during the
module power-on sequence.
ESD sensitivity rating of I2S interface pins is 1 kV (Human Body Model according to JESD22-A114). Higher
protection level could be required if the lines are externally accessible on the application board. Higher
protection level can be achieved by mounting a general purpose ESD protection (e.g. EPCOS
CA05P4S14THSG varistor array) close to accessible points.
If the I2S digital audio pins are not used, they can be left unconnected on the application board.
2.7.2.2 Guidelines for digital audio layout design
The I2S interfaces lines (I2S_CLK, I2S_RX, I2S_TX, I2S_WA) require the same consideration regarding
electro-magnetic interference as any other digital interface. Keep the traces short and avoid coupling with RF
lines / parts or sensitive analog inputs, since the signals can cause the radiation of some harmonics of the digital
data frequency.
UBX-13000995 - R12 Early Production Information Design-in
Page 143 of 196

SARA-G3 and SARA-U2 series - System Integration Manual
2.8 General Purpose Input/Output (GPIO)
2.8.1.1 Guidelines for GPIO circuit design
The following application circuits are suggested as a general guideline for the usage of the GPIO pins available
with the SARA-G340 / SARA-G350 and SARA-U2 series modules, according to the related custom function.
Figure 81 describes an application circuit for a typical usage of some GPIO functions of the modules:
• Network indication function provided by the GPIO1 pin
• GNSS supply enable function provided by the GPIO2 pin
• GNSS data ready function provided by the GPIO3 pin
• GNSS RTC sharing function provided by the GPIO4 pin
OUTIN
GND
LDO Regulator
SHDN
3V8 1V8
GPIO3
GPIO4
TxD1
EXTINT0
24
25
R1
VCC
GPIO2 23
SARA-G340 / SARA-G350
SARA-U2 series
u-blox GNSS
1.8 V receiver
U1
C1
R2
R4
3V8
Network Indicator
R3
GNSS Supply Enable
GNSS Data Ready
GNSS RTC Sharing
16
GPIO1
DL1
T1
Figure 81: GPIO application circuit
Reference Description Part Number - Manufacturer
R1 47 kΩ Resistor 0402 5% 0.1 W Various manufacturers
U1 Voltage Regulator for GNSS receiver See GNSS module Hardware Integration Manual
R2 10 kΩ Resistor 0402 5% 0.1 W Various manufacturers
R3 47 kΩ Resistor 0402 5% 0.1 W Various manufacturers
R4 820
Ω
Resistor 0402 5% 0.1 W Various manufacturers
DL1 LED Red SMT 0603 LTST-C190KRKT - Lite-on Technology Corporation
T1 NPN BJT Transistor BC847 - Infineon
Table 54: Components for GPIO application circuit
Use transistors with at least an integrated resistor in the base pin or otherwise put a 10 kΩ resistor on the
board in series to the GPIO.
ESD sensitivity rating of the GPIO pins is 1 kV (Human Body Model according to JESD22-A114).
Higher protection level could be required if the lines are externally accessible on the application board.
Higher protection level can be achieved by mounting an ESD protection (e.g. EPCOS CA05P4S14THSG
varistor array) close to accessible points.
UBX-13000995 - R12 Early Production Information Design-in
Page 144 of 196

SARA-G3 and SARA-U2 series - System Integration Manual
Any external signal connected to the GPIOs must be tri-stated or set low when the module is in
power-down mode and during the module power-on sequence (at least until the activation of the V_INT
supply output of the module), to avoid latch-up of circuits and allow a proper boot of the module. If the
external signals connected to the cellular module cannot be tri-stated or set low, insert a multi channel
digital switch (e.g. Texas Instruments SN74CB3Q16244, TS5A3159, or TS5A63157) between the two-
circuit connections and set to high impedance during module power down mode and during the module
power-on sequence.
If the GPIO pins are not used, they can be left unconnected on the application board.
2.8.1.2 Guidelines for GPIO layout design
The general purpose input/output pins are generally not critical for layout.
2.9 Reserved pins (RSVD)
SARA-G3 and SARA-U2 series modules have pins reserved for future use. All the RSVD pins, except pin number
33, can be left unconnected on the application board. Figure 82 illustrates the application circuit.
Pin 33 (RSVD) must be connected to GND.
SARA-G3 / SARA-U2
33
RSVD
RSVD
Figure 82: Application circuit for the reserved pins (RSVD)
2.10 Module placement
Optimize placement for minimum length of RF line and closer path from DC source for VCC.
Make sure that the module, RF and analog parts / circuits are clearly separated from any possible source of
radiated energy, including digital circuits that can radiate some digital frequency harmonics, which can produce
Electro-Magnetic Interference affecting module, RF and analog parts / circuits’ performance or implement proper
countermeasures to avoid any possible Electro-Magnetic Compatibility issue.
Make sure that the module, RF and analog parts / circuits, high speed digital circuits are clearly separated from
any sensitive part / circuit which may be affected by Electro-Magnetic Interference or employ countermeasures to
avoid any possible Electro-Magnetic Compatibility issue.
Provide enough clearance between the module and any external part.
The heat dissipation during transmission at maximum power can raise the temperature of the module and
its environment, as the application board locations near and below the SARA-G3 series modules and,
more significantly, the locations near and below the SARA-U2 series modules: avoid placing temperature
sensitive devices close to the module.
UBX-13000995 - R12 Early Production Information Design-in
Page 145 of 196

SARA-G3 and SARA-U2 series - System Integration Manual
2.11 Module footprint and paste mask
Figure 83 and Table 55 describe the suggested footprint (i.e. copper mask) and paste mask layout for SARA
modules: the proposed land pattern layout reflects the modules’ pins layout, while the proposed stencil
apertures layout is slightly different (see the F’’, H’’, I’’, J’’, O’’ parameters compared to the F’, H’, I’, J’, O’ ones).
The Non Solder Mask Defined (NSMD) pad type is recommended over the Solder Mask Defined (SMD) pad type,
implementing the solder mask opening 50 µm larger per side than the corresponding copper pad.
The recommended solder paste thickness is 150 µm, according to application production process requirements.
K
M1
M1
M2
E G H’ J’ E
ANT pin
B
Pin 1
K
G
H’
J’
A
D
D
O’
O’
L N L
I’
F’
F’
K
M1
M1
M2
E G H’’ J’’ E
ANT pin
B
Pin 1
K
G
H’’
J’’
A
D
D
O’’
O’’
L N L
I’’
F’’
F’’
Stencil: 150
µm
Figure 83: SARA-G3 and SARA-U2 series modules suggested footprint and paste mask (application board top view)
Parameter Value Parameter Value Parameter Value
A
26.0 mm
G
1.10 mm
K
2.75 mm
B
16.0 mm
H’
0.80 mm
L
2.75 mm
C
3.00 mm
H’’
0.75 mm
M1
1.80 mm
D
2.00 mm
I’
1.50 mm
M2
3.60 mm
E
2.50 mm
I’’
1.55 mm
N
2.10 mm
F’
1.05 mm
J’
0.30 mm
O’
1.10 mm
F’’
1.00 mm
J’’
0.35 mm
O’’
1.05 mm
Table 55: SARA-G3 and SARA-U2 series modules suggested footprint and paste mask dimensions
These are recommendations only and not specifications. The exact copper, solder and paste mask
geometries, distances, stencil thicknesses and solder paste volumes must be adapted to the specific
production processes (e.g. soldering etc.) of the customer.
UBX-13000995 - R12 Early Production Information Design-in
Page 146 of 196

SARA-G3 and SARA-U2 series - System Integration Manual
2.12 Thermal guidelines
SARA-G3 and SARA-U2 series module operating temperature range and module thermal resistance are
specified in the SARA-G3 series Data Sheet [1] or the SARA-U2 series Data Sheet [2].
The most critical condition concerning module thermal performance is the uplink transmission at maximum
power (data upload or voice call in connected-mode), when the baseband processor runs at full speed, radio
circuits are all active and the RF power amplifier is driven to higher output RF power. This scenario is not often
encountered in real networks; however the application should be correctly designed to cope with it.
During transmission at maximum RF power the SARA-G3 modules generate thermal power that can exceed 1 W,
whereas the SARA-U2 modules generate thermal power that can exceed 2 W: these are indicative values since
the exact generated power strictly depends on operating condition such as the cellular radio access technology,
the number of allocated TX slot, the transmitting frequency band, etc. The generated thermal power must be
adequately dissipated through the thermal and mechanical design of the application, in particular for SARA-U2
modules when operating in the 3G cellular radio access technology.
SARA-U2 modules implement an integrated self protection algorithm when operating in the 3G cellular
radio access technology: the module reduces the transmitted power when the temperature internally
sensed in the integrated 3G Power Amplifier approaches the maximum allowed internal temperature, to
guarantee device functionality and long life span.
The spreading of the Module-to-Ambient thermal resistance (Rth,M-A) depends on module operating condition:
the overall temperature distribution is influenced by the configuration of the active components during the
specific mode of operation and their different thermal resistance toward the case interface.
Mounting a SARA-G3 module on a 79 mm x 62 mm x 1.41 mm 4-Layers PCB with a high coverage of copper in
still air conditions11, the increase of the module temperature12 in different modes of operation, referred to idle
state initial condition13, can be summarized as following:
• ~8 °C during a GSM voice call (1 TX slot, 1 RX slot) at max TX power
• ~12 °C during a GPRS data transfer (2 TX slots, 3 RX slots) at max TX power
The Module-to-Ambient thermal resistance value and the relative increase of module temperature are
application dependent, according to the specific mechanical deployment of the module, e.g. application
PCB dimensions and characteristics, mechanical shells enclosure and air flow conditions.
The increase of thermal dissipation, i.e. the Module-to-Ambient thermal resistance reduction, will decrease the
temperature for internal circuitry of the SARA-G3 and SARA-U2 series modules for a given operating ambient
temperature. This improves device long-term reliability for applications operating at high ambient temperature.
A few hardware techniques may be used to reduce the Module-to-Ambient thermal resistance in the application:
• Connect each GND pin with solid ground layer of the application board and connect each ground area of
the multilayer application board with complete via stack down to main ground layer
• Provide a ground plane as wide as possible on the application board
• Optimize antenna return loss, to optimize overall electrical performance of the module including a decrease
of module thermal power
11 Refer to SARA-G3 and SARA-U2 series Data Sheet [1] for the Rth,M-A value in this application condition
12 Temperature is measured by internal sensor of cellular module
13 Steady state thermal equilibrium is assumed. The module’s temperature in idle state can be considered equal to ambient temperature
UBX-13000995 - R12 Early Production Information Design-in
Page 147 of 196

SARA-G3 and SARA-U2 series - System Integration Manual
• Optimize the thermal design of any high-power component included in the application, as linear regulators
and amplifiers, to optimize overall temperature distribution in the application device
• Select the material, the thickness and the surface of the box (i.e. the mechanical enclosure of the application
device that integrates the module) so that it provides good thermal dissipation
• Force ventilation air-flow within mechanical enclosure
• Provide a heat sink component attached to the module top side, with electrically insulated / high thermal
conductivity adhesive, or on the backside of the application board, below the cellular module, as a large part
of the heat is transported through the GND pads and dissipated over the backside of the application board
For example, after the installation of a robust aluminum heat-sink with forced air ventilation on the back of the
same application board described above, the Module-to-Ambient thermal resistance (Rth,M-A) is reduced up to
the Module-to-Case thermal resistance (Rth,M-C) defined in the SARA-G3 series Data Sheet [1] or the SARA-U2
series Data Sheet [2].
The effect of lower Rth,M-A due to the installation of a robust heat-sink on the backside of the application board
with forced air ventilation can be seen from the module temperature increase, which now can be summarized as
following for SARA-G3 modules:
• ~1 °C during a GSM voice call (1 TX slot, 1 RX slot) at the maximum TX power
• ~2 °C during a GPRS data transfer (2 TX slots, 3 RX slots) at the maximum TX power
Beside the reduction of the Module-to-Ambient thermal resistance implemented by the hardware design of the
application device integrating a SARA-G3 and SARA-U2 series module, the increase of module temperature can
be moderated by the software implementation of the application.
Since the most critical condition concerning module thermal power occurs when module connected-mode is
enabled, the actual module thermal power depends, as module current consumption, on the radio access mode,
the operating band and the average TX power.
A few software techniques may be implemented to reduce the module temperature increase in the application:
• Select the radio access mode which provides lower temperature increase by means of AT command (see the
u-blox AT Commands Manual [3])
• Select by means of AT command the GPRS multi-slot class which provides lower current consumption (see
current consumption values reported in SARA-G3 series Data Sheet [1] or SARA-U2 series Data Sheet [2],
and u-blox AT Commands Manual [3], +UCLASS command)
• Select by means of AT command the operating band which provides lower current consumption (see current
consumption values reported in SARA-G3 series Data Sheet [1] or SARA-U2 series Data Sheet [2], and u-blox
AT Commands Manual [3], +UBANDSEL command)
• Enable module connected-mode for a given time period and then disable it for a time period enough long to
properly mitigate temperature increase
UBX-13000995 - R12 Early Production Information Design-in
Page 148 of 196

SARA-G3 and SARA-U2 series - System Integration Manual
2.13 ESD guidelines
The sections 2.13.1 and 2.13.2 are related to EMC / ESD immunity, herein described in section 2.13.1. The
modules are ESD sensitive devices and the ESD sensitivity for each pin (as Human Body Model according to
JESD22-A114F) is specified in SARA-G3 series Data Sheet [1] or SARA-U2 series Data Sheet [2], requiring special
precautions when handling: for ESD handling guidelines see section 3.2.
2.13.1 ESD immunity test overview
The immunity of devices integrating SARA-G3 and SARA-U2 series modules to Electro-Static Discharge (ESD) is
part of the Electro-Magnetic Compatibility (EMC) conformity, which is required for products bearing the CE
marking, compliant with the R&TTE Directive (99/5/EC), the EMC Directive (89/336/EEC) and the Low Voltage
Directive (73/23/EEC) issued by the Commission of the European Community.
Compliance with these directives implies conformity to the following European Norms for device ESD immunity:
ESD testing standard CENELEC EN 61000-4-2 [18] and the radio equipment standards ETSI EN 301 489-1 [19],
ETSI EN 301 489-7 [20], ETSI EN 301 489-24 [21], which requirements are summarized in Table 56.
The ESD immunity test is performed at the enclosure port, defined by ETSI EN 301 489-1 [19] as the physical
boundary through which the electromagnetic field radiates. If the device implements an integral antenna, the
enclosure port is defined as all insulating and conductive surfaces housing the device. If the device implements a
removable antenna, the antenna port can be separated from the enclosure port. The antenna port includes the
antenna element and its interconnecting cable surfaces.
The applicability of the ESD immunity test to the whole device depends on the device classification as defined by
ETSI EN 301 489-1 [19]. Applicability of the ESD immunity test to the relative device ports or the relative
interconnecting cables to auxiliary equipments, depends on device accessible interfaces and manufacturer
requirements, as defined by ETSI EN 301 489-1 [19].
Contact discharges are performed at conductive surfaces, while air discharges are performed at insulating
surfaces. Indirect contact discharges are performed on the measurement setup horizontal and vertical coupling
planes as defined in CENELEC EN 61000-4-2 [18].
For the definition of integral antenna, removable antenna, antenna port, device classification see ETSI EN
301 489-1 [19], whereas for contact and air discharges definitions see CENELEC EN 61000-4-2 [18]
Application Category Immunity Level
All exposed surfaces of the radio equipment and ancillary equipment in a
representative configuration
Contact Discharge 4 kV
Air Discharge 8 kV
Table 56: EMC / ESD immunity requirements as defined by CENELEC EN 61000-4-2, ETSI EN 301 489-1, 301 489-7, 301 489-24
2.13.2 ESD immunity test of u-blox SARA-G3 and SARA-U2 reference designs
EMC certification tests (including ESD immunity) have been successfully performed on the u-blox SARA-G3 and
SARA-U2 reference designs according to applicable European Norms (see Table 56), as required for customized
devices integrating the modules for R&TTED and European Conformance CE mark.
The EMC / ESD approved u-blox reference designs consist of a SARA-G3 or a SARA-U2 module soldered onto a
motherboard which provides supply interface, SIM card, headset and communication port. An external cellular
antenna is connected to an SMA connector provided on the motherboard.
Since an external antenna is used, the antenna port can be separated from the enclosure port. The reference
design is not enclosed in a box so that the enclosure port is not indentified with physical surfaces. Therefore,
some test cases cannot be applied. Only the antenna port is identified as accessible for direct ESD exposure.
UBX-13000995 - R12 Early Production Information Design-in
Page 149 of 196

SARA-G3 and SARA-U2 series - System Integration Manual
Table 57 reports the u-blox SARA-G3 and SARA-U2 reference designs ESD immunity test results, according to
the CENELEC EN 61000-4-2 [18], ETSI EN 301 489-1 [19], 301 489-7 [20], 301 489-24 [21] test requirements.
Category Application Immunity Level Remarks
Contact Discharge
to coupling planes
(indirect contact discharge)
Enclosure +4 kV / –4 kV
Contact Discharges
to conducted surfaces
(direct contact discharge)
Enclosure port Not Applicable Test not applicable to u-blox reference design because it
does not provide enclosure surface.
The test is applicable only to equipments providing
conductive enclosure surface.
Antenna port +4 kV / –4 kV Test applicable to u-
blox reference design because it
provides antenna with conductive & insulating surfaces.
The
test is applicable only to equipments providing
antenna with conductive surface.
Air Discharge
at insulating surfaces
Enclosure port Not Applicable Test not applicable to the u-
blox reference design
because it does not provide an enclosure surface.
The
test is applicable only to equipments providing
insulating enclosure surface.
Antenna port +8 kV / –8 kV Test applicable to u-
blox reference design because it
provides antenna with conductive & insulating surfaces.
The test is applicable only to
equipments providing
antenna with insulating surface.
Table 57: Enclosure ESD immunity level of u-blox SARA-G3 and SARA-U2 reference designs
SARA-G3 and SARA-U2 reference designs implement all the ESD precautions described in section 2.13.3.
2.13.3 ESD application circuits
The application circuits described in this section are recommended and should be implemented in any device
that integrates a SARA-G3 and SARA-U2 series module, according to the application board classification (see
ETSI EN 301 489-1 [19]), to satisfy the requirements for ESD immunity test summarized in Table 56.
Antenna interface
The ANT pin of SARA-G3 modules provides ESD immunity up to ±4 kV for direct Contact Discharge and up to
±8 kV for Air Discharge according to IEC 61000-4-2: no further precaution to ESD immunity test is needed, as
implemented in the EMC / ESD approved reference design of SARA-G3 modules.
The ANT pin of SARA-U2 modules provides ESD immunity up to ±2 kV for direct Contact Discharge and up to
±4 kV for Air Discharge according to IEC 61000-4-2: higher protection level is required if the line is externally
accessible on the device (i.e. the application board where the SARA-U2 module is mounted).
The following precautions are suggested for satisfying ESD immunity test requirements using SARA-U2 modules:
• If the device implements an embedded antenna, the device insulating enclosure should provide protection to
direct contact discharge up to ±4 kV and protection to air discharge up to ±8 kV to the antenna interface
• If the device implements an external antenna, the antenna and its connecting cable should provide a
completely insulated enclosure able to provide protection to direct contact discharge up to ±4 kV and
protection to air discharge up to ±8 kV to the whole antenna and cable surfaces
• If the device implements an external antenna, and the antenna and its connecting cable do not provide a
completely insulated enclosure able to provide protection to direct contact discharge up to ±4 kV and
protection to air discharge up to ±8 kV to the whole antenna and cable surfaces, an external high pass filter,
consisting of a series 15 pF capacitor (Murata GRM1555C1H150JA01) and a shunt 39 nH coil (Murata
UBX-13000995 - R12 Early Production Information Design-in
Page 150 of 196

SARA-G3 and SARA-U2 series - System Integration Manual
LQG15HN39NJ02) should be implemented at the antenna port as described in the Figure 52, Figure 53 and
Figure 54, as implemented in the EMC / ESD approved reference design of SARA-U2 modules
The antenna interface application circuit implemented in the EMC / ESD approved reference designs of SARA-G3
and SARA-U2 series modules is described in Figure 52 in case of antenna detection circuit not implemented, and
is described in Figure 53 and Table 35 in case of antenna detection circuit implemented (section 2.4).
RESET_N pin
The following precautions are suggested for the RESET_N line of SARA-G3 and SARA-U2 series modules,
depending on the application board handling, to satisfy ESD immunity test requirements:
• It is recommended to keep the connection line to RESET_N as short as possible
Maximum ESD sensitivity rating of the RESET_N pin is 1 kV (Human Body Model according to JESD22-A114).
Higher protection level could be required if the RESET_N pin is externally accessible on the application board.
The following precautions are suggested to achieve higher protection level:
• A general purpose ESD protection device (e.g. EPCOS CA05P4S14THSG varistor array or EPCOS
CT0402S14AHSG varistor) should be mounted on the RESET_N line, close to accessible point
The RESET_N application circuit implemented in the EMC / ESD approved reference design of SARA-G3 modules
is described in Figure 46 and Table 30 (section 2.3.2).
SIM interface
The following precautions are suggested for SARA-G3 and SARA-U2 modules SIM interface (VSIM, SIM_RST,
SIM_IO, SIM_CLK), depending on the application board handling, to satisfy ESD immunity test requirements:
• A 47 pF bypass capacitor (e.g. Murata GRM1555C1H470J) must be mounted on the lines connected to
VSIM, SIM_RST, SIM_IO and SIM_CLK pins to assure SIM interface functionality when an electrostatic
discharge is applied to the application board enclosure
• It is suggested to use as short as possible connection lines at SIM pins
Maximum ESD sensitivity rating of SIM interface pins is 1 kV (Human Body Model according to JESD22-A114).
Higher protection level could be required if SIM interface pins are externally accessible on the application board.
The following precautions are suggested to achieve higher protection level:
• A low capacitance (i.e. less than 10 pF) ESD protection device (e.g. Tyco Electronics PESD0402-140) should
be mounted on each SIM interface line, close to accessible points (i.e. close to the SIM card holder)
The SIM interface application circuit implemented in the EMC / ESD approved reference design of SARA-G3
modules is described in Figure 57 and Table 38 (section 2.5).
Other pins and interfaces
All the module pins that are externally accessible on the device integrating SARA-G3 and SARA-U2 series module
should be included in the ESD immunity test since they are considered to be a port as defined in ETSI EN 301
489-1 [19]. Depending on applicability, to satisfy ESD immunity test requirements according to ESD category
level, all the module pins that are externally accessible should be protected up to ±4 kV for direct Contact
Discharge and up to ±8 kV for Air Discharge applied to the enclosure surface.
The maximum ESD sensitivity rating of all the other pins of the module is 1 kV (Human Body Model according to
JESD22-A114). Higher protection level could be required if the related pin is externally accessible on the
application board. The following precautions are suggested to achieve higher protection level:
• A very low capacitance (i.e. less or equal to 1 pF) ESD protection device (e.g. Tyco Electronics PESD0402-140)
should be mounted on each high speed USB line, close to accessible points (i.e. close to the USB connector)
• A general purpose ESD protection device (e.g. EPCOS CA05P4S14THSG or EPCOS CT0402S14AHSG varistor)
should be mounted on each generic interface line, close to accessible point
UBX-13000995 - R12 Early Production Information Design-in
Page 151 of 196

SARA-G3 and SARA-U2 series - System Integration Manual
2.14 SARA-G350 ATEX and SARA-U270 ATEX integration in explosive
atmospheres applications
2.14.1 General guidelines
SARA-G350 ATEX and SARA-U270 ATEX modules are certified as components intended for use in potentially
explosive atmospheres (see section 4.5 and see the ‘Approvals‘ section of the SARA-G3 series Data Sheet [1] and
SARA-U2 series Data Sheet [2] for further details), with the following marking:
• Ex II 1G, Ex ia IIC/IIB
According to the marking stated above, SARA-G350 ATEX and SARA-U270 ATEX modules are certified as
electrical equipment of:
• group ‘II’: intended for use in areas with explosive gas atmosphere other than mines susceptible to firedamp
• category ‘1G’: intended for use in zone 0 hazardous areas, in which explosive atmospheres caused by
mixtures of air and gases, vapours or mists are continuously present, for long periods or frequently, so that
the modules are also suitable for applications intended for use in zone 1 and zone 2 hazardous areas
• level of protection ‘ia’: intrinsically safe apparatus with very high level of protection, not capable of causing
ignition in normal operation and with the application of one countable fault or a combination of any two
countable fault plus those non-countable faults which give the most onerous condition
• subdivision ‘IIC/IIB’: intended for use in areas where the nature of the explosive gas atmosphere is
considered very dangerous based on the Maximum Experimental Safe Gap or the Minimum Ignition Current
ratio of the explosive gas atmosphere in which the equipment may be installed (typical gases are hydrogen,
acetylene, carbon disulphide), so that the modules are also suitable for applications intended for use in
subdivision IIB (typical gases are ethylene, coke oven gas and other industrial gases) and subdivision IIA
(typical gases are industrial methane, propane, petrol and the majority of industrial gases)
The temperature range of use of SARA-G350 ATEX and SARA-U270 ATEX modules is defined in the ‘Operating
temperature range’ section of the SARA-G3 series Data Sheet [1] and SARA-U2 series Data Sheet [2].
Even if SARA-G350 ATEX and SARA-U270 ATEX modules are certified as components intended for use in
potentially explosive atmospheres as described above, the application device that integrates the module must be
approved under all the certification schemes required by the specific application device to be deployed in the
market as apparatus intended for use in potentially explosive atmospheres.
The certification scheme approvals required for the application device integrating SARA-G350 ATEX or
SARA-U270 ATEX modules, intended for use in potentially explosive atmospheres, may differ depending on the
following topics:
• the country or the region where the application device must be deployed
• the classification of the application device in relation to the use in potentially explosive atmospheres
• the classification of the hazardous areas in which the application device is intended for use
Any specific applicable requirement for the implementation of the appratus integrating SARA-G350 ATEX
module or SARA-U270 ATEX module, intended for use in potentially explosive atmospheres, must be
fulfilled according to the exact applicable standards: check the detailed requisites on the pertinent
normatives for the application, as for example the IEC 60079-0 [32], IEC 60079-11 [33], IEC 60079-26
[34] standards.
The certification of the application device that integrates a SARA-G350 ATEX module or a
SARA-U270 ATEX module and the compliance of the application device with all the applicable
certification schemes, directives and standards required for use in potentially explosive atmospheres are
the sole responsibility of the application device manufacturer.
UBX-13000995 - R12 Early Production Information Design-in
Page 152 of 196

SARA-G3 and SARA-U2 series - System Integration Manual
The application device integrating a SARA-G350 ATEX or a SARA-U270 ATEX module for use in potentially
explosive atmospheres must be designed so that any circuit/part of the apparatus shall not invalidate the specific
characteristics of the type of protection of the module.
The intrinsic safety ‘i’ type of protection of SARA-G350 ATEX and SARA-U270 ATEX modules is based on the
restriction of electrical energy within equipment and of interconnecting wiring exposed to the explosive
atmosphere to a level below that which can cause ignition by either sparking or heating effects.
The following input and equivalent parameters must be considered integrating a SARA-G350 ATEX module or a
SARA-U270 ATEX module in an application device intended for use in potentially explosive atmospheres:
• Total internal capacitance, Ci
• Total internal inductance, Li
• The module does not contain blocks which increase the voltage (e.g. like step-up, duplicators, boosters, etc.)
The nameplate of SARA-G350 ATEX and SARA-U270 ATEX modules is described in the ‘Product labeling’ section
of the SARA-G3 series Data Sheet [1] and SARA-U2 series Data Sheet [2]. Additional information can be found
on the SARA-G350 ATEX and SARA-U270 ATEX modules’ certificate of compliancy for use in potentially
explosive atmospheres available on our website (www.u-blox.com).
The final enclosure of the application device integrating SARA-G350 ATEX or SARA-U270 ATEX modules,
intended for use in potentially explosive atmospheres, must guarantee a minimum degree of ingress
protection of IP20.
2.14.2 Guidelines for VCC supply circuit design
The power supply ratings, average and pulse, must be considered in the design of the VCC supply circuit on the
application device integrating SARA-G350 ATEX module or SARA-U270 ATEX module, implementing proper
circuits providing adequate maximum voltage and current to the VCC supply input of the modules, according to
the specific potentially explosive gas atmosphere category subdivision where the apparatus is intended for use.
Table 58 lists the maximum input and equivalent parameters that must be considered in sub-division IIC for
SARA-G350 ATEX and SARA-U270 ATEX.
Parameter SARA-G350 ATEX SARA-U270 ATEX
Ui 3.8 V 3.8 V
Ii 1.6 A (burst) 1.6 A (burst)
Pi 2.5 W TBD W
Ci 103 µF 132 µF
Li 4.1 µH 9.8 µH
Table 58: Maximum input and equivalent parameters for sub-division IIC
Table 59 lists the maximum input and equivalent parameters that must be considered in sub-division IIB and IIA
for SARA-G350 ATEX and SARA-U270 ATEX.
Parameter SARA-G350 ATEX SARA-U270 ATEX
Ui 4.2 V 4.2 V
Ii 2.5 A (burst) 2.5 A (burst)
Pi 2.5 W TBD W
Ci 103 µF 132 µF
Li 4.1 µH 9.8 µH
Table 59: Maximum input and equivalent parameters for sub-division IIB and IIA
UBX-13000995 - R12 Early Production Information Design-in
Page 153 of 196

SARA-G3 and SARA-U2 series - System Integration Manual
Primary and secondary cells and batteries
Cells and batteries incorporated into equipment with intrinsic safety 'i' protection to potentially explosive gas
atmosphere shall conform to the requirements of the IEC 60079-0 [32] and IEC 60079-11 ATEX standards [33].
Shunt voltage limiters
For Level of Protection ‘ia’, the application of controllable semiconductor components as shunt voltage limiting
devices, for example transistors, thyristors, voltage/current regulators, etc., may be permitted if both the input
and output circuits are intrinsically safe circuits or where it can be shown that they cannot be subjected to
transients from the power supply network. In circuits complying with the above, two devices are considered to
be an infallible assembly.
For Level of Protection ‘ia’, three independent active voltage limitation semiconductor circuits may be used in
associated apparatus provided the transient conditions of the clause 7.5.1 of IEC 60079-11 standard are met.
These circuits shall also be tested in accordance with the clause 10.1.5.3 of the IEC 60079-11 standard [33].
Series current limiters
The use of three series blocking diodes in circuits of Level of Protection ‘ia’ is permitted, however, other
semiconductors and controllable semiconductor devices shall be used as series current-limiting devices only in
Level of Protection ‘ib’ or ‘ic’ apparatus. However, for power limitation purposes, Level of Protection ‘ia’
apparatus may use series current limiters consisting of controllable and non-controllable semiconductor devices.
The use of semiconductors and controllable semiconductor devices as current-limiting devices for spark ignition
limitation is not permitted for Level of Protection ‘ia’ apparatus because of their possible use in areas in which a
continuous or frequent presence of an explosive atmosphere may coincide with the possibility of a brief transient
which could cause ignition. The maximum current that may be delivered may have a brief transient but will not
be taken as Io, because the compliance with the spark ignition test of the clause 10.1 of IEC 60079-11
standard [33] would have established the successful limitation of the energy in this transient.
Protection against polarity reversal
Protection against polarity reversal shall be provided within intrinsically safe apparatus to prevent invalidation of
the type of protection as a result of reversal of the polarity of supplies to that intrinsically safe apparatus or at
connections between cells of a battery where this could occur. For this purpose, single diode shall be acceptable.
Other considerations
All the recommendations reported in the section 2.14.1 must be considered for the implementation of the VCC
supply circuit on application integrating SARA-G350 ATEX or SARA-U270 ATEX modules intended for use in
potentially explosive atmospheres. Any specific applicable requirement for the VCC supply circuit design must be
fulfilled according to all the exact applicable standards for the apparatus.
Check the detailed requisites on the pertinent normatives for the application apparatus, as for example
the IEC 60079-0 [32], IEC 60079-11 [33], IEC 60079-26 [34] standards.
2.14.3 Guidelines for antenna RF interface design
The RF output power of the SARA-G350 ATEX and SARA-U270 ATEX modules transmitter is compliant to all the
applicable 3GPP / ETSI standards, with a maximum output of 2 W RF pulse power and 1.15 mJ RF pulse energy
in 850/900 MHz bands and with a maximum output of 1 W RF pulse power and 0.58 mJ RF pulse energy in the
1800/1900 MHz bands according to the GSM/GPRS power classes stated in Table 2. The maximum average
power of SARA-U270 ATEX, according to the WCDMA power class stated in Table 3, is 250 mW.
The RF threshold power of the application device integrating a SARA-G350 ATEX or a SARA-U270 ATEX module
is defined, according to the IEC 60079-0 ATEX standard [32], as the product of the effective output power of
the module multiplied by the antenna gain (implemented/used on the application device).
The RF threshold power of the application device integrating a SARA-G350 ATEX module or a SARA-U270 ATEX
module, according to the IEC 60079-0 ATEX standard [32], must not exceed the limits shown in Table 60.
UBX-13000995 - R12 Early Production Information Design-in
Page 154 of 196

SARA-G3 and SARA-U2 series - System Integration Manual
Gas group II subdivision RF threshold power limits according to the IEC 60079-0 ATEX standard
IIA (a typical gas is propane) 6.0 W
IIB (a typical gas is ethylene) 3.5 W
IIC (a typical gas is hydrogen) 2.0 W
Table 60: RF threshold power limits for the different gas group II subdivisions according to the IEC 60079-0 ATEX standard [32]
The system antenna(s) implemented/used on the application device integrating SARA-G350 ATEX module
or SARA-U270 ATEX module must be designed/selected so that the antenna gain (i.e. the combined
transmission line, connector, cable losses and radiating element gain) multiplied by the output power of
the module does not exceed the limits shown in Table 60.
UBX-13000995 - R12 Early Production Information Design-in
Page 155 of 196

SARA-G3 and SARA-U2 series - System Integration Manual
2.15 Schematic for SARA-G3 and SARA-U2 series module integration
2.15.1 Schematic for SARA-G300 / SARA-G310 modules integration
Figure 84 is an example of a schematic diagram where a SARA-G300 / SARA-G310 module is integrated into an
application board, using all the available interfaces and functions of the module.
TXD
RXD
RTS
CTS
DTR
DSR
RI
DCD
GND
12 TXD
9DTR
13 RXD
10 RTS
11 CTS
6DSR
7RI
8DCD
GND
3V8
GND
330µF 10nF100nF 56pF
SARA-G300/SARA-G310
52 VCC
53 VCC
51 VCC
+
100µF
2V_BCKP
GND GND
GND
RTC
back-up
1.8V DTE
1.8V DTE
16 RSVD
18 RESET_N
Application
Processor
Open
Drain
Output
15 PWR_ON
100kΩ
Open
Drain
Output
TXD
RXD
29 TXD_AUX
28 RXD_AUX
0Ω
0Ω
TP
TP
RSVD
RSVD
32K_OUT
RSVD
26
27
24
25
RSVD 23
RSVD
RSVD
RSVD
RSVD
37
36
35
34
44RSVD
45RSVD
49RSVD
48RSVD
46RSVD
47RSVD
15pF
33 RSVD
17 RSVD
19 RSVD
47pF
SIM Card Holder
CCVCC (C1)
CCVPP (C6)
CCIO (C7)
CCCLK (C3)
CCRST (C2)
GND (C5)
47pF 47pF 100nF
41VSIM
39SIM_IO
38SIM_CLK
40SIM_RST
47pF
4V_INT
42SIM_DET
ESD ESD ESD ESD
56
ANT
62RSVD
Connector
External
Antenna
V_BCKP TP
TP
TP
EXT32K 31
Figure 84: Example of schematic diagram to integrate SARA-G300/G310 modules in an application board, using all the interfaces
UBX-13000995 - R12 Early Production Information Design-in
Page 156 of 196

SARA-G3 and SARA-U2 series - System Integration Manual
2.15.2 Schematic for SARA-G340 / SARA-G350 modules integration
Figure 85 is an example of a schematic diagram where a SARA-G340 / SARA-G350 module is integrated into an
application board, using all the available interfaces and functions of the module.
TXD
RXD
RTS
CTS
DTR
DSR
RI
DCD
GND
12 TXD
9DTR
13 RXD
10 RTS
11 CTS
6DSR
7RI
8DCD
GND
3V8
GND
330µF 10nF100nF 56pF
SARA-G340/SARA-G350
52 VCC
53 VCC
51 VCC
+
100µF
2V_BCKP
GND GND
GND
RTC
back-up
1.8V DTE
1.8V DTE
16 GPIO1
3V8
Network
Indicator
18 RESET_N
Application
Processor
Open
Drain
Output
15 PWR_ON
100kΩ
Open
Drain
Output
TXD
RXD
29 TXD_AUX
28 RXD_AUX
0Ω
0Ω
TP
TP
u-blox 1.8 V
GNSS Receiver
4.7k
OUTIN
GND
LDO Regulator
SHDN
SDA
SCL
4.7k
3V8 1V8_GPS
SDA2
SCL2
GPIO3
GPIO4
TxD1
EXTINT0
26
27
24
25
47k
VCC
GPIO2 23
1.8V Digital
Audio Device
I2S_RXD
I2S_CLK
I2S Data Output
I2S Clock
I2S_TXD
I2S_WA
I2S Data Input
I2S Word Alligment
37
36
35
34
49MIC_P
2.2k
2.2k 2.2k
48MIC_N
2.2k
10uF
46MIC_BIAS
47MIC_GND
100nF
100nF
44SPK_P
45SPK_N
82nH
82nH
27pF27pF
Connector
Microphone
ESDESD
27pF 27pF
Speaker
Connector
ESD ESD
15pF
33 RSVD
31 RSVD
17 RSVD
19 RSVD
47pF
SIM Card Holder
CCVCC (C1)
CCVPP (C6)
CCIO (C7)
CCCLK (C3)
CCRST (C2)
GND (C5)
47pF 47pF 100nF
41VSIM
39SIM_IO
38SIM_CLK
40SIM_RST
47pF
SW1
SW2
4V_INT
42SIM_DET
470k ESD ESD ESD ESD ESD ESD
56
ANT
62ANT_DET
10k 82nH
33pF Connector
27pF ESD
External
Antenna
V_BCKP
1k
TP
TP
TP
Figure 85: Example of schematic diagram to integrate SARA-G340/G350 module in an application board, using all the interfaces
UBX-13000995 - R12 Early Production Information Design-in
Page 157 of 196

SARA-G3 and SARA-U2 series - System Integration Manual
2.15.3 Schematic for SARA-U2 series modules integration
Figure 86 is an example of a schematic diagram where a SARA-U2 module is integrated into an application
board, using all the available interfaces and functions of the module.
TXD
RXD
RTS
CTS
DTR
DSR
RI
DCD
GND
12 TXD
9DTR
13 RXD
10 RTS
11 CTS
6DSR
7RI
8DCD
GND
3V8
GND
330µF 10nF100nF 56pF
SARA-U2 series
52 VCC
53 VCC
51 VCC
+
100µF
2V_BCKP
GND GND
GND
RTC
back-up
1.8V DTE
USB 2.0 Host
16 GPIO1
3V8
Network
Indicator
18 RESET_N
Application
Processor
Open
Drain
Output
15 PWR_ON
100kΩ
Open
Drain
Output
D+
D-
29 USB_D+
28 USB_D-
u-blox 1.8 V
GNSS Receiver
4.7k
OUTIN
GND
LDO Regulator
SHDN
SDA
SCL
4.7k
3V8 1V8_GPS
SDA2
SCL2
GPIO3
GPIO4
TxD1
EXTINT0
26
27
24
25
47k
VCC
GPIO223
RSVD
RSVD
RSVD
RSVD
46
47
48
49
15pF
33 RSVD
31 RSVD
47pF
SIM Card Holder
CCVCC (C1)
CCVPP (C6)
CCIO (C7)
CCCLK (C3)
CCRST (C2)
GND (C5)
47pF 47pF 100nF
41
VSIM
39SIM_IO
38SIM_CLK
40SIM_RST
47pF
SW1
SW2
4V_INT
42SIM_DET
470kESD ESD ESD ESD ESD ESD
56
ANT
62
ANT_DET
10k 82nH
33pF Connector
27pF ESD
External
Antenna
V_BCKP
1k
TP
TP
TP
0Ω
0Ω
TP
TP
0Ω
0Ω
TP
TP
V_INT
BCLK
LRCLK
Audio Codec
MAX9860
SDIN
SDOUT
SDA
SCL
36I2S_CLK
34I2S_WA
35I2S_TXD
37
I2S_RXD
19CODEC_CLK MCLK
IRQn
10k
10µF1µF100nF
VDD
SPK
OUTP
OUTN
MIC
MICBIAS 1µF 2.2k
1µF
1µF
MICLN
MICLP
MICGND
2.2k
ESD ESD
V_INT
10nF10nF
EMI
EMI
27pF27pF
10nF
EMI
EMI
ESD ESD
27pF27pF10nF
V_INT
RSVD
RSVD
44
45
VBUS 17 VUSB_DET
100nF
0Ω
15pF
39nH
Figure 86: Example of schematic diagram to integrate SARA-U2 module in an application board, using all the interfaces
For a complete schematic example including all SARA-G3 and SARA-U2 series modules see Figure 94.
UBX-13000995 - R12 Early Production Information Design-in
Page 158 of 196

SARA-G3 and SARA-U2 series - System Integration Manual
2.16 Design-in checklist
This section provides a design-in checklist.
2.16.1 Schematic checklist
The following are the most important points for a simple schematic check:
DC supply must provide a nominal voltage at VCC pin above the minimum operating range limit.
DC supply must be capable of providing 1.9 A current pulses, providing a voltage at VCC pin above the
minimum operating range limit and with a maximum 400 mV voltage drop from the nominal value.
VCC supply should be clean, with very low ripple/noise: provide the suggested bypass capacitors, in
particular if the application device integrates an internal antenna.
VCC voltage must ramp from 2.5 V to 3.2 V within 4 ms to allow a proper switch-on of the module.
Do not leave PWR_ON floating: fix properly the level, e.g. adding a proper pull-up resistor to V_BCKP.
Do not apply loads which might exceed the limit for maximum available current from V_INT supply.
Check that voltage level of any connected pin does not exceed the relative operating range.
Capacitance and series resistance must be limited on each SIM signal to match the SIM specifications.
Insert the suggested capacitors on each SIM signal and low capacitance ESD protections if accessible.
Check UART signals direction, since the signal names follow the ITU-T V.24 Recommendation [10].
Provide accessible testpoints directly connected to the following pins of the SARA-G3 series modules:
TXD_AUX and RXD_AUX pins, V_INT pin, RESET_N and/or PWR_ON pins, for module FW upgrade by
the u-blox EasyFlash tool and for diagnostic purpose.
Provide accessible testpoints directly connected to the following pins of the SARA-U2 series modules:
VUSB_DET, USB_D+, USB_D- and/or RXD, TXD, CTS, RTS pins, V_INT pin, RESET_N and/or PWR_ON
pins, for module FW upgrade by the u-blox EasyFlash tool and for diagnostic purpose.
Add a proper pull-up resistor (e.g. 4.7 kΩ) to V_INT or another proper 1.8 V supply on each DDC (I2C)
interface line, if the interface is used.
Capacitance and series resistance must be limited on each high speed line of the USB interface.
Capacitance and series resistance must be limited on each line of the DDC (I2C) interface.
Use transistors with at least an integrated resistor in the base pin or otherwise put a 10 kΩ resistor on
the board in series to the GPIO when those are used to drive LEDs.
Connect the pin number 33 (RSVD) to ground.
Insert the suggested passive filtering parts on each used analog audio line.
Check the digital audio interface specifications to connect a proper device.
Capacitance and series resistance must be limited on CODEC_CLK line and each I2S interface line.
Provide proper precautions for ESD immunity as required on the application board.
Any external signal connected to any generic digital interface pin must be tri-stated or set low when the
module is in power-down mode and during the module power-on sequence (at least until the activation
of the V_INT output of the module), to avoid latch-up of circuits and let a proper boot of the module.
All unused pins can be left unconnected except the PWR_ON pin (its level must be properly fixed, e.g.
adding a 100 kΩ pull-up to V_BCKP) and the RSVD pin number 33 (it must be connected to GND).
UBX-13000995 - R12 Early Production Information Design-in
Page 159 of 196

SARA-G3 and SARA-U2 series - System Integration Manual
2.16.2 Layout checklist
The following are the most important points for a simple layout check:
Check 50 Ω nominal characteristic impedance of the RF transmission line connected to the ANT pad
(antenna RF input/output interface).
Follow the recommendations of the antenna producer for correct antenna installation and deployment
(PCB layout and matching circuitry).
Ensure no coupling occurs between the RF interface and noisy or sensitive signals (primarily analog audio
input/output signals, SIM signals, high-speed digital lines).
VCC line should be wide and short.
Route VCC supply line away from sensitive analog signals.
Ensure proper grounding.
Optimize placement for minimum length of RF line and closer path from DC source for VCC.
Design USB_D+ / USB_D- connection as 90 Ω differential pair, with 30 Ω common mode impedance.
Route analog audio signals away from noisy sources (primarily RF interface, VCC, switching supplies).
The audio outputs lines on the application board must be wide enough to minimize series resistance.
Keep routing short and minimize parasitic capacitance on the SIM lines to preserve signal integrity.
Ensure optimal thermal dissipation from the module to the ambient, in particular for SARA-U2 modules.
2.16.3 Antenna checklist
Antenna termination should provide 50 Ω characteristic impedance with V.S.W.R at least less than 3:1
(recommended 2:1) on operating bands in deployment geographical area.
Follow the recommendations of the antenna producer for correct antenna installation and deployment
(PCB layout and matching circuitry).
Follow the additional guidelines for products marked with the FCC logo (United States only) reported in
section 4.2.2
Follow the guidelines in section 2.4.2 to get proper antenna detection functionality, if required.
UBX-13000995 - R12 Early Production Information Design-in
Page 160 of 196

SARA-G3 and SARA-U2 series - System Integration Manual
3 Handling and soldering
No natural rubbers, no hygroscopic materials or materials containing asbestos are employed.
3.1 Packaging, shipping, storage and moisture preconditioning
For information pertaining to reels and tapes, Moisture Sensitivity levels (MSD), shipment and storage
information, as well as drying for preconditioning see the SARA-G3 series Data Sheet [1] or the SARA-U2 series
Data Sheet [2] and the u-blox Package Information Guide [27].
3.2 Handling
The SARA-G3 and SARA-U2 series modules are Electro-Static Discharge (ESD) sensitive devices.
Ensure ESD precautions are implemented during handling of the module.
Electrostatic discharge (ESD) is the sudden and momentary electric current that flows between two objects at
different electrical potentials caused by direct contact or induced by an electrostatic field. The term is usually
used in the electronics and other industries to describe momentary unwanted currents that may cause damage
to electronic equipment.
The ESD sensitivity for each pin of SARA-G3 and SARA-U2 series modules (as Human Body Model according to
JESD22-A114F) is specified in the SARA-G3 series Data Sheet [1] or the SARA-U2 series Data Sheet [2].
ESD prevention is based on establishing an Electrostatic Protective Area (EPA). The EPA can be a small working
station or a large manufacturing area. The main principle of an EPA is that there are no highly charging materials
near ESD sensitive electronics, all conductive materials are grounded, workers are grounded, and charge build-up
on ESD sensitive electronics is prevented. International standards are used to define typical EPA and can be
obtained for example from International Electrotechnical Commission (IEC) or American National Standards
Institute (ANSI).
In addition to standard ESD safety practices, the following measures should be taken into account whenever
handling the SARA-G3 and SARA-U2 series modules:
• Unless there is a galvanic coupling between the local GND (i.e. the work table) and the PCB GND, then the
first point of contact when handling the PCB must always be between the local GND and PCB GND.
• Before mounting an antenna patch, connect ground of the device.
• When handling the module, do not come into contact with any charged capacitors and be careful when
contacting materials that can develop charges (e.g. patch antenna, coax cable, soldering iron,…).
• To prevent electrostatic discharge through the RF pin, do not touch any exposed antenna area. If there is any
risk that such exposed antenna area is touched in non ESD protected work area, implement proper ESD
protection measures in the design.
• When soldering the module and patch antennas to the RF pin, make sure to use an ESD safe soldering iron.
For more robust designs, employ additional ESD protection measures on the application device integrating the
SARA-G3 and SARA-U2 series modules, as described in section 2.13.3.
UBX-13000995 - R12 Early Production Information Handling and soldering
Page 161 of 196

SARA-G3 and SARA-U2 series - System Integration Manual
3.3 Soldering
3.3.1 Soldering paste
Use of "No Clean" soldering paste is strongly recommended, as it does not require cleaning after the soldering
process has taken place. The paste listed in the example below meets these criteria.
Soldering Paste: OM338 SAC405 / Nr.143714 (Cookson Electronics)
Alloy specification: 95.5% Sn / 3.9% Ag / 0.6% Cu (95.5% Tin / 3.9% Silver / 0.6% Copper)
95.5% Sn / 4.0% Ag / 0.5% Cu (95.5% Tin / 4.0% Silver / 0.5% Copper)
Melting Temperature: 217 °C
Stencil Thickness: 150 µm for base boards
The final choice of the soldering paste depends on the approved manufacturing procedures.
The paste-mask geometry for applying soldering paste should meet the recommendations in section 2.11
The quality of the solder joints on the connectors (’half vias’) should meet the appropriate IPC
specification.
3.3.2 Reflow soldering
A convection type-soldering oven is strongly recommended over the infrared type radiation oven.
Convection heated ovens allow precise control of the temperature and all parts will be heated up evenly,
regardless of material properties, thickness of components and surface color.
Consider the "IPC-7530 Guidelines for temperature profiling for mass soldering (reflow and wave) processes,
published 2001".
Reflow profiles are to be selected according to the following recommendations.
Failure to observe these recommendations can result in severe damage to the device!
Preheat phase
Initial heating of component leads and balls. Residual humidity will be dried out. Note that this preheat phase
will not replace prior baking procedures.
• Temperature rise rate: max 3 °C/s If the temperature rise is too rapid in the preheat phase it may cause
excessive slumping.
• Time: 60 to 120 s If the preheat is insufficient, rather large solder balls tend to be
generated. Conversely, if performed excessively, fine balls and large
balls will be generated in clusters.
• End Temperature: 150 to 200 °C If the temperature is too low, non-melting tends to be caused in
areas containing large heat capacity.
Heating/ reflow phase
The temperature rises above the liquidus temperature of 217 °C. Avoid a sudden rise in temperature as the
slump of the paste could become worse.
• Limit time above 217 °C liquidus temperature: 40 to 60 s
• Peak reflow temperature: 245 °C
Cooling phase
A controlled cooling avoids negative metallurgical effects (solder becomes more brittle) of the solder and
possible mechanical tensions in the products. Controlled cooling helps to achieve bright solder fillets with a good
shape and low contact angle.
• Temperature fall rate: max 4 °C/s
UBX-13000995 - R12 Early Production Information Handling and soldering
Page 162 of 196

SARA-G3 and SARA-U2 series - System Integration Manual
To avoid falling off, modules should be placed on the topside of the motherboard during soldering.
The soldering temperature profile chosen at the factory depends on additional external factors like choice of
soldering paste, size, thickness and properties of the base board, etc.
Exceeding the maximum soldering temperature and the maximum liquidus time limit in the
recommended soldering profile may permanently damage the module.
Preheat Heating Cooling
[°C] Peak Temp. 245°C [°C]
250 250
Liquidus Temperature
217 217
200 200
40 - 60 s
End Temp.
max 4°C/s
150 - 200°C
150 150
max 3°C/s
60 - 120 s
100 Typical Leadfree 100
Soldering Profile
50 50
Elapsed time [s]
Figure 87: Recommended soldering profile
SARA-G3 and SARA-U2 series modules must not be soldered with a damp heat process.
3.3.3 Optical inspection
After soldering the SARA-G3 and SARA-U2 series modules, inspect the modules optically to verify that the
module is properly aligned and centered.
3.3.4 Cleaning
Cleaning the soldered modules is not recommended. Residues underneath the modules cannot be easily
removed with a washing process.
• Cleaning with water will lead to capillary effects where water is absorbed in the gap between the baseboard
and the module. The combination of residues of soldering flux and encapsulated water leads to short circuits
or resistor-like interconnections between neighboring pads. Water will also damage the sticker and the ink-
jet printed text.
• Cleaning with alcohol or other organic solvents can result in soldering flux residues flooding into the two
housings, areas that are not accessible for post-wash inspections. The solvent will also damage the sticker
and the ink-jet printed text.
• Ultrasonic cleaning will permanently damage the module, in particular the quartz oscillators.
For best results use a "no clean" soldering paste and eliminate the cleaning step after the soldering.
UBX-13000995 - R12 Early Production Information Handling and soldering
Page 163 of 196

SARA-G3 and SARA-U2 series - System Integration Manual
3.3.5 Repeated reflow soldering
Only a single reflow soldering process is encouraged for boards with a SARA-G3 and SARA-U2 series module
populated on it.
3.3.6 Wave soldering
Boards with combined through-hole technology (THT) components and surface-mount technology (SMT) devices
require wave soldering to solder the THT components. Only a single wave soldering process is encouraged for
boards populated with SARA-G3 and SARA-U2 series modules.
3.3.7 Hand soldering
Hand soldering is not recommended.
3.3.8 Rework
Rework is not recommended.
Never attempt a rework on the module itself, e.g. replacing individual components. Such actions
immediately terminate the warranty.
3.3.9 Conformal coating
Certain applications employ a conformal coating of the PCB using HumiSeal® or other related coating products.
These materials affect the RF properties of the SARA-G3 and SARA-U2 series modules and it is important to
prevent them from flowing into the module.
The RF shields do not provide 100% protection for the module from coating liquids with low viscosity, therefore
care is required in applying the coating.
Conformal Coating of the module will void the warranty.
3.3.10 Casting
If casting is required, use viscose or another type of silicon pottant. The OEM is strongly advised to qualify such
processes in combination with the SARA-G3 and SARA-U2 series modules before implementing this in the
production.
Casting will void the warranty.
3.3.11 Grounding metal covers
Attempts to improve grounding by soldering ground cables, wick or other forms of metal strips directly onto the
EMI covers is done at the customer's own risk. The numerous ground pins should be sufficient to provide
optimum immunity to interferences and noise.
u-blox gives no warranty for damages to the SARA-G3 and SARA-U2 series modules caused by soldering
metal cables or any other forms of metal strips directly onto the EMI covers.
3.3.12 Use of ultrasonic processes
SARA-G3 and SARA-U2 series modules contain components which are sensitive to Ultrasonic Waves. Use of any
Ultrasonic Processes (cleaning, welding etc.) may cause damage to the module.
u-blox gives no warranty against damages to the SARA-G3 and SARA-U2 series modules caused by any
Ultrasonic Processes.
UBX-13000995 - R12 Early Production Information Handling and soldering
Page 164 of 196

SARA-G3 and SARA-U2 series - System Integration Manual
4 Approvals
For the complete list of all the certification schemes approvals of SARA-G3 and SARA-U2 series modules
and the corresponding declarations of conformity, see the u-blox web-site (http://www.u-blox.com).
4.1 Product certification approval overview
Product certification approval is the process of certifying that a product has passed all tests and criteria required
by specifications, typically called “certification schemes” that can be divided into three distinct categories:
• Regulatory certification
o Country specific approval required by local government in most regions and countries, as:
CE (Conformité Européenne) marking for European Union
FCC (Federal Communications Commission) approval for United States
• Industry certification
o Telecom industry specific approval verifying the interoperability between devices and networks:
GCF (Global Certification Forum), partnership between European device manufacturers and
network operators to ensure and verify global interoperability between devices and networks
PTCRB (PCS Type Certification Review Board), created by United States network operators to
ensure and verify interoperability between devices and North America networks
• Operator certification
o Operator specific approval required by some mobile network operator, as:
AT&T network operator in United States
Even if the SARA-G3 and SARA-U2 series modules are approved under all major certification schemes, the
application device that integrates the modules must be approved under all the certification schemes required by
the specific application device to be deployed in the market.
The required certification scheme approvals and relative testing specifications differ depending on the country or
the region where the device that integrates SARA-G3 and SARA-U2 series modules must be deployed, on the
relative vertical market of the device, on type, features and functionalities of the whole application device, and
on the network operators where the device must operate.
The certification of the application device that integrates a SARA-G3 and SARA-U2 series module and the
compliance of the application device with all the applicable certification schemes, directives and standards
are the sole responsibility of the application device manufacturer.
SARA-G3 and SARA-U2 series modules are certified according to all capabilities and options stated in the
Protocol Implementation Conformance Statement document (PICS) of the module. The PICS, according to 3GPP
TS 51.010-2 [16] and 3GPP TS 34.121-2 [17], is a statement of the device capabilities and options.
The PICS document of the application device integrating a SARA-G3 and SARA-U2 series module must be
updated from the module PICS statement if any feature stated as supported by the module in its PICS
document is not implemented or disabled in the application device. For more details regarding the AT
commands settings that affect the PICS, see the u-blox AT Commands Manual [3].
Check the specific settings required for mobile network operators approvals as they may differ from the
AT commands settings defined in the module as integrated in the application device.
UBX-13000995 - R12 Early Production Information Approvals
Page 165 of 196

SARA-G3 and SARA-U2 series - System Integration Manual
4.2 Federal Communications Commission and Industry Canada notice
Federal Communications Commission (FCC) ID:
• For SARA-G310 modules: XPYSARAG350
• For SARA-G350 modules: XPYSARAG350
• For SARA-U260 modules: XPYSARAU260
• For SARA-U280 modules: XPYSARAU280
Industry Canada (IC) Certification Numbers:
• For SARA-G310 modules: 8595A-SARAG350
• For SARA-G350 modules: 8595A-SARAG350
• For SARA-U260 modules: 8595A-SARAU260
• For SARA-U280 modules: 8595A-SARAU280
4.2.1 Safety warnings review the structure
• Equipment for building-in. The requirements for fire enclosure must be evaluated in the end product
• The clearance and creepage current distances required by the end product must be withheld when the
module is installed
• The cooling of the end product shall not negatively be influenced by the installation of the module
• Excessive sound pressure from earphones and headphones can cause hearing loss
• No natural rubbers, no hygroscopic materials nor materials containing asbestos are employed
4.2.2 Declaration of conformity
This device complies with Part 15 of the FCC rules. Operation is subject to the following two conditions:
• this device may not cause harmful interference
• this device must accept any interference received, including interference that may cause undesired operation
Radiofrequency radiation exposure Information: this equipment complies with FCC radiation
exposure limits prescribed for an uncontrolled environment for fixed and mobile use conditions.
This equipment should be installed and operated with a minimum distance of 20 cm between
the radiator and the body of the user or nearby persons. This transmitter must not be
co-located or operating in conjunction with any other antenna or transmitter except in
accordance with FCC procedures and as authorized in the module certification filing.
The gain of the system antenna(s) used for SARA-G310 / SARA-G350 modules (i.e. the combined
transmission line, connector, cable losses and radiating element gain) must not exceed 8.39 dBi
(850 MHz) and 3.11 dBi (1900 MHz) for mobile and fixed or mobile operating configurations.
The gain of the system antenna(s) used for SARA-U260 modules (i.e. the combined transmission
line, connector, cable losses and radiating element gain) must not exceed 3.5 dBi (850 MHz) and
3.1 dBi (1900 MHz) for mobile and fixed or mobile operating configurations.
The gain of the system antenna(s) used for SARA-U280 modules (i.e. the combined transmission
line, connector, cable losses and radiating element gain) must not exceed 10.0 dBi (850 MHz)
and 10.3 dBi (1900 MHz) for mobile and fixed or mobile operating configurations.
UBX-13000995 - R12 Early Production Information Approvals
Page 166 of 196

SARA-G3 and SARA-U2 series - System Integration Manual
4.2.3 Modifications
The FCC requires the user to be notified that any changes or modifications made to this device that are not
expressly approved by u-blox could void the user's authority to operate the equipment.
Manufacturers of mobile or fixed devices incorporating SARA-G310 / SARA-G350 / SARA-U260 /
SARA-U280 modules are authorized to use the FCC Grants and Industry Canada Certificates of
the SARA-G310 / SARA-G350 / SARA-U260 / SARA-U280 modules for their own final products
according to the conditions referenced in the certificates.
The FCC Label shall in the above case be visible from the outside, or the host device shall bear a
second label stating:
For SARA-G310 and SARA-G350 modules: "Contains FCC ID: XPYSARAG350" resp.
For SARA-U260 modules: "Contains FCC ID: XPYSARAU260" resp.
For SARA-U280 modules: "Contains FCC ID: XPYSARAU280" resp.
The IC Label shall in the above case be visible from the outside, or the host device shall bear a
second label stating:
For SARA-G310 and SARA-G350 modules: "Contains IC: 8595A-SARAG350" resp.
For SARA-U260 modules: "Contains IC: 8595A-SARAU260" resp.
For SARA-U280 modules: "Contains IC: 8595A-SARAU280" resp.
Canada, Industry Canada (IC) Notices
This Class B digital apparatus complies with Canadian CAN ICES-3 (B)/NMB-3(B) and RSS-210.
Operation is subject to the following two conditions:
o this device may not cause interference
o this device must accept any interference, including interference that may cause undesired
operation of the device
Radio Frequency (RF) Exposure Information
The radiated output power of the u-blox Cellular Module is below the Industry Canada (IC)
radio frequency exposure limits. The u-blox Cellular Module should be used in such a manner
such that the potential for human contact during normal operation is minimized.
This device has been evaluated and shown compliant with the IC RF Exposure limits under
mobile exposure conditions (antennas are greater than 20 cm from a person's body).
This device has been certified for use in Canada. Status of the listing in the Industry Canada’s
REL (Radio Equipment List) can be found at the following web address:
http://www.ic.gc.ca/app/sitt/reltel/srch/nwRdSrch.do?lang=eng
Additional Canadian information on RF exposure also can be found at the following web
address: http://www.ic.gc.ca/eic/site/smt-gst.nsf/eng/sf08792.html
IMPORTANT: Manufacturers of portable applications incorporating the SARA-G310 / SARA-G350
/ SARA-U260 / SARA-U280 modules are required to have their final product certified and apply
for their own FCC Grant and Industry Canada Certificate related to the specific portable device.
This is mandatory to meet the SAR requirements for portable devices.
Changes or modifications not expressly approved by the party responsible for compliance could
void the user's authority to operate the equipment.
Canada, avis d'Industrie Canada (IC)
Cet appareil numérique de classe B est conforme aux normes canadiennes CAN ICES-3 (B)/NMB-
3(B) et RSS-210.
Son fonctionnement est soumis aux deux conditions suivantes:
o cet appareil ne doit pas causer d'interférence
UBX-13000995 - R12 Early Production Information Approvals
Page 167 of 196

SARA-G3 and SARA-U2 series - System Integration Manual
o cet appareil doit accepter toute interférence, notamment les interférences qui peuvent
affecter son fonctionnement
Informations concernant l'exposition aux fréquences radio (RF)
La puissance de sortie émise par l’appareil de sans fil u-blox Cellular Module est inférieure à la
limite d'exposition aux fréquences radio d'Industrie Canada (IC). Utilisez l’appareil de sans fil
u-blox Cellular Module de façon à minimiser les contacts humains lors du fonctionnement
normal.
Ce périphérique a été évalué et démontré conforme aux limites d'exposition aux fréquences
radio (RF) d'IC lorsqu'il est installé dans des produits hôtes particuliers qui fonctionnent dans
des conditions d'exposition à des appareils mobiles (les antennes se situent à plus de 20
centimètres du corps d'une personne).
Ce périphérique est homologué pour l'utilisation au Canada. Pour consulter l'entrée
correspondant à l’appareil dans la liste d'équipement radio (REL - Radio Equipment List)
d'Industrie Canada rendez-vous sur:
http://www.ic.gc.ca/app/sitt/reltel/srch/nwRdSrch.do?lang=fra
Pour des informations supplémentaires concernant l'exposition aux RF au Canada rendez-vous
sur: http://www.ic.gc.ca/eic/site/smt-gst.nsf/eng/sf08792.html
IMPORTANT: les fabricants d'applications portables contenant les modules SARA-G310 /
SARA-G350 / SARA-U260 / SARA-U280 doivent faire certifier leur produit final et déposer
directement leur candidature pour une certification FCC ainsi que pour un certificat Industrie
Canada délivré par l'organisme chargé de ce type d'appareil portable. Ceci est obligatoire afin
d'être en accord avec les exigences SAR pour les appareils portables.
Tout changement ou modification non expressément approuvé par la partie responsable de la
certification peut annuler le droit d'utiliser l'équipement.
4.3 R&TTED and European conformance CE mark
SARA-G3 series and SARA-U270 modules have been evaluated against the essential requirements of the
1999/5/EC Directive.
In order to satisfy the essential requirements of the 1999/5/EC Directive, the modules are compliant with the
following standards:
• Radio Frequency spectrum use (R&TTE art. 3.2):
o EN 301 511 V9.0.2
• Electromagnetic Compatibility (R&TTE art. 3.1b):
o EN 301 489-1 V1.9.2
o EN 301 489-7 V1.4.1
• Health and Safety (R&TTE art. 3.1a)
o EN 60950-1:2006 + A11:2009 + A1:2010 + A12:2011 + AC:2011
o EN 62311:2008
The conformity assessment procedure for SARA-G300-00S, SARA-G310-00S, SARA-G340-00S, SARA-G350-00S
and SARA-G350-01S modules, referred to in Article 10 and detailed in Annex IV of Directive 1999/5/EC, has
been followed with the involvement of the following Notified Body number: 1909
Thus, the following marking is included in the product:
1909
UBX-13000995 - R12 Early Production Information Approvals
Page 168 of 196

SARA-G3 and SARA-U2 series - System Integration Manual
The conformity assessment procedure for SARA-G350 ATEX and LISA-U270 ATEX modules, referred to in Article
10 and detailed in Annex IV of Directive 1999/5/EC, has been followed with the involvement of the following
Notified Body number: 1304
Thus, the following marking is included in the product:
The conformity assessment procedure for SARA-G340-01S and SARA-U270 modules, referred to in Article 10
and detailed in Annex IV of Directive 1999/5/EC, has been followed with the involvement of the following
Notified Body number: 1588
Thus, the following marking is included in the product:
There are no restrictions for the commercialization of the SARA-G3 series and SARA-U270 modules in all the
countries of the European Union.
4.4 Anatel certification
SARA-G310 and SARA-G350 modules are certified by the Brazilian Agency of Telecommunications (Agência
Nacional de Telecomunicações in Portuguese) (Anatel).
Anatel IDs for the SARA-G310 modules:
• EAN barcode: (01)0 789 8941 57509 0
• Homologation number 3419-13-5903
Anatel IDs for the SARA-G350 modules:
• EAN barcode: (01)0 789 8941 57510 6
• Homologation number 3420-13-5903
1588
1304
UBX-13000995 - R12 Early Production Information Approvals
Page 169 of 196

SARA-G3 and SARA-U2 series - System Integration Manual
4.5 CCC mark
SARA-G350 modules are certificated for China compulsory product certification (CCC mark).
4.6 SARA-G350 ATEX and LISA-U270 ATEX conformance for use in
explosive atmospheres
SARA-G350 ATEX and SARA-U270 ATEX modules are certified as components intended for use in potentially
explosive atmospheres compliant to the following standards:
• IEC 60079-0: 2011
• IEC 60079-11: 2011
• IEC 60079-26: 2006
The certification numbers of the modules, according to the ATEX directive 94/9/EC, are:
• SIQ 13 ATEX 032 U for SARA-G350 ATEX
• SIQ TBD for SARA-U270 ATEX
The certification numbers of the modules, according to the IECEx conformity assessment system, are:
• IECEx SIQ 13.0004U for SARA-G350 ATEX
• IECEx SIQ TBD for LISA-U270 ATEX
According to the standards listed above, SARA-G350 ATEX and LISA-U270 ATEX modules are certified with the
following marking:
• Ex II 1G, Ex ia IIC/IIB
The temperature range for using SARA-G350 ATEX and SARA-U270 ATEX modules is defined in the ‘Operating
temperature range’ section of the SARA-G3 series Data Sheet [1] and SARA-U2 series Data Sheet [2] respectively.
The RF radiating profile of SARA-G350 ATEX and SARA-U270 ATEX modules is compliant to all the applicable
3GPP / ETSI standards, with a maximum of 2 W RF pulse power and 1.15 mJ RF pulse energy according to the
GSM/GPRS power class stated in Table 2; the maximum average power of SARA-U270 ATEX, according to the
WCDMA power class stated in Table 3, is 250 mW.
The nameplate of SARA-G350 ATEX and SARA-U270 modules is described in the ‘Product labeling’ section of
the SARA-G3 series Data Sheet [1] and SARA-U2 series Data Sheet [2].
Table 61 lists the maximum input and equivalent parameters that must be considered in sub-division IIC for
SARA-G350 ATEX and SARA-U270 ATEX.
Parameter SARA-G350 ATEX SARA-U270 ATEX
Ui 3.8 V 3.8 V
Ii 1.6 A (burst) 1.6 A (burst)
Pi 2.5 W TBD W
Ci 103 µF 132 µF
Li 4.1 µH 9.8 µH
Table 61: Maximum input and equivalent parameters for sub-division IIC
UBX-13000995 - R12 Early Production Information Approvals
Page 170 of 196

SARA-G3 and SARA-U2 series - System Integration Manual
Table 62 lists the maximum input and equivalent parameters that must be considered in sub-division IIB and IIA
for SARA-G350 ATEX and SARA-U270 ATEX.
Parameter SARA-G350 ATEX SARA-U270 ATEX
Ui 4.2 V 4.2 V
Ii 2.5 A (burst) 2.5 A (burst)
Pi 2.5 W TBD W
Ci 103 µF 132 µF
Li 4.1 µH 9.8 µH
Table 62: Maximum input and equivalent parameters for sub-division IIB and IIA
UBX-13000995 - R12 Early Production Information Approvals
Page 171 of 196

SARA-G3 and SARA-U2 series - System Integration Manual
5 Product testing
5.1 u-blox in-series production test
u-blox focuses on high quality for its products. All units produced are fully tested. Defective units are analyzed in
detail to improve the production quality.
This is achieved with automatic test equipment, which delivers a detailed test report for each unit. The following
measurements are done:
• Digital self-test (firmware download, Flash firmware verification, IMEI programming)
• Measurement of voltages and currents
• Adjustment of ADC measurement interfaces
• Functional tests (Serial interface communication, analog audio interface, real time clock, temperature sensor,
antenna detection, SIM card communication)
• Digital tests (GPIOs, digital interfaces)
• Measurement and calibration of RF characteristics in all supported bands (Receiver S/N verification, frequency
tuning of reference clock, calibration of transmitter and receiver power levels)
• Verification of RF characteristics after calibration (modulation accuracy, power levels and spectrum
performance are checked to be within tolerances when calibration parameters are applied)
Figure 88: Automatic test equipment for module tests
5.2 Test parameters for OEM manufacturer
Because of the testing done by u-blox (with 100% coverage), an OEM manufacturer does not need to repeat
firmware tests or measurements of the module RF performance or tests over analog and digital interfaces in their
production test.
An OEM manufacturer should focus on:
• Module assembly on the device; it should be verified that:
o Soldering and handling process did not damaged the module components
o All module pins are well soldered on device board
o There are no short circuits between pins
UBX-13000995 - R12 Early Production Information Product testing
Page 172 of 196

SARA-G3 and SARA-U2 series - System Integration Manual
• Component assembly on the device; it should be verified that:
o Communication with host controller can be established
o The interfaces between module and device are working
o Overall RF performance test of the device including antenna
Dedicated tests can be implemented to check the device. For example, the measurement of module current
consumption when set in a specified status can detect a short circuit if compared with a “Golden Device” result.
Module AT commands are used to perform functional tests (communication with host controller, check SIM card
interface, check communication between module and GNSS, GPIOs, etc.) and to perform RF performance tests.
5.2.1 “Go/No go” tests for integrated devices
A ‘Go/No go’ test is to compare the signal quality with a “Golden Device” in a position with excellent network
coverage and after having dialed a call (see u-blox AT Commands Manual [3], AT+CSQ command: <rssi>, <ber>
parameters).
These kinds of test may be useful as a ‘go/no go’ test but not for RF performance measurements.
This test is suitable to check the communication with host controller and SIM card, the audio and power supply
functionality and verify if components at antenna interface are well soldered.
5.2.2 Functional tests providing RF operation
Overall RF performance test of the device including antenna can be performed with basic instruments such as a
spectrum analyzer (or an RF power meter) and a signal generator using AT+UTEST command over AT interface.
The AT+UTEST command gives a simple interface to set the module to Rx and Tx test modes ignoring 2G/3G
signaling protocol. The command can set the module:
• In transmitting mode in a specified channel and power level in all the supported modulation schemes (single
slot GMSK, single slot 8PSK, WCDMA) and bands 2G, 3G
• In receiving mode in a specified channel to returns the measured power level in all 2G/3G supported bands
See the u-blox AT Commands Manual [3], for AT+UTEST command syntax description.
See the End user test Application Note [26], for AT+UTEST command user guide, limitations and examples
of use.
UBX-13000995 - R12 Early Production Information Product testing
Page 173 of 196

SARA-G3 and SARA-U2 series - System Integration Manual
Application Board
SARA-G3
SARA-U2
ANT
Application
Processor
AT
Commands
Wireless
Antenna
Spectrum
Analyzer
or
Power
Meter
IN
Wideband
Antenna
TX
Application Board
SARA-G3
SARA-U2
ANT
Application
Processor
AT
Commands
Wireless
Antenna
Signal
Generator
OUT
Wideband
Antenna
RX
Figure 89: Setup with spectrum analyzer and signal generator for radiated measurement
This feature allows the measurement of the transmitter and receiver power levels to check component assembly
related to the module antenna interface and to check other device interfaces from which depends the RF
performance.
To avoid module damage during transmitter test, a proper antenna according to module
specifications or a 50 Ω termination must be connected to ANT pin.
To avoid module damage during receiver test the maximum power level received at ANT pin
must meet module specifications.
The AT+UTEST command sets the module to emit RF power ignoring the 2G/3G signalling protocol. This
emission can generate interference that can be prohibited by law in some countries. The use of this
feature is intended for testing purpose in controlled environments by qualified user and must not be used
during the normal module operation. Follow instructions suggested in u-blox documentation. u-blox
assumes no responsibilities for the inappropriate use of this feature.
UBX-13000995 - R12 Early Production Information Product testing
Page 174 of 196

SARA-G3 and SARA-U2 series - System Integration Manual
Example of production tests for OEM manufacturer:
1. Trigger TX GMSK burst at low Power Control Level (lower than 15) or a RX measure reporting to check:
o If ANT pin is soldered
o If ANT pin is in short circuit
o If the module was damaged during soldering process or during handling (ESD, mechanical shock…)
o If antenna matching components on application board are soldered
o If integrated antenna is correctly connected
To avoid module damage during transmitter test when good antenna termination is not
guaranteed, use a low Power Control Level (i.e. PCL lower or equal to 15). u-blox assumes no
responsibilities for module damaging caused by an inappropriate use of this feature.
2. Trigger TX GMSK burst at maximum PCL:
o To check if the power supply is correctly assembled and is able to deliver the required current
3. Trigger TX GMSK burst, TX 8PSK burst and TX WCDMA signal:
o To measure current consumption
o To check if module components were damaged during soldering process or during handling (ESD,
mechanical shock…)
4. Trigger RX measurement:
o To test receiver signal level. Assuming that there are no losses between ANT pin and input power
source, be aware that the power level estimated by the module can vary approximately within
3GPP tolerances for the average value
o To check if module was damaged during soldering process or during handling (ESD, mechanical
shock…)
5. Trigger TX GMSK, TX 8PSK burst and TX WCDMA signal and RX measurement to check:
o Overall RF performance of the device including antenna measuring TX and RX power levels
UBX-13000995 - R12 Early Production Information Product testing
Page 175 of 196

SARA-G3 and SARA-U2 series - System Integration Manual
Appendix
A Migration between LISA and SARA-G3 modules
A.1 Overview
Migrating between LISA-U1, LISA-U2, LISA-C2 series and SARA-G3 series module designs is a straight-forward
procedure that allows customers to take maximum advantage of their hardware and software investments.
The SARA cellular modules (26.0 x 16.0 mm LGA) have a different form factor than the LISA cellular modules
(33.2 x 22.4 mm LCC), but the footprint of SARA and LISA modules has been developed to provide pin-to-pin
compatibility on the lateral edge of the antenna pin so that each SARA / LISA pin can share the same pad on the
application board, due to the same pitch and nearly the same functions provided, as described in Figure 90.
64 63 61 60 58 57 55 54
22 23 25 26 28 29 31 32
11
10
8
7
5
4
2
1
21
19
18
16
15
13
12
43
44
46
47
49
50
52
53
33
35
36
38
39
41
42
65 66 67 68 69 70
71 72 73 74 75 76
77 78
79 80
81 82
83 84
85 86 87 88 89 90
91 92 93 94 95 96
CTS
RTS
DCD
RI
V_INT
V_BCKP
GND
RSVD
RESET_N
RSVD/GPIO1
PWR_ON
RXD
TXD
3
20
17
14
9
6
24 27 30
51
48
45
40
37
34
5962 56
GND
GND
DSR
DTR
GND
RSVD
GND
GND
RXD_AUX
TXD_AUX
EXT32/RSVD
GND
RSVD/GPIO2
32K_OUT/GPIO3
RSVD/SDA
RSVD/SCL
RSVD/GPIO4
GND
GND
GND
RSVD/SPK_P
RSVD/MIC_BIAS
RSVD/MIC_GND
RSVD/MIC_P
GND
VCC
VCC
RSVD
RSVD/I2S_TXD
RSVD/I2S_CLK
SIM_CLK
SIM_IO
VSIM
SIM_DET
VCC
RSVD/MIC_N
RSVD/SPK_N
SIM_RST
RSVD/I2S_RXD
RSVD/I2S_WA
GND
GND
GND
GND
GND
GND
GND
GND
GND
RSVD/ANT_DET
ANT
SARA-G3 series
Top View
Pin 65-96: GND
65
64
63
62
61
60
59
58
57
56
55
54
53
52
51
50
49
48
47
46
45
44
43
42
41
GND
VCC
VCC
VCC
GND
SPI_MRDY
SPI_SRDY
SPI_MISO
SPI_MOSI
SPI_SCLK
RSVD / SPK_N
GND
RSVD / SPK_P
RSVD
GPIO5
VSIM
SIM_RST
SIM_IO
SIM_CLK
SDA
SCL
RSVD / I2S_RXD
RSVD / I2S_CLK
RSVD / I2S_TXD
RSVD / I2S_WA
1
2
3
4
5
6
7
8
9
10
11
12
13
14
15
16
17
18
19
20
21
22
23
24
25
V_BCKP
GND
V_INT
RSVD
GND
GND
GND
DSR
RI
DCD
DTR
GND
RTS
CTS
TXD
RXD
GND
VUSB_DET
PWR_ON
GPIO1
GPIO2
RESET_N
GPIO3
GPIO4
GND
26
27
USB_D-
USB_D+
40
39
RSVD / MIC_P
RSVD / MIC_N
28 29 30 31 32 33 34 35 36 37 38
76 75 74 73 72 71 70 69 68 67 66
LISA-U1 series
Top View
GND
RSVD
GND
GND
GND
GND
GND
ANT
GND
GND
GND
GND
GND
GND
GND
GND
GND
GND
GND
GND
GND
GND
65
64
63
62
61
60
59
58
57
56
55
54
53
52
51
50
49
48
47
46
45
44
43
42
41
GND
VCC
VCC
VCC
GND
SPI_MRDY / GPIO14
SPI_SRDY / GPIO13
SPI_MISO / GPIO12
SPI_MOSI / GPIO11
SPI_SCLK / GPIO10
GPIO9 / I2S1_WA
GND
GPIO8 / I2S1_CLK
RSVD / CODEC_CLK
GPIO5
VSIM
SIM_RST
SIM_IO
SIM_CLK
SDA
SCL
RSVD / I2S_RXD
RSVD / I2S_CLK
RSVD / I2S_TXD
RSVD / I2S_WA
1
2
3
4
5
6
7
8
9
10
11
12
13
14
15
16
17
18
19
20
21
22
23
24
25
V_BCKP
GND
V_INT
RSVD
GND
GND
GND
DSR
RI
DCD
DTR
GND
RTS
CTS
TXD
RXD
GND
VUSB_DET
PWR_ON
GPIO1
GPIO2
RESET_N
GPIO3
GPIO4
GND
26
27
USB_D-
USB_D+
40
39
GPIO7 / I2S1_TXD
GPIO6 / I2S1_RXD
28 29 30 31 32 33 34 35 36 37 38
76 75 74 73 72 71 70 69 68 67 66
LISA-U2 series
Top View
GND
RSVD/ANT_DIV
GND
GND
GND
GND
GND
ANT
GND
GND
GND
GND
GND
GND
GND
GND
GND
GND
GND
GND
GND
GND
65
64
63
62
61
60
59
58
57
56
55
54
53
52
51
50
49
48
47
46
45
44
43
42
41
GND
VCC
VCC
VCC
GND
RSVD
RSVD
RSVD
RSVD
RSVD
SPK_N
GND
SPK_P
RSVD
GPIO5
VSIM
SIM_RST
SIM_IO
SIM_CLK
RSVD
RSVD
PCM_DI
PCM_CLK
PCM_DO
PCM_SYNC
1
2
3
4
5
6
7
8
9
10
11
12
13
14
15
16
17
18
19
20
21
22
23
24
25
RSVD
GND
V_INT
RSVD
GND
GND
GND
RSVD
RI
RSVD
RSVD
GND
RTS
CTS
TXD
RXD
GND
VUSB_DET
PWR_ON
GPIO1
GPIO2
RESET_N
GPIO3
GPIO4
GND
26
27
USB_D-
USB_D+
40
39
MIC_P
MIC_N
28 29 30 31 32 33 34 35 36 37 38
76 75 74 73 72 71 70 69 68 67 66
LISA-C2 series
Top View
GND
RSVD
GND
GND
GND
GND
GND
ANT
GND
GND
GND
GND
GND
GND
GND
GND
GND
GND
GND
GND
GND
GND
Figure 90: LISA series vs. SARA-G3 series modules pin assignment: highlighted pads that can be shared on the application board
This is the basis of the Nested Design concept: any SARA-G3, LISA-U1, LISA-U2, or LISA-C2 module can be
mounted on the same nested board as shown in Figure 91, enabling straightforward development of products
supporting either GSM/GPRS, W-CDMA or CDMA cellular technology with the same application board.
LISA
NESTED APPLICATION BOARD
Top Layer and Solder Mask
LISA mounting option
with LISA Paste Mask
SARA
SARA mounting option
with SARA Paste Mask
ANT pad
Figure 91: Nested Design concept description: LISA and SARA modules alternatively mounted on the same application board
UBX-13000995 - R12 Early Production Information Appendix
Page 176 of 196

SARA-G3 and SARA-U2 series - System Integration Manual
The voltage level of all the digital interfaces of SARA and LISA modules is 1.8 V: this allows the direct connection
from a 1.8 V external device (e.g. application processor) to all the modules.
The following sections explain in detail all the points to consider during the migration between LISA and SARA
designs, implementing or not a nested design
For further details regarding SARA-G3 and LISA characteristics, usage, or settings, see the related module
datasheet [1], [4], [5], [6], System Integration Manual [7], [8], and AT commands manual [3], [9].
A.2 Checklist for migration
Have you chosen the optimal SARA-G3 module?
For quad-band GSM/GPRS, full feature set, select the SARA-G350 module.
For dual-band GSM/GPRS, full feature set, select the SARA-G340 module.
For quad-band GSM/GPRS, reduced feature set, select the SARA-G310 module.
For dual-band GSM/GPRS, reduced feature set, select the SARA-G300 module.
Check SARA-G3 modules hardware requirements
Check power capabilities of the external supply circuit: SARA-G3 modules require large current pulses in
connected-mode as well as LISA-U series modules when a 2G call is enabled. LISA-C2 series modules do
not require large current pulses due to the CDMA channel access technology.
Check supported bands for proper antenna circuit development: SARA-G3 modules frequency ranges
are within LISA-U modules ranges, but LISA-C2 modules range is quite different.
Check antenna detection requirements: SARA-G340 and SARA-G350 modules provide the antenna
detection function implementing an external application circuit between ANT_DET and ANT pins.
Check the module power-on requirements: Table 63 and relative section summarize differences
between SARA-G3 and LISA modules.
Check the module requirements to enter low power idle-mode: SARA-G300 and SARA-G310 modules
require a 32 kHz signal at EXT32K input, which for example can be provided by the 32K_OUT output.
Check serial interfaces requirements: SARA-G3 modules provide UART interface for AT command, data
communication, multiplexer functionality, FW upgrade over AT and provide auxiliary UART interface for
FW upgrade using the u-blox EasyFlash tool and for diagnostic purpose.
Check analog audio requirements: SARA-G340 and SARA-G350 modules do not provide DC blocking
capacitors at the MIC_P / MIC_N input pins and provide supply output and local ground for an external
microphone at the MIC_BIAS / MIC_GND pins.
Check digital audio requirements: SARA-G340 and SARA-G350 modules provide a 4-wire 1.8 V
interface supporting PCM and Normal I2S modes, master role and fixed sample rate.
Check internal active pull-up / down values at digital interface input pins and the current capability of
digital interface output pins, since they are slightly different between SARA-G3 and LISA modules.
Check SARA-G3 modules software requirements
Not all of the functionalities available with LISA modules are supported by all the SARA-G3 modules
versions. SARA-G300 and SARA-G310 modules do not support:
o Audio interfaces, DDC (I2C) interface, Antenna detection interface, GPIOs
o Low power idle-mode, if a 32 kHz signal at EXT32K input pin is not provided
o TCP/IP, UDP/IP, FTP, HTTP
o GNSS via Modem, AssistNow clients, Hybrid positioning and CellLocate® functionalities
o Jamming detection
UBX-13000995 - R12 Early Production Information Appendix
Page 177 of 196

SARA-G3 and SARA-U2 series - System Integration Manual
A.3 Software migration
Software migration between SARA-G3 and LISA cellular modules is a straightforward procedure. Nevertheless
there are some differences to be considered with firmware version. Each cellular module supports AT commands
according to 3GPP standards: TS 27.007 [11], TS 27.005 [12], TS 27.010 [13] and the u-blox AT command
extension. Backward compatibility has been maintained as far as possible.
For the complete list of supported AT commands and their syntax see the relevant AT commands manual
of the module [3], [9].
A.4 Hardware migration
SARA modules have been designed with backward compatibility to LISA series modules in mind but some minor
differences were unavoidable. These minor differences are however not relevant for the majority of the designs.
The following subsections describe the hardware differences between the interfaces of SARA-G3 modules and
LISA modules while Table 64 summarizes the detailed differences between the pins.
A.4.1 Supply interfaces
Module supply input (VCC)
The same compatible external circuit can be implemented for SARA and LISA modules even if there are minor
differences in the VCC input voltage ranges and some differences in the current consumption figures.
The voltage provided must be within the normal operating range limits to allow module switch-on and must be
above the minimum limit of the extended operating range to avoid module switch-off. For the detailed VCC
input voltage ranges values see Table 64 or to the relative datasheet of the module [1], [4], [5], [6].
The SARA-G3 maximum average current consumption is lower than the LISA one due to the lower data rate or
the different channel access technology. SARA-G3 modules require large current pulses in connected-mode as
well as LISA-U series when a 2G call is enabled. LISA-C2 series do not require large current pulses due to the
CDMA channel access technology. For the detailed current consumption values see the related module
datasheet [1], [4], [5], [6].
Detailed supply circuit design-in guidelines are reported in section 2.2.1 and in the corresponding System
Integration Manual of the module [7], [8].
RTC supply input/output (V_BCKP)
The same compatible external circuit can be implemented for SARA and LISA-U series even if there are minor
differences in the V_BCKP typical output voltage and input voltage range as reported in Table 64 or in the
relative datasheet of the module [1], [4], [5], [6]. LISA-C2 series do not provide V_BCKP RTC supply input/output
as well as the whole RTC functionality.
Interfaces supply output (V_INT)
The same compatible external circuit can be implemented for SARA and LISA series: there are no differences in
the V_INT output characteristics.
UBX-13000995 - R12 Early Production Information Appendix
Page 178 of 196

SARA-G3 and SARA-U2 series - System Integration Manual
A.4.2 System functions interfaces
Module power-on
SARA-G3 and LISA series power-on sequence is initiated in one of the ways summarized in Table 63. For more
details, see section 1.6.1 or to the relative System Integration Manual of the module [7], [8].
SARA-G3 series LISA-C2 series LISA-U1 series LISA-U2 series
Rising edge on the VCC pins to a
valid voltage as module supply
Rising edge on the VCC pins to a
valid voltage as module supply
with PWR_ON pin permanently
low when VCC is applied
Rising edge on the VCC pins to a
valid voltage as module supply
Rising edge on the VCC pins to a
valid voltage as module supply
Low level on the PWR_ON pin
for appropriate time period
Low pulse on the PWR_ON pin
for appropriate time period
Low pulse on the PWR_ON pin
for appropriate time period
Low pulse on the PWR_ON pin
for appropriate time period
Pre-programmed RTC alarm (not
supported by SARA-G300/G310)
Pre-programmed RTC alarm Pre-programmed RTC alarm
RESET_N input pin released
from the low level
RESET_N input pin released
from the low level
Table 63: Summary of power on events among modules
The same compatible external power-on circuit can be implemented for SARA and LISA modules even if there
are minor differences in the PWR_ON input voltage levels ranges and in the low level time or low pulse time to
switch-on the module, as reported in Table 64 or in the relative datasheet of the module [1], [4], [5], [6].
PWR_ON falling edge (i.e. low pulse) is required for LISA series, but it is not required for SARA. External pull-up
is not needed for LISA-C2 series since internal pull-up is provided.
Module power-off
SARA and LISA modules can all be properly switched off by means of the AT+CPWROFF command.
Additionally, all LISA-U2 modules, except LISA-U200-00S, can be properly switched off by low pulse on the
PWR_ON pin, as reported in Table 64 or in the relative datasheet of the module [6].
Module reset
SARA and LISA modules reset can be performed in one of the following ways:
• Forcing a low level on the RESET_N pin, causing an “external” or “hardware” reset
• By means of the AT+CFUN command, causing an “internal” or “software” reset
The same compatible external reset circuit can be implemented for SARA and LISA modules even if there are
minor differences in the RESET_N input voltage levels ranges and in the low level time, as reported in Table 64
or in the relative datasheet of the module [1], [4], [5], [6].
Additional precautions are suggested for the RESET_N line of LISA-U series modules, depending on the
application board handling, to satisfy ESD immunity test requirements as described in the LISA-U Series System
Integration Manual [8].
External 32 kHz input and internal 32 kHz output
The EXT32K input and the 32K_OUT output are available only on the SARA-G300 and SARA-G310 modules to
provide the 32 kHz reference clock for the Real Time Clock (RTC) timing, used by the module processor to reach
the low power idle-mode and provide the RTC functions.
SARA-G340, SARA-G350 and LISA-U modules are equipped with internal 32 kHz oscillator to provide the same
functions.
LISA-C2 series do not provide RTC and the relative functions.
UBX-13000995 - R12 Early Production Information Appendix
Page 179 of 196

SARA-G3 and SARA-U2 series - System Integration Manual
A.4.3 Antenna interface
RF interface for Tx/Rx antenna
The same compatible external circuit can be implemented for SARA and LISA series ANT pin even if there are
some differences in the operating bands frequency ranges, as summarized in Figure 92.
VV II II
850
900
850
800 850 900 950
900 1800
1900 1900
1800
1700 1750 1800 1850 1900 1950 2000 2050 2100 2150 2200
824 960 1710 1990
LISA-U100
LISA-U120
LISA-U260
LISA-U200
LISA-U230
VV II II
850
900
850
800 850 900 950
900 1800
1900 1900
1800
1700 1750 1800 1850 1900 1950 2000 2050 2100 2150 2200
IIVIVI
VIIIVIII IV IV
824 960 1710 2170
850
900
850
800 850 900 950
900 1800
1900 1900
1800
1700 1750 1800 1850 1900 1950 2000 2050 2100 2150 2200
IIVIIIVIII
824 960 1710 2170
LISA-U110
LISA-U130
LISA-U270
850
900
850
800 850 900 950
900 1800
1900 1900
1800
1700 1750 1800 1850 1900 1950 2000 2050 2100 2150 2200
824 960 1710 1990
SARA-G310
SARA-G350
900
800 850 900 950
900 1800 1800
1700 1750 1800 1850 1900 1950 2000 2050 2100 2150 2200
880 960 1710 1880
SARA-G300
SARA-G340
800800
800 850 900 950
1900 1900
1700 1750 1800 1850 1900 1950 2000 2050 2100 2150 2200
824 894 1850 1990
LISA-C200
Figure 92: Summary of operating bands frequency ranges among modules
An external circuit can be implemented on the application device integrating SARA-U2 and LISA-U2 modules to
satisfy ESD immunity test requirements at the antenna port, as described in sections 2.13 and 2.4, and in the
LISA-U Series System Integration Manual [8]. The same external circuit is not required for SARA-G3, LISA-U1 and
LISA-C2 modules.
RF interface for Rx diversity antenna
Only the LISA-U230 modules provide the RF input for Rx diversity antenna (ANT_DIV).
SARA-G3, LISA-C2, LISA-U1 and the other LISA-U2 series modules do not support Rx diversity.
Antenna detection interface
An external application circuit can be implemented on the application device integrating SARA-G340 /
SARA-G350 modules to provide antenna detection functionality, with a proper connection between the
ANT_DET pin and the ANT pin, as described in section 2.4.2.
LISA-U modules are equipped with internal circuit for antenna detection support.
SARA-G300, SARA-G310 and LISA-C2 series modules do not support antenna detection.
UBX-13000995 - R12 Early Production Information Appendix
Page 180 of 196

SARA-G3 and SARA-U2 series - System Integration Manual
A.4.4 SIM interface
SIM interface
The same compatible external circuit can be implemented for SARA and LISA modules: 1.8 V and 3.0 V SIM are
supported. LISA-C2 modules do not need an external SIM for Sprint and Verizon mobile operators. LISA-C2
series SIM interface is hardware ready but the support of external SIM card / IC will be provided by the upcoming
firmware releases.
SIM detection interface
The same compatible external circuit can be implemented for SARA and LISA modules: SIM detection function is
provided by the SIM_DET pin on SARA-G3 modules and by the GPIO5 pin on LISA-U modules. SIM card hot
insertion/removal is additionally supported by all LISA-U2 series except LISA-U200-00S.
LISA-C2 modules do not support SIM detection.
A.4.5 Serial interfaces
UART interface
The same compatible external circuit can be implemented for SARA and LISA modules: a 1.8 V unbalanced
asynchronous serial port with RS-232 functionality is provided on SARA-G3 modules (for AT command, data
communication, MUX functionality, FW upgrade over AT), LISA-C2 modules (for AT command, data
communication, MUX functionality), LISA-U modules (for AT command, data communication, MUX functionality,
FW upgrade over AT or using the u-blox EasyFlash tool).
LISA-C2 modules do not support DSR, DCD and DTR functions.
Table 64 and the module’s datasheet [1], [4], [5], [6] report minor differences in the internal pull-ups and drivers
strengths.
These are the default settings of the UART interfaces:
• SARA-G3 modules: automatic baud rate and frame format detection
• LISA-U2 except LISA-U200-00S modules: one-shot automatic baud rate and frame format detection
• LISA-C2, LISA-U1 and LISA-U200-00S modules: 115200 b/s baud rate and 8N1 frame format
For further details regarding UART interface settings see the module’s datasheet [1], [4], [5], [6] and to the
related AT commands manual of the module [3], [9].
UART AUX interface
Only the SARA-G3 modules provide an auxiliary UART interface for FW upgrade using the u-blox EasyFlash tool
and for diagnostic purpose.
LISA modules do not provide an auxiliary UART interface.
USB interface
SARA-G3 modules do not provide a USB interface such as is available on LISA-U modules (High-Speed USB 2.0
for AT command, data communication, FW upgrade over AT or using the u-blox EasyFlash tool, and for Trace
log capture) and on LISA-C2 modules (Full-Speed USB 2.0 for AT command, Data communication, FW upgrade).
SPI interface
SARA-G3 and LISA-C2 modules do not provide an SPI interface such as is available on LISA-U modules (5-wire
IPC interface for AT command, data communication, MUX functionality, FW upgrade over AT).
DDC (I2C) interface
The same compatible external circuit can be implemented for SARA-G340 / SARA-G350 and LISA series: A 1.8 V
DDC (I2C bus compatible) interface is provided to communicate with u-blox GNSS receivers.
UBX-13000995 - R12 Early Production Information Appendix
Page 181 of 196

SARA-G3 and SARA-U2 series - System Integration Manual
SARA-G300, SARA-G310 and LISA-U200-00S modules do not support the DDC (I2C) interface.
LISA-C2 modules will support the DDC (I2C) interface in the upcoming firmware releases.
All LISA-U2 modules, except LISA-U200-00S, additionally support the communication with I2C slaves by means of
dedicated AT commands, other than u-blox positioning receivers over the same DDC (I2C) interface.
A.4.6 Audio interfaces
Analog audio interfaces
Differential analog audio input is provided on the MIC_P / MIC_N pins of SARA-G340 / SARA-G350 modules
(without internal DC blocking capacitor) and LISA-C2 series, LISA-U120, and LISA-U130 modules (with an
internal DC blocking capacitor).
Supply output and local ground for an external microphone is provided on the MIC_BIAS / MIC_GND pins of
SARA-G340 / SARA-G350 modules only: the supply for an external microphone has to be provided by an
external LDO linear regulator with the other modules.
Differential analog audio output is provided on the SPK_P / SPK_N pins of SARA-G340, SARA-G350, LISA-U120,
LISA-U130 modules (16 ohm load capable) and LISA-C2 series modules (32 ohm load capable).
SARA-G300/SARA-G310, LISA-U100/U110, LISA-U200-00S modules do not provide analog audio interfaces.
LISA-U2 series modules do not provide analog audio interfaces, but analog audio can be provided with external
audio codec connected to a digital audio interface of all LISA-U2 series modules except LISA-U200-00S (e.g. the
4-wire I2S digital audio interface provided instead of the 4 analog audio pins). The modules provide control of
the external codec by means of the I2C interface and clock reference by means of the CODEC_CLK pin.
For further details regarding analog audio interfaces characteristics, usage, and settings, see the related module
datasheet [1], [4], [5], [6], System Integration Manual 1.10.1, 2.7.1, [7], [8], and AT commands manual [3], [9].
Digital audio interfaces
The digital audio interface is provided on the I2S_TXD, I2S_RXD, I2S_CLK, I2S_WA pins of SARA-G340 /
SARA-G350 modules (1.8 V, PCM & Normal I2S modes, master, fixed sample rate) and LISA-U120/U130 and all
LISA-U2 series modules except LISA-U200-00S (1.8 V, PCM & Normal I2S modes, master & slave, configurable
sample rate). It is provided on the PCM_DO, PCM_DI, PCM_CLK, PCM_SYNC pins of LISA-C2 series modules
(1.8 V, PCM). The same compatible external circuit can be implemented according to external digital audio
device capabilities.
An additional digital audio interface is provided on I2S1_TXD, I2S1_RXD, I2S1_CLK, I2S1_WA pins of all
LISA-U2 series except LISA-U200-00S (1.8 V, PCM & Normal I2S modes, master & slave, configurable sample
rate).
SARA-G300/SARA-G310, LISA-U100/LISA-U110, LISA-U200-00S modules do not provide digital audio interfaces.
For further details regarding digital audio interfaces characteristics, usage, and settings, see the related module
datasheet [1], [4], [5], [6], System Integration Manual 1.10.2, 2.7.2, [7], [8], and AT commands manual [3], [9].
A.4.7 GPIO pins
The same compatible external circuit can be implemented for SARA-G340 / SARA-G350 and LISA series: four
1.8 V GPIOs are provided by SARA-G340 / SARA-G350 modules, providing the same functionalities as LISA series
modules except Module Status and Operating Mode Indications. The SIM_DET pin provides the SIM detection
function on SARA modules rather than the GPIO5 pin as on LISA-U series modules.
SARA-G300 and SARA-G310 modules do not provide GPIOs.
A.4.8 Reserved pins
SARA modules RSVD pin 33 must be connected to ground, as does the RSVD pin 5 on LISA modules.
UBX-13000995 - R12 Early Production Information Appendix
Page 182 of 196

SARA-G3 and SARA-U2 series - System Integration Manual
A.4.9 Pin-out comparison between LISA and SARA-G3
Table 64 summarizes the pin electrical differences between LISA and SARA-G3 cellular modules.
Pin Name N° SARA-G3 series N° LISA-C2 series LISA-U1 series LISA-U2 series
Power
VCC 51-53 Normal op. range:
3.35 V – 4.5 V
Extended op. range:
3.00 V – 4.5 V
High pulse current
due to GSM TDMA
61-63 Normal op. range:
3.3 V – 4.4 V
Extended op. range:
Not applicable
No high pulse current
due to CDMA
Normal op. range:
3.4 V – 4.2 V
Extended op. range:
3.1 V – 4.2 V
High pulse current
due to GSM TDMA
Normal op. range:
3.3 V – 4.4 V
Extended op. range:
3.1 V – 4.5 V
High pulse current
due to GSM TDMA
V_BCKP 2 Output characteristics:
2.3 V typ, 2 mA max
Input op. range:
1.0 V – 2.4 V
2 Not Available Output characteristics:
2.3 V typ, 3 mA max
Input op. range:
1.0 V – 2.5 V
Output characteristics:
1.8 V typ, 3 mA max
Input op. range:
1.0 V – 1.9 V
V_INT 4 Output characteristics:
1.8 V typ, 50 mA max
4 Output characteristics:
1.8 V typ, 50 mA max
Output characteristics:
1.8 V typ, 50 mA max
Output characteristics:
1.8 V typ, 50 mA max
Antenna
ANT 56 RF input/output for Tx/Rx
antenna
68 RF input/output for
Tx/Rx antenna
RF input/output for
Tx/Rx antenna
RF input/output for
main Tx/Rx antenna
ANT_DIV Not Available 74 Not Available Not Available LISA-U230 only:
RF input for
Rx diversity antenna
ANT_DET 62 SARA-G340/SARA-G350:
Input for antenna
detection circuit
Not Available Internal antenna
detection circuit
Internal antenna
detection circuit
System
PWR_ON 15 No internal pull-up
L-level: -0.10 V – 0.65 V
H-level: 2.00 V – 4.50 V
ON L-level time:
5 ms min
OFF L-level pulse time:
Not Available
19 180 kΩ internal pull-up
L-level: -0.30 V – 0.30 V
H-level: 2.00 V – 4.70 V
ON L-level pulse time:
150 ms min
OFF L-level pulse time:
Not Available
No internal pull-up
L-level: -0.30 V –0.65 V
H-level: 2.00 V – 4.50 V
ON L-level pulse time:
5 ms min
OFF L-level pulse time:
Not Available
No internal pull-up
L-level: -0.30 V – 0.65 V
H-level: 1.50 V – 4.40 V
ON L-level pulse time:
50 µs min / 80 µs max
OFF L-level pulse time:
1 s min
RESET_N 18 Internal diode & pull-up
L-level: -0.30 V – 0.30 V
H-level: 2.00 V – 4.70 V
Reset L-level pulse time:
SARA-G340/SARA-G350:
50 ms min
SARA-G300/SARA-G310:
3 s min
22 550 Ω internal pull-up
L-level: -0.30 V – 0.63 V
H-level: 1.32 V – 2.10 V
Reset L-level pulse time:
300 ms min
10 kΩ internal pull-up
L-level: -0.30 V – 0.65 V
H-level: 1.69 V – 2.48 V
Reset L-level pulse time:
50 ms min
10 kΩ internal pull-up
L-level: -0.30 V – 0.51 V
H-level: 1.32 V – 2.01 V
Reset L-level pulse time:
50 ms min
EXT32K 31 SARA-G300/SARA-G310:
32 kHz input for RTC
& low power idle mode
SARA-G340/SARA-G350:
Not Available:
Internal 32 kHz for RTC
& low power idle mode
Not Available:
Internal reference for
low power idle mode
Not Available:
Internal 32 kHz for RTC
& low power idle mode
Not Available:
Internal 32 kHz for RTC
& low power idle mode
32K_OUT 24 SARA-G300/SARA-G310:
32 kHz output, only to
feed the EXT32K input
SARA-G340/SARA-G350:
Not Available
Not Available Not Available Not Available
UBX-13000995 - R12 Early Production Information Appendix
Page 183 of 196

SARA-G3 and SARA-U2 series - System Integration Manual
Pin Name N° SARA-G3 series N° LISA-C2 series LISA-U1 series LISA-U2 series
SIM
SIM_CLK 38 1.8V / 3V SIM clock 47 1.8V / 3V SIM clock
(upcoming FW releases)
1.8V / 3V SIM clock 1.8V / 3V SIM clock
SIM_IO 39 1.8V / 3V SIM data
Internal 4.7k pull-up
48 1.8V / 3V SIM data
(upcoming FW releases)
Internal 10k pull-up
1.8V / 3V SIM data
Internal 4.7k pull-up
1.8V / 3V SIM data
Internal 4.7k pull-up
SIM_RST 40 1.8V / 3V SIM reset 49 1.8V / 3V SIM reset
(upcoming FW releases)
1.8V / 3V SIM reset 1.8V / 3V SIM reset
VSIM 41 1.8V / 3V SIM supply 50 1.8V / 3V SIM supply
(upcoming FW releases)
1.8V / 3V SIM supply 1.8V / 3V SIM supply
SIM_DET 42 1.8 V, SIM detect input
Inner pull-down: 103 µA
Not Available Provided by GPIO5:
1.8 V, SIM detect input
Inner pull-down: 55 µA
Provided by GPIO5:
1.8 V, SIM detect input
Inner pull-down: 200 µA
UART
DSR 6 1.8 V, DSR output
Driver strength: 6 mA
9 Not Available 1.8 V, DSR output
Driver strength: 4 mA
1.8 V, DSR output
Driver strength: 1 mA
RI 7 1.8 V, RI output
Driver strength: 6 mA
10 1.8 V, RI output
Driver strength: 6 mA
1.8 V, RI output
Driver strength: 4 mA
1.8 V, RI output
Driver strength: 2 mA
DCD 8 1.8 V, DCD output
Driver strength: 6 mA
11 Not Available 1.8 V, DCD output
Driver strength: 4 mA
1.8 V, DCD output
Driver strength: 2 mA
DTR 9 1.8 V, DTR input
Internal pull-up: -55 µA
12 Not Available 1.8 V, DTR input
Internal pull-up: -110 µA
1.8 V, DTR input
Internal pull-up: -125 µA
RTS 10 1.8 V, Flow ctrl input
Internal pull-up: -31 µA
13 1.8 V, Flow ctrl input
Internal pull-up: -30 µA
1.8 V, Flow ctrl input
Internal pull-up: -60 µA
1.8 V, Flow ctrl input
Internal pull-up: -240 µA
CTS 11 1.8 V, Flow ctrl output
Driver strength: 6 mA
14 1.8 V, Flow ctrl output
Driver strength: 4 mA
1.8 V, Flow ctrl output
Driver strength: 4 mA
1.8 V, Flow ctrl output
Driver strength: 6 mA
TXD 12 1.8 V, Data input
Internal pull-up: -102 µA
15 1.8 V, Data input
Internal pull-up: -30 µA
1.8 V, Data input
Internal pull-up: -60 µA
1.8 V, Data input
Internal pull-up: -240 µA
RXD 13 1.8 V, Data output
Driver strength: 5 mA
16 1.8 V, Data output
Driver strength: 4 mA
1.8 V, Data output
Driver strength: 4 mA
1.8 V, Data output
Driver strength: 6 mA
UART AUX
TXD_AUX 29 1.8 V, Data input
Internal pull-up: -102 µA
Not Available Not Available Not Available
RXD_AUX 28 1.8 V, Data output
Driver strength: 5 mA
Not Available Not Available Not Available
USB
VUSB_DET Not Available 18 5 V, Supply detection 5 V, Supply detection 5 V, Supply detection
USB_D- Not Available 26 Full-Speed USB 2.0 High-Speed USB 2.0 High-Speed USB 2.0
USB_D+ Not Available 27 Full-Speed USB 2.0 High-Speed USB 2.0 High-Speed USB 2.0
SPI
SPI_SCLK Not Available 55 Not Available 1.8 V, Clock input
Inner pull-down: 100 µA
1.8 V, Clock input
Inner pull-down: 200 µA
SPI_MOSI Not Available 56 Not Available 1.8 V, Data input
Internal pull-up: -220 µA
1.8 V, Data input
Internal pull-up: -240 µA
SPI_MISO Not Available 57 Not Available 1.8 V, Data output
Driver strength: 2.5 mA
1.8 V, Data output
Driver strength: 6 mA
SPI_SRDY Not Available 58 Not Available 1.8 V, Flow ctrl output
Driver strength: 4 mA
1.8 V, Flow ctrl output
Driver strength: 6 mA
SPI_MRDY Not Available 59 Not Available 1.8 V, Flow ctrl input
Inner pull-down: 55 µA
1.8 V, Flow ctrl input
Inner pull-down: 200 µA
DDC (I2C)
SCL 27 SARA-G340/SARA-G350:
1.8 V, open drain
Driver strength: 3 mA
45 1.8 V, open drain
(upcoming FW releases)
1.8 V, open drain
Driver strength: 1 mA
1.8 V, open drain
Driver strength: 1 mA
LISA-U200-00S: N.A.
SDA 26 SARA-G340/SARA-G350:
1.8 V, open drain
Driver strength: 3 mA
46 1.8 V, open drain
(upcoming FW releases)
1.8 V, open drain
Driver strength: 1 mA
1.8 V, open drain
Driver strength: 1 mA
LISA-U200-00S: N.A.
UBX-13000995 - R12 Early Production Information Appendix
Page 184 of 196

SARA-G3 and SARA-U2 series - System Integration Manual
Pin Name N° SARA-G3 series N° LISA-C2 series LISA-U1 series LISA-U2 series
Audio
Analog
MIC_BIAS 46 SARA-G340/SARA-G350:
2.2 V supply output for
external microphone
Not Available Not Available Not Available
MIC_GND 47 SARA-G340/SARA-G350:
Local ground sense for
external microphone
Not Available Not Available Not Available
MIC_P 49 SARA-G340/SARA-G350:
Differential input (+)
No internal capacitor
for DC blocking
40 Differential input (+)
100 nF internal capacitor
for DC blocking
LISA-U120/U130 only:
Differential input (+)
100 nF internal capacitor
for DC blocking
Not Available
MIC_N 48 SARA-G340/SARA-G350:
Differential input (-)
No internal capacitor
for DC blocking
39 Differential input (-)
100 nF internal capacitor
for DC blocking
LISA-U120/U130 only:
Differential input (-)
100 nF internal capacitor
for DC blocking
Not Available
SPK_P 44 SARA-G340/SARA-G350:
Differential output (+)
16 ohm load capable
53 Differential output (+)
32 ohm load capable
LISA-U120/U130 only:
Differential output (+)
16 ohm load capable
Not Available
SPK_N 45 SARA-G340/SARA-G350:
Differential output (-)
16 ohm load capable
54 Differential output (-)
32 ohm load capable
LISA-U120/U130 only:
Differential output (-)
16 ohm load capable
Not Available
Digital
I2S_TXD 35 SARA-G340/SARA-G350:
1.8 V, Data Out
PCM / Normal I2S mode
Driver strength: 5 mA
42 PCM_DO:
1.8 V, PCM Data Out
LISA-U120/U130 only:
1.8 V, Data Out
PCM / Normal I2S mode
Driver strength: 2.5 mA
1.8 V, Data Out
PCM / Normal I2S mode
Driver strength: 2 mA
LISA-U200-00S: N.A.
I2S_RXD 37 SARA-G340/SARA-G350:
1.8 V, Data In
PCM / Normal I2S mode
Inner pull-down: 103 µA
44 PCM_DI:
1.8 V, PCM Data In
LISA-U120/U130 only:
1.8 V, Data In
PCM / Normal I2S mode
Inner pull-down: 100 µA
1.8 V, Data In
PCM / Normal I2S mode
Inner pull-down: 200 µA
LISA-U200-00S: N.A.
I2S_WA 34 SARA-G340/SARA-G350:
1.8 V, Word align. Out
Fixed frequency
Driver strength: 6 mA
41 PCM_SYNC:
1.8 V, PCM Sync Out
LISA-U120/U130 only:
1.8 V, Word align. In/Out
Configurable frequency
Inner pull-down: 100 µA
Driver strength: 2.5 mA
1.8 V, Word align. In/Out
Configurable frequency
Inner pull-down: 200 µA
Driver strength: 2 mA
LISA-U200-00S: N.A.
I2S_CLK 36 SARA-G340/SARA-G350:
1.8 V, Clock Out
Fixed frequency
Driver strength: 5 mA
43 PCM_CLK:
1.8 V, PCM Clock Out
LISA-U120/U130 only:
1.8 V, Clock In/Out
Configurable frequency
Inner pull-down: 100 µA
Driver strength: 2.5 mA
1.8 V, Clock In/Out
Configurable frequency
Inner pull-down: 200 µA
Driver strength: 2 mA
LISA-U200-00S: N.A.
I2S1_WA Not Available 54 Not Available Not Available 1.8 V, Data Out
PCM / Normal I2S mode
Driver strength: 1 mA
LISA-U200-00S: N.A.
I2S1_TXD Not Available 40 Not Available Not Available 1.8 V, Data In
PCM / Normal I2S mode
Inner pull-down: 150 µA
LISA-U200-00S: N.A.
I2S1_CLK Not Available 53 Not Available Not Available 1.8 V, Word align. In/Out
Configurable frequency
Inner pull-down: 150 µA
Driver strength: 1 mA
LISA-U200-00S: N.A.
I2S1_RXD Not Available 39 Not Available Not Available 1.8 V, Clock In/Out
Configurable frequency
Inner pull-down: 150 µA
Driver strength: 1 mA
LISA-U200-00S: N.A.
UBX-13000995 - R12 Early Production Information Appendix
Page 185 of 196

SARA-G3 and SARA-U2 series - System Integration Manual
Pin Name N° SARA-G3 series N° LISA-C2 series LISA-U1 series LISA-U2 series
Other
CODEC_CLK
Not Available 52 Not Available Not Available 1.8 V, 13/26 MHz Out
Driver strength: 4 mA
LISA-U200-00S: N.A.
GPIO
GPIO1 16 SARA-G340/SARA-G350:
1.8 V, configurable GPIO
Default: Pin disabled
Driver strength: 6 mA
Inner pull-down: 51 µA
20 1.8 V, configurable GPIO
Default: Pin disabled
Driver strength: 4 mA
Inner pull-down: 30 µA
1.8 V, configurable GPIO
Default: Pin disabled
Driver strength: 1 mA
Inner pull-down: 100 µA
1.8 V, configurable GPIO
Default: Pin disabled
Driver strength: 6 mA
Inner pull-down: 200 µA
GPIO2 23 SARA-G340/SARA-G350:
1.8 V, configurable GPIO
Default: GNSS supply ena.
Driver strength: 6 mA
Inner pull-down: 51 µA
21 1.8 V, configurable GPIO
Default: Pin disabled
Driver strength: 4 mA
Inner pull-down: 30 µA
1.8 V, configurable GPIO
Default: GNSS supply en.
Driver strength: 1 mA
Inner pull-down: 85 µA
1.8 V, configurable GPIO
Default: GNSS supply en.
Driver strength: 1 mA
Inner pull-down: 150 µA
GPIO3 24 SARA-G340/SARA-G350:
1.8 V, configurable GPIO
Default: GNSS data ready
Driver strength: 5 mA
Inner pull-down: 27 µA
23 1.8 V, configurable GPIO
Default: Pin disabled
Driver strength: 4 mA
Inner pull-down: 30 µA
1.8 V, configurable GPIO
Default: GNSS data ready
Driver strength: 4 mA
Inner pull-down: 55 µA
1.8 V, configurable GPIO
Default: GNSS
data ready
Driver strength: 6 mA
Inner pull-down: 200 µA
GPIO4 25 SARA-G340/SARA-G350:
1.8 V, configurable GPIO
Default: GNSS RTC shar.
Driver strength: 6 mA
Inner pull-down: 51 µA
24 1.8 V, configurable GPIO
Default: Pin disabled
Driver strength: 4 mA
Inner pull-down: 30 µA
1.8 V, configurable GPIO
Default: GNSS RTC
sharing (4.7 k external
pull-down required for
RTC sharing)
Driver strength: 4 mA
Inner pull-down: 55 µA
1.8 V, configurable GPIO
Default: GNSS RTC
sharing
Driver strength: 6 mA
Inner pull-down: 200 µA
GPIO5 Not Available 51 1.8 V, configurable GPIO
Default: Pin disabled
Driver strength: 4 mA
Inner pull-down: 30 µA
1.8 V, configurable GPIO
Default: SIM detection
Driver strength: 2.5 mA
Inner pull-down: 55 µA
1.8 V, configurable GPIO
Default: SIM detection
Driver strength: 6 mA
Inner pull-down: 200 µA
GPIO6 Not Available 39 Not Available Not Available 1.8 V, configurable GPIO
Default: I2S1_RXD
Driver strength: 1 mA
Inner pull-down: 150 µA
GPIO7 Not Available 40 Not Available Not Available 1.8 V, configurable GPIO
Default: I2S1_TXD
Driver strength: 1 mA
Inner pull-down: 150 µA
GPIO8 Not Available 53 Not Available Not Available 1.8 V, configurable GPIO
Default: I2S1_CLK
Driver strength: 1 mA
Inner pull-down: 150 µA
GPIO9 Not Available 54 Not Available Not Available 1.8 V, configurable GPIO
Default: I2S1_WA
Driver strength: 1 mA
Inner pull-down: 150 µA
GPIO10 Not Available 55 Not Available Not Available 1.8 V, configurable GPIO
Default: SPI_SCLK
Driver strength: 6 mA
Inner pull-down: 200 µA
GPIO11 Not Available 56 Not Available Not Available 1.8 V, configurable GPIO
Default: SPI_MOSI
Driver strength: 6 mA
Inner pull-down: 200 µA
GPIO12 Not Available 57 Not Available Not Available 1.8 V, configurable GPIO
Default: SPI_MISO
Driver strength: 6 mA
Inner pull-down: 200 µA
UBX-13000995 - R12 Early Production Information Appendix
Page 186 of 196

SARA-G3 and SARA-U2 series - System Integration Manual
Pin Name N° SARA-G3 series N° LISA-C2 series LISA-U1 series LISA-U2 series
GPIO13 Not Available 58 Not Available Not Available 1.8 V, configurable GPIO
Default: SPI_SRDY
Driver strength: 6 mA
Inner pull-down: 200 µA
GPIO14 Not Available 59 Not Available Not Available 1.8 V, configurable GPIO
Default: SPI_MRDY
Driver strength: 6 mA
Inner pull-down: 200 µA
Table 64: Summary of pin differences and compatibility level among modules
UBX-13000995 - R12 Early Production Information Appendix
Page 187 of 196

SARA-G3 and SARA-U2 series - System Integration Manual
B Migration between SARA-G3 and SARA-U2
B.1 Overview
SARA-G3 and SARA-U2 series cellular modules have exactly the same SARA form factor (26.0 x 16.0 mm LGA)
with exactly the same 96-pin layout as described in Figure 90, so that the modules can be alternatively mounted
on a single application board using exactly the same copper mask, solder mask and paste mask.
64 63 61 60 58 57 55 54
22 23 25 26 28 29 31 32
11
10
8
7
5
4
2
1
21
19
18
16
15
13
12
43
44
46
47
49
50
52
53
33
35
36
38
39
41
42
65 66 67 68 69 70
71 72 73 74 75 76
77 78
79 80
81 82
83 84
85 86 87 88 89 90
91 92 93 94 95 96
CTS
RTS
DCD
RI
V_INT
V_BCKP
GND
RSVD
RESET_N
RSVD
PWR_ON
RXD
TXD
3
20
17
14
9
6
24 27 30
51
48
45
40
37
34
5962 56
GND
GND
DSR
DTR
GND
RSVD
GND
GND
RXD_AUX
TXD_AUX
EXT32K
GND
RSVD
32K_OUT
RSVD
RSVD
RSVD
GND
GND
GND
RSVD
RSVD
RSVD
RSVD
GND
VCC
VCC
RSVD
RSVD
RSVD
SIM_CLK
SIM_IO
VSIM
SIM_DET
VCC
RSVD
RSVD
SIM_RST
RSVD
RSVD
GND
GND
GND
GND
GND
GND
GND
GND
GND
RSVD
ANT
SARA-G300
SARA-G310
Top View
Pin 65-96: GND
64 63 61 60 58 57 55 54
22 23 25 26 28 29 31 32
11
10
8
7
5
4
2
1
21
19
18
16
15
13
12
43
44
46
47
49
50
52
53
33
35
36
38
39
41
42
65 66 67 68 69 70
71 72 73 74 75 76
77 78
79 80
81 82
83 84
85 86 87 88 89 90
91 92 93 94 95 96
CTS
RTS
DCD
RI
V_INT
V_BCKP
GND
RSVD
RESET_N
GPIO1
PWR_ON
RXD
TXD
3
20
17
14
9
6
24 27 30
51
48
45
40
37
34
5962 56
GND
GND
DSR
DTR
GND
RSVD
GND
GND
RXD_AUX
TXD_AUX
RSVD
GND
GPIO2
GPIO3
SDA
SCL
GPIO4
GND
GND
GND
SPK_P
MIC_BIAS
MIC_GND
MIC_P
GND
VCC
VCC
RSVD
I2S_TXD
I2S_CLK
SIM_CLK
SIM_IO
VSIM
SIM_DET
VCC
MIC_N
SPK_N
SIM_RST
I2S_RXD
I2S_WA
GND
GND
GND
GND
GND
GND
GND
GND
GND
ANT_DET
ANT
SARA-G340
SARA-G350
Top View
Pin 65-96: GND
64 63 61 60 58 57 55 54
22 23 25 26 28 29 31 32
11
10
8
7
5
4
2
1
21
19
18
16
15
13
12
43
44
46
47
49
50
52
53
33
35
36
38
39
41
42
65 66 67 68 69 70
71 72 73 74 75 76
77 78
79 80
81 82
83 84
85 86 87 88 89 90
91 92 93 94 95 96
CTS
RTS
DCD
RI
V_INT
V_BCKP
GND
CODEC_CLK
RESET_N
GPIO1
PWR_ON
RXD
TXD
3
20
17
14
9
6
24 27 30
51
48
45
40
37
34
5962 56
GND
GND
DSR
DTR
GND
VUSB_DET
GND
GND
USB_D-
USB_D+
RSVD
GND
GPIO2
GPIO3
SDA
SCL
GPIO4
GND
GND
GND
RSVD
RSVD
RSVD
RSVD
GND
VCC
VCC
RSVD
I2S_TXD
I2S_CLK
SIM_CLK
SIM_IO
VSIM
SIM_DET
VCC
RSVD
RSVD
SIM_RST
I2S_RXD
I2S_WA
GND
GND
GND
GND
GND
GND
GND
GND
GND
ANT_DET
ANT
SARA-U2
Top View
Pin 65-96: GND
Figure 93: SARA-G3 and SARA-U2 series modules pin layout and pin assignment
Table 65 summarizes the interfaces provided by SARA-G3 and SARA-U2 series modules: all the interfaces
provided by different modules are electrically compatible, so that the same compatible external circuit can be
implemented on the application board.
Modules Power Antenna System SIM Serial Audio Other
Module supply input
RTC supply I/O
1.8 V supply Output
Antenna RF I/O
Rx diversity input
Antenna detection
Power-on input
Reset input
32 kHz input
32 kHz output
1.8 V / 3.0 V SIM
SIM detection
1.8 V UART
1.8 V UART AUX
1.8 V SPI
USB 2.0
1.8 V DDC
Analog audio I/O
1.8 V digital audio
13/26 MHz output
1.8 V GPIOs
Network indication
GNSS supply enable
GNSS Tx data ready
GNSS RTC sharing
SARA-G300/G310 series • • • • • • • • • • • •
SARA-G340/G350 series • • • • • • • • • • • • • • • • • • •
SARA-U2 series • • • • • • • • • • • • • • • • • • •
Table 65: Summary of SARA-G3 and SARA-U2 series modules interfaces
UBX-13000995 - R12 Early Production Information Appendix
Page 188 of 196

SARA-G3 and SARA-U2 series - System Integration Manual
B.2 Pin-out comparison between SARA-G3 and SARA-U2
SARA-G3 SARA-U2
Pin No Pin Name Description Pin Name Description Remarks for migration
1 GND Ground GND Ground
2 V_BCKP RTC Supply I/O
Output characteristics:
2.3 V typ, 2 mA max
Input op. range:
1.0 V – 2.4 V
V_BCKP RTC Supply I/O
Output characteristics:
1.8 V typ, 3 mA max
Input op. range:
1.0 V – 1.9 V
No functional difference
3 GND Ground GND Ground
4 V_INT Interfaces Supply Out
Output characteristics:
1.8 V typ, 50 mA max
V_INT Interfaces Supply Out
Output characteristics:
1.8 V typ, 50 mA max
No functional difference
5
GND
Ground
GND
Ground
6 DSR UART DSR Output
1.8 V, Driver strength: 6 mA
DSR UART DSR Output
1.8 V, Driver strength: 1 mA
No functional difference
7 RI UART RI Output
1.8 V, Driver strength: 6 mA
RI UART RI Output
1.8 V, Driver strength: 2 mA
No functional difference
8 DCD UART DCD Output
1.8 V, Driver strength: 6 mA
DCD UART DCD Output
1.8 V, Driver strength: 2 mA
No functional difference
9 DTR UART DTR Input
1.8 V, Internal pull-up: ~33k
DTR UART DTR Input
1.8 V, Internal pull-up: ~14 k
No functional difference
10 RTS UART RTS Input
1.8 V, Internal pull-up:~58 k
RTS UART RTS Input
1.8 V, Internal pull-up: ~8 k
No functional difference
11 CTS UART CTS Output
1.8 V, Driver strength: 6 mA
CTS UART CTS Output
1.8 V, Driver strength: 6 mA
No functional difference
12 TXD UART Data Input
1.8 V, Internal pull-up:~18 k
TXD UART Data Input
1.8 V, Internal pull-up: ~8 k
No functional difference
13 RXD UART Data Output
1.8 V, Driver strength: 6 mA
RXD UART Data Output
1.8 V, Driver strength: 6 mA
No functional difference
14 GND Ground GND Ground
15 PWR_ON Power-on Input
No internal pull-up
L-level: -0.10 V – 0.65 V
H-level: 2.00 V – 4.50 V
ON L-level time:
5 ms min
OFF L-level pulse time:
Not Available
PWR_ON Power-on Input
No internal pull-up
L-level: -0.30 V – 0.65 V
H-level: 1.50 V – 4.40 V
ON L-level pulse time:
50 µs min / 80 µs max
OFF L-level pulse time:
1 s min
No functional difference
16 GPIO1 / RSVD 1.8 V GPIO / Reserved
Default: Pin disabled
Driver strength: 6 mA
Internal pull-down: ~35 k
GPIO1 1.8 V GPIO
Default: Pin disabled
Driver strength: 6 mA
Internal pull-down: ~9 k
No functional difference
17 RSVD Reserved VUSB_DET USB Detect Input
5 V, Supply detection
USB detection instead of Reserved
18 RESET_N Reset signal
Internal diode & pull-up
L-level: -0.30 V – 0.30 V
H-level: 2.00 V – 4.70 V
Reset L-level pulse time:
50 ms min (SARA-G350/G340)
3 s min (SARA-G300/G310)
RESET_N Reset signal
10 kΩ internal pull-up
L-level: -0.30 V – 0.51 V
H-level: 1.32 V – 2.01 V
Reset L-level pulse time:
50 ms min
No functional difference
19 RSVD Reserved CODEC_CLK 13 or 26 MHz Output
Driver strength: 4 mA
Clock output instead of Reserved
20-22 GND Ground GND Ground
23 GPIO2 / RSVD 1.8 V GPIO / Reserved
Default: GNSS supply enable
Driver strength: 6 mA
Internal pull-down: ~35 k
GPIO2 1.8 V GPIO
Default: GNSS supply enable
Driver strength: 1 mA
Internal pull-down: ~14 k
No functional difference
24 GPIO3 / 32K_OUT 1.8 V GPIO / 32 kHz Output
Default: GNSS data ready
Driver strength: 5 mA
Inner pull-down: ~67 k
GPIO3 1.8 V GPIO
Default: GNSS data ready
Driver strength: 6 mA
Internal pull-down: ~9 k
No functional difference
UBX-13000995 - R12 Early Production Information Appendix
Page 189 of 196

SARA-G3 and SARA-U2 series - System Integration Manual
SARA-G3 SARA-U2
Pin No Pin Name Description Pin Name Description Remarks for migration
25 GPIO4 / RSVD 1.8 V GPIO / Reserved
Default: GNSS RTC sharing
Driver strength: 6 mA
Internal pull-down: ~35 k
GPIO4 1.8 V GPIO
Default: GNSS RTC sharing
Driver strength: 6 mA
Internal pull-down: ~9 k
No functional difference
26 SDA / RSVD I2C Data I/O / Reserved
1.8 V, open drain
Driver strength: 3 mA
SDA I2C Data I/O
1.8 V, open drain
Driver strength: 1 mA
No functional difference
27 SCL / RSVD I2C Clock Output / Reserved
1.8 V, open drain
Driver strength: 3 mA
SCL I2C Clock Output
1.8 V, open drain
Driver strength: 1 mA
No functional difference
28 RXD_AUX Aux UART Data Out
1.8 V, Driver strength: 5 mA
USB_D- USB Data I/O (D-)
High-Speed USB 2.0
USB instead of Auxiliary UART
29 TXD_AUX Aux UART Data In
1.8 V, Internal pull-up:~18 k
USB_D+ USB Data I/O (D+)
High-Speed USB 2.0
USB instead of Auxiliary UART
30 GND Ground GND Ground
31 RSVD / EXT32K Reserved / 32 kHz Input RSVD Reserved No functional difference
32 GND Ground GND Ground
33 RSVD Reserved RSVD Reserved No functional difference
34 I2S_WA / RSVD I2S Word Alignment / Reserved
1.8 V, Driver strength: 6 mA
I2S_WA I2S Word Alignment
1.8 V, Driver strength: 2 mA
No functional difference
35 I2S_TXD / RSVD I2S Data Output / Reserved
1.8 V, Driver strength: 5 mA
I2S_TXD I2S Data Output
1.8 V, Driver strength: 2 mA
No functional difference
36 I2S_CLK / RSVD I2S Clock / Reserved
1.8 V, Driver strength: 5 mA
I2S_CLK I2S Clock
1.8 V, Driver strength: 2 mA
No functional difference
37 I2S_RXD / RSVD I2S Data Input / Reserved
1.8 V, Internal pull-down:~18 k
I2S_RXD I2S Data Input
1.8 V, Inner pull-down: ~9 k
No functional difference
38 SIM_CLK SIM Clock Output SIM_CLK SIM Clock Output No functional difference
39 SIM_IO SIM Data I/O SIM_IO SIM Data I/O No functional difference
40 SIM_RST SIM Reset Output SIM_RST SIM Reset Output No functional difference
41 VSIM SIM Supply Output VSIM SIM Supply Output No functional difference
42 SIM_DET SIM Detection Input
1.8 V, Internal pull-down:~18 k
SIM_DET SIM Detection Input
1.8 V, Inner pull-down: ~9 k
No functional difference
43 GND Ground GND Ground
44 SPK_P / RSVD Analog Audio Out (+) / Reserved RSVD Reserved Analog audio not supported
45 SPK_N / RSVD Analog Audio Out (-) / Reserved RSVD Reserved Analog audio not supported
46 MIC_BIAS / RSVD Microphone Supply Out / Reserved RSVD Reserved Analog audio not supported
47 MIC_GND / RSVD Microphone Ground / Reserved RSVD Reserved Analog audio not supported
48 MIC_N / RSVD Analog Audio In (-) / Reserved RSVD Reserved Analog audio not supported
49 MIC_P / RSVD Analog Audio In (+) / Reserved RSVD Reserved Analog audio not supported
50 GND Ground GND Ground
51-53 VCC Module Supply Input
Normal op. range:
3.35 V – 4.5 V
Extended op. range:
3.00 V – 4.5 V
VCC Module Supply Input
Normal op. range:
3.3 V – 4.4 V
Extended op. range:
3.1 V – 4.5 V
No functional difference
54-55 GND Ground GND Ground
56 ANT RF Antenna I/O
ESD immunity (IEC 61000-4-2):
±4 kV contact / ±8 kV air ESD
ANT RF Antenna I/O
ESD immunity (IEC 61000-4-2):
±2 kV contact / ±4 kV air ESD
No functional difference
57-61 GND Ground GND Ground
62 ANT_DET / RSVD Antenna Detection Input / Reserved ANT_DET Antenna Detection Input No functional difference
63-96 GND Ground GND Ground
Table 66: SARA-G3 and SARA-U2 pin assignment with remarks for migration
For the detailed functional description of each interface of SARA-G3 and SARA-U2 series modules see the
related section in the section 1, whereas for detailed design-in see the related section in the chapter 2.
For the detailed electrical characteristics of each interface of SARA-G3 and SARA-U2 series modules see the
SARA-G3 series Data Sheet [1] and the SARA-U2 series Data Sheet [2].
UBX-13000995 - R12 Early Production Information Appendix
Page 190 of 196

SARA-G3 and SARA-U2 series - System Integration Manual
B.3 Schematic for SARA-G3 and SARA-U2 integration
Figure 94 shows an example of schematic diagram where a SARA-G3 or SARA-U2 series module can be
integrated into the same application board, using all the available interfaces and functions of the modules. The
different mounting options for the external parts are highlighted in different colors as described in the legend,
according to the interfaces supported by the relative modules.
TXD
RXD
RTS
CTS
DTR
DSR
RI
DCD
GND
12 TXD
9DTR
13 RXD
10 RTS
11 CTS
6DSR
7RI
8DCD
GND
3V8
GND
330µF 10nF100nF 56pF
SARA-G3 / SARA-U2
52 VCC
53 VCC
51 VCC
+
100µF
2V_BCKP
GND GND
GND
RTC
back-up
1.8V UART DTE
1.8V UART DTE
16 RSVD / GPIO1
3V8
Network
Indicator
18 RESET_N
Application
Processor
Open
Drain
Output
15 PWR_ON
100k
Open
Drain
Output
TXD
RXD
29 TXD_AUX / USB_D+
28 RXD_AUX / USB_D-
0Ω
0Ω
TP
TP
15pF
33 RSVD
V_BCKP
TP
TP
47pF
SIM Card
Connector
CCVCC (C1)
CCVPP (C6)
CCIO (C7)
CCCLK (C3)
CCRST (C2)
GND (C5)
47pF 47pF 100nF
41VSIM
39SIM_IO
38SIM_CLK
40SIM_RST
47pF
SW1
SW2
4V_INT
42SIM_DET
470k ESD ESD ESD ESD ESD ESD
56
ANT
62ANT_DET
10k 82nH
33pF Connector
27pF ESD
External
Antenna
1k
TP
u-blox 1.8V
GNSS Receiver
4.7k
OUTIN
GND
LDO Regulator
SHDN
RSVD / SDA
RSVD / SCL
4.7k
3V8 1V8_GPS
SDA2
SCL2
32K_OUT / GPIO3
RSVD / GPIO4
TxD1
EXTINT0
26
27
24
25
47k
VCC
RSVD / GPIO223
V_INT
BCLK
LRCLK
10µF1µF
Audio Codec
MAX9860
SDIN
SDOUT
SDA
SCL
36RSVD / I2S_CLK
34RSVD / I2S_WA
35RSVD / I2S_TXD
37RSVD / I2S_RXD
19RSVD / CODEC_CLK MCLK
IRQn
10k
100nF
VDD
Speaker
OUTP
OUTN
Microphone
MICBIAS 1µF 2.2k
1µF
1µF
MICLN
MICLP
MICGND
2.2k
ESD ESD
V_INT
10nF10nF
EMI
EMI
27pF27pF
10nF
EMI
EMI
ESD ESD
27pF27pF10nF
31EXT32K / RSVD
0Ω
49RSVD / MIC_P
2.2k
2.2k 2.2k
48RSVD / MIC_N
2.2k
10uF
46RSVD / MIC_BIAS
47RSVD / MIC_GND
100nF
100nF
44
RSVD / SPK_P
45RSVD / SPK_N
V_INT
VBUS
D+
D-
GND
17 RSVD / VUSB_DET
GND
USB 2.0 Host
0Ω
0Ω
0Ω
0Ω
0Ω
TP
TP
TP
0Ωfor SARA-G300 / SARA-G310
Mount for SARA-G300 / SARA-G310 modules
Mount for SARA-G340 / SARA-G350 modules
Mount for SARA-U2 modules
Mount for SARA-G3 modules
Mount for SARA-G340 / SARA-G350 / SARA-U2 modules
Mount for SARA-G3 and SARA-U2 modules
LEGEND
+
0Ω
0Ω
0Ω
TP
TP
15pF
39nH
0Ωfor SARA-G3 modules
Figure 94: Example of complete schematic diagram to integrate SARA-G3 and SARA-U2 modules on the same application board
UBX-13000995 - R12 Early Production Information Appendix
Page 191 of 196

SARA-G3 and SARA-U2 series - System Integration Manual
C Glossary
3GPP 3rd Generation Partnership Project
ADC Analog to Digital Converter
AP Application Processor
AT AT Command Interpreter Software Subsystem, or attention
CS Coding Scheme
CSD Circuit Switched Data
CTS Clear To Send
DC Direct Current
DCD Data Carrier Detect
DCE Data Communication Equipment
DCS Digital Cellular System
DDC Display Data Channel interface
DL Down-link (Reception)
DRX Discontinuous Reception
DSP Digital Signal Processing
DSR Data Set Ready
DTE Data Terminal Equipment
DTM Dual Transfer Mode
DTR Data Terminal Ready
EMC Electro-magnetic Compatibility
EMI Electro-magnetic Interference
ESD Electro-static Discharge
ESR Equivalent Series Resistance
FEM Front End Module
FOAT Firmware Over AT commands
FTP File Transfer Protocol
FTPS FTP Secure
FW Firmware
GMSK Gaussian Minimum Shift Keying modulation
GND Ground
GNSS Global Navigation Satellite System
GPIO General Purpose Input Output
GPRS General Packet Radio Service
GPS Global Positioning System
GSM Global System for Mobile Communication
HF Hands-free
HTTP HyperText Transfer Protocol
HTTPS Hypertext Transfer Protocol over Secure Socket Layer
HW Hardware
I/Q In phase and Quadrature
UBX-13000995 - R12 Early Production Information Appendix
Page 192 of 196

SARA-G3 and SARA-U2 series - System Integration Manual
I2C Inter-Integrated Circuit interface
I2S Inter IC Sound interface
IP Internet Protocol
LCC Leadless Chip Carrier
LDO Low-Dropout
LGA Land Grid Array
LNA Low Noise Amplifier
M2M Machine-to-Machine
MCS Modulation Coding Scheme
N/A Not Applicable
N.A. Not Available
PA Power Amplifier
PCM Pulse Code Modulation
PCS Personal Communications Service
PFM Pulse Frequency Modulation
PMU Power Management Unit
PSRAM Pseudo-Static RAM
PWM Pulse Width Modulation
RF Radio Frequency
RI Ring Indicator
RTC Real Time Clock
RTS Request To Send
SAW Surface Acoustic Wave
SDN / IN / PCN Sample Delivery Note / Information Note / Product Change Notification
SIM Subscriber Identification Module
SMS Short Message Service
SMTP Simple Mail Transfer Protocol
SPI Serial Peripheral Interface
SRF Self Resonant Frequency
TBD To Be Defined
TCP Transmission Control Protocol
TDMA Time Division Multiple Access
TP Test-Point
UART Universal Asynchronous Receiver-Transmitter
UDP User Datagram Protocol
UICC Universal Integrated Circuit Card
UL Up-link (Transmission)
UMTS Universal Mobile Telecommunications System
USB Universal Serial Bus
UTRA UMTS Terrestrial Radio Access
VCO Voltage Controlled Oscillator
VSWR Voltage Standing Wave Ratio
UBX-13000995 - R12 Early Production Information Appendix
Page 193 of 196

SARA-G3 and SARA-U2 series - System Integration Manual
Related documents
[1] u-blox SARA-G3 series Data Sheet, Docu No UBX-13000993
[2] u-blox SARA-U2 series Data Sheet, Docu No UBX-13005287
[3] u-blox AT Commands Manual, Docu No UBX-13002752
[4] u-blox LISA-C200 series Data Sheet, Docu No UBX-13000623
[5] u-blox LISA-U1 series Data Sheet, Docu No UBX-13002048
[6] u-blox LISA-U2 series Data Sheet, Docu No UBX-13001734
[7] u-blox LISA-C200 & FW75-C200/D200 System Integration Manual, Docu No UBX-13000620
[8] u-blox LISA-U series System Integration Manual, Docu No UBX-13001118
[9] u-blox C200 AT Commands Manual, Docu No UBX-13000621
[10] ITU-T Recommendation V.24 - 02-2000 - List of definitions for interchange circuits between the Data Terminal
Equipment (DTE) and the Data Circuit-terminating Equipment (DCE).
http://www.itu.int/rec/T-REC-V.24-200002-I/en
[11] 3GPP TS 27.007 – AT command set for User Equipment (UE) (Release 1999)
[12] 3GPP TS 27.005 – Use of Data Terminal Equipment – Data Circuit terminating; Equipment (DTE – DCE) interface
for Short Message Service (SMS) and Cell Broadcast Service (CBS) (Release 1999)
[13] 3GPP TS 27.010 – Terminal Equipment to User Equipment (TE-UE) multiplexer protocol (Release 1999)
[14] Universal Serial Bus Revision 2.0 specification, http://www.usb.org/developers/docs/usb20_docs/
[15] I2C-bus specification and user manual - Rev. 5 - 9 October 2012 - NXP Semiconductors,
http://www.nxp.com/documents/user_manual/UM10204.pdf
[16] 3GPP TS 51.010-2 – Technical Specification Group GSM/EDGE Radio Access Network; Mobile Station (MS)
conformance specification; Part 2: Protocol Implementation Conformance Statement (PICS)
[17] 3GPP TS 34.121-2 – Technical Specification Group Radio Access Network; User Equipment (UE) conformance
specification; Radio transmission and reception (FDD); Part 2: Implementation Conformance Statement (ICS)
[18] CENELEC EN 61000-4-2 (2001) – Electromagnetic compatibility (EMC); Part 4-2: Testing and measurement
techniques; Electrostatic discharge immunity test
[19] ETSI EN 301 489-1 V1.8.1 – Electromagnetic compatibility and Radio spectrum Matters; EMC standard for radio
equipment and services; Part 1: Common technical requirements
[20] ETSI EN 301 489-7 V1.3.1 – Electromagnetic compatibility and Radio spectrum Matters; EMC standard for radio
equipment and services; Part 7: Specific conditions for mobile and portable radio and ancillary equipment of
digital cellular radio telecommunications systems (GSM and DCS)
[21] ETSI EN 301 489-24 V1.4.1 – Electromagnetic compatibility and Radio spectrum Matters; EMC standard for radio
equipment and services; Part 24: Specific conditions for IMT-2000 CDMA Direct Spread (UTRA) for Mobile and
portable (UE) radio and ancillary equipment
[22] 3GPP TS 26.267 V10.0.0 – eCall Data Transfer; In-band modem solution; General description (Rel. 10)
[23] u-blox Multiplexer Implementation Application Note, Docu No UBX-13001887
[24] u-blox GNSS Implementation Application Note, Docu No UBX-13001849
[25] u-blox Firmware Update Application Note, Docu No UBX-13001845
[26] u-blox End user test Application Note, Docu No UBX-13001922
[27] u-blox Package Information Guide, Docu No UBX-14001652
[28] SIM Access Profile Interoperability Specification, Revision V11r00, http://www.bluetooth.org
[29] u-blox eCall / ERA-GLONASS Application Note, Docu No UBX-13001924
[30] BS EN 16062:2011 – Intelligent transport systems – eSafety – eCall high level application requirements
[31] ETSI TS 122 101 V8.7.0 – Service aspects; Service principles (3GPP TS 22.101 v.8.7.0 Rel. 8)
[32] IEC 60079-0 - Explosive atmospheres, Part 0: Equipment general requirements - 2011-06
[33] IEC 60079-11 - Explosive atmospheres, Part 11: Equipment protection by intrinsic safety 'i' - 2011-06
[34] IEC 60079-26 - Explosive atmospheres, Part 26: Equipment with EPL Ga - 2006-08
Some of the above documents can be downloaded from u-blox web-site (http://www.u-blox.com).
UBX-13000995 - R12 Early Production Information Related documents
Page 194 of 196

SARA-G3 and SARA-U2 series - System Integration Manual
Revision history
Revision Date Name Status / Comments
- 30-Oct-2012 sses Initial release
1 28-Mar-2013 sses Updated status to Advance Information
Updated suggested paste mask
Updated current consumption description
Updated voice-band processing system block diagram
Updated DDC (I2C) application circuit for 3V u-blox GPS/GNSS receivers
2 12-Apr-2013 lpah Updated status to Preliminary
(Last revision with old doc number, GSM.G2-HW-12003)
A 03-Jul-2013 sses Updated status to Advance Information
Added integration description for SARA-G350 ATEX modules
Updated SARA-G300 / SARA-G310 supported features: Circuit Switched
Data, GPRS multi-slot class 10, 32K_OUT pin, Current consumption
A1 08-Aug-2013 lpah Updated status to Preliminary.
FW version for SARA-G300-00S and SARA-G310-00S is 08.58.
SIM detection not supported by SARA-G300 and SARA-G310 modules
R06 29-Nov-2013 sses Added migration between SARA-G3 and SARA-U2 modules
Added the ANATEL label SARA-G310 and SARA-G350
R07 23-Jan-2014 lpah / sses Document applicability extended to SARA-G340
R08 29-Apr-2014 sses Initial release including SARA-U2 series
R09 20-Jun-2014 sses Document applicability extended to SARA-G340-01S, SARA-G350-01S
and SARA-G350-01B, with minor other corrections and clarifications
R10 23-Jul-2014 sses Added additional antennas and external audio codecs examples, with
minor other corrections and clarifications
Updated SSL supported features
Added SARA-G350 CCC mark
R11 17-Oct-2014 lpah Added CE notified body ID for SARA-G340-01S / SARA-G350-01S
R12 30-Jan-2015 lpah Extended the document applicability to SARA-U270 ATEX,
removed audio over USB feature, updated MPE limits for
FCC approval of SARA-U260 and SARA-U280
UBX-13000995 - R12 Early Production Information Revision history
Page 195 of 196

SARA-G3 and SARA-U2 series - System Integration Manual
Contact
For complete contact information visit us at www.u-blox.com.
u-blox Offices
North, Central and South America
u-blox America, Inc.
Phone: +1 703 483 3180
E-mail: info_us@u-blox.com
Regional Office West Coast:
Phone: +1 408 573 3640
E-mail: info_us@u-blox.com
Technical Support:
Phone: +1 703 483 3185
E-mail: support_us@u-blox.com
Headquarters
Europe, Middle East, Africa
u-blox AG
Phone: +41 44 722 74 44
E-mail: info@u-blox.com
Support: support@u-blox.com
Asia, Australia, Pacific
u-blox Singapore Pte. Ltd.
Phone: +65 6734 3811
E-mail: info_ap@u-blox.com
Support: support_ap@u-blox.com
Regional Office Australia:
Phone: +61 2 8448 2016
E-mail: info_anz@u-blox.com
Support: support_ap@u-blox.com
Regional Office China (Beijing):
Phone: +86 10 68 133 545
E-mail: info_cn@u-blox.com
Support: support_cn@u-blox.com
Regional Office China (Shenzhen):
Phone: +86 755 8627 1083
E-mail: info_cn@u-blox.com
Support: support_cn@u-blox.com
Regional Office India:
Phone: +91 959 1302 450
E-mail: info_in@u-blox.com
Support: support_in@u-blox.com
Regional Office Japan:
Phone: +81 3 5775 3850
E-mail: info_jp@u-blox.com
Support: support_jp@u-blox.com
Regional Office Korea:
Phone: +82 2 542 0861
E-mail: info_kr@u-blox.com
Support: support_kr@u-blox.com
Regional Office Taiwan:
Phone: +886 2 2657 1090
E-mail: info_tw@u-blox.com
Support: support_tw@u-blox.com
UBX-13000995 - R12 Early Production Information Contact
Page 196 of 196