u blox TOBYL210 GSM/UMTS/LTE Data Module User Manual TOBY L2 series
u-blox AG GSM/UMTS/LTE Data Module TOBY L2 series
u blox >
Contents
- 1. System Integration Manual
- 2. TempConfidential_TOBY-L2-MPCI-L2_SysIntegrManual_UBX-13004618
System Integration Manual

TOBY-L2 and MPCI-L2 series
LTE/DC-HSPA+/EGPRS modules
System Integration Manual
Abstract
This document describes the features and the system integration of
TOBY-L2 and MPCI-L2 series multi-mode cellular modules.
These modules are a complete and cost efficient LTE/3G/2G solution
offering up to 150 Mb/s download and 50 Mb/s upload data rates,
covering up to six LTE bands, up to five WCDMA/DC-HSPA+ bands
and four GSM/EGPRS bands in the compact TOBY LGA form factor of
TOBY-L2 modules or in the industry standard PCI Express Mini Card
form factor of MPCI-L2 modules.
TOBY-L2 series
www.u-blox.com
UBX-13004618 - R04
MPCI-L2 series

TOBY-L2 and MPCI-L2 series - System Integration Manual
UBX-13004618 - R04
Page 2 of 141
Document Information
Title
TOBY-L2 and MPCI-L2 series
Subtitle
LTE/DC-HSPA+/EGPRS modules
Document type
System Integration Manual
Document number
UBX-13004618
Revision and date
R04
30-Sep-2014
Document status
Advance Information
Document status explanation
Objective Specification
Document contains target values. Revised and supplementary data will be published later.
Advance Information
Document contains data based on early testing. Revised and supplementary data will be published later.
Early Production Information
Document contains data from product verification. Revised and supplementary data may be published later.
Production Information
Document contains the final product specification.
This document applies to the following products:
Name
Type number
Firmware version
PCN / IN
TOBY-L200
TOBY-L200-00S-00
09.40
UBX-14040967
TOBY-L210
TOBY-L210-00S-00
09.40
UBX-14040967
MPCI-L200
MPCI-L200-00S-00
09.34
UBX-14040967
MPCI-L210
MPCI-L210-00S-00
09.34
UBX-14040967
u-blox reserves all rights to this document and the information contained herein. Products, names, logos and designs described herein may in
whole or in part be subject to intellectual property rights. Reproduction, use, modification or disclosure to third parties of this document or
any part thereof without the express permission of u-blox is strictly prohibited.
The information contained herein is provided “as is” and u-blox assumes no liability for the use of the information. No warranty, either
express or implied, is given, including but not limited, with respect to the accuracy, correctness, reliability and fitness for a particular purpose
of the information. This document may be revised by u-blox at any time. For most recent documents, please visit www.u-blox.com.
Copyright © 2014, u-blox AG
u-blox® is a registered trademark of u-blox Holding AG in the EU and other countries. PCI, PCI Express, PCIe, and PCI-SIG are trademarks or
registered trademarks of PCI-SIG. Microsoft and Windows are either registered trademarks or trademarks of Microsoft Corporation in the
United States and/or other countries. ARM® is a registered trademark of ARM Limited in the EU and other countries. All other registered
trademarks or trademarks mentioned in this document are property of their respective owners.

TOBY-L2 and MPCI-L2 series - System Integration Manual
UBX-13004618 - R04 Advance Information Preface
Page 3 of 141
Preface
u-blox Technical Documentation
As part of our commitment to customer support, u-blox maintains an extensive volume of technical
documentation for our products. In addition to our product-specific technical data sheets, the following manuals
are available to assist u-blox customers in product design and development.
AT Commands Manual: This document provides the description of the AT commands supported by the
u-blox cellular modules.
System Integration Manual: This document provides the description of u-blox cellular modules’ system
from the hardware and the software point of view, it provides hardware design guidelines for the optimal
integration of the cellular modules in the application device and it provides information on how to set up
production and final product tests on application devices integrating the cellular modules.
Application Note: These documents provide guidelines and information on specific hardware and/or
software topics on u-blox cellular modules. See Related documents for a list of Application Notes related to
your Cellular Module.
How to use this Manual
The TOBY-L2 and MPCI-L2 series System Integration Manual provides the necessary information to successfully
design and configure the u-blox cellular modules.
This manual has a modular structure. It is not necessary to read it from the beginning to the end.
The following symbols are used to highlight important information within the manual:
An index finger points out key information pertaining to module integration and performance.
A warning symbol indicates actions that could negatively impact or damage the module.
Questions
If you have any questions about u-blox Cellular Integration:
Read this manual carefully.
Contact our information service on the homepage http://www.u-blox.com/
Technical Support
Worldwide Web
Our website (http://www.u-blox.com/) is a rich pool of information. Product information, technical documents
can be accessed 24h a day.
By E-mail
Contact the closest Technical Support office by email. Use our service pool email addresses rather than any
personal email address of our staff. This makes sure that your request is processed as soon as possible. You will
find the contact details at the end of the document.
Helpful Information when Contacting Technical Support
When contacting Technical Support, have the following information ready:
Module type (TOBY-L200) and firmware version
Module configuration
Clear description of your question or the problem
A short description of the application
Your complete contact details

TOBY-L2 and MPCI-L2 series - System Integration Manual
UBX-13004618 - R04 Advance Information Contents
Page 4 of 141
Contents
Preface ................................................................................................................................ 3
Contents .............................................................................................................................. 4
1 System description ....................................................................................................... 8
1.1 Overview .............................................................................................................................................. 8
1.2 Architecture ........................................................................................................................................ 10
1.2.1 Internal blocks ............................................................................................................................. 11
1.3 Pin-out ............................................................................................................................................... 12
1.3.1 TOBY-L2 series pin assignment .................................................................................................... 12
1.3.2 MPCI-L2 series pin assignment .................................................................................................... 16
1.4 Operating modes ................................................................................................................................ 18
1.5 Supply interfaces ................................................................................................................................ 20
1.5.1 Module supply input (VCC or 3.3Vaux) ....................................................................................... 20
1.5.2 RTC supply input/output (V_BCKP) .............................................................................................. 27
1.5.3 Generic digital interfaces supply output (V_INT) ........................................................................... 28
1.6 System function interfaces .................................................................................................................. 29
1.6.1 Module power-on ....................................................................................................................... 29
1.6.2 Module power-off ....................................................................................................................... 31
1.6.3 Module reset ............................................................................................................................... 33
1.6.4 Module configuration selection by host processor ....................................................................... 33
1.7 Antenna interface ............................................................................................................................... 34
1.7.1 Antenna RF interfaces (ANT1 / ANT2) .......................................................................................... 34
1.7.2 Antenna detection interface (ANT_DET) ...................................................................................... 37
1.8 SIM interface ...................................................................................................................................... 37
1.8.1 SIM interface ............................................................................................................................... 37
1.8.2 SIM detection interface ............................................................................................................... 37
1.9 Data communication interfaces .......................................................................................................... 38
1.9.1 Universal Serial Bus (USB) ............................................................................................................ 38
1.9.2 Asynchronous serial interface (UART)........................................................................................... 42
1.9.3 DDC (I2C) interface ...................................................................................................................... 44
1.9.4 Secure Digital Input Output interface (SDIO) ................................................................................ 45
1.10 Audio .............................................................................................................................................. 45
1.10.1 Digital audio over I2S interface ..................................................................................................... 45
1.11 General Purpose Input/Output ........................................................................................................ 46
1.12 Mini PCIe specific signals (W_DISABLE#, LED_WWAN#) .................................................................. 47
1.13 Reserved pins (RSVD) ...................................................................................................................... 47
1.14 Not connected pins (NC) ................................................................................................................. 47
1.15 System features............................................................................................................................... 48
1.15.1 Network indication ...................................................................................................................... 48
1.15.2 Antenna supervisor ..................................................................................................................... 48

TOBY-L2 and MPCI-L2 series - System Integration Manual
UBX-13004618 - R04 Advance Information Contents
Page 5 of 141
1.15.3 Jamming detection ...................................................................................................................... 48
1.15.4 IP modes of operation ................................................................................................................. 49
1.15.5 Dual stack IPv4/IPv6 ..................................................................................................................... 49
1.15.6 TCP/IP and UDP/IP ....................................................................................................................... 49
1.15.7 FTP and FTPS ............................................................................................................................... 49
1.15.8 HTTP and HTTPS .......................................................................................................................... 50
1.15.9 SSL .............................................................................................................................................. 50
1.15.10 AssistNow clients and GNSS integration ................................................................................... 50
1.15.11 Hybrid positioning and CellLocate® .......................................................................................... 50
1.15.12 Firmware update Over AT (FOAT)............................................................................................. 53
1.15.13 Firmware update Over The Air (FOTA) ...................................................................................... 53
1.15.14 In-band Modem (eCall / ERA-GLONASS) .................................................................................. 54
1.15.15 SIM Access Profile (SAP) ........................................................................................................... 54
1.15.16 Smart temperature management ............................................................................................. 56
1.15.17 Power saving ........................................................................................................................... 58
2 Design-in ..................................................................................................................... 59
2.1 Overview ............................................................................................................................................ 59
2.2 Supply interfaces ................................................................................................................................ 60
2.2.1 Module supply (VCC or 3.3Vaux)................................................................................................. 60
2.2.2 RTC supply output (V_BCKP) ....................................................................................................... 72
2.2.3 Generic digital interfaces supply output (V_INT) ........................................................................... 74
2.3 System functions interfaces ................................................................................................................ 75
2.3.1 Module power-on (PWR_ON) ...................................................................................................... 75
2.3.2 Module reset (RESET_N or PERST#) .............................................................................................. 76
2.3.3 Module configuration selection by host processor ....................................................................... 77
2.4 Antenna interface ............................................................................................................................... 78
2.4.1 Antenna RF interfaces (ANT1 / ANT2) .......................................................................................... 78
2.4.2 Antenna detection interface (ANT_DET) ...................................................................................... 86
2.5 SIM interface ...................................................................................................................................... 88
2.5.1 Guidelines for SIM circuit design.................................................................................................. 88
2.5.2 Guidelines for SIM layout design ................................................................................................. 94
2.6 Data communication interfaces .......................................................................................................... 95
2.6.1 Universal Serial Bus (USB) ............................................................................................................ 95
2.6.2 Asynchronous serial interface (UART)........................................................................................... 97
2.6.3 DDC (I2C) interface .................................................................................................................... 101
2.6.4 Secure Digital Input Output interface (SDIO) .............................................................................. 105
2.7 Audio interface ................................................................................................................................. 106
2.7.1 Digital audio interface ............................................................................................................... 106
2.8 General Purpose Input/Output .......................................................................................................... 108
2.9 Mini PCIe specific signals (W_DISABLE#, LED_WWAN#) .................................................................... 109
2.10 Reserved pins (RSVD) .................................................................................................................... 110
2.11 Module placement ........................................................................................................................ 111
2.12 TOBY-L2 series module footprint and paste mask ......................................................................... 112

TOBY-L2 and MPCI-L2 series - System Integration Manual
UBX-13004618 - R04 Advance Information Contents
Page 6 of 141
2.13 MPCI-L2 series module installation ................................................................................................ 113
2.14 Thermal guidelines ........................................................................................................................ 115
2.15 ESD guidelines .............................................................................................................................. 116
2.15.1 ESD immunity test overview ...................................................................................................... 116
2.15.2 ESD immunity test of TOBY-L2 and MPCI-L2 series reference designs ........................................ 117
2.15.3 ESD application circuits .............................................................................................................. 117
2.16 Schematic for TOBY-L2 and MPCI-L2 series module integration .................................................... 118
2.17 Design-in checklist ........................................................................................................................ 120
2.17.1 Schematic checklist ................................................................................................................... 120
2.17.2 Layout checklist ......................................................................................................................... 121
2.17.3 Antenna checklist ...................................................................................................................... 121
3 Handling and soldering ........................................................................................... 122
3.1 Packaging, shipping, storage and moisture preconditioning ............................................................. 122
3.2 Handling ........................................................................................................................................... 122
3.3 Soldering .......................................................................................................................................... 123
3.3.1 Soldering paste.......................................................................................................................... 123
3.3.2 Reflow soldering ....................................................................................................................... 123
3.3.3 Optical inspection ...................................................................................................................... 124
3.3.4 Cleaning .................................................................................................................................... 124
3.3.5 Repeated reflow soldering ......................................................................................................... 125
3.3.6 Wave soldering.......................................................................................................................... 125
3.3.7 Hand soldering .......................................................................................................................... 125
3.3.8 Rework ...................................................................................................................................... 125
3.3.9 Conformal coating .................................................................................................................... 125
3.3.10 Casting ...................................................................................................................................... 125
3.3.11 Grounding metal covers ............................................................................................................ 125
3.3.12 Use of ultrasonic processes ........................................................................................................ 125
4 Approvals .................................................................................................................. 126
4.1 Product certification approval overview ............................................................................................. 126
4.2 Federal Communications Commission and Industry Canada notice ................................................... 127
4.2.1 Safety warnings review the structure ......................................................................................... 127
4.2.2 Declaration of Conformity – United States only ......................................................................... 127
4.2.3 Modifications ............................................................................................................................ 127
4.3 R&TTED and European Conformance CE mark ................................................................................. 129
5 Product testing ......................................................................................................... 130
5.1 u-blox in-series production test ......................................................................................................... 130
5.2 Test parameters for OEM manufacturer ............................................................................................ 131
5.2.1 “Go/No go” tests for integrated devices .................................................................................... 131
5.2.2 RF functional tests ..................................................................................................................... 131
Appendix ........................................................................................................................ 133

TOBY-L2 and MPCI-L2 series - System Integration Manual
UBX-13004618 - R04 Advance Information Contents
Page 7 of 141
A Glossary .................................................................................................................... 133
B Migration between TOBY-L1 and TOBY-L2 ............................................................ 135
B.1 Overview .......................................................................................................................................... 135
B.2 Pin-out comparison between TOBY-L1 and TOBY-L2 ........................................................................ 136
B.3 Schematic for TOBY-L1 and TOBY-L2 integration .............................................................................. 138
Related documents......................................................................................................... 139
Revision history .............................................................................................................. 140
Contact ............................................................................................................................ 141

TOBY-L2 and MPCI-L2 series - System Integration Manual
UBX-13004618 - R04 Advance Information System description
Page 8 of 141
1 System description
1.1 Overview
TOBY-L2 and MPCI-L2 series comprises LTE/3G/2G multi-mode modules supporting up to six LTE bands, up to
five UMTS/DC-HSPA+ bands and four GSM/(E)GPRS bands for voice and/or data transmission as following:
TOBY-L200 and MPCI-L200 are designed primarily for operation in America
TOBY-L210 and MPCI-L210 are designed primarily for operation in Europe, Asia and other countries
TOBY-L2 and MPCI-L2 series are designed in two different form-factors suitable for applications as following:
TOBY-L2 modules are designed in the small TOBY 152-pin Land Grid Array form-factor (35.6 x 24.8 mm),
easy to integrate in compact designs and form-factor compatible with the u-blox cellular module families:
this allows customers to take the maximum advantage of their hardware and software investments, and
provides very short time-to-market.
MPCI-L2 modules are designed in the industry standard PCI Express Full-Mini Card form-factor (51 x 30 mm)
easy to integrate into industrial and consumer applications and also ideal for manufacturing of small series.
With LTE Category 4 data rates at up to 150 Mb/s (down-link) and 50 Mb/s (up-link), the modules are ideal for
applications requiring the highest data-rates and high-speed internet access. TOBY-L2 and MPCI-L2 series
modules are the perfect choice for consumer fixed-wireless terminals, mobile routers and gateways, and
applications requiring video streaming. They are also optimally suited for industrial (M2M) applications, such as
remote access to video cameras, digital signage, telehealth, and security and surveillance systems.
Table 1 summarizes the TOBY-L2 and MPCI-L2 series main features and interfaces.
Module
LTE
UMTS
GSM
Positioning
Interfaces
Audio
Features
LTE category
Bands
HSDPA category
HSUPA category
Bands
GPRS/EDGE multi-slot class
Bands
GNSS receiver
GNSS Via Modem
Assist Now Software
CellLocate®
UART
USB 2.0
SDIO
DCC (I2C)
GPIOs
MIMO 2x2 / Rx Diversity
Analog audio
Digital Audio
Network indication
Antenna supervisor
Jamming detection
Embedded TCP/UDP stack
Embedded HTTP,FTP,SSL
FOTA
eCall / ERA GLONASS
Dual stack IPv4/IPv6
TOBY-L200
4
2,4,5,
7,17
24
6
850/900/AWS
1900/2100
12
Quad
F
F
F
F
•
F
F
F
•
F
•
F
F
F
F
F
F
•
TOBY-L210
4
1,3,5,
7,8,20
24
6
850/900
1900/2100
12
Quad
F
F
F
F
•
F
F
F
•
F
•
F
F
F
F
F
F
•
MPCI-L200
4
2,4,5,
7,17
24
6
850/900/AWS
1900/2100
12
Quad
•
•
•
F
F
F
F
•
MPCI-L210
4
1,3,5,
7,8,20
24
6
850/900
1900/2100
12
Quad
•
•
•
F
F
F
F
•
F = will be supported in future product version “01”
Table 1: TOBY-L2 and MPCI-L2 series main features summary

TOBY-L2 and MPCI-L2 series - System Integration Manual
UBX-13004618 - R04 Advance Information System description
Page 9 of 141
Table 2 reports a summary of LTE, 3G and 2G cellular radio access technologies characteristics and features of
the TOBY-L2 and MPCI-L2 series modules.
4G LTE
3G UMTS/HSDPA/HSUPA
2G GSM/GPRS/EDGE
3GPP Release 9
Long Term Evolution (LTE)
Evolved Uni.Terrestrial Radio Access (E-UTRA)
Frequency Division Duplex (FDD)
DL Multi-Input Multi-Output (MIMO) 2 x 2
3GPP Release 8
Dual-Cell HS Packet Access (DC-HSPA+)
UMTS Terrestrial Radio Access (UTRA)
Frequency Division Duplex (FDD)
DL Rx diversity
3GPP Release 8
Enhanced Data rate GSM Evolution (EDGE)
GSM EGPRS Radio Access (GERA)
Time Division Multiple Access (TDMA)
DL Advanced Rx Performance (DARP) Phase 1
Band support:
TOBY-L200 / MPCI-L200:
Band 17 (700 MHz)
Band 5 (850 MHz)
Band 4 (1700 MHz)
Band 2 (1900 MHz)
Band 7 (2600 MHz)
TOBY-L210 / MPCI-L210:
Band 20 (800 MHz)
Band 5 (850 MHz)
Band 8 (900 MHz)
Band 3 (1800 MHz)
Band 1 (2100 MHz)
Band 7 (2600 MHz)
Band support:
TOBY-L200 / MPCI-L200:
Band 5 (850 MHz)
Band 8 (900 MHz)
Band 4 (AWS, 1700 MHz)
Band 2 (1900 MHz)
Band 1 (2100 MHz)
TOBY-L210 / MPCI-L210:
Band 5 (850 MHz)
Band 8 (900 MHz)
Band 2 (1900 MHz)
Band 1 (2100 MHz)
Band support
TOBY-L200 / MPCI-L200:
GSM 850 MHz
E-GSM 900 MHz
DCS 1800 MHz
PCS 1900 MHz
TOBY-L210 / MPCI-L210:
GSM 850 MHz
E-GSM 900 MHz
DCS 1800 MHz
PCS 1900 MHz
LTE Power Class
Power Class 3 (23 dBm)
for LTE mode
WCDMA/HSDPA/HSUPA Power Class
Power Class 3 (24 dBm)
for UMTS/HSDPA/HSUPA mode
GSM/GPRS Power Class
Power Class 4 (33 dBm)
for GSM/E-GSM bands
Power Class 1 (30 dBm)
for DCS/PCS bands
EDGE Power Class
Power Class E2 (27 dBm)
for GSM/E-GSM bands
Power Class E2 (26 dBm)
for DCS/PCS bands
Data rate
LTE category 4:
up to 150 Mb/s DL, 50 Mb/s UL
Data rate
TOBY-L200 / MPCI-L200:
HSDPA cat.14, up to 21 Mb/s DL1
HSUPA cat.6, up to 5.6 Mb/s UL
TOBY-L210 / MPCI-L210:
HSDPA cat.24, up to 42 Mb/s DL
HSUPA cat.6, up to 5.6 Mb/s UL
Data rate2
GPRS multi-slot class 123, CS1-CS4,
up to 85.6 kb/s DL/UL
EDGE multi-slot class 123, MCS1-MCS9
up to 236.8 kb/s DL/UL
Table 2: TOBY-L2 and MPCI-L2 series LTE, 3G and 2G characteristics summary
1
HSDPA category 24 capable
2
GPRS/EDGE multi-slot class determines the number of timeslots available for upload and download and thus the speed at which data can
be transmitted and received, with higher classes typically allowing faster data transfer rates.
3
GPRS/EDGE multi-slot class 12 implies a maximum of 4 slots in DL (reception) and 4 slots in UL (transmission) with 5 slots in total.

TOBY-L2 and MPCI-L2 series - System Integration Manual
UBX-13004618 - R04 Advance Information System description
Page 10 of 141
1.2 Architecture
Figure 1 summarizes the internal architecture of TOBY-L2 series modules.
Cellular
Base-band
Processor
Memory
Power Management Unit
26 MHz
32.768 kHz
ANT1
RF
Transceiver
ANT2
V_INT (I/O)
V_BCKP (RTC)
VCC (Supply)
SIM
USB
GPIO
Power On
External Reset
PAs
LNAs Filters
Filters
Duplexer
Filters
PAs
LNAs Filters
Filters
Duplexer
Filters
LNAs FiltersFilters
LNAs FiltersFilters
Switch
Switch
DDC(I2C)
SDIO
UART
Digital audio (I2S)
ANT_DET
Host Select
Figure 1: TOBY-L2 series block diagram
As described in the Figure 2, each MPCI-L2 series module integrates one TOBY-L2 series module:
The MPCI-L200 integrates a TOBY-L200 module
The MPCI-L210 integrates a TOBY-L210 module
The TOBY-L2 module represents the core of the device, providing the related LTE/3G/2G modem and processing
functionalities. Additional signal conditioning circuitry is implemented for PCI Express Mini Card compliance, and
two UF.L connectors are available for easy antenna integration.
ANT1
SIM
USB
W_DISABLE#
TOBY-L2
series
Signal
Conditioning
ANT2
PERST#
LED_WWAN#
U.FL
U.FL
3.3Vaux (Supply)
Boost
Converter
VCC
Figure 2: MPCI-L2 series block diagram

TOBY-L2 and MPCI-L2 series - System Integration Manual
UBX-13004618 - R04 Advance Information System description
Page 11 of 141
1.2.1 Internal blocks
As described in Figure 2, each MPCI-L2 series module integrates one TOBY-L2 series module, which consists of
the following internal sections: RF, baseband and power management.
RF section
The RF section is composed of RF transceiver, PAs, LNAs, crystal oscillator, filters, duplexers and RF switches.
Tx signal is pre-amplified by RF transceiver, then output to the primary antenna input/output port (ANT1) of the
module via power amplifier (PA), SAW band pass filters band, specific duplexer and antenna switch.
Dual receiving paths are implemented according to LTE Down-Link MIMO 2 x 2 and 3G Receiver Diversity radio
technologies supported by the modules as LTE category 4 and HSDPA category 24 User Equipments: incoming
signals are received through the primary (ANT1) and the secondary (ANT2) antenna input ports which are
connected to the RF transceiver via specific antenna switch, diplexer, duplexer, LNA, SAW band pass filters.
RF transceiver performs modulation, up-conversion of the baseband I/Q signals for Tx, down-conversion and
demodulation of the dual RF signals for Rx. The RF transceiver contains:
Automatically gain controlled direct conversion Zero-IF receiver,
Highly linear RF demodulator / modulator capable GMSK, 8-PSK, QPSK, 16-QAM, 64-QAM,
Fractional-N Sigma-Delta RF synthesizer,
VCO.
Power Amplifiers (PA) amplify the Tx signal modulated by the RF transceiver
RF switches connect primary (ANT1) and secondary (ANT2) antenna ports to the suitable Tx / Rx path
Low Noise Amplifiers (LNA) enhance the received sensitivity
SAW duplexers separate the Tx and Rx signal paths and provide RF filtering
SAW band pass filters enhance the rejection of out-of-band signals
26 MHz crystal oscillator generates the clock reference in active-mode or connected-mode.
Baseband and power management section
The Baseband and Power Management section is composed of the following main elements:
A mixed signal ASIC, which integrates
Microprocessor for control functions
DSP core for LTE/3G/2G Layer 1 and digital processing of Rx and Tx signal paths
Memory interface controller
Dedicated peripheral blocks for control of the USB, SIM and GPIO digital interfaces
Analog front end interfaces to RF transceiver ASIC
Memory system, which includes NAND flash and LPDDR
Voltage regulators to derive all the subsystem supply voltages from the module supply input VCC
Voltage sources for external use: V_BCKP and V_INT (not available on MPCI-L2 series modules)
Hardware power on
Hardware reset
Low power idle-mode support
32.768 kHz crystal oscillator to provide the clock reference in the low power idle-mode, which can be set by
enable power saving configuration using the AT+UPSV command.

TOBY-L2 and MPCI-L2 series - System Integration Manual
UBX-13004618 - R04 Advance Information System description
Page 12 of 141
1.3 Pin-out
1.3.1 TOBY-L2 series pin assignment
Table 3 lists the pin-out of the TOBY-L2 series modules, with pins grouped by function.
Function
Pin Name
Pin No
I/O
Description
Remarks
Power
VCC
70,71,72
I
Module supply input
VCC pins are internally connected each other.
VCC supply circuit affects the RF performance and
compliance of the device integrating the module with
applicable required certification schemes.
See section 1.5.1 for functional description and
requirements for the VCC module supply.
See section 2.2.1 for external circuit design-in.
GND
2, 30, 32, 44,
46, 69, 73, 74,
76, 78, 79, 80,
82, 83, 85, 86,
88-90, 92-152
N/A
Ground
GND pins are internally connected each other.
External ground connection affects the RF and thermal
performance of the device.
See section 1.5.1 for functional description.
See section 2.2.1 for external circuit design-in.
V_BCKP
3
I/O
RTC supply
input/output
V_BCKP = 3.0 V (typical) generated by internal regulator
when valid VCC supply is present.
See section 1.5.2 for functional description.
See section 2.2.2 for external circuit design-in.
V_INT
5
O
Generic digital
interfaces supply
output
V_INT = 1.8 V (typical) generated by internal regulator
when the module is switched on.
See section 1.5.3 for functional description.
See section 2.2.3 for external circuit design-in.
System
PWR_ON
20
I
Power-on input
Internal active pull-up to the VCC enabled.
See section 1.6.1 for functional description.
See section 2.3.1 for external circuit design-in.
RESET_N
23
I
External reset input
Internal active pull-up to the VCC enabled.
See section 1.6.3 for functional description.
See section 2.3.2 for external circuit design-in.
HOST_SELECT0
26
I
Selection of module
configuration by the
host processor
Note: Not supported by TOBY-L2x0-00S product version
See section 1.6.4 for functional description.
See section 2.3.3 for external circuit design-in.
HOST_SELECT1
62
I
Selection of module
configuration by the
host processor
Note: Not supported by TOBY-L2x0-00S product version
See section 1.6.4 for functional description.
See section 2.3.3 for external circuit design-in.
Antennas
ANT1
81
I/O
Primary antenna
Main Tx / Rx antenna interface.
50 nominal characteristic impedance.
Antenna circuit affects the RF performance and application
device compliance with required certification schemes.
See section 1.7 for functional description / requirements.
See section 2.4 for external circuit design-in.
ANT2
87
I
Secondary antenna
Rx only for MIMO 2x2 and Rx diversity.
50 nominal characteristic impedance.
Antenna circuit affects the RF performance and application
device compliance with required certification schemes.
See section 1.7 for functional description / requirements
See section 2.4 for external circuit design-in.
ANT_DET
75
I
Antenna detection
Note: antenna detection not supported by TOBY-L2x0-00S.
See section 1.7.2 for functional description.
See section 2.4.2 for external circuit design-in.

TOBY-L2 and MPCI-L2 series - System Integration Manual
UBX-13004618 - R04 Advance Information System description
Page 13 of 141
Function
Pin Name
Pin No
I/O
Description
Remarks
SIM
VSIM
59
O
SIM supply output
VSIM = 1.8 V / 3 V automatically generated according to
the connected SIM type.
See section 1.8 for functional description.
See section 2.5 for external circuit design-in.
SIM_IO
57
I/O
SIM data
Data input/output for 1.8 V / 3 V SIM
Internal 4.7 k pull-up to VSIM.
See section 1.8 for functional description.
See section 2.5 for external circuit design-in.
SIM_CLK
56
O
SIM clock
3.25 MHz clock output for 1.8 V / 3 V SIM
See section 1.8 for functional description.
See section 2.5 for external circuit design-in.
SIM_RST
58
O
SIM reset
Reset output for 1.8 V / 3 V SIM
See section 1.8 for functional description.
See section 2.5 for external circuit design-in.
USB
VUSB_DET
4
I
USB detect input
Input for VBUS (5 V typical) USB supply sense.
See section 1.9.1 for functional description.
See section 2.6.1 for external circuit design-in.
USB_D-
27
I/O
USB Data Line D-
USB interface for AT commands, data communication,
FOAT, FW update by u-blox EasyFlash tool and diagnostic.
90 nominal differential impedance (Z0)
30 nominal common mode impedance (ZCM)
Pull-up or pull-down resistors and external series resistors
as required by the USB 2.0 specifications [4] are part of the
USB pad driver and need not be provided externally.
See section 1.9.1 for functional description.
See section 2.6.1 for external circuit design-in.
USB_D+
28
I/O
USB Data Line D+
USB interface for AT commands, data communication,
FOAT, FW update by u-blox EasyFlash tool and diagnostic.
90 nominal differential impedance (Z0)
30 nominal common mode impedance (ZCM)
Pull-up or pull-down resistors and external series resistors
as required by the USB 2.0 specifications [4] are part of the
USB pad driver and need not be provided externally.
See section 1.9.1 for functional description.
See section 2.6.1 for external circuit design-in.
UART
RXD
17
O
UART data output
Note: UART not supported by TOBY-L2x0-00S.
1.8 V output, Circuit 104 (RXD) in ITU-T V.24,
for AT command, data communication, FOAT.
Add Test-Point and series 0 to access for diagnostic.
See section 1.9.2 for functional description.
See section 2.6.2 for external circuit design-in.
TXD
16
I
UART data input
Note: UART not supported by TOBY-L2x0-00S.
1.8 V input, Circuit 103 (TXD) in ITU-T V.24,
for AT command, data communication, FOAT.
Add Test-Point and series 0 to access for diagnostic.
See section 1.9.2 for functional description.
See section 2.6.2 for external circuit design-in.
CTS
15
O
UART clear to send
output
Note: UART not supported by TOBY-L2x0-00S.
1.8 V output, Circuit 106 (CTS) in ITU-T V.24.
Add Test-Point and series 0 to access for diagnostic.
See section 1.9.2 for functional description.
See section 2.6.2 for external circuit design-in.
RTS
14
I
UART ready to send
input
Note: UART not supported by TOBY-L2x0-00S.
1.8 V input, Circuit 105 (RTS) in ITU-T V.24.
Add Test-Point and series 0 to access for diagnostic.
See section 1.9.2 for functional description.
See section 2.6.2 for external circuit design-in.

TOBY-L2 and MPCI-L2 series - System Integration Manual
UBX-13004618 - R04 Advance Information System description
Page 14 of 141
Function
Pin Name
Pin No
I/O
Description
Remarks
DSR
10
O /
I/O
UART data set ready
output / GPIO
Note: UART / GPIO not supported by TOBY-L2x0-00S.
1.8 V, Circuit 107 in ITU-T V.24, configurable as GPIO.
Add Test-Point and series 0 to access for diagnostic.
See section 1.9.2 and 1.11 for functional description.
See section 2.6.2 and 2.8 for external circuit design-in.
RI
11
O /
I/O
UART ring indicator
output / GPIO
Note: UART / GPIO not supported by TOBY-L2x0-00S.
1.8 V, Circuit 125 in ITU-T V.24, configurable as GPIO.
Add Test-Point and series 0 to access for diagnostic.
See section 1.9.2 and 1.11 for functional description.
See section 2.6.2 and 2.8 for external circuit design-in.
DTR
13
I /
I/O
UART data terminal
ready input / GPIO
Note: UART / GPIO not supported by TOBY-L2x0-00S.
1.8 V, Circuit 108/2 in ITU-T V.24, configurable as GPIO.
Add Test-Point and series 0 to access for diagnostic.
See section 1.9.2 and 1.11 for functional description.
See section 2.6.2 and 2.8 for external circuit design-in.
DCD
12
O /
I/O
UART data carrier
detect output / GPIO
Note: UART / GPIO not supported by TOBY-L2x0-00S.
1.8 V, Circuit 109 in ITU-T V.24, configurable as GPIO.
Add Test-Point and series 0 to access for diagnostic.
See section 1.9.2 and 1.11 for functional description.
See section 2.6.2 and 2.8 for external circuit design-in.
DDC
SCL
54
O
I2C bus clock line
Note: I2C not supported by TOBY-L2x0-00S.
1.8 V open drain, for communication with u-blox GNSS
receivers and other I2C-slave devices as an audio codec.
External pull-up required.
See section 1.9.3 for functional description.
See section 2.6.3 for external circuit design-in.
SDA
55
I/O
I2C bus data line
Note: I2C not supported by TOBY-L2x0-00S.
1.8 V open drain, for communication with u-blox GNSS
receivers and other I2C-slave devices as an audio codec.
External pull-up required.
See section 1.9.3 for functional description.
See section 2.6.3 for external circuit design-in.
SDIO
SDIO_D0
66
I/O
SDIO serial data [0]
Note: SDIO not supported by TOBY-L2x0-00S.
SDIO interface for communication with external Wi-Fi chip
See section 1.9.4 for functional description.
See section 2.6.4 for external circuit design-in.
SDIO_D1
68
I/O
SDIO serial data [1]
Note: Not supported by TOBY-L2x0-00S.
SDIO interface for communication with external Wi-Fi chip
See section 1.9.4 for functional description.
See section 2.6.4 for external circuit design-in.
SDIO_D2
63
I/O
SDIO serial data [2]
Note: SDIO not supported by TOBY-L2x0-00S.
SDIO interface for communication with external Wi-Fi chip
See section 1.9.4 for functional description.
See section 2.6.4 for external circuit design-in.
SDIO_D3
67
I/O
SDIO serial data [3]
Note: SDIO not supported by TOBY-L2x0-00S.
SDIO interface for communication with external Wi-Fi chip
See section 1.9.4 for functional description.
See section 2.6.4 for external circuit design-in.
SDIO_CLK
64
O
SDIO serial clock
Note: SDIO not supported by TOBY-L2x0-00S.
SDIO interface for communication with external Wi-Fi chip
See section 1.9.4 for functional description.
See section 2.6.4 for external circuit design-in.

TOBY-L2 and MPCI-L2 series - System Integration Manual
UBX-13004618 - R04 Advance Information System description
Page 15 of 141
Function
Pin Name
Pin No
I/O
Description
Remarks
SDIO_CMD
65
I/O
SDIO command
Note: SDIO not supported by TOBY-L2x0-00S.
SDIO interface for communication with external Wi-Fi chip
See section 1.9.4 for functional description.
See section 2.6.4 for external circuit design-in.
Audio
I2S_TXD
51
O /
I/O
I2S transmit data /
GPIO
Note: I2S and GPIO not supported by TOBY-L2x0-00S.
I2S transmit data output, alternatively configurable as GPIO.
See sections 1.10 and 1.11 for functional description.
See sections 2.7 and 2.8 for external circuit design-in.
I2S_RXD
53
I /
I/O
I2S receive data /
GPIO
Note: I2S and GPIO not supported by TOBY-L2x0-00S.
I2S receive data input, alternatively configurable as GPIO.
See sections 1.10 and 1.11 for functional description.
See sections 2.7 and 2.8 for external circuit design-in.
I2S_CLK
52
I/O /
I/O
I2S clock /
GPIO
Note: I2S and GPIO not supported by TOBY-L2x0-00S.
I2S serial clock, alternatively configurable as GPIO.
See sections 1.10 and 1.11 for functional description.
See sections 2.7 and 2.8 for external circuit design-in.
I2S_WA
50
I/O /
I/O
I2S word alignment /
GPIO
Note: I2S and GPIO not supported by TOBY-L2x0-00S.
I2S word alignment, alternatively configurable as GPIO.
Note: I2S not supported by TOBY-L2x0-00S.
See sections 1.10 and 1.11 for functional description.
See sections 2.7 and 2.8 for external circuit design-in.
GPIO
GPIO1
21
I/O
GPIO
Note: GPIO not supported by TOBY-L2x0-00S except for
Wireless Network status indication configured on GPIO1.
1.8 V GPIO with alternatively configurable functions
See section 1.11 for functional description.
See section 2.8 for external circuit design-in.
GPIO2
22
I/O
GPIO
Note: GPIO not supported by TOBY-L2x0-00S.
1.8 V GPIO with alternatively configurable functions
See section 1.11 for functional description.
See section 2.8 for external circuit design-in.
GPIO3
24
I/O
GPIO
Note: GPIO not supported by TOBY-L2x0-00S.
1.8 V GPIO with alternatively configurable functions
See section 1.11 for functional description.
See section 2.8 for external circuit design-in.
GPIO4
25
I/O
GPIO
Note: GPIO not supported by TOBY-L2x0-00S.
1.8 V GPIO with alternatively configurable functions
See section 1.11 for functional description.
See section 2.8 for external circuit design-in.
GPIO5
60
I/O
GPIO
Note: GPIO not supported by TOBY-L2x0-00S.
1.8 V GPIO with alternatively configurable functions
See section 1.11 for functional description.
See section 2.8 for external circuit design-in.
GPIO6
61
I/O
GPIO
Note: GPIO not supported by TOBY-L2x0-00S.
1.8 V GPIO
See section 1.11 for functional description.
See section 2.8 for external circuit design-in.
Reserved
RSVD
6
N/A
Reserved pin
This pin must be connected to ground.
See section 2.10
RSVD
1, 7-9, 18,
19, 29, 31,
33-43, 45,
47-49, 77,
84, 91
N/A
Reserved pin
Leave unconnected.
See section 2.10
Table 3: TOBY-L2 series module pin definition, grouped by function

TOBY-L2 and MPCI-L2 series - System Integration Manual
UBX-13004618 - R04 Advance Information System description
Page 16 of 141
1.3.2 MPCI-L2 series pin assignment
Table 4 lists the pin-out of the MPCI-L2 series modules, with pins grouped by function.
Function
Pin Name
Pin No
I/O
Description
Remarks
Power
3.3Vaux
2, 24, 39,
41, 52
I
Module supply input
3.3Vaux pins are internally connected each other.
3.3Vaux supply circuit affects the RF performance and
compliance of the device integrating the module with
applicable required certification schemes.
See section 1.5.1 for functional description and
requirements for the 3.3Vaux module supply.
See section 2.2.1 for external circuit design-in.
GND
4, 9, 15, 18,
21, 26, 27,
29, 34, 35,
37, 40, 43, 50
N/A
Ground
GND pins are internally connected each other.
External ground connection affects the RF and thermal
performance of the device.
See section 1.5.1 for functional description.
See section 2.2.1 for external circuit design-in.
Auxiliary
Signals
PERST#
22
I
External reset input
Internal 45 k pull-up to 3.3 V supply.
See section 1.6.3 for functional description.
See section 2.3.2 for external circuit design-in.
Antennas
ANT1
U.FL
I/O
Primary antenna
Main Tx / Rx antenna interface.
50 nominal characteristic impedance.
Antenna circuit affects the RF performance and
compliance of the device integrating the module with
applicable required certification schemes.
See section 1.7 for functional description / requirements.
See section 2.4 for external circuit design-in.
ANT2
U.FL
I
Secondary antenna
Rx only for MIMO 2x2 and Rx diversity.
50 nominal characteristic impedance.
Antenna circuit affects the RF performance and
compliance of the device integrating the module with
applicable required certification schemes.
See section 1.7 for functional description / requirements
See section 2.4 for external circuit design-in.
SIM
UIM_PWR
8
O
SIM supply output
UIM_PWR = 1.8 V / 3 V automatically generated
according to the connected SIM type.
See section 1.8 for functional description.
See section 2.5 for external circuit design-in.
UIM_DATA
10
I/O
SIM data
Data input/output for 1.8 V / 3 V SIM
Internal 4.7 k pull-up to UIM_PWR.
See section 1.8 for functional description.
See section 2.5 for external circuit design-in.
UIM_CLK
12
O
SIM clock
3.25 MHz clock output for 1.8 V / 3 V SIM
See section 1.8 for functional description.
See section 2.5 for external circuit design-in.
UIM_RESET
14
O
SIM reset
Reset output for 1.8 V / 3 V SIM
See section 1.8 for functional description.
See section 2.5 for external circuit design-in.

TOBY-L2 and MPCI-L2 series - System Integration Manual
UBX-13004618 - R04 Advance Information System description
Page 17 of 141
Function
Pin Name
Pin No
I/O
Description
Remarks
USB
USB_D-
36
I/O
USB Data Line D-
USB interface for AT commands, data communication,
FOAT, FW update by u-blox EasyFlash tool and diagnostic.
90 nominal differential impedance (Z0)
30 nominal common mode impedance (ZCM)
Pull-up or pull-down resistors and external series resistors
as required by the USB 2.0 specifications [4] are part of the
USB pad driver and need not be provided externally.
See section 1.9.1 for functional description.
See section 2.6.1 for external circuit design-in.
USB_D+
38
I/O
USB Data Line D+
USB interface for AT commands, data communication,
FOAT, FW update by u-blox EasyFlash tool and diagnostic.
90 nominal differential impedance (Z0)
30 nominal common mode impedance (ZCM)
Pull-up or pull-down resistors and external series resistors
as required by the USB 2.0 specifications [4] are part of the
USB pad driver and need not be provided externally.
See section 1.9.1 for functional description.
See section 2.6.1 for external circuit design-in.
Specific
Signals
LED_WWAN#
42
O
LED indicator output
Open drain active low output.
See section 1.12 for functional description.
See section 2.9 for external circuit design-in.
W_DISABLE#
20
I
Wireless radio
disable input
Internal 22 k pull-up to 3.3Vaux.
See section 1.12 for functional description.
See section 2.9 for external circuit design-in.
Not
Connected
NC
1, 3, 5-7, 11,
13, 16, 17, 19,
23, 25, 28,
30-33, 44-46,
47-49, 51
N/A
Not connected
Internally not connected.
See section 1.14 for the description.
Table 4: MPCI-L2 series module pin definition, grouped by function

TOBY-L2 and MPCI-L2 series - System Integration Manual
UBX-13004618 - R04 Advance Information System description
Page 18 of 141
1.4 Operating modes
TOBY-L2 and MPCI-L2 series modules have several operating modes. The operating modes are defined in Table 5
and described in detail in Table 6, providing general guidelines for operation.
General Status
Operating Mode
Definition
Power-down
Not-Powered Mode
VCC or 3.3Vaux supply not present or below operating range: module is switched off.
Power-Off Mode
VCC or 3.3Vaux supply within operating range and module is switched off.
Normal Operation
Idle-Mode
Module processor core runs with 32 kHz reference generated by the internal oscillator.
Active-Mode
Module processor core runs with 26 MHz reference generated by the internal oscillator.
Connected-Mode
RF Tx/Rx data connection enabled and processor core runs with 26 MHz reference.
Table 5: TOBY-L2 and MPCI-L2 series modules operating modes definition
Operating Mode
Description
Transition between operating modes
Not-Powered Mode
Module is switched off.
Application interfaces are not accessible.
When VCC or 3.3Vaux supply is removed, the modules
enter not-powered mode.
When in not-powered mode, TOBY-L2 modules cannot be
switched on by PWR_ON, RESET_N or RTC alarm and
enter active-mode after applying VCC supply (see 1.6.1).
When in not-powered mode, MPCI-L2 modules cannot be
switched on by RTC alarm and enter active-mode after
applying 3.3Vaux supply (see 1.6.1).
Power-Off Mode
Module is switched off: normal shutdown by an
appropriate power-off event (see 1.6.2).
Application interfaces are not accessible.
MPCI-L2 modules do not support Power-Off Mode
but halt mode (see 1.6.2 and u-blox AT Commands
Manual [3], AT+CFUN=127 command).
When the modules are switched off by an appropriate
power-off event (see 1.6.2), the modules enter power-off
mode from active-mode.
When in power-off mode, TOBY-L2 modules can be
switched on by PWR_ON, RESET_N or an RTC alarm.
When in power-off mode, TOBY-L2 modules enter the
not-powered mode after removing VCC supply.
Idle-Mode
Module is switched on with application interfaces
disabled or suspended: the module is temporarily not
ready to communicate with an external device by
means of the application interfaces as configured to
reduce the current consumption.
The module enters the low power idle-mode
whenever possible if power saving is enabled by
AT+UPSV (see u-blox AT Commands Manual [3])
reducing current consumption (see 1.5.1.5).
Power saving configuration is not enabled by default:
it can be enabled by the AT+UPSV command (see
the u-blox AT Commands Manual [3]).
The modules automatically switch from active-mode to low
power idle-mode whenever possible if power saving is
enabled (see sections 1.5.1.5, 1.9.1.4, 1.9.2.4 and u-blox
AT Commands Manual [3], AT+UPSV).
The modules wake up from idle-mode to active-mode in
the following events:
Automatic periodic monitoring of the paging channel
for the paging block reception according to network
conditions (see 1.5.1.5)
The connected USB host forces a remote wakeup of
the module as USB device (see 1.9.1.4)
A preset RTC alarm occurs (see u-blox AT Commands
Manual [3], AT+CALA)
Active-Mode
Module is switched on with application interfaces
enabled or not suspended: the module is ready to
communicate with an external device by means of
the application interfaces unless power saving
configuration is enabled by AT+UPSV (see 1.9.1.4,
1.9.2.4 and u-blox AT Commands Manual [3]).
When the modules are switched on by an appropriate
power-on event (see 1.6.1), the module enter active-mode
from power-off mode.
If power saving configuration is enabled by the AT+UPSV
command, the module automatically switches from active
to idle-mode whenever possible and the module wakes up
from idle to active-mode in the events listed above (see
idle-mode to active-mode transition description above).
When a RF Tx/Rx data connection is initiated or when RF
Tx/Rx is required due to a connection previously initiated,
the module switches from active to connected-mode.

TOBY-L2 and MPCI-L2 series - System Integration Manual
UBX-13004618 - R04 Advance Information System description
Page 19 of 141
Operating Mode
Description
Transition between operating modes
Connected-Mode
RF Tx/Rx data connection is in progress.
The module is prepared to accept data signals from
an external device unless power saving configuration
is enabled by AT+UPSV (see sections 1.9.1.4, 1.9.2.4
and u-blox AT Commands Manual [3]).
When a data connection is initiated, the module enters
connected-mode from idle-mode.
If power saving configuration is enabled by the AT+UPSV
command, the module automatically switches from
connected to active and then idle-mode whenever possible
and the module wakes up from idle to active and then
connected mode if RF Transmission/Reception is necessary.
When a data connection is terminated, the module returns
to the active-mode.
Table 6: TOBY-L2 and MPCI-L2 series modules operating modes description
Figure 3 describes the transition between the different operating modes.
TOBY-L2 Switch ON:
•Apply VCC
MPCI-L2 Switch ON:
•Apply 3.3Vaux
If power saving is enabled
and there is no activity for
a defined time interval
Any wake up event described
in the module operating
modes summary table above
Incoming/outgoing call or
other dedicated device
network communication
No RF Tx/Rx in progress,
Call terminated,
Communication dropped
TOBY-L2x0
Switch ON:
•PWR_ON
•RESET_N
•RTC alarm
Not
powered
Power off
ActiveConnected Idle
TOBY-L2x0
Switch OFF:
•AT+CPWROFF
•RESET_N
MPCI-L2:
•Remove 3.3Vaux
TOBY-L2:
•Remove VCC
Figure 3: TOBY-L2 and MPCI-L2 series modules operating modes transition

TOBY-L2 and MPCI-L2 series - System Integration Manual
UBX-13004618 - R04 Advance Information System description
Page 20 of 141
1.5 Supply interfaces
1.5.1 Module supply input (VCC or 3.3Vaux)
TOBY-L2 modules are supplied via the three VCC pins, and MPCI-L2 modules are supplied via the five 3.3Vaux
pins. All supply voltages used inside the modules are generated from the VCC or the 3.3Vaux supply input by
integrated voltage regulators, including the V_BCKP RTC supply, the V_INT generic digital interface supply, and
the VSIM or UIM_PWR SIM interface supply.
The current drawn by the TOBY-L2 and MPCI-L2 series modules through the VCC or 3.3Vaux pins can vary by
several orders of magnitude depending on radio access technology, operation mode and state. It is important
that the supply source is able to support both the high peak of current consumption during 2G transmission at
maximum RF power level (as described in the section 1.5.1.2) and the high average current consumption during
3G and LTE transmission at maximum RF power level (as described in the sections 1.5.1.3 and 1.5.1.4).
1.5.1.1 VCC or 3.3Vaux supply requirements
Table 7 summarizes the requirements for the VCC or 3.3Vaux modules supply. See section 2.2.1 for suggestions
to properly design a VCC or 3.3Vaux supply circuit compliant with the requirements listed in Table 7.
The supply circuit affects the RF compliance of the device integrating TOBY-L2 and MPCI-L2
series modules with applicable required certification schemes as well as antenna circuit design.
Compliance is guaranteed if the requirements summarized in the Table 7 are fulfilled.
Item
Requirement
Remark
VCC or 3.3Vaux
nominal voltage
Within VCC or 3.3Vaux normal operating range:
See “Supply/Power pins” section in the TOBY-L2 Data
Sheet [1] or in the MPCI-L2 Data Sheet [2].
The modules cannot be switched on if the supply voltage
is below the normal operating range minimum limit.
VCC or 3.3Vaux
voltage during
normal operation
Within VCC or 3.3Vaux extended operating range:
See “Supply/Power pins” section in the TOBY-L2 Data
Sheet [1] or in the MPCI-L2 Data Sheet [2].
The modules may switch off if the supply voltage drops
below the extended operating range minimum limit.
VCC or 3.3Vaux
average current
Support with adequate margin the highest averaged
current consumption value in connected-mode
conditions specified for VCC in TOBY-L2 Data Sheet [1]
or specified for 3.3Vaux in MPCI-L2 Data Sheet [2].
The maximum average current consumption can be
greater than the specified value according to the actual
antenna mismatching, temperature and supply voltage.
Sections 1.5.1.2, 1.5.1.3 and 1.5.1.4 describe current
consumption profiles in 2G, 3G and LTE connected-mode.
VCC or 3.3Vaux
peak current
Support with margin the highest peak current
consumption value in 2G connected-mode conditions
specified for VCC in TOBY-L2 Data Sheet [1] or
specified for 3.3Vaux in MPCI-L2 Data Sheet [2].
The specified maximum peak of current consumption
occurs during GSM single transmit slot in 850/900 MHz
connected-mode, in case of mismatched antenna.
Section 1.5.1.2 describes 2G Tx peak/pulse current.
VCC or 3.3Vaux
voltage drop during
2G Tx slots
Lower than 400 mV
Supply voltage drop values greater than recommended
during 2G TDMA transmission slots directly affect the RF
compliance with applicable certification schemes.
Figure 5 describes supply voltage drop during 2G Tx slots.
VCC or 3.3Vaux
voltage ripple during
RF transmission
Noise in the supply has to be minimized
High supply voltage ripple values during LTE/3G/2G RF
transmissions in connected-mode directly affect the RF
compliance with applicable certification schemes.
Figure 5 describes supply voltage ripple during RF Tx.
VCC or 3.3Vaux
under/over-shoot at
start/end of Tx slots
Absent or at least minimized
Supply voltage under-shoot or over-shoot at the start or
the end of 2G TDMA transmission slots directly affect the
RF compliance with applicable certification schemes.
Figure 5 describes supply voltage under/over-shoot
Table 7: Summary of VCC or 3.3Vaux modules supply requirements

TOBY-L2 and MPCI-L2 series - System Integration Manual
UBX-13004618 - R04 Advance Information System description
Page 21 of 141
1.5.1.2 VCC or 3.3Vaux current consumption in 2G connected-mode
When a GSM call is established, the VCC or 3.3Vaux module current consumption is determined by the current
consumption profile typical of the GSM transmitting and receiving bursts.
The peak of current consumption during a transmission slot is strictly dependent on the RF transmitted power,
which is regulated by the network. The transmitted power in the transmit slot is also the more relevant factor for
determining the average current consumption.
If the module is transmitting in 2G single-slot mode in the 850 or 900 MHz bands, at the maximum RF power
level (approximately 2 W or 33 dBm in the allocated transmit slot/burst) the current consumption can reach an
high peak (see the “Current consumption” section in the TOBY-L2 Data Sheet [1] or the MPCI-L2 Data Sheet [2])
for 576.9 µs (width of the transmit slot/burst) with a periodicity of 4.615 ms (width of 1 frame = 8 slots/burst),
so with a 1/8 duty cycle according to GSM TDMA (Time Division Multiple Access).
If the module is transmitting in 2G single-slot mode in the 1800 or 1900 MHz bands, the current consumption
figures are quite less high than the one in the low bands, due to 3GPP transmitter output power specifications.
During a GSM call, current consumption is not so significantly high in receiving or in monitor bursts and is low in
the inactive unused bursts.
Figure 4 shows an example of the module current consumption profile versus time in 2G single-slot mode.
Time [ms]
RX
slot
unused
slot
unused
slot
TX
slot
unused
slot
unused
slot
MON
slot
unused
slot
RX
slot
unused
slot
unused
slot
TX
slot
unused
slot
unused
slot
MON
slot
unused
slot
GSM frame
4.615 ms
(1 frame = 8 slots)
Current [A]
200 mA
60-120 mA
1900 mA
Peak current depends
on TX power and
actual antenna load
GSM frame
4.615 ms
(1 frame = 8 slots)
60-120 mA
10-40 mA
0.0
1.5
1.0
0.5
2.0
2.5
Figure 4: VCC or 3.3Vaux current consumption profile versus time during a 2G single-slot call (1 TX slot, 1 RX slot)
Figure 5 illustrates VCC or 3.3Vaux voltage profile versus time during a 2G single-slot call, according to the
relative VCC or 3.3Vaux current consumption profile described in Figure 4.
Time [ms]
undershoot
overshoot
ripple
drop
Voltage [mV]
3.8 V
(typ)
RX
slot
unused
slot
unused
slot
TX
slot
unused
slot
unused
slot
MON
slot
unused
slot
RX
slot
unused
slot
unused
slot
TX
slot
unused
slot
unused
slot
MON
slot
unused
slot
GSM frame
4.615 ms
(1 frame = 8 slots)
GSM frame
4.615 ms
(1 frame = 8 slots)
Figure 5: VCC or 3.3Vaux voltage profile versus time during a 2G single-slot call (1 TX slot, 1 RX slot)

TOBY-L2 and MPCI-L2 series - System Integration Manual
UBX-13004618 - R04 Advance Information System description
Page 22 of 141
When a GPRS connection is established, more than one slot can be used to transmit and/or more than one slot
can be used to receive. The transmitted power depends on network conditions, which set the peak current
consumption, but following the 3GPP specifications the maximum Tx RF power is reduced if more than one slot
is used to transmit, so the maximum peak of current is not as high as can be in case of a 2G single-slot call.
If the module transmits in GPRS class 12 in the 850 or 900 MHz bands, at the maximum RF power control level,
the current consumption can reach a quite high peak but lower than the one achievable in 2G single-slot mode.
This happens for 2.307 ms (width of the 4 transmit slots/bursts) with a periodicity of 4.615 ms (width of 1 frame
= 8 slots/bursts), so with a 1/2 duty cycle, according to 2G TDMA.
If the module is in GPRS connected mode in the 1800 or 1900 MHz bands, the current consumption figures are
quite less high than the one in the low bands, due to 3GPP transmitter output power specifications.
Figure 6 reports the current consumption profiles in GPRS class 12 connected mode, in the 850 or 900 MHz
bands, with 4 slots used to transmit and 1 slot used to receive.
Time [ms]
RX
slot
unused
slot
TX
slot
TX
slot
TX
slot
TX
slot
MON
slot
unused
slot
RX
slot
unused
slot
TX
slot
TX
slot
TX
slot
TX
slot
MON
slot
unused
slot
GSM frame
4.615 ms
(1 frame = 8 slots)
Current [A]
200mA
60-130mA
Peak current depends
on TX power and
actual antenna load
GSM frame
4.615 ms
(1 frame = 8 slots)
1600 mA
0.0
1.5
1.0
0.5
2.0
2.5
Figure 6: VCC or 3.3Vaux current consumption profile during a 2G GPRS/EDGE multi-slot connection (4 TX slots, 1 RX slot)
In case of EDGE connections the VCC current consumption profile is very similar to the GPRS current profile, so
the image shown in Figure 6, representing the current consumption profile in GPRS class 12 connected mode, is
valid for the EDGE class 12 connected mode as well.

TOBY-L2 and MPCI-L2 series - System Integration Manual
UBX-13004618 - R04 Advance Information System description
Page 23 of 141
1.5.1.3 VCC or 3.3Vaux current consumption in 3G connected mode
During a 3G connection, the module can transmit and receive continuously due to the Frequency Division Duplex
(FDD) mode of operation with the Wideband Code Division Multiple Access (WCDMA).
The current consumption depends again on output RF power, which is always regulated by network commands.
These power control commands are logically divided into a slot of 666 µs, thus the rate of power change can
reach a maximum rate of 1.5 kHz.
There are no high current peaks as in the 2G connection, since transmission and reception are continuously
enabled due to FDD WCDMA implemented in the 3G that differs from the TDMA implemented in the 2G case.
In the worst scenario, corresponding to a continuous transmission and reception at maximum output power
(approximately 250 mW or 24 dBm), the average current drawn by the module at the VCC pins is high (see the
“Current consumption” section in TOBY-L2 Data Sheet [1] or in MPCI-L2 Data Sheet [2]). Even at lowest output
RF power (approximately 0.01 µW or -50 dBm), the current is still not so low due to module baseband
processing and transceiver activity.
Figure 7 shows an example of current consumption profile of the module in 3G WCDMA/DC-HSPA+ continuous
transmission mode.
Time
[ms]
3G frame
10 ms
(1 frame = 15 slots)
Current [mA]
Current consumption value
depends on TX power and
actual antenna load
170 mA
1 slot
666 µs
850 mA
0
300
200
100
500
400
600
700
800
Figure 7: VCC or 3.3Vaux current consumption profile versus time during a 3G connection (TX and RX continuously enabled)

TOBY-L2 and MPCI-L2 series - System Integration Manual
UBX-13004618 - R04 Advance Information System description
Page 24 of 141
1.5.1.4 VCC or 3.3Vaux current consumption in LTE connected-mode
During a LTE connection, the module can transmit and receive continuously due to LTE radio access technology.
The current consumption is strictly dependent on the transmitted RF output power, which is always regulated by
network commands. These power control commands are logically divided into a slot of 0.5 ms (time length of
one Resource Block), thus the rate of power change can reach a maximum rate of 2 kHz.
Figure 8 shows an example of the module current consumption profile versus time in LTE connected-mode.
Detailed current consumption values can be found in TOBY-L2 Data Sheet [1] and in MPCI-L2 Data Sheet [2].
Time
[ms]
Current [mA]
Current consumption value
depends on TX power and
actual antenna load
1 Slot
1 Resource Block
(0.5 ms) 1 LTE Radio Frame
(10 ms)
0
300
200
100
500
400
600
700
800
Figure 8: VCC or 3.3Vaux current consumption profile versus time during LTE connection (TX and RX continuously enabled)

TOBY-L2 and MPCI-L2 series - System Integration Manual
UBX-13004618 - R04 Advance Information System description
Page 25 of 141
1.5.1.5 VCC or 3.3Vaux current consumption in cyclic idle/active mode (power saving enabled)
The power saving configuration is by default disabled, but it can be enabled using the AT+UPSV command (see
the u-blox AT Commands Manual [3]). When power saving is enabled, the module automatically enters the low
power idle-mode whenever possible, reducing current consumption.
During low power idle-mode, the module processor runs with 32 kHz reference clock frequency.
When the power saving configuration is enabled and the module is registered or attached to a network, the
module automatically enters the low power idle-mode whenever possible, but it must periodically monitor the
paging channel of the current base station (paging block reception), in accordance to the 2G/3G/LTE system
requirements, even if connected-mode is not enabled by the application. When the module monitors the paging
channel, it wakes up to the active-mode, to enable the reception of paging block. In between, the module
switches to low power idle-mode. This is known as discontinuous reception (DRX).
The module processor core is activated during the paging block reception, and automatically switches its
reference clock frequency from 32 kHz to the 26 MHz used in active-mode.
The time period between two paging block receptions is defined by the network. This is the paging period
parameter, fixed by the base station through broadcast channel sent to all users on the same serving cell.
In case of 2G radio access technology, the paging period can vary from 470.76 ms (DRX = 2, length of 2 x 51 2G
frames = 2 x 51 x 4.615 ms) up to 2118.42 ms (DRX = 9, length of 9 x 51 2G frames = 9 x 51 x 4.615 ms).
In case of 3G radio access technology, the paging period can vary from 640 ms (DRX = 6, i.e. length of 26 3G
frames = 64 x 10 ms) up to 5120 ms (DRX = 9, length of 29 3G frames = 512 x 10 ms).
In case of LTE radio access technology, the paging period can vary from 320 ms (DRX = 5, length of 25 LTE
frames = 32 x 10 ms) up to 2560 ms (DRX = 8, length of 28 LTE frames = 256 x 10 ms).
Figure 9 illustrates a typical example of the module current consumption profile when power saving is enabled.
The module is registered with network, automatically enters the low power idle-mode and periodically wakes up
to active-mode to monitor the paging channel for the paging block reception. Detailed current consumption
values can be found in TOBY-L2 Data Sheet [1] and in MPCI-L2 Data Sheet [2].
~50 ms
IDLE MODE ACTIVE MODE IDLE MODE
Active Mode
Enabled
Idle Mode
Enabled
2G case: 0.44-2.09 s
3G case: 0.61-5.09 s
LTE case: 0.27-2.51 s
IDLE MODE
~50 ms
ACTIVE MODE
Time [s]
Current [mA]
Time [ms]
Current [mA]
RX
Enabled
0
100
0
100
Figure 9: VCC or 3.3Vaux current consumption profile with power saving enabled and module registered with the network:
the module is in idle-mode and periodically wakes up to active-mode to monitor the paging channel for paging block reception

TOBY-L2 and MPCI-L2 series - System Integration Manual
UBX-13004618 - R04 Advance Information System description
Page 26 of 141
1.5.1.6 VCC or 3.3Vaux current consumption in fixed active-mode (power saving disabled)
When power saving is disabled, the module does not automatically enter the low power idle-mode whenever
possible: the module remains in active-mode. Power saving configuration is by default disabled. It can also be
disabled using the AT+UPSV command (see u-blox AT Commands Manual [3] for detail usage).
The module processor core is activated during idle-mode, and the 26 MHz reference clock frequency is used. It
would draw more current during the paging period than that in the power saving mode.
Figure 10 illustrates a typical example of the module current consumption profile when power saving is disabled.
In such case, the module is registered with the network and while active-mode is maintained, the receiver is
periodically activated to monitor the paging channel for paging block reception.
ACTIVE MODE
2G case: 0.44-2.09 s
3G case: 0.61-5.09 s
LTE case: 0.32-2.56 s
Paging period
Time [s]
Current [mA]
Time [ms]
Current [mA]
RX
Enabled
0
100
0
100
Figure 10: VCC or 3.3Vaux current consumption profile with power saving disabled and module registered with the network:
active-mode is always held and the receiver is periodically activated to monitor the paging channel for paging block reception

TOBY-L2 and MPCI-L2 series - System Integration Manual
UBX-13004618 - R04 Advance Information System description
Page 27 of 141
1.5.2 RTC supply input/output (V_BCKP)
The RTC supply V_BCKP pin is not available on MPCI-L2 series modules.
The V_BCKP pin of TOBY-L2 series modules connects the supply for the Real Time Clock (RTC). A linear LDO
regulator integrated in the Power Management Unit internally generates this supply, as shown in Figure 11, with
low current capability (see the TOBY-L2 series Data Sheet [1]). The output of this regulator is always enabled
when the main module voltage supply applied to the VCC pins is within the valid operating range.
Baseband
Processor
70
VCC
71
VCC
72
VCC
3
V_BCKP
Linear
LDO
Power
Management
TOBY-L2 series
32 kHz
RTC
Figure 11: TOBY-L2 series RTC supply (V_BCKP) simplified block diagram
The RTC provides the module time reference (date and time) that is used to set the wake-up interval during the
low power idle-mode periods, and is able to make available the programmable alarm functions.
The RTC functions are available also in power-down mode when the V_BCKP voltage is within its valid range
(specified in the “Input characteristics of Supply/Power pins” table in TOBY-L2 series Data Sheet [1]). The RTC
can be supplied from an external back-up battery through the V_BCKP, when the main module voltage supply is
not applied to the VCC pins. This lets the time reference (date and time) run until the V_BCKP voltage is within
its valid range, even when the main supply is not provided to the module.
Consider that the module cannot switch on if a valid voltage is not present on VCC even when the RTC is
supplied through V_BCKP (meaning that VCC is mandatory to switch on the module).
The RTC has very low current consumption, but is highly temperature dependent. For example, V_BCKP current
consumption at the maximum operating temperature can be higher than the typical value at 25 °C specified in
the “Input characteristics of Supply/Power pins” table in the TOBY-L2 series Data Sheet [1].
If V_BCKP is left unconnected and the module main supply is not applied to the VCC pins, the RTC is supplied
from the bypass capacitor mounted inside the module. However, this capacitor is not able to provide a long
buffering time: within few milliseconds the voltage on V_BCKP will go below the valid range (1.4 V min). This
has no impact on cellular connectivity, as all the module functionalities do not rely on date and time setting.

TOBY-L2 and MPCI-L2 series - System Integration Manual
UBX-13004618 - R04 Advance Information System description
Page 28 of 141
1.5.3 Generic digital interfaces supply output (V_INT)
The generic digital interfaces supply V_INT pin is not available on MPCI-L2 series modules.
The V_INT output pin of the TOBY-L2 series modules is connected to an internal 1.8 V supply with current
capability specified in the TOBY-L2 series Data Sheet [1]. This supply is internally generated by a switching step-
down regulator integrated in the Power Management Unit and it is internally used to source the generic digital
I/O interfaces of the TOBY-L2 module, as described in Figure 12. The output of this regulator is enabled when
the module is switched on and it is disabled when the module is switched off.
Baseband
Processor
70
VCC
71
VCC
72
VCC
5
V_INT
Switching
Step-Down
Power
Management
TOBY-L2 series
Digital I/O
Figure 12: TOBY-L2 series generic digital interfaces supply output (V_INT) simplified block diagram
The switching regulator operates in Pulse Width Modulation (PWM) mode for greater efficiency at high output
loads and it automatically switches to Pulse Frequency Modulation (PFM) power save mode for greater efficiency
at low output loads. The V_INT output voltage ripple is specified in the TOBY-L2 series Data Sheet [1].

TOBY-L2 and MPCI-L2 series - System Integration Manual
UBX-13004618 - R04 Advance Information System description
Page 29 of 141
1.6 System function interfaces
1.6.1 Module power-on
The PWR_ON input pin is not available on MPCI-L2 series modules.
When the TOBY-L2 and MPCI-L2 series modules are in the not-powered mode (switched off, i.e. the VCC or
3.3Vaux module supply is not applied), they can be switched on as following:
Rising edge on the VCC or 3.3Vaux supply input to a valid voltage for module supply, so that the module
switches on applying a proper VCC or 3.3Vaux supply within the normal operating range.
Alternately, the RESET_N or PERST# pin can be held to the low level during the VCC or 3.3Vaux rising
edge, so that the module switches on releasing the RESET_N or PERST# pin when the VCC or 3.3Vaux
module supply voltage stabilizes at its proper nominal value within the normal operating range.
The status of the PWR_ON input pin of TOBY-L2 modules while applying the VCC module supply is not relevant:
during this phase the PWR_ON pin can be set high or low by the external circuit.
When the TOBY-L2 modules are in the power-off mode (i.e. switched off with valid VCC module supply applied),
they can be switched on as following:
Low level on the PWR_ON pin, which is normally set high by an internal pull-up, for a valid time period.
Low level on the RESET_N pin, which is normally set high by an internal pull-up, for a valid time period.
RTC alarm, i.e. pre-programmed alarm by AT+CALA command (see u-blox AT Commands Manual [3]).
As described in Figure 13, the TOBY-L2 series PWR_ON input is equipped with an internal active pull-up resistor
to the VCC module supply: the PWR_ON input voltage thresholds are different from the other generic digital
interfaces. Detailed electrical characteristics are described in TOBY-L2 series Data Sheet [1].
Baseband
Processor
20
PWR_ON
TOBY-L2 series
VCC
Power-on
Power
Management
Power-on
50k
Figure 13: TOBY-L2 series PWR_ON input description
For more pin information and electrical characteristics, see the TOBY-L2 Data Sheet [1] and MPCI-L2 Data
Sheet [2].

TOBY-L2 and MPCI-L2 series - System Integration Manual
UBX-13004618 - R04 Advance Information System description
Page 30 of 141
Figure 14 shows the module power-on sequence from the not-powered mode, describing the following phases:
The external supply is applied to the VCC or 3.3Vaux module supply inputs, representing the start-up event.
The PWR_ON and the RESET_N or PERST# pins suddenly rise to high logic level due to internal pull-ups.
The V_BCKP RTC supply output is suddenly enabled by the module as VCC reaches a valid voltage value.
All the generic digital pins of the module are tri-stated until the switch-on of their supply source (V_INT).
The internal reset signal is held low: the baseband core and all the digital pins are held in the reset state.
The reset state of all the digital pins is reported in the pin description table of TOBY-L2 Series Data Sheet [1].
When the internal reset signal is released, any digital pin is set in a proper sequence from the reset state to
the default operational configured state. The duration of this pins’ configuration phase differs within generic
digital interfaces and the USB interface due to host / device enumeration timings (see section 1.9.1).
The module is fully ready to operate after all interfaces are configured.
VCC or 3.3Vaux
V_BCKP
PWR_ON
RESET_N or PERST#
V_INT
Internal Reset
System State
BB Pads State
Internal Reset → Operational Operational
Tristate / Floating
Internal Reset
OFF
ON
0 ms
~10 ms
~20 s
Start of interface
configuration
Module interfaces
are configured
Start-up
event
~5 ms
Figure 14: TOBY-L2 and MPCI-L2 series power-on sequence description
The Internal Reset signal is not available on a module pin, but the host application can monitor:
The V_INT pin to sense the start of the TOBY-L2 module power-on sequence.
The USB interface to sense the start of the MPCI-L2 module power-on sequence: the module, as USB
device, informs the host of the attach event via a reply on its status change pipe for proper bus
enumeration process according to Universal Serial Bus Revision 2.0 specification [6].
Before the switch-on of the generic digital interface supply source (V_INT) of the module, no voltage
driven by an external application should be applied to any generic digital interface of TOBY-L2 module.
Before the TOBY-L2 and MPCI-L2 series module is fully ready to operate, the host application processor
should not send any AT command over the AT communication interfaces (USB, UART) of the module.

TOBY-L2 and MPCI-L2 series - System Integration Manual
UBX-13004618 - R04 Advance Information System description
Page 31 of 141
1.6.2 Module power-off
TOBY-L2 series can be properly switched off by:
AT+CPWROFF command (see u-blox AT Commands Manual [3]). The current parameter settings are saved in
the module’s non-volatile memory and a proper network detach is performed.
The MPCI-L2 series modules do not switch off by the AT+CPWROFF command as the TOBY-L2 modules,
but the AT+CPWROFF command causes a reset (reboot) of the module due to the MPCI-L2 module’s
internal configuration: the command stores the actual parameter settings in the non-volatile memory of
MPCI-L2 modules and performs a network detach, with a subsequent reset (reboot) of the module.
An abrupt under-voltage shutdown occurs on TOBY-L2 and MPCI-L2 series modules when the VCC or 3.3Vaux
module supply is removed. If this occurs, it is not possible to perform the storing of the current parameter
settings in the module’s non-volatile memory or to perform the proper network detach.
It is highly recommended to avoid an abrupt removal of the VCC supply during TOBY-L2 modules normal
operations: the power off procedure must be started by the AT+CPWROFF command, waiting the
command response for a proper time period (see u-blox AT Commands Manual [3]), and then a proper
VCC supply has to be held at least until the end of the modules’ internal power off sequence, which
occurs when the generic digital interfaces supply output (V_INT) is switched off by the module.
It is highly recommended to avoid an abrupt removal of the 3.3Vaux supply during MPCI-L2 modules
normal operations: the power off procedure must be started by setting the MPCI-L2 module in the halt
mode by the AT+CFUN=127 command (which stores the actual parameter settings in the non-volatile
memory of the module and performs a network detach), waiting the command response for a proper
time period (see the u-blox AT Commands Manual [3]), and then the 3.3Vaux supply can be removed.
An abrupt hardware shutdown occurs on TOBY-L2 series modules when a low level is applied on the RESET_N
pin for a specific time period. In this case, the current parameter settings are not saved in the module’s
non-volatile memory and a proper network detach is not performed.
It is highly recommended to avoid an abrupt hardware shutdown of the module by forcing a low level on
the RESET_N input pin during module normal operation: the RESET_N line should be set low only if reset
or shutdown via AT commands fails or if the module does not reply to a specific AT command after a time
period longer than the one defined in the u-blox AT Commands Manual [3].
An over-temperature or an under-temperature shutdown occurs on TOBY-L2 and MPCI-L2 series modules when
the temperature measured within the cellular module reaches the dangerous area, if the optional Smart
Temperature Supervisor feature is enabled and configured by the dedicated AT command. For more details see
u-blox AT Commands Manual [3], +USTS AT command.
The Smart Temperature Supervisor feature is not supported by the TOBY-L2x0-00S and MPCI-L2x0-00S
product versions.

TOBY-L2 and MPCI-L2 series - System Integration Manual
UBX-13004618 - R04 Advance Information System description
Page 32 of 141
Figure 15 describes the TOBY-L2 power-off sequence by means of AT+CPWROFF with the following phases:
When the +CPWROFF AT command is sent, the module starts the switch-off routine.
The module replies OK on the AT interface: the switch-off routine is in progress.
At the end of the switch-off routine, all the digital pins are tri-stated and all the internal voltage regulators
are turned off, including the generic digital interfaces supply (V_INT), except the RTC supply (V_BCKP).
Then, the module remains in power-off mode as long as a switch on event does not occur (e.g. applying a
proper low level to the PWR_ON input, or applying a proper low level to the RESET_N input), and enters
not-powered mode if the supply is removed from the VCC pins.
VCC
V_BCKP
PWR_ON
RESET_N
V_INT
Internal Reset
System State
BB Pads State Operational
OFF
Tristate / Floating
ON
Operational → Tristate
AT+CPWROFF
sent to the module
0 s
~2.5 s
~5 s
OK
replied by the module
VCC
can be removed
Figure 15: TOBY-L2 series power-off sequence description
The Internal Reset signal is not available on a module pin, but the application can monitor the V_INT pin
to sense the end of the power-off sequence.
Figure 16 describes the MPCI-L2 power-off procedure with the following phases:
When the AT+CFUN=127 command is issued, the module starts the halt mode setting routine.
The module replies OK on the AT interface: after this, the module is set in the halt mode.
Then, the module remains in the Halt mode and enters not-powered mode if the supply is removed from the
3.3Vaux pins.
3.3Vaux
PERST#
Internal Reset
System State
BB Pads State
OFF
ON
Tristate / Floating
Operational
AT+CFUN=127
sent to the module
0 s
~2.5 s
~5 s
OK
replied by the module
3.3Vaux
can be removed
Figure 16: MPCI-L2 series power-off procedure description
The duration of each phase in the TOBY-L2 and MPCI-L2 series modules’ switch-off routines can largely
vary depending on the application / network settings and the concurrent module activities.

TOBY-L2 and MPCI-L2 series - System Integration Manual
UBX-13004618 - R04 Advance Information System description
Page 33 of 141
1.6.3 Module reset
TOBY-L2 and MPCI-L2 series modules can be properly reset (rebooted) by:
AT+CFUN command (see u-blox AT Commands Manual [3]).
MPCI-L2 series modules can be additionally properly reset (rebooted) by:
AT+CPWROFF command (see u-blox AT Commands Manual [3]): the behavior differs than TOBY-L2 series, as
MPCI-L2 modules will reboot rather than remain switched off due to modules’ internal configuration.
In the cases listed above an “internal” or “software” reset of the module is executed: the current parameter
settings are saved in the module’s non-volatile memory and a proper network detach is performed.
An abrupt hardware reset occurs on TOBY-L2 and MPCI-L2 series modules when a low level is applied on the
RESET_N or PERST# input pin for a specific time period. In this case, the current parameter settings are not
saved in the module’s non-volatile memory and a proper network detach is not performed.
It is highly recommended to avoid an abrupt hardware reset of the module by forcing a low level on the
RESET_N or PERST# input during modules normal operation: the RESET_N or PERST# line should be set
low only if reset or shutdown via AT commands fails or if the module does not provide a reply to a specific
AT command after a time period longer than the one defined in the u-blox AT Commands Manual [3].
As described in Figure 17, the RESET_N and PERST# input pins are equipped with an internal pull-up to the
VCC supply in the TOBY-L2 series and to the 3.3 V in the MPCI-L2 series.
Baseband
Processor
23
RESET_N
TOBY-L2 series
VCC
Reset
Power
Management
Reset
50k
Baseband
Processor
22
PERST#
MPCI-L2 series
Reset
Power
Management
Reset
45k
3.3 V
Figure 17: TOBY-L2 and MPCI-L2 series RESET_N and PERST# input equivalent circuit description
For more electrical characteristics details see TOBY-L2 Data Sheet [1] and MPCI-L2 Data Sheet [2].
1.6.4 Module configuration selection by host processor
The HOST_SELECT0 and HOST_SELECT1 pins are not available on MPCI-L2 series modules.
The functionality of the HOST_SELECT0 and HOST_SELECT1 pins is not supported by TOBY-L2x0-00S.
TOBY-L2 series modules include two input pins (HOST_SELECT0 and HOST_SELECT1) for the selection of the
module configuration by the host application processor.

TOBY-L2 and MPCI-L2 series - System Integration Manual
UBX-13004618 - R04 Advance Information System description
Page 34 of 141
1.7 Antenna interface
1.7.1 Antenna RF interfaces (ANT1 / ANT2)
TOBY-L2 and MPCI-L2 series modules provide two RF interfaces for connecting the external antennas:
The ANT1 represents the primary RF input/output for transmission and reception of LTE/3G/2G RF signals.
The ANT1 pin of TOBY-L2 series modules has a nominal characteristic impedance of 50 and must be
connected to the primary Tx / Rx antenna through a 50 transmission line to allow proper RF transmission
and reception.
The ANT1 Hirose U.FL-R-SMT coaxial connector receptacle of MPCI-L2 series modules has a nominal
characteristic impedance of 50 and must be connected to the primary Tx / Rx antenna through a mated RF
plug with a 50 coaxial cable assembly to allow proper RF transmission and reception.
The ANT2 represents the secondary RF input for the reception of the LTE RF signals for the Down-Link
MIMO 2 x 2 radio technology supported by TOBY-L2 and MPCI-L2 series modules as required feature for LTE
category 4 UEs, and for the reception of the 3G RF signals for the Down-Link Rx diversity radio technology
supported by TOBY-L2 and MPCI-L2 series modules as additional feature for 3G DC-HSDPA category 24 UEs.
The ANT2 pin of TOBY-L2 series modules has a nominal characteristic impedance of 50 and must be
connected to the secondary Rx antenna through a 50 transmission line to allow proper RF reception.
The ANT2 Hirose U.FL-R-SMT coaxial connector receptacle of MPCI-L2 series modules has a nominal
characteristic impedance of 50 and must be connected to the secondary Rx antenna through a mated RF
plug with a 50 coaxial cable assembly to allow proper RF reception.
The Multiple Input Multiple Output (MIMO) radio technology is an essential component of LTE radio systems
based on the use of multiple antennas at both the transmitter and receiver sides to improve communication
performance and achieve highest possible bit rate. A MIMO m x n system consists of m transmit and n receive
antennas, where the data to be transmitted is divided into m independent data streams. Note that the terms
Input and Output refer to the radio channel carrying the signal, not to the devices having antennas, so that in
the Down-Link MIMO 2 x 2 system supported by TOBY-L2 and MPCI-L2 series modules:
The LTE data stream is divided into 2 independent streams by the Tx-antennas of the base station
The cellular modules, at the receiver side, receives both LTE data streams by 2 Rx-antennas (ANT1 / ANT2)
Base Station
Tx-1
Antenna
Tx-2
Antenna
TOBY-L2 series
MPCI-L2 series
ANT1
Rx-1
Antenna
ANT2
Rx-2
Antenna
Data Stream 1
Data Stream 2
Figure 18: Description of the LTE Down-Link MIMO 2 x 2 radio technology supported by TOBY-L2 and MPCI-L2 series modules
TOBY-L2 and MPCI-L2 series modules support the LTE MIMO 2 x 2 radio technology in the Down-Link path only
(from the base station to the module): the ANT1 port is the only one RF interface that is used by the module to
transmit the RF signal in the Up-Link path (from the module to the base station).

TOBY-L2 and MPCI-L2 series - System Integration Manual
UBX-13004618 - R04 Advance Information System description
Page 35 of 141
1.7.1.1 Antenna RF interfaces requirements
Table 8, Table 9 and Table 10 summarize the requirements for the antennas RF interfaces (ANT1 / ANT2). See
section 2.4.1 for suggestions to properly design antennas circuits compliant with these requirements.
The antenna circuits affect the RF compliance of the device integrating TOBY-L2 and MPCI-L2
series modules with applicable required certification schemes (for more details see section 4).
Compliance is guaranteed if the antenna RF interfaces (ANT1 / ANT2) requirements summarized
in Table 8, Table 9 and Table 10 are fulfilled.
Item
Requirements
Remarks
Impedance
50 nominal characteristic impedance
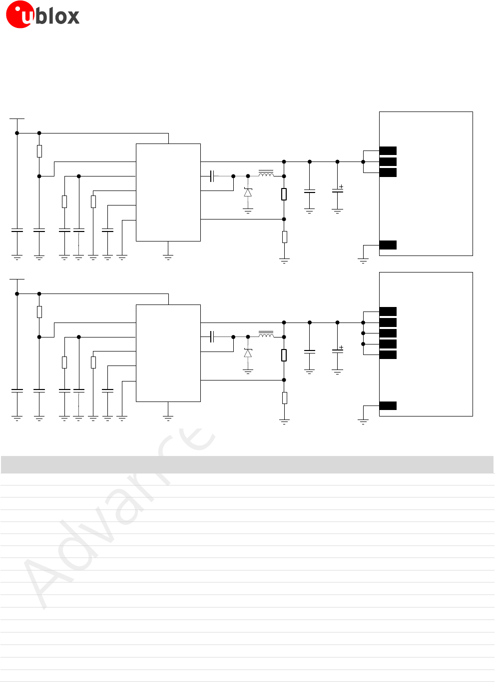
The impedance of the antenna RF connection must
match the 50 impedance of the ANT1 port.
Frequency Range
See the TOBY-L2 series Data Sheet [1] and the
MPCI-L2 series Data Sheet [2]
The required frequency range of the antenna connected
to ANT1 port depends on the operating bands of the
used cellular module and the used mobile network.
Return Loss
S11 < -10 dB (VSWR < 2:1) recommended
S11 < -6 dB (VSWR < 3:1) acceptable
The Return loss or the S11, as the VSWR, refers to the
amount of reflected power, measuring how well the
primary antenna RF connection matches the 50
characteristic impedance of the ANT1 port.
The impedance of the antenna termination must match
as much as possible the 50 nominal impedance of the
ANT1 port over the operating frequency range, reducing
as much as possible the amount of reflected power.
Efficiency
> -1.5 dB ( > 70% ) recommended
> -3.0 dB ( > 50% ) acceptable
The radiation efficiency is the ratio of the radiated power
to the power delivered to antenna input: the efficiency is
a measure of how well an antenna receives or transmits.
The radiation efficiency of the antenna connected to the
ANT1 port needs to be enough high over the operating
frequency range to comply with the Over-The-Air (OTA)
radiated performance requirements, as Total Radiated
Power (TRP) and the Total Isotropic Sensitivity (TIS),
specified by applicable related certification schemes.
Maximum Gain
According to radiation exposure limits
The power gain of an antenna is the radiation efficiency
multiplied by the directivity: the gain describes how
much power is transmitted in the direction of peak
radiation to that of an isotropic source.
The maximum gain of the antenna connected to ANT1
port must not exceed the herein stated value to comply
with regulatory agencies radiation exposure limits.
For additional info see the section 4.2.2.
Input Power
> 33 dBm ( > 2 W )
The antenna connected to the ANT1 port must support
with adequate margin the maximum power transmitted
by the modules.
Table 8: Summary of primary Tx/Rx antenna RF interface (ANT1) requirements

TOBY-L2 and MPCI-L2 series - System Integration Manual
UBX-13004618 - R04 Advance Information System description
Page 36 of 141
Item
Requirements
Remarks
Impedance
50 nominal characteristic impedance
The impedance of the antenna RF connection must
match the 50 impedance of the ANT2 port.
Frequency Range
See the TOBY-L2 series Data Sheet [1] and the
MPCI-L2 series Data Sheet [2]
The required frequency range of the antennas connected
to ANT2 port depends on the operating bands of the
used cellular module and the used Mobile Network.
Return Loss
S11 < -10 dB (VSWR < 2:1) recommended
S11 < -6 dB (VSWR < 3:1) acceptable
The Return loss or the S11, as the VSWR, refers to the
amount of reflected power, measuring how well the
secondary antenna RF connection matches the 50
characteristic impedance of the ANT2 port.
The impedance of the antenna termination must match
as much as possible the 50 nominal impedance of the
ANT2 port over the operating frequency range, reducing
as much as possible the amount of reflected power.
Efficiency
> -1.5 dB ( > 70% ) recommended
> -3.0 dB ( > 50% ) acceptable
The radiation efficiency is the ratio of the radiated power
to the power delivered to antenna input: the efficiency is
a measure of how well an antenna receives or transmits.
The radiation efficiency of the antenna connected to the
ANT2 port needs to be enough high over the operating
frequency range to comply with the Over-The-Air (OTA)
radiated performance requirements, as the TIS, specified
by applicable related certification schemes.
Table 9: Summary of secondary Rx antenna RF interface (ANT2) requirements
Item
Requirements
Remarks
Efficiency imbalance
< 0.5 dB recommended
< 1.0 dB acceptable
The radiation efficiency imbalance is the ratio of the
primary (ANT1) antenna efficiency to the secondary
(ANT2) antenna efficiency: the efficiency imbalance is a
measure of how much better an antenna receives or
transmits compared to the other antenna.
The radiation efficiency of the secondary antenna needs
to be roughly the same of the radiation efficiency of the
primary antenna for good RF performance.
Envelope Correlation
Coefficient
< 0.4 recommended
< 0.5 acceptable
The Envelope Correlation Coefficient (ECC) between the
primary (ANT1) and the secondary (ANT2) antenna is an
indicator of 3D radiation pattern similarity between the
two antennas: low ECC results from antenna patterns
with radiation lobes in different directions.
The ECC between primary and secondary antenna needs
to be enough low to comply with radiated performance
requirements specified by related certification schemes.
Isolation
> 15 dB recommended
> 10 dB acceptable
The antenna to antenna isolation is the loss between the
primary (ANT1) and the secondary (ANT2) antenna: high
isolation results from low coupled antennas.
The isolation between primary and secondary antenna
needs to be high for good RF performance.
Table 10: Summary of primary (ANT1) and secondary (ANT2) antennas relationship requirements

TOBY-L2 and MPCI-L2 series - System Integration Manual
UBX-13004618 - R04 Advance Information System description
Page 37 of 141
1.7.2 Antenna detection interface (ANT_DET)
Antenna detection interface (ANT_DET) is not available on MPCI-L2 series modules.
Antenna detection interface (ANT_DET) is not supported by the TOBY-L2x0-00S product version.
The antenna detection is based on ADC measurement. The ANT_DET pin is an Analog to Digital Converter
(ADC) provided to sense the antenna presence.
The antenna detection function provided by ANT_DET pin is an optional feature that can be implemented if the
application requires it. The antenna detection is forced by the +UANTR AT command. See the u-blox AT
Commands Manual [3] for more details on this feature.
The ANT_DET pin generates a DC current (for detailed characteristics see the TOBY-L2 series Data Sheet [1]) and
measures the resulting DC voltage, thus determining the resistance from the antenna connector provided on the
application board to GND. So, the requirements to achieve antenna detection functionality are the following:
an RF antenna assembly with a built-in resistor (diagnostic circuit) must be used
an antenna detection circuit must be implemented on the application board
See section 2.4.2 for antenna detection circuit on application board and diagnostic circuit on antenna assembly
design-in guidelines.
1.8 SIM interface
1.8.1 SIM interface
TOBY-L2 and MPCI-L2 series modules provide high-speed SIM/ME interface including automatic detection and
configuration of the voltage required by the connected SIM card or chip.
Both 1.8 V and 3 V SIM types are supported. Activation and deactivation with automatic voltage switch from
1.8 V to 3 V are implemented, according to ISO-IEC 7816-3 specifications. The VSIM or UIM_PWR supply
output provides internal short circuit protection to limit start-up current and protect the SIM to short circuits.
The SIM driver supports the PPS (Protocol and Parameter Selection) procedure for baud-rate selection, according
to the values determined by the SIM card or chip.
1.8.2 SIM detection interface
SIM detection interface (GPIO5) is not available on MPCI-L2 series modules.
SIM detection interface (GPIO5) is not supported by the TOBY-L2x0-00S product version.
The GPIO5 pin is by default configured to detect the SIM card mechanical / physical presence. The pin is
configured as input with an internal active pull-down enabled, and it can sense SIM card presence only if
properly connected to the mechanical switch of a SIM card holder as described in section 2.5:
Low logic level at GPIO5 input pin is recognized as SIM card not present
High logic level at GPIO5 input pin is recognized as SIM card present
The SIM card detection function provided by GPIO5 pin is an optional feature that can be implemented / used or
not according to the application requirements: an Unsolicited Result Code (URC) is generated each time that
there is a change of status (for more details see the u-blox AT Commands Manual [3]).
The optional function “SIM card hot insertion/removal” can be additionally enabled on the GPIO5 pin by specific
AT command (see the u-blox AT Commands Manual [3]).

TOBY-L2 and MPCI-L2 series - System Integration Manual
UBX-13004618 - R04 Advance Information System description
Page 38 of 141
1.9 Data communication interfaces
TOBY-L2 and MPCI-L2 series modules provide the following serial communication interface:
USB interface: High-Speed USB 2.0 compliant interface available for the communication with an external
host application processor, for AT commands, data communication, FW upgrade by means of the FOAT
feature, FW upgrade by means of the u-blox EasyFlash tool and for diagnostic purpose (see section 1.9.1 for
functional description)
TOBY-L2 series modules additionally provide the following serial communication interfaces:
UART interface: asynchronous serial interface available for the communication with an external host
application processor, for AT commands, data communication, FW upgrade by means of the FOAT feature
(see section 1.9.2 for functional description)
DDC interface: I2C bus compatible interface available for the communication with u-blox GNSS positioning
chips/modules and with external I2C devices as an audio codec (see section 1.9.3 for functional description)
SDIO interface: Secure Digital Input Output interface available for the communication with an external Wi-Fi
chip or module (see section 1.9.4 for functional description)
1.9.1 Universal Serial Bus (USB)
1.9.1.1 USB features
TOBY-L2 and MPCI-L2 series modules include a High-Speed USB 2.0 compliant interface with maximum data
rate of 480 Mb/s, representing the main interface for transferring high speed data with a host application
processor: the USB interface is available for AT commands, data communication, FW upgrade by means of the
FOAT feature, FW upgrade by means of the u-blox EasyFlash tool and for diagnostic purpose.The module itself
acts as a USB device and can be connected to a USB host such as a Personal Computer or an embedded
application microprocessor equipped with compatible drivers.
The USB_D+ / USB_D- lines carry the USB serial bus data and signaling, providing all the functionalities for the
bus attachment, configuration, enumeration, suspension or remote wakeup according to the Universal Serial Bus
Revision 2.0 specification [6]
The additional VUSB_DET input pin is available on TOBY-L2 series modules as optional feature to sense the USB
VBUS supply (5.0 V typical) from the host, providing the complete bus detach functionality for further reduction
of the module current consumption in particular during low-power idle mode with power saving enabled:
TOBY-L2 series modules disable the USB interface when a low logic level is sensed after a high-to-low logic level
transition on the VUSB_DET input pin, reducing the current consumption.
The VUSB_DET pin is not available on MPCI-L2 series modules.
The USB interface is controlled and operated with:
AT commands according to 3GPP TS 27.007 [8], 3GPP TS 27.005 [9], 3GPP TS 27.010 [10]
u-blox AT commands
For the complete list of supported AT commands and their syntax see u-blox AT Commands Manual [3].

TOBY-L2 and MPCI-L2 series - System Integration Manual
UBX-13004618 - R04 Advance Information System description
Page 39 of 141
TOBY-L2 and MPCI-L2 modules provide by default the following USB profile with the listed set of USB functions:
1 RNDIS for Ethernet-over-USB connection
1 CDC-ACM for AT commands and data communication
The USB profile of TOBY-L2 and MPCI-L2 modules identifies itself by its VID (Vendor ID) and PID (Product ID)
combination, included in the USB device descriptor according to the USB 2.0 specifications [6].
The VID and PID of the default USB profile configuration with the set of functions described above (1 RNDIS for
Ethernet-over-USB and 1 CDC-ACM for AT commands and data) are the following:
VID = 0x1546
PID = 0x1146
Figure 19 summarizes the USB end-points available with the default USB profile configuration.
Default profile configuration
Interface 0 Wireless Controller –Remote NDIS
Interface 1 Communication Data
EndPoint Transfer: Interrupt
EndPoint Transfer: Bulk
EndPoint Transfer: Bulk
Interface 2 Communication Control –AT commands
EndPoint Transfer: Interrupt
Interface 3 Communication Data
EndPoint Transfer: Bulk
EndPoint Transfer: Bulk
Function RNDIS
Function CDC Serial
Figure 19: TOBY-L2 and MPCI-L2 series USB End-Points summary for the default USB profile configuration
The USB of the modules can be configured by the AT+UUSBCONF command (for more details see the u-blox AT
Commands Manual [3]) to select different sets of USB functions available in mutually exclusive way, selecting the
active USB profile consisting of a specific set of functions with various capabilities and purposes, such as:
CDC-ACM for AT commands and data
CDC-ACM for GNSS tunneling
CDC-ACM for SIM Access Profile (SAP)
CDC-ACM for diagnostic
RNDIS for Ethernet-over-USB
CDC-ECM for Ethernet-over-USB
CDC-NCM for Ethernet-over-USB
MBIM for Ethernet-over-USB
CDC-ACM for GNSS tunneling, CDC-ACM for SIM Access Profile (SAP), and CDC-NCM and MBIM
functions are not supported by the TOBY-L2x0-00S and MPCI-L2x0-00S product versions.

TOBY-L2 and MPCI-L2 series - System Integration Manual
UBX-13004618 - R04 Advance Information System description
Page 40 of 141
For example, the default USB profile configuration which provides 2 functions (1 RNDIS for Ethernet-over-USB
and 1 CDC-ACM for AT commands and data) can be changed by means of the AT+UUSBCONF command
switching to a USB profile configuration which provides the following 6 functions:
3 CDC-ACM for AT commands and data
1 CDC-ACM for GNSS tunneling
1 CDC-ACM for SIM Access Profile (SAP)
1 CDC-ACM for diagnostic
As each USB profile of TOBY-L2 and MPCI-L2 modules identifies itself by its specific VID and PID combination
included in the USB device descriptor according to the USB 2.0 specifications [6], the VID and PID combination
changes as following by switching the active USB profile configuration to the set of 6 functions described above:
VID = 0x1546
PID = 0x1141
Alternatively, as another example, the USB profile configuration can be changed by means of the
AT+UUSBCONF command switching to a USB profile configuration which provides the following 4 functions:
1 CDC-ECM for Ethernet-over-USB
3 CDC-ACM for AT commands and data
In case of this USB profile with the set of 4 functions described above, the VID and PID are the following:
VID = 0x1546
PID = 0x1143
The switch of the active USB profile selected by the AT+UUSBCONF command is not performed immediately.
The settings are saved in the non-volatile memory of the module at the power off, and the new configuration is
effective at the subsequent reboot of the module.
If the USB is connected to the host before the module is switched on, or if the module is reset (rebooted) with
the USB connected to the host, the VID and PID are automatically updated during the boot of the module. First,
VID and PID are the following:
VID = 0x1546
PID = 0x1140
This VID and PID combination identifies a USB profile where no USB function described above is available: AT
commands must not be sent to the module over the USB profile identified by this VID and PID combination.
Then, after a time period (roughly 20 s, depending on the host / device enumeration timings), the VID and PID
are updated to the ones related to the USB profile selected by the AT+UUSBCONF command.
For more details regarding the TOBY-L2 and MPCI-L2 series modules USB configurations and capabilities,
see the u-blox AT Commands Manual [3], +UUSBCONF AT command.

TOBY-L2 and MPCI-L2 series - System Integration Manual
UBX-13004618 - R04 Advance Information System description
Page 41 of 141
1.9.1.2 USB in Windows
The USB drivers (INF files) are provided for Windows systems and should be installed properly by following the
step-by-step instruction in EVK-L20 / EVK-L21 User Guide [4].
USB drivers are available for the following operating system platforms:
Windows Vista
Windows 7
Windows 8
Windows 8.1
Windows Embedded Compact 7
The module firmware can be upgraded over the USB interface by means of the FOAT feature, or using the u-blox
EasyFlash tool (for more details see Firmware Update Application Note [4]).
1.9.1.3 USB in Linux/Android
It is not required to install a specific driver for each Linux-based or Android-based operating system (OS) to use
the module USB interface, which is compatible with standard Linux/Android USB kernel drivers.
The full capability and configuration of the module USB interface can be reported by running ‘lsusb –v’ or an
equivalent command available in the host operating system when the module is connected.
1.9.1.4 USB and power saving
If power saving is enabled by the AT+UPSV command, the modules automatically enter the USB suspended state
when the device has observed no bus traffic for a specific time period according to the USB 2.0 specification [6].
In suspended state, the module maintains any USB internal status as device. In addition, the module enters the
suspended state when the hub port it is attached to is disabled. This is referred to as USB selective suspend.
The module exits suspend mode when there is bus activity. If the USB is connected and not suspended, the
module is forced to stay in active-mode, therefore the AT+UPSV settings are overruled but they have effect on
the power saving configuration of the other interfaces.
The modules are capable of USB remote wake-up signaling: i.e. it may request the host to exit suspend mode or
selective suspend by using electrical signaling to indicate remote wake-up. This notifies the host that it should
resume from its suspended mode, if necessary, and service the external event. Remote wake-up is accomplished
using electrical signaling described in the USB 2.0 specifications [6].
For the module current consumption description with power saving enabled and USB suspended, or with power
saving disabled and USB not suspended, see the sections 1.5.1.5, 1.5.1.6 and the TOBY-L2 Data Sheet [1] or the
MPCI-L2 Data Sheet [2].
The additional VUSB_DET input pin available on TOBY-L2 series modules provides the complete bus detach
functionality: the modules disable the USB interface when a low logic level is sensed after a high-to-low logic
level transition on the VUSB_DET input pin. This allows a further reduction of the module current consumption,
in particular as compared to the USB suspended status during low-power idle mode with power saving enabled.

TOBY-L2 and MPCI-L2 series - System Integration Manual
UBX-13004618 - R04 Advance Information System description
Page 42 of 141
1.9.2 Asynchronous serial interface (UART)
The UART interface is not available on MPCI-L2 series modules.
The UART interface is not supported by the TOBY-L2x0-00S product version.
1.9.2.1 UART features
The UART interface is a 9-wire 1.8 V unbalanced asynchronous serial interface (UART) that can be connected to
an application host processor for AT commands and data communication.
The module firmware can be upgraded over the UART interface by means of the Firmware upgrade over AT
(FOAT) feature only: for more details see section 1.15 and Firmware update application note [4].
UART interface provides RS-232 functionality conforming to the ITU-T V.24 Recommendation (more details
available in ITU Recommendation [7]), with CMOS compatible signal levels: 0 V for low data bit or ON state, and
1.8 V for high data bit or OFF state. For detailed electrical characteristics see TOBY-L2 Data Sheet [1].
TOBY-L2 modules are designed to operate as LTE/3G/2G cellular modems, i.e. the data circuit-terminating
equipment (DCE) is according to the ITU-T V.24 Recommendation [7]. A customer application processor
connected to the module through the UART interface represents the data terminal equipment (DTE).
The signal names of the UART interface of the TOBY-L2 series modules conform to the ITU-T V.24
Recommendation [7]: e.g. TXD line represents the data transmitted by the DTE (application processor data
output) and received by the DCE (module data input).
The UART interface is controlled and operated with:
AT commands according to 3GPP TS 27.007 [8], 3GPP TS 27.005 [9], 3GPP TS 27.010 [10]
u-blox AT commands
For the complete list of supported AT commands and their syntax see u-blox AT Commands Manual [3].
1.9.2.2 UART interface configuration
The UART interface of TOBY-L2 series modules is configured as described in Table 11 (for information about
further settings, see the u-blox AT Commands Manual [3]).
Interface
AT Settings
Comments
UART interface
AT interface: enabled
AT command interface is enabled by default on the UART physical interface
MUX protocol: disabled
Multiplexing mode is disabled by default and it can be enabled by AT+CMUX command.
For more details, see the Mux Implementation Application Note [11].
The following virtual channels are defined:
Channel 0: Control channel
Channel 1 – 5: AT commands / data connection
Channel 6: GNSS tunneling
Channel 7: SIM Access Profile
Table 11: Default UART interface configuration

TOBY-L2 and MPCI-L2 series - System Integration Manual
UBX-13004618 - R04 Advance Information System description
Page 43 of 141
1.9.2.3 UART signals behavior
At the module switch-on, before the UART interface initialization (as described in the power-on sequence
reported in Figure 14), each pin is first tri-stated and then is set to its relative internal reset state. At the end of
the boot sequence, the UART interface is initialized, the module is by default in active-mode, and the UART
interface is enabled.
1.9.2.4 UART and power-saving
The power saving configuration is controlled by the AT+UPSV command (for the complete description, see the
u-blox AT Commands Manual [3]). When power saving is enabled, the module automatically enters low power
idle-mode whenever possible, and otherwise the active-mode is maintained by the module (see section 1.4 for
definition and description of module operating modes referred to in this section).
The AT+UPSV command configures both the module power saving and also the UART behavior in relation to the
power saving. The conditions for the module entering low power idle-mode also depend on the UART power
saving configuration, as the module does not enter the low power idle-mode according to any required activity
related to the network (within or outside an active call) or any other required concurrent activity related to the
functions and interfaces of the module, including the UART interface.
1.9.2.5 UART multiplexer protocol
TOBY-L2 series modules have a software layer with multiplexer functionality as per 3GPP TS 27.010 Multiplexer
Protocol [10], available on the UART physical link.
This is a data link protocol (layer 2 of OSI model) which uses HDLC-like framing and operates between the
module (DCE) and the application processor (DTE) and allows a number of simultaneous sessions over the used
physical link (the UART interface): the user can concurrently use AT command interface on one MUX channel
and data communication on another multiplexer channel.
The following virtual channels are defined:
Channel 0: control channel
Channel 1 – 5: AT commands / data connection
Channel 6: GNSS tunneling
Channel 7: SIM Access Profile
For more details, see Mux implementation Application Note [11].

TOBY-L2 and MPCI-L2 series - System Integration Manual
UBX-13004618 - R04 Advance Information System description
Page 44 of 141
1.9.3 DDC (I2C) interface
The I2C bus compatible Display Data Channel interface is not available on the MPCI-L2 series modules, as
AssistNow embedded GNSS positioning aiding, CellLocate® positioning through cellular information and
custom functions over GPIOs for the integration with u-blox positioning chips / modules.
The I2C bus compatible Display Data Channel interface is not supported by the TOBY-L2x0-00S product
version, as AssistNow embedded GNSS positioning aiding, CellLocate® positioning through cellular
information and custom functions over GPIOs for the integration with u-blox positioning chips / modules.
The SDA and SCL pins of TOBY-L2 series modules represent an I2C bus compatible Display Data Channel (DDC)
interface for the communication with u-blox GNSS receivers and with other external I2C devices as audio codecs:
an I2C master can communicate with more I2C slaves in accordance to the I2C bus specifications [12].
The DDC (I2C) interface is the only one interface dedicated for communication between u-blox cellular module
and u-blox positioning receivers. The AT commands interface is not available on the DDC (I2C) interface.
The DDC (I2C) interface pads of the module, serial data (SDA) and serial clock (SCL), are open drain output and
external pull up resistors must be used conforming to the I2C bus specifications [12].
u-blox has implemented special features in the cellular modules to ease the design effort for the integration of a
u-blox cellular module with a u-blox GNSS receiver (details in GNSS Implementation Application Note [13]).
Combining a u-blox cellular module with a u-blox GNSS receiver allows designers to full access the GNSS receiver
directly via the cellular module: it relays control messages to the GNSS receiver via a dedicated DDC (I2C)
interface. A 2nd interface connected to the GNSS receiver is not necessary: AT commands via the AT interfaces of
the cellular module (UART, USB) allows a full control of the GNSS receiver from any host processor.
u-blox cellular modules feature embedded GNSS aiding that is a set of specific features developed by u-blox to
enhance GNSS performance, decreasing Time To First Fix (TTFF), thus allowing to calculate the position in a
shorter time with higher accuracy.
Additional custom functions over GPIO pins are designed to improve the integration with u-blox GNSS receivers:
GNSS receiver power-on/off: “GNSS supply enable” function over the GPIO2 pin improves the positioning
receiver power consumption. When the GNSS functionality is not required, the positioning receiver can be
completely switched off by the cellular module controlled by the application processor over AT commands
The wake up from idle-mode when the GNSS receiver is ready to send data: “GNSS data ready” function
over the GPIO3 pin improves the cellular module power consumption. When power saving is enabled in the
cellular module by the AT+UPSV command and the GNSS receiver does not send data by the DDC (I2C)
interface, the module automatically enters idle-mode whenever possible. With the “GNSS data ready”
function the GNSS receiver can indicate to the cellular module that it is ready to send data: the positioning
receiver can wake up the cellular module to avoid data loss even if power saving is enabled.
The RTC synchronization signal to the GNSS receiver: “GNSS RTC sharing” function over the GPIO4 pin
improves GNSS receiver performance, decreasing the Time To First Fix (TTFF), and thus allowing to calculate
the position in a shorter time with higher accuracy. When GNSS local aiding is enabled, the cellular module
automatically uploads data such as position, time, ephemeris, almanac, health and ionospheric parameter
from the positioning receiver into its local memory, and restores this to the GNSS receiver at the next power
up of the positioning receiver

TOBY-L2 and MPCI-L2 series - System Integration Manual
UBX-13004618 - R04 Advance Information System description
Page 45 of 141
1.9.4 Secure Digital Input Output interface (SDIO)
Secure Digital Input Output interface is not available on MPCI-L2 series modules.
Secure Digital Input Output interface is not supported by the TOBY-L2x0-00S product version.
TOBY-L2 series modules include a 4-bit Secure Digital Input Output interface (SDIO_D0, SDIO_D1, SDIO_D2,
SDIO_D3, SDIO_CLK, SDIO_CMD) designed to communicate with an external Wi-Fi chip.
1.10 Audio
1.10.1 Digital audio over I2S interface
Digital audio over I2S interface is not available on MPCI-L2 series modules.
Digital audio over I2S interface is not supported by the TOBY-L2x0-00S product version.
TOBY-L2 series modules include a 4-wire I2S digital audio interface (I2S_TXD, I2S_RXD, I2S_CLK, I2S_WA) that
can be configured by AT command to transfer digital audio data with an external device as an audio codec (for
more details see u-blox AT Commands Manual [3]).

TOBY-L2 and MPCI-L2 series - System Integration Manual
UBX-13004618 - R04 Advance Information System description
Page 46 of 141
1.11 General Purpose Input/Output
General Purpose Input / Output pins are not supported by the TOBY-L2x0-00S product version except for
the Wireless Wide Area Network status indication configured on the GPIO1 pin.
General Purpose Input / Output pins are not available on MPCI-L2 series modules.
TOBY-L2 series modules include 14 pins (GPIO1-GPIO6, I2S_TXD, I2S_RXD, I2S_CLK, I2S_WA, DTR, DSR,
DCD, RI) that can be configured as General Purpose Input/Output or to provide custom functions via u-blox AT
commands (see the u-blox AT Commands Manual [3]), as summarized in Table 12.
Function
Description
Default GPIO
Configurable GPIOs
Network status
indication
Network status: registered home network, registered
roaming, data transmission, no service
GPIO1
GPIO1
GNSS supply enable
Enable/disable the supply of u-blox GNSS receiver
connected to cellular module
GPIO2
GPIO2
GNSS data ready
Sense when u-blox GNSS receiver connected to the module
is ready for sending data by the DDC (I2C)
GPIO3
GPIO3
GNSS RTC sharing
Real Time Clock synchronization signal to u-blox GNSS
receiver connected to cellular module
GPIO4
GPIO4
SIM card detection
SIM card physical presence detection
GPIO5
GPIO5
SIM card hot
insertion/removal
SIM card hot insertion/removal
--
GPIO5
I2S digital audio interface
I2S digital audio interface
I2S_RXD, I2S_TXD,
I2S_CLK, I2S_WA
I2S_RXD, I2S_TXD,
I2S_CLK, I2S_WA
26 MHz clock output
26 MHz clock output for an external audio codec or an
external Wi-Fi chip/module
GPIO6
GPIO6
Wi-Fi enable
Enable/disable the supply of the external Wi-Fi chip or
module connected to the cellular module
--
GPIO1, GPIO4, DSR
Wi-Fi data ready
Sense when the external Wi-Fi chip/module connected to
the cellular module is ready for sending data by the SDIO,
waking up the cellular module from low power idle mode
--
GPIO3, DTR
Wi-Fi reset
Reset the external Wi-Fi chip or module connected to the
cellular module
--
GPIO3, DCD
Wi-Fi power saving
Enable/disable the low power mode of the external Wi-Fi
chip/module connected to the cellular module
--
GPIO2, RI
32 kHz clock output
32 kHz clock output for an external Wi-Fi chip or module
--
GPIO4
Antenna tuning
4-bit tunable antenna control signals mapping the actual
operating RF band over a 4-pin interface provided for the
implementation of external antenna tuning solutions
--
I2S_RXD, I2S_TXD,
I2S_CLK, I2S_WA
DSR, DTR, DCD, RI
DSR
UART data set ready output
DSR
DSR
DTR
UART data terminal ready input
DTR
DTR
DCD
UART data carrier detect output
DCD
DCD
RI
UART ring indicator output
RI
RI
General purpose input
Input to sense high or low digital level
--
All
General purpose output
Output to set the high or the low digital level
--
All
Pin disabled
Tri-state with an internal active pull-down enabled
--
All
Table 12: TOBY-L2 series GPIO custom functions configuration

TOBY-L2 and MPCI-L2 series - System Integration Manual
UBX-13004618 - R04 Advance Information System description
Page 47 of 141
1.12 Mini PCIe specific signals (W_DISABLE#, LED_WWAN#)
Mini PCI Express specific signals (W_DISABLE#, LED_WWAN#) are not available on TOBY-L2 series.
MPCI-L2 series modules include the W_DISABLE# active-low input signal to disable the radio operations as
specified by the PCI Express Mini Card Electromechanical Specification [14].
As described in Figure 20, the W_DISABLE# input is equipped with an internal pull-up to the 3.3Vaux supply.
The W_DISABLE# input detailed electrical characteristics are described in the MPCI-L2 series Data Sheet [2].
Baseband
Processor
20
W_DISABLE#
MPCI-L2 series
3.3Vaux
W_DISABLE#
22k
Figure 20: MPCI-L2 series modules W_DISABLE# input circuit description
MPCI-L2 series modules include the LED_WWAN# active-low open drain output to provide the Wireless Wide
Area Network status indication as specified by the PCI Express Mini Card Electromechanical Specification [14].
For more electrical characteristics details see the MPCI-L2 Data Sheet [2].
1.13 Reserved pins (RSVD)
Pins reserved for future use, marked as RSVD, are not available on MPCI-L2 series.
TOBY-L2 series modules have pins reserved for future use, marked as RSVD: they can all be left unconnected on
the application board, except the RSVD pin number 6 that must be externally connected to ground.
1.14 Not connected pins (NC)
Pins internally not connected, marked as NC, are not available on TOBY-L2 series.
MPCI-L2 series modules have pins internally not connected, marked as NC: they can be left unconnected or they
can be connected on the application board according to any application requirement, given that none function is
provided by the modules over these pins.

TOBY-L2 and MPCI-L2 series - System Integration Manual
UBX-13004618 - R04 Advance Information System description
Page 48 of 141
1.15 System features
1.15.1 Network indication
Network status indication over GPIO1 is not available on MPCI-L2 series modules which include the
LED_WWAN# active-low open drain output to provide the Wireless Wide Area Network status indication
as specified by the PCI Express Mini Card Electromechanical Specification [14].
General Purpose Input / Output pins are not supported by the TOBY-L2x0-00S product version except for
the Wireless Wide Area Network status indication configured on the GPIO1 pin.
The GPIO1 can be configured by the AT+UGPIOC command to indicate network status as described below:
No service (no network coverage or not registered)
Registered 2G / 3G / LTE home network
Registered 2G / 3G / LTE visitor network (roaming)
Call enabled (RF data transmission / reception)
For the detailed description of the network status indication configuration, see u-blox AT Commands Manual [3],
GPIO commands.
1.15.2 Antenna supervisor
Antenna supervisor (i.e. antenna detection) is not available on MPCI-L2 series.
Antenna supervisor (i.e. antenna detection) is not supported by the TOBY-L2x0-00S product version.
The antenna detection function provided by the ANT_DET pin is based on an ADC measurement as optional
feature that can be implemented if the application requires it. The antenna supervisor is forced by the +UANTR
AT command (see the u-blox AT Commands Manual [3] for more details).
The requirements to achieve antenna detection functionality are the following:
an RF antenna assembly with a built-in resistor (diagnostic circuit) must be used
an antenna detection circuit must be implemented on the application board
See section 1.7.2 for detailed antenna detection interface functional description and see section 2.4.2 for
detection circuit on application board and diagnostic circuit on antenna assembly design-in guidelines.
1.15.3 Jamming detection
Congestion detection (i.e. jamming detection) is not supported by TOBY-L2x0-00S and MPCI-L2x0-00S.
In real network situations modules can experience various kind of out-of-coverage conditions: limited service
conditions when roaming to networks not supporting the specific SIM, limited service in cells which are not
suitable or barred due to operators’ choices, no cell condition when moving to poorly served or highly interfered
areas. In the latter case, interference can be artificially injected in the environment by a noise generator covering
a given spectrum, thus obscuring the operator’s carriers entitled to give access to the LTE/3G/2G service.
The congestion (i.e. jamming) detection feature can be enabled and configured by the +UCD AT command: the
feature consists of detecting an anomalous source of interference and signaling the start and stop of such
conditions to the host application processor with an unsolicited indication, which can react appropriately by e.g.
switching off the radio transceiver of the module (i.e. configuring the module in “airplane mode” by means of
the +CFUN AT command) in order to reduce power consumption and monitoring the environment at constant
periods (for more details see the u-blox AT Commands Manual [3]).

TOBY-L2 and MPCI-L2 series - System Integration Manual
UBX-13004618 - R04 Advance Information System description
Page 49 of 141
1.15.4 IP modes of operation
IP modes of operation refer to the TOBY-L2 and MPCI-L2 series modules configuration related to the network IP
termination and network interfaces settings in general. IP modes of operation are the following:
Bridge mode: In bridge mode the module acts as a cellular modem dongle connected to the host over
serial interface (USB). The IP termination of the network is placed on the host IP stack. The module is
configured as a bridge which means the network IP address is assigned to the host (host IP termination).
Router mode: In router mode the module acts as a cellular modem router which means the IP termination
of the network is placed on the internal IP stack of the module (on-target IP termination). In particular, in
this configuration the application processor belongs to a private network and is not aware of the mobile
connectivity setup of the module.
For more details about IP modes of operation see the u-blox AT Commands Manual [3].
1.15.5 Dual stack IPv4/IPv6
TOBY-L2 and MPCI-L2 series support both Internet Protocol version 4 and Internet Protocol version 6 in parallel.
For more details about dual stack IPv4/IPv6 see the u-blox AT Commands Manual [3].
1.15.6 TCP/IP and UDP/IP
Embedded TCP/IP and UDP/IP stack as well as Direct Link mode are not supported by the TOBY-L2x0-00S
and MPCI-L2x0-00S product versions.
TOBY-L2 and MPCI-L2 series modules provide embedded TCP/IP and UDP/IP protocol stack: a PDP context can be
configured, established and handled via the data connection management packet switched data commands.
TOBY-L2 and MPCI-L2 series modules provide Direct Link mode to establish a transparent end-to-end
communication with an already connected TCP or UDP socket via serial interfaces (USB, UART). In Direct Link
mode, data sent to the serial interface from an external application processor is forwarded to the network and
vice-versa.
For more details about embedded TCP/IP and UDP/IP functionalities see the u-blox AT Commands Manual [3].
1.15.7 FTP and FTPS
Embedded FTP and FTPS services as well as Direct Link mode are not supported by the TOBY-L2x0-00S
and MPCI-L2x0-00S product versions.
TOBY-L2 and MPCI-L2 series provide embedded File Transfer Protocol (FTP) and Secure File Transfer Protocol
(FTPS, i.e. FTP with SSL encryption) services. Files are read and stored in the local file system of the module.
FTP files can also be transferred using FTP Direct Link:
FTP download: data coming from the FTP server is forwarded to the host processor via USB / UART serial
interfaces (for FTP without Direct Link mode the data is always stored in the module’s Flash File System)
FTP upload: data coming from the host processor via USB / UART serial interface is forwarded to the FTP
server (for FTP without Direct Link mode the data is read from the module’s Flash File System)
When Direct Link is used for a FTP file transfer, only the file content pass through USB / UART serial interface,
whereas all the FTP commands handling is managed internally by the FTP application.
For more details about embedded FTP and FTPS functionalities see u-blox AT Commands Manual [3].

TOBY-L2 and MPCI-L2 series - System Integration Manual
UBX-13004618 - R04 Advance Information System description
Page 50 of 141
1.15.8 HTTP and HTTPS
Embedded HTTP and HTTPS services are not supported by TOBY-L2x0-00S and MPCI-L2x0-00S.
TOBY-L2 and MPCI-L2 series modules provide the embedded Hyper-Text Transfer Protocol (HTTP) and the Secure
Hyper-Text Transfer Protocol (HTTPS, i.e. HTTP with TLS / SSL encryption) services via AT commands for sending
requests to a remote HTTP server, receiving the server response and transparently storing it in the module’s Flash
File System (FFS).
For more details about embedded HTTP and HTTPS functionalities see the u-blox AT Commands Manual [3].
1.15.9 SSL
Embedded Transport Layer Security (TLS) / Secure Sockets Layer (SSL) protocols are not supported by the
TOBY-L2x0-00S and MPCI-L2x0-00S product versions.
TOBY-L2 and MPCI-L2 series modules provide the Transport Layer Security (TLS) / Secure Sockets Layer (SSL)
encryption protocols to enable security over the FTP and HTTP protocols via AT commands.
For more details about embedded TLS / SSL functionalities see the u-blox AT Commands Manual [3].
1.15.10 AssistNow clients and GNSS integration
AssistNow clients and u-blox GNSS receiver integration are not available on MPCI-L2 series.
AssistNow clients and u-blox GNSS receiver integration are not supported by TOBY-L2x0-00S.
For customers using u-blox GNSS receivers, TOBY-L2 series cellular modules feature embedded AssistNow clients.
AssistNow A-GPS provides better GNSS performance and faster Time-To-First-Fix. The clients can be enabled and
disabled with an AT command (see the u-blox AT Commands Manual [3]).
TOBY-L2 series cellular modules act as a stand-alone AssistNow client, making AssistNow available with no
additional requirements for resources or software integration on an external host micro controller. Full access to
u-blox GNSS receivers is available via the TOBY-L2 series cellular module, through the DDC (I2C) interface, while
the available GPIOs can handle the positioning chipset / module power-on/off. This means that cellular module
and GNSS receiver can be controlled through a single serial port from any host processor.
1.15.11 Hybrid positioning and CellLocate®
Hybrid positioning and CellLocate® are not available on MPCI-L2 series.
Hybrid positioning and CellLocate® are not supported by the TOBY-L2x0-00S product version.
Although GNSS is a widespread technology, its reliance on the visibility of extremely weak GNSS satellite signals
means that positioning is not always possible. Especially difficult environments for GNSS are indoors, in enclosed
or underground parking garages, as well as in urban canyons where GNSS signals are blocked or jammed by
multipath interference. The situation can be improved by augmenting GNSS receiver data with cellular network
information to provide positioning information even when GNSS reception is degraded or absent. This additional
information can benefit numerous applications.

TOBY-L2 and MPCI-L2 series - System Integration Manual
UBX-13004618 - R04 Advance Information System description
Page 51 of 141
Positioning through cellular information: CellLocate®
u-blox CellLocate® enables the estimation of device position based on the parameters of the mobile network cells
visible to the specific device. To estimate its position the u-blox cellular module sends the CellLocate® server the
parameters of network cells visible to it using a UDP connection. In return the server provides the estimated
position based on the CellLocate® database. The u-blox cellular module can either send the parameters of the
visible home network cells only (normal scan) or the parameters of all surrounding cells of all mobile operators
(deep scan).
The CellLocate® database is compiled from the position of devices which observed, in the past, a specific cell or
set of cells (historical observations) as follows:
1. Several devices reported their position to the CellLocate® server when observing a specific cell (the As in the
picture represent the position of the devices which observed the same cell A)
2. CellLocate® server defines the area of Cell A visibility

TOBY-L2 and MPCI-L2 series - System Integration Manual
UBX-13004618 - R04 Advance Information System description
Page 52 of 141
3. If a new device reports the observation of Cell A CellLocate® is able to provide the estimated position from
the area of visibility
4. The visibility of multiple cells provides increased accuracy based on the intersection of areas of visibility.
CellLocate® is implemented using a set of two AT commands that allow configuration of the CellLocate® service
(AT+ULOCCELL) and requesting position according to the user configuration (AT+ULOC). The answer is provided
in the form of an unsolicited AT command including latitude, longitude and estimated accuracy.
The accuracy of the position estimated by CellLocate® depends on the availability of historical observations
in the specific area.
Hybrid positioning
With u-blox Hybrid positioning technology, u-blox cellular devices can be triggered to provide their current
position using either a u-blox GNSS receiver or the position estimated from CellLocate®. The choice depends on
which positioning method provides the best and fastest solution according to the user configuration, exploiting
the benefit of having multiple and complementary positioning methods.
Hybrid positioning is implemented through a set of three AT commands that allow configuration of the GNSS
receiver (AT+ULOCGNSS), configuration of the CellLocate® service (AT+ULOCCELL), and requesting the position
according to the user configuration (AT+ULOC). The answer is provided in the form of an unsolicited AT
command including latitude, longitude and estimated accuracy (if the position has been estimated by
CellLocate®), and additional parameters if the position has been computed by the GNSS receiver.
The configuration of mobile network cells does not remain static (e.g. new cells are continuously added or
existing cells are reconfigured by the network operators). For this reason, when a Hybrid positioning method has
been triggered and the GNSS receiver calculates the position, a database self-learning mechanism has been
implemented so that these positions are sent to the server to update the database and maintain its accuracy.

TOBY-L2 and MPCI-L2 series - System Integration Manual
UBX-13004618 - R04 Advance Information System description
Page 53 of 141
The use of hybrid positioning requires a connection via the DDC (I2C) bus between the TOBY-L2 series cellular
module and the u-blox GNSS receiver (see sections 1.9.3 and 2.6.3).
See GNSS Implementation Application Note [13] for the complete description of the feature.
u-blox is extremely mindful of user privacy. When a position is sent to the CellLocate® server u-blox is
unable to track the SIM used or the specific device.
1.15.12 Firmware update Over AT (FOAT)
This feature allows upgrading the module firmware over USB / UART serial interfaces, using AT commands.
The +UFWUPD AT command triggers a reboot followed by the upgrade procedure at specified a baud rate
A special boot loader on the module performs firmware installation, security verifications and module reboot
Firmware authenticity verification is performed via a security signature during the download. The firmware is
then installed, overwriting the current version. In case of power loss during this phase, the boot loader
detects a fault at the next wake-up, and restarts the firmware download. After completing the upgrade, the
module is reset again and wakes-up in normal boot
For more details about Firmware update Over AT procedure see the Firmware Update Application Note [4] and
the u-blox AT Commands Manual [3], +UFWUPD AT command.
1.15.13 Firmware update Over The Air (FOTA)
Firmware update Over The Air (FOTA) is not supported by TOBY-L2x0-00S and MPCI-L2x0-00S.
This feature allows upgrading the module firmware over the LTE/3G/2G air interface. The main idea with
updating Firmware over the air is to reduce the amount of data required for transmission to the module. This is
achieved by downloading only a “delta file” instead of the full firmware. The delta contains only the differences
between the two firmware versions (old and new), and is compressed.
For more details about Firmware update Over The Air procedure see the Firmware Update Application Note [4]
and the u-blox AT Commands Manual [3], +UFOTA AT command.

TOBY-L2 and MPCI-L2 series - System Integration Manual
UBX-13004618 - R04 Advance Information System description
Page 54 of 141
1.15.14 In-band Modem (eCall / ERA-GLONASS)
In-band modem for eCall / ERA-GLONASS emergency applications is not supported by TOBY-L2x0-00S
and MPCI-L2 series.
In-band Modem solution for eCall and ERA-GLONASS emergency call applications over cellular networks is
implemented according to 3GPP TS 26.267 [15], BS EN 16062:2011 [16] and ETSI TS 122 101 [17] specifications.
eCall (European) and ERA-GLONASS (Russian) are initiatives to combine mobile communications and satellite
positioning to provide rapid assistance to motorists in the event of a collision, implementing automated
emergency response system based the first on GPS the latter on GLONASS positioning system.
When activated, the in-vehicle systems (IVS) automatically initiate an emergency call carrying both voice and data
(including location data) directly to the nearest Public Safety Answering Point (PSAP) to determine whether
rescue services should be dispatched to the known position.
Figure 21: eCall and ERA-GLONASS automated emergency response systems diagram flow
For more details regarding the In-band Modem solution for the European eCall and the Russian ERA-GLONASS
emergency call applications, see the u-blox eCall / ERA-GLONASS Application Note [18].
1.15.15 SIM Access Profile (SAP)
SIM Access Profile (SAP) is not supported by TOBY-L2x0-00S and MPCI-L2 series.
SIM access profile (SAP) feature allows accessing and using a remote SIM card / chipping instead of the local SIM
directly connected to the module SIM interface.
A dedicated SAP channel over USB and a dedicated multiplexed SAP channel over UART are implemented for
communication with the remote SIM card/chip.
Communication between TOBY-L2 series module and the remote SIM is conformed to client-server paradigm:
The module is the SAP client establishing a connection and performing data exchange to a SAP server directly
connected to the remote SIM that is used by the module for LTE/3G/2G network-related operations. The SAP
communication protocol is based on the SIM Access Profile Interoperability Specification [19].
A typical application using the SAP feature is the scenario where a device such as an embedded car-phone with
an integrated TOBY-L2 series module uses a remote SIM included in an external user device (e.g. a simple SIM
card reader or a portable phone), which is brought into the car. The car-phone accesses the LTE/3G/2G network
using the remote SIM in the external device.

TOBY-L2 and MPCI-L2 series - System Integration Manual
UBX-13004618 - R04 Advance Information System description
Page 55 of 141
TOBY-L2 series modules, acting as an SAP client, can be connected to an SAP server by a completely wired
connection, as shown in Figure 22.
Device including TOBY-L2
LTE/3G/2G
Interface
Local SIM
(optional)
TOBY-L2
SAP Client
Application
Processor
Device including SIM
SAP
Serial Interface
Remote SIM
Mobile
Equipment
SAP Server
SAP
Serial Interface
(SAP channel over
USB or UART)
Figure 22: Remote SIM access via completely wired connection
As stated in the SIM Access Profile Interoperability Specification [19], the SAP client can be connected to the SAP
server by means of a Bluetooth wireless link, using additional Bluetooth transceivers. In this case, the application
processor wired to TOBY-L2 series module establishes and controls the Bluetooth connection using the SAP
profile, and routes data received over a serial interface channel to data transferred over a Bluetooth interface
and vice versa, as shown in Figure 23.
Device including TOBY-L2
SAP
Serial Interface
(SAP channel over
USB or UART)
LTE/3G/2G
Interface
Local SIM
(optional)
TOBY-L2
SAP Client
Application
Processor
SAP
Bluetooth
Interface
Bluetooth
Transceiver
Device including SIM
Remote SIM
Mobile
Equipment
SAP Server
Bluetooth
Transceiver
Figure 23: Remote SIM access via Bluetooth and wired connection
The application processor can start an SAP connection negotiation between TOBY-L2 series module SAP client
and an SAP server using custom AT command (for more details see u-blox AT Commands Manual [3]).
While the connection with the SAP server is not fully established, the TOBY-L2 series module continues to
operate with the attached (local) SIM, if present. Once the connection is established and negotiated, the module
performs a detach operation from the local SIM followed by an attach operation to the remote one. Then the
remotely attached SIM is used for any LTE/3G/2G network operation.
URC indications are provided to inform the user about the state of both the local and remote SIM. The insertion
and the removal of the local SIM card are notified if a proper card presence detection circuit using the GPIO5 of
TOBY-L2 series modules is implemented as shown in section 2.5, and if the related “SIM card detection” and
“SIM hot insertion/removal” functions described in section 1.8.2 are enabled by AT commands (for more details
see u-blox AT Commands Manual [3]).
Upon SAP deactivation, the TOBY-L2 series modules perform a detach operation from the remote SIM followed
by an attach operation to the local one, if present.

TOBY-L2 and MPCI-L2 series - System Integration Manual
UBX-13004618 - R04 Advance Information System description
Page 56 of 141
1.15.16 Smart temperature management
Smart temperature management is not supported by TOBY-L2x0-00S and MPCI-L2x0-00S.
Cellular modules – independent of the specific model – always have a well defined operating temperature range.
This range should be respected to guarantee full device functionality and long life span.
Nevertheless there are environmental conditions that can affect operating temperature, e.g. if the device is
located near a heating/cooling source, if there is/isn’t air circulating, etc.
The module itself can also influence the environmental conditions; such as when it is transmitting at full power.
In this case its temperature increases very quickly and can raise the temperature nearby.
The best solution is always to properly design the system where the module is integrated. Nevertheless an extra
check/security mechanism embedded into the module is a good solution to prevent operation of the device
outside of the specified range.
Smart Temperature Supervisor (STS)
The Smart Temperature Supervisor is activated and configured by a dedicated AT+USTS command. See the
u-blox AT Commands Manual [3] for more details.
The cellular module measures the internal temperature (Ti) and its value is compared with predefined thresholds
to identify the actual working temperature range.
Temperature measurement is done inside the cellular module: the measured value could be different from
the environmental temperature (Ta).
Warning
area
t-1 t+1 t+2
t-2
Valid temperature range
Safe
area
Dangerous
area
Dangerous
area
Warning
area
Figure 24: Temperature range and limits
The entire temperature range is divided into sub-regions by limits (see Figure 24) named t-2, t-1, t+1 and t+2.
Within the first limit, (t-1 < Ti < t+1), the cellular module is in the normal working range, the Safe Area
In the Warning Area, (t-2 < Ti < t.1) or (t+1 < Ti < t+2), the cellular module is still inside the valid temperature
range, but the measured temperature approaches the limit (upper or lower). The module sends a warning to
the user (through the active AT communication interface), which can take, if possible, the necessary actions
to return to a safer temperature range or simply ignore the indication. The module is still in a valid and good
working condition
Outside the valid temperature range, (Ti < t-2) or (Ti > t+2), the device is working outside the specified range
and represents a dangerous working condition. This condition is indicated and the device shuts down to
avoid damage
For security reasons the shutdown is suspended in case an emergency call in progress. In this case the
device will switch off at call termination.
The user can decide at anytime to enable/disable the Smart Temperature Supervisor feature. If the feature
is disabled there is no embedded protection against disallowed temperature conditions.

TOBY-L2 and MPCI-L2 series - System Integration Manual
UBX-13004618 - R04 Advance Information System description
Page 57 of 141
Figure 25 shows the flow diagram implemented for the Smart Temperature Supervisor.
IF STS
enabled
Read
temperature
IF
(t-1<Ti<t+1)
IF
(t-2<Ti<t+2)
Send
notification
(warning)
Send
notification
(dangerous)
Wait emergency
call termination
IF
emerg.
call in
progress
Shut the device
down
Yes
No
Yes
Yes
No
No
No
Yes
Send
shutdown
notification
Feature enabled
(full logic or
indication only)
IF
Full Logic
Enabled
Feature disabled:
no action
Temperature is
within normal
operating range
Yes
Tempetature
is within
warning area
Tempetature is
outside valid
temperature range
No
Featuere enabled
in full logic mode
Feature enabled in
indication only mode:
no further actions
Send
notification
(safe)
Previously
outside of
Safe Area
Tempetature
is back to
safe area
No
No
further
actions
Yes
Figure 25: Smart Temperature Supervisor (STS) flow diagram

TOBY-L2 and MPCI-L2 series - System Integration Manual
UBX-13004618 - R04 Advance Information System description
Page 58 of 141
Threshold Definitions
When the application of cellular module operates at extreme temperatures with Smart Temperature Supervisor
enabled, the user should note that outside the valid temperature range the device will automatically shut down
as described above.
The input for the algorithm is always the temperature measured within the cellular module (Ti, internal). This
value can be higher than the working ambient temperature (Ta, ambient), as (for example) during transmission
at maximum power a significant fraction of DC input power is dissipated as heat This behavior is partially
compensated by the definition of the upper shutdown threshold (t+2) that is slightly higher than the declared
environmental temperature limit.
The sensor measures board temperature inside the shields, which can differ from ambient temperature.
1.15.17 Power saving
The power saving configuration is by default disabled, but it can be enabled using the AT+UPSV command (for
the complete description of the AT+UPSV command, see the u-blox AT Commands Manual [3]).
When power saving is enabled, the module automatically enters the low power idle-mode whenever possible,
reducing current consumption (see section 1.5.1.5, TOBY-L2 Data Sheet [1] and MPCI-L2 Data Sheet [2]).
During the low power idle-mode, the module is not ready to communicate with an external device, as it is
configured to reduce power consumption. The module wakes up from low power idle-mode to active-mode in
the following events:
Automatic periodic monitoring of the paging channel for the reception of the paging block sent by the base
station according to network conditions (see section 1.5.1.5)
The connected USB host forces a remote wakeup of the module as USB device (see section 1.9.1.4)
A preset RTC alarm occurs (see u-blox AT Commands Manual [3], AT+CALA)
For the definition and the description of TOBY-L2 and MPCI-L2 series modules operating modes, including the
events forcing transitions between the different operating modes, see the section 1.4.

TOBY-L2 and MPCI-L2 series - System Integration Manual
UBX-13004618 - R04 Advance Information Design-in
Page 59 of 141
2 Design-in
2.1 Overview
For an optimal integration of TOBY-L2 and MPCI-L2 series modules in the final application board follow the
design guidelines stated in this section.
Every application circuit must be properly designed to guarantee the correct functionality of the relative
interface, however a number of points require high attention during the design of the application device.
The following list provides a rank of importance in the application design, starting from the highest relevance:
1. Module antenna connection: ANT1, ANT2 and ANT_DET.
Antenna circuit directly affects the RF compliance of the device integrating a TOBY-L2 and MPCI-L2 series
module with applicable certification schemes. Very carefully follow the suggestions provided in the relative
section 2.4 for schematic and layout design.
2. Module supply: VCC or 3.3Vaux and GND pins.
The supply circuit affects the RF compliance of the device integrating a TOBY-L2 and MPCI-L2 series module
with applicable required certification schemes as well as antenna circuit design. Very carefully follow the
suggestions provided in the relative section 2.2.1 for schematic and layout design.
3. USB interface: USB_D+, USB_D- pins.
Accurate design is required to guarantee USB 2.0 high-speed interface functionality. Carefully follow the
suggestions provided in the relative section 2.6.1 for schematic and layout design.
4. SIM interface: VSIM, SIM_CLK, SIM_IO, SIM_RST or UIM_PWR, UIM_DATA, UIM_CLK, UIM_RESET pins.
Accurate design is required to guarantee SIM card functionality reducing the risk of RF coupling. Carefully
follow the suggestions provided in the relative section 2.5 for schematic and layout design.
5. SDIO interface: SDIO_D0, SDIO_D1, SDIO_D2, SDIO_D3, SDIO_CLK, SDIO_CMD pins.
Accurate design is required to guarantee SDIO interface functionality. Carefully follow the suggestions
provided in the relative section 2.6.4 for schematic and layout design.
6. System functions: RESET_N or PERST#, PWR_ON pins.
Accurate design is required to guarantee that the voltage level is well defined during operation. Carefully
follow the suggestions provided in the relative section 2.3 for schematic and layout design.
7. Other supplies: V_BCKP RTC supply and V_INT generic digital interfaces supply.
Accurate design is required to guarantee proper functionality. Follow the suggestions provided in the
corresponding sections 2.2.2 and 2.2.3 for schematic and layout design.
8. Other digital interfaces: UART, I2C, I2S, Host Select, GPIOs, Mini PCIe specific signals and Reserved pins.
Accurate design is required to guarantee proper functionality. Follow the suggestions provided in sections
2.6.2, 2.6.3, 2.7.1, 2.3.3, 2.8, 2.9 and 2.10 for schematic and layout design.

TOBY-L2 and MPCI-L2 series - System Integration Manual
UBX-13004618 - R04 Advance Information Design-in
Page 60 of 141
2.2 Supply interfaces
2.2.1 Module supply (VCC or 3.3Vaux)
2.2.1.1 General guidelines for VCC or 3.3Vaux supply circuit selection and design
VCC or 3.3Vaux pins are internally connected. Application design shall connect all the available pads to the
external supply to minimize the power loss due to series resistance.
GND pins are internally connected. Application design shall connect all the available pads to solid ground on the
application board, since a good (low impedance) connection to external ground can minimize power loss and
improve RF and thermal performance.
TOBY-L2 and MPCI-L2 series modules must be sourced through the VCC or the 3.3Vaux pins with a proper DC
power supply that should meet the following prerequisites to comply with the modules’ VCC or 3.3Vaux
requirements summarized in Table 7.
The proper DC power supply can be selected according to the application requirements (see Figure 26) between
the different possible supply sources types, which most common ones are the following:
Switching regulator
Low Drop-Out (LDO) linear regulator
Rechargeable Lithium-ion (Li-Ion) or Lithium-ion polymer (Li-Pol) battery, for TOBY-L2 series only
Primary (disposable) battery, for TOBY-L2 series only
Main Supply
Available?
Battery
Li-Ion 3.7 V
Linear LDO
Regulator
Main Supply
Voltage > 5V?
Switching Step-Down
Regulator
No, portable device
No, less than 5 V
Yes, greater than 5 V
Yes, always available
Figure 26: VCC supply concept selection
The switching step-down regulator is the typical choice when the available primary supply source has a nominal
voltage much higher (e.g. greater than 5 V) than the operating supply voltage of TOBY-L2 and MPCI-L2 series.
The use of switching step-down provides the best power efficiency for the overall application and minimizes
current drawn from the main supply source. See 2.2.1.2, 2.2.1.6, 2.2.1.9, 2.2.1.10 for specific design-in.
The use of an LDO linear regulator becomes convenient for a primary supply with a relatively low voltage (e.g.
less or equal than 5 V). In this case the typical 90% efficiency of the switching regulator diminishes the benefit
of voltage step-down and no true advantage is gained in input current savings. On the opposite side, linear
regulators are not recommended for high voltage step-down as they dissipate a considerable amount of energy
in thermal power. See 2.2.1.3, 2.2.1.6, 2.2.1.9, 2.2.1.10 for specific design-in.
If TOBY-L2 modules are deployed in a mobile unit where no permanent primary supply source is available, then a
battery will be required to provide VCC. A standard 3-cell Li-Ion or Li-Pol battery pack directly connected to VCC
is the usual choice for battery-powered devices. During charging, batteries with Ni-MH chemistry typically reach
a maximum voltage that is above the maximum rating for VCC, and should therefore be avoided. See 2.2.1.4,
2.2.1.6, 2.2.1.9, 2.2.1.10 for specific design-in.
Keep in mind that the use of rechargeable batteries requires the implementation of a suitable charger circuit
which is not included in the modules. The charger circuit has to be designed to prevent over-voltage on VCC
pins of the module, and it should be selected according to the application requirements: a DC/DC switching

TOBY-L2 and MPCI-L2 series - System Integration Manual
UBX-13004618 - R04 Advance Information Design-in
Page 61 of 141
charger is the typical choice when the charging source has an high nominal voltage (e.g. ~12 V), whereas a
linear charger is the typical choice when the charging source has a relatively low nominal voltage (~5 V). If both
a permanent primary supply / charging source (e.g. ~12 V) and a rechargeable back-up battery (e.g. 3.7 V Li-Pol)
are available at the same time in the application as possible supply source, then a proper charger / regulator with
integrated power path management function can be selected to supply the module while simultaneously and
independently charging the battery. See 2.2.1.7, 2.2.1.8 and 2.2.1.6, 2.2.1.9, 2.2.1.10 for specific design-in.
The use of a primary (not rechargeable) battery is in general uncommon, but appropriate parts can be selected
given that the most cells available are seldom capable of delivering the maximum current specified in TOBY-L2
series Data Sheet [1] during connected-mode. Carefully evaluate the usage of super-capacitors as supply source
since aging and temperature conditions significantly affect the actual capacitor characteristics. See 2.2.1.5 and
2.2.1.6, 2.2.1.9, 2.2.1.10 for specific design-in.
Rechargeable 3-cell Li-Ion or Li-Pol and Ni-MH chemistry batteries reach a maximum voltage that is above the
maximum rating for the 3.3Vaux supply of MPCI-L2 modules, and should therefore be avoided. The use of
rechargeable, not-rechargeable battery or super-capacitors is very uncommon for Mini PCI Express applications,
so that these supply sources types are not considered for MPCI-L2 modules.
The usage of more than one DC supply at the same time should be carefully evaluated: depending on the supply
source characteristics, different DC supply systems can result as mutually exclusive.
The following sections highlight some design aspects for each of the supplies listed above providing application
circuit design-in compliant with the module VCC requirements summarized in Table 7.
2.2.1.2 Guidelines for VCC or 3.3Vaux supply circuit design using a switching regulator
The use of a switching regulator is suggested when the difference from the available supply rail to the VCC or
the 3.3Vaux value is high, since switching regulators provide good efficiency transforming a 12 V or greater
voltage supply to the typical 3.8 V value of the VCC supply or the typical 3.3 V value of the 3.3Vaux supply.
The characteristics of the switching regulator connected to VCC or 3.3Vaux pins should meet the following
prerequisites to comply with the module VCC or 3.3Vaux requirements summarized in Table 7:
Power capability: the switching regulator with its output circuit must be capable of providing a voltage
value to the VCC or 3.3Vaux pins within the specified operating range and must be capable of delivering to
VCC or 3.3Vaux pins the maximum peak / pulse current consumption during Tx burst at maximum Tx
power specified in the TOBY-L2 series Data Sheet [1] or in the MPCI-L2 series Data Sheet [2].
Low output ripple: the switching regulator together with its output circuit must be capable of providing a
clean (low noise) VCC or 3.3Vaux voltage profile.
High switching frequency: for best performance and for smaller applications it is recommended to select a
switching frequency ≥ 600 kHz (since L-C output filter is typically smaller for high switching frequency). The
use of a switching regulator with a variable switching frequency or with a switching frequency lower than
600 kHz must be carefully evaluated since this can produce noise in the VCC or 3.3Vaux voltage profile and
therefore negatively impact LTE/3G/2G modulation spectrum performance. An additional L-C low-pass filter
between the switching regulator output to VCC or 3.3Vaux supply pins can mitigate the ripple at the input
of the module, but adds extra voltage drop due to resistive losses on series inductors.
PWM mode operation: it is preferable to select regulators with Pulse Width Modulation (PWM) mode.
While in connected-mode, the Pulse Frequency Modulation (PFM) mode and PFM/PWM modes transitions
must be avoided to reduce the noise on the VCC or 3.3Vaux voltage profile. Switching regulators can be
used that are able to switch between low ripple PWM mode and high ripple PFM mode, provided that the
mode transition occurs when the module changes status from the idle/active-modes to connected-mode. It
is permissible to use a regulator that switches from the PWM mode to the burst or PFM mode at an
appropriate current threshold.

TOBY-L2 and MPCI-L2 series - System Integration Manual
UBX-13004618 - R04 Advance Information Design-in
Page 62 of 141
Figure 27 and Table 13 show an example of a high reliability power supply circuit, where the module VCC or
3.3Vaux input is supplied by a step-down switching regulator capable of delivering maximum current with low
output ripple and with fixed switching frequency in PWM mode operation greater than 1 MHz.
12V
C5
R3
C4
R2
C2C1
R1
VIN
RUN
VC
RT
PG
SYNC
BD
BOOST
SW
FB
GND
6
7
10
9
5
C6
1
2
3
8
11
4
C7 C8
D1 R4
R5
L1
C3
U1
TOBY-L2 series
71 VCC
72 VCC
70 VCC
GND
12V
C5
R3
C4
R2
C2C1
R1
VIN
RUN
VC
RT
PG
SYNC
BD
BOOST
SW
FB
GND
6
7
10
9
5
C6
1
2
3
8
11
4
C7 C8
D1 R6
R5
L1
C3
U1
MPCI-L2 series
24 3.3Vaux
39 3.3Vaux
23.3Vaux
GND
41 3.3Vaux
52 3.3Vaux
Figure 27: Example of high reliability VCC and 3.3Vaux supply application circuit using a step-down regulator
Reference
Description
Part Number - Manufacturer
C1
10 µF Capacitor Ceramic X7R 5750 15% 50 V
C5750X7R1H106MB - TDK
C2
10 nF Capacitor Ceramic X7R 0402 10% 16 V
GRM155R71C103KA01 - Murata
C3
680 pF Capacitor Ceramic X7R 0402 10% 16 V
GRM155R71H681KA01 - Murata
C4
22 pF Capacitor Ceramic C0G 0402 5% 25 V
GRM1555C1H220JZ01 - Murata
C5
10 nF Capacitor Ceramic X7R 0402 10% 16 V
GRM155R71C103KA01 - Murata
C6
470 nF Capacitor Ceramic X7R 0603 10% 25 V
GRM188R71E474KA12 - Murata
C7
22 µF Capacitor Ceramic X5R 1210 10% 25 V
GRM32ER61E226KE15 - Murata
C8
330 µF Capacitor Tantalum D_SIZE 6.3 V 45 m
T520D337M006ATE045 - KEMET
D1
Schottky Diode 40 V 3 A
MBRA340T3G - ON Semiconductor
L1
10 µH Inductor 744066100 30% 3.6 A
744066100 - Wurth Electronics
R1
470 k Resistor 0402 5% 0.1 W
2322-705-87474-L - Yageo
R2
15 k Resistor 0402 5% 0.1 W
2322-705-87153-L - Yageo
R3
22 k Resistor 0402 5% 0.1 W
2322-705-87223-L - Yageo
R4
390 k Resistor 0402 1% 0.063 W
RC0402FR-07390KL - Yageo
R5
100 k Resistor 0402 5% 0.1 W
2322-705-70104-L - Yageo
R6
330 k Resistor 0402 1% 0.063 W
RC0402FR-07330KL - Yageo
U1
Step-Down Regulator MSOP10 3.5 A 2.4 MHz
LT3972IMSE#PBF - Linear Technology
Table 13: Components for high reliability VCC and 3.3Vaux supply application circuit using a step-down regulator

TOBY-L2 and MPCI-L2 series - System Integration Manual
UBX-13004618 - R04 Advance Information Design-in
Page 63 of 141
Figure 28 and the components listed in Table 14 show an example of a low cost power supply circuit, where the
VCC module supply is provided by a step-down switching regulator capable of delivering to VCC pins the
specified maximum peak / pulse current, transforming a 12 V supply input.
TOBY-L2 series
12V
R5
C6C1
VCC
INH
FSW
SYNC
OUT
GND
2
6
31
7
8
C3
C2
D1 R1
R2
L1
U1
GND
FB
COMP
5
4
R3
C4
R4
C5
71 VCC
72 VCC
70 VCC
12V
R5
C6C1
VCC
INH
FSW
SYNC
OUT
GND
2
6
31
7
8
C3
C2
D1 R6
R7
L1
U1
GND
FB
COMP
5
4
R3
C4
R4
C5
MPCI-L2 series
24 3.3Vaux
39 3.3Vaux
23.3Vaux
41 3.3Vaux
52 3.3Vaux
Figure 28: Example of low cost VCC and 3.3Vaux supply application circuit using step-down regulator
Reference
Description
Part Number - Manufacturer
C1
22 µF Capacitor Ceramic X5R 1210 10% 25 V
GRM32ER61E226KE15 – Murata
C2
100 µF Capacitor Tantalum B_SIZE 20% 6.3V 15m
T520B107M006ATE015 – Kemet
C3
5.6 nF Capacitor Ceramic X7R 0402 10% 50 V
GRM155R71H562KA88 – Murata
C4
6.8 nF Capacitor Ceramic X7R 0402 10% 50 V
GRM155R71H682KA88 – Murata
C5
56 pF Capacitor Ceramic C0G 0402 5% 50 V
GRM1555C1H560JA01 – Murata
C6
220 nF Capacitor Ceramic X7R 0603 10% 25 V
GRM188R71E224KA88 – Murata
D1
Schottky Diode 25V 2 A
STPS2L25 – STMicroelectronics
L1
5.2 µH Inductor 30% 5.28A 22 m
MSS1038-522NL – Coilcraft
R1
4.7 k Resistor 0402 1% 0.063 W
RC0402FR-074K7L – Yageo
R2
910 Resistor 0402 1% 0.063 W
RC0402FR-07910RL – Yageo
R3
82 Resistor 0402 5% 0.063 W
RC0402JR-0782RL – Yageo
R4
8.2 k Resistor 0402 5% 0.063 W
RC0402JR-078K2L – Yageo
R5
39 k Resistor 0402 5% 0.063 W
RC0402JR-0739KL – Yageo
R6
1.5 k Resistor 0402 1% 0.063 W
RC0402FR-071K5L – Yageo
R7
330 Resistor 0402 1% 0.063 W
RC0402FR-07330RL – Yageo
U1
Step-Down Regulator 8-VFQFPN 3 A 1 MHz
L5987TR – ST Microelectronics
Table 14: Components for low cost VCC and 3.3Vaux supply application circuit using a step-down regulator

TOBY-L2 and MPCI-L2 series - System Integration Manual
UBX-13004618 - R04 Advance Information Design-in
Page 64 of 141
2.2.1.3 Guidelines for VCC or 3.3Vaux supply circuit design using a Low Drop-Out linear regulator
The use of a linear regulator is suggested when the difference from the available supply rail and the VCC or the
3.3Vaux value is low. The linear regulators provide high efficiency when transforming a 5 VDC supply to a
voltage value within the module VCC or 3.3Vaux normal operating range.
The characteristics of the Low Drop-Out (LDO) linear regulator connected to VCC or 3.3Vaux pins should meet
the following prerequisites to comply with the module VCC or 3.3Vaux requirements summarized in Table 7:
Power capabilities: the LDO linear regulator with its output circuit must be capable of providing a voltage
value to the VCC or 3.3Vaux pins within the specified operating range and must be capable of delivering to
VCC or 3.3Vaux pins the maximum peak / pulse current consumption during Tx burst at maximum Tx
power specified in TOBY-L2 series Data Sheet [1] or in MPCI-L2 series Data Sheet [2].
Power dissipation: the power handling capability of the LDO linear regulator must be checked to limit its
junction temperature to the maximum rated operating range (i.e. check the voltage drop from the max input
voltage to the minimum output voltage to evaluate the power dissipation of the regulator).
Figure 29 and the components listed in Table 15 show an example of a power supply circuit, where the VCC or
3.3Vaux module supply is provided by an LDO linear regulator capable of delivering the required current, with
proper power handling capability.
It is recommended to configure the LDO linear regulator to generate a voltage supply value slightly below the
maximum limit of the module VCC or 3.3Vaux normal operating range (e.g. ~4.1 V for the VCC and ~3.44 V
for the 3.3Vaux as in the circuits described in Figure 29 and Table 15). This reduces the power on the linear
regulator and improves the thermal design of the circuit.
5V
C1 R1
IN OUT
ADJ
GND
1
24
5
3
C2R2
R3
U1
SHDN
TOBY-L2 series
71 VCC
72 VCC
70 VCC
GND
C3
5V
C1 R1
IN OUT
ADJ
GND
1
24
5
3
C2R4
R5
U1
SHDN
MPCI-L2 series
GND
C3
24 3.3Vaux
39 3.3Vaux
23.3Vaux
41 3.3Vaux
52 3.3Vaux
Figure 29: Suggested schematic design for the VCC and 3.3Vaux supply application circuit using an LDO linear regulator
Reference
Description
Part Number - Manufacturer
C1, C2
10 µF Capacitor Ceramic X5R 0603 20% 6.3 V
GRM188R60J106ME47 - Murata
C3
330 µF Capacitor Tantalum D_SIZE 6.3 V 45 m
T520D337M006ATE045 - KEMET
R1
47 k Resistor 0402 5% 0.1 W
RC0402JR-0747KL - Yageo Phycomp
R2
9.1 k Resistor 0402 5% 0.1 W
RC0402JR-079K1L - Yageo Phycomp
R3
3.9 k Resistor 0402 5% 0.1 W
RC0402JR-073K9L - Yageo Phycomp
R4
3.3 k Resistor 0402 5% 0.1 W
RC0402JR-073K3L - Yageo Phycomp
R5
1.8 k Resistor 0402 5% 0.1 W
RC0402JR-071K8L - Yageo Phycomp
U1
LDO Linear Regulator ADJ 3.0 A
LT1764AEQ#PBF - Linear Technology
Table 15: Suggested components for VCC and 3.3Vaux supply application circuit using an LDO linear regulator

TOBY-L2 and MPCI-L2 series - System Integration Manual
UBX-13004618 - R04 Advance Information Design-in
Page 65 of 141
Figure 30 and the components listed in Table 16 show an example of a low cost power supply circuit, where the
VCC module supply is provided by an LDO linear regulator capable of delivering the specified highest peak /
pulse current, with proper power handling capability. The regulator described in this example supports a limited
input voltage range and it includes internal circuitry for current and thermal protection.
It is recommended to configure the LDO linear regulator to generate a voltage supply value slightly below the
maximum limit of the module VCC normal operating range (e.g. ~4.1 V as in the circuit described in Figure 30
and Table 16). This reduces the power on the linear regulator and improves the whole thermal design of the
supply circuit.
5V
C1
IN OUT
ADJ
GND
1
24
5
3
C2R1
R2
U1
EN
TOBY-L2 series
71 VCC
72 VCC
70 VCC
GND
C3
5V
C1
IN OUT
ADJ
GND
1
24
5
3
C2R3
R4
U1
EN
MPCI-L2 series
GND
C3
24 3.3Vaux
39 3.3Vaux
23.3Vaux
41 3.3Vaux
52 3.3Vaux
Figure 30: Suggested schematic design for the VCC and 3.3Vaux supply application circuit using an LDO linear regulator
Reference
Description
Part Number - Manufacturer
C1, C2
10 µF Capacitor Ceramic X5R 0603 20% 6.3 V
GRM188R60J106ME47 - Murata
C3
330 µF Capacitor Tantalum D_SIZE 6.3 V 45 m
T520D337M006ATE045 - KEMET
R1
27 k Resistor 0402 5% 0.1 W
RC0402JR-0727KL - Yageo Phycomp
R2
4.7 k Resistor 0402 5% 0.1 W
RC0402JR-074K7L - Yageo Phycomp
R3
12 k Resistor 0402 5% 0.1 W
RC0402JR-0712KL - Yageo Phycomp
R4
2.7 k Resistor 0402 5% 0.1 W
RC0402JR-072K7L - Yageo Phycomp
U1
LDO Linear Regulator ADJ 3.0 A
LP38501ATJ-ADJ/NOPB - Texas Instrument
Table 16: Suggested components for VCC voltage supply application circuit using an LDO linear regulator
2.2.1.4 Guidelines for VCC supply circuit design using a rechargeable Li-Ion or Li-Pol battery
Rechargeable Li-Ion or Li-Pol batteries connected to the VCC pins should meet the following prerequisites to
comply with the module VCC requirements summarized in Table 7:
Maximum pulse and DC discharge current: the rechargeable Li-Ion battery with its related output circuit
connected to the VCC pins must be capable of delivering a pulse current as the maximum peak current
consumption during Tx burst at maximum Tx power specified in TOBY-L2 series Data Sheet [1] and must be
capable of extensively delivering a DC current as the maximum average current consumption specified in
TOBY-L2 series Data Sheet [1]. The maximum discharge current is not always reported in battery data sheets,
but the maximum DC discharge current is typically almost equal to the battery capacity in Amp-hours
divided by 1 hour.
DC series resistance: the rechargeable Li-Ion battery with its output circuit must be capable of avoiding a
VCC voltage drop below the operating range summarized in Table 7 during transmit bursts.

TOBY-L2 and MPCI-L2 series - System Integration Manual
UBX-13004618 - R04 Advance Information Design-in
Page 66 of 141
2.2.1.5 Guidelines for VCC supply circuit design using a primary (disposable) battery
The characteristics of a primary (non-rechargeable) battery connected to VCC pins should meet the following
prerequisites to comply with the module VCC requirements summarized in Table 7:
Maximum pulse and DC discharge current: the non-rechargeable battery with its related output circuit
connected to the VCC pins must be capable of delivering a pulse current as the maximum peak current
consumption during Tx burst at maximum Tx power specified in TOBY-L2 series Data Sheet [1] and must be
capable of extensively delivering a DC current as the maximum average current consumption specified in
TOBY-L2 series Data Sheet [1]. The maximum discharge current is not always reported in battery data sheets,
but the maximum DC discharge current is typically almost equal to the battery capacity in Amp-hours
divided by 1 hour.
DC series resistance: the non-rechargeable battery with its output circuit must be capable of avoiding a
VCC voltage drop below the operating range summarized in Table 7 during transmit bursts.
2.2.1.6 Additional guidelines for VCC or 3.3Vaux supply circuit design
To reduce voltage drops, use a low impedance power source. The series resistance of the power supply lines
(connected to the modules’ VCC / 3.3Vaux and GND pins) on the application board and battery pack should
also be considered and minimized: cabling and routing must be as short as possible to minimize power losses.
Three pins are allocated to VCC supply and five pins to 3.3Vaux supply. Several pins are designated for GND
connection. Even if all the VCC / 3.3Vaux pins and all the GND pins are internally connected within the module,
it is recommended to properly connect all of them to supply the module to minimize series resistance losses.
To avoid voltage drop undershoot and overshoot at the start and end of a transmit burst during a GSM call
(when current consumption on the VCC or 3.3Vaux supply can rise up as specified in TOBY-L2 series Data
Sheet [1] or in MPCI-L2 series Data Sheet [2]), place a bypass capacitor with large capacitance (at least 100 µF)
and low ESR near the VCC pins, for example:
330 µF capacitance, 45 m ESR (e.g. KEMET T520D337M006ATE045, Tantalum Capacitor)
To reduce voltage ripple and noise, improving RF performance especially if the application device integrates an
internal antenna, place the following bypass capacitors near the VCC / 3.3Vaux pins:
68 pF capacitor with Self-Resonant Frequency in the 800/900 MHz range (e.g. Murata GRM1555C1H680J)
to filter EMI in the RF low frequencies bands
15 pF capacitor with Self-Resonant Frequency in 1800/1900 MHz range (e.g. Murata GRM1555C1E150J)
to filter EMI in the RF high frequencies bands
8.2 pF capacitor with Self-Resonant Frequency in 2500/2600 MHz range (e.g. Murata GRM1555C1H8R2D)
to filter EMI in the RF very high frequencies band
10 nF capacitor (e.g. Murata GRM155R71C103K) to filter digital logic noise from clocks and data sources
100 nF capacitor (e.g. Murata GRM155R61C104K) to filter digital logic noise from clocks and data sources
A suitable series ferrite bead can be properly placed on the VCC / 3.3Vaux line for additional noise filtering if
required by the specific application according to the whole application board design.
The necessity of each part depends on the specific design, but it is recommended to provide all the bypass
capacitors described in Figure 31 / Table 17 if the application device integrates an internal antenna.

TOBY-L2 and MPCI-L2 series - System Integration Manual
UBX-13004618 - R04 Advance Information Design-in
Page 67 of 141
C2
GND
C3 C4
TOBY-L2 series
71
VCC
72
VCC
70
VCC
C1 C5 C6
3V8
C2
GND
C3 C4
MPCI-L2 series
C1 C5 C6
3V3
24
3.3Vaux
39
3.3Vaux
2
3.3Vaux
41
3.3Vaux
52
3.3Vaux
Figure 31: Suggested schematic for the VCC / 3.3Vaux bypass capacitors to reduce ripple / noise on supply voltage profile
Reference
Description
Part Number - Manufacturer
C1
68 pF Capacitor Ceramic C0G 0402 5% 50 V
GRM1555C1H680JA01 - Murata
C2
15 pF Capacitor Ceramic C0G 0402 5% 50 V
GRM1555C1H150JA01 - Murata
C3
8.2 pF Capacitor Ceramic C0G 0402 5% 50 V
GRM1555C1H8R2DZ01 - Murata
C4
10 nF Capacitor Ceramic X7R 0402 10% 16 V
GRM155R71C103KA01 - Murata
C5
100 nF Capacitor Ceramic X7R 0402 10% 16 V
GRM155R71C104KA01 - Murata
C6
330 µF Capacitor Tantalum D_SIZE 6.3 V 45 m
T520D337M006ATE045 - KEMET
Table 17: Suggested components to reduce ripple / noise on VCC / 3.3Vaux
ESD sensitivity rating of the VCC / 3.3Vaux supply pins is 1 kV (HBM according to JESD22-A114). Higher
protection level can be required if the line is externally accessible on the application board, e.g. if
accessible battery connector is directly connected to the supply pins. Higher protection level can be
achieved by mounting an ESD protection (e.g. EPCOS CA05P4S14THSG varistor) close to accessible point.

TOBY-L2 and MPCI-L2 series - System Integration Manual
UBX-13004618 - R04 Advance Information Design-in
Page 68 of 141
2.2.1.7 Guidelines for external battery charging circuit
TOBY-L2 modules do not have an on-board charging circuit. Figure 32 provides an example of a battery charger
design, suitable for applications that are battery powered with a Li-Ion (or Li-Polymer) cell.
In the application circuit, a rechargeable Li-Ion (or Li-Polymer) battery cell, that features proper pulse and DC
discharge current capabilities and proper DC series resistance, is directly connected to the VCC supply input of
TOBY-L2 module. Battery charging is completely managed by the STMicroelectronics L6924U Battery Charger IC
that, from a USB power source (5.0 V typ.), charges as a linear charger the battery, in three phases:
Pre-charge constant current (active when the battery is deeply discharged): the battery is charged with a
low current, set to 10% of the fast-charge current
Fast-charge constant current: the battery is charged with the maximum current, configured by the value
of an external resistor to a value suitable for USB power source (~500 mA)
Constant voltage: when the battery voltage reaches the regulated output voltage (4.2 V), the L6924U
starts to reduce the current until the charge termination is done. The charging process ends when the
charging current reaches the value configured by an external resistor to ~15 mA or when the charging timer
reaches the value configured by an external capacitor to ~9800 s
Using a battery pack with an internal NTC resistor, the L6924U can monitor the battery temperature to protect
the battery from operating under unsafe thermal conditions.
Alternatively the L6924U, providing input voltage range up to 12 V, can charge from an AC wall adapter. When
a current-limited adapter is used, it can operate in quasi-pulse mode, reducing power dissipation.
C5 C8C7C6 C9
GND
TOBY-L2 series
71 VCC
72 VCC
70 VCC
+
USB
Supply
C3 R4
θ
U1
IUSB
IAC
IEND
TPRG
SD
VIN
VINSNS
MODE
ISEL
C2C1
5V0
TH
GND
VOUT
VOSNS
VREF
R1
R2
R3
Li-Ion/Li-Pol
Battery Pack
D1
B1
C4
Li-Ion/Li-Polymer
Battery Charger IC
C10
Figure 32: Li-Ion (or Li-Polymer) battery charging application circuit
Reference
Description
Part Number - Manufacturer
B1
Li-Ion (or Li-Polymer) battery pack with 470 NTC
Various manufacturer
C1, C4
1 µF Capacitor Ceramic X7R 0603 10% 16 V
GRM188R71C105KA12 - Murata
C2, C6
10 nF Capacitor Ceramic X7R 0402 10% 16 V
GRM155R71C103KA01 - Murata
C3
1 nF Capacitor Ceramic X7R 0402 10% 50 V
GRM155R71H102KA01 - Murata
C5
330 µF Capacitor Tantalum D_SIZE 6.3 V 45 m
T520D337M006ATE045 - KEMET
C7
100 nF Capacitor Ceramic X7R 0402 10% 16 V
GRM155R61A104KA01 - Murata
C8
68 pF Capacitor Ceramic C0G 0402 5% 50 V
GRM1555C1H680JA01 - Murata
C9
15 pF Capacitor Ceramic C0G 0402 5% 50 V
GRM1555C1H150JA01 - Murata
C10
8.2 pF Capacitor Ceramic C0G 0402 5% 50 V
GRM1555C1H8R2DZ01 - Murata
D1
Low Capacitance ESD Protection
USB0002RP or USB0002DP - AVX
R1, R2
24 k Resistor 0402 5% 0.1 W
RC0402JR-0724KL - Yageo Phycomp
R3
3.3 k Resistor 0402 5% 0.1 W
RC0402JR-073K3L - Yageo Phycomp
R4
1.0 k Resistor 0402 5% 0.1 W
RC0402JR-071K0L - Yageo Phycomp
U1
Single Cell Li-Ion (or Li-Polymer) Battery Charger IC
L6924U - STMicroelectronics
Table 18: Suggested components for Li-Ion (or Li-Polymer) battery charging application circuit

TOBY-L2 and MPCI-L2 series - System Integration Manual
UBX-13004618 - R04 Advance Information Design-in
Page 69 of 141
2.2.1.8 Guidelines for external battery charging and power path management circuit
Application devices where both a permanent primary supply / charging source (e.g. ~12 V) and a rechargeable
back-up battery (e.g. 3.7 V Li-Pol) are available at the same time as possible supply source should implement a
suitable charger / regulator with integrated power path management function to supply the module and the
whole device while simultaneously and independently charging the battery.
Figure 33 reports a simplified block diagram circuit showing the working principle of a charger / regulator with
integrated power path management function. This component allows the system to be powered by a permanent
primary supply source (e.g. ~12 V) using the integrated regulator which simultaneously and independently
recharges the battery (e.g. 3.7 V Li-Pol) that represents the back-up supply source of the system: the power path
management feature permits the battery to supplement the system current requirements when the primary
supply source is not available or cannot deliver the peak system currents.
A power management IC should meet the following prerequisites to comply with the module VCC requirements
summarized in Table 7:
High efficiency internal step down converter, compliant with the performances specified in section 2.2.1.2
Low internal resistance in the active path Vout – Vbat, typically lower than 50 m
High efficiency switch mode charger with separate power path control
GND
Power path management IC
VoutVin
θ
Li-Ion/Li-Pol
Battery Pack
GND
System
12 V
Primary
Source
Charge
controller
DC/DC converter
and battery FET
control logic
Vbat
Figure 33: Charger / regulator with integrated power path management circuit block diagram
Figure 34 and the components listed in Table 19 provide an application circuit example where the MPS MP2617
switching charger / regulator with integrated power path management function provides the supply to the
cellular module while concurrently and autonomously charging a suitable Li-Ion (or Li-Polymer) battery with
proper pulse and DC discharge current capabilities and proper DC series resistance according to the rechargeable
battery recommendations described in section 2.2.1.4.
The MP2617 IC constantly monitors the battery voltage and selects whether to use the external main primary
supply / charging source or the battery as supply source for the module, and starts a charging phase accordingly.
The MP2617 IC normally provides a supply voltage to the module regulated from the external main primary
source allowing immediate system operation even under missing or deeply discharged battery: the integrated
switching step-down regulator is capable to provide up to 3 A output current with low output ripple and fixed
1.6 MHz switching frequency in PWM mode operation. The module load is satisfied in priority, then the
integrated switching charger will take the remaining current to charge the battery.
Additionally, the power path control allows an internal connection from battery to the module with a low series
internal ON resistance (40 m typical), in order to supplement additional power to the module when the current
demand increases over the external main primary source or when this external source is removed.

TOBY-L2 and MPCI-L2 series - System Integration Manual
UBX-13004618 - R04 Advance Information Design-in
Page 70 of 141
Battery charging is managed in three phases:
Pre-charge constant current (active when the battery is deeply discharged): the battery is charged with a
low current, set to 10% of the fast-charge current
Fast-charge constant current: the battery is charged with the maximum current, configured by the value
of an external resistor to a value suitable for the application
Constant voltage: when the battery voltage reaches the regulated output voltage (4.2 V), the current is
progressively reduced until the charge termination is done. The charging process ends when the charging
current reaches the 10% of the fast-charge current or when the charging timer reaches the value configured
by an external capacitor
Using a battery pack with an internal NTC resistor, the MP2617 can monitor the battery temperature to protect
the battery from operating under unsafe thermal conditions.
Several parameters as the charging current, the charging timings, the input current limit, the input voltage limit,
the system output voltage can be easily set according to the specific application requirements, as the actual
electrical characteristics of the battery and the external supply / charging source: proper resistors or capacitors
have to be accordingly connected to the related pins of the IC.
C10 C13
GND
C12C11 C14
TOBY-L2 series
71 VCC
72 VCC
70 VCC
+
Primary
Source
R3
U1
EN
ILIM
ISET
TMR
AGND
VIN
C2C1
12V
NTC
PGND
SW
SYS
BAT
C4
R1
R2
D1
θ
Li-Ion/Li-Pol
Battery Pack
B1
C5
Li-Ion/Li-Polymer Battery
Charger / Regulator with
Power Path Managment
VCC
C3 C6
L1
BST
D2
VLIM
R4
R5
C7 C8 C9
C15
Figure 34: Li-Ion (or Li-Polymer) battery charging and power path management application circuit
Reference
Description
Part Number - Manufacturer
B1
Li-Ion (or Li-Polymer) battery pack with 10 k NTC
Various manufacturer
C1, C5, C6
22 µF Capacitor Ceramic X5R 1210 10% 25 V
GRM32ER61E226KE15 - Murata
C2, C4, C11
100 nF Capacitor Ceramic X7R 0402 10% 16 V
GRM155R61A104KA01 - Murata
C3
1 µF Capacitor Ceramic X7R 0603 10% 25 V
GRM188R71E105KA12 - Murata
C7, C13
68 pF Capacitor Ceramic C0G 0402 5% 50 V
GRM1555C1H680JA01 - Murata
C8, C14
15 pF Capacitor Ceramic C0G 0402 5% 25 V
GRM1555C1E150JA01 - Murata
C9, C15
8.2 pF Capacitor Ceramic C0G 0402 5% 50 V
GRM1555C1H8R2DZ01 - Murata
C10
330 µF Capacitor Tantalum D_SIZE 6.3 V 45 m
T520D337M006ATE045 - KEMET
C12
10 nF Capacitor Ceramic X7R 0402 10% 16 V
GRM155R71C103KA01 - Murata
D1, D2
Low Capacitance ESD Protection
CG0402MLE-18G - Bourns
R1, R3, R5
10 k Resistor 0402 5% 1/16 W
RC0402JR-0710KL - Yageo Phycomp
R2
1.0 k Resistor 0402 5% 0.1 W
RC0402JR-071K0L - Yageo Phycomp
R4
22 k Resistor 0402 5% 1/16 W
RC0402JR-0722KL - Yageo Phycomp
L1
1.2 µH Inductor 6 A 21 m 20%
7447745012 - Wurth
U1
Li-Ion/Li-Polymer Battery DC/DC Charger / Regulator
with integrated Power Path Management function
MP2617 - Monolithic Power Systems (MPS)
Table 19: Suggested components for Li-Ion (or Li-Polymer) battery charging and power path management application circuit

TOBY-L2 and MPCI-L2 series - System Integration Manual
UBX-13004618 - R04 Advance Information Design-in
Page 71 of 141
2.2.1.9 Guidelines for VCC or 3.3Vaux supply layout design
Good connection of the module VCC or 3.3Vaux pins with DC supply source is required for correct RF
performance. Guidelines are summarized in the following list:
All the available VCC / 3.3Vaux pins must be connected to the DC source
VCC / 3.3Vaux connection must be as wide as possible and as short as possible
Any series component with Equivalent Series Resistance (ESR) greater than few milliohms must be avoided
VCC / 3.3Vaux connection must be routed through a PCB area separated from RF lines / parts, sensitive
analog signals and sensitive functional units: it is good practice to interpose at least one layer of PCB ground
between the VCC / 3.3Vaux track and other signal routing
Coupling between VCC / 3.3Vaux and digital lines, especially USB, must be avoided.
The tank bypass capacitor with low ESR for current spikes smoothing described in section 2.2.1.6 should be
placed close to the VCC / 3.3Vaux pins. If the main DC source is a switching DC-DC converter, place the
large capacitor close to the DC-DC output and minimize VCC / 3.3Vaux track length. Otherwise consider
using separate capacitors for DC-DC converter and module tank capacitor
The bypass capacitors in the pF range described in Figure 31 and Table 17 should be placed as close as
possible to the VCC / 3.3Vaux pins. This is highly recommended if the application device integrates an
internal antenna
Since VCC / 3.3Vaux input provide the supply to RF Power Amplifiers, voltage ripple at high frequency may
result in unwanted spurious modulation of transmitter RF signal. This is more likely to happen with switching
DC-DC converters, in which case it is better to select the highest operating frequency for the switcher and
add a large L-C filter before connecting to the TOBY-L2 and MPCI-L2 series modules in the worst case
If VCC / 3.3Vaux is protected by transient voltage suppressor to ensure that the voltage maximum ratings
are not exceeded, place the protecting device along the path from the DC source toward the module,
preferably closer to the DC source (otherwise protection functionality may be compromised)
2.2.1.10 Guidelines for grounding layout design
Good connection of the module GND pins with application board solid ground layer is required for correct RF
performance. It significantly reduces EMC issues and provides a thermal heat sink for the module.
Connect each GND pin with application board solid GND layer. It is strongly recommended that each GND
pad surrounding VCC pins have one or more dedicated via down to the application board solid ground layer
The VCC supply current flows back to main DC source through GND as ground current: provide adequate
return path with suitable uninterrupted ground plane to main DC source
It is recommended to implement one layer of the application board as ground plane as wide as possible
If the application board is a multilayer PCB, then all the board layers should be filled with GND plane as
much as possible and each GND area should be connected together with complete via stack down to the
main ground layer of the board
If the whole application device is composed by more than one PCB, then it is required to provide a good and
solid ground connection between the GND areas of all the different PCBs
Good grounding of GND pads also ensures thermal heat sink. This is critical during connection, when the
real network commands the module to transmit at maximum power: proper grounding helps prevent
module overheating.

TOBY-L2 and MPCI-L2 series - System Integration Manual
UBX-13004618 - R04 Advance Information Design-in
Page 72 of 141
2.2.2 RTC supply output (V_BCKP)
The RTC supply V_BCKP pin is not available on MPCI-L2 series modules.
2.2.2.1 Guidelines for V_BCKP circuit design
TOBY-L2 series modules provide the V_BCKP RTC supply input/output, which can be mainly used to:
Provide RTC back-up when VCC supply is removed
If RTC timing is required to run for a time interval of T [s] when VCC supply is removed, place a capacitor with a
nominal capacitance of C [µF] at the V_BCKP pin. Choose the capacitor using the following formula:
C [µF] = (Current_Consumption [µA] x T [s]) / Voltage_Drop [V]
= 1.25 x T [s]
For example, a 100 µF capacitor can be placed at V_BCKP to provide RTC backup holding the V_BCKP voltage
within its valid range for around 80 s at 25 °C, after the VCC supply is removed. If a longer buffering time is
required, a 70 mF super-capacitor can be placed at V_BCKP, with a 4.7 k series resistor to hold the V_BCKP
voltage within its valid range for approximately 15 hours at 25 °C, after the VCC supply is removed. The purpose
of the series resistor is to limit the capacitor charging current due to the large capacitor specifications, and also
to let a fast rise time of the voltage value at the V_BCKP pin after VCC supply has been provided. These
capacitors allow the time reference to run during battery disconnection.
TOBY-L2 series
C1
(a)
3V_BCKP
R2
TOBY-L2 series
C2
(superCap)
(b)
3V_BCKP
D3
TOBY-L2 series
B3
(c)
3V_BCKP
Figure 35: Real time clock supply (V_BCKP) application circuits: (a) using a 100 µF capacitor to let the RTC run for ~80 s after VCC
removal; (b) using a 70 mF capacitor to let RTC run for ~15 hours after VCC removal; (c) using a non-rechargeable battery
Reference
Description
Part Number - Manufacturer
C1
100 µF Tantalum Capacitor
GRM43SR60J107M - Murata
R2
4.7 kΩ Resistor 0402 5% 0.1 W
RC0402JR-074K7L - Yageo Phycomp
C2
70 mF Capacitor
XH414H-IV01E - Seiko Instruments
Table 20: Example of components for V_BCKP buffering
If very long buffering time is required to allow the RTC time reference to run during a disconnection of the VCC
supply, then an external battery can be connected to V_BCKP pin. The battery should be able to provide a
proper nominal voltage and must never exceed the maximum operating voltage for V_BCKP (specified in the
Input characteristics of Supply/Power pins table in TOBY-L2 series Data Sheet [1]). The connection of the battery
to V_BCKP should be done with a suitable series resistor for a rechargeable battery, or with an appropriate
series diode for a non-rechargeable battery. The purpose of the series resistor is to limit the battery charging
current due to the battery specifications, and also to allow a fast rise time of the voltage value at the V_BCKP
pin after the VCC supply has been provided. The purpose of the series diode is to avoid a current flow from the
module V_BCKP pin to the non-rechargeable battery.

TOBY-L2 and MPCI-L2 series - System Integration Manual
UBX-13004618 - R04 Advance Information Design-in
Page 73 of 141
If the RTC timing is not required when the VCC supply is removed, it is not needed to connect the
V_BCKP pin to an external capacitor or battery. In this case the date and time are not updated when VCC
is disconnected. If VCC is always supplied, then the internal regulator is supplied from the main supply
and there is no need for an external component on V_BCKP.
Combining a cellular module with a u-blox GNSS positioning receiver, the positioning receiver VCC supply is
controlled by the cellular module by means of the “GNSS supply enable” function provided by the GPIO2 of the
cellular module. In this case the V_BCKP supply output of the cellular module can be connected to the V_BCKP
backup supply input pin of the GNSS receiver to provide the supply for the positioning real time clock and
backup RAM when the VCC supply of the cellular module is within its operating range and the VCC supply of
the GNSS receiver is disabled. This enables the u-blox GNSS receiver to recover from a power breakdown with
either a hot start or a warm start (depending on the duration of the positioning VCC outage) and to maintain
the configuration settings saved in the backup RAM. See section 2.6.3 for more details regarding the application
circuit with a u-blox GNSS receiver.
V_BCKP supply output pin provides internal short circuit protection to limit start-up current and protect the
device in short circuit situations. No additional external short circuit protection is required.
Do not apply loads which might exceed the limit for maximum available current from V_BCKP supply (see
TOBY-L2 series Data Sheet [1]) as this can cause malfunctions in internal circuitry.
ESD sensitivity rating of the V_BCKP supply pin is 1 kV (Human Body Model according to JESD22-A114).
Higher protection level could be required if the line is externally accessible and it can be achieved by
mounting an ESD protection (e.g. EPCOS CA05P4S14THSG varistor array) close to the accessible point.
2.2.2.2 Guidelines for V_BCKP layout design
V_BCKP supply requires careful layout: avoid injecting noise on this voltage domain as it may affect the stability
of the internal circuitry.

TOBY-L2 and MPCI-L2 series - System Integration Manual
UBX-13004618 - R04 Advance Information Design-in
Page 74 of 141
2.2.3 Generic digital interfaces supply output (V_INT)
The generic digital interfaces supply V_INT pin is not available on MPCI-L2 series modules.
2.2.3.1 Guidelines for V_INT circuit design
TOBY-L2 series provide the V_INT generic digital interfaces 1.8 V supply output, which can be mainly used to:
Indicate when the module is switched on (as described in sections 1.6.1, 1.6.2)
Pull-up SIM detection signal (see section 2.5 for more details)
Supply voltage translators to connect 1.8 V module generic digital interfaces to 3.0 V devices (e.g. see 2.6.2)
Pull-up DDC (I2C) interface signals (see section 2.6.3 for more details)
Supply a 1.8 V u-blox 6 or subsequent u-blox GNSS receiver generation (see section 2.6.3 for more details)
V_INT supply output pin provides internal short circuit protection to limit start-up current and protect the device
in short circuit situations. No additional external short circuit protection is required.
Do not apply loads which might exceed the limit for maximum available current from V_INT supply (see
the TOBY-L2 series Data Sheet [1]) as this can cause malfunctions in internal circuitry.
Since the V_INT supply is generated by an internal switching step-down regulator, the V_INT voltage
ripple can range as specified in the TOBY-L2 series Data Sheet [1]: it is not recommended to supply
sensitive analog circuitry without adequate filtering for digital noise.
V_INT can only be used as an output: do not connect any external supply source on V_INT.
ESD sensitivity rating of the V_INT supply pin is 1 kV (Human Body Model according to JESD22-A114).
Higher protection level could be required if the line is externally accessible and it can be achieved by
mounting an ESD protection (e.g. EPCOS CA05P4S14THSG varistor array) close to the accessible point.
It is recommended to provide direct access to the V_INT pin on the application board by means of an
accessible test point directly connected to the V_INT pin.
2.2.3.2 Guidelines for V_INT layout design
V_INT supply output is generated by an integrated switching step-down converter. Because of this, it can be a
source of noise: avoid coupling with sensitive signals.

TOBY-L2 and MPCI-L2 series - System Integration Manual
UBX-13004618 - R04 Advance Information Design-in
Page 75 of 141
2.3 System functions interfaces
2.3.1 Module power-on (PWR_ON)
The PWR_ON input pin is not available on MPCI-L2 series modules.
2.3.1.1 Guidelines for PWR_ON circuit design
TOBY-L2 series PWR_ON input is equipped with an internal active pull-up resistor to the VCC module supply as
described in Figure 36: an external pull-up resistor is not required and should not be provided.
If connecting the PWR_ON input to a push button, the pin will be externally accessible on the application
device. According to EMC/ESD requirements of the application, an additional ESD protection should be provided
close to the accessible point, as described in Figure 36 and Table 21.
ESD sensitivity rating of the PWR_ON pin is 1 kV (Human Body Model according to JESD22-A114). Higher
protection level can be required if the line is externally accessible on the application board, e.g. if an
accessible push button is directly connected to PWR_ON pin, and it can be achieved by mounting an ESD
protection (e.g. EPCOS CA05P4S14THSG varistor) close to the accessible point.
An open drain or open collector output is suitable to drive the PWR_ON input from an application processor as
PWR_ON input is equipped with an internal active pull-up resistor to the VCC supply, as described in Figure 36.
A compatible push-pull output of an application processor can also be used. In any case, take care to set the
proper level in all the possible scenarios to avoid an inappropriate module switch-on.
TOBY-L2 series
50 k
VCC
20 PWR_ON
Power-on
push button
ESD
Open
Drain
Output
Application
Processor
TOBY-L2 series
50 k
VCC
20 PWR_ON
TP TP
Figure 36: PWR_ON application circuits using a push button and an open drain output of an application processor
Reference
Description
Remarks
ESD
CT0402S14AHSG - EPCOS
Varistor array for ESD protection
Table 21: Example ESD protection component for the PWR_ON application circuit
It is recommended to provide direct access to the PWR_ON pin on the application board by means of an
accessible test point directly connected to the PWR_ON pin.
2.3.1.2 Guidelines for PWR_ON layout design
The power-on circuit (PWR_ON) requires careful layout since it is the sensitive input available to switch on the
TOBY-L2 modules. It is required to ensure that the voltage level is well defined during operation and no transient
noise is coupled on this line, otherwise the module might detect a spurious power-on request.

TOBY-L2 and MPCI-L2 series - System Integration Manual
UBX-13004618 - R04 Advance Information Design-in
Page 76 of 141
2.3.2 Module reset (RESET_N or PERST#)
2.3.2.1 Guidelines for RESET_N and PERST# circuit design
The TOBY-L2 series RESET_N is equipped with an internal pull-up to the VCC supply and the MPCI-L2 series
PERST# is equipped with an internal pull-up to the 3.3 V rail, as described in Figure 37. An external pull-up
resistor is not required and should not be provided.
If connecting the RESET_N or PERST# input to a push button, the pin will be externally accessible on the
application device. According to EMC/ESD requirements of the application, an additional ESD protection device
(e.g. the EPCOS CA05P4S14THSG varistor) should be provided close to accessible point on the line connected to
this pin, as described in Figure 37 and Table 22.
ESD sensitivity rating of the RESET_N and PERST# pins is 1 kV (HBM according to JESD22-A114). Higher
protection level can be required if the line is externally accessible on the application board, e.g. if an
accessible push button is directly connected to the RESET_N or PERST# pin, and it can be achieved by
mounting an ESD protection (e.g. EPCOS CA05P4S14THSG varistor) close to accessible point.
An open drain output is suitable to drive the RESET_N and PERST# inputs from an application processor as they
are equipped with an internal pull-up to VCC supply and to the 3.3 V rail respectively, as described in Figure 37.
A compatible push-pull output of an application processor can also be used. In any case, take care to set the
proper level in all the possible scenarios to avoid an inappropriate module reset, switch-on or switch-off.
TOBY-L2 series
VCC
23 RESET_N
Power-on
push button
ESD
Open
Drain
Output
Application
Processor
TOBY-L2 series
VCC
23 RESET_N
TP TP
50 k50 k
MPCI-L2 series
22 PERST#
Power-on
push button
ESD
Open
Drain
Output
Application
Processor
MPCI-L2 series
22 PERST#
45 k45 k
3V3 3V3
Figure 37: RESET_N and PERST# application circuits using a push button and an open drain output of an application processor
Reference
Description
Remarks
ESD
Varistor for ESD protection
CT0402S14AHSG - EPCOS
Table 22: Example of ESD protection component for the RESET_N and PERST# application circuits
If the external reset function is not required by the customer application, the RESET_N input pin can be
left unconnected to external components, but it is recommended providing direct access on the
application board by means of an accessible test point directly connected to the RESET_N pin.

TOBY-L2 and MPCI-L2 series - System Integration Manual
UBX-13004618 - R04 Advance Information Design-in
Page 77 of 141
2.3.2.2 Guidelines for RESET_N and PERST# layout design
The RESET_N and PERST# circuits require careful layout due to the pin function: ensure that the voltage level is
well defined during operation and no transient noise is coupled on this line, otherwise the module might detect
a spurious reset request. It is recommended to keep the connection line to RESET_N and PERST# pins as short
as possible.
2.3.3 Module configuration selection by host processor
The HOST_SELECT0 and HOST_SELECT1 pins are not available on MPCI-L2 series modules.
2.3.3.1 Guidelines for HOST_SELECTx circuit design
The functionality of the HOST_SELECT0 and HOST_SELECT1 pins is not supported by the
TOBY-L2x0-00S product version: the two input pins should be not driven by the host application
processor.
TOBY-L2 series modules include two input pins (HOST_SELECT0 and HOST_SELECT1) for the selection of the
module configuration by the host application processor.
Guidelines for HOST_SELECT0 and HOST_SELECT1 pins circuit design will be described in detail in a
successive release of the document.
Do not apply voltage to HOST_SELECT0 and HOST_SELECT1 pins before the switch-on of their supply
source (V_INT), to avoid latch-up of circuits and allow a proper boot of the module. If the external signals
connected to the cellular module cannot be tri-stated or set low, insert a multi channel digital switch (e.g.
TI SN74CB3Q16244, TS5A3159, or TS5A63157) between the two-circuit connections and set to high
impedance before V_INT switch-on.
ESD sensitivity rating of the HOST_SELECT0 and HOST_SELECT1 pins is 1 kV (HBM as per JESD22-A114).
Higher protection level could be required if the lines are externally accessible and it can be achieved by
mounting an ESD protection (e.g. EPCOS CA05P4S14THSG varistor array) close to accessible points
If the HOST_SELECT0 and HOST_SELECT1 pins are not used, they can be left unconnected on the
application board.
2.3.3.2 Guidelines for HOST_SELECTx layout design
The input pins for the selection of the module configuration by the host application processor (HOST_SELECT0
and HOST_SELECT1) are generally not critical for layout.

TOBY-L2 and MPCI-L2 series - System Integration Manual
UBX-13004618 - R04 Advance Information Design-in
Page 78 of 141
2.4 Antenna interface
TOBY-L2 and MPCI-L2 series modules provide two RF interfaces for connecting the external antennas:
The ANT1 pin represents the primary RF input/output for LTE/3G/2G RF signals transmission and reception.
The ANT2 pin represents the secondary RF input for LTE MIMO 2 x 2 or 3G Rx diversity RF signals reception.
Both the ANT1 and the ANT2 pins have a nominal characteristic impedance of 50 and must be connected to
the related antenna through a 50 transmission line to allow proper transmission / reception of RF signals.
Two antennas (one connected to ANT1 pin and one connected to ANT2 pin) must be used to support the
Down-Link MIMO 2 x 2 radio technology. This is a required feature for LTE category 4 User Equipments
(up to 150 Mb/s Down-Link data rate) according to 3GPP specifications.
2.4.1 Antenna RF interfaces (ANT1 / ANT2)
2.4.1.1 General guidelines for antenna selection and design
The antenna is the most critical component to be evaluated. Designers must take care of the antennas from all
perspective at the very start of the design phase when the physical dimensions of the application board are
under analysis/decision, since the RF compliance of the device integrating TOBY-L2 and MPCI-L2 series modules
with all the applicable required certification schemes depends on antennas radiating performance.
LTE/3G/2G antennas are typically available in the types of linear monopole or PCB antennas such as patches or
ceramic SMT elements.
External antennas (e.g. linear monopole)
o External antennas basically do not imply physical restriction to the design of the PCB where the
TOBY-L2 and MPCI-L2 series module is mounted.
o The radiation performance mainly depends on the antennas. It is required to select antennas with
optimal radiating performance in the operating bands.
o RF cables should be carefully selected to have minimum insertion losses. Additional insertion loss
will be introduced by low quality or long cable. Large insertion loss reduces both transmit and
receive radiation performance.
o A high quality 50 RF connector provides proper PCB-to-RF-cable transition. It is recommended to
strictly follow the layout and cable termination guidelines provided by the connector manufacturer.
Integrated antennas (e.g. patch-like antennas):
o Internal integrated antennas imply physical restriction to the design of the PCB:
Integrated antenna excites RF currents on its counterpoise, typically the PCB ground plane of the
device that becomes part of the antenna: its dimension defines the minimum frequency that can be
radiated. Therefore, the ground plane can be reduced down to a minimum size that should be
similar to the quarter of the wavelength of the minimum frequency that has to be radiated, given
that the orientation of the ground plane relative to the antenna element must be considered.
The isolation between the primary and the secondary antennas has to be as high as possible and
the correlation between the 3D radiation patterns of the two antennas has to be as low as possible.
In general, a separation of at least a quarter wavelength between the two antennas is required to
achieve a good isolation and low pattern correlation.
As numerical example, the physical restriction to the PCB design can be considered as following:
Frequency = 750 MHz Wavelength = 40 cm Minimum GND plane size = 10 cm

TOBY-L2 and MPCI-L2 series - System Integration Manual
UBX-13004618 - R04 Advance Information Design-in
Page 79 of 141
o Radiation performance depends on the whole PCB and antenna system design, including product
mechanical design and usage. Antennas should be selected with optimal radiating performance in
the operating bands according to the mechanical specifications of the PCB and the whole product.
o It is recommended to select a pair of custom antennas designed by an antennas’ manufacturer if
the required ground plane dimensions are very small (e.g. less than 6.5 cm long and 4 cm wide).
The antenna design process should begin at the start of the whole product design process
o It is highly recommended to strictly follow the detailed and specific guidelines provided by the
antenna manufacturer regarding correct installation and deployment of the antenna system,
including PCB layout and matching circuitry
o Further to the custom PCB and product restrictions, antennas may require tuning to obtain the
required performance for compliance with all the applicable required certification schemes. It is
recommended to consult the antenna manufacturer for the design-in guidelines for antenna
matching relative to the custom application
In both of cases, selecting external or internal antennas, these recommendations should be observed:
Select antennas providing optimal return loss (or V.S.W.R.) figure over all the operating frequencies.
Select antennas providing optimal efficiency figure over all the operating frequencies.
Select antennas providing similar efficiency for both the primary (ANT1) and the secondary (ANT2) antenna.
Select antennas providing appropriate gain figure (i.e. combined antenna directivity and efficiency figure) so
that the electromagnetic field radiation intensity do not exceed the regulatory limits specified in some
countries (e.g. by FCC in the United States, as reported in the section 4.2.2).
Select antennas capable to provide low Envelope Correlation Coefficient between the primary (ANT1) and
the secondary (ANT2) antenna: the 3D antenna radiation patterns should have lobes in different directions.
2.4.1.2 Guidelines for antenna RF interface design
Guidelines for TOBY-L2 series ANT1 / ANT2 pins RF connection design
Proper transition between ANT1 / ANT2 pads and the application board PCB must be provided, implementing
the following design-in guidelines for the layout of the application PCB close to the ANT1 / ANT2 pads:
On a multilayer board, the whole layer stack below the RF connection should be free of digital lines
Increase GND keep-out (i.e. clearance, a void area) around the ANT1 / ANT2 pads, on the top layer of the
application PCB, to at least 250 µm up to adjacent pads metal definition and up to 400 µm on the area
below the module, to reduce parasitic capacitance to ground, as described in the left picture in Figure 38
Add GND keep-out (i.e. clearance, a void area) on the buried metal layer below the ANT1 / ANT2 pads if
the top-layer to buried layer dielectric thickness is below 200 µm, to reduce parasitic capacitance to ground,
as described in the right picture in Figure 38
Min.
250 µm
Min. 400 µm GND
ANT1
GND clearance
on very close buried layer
below ANT1 pad
GND clearance
on top layer
around ANT1 pad
Min.
250 µm
Min. 400 µm
GND
ANT2
GND clearance
on very close buried layer
below ANT2 pad
GND clearance
on top layer
around ANT2 pad
Figure 38: GND keep-out area on top layer around ANT1 / ANT2 pads and on very close buried layer below ANT1 / ANT2 pads

TOBY-L2 and MPCI-L2 series - System Integration Manual
UBX-13004618 - R04 Advance Information Design-in
Page 80 of 141
Guidelines for MPCI-L2 series ANT1 / ANT2 receptacles RF connection design
The Hirose U.FL-R-SMT RF receptacles implemented on the MPCI-L2 series modules for ANT1 / ANT2 ports
require a suitable mated RF plug from the same connector series. Due to its wide usage in the industry, several
manufacturers offer compatible equivalents.
Table 23 lists some RF connector plugs that fit MPCI-L2 series modules RF connector receptacles, based on the
declaration of the respective manufacturers. Only the Hirose has been qualified for the MPCI-L2 series modules;
contact other producers to verify compatibility.
Manufacturer
Series
Remarks
Hirose
U.FL® Ultra Small Surface Mount Coaxial Connector
Recommended
I-PEX
MHF® Micro Coaxial Connector
Tyco
UMCC® Ultra-Miniature Coax Connector
Amphenol RF
AMC® Amphenol Micro Coaxial
Lighthorse Technologies, Inc
IPX ultra micro-miniature RF connector
Table 23: MPCI-L2 series U.FL compatible plug connector
Typically the RF plug is available as a cable assembly: several kinds are available and the user should select the
cable assembly best suited to the application. The key characteristics are:
RF plug type: select U.FL or equivalent
Nominal impedance: 50
Cable thickness: typically from 0.8 mm to 1.37 mm. Select thicker cables to minimize insertion loss
Cable length: standard length is typically 100 mm or 200 mm, custom lengths may be available on request.
Select shorter cables to minimize insertion loss
RF connector on the other side of the cable: for example another U.FL (for board-to-board connection) or
SMA (for panel mounting)
For applications requiring an internal integrated SMT antenna, it is suggested to use a U-FL-to-U.FL cable to
provide RF path from the MPCI-L2 series module to PCB strip line or micro strip connected to antenna pads as
shown in Figure 39. Take care that the PCB-to-RF-cable transition, strip line and antenna pads must be designed
so that the characteristic impedance is as close as possible to 50 : see the following subsections for specific
guidelines regarding RF transmission line design and RF termination design.
If an external antenna is required, consider that the connector is typically rated for a limited number of insertion
cycles. In addition, the RF coaxial cable may be relatively fragile compared to other types of cables. To increase
application ruggedness, connect U.FL to a more robust connector (e.g. SMA or MMCX) fixed on panel or on
flange as shown in Figure 39.
MPCI-L2 series
Baseboard
Stripline/Microstrip Internal
Antenna
Baseboard
Application
Chassis Connector to
External Antenna
MPCI-L2 series
Latch for
Mini PCIe
Latch for Mini PCIe
Figure 39: Example of RF connections, U.FL-to-U.FL cable for internal antenna and U.FL-to-SMA for external antenna

TOBY-L2 and MPCI-L2 series - System Integration Manual
UBX-13004618 - R04 Advance Information Design-in
Page 81 of 141
Guidelines for RF transmission line design
Any RF transmission line, such as the ones from the ANT1 and ANT2 pads up to the related antenna connector
or up to the related internal antenna pad, must be designed so that the characteristic impedance is as close as
possible to 50 .
RF transmission lines can be designed as a micro strip (consists of a conducting strip separated from a ground
plane by a dielectric material) or a strip line (consists of a flat strip of metal which is sandwiched between two
parallel ground planes within a dielectric material). The micro strip, implemented as a coplanar waveguide, is the
most common configuration for printed circuit board.
Figure 40 and Figure 41 provide two examples of proper 50 coplanar waveguide designs. The first example of
RF transmission line can be implemented in case of 4-layer PCB stack-up herein described, and the second
example of RF transmission line can be implemented in case of 2-layer PCB stack-up herein described.
35 µm
35 µm
35 µm
35 µm
270 µm
270 µm
760 µm
L1 Copper
L3 Copper
L2 Copper
L4 Copper
FR-4 dielectric
FR-4 dielectric
FR-4 dielectric
380 µm 500 µm500 µm
Figure 40: Example of 50 coplanar waveguide transmission line design for the described 4-layer board layup
35 µm
35 µm
1510 µm
L2 Copper
L1 Copper
FR-4 dielectric
1200 µm 400 µm400 µm
Figure 41: Example of 50 coplanar waveguide transmission line design for the described 2-layer board layup
If the two examples do not match the application PCB stack-up the 50 characteristic impedance calculation
can be made using the HFSS commercial finite element method solver for electromagnetic structures from Ansys
Corporation, or using freeware tools like AppCAD from Agilent (www.agilent.com) or TXLine from Applied
Wave Research (www.mwoffice.com), taking care of the approximation formulas used by the tools for the
impedance computation.
To achieve a 50 characteristic impedance, the width of the transmission line must be chosen depending on:
the thickness of the transmission line itself (e.g. 35 µm in the example of Figure 40 and Figure 41)
the thickness of the dielectric material between the top layer (where the transmission line is routed) and the
inner closer layer implementing the ground plane (e.g. 270 µm in Figure 40, 1510 µm in Figure 41)
the dielectric constant of the dielectric material (e.g. dielectric constant of the FR-4 dielectric material in
Figure 40 and Figure 41)

TOBY-L2 and MPCI-L2 series - System Integration Manual
UBX-13004618 - R04 Advance Information Design-in
Page 82 of 141
the gap from the transmission line to the adjacent ground plane on the same layer of the transmission line
(e.g. 500 µm in Figure 40, 400 µm in Figure 41)
If the distance between the transmission line and the adjacent GND area (on the same layer) does not exceed 5
times the track width of the micro strip, use the “Coplanar Waveguide” model for the 50 calculation.
Additionally to the 50 impedance, the following guidelines are recommended for transmission lines design:
Minimize the transmission line length: the insertion loss should be minimized as much as possible, in the
order of a few tenths of a dB,
Add GND keep-out (i.e. clearance, a void area) on buried metal layers below any pad of component present
on the RF transmission lines, if top-layer to buried layer dielectric thickness is below 200 µm, to reduce
parasitic capacitance to ground,
The transmission lines width and spacing to GND must be uniform and routed as smoothly as possible: avoid
abrupt changes of width and spacing to GND,
Add GND stitching vias around transmission lines, as described in Figure 42,
Ensure solid metal connection of the adjacent metal layer on the PCB stack-up to main ground layer,
providing enough vias on the adjacent metal layer, as described in Figure 42,
Route RF transmission lines far from any noise source (as switching supplies and digital lines) and from any
sensitive circuit (as USB),
Avoid stubs on the transmission lines,
Avoid signal routing in parallel to transmission lines or crossing the transmission lines on buried metal layer,
Do not route microstrip lines below discrete component or other mechanics placed on top layer
An example of proper RF circuit design is reported in Figure 42. In this case, the ANT1 and ANT2 pins are
directly connected to SMA connectors by means of proper 50 transmission lines, designed with proper layout.
SMA Connector
Primary Antenna
SMA Connector
Secondary Antenna
TOBY-L2 series
Figure 42: Suggested circuit and layout for antenna RF circuits on application board

TOBY-L2 and MPCI-L2 series - System Integration Manual
UBX-13004618 - R04 Advance Information Design-in
Page 83 of 141
Guidelines for RF termination design
RF terminations must provide a characteristic impedance of 50 as well as the RF transmission lines up to the RF
terminations themselves, to match the characteristic impedance of the ANT1 / ANT2 ports of the modules.
However, real antennas do not have perfect 50 load on all the supported frequency bands. Therefore, to
reduce as much as possible performance degradation due to antennas mismatch, RF terminations must provide
optimal return loss (or V.S.W.R.) figure over all the operating frequencies, as summarized in Table 8 and Table 9.
If external antennas are used, the antenna connectors represent the RF termination on the PCB:
Use suitable 50 connectors providing proper PCB-to-RF-cable transition.
Strictly follow the connector manufacturer’s recommended layout, for example:
o SMA Pin-Through-Hole connectors require GND keep-out (i.e. clearance, a void area) on all the
layers around the central pin up to annular pads of the four GND posts, as shown in Figure 42
o U.FL surface mounted connectors require no conductive traces (i.e. clearance, a void area) in the
area below the connector between the GND land pads.
Cut out the GND layer under RF connectors and close to buried vias, to remove stray capacitance and thus
keep the RF line 50 , e.g. the active pad of UFL connectors needs to have a GND keep-out (i.e. clearance, a
void area) at least on first inner layer to reduce parasitic capacitance to ground.
If integrated antennas are used, the RF terminations are represented by the integrated antennas themselves. The
following guidelines should be followed:
Use antennas designed by an antenna manufacturer, providing the best possible return loss (or V.S.W.R.).
Provide a ground plane large enough according to the relative integrated antenna requirements. The ground
plane of the application PCB can be reduced down to a minimum size that must be similar to one quarter of
wavelength of the minimum frequency that has to be radiated. As numerical example,
Frequency = 750 MHz Wavelength = 40 cm Minimum GND plane size = 10 cm
It is highly recommended to strictly follow the detailed and specific guidelines provided by the antenna
manufacturer regarding correct installation and deployment of the antenna system, including PCB layout
and matching circuitry.
Further to the custom PCB and product restrictions, antennas may require a tuning to comply with all the
applicable required certification schemes. It is recommended to consult the antenna manufacturer for the
design-in guidelines for the antenna matching relative to the custom application.
Additionally, these recommendations regarding the antenna system placement must be followed:
Do not place antennas within closed metal case.
Do not place the antennas in close vicinity to end user since the emitted radiation in human tissue is limited
by regulatory requirements.
Place the antennas far from sensitive analog systems or employ countermeasures to reduce EMC issues.
Take care of interaction between co-located RF systems since the LTE/3G/2G transmitted power may interact
or disturb the performance of companion systems.
Place the two LTE/3G antennas providing low Envelope Correlation Coefficient (ECC) between primary
(ANT1) and secondary (ANT2) antenna: the antenna 3D radiation patterns should have lobes in different
directions. The ECC between primary and secondary antenna needs to be enough low to comply with the
radiated performance requirements specified by related certification schemes, as indicated in Table 10.
Place the two LTE/3G antennas providing enough high isolation (see Table 10) between primary (ANT1) and
secondary (ANT2) antenna. The isolation depends on the distance between antennas (separation of at least
a quarter wavelength required for good isolation), antenna type (using antennas with different polarization
improves isolation), antenna 3D radiation patterns (uncorrelated patterns improve isolation).

TOBY-L2 and MPCI-L2 series - System Integration Manual
UBX-13004618 - R04 Advance Information Design-in
Page 84 of 141
Examples of antennas
Table 24 lists some examples of possible internal on-board surface-mount antennas.
Manufacturer
Part Number
Product Name
Description
Taoglas
PCS.06.A
Havok
GSM / WCDMA / LTE SMD Antenna
698..960 MHz, 1710..2170 MHz, 2500..2690 MHz
42.0 x 10.0 x 3.0 mm
700..960 MHz, 1710..2170 MHz
Taoglas
PA.710.A
Warrior
GSM / WCDMA / LTE SMD Antenna
698..960 MHz, 1710..2170 MHz, 2300..2400 MHz, 2490..2690 MHz
40.0 x 6.0 x 5.0 mm
Table 24: Examples of internal surface-mount antennas
Table 25 lists some examples of possible internal off-board PCB-type antennas with cable and connector.
Manufacturer
Part Number
Product Name
Description
Taoglas
FXUB63.07.0150C
GSM / WCDMA / LTE PCB Antenna with cable and U.FL
698..960 MHz, 1575.42 MHz, 1710..2170 MHz, 2400..2690 MHz
96.0 x 21.0 mm
Taoglas
FXUB66.07.0150C
Maximus
GSM / WCDMA / LTE PCB Antenna with cable and U.FL
698..960 MHz, 1390..1435 MHz, 1575.42 MHz, 1710..2170 MHz,
2400..2700 MHz, 3400..3600 MHz, 4800..6000 MHz
120.2 x 50.4 mm
Taoglas
FXUB70.A.07.C.001
GSM / WCDMA / LTE PCB MIMO Antenna with cables and U.FL
698..960 MHz, 1575.42 MHz, 1710..2170 MHz, 2400..2690 MHz
182.2 x 21.2 mm
Ethertronics
5001537
Prestta
GSM / WCDMA / LTE PCB Antenna with cable
704..960 MHz, 1710..2170 MHz, 2300..2400 MHz, 2500..2690 MHz
80.0 x 18.0 mm
EAD
FSQS35241-UF-10
SQ7
GSM / WCDMA / LTE PCB Antenna with cable and U.FL
690..960 MHz, 1710..2170 MHz, 2500..2700 MHz
110.0 x 21.0 mm
Table 25: Examples of internal antennas with cable and connector

TOBY-L2 and MPCI-L2 series - System Integration Manual
UBX-13004618 - R04 Advance Information Design-in
Page 85 of 141
Table 26 lists some examples of possible external antennas.
Manufacturer
Part Number
Product Name
Description
Taoglas
GSA.8827.A.101111
Phoenix
GSM / WCDMA / LTE adhesive-mount Antenna with cable and SMA(M)
698..960 MHz, 1575.42 MHz, 1710..2170 MHz, 2490..2690 MHz
105 x 30 x 7.7 mm
Taoglas
TG.30.8112
GSM / WCDMA / LTE swivel dipole Antenna with SMA(M)
698..960 MHz, 1575.42 MHz, 1710..2170 MHz, 2400..2700 MHz
148.6 x 49 x 10 mm
Laird Tech.
TRA6927M3PW-001
GSM / WCDMA / LTE screw-mount Antenna with N-type(F)
698..960 MHz, 1710..2170 MHz, 2300..2700 MHz
83.8 x Ø 36.5 mm
Laird Tech.
CMS69273
GSM / WCDMA / LTE ceiling-mount Antenna with cable and N-type(F)
698..960 MHz, 1575.42 MHz, 1710..2700 MHz
86 x Ø 199 mm
Laird Tech.
OC69271-FNM
GSM / WCDMA / LTE pole-mount Antenna with N-type(M)
698..960 MHz, 1710..2690 MHz
248 x Ø 24.5 mm
Laird Tech.
CMD69273-30NM
GSM / WCDMA / LTE ceiling-mount MIMO Antenna with cables & N-type(M)
698..960 MHz, 1710..2700 MHz
43.5 x Ø 218.7 mm
Pulse Electronics
WA700/2700SMA
GSM / WCDMA / LTE clip-mount MIMO antenna with cables and SMA(M)
698..960 MHz,1710..2700 MHz
149 x 127 x 5.1 mm
Table 26: Examples of external antennas

TOBY-L2 and MPCI-L2 series - System Integration Manual
UBX-13004618 - R04 Advance Information Design-in
Page 86 of 141
2.4.2 Antenna detection interface (ANT_DET)
Antenna detection interface (ANT_DET) is not available on MPCI-L2 series modules.
Antenna detection interface (ANT_DET) is not supported by the TOBY-L2x0-00S product version.
2.4.2.1 Guidelines for ANT_DET circuit design
Figure 43 and Table 27 describe the recommended schematic / components for the antennas detection circuit
that must be provided on the application board and for the diagnostic circuit that must be provided on the
antennas’ assembly to achieve primary and secondary antenna detection functionality.
Application Board
Antenna Cable
TOBY-L2 series
81
ANT1
75
ANT_DET R1
C1 D1
C2 J1
Z0= 50 ohm Z0= 50 ohm Z0= 50 ohm
Primary Antenna Assembly
R2
C4
L3
Radiating
Element
Diagnostic
Circuit
L2
L1
Antenna Cable
87
ANT2
C3 J2
Z0= 50 ohm Z0= 50 ohm Z0= 50 ohm
Secondary Antenna Assembly
R3
C5
L4
Radiating
Element
Diagnostic
Circuit
Figure 43: Suggested schematic for antenna detection circuit on application board and diagnostic circuit on antennas assembly
Reference
Description
Part Number - Manufacturer
C1
27 pF Capacitor Ceramic C0G 0402 5% 50 V
GRM1555C1H270J - Murata
C2, C3
33 pF Capacitor Ceramic C0G 0402 5% 50 V
GRM1555C1H330J - Murata
D1
Very Low Capacitance ESD Protection
PESD0402-140 - Tyco Electronics
L1, L2
68 nH Multilayer Inductor 0402 (SRF ~1 GHz)
LQG15HS68NJ02 - Murata
R1
10 k Resistor 0402 1% 0.063 W
RK73H1ETTP1002F - KOA Speer
J1, J2
SMA Connector 50 Through Hole Jack
SMA6251A1-3GT50G-50 - Amphenol
C4, C5
22 pF Capacitor Ceramic C0G 0402 5% 25 V
GRM1555C1H220J - Murata
L3, L4
68 nH Multilayer Inductor 0402 (SRF ~1 GHz)
LQG15HS68NJ02 - Murata
R2, R3
15 k Resistor for Diagnostic
Various Manufacturers
Table 27: Suggested components for antenna detection circuit on application board and diagnostic circuit on antennas assembly
The antenna detection circuit and diagnostic circuit suggested in Figure 43 and Table 27 are explained here:
When antenna detection is forced by AT+UANTR command, ANT_DET generates a DC current measuring
the resistance (R2 // R3) from antenna connectors (J1, J2) provided on the application board to GND.
DC blocking capacitors are needed at the ANT1 / ANT2 pins (C2, C3) and at the antenna radiating element
(C4, C5) to decouple the DC current generated by the ANT_DET pin.
Choke inductors with a Self Resonance Frequency (SRF) in the range of 1 GHz are needed in series at the
ANT_DET pin (L1, L2) and in series at the diagnostic resistor (L3, L4), to avoid a reduction of the RF
performance of the system, improving the RF isolation of the load resistor.
Additional components (R1, C1 and D1 in Figure 43) are needed at the ANT_DET pin as ESD protection
The ANT1 / ANT2 pins must be connected to the antenna connector by means of a transmission line with
nominal characteristics impedance as close as possible to 50 .

TOBY-L2 and MPCI-L2 series - System Integration Manual
UBX-13004618 - R04 Advance Information Design-in
Page 87 of 141
The DC impedance at RF port for some antennas may be a DC open (e.g. linear monopole) or a DC short to
reference GND (e.g. PIFA antenna). For those antennas, without the diagnostic circuit of Figure 43, the measured
DC resistance is always at the limits of the measurement range (respectively open or short), and there is no
means to distinguish between a defect on antenna path with similar characteristics (respectively: removal of
linear antenna or RF cable shorted to GND for PIFA antenna).
Furthermore, any other DC signal injected to the RF connection from ANT connector to radiating element will
alter the measurement and produce invalid results for antenna detection.
It is recommended to use an antenna with a built-in diagnostic resistor in the range from 5 k to 30 k
to assure good antenna detection functionality and avoid a reduction of module RF performance. The
choke inductor should exhibit a parallel Self Resonance Frequency (SRF) in the range of 1 GHz to improve
the RF isolation of load resistor.
For example:
Consider an antenna with built-in DC load resistor of 15 k. Using the +UANTR AT command, the module
reports the resistance value evaluated from the antenna connector provided on the application board to GND:
Reported values close to the used diagnostic resistor nominal value (i.e. values from 13 k to 17 k if a
15 k diagnostic resistor is used) indicate that the antenna is properly connected.
Values close to the measurement range maximum limit (approximately 50 k) or an open-circuit
“over range” report (see u-blox AT Commands Manual [3]) means that that the antenna is not connected or
the RF cable is broken.
Reported values below the measurement range minimum limit (1 k) highlights a short to GND at antenna
or along the RF cable.
Measurement inside the valid measurement range and outside the expected range may indicate an improper
connection, damaged antenna or wrong value of antenna load resistor for diagnostic.
Reported value could differ from the real resistance value of the diagnostic resistor mounted inside the
antenna assembly due to antenna cable length, antenna cable capacity and the used measurement method.
If the primary / secondary antenna detection function is not required by the customer application, the
ANT_DET pin can be left not connected and the ANT1 / ANT2 pins can be directly connected to the
related antenna connector by means of a 50 transmission line as described in Figure 42.
2.4.2.1 Guidelines for ANT_DET layout design
The recommended layout for the primary antenna detection circuit to be provided on the application board to
achieve the primary antenna detection functionality, implementing the recommended schematic described in
Figure 43 and Table 27, is explained here:
The ANT1 / ANT2 pins have to be connected to the antenna connector by means of a 50 transmission
line, implementing the design guidelines described in section 2.4.1 and the recommendations of the SMA
connector manufacturer.
DC blocking capacitor at ANT1 / ANT2 pins (C2, C3) has to be placed in series to the 50 RF line.
The ANT_DET pin has to be connected to the 50 transmission line by means of a sense line.
Choke inductors in series at the ANT_DET pin (L1, L2) have to be placed so that one pad is on the 50
transmission line and the other pad represents the start of the sense line to the ANT_DET pin.
The additional components (R1, C1 and D1) on the ANT_DET line have to be placed as ESD protection.

TOBY-L2 and MPCI-L2 series - System Integration Manual
UBX-13004618 - R04 Advance Information Design-in
Page 88 of 141
2.5 SIM interface
SIM detection interface (GPIO5) is not available on MPCI-L2 series modules.
SIM detection interface (GPIO5) is not supported by the TOBY-L2x0-00S product version: the pin should
not be driven by any external device.
2.5.1 Guidelines for SIM circuit design
Guidelines for SIM cards, SIM connectors and SIM chips selection
The ISO/IEC 7816, the ETSI TS 102 221 and the ETSI TS 102 671 specifications define the physical, electrical and
functional characteristics of Universal Integrated Circuit Cards (UICC), which contains the Subscriber
Identification Module (SIM) integrated circuit that securely stores all the information needed to identify and
authenticate subscribers over the LTE/3G/2G network.
Removable UICC / SIM card contacts mapping is defined by ISO/IEC 7816 and ETSI TS 102 221 as follows:
Contact C1 = VCC (Supply) It must be connected to VSIM or UIM_PWR
Contact C2 = RST (Reset) It must be connected to SIM_RST or UIM_RESET
Contact C3 = CLK (Clock) It must be connected to SIM_CLK or UIM_CLK
Contact C4 = AUX1 (Auxiliary contact) It must be left not connected
Contact C5 = GND (Ground) It must be connected to GND
Contact C6 = VPP (Programming supply) It must be connected to VSIM or UIM_PWR
Contact C7 = I/O (Data input/output) It must be connected to SIM_IO or UIM_DATA
Contact C8 = AUX2 (Auxiliary contact) It must be left not connected
A removable SIM card can have 6 contacts (C1, C2, C3, C5, C6, C7) or 8 contacts, also including the auxiliary
contacts C4 and C8 . Only 6 contacts are required and must be connected to the module SIM interface.
Removable SIM cards are suitable for applications requiring a change of SIM card during the product lifetime.
A SIM card holder can have 6 or 8 positions if a mechanical card presence detector is not provided, or it can
have 6+2 or 8+2 positions if two additional pins relative to the normally-open mechanical switch integrated in
the SIM connector for the mechanical card presence detection are provided. Select a SIM connector providing
6+2 or 8+2 positions if the optional SIM detection feature (not available on MPCI-L2 series) is required by the
custom application, otherwise a connector without integrated mechanical presence switch can be selected.
Solderable UICC / SIM chip contact mapping (M2M UICC Form Factor) is defined by ETSI TS 102 671 as:
Case Pin 8 = UICC Contact C1 = VCC (Supply) It must be connected to VSIM or UIM_PWR
Case Pin 7 = UICC Contact C2 = RST (Reset) It must be connected to SIM_RST or UIM_RESET
Case Pin 6 = UICC Contact C3 = CLK (Clock) It must be connected to SIM_CLK or UIM_CLK
Case Pin 5 = UICC Contact C4 = AUX1 (Aux.contact) It must be left not connected
Case Pin 1 = UICC Contact C5 = GND (Ground) It must be connected to GND
Case Pin 2 = UICC Contact C6 = VPP (Progr. supply) It must be connected to VSIM or UIM_PWR
Case Pin 3 = UICC Contact C7 = I/O (Data I/O) It must be connected to SIM_IO or UIM_DATA
Case Pin 4 = UICC Contact C8 = AUX2 (Aux. contact) It must be left not connected
A solderable SIM chip has 8 contacts and can also include the auxiliary contacts C4 and C8 for other uses, but
only 6 contacts are required and must be connected to the module SIM card interface as described above.
Solderable SIM chips are suitable for M2M applications where it is not required to change the SIM once installed.

TOBY-L2 and MPCI-L2 series - System Integration Manual
UBX-13004618 - R04 Advance Information Design-in
Page 89 of 141
Guidelines for single SIM card connection without detection
A removable SIM card placed in a SIM card holder must be connected to the SIM card interface of TOBY-L2 and
MPCI-L2 series modules as described in Figure 44, where the optional SIM detection feature is not implemented.
Follow these guidelines to connect the module to a SIM connector without SIM presence detection:
Connect the UICC / SIM contacts C1 (VCC) and C6 (VPP) to the VSIM / UIM_PWR pin of the module.
Connect the UICC / SIM contact C7 (I/O) to the SIM_IO / UIM_DATA pin of the module.
Connect the UICC / SIM contact C3 (CLK) to the SIM_CLK / UIM_CLK pin of the module.
Connect the UICC / SIM contact C2 (RST) to the SIM_RST / UIM_RESET pin of the module.
Connect the UICC / SIM contact C5 (GND) to ground.
Provide a 100 nF bypass capacitor (e.g. Murata GRM155R71C104K) on SIM supply line, close to the relative
pad of the SIM connector, to prevent digital noise.
Provide a bypass capacitor of about 22 pF to 47 pF (e.g. Murata GRM1555C1H470J) on each SIM line, very
close to each related pad of the SIM connector, to prevent RF coupling especially in case the RF antenna is
placed closer than 10 - 30 cm from the SIM card holder.
Provide a very low capacitance (i.e. less than 10 pF) ESD protection (e.g. Tyco PESD0402-140) on each
externally accessible SIM line, close to each relative pad of the SIM connector. ESD sensitivity rating of the
SIM interface pins is 1 kV (HBM). So that, according to EMC/ESD requirements of the custom application,
higher protection level can be required if the lines are externally accessible on the application device.
Limit capacitance and series resistance on each SIM signal to match the SIM requirements (27.7 ns is the
maximum allowed rise time on clock line, 1.0 µs is the maximum allowed rise time on data and reset lines).
TOBY-L2 series
59
VSIM
57
SIM_IO
56
SIM_CLK
58
SIM_RST
SIM CARD
HOLDER
C
5
C
6
C
7
C
1
C
2
C
3
SIM Card
Bottom View
(contacts side)
C1
VPP (C6)
VCC (C1)
IO (C7)
CLK (C3)
RST (C2)
GND (C5)
C2 C3 C5
J1
C4 D1 D2 D3 D4
C
8
C
4
MPCI-L2 series
8
UIM_PWR
10
UIM_DATA
12
UIM_CLK
14
UIM_RESET
SIM CARD
HOLDER
C
5
C
6
C
7
C
1
C
2
C
3
SIM Card
Bottom View
(contacts side)
C1
VPP (C6)
VCC (C1)
IO (C7)
CLK (C3)
RST (C2)
GND (C5)
C2 C3 C5
J1
C4 D1 D2 D3 D4
C
8
C
4
Figure 44: Application circuits for the connection to a single removable SIM card, with SIM detection not implemented
Reference
Description
Part Number - Manufacturer
C1, C2, C3, C4
47 pF Capacitor Ceramic C0G 0402 5% 50 V
GRM1555C1H470JA01 - Murata
C5
100 nF Capacitor Ceramic X7R 0402 10% 16 V
GRM155R71C104KA01 - Murata
D1, D2, D3, D4
Very Low Capacitance ESD Protection
PESD0402-140 - Tyco Electronics
J1
SIM Card Holder, 6 p, without card presence switch
Various manufacturers, as C707 10M006 136 2 - Amphenol
Table 28: Example of components for the connection to a single removable SIM card, with SIM detection not implemented

TOBY-L2 and MPCI-L2 series - System Integration Manual
UBX-13004618 - R04 Advance Information Design-in
Page 90 of 141
Guidelines for single SIM chip connection
A solderable SIM chip (M2M UICC Form Factor) must be connected the SIM card interface of TOBY-L2 and
MPCI-L2 series modules as described in Figure 45.
Follow these guidelines to connect the module to a solderable SIM chip without SIM presence detection:
Connect the UICC / SIM contacts C1 (VCC) and C6 (VPP) to the VSIM / UIM_PWR pin of the module.
Connect the UICC / SIM contact C7 (I/O) to the SIM_IO / UIM_DATA pin of the module.
Connect the UICC / SIM contact C3 (CLK) to the SIM_CLK / UIM_CLK pin of the module.
Connect the UICC / SIM contact C2 (RST) to the SIM_RST / UIM_RESET pin of the module.
Connect the UICC / SIM contact C5 (GND) to ground.
Provide a 100 nF bypass capacitor (e.g. Murata GRM155R71C104K) at the SIM supply line close to the
relative pad of the SIM chip, to prevent digital noise.
Provide a bypass capacitor of about 22 pF to 47 pF (e.g. Murata GRM1555C1H470J) on each SIM line, to
prevent RF coupling especially in case the RF antenna is placed closer than 10 - 30 cm from the SIM lines.
Limit capacitance and series resistance on each SIM signal to match the SIM requirements (27.7 ns is the
maximum allowed rise time on clock line, 1.0 µs is the maximum allowed rise time on data and reset lines).
TOBY-L2 series
59
VSIM
57
SIM_IO
56
SIM_CLK
58
SIM_RST
SIM CHIP
SIM Chip
Bottom View
(contacts side)
C1
VPP (C6)
VCC (C1)
IO (C7)
CLK (C3)
RST (C2)
GND (C5)
C2 C3 C5
U1
C4
2
8
3
6
7
1
C1 C5
C2 C6
C3 C7
C4 C8
8
7
6
5
1
2
3
4
MPCI-L2 series
8
UIM_PWR
10
UIM_DATA
12
UIM_CLK
14
UIM_RESET
SIM CHIP
SIM Chip
Bottom View
(contacts side)
C1
VPP (C6)
VCC (C1)
IO (C7)
CLK (C3)
RST (C2)
GND (C5)
C2 C3 C5
U1
C4
2
8
3
6
7
1
C1 C5
C2 C6
C3 C7
C4 C8
8
7
6
5
1
2
3
4
Figure 45: Application circuits for the connection to a single solderable SIM chip, with SIM detection not implemented
Reference
Description
Part Number - Manufacturer
C1, C2, C3, C4
47 pF Capacitor Ceramic C0G 0402 5% 50 V
GRM1555C1H470JA01 - Murata
C5
100 nF Capacitor Ceramic X7R 0402 10% 16 V
GRM155R71C104KA01 - Murata
U1
SIM chip (M2M UICC Form Factor)
Various Manufacturers
Table 29: Example of components for the connection to a single solderable SIM chip, with SIM detection not implemented

TOBY-L2 and MPCI-L2 series - System Integration Manual
UBX-13004618 - R04 Advance Information Design-in
Page 91 of 141
Guidelines for single SIM card connection with detection
A removable SIM card placed in a SIM card holder must be connected to the SIM card interface of TOBY-L2
modules as described in Figure 46, where the optional SIM card detection feature is implemented.
Follow these guidelines to connect the module to a SIM connector implementing SIM presence detection:
Connect the UICC / SIM contacts C1 (VCC) and C6 (VPP) to the VSIM pin of the module.
Connect the UICC / SIM contact C7 (I/O) to the SIM_IO pin of the module.
Connect the UICC / SIM contact C3 (CLK) to the SIM_CLK pin of the module.
Connect the UICC / SIM contact C2 (RST) to the SIM_RST pin of the module.
Connect the UICC / SIM contact C5 (GND) to ground.
Connect one pin of the mechanical switch integrated in the SIM connector (e.g. the SW2 pin as described in
Figure 46) to the GPIO5 input pin of the module.
Connect the other pin of the mechanical switch integrated in the SIM connector (e.g. the SW1 pin as
described in Figure 46) to the V_INT 1.8 V supply output of the module by means of a strong (e.g. 1 k)
pull-up resistor, as the R1 resistor in Figure 46.
Provide a weak (e.g. 470 k) pull-down resistor at the SIM detection line, as the R2 resistor in Figure 46
Provide a 100 nF bypass capacitor (e.g. Murata GRM155R71C104K) at the SIM supply line, close to the
related pad of the SIM connector, to prevent digital noise.
Provide a bypass capacitor of about 22 pF to 47 pF (e.g. Murata GRM1555C1H470J) on each SIM line, very
close to each related pad of the SIM connector, to prevent RF coupling especially in case the RF antenna is
placed closer than 10 - 30 cm from the SIM card holder.
Provide a very low capacitance (i.e. less than 10 pF) ESD protection (e.g. Tyco PESD0402-140) on each
externally accessible SIM line, close to each related pad of the SIM connector: ESD sensitivity rating of the
SIM interface pins is 1 kV (HBM), so that, according to the EMC/ESD requirements of the custom application,
higher protection level can be required if the lines are externally accessible on the application device.
Limit capacitance and series resistance on each SIM signal to match the SIM requirements (27.7 ns is the
maximum allowed rise time on clock line, 1.0 µs is the maximum allowed rise time on data and reset lines).
TOBY-L2 series
5
V_INT
60
GPIO5
SIM CARD
HOLDER
C
5
C
6
C
7
C
1
C
2
C
3
SIM Card
Bottom View
(contacts side)
C1
VPP (C6)
VCC (C1)
IO (C7)
CLK (C3)
RST (C2)
GND (C5)
C2 C3 C5
J1
C4
SW1
SW2
D1 D2 D3 D4 D5 D6
R2
R1
C
8
C
4
TP
59
VSIM
57
SIM_IO
56
SIM_CLK
58
SIM_RST
Figure 46: Application circuit for the connection to a single removable SIM card, with SIM detection implemented
Reference
Description
Part Number - Manufacturer
C1, C2, C3, C4
47 pF Capacitor Ceramic C0G 0402 5% 50 V
GRM1555C1H470JA01 - Murata
C5
100 nF Capacitor Ceramic X7R 0402 10% 16 V
GRM155R71C104KA01 - Murata
D1, … , D6
Very Low Capacitance ESD Protection
PESD0402-140 - Tyco Electronics
R1
1 k Resistor 0402 5% 0.1 W
RC0402JR-071KL - Yageo Phycomp
R2
470 k Resistor 0402 5% 0.1 W
RC0402JR-07470KL- Yageo Phycomp
J1
SIM Card Holder, 6 + 2 p, with card presence switch
Various manufacturers, as CCM03-3013LFT R102 - C&K
Table 30: Example of components for the connection to a single removable SIM card, with SIM detection implemented

TOBY-L2 and MPCI-L2 series - System Integration Manual
UBX-13004618 - R04 Advance Information Design-in
Page 92 of 141
Guidelines for dual SIM card / chip connection
Two SIM card / chip can be connected to the SIM interface of TOBY-L2 and MPCI-L2 series modules as described
in the application circuits of Figure 47.
TOBY-L2 and MPCI-L2 series modules do not support the usage of two SIM at the same time, but two SIM can
be populated on the application board, providing a proper switch to connect only the first or only the second
SIM at a time to the SIM interface of the modules, as described in Figure 47.
TOBY-L2x0-00S and MPCI-L2 modules do not support SIM hot insertion / removal: the physical connection
between the external SIM and the module has to be provided before the module boot and then held for normal
operation. Switching from one SIM to another can only be properly done within one of these two time periods:
after module switch-off by the AT+CPWROFF and before module switch-on by PWR_ON
after network deregistration by AT+COPS=2 and before module reset by AT+CFUN=16
TOBY-L2 modules (except TOBY-L2x0-00S) support SIM hot insertion / removal on the GPIO5 pin: if the feature
is enabled using the specific AT commands (see sections 1.8.2 and 1.11, and u-blox AT Commands Manual [3],
+UGPIOC, +UDCONF commands), the switch from first SIM to the second SIM can be properly done when a
Low logic level is present on the GPIO5 pin (‘SIM not inserted’ = SIM interface not enabled), without the
necessity of a module re-boot, so that the SIM interface will be re-enabled by the module to use the second SIM
when a high logic level is re-applied on the GPIO5 pin.
In the application circuit example represented in Figure 47, the application processor will drive the SIM switch
using its own GPIO to properly select the SIM that is used by the module. Another GPIO may be used to handle
the SIM hot insertion / removal function of TOBY-L2 modules, which can also be handled by other external
circuits or by the cellular module GPIO according to the application requirements.
The dual SIM connection circuit described in Figure 47 can be implemented for SIM chips as well, providing
proper connection between SIM switch and SIM chip as described in Figure 45.
If it is required to switch between more than 2 SIM, a circuit similar to the one described in Figure 47 can be
implemented: in case of 4 SIM circuit, using proper 4-throw switch instead of the suggested 2-throw switches.
Follow these guidelines to connect the module to two external SIM connectors:
Use a proper low on resistance (i.e. few ohms) and low on capacitance (i.e. few pF) 2-throw analog switch
(e.g. Fairchild FSA2567) as SIM switch to ensure high-speed data transfer according to SIM requirements.
Connect the contacts C1 (VCC) and C6 (VPP) of the two UICC / SIM to the VSIM / UIM_PWR pin of the
module by means of a proper 2-throw analog switch (e.g. Fairchild FSA2567).
Connect the contact C7 (I/O) of the two UICC / SIM to the SIM_IO / UIM_DATA pin of the module by
means of a proper 2-throw analog switch (e.g. Fairchild FSA2567).
Connect the contact C3 (CLK) of the two UICC / SIM to the SIM_CLK / UIM_CLK pin of the module by
means of a proper 2-throw analog switch (e.g. Fairchild FSA2567).
Connect the contact C2 (RST) of the two UICC / SIM to the SIM_RST / UIM_RESET pin of the module by
means of a proper 2-throw analog switch (e.g. Fairchild FSA2567).
Connect the contact C5 (GND) of the two UICC / SIM to ground.
Provide a 100 nF bypass capacitor (e.g. Murata GRM155R71C104K) at the SIM supply (VSIM / UIM_PWR),
close to the related pad of the two SIM connectors, to prevent digital noise.
Provide a bypass capacitor of about 22 pF to 47 pF (e.g. Murata GRM1555C1H470J) on each SIM line, very
close to each related pad of the two SIM connectors, to prevent RF coupling especially in case the RF
antenna is placed closer than 10 - 30 cm from the SIM card holders.
Provide a very low capacitance (i.e. less than 10 pF) ESD protection (e.g. Tyco Electronics PESD0402-140) on
each externally accessible SIM line, close to each pad of the two SIM connectors, according to the EMC/ESD
requirements of the custom application.
Limit capacitance and series resistance on each SIM signal to match the SIM requirements (27.7 ns is the
maximum allowed rise time on clock line, 1.0 µs is the maximum allowed rise time on data and reset lines).

TOBY-L2 and MPCI-L2 series - System Integration Manual
UBX-13004618 - R04 Advance Information Design-in
Page 93 of 141
TOBY-L2 series
C1
FIRST
SIM CARD
VPP (C6)
VCC (C1)
IO (C7)
CLK (C3)
RST (C2)
GND (C5)
C2 C3 C5
J1
C4 D1 D2 D3 D4
GND
U1
59
VSIM VSIM 1VSIM
2VSIM
VCC
C11
4PDT
Analog
Switch
3V8
57
SIM_IO DAT 1DAT
2DAT
56
SIM_CLK CLK 1CLK
2CLK
58
SIM_RST RST 1RST
2RST
SEL
SECOND
SIM CARD
VPP (C6)
VCC (C1)
IO (C7)
CLK (C3)
RST (C2)
GND (C5)
J2
C6 C7 C8 C10
C9 D5 D6 D7 D8
Application
Processor
GPIO
R1
MPCI-L2 series
C1
FIRST
SIM CARD
VPP (C6)
VCC (C1)
IO (C7)
CLK (C3)
RST (C2)
GND (C5)
C2 C3 C5
J1
C4 D1 D2 D3 D4
GND
U1
8
UIM_PWR VSIM 1VSIM
2VSIM
VCC
C11
4PDT
Analog
Switch
3V8
10
UIM_DATA DAT 1DAT
2DAT
12
UIM_CLK CLK 1CLK
2CLK
14
UIM_RESET RST 1RST
2RST
SEL
SECOND
SIM CARD
VPP (C6)
VCC (C1)
IO (C7)
CLK (C3)
RST (C2)
GND (C5)
J2
C6 C7 C8 C10
C9 D5 D6 D7 D8
Application
Processor
GPIO
R1
Figure 47: Application circuit for the connection to two removable SIM cards, with SIM detection not implemented
Reference
Description
Part Number – Manufacturer
C1 – C4, C6 – C9
33 pF Capacitor Ceramic C0G 0402 5% 25 V
GRM1555C1H330JZ01 – Murata
C5, C10, C11
100 nF Capacitor Ceramic X7R 0402 10% 16 V
GRM155R71C104KA01 – Murata
D1 – D8
Very Low Capacitance ESD Protection
PESD0402-140 - Tyco Electronics
R1
47 kΩ Resistor 0402 5% 0.1 W
RC0402JR-0747KL- Yageo Phycomp
J1, J2
SIM Card Holder, 6 + 2 p., with card presence switch
CCM03-3013LFT R102 - C&K Components
U1
4PDT Analog Switch,
with Low On-Capacitance and Low On-Resistance
FSA2567 - Fairchild Semiconductor
Table 31: Example of components for the connection to two removable SIM cards, with SIM detection not implemented

TOBY-L2 and MPCI-L2 series - System Integration Manual
UBX-13004618 - R04 Advance Information Design-in
Page 94 of 141
2.5.2 Guidelines for SIM layout design
The layout of the SIM card interface lines (VSIM, SIM_CLK, SIM_IO, SIM_RST or UIM_PWR, UIM_DATA,
UIM_CLK, UIM_RESET) may be critical if the SIM card is placed far away from the TOBY-L2 and MPCI-L2 series
modules or in close proximity to the RF antenna: these two cases should be avoided or at least mitigated as
described below.
In the first case, the long connection can cause the radiation of some harmonics of the digital data frequency as
any other digital interface. It is recommended to keep the traces short and avoid coupling with RF line or
sensitive analog inputs.
In the second case, the same harmonics can be picked up and create self-interference that can reduce the
sensitivity of LTE/3G/2G receiver channels whose carrier frequency is coincidental with harmonic frequencies. It is
strongly recommended to place the RF bypass capacitors suggested in Figure 44 near the SIM connector.
In addition, since the SIM card is typically accessed by the end user, it can be subjected to ESD discharges. Add
adequate ESD protection as suggested to protect module SIM pins near the SIM connector.
Limit capacitance and series resistance on each SIM signal to match the SIM specifications. The connections
should always be kept as short as possible.
Avoid coupling with any sensitive analog circuit, since the SIM signals can cause the radiation of some harmonics
of the digital data frequency.

TOBY-L2 and MPCI-L2 series - System Integration Manual
UBX-13004618 - R04 Advance Information Design-in
Page 95 of 141
2.6 Data communication interfaces
2.6.1 Universal Serial Bus (USB)
2.6.1.1 Guidelines for USB circuit design
The USB_D+ and USB_D- lines carry the USB serial data and signaling. The lines are used in single ended mode
for full speed signaling handshake, as well as in differential mode for high speed signaling and data transfer.
USB pull-up or pull-down resistors and external series resistors on USB_D+ and USB_D- lines as required by the
USB 2.0 specification [6] are part of the module USB pin driver and do not need to be externally provided.
The additional VUSB_DET input pin can be optionally connected the USB VBUS supply (5.0 V typical) provided
by the host, to allow the complete bus detach functionality for further reduction of the current consumption: the
module disables the USB interface after a high-to-low logic level transition on the VUSB_DET input pin.
Routing the USB pins to a connector, they will be externally accessible on the application device. According to
EMC/ESD requirements of the application, an additional ESD protection device with very low capacitance should
be provided close to accessible point on the line connected to this pin, as described in Figure 48 and Table 32.
The USB interface pins ESD sensitivity rating is 1 kV (Human Body Model according to JESD22-A114F).
Higher protection level could be required if the lines are externally accessible and it can be achieved by
mounting a very low capacitance (i.e. less or equal to 1 pF) ESD protection (e.g. Tyco Electronics
PESD0402-140 ESD protection device) on the lines connected to these pins, close to accessible points.
The USB_D+ and USB_D- pins of the modules can be directly connected to the USB host application processor
without additional ESD protections if they are not externally accessible or according to EMC/ESD requirements.
D+
D-
GND
28 USB_D+
27 USB_D-
GND
USB DEVICE
CONNECTOR
VBUS
D+
D-
GND
28 USB_D+
27 USB_D-
GND
USB HOST
PROCESSOR
D+
D-
GND
38 USB_D+
36 USB_D-
GND
USB DEVICE
CONNECTOR
VBUS
TOBY-L2 series TOBY-L2 series
MPCI-L2 series MPCI-L2 series
D+
D-
GND
38 USB_D+
36 USB_D-
GND
USB HOST
PROCESSOR
VBUS 4VUSB_DET
4VUSB_DET
D1 D2 C1
D3
D1 D2
C1
Figure 48: USB Interface application circuits
Reference
Description
Part Number - Manufacturer
C1
100 nF Capacitor Ceramic X7R 0402 10% 16 V
GRM155R61A104KA01 - Murata
D1, D2, D3
Very Low Capacitance ESD Protection
PESD0402-140 - Tyco Electronics
Table 32: Component for USB application circuits

TOBY-L2 and MPCI-L2 series - System Integration Manual
UBX-13004618 - R04 Advance Information Design-in
Page 96 of 141
2.6.1.2 Guidelines for USB layout design
The USB_D+ / USB_D- lines require accurate layout design to achieve reliable signaling at the high speed data
rate (up to 480 Mb/s) supported by the USB serial interface.
The characteristic impedance of the USB_D+ / USB_D- lines is specified by the Universal Serial Bus Revision 2.0
specification [6]. The most important parameter is the differential characteristic impedance applicable for the
odd-mode electromagnetic field, which should be as close as possible to 90 differential. Signal integrity may
be degraded if PCB layout is not optimal, especially when the USB signaling lines are very long.
Use the following general routing guidelines to minimize signal quality problems:
Route USB_D+ / USB_D- lines as a differential pair
Route USB_D+ / USB_D- lines as short as possible
Ensure the differential characteristic impedance (Z0) is as close as possible to 90
Ensure the common mode characteristic impedance (ZCM) is as close as possible to 30
Consider design rules for USB_D+ / USB_D- similar to RF transmission lines, being them coupled differential
micro-strip or buried stripline: avoid any stubs, abrupt change of layout, and route on clear PCB area
Figure 49 and Figure 50 provide two examples of coplanar waveguide designs with differential characteristic
impedance close to 90 and common mode characteristic impedance close to 30 . The first transmission line
can be implemented in case of 4-layer PCB stack-up herein described, the second transmission line can be
implemented in case of 2-layer PCB stack-up herein described.
35 µm
35 µm
35 µm
35 µm
270 µm
270 µm
760 µm
L1 Copper
L3 Copper
L2 Copper
L4 Copper
FR-4 dielectric
FR-4 dielectric
FR-4 dielectric
350 µm 400 µm400 µm350 µm400 µm
Figure 49: Example of USB line design, with Z0 close to 90 and ZCM close to 30 , for the described 4-layer board layup
35 µm
35 µm
1510 µm
L2 Copper
L1 Copper
FR-4 dielectric
740 µm 410 µm410 µm740 µm410 µm
Figure 50: Example of USB line design, with Z0 close to 90 and ZCM close to 30 , for the described 2-layer board layup

TOBY-L2 and MPCI-L2 series - System Integration Manual
UBX-13004618 - R04 Advance Information Design-in
Page 97 of 141
2.6.2 Asynchronous serial interface (UART)
The UART interface is not available on MPCI-L2 series modules.
2.6.2.1 Guidelines for UART circuit design
The UART is not supported by TOBY-L2x0-00S: the pins should be not driven by any external device.
Providing the full RS-232 functionality (using the complete V.24 link)
If RS-232 compatible signal levels are needed, two different external voltage translators can be used to provide
full RS-232 (9 lines) functionality: e.g. using the Texas Instruments SN74AVC8T245PW for the translation from
1.8 V to 3.3 V, and the Maxim MAX3237E for the translation from 3.3 V to RS-232 compatible signal level.
If a 1.8 V host processor is used, for complete RS-232 functionality, the complete UART interface of the module
(DCE) must be connected to a 1.8 V application processor (DTE) as described in Figure 51.
TxD
Application Processor
(1.8V DTE)
RxD
RTS
CTS
DTR
DSR
RI
DCD
GND
TOBY-L2 series
(1.8V DCE)
16 TXD
13 DTR
17 RXD
14 RTS
15 CTS
10 DSR
11 RI
12 DCD
GND
0ΩTP
0ΩTP
0ΩTP
0ΩTP
0ΩTP
0ΩTP
0ΩTP
0ΩTP
Figure 51: UART interface application circuit with complete V.24 link in DTE/DCE serial communication (1.8V DTE)
If a 3.0 V Application Processor is used, appropriate unidirectional voltage translators must be provided using the
module V_INT output as 1.8 V supply, as described in Figure 52.
5V_INT
TxD
Application Processor
(3.0V DTE)
RxD
RTS
CTS
DTR
DSR
RI
DCD
GND
TOBY-L2 series
(1.8V DCE)
16 TXD
13 DTR
17 RXD
14 RTS
15 CTS
10 DSR
11 RI
12 DCD
GND
1V8
B1 A1
GND
U1
B3A3
VCCBVCCA
Unidirectional
Voltage Translator
C1 C2
3V0
DIR3
DIR2 OE
DIR1
VCC
B2 A2
B4A4
DIR4
1V8
B1 A1
GND
U2
B3A3
VCCBVCCA
Unidirectional
Voltage Translator
C3 C4
3V0
DIR1
DIR3 OE
B2 A2
B4A4
DIR4
DIR2
TP
0ΩTP
0ΩTP
0ΩTP
0ΩTP
0ΩTP
0ΩTP
0ΩTP
0ΩTP
Figure 52: UART interface application circuit with complete V.24 link in DTE/DCE serial communication (3.0 V DTE)
Reference
Description
Part Number - Manufacturer
C1, C2, C3, C4
100 nF Capacitor Ceramic X7R 0402 10% 16 V
GRM155R61A104KA01 - Murata
U1, U2
Unidirectional Voltage Translator
SN74AVC4T774 - Texas Instruments
Table 33: Component for UART application circuit with complete V.24 link in DTE/DCE serial communication (3.0 V DTE)

TOBY-L2 and MPCI-L2 series - System Integration Manual
UBX-13004618 - R04 Advance Information Design-in
Page 98 of 141
Providing the TXD, RXD, RTS and CTS lines only (not using the complete V.24 link)
If the functionality of the DSR, DCD, RI and DTR lines is not required in, or the lines are not available:
Connect the module DTR input line to GND using a 0 series resistor, since the module requires DTR active
Leave DSR, DCD and RI lines of the module unconnected and floating
If RS-232 compatible signal levels are needed, the Maxim 13234E voltage level translator can be used. This chip
translates voltage levels from 1.8 V (module side) to the RS-232 standard.
If a 1.8 V Application Processor is used, the circuit should be implemented as described in Figure 53.
TxD
Application Processor
(1.8V DTE)
RxD
RTS
CTS
DTR
DSR
RI
DCD
GND
TOBY-L2 series
(1.8V DCE)
16 TXD
13 DTR
17 RXD
14 RTS
15 CTS
10 DSR
11 RI
12 DCD
GND
0ΩTP
0ΩTP
0ΩTP
0ΩTP
0ΩTP
TP
TP
TP
Figure 53: UART interface application circuit with partial V.24 link (5-wire) in the DTE/DCE serial communication (1.8V DTE)
If a 3.0 V Application Processor is used, appropriate unidirectional voltage translators must be provided using the
module V_INT output as 1.8 V supply, as described in Figure 54.
5V_INT
TxD
Application Processor
(3.0V DTE)
RxD
RTS
CTS
DTR
DSR
RI
DCD
GND
TOBY-L2 series
(1.8V DCE)
16 TXD
13 DTR
17 RXD
14 RTS
15 CTS
10 DSR
11 RI
12 DCD
GND
1V8
B1 A1
GND
U1
B3A3
VCCBVCCA
Unidirectional
Voltage Translator
C1 C2
3V0
DIR3
DIR2 OE
DIR1
VCC
B2 A2
B4A4
DIR4
TP
0ΩTP
0ΩTP
0ΩTP
0ΩTP
0ΩTP
TP
TP
TP
Figure 54: UART interface application circuit with partial V.24 link (5-wire) in DTE/DCE serial communication (3.0 V DTE)
Reference
Description
Part Number - Manufacturer
C1, C2
100 nF Capacitor Ceramic X7R 0402 10% 16 V
GRM155R61A104KA01 - Murata
U1
Unidirectional Voltage Translator
SN74AVC4T774 - Texas Instruments
Table 34: Component for UART application circuit with partial V.24 link (5-wire) in DTE/DCE serial communication (3.0 V DTE)

TOBY-L2 and MPCI-L2 series - System Integration Manual
UBX-13004618 - R04 Advance Information Design-in
Page 99 of 141
Providing the TXD and RXD lines only (not using the complete V24 link)
If the functionality of the CTS, RTS, DSR, DCD, RI and DTR lines is not required in the application, or the lines
are not available, the circuit with a 1.8 V Application Processor should be implemented as described in Figure 55:
Connect the module RTS input line to GND or to the CTS output line of the module: since the module
requires RTS active (low electrical level) if HW flow-control is enabled (AT&K3, that is the default setting),
the pin can be connected using a 0 series resistor to GND or to the active-module CTS (low electrical level)
when the module is in active-mode, the UART interface is enabled and the HW flow-control is enabled
Connect the module DTR input line to GND using a 0 series resistor, as the module requires DTR active
Leave DSR, DCD and RI lines of the module unconnected and floating
TxD
Application Processor
(1.8V DTE)
RxD
RTS
CTS
DTR
DSR
RI
DCD
GND
TOBY-L2 series
(1.8V DCE)
16 TXD
13 DTR
17 RXD
14 RTS
15 CTS
10 DSR
11 RI
12 DCD
GND
0ΩTP
0ΩTP
0ΩTP
TP
0ΩTP
TP
TP
TP
Figure 55: UART interface application circuit with partial V.24 link (3-wire) in the DTE/DCE serial communication (1.8V DTE)
If a 3.0 V Application Processor is used, appropriate unidirectional voltage translators must be provided using the
module V_INT output as 1.8 V supply, as described in Figure 56.
5V_INT
TxD
Application Processor
(3.0V DTE)
RxD
DTR
DSR
RI
DCD
GND
TOBY-L2 series
(1.8V DCE)
16 TXD
13 DTR
17 RXD
10 DSR
11 RI
12 DCD
GND
1V8
B1 A1
GND
U1
VCCBVCCA
Unidirectional
Voltage Translator
C1 C2
3V0
DIR1
DIR2 OE
VCC
B2 A2
RTS
CTS
14 RTS
15 CTS
TP
0ΩTP
0ΩTP
0ΩTP
TP
0ΩTP
TP
TP
TP
Figure 56: UART interface application circuit with partial V.24 link (3-wire) in DTE/DCE serial communication (3.0 V DTE)
Reference
Description
Part Number - Manufacturer
C1, C2
100 nF Capacitor Ceramic X7R 0402 10% 16 V
GRM155R61A104KA01 - Murata
U1
Unidirectional Voltage Translator
SN74AVC2T245 - Texas Instruments
Table 35: Component for UART application circuit with partial V.24 link (3-wire) in DTE/DCE serial communication (3.0 V DTE)

TOBY-L2 and MPCI-L2 series - System Integration Manual
UBX-13004618 - R04 Advance Information Design-in
Page 100 of 141
Additional considerations
Do not apply voltage to any UART interface pin before the switch-on of the UART supply source (V_INT),
to avoid latch-up of circuits and allow a proper boot of the module. If the external signals connected to
the cellular module cannot be tri-stated or set low, insert a multi channel digital switch (e.g. TI
SN74CB3Q16244, TS5A3159, or TS5A63157) between the two-circuit connections and set to high
impedance before V_INT switch-on.
ESD sensitivity rating of UART interface pins is 1 kV (Human Body Model according to JESD22-A114).
Higher protection level could be required if the lines are externally accessible and it can be achieved by
mounting an ESD protection (e.g. EPCOS CA05P4S14THSG varistor array) close to accessible points.
If the UART interface pins are not used, they can be left unconnected on the application board, but it is
recommended providing accessible test points directly connected to all the UART pins (TXD, RXD, RTS,
CTS, DTR, DSR, DCD, RI) for diagnostic purpose, in particular providing a 0 series jumper on each line
to detach each UART pin of the module from the DTE application processor.
2.6.2.2 Guidelines for UART layout design
The UART serial interface requires the same consideration regarding electro-magnetic interference as any other
digital interface. Keep the traces short and avoid coupling with RF line or sensitive analog inputs, since the
signals can cause the radiation of some harmonics of the digital data frequency.

TOBY-L2 and MPCI-L2 series - System Integration Manual
UBX-13004618 - R04 Advance Information Design-in
Page 101 of 141
2.6.3 DDC (I2C) interface
The I2C bus compatible Display Data Channel interface is not available on MPCI-L2 series modules.
2.6.3.1 Guidelines for DDC (I2C) circuit design
I2C bus function is not supported by TOBY-L2x0-00S: the pins should be not driven by any external device.
General considerations
The DDC I2C-bus master interface can be used to communicate with u-blox GNSS receivers and other external
I2C-bus slaves as an audio codec. Beside the general considerations reported below, see:
the following parts of this section for specific guidelines for the connection to u-blox GNSS receivers
the section 2.7.1 for an application circuit example with an external audio codec I2C-bus slave
To be compliant with the I2C bus specifications, the module bus interface pads are open drain output and pull up
resistors must be mounted externally. Resistor values must conform to I2C bus specifications [12]: for example,
4.7 k resistors can be commonly used. Pull-ups must be connected to a supply voltage of 1.8 V (typical), since
this is the voltage domain of the DDC pins which are not tolerant to higher voltage values (e.g. 3.0 V).
Connect the DDC (I2C) pull-ups to the V_INT 1.8 V supply source, or another 1.8 V supply source enabled
after V_INT (e.g., as the GNSS 1.8 V supply present in Figure 57 application circuit), as any external signal
connected to the DDC (I2C) interface must not be set high before the switch-on of the V_INT supply of
DDC pins, to avoid latch-up of circuits and let a proper boot of the module.
The signal shape is defined by the values of the pull-up resistors and the bus capacitance. Long wires on the bus
will increase the capacitance. If the bus capacitance is increased, use pull-up resistors with nominal resistance
value lower than 4.7 k, to match the I2C bus specifications [12] regarding rise and fall times of the signals.
Capacitance and series resistance must be limited on the bus to match the I2C specifications (1.0 µs is the
maximum allowed rise time on the SCL and SDA lines): route connections as short as possible.
If the pins are not used as DDC bus interface, they can be left unconnected.
ESD sensitivity rating of the DDC (I2C) pins is 1 kV (Human Body Model according to JESD22-A114).
Higher protection level could be required if the lines are externally accessible and it can be achieved by
mounting an ESD protection (e.g. EPCOS CA05P4S14THSG varistor array) close to accessible points.

TOBY-L2 and MPCI-L2 series - System Integration Manual
UBX-13004618 - R04 Advance Information Design-in
Page 102 of 141
Connection with u-blox 1.8 V GNSS receivers
Figure 57 shows an application circuit for connecting TOBY-L2 cellular modules to a u-blox 1.8 V GNSS receiver.
SDA / SCL pins of the TOBY-L2 cellular module are directly connected to the relative I2C pins of the u-blox
1.8 V GNSS receiver, with appropriate pull-up resistors connected to the 1.8 V GNSS supply enabled after
the V_INT supply of the I2C pins of the TOBY-L2 cellular module.
GPIO3 and GPIO4 pins are directly connected respectively to the TxD1 and EXTINT0 pins of the u-blox
1.8 V GNSS receiver to provide “GNSS data ready” and “GNSS RTC sharing” functions.
A pull-down resistor is mounted on GPIO2 line to avoid an improper switch on of the u-blox GNSS receiver.
The V_BCKP output of the cellular module is connected to the V_BCKP input pin of the GNSS receiver to
provide the supply for the GNSS RTC and backup RAM when the VCC supply of the cellular module is within
its operating range and the VCC supply of the GNSS receiver is disabled. This enables the u-blox GNSS
receiver to recover from a power breakdown with either a hot start or a warm start (depending on the
duration of the GNSS VCC outage) and to maintain the configuration settings saved in the backup RAM.
TOBY-L2 series
(except TOBY-L2x0-00S)
R1
INOUT
GND
GNSS LDO
Regulator
SHDN
u-blox GNSS
1.8 V receiver
SDA2
SCL2
R2
1V8 1V8
VMAIN1V8
U1
22 GPIO2
SDA
SCL
C1
TxD1
EXTINT0
GPIO3
GPIO4
55
54
24
25
VCC
R3
V_BCKP V_BCKP
3
GNSS data ready
GNSS RTC sharing
GNSS supply enabled
Figure 57: Application circuit for connecting TOBY-L2 modules to u-blox 1.8 V GNSS receivers
Reference
Description
Part Number - Manufacturer
R1, R2
4.7 kΩ Resistor 0402 5% 0.1 W
RC0402JR-074K7L - Yageo Phycomp
R3
47 kΩ Resistor 0402 5% 0.1 W
RC0402JR-0747KL - Yageo Phycomp
U1
Voltage Regulator for GNSS receiver
See GNSS receiver Hardware Integration Manual
Table 36: Components for connecting TOBY-L2 modules to u-blox 1.8 V GNSS receivers
Figure 58 illustrates an alternative application circuit solution in which the TOBY-L2 supplies a u-blox 1.8 V GNSS
receiver. The V_INT 1.8 V regulated supply output of a TOBY-L2 module can be used as supply source for a
u-blox 1.8 V GNSS receiver (u-blox 6 generation receiver or newer) instead of using an external voltage
regulator, as shown in Figure 57. The V_INT supply is able to support the maximum current consumption of
these positioning receivers.
The internal switching step-down regulator that generates the V_INT supply is set to 1.8 V (typical) when the
cellular module is switched on and it is disabled when the module is switched off.
The supply of the u-blox 1.8 V GNSS receiver can be switched off using an external p-channel MOS controlled by
the GPIO2 pin of TOBY-L2 cellular modules by means of a proper inverting transistor as shown in Figure 58,
implementing the “GNSS supply enable” function. If this feature is not required, the V_INT supply output can be
directly connected to the u-blox 1.8 V GNSS receiver, so that it will switch on when V_INT output is enabled.

TOBY-L2 and MPCI-L2 series - System Integration Manual
UBX-13004618 - R04 Advance Information Design-in
Page 103 of 141
According to the V_INT supply output voltage ripple characteristic specified in the TOBY-L2 Data Sheet [1]:
Additional filtering may be needed to properly supply an external LNA, depending on the characteristics of
the used LNA, adding a series ferrite bead and a bypass capacitor (e.g. the Murata BLM15HD182SN1 ferrite
bead and the Murata GRM1555C1H220J 22 pF capacitor) at the input of the external LNA supply line
u-blox GNSS
1.8 V receiver
TxD1
EXTINT0
V_BCKP V_BCKP
3
SDA2
SCL2
VCC
1V8
C1
R3
5V_INT
R5
R4
TP
T2
T1
R1 R2
1V8 1V8
GNSS data ready
GNSS RTC sharing
GNSS supply enabled
TOBY-L2 series
(except TOBY-L2x0-00S)
22 GPIO2
SDA
SCL
GPIO3
GPIO4
55
54
24
25
Figure 58: Application circuit for connecting TOBY-L2 modules to u-blox 1.8 V GNSS receivers using V_INT as supply
Reference
Description
Part Number - Manufacturer
R1, R2
4.7 k Resistor 0402 5% 0.1 W
RC0402JR-074K7L - Yageo Phycomp
R3
47 k Resistor 0402 5% 0.1 W
RC0402JR-0747KL - Yageo Phycomp
R4
10 k Resistor 0402 5% 0.1 W
RC0402JR-0710KL - Yageo Phycomp
R5
100 k Resistor 0402 5% 0.1 W
RC0402JR-07100KL - Yageo Phycomp
T1
P-Channel MOSFET Low On-Resistance
IRLML6401 - International Rectifier or NTZS3151P - ON Semi
T2
NPN BJT Transistor
BC847 - Infineon
C1
100 nF Capacitor Ceramic X7R 0402 10% 16 V
GRM155R71C104KA01 - Murata
Table 37: Components for connecting TOBY-L2 modules to u-blox 1.8 V GNSS receivers using V_INT as supply
For additional guidelines regarding the design of applications with u-blox 1.8 V GNSS receivers see the GNSS
Implementation Application Note [13] and the Hardware Integration Manual of the u-blox GNSS receivers.

TOBY-L2 and MPCI-L2 series - System Integration Manual
UBX-13004618 - R04 Advance Information Design-in
Page 104 of 141
Connection with u-blox 3.0 V GNSS receivers
Figure 59 shows an application circuit for connecting TOBY-L2 cellular modules to a u-blox 3.0 V GNSS receiver:
As the SDA and SCL pins of the TOBY-L2 cellular module are not tolerant up to 3.0 V, the connection to the
related I2C pins of the u-blox 3.0 V GNSS receiver must be provided using a proper I2C-bus Bidirectional
Voltage Translator with proper pull-up resistors (e.g. the TI TCA9406 additionally provides the partial power
down feature so that the GNSS 3.0 V supply can be ramped up before the V_INT 1.8 V cellular supply).
As the GPIO3 and GPIO4 pins of the TOBY-L2 cellular module are not tolerant up to 3.0 V, the connection
to the related pins of the u-blox 3.0 V GNSS receiver must be provided using a proper Unidirectional General
Purpose Voltage Translator (e.g. TI SN74AVC2T245, which additionally provides the partial power down
feature so that the 3.0 V GNSS supply can be also ramped up before the V_INT 1.8 V cellular supply).
A pull-down resistor is mounted on GPIO2 line to avoid an improper switch on of the u-blox GNSS receiver.
The V_BCKP supply output of the cellular module can be directly connected to the V_BCKP backup supply
input pin of the GNSS receiver as in the application circuit for a u-blox 1.8 V GNSS receiver.
TOBY-L2 series
(except TOBY-L2x0-00S)
u-blox GNSS
3.0 V receiver
24 GPIO3
25 GPIO4
1V8
B1 A1
GND
U3
B2A2
VCCBVCCA
Unidirectional
Voltage Translator
C4 C5
3V0
TxD1
EXTINT0
R1
INOUT
GND
GNSS LDO
Regulator
SHDN
R2
VMAIN3V0
U1
22 GPIO2
55 SDA
54 SCL
R4 R5
1V8
SDA_A SDA_B
GND
U2
SCL_ASCL_B
VCCA
VCCB
I2C-bus Bidirectional
Voltage Translator
2V_INT
C1
C2 C3
R3
SDA2
SCL2
VCC
DIR1
DIR2
3V_BCKPV_BCKP
OE
OE
GNSS data ready
GNSS RTC sharing
GNSS supply enabled
Figure 59: Application circuit for connecting TOBY-L2 modules to u-blox 3.0 V GNSS receivers
Reference
Description
Part Number - Manufacturer
R1, R2, R4, R5
4.7 kΩ Resistor 0402 5% 0.1 W
RC0402JR-074K7L - Yageo Phycomp
R3
47 kΩ Resistor 0402 5% 0.1 W
RC0402JR-0747KL - Yageo Phycomp
C2, C3, C4, C5
100 nF Capacitor Ceramic X5R 0402 10% 10V
GRM155R71C104KA01 - Murata
U1, C1
Voltage Regulator for GNSS receiver and capacitor
related output bypass
See GNSS receiver Hardware Integration Manual
U2
I2C-bus Bidirectional Voltage Translator
TCA9406DCUR - Texas Instruments
U3
Generic Unidirectional Voltage Translator
SN74AVC2T245 - Texas Instruments
Table 38: Components for connecting TOBY-L2 modules to u-blox 3.0 V GNSS receivers
For additional guidelines regarding the design of applications with u-blox 3.0 V GNSS receivers see the GNSS
Implementation Application Note [13] and the Hardware Integration Manual of the u-blox GNSS receivers.

TOBY-L2 and MPCI-L2 series - System Integration Manual
UBX-13004618 - R04 Advance Information Design-in
Page 105 of 141
2.6.3.2 Guidelines for DDC (I2C) layout design
The DDC (I2C) serial interface requires the same consideration regarding electro-magnetic interference as any
other digital interface. Keep the traces short and avoid coupling with RF line or sensitive analog inputs, since the
signals can cause the radiation of some harmonics of the digital data frequency.
2.6.4 Secure Digital Input Output interface (SDIO)
The SDIO Secure Digital Input Output interface is not available on MPCI-L2 series modules.
2.6.4.1 Guidelines for SDIO circuit design
The functionality of the SDIO_D0, SDIO_D1, SDIO_D2, SDIO_D3, SDIO_CLK, SDIO_CMD pins is not
supported by TOBY-L2x0-00S: the pins should be not driven improperly by any external device.
TOBY-L2 series modules include a 4-bit Secure Digital Input Output interface (SDIO_D0, SDIO_D1, SDIO_D2,
SDIO_D3, SDIO_CLK, SDIO_CMD) available to communicate with an external Wi-Fi chip.
Guidelines for SDIO circuit design will be described in detail in a successive release of the document.
Do not apply voltage to any SDIO interface pin before the switch-on of SDIO interface supply source
(V_INT), to avoid latch-up of circuits and allow a proper boot of the module. If the external signals
connected to the cellular module cannot be tri-stated or set low, insert a multi channel digital switch (e.g.
TI SN74CB3Q16244, TS5A3159, or TS5A63157) between the two-circuit connections and set to high
impedance before V_INT switch-on.
ESD sensitivity rating of SDIO interface pins is 1 kV (Human Body Model according to JESD22-A114).
Higher protection level could be required if the lines are externally accessible and it can be achieved by
mounting a very low capacitance ESD protection (e.g. Tyco Electronics PESD0402-140 ESD), close to
accessible points.
If the SDIO interface pins are not used, they can be left unconnected on the application board.
2.6.4.2 Guidelines for SDIO layout design
The SDIO serial interface requires the same consideration regarding electro-magnetic interference as any other
high speed digital interface.
Keep the traces short and avoid coupling with RF lines / parts or sensitive analog inputs, since the signals can
cause the radiation of some harmonics of the digital data frequency.
Consider the usage of low value series damping resistors to avoid reflections and other losses in signal integrity,
which may create ringing and loss of a square wave shape. However, the resistor value should not be so high
that the rise / fall time requirements are violated: for example, 22 or 33 resistor may be sufficient to slow
the signal and remove the ringing problem.

TOBY-L2 and MPCI-L2 series - System Integration Manual
UBX-13004618 - R04 Advance Information Design-in
Page 106 of 141
2.7 Audio interface
2.7.1 Digital audio interface
The I2S interface is not available on MPCI-L2 series modules.
2.7.1.1 Guidelines for digital audio circuit design
The I2S interface is not supported by TOBY-L2x0-00S: the pins should be not driven by any external device.
I2S digital audio interface can be connected to an external digital audio device for voice applications. The external
digital audio device must be properly configured according to the cellular module configuration, with the
opposite role, the same mode, the same sample rate and voltage level.
Any external digital audio device compliant with the configuration of the digital audio interface of the TOBY-L2
cellular module can be used. Examples of compatible audio codec parts, suitable to provide analog audio voice
capability on the application device, are the following:
Marvell 88PM805
Maxim MAX9860
Maxim MAX9867
Maxim MAX9880A
An appropriate specific application circuit has to be implemented and configured according to the particular
external digital audio device or audio codec used and according to the application requirements.
Figure 60 and Table 39 describe an application circuit for the I2S digital audio interface providing voice capability
using an external audio voice codec. DAC and ADC integrated in the external audio codec respectively converts
an incoming digital data stream to analog audio output through a mono amplifier and converts the microphone
input signal to the digital bit stream over the digital audio interface.
The module’s I2S interface (I2S master) is connected to the related pins of the external audio codec (I2S slave).
The GPIO6 of the TOBY-L2 series module (that provides a suitable digital output clock) is connected to the clock
input of the external audio codec to provide clock reference.
The external audio codec is controlled by the wireless module using the DDC (I2C) interface: this interface can be
concurrently used to communicate with u-blox GNSS receivers and to control an external audio codec.
The V_INT output supplies the external audio codec, defining proper digital interfaces voltage level.
Additional components are provided for EMC and ESD immunity conformity: a 10 nF bypass capacitor and a
series chip ferrite bead noise/EMI suppression filter provided on each microphone line input and speaker line
output of the external codec as described in Figure 60 and Table 39. The necessity of these or other additional
parts for EMC improvement may depend on the specific application board design.
As various external audio codecs other than the one described in Figure 60 / Table 39 can be used to provide
voice capability, the appropriate specific application circuit has to be implemented and configured according to
the particular external digital audio device or audio codec used and according to the application requirements.

TOBY-L2 and MPCI-L2 series - System Integration Manual
UBX-13004618 - R04 Advance Information Design-in
Page 107 of 141
R2R1
BCLK
GND
U1
LRCLK
TOBY-L2 series
(except TOBY-L2x0-00S)
Audio
Codec
SDIN
SDOUT
55
SDA
54
SCL
SDA
SCL
61
GPIO6 MCLK
GND
IRQn
R3 C3C2
C1
5
V_INT
VDD
1V8
MICBIAS
C4 R4
C5
C6
EMI1
MICLN
MICLP
D1
Microphone
Connector
EMI2
MIC
C12 C11
J1
MICGND
R5 C8 C7
D2
SPK
Speaker
Connector
OUTP
OUTN
J2
C10 C9C14 C13
EMI3
EMI4
52
I2S_CLK
50
I2S_WA
51
I2S_TXD
53
I2S_RXD
Figure 60: I2S interface application circuit with an external audio codec to provide voice capability
Reference
Description
Part Number – Manufacturer
C1
100 nF Capacitor Ceramic X5R 0402 10% 10V
GRM155R71C104KA01 – Murata
C2, C4, C5, C6
1 µF Capacitor Ceramic X5R 0402 10% 6.3 V
GRM155R60J105KE19 – Murata
C3
10 µF Capacitor Ceramic X5R 0603 20% 6.3 V
GRM188R60J106ME47 – Murata
C7, C8, C9, C10
27 pF Capacitor Ceramic COG 0402 5% 25 V
GRM1555C1H270JZ01 – Murata
C11, C12, C13, C14
10 nF Capacitor Ceramic X5R 0402 10% 50V
GRM155R71C103KA88 – Murata
D1, D2
Low Capacitance ESD Protection
USB0002RP or USB0002DP – AVX
EMI1, EMI2, EMI3,
EMI4
Chip Ferrite Bead Noise/EMI Suppression Filter
1800 Ohm at 100 MHz, 2700 Ohm at 1 GHz
BLM15HD182SN1 – Murata
J1
Microphone Connector
Various manufacturers
J2
Speaker Connector
Various manufacturers
MIC
2.2 k Electret Microphone
Various manufacturers
R1, R2
4.7 kΩ Resistor 0402 5% 0.1 W
RC0402JR-074K7L - Yageo Phycomp
R3
10 kΩ Resistor 0402 5% 0.1 W
RC0402JR-0710KL - Yageo Phycomp
R4, R5
2.2 kΩ Resistor 0402 5% 0.1 W
RC0402JR-072K2L – Yageo Phycomp
SPK
32 Speaker
Various manufacturers
U1
16-Bit Mono Audio Voice Codec
MAX9860ETG+ - Maxim
Table 39: Example of components for audio voice codec application circuit
Do not apply voltage to any I2S pin before the switch-on of I2S supply source (V_INT), to avoid latch-up of
circuits and allow a proper boot of the module. If the external signals connected to the cellular module
cannot be tri-stated or set low, insert a multi channel digital switch (e.g. TI SN74CB3Q16244, TS5A3159,
or TS5A63157) between the two-circuit connections and set to high impedance before V_INT switch-on.
ESD sensitivity rating of I2S interface pins is 1 kV (Human Body Model according to JESD22-A114). Higher
protection level could be required if the lines are externally accessible and it can be achieved by mounting
a general purpose ESD protection (e.g. EPCOS CA05P4S14THSG varistor array) close to accessible points.
If the I2S digital audio pins are not used, they can be left unconnected on the application board.
2.7.1.2 Guidelines for digital audio layout design
I2S interface and clock output lines require the same consideration regarding electro-magnetic interference as
any other high speed digital interface. Keep the traces short and avoid coupling with RF lines / parts or sensitive
analog inputs, since the signals can cause the radiation of some harmonics of the digital data frequency.

TOBY-L2 and MPCI-L2 series - System Integration Manual
UBX-13004618 - R04 Advance Information Design-in
Page 108 of 141
2.8 General Purpose Input/Output
GPIOs are not supported by the TOBY-L2x0-00S product version except for the Wireless Wide Area
Network status indication configured on the GPIO1 pin: the pins should be not driven by any external
device.
GPIOs are not available on MPCI-L2 series modules.
2.8.1.1 Guidelines for TOBY-L2 series GPIO circuit design
A typical usage of TOBY-L2 modules’ GPIOs can be the following:
Network indication provided over GPIO1 pin (see Figure 61 / Table 40 below)
GNSS supply enable provided over GPIO2 (see Figure 57 / Table 36 or Figure 59 / Table 38 in section 2.6.3)
GNSS data ready provided over GPIO3 (see Figure 57 / Table 36 or Figure 59 / Table 38 in section 2.6.3)
GNSS RTC sharing provided over GPIO4 (see Figure 57 / Table 36 or Figure 59 / Table 38 in section 2.6.3)
SIM card detection provided over GPIO5 (see Figure 46 / Table 30 or Figure 47 / Table 31 in section 2.5)
Clock output provided over GPIO6 (see Figure 60 / Table 39 in section 2.7.1)
TOBY-L2 series
GPIO1
R1
R3
3V8
Network Indicator
R2
21
DL1
T1
Figure 61: Application circuit for network indication provided over GPIO1
Reference
Description
Part Number - Manufacturer
R1
10 k Resistor 0402 5% 0.1 W
Various manufacturers
R2
47 k Resistor 0402 5% 0.1 W
Various manufacturers
R3
820 Resistor 0402 5% 0.1 W
Various manufacturers
DL1
LED Red SMT 0603
LTST-C190KRKT - Lite-on Technology Corporation
T1
NPN BJT Transistor
BC847 - Infineon
Table 40: Components for network indication application circuit
Use transistors with at least an integrated resistor in the base pin or otherwise put a 10 k resistor on the
board in series to the GPIO of TOBY-L2 modules.
Do not apply voltage to any GPIO of TOBY-L2 before the switch-on of the GPIOs supply (V_INT), to avoid
latch-up of circuits and allow a proper module boot. If the external signals connected to the module
cannot be tri-stated or set low, insert a multi channel digital switch (e.g. TI SN74CB3Q16244, TS5A3159,
TS5A63157) between the two-circuit connections and set to high impedance before V_INT switch-on.
ESD sensitivity rating of the GPIO pins is 1 kV (Human Body Model according to JESD22-A114).
Higher protection level could be required if the lines are externally accessible and it can be achieved by
mounting an ESD protection (e.g. EPCOS CA05P4S14THSG varistor array) close to accessible points.
If the GPIO pins are not used, they can be left unconnected on the application board.
2.8.1.2 Guidelines for general purpose input/output layout design
The general purpose inputs / outputs pins are generally not critical for layout.

TOBY-L2 and MPCI-L2 series - System Integration Manual
UBX-13004618 - R04 Advance Information Design-in
Page 109 of 141
2.9 Mini PCIe specific signals (W_DISABLE#, LED_WWAN#)
Mini PCI Express specific signals (W_DISABLE#, LED_WWAN#) are not available on TOBY-L2 series.
2.9.1.1 Guidelines for W_DISABLE# circuit design
As described in Figure 62, the MPCI-L2 series modules W_DISABLE# wireless disable input is equipped with an
internal pull-up to the 3.3Vaux supply: an external pull-up resistor is not required and should not be provided.
If connecting the W_DISABLE# input to a push button, the pin will be externally accessible on the application
device. According to EMC/ESD requirements of the application, an additional ESD protection device should be
provided close to accessible point, as described in Figure 62 and Table 41.
ESD sensitivity rating of the W_DISABLE# pin is 1 kV (HBM according to JESD22-A114). Higher protection
level can be required if the line is externally accessible on the application board, e.g. if an accessible push
button is directly connected to the W_DISABLE# pin, and it can be achieved by mounting an ESD
protection (e.g. EPCOS CA05P4S14THSG varistor) close to accessible point.
An open drain output is suitable to drive the W_DISABLE# input from an application processor as it is equipped
with an internal pull-up to the 3.3Vaux supply as described in Figure 62.
A compatible push-pull output of an application processor can also be used. In any case, take care to set the
proper level in all the possible scenarios to avoid an inappropriate disabling of the radio operations.
MPCI-L2 series
3.3Vaux
20 W_DISABLE#
Power-on
push button
ESD
Open
Drain
Output
Application
Processor
MPCI-L2 series
3.3Vaux
20 W_DISABLE#
TP TP
22 k22 k
Figure 62: W_DISABLE# application circuit using a push button and an open drain output of an application processor
Reference
Description
Remarks
ESD
Varistor for ESD protection
CT0402S14AHSG - EPCOS
Table 41: Example of ESD protection component for the W_DISABLE# application circuit
If the W_DISABLE# functionality is not required by the application, the pin can be left unconnected.

TOBY-L2 and MPCI-L2 series - System Integration Manual
UBX-13004618 - R04 Advance Information Design-in
Page 110 of 141
2.9.1.2 Guidelines for LED_WWAN# circuit design
As described in Figure 63 and Table 42, the MPCI-L2 series modules LED_WWAN# active-low open drain output
can be directly connected to a system-mounted LED to provide the Wireless Wide Area Network status indication
as specified by the PCI Express Mini Card Electromechanical Specification [14].
Open
Drain
Output
R
3V3
DL
42
LED_WWAN#
MPCI-L2 series
Figure 63: LED_WWAN# application circuit
Reference
Description
Remarks
DL
LED Green SMT 0603
LTST-C190KGKT - Lite-on Technology Corporation
R
470 Resistor 0402 5% 0.1 W
Various manufacturers
Table 42: Example of components for the LED_WWAN# application circuit
ESD sensitivity rating of the LED_WWAN# pin is 1 kV (Human Body Model according to JESD22-A114).
Higher protection level could be required if the line is externally accessible and it can be achieved by
mounting an ESD protection (e.g. EPCOS CA05P4S14THSG varistor) close to accessible point.
If the LED_WWAN# functionality is not required by the application, the pin can be left unconnected.
2.9.1.3 Guidelines for W_DISABLE# and LED_WWAN# layout design
The W_DISABLE# and LED_WWAN# circuits are generally not critical for layout.
2.10 Reserved pins (RSVD)
Pins reserved for future use, marked as RSVD, are not available on MPCI-L2 series.
TOBY-L2 series modules have pins reserved for future use. All the RSVD pins are to be left unconnected on the
application board except the RSVD pin number 6 which must be connected to ground as described in Figure 64.
TOBY-L2 series
RSVD
6
RSVD
Figure 64: Application circuit for the reserved pins (RSVD)

TOBY-L2 and MPCI-L2 series - System Integration Manual
UBX-13004618 - R04 Advance Information Design-in
Page 111 of 141
2.11 Module placement
An optimized placement allows a minimum RF line’s length and closer path from DC source for VCC / 3.3Vaux.
Make sure that the module, analog parts and RF circuits are clearly separated from any possible source of
radiated energy. In particular, digital circuits can radiate digital frequency harmonics, which can produce Electro-
Magnetic Interference that affects the module, analog parts and RF circuits’ performance. Implement proper
countermeasures to avoid any possible Electro-Magnetic Compatibility issue.
Make sure that the module, RF and analog parts / circuits, and high speed digital circuits are clearly separated
from any sensitive part / circuit which may be affected by Electro-Magnetic Interference, or employ
countermeasures to avoid any possible Electro-Magnetic Compatibility issue.
Provide enough clearance between the module and any external part.
The heat dissipation during continuous transmission at maximum power can significantly raise the
temperature of the application base-board below the TOBY-L2 and MPCI-L2 series modules: avoid placing
temperature sensitive devices close to the module.

TOBY-L2 and MPCI-L2 series - System Integration Manual
UBX-13004618 - R04 Advance Information Design-in
Page 112 of 141
2.12 TOBY-L2 series module footprint and paste mask
Figure 65 and Table 43 describe the suggested footprint (i.e. copper mask) layout for TOBY-L2 series modules.
The proposed land pattern layout slightly reflects the modules’ pads layout, with most of the lateral pads
designed wider on the application board (1.8 x 0.8 mm) than on the module (1.5 x 0.8 mm).
I1
A
G H J1DF2
KM1 M1 M2 P2
BG
H
J
O
O
L
N
M1 M1 M3
I1
I1
OH
J
J
J
E
P3
F1
P1
H
I1
O
I2
I2
F2
Module placement outline
Figure 65: TOBY-L2 series module suggest footprint (application board top view)
Parameter
Value
Parameter
Value
Parameter
Value
A
35.6 mm
H
0.80 mm
M2
5.20 mm
B
24.8 mm
I1
1.50 mm
M3
4.50 mm
D
2.40 mm
I2
1.80 mm
N
2.10 mm
E
2.25 mm
J
0.30 mm
O
1.10 mm
F1
1.45 mm
K
3.15 mm
P1
1.10 mm
F2
1.30 mm
L
7.15 mm
P2
1.25 mm
G
1.10 mm
M1
1.80 mm
P3
2.85 mm
Table 43: TOBY-L2 series module suggest footprint dimensions
The Non Solder Mask Defined (NSMD) pad type is recommended over the Solder Mask Defined (SMD) pad type,
implementing the solder mask opening 50 µm larger per side than the corresponding copper pad.
The suggested paste mask layout for TOBY-L2 series modules slightly reflects the copper mask layout described
in Figure 65 and Table 43, as different stencil apertures layout for any specific pad is recommended:
Blue marked pads: Paste layout reduced circumferentially about 0.025 mm to Copper layout
Green marked pads: Paste layout enlarged circumferentially about 0.025 mm to Copper layout
Purple marked pads: Paste layout one to one to Copper layout
The recommended solder paste thickness is 150 µm, according to application production process requirements.
These are recommendations only and not specifications. The exact mask geometries, distances and stencil
thicknesses must be adapted to the specific production processes (e.g. soldering etc.) of the customer.

TOBY-L2 and MPCI-L2 series - System Integration Manual
UBX-13004618 - R04 Advance Information Design-in
Page 113 of 141
2.13 MPCI-L2 series module installation
MPCI-L2 series modules are fully compliant with the 52-pin PCI Express Full-Mini Card Type F2 form factor, i.e.,
top-side and bottom-side keep-out areas, 50.95 mm nominal length, 30 mm nominal width, and all the other
dimensions as defined by the PCI Express Mini Card Electromechanical Specification [14], except for the card
thickness (which nominal value is 3.7 mm), as described in Figure 66.
3.7 mm
Side View
Pin 1 Pin 51
ANT1ANT2
Top View
Hole GND HoleGND 30 mm
Pin 52 Pin 2
Bottom View
Hole GND HoleGND
50.95 mm
Figure 66: MPCI-L2 series mechanical description (top, side and bottom views)
MPCI-L2 series modules are fully compliant with the 52-pin PCI Express Full-Mini card edge type system
connector as defined by the PCI Express Mini Card Electromechanical Specification [14]. Table 44 describes some
examples of 52-pin mating system connectors for the MPCI-L2 series PCI Express Full-Mini card modules.
Manufacturer
Part Number
Description
JAE Electronics
MM60 series
52-circuit, 0.8 mm pitch, PCI Express Mini card edge female connector
Molex
67910 series
52-circuit, 0.8 mm pitch, PCI Express Mini card edge female connector
TE Connectivity / AMP
2041119 series
52-circuit, 0.8 mm pitch, PCI Express Mini card edge female connector
FCI
10123824 series
52-circuit, 0.8 mm pitch, PCI Express Mini card edge female connector
Table 44: MPCI-L2 series PCI Express Full-Mini card compatible connector
It is recommended to use the two mounting holes described in Figure 66 to fix (ground) the MPCI-L2
module to the main ground of the application board with suitable screws and fasteners.
Follow the recommendations provided by the connector manufacturer and the guidelines available in the
PCI Express Mini Card Electromechanical Specification [14] for the development of the footprint (i.e. the
copper mask) PCB layout for the mating edge system connector. The exact geometries, distances and
stencil thicknesses should be adapted to the specific production processes (e.g. soldering etc.).
Follow the recommendations provided by the connector manufacturer to properly insert and remove the
MPCI-L2 series modules.

TOBY-L2 and MPCI-L2 series - System Integration Manual
UBX-13004618 - R04 Advance Information Design-in
Page 114 of 141
MPCI-L2 series modules are equipped with two Hirose U.FL-R-SMT RF receptacles for ANT1 / ANT2 ports, which
require a suitable mated RF plug from the same connector series as the examples listed in Table 23.
To mate the connectors, the mating axes of both connectors must be aligned. The "click" will confirm the fully
mated connection. Do not attempt to insert on an extreme angle: insert the RF plug connectors vertically into
the ANT1 / ANT2 RF receptacles of the modules, as described in Figure 67.
Correct Wrong
Figure 67: Precautions during RF connector mating
To unplug the RF cable assembly it is encouraged to use a suitable extraction tool for the RF connector, such as
the Hirose U.FL-LP-N or the Hirose U.FL-LP(V)-N extraction jig, according to the RF cable assembly type used.
Hook the end portion of the extraction jig onto the connector cover and pull off vertically in the direction of the
connector mating axis, as described in Figure 68.
Extraction Jig
RF Cable Assembly
U.FL Receptacle
Figure 68: Precautions during RF connector extraction
Any attempt to unplug the RF connectors by pulling on the cable assembly without using a suitable extraction
tool may result in damage and affect the RF performance.
Do not forcefully twist, deform, or apply any excessive pull force to the RF cables or damage the RF connectors,
otherwise the RF performance may be reduced.

TOBY-L2 and MPCI-L2 series - System Integration Manual
UBX-13004618 - R04 Advance Information Design-in
Page 115 of 141
2.14 Thermal guidelines
Modules’ operating temperature range is specified in TOBY-L2 Data Sheet [1] and MPCI-L2 Data Sheet [2].
The most critical condition concerning module thermal performance is the uplink transmission at maximum
power (data upload in connected-mode), when the baseband processor runs at full speed, radio circuits are all
active and the RF power amplifier is driven to higher output RF power. This scenario is not often encountered in
real networks; however the application should be correctly designed to cope with it.
During transmission at maximum RF power the TOBY-L2 and MPCI-L2 series modules generate thermal power
that can exceed 3 W: this is an indicative value since the exact generated power strictly depends on operating
condition such as the number of allocated TX resource blocks, transmitting frequency band, etc. The generated
thermal power must be adequately dissipated through the thermal and mechanical design of the application.
The spreading of the Module-to-Ambient thermal resistance (Rth,M-A) depends on the module operating
condition. The overall temperature distribution is influenced by the configuration of the active components
during the specific mode of operation and their different thermal resistance toward the case interface.
The Module-to-Ambient thermal resistance value and the relative increase of module temperature will
differ according to the specific mechanical deployments of the module, e.g. application PCB with different
dimensions and characteristics, mechanical shells enclosure, or forced air flow.
The increase of the thermal dissipation, i.e. the reduction of the Module-to-Ambient thermal resistance, will
decrease the temperature of the modules’ internal circuitry for a given operating ambient temperature. This
improves the device long-term reliability in particular for applications operating at high ambient temperature.
A few hardware techniques may be used to reduce the Module-to-Ambient thermal resistance in the application:
Connect each GND pin with solid ground layer of the application board and connect each ground area of
the multilayer application board with complete thermal via stacked down to main ground layer.
Use the two mounting holes described in Figure 66 to fix (ground) the MPCI-L2 modules to the main ground
of the application board with suitable screws and fasteners.
Provide a ground plane as wide as possible on the application board.
Optimize antenna return loss, to optimize overall electrical performance of the module including a decrease
of module thermal power.
Optimize the thermal design of any high-power components included in the application, such as linear
regulators and amplifiers, to optimize overall temperature distribution in the application device.
Select the material, the thickness and the surface of the box (i.e. the mechanical enclosure) of the
application device that integrates the module so that it provides good thermal dissipation.
Force ventilation air-flow within mechanical enclosure.
Provide a heat sink component attached to the module top side, with electrically insulated / high thermal
conductivity adhesive, or on the backside of the application board, below the cellular module.
Follow the thermal guidelines for integrating wireless wide area network mini card add-in cards, such as the
MPCI-L2 series modules, as provided in the PCI Express Mini Card Electromechanical Specification [14]
For example, the Module-to-Ambient thermal resistance (Rth,M-A) is strongly reduced with forced air ventilation
and a heat-sink installed on the back of the application board, decreasing the module temperature variation.
Beside the reduction of the Module-to-Ambient thermal resistance implemented by proper application hardware
design, the increase of module temperature can be moderated by proper application software implementation:
Enable module connected-mode for a given time period and then disable it for a time period enough long to
properly mitigate temperature increase.

TOBY-L2 and MPCI-L2 series - System Integration Manual
UBX-13004618 - R04 Advance Information Design-in
Page 116 of 141
2.15 ESD guidelines
The sections 2.15.1 and 2.15.2 are related to EMC / ESD immunity. The modules are ESD sensitive devices. The
ESD sensitivity for each pin (as Human Body Model according to JESD22-A114F) is specified in TOBY-L2 series
Data Sheet [1] or MPCI-L2 series Data Sheet [2]. Special precautions are required when handling the pins; for
ESD handling guidelines see section 3.2.
2.15.1 ESD immunity test overview
The immunity of devices integrating TOBY-L2 and MPCI-L2 series modules to Electro-Static Discharge (ESD) is
part of the Electro-Magnetic Compatibility (EMC) conformity which is required for products bearing the CE
marking, compliant with the R&TTE Directive (99/5/EC), the EMC Directive (89/336/EEC) and the Low Voltage
Directive (73/23/EEC) issued by the Commission of the European Community.
Compliance with these directives implies conformity to the following European Norms for device ESD immunity:
ESD testing standard CENELEC EN 61000-4-2 [20] and the radio equipment standards ETSI EN 301 489-1 [21],
ETSI EN 301 489-7 [22], ETSI EN 301 489-24 [23], which requirements are summarized in Table 45.
The ESD immunity test is performed at the enclosure port, defined by ETSI EN 301 489-1 [21] as the physical
boundary through which the electromagnetic field radiates. If the device implements an integral antenna, the
enclosure port is seen as all insulating and conductive surfaces housing the device. If the device implements a
removable antenna, the antenna port can be separated from the enclosure port. The antenna port includes the
antenna element and its interconnecting cable surfaces.
The applicability of ESD immunity test to the whole device depends on the device classification as defined by ETSI
EN 301 489-1 [21]. Applicability of ESD immunity test to the relative device ports or the relative interconnecting
cables to auxiliary equipment, depends on device accessible interfaces and manufacturer requirements, as
defined by ETSI EN 301 489-1 [21].
Contact discharges are performed at conductive surfaces, while air discharges are performed at insulating
surfaces. Indirect contact discharges are performed on the measurement setup horizontal and vertical coupling
planes as defined in CENELEC EN 61000-4-2 [20].
For the definition of integral antenna, removable antenna, antenna port and device classification see ETSI
EN 301 489-1 [21]. For the contact / air discharges definitions see CENELEC EN 61000-4-2 [20].
Application
Category
Immunity Level
All exposed surfaces of the radio equipment and ancillary equipment in a
representative configuration
Contact Discharge
4 kV
Air Discharge
8 kV
Table 45: EMC / ESD immunity requirements as defined by CENELEC EN 61000-4-2 and ETSI EN 301 489-1, 301 489-7, 301 489-24

TOBY-L2 and MPCI-L2 series - System Integration Manual
UBX-13004618 - R04 Advance Information Design-in
Page 117 of 141
2.15.2 ESD immunity test of TOBY-L2 and MPCI-L2 series reference designs
Although EMC / ESD certification is required for customized devices integrating TOBY-L2 and MPCI-L2 series
modules for R&TTED and European Conformance CE mark, EMC certification (including ESD immunity) has been
successfully performed on TOBY-L2 and MPCI-L2 series modules reference design according to European Norms
summarized in Table 45.
The EMC / ESD approved u-blox reference designs consist of a TOBY-L2 and MPCI-L2 series module installed
onto a motherboard which provides supply interface, SIM card and communication port. External LTE/3G/2G
antennas are connected to the provided connectors.
Since external antennas are used, the antenna port can be separated from the enclosure port. The reference
design is not enclosed in a box so that the enclosure port is not identified with physical surfaces. Therefore,
some test cases cannot be applied. Only the antenna port is identified as accessible for direct ESD exposure.
u-blox TOBY-L2 and MPCI-L2 series reference designs ESD immunity test results will be described in a
successive release of the document.
2.15.3 ESD application circuits
The application circuits described in this section are recommended and should be implemented in the device
integrating TOBY-L2 and MPCI-L2 series modules, according to the application device classification (see ETSI EN
301 489-1 [21]), to satisfy the requirements for ESD immunity test summarized in Table 45.
ESD application circuits will be described in a successive release of the document.

TOBY-L2 and MPCI-L2 series - System Integration Manual
UBX-13004618 - R04 Advance Information Design-in
Page 118 of 141
2.16 Schematic for TOBY-L2 and MPCI-L2 series module integration
Figure 69 is an example of a schematic diagram where a TOBY-L2x0-00S module is integrated into an
application board, using all the available interfaces and functions of the module.
3V8
GND
330uF 100nF 10nF
TOBY-L2x0-00S
71 VCC
72 VCC
70 VCC
3V_BCKP
23 RESET_N
Application
Processor
Open
Drain
Output
20 PWR_ON
Open
Drain
Output
68pF
47pF
SIM Card
Connector
CCVCC (C1)
CCVPP (C6)
CCIO (C7)
CCCLK (C3)
CCRST (C2)
GND (C5)
47pF 47pF 100nF
59VSIM
57SIM_IO
56SIM_CLK
58SIM_RST
47pF ESD ESD ESD ESD
81ANT1
87ANT2
Primary
Antenna
TP
TP
Secondary
Antenna
61GPIO6
22
GPIO2
24
GPIO3
25
GPIO4
60
GPIO5
5V_INT
21
GPIO1
TP
15pF 8.2pF
+
330uF
+
75ANT_DET
GND
RTC
back-up
65SDIO_CMD
66SDIO_D0
68SDIO_D1
63SDIO_D2
67SDIO_D3
64SDIO_CLK
26 HOST_SELECT0
62 HOST_SELECT1
SDA
SCL
26
27
RSVD
RSVD
6
53I2S_RXD
51I2S_TXD
52I2S_CLK
50I2S_WA
3V8
WWAN
Indicator
GND GND
USB 2.0 Host
D-
D+
27 USB_D-
28 USB_D+
16 RSVD / TXD
17 RSVD / RXD
12 RSVD / DCD
14 RSVD / RTS
15 RSVD / CTS
13 RSVD / DTR
10 RSVD / DSR
11 RSVD / RI
TP
TP
TP
TP
TP
TP
TP
TP
VBUS 4VUSB_DET
100nF
Figure 69: Example of schematic diagram to integrate a TOBY-L2x0-00S module in an application board, using all the interfaces

TOBY-L2 and MPCI-L2 series - System Integration Manual
UBX-13004618 - R04 Advance Information Design-in
Page 119 of 141
Figure 70 is an example of a schematic diagram where a MPCI-L2 series module is integrated into an application
board, using all the available interfaces and functions of the module.
3V3
GND
330uF 100nF 10nF
MPCI-L2 series
Application
Processor
Open
Drain
Output
22 PERST #
GND GND
USB 2.0 Host
D-
D+
27 USB_D-
28 USB_D+
68pF
Primary
Antenna
Secondary
Antenna
42 LED_WWAN#
15pF 8.2pF
+
20 W_DISABLE #
Open
Drain
Output
24 3.3Vaux
39 3.3Vaux
23.3Vaux
41 3.3Vaux
52 3.3Vaux
3V3
NC
47pF
SIM Card
Connector
CCVCC (C1)
CCVPP (C6)
CCIO (C7)
CCCLK (C3)
CCRST (C2)
GND (C5)
47pF47pF100nF
8UIM_PWR
10 UIM_DATA
12 UIM_CLK
14 UIM_RESET
47pF
ESDESDESDESD
Figure 70: Example of schematic diagram to integrate a MPCI-L2 series module in an application board, using all the interfaces

TOBY-L2 and MPCI-L2 series - System Integration Manual
UBX-13004618 - R04 Advance Information Design-in
Page 120 of 141
2.17 Design-in checklist
This section provides a design-in checklist.
2.17.1 Schematic checklist
The following are the most important points for a simple schematic check:
DC supply must provide a nominal voltage at VCC / 3.3Vaux pin within the operating range limits.
DC supply must be capable of supporting both the highest peak and the highest averaged current
consumption values in connected-mode, as specified in the TOBY-L2 series Data Sheet [1] or in the
MPCI-L2 series Data Sheet [2].
VCC / 3.3Vaux voltage supply should be clean, with very low ripple/noise: provide the suggested bypass
capacitors, in particular if the application device integrates an internal antenna.
Do not apply loads which might exceed the limit for maximum available current from V_INT supply.
Check that voltage level of any connected pin does not exceed the relative operating range.
Check USB_D+ / USB_D- signal lines as well as very low capacitance ESD protections if accessible.
Capacitance and series resistance must be limited on each SIM signal to match the SIM specifications.
Insert the suggested capacitors on each SIM signal and low capacitance ESD protections if accessible.
Check UART signals direction, as the TOBY-L2 signal names follow the ITU-T V.24 Recommendation [7].
Provide accessible test points directly connected to the following pins of the TOBY-L2 series modules:
V_INT, PWR_ON and RESET_N for diagnostic purpose.
Provide accessible test points directly connected to all the UART pins of the TOBY-L2 series modules
(TXD, RXD, RTS, CTS, DTR, DSR, DCD, RI) for diagnostic purpose, in particular providing a 0 series
jumper on each line to detach each UART pin of the module from the DTE application processor.
Provide proper precautions for EMC / ESD immunity as required on the application board.
Do not apply voltage to any generic digital interface pin of TOBY-L2 series modules before the switch-on
of the generic digital interface supply source (V_INT).
All unused pins can be left unconnected except the RSVD pin number 6 of TOBY-L2 series modules,
which must be connected to GND.

TOBY-L2 and MPCI-L2 series - System Integration Manual
UBX-13004618 - R04 Advance Information Design-in
Page 121 of 141
2.17.2 Layout checklist
The following are the most important points for a simple layout check:
Check 50 nominal characteristic impedance of the RF transmission line connected to the ANT1 and
the ANT2 ports (antenna RF interfaces).
Ensure no coupling occurs between the RF interface and noisy or sensitive signals (primarily USB signals,
digital input/output signals, SIM signals, high-speed digital lines such as address and data lines).
Optimize placement for minimum length of RF line.
VCC / 3.3Vaux line should be wide and as short as possible.
Route VCC / 3.3Vaux supply line away from RF lines / parts and other sensitive analog lines / parts.
The VCC / 3.3Vaux bypass capacitors in the picoFarad range should be placed as close as possible to the
VCC / 3.3Vaux pins, in particular if the application device integrates an internal antenna.
Ensure proper grounding.
Keep routing short and minimize parasitic capacitance on the SIM lines to preserve signal integrity.
USB_D+ / USB_D- traces should meet the characteristic impedance requirement (90 differential and
30 common mode) and should not be routed close to any RF line / part.
2.17.3 Antenna checklist
Antenna termination should provide 50 characteristic impedance with V.S.W.R at least less than 3:1
(recommended 2:1) on operating bands in deployment geographical area.
Follow the recommendations of the antenna producer for correct antenna installation and deployment
(PCB layout and matching circuitry).
Follow the additional guidelines for products marked with the FCC logo (United States only) reported in
section 4.2.2.
Ensure high and similar efficiency for both the primary (ANT1) and the secondary (ANT2) antenna.
Ensure high isolation between the primary (ANT1) and the secondary (ANT2) antenna.
Ensure low Envelope Correlation Coefficient between the primary (ANT1) and the secondary (ANT2)
antenna: the 3D antenna radiation patterns should have radiation lobes in different directions.

TOBY-L2 and MPCI-L2 series - System Integration Manual
UBX-13004618 - R04 Advance Information Handling and soldering
Page 122 of 141
3 Handling and soldering
No natural rubbers, no hygroscopic materials or materials containing asbestos are employed.
3.1 Packaging, shipping, storage and moisture preconditioning
For information pertaining to TOBY-L2 series reels / tapes, MPCI-L2 series trays, Moisture Sensitivity levels (MSD),
shipment and storage information, as well as drying for preconditioning, see the TOBY-L2 series Data Sheet [1],
the MPCI-L2 series Data Sheet [2] and the u-blox Package Information Guide [29].
3.2 Handling
The TOBY-L2 and MPCI-L2 series modules are Electro-Static Discharge (ESD) sensitive devices.
Ensure ESD precautions are implemented during handling of the module.
Electrostatic discharge (ESD) is the sudden and momentary electric current that flows between two objects at
different electrical potentials caused by direct contact or induced by an electrostatic field. The term is usually
used in the electronics and other industries to describe momentary unwanted currents that may cause damage
to electronic equipment.
The ESD sensitivity for each pin of TOBY-L2 and MPCI-L2 series modules (as Human Body Model according to
JESD22-A114F) is specified in the TOBY-L2 series Data Sheet [1] or the MPCI-L2 series Data Sheet [2].
ESD prevention is based on establishing an Electrostatic Protective Area (EPA). The EPA can be a small working
station or a large manufacturing area. The main principle of an EPA is that there are no highly charging materials
near ESD sensitive electronics, all conductive materials are grounded, workers are grounded, and charge build-up
on ESD sensitive electronics is prevented. International standards are used to define typical EPA and can be
obtained for example from International Electrotechnical Commission (IEC) or American National Standards
Institute (ANSI).
In addition to standard ESD safety practices, the following measures should be taken into account whenever
handling the TOBY-L2 and MPCI-L2 series modules:
Unless there is a galvanic coupling between the local GND (i.e. the work table) and the PCB GND, then the
first point of contact when handling the PCB must always be between the local GND and PCB GND.
Before mounting an antenna patch, connect ground of the device.
When handling the module, do not come into contact with any charged capacitors and be careful when
contacting materials that can develop charges (e.g. patch antenna, coax cable, soldering iron,…).
To prevent electrostatic discharge through the RF pin, do not touch any exposed antenna area. If there is any
risk that such exposed antenna area is touched in non ESD protected work area, implement proper ESD
protection measures in the design.
When soldering the module and patch antennas to the RF pin, make sure to use an ESD safe soldering iron.
For more robust designs, employ additional ESD protection measures on the application device integrating the
TOBY-L2 and MPCI-L2 series modules, as described in section 2.15.3.

TOBY-L2 and MPCI-L2 series - System Integration Manual
UBX-13004618 - R04 Advance Information Handling and soldering
Page 123 of 141
3.3 Soldering
3.3.1 Soldering paste
"No Clean" soldering paste is strongly recommended for TOBY-L2 series modules, as it does not require cleaning
after the soldering process has taken place. The paste listed in the example below meets these criteria.
Soldering Paste: OM338 SAC405 / Nr.143714 (Cookson Electronics)
Alloy specification: 95.5% Sn / 3.9% Ag / 0.6% Cu (95.5% Tin / 3.9% Silver / 0.6% Copper)
95.5% Sn / 4.0% Ag / 0.5% Cu (95.5% Tin / 4.0% Silver / 0.5% Copper)
Melting Temperature: 217 °C
Stencil Thickness: 150 µm for base boards
The final choice of the soldering paste depends on the approved manufacturing procedures.
The paste-mask geometry for applying soldering paste should meet the recommendations in section 2.12.
The quality of the solder joints on the connectors (’half vias’) should meet the appropriate IPC
specification.
3.3.2 Reflow soldering
A convection type-soldering oven is strongly recommended for TOBY-L2 series modules over the infrared
type radiation oven. Convection heated ovens allow precise control of the temperature and all parts will be
heated up evenly, regardless of material properties, thickness of components and surface color.
Consider the ”IPC-7530 Guidelines for temperature profiling for mass soldering (reflow and wave) processes”,
published 2001.
Reflow profiles are to be selected according to the following recommendations.
Failure to observe these recommendations can result in severe damage to the device!
Preheat phase
Initial heating of component leads and balls. Residual humidity will be dried out. Note that this preheat phase
will not replace prior baking procedures.
Temperature rise rate: max 3 °C/s If the temperature rise is too rapid in the preheat phase it may cause
excessive slumping.
Time: 60 – 120 s If the preheat is insufficient, rather large solder balls tend to be
generated. Conversely, if performed excessively, fine balls and large
balls will be generated in clusters.
End Temperature: 150 - 200 °C If the temperature is too low, non-melting tends to be caused in
areas containing large heat capacity.
Heating/ reflow phase
The temperature rises above the liquidus temperature of 217 °C. Avoid a sudden rise in temperature as the
slump of the paste could become worse.
Limit time above 217 °C liquidus temperature: 40 - 60 s
Peak reflow temperature: 245 °C
Cooling phase
A controlled cooling avoids negative metallurgical effects (solder becomes more brittle) of the solder and
possible mechanical tensions in the products. Controlled cooling helps to achieve bright solder fillets with a good
shape and low contact angle.
Temperature fall rate: max 4 °C/s

TOBY-L2 and MPCI-L2 series - System Integration Manual
UBX-13004618 - R04 Advance Information Handling and soldering
Page 124 of 141
To avoid falling off, modules should be placed on the topside of the motherboard during soldering.
The soldering temperature profile chosen at the factory depends on additional external factors like choice of
soldering paste, size, thickness and properties of the base board, etc.
Exceeding the maximum soldering temperature and the maximum liquidus time limit in the
recommended soldering profile may permanently damage the module.
Preheat Heating Cooling
[°C] Peak Temp. 245°C [°C]
250 250
Liquidus Temperature
217 217
200 200
40 - 60 s
End Temp.
max 4°C/s
150 - 200°C
150 150
max 3°C/s
60 - 120 s
100 Typical Leadfree 100
Soldering Profile
50 50
Elapsed time [s]
Figure 71: Recommended soldering profile
The modules must not be soldered with a damp heat process.
3.3.3 Optical inspection
After soldering the TOBY-L2 series modules, inspect the modules optically to verify that the module is properly
aligned and centered.
3.3.4 Cleaning
Cleaning the modules is not recommended. Residues underneath the modules cannot be easily removed with a
washing process.
Cleaning with water will lead to capillary effects where water is absorbed in the gap between the baseboard
and the module. The combination of residues of soldering flux and encapsulated water leads to short circuits
or resistor-like interconnections between neighboring pads. Water will also damage the sticker and the ink-
jet printed text.
Cleaning with alcohol or other organic solvents can result in soldering flux residues flooding into the two
housings, areas that are not accessible for post-wash inspections. The solvent will also damage the sticker
and the ink-jet printed text.
Ultrasonic cleaning will permanently damage the module, in particular the quartz oscillators.
For best results use a "no clean" soldering paste and eliminate the cleaning step after the soldering.

TOBY-L2 and MPCI-L2 series - System Integration Manual
UBX-13004618 - R04 Advance Information Handling and soldering
Page 125 of 141
3.3.5 Repeated reflow soldering
Only a single reflow soldering process is encouraged for boards with a module populated on it.
3.3.6 Wave soldering
Boards with combined through-hole technology (THT) components and surface-mount technology (SMT) devices
require wave soldering to solder the THT components. Only a single wave soldering process is encouraged for
boards populated with the modules.
3.3.7 Hand soldering
Hand soldering is not recommended.
3.3.8 Rework
Rework is not recommended.
Never attempt a rework on the module itself, e.g. replacing individual components. Such actions
immediately terminate the warranty.
3.3.9 Conformal coating
Certain applications employ a conformal coating of the PCB using HumiSeal® or other related coating products.
These materials affect the HF properties of the cellular modules and it is important to prevent them from flowing
into the module.
The RF shields do not provide 100% protection for the module from coating liquids with low viscosity, therefore
care is required in applying the coating.
Conformal Coating of the module will void the warranty.
3.3.10 Casting
If casting is required, use viscose or another type of silicon pottant. The OEM is strongly advised to qualify such
processes in combination with the cellular modules before implementing this in the production.
Casting will void the warranty.
3.3.11 Grounding metal covers
Attempts to improve grounding by soldering ground cables, wick or other forms of metal strips directly onto the
EMI covers is done at the customer's own risk. The numerous ground pins should be sufficient to provide
optimum immunity to interferences and noise.
u-blox gives no warranty for damages to the cellular modules caused by soldering metal cables or any
other forms of metal strips directly onto the EMI covers.
3.3.12 Use of ultrasonic processes
The cellular modules contain components which are sensitive to Ultrasonic Waves. Use of any Ultrasonic
Processes (cleaning, welding etc.) may cause damage to the module.
u-blox gives no warranty against damages to the cellular modules caused by any Ultrasonic Processes.

TOBY-L2 and MPCI-L2 series - System Integration Manual
UBX-13004618 - R04 Advance Information Approvals
Page 126 of 141
4 Approvals
For the complete list of all the certification schemes approvals of TOBY-L2 and MPCI-L2 series modules
and the corresponding declarations of conformity, see the u-blox web-site (http://www.u-blox.com/).
4.1 Product certification approval overview
Product certification approval is the process of certifying that a product has passed all tests and criteria required
by specifications, typically called “certification schemes” that can be divided into three distinct categories:
Regulatory certification
o Country specific approval required by local government in most regions and countries, such as:
CE (Conformité Européenne) marking for European Union
FCC (Federal Communications Commission) approval for United States
Industry certification
o Telecom industry specific approval verifying the interoperability between devices and networks:
GCF (Global Certification Forum), partnership between European device manufacturers and
network operators to ensure and verify global interoperability between devices and networks
PTCRB (PCS Type Certification Review Board), created by United States network operators to
ensure and verify interoperability between devices and North America networks
Operator certification
o Operator specific approval required by some mobile network operator, such as:
AT&T network operator in United States
Even if TOBY-L2 and MPCI-L2 series modules are approved under all major certification schemes, the application
device that integrates TOBY-L2 and MPCI-L2 series modules must be approved under all the certification
schemes required by the specific application device to be deployed in the market.
The required certification scheme approvals and relative testing specifications differ depending on the country or
the region where the device that integrates TOBY-L2 and MPCI-L2 series modules must be deployed, on the
relative vertical market of the device, on type, features and functionalities of the whole application device, and
on the network operators where the device must operate.
The certification of the application device that integrates a TOBY-L2 module and the compliance of the
application device with all the applicable certification schemes, directives and standards are the sole
responsibility of the application device manufacturer.
TOBY-L2 and MPCI-L2 series modules are certified according to all capabilities and options stated in the Protocol
Implementation Conformance Statement document (PICS) of the module. The PICS, according to the 3GPP TS
51.010-2 [24], 3GPP TS 34.121-2 [25], 3GPP TS 36.521-2 [26] and 3GPP TS 36.523-2 [27], is a statement of the
implemented and supported capabilities and options of a device.
The PICS document of the application device integrating TOBY-L2 and MPCI-L2 series modules must be
updated from the module PICS statement if any feature stated as supported by the module in its PICS
document is not implemented or disabled in the application device. For more details regarding the AT
commands settings that affect the PICS, see the u-blox AT Commands Manual [3].
Check the specific settings required for mobile network operators approvals as they may differ from the
AT commands settings defined in the module as integrated in the application device.

TOBY-L2 and MPCI-L2 series - System Integration Manual
UBX-13004618 - R04 Advance Information Approvals
Page 127 of 141
4.2 Federal Communications Commission and Industry Canada notice
Federal Communications Commission (FCC) IDs:
XPYTOBYL200
XPYTOBYL210
Industry Canada (IC) Certification Numbers:
8595A-TOBYL200
8595A-TOBYL210
4.2.1 Safety warnings review the structure
Equipment for building-in. The requirements for fire enclosure must be evaluated in the end product
The clearance and creepage current distances required by the end product must be withheld when the
module is installed
The cooling of the end product shall not negatively be influenced by the installation of the module
Excessive sound pressure from earphones and headphones can cause hearing loss
No natural rubbers, hygroscopic materials, or materials containing asbestos are employed
4.2.2 Declaration of Conformity
This device complies with Part 15 of the FCC rules. Operation is subject to the following two conditions:
this device may not cause harmful interference
this device must accept any interference received, including interference that may cause undesired operation
Radiofrequency radiation exposure Information: this equipment complies with FCC radiation
exposure limits prescribed for an uncontrolled environment for fixed and mobile use conditions.
This equipment should be installed and operated with a minimum distance of 20 cm between
the radiator and the body of the user or nearby persons. This transmitter must not be co-
located or operating in conjunction with any other antenna or transmitter except as authorized
in the certification of the product.
The gain of the system antenna(s) used for the TOBY-L2 and MPCI-L2 series modules (i.e. the
combined transmission line, connector, cable losses and radiating element gain) must not
exceed 9.8 dBi (700 MHz), 4.3 dBi (850 MHz), 2.8 dBi (1900 MHz), 5.5 dBi (1700 MHz), 6.0 dBi
(2500 MHz), 6.30 dBi (900 MHz), 9.35 dBi (1800 MHz), 11.92 dBi (FDD1), 9.03 dBi (FDD8), for
mobile and fixed or mobile operating configurations.
4.2.3 Modifications
The FCC requires the user to be notified that any changes or modifications made to this device that are not
expressly approved by u-blox could void the user's authority to operate the equipment.
Manufacturers of mobile or fixed devices incorporating the TOBY-L2 and MPCI-L2 series
modules are authorized to use the FCC Grants and Industry Canada Certificates of the TOBY-L2
and MPCI-L2 series modules for their own final products according to the conditions referenced
in the certificates.

TOBY-L2 and MPCI-L2 series - System Integration Manual
UBX-13004618 - R04 Advance Information Approvals
Page 128 of 141
The FCC Label shall in the above case be visible from the outside, or the host device shall bear a
second label stating:
"Contains FCC ID: XPYTOBYL200" resp.
"Contains FCC ID: XPYTOBYL210" resp.
The IC Label shall in the above case be visible from the outside, or the host device shall bear a
second label stating:
"Contains IC: 8595A-TOBYL200" resp.
"Contains IC: 8595A-TOBYL210" resp.
Canada, Industry Canada (IC) Notices
This Class B digital apparatus complies with Canadian CAN ICES-3(B) / NMB-3(B) and RSS-210.
Operation is subject to the following two conditions:
o this device may not cause interference
o this device must accept any interference, including interference that may cause undesired
operation of the device
Radio Frequency (RF) Exposure Information
The radiated output power of the u-blox Cellular Module is below the Industry Canada (IC)
radio frequency exposure limits. The u-blox Cellular Module should be used in such a manner
such that the potential for human contact during normal operation is minimized.
This device has been evaluated and shown compliant with the IC RF Exposure limits under
mobile exposure conditions (antennas are greater than 20 cm from a person's body).
This device has been certified for use in Canada. Status of the listing in the Industry Canada’s
REL (Radio Equipment List) can be found at the following web address:
http://www.ic.gc.ca/app/sitt/reltel/srch/nwRdSrch.do?lang=eng
Additional Canadian information on RF exposure also can be found at the following web
address: http://www.ic.gc.ca/eic/site/smt-gst.nsf/eng/sf08792.html
IMPORTANT: Manufacturers of portable applications incorporating the TOBY-L2 and MPCI-L2
series modules are required to have their final product certified and apply for their own FCC
Grant and Industry Canada Certificate related to the specific portable device. This is mandatory
to meet the SAR requirements for portable devices.
Changes or modifications not expressly approved by the party responsible for compliance could
void the user's authority to operate the equipment.
Canada, avis d'Industrie Canada (IC)
Cet appareil numérique de classe B est conforme aux normes canadiennes CAN ICES-3(B) /
NMB-3(B) et RSS-210.
Son fonctionnement est soumis aux deux conditions suivantes:
o cet appareil ne doit pas causer d'interférence
o cet appareil doit accepter toute interférence, notamment les interférences qui peuvent
affecter son fonctionnement
Informations concernant l'exposition aux fréquences radio (RF)
La puissance de sortie émise par l’appareil de sans fil u-blox Cellular Module est inférieure à la
limite d'exposition aux fréquences radio d'Industrie Canada (IC). Utilisez l’appareil de sans fil
u-blox Cellular Module de façon à minimiser les contacts humains lors du fonctionnement
normal.
Ce périphérique a été évalué et démontré conforme aux limites d'exposition aux fréquences
radio (RF) d'IC lorsqu'il est installé dans des produits hôtes particuliers qui fonctionnent dans
des conditions d'exposition à des appareils mobiles (les antennes se situent à plus de 20
centimètres du corps d'une personne).

TOBY-L2 and MPCI-L2 series - System Integration Manual
UBX-13004618 - R04 Advance Information Approvals
Page 129 of 141
Ce périphérique est homologué pour l'utilisation au Canada. Pour consulter l'entrée
correspondant à l’appareil dans la liste d'équipement radio (REL - Radio Equipment List)
d'Industrie Canada rendez-vous sur:
http://www.ic.gc.ca/app/sitt/reltel/srch/nwRdSrch.do?lang=fra
Pour des informations supplémentaires concernant l'exposition aux RF au Canada rendez-vous
sur: http://www.ic.gc.ca/eic/site/smt-gst.nsf/fra/sf08792.html
IMPORTANT: les fabricants d'applications portables contenant les modules TOBY-L2 and MPCI-L2
series doivent faire certifier leur produit final et déposer directement leur candidature pour une
certification FCC ainsi que pour un certificat Industrie Canada délivré par l'organisme chargé de
ce type d'appareil portable. Ceci est obligatoire afin d'être en accord avec les exigences SAR
pour les appareils portables.
Tout changement ou modification non expressément approuvé par la partie responsable de la
certification peut annuler le droit d'utiliser l'équipement.
4.3 R&TTED and European Conformance CE mark
The modules have been evaluated against the essential requirements of the 1999/5/EC Directive.
In order to satisfy the essential requirements of the 1999/5/EC Directive, the modules are compliant with the
following standards:
Radio Frequency spectrum use (R&TTE art. 3.2):
o EN 301 511 V9.0.2
o EN 301 908-1 V6.2.1
o EN 301 908-2 V6.2.1
o EN 301 908-13 (v5.2.1)
EN 301 908-13 (v5.2.1)Electromagnetic Compatibility (R&TTE art. 3.1b):
o EN 301 489-1 V1.9.2
o EN 301 489-7 V1.3.1
o EN 301 489-24 V1.5.1
Health and Safety (R&TTE art. 3.1a)
o EN 60950-1:2006 + A11:2009 + A1:2010+A12:2011+A2: 2013
o EN 62311:2008
The conformity assessment procedure for the modules, referred to in Article 10 and detailed in Annex IV of
Directive 1999/5/EC, has been followed with the involvement of the following Notified Body number: 1588
Thus, the following marking is included in the product:
1588

TOBY-L2 and MPCI-L2 series - System Integration Manual
UBX-13004618 - R04 Advance Information Product testing
Page 130 of 141
5 Product testing
5.1 u-blox in-series production test
u-blox focuses on high quality for its products. All units produced are fully tested automatically in production
line. Stringent quality control process has been implemented in the production line. Defective units are analyzed
in detail to improve the production quality.
This is achieved with automatic test equipment (ATE) in production line, which logs all production and
measurement data. A detailed test report for each unit can be generated from the system. Figure 72 illustrates
typical automatic test equipment (ATE) in a production line.
The following typical tests are among the production tests.
Digital self-test (firmware download, Flash firmware verification, IMEI programming)
Measurement of voltages and currents
Adjustment of ADC measurement interfaces
Functional tests (USB interface communication, SIM card communication)
Digital tests (GPIOs and other interfaces)
Measurement and calibration of RF characteristics in all supported bands (such as receiver S/N verification,
frequency tuning of reference clock, calibration of transmitter and receiver power levels, etc.)
Verification of RF characteristics after calibration (i.e. modulation accuracy, power levels, spectrum, etc. are
checked to ensure they are all within tolerances when calibration parameters are applied)
Figure 72: Automatic test equipment for module tests

TOBY-L2 and MPCI-L2 series - System Integration Manual
UBX-13004618 - R04 Advance Information Product testing
Page 131 of 141
5.2 Test parameters for OEM manufacturer
Because of the testing done by u-blox (with 100% coverage), an OEM manufacturer does not need to repeat
firmware tests or measurements of the module RF performance or tests over analog and digital interfaces in their
production test.
However, an OEM manufacturer should focus on:
Module assembly on the device; it should be verified that:
o Soldering and handling process did not damage the module components
o All module pins are well soldered on device board
o There are no short circuits between pins
Component assembly on the device; it should be verified that:
o Communication with host controller can be established
o The interfaces between module and device are working
o Overall RF performance test of the device including antenna
Dedicated tests can be implemented to check the device. For example, the measurement of module current
consumption when set in a specified status can detect a short circuit if compared with a “Golden Device” result.
In addition, module AT commands can be used to perform functional tests (communication with host controller,
check SIM interface, GPIOs, etc.) and to perform RF performance tests: see the following two sections for details.
5.2.1 “Go/No go” tests for integrated devices
A ‘Go/No go’ test is typically to compare the signal quality with a “Golden Device” in a location with excellent
network coverage and known signal quality. This test should be performed after data connection has been
established. AT+CSQ is the typical AT command used to check signal quality in term of RSSI. See the u-blox AT
Commands Manual [3] for detail usage of the AT command.
These kinds of test may be useful as a ‘go/no go’ test but not for RF performance measurements.
This test is suitable to check the functionality of communication with host controller, SIM card as well as power
supply. It is also a means to verify if components at antenna interface are well soldered.
5.2.2 RF functional tests
The overall RF functional test of the device including the antenna can be performed with basic instruments such
as a spectrum analyzer (or an RF power meter) and a signal generator with the assistance of AT+UTEST
command over AT command user interface.
The AT+UTEST command provides a simple interface to set the module to Rx or Tx test modes ignoring the
LTE/3G/2G signaling protocol. The command can set the module into:
transmitting mode in a specified channel and power level in all supported modulation schemes and bands
receiving mode in a specified channel to returns the measured power level in all supported bands
See the u-blox AT Commands Manual [3] and the End user test Application Note [24], for the AT+UTEST
command syntax description and detail guide of usage.

TOBY-L2 and MPCI-L2 series - System Integration Manual
UBX-13004618 - R04 Advance Information Product testing
Page 132 of 141
This feature allows the measurement of the transmitter and receiver power levels to check component assembly
related to the module antenna interface and to check other device interfaces from which depends the RF
performance.
To avoid module damage during transmitter test, a proper antenna according to module
specifications or a 50 termination must be connected to ANT1 port.
To avoid module damage during receiver test the maximum power level received at ANT1 and
ANT2 ports must meet module specifications.
The AT+UTEST command sets the module to emit RF power ignoring LTE/3G/2G signaling protocol. This
emission can generate interference that can be prohibited by law in some countries. The use of this
feature is intended for testing purpose in controlled environments by qualified user and must not be used
during the normal module operation. Follow instructions suggested in u-blox documentation. u-blox
assumes no responsibilities for the inappropriate use of this feature.
Figure 73 illustrates a typical test setup for such RF functional test.
Application Board
TOBY-L2 series
MPCI-L2 series
ANT1
Application
Processor
AT
commands
Cellular
antenna
Spectrum
Analyzer
or
Power
Meter
IN
Wideband
antenna
TX
Application Board
TOBY-L2 series
MPCI-L2 series
ANT1
Application
Processor
AT
commands
Cellular
antennas
Signal
Generator
OUT
Wideband
antenna
RX
ANT2
Figure 73: Setup with spectrum analyzer or power meter and signal generator for radiated measurements

TOBY-L2 and MPCI-L2 series - System Integration Manual
UBX-13004618 - R04 Advance Information Appendix
Page 133 of 141
Appendix
A Glossary
3GPP
3rd Generation Partnership Project
8-PSK
8 Phase-Shift Keying modulation
16QAM
16-state Quadrature Amplitude Modulation
64QAM
64-state Quadrature Amplitude Modulation
ACM
Abstract Control Model
ADC
Analog to Digital Converter
AP
Application Processor
ASIC
Application-Specific Integrated Circuit
AT
AT Command Interpreter Software Subsystem, or attention
CSFB
Circuit Switched Fall-Back
DC
Direct Current
DCE
Data Communication Equipment
DDC
Display Data Channel interface
DL
Down-Link (Reception)
DRX
Discontinuous Reception
DSP
Digital Signal Processing
DTE
Data Terminal Equipment
ECM
Ethernet networking Control Model
EDGE
Enhanced Data rates for GSM Evolution
EMC
Electro-Magnetic Compatibility
EMI
Electro-Magnetic Interference
ESD
Electro-Static Discharge
ESR
Equivalent Series Resistance
E-UTRA
Evolved Universal Terrestrial Radio Access
FDD
Frequency Division Duplex
FEM
Front End Module
FOAT
Firmware Over AT commands
FOTA
Firmware Over The Air
FTP
File Transfer Protocol
FW
Firmware
GND
Ground
GNSS
Global Navigation Satellite System
GPIO
General Purpose Input Output
GPRS
General Packet Radio Service
GPS
Global Positioning System
HBM
Human Body Model
HSIC
High Speed Inter Chip
HSDPA
High Speed Downlink Packet Access
HSUPA
High Speed Uplink Packet Access
HTTP
HyperText Transfer Protocol
HW
Hardware
I/Q
In phase and Quadrature
I2C
Inter-Integrated Circuit interface
I2S
Inter IC Sound interface
IP
Internet Protocol

TOBY-L2 and MPCI-L2 series - System Integration Manual
UBX-13004618 - R04 Advance Information Appendix
Page 134 of 141
LDO
Low-Dropout
LGA
Land Grid Array
LNA
Low Noise Amplifier
LPDDR
Low Power Double Data Rate synchronous dynamic RAM memory
LTE
Long Term Evolution
M2M
Machine-to-Machine
MBIM
Mobile Broadband Interface Model
MIMO
Multi-Input Multi-Output
N/A
Not Applicable
N.A.
Not Available
NCM
Network Control Model
OTA
Over The Air
PA
Power Amplifier
PCM
Pulse Code Modulation
PCN / IN
Product Change Notification / Information Note
PCS
Personal Communications Service
PFM
Pulse Frequency Modulation
PMU
Power Management Unit
PWM
Pulse Width Modulation
QPSK
Quadrature Phase Shift Keying
RF
Radio Frequency
RMII
Reduced Media Independent Interface
RNDIS
Remote Network Driver Interface Specification
RSE
Radiated Spurious Emission
RTC
Real Time Clock
SAW
Surface Acoustic Wave
SDIO
Secure Digital Input Output
SIM
Subscriber Identification Module
SMS
Short Message Service
SPI
Serial Peripheral Interface
SRF
Self Resonant Frequency
SSL
Secure Socket Layer
TBD
To Be Defined
TCP
Transmission Control Protocol
TDD
Time Division Duplex
TDMA
Time Division Multiple Access
TIS
Total Isotropic Sensitivity
TP
Test-Point
TRP
Total Radiated Power
UART
Universal Asynchronous Receiver-Transmitter
UDP
User Datagram Protocol
UICC
Universal Integrated Circuit Card
UL
Up-Link (Transmission)
UMTS
Universal Mobile Telecommunications System
USB
Universal Serial Bus
VCO
Voltage Controlled Oscillator
VoLTE
Voice over LTE
VSWR
Voltage Standing Wave Ratio

TOBY-L2 and MPCI-L2 series - System Integration Manual
UBX-13004618 - R04 Advance Information Appendix
Page 135 of 141
B Migration between TOBY-L1 and TOBY-L2
B.1 Overview
TOBY-L1 and TOBY-L2 series cellular modules have exactly the same TOBY form factor (35.6 x 24.8 mm LGA)
with exactly the same 152-pad layout as described in Figure 74, so that the modules can be alternatively
mounted on a single application board using exactly the same copper mask, solder mask and paste mask.
11
10
7
5
4
2
1
21
19
18
16
15
13
12
29
27
26
24
23
8
6
3
22
20
17
14
28
25
9
65
66
69
71
72
74
75
55
57
58
60
61
63
64
47
49
50
52
53
68
70
73
54
56
59
62
48
51
67
RSVD
RSVD
GND
VCC
VCC
GND
RSVD
RSVD
SIM_IO
SIM_RST
GPIO5
GPIO6
RSVD
RSVD
RSVD
RSVD
RSVD
RSVD
RSVD
RSVD
VCC
GND
RSVD
SIM_CLK
VSIM
RSVD
RSVD
RSVD
RSVD
RSVD
RSVD
RSVD
V_INT
RSVD
GND
RSVD
GPIO1
RSVD
RSVD
RSVD
RSVD
RSVD
RSVD
RSVD
USB_D-
RSVD
GPIO3
RESET_N
RSVD
RSVD
V_BCKP
GPIO2
PWR_ON
RSVD
RSVD
USB_D+
GPIO4
RSVD
90 91 9278
77
76
93100
79 80 83 85 86 88 8982 84 8781
GND
RSVD
GND
GND
RSVD
GND
GND
GND
GND
GND
GND
GND
GND
GND
RSVD
ANT2
ANT1
32 31 30
44
45
46
145152
43 42 39 37 36 34 3340 38 3541
GND
RSVD
GND
GND
RSVD
GND
RSVD
RSVD
RSVD
RSVD
RSVD
RSVD
RSVD
RSVD
RSVD
RSVD
RSVD
99 98 97 96 95 94
106 105 104 103 102 101
108 107
124 123
130 129 128 127 126 125
136 135 134 133 132 131
138 137
144 143 142 141 140 139
151 150 149 148 147 146
114 113 112 111 110 109
120 119 118 117 116 115
122 121
Pin 93-152: GND
TOBY-L1
Top view
11
10
7
5
4
2
1
21
19
18
16
15
13
12
29
27
26
24
23
8
6
3
22
20
17
14
28
25
9
65
66
69
71
72
74
75
55
57
58
60
61
63
64
47
49
50
52
53
68
70
73
54
56
59
62
48
51
67
SDIO_CMD
SDIO_D0
GND
VCC
VCC
GND
ANT_DET
SDA
SIM_IO
SIM_RST
GPIO5
GPIO6
SDIO_D2
SDIO_CLK
RSVD
RSVD
I2S_WA
I2S_CLK
I2S_RXD
SDIO_D1
VCC
GND
SCL
SIM_CLK
VSIM
HOST_SELECT1
RSVD
I2S_TXD
SDIO_D3
RI
DSR
RSVD
V_INT
VUSB_DET
GND
RSVD
GPIO1
RSVD
RSVD
TXD
CTS
DTR
DCD
RSVD
USB_D-
HOST_SELECT0
GPIO3
RESET_N
RSVD
RSVD
V_BCKP
GPIO2
PWR_ON
RXD
RTS
USB_D+
GPIO4
RSVD
90 91 9278
77
76
93100
79 80 83 85 86 88 8982 84 8781
GND
RSVD
GND
GND
RSVD
GND
GND
GND
GND
GND
GND
GND
GND
GND
RSVD
ANT2
ANT1
32 31 30
44
45
46
145152
43 42 39 37 36 34 3340 38 3541
GND
RSVD
GND
GND
RSVD
GND
RSVD
RSVD
RSVD
RSVD
RSVD
RSVD
RSVD
RSVD
RSVD
RSVD
RSVD
99 98 97 96 95 94
106 105 104 103 102 101
108 107
124 123
130 129 128 127 126 125
136 135 134 133 132 131
138 137
144 143 142 141 140 139
151 150 149 148 147 146
114 113 112 111 110 109
120 119 118 117 116 115
122 121
Pin 93-152: GND
TOBY-L2
Top view
Figure 74: TOBY-L1 and TOBY-L2 series modules pad layout and pin assignment
Table 46 summarizes the interfaces provided: TOBY-L2 series modules make available additional interfaces over
pins remarked as reserved on TOBY-L1 series modules (highlighted in blue in Figure 74).
Module
Radio Access Technology
Power
System
SIM
Serial
Audio
GPIO
LTE category
LTE bands
HSDPA category
HSUPA category
3G bands
GPRS/EDGE class
2G bands
MIMO 2x2 / Rx diversity
Antenna Detection
VCC module supply in
V_BCKP
V_INT 1.8 V supply out
PWR_ON
RESET_N
Host select
SIM 1.8 V / 3.0 V
SIM detection
UART 1.8 V
USB 2.0 High-Speed
SDIO 1.8 V
DCC (I2C) 1.8 V
Analog audio
Digital audio
GPIOs 1.8 V
Network indication
GNSS supply enable
GNSS Tx data ready
GNSS RTC sharing
Clock output
WiFi control
Antenna tuning
TOBY-L100
3
4, 13
•
•
•
•
•
•
•
•
F
•
TOBY-L200
4
2,4,5,
7,17
24
6
1,2,4,
5,8
12
Quad
•
F
•
•
•
•
•
F
•
F
F
•
F
F
F
F
•
F
F
F
F
F
F
TOBY-L210
4
1,3,5,
7,8,20
24
6
1,2,
5,8
12
Quad
•
F
•
•
•
•
•
F
•
F
F
•
F
F
F
F
•
F
F
F
F
F
F
F = will be supported in future product version “01”
Table 46: Summary of TOBY-L1 series and TOBY-L2 series modules interfaces

TOBY-L2 and MPCI-L2 series - System Integration Manual
UBX-13004618 - R04 Advance Information Appendix
Page 136 of 141
B.2 Pin-out comparison between TOBY-L1 and TOBY-L2
TOBY-L1
TOBY-L2
Pin No
Pin Name
Description
Pin Name
Description
Remarks for migration
1
RSVD
Reserved
RSVD
Reserved
2
GND
Ground
GND
Ground
3
V_BCKP
RTC Supply Output
2.5 V output only
RTC backup function not available
V_BCKP
RTC Supply Input/Output
3.0 V output
1.4 V – 4.2 V input (RTC backup)
RTC back-up: No Yes
4
RSVD
Reserved
VUSB_DET
VBUS USB supply (5 V) detection
Reserved VBUS USB detection
5
V_INT
Interfaces Supply Output
1.8 V output
V_INT
Interfaces Supply Output
1.8 V output
No functional difference
6
RSVD
Reserved
RSVD
Reserved
This pin must be connected to GND
No connect Connect to GND
7-9
RSVD
Reserved
RSVD
Reserved
10
RSVD
Reserved
DSR
UART DSR Output / GPIO
Not supported by TOBY-L2x0-00S
Reserved UART / GPIO
11
RSVD
Reserved
RI
UART RI Output / GPIO
Not supported by TOBY-L2x0-00S
Reserved UART / GPIO
12
RSVD
Reserved
DCD
UART DCD Output / GPIO
Not supported by TOBY-L2x0-00S
Reserved UART / GPIO
13
RSVD
Reserved
DTR
UART DTR Input / GPIO
Not supported by TOBY-L2x0-00S
Reserved UART / GPIO
14
RSVD
Reserved
RTS
UART RTS Input
Not supported by TOBY-L2x0-00S
Reserved UART
15
RSVD
Reserved
CTS
UART CTS Output
Not supported by TOBY-L2x0-00S
Reserved UART
16
RSVD
Reserved
TXD
UART Data Input
Not supported by TOBY-L2x0-00S
Reserved UART
17
RSVD
Reserved
RXD
UART Data Output
Not supported by TOBY-L2x0-00S
Reserved UART
18-19
RSVD
Reserved
RSVD
Reserved
20
PWR_ON
Power-on Input
No internal pull-up
PWR_ON
Power-on Input
Internal 50k pull-up to VCC
Pull-up: External Internal
21
GPIO1
GPIO
Not supported by TOBY-L100-00S
except Network Status Indication
GPIO1
GPIO
Not supported by TOBY-L2x0-00S
except WWAN Status Indication
No functional difference
22
GPIO2
GPIO
Not supported by TOBY-L100-00S
GPIO2
GPIO
Not supported by TOBY-L2x0-00S
23
RESET_N
Reset signal Input
Internal 10k pull-up to V_BCKP
Switch-off function only
RESET_N
Reset signal Input
Internal 50k pull-up to VCC
Reset, Switch-on, Switch-off
Internal pull-up: V_BCKP VCC
Switch-off Reset, Switch-on/off
24
GPIO3
GPIO
Not supported by TOBY-L100-00S
GPIO3
GPIO
Not supported by TOBY-L2x0-00S
25
GPIO4
GPIO
Not supported by TOBY-L100-00S
GPIO4
GPIO
Not supported by TOBY-L2x0-00S
26
RSVD
Reserved
HOST_SELECT0
Input for selection of module
configuration by the host
Not supported by TOBY-L2x0-00S
Reserved HOST_SELECT0
27
USB_D-
USB Data I/O (D-)
USB_D-
USB Data I/O (D-)
No functional difference
28
USB_D+
USB Data I/O (D+)
USB_D+
USB Data I/O (D+)
No functional difference
29
RSVD
Reserved
RSVD
Reserved
30
GND
Ground
GND
Ground
31
RSVD
Reserved
RSVD
Reserved
32
GND
Ground
GND
Ground
33-43
RSVD
Reserved
RSVD
Reserved
44
GND
Ground
GND
Ground
45
RSVD
Reserved
RSVD
Reserved
46
GND
Ground
GND
Ground
47-49
RSVD
Reserved
RSVD
Reserved

TOBY-L2 and MPCI-L2 series - System Integration Manual
UBX-13004618 - R04 Advance Information Appendix
Page 137 of 141
TOBY-L1
TOBY-L2
Pin No
Pin Name
Description
Pin Name
Description
Remarks for migration
50
RSVD
Reserved
I2S_WA
I2S Word Alignment / GPIO
Not supported by TOBY-L2x0-00S
Reserved I2S / GPIO
51
RSVD
Reserved
I2S_TXD
I2S Data Output / GPIO
Not supported by TOBY-L2x0-00S
Reserved I2S / GPIO
52
RSVD
Reserved
I2S_CLK
I2S Clock / GPIO
Not supported by TOBY-L2x0-00S
Reserved I2S / GPIO
53
RSVD
Reserved
I2S_RXD
I2S Data Input / GPIO
Not supported by TOBY-L2x0-00S
Reserved I2S / GPIO
54
RSVD
Reserved
SCL
I2C Clock Output
Not supported by TOBY-L2x0-00S
Reserved I2C
55
RSVD
Reserved
SDA
I2C Data I/O
Not supported by TOBY-L2x0-00S
Reserved I2C
56
SIM_CLK
SIM Clock Output
SIM_CLK
SIM Clock Output
No functional difference
57
SIM_IO
SIM Data I/O
SIM_IO
SIM Data I/O
No functional difference
58
SIM_RST
SIM Reset Output
SIM_RST
SIM Reset Output
No functional difference
59
VSIM
SIM Supply Output
VSIM
SIM Supply Output
No functional difference
60
GPIO5
GPIO
Not supported by TOBY-L100-00S
GPIO5
GPIO
SIM detection
61
GPIO6
GPIO
Not supported by TOBY-L100-00S
GPIO6
GPIO
62
RSVD
Reserved
HOST_SELECT1
Input for selection of module
configuration by the host
Not supported by TOBY-L2x0-00S
Reserved HOST_SELECT1
63
RSVD
Reserved
SDIO_D2
SDIO serial data [2]
Not supported by TOBY-L2x0-00S
Reserved SDIO
64
RSVD
Reserved
SDIO_CLK
SDIO serial clock
Not supported by TOBY-L2x0-00S
Reserved SDIO
65
RSVD
Reserved
SDIO_CMD
SDIO command
Not supported by TOBY-L2x0-00S
Reserved SDIO
66
RSVD
Reserved
SDIO_D0
SDIO serial data [0]
Not supported by TOBY-L2x0-00S
Reserved SDIO
67
RSVD
Reserved
SDIO_D3
SDIO serial data [3]
Not supported by TOBY-L2x0-00S
Reserved SDIO
68
RSVD
Reserved
SDIO_D1
SDIO serial data [1]
Not supported by TOBY-L2x0-00S
Reserved SDIO
69
GND
Ground
GND
Ground
70-72
VCC
Module Supply Input
3.40 V – 4.50 V normal range
No 2G current pulses
No switch-on applying VCC
VCC
Module Supply Input
3.40 V – 4.35 V normal range
High 2G current pulses
Switch-on applying VCC
No VCC functional difference
73-74
GND
Ground
GND
Ground
75
RSVD
Reserved
ANT_DET
Antenna Detection Input
Not supported by TOBY-L2x0-00S
Reserved ANT_DET
76
GND
Ground
GND
Ground
77
RSVD
Reserved
RSVD
Reserved
78-80
GND
Ground
GND
Ground
81
ANT1
RF Antenna Input/Output
Two LTE bands
No 3G bands
No 2G bands
ANT1
RF Antenna Input/Output
Up to six LTE bands
Up to five 3G bands
Four 2G bands
No RF functional difference
Different operating bands support
82-83
GND
Ground
GND
Ground
84
RSVD
Reserved
RSVD
Reserved
85-86
GND
Ground
GND
Ground
87
ANT2
RF Antenna Input
LTE MIMO 2x2
No 3G Rx diversity
ANT2
RF Antenna Input
LTE MIMO 2x2
3G Rx diversity
No RF functional difference
Different operating bands support
88-90
GND
Ground
GND
Ground
91
RSVD
Reserved
RSVD
Reserved
92-152
GND
Ground
GND
Ground
Table 47: TOBY-L1 and TOBY-L2 pin assignment with remarks for migration

TOBY-L2 and MPCI-L2 series - System Integration Manual
UBX-13004618 - R04 Advance Information Appendix
Page 138 of 141
B.3 Schematic for TOBY-L1 and TOBY-L2 integration
Figure 75 shows an example of schematic diagram where a TOBY-L100-00S or TOBY-L2x0-00S module can be
integrated into the same application board, using all the available interfaces and functions of the modules. The
different mounting options for the external parts are highlighted in different colors as described in the legend,
according to the interfaces supported by the relative modules.
3V8
GND
330uF 100nF 10nF
TOBY-L100-00S / TOBY-L2x0-00S
71 VCC
72 VCC
70 VCC
3V_BCKP
23 RESET_N
Application
Processor
Open
Drain
Output
20 PWR_ON
Open
Drain
Output
GND GND
USB 2.0 Host
D-
D+
27 USB_D-
28 USB_D+
68pF
47pF
SIM Card
Connector
CCVCC (C1)
CCVPP (C6)
CCIO (C7)
CCCLK (C3)
CCRST (C2)
GND (C5)
47pF 47pF 100nF
47pF ESD ESD ESD ESD
Primary
Antenna
TP
TP
Secondary
Antenna
3V8
Network
Indicator
21 GPIO1
60 GPIO5
25 GPIO4
24 GPIO3
22 GPIO2
TP
15pF 8.2pF
+
330uF
+
GND
RTC
back-up
16 RSVD / TXD
17 RSVD / RXD
12 RSVD / DCD
14 RSVD / RTS
15 RSVD / CTS
13 RSVD / DTR
10 RSVD / DSR
11 RSVD / RI
TP
TP
TP
TP
TP
TP
TP
TP
26 RSVD / HOST_SELECT0
62 RSVD / HOST_SELECT1
100k
0
59VSIM
57SIM_IO
56SIM_CLK
58SIM_RST
81ANT1
87ANT2
5V_INT
61 GPIO6
75RSVD / ANT_DET
65RSVD / SDIO_CMD
66RSVD / SDIO_D0
68RSVD / SDIO_D1
63RSVD / SDIO_D2
67RSVD / SDIO_D3
64RSVD / SDIO_CLK
RSVD / SDA
RSVD / SCL
26
27
RSVD
RSVD
6
53RSVD / I2S_RXD
51RSVD / I2S_TXD
52RSVD / I2S_CLK
50RSVD / I2S_WA
RSVD 49 TP
Mount for TOBY-L2
Mount for TOBY-L1
Mount for TOBY-L1 and TOBY-L2
LEGEND
VBUS 4VUSB_DET
100nF
0
Figure 75: Example of complete schematic diagram to integrate TOBY-L100-00S / TOBY-L2x0-00S on the same application board

TOBY-L2 and MPCI-L2 series - System Integration Manual
UBX-13004618 - R04 Advance Information Related documents
Page 139 of 141
Related documents
[1] u-blox TOBY-L2 series Data Sheet, Docu No UBX-13004573
[2] u-blox MPCI-L2 series Data Sheet, Docu No UBX-13004749
[3] u-blox AT Commands Manual, Docu No UBX-13002752
[4] u-blox EVK-L20 / EVK-L21 User Guide, Docu No UBX-14000422
[5] u-blox Firmware Update Application Note, Docu No UBX-13001845
[6] Universal Serial Bus Revision 2.0 specification, http://www.usb.org/developers/docs/usb20_docs/
[7] ITU-T Recommendation V.24 - 02-2000 - List of definitions for interchange circuits between the Data Terminal
Equipment (DTE) and the Data Circuit-terminating Equipment (DCE),
http://www.itu.int/rec/T-REC-V.24-200002-I/en
[8] 3GPP TS 27.007 - AT command set for User Equipment (UE)
[9] 3GPP TS 27.005 - Use of Data Terminal Equipment - Data Circuit terminating; Equipment (DTE - DCE) interface for
Short Message Service (SMS) and Cell Broadcast Service (CBS)
[10] 3GPP TS 27.010 - Terminal Equipment to User Equipment (TE-UE) multiplexer protocol
[11] u-blox Mux Implementation Application Note, Docu No UBX-13001887
[12] I2C-bus specification and user manual - Rev. 5 - 9 October 2012 - NXP Semiconductors,
http://www.nxp.com/documents/user_manual/UM10204.pdf
[13] u-blox GNSS Implementation Application Note, Docu No UBX-13001849
[14] PCI Express Mini Card Electromechanical Specification, Revision 2.0, April 21, 2012
[15] 3GPP TS 26.267 – eCall Data Transfer; In-band modem solution; General description
[16] BS EN 16062:2011 – Intelligent transport systems – eSafety – eCall high level application requirements
[17] ETSI TS 122 101 – Service aspects; Service principles (3GPP TS 22.101)
[18] u-blox eCall / ERA-GLONASS Application Note, Docu No UBX-13001924
[19] SIM Access Profile Interoperability Specification, http://www.bluetooth.org/
[20] CENELEC EN 61000-4-2 (2001): "Electromagnetic compatibility (EMC) – Part 4-2: Testing and measurement
techniques – Electrostatic discharge immunity test".
[21] ETSI EN 301 489-1 V1.8.1: “Electromagnetic compatibility and Radio spectrum Matters (ERM); EMC standard for
radio equipment and services; Part 1: Common technical requirements”
[22] ETSI EN 301 489-7 V1.3.1 “Electromagnetic compatibility and Radio spectrum Matters (ERM); EMC standard for
radio equipment and services; Part 7: Specific conditions for mobile and portable radio and ancillary equipment of
digital cellular radio telecommunications systems“
[23] ETSI EN 301 489-24 V1.4.1 "Electromagnetic compatibility and Radio spectrum Matters (ERM); EMC standard for
radio equipment and services; Part 24: Specific conditions for IMT-2000 CDMA Direct Spread (UTRA) for Mobile
and portable (UE) radio and ancillary equipment"
[24] 3GPP TS 51.010-2 - Technical Specification Group GSM/EDGE Radio Access Network; Mobile Station (MS)
conformance specification; Part 2: Protocol Implementation Conformance Statement (PICS)
[25] 3GPP TS 34.121-2 - Technical Specification Group Radio Access Network; User Equipment (UE) conformance
specification; Radio transmission and reception (FDD); Part 2: Implementation Conformance Statement (ICS)
[26] 3GPP TS 36.521-2 - Evolved Universal Terrestrial Radio Access (E-UTRA); User Equipment conformance
specification; Radio transmission and reception; Part 2: Implementation Conformance Statement (ICS)
[27] 3GPP TS 36.523-2 - Evolved Universal Terrestrial Radio Access (E-UTRA) and Evolved Packet Core (EPC); User
Equipment conformance specification; Part 2: Implementation Conformance Statement (ICS)
[28] u-blox End user test Application Note, Docu No UBX-13001922
[29] u-blox Package Information Guide, Docu No UBX-14001652
Some of the above documents can be downloaded from u-blox web-site (http://www.u-blox.com/).

TOBY-L2 and MPCI-L2 series - System Integration Manual
UBX-13004618 - R04 Advance Information Revision history
Page 140 of 141
Revision history
Revision
Date
Name
Status / Comments
R01
20-Dec-2013
sses
Initial release for TOBY-L2 series
R02
21-Mar-2014
sses
Initial release including MPCI-L2 series
UART and GPIOs remarked as not supported by TOBY-L2x0-00S
R03
23-Jul-2014
sses
Advance Information document status
Updated MPCI-L2 descriptions
Updated USB description and design-in, including VUSB_DET pin previously RSVD
Updated MPCI-L2 thickness and installation guidelines
Updated MPCI-L2 power-off procedure
Updated MPCI-L2 pins 3, 5, 44, 46 definition: Not Connected instead of GPI/GPO
Updated GPIOs definition and description
Additional design-in examples, minor corrections and improvements
R04
30-Sep-2014
lpah
Updated FW version for Engineering Samples
Additional design-in and minor corrections
R05
17-Oct-2014
lpah
Corrected MPCI-L2 pinout

TOBY-L2 and MPCI-L2 series - System Integration Manual
UBX-13004618 - R04 Advance Information Contact
Page 141 of 141
Contact
For complete contact information visit us at http://www.u-blox.com/
u-blox Offices
North, Central and South America
u-blox America, Inc.
Phone: +1 703 483 3180
E-mail: info_us@u-blox.com
Regional Office West Coast:
Phone: +1 408 573 3640
E-mail: mailto:info_us@u-blox.com
Technical Support:
Phone: +1 703 483 3185
E-mail: mailto:support_us@u-blox.com
Headquarters
Europe, Middle East, Africa
u-blox AG
Phone: +41 44 722 74 44
E-mail: info@u-blox.com
Support: mailto:support@u-blox.com
Asia, Australia, Pacific
u-blox Singapore Pte. Ltd.
Phone: +65 6734 3811
E-mail: info_ap@u-blox.com
Support: support_ap@u-blox.com
Regional Office Australia:
Phone: +61 2 8448 2016
E-mail: info_anz@u-blox.com
Support: support_ap@u-blox.com
Regional Office China (Beijing):
Phone: +86 10 68 133 545
E-mail: info_cn@u-blox.com
Support: support_cn@u-blox.com
Regional Office China (Shenzhen):
Phone: +86 755 8627 1083
E-mail: info_cn@u-blox.com
Support: support_cn@u-blox.com
Regional Office India:
Phone: +91 959 1302 450
E-mail: mailto:info_in@u-blox.com
Support: mailto:support_in@u-blox.com
Regional Office Japan:
Phone: +81 3 5775 3850
E-mail: info_jp@u-blox.com
Support: support_jp@u-blox.com
Regional Office Korea:
Phone: +82 2 542 0861
E-mail: info_kr@u-blox.com
Support: support_kr@u-blox.com
Regional Office Taiwan:
Phone: +886 2 2657 1090
E-mail: info_tw@u-blox.com
Support: support_tw@u-blox.com