ACR Electronics ACR-AIS-300 Class B Automatic Identification System User Manual Y1 03 0222 Rev T4
ACR Electronics, Inc. Class B Automatic Identification System Y1 03 0222 Rev T4
AIS 300 Users Manual

Product Support Manual
Nauticast-B
Class B AIS Transceiver
Product No. 2680
Model: AIS-300
Y1-03-0222 Rev.T4
Automatic Identification System
ACR Electronics, Inc.
5757 Ravenswood Road
Fort Lauderdale, Fl 33312
Tel : +1(954) 981-3333
Fax: +1 (954) 983-5087
www.acrelectronics.com
Email: Info@acrelectronics.com

2 of 25 Y1-03-0222 Rev T4T4
Manual Revision Status ............................................................................................................................................................2
General Warnings................................................................................................................................................................3
1. WHAT IS AIS?............................................................................................................................................................4
1.1 AIS Classes ...............................................................................................................................................................5
1.2 Position Information Source....................................................................................................................................6
2. INSTALLATION..........................................................................................................................................................6
2.1 Software Installation.................................................................................................................................................7
2.2 Programming............................................................................................................................................................8
2.3 Hardware Installation.............................................................................................................................................11
2.4 Antenna Installation................................................................................................................................................12
3. USING THE TRANSPONDER.................................................................................................................................. 13
3.1 Switching On...........................................................................................................................................................13
3.2 Warning And Fault States ...................................................................................................................................... 13
3.3 Data Port Messages................................................................................................................................................14
3.4 Information Transmitted And Received................................................................................................................14
3.5 Built In Test .............................................................................................................................................................14
3.6 Led Indicators .........................................................................................................................................................15
3.7 Antennas .................................................................................................................................................................15
4. MAINTENANCE .......................................................................................................................................................15
5. SERIAL DATA INTERFACE ....................................................................................................................................16
5.1 Power Connection / Data Connection................................................................................................................... 16
5.2 Serial Port Input/Output .........................................................................................................................................16
5.3 Power up messages ............................................................................................................................................... 16
5.4 VHF data link messages (NMEA 0183 VDM).........................................................................................................16
5.5 VHF data link own vessel messages (NMEA 0183 VDO) .....................................................................................18
5.6 Regional Assignment Channel Assignment Message (NMEA 0183 ACA)........................................................ 19
5.7 Channel management information source messages (NMEA 0183 ACS)...................................................... 19
5.8 AIS Alarm Messages (NMEA 0183 ALR, Text)...................................................................................................... 20
5.9 ACK messages........................................................................................................................................................20
6. STANDARDS ...........................................................................................................................................................21
6.1 Product Specification.............................................................................................................................................21
6.2 Warnings .................................................................................................................................................................22
7. CONTACT & SUPPORT INFORMATION ................................................................................................................22
Manual Revision Status
Date
Rev.
Status
Comments
Responsible
2007-01-16 T4 M.D’Arcangelo, A.Lesch,
B.Cox

3 of 25 Y1-03-0222 Rev T4T4
General Warnings
All marine Automatic Identification System (AIS) units utilize a satellite based system such as the Global
Positioning Satellite (GPS) network or the Global Navigation Satellite System (GLONASS) network to determine
position.
The accuracy of these networks is variable and is affected by factors such as the antenna positioning, how
many satellites are used to determine a position and how long satellite information has been received for.
It is desirable wherever possible therefore to verify both your vessels AIS derived position data and other
vessels AIS derived position data with visual or radar based observations.
The compass safe distance of this unit is 0.5m or greater for 0.3° deviation.
IMPORTANT: In most countries the operation of an AIS unit is included under the vessels marine VHF license
provisions. The vessel on to which the AIS unit is to installed must therefore possess a current VHF
radiotelephone license which lists the AIS system and the vessel Call Sign and MMSI number.
Please contact the relevant authority in your country for more information.
In accordance with a policy of continual development and product improvement the NAUTICAST-B hardware
and software may be upgraded from time to time and future versions of the NAUTICAST-B may therefore not
correspond exactly with this manual.
When necessary upgrades to the product will be accompanied by updates or addendums to this manual.
Please take time to read this manual carefully and to understand its contents fully so that you can install and
operate your AIS system correctly.
Information contained in this manual is liable to change without notice. Please visit our website for the latest
manual revision at www.acrelectronics.com
ACR Electronics, Inc. disclaims any liability for consequences arising from omissions or inaccuracies in this
manual and any other documentation provided with this product.
© 2007 ACR Electronics, Inc.

4 of 25 Y1-03-0222 Rev T4T4
1. WHAT IS AIS?
AIS stands for Automatic Identification System. AIS increases navigational safety and collision avoidance by
transmitting vessel identification, helping to reduce the difficulty of identifying ships when not in sight (e.g. at
night, in radar blind arcs or shadows or at distance) by broadcasting navigational intentions to other vessels by
providing ID, position, course, speed and other ship data with all other nearby ships and land based stations.
According to IALA regulations, AIS is defined as follows:
AIS is a broadcast Transponder system, operating in the VHF maritime mobile band. It is capable of sending
ship information such as identification, position course, speed and more, to other ships and to shore. It can
handle multiple reports at rapid update rates and uses Carrier Sense Time Division Multiple Access (CSTDMA)
technology to meet these high broadcast rates and ensure reliable and robust ship to ship operation.
The IMO defines the performance standards as follows:
- Ship to ship working , ship to shore working, including long range application , automatic and
continuous operation , provision of information messaging via PC and utilization of maritime VHF
channels
The Modules: GPS system, VHF Radio, Antenna, and the Data Power Cable
(Appropriate application software connects the individual modules).
AIS are required to function flawlessly in a variety of modes. The relevant regulations require:
The system shall be capable of
- An "autonomous and continuous" mode for operation in all areas. This mode shall be capable of
being switched to/from one of the following alternate modes by a competent authority;
- An "assigned" mode for operation in an area subject to a competent authority responsible for traffic
monitoring such that the data transmission interval and/or time slots may be set remotely by that
authority;
- A "polling or controlled" mode, where the data transfer occurs in response to interrogation from a
ship or competent authority.
This illustration depicts a typical AIS System, where two or more AIS equipped vessels (and shore based
systems) are automatically communicating with each other.

5 of 25 Y1-03-0222 Rev T4T4
On the bottom, a typical NAUTICAST-B installation in a common environment is shown. The NAUTICAST-B is
connected to the vessels power supply, and in connection with the VHF, and GPS-Antennas, the minimal
requirements for Transponder operation are fulfilled.
Both vessels in the above illustration are equipped with an AIS transceiver. Due to “Time – Synchronization”
they use the same organization of free and allocated windows (Slots) in the shared VHF Data Link (this method
is called “Carrier Sense Time Division Multiple Access”) to send and receive messages. Without the necessity of
any operating interaction, both vessels know exactly who or what is cruising nearby and where the individual
object is heading.
The scenario below shows a full AIS coverage area (including all applications and complete shore
infrastructure).
1.1 AIS Classes
There are two classes of AIS units fitted to vessels, Class A and Class B. In addition AIS base stations may be
employed by the Coastguard, port authorities and other authorized bodies. AIS units acting as Aids to
Navigation (A to N) can also be fitted to fixed and floating navigation markers such as channel markers and
buoys.
Class A units are a mandatory fit under the safety of life at sea (SOLAS) convention to vessels above 300 gross
tons or which carry more than 11 passengers in International waters. Many other commercial vessels and some
leisure craft also maybe fitted Class A units.
Class B units are designed for fitting in vessels which do not fall into the mandatory Class A fit category. The
ACR NAUTICAST-B is a Class B AIS unit.
6 of 25 Y1-03-0222 Rev T4T4
Information transmitted from vessels that have a CLASS A AIS transponders on-board include:
• Name of Vessel • Destination • Size of Vessel • Vessel Dimensions
• Speed (SOG) • Call Sign • ETA • Draft
• Position • Course (COG) • Type of Vessel • Status
• MMSI Number • Navigational Status • Heading • Cargo
• Rate of Turn • IMO Number
Information transmitted from vessels that have a CLASS B AIS transponders on-board include:
• Name of Vessel • Vessel Dimensions
• Speed (SOG) • Type of Vessel
• Position • Heading
• MMSI Number • Course (COG)
1.2 Position Information Source
The marine AIS system uses position information derived from networks such as the Global Positioning Satellite
(GPS) or the Global Navigation Satellite System (GLONASS) in order to determine the location of the AIS unit
and thus the vessel to which it is fitted. The NAUTICAST-B utilizes the GPS satellite network.
2. INSTALLATION
The Contents of This Box
Before proceeding with the installation of the Nauticast-B, please check the contents of the box, which should
include:
• The Nauticast-B AIS transponder
• Data/Power Cable
• Mounting hardware (4 self tapping screws)
• VHF Antenna (dedicated for AIS use only)
• GPS Antenna (dedicated for AIS use only)
• Nauticast-B User's Guide
• User's Guide
• Link2AIS Software CD
• Link2AIS Technical Guide
Installation should be completed in 3 separate steps. Complete each step before proceeding to the next.
Step 1 - installing the Link2AIS software onto your PC for programming.
Step 2 - programming your MMSI number.

7 of 25 Y1-03-0222 Rev T4T4
Step 3 - installing your AIS hardware to your boat.
2.1 Software Installation
2.1.1 Prerequisites
The Link2AIS application is designed to operate with Microsoft Windows 200, XP and above. Recommended
minimum system requirements are:
• Microsoft Windows XP SP2 (Windows 2000 and earlier require Microsoft .NET Framework V2.0)
• Display resolution of at least 1024 x 768
• At least one RS232 serial port (or USB to serial converter already installed*)
*If you are using a USB to serial converter please ensure this is fully installed before proceeding.
This software uses the Microsoft .Net Framework V2.0. The framework will be automatically installed during
setup if not already present on the system.
2.1.2 Setup
2.1.2.1 Insert the installation CD and locate the Setup.exe file.
2.1.2.2 Double click the Setup.exe file to begin the installation.
2.1.2.3 Follow on screen prompts to install the .Net framework if required
2.1.2.4 When the security warning below is displayed, select 'Install'
2.1.2.5 The application will install and launch automatically
2.1.2.6 A Start Menu folder and shortcut will be created with the name 'Link2AIS'. This short cut
should be used to re-launch the application as required

8 of 25 Y1-03-0222 Rev T4T4
2.2 Programming
NOTE: To program your NAUTICAST-B you will need to connect the AIS to a personal computer and supply
the NAUTICAST-B with 12V of power.
ACR recommends you connect the AIS to your boat’s power and connect it to a laptop in order to easily
program your AIS before physically mounting the transceiver.
2.2.1 Connect the RS232 (9-Pin Connector) to your laptop, this connects between the supplied data
lead and the PC. If the PC being used for programming does not have a 9-pin serial port then a
commercially available USB to serial adaptor (RS 232) may be required.
2.2.2 Connect the AIS to your boats interior power supply (12 V).
2.2.3. Start up Link2AIS software program on PC, the initial application screen will appear as shown:
2.2.4. The application requires a serial connection to an NAUTICAST-B transponder. Connect the
transponder to an available serial port. If your serial port is not located in the drop down box,
select ‘New…’ and create a new connection.

9 of 25 Y1-03-0222 Rev T4T4
2.2.5 Select the serial port from the drop down menu, then click 'Connect':
2.2.6 Once a connection is established the application is ready to use. Connection status is indicated
at the bottom left of the application window:
Help
There is a context based Help file which explains what each data entry field means and what
sort of data is expected.
2.2.7 The functions of Link2AIS are arranged in a series of tabs. Each tab contains information
relating to a particular aspect of the connected AIS transponder. Depending on the version of
Link2AIS installed not all tabs shown below may be visible.
2.2.8 Select the Monitoring tab and open the Static Data tab. This will display the 'Static Data' for the
connected AIS transponder. This includes the vessel's name, call sign, MMSI number and other
fixed information.
To configure the transponder all of the data fields must be completed and saved to the AIS.
L CAUTION:
For security reasons the MMSI of the vessel cannot be changed once programmed. Do not program the MMSI
unless you are certain you have the correct information. Please check the number entered carefully. If the MMSI
programmed is incorrect the AIS transponder will need to be returned to the supplier for factory reset.

10 of 25 Y1-03-0222 Rev T4T4
2.2.9 Enter the vessels information in the appropriate box:
• Ship's name - enter the name of the vessel (20 characters maximum)
• Call Sign - enter the vessel's radio call sign (7 characters maximum)
• MMSI number - enter the vessel's Maritime Mobile Service Identity number
• Enter the vessels dimensions as follows
o Dimension A - distance from bows to GPS antenna location to the nearest meter
o Dimension B - distance from the GPS antenna location to the stern to the nearest
meter
o Dimension C - distance from the port side to the GPS antenna location to the
nearest meter
o Dimension D - distance from the GPS antenna to the starboard side to the nearest
meter
• Select the most appropriate vessel type from the drop down menu.
L CAUTION:
If no MMSI is entered (MMSI is set to 000000000) then the AIS transponder will operate in receive only
mode. The vessels own position will not be transmitted. An MMSI must be entered to allow the AIS
transponder to transmit its own position to other vessels.
2.2.10 When you have entered all of the vessel's data click the 'Save static data to AIS' button to
program this configuration into the AIS transponder:
2.2.11 A warning will be displayed asking you to verify the MMSI number. The MMSI can only be
changed by your dealer once programmed into the transponder. You can change all data
(except the MMSI) at any time, should the need arise. Please check that the number displayed
is correct before proceeding. If the number is incorrect click the 'No' button to cancel
programming of the MMSI:
2.2.12 Click the 'Yes' button if the MMSI is correct
2.2.13 The static data tab will be updated to show the newly programmed vessel information. The
MMSI number will be displayed with a grey background to indicate that it has been programmed
and cannot be changed.
For additional Software applications unrelated to the installation, please refer to the Link2AIS manual for
technical support.

11 of 25 Y1-03-0222 Rev T4T4
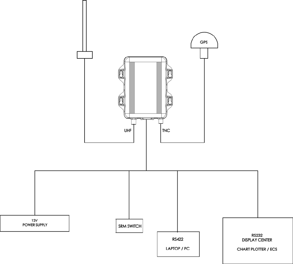
2.3 Hardware Installation
L WARNING: Do not connect the NAUTICAST-B unit to a main (line) AC electrical supply, as an electric
shock or fire hazard could result. Length of Data/Power Cable connection not to exceed 3 meters.
CAUTION: Do not connect the NAUTICAST-B unit to a DC supply exceeding 15.6 V or reverse the supply polarity.
Damage to the unit may result. Ensure the power supply is limited in accordance with EN 60950-1:2006 and protected with
fuse or breakers not to exceed the specifications listed in this manual.
CAUTION: The NAUTICAST-B unit is designed for operation in the temperature range -25 °C to +55 °C. Do not install (or
use) the NAUTICAST-B unit in environments which exceed this range.
CAUTION: Do not install the NAUTICAST-B unit in an environment where it can be subject to excessive
exposure to water.
2.3.1 Electrical connections
Warning: Only the data and power cables provided with the
NAUTICAST-B unit should be used to connect antennas, power
and display devices so as to maintain the integrity of the
enclosure.
Please see the drawings section of this manual for details of the
power, data and RF cables supplied.
Using the two co-axial leads supplied connect the down-lead
from a VHF antenna to the VHF antenna port and connect the
down-lead of a GPS antenna to the GPS antenna port. Please
see Appendix A for recommendations on antennas and antenna
installation.
If an external display unit (chart plotter, PC etc) is to be used
connect the supplied power and data interface cable to the
Power / NMEA port.
If an external display unit is not to be used connect the supplied
power only interface cable to the Power / NMEA port. See page
XX for wiring details.
PC serial terminal or other display device) connect the user end of the data interface cable to the display device.
Note that the software in the display device must be configured for AIS operation AND to accept standard Class
B operation NMEA sentences. This external display unit software is not part of the NAUTICAST-B transponder
package.
Connect a 12V DC supply (9.6-15.6V) capable of supplying 2A peak to the DC power lead (brown/red = positive,
black/blue=negative).
2.3.2 Physical Mounting
It is recommended that the unit is attached to a solid wooden surface with #10-32 x 1.2 self tapping head Phillips screw
(provided in kit). A template for drilling pilot holes is shown on page 4.
12 of 25 Y1-03-0222 Rev T4T4
2.4 Antenna Installation
2.4.1 Antenna connections
GPS Antenna
This is a TNC female bulkhead connector that mounts to the back of the case. This port
provides the 5V DC feed for the active GPS antenna required by the NAUTICAST-B unit.
VHF Antenna
This is a UHF female bulkhead connector that mounts to the back of the case.
2.4.2 Antennas and Antenna Mounting
GPS Antenna
The GPS antenna used must be of the active type (i.e. it should incorporate an LNA) and must
be suitable for marine shipboard applications (index of protection, ruggedness, means of
mounting, etc.). An antenna should be selected with a gain (in dB) depending on the length of
cable between the antenna and the AIS unit; after subtraction of cable and connector losses a
minimum total gain of 20 dB should be available at the NAUTICAST-B unit GPS antenna
connector. The GPS antenna to be used for AIS use must be a dedicated antenna, i.e. not
shared with any other GPS receiver. Installation of the GPS antenna is critical for the
performance of the built in GPS receiver which is used for timing of the transmitted time slots
and for the supply of navigational information should the main navigational GPS fail.
We strongly recommend that:
¾ The GPS antenna is mounted in an elevated position and free of shadow effect from the
ship’s superstructure.
¾ The GPS antenna has a free view through 360 degrees with a vertical angle of 5 to 90
degrees above the horizon.
¾ As the received GPS signal is very sensitive to noise and interference generated by other
onboard transmitters, ensure that the GNSS antenna is placed as far away as possible from
radar, Inmarsat and Iridium transmitters and ensure the GPS antenna is free from direct
view of the radar and the Inmarsat beam.
¾ It is also important that the MF/HF and other VHF transmitter antennas are kept as far away
as possible from the GNSS antenna. It is good practice never to install a GNSS antenna
within a radius of 5 meters from these antennas.
VHF antenna for AIS use
¾ The VHF antenna employed for AIS use:
¾ Must be a dedicated antenna, i.e. not shared with any other VHF transmitter/receiver.
¾ Must be suitable for marine shipboard applications (index of protection, ruggedness, means
of mounting, etc.).
¾ Should be omni-directional and vertically polarized with unity gain (0 dB) with a bandwidth
sufficient to maintain VSWR <1.5 over the frequency range 156 – 163 MHz. As a minimum
the 3dB bandwidth must cover the two AIS channels and the DSC Channel.
¾ Should be mounted with at least a two meter vertical separation distance from any other
VHF antenna used for speech or DCS communication but see also the section “Radio
Frequency Exposure Warning” below.

13 of 25 Y1-03-0222 Rev T4T4
3. USING THE TRANSPONDER
3.1 Switching On
When the 12V supply is switched on all four LEDs visible on the front panel of the unit will illuminate twice for a
period of one second on each illumination. The blue LED will then go out, when the internal GPS starts
outputting valid position information the red LED will go out and the NAUTICAST-B unit transmits its first
position report (message 18) and the yellow LED will go out; note that this process may take up to 30 minutes
depending on the switch-on state of the GPS receiver. When the yellow LED goes out the green LED will
illuminate indicating that the unit is now operating correctly.
3.2 Warning And Fault States
If the unit has not been able to transmit a position report during the last expected two reporting intervals (i.e. the
nominal reporting interval cannot be maintained for operational reasons such as a Message 23 quiet period,
high channel load conditions, etc) the yellow LED will illuminate. This is a warning condition only and indicates
that your vessels position is not currently being reported to other vessels. Reception of other vessel AIS
information by the NAUTICAST-B is not affected. When the unit is able to commence reporting the yellow LED
goes out.
If a fault occurs the red LED will illuminate. This may illuminate briefly if the power supply is interrupted or if the
VHF or GPS antenna characteristics are briefly affected.
If the Red LED illuminates continuously the unit should be assumed to be faulty and should either be switched
off (power removed) or if this is not practical any other vessel position information derived from the unit should
not be used and it should also be assumed that the unit is not transmitting valid position information for your
vessel.
The unit should be examined by a competent equipment maintainer at the earliest opportunity.
More details on LED indications can be found in SECTION 8.6.
14 of 25 Y1-03-0222 Rev T4T4
3.3 Data Port Messages
The data port will output the following:
(At power-up) boot-loader and main application splash text screens including version numbers, and memory
status
• Details of relevant AIS transmissions received
• Details of AIS transmissions sent
• Details of channel management messages received
• Alarm messages generated by the BIIT function
• The data port will accept the following inputs:
• Programming information
• Alarm acknowledgements
Please see the ‘Data Interface’ section of this manual for more details of the data port messages.
When in operation an AIS unit:
Uses one of two VHF channels within the international marine band allocation (channel 87B; 161.975MHz, or
channel 88B; 162.025MHz) to regularly transmit information such as the vessel position, Maritime Mobile
Service Identity (MMSI), name, speed, course, etc.
Receives similar information from other AIS equipped vessels within VHF range and outputs that information for
use by an external display medium (AIS enabled chart plotter, PC using AIS enabled chart plotter software etc.)
3.4 Information Transmitted And Received
3.4.1 A Class A unit will transmit its IMO number (if known), MMSI, Call sign and Name, length and
beam, ship type, time, course over ground (COG), speed over ground (SOG), heading,
navigational status, rate of turn, draught, cargo type, destination and safety related messages
via a short message service (SMS) facility. Message lengths are variable with static and voyage
related information being transmitted less often.
3.4.2 A Class B unit will transmit its MMSI, Call Sign and Name, length and beam, ship type, time,
course over ground (COG), speed over ground (SOG) and heading.
3.5 Built In Test
The NAUTICAST-B unit is equipped with Built in Integrity Testing (BIIT). BIIT tests run continuously or at
appropriate intervals simultaneously with the standard functions of the equipment. The BIIT detects any failure
or malfunction that will significantly reduce integrity or stop operation of the NAUTICAST-B unit.
The tests include:
• AIS TX malfunction (synthesizer not locked and TX time-out not exceeded)
• Antenna VSWR exceeds limit
• Rx channel 1 malfunction (synthesizer not locked)
• Rx channel 2 malfunction (synthesizer not locked)
• Internal GNSS not in use
• No valid SOG information
• No valid COG information
• Background noise > -77dBm
• GPS failure
• VSWR exceeding the maximum allowed level
• The input voltage is out of the specified range
15 of 25 Y1-03-0222 Rev T4T4
3.6 Led Indicators
3.6.1. Power
This is a green LED which indicates, when lit, that power has been connected correctly to the transponder, that
the transponder hardware has been configured, that the operating software is present, that the CPU has booted
up and the application software is running.
3.6.2 TX Timeout
This is a yellow LED which indicates when lit that the CSTDMA transmitter is prevented from transmitting.
Reasons for this include the following:
The transponder’s internal GPS receiver is not operating or is not yet ready. [1] requires that a class B CSTMA
transponder shall not transmit if its internal position sensor is not operating
The transponder was unable to transmit an AIS message due to the channel being already occupied, e.g. by
transmissions from other AIS transponders
3.6.3 Error
This is a red LED which indicates, when lit, one of the following status conditions is possible:
Transmitter lockout timer (1 second maximum) has operated
GPS is unable to gain lock after 30 minutes
VHF antenna VSWR is out of range
Power Supply is out of range
Background noise level is above the threshold level (-77dBm)
3.6.4 Safety Related Message (SRM) Status
This is a blue LED which indicates when lit that the SRM button has been depressed for more than 2 seconds
and the pre-set SRM has been sent. If the SRM LED is illuminated it is not possible to send another SRM. An
SRM can be sent once a second. The payload within the message 14 transmission is the text string “MAYDAY”
by default.
3.6.5 Silent Mode Function (if user configures SRM switch to act as Silent
Mode switch)
This is a blue LED which indicates when lit that the Silent Mode button has been depressed for more than 2
seconds and the pre-set Silent Mode has been activated. If the blue LED is illuminated you are not transmitting
your AIS data to other vessels, your AIS is acting as a receive only device. Depress the Silent Mode button a
second time transmit your position data.
3.7 Antennas
The NAUTICAST-B unit requires VHF and GPS antennas independent from those in use for other purposes.
Please see Appendix A for details of the antennae required.
4. MAINTENANCE
WARNING: Unauthorized opening of the NAUTICAST-B system will invalidate the warranty.
CAUTION: Avoid using chemical solvents to clean the NAUTICAST-B as some solvents
can damage the case material. To clean, wipe down with a damp cloth.
16 of 25 Y1-03-0222 Rev T4T4
NOTE: The NAUTICAST-B contains no user serviceable parts. Contact your Service Agent
for repair for replacing the fuse fails to make the equipment serviceable.
5. SERIAL DATA INTERFACE
5.1 Power Connection / Data Connection
There is a 15-pin D-Sub female connector mounted on the back of the transponder cover. The standard data or
power and data cable assembly provided mates with this connector.
5.1.1 Power
12V DC (9.6-15.6V) is connected to the transponder power supply input via the data/power cable.
5.1.2 Data
A minimum keypad and display (MKD) unit, chart plotter or other display device may be connected to
the NAUTICAST-B unit via the appropriate cable assembly. The default baud rate of the data link is
38.4kBaud with 8 data bits, one stop bit and no parity.
The data interface conforms to IEC 61162-1.
VDM, VDO, ACA, ACS, ALR, TXT and ACK messages conform to NMEA 0183. Please refer to NMEA
0183 for full details of these AIS messages.
5.2 Serial Port Input/Output
There are two serial ports, one presenting RS422 format and the other RS232 format. Data can be input from
either or both ports.
The serial port interface(s) output:
At power-up boot-loader and main application splash text screens including version numbers and memory
status.
As a VHF Data Link Message (VDM) all incoming VHF Data Link (VDL) data received by the NAUTICAST-B.
The VHF data link own vessel (VDO) messages sent by the NAUTICAST-B over the VHF Data Link.
AIS regional channel assignment messages (ACA) received. These are derived from an incoming VHF Data
Link message (message 22) or a DSC message.
AIS channel management information source (ACS) messages.
Alarm messages (ALR, TXT).
The data interface will accept:
Personality programming messages
Alarm acknowledgement messages (ACK)
5.3 Power up messages
On power up the unit will report details of the firmware versions residing in the unit.
5.4 VHF data link messages (NMEA 0183 VDM)
This sentence is used to transfer the receipt of a VHF Data Link (VDL) message on either AIS radio channel, as
defined in ITU-R M.1371, using the “Six-bit” field type. The structure provides for the transfer of long binary
messages by using multiple sentences. Data messages should be transmitted in as few sentences as possible.
When a data message can be accommodated in a single sentence, then it shall not be split.

17 of 25 Y1-03-0222 Rev T4T4
5.4.1 VDM Message Format
!--VDM,x1,x2,x3,a,s--s,x*hh<CR><LF>
field 1 2 3 4 5 6
Field Format Description
1 x Total number of sentences needed to transfer the message1, 1 to 9
2 x Sentence number1, 1 to 9
3 x Sequential message identifier2, 0 to 9
4 a AIS Channel, "A" or "B"3
5 s---s Encapsulated ITU-R M.1371 radio message4
6 x Number of fill-bits5, 0 to 5
NOTE 1 The length of an ITU-R M.1371 message may require the transmission of multiple sentences. The first
field specifies the total number of sentences used for a message, minimum value 1. The second field
identifies the order of this sentence in the message, minimum value 1. These cannot be null fields.
NOTE 2 The Sequential message identifier provides a message identification number from 0 to 9 that is
sequentially assigned and is incremented for each new multi-sentence message. The count resets to 0
after 9 is used. For a message requiring multiple sentences, each sentence of the message contains
the same sequential message identification number. It is used to identify the sentences containing
portions of the same message. This allows for the possibility that other sentences might be interleaved
with the message sentences that, taken collectively, contain a single message. This shall be a null field
for messages that fit into one sentence.
NOTE 3 The AIS channel is indicated as either “A” or “B”. This channel indication is relative to the operating
conditions of the AIS unit when the packet is received. This shall be a null field when the channel
identification is not provided. The VHF channel numbers for channels “A” and “B” are obtained by using
a “query” (See IEC 61162-1, clause 5.3.2) of the AIS unit for an ACA sentence.
NOTE 4 This field supports a maximum of 62 valid characters for messages transferred using multiple
sentences, and 63 valid characters for messages using a single sentence.
NOTE 5 This cannot be a null field. See “x4” in 5.3.3.
5.4.2 VDM Message Types
For example, the information contained in the s - - s portion of the VDM = Encapsulated ITU-R M.1371 radio
message. Note that messages 5 and 19 may be sent as multi part messages using the x1, x2 and x3
parameters for message sequence control.
VDL Message number VDM Message description
AIS Target Display Information
1, 2, 3, 9,18, 21 position report
4 base station report
5* voyage related data
19* Class B – extended data
Safety message handling
12 addressed safety related
14 broadcast safety related
External Application
handling
6 binary addressed
8 binary broadcast

18 of 25 Y1-03-0222 Rev T4T4
VDL Message number VDM Message description
System control
7 binary acknowledge (INFO)
10 UTC and data inquiry (INFO)
11 UTC and data response (INFO)
13 safety related ack (INFO)
15 interrogation (INFO)
16 assignment mode command (INFO)
17 DGNSS corrections (INFO)
20 data link management (INFO)
22 channel management (INFO)
*Note that messages 5 and 19 may be sent as multi part messages.
5.5 VHF data link own vessel messages (NMEA 0183 VDO)
This message describes your own vessel message being sent.
5.5.1 VDO Message Format
!--VDO,x1,x2,x3,a,s--s,x*hh<CR><LF>
field 1 2 3 4 5 6
Field Format Description
1 x Total number of sentences needed to transfer the message1, 1 to 9
2 x Sentence number1, 1 to 9
3 x Sequential message identifier2, 0 to 9
4 a AIS Channel, "A" or "B"3
5 s---s Encapsulated ITU-R M.1371 radio message4
6 x Number of fill-bits5, 0 to 5
NOTE 1 The length of an ITU-R M.1371 message may require the transmission of multiple sentences. The first
field specifies the total number of sentences used for a message, minimum value 1. The second field
identifies the order of this sentence in the message, minimum value 1. These cannot be null fields.
NOTE 2 The Sequential message identifier provides a message identification number from 0 to 9 that is
sequentially assigned and is incremented for each new multi-sentence message. The count resets to 0
after 9 is used. For a message requiring multiple sentences, each sentence of the message contains
the same sequential message identification number. It is used to identify the sentences containing
portions of the same message. This allows for the possibility that other sentences might be interleaved
with the message sentences that, taken collectively, contain a single message. This shall be a null field
for messages that fit into one sentence.
NOTE 3 The AIS channel is indicated as either “A” or “B”. This channel indication is relative to the operating
conditions of the AIS unit when the packet is received. This shall be a null field when the channel
identification is not provided. The VHF channel numbers for channels “A” and “B” are obtained by using
a “query” (See IEC 61162-1, clause 5.3.2) of the AIS unit for an ACA sentence.
NOTE 4 This field supports a maximum of 62 valid characters for messages transferred using multiple
sentences, and 63 valid characters for messages using a single sentence.
NOTE 5 This cannot be a null field. See “x4” in 5.3.3.

19 of 25 Y1-03-0222 Rev T4T4
VDO Message number VDO Message description
AIS Target Display Information
13 Safety Related Acknowledgement
18 Standard Class B position report (Includes MMSI, SOG, position accuracy, lat,
long, COG, true heading,)
24a Class B “CS” Static data Part A (Includes MMSI and vessel name)
24b Class B “CS” Static data Part B (MMSI, ship type, cargo type, call sign, ship
dimensions)
5.6 Regional Assignment Channel Assignment Message
(NMEA 0183 ACA)
An NAUTICAST-B unit can receive regional channel management information in two ways: ITU-R M.1371
message 22 or a DSC telecommand received on channel 70. Channel management information is applied
based upon the actual location of the AIS device. An AIS unit is “using” channel management information when
the information is being used to manage the operation of the VHF receiver and/or transmitter inside the AIS unit.
This sentence is used both to enter and obtain channel management information. When sent to an AIS unit, the
ACA sentence provides regional information that the unit stores and uses to manage the internal VHF radio.
When sent from an AIS unit, the ACA sentence provides the current channel management information retained
by the AIS unit. The information contained in this sentence is similar to the information contained in an ITU-R
M.1371-1 message 22. The information contained in this sentence directly relates to the Initialisation Phase and
Dual Channel Operation and Channel Management functions of the AIS unit as described in ITU-R M. 1371.
5.6.1. ACA Message Format
$--ACA,x,llll.ll,a,yyyyy.yy,a,llll.ll,a,yyyyy.yy,a,x,xxxx,x,xxxx,x,x,x,a,x,hhmmss.ss
field 1 2 3 4 5 6 7 8 91011121314 15
Field Format Description
1 x Sequence Number , 0 to 9
2 IIII, II, a Region Northeast corner latitude – N/S
3 yyyyy.yy,a Region Northeast corner longitude – E/W
4 IIII, II, a Region Southwest corner latitude – N/S
5 yyyyy.yy,a Region Southwest corner longitude – E/W
6 x Transition Zone Size
7 xxxx Channel A
8 x Channel A bandwidth
9 xxxx Channel B
10 x Channel B bandwidth
11 x Tx/Rx mode contro
12 x Power level control
13 a Information source
14 x In-Use Flag
15 hhmmss.ss Time of "in-use" change
5.7 Channel management information source messages
(NMEA 0183 ACS)
This sentence is used in conjunction with the ACA sentence. This sentence identifies the originator of the
information contained in the ACA sentence and the date and time the AIS unit received that information.

20 of 25 Y1-03-0222 Rev T4T4
5.7.1. ACS Message Format
!-- ACS,x,xxxxxxxxx, hhmmss.ss,xx,xx,xxxx*hh<CR><LF>
field 1 2 3 4 5 6
Field Format Description
1 x Sequence Number , 0 to 9
2 xxxxxxxxx MMSI of originator
3 hhmmss.ss UTC of receipt of channel management information
4 xx UTC Day, 01 -31
5 xx UTC Month, 01 -12
6 xxxx UTC Year
5.8 AIS Alarm Messages (NMEA 0183 ALR, Text)
Local alarm condition and status. This sentence is used to report an alarm condition on a device and its current
state of acknowledgement.
5.8.1 ALR message format
!-- ALR,hhmmss.ss,xxx,A,A,c--c*hh<CR><LF>
field 1 2 3 4 5
Field Format Description
1 x hhmmss.ss = Time of alarm (UTC)
2 Unique alarm number
3 Alarm condition
4 Alarm acknowledge state
5 alarm description, text
Alarms descriptions presented are:
AIS: TX malfunction
AIS: Antenna VSWR exceeds limit
AIS: Rx channel 1 malfunction
AIS: Rx channel 2 malfunction
AIS: general failure
AIS: no sensor position in use
AIS: no valid SOG information
AIS: no valid COG information
AIS: 12V alarm
AIS: 5V alarm
AIS: Loss of serial interface integrity
AIS: Background noise above -77dBm
5.9 ACK messages
Can be generated by a minimum keypad and display (MKD) unit, chart plotter or other display device connected
to the NAUTICAST-B to acknowledge an alarm condition reported by the NAUTICAST-B.
5.9.1 ACK message format
!-- ACK,xxx*hh <CR><LF>
field 1
Field Format Description
1 x unique alarm number

21 of 25 Y1-03-0222 Rev T4T4
6. STANDARDS
This product complies to all the necessary standards under the European R&TTE directive for Article 3.1(a),
3.1(b), 3.2 and 3.3(e). The following standards have been followed in pursuance of this:
• IEC62287-1: 2006-03 Maritime navigation and radio communication equipment and systems – Class B
ship borne equipment of the automatic identification system (AIS) – Part 1: Carrier-sense time division
multiple access (CSTDMA) techniques
• IEC60945: 2002-08 Maritime navigation and radio communication equipment and systems – General
requirements – Methods of testing and required test results
• IEC61162-1: Maritime navigation and radio communication equipment and systems – Digital interfaces
– Part 1: Single talker and multiple listeners
• IEC61108-1: GLOBAL NAVIGATION SATELLITE SYSTEMS (GNSS) – Part 1: Global positioning
system (GPS) -Receiver equipment - Performance standards, methods of testing and required test
results
• EN 301 843-1 v2.1: Electromagnetic compatibility and Radio spectrum Matters (ERM); Electromagnetic
Compatibility (EMC) standard for marine radio equipment and services; Part 1: Common technical
requirements
• EN 50383: 2002 Basic standard for calculation and measurement of electromagnetic field strength and
SAR related to human exposure from radio base stations and fixed terminal stations for wireless
telecommunications system (110MHz – 40GHz)
• EN60950-1:2006 Information technology equipment – Safety – Part 1: General requirements
6.1 Product Specification
Parameter Value
Dimensions 7.8 x 6.22 x 1.84 in. (198 x 158 x 46.7 mm)
Weight 13.2 oz (375g)
Power DC (9.6-15.6V)
Average power consumption 4W
Peak current rating 2A
GPS Receiver (AIS Internal) IEC 61108-1 compliant
Electrical Interfaces RS232 38.4kBaud bi-directional
RS422 NMEA 38.4kBaud bi-directional
Connectors VHF Antenna connector (UHF female bulkhead connector)
GPS Antenna connector (TNC female bulkhead connector)
Cable – Data/Power RS232 / RS422 / Data / Power (15-pin Connector)
Typically, 1.5 meter DSUB
VHF Transceiver Transmitter x 1
Receiver x 2 (One receiver time shared between AIS and DSC)
AIS1: 161.975 MHz
AIS2: 162.025 MHz Frequency: 156.025 to 162.025 MHz in 25 kHz steps
Output Power 33dBm ± 1.5 dB
Channel Bandwidth 25kHz
Channel Step 25kHz
Modulation Modes 25kHz GMSK (AIS, TX and RX)
25kHz AFSK (DSC, RX only)
Bit rate 9600 b/s ± 50 ppm (GMSK)

22 of 25 Y1-03-0222 Rev T4T4
Parameter Value
1200 b/s ± 30 ppm (FSK)
RX Sensitivity Sensitivity – 107dBm 25kHz (Message Error Rate 20%)
Co-Channel 10dB
Adjacent Channel 70dB
IMD 65dB
Blocking 84dB
Environmental IEC 60945
Operating Temperature: -25ºC to +55ºC
IEC 62287, IP65 Protected
Indicators Power, TX timeout, status, pre-set SRM sent or Silent Mode
Operator Controls Optional pre-set safety related message (SRM) transmit button or Silent Mode -No
Transmit (user Configured).
6.2 Warnings
6.2.1. VHF Antenna Connection
Connecting a badly mismatched VHF antenna, leaving the VHF antenna port disconnected, or shorting
the VHF antenna port will activate the VSWR alarm, cause the unit to stop sending position reports or
cause damage to the transponder and activating the red LED.
6.2.2. Radio Frequency Exposure
To meet the requirements for Radio Frequency Exposure it is necessary to install the VHF antenna
correctly and operate the AIS equipment according to the instructions.
7. CONTACT & SUPPORT INFORMATION
Although ACR strives for accuracy in all its publications; this material may contain errors or omissions, and is
subject to change without prior notice. ACR shall not be made liable for any specific, indirect, incidental or
consequential damages as a result of its use. ACR components may only be used in safety of life devices or
systems, with the express written approval of ACR, as the failure of such components could cause the failure of
the ACR device or system. If these fail, it is reasonable to assume that the safety of the user or other persons
may be endangered.
Contact your local dealer for NAUTICAST AIS support.
Please see our ACR Website for Service Listing.
ACR Electronics Europe GmbH
Handelskai 388 / Top 632
A-1020 Vienna, Austria
Tel: +43 (1) 5 237 237 - 0
Fax: +43 (1) 5 237 237 - 150
Email: Technical.Support@acr-europe.com
Web: www.acr-europe.com
ACR Electronics Inc.
Customer Service
5757 Ravenswood Road
Fort Lauderdale, FL 33312, U.S.A.
Tel.: +1 (954) 981-3333
Fax: +1 (954) 983-5087
Email: info@acrelectronics.com
Web: www.acrelectronics.com

23 of 25 Y1-03-0222 Rev T4T4
APPENDIX A

24 of 25 Y1-03-0222 Rev T4T4
APPENDIX B
25 of 25 Y1-03-0222 Rev T4T4
APPENDIX C