Agri Fab 45 0362 User Manual 42 ROUGH CUT TRAIL MOWER Manuals And Guides L0406294
AGRI-FAB Mower Deck Manual L0406294 AGRI-FAB Mower Deck Owner's Manual, AGRI-FAB Mower Deck installation guides
User Manual: Agri-Fab 45-0362 45-0362 AGRI-FAB 42 ROUGH CUT TRAIL MOWER - Manuals and Guides View the owners manual for your AGRI-FAB 42 ROUGH CUT TRAIL MOWER #450362. Home:Lawn & Garden Parts:Agri-Fab Parts:Agri-Fab 42 ROUGH CUT TRAIL MOWER Manual
Open the PDF directly: View PDF
.
Page Count: 28

Agri-Fab ®
OWNERS
MANUAL
Model No.
45-0362
CAUTION:
Read Rules for
Safe Operation
and Instructions
Carefully
42" ROUGH CUT
TRAILMOWER
NOTE: Your mower deck will require a 12 volt battery to operate.
This battery is NOT included with the deck but must be purchased
separately. Any 12 volt tractor battery with about 230 cold cranking
amps. will operate the machine.
• Safety
• Assembly
• Operation
• Maintenance
• Parts
_/,/_'_'u_'rdr/ the fastest way to purchase parts www.speedepart.corn
PRINTED IN U.S.A. FORM NO. 49202 (3/04)

TABLE OF CONTENTS
SAFETY RULES ...................................................... 3,4
SAFETY AND OPERATIONAL DECALS ................ 5,6
HARDWARE CHART .................................................. 7
ASSEMBLY ............................................................ 8-11
OPERATION ......................................................... 12-16
CUSTOMER RESPONSIBILITIES ...................... 17-20
STORAGE ................................................................. 21
REPAIR PARTS ................................................... 22-26
WIRING DIAGRAM ................................................... 27
2

SAFETY RULES
Safe Operation Practices for Tow Behind Mowers
IMPORTANT: THIS CUTTING MACHINE IS CAPABLE OF AMPUTATING HANDS AND FEET AND THROWING
OBJECTS. FAILURE TO OBSERVE THE FOLLOWING SAFETY INSTRUCTIONS COULD RESULT IN SERIOUS
INJURY OR DEATH.
GENERAL OPERATION
Im
• Read, understand, and follow all instructions inthe manual and on
the machine before starting.
• Read this operator's manual carefully. Become familiar with the
controls and know how to operate your mower properly.
•Only allow responsible adults, who are familiarwith the instructions,
to operate the machine,
• Clear the area of objects such as rocks, toys, wire, etc., which
could he picked up and thrown by the blade.
•Be sure the ares is clear of other people before mowing. Stop
machine if anyone enters the ares.
•Never carry passengers.
•Do notmow in reverse unless absolutely necessary. Always look
down and behind before and while backing.
• Slow down before tuming.
•Never leave • running machine unattended. Always turn off blades_
and stop engine.
•Turn off blades when not mowing.
•Mow only in daylight or good artificial light.
•Do not operate the machine while under the influence of alcohol or
drugs.
•Watch for traffic when operating near or crossing roadways.
•Usa extra care when loading or unloading the machine into a trailer
or truck.
• Do not attempt to operate your tractor or mower when not in drivers
seat.
•Disengage power to mower, stop engine when transporting or not in
USa,
• Exercise special care when mowing around fixed objects in order to
preventthe blades from striking them. Never deliberately run
tractor or mower onto or over any foreign object.
•Usa mower only as the manufacturer intended and as described in
this manual.
•Do not operate mower if it has been dropped or damaged in any
manner. Always have damage repaired before using your mower.
•Always wear safety glasses or eye shields when starting and while
using your mower.
•Dress properly. Do not operate mower when barefoot or wearing
open sandals. Wear only solid shoes with good traction when
mowing.
•Always make cutting height adjustments before starting your
mower. Never attempt to do this while the engine is running.
•Keep youreyes and mind on your mower and the area being cut.
Do not let other interests distract you.
•Do not put hands or feet near or under rotating parts. Keep clear of
the discharge opening at all times.
•Before cleaning, inspecting, or repairing your mower, stopthe
engine and make absolutely sure the blade and all moving parts
have stopped. Then disconnect the spark plug wire and keep it
away from the spark plug to prevent accidental starting.
•Do not operate your mower if itvibrates abnormally. Excessive
vibrationis an indicationof damage or unbalanced blades. Stop the
engine,safety check for the cause of the vibrationand repair as
required.
•Never operate your mower withoot properguards, plates,orother s_ety
devices in place.
II. SLOPE OPERATION
Slopes are a major factor related to bes-of-control and tipover accidents,
which can result in severe injury or death. All slopes require extra
caution. If you feel uneasy on it, do not mow if.
DO:
• Mow up and down slopes, not across.
•Remove obstacles such as rocks, tree limbs, etc.
• Watch for holes, ruts, or bumps. Uneven terrain could overturn the
machine. Tall grass can hide obatacles.
•Use slow speed. Choose a low gear so that you wil! not have to
stop or shift while on the slops.
•Follow the tractor manufacturer's recommendations for
wheel weights or counterweights to improve stability.
•Keep all movement on the slopes slow and gradual. Do not make
sudden changes in speed or direction.
•Avoid starting or stopping on a slope. If tires lose traction,
disengage the blades and proceed slowly straight down the slope.
DO NOT:
•Do notturn on slopes unless necessary, and then, turn slowly and
gradually downhill, if possible.
•Do not mow near drep-offs, ditches, or embankments. The mower
could suddenly turn over if a wheel is over the edge of a cliff or
ditch, or if an edge caves in.
•Do notmow on wet grass. Reduced traction could cause sliding.
III. CHILDREN
Tragic accidents can occur if the operator is not alert to the presence of
children. Children are often attracted to the machine and the mowing
activity. Never assume that children will remain where you last saw
them.
•Keep children out of the mowing area and under the watchful care
of another responsible adult.
•Be alert and turn machine off if children enter the area.
•Before and when becking, look behind and down for small children.
•Never carry children. They may fall off and be sanously injured or
interfere with safe machine operation.
•Never allow children to operate the machine.
•Use extra care when approaching blind corners, shrubs, trees, or
other objects that may obscure vision.
3

IV. SERVICE
Use extra care in handling gasoline and other fuels. They are
flammable and vapors are explosive,
-Use only an approved container.
-- Never remove gas cap or add fuel with the engine running.
Allow engine to cool before refueling. Do not smoke.
- Never refuel the machine indoors.
- Never store the machine or fuel container inside where there
is an open flame, such as a water heater.
•Never run a machine inside a closed area.
• Keep nuts and belts, especially blade attachment nuts, tight and
keep equipment in good condition.
•Never tamper with safety devices. Check their proper operation
regularly.
• Keep machine free of grass, leaves, orother debris build-up, Clean
oilor fuel spillage. Allow machine to cool before storing.
•Stop and inspect the equipment if you strike an object. Repair, if
necessary, before restarting.
• Never make adjustments or repairs with the engine running.
•Mower blades are sharp and can cut. Wrap the blade(s) or wear
gloves,and use extra caution when servicing them.
•Check brake operation frequently. Adjust and service as required.
Look for this symbol to point out
important safety precautions. It
means CAUTIONlll BECOME
ALERTlll YOUR SAFETY IS
INVOLVED.
CAUTION: Always disconnect spark
plug wire and place wire where it
cannot contact spark plug in order
to prevent accidental starting when
setting up, transporting, adjusting
or making repairs.
4

SAFETY AND OPERATIONAL DECALS
Replace decal immediately if damaged. Order by part
number. See back cover.
II 11
KEEPHANDSandFEETAWAY
ROTATING BLADES AND BELTS.
KEEP ALL SHIELDS IN PLACE.
KEEP HANDS AND FEET
FROM UNDER MOWER.
HA12315 DANGER DECAL
HA12314 DANGER ROTATING BLADES DECAL
FHOW TO USE YOUR MOWER
STOPPING
•Move mower blade clutch lever to "DISENGAGED"
position.
• Move throttle control to "SLOW" position.
• Turn ignition key to "OFF" position.
STARTING
• Move mower blade clutch lever to "DISENGAGED"
position.
• Move throttle control to the choke position for cold
engine starts.
• Turn ignition key clockwise to "START' position and
release key as soon as engine starts.
• When engine starts, slowly move throttle control to
"FAST" position.
• Allow engine to warm up.
USE
• Sit on tractor seat.
• Move mower blade clutch lever to "ENGAGED"
position.
• Operate tractor at medium ground speed.
(3-4 MPH)
TRANSPORTING
• Shut off engine.
• Place mower deck in the highest position directly
behind tractor.
CAUTION
I READ AND FOLLOW DIRECTIONS IN
OWNERS MANUAL
KNOW HOW TO OPERATE BOTH THE
VEHICLE AND THE MOWER ATTACHMENT
NEVER ALLOW CHILDREN TO USE THE
EQUIPMENT
DO NOT LEAVE MOWER RUNNING WITH UNIT
UNATTENDED
KEEP ALL SAFETY FEATURES IN PLACE AND
OPERATING
AVOID CONTACT WITH MOVING PART. KEEP
HANDS AND FEET AWAY FROM BLADES
STOP ENGINE BEFORE FUELING,ADJUSTING
OR INSPECTING. DO NOT ADD FUEL TO AN
ENGINE THAT IS RUNNING OR HOT
HA24431
5

SAFETY AND OPERATIONAL DECALS
Replace decal immediately if damaged. Order by part
number. See back cover.
\
BLADES BLADES
ENGAGED DISENGAGED
BLADE CLUTCH LEVER
HA23265 CLUTCH LEVER OPERATION DECAL
THROTTLE _
®
©
CHOKE
SLOW
HA23820
.................... J
6

CONTENTS OF PARTS BAG
SHOWN FULL SIZE
f
I
f
I
I
I
J
I
f
J
I
I
J
I
J
J
B
j K
NOT SHOWN FULL SIZE
MNO
REF. QTY. DESCRIPTION
A 1 Hex Bolt, 1/2" x 7"
B 2 Hex Bolt, 1/4" x 7-1/2"
C 2 Hex Bolt, 3/8" x 2-3/4"
D 2 Hex Bolt, 5/16" x 3/4"
E 3 Hex Bolt, 1/4" x 3/4"
F 2 Screw, Self Tapping #10 x 1/2"
G 1 Hex Lock Nut, 1/2"
REF. QTY. DESCRIPTION
H 2 Hex Lock Nut, 3/8"
I 2 Hex Lock Nut, 5/16"
J 1 Hex Lock Nut, 1/4"
K 2 Hex Nut (SEMS), 1/4"
L 2 Flat Washer, 3/8"
M 2 Clip, 3/8"
N 2 Plastic Nut
0 1 Key
7

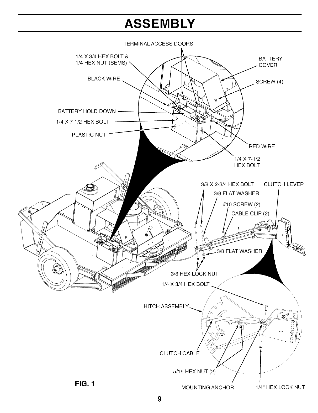
ASSEMBLY
TOOLS REQUIRED FOR ASSEMBLY
(1) 5/16" Wrench
(2) 7/16" Wrenches
(2) 1/2" Wrenches
(2) 9/16" Wrenches
(2) 3/4" Wrenches or Adjustable Wrenches
UNPACKING
Enclosed in packing crate are (3) items:
1. Mower Deck
2. Tow Bar Hitch Assembly
3. Box of Parts consisting of:
• Rear Roller
• Rear Roller Bracket
• Bag of Parts (See page 7)
ENGINE OIL
VERY IMPORTANT:
Engine must be filled with oil before operation. See OIL
& FUEL RECOMMENDATIONS in engine Owner's
Manual for correct filling instructions and oil fill capacity.
INSTALL TOWBAR TUBE TO REAR
QUADRANT
• Remove Hex Bolts and lift Front Drive Cover from
mower housing.
• Rest end of Tow Bar Tube on front edge of mower.
• Feed Wire Harness in end of Tow Bar Tube through
large hole in back wall of Rear Quadrant.
• Place Towbar Tube into Rear Quadrant, align holes
and insert 3/8 x 2-3/4 Hex Bolt through quadrant
and rear hole of Tube.
• Secure tightly with 3/8 Hex Lock Nut and then
loosen 1/4 turn to allow Tube to pivot freely inside
Rear Quadrant.
• Assemble a 3/8 Flat Washer onto a 3/8 x 2-3/4 Hex
Bolt.
• Insert Bolt and Washer into slot in Rear Quadrant
and into hole in Towbar Tube.
• Secure Tightly with 3/8 Flat Washer and 3/8 Hex
Lock Nut, then loosen 1/4 turn to allow Tube to
pivot freely inside Rear Quadrant.
NOTE: Towbar Tube must pivot freely inside Rear
Quadrant when Latch is pulled from notch.
INSTALL CLUTCH TO TOWBAR TUBE
• Place Clutch Cable forward along Towbar Tube.
• Spread ends of two Cable Clips and place around
Clutch Cable.
• Place Clutch Cable on top of Towbar Tube and align
Cable Clips with bolt holes in Towbar Tube.
• Secure with two #10 Screws.
INSTALL BATTERY
Your Trail Mower requires a 12 volt battery to operate.
The battery is NOT included with the unit. It must be
purchased separately.
• Remove four screws and the Battery Cover from
the Mower and set them aside.
• Install two Plastic Nuts into the square holes in the
Mower Deck under the Battery Cover.
• Place the Battery on the Mower Deck between the
two Plastic Nuts.
• Place the Battery Hold Down on top of the Battery.
• Secure the Battery to the Mower Deck with two
1/4 x 7-1/2 hex bolts.
• Open the terminal access doors on the Battery
Hold Down.
• Connect the Red Wire to the positive (+) battery
terminal using a 1/4 x 3/4 hex bolt and 1/4 SEMS
nut. Tighten securely.
• Connect the Black Wire to the negative (-) battery
terminal using a 1/4 x 3/4 hex bolt and 1/4 SEMS
nut. Tighten securely.
• Close the terminal access doors.
• Replace Battery Cover and secure it with the four
screws.
INSTALL CLUTCH CABLE TO CLUTCH
LEVER
• Remove outer 5/16 Nut from end of Clutch Cable
Housing. (See Fig. 1)
• Turn inner 5/16 Nut to bottom of thread.
• Insert Cable and outer 5/16 Nut through slotted hole
in Cable Guide of Hitch Assembly. The outer 5/16
Nut must be cocked sideways to insert through
slotted hole of Cable Guide.
• Reinstall outer 5/16 Nut to the cable housing to
secure Cable Harness to Cable Guide.
• Install Mounting Anchor of Clutch Cable to Clutch
Lever using 1/4 x 3/4 Hex Bolt and 1/4 Lock Nut.
Tighten 1/4 Lock Nut securely and then loosen
approximately two turns to allow Mounting Anchor
to pivot freely on bolt.
8

ASSEMBLY
TERMINAL ACCESS DOORS
1/4 X 3/4 HEX BOLT &
1/4 HEX NUT (SEMS) N
BLACK WIRE
BATTERY
COVER
SCREW (4)
BATTERY HOLD DOWN
1/4 X 7-1/2 HEX BOLT
PLASTIC NUT
RED WIRE
1/4 X 7-1/2
HEX BOLT
3/8 X 2-3/4 HEX BOLT CLUTCH LEVER
3/8 FLAT WASHER
#10 SCREW (2)
CABLE CLIP (2)
.3/8 FLAT WASHER
V
3/8 HEX LOCK NUT
1/4 X 3/4 HEX BOLT
FIG. 1
CLUTCH CABLE
5/16 HEX NUT (2)
MOUNTING ANCHOR 1/4" HEX LOCK NUT
9

ASSEMBLY
INNER NUT CLUTCH CABLE ADJUSTMENT
/
/
/
/
/
/OUTER NUT
/
\\\
\\
SWITCHE]
BODY
PLUNGER
CLUTCH LEVER FOURE]
SCREWS
FIG. 2
• Remove four screws from Rear Drive Cover. Lay aside
cover and screws.
• Place Clutch Lever in "DISENGAGED" position
• The Cable should be under slight tension but should
not pull the Clutch Lever more than 1/8" away from
the Switch Body.
NOTE: If the Plunger extends more than 1/8" out from
the switch body, the cable tension is too tight and the
Engine will not start.
TO INCREASE CABLE TENSION
• Place Blade Clutch Lever in the "DISENGAGED"
position.
• Loosen the inner nut on the Clutch Cable.
• Tighten the outer nut on the Clutch Cable.
TO DECREASE CABLE TENSION
• Place Blade Clutch Lever in the "DISENGAGED"
position.
• Loosen the outer nut on the Clutch Cable.
• Tighten the inner nut on the Clutch Cable.
• Repeat the above procedure until you have the
correct tension.
ENC
PULLEY
BLADEE]
ILLEY
o ©
IDLERE]
PULLEY
CLUTCH LEVER
10

ASSEMBLY
INSTALL REAR ROLLER TO DECK
•Install Rear Roller Mounting Bracket to rear of deck
using two 5/16 x 3/4 Hex Bolts and two 5/16 Hex
Lock Nuts. (See Fig. 3.)
• Install Roller to Rear Roller Bracket using 1/2 x 7
Hex Bolt and 1/2 Hex Lock Nut.
• Make sure Roller turns freely on Bolt.
5/16 X 3/4 HEX BOLTSB
AND 5/16 HEX LOCK NUTS
"h
ROLLER
1/2 X 7 HEX BOLT
REAR ROLLERB
MOUNTING BRACKET
1/2 HEX LOCK NUT
FIG. 3
11

OPERATION
KNOW YOUR MOWER
READ THIS OWNER'S MANUAL AND SAFETY RULES BEFORE OPERATING YOUR MOWER.
Compare the illustrations with your mower to familiarize yourself with the location of various controls and adjustments.
Save the manual for future reference.
MOWER BLADE
CLUTCH LEVER
IGNITION
KEY SWITCH
TOW HITCH OFFSET
ADJUSTMENT
HEIGHT ADJUSTMENT STRAP
HEIGHT ADJUSTMENT
LIFT LEVER
TOW BAR HEIGHT
ADJUSTMENT
THROTTLE CONTROL
3HT
ADJUSTMENT
STRAP
FIG. 4
MOWER BLADE CLUTCH LEVER - Starts and stops
mower blade rotation.
THROTTLE CONTROL - Controls engine speed, engine
shut-off and engine choke.
IGNITION KEY SWITCH - Used to start and stop
engine.
HEIGHT ADJUSTMENT LIFT LEVER - Raise and lower
mower to different cutting heights.
HEIGHT ADJUSTMENT STRAP -Controls cutting
height,
TOW BAR HEIGHT ADJUSTMENT - To level mower
front to rear.
TOW HITCH OFFSET ADJUSTMENT - To adjust
mower deck offset from tractor center.
12

OPERATION
The operation of any mower can result in foreign objects being thrown into the eyes,
which can result in severe eye damage. Always wear safety glasses or eye shields
before starting your mower and while mowing. We recommend wide vision safety mask
for over the spectacles or standard safety glasses.
CHILDREN
,_ Tragic accidents can occur if the operator is not alert to the presence of children.
Children are often attracted to the machine and the mowing activity. Never
assume that children will remain where you last saw them.
HOW TO USE YOUR MOWER
STOPPING
MOWER BLADES-
• Move mower blade clutch switch to "DISENGAGED"
position.
ENGINE-
•Move throttle control to "SLOW" position.
NOTE: Failure to move throttle control to "SLOW"
position or allowing engine to idle before stopping may
cause engine to "backfire".
• Turn ignition key to "OFF" position and remove key.
Always remove key when leaving tractor to prevent
unauthorized use.
• Never use choke to stop engine.
TO USE CHOKE CONTROL
Use choke control whenever you are starting a cold
engine. Do not use to start a warm engine.
• To engage choke control, move throttle control to
choke position.
• After engine has started move throttle control to full
• throttle position.
TO USE THROTTLE CONTROL
Always operate engine at full throttle.
•Operating engine at less than full throttle reduces
the battery charging rate.
• Full throttle offers the best mower performance.
TRANSPORTING
• Shut off engine.
• Place mower deck in the highest position directly
behind tractor.
ATTACHING MOWER TO TRACTOR
• Place mower behind tractor and back tractor up to it
for attaching. (See Fig. 5)
• Slide tow bar of mower over tractor draw bar so that
the hitch pin holes line up.
• Insert hitch pin until it extends through the bottom of
the tow bar.
• Insert hair cotter pin through hitch pin.
TRACTOF
HITCH PIN
OR MOWER
CLEVIS PIN TRACTOR
DRAWBAR
HAIR COTTER PIN
FIG. 5
13

OPERATION
BEFORE STARTING ENGINE
• Fill engine with oil. (See engine manual for proper
procedure and requirements.
• Add gasoline. Fill fuel tank using fresh clean
unleaded gasoline. (See tractor manual for safe
filling procedure and storage instructions)
CAUTION:
FILL TO BOTTOM OF FUEL TANK FILLER
NECK. DO NOT OVERFILL. WIPE OFF
ANY SPILLED OIL OR FUEL. DO NOT
STORE, SPILL OR USE GASOLINE NEAR
OPEN FLAME.
STARTING THE MOWER
• Adjust mower cutting height.
•Start mower engine.
• Move throttle to fast position.
• Move mower blade lever to"ENGAGED" position.
BREAKING IN YOUR MOWER
Break in your belts, pulleys, and engine before you
actually begin mowing.
•Start engine, engage blade control to start blades
rotating and allow blades to rotate for approximately
five minutes to break in mower and engine.
TO START ENGINE
When starting engine for the first time or if engine has
run out of fuel, it will take extra cranking time to move
fuel from the tank to the engine.
•Move mower blade clutch lever to"DISENGAGED"
position.
•Move throttle control to the choke position for cold
engine starts. For warm engine starts move throttle
control to midway between "FAST" and "SLOW"
positions.
• Turn ignition key clockwise to "START" position and
release key as soon as engine starts. Do not run
starter continuously for more than fifteen seconds
per minute. If engine does not start after several
attempts, move throttle control to "FAST" position,
wait a few minutes and try again.
• When engine starts, slowly move throttle control to
"FAST" position.
• Allow engine to warm up for afew minutes before
engaging mower blade clutch lever.
NOTE: If at a high altitude (above 3000 feet) or in cold
temperatures (below 32°F), the carburetor fuel mixture
may need to be adjusted for best engine performance.
See "TO ADJUST CARBURETOR" in your Engine
Owner's Manual
CAUTION:
,_ CHECK AREA UNDER AND AROUND
MOWER FOR ANY OBJECTS THAT COULD
BE THROWN FROM UNDER MOWER.
MAKE SURE THAT MOWER DISCHARGE
AREA IS CLEAR.
MOWING PROCEDURES
CAUTION:
TRAGIC ACCIDENTS CAN OCCUR IF
THE OPERATOR IS NOT ALERT TO
THE PRESENCE OF CHILDREN.
CHILDREN ARE OFTEN ATTRACTED
TO THE MACHINE AND THE MOWING
ACTIVITY. NEVER ASSUME THAT
CHILDREN WILL REMAIN WHERE YOU
LAST SAW THEM.
,_ CAUTION:
NEVER CARRY CHILDREN. THEY MAY
FALL OFF AND BE SERIOUSLY INJURED
OR INTERFERE WITH SAFE OPERATION
Mowing should be started with tow vehicle in low
gear and speed increased only as mowing conditions will
safely permit.
Mower will perform at its best when engine throttle
is set for full throttle.
Always operate mower engine at full throttle when
mowing to assure better mowing performance and
proper discharge of matedal. Regulate ground speed by
selecting a low enough gear to give the mower cutting
performance as well as the quality of cut desired.
When operating any attachment select a ground
speed that will suit the terrain and give best
performance of the attachment being used.
IMPORTANT: Avoid prolonged mowing of ditches
with slopes greater than 15 degrees. Small engines
become starved for oil at angles greater than 15
degrees and should only be used for brief periods
on such slopes. Be sure the engine is filled to the
maximum oil level when mowing on slopes.
14

OPERATION
MOWER HEIGHT ADJUSTMENT
CAUTION:
SHUT OFF MOWER ENGINE AND REMOVE
_PARK PLUG WIRE FROM SPARK PLUG
BEFORE MAKING ANY ADJUSTMENTS TO
THE MOWER
The cutting height range is approximately 1-1/2 to 5
inches. The heights are measured form the ground to
the blade tip with the engine not running. These heights
are approximate and may vary depending upon soil
conditions, height of brush and types of brush being
mowed.
CUTTING HEIGHT ADJUSTMENTS
• To adjust the mower cutting height remove hair
cotter pin from locating pin. (See Fig. 6)
• Apply down pressure to height adjustment lift lever.
• Remove the locating pin from the height adjustment
strap.
• Move height adjustment strap up or down to align it
with the desired hole in the height adjustment strap.
• Reassemble locating pin to the height adjustment
strap and secure with hair cotter pin.
• Make sure that both side height adjustment straps
are adjusted to the same height.
FRONT TO BACK RAKE ADJUSTMENT
To obtain the best cutting results, the mower housing
should be adjusted so that the front is approximately
1/4" to 3/4" lower than the rear. To check front to back
adjustment measure from the bottom edge of the deck
to the ground at both front and rear of the deck.
TO ADJUST MOWER FROM FRONT TO BACK
•Remove two hair cotter pins from two clevis pins in
the tow bar adjustment. (See Fig. 6)
• Remove two clevis pins from tow bar adjustment.
• Raise or lower the tow bar to obtain the proper front
to back adjustment.
• Reassemble two clevis pins to tow bar adjustment
and secure with two hair cotter pins.
HAIR COTTER PIN
LOCATING PIN _'_
HEIGHT ADJUSTMENT STRAP
HEIGHT ADJUSTMENT
CUTTING
HEIGHTS
/
GROUND LEVEL CUTTING HEIGHT --1_-
FIG. 6
15

OPERATION
TOW HITCH OFFSET ADJUSTMENT
This mower has been designed to run offset from the
center of the tow vehicle. This allows the operator to
drive along side high brush with the tow vehicle while
cutting down the brush beside him. The adjustable
hitch gives you three offset cutting positions plus
straight behind for narrow paths.
MODEL 45-0362
The adjustable hitch of this mower can be set in seven
positions including straight and offsets of 9", 17" and
23" on both sides. (See Fig. 7)
CAUTION:
SHUT OFF MOWER ENGINE AND REMOVE
_lb PARK PLUG WIRE FROM SPARK PLUG
BEFORE MAKING ANY ADJUSTMENTS TO
THE MOWER
TO ADJUST THE OFFSET HITCH
•Pull back the pivot latch from the notch of the front
quadrant. Adjust the hitch tube to the desired
offset and release the pivot latch into the notch of
the quadrant. (See Fig. 8)
•Pull back the pivot latch from the notch of the rear
quadrant. Adjust the hitch tube to the
corresponding notch of the front quadrant and
release the pivot latch into the notch.
IMPORTANT: The hitch tube must be assembled to
the same offset notch in both the front and rear
quadrants.
9" OFFSET ON MODEL 45-0362
_17,, OFFSET ON MODEL 45-0362 I _)
_
23" OFFSET ON MODEL 45-0362
_/
OFFSET
OFFSET
ATCH
23"OFFSET
LATCH
17" OFFSE'I
,II- JO;_
9_
STRAIGH1 /°
REARQUADRANT
FIG. 7 FIG. 8
16

CUSTOMER RESPONSIBILITIES
GENERAL RECOMMENDATIONS
The warranty on this Vehicle does not cover items that
have been subjected to operator abuse or negligence. To
receive full value from the warranty, operator must
maintain unit as instructed in this manual.
Once a year you should replace the spark plug,
clean or replace air filter, and check blades and
belts for wear. A new spark plug and clean air filter
assure proper air-fuel mixture and help your engine
run better and last longer.
Some adjustments will need to be made periodically to
properly maintain your unit.
All adjustments in the Service and Adjustments section of
this manual should be checked at least once each season.
BEFORE EACH USE
•Check engine oil level.
•Check blade operation
•Check for loose fasteners.
LUBRICATION
Keep unit well lubricated (See "LUBRICATION CHART").
MAINTENANCE
SCHEDULE
FILL IN DATES
AS YOU COMPLETE
REGULAR SERVICE
Change Engine Oil I1_
Inspect Spark Arrester Muffler
SERVICE DATES
Inspect Air Screen V/
Check and Clean Air Cleaner II_
Replace Air Cleaner Cartridge
Clean Engine Cylinder Fins
Replace Spark Plug
[
Lubricate Spindle I1_
1 - Change more often when operating unaer a heavy load or in high ambient temperatures,
2- Service more often when operating in dirty or dusty conditions. LUBRICATION CHART
OREFER TO ENGINE MANUAL
QGENERAL PURPOSE GREASE
@ DRY LUBRICANT
WHEEL PIVOT _3_
WHEEL_2),_
SPINDLE _2_
IMPORTANT: DO NOT OIL OR GREASE PIVOT POINTS.
VISCOUS LUBRICANTS WILL A'R'RACT DUST AND DIRT
THAT CAN CAUSE WEAR ON PIVOT POINTS. IF YOU
FEEL THEY MUST BE LUBRICATED, USE ONLY ADRY
POWERED GRAPHITE TYPE LUBRICANTS.
SWIVEL_2_'
QUADRANT _3)
17
WHEEL PIVOT _3_

CUSTOMER RESPONSIBILITIES
BLADE CARE AND SERVICE
CAUTION:
DO NOT HANDLE MOWER BLADES WITH
BARE HANDS. CARELESS OR IMPROPER
HANDLING MAY RESULT IN SERIOUS
INJURY.
BLADE CARE
For best results mower blades must be kept sharp. The
blades can be sharpened with a file or on a grinding
wheel. Do not attempt to sharpen blades while they are
still on the mower.
BLADE SERVICE (Refer to fig. 9)
TO REMOVE BLADE ASSEMBLY FROM DECK
• Remove cotter pin from the spindle shaft.
• Remove nut and washer from the spindle shaft.
• Pull blade assembly off the spindle shaft. (Watch for
a key in the spindle shaft.)
TO REMOVE BLADES FROM BLADE ASSEMBLY.
• Remove cotter pin from the blade bolt.
• Remove nut from the blade bolt.
• Remove blade from the blade assembly.
BLADE SHARPENING
• Blades can be sharpened with a file or grinding wheel.
NOTE: When sharpening blades take care to maintain
blade balance. Sharpen both blades equally even if one
blade does not need to be sharpened. Check balance by
weighing each blade to make sure they are equal in weight.
CAUTION:
,_ IFYOUR BLADE BOLTS SHOWWEAR,
REPLACE THEM WITH FACTORY
REPLACEMENTS ONLY.
TO REINSTALL BLADES
• Assemble a blade bolt through a flat washer, a blade
and then another flat washer.
• Assemble the bolt through the hole in the stump
plate and the blade hub assembly.
• Assemble a flat washer and nut onto the blade bolt.
• Tighten nut, then loosen just until blade can pivot.
• Install a cotter pin to secure the nut.
TO REINSTALL BLADE ASSEMBLY TO MOWER
• Reinstall key in spindle shaft, if necessary.
• Install the blade assembly onto the spindle shaft.
• Secure with flat washer and nut.
• Torque the spindle shaft and nut to 15 FT. LBS. and
secure with a hair cotter pin. 18
BLADE ASSEMBLY
FIG. 9
WARNING:
SHUT OFF MOWER ENGINE AND REMOVE
SPARK PLUG WIRE FROM SPARK PLUG
BEFORE MAKING ANY ADJUSTMENTS OR
REPAIRS TO THE MOWER.
CLEANING THE MOWER
Water pressure from a garden hose will remove fresh
clippings from the underside of the mower. Clean mower
after each mowing.
DALLYMAINTENANCE
Make sure all nuts and bolts are tight, cotter pins and
retainer springs are secure. Keep blades sharp. Observe
all Safety Precautions. Keep mower well lubricated.
REPAIR PARTS
Your rotary mower has been produced with components
designed for your unit. Although standard V-belts,
bearings, blades, pulleys, etc. may look like parts used
on your rotary mower, while similar in appearance many
are of a different construction and could in some cases
cause a malfunction in the operation of the machine.
For continued satisfactory performance use only repair
parts supplied by the manufacturer. See the dealer
where the mower was purchased for factory replacement
parts.

CUSTOMER RESPONSIBILITIES
INNER NUT CLUTCH CABLE ADJUSTMENT
/
\
\
\
, OUTER NUT
SWITCHD
BODY
1/8""
PLUNGER
• Remove four screws from Rear Drive Cover. Lay aside
cover and screws.
• Place Clutch Lever in "DISENGAGED" position
• The Cable should be under slight tension but should
not pull the Clutch Lever more than 1/8" away from
the Switch Body.
NOTE: If the Plunger extends more than 1/8" out from
the switch body, the cable tension is too tight and the
Engine will not start.
TO INCREASE CABLE TENSION
• Place Blade Clutch Lever in the "DISENGAGED"
position.
• Loosen the inner nut on the Clutch Cable.
• Tighten the outer nut on the Clutch Cable.
TO DECREASE CABLE TENSION
•Place Blade Clutch Lever in the "DISENGAGED"
position.
•Loosen the outer nut on the Clutch Cable.
•Tighten the inner nut on the Clutch Cable.
•Repeat the above procedure until you have the
correct tension.
ENC
PULLEY
BLADED
PULLEY
© © o
IDLERD
PULLEY
CLUTCH LEVER
19

CUSTOMER RESPONSIBILITIES
V-BELT REPLACEMENT
•V-belt must be replaced if it becomes stretched to
the point that it can no longer be adjusted, or if it
becomes frayed or otherwise can not function
properly.
•Move Blade Clutch Lever to the "DISENGAGED"
position.
I,_ CAUTION:
DISCONNECT SPARK PLUG WIRE
REMOVING OLD V-BELT
• Remove Rear Drive Cover.
• Remove Front Drive Cover.
•Remove Hair Pin and Clevis Pin from Clutch Cable.
•Loosen two Rear Belt Guides and pivot them away
from Blade Pulley.
•Remove V-belt from around Blade Pulley.
•Remove one small Hair Pin from Belt Keeper Rod
and slide Belt Keeper Rod to the side.
•Pull V-belt down from around Engine Pulley and
remove V-belt from Mower.
INSTALLING NEW V-BELT
• Feed new V-belt between the two belt guides at the
Engine Pulley.
• Place V-belt up and around the Engine Pulley. Check
to make sure the V-belt is seated properly in the
groove of the Engine Pulley.
• Place V-belt along inside of Idler Pulley.
• Wrap V-belt down around Blade Pulley, placing Belt
inside of Rear Belt Guides.
• Reinstall V-belt Keeper Rod and secure with Small
Hair Pin. Check to make sure V-belt is over top of
Keeper Rod.
• Reposition and retighten two Rear Belt Guides at the
rear of the Blade Pulley. Leave approximately 1/16"
between Guides and Pulley.
• Reinstall Clevis Pin and Hair Pin into Clutch Cable.
• Reinstall Front Drive Cover and Rear Drive Cover.
BELT GUIDES
HAIRPIN AND CLEVIS PIN
BLADE PULLEY
REAR BELT GUIDES
ENGINE PULLEY
BELT KEEPER ROD V-BELT
20

STORAGE
Immediately prepare your mower for storage at the end
of the season or if the unit will not be used for 30 days
or more.
MOWER
When the mower is to be stored for a period of time,
clean it thoroughly, remove all dirt, grease, leaves, etc.
Store in a clean dry area.
•Clean entire mower (See =CLEANING")
•Lubricate as shown in the Customer Responsibilities
section of this manual.
•Be sure that all nuts, bolts, screws, and pins are
securely fastened. Inspect moving parts for
damage, breakage and wear. Replace if necessary.
•Touch up all rusted or chipped paint surfaces; sand
lightly before painting.
CLEANING
IMPORTANT: FOR BEST PERFORMANCE, KEEP
MOWER HOUSING FREE OF BUILT-UP BRUSH AND
TRASH. CLEAN THE UNDERSIDE OF YOUR
MOWER AFTER EACH USE.
CAUTION: Disconnect spark plug wire
from spark plug and place wire where it
cannot come in contact with the spark
plug.
•Clean the underside of your mower by scraping to
remove build-up of brush and trash.
•Keep finished surfaces and wheels free of all
gasoline, oil, etc.
•We do not recommend using a garden hose to
clean mower unless the electrical system, muffler,
air filter, and carburetor are covered to keep water
out. Water in engine can result in shortening engine
life.
ENGINE
ENGINE OIL
Drain oil (with engine warm) and replace with clean
engine oil. (See engine manual)
CYLINDER
•Remove spark plug.
•Pour one ounce (29 ml) of oil through spark plug
hole into cylinder.
• Pull starter handle slowly a few times to distribute
oil.
•Replace with new spark plug.
OTHER
• Do not store gasoline from one season to another.
• Replace your gasoline can if your can starts to rust.
Rust and/or dirt in your gasoline will cause
problems.
•If possible, store your unit indoors and cover it to
give protection from dust and dirt.
•Cover your unit with a suitable protective cover that
does not retain moisture. Do not use plastic.
Plastic cannot breathe which allows condensation to
form and will cause your unit to rust.
IMPORTANT: NEVER COVER MOWER WHILE
ENGINE AND EXHAUST ARE STILL WARM.
CAUTION: Never store the mower with
gasoline in the tank inside a building
where fumes may reach an open flame or
spark. Allow the engine to cool before
storing in any enclosure.
• Never use engine or carburetor cleaner products in
the fuel tank or Permanent damage may occur.
• Use fresh fuel every season.
NOTE: Fuel stabilizer is an acceptable alternative in
minimizing the formation of fuel gum deposits during
storage. Add stabilizer to gasoline in fuel tank or
storage container. Always follow the mix ratio found on
stabilizer container. Run engine at least 10 minutes
after adding stabilizer to allow the stabilizer to reach the
carburetor. Do not drain the gas tank and carburetor if
using fuel stabilizer.
21

42" ROUGH CUT TRAILMOWER - MODEL 45-0362
o
©
22

42" ROUGH CUT TRAILMOWER - MODEL 45-0362
ITEM PART NO. DESCRIPTION
1. HA24255
2. HA24378
3. HA23193
4. HA24292
5. HA24293
6. HA3090
7. HA24294
8. HA24295
9. 45100
10. HA120396
11. 43262
12. HA14232
13. HA24296
14. 44101
15. 43081
16. HA24297
17. 49165
18. 25291
19. 43661
20. 43016
21. 25262
22. HA23199
24. 712-0121
25. 47078
26. 48840
27. 48298
28. HA24300
29. HA24301
30. HA4143
31. HA137258
32. HA24308
33. HA23229
34. HA24309
35. HA6979
36. 43020
37. 43019
38. HA23220
39. 47134
40. HA24311
41. HA24312
42. HA24313
43. HA9131
44. 25263
45. 280H070130E1*
46. HA24457
47. HA3073
ITEM PART NO. DESCRIPTION
MOWER DECK 48. HAl15321
GUARD WHEEL 50. 43555
SCREW 3/8-16 X 1-1/4 THD. FORMING 51. HA181668
BRACKET BELT GUIDE 52. 25051
ROD BELT GUIDE 53. 25265
PIN HAIR COTTER 55. 43182
V-BELT (B SEC. 60" O.C.) 56. 43064
CHANNEL CLUTCH LEVER 57. 25264
BOLT 1/2-13 X 4" HEX HEAD 58. HA23732
WASHER 1/2 FLAT 59. HA24317
NUT 1/2-13 HEX LOCK 60. HA163318
WASHER FLAT 61. HA23733
ROD CLUTCH LINK 62. 48837
PIN, COTTER 3/32" X 3/4" 63. HA24455
WASHER FLAT 5/16" STD. WRT. 64. HA23792
SPRING CLUTCH 65. HA23791
CLUTCH CABLE ASSY 66. 48095
STRAP, CLUTCH ADJUSTING 67. 48096
BOLT, 1/4-20 X 1" HEX HEAD 68. HA24310
NUT 1/4-20 HEX LOCK 69. HA12138
BRACKET INTERLOCK MOUNTING 70. HA12315
SWITCH INTERLOCK 71. HA12314
NUT #10-24 HEX 72. HA24431
SCREW #10-24 X 3/4" 74. HA126145
SCREW 1/4-20 WASHER HEAD 75. 43982
CLIP, CORD 76. HA22981
WHEEL MOUNTING BRACKET L.H. 77. HA24298
WHEEL MOUNTING BRACKET R.H. 78. 49156
WASHER FLAT 79 43013
PIN COTTER 3/16" X 1-3/4" 80. 44488
TIRE 81. HA23754
CAP HUB 82. HA23749
STRAP ADJUSTING 83. HA23750
WASHER FLAT 84. HA23757
BOLT 1/2-13 X 1-1/2 HEX HEAD 85. HA23752
NUT 1/2-13 HEX JAM 86. 25286
PIN LOCATING 87. 49201
PIN HAIR COTTER .08" X 1.58" 88. 45040
CHAIN DEFLECTOR 89. 736-0722
ROD CHAIN 90. 49198
BRACKET CHANNEL 91. 49199
SCREW SELF THREADING 92. 49200
PLATE ENGINE MOUNTING 93. 25287
ENGINE, 14.5 HP 94. 48840
PULLEY
KEY 1/4" SQ. X 1"
SCREW 5/16-18 X 5/16 SOC. SET
WASHER 7/16" LOCK
BOLT 7/16-20 X 1-1/4 HEX HEAD
COVER, GAS TANK
COVER, FRONT DRIVE
BOLT 5/16-18 X 3/4 HEX HEAD
NUT 5/16-18 HEX LOCK
COVER, REAR DRIVE
TANK GASOLINE
PLATE FUEL TANK
SCREW 1/4-14 X 7/8 TAPPING PAN HEAD
CAP GASOLINE TANK
HOSE FUEL TANK LONG
HOSE FUEL TANK SHORT
CLAMP FUEL LINE
FILTER FUEL LINE
PIPE
CAP
BRACKET ROLLER
ROLLER MOWER
DECAL DANGER (HAND)
DECAL DANGER
DECAL OPERATION/CAUTION
BOLT 1/2-13 X 7" HEX HEAD
PIN, CLEVIS 1/4" X 5/8"
BELT GUIDE
SPRING RETURN
ROD, CABLE GUIDE
NUT 1/4-20 HEX
WHEEL BEARING
SOLENOID
STARTER SWITCH
SWITCH MOUNTING NUT
SWITCH COVER
KEY
PLATE, SWITCH MOUNTING
THROTTLE
SCREW, #10-24 X 1/2
LOCK WASHER, #10
BATTERY HOLD DOWN
BOLT, BATTERY
NUT, PLASTIC
BATTERY COVER
SCREW, 1/4-20 X 1/2 HEX HEAD
* Order engine repair parts from your nearest Briggs & Stratton
dealer.
SpeedEPartthera..e., to,urch .epartswww.speedepart.com
23

42" ROUGH CUT TRAILMOWER - MODEL 45-0362
24

42" ROUGH CUT TRAILMOWER - MODEL 45-0362
ITEM PART NO. DESCRIPTION
1. 64906
2. 43070
3. 64899
4. 24472
5. 43003
6. 43062
7. 49148
8. HA21341
9. 43054
10. 43082
11. HA22981
12. HA22224
13. 43087
14. HA15200
15. HA21362
16. HA24367
17. HA24278
18. HA24280
19. 64913
20. 49148
21. HA24282
22. HA3073
23. HA456151
24. HA427639
25. 43010
26. HA24624
27. HA24288
28. HA24625
29. HA24592
30. HA137258
31. HA24593
32. 43353
33. HA120371
34. HA24290
35. 64902
36. 49155
37. 49160
38. HA20186
IDLER MOUNTING BRACKET
WASHER FLAT
IDLER ARM
BUSHING
WASHER 3/8" LOCK
BOLT 3/8-16 X 1-1/2" HEX HEAD
SPACER
IDLER PULLEY (FLAT)
BOLT 3/8-16 X 2" HEX HEAD
NUT 3/8-16 HEX LOCK
GUIDE BELT
SCREW 3/8-16 X 3/4 SELF TAPPING
BOLT 3/8-16 X 1-1/4" HEX HEAD
WASHER FLAT
NUT 3/8-16 NYLOCK
GREASE FITTING
HUB (WITH STUDS)
BEARING
HUB BLADE
SHAFT SPINDLE
SEAL O-RING
KEY 1/4" SQ X 1"
WASHER 13/16 X 1-1/2 X .134 FLAT
NUT 3/4-16 SLOTTED HEX
PIN 1/8" X 1" COTTER
DISC BLADE MOUNTING
BLADE
WASHER - FLAT
BOLT - 7/8-9 X 2-1/4 HEX BOLT
PIN 3/16 X 1-3/4 COTTER
NUT 7/8-9 SLOTTED HEX
WASHER 1/2 MED. LOCK
NUT 1/2-20 HEX
PULLEY SPINDLE
BRAKE
TRUNNION
BRAKE ROD
SPRING
OIi##u ;rd/'i thefastestwaytopurchasepartswww.speedepart.com
25

42" ROUGH CUT TRAILMOWER - MODEL 45-0362
ITEM PART NO. DESCRIPTION ITEM PART NO.
1. 25273
2. HA24441
3. HA20186
4. 44180
5. 43064
6. 64909
7. HA180132
8. 43509
9. 43070
10. 43082
11. HA23636
12. 47134
13. 49157
14. 43062
15. HA19445
TUBE DRAWBAR (MODEL 45-0361) 16. 43012
STRAP HITCH 17. 43013
SPRING EXTENSION 19. HA23265
BOLT 5/16-18 X 2' HEX HEAD 20. 64910
NUT 5/16-18 HEX LOCK 21. HA24326
HITCH ASSEMBLY 22. HA5074
BOLT 3/8-16 X 2-1/4 HEX HEAD 23. HA15200
BOLT 3/8-16 X 2-3/4 HEX HEAD 24. 43003
WASHER 3/8 FLAT 25. 43087
NUT 3/8-16 HEX LOCK 26. HA24330
PIN CLEVIS 27. HA3341
PIN HAIR COTTER .08 X 1.58 29. HA23761
LEVER CLUTCH 30. HA9411666
BOLT 3/8-16 X 1-1/2 HEX HEAD 31. 49193
SPRING COMPRESSION
DESCRIPTION
BOLT 1/4-20 X 3/4 HEX HEAD
NUT 1/4-20 LOCK
DECAL CLUTCH LEVER
BRACKET DRAWBAR ADJUSTMENT
DRAWBAR SWIVEL
FITTING GREASE
WASHER
WASHER 3/8 LOCK
BOLT 3/8-16 X 1-1/4 HEX HEAD
PIN CLEVIS
PIN HAIR COTTER, 5/32"
CLIP HOSE 3/8"
SCREW #10-16 X 1/2 SELF TAPPING
WIRE HARNESS (See page 27)
O/l##uA;rdrl thelastest topurchaseparts www.speedepart.com
26

_4
STARTER
SWITCH
RED WIRE
BLUE WIRE-_
GRAY
BLACK WIRE
WIRE
WIRE
SOLENOID
INTERLOCK SWITCH
ITEM PART NO. DESCRIPTION
1. 49193
2. 49194
3. 49195
4. 49192
5. 49244
6. 49196
7. 49197
8. HA237888
9. HA237544
10. HA231999
11. HA237494
12 2491545
BATTERY
+
WIRE HARNESS
WIRE RED CHARGE
WIRE BLACK
WIRE INTERLOCK
WIRE GROUND
WIRE BLACK BATTERY
WIRE RED BATTERY
WIRE RED STARTER
SOLENOID
SWITCH, INTERLOCK
SWITCH, STARTER
CONDUIT, FLEXIBLE
RED WIRE
BATTERY CHARGE
WIRE TO AFTERFIRE SOLENOID
BLACK WIRE TO ENGINE GROUND
WHITE WIRE
"wuwlnmnn,,
n
n
n

SpeedEPart_ _, _ __ _ www.speedepart.com
© 2004 Agri-Fab, Inc.
REPAIR PARTS
Agri-Fab, Inc.
303 West Raymond
Sullivan, IL. 61951
217-728-8388
www.agri-fab.com