Altice Labs ME4624-ONTRGW Wireless Optical Network Termination (ONT) User Manual Users manual
PT Inovacao e Sistemas, S.A. Wireless Optical Network Termination (ONT) Users manual
Users manual
THE SPECIFICATIONS AND INFORMATION REGARDING THE PRODUCTS IN THIS MANUAL ARE SUBJECT TO CHANGE WITHOUT NOTICE. ALL
STATEMENTS, INFORMATION, AND RECOMMENDATIONS IN THIS MANUAL ARE BELIEVED TO BE ACCURATE BUT ARE PRESENTED WITHOUT
WARRANTY OF ANY KIND, EXPRESS OR IMPLIED. USERS MUST TAKE FULL RESPONSIBILITY FOR THEIR APPLICATION OF ANY PRODUCTS.
THE SOFTWARE LICENSE AND LIMITED WARRANTY FOR THE ACCOMPANYING PRODUCT ARE SET FORTH IN THE INFORMATION PACKET THAT SHIPPED
WITH THE PRODUCT AND ARE INCORPORATED HEREIN BY THIS REFERENCE. IF YOU ARE UNABLE TO LOCATE THE SOFTWARE LICENSE OR LIMITED
WARRANTY, CONTACT YOUR CISCO REPRESENTATIVE FOR A COPY.
The Cisco implementation of TCP header compression is an adaptation of a program developed by the University of California, Berkeley (UCB) as part of UCB’s public domain
version of the UNIX operating system. All rights reserved. Copyright © 1981, Regents of the University of California.
NOTWITHSTANDING ANY OTHER WARRANTY HEREIN, ALL DOCUMENT FILES AND SOFTWARE OF THESE SUPPLIERS ARE PROVIDED “AS IS” WITH ALL
FAULTS. CISCO AND THE ABOVE-NAMED SUPPLIERS DISCLAIM ALL WARRANTIES, EXPRESSED OR IMPLIED, INCLUDING, WITHOUT LIMITATION, THOSE
OF MERCHANTABILITY, FITNESS FOR A PARTICULAR PURPOSE AND NONINFRINGEMENT OR ARISING FROM A COURSE OF DEALING, USAGE, OR TRADE
PRACTICE.
IN NO EVENT SHALL CISCO OR ITS SUPPLIERS BE LIABLE FOR ANY INDIRECT, SPECIAL, CONSEQUENTIAL, OR INCIDENTAL DAMAGES, INCLUDING,
WITHOUT LIMITATION, LOST PROFITS OR LOSS OR DAMAGE TO DATA ARISING OUT OF THE USE OR INABILITY TO USE THIS MANUAL, EVEN IF CISCO OR
ITS SUPPLIERS HAVE BEEN ADVISED OF THE POSSIBILITY OF SUCH DAMAGES.
Cisco and the Cisco Logo are trademarks of Cisco Systems, Inc. and/or its affiliates in the U.S. and other countries. A listing of Cisco's trademarks can be found at
www.cisco.com/go/trademarks. Third party trademarks mentioned are the property of their respective owners. The use of the word partner does not imply a partnership relationship
between Cisco and any other company.
Any Internet Protocol (IP) addresses and phone numbers used in this document are not intended to be actual addresses and phone numbers. Any examples, command display
output, network topology diagrams, and other figures included in the document are shown for illustrative purposes only. Any u se of actual IP addresses or phone numbers in
illustrative content is unintentional and coincidental.
© 2015 Cisco Systems, Inc. All rights reserved.

FCC/IC NOTICE
This device complies with FCC part 15 FCC Rules. Operation is subject to the following two conditions:
1. This device may not cause harmful interference and
2. This device must accept any interference, including interference that may cause undesired operation of the device
Caution:
Changes or modifications not expressly approved by the party responsible for compliance could void the user’s
authority to operate the equipment.
Note: This equipment has been tested and found to comply with the limits for a Class B digital device, pursuant to part
15 of the FCC Rules. These limits are designed to provide reasonable protection against harmful interference in a
residential installation. This equipment generates, uses and can radiate radio frequency energy and, if not installed and
used in accordance with the instructions, may cause harmful interference to radio communications. However, there is no
guarantee that interference will not occur in a particular installation. If this equipment does cause harmful interference
to radio or television reception, which can be determined by turning the equipment off and on, the user is encouraged to
try to correct the interference by one or more of the following measures:
Reorient or relocate the receiving antenna.
Increase the separation between the equipment and receiver.
Connect the equipment into an outlet on a circuit different from that to which the receiver is connected.
Consult the dealer or an experienced radio/TV technician for help.
This device meets the FCC and IC requirements for RF exposure in public or uncontrolled environments.
Cet appareil est conforme aux conditions de la FCC et IC en matière de RF dans des environnements publics ou
incontrôlée.
This device complies with Industry Canada license exempt RSS standard(s). Operation is subject to the following two
conditions: 1. this device may not cause interference, and 2. this device must accept any interference, including
interference that may cause undesired operation of the device.
Cet appareil est conforme avec Industrie Canada RSS standard exempts de licence (s). Son utilisation est soumise à Les
deux conditions suivantes: 1. cet appareil ne peut pas provoquer d’interférences et 2. cet appareil doit accepter Toute
interférence, y compris les interférences qui peuvent causer un mauvais fonctionnement du dispositive.
CAN ICES-3 (B)/NMB-3(B)

ME4600 Optical Network Termination Residential Gateway User Manual ▄
3
CONTENTS
Chapter 1 SUMMARY ........................................................................................................................ 16
Chapter 2 TECHNICAL DESCRIPTION ...................................................................................... 17
ONT-RGW MAIN FUNCTIONALITIES ................................................................................................... 17
APPLICATION SCENARIO ................................................................................................................ 17
INTEROPERABILITY ......................................................................................................................... 18
INTERFACES ..................................................................................................................................... 20
GENERAL ARCHITECTURE ............................................................................................................. 23
GPON ................................................................................................................................................. 23
ETHERNET ........................................................................................................................................ 23
IPTV.................................................................................................................................................... 24
RF VIDEO OVERLAY ........................................................................................................................ 24
VOICE ................................................................................................................................................ 24
WIFI .................................................................................................................................................... 25
MILTIPLE QoS PER VLAN ................................................................................................................ 26
POLICING / RATE LIMITING ............................................................................................................. 27
Chapter 3 GENERAL SPECIFICATIONS .................................................................................... 30
INTERFACES ......................................................................................................................................... 30
GPON ................................................................................................................................................. 30
ETHERNET ........................................................................................................................................ 31
RF OVERLAY ..................................................................................................................................... 31
FXS..................................................................................................................................................... 31
WIFI .................................................................................................................................................... 32
GENERAL FEATURES .......................................................................................................................... 34
GENERAL SERVICE DESCRIPTION .................................................................................................... 35
OPTICAL METERING ............................................................................................................................ 37
WAVELENGTH FILTERING................................................................................................................... 38
GPON/ETHERNET CHARACTERISTICS ............................................................................................. 39
GPON MANAGEMENT .......................................................................................................................... 40
STANDARDS ......................................................................................................................................... 41
Chapter 4 SETUP ................................................................................................................................ 42
BEFORE INSTALLING YOUR RGW DEVICE ....................................................................................... 42
CONNECTIONS ..................................................................................................................................... 43
HOW TO SETUP YOUR ONT-RGW ...................................................................................................... 45
INTERFACE CONNECTION .................................................................................................................. 48
OPTICAL CABLE CONNECTION ...................................................................................................... 48
GENERAL OVERVIEW OF ONT-RGW CONNECTIONS ................................................................. 48
Chapter 5 CONFIGURATION .......................................................................................................... 50
ONT-RGW ACTIVATION ....................................................................................................................... 50
CUSTOMIZATION .................................................................................................................................. 51
SOFTWARE DOWNLOAD FROM THE OLT ..................................................................................... 51
NETWORK SETUP ............................................................................................................................ 52
ONT-RGW GENERAL MANAGEMENT CONFIGURATION ............................................................. 52
DEVICE INFO .................................................................................................................................... 54
WAN ................................................................................................................................................... 55
STATISTICS ....................................................................................................................................... 57
ROUTE ............................................................................................................................................... 60

▄ ME4600 Optical Network Termination Residential Gateway User Manual
4
ARP .................................................................................................................................................... 61
DHCP.................................................................................................................................................. 61
ADVANCED SETUP ............................................................................................................................... 63
LAYER2 INTERFACE ........................................................................................................................ 63
WAN SERVICE .................................................................................................................................. 66
LAN ................................................................................................................................................... 102
NAT................................................................................................................................................... 107
SECURITY ....................................................................................................................................... 113
PARENTAL CONTROL .................................................................................................................... 121
QUALITY OF SERVICE ................................................................................................................... 125
ROUTING ......................................................................................................................................... 132
DNS .................................................................................................................................................. 142
UPnP ................................................................................................................................................ 146
DNS PROXY .................................................................................................................................... 146
STORAGE SERVICE ....................................................................................................................... 147
INTERFACE GROUPING................................................................................................................. 148
IP TUNNEL ....................................................................................................................................... 150
POWER MANAGEMENT ................................................................................................................. 154
MULTICAST ..................................................................................................................................... 155
WIRELESS ........................................................................................................................................... 157
BASIC ............................................................................................................................................... 157
SECURITY ....................................................................................................................................... 159
MAC FILTER .................................................................................................................................... 162
ADVANCED ...................................................................................................................................... 163
STATION INFO ................................................................................................................................ 165
VOICE ................................................................................................................................................... 166
SIP BASIC SETTINGS ..................................................................................................................... 166
SIP ADVANCED SETTINGS ............................................................................................................ 170
SIP DEBUG SETTING ..................................................................................................................... 173
DIAGNOSTICS ..................................................................................................................................... 175
MANAGEMENT .................................................................................................................................... 176
SETTINGS ........................................................................................................................................ 176
SYSTEM LOG .................................................................................................................................. 178
SECURITY LOG ............................................................................................................................... 181
TR-069 CLIENT ................................................................................................................................ 182
INTERNET TIME .............................................................................................................................. 184
ACCESS CONTROL ........................................................................................................................ 186
UPDATE SOFTWARE ...................................................................................................................... 188
REBOOT .......................................................................................................................................... 188
LOGOUT ............................................................................................................................................... 189
Chapter 6 OPERATION INDICATORS ....................................................................................... 190
ONT-RGW ............................................................................................................................................ 190
LED INDICATORS STATUS ............................................................................................................ 190
TROUBLESHOOTING ..................................................................................................................... 192
Chapter 7 CLI ...................................................................................................................................... 193
ONT-RGW ............................................................................................................................................ 193
NODES AND COMMANDS .................................................................................................................. 194
“wan” node ........................................................................................................................................ 194
“lan” node ......................................................................................................................................... 199
“nat” node ......................................................................................................................................... 203
“dns” node ........................................................................................................................................ 206
“qos” node ........................................................................................................................................ 209
“voice” node ...................................................................................................................................... 212
“security” node .................................................................................................................................. 214

Contents ▀
ME4600 Optical Network Termination Residential Gateway User Manual ▄
5
“routing” node ................................................................................................................................... 216
“multicast” node ................................................................................................................................ 218
“diagnostics” node ............................................................................................................................ 219
“arp” node ......................................................................................................................................... 220
“device-info” node ............................................................................................................................. 220
“statistics” node ................................................................................................................................ 220
“dhcp” node ...................................................................................................................................... 221
“upnp” node ...................................................................................................................................... 221
“intf-grouping” node .......................................................................................................................... 222
“management” node ......................................................................................................................... 224
VoIP CONFIGURATION USING CLI ................................................................................................... 228
IPoE SERVICE CONFIGURATION ................................................................................................. 228
VOIP CONFIGURATION.................................................................................................................. 229

ME4600 Optical Network Termination Residential Gateway User Manual ▄
6
LIST OF FIGURES
Figure 1: ONT-RGW applications scenario ................................................................................................ 18
Figure 2: Link Layer Configuration and Management .............................................................................. 19
Figure 3: ONT gateway equipment configuration ..................................................................................... 19
Figure 4: IP Based services-TR069 configuration .................................................................................... 20
Figure 5: Optical fiber Internet service user access ................................................................................. 21
Figure 6: Stack of protocols for GPON architecture ................................................................................. 22
Figure 7: TR-142 Framework ....................................................................................................................... 22
Figure 8: ONT-RGW system architecture .................................................................................................. 23
Figure 9: ONT-RGW circuit block diagram................................................................................................. 26
Figure 10: Downstream QoS Diagram ........................................................................................................ 27
Figure 11: Downstream QoS Diagram ........................................................................................................ 28
Figure 12: Traffic distribution by service/client .......................................................................................... 29
Figure 13: Wavelength planning .................................................................................................................. 38
Figure 14: ONT-RGW connections general view ...................................................................................... 43
Figure 15: ONT-RGW connections 1 .......................................................................................................... 43
Figure 16: ONT-RGW connections 2 .......................................................................................................... 44
Figure 17: ONT-RGW back side –optical patch cord installation ........................................................... 46
Figure 18: Interfaces connection 1 (PON Interface) ................................................................................. 48
Figure 19: ONT-RGW connections ............................................................................................................. 49
Figure 20: ONT-RGW Network Setup ........................................................................................................ 52
Figure 21: ONT-RGW management login .................................................................................................. 52
Figure 22: ONT-RGW management main screen .................................................................................... 53
Figure 23: ONT-RGW Graphic User Interface main menu ...................................................................... 54
Figure 24: Device Info details – initial configuration ................................................................................. 55
Figure 25: WAN current configuration details window – initial window ................................................. 56
Figure 26: WAN current configuration details window – exemple of 2 WAN interfaces and a GRE
Tunnel configured .......................................................................................................................................... 56
Figure 27: LAN Statistics .............................................................................................................................. 58
Figure 28: Wan statistics ............................................................................................................................... 59
Figure 29: Device Route Info ........................................................................................................................ 60
Figure 30: Device ARP Info .......................................................................................................................... 61
Figure 31: Device DHCP Leases Info ......................................................................................................... 62
Figure 32: Device Voice Status information table ..................................................................................... 62
Figure 33: Advanced Setup Expanded Menu ............................................................................................ 63
Figure 34: GPON WAN Interface Configuration- initial window .............................................................. 64
Figure 35: ETH WAN Interface Configuration- Add/Remove Window ................................................. 65
Figure 36: ETH WAN Interface Configuration - Select ETH WAN interface ......................................... 65
Figure 37: ETH WAN Interface Configuration - Validation of ETH WAN interface selection. ............ 65
Figure 38: ETH WAN Interface Configuration - Final configuration window ......................................... 65

ME4600 Optical Network Termination Residential Gateway User Manual ▄
7
Figure 39: Advanced Setup WAN Service main window ........................................................................ 66
Figure 40: WAN service Interface configuration window ........................................................................ 68
Figure 41: WAN service Interface selection for the WAN service to setup .......................................... 68
Figure 42: WAN service setup – type of service selection and service configuration – PPPoE
service ............................................................................................................................................................. 70
Figure 43: WAN service setup – type of service selection and service configuration - TPID
selection combo box ..................................................................................................................................... 70
Figure 44: WAN service setup – type of service selection and service configuration - Network
Protocol selection combo box ..................................................................................................................... 71
Figure 45: WAN service setup – type of service selection and service configuration – finalize type
of service configuration ................................................................................................................................. 71
Figure 46: WAN Service Setup – Connection establishment configuration window .......................... 72
Figure 47: WAN Service Setup – Connection establishment configuration window- ppp
authentication method available options ................................................................................................... 74
Figure 48: WAN Service Setup – Connection establishment configuration window- Enable fullcone
NAT warning message ................................................................................................................................. 74
Figure 49: WAN Service Setup – Connection establishment configuration window- Dial on demand
Configuration .................................................................................................................................................. 74
Figure 50: WAN Service Setup – Connection establishment configuration window- Use of static
IPv4 Configuration ......................................................................................................................................... 74
Figure 51: WAN Service Setup – Connection establishment configuration window- IGMP Multicast
Proxy configuration ....................................................................................................................................... 74
Figure 52: WAN Service setup - Routing Default Gateway configuration window ............................. 75
Figure 53: WAN Service setup – DNS Server configuration window .................................................... 77
Figure 54: WAN Service Setup Summary window ................................................................................... 77
Figure 55: WAN Service Setup Initial Window- service configuration displayed ................................ 78
Figure 56: Device Info- WAN Service Current configuration and IP Address ..................................... 78
Figure 57: Device Info- Date and hour update ......................................................................................... 79
Figure 58: Advanced Setup / routing - current routing table ................................................................... 79
Figure 59: Advanced Setup / DNS- current DNS server table ............................................................... 80
Figure 60: Advanced Setup /Interface Grouping- current Interface Grouping table ........................... 81
Figure 61: WAN service setup – type of service selection and service configuration – IPoE service
.......................................................................................................................................................................... 82
Figure 62: WAN Service setup window- WAN IP Settings configuration ............................................. 83
Figure 63: WAN Service setup window- NAT, IGMP and Arping Settings configuration................... 84
Figure 64: WAN Service setup window- Network Address Translation Settings configuration Enable
fullcone NAT warning message .................................................................................................................. 85
Figure 65: WAN Service setup window- IGMP Multicast configuration options .................................. 85
Figure 66: WAN Service setup window- IGMP Multicast configuration options .................................. 85
Figure 67: WAN Service setup - Routing Default Gateway configuration window ............................. 86
Figure 68: WAN Service setup – DNS Server configuration parameters window .............................. 87
Figure 69: WAN Service Setup Summary window- IPoE service configured ...................................... 88
Figure 70: WAN Service Setup Initial Window- service configuration displayed ................................ 88
Figure 71: Device Info- WAN Service Current configuration and IP Addresses ................................. 89
Figure 72: GRE Tunnel configuration example ate the Network A ONT-RGW ................................... 89

▀ ONT-RGW MAIN FUNCTIONALITIES
▄ ME4600 Optical Network Termination Residential Gateway User Manual
8
Figure 73: WAN service setup – type of service selection and service configuration – GRE service
........................................................................................................................................................................... 90
Figure 74: WAN Service setup window- GRE Tunneling Settings ......................................................... 91
Figure 75: WAN Service setup window- GRE Tunneling Settings – Basic configuration mode........ 91
Figure 76: WAN Service setup window- GRE Tunneling Settings – GRE Summary .......................... 92
Figure 77: WAN Service Setup Initial Window- service configuration displayed ................................. 92
Figure 78: Device Info- WAN Service Current configuration ................................................................... 93
Figure 79: WAN Service setup window- GRE Tunneling Settings – Advanced configuration mode 93
Figure 80: WAN Service setup window- GRE Tunneling Settings – GRE Summary .......................... 94
Figure 81: WAN Service Setup Initial Window- service configuration displayed ................................. 95
Figure 82: Device Info- WAN Service Current configuration ................................................................... 95
Figure 83: Advanced Setup- interface grouping configuration window ................................................. 97
Figure 84: Wan interface used in the grouping selection combo box .................................................... 98
Figure 85: Advanced Setup- interface grouping configuration window ................................................. 98
Figure 86: Advanced Setup- Interface grouping configuration initial Window: Current interface
grouping configuration ................................................................................................................................... 98
Figure 87: WAN service setup – type of service selection and service configuration – Bridging
service .............................................................................................................................................................. 99
Figure 88: WAN Service Setup Summary window ................................................................................. 100
Figure 89: WAN Service Setup Initial Window- service configuration displayed ............................... 101
Figure 90: Device Info- WAN Service Current configuration and IP Address .................................... 101
Figure 91: Device Info/Statistics/WAN-- WAN Services Statistics Information ................................. 102
Figure 92: Advanced Setup LAN Sub-menu ............................................................................................ 102
Figure 93: Advanced Setup - LAN Setup window ................................................................................... 103
Figure 94: Advanced Setup - LAN Setup window- Enable Secondary server (for DHCP Option 60)
......................................................................................................................................................................... 105
Figure 95- Advanced Setup –LAN/ Lan VLAN setup window ............................................................... 105
Figure 96: Advanced Setup –LAN/ Lan VLAN setup window- Add and configure a Lan VLAN...... 106
Figure 97: Advanced Setup –LAN/ IPv6 VLAN Auto Configuration window ...................................... 107
Figure 98: Advanced Setup NAT Sub-menu ........................................................................................... 108
Figure 99: Advanced Setup/NAT-Virtual Servers Setup window ......................................................... 109
Figure 100: Advanced Setup/NAT-Virtual Servers Setup window - Wan port, Service and Server IP
Address Configuration ................................................................................................................................. 109
Figure 101: Advanced Setup/NAT-Virtual Servers Setup window - Service Selection Combo box
......................................................................................................................................................................... 110
Figure 102: Advanced Setup/NAT-Virtual Servers Setup window - Current NAT Virtual Server
Configuration ................................................................................................................................................. 110
Figure 103: Advanced Setup/NAT-Port Triggering Setup window ....................................................... 111
Figure 104: Advanced Setup/NAT-Port Triggering Setup window -Add port triggering for specified
application ..................................................................................................................................................... 112
Figure 105: Advanced Setup/NAT-Port Triggering Setup window -Current configuration ............... 112
Figure 106: Advanced Setup/NAT-DMZ Host Setup window ............................................................... 113
Figure 107: Advanced Setup Security Sub-menu ................................................................................... 114
Figure 108: Advanced Setup, Security - Outgoing IP filtering Setup window .................................... 115
Figure 109: Advanced Setup, Security - Outgoing IP filtering Setup –Add Filter window ................ 115

ME4600 Optical Network Termination Residential Gateway User Manual ▄
9
Figure 110: Advanced Setup, Security - Outgoing IP filtering Setup window –Current Configuration
........................................................................................................................................................................ 115
Figure 111: Advanced Setup, Security - Incoming IP filtering Setup window–Current Configuration
........................................................................................................................................................................ 116
Figure 112: Advanced Setup, Security - Incoming IP filtering Setup – Add Filter window .............. 117
Figure 113: Advanced Setup, Security - Incoming IP filtering Setup- Add Filter window – Protocol
selection combo box ................................................................................................................................... 117
Figure 114: Advanced Setup, Security - Incoming IP filtering Setup- Add Filter window -
Configuration example ................................................................................................................................ 118
Figure 115: Advanced Setup, Security - Incoming IP filtering Setup window – Current Configuration
........................................................................................................................................................................ 118
Figure 116: Advanced Setup, Security – MAC filtering Setup window ............................................... 120
Figure 117: Advanced Setup, Security – MAC filtering Setup window –Change policy .................. 120
Figure 118: Advanced Setup, Security – MAC filtering – Add MAC Filter window ........................... 121
Figure 119: Advanced Setup, Security – MAC filtering Setup window –Current Configuration ..... 121
Figure 120: Advanced Setup Parental Control Sub-menu ................................................................... 122
Figure 121: Advanced Setup, Parental Control – Time Restriction Configuration window ............. 123
Figure 122: Advanced Setup, Parental Control, Time Restriction -Add Time Restriction rule window
- ...................................................................................................................................................................... 123
Figure 123: Advanced Setup, Parental Control – Time Restriction Configuration window - Current
configuration ................................................................................................................................................. 123
Figure 124: Advanced Setup, Parental Control – URL Filter Configuration window ........................ 124
Figure 125: Advanced Setup, Parental Control – URL Filter – Add Filter window ........................... 124
Figure 126: Advanced Setup, Parental Control – URL Filter Configuration window- Current
Configuration ................................................................................................................................................ 124
Figure 127: Advanced Setup Quality of Service Sub-menu ................................................................. 125
Figure 128: Advanced Setup Quality of Service -Queue Management Configuration ..................... 126
Figure 129: Advanced Setup Quality of Service- Queue Management Configuration- Select Default
DSCP mark combo box .............................................................................................................................. 126
Figure 130: Advanced Setup Quality of Service- QoS Queue Setup window ................................... 127
Figure 131: Advanced Setup Quality of Service- QoS Queue Configuration .................................... 128
Figure 132: Advanced Setup Quality of Service- QoS Queue enable example configuration ........ 128
Figure 133: Advanced Setup Quality of Service- QoS Queue Setup window- current configuration
........................................................................................................................................................................ 129
Figure 134: Advanced Setup Quality of Service- QoS Classification Setup window ....................... 130
Figure 135: Advanced Setup Quality of Service- QoS Classification – Add Network Traffic Class
Rule Window –configuration example ...................................................................................................... 131
Figure 136: Advanced Setup Quality of Service- QoS Classification Setup window- Current
Configuration ................................................................................................................................................ 131
Figure 137: Advanced Setup Routing Sub-menu ................................................................................... 133
Figure 138: Advanced Setup, Routing-Default Gateway Configuration window ............................... 134
Figure 139: Advanced Setup, Static Routing-Configuration window .................................................. 135
Figure 140: Advanced Setup, Routing- Static Route Add window ...................................................... 135
Figure 141: Advanced Setup, Static Routing-Configuration window- Current configuration........... 135
Figure 142: Advanced Setup, Routing- BGP Configuration window ................................................... 137

▀ ONT-RGW MAIN FUNCTIONALITIES
▄ ME4600 Optical Network Termination Residential Gateway User Manual
10
Figure 143: Device Info -Route information window – example of BGP routes announced ............ 138
Figure 144: Advanced Setup, Routing- Policy Routing Setting window .............................................. 139
Figure 145: Advanced Setup, Routing- Policy Routing Setting – Add and configure Policy window
......................................................................................................................................................................... 139
Figure 146: Advanced Setup, Routing- Policy Routing Setting window- current configuration ....... 139
Figure 147: Advanced Setup, Routing- RIP and OSPF Configuration window .................................. 141
Figure 148: Advanced Setup, Routing- RIP and OSPF Configuration example ................................ 142
Figure 149: Advanced Setup DNS Sub-menu ......................................................................................... 143
Figure 150: Advanced Setup, DNS Server Configuration Window ...................................................... 144
Figure 151: Advanced Setup, DNS-Dynamic DNS Configuration window ......................................... 145
Figure 152: Advanced Setup, DNS-Add Dynamic DNS window .......................................................... 145
Figure 153: Advanced Setup, DNS-Dynamic DNS Configuration window-current configuration .... 146
Figure 154: Advanced Setup, UPnP Configuration Window ................................................................. 146
Figure 155: Advanced Setup, DNS Proxy Configuration window ........................................................ 147
Figure 156: Advanced Setup Storage Service Sub-menu ..................................................................... 147
Figure 157: Advanced Setup Storage Service configuration window .................................................. 147
Figure 158: Advanced Setup- interface grouping configuration window –Setup on an Interface
grouping example ......................................................................................................................................... 149
Figure 159: Advanced Setup- interface grouping configuration window ............................................. 150
Figure 160: Advanced Setup- Interface grouping configuration initial Window: Current interface
grouping configuration ................................................................................................................................. 150
Figure 161: Advanced Setup IP Tunnel Sub-menu ................................................................................ 151
Figure 162: Advanced Setup, IP tunnel IP- Tunneling-6in4 Tunnel Configuration window ............. 152
Figure 163: Advanced Setup, IP tunnel IP- Tunneling-6in4 Tunnel: Add Tunnel Configuration
window ........................................................................................................................................................... 152
Figure 164: Advanced Setup, IP tunnel IP- Tunneling-6in4 Tunnel Add Tunnel Configuration
window example .......................................................................................................................................... 152
Figure 165: Advanced Setup, IP tunnel IP- Tunneling-6in4 Tunnel Configuration window- current
configuration .................................................................................................................................................. 153
Figure 166: Advanced Setup, IP tunnel IP- Tunneling-4in6 Tunnel Configuration window ............. 153
Figure 167: Advanced Setup, IP tunnel IP- Tunneling-4in6 Tunnel: Add Tunnel Configuration
window example .......................................................................................................................................... 154
Figure 168: Advanced Setup, IP tunnel IP- Tunneling-4in6 Tunnel Configuration window- current
configuration .................................................................................................................................................. 154
Figure 169: Advanced Setup, Power Management Configuration window ........................................ 155
Figure 170: Advanced Setup, Multicast (IGMP and MLD) Configuration window – configuration
example ......................................................................................................................................................... 156
Figure 171: Wireless submenu .................................................................................................................. 157
Figure 172: Wireless -Basic configuration window –configuration example ....................................... 158
Figure 173: Wireless –Security configuration window –configuration example ................................. 160
Figure 174: Wireless –Security configuration window –Network authentication available methods
......................................................................................................................................................................... 160
Figure 175: Wireless –Security configuration window –Manual Setup AP configuration (if WEP
enabled selected) ......................................................................................................................................... 161
Figure 176: Wireless –Security configuration window –WPS Setup configuration ............................ 162

ME4600 Optical Network Termination Residential Gateway User Manual ▄
11
Figure 177: Wireless –Security configuration window –WPS Setup – Device PIN Help window ... 162
Figure 178: Wireless –MAC Filter configuration window –configuration example ............................ 163
Figure 179: Wireless –Advanced configuration window ....................................................................... 164
Figure 180: Wireless –Authentication Stations configuration window ................................................ 165
Figure 181: Voice Submenu ...................................................................................................................... 166
Figure 182: Voice, SIP Basic Settings–Global Parameters configuration window ........................... 167
Figure 183: Voice, SIP Basic Settings–Global Parameters-Bound Interface Name selection combo
box ................................................................................................................................................................. 167
Figure 184: Device Info, Voice- Registered Sip Accounts information and Status ........................... 167
Figure 185: Voice, SIP Basic Settings–Service Provider configuration window ............................... 169
Figure 186: Voice, SIP Basic Settings– Service Provider configuration window- Local Selection
combo box .................................................................................................................................................... 170
Figure 187: Voice, SIP Advanced Settings–Service Provider configuration window -1................... 172
Figure 188: Voice, SIP Advanced Settings–Service Provider configuration window -2................... 173
Figure 189: Voice, SIP Debug Settings configuration window ............................................................. 174
Figure 190: Diagnostics information window .......................................................................................... 175
Figure 191: Management Submenu ......................................................................................................... 176
Figure 192: Management, Settings Submenu ........................................................................................ 177
Figure 193: Management, Settings–Backup window ............................................................................ 177
Figure 194: Management, Settings–Tools- Update window ................................................................. 178
Figure 195: Management, Settings–Tools –Restore Default Settings window ................................. 178
Figure 196: Management–System Log Configuration: View System Log .......................................... 178
Figure 197: Management–System Log window ..................................................................................... 179
Figure 198: Management–System Log Configuration window –Log level options ........................... 179
Figure 199: Management–System Log Configuration window –Display level options..................... 180
Figure 200: Management–System Log Configuration window –Mode level options ........................ 180
Figure 201: Management–System Log Configuration window –Configuration Example................. 181
Figure 202: Management–Security Log window .................................................................................... 181
Figure 203: Management–Security Log window: View ......................................................................... 182
Figure 204: Management–Security Log window: Reset ....................................................................... 182
Figure 205: Management, TR-069 Client Configuration window ......................................................... 183
Figure 206: Management, TR-069 Client Configuration window – WAN Interface Options ........... 184
Figure 207: Management, Internet Time-Time settings window .......................................................... 185
Figure 208: Management, Internet Time-Time settings window: NTP server options ..................... 185
Figure 209: Management, Internet Time-Time settings window: Time zone options ....................... 186
Figure 210: Management, Access Control Submenu ............................................................................ 187
Figure 211: Management, Access Control-Passwords configuration window................................... 187
Figure 212: Management, Tools- Update Software window ................................................................ 188
Figure 213: Management, Reboot window ............................................................................................. 188
Figure 214: Logout menu item .................................................................................................................. 189
Figure 215: Logout window ........................................................................................................................ 189
Figure 216: ONT-RGW status LEDs ........................................................................................................ 190
Figure 217: wan node tree ......................................................................................................................... 194
Figure 218: lan node tree ........................................................................................................................... 199
Figure 219: nat node tree ........................................................................................................................... 203

▀ ONT-RGW MAIN FUNCTIONALITIES
▄ ME4600 Optical Network Termination Residential Gateway User Manual
12
Figure 220: dns node tree ........................................................................................................................... 207
Figure 221: qos node tree ........................................................................................................................... 209
Figure 222: voice node tree ........................................................................................................................ 212
Figure 223: security node tree ................................................................................................................... 214
Figure 224: routing node tree ..................................................................................................................... 216
Figure 225: multicast node tree ................................................................................................................. 218
Figure 226: diagnostics node tree ............................................................................................................. 219
Figure 227: arp node tree ........................................................................................................................... 220
Figure 228: device-info node tree .............................................................................................................. 220
Figure 229: statistics node tree .................................................................................................................. 220
Figure 230: dhcp node tree ........................................................................................................................ 221
Figure 231: upnp node tree ........................................................................................................................ 221
Figure 232: intf-grouping node tree ........................................................................................................... 222
Figure 233: management node tree .......................................................................................................... 224

ME4600 Optical Network Termination Residential Gateway User Manual ▄
13
LIST OF TABLES
Table 1: T-CONT types definition ............................................................................................................... 28
Table 2: Alloc-ID's distribution by T-CONT type ....................................................................................... 29
Table 3: Optical interfaces specifications .................................................................................................. 30
Table 4: Interface specifications ................................................................................................................. 31
Table 5: WIFI specification ........................................................................................................................... 32
Table 6: General features ............................................................................................................................ 34
Table 7: Services ........................................................................................................................................... 35
Table 8: Standards ........................................................................................................................................ 41
Table 9: ONT-RGW connections description ............................................................................................ 44
Table 10: ONT-RGW connections .............................................................................................................. 48
Table 11: Device Info window parameters ................................................................................................ 55
Table 12: WAN Info Table parameters ..................................................................................................... 56
Table 13: GRE Tunnels Status Table parameters ................................................................................... 57
Table 14: LAN Statistics Table parameters ............................................................................................... 58
Table 15: WAN Statistics Table parameters ............................................................................................. 59
Table 16: Device Routing information Table parameters ....................................................................... 60
Table 17: Device ARP information Table parameters ............................................................................. 61
Table 18: Device DHCP Leases information Table parameters ............................................................ 62
Table 19: Device Voice Status information Table parameters ............................................................... 62
Table 20: GPON WAN interface configuration Table parameters ......................................................... 64
Table 21: ETH WAN interface configuration Table parameters............................................................. 65
Table 22: WAN Service Setup Table parameters .................................................................................... 66
Table 23: GRE Tunnels Setup Table parameters .................................................................................... 67
Table 24: GRE Tunneling Settings – Advanced configuration mode parameters .............................. 93
Table 25: ONT-RGW LED status .............................................................................................................. 190
Table 26: ONT-RGW states ....................................................................................................................... 191
Table 27: ONT-RGW troubleshooting ...................................................................................................... 192
Table 28: wan node and sub-node tree command permissions .......................................................... 194
Table 29: "create" command information ................................................................................................ 195
Table 30: "remove" command information .............................................................................................. 195
Table 31: "create" command information ................................................................................................ 195
Table 32: "remove" command information .............................................................................................. 196
Table 33: "create" command information ................................................................................................ 196
Table 34: "remove" command information .............................................................................................. 198
Table 35: "create" command information ................................................................................................ 198
Table 36: "remove" command information .............................................................................................. 199
Table 37: lan node and sub-node tree command permissions ............................................................ 200
Table 38: "config" command information ................................................................................................. 200
Table 39: "config" command information ................................................................................................. 201

▀ ONT-RGW MAIN FUNCTIONALITIES
▄ ME4600 Optical Network Termination Residential Gateway User Manual
14
Table 40: "create" command information ................................................................................................. 201
Table 41: "remove" command information ............................................................................................... 202
Table 42: "create" command information ................................................................................................. 202
Table 43: "remove" command information ............................................................................................... 202
Table 44: nat node and sub-node tree command permissions ............................................................ 203
Table 45: "config" command information .................................................................................................. 203
Table 46: "create" command information ................................................................................................. 204
Table 47: "remove" command information ............................................................................................... 204
Table 48: "create" command information ................................................................................................. 205
Table 49: "remove" command information ............................................................................................... 205
Table 50: "create" command information ................................................................................................. 206
Table 51: "remove" command information ............................................................................................... 206
Table 52: dns node and sub-node tree command permissions ............................................................ 207
Table 53: "config" command information .................................................................................................. 207
Table 54: "config" command information .................................................................................................. 208
Table 55: "create" command information ................................................................................................. 208
Table 56: "remove" command information ............................................................................................... 209
Table 57: qos node and sub-node tree command permissions ............................................................ 209
Table 58: "config" command information .................................................................................................. 210
Table 59: "create" command information ................................................................................................. 210
Table 60: "remove" command information ............................................................................................... 211
Table 61: "create" command information ................................................................................................. 211
Table 62: "remove" command information ............................................................................................... 211
Table 63: voice node and sub-node tree command permissions ......................................................... 212
Table 64: "config" command information .................................................................................................. 213
Table 65: "config" command information .................................................................................................. 213
Table 66: security node and sub-node tree command permissions .................................................... 214
Table 67: "create" command information ................................................................................................. 215
Table 68: "remove" command information ............................................................................................... 215
Table 69: "create" command information ................................................................................................. 215
Table 70: "remove" command information ............................................................................................... 216
Table 71: routing node and sub-node tree command permissions ...................................................... 216
Table 72: "config" command information .................................................................................................. 217
Table 73: "config" command information .................................................................................................. 217
Table 74: "remove" command information ............................................................................................... 218
Table 75: multicast node command permissions .................................................................................... 218
Table 76: "config" command information .................................................................................................. 218
Table 77: diagnostics node command permissions ................................................................................ 219
Table 78: arp node command permissions .............................................................................................. 220
Table 79: device-info node command permissions ................................................................................ 220
Table 80: statistics node and sub-node tree command permissions ................................................... 221
Table 81: dhcp node and sub-node tree command permissions ......................................................... 221
Table 82: upnp node command permissions ........................................................................................... 222
Table 83: "config" command information .................................................................................................. 222
Table 84: intf-grouping node command permissions ............................................................................. 222

ONT-RGW MAIN FUNCTIONALITIES ▀
ME4600 Optical Network Termination Residential Gateway User Manual ▄
15
Table 85: "config" command information ................................................................................................. 223
Table 86: "remove" command information .............................................................................................. 223
Table 87: management node and sub-nodes command permissions ................................................ 224
Table 88: "backup" command information ............................................................................................... 224
Table 89: "update-settings" command information ................................................................................ 225
Table 90: "update-software" command information ............................................................................... 225
Table 91: "change-pwd" command information ...................................................................................... 225
Table 92: "create" command information ................................................................................................ 226
Table 93: "create" command information ................................................................................................ 226
Table 94: "config" command information ................................................................................................. 227

ME4600 Optical Network Termination Residential Gateway User Manual ▄
16
Chapter 1
SUMMARY
The ONT-RGW is an Optical Terminal Equipment (ONT) unit for Passive Optical Networks (PON) termination in a
FTTH (Fiber-To-The-Home) service delivery architecture. ONT-RGW communicates with the OLT (Optical Line
Terminal) for the PON side and with the customer’s premises for the client side. This equipment supports triple-play
services - high speed internet (HSI), voice (VoIP), video (IPTV and RF Overlay) and WPS (WiFi Protected Setup). The
use of the GPON fiber access technology does allow a significant service delivery increase when compared with
traditional xDSL technologies.
The ONT-RGW equipment technology is based on GEM (GPON Encapsulation Method), and complies with ITU-T
G.984.x. recommendation as like as G.984.4 (OMCI) ensuring interoperability with major GPON OLT vendors
(BBF.247).
These base functionalities, together with the support for bit rates of up to 2.5 Gbps (downstream) and 1.24 Gbps
(upstream), an optical network splitting ratio of up to 1:64 in a single fiber and a distance range of up to 60 km, make
the GPON technology and the ONT-RGW the most efficient option for passive optical network topologies, when
integrated service delivery is an issue.
Together with multi-vendor OLT interoperability (BBF.247 certified), other differentiated features of the ONT-RGW
product are the embedded RF Video Overlay as well as the chance to have several TV channel packs by means of using
remote managed analog RF video overlay filters. The use of an embedded optical reflective component also increases
probing resolution in case of FTTH probing. The ONT-RGW is also one of the first single household integrated CPE
solution (ONT+GATEWAY).
As opposed to the point-to-point architecture, in which there is one physical port per client in the Central Office, in
GPON point-to-multipoint architecture there is only a single laser and photo-detector in the Central Office (CO) to serve
up to 64 CPEs. All the Optical Distribution Network is built by means of passive equipment modules with a long live
MTBF standards and very low OPEX.

ME4600 Optical Network Termination Residential Gateway User Manual ▄
17
Chapter 2
TECHNICAL DESCRIPTION
ONT-RGW MAIN FUNCTIONALITIES
The ONT is aimed for customer premises and complies with the ITU-T G.984.x recommendation in order to transport
(over GPON) and deliver (to premises domain) the full pack of broadband services.
Broadband service applications are commonly referred as below:
High speed internet (HSI);
Voice (VoIP) services (SIP/MEGACO H.248);
TV (whether IPTV or analog RF video overlay);
WiFi.
The multiplay environment is thus reinforced when combining the upper referred services.
APPLICATION SCENARIO
The next figure shows possible gateway scenarios for ONT-RGW equipment when in an end-to-end PON architecture.

▀ ONT-RGW MAIN FUNCTIONALITIES
▄ ME4600 Optical Network Termination Residential Gateway User Manual
18
Figure 1: ONT-RGW applications scenario
INTEROPERABILITY
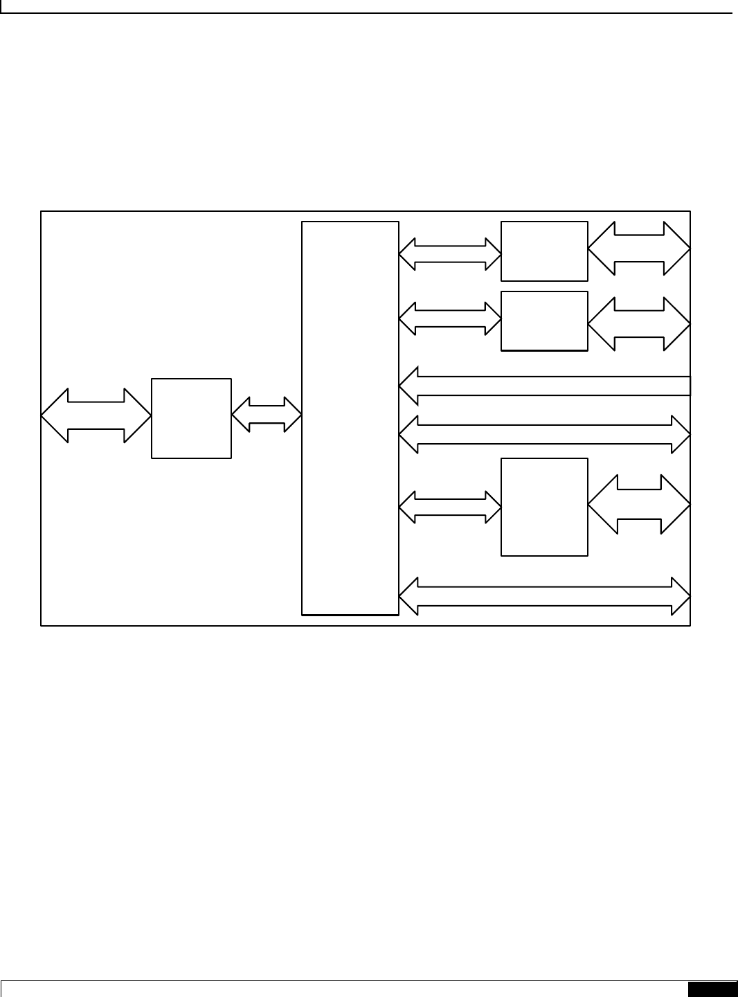
The ONT gateway equipment complies with ITU-T G.984.x. recommendation as like as G.984.4 (OMCI) ensuring
multi-vendor OLT interoperability with major GPON OLT vendors, as defined in BBF.247 ONU certification program.
BBF.247 ONU certification program certifies ONT link layer configuration and management protocol, OMCI, Figure 2,
as defined by ITU-T G.984.3, ITU-T G.984.4 and ITU-T G.988.

ONT-RGW MAIN FUNCTIONALITIES ▀
ME4600 Optical Network Termination Residential Gateway User Manual ▄
19
Figure 2: Link Layer Configuration and Management
IP-based services configuration and management is achieved by means of the TR-069 protocol as defined by Broadband
Forum. This procedure takes for granted that previously the link layer connectivity has been achieved.
TR-069 is then transparent to the OLT, since the TR-069 connections are established between the ACS and the ONTs,
Figure 4.
ONT gateway equipments integrate gateway functionalities. Link layer configuration and management is achieved by
the use of OMCI, while IP-based services (RG functionality and Voice over IP) are configured and managed by TR-
069, Figure 3 .
Figure 3: ONT gateway equipment configuration
OSS
EMS
OLT
ONT
RGW STB
OMCI
Network Topology
OLT/ONT
Management
(TL1, SNMP)
ONTRG OLT
ACS
VoIP
Terminal
TR-069
OMCI

▀ ONT-RGW MAIN FUNCTIONALITIES
▄ ME4600 Optical Network Termination Residential Gateway User Manual
20
Figure 4: IP Based services-TR069 configuration
INTERFACES
Client interface options are of type:
4x 100/1000Base-T for Ethernet network connection (RJ45 connectors);
2x FXS channels (RJ11 connectors);
2x2 @ 2.4/5.0 GHz wireless interfaces (802.11 b/g/n);
2x USB 2.0 Masters for printer sharing, media sharing and for 3G/4G backup uplink;
RF Overlay interface;
Control switches for power and WiFi;
Network interface option is of type:
GPON SC/APC Optical connector (B+/C+).
GENERAL FEATURES
GPON is a point-to-multipoint passive optical network, in which unpowered optical splitters are used to enable a single
optical fiber to serve multiple premises, typically 1-64.
A PON consists of an optical line terminal (OLT) at the central office and a number of optical network terminals (ONT)
at the customer premises. Downstream signals are broadcasted to all premises sharing multiple fibers. Encryption can
prevent eavesdropping. Upstream signals are combined using a multiple access protocol (Time Division Multiple
Access - TDMA). The OLT queues data to the various ONT terminals in order to provide time slot assignments for
upstream communication.
OSS
EMS
OLT
ONT
RGW STB
ACS
TR069
OMCI
Network TopologySubscriber Service
OLT/ONT
Management
(TL1, SNMP)

ONT-RGW MAIN FUNCTIONALITIES ▀
ME4600 Optical Network Termination Residential Gateway User Manual ▄
21
In Figure 5, it is shown a scenario for a multi-service user domain basic architecture through an ISP network
Figure 5: Optical fiber Internet service user access
In the upstream direction, the ONT-RGW is connected to the optical splitter and respectively to the OLT through the
PON port to provide integrated access services through the service headend.
In the downstream direction, the ONT-RGW is connected to various terminals through the following LAN-side ports to
implement multi-play services:
Four 10/100/1000M Base-T Ethernet ports, which can be connected to terminals such as PCs, STBs, and video
phones to provide the high-speed data and video services;
Two FXS ports, which can be connected to telephone sets to provide VoIP services;
Two Wi-Fi antennas, which can connect to Wi-Fi terminals wirelessly to provide a secure and reliable high-
speed wireless network;
Two USB ports, which can be connected to a USB storage device to provide convenient storage and file
sharing services within a home network;
One RF Overlay port, which can be connected to a TV set to provide high-quality CATV service.
The communication between client equipment (ONT) and the ISP access routers (MAN edge) is made by an optical
fiber-based passive architecture (ITU-T G.984 Recommendation). The GPON network acts as a Layer 2 Ethernet
metropolitan network. Access network assures and controls the media (MAC) communication through a TDMA
scheme, introducing GEM (GPON Encapsulation Method) in between to adapt TDM layer to Ethernet.
The used protocol stack is shown in Figure 6.

▀ ONT-RGW MAIN FUNCTIONALITIES
▄ ME4600 Optical Network Termination Residential Gateway User Manual
22
Figure 6: Stack of protocols for GPON architecture
Several transmission containers (T-CONT) are assigned to each user. Each T-CONT has an associated GEM port and
each GEM port has a VLAN identifier and an 802.1p priority level.
The ONT classifies the traffic depending on the VLAN and the marked priority, and routes it over the corresponding T-
CONT/GEM port. Thus for frame multiplexing, GEM and T-CONT ports are used for uplink while the downlink only
use the GEM ports feature.
ONT-RGW complies with Broadband Forum TR-142 Technical Report, which defines a framework for the remote
configuration and management of IP-based services over PON (Passive Optical Network) and fiber access technology.
TR-142 framework , Figure 7, uses TR-069 which is the protocol of choice for the remote management and
configuration of IP services over PON and fiber access networks. TR-069 is intended to be used for the remote
configuration and management of IP services running over ONT, as well as for some aspects of ONT management.
Figure 7: TR-142 Framework
TR-142 framework defines a virtual UNI between the OMCI (ONT Management Control Interface) and TR-069
management domains, Figure 7.
This framework allows PON CPE with L3 layer capabilities to be mass remotely configured, troubleshoot and managed
by an ACS (Auto Configuration Server) using TR-069 CPE WAN Management Protocol.

ONT-RGW MAIN FUNCTIONALITIES ▀
ME4600 Optical Network Termination Residential Gateway User Manual ▄
23
GENERAL ARCHITECTURE
The ONT-RGW basic system architecture is hereafter presented, Figure 8.
The GPON IC Processing unit is the core component inside ONT-RGW. It is responsible for the interconnection and
processing between client side interfacing and optical GPON Uplink interface.
Figure 8: ONT-RGW system architecture
GPON
The ONT-RGW GPON layer as G.984.x uses 1490nm downstream and 1310nm upstream of the optical wavelength,
with 2,488Gbps downstream and 1,244Gbps upstream by using an SC/APC protected optical connector.
ETHERNET
Ethernet is the wired LAN technology and is revised in the IEEE 802.3 standard. At the OSI reference system, Ethernet
is at the Data Link layer. In the ONT-RGW equipment both WAN and LAN type of physical interfaces are
10/100/1000BASE-T AUTO-MIX Ethernet type over RJ45 connectors.
OPTICAL
DIPLEXER
Dual Channel
FXS
802.11b/g/n
2x2@2.4/5Ghz
802.3
Processing
GPON
IC Processing
DATA/Control Bus
DATA/Control Bus
DATA/Control Bus
2x FXS
Interfaces
2x Wireless
Interfaces
4x100/1000BT
Interfaces
Ethernet
GPON SC/APC Optical
Connector (B+)
RF Overlay Triplexer
2x USB 2.0
Control Switches (Power and WiFi)

▀ ONT-RGW MAIN FUNCTIONALITIES
▄ ME4600 Optical Network Termination Residential Gateway User Manual
24
IPTV
For the IPTV service the ONT-RGW also behaves like a Layer 2 bridging device. For this service, the ONT-RGW has a
specific GEM PORT for Multicast. This same GEM PORT is requested by the user in order to have access to the
various IPTV channels. Every time a user requests a new channel, the ONT-RGW will send to OLT a IGMP packet
requesting that Channel. The ONT-RGW is also responsible for implementing the snooping for the channels that the
user requests.
RF VIDEO OVERLAY
Broadcast video signal travels over fiber from the central office in the 1550nm wavelength and is demuxed and
converted in the ONT-RGW to a F connector (75 Ohm) RF Overlay interface to deliver a RF TV signal going from
47MHz up to 1GHz bandwidth. ONT-RGW may also implement multiple analog filtering on the RF Interface in order
to turn the open RF Spectrum in a group of sliced TV channel packs that are remotely enabled from the NMS.
PON RF video overlay service is the way to deliver a broadcast TV service over a PON fiber network. This video
overlay service is foreseen to provide mainly broadcast video transmission in contrast to unicast and/or multicast IP
video transmission which is used for IPTV and/or Video-On-Demand having the need for a Set-Top-Box or a Smart TV
at the customer premises.
Standardization bodies (ITU for GPON and IEEE for GEPON) have excluded the use of the 1550 -1560nm wavelength
window for IP transmission on PONs and have even continued with this approach for the upcoming 10GPON and
10GEPON standards. The 1550-1560nm wavelength window is thus exclusively reserved for the video overlay
transmission and by that mean an option to offload unicast and/or multicast video transmission from the IP PON
transmission link.
Typically an extra fiber testing signal (1650nm) for optical network probing is also added to the PON optical
communication link.
VOICE
ONT-RGW voice service provisioning could be made through OLT configurations over OMCI messages or could be
downloaded (FTP) from the OLT up to the ONT-RGW after the ONT-RGW registration on the PON network. The
ONT-RGW gateway equipments have the ability to deliver the Voice service over two types of interface:
Logical interface (VLAN encapsulation)
If the ONT-RGW has no FXS ports and the VoIP service is transparently forwarded from the OLT up to the Home
Gateway (and vice versa) within a previously defined voice VLAN. ONT-RGW respects the defined priority and
implements the traffic encapsulation from its own Ethernet interface into a specific T-CONT/GEM-Port over the PON
interface and up to the OLT equipment.
Physical interface (FXS ports)
The ONT-RGW has physical RJ11 FXS interfaces. In this version of the ONT-RGW equipment, voice interfaces are
terminated in the equipment by means of FXS (RJ11) connections. The RJ11 analog terminals adapter function is
auto/self-configured integrated (analog/VoIP) and associated with a defined SIP or Megaco (H.248) user.
The ONT-RGW will allow VoIP or NGN (Next Generation Network) traffic from devices connected to the RJ11 or
RJ45 interfaces, towards the same internal VLAN.
Apart of the SIP and Megaco (H.248) self-configuration, it is also possible to make modifications in the voice service
configurations by updating the ONT-RGW SW through download from the OLT via OMCI.

ONT-RGW MAIN FUNCTIONALITIES ▀
ME4600 Optical Network Termination Residential Gateway User Manual ▄
25
The ONT-RGW equipment has a DHCP client to get an IP address, alternatively the ONT-RGW could be configured
with a static IP. The configuration of the static IP or DHCP client is related to the WAN side and is enabled by the OLT.
WIFI
Operational description
The ONT-RGW supports WIFI, with an WIFI interface currently operating in the 2.4GHz frequency.
The ONT-RGW complies with the following standards:
IEEE 802.11b (2.4GHz, 11 to 22 Mbps)
IEEE 802.11g (2.4Ghz, up 54 Mbps)
IEEE 802.11n (MIMO-OFDM 2.4GHz, 65Mbps to 300Mbps)
The ONT supports the following wireless security features:
WEP encryption (64/128 bits)
WPA (Wireless Protect Access) TKIP
WPA2 AES
WPA2 mixed
802.1x Authentication
Client access control through media access control (MAC) filter
Dynamic cryptography (TKIP and AES)

▀ ONT-RGW MAIN FUNCTIONALITIES
▄ ME4600 Optical Network Termination Residential Gateway User Manual
26
Block diagram
The ONT –RGW circuit block diagram is presented in the figure bellow showing all oscillators in the device and its
frequencies, Figure 9. Intentional radiators in the circuit and radio signal path between circuit blocks are also shown.
Figure 9: ONT-RGW circuit block diagram
ONT-RGW WIFI Antennas
The ONT provides a MIMO 2x2 topology Wireless antenna capability.
The ONT has internal, Omni-directional antennas with a gain of 1.6dBi.
MILTIPLE QoS PER VLAN
The ONT-RGW supports 802.1p QoS per VLAN services in which several flows (one per allowed pbit) are embedded
in the same VLAN. According to the applied configuration, the ONT-RGW performs a per-flow QoS policy: dropping
traffic marked with not allowed pbits and limiting to the configured value the data rate of the allowed flows.
The ONT-RGW performs transparent VLAN translation. It is transparent to upper layer protocols, such as ARP, RIP,
DHCP, IGMP, PPP, etc.
SoC
GPON
MAC
ETH
MAC
DDR3 FMI
Flash
SC-
AP OECDR
CaTV
Type F
SLIC
2xFXS
SPI
RJ11
LED Driver PCIe PCIe
POWER
DC/DC
12 V
VOICE
CTRL
CATV
AMP
390 KHz
25 MHz
20 MHz
700 KHz
100 MHz
125 MHz
240 MHz
533 MHz
600 MHz
800 MHz
WIFI 2x2
2.4GHz
DDR3
RJ11
RJ45
RJ45
RJ45
RJ45

ONT-RGW MAIN FUNCTIONALITIES ▀
ME4600 Optical Network Termination Residential Gateway User Manual ▄
27
POLICING / RATE LIMITING
DOWNSTREAM QoS
The OLT system provides several QoS mechanisms, that can be targeted to the flow characterized by one or two VLAN
according with the type of service, or can be targeted to the packets priority, where each p-bit is mapped in one of eight
queues of each port.
For each of OLT ports are associated eight queues, for each of these queues is possible to configure the p-bit mapping in
one of the queues, the scheduler type (Strict Priority or Weighted Fair Queuing) and the minimum and maximum
bandwidth of each queue.
In the downstream direction the ingress traffic first passes by a policer configured to each ONT service, which is
defined by one or two tags. After this the traffic is put in a queue according with the p-bit/queue mapping. Each of these
queues is associated with a scheduler and a policer. Then the traffic flows to the GPON interface and when it arrives to
the ONT it will pass by a mapping block which will map the traffic in one of the eight queues according with the p-bits,
these queues have a Strict Priority scheduler in order to guarantee that the most prioritized traffic passes first.
Figure 10: Downstream QoS Diagram
UPSTREAM QoS
In the upstream direction, for each T-CONT the ingress traffic in the ONT passes by a mapping block that maps the
traffic in one of the eight queues according with the p-bit, these queues have a Strict Priority Scheduler. The ONT
“waits” until the OLT assigns a transmission timeslot for that T-CONT, so that the most prioritized queues are the ones
that transmit first. In the OLT ingress, the traffic is put into a queue according with what is defined in the queue/p-bit
mapping. Each of these queues has an associated scheduler and policer that control the traffic sent to the uplink.

▀ ONT-RGW MAIN FUNCTIONALITIES
▄ ME4600 Optical Network Termination Residential Gateway User Manual
28
Figure 11: Downstream QoS Diagram
DYNAMIC BANDWIDTH ALLOCATION (DBA)
The DBA (Dynamic Bandwidth Allocation) is available in order to optimize the upstream bandwidth. This mechanism
consists in defining an adequate T-CONT to the service traffic in question. There are five types of T-CONT, defined by
the Fixed, Assured and Maximum Parameters:
Type 1: Only fixed Bandwidth;
Type 2: Only Assured Bandwidth;
Type 3: Assured + Maximum Bandwidth;
Type 4: Only Maximum Bandwidth (Best Effort);
Type 5: Fixed + Assured + Maximum Bandwidth.
Table 1: T-CONT types definition
T-CONT
Type 1
Type 2
Type 3
Type 4
Type 5
Units
Fixed BW- RF
RF1
0
0
0
RF5
[b/s]
Assured BW-
RA
0
RA2
RA3
0
RA5
[b/s]
Max Bw - RM
RM1 = RF1
RM2 = RA2
RM3 > RA3
RM4
RM5 >
RF5 + RA5
[b/s]
Bandwidth
Eligibility
0
0
Non-Assured BW - RNA
Best-Effort - RBE
RNA / RBE
In each GPON interface there is 1024 Alloc-ID (T-CONT identifiers) available, provided to manage ONT services.
They are distributed in the following way:

ONT-RGW MAIN FUNCTIONALITIES ▀
ME4600 Optical Network Termination Residential Gateway User Manual ▄
29
Table 2: Alloc-ID's distribution by T-CONT type
Alloc-ID
Allocation Type
0-127
Default Alloc-ID (Dynamic or Static)
128-255
Reserved
256-639
Dynamic or Static
640-1023
Static
Figure 12: Traffic distribution by service/client
UPSTREAM QoS SCENARIOS
8 priority queues
Strict-priority
Upstream Scheduling
Strict Priority (currently supported)
Strict Priority + rate controller (currently supported)
Strict Priority + WFQ (can be SW supported)

ME4600 Optical Network Termination Residential Gateway User Manual ▄
30
Chapter 3
GENERAL SPECIFICATIONS
INTERFACES
GPON
The ONT-RGW GPON G.984.x layer uses 1490nm downstream and 1310nm upstream optical wavelengths, with
2,488Gbps downstream and 1,244Gbps upstream by using an SC/APC protected optical connector.
Table 3: Optical interfaces specifications
Items
Unit
B+
C+
ONT Tx
ONT Tx
Nominal bit rate
Mbps
1244.16
1244.16
Operating wavelength
nm
1260-1360
1260-1360
Line code
--
Scrambled NRZ
Scrambled NRZ
Minimum ORL of ODN
dB
>32
>32
Mean launched power MIN
dBm
+0.5
+0.5
Mean launched power MAX
dBm
+5
+5
Launched optical power without input to the Tx
dBm
Less than Min
sensitivity -10
Less than Min
sensitivity -10
Maximum Tx Enable
16
16
Maximum Tx Disable
16
16
Extinction ratio
dB
>8.2
>8.2
Tolerance to the Tx incident light power
dB
>-15
>-15
SLM Laser – MAX −20 dB width
nm
1
1
SLM Laser – MIN SMSR
dB
30
30
ONT Rx
ONT Rx
Receiving bit rate
Mbps
2488.32
2488.32
Receiving wavelength
nm
1480-1500
1480-1500
Max reflectance of equipment, measured at Rx wavelength
dB
<-20
<-20
Bit error ratio
--
<-10-10
<-10-10
Minimum sensitivity
dBm
-27
-30*
Minimum overload
dBm
-8
-8*
Upstream optical penalty
dB
0.5
0.5
Consecutive identical digit immunity
bit
>72
>72

INTERFACES ▀
ME4600 Optical Network Termination Residential Gateway User Manual ▄
31
Tolerance to reflected optical power
dB
<10
<10
ONT Rx Video
Receiving wavelength
nm
1550-1560
* ONT RX= -8~-30 dBm (The ONT sensitivity assumes the use of the optional RS (255,239) FEC capability of the
G-PON TC layer with the current class B+ ONU detector technology; The ONU overload is set at –8 dBm to be
common with the class B+ value, even though in this application –10 dBm is sufficient).
Optical solution: B+ and C+.
Connector type: SC/APC.
IEC 60825-1: "Class 1 Laser Product''.
The B+ and C+ triplexer is embedded on the ONT equipment version.
ONU Single Fiber - G.984.2 (03/2003) + G.984.2 Amd 1 (02/2006) and 2 (03/2008), G.983.3 (03/2001).
ETHERNET
Ethernet is the wired LAN technology and is revised in the IEEE 802.3 standard. At the OSI reference system, Ethernet
is at the Data Link layer. In the ONT-RGW equipment the LAN type of physical interfaces is 10/100/1000BASE-T
AUTO-MIX Ethernet type over RJ45 connectors.
RF OVERLAY
Broadcast video signal travels over fiber from the CO in the 1550nm wavelength and is demuxed and converted in the
ONT-RGW to a F connector (75 Ohm) RF Overlay interface to deliver a RF TV signal going from 47MHz up to 1GHz
of bandwidth.
FXS
Table 4: Interface specifications
Items
State
Description
Pulse Dialing
Pulse Frequency: 10 Hz (8 Hz to
12 Hz)
Pulse Relation: 66,6% (33% to
75%)
Interdigital Pause and Pre-
Dialing: 400 ms (min)
-
DTMF
-
According to ETSI CTR 21 [1]
Clip
-
According to ETSI 300 659-1
Clip on Call
Waiting
-
According to ETSI 300 659-2
DC voltage (V)
-48V (-46 to -54)
-
Loop Current
Characteristics (A)
20mA (min) to 60mA (max)
-
Ifeed Max. (A)
45mA
-

▀ INTERFACES
▄ ME4600 Optical Network Termination Residential Gateway User Manual
32
Items
State
Description
Impedance and
Transmission
Requirements (Ω)
Q.552 [4] (11/96) of ITU-T
220Ω+820Ω//115nF.
A telephone that comply with transmission
requirements defined in CTR 38, should comply with
SLR, RLR and STMR (4.2.2.1, 4.2.2.2 and 4.2.3)
standard requisites, when connected to a FXS interface.
ILA (A)
20 – 45 mA
5 bit parameter which sets the current limit for DC feed
(DC feed and battery switch are programmed and
calibrated to ILA=26mA, VOC=48V, VAS=3V,
bshv=5V).
Ringer voltage (V)
DC offset: 48V
AC voltage: 75Vrms +/- 0.5%
Frequency: 25Hz +/- 3%
-
Ringing signal
normal ringing
1 sec ring / 5 sec pause (interval = 6 sec).
Hook flash
on-hook - register recall/hook
flash
100 msec
Minimum time of recognition of “on-
hook” when hook-flash feature does not
exist
on-hook - register recall/hook
flash
1000 msec
Minimum time “on-hook” recognition
when hook-flash feature does exist
off-hook
40 msec
minimum time “off-hook” recognition
interval
160msec -
400msec
Time calibrated break pulse duration for
register recall recognition
NOTE:
FXS interface specific parameter values vary according to country adopted standards. ONT-RGW FXS interface
specifications table values are configurable at the web management interface at the menu Voice, item SIP basic settings,
by selecting the local(Country) where the ONT-RGW will be used. Please refer to section SIP BASIC SETTING, for
details on this configuration.
WIFI
Table 5: WIFI specification
Items
Compliance
Description
IEEE 802.11 b/g/n
-
Bit Rates
802.11 b/g
1, 2, 5.5, 6, 9, 11, 12, 18, 24, 36, 48 and 54Mb/s
802.11 n
Up to 300Mb/s over two spatial streams
SSID
-
Up to 8
Operation Frequencies
-
2.4GHz (ISM) or 5GHz (U-NII)
Channels
-
20MHz and 40MHz channels
MIMO
-
2x2
MCS
-
supported values: 0-15 and 32
Wireless Security
WEP
40bit secure key and 24 bit as defined in 802.11-2007

INTERFACES ▀
ME4600 Optical Network Termination Residential Gateway User Manual ▄
33
Items
Compliance
Description
WPA
WPA2
AES
encryption/de-encryption coupled to TKIP (as
defined in 802.11-2007 and 802.1X)
Short Guard Interval
SGI support
-
Space-Time Block Coding
STBC support
-
Transmit Power
-
Up to +18dBm
Receive Sensitivity
Mode b (8% PER)
1Mb/s: -96dBm
11Mb/s: -88dBm
Mode g (10% PER)
6Mb/s: -90dBm
12Mb/s: -89dBm
54Mb/s: -75dBm
Mode n/2.4GHz (10%
PER)
1Mb/s: -96dBm
54Mb/s: -75dBm
M0/20MHz: -86 dBm
M0/40MHz: -83 dBm
M15/20MHz: -69 dBm
M15/40MHz: -69 dBm
Mode n/5GHz (10% PER)
6Mb/s: -89 dBm
54Mb/s: -74 dBm
M0/20MHz: -85 dBm
M0/40MHz: -82 dBm
M15/20MHz: -68 dBm
M15/40MHz: -68 dBm

▀ GENERAL FEATURES
▄ ME4600 Optical Network Termination Residential Gateway User Manual
34
GENERAL FEATURES
Table 6: General features
Features
ONT-RGW
GPON
1x Singlemode Optical Fiber Cable (SC/APC Connector)
Ethernet 10/100/1000Base-T
4x Ethernet UTP CAT5E direct or crossover AUTO-MDIX
cable (RJ45)
RF Video Overlay (1)
1x Coaxial F type connector (75 Ohm)
RF Video Overlay Analog Filter Pack
Yes (Option of Up to 3 Analog Filters)
FXS Ports
2x voice / fax RJ11 connector
USB Ports
2x USB 2.0
WiFi (802.11b/g/n)
Yes
ON/OFF button
Yes
RESET button
Yes
OLT Interoperability (BBF.247)
Yes
DHCP Client
Yes
Number of GEM ports
256
Number of T-CONT
32
Primary Power Connection (VDC)
12 (± 15%)
Primary Power Connection (VAC)
230V AC 50Hz ±2Hz / 110V AC 60Hz ±2Hz
Power Supply (W) (2)
19
MTBF (h)
404660
Size (mm)
210x210x40
Temperature (⁰C)
-5 to 45
Humidity (%)
0 to 95
NOTES:
(1) Optional. Dependent on the ONT-RGW specific model
(2) An LPS power source is used to power the ONT equipment:
US/Canada:
The ONT must be powered by an external Listed Limited Power Source (LPS) or Class 2 Power source. The
external power adapter must be LPS certified.
Rest of the World:
The ONT must be powered by an External CB approved Limited Power Source (LPS).

GENERAL SERVICE DESCRIPTION ▀
ME4600 Optical Network Termination Residential Gateway User Manual ▄
35
GENERAL SERVICE DESCRIPTION
Table 7: Services
GPON layer per G984.x
> Comply with GPON standard: ITU-T
G984.1/G984.2/G984.3/G984.4;
> GPON Encapsulation Method (GEM) supports
Ethernet;
> Configurable AES Downstream and FEC
Downstream and Upstream;
> Bitrates: 2488 Gbps (downstream) / 1244 Gbps
(upstream).
> Class B+ optics (28 dB);
> T-CONT:32;
> GEM-Port-IDs: 32.
L2/L3 layer
> VLAN-ID to GEM port-ID mapping (per WT-
156): N:1 VLAN; 1:1;
> Transparent VLAN;
> Classification: IDSCP/TOS, 802.1p TCI, VLAN
ID, MAC address;
> Traffic Management: up to 8 queues per T-
CONT in Priority-controlled mode or up to 16
queues per T-CONT in Rate-controlled scheduling
mode.
> 802.1q VLAN processing: Q-in-Q,
tagging, removing tag, replacing tag or
transparent forwarding;
> Routing: Network Access Translation
(NAT) and Network Access Port
Translation (NAPT);
> Firewall;
> VPN;
> DHCP Client and Server;
> PPPoE Client;
> Performance: 1000 Mbps
Bidirectional.
IPTV
> IGMP v1/v2/v3 snooping;
> IGMP processing per VLAN ID to support group
of channels;
> Interactive services (Video On Demand);
> IPTV streams forwarding simultaneous: 128;
> IPTV prioritization using Quality of Service
(QoS) using 802.1p.
-
VoIP
> T.38 Fax Relay;
> Fax/Data Bypass;
> Echo Canceller;
> Echo Canceller Length;
> Jitter Buffer;
> Caller ID Generation;
> G.711 PLC;
> G.711 VAD and CNG;
> G.723.1;
> G.726 ADPCM;
> G.729 Annex A.
> G.729 Annex B;
> Caller ID and Call waiting;
> RTP/RTCP packet encapsulation;
> RFC 2833 support;
> In-band Signaling Detection and
Generation (dial, busy, ring-back,
stutter, distinctive ring);
> 3-Way Conferencing;
> RFC 3261 support (SIP).
Ethernet
> RJ-45 10/100/1000BASE-T;
> Support Auto-negotiation;
> Support auto MDI/MDIX.
-

▀ GENERAL SERVICE DESCRIPTION
▄ ME4600 Optical Network Termination Residential Gateway User Manual
36
Video Overlay (1)
> One port on a F Connector;
> 75 Ohm impedance (nominal).
> TV overlay: 1550nm -8dBm < Pin <
+2dBm;
> Analog bandwidth: minimum 47
MHz and maximum 1000 MHz;
> Channel number depends on PAL
B/G, PAL M, etc, systems.
WiFi
> IEEE 802.11 b/g/n
> 802.11 b/g: 1, 2, 5.5, 6, 9, 11, 12, 18,
24, 36, 48 and 54Mb/s;
> 802.11 n: Up to 300Mb/s over 2
spatial streams.
Management
> Web-based with GUI;
> Remote management over the OMCI, PLOAM,
OAM and TR-069, TR-104, TR-111, TR-142.
> Secure software download upgrade
via OMCI or TR-069;
> Embedded Telnet server for remote
management.
NOTES:
(1) Optional. Dependent on the ONT-RGW specific model

OPTICAL METERING ▀
ME4600 Optical Network Termination Residential Gateway User Manual ▄
37
OPTICAL METERING
The equipment measures the downstream received power from the OLT in 1490nm and reports this value through
OMCI. The accuracy of the measurement is +/- 3dBm, maximum. Optionally, ONT-RGW has also the chance to have
an embedded optical reflective component in order to increase the FTTH probing capabilities in a 50 centimeters
resolution factor, which turns to have a single probing system to probe all GPON network ONTs even when its number
increases over Million customers.

▀ WAVELENGTH FILTERING
▄ ME4600 Optical Network Termination Residential Gateway User Manual
38
WAVELENGTH FILTERING
The optical interface has WDM filters that allow GPON coexistence with RF video services (1550-1560nm) and the
new generation of NGPON1 technology, according to G.984.5 Recommendation.
ITU-T Rec. G987.1 is also granted for XGPON, (following FSAN NG-PON2).
In order to face the final user´s demands, current GPON networks have to confront the first evolution in terms of
terminals equipments and actual infrastructure. Migration will be available through a new wavelength planning, by
allowing the co-existence of two different technologies over the same fiber. The ITU-T Rec. G987.1 provides a
mechanism for GPON to XGPON migration with the possibility to achieve 2.5Gbps upstream path. Nominally
downstream will be 10 Gbps.
The next figure depicts the wavelength planning of ITU-T Rec. G987.1
Figure 13: Wavelength planning
In order to accomplish to that plan, the upstream wavelength for GPON must be restricted to ONU (ONT) equipment
based on the ordinary DFB lasers, while the XGPON downstream signal range is defined from 1575 nm to 1580 nm and
the XGPON upstream signal from 1260 nm to 1280 nm. For the coexistence of XGPON and GPON over the same fiber,
the CO requires a WDM filter that combines the downstream signal (1490 nm, 1555 nm and 1577 nm), isolating the
1310 nm and 1270 nm upstream signal, with the video signal. Also the wavelength of 1650 nm, used for fiber
monitoring, has to be handled.
In addition, ONT devices require the use of a triplexer type transceiver that include an integrated filter or a discrete
WDM filter to distinguish the different signals that may be present on the fiber. The current networks, equipped with
ONT in accordance with the current ITU-T Rec. G984.5, will be easily updated to XGPON.
Class B+ optical budget are the nominal requirement for coexistence of GPON and XGPON over the same optical fiber.
Taking in account this requirement, the fiber network architecture will not limit the future of the service provider
business since GPON architectures, respecting B+ class of the GPON, are easily updated by placing newest terminal
equipments, namely XOLT and XONT, and by replacing the current WDM filter by the new one in order to handle the
new XGPON signals.
XGPON must support/emulate all GPON legacy services in case of total migration.
Like GPON, XGPON is required to support triple play services (data, voice and video), as well as mobile backhauling
(accurate frequency/phase/time synchronization) application through its high quality of service and high bit rate feature
capabilities. Access to Ethernet services such as point-to-point, multipoint-to-multipoint and rooted-multipoint Ethernet
Virtual Connection services should be provided. Finally, as a global requirement, XG-PON needs to support IPv6.

GPON/ETHERNET CHARACTERISTICS ▀
ME4600 Optical Network Termination Residential Gateway User Manual ▄
39
GPON/ETHERNET CHARACTERISTICS
GPON/Ethernet characteristics supported, both functional level and GTC-OMCI configuration, corresponds with the
general mandatory characteristics defined in ITU-T G.984.3, G.984.4 and G.988 Recommendation:
PON interface: downstream operating rate 2.488 Gbits/s, upstream operating rate 1.244 Gbits/s;
32 T-CONT and 256 simultaneous GEM ports;
1:64 SR is granted once optical power transmission from the OLT side is up from -27/30dBm;
Unmarked or marked bandwidth management;
Upstream and downstream FEC;
Downstream AES encryption;
Ethernet flow control in client´s port: 802.3x and 802.3ab;
Ability to classify and modify VLAN labels (single or double labeling);
Ability to support multiple VLAN tags per service (Internet, IPTV, VoIP, ACS, etc) from Residential Gateway.
And ability to translate those VLAN to one specific service VLAN on OLT side, like, IPTV service VLAN,
Internet Service VLAN (SVLAN and CVLAN), and VoIP Service VLAN;
802.1 DSCP for CoS support;
IEEE 802.1Q and 802.1p support;
Multicast snooping support IGMPv2 and IGMPv3;
Firmware upgrade through the PON interface following the mechanisms specified in the ITU-T G.984.4 and
G.988, including a safe dual firmware updates image system and the ability of back-up, allowing the SINGLE
PORT ONT start in case the software download fails, to enable a new software update.

▀ GPON MANAGEMENT
▄ ME4600 Optical Network Termination Residential Gateway User Manual
40
GPON MANAGEMENT
The system supports the configuration according to the recommendations described in ITU-T, G.984, G.988 and BBF
TR-156.
Specifically the next functionalities are obtained via OMCI for diagnostic (counters and alarms):
ONT configuration checking of the services provisioned;
Acquisition of the physical parameters of the SINGLE PORT GPON ONT interface;
Traffic counters, statistics, errors, GPON interface status: by VLAN, by traffic type, by priority;
Traffic counters, statistics, errors, GbE interface status are only available by port;
Configuration parameters of services provisioned in the ONT: T-CONT, GEMPORT, VLAN and GPON
MAC tables;
Alarms/events included in the standards mentioned above.

STANDARDS ▀
ME4600 Optical Network Termination Residential Gateway User Manual ▄
41
STANDARDS
Table 8: Standards
EMC
Standards
EMC Directive 89/336/EEC, EMC Addendum Directive
92/31/EEC, EMC Addemdum Directive 91/263/EEC
(Telecommunications Terminal Equipment Directive)
Emissions
EN50081-1, EN55022
Immunity
EN50082-1, EN61000-4-2, EN61000-4-3, EN61000-4-4
Operating Limits
Temperature
EN300019
Relative humidity,
maximum
EN300019
Environmental Standards
Acoustic noise
ISO 3743 (<45dBa)
Power and Grounding
ETSI EN 300 132-2 V2.1.1 (2003-01)
ETSI ETS 300 253: January 1995
Optical Safety
ALS - Automatic Laser Shutdown
Safety and Protection
EN/IEC 60950-1
Mechanical Resistance
EN300019
Quality
CE - Conformité Européenne
Certification
BBF.247 G-PON

ME4600 Optical Network Termination Residential Gateway User Manual ▄
42
Chapter 4
SETUP
BEFORE INSTALLING YOUR RGW DEVICE
Check for site’s environmental conditions and look for power and optical access points nearby;
Do not install the device in environments where the temperature or humidity exceeds the standard limits;
This device is a passive cooling device. There are thermal holes in the surface of the box. To prevent the
overheating do not obstruct these thermal holes;
The ONT-RGW device is not designed for outdoor setup. Please place it in a convenient indoor/cabinet
environment;
Use only the provided power kit. The use of a third party power adapter may not guarantee its proper operation;
To avoid any hazard or damage in your eyes, please never look directly into a fiber optic connector;
Never assume that the laser beam is inactive or that the optical fiber is switched off.

CONNECTIONS ▀
ME4600 Optical Network Termination Residential Gateway User Manual ▄
43
CONNECTIONS
ONT-RGW connections are distributed by two side faces of the device. ONT-RGW connections’ general view is show
in the following picture, Figure 14
Figure 14: ONT-RGW connections general view
Figure 15: ONT-RGW connections 1
1 2 3 4 6
5

▀ CONNECTIONS
▄ ME4600 Optical Network Termination Residential Gateway User Manual
44
Figure 16: ONT-RGW connections 2
Table 9: ONT-RGW connections description
Number
Name
Description
1
12V
12V DC Power Supply Connector
2
ON/OFF button
3
FXS (1, 2)
2x RJ11 – FXS Ports
4
LAN (1, 2, 3, 4)
4x RJ45 Ports - 10/100/1000Base-T
Ethernet with AUTO-MDIX
5 (1)
RF Video(1)
Video RF Connector, F type (1)
6
RST
Configurations RESET button
7
USB (1, 2)
2x USB 2.0 ports
8
ECO
Energy saving button.
In order to verify the status of all LEDS press the
button.
If not pressed only POWER and RADIO
SIGNAL LEDs have updated status information.
9
WPS - WiFi Protected Set-up
NOTES:
(1) Optional.
Dependent on the ONT-RGW specific model
8 97

HOW TO SETUP YOUR ONT-RGW ▀
ME4600 Optical Network Termination Residential Gateway User Manual ▄
45
HOW TO SETUP YOUR ONT-RGW
The ONT-RGW may be installed horizontally on a flat surface or wall mounted. Quick steps for these setups are
described below.
Wall-mount
ONT-RGW wall mounting kit consists of two AGL. ZN. CC. PZ. 3,5X30mm screws, standard DIN 7505-B,
and two Nylon M 6X30 wall anchors
On the back of the ONT-RGW there are two mounting hole. Refer to Figure 17- a) to locate the mounting
holes for your installation;
Mark on the wall the two ONT-RGW holding screws’ locations;
Drill the holes on the wall with a drill bit size that matches the screws or wall anchors’ size if you are using
wall anchors;
Secure the screws on the wall leaving a distance of about 3mm between the screw nut and the wall;
Remove the ONT-RGW optical adaptor protection cap, Figure 17- b);
Clean the ONT-RGW optical connector face within the optical adaptor with an appropriate optical connector
cleaning material;
Remove the protection cap of one of optical SC/APC connector of optical patchcord;
Clean the optical SC/APC connector face with an appropriate optical connector cleaning material;
Plug the patchcord cleaned SC/APC optical connector on the ONT.-RGW SC/APC adaptor, observing the
alignment mechanism, Figure 17- c);
You will hear a click when the connector is secure into place;
Pass the optical patchcord, in a counter- clockwise direction, round the storage circular guide on the back of the
equipment, wrapping it round as many times as necessary, Figure 17- d). Please avoid small bend radius on the
patchcord (30mm minimum bend radius);
Pass the other end of the optical patchcord to the outside of the equipment using the passing hole, Figure 17- f);
Fix the optical patchcord with plastic clamps to the ONT-RGW the appropriate fixing support fastening the
plastic clamp just enough to secure the optical patchcord, Figure 17- e);
Hold the ONT RGW vertically and align the center of the equipment mounting holes Figure 17- a) with the
holding screws in the wall;
Assure the screws enter the mounting holes, Figure 17- a);
Slide the equipment vertically down to hold it in place.

▀ HOW TO SETUP YOUR ONT-RGW
▄ ME4600 Optical Network Termination Residential Gateway User Manual
46
Figure 17: ONT-RGW back side –optical patch cord installation
HORIZONTAL POSITION
Remove the ONT-RGW optical adaptor protection cap, Figure 17- b);
Clean the ONT-RGW optical connector face within the optical adaptor with an appropriate optical connector
cleaning material;
Remove the protection cap of one of optical SC/APC connector of optical patchcord;
Clean the optical SC/APC connector face with an appropriate optical connector cleaning material;
Plug the patchcord cleaned SC/APC optical connector on the ONT.-RGW SC/APC adaptor, observing the
alignment mechanism, Figure 17- c);
You will hear a click when the connector is secure into place;
a
a
bd
e
f
c

HOW TO SETUP YOUR ONT-RGW ▀
ME4600 Optical Network Termination Residential Gateway User Manual ▄
47
Pass the optical patchcord, in a counter- clockwise direction, round the storage circular guide on the back of the
equipment, wrapping it round as many times as necessary, Figure 17- d). Please avoid small bend radius on the
patchcord (30mm minimum bend radius);
Pass the other end of the optical patchcord to the outside of the equipment using the passing hole, Figure 17- f);
Fix the optical patchcord with plastic clamps to the ONT-RGW the appropriate fixing support fastening the
plastic clamp just enough to secure the optical patchcord, Figure 17- e);

▀ INTERFACE CONNECTION
▄ ME4600 Optical Network Termination Residential Gateway User Manual
48
INTERFACE CONNECTION
OPTICAL CABLE CONNECTION
Connect the optical cable (C4) from the ONT-RGW to the optical socket, Figure 18;
Figure 18: Interfaces connection 1 (PON Interface)
Connect the Ethernet UTP CAT5E (C1) cable (direct or crossover) from the ONT-RGW Ethernet port (B1) to
the Home Gateway’s WAN port (B6);
GENERAL OVERVIEW OF ONT-RGW CONNECTIONS
Figure 19 bellow shows the connections to be made between the ONT-RGW and the home network devices. Please
refer to Figure 15 and Table 9 for the ONT-RGW connector description and to Table 10 for the description of the
connecting cables that must be used.
.
Table 10: ONT-RGW connections
Connection
Description
C1
12V DC Adapter
C2
RJ11 Telephone cable
C3
Ethernet Cable UTP CAT56 cable (direct or crossover)
C4
Single-mode Optical Cable with SC/APC Connector (GPON)
C5 (1)
Cable with F-type Connectors, Coaxial 75 Ohm
Optical
wall socket
C1

INTERFACE CONNECTION ▀
ME4600 Optical Network Termination Residential Gateway User Manual ▄
49
Connection
Description
W1
WiFi
NOTES:
(1) Optional; Dependent on the ONT-RGW specific model
Figure 19: ONT-RGW connections
Optical
wall socket
Laptops
PC
SETOP BOX
Telephone/Fax
220V/110 V
AC
ONT-RGW Rear View
C4
C3
C3
C2
C1
W1
C5
TV

ME4600 Optical Network Termination Residential Gateway User Manual ▄
50
Chapter 5
CONFIGURATION
ONT-RGW ACTIVATION
The ONT-RGW activation process has a distributed set of procedures that allow the connection of a inactive equipment
to a PON network. This configuration is done following the procedure described in the OMCI protocol.

CUSTOMIZATION ▀
ME4600 Optical Network Termination Residential Gateway User Manual ▄
51
CUSTOMIZATION
For customization process, the requirements specified in the G.984.4, G.984.5 and ‘Implementer’s Guide’ in the
G.984.4 v1 are taken into account.
SOFTWARE DOWNLOAD FROM THE OLT
The software download is made following the OMCI-based procedure included in the ‘Implementer’s Guide’ of the
G.984.4 Recommendation.
The Managed Entity (ME) in charge of managing the software download is named Software Image. Per each ME
containing independently-manageable software, the ONT-RGW creates two software images. Each image will have
three attributes:
Valid - if it has been verified that it’s content is an image with executable code;
Committed - if once the ONT-RGW is rebooted, it is loaded and executed;
Active - if it is loaded and it is being executed in the ONT-RGW.
There can be only one active image and only one committed image at a given moment. The ONT-RGW goes through a
series of states in order to download and activate a software image. Each state is defined according to the states of the
variables of both images. The OLT controls the ONT-RGW state through a series of commands:
Start download
It starts the software download sequence. This action is only valid for inactive and non-
committed software images;
Download section
It downloads a section of a software image. This action is only valid for an image that is
being downloaded;
End download
It indicates the end of a download sequence, providing the CRC and information about
version for the final verification of the downloaded software image. This action is only
valid for a software image that is being downloaded;
Activate image
It loads/executes a valid software image. When this action is applied to an inactive software
image, the execution of the current code image is suspended, the associated software image
is loaded from the non-volatile memory and the execution of the new code image is started.
When this action is applied over a software image that is active, a reboot is executed;
Commit image
It selects a valid SW image to be loaded and executed by default when the ONT-RGW is
restarted;
Composition of the Software Image
A software image is divided into sections of 31 bytes, with one section per OMCC message
and each section protected by the CRC of the OMCC. A group of sections makes up a
window, and a group of windows constituting the image.

▀ CUSTOMIZATION
▄ ME4600 Optical Network Termination Residential Gateway User Manual
52
NETWORK SETUP
ONT-RGW is the link between the modem and all of the peripherals in the LAN. The following figure shows a possible
network setup containing three wireless computers and two wired computers.
Figure 20: ONT-RGW Network Setup
ONT-RGW GENERAL MANAGEMENT CONFIGURATION
To configure the ONT-RGW, enter the URL address http://192.168.1.1 address in your browser.
Figure 21: ONT-RGW management login
The administrative user and password is:
User: admin
Password: admin

CUSTOMIZATION ▀
ME4600 Optical Network Termination Residential Gateway User Manual ▄
53
After logging in, the main window is as shown in the next figure. The shown main window is device info summary
window.
Figure 22: ONT-RGW management main screen
The ONT-RGW Management lets the user configure these categories by clicking the folder icons in the Control Menu
pane.
Device Info
Advanced Setup
Wireless
Voice
Diagnostics
Management
GR2402

▀ CUSTOMIZATION
▄ ME4600 Optical Network Termination Residential Gateway User Manual
54
DEVICE INFO
Selecting Device Info menu item, expands Device Info sub-menu into listed items, :
Summary
WAN
Statistics
Route
ARP
DHCP
VOICE
Figure 23: ONT-RGW Graphic User Interface main menu
SUMMARY
Selection of Device Info sub-menu item Summary, displays in the main window the initial device info configuration
details, Figure 24. The initial displayed information will be updated to the current device info details by the performed
configuration settings of the ONT. Description of the Device Info window parameters can be found in Table 11.

CUSTOMIZATION ▀
ME4600 Optical Network Termination Residential Gateway User Manual ▄
55
Figure 24: Device Info details – initial configuration
Table 11: Device Info window parameters
Parameter
Description
Serial Number
ONT serial number
Symmetric CPU Threads
Number of ONT Symmetric CPU Threads
Software Version
Installed ONT software version
Wireless Driver Version
Installed ONT Wireless Driver version
LAN IPv4 Address
ONT LAN initial IPv4 Address; corresponds to the
ONT IPV4 address used to access the ONT HTTP
GUI
Date/Time
Initial ONT date; this value will be updated the
ONT has access to an NTP server, upon an IPoE
configuration
WAN
Selection of the Device Info sub-menu item WAN displays in the main window the current WAN configuration details,
Figure 25.
The window is composed of two tables:
WAN info;
GRE Tunnels Status
Description of the WAN Info Table parameters can be found in and GRE Tunnels Status table parameters in .

▀ CUSTOMIZATION
▄ ME4600 Optical Network Termination Residential Gateway User Manual
56
Figure 25: WAN current configuration details window – initial window
Figure 26: WAN current configuration details window – exemple of 2 WAN interfaces and a GRE Tunnel configured
Table 12: WAN Info Table parameters
Parameter
Description
Interface
WAN interface identification (string); attributed on the Wan
interface configuration; if not set by the user, the system names
the interface automatically as “xxx0.n/”, where xxx is the type of
interface (eg ppp stands for pppoe) n is number indicating order
of interface creation, starting in 1
Description
WAN service description; String that can be entered by the user;
default values indicates type of WAN service (pppoe/ipoe/gre/br),
used layer 2 interface (eg. veip0/eth1) interface and used vlan id
(eg. 11)
Type
Identifies Wan service Type (PPPoE/IPoE/gre/br)
VlanMuxId
Used 802.1Q VLAN ID (0-4094)
IPv6
Flag (enable/disable) ; indicates if IPv6 is enabled
Igmp Pxy
Flag (enable/disable) ; indicates if IGMP proxy is enabled; to use
for multicast configuration in the case of IPv4.
Igmp Src Enbl
Flag (enable/disable); indicates if IGMP source is enabled; to use
for multicast configuration in the case of IPv4.
MLD Pxy
Flag (enable/disable) ; indicates if MLD proxy is enabled; to use
for multicast configuration in the case of IPv6.
MLD Src Enbl
Flag (enable/disable) ; indicates if MLD source is enabled; to use
for multicast configuration in the case of IPv6.
NAT
Flag (enable/disable); Indicates if NAT is enabled

CUSTOMIZATION ▀
ME4600 Optical Network Termination Residential Gateway User Manual ▄
57
Parameter
Description
Firewall
Flag (enable/disable); Indicates if Firewall is enabled
Status
Indicates interface connection status (connected/disconnected)
IPv4 Address
Indicates IPV4 interface address
IPv6 Address
Indicates IPV6 interface address if IPV6 is enabled
Enable/Disable
Flag (enable/disable); indicate if the interface is administratively
enabled
Table 13: GRE Tunnels Status Table parameters
Parameter
Description
Tunnel Name
Gre Tunnel identification (string) configured when gre tunnel is
created
Local IP
IP address of the local end interface of the GRE tunnel
Remote IP
IP address of the local end interface of the GRE tunnel
Tunnel IP
Tunnel IP Address
Peer IP
Peer IP Address
Tunnel Mask
Tunnel mask
TTL
Time To Live in seconds
Tunnel Mode
Indicates if this is a Layer 2 mode tunnel
Status
Flag (enable/disable); indicate the Tunnel is administratively
enabled
STATISTICS
When selected the Device Info sub-menu item Statistics expands into a statistics sub-menu, composed of the following
items:
LAN
WAN Service
The main window shows the LAN statistics information
LAN
Selection of the Device Info, Statistics submenu, item LAN displays in the main window the current LAN (Local Area
Network) statistics information, Figure 27.
Received and Transmitted Total and per type of traffic Statistics will be displayed for each LAN interface with traffic.
LAN statistics parameter description can be found in Table 14.

▀ CUSTOMIZATION
▄ ME4600 Optical Network Termination Residential Gateway User Manual
58
Figure 27: LAN Statistics
Table 14: LAN Statistics Table parameters
Parameter
Description
Interface
LAN interface Identification (string).
eth #, # - number : 0 to 3 – ONT-RGW ETH port number
wl0, Wireless interface
Total
Received/transmitted
Total values (Multicast+Unicast+Broadcast) of:
Bytes – Total number of Received /Transmitted Bytes
Pkts – Total number of Received/transmitted Packets
Errs– Total number of Received/transmitted Errors
Drops – Total number of Received/transmitted Drops
Multicast
Received/transmitted
Number of received/transmitted Multicast:
Bytes
Pkts – Packets
Errs– Errors
Drops
Unicast
Received/transmitted
Number of received/transmitted Unicast:
Bytes
Pkts – Packets
Errs– Errors
Drops
Broadcast
Received/transmitted
Number of received/transmitted Broadcast:
Bytes
Pkts – Packets
Errs– Errors
Drops

CUSTOMIZATION ▀
ME4600 Optical Network Termination Residential Gateway User Manual ▄
59
WAN SERVICE
Selection of the Device Info, Statistics sub-menu Item WAN service displays in the main window the Wide Area
Network statistics information per configured Wan service, Figure 28.
WAN Service statistics parameter description can be found in Table 15
Figure 28: Wan statistics
Table 15: WAN Statistics Table parameters
Parameter
Description
Interface
WAN interface identification (string)
Description
WAN service description; String that can be entered by the user at
the Wan service creation ; default values indicates type of WAN
service (pppoe/ipoe/gre/br), used layer 2 interface (eg. veip0/eth1)
interface and used vlan id (eg. 11)
Total
Received/transmitted
Total values (Multicast+Unicast+Broadcast) of:
Bytes – Total number of Received /Transmitted Bytes
Pkts – Total number of Received/transmitted Packets
Errs– Total number of Received/transmitted Errors
Drops – Total number of Received/transmitted Drops
Multicast
Received/transmitted
Number of received/transmitted Multicast:
Bytes
Pkts – Packets
Errs– Errors
Drops
Unicast
Received/transmitted
Number of received/transmitted Unicast:
Bytes
Pkts – Packets
Errs– Errors
Drops
Broadcast
Received/transmitted
Number of received/transmitted Broadcast:
Bytes
Pkts – Packets

▀ CUSTOMIZATION
▄ ME4600 Optical Network Termination Residential Gateway User Manual
60
Parameter
Description
Errs– Errors
Drops
ROUTE
Selection of the Device Info sub-menu Route item, compresses the open Device info sub-menu if expanded (eg
Statistics) and shows in the main window the Device Routing information, Figure 29. In the example bellow the
destination address is the address of the ONT-RGW bridge (br0 Interface) and the route status is up.
Route Table parameter description can be found in Table 16
Figure 29: Device Route Info
Table 16: Device Routing information Table parameters
Parameter
Description
Destination
IP Destination Address
Gateway
Used Gateway IP Address, if configured
Subnet Mask
Used sub network mask, if configured
Flag
Route status indication flag:
U – UP
! – reject
G - gateway
H – host
R – Reinstate
D – Dynamic (redirect)
M - modified
Metric
Used metric
Service
Service using the route
Interface
Interface used by the Route

CUSTOMIZATION ▀
ME4600 Optical Network Termination Residential Gateway User Manual ▄
61
ARP
Selection of the Device Info sub-menu ARP item, compresses the open Device Info sub-menu if expanded (eg
Statistics) and shows in the main window the Device ARP information, Figure 30.
Device ARP information parameter description can be found in Table 17.
ARP is used to convert an IP address to a Physical address. The ARP table
In the example bellow the IP Address is the allocated IP address by the ONT-RGW the latop connected to one of the
device ETH LAN ports and used to access the device GUI (Graphic User Interface) for Device configuration. The HW
address corresponding to this IP address is the laptop MAC, the ARP flags value is complete since the IP address was
successfully resolved to the Laptop MAC address . The logical device the laptop is connected is the ONT-RGW bridge
br0. This is the ARP table for this device.
Figure 30: Device ARP Info
Table 17: Device ARP information Table parameters
Parameter
Description
IP Address
External Device IP Address
Flags
ARP status indication flag:
Complete
Incomplete…
HW address
External device Hardware address
Device
Used Device Interface
Metric
Used Metric
Service
Service using the route
Interface
Interface used by the route
DHCP
Selection of the Device Info sub-menu DHCP item, compresses the open Device Info sub-menu if expanded (eg
Statistics) and shows in the main window the Device DHCP Leases information, Figure 31.
Device DHCP information parameter description can be found in Table 18.

▀ CUSTOMIZATION
▄ ME4600 Optical Network Termination Residential Gateway User Manual
62
Figure 31: Device DHCP Leases Info
Table 18: Device DHCP Leases information Table parameters
Parameter
Description
Hostname
External Device(with an IP Address was attributed by DHCP lease
by the ONT-RGW) Name
MAC Address
External Device (with an IP Address was attributed by DHCP lease
by the ONT-RGW) MAC Address
IP Address
External Device IP Address attributed by DHCP lease by the ONT-
RGW
Expires in
Remaining validity time of DHCP leased External Device IP
address
VOICE
Selection of the Device Info sub-menu VOICE item, compresses the open Device Info sub-menu if expanded (eg
Statistics) and shows in the main window the Device Voice Status information, Figure 32
Device DHCP information parameter description can be found in Table 18.
Figure 32: Device Voice Status information table
Table 19: Device Voice Status information Table parameters
Parameter
Description
SIP Account
SIP account identifier; two SIP account can be configured at the
ONT-RGW:
User Name
SIP Account Access Data Information: Username
User Status
SIP Account Access Data Information: User Status
(enabled/disabled)e
Registration Status
Information of the status of SIP Account Registration process:
(enabled/disabled)

ADVANCED SETUP ▀
ME4600 Optical Network Termination Residential Gateway User Manual ▄
63
ADVANCED SETUP
Selection of the main menu item Advanced Setup expands Advanced Setup sub-menu, Figure 33.
Figure 33: Advanced Setup Expanded Menu
The main Windows shows the Layer2 interface menu, GPON interface configuration window,
LAYER2 INTERFACE
This menu item allows the configuration of the wan ONT-wan interface (uplink interface) as GPON wan interface or
ETH wan interface (physical electrical ETH interface). In the last case the ONT-RGW is configured simply as a
conventional RGW.
Selection of Advanced Setup sub-menu item Layer2 Interface expands Layer2 Interface submenu items than allow the
configuration of the WAN interface (uplink interface):
GPON Interface
Ethernet Interface

▀ ADVANCED SETUP
▄ ME4600 Optical Network Termination Residential Gateway User Manual
64
GPON INTERFACE
Selection of Advanced Setup, Layer2 Interface sub-menu item GPON interface displays in the main window GPON
WAN Interface Configuration window which is the default configuration for WAN interface, Figure 34. In this window
it is possible to add or remove GPON WAN interface.
Device DHCP information parameter description can be found in Table 20.
Figure 34: GPON WAN Interface Configuration- initial window
Table 20: GPON WAN interface configuration Table parameters
Parameter
Description
Interface/(Name)
ONT-RGW WAN interface Identification. In the case of GPON
Wan interface – veip0/veip0
Connection Mode
Value: VlanMuxMode
Remove
If selected, the WAN interface can be removed with Remove
button
ETH INTERFACE
Selection of Advanced Setup, Layer2 Interface sub-menu, item ETH interface, displays in the main window ETH WAN
Interface configuration –Add/Remove window, Figure 35. In this window it is possible to add a new ETH Wan interface
or remove an Existing ETH WAN interface.
ETH WAN Interface ADD and Configure
To Add na ETH WAN interface, use the button Add, Figure 35. A new window will be displayed where is possible to
select on a combo box the ONT-RGW ETH physical interface to be the ETH Wan interface, Figure 36. Once selected
the ETH Wan interface use the Apply/Save Button, Figure 37, to validate the selection and progress to the next and final
configuration window, Figure 38, displaying the ETH WAN current configuration.
Device DHCP information parameter description can be found in Table 21.

ADVANCED SETUP ▀
ME4600 Optical Network Termination Residential Gateway User Manual ▄
65
Figure 35: ETH WAN Interface Configuration- Add/Remove Window
Figure 36: ETH WAN Interface Configuration - Select ETH WAN interface
Figure 37: ETH WAN Interface Configuration - Validation of ETH WAN interface selection.
Figure 38: ETH WAN Interface Configuration - Final configuration window
Table 21: ETH WAN interface configuration Table parameters
Parameter
Description
Interface/(Name)
ONT-RGW WAN interface Identification. In the case of ETH Wan

▀ ADVANCED SETUP
▄ ME4600 Optical Network Termination Residential Gateway User Manual
66
Parameter
Description
interface – eth#/eth#, # - ONT –RGW ethernet physical interface
order number : 0 to 3
Connection Mode
Value: VlanMuxMode
Remove
If selected, the WAN interface can be removed with Remove
button
WAN SERVICE
Selection of Advanced Setup submenu item Wan Service will display in the main window two configuration tables,
Table parameters’ description can be found in tables Table 22 and Table 23.
In this window it is possible the Addition and Removal of WAN services.
Figure 39:
Wan service setup
GRE tunnels setup
Table parameters’ description can be found in tables Table 22 and Table 23.
In this window it is possible the Addition and Removal of WAN services.
Figure 39: Advanced Setup WAN Service main window
Table 22: WAN Service Setup Table parameters
Parameter
Description
Interface
WAN interface identification (string); attributed on the Wan
interface configuration; if not set by the user, the system names
the interface automatically as “xxx0.n/”, where xxx is the type of
interface (eg ppp stands for pppoe) n is number indicating order
of interface creation, starting in 1
Description
WAN service description; String that can be entered by the user;
default values indicates type of WAN service (pppoe/ipoe/gre/br),
used layer 2 interface (eg. veip0/eth1) interface and used vlan id
(eg. 11)

ADVANCED SETUP ▀
ME4600 Optical Network Termination Residential Gateway User Manual ▄
67
Parameter
Description
Type
Identifies Wan service Type (PPPoE/IPoE/gre/br)
Vlan8021p
IEEE 802.1P Priority value (0 to 7)- to use for tagged services
Set to “-1” for Untagged services
VlanMuxId
Used 802.1Q VLAN ID (0-4094) for tagged services; for untagged
services use value “-1”
Vlan Tpid
VLAN Tag Protocol Identifier;
Igmp Proxy
Flag (enable/disable) ; indicates if IGMP proxy is enabled; to use
for multicast configuration in the case of IPv4.
Igmp Source
Flag (enable/disable); indicates if IGMP source is enabled; to use
for multicast configuration in the case of IPv4.
Igmp Src Enbl
Flag (enable/disable); indicates if IGMP source is enabled; to use
for multicast configuration in the case of IPv4.
NAT
Flag (enable/disable); Indicates if NAT is enabled
Firewall
Flag (enable/disable); Indicates if Firewall is enabled
IPv6
Flag (enable/disable) ; indicates if IPv6 is enabled
MLD Pxy
Flag (enable/disable) ; indicates if MLD proxy is enabled; to use
for multicast configuration in the case of IPv6.
MLD Src
Flag (enable/disable) ; indicates if MLD source is enabled; to use
for multicast configuration in the case of IPv6.
Remove
If selected, the WAN Service can be removed with Remove button
Edit
Flag (enable/disable) ; indicates if IPv6 is enabled
Enable/Disable
Flag (enable/disable); indicate if the interface is administratively
enabled
Table 23: GRE Tunnels Setup Table parameters
Parameter
Description
Tunnel Name
GRE Tunnel identification (string) configured when gre tunnel is
created
Local IP
IP address of the local end interface of the GRE tunnel
Remote IP
IP address of the local end interface of the GRE tunnel
Tunnel IP
Tunnel IP Address
Peer IP
Peer IP Address
Tunnel Mask
Tunnel mask
TTL
Time To Live in seconds
Remove
If selected, the GRE Tunnel can be removed with Remove button
Tunnel Mode
Indicates if this is a Layer 2 mode tunnel
Enable/Disable
Flag (enable/disable); indicate the Tunnel is administratively
enabled

▀ ADVANCED SETUP
▄ ME4600 Optical Network Termination Residential Gateway User Manual
68
WAN SERVICE CREATION
To create a WAN service, use the ADD button in the Advanced Setup WAN service Main window, Figure 39. A new
window will be displayed where is possible to select on a combo box the ONT-RGW WAN interface associated to the
service to create, Figure 40. Once selected the WAN interface use the Next Button, Figure 41, to progress to the next
WAN service configuration window – Type of service selection and service configuration, Figure 42.
Four types of WAN services can be created and configured:
PPP over Ethernet (PPPoE)
IP over Ethernet (IPoE)
GRE Tunneling (over Layer 2)
Bridging
Figure 40: WAN service Interface configuration window
Figure 41: WAN service Interface selection for the WAN service to setup
PPPoE TYPE OF SERVICE CREATION, (Figure 42 to Figure 45)
After the selection of the WAN interface associated to the service to create, Figure 40 and Figure 41 , use the Next
button at Figure 41, to progress to the next WAN Service setup window- Wan service Configuration, Figure 42
At this window execute the following steps:
Step 1 Select the PPP over Ethernet (PPPoE) WAN service type.
Step 2 At the Field Service Description enter a string for the service description; the default service description
is a string automatically filled in when the type o device is selected(Step1) and composed by the type
of Service followed by underscore and the WAN interface name , e.g. pppoe_veip0

ADVANCED SETUP ▀
ME4600 Optical Network Termination Residential Gateway User Manual ▄
69
Next fields of the WAN service configuration are related to VLAN tagging configuration:
802.1P priority; definition of the upstream traffic classification by attributing a Pbit value (0->7; 0 being
the lowest priority traffic)
802.1Q VLAN ID, Specifies the VLAN identifier; values from 0 to 4096
VLAN TPID; Tag Protocol Identifier (TPID) is a 16-bit field of the IEEE 802.1Q header, that is used to
identify the frame as a tagged frame;
Possible values are:
o 0x8100, TPID default value; Used for single tagged frames or for double tagged frames as the
inner or customer VLAN tag (802.1ad conventions)
o 0x88A8, Used in double tagged frames, for the outer or service VLAN tag (802.1ad conventions);
in this case the inner VLAN (C-VLAN) tag TPID has the default value of 0x8100;
o 0x9100, Used in double tagged frames, for the outer or service VLAN tag (older version of
802.1Q); in this case the inner VLAN (C-VLAN) tag TPID has the default value of 0x8100;
VLAN TAGGING CONFIGURATION PROCEDURE, (Figure 42 to Figure 45):
Step 3 For tagged service, at the field 802.1P priority, enter the pbit value (0-7) to mark the upstream traffic
according to the desired CoS for the service to create; a higher value corresponds to a higher priority
CoS;
For untagged service leave the filed with the default value of -1;
Step 4 For tagged service, at the VLAN ID field enter the VLAN ID value (0-4094) of the VLAN used by the
service
For untagged service leave the field with the default value of -1;
Step 5 For tagged service select a TPID value from the selection combo box, Figure 43.
0x8100, TPID default value; if selected a single tagged service is configured
0x88A8 or 0x9100, TPID used for the outer VLAN (S-VLAN) for double tagged services; if selected a
double VLAN tagged service is configured; in this case the inner VLAN (C-VLAN) tag TPID has the
default value of 0x8100;
Step 6 At the field Network Protocol Selection use the selection combo box to choose one of the available
options:
IPv4 Only (default value);
IPv4 & IPv6 (Dual Stack);
IPv6 Only;

▀ ADVANCED SETUP
▄ ME4600 Optical Network Termination Residential Gateway User Manual
70
Figure 42: WAN service setup – type of service selection and service configuration – PPPoE service
Figure 43: WAN service setup – type of service selection and service configuration - TPID selection combo box
1
2
3
4
5
6

ADVANCED SETUP ▀
ME4600 Optical Network Termination Residential Gateway User Manual ▄
71
Step 7 Once the WAN service setup parameters are configure use Next button, Figure 45, to progress to the
next WAN Service setup window- Connection establishment parameters configuration, Figure 46.
Figure 44: WAN service setup – type of service selection and service configuration - Network Protocol selection combo box
Figure 45: WAN service setup – type of service selection and service configuration – finalize type of service configuration
7

▀ ADVANCED SETUP
▄ ME4600 Optical Network Termination Residential Gateway User Manual
72
The WAN Service Setup window– Connection establishment configuration, Figure 46, allows the configuration of the
PPPoE connection establishment parameters, as explained bellow.
Figure 46: WAN Service Setup – Connection establishment configuration window
4
2
3
1
5
6
7
9
8
10

ADVANCED SETUP ▀
ME4600 Optical Network Termination Residential Gateway User Manual ▄
73
PPPoE CONNECTION ESTABLISHMENT PARAMETERS CONFIGURATION, Figure 45:
Step 1 Select the PPP username and password and use the access data provided by your ISP Username and
password) to establish the PPPoE connection, Figure 46;
Step 2 At the authentication method selection combo box select one of the available option, Figure 47:
AUTO;
PAP, Password Authentication Protocol, simple unsecure method of authentication since
password are send unencrypted over the network; the authentication is done once upon link
establishment.
CHAP, Challenge-Handshake Authentication Protocol, secure authentication method, uses a
secret known by the client and the authentication server; the authenticator sends a challenge to
which the client must answer to by using the secret. The answer is compared against the result
obtained by the authenticator itself using the secret. CHAP periodically verifies the identity of
the client by sending a new challenge.
MSCHAP, Microsoft extension to the CHAP protocol – is a modified CHAP.
Step 3 If Fullcone NAT is to be used select the option Enable Fullcone NAT; If enabled a warning message on
the disadvantages of its use is shown, Figure 48
FullCone NAT is also known as one-to-one NAT: An LAN internal address, port pair is mapped to an
external address, port pair so that any packets from the internal address, port pair will be sent through
the external address, port pair and any external host can send packets to the internal Address, Port pair
by sending packets to external Address, Port pair. Once established a fullcone NAT mapping for LAN
internal address and port, it can be reached by any external host without the need of any request from
the LAN internal address.
Step 4 If Dial on Demand is selected inactivity timeout period in minutes must be specified, Figure 49. This
corresponds to the time of inactivity (without traffic) after which the PPPoE connection goes down; the
connection recovers when activity is detected.
Step 5 Selected if PPP IP extension is to be used, Figure 46
Step 6 If Use Static IPv4 is selected, the IPv4 address must me entered, Figure 50
Step 7 Selection of Enable PPP debug mode, Figure 46, allows to see the packets exchanged in the PPP
connection.
Step 8 Bridge PPPoE Frames between WAN and local ports configures bridging mode
Step 9 IGMP multicast proxy configuration allows the configuration as either IGMP proxy ort IGMP source
and enable/disable Multicast VLAN filter, Figure 51.
Step 10 Once the Connection establishment parameters are configure use Next button, Figure 46, to progress to
the next WAN Service setup - Routing Default Gateway configuration window, Figure 52.

▀ ADVANCED SETUP
▄ ME4600 Optical Network Termination Residential Gateway User Manual
74
Figure 47: WAN Service Setup – Connection establishment configuration window- ppp authentication method available options
Figure 48: WAN Service Setup – Connection establishment configuration window- Enable fullcone NAT warning message
Figure 49: WAN Service Setup – Connection establishment configuration window- Dial on demand Configuration
Figure 50: WAN Service Setup – Connection establishment configuration window- Use of static IPv4 Configuration
Figure 51: WAN Service Setup – Connection establishment configuration window- IGMP Multicast Proxy configuration

ADVANCED SETUP ▀
ME4600 Optical Network Termination Residential Gateway User Manual ▄
75
ROUTING DEFAULT GATEWAY CONFIGURATION, Figure 52
The Routing Default Gateway configuration window presents two lists:
Selected Default Gateway Interfaces: the WAN interfaces that can be used as default gateway
interfaces are listed here; only one interface will be used as default gateway interface- this interface
will be the highest priority interface of the connected WAN interfaces in this list;
WAN interface priority is based on its position on the list, the first one of the list being the highest
priority interface.
To change WAN interface priority, its position in the list must be changed; that can be achieved by
removing all from the Selected Default Gateway Interfaces list and adding them back in the desired
order.
Available Routed WAN Interfaces: all defined available routed WAN interfaces are listed here; these
interfaces can be moved to the Selected Default Gateway interfaces list
If there is only one WAN interface defined in the system, as in the example presented, this will be selected by the
system as the default gateway interface thus being presented is the Selected default gateway list on the left.´
If more WAN interfaces are shown in the list on the right (available routed WAN interfaces) one or more can moved to
the list on the left and be selectable as default gateway routed interface according to its priority in the list.
Figure 52: WAN Service setup - Routing Default Gateway configuration window

▀ ADVANCED SETUP
▄ ME4600 Optical Network Termination Residential Gateway User Manual
76
After default gateway interface configuration, use the Next button, Figure 52, to progress to the next WAN Service
setup – DNS Server configuration parameters window, Figure 53.
DNS SERVER CONFIGURATION, Figure 53
DNS server interface can
either be selected from available WAN interfaces, Figure 53, 1, from the list Selected DNS Server
Interfaces, according to its priority (please see description bellow),
or use a Static DNS IP address, in which case this option must be selected, Figure 53, 2, and the Static
DNS servers (primary and secondary) IP addresses must be entered.
SELECTION OF DNS SERVER INTERFACES FROM AVIALABLE WAN INTERFACES
The DNS Server Configuration window presents two lists:
Selected DNS Server Interfaces: the WAN interfaces that can used as system DNS Server interfaces
are listed here; only one interface will be used as DNS server interface- this interface will be the
highest priority interface of the connected WAN interfaces in this list;
WAN interface priority is based on its position on the list, the first one of the list being the highest
priority interface.
To change WAN interface priority, its position in the list must be changed; that can be achieved by
removing all from the Selected DNS Server Interfaces list and adding them back in the desired order.
Available WAN Interfaces: all defined available routed WAN interfaces are listed here; these
interfaces can be moved to the Selected DNS Server interfaces list
If there is only one WAN interface defined in the system, as in the example presented, this will be selected by the
system as the default gateway interface thus being presented is the Selected DNS Server list on the left.´
If more WAN interfaces are shown in the list on the right (available WAN interfaces) one or more can moved to the list
on the left and be selectable as Selected DNS Server interface according to its priority in the list.

ADVANCED SETUP ▀
ME4600 Optical Network Termination Residential Gateway User Manual ▄
77
Figure 53: WAN Service setup – DNS Server configuration window
Once the DNS server configuration is done the PPPoE WAN service configuration is complete. Use the Next button to
progress to the WAN Service Setup Summary window, Figure 54. This table should reflect the configuration for the
WAN service setup parameters than have been entered on the successive WAN service setup configuration windows.
Network Address Translation flag and Firewall flag default configurations are enabled. Please verify the presented
configuration match the settings provided by the ISP for this service.
Figure 54: WAN Service Setup Summary window
2
1

▀ ADVANCED SETUP
▄ ME4600 Optical Network Termination Residential Gateway User Manual
78
To finalize the configuration use the Save/Apply button, Figure 54. The next displayed window is initial window, the
WAN Service Window, where the service configured is displayed in the corresponding table, Figure 55.
Figure 55: WAN Service Setup Initial Window- service configuration displayed
It is now possible to view the configured WAN service parameters as well as obtained IP address by Selecting the
Device Info sub-menu item WAN, Figure 56.
Figure 56: Device Info- WAN Service Current configuration and IP Address
After WAN service configuration, the Routing table, Figure 58, DNS table, Figure 59 and Interface Grouping
information, Figure 60, are updated reflecting the configurations done, in this example the configured ppp0.1 interface
appears in the Routing and DNS tables as the default WAN interface and in the Interface Grouping and the default
WAN interface.

ADVANCED SETUP ▀
ME4600 Optical Network Termination Residential Gateway User Manual ▄
79
Figure 57: Device Info- Date and hour update
Figure 58: Advanced Setup / routing - current routing table

▀ ADVANCED SETUP
▄ ME4600 Optical Network Termination Residential Gateway User Manual
80
Figure 59: Advanced Setup / DNS- current DNS server table

ADVANCED SETUP ▀
ME4600 Optical Network Termination Residential Gateway User Manual ▄
81
Figure 60: Advanced Setup /Interface Grouping- current Interface Grouping table
IPoE TYPE OF SERVICE CREATION, (Figure 42 to Figure 45)
After the selection of the WAN interface associated to the service to create, Figure 40 and Figure 41 , use the Next
button at Figure 41, to progress to the next WAN Service setup window- Wan service Configuration, Figure 61.
At this window execute the following steps:
Step 1 Select the IP over Ethernet (IPoE) WAN service type.
Step 2 At the Field Service Description enter a string for the service description; the default service description
is a string automatically filled in when the type o device is selected(Step1) and composed by the type
of Service followed by underscore and the WAN interface name , e.g. ipoe_veip0
Steps 3 to 6: Next fields of the WAN service configuration are related to VLAN tagging configuration; please refer
to section:VLAN TAGGING CONFIGURATION , Steps 3 to 6.

▀ ADVANCED SETUP
▄ ME4600 Optical Network Termination Residential Gateway User Manual
82
Figure 61: WAN service setup – type of service selection and service configuration – IPoE service
Step 7 Once the WAN service setup parameters are configure use Next button, Figure 61, to progress to the
next WAN Service setup window- WAN IP Settings configuration, Figure 62.
1
2
3
4
5
6
7

ADVANCED SETUP ▀
ME4600 Optical Network Termination Residential Gateway User Manual ▄
83
WAN IP SETTINGS
WAN IP Settings should use the information provided by the ISP.
IP address can be obtained automatically via DHCP or can be statically configured
OBTAIN IP ADDRESS AUTOMATICALLY, Figure 62, 1
Step 1 Select the option “Obtain an IP address automatically, option 1 of Figure 62.
Step 2 DHCP will be used to obtain an IP address; there are 4 DHCP options that can be configured:
Option 60 Vendor ID: String value; this option allows the identification of the vendor by the DHCP
server and is used in this context to identify in the DHCP server the IP Address pool to use by the
configured service.
Option 61- IAID (Identity Association Identifier):value-8 hexadecimal digits; IAID is a binding
between an interface and one or more IP addresses – this option used with DUID allows to identify an
interface in a client to which will be attributed a temporary IP address by DHCPv6
Option 61- DUID (DHCP Unique Identifier): value -1 hexadecimal digit; this option identifies a
DHCPv6 participant; each allocation in the DHCPv6 server is identified by a DUID and an IAID
Option 125 Vendor Identifying – Vendor Options: Fag –Enable/disable; the definition of the
information carried in this option is vendor specific. Use of vendor-specific information allows
enhanced operation, utilizing additional features in a vendor's DHCP implementation.
USE OF STATIC IP ADDRESS, Figure 62, 2
Step 1 Select the option “Use the following Static IP address “, option 2 of Figure 62.
Step 2 Enter WAN IP address to be used
Enter WAN Subnet Mask to be used;
Enter WAN gateway IP Address to be used
Step 3 Use the Next button to progress to the WAN Service setup window- Network Address Translation
Settings configuration
Figure 62: WAN Service setup window- WAN IP Settings configuration
1
2
XPTO

▀ ADVANCED SETUP
▄ ME4600 Optical Network Termination Residential Gateway User Manual
84
NETWORK ADDRESS TRANSLATION SETTINGS, Figure 63
To use NAT, option “Enable NAT” must be selected, Figure 63; If NAT option is selected, the option Fullcone NAT is
available; if selected a warning message on the disadvantages of its use is shown, Figure 64.
To use Firewall option “Enable Firewall” must be selected, Figure 63.
In this window is also possible to configure IGMP Multicast as Proxy by selecting option “Enable IGMP Multicast
Proxy” or as a Source by selecting option “Enable IGMP Multicast Source” and enable/disable Multicast VLAN filter,
Figure 65.
ArPing Setup allows ArPing to be enabled and the number of repetitions and timeout to be configured. To configure
ArPing “Enable ArPing” Option must be selected, Figure 63, and the values for number o repetitions and timeout
interval (seconds) must be entered. ArPing is similar to Ping as given an IP address it test to find out if this is in use on
the local network, and can get additional information about the device using that address.
Figure 63: WAN Service setup window- NAT, IGMP and Arping Settings configuration

ADVANCED SETUP ▀
ME4600 Optical Network Termination Residential Gateway User Manual ▄
85
Figure 64: WAN Service setup window- Network Address Translation Settings configuration Enable fullcone NAT warning message
Figure 65: WAN Service setup window- IGMP Multicast configuration options
Figure 66: WAN Service setup window- IGMP Multicast configuration options
Once the NAT, IGMP and Arping Settings are configured use Next button, Figure 63, to progress to the next WAN
Service setup - Routing Default Gateway configuration window, Figure 67.
The actual default gateway configuration is presented in this window, with the ppp0.1 WAN interface previously
configured shown as the default Gateway interface. In the list of available WAN routed interfaces the veip0.2 used in
this IPoE service configuration is shown, Figure 67, and can be used to change/update the default Routing Default
Gateway current configuration.
Please refer to section ROUTING DEFAULT GATEWAY for the explanation of the configuration.

▀ ADVANCED SETUP
▄ ME4600 Optical Network Termination Residential Gateway User Manual
86
Figure 67: WAN Service setup - Routing Default Gateway configuration window
After default gateway interface configuration, use the Next button, Figure 67, to progress to the next WAN Service
setup – DNS Server configuration parameters window, Figure 68.
DNS table, as well as previously shown Routing table, is in accordance with current Default Gateway configuration,
Figure 68: ppp0.1 is thus shown as the current DNS server interface, but veip0.2 WAN interface is available for
changing/updating DNS server interface if desired.
Please refer to section DNS for the explanation of the configuration.

ADVANCED SETUP ▀
ME4600 Optical Network Termination Residential Gateway User Manual ▄
87
Figure 68: WAN Service setup – DNS Server configuration parameters window
Once the DNS server configuration is done the IPoE WAN service configuration is complete. Use the Next button to
progress to the WAN Service Setup Summary window, Figure 69. This table should reflect the configuration for the
WAN service setup parameters than have been entered on the successive WAN service setup configuration windows.
Network Address Translation flag and Firewall flag default configurations are enabled. Please verify the presented
configuration match the settings provided by the ISP for this service.

▀ ADVANCED SETUP
▄ ME4600 Optical Network Termination Residential Gateway User Manual
88
Figure 69: WAN Service Setup Summary window- IPoE service configured
To finalize the configuration use the Save/Apply button, Figure 69. The next displayed window is initial window, the
WAN Service Window, where the service configured is displayed in the corresponding table, Figure 70.
Figure 70: WAN Service Setup Initial Window- service configuration displayed
It is now possible to view the currently configured WAN services’ parameters as well as obtained IP addresses by
Selecting the Device Info sub-menu item WAN, Figure 71.

ADVANCED SETUP ▀
ME4600 Optical Network Termination Residential Gateway User Manual ▄
89
Figure 71: Device Info- WAN Service Current configuration and IP Addresses
GRE TYPE OF SERVICE CREATION, (Figure 72 to Figure 86)
A GRE tunnel configuration example will be given, showing the GRE tunnel settings configuration at the Network A
ONT-RGW.
Figure 72: GRE Tunnel configuration example ate the Network A ONT-RGW
After the selection of the WAN interface associated to the service to create, Figure 40 and Figure 41 , use the Next
button at Figure 41, to progress to the next WAN Service setup window- Wan service Configuration, Figure 61.
At this window execute the following steps:
Step 1 Select the IP over Ethernet (GRE) WAN service type, Figure 73.
Step 2 At the Field Service Description enter a string for the service description; the default service description
is a string automatically filled in when the type o device is selected(Step1) and composed by the type
of Service followed by underscore and the WAN interface name , e.g. gre_veip0
Internet
ONT-RGW ONT-RGW
Network A Network B
GRE Tunnel
Public IP
172.22.107.5
Public IP
172.22.107.4
Tunnel Interface
10.10.10.1
Tunnel Interface
10.10.10.2

▀ ADVANCED SETUP
▄ ME4600 Optical Network Termination Residential Gateway User Manual
90
Step 3 Use the Next button, Figure 73, to progress to the WAN Service setup window- GRE Tunneling
Settings, Figure 74.
In this window two GRE configuration modes are available from a configuration mode combo box
selection, ; The detail of the required information for setting the GRE will vary according to the
configuration mode selected:
Basic:
Advanced
Figure 73: WAN service setup – type of service selection and service configuration – GRE service

ADVANCED SETUP ▀
ME4600 Optical Network Termination Residential Gateway User Manual ▄
91
Figure 74: WAN Service setup window- GRE Tunneling Settings
GRE TUNNEL SETTING– BASIC CONFIGURATION MODE
In the basic configuration mode only Tunnel Name and Remote IP are required for setting the GRE Tunnel, Figure 75.
Remote IP is the Public IP address of the routing device terminating the GRE Tunnel in the other extreme of the tunnel
(ONT- RGW of network B in the shown example), Figure 72.
Figure 75: WAN Service setup window- GRE Tunneling Settings – Basic configuration mode
After entering the required information, use Next button to progress to the next window, WAN Service setup window-
GRE Tunneling Settings – GRE Summary, Figure 76 . This table should reflect the configuration for the GRE-Tunnel
service setup parameters than have been configured. Please verify the presented configuration match the settings
provided by the ISP for this service.

▀ ADVANCED SETUP
▄ ME4600 Optical Network Termination Residential Gateway User Manual
92
Figure 76: WAN Service setup window- GRE Tunneling Settings – GRE Summary
To finalize the configuration use the Save/Apply button,Figure 76. The next displayed window is initial window, the
WAN Service Window, where the service configured is displayed in the corresponding table, Figure 77
Figure 77: WAN Service Setup Initial Window- service configuration displayed
It is now possible to view the currently configured WAN services’ parameters as well as obtained IP addresses by
Selecting the Device Info sub-menu item WAN, Figure 78.

ADVANCED SETUP ▀
ME4600 Optical Network Termination Residential Gateway User Manual ▄
93
Figure 78: Device Info- WAN Service Current configuration
GRE TUNNEL SETTING – ADVANCED CONFIGURATION MODE
In the Advanced configuration mode the following information is required for setting the GRE Tunnel, Figure 75,
Figure 79, and Table 24.
Figure 79: WAN Service setup window- GRE Tunneling Settings – Advanced configuration mode
Table 24: GRE Tunneling Settings – Advanced configuration mode parameters
Parameter
Description
Local IP
Public IP address of the routing device where the tunnel is being
configured, (ONT- RGW of network A in the shown example),
Figure 70.
Remote IP
Public IP address of the routing device terminating the GRE
Tunnel in the other extreme of the tunnel (ONT- RGW of network
B in the shown example), Figure 70.
Tunnel Name
GRE Tunnel Identification (string)
GRE Tunnel IP
IP address of GRE Tunnel interface, on the routing device being
configured (ONT- RGW of network A in the shown example),

▀ ADVANCED SETUP
▄ ME4600 Optical Network Termination Residential Gateway User Manual
94
Parameter
Description
Figure 70.
GRE Tunnel Mask
IP address of GRE Tunnel interface, on the routing device
terminating the GRE Tunnel in the other extreme of the tunnel
(ONT- RGW of network B in the shown example), Figure 70.
TTL
Time to Live value
After entering the required information, use Next button to progress to the next window, WAN Service setup window-
GRE Tunneling Settings – GRE Summary, Figure 80. This table should reflect the configuration for the GRE-Tunnel
service setup parameters than have been configured. Please verify the presented configuration match the settings
provided by the ISP for this service.
Figure 80: WAN Service setup window- GRE Tunneling Settings – GRE Summary
To finalize the configuration use the Save/Apply button, Figure 80. The next displayed window is initial window, the
WAN Service Window, where the service configured is displayed in the corresponding table, Figure 81.

ADVANCED SETUP ▀
ME4600 Optical Network Termination Residential Gateway User Manual ▄
95
Figure 81: WAN Service Setup Initial Window- service configuration displayed
It is now possible to view the currently configured WAN services’ parameters as well as obtained IP addresses by
Selecting the Device Info sub-menu item WAN, Figure 78.
Figure 82: Device Info- WAN Service Current configuration
INTERFACE GROUPING FOR GRE
After the GRE tunnel creation, association between the WAN and the desired interfaces must be done.
At the Advanced Setup menu the item Interface Grouping must be selected. An Interface Grouping Configuration
window will be displayed,
An on-line help on interface grouping is available at the configuration window:
Step 1 Name the interfaces group, Figure 83 1;
Step 2 At the Wan interface used in the group selection combo box, select the wan interface for the grouping, in
this case the GRE previously configured interfaces, Figure 83 2 and Figure 86To finalize the
configuration use the Save/Apply button, Figure 84-6. The next displayed window is initial window, the
Advanced Setup- Interface grouping initial window where the newly configured group, brgre in this
example, Figure 86
Step 3 Figure 83From the list of available WAN interfaces select the desired wan interface, in this example
wlan0, Figure 85 -3.
Step 4 Click on the left pointing arrow, Figure 85 -4, to move the selected interface (wlan0 in this example)
from the Available LAN Interfaces List to the Grouped LAN Interfaces, Figure 84-5

▀ ADVANCED SETUP
▄ ME4600 Optical Network Termination Residential Gateway User Manual
96
Step 5 Wlan0, the selected interface for interface grouping is now show at the grouped LAN interfaces list,
Figure 84-5
Step 6 To finalize the configuration use the Save/Apply button, Figure 84-6. The next displayed window is initial
window, the Advanced Setup- Interface grouping initial window where the newly configured group, brgre
in this example, Figure 86

ADVANCED SETUP ▀
ME4600 Optical Network Termination Residential Gateway User Manual ▄
97
Figure 83: Advanced Setup- interface grouping configuration window
1
2
5
6

▀ ADVANCED SETUP
▄ ME4600 Optical Network Termination Residential Gateway User Manual
98
Figure 84: Wan interface used in the grouping selection combo box
Figure 85: Advanced Setup- interface grouping configuration window
Figure 86: Advanced Setup- Interface grouping configuration initial Window: Current interface grouping configuration
3
4

ADVANCED SETUP ▀
ME4600 Optical Network Termination Residential Gateway User Manual ▄
99
BRIDGING SERVICE CONFIGURATION
After the selection of the WAN interface associated to the service to create, Figure 40 and Figure 41 , use the Next
button at Figure 41, to progress to the next WAN Service setup window- Wan service Configuration, Figure 87.
Figure 87: WAN service setup – type of service selection and service configuration – Bridging service
At this window execute the following steps:
Step 1 Select the Bridging WAN service type, Figure 87-1;
Multicast source options are displayed for selection: IGMP or MLD
Step 2 Select which multicast source protocol to use, if any, (IGMP or MLD) Figure 87-2;
Step 3 At the Field Service Description enter a string for the service description; the default service description is
a string automatically filled in when the type o device is selected(Step1) and composed by the type of
Service followed by underscore and the WAN interface name , e.g. br_veip0, Figure 87-3;
Step 4 For tagged service, at the field 802.1P priority, enter the pbit value (0-7) to mark the upstream traffic
according to the desired CoS for the service to create; a higher value corresponds to a higher priority CoS,
Figure 87-4;
For untagged service leave the filed with the default value of -1;
1
3
4
5
6
7
2

▀ ADVANCED SETUP
▄ ME4600 Optical Network Termination Residential Gateway User Manual
100
Step 5 For tagged service, at the VLAN ID field enter the VLAN ID value (0-4094) of the VLAN used by the
service, , Figure 87-5
For untagged service leave the field with the default value of -1;
Step 6 For tagged service select a TPID value from the selection combo box, , Figure 87-6.
0x8100, TPID default value; if selected a single tagged service is configured
0x88A8 or 0x9100, TPID used for the outer VLAN (S-VLAN) for double tagged services; if selected a
double VLAN tagged service is configured; in this case the inner VLAN (C-VLAN) tag TPID has the
default value of 0x8100;
Step 7 Once the WAN service setup parameters are configure use Next button, , Figure 87-7 on to progress to the
WAN Service Setup Summary window, Figure 88. This table should reflect the configuration for the
WAN service setup parameters than have been entered. Please verify the presented configuration match
the settings provided by the ISP for this service.
Figure 88: WAN Service Setup Summary window
To finalize the configuration use the Save/Apply button, Figure 88. The next displayed window is initial window, the
WAN Service Window, where the service configured is displayed in the corresponding table, Figure 89.

ADVANCED SETUP ▀
ME4600 Optical Network Termination Residential Gateway User Manual ▄
101
Figure 89: WAN Service Setup Initial Window- service configuration displayed
It is now possible to view the configured WAN service parameters by Selecting the Device Info sub-menu item WAN,
Figure 90.
Figure 90: Device Info- WAN Service Current configuration and IP Address
Service statistics can be obtained by selecting at the menu Device Info the submenu Statistics, item Wan; a Services-
WAN statistics window will be displayed, Figure 91. Please refer to Table 15 for the description of the statistics window
displayed parameters.

▀ ADVANCED SETUP
▄ ME4600 Optical Network Termination Residential Gateway User Manual
102
Figure 91: Device Info/Statistics/WAN-- WAN Services Statistics Information
LAN
Selection of Advanced Setup submenu item LAN will display a LAN submenu with two items, Figure 92:
Lan VLAN Setting
IPv6 Autoconfig
In the main window a Local Area Network (LAN) Setup window is displayed, Figure 93.
This window allows the configuration Multicast, firewall and DHCP in the LAN.
Figure 92: Advanced Setup LAN Sub-menu

ADVANCED SETUP ▀
ME4600 Optical Network Termination Residential Gateway User Manual ▄
103
Figure 93: Advanced Setup - LAN Setup window
At this window execute the following steps:
Step 1 IP Address –This is the ONT-RGW IP Address, default value 192.168.1.1, Figure 93-1;
Step 2 ONT-RGW sub network Mask ; default value is 255.255.255.0, Figure 93-2;
Step 3 In order to enable IGMP Snooping select this option, Figure 93-2;
IN the case IGMP snooping is not selected multicast packets are send to all bridge ports. If this option is
selected an IGMP Snooping mode must be selected (see step 4 and step 5)
There are two modes of IGMP snooping, that establish the way groups multicast packets are forwarded by the bridge
Figure 93- 4 and 5:
Step 4 Standard Mode, Figure 91-4,
1
2
3
4
5
6
7
8
9
10
11
12

▀ ADVANCED SETUP
▄ ME4600 Optical Network Termination Residential Gateway User Manual
104
o Group multicast packets are forwarded to all ports if there was no previous IGMP Group
report by any port:
o In the case there were previous IGMP Group reports, multicast packets are only forwarded to
the ports that previously send IGMP group reports
Step 5 Blocking mode, Figure 91-5.
o In this mode multicast packets are only forwarded if there were previous IGMP reports, for
the ports that send these reports. Packets are not forwarded if there were no IGMP reports
Step 6 In order to have a multicast data source on LAN side and IGMP snooping enabled, then LAN-2-LAN
multicast option must be enabled, Figure 91-6;
LAN-2-LAN multicast is enabled (even if this option is set to disable) until the first WAN service is
connected.
Step 7 This option must be selected in order to enable LAN side firewall; if LAN side firewall is enabled, Figure
91-7,
Step 8 If selected ONT-RGW DHCP server is disabled, Figure 91-8;
Step 9 If selected ONT-RGW DHCP server is enabled, Figure 91-9; the pool of IP address to use must be
defined by indicating:
o start IP address; default value is 192.168.1.2
o end IP addresses; default value is 192.168.1.254
o Leased Time: amount of time (in hours) then the LAN user will be allowed the dynamic IP
address that has been allocated to him; default value is 24
Static IP lease settings allow the reservation of static IPs for PCs in the LAN that will therefore obtain the same static IP
address each time they request an IP address from the ONT-RGW DHCP server . For the ONT RGW DHCP Server up
to 32 Static IP leases can be configured
Step 10 To configure static IP leases, Figure 91-10, use the Add entries button ;
Each entry will consists f a MAC address of the PC to which the static IP address will be reserved and the
Static IP reserved for this PC; enter the MAC address and the reserved IP address for this MAC.
Step 11 If Option “Enable secondary Sever (for DHCP option 60)” is selected, Figure 94, fields requesting
information for configuration of this option will be shown (DHCP option 60 is vendor ID);Enabling this
option allows to add LAN clients on a WAN interface requesting DHCP with option 60
IP Address: DHCP Server (ONT RGW) IP Address;
Subnet Mask: ONT-RGW sub network Mask ; default value is 255.255.255.0;
Start IP address: First IP address to use by DHCP server for allocation;
End IP addresses: Last IP address to use by DHCP server for allocation;
Leased Time: amount of time (in minutes) then the LAN user will be allowed the dynamic IP address that
has been allocated to him;
Vendor ID: String identifier for vendor ID (DHCP option 60);
Primary DNS Server: Primary DNS Server IP address;
Secondary DNS server: Secondary DNS Server IP address;
NTP server: NTP server IP Address
TFTP Server: TFTP Server IP Address

ADVANCED SETUP ▀
ME4600 Optical Network Termination Residential Gateway User Manual ▄
105
Figure 94: Advanced Setup - LAN Setup window- Enable Secondary server (for DHCP Option 60)
Step 12 To finalize the configuration use the Save/Apply button, Figure 93-12; the displayed window will show
the LAN settings current configuration.
LAN VLAN SETTINGS
Selection of Advanced Setup submenu LAN, item will Lan VLAN Setting a Local Area Network (LAN) VLAN Setup
window is displayed in the main window Figure 93
In order to create Lan VLANs, a LAN port must be chosen at the Selection combo box, Figure 95
To create a Lan VLAN use the Add button and at the table entry created, Figure 96, type in the:
VLAN Id : Specifies the VLAN identifier; values from 0 to 4096
Pbits: assigned priority value (0-7)
To finalize the configuration use the Save/Apply button, Figure 96; the displayed window will show the LAN settings
current configuration.
Figure 95- Advanced Setup –LAN/ Lan VLAN setup window
11

▀ ADVANCED SETUP
▄ ME4600 Optical Network Termination Residential Gateway User Manual
106
Figure 96: Advanced Setup –LAN/ Lan VLAN setup window- Add and configure a Lan VLAN
Lan VLAN can be configured in advance as described before and not enabled. To Enable Lan VLAN afterwards, option
“Enable VLAN Mode” must be selected, and then the Save/Apply button used to finalize the configuration.
IPv6 AUTOCONFIG
Selection of Advanced Setup submenu LAN, item will IPv6 Autoconfig an IPv6 VLAN Auto Configuration window is
displayed in the main window Figure 97. A short on line help text is provided in the configuration window.
For a typical IPv6 VAN Auto Configuration setting, shown in Figure 97, execute the following Steps, Figure 97:
Step 1 Select Option “Enable DHCPv6 Server;
Step 2 Select the option “Stateless”;
Step 3 Select the option “Enable RADVD”;
Step 4 Select the option “MLD Snooping”;
Step 5 Select the option “Blocking Mode”;
Step 6 To finalize the configuration use the Save/Apply button.

▀ ADVANCED SETUP
▄ ME4600 Optical Network Termination Residential Gateway User Manual
108
Port Triggering
DMZ Host
In the main window a NAT-Virtual Servers Setup window is displayed, Figure 99, showing the current NAT-Virtual
servers configuration
Figure 98: Advanced Setup NAT Sub-menu
VIRTUAL SERVERS
Selection of Advanced Setup submenu NAT, item Virtual Servers a NAT-Virtual Servers Setup window is displayed in
the main window Figure 99, showing the current NAT-Virtual servers configuration.
This window allows inserting and configuring port forwarding, redirecting a network port from one network mode to
another network mode. This allows a user from the WAN side of the network to reach a PC on the LAN side of the
network for which ports were opened. The WAN interface used must have NAT enabled. A short on line help text is
provided in the configuration window.
To insert and configure a new NAT-Virtual server use the Add Button, Figure 99; a new window is displayed, Figure
100, allowing the configuration of a new Nat-virtual Server entry, Figure 101. A short on line help text is provided in
the configuration window.
The first part of the configuration consists on choosing the Wan interface, the Service name and the server IP address.
To save and apply this configuration, use the Apply/Save button, Figure 100-1. The port forwarding table will be
updated with the chosen service predefined port forwarding configuration, Figure 100.
To finalize the configuration use the Apply/Save button below the table, Figure 100-2. The next displayed window is
the initial window, showing the current NAT –virtual servers’ configuration, Figure 102.

ADVANCED SETUP ▀
ME4600 Optical Network Termination Residential Gateway User Manual ▄
109
Figure 99: Advanced Setup/NAT-Virtual Servers Setup window
Figure 100: Advanced Setup/NAT-Virtual Servers Setup window - Wan port, Service and Server IP Address Configuration
1
2

▀ ADVANCED SETUP
▄ ME4600 Optical Network Termination Residential Gateway User Manual
110
Figure 101: Advanced Setup/NAT-Virtual Servers Setup window - Service Selection Combo box
Figure 102: Advanced Setup/NAT-Virtual Servers Setup window - Current NAT Virtual Server Configuration
PORT TRIGGERING
Selection of Advanced Setup submenu NAT, item Port Triggering, a NAT-Port Triggering Setup window is displayed
in the main window Figure 103, showing the current NAT- Port Triggering configuration. A short on line help text is
provided in the setup window.
This window allows inserting and configuring port triggering, for defined applications. This redirects a network port
from one network mode to another network mode. This configuration allows opening ports of a PC in the LAN for a

ADVANCED SETUP ▀
ME4600 Optical Network Termination Residential Gateway User Manual ▄
111
user on the WAN side only when the session on the Lan side is active- this is always initiated by the PC in the network
LAN side, being safer then port forwarding.
To insert and configure a new NAT-Port Triggering entry use the Add Button, Figure 103; a new window is displayed,
Figure 104. A short on line help text is provided in the configuration window.
This window allows the configuration of Port Triggering by choosing the Wan interface and the Application Name,
Figure 104.. The WAN interface to use must have NAT enabled.
To apply and save this configuration use the Apply/Save button, bellow Figure 104-1.
The port triggering table will be updated with the chosen application predefined port Triggering configuration, Figure
103.
To finalize the configuration use the Apply/Save button below the table, Figure 104-2. The next displayed window is
the initial window, showing the current NAT –Port Triggering configuration, Figure 105.
Figure 103: Advanced Setup/NAT-Port Triggering Setup window

▀ ADVANCED SETUP
▄ ME4600 Optical Network Termination Residential Gateway User Manual
112
Figure 104: Advanced Setup/NAT-Port Triggering Setup window -Add port triggering for specified application
Figure 105: Advanced Setup/NAT-Port Triggering Setup window -Current configuration
1
2

ADVANCED SETUP ▀
ME4600 Optical Network Termination Residential Gateway User Manual ▄
113
DMZ HOST
Selection of Advanced Setup submenu NAT, item DMZ Host, a NAT-DMZ Host Setup window is displayed in the
main window Figure 103, allowing the DMZ Host configuration by Providing the DMZ Host IP address, Figure 106. A
short on line help text is provided in the setup window.
A DMZ Host is a host exposed to the internet. All incoming IP packets from the WAN network side, if not belong to
any Service or application configured on the NAT- Virtual server or Por Triggering ( fot the apllcation) are forwarded to
the DMZ Host. DMZ Host must have a static IP address assigned to it.
To finalize the configuration use the Save/ Apply button.
Figure 106: Advanced Setup/NAT-DMZ Host Setup window
SECURITY
Selection of Advanced Setup submenu item Security will display a Security submenu with two items, Item IP Filtering
is a submenu composed of two items, Outgoing and Incoming, Figure 107:
IP Filtering,
o Outgoing
o Incoming
MAC Filtering
In the main window an Outgoing IP Filtering Setup window is displayed, Figure 108.
This window allows the creation and configuration a filter rule to identify outgoing IP traffic.

▀ ADVANCED SETUP
▄ ME4600 Optical Network Termination Residential Gateway User Manual
114
Figure 107: Advanced Setup Security Sub-menu
IP FILTERING
Selection of Advanced Setup submenu Security, submenu IP Filtering, will display in the main window, an Outgoing IP
filtering Setup window, Figure 108, showing the current Outgoing IP Filtering configuration. A short on line help text is
provided in the configuration window.
OUTGOING
Selection of Advanced Setup submenu Security, submenu IP Filtering, item Outgoing, an Outgoing IP filtering Setup
window is displayed , Figure 108, showing the current Outgoing IP Filtering configuration. A short on line help text is
provided in the configuration window.
To insert and configure a new Outgoing IP Filter entry use the Add Button, Figure 108; a new window is displayed,
Figure 109. A short on line help text is provided in the configuration window.
This window allows the configuration of Outgoing IP Filter. Figure 109 provides an outgoing filter configuration
example
In order to configure the Outgoing IP Filter, Figure 109:
Step 1 . Enter the Filter name;
Step 2 Select the IP version to use from the IP version selection combo box;
Step 3 Select the Protocol to use from the Protocol Selection combo box;
Step 4 Enter the Source IP address;
Step 5 Enter the Source Port;
Step 6 Enter the Destination IP address;
Step 7 Enter the Destination Port;
To finalize the configuration use the Apply/Save button. The next displayed window is the initial window, showing the
current Outgoing IP Filtering configuration, Figure 110.

ADVANCED SETUP ▀
ME4600 Optical Network Termination Residential Gateway User Manual ▄
115
Figure 108: Advanced Setup, Security - Outgoing IP filtering Setup window
Figure 109: Advanced Setup, Security - Outgoing IP filtering Setup –Add Filter window
Figure 110: Advanced Setup, Security - Outgoing IP filtering Setup window –Current Configuration
INCOMING
Selection of Advanced Setup submenu Security, submenu IP Filtering, item Incoming, will display an Incoming IP
filtering Setup window, Figure 111, showing the current Incoming IP Filtering configuration. A short on line help text is
provided in the configuration window.

▀ ADVANCED SETUP
▄ ME4600 Optical Network Termination Residential Gateway User Manual
116
To insert and configure a new Incoming IP Filter entry use the Add Button, Figure 111; a new window is displayed,
Figure 112. A short on line help text is provided in the configuration window.
This window allows the configuration of Incoming IP Filter. In order to configure the Incoming IP Filter, Figure 112:
Step 1 . Enter the Filter name;
Step 2 Select the IP version to use from the IP version selection combo box, Figure 113;
Step 3 Select the Protocol to use from the Protocol Selection combo box;
Step 4 Enter the Source IP address;
Step 5 Enter the Source Port;
Step 6 Enter the Destination IP address;
Step 7 Enter the Destination Port;
Step 8 Select the WAN and/or LAN interfaces to apply this rule
Figure 114 provides an incoming filter configuration example
To finalize the configuration use the Apply/Save button. The next displayed window is the initial window, showing the
current Incoming IP Filtering configuration, Figure 115.
Figure 111: Advanced Setup, Security - Incoming IP filtering Setup window–Current Configuration

ADVANCED SETUP ▀
ME4600 Optical Network Termination Residential Gateway User Manual ▄
117
Figure 112: Advanced Setup, Security - Incoming IP filtering Setup – Add Filter window
Figure 113: Advanced Setup, Security - Incoming IP filtering Setup- Add Filter window – Protocol selection combo box

▀ ADVANCED SETUP
▄ ME4600 Optical Network Termination Residential Gateway User Manual
118
Figure 114: Advanced Setup, Security - Incoming IP filtering Setup- Add Filter window - Configuration example
Figure 115: Advanced Setup, Security - Incoming IP filtering Setup window – Current Configuration

ADVANCED SETUP ▀
ME4600 Optical Network Termination Residential Gateway User Manual ▄
119
MAC FILTERING
Selection of Advanced Setup submenu Security, item MAC Filtering displays a MAC filtering Setup window, Figure
116, showing the current MAC Filtering configuration: Policy and rules.
A short on line help text is provided in the configuration window.
This window allows changing the policy of rules applied: Forwarded/Blocked
If current configuration of policy is forward, all MAC layer frames are forwarded except those matching with any of the
specified rules in the MAC filtering rules table.
If current configuration of policy is blocked, all MAC layer frames are blocked except those matching with any of the
specified rules in the MAC filtering rules table.
The policy can be changed by selecting the change and afterwards use the Change policy button. The policy table will
change the value to the opposite value (from forward to blocked and vice-versa), Figure 117.
Changing from one policy to another of an interface will cause all defined rules for that interface to be eremoved
automatically; therefore rules for the new policy have to be created.
To insert and configure a new MAC filtering rule entry use the Add Button, Figure 116; a new window is displayed,
Figure 118.
This window allows the configuration of MAC Filtering rule. A short on line help text is provided in the configuration
window. Figure 118 provides an outgoing filter configuration example
In order to configure the MAC Filtering rule, Figure 118:
Step 1 . Select the Protocol to use from the Protocol Selection combo box;
Step 2 Type in the destination MAC address;
Step 3 Type in the Source MAC address;
Step 4 Select the frame direction from the selection combo box;
Step 5 Select the WAN interfaces from the selection combo box;
To finalize the configuration use the Save/Apply button. The next displayed window is the initial window, showing the
current MAC Filtering configuration, Figure 119.

▀ ADVANCED SETUP
▄ ME4600 Optical Network Termination Residential Gateway User Manual
120
Figure 116: Advanced Setup, Security – MAC filtering Setup window
Figure 117: Advanced Setup, Security – MAC filtering Setup window –Change policy
1
2

ADVANCED SETUP ▀
ME4600 Optical Network Termination Residential Gateway User Manual ▄
121
Figure 118: Advanced Setup, Security – MAC filtering – Add MAC Filter window
Figure 119: Advanced Setup, Security – MAC filtering Setup window –Current Configuration
PARENTAL CONTROL
Selection of Advanced Setup submenu item Parental Control will display a Parental Control submenu with two items,
Figure 120:
Time Restriction,

▀ ADVANCED SETUP
▄ ME4600 Optical Network Termination Residential Gateway User Manual
122
Url Filter
In the main window an Access time Restriction Configuration window is displayed, Figure 121.
This window allows the creation and configuration Access Time Restriction Rules.
Figure 120: Advanced Setup Parental Control Sub-menu
TIME RESTRICTION
Selection of Advanced Setup submenu Parental Control, item Time Restriction will display an Access Time Restriction
configuration window showing the current Access Time Restriction configuration table, Figure 121.
A short on line help text is provided in the configuration window.
To insert and configure a new Access Time Restriction rule use the Add Button, Figure 121; a new window is
displayed, Figure 122. A short on line help text is provided in the configuration window. Figure 122 provides a
configuration example for an Access Time Restriction rule.
In order to setup a new Access Time Restriction rule, Figure 122:
Step 1 . Enter the user name;
Step 2 Enter the Browser’s MAC address;
Step 3 Select the week days to apply the restriction;
Step 4 Enter the Start Blocking time;
Step 5 Enter the End Blocking time;
To finalize the configuration use the Apply/Save button. The next displayed window is the initial window, showing the
current Access Time Restriction configuration, Figure 123.

ADVANCED SETUP ▀
ME4600 Optical Network Termination Residential Gateway User Manual ▄
123
Figure 121: Advanced Setup, Parental Control – Time Restriction Configuration window
Figure 122: Advanced Setup, Parental Control, Time Restriction -Add Time Restriction rule window -
Figure 123: Advanced Setup, Parental Control – Time Restriction Configuration window - Current configuration
URL FILTER
Selection of Advanced Setup submenu Parental Control, item Url Filter will display an URL Filter configuration
window showing the current URL Filter configuration table, Figure 124. This window allows the creation and
configuration of an URL Filter list.
A short on line help text is provided in the configuration window.Figure 131
To create a URL filter list the URL list Type to create must be defined as Exclude or Include, Figure 124.

▀ ADVANCED SETUP
▄ ME4600 Optical Network Termination Residential Gateway User Manual
124
To create a new entry in the URL filter list, use the Add button, Figure 124; an URL Filter Add window will be
displayed, Figure 125.
In this window enter the URL address. Default port number 80 will be used if Port number entry is left blank.
To finalize the add URL entry to the URL filter list use the Apply/Save button, Figure 125. The next displayed window
is the initial window, showing the current URL Filter configuration, Figure 126.
Figure 124: Advanced Setup, Parental Control – URL Filter Configuration window
Figure 125: Advanced Setup, Parental Control – URL Filter – Add Filter window
Figure 126: Advanced Setup, Parental Control – URL Filter Configuration window- Current Configuration

ADVANCED SETUP ▀
ME4600 Optical Network Termination Residential Gateway User Manual ▄
125
QUALITY OF SERVICE
Selection of Advanced Setup submenu item Quality of Service will display a Quality of Service submenu with two
items, Figure 107:
QoS Queue,
QoS Classification
This Submenu allows QoS configuration. It is assumed that the ONT-RGW has the following services already
configured: IPoE with NAT and PPPoE services.
In the main window a QoS Queue Management Configuration window will be displayed, Figure 128.
QoS is disabled by default - it must be enabled by selecting the Enable QoS option, Figure 128. Default DSCP mark can
be selected from a selection combo box, Figure 129. Use the button Apply/Save to apply this configuration and
progress to the next window,
Figure 127: Advanced Setup Quality of Service Sub-menu

▀ ADVANCED SETUP
▄ ME4600 Optical Network Termination Residential Gateway User Manual
126
Figure 128: Advanced Setup Quality of Service -Queue Management Configuration
Figure 129: Advanced Setup Quality of Service- Queue Management Configuration- Select Default DSCP mark combo box
QoS QUEUE
Selection of Advanced Setup submenu Quality of Service, item QoS Queue will display a QoS Queue Setup
Configuration window, Figure 130.

ADVANCED SETUP ▀
ME4600 Optical Network Termination Residential Gateway User Manual ▄
127
This window displays the current QoS configured queues.
A short on line help text is provided in the configuration window.
To insert and configure a new QoS queue entry use the Add Button, Figure 130; a new window is displayed, Figure
131. A short on line help text is provided in the configuration window. Figure 132provides a configuration example.
In order to configure a new QoS queue, Figure 132:
Step 1 . Enter the QoS queue name;
Step 2 Select Enable/Disable from the Enable selection combo box; a queue configured as disable can be later on
enabled at the current QoS queue configuration window, Figure 133 .
Step 3 Select the Interface for the QoS queue from a selection combo box;
Step 4 Select the queue precedence from a selection combo box;
The Lower is the selected value for queue precedence the higher is the priority; along with the precedence
level, the scheduler algorithm for each precedence level is show; queues with the same precedence will bw
scheduled based on the algorithm; queues with unequal precedence will be scheduled based on SP (Strict
Priority).
To finalize the configuration use the Apply/Save button. The next displayed window is the initial window, showing the
current Access QoS queue configuration, Figure 133.
Figure 130: Advanced Setup Quality of Service- QoS Queue Setup window

▀ ADVANCED SETUP
▄ ME4600 Optical Network Termination Residential Gateway User Manual
128
Figure 131: Advanced Setup Quality of Service- QoS Queue Configuration
Figure 132: Advanced Setup Quality of Service- QoS Queue enable example configuration

ADVANCED SETUP ▀
ME4600 Optical Network Termination Residential Gateway User Manual ▄
129
Figure 133: Advanced Setup Quality of Service- QoS Queue Setup window- current configuration
QoS CLASSIFICATION
Selection of Advanced Setup submenu Quality of Service, item QoS Classification will display a QoS Classification
Setup window Figure 134.
A short on line help text is provided in the configuration window.
To insert and configure a new QoS classification rule use the Add Button, Figure 134; a new window is displayed,
Figure 135. A short on line help text is provided in the configuration window.
In order to configure a new QoS classification rule, Figure 132( not all the configuration fields are mandatory):
Step 1 Enter the Traffic class name;
Step 2 Select the rule order from the selection combo box;
Step 3 Select the rule status (enable/disable) from the selection combo box; a rule status configured as disable can
be later on enabled at the current QoS classification configuration window, Figure 136.
Specify the classification criteria
Step 4 Select the class interface from the selection combo box;
Step 5 Select the Ether Type from the selection combo box;

▀ ADVANCED SETUP
▄ ME4600 Optical Network Termination Residential Gateway User Manual
130
Step 6 Enter the Source MAC address;
Step 7 Enter the Source MAC mask;
Step 8 Enter the Destination MAC address;
Step 9 Enter the Destination MAC mask;
Specify Classification Results
Step 10 Specify the Class Queue;
Step 11 Specify the Mark Differentiated Service Code (DSCP)
Step 12 Specify the Mark 802.1p Priority
To finalize the configuration use the Apply/Save button. The next displayed window is the initial window, showing the
current QoS Classification configuration, Figure 136.
Figure 134: Advanced Setup Quality of Service- QoS Classification Setup window

ADVANCED SETUP ▀
ME4600 Optical Network Termination Residential Gateway User Manual ▄
131
Figure 135: Advanced Setup Quality of Service- QoS Classification – Add Network Traffic Class Rule Window –configuration example
Figure 136: Advanced Setup Quality of Service- QoS Classification Setup window- Current Configuration

▀ ADVANCED SETUP
▄ ME4600 Optical Network Termination Residential Gateway User Manual
132
ROUTING
Selection of Advanced Setup submenu item Routing will display a Routing submenu with six items, Figure 137:
Default Gateway,
Static Routing,
BGP,
Policy Routing,
RIP/OSFP.
In the main window a Routing-Default Gateway Configuration window will be displayed, .

ADVANCED SETUP ▀
ME4600 Optical Network Termination Residential Gateway User Manual ▄
133
Figure 137: Advanced Setup Routing Sub-menu
DEFAULT GATEWAY
Selection of Advanced Setup submenu Routing, item Default Gateway will display a Routing-Default Gateway
configuration window, Figure 138.
A short on line help text is provided in the configuration window.
The Routing Default Gateway configuration window presents two lists:
Selected Default Gateway Interfaces: the WAN interfaces that can be used as default gateway
interfaces are listed here; only one interface will be used as default gateway interface- this interface
will be the highest priority interface of the connected WAN interfaces in this list;
WAN interface priority is based on its position on the list, the first one of the list being the highest
priority interface.
To change WAN interface priority, its position in the list must be changed; that can be achieved by
removing all from the Selected Default Gateway Interfaces list and adding them back in the desired
order.
Available Routed WAN Interfaces: all defined available routed WAN interfaces are listed here; these
interfaces can be moved to the Selected Default Gateway interfaces list
If there is only one WAN interface defined in the system, as in the example presented, this will be selected by the
system as the default gateway interface thus being presented is the selected default gateway list on the left.´
If more WAN interfaces are shown in the list on the right (available routed WAN interfaces) one or more can moved to
the list on the left and be selectable as default gateway routed interface according to its priority in the list.
Use the Select WAN Interface selection combo box, Figure 138, to choose a preferred wan interface as the System
default IPv6 gateway.
To finalize the configuration use the Apply/Save button.

▀ ADVANCED SETUP
▄ ME4600 Optical Network Termination Residential Gateway User Manual
134
Figure 138: Advanced Setup, Routing-Default Gateway Configuration window
I
STATIC ROUTING
Selection of Advanced Setup submenu Routing, item Static Routing will display a Routing-Static Route configuration
window, Figure 139.
This window displays the current static routing configuration and allows the insertion/removal of static routes.
A short on line help text is provided in the configuration window.
To insert and configure a new Static Route use the Add Button, Figure 134; a new window is displayed, Figure 140. A
short on line help text is provided in the configuration window.
In order to configure the new static route, Figure 140:
Step 1 .Select the IP version from the selection combo box;
Step 2 Enter the Destination IP address/prefix length;
Step 3 Select the Interface from the selection combo box;
Step 4 Enter the metric value (optional)
To finalize the configuration use the Apply/Save button. The next displayed window is the initial window, showing the
current Static Routing configuration, Figure 141.

ADVANCED SETUP ▀
ME4600 Optical Network Termination Residential Gateway User Manual ▄
135
Figure 139: Advanced Setup, Static Routing-Configuration window
Figure 140: Advanced Setup, Routing- Static Route Add window
Figure 141: Advanced Setup, Static Routing-Configuration window- Current configuration
BGP
Selection of Advanced Setup submenu Routing, item BGP will display a Routing-BGP configuration window, Figure
142. This window allows the configuration of the:
BGP router,

▀ ADVANCED SETUP
▄ ME4600 Optical Network Termination Residential Gateway User Manual
136
Neighbors,
Networks.
A short on line help text is provided in the configuration window.
To be able to configure the BGP router you must have the following information on the router parameters:
Autonomous System Number(Number: 0 to 65535)
Router ID (Optional) - IP address of one of the router intterfaces
In order to configure the BGP Router, Figure 142:
Step 1 .Select the Enable BGP option;;
Step 2 Type in the Autonomous System Number;
Step 3 Type in the Router ID (optional)
To finalize the BGP Router configuration use the Apply/Save button.
In order to configure the Neighbors, at the neighbors configuration table, Figure 142:
Step 1 .Type in the Neighbor IP address;
Step 2 Type in the Neighbor Autonomous System (the Remote AS column);
Step 3 Use the Add Entry button; a new line will be added to the table under the entered neighbor configuration.
To finalize the Neighbor configurations use the Add Entry button; the neighbor just configured is now shown at the
table and a new line is added.
If the configured Neighbor is announcing BGP routes, these are added to the system and can be viewed at the Device
Info menu, item Route window, Figure 143.
For the configured neighbors a selection box under the Remove column allows the removal of neighbors.
In order to remove a neighbor from the table:
Step 1 .for the neighbor to remove, select the box under the remove column;
Step 2 Use the Remove entries button; the selected neighbor is removed from the table
A removed neighbor the learned routes associated to this neighbor are eliminated from the system and are no longer
visible at the Device Info menu, item, Route.
To be able to configure the networks to announce you must have the following information on the Network parameters:
Network IP Address,
Network Mask.
In order to configure the Networks to announce the, at the networks configuration table, Figure 142:
Step 1 .Type in Network address/Mask;
To finalize the Network configuration use the Add Entry button; the network just configured is now shown at the table
and a new line is added t.

ADVANCED SETUP ▀
ME4600 Optical Network Termination Residential Gateway User Manual ▄
137
For the configured networks a selection box under the Remove column allows the removal of networks.
In order to remove a network from the table:
Step 1 For the network to remove, select the box under the remove column;
Step 2 Use the Remove entries button; the selected network is removed from the table
A removed Network is no longer announced to the neighbors.
Figure 142: Advanced Setup, Routing- BGP Configuration window

▀ ADVANCED SETUP
▄ ME4600 Optical Network Termination Residential Gateway User Manual
138
Figure 143: Device Info -Route information window – example of BGP routes announced
POLICY ROUTING
Selection of Advanced Setup submenu Routing, item Policy Routing will display a Policy Routing Setting window,
Figure 144.
This window displays the current Policy routing configuration and allows the insertion/removal of new Policy routing
rules.
A short on line help text is provided in the configuration window.
To insert and configure a new Policy routing rule use the Add Button, Figure 144; a new window is displayed, Figure
145. A short on line help text is provided in the configuration window.
In order to configure the new Policy Routing rule, Figure 145:
Step 1 .Enter the policy name;
Step 2 Select the Physical LAN port from the selection combo box;
Step 3 Enter the Source IP address;
Step 4 Select the Use Interface from the WAN selection combo box;
Step 5 If the selected interface is “IPoE” , enter the default gateway IP.
To finalize the configuration use the Apply/Save button. The next displayed window is the initial window, showing the
current Policy Routing configuration, Figure 146.

ADVANCED SETUP ▀
ME4600 Optical Network Termination Residential Gateway User Manual ▄
139
Figure 144: Advanced Setup, Routing- Policy Routing Setting window
Figure 145: Advanced Setup, Routing- Policy Routing Setting – Add and configure Policy window
Figure 146: Advanced Setup, Routing- Policy Routing Setting window- current configuration
RIP/OSPF
Selection of Advanced Setup submenu Routing, item RIP/OSPF will display a Routing-RIP Configuration window,
Figure 147.
This window allows the configuration of the:
RIP,
OSPF,

▀ ADVANCED SETUP
▄ ME4600 Optical Network Termination Residential Gateway User Manual
140
A short on line help text is provided in the configuration window.
Figure 148 provides a RIP and OSPF configuration example.
In order to configure RIP for the WAN Interface, Figure 148:
Step 1 .Select the desired RIP version at the column “Version” from the combo box;
Step 2 Select the desired operation mode at the column “Operation” from the combo box;
If the selected interface has NAT enabled, the only operation mode that can be configured is Passive;
Step 3 At the column enabled select the Enabled checkbox
To finalize the RIP configuration use the Apply/Save button at the bottom of the window.
In order to configure and activate the OSPF, at the OSPF configuration table, Figure 148:
Note: OSPF cannot be configured on the WAN interface which has NAT enabled (such as PPPoE)
Step 1 .Select the option Enabled OSPF;
Step 2 Type in the Router IP address at the box Router id;
Step 3 Type in the Network IP address and Mask;
Step 4 Type in the OSPF area ID at the Area ID column;
To finalize the OSPF configuration use the Apply/Save button at the bottom of the window.
To add a new OSPF configuration, use the Add Entry button; a new line is added to the table.
For the configured OSPF a selection box under the Remove column allows the removal of OSPF configuration.
In order to remove an OSPF configuration from the table:
Step 1 .for the OSPF configuration to remove, select the checkbox under the remove column;
Step 2 Use the Remove button; the selected OSPF configuration is removed from the table

ADVANCED SETUP ▀
ME4600 Optical Network Termination Residential Gateway User Manual ▄
141
Figure 147: Advanced Setup, Routing- RIP and OSPF Configuration window

▀ ADVANCED SETUP
▄ ME4600 Optical Network Termination Residential Gateway User Manual
142
Figure 148: Advanced Setup, Routing- RIP and OSPF Configuration example
DNS
Selection of Advanced Setup submenu item DNS will display a DNS submenu with two items, Figure 149:
DNS Server,
Dynamic DNS.
In the main window a DNS Server Configuration window will be displayed, Figure 150.

ADVANCED SETUP ▀
ME4600 Optical Network Termination Residential Gateway User Manual ▄
143
Figure 149: Advanced Setup DNS Sub-menu
DNS SERVER
Selection of Advanced Setup submenu DNS, item DNS Server will display a DNS Server configuration window, Figure
150.
A short on line help text is provided in the configuration window.
The DNS Server configuration window presents two lists:
Selected DNS Server Interfaces: the WAN interfaces that can be used as DNS Server interfaces are
listed here; only one interface will be used as DNS Server interface- this interface will be the highest
priority interface of the connected WAN interfaces in this list;
WAN interface priority is based on its position on the list, the first one of the list being the highest
priority interface.
To change WAN interface priority, its position in the list must be changed; that can be achieved by
removing all from the Selected DNS server Interfaces list and adding them back in the desired order.
Available WAN Interfaces: all defined available WAN interfaces are listed here; these interfaces can
be moved to the Selected DNS Server interfaces list
Figure 150 provides a DNS Server Configuration example;
In order to configure DNS server, Figure 150:
Step 1 Select the option ”Select DNS Server Interface from available WAN Interfaces” to use one of the available
WAN interfaces as the DNS server interface:
Step 2 Select the WAN interface to use from the available Wan interfaces list on the right and move it to the
Selected DNS Server Interfaces list on the left;
Step 3 If Static DNS IP address is to be used select this option in the window and Type in the DNS primary and
secondary IP addresses; otherwise go to the following step;
Step 4 To obtain IPv6 DNS info from a WAN interface Select this option and choose the WAN interface from the
selection combo box;
Step 5 If Static DNS IPv6 address is to be used select this option in the window and Type in the DNS primary and
secondary IPv6 addresses;
To finalize the configuration use the Apply/Save button.

▀ ADVANCED SETUP
▄ ME4600 Optical Network Termination Residential Gateway User Manual
144
Figure 150: Advanced Setup, DNS Server Configuration Window
DYNAMIC DNS
Selection of Advanced Setup submenu DNS, item Dynamic DNS will display a Dynamic DNS configuration window,
Figure 151.
This window displays the current Dynamic DNS configuration.
A short on line help text is provided in the configuration window.
To insert and configure a new Dynamic DNS entry use the Add Button, Figure 151; a new window is displayed, Figure
152. A short on line help text is provided in the configuration window. Figure 152 provides a configuration example.

ADVANCED SETUP ▀
ME4600 Optical Network Termination Residential Gateway User Manual ▄
145
In order to configure a new Dynamic DNS entry, Figure 152:
Step 1 . Select the Dynamic DNS provider from the D-DNS provider selection combo box;
Step 2 Type in the Hostname;
Step 3 Select the Interface from the selection combo box;
Step 4 At the DynDNS Settings type in the username;
Step 5 At the DynDNS Settings type in the Password;
To finalize the configuration use the Apply/Save button. The next displayed window is the initial window, showing the
current Access Dynamic DNS configuration, Figure 153.
Figure 151: Advanced Setup, DNS-Dynamic DNS Configuration window
Figure 152: Advanced Setup, DNS-Add Dynamic DNS window

▀ ADVANCED SETUP
▄ ME4600 Optical Network Termination Residential Gateway User Manual
146
Figure 153: Advanced Setup, DNS-Dynamic DNS Configuration window-current configuration
UPnP
Selection of Advanced Setup submenu item UPnP will display a UPnP Configuration window, Figure 154.
To enable UPnP select the option “Enable UPnP” and use the Apply/Save button to finalize de configuration.
Note: UPnP is activated only where there is a live WAN service with NAT enabled.
Figure 154: Advanced Setup, UPnP Configuration Window
DNS PROXY
Selection of Advanced Setup submenu item DNS Proxy will display a DNS proxy Configuration window, Figure 155.
To configure DNS Proxy:
Step 1 Select the option “Enable DNS Proxy”
Step 2 Type in the Host name of the RGW Router;
Step 3 Type in the Domain name of the LAN network;
To finalize de configuration use the Apply/Save button.

ADVANCED SETUP ▀
ME4600 Optical Network Termination Residential Gateway User Manual ▄
147
Figure 155: Advanced Setup, DNS Proxy Configuration window
STORAGE SERVICE
Selection of Advanced Setup submenu item Storage Service will show A Storage Device Info submenu item, Figure 156
and display a Storage Service Device Information window, Figure 157
This window displays information on the current Storage connected to the USB Ports.
Figure 156: Advanced Setup Storage Service Sub-menu
Figure 157: Advanced Setup Storage Service configuration window
ONT-RGW
RGW

▀ ADVANCED SETUP
▄ ME4600 Optical Network Termination Residential Gateway User Manual
148
INTERFACE GROUPING
Selection of the Advanced Setup menu item Interface Grouping will display an Interface Grouping Configuration
window, Figure 158. This window allows establishing an association between a WAN interface and the desired LAN
interfaces.
An on-line help on interface grouping is available at the configuration window:
Figure 158 provides an interface grouping example.
In order to setup an interface grouping, execute the following steps, Figure 158:
Step 1 Name the interfaces group, Figure 158-1
Step 2 At the Wan interface used in the group selection combo box, select the wan interface for the grouping,
Figure 158-2;
Step 3 From the list of available WAN interfaces select the desired wan interface, in this example wlan0, Figure
158 -3
Step 4 Click on the left pointing arrow, Figure 159 -4, to move the selected interface (wlan0 in this example)
from the Available LAN Interfaces List to the Grouped LAN Interfaces, Figure 158 -5
Step 5 Wlan0, the selected interface for interface grouping is now show at the grouped LAN interfaces list,
Figure 158 -5
Step 6 To finalize the configuration use the Save/Apply button, Figure 158-6. The next displayed window is
initial window, the Advanced Setup- Interface grouping initial window showing the current configuration,
Figure 160.

ADVANCED SETUP ▀
ME4600 Optical Network Termination Residential Gateway User Manual ▄
149
Figure 158: Advanced Setup- interface grouping configuration window –Setup on an Interface grouping example
1
2
5
6

▀ ADVANCED SETUP
▄ ME4600 Optical Network Termination Residential Gateway User Manual
150
Figure 159: Advanced Setup- interface grouping configuration window
Figure 160: Advanced Setup- Interface grouping configuration initial Window: Current interface grouping configuration
IP TUNNEL
Selection of Advanced Setup submenu, item IP Tunnel item will display an IP Tunnel submenu with two items, Figure
161:
IPv6inIPv4,
IPv4inIPv6
In the main window an IP Tunneling-6in4 Tunnel Configuration window will be displayed, Figure 162.
3
4

ADVANCED SETUP ▀
ME4600 Optical Network Termination Residential Gateway User Manual ▄
151
Figure 161: Advanced Setup IP Tunnel Sub-menu
IPv6inIPv4
Selection of Advanced Setup, IP Tunnel submenu, IPv6inIPv4 item, will display an IP Tunneling-6in4 Tunnel
Configuration window, Figure 162.
This window displays the current IP Tunneling-6in4 Tunnel Configuration.
To insert and configure a new IPv6 into IPv4 tunnel entry use the Add Button, Figure 162; a new window is displayed,
Figure 163. A short on line help text is provided in the configuration window. Figure 164 provides a configuration
example.
In order to configure new IPv6 into IPv4 tunnel entry, Figure 164:
Step 1 Type in the Tunnel Name;
Step 2 Select the Mechanism to use from the selection combo box;
Note: Currently only 6RD configuration is supported;
Step 3 Select the Associated WAN interface to use from the selection combo box;
Step 4 Select the Associated LAN interface to use from the selection combo box;
Step 5 Select the option Manual or Automatic;
In the case of Manual option selection the following steps are required, Figure 163:
Step 6 Type in the IPv4 Mask length (manual configuration only);
Step 7 Type in the 6RD Prefix with Prefix length (manual configuration only);
Step 8 Type in the Relay IPv4 Address (manual configuration only).
To finalize the configuration use the Apply/Save button. The next displayed window is the initial window, showing the
IP Tunneling-6in4 Tunnel Configuration, Figure 165.

▀ ADVANCED SETUP
▄ ME4600 Optical Network Termination Residential Gateway User Manual
152
Figure 162: Advanced Setup, IP tunnel IP- Tunneling-6in4 Tunnel Configuration window
Figure 163: Advanced Setup, IP tunnel IP- Tunneling-6in4 Tunnel: Add Tunnel Configuration window
Figure 164: Advanced Setup, IP tunnel IP- Tunneling-6in4 Tunnel Add Tunnel Configuration window example

ADVANCED SETUP ▀
ME4600 Optical Network Termination Residential Gateway User Manual ▄
153
Figure 165: Advanced Setup, IP tunnel IP- Tunneling-6in4 Tunnel Configuration window- current configuration
IPv4inIPv6
Selection of Advanced Setup, IP Tunnel submenu, IPv4inIPv6 item, will display an IP Tunneling-4in6 Tunnel
Configuration window, Figure 166.
This window displays the current IP Tunneling-4in6 Tunnel Configuration.
To insert and configure a new IPv4 into IPv6 tunnel entry use the Add Button, Figure 166; a new window is displayed,
Figure 163. A short on line help text is provided in the configuration window. Figure 167 provides a configuration
example.
In order to configure new IPv6 into IPv4 tunnel entry, Figure 167:
Step 1 Type in the Tunnel Name;
Step 2 Select the Mechanism to use from the selection combo box;
Note: Currently only DS-Lite configuration is supported;
Step 3 Select the Associated WAN interface to use from the selection combo box;
Step 4 Select the Associated LAN interface to use from the selection combo box;
Step 5 Select the option Manual or Automatic;
To finalize the configuration use the Apply/Save button. The next displayed window is the initial window, showing the
IP Tunneling-6in4 Tunnel Configuration, Figure 168.
Figure 166: Advanced Setup, IP tunnel IP- Tunneling-4in6 Tunnel Configuration window

▀ ADVANCED SETUP
▄ ME4600 Optical Network Termination Residential Gateway User Manual
154
Figure 167: Advanced Setup, IP tunnel IP- Tunneling-4in6 Tunnel: Add Tunnel Configuration window example
Figure 168: Advanced Setup, IP tunnel IP- Tunneling-4in6 Tunnel Configuration window- current configuration
POWER MANAGEMENT
Selection of Advanced Setup, Power Management item, will display Power Management control and information
window, Figure 169.
This window allows the control of Hardware modules to evaluate power consumption. Hardware modules can be
enabled by selecting the corresponding checkbox and use the enabled button. The Apply button will finalize the power
management configuration. Refresh button allows the updating of module power consumption status, that can be
consulted by selecting the module respective status button.

ADVANCED SETUP ▀
ME4600 Optical Network Termination Residential Gateway User Manual ▄
155
Figure 169: Advanced Setup, Power Management Configuration window
MULTICAST
Selection of Advanced Setup menu, item Multicast will display a Multicast (IGMP and MLD) Configuration window,
Figure 170.
This window allows the configuration of the:
IGMP,
MLD,
A short on line help text is provided in the configuration window.
Figure 170 provides a Multicast configuration example.
In order to configure Multicast, Figure 170
Step 1 Configure Multicast Precedence from the Selection combo box; Options available are:
- disable
- precedence value (lower value, higher priority)
IGMP and MLD configurations are filled with default values, Figure 170, that can be modified if desired. In order to
proceed with Multicast default configuration values just go to the bottom of the window and use the Apply/Save to
finalize the configuration.

▀ ADVANCED SETUP
▄ ME4600 Optical Network Termination Residential Gateway User Manual
156
Otherwise, if other than default values should be used for the multicast configuration change the default values by
typing in the corresponding parameter field the desired value and finalize the configuration by using the Apply/Save
button at the bottom of the window.
Figure 170: Advanced Setup, Multicast (IGMP and MLD) Configuration window – configuration example

WIRELESS ▀
ME4600 Optical Network Termination Residential Gateway User Manual ▄
157
WIRELESS
Selection of Advanced Setup submenu item Wireless will display a Wireless submenu with six items, Figure 171:
Basic,
Security,
MAC Filter,
Wireless Bridge,
Advanced,
Station Info.
In the main window a Wireless-Basic Configuration window will be displayed, Figure 172.
Figure 171: Wireless submenu
BASIC
Selection of Advanced Setup submenu Wireless, item Basic will display a Wireless-Basic configuration window, Figure
172.
A short on line help text is provided in the configuration window.
In order to configure Wireless LAN interface basic features:
Step 1 To Enable the Wireless LAN interface select the “Enable Wireless” checkbox;
Step 2 To Enable the Wireless Hotspot 2.0 e select the corresponding checkbox;
Step 3 To Hide Access Pointe from active scans select the corresponding checkbox;
Step 4 To configure Clients Isolation select the corresponding checkbox;
Step 5 To disable WMM Advertise select the corresponding checkbox;

▀ WIRELESS
▄ ME4600 Optical Network Termination Residential Gateway User Manual
158
Step 6 To Enable Wireless Multicast Forwarding (WMF) select the corresponding checkbox;
Step 7 Type in the Wireless network Name (SSID) ;
Step 8 Select the country from the selection combo box in order to restrict the channel set based on country
requirements
Step 9 Type in Country RegRev
Step 10 Type in the maximum number of clients
Step 11 At the wireless-guest/virtual Access Points configuration table use the checkboxes to configure Virtual
access points
To finalize the configuration use the Apply/Save button at the bottom of the window.
Figure 172: Wireless -Basic configuration window –configuration example

WIRELESS ▀
ME4600 Optical Network Termination Residential Gateway User Manual ▄
159
SECURITY
Selection of Advanced Setup submenu Wireless, item Security will display a Wireless-Security configuration window,
Figure 173.
A short on line help text is provided in the configuration window.
Wireless Security can be configured:
Manually - Figure 173 configuration example
Through WiFi Protected Setup (WPS) - Figure 176 configuration example.
In order to configure Wireless LAN interface Security features manually, Figure 173:
Step 1 Select “Disable” from the WPS selection combo box;
Step 2 Select SSID from the selection combo box;
Step 3 Select Network Authentication Method from the selection combo box, Figure 174;
Step 4 At the WEP encryption selection combo box select:
- Disabled, Figure 173, to disable WEP encryption; in this case configuration is complete- use the
Apply/Save to finalize the security configuration
- Enabled, Figure 175, to enable WEP encryption; in this case proceed with WEP encryption configuration
(following steps)
WEP encryption configuration (WEP encryption is set to Enabled) Figure 175:
Step 5 Select Encryption Strength value from the selection combo box;
Step 6 Select Current Network Key from the selection combo box;
Step 7 Type in Network Key values for Keys 1 to 4;
To finalize the configuration use the Apply/Save button at the bottom of the window.

▀ WIRELESS
▄ ME4600 Optical Network Termination Residential Gateway User Manual
160
Figure 173: Wireless –Security configuration window –configuration example
Figure 174: Wireless –Security configuration window –Network authentication available methods

WIRELESS ▀
ME4600 Optical Network Termination Residential Gateway User Manual ▄
161
Figure 175: Wireless –Security configuration window –Manual Setup AP configuration (if WEP enabled selected)
In order to configure Wireless LAN interface Security features through WPS, Figure 176:
Step 1 Select “Enabled” from the WPS selection combo box;
Step 2 To use Add Client feature (available only for WPA-PSK(WPS1)):
- Select the desired option use STA PIN /use AP PIN by selecting the corresponding checkbox;
- Use the Add Enrollee to finalize Add client configuration
Step 3 Select WPS AP Mode from the selection combo box;
Step 4 Setup AP (Configure all security settings with an external register), by entering the Device PIN;
Help on Device PIN configuration is available at the Help link, Figure 177
To finalize the configuration use the Apply/Save button at the bottom of the window.

▀ WIRELESS
▄ ME4600 Optical Network Termination Residential Gateway User Manual
162
Figure 176: Wireless –Security configuration window –WPS Setup configuration
Figure 177: Wireless –Security configuration window –WPS Setup – Device PIN Help window
MAC FILTER
Selection of Advanced Setup submenu Wireless, item MAC Filter will display a Wireless-MAC Filter configuration
window, Figure 178.
A short on line help text is provided in the configuration window.
In order to configure MAC filter:
Step 1 Select SSID from the selection combo box;
Step 2 Choose the MAC Restrict Mode by selecting the desired Mode at the corresponding checkbox;

WIRELESS ▀
ME4600 Optical Network Termination Residential Gateway User Manual ▄
163
Step 3 If disabled selected, the configuration is finalized
Step 4 If allow or deny selected MAC addresses to be filtered must be entered at the MAC address table;
Note: If “Allow” option is selected and the MAC address table is empty WPS will be disabled;
Step 5 To enter the MAC addresses to filter in the MAC address table use the Add button;
Step 6 To remove MAC addresses from the table, select the checkbox on the Remove Column for the desired MAC
address and use the Remove button.
Figure 178: Wireless –MAC Filter configuration window –configuration example
ADVANCED
Selection of Advanced Setup submenu Wireless, item Advanced will display a Wireless-Advanced configuration
window, Figure 179.
A short on line help text is provided in the configuration window.
This window allows the selection of a particular Channel on which to operate, force the transmission rate to a particular
speed, set the fragmentation threshold, set the RTS threshold, set the wakeup interval for clients in power-save mode,
set the beacon interval for the access point, set the Xpress mode and set whether short or long preambles are used.
Figure 179 provides a Wireless - Advanced features configuration example; Default values are available and auto
configuration mode dependent on the parameters, and can be used as is or modified as desired.
To finalize the configuration the Apply/Save button must be used.

▀ WIRELESS
▄ ME4600 Optical Network Termination Residential Gateway User Manual
164
Figure 179: Wireless –Advanced configuration window

WIRELESS ▀
ME4600 Optical Network Termination Residential Gateway User Manual ▄
165
STATION INFO
Selection of Advanced Setup submenu Wireless, item Station Info will display a Wireless-Authenticated Stations
Information window Figure 180, listing currently authenticated wireless stations and providing information on its status.
Information can be updated by using the button Refresh.
Figure 180: Wireless –Authentication Stations configuration window

▀ VOICE
▄ ME4600 Optical Network Termination Residential Gateway User Manual
166
VOICE
Configuration of Voice on the ONT-RGW requires an IPoE service on the WAN interface to be used for VoIP. To
create an IPoE service on a WAN interface, please refer to section IPoE .
Selection of menu item Voice will display Voice submenu, Figure 181, with three items:
SIP Basic Setting,
SIP Advanced Setting,
SIP Debug Setting
In the main window a SIP Basic Settings–Global Parameters configuration window will be displayed, Figure 182.
Figure 181: Voice Submenu
SIP BASIC SETTINGS
Selection of Voice menu, item SIP Basic Settings will display a SIP Basic Settings–Global Parameters configuration
window, Figure 182
A short on line help text is provided in the configuration window.
In order to configure Global Parameters:
Step 1 Select the Bound Interface Name from the selection combo box, Figure 183;
Step 2 Select the IP address Family from the selection combo box;
To finalize the configuration use the Apply button at the bottom of the window.
Using the “Start SIP client” button will unregister the SIP accounts as can be seen by consulting the Voice status
information, through Device Info menu, item Voice, Figure 184.
The UP value on the Registration Status column indicates the account registration was successful, the accounts are
active and VoIP is operational.

VOICE ▀
ME4600 Optical Network Termination Residential Gateway User Manual ▄
167
Figure 182: Voice, SIP Basic Settings–Global Parameters configuration window
Figure 183: Voice, SIP Basic Settings–Global Parameters-Bound Interface Name selection combo box
Figure 184: Device Info, Voice- Registered Sip Accounts information and Status
Figure 185 provides a configuration example for the SIP provider parameters (Basic Settings)
In order to configure Service Provider, Figure 185:
Step 1 Select the Local from the selection combo box, Figure 186;
This will change service provider parameters dependent on local specific applicable standards, such as Ring
tone,
Change of local to take effect will require the SIP client to be stopped and then restarted.
Step 2 Type in Voice Dialpan;
Step 3 To Use SIP Proxy select the corresponding checkbox;
Step 4 If Use SIP Proxy selected configure SIP proxy to use by entering:
- SIP Proxy

▀ VOICE
▄ ME4600 Optical Network Termination Residential Gateway User Manual
168
- SIP Proxy Port
Step 5 To Use SIP Outbound Proxy select the corresponding checkbox;
Step 6 If Use SIP Outbound Proxy selected configure SIP Outbound Proxy to use by entering:
- SIP Outbound Proxy
- SIP Outbound Proxy Port
Step 7 To Use SIP Registrar select the corresponding checkbox;
Step 8 If Use SIP Registrar selected configure SIP Registrar to use by entering:
- SIP Registrar
- SIP Registrar Port
Configure two SIP accounts “0” and “1”, at the SIP account table:
Step 9 Enable the accounts by selecting the respective Enable Account checkbox;
Step 10 Type in for each account the extension number;
Step 11 Type in for each account the account display name;
Step 12 Type in for each account the account authentication name;
Step 13 Type in for each account the account password;
Step 14 Select for each account the Physical Terminal Assignment, i.e., the FXS port to use, by using the FXS
ports checkboxes;
Step 15 Select the account Preferred ptime value at the respective selection combo box;
Step 16 Select the account set of Preferred codecs to use, from the respective selection combo boxes;
To finalize the configuration use the Apply button at the bottom of the window.
To make effective the configuration just done, use the Start SIP client button.

VOICE ▀
ME4600 Optical Network Termination Residential Gateway User Manual ▄
169
Figure 185: Voice, SIP Basic Settings–Service Provider configuration window

▀ VOICE
▄ ME4600 Optical Network Termination Residential Gateway User Manual
170
Figure 186: Voice, SIP Basic Settings– Service Provider configuration window- Local Selection combo box
SIP ADVANCED SETTINGS
Selection of Voice menu, item SIP Advanced Settings will display a SIP Advanced Settings–Service Provider
configuration window, Figure 187 and Figure 188.
Figure 187 and Figure 188, provide a configuration example for the SIP provider parameters (Advanced Settings)
In order to configure Service Provider-Advanced Settings Figure 187 and Figure 188:
Step 1 Configure Enable SIP Call Features for the two SIP accounts “0” and “1”, at the “Enable Call Features”
table, Figure 187,
In order to enable a desired advanced sip call feature for an account, at the account column, for the desired
feature select the respective Checkbox.
Activation instructions for the enabled feature are provided at the column “Activation Instructions”
Step 2 Type in the Registration Expire Timeout;
Note: Changing this parameter for one service provider affects all other service providers;
Step 3 Type in the Registration Retry Interval;
Step 4 Select DSCP for SIP option from the selection combo box;
Note: Changing this parameter for one service provider affects all other service providers;
Step 5 Select DSCP for RTP option from the selection combo box;
Note: Changing this parameter for one service provider affects all other service providers;
Step 6 Select Dtmf Relay settings option from the selection combo box;
Note: Changing this parameter for one service provider affects all other service providers;

VOICE ▀
ME4600 Optical Network Termination Residential Gateway User Manual ▄
171
Step 7 Select Hook Flash Relay setting option from the selection combo box;
Note: Changing this parameter for one service provider affects all other service providers;
Step 8 Select SIP Transport protocol option from the selection combo box;
Note: Changing this parameter for one service provider affects all other service providers;
Step 9 Select SRTP Configuration option from the selection combo box;
Note: Changing this parameter for one service provider affects all other service providers;
Step 10 To Enable SIP tag matching select the respective checkbox;
Note1: Must be uncheck for Vonage Interop;
Note2: Changing this parameter for one service provider affects all other service providers;
Step 11 Type in the Music Server IP address;
Note: Changing this parameter for one service provider affects all other service providers;
In order to configure a Music Server:
Step 12 Type in the Music Server Port;
Note: Changing this parameter for one service provider affects all other service providers;
In order to configure Conference :
Step 13 Type in the Conference URI;
Note: Changing this parameter for one service provider affects all other service providers;
Step 14 Select Conference Option from the respective selection combo box;
Note: Changing this parameter for one service provider affects all other service providers;
To finalize the configuration use the Apply button at the bottom of the window.
To make effective the configuration just done, use the Start SIP client button.

▀ VOICE
▄ ME4600 Optical Network Termination Residential Gateway User Manual
172
Figure 187: Voice, SIP Advanced Settings–Service Provider configuration window -1

VOICE ▀
ME4600 Optical Network Termination Residential Gateway User Manual ▄
173
Figure 188: Voice, SIP Advanced Settings–Service Provider configuration window -2
SIP DEBUG SETTING
Selection of Voice menu, item SIP Debug Settings will display a SIP Debug Settings–Service Provider configuration
window, Figure 189.
Figure 189, provides a configuration example for the Service provider parameters (SIP Debug Configuration)
In order to configure Service Provider- SIP Debug Configuration, Figure 189:
Step 1 Type in the SIP log server IP Address;
Note: Changing this parameter for one service provider affects all other service providers;
Step 2 Type in the SIP log server port;
Note: Changing this parameter for one service provider affects all other service providers;
Configure line debug option at the Line table:
Step 3 To enable VAD support for a line select the respective checkbox;
Step 4 To configure Ingress gain for a line select Ingress Gain Value from the respective selection combo box;

▀ VOICE
▄ ME4600 Optical Network Termination Residential Gateway User Manual
174
Step 5 To configure Egress gain for a line select Egress Gain Value from the respective selection combo box;
To finalize the configuration use the Apply button at the bottom of the window.
To make effective the configuration just done, use the Start SIP client button.
Figure 189: Voice, SIP Debug Settings configuration window

DIAGNOSTICS ▀
ME4600 Optical Network Termination Residential Gateway User Manual ▄
175
DIAGNOSTICS
Selection of menu item Diagnostics will display a Diagnostics Information window, Figure 190.
This window lists the individual test results. In case of fail, Troubleshooting procedures will be available at the Help
link for the respective failed test.
Rerun diagnostic tests button allows running the tests and for confirmation of the persistence of the fail result. The
window will be updated with the results of the Diagnostics tests rerun.
Figure 190: Diagnostics information window

▀ MANAGEMENT
▄ ME4600 Optical Network Termination Residential Gateway User Manual
176
MANAGEMENT
Selection of menu item Management will display management submenu, Figure 191, with eight items:
Settings,
System Log,
Security Log,
TR-069 Client,
Internet Time,
Access Control,
Update Software,
Reboot.
In the main window a Management, Settings–Backup window will be displayed, Figure 193.
Figure 191: Management Submenu
SETTINGS
Selection of Management Submenu, item Settings will display a Settings submenu, Figure 192, with four items:
Backup,
Update,
Restore Default.
In the main window a Management, Settings–Backup window will be displayed, Figure 193.

MANAGEMENT ▀
ME4600 Optical Network Termination Residential Gateway User Manual ▄
177
Figure 192: Management, Settings Submenu
BACKUP
Selection of Management, Settings submenu, item Backup will display a Settings–Backup window will be displayed,
Figure 193.
A short on line help text is provided in the window. This window allows saving the current ONT-RGW configurations
to a PC.
In order to Backup the current ONT-RGW configurations use the button Backup Settings, Figure 193. A Save file
window will open at your PC allowing to choose the folder where to save the backup file and the renaming of the file.
Figure 193: Management, Settings–Backup window
UPDATE
Selection of Management, Settings submenu, item Update will display a Tools-Update Settings window Figure 194.
A short on line help text is provided in the window. This window allows updating the ONT-RGW configurations with a
Backup file previously saved to a PC.
In order to update ONT-RGW configuration with a saved backup file, Figure 194:
Step 1 Use the button Select file. An open file window will open at your PC allowing to choose a previously
backed up file to use;
Step 2 Use the Update Settings button and the ONT-RGW configurations will be updated with the selected file.

▀ MANAGEMENT
▄ ME4600 Optical Network Termination Residential Gateway User Manual
178
Figure 194: Management, Settings–Tools- Update window
RESTORE DEFAULT
Selection of Management, Settings submenu, item Restore Default will display a Tools-Restore Default Settings
window Figure 195.
A short on line help text is provided in the window. This window allows restore ONT-RGW configurations to default
setting.
In order to restore ONT-RGW configuration to Default Settings use the Restore Default Settings button.
Figure 195: Management, Settings–Tools –Restore Default Settings window
SYSTEM LOG
Selection of Management menu item System Log, will display a System Log window Figure 197.
A short on line help text is provided in the window. This window allows viewing and configuring System Log.
In order to view System Log use the View System Log button. A window will display showing ONT-RGW debug
information on the mode selected on the System Log configuration, with events’ date and time displayed, Figure 197.
Figure 196: Management–System Log Configuration: View System Log

MANAGEMENT ▀
ME4600 Optical Network Termination Residential Gateway User Manual ▄
179
In order to configure System Log Options use the Configure System Log button; a System Log Configuration window
will be displayed, Figure 198.
Figure 201 provides a System Log configuration example.
A short on line help text is provided in the window.
In order to configure System Log options:
Step 1 To enable System Log select the Log Enable checkbox, Figure 198;
Step 2 Select the Log Level from the respective selection combo box, Figure 198;
Step 3 Select the Display Level from the respective selection combo box, Figure 199;
Step 4 Select the Mode from the respective selection combo box, Figure 200;
To finalize the configuration use the Apply/save Button, Figure 201.
Figure 197: Management–System Log window
Figure 198: Management–System Log Configuration window –Log level options

▀ MANAGEMENT
▄ ME4600 Optical Network Termination Residential Gateway User Manual
180
Figure 199: Management–System Log Configuration window –Display level options
Figure 200: Management–System Log Configuration window –Mode level options

MANAGEMENT ▀
ME4600 Optical Network Termination Residential Gateway User Manual ▄
181
Figure 201: Management–System Log Configuration window –Configuration Example
SECURITY LOG
Selection of Management menu item Security Log, will display a Security Log window Figure 202.
A short on line help text is provided in the window. This window allows viewing and resetting Security Log.
In order to view Security Log use the View button, Figure 202. A window will display showing ONT-RGW security
log information on the mode selected on the Security Log configuration, with events’ date and time displayed, Figure
203.
Figure 202: Management–Security Log window

▀ MANAGEMENT
▄ ME4600 Optical Network Termination Residential Gateway User Manual
182
Figure 203: Management–Security Log window: View
In order to reset Security Log use the Reset Button, Figure 202. A Reset information window will be displayed, Figure
204.
Figure 204: Management–Security Log window: Reset
TR-069 CLIENT
Selection of Management menu item TR-069 Client, will display a TR-069 Client Configuration window, Figure 205.
A short on line help text is provided in the window. TR-069 Client configuration allows the connection to an Auto
configuration Server (ACS) for ONT-RGW configuration, provisioning, collection and diagnostics.
Figure 205 provides a TR-069 client configuration example.
In order to Configure TR-069 Client, Figure 205:
Step 1 Configure Inform Option to be Disabled or Enabled by selecting the respective Checkboxes;
Step 2 Type in Inform Interval Value for the Inform Enabled option;
Time Interval between ONT-RGW and ACS communications
Step 3 Type in the ACS URL;
Step 4 Type in the ACS User Name;
Step 5 Type in the ACS Password;
Step 6 Select the WAN Interface used by the TR-069 Client from the respective selection combo box, Figure 206;
Step 7 Configure “Display SOAP messages on serial console” Option to be Disabled or Enabled by selecting the
respective Checkboxes;

MANAGEMENT ▀
ME4600 Optical Network Termination Residential Gateway User Manual ▄
183
If enabled the messages exchanged between the ONT-RGW and the ACS can be viewed via serial port.
Step 8 To use Connection Request Authentication select the respective checkbox;
This option is enabled by default; ACS will send answer messages to connection Request if enabled and
configured;
If Connection Request authentication is to be used, configure it:
Step 9 Type in the Connection Request User Name;
Step 10 Type in Connection Request Password;
Step 11 Type in Connection Request URL;
This URL is the selected WAN interface URL with port and serial number information (Connection Request
URL Format - http://IP:port/serialNumber)
Use the Apply/Save Button to Finalize the Configuration.
Figure 205: Management, TR-069 Client Configuration window

▀ MANAGEMENT
▄ ME4600 Optical Network Termination Residential Gateway User Manual
184
Figure 206: Management, TR-069 Client Configuration window – WAN Interface Options
INTERNET TIME
Selection of Management menu item Internet Time, will display an Internet Time-Time settings window, Figure 207.
A short on line help text is provided in the window. Internet Time Settings allows the configuration of time servers to
enable updating ONT-RGW date and time.
Figure 207 provides an Internet Time Settings configuration example.
In order to Configure Internet Time Settings, Figure 207:
Step 1 Configure “Automatically Synchronize with Internet Time Servers” by selecting the respective Checkbox;
Step 2 Select “First NTP Time Server” Option from the respective selection combo box, Figure 208;
If other was specified, Type in the IP address of the server to use Figure 208.
Step 3 Select “Second NTP Time Server” Option from the respective selection combo box;
If other was specified, Type in the IP address of the server to use;
Up to five NTP servers can be specified if desired.
Step 4 Select “Time zone offset” Option from the respective selection combo box, Figure 209;
Use the Apply/Save Button to Finalize the Configuration.

MANAGEMENT ▀
ME4600 Optical Network Termination Residential Gateway User Manual ▄
185
Figure 207: Management, Internet Time-Time settings window
Figure 208: Management, Internet Time-Time settings window: NTP server options

▀ MANAGEMENT
▄ ME4600 Optical Network Termination Residential Gateway User Manual
186
Figure 209: Management, Internet Time-Time settings window: Time zone options
ACCESS CONTROL
Selection of Management Submenu, item Access Control will display an Access Control submenu, Figure 210, with one
item, Passwords.
In the main window an Access Control-Passwords window will be displayed, Figure 211.

MANAGEMENT ▀
ME4600 Optical Network Termination Residential Gateway User Manual ▄
187
Figure 210: Management, Access Control Submenu
PASSWORDS
Selection of Management, Access Controls submenu, item Passwords will display an Access Control-Passwords
window, Figure 211.
A short on line help text is provided in the window. This window allows the definition of ONT-RGW user accounts.
Three user accounts can be defined:
Admin: account with unrestricted access to view and change ONT-RGW configurations;
Support: account for maintenance and diagnostics purposes;
User: account to view ONT-RGW configurations and statistics and update ONT-RGW software.
NOTE: Only an admin user can view set up user accounts;
Figure 211: Management, Access Control-Passwords configuration window

▀ MANAGEMENT
▄ ME4600 Optical Network Termination Residential Gateway User Manual
188
UPDATE SOFTWARE
Selection of Management menu item Update Software, will display a Tools- Update Software window, Figure 212.
This window allows the update of the ONT-RGW with an update file from the ISP.
A Step by Step on line help text is provided in the window.
Figure 212: Management, Tools- Update Software window
REBOOT
Selection of Management menu item Reboot, will display a Reboot window, Figure 213.
This window allows the reboot of the ONT-RGW.
A short on line help text is provided in the window.
To Reboot the ONT-RGW use the button Reboot.
Figure 213: Management, Reboot window

LOGOUT ▀
ME4600 Optical Network Termination Residential Gateway User Manual ▄
189
LOGOUT
Selection of menu item Logout, Figure 214, will allows ending the user account session on the ONT-RGW. A logout
confirmation window will be displayed, Figure 215. Selection of Yes will confirm logout and terminate user session.
Figure 214: Logout menu item
Figure 215: Logout window

ME4600 Optical Network Termination Residential Gateway User Manual ▄
190
Chapter 6
OPERATION INDICATORS
ONT-RGW
LED INDICATORS STATUS
The ONT_RGW has fifteen LEDs to indicate its operational status.
Figure 216: ONT-RGW status LEDs
Table 25: ONT-RGW LED status
LED
ID
LED Status
Description
A1 (1)
POWER
ON
Power supply ON (green)
OFF
Power supply OFF
A2 to A5(2)
ETHERNET
ON
With Ethernet connection (green)
OFF
No Ethernet connection
Flashing
Ethernet IN/OUT activity (green)
A6, A7(2)
VOIP
ON
Service configured and authenticated
(green)
OFF
Service not configured or registration
failure
Flashing
Telephone off the hook
A1
A2
A3
A4
A5
A6
A7
A8
A9
A10
A11
A12
A13
A14
A15

ONT-RGW ▀
ME4600 Optical Network Termination Residential Gateway User Manual ▄
191
LED
ID
LED Status
Description
A8(2)
WPS
ON
WPS active (blinking green)
OFF
WPS inactive
A9(1)
RADIO
SIGNAL
ON
Radio signal active
OFF
Radio signal inactive
A10(2)
GPON LINK
See Table 26
A11(2)
GPON AUTH
A12(2)
PPPoE
ON
PPPoE active
OFF
PPPoE inactive
A13 (3)
CATV (3)
ON
Port administratively connected
OFF
Port administratively disconnected
Flashing
Port administratively connected to CATV
A14, A15(2)
USB
ON
USB ON (green)
OFF
USB OFF
NOTES:
(1) These status LEDS are always update (pressing ECO button is not required).
(2) To obtain these status LEDS information ECO button must be pressed.
(3) Optional; Dependent on the ONT-RGW specific model.
The following combination of GPON LINK (A10) and AUTH (A11) LEDS reflects the various states that the ONT-
RGW is in during the process of configuration and communication with the OLT (Optical Line Terminal).
Table 26: ONT-RGW states
ONT-RGW Status
LED Status
Description
GPON LINK (A10)
GPON AUTH (A11)
1 - Initial
OFF
OFF
Initial State
2 - Standby
Flashing
OFF
ONT-RGW is waiting for initial
configuration by the OLT
3 - Serial-Number
Flashing
Flashing
The OLT is configuring the ONT-RGW
4 - Ranging
Flashing
ON
ONT-RGW and OLT synchronization
5 - Operational
ON
ON
ONT-RGW normal operational status
6 - POPUP
Flashing
OFF
Loss of optical signal detected
7 - Emergency-Stop
ON
OFF
Anomalous event

▀ ONT-RGW
▄ ME4600 Optical Network Termination Residential Gateway User Manual
192
TROUBLESHOOTING
The table below, according to the LEDs status, identifies a possible cause and describes the procedure to fix the
problem.
Table 27: ONT-RGW troubleshooting
LED
State
Possible Cause
Solution
POWER (A1)
OFF
No power supply to the
ONT-RGW
- Check that the power cable is
correctly connected to both the ONT-
RGW and the adapter at the electrical
socket.
ETHERNET
(A2 to A5)
OFF
ETHERNET cable
incorrectly connected
- Check that the ETHERNET cable is
properly connected to the ONT-
RGW’s ETHERNET port and the
Home Gateway’s WAN port and not,
for example, to a LAN port.
- Change the ETHERNET cable.
GPON LINK
(A10)
OFF
Anomaly in the optical
fibre signal
- Check that the optical cable is
correctly inserted in both the ONT-
RGW’s internal optical connector and
the optical socket.
- Check that the fibre is intact, is not
dirty and has not been cut or twisted.
AUTH (A11)
OFF
GPON LINK
(A10)
ON
ONT-RGW deactivated
by the administrator.
Contact the technical support.
AUTH (A11)
OFF
CATV (A13) (1)
OFF
CATV deactivated in the
ONT-RGW.
VOIP (A6 to
A7)
OFF
VoIP deactivate in the
ONT-RGW
GPON LINK
(A10)
Blinking
Error in ONT-RGW
authentication.
NOTES:
(1) Optional; Dependent on the ONT-RGW specific model.

ME4600 Optical Network Termination Residential Gateway User Manual ▄
193
Chapter 7
CLI
ONT-RGW
The aim of this chapter is to describe the commands available from the ONT RGW CLI.
The CLI has a “/cli>” prompt character, and it is available from the serial console, telnet login, and ssh logins.
CLI has a “directory-like” structure and the command “cd” should be used to navigate through the various nodes.
In order to see a list of available CLI commands, the user can type “tree” (to see all nodes within the current node and
respective commands) or “dir” (to see the available commands of the given node).
The command that the user wants to type may need arguments; in order to check the arguments of one command, the
user can type “?” after it (ex: /cli/wan/gre> create ?).
The same logic can be used with some arguments, for instance, the command “/cli/wan/ipoe> create --interface=?” will
return the list of the available interfaces that can be used. (Note that when there is more than one mandatory argument,
all of those arguments must be fulfilled, even if the user wants to type ‘?’ in one of them).
The “show” command has a screen output depending on the usage context: node or sub-node current configuration or
information is displayed on the screen.
To see the CLI basic usage, type “help”.
To logout/quit CLI, type “quit”.
Some command have restricted availability depending on the user profile permissions

▀ NODES AND COMMANDS
▄ ME4600 Optical Network Termination Residential Gateway User Manual
194
NODES AND COMMANDS
“wan” node
This node allows a user to see, to add and/or to delete wan services. The available wan services are: IPoE, PPPoE,
Bridging and GRE.
In order to configure one service, the user should enter the respective node (ex: /cli> cd ipoe) and then type the desired
command.
The user can see the configured wan interfaces by typing “show” on the interfaces node.
Figure 217: wan node tree
+ wan[@show]
+ bridge[@create, @remove, @show]
+ gre[@create, @remove, @show]
+ interfaces[@show]
+ ipoe[@create, @remove, @show]
+ pppoe[@create, @remove, @show]
PERMISSIONS
Table 28: wan node and sub-node tree command permissions
Command
Admin
Support
User
/wan/show
Yes
Yes
Yes
/wan/ipoe/create
Yes
Yes
No
/wan/ipoe/remove
Yes
Yes
No
/wan/ipoe/show
Yes
Yes
Yes
/wan/pppoe/create
Yes
Yes
No
/wan/ pppoe /remove
Yes
Yes
No
/wan/ pppoe /show
Yes
Yes
Yes
/wan/gre/create
Yes
Yes
No
/wan/ gre /remove
Yes
Yes
No
/wan/ gre /show
Yes
Yes
Yes
/wan/bridge/create
Yes
Yes
No
/wan/ bridge /remove
Yes
Yes
No
/wan/ bridge /show
Yes
Yes
Yes
/wan/interfaces/show
Yes
Yes
No

NODES AND COMMANDS ▀
ME4600 Optical Network Termination Residential Gateway User Manual ▄
195
“bridge” sub-node
“create” command
Table 29: "create" command information
Name
create
Description
Creates a new bridging service
Full Path
/wan/bridge/create
Arguments
<MANDATORY>
--interface WAN L2 Interface
[OPTIONAL]
--igmp-mcast IGMP Multicast <enable|disable> (disable by default)
--mld-mcast MLD Multicast <enable|disable> (disable by default)
--pbit 802.1P Priority [0-7] (-1 by default)
--service-name Service description
--vlan 802.1Q VLAN ID [0-4094] (-1 by default)
“remove” command
Table 30: "remove" command information
remove
remove
Description
Removes an existing bridging service
Full Path
/wan/bridge/remove
Arguments
<MANDATORY>
--if-to-rmv WAN Interface
“gre” sub-node
“create” command
Table 31: "create" command information
Name
create
Description
Creates a new GRE service
Full Path
/wan/gre/create
Arguments

▀ NODES AND COMMANDS
▄ ME4600 Optical Network Termination Residential Gateway User Manual
196
<MANDATORY>
--interface Interface
--remote-ip Remote IP
--tunnel-name Tunnel Name
[OPTIONAL]
--local-ip Local IP
--peer-ip Peer IP
--ttl TTL [0, 255]
--tunnel-ip Tunnel IP
--tunnel-mask Tunnel mask
“remove” command
Table 32: "remove" command information
remove
remove
Description
Removes an existing GRE service
Full Path
/wan/gre/remove
Arguments
<MANDATORY>
--tunnel-name Tunnel Name
“interface” sub-node
“ipoe” sub-node
“create” command
Table 33: "create" command information
Name
create
Description
Creates a new IPoE service
Full Path
/wan/gre/create
Arguments
<MANDATORY>
--interface Interface
[OPTIONAL]
--arpping ArpPing <enable|disable> (disable by default)
--dhcp-client DHCP Client <enable|disable> (enable by default)
--dhcp-op125 DHCP Option 125 <enable|disable>
(disable by default)
--dhcp-op60-vid DHCP Option 60 Vendor ID
--dhcp-op61-duid DHCP Option 61 DUID (hexadecimal digit)
--dhcp-op61-iaid DHCP Option 61 IAID (8 hexadecimal digits)

NODES AND COMMANDS ▀
ME4600 Optical Network Termination Residential Gateway User Manual ▄
197
--dhcp6c-iana Launch Dhcp6c for Address Assignment (IANA)
<enable|disable> (disable by default)
--dhcp6c-iapd Launch Dhcp6c for Prefix Delegation (IAPD)
<enable|disable> (enable by default)
--firewall Firewall <enable|disable> (disable by default)
--fullcone Fullcone NAT <enable|disable> (disable by default)
--igmp IGMP Multicat Proxy <enable|disable>
(disable by default)
--igmp-mcast-src IGMP Multicast Source <enable|disable>
(disable by default)
--ip-version Network Protocol <ipv4|ipv6|dual>
(IPv4 by default)
--mld MLD Multicat Proxy <enable|disable>
(disable by default)
--mld-mcast-src MLD Multicast Source <enable|disable>
(disable by default)
--nat NAT <enable|disable> (disable by default)
--nat-mask Subnet mask
--nat-masquerade NAT Masquerade <enable|disable>
(disable by default)
--nat-max-add End IP Address
--nat-min-add Start IP Address
--no-mcast-vlan-filter Multicast VLAN Filter <enable|disable>
(disable by default)
--nr-rep ArpPing number of repetitions [1, 255]
(3 by default)
--pbit 802.1P Priority [0-7] (No PBIT by default)
--service-name Service description
--timeout ArpPing timeout (sec) [30, 3600] (3600 by default)
--tpid VLAN TPID <0x8100|0x88A8|0x9100>
(No VLAN TPID by default)
--vlan 802.1Q VLAN ID [0-4094] (No VLAN by default)
--wan-gw WAN gateway IP Address
--wan-ip-add WAN IP Address
--wan-ipv6-add Static IPv6 Address <WAN IPv6 Address/Prefix
Length>. If the address prefix length is not specified, it
will be default to /64.
--wan-ipv6-next-hop WAN Next-Hop IPv6 Address
--wan-mask WAN subnet mask

▀ NODES AND COMMANDS
▄ ME4600 Optical Network Termination Residential Gateway User Manual
198
“remove” command
Table 34: "remove" command information
remove
remove
Description
Removes an existing IPoE service
Full Path
/wan/ipoe/remove
Arguments
<MANDATORY>
--if-to-rmv WAN Interface
“pppoe” sub-node
“create” command
Table 35: "create" command information
Name
create
Description
Creates a new PPPoE service
Full Path
/wan/pppoe/create
Arguments
<MANDATORY>
--interface Interface
[OPTIONAL]
--auth-error-retry Authentication error retry <enable|disable>
(disable by default)
--auth-method Authentication method <AUTO|PAP|CHAP|MSCHAP>
(AUTO by default)
--debug PPP Debug Mode <enable|disable> (disable by default)
--dhcp6c-iana Launch Dhcp6c for Address Assignment (IANA)
<enable|disable> (disable by default)
--dhcp6c-iapd Launch Dhcp6c for Prefix Delegation (IAPD)
<enable|disable> (enable by default)
--firewall Firewall <enable|disable> (disable by default)
--fullcone Fullcone NAT <enable|disable> (disable by default)
--igmp IGMP Multicat Proxy <enable|disable>
(disable by default)
--igmp-mcast-src IGMP Multicast Source <enable|disable>
(disable by default)
--ipv4-add Static IPv4 Address
--ipv6-add Static IPv6 Address
--ipv6-unnumbered-model IPv6 Unnumbered model <enable|disable>
(enable by default)
--mld MLD Multicat Proxy <enable|disable>

NODES AND COMMANDS ▀
ME4600 Optical Network Termination Residential Gateway User Manual ▄
199
(disable by default)
--mld-mcast-src MLD Multicast Source <enable|disable>
(disable by default)
--ip-version Network Protocol <ipv4|ipv6|dual> (IPv4 by default)
--no-mcast-vlan-filter Multicast VLAN Filter <enable|disable>
(disable by default)
--on-demand Dial on demand (with idle timeout timer)
<enable|disable>
--password PPP Password
--pbit 802.1P Priority [0-7] (-1 by default)
--server-name PPPoE server name
--service-name Service description
--timeout Inactivity Timeout (minutes) [1-4320]
--to-bridge Bridge PPPoE Frames Between WAN and Local Ports
<enable|disable> (disable by default)
--tpid VLAN TPID <0x8100|0x88A8|0x9100> (-1 by default)
--username PPP Username
--vlan 802.1Q VLAN ID [0-4094] (-1 by default)
“remove” command
Table 36: "remove" command information
remove
remove
Description
Removes an existing PPPoE service
Full Path
/wan/pppoe/remove
Arguments
<MANDATORY>
--if-to-rmv WAN Interface
“lan” node
This node allows a user to configure the LAN settings. It allows the configuration of generic LAN settings, as well as
setup the LAN VLAN and the configuration of the available Ethernet LAN ports.
Figure 218: lan node tree
+ lan[@config, @show]
+ interfaces[@config, @show]
+ static-lease[@create, @remove, @show]
+ vlan[@create, @remove, @show]

▀ NODES AND COMMANDS
▄ ME4600 Optical Network Termination Residential Gateway User Manual
200
PERMISSIONS
Table 37: lan node and sub-node tree command permissions
Command
Admin
Support
User
/lan/show
Yes
Yes
Yes
/lan/config
Yes
Yes
Yes
/lan/interfaces/show
Yes
Yes
No
/lan/interfaces/config
Yes
Yes
No
/lan/static-lease/create
Yes
Yes
No
/lan/static-lease /remove
Yes
Yes
No
/lan/static-lease /show
Yes
Yes
No
/lan/vlan/create
Yes
Yes
No
/lan/vlan /remove
Yes
Yes
No
/lan/vlan/show
Yes
Yes
No
“config” command
Table 38: "config" command information
Name
config
Description
Configures the LAN
Full Path
/lan/config
Arguments
[OPTIONAL]
--default-gw Default gateway (0.0.0.0 by default)
--dhcp-end DHCP End IP address (192.168.1.254 by default)
--dhcp-server DHCP Server <enable|disable> (enable by default)
--dhcp-start DHCP Start IP address (192.168.1.2 by default)
--dns-primary Primary DNS (0.0.0.0 by default)
--dns-sec Secondary DNS
--firewall LAN side firewall <enable|disable> (disable by default)
--igmp-mode IGMP mode <standard|blocking> (blocking by default)
--igmp-snoop IGMP Snooping <enable|disable> (enable by default)
--ip-add IP address (192.168.1.1 by default)
--lan-to-lanMcast IGMP LAN to LAN Multicast
<enable|disable> (disable by default)
--lan2 Secondary Server (for DHCP Option 60)
<enable|disable> (disable by default)
--lan2-dns-prim Sec. server primary DNS
--lan2-end Sec. server end IP address

NODES AND COMMANDS ▀
ME4600 Optical Network Termination Residential Gateway User Manual ▄
201
--lan2-ip Sec. server IP address
--lan2-leased-time Sec. server leased time (minutes)
--lan2-mask Sec. server subnet mask
--lan2-ntp NTP server
--lan2-sec-dns Sec. server secondary DNS
--lan2-start Sec. server start IP address
--lan2-tftp TFTP server
--lan2-vendor-id Sec. server vendor ID
--leased-time Leased Time (hours) (24 by default)
--mask Subnet mask (255.255.255.0 by default)
“interfaces” sub-node
“config” command
Table 39: "config" command information
Name
config
Description
Configures the state of the Ethernet LAN ports
Full Path
/lan/interfaces/config
Arguments
<MANDATORY>
--interface LAN Interface
[OPTIONAL]
--admin-status Admin status <UP|DOWN> (UP by default)
--speed Speed (Mb/s) <AUTO|10|100> (AUTO by default)
“static-lease” sub-node
“create” command
Table 40: "create" command information
Name
create
Description
Creates a new entry on the static IP lease list
Full Path
/wan/static-lease/create
Arguments
<MANDATORY>
--ip IP address
--mac MAC address

▀ NODES AND COMMANDS
▄ ME4600 Optical Network Termination Residential Gateway User Manual
202
“remove” command
Table 41: "remove" command information
remove
remove
Description
Removes an existing entry on the static IP lease list
Full Path
/lan/static-lease/remove
Arguments
<MANDATORY>
--mac-to-rmv MAC address to remove
“vlan” sub-node
“create” command
Table 42: "create" command information
Name
create
Description
Creates a new LAN VLAN entry
Full Path
/lan/vlan/create
Arguments
<MANDATORY>
--interface LAN interface
[OPTIONAL]
--taglist vid1/pbit1|...|vidN/pbitN
--vlan-mode VLAN Mode ON/OFF
“remove” command
Table 43: "remove" command information
remove
remove
Description
Removes an existing entry on the LAN VLAN list
Full Path
/lan/vlan/remove
Arguments
<MANDATORY>
--interface LAN interface
[OPTIONAL]
--id Table Entry ID

NODES AND COMMANDS ▀
ME4600 Optical Network Termination Residential Gateway User Manual ▄
203
“nat” node
This node allows a user to configure the NAT (Network Address Translation) settings..
Figure 219: nat node tree
+ nat[]
+ dmz-host[@config, @show]
+ nat1:1[@create, @remove, @show]
+ port-triggering[@create, @remove, @show]
+ virtual-servers[@create, @remove, @show]
PERMISSIONS
Table 44: nat node and sub-node tree command permissions
Command
Admin
Support
User
/nat/dmz-host/show
Yes
No
No
/nat/dmz-host/config
Yes
No
No
/nat/nat1:1/create
Yes
No
No
/nat/nat1:1/remove
Yes
No
No
/nat/nat1:1/show
Yes
No
No
/nat/port-triggering /create
Yes
No
No
/nat/port-triggering /remove
Yes
No
No
/nat/port-triggering /show
Yes
No
No
/nat/virtual-servers/create
Yes
Yes
Yes
/lan/virtual-servers/remove
Yes
Yes
Yes
/lan/virtual-servers/show
Yes
Yes
Yes
“dmz-host” sub-node
The ONT-RGW will forward IP packets from the WAN that do not belong to any of the applications configured in the
Virtual Servers table to the DMZ host computer. The user should pass the DMZ Host IP address as a parameter.
“config” command
Table 45: "config" command information
Name
config

▀ NODES AND COMMANDS
▄ ME4600 Optical Network Termination Residential Gateway User Manual
204
Description
Configure the state of the Ethernet LAN ports
Full Path
/nat/dmz-host/config
Arguments
<MANDATORY>
--ip-address DMZ Host IP Address
“nat1:1” sub-node
1:1 NAT is a mode of NAT that maps one internal address to one external address.
“create” command
Table 46: "create" command information
Name
create
Description
Creates a new entry on the NAT 1:1 list
Full Path
/nat/nat1:1/create
Arguments
<MANDATORY>
--lan-ip LAN IP
--name Name
--public-ip Public IP
--wan-interface WAN interface
“remove” command
Table 47: "remove" command information
remove
remove
Description
Removes an existing entry on the NAT 1:1 list
Full Path
/nat/nat1:1/remove
Arguments
<MANDATORY>
--name Name
“port-triggering” sub-node
Some applications require that specific ports in the Router's firewall be opened for access by the remote parties. Port
Trigger dynamically opens up the 'Open Ports' in the firewall when an application on the LAN initiates a TCP/UDP
connection to a remote party using the 'Triggering Ports'. The Router allows the remote party from the WAN side to
establish new connections back to the application on the LAN side using the 'Open Ports'.

NODES AND COMMANDS ▀
ME4600 Optical Network Termination Residential Gateway User Manual ▄
205
“create” command
Table 48: "create" command information
Name
create
Description
Creates a new entry on the Port-triggering list
Full Path
/nat/port-triggering/create
Arguments
<MANDATORY>
--name Application Name
--open-port-end Open port end
--open-port-start Open port start
--open-proto Open Protocol <TCP/UDP|TCP|UDP>
--trigger-port-end Trigger port end
--trigger-port-start Trigger port start
--trigger-proto Trigger Protocol <TCP/UDP|TCP|UDP>
--wan-intf Interface
“remove” command
Table 49: "remove" command information
remove
remove
Description
Removes an existing entry on the Port Triggering list
Full Path
/nat/port-triggering/remove
Arguments
<MANDATORY>
--open-port-end Open port end
--open-port-start Open port start
--open-proto Open Protocol <TCP/UDP|TCP|UDP>
--trigger-port-end Trigger port end
--trigger-port-start Trigger port start
--trigger-proto Trigger Protocol <TCP/UDP|TCP|UDP>
--wan-intf Interface
“virtual-servers” sub-node
Virtual Server allows you to direct incoming traffic from WAN side (identified by Protocol and External port) to the
Internal server with private IP address on the LAN side. The Internal port is required only if the external port needs to
be converted to a different port number used by the server on the LAN side.

▀ NODES AND COMMANDS
▄ ME4600 Optical Network Termination Residential Gateway User Manual
206
“create” command
Table 50: "create" command information
Name
create
Description
Creates a new entry on the Virtual Servers list
Full Path
/nat/virtual-servers/create
Arguments
<MANDATORY>
--ext-port-end External port end
--ext-port-start External port start
--int-port-start Internal port start
--protocol Protocol <TCP/UDP|TCP|UDP>
--server-ip Server IP address
--server-name Service Name
--wan-intf Interface
[OPTIONAL]
--int-port-end Internal port end
(if not set it will have the same value as External Port End)
“remove” command
Table 51: "remove" command information
remove
remove
Description
Removes an existing entry on the Virtual Servers list
Full Path
/nat/virtual-servers/remove
Arguments
<MANDATORY>
--ext-port-end External port end
--ext-port-start External port start
--int-port-start Internal port start
--protocol Protocol <TCP/UDP|TCP|UDP>
--server-ip Server IP address
[OPTIONAL]
--int-port-end Internal port end
(if not set it will have the same value as External Port end)
“dns” node
This node allows a user to configure the DNS (Domain Name Server) server, as well as the the DNS proxy and the
dynamic DNS service provider account information.

NODES AND COMMANDS ▀
ME4600 Optical Network Termination Residential Gateway User Manual ▄
207
Figure 220: dns node tree
+ dns[]
+ dynamic[@create, @remove, @show]
+ proxy[@config, @show]
+ server[@config, @show]
PERMISSIONS
Table 52: dns node and sub-node tree command permissions
Command
Admin
Support
User
/dns/server/show
Yes
Yes
No
/dns/server/config
Yes
Yes
No
/dns/proxy/show
Yes
Yes
No
/dns/proxy/config
Yes
Yes
No
/dns/dynamic/show
Yes
Yes
No
/dns/dynamic /create
Yes
Yes
No
/dns/dynamic /remove
Yes
Yes
No
“server” sub-node
This subnode is used to select a DNS Server Interface from available WAN interfaces or to enter a static DNS server IP
addresses for the system.
DNS Server Interfaces can have multiple WAN interfaces served as system DNS servers but only one will be used
according to the priority with the first being the highest and the last one the lowest priority if the WAN interface is
connected.
“config” command
Table 53: "config" command information
Name
config
Description
Configures a new entry on the DNS server interfaces list
Full Path
/dns/server/config
Arguments
<MANDATORY>
[OPTIONAL]

▀ NODES AND COMMANDS
▄ ME4600 Optical Network Termination Residential Gateway User Manual
208
“proxy” sub-node
This subnode can be used by the user to enable/disable and to configure a DNS proxy.
“config” command
Table 54: "config" command information
Name
config
Description
Configures the DNS proxy
Full Path
/dns/proxy/config
Arguments
<MANDATORY>
--enable Enable DNS Proxy <yes|no>
[OPTIONAL]
--domain-name Domain name of the LAN network (Home by default)
--hostname Host name of the Broadband Router (Broadcom by default)
“dynamic” sub-node
The Dynamic DNS service allows the user to alias a dynamic IP address to a static hostname in any of the many
domains, allowing your Broadband Router to be more easily accessed from various locations on the Internet.
“create” command
Table 55: "create" command information
Name
create
Description
Creates a new entry
Full Path
/dns/dynamic/create
Arguments
<MANDATORY>
--hostname Hostname
--interface Interface
--password Password
--service D-DNS provider <DynDNS.org/TZO>
--username Username

NODES AND COMMANDS ▀
ME4600 Optical Network Termination Residential Gateway User Manual ▄
209
“remove” command
Table 56: "remove" command information
remove
remove
Description
Removes an existing entry
Full Path
/dns/dynamic/remove
Arguments
<MANDATORY>
--hostname Hostname
“qos” node
This node allows a user to configure some Qos (Quality of Service) traffic rules. If the QoS option is disabled, then all
QoS will be disabled for all interfaces. Besides, the default DSCP mark is used to mark all egress packets that do not
match any classification rules.
Figure 221: qos node tree
+ qos[@config, @show]
+ policer[@create, @remove, @show]
+ queue[@create, @remove, @show]
PERMISSIONS
Table 57: qos node and sub-node tree command permissions
Command
Admin
Support
User
/qos/config
Yes
Yes
No
/qos/show
Yes
Yes
No
/qos/policer/create
Yes
Yes
No
/qos/policer/remove
Yes
Yes
No
/qos/policer/show
Yes
Yes
No
/qos/queue/create
Yes
Yes
No
/qos/queue /remove
Yes
Yes
No
/qos/queue /show
Yes
Yes
No

▀ NODES AND COMMANDS
▄ ME4600 Optical Network Termination Residential Gateway User Manual
210
“config” command
Table 58: "config" command information
Name
config
Description
Configures the QoS
Full Path
/qos/config
Arguments
<MANDATORY>
--qos QoS <enable|disable>
[OPTIONAL]
--dscp Default DSCP Mark (-1 by default)
“policer” sub-node
This sub-node is used to add a QoS policer.
“create” command
Table 59: "create" command information
Name
create
Description
Creates a new policer
Full Path
/qos/policer/create
Arguments
<MANDATORY>
--commited-burst-size Committed Burst Size (bytes)
--commited-rate Committed Rate (kbps)
--enable Enable <yes|no>
--meter Meter type <Simple Token Bucket(1)|Single Rate
Three Color(2)|TwoRate Three Color(3)>
--name Name
[OPTIONAL]
--conform-action Conforming Action <Null|DSCP> (Null by default)
--dscp DSCP Mark
--excess-burst-size Excess Burst Size (bytes)
--non-conform-action Nonconforming Action <Null|Drop|DSCP> (Null by
default)
--partial-conform-action Partial Conforming Action <Null|Drop|DSCP> (Null
by default)
--peek-burst-size Peak Burst Size (bytes)
--peek-rate Peak Rate (kbps)

NODES AND COMMANDS ▀
ME4600 Optical Network Termination Residential Gateway User Manual ▄
211
“remove” command
Table 60: "remove" command information
remove
remove
Description
Removes an existing policer
Full Path
/qos/policer/remove
Arguments
<MANDATORY>
--key Key of entry to remove
“queue” sub-node
This sub-node allows the user to setup a QoS queue.
“create” command
Table 61: "create" command information
Name
create
Description
Creates a new QoS queue
Full Path
/qos/queue/create
Arguments
<MANDATORY>
--enable[=STRING] Enable <yes|no>
--interface Interface
--name Name
--queue-precedence Queue Precedence (lower value, higher priority) [1-8]
--sched-alg Scheduler Algorithm
<Strict Priority(SP)|Weighted Round Robin(WRR)>
[OPTIONAL]
--min-rate Minimum Rate [1-100000 Kbps] (-1 indicates no
shaping) (-1 by default)
--queue-weigth Queue weight [1-63]
“remove” command
Table 62: "remove" command information
remove
remove
Description
Removes an existing QoS queue

▀ NODES AND COMMANDS
▄ ME4600 Optical Network Termination Residential Gateway User Manual
212
Full Path
/qos/queue/remove
Arguments
<MANDATORY>
--key Key of entry to remove
“voice” node
This node can be used to configure the voice-related parameters. Only SIP is supported and there are two SIP accounts
available.
This command also allows the start/stop of the voice application, as well as restoring the settings to their default values.
NOTE: At this point, only the configuration of basic voice parameters is supported. Full support must be available in the
next versions.
Figure 222: voice node tree
+ voice[@restore-default, @show, @start, @stop]
+ sip[@config, @show]
+ account0[@config, @show]
+ account1[@config, @show]
PERMISSIONS
Table 63: voice node and sub-node tree command permissions
Command
Admin
Support
User
/voice/restore-default
Yes
Yes
No
/voice/show
Yes
Yes
Yes
/voice/start
Yes
Yes
No
/voice/stop
Yes
Yes
No
/voice/sip/show
Yes
Yes
No
/voice/sip/config
Yes
Yes
No
/voice/sip /account0/show
Yes
Yes
No
/voice/sip /account0/config
Yes
Yes
No
/voice/sip /account1/show
Yes
Yes
No
/voice/sip /account1/config
Yes
Yes
No

NODES AND COMMANDS ▀
ME4600 Optical Network Termination Residential Gateway User Manual ▄
213
“sip” sub-node
This sub-node is used to configure the basic SIP settings (non-account-related).
“config” command
Table 64: "config" command information
Name
config
Description
Configures basic SIP settings
Full Path
/voice/sip/config
Arguments
[OPTIONAL]
--bound-if Bound Interface Name <LAN|Any_WAN|
(WAN IfName, e.g. veip0.1)
--dialplan Voip Dialpan Setting (x+T by default)
--ip-version IP Address Family <IPv4|IPv6> (IPv4 by default)
--locale Locale selection (PRT by default)
--outbound-proxy SIP Outbound Proxy <hostname|IP>
(0.0.0.0 by default)
--outbound-proxy-port SIP Outbound Proxy Port (5060 by default)
--proxy SIP Proxy <hostname|IP> (0.0.0.0 by default)
--proxy-port SIP Proxy Port (5060 by default)
--registrar SIP Registrar <hostname|IP> (0.0.0.0 by default)
--registrar-port SIP Registrar Port (5060 by default)
“account0/1” sub-nodes
These sub-nodes allows a user to setup the proper SIP account.
“config” command
Table 65: "config" command information
Name
config
Description
Configures SIP accounts
Full Path
/voice/sip/account0/config
/voice/sip/account1/config
Arguments
[OPTIONAL]
--account Activate line <on|off> (on by default)
--auth-name SIP authentication name
--codec-list Codec priority list <codec(1)[,codec(2)]>
--disp-name SIP Display Name

▀ NODES AND COMMANDS
▄ ME4600 Optical Network Termination Residential Gateway User Manual
214
--extension SIP extension
--password SIP authentication password
--phys-endpt Physical Terminal Assignment <0|1|0,1>
--pref-time Packetization period <10|20|30> (20 by default)
“security” node
This node allows the configuration of some security settings.
Figure 223: security node tree
+ security[]
+ ip-filtering[]
+ incoming[@create, @remove, @show]
+ outgoing[@create, @remove, @show]
PERMISSIONS
Table 66: security node and sub-node tree command permissions
Command
Admin
Support
User
/security/ip-filtering/incoming/create
Yes
No
No
/security /ip-filtering/incoming/remove
Yes
No
No
/security /ip-filtering/incoming/show
Yes
No
No
/security /ip-filtering/outgoing/create
Yes
No
No
/security /ip-filtering/outgoing/remove
Yes
No
No
/security /ip-filtering/outgoing/show
Yes
No
No
“ip-filtering” sub-node
“incoming” sub-node
When the firewall is enabled on a WAN or LAN interface, all incoming IP traffic is BLOCKED. However, some IP
traffic can be ACCEPTED by setting up filters. The aim of this sub-node is to allow the configuration of those filters.
“create” command

NODES AND COMMANDS ▀
ME4600 Optical Network Termination Residential Gateway User Manual ▄
215
Table 67: "create" command information
Name
create
Description
Creates a filter
Full Path
/security/ip-filtering/incoming/create
Arguments
<MANDATORY>
--dest-ip Destination IP address
--dest-port Destination port
--interfaces WAN Interfaces (configured in Routing mode and with
firewall enabled) and LAN interfaces <ALL or
intf1[|intf2|...]>
--ip-version IP version <IPv4|IPv6>
--name Filter name
--protocol Protocol <TCP/UDP|TCP|UDP|ICMP>
--src-ip Source IP address
--src-port Source port
“remove” command
Table 68: "remove" command information
remove
remove
Description
Removes an existing filter
Full Path
/security/ip-filtering/incoming/remove
Arguments
<MANDATORY>
--name-to-rmv Filter name to remove
“outgoing” sub-node
By default, all outgoing IP traffic from LAN is allowed, but some IP traffic can be BLOCKED by setting up filters. The
aim of this sub-node is to allow the configuration of those filters.
“create” command
Table 69: "create" command information
Name
create
Description
Creates a filter
Full Path
/security/ip-filtering/outgoing/create
Arguments

▀ NODES AND COMMANDS
▄ ME4600 Optical Network Termination Residential Gateway User Manual
216
<MANDATORY>
--dest-ip Destination IP address
--dest-port Destination port
--ip-version IP version <IPv4|IPv6>
--name Filter name
--protocol Protocol <TCP/UDP|TCP|UDP|ICMP>
--src-ip Source IP address
--src-port Source port
“remove” command
Table 70: "remove" command information
remove
remove
Description
Removes an existing filter
Full Path
/security/ip-filtering/outgoing/remove
Arguments
<MANDATORY>
--name-to-rmv Filter name to remove
“routing” node
This node allows the configuration of some routing settings.
Figure 224: routing node tree
+ routing[]
+ defaultgw[@config, @show]
+ static-route[@config, @remove, @show]
PERMISSIONS
Table 71: routing node and sub-node tree command permissions
Command
Admin
Support
User
/routing/defaultgw/config
Yes
Yes
No
/routing /defaultgw /show
Yes
Yes
No
/routing /static-route/config
Yes
Yes
No
/routing /static-route/remove
Yes
Yes
No

NODES AND COMMANDS ▀
ME4600 Optical Network Termination Residential Gateway User Manual ▄
217
Command
Admin
Support
User
/routing /static-route/show
Yes
Yes
Yes
“defaultgw” sub-node
Default gateway interface list can have multiple WAN interfaces served as system default gateways but only one will be
used according to the priority with the first being the highest and the last one the lowest priority if the WAN interface is
connected.
“config” command
Table 72: "config" command information
Name
config
Description
Enters the default gateway interface list
Full Path
/routing/defaultgw/config
Arguments
<MANDATORY>
--default-mode Default gateway mode <WAN/LAN>
[OPTIONAL]
--default-gw6-ifc Default WAN IPv6 gateway
--default-list Selected Default Gateway Interfaces <intf1,...intfN>
--lan-address Default Gateway IP Address
--lan-bridge LAN Interface (Default by default)
“static-route” sub-node
This sub-node allows the user to configure static routes.
“config” command
Table 73: "config" command information
Name
config
Description
Creates a static route
Full Path
/routing/static-route/config
Arguments
<MANDATORY>
--dest-ip Destination IP address/prefix length
--gw-address Gateway IP address

▀ NODES AND COMMANDS
▄ ME4600 Optical Network Termination Residential Gateway User Manual
218
--interface Interface
[OPTIONAL]
--ip-version IP Version <IPv4|IPv6> (IPv4 by default)
--metric Metric
“remove” command
Table 74: "remove" command information
Name
remove
Description
Removes an existing static route
Full Path
/routing/static-route/remove
Arguments
<MANDATORY>
--dest-ip Destination IP address/prefix length
“multicast” node
This node allows the user to setup multicast. It can be configured some IGMP and MLD parameters.
Figure 225: multicast node tree
+ multicast[@config, @show]
PERMISSIONS
Table 75: multicast node command permissions
Command
Admin
Support
User
/multicast/config
Yes
Yes
No
/multicast/show
Yes
Yes
No
“config” command
Table 76: "config" command information
Name
config
Description
Configures multicast

NODES AND COMMANDS ▀
ME4600 Optical Network Termination Residential Gateway User Manual ▄
219
Full Path
/multicast/config
Arguments
[OPTIONAL]
--igmp-fast-leave IGMP Fast Leave <enable|disable>
(enable by default)
--igmp-last-member-query-int IGMP Last Member Query Interval (10 by default)
--igmp-max-groups IGMP Maximum Multicast Groups (25 by default)
--igmp-max-members IGMP Maximum Multicast Group Members
(25 by default)
--igmp-max-sources IGMP Maximum Multicast Data Sources
(for IGMPv3) (10 by default)
--igmp-query-int IGMP Query Interval (125 by default)
--igmp-query-resp-int IGMP Query Response Interval (10 by default)
--igmp-rv IGMP Robustness value (2 by default)
--igmp-version IGMP Default Version <1|2|3> (2 by default)
--mld-fast-leave MLD Fast Leave <enable|disable>
(enable by default)
--mld-last-member-query-int MLD Last Member Query Interval (10 by default)
--mld-max-groups MLD Maximum Multicast Groups (10 by default)
--mld-max-members MLD Maximum Multicast Group Members
(10 by default)
--mld-max-sources MLD Maximum Multicast Data Sources
(for MLDv2) (10 by default)
--mld-query-int MLD Query Interval (125 by default)
--mld-query-resp-int MLD Query Response Interval (10 by default)
--mld-rv MLD Robustness value (2 by default)
--mld-version MLD Default Version <1|2> (2 by default)
--precedence Multicast precedence <Disable|[1,8]>
(lower value, higher priority) (Disable by default)
“diagnostics” node
This node allows the user to check the current status of the equipment LAN and WLAN interfaces.
Figure 226: diagnostics node tree
+ diagnostics [@show]
PERMISSIONS
Table 77: diagnostics node command permissions
Command
Admin
Support
User
/diagnostics/show
Yes
Yes
Yes

▀ NODES AND COMMANDS
▄ ME4600 Optical Network Termination Residential Gateway User Manual
220
“arp” node
This node displays the ARP (Address Resolution Protocol) table.
Figure 227: arp node tree
+ arp [@show]
PERMISSIONS
Table 78: arp node command permissions
Command
Admin
Support
User
/arp/show
Yes
Yes
Yes
“device-info” node
This node displays general info about the device (such as serial number, MAC address, software version).
Figure 228: device-info node tree
+ device-info[@show]
PERMISSIONS
Table 79: device-info node command permissions
Command
Admin
Support
User
/device-info/show
Yes
Yes
Yes
“statistics” node
This node allows the user to view and reset the current WAN/LAN/optical statistics on the device.
The –option argument is a mandatory argument to all the commands in this tree and is used to select the type of packets
to show, Received, Transmitted or all. The following argument values can be used: <received|transmitted|all>.
Figure 229: statistics node tree
+ statistics[]

NODES AND COMMANDS ▀
ME4600 Optical Network Termination Residential Gateway User Manual ▄
221
+ lan[@reset, @show]
+ optical[@reset, @show]
+ wan[@reset, @show]
PERMISSIONS
Table 80: statistics node and sub-node tree command permissions
Command
Admin
Support
User
/statistics/lan/reset
Yes
Yes
Yes
/statistics/lan/show
Yes
Yes
Yes
/statistics/optical/reset
Yes
Yes
Yes
/statistics/optical/show
Yes
Yes
Yes
/statistics/wan/reset
Yes
Yes
Yes
/statistics/wan/show
Yes
Yes
Yes
“dhcp” node
A DHCP-enabled client obtains a lease for an IP address from a DHCP server. Before the lease expires, the DHCP
server must renew the lease for the client or the client must obtain a new lease. This node shows the DHCP leases table.
Figure 230: dhcp node tree
+ dhcp[@show]
PERMISSIONS
Table 81: dhcp node and sub-node tree command permissions
Command
Admin
Support
User
/dhcp/show
Yes
Yes
Yes
“upnp” node
This node is used to enable/disable UPnP (Universal Plug and Play). UPnP is activated only when there is a live WAN
service with NAT enabled.
Figure 231: upnp node tree
+ upnp[@config, @show]

▀ NODES AND COMMANDS
▄ ME4600 Optical Network Termination Residential Gateway User Manual
222
PERMISSIONS
Table 82: upnp node command permissions
Command
Admin
Support
User
/upnp/config
Yes
Yes
No
/upnp/show
Yes
Yes
No
“config” command
Table 83: "config" command information
Name
config
Description
Configures UPnP
Full Path
/upnp/config
Arguments
<MANDATORY>
--enable Enable UPnP <yes|no>
“intf-grouping” node
Interface Grouping supports multiple ports to PVC and bridging groups. Each group will perform as an independent
network.
Figure 232: intf-grouping node tree
+ intf-grouping[@config, @remove, @show]
PERMISSIONS
Table 84: intf-grouping node command permissions
Command
Admin
Support
User
/intf-grouping/config
Yes
No
No
/intf-grouping/remove
Yes
No
No
/intf-grouping/show
Yes
No
No

NODES AND COMMANDS ▀
ME4600 Optical Network Termination Residential Gateway User Manual ▄
223
“config” command
Table 85: "config" command information
Name
config
Description
Configures interface grouping
Full Path
/intf-grouping/config
Arguments
<MANDATORY>
--group-name Group name
--lan-intf LAN interfaces to group <intf1[|intf2|...]>
[OPTIONAL]
--routing-mode Routing mode <enable|disable> (disable by default)
--vendor-id0 Automatically Add Clients With the following DHCP
Vendor ID 0
--vendor-id1 Automatically Add Clients With the following DHCP
Vendor ID 1
--vendor-id2 Automatically Add Clients With the following DHCP
Vendor ID 2
--vendor-id3 Automatically Add Clients With the following DHCP
Vendor ID 3
--vendor-id4 Automatically Add Clients With the following DHCP
Vendor ID 4
--wan-intf WAN Interface used in the grouping (None by default)
“remove” command
Table 86: "remove" command information
Name
remove
Description
Removes an existing interface grouping entry
Full Path
/intf-grouping/remove
Arguments
<MANDATORY>
--group-name-to-rmv Group name to remove

▀ NODES AND COMMANDS
▄ ME4600 Optical Network Termination Residential Gateway User Manual
224
“management” node
The aim of this section is to allow users to perform management functions over the ONT-RGW.
Figure 233: management node tree
+ management[@backup, @reboot, @restore-default, @update-settings, @update-software]
+ access-control[@change-pw]
+ new-users[@create, @remove, @show]
+ security-log[@reset, @show]
+ snmp[@config, @show]
+ system-log[@config, @show]
PERMISSIONS
Table 87: management node and sub-nodes command permissions
Command
Admin
Support
User
/management/reboot
Yes
Yes
No
/management /restore-default
Yes
Yes
No
/management /backup
Yes
Yes
No
/management /update-settings
Yes
Yes
No
/management /update-software
Yes
Yes
No
/management /access-control/change-pw
Yes
Yes
Yes
/management /access-control/new-users/create
Yes
Yes
No
/management /access-control/ new-users/remove
Yes
Yes
No
/management /access-control/ new-users/show
Yes
Yes
No
/management /security-log/reset
Yes
Yes
No
/management /security-log/show
Yes
Yes
No
/management /snmp/config
Yes
Yes
No
/management /snmp/show
Yes
Yes
No
/management /system-log/config
Yes
Yes
Yes
/management /system-log/show
Yes
Yes
Yes
“backup” command
Table 88: "backup" command information
Name
backup
Description
Backups settings (saves a file named backupsettings.conf on the TFTP address)

NODES AND COMMANDS ▀
ME4600 Optical Network Termination Residential Gateway User Manual ▄
225
Full Path
/management/backup
Arguments
<MANDATORY>
--tftp-server-ip TFTP server IP address
“update-settings” command
Table 89: "update-settings" command information
Name
update-settings
Description
Update settings
Full Path
/management/update-settings
Arguments
<MANDATORY>
--config-file Settings file name
--tftp-server-ip TFTP server IP address
“update-software” command
Table 90: "update-software" command information
Name
update-software
Description
Updates software
Full Path
/management/update-software
Arguments
<MANDATORY>
--sw-image Software image name
--tftp-server-ip TFTP server IP address
“access-control” sub-node
“change-pwd” command
Table 91: "change-pwd" command information
Name
change-pwd
Description
Changes the user’s current password
Full Path
/management/access-control/change-pwd
Arguments

▀ NODES AND COMMANDS
▄ ME4600 Optical Network Termination Residential Gateway User Manual
226
<MANDATORY>
--new-pw New password
--old-pw Old password
--username User name
“new-users” sub-node
This sub-node allows the creation and removal of new users. It also allows viewing new users already configured.
“create” command
Table 92: "create" command information
Name
create
Description
Creates a new user
Full Path
/management/access-control/new-users/create
Arguments
<MANDATORY>
--password Password
--permissions-level Permissions level <admin|support|user>
--username User name
“remove” command
Table 93: "create" command information
Name
remove
Description
Removes existing users
Full Path
/management/access-control/new-users/remove
Arguments
<MANDATORY>
--user-to-rmv List of usernames to remove <name1[,name2,...]>
“security-log” sub-node
This sub-node allows the user to see and to reset the security log.
“system-log” sub-node
This sub-node allows the user to see and to reset the system log.
“snmp” sub-node
This sub-node allows the user to see the configured SNMP client parameters, as well as configure those parameters.

NODES AND COMMANDS ▀
ME4600 Optical Network Termination Residential Gateway User Manual ▄
227
“config” command
Table 94: "config" command information
Name
config
Description
Configures the SNMP client
Full Path
/management/snmp/config
Arguments
<MANDATORY>
--agent SNMP Agent <enable|disable>
[OPTIONAL]
--auth-mode SNMPv3 Authentication Mode <MD5|SHA>
(MD5 by default)
--auth-passphrase SNMPv3 Authentication Passphrase (password by default)
--auth-trap SNMPv3 Authentication Trap <Enable|Disable>
(Disable by default)
--permissions SNMPv3 Permissions <R|RW> (R by default)
--priv-mode SNMPv3 Privacy Mode <None|DES|AES>
(None by default)
--priv-passphare SNMPv3 Privacy Passphrase
--read-community SNMPv2 Read community (public by default)
--set-community SNMPv2 Set community (private by default)
--system-contact System contact
--system-location System location
--system-name System name
--trap-manager-ip SNMPv3 Trap Manager IP Address (0.0.0.0 by default)
--trap-manager-ip SNMPv2 Trap Manager IP (0.0.0.0 by default)
--username SNMPv3 Username (default by default)

▀ VoIP CONFIGURATION USING CLI
▄ ME4600 Optical Network Termination Residential Gateway User Manual
228
VoIP CONFIGURATION USING CLI
Configuration of Voice on the ONT-RGW requires an IPoE service on the WAN interface to be used for VoIP. To
configure an IPoE service, you must be logged in as admin or support user .
IPoE SERVICE CONFIGURATION
Step 1 Configuration example sequence:
/cli> /wan/ipoe/create --interface=veip0 --vlan=11 --pbit=0 --tpid=0x8100 --nat=enable --nat-
masquerade=enable --dhcp-client=enable
/cli> /routing/defaultgw/config --default-mode=WAN --default-list=veip0.2
Step 2 To view the current interface configuration
/cli> /wan/ipoe/show
----------------------------------------------
IPoE Info
----------------------------------------------
Interface: veip0.2
Description: ipoe_veip0.11
Vlan 802.1p: 0
Vlan Mux ID: 11
Vlan TPID: 0x8100
IPv6: Disabled
IGMP Proxy: Disabled
IGMP Source: Disabled
MLD Proxy: Disabled
MLD Source: Disabled
NAT: Enabled
NAT Type: Masquerade
Firewall: Disabled
Status: Connected
IPv4 address: 172.22.211.118
IPv6 address: (null)
----------------------------------------------

VoIP CONFIGURATION USING CLI ▀
ME4600 Optical Network Termination Residential Gateway User Manual ▄
229
Step 3 To view the current default gateway configuration
/cli> /routing/defaultgw/show --default-mode=WAN
+----------------------------------+
|Default Gateway Interfaces |
+---------------+-----------------+
|Priority |Interface |
+---------------+------------------+
|1 |veip0.2 |
+---------------+-----------------+
Step 4 To view the current DNS server configuration
cli> /dns/server/show
+--------------------------------+
|DNS Server Interfaces |
+---------------+---------------+
|Priority |Interface |
+---------------+----------------+
|1 |veip0.2 |
+---------------+----------------+
+---------------------------------------------------------------------------------+
|Static DNS Server IPv6 |
+----------------------------------------+----------------------------------------+
|Primary |Secondary |
+---------------------------------------+-----------------------------------------+
| | |
+---------------------------------------+-----------------------------------------+
VOIP CONFIGURATION
To configure voice on the ONT-RGW you must be logged in as admin or support user
Step 1 Voice basic settings configuration example sequence:
/cli> /voice/sip/config --outbound-proxy=192.168.126.50 --outbound-proxy-port=5060 --

▀ VoIP CONFIGURATION USING CLI
▄ ME4600 Optical Network Termination Residential Gateway User Manual
230
proxy=192.168.126.50 --proxy-port=5060 --registrar=192.168.126.50 --registrar-port=5060
/cli> /routing/defaultgw/config --default-mode=WAN --default-list=veip0.2
Step 2 To view the voice current configuration
/cli> /voice/sip/show
Global Parameters:
------------------------BoundIfName : undefined
IP address family : IPv4
Vodsl logLevel : Error
Management Protocol : TR69
Service Provider 0:
-----------------------
Associated Voice Profile : 1
Locale : PRT
DTMFMethod : InBand
HookFlashMethod : None
DigitMap : x+T
Log Server Addr : 0.0.0.0
Log Server Port : 0
T38 : off
V18 : on
RTPDSCPMark : 46
SIP:
Domain :
Port : 5060
Transport : UDP
RegExpires : 0
RegRetryInterval : 20
DSCPMark : 46
Registrar Addr : 192.168.126.50
Registrar Port : 5060
Proxy Addr : 192.168.126.50
Proxy Port : 5060
OutBoundProxy Addr : 192.168.126.50
OutBoundProxy Port : 5060

VoIP CONFIGURATION USING CLI ▀
ME4600 Optical Network Termination Residential Gateway User Manual ▄
231
Music Server Addr : 0.0.0.0
Music Server Port : 0
Conferencing URI : 0
Conferencing Option : Local
To Tag Matching : On
Timer B ( in ms ) : 32000
Timer F ( in ms ) : 32000
SRTP Usage Option : Disabled
To configure accounts you must activate the line, provide the display name, authentication name and password, and
indicate the ONT-RGW FXS port to use
Step 3 Voice Acount configuration example sequence:
cli> /voice/sip/account0/config --auth-name=1010 --disp-name=1010 --extension=1010 --
password=andre --phys-endpt=0
Step 4 To view the voice account current configuration
cli> /voice/sip/account0/show
Account 0:
--------------
ActivationStatus : Enabled
VoipServiceStatus : Disabled
CallStatus : Idle
Associated LineIns : 1
PhysEndpt : 0
Extension : 1010
DisplayName : 1010
AuthName : 1010
AuthPwd : andre
TxGain : 0 dB
RxGain : 0 dB
CALLFEATURES:
MWI : off
CallWaiting : on
CFWDNum :
CallFwdAll : off

▀ VoIP CONFIGURATION USING CLI
▄ ME4600 Optical Network Termination Residential Gateway User Manual
232
CallFwdBusy : off
CallFwdNoans : off
AnonymousOutgoingCall : on
AnonymousCallRcvBlock : off
DoNotDisturb : off
CallCompOnBusy : off
SpeedDial : off
WarmLine : off
WarmLineNum :
CallBarring : off
CallBarringMode : None
CallBarringPin : 9999
CallBarringDigitMap :
NetPrivacy : on
VMWI : on
CODECSETTINGS:
VAD : on
pTime : 20
CodecList : (0) G.711ALaw
(1) G.729a
(2) G.723.1
(3) G.726_24
(4) G.726_32
(5) PCMWIDEBAND
Step 5 To make effective the configuration just done
/cli> /voice/sip/config --bound-if=veip0.2
/cli> /voice/start

▀
ME4600 Optical Network Termination Residential Gateway User Manual ▄
233
GLOSSARY OF TERMS AND ABBREVIATIONS
3G
Third generation mobile telecommunications
AAA
Authentication, Authorization, and Accounting
AC
Alternating Current
AC
Access Concentrator
ACL
Access Control List
ACS
Auto Configuration Server
AES
Advanced Encryption Standard
ARP
Address Resolution Protocol
AS
Autonomous System
AUTO-MDIX
Medium Dependent Interface Crossover Automatic Choice
BBF
Broadband Forum
BGP
Border Gateway Protocol
CAT5E
Category 5 Cable
CATV
Cable TV
CIFS
Common Internet File System
CLI
Command-line interface
CO
Central Office
CPE
Customer-Premises Equipment
CRC
Cyclic Redundancy Check
DC
Direct Current
DDNS
Dynamic DNS
DHCP
Dynamic Host Configuration Protocol
DNS
Domain Name System
DSCP
Differentiated Services Code Point
DSL
Digital Subscriber Line
EAP-SIM
Extensible Authentication Protocol Method for GSM Subscriber Identity
Module
FTP
File Transfer Protocol
FTTH
Fiber-To-The-Home
FXS
Foreign eXchange Station
GbE
Gigabit Ethernet
GEM
GPON Encapsulation Module
GEPON
Gigabit Ethernet Passive Optical Network
GPON
Gigabit-capable Passive Optical Network
GRE
Generic Routing Encapsulation; a tunneling protocol developed by
Cisco Systems that can encapsulate a wide variety of network layer
protocols inside virtual point-to-point links over an Internet Protocol
internetwork.
GSM
Global System for Mobile Communications
GW
Gateway
HG
Home Gateway
HSI
High Speed Internet
ID
Identification
IEEE
Institute of Electrical and Electronics Engineers
IGMP
Internet Group Management Protocol
IMS
IP Multimedia Subsystem
IP
Internet Protocol
IP
Internet Protocol
IPTV
Internet Protocol Television
IPv4
Internet Protocol version 4
IPv6
Internet Protocol version 6
ISP
Internet Service Provider
ITU-T
Telecommunications International Telecommunication Union
L2
OSI Layer 2
L3
OSI Layer 3
LAN
Local Area Network
LED
Light Emitting Diode
MAC
Media Access Control
MAN
Metropolitan Area Network
MAP
Mobile Application Part
ME
Managed Entity
MEGACO
Media Gateway Control Protocol
MLD
Multicast Listener Discovery. Protocol used by IPv6 for multicast, much
like IGMP is used in IPv4.
MRU
Maximum Receive Unit
MTBF
Mean Time Between Failures
NAS
Network Access Server
NAT
Network Address Translation
NGN
Next Generation Network
NMS
Network Management System
OLT
Optical Line Terminal
OMCI
ONT Management Control Interface
ONT
Optical Network Terminal
OPEX
Operational Expenditure
OSI
Open Systems Interconnection
PC
Personal Computer
PON
Passive Optical Network
PPP
Point-to-Point Protocol
PPPoE
Point-to-Point Protocol over Ethernet
PSK
Phase-Shift Keying
PWLAN
Public Wireless LAN
QoS
Quality of Service
RADIUS
Remote Authentication Dial In User Service
RF
Radio Frequency
RGW
Residential Gateway
RIP
Routing Information Protocol
RJ11
Registered Jack model 11
RJ45
Registered Jack model 45
SAMBA
SMB/CIFS implementation
SC/APC
SC/APC optical connector
SIM
Subscriber Identity Module
SIP
Session Initiation Protocol
SIP
Session Initiation Protocol
SMB
Server Message Block
SNTP
Simple Network Time Protocol
SS7
Signalling System No. 7
SSID
Service Set IDentifier
STB
Set Top Box
SW
Software
T-CONT
Transmission Container
TCP
Transmission Control Protocol
TDM
Time Division Multiplexing
TDMA
Time Division Multiple Access
TKIP
Temporal Key Integrity Protocol
TPID
Tag Protocol Identifier
TR-069
Technical Report 069
TTL
Time To Live,
TV
Television
UDP
User Datagram Protocol
URL
Uniform Resource Locator
USB
Universal Serial Bus
UTP
Unshielded Twisted Pair
VAD
Voice Activity Detection
VAP
Virtual Access Point
VID
VLAN Identifier
VLAN
Virtual Local Area Networks
VoIP
Voice over Internet Protocol
VPN
Virtual Private Network
WAN
Wide Area Network
WEP
Wired Equivalent Privacy
WiFi
Wireless Fidelity
WLAN
Wireless Local Area Network
WPA
Wi-Fi Protected Access
WPS
WiFi Protected Setup
xBASE-T
Ethernet over twisted pair technologies

