Ameritron 2WUALS1306 ALS1306 amateur radio linear amplifier User Manual Manual ALS1306
Ameritron ALS1306 amateur radio linear amplifier Manual ALS1306
Manual ALS1306

Ameritron ALS-1306
1200-Watt 160-6 Meter
T-MOSFET AMPLIFIER
The Ameritron ALS-1306 is 1200-watt PEP nominal output, 160- through 6-meter amateur radio band (1.8-54
MHz) solid-state amplifier. The compact 10” wide by 6-1/2” high amplifier package, with a depth of only 18”,
fits nearly any station configuration. The attractive desktop amplifier unit weighs only 24 pounds. The ALS-
1306 meets or exceeds all FCC requirements governing amateur radio external power amplifiers.
Fan speed is regulated by temperature sensors, assuring conservative cooling with minimal noise. Protection
circuitry reduces power as transistors approach conservative thermal limits, and disables the amplifier before
the transistors exceed safe operating temperature limits.
The ALS-1306 uses eight 50-volt, conservatively rated, linear RF MOSFETS. These MOSFET’s are primarily
designed for linear power amplifier applications, not class-C or pulse service. They provide exceptionally low
SSB distortion when compared to most other solid-state devices. Nominal driving power is 100-watts for 1200-
watts output (approximately 11 dB gain) on most bands.
T/R (transmit-receive) switching is through a pair of sequenced miniature relays on a plug-in module. The plug
in module facilitates relay servicing or maintenance. T/R switching time is approximately five milliseconds.
The T/R “Relay” control jack is well within the range of almost any transceiver or radio. The “Relay” jack has
an open circuit voltage of 13-volts, and closed circuit current less than 20 mA. Virtually any modern amateur
radio will directly key this amplifier.
This amplifier includes full metering using large easy-to-read conventional panel meters.
An external 50-volt 50-ampere regulated power supply powers the ALS-1306. The supply is wired for 240
VAC (200-260 VAC, 50-60 Hz, 15 amperes), but can be rewired for 120 VAC operation for lighter duty
operation.
ALS-1306 Exihibit VIII Page 1 / 27
TABLE OF CONTENTS
GENERAL OVERVIEW ........................................................................................................................1
TABLE OF CONTENTS .......................................................................................................................2
AMPLIFIER FEATURES ......................................................................................................................3
INSTALLATION....................................................................................................................................4
Airflow Clearances ............................................................................................................................4
Accessory Equipment and Devices ...................................................................................................4
Installation, Wiring, and Connections ................................................................................................4
Station Ground ..................................................................................................................................5
Grounding..........................................................................................................................................5
Coaxial Line Isolators ........................................................................................................................6
AMPLIFIER REAR PANEL ..................................................................................................................6
POWER SUPPLY .................................................................................................................................7
Power Line Requirements .................................................................................................................7
Power Supply Features .....................................................................................................................8
Power Supply Location......................................................................................................................8
INTERCONNECTION WIRING.............................................................................................................9
AMPLIFIER FRONT PANEL ..............................................................................................................10
Meters (1 and 2) ..............................................................................................................................10
INITIAL OPERATION .........................................................................................................................11
OPERATION.......................................................................................................................................12
MARS OR CAP OPERATION ............................................................................................................12
ALS-1306 FUNCTIONAL OVERVIEW ...............................................................................................13
General Operation...........................................................................................................................13
Power Division.................................................................................................................................13
PAM-606 (power amplifier modules) ...............................................................................................13
2KWF6 Lowpass Filter Assembly....................................................................................................14
Control Functions and Protection Logic...........................................................................................14
Band Decoding................................................................................................................................15
Temperature....................................................................................................................................15
Bias .................................................................................................................................................15
Band................................................................................................................................................15
Protection ........................................................................................................................................15
Harmonics .......................................................................................................................................15
SWR................................................................................................................................................16
CIRCUIT BOARD DESCRIPTIONS ...................................................................................................16
2KWF6 ............................................................................................................................................16
BS2 .................................................................................................................................................16
CB2 .................................................................................................................................................16
MB1.................................................................................................................................................16
PAM-606 (power amplifier module) Boards.....................................................................................16
PD8 .................................................................................................................................................16
RJ45................................................................................................................................................17
RLY .................................................................................................................................................17
SWR................................................................................................................................................17
SCHEMATICS AND INTERNAL WIRING ..........................................................................................18
ALS-1306 Exihibit VIII Page 2 / 27
Amplifier Features
This amplifier provides the following standard features:
160- through 6-meter operation, full-power on six meters
Eight conservative linear-service rated, 50-volt MOSFET transistors
New push-pull stripline PA layout with exceptional VHF performance
Energy-efficient solid-state design greatly reduces heat, receive-mode power line draw <100-watts
Exceptional harmonic suppression
Operational in a few seconds, no long filament warm-up time
Clean layout with easy-to-service construction
Quiet variable-speed forced-air cooling system
Power module current and voltage meters with LED illumination
Accurate PEP Forward and PEP Reflected output power metering
Power module balance metering with PA unbalance protection
Reflected power protection
Thermal overload protection
Bandswitch error protection
Easy to understand front panel LED indicators for rapid fault-error diagnosis
Standard negative-going ALC output with front panel adjustment
ALC metering and ALC LED indicator
Fully-regulated external power supply
Compact size 17.5” deep x 7” high x 10.5” wide
Weight amplifier section 24 pounds
ALS-1306 Exihibit VIII Page 3 / 27

Installation
Please look your amplifier and power supply over carefully. Observe the air inlet and outlet ventilation holes.
Facing the amplifier front panel, the cooling air inlets are on the top left and lower right side, including the right
bottom. The warm air outlet is on the lower left side of the cabinet as viewed from the normal operating
position (front view). While outlet air will not be particularly warm, it is never a good idea to have warm air
blow into heat sensitive equipment, such as transceivers or other power amplifiers. Have the same consideration
for your new amplifier and power supply. Be sure the air inlet temperature isn’t substantially above normal
room temperature. Ideally the air inlet should be kept below 32° C or 90° F, although temperatures up to 41° C
or 106° F are permissible. If ambient temperatures exceed these limits it might become necessary to reduce duty
cycle or power.
Warning: Do not block cooling air inlets and outlets! Never expose the amplifier to water or
mist.
Airflow Clearances
The amplifier must have a clear area to the bottom, both sides, and top for proper airflow, and to the rear for
interconnection wiring. It is especially important to avoid obstructions that block the air inlet on the top left, as
well as both lower sides. Two inches clearance is normally adequate for full ventilation. Keep any papers or
loose objects that might impede airflow away from the air inlets and outlets.
Locate the amplifier and power supply away from sensitive equipment such as microphones, audio processing
equipment, or low level audio or radio frequency amplifiers. Generally, the best location for the power supply is
below the operating desk and away from antenna feed lines. This will keep fan noise and any RF coupling to a
minimum.
The power supply has an air inlet at the rear, and air outlets on the top. The highly efficient power supply
produces very little heat, but the inlet and outlet must remain open to normal room temperature air.
Accessory Equipment and Devices
One of the most common causes of amplifier failures or erratic fault protection alarms is installation of antenna
switches, lightning protection devices, or baluns with lightning spark gaps in high SWR lines. If your antenna
system has an SWR high enough to require an antenna tuner, do not use 50-ohm lightning protection devices
after the tuner.
Installation, Wiring, and Connections
The power supply is factory wired for 200-260 Vac. It uses a standard NEMA-6-15P 15-ampere 240-volt plug.
The round center pin is the safety ground. Do not remove the safety ground.
CAUTION!
Before
connecting the power supply to an electrical outlet, always be sure you
have completed the following four steps:
1. Insert the 15-ampere 250V fuses into the two black fuse caps.
2. Insert the fuse and cap assemblies into the power supply’s fuse holders. The fuses lock in place
with a slight turn.
3. Connect the power supply to the amplifier.
4. Be sure the amplifier power switch is turned off.
ALS-1306 Exihibit VIII Page 4 / 27

Caution! Fuses have both voltage and current ratings. Use only 250V rated fuses in this
device. The voltage rating generally is marked on fuses. DO NOT use automotive-type low
voltage fuses in any power line application. For 240-volt operation, 15-ampere fast blow
fuses are required.
Warning: Never insert the power supply cord into the outlet until you have completed all
installation steps! The last step, after verifying all connections, is connecting the power
supply to the power mains.
Position the amplifier at or near the desired location on your operating desk so you have access to the rear
panel, and connect the rear panel cables. Do not connect the power mains at this time!
Station Ground
Common rumor is that a station equipment ground reduces RFI (radio frequency interference) or improves
signal levels. Generally, changes in RFI or signal quality with the addition or removal of a station ground
indicate an antenna or feedline installation problem. Typical problems causing desktop RFI issues include the
following:
1. lack of suitable baluns
2. improper feedline routing near antennas, or improperly designed antennas
3. antennas too close to the operating position
4. poor equipment cabinet design, such as non-bonded or grounded equipment covers or panels
5. poorly designed low-level audio line shield entrances, such as shields allowed to enter cabinets instead
of grounding at the enclosure entrance
6. improper antenna feedline building entrance, lacking a properly grounded entrance panel
Rather than patching a system problem at the desk, it is much better to correct defects at the problem source.
Grounding
The amplifier and power supply cabinets ground through a safety ground pin on the power plug. This system
depends on a properly wired power outlet.
Lightning protection grounds do very little good at the operating desk. Lightning protection grounds belong at
the antenna cable entrance to the building. Antenna feedline and control entrance grounds must electrically
bond, with low impedance and resistance, to the powerline entrance ground.
RF grounds and lightning grounds are most effective at the antenna and at the feedline entrance, rather than the
operating desk.
There are ground lugs on the rear of the amplifier and power supply. These ground lugs are provided for use
with a station ground buss on the desk. A station ground buss helps ensure equipment cabinets on the desk are
close to the same electrical potential. These ground lugs are NOT for direct, independent, connections to
external ground rods or ground systems. The ground lugs are for connections to a desktop ground buss system.
A proper desk ground buss is a short, wide, conductor that runs the width of the operating position. All
equipment should bond to that buss, unless a manufacturer specifies otherwise.
ALS-1306 Exihibit VIII Page 5 / 27

Coaxial Line Isolators
The goal of every operating position is to maintain all equipment cabinets and housings at the same RF
potential. Isolators on or near the desk are contrary to this goal, and actually promote or encourage cabinet or
chassis RF potential differences. Never install coaxial line isolators between desktop radio equipment.
Proper line-isolator installation points are either just outside the operating room entrance and/or close to the
problem’s actual source. If the desktop has defective cables or connectors, or poor equipment cabinet design,
locate and correct the actual problem. If an RF problem appears at the operating position, correction, repair, or
replacement of defective equipment is in order.
Amplifier Rear Panel
Amplifier Rear Figure 1
50VDC INPUT To prevent connecting the power plug wrong, the large black multi-pin connector is indexed by the offset in
two round pins. One round index pin is closer to the outer connector edge. Mate the round pins and holes
and seat the male plug fully onto the amplifier rear panel pins.
ALC Optional connection. Connects to radio ALC input. Mandatory if using a radio over 100 watts.
RELAY Connect to radio amplifier keying line. Radio must pull this line below 2 volts to transmit.
GND Connect to station ground buss. This connection is for desktop safety.
RF IN Connect through good 50-ohm coaxial cable of any reasonable length to radio’s antenna output connector.
This can be a smaller cable, such as RG-58/U. Do not use or install an antenna tuner on this port.
RF OUT To 50-ohm antenna, antenna tuner, power meter. This is the high power output. 50-ohm coaxial cable and
system beyond must safely handle at least 1200-watts.
ALS-1306 Exihibit VIII Page 6 / 27
1.) If you use a desktop grounding buss system, connect the station ground buss to the rear panel wing nuts.
National safety codes require the station ground electrically bond to the power mains safety ground at
the building entrance. Do not connect the amplifier to its own isolated ground rod or ground system.
2.) Connect the power supply to the amplifier.
3.) Connect the RELAY line to the transceiver’s amplifier relay, amp, or tx port. This port is defined in
radio manuals in amplifier interfacing sections. This port must pull low for transmit, and be open circuit
when receiving. Relay control voltage from the ALS-1306 is 12 volts positive with only 15 mA current.
You should always check your transceiver’s manual, but almost any standard transceiver directly
interfaces with this amplifier.
4.) Connect the RF OUT (output) port to the appropriate point in your station. This is the high power RF
output cable. This connection would go to your 1500-watt rated Power/SWR meter, antenna, or antenna
matching device. Good quality Mini-8 or RG-8X cables are acceptable for anything but RTTY use,
although larger RG-8 style cables are normally preferred. Your antenna matching system, or antenna
tuner, must connect to this port.
5.) Connect the IN connector to your transceiver. Do not install any active antenna matching devices on this
port. In general the shortest and most direct cable connection is best, although high quality cables can be
very long without adverse effect on performance. RG-58/U or Mini-8 (RG-8X) style cables are
acceptable. You should never use a tuner of any type on the amplifier input, nor should you drive this
amplifier with over 100 watts peak envelope power. Never use a non-amateur radio device with this
amplifier.
6.) The ALC line is optional. In general, the internal ALC in the transceiver is adequate for power control.
With transceiver power>100W, ALC should be used. The ALC monitors the RF output power and
reflected power supplied by the ALS-1306 to the load.
7.) Operate the bandswitch manually during initial testing. Do not connect band decoders, band data lines,
or computer interfaces until initial tests are completed and the amplifier is functioning normally.
Power Supply
The external power supply for the ALS-1306 is a voltage-regulated current-limited switching supply. It contains
14-volt positive and negative supplies, as well as dual 50-volt 25-ampere continuous (30-ampere peak) fully
current-limited supplies. Each PAM (power amplifier module) in the ALS-1306 operates from independent 50-
volt modules, giving a total dc supply rating of 2500 watts average power and 3000 watts peak power to the
power amplifier modules.
Power supply to amplifier interconnections are through a heavy-duty cable using a large Cinch Jones connector.
Power Line Requirements
This amplifier ships wired for a nominal mains voltage of 230 Vac. Maximum average powerline current at full
power output is 12 amperes at 240 volts. Two 250-volt 15-ampere fuses fuse the power line. The switching
power supply automatically adapts to any mains voltage between 200 Vac and 260 Vac, and does not require
adjustments or tap changes within that range.
ALS-1306 Exihibit VIII Page 7 / 27

Note: 120-volt power mains operation is possible with a reduction in CW or RTTY power.
Because average power is very low, SSB operation is unaffected by 120-volt operation. 120-
V fuse size is 25-amperes maximum.
Power Supply Features
Efficient operation from 200-260 volts ac (12 amperes typical at full output power)
Low standby and receive power drain, typically less than 100-watts with ALS-1306 attached and
operational
Generator and inverter friendly with acceptable powerline frequency range 40 to 400 Hz
Fully-regulated current-limited outputs
Step-start to limit stress on power supply components
Exceptional filtering and RFI suppression eliminates receiver birdies common to most SMPS
Compact light-weight design
Power Supply Location
Locate the power supply in a convenient ventilated area near the amplifier location. Avoid placing the power
supply next to sensitive equipment, such as audio processors, transceivers, or microphones. For safety, ground
the wing nut stud on the supply rear to the station ground buss. The station ground buss should comply with
National Electrical Codes. NEC and fire protection codes mandate direct bonding of station ground rods or
systems to the power line entrance ground system. If station ground rods are not bonded to the utility entrance
ground, likelihood of equipment or property damage and personal risk increases.
ALS-1306 Exihibit VIII Page 8 / 27

Interconnection Wiring
Interconnections Figure 2
ALS-1306 Exihibit VIII Page 9 / 27

Amplifier Front Panel
Amplifier Front Figure 3
The front panel contains the following indicators and controls. To prevent damage, become familiar with the
front panel before operating the amplifier.
Meters (1 and 2)
This amplifier has two dual-movement panel meters. The left-hand meter (fig.2 ref 1A and 1B) continuously
reads power amplifier module currents up to 25-amperes. Keep current below 25-amperes when using CW. On
SSB voice, displayed current will typically be less than 10-amperes. Currents reaching full or beyond full scale
for short periods are generally not harmful. The power supply has over-current shutdown. The over-current
protection resets by turning the amplifier OFF for several seconds, and then restarting the amplifier.
The right-hand meter’s left scale-arc (fig.2 ref 2A) continuously indicates forward peak envelope power (PEP)
directly in kilowatts. The scale is 100 watts, or 0.1 kW, per meter scale picket. PEP is the highest instantaneous
average or effective heating power during one (or more) complete radio frequency cycle(s) at the modulation
envelope crest. PEP has no fixed relationship to long-term average power in amplitude modulated or SSB
transmissions. With constant amplitude carriers, like a steady CW carrier, PEP and average powers are equal.
The right-hand meter’s rightmost scale-arc (fig.2 ref 2B) is used for PEP reflected power, ALC power setting
(power scale times ~ten), and combiner imbalance (power scale direct) using the upper scale numbers and
pickets. Notice power calibrations are not evenly spaced. Lower scale numbers and pickets, because they
ALS-1306 Exihibit VIII Page 10 / 27
indicate voltage, are evenly spaced. The lower right scale (fig.2 ref 2B) is for power amplifier module voltages
HV1 and HV2 (0-70 volts).
Initial Operation
For your personal and equipment safety, double-check all wiring and connections (fig. 1) before turning power
on. After you have verified amplifier connections, follow the procedures below. The following steps are
necessary during initial checks:
1. Place the MULTIMETER switch (fig.2 ref 5) in the HV2 position. Place the ALC SET control (fig.2
ref 4) full clockwise (10 on knob scale). The multimeter is the right-side scale on the rightmost panel
meter (fig.2 ref 5B).
1. With the STANDBY/OPERATE switch (fig.2 ref 7) on STANDBY, turn the power switch (ref 8) ON.
2. There will be a slightly delayed “click” from the power supply. HV2 (fig.2, ref 2) should immediately
rise to near full scale, and after a slight delay, you should hear another “click”. The meters and the
appropriate BAND LED (fig.2, ref 3) should illuminate.
3. The multimeter’s HV2 scale (fig.2, ref 2B, bottom right scale) should read between 45 and 55 volts.
4. Change the meter switch (fig.2 ref 6) to HV1. The voltage should be the same as in step 4.
5. Rotate the BAND switch (fig.2 ref 3) through all positions. The appropriate BAND LED will illuminate,
and you should hear band-filter relays switch between 160-80, 80-40, 40-30, 20-17, 15-12, and 10-6
selector position changes.
6. Set the BAND switch (fig.2 ref 3) to a band where a good 50-ohm high-power load is connected.
7. Change the meter switch (ref 6) to REF. In this position, the multimeter indicates reflected power.
8. With no modulation in the FM, AM, RTTY, or CW mode, and the amplifier still on standby, adjust your
exciter power to about ten watts. This is to have a steady unmodulated carrier. Verify you have very low
power, ideally around 10-watts carrier (not critical), and the antenna system VSWR is low. You should
see almost no meter deflection on the reflected power scale (fig.1 ref 2) with the MULTIMETER
switch in the REF position. If you see reflected power deflection, check your RF cables. Reminder:
You cannot use a tuner in your radio, or between your radio and this amplifier, to match the
antenna system. Antenna matching must be between the amplifier and the antenna, and the
antenna tuner and anything installed beyond the amplifier must conservatively be able to handle
over 1200-watts of carrier or peak envelope power.
9. Place the amplifier in OPERATE position (fig.2 ref 8). Be sure the BAND on the amplifier matches the
band selected on the transceiver.
10. Place the transmitter or transceiver into transmit in a FM, AM, RTTY, or CW mode. The green TX
LED (fig.2 ref 6) should light. The forward power (fig.2 ref 2A) should increase to over ten times the
initial exciter power reading. Reflected power should remain very low, and PA current should increase
slightly on both scales of the current meter (fig.2 ref 1A and 1B). No other LED’s should illuminate.
ALS-1306 Exihibit VIII Page 11 / 27

11. Briefly increase exciter power until the amplifier reaches 1200-watts output, or increase exciter power to
a maximum power of 100-watts without exceeding 1200-watts amplifier power.
12. After you have verified all of this, the amplifier is ready to operate.
With some drive power less than 100-watts PEP, this amplifier should show approximately 1200-watts of
output power. This can vary slightly from band-to-band, and may slightly exceed 100-watts on some bands for
some amplifiers. 100-watts is a nominal figure.
Operation
This amplifier covers all Amateur Radio frequencies below 54 MHz, as restricted by FCC or your local
governing authority. Once you have established proper connections, please set the amplifier (Fig. 2, ref 3) to
one of the following bands:
Band Frequency Range Notes
160 1.8 - 2.1 MHz
80 3.2 - 4.2 MHz
40 6.0 - 7.5 MHz
30 7.5 - 14.0 MHz USA 30-meter power limit currently 200-watts
20 13.5 – 14.5 MHz
17 14.5 – 19.0 MHz
15 19.0 – 22.0 MHz
12 22.0 – 25.0 MHz Amplifier automatically disables above 25 MHz
10 28.0 – 30.0 MHz Amplifier automatically disables below 28 MHz
6 50.0 – 54.0 MHz
Frequency Limits Table 1
Caution: This amplifier has an FCC mandated automatic disconnect and other features
preventing 27-MHz operation. There is no available circuitry or control provision to
circumvent this lockout.
MARS or CAP Operation
For licensed amateur radio operators participating in Military Affiliate Radio Systems or CAP operation, this
amplifier is suitable for use on all frequencies between 1.8 and 54 MHz with some precautions. The upper
frequency limits are in bold type in the table above. Do not operate above the bold-type frequency limits in the
table above or PA (power amplifier) or filter damage may occur.
Ameritron guarantees to exceed FCC part 97.307 harmonic suppression standards, as of January 2013, inside
amateur bands listed in the table above. Ameritron does not guarantee harmonic suppression or operation
outside amateur bands. Most commercial services prohibit use of non-commercial radio equipment.
This amplifier is inoperable between 25 and 28 MHz. Modifications allowing operation in the 25-28 MHz
range is not available, irrespective of licensing or end-use.
ALS-1306 Exihibit VIII Page 12 / 27
ALS-1306 Functional Overview
The ALS-1306 is an amateur radio multiband radio frequency linear power amplifier. This device requires
certification. This device complies with technical standards of CFR Title 47 part 97.317(a) and (b) as of April
2013.
General Operation
This linear amplifier covers the 160, 80, 40, 30, 20, 17, 15, 12, 10, and 6-meter amateur bands. Up to 100-watts
exciter power is applied to relay RLY1 on circuit board RLY. With the main power OFF, the
STANDBY/OPERATE switch on STANDBY, with a fault warning LED illuminated, or with the rear panel
RELAY jack ungrounded, RLY1 bypasses through RLY2 directly to the antenna port.
When power is ON, the STANDBY/OPERATE switch in the operate position, and the rear panel RELAY
control line held low (below 1 volt), exciter power is routed through RLY1 to the PD8 power divider board.
Power Division
The PD8 power divider board attenuates the exciter input signal, and divides exciter power equally, between
two 600-watt power amplifier modules. It is 50-ohms on all three ports, with 8.2 dB nominal attenuation to each
output port.
The PD8 circuit board consists of a conventional magic-T power divider, components T2 and R7. This T
divides drive power into two equal-power signals. Each signal path has a 5 dB attenuator consisting of high
power resistors R1 through R6. The 5 dB attenuators on each output port terminate the T in 50-ohms and
provide an additional 10 dB of input port isolation between the two PAM’s. With a 50-ohm source, in excess of
30 dB port-to-port isolation occurs between PAM inputs. A minimum of 16 dB isolation occurs regardless of
input port termination. The attenuators also work in concert with the magic-T to provide a 50-ohm input
termination for each PAM. The 50-ohm termination and input port isolation results in unconditionally stable
PAM’s.
PAM-606 (power amplifier modules)
Power amplification comes from two 600-watt power amplifier modules. Each PA module (PAM-606) uses
four MFR-150 field effect transistors. Each MRF-150 has 100 mA to 300 mA quiescent current. Transistor
conduction angle is slightly over 180-degrees, providing linear class-AB operation. While the precise value of
quiescent current has little effect on linearity, it is very important to adjust all eight FET’s to the same quiescent
current. Target current is typically 150 mA in this design. Normal dc drain operating voltage is approximately
50-volts. Be aware bias control rotation is reversed in CB2 boards, as compared to the previous generation
ALS-1300’s CB1. When servicing any solid state PA, always verify function of bias and set for minimum bias
before applying drain voltage.
Unlike standard Motorola based modules, the PAM-606 modules use two diametrically opposed push-pull pairs
of 150-watt MOSFET’s. The 300-watt push-pull pairs drive balanced VHF striplines. The balanced striplines
combine at a matching transformer. The linear RF power FET’s mount on a forced-air-cooled aluminum
heatsink.
Two dc fans cool each PAM-606 module. Two thermistors (PAM-606 R2) sense power amplifier transistor
temperature. Transistor temperature thermistor R2 regulates bias voltage, reducing bias voltage as transistor
temperature increases. This bias feedback system keeps transistor quiescent current stable independent of
ALS-1306 Exihibit VIII Page 13 / 27
transistor junction temperatures. PAM-606 thermistors R2 also feed a comparator that removes drive when
transistor temperatures approach unsafe levels. Bias voltages for the PAM-606 modules come from the CB-2
control board assembly. Each transistor has an individual bias adjustment, with minimum bias counter-
clockwise from the top view. This is opposite the control function in older CB1 assemblies.
A second set of thermistors (PAM-606 R1) monitor heatsink temperatures. Voltages from thermistors R1
regulate fan speed, increasing fan speed and airflow as the heat sink warms.
The PAM-606 modules employ significant negative feedback to reduce gain, improve gain flatness, improve
linearity, and ensure stability. The FET’s have direct resistive voltage feedback across each individual transistor
from drain-to-gate, as well as push-pull transformer (T2) coupled feedback common to the push-pull circuit.
Push-pull operation, negative feedback, and linear biasing of FET’s provide significant pre-filter harmonic
suppression.
The characteristics of linear high-voltage FET’s are very much like those of triode vacuum tubes. While this
amplifier will run more than 1200-watts PEP output, linearity might suffer. Ameritron recommends running
1200-watts PEP or less for maximum linearity, although most amplifiers will remain clean above 1200-watts
PEP. Following these instructions, this amplifier will have IM performance comparable to the best vacuum tube
linear amplifiers.
2KWF6 Lowpass Filter Assembly
Each PAM-606 module connects directly to the 2KWF6 circuit board assembly through 50-ohm cables. Both
PAM’s feed into a 50-ohm high power combiner. The combiner is integrated into the 2KWF6. This combiner
isolates the two PAM-606 inputs while maintaining 50-ohm impedance. Two 25-watt 200-ohm power resistors,
R7 and R8, dissipate power level or phase errors between the PAM inputs. Voltage step-down transformer T1
senses voltage across combiner dump resistors, R7 and R8. T1 is located on the 2KWF6 lowpass filter board.
This voltage, representing PA combiner unbalance, appears on the front panel multimeter as a “PAB” (power
amplifier balance) indication. PA unbalance reference voltage also feeds a comparator on the CB2 control
board. This comparator disables the PA in the event the power amplifiers become significantly unbalanced, and
illuminates the PA front panel light.
The output of the high-power combiner enters the filter section through a directional coupler consisting of
current transformer T2, capacitors C36-38, C40-42, and resistors R4, 5 and 6. This directional coupler detects
power amplifier termination errors. These errors include filter band errors. A comparator on the CB2 control
board monitors directional coupler termination errors. Any significant filter or antenna reflected power error
disables the amplifier. Such errors normally come from selecting the wrong filter for the exciter’s operating
band, or having a poor load SWR on the amplifier.
The output of the filter board directional coupler routes through one of seven 5-pole lowpass filter groups.
Relays, controlled by CB2 control board logic, select the appropriate lowpass filter components.
Control Functions and Protection Logic
The CB2 control board contains all fan speed, biasing, transmit relay control, band relay control, band data
processing, overload protection, and control logic lockouts. In the event of an operational fault, including out-
of-band operation, the CB2 locks out the amplifier and illuminates the proper front panel warning light
sequence.
ALS-1306 Exihibit VIII Page 14 / 27
Band Decoding
The CB2 board contains band-decoding systems. It also has a sensitive embedded frequency counter system.
The frequency counter system in all ALS-1306 amplifiers, regardless of band selection mode, automatically
disables operation between 25 and 28 MHz. This embedded logic function cannot be disabled or changed.
Temperature
Temperature sensors on each PAM-606 (power amplifier module) monitor heat. Bias and fan speed track FET
temperature. The ALS-1306 protection circuitry reduces power as transistors approach conservative thermal
limits, and disables the amplifier before transistor exceed safe operating temperature limits.
Bias
The CB2 senses voltage from a thermistor-controlled voltage divider system. Bias is normally set for 150 mA at
room temperature. As FET temperature increases, divider voltage decreases. This reduces bias voltage.
Each PA module jack, J7A and J7B, has individual bias supply lines and temperature sensing circuitry. Bias is
adjusted with eight potentiometers near the two PA module connectors.
Bias voltage is sequenced with T/R RELAY switching. Bias is applied after the input relay closes, and is
removed when the input relay reverts to receive mode.
Band
Band data comes from external rear panel connectors, or an internal bandswitch board BS-2. External data is
compatible with most modern amateur transceivers, such as Elecraft, ICOM, Ten-Tec, and Yaesu. Band data
from the appropriate source is decoded. The proper band relays are selected using decoded band information.
Protection
The CB2 contains protection logic for predetermined levels of antenna reflected power, filter reflected power,
PA module balance, and PA transistor temperature. In the event of a safety fault, the transmit-receive relay is
disengaged in a normal receive transfer and a proper warning indicator is given. The normal sequence is remove
bias, remove exciter relay, remove antenna relay, and illuminate warning LED.
Reset requires removal of the fault condition and placing the STANDBY-OPERATE switch in the STANDBY
position. If faults are cleared, operation will resume upon placing the STANDBY-OPERATE switch in the
OPERATE position.
Harmonics
This amplifier greatly exceeds FCC harmonic requirements. HF harmonic suppression typically 10-15 times
better than FCC mandated suppression levels. Harmonics are practically immeasurable on all television
channels. There is no reason to use an external low-pass filter with this amplifier.
Harmonic suppression comes from push-pull operation of linear devices, followed by high-quality 5-pole low-
pass filters. Many amplifiers use inexpensive ceramic disc or mica capacitors. Lead inductance of mica or disc
capacitors reduces high-order harmonic suppression. This amplifier uses quality multi-layer high voltage chip
capacitors.
ALS-1306 Exihibit VIII Page 15 / 27
SWR
The SWR board is a standard 50-ohm directional coupler. The SWR board samples output connector current
and voltage, vector summing voltage and current samples to a dc output voltage. The resultant voltages
represent forward and reflected power, or SWR mismatch, to an ideal 50-ohm resistive load.
Circuit Board Descriptions
There are eight basic circuit boards plus two power amplifier modules in the ALS-1306. The text below gives a
brief description of each board’s function.
2KWF6
The 2KWF6 is a high-power low-pass filter. It is the very large topmost board with several large toroids and air
wound inductors. This board contains filter SWR fault detection, power amplifier imbalance detection, and
multiple high-power low-pass 5-pole filters. Additionally, the antenna relay board RLY attaches directly to the
2KWF6 board.
BS2
The BS2 is located behind the BAND switch. It provides all band selection functions, as well as band
indicators.
CB2
The CB2 is located near the front of the amplifier just behind the meters. The CB2 control board provides most
control functions. This includes bias, fan speed, overload and wrong-band protection, and transmit-receive relay
sequencing. It is the hub for nearly all functions, including external interfaces, power metering and 12-volt
busses.
MB1
The MB1 is located behind the front panel below the meters. It contains peak-envelope-power detection
circuits, multi-meter switching, fault indicators, and ALC circuitry. There are four power meter adjustments on
this board; forward power, reflected power, forward peak hold time, and reflected peak hold time. Shunts on a
header located on the board’s upper edge adjust panel meter brightness.
PAM-606 (power amplifier module) Boards
PAM boards are located on top of the heatsinks under the filter board shield panel. The PAM boards, along with
heatsinks, are integral units of the PAM’s. There are no user adjustments on these boards, and the FET’s and
assemblies are gain matched at the factory. The PAM’s are accessed by lifting the filter board (and sheet metal
it rests upon) and folding it over.
PD8
The PD8 is located on the right side of the amplifier just above the panel containing the cooling fans. It contains
a power splitter and two 5 dB attenuator pads. The splitter and attenuator pads isolate the two power amplifiers
from each other, and terminate the PA inputs in 50 ohms over a wide range of frequencies. This is necessary to
stabilize the PAM’s. Do not modify, remove, or bypass the attenuators.
ALS-1306 Exihibit VIII Page 16 / 27
RJ45
The RJ45 board mounts on the rear panel. It contains two RJ-45 jacks and a serial interface jack for remote
control interface.
RLY
The RLY board contains two transmit and receive relays, one for RF output switching and the other for RF
input switching. T/R relays activate with a low on terminals K (key) J1-3 and RJ1-7. The CB2 board contains
the relay timing controls.
SWR
The SWR board is on the rear panel in front of the RF output connector. It is a traditional 50-ohm directional
coupler. The null adjustment is accessible through a rear panel hole.
ALS-1306 Exihibit VIII Page 17 / 27

03/29/2013
160 Meters
80 Meters
40 Meters
20 Meters
15 Meters
10 Meters
6 Meters
GndGnd Gnd
PA IN
T2
C40
150pF
D2
1401
C41
220pF
C42
250V 12-90pF
C36
27pF
C37
27pF
C38
27pF
C39
0.01uF
T3
C35
0.1uF
RL1 RL2
L1
16T
L2
16T
C2
1500
C3
1500
C1
1500 C4
1500
RL3 RL4
L3
11T
L4
11T
C6
680 C7
680
C5
680
C8
680
RL5 RL6
L5
12T
L6
12T
C10
360
C11
360
C9
360 C12
360
RL7 RL8
L7
8T
L8
8T
C14
270
C15
270
C13
270
C16
270
C20
180
C17
180
C19
180
C18
180
L10
6.5T
L9
6.5T RL10RL9
C24C21 C23C22
L12
5.5
L11
5.5 RLY12RLY11
C28C25 C27
C26
H1
RADIO Ant
Rly Board
L14
RLY14
L13
RLY13
RL2
RL1
RL3
RL4
RL6
RL5
RL8
RL7
RL10
RL9
RL12
RL11
RL14
RL13
C34
0.1uF
C33
0.1uF
C32
0.1uF
C31
0.1uF
C30
0.1uF
C29
0.1uF
D8
D7
D6
D5
D4
J1
D3
T1
5to1
C43
0.001uF
D1
1401
Rly Board
J2
H2
T4
PA BPA A
Gnd Gnd
R3
10k
R5
150
R6
150
R2
1.5k
R4
150
R11k
R7R8
2KWF6 output filter Figure 4
Schematics and Internal Wiring
2KWF6 (lowpass output filter)
ALS-1306 Exihibit VIII Page 18 / 27

5V+
SCK
SER
RCK
A
B
C
D
C1 .1uF
D3D4 D1
14
25
36
47
5EI
6A2
7A1
8GND 9
A0
10
0
11
1
12
2
13
3
14
GS
15
EO
16
VCC
U1
74HC148
D2
J1
LED11
REMOTE
J2
1QB
2QC
3QD
6QG
7QH
8GND 9
Q'H
11
SCK
12
RCK
14
SER
15
QA
16
VCC
4QE
5QF
13
G
10
SCLR
U2
74HC595
LED9
10
LED10
6
LED8
12
LED7
15
LED6
17
LED5
20
LED4
30
LED3
40
LED2
80 LED1
160
Remote
N/C
12
6
39SW1 R11
10k
R12
10k
R13
10k
R10
10k
R9
10k
R8
10k
R7
10k
R6
1k
R11k
R21k R31k
R41k R51k
BSW2 bandswitch figure 5
BSW2
ALS-1306 Exihibit VIII Page 19 / 27

CB2 control board Figure 6A
CB2
ALS-1306 Exihibit VIII Page 20 / 27
ALS-1306 Exihibit VIII Page 20 / 27

CB2 control board Figure 6B
CB2
ALS-1306 Exihibit VIII Page 21 / 27
ALS-1306 Exihibit VIII Page 21 / 27

+
-
12
11
10
9
8
7
6
5
4
3
2
1
+12
-12V
8
4
ALC
7
5
6
3
2
1
31
25
67
10
98
12
13 14
SW 1
8V
8V
-12V
+12V+12V
8V
-12V
-
+
T
CL
A
S
C
11
4
G
L
F
Fwd
Ref
Gnd
Gnd
MULTI METER
CURRENT
METER BRIGHTNESS
REF CAL
REF SPEED
CAL
FWD SPEED
CTRL
-
+
J1 Control
PIN 1...GND
2...12 -
3...12 +
4...FWD PWR
5...RFLCTD PWR
6...TRANSMIT LED
7...COMBINER LED
8...SWR LED
9...ALC VOLTAGE OUT
10...COMBINER LVL J3 Current
PIN 1...V2
2...V2
3...V1
4...V1
J2 Multimeter
PIN 1...GND
2...FWD
3...MM -
4...MM +
5...LMP
6...GND
J4 Meter Brightness
1,2 low
2,3 high
C14
.1
D3
LED1
D2
LED2
Q1
2N3904
C15
.1
Q2
2N3904
D1
LED3
D6
1N916
D2
1N916
C16
.1
D4
LED4
C12
.1
C7
.1
U2B LM358
U1A
LM324
R39
10k 10%
+
C4
2.2uF
+
C3
2.2
U1C
U2A
U1D
U1B
R16 1m 40%
R15
1m 40%
C17
.1
C13
.1
R
C
V1
V2
R
C
AV1
A
V2
C5
.1
J2
J3
J4
R2
2.5k 40% C2
.1
D3
1N916
C8
.01
D1
1N916
J1
C6
.1
C1
.1
R1
2.5k 40%
D4
1N916
D5
1N916
C9
.01
C10
.1
D7
1N916
C11
.1
D8
1N916
D9
1N916
R22
1k
R40
1k
R23
47k
R41
1k
R24
47k
R28
10k
R19
10
R31
1m
R34
220K
R29
1k
R38
4.7K
R32
1k
R7
10
R11
68K
R10
68K
R13
1k R14
1k
R3
5.6k
R6
1m
R18
4.7k
R20
4.7k
R12
10
R21
100
R4
5.6k
R8
1M
R9
10k
R17
4.7k
R5
10k
R33
220k
R26
560
R25
1k
R27
1k R30
6.8k
R35
100k
R37
1k
R36
1k
MB1 combiner board Figure 7
PEAK METER / ALC
MB1
ALS-1306 Exihibit VIII Page 22 / 27

To FET
To HS
1kV
OY Omite
OY Omite
1kV
1kV
OY Omite
1kV
OY Omite
Yel
Org
Brn
Red
0
0
C18
0.33uF
C17
0.33uF
C14
300pF C27
120pF
C47
Not used
C39
Not used
C38
Not used
TL1 C31
C34
C32
C29
C30
C33
50ohm
T3
1:9
T3
T1
C36
Not used
C35
Not used PA Out
FB1
V1
50VDC
C21
100uF
C20
0.47uF
C28
120pF
C38
Not used
C19
0.33uF
C37
Not used
C46
Not used
C25
0.001uF
C12
0.33uF
Q4
Q3
C9
0.33uF
C24
0.001uF C45
Not used
C23
0.001uF
Q2
C6
0.33uF
C43
Not used
C22
0.001uF
Q1
C3
0.33uF
C44
Not used
C39
Not used
C40
Not used
C4
0.1uF
C41
Not used
C42
Not used
J1
Pin1
C16
120pF
PA In
TT2
C1
0.1uF
C2
0.1uF
C5
0.1uF
C7
0.1uF
C8
0.1uF
C11
0.1uF
C10
0.1uF
C15
300pF
T3
R2
NTC
R1
NTC
R22470
R17
18
R18
10k
R14
10k
R13
18
R21
470
R20
470
R9
18
R10
10k
R19470
R6
10k
R5
18
R16
1
R28 22
R26 22
R24 22
R27 22
R25 22
R23 22
R4
1
R318
R81
R718
R12
1R11
18
R15
18
PAM-606 power amplifier module Figure 8
PAM-606
ALS-1306 Exihibit VIII Page 23 / 27

-8db splitter
T1
T2
In
Out Out
R7
100
R5
27
R4
200
R6
200
R3
200
R2
27
R1
200
RJ45
PD8 power divider Figure 9
RJ45 interface Figure 10
PD8
ALS-1306 Exihibit VIII Page 24 / 27

HD2
PA OUT
ANTENNA
PA IN
RADIO
HD1
RL2
RL1
D1
1N34A
D2
1N34A
50V
C5
.01uF
50V
C6
.01uF
1kV
C4
150pF
1kV
C3
150pF
500V
C7
3-12 pF Trim
1kV
C2
10pF
L1
1000uH
T1
Pickup Toroid
3kV
C1
33pf
2W mox
R4
68
1/4W
R3
1.3k
1/4W
R2
1.3k
1/4W
R1
3.3k
RLY antenna relay Figure 11
SWR directional coupler Figure 12
SWR
RLY
ALS-1306 Exihibit VIII Page 25 / 27

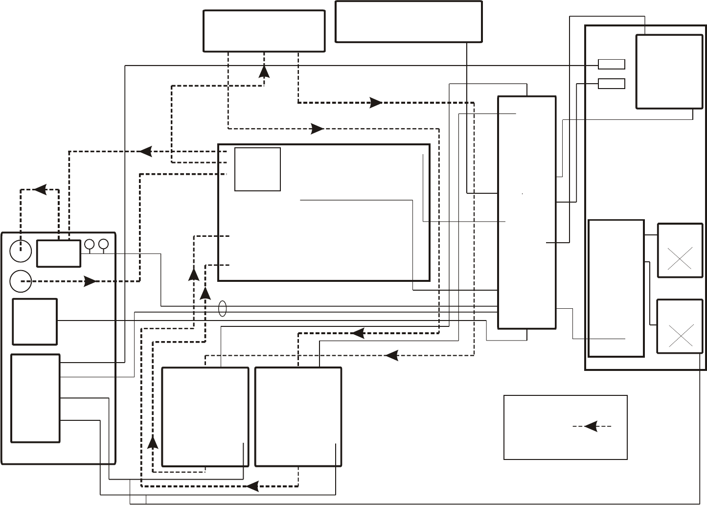
PA-A
PA-B
Filter
Rear Panel
ALC adj,
metering,
warning
lights
Control
bias,
protect
Power
connector
Current
Multi
Power F/R
Voltage
ALC
CB2
Load fault
combiner
relay x2
PAM-606
PAM-606
RLY 2KWF
PD8 Splitter
SWR
(2)
(6)
(8)
I Sample (4)
(16)
(8)
(8)
(6)
(6)
50V
50V
J4
J1
J2
J3
J7B
J7A
RJ1
Band J1
J2
J2
J3
J1
RLY ALC
Fwd Ref
(8)
IF1
Mb1
(2)
FANS
J6
(3)
(8)
(8)
J5
RJ
45
Power
Standby
Sw
120V
(2)
Local band
select
Band LED’s
BSW2
J1
J2
Sw
Front Panel
(10)
(8)
RF Amp.
RF Amp.
PA-A PA-B
ANT
PA IN --->
Radio
PA-A
PA-B
OUT OUT
Signal Path
IN IN
(6)
(10) J8
J9
J7
RJ2
ALS 1306
Power and Control Wiring 13
Control Wiring
Power and
ALS-1306 Exihibit VIII Page 26 / 27
REFERENCE FIGURES AND DRAWINGS
Interconnections Figure 1..................................................................................................................7
Amplfier Rear Figure 2 ......................................................................................................................8
Amplifier Front Figure 3...................................................................................................................10
2KWF6 output filter Figure 4............................................................................................................18
BSW2 bandswitch figure 5 ..............................................................................................................19
CB2 control board Figure 6A ...........................................................................................................20
CB2 control board Figure 6B ...........................................................................................................21
MB1 combiner board Figure 7 .........................................................................................................22
PAM-606 power amplifier module Figure 8 .....................................................................................23
PD8 power divider Figure 9 .............................................................................................................24
RJ45 interface Figure 10 .................................................................................................................24
RLY antenna relay Figure 11...........................................................................................................25
SWR directional coupler Figure 12..................................................................................................25
Power and Control Wiring 13...........................................................................................................26
TABLES
Frequency Limits Table 1 ................................................................................................................12
ALS-1306 Exihibit VIII Page 27 / 27