Ampt AMPT-X Solar PV Converter User Manual Exhibit D Users Manual per 2 1033 b3
Ampt LLC Solar PV Converter Exhibit D Users Manual per 2 1033 b3
Ampt >
Exhibit D Users Manual per 2 1033 b3

TheSPTOperatorManual
SmartPanelTechnology
Page2of49
CONTENTS
Information&Disclaimer ..............................................................................................................................................5
ReadthisFirst ............................................................................................................................................................6
FCCcompliance..........................................................................................................................................................6
ImportantSafetyInformation .......................................................................................................................................7
SavetheseInstructions..............................................................................................................................................7
Markings ....................................................................................................................................................................9
Servicing.....................................................................................................................................................................9
MessagefromAmpt ....................................................................................................................................................10
WhySPT–WhygetAmpt? ..................................................................................................................................11
SmartPanelTechnologyOverview..............................................................................................................................12
Insimpleterms,theSPT: .....................................................................................................................................13
Here’showitworks: ............................................................................................................................................14
TheoryofOperation ............................................................................................................................................16
SPTFundamentals: ..............................................................................................................................................16
IntroductiontoLogicMatrix(summaryversion).................................................................................................17
Valuepropositionlist...............................................................................................................................................18
Testresults ..............................................................................................................................................................18
Internaltesting ....................................................................................................................................................18
Thirdpartyvalidation ..........................................................................................................................................18
Safetyandconveniencefeatures ............................................................................................................................19
Fullsystemdiagram.............................................................................................................................................19
Energyvspower ......................................................................................................................................................19
LCOE.....................................................................................................................................................................20
MaximumPowerPointTracking..............................................................................................................................21
GUI–graphicaluserinterface&SoftwareUserManual.........................................................................................22
Overview..............................................................................................................................................................22
Databaseandtrendanalysis...............................................................................................................................25
CompletesystemlayoutandWiringDiagram .........................................................................................................26
Communicationsystemlayout ................................................................................................................................26
DesigningyourSPTsystemsolution ....................................................................................................................27
Orderinginformation–SampleSalesOrder........................................................................................................28
Page3of49
QuickInstallGuide.......................................................................................................................................................30
SPTInstallation ........................................................................................................................................................34
MechanicalmountingSPTtothePVmodule ......................................................................................................34
WiringSPTtothePVmodule...............................................................................................................................34
Completingthestringwiring ...............................................................................................................................34
HRDInstallation .......................................................................................................................................................35
MechanicalmountingtheHRD............................................................................................................................35
WiringtheHRD ....................................................................................................................................................35
Completingthehomerunwiring.........................................................................................................................35
GatewayandFieldComputer ..................................................................................................................................35
Locationdetermination .......................................................................................................................................35
Systemrequirements...............................................................................................................................................35
ACpower .............................................................................................................................................................35
InternetAccess ....................................................................................................................................................35
Mechanicalmounting ..........................................................................................................................................35
Electricalwiring....................................................................................................................................................35
SPTSystemCommissioning .........................................................................................................................................36
Mappingyoursystem ..............................................................................................................................................36
UsingtheHandHeldFC .......................................................................................................................................36
PoweruptheFC ......................................................................................................................................................36
Verifygatewayoperation ....................................................................................................................................36
TestingthesignalstrengthtotheGateway.........................................................................................................36
AccessingtheFCthroughtheinternet ................................................................................................................36
SettinguptheGUI ...................................................................................................................................................36
Definingusersandadministrativefunctions .......................................................................................................36
Choosingtheuserdefinedparameters ...............................................................................................................36
AlertThresholds...................................................................................................................................................36
Scriptchoices.......................................................................................................................................................36
Summarypage.....................................................................................................................................................36
Settingupthedatabase..........................................................................................................................................37
OperatingInstructions.................................................................................................................................................37
ReadingtheGUI.......................................................................................................................................................37
Controlfeatures.......................................................................................................................................................38
Normaloperation ....................................................................................................................................................38
Page4of49
Whatyousee.......................................................................................................................................................38
Howtointerpret..................................................................................................................................................38
Howtomodify .....................................................................................................................................................38
Accessingthedatabase...........................................................................................................................................38
Sortingthedata ...................................................................................................................................................38
Definingusertemplates.......................................................................................................................................38
Interpretingalertmessages.....................................................................................................................................38
Troubleshooting ..........................................................................................................................................................39
SPToperationalissues .............................................................................................................................................39
GUIoperationalissues.............................................................................................................................................39
TechnicalData .............................................................................................................................................................40
SPTspecificationssheet...........................................................................................................................................40
SPTPhoto&MechanicalDrawing ...........................................................................................................................40
HRDspecificationssheet .........................................................................................................................................42
HRDIllustration........................................................................................................................................................42
HRDMechanicalDrawing ........................................................................................................................................42
FCspecificationssheet ............................................................................................................................................43
HandHeldFCspecificationssheet...........................................................................................................................44
GUIparametersandsystemrequirements .............................................................................................................45
TechnicalSupport ........................................................................................................................................................46
InformationRegardingtheSPT:...........................................................................................................................46
InformationRegardingthePVmodules: .............................................................................................................46
LimitedWarranty.........................................................................................................................................................47
WarrantyConditions............................................................................................................................................47
ExclusionofLiability.............................................................................................................................................47
forWarrantyReturns&InstallerReplacement:..................................................................................................47
Appendix:.....................................................................................................................................................................49
FAQ ..........................................................................................................................................................................49
InstallationMapping................................................................................................................................................49
WiringDiagrams ......................................................................................................................................................49
Orderingspareorreplacementparts ......................................................................................................................49
Returnprocedures...................................................................................................................................................49
WhitePapers ...........................................................................................................................................................49
Presentations...........................................................................................................................................................49
Page5of49
INFORMATION&DISCLAIMER
Copyright©2009AmptLLC.Allrightsreserved.
Nopartofthisdocumentmaybereproduced,retransmitted,orcopiedinanyformwithouttheexpressedand
writtenpermissionofAmpt.
Amptmakesnorepresentations,expressedorimplied,thatwithrespecttothisdocumentationoranyofthe
equipmentand/orsoftwareitmaydescribe,including(withnolimitation)anyimpliedwarrantiesofutility,
merchantability,orfitnessforanyparticularpurpose.Allsuchwarrantiesareexpresslydisclaimed.Amptshallnot
beliableforanyindirect,incidental,orconsequentialdamagesunderanycircumstances.(Theexclusionofimplied
warrantiesmaynotapplyinallcasesundersomestatutes,andthustheaboveexclusionmaynotapply.)
Thefollowingspecificationsaresubjecttochangewithoutnotice,eventhougheveryattempthasbeenmadeto
makethisdocumentcomplete,accurateandup‐to‐date.Readersarecautioned,however,thatAmptreservesthe
righttomakechangeswithoutnoticeandshallnotberesponsibleforanydamages,includingindirect,incidental
orconsequentialdamages,causedbyrelianceonthematerialpresented,including,butnotlimitedto,omissions,
typographicalerrors,arithmeticalerrorsorlistingerrorsinthecontentmaterial.
AmptLLC
4850InnovationDrive
FortCollins,Colorado80525
Tel970‐372‐6950
www.ampt.com

Page6of49
READTHISFIRST
Thisoperatormanualcontainsalloftheinformationneededtoinstall,commission,andoperateanAmptSPT
distributedpowerconversiondevicewithinagrid‐tiedphotovoltaic(PV)installation.
Tohelpavoidproblemsduringthesysteminstallation,familiarizeyourselfinadvance,withtheinstallationprocess
byreadingtheentireInstallationGuidebeforestartingtheinstallation.
Bealert!ThereareextremelydangerousandlethalvoltagespresentatvariouspointsinaPVsystem.For
safetyreasons,itisrecommendedthatonlyqualifiedpersonnelinstallandoperatethisequipment.
FCCCOMPLIANCE
AmptSPT‐ThisequipmenthasbeencertifiedascompliantwiththelimitsforaClassBdigitaldevice,pursuantto
Part15oftheFCCRules.Theselimitsaredesignedtoprovidereasonableprotectionagainstharmfulinterference
inaresidentialinstallation.Thisequipmentgenerates,uses,andcanradiateradiofrequencyenergyandifnot
installedandusedinaccordancewiththeinstructions,maycauseharmfulinterferencetoradiocommunications.
However,thereisnoguaranteethatinterferencewillnotoccurinaparticularinstallation.
TheuseriscautionedthatchangesormodificationsnotexpresslyapprovedbyAmptLLC.couldvoidtheuser’s
authoritytooperatethisequipment.
***
AmptSPTFCCID#XLQ31570001
SPTModelNumber:31570001
ThislabelisfoundoneachAmptSPTenclosure.
Theboxistwopiecesandisnotmeanttobeuserservicedoropenedinanyway.
***
AmptGatewayFCCID#
GatewayModelNumber:31570002
ThislabelisfoundoneachAmptGatewayenclosure.
Theboxissmallerthanpalmsize,thusthefollowingtextisonlyprintedhere:
Thisdevicecomplieswithpart15oftheFCCrules.Operationissubjecttothefollowingtwo
conditions:(1)thisdevicemaynotcauseharmfulinterference,and(2)thisdevicemustaccept
anyinterferencereceived,includinginterferencethatmaycauseundesiredoperation.

Page7of49
Theboxistwopiecesandisnotmeanttobeuserservicedoropenedinanyway.
***
IMPORTANTSAFETYINFORMATION
SAVETHESEINSTRUCTIONS
ThismanualcontainsimportantinstructionsfortheAmptSPTdistributedpowerconversiondevicethatshallbe
followedduringinstallationandmaintenanceofthemoduleandaffiliatedhardwareandsoftware.TheSPThas
beendesignedandtestedaccordingtointernationalsafetyrequirements,butrequirescertainprecautionsare
observedwheninstallingand/oroperatingtheAmptSPTproduct.Toreducetheriskofpersonalinjuryandto
ensurethesafeinstallationandoperationoftheSPT,pleasebesureyoucarefullyreadandfollowallinstructions,
cautionsandwarningsinthisoperatormanual.
Warnings
AWarningidentifiesahazardtoequipmentorpersonnel.Itcallsattentiontoaprocedureorpractice,which,ifnot
correctlyperformed,couldresultindamagetoordestructionofpartoralloftheAmptequipmentand/orother
equipmentconnectedtotheAmptequipmentorpersonalinjury.
DANGERindicatesahazardoussituationwhich,ifnotavoided,willresultindeathorserious
injury.
WARNINGindicatesahazardoussituationwhich,ifnotavoided,couldresultindeathor
seriousinjury.
CAUTIONindicatesahazardoussituationwhich,ifnotavoided,couldresultinminoror
moderateinjury.
NOTICEindicatesasituationthatcanresultinpropertydamageifnotavoided.
InadditiontothesafetyandhazardsymbolsthefollowingisalsousedinthisOperatorManual:
Information‐Thissymbolaccompaniesnotesthatcallattentiontosupplementaryinformation
thatyoushouldknowandusetoensureoptimaloperationoftheAmptsystem.
GeneralWarnings:
AllelectricalinstallationsmustbedoneinaccordancewiththelocalandNationalElectrical
CodeANSI/NFPA70.
TheAmptproductcontainsnouser‐serviceableparts.Forallrepairandmaintenancealways
returntheunittoanauthorizedAmptServiceCenter.BeforeinstallingorusingtheAmptSPT,
readalloftheinstructions,cautions,andwarningsontheSPT,thePVarray,inthisInstallation
Page8of49
Guide.BeforeconnectingtheSPTtotheelectricalutilitygrid,contactthelocalutility
company.Thisconnectionmustbemadeonlybyqualifiedpersonnel.PVarraysproduce
electricalenergywhenexposedtolightandthuscancreateanelectricalshockhazard.
WiringofthePV‐arraysshouldonlybeperformedbyqualifiedpersonnel.

Page9of49
MARKINGS
SERVICING
Warnings:
1. Whenthephotovoltaic(PV)arrayisexposedtolight,itproducesaDCvoltage,andtheAmptequipmentis
energized.
2. Servicinginstructionsareforusebyqualifiedpersonnelonly.Toreducetheriskofelectricshock,donot
performanyservicingotherthanthatspecifiedintheseOperatingInstructions.
3. TheinstallationofAmptequipmentrequiresfollowingtheNationalElectricalCode(ANSI/NFPA70)wiring
methods.
4. CAUTION:Toreducetheriskoffire,connecttheoutputsoftheAmptEquipmentonlytoconductorswith
aminimumampacityof9.4ampereswhende‐ratedfortemperatureandconduitfill.Over‐current
protectiondevicesandconductorsshallbesizedinaccordancewiththeNationalElectricalCode
(ANSI/NFPA70).
5. AmptrequiresovercurrentprotectionfortheDCoutputcircuitintheinstallation.
6. AmptrecommendsthatadisconnectswitchbeincludedintheinstallationfortheDCinputandDCoutput
circuitasrequiredbythelocalauthorities.
Page10of49
7.
MESSAGEFROMAMPT
ThefirstproductsthatAmptisintroducingarearesultoflookingatrequirementstorealizemaximumenergyat
thelowestcost–fromasystemlevelperspective.
Thisinitialpremiseisthatthemaximumenergycannotbeharvestedfullywithouttherightgranularity.Webelieve
thatthisrequirespowerconversiontobedoneatthemodulelevel.Ourcustomersrequireminimallostharvest
fromlocalsoiling,shading,orpanelimbalance–sowithregardstolocalpowerconversion,thereisnomore
suitableeconomicalternative.
Webelievethatthepowerconversionhastobeextremelyefficientoveraverywiderange–soourproductsare
over99%efficientovergreaterthan3:1inputrange.Toputthatintocontext,theAmptSPTconsumesonly,upto
2Woftheenergygeneratedbya200Wmodule–relativelyspeakingthatisthesamelossasexpectedfromenergy
travelingthrough3feetofconventionalwirecabling.
WebelievethathighspeedMPPisverycriticaltomaximizeharvest–wehaveover99.9%accurateMPPin100
milliseconds.Therefore,wecancapturethepowergainfromtheedgeofacloudandtherefractedirradiationona
module.
Webelievethatmaximizingthenumberofmodulesperstringisimportant.TheAmptproductisdynamically
controlled,andwecancommunicatewirelesslytoourfieldadaptablefirmware.
Webelievethatreliabilityisahugedriveofeconomics–sowehaveanenvironmentallyvalidated(not
superficiallymodeled)1000yearMTBF.
Webelievethathighaccuracyandstableinstrumentationcombinedwithrobustcommunicationiscrucialfor
large‐scalearraysandbeneficialforallsmallerarrays.Itlowersinstallationcosts,andradicallyreducesO&Mwhile
maximizingtheeconomicsofharvesting.Wehaveabetterthan1%fieldcalibrate‐ablemeasurementsystemthat
includesmultiplechannelsofcriticalelectricalandtemperatureparameters,aswellasidentityinformation–per
module.
Webelievethatcommunicationaloneisn’tsufficient.Theseapplicationsneedscalabilityandrobustnessthatdoes
notdependonproblematicconnections.Wedesignedahighlyrobustwirelesssystem.
Webelievethatifthesystemisdesignedwiththerightgranularity,withtherightcomponents,withtheright
interfacesandtherightarchitecturethatitbecomesunlimitedinitsabilitytooperateatanyscale.Wehave
designedthissystemtoallowscalingfromonemoduletoaboveamillionmodules.
ThankyouforContinuedSupport–welookforwardtoworkingwithyou!
WeareAmpt.

Page11of49
WHYSPT–WHYGETAMPT?
Whatismaximumpower?
Isitdefinedbytheenergyoutputoftheweakestmoduleinastring,
orthecombinedoutputofeverysinglemoduleoneverystring?
Isitdefinedbyanalyzingenergyharvesteachdayatonesite,
oreverysecondoneverypanelatonemillionsites?
Isitdefinedbythemonitoringofinformationwithinanarray,
orthecommunicationofknowledgethatleadstoimprovedperformancewithineverymodule?
Byansweringwhatnooneelsehasevenyetasked,Amptisnotjustincreasingenergy,
buthelpingyoutorealizeenergyyouneverknewpossible.
Congratulationsonputtingtheabsolutebestcommunicationsandpowerconversionequipment
availableonyourPVsystem!

Page12of49
SMARTPANELTECHNOLOGYOVERVIEW
AmpthasdevelopedSmartPanelTechnologyTM‐SPT‐astheoptimalsolutionforenergyharvestingfromanyPV
system.
ThefirstimplementationofAmptSPTisinastandalonedevicethatisplacedindirectconnectionwiththePV
moduletodeliverMPPT(MaximumPowerPointTracking)whichistheharvestedenergy.ConventionalPVsystems
havesolarmodulesseriesconnected,andaretherebylimitedbytheweakestmoduleinthestring.Thesestrings
arewiredtoabulkDC‐ACinverterwhichusesalgorithmstoattemptamaximumharvestgiventhepotentialfrom
eachstring.

Page13of49
TheAmptSPTputstheMPPTlogicwhereitbelongs,oneachsolarmodule,andallowseachmoduletoproduceits
maximumpower.TheneachSPTdevicecombinestoprovidethebulkinverterwithitshighestefficiencyinput
power.Theresult:thehighestenergyfromeachmodule,operatingwiththehighestefficiencyofthebulkinverter.
INSIMPLETERMS,THESPT:
ReceivesthepowerfromthemoduleatitsMaximumPowerPointTracking(MPPT)regardlessof
normalorproblematicoperatingconditions
DeliversmoduleMPPTpowerintoanyimpedancedeterminedbytheremainderofthestringandthe
inverter
Solvestheproblemofhavingpanels(currentsources)inseriesbeinglimitedbytheweakestpanelin
thestring‐improvesstringsightingoptions
Ensureseverypanelproduceswhateveritcanregardlessoftheremainderofthesystem
Allowstheinvertertooperateatitshighestefficiencypoint
Provideswirelesscommunicationoneachmodule,reportingmorethanjustpanelvoltage,current
andtemperature.Additionalinformationisresidentsuchasmoduleserialnumberand
manufacturinginformation
Wirelesscommunicationalsoprovidesdiagnosticinformationformaintenance,andthroughradio
commandstheoutputcanbeturnedon/off

Page14of49
HERE’SHOWITWORKS:
EachsolarmodulewillhaveadedicatedAmptSPTdeviceconnectedtothemoduleoutputs.TheAmptSPTdevices
thenareconnectedinseriestoeachotherandwillmakeupa“string”ofmodules.Eachstringisthencombinedin
paralleltoconnectwiththebulkinverter(intoday’sconventionalarray).
WhensolarraysareabsorbedbythePVmodule,energyisproduced.TheSPTmaximizestheharvestableenergy
fromeachPVmodule,andconvertsittoausefuloutputthatisthendeliveredtothestring(regardlessofthe
environmentaloroperationalconditionsaffectingthatparticularpanel).Thestringsarethencombinedasanarray
anddeliveredtothebulkinverteratitspre‐determinedimpedancerequirement.Itisimportanttonotethatthe
conventionalbulkinverterdynamicallyissearchingforMPPT(maximumpowerpointtracking),andmaychangeits
impedancerequirementsevery4+seconds.TheAmptSPThoweverisadjustingitsMPPT8timespersecondto
againmaximizetheharvestableenergyproducedoneachPVmodule.
InconventionalPVinstallations(withouttheAmptSPT),withseriesconnectedmodules,oneweaklinkinastring
causessignificantenergyharvestdegradation,andwilllowertheproducedpowerproduced.Ifthereissufficient
obstructiontotheamountofsolarinsolationabsorbedbyasinglemodule(oroverseveralmodules),itispossible
thattheentirestringcollapses(electrically),andnetszeropoweroutput.
TheAmptSPTsolvesthisproblembymaximizingthepowerharvestateachmoduleregardlessoftheconditions,
andconvertsthattoaviableoutputtherebyeliminatingtheweakestlinkphenomenon.WithAmptSPT,evenalow
powerproducingmoduleisvaluable,andcontributestothenetpowergenerated.
Ofcourse,ifthemoduleisdamagedorobstructedtothepointwhereitsinternalcircuitcannotproducepower,
AmptSPTcannotcorrectthiscondition.Withthewirelesscommunicationlinkthough,theowneroperatorcan
identifythiscondition,andmakethenecessarycorrections.Inthemeantimethough,thebalanceofthestringis
stilloperationalandgeneratingasmuchpowerasrequiredbythebulkinverter.
EachSPTisaccessiblebyahostcomputerthroughawirelessAND“gateway”interface.Thisgatewayallowsthe
owner/operatortospeakspecificallytoeachSPT,andprovidesabi‐directionalwirelesscommunicationlinkwhich
isthevehicleforcommand/controlanddataacquisition.
TheANDGUI(graphicaluserinterface)isthenutilizedtoobservetheperformanceandcontroltheSPToperations.
ExamplesofthisGUIareshownbelow:

Page15of49
TheGUIhasalotofdatapresentedandwilllikelychangeforincreasedusability,butatpresentdemonstratesthe
kindofinteractionandreportingavailable.
Asyoucansee,eachmodule(andcorrespondingSPT)ismappedoutpertheirinstalledlocation.Note:eachSPTis
barcoded,andduringthefieldcommissioningprocess,abarcodescannercanbeutilizedtologicallymapoutthe
organizationofmodules.ItisalsopossiblethatthebarcodereadercaninterfacetotheSPTthroughaseparate
gateway,andtherebycontrolitson/offstateforfieldpersonnelsafety.
That’sit.Withasimpleinstallation,theAmptSPTproductsoperateimmediatelyandautomaticallyenhancethe
powergeneratedbythePVinstallation.Ongoingmonitoringandcommandcontrolfeaturesareavailabletothe
owneroperation,butregularinteractionisnotrequiredtogetmaximumpower.

Page16of49
THEORYOFOPERATION
SPTFUNDAMENTALS:
• TheSPTmoduleputsMPPwhereitbelongs,oneverypanel,andproducesthemaximumpowerthatis
availableregardlessofpanelcondition,andregardlessoftheremainderofthesystem.Ifthereispartial
shade,dirtorpanelimbalance,everypanelstillputsoutitsmaximumpower.
• TheSPTmodulereceivesthepowerfromthepanelatMPP.Itdeliversthepowertoanyimpedance
determinedbytheremainderofthestringandtheinverter.Thissolvestheproblemofhavingpanels(current
sources)inseriesbeinglimitedbytheweakestpanelinthestring.
• TheconventionalbulkpowerinvertermayimpressanyvoltageitwantsandbecausetheSPTisdeployedasa
localizedDC‐DCconverter,thepanelfieldwillsimplyoutputMPPfromeverypanel.Thisallowstheinverterto
operateatitshighestefficiencypoint.
• Goingforward,SPTbasedinstallationscanenablebetterbulkinverterdesignsthatdeliverhigherefficiency,
greaterreliability,smallerandlighterastheywouldnolongerberequiredtoincludeanMPPstage.
• OneofthemostsignificantelementsoftheSPTistheinherentwirelesscommunicationscapabilities,which
enablesinstantaneouscommunicationandcontrol.Theradioandubiquitouswirelessmeshnetworkformed
bySPTmoduleswillnotonlyreportpanelvoltage,currentandtemperature,butalsoprovideoperational
benefitsbytogglingthepaneloutputsonandoff.
• Otherinformationcouldalsoresidetheresuchasserialnumberandmanufacturinginformation.
• Thewirelessradiowillalsoprovidediagnosticinformationformaintenanceandtrendanalysisthusallowing
intelligentdecisionsonwhatrequiresserviceandwhen.
TheAmpt SPTisdesignedtomitigateirregularities
betweenthemodulesinanarrayandthebulk
inverter.Specifically,theSPTcanfixitsoutputto
matchtheoptimalinverterinputvoltageand
broadentheperformancerangeofconventional
PVmodules&invertercombinations.Byproviding
localizedDC‐DCconversionalongwithwireless
communication,theSPTenablesinstantaneous
controlandfeedbacktothesystemandthereby
maximizesenergyharvesting.

Page17of49
INTRODUCTIONTOLOGICMATRIX(SUMMARYVERSION)
Page18of49
VALUEPROPOSITIONLIST
Temperaturecoefficientpowerlosses‐TemperatureEffect/FillFactorManagement
Panelobstruction/shading(leaf/snow/haze/birdgifts)‐Dynamicstringadjustmenttocapitalizeon
unbalancedpanelproduction
Panelpowervariation(mismatch/aging/broken/defect)‐diverseutilizationandimbalancecorrection
Installedefficiency(placement/wiring/opens)‐MoreKWhr/KWproduction(12‐15%moreharvesting)
Bi‐polarbalancing‐+/‐operationsforAdvancedEnergyInverterapplications
VariableInverteroperatingalgorithmsandefficiency–deliversMPPTtoinverterhighestpointof
efficiency
Improvesstringsightingoptions(notsoPOAlimited)
Conventionalinverterlimitations‐Greatercompatibilitybetweenconventionalinvertersandallmodule
types(fromC‐SI,througha‐SI,CDTe,CIGSandfuturedesigns)
Realtimecommandandcontrol‐WirelessCommunicationsSystem&Diagnostics–nolongerrelianton
dispatchedanalysisanderrorcorrection
ImprovesSafety‐enablinginstantaneouson/offcyclingfortheentireSystem/atargetedString/or
individualPanelModule
EnablesSoftstartforsomeinvertertypes
TESTRESULTS
INTERNALTESTING
1. 90MhoursDemonstratedMTBF@40°Ccontinuous
Note:InitiallyAmptcalculatedMTBF,however,thedemonstratedperformanceisabetterindicator
ofarchitecturalperformance.
(MBTFof90Mhrsmeansafailurerateof0.01%PER25YEARS(warrantyperiod)assuming10hours
ofoperationperdayat40Cambient).
THIRDPARTYVALIDATION
1. Sandia
2. SWTDI(NMSU) ???
3. BEW ???
Testreportswillbemadeavailableuponrequest

Page19of49
SAFETYANDCONVENIENCEFEATURES
Currently,oneproblemfacinginstallersandmaintenanceprovidersofPVSystemsissafety.Sinceconventionally,
allpanelsareconnectedinseriesandinstallationandmaintenanceworkisdoneduringperiodsofirradiance,the
voltageacrossthepanelsmightreachdangerouslevelsexposingfieldpersonneltoarealdangerofelectrocution.
Amptprovidesa“convenience”modewhichsupportsan“on/off”modeofoperation.Thismodeofoperation
essentiallyenablesordisablestheSPToutputandcanfacilitatesysteminstaller/operatorsduringinstallation,
diagnostics,andmaintenancetasks.Itisimportanttorecognizethatthisisaelectricalcircuitlogicchangeandis
nottobeconfusedwithahardswitch.Thisconveniencefeatureisdesignedtoenhancetheprotectionofmodule
handlers,includingtheinstaller,maintenanceproviderandpotentiallyemergencypersonnel(ie.Fire
Department)."
FULLSYSTEMDIAGRAM
ENERGYVSPOWER
Energyisthecapacityofasystemtodowork.
Poweristherateofdoingwork.

Page20of49
LCOE

Page21of49
MAXIMUMPOWERPOINTTRACKING
Page22of49
GUI–GRAPHICALUSERINTERFACE&SOFTWAREUSERMANUAL
OVERVIEW
TheAmptsoftwareisawebbasedmanagementapplicationforviewingthereal‐timeperformanceand
managementofyoursolarinstallationatthearray,string,andmodulelevel.
INTRODUCTION:
TherearetwoviewsavailableformanagingyourSolarArray;summaryandstringview.TheSummaryview
providesanoverviewofthestateofthesolararray.ItincludescurrentDCenergyoutputinWatts,Volts,and
Amps,powerbystring,SPTstatus,andestimatedACPower.
TheStringviewprovidesdetailedinformationontheperformanceofeachSPT.Itprovidesperformance
informationatthestringlevel;DCenergyoutputinWatts,Volts,andAmps.Bothviewsautomaticallyrefresh
aboutevery15seconds.
DETAILS
SUMMARYVIEW
TheSummarypage(figure1)presentsinformationatthearraylevel.Thebuttonacrossthetop“Lock/Unlock
WholeStation”allowsyoutodisablecommandstothesystem.Thisisusefulasasafetyprecautionwhenservicing
thestation.Totherightisthetimetheinformationyourviewingwaslastupdated.Thisisbasedonyourlocal
computer’stime.Thestringsareorganizedaroundthephysicalandlogicallayoutascloselyaspossibleandlistthe
statusofthemodule,onoroff,andstatusoftheMaximizePowerPointfeature,MPP,onoroff.Clickingonthe
stringandmoduleareawilltakeyoutotheStringView.
Belowthestringandmoduleareaisabarchartshowingthepoweroutputforeachstringinthearray.Thepower
outputdetailsforthearrayareshownontherightedge;includingestimatedkWhours.Atthebottomisagraph
ofEnergy,powerandtemperature.Thescaleforthetemperatureislistedontherightedgeofthegraph.Youcan
positionyourmouseoverthelinestoseethetimeandvalueofthemeasurement.Thetimescaleofthegraphcan
bechangedusingthecontrolstotherightofthegraph.Youcanchangethetimeintervalaswellasgobackand
forwardtimeperiods.

Page23of49
FIGURE1
STRINGVIEW
SimilartotheSummaryview,thestringsareorganizedaroundthephysicalandlogicallayoutascloselyaspossible.
InStringviewthestatusofthemoduleisshownindetail.There’salegendonthenextpagethatcoversthe
meaningofdifferentbackgroundcolors.
MaxPower–MaximumpoweroutputfromSolarModulewithSPTTechnology
Vmp‐IN–VoltageoutputfromSPTModule
I‐Out–AmpsoutputfromSPTModule
V‐Out–SolarModulevoltageoutput
Temp–TemperatureinsidetheSPTModule
OverV–OverVoltagesettingforSPTModule
ModON–SPTModulestatus(on/off)
MppON–MaximizePowerPointTechnologystatus(on/off)
ID–UniqueidentifierfortheSPTModule

Page24of49
FIGURE2
TotherightofthestringlayoutisPoweroutputdetailsforeachstring;Power,Voltage,Current,andEnergy.There
aremultiplecontrolsonthefarrightedge.
SetOverV–SetOverVoltagelimitforalltheSPTModules.
ON–TurnstheSPTModuleonallowingcurrentandvoltagetopassthroughdevice.
OFF‐TurnstheSPTModuleoffblockingcurrentandvoltageoutput.
WARNING***Moduleisstillproducingvoltageandlookingforapathwaytoground.***
MPPON–EnabletheMaximizePowerPointfeatureoftheSPTModule
MPPOFF–DisabletheMaximizePowerPointfeatureoftheSPTModule
DownloadDbData–Downloadthedatathatiscurrentlybeingviewedinthegraphatthebottom.
GUILEGEND
TheSPTmodulebackgroundcolorvariesbasedonthepoweroutputofthemodule.

Page25of49
0to39.9W40to79.980to119.9W120To159.9WOver160W
AreddishbackgroundmeansSPTisnottalkingtothegatewayandfieldcomputer.
Ie.Nodataisbeingcapturedforthatmodule.
BrownindicatesthatamodulepositionisreservedGUIbutnoSPTinstalled.
DATABASEANDTRENDANALYSIS

Page26of49
COMPLETESYSTEMLAYOUTANDWIRINGDIAGRAM
COMMUNICATIONSYSTEMLAYOUT

Page27of49
DESIGNINGYOURSPTSYSTEMSOLUTION
Page28of49
ORDERINGINFORMATION–SAMPLESALESORDER

Page29of49

Page30of49
QUICKINSTALLGUIDE
Forthosewhoalreadyknowthebasicsandjustwanttogetgoing.
INSTALLATIONSEQUENCEOFEVENTS
1. Unpackingandinspection
2. Propersystemgroundingpriortoinstallation
3. Installationofthefieldcomputer
a. Mounting
b. ACPower
c. InternetconnectionviaEthernet
d. ConnectiontotheGateway
e. Connectiontoalaptop
4. SPTmountingandmechanical
a. Mountingchoices
i. Planeofarray
ii. Perpendiculartoplaneofarray
iii. Other
b. InstallingtheSPTtothebracket
c. Installingthebrackettothemountingstructure
i. Hardwareandtorques
ii. Grounding
d. Usingthehandhelddevicetorecordserialnumbers
5. HRDmountingandmechanical
6. Electricalconnectionsandcommunicationwithhandheld
a. ProperconnectionwithMCconnectors
b. ModuletoSPT
i. Establishingcontactwiththehandhelddevice
ii. TurningontheSPT
iii. Measuringmodulecharacteristics
iv. TurningofftheSPT
c. SPTtoSPTCabling
d. SPTtoHRDbox
e. Cablehandlingandsecuring
7. GraphicalUserInterface
UNPACKINGANDINSPECTION
CarefullyunpackandinspecteachSPT,HRDandcablefordamage.
Inspecteachfieldcomputerfordamage
InspecteachMCconnectorbeforemakinganyelectricalconnections.Properconnectorsshouldbeclean
andfreefromdamage.Insertpictureshere.

Page31of49
PROPERSYSTEMGROUNDING
INSTALLATIONOFTHEFIELDCOMPUTER
a. Mounting
b. ACPower
c. InternetconnectionviaEthernet
d. ConnectiontotheGateway
e. Connectiontoalaptop
SPTMOUNTINGANDMECHANICAL
MountandgroundrackingorsupportstructureperNECArticle690andmanufacturer’sinstructions.
EnsurethatsupportstructureisgroundedbeforemountingmodulesorSPTs
Planning
UseonlystainlesssteelfastenerstosecuretheSPTbrackettothemountingstructure
Chooseflatbracketsor“L”bracketsfortheinstallation.
InserttheSPTinthebracketbypushinguntilthepushpinholesalign
Installmountingpushpins
PlantomountSPTatleastoneinch(2.5cm)fromthebackofthemodulesurfacetoallowforadequate
coolingairflow.
PlantomountSPT,modulecables,andSPTconnectioncablinginalocationthatwillnotbesubjectto
physicaldamage,andwillnotbesubjecttosnoworotherdebrisslides.(reword)
Mountingintorailswith3/8or1/4slots

Page32of49
Ifmountingtoastructurewithrailslots,insert3/8or1/4inchhardwareintherailslotbeforemodulesor
“L”feetorstanchionsaresecured.EachSPTrequirestwobolts,twonuts,twoflatwashers,andtwolock
washers.Whizznutsarenotrecommendedasthegalvanizedcoatingofthebracketmaybecompromised.
Secureeachbracket,makingsurethateachlockwasherisfullycompressed.Torque3/8inchfastenersto
XXXinch‐poundsand1/4inchfastenerstoYYYinch‐pounds.
Mountingintorailsorbraceswithoutslots
Checkwithrackingormodulesupportmanufacturerforsuggestedmountingprocedure.
Checkwithalocalstructuralengineerand/ortherackingmanufacturerifanymodificationstothe
structure(ie.Drillingholes)
Usethebracketasaguideforanypre‐drilledholes.
Insert3/8or¼inchhardwareintherailslot.EachSPTrequirestwobolts,twonuts,twoflatwashers,and
twolockwashers.Whizznutsarenotrecommendedasthegalvanizedcoatingofthebracketmaybe
compromised.
Secureeachbracket,makingsurethateachlockwasherisfullycompressed.Torque3/8inchfastenersto
XXXinch‐poundsand¼inchfastenerstoYYYinch‐pounds.
HRDMountingandMechanical
Electricalconnectionsandcommunicationwithhandheld
Mountandgroundmodulepermodulemanufacturer’sinstructions.
ConnectthemoduleleadstotheSPT
InspectMCconnectorforwatertightseal
Establishcommunicationwiththehandheldunit.
PlaceSPTin“On”mode.

Page33of49
CheckmoduleVocfortemperatureandirradianceadjustedvaluefrommodulenameplatereading.
PlaceSPTin“Off”mode
RepeatfornextSPT’sinstring
ConnectSPT‐SPTcable.
SecuremoduleandSPT‐SPTcablestosupportstructureormoduleframewithUVratedwiretiesand/or
stainlesssteelclipsorstrainrelief
f. MounteachSPTaseachmoduleisinstalled.ModulesperformancemaybetestedwiththeSPTas
eachmoduleisinstalled.
g. ChoosetomounttheSPT’seitherparallel,perpendicular,orinafashionthattakesadvantageofthe
modulesupportstructure.TheSPTissuppliedwithaflatandan“L”shapedbracket.Bracketshave
3/8”and¼”pre‐drilledtotheplaneofthearray.
h.
i. Mountingchoices
i. Planeofarray
ii. Perpendiculartoplaneofarray
iii. Other
j. InstallingtheSPTtothebracket
k. Installingthebrackettothemountingstructure
i. Hardwareandtorques
ii. Grounding

Page34of49
SPTINSTALLATION
MECHANICALMOUNTINGSPTTOTHEPVMODULE
RACKINGSYSTEMS
MOUNTINGDIRECTLY
USINGFLATORLPLATE
WIRINGSPTTOTHEPVMODULE
COMPLETINGTHESTRINGWIRING
Page35of49
HRDINSTALLATION
MECHANICALMOUNTINGTHEHRD
WIRINGTHEHRD
COMPLETINGTHEHOMERUNWIRING
GATEWAYANDFIELDCOMPUTER
LOCATIONDETERMINATION
SYSTEMREQUIREMENTS
ACPOWER
INTERNETACCESS
MECHANICALMOUNTING
ELECTRICALWIRING
Page36of49
SPTSYSTEMCOMMISSIONING
MAPPINGYOURSYSTEM
USINGTHEHANDHELDFC
POWERUPANDDOWN
READINGTHEDISPLAY
TURNINGMODULESONANDOFF
RECORDINGSERIALNUMBERS
DOWNLOADINGDATA
POWERUPTHEFC
VERIFYGATEWAYOPERATION
TESTINGTHESIGNALSTRENGTHTOTHEGATEWAY
ACCESSINGTHEFCTHROUGHTHEINTERNET
SETTINGUPTHEGUI
DEFININGUSERSANDADMINISTRATIVEFUNCTIONS
CHOOSINGTHEUSERDEFINEDPARAMETERS
ALERTTHRESHOLDS
SCRIPTCHOICES
INSTALLATIONMODE
COMMERCIALOPERATIONMODE
RESIDENTIALOPERATIONMODE
UTILITYOPERATIONMODE
MAINTENANCEMODE
SUMMARYPAGE
MAPPINGOUTYOURARRAY
CROSSCHECKINGYOURMODULEPOSITIONS

Page37of49
SETTINGUPTHEDATABASE
OPERATINGINSTRUCTIONS
READINGTHEGUI

Page38of49
CONTROLFEATURES
NORMALOPERATION
WHATYOUSEE
HOWTOINTERPRET
HOWTOMODIFY
ACCESSINGTHEDATABASE
SORTINGTHEDATA
DEFININGUSERTEMPLATES
INTERPRETINGALERTMESSAGES
Page39of49
TROUBLESHOOTING
SPTOPERATIONALISSUES
GUIOPERATIONALISSUES

Page40of49
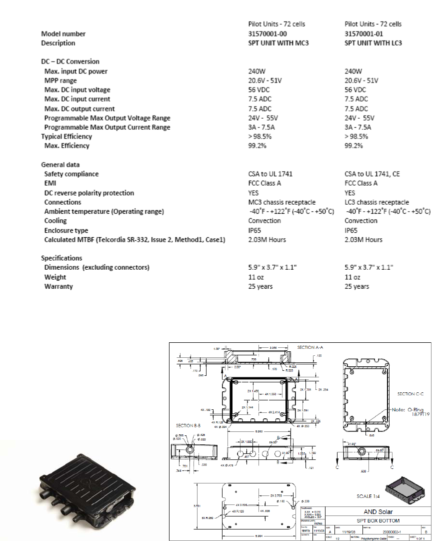
TECHNICALDATA
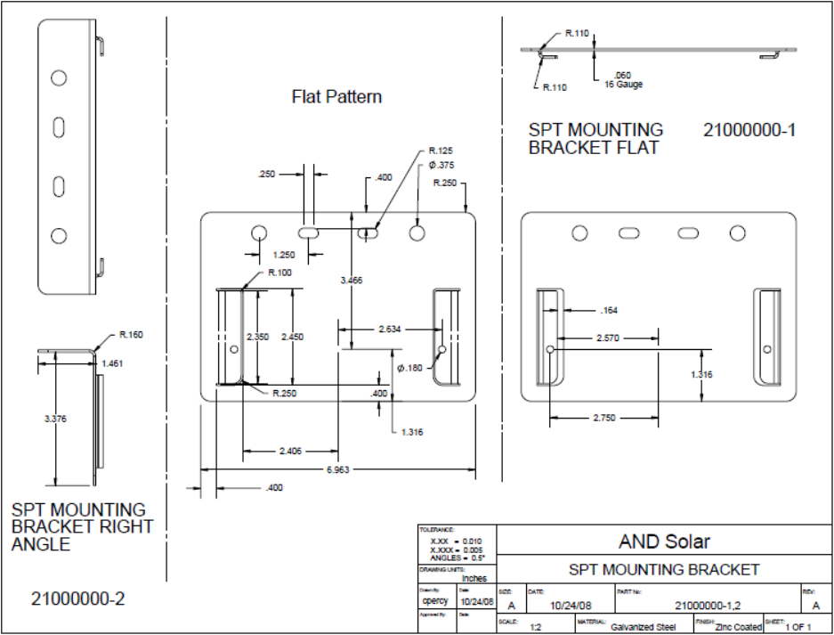
SPTSPECIFICATIONSSHEET
SPTPHOTO&MECHANICALDRAWING
Page41of49

Page42of49
HRDSPECIFICATIONSSHEET
HRDILLUSTRATION
HRDMECHANICALDRAWING

Page43of49
FCSPECIFICATIONSSHEET
ManufacturedbyDMPElectronicsInc
ModeleBox‐3300
CPUMSTIPDX‐600(1GHz)
MemoryOnboard256MBDDR2
GraphicsXGIZ9swith32MBDDR2
External15‐pinD‐typefemaleVGAconnector
EthernetIntegrated10/100MbpsLAN
Built‐inPXEdisklessbootfunction
2ndEthernetchipRealtekRTL8100B10/100
Base‐TEthernet(optional)
I/O44pinIDEx1
MicroSDx1
CFSlotx1
USBPortx3(2infront)
RJ‐45x1
PS/2x1Keyboard/Mouseshared
MiniPCISocketx1(optional)
RS232x2(optional)
AudioMicinandLineout
Power+5V@2A(10W)
Dimensions115x115x35mm
Weight505g

Page44of49
HANDHELDFCSPECIFICATIONSSHEET
ManufacturedbyMotorola
PhysicalCharacteristics
Dimensions:6in.Lx3.3in.Wx1.7inD(15.24cmLx8.4cmWx4.4cmD)
Weight(includingStandard1.5Xbattery:14.9oz./422g)
Display:Transflectivecolor640x4803.5”fullVGAwithbacklight
TouchPanel:Glassanalogresistivetouch
Backlight:LEDbacklight
MainBattery:RechargeableLithiumIon3.7V,3600mAhSmartBattery
ExpansionSlot:microSDslot(maximum2GB)
NetworkConnections:Ethernet(viacradle);full‐speedUSB,hostorclient
Notification:VibratorandLED
KeypadOptions:26‐keyNumeric;44‐keyQWERTY
Audio:Speaker,receiver,microphone,headsetjack
PerformanceCharacteristics
CPU:XScale™PXA270624MHzprocessor
OperatingSystem:Microsoft®WindowsMobile®6.0
Memory:128MBRAM;256MBFlash
Interface:RS‐232,USB1.1
UserEnvironment
OperatingTemperature:14°Fto122°F/‐10°Cto50°C
StorageTemperature:‐40°Fto140°F/‐40°Cto60°C(w/obattery)
Humidity:95%non‐condensing
DropSpecification:5ft.droptoconcrete,atambienttemperature73°F/23°C;
Sealing:IP54
IrDA:Integrated
Clock:Integratedrealtimeclock
Baselinefeatures:
EachHandHeldComputerwillbecapableofcommunicatingwiththeSPT/IJBandFieldComputer
throughouttheexpected20yearsinatypicalinstallationlifetime
WWANRadio:GSM:3GHSDPA;CDMA:EVDORevA
GPS:IntegratedAssisted‐GPS(A‐GPS)
WLANRadio:Tri‐modeIEEE®802.11a/b/g
ColorCameraResolution:2megapixel
Page45of49
ElectricalSafety:CertifiedtoUL/cUL60950‐1,IEC/EN60950‐1
FCCClassBEMICertified
Environmental:RoHS‐compliant
GUIPARAMETERSANDSYSTEMREQUIREMENTS
Page46of49
TECHNICALSUPPORT
BychoosinganAmptproduct,youhavealsochosencomprehensivetechnicalsupport&service.Inordertoattend
toyourneedsinasflexibleamanneraspossible,weofferyouthefollowingservices:
TheAmptTechnicalSupport&ServicePhoneHotline:970‐372‐6947
Replacementservice:970‐372‐6950
On‐siteservice:970‐372‐6950
Comprehensivewarrantyprogram
Withthisofferyouenjoyadefinitiveadvantage:Amptsupportsyoufromtheinitialplanningphaseonward–and,
ofcourse,duringtheentireoperatingtimeofthePVsystem.
InordertobetterassistyouwhencontactingAmpt,pleaseprovidethefollowinginformation.Thisinformationis
requiredforserviceassistance.
INFORMATIONREGARDINGTHESPT:
Serialnumber
ModelNumber
Shortdescriptionoftheproblem
BlinkingCodeordisplaymessage
WhaterrorcodeisindicatedviatheAmptGUI?
DClinevoltage
Canyoureproducethefailure?Ifyes,how?
Hasthisproblemoccurredinthepast?
Whatweretheambientconditionswhentheproblemoccurred?
INFORMATIONREGARDINGTHEPVMODULES:
• ManufacturernameandmodelnumberofthePVmodule
• Outputpowerofthemodule
• Opencircuitvoltage(Voc)ofthemodule
• Numberofmodulesineachstring
Page47of49
LIMITEDWARRANTY
TheAmptSPTiswarrantedagainstdefectsinworkmanshipandmaterialsforaperiodof1yearfromdateof
shipment,providedthattheproductremainsunmodifiedandisoperatedundernormalandproperconditions.
TheAmptSPT25yearoperationalwarrantycoversanyrepairorreplacementpartcostsincurredduringtheagreed
period,beginningonthedevice’spurchasedate,subjecttotheconditionslistedbelow.
WARRANTYCONDITIONS
IfanAmptSPTdevicebecomesdefectiveduringthe25yearAmptwarrantyperiod,oneofthefollowingservices,
asselectedbyAmpt,willbeperformedatnochargeformaterialsorlaborcosts:
RepairatAmpt,or
RepairOn‐Site,or
ExchangeforaReplacementDevice
Inthecaseofanexchange,theremainderofthewarrantyeligibilitywillbetransferredtothereplacementdevice.
Amptgenerallywillprovideanequivalentreplacementdevice,packagedappropriatelyfortransport,within48
hours.ThedefectivedeviceistobepackedinthistransportpackagingforreturntransporttoAmpt.
EXCLUSIONOFLIABILITY
Warrantyclaimsandliabilityfordirectorindirectdamageareexcludedifarisingfrom:
TransportDamage,
IncorrectInstallationorCommissioning,
failuretoObservetheMaintenanceRegulationsandIntervals,
Modifications,ChangesorAttemptedRepairs,
IncorrectUseorInappropriateOperation,
InsufficientVentilationoftheDevice
failuretoObservetheApplicableSafetyRegulations,
forceMajeure(e.g.lightning,overvoltage,storm,fire),or
CosmeticShortcomings(whichdonotinfluencethesupplyofenergy)
Further‐reachingoradditionalclaimsduetodirectorindirectdamage,includingclaimsforcompensationfor
damagesduetolossofprofitsorduetocostsarisingfromdisassemblyandmounting,areexcluded.
FORWARRANTYRETURNS&INSTALLERREPLACEMENT:
AmptwillcompensateinstallersforexpensesassociatedwithreplacingSPTproductsunderwarrantyperthe
followingregistrationandwarrantyprocess:
Page48of49
1.InstallermustcontactthetechnicalsupportteamatAmpttoregisterthesupportissueandseek
assistance.AmptTechnicalsupportwillprovidetroubleshootingassistanceandiscommittedtoresolving
theclaiminoneofthefollowingways;
a.Situationwillberesolvedtotheinstaller’ssatisfactionoverthephoneorviatheAmptwireless
communicationlinktotheSPT
b.AmptoroneoftheAmptcertifiedfieldservicetechnicianswillbedispatchedtothesitefor
additionaltroubleshootingandrepairoftheSPT
c.Amptwilldeterminethattheunitshouldbereplacedandwillprovidetheinstallerwithan
RMAnumbertoproceedwithwarrantyreplacementoftheunit
2.OncetheRMAnumberhasbeenissuedbyAmpt,therearetwooptions;
a.TheinstallercanuseanexistingunitfrominventorytoreplacethefailedSPT
or
b.Amptcansendoutanadvancereplacementunit
3.Ineithercase,thereplacedunitmustbereturnedtoAmptforissueconfirmation,rootcauseanalysis
andcorrectiveactionplanning
4.AnyexceptionstothisprocessmustbeapprovedinadvancebyanauthorizedAmptrepresentative
Page49of49
APPENDIX:
FAQ
INSTALLATIONMAPPING
WIRINGDIAGRAMS
ORDERINGSPAREORREPLACEMENTPARTS
RETURNPROCEDURES
WHITEPAPERS
1. RobustLargeScalePVSystemsHavingDistributedDC/DCConversion–ByRobertPorter
Propertransferfunctiontoachievestable,predictable,andreliableoperation
PRESENTATIONS