Amtran Technology Co LTRT5370-WL 802.11n, 2.4G 1T1R WIRELESS LAN USB MODULE User Manual

Amtran Technology Co Ltd 802.11n, 2.4G 1T1R WIRELESS LAN USB MODULE Users Manual

Users Manual

AmTRAN  WN4608R Specification                 Page 1/12                         2011/12/12   PRODUCT SPECIFICATION 802.11n, 2.4G 1T1R Wireless LAN USB Module    WN4608R Version 1.4       Author: Tracy Chang Editor: Tracy Chang Project Leader: Alfred But Approved by: Alfred But     Change History Revision Date  Author  Change List Version 1.0  2011/9/23  Tracy Chang  Preliminary Version 1.1  2011/10/7  Tracy Chang  Update Transmit Output Power Version 1.2  2011/10/17  Tracy Chang  Update Mechanical, Domain code, Frequency range, Transmit Output Power, Product picture, Power Consumption Version 1.3  2011/10/21  Tracy Chang  Update Transmit Mechanical Version 1.4  2011/11/29  Tracy Chang  Update FCC Warning Statement  * This document contains confidential proprietary information and is property of LTC. The contents of this document should not be disclosed to unauthorized persons without the written consent of LTC
AmTRAN  WN4608R Specification                 Page 2/12                         2011/12/12   CONTENT PRODUCT FEATURES ....................................................................................................................3PRODUCT SPECIFICATIONS........................................................................................................4MAIN CHIPSET .......................................................................................................................................4FUNCTIONAL SPECIFICATIONS ...............................................................................................................4PIN ASSIGNMENT............................................................................................................................5PCB ......................................................................................................................................................5LAYER STACK ........................................................................................................................................5MECHANICAL ..................................................................................................................................6MODULE................................................................................................................................................6SHIELDING CASE ....................................................................................................................................7PRODUCT PICTURE........................................................................................................................7CONNECTOR ....................................................................................................................................8BLOCK DIAGRAM...........................................................................................................................9EEPROM INFORMATION ..............................................................................................................9ENVIRONMENTAL..........................................................................................................................9OPERATING ............................................................................................................................................9STORAGE................................................................................................................................................9RELIABILITY REQUEST..............................................................................................................10FCC WARNING STATEMENT.....................................................................................................11
AmTRAN  WN4608R Specification                 Page 3/12                         2011/12/12  PRODUCT FEATURES   Operate at ISM frequency Band (2.4GHz)  IEEE Standards Support, 802.11b, 802.11g and 802.11n  The WN4608R is developed using single-chip designed by Ralink Technology Corporation  USB 2.0 support for date rates up to 12Mbps full speed and 480Mbps high speed  Enterprise level security supporting: WPA, WPA2, WEP 64/128  Support 1 transmission and 1 receiving, transmission rate can up to 150Mbps (Physical Rate) in downstream and upstream  Full feature software utility for easy configuration and management  RoHS compliance  Low Halogen compliance
AmTRAN  WN4608R Specification                 Page 4/12                         2011/12/12  PRODUCT SPECIFICATIONS MAIN CHIPSET MAC/ Baseband/ RF: Ralink RT5370 (Cu wire bounding) FUNCTIONAL SPECIFICATIONS WiFi Function Standard IEEE802.11b; IEEE 802.11g; IEEE 802.11n Bus Interface  Universal Serial Bus (USB2.0) Data Rate 802.11b: 11, 5.5, 2, 1 Mbps 802.11g: 54, 48, 36, 24, 18, 12, 9, 6 Mbps 802.11n: MCS 0 to 7 for HT20MHz MCS 0 to 7 for HT40MHz Media Access Control  CSMA/CA with ACK Modulation Techniques 802.11b: CCK, DQPSK, DBPSK 802.11g: 64QAM, 16QAM, QPSK, BPSK 802.11n: BPSK, QPSK, 16QAM, 64QAM Network Architecture  Ad-hoc mode (Peer-to-Peer) Infrastructure mode Operation Channel 2.4GHz 11: (Ch. 1-11) – United States 13: (Ch. 1-13) – Europe 14: (Ch. 1-14) – Japan Frequency Range  802.11bg 2.412 ~ 2.462 GHz Transmit Output Power – 1x1 (Tolerance: +-1.5dBm) High CTL Power  802.11b: 17 dBm@1Mbps 802.11g: 15 dBm@6Mbps 802.11n: 20MHz: 14 dBm@MCS0 40MHz: 12 dBm@MCS0  Low CTL Power  802.11b: 17 dBm@1Mbps 802.11g: 14 dBm@6Mbps 802.11n: 20MHz: 14 dBm@MCS0 40MHz: 10 dBm@MCS0  Receive Sensitivity 802.11b: -89 dBm@11 Mbps 802.11g: -74 dBm@54Mbps 802.11n: 20MHz
AmTRAN  WN4608R Specification                 Page 5/12                         2011/12/12  -73 dBm@MCS7 40MHz -69 dBm@MCS7 Security  WPA, WPA2, WPS, WEP 64/128, IEEE 802.11x, IEEE 802.11i Operating Voltage 3.3V ±10% I/O supply voltage OS Supported  Microsoft Windows XP/Vista/Win7 Power Consumption TX Mode: 243 mA RX Mode: 176 mA Standby Mode: 51 mA Antenna Type  Two Antenna Connectors  PIN ASSIGNMENT  PIN.  PIN DEFINE 1 WOW 2  BT_PRIORITY 3 BT_ACTING 4  WL_ACTING 5 GND 6  D+ 7 D- 8  3.3V 9 Reserved 10  GND  PCB  Immersion Gold plating Layer stack
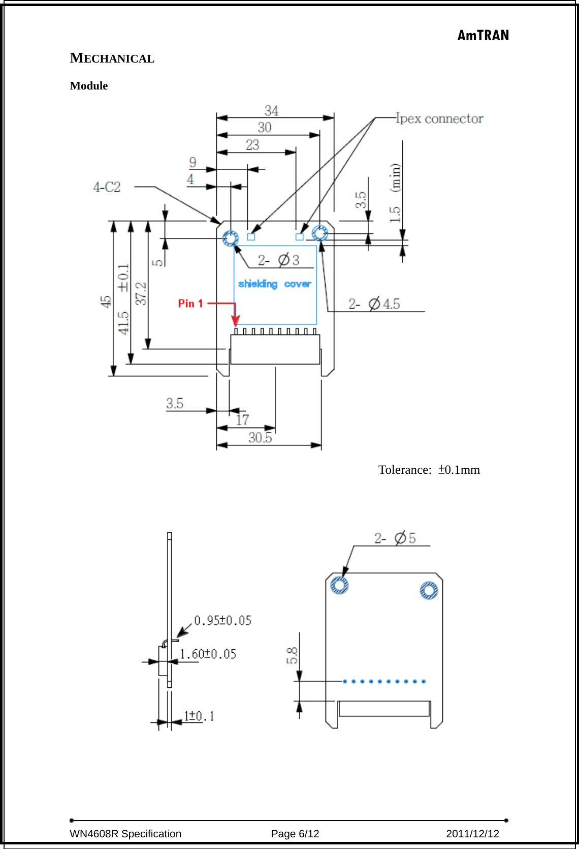
AmTRAN  WN4608R Specification                 Page 6/12                         2011/12/12  MECHANICAL  Module  Tolerance:  ±0.1mm
AmTRAN  WN4608R Specification                 Page 7/12                         2011/12/12  Shielding case   PRODUCT PICTURE  TOP BOTTOM
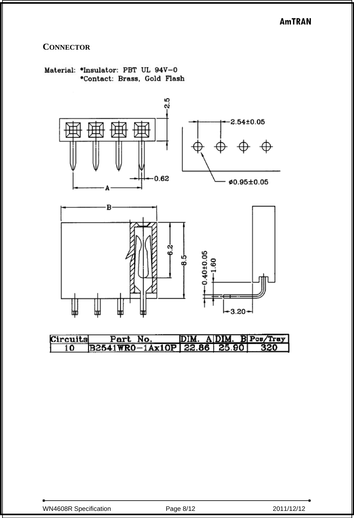
AmTRAN  WN4608R Specification                 Page 8/12                         2011/12/12   CONNECTOR
AmTRAN  WN4608R Specification                 Page 9/12                         2011/12/12   BLOCK DIAGRAM    EEPROM INFORMATION  US: Channel 1~11 Active Scan Reg Domain  Offset 0x38 for 5G: 0x00 Offset 0x39 for 2.4G: 0x00 Vendor ID  0x148F Product ID  0x5370  ENVIRONMENTAL Operating Operating Temperature:   0 to 75 °C (32 to 167 °F) Relevant Humidity:  5-90% (non-condensing) Storage Temperature:   -40 to 85 °C (-40 to 185 °F) Relevant Humidity:  5-95% (non-condensing)
AmTRAN  WN4608R Specification                 Page 10/12                         2011/12/12  RELIABILITY REQUEST
AmTRAN  WN4608R Specification                 Page 11/12                         2011/12/12   FCC WARNING STATEMENT  Class B:   FEDERAL COMMUNICATIONS COMMISSION INTERFERENCE STATEMENT  This equipment has been tested and found to comply with the limits for a Class B digital device, pursuant to part 15 of the FCC Rules. These limits are designed to provide reasonable protection against harmful interference in a residential installation. This equipment generates, uses and can radiate radio frequency energy and, if not installed and used in accordance with the instructions, may cause harmful interference to radio communications. However, there is no guarantee that interference will not occur in a particular installation. If this equipment does cause harmful interference to radio or television reception, which can be determined by turning the equipment off and on, the user is encouraged to try to correct the interference by one or more of the following measures: -Reorient or relocate the receiving antenna. -Increase the separation between the equipment and receiver. -Connect the equipment into an outlet on a circuit different from that to which the receiver is connected. -Consult the dealer or an experienced radio/ TV technician for help. CAUTION: Any changes or modifications not expressly approved by the grantee of this device could void the user's authority to operate the equipment.  Labeling requirements This device complies with Part 15 of the FCC Rules. Operation is subject to the following two conditions: (1) this device may not cause harmful interference, and (2) this device must accept any interference received, including interference that may cause undesired operation.  End Product Labeling This transmitter module is authorized only for use in device where the antenna may be installed such that 20cm may be maintained between the antenna and users. The final end product must be labeled in a visible area with the following: "Contains FCC ID: MDZLTRT5370-WL ”
AmTRAN  WN4608R Specification                 Page 12/12                         2011/12/12   RF exposure warning   This equipment must be installed and operated in accordance with provided instructions and the antenna(s) used for this transmitter must be installed to provide a separation distance of at least 20 cm from all persons and must not be co-located or operating in conjunction with any other antenna or transmitter. End-users and installers must be provide with antenna installation instructions and transmitter operating conditions for satisfying RF exposure compliance.  FCC NOTICE: To comply with FCC part 15 rules in the United States, the system must be professionally installed to ensure compliance with the Part 15 certification. It is the responsibility of the operator and professional installer to ensure that only certified systems are deployed in the United States. The use of the system in any other combination (such as co-located antennas transmitting the same information) is expressly forbidden.   Only the antennas listed below are allowed to be used with the EUT output power.  Antenna List No.  Manufacturer  Model No.  Peak Gain  NOTE 1  MAG.LAYERS MSA-3420-25GC4-A1-B160MM 2.37 dBi in 2.4GHz without metal reflector (High CTL Power)  2  MAG.LAYERS  MSA-3414-25GC4-A1-B160MM-RF  3.97 dBi in 2.4GHz  with metal reflector   (Low CTL Power)   NOTE:  1. There are two different EUT output power for with ground plane antenna and without ground plane antenna.   2. About Output power, please refer to present document page 4: Functional Specifications.

Navigation menu