Amtran Technology Co LTRT5370-WL 802.11n, 2.4G 1T1R WIRELESS LAN USB MODULE User Manual
Amtran Technology Co Ltd 802.11n, 2.4G 1T1R WIRELESS LAN USB MODULE Users Manual
Users Manual

AmTRAN
WN4608R Specification Page 1/12 2011/12/12
PRODUCT SPECIFICATION
802.11n, 2.4G 1T1R Wireless LAN USB Module
WN4608R
Version 1.4
Author: Tracy Chang
Editor: Tracy Chang
Project Leader: Alfred But
Approved by: Alfred But
Change History
Revision Date Author Change List
Version 1.0 2011/9/23 Tracy Chang Preliminary
Version 1.1 2011/10/7 Tracy Chang Update Transmit Output Power
Version 1.2 2011/10/17 Tracy Chang Update Mechanical, Domain code,
Frequency range, Transmit Output Power,
Product picture, Power Consumption
Version 1.3 2011/10/21 Tracy Chang Update Transmit Mechanical
Version 1.4 2011/11/29 Tracy Chang Update FCC Warning Statement
* This document contains confidential proprietary information and is property of LTC. The contents of
this document should not be disclosed to unauthorized persons without the written consent of LTC

AmTRAN
WN4608R Specification Page 2/12 2011/12/12
CONTENT
PRODUCT FEATURES ....................................................................................................................3
PRODUCT SPECIFICATIONS........................................................................................................4
MAIN CHIPSET .......................................................................................................................................4
FUNCTIONAL SPECIFICATIONS ...............................................................................................................4
PIN ASSIGNMENT............................................................................................................................5
PCB ......................................................................................................................................................5
LAYER STACK ........................................................................................................................................5
MECHANICAL ..................................................................................................................................6
MODULE................................................................................................................................................6
SHIELDING CASE ....................................................................................................................................7
PRODUCT PICTURE........................................................................................................................7
CONNECTOR ....................................................................................................................................8
BLOCK DIAGRAM...........................................................................................................................9
EEPROM INFORMATION ..............................................................................................................9
ENVIRONMENTAL..........................................................................................................................9
OPERATING ............................................................................................................................................9
STORAGE................................................................................................................................................9
RELIABILITY REQUEST..............................................................................................................10
FCC WARNING STATEMENT.....................................................................................................11

AmTRAN
WN4608R Specification Page 3/12 2011/12/12
PRODUCT FEATURES
Operate at ISM frequency Band (2.4GHz)
IEEE Standards Support, 802.11b, 802.11g and 802.11n
The WN4608R is developed using single-chip designed by Ralink Technology
Corporation
USB 2.0 support for date rates up to 12Mbps full speed and 480Mbps high speed
Enterprise level security supporting: WPA, WPA2, WEP 64/128
Support 1 transmission and 1 receiving, transmission rate can up to 150Mbps
(Physical Rate) in downstream and upstream
Full feature software utility for easy configuration and management
RoHS compliance
Low Halogen compliance

AmTRAN
WN4608R Specification Page 4/12 2011/12/12
PRODUCT SPECIFICATIONS
MAIN CHIPSET
MAC/ Baseband/ RF: Ralink RT5370 (Cu wire bounding)
FUNCTIONAL SPECIFICATIONS
WiFi Function
Standard IEEE802.11b; IEEE 802.11g; IEEE 802.11n
Bus Interface Universal Serial Bus (USB2.0)
Data Rate
802.11b:
11, 5.5, 2, 1 Mbps
802.11g:
54, 48, 36, 24, 18, 12, 9, 6 Mbps
802.11n:
MCS 0 to 7 for HT20MHz
MCS 0 to 7 for HT40MHz
Media Access Control CSMA/CA with ACK
Modulation Techniques
802.11b:
CCK, DQPSK, DBPSK
802.11g:
64QAM, 16QAM, QPSK, BPSK
802.11n:
BPSK, QPSK, 16QAM, 64QAM
Network Architecture Ad-hoc mode (Peer-to-Peer)
Infrastructure mode
Operation Channel
2.4GHz
11: (Ch. 1-11) – United States
13: (Ch. 1-13) – Europe
14: (Ch. 1-14) – Japan
Frequency Range 802.11bg
2.412 ~ 2.462 GHz
Transmit Output Power –
1x1
(Tolerance: +-1.5dBm)
High CTL Power
802.11b: 17 dBm@1Mbps
802.11g: 15 dBm@6Mbps
802.11n: 20MHz: 14 dBm@MCS0
40MHz: 12 dBm@MCS0
Low CTL Power
802.11b: 17 dBm@1Mbps
802.11g: 14 dBm@6Mbps
802.11n: 20MHz: 14 dBm@MCS0
40MHz: 10 dBm@MCS0
Receive Sensitivity
802.11b:
-89 dBm@11 Mbps
802.11g:
-74 dBm@54Mbps
802.11n:
20MHz

AmTRAN
WN4608R Specification Page 5/12 2011/12/12
-73 dBm@MCS7
40MHz
-69 dBm@MCS7
Security WPA, WPA2, WPS, WEP 64/128, IEEE 802.11x, IEEE
802.11i
Operating Voltage 3.3V ±10% I/O supply voltage
OS Supported Microsoft Windows XP/Vista/Win7
Power Consumption
TX Mode:
243 mA
RX Mode:
176 mA
Standby Mode:
51 mA
Antenna Type Two Antenna Connectors
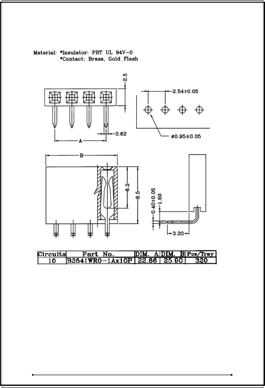
PIN ASSIGNMENT
PIN. PIN DEFINE
1 WOW
2 BT_PRIORITY
3 BT_ACTING
4 WL_ACTING
5 GND
6 D+
7 D-
8 3.3V
9 Reserved
10 GND
PCB
Immersion Gold plating
Layer stack

AmTRAN
WN4608R Specification Page 6/12 2011/12/12
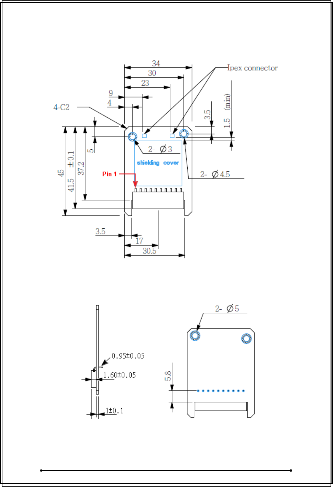
MECHANICAL
Module
Tolerance: ±0.1mm

AmTRAN
WN4608R Specification Page 7/12 2011/12/12
Shielding case
PRODUCT PICTURE
TOP BOTTOM

AmTRAN
WN4608R Specification Page 8/12 2011/12/12
CONNECTOR

AmTRAN
WN4608R Specification Page 9/12 2011/12/12
BLOCK DIAGRAM
EEPROM INFORMATION
US: Channel 1~11 Active Scan
Reg Domain Offset 0x38 for 5G: 0x00
Offset 0x39 for 2.4G: 0x00
Vendor ID 0x148F
Product ID 0x5370
ENVIRONMENTAL
Operating
Operating Temperature: 0 to 75 °C (32 to 167 °F)
Relevant Humidity: 5-90% (non-condensing)
Storage
Temperature: -40 to 85 °C (-40 to 185 °F)
Relevant Humidity: 5-95% (non-condensing)

AmTRAN
WN4608R Specification Page 10/12 2011/12/12
RELIABILITY REQUEST

AmTRAN
WN4608R Specification Page 11/12 2011/12/12
FCC WARNING STATEMENT
Class B:
FEDERAL COMMUNICATIONS COMMISSION INTERFERENCE STATEMENT
This equipment has been tested and found to comply with the limits for a Class B
digital device, pursuant to part 15 of the FCC Rules. These limits are designed to
provide reasonable protection against harmful interference in a residential
installation. This equipment generates, uses and can radiate radio frequency
energy and, if not installed and used in accordance with the instructions, may
cause harmful interference to radio communications. However, there is no
guarantee that interference will not occur in a particular installation. If this
equipment does cause harmful interference to radio or television reception, which
can be determined by turning the equipment off and on, the user is encouraged to
try to correct the interference by one or more of the following measures:
-Reorient or relocate the receiving antenna.
-Increase the separation between the equipment and receiver.
-Connect the equipment into an outlet on a circuit different from that to which the receiver
is connected.
-Consult the dealer or an experienced radio/ TV technician for help.
CAUTION:
Any changes or modifications not expressly approved by the grantee of this device
could void the user's authority to operate the equipment.
Labeling requirements
This device complies with Part 15 of the FCC Rules. Operation is
subject to the following two conditions: (1) this device may not cause
harmful interference, and (2) this device must accept any interference
received, including interference that may cause undesired operation.
End Product Labeling
This transmitter module is authorized only for use in device where the antenna may
be installed such that 20cm may be maintained between the antenna and users. The
final end product must be labeled in a visible area with the following: "Contains FCC
ID: MDZLTRT5370-WL ”

AmTRAN
WN4608R Specification Page 12/12 2011/12/12
RF exposure warning
This equipment must be installed and operated in accordance with provided
instructions and the antenna(s) used for this transmitter must be installed to
provide a separation distance of at least 20 cm from all persons and must not
be co-located or operating in conjunction with any other antenna or transmitter.
End-users and installers must be provide with antenna installation instructions
and transmitter operating conditions for satisfying RF exposure compliance.
FCC NOTICE: To comply with FCC part 15 rules in the United States, the system
must be professionally installed to ensure compliance with the Part 15 certification. It
is the responsibility of the operator and professional installer to ensure that only
certified systems are deployed in the United States. The use of the system in any
other combination (such as co-located antennas transmitting the same information) is
expressly forbidden.
Only the antennas listed below are allowed to be used with the EUT output power.
Antenna List
No. Manufacturer Model No. Peak Gain NOTE
1 MAG.LAYERS MSA-3420-25GC4-A1
-B160MM 2.37 dBi in 2.4GHz without metal reflector
(High CTL Power)
2 MAG.LAYERS MSA-3414-25GC4-A1
-B160MM-RF 3.97 dBi in 2.4GHz with metal reflector
(Low CTL Power)
NOTE:
1. There are two different EUT output power for with ground plane antenna and
without ground plane antenna.
2. About Output power, please refer to present document page 4: Functional Specifications.