Analog Devices M1030 Vehicle Sensor Antenna & Parking Meter Antenna User Manual Datasheet
Dust Networks, Inc. Vehicle Sensor Antenna & Parking Meter Antenna Datasheet
Contents
- 1. users guide
- 2. User Manual
- 3. Users Manual
Users Manual

M1030-2 MOTE DATASHEET DUST NETWORKS™
CONFIDENTIAL
Product Description
The SmartMesh-XT™ M1030-2 embedded wireless mote uses Time Synchronized Mesh Protocol (TSMP) to enable low-
power wireless sensors and actuators with highly reliable wireless mesh networking. The M1030-2 is tailored for use in
battery- and line-powered wireless devices for applications that demand proven performance, scalability, and reliability.
The M1030-2 uses a 900 MHz radio to achieve more than 200-meter communication distance outdoors, while consuming
down to 30 μA in a typical network deployment. The combination of extremely high reliability and low power consumption
enables applications that require very low installation cost and low-maintenance, long-term deployments.
The standard serial and discrete input/output interfaces of the M1030-2 give it flexibility to be used in a wide variety of
different applications, from industrial process control to security, to lighting. When integrated into a product, the M1030-2 acts
like a network interface card (NIC)—it takes a data packet and makes sure that it successfully traverses the network. By
isolating the wireless mesh networking protocols from the user, the M1030-2 simplifies the development process and reduces
development risk.
Key Features
Reliable Networking
•Uses Time Synchronized Mesh Protocol (TSMP) for
high reliability (>99.9% typical network reliability)
•Frequency hopping for interference rejection
•Mesh networking for built-in redundancy
•Every M1030-2 acts as both an endpoint and a router,
increasing network reliability: “mesh-to-the-edge™”
•Automatic self-organizing mesh is built in
Low Power Consumption
•Ultra-low power components for long battery life
•Network-wide coordination for efficient power usage
•Down to 30 μA typical power consumption
Efficient Radio
•2.5 mW (+4 dBm) RF output power
•–88 dBm receiver sensitivity
•Outdoor range >200 m typical
Predictable Integration
•Standard High-level Data Link Control (HDLC) serial
interface with flow control in the receive direction
•Discrete analog inputs and digital I/O for continuous or
event-based monitoring
•FCC modular certification
•Industrial temperature range –40 °C to +85 °C
•Supports socket or solder assembly
•Rugged design for Class I Division I environments
900 MHz Wireless Analo
g/
Di
g
ital
/
Serial Mot
e
M1030-2

2DUST NETWORKS™M1030-2 MOTE DATASHEET
Contents
1.0 Absolute Maximum Ratings ....................................................................................4
2.0 Normal Operating Conditions .................................................................................4
3.0 Electrical Specifications..........................................................................................5
3.1 Application Circuit .............................................................................................6
4.0 Radio......................................................................................................................7
4.1 Detailed Radio Specifications...............................................................................7
4.2 Antenna Specifications.......................................................................................7
5.0 Pinout.....................................................................................................................8
6.0 Mote Boot Up..........................................................................................................9
6.1 Power-on Sequence...........................................................................................9
6.2 Inrush Current..................................................................................................9
6.3 Serial Interface Boot Up................................................................................... 10
7.0 Interfaces............................................................................................................. 10
7.1 Status LED Signal............................................................................................ 10
7.2 Discrete Input/Output (I/O).............................................................................. 10
7.3 Deep Sleep..................................................................................................... 11
7.4 Serial Interface............................................................................................... 11
7.4.1 Serial Flow Control ................................................................................ 11
7.4.1.1 Serial Port................................................................................ 11
7.4.1.2 Serial Interface Timing Requirements .......................................... 12
7.4.2 Mote Command Data Types .................................................................... 13
7.4.3 Mote Commands ................................................................................... 13
7.4.3.1 Command 0x80 Serial Payload Sent to Mote Serial........................ 14
7.4.3.2 Command 0x81 Unacknowledged Serial Payload
Received from Mote Serial.......................................................... 14
7.4.3.3 Command 0x82 Acknowledged Serial Payload
Received from Mote Serial.......................................................... 14
7.4.3.4 Command 0x84 Time/State Packet.............................................. 14
7.4.3.5 Commands 0x87 and 0x88 Set Parameter Request/Response.......... 15
7.4.3.6 Commands 0x89 and 0x8A Get Parameter Request/Response ......... 15
7.4.3.7 Command 0x8C Mote Information............................................... 16
7.4.3.8 Command 0x8D Reset Mote ....................................................... 16
7.4.4 Mote Get/Set Command Parameters ........................................................ 16
7.4.4.1 Error Codes.............................................................................. 17
7.4.4.2 Parameter Type 0x01 Network ID................................................ 17
7.4.4.3 Parameter Type 0x02 Mote State ................................................ 18
7.4.4.4 Parameter Type 0x03 Frame Length ............................................ 19
7.4.4.5 Parameter Type 0x04 Join Key.................................................... 20
7.4.4.6 Parameter Type 0x05 Time/State ................................................ 20
7.4.4.7 Parameter Type 0x07 Mote information........................................ 21
7.4.5 HDLC Packet Processing Examples........................................................... 22
8.0 Packaging Description..........................................................................................24
8.1 Mechanical Drawings........................................................................................ 24
8.2 Soldering Information ...................................................................................... 25
9.0 Regulatory and Standards Compliance .................................................................25
9.1 FCC Compliance.............................................................................................. 25
9.1.1 FCC Testing .......................................................................................... 25
9.1.2 FCC-approved Antennae......................................................................... 26
9.1.3 OEM Labeling Requirements.................................................................... 26
9.2 IC Compliance ................................................................................................ 26
9.2.1 IC Testing............................................................................................. 26
9.2.2 IC-approved Antennae ........................................................................... 26

-
M1030-2 MOTE DATASHEET DUST NETWORKS™3
9.2.3 OEM Labeling Requirements ....................................................................26
9.3 Industrial Environment Operation.......................................................................26
10.0 Ordering Information............................................................................................27

Absolute Maximum Ratings
4DUST NETWORKS™M1030-2 MOTE DATASHEET
CONFIDENTIAL
1.0 Absolute Maximum Ratings
The absolute maximum ratings shown below should under no circumstances be violated. Permanent damage to the device may
be caused by exceeding one or more of these parameters.
The M1030-2 can withstand an electrostatic discharge of up to 2 kV Human Body Model (HBM) or 200 V
Machine Model (MM) applied to any header pin, except the antenna connector. The antenna input can withstand a
discharge of 50 V.
2.0 Normal Operating Conditions
Unless otherwise noted, Table 3 assumes Vcc is 3.0 V.
Table 1 Absolute Maximum Ratings
Parameter Min Typ Max Units Comments
Supply voltage (Vcc to GND) –0.3 3.6 V
Voltage on digital I/O pin –0.3 VCC + 0.3
up to 3.6
V
Input RF level 10 dBm Input power at antenna
connector
Storage temperature range –45 +85 °C
Lead temperature +230 °CFor 10 seconds
VSWR of antenna 3:1
* All voltages are referenced to GND
Table 2 Normal Operating Conditions
Parameter Min Typ Max Units Comments
Operational supply voltage range
(between Vcc and GND)
2.7 3.3 VIncluding noise and load
regulation
Voltage on analog input pins 01.5 V
Voltage supply noise 10 mVp-p 50 Hz–2 GHz
Peak current 40
18
mA
mA
Tx, 14 ms maximum
Rx, searching for
network, 60 minutes,
maximum
Average current 30 μAAssuming 80-byte
packets, 1 per minute,
data only mote, 3 V,
25 °C
Storage and operating temperatures –40 +85 °C
Maximum allowed temperature ramp 8°C/min –40 °C to +85 °C
Table 3 Current Consumption
Parameter Min Typ Max Units Comments
Transmit 28 40 mA
Receive 14 18 mA
Sleep 818 μA

Electrical Specifications
M1030-2 MOTE DATASHEET DUST NETWORKS™5
CONFIDENTIAL
3.0 Electrical Specifications
.
Unless otherwise noted, Vcc is 3.0 V and temperature is –40 °C to +85 °C.
.
Table 4 Device Load
Parameter Min Typ Max Units Comments
Input capacitance (clamped) 24.2 μF
Input capacitance (unclamped) 15.1 μF
Table 5 Digital I/O
Digital signal Min Typ Max Units Comments
VIH (logical high input) 0.8 x Vcc Vcc Vcc + 0.3 V
VIL (logical low input) GND – 0.3 GND GND + 0.6 V
VOH (logical high output) 0.7 x Vcc Vcc Vcc V
VOL (logical low output) GND GND 0.25 x Vcc V
Digital current*
Output source (single pin) 0.6 mA VOH = 2.3 V, 25 °C
Output sink (single pin) 0.6 mA VOL = 0.5 V, 25 °C
Input leakage current 50 nA
* This current level guarantees that the output voltage meets VOL of 0.25 x Vcc and VOH of 0.7 x Vcc.
Table 6 Analog Inputs
Analog Signal Min Typ Max Units Comments
Vref
Source current 1mA
Output level 1.44 1.5 1.56 V
Analog input
Input impedance 2kΩ
Input capacitance* 40 pF
Input voltage 0Vref V
* In order to ensure that the input capacitance can charge quickly enough to get an accurate reading, the total input
impedance, including source, should be less than 75 kΩ.

Electrical Specifications
6DUST NETWORKS™M1030-2 MOTE DATASHEET
CONFIDENTIAL
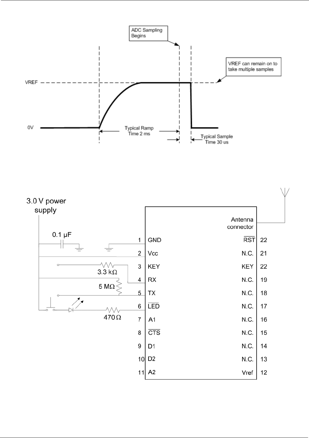
The voltage reference source Vref is powered on before taking analog readings and complies with the timing diagram below.
Figure 1 Vref Timing Diagram
3.1 Application Circuit
The following schematic shows how the M1030-2 mote can be used in a circuit.
Figure 2 M1030-2 Mote in Application Circuit

Radio
M1030-2 MOTE DATASHEET DUST NETWORKS™7
CONFIDENTIAL
4.0 Radio
4.1 Detailed Radio Specifications
4.2 Antenna Specifications
A MMCX-compatible male connector is provided on board for the antenna connection. The antenna must meet specifications
in Table 8. For a list of FCC-approved antennae see 9.1.2.
When the mote is placed inside an enclosure, the antenna should be mounted such that the radiating portion of the antenna
protrudes from the enclosure. The antenna should be connected using a MMCX connector on a coaxial cable. For optimum
performance, allow the antenna to be positioned vertically when installed.
Table 7 Radio Specifications
Parameter Min Typ Max Units Comments
Operating frequency 902 928 MHz
Number of channels 50
Channel separation 470 kHz
Channel bandwidth 170 kHz At –20 dBc
Modulation Binary FSK (NRZ)
Raw data rate 76.8 kbps
Receiver sensitivity
At 25 °C, –40 °C
At 85 °C
–85
–83
–88 dBm
dBm
At 10-3 BER, Vcc = 3 V
Output power (conducted)
At 25 °C, –40 °C
At 85 °C
+3
+1
+4 +7
+7
dBm
dBm
Vcc = 3 V
Range*
Indoor
Outdoor
80
200
m
m
25 °C, 50% RH, 1 meter
above ground, +2 dBi
omni-directional antenna
* Actual RF range performance is subject to a number of installation-specific variables including, but not restricted to ambient
temperature, relative humidity, presence of active interference sources, line-of-sight obstacles, near-presence of objects
(for example, trees, walls, signage, and so on) that may induce multipath fading. As a result, actual performance varies for
each instance.
Table 8 Antenna Specifications
Parameter Value
Frequency range 902-928 MHz
Impedance 50 Ω
Gain +6 dBi maximum
Pattern Omni-directional
Maximum VSWR 3:1
Connector MMCX*
* The M1030-2 can accommodate the following RF mating connectors:
•MMCX straight connector such as Johnson 135-3402-001, or equivalent
•MMCX right angle connector such as Tyco 1408149-1, or equivalent

Pinout
8DUST NETWORKS™M1030-2 MOTE DATASHEET
CONFIDENTIAL
5.0 Pinout
The M1030-2 has two 11-pin Samtec MTMM-111-04-S-S-175-3 (or equivalent) connectors on the bottom side for handling all
of the I/O. The third pin in each of the connectors is not populated, and serves as a key for alignment. The connectors are
mounted on opposite edges of the long axis of the M1030-2.
The M1030-2 serial interface (serial protocol is specified in 7.4.1) provides flow control in the receive direction only.
The RST input pin is internally pulled up, and is optional. When driven active low, the mote is hardware reset until the signal
is deasserted. Refer to section 6.1 for timing requirements on the RST pin. Note that the mote may also be reset using the mote
serial command (see section 7.4.3.8 ).
Table 9 M1030-2 Pin Functions
Pin
Number Name Mote I/O
Direction Internal Pull Up/
Down
1GND In None
2VCC In None
3KEY (no pin) -None
4RX In None
5TX Out None
6LED Out None
7A1 In None
8CTS Out None
9D1 Out None
10 D2 In None
11 A2 In None
12 VRef Out None
13 No Connection -None
14 No Connection -None
15 No Connection -None
16 No Connection -None
17 No Connection -None
18 No Connection -None
19 No Connection -None
20 KEY (no pin) -None
21 No Connection -None
22 RST In 100 kΩ pull up
Figure 3 M1030-2 Package with Pin Labels

Mote Boot Up
M1030-2 MOTE DATASHEET DUST NETWORKS™9
CONFIDENTIAL
6.0 Mote Boot Up
6.1 Power-on Sequence
The M1030-2 mote has internal power on reset circuits that ensure that the mote will properly boot. However, for the power on
reset circuitry to function properly the external power supply must meet the timing shown in Figure 4 and specified in
Table 10.
Figure 4 External Power Supply Timing Requirements
The following reset sequence (shown in Figure 5 and specified in Table 10) is required for external power supplies that fail to
meet the requirements above.
Figure 5 Power-on Sequence
6.2 Inrush Current
During power on, the mote can be modeled as a lumped impedance of 1 Ω and 27 μF, as shown in Figure 6. With a source
impedance (Rsrc) of 1 Ω, the inrush current on the mote appears as shown in Figure 7.
Figure 6 M1030 Equivalent Series RC Circuit
Table 10 Power-on Sequence
Parameter Min Typ Max Units Comments
TVcc2RST 10 ms
TVccRv1v2 485 μs

Interfaces
10 DUST NETWORKS™M1030-2 MOTE DATASHEET
CONFIDENTIAL
Figure 7 Vcc Inrush Current
6.3 Serial Interface Boot Up
Upon mote power up, the CTS line is high (inactive). The mote serial interface boots within boot_delay (see Table 13) of the
mote powering up, at which time the mote transmits an HDLC Mote Information packet, as described in section 7.4.3.7.
Once the mote has established wireless network connection, it uses the CTS pin to signify availability to accept serial packets
for wireless transmission. At certain critical times during communication, the mote may bring CTS high. CTS remains high if
the mote does not have enough buffer space to accept another packet. It also remains high if the mote is not part of the
network. Sensor processors must check that the CTS pin is low before initiating each serial packet for wireless transmission.
Note that the mote may receive local serial packets at any time regardless of the CTS state.
7.0 Interfaces
7.1 Status LED Signal
The M1030-2 provides an output that can be used to drive a status LED. This signal indicates network connectivity
information which is useful during mote installation. Alternatively, the mote’s network status may be polled via serial using
the Get Parameter request (see 7.4.3.6) with the mote state parameter (see 7.4.4.3). See Figure 2 for an example application
circuit.
7.2 Discrete Input/Output (I/O)
The M1030-2 has the ability to perform discrete sensor sampling and digital output actuating.
The M1030-2 has two analog inputs (A1, A2), one digital input (D2), one digital output (D1), and a voltage reference (Vref)
output to allow for ratiometric sensors. Refer to section 3.0 for electrical specifications.
The mote buffers individual sensor readings and may perform the following functions:
•Concatenate individual readings into a report and send it into the network
•Summarize the readings into a report and send a it into the network
•Compare readings against threshold values and send a report into the network only if a limit is violated (event-based
monitoring)
•Compare readings against threshold values and locally actuate the digital output
Table 11 Status LED
LED Signal Behavior Mote State
High Off, or in sleep mode
Slow single blink (100 ms low, 900 ms high) On, and searching for potential network
Single blink (100 ms low, 400 ms high) On, and attempting to join network
Double blink (100 ms low, 100 ms high, 100 ms low, 700 ms
high)
On, connected to network, attempting to establish redundant
links
Low On, fully configured into network with redundant parents

Interfaces
M1030-2 MOTE DATASHEET DUST NETWORKS™11
CONFIDENTIAL
The TSMP 1.0 compliant wireless interface allows a remote monitoring/control application to configure the parameters (such
as sample rate, report rate, and thresholds), receive sensor data and to actuate the digital output. For details on integration with
remote applications, please refer to a Dust SmartMesh-XT Manager datasheet.
Figure 8 Discrete I/O
7.3 Deep Sleep
When the device is powered, the mote has the capability to go into deep sleep, which puts the mote into a non-functional,
lowest-power consumption state with current draw on the order of a few microamps. Deep sleep is ideal when the mote is
connected to its power source (power cannot be externally disconnected from the mote), but must be stored for extended
periods . To put a mote into deep sleep, assert RST active low while shorting the serial TX and RX pins. To wake a mote out of
deep sleep, simply assert RST active low with TX and RX no longer shorted.
The deep sleep detection algorithm relies upon actively driving a signal on the RX port and monitoring the TX port. To prevent
signal contention on the RX port of the mote, it is recommended that a 3.3 kΩ resistor be placed in series, with the output of
the signal driving into the RX port unless the microprocessor (see Figure 9) is inactive on this port for the first 23 ms following
the negation of reset. To prevent unintentional detection of deep sleep, all systems incorporating the mote should place a 5 MΩ
pull-up resistor on the TX port of the mote. See the application circuit in Figure 2.
7.4 Serial Interface
The M1030-2 offers a well-defined serial interface that is optimized for low-powered embedded applications. This serial
interface offers a serial port comprised of the data pins (TX, RX) as well as the flow control pin, CTS. Through this port, the
M1030-2 provides a means of transmitting and receiving serial data through the wireless network, as well as a command
interface which provides synchronized time stamping, local configuration and diagnostics.
The following sections detail the Serial Interface Protocol, the Mote Command Interface, and the timestamping capability of
the M1030-2 serial interface.
7.4.1 Serial Flow Control
The Serial Interface Protocol provides for flow control of packets flowing into the M1030-2 serial interface. Packet delineation
and error control are handled separately.
7.4.1.1 Serial Port
The three-pin serial port is comprised of the data pins (TX, RX) as well as the CTS flow control pin used to prevent the
microprocessor from overflowing the mote. This port supports 4800 bps operation. The CTS signal is active low.
Table 12 Serial Parameters
Parameter Value
Bit rate 4800
Stop bit 1
Data bits 8
Parity None

Interfaces
12 DUST NETWORKS™M1030-2 MOTE DATASHEET
CONFIDENTIAL
The following diagram illustrates the pins used in the handshaking protocol:
Figure 9 Diagram of Pins Used in Handshaking Protocol
7.4.1.2 Serial Interface Timing Requirements
The following diagram shows interpacket timing.
Figure 10 Serial Interpacket Timing Diagram
Timout (T1) is the interpacket_delay for communications into the mote, and is defined as the minimum time after the mote
receives the last byte of a packet before it can start receiving the next packet (see Table 13 for values).
Table 13 Timing Values
Variable Meaning Min Max Unit
diag_ack_timeout The mote responds to all requests within this time. 125 ms
boot_delay The time between mote power up and serial interface
availability. 250 ms
interpacket_delay The sender of an HDLC packet must wait at least this amount
of time before sending another packet. 20 ms

Interfaces
M1030-2 MOTE DATASHEET DUST NETWORKS™13
CONFIDENTIAL
7.4.2 Mote Command Data Types
Table 14 defines the command data types used in the commands.
7.4.3 Mote Commands
The mote command interface provides a way to send and receive network packets, access local configuration and diagnostics,
and receive time stamps. All packets between the microprocessor and the mote are encapsulated in the HDLC format
(RFC 1662) and have the following structure (see Figure 11).
Figure 11 HDLC Packet Structure
The command type indicates which API message is contained in the message content. The message content for each command
type is described within the following sections.
FCS is calculated based on 16-bit FCS computation method (RFC 1662). The mote checks the FCS and drops packets that
have FCS errors. There is no mechanism for the mote to tell the microprocessor that a packet has been discarded, so the
applications layer must implement reliable delivery, if desired. All numerical fields in a packet are in big endian order (MSB
first), unless otherwise noted. Section 7.4.5 provides an example of HDLC packet construction and HDLC packet decoding.
Table 15 provides a summary of mote commands, which are described in detail in the following sections. For error handling,
all other packet types should be ignored. The Destination column indicates whether the packet is sent (or received) through the
network or processed locally by the mote.
Table 14 Command Data Types
Data Type Description
unsigned long 4 bytes
unsigned short 2 bytes
unsigned char 1 byte
Table 15 Mote Command Summary
Command Type (HEX) Direction Destination Description
0x80 Microprocessor to mote Network Packet destined for the network
0x81 Mote to microprocessor Network Unacknowledged packet received from the
network and destined for microprocessor
0x82 Mote to microprocessor Network Acknowledged packet received from the
network and destined for microprocessor
0x83 -- –Reserved
0x84 Mote to microprocessor Local Time and mote state information
0x85 -- –Reserved
0x86 -- –Reserved
0x87 Microprocessor to mote Local Set Parameter request
0x88 Mote to microprocessor Local Set Parameter response
0x89 Microprocessor to mote Local Get Parameter request
0x8A Mote to microprocessor Local Get Parameter response
Command
(Byte 1) (Bytes 2—n)
Command Type Message Content
Start Delimiter
(Byte 0) Data Frame
(Bytes 1—n)Checksum
(Bytes n + 1, n + 2) End Delimiter
(Byte n + 3)
0x7E HDLC Packet payload FCS (2 Bytes) 0x7E

Interfaces
14 DUST NETWORKS™M1030-2 MOTE DATASHEET
CONFIDENTIAL
7.4.3.1 Command 0x80 Serial Payload Sent to Mote Serial
Serial Data Packets going into the mote serial port use the command type 0x80. Upon reception of the packet, the mote
forwards it to the network. The format of the serial packet payload is transparent to the mote. The maximum length of the
payload is 80 bytes (excluding byte-stuffing bytes). There is no response by the mote upon reception of this command.
7.4.3.2 Command 0x81 Unacknowledged Serial Payload Received from Mote Serial
Unacknowledged serial data packets going out of the mote serial port use command type 0x81. The network uses this
command to send data out through the mote serial interface. Upon receiving this packet from the network, the mote forwards it
to the microprocessor without sending acknowledgement to Manager. The format of the serial packet payload is transparent to
the mote. The maximum length of the payload is 80 bytes (excluding byte-stuffing bytes).
7.4.3.3 Command 0x82 Acknowledged Serial Payload Received from Mote Serial
Acknowledged serial data packets going out of the mote use command type 0x82. The network uses this command to send
data out through the mote serial interface. Upon receiving this packet from the network, the mote forwards it to the
microprocessor and sends an acknowledgement back to Manager. The format of the serial packet payload is transparent to the
mote. The maximum length of the payload is 80 bytes (excluding byte-stuffing bytes). The microprocessor receives exactly
one copy of the message that was sent through the network.
0x8C Mote to microprocessor Local Mote information
0x8D Microprocessor to mote Local Reset mote
Table 16 Command 0x80 Serial Payload to Mote
Msg Byte Description Data Type Request (Sent to Mote)
1 Cmd type unsigned char 0x80
2(Transparent to mote) First byte of data
...2+n (Transparent to mote) Up to n–1 additional bytes of
data
Table 17 Command 0x81 Unacknowledged Serial Payload from Mote
Msg Byte Description Data Type Value
1 Cmd type unsigned char 0x81
2(Transparent to mote) First byte of data
...2+n (Transparent to mote) Up to n–1 additional bytes of
data
Table 18 Command 0x82 Acknowledged Serial Payload Downstream
Msg Byte Description Data Type Value
1 Cmd type unsigned char 0x82
2(Transparent to mote) First byte of data
...2+n (Transparent to mote) Up to n–1 additional bytes of
data
Table 15 Mote Command Summary
Command Type (HEX) Direction Destination Description

Interfaces
M1030-2 MOTE DATASHEET DUST NETWORKS™15
CONFIDENTIAL
7.4.3.4 Command 0x84 Time/State Packet
Time data packets use the command type 0x84. The time packet includes the network time and the current real time relative to
the Manager. The mote sends this response when it receives a Get Parameter request with time as the parameter (described
later).
7.4.3.5 Commands 0x87 and 0x88 Set Parameter Request/Response
The Set Parameter command allows the setting of a number of configuration parameters in the mote. When the Set Parameter
Request command is sent, the response to the request is sent within the diag_ack_timeout (see Table 13). The command
structure for individual Parameter Types and can be found in section 7.4.4. The length of payload (n) depends on the Parameter
Type and is specified in the Parameter Data Packet section of this document.
.
Table 19 Command 0x84 Time/State Packet
Msg Byte Description Data Type Value
1Cmd type unsigned char 0x84
2-5 The sequential number of the
frame
unsigned long Cycle
6-9 The offset from start of frame unsigned long Offset (μsec)
10-11 Frame length unsigned short Frame length (slots)
12-15 UTC time unsigned long Real time part 1 (sec)
16-19 UTC time unsigned long Real time part 2 (μsec)
20-23 Time from the last mote reset unsigned long Mote uptime (ms)
24 Mote state unsigned char Mote state (see Table 34)
25 Mote diagnostics status unsigned char Mote diagnostics status (see
Table 35)
Table 20 Command 0x87 Set Parameter Request
Msg Byte Description Data Type Value
1Cmd type unsigned char 0x87
2unsigned char Parameter type
3Data First byte of data
...3+n Data Up to n–1 additional bytes of
data
Table 21 Command 0x88 Set Parameter Response
Msg Byte Description Data Type Value
1Cmd type unsigned char 0x88
2unsigned char Parameter type
3Error code unsigned char Error code (see Table 29)
4Data length unsigned char 0x00

Interfaces
16 DUST NETWORKS™M1030-2 MOTE DATASHEET
CONFIDENTIAL
7.4.3.6 Commands 0x89 and 0x8A Get Parameter Request/Response
The Get Parameter command allows a number of configuration parameters in the mote to be read by serial. When a Get
Parameter Request command is sent, the response to the request is sent within the diag_ack_timeout (see Table 13). The
command structure for individual parameter types can be found in section 7.4.4. The length of payload (n) depends on the
parameter type and is specified in that section. If the error code is not equal to 0, then no data is returned in the response. Error
codes are described in Table 29.
7.4.3.7 Command 0x8C Mote Information
The mote sends this packet on bootup, supplying information about mote properties. For details on bootup, see section 6.3.
Table 22 Command 0x89 Get Parameter Request
Msg Byte Description Data Type Value
1Cmd type unsigned char 0x89
2unsigned char Parameter type
3Data First byte of data
...3+n Data Up to n–1 additional bytes of
data
Table 23 Command 0x8A Get Parameter Response
Msg Byte Description Data Type Value
1Cmd type unsigned char 0x8A
2unsigned char Parameter type
3Error code unsigned char Error code (see Table 29)
4Data length unsigned char n
5Data First byte of data
...5+n Data Up to n–1 additional bytes of
data
Table 24 Command 0x8C – M1030-1 Information
Msg Byte Description Data Type Value
1 Cmd type unsigned char 0x8C
2-4 HW model Array of 3 unsigned char 00109
5-6 HW revision Array of 2 unsigned char HW revision
7-10 SW revision Array of 4 unsigned char SW revision
11-18 MAC address Array of 8 unsigned char MAC addr
19 Networking type unsigned char 1 = 900 MHz network
20-21 Network ID unsigned short Network ID
22-29 Datasheet ID Array of 8 unsigned char 000_0001
30-31 Mote ID unsigned short Mote ID
32 Reserved
33 Mote diagnostics status unsigned char Mote diagnostics status (see
Table 35)

Interfaces
M1030-2 MOTE DATASHEET DUST NETWORKS™17
CONFIDENTIAL
7.4.3.8 Command 0x8D Reset Mote
Upon receiving this command, the mote notifies its children about an upcoming reset, then proceeds to reset itself. The delay
to the actual reset depends on the network configuration.
7.4.4 Mote Get/Set Command Parameters
This section specifies the parameters that may be used with the Set and Get Commands. Table 26 provides an overview of the
these parameters.
All requests have the following structure:
All replies have the following structure:
Command Types, Parameter types, and error codes are discussed in the following sections. Data length is the number of bytes
of following data, set to 0 in case of non-zero error code.
7.4.4.1 Error Codes
Table 25 Command 0x8D Reset Mote
Msg Byte Description Data Type Value
1 Cmd type unsigned char 0x8D
Table 26 Set and Get Command Parameters
Parameter Type Set Parameter Get Parameter Description
0x01 XSet the mote’s network ID
0x02 XGet the mote’s current network connection state
0x03 XGet the network frame length
0x04 XSet the network join key on the mote
0x05 XGet the network time and mote state information
0x06 Reserved
0x07 XGet the mote’s properties
0x08 Reserved
0x09 Reserved
0x0A Reserved
Table 27 Request Structure for Parameter Data Packets
Command Type Parameter Type Data (Optional)
1 byte 1 byte Up to 33 bytes
Table 28 Reply Structure for Parameter Data Packets
Command Type Parameter Type Error Code Data Length Data (Optional)
1 byte 1 byte 1 byte 1 byte Up to 31 bytes
Table 29 Error Codes
Number Error Description
0DIAG_NO_ERR No Command-Specific Errors
1DIAG_EXE_ERR Mote unable to execute command
2DIAG_PARAM_ERR Illegal parameter in the request

Interfaces
18 DUST NETWORKS™M1030-2 MOTE DATASHEET
CONFIDENTIAL
7.4.4.2 Parameter Type 0x01 Network ID
The network ID is the identification number used to distinguish different wireless networks. In order to join a specific network,
the mote must have the same network ID as the network Manager. This parameter is only valid for the Set Parameter
command. Upon receiving this request, the mote stores the new network ID in its persistent storage area, but continues to use
the existing network ID. The mote must be reset in order to begin using the new network ID.
The following packet is sent in response to a request to set the network ID.
7.4.4.3 Parameter Type 0x02 Mote State
This parameter is only valid for the Get Parameter command and is used to retrieve the mote’s current network connection
state (see Table 34).
The following packet is sent in response to a request to retrieve the mote’s current network connection state.
Table 30 Parameter Type 0x01 Network ID Set Request
Msg Byte Description Data Type Value
1Cmd type unsigned char 0x87
2Parameter type unsigned char 0x01
3-4 Network ID unsigned short Network ID
Table 31 Parameter Type 0x01 Network ID Set Response
Msg Byte Description Data Type Value
1Cmd type unsigned char 0x88
2Parameter type unsigned char 0x01
3Error code unsigned char Error code (see Table 29)
4Data length unsigned char 0x00
Table 32 Parameter Type 0x02 Mote State Get Request
Msg Byte Description Data Type Value
1Cmd type unsigned char 0x89
2Parameter type unsigned char 0x02
Table 33 Parameter Type 0x02 Mote State Get Response
Msg Byte Description Data Type Value
1Cmd type unsigned char 0x8A
2Parameter type unsigned char 0x02
3Error code unsigned char Error code (see Table 29)
4Data length unsigned char 0x02
5unsigned char Mote state
6Mote diagnostics status unsigned char Mote diagnostics status (see
Table 35)

Interfaces
M1030-2 MOTE DATASHEET DUST NETWORKS™19
CONFIDENTIAL
7.4.4.3.1 Configuration Change Flag (CCF)
The Configuration Change Flag (CCF) bit is set high when the network ID is changed. Note that when the network ID is
changed over the air (using the XML-API), the entire network synchronously changes over to the new network ID. There is no
delay between when the XML-API command is received and when motes change over to the new network ID. The CCF bit is
set high when the new network ID becomes active. The CCF bit is cleared when the mote receives a Mote Information Get
request (Command 0x07) or the mote is reset.
7.4.4.4 Parameter Type 0x03 Frame Length
This parameter is only valid for the Get Parameter command and is used to retrieve the frame length of the specified frame.
Table 34 Mote States
State # Description Details
1ACTIVE The mote has joined the network and is waiting to be
configured.
2JOINING The mote has sent a join request, waiting to be activated.
3ACT SEARCH The mote is actively searching for neighbors.
4–5 PASS SEARCH The mote is passively searching for neighbors.
6SYNCHRONIZED The mote is synchronized to a network, listening in active
search.
7–8 RESETTING The mote is going through the reset process.
9ONLINE1 The mote has joined a network and has been fully configured,
but has only one parent. The mote is ready to transmit data to
the network.
10 ONLINE2 The mote has joined a network, has been fully configured,
and has multiple parents. The mote is ready to transmit data
to the network.
Table 35 Diagnostics Status
Bit Name Details
7--- Reserved
6--- Reserved
5--- Reserved
4--- Reserved
3--- Reserved
2--- Reserved
1CCF Configuration change flag (see section 7.4.4.3.1)
0NV_ERR Non-volatile memory error
Table 36 Parameter Type 0x03 Frame Length Get Request
Msg Byte Description Data Type Value
1Cmd type unsigned char 0x89
2Parameter type unsigned char 0x03
3unsigned char Frame ID

Interfaces
20 DUST NETWORKS™M1030-2 MOTE DATASHEET
CONFIDENTIAL
The following packet is sent in response to a request to retrieve the frame length.
7.4.4.5 Parameter Type 0x04 Join Key
The join key is needed to allow a mote on the network. The join key is specific for the network and used for data encryption.
This parameter is only valid for a Set Parameter command. Upon receiving this request, the mote stores the new join key in its
persistent storage. The mote must be reset in order to begin using the new join key.
The following packet is sent in response to a request to set the join key.
7.4.4.6 Parameter Type 0x05 Time/State
This parameter is only valid for the Get Parameter command and is used to request the network time and mote state
information. The response to this command returns the same information as Command 0x84 (Time/State Packet), with the
only difference being that this command can be solicited using a software Get command, rather than a hardware pin.
The following packet is sent in response to a request for the network time and mote state information.
Table 37 Parameter Type 0x03 Frame Length Get Response
Msg Byte Description Data Type Value
1Cmd type unsigned char 0x8A
2Parameter type unsigned char 0x03
3Error code unsigned char Error code (see Table 29)
4Data length unsigned char 0x05
5unsigned char Frame ID
6-9 Frame length unsigned long Frame length (μs)
Table 38 Parameter Type 0x04 Join Key Set Request
Msg Byte Description Data Type Value
1Cmd type unsigned char 0x87
2Parameter type unsigned char 0x04
3-18 New join key Array of 16 unsigned char New join key
Table 39 Parameter Type 0x04 Join Key Set Response
Msg Byte Description Data Type Value
1Cmd type unsigned char 0x88
2Parameter type unsigned char 0x04
3Error code unsigned char Error code (see Table 29)
4Data length unsigned char 0x00
Table 40 Parameter Type 0x05 Time/State Get Request
Msg Byte Description Data Type Value
1Cmd type unsigned char 0x89
2Parameter type unsigned char 0x05
Table 41 Parameter Type 0x05 Time/State Get Response
Msg Byte Description Data Type Value
1Cmd type unsigned char 0x8A
2Parameter type unsigned char 0x05
3Error code unsigned char Error code (see Table 29)
4Data length unsigned char 0x18

Interfaces
M1030-2 MOTE DATASHEET DUST NETWORKS™21
CONFIDENTIAL
7.4.4.7 Parameter Type 0x07 Mote information
This parameter is only valid for the Get Parameter command. It is a local request that retrieves information about the mote’s
properties.
The following packet is sent in response to a request for information about mote properties.
5-8 The sequential number of the
frame
unsigned long Cycle
9-12 The offset from start of frame unsigned long Offset (μsec)
13-14 Frame length unsigned short Frame length (slots)
15-18 UTC time unsigned long Real time part 1 (sec)
19-22 UTC time unsigned long Real time part 2 (μsec)
23-26 Time from the last mote reset unsigned long Mote uptime (msec)
27 Mote state unsigned char Mote state
28 Mote diagnostics status unsigned char Mote diagnostics status (see
Table 35)
Table 42 Parameter Type 0x07 Mote Information Get Request
Msg Byte Description Data Type Value
1 Cmd type unsigned char 0x89
2Parameter type unsigned char 0x07
Table 43 Parameter Type 0x07 Mote Information Get Response
Msg Byte Description Data Type Value
1 Cmd type unsigned char 140 (0x8A)
2Parameter type unsigned char 0x07
3Error code unsigned char Error code
4Data length unsigned char 0x20
5-7 HW model Array of 3 unsigned char 00109
8-9 HW revision Array of 2 unsigned char HW revision
10-13 SW revision Array of 4 unsigned char SW revision
14-21 MAC address Array of 8 unsigned char MAC addr
22 Networking type unsigned char 1 = 900 MHz network
23-24 Network ID unsigned short Network ID
25-32 Datasheet ID Array of 8 unsigned char 000_0001
33-34 Mote ID unsigned short Mote ID
35 Reserved
36 Mote diagnostics status unsigned char Mote diagnostics status (see
Table 35)
Table 41 Parameter Type 0x05 Time/State Get Response
Msg Byte Description Data Type Value

Interfaces
22 DUST NETWORKS™M1030-2 MOTE DATASHEET
CONFIDENTIAL
7.4.5 HDLC Packet Processing Examples
Example 1: Constructing an HDLC packet to send to the mote
This example demonstrates how to construct an HDLC packet to set the network ID value to 00 7D. (All values are in
hexadecimal.)
Step 1 Define HDLC packet payload:
Command type => 87
Parameter => 01
Network ID => 00 7D
Note that the additional control bytes do not count against the 80-byte payload limit.
Step 2 Calculate FCS:
•Calculate the FCS using FCS-16 algorithm (RFC 1662) on the hexadecimal sequence '87 01 00 7D'.
The FCS (including 1's complement) is 74 2F.
•Append FCS to payload, FCS is sent least significant byte first (RFC 1662):
Step 3 Perform byte stuffing.
To perform byte stuffing, check the HDLC Packet Payload and FCS for instances of “7D” or “7E” and replace as
follows:
7D => 7D 5D
7E => 7D 5E
Note that the additional control bytes do not count against the 80-byte payload limit.
Step 4 Add start and stop delimiters.
Enclose the above in start/stop flags (RFC 1662).
Or simply, the hexadecimal sequence:
7E 87 01 00 7D 5D 2F 74 7E
Example 2: Decoding an HDLC packet received from the mote
To understand how to decode an HDLC packet sent from the mote, let’s assume that the mote received a Get
command with a parameter of mote information (see section 7.4.4.7), and replied with the following HDLC Packet.
(All values are in hexadecimal.)
Step 1 (HDLC layer) strip off delimiters.
HDLC Packet Payload
Command Type Message Content
87 01 00 7D
HDLC Packet Payload FCS
87 01 00 7D 2F 74
HDLC Packet Payload (stuffed) FCS (stuffed)
87 01 00 7D 5D 2F 74
Start Delimiter HDLC Packet Payload (stuffed) FCS (stuffed) Stop Delimiter
7E 87 01 00 7D 5D 2F 74 7E
Start Byte HDLC Packet Payload (stuffed) FCS (stuffed) Stop Byte
7E 8A 07 00 20 00 00 5B 00 01 01 06 00 3C 00 00 00 00 00 00
7D 5E C3 01 00 08 30 30 30 5F 45 56 30 31 00 13 00 00
40 E8 7E
HDLC Packet Payload (stuffed) FCS (stuffed)
8A 07 00 20 00 00 5B 00 01 01 06 00 3C 00 00 00 00 00 00
7D 5E C3 01 00 08 30 30 30 5F 45 56 30 31 00 13 00 00
40 E8

Interfaces
M1030-2 MOTE DATASHEET DUST NETWORKS™23
CONFIDENTIAL
Step 2 Remove byte stuffing.
To remove byte stuffing, check for instances of “7D 5D” or “7D 5E” and replace as follows:
7D 5D => 7D
7D 5E => 7E
Step 3 Confirm FCS.
Calculate the checksum for the HDLC payload.
Confirm that the FCS matches the FCS sent with the packet. Because the packet encodes FCS least significant byte
first, in this example the calculated FCS should match “E8 40”.
Step 4 (Application layer) parse HDLC payload content.
The resulting packet payload is as follows.
As described in section 7.4.3.6, an 0x8A command with parameter type 0x07 has the following message content
structure.
Therefore, this is a mote information response with no errors (and a payload length of 32 bytes). The mote
information is as follows (actual values will vary, see section 7.4.4.7).
HDLC Packet Payload FCS
8A 07 00 20 00 00 5B 00 01 01 06 00 3C 00 00 00 00 00 00
7E C3 01 00 08 30 30 30 5F 45 56 30 31 00 13 00 00
40 E8
HDLC Packet Payload
8A 07 00 20 00 00 5B 00 01 01 06 00 3C 00 00 00 00 00 00
7E C3 01 00 08 30 30 30 5F 45 56 30 31 00 13 00 00
HDLC Packet Payload
8A 07 00 20 00 00 5B 00 01 01 06 00 3C 00 00 00 00 00 00
7E C3 01 00 08 30 30 30 5F 45 56 30 31 00 13 00 00
Command Type Message Content
8A 07 00 20 00 00 5B 00 01 01 06 00 3C 00 00 00 00 00 00 7E C3 01 00 08
30 30 30 5F 45 56 30 31 00 13 00 00
HW Model = 00091 (00 00 5B)
HW Rev= 001 (00 01)
SW Rev= 1.6.60 (01 06 00 3C)
MAC Address= 00 00 00 00 00 00 7E 3C
Mote Type= 01 = 900 MHz (01)
Network ID= 8(00 08)
Datasheet ID= 000_EV01 (30 30 30 5F 45 56 30 31)
Mote ID= 19 (00 13)
Mote Diagnostics
Status= 0(00)
Param Error
Code Length HW
Model HW
Rev SW Rev MAC Mote
Type Net
ID Datasheet ID Mote
ID Rsvd Status
07 00 20 00 00 5B 00 01 01 06 00 3C 00 00 00 00 00 00 7E C3 01 00 08 30 30 30 5F 45 56 30 31 00 13 00 00

Packaging Description
24 DUST NETWORKS™M1030-2 MOTE DATASHEET
CONFIDENTIAL
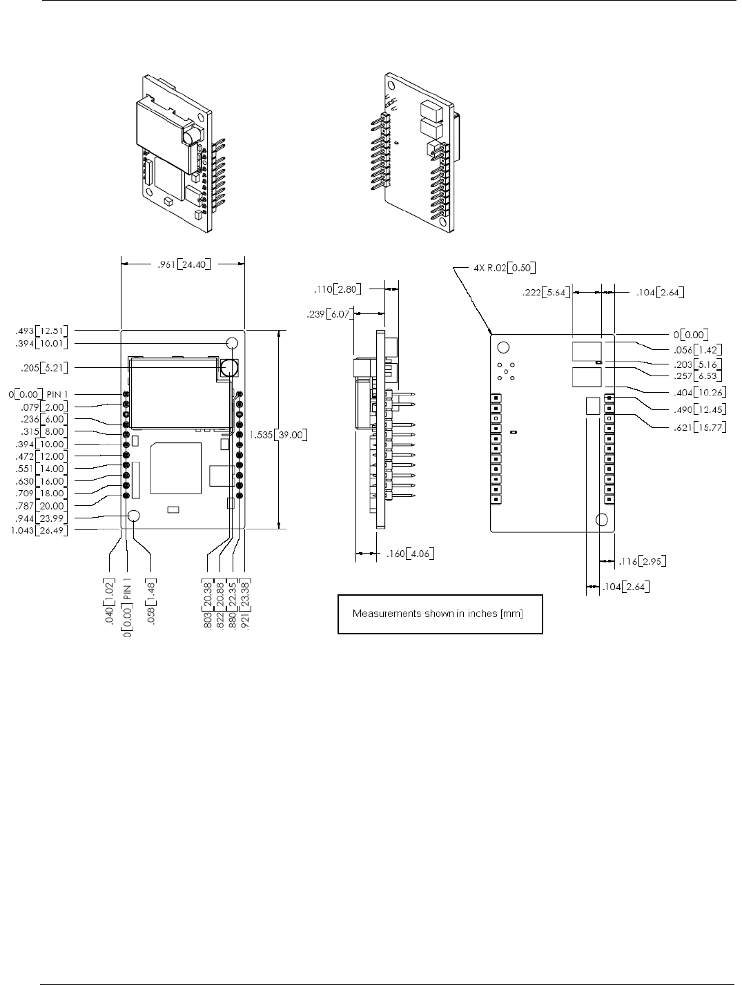
8.0 Packaging Description
8.1 Mechanical Drawings
Figure 12 M1030-2 Mote—Mechanical Drawing

Regulatory and Standards Compliance
M1030-2 MOTE DATASHEET DUST NETWORKS™25
CONFIDENTIAL
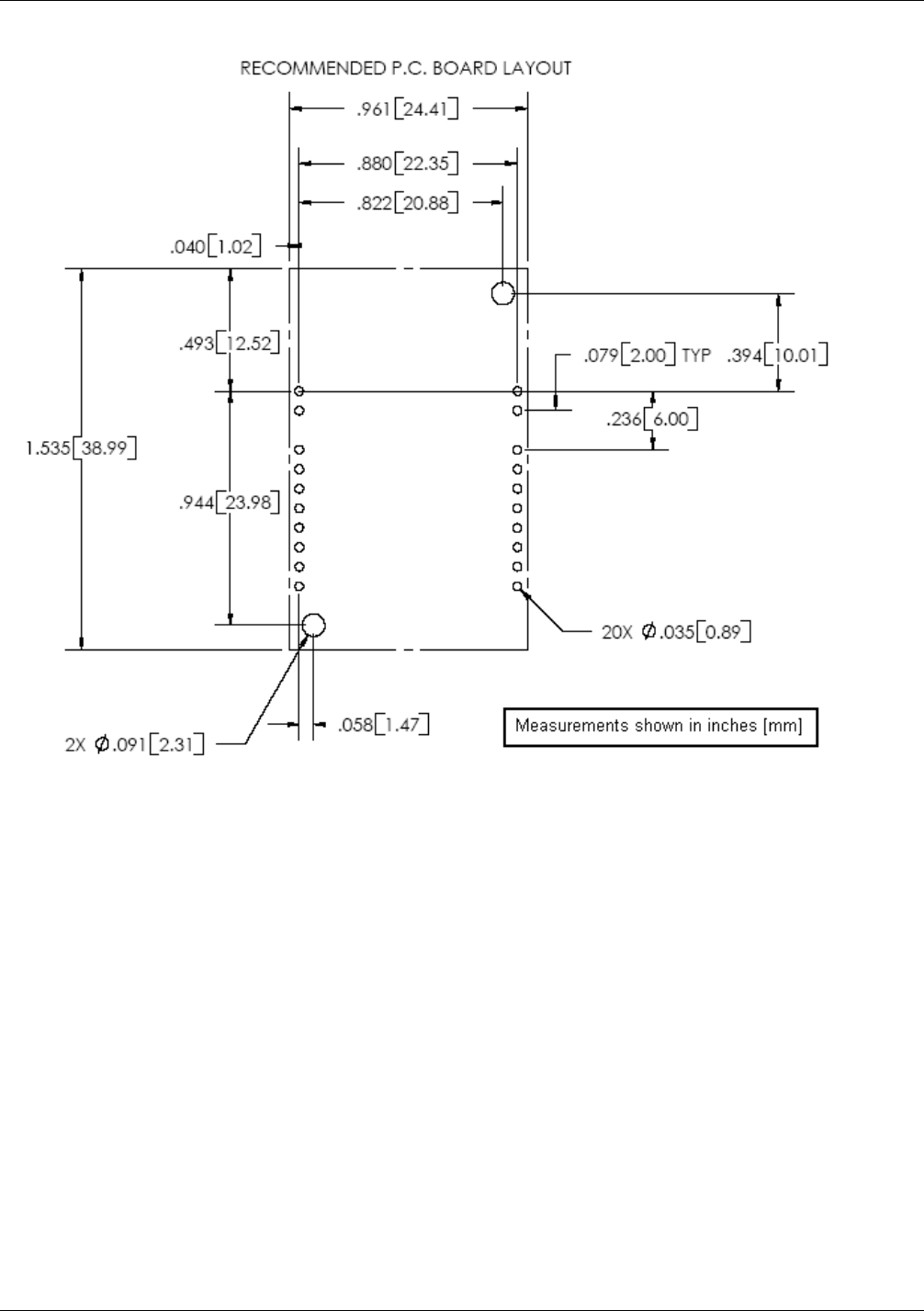
Figure 13 M1030-2 Mote Footprint—Mechanical drawing
8.2 Soldering Information
The M1030-2 can be hand soldered with a soldering iron at 230 °C. The soldering iron should be in contact with the pin for 10
seconds or less. The M1030-2 is also suitable for eutectic PbSn reflow.
9.0 Regulatory and Standards Compliance
9.1 FCC Compliance
9.1.1 FCC Testing
The M1030-2 mote complies with Part 15.247 modular (Intentional Radiator) of the FCC rules and regulations. In order to
fulfill FCC certification requirements, products incorporating the M1030-2 mote must comply with the following:
1. An external label must be provided on the outside of the final product enclosure specifying the FCC identifier
(SJC-M1030), as described in 9.1.3 below.
2. The antenna must be electrically identical to the FCC-approved antenna specifications for the M1030-2 as described in
9.1.2 with the exception that the gain may be lower than specified in Table 44.
3. The device integrating the M1030-2 mote may not cause harmful interference, and must accept any interference received,
including interference that may cause undesired operation.
4. An unintentional radiator scan must be performed on the device integrating the M1030-2 mote, per FCC rules and
regulations, CFR Title 47, Part 15, Subpart B. See FCC rules for specifics on requirements for declaration of conformity.

Regulatory and Standards Compliance
26 DUST NETWORKS™M1030-2 MOTE DATASHEET
CONFIDENTIAL
9.1.2 FCC-approved Antennae
The following are FCC-approved antenna specifications for the M1030-2:
9.1.3 OEM Labeling Requirements
The Original Equipment Manufacturer (OEM) must ensure that FCC labeling requirements are met. The outside of the final
product enclosure must have a label with the following (or similar) text specifying the FCC identifier. The FCC ID and
certification code must be in Latin letters and Arabic numbers and visible without magnification.
or
9.2 IC Compliance
9.2.1 IC Testing
The M1030-2 is certified for modular Industry Canada (IC) RSS-210 approval. The OEM is responsible for its product to
comply with IC ICES-003 and FCC Part 15, Sub. B - Unintentional Radiators. The requirements of ICES-003 are equivalent to
FCC Part 15 Sub. B and Industry Canada accepts FCC test reports or CISPR 22 test reports for compliance with ICES-003.
9.2.2 IC-approved Antennae
The following are IC-approved antenna specifications for the M1030-2.
9.2.3 OEM Labeling Requirements
The Original Equipment Manufacturer (OEM) must ensure that IC labeling requirements are met. The outside of the final
product enclosure must have a label with the following (or similar) text specifying the IC identifier. The IC ID and certification
code must be in Latin letters and Arabic numbers and visible without magnification. .
9.3 Industrial Environment Operation
The M1030-2 is designed to meet the specifications of a harsh industrial environments which includes:
•Shock and Vibration—The M1030-2 complies with high vibration pipeline testing, as specified in IEC 60770-1.
•Hazardous Locations—
The M1030-2 design is consistent with operation in UL Class 1 Division 1 and Division 2
Hazardous Locations.
•Temperature Extremes—The M1030-2 is designed for industrial storage and operational temperature range of
–40 °C to +85 °C.
Table 44 FCC-approved Antenna Specifications for the M1030-2
Gain Pattern Polarization Frequency Connector
+6 dBi maximum Omni-directional Vertical 902-928 MHz MMCX
Contains transmitter module FCC ID: SJC-M1030
Contains FCC ID: SJC-M1030
Table 45 IC-approved Antenna Specifications for the M1030-2
Gain Pattern Polarization Frequency Connector
+6 dBi maximum Omni-directional Vertical 902-928 MHz MMCX
Contains IC:5853A-M1030

Ordering Information
M1030-2 MOTE DATASHEET DUST NETWORKS™27
CONFIDENTIAL
10.0 Ordering Information
Product List:
M1030-2: SmartMesh-XT / 900 MHz Analog/Digital/Serial Mote
Contact Information:
Dust Networks
30695 Huntwood Ave.
Hayward, CA 94544
Toll-Free Phone: 1 (866) 289-3878
Website: www.dustnetworks.com
Email: sales@dustnetworks.com

Ordering Information
28 DUST NETWORKS™M1030-2 MOTE DATASHEET
CONFIDENTIAL
Trademarks
Dust Networks™, the Dust Networks logo, SmartMesh-XR™, SmartMesh-XT™, SmartMesh-XD™, and mesh-to-the-edge™ are trademarks of Dust
Networks, Inc. Dust® and SmartMesh® are registered trademarks of Dust Networks, Inc. All third-party brand and product names are the trademarks of
their respective owners and are used solely for informational purposes.
Copyright
This documentation is protected by United States and international copyright and other intellectual and industrial property laws. It is solely owned by Dust
Networks, Inc. and its licensors and is distributed under a restrictive license. This product, or any portion thereof, may not be used, copied, modified,
reverse assembled, reverse compiled, reverse engineered, distributed, or redistributed in any form by any means without the prior written authorization of
Dust Networks, Inc.
RESTRICTED RIGHTS: Use, duplication, or disclosure by the U.S. Government is subject to restrictions of FAR 52.227-14(g) (2)(6/87) and FAR 52.227-
19(6/87), or DFAR 252.227-7015 (b)(6/95) and DFAR 227.7202-3(a), and any and all similar and successor legislation and regulation.
Disclaimer
This documentation is provided “as is” without warranty of any kind, either expressed or implied, including but not limited to, the implied warranties of
merchantability or fitness for a particular purpose.
This documentation might include technical inaccuracies or other errors. Corrections and improvements might be incorporated in new versions of the
documentation.
Dust Networks does not assume any liability arising out of the application or use of any products or services and specifically disclaims any and all liability,
including without limitation consequential or incidental damages.
Dust Networks products are not designed for use in life support appliances, devices, or other systems where malfunction can reasonably be expected to
result in significant personal injury to the user, or as a critical component in any life support device or system whose failure to perform can be reasonably
expected to cause the failure of the life support device or system, or to affect its safety or effectiveness. Dust Networks customers using or selling these
products for use in such applications do so at their own risk and agree to fully indemnify and hold Dust Networks and its officers, employees, subsidiaries,
affiliates, and distributors harmless against all claims, costs, damages, and expenses, and reasonable attorney fees arising out of, directly or indirectly, any
claim of personal injury or death associated with such unintended or unauthorized use, even if such claim alleges that Dust Networks was negligent
regarding the design or manufacture of its products.
Dust Networks reserves the right to make corrections, modifications, enhancements, improvements, and other changes to its products or services at any
time and to discontinue any product or service without notice. Customers should obtain the latest relevant information before placing orders and should
verify that such information is current and complete. All products are sold subject to Dust Network's terms and conditions of sale supplied at the time of
order acknowledgment or sale.
Dust Networks does not warrant or represent that any license, either express or implied, is granted under any Dust Networks patent right, copyright, mask
work right, or other Dust Networks intellectual property right relating to any combination, machine, or process in which Dust Networks products or
services are used. Information published by Dust Networks regarding third-party products or services does not constitute a license from Dust Networks to
use such products or services or a warranty or endorsement thereof. Use of such information may require a license from a third party under the patents or
other intellectual property of the third party, or a license from Dust Networks under the patents or other intellectual property of Dust Networks.
© Dust Networks, Inc. 2006, 2007. All Rights Reserved.
Document Number: 020-0013 rev 3 M1030-2 Datasheet
Last Revised: March 20, 2007
Document Status Product Status Definition
Advanced Information Planned or under
development This datasheet contains the design specifications for product development.
Dust Networks reserves the right to change specifications in any manner
without notice.
Preliminary Engineering samples and
pre-production prototypes This datasheet contains preliminary data; supplementary data will be
published at a later time. Dust Networks reserves the right to make changes at
any time without notice in order to improve design and supply the best
possible product. The product is not fully qualified at this point.
No Identification Noted Full production This datasheet contains the final specifications. Dust Networks reserves the
right to make changes at any time without notice in order to improve design
and supply the best possible product.
Obsolete Not in production This datasheet contains specifications for a product that has been discontinued
by Dust Networks. The datasheet is printed for reference information only.