Analog Devices M1030 SmartMesh M1030 Mote User Manual Datasheet
Dust Networks, Inc. SmartMesh M1030 Mote Datasheet
Contents
- 1. users guide
- 2. User Manual
- 3. Users Manual
User Manual

M1030-2 MOTE DATASHEET DUST NETWORKS™DOCUMENT NUMBER: 020-0013 REV A
CONFIDENTIAL
Product Description
The SmartMesh® M1030-2 embedded wireless mote uses Time Synchronized Mesh Protocol (TSMP) to enable low-power
wireless sensors and actuators with highly reliable wireless mesh networking. The M1030-2 is tailored for use in battery- and
line-powered wireless devices for applications that demand proven performance, scalability, and reliability.
The M1030-2 uses a 900 MHz radio to achieve more than 200-meter communication distance outdoors, while consuming
down to 40 µA in a typical network deployment. The combination of extremely high reliability and low power consumption
enables applications that require very low installation cost and low-maintenance, long-term deployments.
The standard serial interface of the M1030-2 gives it flexibility to be used in a wide variety of different applications, from
industrial process control to security, to lighting. When integrated into a product, the M1030-2 acts like a network interface
card (NIC)—it takes a data packet and makes sure that it successfully traverses the network. By isolating the wireless mesh
networking protocols from the user, the M1030-2 simplifies the development process and reduces development risk.
Key Features
Reliable Networking
•Uses a Time Synchronized Mesh Protocol (TSMP) for
high reliability (>99.9% typical network reliability)
•Frequency hopping for interference rejection
•Mesh networking for built-in redundancy
•Every M1030-2 acts as both an endpoint and a router,
increasing network reliability: “mesh-to-the-edge”
•Automatic self-organizing mesh is built in
Low Power Consumption
•Ultra-low power components for long battery life
•Network-wide coordination for efficient power usage
•Down to 40 µA typical power consumption
Efficient Radio
•2.5 mW (+4 dBm) RF output power
•–89 dBm receiver sensitivity
•Outdoor range >200 m typical
Predictable Integration
•Standard HDLC serial interface with flow control in
the receive direction
•FCC modular certification
•Industrial temperature range –40 to +85° C
•Supports socket or solder assembly
•Rugged design for class I div I environments
SMARTMESH
®
900 MHz Wireless Analo
g
/Di
g
ital/Serial Mote
M1030-2

2DUST NETWORKS™M1030-2 MOTE DATASHEET
Contents
1.0 Absolute Maximum Ratings ....................................................................................3
2.0 Normal Operating Conditions .................................................................................3
3.0 Electrical Specifications..........................................................................................4
3.1 Application Circuit .............................................................................................4
4.0 Radio......................................................................................................................5
4.1 Detailed Radio Specifications...............................................................................5
4.2 Antenna Specifications.......................................................................................5
5.0 Pinout.....................................................................................................................6
6.0 Interfaces...............................................................................................................6
6.1 Status LED .......................................................................................................6
6.2 Digital I/O........................................................................................................6
6.3 Analog Inputs ...................................................................................................7
6.4 Voltage Reference .............................................................................................7
6.5 Serial Interface.................................................................................................7
6.5.1 Serial Flow Control .................................................................................. 7
6.5.1.1 Serial Port..................................................................................7
6.5.1.2 Serial Interface Boot Up...............................................................7
6.5.1.3 Timing Values.............................................................................8
6.5.2 Mote Command Data Types ......................................................................8
6.5.3 Mote Commands ..................................................................................... 8
6.5.3.1 Command 0x80 Serial Payload Sent to Mote Serial..........................9
6.5.3.2 Command 0x81 Unacknowledged Serial Payload
Received from Mote Serial............................................................9
6.5.3.3 Command 0x82 Acknowledged Serial Payload
Received from Mote Serial.......................................................... 10
6.5.3.4 Command 0x84 Time/State Packet.............................................. 10
6.5.3.5 Commands 0x87 and 0x88 Set Parameter Request/Response.......... 10
6.5.3.6 Commands 0x89 and 0x8A Get Parameter Request/Response ......... 11
6.5.3.7 Command 0x8C Mote Information............................................... 11
6.5.3.8 Command 0x8D Reset Mote ....................................................... 11
6.5.4 Mote Get/Set Command Parameters ........................................................ 12
6.5.4.1 Error Codes.............................................................................. 12
6.5.4.2 Parameter Type 0x01 Network ID................................................ 12
6.5.4.3 Parameter Type 0x02 Mote State ................................................ 13
6.5.4.4 Parameter Type 0x03 Frame Length ............................................ 14
6.5.4.5 Parameter Type 0x04 Join Key.................................................... 14
6.5.4.6 Parameter Type 0x05 Time/State................................................ 14
6.5.4.7 Parameter Type 0x07 Mote information........................................ 15
6.5.5 HDLC Packet Processing Examples........................................................... 16
7.0 Packaging Description..........................................................................................18
7.1 Mechanical Drawings........................................................................................ 18
7.2 Soldering Information ...................................................................................... 19
8.0 Regulatory and Standards Compliance .................................................................19
8.1 FCC Compliance.............................................................................................. 19
8.1.1 FCC Testing .......................................................................................... 19
8.1.2 FCC-approved Antennae......................................................................... 20
8.1.3 OEM Labeling Requirements.................................................................... 20
8.2 IC Compliance ................................................................................................ 20
8.3 Industrial Environment Operation ...................................................................... 20
9.0 Ordering Information ...........................................................................................20

Section Absolute Maximum Ratings
M1030-2 MOTE DATASHEET DUST NETWORKS™3
CONFIDENTIAL
1.0 Absolute Maximum Ratings
The absolute maximum ratings shown below should under no circumstances be violated. Permanent damage to the device may
be caused by exceeding one or more of these parameters.
The M1030-2 can withstand an electrostatic discharge of up to 2 kV Human Body Model (HBM) or 200 V
Machine Model (MM) applied to any header pin, except the antenna connector. The antenna input can withstand a
discharge of 50 V.
2.0 Normal Operating Conditions
Unless otherwise noted, Table 3 assumes Vcc is 3.0 V and temperature is 25° C.
Table 1 Absolute Maximum Ratings
Parameter Min Typ Max Units Comments
Supply voltage (Vcc to GND) -0.3 3.6 V
Voltage on digital I/O pin –0.3 VCC +0.3
up to 3.6
V
Input RF level 10 dBm Input power at antenna
connector
Storage temperature range –45 +85 °C
Lead temperature +230 °CFor 10 seconds
VSWR of antenna 3:1
* All voltages are referenced to GND
Table 2 Normal Operating Conditions
Parameter Min Typ Max Units Comments
Operational supply voltage range
(between Vcc and GND) 2.7 3.3 VIncluding noise and load
regulation
Voltage on analog input pins 01.5 V
Voltage supply noise 10
20
10
mVp-p 50 Hz–10 kHz
10 kHz–200 kHz
200 kHz–15 MHz
Peak current 38
18
mA
mA
TX, 14 ms maximum
Searching for network,
60 minutes
Average current 40 µAAssuming 40-byte
packets, 1 per minute,
data only mote
Storage and operating temperatures –40 85 °C
Maximum allowed temperature ramp 8°C/min –40° C to 85° C
Table 3 Current Consumption
Parameter Min Typ Max Units Comments
Transmit 28 32 mA
Receive 13 14 mA
Sleep 48 µA

Section Electrical Specifications
4DUST NETWORKS™M1030-2 MOTE DATASHEET
CONFIDENTIAL
3.0 Electrical Specifications
Unless otherwise noted, Vcc is 3.0 V and temperature is –40 to +85° C.
3.1 Application Circuit
The following schematic shows how the M1030-2 mote is used in a circuit.
Figure 1 M1030-2 Mote in Application Circuit
Table 4 Digital I/O
Digital signal Min Typ Max Units Comments
VIH (logical high input) Vcc x 80% Vcc Vcc + 0.3 V
VIL (logical low input) GND –0.3 GND GND + 0.6 V
VOH (logical high output) 0.7 x Vcc Vcc Vcc V
VOL (logical low output) GND GND 0.25 x Vcc V
Digital current*
Output source (single pin) 0.9 mA 25°C
Output sink (single pin) 0.9 mA 25°C
Input leakage current 50 nA
* This current level guarantees that the output voltage meets VOL of 0.25 x Vcc and VOH of 0.7 x Vcc.

Section Radio
M1030-2 MOTE DATASHEET DUST NETWORKS™5
CONFIDENTIAL
4.0 Radio
4.1 Detailed Radio Specifications
4.2 Antenna Specifications
A MMCX-compatible male connector is provided on board for the antenna connection. The antenna must meet specifications
in Table 6. For a list of FCC-approved antennae see 8.1.2.
When the mote is placed inside an enclosure, the antenna should be mounted such that the radiating portion of the antenna
protrudes from the enclosure, and connected using a MMCX connector on a coaxial cable. For optimum performance, allow
the antenna to be positioned vertically when installed.
Table 5 Radio Specifications
Parameter Min Typ Max Units Comments
Operating frequency 902 928 MHz
Number of channels 50
Channel separation 470 kHz
Channel bandwidth 170 kHz At ±20 dBc
Modulation Binary FSK (NRZ)
Raw data rate 76.8 kbps
Receiver sensitivity –88 –89 dBm At 10-3 BER, Vcc = 3 V,
25° C
Output power +2.5 +4 dBm Vcc = 3 V, 25° C
Range*
Indoor
Outdoor
80
200
m
m25° C, 50% RH, 1 meter
above ground, +2 dBi
omni-directional antenna
* Actual RF range performance is subject to a number of installation-specific variables including, but not restricted to ambient
temperature, relative humidity, presence of active interference sources, line-of-sight obstacles, near-presence of objects
(for example, trees, walls, signage, and so on) that may induce multipath fading. As a result, actual performance varies for
each instance.
Table 6 Antenna Specifications
Parameter Value
Frequency range 902-928 MHz
Impedance 50 Ω
Gain +2 dBi maximum
Pattern Omni-directional
Maximum VSWR 3:1
Connector MMCX*
* The M1030-2 can accommodate the following RF mating connectors:
•MMCX straight connector such as Johnson 135-3402-001, or equivalent
•MMCX right angle connector such as Tyco 1408149-1, or equivalent

Section Pinout
6DUST NETWORKS™M1030-2 MOTE DATASHEET
CONFIDENTIAL
5.0 Pinout
The M1030-2 has two 11-pin Samtec MTMM-111-04-S-S-175-3 (or equivalent) connectors on the bottom side for handling all
of the I/O. The third pin in each of the connectors is not populated, and serves as a key for alignment. The connectors are
mounted on opposite edges of the long axis of the M1030-2.
The M1030-2 serial interface (serial protocol is specified in 6.5.1) provides flow control in the receive direction only.
6.0 Interfaces
6.1 Status LED
The M1030-2 provides an output signal driving a status LED. This LED displays network connectivity information and is used
during mote installation. Alternatively, the mote’s network status may be polled via serial using the Get Parameter command
(see 6.5.3.6) with the mote state parameter (see 6.5.4.3).
6.2 Digital I/O
The M1030-2 supports one digital input (D2) and one digital output (D1).
Table 7 M1030-2 Pin Functions
Pin
Number Name Mote I/O Direction
1GND In
2VCC In
3KEY (no pin) -
4RX In
5TX Out
6LED Out
7A1 In
8CTS Out
9D1 Out
10 D2 In
11 A2 In
12 VRef Out
13 Reserved -
14 Reserved -
15 Reserved -
16 Reserved -
17 Reserved -
18 Reserved -
19 Reserved -
20 KEY (no pin) -
21 Reserved -
22 RST In
Table 8 Status LED
LED Appearance Mote State
Off Off, or in sleep mode
Slow single blink (100 ms on, 900 ms off) On, and searching for potential network
Single blink (100 ms on, 400 ms off) On, and attempting to join network
Double blink (100 ms on, 100 ms off, 100 ms on, 700 ms off) On, connected to network, attempting to establish redundant
links
Solid on On, fully configured into network with redundant parents
Figure 2 M1030-2 Package with Pin Labels

Section Interfaces
M1030-2 MOTE DATASHEET DUST NETWORKS™7
CONFIDENTIAL
6.3 Analog Inputs
The M1030-2 supports two analog inputs, A1 and A2.
6.4 Voltage Reference
The M1030-2 provides a voltage reference output to allow for ratiometric sensors.
6.5 Serial Interface
The M1030-2 offers a well-defined serial interface that is optimized for low-powered embedded applications. This serial
interface offers a serial port comprised of the data pins (TX, RX) as well as the flow control pin, CTS. Through this port, the
M1030-2 provides a means of transmitting and receiving serial data through the wireless network, as well as a command
interface which provides synchronized time stamping, local configuration and diagnostics.
The following sections detail the Serial Interface Protocol, the Mote Command Interface, and the timestamping capability of
the M1030-2 serial interface.
6.5.1 Serial Flow Control
The Serial Interface Protocol provides for flow control of packets flowing into the M1030-2 serial interface. Packet delineation
and error control are handled separately.
6.5.1.1 Serial Port
The three-pin serial port is comprised of the data pins (TX, RX) as well as the CTS flow control pin used to prevent the
microprocessor from overflowing the mote. This port supports 4800 bps operation. The CTS signal is active low.
The following diagram illustrates the pins used in the handshaking protocol:
Figure 3 Diagram of Pins Used in Handshaking Protocol
6.5.1.2 Serial Interface Boot Up
Upon M1030-2 power up, the CTS line is high (inactive). The M1030-2 serial interface boots within boot_delay (see
Tables 10) of the mote powering up, at which time the M1030-2 transmits an HDLC Mote Information packet, as described in
section 6.5.3.7.
Table 9 Serial Parameters
Parameter Value
Baud rate 4800
Start bit 1
Data bits 8
Parity None

Section Interfaces
8DUST NETWORKS™M1030-2 MOTE DATASHEET
CONFIDENTIAL
Once the M1030-2 has established wireless network connection, it uses the CTS pin to signify availability to accept serial
packets for wireless transmission. At certain critical times during communication, the M1030-2 may bring CTS high. CTS
remains high if the M1030-2 does not have enough buffer space to accept another packet. It also remains high if the mote is not
part of the network. Sensor processors must check that the CTS pin is low before initiating each serial packet for wireless
transmission. Note that the M1030-2 may receive diagnostic serial packets at any time regardless of the CTS state.
6.5.1.3 Timing Values
6.5.2 Mote Command Data Types
Table 11 defines the command data types used in the commands.
6.5.3 Mote Commands
The mote command interface provides a way to send and receive network packets, access local configuration and diagnostics,
and receive time stamps. All packets between the microcontroller and the mote are encapsulated in the HDLC format
(RFC 1662) and have the following structure.
The command type indicates which API message is contained in the message content. The message content for each command
type is described within the following sections.
CRC is calculated based on 16-bit FCS computation method (RFC 1622). The mote checks the CRC and drops packets that
have CRC errors. There is no mechanism for the mote to tell the microcontroller that a packet has been discarded, so the
applications layer must implement reliable delivery, if desired. All numerical fields in a packet are in big endian order (MSB
first), unless otherwise noted. Section 6.5.5 provides an example of HDLC packet construction and HDLC packet decoding.
Table 10 Timing Values
Variable Meaning Min Max Unit
diag_ack_timeout The mote responds to all requests within this time. N/A 100 ms
boot_delay The time between mote power up and serial interface
availability. 250 ms
Table 11 Command Data Types
Data Type Description
ULong Unsigned long: 4 bytes
UShort Unsigned short: 2 bytes
UChar Unsigned character: 1 byte character
Command
(Byte 1) (Bytes 2—n)
Command Type Message Content
Start Delimiter
(Byte 0) Data Frame
(Bytes 1—n)Checksum
(Bytes n + 1, n + 2) End Delimiter
(Byte n + 3)
0x7E HDLC Packet payload CRC (2 Bytes) 0x7E

Section Interfaces
M1030-2 MOTE DATASHEET DUST NETWORKS™9
CONFIDENTIAL
Table 12 provides a summary of mote commands, which are described in detail in the following sections.
6.5.3.1 Command 0x80 Serial Payload Sent to Mote Serial
Serial Data Packets going into the mote serial port use the command type 0x80. Upon reception of the packet, the mote
forwards it to the network. The format of the serial packet payload is transparent to the mote. The maximum length of the
payload is 80 bytes. There is no response by the mote upon reception of this command.
6.5.3.2 Command 0x81 Unacknowledged Serial Payload Received from Mote Serial
Unacknowledged serial data packets going out of the mote serial port use command type 0x81. The network uses this
command to send data out through the mote serial interface. Upon receiving this packet from the network, the mote forwards it
to the microcontroller without sending acknowledgement to Manager. The format of the serial packet payload is transparent to
the mote. The maximum length of the payload is 80 bytes.
Table 12 Mote Command Summary
Command Type (HEX) Direction Description
0x80 Microcontroller to Mote Packet destined for the network
0x81 Mote to Microcontroller Unacknowledged packet received from
the network and destined for
microcontroller
0x82 Mote to Microcontroller Acknowledged packet received from
the network and destined for
microcontroller
0x83 -- Reserved
0x84 Mote to Microcontroller Time and mote state information
0x85 -- Reserved
0x86 -- Reserved
0x87 Microcontroller to Mote “Set Parameter” request
0x88 Mote to Microcontroller “Set Parameter” response
0x89 Microcontroller to Mote “Get Parameter” request
0x8A Mote to Microcontroller “Get Parameter” response
0x8C Mote to Microcontroller Mote information
0x8D Microcontroller to Mote Reset mote
Table 13 Command 0x80 Serial Payload to Mote
Msg Byte Description Data Type Request (Sent to Mote)
1 Cmd Type UChar 0x80
2(Transparent to mote) n bytes of data
2+1 (Transparent to mote) *
2+… (Transparent to mote) *
Table 14 Command 0x81 Unacknowledged Serial Payload from Mote
Msg Byte Description Data Type Value
1 Cmd Type UChar 0x81
2(Transparent to mote) n bytes of data
2+1 (Transparent to mote) *
2+… (Transparent to mote) *

Section Interfaces
10 DUST NETWORKS™M1030-2 MOTE DATASHEET
CONFIDENTIAL
6.5.3.3 Command 0x82 Acknowledged Serial Payload Received from Mote Serial
Acknowledged serial data packets going out of the mote use command type 0x82. The network uses this command to send
data out through the mote serial interface. Upon receiving this packet from the network, the mote forwards it to the
microcontroller and sends an acknowledgement back to Manager. The format of the serial packet payload is transparent to the
mote. The maximum length of the payload is 80 bytes. The microcontroller receives exactly one copy of the message that was
sent through the network.
6.5.3.4 Command 0x84 Time/State Packet
Time data packets use the command type 0x84. The time packet includes the network time and the current real time relative to
the Manager. The mote sends this response when it receives a “get request” with “time” parameter (described later).
6.5.3.5 Commands 0x87 and 0x88 Set Parameter Request/Response
The Set Parameter command allows the setting of a number of configuration parameters in the mote. When the Set Parameter
Request command is sent, the response to the request is sent within the diag_ack_timeout (see Table 10). The command
structure for individual Parameter Types and can be found in section 6.5.4. The length of payload 'n' is dependant on the
Parameter type and is specified in the Parameter Data Packet section of this document.
.
Table 15 Command 0x82 Acknowledged Serial Payload Downstream
Msg Byte Description Data Type Value
1 Cmd Type UChar 0x82
2(Transparent to mote) n bytes of data
2+1 (Transparent to mote) *
2+… (Transparent to mote) *
Table 16 Command 0x84 Time/State Packet
Msg Byte Description Data Type Value
1Cmd Type UChar 0x84
2-5 The sequential number of the
frame ULong Cycle
6-9 The offset from start of frame
in microseconds ULong Offset
10-11 Frame length in timeslots UShort Frame Length
12-15 UTC time seconds ULong Real Time part1
16-19 UTC time microseconds ULong Real Time part2
20-23 Time from the last mote reset
in milliseconds ULong Mote uptime
24 Mote state (see Table 31)UChar Mote state
Table 17 Command 0x87 Set Parameter Request
Msg Byte Description Data Type Value
1Cmd Type UChar 0x87
2UChar Parameter Type
3Data (Transparent to mote) n bytes of data
3+1 Data (Transparent to mote) *
3+… Data (Transparent to mote) *
Table 18 Command 0x88 Set Parameter Response
Msg Byte Description Data Type Value
1Cmd Type UChar 0x88
2UChar Parameter Type
3UChar Error code
3+1 UChar Data Length (0x00)

Section Interfaces
M1030-2 MOTE DATASHEET DUST NETWORKS™11
CONFIDENTIAL
6.5.3.6 Commands 0x89 and 0x8A Get Parameter Request/Response
The Get Parameter command allows a number of configuration parameters in the mote to be read by serial. When a Get
Parameter Request command is sent, the response to the request is sent within the diag_ack_timeout of 100 ms. The command
structure for individual parameter types can be found in section 6.5.4. The length of payload 'n' depends on the parameter type
and is specified in that section. If the error code is not equal to 0, then no data is returned in the response. Error codes are
described in Table 26.
6.5.3.7 Command 0x8C Mote Information
The mote sends this packet on power-up, supplying information about mote properties.
6.5.3.8 Command 0x8D Reset Mote
Upon receiving this command, the mote notifies its neighbors about an upcoming reset, then proceeds to reset itself. The delay
to the actual reset depends on the network configuration.
Table 19 Command 0x89 Get Parameter Request
Msg Byte Description Data Type Value
1Cmd Type UChar 0x89
2UChar Parameter Type
3Data (Transparent to mote) n bytes of data
3+1 Data (Transparent to mote) *
3+... Data (Transparent to mote) *
Table 20 Command 0x8A Get Parameter Response
Msg Byte Description Data Type Value
1Cmd Type UChar 0x8A
2UChar Parameter Type
3UChar Error code
4UChar Data Length
5Data (Transparent to mote) n bytes of data
(If Error Code != 0)
5+1 Data (Transparent to mote) *
5+... Data (Transparent to mote) *
5+n Data (Transparent to mote) *
Table 21 Command 0x8C – M1030-2 Information
Msg Byte Description Data Type Value
1 Cmd Type UChar 0x8C
2-4 HW model Array of 3 UChar HW model
5-6 HW revision Array of 2 UChar HW revision
7-10 SW revision Array of 4 UChar SW revision
11-18 MAC address Array of 8 UChar MAC addr
19 Networking type UChar 1 = 900 MHz network
20-21 Network ID UShort Network ID
22-29 Datasheet ID Array of 8 UChar Datasheet ID
30-31 Mote ID UShort Mote ID
32 Reserved
Table 22 Command 0x8D Reset Mote
Msg Byte Description Data Type Value
1 Cmd Type UChar 0x8D

Section Interfaces
12 DUST NETWORKS™M1030-2 MOTE DATASHEET
CONFIDENTIAL
6.5.4 Mote Get/Set Command Parameters
This section specifies the parameters that may be used with the Set and Get Commands. Table 23 provides an overview of the
these parameters.
All requests have the following structure:
All replies have the following structure:
Command Types, Parameter types, and error codes are discussed in the following sections. Data length is the number of bytes
of following data, set to 0 in case of non-zero error code.
6.5.4.1 Error Codes
6.5.4.2 Parameter Type 0x01 Network ID
The network ID is the identification number used to distinguish different wireless networks. In order to join a specific network,
the mote must have the same network ID as the network Manager. This parameter is only valid for the Set Parameter
command. Upon receiving this request, the mote stores the new network ID in its persistent storage area, but continues to use
the existing network ID. The mote must be reset in order to begin using the new network ID.
Table 23 Set and Get Command Parameters
Parameter Set Parameter Get Parameter Description
Parameter type 0x01 XSets the mote’s network ID
Parameter type 0x02 XRetrieves the mote’s current network connection
state
Parameter type 0x03 XRetrieves the network frame length
Parameter type 0x04 XSets the network join key on the mote
Parameter type 0x05 XRetrieves the network time and mote state
information
Parameter type 0x06 -- Reserved
Parameter type 0x07 XRetrieves the mote’s properties
Table 24 Request Structure for Parameter Data Packets
Command Type Parameter Type Data (Optional)
1 byte 1 byte Up to 33 bytes
Table 25 Reply Structure for Parameter Data Packets
Command Type Parameter Type Error Code Data Length Data (Optional)
1 byte 1 byte 1 byte 1 byte Up to 31 bytes
Table 26 Error Codes
Number Error Description
0DIAG_NO_ERR No Command-Specific Errors
1DIAG_EXE_ERR Mote unable to execute command
2DIAG_PARAM_ERR Illegal parameter in the request
Table 27 Parameter Type 0x01 Network ID Set Request
Msg Byte Description Data Type Value
1Cmd Type UChar 0x87
2Parameter Type UChar 0x01
3-4 Network ID UShort Network ID

Section Interfaces
M1030-2 MOTE DATASHEET DUST NETWORKS™13
CONFIDENTIAL
The following packet is sent in response to a request to set the network ID.
6.5.4.3 Parameter Type 0x02 Mote State
This parameter is only valid for the Get Parameter command and is used to retrieve the mote’s current network connection
state (see Table 31).
:The following packet is sent in response to a request to retrieve the mote’s current network connection state.
Table 28 Parameter Type 0x01 Network ID Set Response
Msg Byte Description Data Type Value
1Cmd Type UChar 0x88
2Parameter Type UChar 0x01
3UChar Error code
4UChar Data Length (0x00)
Table 29 Parameter Type 0x02 Mote State Get Request
Msg Byte Description Data Type Value
1Cmd Type UChar 0x89
2Parameter Type UChar 0x02
Table 30 Parameter Type 0x02 Mote State Get Response
Msg Byte Description Data Type Value
1Cmd Type UChar 0x8A
2Parameter Type UChar 0x02
3UChar Error code
4UChar Data Length (0x01)
5UChar Mote State
Table 31 Mote States
State # Description Details
1ACTIVE The mote has joined the network and is
waiting to be configured
2JOINING The mote has sent JOIN request,
waiting for ACTIVATE
3ACT SEARCH The mote is actively searching for
neighbors
4–5 PASS SEARCH The mote is passively searching for
neighbors
6SYNCHRONIZED The mote is synchronized to a network,
listening in active search
7–8 RESETTING The mote is going through the reset
process
9ONLINE1 The mote has joined a network and has
been fully configured, but has only one
parent
10 ONLINE2 The mote has joined a network, has
been fully configured, and has multiple
parents

Section Interfaces
14 DUST NETWORKS™M1030-2 MOTE DATASHEET
CONFIDENTIAL
6.5.4.4 Parameter Type 0x03 Frame Length
This parameter is only valid for the Get Parameter command and is used to retrieve the frame length of the specified frame ID.
The following packet is sent in response to a request to retrieve the frame length.
6.5.4.5 Parameter Type 0x04 Join Key
The join key is needed to allow an mote on the network. The join key is specific for the network and used for data encryption.
This parameter is only valid for the Set Parameter command. Upon receiving this request, the mote stores the new join key in
its persistent storage. The mote must be reset in order to begin using the new join key.
The following packet is sent in response to a request to set the join key.
6.5.4.6 Parameter Type 0x05 Time/State
This parameter is only valid for the Get Parameter command and is used to request the network time and mote state
information. The response to this command returns the same information as Command 0x84 (Time/State Packet), with the
only difference being that this command can be solicited using a software Get command, rather than a hardware pin.
Table 32 Parameter Type 0x03 Frame Length Get Request
Msg Byte Description Data Type Value
1Cmd Type UChar 0x89
2Parameter Type UChar 0x03
3UChar Frame ID
Table 33 Parameter Type 0x03 Frame Length Get Response
Msg Byte Description Data Type Value
1Cmd Type UChar 0x8A
2Parameter Type UChar 0x03
3UChar Error code
4UChar Data Length (0x05)
5UChar Frame ID
6-9 Frame Length (ms) ULong Frame Length
Table 34 Parameter Type 0x04 Join Key Set Request
Msg Byte Description Data Type Value
1Cmd Type UChar 0x87
2Parameter Type UChar 0x04
3-18 New Join Key Array of 16 UChar New Join Key
Table 35 Parameter Type 0x04Join Key Set Response
Msg Byte Description Data Type Value
1Cmd Type UChar 0x88
2Parameter Type UChar 0x04
3UChar Error code
4UChar Data Length (0x00)
Table 36 Parameter Type 0x05 Time/State Get Request
Msg Byte Description Data Type Value
1Cmd Type UChar 0x89
2Parameter Type UChar 0x05

Section Interfaces
M1030-2 MOTE DATASHEET DUST NETWORKS™15
CONFIDENTIAL
The following packet is sent in response to a request for the network time and mote state information.
6.5.4.7 Parameter Type 0x07 Mote information
This parameter is only valid for the Get Parameter command. It is a diagnostics request that retrieves information about the
mote’s properties.
The following packet is sent in response to a request for information about mote properties.
Table 37 Parameter Type 0x05 Time/State Get Response
Msg Byte Description Data Type Value
1Cmd Type UChar 0x8A
2Parameter Type UChar 0x05
3UChar Error code
4UChar Data Length (0x17)
5-8 ULong Cycle
9-12 ULong Offset (µsec)
13-14 Frame Length (slots) UShort Frame Length
15-18 UTC Time sec ULong UTC Time sec
19-22 UTC Time µsec ULong UTC Time µsec
23-26 Mote uptime msec UShort Mote uptime msec
27 UChar Mote state
Table 38 Parameter Type 0x07 Mote Information Get Request
Msg Byte Description Data Type Value
1 Cmd Type UChar 0x89
2Parameter Type UChar 0x07
Table 39 Parameter Type 0x07 Mote Information Get Response
Msg Byte Description Data Type Value
1 Cmd Type UChar 140 (0x8A)
2Parameter Type UChar 0x07
3Error Code UChar Error Code
4Data length UChar Data length (0x1F)
5-7 HW model Array of 3 UChar HW model
8-9 HW revision Array of 2 UChar HW revision
10-13 SW revision Array of 4 UChar SW revision
14-21 MAC address Array of 8 UChar MAC addr
22 Networking type UChar 1 = 900 MHz network
23-24 Network ID UShort Network ID
25-32 Datasheet ID Array of 8 UChar Datasheet ID
33-34 Mote ID UShort Mote ID
35 Reserved
36-37 CRC UShort CRC
38 UChar 126 (0x7E)

Section Interfaces
16 DUST NETWORKS™M1030-2 MOTE DATASHEET
CONFIDENTIAL
6.5.5 HDLC Packet Processing Examples
Example 1: Constructing an HDLC packet to send to the mote
This example demonstrates how you would construct an HDLC packet to set the network ID value to 125. (All values are in
hexadecimal.)
Step 1 Define HDLC packet payload:
Command type => 87
Parameter => 01
Network ID => 07
Step 2 Calculate CRC:
a. Calculate the CRC using CRC-16 algorithm (RFC 1622) on the hexadecimal sequence '87 01 00 7D'.
The CRC (including 1's complement) is 74 2F.
b. Append CRC to payload, CRC is sent least significant byte first (RFC 1622):
Step 3 Perform byte stuffing.
To perform byte stuffing, check the HDLC Packet Payload and CRC for instances of “7D” or “7E” and replace as
follows:
7D => 7D 5D
7E => 7D 5E
Step 4 Add start and stop delimiters:
Enclose the above in start/stop flags (RFC 1622).
Or simply, the hexadecimal sequence:
7E 87 01 00 7D 5D 2F 74 7E
Example 2: Decoding an HDLC packet received from the mote
To understand how to decode an HDLC packet sent from the mote, let’s assume that the mote received a “get mote
information” command, and replied with the following HDLC Packet. (All values are in hexadecimal.)
Step 1 (HDLC layer) strip off delimiters:
HDLC Packet Payload
Command Type Message Content
87 01 00 7D
HDLC Packet Payload CRC
87 01 00 7D 2F 74
HDLC Packet Payload (stuffed) CRC (stuffed)
87 01 00 7D 5D 2F 74
Start Delimiter HDLC Packet Payload (stuffed) CRC (stuffed) Stop Delimiter
7E 87 01 00 7D 5D 2F 74 7E
Start Byte HDLC Packet Payload (stuffed) CRC (stuffed) Stop Byte
7E 8A 07 00 1F 00 00 5B 00 01 01 06 00 3C 00 00 00 00 00 00
7D 5E C3 01 00 08 30 30 30 5F 45 56 30 31 00 13 00 3F 85 7E
HDLC Packet Payload (stuffed) CRC (stuffed)
8A 07 00 1F 00 00 5B 00 01 01 06 00 3C 00 00 00 00 00 00
7D 5E C3 01 00 08 30 30 30 5F 45 56 30 31 00 13 00 3F 85

Section Interfaces
M1030-2 MOTE DATASHEET DUST NETWORKS™17
CONFIDENTIAL
Step 2 Remove byte stuffing.
To remove byte stuffing, check for instances of “7D 5D” or “7D 5E” and replace as follows:
7D 5D => 7D
7D 5E => 7E
Step 3 Confirm CRC.
Calculate the checksum for the HDLC payload.
Confirm that the CRC matches the CRC sent with the packet. Because the packet encodes CRC least significant byte
first, in this example the calculated CRC should match “85 3F”.
Step 4 (Application layer) parse HDLC payload content.
The resulting packet payload is as follows:
As described in section 6.5.3.6., an 0x8A command with parameter type 0x07 has the following message content
structure:
Therefore, this is a Mote Information response with no errors (and a payload length of 31 bytes). The Mote
information is as follows:
HDLC Packet Payload (stuffed) CRC (stuffed)
8A 07 00 1F 00 00 5B 00 01 01 06 00 3C 00 00 00 00 00 00
7E C3 01 00 08 30 30 30 5F 45 56 30 31 00 13 00 3F 85
HDLC Packet Payload
8A 07 00 1F 00 00 5B 00 01 01 06 00 3C 00 00 00 00 00 00
7E C3 01 00 08 30 30 30 5F 45 56 30 31 00 13 00
HDLC Packet Payload
8A 07 00 1F 00 00 5B 00 01 01 06 00 3C 00 00 00 00 00 00
7E C3 01 00 08 30 30 30 5F 45 56 30 31 00 13 00
Command Type Message Content
8A 07 00 1F 00 00 5B 00 01 01 06 00 3C 00 00 00 00 00 00 7E C3 01 00 08
30 30 30 5F 45 56 30 31 00 13 00
HW model = “00091” (00 00 5B)
HW Rev = “0001” (00 01)
SW rev = “1.6.60” (01 06 00 3C)
MAC Address = 00 00 00 00 00 00 7E C3
Mote type = 01 = 900 MHz (01)
Network ID = 8(00 08)
Datasheet ID = “000_EV01” (30 30 30 5F 45 56 30 31)
Mote ID = “19” (00 13)
Param Error
Code Length Hw
Model Hw
Rev Sw Rev MAC Mote
Type Net
ID Datasheet ID Mote
ID Rsvd
07 00 1F 00 00 5B 00 01 01 06 00 3C 00 00 00 00 00 00 7E C3 01 00 08 30 30 30 5F 45 56 30 31 00 13 00

Section Packaging Description
18 DUST NETWORKS™M1030-2 MOTE DATASHEET
CONFIDENTIAL
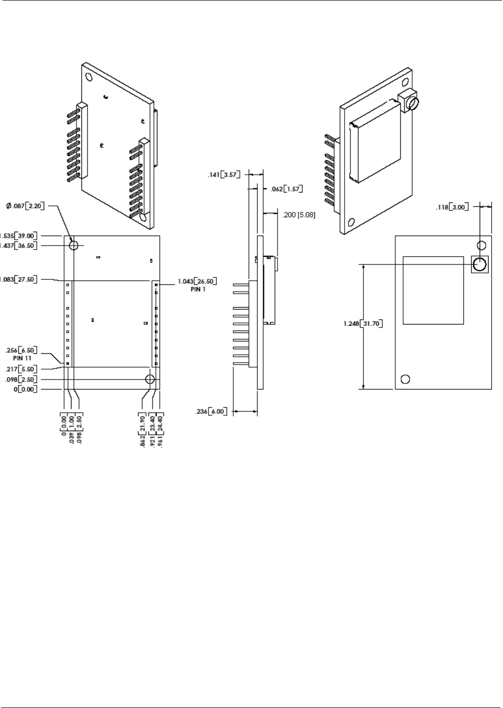
7.0 Packaging Description
7.1 Mechanical Drawings
Figure 4 M1030-2 Mote—Mechanical Drawing

Section Regulatory and Standards Compliance
M1030-2 MOTE DATASHEET DUST NETWORKS™19
CONFIDENTIAL
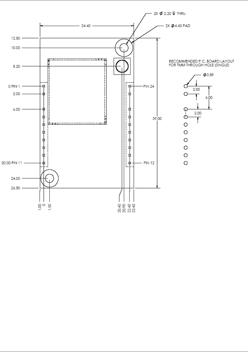
Figure 5 M1030-2 Mote Footprint—Mechanical drawing
7.2 Soldering Information
The M1030-2 can be hand soldered with a soldering iron at 230° C. The soldering iron should be in contact with the pin for 10
seconds or less.
8.0 Regulatory and Standards Compliance
8.1 FCC Compliance
8.1.1 FCC Testing
The M1030-2 mote complies with Part 15.247 modular (Intention Radiator) of the FCC rules and regulations. In order to fulfill
FCC certification requirements, products incorporating the M1030-2 mote must comply with the following:
1. An external label must be provided on the outside of the final product enclosure specifying the FCC identifier
(SJC-M1030), as described in 8.1.3 below.
2. The antenna must be electrically identical to the FCC-approved antenna specifications for the M1030-2 as described in
8.1.2 or the gain may be lower than specified in Table 3.
3. The device integrating the M1030-2 mote may not cause harmful interference, and must accept any interference received,
including interference that may cause undesired operation.
4. An unintentional radiator scan must be performed on the device integrating the M1030-2 mote, per FCC Rules and
Regulations, Title 47, Part 15, Subpart B. See FCC rules for specifics on requirements for declaration of conformity.

Section Ordering Information
20 DUST NETWORKS™M1030-2 MOTE DATASHEET
CONFIDENTIAL
8.1.2 FCC-approved Antennae
The following are FCC-approved antenna specifications for the M1030-2:
8.1.3 OEM Labeling Requirements
The Original Equipment Manufacturer (OEM) must ensure that FCC labeling requirements are met. The outside of the final
product enclosure must have a label with the following (or similar) text specifying the FCC identifier. The FCC ID and
certification code must be in Latin letters and Arabic numbers and visible without magnification.
or
8.2 IC Compliance
The M1030-2 shall be certified for modular Industry Canada (IC) approval. The OEM is responsible for its product to comply
with IC ICES-003 and FCC Part 15, Sub. B – Unintentional Radiators. ICES-003 is the same as FCC Part 15 Sub. B and
Industry Canada accepts FCC test reports or CISPR 22 test reports for compliance with ICES-003.
8.3 Industrial Environment Operation
The M1030-2 is designed to meet the specifications of a harsh industrial environments which includes:
•Shock and Vibration—The M1030-2 complies with high vibration pipeline testing, as specified in IEC 60770-1.
•Hazardous Locations—
The M1030-2 design is consistent with operation in UL Class 1, Division 2 Hazardous Locations.
•Temperature Extremes—The M1030-2 is designed for industrial storage and operational temperature range of
–40°C to 85°C.
9.0 Ordering Information
Product List:
M1030-2: SmartMesh-XT / 900 MHz Analog/Digital/Serial Mote
KT1029: SmartMesh-XT/ 900 MHz Evaluation Kit
Contact Information:
Dust Networks
30695 Huntwood Ave.
Hayward, CA 94544
Toll-Free Phone: 1 (866) 289-3878
Website: www.dustnetworks.com
Email: sales@dustnetworks.com
Table 3 FCC-approved Antenna Specifications for the M1030-2
Gain Pattern Type Frequency Connector
+2 dBi Omni-directional 1/4 λ902-928 MHz MMCX
+2 dBi Omni-directional 1/2 λ902-928 MHz MMCX
Contains transmitter module FCC ID: SJC- M1030
Contains FCC ID: SJC-M1030.

Section Ordering Information
M1030-2 MOTE DATASHEET DUST NETWORKS™21
CONFIDENTIAL
Trademarks
Dust Networks™, the Dust Networks logo, SmartMesh-XR™, and SmartMesh-XT™ are trademarks of Dust Networks, Inc. Dust® and SmartMesh® are
registered trademarks of Dust Networks, Inc. All third-party brand and product names are the trademarks of their respective owners and are used solely for
informational purposes.
Copyright
This documentation is protected by United States and international copyright and other intellectual and industrial property laws. It is solely owned by Dust
Networks, Inc. and its licensors and is distributed under a restrictive license. This product, or any portion thereof, may not be used, copied, modified,
reverse assembled, reverse compiled, reverse engineered, distributed, or redistributed in any form by any means without the prior written authorization of
Dust Networks, Inc.
RESTRICTED RIGHTS: Use, duplication, or disclosure by the U.S. Government is subject to restrictions of FAR 52.227-14(g) (2)(6/87) and FAR 52.227-
19(6/87), or DFAR 252.227-7015 (b)(6/95) and DFAR 227.7202-3(a), and any and all similar and successor legislation and regulation.
Disclaimer
This documentation is provided “as is” without warranty of any kind, either expressed or implied, including but not limited to, the implied warranties of
merchantability or fitness for a particular purpose.
This documentation might include technical inaccuracies or other errors. Corrections and improvements might be incorporated in new versions of the
documentation.
Dust Networks does not assume any liability arising out of the application or use of any products or services and specifically disclaims any and all liability,
including without limitation consequential or incidental damages.
Dust Networks products are not designed for use in life support appliances, devices, or other systems where malfunction can reasonably be expected to
result in significant personal injury to the user, or as a critical component in any life support device or system whose failure to perform can be reasonably
expected to cause the failure of the life support device or system, or to affect its safety or effectiveness. Dust Networks customers using or selling these
products for use in such applications do so at their own risk and agree to fully indemnify and hold Dust Networks and its officers, employees, subsidiaries,
affiliates, and distributors harmless against all claims, costs, damages, and expenses, and reasonable attorney fees arising out of, directly or indirectly, any
claim of personal injury or death associated with such unintended or unauthorized use, even if such claim alleges that Dust Networks was negligent
regarding the design or manufacture of its products.
Dust Networks reserves the right to make corrections, modifications, enhancements, improvements, and other changes to its products or services at any
time and to discontinue any product or service without notice. Customers should obtain the latest relevant information before placing orders and should
verify that such information is current and complete. All products are sold subject to Dust Network's terms and conditions of sale supplied at the time of
order acknowledgment or sale.
Dust Networks does not warrant or represent that any license, either express or implied, is granted under any Dust Networks patent right, copyright, mask
work right, or other Dust Networks intellectual property right relating to any combination, machine, or process in which Dust Networks products or
services are used. Information published by Dust Networks regarding third-party products or services does not constitute a license from Dust Networks to
use such products or services or a warranty or endorsement thereof. Use of such information may require a license from a third party under the patents or
other intellectual property of the third party, or a license from Dust Networks under the patents or other intellectual property of Dust Networks.
© Dust Networks, Inc. 2006. All Rights Reserved.
Document Number: 020-0013 rev A M1030-2 Datasheet
Last Revised: June 21, 2006