Analog Devices M2135 SmartMesh M2135 2.4GHz Mote User Manual Datasheet

Dust Networks, Inc. SmartMesh M2135 2.4GHz Mote Datasheet

User Manual

M2135-1/M2030-1 MOTE DATASHEET DUST NETWORKS™CONFIDENTIALProduct DescriptionThe SmartMesh-XT™ M2135-1 and M2030-1 combine an industry-standard 802.15.4 radio with Time Synchronized Mesh Protocol (TSMP) to enable low-power wireless sensors and actuators with highly reliable wireless mesh networking. The M2135-1 and M2030-1 are tailored for use in battery- and line-powered wireless devices for applications that demand proven performance, scalability, and reliability.The M2135-1 and M2030-1 use the IEEE standard 802.15.4 radio, which operates in the global license-free 2.4 GHz band. The M2030-1 offers a range of up to 200 meters outdoors, while keeping power consumption as low as 50 µA. Ideal for longer range applications, the M2135-1 has a highly efficient power amplifier which allows communications to reach more than 400 meters outdoors, while advanced power management techniques keep power consumption down to as low as 55 µA in a typical network deployment. The combination of extremely high reliability and low power consumption enables applications that require very low installation cost and low-maintenance, long-term deployments.The standard serial interface of the M2135-1 and M2030-1 gives it flexibility to be used in a wide variety of different applications, from industrial process control to security, to lighting. When integrated into a product, the M2135-1 or M2030-1 acts like a network interface card (NIC)—it takes a data packet and makes sure that it successfully traverses the network. By isolating the wireless mesh networking protocols from the user, the M2135-1 and M2030-1 simplify the development process and reduce development risk.Key FeaturesReliable Networking•Uses Time Synchronized Mesh Protocol (TSMP) for high reliability (>99.9% typical network reliability)•Channel hopping over DSSS for interference rejection•Mesh networking for built-in redundancy•Every M2135-1/M2030-1 acts as both an endpoint and a router, increasing network reliability: “mesh-to-the-edge”•Automatic self-organizing mesh is built inPredictable Integration•Standard HDLC serial interface with bidirectional flow control•Industrial temperature range –40 to +85 °C•Supports socket or solder assembly•Rugged design for class I div I environments•FCC and IC modular certification (pending)•Certifiable for use in most countries worldwide  (North America, Europe, and most Asian countries)Low Power Consumption•Ultra low-power components for long battery life•Network-wide coordination for efficient power usage•Down to 55 µA typical power consumption (M2135-1) Down to 50 µA typical power consumption (M2030-1)802.15.4 Standard Radio•Global 2.4 GHz license-free band: suitable for use in North America, Europe, and most of Asia•31.6 mW (+15 dBm) EIRP RF output power (M2135-1) 0.6 mW (–2 dBM) EIRP RF output power (M2130-1)•–90 dBm receiver sensitivity•Outdoor range > 400 m typical (M2135-1) Outdoor range 200 m typical (M2030-1)•Direct-sequence spread spectrum (DSSS) for additional interference rejectionM2135-1, M2030-12.4 GHz Wireless Serial MotesPRELMINARY
2DUST NETWORKS™M2135-1/M2030-1 MOTE DATASHEETContents1.0 Absolute Maximum Ratings ....................................................................................32.0 Normal Operating Conditions .................................................................................33.0 Electrical Specifications..........................................................................................43.1 Application Circuit .............................................................................................54.0 Radio......................................................................................................................54.1 Detailed Radio Specifications...............................................................................54.2 Antenna Specifications.......................................................................................65.0 Pinout.....................................................................................................................76.0 Mote Boot Up..........................................................................................................86.1 Power-on Sequence...........................................................................................86.2 Inrush Current..................................................................................................86.3 Serial Interface Boot Up.....................................................................................97.0 Interfaces...............................................................................................................97.1 Timestamps......................................................................................................97.2 Status .............................................................................................................97.3 Serial Interface............................................................................................... 107.3.1 Serial Handshake Protocol ...................................................................... 107.3.1.1 Serial Port................................................................................ 107.3.1.2 Serial Interface Boot Up............................................................. 117.3.1.3 Serial Interface Timing Requirements .......................................... 117.3.2 Mote Command Data Types .................................................................... 137.3.3 Mote Commands ................................................................................... 137.3.3.1 Command 0x80 Serial Payload Sent to Mote Serial........................ 147.3.3.2 Command 0x81 Unacknowledged Serial Payload Received from Mote Serial.......................................................... 147.3.3.3 Command 0x82 Acknowledged Serial Payload Received from Mote Serial.......................................................... 157.3.3.4 Command 0x84 Time/State Packet.............................................. 157.3.3.5 Commands 0x87 and 0x88 Set Parameter Request/Response.......... 157.3.3.6 Commands 0x89 and 0x8A Get Parameter Request/Response ......... 167.3.3.7 Command 0x8C Mote Information............................................... 167.3.3.8 Command 0x8D Reset Mote ....................................................... 177.3.4 Mote Get/Set Command Parameters ........................................................ 177.3.4.1 Error Codes.............................................................................. 187.3.4.2 Parameter Type 0x01 Network ID................................................ 187.3.4.3 Parameter Type 0x02 Mote State ................................................ 187.3.4.4 Parameter Type 0x03 Frame Length ............................................ 197.3.4.5 Parameter Type 0x04 Join Key.................................................... 207.3.4.6 Parameter Type 0x05 Time/State................................................ 207.3.4.7 Parameter Type 0x07 Mote information........................................ 217.3.5 HDLC Packet Processing Examples........................................................... 228.0 Packaging Description..........................................................................................248.1 Mechanical Drawings........................................................................................ 248.2 Soldering Information ...................................................................................... 259.0 Regulatory and Standards Compliance ................................................................. 259.1 FCC Compliance.............................................................................................. 259.1.1 FCC Testing .......................................................................................... 259.1.2 FCC-approved Antennae......................................................................... 269.1.3 OEM Labeling Requirements.................................................................... 269.2 IC Compliance ................................................................................................ 269.3 Industrial Environment Operation ...................................................................... 2610.0 Ordering Information ...........................................................................................26PRELMINARY
  Absolute Maximum RatingsM2135-1/M2030-1 MOTE DATASHEET DUST NETWORKS™3CONFIDENTIAL1.0 Absolute Maximum RatingsThe absolute maximum ratings shown below should under no circumstances be violated. Permanent damage to the device may be caused by exceeding one or more of these parameters. The M2135-1/M2030-1 can withstand an electrostatic discharge of up to 2 kV Human Body Model (HBM) or 200 V Machine Model (MM) applied to any header pin, except the antenna connector. The antenna input can withstand a discharge of 50 V.2.0 Normal Operating ConditionsTable 1 Absolute Maximum RatingsParameter Min Typ Max Units CommentsSupply voltage (Vcc to GND) -0.3 3.6 VVoltage on digital I/O pin –0.3 VCC +0.3up to 3.6 VInput RF level 10 dBm Input power at antenna connectorStorage temperature range –45 +85 °CLead temperature +270 °CFor 10 secondsVSWR of antenna 3:1* All voltages are referenced to GNDTable 2 Normal Operating ConditionsParameter Min Typ Max Units CommentsOperational supply voltage range  (between Vcc and GND)2.7 3.3 VIncluding noise and load regulationVoltage on analog input pins 01.5 VVoltage supply noise 15 mVp-p 50 Hz–15 MHzPeak currentM2135-1 90 mATx during OTAP, 5 ms maxM2135-1 75 mA Tx, 5 ms maximumM2135-1 30 mA Rx, searching for network, 60 minutesM2135-1 75 mARadio turn on, 300 µs maxM2030-1 45 mATx during OTAP, 5 ms maxM2030-1 30 mA Tx, 5 ms maximumM2030-1 30 mA Rx, searching for network, 60 minutesM2030-1 75 mARadio turn on, 300 µs maxAverage currentM2135-1M2030-15550µAµA Assuming 40 byte packets, 1 per minute, data-only moteStorage and operating temperatures –40 85 °CMaximum allowed temperature ramp 8°C/min –40 °C to 85 °CPRELMINARY
Electrical Specifications4DUST NETWORKS™M2135-1/M2030-1 MOTE DATASHEETCONFIDENTIALUnless otherwise noted, Table 3 assumes Vcc is 3.0 V and temperature is 25 °C.  Unless otherwise noted, Table 4 assumes Vcc is 3.0 V and temperature is 25 °C. 3.0 Electrical Specifications.Unless otherwise noted, Vcc is 3.0 V and temperature is –40 to +85 °C.Table 3 M2135-1 Current ConsumptionParameter Min Typ Max Units CommentsTransmit 50 mAReceive 22 mASleep 10 µATable 4 M2030-1 Current ConsumptionParameter Min Typ Max Units CommentsTransmit 20 mAReceive 22 mASleep 10 µATable 5 Device LoadParameter Min Typ Max Units CommentsTotal capacitance (unclamped) 14 15.5 µFNominal value.Table 6 Digital I/ODigital signal Min Typ Max Units CommentsVIH (logical high input)  Vcc x 80% Vcc Vcc + 0.3 VVIL (logical low input)  GND –0.3 GND GND + 0.6 VVOH (logical high output)  0.7 x Vcc Vcc Vcc VVOL (logical low output)  GND GND 0.25 x Vcc VDigital current*Output source (single pin) 0.6 mA 25 °COutput sink (single pin) 0.6 mA 25 °CInput leakage current 50 nA* This current level guarantees that the output voltage meets VOL of 0.25 x Vcc and VOH of 0.7 x Vcc.PRELMINARY
  RadioM2135-1/M2030-1 MOTE DATASHEET DUST NETWORKS™5CONFIDENTIAL3.1 Application CircuitThe following schematic shows how the M2135-1/M2030-1 mote is used in a circuit.Figure 1 M2135-1/M2030-1 Mote in Application Circuit4.0 Radio4.1 Detailed Radio SpecificationsTable 7 Radio SpecificationsParameter Min Typ Max Units CommentsOperating frequency 2.4000 2.4835 GHzNumber of channels 15Channel separation 5MHzOccupied channel bandwidth 2.7 MHz At –20 dBcModulation IEEE 802.15.4 DSSSRaw data rate 250 kbpsReceiver sensitivity –90 dBm At 1% PER, Vcc = 3 V, 25 °COutput power, EIRPM2135-1At 25 °C +15 dBmVcc = 3 V, +2 dBi antennaM2030-1At 25 °C –2 dBmVcc = 3 V, +2 dBi antennaPRELMINARY
Radio6DUST NETWORKS™M2135-1/M2030-1 MOTE DATASHEETCONFIDENTIAL4.2 Antenna SpecificationsA MMCX-compatible male connector is provided on board for the antenna connection. The antenna must meet specifications in Table 8. When the mote is placed inside an enclosure, the antenna should be mounted such that the radiating portion of the antenna protrudes from the enclosure, and connected using a MMCX connector on a coaxial cable. For optimum performance, allow the antenna to be positioned vertically when installed.Range*M2135-1:IndoorOutdoorM2030-1:IndoorOutdoor10040025200mmmm 25 °C, 50% RH, 1 meter above ground, +2 dBi omni-directional antenna* Actual RF range performance is subject to a number of installation-specific variables including, but not restricted to ambient temperature, relative humidity, presence of active interference sources, line-of-sight obstacles, near-presence of objects (for example, trees, walls, signage, and so on) that may induce multipath fading. As a result, actual performance varies for each instance.Table 8 Antenna SpecificationsParameter ValueFrequency range 2.4–2.4835 GHzImpedance  50 ΩGain +2 dBi maximumPattern Omni-directionalMaximum VSWR 3:1Connector MMCX** The M2135-1 can accommodate the following RF mating connectors:•MMCX straight connector such as Johnson 135-3402-001, or equivalent•MMCX right angle connector such as Tyco 1408149-1, or equivalentTable 7  Radio SpecificationsParameter Min Typ Max Units CommentsPRELMINARY
  PinoutM2135-1/M2030-1 MOTE DATASHEET DUST NETWORKS™7CONFIDENTIAL5.0 PinoutThe M2135-1 and M2030-1 have two 11-pin Samtec MTMM-111-04-S-S-175-3 (or equivalent) connectors on the bottom side for handling all of the I/O. The third pin in each of the connectors is not populated, and serves as a key for alignment. The connectors are mounted on opposite edges of the long axis of the mote.The M2135-1 and M2030-1 provide a bidirectional flow-controlled serial interface (serial protocol is specified in 7.3.1).The RST input pin is internally pulled up, and is optional. When driven active low, the mote is hardware reset until the signal is deasserted. Refer to section 6.1 for timing requirements on the RST pin. Note that the mote may also be reset using the mote serial command (see section 7.3.3.8).The TIME input pin is optional, and must either be driven or pulled up with a 5.1 MΩ resistor. Unless noted otherwise, all signals are active low.Table 9 M2135-1/M2030-1 Pin FunctionsPin Number Name Mote I/O Direction InternalPull Up/Down1GND -None2VCC -None3KEY (no pin) -None4RX In None5TX Out None6LED Out None7 M T_RTS Out None8MT_CTS Out None9SP_CTS In None10 TIME In None11 No Connection -None12 No Connection -None13 No Connection -None14 No Connection -None15 No Connection -None16 No Connection -None17 No Connection -None18 No Connection -None19 No Connection -None20 KEY (no pin) -None21 No Connection -None22 RST In 100 kΩ pull upFigure 2  M2135-1/M2030-1 Package with Pin LabelsPRELMINARY
Mote Boot Up8DUST NETWORKS™M2135-1/M2030-1 MOTE DATASHEETCONFIDENTIAL6.0 Mote Boot Up6.1 Power-on SequenceThe external supply and other power-on devices must provide the mote with a specific sequence of power and reset as follows:Figure 3 Power-on Sequence6.2 Inrush CurrentDuring power on, the mote can be modeled as a lumped impedance of 1 Ohm and 2.5 µF, as shown in Figure 4. With a source impedance (Rsrc) of 2 Ohms, the inrush current on the mote appears as shown in Figure 5.Figure 4 M2135/M2030 Equivalent Series RC CircuitFigure 5 Vcc Inrush CurrentTable 10 Power-on SequenceParameter Min Typ Max Units CommentsTVccR 500 µsTVcc2RST 10 msPRELMINARY
  InterfacesM2135-1/M2030-1 MOTE DATASHEET DUST NETWORKS™9CONFIDENTIAL6.3 Serial Interface Boot UpUpon mote power up, the MT_CTS line is high (inactive). The mote serial interface boots within boot_delay (see Table 14) of the mote powering up, at which time the mote will transmit an HDLC Mote Information packet, as described below in section 7.3.3.7. Note that full handshake (see 7.3.1.3) is in effect and is required to receive this packet.7.0 Interfaces7.1 TimestampsThe M2135-1/M2030-1 has the ability to deliver network-wide synchronized timestamps. The M2135-1/M2030-1 sends a time packet (as described in Table 42) through its serial interface when one of the following occurs:•Mote receives an HDLC get_parameter request for time/state (see Table 41)•Mote TIME signal is activatedThe TIME pin is optional and has the advantage of being more accurate. The value of the timestamp is taken within approximately a millisecond of receiving a TIME signal activation. If the HDLC request is used, because of packet processing, the value of the timestamp may be captured several milliseconds after receipt of the packet. The real time delivered to the sensor processor is relative to the real time clock on the Manager which serves as the network real time clock (NRTC). The time stamp skew across the network is guaranteed to be within ±250 ms of the NRTC.Figure 6 Real TimeWhen the time pin is activated for at least min_strobe_length (see Table 14), the mote responds by sending the time packet within 100 ms delay. Figure 7 Operation of Time Pin7.2 Status The M2135-1/M2030-1 provides an output signal driving a status LED. This LED displays network connectivity information and is used during mote installation. Alternatively, the mote’s network status may be polled via serial using the Get Parameter command (see 7.3.3.6) with the mote state parameter (see 7.3.4.3).Table 11 Status LED LED Appearance Mote StateOff Off, or in sleep modeSlow single blink (100 ms on, 900 ms off) On, and searching for potential networkSingle blink (100 ms on, 400 ms off) On, and attempting to join networkDouble blink (100 ms on, 100 ms off, 100 ms on, 700 ms off) On, connected to network, attempting to establish redundant linksSolid on On, fully configured into network with redundant parentsPRELMINARY
Interfaces10 DUST NETWORKS™M2135-1/M2030-1 MOTE DATASHEETCONFIDENTIAL7.3 Serial InterfaceThe M2135-1/M2030-1 offers a well-defined serial interface that is optimized for low-powered embedded applications. This serial interface offers a serial port comprised of the data pins (TX, RX) as well as the handshake pins (MT_RTS, MT_CTS, SP_CTS) used for bidirectional flow control. Through this port, the M2135-1/M2030-1 provides a means of transmitting and receiving serial data through the wireless network, as well as a command interface which provides synchronized time stamping, local configuration, and diagnostics. The following sections detail the Serial Interface Protocol, the Mote Command Interface, and the timestamping capability of the M2135-1/M2030-1 serial interface.7.3.1 Serial Handshake ProtocolThe Serial Interface Protocol handshake provides for flow control of packets transmitted via the M2135-1/M2030-1 serial interface. Packet delineation and error control are handled separately. The Interface supports the following: •Full-duplex communication•Bidirectional byte-level flow control7.3.1.1 Serial PortThe five-pin serial port is comprised of the data pins (TX, RX) as well as the handshake pins (MT_RTS, MT_CTS, SP_CTS) used for bidirectional flow control. This port supports 9600 bps operation in full-duplex mode. The handshake signals are active low.The following diagram illustrates the pins used in the handshaking protocol:Figure 8  Diagram of Pins Used in Handshaking ProtocolTable 12 Serial ParametersParameter ValueBit rate 9600 Start bit 1Data bits 8Parity NonePRELMINARY
  InterfacesM2135-1/M2030-1 MOTE DATASHEET DUST NETWORKS™11CONFIDENTIAL7.3.1.2 Serial Interface Boot UpUpon mote power up, the MT_CTS line is high (inactive). The mote serial interface boots within 250 ms of the mote powering up, at which time the mote will transmit an HDLC Mote Information packet, as described below in section 7.3.3.7. Note that full handshake (see 7.3.1.3) is in effect and is required to receive this packet.7.3.1.3 Serial Interface Timing Requirements7.3.1.3.1 CTS Byte-level HandshakeThe following diagram shows generic CTS byte-level flow control timing. The following details are applicable to both MT_CTS and SP_CTS.Figure 9 CTS Byte-level Flow Control TimingTable 13 Pin UsagePin UsageRX, TX Used for serial data flow into and out of the mote.MT_RTS This signal goes active low when the mote is ready to send a serial packet. The signal stays low until the SP_CTS signal from the microcontroller goes active low (indicating readiness to receive a packet) or the ack_delay timeout (see Table 14) expires.SP_CTS SP_CTS should transition from high to active low in response to the MT_RTS signal from the mote.This indicates that the microcontroller is ready to receive serial packets. Following this, the microcontroller should strobe SP_CTS after receiving each byte. After all packets are received, the microcontroller should de-assert the SP_CTS signal.MT_CTS MT_CTS indicates the state of the network connection and availability of data buffers to receive packets destined for the network. Once the mote has established wireless network connection, it will use the MT_CTS pin to signify availability to accept serial packets for wireless transmission. At certain critical times during communication, the mote may bring MT_CTS high. MT_CTS will remain high if the mote does not have enough buffer space to accept another packet. It will also remain high if the mote is not part of the network. OEM designs must check that the MT_CTS pin is low before initiating each serial packet for wireless transmission. Note that the mote may receive diagnostic serial packets at any time regardless of the CTS state.Upon receipt of the first byte of the HDLC packet, the mote strobes MT_CTS in acknowledgement of each subsequent byte. After the last byte of the packet is received, MT_CTS switches back to signaling the availability of the network connection and data buffers. The microcontroller should wait a minimum of interpacket_delay (see Table 14) before initiating another packet transmission.The mote can accept diagnostics (packets that are not sent through the network) at any time, and the status of the MT_CTS pin may be ignored when initiating these packets. (MT_CTS will acknowledge each byte as specified in 7.3.1.3.1.TIME The TIME pin is optional and can be used for triggering a timestamp packet. For details, refer to 7.1.PRELMINARY
Interfaces12 DUST NETWORKS™M2135-1/M2030-1 MOTE DATASHEETCONFIDENTIALTimeouts T1, T2, and T3 are defined as follows (refer to Table 14 for values):•T1:interbyte_timeout—Maximum time between the transmit module sending a byte and the receiving module acknowledging the byte using CTS (requests the next byte)•T2: interpacket_delay—For communications into the mote, the minimum time after the mote receives the last byte of a packet before it can start receiving the next packet. For communications out of the mote, the minimum time between the mote receiving acknowledgement of the last byte reception (or timeout) and the mote driving RTS to request to send another packet.•T3: min_strobe_length—The minimum length of time that CTS must be held active to be recognized by the receiver.In idle mode or upon expiration of the interbyte_delay timeout, the transmit side treats CTS as level triggered (MT_CTS is disregarded in case of diagnostic serial packets). After transfer of the first byte of a packet, the meaning of CTS signal is changed to a byte acknowledgement strobe, active on a falling edge. In other words, CTS becomes a request signal for the next byte of a packet. This acknowledgement strobe will occur for all packets (both diagnostic and network packets). Whenever timeouts T1 or T2 occur, the packet is discarded and both sides switch to idle mode and start hunting for the next HDLC packet, assuming CTS active low. If a packet is transferred completely, the interbyte_delay after the last byte naturally takes care of switching to idle mode.7.3.1.3.2 Data Flow Out of the Mote Serial PortFigure 10 illustrates the process the mote uses to transmit serial data: 1. The mote ensures the interpacket_delay time has passed since the last transmission.2. The mote drives MT_RTS to active, waits for a falling edge on SP_CTS. Timeout is defined as ack_delay, and is long enough to handle the worst case response.3. If the mote times out before the SP_CTS becomes active, the mote restores MT_RTS to inactive and drops the packet.4. If SP_CTS is active, then the mote transmits the first byte and follows the CTS byte-level handshaking rules for subsequent bytes. 5. MT_RTS is restored to inactive after the ack_delay timeout has expired. Figure 10 Packet Transmission from Mote7.3.1.3.3 Data Flow into the Mote Serial PortFigure 11 illustrates the process the mote uses to receive serial data:The mote may receive serial packets for local commands (not intended for wireless transmission) at any time regardless of the MT_CTS status. The mote signals its readiness to receive serial packets for wireless transmission (serial payload command 0x80) by driving MT_CTS active low. The mote will drive MT_CTS low within interpacket_delay time after the transmission of the last packet. Figure 11 Packet Transmission to MotePRELMINARY
  InterfacesM2135-1/M2030-1 MOTE DATASHEET DUST NETWORKS™13CONFIDENTIAL7.3.1.3.4 Timing Values7.3.2 Mote Command Data TypesTable 15 defines the command data types used in the commands.7.3.3 Mote CommandsThe mote command interface provides a way to send and receive network packets, access local configuration and diagnostics, and receive time stamps. All packets between the microcontroller and the mote are encapsulated in the HDLC format (RFC 1662) and have the following structure. The command type indicates which API message is contained in the message content. The message content for each command type is described within the following sections.The frame checksum (FCS) is calculated based on the 16-bit FCS computation method (FCS-16, RFC 1662). The mote checks the FCS and drops packets that have FCS errors. There is no mechanism for the mote to tell the microcontroller that a packet has been discarded, so the applications layer must implement reliable delivery, if desired. All numerical fields in a packet are in big endian order (MSB first), unless otherwise noted. Section 7.3.5 provides an example of HDLC packet construction and HDLC packet decoding.Table 14 Timing ValuesVariable Meaning Min Max Unitinterbyte_delay The time between consecutive data bytes cannot exceed this time.0 7 msinterpacket_delay The sender of an HDLC packet must wait at least this amount of time before sending another packet.N/A 20 msack_delay The max time delay between the MT_RTS and the receivers acknowledge, SP_CTS. 0500 mstime_ack_timeout The mote responds to all TIME pin activation requests within this time.N/A 100 msdiag_ack_timeout The mote responds to all requests within this time. N/A 125 msmin_strobe_length The length of the strobe signal. 500 nsboot_delay The time between mote power up and serial interface availability.250 msTable 15 Command Data TypesData Type DescriptionULong Unsigned long: 4 bytesUShort Unsigned short: 2 bytesUChar Unsigned character: 1 byte characterCommand(Byte 1) (Bytes 2—n)Command Type Message ContentStart Delimiter(Byte 0) Data Frame(Bytes 1—n)Frame Checksum (Bytes n + 1, n + 2) End Delimiter(Byte n + 3)0x7E  HDLC Packet payload FCS-16 (2 Bytes) 0x7EPRELMINARY
Interfaces14 DUST NETWORKS™M2135-1/M2030-1 MOTE DATASHEETCONFIDENTIALTable 16 provides a summary of mote commands, which are described in detail in the following sections. For error handling, all other packet types should be ignored.7.3.3.1 Command 0x80 Serial Payload Sent to Mote SerialSerial Data Packets going into the mote serial port use the command type 0x80. Upon reception of the packet, the mote forwards it to the network. The format of the serial packet payload is transparent to the mote. The maximum length of the payload is 80 bytes (excluding byte-stuffing bytes). There is no response by the mote upon reception of this command. 7.3.3.2 Command 0x81 Unacknowledged Serial Payload Received from Mote SerialUnacknowledged serial data packets going out of the mote serial port use command type 0x81. The network uses this command to send data out through the mote serial interface. Upon receiving this packet from the network, the mote forwards it to the microcontroller without sending acknowledgement to Manager. The format of the serial packet payload is transparent to the mote. The maximum length of the payload is 80 bytes (excluding byte-stuffing bytes).Table 16 Mote Command SummaryCommand Type (HEX) Direction Description0x80 Microcontroller to Mote Packet destined for the network0x81 Mote to Microcontroller Unacknowledged packet received from the network and destined for microcontroller0x82 Mote to Microcontroller Acknowledged packet received from the network and destined for microcontroller0x83 -- Reserved0x84 Mote to Microcontroller Time and mote state information0x85 -- Reserved0x86 -- Reserved0x87 Microcontroller to Mote “Set Parameter” request0x88 Mote to Microcontroller “Set Parameter” response0x89 Microcontroller to Mote “Get Parameter” request0x8A Mote to Microcontroller “Get Parameter” response0x8C Mote to Microcontroller Mote information0x8D Microcontroller to Mote Reset moteTable 17 Command 0x80 Serial Payload to MoteMsg Byte Description Data Type Request (Sent to Mote)1  Cmd Type UChar 0x802(Transparent to mote) n bytes of data 2+1 (Transparent to mote) *2+… (Transparent to mote) *Table 18 Command 0x81 Unacknowledged Serial Payload from MoteMsg Byte Description Data Type Value1  Cmd Type UChar 0x812(Transparent to mote)  n bytes of data 2+1 (Transparent to mote) *2+… (Transparent to mote) *PRELMINARY
  InterfacesM2135-1/M2030-1 MOTE DATASHEET DUST NETWORKS™15CONFIDENTIAL7.3.3.3 Command 0x82 Acknowledged Serial Payload Received from Mote SerialAcknowledged serial data packets going out of the mote use command type 0x82. The network uses this command to send data out through the mote serial interface. Upon receiving this packet from the network, the mote forwards it to the microcontroller and sends an acknowledgement back to Manager. The format of the serial packet payload is transparent to the mote. The maximum length of the payload is 80 bytes (excluding byte-stuffing bytes). The microcontroller receives exactly one copy of the message that was sent through the network.7.3.3.4 Command 0x84 Time/State Packet Time data packets use the command type 0x84. The time packet includes the network time and the current real time relative to the Manager. The mote sends this response when it receives a “get request” with “time” parameter (described later) or when the TIME pin is strobed high to low for minimum of min_strobe_length, as defined in Table 14. Usage of the TIME pin is described in section 7.1.7.3.3.5 Commands 0x87 and 0x88 Set Parameter Request/ResponseThe Set Parameter command allows the setting of a number of configuration parameters in the mote. When the Set Parameter Request command is sent, the response to the request is sent within the diag_ack_timeout (see Table 14). The command structure for individual Parameter Types and can be found in section 7.3.4. The length of payload 'n' is dependant on the Parameter type and is specified in the Parameter Data Packet section of this document.Table 19 Command 0x82 Acknowledged Serial Payload DownstreamMsg Byte Description Data Type Value1  Cmd Type UChar 0x822(Transparent to mote)  n bytes of data 2+1 (Transparent to mote) *2+… (Transparent to mote) *Table 20 Command 0x84 Time/State PacketMsg Byte Description Data Type Value1Cmd Type UChar 0x842-5 The sequential number of the frameULong Cycle6-9 The offset from start of frame in microsecondsULong Offset10-11 Frame length in timeslots UShort Frame Length12-15 UTC time seconds ULong Real Time part116-19 UTC time microseconds ULong Real Time part220-23 Time from the last mote reset in millisecondsULong Mote uptime24 Mote state (see Table 35)UChar Mote state25 Mote diagnostics status (see Table 36)UChar Mote diagnostics statusTable 21 Command 0x87 Set Parameter RequestMsg Byte Description Data Type Value1Cmd Type UChar 0x872UChar Parameter Type3Data (Transparent to mote) n bytes of data 3+1 Data (Transparent to mote) *3+… Data (Transparent to mote) *PRELMINARY
Interfaces16 DUST NETWORKS™M2135-1/M2030-1 MOTE DATASHEETCONFIDENTIAL.7.3.3.6 Commands 0x89 and 0x8A Get Parameter Request/ResponseThe Get Parameter command allows a number of configuration parameters in the mote to be read by serial. When a Get Parameter Request command is sent, the response to the request is sent within the diag_ack_timeout of 100 ms. The command structure for individual parameter types can be found in section 7.3.4. The length of payload 'n' depends on the parameter type and is specified in that section. If the error code is not equal to 0, then no data is returned in the response. Error codes are described in Table 30.7.3.3.7 Command 0x8C Mote Information The mote sends this packet on bootup, supplying information about mote properties. For details on bootup, see 7.3.1.2.Table 22 Command 0x88 Set Parameter ResponseMsg Byte Description Data Type Value1Cmd Type UChar 0x882UChar Parameter Type3UChar Error code3+1 UChar Data Length (0x00)Table 23 Command 0x89 Get Parameter RequestMsg Byte Description Data Type Value1Cmd Type UChar 0x892UChar Parameter Type3Data (Transparent to mote) n bytes of data 3+1 Data (Transparent to mote) *3+... Data (Transparent to mote) *Table 24 Command 0x8A Get Parameter ResponseMsg Byte Description Data Type Value1Cmd Type UChar 0x8A2UChar Parameter Type3UChar Error code4UChar Data Length 5Data (Transparent to mote)n bytes of data (If Error Code != 0)5+1 Data (Transparent to mote) *5+... Data (Transparent to mote) *5+n Data (Transparent to mote) *Table 25 Command 0x8C – Mote InformationMsg Byte Description Data Type Value1  Cmd Type UChar 0x8C2-4 HW model Array of 3 UChar HW model 5-6 HW revision Array of 2 UChar HW revision7-10 SW revision Array of 4 UChar SW revision11-18 MAC address Array of 8 UChar MAC addr19 Networking type UChar 2 = 2.4 GHz network20-21 Network ID UShort Network IDPRELMINARY
  InterfacesM2135-1/M2030-1 MOTE DATASHEET DUST NETWORKS™17CONFIDENTIAL7.3.3.8 Command 0x8D Reset Mote Upon receiving this command, the mote notifies its neighbors about an upcoming reset, then proceeds to reset itself. The delay to the actual reset depends on the network configuration.7.3.4 Mote Get/Set Command ParametersThis section specifies the parameters that may be used with the Set and Get Commands. Table 27 provides an overview of the these parameters.All requests have the following structure:All replies have the following structure:Command Types, Parameter types, and error codes are discussed in the following sections. Data length is the number of bytes of following data, set to 0 in case of non-zero error code.22-29 Datasheet ID Array of 8 UChar Datasheet ID30-31 Mote ID UShort Mote ID32 Reserved33 Mote diagnostics status (see Table 36)UChar Mote diagnostics statusTable 26 Command 0x8D Reset MoteMsg Byte Description Data Type Value1  Cmd Type UChar 0x8DTable 27 Set and Get Command ParametersParameter Set Parameter Get Parameter DescriptionParameter type 0x01 XSets the mote’s network IDParameter type 0x02 XRetrieves the mote’s current network connection stateParameter type 0x03 XRetrieves the network frame lengthParameter type 0x04 XSets the network join key on the moteParameter type 0x05 XRetrieves the network time and mote state informationParameter type 0x06 -- ReservedParameter type 0x07 XRetrieves the mote’s propertiesTable 28 Request Structure for Parameter Data PacketsCommand Type Parameter Type Data (Optional)1 byte 1 byte Up to 33 bytesTable 29 Reply Structure for Parameter Data PacketsCommand Type Parameter Type Error Code Data Length Data (Optional)1 byte 1 byte 1 byte 1 byte Up to 31 bytesTable 25  Command 0x8C – Mote InformationMsg Byte Description Data Type ValuePRELMINARY
Interfaces18 DUST NETWORKS™M2135-1/M2030-1 MOTE DATASHEETCONFIDENTIAL7.3.4.1 Error Codes7.3.4.2 Parameter Type 0x01 Network IDThe network ID is the identification number used to distinguish different wireless networks. In order to join a specific network, the mote must have the same network ID as the network Manager. This parameter is only valid for the Set Parameter command. Upon receiving this request, the mote stores the new network ID in its persistent storage area, but continues to use the existing network ID. The mote must be reset in order to begin using the new network ID.The following packet is sent in response to a request to set the network ID.7.3.4.3 Parameter Type 0x02 Mote StateThis parameter is only valid for the Get Parameter command and is used to retrieve the mote’s current network connection state (see Table 35).The following packet is sent in response to a request to retrieve the mote’s current network connection state.Table 30 Error CodesNumber Error Description0DIAG_NO_ERR No Command-Specific Errors1DIAG_EXE_ERR Mote unable to execute command2DIAG_PARAM_ERR Illegal parameter in the requestTable 31 Parameter Type 0x01 Network ID Set RequestMsg Byte Description Data Type  Value1Cmd Type UChar 0x872Parameter Type UChar 0x013-4 Network ID UShort Network IDTable 32 Parameter Type 0x01 Network ID Set ResponseMsg Byte Description Data Type Value 1Cmd Type UChar 0x882Parameter Type UChar 0x013UChar Error code4UChar Data Length (0x00)Table 33 Parameter Type 0x02 Mote State Get RequestMsg Byte Description Data Type Value1Cmd Type UChar 0x892Parameter Type UChar 0x02Table 34 Parameter Type 0x02 Mote State Get ResponseMsg Byte Description Data Type Value1Cmd Type UChar 0x8A2Parameter Type UChar 0x023UChar Error code4UChar Data Length (0x01)5UChar Mote State6Mote diagnostics status (see Table 36)UChar Mote diagnostics statusPRELMINARY
  InterfacesM2135-1/M2030-1 MOTE DATASHEET DUST NETWORKS™19CONFIDENTIAL7.3.4.3.1 Configuration Change Flag (CCF)The Configuration Change Flag (CCF) bit is set high when the network Id is changed. Note that when the network Id is changed over the air (using the XML-API), the entire network synchronously changes over to the new network Id. There is a delay between when the XML-API command is received and when motes change over to the new network Id. The CCF bit is set high when the new network Id becomes active. The CCF bit is cleared when the mote receives a Mote Information Get request (Parameter 0x07) or the mote is reset.7.3.4.4 Parameter Type 0x03 Frame LengthThis parameter is only valid for the Get Parameter command and is used to retrieve the frame length of the specified frame ID.Table 35 Mote StatesState # Description Details1ACTIVE The mote has joined the network and is waiting to be configured.2JOINING The mote has sent JOIN request, waiting for ACTIVATE.3ACT SEARCH The mote is actively searching for neighbors.4–5 PASS SEARCH The mote is passively searching for neighbors.6SYNCHRONIZED The mote is synchronized to a network, listening in active search.7–8 RESETTING The mote is going through the reset process.9ONLINE1 The mote has joined a network and has been fully configured, but has only one parent. The mote is ready to transmit data to the network.10 ONLINE2 The mote has joined a network, has been fully configured, and has multiple parents. The mote is ready to transmit data to the network.Table 36 Diagnostics StatusBit Name Details7--- Reserved.6--- Reserved.5--- Reserved.4--- Reserved.3--- Reserved.2--- Reserved.1CCF Configuration change flag (see section 7.3.4.3.1).0NV_ERR Non-volatile memory error.Table 37 Parameter Type 0x03 Frame Length Get RequestMsg Byte Description Data Type Value1Cmd Type UChar 0x892Parameter Type UChar 0x033UChar Frame IDPRELMINARY
Interfaces20 DUST NETWORKS™M2135-1/M2030-1 MOTE DATASHEETCONFIDENTIALThe following packet is sent in response to a request to retrieve the frame length.7.3.4.5 Parameter Type 0x04 Join KeyThe join key is needed to allow a mote on the network. The join key is specific for the network and used for data encryption. This parameter is only valid for a Set Parameter command. Upon receiving this request, the mote stores the new join key in its persistent storage. The mote must be reset in order to begin using the new join key.The following packet is sent in response to a request to set the join key.7.3.4.6 Parameter Type 0x05 Time/StateThis parameter is only valid for the Get Parameter command and is used to request the network time and mote state information. The response to this command returns the same information as Command 0x84 (Time/State Packet), with the only difference being that this command can be solicited using a software Get command, rather than a hardware pin.The following packet is sent in response to a request for the network time and mote state information.Table 38 Parameter Type 0x03 Frame Length Get ResponseMsg Byte Description Data Type Value1Cmd Type UChar 0x8A2Parameter Type UChar 0x033UChar Error code4UChar Data Length (0x05)5UChar Frame ID6-9 Frame Length (ms) ULong Frame LengthTable 39 Parameter Type 0x04 Join Key Set RequestMsg Byte Description Data Type Value1Cmd Type UChar 0x872Parameter Type UChar 0x043-18 New Join Key Array of 16 UChar New Join Key Table 40 Parameter Type 0x04 Join Key Set ResponseMsg Byte Description Data Type Value1Cmd Type UChar 0x882Parameter Type UChar 0x043UChar Error code4UChar Data Length (0x00)Table 41 Parameter Type 0x05 Time/State Get RequestMsg Byte Description Data Type Value1Cmd Type UChar 0x892Parameter Type UChar 0x05Table 42 Parameter Type 0x05 Time/State Get ResponseMsg Byte Description Data Type Value1Cmd Type UChar 0x8A2Parameter Type UChar 0x053UChar Error code4UChar Data Length (0x17)PRELMINARY
  InterfacesM2135-1/M2030-1 MOTE DATASHEET DUST NETWORKS™21CONFIDENTIAL7.3.4.7 Parameter Type 0x07 Mote informationThis parameter is only valid for the Get Parameter command. It is a diagnostics request that retrieves information about the mote’s properties.The following packet is sent in response to a request for information about mote properties.5-8 ULong Cycle9-12 ULong Offset (µsec)13-14 Frame Length (slots) UShort Frame Length15-18 UTC Time sec ULong UTC Time sec 19-22 UTC Time µsec ULong UTC Time µsec 23-26 Mote uptime msec ULong Mote uptime msec 27 UChar Mote state28 Mote diagnostics status (see Table 36)UChar Mote diagnostics statusTable 43 Parameter Type 0x07 Mote Information Get RequestMsg Byte Description Data Type Value1  Cmd Type UChar 0x892Parameter Type UChar 0x07Table 44 Parameter Type 0x07 Mote Information Get ResponseMsg Byte Description Data Type Value1  Cmd Type UChar 140 (0x8A)2Parameter Type UChar 0x073Error Code UChar Error Code 4Data length UChar Data length (0x1F)5-7 HW model Array of 3 UChar HW model 8-9 HW revision Array of 2 UChar HW revision10-13 SW revision Array of 4 UChar SW revision 14-21 MAC address Array of 8 UChar MAC addr 22 Networking type UChar 2 = 2.4 GHz network23-24 Network ID UShort Network ID 25-32 Datasheet ID Array of 8 UChar Datasheet ID 33-34 Mote ID UShort Mote ID35 Reserved36 Mote diagnostics status (see Table 36)UChar Mote diagnostics statusTable 42  Parameter Type 0x05 Time/State Get ResponseMsg Byte Description Data Type ValuePRELMINARY
Interfaces22 DUST NETWORKS™M2135-1/M2030-1 MOTE DATASHEETCONFIDENTIAL7.3.5 HDLC Packet Processing ExamplesExample 1: Constructing an HDLC packet to send to the moteThis example demonstrates how you would construct an HDLC packet to set the network ID value to 125. (All values are in hexadecimal.)Step 1 Define HDLC packet payload:Command type  => 87Parameter => 01Network ID => 7DStep 2 Calculate FCS:a. Calculate the FCS using FCS-16 algorithm (RFC 1662) on the hexadecimal sequence '87 01 00 7D'. The FCS (including 1's complement) is 74 2F.b. Append FCS to payload, FCS is sent least significant byte first (RFC 1662):Step 3 Perform byte stuffing.To perform byte stuffing, check the HDLC Packet Payload and FCS for instances of “7D” or “7E” and replace as follows:7D => 7D 5D7E => 7D 5ENote that the additional control bytes do not count against the 80-byte payload limit.Step 4 Add start and stop delimiters:Enclose the above in start/stop flags (RFC 1662).Or simply, the hexadecimal sequence:7E 87 01 00 7D 5D 2F 74 7EExample 2: Decoding an HDLC packet received from the moteTo understand how to decode an HDLC packet sent from the mote, let’s assume that the mote received a “get mote information” command, and replied with the following HDLC Packet. (All values are in hexadecimal.)Step 1 (HDLC layer) strip off delimiters:HDLC Packet PayloadCommand Type Message Content87 01 00 7DHDLC Packet Payload FCS87 01 00 7D 2F 74HDLC Packet Payload (stuffed) FCS (stuffed)87 01 00 7D 5D 2F 74Start Delimiter HDLC Packet Payload (stuffed) FCS (stuffed) Stop Delimiter7E 87 01 00 7D 5D 2F 74 7EStart Byte HDLC Packet Payload (stuffed) FCS (stuffed) Stop Byte7E 8A 07 00 1F 00 00 5B 00 01 01 06 00 3C 00 00 00 00 00 00 7D 5E C3 02 00 08 30 30 30 5F 45 56 30 31 00 13 0043 47 7EHDLC Packet Payload (stuffed) FCS (stuffed)8A 07 00 1F 00 00 5B 00 01 01 06 00 3C 00 00 00 00 00 00 7D 5E C3 02 00 08 30 30 30 5F 45 56 30 31 00 13 0043 47PRELMINARY
  InterfacesM2135-1/M2030-1 MOTE DATASHEET DUST NETWORKS™23CONFIDENTIALStep 2 Remove byte stuffing.To remove byte stuffing, check for instances of “7D 5D” or “7D 5E” and replace as follows:7D 5D => 7D7D 5E => 7EStep 3 Confirm FCS.Calculate the checksum for the HDLC payload.Confirm that the FCS matches the FCS sent with the packet. Because the packet encodes FCS least significant byte first, in this example the calculated FCS should match “47 43”.Step 4 (Application layer) parse HDLC payload content.The resulting packet payload is as follows:As described in section 7.3.3.6., an 0x8A command with parameter type 0x07 has the following message content structure:Therefore, this is a Mote Information response with no errors (and a payload length of 31 bytes). The Mote information is as follows (shown for 2.4 GHz mote):HDLC Packet Payload FCS8A 07 00 1F 00 00 5B 00 01 01 06 00 3C 00 00 00 00 00 00 7E C3 02 00 08 30 30 30 5F 45 56 30 31 00 13 0043 47HDLC Packet Payload8A 07 00 1F 00 00 5B 00 01 01 06 00 3C 00 00 00 00 00 00 7E C3 02 00 08 30 30 30 5F 45 56 30 31 00 13 00HDLC Packet Payload8A 07 00 1F 00 00 5B 00 01 01 06 00 3C 00 00 00 00 00 00 7E C3 02 00 08 30 30 30 5F 45 56 30 31 00 13 00Command Type Message Content8A 07 00 1F 00 00 5B 00 01 01 06 00 3C 00 00 00 00 00 00 7E C3 02 00 08 30 30 30 5F 45 56 30 31 00 13 00HW model =  “00091”  (00 00 5B)HW Rev =  “001” (00 01)SW rev = “1.6.60” (01 06 00 3C)MAC Address =  00 00 00 00 00 00 7E C3 Mote type =  02 = 2.4 GHz (02)Network ID =  8(00 08)Datasheet ID =  “000_EV01” (30 30 30 5F 45 56 30 31)Mote ID =  “19” (00 13) Param Error Code Length Hw Model Hw Rev Sw Rev MAC Mote Type Net ID Datasheet ID Mote ID Rsvd07 00 1F 00 00 5B 00 01 01 06 00 3C 00 00 00 00 00 00 7E C3 02 00 08 30 30 30 5F 45 56 30 31 00 13 00PRELMINARY
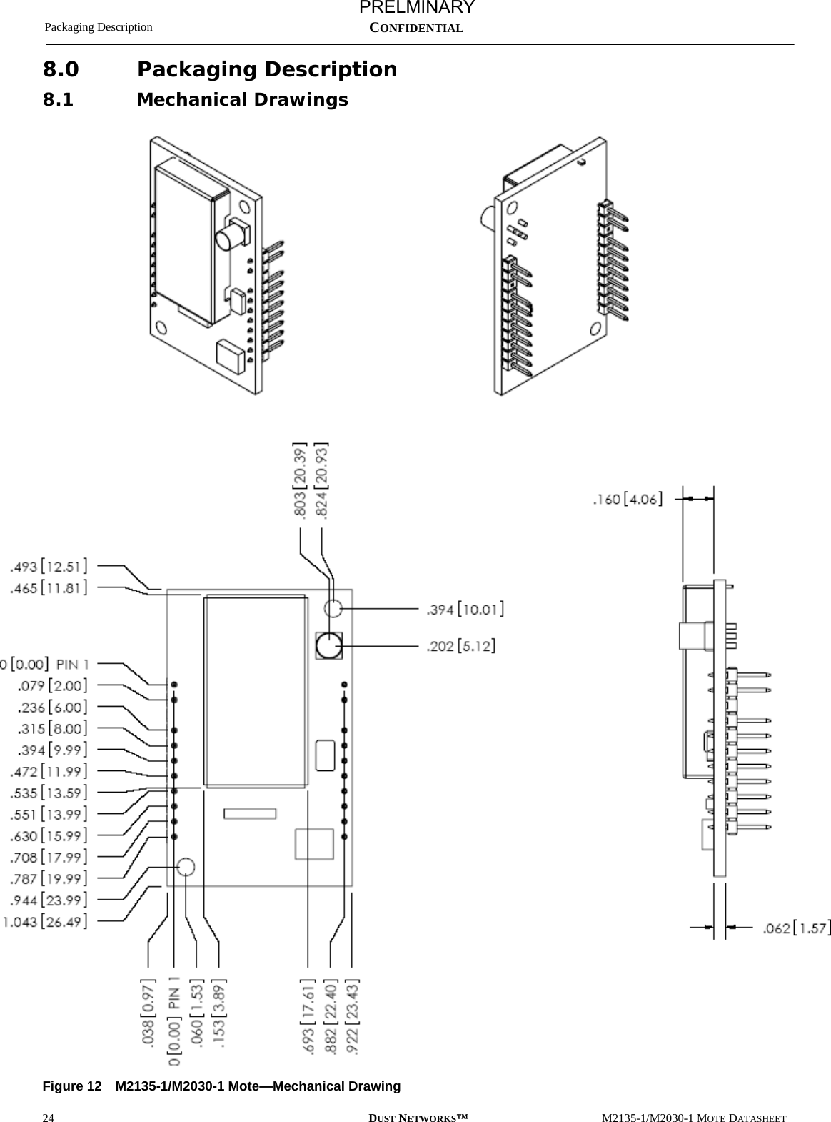
Packaging Description24 DUST NETWORKS™M2135-1/M2030-1 MOTE DATASHEETCONFIDENTIAL8.0 Packaging Description8.1 Mechanical DrawingsFigure 12 M2135-1/M2030-1 Mote—Mechanical DrawingPRELMINARY
  Regulatory and Standards ComplianceM2135-1/M2030-1 MOTE DATASHEET DUST NETWORKS™25CONFIDENTIALFigure 13 M2135-1/M2030-1 Mote Footprint—Mechanical drawing8.2 Soldering InformationThe M2135-1/M2030-1 can be hand soldered with a soldering iron at 270 °C. The soldering iron should be in contact with the pin for 20 seconds or less.9.0 Regulatory and Standards Compliance9.1 FCC Compliance9.1.1 FCC TestingThe M2135-1/M2030-1 mote complies with Part 15.247 modular (Intention Radiator) of the FCC rules and regulations. In order to fulfill FCC certification requirements, products incorporating the M2135-1/M2030-1 mote must comply with the following:1. An external label must be provided on the outside of the final product enclosure specifying the FCC identifier  (SJC-xxxxx-xxxx), as described in 9.1.3 below.2. The antenna must be electrically identical to the FCC-approved antenna specifications for the M2135-1/M2030-1 as described in 9.1.2 or the gain may be lower than specified in Table 3.3. The device integrating the M2135-1/M2030-1 mote may not cause harmful interference, and must accept any interference received, including interference that may cause undesired operation.4. An unintentional radiator scan must be performed on the device integrating the M2135-1/M2030-1 mote, per FCC Rules and Regulations, Title 47, Part 15, Subpart B. See FCC rules for specifics on requirements for declaration of conformity.PRELMINARY
Ordering Information26 DUST NETWORKS™M2135-1/M2030-1 MOTE DATASHEETCONFIDENTIAL9.1.2 FCC-approved AntennaeThe following antenna specifications shall be FCC approved for use with the M2135-1/M2030-1 mote.9.1.3 OEM Labeling RequirementsThe Original Equipment Manufacturer (OEM) must ensure that FCC labeling requirements are met. The outside of the final product enclosure must have a label with the following (or similar) text specifying the FCC identifier. The FCC ID and certification code must be in Latin letters and Arabic numbers and visible without magnification.or9.2 IC ComplianceThe M2135-1/M2030-1 shall be certified for modular Industry Canada (IC) approval. The OEM is responsible for its product to comply with IC ICES-003 and FCC Part 15, Sub. B – Unintentional Radiators. ICES-003 is equivalent to FCC Part 15 Sub. B and Industry Canada accepts FCC test reports or CISPR 22 test reports for compliance with ICES-003. 9.3 Industrial Environment OperationThe M2135-1/M2030-1 is designed to meet the specifications of a harsh industrial environments which includes:•Shock and Vibration—The M2135-1/M2030-1 complies with high vibration pipeline testing, as specified in IEC 60770-1.•Hazardous Locations—The M2135-1/M2030-1 design is consistent with operation in UL Class 1, Division 2 Hazardous Locations.•Temperature Extremes—The M2135-1/M2030-1 is designed for industrial storage and operational temperature range of  –40 °C to 85 °C.10.0 Ordering InformationProduct List:M2135-1:  SmartMesh-XT / Long-range 2.4 GHz Serial MoteM2030-1: SmartMesh-XT / 2.4 GHz Serial MoteContact Information:Dust Networks 30695 Huntwood Ave. Hayward, CA 94544Toll-Free Phone: 1 (866) 289-3878Website: www.dustnetworks.comEmail: sales@dustnetworks.comTable 3 FCC-approved Antenna Specifications for the M2135-1/M2030-1Gain Pattern Type Frequency ConnectorTBD Omni-directional TBD 2.4–2.4835 GHz MMCXContains transmitter module FCC ID: SJC-xxxxx-xxxxContains FCC ID: SJC-xxxxx-xxxx.PRELMINARYWaring to the OEM: The OEM is cautioned that any changes or modifications not expressly approved by the party responsible for compliance (Dust Networks, Inc.) could void the OEM’s authority to operate the equipment as pursuant to FCC Rule 15.21
  Ordering InformationM2135-1/M2030-1 MOTE DATASHEET DUST NETWORKS™27CONFIDENTIALTrademarksDust Networks™, the Dust Networks logo, SmartMesh-XR™, and SmartMesh-XT™ are trademarks of Dust Networks, Inc. Dust® and SmartMesh® are registered trademarks of Dust Networks, Inc. All third-party brand and product names are the trademarks of their respective owners and are used solely for informational purposes.CopyrightThis documentation is protected by United States and international copyright and other intellectual and industrial property laws. It is solely owned by Dust Networks, Inc. and its licensors and is distributed under a restrictive license. This product, or any portion thereof, may not be used, copied, modified, reverse assembled, reverse compiled, reverse engineered, distributed, or redistributed in any form by any means without the prior written authorization of Dust Networks, Inc.RESTRICTED RIGHTS: Use, duplication, or disclosure by the U.S. Government is subject to restrictions of FAR 52.227-14(g) (2)(6/87) and FAR 52.227-19(6/87), or DFAR 252.227-7015 (b)(6/95) and DFAR 227.7202-3(a), and any and all similar and successor legislation and regulation.DisclaimerThis documentation is provided “as is” without warranty of any kind, either expressed or implied, including but not limited to, the implied warranties of merchantability or fitness for a particular purpose.This documentation might include technical inaccuracies or other errors. Corrections and improvements might be incorporated in new versions of the documentation.Dust Networks does not assume any liability arising out of the application or use of any products or services and specifically disclaims any and all liability, including without limitation consequential or incidental damages.Dust Networks products are not designed for use in life support appliances, devices, or other systems where malfunction can reasonably be expected to result in significant personal injury to the user, or as a critical component in any life support device or system whose failure to perform can be reasonably expected to cause the failure of the life support device or system, or to affect its safety or effectiveness. Dust Networks customers using or selling these products for use in such applications do so at their own risk and agree to fully indemnify and hold Dust Networks and its officers, employees, subsidiaries, affiliates, and distributors harmless against all claims, costs, damages, and expenses, and reasonable attorney fees arising out of, directly or indirectly, any claim of personal injury or death associated with such unintended or unauthorized use, even if such claim alleges that Dust Networks was negligent regarding the design or manufacture of its products.Dust Networks reserves the right to make corrections, modifications, enhancements, improvements, and other changes to its products or services at any time and to discontinue any product or service without notice. Customers should obtain the latest relevant information before placing orders and should verify that such information is current and complete. All products are sold subject to Dust Network's terms and conditions of sale supplied at the time of order acknowledgment or sale.Dust Networks does not warrant or represent that any license, either express or implied, is granted under any Dust Networks patent right, copyright, mask work right, or other Dust Networks intellectual property right relating to any combination, machine, or process in which Dust Networks products or services are used. Information published by Dust Networks regarding third-party products or services does not constitute a license from Dust Networks to use such products or services or a warranty or endorsement thereof. Use of such information may require a license from a third party under the patents or other intellectual property of the third party, or a license from Dust Networks under the patents or other intellectual property of Dust Networks. © Dust Networks, Inc. 2006. All Rights Reserved.Document Number: 020-0004 rev 2 M2135-1/M2030-1 DatasheetLast Revised:  October 17, 2006Document Status Product Status DefinitionAdvanced Information Planned or under development This datasheet contains the design specifications for product development. Dust Networks reserves the right to change specifications in any manner without notice.Preliminary Engineering samples and  pre-production prototypes This datasheet contains preliminary data; supplementary data will be published at a later time. Dust Networks reserves the right to make changes at any time without notice in order to improve design and supply the best possible product. The product is not fully qualified at this point.No Identification Noted Full production This datasheet contains the final specifications. Dust Networks reserves the right to make changes at any time without notice in order to improve design and supply the best possible product.Obsolete Not in production This datasheet contains specifications for a product that has been discontinued by Dust Networks. The datasheet is printed for reference information only.PRELMINARY

Navigation menu