Analog Devices M2135 SmartMesh M2135 2.4GHz Mote User Manual Datasheet
Dust Networks, Inc. SmartMesh M2135 2.4GHz Mote Datasheet
User Manual

M2135-1/M2030-1 MOTE DATASHEET DUST NETWORKS™
CONFIDENTIAL
Product Description
The SmartMesh-XT™ M2135-1 and M2030-1 combine an industry-standard 802.15.4 radio with Time Synchronized Mesh
Protocol (TSMP) to enable low-power wireless sensors and actuators with highly reliable wireless mesh networking. The
M2135-1 and M2030-1 are tailored for use in battery- and line-powered wireless devices for applications that demand proven
performance, scalability, and reliability.
The M2135-1 and M2030-1 use the IEEE standard 802.15.4 radio, which operates in the global license-free 2.4 GHz band.
The M2030-1 offers a range of up to 200 meters outdoors, while keeping power consumption as low as 50 µA. Ideal for longer
range applications, the M2135-1 has a highly efficient power amplifier which allows communications to reach more than
400 meters outdoors, while advanced power management techniques keep power consumption down to as low as 55 µA in a
typical network deployment. The combination of extremely high reliability and low power consumption enables applications
that require very low installation cost and low-maintenance, long-term deployments.
The standard serial interface of the M2135-1 and M2030-1 gives it flexibility to be used in a wide variety of different
applications, from industrial process control to security, to lighting. When integrated into a product, the M2135-1 or M2030-1
acts like a network interface card (NIC)—it takes a data packet and makes sure that it successfully traverses the network. By
isolating the wireless mesh networking protocols from the user, the M2135-1 and M2030-1 simplify the development process
and reduce development risk.
Key Features
Reliable Networking
•Uses Time Synchronized Mesh Protocol (TSMP) for high
reliability (>99.9% typical network reliability)
•Channel hopping over DSSS for interference rejection
•Mesh networking for built-in redundancy
•Every M2135-1/M2030-1 acts as both an endpoint and a
router, increasing network reliability: “mesh-to-the-edge”
•Automatic self-organizing mesh is built in
Predictable Integration
•Standard HDLC serial interface with bidirectional flow
control
•Industrial temperature range –40 to +85 °C
•Supports socket or solder assembly
•Rugged design for class I div I environments
•FCC and IC modular certification (pending)
•Certifiable for use in most countries worldwide
(North America, Europe, and most Asian countries)
Low Power Consumption
•Ultra low-power components for long battery life
•Network-wide coordination for efficient power usage
•
Down to 55
µ
A typical power consumption (M2135-1)
Down to
50
µ
A typical power consumption (M2030-1)
802.15.4 Standard Radio
•Global 2.4 GHz license-free band: suitable for use in North
America, Europe, and most of Asia
•31.6 mW (+15 dBm) EIRP RF output power (M2135-1)
0.6 mW (–2 dBM) EIRP RF output power (M2130-1)
•–90 dBm receiver sensitivity
•Outdoor range > 400 m typical (M2135-1)
Outdoor range 200 m typical (M2030-1)
•Direct-sequence spread spectrum (DSSS) for additional
interference rejection
M2135-1, M2030-
1
2.4 GHz Wireless Serial Motes
PRELMINARY

2DUST NETWORKS™M2135-1/M2030-1 MOTE DATASHEET
Contents
1.0 Absolute Maximum Ratings ....................................................................................3
2.0 Normal Operating Conditions .................................................................................3
3.0 Electrical Specifications..........................................................................................4
3.1 Application Circuit .............................................................................................5
4.0 Radio......................................................................................................................5
4.1 Detailed Radio Specifications...............................................................................5
4.2 Antenna Specifications.......................................................................................6
5.0 Pinout.....................................................................................................................7
6.0 Mote Boot Up..........................................................................................................8
6.1 Power-on Sequence...........................................................................................8
6.2 Inrush Current..................................................................................................8
6.3 Serial Interface Boot Up.....................................................................................9
7.0 Interfaces...............................................................................................................9
7.1 Timestamps......................................................................................................9
7.2 Status .............................................................................................................9
7.3 Serial Interface............................................................................................... 10
7.3.1 Serial Handshake Protocol ...................................................................... 10
7.3.1.1 Serial Port................................................................................ 10
7.3.1.2 Serial Interface Boot Up............................................................. 11
7.3.1.3 Serial Interface Timing Requirements .......................................... 11
7.3.2 Mote Command Data Types .................................................................... 13
7.3.3 Mote Commands ................................................................................... 13
7.3.3.1 Command 0x80 Serial Payload Sent to Mote Serial........................ 14
7.3.3.2 Command 0x81 Unacknowledged Serial Payload
Received from Mote Serial.......................................................... 14
7.3.3.3 Command 0x82 Acknowledged Serial Payload
Received from Mote Serial.......................................................... 15
7.3.3.4 Command 0x84 Time/State Packet.............................................. 15
7.3.3.5 Commands 0x87 and 0x88 Set Parameter Request/Response.......... 15
7.3.3.6 Commands 0x89 and 0x8A Get Parameter Request/Response ......... 16
7.3.3.7 Command 0x8C Mote Information............................................... 16
7.3.3.8 Command 0x8D Reset Mote ....................................................... 17
7.3.4 Mote Get/Set Command Parameters ........................................................ 17
7.3.4.1 Error Codes.............................................................................. 18
7.3.4.2 Parameter Type 0x01 Network ID................................................ 18
7.3.4.3 Parameter Type 0x02 Mote State ................................................ 18
7.3.4.4 Parameter Type 0x03 Frame Length ............................................ 19
7.3.4.5 Parameter Type 0x04 Join Key.................................................... 20
7.3.4.6 Parameter Type 0x05 Time/State................................................ 20
7.3.4.7 Parameter Type 0x07 Mote information........................................ 21
7.3.5 HDLC Packet Processing Examples........................................................... 22
8.0 Packaging Description..........................................................................................24
8.1 Mechanical Drawings........................................................................................ 24
8.2 Soldering Information ...................................................................................... 25
9.0 Regulatory and Standards Compliance ................................................................. 25
9.1 FCC Compliance.............................................................................................. 25
9.1.1 FCC Testing .......................................................................................... 25
9.1.2 FCC-approved Antennae......................................................................... 26
9.1.3 OEM Labeling Requirements.................................................................... 26
9.2 IC Compliance ................................................................................................ 26
9.3 Industrial Environment Operation ...................................................................... 26
10.0 Ordering Information ...........................................................................................26
PRELMINARY

Absolute Maximum Ratings
M2135-1/M2030-1 MOTE DATASHEET DUST NETWORKS™3
CONFIDENTIAL
1.0 Absolute Maximum Ratings
The absolute maximum ratings shown below should under no circumstances be violated. Permanent damage to the device may
be caused by exceeding one or more of these parameters.
The M2135-1/M2030-1 can withstand an electrostatic discharge of up to 2 kV Human Body Model (HBM) or
200 V Machine Model (MM) applied to any header pin, except the antenna connector. The antenna input can
withstand a discharge of 50 V.
2.0 Normal Operating Conditions
Table 1 Absolute Maximum Ratings
Parameter Min Typ Max Units Comments
Supply voltage (Vcc to GND) -0.3 3.6 V
Voltage on digital I/O pin –0.3 VCC +0.3
up to 3.6
V
Input RF level 10 dBm Input power at antenna
connector
Storage temperature range –45 +85 °C
Lead temperature +270 °CFor 10 seconds
VSWR of antenna 3:1
* All voltages are referenced to GND
Table 2 Normal Operating Conditions
Parameter Min Typ Max Units Comments
Operational supply voltage range
(between Vcc and GND)
2.7 3.3 VIncluding noise and load
regulation
Voltage on analog input pins 01.5 V
Voltage supply noise 15 mVp-p 50 Hz–15 MHz
Peak current
M2135-1 90 mA
Tx during OTAP, 5 ms max
M2135-1 75 mA Tx, 5 ms maximum
M2135-1 30 mA Rx, searching for
network, 60 minutes
M2135-1 75 mA
Radio turn on, 300
µ
s max
M2030-1 45 mA
Tx during OTAP, 5 ms max
M2030-1 30 mA Tx, 5 ms maximum
M2030-1 30 mA Rx, searching for
network, 60 minutes
M2030-1 75 mA
Radio turn on, 300
µ
s max
Average current
M2135-1
M2030-1
55
50
µA
µA
Assuming 40 byte
packets, 1 per minute,
data-only mote
Storage and operating temperatures –40 85 °C
Maximum allowed temperature ramp 8°C/min –40 °C to 85 °C
PRELMINARY

Electrical Specifications
4DUST NETWORKS™M2135-1/M2030-1 MOTE DATASHEET
CONFIDENTIAL
Unless otherwise noted, Table 3 assumes Vcc is 3.0 V and temperature is 25 °C.
Unless otherwise noted, Table 4 assumes Vcc is 3.0 V and temperature is 25 °C.
3.0 Electrical Specifications
.
Unless otherwise noted, Vcc is 3.0 V and temperature is –40 to +85 °C.
Table 3 M2135-1 Current Consumption
Parameter Min Typ Max Units Comments
Transmit 50 mA
Receive 22 mA
Sleep 10 µA
Table 4 M2030-1 Current Consumption
Parameter Min Typ Max Units Comments
Transmit 20 mA
Receive 22 mA
Sleep 10 µA
Table 5 Device Load
Parameter Min Typ Max Units Comments
Total capacitance (unclamped) 14 15.5 µFNominal value.
Table 6 Digital I/O
Digital signal Min Typ Max Units Comments
VIH (logical high input) Vcc x 80% Vcc Vcc + 0.3 V
VIL (logical low input) GND –0.3 GND GND + 0.6 V
VOH (logical high output) 0.7 x Vcc Vcc Vcc V
VOL (logical low output) GND GND 0.25 x Vcc V
Digital current*
Output source (single pin) 0.6 mA 25 °C
Output sink (single pin) 0.6 mA 25 °C
Input leakage current 50 nA
* This current level guarantees that the output voltage meets VOL of 0.25 x Vcc and VOH of 0.7 x Vcc.
PRELMINARY

Radio
M2135-1/M2030-1 MOTE DATASHEET DUST NETWORKS™5
CONFIDENTIAL
3.1 Application Circuit
The following schematic shows how the M2135-1/M2030-1 mote is used in a circuit.
Figure 1 M2135-1/M2030-1 Mote in Application Circuit
4.0 Radio
4.1 Detailed Radio Specifications
Table 7 Radio Specifications
Parameter Min Typ Max Units Comments
Operating frequency 2.4000 2.4835 GHz
Number of channels 15
Channel separation 5MHz
Occupied channel bandwidth 2.7 MHz At –20 dBc
Modulation IEEE 802.15.4 DSSS
Raw data rate 250 kbps
Receiver sensitivity –90 dBm At 1% PER, Vcc = 3 V,
25 °C
Output power, EIRP
M2135-1
At 25 °C +15 dBm
Vcc = 3 V, +2 dBi antenna
M2030-1
At 25 °C –2 dBm
Vcc = 3 V, +2 dBi antenna
PRELMINARY

Radio
6DUST NETWORKS™M2135-1/M2030-1 MOTE DATASHEET
CONFIDENTIAL
4.2 Antenna Specifications
A MMCX-compatible male connector is provided on board for the antenna connection. The antenna must meet specifications
in Table 8.
When the mote is placed inside an enclosure, the antenna should be mounted such that the radiating portion of the antenna
protrudes from the enclosure, and connected using a MMCX connector on a coaxial cable. For optimum performance, allow
the antenna to be positioned vertically when installed.
Range*
M2135-1:
Indoor
Outdoor
M2030-1:
Indoor
Outdoor
100
400
25
200
m
m
m
m
25 °C, 50% RH, 1 meter
above ground, +2 dBi
omni-directional antenna
* Actual RF range performance is subject to a number of installation-specific variables including, but not restricted to ambient
temperature, relative humidity, presence of active interference sources, line-of-sight obstacles, near-presence of objects
(for example, trees, walls, signage, and so on) that may induce multipath fading. As a result, actual performance varies for
each instance.
Table 8 Antenna Specifications
Parameter Value
Frequency range 2.4–2.4835 GHz
Impedance 50 Ω
Gain +2 dBi maximum
Pattern Omni-directional
Maximum VSWR 3:1
Connector MMCX*
* The M2135-1 can accommodate the following RF mating connectors:
•MMCX straight connector such as Johnson 135-3402-001, or equivalent
•MMCX right angle connector such as Tyco 1408149-1, or equivalent
Table 7 Radio Specifications
Parameter Min Typ Max Units Comments
PRELMINARY

Pinout
M2135-1/M2030-1 MOTE DATASHEET DUST NETWORKS™7
CONFIDENTIAL
5.0 Pinout
The M2135-1 and M2030-1 have two 11-pin Samtec MTMM-111-04-S-S-175-3 (or equivalent) connectors on the bottom side
for handling all of the I/O. The third pin in each of the connectors is not populated, and serves as a key for alignment. The
connectors are mounted on opposite edges of the long axis of the mote.
The M2135-1 and M2030-1 provide a bidirectional flow-controlled serial interface (serial protocol is specified in 7.3.1).
The RST input pin is internally pulled up, and is optional. When driven active low, the mote is hardware reset until the signal
is deasserted. Refer to section 6.1 for timing requirements on the RST pin. Note that the mote may also be reset using the mote
serial command (see section 7.3.3.8).
The TIME input pin is optional, and must either be driven or pulled up with a 5.1 MΩ resistor. Unless noted otherwise, all
signals are active low.
Table 9 M2135-1/M2030-1 Pin Functions
Pin
Number Name Mote I/O
Direction Internal
Pull Up/Down
1GND -None
2VCC -None
3KEY (no pin) -None
4RX In None
5TX Out None
6LED Out None
7 M T_RTS Out None
8MT_CTS Out None
9SP_CTS In None
10 TIME In None
11 No Connection -None
12 No Connection -None
13 No Connection -None
14 No Connection -None
15 No Connection -None
16 No Connection -None
17 No Connection -None
18 No Connection -None
19 No Connection -None
20 KEY (no pin) -None
21 No Connection -None
22 RST In 100 kΩ pull up
Figure 2 M2135-1/M2030-1 Package with Pin Labels
PRELMINARY

Mote Boot Up
8DUST NETWORKS™M2135-1/M2030-1 MOTE DATASHEET
CONFIDENTIAL
6.0 Mote Boot Up
6.1 Power-on Sequence
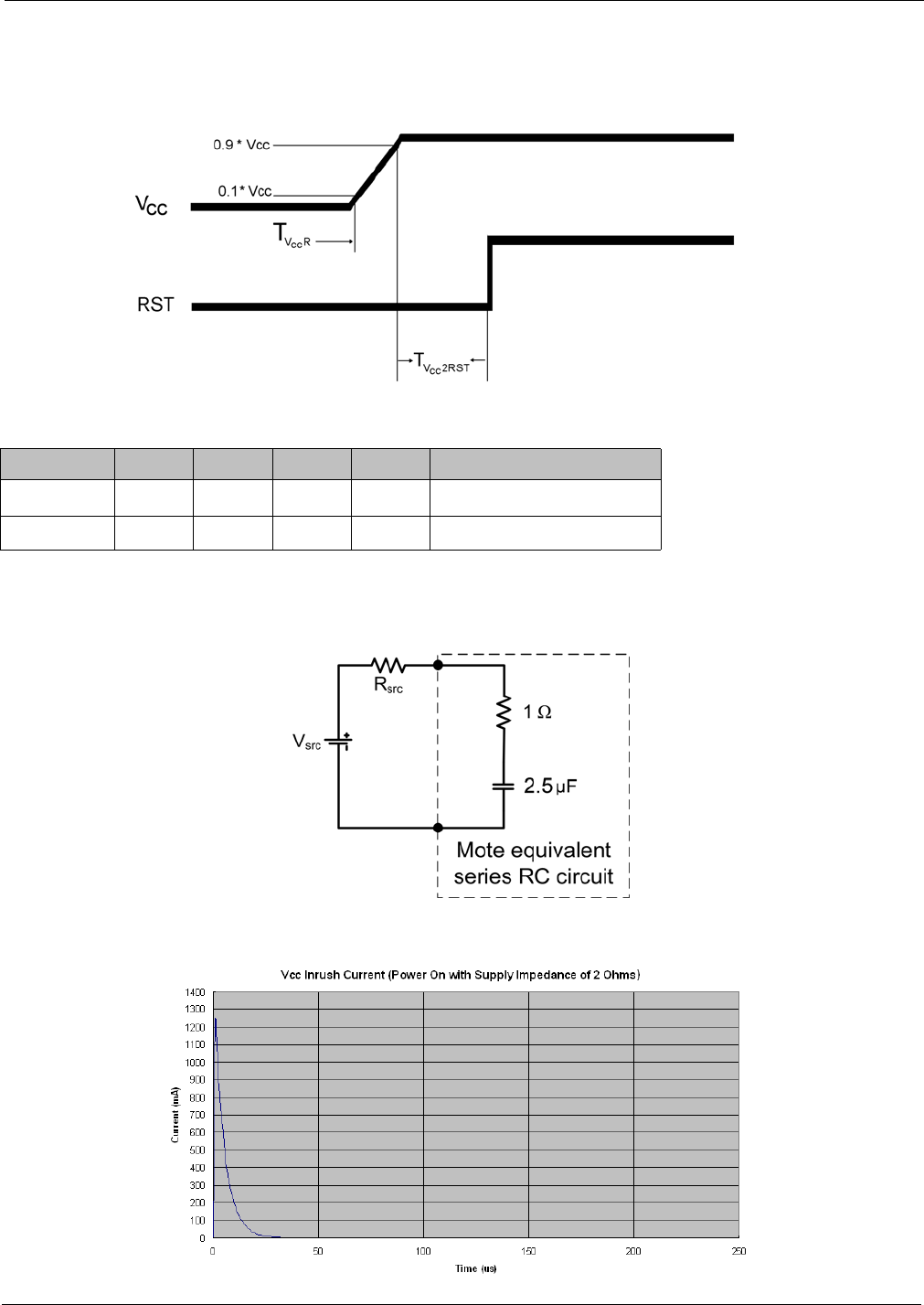
The external supply and other power-on devices must provide the mote with a specific sequence of power and reset as follows:
Figure 3 Power-on Sequence
6.2 Inrush Current
During power on, the mote can be modeled as a lumped impedance of 1 Ohm and 2.5 µF, as shown in Figure 4. With a source
impedance (Rsrc) of 2 Ohms, the inrush current on the mote appears as shown in Figure 5.
Figure 4 M2135/M2030 Equivalent Series RC Circuit
Figure 5 Vcc Inrush Current
Table 10 Power-on Sequence
Parameter Min Typ Max Units Comments
TVccR 500 µs
TVcc2RST 10 ms
PRELMINARY

Interfaces
M2135-1/M2030-1 MOTE DATASHEET DUST NETWORKS™9
CONFIDENTIAL
6.3 Serial Interface Boot Up
Upon mote power up, the MT_CTS line is high (inactive). The mote serial interface boots within boot_delay (see Table 14) of
the mote powering up, at which time the mote will transmit an HDLC Mote Information packet, as described below in section
7.3.3.7. Note that full handshake (see 7.3.1.3) is in effect and is required to receive this packet.
7.0 Interfaces
7.1 Timestamps
The M2135-1/M2030-1 has the ability to deliver network-wide synchronized timestamps. The M2135-1/M2030-1 sends a
time packet (as described in Table 42) through its serial interface when one of the following occurs:
•Mote receives an HDLC get_parameter request for time/state (see Table 41)
•Mote TIME signal is activated
The TIME pin is optional and has the advantage of being more accurate. The value of the timestamp is taken within
approximately a millisecond of receiving a TIME signal activation. If the HDLC request is used, because of packet processing,
the value of the timestamp may be captured several milliseconds after receipt of the packet. The real time delivered to the
sensor processor is relative to the real time clock on the Manager which serves as the network real time clock (NRTC). The
time stamp skew across the network is guaranteed to be within ±250 ms of the NRTC.
Figure 6 Real Time
When the time pin is activated for at least min_strobe_length (see Table 14), the mote responds by sending the time packet
within 100 ms delay.
Figure 7 Operation of Time Pin
7.2 Status
The M2135-1/M2030-1 provides an output signal driving a status LED. This LED displays network connectivity information
and is used during mote installation. Alternatively, the mote’s network status may be polled via serial using the Get Parameter
command (see 7.3.3.6) with the mote state parameter (see 7.3.4.3).
Table 11 Status LED
LED Appearance Mote State
Off Off, or in sleep mode
Slow single blink (100 ms on, 900 ms off) On, and searching for potential network
Single blink (100 ms on, 400 ms off) On, and attempting to join network
Double blink (100 ms on, 100 ms off, 100 ms on, 700 ms off) On, connected to network, attempting to establish redundant
links
Solid on On, fully configured into network with redundant parents
PRELMINARY

Interfaces
10 DUST NETWORKS™M2135-1/M2030-1 MOTE DATASHEET
CONFIDENTIAL
7.3 Serial Interface
The M2135-1/M2030-1 offers a well-defined serial interface that is optimized for low-powered embedded applications. This
serial interface offers a serial port comprised of the data pins (TX, RX) as well as the handshake pins (MT_RTS, MT_CTS,
SP_CTS) used for bidirectional flow control. Through this port, the M2135-1/M2030-1 provides a means of transmitting and
receiving serial data through the wireless network, as well as a command interface which provides synchronized time
stamping, local configuration, and diagnostics.
The following sections detail the Serial Interface Protocol, the Mote Command Interface, and the timestamping capability of
the M2135-1/M2030-1 serial interface.
7.3.1 Serial Handshake Protocol
The Serial Interface Protocol handshake provides for flow control of packets transmitted via the M2135-1/M2030-1 serial
interface. Packet delineation and error control are handled separately. The Interface supports the following:
•Full-duplex communication
•Bidirectional byte-level flow control
7.3.1.1 Serial Port
The five-pin serial port is comprised of the data pins (TX, RX) as well as the handshake pins (MT_RTS, MT_CTS, SP_CTS)
used for bidirectional flow control. This port supports 9600 bps operation in full-duplex mode. The handshake signals are
active low.
The following diagram illustrates the pins used in the handshaking protocol:
Figure 8 Diagram of Pins Used in Handshaking Protocol
Table 12 Serial Parameters
Parameter Value
Bit rate 9600
Start bit 1
Data bits 8
Parity None
PRELMINARY

Interfaces
M2135-1/M2030-1 MOTE DATASHEET DUST NETWORKS™11
CONFIDENTIAL
7.3.1.2 Serial Interface Boot Up
Upon mote power up, the MT_CTS line is high (inactive). The mote serial interface boots within 250 ms of the mote powering
up, at which time the mote will transmit an HDLC Mote Information packet, as described below in section 7.3.3.7. Note that
full handshake (see 7.3.1.3) is in effect and is required to receive this packet.
7.3.1.3 Serial Interface Timing Requirements
7.3.1.3.1 CTS Byte-level Handshake
The following diagram shows generic CTS byte-level flow control timing. The following details are applicable to both
MT_CTS and SP_CTS.
Figure 9 CTS Byte-level Flow Control Timing
Table 13 Pin Usage
Pin Usage
RX, TX Used for serial data flow into and out of the mote.
MT_RTS This signal goes active low when the mote is ready to send a serial packet. The signal stays low until
the SP_CTS signal from the microcontroller goes active low (indicating readiness to receive a packet)
or the ack_delay timeout (see Table 14) expires.
SP_CTS SP_CTS should transition from high to active low in response to the MT_RTS signal from the mote.This
indicates that the microcontroller is ready to receive serial packets. Following this, the microcontroller
should strobe SP_CTS after receiving each byte. After all packets are received, the microcontroller
should de-assert the SP_CTS signal.
MT_CTS MT_CTS indicates the state of the network connection and availability of data buffers to receive packets
destined for the network. Once the mote has established wireless network connection, it will use the
MT_CTS pin to signify availability to accept serial packets for wireless transmission. At certain critical
times during communication, the mote may bring MT_CTS high. MT_CTS will remain high if the mote
does not have enough buffer space to accept another packet. It will also remain high if the mote is not
part of the network. OEM designs must check that the MT_CTS pin is low before initiating each serial
packet for wireless transmission. Note that the mote may receive diagnostic serial packets at any time
regardless of the CTS state.
Upon receipt of the first byte of the HDLC packet, the mote strobes MT_CTS in acknowledgement of
each subsequent byte. After the last byte of the packet is received, MT_CTS switches back to signaling
the availability of the network connection and data buffers. The microcontroller should wait a minimum
of interpacket_delay (see Table 14) before initiating another packet transmission.
The mote can accept diagnostics (packets that are not sent through the network) at any time, and the
status of the MT_CTS pin may be ignored when initiating these packets. (MT_CTS will acknowledge
each byte as specified in 7.3.1.3.1.
TIME The TIME pin is optional and can be used for triggering a timestamp packet. For details, refer to 7.1.
PRELMINARY

Interfaces
12 DUST NETWORKS™M2135-1/M2030-1 MOTE DATASHEET
CONFIDENTIAL
Timeouts T1, T2, and T3 are defined as follows (refer to Table 14 for values):
•T1:interbyte_timeout—Maximum time between the transmit module sending a byte and the receiving module
acknowledging the byte using CTS (requests the next byte)
•T2: interpacket_delay—For communications into the mote, the minimum time after the mote receives the last byte of a
packet before it can start receiving the next packet. For communications out of the mote, the minimum time between the
mote receiving acknowledgement of the last byte reception (or timeout) and the mote driving RTS to request to send
another packet.
•T3: min_strobe_length—The minimum length of time that CTS must be held active to be recognized by the receiver.
In idle mode or upon expiration of the interbyte_delay timeout, the transmit side treats CTS as level triggered (MT_CTS is
disregarded in case of diagnostic serial packets). After transfer of the first byte of a packet, the meaning of CTS signal is
changed to a byte acknowledgement strobe, active on a falling edge. In other words, CTS becomes a request signal for the next
byte of a packet. This acknowledgement strobe will occur for all packets (both diagnostic and network packets). Whenever
timeouts T1 or T2 occur, the packet is discarded and both sides switch to idle mode and start hunting for the next HDLC
packet, assuming CTS active low. If a packet is transferred completely, the interbyte_delay after the last byte naturally takes
care of switching to idle mode.
7.3.1.3.2 Data Flow Out of the Mote Serial Port
Figure 10 illustrates the process the mote uses to transmit serial data:
1. The mote ensures the interpacket_delay time has passed since the last transmission.
2. The mote drives MT_RTS to active, waits for a falling edge on SP_CTS. Timeout is defined as ack_delay, and is long
enough to handle the worst case response.
3. If the mote times out before the SP_CTS becomes active, the mote restores MT_RTS to inactive and drops the packet.
4. If SP_CTS is active, then the mote transmits the first byte and follows the CTS byte-level handshaking rules for subsequent
bytes.
5. MT_RTS is restored to inactive after the ack_delay timeout has expired.
Figure 10 Packet Transmission from Mote
7.3.1.3.3 Data Flow into the Mote Serial Port
Figure 11 illustrates the process the mote uses to receive serial data:
The mote may receive serial packets for local commands (not intended for wireless transmission) at any time regardless of the
MT_CTS status.
The mote signals its readiness to receive serial packets for wireless transmission (serial payload command 0x80) by driving
MT_CTS active low. The mote will drive MT_CTS low within interpacket_delay time after the transmission of the last packet.
Figure 11 Packet Transmission to Mote
PRELMINARY

Interfaces
M2135-1/M2030-1 MOTE DATASHEET DUST NETWORKS™13
CONFIDENTIAL
7.3.1.3.4 Timing Values
7.3.2 Mote Command Data Types
Table 15 defines the command data types used in the commands.
7.3.3 Mote Commands
The mote command interface provides a way to send and receive network packets, access local configuration and diagnostics,
and receive time stamps. All packets between the microcontroller and the mote are encapsulated in the HDLC format
(RFC 1662) and have the following structure.
The command type indicates which API message is contained in the message content. The message content for each command
type is described within the following sections.
The frame checksum (FCS) is calculated based on the 16-bit FCS computation method (FCS-16, RFC 1662). The mote checks
the FCS and drops packets that have FCS errors. There is no mechanism for the mote to tell the microcontroller that a packet
has been discarded, so the applications layer must implement reliable delivery, if desired. All numerical fields in a packet are
in big endian order (MSB first), unless otherwise noted. Section 7.3.5 provides an example of HDLC packet construction and
HDLC packet decoding.
Table 14 Timing Values
Variable Meaning Min Max Unit
interbyte_delay The time between consecutive data bytes cannot exceed this
time.
0 7 ms
interpacket_delay The sender of an HDLC packet must wait at least this amount
of time before sending another packet.
N/A 20 ms
ack_delay The max time delay between the MT_RTS and the receivers
acknowledge, SP_CTS.
0500 ms
time_ack_timeout The mote responds to all TIME pin activation requests within
this time.
N/A 100 ms
diag_ack_timeout The mote responds to all requests within this time. N/A 125 ms
min_strobe_length The length of the strobe signal. 500 ns
boot_delay The time between mote power up and serial interface
availability.
250 ms
Table 15 Command Data Types
Data Type Description
ULong Unsigned long: 4 bytes
UShort Unsigned short: 2 bytes
UChar Unsigned character: 1 byte character
Command
(Byte 1) (Bytes 2—n)
Command Type Message Content
Start Delimiter
(Byte 0) Data Frame
(Bytes 1—n)Frame Checksum
(Bytes n + 1, n + 2) End Delimiter
(Byte n + 3)
0x7E HDLC Packet payload FCS-16 (2 Bytes) 0x7E
PRELMINARY

Interfaces
14 DUST NETWORKS™M2135-1/M2030-1 MOTE DATASHEET
CONFIDENTIAL
Table 16 provides a summary of mote commands, which are described in detail in the following sections. For error handling,
all other packet types should be ignored.
7.3.3.1 Command 0x80 Serial Payload Sent to Mote Serial
Serial Data Packets going into the mote serial port use the command type 0x80. Upon reception of the packet, the mote
forwards it to the network. The format of the serial packet payload is transparent to the mote. The maximum length of the
payload is 80 bytes (excluding byte-stuffing bytes). There is no response by the mote upon reception of this command.
7.3.3.2 Command 0x81 Unacknowledged Serial Payload Received from Mote Serial
Unacknowledged serial data packets going out of the mote serial port use command type 0x81. The network uses this
command to send data out through the mote serial interface. Upon receiving this packet from the network, the mote forwards it
to the microcontroller without sending acknowledgement to Manager. The format of the serial packet payload is transparent to
the mote. The maximum length of the payload is 80 bytes (excluding byte-stuffing bytes).
Table 16 Mote Command Summary
Command Type (HEX) Direction Description
0x80 Microcontroller to Mote Packet destined for the network
0x81 Mote to Microcontroller Unacknowledged packet received from
the network and destined for
microcontroller
0x82 Mote to Microcontroller Acknowledged packet received from
the network and destined for
microcontroller
0x83 -- Reserved
0x84 Mote to Microcontroller Time and mote state information
0x85 -- Reserved
0x86 -- Reserved
0x87 Microcontroller to Mote “Set Parameter” request
0x88 Mote to Microcontroller “Set Parameter” response
0x89 Microcontroller to Mote “Get Parameter” request
0x8A Mote to Microcontroller “Get Parameter” response
0x8C Mote to Microcontroller Mote information
0x8D Microcontroller to Mote Reset mote
Table 17 Command 0x80 Serial Payload to Mote
Msg Byte Description Data Type Request (Sent to Mote)
1 Cmd Type UChar 0x80
2(Transparent to mote) n bytes of data
2+1 (Transparent to mote) *
2+… (Transparent to mote) *
Table 18 Command 0x81 Unacknowledged Serial Payload from Mote
Msg Byte Description Data Type Value
1 Cmd Type UChar 0x81
2(Transparent to mote) n bytes of data
2+1 (Transparent to mote) *
2+… (Transparent to mote) *
PRELMINARY

Interfaces
M2135-1/M2030-1 MOTE DATASHEET DUST NETWORKS™15
CONFIDENTIAL
7.3.3.3 Command 0x82 Acknowledged Serial Payload Received from Mote Serial
Acknowledged serial data packets going out of the mote use command type 0x82. The network uses this command to send
data out through the mote serial interface. Upon receiving this packet from the network, the mote forwards it to the
microcontroller and sends an acknowledgement back to Manager. The format of the serial packet payload is transparent to the
mote. The maximum length of the payload is 80 bytes (excluding byte-stuffing bytes). The microcontroller receives exactly
one copy of the message that was sent through the network.
7.3.3.4 Command 0x84 Time/State Packet
Time data packets use the command type 0x84. The time packet includes the network time and the current real time relative to
the Manager. The mote sends this response when it receives a “get request” with “time” parameter (described later) or when
the TIME pin is strobed high to low for minimum of min_strobe_length, as defined in Table 14. Usage of the TIME pin is
described in section 7.1.
7.3.3.5 Commands 0x87 and 0x88 Set Parameter Request/Response
The Set Parameter command allows the setting of a number of configuration parameters in the mote. When the Set Parameter
Request command is sent, the response to the request is sent within the diag_ack_timeout (see Table 14). The command
structure for individual Parameter Types and can be found in section 7.3.4. The length of payload 'n' is dependant on the
Parameter type and is specified in the Parameter Data Packet section of this document.
Table 19 Command 0x82 Acknowledged Serial Payload Downstream
Msg Byte Description Data Type Value
1 Cmd Type UChar 0x82
2(Transparent to mote) n bytes of data
2+1 (Transparent to mote) *
2+… (Transparent to mote) *
Table 20 Command 0x84 Time/State Packet
Msg Byte Description Data Type Value
1Cmd Type UChar 0x84
2-5 The sequential number of the
frame
ULong Cycle
6-9 The offset from start of frame
in microseconds
ULong Offset
10-11 Frame length in timeslots UShort Frame Length
12-15 UTC time seconds ULong Real Time part1
16-19 UTC time microseconds ULong Real Time part2
20-23 Time from the last mote reset
in milliseconds
ULong Mote uptime
24 Mote state (see Table 35)UChar Mote state
25 Mote diagnostics status (see
Table 36)
UChar Mote diagnostics status
Table 21 Command 0x87 Set Parameter Request
Msg Byte Description Data Type Value
1Cmd Type UChar 0x87
2UChar Parameter Type
3Data (Transparent to mote) n bytes of data
3+1 Data (Transparent to mote) *
3+… Data (Transparent to mote) *
PRELMINARY

Interfaces
16 DUST NETWORKS™M2135-1/M2030-1 MOTE DATASHEET
CONFIDENTIAL
.
7.3.3.6 Commands 0x89 and 0x8A Get Parameter Request/Response
The Get Parameter command allows a number of configuration parameters in the mote to be read by serial. When a Get
Parameter Request command is sent, the response to the request is sent within the diag_ack_timeout of 100 ms. The command
structure for individual parameter types can be found in section 7.3.4. The length of payload 'n' depends on the parameter type
and is specified in that section. If the error code is not equal to 0, then no data is returned in the response. Error codes are
described in Table 30.
7.3.3.7 Command 0x8C Mote Information
The mote sends this packet on bootup, supplying information about mote properties. For details on bootup, see 7.3.1.2.
Table 22 Command 0x88 Set Parameter Response
Msg Byte Description Data Type Value
1Cmd Type UChar 0x88
2UChar Parameter Type
3UChar Error code
3+1 UChar Data Length (0x00)
Table 23 Command 0x89 Get Parameter Request
Msg Byte Description Data Type Value
1Cmd Type UChar 0x89
2UChar Parameter Type
3Data (Transparent to mote) n bytes of data
3+1 Data (Transparent to mote) *
3+... Data (Transparent to mote) *
Table 24 Command 0x8A Get Parameter Response
Msg Byte Description Data Type Value
1Cmd Type UChar 0x8A
2UChar Parameter Type
3UChar Error code
4UChar Data Length
5Data (Transparent to mote)
n bytes of data (If Error Code != 0)
5+1 Data (Transparent to mote) *
5+... Data (Transparent to mote) *
5+n Data (Transparent to mote) *
Table 25 Command 0x8C – Mote Information
Msg Byte Description Data Type Value
1 Cmd Type UChar 0x8C
2-4 HW model Array of 3 UChar HW model
5-6 HW revision Array of 2 UChar HW revision
7-10 SW revision Array of 4 UChar SW revision
11-18 MAC address Array of 8 UChar MAC addr
19 Networking type UChar 2 = 2.4 GHz network
20-21 Network ID UShort Network ID
PRELMINARY

Interfaces
M2135-1/M2030-1 MOTE DATASHEET DUST NETWORKS™17
CONFIDENTIAL
7.3.3.8 Command 0x8D Reset Mote
Upon receiving this command, the mote notifies its neighbors about an upcoming reset, then proceeds to reset itself. The delay
to the actual reset depends on the network configuration.
7.3.4 Mote Get/Set Command Parameters
This section specifies the parameters that may be used with the Set and Get Commands. Table 27 provides an overview of the
these parameters.
All requests have the following structure:
All replies have the following structure:
Command Types, Parameter types, and error codes are discussed in the following sections. Data length is the number of bytes
of following data, set to 0 in case of non-zero error code.
22-29 Datasheet ID Array of 8 UChar Datasheet ID
30-31 Mote ID UShort Mote ID
32 Reserved
33 Mote diagnostics status (see
Table 36)
UChar Mote diagnostics status
Table 26 Command 0x8D Reset Mote
Msg Byte Description Data Type Value
1 Cmd Type UChar 0x8D
Table 27 Set and Get Command Parameters
Parameter Set Parameter Get Parameter Description
Parameter type 0x01 XSets the mote’s network ID
Parameter type 0x02 XRetrieves the mote’s current network connection
state
Parameter type 0x03 XRetrieves the network frame length
Parameter type 0x04 XSets the network join key on the mote
Parameter type 0x05 XRetrieves the network time and mote state
information
Parameter type 0x06 -- Reserved
Parameter type 0x07 XRetrieves the mote’s properties
Table 28 Request Structure for Parameter Data Packets
Command Type Parameter Type Data (Optional)
1 byte 1 byte Up to 33 bytes
Table 29 Reply Structure for Parameter Data Packets
Command Type Parameter Type Error Code Data Length Data (Optional)
1 byte 1 byte 1 byte 1 byte Up to 31 bytes
Table 25 Command 0x8C – Mote Information
Msg Byte Description Data Type Value
PRELMINARY

Interfaces
18 DUST NETWORKS™M2135-1/M2030-1 MOTE DATASHEET
CONFIDENTIAL
7.3.4.1 Error Codes
7.3.4.2 Parameter Type 0x01 Network ID
The network ID is the identification number used to distinguish different wireless networks. In order to join a specific network,
the mote must have the same network ID as the network Manager. This parameter is only valid for the Set Parameter
command. Upon receiving this request, the mote stores the new network ID in its persistent storage area, but continues to use
the existing network ID. The mote must be reset in order to begin using the new network ID.
The following packet is sent in response to a request to set the network ID.
7.3.4.3 Parameter Type 0x02 Mote State
This parameter is only valid for the Get Parameter command and is used to retrieve the mote’s current network connection
state (see Table 35).
The following packet is sent in response to a request to retrieve the mote’s current network connection state.
Table 30 Error Codes
Number Error Description
0DIAG_NO_ERR No Command-Specific Errors
1DIAG_EXE_ERR Mote unable to execute command
2DIAG_PARAM_ERR Illegal parameter in the request
Table 31 Parameter Type 0x01 Network ID Set Request
Msg Byte Description Data Type Value
1Cmd Type UChar 0x87
2Parameter Type UChar 0x01
3-4 Network ID UShort Network ID
Table 32 Parameter Type 0x01 Network ID Set Response
Msg Byte Description Data Type Value
1Cmd Type UChar 0x88
2Parameter Type UChar 0x01
3UChar Error code
4UChar Data Length (0x00)
Table 33 Parameter Type 0x02 Mote State Get Request
Msg Byte Description Data Type Value
1Cmd Type UChar 0x89
2Parameter Type UChar 0x02
Table 34 Parameter Type 0x02 Mote State Get Response
Msg Byte Description Data Type Value
1Cmd Type UChar 0x8A
2Parameter Type UChar 0x02
3UChar Error code
4UChar Data Length (0x01)
5UChar Mote State
6Mote diagnostics status (see
Table 36)
UChar Mote diagnostics status
PRELMINARY

Interfaces
M2135-1/M2030-1 MOTE DATASHEET DUST NETWORKS™19
CONFIDENTIAL
7.3.4.3.1 Configuration Change Flag (CCF)
The Configuration Change Flag (CCF) bit is set high when the network Id is changed. Note that when the network Id is
changed over the air (using the XML-API), the entire network synchronously changes over to the new network Id. There is a
delay between when the XML-API command is received and when motes change over to the new network Id. The CCF bit is
set high when the new network Id becomes active. The CCF bit is cleared when the mote receives a Mote Information Get
request (Parameter 0x07) or the mote is reset.
7.3.4.4 Parameter Type 0x03 Frame Length
This parameter is only valid for the Get Parameter command and is used to retrieve the frame length of the specified frame ID.
Table 35 Mote States
State # Description Details
1ACTIVE The mote has joined the network and is waiting to
be configured.
2JOINING The mote has sent JOIN request, waiting for
ACTIVATE.
3ACT SEARCH The mote is actively searching for neighbors.
4–5 PASS SEARCH The mote is passively searching for neighbors.
6SYNCHRONIZED The mote is synchronized to a network, listening in
active search.
7–8 RESETTING The mote is going through the reset process.
9ONLINE1 The mote has joined a network and has been fully
configured, but has only one parent. The mote is
ready to transmit data to the network.
10 ONLINE2 The mote has joined a network, has been fully
configured, and has multiple parents. The mote is
ready to transmit data to the network.
Table 36 Diagnostics Status
Bit Name Details
7--- Reserved.
6--- Reserved.
5--- Reserved.
4--- Reserved.
3--- Reserved.
2--- Reserved.
1CCF Configuration change flag (see section 7.3.4.3.1).
0NV_ERR Non-volatile memory error.
Table 37 Parameter Type 0x03 Frame Length Get Request
Msg Byte Description Data Type Value
1Cmd Type UChar 0x89
2Parameter Type UChar 0x03
3UChar Frame ID
PRELMINARY

Interfaces
20 DUST NETWORKS™M2135-1/M2030-1 MOTE DATASHEET
CONFIDENTIAL
The following packet is sent in response to a request to retrieve the frame length.
7.3.4.5 Parameter Type 0x04 Join Key
The join key is needed to allow a mote on the network. The join key is specific for the network and used for data encryption.
This parameter is only valid for a Set Parameter command. Upon receiving this request, the mote stores the new join key in its
persistent storage. The mote must be reset in order to begin using the new join key.
The following packet is sent in response to a request to set the join key.
7.3.4.6 Parameter Type 0x05 Time/State
This parameter is only valid for the Get Parameter command and is used to request the network time and mote state
information. The response to this command returns the same information as Command 0x84 (Time/State Packet), with the
only difference being that this command can be solicited using a software Get command, rather than a hardware pin.
The following packet is sent in response to a request for the network time and mote state information.
Table 38 Parameter Type 0x03 Frame Length Get Response
Msg Byte Description Data Type Value
1Cmd Type UChar 0x8A
2Parameter Type UChar 0x03
3UChar Error code
4UChar Data Length (0x05)
5UChar Frame ID
6-9 Frame Length (ms) ULong Frame Length
Table 39 Parameter Type 0x04 Join Key Set Request
Msg Byte Description Data Type Value
1Cmd Type UChar 0x87
2Parameter Type UChar 0x04
3-18 New Join Key Array of 16 UChar New Join Key
Table 40 Parameter Type 0x04 Join Key Set Response
Msg Byte Description Data Type Value
1Cmd Type UChar 0x88
2Parameter Type UChar 0x04
3UChar Error code
4UChar Data Length (0x00)
Table 41 Parameter Type 0x05 Time/State Get Request
Msg Byte Description Data Type Value
1Cmd Type UChar 0x89
2Parameter Type UChar 0x05
Table 42 Parameter Type 0x05 Time/State Get Response
Msg Byte Description Data Type Value
1Cmd Type UChar 0x8A
2Parameter Type UChar 0x05
3UChar Error code
4UChar Data Length (0x17)
PRELMINARY

Interfaces
M2135-1/M2030-1 MOTE DATASHEET DUST NETWORKS™21
CONFIDENTIAL
7.3.4.7 Parameter Type 0x07 Mote information
This parameter is only valid for the Get Parameter command. It is a diagnostics request that retrieves information about the
mote’s properties.
The following packet is sent in response to a request for information about mote properties.
5-8 ULong Cycle
9-12 ULong Offset (µsec)
13-14 Frame Length (slots) UShort Frame Length
15-18 UTC Time sec ULong UTC Time sec
19-22 UTC Time µsec ULong UTC Time µsec
23-26 Mote uptime msec ULong Mote uptime msec
27 UChar Mote state
28 Mote diagnostics status (see
Table 36)
UChar Mote diagnostics status
Table 43 Parameter Type 0x07 Mote Information Get Request
Msg Byte Description Data Type Value
1 Cmd Type UChar 0x89
2Parameter Type UChar 0x07
Table 44 Parameter Type 0x07 Mote Information Get Response
Msg Byte Description Data Type Value
1 Cmd Type UChar 140 (0x8A)
2Parameter Type UChar 0x07
3Error Code UChar Error Code
4Data length UChar Data length (0x1F)
5-7 HW model Array of 3 UChar HW model
8-9 HW revision Array of 2 UChar HW revision
10-13 SW revision Array of 4 UChar SW revision
14-21 MAC address Array of 8 UChar MAC addr
22 Networking type UChar 2 = 2.4 GHz network
23-24 Network ID UShort Network ID
25-32 Datasheet ID Array of 8 UChar Datasheet ID
33-34 Mote ID UShort Mote ID
35 Reserved
36 Mote diagnostics status (see
Table 36)
UChar Mote diagnostics status
Table 42 Parameter Type 0x05 Time/State Get Response
Msg Byte Description Data Type Value
PRELMINARY

Interfaces
22 DUST NETWORKS™M2135-1/M2030-1 MOTE DATASHEET
CONFIDENTIAL
7.3.5 HDLC Packet Processing Examples
Example 1: Constructing an HDLC packet to send to the mote
This example demonstrates how you would construct an HDLC packet to set the network ID value to 125. (All values are in
hexadecimal.)
Step 1 Define HDLC packet payload:
Command type => 87
Parameter => 01
Network ID => 7D
Step 2 Calculate FCS:
a. Calculate the FCS using FCS-16 algorithm (RFC 1662) on the hexadecimal sequence '87 01 00 7D'.
The FCS (including 1's complement) is 74 2F.
b. Append FCS to payload, FCS is sent least significant byte first (RFC 1662):
Step 3 Perform byte stuffing.
To perform byte stuffing, check the HDLC Packet Payload and FCS for instances of “7D” or “7E” and replace as
follows:
7D => 7D 5D
7E => 7D 5E
Note that the additional control bytes do not count against the 80-byte payload limit.
Step 4 Add start and stop delimiters:
Enclose the above in start/stop flags (RFC 1662).
Or simply, the hexadecimal sequence:
7E 87 01 00 7D 5D 2F 74 7E
Example 2: Decoding an HDLC packet received from the mote
To understand how to decode an HDLC packet sent from the mote, let’s assume that the mote received a “get mote
information” command, and replied with the following HDLC Packet. (All values are in hexadecimal.)
Step 1 (HDLC layer) strip off delimiters:
HDLC Packet Payload
Command Type Message Content
87 01 00 7D
HDLC Packet Payload FCS
87 01 00 7D 2F 74
HDLC Packet Payload (stuffed) FCS (stuffed)
87 01 00 7D 5D 2F 74
Start Delimiter HDLC Packet Payload (stuffed) FCS (stuffed) Stop Delimiter
7E 87 01 00 7D 5D 2F 74 7E
Start Byte HDLC Packet Payload (stuffed) FCS (stuffed) Stop Byte
7E 8A 07 00 1F 00 00 5B 00 01 01 06 00 3C 00 00 00 00 00 00
7D 5E C3 02 00 08 30 30 30 5F 45 56 30 31 00 13 00
43 47 7E
HDLC Packet Payload (stuffed) FCS (stuffed)
8A 07 00 1F 00 00 5B 00 01 01 06 00 3C 00 00 00 00 00 00
7D 5E C3 02 00 08 30 30 30 5F 45 56 30 31 00 13 00
43 47
PRELMINARY

Interfaces
M2135-1/M2030-1 MOTE DATASHEET DUST NETWORKS™23
CONFIDENTIAL
Step 2 Remove byte stuffing.
To remove byte stuffing, check for instances of “7D 5D” or “7D 5E” and replace as follows:
7D 5D => 7D
7D 5E => 7E
Step 3 Confirm FCS.
Calculate the checksum for the HDLC payload.
Confirm that the FCS matches the FCS sent with the packet. Because the packet encodes FCS least significant byte
first, in this example the calculated FCS should match “47 43”.
Step 4 (Application layer) parse HDLC payload content.
The resulting packet payload is as follows:
As described in section 7.3.3.6., an 0x8A command with parameter type 0x07 has the following message content
structure:
Therefore, this is a Mote Information response with no errors (and a payload length of 31 bytes). The Mote
information is as follows (shown for 2.4 GHz mote):
HDLC Packet Payload FCS
8A 07 00 1F 00 00 5B 00 01 01 06 00 3C 00 00 00 00 00 00
7E C3 02 00 08 30 30 30 5F 45 56 30 31 00 13 00
43 47
HDLC Packet Payload
8A 07 00 1F 00 00 5B 00 01 01 06 00 3C 00 00 00 00 00 00
7E C3 02 00 08 30 30 30 5F 45 56 30 31 00 13 00
HDLC Packet Payload
8A 07 00 1F 00 00 5B 00 01 01 06 00 3C 00 00 00 00 00 00
7E C3 02 00 08 30 30 30 5F 45 56 30 31 00 13 00
Command Type Message Content
8A 07 00 1F 00 00 5B 00 01 01 06 00 3C 00 00 00 00 00 00 7E C3 02 00 08
30 30 30 5F 45 56 30 31 00 13 00
HW model = “00091” (00 00 5B)
HW Rev = “001” (00 01)
SW rev = “1.6.60” (01 06 00 3C)
MAC Address = 00 00 00 00 00 00 7E C3
Mote type = 02 = 2.4 GHz (02)
Network ID = 8(00 08)
Datasheet ID = “000_EV01” (30 30 30 5F 45 56 30 31)
Mote ID = “19” (00 13)
Param Error
Code Length Hw
Model Hw
Rev Sw Rev MAC Mote
Type Net
ID Datasheet ID Mote
ID Rsvd
07 00 1F 00 00 5B 00 01 01 06 00 3C 00 00 00 00 00 00 7E C3 02 00 08 30 30 30 5F 45 56 30 31 00 13 00
PRELMINARY

Packaging Description
24 DUST NETWORKS™M2135-1/M2030-1 MOTE DATASHEET
CONFIDENTIAL
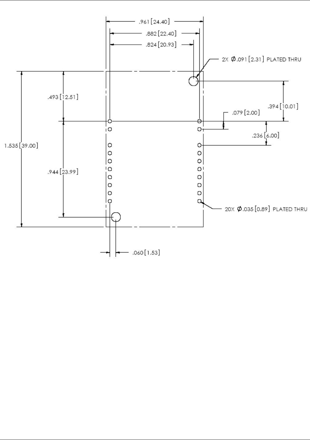
8.0 Packaging Description
8.1 Mechanical Drawings
Figure 12 M2135-1/M2030-1 Mote—Mechanical Drawing
PRELMINARY

Regulatory and Standards Compliance
M2135-1/M2030-1 MOTE DATASHEET DUST NETWORKS™25
CONFIDENTIAL
Figure 13 M2135-1/M2030-1 Mote Footprint—Mechanical drawing
8.2 Soldering Information
The M2135-1/M2030-1 can be hand soldered with a soldering iron at 270 °C. The soldering iron should be in contact with the
pin for 20 seconds or less.
9.0 Regulatory and Standards Compliance
9.1 FCC Compliance
9.1.1 FCC Testing
The M2135-1/M2030-1 mote complies with Part 15.247 modular (Intention Radiator) of the FCC rules and regulations. In
order to fulfill FCC certification requirements, products incorporating the M2135-1/M2030-1 mote must comply with the
following:
1. An external label must be provided on the outside of the final product enclosure specifying the FCC identifier
(SJC-xxxxx-xxxx), as described in 9.1.3 below.
2. The antenna must be electrically identical to the FCC-approved antenna specifications for the M2135-1/M2030-1 as
described in 9.1.2 or the gain may be lower than specified in Table 3.
3. The device integrating the M2135-1/M2030-1 mote may not cause harmful interference, and must accept any interference
received, including interference that may cause undesired operation.
4. An unintentional radiator scan must be performed on the device integrating the M2135-1/M2030-1 mote, per FCC Rules
and Regulations, Title 47, Part 15, Subpart B. See FCC rules for specifics on requirements for declaration of conformity.
PRELMINARY

Ordering Information
26 DUST NETWORKS™M2135-1/M2030-1 MOTE DATASHEET
CONFIDENTIAL
9.1.2 FCC-approved Antennae
The following antenna specifications shall be FCC approved for use with the M2135-1/M2030-1 mote.
9.1.3 OEM Labeling Requirements
The Original Equipment Manufacturer (OEM) must ensure that FCC labeling requirements are met. The outside of the final
product enclosure must have a label with the following (or similar) text specifying the FCC identifier. The FCC ID and
certification code must be in Latin letters and Arabic numbers and visible without magnification.
or
9.2 IC Compliance
The M2135-1/M2030-1 shall be certified for modular Industry Canada (IC) approval. The OEM is responsible for its product
to comply with IC ICES-003 and FCC Part 15, Sub. B – Unintentional Radiators. ICES-003 is equivalent to FCC Part 15
Sub. B and Industry Canada accepts FCC test reports or CISPR 22 test reports for compliance with ICES-003.
9.3 Industrial Environment Operation
The M2135-1/M2030-1 is designed to meet the specifications of a harsh industrial environments which includes:
•Shock and Vibration—
The M2135-1/M2030-1 complies with high vibration pipeline testing, as specified in IEC 60770-1.
•Hazardous Locations—The M2135-1/M2030-1 design is consistent with operation in UL Class 1, Division 2 Hazardous
Locations.
•Temperature Extremes—The M2135-1/M2030-1 is designed for industrial storage and operational temperature range of
–40 °C to 85 °C.
10.0 Ordering Information
Product List:
M2135-1: SmartMesh-XT / Long-range 2.4 GHz Serial Mote
M2030-1: SmartMesh-XT / 2.4 GHz Serial Mote
Contact Information:
Dust Networks
30695 Huntwood Ave.
Hayward, CA 94544
Toll-Free Phone: 1 (866) 289-3878
Website: www.dustnetworks.com
Email: sales@dustnetworks.com
Table 3 FCC-approved Antenna Specifications for the M2135-1/M2030-1
Gain Pattern Type Frequency Connector
TBD Omni-directional TBD 2.4–2.4835 GHz MMCX
Contains transmitter module FCC ID: SJC-xxxxx-xxxx
Contains FCC ID: SJC-xxxxx-xxxx.
PRELMINARY
Waring to the OEM: The OEM is cautioned that any changes or modifications not expressly
approved by the party responsible for compliance (Dust Networks, Inc.) could void the OEM’s
authority to operate the equipment as pursuant to FCC Rule 15.21

Ordering Information
M2135-1/M2030-1 MOTE DATASHEET DUST NETWORKS™27
CONFIDENTIAL
Trademarks
Dust Networks™, the Dust Networks logo, SmartMesh-XR™, and SmartMesh-XT™ are trademarks of Dust Networks, Inc. Dust® and SmartMesh® are
registered trademarks of Dust Networks, Inc. All third-party brand and product names are the trademarks of their respective owners and are used solely for
informational purposes.
Copyright
This documentation is protected by United States and international copyright and other intellectual and industrial property laws. It is solely owned by Dust
Networks, Inc. and its licensors and is distributed under a restrictive license. This product, or any portion thereof, may not be used, copied, modified,
reverse assembled, reverse compiled, reverse engineered, distributed, or redistributed in any form by any means without the prior written authorization of
Dust Networks, Inc.
RESTRICTED RIGHTS: Use, duplication, or disclosure by the U.S. Government is subject to restrictions of FAR 52.227-14(g) (2)(6/87) and FAR 52.227-
19(6/87), or DFAR 252.227-7015 (b)(6/95) and DFAR 227.7202-3(a), and any and all similar and successor legislation and regulation.
Disclaimer
This documentation is provided “as is” without warranty of any kind, either expressed or implied, including but not limited to, the implied warranties of
merchantability or fitness for a particular purpose.
This documentation might include technical inaccuracies or other errors. Corrections and improvements might be incorporated in new versions of the
documentation.
Dust Networks does not assume any liability arising out of the application or use of any products or services and specifically disclaims any and all liability,
including without limitation consequential or incidental damages.
Dust Networks products are not designed for use in life support appliances, devices, or other systems where malfunction can reasonably be expected to
result in significant personal injury to the user, or as a critical component in any life support device or system whose failure to perform can be reasonably
expected to cause the failure of the life support device or system, or to affect its safety or effectiveness. Dust Networks customers using or selling these
products for use in such applications do so at their own risk and agree to fully indemnify and hold Dust Networks and its officers, employees, subsidiaries,
affiliates, and distributors harmless against all claims, costs, damages, and expenses, and reasonable attorney fees arising out of, directly or indirectly, any
claim of personal injury or death associated with such unintended or unauthorized use, even if such claim alleges that Dust Networks was negligent
regarding the design or manufacture of its products.
Dust Networks reserves the right to make corrections, modifications, enhancements, improvements, and other changes to its products or services at any
time and to discontinue any product or service without notice. Customers should obtain the latest relevant information before placing orders and should
verify that such information is current and complete. All products are sold subject to Dust Network's terms and conditions of sale supplied at the time of
order acknowledgment or sale.
Dust Networks does not warrant or represent that any license, either express or implied, is granted under any Dust Networks patent right, copyright, mask
work right, or other Dust Networks intellectual property right relating to any combination, machine, or process in which Dust Networks products or
services are used. Information published by Dust Networks regarding third-party products or services does not constitute a license from Dust Networks to
use such products or services or a warranty or endorsement thereof. Use of such information may require a license from a third party under the patents or
other intellectual property of the third party, or a license from Dust Networks under the patents or other intellectual property of Dust Networks.
© Dust Networks, Inc. 2006. All Rights Reserved.
Document Number: 020-0004 rev 2 M2135-1/M2030-1 Datasheet
Last Revised: October 17, 2006
Document Status Product Status Definition
Advanced Information Planned or under
development This datasheet contains the design specifications for product development.
Dust Networks reserves the right to change specifications in any manner
without notice.
Preliminary Engineering samples and
pre-production prototypes This datasheet contains preliminary data; supplementary data will be
published at a later time. Dust Networks reserves the right to make changes at
any time without notice in order to improve design and supply the best
possible product. The product is not fully qualified at this point.
No Identification Noted Full production This datasheet contains the final specifications. Dust Networks reserves the
right to make changes at any time without notice in order to improve design
and supply the best possible product.
Obsolete Not in production This datasheet contains specifications for a product that has been discontinued
by Dust Networks. The datasheet is printed for reference information only.
PRELMINARY