Anaren A10040601 902-928 MHZ TRANSCEIVER User Manual 20170227 v1 11 11524600 A1101R09x Users Manual 2
Anaren, Inc. 902-928 MHZ TRANSCEIVER 20170227 v1 11 11524600 A1101R09x Users Manual 2
Anaren >
Contents
- 1. Users Manual
- 2. User Manual_20170227_v1 - 11_11524600 A1101R09x_Users_Manual_2
User Manual_20170227_v1 - 11_11524600 A1101R09x_Users_Manual_2

Anaren Integrated Radio
A1101R09x User’s Manual
Release Date 05/08/12
THIS PAGE INTENTIONALLY LEFT BLANK

iii
USER’S MANUAL
Models A1101R09A and A1101R09C
Contents
1. Overview .......................................................................................................................................................... 5
1.1. A1101R09A ................................................................................................................................................. 5
1.2. A1101R09C ................................................................................................................................................. 5
1.3. Features....................................................................................................................................................... 6
1.4. Theory of Operation.................................................................................................................................. 6
1.4.1. Typical Flow ........................................................................................................................................ 9
1.5. Applications ............................................................................................................................................. 11
1.6. Configuration ........................................................................................................................................... 11
2. Approvals and Usage ................................................................................................................................... 13
2.1. Product Approvals .................................................................................................................................. 13
2.1.1. USA (Federal Communications Commission, FCC) ......................................................................... 13
2.1.1.1. FCC Labeling Requirements ................................................................................................ 13
2.1.1.2. End User Manual ................................................................................................................... 14
2.1.1.3. RF Exposure ............................................................................................................................ 14
2.1.2. Canada (Industry Canada, IC) .......................................................................................................... 15
2.1.2.1. IC Labeling Requirements .................................................................................................... 15
2.1.2.2. RF Exposure ............................................................................................................................ 16
2.2. Potential Interference Sources ............................................................................................................... 17
2.2.1. Time critical data ............................................................................................................................... 17
2.3. Approved Usage ..................................................................................................................................... 17
2.3.1. USA & Canada ................................................................................................................................. 18
3. Electrical Characteristics .............................................................................................................................. 19
3.1. Absolute Maximum Ratings .................................................................................................................. 19
3.2. Operating Conditions ............................................................................................................................. 20
3.3. Pin Out ...................................................................................................................................................... 20
3.4. Recommended Layout (dimensions in mm) ...................................................................................... 22
3.5. Power Supply Considerations ............................................................................................................... 24
4. Mechanical and Process ................................................................................................................................ 25
4.1. Radio Module Details (dimensions in mm) ........................................................................................ 25
4.1.1. A1101R09A ...................................................................................................................................... 25
4.1.2. A1101R09C ....................................................................................................................................... 25
4.2. Packaging Details (dimensions in mm) ............................................................................................... 26
4.2.1. Matrix Tray Packaging ..................................................................................................................... 26
4.2.2. Tape-Reel Packaging ......................................................................................................................... 27
4.3. Soldering................................................................................................................................................... 28
4.3.1. Manual Mounting Procedure ........................................................................................................... 28
4.3.2. Automated Mounting Procedure ...................................................................................................... 29
THIS PAGE INTENTIONALLY LEFT BLANK

A1101R09x – User’s Manual Page 5 of 33
Release Date 05/08/12
1. Overview
The A1101R09A and A1101R09C are surface mount modules – each with an integrated crystal,
internal voltage regulator, matching circuitry and filtering. The A1101R09A has an integral
antenna, whereas the A1101R09C utilizes an external antenna through a U.FL connector (see
Table 2). The modules operate in the US 902 – 928MHz ISM band and are ideal for achieving
low power wireless connectivity without having to deal with extensive RF, antenna design and
regulatory compliance, allowing quick time to market. The modules are 100% tested to provide
consistent performance.
The A1101R09A and A1101R09C have received regulatory approvals for modular devices in
the United States (FCC) and Canada under Industry Canada (IC) Radio Standards Specification
(RSS) RSS-210 and RSS-Gen. The modular approval allows the OEM or end user to place
either an A1101R09A or an A1101R09C with an approved antenna inside a finished product
without having to perform costly regulatory testing for an intentional radiator. Section 2.3 has
information on the requirements for the end user/integrator must fulfill to use the modules
without intentional radiator regulatory testing.
The A1101R09A and A1101R09C are based on the CC1101 transceiver IC from Texas
Instruments. All control lines for the transceiver are provided at module level for full control of its
operation. Please see the CC1101 data sheet (www.ti.com) for how to control the modules.
The A1101R09A measure 9x16x2.5mm and A1101R09C measures 9x12x2.5mm. The modules
are footprint compatible with each other.
1.1. A1101R09A
The A1101R09A has an integral antenna, providing high efficiency and near omni-directional
radiation pattern. This approach offers the lowest system cost when the application allows
collocation of radio and antenna.
1.2. A1101R09C
The A1101R09C has a compact antenna connector that allows for locating the antenna away
from the module due to form/function or in order to exit a metal enclosure, see Figure 7 –
Figure 10 for more information on antenna location and enclosure considerations.

Page 6 of 33 A1101R09x – User’s Manual
Release Date 05/08/12
1.3. Features
Features:
Frequency range: 902-928 MHz
Ultra small package size
A1101R09C : 9mm x 12mm x 2.5mm
A1101R09A : 9mm x 16mm x 2.5mm
Impedance controlled multi-layer PCB
Shielded Package
1.8 to 3.6 V operation
SPI Interface
RoHS Compliant
LGA Footprint
Low Power Consumption
Regulatory approvals for FCC
Digital RSSI output
Programmable channel filter bandwidth
Programmable output power up to +10
dBm
High sensitivity (–104 dBm at 1.2
kBaud, 1% packet error rate)
Low current consumption (14.4 mA in
RX, 1.2kBaud, input well above
sensitivity limit)
Fast startup time: 240us from SLEEP
to Rx or Tx mode
Separate 64 byte Rx and Tx FIFOs
Data Rate: 1.2 – 500 Kbit/Sec
Programmable data rate from 1.2 to
500 kBaud
Sleep state: 0.2µA
Idle State: 1.7mA
Benefits Summary:
Operating temperature -40 to +85C
100% RF Tested in production
Common footprint for all family
members
No RF engineering experience
necessary
Only requires a 2 layer PCB
implementation
Excellent receiver selectivity and
blocking Performance
Suited for systems compliant with FCC
CFR47 Part 15.247a2 and 15.249 (US)
and Canada under Industry Canada
(IC) Radio Standards Specification
(RSS) RSS-210 and RSS-Gen.
No regulatory “Intentional radiator”
testing required to integrate module
into end product. Simple certification
labeling replaces testing.
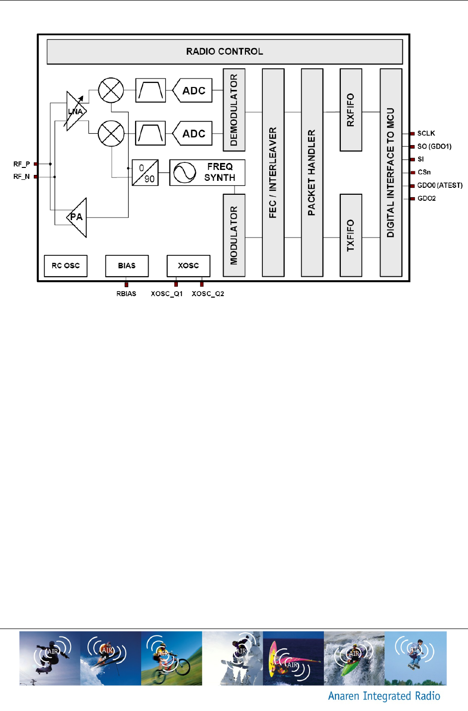
1.4. Theory of Operation
The A1101R09A and A1101R09C are for low power wireless applications in the US 902 –
928MHz ISM band. The devices can be used to implement a variety of networks, including;
point to point, point to multipoint, peer to peer and mesh networks.
The A1101R09A and A1101R09C both interface to an application microcontroller via an SPI
bus. Physical and MAC layer functionality are accessed via the SPI bus through addressable
registers as well as execution commands. Data received, or to be transmitted, are also
accessed through the SPI bus and are implemented as a FIFO register (64 bytes each for Tx
and Rx).

A1101R09x – User’s Manual Page 7 of 33
Release Date 05/08/12
To transmit, a frame of data is placed in the FIFO; this may include a destination address. A
transmit command is given, which will transmit the data according to the initial setup of the
registers. To receive data, a receive command is given, which enables the unit to “listen” for a
transmission; when such a transmission occurs, it places the received frame in the FIFO. When
neither transmit nor receive is required, the device can enter either an Idle mode, from which it
can quickly re-enter receive, a transmit mode, or a low power sleep mode from which a crystal
startup is required prior to transmit or receive operation.
Below is a block diagram for each of the A1101R09A and A1101R09C modules.
Antenna
o The antenna couples energy between the air and the AIR module. For
applications where installations are done by an end user (non-professional), an
omni-directional antenna pattern is desired such that the application will work
equally well in any direction. Similarly for peer to peer or point to multipoint
applications an omni-directional pattern is desired such that all nodes have a fair
chance of communicating. The A1101R09A module has an integral antenna that
is near omni-directional, whereas the A1101R09C has approved antenna options
ranging from near omni-directional to shaped front/back patterns (useful for
inline, professional installations). Note that the end radiation pattern depends not
only on the antenna, but also on the ground plane, enclosure and installation
environment.
Filtering
o Filtering removes spurious signals to comply with regulatory intentional radiator
requirements.
Matching
o Matching provides the correct loading of the transmit amplifier to achieve the
highest output power, as well as the correct loading for the receive LNA to
achieve the best sensitivity.
Physical
o The physical layer provides conversions between data, symbol and RF signal.
MAC
o The MAC layer is part of the Logical Link Layer and provides frame handling,
addressing and medium access services.
Microcontroller Interface
o The microcontroller interface exposes registers and commands for the physical
and MAC layers to a microcontroller.
Power Management
o Power management ensures a stable supply for the internal functions, as well as
providing means for a low power sleep mode (in which case, most of the
transceiver is power off).

Page 8 of 33 A1101R09x – User’s Manual
Release Date 05/08/12
Figure 1 The functionality of the A1101R09A, using an integral antenna
Figure 2 The functionality of the A1101R09C, using an external antenna.

A1101R09x – User’s Manual Page 9 of 33
Release Date 05/08/12
Figure 3 Transceiver IC block diagram.
1.4.1. Typical Flow
After initial setup of registers for desired behavior, the normal operation flow diagram is shown
in Figure 4. In applications of infrequent data transmissions, the transceiver would be in “sleep”
mode to save power. From there it would awaken and then enter “idle” mode. As part of the
wake up process the crystal oscillator is started (~240μs) and the digital microcontroller
interface is powered up. Before transmit or receive, the frequency synthesizer needs to be
started (“FS_Wakeup”) and, having been powered off (or idle for a while), the control loop of the
VCO/PLL needs to be calibrated (“calibrate”).
A data frame is loaded into the transmit FIFO and the “TX” mode is entered. The transceiver will
transmit the data and enter “idle” mode after completion. When transmit is complete “RX” mode
is entered to wait for the acknowledge frame. Once a frame is received, the transceiver will
again enter “idle” mode. If no acknowledge frame is received within a given timeout, the data
frame would be re-transmitted. If the acknowledge frame indicates that the data was received,
the next data frame will be transmitted. After the last data frame has been transmitted
successfully, the transceiver will again be put in “sleep” mode.

Page 10 of 33 A1101R09x – User’s Manual
Release Date 05/08/12
Medium access
Figure 4 Transceiver state diagram

A1101R09x – User’s Manual Page 11 of 33
Release Date 05/08/12
1.5. Applications
Ultra low-power wireless applications, operating in the 902-928 MHz ISM band.
Wireless alarm and security systems
Industrial monitoring and control
Wireless sensor networks
AMR – Automatic Meter Reading
Home and building automation
Existing applications where simple upgrade to wireless is desired
1.6. Configuration
Table 1 lists the radio module configuration parameters, and the level of configurability by the
user.
Legend:
Certification is valid for any value choosen
Use the provided certified settings as other may degrade performance
Any modification of this value is a violation of the certification and the
customer is responsible for optaining their own certification
Unused/undocumented function. The provided default value must be written.
No assumption should be made on the value read from this field
Read only register (burst mode read only, command strobes otherwise).

Page 12 of 33 A1101R09x – User’s Manual
Release Date 05/08/12
Table 1 Configuration Parameters
Register Name
Register
Address
(Hex)
Retained
during
sleep
7 6 5 4 3 2 1 0
IOCFG2 00 1 0 GDO2_INV
IOCFG1 01 1 GDO_DS GDO1_INV
IOCFG0 02 1GDO0_TEMP_SENSOR_ENABLE GDO0_INV
FIFOTHR 03 1 Reserved ADC_RETENTION
SYNC1 04 1
SYNC0 05 1
PKTLEN 06 1
PKTCTRL1 07 1 0 CRC_AUTOFLUSH APPEND_STATUS
PKTCTRL0 08 1 0 WHITE_DATA 0 CRC_EN
ADDR 09 1
CHANNR 0A 1
FSCTRL1 0B 1 0
FSCTRL0 0C 1
FREQ2 0D 1
FREQ1 0E 1
FREQ0 0F 1
MDMCFG4 10 1
MDMCFG3 11 1
MDMCFG2 12 1DEM_DCFILT_OFF MANCHESTER_EN
MDMCFG1 13 1 FEC_EN
MDMCFG0 14 1
DEVIATN 15 1 0 0
MCSM2 16 1 RX_TIME_RSSI RX_TIME_QUAL
MCSM1 17 1
MCSM0 18 1 PIN_CTRL_EN XOSC_FORCE_ON
FOCCFG 19 1FOC_BS_CS_GATE FOC_POST_K
BSCFG 1A 1 BS_POST_K BS_POST_KP
AGCCTRL2 1B 1
AGCCTRL1 1C 1 0 AGC_LNA_PRIORITY
AGCCTRL0 1D 1
WOREVT1 1E 1
WOREVT0 1F 1
WORCTRL 20 1 RC_PD RC_CAL 0
FREND1 21 1
FREND0 22 1 0
FSCAL3 23 1
FSCAL2 24 1VCO_CORE_H_EN
FSCAL1 25 1
FSCAL0 26 1 0
RCCTRL1 27 1 0
RCCTRL0 28 1 0
FSTEST 29 0
PTEST 2A 0
AGCTEST 2B 0
TEST2 2C 0
TEST1 2D 0
TEST0 2E 0VCO_SEL_CAL_EN TEST0[0]
2F
PARTNUM 30 1
VERSION 31 1
FREQOFF_EST 32 0
LQI 33 0CRC_OK
RSSI 34 0
MARC_STATE 35 0
WORTIME1 36 0
WORTIME0 37 0
PKTSTATUS 38 0CRC_OK CS PQT_REACHED CCA SFD GDO2 GDO0
VCO_VC_DAC 39 0
TXBYTES 3A 0TXFIFO_UNDERFLOW
RXBYTES 3B 0RXFI FO_OVERFLOW
RCCTRL1_STATUS 3C 0
RCCTRL0_STATUS 3D 0
PATABLE 3E 1
FIFO 3F 0
Bit Fields Within Register
SYNC_LSB
PACKET_LENGTH
PQT
ADR_CHK
PKT_FORMAT
LENGTH_CONFIG
GDO2_CFG
GDO1_CFG
GDO0_CFG
CLOSE_IN_RX
FIFO_THR
SYNC_MSB
FREQ[15:8]
FREQ[7:0]
CHANBW_E
CHANBW_M
DRATE_E
DRATE_M
DEVICE_ADDR
CHAN
0
FREQ_IF
FREQOFF
FREQ[23:22]=0
FREQ[21:16]
DEVIATION_E
DEVIATION_M
0
RX_TIME
0
CCA_MODE
RXOFF_MODE
TXOFF_MODE
MOD_FORMAT
SYNC_MODE
NUM_PREAMBLE
0
CHANSPC_E
CHANSPC_M
BS_PRE_K
BS_PRE_KP
BS_LIMIT
MAX_DVGA_GAIN
MAX_LNA_GAIN
MAGN_TARGET
0
FS_AUTOCAL
PO_TIMEOUT
0
FOC_PRE_K
FOC_LIMIT
EVENT0[15:8]
EVENT0[7:0]
EVENT1
WOR_RES
LNA_CURRENT
LNA2MIX_CURRENT
LODIV_BUF_CURRENT
MIX_CURRENT
CARRIER_SENSE_REL_THR
CARRIER_SENSE_ABS_THR
HYST_LEVEL
WAIT_TIME
AGC_FREEZE
FILTER_LENGTH
0
FSCAL2
0
FSCAL1
FSCAL0
RCCTRL1
0
LODIV_BUF_CURRENT_TX
PA_POWER
FSCAL3[7:6]
CHP_CURR_CAL_EN
FSCAL3[3:0]
TEST0[7:2]
PARTNUM
VERSION
FREQOFF_EST
LQI_EST
RSSI
RCCTRL0
FSTEST
PTEST
AGCTEST
TEST2
TEST1
NUM_RXBYTES
RCCTRL1_STATUS
RCCTRL0_STATUS
PATABLE
TXFIFO/RXFIFO
MARC_STATE
TIME[15:8]
TIME[7:0]
VCO_VC_DAC
NUM_TXBYTES

A1101R09x – User’s Manual Page 13 of 33
Release Date 05/08/12
2. Approvals and Usage
The A1101R09A and A1101R09C have been designed to meet most national regulations for
worldwide ISM-band use. In particular, the radio modules have been certified to the following
standards.
2.1. Product Approvals
2.1.1. USA (Federal Communications Commission, FCC)
The A1101R09A, with integrated antenna, as well as the A1101R09C, used with the antennas
listed in Table 2 below, have been tested to comply with FCC Part 15 - 15.247(a2) and
15.247(b) and 15.249 “Intentional Radiators.” The devices meet the requirements for modular
transmitter approval as detailed in FCC public notice DA 00-1407 Released: June 26, 2000. The
A1101R09A and A1101R09C module can be integrated into a finished product without obtaining
subsequent FCC approvals.
(15.19a3) The modules comply with part 15 of the FCC rules. Operation is subject to the
following two conditions: (1) this device may not cause harmful interference, and (2) this device
must accept any interference received, including interference that may cause undesired
operation.
Table 2 Approved Antennas
Item
Part Number
Manufacturer
Type
Gain
1
Integral part of A1101R09A
Anaren
Integral Antenna
2
2
66089-0906
Anaren
Monopole whip, 6mm lead
3
3
66089-0930
Anaren
Monopole whip, 30mm lead
3
2.1.1.1. FCC Labeling Requirements
The A1101R09A and A1101R09C modules have been labeled with their own FCC ID number
and if the FCC ID is not visible when the module is installed inside another device, then the
outside of the finished product into which the module is installed must also display a label
referring to the enclosed module. This exterior label can use wording such as the following:
Contains Transmitter Module FCC ID: X7J-A10040601
-or-
Contains FCC ID: X7J-A10040601
This device complies with Part 15 - 15.247(a2) and 15.247(b) and 15.249 of the FCC Rules.
Operation is subject to the following two conditions:
(1) this device may not cause harmful interference, and (2) this device must accept any
interference received, including interference that may cause undesired operation.

Page 14 of 33 A1101R09x – User’s Manual
Release Date 05/08/12
2.1.1.2. End User Manual
The end user manual should include the following statement:
This equipment has been tested and found to comply with the limits for a Class B digital device,
pursuant to part 15 of the FCC Rules. These limits are designed to provide reasonable
protection against harmful interference in a residential installation. This equipment generates,
uses, and radiates radio frequency energy, and, if not installed and used in accordance with the
instructions, may cause harmful interference to radio communications. However, there is no
guarantee that interference will not occur in a particular installation. If this equipment does
cause harmful interference to radio or television reception, which can be determined by turning
the equipment off and on, the user is encouraged to try to correct the interference by one or
more of the following measures:
Reorient or relocate the receiving antenna.
Increase the separation between the equipment and receiver.
Connect the equipment into an outlet on a circuit different from that to which the receiver
is connected.
Consult the dealer or an experienced radio/TV technician for help.
2.1.1.3. RF Exposure
All transmitters regulated by the FCC must comply with RF exposure requirements. OET
Bulletin 65 “Evaluating Compliance with FCC Guidelines for Human Exposure to Radio
Frequency Electromagnetic Fields” provides assistance in determining whether proposed or
existing transmitting facilities, operations or devices comply with limits for human exposure to
Radio Frequency (RF) fields adopted by the Federal Communications Commission (FCC). The
bulletin offers guidelines and suggestions for evaluating compliance.
If appropriate, compliance with exposure guidelines for mobile and unlicensed devices can be
accomplished by the use of warning labels and by providing end users with information
concerning minimum separation distances from transmitting structures and proper installation of
antennas.
The following statement must be included as a CAUTION statement in manuals and OEM
products to alert end users of FCC RF Exposure compliance:
To satisfy FCC RF Exposure requirements for mobile and base station transmission devices, a
separation distance of 20 cm or more should be maintained between the antenna of this device
and persons during operation. To ensure compliance, operation at closer than this distance is
not recommended. The antenna(s) used for this transmitter must not be co-located or operating
in conjunction with any other antenna or transmitter.
If the A1101R09A and A1101R09C module is used in a portable application (antenna is less
than 20 cm from persons during operation), the end user is responsible for performing Specific
Absorption Rate (SAR) testing in accordance with FCC rules 2.1091.

A1101R09x – User’s Manual Page 15 of 33
Release Date 05/08/12
2.1.2. Canada (Industry Canada, IC)
The A1101R09A and A1101R09C modules have been certified for use in Canada under
Industry Canada (IC) Radio Standards Specification (RSS) RSS-210 and RSS-Gen.
From section 3.2 RSS-Gen, Issue 3, December 2010, Modular Approval for Category I
Equipment or Category II Equipment:
“Modular approval permits the installation of the same module in a host device or multiple host
devices without the need to recertify the device. Equipment certification for a modular device
may be sought for either Category I equipment or Category II equipment.
Transmitters designed as modules for the installation in a host device may obtain equipment
certification as a modular device provided that the applicable RSS is met and the following
conditions in this section are met.”
In section 7.1.2 Transmitter Antenna, it has been mentioned that the user manuals for
transmitters shall display the following notice in a conspicuous location:
Notice: Under Industry Canada regulations, this radio transmitter may only operate using an
antenna of a type and maximum (or lesser) gain approved for the transmitter by Industry
Canada. To reduce potential radio interference to other users, the antenna type and its gain
should be so chosen that the equivalent isotropically radiated power (e.i.r.p.) is not more than
that necessary for successful communication.
Avis: Sous la réglementation d'Industrie Canada, ce transmetteur radio ne peut fonctionner
qu’en utilisant seulement une antenne d'un type et d’un maximum (ou moins) de gain approuvé
pour l'émetteur par Industrie Canada. Pour réduire des potentielles interférences radio pour les
autres utilisateurs, le type d'antenne et son gain doivent être choisis de sorte que la puissance
isotrope rayonnée équivalente (PIRE) ne dépasse pas ce qui est nécessaire pour une
communication réussie.
2.1.2.1. IC Labeling Requirements
From section 3.2.1 RSS-Gen, Issue 3, December 2010, Labeling Requirements for the Host
Device:
The host device shall be properly labeled to identify the modules within the host device. The
Industry Canada certification label of a module shall be clearly visible at all times when installed
in the host device, otherwise the host device must be labeled to display the Industry Canada
certification number of the module, preceded by the words “Contains transmitter module”, or the
word “Contains”, or similar wording expressing the same meaning.
From section 5.2, RSS-Gen, Issue 3, December 2010, Equipment Certification Numbers and
Labels: Every unit of Category I radio apparatus certified for marketing and use in Canada shall
bear a permanent label on which is indelibly displayed the model number and Industry Canada
certification number of the equipment model (transmitter, receiver, or inseparable combination

Page 16 of 33 A1101R09x – User’s Manual
Release Date 05/08/12
thereof). Each model shall be identified by a unique combination of a model number and a
certification number, which are assigned as described below in this section.
The label shall be securely affixed to a permanently attached part of the device, in a location
where it is visible or easily accessible to the user, and shall not be readily detachable. The label
shall be sufficiently durable to remain fully legible and intact on the device in all normal
conditions of use throughout the device’s expected lifetime. These requirements may be met
either by a separate label or nameplate permanently attached to the device or by permanently
imprinting or impressing the label directly onto the device.
The label text shall be legible without the aid of magnification, but is not required to be larger
than 8-point font size. If the device is too small to meet this condition, the label information may
be included in the user manual upon agreement with Industry Canada.
Label:
Contains IC: 8975A-A10040601
Notice: This device complies with Industry Canada licence-exempt RSS standard(s). Operation
is subject to the following two conditions: (1) this device may not cause interference, and (2) this
device must accept any interference, including interference that may cause undesired operation
of the device.
Avis: Cet appareil est conforme avec Industrie Canada RSS standard exempts de licence (s).
Son fonctionnement est soumis aux deux conditions suivantes: (1) cet appareil ne peut pas
provoquer d'interférences et (2) cet appareil doit accepter toute interférence, y compris les
interférences qui peuvent causer un mauvais fonctionnement du dispositif.
For more information, see: Industry Canada http://www.ic.gc.ca/.
2.1.2.2. RF Exposure
All transmitters regulated by IC must comply with RF exposure limits as set forth in RSS-102,
Issue 4, section 4, “Exposure Limits”. Furthermore RSS-102, Issue 4, Section 2 “Certification
Requirements”, provides assistance in determining the specific requirements for compliance. If
appropriate, compliance with exposure guidelines for mobile and unlicensed devices can be
accomplished by the use of warning labels and by providing users with information concerning
minimum separation distances from transmitting structures and proper installation of antennas.
The following statement must be included as a CAUTION statement in manuals and OEM
products to alert users of IC RF Exposure compliance:
Notice: To satisfy IC RF Exposure requirements for mobile and base station transmission
devices, a separation distance of 20 cm or more should be maintained between the antenna of
this device and persons during operation. To ensure compliance, operation at closer than this
distance is not recommended. The antenna(s) used for this transmitter must not be co-located
or operating in conjunction with any other antenna or transmitter.

A1101R09x – User’s Manual Page 17 of 33
Release Date 05/08/12
Avis: Pour répondre à la IC d'exposition pour les besoins de base et mobiles dispositifs de
transmission de la station, sur une distance de séparation de 20 cm ou plus doit être maintenue
entre l'antenne de cet appareil et les personnes en cours de fonctionnement. Pour assurer le
respect, l'exploitation de plus près à cette distance n'est pas recommandée. L'antenne (s) utilisé
pour cet émetteur ne doit pas être co-localisés ou fonctionner conjointement avec une autre
antenne ou transmetteur.
2.2. Potential Interference Sources
Alarm systems
o These typically use low duty cycles and are therefore easy to avoid using
acknowledge/retransmit methods
Car alarms (internal motion sensors)
Video surveillance
o These are typically operated on a fixed channel determined at installation time
and can be avoided by using clear channel assessment. It may be useful to
change the channel used by the video surveillance equipment also, if possible.
2.2.1. Time critical data
If the user requires specific time critical data throughput that cannot tolerate the delays of
potentially many re-transmissions, the user is encouraged to implement an environment-aware
algorithm that periodically monitors/scans the frequency band and maintain a list of “best
available” channels.
2.3. Approved Usage
These radio modules can be used in a variety of physical layer configurations; the following
restricts the use to maintain compliance with the above referenced certification bodies.
The user is encouraged to use minimum power required to establish a link, thus minimizing
interference.
Changes or modifications to the module and/or operation outside the limits set forth below are
prohibited and could void the user’s authority to operate the modules.
Uses of these radio modules are limited to the following frequency ranges and modulation
settings. Using the radio modules outside of these limitations are prohibited and could void the
user’s authority to operate the modules. The user should use one of the register configurations
listed below.
Anaren provides register setting files for optimal performance and compliance for each of the
data rates given in the following at www.anaren.com.

Page 18 of 33 A1101R09x – User’s Manual
Release Date 05/08/12
2.3.1. USA & Canada
Within the USA and Canada, the modules have been approved for use as digitally modulated
transmitters, for which they must have a minimum occupied bandwidth (6dB bandwidth) of
500kHz. In addition, the spectral density may not exceed 8dBm/3kHz and the total output power
including antenna gain may not exceed 1W. Table 3 shows configurations that are compliant with
this use and the expected performance.
Table 3 FCC Approved configurations with max. allowed output power
In order to meet the band edge requirements, the center frequency of the operating channel has
to be chosen between Fomin and Fomax. Also, the power levels provided in Table 3 are the max
allowed power levels for each configuration, however, the user is encouraged to use minimum
power required to establish a link in order to minimize interference. For available power levels
from the module, please refer to Table 4.
It is encouraged to use a medium access technique which should include addressing of
individual transceiver nodes; and should include a combination of a clear channel assessment,
transmit and detect, or a frequency hopping method. This ensures that the un-licensed band
can be shared with other systems/applications.
Table 4 Output Power vs. PA Table Value
Modulation Datarate (kB) 6-dB BW (kHz) PSD (dBm) Power Table (Hex)
Fomin (MHz) Fomax (MHz)
2-FSK 1.2 530 6.84 0xCB 902.49985 927.58578
2-FSK 38 535 6.88 0xCA 902.49985 927.58578
2-FSK 250 540 3.68 0xC0 902.49985 927.58578
MSK 425 515 1.26 0xC0 902.8093 927.28586
MSK 500 585 1.35 0xC0 902.8093 927.28586
Power (dBm) PA_TABLE (Hex) Power (dBm) PA_TABLE (Hex) Power (dBm) PA_TABLE (Hex)
12.5 0xC0 7 0xCE -3 0x64
12 0xC1 5 0x80 -4 0x56
11.5 0XC3 4.5 0x81 -5 0x67
11 0xC4 4 0x85 -6 0x8F
10.5 0xC5 3.5 0x87 -7 0x38
10 0xC7 3 0x88 -8 0x2A
9.5 0xC8 2 0x8B -9 0x29
9 0xC9 1 0x8C -10 0x35
8.5 0xCB 0 0x70 -15 0x24
8 0xCC -1 0x61 -20 0x19
7.5 0xCD -2 0x5B

A1101R09x – User’s Manual Page 19 of 33
Release Date 05/08/12
3. Electrical Characteristics
3.1. Absolute Maximum Ratings
Under no circumstances must the absolute maximum ratings given in Table 2 be violated.
Stress exceeding one or more of the limiting values may cause permanent damage to the
device.
Table 5 Absolute Maximum Ratings
Parameter Min Max Units Condition
Supply voltage -0.3 3.9 V All supply pins must have the same voltage
Voltage on any digital pin -0.3
VDD + 0.3
max 3.9
V
Voltage on the pins RF_P,
RF_N and DCOUPL
-0.3 2.0 V
Voltage ramp-up rate 120 kV/µs
Input RF level +10 dBm
Storage temperature range -50 150
oC
Solder reflow temperature 260
oCAccording to IPC/JEDEC J-STD-020C
ESD 750 V
According to JEDEC STD22, method A114,
Human Body Model (HBM)
ESD 400 V
According to JEDEC STD22, C101C,
Charged Device Model (HBM)
Caution!
ESD sensitive device. Precaution should be
used when handling the device in order to
prevent permanent damage.
Caution!
This assembly contains moisture sensitive
devices and requires proper handling per
IPC/JEDEC J-STD-033

Page 20 of 33 A1101R09x – User’s Manual
Release Date 05/08/12
3.2. Operating Conditions
Table 6 Operating Conditions
3.3. Pin Out
The A1101R09A and A1101R09C radio modules share a common pin-out and foot print, that is
also shared by Anaren modules using other frequencies -- thus enabling easy changeover from
one to another, e.g. if changing the frequency, antenna scheme, or adaptive antenna tuning is
desired. Below the common footprint are shown.
Figure 5 Pin Out.
NC = NO Connection. Pin is NOT
connected internally.
DNC = Do Not Connect. Internal
connection used during assembly, do not
connect.
Parameter Min Max Units Condition
Operating temperature -40 85
oC
Operating supply voltage 1.8
3.6 V All supply pins must have the same voltage

A1101R09x – User’s Manual Page 21 of 33
Release Date 05/08/12
Table 7 Pin Descriptions
Pin #
Pin Name
Pin Type
Description
1
DNC
NC
Internal GND connection used during testing, not recommended to
connect to main GND.
2
DNC
NC
Internal RF output connection used during test. Connecting this pin
to anything will require recertification for intentional radiators.
3
DNC
NC
Internal GND connection used during testing, not recommended to
connect to main GND.
4
NC
NC
Pin is not connected internally, but is reserved for future expansion.
It is recommended not to connect this pin to anything.
5
NC
NC
Pin is not connected internally, but is reserved for future expansion.
It is recommended not to connect this pin to anything.
6
NC
NC
Pin is not connected internally, but is reserved for future expansion.
It is recommended not to connect this pin to anything.
7
Vdcoup1
Analog
Optional decoupling of the modules internal Vdd supply. It is
recommended to not connect anything to this pin. In particular noisy
environment this pin can be used to further reduce the noise on the
modules internal Vdd, please see section 3.5 for further information.
8
GND
Ground
One of two primary ground pins
9
SCLK
Digital Input
SPI bus clock signal
10
MISO/GDO1
Digital
Output
SPI bus data out from radio when CSN is low, and general purpose
I/O pin when CSN is high
11
MOSI
Digital Input
SPI bus data into radio
12
_CSN
Digital Input
SPI bus select (active low)
13
GDO0
Digital I/O
(Analog
output)
General purpose port
14
GDO2
Digital I/O
General purpose port
15
Vdcoup2
Analog
Optional decoupling of the modules internal Vdd supply. It is
recommended to not connect anything to this pin. In particular noisy
environment this pin can be used to further reduce the noise on the
modules internal Vdd, please see section 3.5 for further information.
16
NC
NC
No Connect, the pin is not connected internally, but is reserved for
future expansion. It is recommended not to connect this pin to
anything.
17
GND
Ground
One of two primary ground pins
18
Vdd
Power
Supply
Power supply pin
19
NC
NC
Pin is not connected internally, but is reserved for future expansion.
It is recommended not to connect this pin to anything.
20
NC
NC
Pin is not connected internally, but is reserved for future expansion.
It is recommended not to connect this pin to anything.
21
NC
NC
Pin is not connected internally, but is reserved for future expansion.
It is recommended not to connect this pin to anything.
22
DNC
NC
Internal GND connection used during testing, not recommended to
connect to main GND.
23
DNC
NC
Pin is not connected internally, but is reserved for future expansion.
It is recommended not to connect this pin to anything.
24
DNC
NC
Internal GND connection used during testing, not recommended to
connect to main GND.

Page 22 of 33 A1101R09x – User’s Manual
Release Date 05/08/12
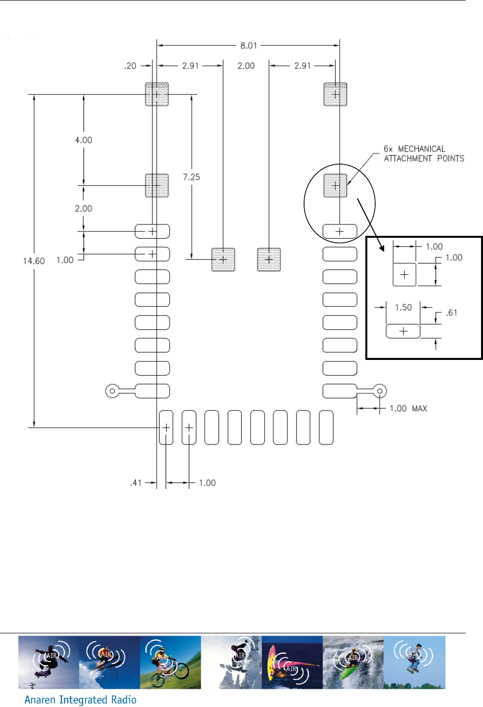
3.4. Recommended Layout (dimensions in mm)
Figure 6 Recommended PCB layout.

A1101R09x – User’s Manual Page 23 of 33
Release Date 05/08/12
Figure 7 Mounting the module in a corner
Figure 8 Mounting the module along an edge
Figure 9 Mounting the module along an edge with
overhang. This option is not generally
recommended, but is a method to save PCB in an
environmentally benign environment
Figure 10 Mounting the module along an edge, with a
ground plane cut-out. This option degrades range
slightly.

Page 24 of 33 A1101R09x – User’s Manual
Release Date 05/08/12
3.5. Power Supply Considerations
Noise on the power supply line reduces the sensitivity of a receiver and modulates onto a
transmitter’s signal, both of which causes a degradation of link quality and hence a reduction in
range.
The A1101R09A and A1101R09C radio modules each have an integral ferrite bead in the
supply line from pin 18 (Vdd) and decoupling capacitance to reduce any noise on the incoming
power supply line. This arrangement will eliminate most supply voltage noise. In particularly
noisy environments (switching regulators, motor controls, etc.), it may be necessary to add
additional noise reduction means.
Pin 7 (Vdcoup1) is connected to the modules internal supply line after the ferrite bead and
decoupling capacitors and can be used to probe the noise at module level. The noise level
measured on pin 7 should not exceed 120mVpp when in transmit or receive mode; it may
however exceed this value when setting up or accessing data to/from the FIFOs, while not
actively transmitting or receiving.
If the level measured is exceeding the above limit, steps should be taken to ensure maximum
range, including:
Adding decoupling capacitance to pin 7 (Vdcoup1).
Adding additional filtering in the supply line.
Adding an LDO in the supply line (the TPS731xx low Dropout Regulator from TI is
recommended).

A1101R09x – User’s Manual Page 25 of 33
Release Date 05/08/12
4. Mechanical and Process
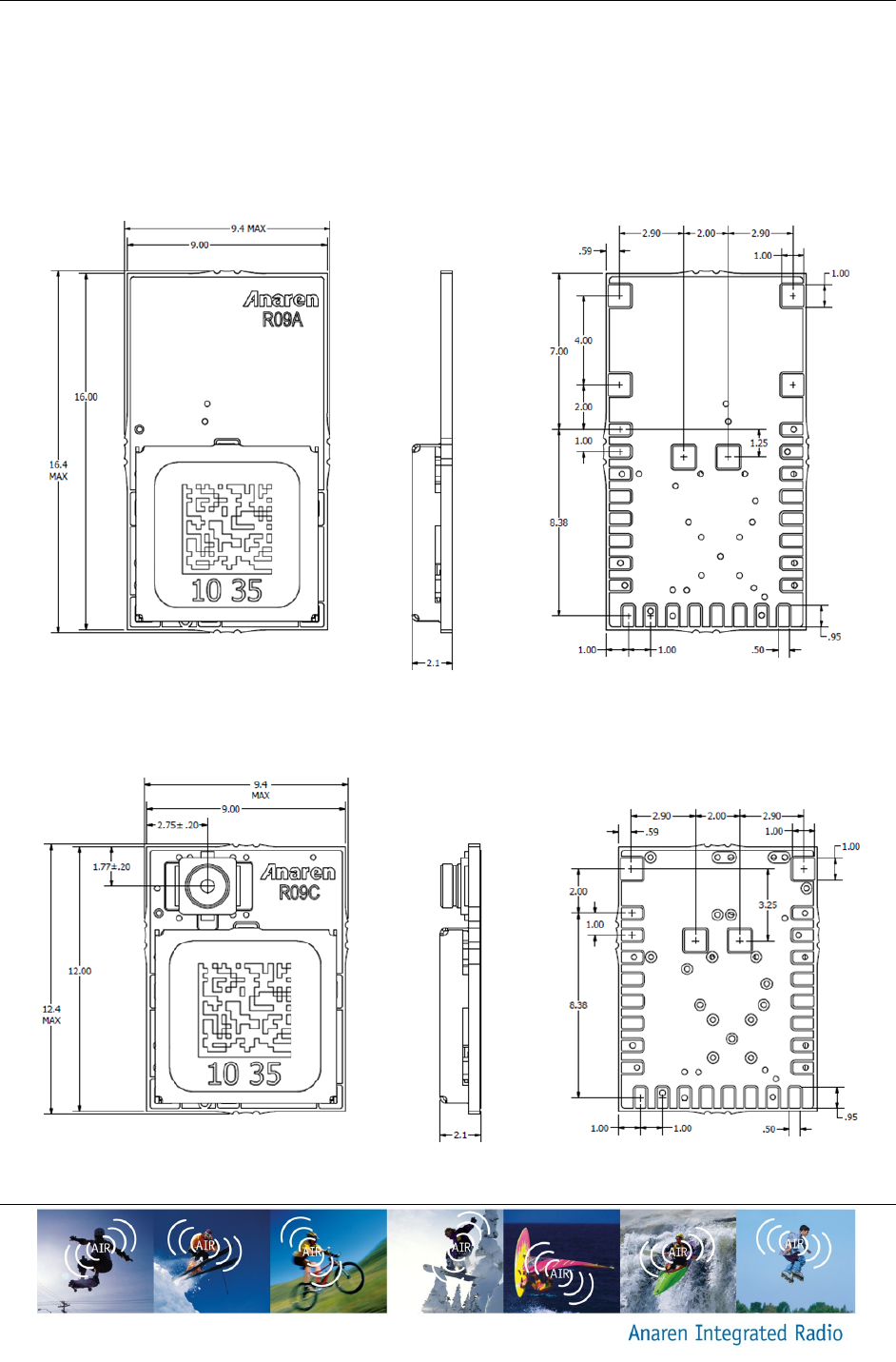
4.1. Radio Module Details (dimensions in mm)
4.1.1. A1101R09A
Figure 11 A1101R09A dimensions
4.1.2. A1101R09C
Figure 12 A1101R09C dimensions

Page 26 of 33 A1101R09x – User’s Manual
Release Date 05/08/12
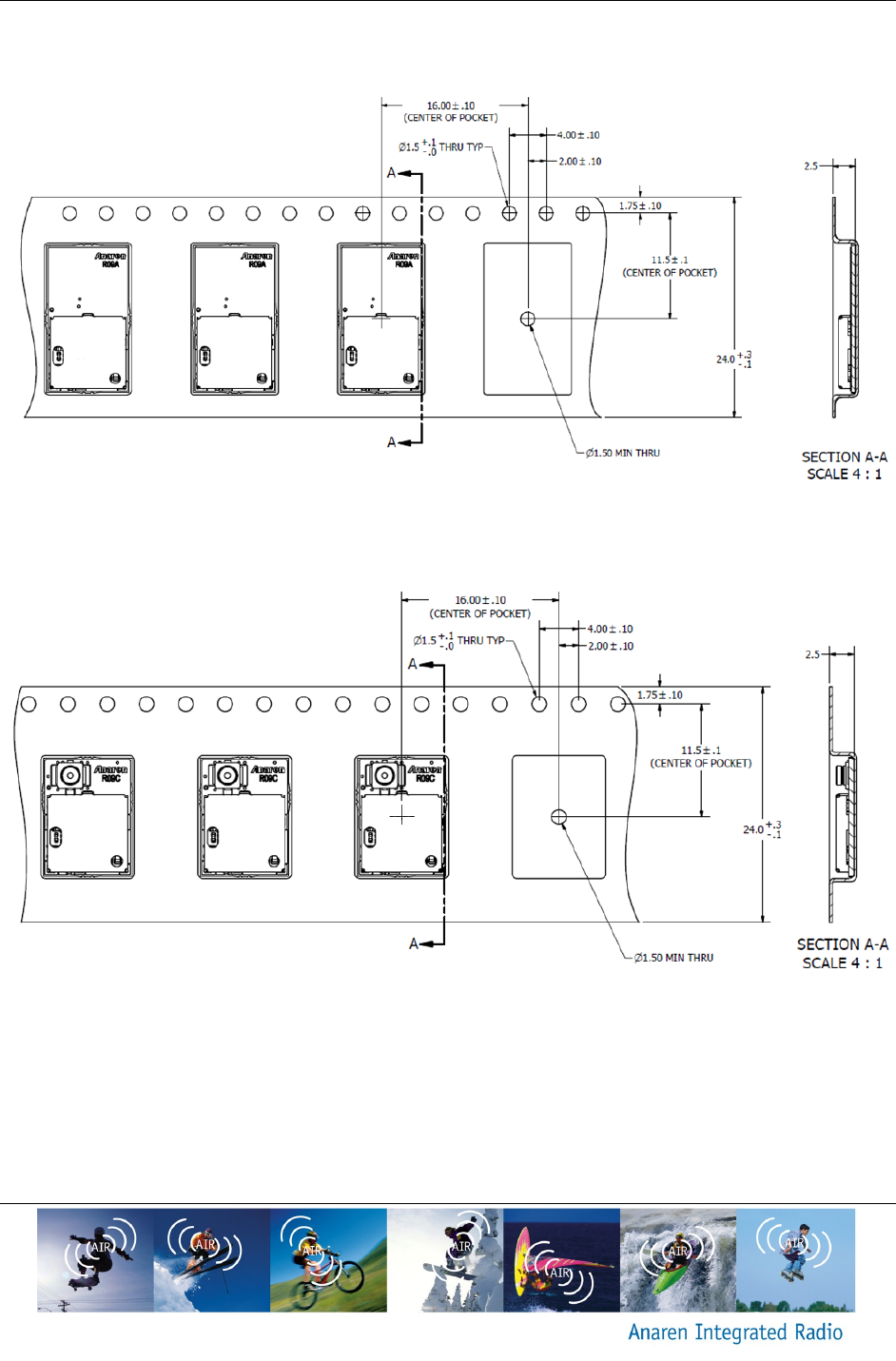
4.2. Packaging Details (dimensions in mm)
AIR modules are available in Matrix Tray and Tape & Reel packaging for high-volume
assembly. Details of packaging provided below:
4.2.1. Matrix Tray Packaging
Figure 13 A1101R09A00GM Matrix Tray Packaging Detail (30/Tray)
Figure 14 A1101R09C00GM Matrix Tray Packaging Detail (40/Tray)

A1101R09x – User’s Manual Page 27 of 33
Release Date 05/08/12
4.2.2. Tape-Reel Packaging
Figure 15 A1101R09A00GR Tape-Reel Packaging Detail (500/Reel)
Figure 16 A1101R09C00GR Tape-Reel Packaging Detail (500/Reel)

Page 28 of 33 A1101R09x – User’s Manual
Release Date 05/08/12
4.3. Soldering
AIR Modules may be mounted either manually (for prototyping or low volume production), or
automatically for high-volume production.
A no-clean tin/silver/copper (SAC) solder is recommended, however lead based no-clean
pastes may also be used.
CAUTION: AIR Modules are designed for no-clean fluxes only. DO NOT use water-
based fluxes that require aqueous cleaning after solder. Spot cleaning with a flux
remover and toothbrush may be performed with care.
4.3.1. Manual Mounting Procedure
The recommended soldering method is reflow of a paste solder on a hot plate. This method
works provided the bottom of the board where the AIR module is to be mounted is accessible,
and there are no bottom-side components in the way.
An aluminum or copper block may be placed on the hot plate surface to transfer heat to a
localized area on the board where the AIR module is mounted
- Set the hot plate to the reflow temperature solder manufacturer’s recommended
- Apply solder paste to the pads on the board receiving the AIR module
- Place the AIR module carefully onto the dispensed solder
- Using tweezers or another holding device, carefully place board with AIR module onto
the hot plate surface (or metal block)
- Apply heat until reflow occurs, per solder paste manufacturer’s recommendations
- Carefully remove the board and place on a heat-resistant surface to cool
- Check assembly electrically to confirm there are no opens or shorts.

A1101R09x – User’s Manual Page 29 of 33
Release Date 05/08/12
4.3.2. Automated Mounting Procedure
The AIR Radio Module recommended solder reflow profile is based on IPC/JEDEC J-STD-020.

Page 30 of 33 A1101R09x – User’s Manual
Release Date 05/08/12

A1101R09x – User’s Manual Page 31 of 33
Release Date 05/08/12
DOCUMENT HISTORY
Date
Author
Change Note No./Notes
07/17/10
Richardson
Initial Draft
08/23/10
Richardson
Initial Release
11/19/10
Richardson
Formatting applied – no content change
02/10/11
Richardson
Corrected typographic error
07/06/11
Richardson
Corrected typographic errors / added process
section
03/28/12
Sula
Updated approved usage for FCC
04/29/12
Richardson
Formatting applied – no content change
05/08/12
Richardson
Corrected typographic error
THIS PAGE INTENTIONALLY LEFT BLANK

If you have additional questions, need samples, or would like a quote –
please email the AIR team at AIR@anaren.com .
For a full list of our franchised distributors, please visit our website:
http://www.anaren.com/air/
Anaren Microwave, Inc.
6635 Kirkville Road
East Syracuse, NY 13057
Tel: +1 315 432 8909
+1 800 411 6596
Fax: +1 315 432 8970
Anaren Microwave (Europe), Inc.
12 Somerset House, Suite 16 & 17
Hussar Court, Waterlooville
Hampshire, England P07-7SG
Tel: +44 2392 232392
Fax: +44 2392 251369
Anaren Communication Suzhou Co. Ltd.
No. 5 Chun Hui Road
Wei Ting, Suzhou Industrial Park
Suzhou 215122, PR China
Tel: +86 512 6287 6400
Fax: +86 512 6274 9283
Attach distributor contact information
here