Anaren A10051702 2400 - 2483.5 MHz Transceiver User Manual

Anaren, Inc. 2400 - 2483.5 MHz Transceiver

Contents

User Manual

          Anaren Integrated Radio  A8520E24A91 User’s Manual  Release Date: 02/27/12
THIS PAGE LEFT INTENTIONALLY BLANK
iii       USER'S MANUAL Model A8520E24A91  Contents  1. Overview .......................................................................................................................................................... 5 1.1. Features....................................................................................................................................................... 6 1.2. Theory of Operation.................................................................................................................................. 6 1.2.1. Network Topology and Nomenclature ................................................................................................ 8 1.2.2. Adaptive Frequency Hopping ............................................................................................................. 9 1.3. Applications ............................................................................................................................................. 10 2. Approvals and Usage ................................................................................................................................... 11 2.1. Product Approvals .................................................................................................................................. 11 2.1.1. USA (Federal Communications Commission, FCC) ......................................................................... 11 2.1.1.1. FCC Labeling Requirements ................................................................................................ 11 2.1.1.2. End User Manual ................................................................................................................... 12 2.1.1.3. RF Exposure ............................................................................................................................ 12 2.1.2. Canada (Industry Canada, IC) .......................................................................................................... 13 2.1.2.1. IC Labeling Requirements .................................................................................................... 13 2.1.2.2. RF Exposure ............................................................................................................................ 14 2.1.3. Europe (Conformité Européenne,  ) ............................................................................................... 15 2.2. Potential Interference Sources ............................................................................................................... 16 2.3. Approved Usage ..................................................................................................................................... 16 2.3.1. USA and Canada............................................................................................................................... 16 2.3.2. Europe ............................................................................................................................................... 17 3. Electrical Characteristics .............................................................................................................................. 18 3.1. Absolute Maximum Ratings .................................................................................................................. 18 3.2. Operating Conditions ............................................................................................................................. 19 3.3. Pin Out ...................................................................................................................................................... 19 3.4. Recommended Layout  (dimensions in mm) ...................................................................................... 21 3.5. Power Supply Considerations ............................................................................................................... 22 4. Mechanical and Process ................................................................................................................................ 24 4.1. Radio Module Details  (dimensions in mm) ........................................................................................ 24 4.2. Packaging Details  (dimensions in mm) ............................................................................................... 24 4.2.1. Matrix Tray Packaging ..................................................................................................................... 25 4.2.2. Tape-Reel Packaging ......................................................................................................................... 25 4.3. Soldering................................................................................................................................................... 26 4.3.1. Manual Mounting Procedure ........................................................................................................... 26 4.3.2. Automated Mounting Procedure ...................................................................................................... 27 5. Configuration and Programming ............................................................................................................... 29 5.1. Calibrating Transmit Power .................................................................................................................. 29 5.2. Programming ........................................................................................................................................... 30
THIS PAGE LEFT INTENTIONALLY BLANK
A8520E24A91 – User’s Manual    Page 5 of 34 Release Date 02/27/12       1. Overview The  A8520E24A91  module  is a  surface  mount  module  integrating  a  CC8520PurePath™ wireless audio transceiver with the CC2591 PA/LNA device for increased range and an integral antenna.  The  module  incorporates  a  crystal,  the  required  RF  matching  and  filtering  for regulatory compliance as well as filtering on all digital lines for noise reduction and sensitivity. The module operates in the global non-licensed 2.4GHz ISM/SRD frequency band. This radio module is ideal for achieving low power, long range wireless connectivity without having to deal with extensive protocol, RF, antenna design and regulatory compliance, allowing quick time to market. The modules are 100% tested to provide consistent performance. The A8520E24A91 module has received regulatory approvals for modular devices in the United States  (FCC),  Canada (IC)  and  Europe (ETSI). The  modular approval allows the  end  user  to place  an  A8520E24A91  module  inside  a  finished  product  without  having  to  perform  costly regulatory testing for an intentional RF radiator. Section 2.3 has information on the requirements for  the  end  user/integrator  to  fulfill  in  order  to  use  the  modules  without  intentional  radiator regulatory testing. The A8520E24A91 is based on the CC8520 transceiver and the CC2591 range extender chips, both from Texas Instruments (TI). All control lines are provided at module level for full control of its  operation.  Please  see  the  datasheets  for  CC8520  and  CC2591  (www.ti.com)  for  how  to operate,  program  and  control  the  module.  The  PurePath™  protocol  is  developed,  by  TI, specifically  for  the  CC85xx  series  chips  and  specifically  for  digital  audio  distribution.  At  the extremes  of  its  range,  the  protocol  provides  graceful  degradation  of  the  audio  signal  using algorithms like interpolation, to make intermittent connectivity inaudible. Thus the A8520E24A91 module is not suitable for strict data transport. The module/protocol must be configured and programmed by the OEM/Integrator to setup the specific  Codec  chip  used  for  audio  conversion,  and  to  setup  control  buttons  and manufacturer/network  addresses.  This  is  described  in  detail  in  the  CC8520  datasheet,  users’ guide  and  PurePath™  documentation  on  TI  website  (www.ti.com).  Specifics  pertaining  to calibrating the transmit power from the module is covered in section 5.1. The A8520E24A91 module measures 11 mm x 19 mm x 2.5 mm.
Page 6 of 34    A8520E24A91 – User’s Manual     Release Date 02/27/12     1.1.  Features Features:  Un-Compressed Wireless Audio Connectivity   Pre-defined protocol   Configurable human interface   Autonomous or Hosted mode   2.2 to 3.6 V operation   Programmable output power up to +19 dBm   RoHS Compliant   Very small package size:  11mm x 19mm x 2.5mm  Benefits Summary:   Operating temperature-40to +85C   100% RF Tested in production for repeatable performance   No RF engineering experience necessary   No protocol experience necessary   Only requires a 2 layer Host PCB implementation   FCC & IC certified, ETSI compliant  No regulatory “Intentional radiator” testing required for integrating module into end product. Simple certification labeling replaces testing.  1.2.  Theory of Operation The A8520E24A91 interfaces directly to an audio Codec chip through the I2S for audio data and I2C for volume control and other Codec chip settings.  A block diagram is given for the A8520E24A91 module in Figure 1.   Antenna o  The antenna couples energy between the air and the module. The integral antenna (fc = 2441.75 MHz) provides a near omni-directional antenna pattern with high efficiency such that the application will work equally well in any direction. Note that the end radiation pattern depends not only on the antenna, but also the ground plane, enclosure and installation environment.   Filtering o  Filtering removes spurious signals to comply with regulatory intentional radiator requirements, provides reduced susceptibility to power supply and digital noise, and filters out RF and high frequency noise from the digital audio and control link (I2S, I2C).   Matching o  The matching provides the correct loading of the transmit amplifier to achieve the highest output power as well as the correct loading for the receive LNA to achieve the best sensitivity.   Protocol o  The protocol implements an entire wireless audio transport mechanism with adaptive frequency usage, retransmission of lost packets as well as a low data rate link for remote control purposes.
A8520E24A91 – User’s Manual    Page 7 of 34 Release Date 02/27/12        Figure 1 The functionality of the A8520E24A91, using an integral antenna Table 1 Approved Antenna Item Part Number Manufacturer Type Gain dBi) 1 Integral part of A8520E24A91 Anaren Integral Antenna 2
Page 8 of 34    A8520E24A91 – User’s Manual     Release Date 02/27/12     1.2.1.  Network Topology and Nomenclature An  A8520E24A91  network  consists  of  one  Protocol  Master  (PM)  and  one  or  two  Protocol Slave(s)  (PS).  The  PM  provides  the  audio  reference  clock  and  controls  network  association. The  PS  regenerates  the  audio  reference  clock  based  on  the  packets  received.  Audio  can  be transmitted from the PM to the PS. The device receiving the audio is called an Audio Sink, and the device sending the  audio is called an  Audio Source. A  device can be  both  an Audio Sink and an Audio Source at the same time (bidirectional audio will be supported in future revisions of  the  TI  PurePath firmware).  The  A8520E24A91  network  also  includes  a  Data  Side-Channel which is a bi-directional data link between the PM and all PSs in the network.    Figure 2 A8520E24A91 topologies supported for different A8520E24A91 firmware revisions.  See TI website for latest releases
A8520E24A91 – User’s Manual    Page 9 of 34 Release Date 02/27/12       1.2.2.  Adaptive Frequency Hopping The  purpose  of  using  frequency  hopping  in  a  radio  system  is  to  provide  diversity  that  allows data  throughput  to  be  maintained  even  if  the  interfering  radio  systems  or  the  physical environment (e.g. multipath fading) renders some RF channels unusable. In the 2.4  GHz ISM band, the sheer amount of radio systems and the severity and dynamic nature of indoor fading phenomena  in  typical  operating  environments  require  the  use  of  this  kind  of  diversity  if  a minimum  data  throughput  is  to  be  guaranteed  (as  audio  streaming  requires).  Frequency hopping systems can either implement a fixed sequence of channel hops or adapt its hopping sequence dynamically to the changing environment it operates in. In order to maximize its own chances of delivering audio data in time and to co-exist amicably with other fixed-frequency or adaptive frequency hopping systems, PurePath™ Wireless uses an adaptive frequency hopping (AFH)  scheme  that  adapts  to  changing  conditions  within  tens  of  milliseconds.  PurePath Wireless  divides  the  2.4  GHz  band  into  18  RF  channels  with  4  MHz  bandwidth.  A  protocol master that controls the adaptive frequency hopping scheme for the audio network, maintains a table with an entry for each RF channel and an associated quality-of-service (QoS) estimate for each. Each time an RF channel is used the QoS estimate is updated based on what happens during  the  timeslot.  The  frequency  hopping  algorithm  separates  the  18  RF  channels  into  two sets:   A set of 4 active channels   A set of 14 trial channels  The active channel set contains the preferred RF channels that have proven that they provide sufficiently  good  quality-of-service.  The  trial  channel  set  contains  the  remaining  RF  channels that are only evaluated occasionally in order to be able to maintain an accurate picture of their quality-of-service.  If  the  QoS  estimate  of  an  RF  channel  in  the  active  set  goes  beyond  a minimum threshold this channel is swapped out with the RF channel in the trial channel set that has the best QoS estimate. Other factors play in when selecting a new RF channel to the active channel set,  such as  trying to  maintain a  certain minimum distance  in frequency between the different active channels. The  frequency  hopping  algorithm,  when  no  swaps  between  the  active  and  trial  channel  sets occur,  goes  through  a  sequence  of  70  hops  over  the  course  of  which  every  RF  channel  has been used.   This 70-hop macrosequence consists of 14 repetitions of a  o  5-hop microsequence during which   Each of the four active RF channels are used once   One of the trial RF channels is used once (cycling through all trial channels over the course of a macrosequence) Figure  3  illustrates  this  concept.  This  gives  an  average  steady-state  RF  channel  usage  in  an audio network of:   Each of the four active channels are used 20% of the time   Each trial channel is used 1.43% of the time
Page 10 of 34    A8520E24A91 – User’s Manual     Release Date 02/27/12      Figure 3 Example of AFH hop sequence (active set in color, trial set in black/gray) The channels correspond to center frequencies as given in Table 2.  Table 2 Channel to center frequency Channel Center Frequency [MHz] Channel Center Frequency [MHz] 1 2406 10 2442 2 2410 11 2446 3 2414 12 2450 4 2418 13 2454 5 2422 14 2458 6 2426 15 2462 7 2430 16 2466 8 2434 17 2470 9 2438 18 2474  1.3.  Applications   Wireless headphones   Wireless headsets   Wireless speakers   Wireless studio equipment   Wireless microphones
A8520E24A91 – User’s Manual    Page 11 of 34 Release Date 02/27/12       2. Approvals and Usage The  A8520E24A91  has  been  designed  to  meet  FCC  (US),  IC  (Canada)  and  ETSI  (Europe) regulations. In particular the radio modules have been certified to the following.  2.1.  Product Approvals 2.1.1.  USA (Federal Communications Commission, FCC) The A8520E24A91 with integrated antenna has been tested to comply with FCC CFR47 Part 15 sub-part  C  “Intentional Radiators.  The  devices  meet  the  requirements for  modular  transmitter approval  as  detailed  in  FCC  public  notice  DA  00-1407  Released:  June  26,  2000.  The A8520E24A91  module  eliminates  the  need  to  re-perform  ‘intentional  radiator’  testing  when submitting an end product for certification. (15.19a3)  The  module  complies  with  part  15  of  the  FCC  rules.  Operation  is  subject  to  the following two conditions: (1) this device may not cause harmful interference, and (2) this device must  accept  any  interference  received,  including  interference  that  may  cause  undesired operation. Any changes or modifications not expressly approved by the party responsible for compliance could void the user’s authority to operate the equipment.  2.1.1.1.  FCC Labeling Requirements The A8520E24A91 modules have been labeled with their own FCC ID number and if the FCC ID  is  not  visible  when  the  module  is  installed  inside  another  device,  then  the  outside  of  the finished  product  into  which  the  module  is  installed  must  also  display  a  label  referring  to  the enclosed module. This exterior label can use wording such as the following:  Contains Transmitter Module FCC ID: X7J-A10051702 -or- Contains FCC ID: X7J-A10051702 This device complies with Part 15 of the FCC Rules.  Operation is subject to the following two conditions:  (1)  this  device  may  not  cause  harmful  interference,  and  (2)  this  device  must  accept  any interference received, including interference that may cause undesired operation.
Page 12 of 34    A8520E24A91 – User’s Manual     Release Date 02/27/12     2.1.1.2.  End User Manual The end user manual should include the following statement: This equipment has been tested and found to comply with the limits for a Class B digital device, pursuant  to  part  15  of  the  FCC  Rules.  These  limits  are  designed  to  provide  reasonable protection  against  harmful interference  in  a  residential installation.  This  equipment  generates, uses and can radiate radio frequency energy and, if not installed and used in accordance with the instructions, may cause harmful interference to radio communications. However, there is no guarantee  that  interference  will  not  occur  in  a  particular  installation.  If  this  equipment  does cause harmful interference to radio or television reception, which can be determined by turning the  equipment off  and  on,  the  user  is  encouraged to  try to  correct  the  interference  by one  or more of the following measures:    Reorient or relocate the receiving antenna.   Increase the separation between the equipment and receiver.   Connect the equipment into an outlet on a circuit different from that to which the receiver is connected.   Consult the dealer or an experienced radio/TV technician for help.  2.1.1.3.  RF Exposure All transmitters regulated by FCC must comply with RF exposure requirements. OET Bulletin 65 “Evaluating  Compliance  with  FCC  Guidelines  for  Human  Exposure  to  Radio  Frequency Electromagnetic  Fields”  provides  assistance  in  determining  whether  proposed  or  existing transmitting  facilities,  operations  or  devices  comply  with  limits  for  human  exposure  to  Radio Frequency (RF) fields adopted by the Federal Communications Commission (FCC). The bulletin offers guidelines and suggestions for evaluating compliance. If appropriate, compliance with exposure guidelines for mobile and unlicensed devices can be accomplished by the use of warning labels and by providing users with information concerning minimum separation distances from transmitting structures and proper installation of antennas. The  following  statement  must  be  included  as  a  CAUTION  statement  in  manuals  and  OEM products to alert users of FCC RF Exposure compliance: To satisfy FCC RF Exposure requirements for mobile and base station transmission devices, a separation distance of 20 cm or more should be maintained between the antenna of this device and persons during operation. To ensure compliance, operation at closer than this distance is not recommended. The antenna(s) used for this transmitter must not be co-located or operating in conjunction with any other antenna or transmitter. If the A8520E24A91 module is used in a portable application (antenna is less than 20 cm from persons during operation), the integrator/OEM is responsible for performing Specific Absorption Rate (SAR) testing in accordance with FCC rules 2.1093.
A8520E24A91 – User’s Manual    Page 13 of 34 Release Date 02/27/12       2.1.2.  Canada (Industry Canada, IC) The A8520E24A91 modules have been certified for use in Canada under Industry Canada (IC) Radio Standards Specification (RSS) RSS-210 and RSS-Gen. From  section  3.2  RSS-Gen,  Issue  3,  December  2010,  Modular  Approval  for  Category  I Equipment or Category II Equipment: “Modular approval permits the installation of the same module in a host device or multiple host devices  without  the  need  to  recertify  the  device.  Equipment  certification for  a  modular  device may be sought for either Category I equipment or Category II equipment. Transmitters designed as modules for the installation in a host device may obtain equipment certification as a modular device provided that the applicable RSS is met and the following conditions in this section are met.”  In section 7.1.2 Transmitter Antenna, it has been mentioned that the user manuals for transmitters shall display the following notice in a conspicuous location:  Notice:  Under  Industry  Canada  regulations,  this  radio  transmitter  may  only  operate  using  an antenna  of  a  type  and  maximum  (or  lesser)  gain  approved  for  the  transmitter  by  Industry Canada.  To  reduce  potential  radio  interference  to  other  users,  the  antenna  type  and  its  gain should be so chosen that the equivalent isotropically radiated power (e.i.r.p.) is not more than that necessary for successful communication. Avis:  Sous  la  réglementation  d'Industrie  Canada,  ce  transmetteur  radio  ne  peut  fonctionner qu’en utilisant seulement une antenne d'un type et d’un maximum (ou moins) de gain approuvé pour l'émetteur par Industrie Canada.   Pour réduire des potentielles interférences radio pour les autres utilisateurs, le type d'antenne et son gain doivent être choisis de sorte que la puissance isotrope  rayonnée  équivalente  (PIRE)  ne  dépasse  pas  ce  qui  est  nécessaire  pour  une communication réussie.  2.1.2.1.  IC Labeling Requirements From  section  3.2.1 RSS-Gen,  Issue  3,  December  2010,  Labeling  Requirements  for  the  Host Device: The  host  device shall  be  properly  labeled  to  identify the  modules  within the  host  device. The Industry Canada certification label of a module shall be clearly visible at all times when installed in the  host device,  otherwise the  host device  must  be labeled to  display the  Industry Canada certification number of the module, preceded by the words “Contains transmitter module”, or the word “Contains”, or similar wording expressing the same meaning. From  section  5.2,  RSS-Gen,  Issue  3,  December  2010,  Equipment  Certification  Numbers  and Labels: Every unit of Category I  radio apparatus certified for marketing and use in Canada shall
Page 14 of 34    A8520E24A91 – User’s Manual     Release Date 02/27/12     bear a permanent label on which is indelibly displayed the model number and Industry Canada certification number of  the equipment model (transmitter, receiver, or inseparable combination thereof).  Each  model  shall  be  identified  by  a  unique  combination  of  a  model  number  and  a certification number, which are assigned as described below in this section.    The label  shall be securely affixed to  a permanently attached part  of the device, in a  location where it is visible or easily accessible to the user, and shall not be readily detachable. The label shall  be  sufficiently  durable  to  remain  fully  legible  and  intact  on  the  device  in  all  normal conditions  of  use  throughout  the  device’s expected  lifetime.  These  requirements  may  be  met either by a separate label or nameplate permanently attached to the device or by permanently imprinting or impressing the label directly onto the device.    The label text shall be legible without the aid of magnification, but  is not required to be  larger than 8-point font size. If the device is too small to meet this condition, the label information may be included in the user manual upon agreement with Industry Canada. Label: Contains/Contient IC: 8975A- A10051702 Notice: This device complies with Industry Canada licence-exempt RSS standard(s). Operation is subject to the following two conditions: (1) this device may not cause interference, and (2) this device must accept any interference, including interference that may cause undesired operation of the device.  Avis: Cet appareil est conforme avec Industrie Canada RSS standard exempts de licence (s). Son  fonctionnement  est  soumis  aux  deux  conditions  suivantes:  (1)  cet  appareil  ne  peut  pas provoquer  d'interférences  et  (2)  cet  appareil  doit  accepter  toute  interférence,  y  compris  les interférences qui peuvent causer un mauvais fonctionnement du dispositif. For more information see: Industry Canada http://www.ic.gc.ca/ 2.1.2.2.  RF Exposure All transmitters regulated by IC must comply with RF exposure limits as set forth in RSS-102, Issue  4,  section  4,  “Exposure Limits”.  Furthermore RSS-102,  Issue  4,  Section  2  “Certification Requirements”, provides assistance in determining the specific requirements for compliance. If appropriate,  compliance  with  exposure  guidelines  for  mobile  and  unlicensed  devices  can  be accomplished by the use of warning labels and by providing users with information concerning minimum separation distances from transmitting structures and proper installation of antennas.
A8520E24A91 – User’s Manual    Page 15 of 34 Release Date 02/27/12       The  following  statement  must  be  included  as  a  CAUTION  statement  in  manuals  and  OEM products to alert users of IC RF Exposure compliance: Notice:  To  satisfy  IC  RF  Exposure  requirements  for  mobile  and  base  station  transmission devices, a separation distance of 20 cm or more should be maintained between the antenna of this device and persons during operation. To ensure compliance, operation at  closer than this distance is not recommended. The antenna(s) used for this transmitter must not be co-located or operating in conjunction with any other antenna or transmitter. Avis:  Pour  répondre  à  la  IC  d'exposition  pour  les  besoins  de  base  et  mobiles  dispositifs  de transmission de la station, sur une distance de séparation de 20 cm ou plus doit être maintenue entre l'antenne de cet  appareil et les  personnes  en cours de  fonctionnement. Pour assurer le respect, l'exploitation de plus près à cette distance n'est pas recommandée. L'antenne (s) utilisé pour  cet  émetteur  ne  doit  pas  être  co-localisés  ou  fonctionner  conjointement  avec  une  autre antenne ou transmetteur. If the A8520E24A91 module is used in a portable application (antenna is less than 20 cm from persons during operation), the integrator/OEM is responsible for performing Specific Absorption Rate (SAR) testing in accordance with IC rules and methods of RSS-102.  2.1.3.   Europe (Conformité Européenne,  ) The A8520E24A91 module has been certified for use in European countries. The following tests have been performed and the module found to be compliant to the requirements: Test standard ETSI EN 300 328 V1.7.1 (2006-10)   Maximum Isotropic Radiated Power (Normal and Extreme Conditions)   Maximum e.i.r.p. Spectral Density   Frequency Range (Normal and Extreme Conditions)   Transmitter Spurious Emissions   Receiver Spurious Emissions  Test standards ETSI EN 301 489-1:2008 and ETSI EN 301 489-17:2008   Radiated Emissions   Electro-Static Discharge   Radiated RF Susceptibility  A helpful document that can be used as a starting point in understanding the use of short range devices  (SRD)  in  Europe  is  the  European  Radio  Communications  Committee  (ERC) Recommendation  70-03  E,  downloadable  from  the  European  Radio  Communications  Office (ERO) http://www.ero.dk.
Page 16 of 34    A8520E24A91 – User’s Manual     Release Date 02/27/12     The end user is responsible for ensuring compliance with harmonized frequencies and labeling requirements for each country the end device is marketed and sold.   For more information see:   Radio And Telecommunications Terminal Equipment (R&TTE) http://ec.europa.eu/enterprise/rtte/index_en.htm   European Conference of Postal and Telecommunications Administrations (CEPT) http://www.cept.org/   European Telecommunications Standards Institute (ETSI) http://www.etsi.org/   European Radio Communications Office (ERO) http://www.ero.dk/   2.2.  Potential Interference Sources The two main mechanisms that allow a PurePath wireless system to co-exist amicably in close proximity to other 2.4 GHz radio systems are:   The adaptive frequency hopping scheme described in section 2.2 that ensures that RF channels used by other radio systems are avoided   Adaptive  listen-before-talk  mechanism  that  measures  energy  in  RF  channel  before transmitting and avoids transmitting if the channel is already in use These  mechanisms  together  ensure  that  other  radio  systems  are  minimally  impacted  by  a PurePath Wireless audio network in normal circumstances. However, since a low-latency audio network  by its  very nature  transports  a  very  time-critical data  stream,  both  mechanisms  have adaptive thresholds to ensure  that the audio network is given its fair share of RF spectrum in very crowded RF environments. 2.3.  Approved Usage The  A8520E24A91  module  has  been  approved  for  use  in  the  US,  Canada  and  Europe.  The user  is  encouraged  to  use  minimum  power  required  to  establish  a  link,  thus  minimizing interference. Changes or modifications to the module and/or operation outside the limits are prohibited and could void the user’s authority to operate the modules.  2.3.1.  USA and Canada Within  the  USA  and  Canada,  the  A8520E24A91  modules  have  been  approved  for  use  as digitally modulated transmitters, for which they conform to the BW (a minimum of 500 kHz 6-dB BW  for  US,  a  maximum  BW  of  0.5%  of  the  carrier  frequency  for  Canada),  power  spectral density (max of 8 dBm / 3 kHz), total output power (max of 1W including the antenna gain) and spurious radiation (harmonics and others including the restricted bands) requirements.
A8520E24A91 – User’s Manual    Page 17 of 34 Release Date 02/27/12       The A8520E24A91 module has been approved for use up to the max available power level that the module can give (power setting 4), however, the user is encouraged to use minimum power required to establish a link in order to minimize interference. 2.3.2.  Europe For  Europe,  the  maximum  power  is  100mW  with  a  maximum  spectral  power  density  of 10mW/MHz.  In  order  to  meet  the  power  spectral  density  requirements,  the  A8520E24A91 module’s output power level must be reduced and kept at a maximum power setting of -3. This setting corresponds to an output power level of 11.3 dBm.
Page 18 of 34    A8520E24A91 – User’s Manual     Release Date 02/27/12     3. Electrical Characteristics 3.1.  Absolute Maximum Ratings Under no circumstances must the absolute maximum ratings given in Table 3 be violated. Stress exceeding one or more of the limiting values may cause permanent damage to the device.     Table 3 Absolute Maximum Ratings Parameter Min Max Unit Condition/Note Supply Voltage (Vdd) -0.3 3.6 V  Voltage on any digital pin -0.3 Vdd+0.3, max 3.6 V  RF input power  0 dBm  Storage Temperature -50 150 ˚C  Solder reflow temperature  260 ˚C According to IPC/JEDEC J-STD-020D ESD  <500 V According  to  JEDEC  STD  22,    method A114,  Human body model ESD  400 V According  to  JEDEC  STD  22,    C101C, Charged Device Model (CDM)  Caution! ESD sensitive device. Precaution should be used when handling the device in order to prevent permanent damage. Caution! This assembly contains moisture sensitive devices and requires proper handling per IPC/JEDEC J-STD-033
A8520E24A91 – User’s Manual    Page 19 of 34 Release Date 02/27/12       3.2.  Operating Conditions Table 4 Operating conditions Parameter Min Max Unit Condition/Note Supply Voltage (Vdd) 2.2 3.6 V  Supply Voltage IOVdd 1.8 3.6 V  Temperature Range -40 +85 ˚C   3.3.  Pin Out The A8520E24A91 radios share a common pin-out and foot print, thus enabling the use of the same application PCB layout for US/Europe and low power (short range) versus higher power (long range). Below the footprint is shown.   Figure 4 Module pin-out view           NC = NO Connection. Pin is NOT connected internally.   DNC = Do Not Connect. Internal connection used during assembly, do not connect.
Page 20 of 34    A8520E24A91 – User’s Manual     Release Date 02/27/12     Table 5 pin-out table, with references to chip pins    Pin NumberPin Name Pin Type DescriptionCC259x PinCC85xx Pin1 GND Common Ground2 DNCDo Not Connect. Connecting this pin to anything will significantly affect the performance of the module and may void the end users right, under FCC, to operate the module3 GND Common Ground4 DNC Power/DecouplingDo Not Connect. This pin should not be used unless deemed necessary in particular noisy power supply environments, See "power supply consideration" section for more information5 VBAT Analog InputBattery voltage supervisor (threshold level programmable by external resistor to positive battery terminal)296 SCL, GIO10 Digital I/OI2C master clock line. Must be connected to external pull-up, General-purpose digital I/O pin 10327 SDA, GIO11 Digital I/ODigital I/O1 I2C master data line. Must be connected to external pull-up, General-purpose 338 GIO12 Digital I/O General-purpose digital I/O pin 12 349 GIO13 Digital I/O General-purpose digital I/O pin 13 3510 XPAEN/PAEN Digital OutThe CC85xx asserts this pin high to turn on the CC259x power amplifier for transmit. The pin can be used to detect the radio state to synchronize other system events e.g. to smooth out power consumption or minimize noise injection. A high indicates that the PA is on. At no time will both XPAEN and XLNAEN be high at the same time.53611 XLNAEN/EN Digital OutThe CC85xx asserts this pin high to turn on the CC259x low noise amplifier. The pin can be used to detect the radio state to synchronize other system events e.g. to turn of noise/switching sources for better sensitivity.  At no time will both XPAEN and XLNAEN be high at the same time.63812 GND Common Ground13 DNC Digital I/O Do Not Connect (future antenna diversity control or USB interface) 114 DNC Digital I/O Do Not Connect (future antenna diversity control or USB interface) 215 CS_N Digital Input (Pull-up) Serial SPI configuration interface, active low chip select 316 SCLK Digital I/O Serial SPI configuration interface, clock input/output 417 MOSI Digital I/O Serial SPI configuration interface, master data input, slave data output 518 MISO, GIO0 Digital I/OSerial SPI configuration interface, master data output, slave data input GIO0 output when CS_N is deasserted. General-purpose digital I/O pin 0619 GIO1 Digital I/O General-purpose digital I/O pin 1, Configurable with PurePath™ Wireless Configurator 720 GIO2 Digital I/O General-purpose digital I/O pin 2 821 GIO3 Digital I/O General-purpose digital I/O pin 3, Configurable with PurePath™ Wireless Configurator 922 GND Common Ground23 RSTN Digital Input (Pull-up) Active-low device reset 1124 MCLK Digital I/O Digital I/O1 Master clock output for external audio devices (GIO4). 1325 BCLK Digital I/O Digital I/O1 I2S/DSP audio interface bit clock (in/out) (GIO5). 1426 WCLK Digital I/O Digital I/O1 I2S/DSP audio interface word clock (in/out) (GIO6). 1527 AD0 Digital I/O Digital I/O1 I2S/DSP audio interface data line 0 (in/out) (GIO7). 1628 AD1 Digital I/O Digital I/O1 I2S/DSP audio interface data line 1 (in/out) (GIO8). 1729 AD2, GIO9 Digital I/ODigital I/O2 I2S/DSP audio interface data line 2 (in/out), Configurable with PurePath™ Wireless Configurator1930 GND Common Ground31 HGM Digital InputDigital control pin. HGM=1 → CC259x LNA is in High Gain Mode (~10dB gain),HGM=0 → CC259x LNA is in Low Gain Mode (~0dB gain). Can be used to avoid overdriving the receiver in case the transmitter is in very close proximity to the receiver, otherwise do not connect.732 IOVDD Power (I/O pins) Digital power supply for the digital core, GIO's SPI, I2C and I2S (1.8V to 3.6V) 1033 AVDD Power (Analog) Analog power supply connection for the Radio and PA/LNA (2.0V to 3.6V) 2034 GND Common Ground
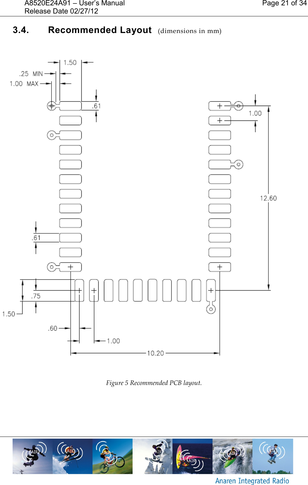
A8520E24A91 – User’s Manual    Page 21 of 34 Release Date 02/27/12       3.4.  Recommended Layout  (dimensions in mm)    Figure 5 Recommended PCB layout.
Page 22 of 34    A8520E24A91 – User’s Manual     Release Date 02/27/12      Figure 6 Mounting the module in a corner  Figure 7 Mounting the module along an edge  3.5.  Power Supply Considerations Noise on  the power supply line reduces the  sensitivity of a receiver and  can modulate onto a transmitters signal, both of which causes a degradation of link quality and hence a reduction in range.  The A8520E24A91 radio modules have integral noise reduction in the supply line from pins 33 (Vdd)  and  32  (IOVdd),  consisting  of  ferrite  beads  and  decoupling  capacitances.  This arrangement will take care of most supply voltage noise. For optimal performance in particular noisy  environments  (switching  regulators,  motor  controls,  etc.)  it  may  be  necessary  to  add additional  noise  reduction  means,  which  can  consist  of  a  low  noise  LDO  or  additional  LC filtering.  Pin 4 (AVdd_CC259x) is connected to the modules internal supply line after the ferrite bead and decoupling  capacitors  and  can  be  used  to  probe  the  noise  at  module  level.  The  noise  level measured  on  pin  4  should  not  exceed  150mVpp  when  in  transmit  or  receive  mode,  it  may however exceed this value when not in either transmit or receive mode or in the transition itself (i.e. it may exceed this if synchronized to the XPAEN and XLNAEN signals. If the level measured is exceeding the above limit means should be taken to ensure maximum range:   Add decoupling capacitance to pin 4 (AVdd_CC259x), 1uF to 2.2uF ceramic capacitor is suggested (do not use Tantalum).    Add decoupling capacitance to pin 33 (AVdd), 1uF to 2.2uF ceramic capacitor is suggested (do not use Tantalum).   Add a low noise LDO in the supply line to pin 33 (AVdd) (the TPS731xx low Dropout Regulator from TI is recommended).
A8520E24A91 – User’s Manual    Page 23 of 34 Release Date 02/27/12       Note that if operated from a battery source there is no need for additional noise reduction. Also note that if the noise source can be synchronized to be off whenever the module is transmitting or receiving (using XPAEN and XLNAEN) then that will also suffice.
Page 24 of 34    A8520E24A91 – User’s Manual     Release Date 02/27/12     4. Mechanical and Process 4.1.  Radio Module Details  (dimensions in mm)    Figure 8 A8520E24A91 dimensions   4.2.  Packaging Details  (dimensions in mm) AIR modules are available in Matrix Tray and Tape & Reel packaging for high-volume assembly.  Details of packaging provided below:
A8520E24A91 – User’s Manual    Page 25 of 34 Release Date 02/27/12       4.2.1.  Matrix Tray Packaging  Figure 9 A8520E24A91GM Matrix Tray Packaging Detail (27/Tray)  4.2.2.  Tape-Reel Packaging Figure 10 A8520E24A91GR Tape-Reel Packaging Detail (500/Reel)
Page 26 of 34    A8520E24A91 – User’s Manual     Release Date 02/27/12     4.3.  Soldering  AIR Modules may be mounted either manually (for prototyping or low volume production), or automatically for high-volume production.  A no-clean tin/silver/copper (SAC) solder is recommended, however lead based no-clean pastes may also be used.  CAUTION:  AIR Modules are designed for no-clean fluxes only.  DO NOT use water-based fluxes that require aqueous cleaning after solder.  Spot cleaning with a flux remover and toothbrush may be performed with care.  4.3.1.  Manual Mounting Procedure The recommended soldering method is reflowing of a paste solder on a hot plate.  This method works provided the bottom of the board where the AIR module is to be mounted is accessible, and there are no bottom-side components in the way.    An aluminum or copper block may be placed on the hot plate surface to transfer heat to a localized area on the board where the AIR module is mounted  -  Set the hot plate to the reflow temperature solder manufacturer’s recommended  -  Apply solder paste to the pads on the board receiving the AIR module -  Place the AIR module carefully onto the dispensed solder -  Using tweezers or another holding device, carefully place board with AIR module onto the hot plate surface (or metal block) -  Apply heat until reflow occurs, per solder paste manufacturer’s recommendations -  Carefully remove the board and place on a heat-resistant surface to cool -  Check assembly electrically to confirm there are no opens or shorts
A8520E24A91 – User’s Manual    Page 27 of 34 Release Date 02/27/12       4.3.2.  Automated Mounting Procedure The AIR Radio Module recommended solder reflow profile is based on IPC/JEDEC J-STD-020.
Page 28 of 34    A8520E24A91 – User’s Manual     Release Date 02/27/12
A8520E24A91 – User’s Manual    Page 29 of 34 Release Date 02/27/12       5. Configuration and Programming The integrator  of this module into  an  application must  program the  module to  match  both the Codec chip  used  and  the  human  interface methods  employed. To  do  this  the  integrator must use the PurePath™ software from TI to configure the module 5.1.  Calibrating Transmit Power This power calibration number is an approximate power output value in dBm for the CC85xx chip – however the module CC2591 adds additional 16dB amplification.  It can be useful to set a lower power for systems that do not require the full range and thus save on power consumption. The typical power consumption at 3.3v supply for a A8520E24A91 module is shown below depending on the output power setting.  Table 6 Transmit power settings PurePath Power Setting Module Output Power (Approximate) Peak Current Consumption Average Current Consumption [mA] @ 3.3V AVdd,IOVdd, Ambient* [dBm] [dBm] [dBm] Master Slave 4 20 184 78 36 3 19 174 72 35 2 17 147 64 34 1 15 143 63 34 0 13 118 55 32 -1 13 118 54 32 -2 12 113 52 32 -3 11 106 50 32 -4 11 106 50 32 -5 10 99 48 31 -6 10 97 47 31 -7 10 97 47 31 -8 8 94 46 31 -9 7 92 46 31 -10 6 91 46 31 * PurePath application state set to “stereo audio” In the PurePathTM configurator when creating the application image, in the “Radio” page for both master  and  slave  the  target  Tx  power  must  be set  to  the  max  allowed power  level,  or  lower, (note that the max allowed power setting for US and Canada is 4. However for Europe, only the power settings up to -3 are allowed due to power spectral density limits). Figure 11 indicates the location for setting the module output power. PurePath Wireless Configurator 1.3.0.36447 has been used for the current measurements.
Page 30 of 34    A8520E24A91 – User’s Manual     Release Date 02/27/12      Figure 11 PurePath Wireless Configurator window  Alternatively the power calibration can be done immediately after programming of each module using the SPI host controller interface, using the CAL_SET_DATA function. This option is useful if the same image will be used in multiple equipment, of which some have the power turned down further than the max allowed power level to save current consumption, however it requires a host processor.  5.2.  Programming The desired application image can be programmed into the module either using the PurePathTM software and the included CC-Debugger. Or the PurePathTM software can be used to create the desired image, which is saved and the integrator can use an in-house developed production programmer to upload the image.  If  developing  an  in-house  programmer  there  are  a  few  things  to  consider  to  successfully program the CC8520 chip. Programming procedure: // Enter the bootloader BOOT_RESET(); BL_UNLOCK_SPI(); Check SWR Proceed only if SWR matches required value (Reset device and Restart programming again) // Erase the flash Master Radio Page Slave Radio Page
A8520E24A91 – User’s Manual    Page 31 of 34 Release Date 02/27/12       BL_FLASH_MASS_ERASE(); Check SWR Proceed only if SWR matches required value (Reset device and Restart programming again) // For each flash page for (int n = 0; n < 31; n++) { // Write page data to the start of the available RAM area SET_ADDR(0x6000, sw); WRITE(0x400, data to be programmed into flash page n , sw); /* While using the image generated by TI- Purepath Wireless Configurator, note that the entire image file generated by PWC-TI is Intel_hex format. For programming 8520 module use only the data and discard additional data/information */ // Program the page BL_FLASH_PROG_PAGE(RAM_ADDR = 0x6000, FLASH_ADDR = 0x8000+(n*0x400)) Check SWR Proceed only if SWR matches required value wait till the block is completely transfered  } // Verify the flash contents BL_FLASH_VERIFY(BYTE_COUNT = value read from the HEX file ); /* The flash verify byte count data is 4 byte value stored from location &h 8010 within the image file */ Check SWR Proceed only if SWR matches required value (Reset device and Restart programming again) SYS_RESET() // Done, perform SYS_RESET() to start the application  If the status word read fails immediately after execution of BOOT_RESET or BL_UNLOCK_SPI then it is most likely due to the special SPI requirement during these instructions as MISO must go low and then high after the SPI clock sequence as shown in the figure below.    Figure 12 SPI clock sequence If the SPI bus controller is unable to perform this wait, then use the SPI pins as GPIO’s and manually program the bit sequences as described below for the BOOT_RESET().  Procedure for programming Boot_Reset() 1.  Assert CSn Low and then clock the SCL with each negative edge of clock asset the logic level to high or low on MOSI pin.
Page 32 of 34    A8520E24A91 – User’s Manual     Release Date 02/27/12     2.  After sending &H B0 00 on MOSI pin. Wait till MISO pin goes high. Note: Status check/update is done between MISO and CSn pin going high. If this time is not sufficient. This will lead to error in SWR read value.  Once BOOT_RESET is successful then switch to normal SPI operation mode.  Please refer to the TI CC8520 PurePath documentation for more information.
A8520E24A91 – User’s Manual    Page 33 of 34 Release Date 02/27/12        DOCUMENT HISTORY  Date Author Change Note No./Notes Aug 8th 2010 Kirkeby Initial Draft Dec 1st 2010 Kirkeby Initial Release, formatting and content chg. Dec 13th 2010 Kirkeby Programming and Tx power setting. Aug 9th 2011 Stockwell Updated fig. 5 sec 4.4, misc grammatical Oct 14th 2011 Sula Updated FCC/IC usage, and added ETSI section Oct 19th 2011 Sula Formatting in section 3.1.1.  Dec 21st 2011 Sula Updated sections related to the approved power levels (section 5.1). Jan 31st 2012 Sula Added Chapter 5 – Mechanical and Process chapter, Configuration and Programming section was moved to Chapter 6  Updated Figure 5 Section 5.1 was modified with updated current values and PurePath screen shot  Feb 3rd 2012 Sula Figure 4 and Table 5 modified Some formatting applied  Section 5.2 modified Feb 8th 2012 Sula Sub-section 5.2 is modified Feb 27th 2012 Richardson Updated theory of operation and block diagram
          If you have additional questions, need samples, or would like a quote –  please email the AIR team at AIR@anaren.com .    For a full list of our franchised distributors, please visit our website: http://www.anaren.com/air/                      Anaren Microwave, Inc. 6635 Kirkville Road East Syracuse, NY  13057 Tel:   +1  315 432 8909          +1  800 411 6596 Fax:  +1  315 432 8970 Anaren Microwave (Europe), Inc. 12 Somerset House, Suite 16 & 17 Hussar Court, Waterlooville Hampshire, England P07-7SG Tel:     +44  2392 232392 Fax:    +44  2392 251369 Anaren Communication Suzhou Co. Ltd. No. 5 Chun Hui Road Wei Ting, Suzhou Industrial Park Suzhou 215122, PR China Tel:    +86  512 6287 6400 Fax:   +86  512 6274 9283    Attach distributor contact information here

Navigation menu