Anaren A10051702 2400 - 2483.5 MHz Transceiver User Manual
Anaren, Inc. 2400 - 2483.5 MHz Transceiver
Anaren >
Contents
- 1. User Manual
- 2. Manual
User Manual

Anaren Integrated Radio
A8520E24A91 User’s
Manual
Release Date: 02/27/12
THIS PAGE LEFT INTENTIONALLY BLANK

iii
USER'S MANUAL
Model A8520E24A91
Contents
1. Overview .......................................................................................................................................................... 5
1.1. Features....................................................................................................................................................... 6
1.2. Theory of Operation.................................................................................................................................. 6
1.2.1. Network Topology and Nomenclature ................................................................................................ 8
1.2.2. Adaptive Frequency Hopping ............................................................................................................. 9
1.3. Applications ............................................................................................................................................. 10
2. Approvals and Usage ................................................................................................................................... 11
2.1. Product Approvals .................................................................................................................................. 11
2.1.1. USA (Federal Communications Commission, FCC) ......................................................................... 11
2.1.1.1. FCC Labeling Requirements ................................................................................................ 11
2.1.1.2. End User Manual ................................................................................................................... 12
2.1.1.3. RF Exposure ............................................................................................................................ 12
2.1.2. Canada (Industry Canada, IC) .......................................................................................................... 13
2.1.2.1. IC Labeling Requirements .................................................................................................... 13
2.1.2.2. RF Exposure ............................................................................................................................ 14
2.1.3. Europe (Conformité Européenne, ) ............................................................................................... 15
2.2. Potential Interference Sources ............................................................................................................... 16
2.3. Approved Usage ..................................................................................................................................... 16
2.3.1. USA and Canada............................................................................................................................... 16
2.3.2. Europe ............................................................................................................................................... 17
3. Electrical Characteristics .............................................................................................................................. 18
3.1. Absolute Maximum Ratings .................................................................................................................. 18
3.2. Operating Conditions ............................................................................................................................. 19
3.3. Pin Out ...................................................................................................................................................... 19
3.4. Recommended Layout (dimensions in mm) ...................................................................................... 21
3.5. Power Supply Considerations ............................................................................................................... 22
4. Mechanical and Process ................................................................................................................................ 24
4.1. Radio Module Details (dimensions in mm) ........................................................................................ 24
4.2. Packaging Details (dimensions in mm) ............................................................................................... 24
4.2.1. Matrix Tray Packaging ..................................................................................................................... 25
4.2.2. Tape-Reel Packaging ......................................................................................................................... 25
4.3. Soldering................................................................................................................................................... 26
4.3.1. Manual Mounting Procedure ........................................................................................................... 26
4.3.2. Automated Mounting Procedure ...................................................................................................... 27
5. Configuration and Programming ............................................................................................................... 29
5.1. Calibrating Transmit Power .................................................................................................................. 29
5.2. Programming ........................................................................................................................................... 30
THIS PAGE LEFT INTENTIONALLY BLANK

A8520E24A91 – User’s Manual Page 5 of 34
Release Date 02/27/12
1. Overview
The A8520E24A91 module is a surface mount module integrating a CC8520PurePath™
wireless audio transceiver with the CC2591 PA/LNA device for increased range and an integral
antenna. The module incorporates a crystal, the required RF matching and filtering for
regulatory compliance as well as filtering on all digital lines for noise reduction and sensitivity.
The module operates in the global non-licensed 2.4GHz ISM/SRD frequency band. This radio
module is ideal for achieving low power, long range wireless connectivity without having to deal
with extensive protocol, RF, antenna design and regulatory compliance, allowing quick time to
market. The modules are 100% tested to provide consistent performance.
The A8520E24A91 module has received regulatory approvals for modular devices in the United
States (FCC), Canada (IC) and Europe (ETSI). The modular approval allows the end user to
place an A8520E24A91 module inside a finished product without having to perform costly
regulatory testing for an intentional RF radiator. Section 2.3 has information on the requirements
for the end user/integrator to fulfill in order to use the modules without intentional radiator
regulatory testing.
The A8520E24A91 is based on the CC8520 transceiver and the CC2591 range extender chips,
both from Texas Instruments (TI). All control lines are provided at module level for full control of
its operation. Please see the datasheets for CC8520 and CC2591 (www.ti.com) for how to
operate, program and control the module. The PurePath™ protocol is developed, by TI,
specifically for the CC85xx series chips and specifically for digital audio distribution. At the
extremes of its range, the protocol provides graceful degradation of the audio signal using
algorithms like interpolation, to make intermittent connectivity inaudible. Thus the A8520E24A91
module is not suitable for strict data transport.
The module/protocol must be configured and programmed by the OEM/Integrator to setup the
specific Codec chip used for audio conversion, and to setup control buttons and
manufacturer/network addresses. This is described in detail in the CC8520 datasheet, users’
guide and PurePath™ documentation on TI website (www.ti.com). Specifics pertaining to
calibrating the transmit power from the module is covered in section 5.1.
The A8520E24A91 module measures 11 mm x 19 mm x 2.5 mm.

Page 6 of 34 A8520E24A91 – User’s Manual
Release Date 02/27/12
1.1. Features
Features:
Un-Compressed Wireless Audio
Connectivity
Pre-defined protocol
Configurable human interface
Autonomous or Hosted mode
2.2 to 3.6 V operation
Programmable output power up to +19
dBm
RoHS Compliant
Very small package size:
11mm x 19mm x 2.5mm
Benefits Summary:
Operating temperature-40to +85C
100% RF Tested in production for
repeatable performance
No RF engineering experience
necessary
No protocol experience necessary
Only requires a 2 layer Host PCB
implementation
FCC & IC certified, ETSI compliant
No regulatory “Intentional radiator”
testing required for integrating module
into end product. Simple certification
labeling replaces testing.
1.2. Theory of Operation
The A8520E24A91 interfaces directly to an audio Codec chip through the I2S for audio data and
I2C for volume control and other Codec chip settings.
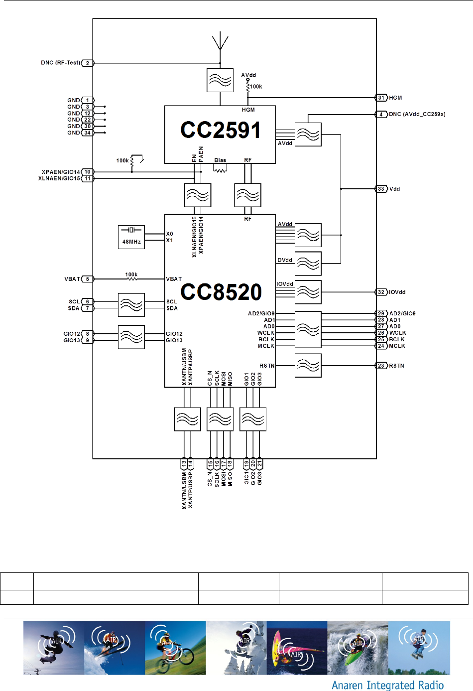
A block diagram is given for the A8520E24A91 module in Figure 1.
Antenna
o The antenna couples energy between the air and the module. The integral
antenna (fc = 2441.75 MHz) provides a near omni-directional antenna pattern
with high efficiency such that the application will work equally well in any
direction. Note that the end radiation pattern depends not only on the antenna,
but also the ground plane, enclosure and installation environment.
Filtering
o Filtering removes spurious signals to comply with regulatory intentional radiator
requirements, provides reduced susceptibility to power supply and digital noise,
and filters out RF and high frequency noise from the digital audio and control link
(I2S, I2C).
Matching
o The matching provides the correct loading of the transmit amplifier to achieve the
highest output power as well as the correct loading for the receive LNA to
achieve the best sensitivity.
Protocol
o The protocol implements an entire wireless audio transport mechanism with
adaptive frequency usage, retransmission of lost packets as well as a low data
rate link for remote control purposes.

A8520E24A91 – User’s Manual Page 7 of 34
Release Date 02/27/12
Figure 1 The functionality of the A8520E24A91, using an integral antenna
Table 1 Approved Antenna
Item
Part Number
Manufacturer
Type
Gain dBi)
1
Integral part of A8520E24A91
Anaren
Integral Antenna
2

Page 8 of 34 A8520E24A91 – User’s Manual
Release Date 02/27/12
1.2.1. Network Topology and Nomenclature
An A8520E24A91 network consists of one Protocol Master (PM) and one or two Protocol
Slave(s) (PS). The PM provides the audio reference clock and controls network association.
The PS regenerates the audio reference clock based on the packets received. Audio can be
transmitted from the PM to the PS. The device receiving the audio is called an Audio Sink, and
the device sending the audio is called an Audio Source. A device can be both an Audio Sink
and an Audio Source at the same time (bidirectional audio will be supported in future revisions
of the TI PurePath firmware). The A8520E24A91 network also includes a Data Side-Channel
which is a bi-directional data link between the PM and all PSs in the network.
Figure 2 A8520E24A91 topologies supported for different A8520E24A91 firmware revisions.
See TI website for latest releases

A8520E24A91 – User’s Manual Page 9 of 34
Release Date 02/27/12
1.2.2. Adaptive Frequency Hopping
The purpose of using frequency hopping in a radio system is to provide diversity that allows
data throughput to be maintained even if the interfering radio systems or the physical
environment (e.g. multipath fading) renders some RF channels unusable. In the 2.4 GHz ISM
band, the sheer amount of radio systems and the severity and dynamic nature of indoor fading
phenomena in typical operating environments require the use of this kind of diversity if a
minimum data throughput is to be guaranteed (as audio streaming requires). Frequency
hopping systems can either implement a fixed sequence of channel hops or adapt its hopping
sequence dynamically to the changing environment it operates in. In order to maximize its own
chances of delivering audio data in time and to co-exist amicably with other fixed-frequency or
adaptive frequency hopping systems, PurePath™ Wireless uses an adaptive frequency hopping
(AFH) scheme that adapts to changing conditions within tens of milliseconds. PurePath
Wireless divides the 2.4 GHz band into 18 RF channels with 4 MHz bandwidth. A protocol
master that controls the adaptive frequency hopping scheme for the audio network, maintains a
table with an entry for each RF channel and an associated quality-of-service (QoS) estimate for
each. Each time an RF channel is used the QoS estimate is updated based on what happens
during the timeslot. The frequency hopping algorithm separates the 18 RF channels into two
sets:
A set of 4 active channels
A set of 14 trial channels
The active channel set contains the preferred RF channels that have proven that they provide
sufficiently good quality-of-service. The trial channel set contains the remaining RF channels
that are only evaluated occasionally in order to be able to maintain an accurate picture of their
quality-of-service. If the QoS estimate of an RF channel in the active set goes beyond a
minimum threshold this channel is swapped out with the RF channel in the trial channel set that
has the best QoS estimate. Other factors play in when selecting a new RF channel to the active
channel set, such as trying to maintain a certain minimum distance in frequency between the
different active channels.
The frequency hopping algorithm, when no swaps between the active and trial channel sets
occur, goes through a sequence of 70 hops over the course of which every RF channel has
been used.
This 70-hop macrosequence consists of 14 repetitions of a
o 5-hop microsequence during which
Each of the four active RF channels are used once
One of the trial RF channels is used once (cycling through all trial
channels over the course of a macrosequence)
Figure 3 illustrates this concept. This gives an average steady-state RF channel usage in an
audio network of:
Each of the four active channels are used 20% of the time
Each trial channel is used 1.43% of the time

Page 10 of 34 A8520E24A91 – User’s Manual
Release Date 02/27/12
Figure 3 Example of AFH hop sequence (active set in color, trial set in black/gray)
The channels correspond to center frequencies as given in Table 2.
Table 2 Channel to center frequency
Channel
Center Frequency
[MHz]
Channel
Center Frequency
[MHz]
1
2406
10
2442
2
2410
11
2446
3
2414
12
2450
4
2418
13
2454
5
2422
14
2458
6
2426
15
2462
7
2430
16
2466
8
2434
17
2470
9
2438
18
2474
1.3. Applications
Wireless headphones
Wireless headsets
Wireless speakers
Wireless studio equipment
Wireless microphones

A8520E24A91 – User’s Manual Page 11 of 34
Release Date 02/27/12
2. Approvals and Usage
The A8520E24A91 has been designed to meet FCC (US), IC (Canada) and ETSI (Europe)
regulations. In particular the radio modules have been certified to the following.
2.1. Product Approvals
2.1.1. USA (Federal Communications Commission, FCC)
The A8520E24A91 with integrated antenna has been tested to comply with FCC CFR47 Part 15
sub-part C “Intentional Radiators. The devices meet the requirements for modular transmitter
approval as detailed in FCC public notice DA 00-1407 Released: June 26, 2000. The
A8520E24A91 module eliminates the need to re-perform ‘intentional radiator’ testing when
submitting an end product for certification.
(15.19a3) The module complies with part 15 of the FCC rules. Operation is subject to the
following two conditions: (1) this device may not cause harmful interference, and (2) this device
must accept any interference received, including interference that may cause undesired
operation.
Any changes or modifications not expressly approved by the party responsible for compliance
could void the user’s authority to operate the equipment.
2.1.1.1. FCC Labeling Requirements
The A8520E24A91 modules have been labeled with their own FCC ID number and if the FCC
ID is not visible when the module is installed inside another device, then the outside of the
finished product into which the module is installed must also display a label referring to the
enclosed module. This exterior label can use wording such as the following:
Contains Transmitter Module FCC ID: X7J-A10051702
-or-
Contains FCC ID: X7J-A10051702
This device complies with Part 15 of the FCC Rules.
Operation is subject to the following two conditions:
(1) this device may not cause harmful interference, and (2) this device must accept any
interference received, including interference that may cause undesired operation.

Page 12 of 34 A8520E24A91 – User’s Manual
Release Date 02/27/12
2.1.1.2. End User Manual
The end user manual should include the following statement:
This equipment has been tested and found to comply with the limits for a Class B digital device,
pursuant to part 15 of the FCC Rules. These limits are designed to provide reasonable
protection against harmful interference in a residential installation. This equipment generates,
uses and can radiate radio frequency energy and, if not installed and used in accordance with
the instructions, may cause harmful interference to radio communications. However, there is no
guarantee that interference will not occur in a particular installation. If this equipment does
cause harmful interference to radio or television reception, which can be determined by turning
the equipment off and on, the user is encouraged to try to correct the interference by one or
more of the following measures:
Reorient or relocate the receiving antenna.
Increase the separation between the equipment and receiver.
Connect the equipment into an outlet on a circuit different from that to which the receiver
is connected.
Consult the dealer or an experienced radio/TV technician for help.
2.1.1.3. RF Exposure
All transmitters regulated by FCC must comply with RF exposure requirements. OET Bulletin 65
“Evaluating Compliance with FCC Guidelines for Human Exposure to Radio Frequency
Electromagnetic Fields” provides assistance in determining whether proposed or existing
transmitting facilities, operations or devices comply with limits for human exposure to Radio
Frequency (RF) fields adopted by the Federal Communications Commission (FCC). The bulletin
offers guidelines and suggestions for evaluating compliance.
If appropriate, compliance with exposure guidelines for mobile and unlicensed devices can be
accomplished by the use of warning labels and by providing users with information concerning
minimum separation distances from transmitting structures and proper installation of antennas.
The following statement must be included as a CAUTION statement in manuals and OEM
products to alert users of FCC RF Exposure compliance:
To satisfy FCC RF Exposure requirements for mobile and base station transmission devices, a
separation distance of 20 cm or more should be maintained between the antenna of this device
and persons during operation. To ensure compliance, operation at closer than this distance is
not recommended. The antenna(s) used for this transmitter must not be co-located or operating
in conjunction with any other antenna or transmitter.
If the A8520E24A91 module is used in a portable application (antenna is less than 20 cm from
persons during operation), the integrator/OEM is responsible for performing Specific Absorption
Rate (SAR) testing in accordance with FCC rules 2.1093.

A8520E24A91 – User’s Manual Page 13 of 34
Release Date 02/27/12
2.1.2. Canada (Industry Canada, IC)
The A8520E24A91 modules have been certified for use in Canada under Industry Canada (IC)
Radio Standards Specification (RSS) RSS-210 and RSS-Gen.
From section 3.2 RSS-Gen, Issue 3, December 2010, Modular Approval for Category I
Equipment or Category II Equipment:
“Modular approval permits the installation of the same module in a host device or multiple host
devices without the need to recertify the device. Equipment certification for a modular device
may be sought for either Category I equipment or Category II equipment.
Transmitters designed as modules for the installation in a host device may obtain equipment
certification as a modular device provided that the applicable RSS is met and the following
conditions in this section are met.”
In section 7.1.2 Transmitter Antenna, it has been mentioned that the user manuals for
transmitters shall display the following notice in a conspicuous location:
Notice: Under Industry Canada regulations, this radio transmitter may only operate using an
antenna of a type and maximum (or lesser) gain approved for the transmitter by Industry
Canada. To reduce potential radio interference to other users, the antenna type and its gain
should be so chosen that the equivalent isotropically radiated power (e.i.r.p.) is not more than
that necessary for successful communication.
Avis: Sous la réglementation d'Industrie Canada, ce transmetteur radio ne peut fonctionner
qu’en utilisant seulement une antenne d'un type et d’un maximum (ou moins) de gain approuvé
pour l'émetteur par Industrie Canada. Pour réduire des potentielles interférences radio pour les
autres utilisateurs, le type d'antenne et son gain doivent être choisis de sorte que la puissance
isotrope rayonnée équivalente (PIRE) ne dépasse pas ce qui est nécessaire pour une
communication réussie.
2.1.2.1. IC Labeling Requirements
From section 3.2.1 RSS-Gen, Issue 3, December 2010, Labeling Requirements for the Host
Device:
The host device shall be properly labeled to identify the modules within the host device. The
Industry Canada certification label of a module shall be clearly visible at all times when installed
in the host device, otherwise the host device must be labeled to display the Industry Canada
certification number of the module, preceded by the words “Contains transmitter module”, or the
word “Contains”, or similar wording expressing the same meaning.
From section 5.2, RSS-Gen, Issue 3, December 2010, Equipment Certification Numbers and
Labels: Every unit of Category I radio apparatus certified for marketing and use in Canada shall

Page 14 of 34 A8520E24A91 – User’s Manual
Release Date 02/27/12
bear a permanent label on which is indelibly displayed the model number and Industry Canada
certification number of the equipment model (transmitter, receiver, or inseparable combination
thereof). Each model shall be identified by a unique combination of a model number and a
certification number, which are assigned as described below in this section.
The label shall be securely affixed to a permanently attached part of the device, in a location
where it is visible or easily accessible to the user, and shall not be readily detachable. The label
shall be sufficiently durable to remain fully legible and intact on the device in all normal
conditions of use throughout the device’s expected lifetime. These requirements may be met
either by a separate label or nameplate permanently attached to the device or by permanently
imprinting or impressing the label directly onto the device.
The label text shall be legible without the aid of magnification, but is not required to be larger
than 8-point font size. If the device is too small to meet this condition, the label information may
be included in the user manual upon agreement with Industry Canada.
Label:
Contains/Contient IC: 8975A- A10051702
Notice: This device complies with Industry Canada licence-exempt RSS standard(s). Operation
is subject to the following two conditions: (1) this device may not cause interference, and (2) this
device must accept any interference, including interference that may cause undesired operation
of the device.
Avis: Cet appareil est conforme avec Industrie Canada RSS standard exempts de licence (s).
Son fonctionnement est soumis aux deux conditions suivantes: (1) cet appareil ne peut pas
provoquer d'interférences et (2) cet appareil doit accepter toute interférence, y compris les
interférences qui peuvent causer un mauvais fonctionnement du dispositif.
For more information see: Industry Canada http://www.ic.gc.ca/
2.1.2.2. RF Exposure
All transmitters regulated by IC must comply with RF exposure limits as set forth in RSS-102,
Issue 4, section 4, “Exposure Limits”. Furthermore RSS-102, Issue 4, Section 2 “Certification
Requirements”, provides assistance in determining the specific requirements for compliance. If
appropriate, compliance with exposure guidelines for mobile and unlicensed devices can be
accomplished by the use of warning labels and by providing users with information concerning
minimum separation distances from transmitting structures and proper installation of antennas.

A8520E24A91 – User’s Manual Page 15 of 34
Release Date 02/27/12
The following statement must be included as a CAUTION statement in manuals and OEM
products to alert users of IC RF Exposure compliance:
Notice: To satisfy IC RF Exposure requirements for mobile and base station transmission
devices, a separation distance of 20 cm or more should be maintained between the antenna of
this device and persons during operation. To ensure compliance, operation at closer than this
distance is not recommended. The antenna(s) used for this transmitter must not be co-located
or operating in conjunction with any other antenna or transmitter.
Avis: Pour répondre à la IC d'exposition pour les besoins de base et mobiles dispositifs de
transmission de la station, sur une distance de séparation de 20 cm ou plus doit être maintenue
entre l'antenne de cet appareil et les personnes en cours de fonctionnement. Pour assurer le
respect, l'exploitation de plus près à cette distance n'est pas recommandée. L'antenne (s) utilisé
pour cet émetteur ne doit pas être co-localisés ou fonctionner conjointement avec une autre
antenne ou transmetteur.
If the A8520E24A91 module is used in a portable application (antenna is less than 20 cm from
persons during operation), the integrator/OEM is responsible for performing Specific Absorption
Rate (SAR) testing in accordance with IC rules and methods of RSS-102.
2.1.3. Europe (Conformité Européenne, )
The A8520E24A91 module has been certified for use in European countries. The following tests
have been performed and the module found to be compliant to the requirements:
Test standard ETSI EN 300 328 V1.7.1 (2006-10)
Maximum Isotropic Radiated Power (Normal and Extreme Conditions)
Maximum e.i.r.p. Spectral Density
Frequency Range (Normal and Extreme Conditions)
Transmitter Spurious Emissions
Receiver Spurious Emissions
Test standards ETSI EN 301 489-1:2008 and ETSI EN 301 489-17:2008
Radiated Emissions
Electro-Static Discharge
Radiated RF Susceptibility
A helpful document that can be used as a starting point in understanding the use of short range
devices (SRD) in Europe is the European Radio Communications Committee (ERC)
Recommendation 70-03 E, downloadable from the European Radio Communications Office
(ERO) http://www.ero.dk.

Page 16 of 34 A8520E24A91 – User’s Manual
Release Date 02/27/12
The end user is responsible for ensuring compliance with harmonized frequencies and labeling
requirements for each country the end device is marketed and sold.
For more information see:
Radio And Telecommunications Terminal Equipment (R&TTE)
http://ec.europa.eu/enterprise/rtte/index_en.htm
European Conference of Postal and Telecommunications Administrations (CEPT)
http://www.cept.org/
European Telecommunications Standards Institute (ETSI) http://www.etsi.org/
European Radio Communications Office (ERO) http://www.ero.dk/
2.2. Potential Interference Sources
The two main mechanisms that allow a PurePath wireless system to co-exist amicably in close
proximity to other 2.4 GHz radio systems are:
The adaptive frequency hopping scheme described in section 2.2 that ensures that RF
channels used by other radio systems are avoided
Adaptive listen-before-talk mechanism that measures energy in RF channel before
transmitting and avoids transmitting if the channel is already in use
These mechanisms together ensure that other radio systems are minimally impacted by a
PurePath Wireless audio network in normal circumstances. However, since a low-latency audio
network by its very nature transports a very time-critical data stream, both mechanisms have
adaptive thresholds to ensure that the audio network is given its fair share of RF spectrum in
very crowded RF environments.
2.3. Approved Usage
The A8520E24A91 module has been approved for use in the US, Canada and Europe. The
user is encouraged to use minimum power required to establish a link, thus minimizing
interference.
Changes or modifications to the module and/or operation outside the limits are prohibited and
could void the user’s authority to operate the modules.
2.3.1. USA and Canada
Within the USA and Canada, the A8520E24A91 modules have been approved for use as
digitally modulated transmitters, for which they conform to the BW (a minimum of 500 kHz 6-dB
BW for US, a maximum BW of 0.5% of the carrier frequency for Canada), power spectral
density (max of 8 dBm / 3 kHz), total output power (max of 1W including the antenna gain) and
spurious radiation (harmonics and others including the restricted bands) requirements.

A8520E24A91 – User’s Manual Page 17 of 34
Release Date 02/27/12
The A8520E24A91 module has been approved for use up to the max available power level that
the module can give (power setting 4), however, the user is encouraged to use minimum power
required to establish a link in order to minimize interference.
2.3.2. Europe
For Europe, the maximum power is 100mW with a maximum spectral power density of
10mW/MHz. In order to meet the power spectral density requirements, the A8520E24A91
module’s output power level must be reduced and kept at a maximum power setting of -3. This
setting corresponds to an output power level of 11.3 dBm.

Page 18 of 34 A8520E24A91 – User’s Manual
Release Date 02/27/12
3. Electrical Characteristics
3.1. Absolute Maximum Ratings
Under no circumstances must the absolute maximum ratings given in Table 3 be violated. Stress
exceeding one or more of the limiting values may cause permanent damage to the device.
Table 3 Absolute Maximum Ratings
Parameter
Min
Max
Unit
Condition/Note
Supply Voltage (Vdd)
-0.3
3.6
V
Voltage on any digital pin
-0.3
Vdd+0.3,
max 3.6
V
RF input power
0
dBm
Storage Temperature
-50
150
˚C
Solder reflow temperature
260
˚C
According to IPC/JEDEC J-STD-020D
ESD
<500
V
According to JEDEC STD 22, method
A114, Human body model
ESD
400
V
According to JEDEC STD 22, C101C,
Charged Device Model (CDM)
Caution!
ESD sensitive device. Precaution should be
used when handling the device in order to
prevent permanent damage.
Caution!
This assembly contains moisture sensitive
devices and requires proper handling per
IPC/JEDEC J-STD-033

A8520E24A91 – User’s Manual Page 19 of 34
Release Date 02/27/12
3.2. Operating Conditions
Table 4 Operating conditions
Parameter
Min
Max
Unit
Condition/Note
Supply Voltage (Vdd)
2.2
3.6
V
Supply Voltage IOVdd
1.8
3.6
V
Temperature Range
-40
+85
˚C
3.3. Pin Out
The A8520E24A91 radios share a common pin-out and foot print, thus enabling the use of the
same application PCB layout for US/Europe and low power (short range) versus higher power
(long range). Below the footprint is shown.
Figure 4 Module pin-out view
NC = NO Connection. Pin is NOT
connected internally.
DNC = Do Not Connect. Internal
connection used during assembly,
do not connect.

Page 20 of 34 A8520E24A91 – User’s Manual
Release Date 02/27/12
Table 5 pin-out table, with references to chip pins
Pin Number
Pin Name Pin Type Description
CC259x Pin
CC85xx Pin
1 GND Common Ground
2 DNC
Do Not Connect. Connecting this pin to anything will significantly affect the performance
of the module and may void the end users right, under FCC, to operate the module
3 GND Common Ground
4 DNC Power/Decoupling
Do Not Connect. This pin should not be used unless deemed necessary in particular
noisy power supply environments, See "power supply consideration" section for more
information
5 VBAT Analog Input
Battery voltage supervisor (threshold level programmable by external resistor to positive
battery terminal)
29
6 SCL, GIO10 Digital I/O
I2C master clock line. Must be connected to external pull-up, General-purpose digital I/O
pin 10
32
7 SDA, GIO11 Digital I/O
Digital I/O1 I2C master data line. Must be connected to external pull-up, General-purpose
33
8 GIO12 Digital I/O General-purpose digital I/O pin 12 34
9 GIO13 Digital I/O General-purpose digital I/O pin 13 35
10 XPAEN/PAEN Digital Out
The CC85xx asserts this pin high to turn on the CC259x power amplifier for transmit. The
pin can be used to detect the radio state to synchronize other system events e.g. to
smooth out power consumption or minimize noise injection. A high indicates that the PA
is on. At no time will both XPAEN and XLNAEN be high at the same time.
536
11 XLNAEN/EN Digital Out
The CC85xx asserts this pin high to turn on the CC259x low noise amplifier. The pin can
be used to detect the radio state to synchronize other system events e.g. to turn of
noise/switching sources for better sensitivity. At no time will both XPAEN and XLNAEN
be high at the same time.
638
12 GND Common Ground
13 DNC Digital I/O Do Not Connect (future antenna diversity control or USB interface) 1
14 DNC Digital I/O Do Not Connect (future antenna diversity control or USB interface) 2
15 CS_N Digital Input (Pull-up) Serial SPI configuration interface, active low chip select 3
16 SCLK Digital I/O Serial SPI configuration interface, clock input/output 4
17 MOSI Digital I/O Serial SPI configuration interface, master data input, slave data output 5
18 MISO, GIO0 Digital I/O
Serial SPI configuration interface, master data output, slave data input GIO0 output when
CS_N is deasserted. General-purpose digital I/O pin 0
6
19 GIO1 Digital I/O General-purpose digital I/O pin 1, Configurable with PurePath™ Wireless Configurator 7
20 GIO2 Digital I/O General-purpose digital I/O pin 2 8
21 GIO3 Digital I/O General-purpose digital I/O pin 3, Configurable with PurePath™ Wireless Configurator 9
22 GND Common Ground
23 RSTN Digital Input (Pull-up) Active-low device reset 11
24 MCLK Digital I/O Digital I/O1 Master clock output for external audio devices (GIO4). 13
25 BCLK Digital I/O Digital I/O1 I2S/DSP audio interface bit clock (in/out) (GIO5). 14
26 WCLK Digital I/O Digital I/O1 I2S/DSP audio interface word clock (in/out) (GIO6). 15
27 AD0 Digital I/O Digital I/O1 I2S/DSP audio interface data line 0 (in/out) (GIO7). 16
28 AD1 Digital I/O Digital I/O1 I2S/DSP audio interface data line 1 (in/out) (GIO8). 17
29 AD2, GIO9 Digital I/O
Digital I/O2 I2S/DSP audio interface data line 2 (in/out), Configurable with PurePath™
Wireless Configurator
19
30 GND Common Ground
31 HGM Digital Input
Digital control pin. HGM=1 → CC259x LNA is in High Gain Mode (~10dB gain),
HGM=0 → CC259x LNA is in Low Gain Mode (~0dB gain). Can be used to avoid
overdriving the receiver in case the transmitter is in very close proximity to the receiver,
otherwise do not connect.
7
32 IOVDD Power (I/O pins) Digital power supply for the digital core, GIO's SPI, I2C and I2S (1.8V to 3.6V) 10
33 AVDD Power (Analog) Analog power supply connection for the Radio and PA/LNA (2.0V to 3.6V) 20
34 GND Common Ground

A8520E24A91 – User’s Manual Page 21 of 34
Release Date 02/27/12
3.4. Recommended Layout (dimensions in mm)
Figure 5 Recommended PCB layout.

Page 22 of 34 A8520E24A91 – User’s Manual
Release Date 02/27/12
Figure 6 Mounting the module in a corner
Figure 7 Mounting the module along an edge
3.5. Power Supply Considerations
Noise on the power supply line reduces the sensitivity of a receiver and can modulate onto a
transmitters signal, both of which causes a degradation of link quality and hence a reduction in
range.
The A8520E24A91 radio modules have integral noise reduction in the supply line from pins 33
(Vdd) and 32 (IOVdd), consisting of ferrite beads and decoupling capacitances. This
arrangement will take care of most supply voltage noise. For optimal performance in particular
noisy environments (switching regulators, motor controls, etc.) it may be necessary to add
additional noise reduction means, which can consist of a low noise LDO or additional LC
filtering.
Pin 4 (AVdd_CC259x) is connected to the modules internal supply line after the ferrite bead and
decoupling capacitors and can be used to probe the noise at module level. The noise level
measured on pin 4 should not exceed 150mVpp when in transmit or receive mode, it may
however exceed this value when not in either transmit or receive mode or in the transition itself
(i.e. it may exceed this if synchronized to the XPAEN and XLNAEN signals.
If the level measured is exceeding the above limit means should be taken to ensure maximum
range:
Add decoupling capacitance to pin 4 (AVdd_CC259x), 1uF to 2.2uF ceramic capacitor is
suggested (do not use Tantalum).
Add decoupling capacitance to pin 33 (AVdd), 1uF to 2.2uF ceramic capacitor is
suggested (do not use Tantalum).
Add a low noise LDO in the supply line to pin 33 (AVdd) (the TPS731xx low Dropout
Regulator from TI is recommended).

A8520E24A91 – User’s Manual Page 23 of 34
Release Date 02/27/12
Note that if operated from a battery source there is no need for additional noise reduction. Also
note that if the noise source can be synchronized to be off whenever the module is transmitting
or receiving (using XPAEN and XLNAEN) then that will also suffice.

Page 24 of 34 A8520E24A91 – User’s Manual
Release Date 02/27/12
4. Mechanical and Process
4.1. Radio Module Details (dimensions in mm)
Figure 8 A8520E24A91 dimensions
4.2. Packaging Details (dimensions in mm)
AIR modules are available in Matrix Tray and Tape & Reel packaging for high-volume
assembly. Details of packaging provided below:

A8520E24A91 – User’s Manual Page 25 of 34
Release Date 02/27/12
4.2.1. Matrix Tray Packaging
Figure 9 A8520E24A91GM Matrix Tray Packaging Detail (27/Tray)
4.2.2. Tape-Reel Packaging
Figure 10 A8520E24A91GR Tape-Reel Packaging Detail (500/Reel)

Page 26 of 34 A8520E24A91 – User’s Manual
Release Date 02/27/12
4.3. Soldering
AIR Modules may be mounted either manually (for prototyping or low volume production), or
automatically for high-volume production.
A no-clean tin/silver/copper (SAC) solder is recommended, however lead based no-clean
pastes may also be used.
CAUTION: AIR Modules are designed for no-clean fluxes only. DO NOT use water-
based fluxes that require aqueous cleaning after solder. Spot cleaning with a flux
remover and toothbrush may be performed with care.
4.3.1. Manual Mounting Procedure
The recommended soldering method is reflowing of a paste solder on a hot plate. This method
works provided the bottom of the board where the AIR module is to be mounted is accessible,
and there are no bottom-side components in the way.
An aluminum or copper block may be placed on the hot plate surface to transfer heat to a
localized area on the board where the AIR module is mounted
- Set the hot plate to the reflow temperature solder manufacturer’s recommended
- Apply solder paste to the pads on the board receiving the AIR module
- Place the AIR module carefully onto the dispensed solder
- Using tweezers or another holding device, carefully place board with AIR module onto
the hot plate surface (or metal block)
- Apply heat until reflow occurs, per solder paste manufacturer’s recommendations
- Carefully remove the board and place on a heat-resistant surface to cool
- Check assembly electrically to confirm there are no opens or shorts

A8520E24A91 – User’s Manual Page 27 of 34
Release Date 02/27/12
4.3.2. Automated Mounting Procedure
The AIR Radio Module recommended solder reflow profile is based on IPC/JEDEC J-STD-020.

Page 28 of 34 A8520E24A91 – User’s Manual
Release Date 02/27/12

A8520E24A91 – User’s Manual Page 29 of 34
Release Date 02/27/12
5. Configuration and Programming
The integrator of this module into an application must program the module to match both the
Codec chip used and the human interface methods employed. To do this the integrator must
use the PurePath™ software from TI to configure the module
5.1. Calibrating Transmit Power
This power calibration number is an approximate power output value in dBm for the CC85xx
chip – however the module CC2591 adds additional 16dB amplification.
It can be useful to set a lower power for systems that do not require the full range and thus save
on power consumption. The typical power consumption at 3.3v supply for a A8520E24A91
module is shown below depending on the output power setting.
Table 6 Transmit power settings
PurePath
Power
Setting
Module
Output Power
(Approximate)
Peak Current Consumption
Average Current Consumption [mA]
@ 3.3V AVdd,IOVdd, Ambient*
[dBm]
[dBm]
[dBm]
Master
Slave
4
20
184
78
36
3
19
174
72
35
2
17
147
64
34
1
15
143
63
34
0
13
118
55
32
-1
13
118
54
32
-2
12
113
52
32
-3
11
106
50
32
-4
11
106
50
32
-5
10
99
48
31
-6
10
97
47
31
-7
10
97
47
31
-8
8
94
46
31
-9
7
92
46
31
-10
6
91
46
31
* PurePath application state set to “stereo audio”
In the PurePathTM configurator when creating the application image, in the “Radio” page for both
master and slave the target Tx power must be set to the max allowed power level, or lower,
(note that the max allowed power setting for US and Canada is 4. However for Europe, only the
power settings up to -3 are allowed due to power spectral density limits). Figure 11 indicates the
location for setting the module output power. PurePath Wireless Configurator 1.3.0.36447 has
been used for the current measurements.

Page 30 of 34 A8520E24A91 – User’s Manual
Release Date 02/27/12
Figure 11 PurePath Wireless Configurator window
Alternatively the power calibration can be done immediately after programming of each module
using the SPI host controller interface, using the CAL_SET_DATA function. This option is useful if
the same image will be used in multiple equipment, of which some have the power turned down
further than the max allowed power level to save current consumption, however it requires a
host processor.
5.2. Programming
The desired application image can be programmed into the module either using the PurePathTM
software and the included CC-Debugger. Or the PurePathTM software can be used to create the
desired image, which is saved and the integrator can use an in-house developed production
programmer to upload the image.
If developing an in-house programmer there are a few things to consider to successfully
program the CC8520 chip. Programming procedure:
// Enter the bootloader
BOOT_RESET();
BL_UNLOCK_SPI();
Check SWR Proceed only if SWR matches required value (Reset device and Restart
programming again)
// Erase the flash
Master
Radio
Page
Slave
Radio
Page

A8520E24A91 – User’s Manual Page 31 of 34
Release Date 02/27/12
BL_FLASH_MASS_ERASE();
Check SWR Proceed only if SWR matches required value (Reset device and Restart
programming again)
// For each flash page
for (int n = 0; n < 31; n++) {
// Write page data to the start of the available RAM area
SET_ADDR(0x6000, sw);
WRITE(0x400, data to be programmed into flash page n , sw);
/* While using the image generated by TI- Purepath Wireless Configurator, note that the entire
image file generated by PWC-TI is Intel_hex format. For programming 8520 module use only
the data and discard additional data/information */
// Program the page
BL_FLASH_PROG_PAGE(RAM_ADDR = 0x6000, FLASH_ADDR = 0x8000+(n*0x400))
Check SWR Proceed only if SWR matches required value wait till the block is completely
transfered
}
// Verify the flash contents
BL_FLASH_VERIFY(BYTE_COUNT = value read from the HEX file );
/* The flash verify byte count data is 4 byte value stored from location &h 8010 within the image
file */
Check SWR Proceed only if SWR matches required value (Reset device and Restart
programming again)
SYS_RESET()
// Done, perform SYS_RESET() to start the application
If the status word read fails immediately after execution of BOOT_RESET or BL_UNLOCK_SPI
then it is most likely due to the special SPI requirement during these instructions as MISO must
go low and then high after the SPI clock sequence as shown in the figure below.
Figure 12 SPI clock sequence
If the SPI bus controller is unable to perform this wait, then use the SPI pins as GPIO’s and
manually program the bit sequences as described below for the BOOT_RESET().
Procedure for programming Boot_Reset()
1. Assert CSn Low and then clock the SCL with each negative edge of clock asset the logic
level to high or low on MOSI pin.

Page 32 of 34 A8520E24A91 – User’s Manual
Release Date 02/27/12
2. After sending &H B0 00 on MOSI pin. Wait till MISO pin goes high. Note: Status
check/update is done between MISO and CSn pin going high. If this time is not
sufficient. This will lead to error in SWR read value.
Once BOOT_RESET is successful then switch to normal SPI operation mode.
Please refer to the TI CC8520 PurePath documentation for more information.

A8520E24A91 – User’s Manual Page 33 of 34
Release Date 02/27/12
DOCUMENT HISTORY
Date
Author
Change Note No./Notes
Aug 8th 2010
Kirkeby
Initial Draft
Dec 1st 2010
Kirkeby
Initial Release, formatting and content chg.
Dec 13th 2010
Kirkeby
Programming and Tx power setting.
Aug 9th 2011
Stockwell
Updated fig. 5 sec 4.4, misc grammatical
Oct 14th 2011
Sula
Updated FCC/IC usage, and added ETSI
section
Oct 19th 2011
Sula
Formatting in section 3.1.1.
Dec 21st 2011
Sula
Updated sections related to the approved
power levels (section 5.1).
Jan 31st 2012
Sula
Added Chapter 5 – Mechanical and Process
chapter, Configuration and Programming
section was moved to Chapter 6
Updated Figure 5
Section 5.1 was modified with updated current
values and PurePath screen shot
Feb 3rd 2012
Sula
Figure 4 and Table 5 modified
Some formatting applied
Section 5.2 modified
Feb 8th 2012
Sula
Sub-section 5.2 is modified
Feb 27th 2012
Richardson
Updated theory of operation and block diagram

If you have additional questions, need samples, or would like a quote –
please email the AIR team at AIR@anaren.com .
For a full list of our franchised distributors, please visit our website:
http://www.anaren.com/air/
Anaren Microwave, Inc.
6635 Kirkville Road
East Syracuse, NY 13057
Tel: +1 315 432 8909
+1 800 411 6596
Fax: +1 315 432 8970
Anaren Microwave (Europe), Inc.
12 Somerset House, Suite 16 & 17
Hussar Court, Waterlooville
Hampshire, England P07-7SG
Tel: +44 2392 232392
Fax: +44 2392 251369
Anaren Communication Suzhou Co. Ltd.
No. 5 Chun Hui Road
Wei Ting, Suzhou Industrial Park
Suzhou 215122, PR China
Tel: +86 512 6287 6400
Fax: +86 512 6274 9283
Attach distributor contact information
here