Anaren A11072401 902-928 MHZ TRANSCEIVER User Manual

Anaren, Inc. 902-928 MHZ TRANSCEIVER Users Manual

Contents

Users_Manual

         Anaren Integrated Radio  A110LR09x User’s Manual  Release Date 10/31/11
 THIS PAGE LEFT INTENTIONALLY BLANK
iii     USERS MANUAL Models A110LR09A and A110LR09C Contents  1. Overview .......................................................................................................................................................... 5 1.1. A110LR09A ................................................................................................................................................ 5 1.2. A110LR09C ................................................................................................................................................. 5 1.3. Features....................................................................................................................................................... 6 1.4. Theory of Operation.................................................................................................................................. 6 1.4.1. Typical Flow ........................................................................................................................................ 9 1.5. Applications ............................................................................................................................................. 11 2. Product Approvals ........................................................................................................................................ 12 2.1. USA (Federal Communications Commission, FCC) .......................................................................... 12 2.1.1. FCC Labeling Requirements ............................................................................................................. 12 2.1.2. End User Manual .............................................................................................................................. 13 2.2. Canada (Industry Canada, IC) .............................................................................................................. 13 2.2.1. IC Labeling Requirements ................................................................................................................. 14 2.3. Europe (Conformité Européenne,  ) .................................................................................................. 15 2.4. Potential Interference Sources ............................................................................................................... 16 2.4.1. Time critical data ............................................................................................................................... 16 2.5. Approved Usage ..................................................................................................................................... 16 2.5.1. US & Canada .................................................................................................................................... 17 2.5.2. Europe ............................................................................................................................................... 18 3. Electrical Characteristics .............................................................................................................................. 25 3.1. Absolute Maximum Ratings .................................................................................................................. 25 3.2. Operating Conditions ............................................................................................................................. 26 3.3. Pin Out ...................................................................................................................................................... 26 3.4. Recommended Layout ............................................................................................................................ 28 3.5. Power Supply Considerations ............................................................................................................... 30 4. Mechanical and Process ................................................................................................................................ 31 4.1. Dimensions............................................................................................................................................... 31 4.1.1. A110LR09A ...................................................................................................................................... 31 4.1.2. A110LR09C ...................................................................................................................................... 31 4.2. Packaging ................................................................................................................................................. 32 4.2.1. Matrix Tray Packaging ..................................................................................................................... 32 4.2.2. Tape-Reel Packaging ......................................................................................................................... 33 4.3. Soldering................................................................................................................................................... 34 4.3.1. Manual Mounting Procedure ........................................................................................................... 34 4.3.2. Automated Mounting Procedure ...................................................................................................... 35
 THIS PAGE LEFT INTENTIONALLY BLANK
A110LR09x – User’s Manual    Page 5 of 38 Release Date 10/31/11        1.  Overview The A110LR09A and A110LR09C are surface mount modules – each with an integrated crystal, internal voltage regulator, matching circuitry and filtering. The A110LR09A has an integral antenna, whereas the A110LR09C utilizes an external antenna through a U.FL connector (see  Table 1). The modules operate in the European 868 – 870MHz and US 902 – 928MHz ISM bands and are ideal for achieving low power wireless connectivity without having to deal with extensive RF, antenna design and regulatory compliance, allowing quick time to market. The modules are 100% tested to provide consistent performance.   The A110LR09A and A110LR09C have received regulatory approvals for modular devices in Europe and in the US. The modular approval allows the OEM or end user to place either an A110LR09A or an A110LR09C with an approved antenna inside a finished product without having to perform costly regulatory testing for an intentional radiator. Section 2 has information on the requirements for the end user/integrator must fulfill to use the modules without intentional radiator regulatory testing. The receiver section of the modules has been evaluated and approved as Category II receiver for use in Europe.  The A110LR09A and A110LR09C are based on the CC110L transceiver IC from Texas Instruments. All control lines for the transceiver are provided at module level for full control of its operation. Please see the CC110L data sheet (www.ti.com) for how to control the modules. Please see section 2.5 for the recommended register settings to achieve optimal performance and regulatory compliance.  The A110LR09A measure 9x16x2.5mm and A110LR09C measures 9x12x2.5mm.  The modules are footprint compatible with each other.  1.1.  A110LR09A The A110LR09A has an integral antenna, providing high efficiency and near omni-directional radiation pattern. This approach offers the lowest system cost when the application allows collocation of radio and antenna.  1.2.  A110LR09C The A110LR09C has a compact antenna connector that allows for locating the antenna away from the module due to form/function or in order to exit a metal enclosure, see figure 6 – 9 for more information on antenna location and enclosure considerations.
Page 6 of 38    A110LR09x – User’s Manual     Release Date 10/31/11     1.3.  Features Features:   Frequency range: 868-870MHz & 902-928MHz   Ultra small package size    A110LR09C  : 9mm x 12mm x 2.5mm   A110LR09A  : 9mm x 16mm x 2.5mm   Impedance controlled multi-layer PCB   27 MHz Crystal Frequency   Shielded Package   1.8 to 3.6 V operation   SPI Interface   ROHS Compliant   LGA Footprint  Low Power Consumption   Regulatory approvals for ETSI, FCC and IC   Digital RSSI output   Programmable channel filter bandwidth   Programmable output power up to +12 dBm   High sensitivity (–112 dBm at 1.2 kBaud, 1% packet error rate)   Low current consumption (14.7 mA in RX, 1.2kBaud, input well above sensitivity limit)   Fast startup time: 240µs from SLEEP to Rx or Tx mode   Separate 64 byte Rx and Tx FIFOs   Programmable data rate from 0.6 to 600 kBaud. Please note that only approved configurations are allowed under the current certification.      Sleep state: 0.4µA   Idle State: 1.7mA Benefits Summary:   Operating temperature -40 to +85C   100% RF Tested in production   Common footprint for all family members   No RF engineering experience necessary   Only requires a 2 layer PCB implementation   Excellent receiver selectivity and blocking Performance   Suited for systems compliant with ETSI EN 300 220, FCC 15.247, and IC RSS-210 and RSS-Gen  No regulatory “Intentional radiator” testing is required to integrate the module into an end product. Simple certification labeling replaces testing.  1.4.  Theory of Operation The A110LR09A and A110LR09C are for low power wireless applications in the European 868 – 870MHz, and US 902 – 928MHz ISM band.  The devices can be used to implement a variety of networks, including; point to point, point to multipoint, peer to peer and mesh networks.  The A110LR09A and A110LR09C both interface to an application microcontroller via an SPI bus. Physical and MAC layer functionality are accessed via the SPI bus through addressable registers as well as execution commands. Data received, or to be transmitted, are also
A110LR09x – User’s Manual    Page 7 of 38 Release Date 10/31/11        accessed through the SPI bus and are implemented as a FIFO register (64 bytes each for Tx and Rx).   To transmit, a frame of data is placed in the FIFO; this may include a destination address. A transmit command is given, which will transmit the data according to the initial setup of the registers. To receive data, a receive command is given, which enables the unit to “listen” for a transmission; when such a transmission occurs, it places the received frame in the FIFO. When neither transmit nor receive is required, the device can enter either an Idle mode, from which it can quickly re-enter a receive/transmit mode, or a low power sleep mode from which a crystal startup is required prior to transmit or receive operation.  Below is a block diagram for each of the A110LR09A and A110LR09C modules.   Antenna o  The antenna couples energy between the air and the AIR module. For applications where installations are done by an end user (non-professional), an omni-directional antenna pattern is desired such that the application will work equally well in every direction. Similarly for peer to peer or point to multipoint applications, an omni-directional pattern is desired such that all nodes have a fair chance of communicating. The A110LR09A module has an integral antenna that is near omni-directional, whereas the A110LR09C has approved antenna options ranging from near omni-directional to shaped front/back patterns (useful for inline, professional installations). Note that the end radiation pattern depends not only on the antenna, but also on the ground plane, enclosure and installation environment.   Filtering o  Filtering removes spurious signals to comply with regulatory intentional radiator requirements.   Matching o  Matching provides the correct loading of the transmit amplifier to achieve the highest output power, as well as the correct loading for the receive LNA to achieve the best sensitivity.   Physical o  The physical layer provides conversions between data, symbol and RF signal.    MAC o  The MAC layer is part of the Logical Link Layer and provides frame handling, addressing and medium access services. For CE operations, part of the MAC is implemented in the S/W.   Microcontroller Interface o  The microcontroller interface exposes registers and commands for the physical and MAC layers to a microcontroller.   Power Management o  Power management ensures a stable supply for the internal functions, as well as providing means for a low power sleep mode (in which case, most of the transceiver is power off).
Page 8 of 38    A110LR09x – User’s Manual     Release Date 10/31/11      Figure 1 The functionality of the A110LR09A, using an integral antenna   Figure 2 The functionality of the A110LR09C, using an external antenna.
A110LR09x – User’s Manual    Page 9 of 38 Release Date 10/31/11         Figure 3 Transceiver IC block diagram. 1.4.1.  Typical Flow After initial setup of registers for desired behavior, the normal operation flow diagram is shown in Figure 4. In applications of infrequent data transmissions, the transceiver would be in “sleep” mode to save power (400nA). From there it would wake up and then enter “idle” mode. As part of the wake up process the crystal oscillator is started (~240μs) and the digital microcontroller interface is powered up. Before transmit or receive, the frequency synthesizer needs to be started (“FS_Wakeup”) and, having been powered off (or idle for a while), the control loop of the VCO/PLL needs to be calibrated (“calibrate”).  A data frame is loaded into the transmit FIFO and the “TX” mode is entered. The transceiver will transmit the data and enter “idle” mode after completion. When transmit is complete “RX” mode is entered to wait for the acknowledge frame. Once a frame is received, the transceiver will again enter “idle” mode. If no acknowledge frame is received within a given timeout, the data frame would be re-transmitted. If the acknowledge frame indicates that the data was received, the next data frame will be transmitted. After the last data frame has been transmitted successfully, the transceiver will again be put in “sleep” mode.
Page 10 of 38    A110LR09x – User’s Manual     Release Date 10/31/11     Medium access    Figure 4 Transceiver state diagram
A110LR09x – User’s Manual    Page 11 of 38 Release Date 10/31/11        1.5.  Applications Ultra low-power wireless applications, operating in the European 868-870 MHz and US 902-928 MHz ISM bands.  Wireless alarm and security systems  Industrial monitoring and control  Wireless sensor networks  AMR – Automatic Meter Reading  Home and building automation  Existing applications where simple upgrade to wireless is desired
Page 12 of 38    A110LR09x – User’s Manual     Release Date 10/31/11     2.  Product Approvals The A110LR09A and A110LR09C have been designed to meet most national regulations for worldwide ISM-band use. In particular, the radio modules have been certified to the following standards.   2.1.  USA (Federal Communications Commission, FCC) The A110LR09A, with integrated antenna, as well as the A110LR09C, used with the antenna listed in  Table 1 below, have been tested to comply with FCC Part 15 - 15.247 “Intentional Radiators.” The devices meet the requirements for modular transmitter approval as detailed in FCC public notice DA 00-1407 Released: June 26, 2000. The A110LR09A and A110LR09C modules can be integrated into a finished product without obtaining subsequent FCC approvals for intentional radiators.  (15.19a3) The module complies with part 15 of the FCC rules. Operation is subject to the following two conditions:  (1)  this  device  may  not  cause  harmful  interference,  and  (2)  this  device  must  accept  any interference received, including interference that may cause undesired operation.  Table 1 Approved Antennae Item Part Number Manufacturer Type Gain 1 Integral part of A110LR09A Anaren Integral Antenna 0 dBi 2 66089-8906 Anaren Monopole whip, 6 mm lead 2 dBi  2.1.1.  FCC Labeling Requirements The A110LR09A and A110LR09C modules have been labeled with their own FCC ID number and if the FCC ID is not visible when the module is installed inside another device, then the outside of the finished product into which the  module  is installed  must  also  display  a  label  referring to the  enclosed  module. This exterior label can use wording such as the following:
A110LR09x – User’s Manual    Page 13 of 38 Release Date 10/31/11        Contains Transmitter Module FCC ID: X7J-A11072401 -or- Contains FCC ID: X7J-A11072401 This device complies with Part 15 of the FCC Rules.  Operation is subject to the following two conditions:  (1)  this  device  may  not  cause  harmful  interference,  and  (2)  this  device  must  accept  any  interference received, including interference that may cause undesired operation. 2.1.2.  End User Manual The end user manual should include the following statement: This equipment has been tested and found to comply with the limits for a Class B digital device, pursuant to part 15 of the FCC Rules. These limits are designed to provide reasonable protection against harmful interference in a residential installation. This equipment generates, uses, and can radiate radio frequency energy and, if not installed and used in accordance with the instructions, may cause harmful interference to radio communications. However, there is no guarantee that interference will not occur in a particular installation. If this equipment does cause harmful interference to radio or television reception, which can be  determined  by  turning  the  equipment  off  and  on,  the  user  is  encouraged  to  try  to  correct  the interference by one or more of the following measures:    Reorient or relocate the receiving antenna.   Increase the separation between the equipment and receiver.   Connect the equipment into an outlet on a circuit different from that to which the receiver is connected.   Consult the dealer or an experienced radio/TV technician for help.    2.2.  Canada (Industry Canada, IC) The A110LR09A and A110LR09C modules have been certified for use in Canada under Industry Canada (IC) Radio Standards Specification (RSS) RSS-210 and RSS-Gen. From  section  3.2  RSS-Gen,  Issue  3,  December  2010,  Modular  Approval  for  Category  I  Equipment  or Category II Equipment: “Modular approval permits the installation of the same module in a host device or multiple host devices without the need to recertify the device. Equipment certification for a modular device may be sought for either Category I equipment or Category II equipment.
Page 14 of 38    A110LR09x – User’s Manual     Release Date 10/31/11     Transmitters designed as modules for the installation in a host device may obtain equipment certification as a modular device provided that the applicable RSS is met and the following conditions in this section are met.”  In section 7.1.2 Transmitter Antenna, it has been mentioned that the user manuals for transmitters shall display the following notice in a conspicuous location:  Notice: Under Industry Canada regulations, this radio transmitter may only operate using an antenna of a type and  maximum  (or  lesser)  gain  approved  for  the  transmitter  by  Industry  Canada.  To  reduce  potential  radio interference  to  other  users,  the  antenna  type  and  its  gain  should  be  so  chosen  that  the  equivalent  isotropically radiated power (e.i.r.p.) is not more than that necessary for successful communication. Avis:  Sous  la  réglementation  d'Industrie  Canada,  ce  transmetteur  radio  ne  peut  fonctionner  qu’en  utilisant seulement  une  antenne d'un  type  et  d’un  maximum  (ou  moins)  de  gain approuvé pour l'émetteur  par  Industrie Canada.   Pour réduire des potentielles interférences radio pour les autres utilisateurs, le type d'antenne et son gain doivent  être  choisis  de  sorte  que  la  puissance  isotrope  rayonnée  équivalente  (PIRE)  ne  dépasse  pas  ce  qui  est nécessaire pour une communication réussie. In section 7.1.2 Transmitter Antenna, it has been mentioned that the user manuals for transmitters equipped with detachable antennas shall also contain the following notice in a conspicuous location: Notice: This radio transmitter (IC: 8975A-A11072401) has been approved by Industry Canada to operate with the antenna types listed below with the maximum permissible gain and required antenna impedance for each antenna type indicated. Antenna types not included in this list, having a gain greater than the maximum gain indicated for that type, are strictly prohibited for use with this device. Avis: Cet émetteur radio (IC: 8975A-A11072401) a été approuvé par Industrie Canada pour fonctionner avec les types  d'antennes  énumérés  ci-dessous  avec  le  gain  maximal  admissible  et  l’impédance  d'antenne  requise  pour chaque type d'antenne indiqué. Les types d'antennes ne figurant pas dans cette liste, ayant un gain supérieur au gain maximal indiqué pour ce type, sont strictement interdits pour l'utilisation avec cet appareil. 2.2.1.  IC Labeling Requirements From section 3.2.1, RSS-Gen, Issue 3, December 2010, Labeling Requirements for the Host device:  “The host device shall be properly labelled to identify the modules within the host device.  The Industry Canada  certification label  of  a module shall  be  clearly  visible at  all times when installed in the host device, otherwise the host device must be labelled to display the Industry Canada  certification  number  of  the  module,  preceded  by  the  words  “Contains  transmitter module”, or the word “Contains”, or similar wording expressing the same meaning, as follows:  Contains transmitter module IC: XXXXXX-YYYYYYYYYYY where XXXXXX-YYYYYYYYYYY is the module’s certification number.  The  applicant  for  equipment  certification  of  the  module  shall  provide  with  each  unit  of  the module either a label such as described above, or an explanation and instructions to the user as to the host device labelling requirements.”
A110LR09x – User’s Manual    Page 15 of 38 Release Date 10/31/11        Label: Contains/Contient IC: 8975A-A11072401 Notice: This device complies with Industry Canada licence-exempt RSS standard(s). Operation is subject to the following two conditions: (1) this device may not cause interference, and (2) this device must accept any interference, including interference that may cause undesired operation of the device.  Avis: Cet appareil est conforme avec Industrie Canada RSS standard exempts de licence (s). Son  fonctionnement  est  soumis  aux  deux  conditions  suivantes:  (1)  cet  appareil  ne  peut  pas provoquer  d'interférences  et  (2)  cet  appareil  doit  accepter  toute  interférence,  y  compris  les interférences qui peuvent causer un mauvais fonctionnement du dispositif. From section 7.1.4, RSS-Gen, Issue 3, December 2010, Radio Apparatus Containing Digital Circuits (ICES-003): “Radio apparatus containing digital circuitry which can function separately from the operation of a  transmitter  or  an  associated  transmitter,  shall  comply  with  ICES-003.  In  such  cases,  the labeling  requirements  of  the  applicable  RSS  apply,  rather  than  the  labelling  requirements  in ICES-003.”  For more information see: Industry Canada http://www.ic.gc.ca/  2.3.  Europe (Conformité Européenne,  ) The  A110LR09A  and  A110LR09C  modules  have  been  certified  for  use  in  European  countries.  The following testing has been completed: Test standard ETSI EN 300 220-2 V2.3.1 (2010-02)   Frequency Error (Normal and Extreme Conditions)   Conducted Average Power (Normal and Extreme Conditions)   Effective Radiated Power   Spread Spectrum Spectral Power Density   Transient Power   Modulation Bandwidth   TX/RX Spurious Emissions   Receiver Sensitivity   Receiver LBT Threshold   Receiver Blocking  Test standards ETSI EN 301 489-3 V1.4.1 (2002-08), ETSI EN 62311:2008 and ETSI EN 60950-1:2006   Radiated Emissions    Electro-Static Discharge   Radiated RF Susceptibility
Page 16 of 38    A110LR09x – User’s Manual     Release Date 10/31/11     A helpful document that can be used as a starting point in understanding the use of short range devices (SRD)  in  Europe  is  the  European  Radio  Communications  Committee  (ERC)  Recommendation  70-03  E, downloadable from the European Radio Communications Office (ERO) http://www.ero.dk. The  end  user  is  responsible  for  ensuring  compliance  with  harmonized  frequencies  and  labeling requirements for each country in which the end device is marketed and sold.  For more information see:   Radio And Telecommunications Terminal Equipment (R&TTE) http://ec.europa.eu/enterprise/rtte/index_en.htm   European Conference of Postal and Telecommunications Administrations (CEPT) http://www.cept.org/   European Telecommunications Standards Institute (ETSI) http://www.etsi.org/ European Radio Communications Office (ERO) http://www.ero.dk/ 2.4.  Potential Interference Sources   Alarm systems o  These typically use low duty cycles and are therefore easy to avoid using acknowledge/retransmit methods   Car alarms (internal motion sensors)   Video surveillance o  These are typically operated on a fixed channel determined at installation time and can be avoided by using clear channel assessment. It may be useful to change the channel used by the video surveillance equipment also, if possible. 2.4.1.  Time critical data If the user requires specific time critical data throughput that cannot tolerate the delays of potentially many re-transmissions, the user is encouraged to implement an environment-aware algorithm that periodically monitors/scans the frequency band and maintain a list of “best available” channels.  2.5.  Approved Usage These radio modules can be used in a variety of physical layer configurations; the following restricts the use to maintain compliance with the above referenced certification bodies.  The user is encouraged to use minimum power required to establish a link, thus minimizing interference.  Changes or modifications to the module and/or operation outside the limits set forth below are prohibited and could void the user’s authority to operate the modules.  Uses of these radio modules are limited to the specific register settings that are optimized for performance and compliance. Register setting files are provided online at www.anaren.com.
A110LR09x – User’s Manual    Page 17 of 38 Release Date 10/31/11        2.5.1.  US & Canada Within the US  and Canada, the modules have been approved for use as  digitally modulated transmitters. In  the  US,  the  occupied  bandwidth  (6dB  BW)  should  be  greater than  500  kHz, whereas in Canada, the max BW (99% BW) should be 0.5% of the center frequency. Table 2 shows the configurations that have been approved for use both in the US and Canada. Table 2  FCC/IC Approved Configurations Code Modulation Type Datarate(kbps) Deviation (kHz)  Max Output Power(dBm[Hex])ML4 2-FSK 1.2 237 7 [0xCD]ML5 2-FSK 38.4 237 8 [0xCA]ML6 2-FSK 100 237 10 [0xC4]ML7 2-FSK 250 237 12 [0xC0] Due to FCC power spectral density requirements, the output power must be limited by the given value  for  each  modulation  types.  The  given  hex  value  in  Table  2  represents  the  PA  Table setting  for  the  module  to  ensure  the  correct  maximum  output  power.  Table  3  gives  a  list  of available output  powers that the  module has along with the corresponding PA Table register values. Table 3  Output Power vs. PA Table Value Power (dBm) PA_Table(Hex) Power (dBm) PA_Table(Hex) 12 0xC0 4.2 0x84 11 0xC1 4 0x85 10.5 0xC2 3.6 0x86 10.3 0xC3 3.4 0xCF 10 0xC4 3 0x88 9.6 0xC5 2.5 0x8A 9.2 0xC6 2 0x8B 9 0xC7 1 0x8D 8.6 0xC8 0 0x8E 8.2 0xC9 -0.5 0x70 8 0xCA -1 0x60 7.6 0xCB -2 0x40 7.2 0xCC -2.2 0x62 7 0xCD -5 0x67 6.2 0xCE -10 0x6D 5 0x80 -15 0x24 4.8 0x81 -20 0x22 4.6 0x82 -25 0x14 4.4 0x83 -30 0x03
Page 18 of 38    A110LR09x – User’s Manual     Release Date 10/31/11     The operating frequency must be selected in such a way that the complete modulated signal stays  within  the  band  of  902  -  928MHz.  The  modules  can  be  operated  at  any  frequency between the lowest and highest frequencies in the band. The lowest and highest frequencies are given as follow: Lowest Frequency: 902.7MHz Highest Frequency: 927.377MHz  2.5.2.  Europe Table 4  ETSI Approved configurationsshows the approved configurations for use in Europe. All configurations are optimized for the best sensitivity. In order to meet different customer needs, a variety of datarates from 600 Baud to 600 kBaud has been provided.  Table 4  ETSI Approved configurations Code Modulation Type Datarate(kbps) Dev / Ph. Tran. Channel Spacing(kHz) RX BW (kHz)M4 2-FSK 1.2 26.4 kHz 50 84M5 2-FSK 10 36 kHz 50 121M6 GFSK 10 13 kHz 50 60M7 GFSK 38 18 kHz 50 70M11 2-FSK 0.6 16.5 kHz 50 60M12 GFSK 4.8 13.2 kHz 50 60M13 GFSK 19.2 13.2 kHz 50 60M14 4-FSK 600 237/263 kHz(Tx/Rx) 50 844ML1 GFSK 50 25 50 120ML2 GFSK 100 50 50 211ML3 4-FSK 200 50 50 211 Within  the  European  868-870  MHz  ISM  band,  there  are  several  sub-bands  with  different requirements.  A  summary  of  these  bands  is  given  in  Table  5.  Considering  the  modulation bandwidth  of  each  modulation  type,  frequency  drift  of  the  module  in  the  extreme  working conditions,  and  the  channel  spacing  for  each  configuration,  usable  channels  for  each modulation  is  obtained  for  the  sub-bands.  Table  6  lists  the  approved  configurations  and applicable channels for each sub-band.  Table 7 shows list of available channels along with the corresponding frequencies and register settings.
A110LR09x – User’s Manual    Page 19 of 38 Release Date 10/31/11        Table 5  ETSI 868-878 MHz sub-bands
Page 20 of 38    A110LR09x – User’s Manual     Release Date 10/31/11     Table 6   Applicable Channels for Sub-Bands Band Code Base Frequency (MHz) Channel Spacing (kHz)First Applicable Channel NumberLast Applicable Channel Number1M4 868 50 2371M5 868 50 3351M6 868 50 1371M7 868 50 2371 M11 868 50 2371 M12 868 50 2371 M13 868 50 1371 ML1 868 50 2362 M14 868 50 12 262 ML2 868 50 4352 ML3 868 50 5344M4 868 50 2 94M5 868 50 3 74M6 868 50 1 94M7 868 50 2 94 M11 868 50 2 94 M12 868 50 2 94 M13 868 50 2 94 ML1 868 50 2 86M4 868 50 16 216M5 868 50 17 196M6 868 50 16 216M7 868 50 16 216 M11 868 50 16 216 M12 868 50 16 216 M13 868 50 16 216 ML1 868 50 17 2010 M4 868 50 30 3010 M6 868 50 30 3010 M7 868 50 30 3010 M11 868 50 30 3010 M12 868 50 30 3010 M13 868 50 30 3012 M4 868 50 36 3712 M6 868 50 36 3712 M7 868 50 36 3712 M11 868 50 36 3712 M12 868 50 36 3712 M13 868 50 36 3712 ML1 868 50 36 3613 M4 868 50 36 3713 M6 868 50 36 3713 M7 868 50 36 3713 M11 868 50 36 3713 M12 868 50 36 3713 M13 868 50 36 3713 ML1 868 50 36 36
A110LR09x – User’s Manual    Page 21 of 38 Release Date 10/31/11        Table 7   ETSI Channel numbers with corresponding frequency value and register settings  Channel # Frequency (MHz) FREQ0 (hex) FREQ1 (hex) FREQ2 (hex) 1 868.052 0x6B 0x26 0x20 2 868.104 0xE9 0x26 0x20 3 868.156 0x67 0x27 0x20 4 868.208 0xE5 0x27 0x20 5 868.259 0x63 0x28 0x20 6 868.311 0xE1 0x28 0x20 7 868.363 0x5F 0x29 0x20 8 868.415 0xDD 0x29 0x20 9 868.467 0x5B 0x2A 0x20 10 868.519 0xD9 0x2A 0x20 11 868.571 0x57 0x2B 0x20 12 868.623 0xD5 0x2B 0x20 13 868.675 0x53 0x2C 0x20 14 868.727 0xD1 0x2C 0x20 15 868.779 0x4F 0x2D 0x20 16 868.831 0xCD 0x2D 0x20 17 868.882 0x4B 0x2E 0x20 18 868.934 0xC9 0x2E 0x20 19 868.986 0x47 0x2F 0x20 20 869.038 0xC5 0x2F 0x20 21 869.09 0x43 0x30 0x20 22 869.142 0xC1 0x30 0x20 23 869.194 0x3F 0x31 0x20 24 869.246 0xBD 0x31 0x20 25 869.298 0x3B 0x32 0x20 26 869.35 0xB9 0x32 0x20 27 869.402 0x37 0x33 0x20 28 869.453 0xB5 0x33 0x20 29 869.505 0x33 0x34 0x20 30 869.557 0xB1 0x34 0x20 31 869.609 0x2F 0x35 0x20 32 869.661 0xAD 0x35 0x20 33 869.713 0x2B 0x36 0x20 34 869.765 0xA9 0x36 0x20 35 869.817 0x27 0x37 0x20 36 869.869 0xA5 0x37 0x20 37 869.921 0x23 0x38 0x20
Page 22 of 38    A110LR09x – User’s Manual     Release Date 10/31/11     In order to comply with the output power limitations in Europe, the maximum values given in Table  8  below  must  be  observed.  Modulations  M14,  ML2  and  ML3  are  considered  to  be wideband modulations and therefore subject to the power spectral density requirements. Lower power levels for  these configurations ensure compliance to  the  specifications.  The  limits are given  based  on  the  maximum  allowed  power  level  in  a  specific  band  and  temperature conditions.  Table 8   CW Output Powers Low Temp Power (dBm[Hex]) Normal Temp Power (dBm[Hex]) High Temp Power (dBm[Hex])14 dBm Limit 12 (C0) 12 (C0) 12 (C0)10 dBm Limit 8.6 (C8) 9.6 (C5) 10 (C4)7 dBm Limit  4.6 (82) 6.2 (CE) 7 (CD)M14  4.4 (83) 6.2 (CE) 7 (CD)ML2 -2 (40) 0 (8E) 1 (8D)ML3 -2 (40) -1 (60) 0 (8E)  2.5.2.1.  Spectrum Access and Mitigation Requirements As part of the requirements for compliance, the applications must observe the restrictions that are listed in Table 5. Specifically, the spectrum access and mitigation requirements (e.g. Duty Cycle or LBT+AFA) have to be met. Some sub-bands (see Table 5) allow limited Duty cycling while  some  others  let  the  user  choose  between  limited  Duty  cycling  and  LBT+AFA implementation. In case of LBT+AFA, AFA (Adaptive Frequency Agility) has to be implemented in the customer’s SW stack since there is no specific hardware support for this functionality.  2.5.2.1.1. Duty Cycling Table  5  lists  all  sub-bands together  with  the  usage  requirements.  In  this  table,  Duty  Cycling requirements  are  listed  under  “Restrictions”  column.  It  applies  to  all  transmitters  excluding those with a LBT facility with AFA (explained in the next sub-section). The Duty Cycle is defined as the ratio, expressed as a percentage, of the maximum transmitter “ON” time monitored over one hour, relative to  a one hour period. The  device may be triggered either  automatically or manually.  And,  depending  on  how  the  device  is  triggered,  the  duty  cycle  is  either  fixed  or random. For  automatic  operated  devices,  either  software  controlled  or  pre-programmed  devices,  the OEM integrator or end product  developer shall declare the duty cycle class or classes  in the end-product user manual or user guide. For manual operated or event-dependent devices, with or without  software controlled functions, the integrator  shall declare whether  the  device once triggered,  follows  a  pre-programmed  cycle,  or  whether  the  transmitter  remains  on  until  the trigger is released or the device is manually reset. The integrator shall also give a description of the application for the device and include a typical usage pattern. The typical usage pattern as declared by the integrator shall be used to determine the duty cycle and hence the duty class.
A110LR09x – User’s Manual    Page 23 of 38 Release Date 10/31/11        Where an acknowledgement is required, the additional transmitter on-time shall be included and declared by the integrator.  In  a  period  of  1  hour,  the  duty  cycle  shall  not  exceed  the  spectrum  access  and  mitigation requirement values as given in Table 5. For frequency agile devices without LBT, the duty cycle shall apply  to the total transmission time as given in Table 5, or  shall not  exceed 0.1 % per channel in a period of 1 hour.  2.5.2.1.2. LBT & AFA Listen Before Talk (LBT) is used to share spectrum between SRD transceiver equipment with similar  power  and  bandwidth.  In  order  to  make  maximum  use  of  the  available  channels, intelligent  or  polite  equipment  may  use  a  Listen  Before  Talk  (LBT)  protocol  with  a  preferred option of Adaptive Frequency Agility (AFA). AFA is defined as the capability of an equipment to dynamically change channel within its available frequencies for proper operation.  LBT  (Listen  Before Talk)  functionality  is  built  in  the  A110LR09X  modules, and  the  approved configurations are made to meet the LBT Threshold limits.  However, LBT timing parameters, specific  to  the  end  product,  have  to  be  established  through  controlling  software  and declared by the OEM integrator or end-product developer in the product user manual or user guide. A brief description and limits of these parameters are given as follows:   Minimum Transmitter off-time is the period where a specific transmitter shall remain off  after  a  transmission  or  a  communication  dialogue  between  units  or  a  polling sequence  of other units on the same frequency.  The minimum TX  off-time  has  to  be greater than 100 ms.   LBT  minimum  listening  time  is  the  minimum  time  that  the  equipment  listens  for  a received signal at or above the LBT threshold level immediately prior to transmission to determine whether the intended channel is available for use.   LBT minimum listening time, tL, has two parts: the fixed part, tF, and the pseudo random part, tPS. tL = tF + tPS. The fixed part of the minimum listening time is 5 ms. The pseudo random part has to be randomly varied between 0 ms and 5 ms or more in equal steps of 0.5 ms as the following:  o  If the channel is free from traffic at the beginning of the listen time, and remains free throughout the fixed part of the listen time, then tPS is automatically set to zero by the equipment itself o  If the channel is occupied by traffic when the equipment either starts to listen or during the listen period, then the listen time commences from the instant that the intended channel is free. In this situation the total listen time tL shall comprise tF and the pseudo random part, tPS.  Algorithmic details and values have to be declared by the provider of the equipment.   Maximum dead time is the period between the end of the listening time and the start of the transmission. The maximum dead time cannot exceed 5 ms.
Page 24 of 38    A110LR09x – User’s Manual     Release Date 10/31/11       Maximum transmitter on-time is the maximum time the transmitter can be on during:  o  A single transmission. The limit is 1 s, and the actual value has to be declared. o  Multiple transmissions and acknowledgements for a communication dialogue or polling sequence of other units under the condition that the channel is free.  The limit is 4 s, and the actual value has to be declared. o  Within 1 hour for any 200 kHz of spectrum. The limit is 100 s.  NOTE: Longer accumulated transmission time is possible by implementing more AFA channels.
A110LR09x – User’s Manual    Page 25 of 38 Release Date 10/31/11        3.  Electrical Characteristics 3.1.  Absolute Maximum Ratings Under no circumstances must the absolute maximum ratings given in Table 9 be violated. Stress exceeding one or more of the limiting values may cause permanent damage to the device.         Table 9 Absolute Maximum Ratings  Caution! ESD sensitive device. Precaution should be used when handling the device in order to prevent permanent damage. Caution! This assembly contains moisture sensitive devices and requires proper handling per IPC/JEDEC J-STD-033
Page 26 of 38    A110LR09x – User’s Manual     Release Date 10/31/11      3.2.  Operating Conditions  Table 10 Operating Conditions   3.3.  Pin Out The A110LR09A and A110LR09C radio modules share a common pin-out and foot print, that is also shared by Anaren modules using other frequencies -- thus enabling easy changeover from one to another, e.g. if changing the frequency or antenna scheme is desired. Below the common footprint are shown.      NC  =  NO  Connection.    Pin  is  NOT connected internally. DNC  =  Do  Not Connect.    Internal connection  used  during  assembly,  do  not connect.
A110LR09x – Users Manual    Page 27 of 38 Release Date 10/31/11        Table 11 Pin Descriptions  Pin # Pin Name Pin Type Description 1 DNC NC Internal GND connection used during testing, not recommended to connect to main GND. 2 DNC NC Internal RF output connection used during test. Connecting this pin to anything will require recertification for intentional radiators. 3 DNC NC Internal GND connection used during testing, not recommended to connect to main GND. 4 NC NC Pin is not connected internally, but is reserved for future expansion. It is recommended not to connect this pin to anything. 5 NC NC Pin is not connected internally, but is reserved for future expansion. It is recommended not to connect this pin to anything. 6 NC NC Pin is not connected internally, but is reserved for future expansion. It is recommended not to connect this pin to anything. 7 Vdcoup1 Analog Optional decoupling of the modules internal Vdd supply. It is recommended to not connect anything to this pin. In particular noisy environment this pin can be used to further reduce the noise on the modules internal Vdd, please see section 3.5 for further information. 8 GND Ground One of two primary ground pins 9 SCLK Digital Input SPI bus clock signal 10 MISO/GDO1 Digital Output SPI bus data out from radio when CSN is low, and general purpose I/O pin when CSN is high 11 MOSI Digital Input SPI bus data into radio 12 _CSN Digital Input SPI bus select (active low) 13 GDO0 Digital I/O (Analog output) General purpose port 14 GDO2 Digital I/O General purpose port 15 Vdcoup2 Analog Optional decoupling of the modules internal Vdd supply. It is recommended to not connect anything to this pin. In particular noisy environment this pin can be used to further reduce the noise on the modules internal Vdd, please see section 3.5 for further information. 16 NC NC No Connect, the pin is not connected internally, but is reserved for future expansion. It is recommended not to connect this pin to anything. 17 GND Ground One of two primary ground pins 18 Vdd Power Supply Power supply pin 19 NC NC Pin is not connected internally, but is reserved for future expansion. It is recommended not to connect this pin to anything. 20 NC NC Pin is not connected internally, but is reserved for future expansion. It is recommended not to connect this pin to anything. 21 NC NC Pin is not connected internally, but is reserved for future expansion. It is recommended not to connect this pin to anything. 22 DNC NC Internal GND connection used during testing, not recommended to connect to main GND. 23 DNC NC Pin is not connected internally, but is reserved for future expansion. It is recommended not to connect this pin to anything. 24 DNC NC Internal GND connection used during testing, not recommended to connect to main GND.
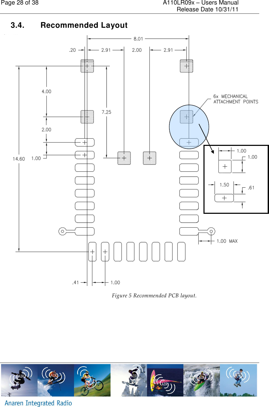
Page 28 of 38    A110LR09x – Users Manual     Release Date 10/31/11     3.4.  Recommended Layout  Figure 5 Recommended PCB layout.
A110LR09x – Users Manual    Page 29 of 38 Release Date 10/31/11         Figure 6 Mounting the module in a corner   Figure 7 Mounting the module along an edge  Figure 8 Mounting the module along an edge with overhang. This option is not generally recommended, but is a method to save PCB in an environmentally benign environment  Figure 9 Mounting the module along an edge, with a ground plane cut-out. This option degrades range slightly.
Page 30 of 38    A110LR09x – Users Manual     Release Date 10/31/11     3.5.  Power Supply Considerations Noise on the power supply line reduces the sensitivity of a receiver and modulates onto a transmitter’s signal, both of which causes a degradation of link quality and hence a reduction in range.   The A110LR09A and A110LR09C radio modules each have an integral ferrite bead in the supply line from pin 18 (Vdd) and decoupling capacitance to reduce any noise on the incoming power supply line. This arrangement will eliminate most supply voltage noise. In particularly noisy environments (switching regulators, motor controls, etc.), it may be necessary to add additional noise reduction means.  Pin 7 (Vdcoup1) is connected to the modules internal supply line after the ferrite bead and decoupling capacitors and can be used to probe the noise at module level. The noise level measured on pin 7 should not exceed 120mVpp when in transmit or receive mode; it may however exceed this value when setting up or accessing data to/from the FIFOs, while not actively transmitting or receiving.  If the level measured is exceeding the above limit, steps should be taken to ensure maximum range, including:    Adding decoupling capacitance to pin 7 (Vdcoup1).   Adding additional filtering in the supply line.   Adding an LDO in the supply line (the TPS734xxx low Dropout Regulator from TI is recommended).
A110LR09x – Users Manual    Page 31 of 38 Release Date 10/31/11        4.  Mechanical and Process 4.1.  Dimensions 4.1.1.  A110LR09A  4.1.2.  A110LR09C
Page 32 of 38    A110LR09x – Users Manual     Release Date 10/31/11       4.2.  Packaging AIR modules are available in Matrix Tray and Tape & Reel packaging for high-volume assembly.  Details of packaging provided below: 4.2.1.  Matrix Tray Packaging A110LR09A00GM Matrix Tray Packaging Detail (30/Tray)  A110LR09C00GM Matrix Tray Packaging Detail  (40/Tray)
A110LR09x – Users Manual    Page 33 of 38 Release Date 10/31/11        4.2.2.  Tape-Reel Packaging A110LR09A00GR Tape-Reel Packaging Detail  (500/Reel)   A110LR09C00GR Tape-Reel Packaging Detail  (500/Reel)
Page 34 of 38    A110LR09x – Users Manual     Release Date 10/31/11     4.3.  Soldering AIR Modules may be mounted either manually (for prototyping or low volume production), or automatically for high-volume production.  A no-clean tin/silver/copper (SAC) solder is recommended, however lead based no-clean pastes may also be used.  CAUTION:  AIR Modules are designed for no-clean fluxes only.  DO NOT use water-based fluxes that require aqueous cleaning after solder.  Spot cleaning with a flux remover and toothbrush may be performed with care.  4.3.1.  Manual Mounting Procedure The recommended soldering method is reflow of a paste solder on a hot plate.  This method works provided the bottom of the board where the AIR module is to be mounted is accessible, and there are no bottom-side components in the way.    An aluminum or copper block may be placed on the hot plate surface to transfer heat to a localized area on the board where the AIR module is mounted  -  Set the hot plate to the reflow temperature solder manufacturer’s recommended  -  Apply solder paste to the pads on the board receiving the AIR module -  Place the AIR module carefully onto the dispensed solder -  Using tweezers or another holding device, carefully place board with AIR module onto the hot plate surface (or metal block) -  Apply heat until reflow occurs, per solder paste manufacturer’s recommendations -  Carefully remove the board and place on a heat-resistant surface to cool -  Check assembly electrically to confirm there are no opens or shorts
A110LR09x – Users Manual    Page 35 of 38 Release Date 10/31/11        4.3.2.  Automated Mounting Procedure The AIR Radio Module recommended solder reflow profile is based on IPC/JEDEC J-STD-020.
Page 36 of 38    A110LR09x – Users Manual     Release Date 10/31/11
A110LR09x – Users Manual    Page 37 of 38 Release Date 10/31/11         HISTORY  Date Author Change Note No./Notes 08/26/11 Sula Initial Draft 10/02/11 Richardson Initial Release 10/11/11 Sula Figure 3 modified 10/21/11 Sula Industry Canada section was updated by notices in French 10/25/11 Sula Antenna Gain modified 10/28/11 Sula RF Exposure Sections removed from FCC and IC 10/31/11 Richardson Removed FCC logo
          Thank you for learning more about the  Anaren Integrated Radio (AIR) module line.  If you have additional questions,  need samples, or would like a quote –  please do not hesitate to email the AIR team  at AIR@anaren.com or contact any of these  authorized distributors of the AIR product line.                                   Worldwide                                         North America                                    Worldwide        Anaren Microwave, Inc. 6635 Kirkville Road East Syracuse, NY  13057 Tel:   +1  315 432 8909          +1  800 411 6596 Fax:  +1  315 432 8970  Anaren Microwave (Europe), Inc. 12 Somerset House, Suite 16 & 17 Hussar Court, Waterlooville Hampshire, England P07-7SG Tel:     +44  2392 232392 Fax:    +44  2392 251369 Anaren Communication Suzhou Co. Ltd. No. 5 Chun Hui Road Wei Ting, Suzhou Industrial Park Suzhou 215122, PR China Tel:    +86  512 6287 6400 Fax:   +86  512 6274 9283

Navigation menu