Anaren A11091301 2400 - 2483.5 MHz Transceiver With Range Extender User Manual

Anaren, Inc. 2400 - 2483.5 MHz Transceiver With Range Extender

User Manual

            Anaren Integrated Radio  A2530E24x User’s Manual  Release Date: 03/26/12
THIS PAGE INTENTIONALLY LEFT BLANK
iii      USER’S MANUAL Models A2530E24A and A2530E24C   Contents  1. Overview .......................................................................................................................................................... 5 1.1. A2530E24A ................................................................................................................................................. 5 1.2. A2530E24C ................................................................................................................................................. 5 1.3. Features....................................................................................................................................................... 6 1.4. Theory of Operation.................................................................................................................................. 6 1.5. Applications ............................................................................................................................................... 8 2. Approvals and Usage ..................................................................................................................................... 9 2.1. Product Approvals .................................................................................................................................... 9 2.1.1. USA (Federal Communications Commission, FCC) ........................................................................... 9 2.1.1.1. FCC Labeling Requirements .................................................................................................. 9 2.1.1.2. End User Manual ................................................................................................................... 10 2.1.1.3. RF Exposure ............................................................................................................................ 10 2.1.2. Canada (Industry Canada, IC) .......................................................................................................... 11 2.1.2.1. IC Labeling Requirements .................................................................................................... 11 2.1.2.2. RF Exposure ............................................................................................................................ 12 2.1.3. Europe (Conformité Européenne,  ) ............................................................................................... 13 2.2. Potential Interference Sources ............................................................................................................... 14 2.2.1. WLAN ............................................................................................................................................... 14 2.2.2. Bluetooth® ......................................................................................................................................... 14 2.2.3. Microwave ovens ............................................................................................................................... 15 2.2.4. Other Interference ............................................................................................................................. 15 2.2.5. Time critical data ............................................................................................................................... 15 2.3. Approved Usage ..................................................................................................................................... 15 2.3.1. USA and Canada............................................................................................................................... 15 2.3.2. Europe ............................................................................................................................................... 17 3. Electrical Characteristics .............................................................................................................................. 18 3.1. Absolute Maximum Ratings .................................................................................................................. 18 3.2. Operating Conditions ............................................................................................................................. 19 3.3. Pin Out ...................................................................................................................................................... 19 3.4. Recommended Layout  (dimensions in mm) ...................................................................................... 21 3.5. Power Supply Considerations ............................................................................................................... 22 4. Mechanical and Process ................................................................................................................................ 23 4.1. Radio Module Details  (dimensions in mm) ........................................................................................ 23 4.1.1. A2530E24A ....................................................................................................................................... 23 4.1.2. A2530E24C ....................................................................................................................................... 23 4.2. Packaging Details  (dimensions in mm) ............................................................................................... 24 4.2.1. Matrix Tray Packaging ..................................................................................................................... 24 4.2.2. Tape-Reel Packaging ......................................................................................................................... 24 4.3. Soldering................................................................................................................................................... 25 4.3.1. Manual Mounting Procedure ........................................................................................................... 25 4.3.2. Automated Mounting Procedure ...................................................................................................... 26
THIS PAGE INTENTIONALLY LEFT BLANK
A2530E24x – User’s Manual    Page 5 of 30 Release Date 03/26/12       1. Overview The  A2530E24A  and  A2530E24C  are  surface  mount  modules  integrating  Texas  Instruments’ (TI) CC2530  system-on-chip (SoC) transceiver with the CC2591 PA/LNA device for  increased range. The A2530E24A has an integral antenna, whereas the A2530E24C utilizes an external antenna  through  a  U.FL  connector  (see  Table  1).  These  modules  incorporate  a  crystal,  the required  RF  matching  and  filtering  for  regulatory  compliance  as  well  as  filtering  on  all  digital lines  for  noise  reduction  and  sensitivity.  They  operate  in  the  global  non-licensed  2.4GHz ISM/SRD frequency band. The modules are ideal for achieving low power, long range wireless connectivity without having to deal with extensive protocol, RF, antenna design and regulatory compliance,  and  provide  quick  time  to  market.  They  are  100%  tested  to  provide  consistent performance. The  A2530E24A  and  A2530E24C  modules  have  received  regulatory  approvals  for  modular devices  in  the  United  States  (FCC),  Canada  (IC)  and  Europe  (ETSI).  The  modular  approval allows the end user to place either an A2530E24A or an A2530E24C with an approved antenna inside a finished product without having to perform costly regulatory testing for an intentional RF radiator. Section 2.3 has information on the requirements for the end user/integrator to fulfill in order to use the modules without intentional radiator regulatory testing. The A2530E24A and A2530E24C are based on the CC2530 SoC transceiver and the CC2591 range extender chips,  both from Texas Instruments (TI). The CC2530 combines  the excellent performance  of  a  leading  RF  transceiver  with  an  industry-standard  enhanced  8051 microcontroller unit (MCU), in-system programmable flash memory, 8-KB RAM, and many other powerful  features.  The  CC2530  has  various  operating  modes,  making  it  highly  suited  for systems  where  ultralow  power  consumption  is  required.  Short  transition  times  between operating  modes  further  ensure  low  energy  consumption.  All  control  lines  are  provided  at module  level  for  full  control  of  the  operation.  Please  see  the  datasheets  for  CC2530  and CC2591 (www.ti.com) for how to operate, program and control these modules.  The A2530E24A and A2530E24C modules measure 11 mm x 19 mm x 2.5 mm. The modules are footprint compatible with each other. 1.1.  A2530E24A The  A2530E24A  has  an  integral  antenna,  providing  high  efficiency  and  near  omni-directional radiation  pattern.  This  approach  offers  the  lowest  system  cost  when  the  application  allows collocation of radio and antenna. 1.2.  A2530E24C The A112530E24C has a compact antenna connector that allows for locating the antenna away from the module due to form/function or in order to exit a metal enclosure, see Figure 6 - Figure 7 for more information on antenna location and enclosure considerations.
Page 6 of 30    A2530E24x – User’s Manual     Release Date 03/26/12     1.3.  Features Features:   2.4 GHz IEEE 802.15.4 compliant    2.2 to 3.6 V operation   High-Performance and low-power 8051 microcontroller core   Multiple power modes to control current consumption   256 kB Programmable Flash   8 kB RAM with retention in all power modes   Programmable output power up to +17 dBm   21 General Purpose I/O Pins   IEEE 802.15.4 MAC Timer, General-Purpose Timers   RSSI/LQI support   Battery Monitor and Temperature Sensor  12-Bit ADC with eight channels and configurable resolution   AES Security Coprocessor   2 USARTs with several serial protocol support   Watchdog Timer   RoHS Compliant   Shielded package   LGA Footprint   Very Small package size:  11mm x 19mm x 2.5mm Benefits Summary:   Operating temperature-40 oC to +85 oC   100% RF Tested in production for repeatable performance   No RF engineering experience necessary   No protocol experience necessary   Only requires a 2 layer Host PCB implementation   FCC 15.247, IC RSS-210 and IC RSS-Gen certified.   Compliant with ETSI EN 300 328  No regulatory “Intentional radiator” testing required for integrating module into end product. Simple certification labeling replaces testing.  1.4.  Theory of Operation The A2530E24A and A2530E24C modules operate in the global 2.4 GHz ISM/SRD frequency band. They  can  be  used  to  implement  a  variety  of  networks, including  point  to  point,  point  to multi-point, peer to peer and mesh networks. Figure 1 and Figure 2 show the functionality of A2530E24A and A2530E24C, respectively. Both modules operate in a similar manner except the antenna part where A2530E24A communicates through  a  built-in  antenna,  and  A2530E24C  communicates  through  an  external  antenna attached to a U.FL antenna port. The description of the functional blocks shown in Figure 1 and Figure 2  is given as follows:
A2530E24x – User’s Manual    Page 7 of 30 Release Date 03/26/12         Antenna o  The antenna couples energy between the air and the module. The integral antenna and the external monopole antenna, both centered at 2441.75 MHz,  provide a near omni-directional antenna pattern with high efficiency such that the application will work equally well in any direction. Note that the end radiation pattern depends not only on the antenna, but also the ground plane, enclosure and installation environment.   Matching & Filtering o  The matching provides the correct loading of the transmit amplifier to achieve the highest output power as well as the correct loading for the receive LNA to achieve the best sensitivity. o  Filtering removes spurious signals to comply with regulatory intentional radiator requirements, provides reduced susceptibility to power supply and digital noise, and filters out RF and high frequency noise from the communication data and control link.   Range Extender o  The range extender serves as an RF front-end for low power transceiver. It contains PA, LNA, switches, RF-matching and a balun.    TX/RX Chain o  TX/RX chain handles transmitting and receiving of the communication data based on the radio register settings. It involves the coordination of several blocks including modulator, demodulator, AGC control, frequency synthesizer and frame control.   Crystal o  Crystal oscillator provides the necessary clock reference for the whole module operation. The A2530E24A and A2530E24C modules use a 32 MHz crystal.   Power Management o  Power management ensures a stable supply for the internal functions, as well as providing means for a low power sleep mode.   CPU and Memory o  The 8051 CPU core used in the CC2530 device is a single-cycle 8051-compatible core. It has three different memory-access buses (SFR, DAT and CODE/XDATA) with single-cycle access to SFR, DATA, and the main SRAM. It also includes a debug interface and an 18-input extended interrupt unit. o  The memory arbiter connects the CPU and DMA controller with the physical memories and all peripherals through the SFR bus. o  The 8-BK SRAM maps to the DATA memory space and to parts of the XDATA memory spaces. This is an ultralow-power SRAM that retains its contents even when the digital part us powered off. o  256 KB flash block provides in-circuit programmable non-volatile program memory for the device, and maps into the CODE and XDATA memory spaces. In addition to holding the program code, it also allows the application to save data that must be preserved such that it is available after restarting the device.   I/O Controller o  The I/O controller is responsible for all general-purpose I/O pins. The CPU can configure whether peripheral modules control certain pins or they are under software control, and if so, whether they are configured as input or output.
Page 8 of 30    A2530E24x – User’s Manual     Release Date 03/26/12      Figure 1 The functionality of the A2530E24A, using an internal antenna   Figure 2 The functionality of the A2530E24C, using an external antenna Table 1 Approved Antennas Item Part Number Manufacturer Type Gain dBi) 1 Integral part of A2530E24A Anaren Integral Antenna 2 2 66089-2406 Anaren Monopole whip, 6 mm lead 3 3 66089-2430 Anaren Monopole whip, 30mm lead 3  1.5.  Applications   ZigBee® Systems   Home/Building Automation   Lighting Systems   Industrial Control and Monitoring   Health Care  Low-Power Wireless Sensor Networks
A2530E24x – User’s Manual    Page 9 of 30 Release Date 03/26/12       2. Approvals and Usage The  A2530E24A  and  A2530E24C  have  been  designed  to  meet  most  national  regulations  for worldwide ISM band  use.  In  particular, the radio modules  have been  certified to  the following standards.  2.1.  Product Approvals 2.1.1.  USA (Federal Communications Commission, FCC) The A2530E24A and A2530E24C modules have been tested to comply with FCC CFR47 Part 15 sub-part C “Intentional Radiators” standard. The modules meet the requirements for modular transmitter approval as  detailed in  FCC  public notice DA  00-1407 released in  June  26,  2000. The modular transmitter approval eliminates the need to re-perform costly ‘intentional radiator’ testing when submitting an end product for certification. (15.19a3)  The  module  complies  with  part  15  of  the  FCC  rules.  Operation  is  subject  to  the following two conditions: (1) this device may not cause harmful interference, and (2) this device must  accept  any  interference  received,  including  interference  that  may  cause  undesired operation. Any changes or modifications not expressly approved by the party responsible for compliance could void the user’s authority to operate the equipment.  2.1.1.1.  FCC Labeling Requirements The A2530E24A and A2530E24C modules have been labeled  with their own FCC ID number and  if  the  FCC  ID  is  not  visible  when  the  module  is  installed  inside  another  device,  then  the outside  of  the  finished  product  into  which  the  module  is  installed  must  also  display  a  label referring to the enclosed module. This exterior label can use wording such as the following:  Contains Transmitter Module FCC ID: X7J-A11091301 -or- Contains FCC ID: X7J-A11091301 This device complies with Part 15 of the FCC Rules.  Operation is subject to the following two conditions:  (1)  this  device  may  not  cause  harmful  interference,  and  (2)  this  device  must  accept  any interference received, including interference that may cause undesired operation.
Page 10 of 30    A2530E24x – User’s Manual     Release Date 03/26/12     2.1.1.2.  End User Manual The end user manual should include the following statement: This equipment has been tested and found to comply with the limits for a Class B digital device, pursuant  to  part  15  of  the  FCC  Rules.  These  limits  are  designed  to  provide  reasonable protection  against  harmful interference  in  a  residential  installation.  This  equipment generates, uses and can radiate radio frequency energy and, if not installed and used in accordance with the instructions, may cause harmful interference to radio communications. However, there is no guarantee  that  interference  will  not  occur  in  a  particular  installation.  If  this  equipment  does cause harmful interference to radio or television reception, which can be determined by turning the  equipment off  and  on,  the  user  is  encouraged to  try  to  correct  the  interference by  one  or more of the following measures:    Reorient or relocate the receiving antenna.   Increase the separation between the equipment and receiver.   Connect the equipment into an outlet on a circuit different from that to which the receiver is connected.   Consult the dealer or an experienced radio/TV technician for help.  2.1.1.3.  RF Exposure All transmitters regulated by FCC must comply with RF exposure requirements. OET Bulletin 65 “Evaluating  Compliance  with  FCC  Guidelines  for  Human  Exposure  to  Radio  Frequency Electromagnetic  Fields”  provides  assistance  in  determining  whether  proposed  or  existing transmitting  facilities,  operations  or  devices  comply  with  limits  for  human  exposure  to  Radio Frequency (RF) fields adopted by the Federal Communications Commission (FCC). The bulletin offers guidelines and suggestions for evaluating compliance. If appropriate, compliance with exposure guidelines for mobile and unlicensed devices can be accomplished by the use of warning labels and by providing users with information concerning minimum separation distances from transmitting structures and proper installation of antennas. The  following  statement  must  be  included  as  a  CAUTION  statement  in  manuals  and  OEM products to alert users of FCC RF Exposure compliance: To satisfy FCC RF Exposure requirements for mobile and base station transmission devices, a separation distance of 20 cm or more should be maintained between the antenna of this device and persons during operation. To ensure compliance, operation at closer than this distance is not recommended. The antenna(s) used for this transmitter must not be co-located or operating in conjunction with any other antenna or transmitter. If the A2530E24A and A2530E24C modules are used in a portable application (antenna is less than  20  cm  from  persons  during  operation),  the  integrator/OEM  is  responsible  for  performing Specific Absorption Rate (SAR) testing in accordance with FCC rules 2.1093.
A2530E24x – User’s Manual    Page 11 of 30 Release Date 03/26/12       2.1.2.  Canada (Industry Canada, IC) The  A2530E24A  and  A2530E24C  modules  have  been  certified  for  use  in  Canada  under Industry Canada (IC) Radio Standards Specification (RSS) RSS-210 and RSS-Gen. From  section  3.2  RSS-Gen,  Issue  3,  December  2010,  Modular  Approval  for  Category  I Equipment or Category II Equipment: “Modular approval permits the installation of the same module in a host device or multiple host devices  without  the  need  to  recertify the  device. Equipment  certification for  a  modular  device may be sought for either Category I equipment or Category II equipment. Transmitters designed as modules for the installation in a host device may obtain equipment certification as a modular device provided that the applicable RSS is met and the following conditions in this section are met.”  In section 7.1.2 Transmitter Antenna, it has been mentioned that the user manuals for transmitters shall display the following notice in a conspicuous location:  Notice:  Under  Industry  Canada  regulations,  this  radio  transmitter  may  only  operate  using  an antenna  of  a  type  and  maximum  (or  lesser)  gain  approved  for  the  transmitter  by  Industry Canada.  To  reduce  potential  radio  interference  to  other  users,  the  antenna  type  and  its  gain should be so chosen that the equivalent isotropically radiated power (e.i.r.p.) is not more than that necessary for successful communication. Avis:  Sous  la  réglementation  d'Industrie  Canada,  ce  transmetteur  radio  ne  peut  fonctionner qu’en utilisant seulement une antenne d'un type et d’un maximum (ou moins) de gain approuvé pour l'émetteur par Industrie Canada.   Pour réduire des potentielles interférences radio pour les autres utilisateurs, le type d'antenne et son gain doivent être choisis de sorte que la puissance isotrope  rayonnée  équivalente  (PIRE)  ne  dépasse  pas  ce  qui  est  nécessaire  pour  une communication réussie.  2.1.2.1.  IC Labeling Requirements From  section  3.2.1 RSS-Gen,  Issue  3,  December  2010,  Labeling  Requirements  for  the  Host Device: The  host  device shall  be  properly  labeled to  identify  the  modules  within  the  host  device.  The Industry Canada certification label of a module shall be clearly visible at all times when installed in the  host device,  otherwise the  host device  must  be labeled to  display  the  Industry Canada certification number of the module, preceded by the words “Contains transmitter module”, or the word “Contains”, or similar wording expressing the same meaning. From  section  5.2,  RSS-Gen,  Issue  3,  December  2010,  Equipment  Certification  Numbers  and Labels: Every unit of Category I  radio apparatus certified for marketing and use in Canada shall
Page 12 of 30    A2530E24x – User’s Manual     Release Date 03/26/12     bear a permanent label on which is indelibly displayed the model number and Industry Canada certification number of  the equipment model (transmitter, receiver, or inseparable combination thereof).  Each  model  shall  be  identified  by  a  unique  combination  of  a  model  number  and  a certification number, which are assigned as described below in this section.    The label  shall be securely affixed to  a permanently attached part  of the device, in a  location where it is visible or easily accessible to the user, and shall not be readily detachable. The label shall  be  sufficiently  durable  to  remain  fully  legible  and  intact  on  the  device  in  all  normal conditions  of  use  throughout  the  device’s  expected  lifetime.  These  requirements may  be  met either by a separate label or nameplate permanently attached to the device or by permanently imprinting or impressing the label directly onto the device.    The label text shall be legible without the aid of magnification, but  is not required to be  larger than 8-point font size. If the device is too small to meet this condition, the label information may be included in the user manual upon agreement with Industry Canada. Label: Contains/Contient IC: 8975A- A11091301 Notice: This device complies with Industry Canada licence-exempt RSS standard(s). Operation is subject to the following two conditions: (1) this device may not cause interference, and (2) this device must accept any interference, including interference that may cause undesired operation of the device.  Avis: Cet appareil est conforme avec Industrie Canada RSS standard exempts de licence (s). Son  fonctionnement  est  soumis  aux  deux  conditions  suivantes:  (1)  cet  appareil  ne  peut  pas provoquer  d'interférences  et  (2)  cet  appareil  doit  accepter  toute  interférence,  y  compris  les interférences qui peuvent causer un mauvais fonctionnement du dispositif. For more information see: Industry Canada http://www.ic.gc.ca/ 2.1.2.2.  RF Exposure All transmitters regulated by IC must comply with RF exposure limits as set forth in RSS-102, Issue  4,  section  4,  “Exposure  Limits”.  Furthermore RSS-102,  Issue  4,  Section  2  “Certification Requirements”, provides assistance in determining the specific requirements for compliance. If appropriate,  compliance  with  exposure  guidelines  for  mobile  and  unlicensed  devices  can  be accomplished by the use of warning labels and by providing users with information concerning minimum separation distances from transmitting structures and proper installation of antennas.  The  following  statement  must  be  included  as  a  CAUTION  statement  in  manuals  and  OEM products to alert users of IC RF Exposure compliance:
A2530E24x – User’s Manual    Page 13 of 30 Release Date 03/26/12       Notice:  To  satisfy  IC  RF  Exposure  requirements  for  mobile  and  base  station  transmission devices, a separation distance of 20 cm or more should be maintained between the antenna of this device and persons during operation. To ensure compliance, operation at  closer than this distance is not recommended. The antenna(s) used for this transmitter must not be co-located or operating in conjunction with any other antenna or transmitter. Avis:  Pour  répondre  à  la  IC  d'exposition  pour  les  besoins  de  base  et  mobiles  dispositifs  de transmission de la station, sur une distance de séparation de 20 cm ou plus doit être maintenue entre l'antenne de  cet appareil et les  personnes  en cours de fonctionnement.  Pour assurer le respect, l'exploitation de plus près à cette distance n'est pas recommandée. L'antenne (s) utilisé pour  cet  émetteur  ne  doit  pas  être  co-localisés  ou  fonctionner  conjointement  avec  une  autre antenne ou transmetteur. If the A2530E24A and A2530E24C modules are used in a portable application (antenna is less than  20  cm  from  persons  during  operation),  the  integrator/OEM  is  responsible  for  performing Specific Absorption Rate (SAR) testing in accordance with IC rules and methods of RSS-102. 2.1.3.   Europe (Conformité Européenne,  ) The A2530E24A and A2530E24C modules have been certified for use in European countries. The  following  tests  have  been  performed  and  the  module  found  to  be  compliant  to  the requirements:   Test standard ETSI EN 300 328 V1.7.1 (2006-10)   Maximum Isotropic Radiated Power (Normal and Extreme Conditions)   Maximum e.i.r.p. Spectral Density   Frequency Range (Normal and Extreme Conditions)   Transmitter Spurious Emissions   Receiver Spurious Emissions   Electro-Static Discharge and RF Immunity (ETSI EN 301 489-17)   RF Exposure (ETSI EN 62311:2008)   Safety (IEC 60950-1:2005 and EN 60950-1:2006)    A helpful document that can be used as a starting point in understanding the use of short range devices  (SRD)  in  Europe  is  the  European  Radio  Communications  Committee  (ERC) Recommendation  70-03  E,  downloadable  from  the  European  Radio  Communications  Office (ERO) http://www.ero.dk. The end user is responsible for ensuring compliance with harmonized frequencies and labeling requirements for each country the end device is marketed and sold.   For more information see:
Page 14 of 30    A2530E24x – User’s Manual     Release Date 03/26/12       Radio And Telecommunications Terminal Equipment (R&TTE) http://ec.europa.eu/enterprise/rtte/index_en.htm   European Conference of Postal and Telecommunications Administrations (CEPT) http://www.cept.org/   European Telecommunications Standards Institute (ETSI) http://www.etsi.org/   European Radio Communications Office (ERO) http://www.ero.dk/  2.2.  Potential Interference Sources The  radio  modules  operate  in  the  unlicensed  ISM  band,  in  which  there  are  many  other applications  e.g.  WLAN,  Bluetooth®  and  microwave  ovens.  This  can  cause  interference  that may, in certain conditions, prohibit radio communication. The user is encouraged to implement a number  of  channels  and  to  alternate  between  those  channels  based  on  one  of  the  below methods.   Sense if a particular channel is clear prior to transmitting (clear channel assessment)   Pseudo Random channel change   Select channels with the least interference (site survey)  Some of the most common interferences are listed below. 2.2.1.  WLAN Wireless  Local  Area  Networks  (WLANs)  are  divided  into  a  number  of  overlapping  channels. Figure 3 below shows the channels used by WLAN; for the US and Canada, only channels 1-13 may  be  used.  Predominantly,  channels  1,  6  and  11  are  used  to  achieve  non-overlapping channels. The user is therefore encouraged to select a channel scheme that also has channels falling in between, or entirely outside, WLAN channels. Using a detection scheme (clear channel assessment) will enable the user to find channels with minimal interference from WLAN devices.   Figure 3 WLAN channels 2.2.2.  Bluetooth® Bluetooth® divides the 2.402-2.480 GHz band  into  79 channels,  each of  which is  1MHz  wide. However, since Bluetooth® changes channels rapidly (up to 1600 times a second), it is unlikely
A2530E24x – User’s Manual    Page 15 of 30 Release Date 03/26/12       to cause continuous interference in a specific channel and can be overcome by implementing a simple acknowledge/retransmit functionality. 2.2.3.  Microwave ovens A  typical  microwave  oven  uses  a  self-oscillating  magnetron  with  a  duty  cycle  below  50%, because the tube is completely off for half of every AC mains cycle (8.33 ms in 60 Hz countries and 10 ms in 50 Hz countries). The frequency of the microwave oven changes cyclically within each AC mains synchronized on period, and is generally not predictable. The  user  is  encouraged  to  have  packet  transmission  durations  less  than  half  the  AC  mains period and implement an acknowledge/retransmit method. 2.2.4.  Other Interference Systems similar to the user’s system may also exist within range and may also be a source of interference; some typical applications to consider are:   Alarm systems o  These typically use low duty cycles and are therefore easy to avoid using acknowledge/retransmit methods   Car alarms (internal motion sensors)   Video surveillance o  These are typically operated on a fixed channel, determined at installation time and can be avoided by using clear channel assessment. It may be useful to change the channel used by the video surveillance equipment also, if possible. 2.2.5.  Time critical data If  the  user  requires  specific  time  critical  data  throughput  that  cannot  tolerate  the  delays  of potentially many re-transmissions, the user is encouraged to implement an environment-aware algorithm  that  periodically  monitors/scans  the  frequency  band  and  maintain  a  list  of  “best available” channels. 2.3.  Approved Usage The A2530E24A and A2530E24C modules have been approved for use in the US, Canada and Europe.  The  user  is  encouraged  to  use  minimum  power  required  to  establish  a  link,  thus minimizing interference. Changes or modifications to the module and/or operation outside the limits are prohibited and could void the user’s authority to operate the modules.  2.3.1.  USA and Canada Within the  USA and Canada, the  A2530E24A and  A2530E24C modules have been approved for use as digitally modulated transmitters, for which they conform to the BW (a minimum of 500 kHz  6-dB  BW  for  US,  a  maximum  BW  of  0.5%  of  the  carrier  frequency  for  Canada),  power spectral density (max of 8 dBm / 3 kHz), total output power (max of 1W including the antenna
Page 16 of 30    A2530E24x – User’s Manual     Release Date 03/26/12     gain)  and  spurious  radiation  (harmonics  and  others  including  the  restricted  bands) requirements. Table  2  shows  approved  frequencies  of  operations  with  the  corresponding  maximum  output power values and PA_Table register settings. These modules must be operated at or below the indicated power levels. Using the modules with higher power levels are prohibited, and will void the user’s authority to operate the modules under current FCC/IC certification. Table  3  shows  available  power levels from the  device along  with  the  corresponding  PA_Table register settings. Users are encouraged to use minimum power required to establish a link, thus minimizing interference and current consumption. Table 2 Approved Power Levels for FCC/IC   Table 3 Output Power vs. PA Table Value    Approved Frequencies (MHz) Max Allowed Power (dBm) PA_Table Value (Hex)2403 - 2479 15 0xE52480 3 0x652403 - 2478 13 0xC52479 3 0x652480 0 0x45A2530E24AA2530E24CPower (dBm) PA_Table (Hex)17 F515 E514 D513 C511 B59A5895685575365155045-2 35-4 25-6 15-9 05
A2530E24x – User’s Manual    Page 17 of 30 Release Date 03/26/12       2.3.2.  Europe For  Europe,  the  maximum  power  is  100mW  with  a  maximum  spectral  power  density  of 10mW/MHz.  In  order  to  meet  the  power  spectral  density  requirements,  the  A2530E24A  and A2530E24C modules should have lower output power levels.   Table  4  shows  approved  frequencies  of  operations  with  the  corresponding  maximum  output power values and PA Table register settings. Please refer Table 3 for the available power levels from this module. Table 4 Approved Power Levels for Europe (ETSI)     Approved Frequencies (MHz) Max Allowed Power (dBm) PA Table Value (Hex)A2530E24A 2403 - 2480 8 0x95A2530E24C 2403 - 2480 8 0x95
Page 18 of 30    A2530E24x – User’s Manual     Release Date 03/26/12     3. Electrical Characteristics 3.1.  Absolute Maximum Ratings Under no circumstances must the absolute maximum ratings given in Table 5 be violated. Stress exceeding one or more of the limiting values may cause permanent damage to the device.     Table 5 Absolute Maximum Ratings Parameter Min Max Unit Condition/Note Supply Voltage (Vdd) -0.3 3.9 V  Voltage on any digital pin -0.3 Vdd+0.3, max 3.9 V  RF input power  10 dBm  Storage Temperature -40 125 ˚C  Solder reflow temperature  260 ˚C According to IPC/JEDEC J-STD-020D ESD  2 kV According  to  JEDEC  STD  22,    method A114,  Human body model ESD  500 V According  to  JEDEC  STD  22,    C101, Charged Device Model (CDM)  Caution! ESD sensitive device. Precaution should be used when handling the device in order to prevent permanent damage. Caution! This assembly contains moisture sensitive devices and requires proper handling per IPC/JEDEC J-STD-033
A2530E24x – User’s Manual    Page 19 of 30 Release Date 03/26/12       3.2.  Operating Conditions Table 6 Operating conditions Parameter Min Max Unit Condition/Note Supply Voltage (Vdd) 2.2 3.6 V  Temperature Range -40 +85 ˚C   3.3.  Pin Out The A2530E24A and A2530E24C radios share a common pin-out and foot print, thus enabling the use of the same application PCB layout for US/Europe and low power (short range) versus higher power (long range). Below the footprint is shown.   Figure 4 Module pin-out view           NC = NO Connection. Pin is NOT connected internally.   DNC = Do Not Connect. Internal connection used during assembly, do not connect.
Page 20 of 30    A2530E24x – User’s Manual     Release Date 03/26/12     Table 7 pin-out table, with references to chip pins   Pin NumberPin Name Pin Type DescriptionCC2591 PinCC2530 Pin1 GNDCommon GroundConnect to GND2 DNCDo Not Connect. Connecting this pin to anything will significantly affect the performance of the module and may void the end users right, under FCC, to operate the module3 GNDCommon GroundConnect to GND4 DNCDo Not Connect.5 P2_4 Digital I/O General-purpose digital I/O pin Port 2.4 326 P2_3 Digital I/O General-purpose digital I/O pin Port 2.3 337 P2_2 Digital I/O General-purpose digital I/O pin Port 2.2 348 P2_1 Digital I/O General-purpose digital I/O pin Port 2.1 359 P2_0 Digital I/O General-purpose digital I/O pin Port 2.0 3610 P1_7 Digital I/O General-purpose digital I/O pin Port 1.7 3711 P1_6 Digital I/O General-purpose digital I/O pin Port 1.6 3812 GNDCommon GroundConnect to GND13 GNDCommon GroundConnect to GND 114 GNDCommon GroundConnect to GND 215 GNDCommon GroundConnect to GND 316 GNDCommon GroundConnect to GND 417 P1_5 Digital I/O General-purpose digital I/O pin Port 1.5 518 P1_4 Digital I/O General-purpose digital I/O pin Port 1.4 619 P1_3 Digital I/O General-purpose digital I/O pin Port 1.3 6 720 P1_2 Digital I/O General-purpose digital I/O pin Port 1.2 821 P1_1 Digital I/O General-purpose digital I/O pin Port 1.1 5 922 GNDCommon GroundConnect to GND23 P1_0 Digital I/O General-purpose digital I/O pin Port 1.0 1124 P0_7 Digital I/O General-purpose digital I/O pin Port 0.7 7 1225 P0_6 Digital I/O General-purpose digital I/O pin Port 0.6 1326 P0_5 Digital I/O General-purpose digital I/O pin Port 0.5 1427 P0_4 Digital I/O General-purpose digital I/O pin Port 0.4 1528 P0_3 Digital I/O General-purpose digital I/O pin Port 0.3 1629 P0_2 Digital I/O General-purpose digital I/O pin Port 0.2 1730 P0_1 Digital I/O General-purpose digital I/O pin Port 0.1 1831 P0_0 Digital I/O General-purpose digital I/O pin Port 0.0 1932 RESET_N Digital input Reset, active-low 2033 VDD Power (Analog)Analog power supply connection for the Radio and PA/LNA (2.2V to 3.6V)1, 1610,21,24,27,28,29,31,3934 GNDCommon GroundConnect to GND
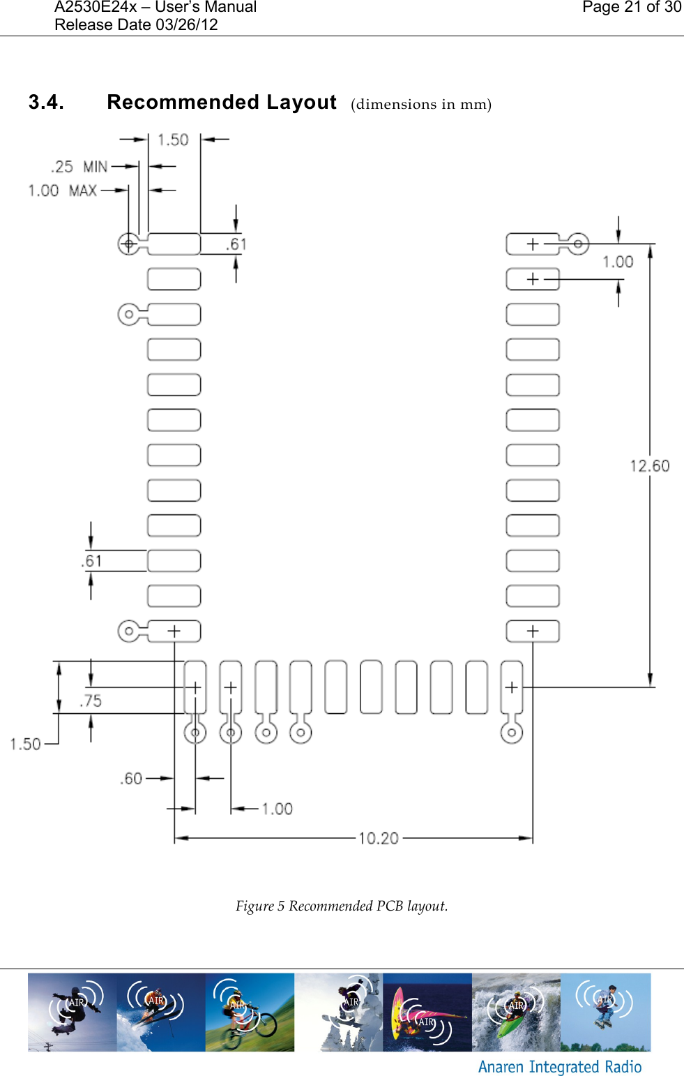
A2530E24x – User’s Manual    Page 21 of 30 Release Date 03/26/12        3.4.  Recommended Layout  (dimensions in mm)   Figure 5 Recommended PCB layout.
Page 22 of 30    A2530E24x – User’s Manual     Release Date 03/26/12      Figure 6 Mounting the module in a corner  Figure 7 Mounting the module along an edge  3.5.  Power Supply Considerations Noise on the power supply line reduces the sensitivity of a  receiver and  can modulate onto  a transmitters signal, both of which causes a degradation of link quality and hence a reduction in range.  The A2530E24A and A2530E24C modules have integral noise reduction from power supply to the  internal  AVDD  and  DVDD  pins,  consisting  of  ferrite  beads  and  decoupling  capacitances. This  arrangement  will  take  care  of  most  supply  voltage  noise.  For  optimal  performance  in particular noisy environments (switching regulators, motor controls, etc.) it may be necessary to add additional noise reduction means, which can consist of a low noise LDO or additional LC filtering.  Note that if operated from a battery source there is no need for additional noise reduction. Also note that if the noise source can be synchronized to be off whenever the module is transmitting or receiving then that will also suffice.
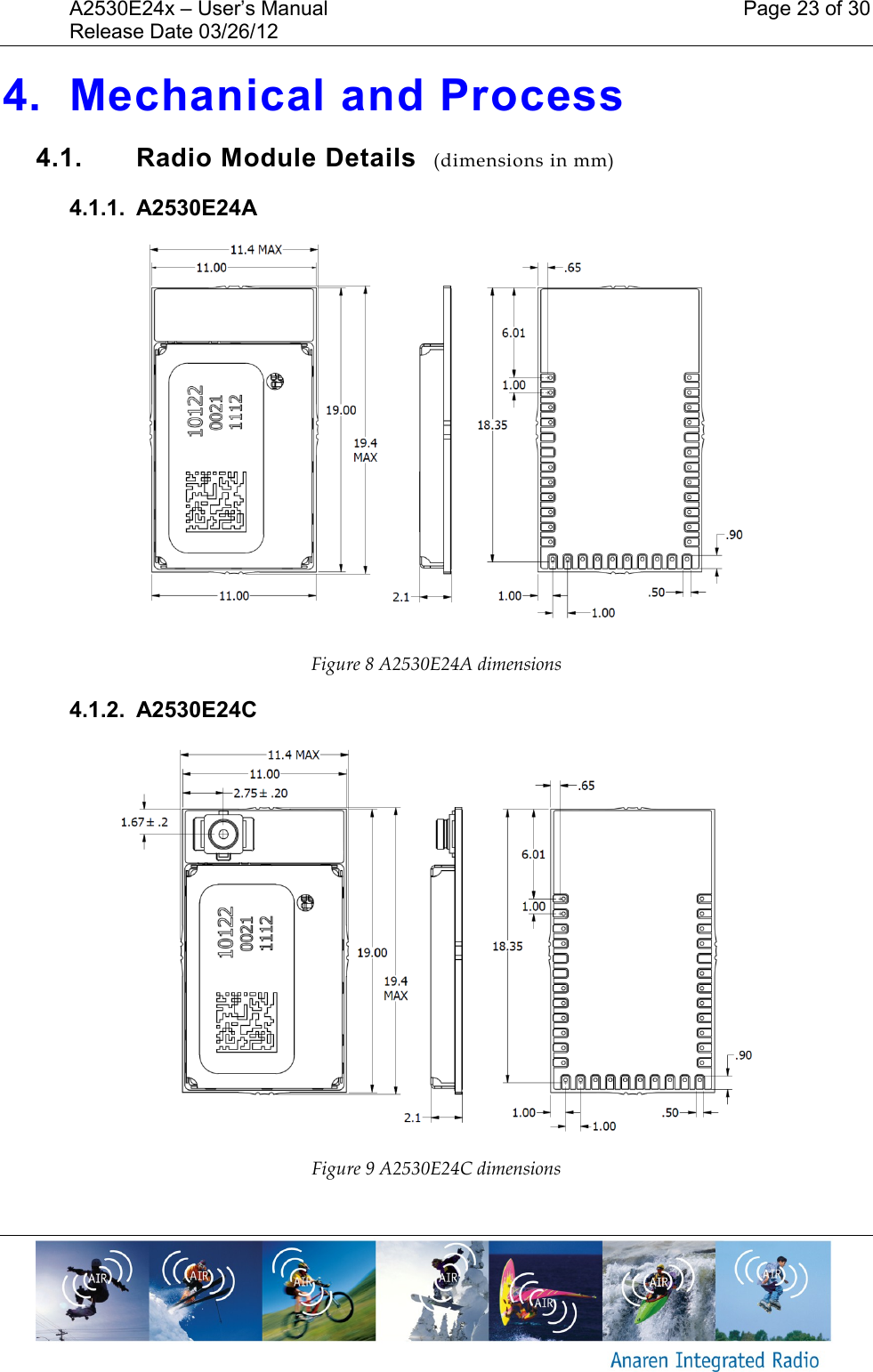
A2530E24x – User’s Manual    Page 23 of 30 Release Date 03/26/12       4. Mechanical and Process 4.1.  Radio Module Details  (dimensions in mm) 4.1.1.  A2530E24A   Figure 8 A2530E24A dimensions 4.1.2.  A2530E24C  Figure 9 A2530E24C dimensions
Page 24 of 30    A2530E24x – User’s Manual     Release Date 03/26/12     4.2.  Packaging Details  (dimensions in mm) AIR modules are available in Matrix Tray and Tape & Reel packaging for high-volume assembly.  Details of packaging provided below:  4.2.1.  Matrix Tray Packaging  Figure 10 A2530E24A00GM and A2530E24C00GM Matrix Tray Packaging Detail (27/Tray) 4.2.2.  Tape-Reel Packaging  Figure 11 A2530E24A00GR and A2530E24C00GR Tape-Reel Packaging Detail (500/Reel)
A2530E24x – User’s Manual    Page 25 of 30 Release Date 03/26/12       4.3.  Soldering  AIR Modules may be mounted either manually (for prototyping or low volume production), or automatically for high-volume production.  A no-clean tin/silver/copper (SAC) solder is recommended, however lead based no-clean pastes may also be used.  CAUTION:  AIR Modules are designed for no-clean fluxes only.  DO NOT use water-based fluxes that require aqueous cleaning after solder.  Spot cleaning with a flux remover and toothbrush may be performed with care.  4.3.1.  Manual Mounting Procedure The recommended soldering method is reflowing of a paste solder on a hot plate.  This method works provided the bottom of the board where the AIR module is to be mounted is accessible, and there are no bottom-side components in the way.    An aluminum or copper block may be placed on the hot plate surface to transfer heat to a localized area on the board where the AIR module is mounted  -  Set the hot plate to the reflow temperature solder manufacturer’s recommended  -  Apply solder paste to the pads on the board receiving the AIR module -  Place the AIR module carefully onto the dispensed solder -  Using tweezers or another holding device, carefully place board with AIR module onto the hot plate surface (or metal block) -  Apply heat until reflow occurs, per solder paste manufacturer’s recommendations -  Carefully remove the board and place on a heat-resistant surface to cool -  Check assembly electrically to confirm there are no opens or shorts
Page 26 of 30    A2530E24x – User’s Manual     Release Date 03/26/12     4.3.2.  Automated Mounting Procedure The AIR Radio Module recommended solder reflow profile is based on IPC/JEDEC J-STD-020.
A2530E24x – User’s Manual    Page 27 of 30 Release Date 03/26/12
Page 28 of 30    A2530E24x – User’s Manual     Release Date 03/26/12         DOCUMENT HISTORY  Date Author Change Note No./Notes 03/16/12 Sula Initial Draft 03/19/12 Sula Table 7 and  section 2.1.3 updated  03/27/12 Richardson
   THIS PAGE INTENTIONALLY LEFT BLANK
          If you have additional questions, need samples, or would like a quote –  please email the AIR team at AIR@anaren.com .    For a full list of our franchised distributors, please visit our website: http://www.anaren.com/air/                      Anaren Microwave, Inc. 6635 Kirkville Road East Syracuse, NY  13057 Tel:   +1  315 432 8909          +1  800 411 6596 Fax:  +1  315 432 8970 Anaren Microwave (Europe), Inc. 12 Somerset House, Suite 16 & 17 Hussar Court, Waterlooville Hampshire, England P07-7SG Tel:     +44  2392 232392 Fax:    +44  2392 251369 Anaren Communication Suzhou Co. Ltd. No. 5 Chun Hui Road Wei Ting, Suzhou Industrial Park Suzhou 215122, PR China Tel:    +86  512 6287 6400 Fax:   +86  512 6274 9283    Attach distributor contact information here

Navigation menu