Anaren A11091301 2400 - 2483.5 MHz Transceiver With Range Extender User Manual
Anaren, Inc. 2400 - 2483.5 MHz Transceiver With Range Extender
Anaren >
User Manual

Anaren Integrated Radio
A2530E24x User’s Manual
Release Date: 03/26/12
THIS PAGE INTENTIONALLY LEFT BLANK

iii
USER’S MANUAL
Models A2530E24A and A2530E24C
Contents
1. Overview .......................................................................................................................................................... 5
1.1. A2530E24A ................................................................................................................................................. 5
1.2. A2530E24C ................................................................................................................................................. 5
1.3. Features....................................................................................................................................................... 6
1.4. Theory of Operation.................................................................................................................................. 6
1.5. Applications ............................................................................................................................................... 8
2. Approvals and Usage ..................................................................................................................................... 9
2.1. Product Approvals .................................................................................................................................... 9
2.1.1. USA (Federal Communications Commission, FCC) ........................................................................... 9
2.1.1.1. FCC Labeling Requirements .................................................................................................. 9
2.1.1.2. End User Manual ................................................................................................................... 10
2.1.1.3. RF Exposure ............................................................................................................................ 10
2.1.2. Canada (Industry Canada, IC) .......................................................................................................... 11
2.1.2.1. IC Labeling Requirements .................................................................................................... 11
2.1.2.2. RF Exposure ............................................................................................................................ 12
2.1.3. Europe (Conformité Européenne, ) ............................................................................................... 13
2.2. Potential Interference Sources ............................................................................................................... 14
2.2.1. WLAN ............................................................................................................................................... 14
2.2.2. Bluetooth® ......................................................................................................................................... 14
2.2.3. Microwave ovens ............................................................................................................................... 15
2.2.4. Other Interference ............................................................................................................................. 15
2.2.5. Time critical data ............................................................................................................................... 15
2.3. Approved Usage ..................................................................................................................................... 15
2.3.1. USA and Canada............................................................................................................................... 15
2.3.2. Europe ............................................................................................................................................... 17
3. Electrical Characteristics .............................................................................................................................. 18
3.1. Absolute Maximum Ratings .................................................................................................................. 18
3.2. Operating Conditions ............................................................................................................................. 19
3.3. Pin Out ...................................................................................................................................................... 19
3.4. Recommended Layout (dimensions in mm) ...................................................................................... 21
3.5. Power Supply Considerations ............................................................................................................... 22
4. Mechanical and Process ................................................................................................................................ 23
4.1. Radio Module Details (dimensions in mm) ........................................................................................ 23
4.1.1. A2530E24A ....................................................................................................................................... 23
4.1.2. A2530E24C ....................................................................................................................................... 23
4.2. Packaging Details (dimensions in mm) ............................................................................................... 24
4.2.1. Matrix Tray Packaging ..................................................................................................................... 24
4.2.2. Tape-Reel Packaging ......................................................................................................................... 24
4.3. Soldering................................................................................................................................................... 25
4.3.1. Manual Mounting Procedure ........................................................................................................... 25
4.3.2. Automated Mounting Procedure ...................................................................................................... 26
THIS PAGE INTENTIONALLY LEFT BLANK

A2530E24x – User’s Manual Page 5 of 30
Release Date 03/26/12
1. Overview
The A2530E24A and A2530E24C are surface mount modules integrating Texas Instruments’
(TI) CC2530 system-on-chip (SoC) transceiver with the CC2591 PA/LNA device for increased
range. The A2530E24A has an integral antenna, whereas the A2530E24C utilizes an external
antenna through a U.FL connector (see Table 1). These modules incorporate a crystal, the
required RF matching and filtering for regulatory compliance as well as filtering on all digital
lines for noise reduction and sensitivity. They operate in the global non-licensed 2.4GHz
ISM/SRD frequency band. The modules are ideal for achieving low power, long range wireless
connectivity without having to deal with extensive protocol, RF, antenna design and regulatory
compliance, and provide quick time to market. They are 100% tested to provide consistent
performance.
The A2530E24A and A2530E24C modules have received regulatory approvals for modular
devices in the United States (FCC), Canada (IC) and Europe (ETSI). The modular approval
allows the end user to place either an A2530E24A or an A2530E24C with an approved antenna
inside a finished product without having to perform costly regulatory testing for an intentional RF
radiator. Section 2.3 has information on the requirements for the end user/integrator to fulfill in
order to use the modules without intentional radiator regulatory testing.
The A2530E24A and A2530E24C are based on the CC2530 SoC transceiver and the CC2591
range extender chips, both from Texas Instruments (TI). The CC2530 combines the excellent
performance of a leading RF transceiver with an industry-standard enhanced 8051
microcontroller unit (MCU), in-system programmable flash memory, 8-KB RAM, and many other
powerful features. The CC2530 has various operating modes, making it highly suited for
systems where ultralow power consumption is required. Short transition times between
operating modes further ensure low energy consumption. All control lines are provided at
module level for full control of the operation. Please see the datasheets for CC2530 and
CC2591 (www.ti.com) for how to operate, program and control these modules.
The A2530E24A and A2530E24C modules measure 11 mm x 19 mm x 2.5 mm. The modules
are footprint compatible with each other.
1.1. A2530E24A
The A2530E24A has an integral antenna, providing high efficiency and near omni-directional
radiation pattern. This approach offers the lowest system cost when the application allows
collocation of radio and antenna.
1.2. A2530E24C
The A112530E24C has a compact antenna connector that allows for locating the antenna away
from the module due to form/function or in order to exit a metal enclosure, see Figure 6 - Figure
7 for more information on antenna location and enclosure considerations.

Page 6 of 30 A2530E24x – User’s Manual
Release Date 03/26/12
1.3. Features
Features:
2.4 GHz IEEE 802.15.4 compliant
2.2 to 3.6 V operation
High-Performance and low-power 8051
microcontroller core
Multiple power modes to control current
consumption
256 kB Programmable Flash
8 kB RAM with retention in all power
modes
Programmable output power up to +17
dBm
21 General Purpose I/O Pins
IEEE 802.15.4 MAC Timer, General-
Purpose Timers
RSSI/LQI support
Battery Monitor and Temperature
Sensor
12-Bit ADC with eight channels and
configurable resolution
AES Security Coprocessor
2 USARTs with several serial protocol
support
Watchdog Timer
RoHS Compliant
Shielded package
LGA Footprint
Very Small package size:
11mm x 19mm x 2.5mm
Benefits Summary:
Operating temperature-40 oC to +85 oC
100% RF Tested in production for
repeatable performance
No RF engineering experience
necessary
No protocol experience necessary
Only requires a 2 layer Host PCB
implementation
FCC 15.247, IC RSS-210 and IC RSS-
Gen certified.
Compliant with ETSI EN 300 328
No regulatory “Intentional radiator”
testing required for integrating module
into end product. Simple certification
labeling replaces testing.
1.4. Theory of Operation
The A2530E24A and A2530E24C modules operate in the global 2.4 GHz ISM/SRD frequency
band. They can be used to implement a variety of networks, including point to point, point to
multi-point, peer to peer and mesh networks.
Figure 1 and Figure 2 show the functionality of A2530E24A and A2530E24C, respectively. Both
modules operate in a similar manner except the antenna part where A2530E24A communicates
through a built-in antenna, and A2530E24C communicates through an external antenna
attached to a U.FL antenna port.
The description of the functional blocks shown in Figure 1 and Figure 2 is given as follows:

A2530E24x – User’s Manual Page 7 of 30
Release Date 03/26/12
Antenna
o The antenna couples energy between the air and the module. The integral
antenna and the external monopole antenna, both centered at 2441.75 MHz,
provide a near omni-directional antenna pattern with high efficiency such that the
application will work equally well in any direction. Note that the end radiation
pattern depends not only on the antenna, but also the ground plane, enclosure
and installation environment.
Matching & Filtering
o The matching provides the correct loading of the transmit amplifier to achieve the
highest output power as well as the correct loading for the receive LNA to
achieve the best sensitivity.
o Filtering removes spurious signals to comply with regulatory intentional radiator
requirements, provides reduced susceptibility to power supply and digital noise,
and filters out RF and high frequency noise from the communication data and
control link.
Range Extender
o The range extender serves as an RF front-end for low power transceiver. It
contains PA, LNA, switches, RF-matching and a balun.
TX/RX Chain
o TX/RX chain handles transmitting and receiving of the communication data
based on the radio register settings. It involves the coordination of several blocks
including modulator, demodulator, AGC control, frequency synthesizer and frame
control.
Crystal
o Crystal oscillator provides the necessary clock reference for the whole module
operation. The A2530E24A and A2530E24C modules use a 32 MHz crystal.
Power Management
o Power management ensures a stable supply for the internal functions, as well as
providing means for a low power sleep mode.
CPU and Memory
o The 8051 CPU core used in the CC2530 device is a single-cycle 8051-
compatible core. It has three different memory-access buses (SFR, DAT and
CODE/XDATA) with single-cycle access to SFR, DATA, and the main SRAM. It
also includes a debug interface and an 18-input extended interrupt unit.
o The memory arbiter connects the CPU and DMA controller with the physical
memories and all peripherals through the SFR bus.
o The 8-BK SRAM maps to the DATA memory space and to parts of the XDATA
memory spaces. This is an ultralow-power SRAM that retains its contents even
when the digital part us powered off.
o 256 KB flash block provides in-circuit programmable non-volatile program
memory for the device, and maps into the CODE and XDATA memory spaces. In
addition to holding the program code, it also allows the application to save data
that must be preserved such that it is available after restarting the device.
I/O Controller
o The I/O controller is responsible for all general-purpose I/O pins. The CPU can
configure whether peripheral modules control certain pins or they are under
software control, and if so, whether they are configured as input or output.

Page 8 of 30 A2530E24x – User’s Manual
Release Date 03/26/12
Figure 1 The functionality of the A2530E24A, using an internal antenna
Figure 2 The functionality of the A2530E24C, using an external antenna
Table 1 Approved Antennas
Item
Part Number
Manufacturer
Type
Gain dBi)
1
Integral part of A2530E24A
Anaren
Integral Antenna
2
2
66089-2406
Anaren
Monopole whip, 6 mm lead
3
3
66089-2430
Anaren
Monopole whip, 30mm lead
3
1.5. Applications
ZigBee® Systems
Home/Building Automation
Lighting Systems
Industrial Control and Monitoring
Health Care
Low-Power Wireless Sensor Networks

A2530E24x – User’s Manual Page 9 of 30
Release Date 03/26/12
2. Approvals and Usage
The A2530E24A and A2530E24C have been designed to meet most national regulations for
worldwide ISM band use. In particular, the radio modules have been certified to the following
standards.
2.1. Product Approvals
2.1.1. USA (Federal Communications Commission, FCC)
The A2530E24A and A2530E24C modules have been tested to comply with FCC CFR47 Part
15 sub-part C “Intentional Radiators” standard. The modules meet the requirements for modular
transmitter approval as detailed in FCC public notice DA 00-1407 released in June 26, 2000.
The modular transmitter approval eliminates the need to re-perform costly ‘intentional radiator’
testing when submitting an end product for certification.
(15.19a3) The module complies with part 15 of the FCC rules. Operation is subject to the
following two conditions: (1) this device may not cause harmful interference, and (2) this device
must accept any interference received, including interference that may cause undesired
operation.
Any changes or modifications not expressly approved by the party responsible for compliance
could void the user’s authority to operate the equipment.
2.1.1.1. FCC Labeling Requirements
The A2530E24A and A2530E24C modules have been labeled with their own FCC ID number
and if the FCC ID is not visible when the module is installed inside another device, then the
outside of the finished product into which the module is installed must also display a label
referring to the enclosed module. This exterior label can use wording such as the following:
Contains Transmitter Module FCC ID: X7J-A11091301
-or-
Contains FCC ID: X7J-A11091301
This device complies with Part 15 of the FCC Rules.
Operation is subject to the following two conditions:
(1) this device may not cause harmful interference, and (2) this device must accept any
interference received, including interference that may cause undesired operation.

Page 10 of 30 A2530E24x – User’s Manual
Release Date 03/26/12
2.1.1.2. End User Manual
The end user manual should include the following statement:
This equipment has been tested and found to comply with the limits for a Class B digital device,
pursuant to part 15 of the FCC Rules. These limits are designed to provide reasonable
protection against harmful interference in a residential installation. This equipment generates,
uses and can radiate radio frequency energy and, if not installed and used in accordance with
the instructions, may cause harmful interference to radio communications. However, there is no
guarantee that interference will not occur in a particular installation. If this equipment does
cause harmful interference to radio or television reception, which can be determined by turning
the equipment off and on, the user is encouraged to try to correct the interference by one or
more of the following measures:
Reorient or relocate the receiving antenna.
Increase the separation between the equipment and receiver.
Connect the equipment into an outlet on a circuit different from that to which the receiver
is connected.
Consult the dealer or an experienced radio/TV technician for help.
2.1.1.3. RF Exposure
All transmitters regulated by FCC must comply with RF exposure requirements. OET Bulletin 65
“Evaluating Compliance with FCC Guidelines for Human Exposure to Radio Frequency
Electromagnetic Fields” provides assistance in determining whether proposed or existing
transmitting facilities, operations or devices comply with limits for human exposure to Radio
Frequency (RF) fields adopted by the Federal Communications Commission (FCC). The bulletin
offers guidelines and suggestions for evaluating compliance.
If appropriate, compliance with exposure guidelines for mobile and unlicensed devices can be
accomplished by the use of warning labels and by providing users with information concerning
minimum separation distances from transmitting structures and proper installation of antennas.
The following statement must be included as a CAUTION statement in manuals and OEM
products to alert users of FCC RF Exposure compliance:
To satisfy FCC RF Exposure requirements for mobile and base station transmission devices, a
separation distance of 20 cm or more should be maintained between the antenna of this device
and persons during operation. To ensure compliance, operation at closer than this distance is
not recommended. The antenna(s) used for this transmitter must not be co-located or operating
in conjunction with any other antenna or transmitter.
If the A2530E24A and A2530E24C modules are used in a portable application (antenna is less
than 20 cm from persons during operation), the integrator/OEM is responsible for performing
Specific Absorption Rate (SAR) testing in accordance with FCC rules 2.1093.

A2530E24x – User’s Manual Page 11 of 30
Release Date 03/26/12
2.1.2. Canada (Industry Canada, IC)
The A2530E24A and A2530E24C modules have been certified for use in Canada under
Industry Canada (IC) Radio Standards Specification (RSS) RSS-210 and RSS-Gen.
From section 3.2 RSS-Gen, Issue 3, December 2010, Modular Approval for Category I
Equipment or Category II Equipment:
“Modular approval permits the installation of the same module in a host device or multiple host
devices without the need to recertify the device. Equipment certification for a modular device
may be sought for either Category I equipment or Category II equipment.
Transmitters designed as modules for the installation in a host device may obtain equipment
certification as a modular device provided that the applicable RSS is met and the following
conditions in this section are met.”
In section 7.1.2 Transmitter Antenna, it has been mentioned that the user manuals for
transmitters shall display the following notice in a conspicuous location:
Notice: Under Industry Canada regulations, this radio transmitter may only operate using an
antenna of a type and maximum (or lesser) gain approved for the transmitter by Industry
Canada. To reduce potential radio interference to other users, the antenna type and its gain
should be so chosen that the equivalent isotropically radiated power (e.i.r.p.) is not more than
that necessary for successful communication.
Avis: Sous la réglementation d'Industrie Canada, ce transmetteur radio ne peut fonctionner
qu’en utilisant seulement une antenne d'un type et d’un maximum (ou moins) de gain approuvé
pour l'émetteur par Industrie Canada. Pour réduire des potentielles interférences radio pour les
autres utilisateurs, le type d'antenne et son gain doivent être choisis de sorte que la puissance
isotrope rayonnée équivalente (PIRE) ne dépasse pas ce qui est nécessaire pour une
communication réussie.
2.1.2.1. IC Labeling Requirements
From section 3.2.1 RSS-Gen, Issue 3, December 2010, Labeling Requirements for the Host
Device:
The host device shall be properly labeled to identify the modules within the host device. The
Industry Canada certification label of a module shall be clearly visible at all times when installed
in the host device, otherwise the host device must be labeled to display the Industry Canada
certification number of the module, preceded by the words “Contains transmitter module”, or the
word “Contains”, or similar wording expressing the same meaning.
From section 5.2, RSS-Gen, Issue 3, December 2010, Equipment Certification Numbers and
Labels: Every unit of Category I radio apparatus certified for marketing and use in Canada shall

Page 12 of 30 A2530E24x – User’s Manual
Release Date 03/26/12
bear a permanent label on which is indelibly displayed the model number and Industry Canada
certification number of the equipment model (transmitter, receiver, or inseparable combination
thereof). Each model shall be identified by a unique combination of a model number and a
certification number, which are assigned as described below in this section.
The label shall be securely affixed to a permanently attached part of the device, in a location
where it is visible or easily accessible to the user, and shall not be readily detachable. The label
shall be sufficiently durable to remain fully legible and intact on the device in all normal
conditions of use throughout the device’s expected lifetime. These requirements may be met
either by a separate label or nameplate permanently attached to the device or by permanently
imprinting or impressing the label directly onto the device.
The label text shall be legible without the aid of magnification, but is not required to be larger
than 8-point font size. If the device is too small to meet this condition, the label information may
be included in the user manual upon agreement with Industry Canada.
Label:
Contains/Contient IC: 8975A- A11091301
Notice: This device complies with Industry Canada licence-exempt RSS standard(s). Operation
is subject to the following two conditions: (1) this device may not cause interference, and (2) this
device must accept any interference, including interference that may cause undesired operation
of the device.
Avis: Cet appareil est conforme avec Industrie Canada RSS standard exempts de licence (s).
Son fonctionnement est soumis aux deux conditions suivantes: (1) cet appareil ne peut pas
provoquer d'interférences et (2) cet appareil doit accepter toute interférence, y compris les
interférences qui peuvent causer un mauvais fonctionnement du dispositif.
For more information see: Industry Canada http://www.ic.gc.ca/
2.1.2.2. RF Exposure
All transmitters regulated by IC must comply with RF exposure limits as set forth in RSS-102,
Issue 4, section 4, “Exposure Limits”. Furthermore RSS-102, Issue 4, Section 2 “Certification
Requirements”, provides assistance in determining the specific requirements for compliance. If
appropriate, compliance with exposure guidelines for mobile and unlicensed devices can be
accomplished by the use of warning labels and by providing users with information concerning
minimum separation distances from transmitting structures and proper installation of antennas.
The following statement must be included as a CAUTION statement in manuals and OEM
products to alert users of IC RF Exposure compliance:

A2530E24x – User’s Manual Page 13 of 30
Release Date 03/26/12
Notice: To satisfy IC RF Exposure requirements for mobile and base station transmission
devices, a separation distance of 20 cm or more should be maintained between the antenna of
this device and persons during operation. To ensure compliance, operation at closer than this
distance is not recommended. The antenna(s) used for this transmitter must not be co-located
or operating in conjunction with any other antenna or transmitter.
Avis: Pour répondre à la IC d'exposition pour les besoins de base et mobiles dispositifs de
transmission de la station, sur une distance de séparation de 20 cm ou plus doit être maintenue
entre l'antenne de cet appareil et les personnes en cours de fonctionnement. Pour assurer le
respect, l'exploitation de plus près à cette distance n'est pas recommandée. L'antenne (s) utilisé
pour cet émetteur ne doit pas être co-localisés ou fonctionner conjointement avec une autre
antenne ou transmetteur.
If the A2530E24A and A2530E24C modules are used in a portable application (antenna is less
than 20 cm from persons during operation), the integrator/OEM is responsible for performing
Specific Absorption Rate (SAR) testing in accordance with IC rules and methods of RSS-102.
2.1.3. Europe (Conformité Européenne, )
The A2530E24A and A2530E24C modules have been certified for use in European countries.
The following tests have been performed and the module found to be compliant to the
requirements:
Test standard ETSI EN 300 328 V1.7.1 (2006-10)
Maximum Isotropic Radiated Power (Normal and Extreme Conditions)
Maximum e.i.r.p. Spectral Density
Frequency Range (Normal and Extreme Conditions)
Transmitter Spurious Emissions
Receiver Spurious Emissions
Electro-Static Discharge and RF Immunity (ETSI EN 301 489-17)
RF Exposure (ETSI EN 62311:2008)
Safety (IEC 60950-1:2005 and EN 60950-1:2006)
A helpful document that can be used as a starting point in understanding the use of short range
devices (SRD) in Europe is the European Radio Communications Committee (ERC)
Recommendation 70-03 E, downloadable from the European Radio Communications Office
(ERO) http://www.ero.dk.
The end user is responsible for ensuring compliance with harmonized frequencies and labeling
requirements for each country the end device is marketed and sold.
For more information see:

Page 14 of 30 A2530E24x – User’s Manual
Release Date 03/26/12
Radio And Telecommunications Terminal Equipment (R&TTE)
http://ec.europa.eu/enterprise/rtte/index_en.htm
European Conference of Postal and Telecommunications Administrations (CEPT)
http://www.cept.org/
European Telecommunications Standards Institute (ETSI) http://www.etsi.org/
European Radio Communications Office (ERO) http://www.ero.dk/
2.2. Potential Interference Sources
The radio modules operate in the unlicensed ISM band, in which there are many other
applications e.g. WLAN, Bluetooth® and microwave ovens. This can cause interference that
may, in certain conditions, prohibit radio communication. The user is encouraged to implement a
number of channels and to alternate between those channels based on one of the below
methods.
Sense if a particular channel is clear prior to transmitting (clear channel assessment)
Pseudo Random channel change
Select channels with the least interference (site survey)
Some of the most common interferences are listed below.
2.2.1. WLAN
Wireless Local Area Networks (WLANs) are divided into a number of overlapping channels.
Figure 3 below shows the channels used by WLAN; for the US and Canada, only channels 1-13
may be used. Predominantly, channels 1, 6 and 11 are used to achieve non-overlapping
channels. The user is therefore encouraged to select a channel scheme that also has channels
falling in between, or entirely outside, WLAN channels. Using a detection scheme (clear channel
assessment) will enable the user to find channels with minimal interference from WLAN devices.
Figure 3 WLAN channels
2.2.2. Bluetooth®
Bluetooth® divides the 2.402-2.480 GHz band into 79 channels, each of which is 1MHz wide.
However, since Bluetooth® changes channels rapidly (up to 1600 times a second), it is unlikely

A2530E24x – User’s Manual Page 15 of 30
Release Date 03/26/12
to cause continuous interference in a specific channel and can be overcome by implementing a
simple acknowledge/retransmit functionality.
2.2.3. Microwave ovens
A typical microwave oven uses a self-oscillating magnetron with a duty cycle below 50%,
because the tube is completely off for half of every AC mains cycle (8.33 ms in 60 Hz countries
and 10 ms in 50 Hz countries). The frequency of the microwave oven changes cyclically within
each AC mains synchronized on period, and is generally not predictable.
The user is encouraged to have packet transmission durations less than half the AC mains
period and implement an acknowledge/retransmit method.
2.2.4. Other Interference
Systems similar to the user’s system may also exist within range and may also be a source of
interference; some typical applications to consider are:
Alarm systems
o These typically use low duty cycles and are therefore easy to avoid using
acknowledge/retransmit methods
Car alarms (internal motion sensors)
Video surveillance
o These are typically operated on a fixed channel, determined at installation time
and can be avoided by using clear channel assessment. It may be useful to
change the channel used by the video surveillance equipment also, if possible.
2.2.5. Time critical data
If the user requires specific time critical data throughput that cannot tolerate the delays of
potentially many re-transmissions, the user is encouraged to implement an environment-aware
algorithm that periodically monitors/scans the frequency band and maintain a list of “best
available” channels.
2.3. Approved Usage
The A2530E24A and A2530E24C modules have been approved for use in the US, Canada and
Europe. The user is encouraged to use minimum power required to establish a link, thus
minimizing interference.
Changes or modifications to the module and/or operation outside the limits are prohibited and
could void the user’s authority to operate the modules.
2.3.1. USA and Canada
Within the USA and Canada, the A2530E24A and A2530E24C modules have been approved
for use as digitally modulated transmitters, for which they conform to the BW (a minimum of 500
kHz 6-dB BW for US, a maximum BW of 0.5% of the carrier frequency for Canada), power
spectral density (max of 8 dBm / 3 kHz), total output power (max of 1W including the antenna

Page 16 of 30 A2530E24x – User’s Manual
Release Date 03/26/12
gain) and spurious radiation (harmonics and others including the restricted bands)
requirements.
Table 2 shows approved frequencies of operations with the corresponding maximum output
power values and PA_Table register settings. These modules must be operated at or below the
indicated power levels. Using the modules with higher power levels are prohibited, and will void
the user’s authority to operate the modules under current FCC/IC certification.
Table 3 shows available power levels from the device along with the corresponding PA_Table
register settings. Users are encouraged to use minimum power required to establish a link, thus
minimizing interference and current consumption.
Table 2 Approved Power Levels for FCC/IC
Table 3 Output Power vs. PA Table Value
Approved Frequencies (MHz) Max Allowed Power (dBm) PA_Table Value (Hex)
2403 - 2479 15 0xE5
2480 3 0x65
2403 - 2478 13 0xC5
2479 3 0x65
2480 0 0x45
A2530E24A
A2530E24C
Power (dBm) PA_Table (Hex)
17 F5
15 E5
14 D5
13 C5
11 B5
9A5
895
685
575
365
155
045
-2 35
-4 25
-6 15
-9 05

A2530E24x – User’s Manual Page 17 of 30
Release Date 03/26/12
2.3.2. Europe
For Europe, the maximum power is 100mW with a maximum spectral power density of
10mW/MHz. In order to meet the power spectral density requirements, the A2530E24A and
A2530E24C modules should have lower output power levels.
Table 4 shows approved frequencies of operations with the corresponding maximum output
power values and PA Table register settings. Please refer Table 3 for the available power levels
from this module.
Table 4 Approved Power Levels for Europe (ETSI)
Approved Frequencies (MHz) Max Allowed Power (dBm) PA Table Value (Hex)
A2530E24A 2403 - 2480 8 0x95
A2530E24C 2403 - 2480 8 0x95

Page 18 of 30 A2530E24x – User’s Manual
Release Date 03/26/12
3. Electrical Characteristics
3.1. Absolute Maximum Ratings
Under no circumstances must the absolute maximum ratings given in Table 5 be violated. Stress
exceeding one or more of the limiting values may cause permanent damage to the device.
Table 5 Absolute Maximum Ratings
Parameter
Min
Max
Unit
Condition/Note
Supply Voltage (Vdd)
-0.3
3.9
V
Voltage on any digital pin
-0.3
Vdd+0.3,
max 3.9
V
RF input power
10
dBm
Storage Temperature
-40
125
˚C
Solder reflow temperature
260
˚C
According to IPC/JEDEC J-STD-020D
ESD
2
kV
According to JEDEC STD 22, method
A114, Human body model
ESD
500
V
According to JEDEC STD 22, C101,
Charged Device Model (CDM)
Caution!
ESD sensitive device. Precaution should be
used when handling the device in order to
prevent permanent damage.
Caution!
This assembly contains moisture sensitive
devices and requires proper handling per
IPC/JEDEC J-STD-033

A2530E24x – User’s Manual Page 19 of 30
Release Date 03/26/12
3.2. Operating Conditions
Table 6 Operating conditions
Parameter
Min
Max
Unit
Condition/Note
Supply Voltage (Vdd)
2.2
3.6
V
Temperature Range
-40
+85
˚C
3.3. Pin Out
The A2530E24A and A2530E24C radios share a common pin-out and foot print, thus enabling
the use of the same application PCB layout for US/Europe and low power (short range) versus
higher power (long range). Below the footprint is shown.
Figure 4 Module pin-out view
NC = NO Connection. Pin is
NOT
connected internally.
DNC = Do Not Connect. Internal
connection used during
assembly, do not connect.

Page 20 of 30 A2530E24x – User’s Manual
Release Date 03/26/12
Table 7 pin-out table, with references to chip pins
Pin Number
Pin Name Pin Type Description
CC2591 Pin
CC2530 Pin
1 GND
Common
Ground
Connect to GND
2 DNC
Do Not Connect. Connecting this pin to anything will
significantly affect the performance of the module and may
void the end users right, under FCC, to operate the module
3 GND
Common
Ground
Connect to GND
4 DNC
Do Not Connect.
5 P2_4 Digital I/O General-purpose digital I/O pin Port 2.4 32
6 P2_3 Digital I/O General-purpose digital I/O pin Port 2.3 33
7 P2_2 Digital I/O General-purpose digital I/O pin Port 2.2 34
8 P2_1 Digital I/O General-purpose digital I/O pin Port 2.1 35
9 P2_0 Digital I/O General-purpose digital I/O pin Port 2.0 36
10 P1_7 Digital I/O General-purpose digital I/O pin Port 1.7 37
11 P1_6 Digital I/O General-purpose digital I/O pin Port 1.6 38
12 GND
Common
Ground
Connect to GND
13 GND
Common
Ground
Connect to GND 1
14 GND
Common
Ground
Connect to GND 2
15 GND
Common
Ground
Connect to GND 3
16 GND
Common
Ground
Connect to GND 4
17 P1_5 Digital I/O General-purpose digital I/O pin Port 1.5 5
18 P1_4 Digital I/O General-purpose digital I/O pin Port 1.4 6
19 P1_3 Digital I/O General-purpose digital I/O pin Port 1.3 6 7
20 P1_2 Digital I/O General-purpose digital I/O pin Port 1.2 8
21 P1_1 Digital I/O General-purpose digital I/O pin Port 1.1 5 9
22 GND
Common
Ground
Connect to GND
23 P1_0 Digital I/O General-purpose digital I/O pin Port 1.0 11
24 P0_7 Digital I/O General-purpose digital I/O pin Port 0.7 7 12
25 P0_6 Digital I/O General-purpose digital I/O pin Port 0.6 13
26 P0_5 Digital I/O General-purpose digital I/O pin Port 0.5 14
27 P0_4 Digital I/O General-purpose digital I/O pin Port 0.4 15
28 P0_3 Digital I/O General-purpose digital I/O pin Port 0.3 16
29 P0_2 Digital I/O General-purpose digital I/O pin Port 0.2 17
30 P0_1 Digital I/O General-purpose digital I/O pin Port 0.1 18
31 P0_0 Digital I/O General-purpose digital I/O pin Port 0.0 19
32 RESET_N Digital input Reset, active-low 20
33 VDD Power
(Analog)
Analog power supply connection for the Radio and PA/LNA
(2.2V to 3.6V)
1, 16
10,21,24,27,
28,29,31,39
34 GND
Common
Ground
Connect to GND

A2530E24x – User’s Manual Page 21 of 30
Release Date 03/26/12
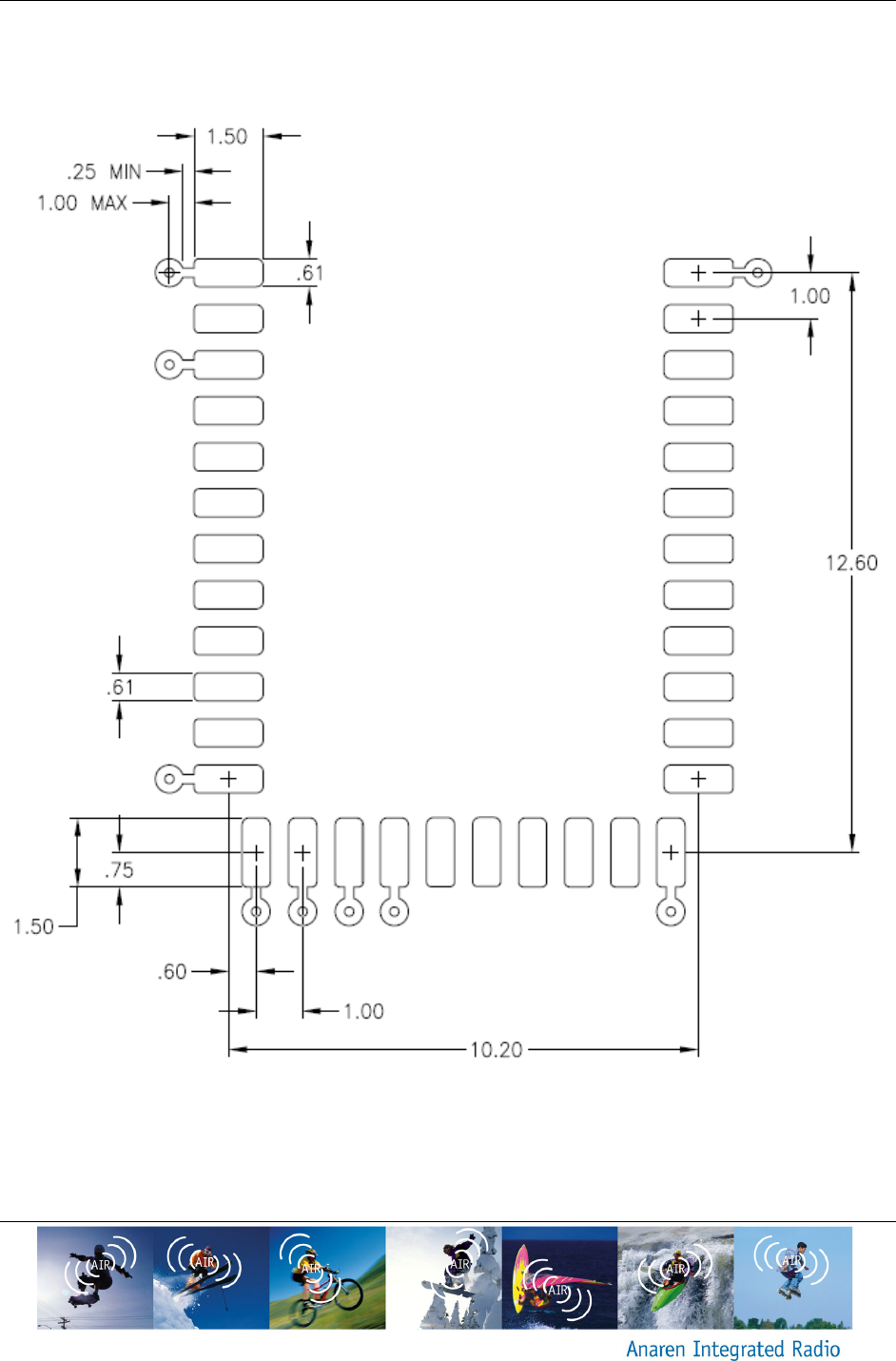
3.4. Recommended Layout (dimensions in mm)
Figure 5 Recommended PCB layout.

Page 22 of 30 A2530E24x – User’s Manual
Release Date 03/26/12
Figure 6 Mounting the module in a corner
Figure 7 Mounting the module along an edge
3.5. Power Supply Considerations
Noise on the power supply line reduces the sensitivity of a receiver and can modulate onto a
transmitters signal, both of which causes a degradation of link quality and hence a reduction in
range.
The A2530E24A and A2530E24C modules have integral noise reduction from power supply to
the internal AVDD and DVDD pins, consisting of ferrite beads and decoupling capacitances.
This arrangement will take care of most supply voltage noise. For optimal performance in
particular noisy environments (switching regulators, motor controls, etc.) it may be necessary to
add additional noise reduction means, which can consist of a low noise LDO or additional LC
filtering.
Note that if operated from a battery source there is no need for additional noise reduction. Also
note that if the noise source can be synchronized to be off whenever the module is transmitting
or receiving then that will also suffice.

A2530E24x – User’s Manual Page 23 of 30
Release Date 03/26/12
4. Mechanical and Process
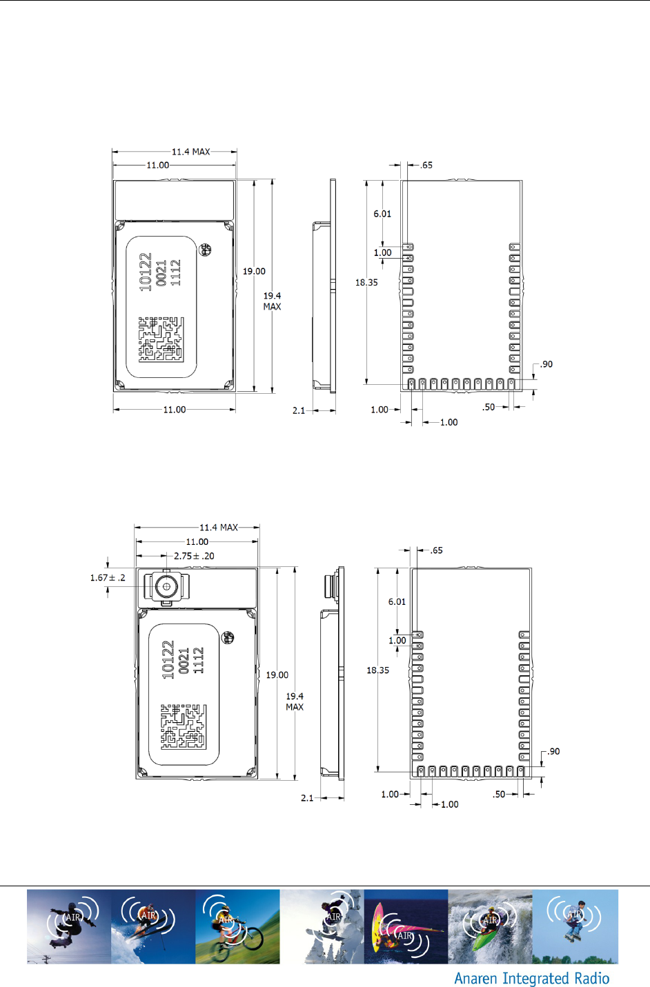
4.1. Radio Module Details (dimensions in mm)
4.1.1. A2530E24A
Figure 8 A2530E24A dimensions
4.1.2. A2530E24C
Figure 9 A2530E24C dimensions

Page 24 of 30 A2530E24x – User’s Manual
Release Date 03/26/12
4.2. Packaging Details (dimensions in mm)
AIR modules are available in Matrix Tray and Tape & Reel packaging for high-volume
assembly. Details of packaging provided below:
4.2.1. Matrix Tray Packaging
Figure 10 A2530E24A00GM and A2530E24C00GM Matrix Tray Packaging Detail (27/Tray)
4.2.2. Tape-Reel Packaging
Figure 11 A2530E24A00GR and A2530E24C00GR Tape-Reel Packaging Detail (500/Reel)

A2530E24x – User’s Manual Page 25 of 30
Release Date 03/26/12
4.3. Soldering
AIR Modules may be mounted either manually (for prototyping or low volume production), or
automatically for high-volume production.
A no-clean tin/silver/copper (SAC) solder is recommended, however lead based no-clean
pastes may also be used.
CAUTION: AIR Modules are designed for no-clean fluxes only. DO NOT use water-
based fluxes that require aqueous cleaning after solder. Spot cleaning with a flux
remover and toothbrush may be performed with care.
4.3.1. Manual Mounting Procedure
The recommended soldering method is reflowing of a paste solder on a hot plate. This method
works provided the bottom of the board where the AIR module is to be mounted is accessible,
and there are no bottom-side components in the way.
An aluminum or copper block may be placed on the hot plate surface to transfer heat to a
localized area on the board where the AIR module is mounted
- Set the hot plate to the reflow temperature solder manufacturer’s recommended
- Apply solder paste to the pads on the board receiving the AIR module
- Place the AIR module carefully onto the dispensed solder
- Using tweezers or another holding device, carefully place board with AIR module onto
the hot plate surface (or metal block)
- Apply heat until reflow occurs, per solder paste manufacturer’s recommendations
- Carefully remove the board and place on a heat-resistant surface to cool
- Check assembly electrically to confirm there are no opens or shorts

Page 26 of 30 A2530E24x – User’s Manual
Release Date 03/26/12
4.3.2. Automated Mounting Procedure
The AIR Radio Module recommended solder reflow profile is based on IPC/JEDEC J-STD-020.

A2530E24x – User’s Manual Page 27 of 30
Release Date 03/26/12

THIS PAGE INTENTIONALLY LEFT BLANK

If you have additional questions, need samples, or would like a quote –
please email the AIR team at AIR@anaren.com .
For a full list of our franchised distributors, please visit our website:
http://www.anaren.com/air/
Anaren Microwave, Inc.
6635 Kirkville Road
East Syracuse, NY 13057
Tel: +1 315 432 8909
+1 800 411 6596
Fax: +1 315 432 8970
Anaren Microwave (Europe), Inc.
12 Somerset House, Suite 16 & 17
Hussar Court, Waterlooville
Hampshire, England P07-7SG
Tel: +44 2392 232392
Fax: +44 2392 251369
Anaren Communication Suzhou Co. Ltd.
No. 5 Chun Hui Road
Wei Ting, Suzhou Industrial Park
Suzhou 215122, PR China
Tel: +86 512 6287 6400
Fax: +86 512 6274 9283
Attach distributor contact information
here
