Andrew Wireless Innovations Group RPT-MR303V-24 Repeater User Manual M0041A8B
Andrew Wireless Innovations Group Repeater M0041A8B
Contents
- 1. Manual
- 2. Manual addendum
Manual

User’s Manual for Repeater MR303D Varia
M0041A8B.doc Id.-No. 153114 Page 126-Oct-2000
User's Manual
for
MR303D Varia
Id.-Nos.: 152796, 152797 & 154595

User’s Manual for Repeater MR303D Varia
M0041A8B.doc Id.-No. 153114 Page 226-Oct-2000
Copyright MIKOM, Buchdorf 2000
All rights reserved.
No parts of this publication may be
reproduced, stored in a retrieval system, transmitted in any form or by
any means, electronical, mechanical photocopying,
recording or otherwise, without prior written
permission of the publisher.

User’s Manual for Repeater MR303D Varia
M0041A8B.doc Id.-No. 153114 Page 326-Oct-2000
TABLE OF CONTENTS
LIST OF FIGURES AND TABLES 4
LIST OF ABBREVIATIONS 4
CONTENTS OF DELIVERY 5
HEALTH AND SAFETY WARNINGS 5
PREAMBLE 6
1INTRODUCTION 8
1.1 The MR303D Varia 8
1.2 Functional Description 9
1.3 Downlink 9
1.4 Uplink 10
2FUNCTIONS AND FEATURES 11
2.1 Configuration of the Connectors 11
2.1.1 RF Connectors 11
2.1.2 Power supply 12
2.2 Configuration of the LEDs 12
2.3 Mechanical Installation 13
2.4 Electrical Installation 14
3SETTING INTO OPERATION 17
3.1 Adjusting the Frequency 17
3.2 Setting the Attenuation 17
4APPENDIX 18
4.1 Electrical Specification 18
4.2 Mechanical Specification 19
4.3 Environmental and Safety Specifications 19
4.4 Spare part list 20
INDEX 20

User’s Manual for Repeater MR303D Varia
M0041A8B.doc Id.-No. 153114 Page 426-Oct-2000
LIST OF FIGURES AND TABLES
figure 1-1 Block diagram ............................................................................................ 9
figure 2-1 Configuration of the connectors ............................................................... 11
figure 2-2 Installation drawing................................................................................... 13
figure 3-1 Channel setting for Id.No. 152796 & 154595 ........................................... 17
figure 3-2 Channel setting for Id.No. 152797............................................................ 17
figure 3-3 Usage of rotary switch for attenuation setting .......................................... 17
figure 4-1 Cabinet drawing........................................................................................ 19
LIST OF ABBREVIATIONS
ALC Automatic Level Control
BCCH Broadcast Control Channel
BITE Built In Test Equipment
BTS Base Transceiver Station
CEPT Conférénce Europe´ennedes Postes et Telecommunications
D.I.C.E. Distributed Indoor Coverage Equipment
DL Downlink
ESD Electrostatic Discharge
ETS European Telecommunication Standard
FSK Frequency Shift Keying
GSM Global System for Mobile communication
Id.-No. Identification Number
IF Intermediate Frequency
LMT Local Maintenance Timeout
OMC Operation and Maintenance Centre
PABX Private Automatic Branch Exchange
PCMCIA Personal Computer Modem Communication International Association
PSTN Public Switched Telephone Network
Rev Revision
RF Radio Frequency
RLP Radio Link Protocol
RSSI Receive Signal Strength Indication
UL Uplink

User’s Manual for Repeater MR303D Varia
M0041A8B.doc Id.-No. 153114 Page 526-Oct-2000
CONTENTS OF DELIVERY
Qty 1Repeater MR303D Varia
Qty 1User’s manuals for repeater MR303D Varia
Qty 1Set of test protocols consisting of an electrical acceptance test
protocol
and a safety test protocol regarding the power supply
Qty 1Wall mounting template
HEALTH AND SAFETY WARNINGS
F
Note: Electrical installation must be carried out in accordance with the
safety regulations of the local authorities. Due to safety reasons,
electrical installation must be conducted by qualified personnel only.
The cover of this unit should not be opened while power is applied.
Subsequent installations, commissioning and maintenance activities
that require the unit to be under power while the cover is open, must
only be carried out by suitably qualified personnel.
F
Note: ESD precautions must be observed! Before commencing main-
tenance work, disconnect the repeater from mains.

User’s Manual for Repeater MR303D Varia
M0041A8B.doc Id.-No. 153114 Page 626-Oct-2000
PREAMBLE
In cellular systems, repeaters are used to extend the coverage of a base station in
regions where, due to topological or structural conditions, weak field strengths
disable communication. MIKOM is a leading manufacturer of repeaters, providing
excellent electrical characteristics. The repeaters are light-weight and easy to install.
MIKOM repeaters provide a preferred solution for extended cellular coverage.
This repeater has been built using only highly reliable materials. A comprehensive
quality assurance has been carried out on all fabrication steps, ensuring constant
quality of the product. Every repeater leaves the factory only after a thorough final
acceptance test, accompanied by a test certificate, which guarantees perfect
function.
Any intervention must be carried out by authorised persons only. If technical
assistance for the repeater MR303D Varia is needed, contact the local sales office
(see List of international sales offices on the following page) or contact MIKOM
directly at the following address:
When set-up is performed according to this manual, the repeater will operate
without complications for a significant length of time.
MIKOM GmbH
Industriering 10
86675 Buchdorf
Germany
Tel: +49 (0) 9099 69 0
Fax: +49 (0) 9099 69 31
email: sales@mikom.com
http://www.mikom.com

User’s Manual for Repeater MR303D Varia
M0041A8B.doc Id.-No. 153114 Page 726-Oct-2000
List of international sales offices
Allen Telecom Allen Telecom
(Australia) P/L Forem France
30500 Bruce Industrial
Parkway 6 Stuart Street Z.I. des Ebisoires
Cleveland, Ohio 44 139-3996 Padstow NSW 2211 78370 Plaisir
USA Australia France
Phone: +1 ( 216 ) 349-8657 Phone: +61 (2) 9774-4200 Phone: +33-1-30-79-15-30
FAX: +1 ( 216 ) 349-8408 FAX: +61 (2) 9774-4500 FAX: +33-1-30-55-55-37
FOREM S.p.A. AT Singapore AT China
Via Archimede N. 22/24 80 Marine Parade Road CITIC Building, # 11-05
20041, Agrate Brianza #19-1 Parkway Parade 19 Jiangguomenwai
Avenue
Milan Singapore 449269 Beijing
Italy China 100004
Phone: +39-39-605-41 Phone: +65-345-8022 Phone: +86-10-6508-3088
FAX: +39-39-605-4477 FAX: +65-345-8033 FAX: +86-10-6508-3066
AT Canada FOREM UK AT Hong Kong
1815 Ironstone Manor, # 12 Unit D
Castle Industrial Park 1603 Remington Center,
23 Hung to road,
Pickering, Ontario L1W 3W9
Canada Pear Tree Lane
Newbury, Berkshire Kwun Tong, Kow Loon
Hong Kong
U.K. RG 14 2EZ
Phone: +1 ( 905 ) 839-3474 Phone: +44-1635-569-695 Phone: +852-2389-1844
FAX: +1 ( 905 ) 839-4663 FAX: +44-1635-569-463 FAX: +852-2389-4864
AT India
B-256 Ground Floor.
Chittaranjan Park
New Delhi 110019
Phone: +91-11-696-3918
FAX: +91-11-652-1648

User’s Manual for Repeater MR303D Varia
M0041A8B.doc Id.-No. 153114 Page 826-Oct-2000
1 INTRODUCTION
Cellular telephone systems transmit signals in two directions between base stations
and mobile telephones within the signal coverage area.
If weak signal transmissions occur within the coverage area due to indoor
applications, topological conditions or distance from the transmitter, a repeater is
used to extend transmission range. In the downlink path, the repeater picks up the
signal from a donor antenna of an existing cell, amplifies and re-transmits it into the
required dark spot. In the uplink direction, the repeater receives signals from mobile
stations present in its coverage area and re-transmits them to the corresponding
base station.
1.1 The MR303D Varia
The repeater MR303D Varia is a bi-directional amplifier with adjustable RF-
bandwidth. The first and the last channel of the transmission bandwidth can be set
manually by means of rotary switches. The repeater has been designed for
applications in medium sized rooms such as suites, offices and basements. A
quality connection with a mobile phone can usually not be established in these
rooms.
The repeater is equipped with a connector for an external receiving/transmitting
antenna which provides the RF connection to the mobile. Connection to the BTS can
be established via an outdoor antenna. Other components of the D.I.C.E. COAX
system can also be connected to the repeater.
The final amplifiers are protected by individual level limiters, which allow the mobile
unit to be operated in close proximity to the repeater. Third order intermodulation
products are kept below the CEPT limit of -36 dBm constantly, even if the repeater
receives the signals of more than one mobile unit.

User’s Manual for Repeater MR303D Varia
M0041A8B.doc Id.-No. 153114 Page 926-Oct-2000
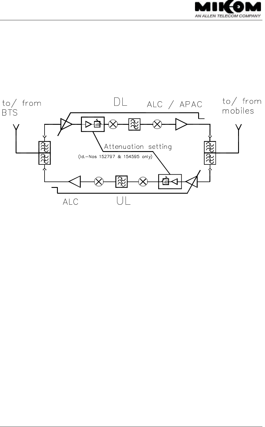
1.2 Functional Description
The MR303D Varia is a repeater operating in the GSM900 frequency range. The
operation principle for uplink and downlink is depicted in the following block
diagram:
figure 1-1 Block diagram
1.3 Downlink
Downlink signals are received by the external antenna and fed to the duplexer. The
duplexer is the frequency separation unit that splits and recombines uplink (UL) and
downlink (DL).
After processing through the duplexer the signals are transferred to a pre-amplifier
and then enter the attenuation selection. The gain of the repeater can be set by
introducing attenuation into the amplifier chain (see chapter 3.2 Setting the
Attenuation). Then the signals are relayed to a mixer. The mixer converts the signals
down to an intermediate frequency (IF). An IF filter provides the selectivity of the
repeater. After the IF filter the signals are reconverted to the original frequency again
with another mixer. A final amplifier amplifies the signal once again to the required
output power.
After amplification a power detection feature, called automatic level control (ALC),
measures the output power and controls the gain. The ALC keeps intermodulations
below - 36 dBm. Finally, the signals are supplied to the antenna output.

User’s Manual for Repeater MR303D Varia
M0041A8B.doc Id.-No. 153114 Page 10 26-Oct-2000
1.4 Uplink
The uplink signals are received by the antenna and fed into the repeater where a
pre-selection of the frequency is made. The signals are then converted down to IF by
means of a mixer and an IF filter provides the selectivity against other frequencies.
After the re-conversion the signals are amplified in an amplifier that provides the
output power. The signals are then fed to the antenna via the duplexer.
In this link, an ALC and an automatic power adjust circuit (APAC) is provided. APAC
limits the output power if two carriers are present at the one UL input. This again
keeps intermodulations to the desired limit. The repeaters with Id.-Nos. 152797 &
154595 provide an attenuation selection unit, which allows the gain to be set on UL
and DL -simultaneously, but not separately- by introducing attenuation into the
amplifier chain. (See chapter 3.2 Setting the Attenuation).
In the MR303D the bandwidth of the RF modules can be set within the GSM900
band to a desired value with rotary-switches on the outside of the modules. To set a
defined bandwidth, the start channel, as well as the stop channel must be adjusted
with the rotary-switches. (See chapter 3.1 Adjusting the Frequency).

User’s Manual for Repeater MR303D Varia
M0041A8B.doc Id.-No. 153114 Page 11 26-Oct-2000
2 FUNCTIONS AND FEATURES
2.1 Configuration of the Connectors
figure 2-1 Configuration of the connectors
2.1.1 RF Connectors
The RF connectors (SMA female) are situated on both sides of the repeater. These
ports must be connected to the RF cables of the external antennas to/from the BTS
and to/from the mobiles.

User’s Manual for Repeater MR303D Varia
M0041A8B.doc Id.-No. 153114 Page 12 26-Oct-2000
2.1.2 Power supply
The socket for the DC supply is located next to the RF connector to/from the BTS.
Power supply voltage is 6.7 Vdc, current is 1.6 A typ for Id.-No.: 152796 and 2.5 A
for Id.-Nos.: 152797 & 154595.
There are two possibilities to provide the MR303D Varia with power:
Ø Use external power supply and connection to the DC socket of the repeater. (Use
only the power supply that is delivered with the unit).
Or:
Ø Bias the MR303D Varia via the cable to the RF port to/from BTS. Ensure that the
correct voltage is fed into the repeater.
F Note: The DC socket of the MR303D Varia must not be connected if the
bias via RF cable is carried out.
2.2 Configuration of the LEDs
The LED to the left (DC alarm) can show green or red light:
Ø Green indicates the normal operation of the repeater. Power is present and the
current consumption of the unit is within the specifications.
Ø Red indicates that the current consumption of the repeater is not within defined
limits and that the repeater might not work properly. If the LED is off, the
MR303D Varia does not receive any DC power.
The right hand LED is the ALC/APAC alarm LED:
Ø LED “on” indicates that the input power received by the repeater is too high.
The output power of the repeater must be limited. This can be either done by the UL
ALC or APAC, or the DL ALC. Limitation of power ensures that the final stage is not
overdriven and that intermodulations are kept below the CEPT limits (- 36 dBm).

User’s Manual for Repeater MR303D Varia
M0041A8B.doc Id.-No. 153114 Page 13 26-Oct-2000
2.3 Mechanical Installation
Install the MR303D Varia according to the directions provided with the wall mounting
sheet. The unit can be mounted horizontally or vertically. The alarm LEDs must point
downwards (horizontal mounting) or to the left-hand side (vertical mounting). The
unit has a weight of approximately 1.6 kg.
figure 2-2 Installation drawing

User’s Manual for Repeater MR303D Varia
M0041A8B.doc Id.-No. 153114 Page 14 26-Oct-2000
2.4 Electrical Installation
F Note: Electrical installation must be carried out in accordance with the
safety regulations of the local authorities. Due to safety reasons
electrical installation must be performed by qualified personnel
only.
Connection of the cables to/from the BTS and connection of power supply:
The cable to the external antenna to/from the BTS and the SMA-connector must be
ordered separately if reqired.
If the cable is part of the delivery, adjust the cable to a suitable length and connect
the SMA-connector.
Cut the antenna cable to the required
length. Strip the jacket at the cut end to the
length of 14 mm, the copper braiding
carefully to 8 mm and the inner insulation to
10 mm.
Place the split taper socket over the cable.
Insert the inner conductor into the opening
at the rear of the SMA pin. Slot the pin and
cable into the opening at the rear of the
SMA connector. Carefully push the copper
braiding over the knurled end of the
connector. Take care that none of the wires
of the copper braiding contact the inner
conductor. Pull the split taper socket over
the cable up to the base of the SMA-
connector. Complete the connection by
crimping the split taper socket with crimping
pliers.
split taper
socket
base knurled end pin
crimed SMA
connector

User’s Manual for Repeater MR303D Varia
M0041A8B.doc Id.-No. 153114 Page 15 26-Oct-2000
Ø Connect one RF cable to the SMA
connector to/from mobile.
Ø Connect one RF cable to the SMA
connector to/from the BTS.
Ø Connect the DC cable to the repeater
DC connector.
To avoid excess strain on the cables, the
cables must be fastened to the fixing straps
with cable clamps.
E.g.: Horizontal mounting
The cables can be fed through the
repeater’s housing at one of the two semi-
holes provided to adapt the position of the
cable to the mounting position of the
repeater.
Ø Open off the required semi-hole by
removing the respective break-off-part
with pliers.
Break-off
parts
SMA connector
to/from mobile
SMA connector
to/from BTS
DC connector
Fixing straps

User’s Manual for Repeater MR303D Varia
M0041A8B.doc Id.-No. 153114 Page 16 26-Oct-2000
Ø Adjust the frequency.
Ø Set the attenuation
(at repeater with Id.-No.: 152797 &
154595 only!).
Ø Close the repeater by replacing the
cover.
Ø Connect the power supply to mains.
Connector to
mains
Gain setting
(Id.-No.: 152797
& 154595)
Frequency
adjust
DC connector

User’s Manual for Repeater MR303D Varia
M0041A8B.doc Id.-No. 153114 Page 17 26-Oct-2000
3 SETTING INTO OPERATION
3.1 Adjusting the Frequency
The setting of the start channel and the stop channel must be carried out in
accordance to the following tables:
figure 3-1 Channel setting for Id.No. 152796 & 154595
figure 3-2 Channel setting for Id.No. 152797
3.2 Setting the Attenuation
(Id.-Nos. 152797 & 154595 only)
The attenuation can be set by means of a rotary switch, which is located in the
centre of the repeater. Use a small screw driver to turn the switch carefully to the
position for the required attenuation. The label below the rotary switch shows the
possible positions and the corresponding values of the attenuation.
figure 3-3 Rotary switch for attenuation setting

User’s Manual for Repeater MR303D Varia
M0041A8B.doc Id.-No. 153114 Page 18 26-Oct-2000
4 APPENDIX
4.1 Electrical Specification
MR303D Varia Id.No.:152796 Id.No.:152797 Id.No.: 154595
Frequency range UL
DL 890 – 915 MHz
935 – 960 MHz 880 – 905 MHz
925 – 950 MHz 890 – 915 MHz
935 – 960 MHz
Band adjust BW manually adjustable from 1 to 24.8 MHz in steps of 200 kHz
In band gain min./typ. 55 dB / 58 dB 50 dB / 58 dB 50 dB / 58 dB
Gain ajust -- 20dB in 2dB steps
max. 20dB in 2dB steps
max.
In band ripple ± 2 dB
Out of band gain according to GSM 0505 Ver. 4.20.0 Annex E
Delay 6 µsec max. 5 µsec typ.; 5.3
µsec. max. 5 µsec typ.; 5.3
µsec. max.
ICP3 Out @ max.gain DL 26 dBm min
UL 33 dBm min DL 35 dBm
UL 42 dBm DL 35 dBm
UL 40 dBm
DL Pout 1 channel 8 dBm (ALC active) 13 dBm 13 dBm
DL Pout 2 channels 5 dBm each min.
(ALC active) 10 dBm 10 dBm
DL OICP3 26 dBm min 16 dBm typ; 18 dBm
max. 16 dBm typ; 18 dBm
max.
UL Pout 1 channel 24 dBm (ALC active) 22 dBm 22 dBm
UL Pout 2 channels 10 dBm each min.
(APAC active) 15 dBm 15 dBm
UL OICP3 33 dBm min.
Automatic power control DL: ALC; UL: APAC and ALC
Max input without
damage 10 dBm min. 10 dBm min. 10 dBm min.
15 dB max. 12 dB max. @
max.gain 15 dB max. @
max.gain
Noise figure UL
DL 10 dB max. 12 dB max. @
max.gain 10 dB max. @
max.gain
Spurious emissions according to GSM 05.05 ver 4.40.0 Annex E.2
Power consumption 12 Watts
(1.6 A @ 6.7 Vdc) 15 Watts typ.
20 Watts max 15 Watts typ.
20 Watts max
Power supply external mains adapter 230 Vac (±10%) 50 Hz (±2 Hz) to 6.7 Vdc
Alarms Amplifier failure and ALC (via LEDs)
RF connectors SMA female, others on request
All data is subject to change without notice!

User’s Manual for Repeater MR303D Varia
M0041A8B.doc Id.-No. 153114 Page 19 26-Oct-2000
4.2 Mechanical Specification
Height, Width, Depth approx. 226 x 310 x 61.5 mm
Sealing class IP30
Weight: approx. 1600 g
figure 4-1 Cabinet drawing
4.3 Environmental and Safety Specifications
Specifications for environmental and safety conditions are according to ETS 300 019
(European Telecommunication Standard). For further details refer to the
environmental and safety leaflet for MIKOM repeaters.
All data is subject to change without notice!

User’s Manual for Repeater MR303D Varia
M0041A8B.doc Id.-No. 153114 Page 20 26-Oct-2000
4.4 Spare part list
Part Id.- No.
Repeater MR303 D Varia 152796 152797 154595
Power Supply 146902
INDEX
A
Abbreviations............................................................ 4
Address of MIKOM.................................................. 6
D
Downlink path........................................................... 9
H
Health and safety warnings....................................... 5
I
Installation
Electrical ............................................................14
Mechanical .........................................................13
International sales offices......................................... 7
Introduction............................................................... 8
L
LEDs........................................................................12
S
Setting of
Attenuation.........................................................17
Frequency...........................................................17
Specifications..........................................................18
U
Uplink path..............................................................10