Aoc A2272 Pw4T Users Manual AOC_A2272PW4TA2472PW4T_English_20131111
A2272 PW4T - User Manual SMART_All-in-One_A2272PW4T_A2472PW4T_EN Free User Guide for AOC Tablet and eReader, Manual
2015-07-27
: Aoc Aoc-A2272-Pw4T-Users-Manual-774011 aoc-a2272-pw4t-users-manual-774011 aoc pdf
Open the PDF directly: View PDF
.
Page Count: 75

1
SMART All-in-One User Manual
A2272PW4T/A2472PW4T
www.aoc.com
©2013 AOC. All Rights Reserved.
2
TABLE OF CONTENT
SAFETY ....................................................................................................................................4
National Conventions ....................................................................................................................4
Power ................................................................................................................................................5
Installation ........................................................................................................................................6
Cleaning ............................................................................................................................................7
Other.................................................................................................................................................8
SETUP .......................................................................................................................................9
Contents of the Box ......................................................................................................................9
Adjusting Viewing Angle .................................................................................................................9
Connecting the Monitor ............................................................................................................ 11
Using “MHL(Mobile High-Definition Link)” ........................................................................... 12
Multi-Touch Screen ..................................................................................................................... 14
Connecting usb keyboard & mouse ........................................................................................ 15
Setting up the USB keyboard .............................................................................................. 15
ADJUSTING ......................................................................................................................... 17
Setting Optimal Resolution ....................................................................................................... 17
Windows Vista ....................................................................................................................... 17
Windows 8 ............................................................................................................................. 18
Windows ME/2000 ............................................................................................................... 19
OPERATING INSTRUCTIONS ....................................................................................... 20
Hotkeys .......................................................................................................................................... 20
OSD Setting .................................................................................................................................. 21
Luminance ............................................................................................................................... 22
Image Setup ............................................................................................................................ 23
Color Setup ............................................................................................................................ 24
Picture Boost ......................................................................................................................... 25
OSD Setup .............................................................................................................................. 26
Extra ......................................................................................................................... ................ 27
Exit............................................................................................................................................ 28
LED Indicator ............................................................................................................................... 28
STARTING WITH ANDROID .......................................................................................... 29
Customizing your Home Screen .............................................................................................. 30
Viewing the Apps Gallery ........................................................................................................... 30
Browsing the Internet ................................................................................................................. 30
Using the On-screen Keyboard ................................................................................................ 31
Connecting to Network ............................................................................................................ 31
Adjusting the Settings for Android .......................................................................................... 32
Android Software Update ......................................................................................................... 34
3
DRIVER ................................................................................................................................. 34
Monitor Driver ............................................................................................................................ 35
Windows 8 ............................................................................................................................. 35
Windows 7 ............................................................................................................................. 40
Windows Vista ....................................................................................................................... 45
Windows 2000 ...................................................................................................................... 47
Windows ME .......................................................................................................................... 47
i-Menu ............................................................................................................................................ 48
e-Saver ............................................................................................................................................ 49
Screen+ ........................................................................................................................................... 50
TECHNICAL SUPPORT (FAQ) ....................................................................................... 51
Troubleshoot ................................................................................................................................ 51
Error Message & Possible Solution .......................................................................................... 52
No Signal ................................................................................................................................. 52
Input Not Support ................................................................................................................ 52
APPENDIX ........................................................................................................................... 53
Plug And Play ................................................................................................................................. 53
Keyboard And Mouse ................................................................................................................. 53
Kvm Behavior ............................................................................................................................... 54
Specifications ................................................................................................................................ 56
Preset Display Modes ................................................................................................................. 58
For HDMI................................................................................................................................ 60
Pin Assignments ............................................................................................................................ 61
REGULATION .....................................................................................................................62
EUROPE ..................................................................................................................... .................... 62
TAIWAN ........................................................................................................................................ 63
USA ..................................................................................................................... ............................ 63
CANADA ...................................................................................................................................... 64
MEXICO ........................................................................................................................................ 65
BRAZIL .......................................................................................................................................... 65
KOREAN ....................................................................................................................................... 65
FCC Notice .................................................................................................................................. 65
WEEE Declaration ....................................................................................................................... 66
WEEE Declaration for India ...................................................................................................... 67
EPA Energy Star ........................................................................................................................... 67
SERVICE ................................................................................................................................ 68
Warranty Statement for Europe .............................................................................................. 68
Warranty Statement for Middle East and Africa (MEA) And ............................................. 70
AOC Pixel Policy ISO 9241-307 Class 1 ............................................................................... 72
Warranty Statement for North & South America (excluding Brazil) .............................. 73
Ease Programe .............................................................................................................................. 75

4
SAFETY
NATIONAL CONVENTIONS
The following subsections describe notational conventions used in this document.
Notes, Cautions, and Warnings
Throughout this guide, blocks of text may be accompanied by an icon and printed in bold type or in
italic type.
These blocks are notes, cautions, and warnings, and they are used as follows:
NOTE:
A NOTE indicates important information that helps you make better use of your monitor..
CAUTION:
A CAUTION indicates either potential damage to hardware or loss of data and tells you
how to avoid the problem.
WARNING:
A WARNING indicates the potential for bodily harm and tells you how to avoid the
problem. Some warnings may appear in alternate formats and may be unaccompanied by
an icon. In such cases, the specific presentation of the warning is mandated by regulatory
authority.

5
POWER
The monitor should be operated only from the type of power source indicated on the
label. If you are not sure of the type of power supplied to your home, consult your dealer
or local power company.
The monitor is equipped with a three-pronged grounded plug, a plug with a third (grounding)
pin. This plug will fit only into a grounded power outlet as a safety feature. If your outlet
does not accommodate the three-wire plug, have an electrician install the correct outlet,
or use an adapter to ground the appliance safely. Do not defeat the safety purpose of the
grounded plug.
Unplug the unit during a lightning storm or when it will not be used for long periods of
time. This will protect the monitor from damage due to power surges.
Do not overload power strips and extension cords. Overloading can result in fire or
electric shock.
To ensure satisfactory operation, use the monitor only with UL listed computers which
have appropriate configured receptacles marked between 19V, 3.42A
The wall socket shall be installed near the equipment and shall be easily accessible.
For use only with the attached power adapter (Output 19VDC) which have UL, CSA listed
license (Only for monitors with power adapter).
Manufacturers:
1) TPV ELECTRONICS(FUJIAN) CO., LTD model: ADPC1965
2) SHENZHEN HONOR ELECTRONICS CO., LTD. / model: ADS-65LSI-19-1 19065G

6
INSTALLATION
Do not place the monitor on an unstable cart, stand, tripod, bracket, or table. If the
monitor falls, it can injure a person and cause serious damage to this product. Use only
a cart, stand, tripod, bracket, or table recommended by the manufacturer or sold with
this product. Follow the manufacturer’s instructions when installing the product and use
mounting accessories recommended by the manufacturer. A product and cart combination
should be moved with care.
Never push any object into the slot on the monitor cabinet. It could damage circuit parts
causing a fire or electric shock. Never spill liquids on the monitor.
Do not place the front of the product on the floor.
If you mount the monitor on a wall or shelf, use a mounting kit approved by the
manufacturer and follow the kit instructions.
Leave some space around the monitor as shown below. Otherwise, air-circulation may be
inadequate hence overheating may cause a fire or damage to the monitor.
See below the recommended ventilation areas around the monitor when the monitor is installed
on the wall or with the stand:
Installed on the wall
4 inches
10cm
4 inches
10cm
4 inches
10cm
11 7/8 inches
30cm
Leave at least this space
around the set.
Installed with stand
4 inches
10cm
4 inches
10cm
11 7/8 inches
30cm
Leave at least this space
around the set.
4 inches
10cm

7
CLEANING
Clean the cabinet regularly with cloth. You can use soft-detergent to wipe out the stain,
instead of strong-detergent which will cauterize the product cabinet.
When cleaning, make sure no detergent is leaked into the product. The cleaning cloth
should not be too rough as it will scratch the screen surface.
Please disconnect the power cord before cleaning the product.

8
OTHER
If the product is emitting a strange smell, sound or smoke, disconnect the power plug
IMMEDIATELY and contact a Service Center.
Make sure that the ventilating openings are not blocked by a table or curtain.
Do not engage the LCD monitor in severe vibration or high impact conditions during
operation.
Do not knock or drop the monitor during operation or transportation.
For display with glossy bezel the user should consider the placement of the display as the
bezel may cause disturbing reflections from surrounding light and bright surfaces.

9
SETUP
CONTENTS OF THE BOX
1. LCD Monitor
2. CD Manual
3. Power Cord
4. Power Adapter
5. D-SUB Cable
6. Audio Cable
7. USB Cable (upstream)
8. HDMI Cable
9. MHL Cable
10. USB Keyboard
11. USB Mouse
v Not all signal cables (D-SUB, Audio, USB, HDMI, MHL cables) and Keyboard , Mouse will be
provided for all countries and regions. Please check with the local dealer or AOC branch office
for confirmation.
ADJUSTING VIEWING ANGLE
v For optimal viewing, it is recommended to look at the full face of the monitor, and then adjust
the monitor’s angle to your own preference.
v Hold the stand so you will not topple the monitor when you change the monitor’s angle.
v You are able to adjust the tilted angle to 15°or 57°.
15° 57°

10
v Do not touch the LCD screen when you change the angle. It may cause damage or break the
LCD screen.
v It is recommended to stabilize with a fixed point in order to lock the stand if the tilted angle is
equal to or over 20°.
v Do not adjust the tilted angle less than 20°. The monitor may fall caused by instability.
v Pay attention not to bounce back the stand while adjusting the tilted angle.

11
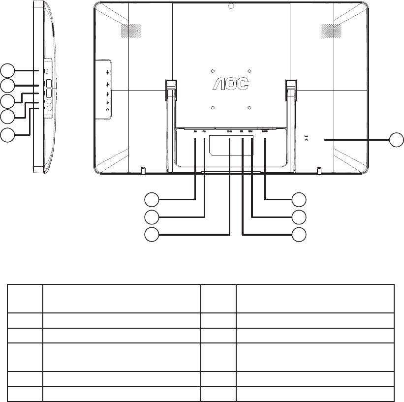
CONNECTING THE MONITOR
Cable connections at the back of monitor:
1
2
3
6
7
8
12
10
11
5
4
9
1. D-SUB Signal Input 7. Micro USB Port (OTG: only
support device function)
2. HDMI/MHL Signal Input 8. USB Port
3. Power Input 9. USB Port
4. SD Card Slot (SD/SDHC/SDXC/
MMC/MS/MS-Pro) 10. Audio In
5. USB Port 11. Earphone Out
6. RJ45 (10/100Mbps) 12. Kensington Lock
To protect equipment, always turn off the PC and monitor before connecting.
1. Connect the power cable to the AC port on the back of the monitor.
2. Connect one end of the 15-pin D-Sub cable to the back of the monitor and connect the other
end to the computer’s D-Sub port.
3. Optional – (Requires a video card with HDMI port) – Connect one end of the HDMI cable to
the back of the monitor and connect the other end to the computer’s HDMI port.
4. Turn on your monitor and computer.
5. Video content supporting resolution: VGA / HDMI: 1920 x 1080/60Hz (Maximum).
6. If you want to connect monitor and PC by micro USB, please install Android driver in PC
(Android Driver save in CD).
If your monitor displays an image, installation is complete. If it does not display an image, please
refer Troubleshooting on page 51.

12
USING “MHL(MOBILE HIGH-DEFINITION LINK)”
“MHL” (Mobile High-Definition Link)
This feature allows you to enjoy videos and photos (imported from a connected mobile device that
supports MHL) on the screenof the product.
v To use the MHL function, you need an MHL-certified mobile device. You can check if your
mobile device is MHL certified on the device manufacturer’s website. To find a list of MHL-
certified devices, visit the official MHL website (http://www.mhlconsortium.org).
v To use the MHL function, the latest version of software must be installed on the mobile device.
v On some mobile devices, the MHL function may not be available depending on the device’s
performance or functionality.
v Since the display size of the product is larger than those of mobile devices, the picture quality
may degrade.
v This product is officially MHL-certified. If you encounter any problem when using the MHL
function, please contact the manufacturer of the mobile device.
v The picture quality may degrade when content (imported from the mobile device) with a low
Resolution is played on the product.
Using “MHL”
1. Connect the micro USB port on the mobile device to the [HDMI / MHL] port on the product
using the MHL cable.
v When the MHL cable is used, [HDMI / MHL] is the only port on this monitor that supports
the MHL function.
v Mobile device must be purchased separately.
2. Connect the DC power adapter to the product and a power outlet.
3. Press the source button and switch to HDMI /MHL to activate MHL mode.
4. After about 3 seconds, the MHL screen will be displayed if MHL mode is active.
Remark: The indicated time “3 sec later” may vary depending on the mobile device.
When the mobile device is not connected or does not support MHL
v l If MHL mode is not activated, check the connection of the mobile device.
v l If MHL mode is not activated, check if the mobile device supports MHL.
v l If MHL mode is not activated even though the mobile device supports MHL, update the
13
firmware of the mobile device to the latest version.
v If MHL mode is not activated even though the mobile device supports MHL, check if mobile
device MHL port is MHL standard port otherwise an additional MHL-enabled adapter is
required.

14
MULTI-TOUCH SCREEN
User can use Display Multi-touch(2 points) Function under Android system. While you under XP,
win7, win8 system, before using Display Multi-touch(2 points) Function, user need to connect
basic wires ( power cable, VGA cable, USB cable). Then user can fully enjoy Multi-touch (2 points)
Function. Part of specific use, please see the following drawings.

15
CONNECTING USB KEYBOARD & MOUSE
To use this monitor for Android system, you need to connect USB keyboard/mouse to the USB
port at the back of monitor:
To use this monitor as a normal monitor for D-SUB and HDMI input controlled by the same USB
keyboard/mouse connected to the USB port at the back of monitor, you need to connect a B-type
USB cable from this monitor to your PC.
USB Keyboard/Mouse
PC
Setting up the USB keyboard
For the first time using this monitor, you will be prompted to do the USB keyboard settings. Please
check the box “Use USB Keyboad”. Click “Select keyboard” button to enter keyboard type setting.

16
Select default keyboard type and back to OOBE page.
Press “Next” button to complete keyboard setting.

17
ADJUSTING
SETTING OPTIMAL RESOLUTION
Windows Vista
1. Click START.
2. Click CONTROL PANEL.
3. Click Appearance and Personalization.
4. Click Personalization.

18
5. Click Display Settings.
6. Set the resolution SLIDE-BAR to 1920 x 1080.
Windows 8
1. Right click and click All apps at the bottom-right of the screen.
2. Set the “View by” to “Category”.

19
3. Click Appearance and Personalization.
4. Click DISPLAY.
5. Set the resolution SLIDE-BAR to 1920 x 1080.
Windows ME/2000
1. Click START.
2. Click SETTINGS.
3. Click CONTROL PANEL.
4. Double click DISPLAY.
5. Click SETTINGS.
6. Set the resolution SLIDE-BAR to 1920 x 1080.

20
OPERATING INSTRUCTIONS
HOTKEYS
v Connect the power cord and the video cable.
v Press the POWER key to turn on the monitor. The power indicator will light up.
12345
6
78
For menu control
1. POWER 5. SOURCE / AUTO / EXIT
2. MENU / ENTER 6. 1.0 Megapixel Webcam
3. + / VOLUME 7. Webcam activity light
4. – / CLEAR VISION 8. Microphone
v Do not install the monitor in a location near heat sources such as radiators or air ducts, or in a
place subject to direct sunlight, or excessive dust or mechanical vibration or shock.
v Save the original shipping carton and packing materials, as they will come in handy if you ever
have to ship your monitor.
v For maximum protection, repackage your monitor as it was originally packed at the factory.
v To keep the monitor looking new, periodically clean it with a soft cloth. Stubborn stains may be
removed with a cloth lightly dampened with a mild detergent solution. Never use strong solvents
such as thinner, benzene, or abrasive cleaners, since these will damage the cabinet. As a safety
precaution, always unplug the monitor before cleaning it.
v Do not scratch the screen with hard things, it may cause permanent damage.
v Don’t leak liquid into monitor which will result in the damage of component.

21
OSD SETTING
Basic and simple instruction on the control keys.
Luminance Image Setup Color Setup Picture Boost OSD Setup ExitExtra
Contrast 50
Brightness 50
Eco mode Standard
Gamma Gamma 1
DCR Off
Overdrive Off
1. Press button to display the control menu.
2. Press or button to navigate through the menu items. Once the desired item is highlighted,
press button to activate it. If there is a sub-menu, press or button to navigate through
the sub-menu functions.
3. Press or button to change the settings of the selected function. Press button to exit. If
you want to adjust any other function, repeat steps 2~3.
v If there is only one signal input, the item “Input Select” is disabled.
v If the screen size is 4:3, or the input signal resolution is “Native”, the item of “Image Ratio” is
disabled.
v If one of the DCR, Color Boost, or Picture Boost function is activated; the other two are turned
off accordingly.

22
Luminance
Luminance Image Setup Color Setup Picture Boost OSD Setup ExitExtra
Contrast 50
Brightness 50
Eco mode Standard
Gamma Gamma 1
DCR Off
Overdrive Off
1. Press button to display menu.
2. Press or button to select (Luminance), and press button to enter.
3. Press or button to select submenu, and press button to enter.
4. Press or button to adjust.
5. Press button to exit.
Main Menu Sub Menu Item Description
Luminance
Brightness 0~100 Backlight Adjustment.
Contrast 0~100 Contrast from Digital-register.
Eco mode
Standard Standard Mode.
Text Text Mode.
Internet Internet Mode.
Game Game Mode.
Movie Movie Mode.
Sports Sports Mode.
Gamma
Gamma 1 Adjust to Gamma 1.
Gamma 2 Adjust to Gamma 2.
Gamma 3 Adjust to Gamma 3.
DCR
Off Disable dynamic contrast ratio.
On Enable dynamic contrast ratio.
Overdrive
Weak
Medium
Strong
Off

23
Image Setup
Image Setup Color Setup Picture Boost OSD Setup ExitExtra
Clock 50
Phase 50
H. Position 50
V. Position 50
Sharpness 50
Luminance
1. Press button to display menu.
2. Press or button to select (Image Setup), and press button to enter.
3. Press or button to select submenu, and press button to enter.
4. Press or button to adjust.
5. Press button to exit.
Main Menu Sub Menu Item Description
Image Setup Clock 0~100 Adjust picture Clock to reduce Vertical-Line noise.
Phase 0~100 Adjust Picture Phase to reduce Horizontal-Line noise.
Sharpness 0~100 Adjust picture sharpness.
H.Position 0~100 Adjust the horizontal position of the picture.
V.Position 0~100 Adjust the vertical position of the picture.

24
Color Setup
Red 50
Green 50
Blue 50DCB Demo Off
Color Temp. Warm
DCB Mode Off
Color Setup Picture Boost OSD Setup ExitExtra Luminance Image Setup
1. Press button to display menu.
2. Press or button to select (Color Setup), and press button to enter.
3. Press or button to select submenu, and press button to enter.
4. Press or button to adjust.
5. Press button to exit.
Main Menu Sub Menu Item Description
Color Setup
Color Setup
Warm Recall Warm Color Temperature from
EEPROM.
Normal Recall Normal Color Temperature from
EEPROM.
Cool Recall Cool Color Temperature from
EEPROM.
sRGB Recall SRGB Color Temperature from
EEPROM.
User
Red Red Gain from Digital-register.
Green Green Gain Digital-register.
Blue Blue Gain from Digital-register.
DCB Mode
Full Enhance on or off Disable or Enable Full Enhance Mode.
Nature Skin on or off Disable or Enable Nature Skin Mode.
Green Field on or off Disable or Enable Green Field Mode.
Sky-blue on or off Disable or Enable Sky-blue Mode.
AutoDetect on or off Disable or Enable AutoDetect Mode.
DCB Demo on or off Disable or Enable Demo.

25
Picture Boost
Brightness 50
Contrast 50
H. Position 50
V. Position 50
Bright Frame Off
Frame Size 50
Picture Boost OSD Setup ExitExtra Luminance Image Setup Color Setup
1. Press button to display menu.
2. Press or button to select (Picture Boost), and press button to enter.
3. Press or button to select submenu, and press button to enter.
4. Press or button to adjust.
5. Press button to exit.
Main Menu Sub Menu Item Description
Picture Boost
Frame Size 14~100 Adjust Frame Size.
Brightness 0~100 Adjust Frame Brightness.
Contrast 0~100 Adjust Frame Contrast.
H. position 0~100 Adjust Frame horizontal position.
V. position 0~100 Adjust Frame vertical position.
Bright Frame on or off Disable or Enable Bright Frame.

26
OSD Setup
H. Position 50
V. Position 0
Transparence 25Language English
Timeout 120 Break Reminder Off
OSD Setup ExitExtra Luminance Image Setup Color Setup Picture Boost
S.Power On Sync Off
1. Press button to display menu.
2. Press or button to select (OSD Setup), and press button to enter.
3. Press or button to select submenu, and press button to enter.
4. Press or button to adjust.
5. Press button to exit.
Main Menu Sub Menu Item Description
OSD Setup
H. Position 0~100 Adjust the horizontal position of OSD.
V. Position 0~100 Adjust the vertical position of OSD.
Timeout 5~120 Adjust the OSD Timeout.
Transparence 0~100 Adjust the transparence of OSD.
Language Select the OSD language.
S.Power On Sync
OFF(default)
Android will not be on if the previous off mode is D-Sub
or HDMI.
While android is on, android mode keep on, even user
change to D-Sub or HDMI mode, to prevent system be
turned on again.
ON
Android will always on no matter the previous mode is.
While android is on, android mode keep on, even user
change to D-Sub or HDMI mode, to prevent system be
turned on again.

27
Extra
Resolution : 1024(H)X768(V)
Off Timer 00
Input Select Auto
Auto Config. Yes
Reset No
Image Ratio 4 : 3
DDC/CI Yes H. Frequency : 60KHz
V. Frequency : 60Hz
ExitExtra Luminance Image Setup Color Setup Picture Boost OSD Setup
1. Press button to display menu.
2. Press or button to select (Extra), and press button to enter.
3. Press or button to select submenu, and press button to enter.
4. Press or button to adjust.
5. Press button to exit.
Main Menu Sub Menu Item Description
Extra
Input Select
Auto/D-Sub/
HDMI/
Android
Select input signal source.
Auto Config. yes or no Auto adjust the picture to default.
Off timer 0~24 hrs Select DC off time.
Image Ratio wide or 4:3 Select wide or 4:3 format for display.
DDC-CI yes or no Turn ON/OFF DDC-CI Support.
Reset yes or no Reset the menu to default.
Information Show the information of the main image and sub-
image source.

28
Exit
Exit Luminance Image Setup Color Setup Picture Boost OSD Setup Extra
1. Press button to display menu.
2. Press or button to select (Exit), and press button to enter.
Main Menu Sub Menu Item Description
Exit
Exit Exit the main OSD.
LED INDICATOR
Status LED Color
Full Power Mode White
Power Saving Mode Red
Active-off Mode Off

29
STARTING WITH ANDROID
This Smart Monitor is embedded with Android operating system, that it can work individually
without connecting a PC.
1. Press button to display the source list.
2. Select [Android] and press button to confirm the selection.
3. Press button to display the selections.
D-SUB
HDMI/MHL
Android
The descriptions for function control:
Icon Description
Google Shortcut for Google Search
Back to previous page
Back to Android Home Screen
Display recently used application
Application Gallery
Notification / Local Time / Settings

30
CUSTOMIZING YOUR HOME SCREEN
Adding application icons, shortcuts, or widgets to the home screen as your preference. You can also
change the wallpaper.
v Add an item to the Home Screen:
1. Click on the icon to view the application gallery.
2. Select [APPS] or [WIDGETS].
3. Click and hold the item until it enlarged. Drag the item to the place you preferred on the
Home Screen.
v Move an item on the Home Screen:
1. Click and hold the item until it enlarged.
2. Drag the item to the place you preferred on the Home Screen.
v Remove an item from the Home Screen:
1. Click and hold the item until it enlarged. The Trash Can icon displayed.
2. Drag the item to the Trash Can icon to remove the item from the Home Screen.
VIEWING THE APPS GALLERY
1. Click on the icon to view the applications.
2. Click on the application to open it.
3. Click on the icon to return to the Home Screen, or click on the icon to
return to the previous screen.
BROWSING THE INTERNET
v Open a webpage:
1. On the Home Screen, click > Browser.
2. Click the URL box at the top of the Browser. The on-screen keyboard displayed.
3. Enter the URL address to open the webpage.
v Set the homepage:
1. Click on the icon at the top-right of the screen when browsing the web.
2. Edit the informations and click [OK] to bookmark this page.
3. Select [Settings] > [General] > [Set homepage] and select the [Current page] to set the
current page as your home page.
v Add to bookmark:
1. Click on the icon at the right of the URL box when browsing the web.
2. Select [BOOKMARKS] > [Add bookmark] to add the current page to your bookmark.

31
USING THE ON-SCREEN KEYBOARD
v Enter text:
1. Click on a text field. The on-screen keyboard opens.
2. Click on the keys to type.
Key Description Key Description
Switch to upper or lower case
letters for English input.
Press to enter expression symbol.
Long press to select from all
expression symbols.
Enter a space. Close the on-screen keyboard.
Enter your text.. Back to Android Home Screen
Single press to go backspace and
delete one character. Long press
to go backspace and delete whole
characters.
Display recently used application
Click for input options. Snap for screen shot
Switch to the symbol keyboard.. Notification / Local Time / Settings
CONNECTING TO NETWORK
v Turn on Wi-Fi and connect to the Wi-Fi network:
1. Click on the at the bottom-right of the screen. Click on the [Settings] to
open the sub-menu.
2. Select [NETWORKS], and check [Wi-Fi] to turn it on.
3. Select [SCAN] to scan for available Wi-Fi networks nearby. The secured networks are
indicated with a lock icon.
4. Touch a network to connect it automatically, or touch [ADD NETWORK] to add new
network manually.
5. If the network is open, touch [Connect] to confirm for connecting to the network on the
prompted window.
6. If the network is secured, enter the password and touch [Connect] on the prompted
window for connecting to the secured network.

32
ADJUSTING THE SETTINGS FOR ANDROID
Click on the at the bottom-right of the screen. Click on the [Settings] to open the
sub-menu.
Main Menu Sub Menu Item Description
WIRELESS & NETWORKS
Wi-Fi ON/OFF Turn on or off the Wi-Fi. Manage the Wi-Fi network.
Search and connect to the available networks.
Bluetooth ON/OFF
Ethernet Ethernet configuration Set the connection type and connect to the available
Ethernet.
More
VPN VPN Connection
Tethering &portable
hotspot Tethering &portable hotspot settings
DEVICE
Sound
Sound
Music,Video,games,&other media
Notifications
Alarms
System Default notification sound
Touch sounds
Display
Brigheness
Wallpaper
Sleep Set the sleep timer.
Font size Select the preferred font size.
Storage Available spaces View the available storage space.
Apps
Downloaded View the downloaded applications.
On SD card Manage the applications stored on the SD card or internal
storage.
Running View the running applications.
All View all the applications.

33
Main Menu Sub Menu Item Description
Users
You Users information
Other users Users information
Add users Add users
PERSONAL
Location access Location access Turn on or off Access to my location
Location sources,
Security
Screen security Set the screen lock.
Password Check for displaying the password while entering the
password.
Device administration Allow or not allow installation of apps from unknow
sources
Credential storage Display the certificates.
Language & input Select language Select the display language for your device and set the
keyboard settings.
Backup & reset Personal Data
Erase all data from your devices, including your Google
account, system and application data and settings, and
downloaded applications.
Backup&Restore Back up my data and Automatic restore
Accounts
Accounts Add account Add an account (Corporate、Email、Google)
SYSTEM
Date & time
Automatic data & time
Check for using the information form the network
automatically.
Unchecked for entering the information manually.
Set date Set the date.
Set time Set the time.
Select time zone Select the time zone for current region.
Use 24-hour format Set the time format to 24-hour.
Select date format Select the preference date format.
Accessibility Services Display the installed services.
System Set the allowance for installing web scripts.
Developer options
Developer options
Debugging
Input
Drawing
Monitoring
Apps
About
System updates, Status,
Legal information,
Android version, Kernel
version, and Build
number.
View the informations for the device.

34
ANDROID SOFTWARE UPDATE
You can upgrade system by Local update mode.
v Local update support upgrade from SD card device.
v During system update, DONOT pull out SD card device or power off Smart Monitor.
Local update
1. Copy updates file on SD card device. Insert SD card device. The SD card device should not be
write-protected, and Smart Monitor can read it.
2. Start system updates as below path: Settings About System updates Local
update. Click ‘Next’ to continue update process.
3. Smart Monitor will show ‘Update file has found! If you want to update, please press
‘Next’, the System will be reboot. Do not power off !’. Click ‘Next’ to start system
updates. During upgrade, Smart Monitor will reboot and complete system update automatically.
DRIVER

35
MONITOR DRIVER
Windows 8
1. Start Windows® 8
2. Right click and click All apps at the bottom-right of the screen.
3. Click on the “Control panel” icon

36
4. Set the “View by” to “Large icons” or “Small icons”.
5. Click on the “Display” icon.

37
6. Click on the “Change display settings” button.
7. Click the “Advanced Settings” button.

38
8. Click the “Monitor” tab and then click the “Properties” button.
9. Click the “Driver” tab.

39
10. Open the “Update Driver Software-Generic PnP Monitor” window by clicking on
“Update Driver... “ and then click the “Browse my computer for driver software”
button.
11. Select “Let me pick from a list of device drivers on my computer”.

40
12. Click the “Have Disk” button. Click on the “Browse” button and navigate to the following
directory:
X:\Driver\module name (where X is the drive letter designator for the CD-ROM drive).
13. Select the “xxx.inf” file and click the “Open” button. Click the “OK” button.
14. Select your monitor model and click the “Next” button. The files will be copied from the CD
to your hard disk drive.
15. Close all open windows and remove the CD.
16. Restart the system. The system will automatically select the maximum refresh rate and
corresponding Color Matching Profiles.
Windows 7
1. Start Windows® 7
2. Click on the “Start” button and then click on “Control Panel”.

41
3. Click on the “Display” icon.
4. Click on the “Change display settings” button.
5. Click the“Advanced settings”button.

42
6. Click the “Monitor” tab and then click the “Properties” button.
7. Click the “Driver” tab.

43
8. Open the “Update Driver Software-Generic PnP Monitor” window by clicking on
“Update Driver... “ and then click the “Browse my computer for driver software”
button.
9. Select “Let me pick from a list of device drivers on my computer”.

44
10. Click the “Have Disk” button. Click on the “Browse” button and navigate to the following
directory:
X:\Driver\module name (where X is the drive letter designator for the CD-ROM drive).
11. Select the “xxx.inf” file and click the “Open” button. Click the “OK” button.
12. Select your monitor model and click the “Next” button. The files will be copied from the CD
to your hard disk drive.
13. Close all open windows and remove the CD.
14. Restart the system. The system will automatically select the maximum refresh rate and
corresponding Color Matching Profiles.

45
Windows Vista
1. Click “Start” and “Control Panel”. Then, double-click on “Appearance and
Personalization”.
2. Click “Personalization” and then “Display Settings”.
3. Click “Advanced Settings...”.

46
4. Click “Properties” in the “Monitor” tab. If the “Properties” button is deactivated, it means
the configuration for your monitor is completed. The monitor can be used as is.
If the message “Windows needs...” is displayed, as shown in the figure below, click “Continue”.
5. Click “Update Driver...” in the “Driver” tab.
6. Check the “Browse my computer for driver software” checkbox and click “Let me pick
from a list of device drivers on my computer”.
7. Click on the “Have disk...” button, then click on the “Browse...” button and then select the
appropriate drive
F:\Driver (CD-ROM Drive).

47
8. Select your monitor model and click on the “Next” button.
9. Click “Close” “Close” “OK” “OK” on the following screens displayed in sequence.
Windows 2000
1. Start Windows® 2000.
2. Click on the “Start” button, point to “Settings”, and then click on “Control Panel”.
3. Double click on the “Display” icon.
4. Select the “Settings” tab then click on “Advanced...”.
5. Select “Monitor”.
- If the “Properties” button is inactive, it means your monitor is properly configured. Please
stop installation.
- If the “Properties” button is active. Click on “Properties” button. Please follow the steps
given below.
6. Click on “Driver” and then click on “Update Driver...” then click on the “Next” button.
7. Select “Display a list of the known drivers for this device so that I can choose a
specific driver”, then click on “Next” and then click on “Have disk...”.
8. Click on the “Browse...” button then select the appropriate drive F: (CD-ROM Drive).
9. Click on the “Open” button, then click on the “OK” button.
10. Select your monitor model and click on the “Next” button.
11. Click on the “Finish” button then the “Close” button.
If you can see the “Digital Signature Not Found” window, click on the “Ye s ” button.
Windows ME
1. Start Windows® ME.
2. Click on the “Start” button, point to “Settings”, and then click on “Control Panel”.
3. Double click on the “Display” icon.
4. Select the “Settings” tab then click on “Advanced...”.
5. Select the “Monitor” button, then click on “Change...” button.
6. Select “Specify the location of the driver (Advanced)” and click on the “Next” button.
7. Select “Display a list of all the drivers in a specific location, so you can choose the
driver you want”, then click on “Next” and then click on “Have Disk...”.
8. Click on the “Browse...” button, select the appropriate drive F: (CD-ROM Drive) then click on
the “OK” button.
9. Click on the “OK” button, select your monitor model and click on the “Next” button.
10. Click on “Finish” button then the “Close” button.

48
I-MENU
Welcome to “i-Menu” software by AOC. i-Menu makes it easy to adjust your monitor display setting
by using on screen menus instead of the OSD button on the monitor. To complete installation,
please follow the installation guide.

49
E-SAVER
Welcome to use AOC e-Saver monitor power management software! The AOC e-Saver features
Smart Shutdown functions for your monitors, allows your monitor to timely shutdown when PC
unit is at any status (On, Off, Sleep or Screen Saver); the actual shutdown time depends on your
preferences (see example below).
Please click on “driver/e-Saver/setup.exe” to start installing the e-Saver software, follow the install
wizard to complete software installation.
Under each of the four PC statuses, you may choose the desired time (in minutes) from the pull-
down menu for your monitor to automatically shutdown. The example below illustrated:
1. The monitor will never shutdown when the PC is powered on.
2. The monitor will automatically shutdown 5 minutes after the PC is powered off.
3. The monitor will automatically shutdown 10 minutes after the PC is in sleep/stand-by mode.
4. The monitor will automatically shutdown 20 minutes after the screen saver appears.
You can click “RESET” to set the e-Saver to its default settings like below.

50
SCREEN+
Welcome to “Screen+” software by AOC. Screen+ software is a desktop screen splitting tool; it
splits the desktop into different panels, and each panel displays a different window. You only need
to drag the window to a corresponding panel when you want to access it. It supports multiple
monitor display to make your task easier. Please follow the installation software to install it.

51
TECHNICAL SUPPORT (FAQ)
TROUBLESHOOT
Problem & Question Possible Solution
Power LED is not on
v Make sure the power button is ON and the Power Cord is
properly connected to a grounded power outlet and to the
monitor.
No images on the screen
v Is the power cord connected properly?
Check the power cord connection and power supply.
v Is the cable connected correctly?
(Connected using the D-sub cable) Check the DB-15 cable
connection.
(Connected using the HDMI cable) Check the HDMI cable
connection.
* HDMI input is not available on every model.
v If the power is on, reboot the computer to see the initial screen
(the login screen), which can be seen.
If the initial screen (the login screen) appears, boot the computer
in the applicable mode (the safe mode for Windows ME/2000)
and then change the frequency of the video card.
(Refer to the Setting the Optimal Resolution)
If the initial screen (the login screen) does not appear, contact the
Service Center or your dealer.
v Can you see “Input Not Supported” on the screen?
You can see this message when the signal from the video
card exceeds the maximum resolution and frequency that the
monitor can handle properly. Adjust the maximum resolution and
frequency that the monitor can handle properly.
v Make sure the AOC Monitor Drivers are installed.
Picture Is Fuzzy & Has Ghosting
Shadowing Problem
v Adjust the Contrast and Brightness Controls.
v Press to auto adjust.
v Make sure you are not using an extension cable or switch box.
We recommend plugging the monitor directly to the video card
output connector on the back.
Picture Bounces, Flickers Or Wave
Pattern Appears In The Picture
v Move electrical devices that may cause electrical interference as
far away from the monitor as possible.
v Use the maximum refresh rate your monitor is capable of at the
resolution you are using.
Monitor Is Stuck In Active-Off Mode”
v The Computer Power Switch should be in the ON position.
v The Computer Video Card should be snugly fitted in its slot.
v Make sure the monitor’s video cable is properly connected to
the computer.
v Inspect the monitor’s video cable and make sure no pin is bent.
v Make sure your computer is operational by hitting the CAPS
LOCK key on the keyboard while observing the CAPS LOCK
LED. The LED should either turn ON or OFF after hitting the
CAPS LOCK key.
Missing one of the primary colors
(RED, GREEN, or BLUE)
v Inspect the monitor’s video cable and make sure that no pin is
damaged.
v Make sure the monitor’s video cable is properly connected to
the computer.

52
Problem & Question Possible Solution
Screen image is not centered or sized
properly v Adjust H-Position and V-Position or press hot-key (AUTO).
Picture has color defects
(white does not look white) v Adjust RGB color or select desired color temperature.
Horizontal or vertical disturbances on
the screen
v Use Windows 95/98/2000/ME shut-down mode to adjust
CLOCK and PHASE.
v Press to auto-adjust.
CLOCK (pixel frequency) controls the number of pixels scanned by one horizontal sweep. If the
frequency is not correct, the screen shows vertical stripes and the picture has not correct width.
PHASE adjusts the phase of the pixel clock signal. With a wrong phase adjustment the picture has
horizontal disturbances in light picture.
For PHASE and CLOCK adjustment use “dot-pattern” or Windows XP/VISTA/7 shut-down mode
pattern.
ERROR MESSAGE & POSSIBLE SOLUTION
No Signal
1. Check that the signal-cable is properly connected. If the connector is loose, tighten the
connector’s screws.
2. Check the signal-cable’s connection pins for damage.
Input Not Support
Your computer has been set to unsuitable display mode, set the computer to display mode given in
the following table on page 34.

53
APPENDIX
PLUG AND PLAY
Plug & Play DDC2B Feature
This monitor is equipped with VESA DDC2B capabilities according to the VESA DDC STANDARD.
It allows the monitor to inform the host system of its identity and, depending on the level of DDC
used, communicate additional information about its display capabilities.
The DDC2B is a bidirectional data channel based on the I²C protocol. The host can request EDID
information over the DDC2B channel.
THIS MONITOR WILL APPEAR TO BE NON-FUNCTIONAL IF THERE IS NO VIDEO
INPUT SIGNAL. IN ORDER FOR THIS MONITOR TO OPERATE PROPERLY, THERE
MUST BE A VIDEO INPUT SIGNAL.
This monitor meets the Green monitor standards as set by the Video Electronics Standards
Association (VESA) and The Swedish Confederation Employees (NUTEK). This feature is designed
to conserve electrical energy by reducing power consumption when there is no video-input
signal present. When there is no video input signal this monitor, following a time-out period,
will automatically switch to an Standby mode. This reduces the monitor’s internal power supply
consumption. After the video input signal is restored, full power is restored and the display is
automatically redrawn. The appearance is similar to a “Screen Saver” feature except the display is
completely off. The display is restored by pressing a key on the keyboard, or clicking the mouse.
KEYBOARD AND MOUSE
86 Key Spanish
85 Key English

54
KVM BEHAVIOR
Android Interface
This monitor is equipped with USB MTT Hub Controller which is premium 4-port hub solution
which fully complies with Universal Serial Bus Specification Revision 2.0. that provide dedicated
TT* to each downstream (DS) ports, which guarantee Full-Speed(FS) data passing bandwidth when
multiple FS device perform heavy loading operations.
One Webcam port and One Touch Panel Port are dedicated for system usage. IO Interface USB 2.0
x2 to meet the requirement with minimum effort.
UI Interface define / {} Developer options / Stay Awake would be stay awake , otherwise system
would mute the screen after USB device wake up event.
VGA/ HDMI Interface
USB Hub device supports PC during “sleep” and “power-off” wake up event but not support both
Smart Monitor DC Off / PC suspend then PC wake up event.

55
Part of the keys are not compatible with Windows OS and Android OS, please refer to the table
below:
OS
Keys Windows OS Android OS
×
x
x
x
x
x
x
x
x
x
x
x
x
x
x
x
x
x
x

56
SPECIFICATIONS
A2272PW4T
LCD Panel
Driving system 21.5” WLED
Size 54.7cm diagonal
Pixel Pitch 0.24825mm(H) × 0.24825mm(V)
Input
Video R, G, B Analog Interface
Digital
Separate Sync. H/V TTL
H-Frequency 30kHz ~ 83kHz
V-Frequency 50 ~ 76Hz
Display Colors 16.7M Colors
Dot Clock 148.5MHz
Max. Resolution 1920×1080@60Hz
Plug & Play VESA DDC2B™
LAN Speed 10/100Mbps
RF Module M/N BCM94330LGA
Built-in Webcam 1.0 megapixel camera with microphone and LED indicator
Power Consumption
ON Mode 30W (Typ.)
Standby Mode d 2W (VGA/HDMI)
OFF Mode d 0.5W
Input Connector D-Sub 15pin
HDMI 19pin
Input Video Signal Analog: 0.7Vp-p(standard), 75 OHM, positive or negative
HDMI: 0.7Vp-p(standard), 75 OHM, positive or negative
Power Source 100~240VAC, 50/60Hz
Environmental Considerations
Operating Temp.: 0° to 40°C
Storage Temp.: -20° to 60°C
Operating Humidity: 15% to 90%
Dimensions 561.93(W) x 355(H) x 47.1(D) mm
Weight (N. W.): 5.0 kg

57
A2472PW4T
LCD Panel
Driving system 23.6” WLED
Size 59.8cm diagonal
Pixel Pitch 0.2715mm(H) × 0.2715mm(V)
Input
Video R, G, B Analog Interface
Digital
Separate Sync. H/V TTL
H-Frequency 30kHz ~ 83kHz
V-Frequency 50 ~ 76Hz
Display Colors 16.7M Colors
Dot Clock 148.5MHz
Max. Resolution 1920×1080@60Hz
Plug & Play VESA DDC2B™
LAN Speed 10/100Mbps
RF Module M/N BCM94330LGA
Built-in Webcam 1.0 megapixel camera with microphone and LED indicator
Power Consumption
ON Mode 30W (Typ.)
Standby Mode d 2W (VGA/HDMI)
OFF Mode d 0.5W
Input Connector D-Sub 15pin
HDMI 19pin
Input Video Signal Analog: 0.7Vp-p(standard), 75 OHM, positive or negative
HDMI: 0.7Vp-p(standard), 75 OHM, positive or negative
Power Source 100~240VAC, 50/60Hz
Environmental Considerations
Operating Temp.: 0° to 40°C
Storage Temp.: -20° to 60°C
Operating Humidity: 15% to 90%
Dimensions 606.73(W) x 379.37(H) x 49.40(D) mm
Weight (N. W.): 6.0 kg

58
Touch screen specifications
Touch technology Infrared Optical Structure
Input Method Finger, gloved hand, or any other opaque stylus
Touch stylus diameter t7 mm
Resolution 32767 x 32767
Touch accuracy < ± 2.5 mm 95% coverage
Operating Systems
Microsoft Windows 8 Multi-Touch (2 points)
Microsoft Windows 7 Multi-Touch (2 points)
Microsoft Windows Vista Single Touch
Microsoft Windows XP Single Touch+Action
PRESET DISPLAY MODES
STANDARD RESOLUTION HORIZONTAL
FREQUENCY (KHz)
VERTICAL
FREQUENCY (Hz)
VGA
640x480@60Hz 31.469 59.940
640x480@72Hz 37.861 72.809
640x480@75Hz 37.500 75.00
SVGA
800x600@56Hz 35.156 56.250
800x600@60Hz 37.879 60.317
800x600@72Hz 48.077 72.188
800x600@75Hz 46.875 75.000
XGA
1024x768@60Hz 48.363 60.004
1024x768@70Hz 56.476 70.069
1024x768@75Hz 60.023 75.029
SXGA
1280x1024@60Hz 63.981 60.020
1280x1024@75Hz 79.976 75.025
1280x960@60Hz 60 60
WXGA 1400x900@60Hz 55.935 60
WSXGA 1680x1050@60Hz 65.29 59.95
WUXGA 1920x1080@60Hz 67.5 59.934
IBM-MODEDOS 720x400@70Hz 31.469 70.087

59
MAC MODEVGA 640x480@75Hz 35 66.667
MAC MODESVGA 832x624@75Hz 49.725 74.551

60
For HDMI
Resolution Horizontal
Frequency (kHz)
Vertical
Frequency (Hz)
Dot Clock
(MHz)
480P@60Hz for Digital only 31.469 59.940 25.175
480P@60Hz for Digital only 31.469 59.940 27.000
576P@50Hz for Digital only 31.250 50.000 27.000
720P@50Hz for Digital only 37.500 50.000 74.250
720P@60Hz for Digital only 45.000 60.000 74.250
1080P@50Hz for Digital only 56.250 50.000 148.500
1080P@60Hz for Digital only 67.500 60.000 148.500
1080i@50Hz for Digital only 28.130 50.000 74.250
1080i@60Hz for Digital only 33.750 60.050 74.250

61
PIN ASSIGNMENTS
15
610
11 15
15 - Pin Color Display Signal Cable
PIN NO. DESCRIPTION PIN NO. DESCRIPTION
1. Red 9. +5V
2. Green 10. Ground
3. Blue 11. Ground
4. Ground 12. DDC-Serial Data
5. Detect Cable 13. H-Sync
6. R-Ground 14. V-Sync
7. G-Ground 15. DDC-Serial Clock
8. B-Ground
135791113151719
24681012141618
19 - Pin Color Display Signal Cable
PIN NO. DESCRIPTION PIN NO. DESCRIPTION
1. TMDS Data 2+ 11. TMDS data Shield
2. TMDS Data 2 Shield 12. TMDS data ck-
3. TMDS Data 2- 13. CEC
4. TMDS data 1+ 14. N.C
5. TMDS data 1 Shield 15. DDC SCL
6. TMDS data 1- 16. DDC CLK
7. TMDS data 0+ 17. DDC/CEC Ground
8. TMDS data 0 Shield 18. +5 V Power
9. TMDS data 0- 19. Hot Plug Detect
10. TMDS data ck+

62
REGULATION
EUROPE
EU Declaration of Conformity
This device complies with the essential requirements of the R&TTE Directive 1999/5/EC. The
following test methods have been applied in order to prove presumption of conformity with the
essential requirements of the R&TTE Directive 1999/5/EC:
¢EN60950-1
Safety of Information Technology Equipment
¢EN 62311
Assessment of electronic and electrical equipment related to human exposure restrictions for
electromagnetic fields (0 Hz-300 GHz)
¢EN 300 328
Electromagnetic compatibility and Radio spectrum Matters (ERM); Wideband Transmission
systems; Data transmission equipment operating in the 2,4 GHz ISM band and using spread
spectrum modulation techniques; Harmonized EN covering essential requirements under article
3.2 of the R&TTE Directive
¢EN 301 893
Broadband Radio Access Networks (BRAN); 5 GHz high performance RLAN; Harmonized EN
covering essential requirements of article 3.2 of the R&TTE Directive
¢EN 301 489-17
Electromagnetic compatibility and Radio spectrum Matters (ERM); ElectroMagnetic
Compatibility (EMC) standard for radio equipment and services; Part 17: Specific conditions for
2,4 GHz wideband transmission systems and 5 GHz high performance RLAN equipment
¢EN 301 489-1
Electromagnetic compatibility and Radio Spectrum Matters (ERM); ElectroMagnetic
Compatibility (EMC) standard for radio equipment and services; Part 1: Common technical
requirements
¢When entering sleep mode (backlight off), the system will shut down after a week (typical) of
time.
63
TA I WA N
մѓ౦ႬݱᒮৣܓႬᐡᆔ౪ᒳݳȈ
䬓⌨ṳ㢄 䵺❲婴嬰⏯㠣Ḳἵ⊆䍮⯫栢曢㩆Ə杅䵺娘⏖Ə⅓⏟˚┭噆ㇽὦ䔏俬✮ᷴ⽾㒬凑
孱㛛栢䍮˚⊇⤎⊆䍮ㇽ孱㛛⎆娔姯Ḳ䉠『⎱⊆僤˛
䬓⌨⛂㢄 ⊆䍮⯫栢曢㩆Ḳὦ䔏ᷴ⽾⽘柦棂刑⭰⅏⎱⹙㓥⏯㲼态Ὲƞ䵺䙣䏥㛰⹙㓥䏥屈㘩Ə
ㆰ䪲⍚⁃䔏Əḍ㔠╫凚䄈⹙㓥㘩㖠⽾乣乳ὦ䔏˛
∴柬⏯㲼态ῈƏ㋮ᾄ曢Ὲ㲼奶⮁ὃ㥔Ḳ䄈䷁曢态Ὲ˛
ἵ⊆䍮⯫栢曢㩆柯⾴⎾⏯㲼态Ὲㇽⷌ㥔˚䦸⭟⎱憒䘩䔏曢㳉弢⯫『曢㩆娔₀Ḳ⹙
㓥˛
✏ 䧔嵒栢⸝ⅎ㒴ὃḲ䄈䷁岮姱ₚ弟娔₀Ə昷㖣⮋ⅎὦ䔏˛
USA
Federal Communication Commission Interference Statement
This device complies with Part 15 of the FCC Rules. Operation is subject to the following two
conditions: (1) This device may not cause harmful interference, and (2) this device must accept any
interference received, including interference that may cause undesired operation.
This equipment has been tested and found to comply with the limits for a Class B digital device,
pursuant to Part 15 of the FCC Rules. These limits are designed to provide reasonable protection
against harmful interference in a residential installation. This equipment generates, uses and can
radiate radio frequency energy and, if not installed and used in accordance with the instructions,
may cause harmful interference to radio communications. However, there is no guarantee that
interference will not occur in a particular installation. If this equipment does cause harmful
interference to radio or television reception, which can be determined by turning the equipment off
and on, the user is encouraged to try to correct the interference by one of the following measures:
¢Reorient or relocate the receiving antenna.
¢Increase the separation between the equipment and receiver.
¢Connect the equipment into an outlet on a circuit different from that to which the receiver is
connected.
¢Consult the dealer or an experienced radio/TV technician for help.
FCC Caution: Any changes or modifications not expressly approved by the party responsible for
compliance could void the user’s authority to operate this equipment.
This transmitter must not be co-located or operating in conjunction with any other antenna or
transmitter.
Operations in the 5GHz products are restricted to indoor usage only.
Radiation Exposure Statement:
This equipment complies with FCC radiation exposure limits set forth for an uncontrolled
environment. This equipment should be installed and operated with minimum distance 20cm
between the radiator & your body.
Note: The country code selection is for non-US model only and is not available to all US model. Per
FCC regulation, all WiFi product marketed in US must fixed to US operation channels only.
64
CANADA
Industry Canada statement:
This device complies with RSS-210 of the Industry Canada Rules. Operation is subject to the
following two conditions: (1) This device may not cause harmful interference, and (2) this device
must accept any interference received, including interference that may cause undesired operation.
Ce dispositif est conforme à la norme CNR-210 d’Industrie Canada applicable aux appareils radio
exempts de licence. Son fonctionnement est sujet aux deux conditions suivantes: (1) le dispositif ne
doit pas produire de brouillage préjudiciable, et (2) ce dispositif doit accepter tout brouillage reçu, y
compris un brouillage susceptible de provoquer un fonctionnement indésirable.
Caution:
(i) the device for operation in the band 5150-5250 MHz is only for indoor use to reduce the
potential for harmful interference to co-channel mobile satellite systems;
(ii) high-power radars are allocated as primary users (i.e. priority users) of the bands 5250-5350
MHz and 5650-5850 MHz and that these radars could cause interference and/or damage to
LE-LAN devices.
Avertissement:
(i) les dispositifs fonctionnant dans la bande 5 150-5 250 MHz sont réservés uniquement pour
une utilisation à l’intérieur afin de réduire les risques de brouillage préjudiciable aux systèmes
de satellites mobiles utilisant les mêmes canaux;
(ii) De plus, les utilisateurs devraient aussi être avisés que les utilisateurs de radars de haute
puissance sont désignés utilisateurs principaux (c.-à-d., qu’ils ont la priorité) pour les bandes 5
250-5 350 MHz et 5 650-5 850 MHz et que ces radars pourraient causer du brouillage et/ou
des dommages aux dispositifs LAN-EL.
Radiation Exposure Statement:
This equipment complies with IC radiation exposure limits set forth for an uncontrolled
environment. This equipment should be installed and operated with minimum distance 20cm
between the radiator & your body.
Déclaration d’exposition aux radiations:
Cet équipement est conforme aux limites d’exposition aux rayonnements IC établies pour un
environnement non contrôlé. Cet équipement doit être installé et utilisé avec un minimum de 20
cm de distance entre la source de rayonnement et votre corps.
65
MEXICO
Cofetel notice is: (Mexico COFETEL aviso:)
“La operación de este equipo está sujeta a las siguientes dos condiciones: (1) es posible que este
equipo o dispositivo no cause interferencia perjudicial y (2) este equipo o dispositivo debe aceptar
cualquier interferencia, incluyendo la que pueda causar su operación no deseada.”
BRAZIL
ANATEL RF STATEMENT
Per Article 6 of Resolution 506, equipment of restricted radiation must carry the following
statement in a visible location
“Este equipamento opera em caráter secundário, isto é, não tem direito a proteção contra
interferência prejudicial, mesmo de estações do mesmo tipo, e não pode causar interferência a
sistemas operando em caráter primário.”
ANATEL BODY SAR STATEMENT
“Este produto atende aos requisitos técnicos aplicados, incluindo os limites de exposição da
Taxa de Absorção Específica referente a campos elétricos, magnéticos e eletromagnéticos de
radiofrequência, de acordo com as resoluções n°303/2002 e 533/2009. Este produto atende às
diretrizes de exposição à RF na posição normal de uso a pelo menos X centímetros longe do
corpo, tendo sido os ensaios de SAR para corpo realizado a X cm de acordo com o informativo de
recomendação apresentado no manual do fabricante.”
KOREAN
䚨 ⱨ㉔㉘⽸⏈ 㟨㟝 㩅 㤸䑀䝰㐔 ᴴ⏙㉥㢨 㢼㢀
䚨 ⱨ㉔㉘⽸⏈ 㤸䑀䝰㐔 ᴴ⏙㉥㢨 㢼㡰⦐ 㢬⮹㙼㤸Ḱ Ḵ⥜═ ㉐⽸㏘⏈ 䚔 ㍌
㛺㢀
FCC NOTICE
FCC Class B Radio Frequency Interference Statement WARNING: (FOR FCC CERTIFIED
MODELS)
NOTE: This equipment has been tested and found to comply with the limits for a Class B digital
device, pursuant to Part 15 of the FCC Rules. These limits are designed to provide reasonable
protection against harmful interference in a residential installation. This equipment generates,
uses and can radiate radio frequency energy, and if not installed and used in accordance with
the instructions, may cause harmful interference to radio communications. However, there is no

66
guarantee that interference will not occur in a particular installation. If this equipment does cause
harmful interference to radio or television reception, which can be determined by turning the
equipment off and on, the user is encouraged to try to correct the interference by one or more of
the following measures:
Reorient or relocate the receiving antenna.
Increase the separation between the equipment and receiver.
Connect the equipment into an outlet on a circuit different from that to which the receiver is
connected.
Consult the dealer or an experienced radio/TV technician for help.
NOTICE:
The changes or modifications not expressly approved by the party responsible for compliance
could void the user’s authority to operate the equipment.
Shielded interface cables and AC power cord, if any, must be used in order to comply with the
emission limits.
The manufacturer is not responsible for any radio or TV interference caused by unauthorized
modification to this equipment. It is the responsibilities of the user to correct such interference. It
is the responsibility of the user to correct such interference
WEEE DECLARATION
Disposal of Waste Equipment by Users in Private Household in the European Union.
This symbol on the product or on its packaging indicates that this product must not be disposed
of with your other household waste. Instead, it is your responsibility to dispose of your waste
equipment by handing it over to a designated collection point for the recycling of waste electrical
and electronic equipment. The separate collection and recycling of your waste equipment at the
time of disposal will help to conserve natural resources and ensure that it is recycled in a manner
that protects human health and the environment. For more information about where you can drop
off your waste equipment for recycling, please contact your local city office, your household waste
disposal service or the shop where you purchased the product.

67
WEEE DECLARATION FOR INDIA
This symbol on the product or on its packaging indicates that this product must not be disposed
of with your other household waste. Instead it is your responsibility to dispose of your waste
equipment by handing it over to a designated collection point for the recycling of waste electrical
and electronic equipment. The separate collection and recycling of your waste equipment at the
time of disposal will help to conserve natural resources and ensure that it is recycled in a manner
that protects human health and the environment.
For more information about where you can drop off your waste equipment for recycling in India,
please visit the below web link.
www.aocindia.com/ewaste.php.
EPA ENERGY STAR
ENERGY STAR® is a U.S. registered mark. As an ENERGY STAR® Partner, AOC International
(Europe) BV and Envision Peripherals, Inc. have determined that this product meets the ENERGY
STAR® guidelines for energy efficiency.
(FOR EPA CERTIFIED MODELS)

68
SERVICE
WARRANTY STATEMENT FOR EUROPE
LIMITED THREE-YEAR WARRANTY*
For AOC LCD Monitors sold within Europe, AOC International (Europe) B.V. warrants this product
to be free from defects in material and workmanship for a period of Three (3) years after the
original date of consumer purchase. During this period, AOC International (Europe) B.V. will, at its
option, either repair the defective product with new or rebuilt parts, or replace it with a new or
rebuilt product at no charge except as *stated below. In the absent of the proof of purchase, the
warranty will start 3 months after the date of manufacturing indicated on the product.
If the product appears to be defective, please contact your local dealer or refer to the service and
support section on www.aoc-europe.com for the warranty instructions in your country. The freight
cost for the warranty is pre-paid by AOC for the delivery and return. Please ensure you provide a
dated proof of purchase along with the product and deliver to the AOC Certified or Authorized
Service Center under the following condition:Make sure the LCD Monitor is packed in a proper
carton box (AOC prefers the original carton box to protects your monitor well enough during
transport).
v Make sure the LCD Monitor is packed in a proper carton box (AOC prefers the original
carton box to protects your monitor well enough during transport).
v Put the RMA number on the address label.
v Put the RMA number on the shipping carton.
AOC International (Europe) B.V. will pay the return shipping charges within one of the countries
specified within this warranty statement. AOC International (Europe) B.V. is not responsible for any
costs associated with the transportation of product across international borders. This includes the
international border within the European Union. If the LCD Monitor is not available for collection
when the currier attends, you will be charged a collection fee.
* This limited warranty does not cover any losses or damages that occur as a result of:
v Damages during transport due to improper packaging
v Improper installation or maintenance other then in accordance with AOC’s user manual
v Misuse
v Neglect
v Any cause other than ordinary commercial or industrial application
v Adjustment by non-authorized source
v Repair, modification, or installation of options or parts by anyone other than an AOC Certified
or Authorized Service Center
v Improper environments like humidity, water damage and dusts
v Damaged by violence, earthquake and terrorist attacks
v Excessive or inadequate heating or air conditioning or electrical powers failures, surges, or
other irregularities.

69
This limited warranty does not cover any of the product firmware or hardware that you or any
third party have modified or altered; you bear the sole responsibility and liability for any such
modifications or alteration.
All AOC LCD Monitors are produced according to the ISO 9241-307 Class 1 pixel policy standards.
If your warranty has expired, you still have access to all available service options, but you will be
responsible for the cost of service, including parts, labor, shipping (if any) and applicable taxes. AOC
Certified or Authorized Service Center will provide you with an estimate of service costs before
receiving your authorization to perform service.
ALL EXPRESS AND IMPLIED WARRANTIES FOR THIS PRODUCT (INCLUDING THE
WARRANTIES OF MERCHANTABILITY AND FITNESS FOR A PARTICULAR PURPOSE) ARE
LIMITED IN DURATION TO A PERIOD OF THREE (3) YEARS FOR PARTS AND LABOR FROM
THE ORIGINAL DATE OF CONSUMER PURCHASE. NO WARRANTIES (EITHER EXPRESSED
OR IMPLIED) APPLY AFTER THIS PERIOD. AOC INTERNATIONAL (EUROPE) B.V. OBLIGATIONS
AND YOUR REMEDIES HEREUNDER ARE SOLELY AND EXCULSIVELY AS STATED HERE.
AOC INTERNATIONAL (EUROPE) B.V. LIABILITY, WHETHER BASED ON CONTRACT, TORT,
WARRANTY, STRICT LIABILITY, OR OTHER THEORY, SHALL NOT EXCEED THE PRICE OF
THE INDIVIDUAL UNIT WHOSE DEFECT OR DAMAGE IS THE BASIS OF THE CLAIM. IN
NO EVENT SHALL AOC INTERNATIONAL (EUROPE) B.V. BE LIABLE FOR ANY LOSS OF
PROFITS, LOSS OF USE OR FACILITIES OR EQUIPMENT, OR OTHER INDIRECT, INCIDENTAL,
OR CONSEQUENTIAL DAMAGE. SOME STATES DO NOT ALLOW THE EXCLUSION OR
LIMITATION OF INCIDENTAL OR CONSEQUENTIAL DAMAGES, SO THE ABOVE LIMITATION
MAY NOT APPLY TO YOU. ALTHOUGH THIS LIMITED WARRANTY GIVES YOU SPECIFIC
LEGAL RIGHTS, YOU MAY HAVE OTHER RIGHTS, WHICH MAY VARY FROM COUNTRY TO
COUNTRY. THIS LIMITED WARRANTY IS ONLY VALID FOR PRODUCTS PURCHASED IN THE
MEMBER COUNTRIES OF THE EUROPEAN UNION.
Information in this document is subject to change without notice. For more information, please
visit: http://www.aoc-europe.com

70
WARRANTY STATEMENT FOR MIDDLE EAST AND AFRICA (MEA)
AND
The Commonwealth of Independent States (CIS)
LIMITED ONE to THREE YEARS WARRANTY*
For AOC LCD Monitors sold within the Middle East and Africa (MEA) and the Commonwealth
of Independent States (CIS), AOC International (Europe) B.V. warrants this product to be free
from defects in material and workmanship for a period of One (1) to Three (3) years from the
manufacture date depending on sale country. During this period, AOC International (Europe) B.V.
offers a Carry-In (return to Service Center) Warranty Support at an AOC’s Authorized Service
Center or Dealer and at its option, either repair the defective product with new or rebuilt parts,
or replace it with a new or rebuilt product at no charge except as *stated below. As a Standard
Policy, the warranty will be calculated from the manufacture date identified from the product ID
serial number, but the total warranty will be Fifteen (15) months to Thirty Nine (39) months from
MFD (manufacture date) depending on sale country. Warranty will be considered for exceptional
cases that are out of warranty as per the product ID serial number and for such exceptional cases;
Original Invoice/Proof Of Purchase Receipt is mandatory.
If the product appears to be defective, please contact your AOC authorized dealer or refer to the
service and support section on AOC’s website for the warranty instructions in your country:
Egypt: http://aocmonitorap.com/egypt_eng
v CIS Central Asia: http://aocmonitorap.com/ciscentral
v Middle East: http://aocmonitorap.com/middleeast
v South Africa: http://aocmonitorap.com/southafrica
v Saudi Arabia: http://aocmonitorap.com/saudiarabia
Please ensure you provide a dated proof of purchase along with the product and deliver to the
AOC Authorized Service Center or Dealer under the following condition:
v Make sure the LCD Monitor is packed in a proper carton box (AOC prefers the original
carton box to protects your monitor well enough during transport).
v Put the RMA number on the address label
v Put the RMA number on the shipping carton
* This limited warranty does not cover any losses or damages that occur as a result of:
v Damages during transport due to improper packaging
v Improper installation or maintenance other then in accordance with AOC’s user manual
v Misuse
v Neglect
v Any cause other than ordinary commercial or industrial application
v Adjustment by non-authorized source
v Repair, modification, or installation of options or parts by anyone other than an AOC Certified

71
or Authorized Service Center
v Improper environments like humidity, water damage and dusts
v Damaged by violence, earthquakes and terrorist attacks
v Excessive or inadequate heating or air conditioning or electrical powers failures, surges, or
other irregularities
This limited warranty does not cover any of the product firmware or hardware that you or any
third party have modified or altered; you bear the sole responsibility and liability for any such
modifications or alteration.
All AOC LCD Monitors are produced according to the ISO 9241-307 Class 1 pixel policy standards.
If your warranty has expired, you still have access to all available service options, but you will be
responsible for the cost of service, including parts, labor, shipping (if any) and applicable taxes. AOC
Certified, Authorized Service Center or dealer will provide you with an estimate of service costs
before receiving your authorization to perform service.
ALL EXPRESS AND IMPLIED WARRANTIES FOR THIS PRODUCT (INCLUDING THE
WARRANTIES OF MERCHANTABILITY AND FITNESS FOR A PARTICULAR PURPOSE) ARE
LIMITED IN DURATION TO A PERIOD OF ONE (1) to THREE (3) YEARS FOR PARTS AND
LABOR FROM THE ORIGINAL DATE OF CONSUMER PURCHASE. NO WARRANTIES (EITHER
EXPRESSED OR IMPLIED) APPLY AFTER THIS PERIOD. AOC INTERNATIONAL (EUROPE)
B.V. OBLIGATIONS AND YOUR REMEDIES HEREUNDER ARE SOLELY AND EXCULSIVELY
AS STATED HERE. AOC INTERNATIONAL (EUROPE) B.V. LIABILITY, WHETHER BASED
ON CONTRACT, TORT, WARRANTY, STRICT LIABILITY, OR OTHER THEORY, SHALL NOT
EXCEED THE PRICE OF THE INDIVIDUAL UNIT WHOSE DEFECT OR DAMAGE IS THE BASIS
OF THE CLAIM. IN NO EVENT SHALL AOC INTERNATIONAL (EUROPE) B.V. BE LIABLE
FOR ANY LOSS OF PROFITS, LOSS OF USE OR FACILITIES OR EQUIPMENT, OR OTHER
INDIRECT, INCIDENTAL, OR CONSEQUENTIAL DAMAGE. SOME STATES DO NOT ALLOW
THE EXCLUSION OR LIMITATION OF INCIDENTAL OR CONSEQUENTIAL DAMAGES, SO
THE ABOVE LIMITATION MAY NOT APPLY TO YOU. ALTHOUGH THIS LIMITED WARRANTY
GIVES YOU SPECIFIC LEGAL RIGHTS, YOU MAY HAVE OTHER RIGHTS, WHICH MAY VARY
FROM COUNTRY TO COUNTRY. THIS LIMITED WARRANTY IS ONLY VALID FOR PRODUCTS
PURCHASED IN THE MEMBER COUNTRIES OF THE EUROPEAN UNION.
Information in this document is subject to change without notice. For more information, please
visit: http://www.aocmonitorap.com

72
AOC International (Europe) B.V.
Prins Bernhardplein 200 / 6th floor, Amsterdam, The Netherlands
7HOv)D[
AOC PIXEL POLICY
ISO 9241-307 CLASS 1
July 25th, 2013
AOC strives to deliver the highest quality products. We use some of the industry’s most advanced
manufacturing processes and practice stringent quality control. However, pixel or sub pixel
defects on the TFT monitor panels used in flat panel monitors are sometimes unavoidable. No
manufacturer can guarantee that all panels will be free from pixel defects, but AOC guarantees that
any monitor with an unacceptable number of defects will be repaired or replaced under warranty.
This Pixel Policy explains the different types of pixel defects and defines acceptable defect levels for
each type. In order to qualify for repair or replacement under warranty, the number of pixel defects
on a TFT monitor panel must exceed these acceptable levels.
Pixels and Sub Pixel Definition
A pixel, or picture element, is composed of three sub pixels in the primary colors of red, green
and blue. When all sub pixels of pixel are lit, the three colored sub pixel together appear as a single
white pixel. When all are dark, the three colored sub pixels together appear as a single black pixel.
Types of Pixel Defects
v Bright Dot Defects: the monitor displays a dark pattern, sub pixels or pixels are always lit or “on”
v Black Dot Defects: the monitor displays a light pattern, sub pixels or pixels are always dark or
“off”.
ISO 9241-307
Pixel Defect Class
Defect Type 1
Bright Pixel
Defect Type 2
Black Pixel
Defect Type 3
Bright Sub pixel
Defect Type 4
Black Sub pixel
Class 1 1 1
2 + 1
1 + 3
0 + 5
AOC International (Europe) B.V.

73
WARRANTY STATEMENT FOR NORTH & SOUTH AMERICA
(EXCLUDING BRAZIL)
WARRANTY STATEMENT
for AOC Color Monitors
Including those Sold within North America as Specified
Envision Peripherals, Inc. warrants this product to be free from defects in material and workmanship
for a period of three (3) years for parts & labor and one (1) year for CRT Tube or LCD Panel after
the original date of consumer purchase. During this period, EPI ( EPI is the abbreviation of Envision
Peripherals, Inc. ) will, at its option, either repair the defective product with new or rebuilt parts, or
replace it with a new or rebuilt product at no charge except as *stated below. The parts or product
that are replaced become the property of EPI.
In the USA to obtain service under this limited warranty, call EPI for the name of the Authorized
Service Center closest to your area. Deliver the product freight pre-paid, along with the dated
proof of purchase, to the EPI Authorized Service Center. If you cannot deliver the product in
person:
v Pack it in its original shipping container (or equivalent)
v Put the RMA number on the address label
v Put the RMA number on the shipping carton
v Insure it (or assume the risk of loss/damage during shipment)
v Pay all shipping charges
EPI is not responsible for damage to inbound product that was not properly packaged.
EPI will pay the return shipment charges within one of the countries specified within this warranty
statement. EPI is not responsible for any costs associated with the transportation of product across
international borders. This includes the international borders of the countries within this warranty
statements.
In the United States and Canada contact your Dealer or EPI Customer Service, RMA Department
at the toll free number (888) 662-9888. Or you can request an RMA Number online at www.aoc.
com/na-warranty.
* This limited warranty does not cover any losses or damages that occur as a result of:
v Shipping or improper installation or maintenance
v Misuse
v Neglect
v Any cause other than ordinary commercial or industrial application
v Adjustment by non-authorized source
v Repair, modification, or installation of options or parts by anyone other than an EPI Authorized
Service Center
v Improper environment
v Excessive or inadequate heating or air conditioning or electrical power failures, surges, or
other irregularities

74
This three-year limited warranty does not cover any of the product’s firmware or hardware that
you or any third party have modified or altered; you bear the sole responsibility and liability for any
such modification or alteration.
ALL EXPRESS AND IMPLIED WARRANTIES FOR THIS PRODUCT (INCLUDING THE
WARRANTIES OF MERCHANTABILITY AND FITNESS FOR A PARTICULAR PURPOSE) ARE
LIMITED IN DURATION TO A PERIOD OF THREE (3) YEARS FOR PARTS AND LABOR AND
ONE (1) YEAR FOR CRT TUBE OR LCD PANEL FROM THE ORIGINAL DATE OF CONSUMER
PURCHASE. NO WARRANTIES (EITHER EXPRESSED OR IMPLIED) APPLY AFTER THIS PERIOD.
IN THE UNITED STATES OF AMERICA, SOME STATES DO NOT ALLOW LIMITATIONS ON
HOW LONG AN IMPLIED WARRANTY LASTS, SO THE ABOVE LIMITATIONS MAY NOT APPLY
TO YOU.
EPI OBLIGATIONS AND YOUR REMEDIES HEREUNDER ARE SOLELY AND EXCLUSIVELY AS
STATED HERE. EPI’ LIABILITY, WHETHER BASED ON CONTRACT, TORT. WARRANTY, STRICT
LIABILITY, OR OTHER THEORY, SHALL NOT EXCEED THE PRICE OF THE INDIVIDUAL UNIT
WHOSE DEFECT OR DAMAGE IS THE BASIS OF THE CLAIM. IN NO EVENT SHALL ENVISION
PERIPHERALS, INC. BE LIABLE FOR ANY LOSS OF PROFITS, LOSS OF USE OR FACILITIES
OR EQUIPMENT OR OTHER INDIRECT, INCIDENTAL, OR CONSEQUENTIAL DAMAGE. IN
THE UNITED STATES OF AMERICA, SOME STATES DO NOT ALLOW THE EXCLUSION OR
LIMITATION OF INCIDENTAL OR CONSEQUENTIAL DAMAGES. SO THE ABOVE LIMITATION
MAY NOT APPLY TO YOU. ALTHOUGH THIS LIMITED WARRANTY GIVES YOU SPECIFIC
LEGAL RIGHTS. YOU MAY HAVE OTHER RIGHTS WHICH MAY VARY FROM STATE TO STATE.
In the United States of America, this limited warranty is only valid for Products purchased in the
Continental United States, Alaska, and Hawaii.
Outside the United States of America, this limited warranty is only valid for Products purchased in
Canada.
Information in this document is subject to change without notice.
For more details, please visit:
v USA: http://us.aoc.com/support/find_service_center
v ARGENTINA: http://ar.aoc.com/support/find_service_center
v BOLIVIA: http://bo.aoc.com/support/find_service_center
v CHILE: http://cl.aoc.com/support/find_service_center
v COLOMBIA: http://co.aoc.com/support/find_service_center
v COSTA RICA: http://cr.aoc.com/support/find_service_center
v DOMINICAN REPUBLIC: http://do.aoc.com/support/find_service_center
v ECUADOR: http://ec.aoc.com/support/find_service_center
v EL SALVADOR: http://sv.aoc.com/support/find_service_center
v GUATEMALA: http://gt.aoc.com/support/find_service_center
v HONDURAS: http://hn.aoc.com/support/find_service_center
v NICARAGUA: http://ni.aoc.com/support/find_service_center
v PANAMA: http://pa.aoc.com/support/find_service_center

75
v PARAGUAY: http://py.aoc.com/support/find_service_center
v PERU: http://pe.aoc.com/support/find_service_center
v URUGUAY: http://pe.aoc.com/support/find_service_center
v VENEZUELA: http://ve.aoc.com/support/find_service_center
v IF COUNTRY NOT LISTED: http://latin.aoc.com/support/find_service_center
EASE PROGRAME
Only for AOC branded monitors sold within the continental United States.
All AOC branded monitors are now covered by the EASE Program. If your monitor malfunctions at
any time during the first three months, AOC will provide a replacement monitor within 72 hours
after you are approved for our program. If your monitor qualifies for the EASE program, AOC will
pay for freight both ways.
Step 1: Phone our TECH Department at 888.662.9888.
Step 2: Fill out and return EASE registration forms by mail or fax.
Step 3: We will issue a Return Authorization Number upon verification into the program.
Step 4: A monitor will be advance shipped to your location.
Step 5: We will issue a UPS Call Tag to pick up the defective unit.
Step 6: Please review the following chart to see your EASE program qualifications.
WARRANTY PERIOD COVERAGE AT NO
CHARGE
CUSTOMER CHARGES
Within the first three months
of purchase: Covered by EASE
- New AOC monitor
- Call tag dispatched and
return freight charges via
UPS
- None*
Between 4 months – 1 Year - All Parts & Labor Including
CRT Tube & LCD Panel
- UPS Return Freight to AOC
Between 1 Year - 3 Years:
Covered by standard limited
warranty
- Parts & Labor (excluding
CRT Tube & LCD Panel)
- UPS Return Freight to AOC
*AOC will need to obtain a credit card number if you would like to get a new AOC monitor
advanced shipped to your location, prior to the defective unit arriving at AOC’s service center.
If you do not wish to supply a credit card, AOC will only ship the new monitor, once the defective
unit arrives at the AOC service center.
www.aocmonitor.com