Applied Satellite Technology AD511 AD511 Iridium Active Antenna User Manual
Applied Satellite Technology LTD AD511 Iridium Active Antenna
User Manual

AD511 Active Iridium Antenna User Manual
June 2013
AD511 Active Iridium Transmitter/Receiver Antenna with up
to 160 metres of coaxial down-lead and DC Power Break-In
Box for Iridium Satellite Systems

2
Contents | Applied Satellite Technology
Contents
Contents ............................................................................................................................. 2
Introduction ....................................................................................................................... 5
Mounting and Operation ................................................................................................ 6
Figures ................................................................................................................................. 8
Figure 1. AD511 Active Iridium antenna .................................................................. 8
Figure 2. AD511 Active Iridium antenna with mounting bracket and coaxial
down-lead..................................................................................................................... 8
Figure 3. AD510-40 Power Break-In Box for use with +18 to +36 v DC supply. ... 9
Figure 4. Schematic diagram for system connections ........................................ 10

3
Contents | Applied Satellite Technology
FCC 15.19 (a)
This device complies with Part 15 of the FCC Rules.
Operation is subject to the following two conditions:-
(1) This device may not cause harmful interference, and
(2) This device must accept any interference received, including
interference that may cause undesired operation.
FCC 15.105 (b)
The equipment has been tested and found to comply with the limits for a Class
B device, pursuant to Part 15 of the FCC Rules. These limits are designed to
provide reasonable protection against harmful interference in a residential
installation.
This equipment generates, uses, and can radiate radio frequency energy and,
if not installed and used in accordance with the instructions, may cause
harmful interference to radio communications. However there is no guarantee
that interference will not occur in a particular installation. If this equipment
does cause harmful interference to radio or television reception, which can be
determined by turning the equipment off and on, the user is encouraged to try
to correct the interference by one or more of the following measures:-
-Reorient or relocate the receiving antenna.
-Increase the separation between the equipment and receiver.
-Connect the equipment into an outlet on a circuit different from that to which
the receiver is connected.
-Consult the dealer or an experienced radio/TV technician for help.
Conformite aux norms FCC Cet equipment a ete teste et trouve conforme aux
limites pour un dispositive numerique de Classe B, conformément à la Partie 15
des règlements de la FCC. Ces limites sont conçues pour fournir une protection
raisonnable contre les interférences nuisibles dans une installation résidentielle.
Cet équipement génère, utilise et peut émettre des fréquences radio et, s'il
n'est pas installé et utilisé conformément aux instructions du fabricant, peut
causer des interférences nuisibles aux communications radio.
Rien ne garantit cependant que l’interference ne se produiront pas dans une
installation particulière. Si cet équipement provoque des interférences nuisibles
à la réception radio ou télévision, ce qui peut être déterminé en allumant et en
éteignant, l'utilisateur est encouragé à essayer de corriger l'interférence par un
ou plusieurs des mesures suivantes: -
-Réorienter ou déplacer l'antenne de réception.
-Augmenter la distance entre l'équipement et le récepteur.
-Brancher l'équipement dans une prise sur un circuit différent de celui auquel le
recepteur est connecte

4
Contents | Applied Satellite Technology
- Consulter votre revendeur ou un technicien radio / TV pour assistance.
ICES-003 :6.2
This Class B digital apparatus complies with Canadian ICES-003.
Cet appareil numerique de la Classe B est conforme a la norme NMB-003 du
Canada.
7.1.3 User Manual Notice for License-Exempt Radio Apparatus
This devise complies with Industry Canada license-exempt RSS Standard(s).
Operation is subject to the following two conditions:-
(1) This device may not cause interference, and
(2) This device must accept any interference, including interference that
may cause undesired operation of the device
Cet appareil et conforme avec Industrie Canada exempts de licence RSS
standard (s).
Son fonctionnement est soumis aux deux conditions suivantes: -
(1) Ce appareil ne peut causer des interférences, et
(2) Cet appareil doit accepter toute interférence, y compris des interférences
qui peuvent provoquer un fonctionnement indésirable du périphérique.
RF Exposure Warning:
To satisfy FCC RF exposure requirements for mobile transmitting devices, the
minimum safe distance is 55cm (21.7ins). This separation distance should be
maintained between antenna and people whilst the antenna is in use.
Country of manufacture: United Kingdom

5
Introduction | Applied Satellite Technology
Introduction
Iridium telephones were originally designed to operate with a passive antenna,
either an element attached directly to the handset, or a remote aerial
connected with a short length of coaxial cable. Unfortunately, a signal loss of
more than 3dB in a remote antenna’s connecting cable degrades
performance due to attenuation of both the received and transmitted signals.
A 3dB loss corresponds to approximately 10m of RG213U or 3m of RG58U
coaxial cable, lengths that clearly restrict the mounting options for the antenna
using standard down-leads.
AD511 active Iridium antenna (figure 1 & figure 2) is designed for use with up to
160 meters of coaxial cable terminated with type ‘N’ connectors, and with
coax lengths starting from 27meters – subject to AST advice.
Designed for harsh environments, the AD511 consists of two RHCP dipole
antenna housed within a 4mm thick GRP radome mounted on a common
base. One antenna is for signal transmission and one for reception.
AD511 has a linear power amplifier within the base and connected to the
transmitting antenna compensates for signal loss incurred mainly by the
connecting cable. Similarly, a low noise amplifier is attached to the receiving
antenna via a low loss ceramic filter to boost the signal sent to the telephone.
The ceramic filter has a bandwidth of 25 MHz centred on the Iridium band
designed to attenuate any out of band interference that may arise, for
example from nearby Inmarsat uplinks.
Using manufacturing techniques proven for a range of extremely rugged
GPS/DGP active antenna, the base is milled from aluminium and hard
anodised, giving an attractive finish, which is mechanically resilient and
resistant to corrosion. The antenna’s mass is 0.8kg.

6
Mounting and Operation | Applied Satellite Technology
Mounting and Operation
AD511 should be mounted with an unobstructed view of the sky. An aluminium
bracket with V-bolts is provided to attach the antenna to horizontal or vertical
masts or spars up to 60mm in diameter, figure 2. The bracket is shipped inverted
on the end of the AD511 antenna and should be detached, turned over, then
repositioned either to the centre or end of the antenna case as required using
the mounting holes in the base.
The coaxial down-lead is attached to the N-type connector on the underside
of the antenna, figure 2. Wrapping the connectors with self-amalgamating
tape is recommended for permanent installations and the cable should be
taped or strapped to the spar as appropriate.
AD511 antenna supplied with coaxial down-leads must be used with the
accompanying AD510-40 DC Power Break-In Box (figure 3), which accepts
+18V to +36V DC at 500mA. The down-lead must not be shortened by the user.
The warranty will be invalidated if damage is caused to the antenna by the
shortening of coax downleads.
AD510-40 Power Break-In should be positioned close to the telephone base-
station or handset. The coaxial down-lead is then attached to the N type
connector on the AD510-40 (figure 3 & figure 4).
Connection between the telephone and the AD510-40 is made with a coaxial
cable terminated with TNC connectors. An adapter is provided with the Iridium
handset, which enables a TNC terminated cable to be attached to the
telephone. AD510-40 case has drilled flanges to enable permanent fixing.
A 3m flying lead for the AD510-40 Power Break-In Box is provided for connection
to the DC supply (+18 to 36 v DC at 500mA), which can be trimmed (or
extended) if necessary. The red wire is connected to supply positive, whilst the
blue wire is for either an isolated or grounded negative supply. AD510-40 is
protected against output short-circuiting by a fuse, which is resettable by
disconnecting the unit from the +18 to +36 v DC supply.

7
Mounting and Operation | Applied Satellite Technology
With all connections made, the telephone can then be turned on and used as
normal - it is transmitting into a load impedance equivalent to a matched
passive antenna. The gains of the antenna transmitter and receiver are factory
set to compensate for the total attenuation between the telephone and the
antenna, mainly determined by the coaxial down-lead. Consequently, the
signal output level and frequency from the antenna is equivalent to that
radiating from a passive antenna mounted directly on the handset, subject to
the antenna transmitter being a linear device. Transmitter linearity is verified
with test protocols using an HP 8591 EMC analyser that also ensure there are no
spurious out of band emissions.

8
Figures | Applied Satellite Technology
Figures
Figure 1. AD511 Active Iridium antenna
Figure 2. AD511 Active Iridium antenna with mounting bracket and coaxial
down-lead

9
Figures | Applied Satellite Technology
Figure 3. AD510-40 Power Break-In Box for use with +18 to +36 v DC supply.
The case is hard anodised aluminium and has fixing flanges. A 40m coil of
RG213U cable is shown connected to an AD511 active antenna (top). The
handset interconnect is shown trailing from the TNC to the bottom left, whilst
the flying lead for connection to 18 to 36 v DC supply is shown cutting the
frame to the left.

10
Figures | Applied Satellite Technology
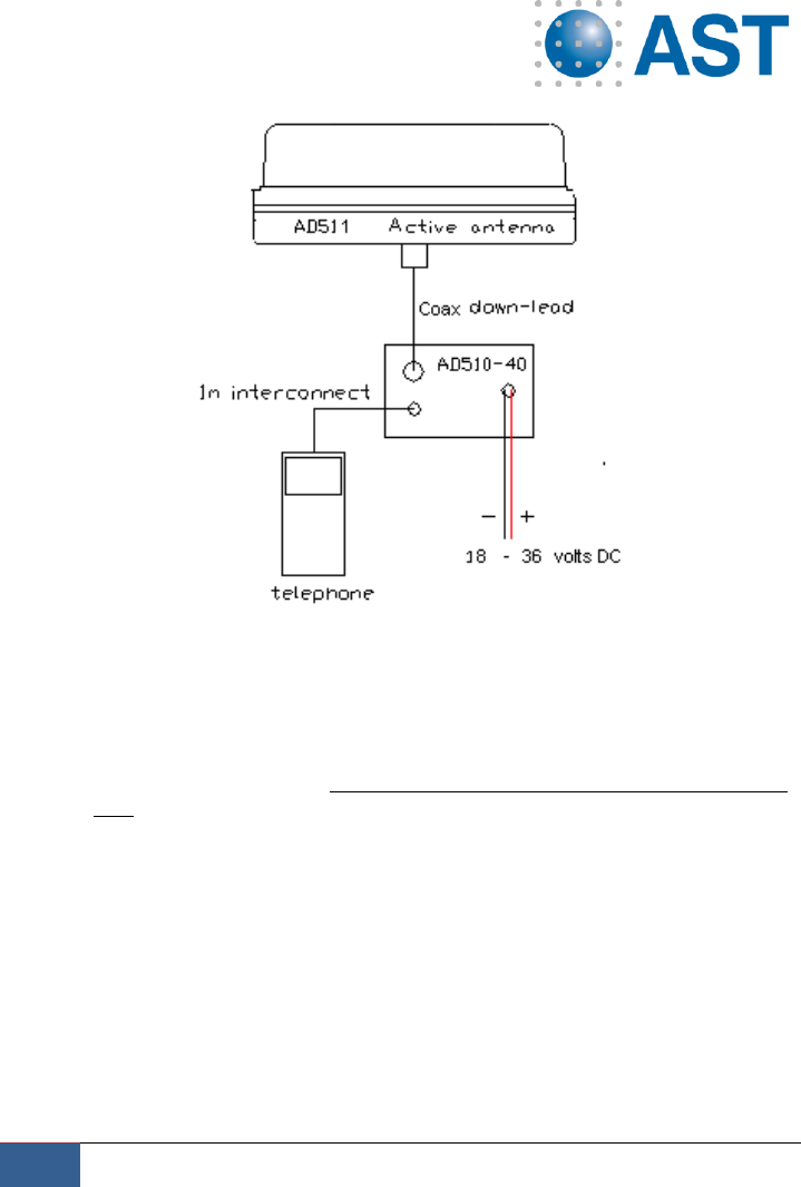
Figure 4. Schematic diagram for system connections
Mount AD511 active antenna with clear view of sky using bracket
supplied.
Attach top end of coax down-lead to N type connector on underside
of antenna.
Attach bottom end of down-lead to N type connector to the Power
Break-In Box AD510-40. The down-lead must not be shortened by the
user.
Attach interconnect between TNC on AD510-40 and telephone (or
base station) using the antenna adapter provided with the phone.
Attach DC supply lead to +18 to +36 v DC supply (600mA max). Red
lead to +supply, Blue to –supply.
Turn on Iridium telephone and log-in.