Arcade Mighty Mini Manual Service User
Mighty Mini Manual Mighty Mini Manual
2013-09-30
User Manual: Arcade Mighty Mini Manual
Open the PDF directly: View PDF
.
Page Count: 14

2
TABLE OF CONTENTS
INTRODUCTION 1
SET UP/ TESTING/
MAINTENANCE
2-5
PROGRAMMING 6-9
QUICK TROUBLESHOOTING 10-11
GAME REPAIR 12-14
PARTS LISTINGS 15
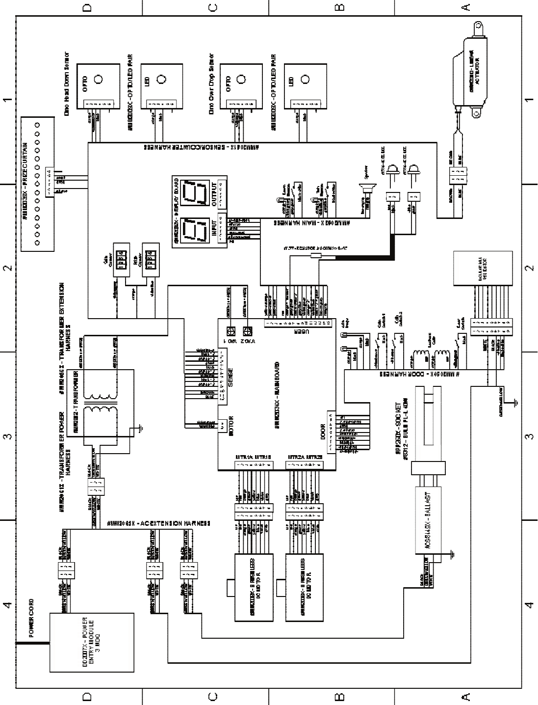
SCHEMATICS 16-32
WARRANTY INFORMATION 33
TABLE OF CONTENTS
INTRODUCTION………………………………………...PAGE 3
• GAME FEATURES
• GAME PLAY
SET-UP / TESTING / MAINTENANCE………………..PAGE 4 - 9
• SAFETY PRECAUTIONS
• GAME SET-UP
• TESTING
• JAW ADJUSTMENT
• PROGRAMMING
• DIP SWITCH SETTINGS
• CLEANING
• GAME RELOCATION
QUICK TROUBLESHOOTING…………………………PAGE 10
• PROBLEMS AND SOLUTIONS
GAME REPAIR…………………………………………..PAGE 11
• MECHANICAL REPAIR
• ELECTRICAL / ELECTRONIC REPAIR
PARTS LISTINGS……………………………………….PAGE 12
SCHEMATICS / WIRING DIAGRAMS………………...PAGE 13
ICEDOC MM9001
REVISION B 8-30-04

3
INTRODUCTION
GAME FEATURES
The new MIGHTY MINI™ by I.C.E. was designed
with the operator in mind. Reliability, low
maintenance, available custom cabinetry, and all
metal exterior construction are some of the most
important design features to be added to the newest
member of our merchandiser family.
The new MIGHTY MINI™ game features a robotic
moveable dinosaur. The dinosaur is fabricated from
aircraft grade aluminum. A tough, durable long
lasting powder coat finish is applied to the dinosaur
for an attractive finish.
A revolving “Prize Tub” makes retrieving a certain
prize more challenging to the player. The revolving
“Prize Tub” is made from .25 thick ABS plastic
material that is very durable. As an extra feature, a
prize tub insert is included with the game. For small
prizes, the insert should be used so that a large
quantity of prizes will not be required to fill up the
tub. For larger prizes, the insert may be removed.
To keep things easy for the operator, all of our best
features have been carried over from our other
designs. Things such as an all-metal exterior,
powdered epoxy paint, tempered glass windows,
and full-featured programming are standards you’ve
come to expect from I.C.E. products.
The MIGHTY MINI™ uses state of the art
electronics with a new drive circuit for all motors. In
our new design, even direct short circuits won’t
damage the motor or coil drivers. The protection is
built into the drivers themselves!
This merchandiser has been made to give you a
merchandiser that is competitive with other smaller
merchandisers of its size, but it has been
engineered to leave the competition behind. Every
aspect of small merchandiser design has been
scrutinized and improved to bring it up to the
standards necessary to compete in today’s market.
We hope you thoroughly enjoy your ownership
experience with your new MIGHTY MINI™
merchandiser. If you have any questions or
comments, please contact our service department
at: (716) 759-0360
GAME PLAY
When the game is powered up for the first time, the
dinosaur will rise up out of the prize tub. The dino-
saur will then move from side to side and continue to
do so. The Prize Tub will also begin to spin. The
game is now in attract mode.
As coins or bills are inserted into the MIGHTY
MINI™, a jungle sound is heard. When sufficient
funds have been inserted, game play may begin.
As the Prize Tub is turning, the dinosaur may be
dropped at any time, by pressing the “Drop Dino”
button on the control panel. (Hint: making sure that
the dinosaur’s mouth is open before dropping will
make it easier to retrieve a prize)
After the dinosaur has dropped into the prize tub, the
lever on the side of the control panel may be pushed
or pulled to “grab” a prize. After a few seconds, the
dinosaur will then begin to rise out of the prize tub
with or without a prize.
The dinosaur will go “home” (over prize chute) in
whatever direction is most sufficient. The dinosaur
will stop over the prize chute for a predetermined
length of time. Pull the lever to open the jaws and
drop the prize. If there is no prize in the dinosaur’s
jaws, there is no need to open or close the jaws. Af-
ter a few seconds the dinosaur will begin to move
from side to side again, waiting for the next game to
be played.

4
GAME SET-UP / TESTING
SAFETY
PRECAUTIONS
IMPORTANT: FAILURE TO FOLLOW THESE
DIRECTIONS CLOSELY COULD CAUSE SERIOUS
DAMAGE TO YOUR GAME.
WARNING: WHEN INSTALLING THIS GAME, A
3-PRONG GROUNDED RECEPTACLE MUST BE
USED. FAILURE TO DO SO COULD RESULT IN
SERIOUS INJURY TO YOURSELF OR OTHERS.
FAILURE TO USE A GROUNDED RECEPTACLE
COULD ALSO CAUSE IMPROPER GAME
OPERATION, OR DAMAGE TO THE
ELECTRONICS.
DO NOT DEFEAT OR REMOVE THE GROUNDING
PRONG ON THE POWER CORD FOR THE SAME
REASONS AS GIVEN ABOVE. USING AN
IMPROPERLY GROUNDED GAME COULD VOID
YOUR WARRANTY.
PAY SPECIAL ATTENTION TO THE SET UP
SECTION BELOW, REGARDING THE VOLTAGE
SETTINGS.
GAME SET-UP
BEFORE PLUGGING THE GAME IN, OR TURNING
IT ON, BE SURE THE GAME HAS BEEN SET TO
THE PROPER VOLTAGE. YOUR GAME SHOULD
COME PRE-SET FROM THE FACTORY TO THE
CORRECT VOLTAGE, HOWEVER IT IS A GOOD
IDEA TO CHECK THE A.C. WALL RECEPTACLE
VOLTAGE BEFORE PLUGGING THE GAME IN.
The Game comes with 4 available voltage settings
as described below. These settings should be used
to provide power in the correct range to the game
without over or under powering it.
NOTE: THIS GAME IS FOR INDOOR
USE ONLY.
POWER RANGE VOLTAGE SETTING
90 – 110 V.A.C. 110
110 – 130 V.A.C. 120
200 – 220 V.A.C. 220
220 – 240 V.A.C. 240
The game uses a POWER MODULE to handle all of
the power distribution chores on the game. It
incorporates an ON-OFF switch, primary A.C. game
fusing, and power switching capabilities, for using
the game with a wide variety of A.C. voltages by
re-strapping the main transformer.
A.C. LINE VOLTAGE
ADJUSTMENT
To adjust the game for a different A.C. voltage:
1. Unplug the game from the outlet
2. Disconnect the power cord from the power
module.
3. Using a small flat blade screwdriver, pry the fuse
holder from the power module.
4. Notice a small window on the fuse holder with an
arrow that points to the voltage the game is
presently set alt.
5. Using the small flat blade screwdriver, lift the
retaining tab that holds the voltage selector in
the fuse holder.
6. Rotate the voltage selector until the voltage you
want is displayed in the voltage select window.
7. Push the voltage selector back into the fuse
holder until it snaps into place. NOTE: Do not
force the selector into the fuse holder. If it does
not go in easily, it is not being installed correctly.
8. Snap the fuse holder assembly back into the
power module.
9. Plug the power cord back into the receptacle in
the power module, and into the wall outlet.
NOTE: WHEN CHANGING FROM 110-120 TO 220-
240, LOWER THE MAIN FUSE VALUE BY ½.
WHEN CHANGING FROM 220-240 TO 110-120,
DOUBLE THE MAIN FUSE VALUE.

5
GAME SET-UP / TESTING
JAW ADJUSTMENT
Depending on the size & type of prizes you wish to
use in the game, changing the jaw open / close
adjustment may need to be done.
Begin by unlocking and opening the front door. On
the inside of the door, locate the jaw stop bracket.
Loosen and remove the two wing nuts.
Loosen the two Nylock nuts and adjust the stops for
the cable lever to the desired “open/close” jaw
positions. Retighten the Nylock nuts and reattach
the bracket to the door.
Please see the next 2 pages for
adjustment illustrations.
TESTING
After the initial setup, it is time to test your game for
proper operation.
1. Locate the game in its permanent location.
2. Be sure the game has been properly plugged
into a 3 prong grounded outlet, and that the
receptacle is in good working order.
3. If using an extension cord, be sure it is a 3
prong grounded type of at least 16Ga.
4. Verify that the game is set up for the proper
voltage, and turn the power to the game on.
5. The game will run through a test mode at
every startup. See test mode explanation in
the programming section for details.
6. Insert coins/bills into the machine at least ten
times into the coin mech/bill acceptor to
assure proper operation
7. Check the credit and prize counters for
proper operation.
8. Check game volume during busy time at
location to set it at the proper level.
WING
NUTS
NYLOCK
NUTS
OPEN JAW STOP
CLOSE JAW STOP
JAW STOP
BRACKET

6
GAME SET-UP / TESTING
JAW OPENING ADJUSTMENT
Shown below are the various adjustments of the jaw “stops” to obtain the desired jaw opening. The jaw stop
bracket has been removed from the game for clarity.
JAW - EXTREME
CLOSED POSITION
JAW WILL NOT
OPEN
JAW - EXTREME
OPEN / CLOSED
POSITION
JAW WILL OPEN /
CLOSE
COMPLETELY
JAW - MIDDLE
POSITION
JAW WILL ONLY
OPEN FOR THIS
DISTANCE

7
GAME SET-UP / TESTING
JAW CLOSING ADJUSTMENT
Shown below are the various adjustments of the jaw “stops” to obtain the desired jaw closing. The jaw stop
bracket has been removed from the game for clarity.
JAW - EXTREME
OPEN / CLOSED
POSITION
JAW WILL OPEN /
CLOSE
COMPLETELY
JAW - MIDDLE
POSITION
JAW WILL ONLY
CLOSE FOR THIS
DISTANCE
JAW - EXTREME
OPEN POSITION
JAW WILL NOT
CLOSE

8
GAME SET-UP / TESTING
MODE DESCRIPTION MIN / MAX / DEF MEANING
(Credit Display) (Timer Display)
BASIC PROGRAMMING
0 Default 0, 2, 0 2 - Sets to Factory Default
1 Play Rate 5, 99, 15 How fast timer decrements
2 Play Time Amount 60, 99, 99 Game time length
3 Attract Seconds 10, 99, 60 Length of time between attract modes
4 Dino Down Seconds 1, 20, 9 Number of seconds Dino travels down
5 Dino Up Seconds 4, 6, 4 Number of seconds Dino travels after being in
Prize Tub
6 PlayTillWinMaxAtm 3, 99, 5 Maximum time to try to win until prize is won
7 PlaTillWinWaitSc 2, 99, 5 Time Dino will wait over Prize Chute
8 WaitToGrabPrizeFi 1, 20, 4 Time Dino will wait to return to the up position
after it contacts prizes
9 Exit 0, 1, 0 1 - Exit Programming Mode
To enter programming mode, press the select but-
ton. Use the increment/decrement buttons to obtain
the desired mode.
Press the select button to enter the chosen mode.
Use the increment/decrement buttons to obtain the
desired setting.
To save your settings, press the select button.
To exit programming mode, press the select button,
when the display shows “Eh”.
PROGRAMMING
SELECT BUTTON
DECREMENT BUTTON
INCREMENT BUTTON

9
CLEANING
Regular cleaning of the game will keep it looking
new and greatly enhance its appeal.
Clean the glass portions of your MIGHTY MINI™
with a standard window cleaner such as Windex®.
Clean the cabinet sides with a good cleaner such as
Fantastik® or Formula 409® and a soft rag. A mild
soapy solution can also be used.
NOTE: DO NOT USE ALCOHOL, THINNERS OF
ANY KIND, OR PINBALL PLAY FIELD CLEANERS
ON ANY OF THE CABINET SURFACES.
ESPECIALLY THE DECALS.
GAME RELOCATION
In the event that your game has to be moved
to a new location or returned for service, the
dinosaur must be in the lowered position as
shown in the photo below.
To lower Dino:
1. Coin up game.
2. Press the “Dino Drop” button when Dino is over
the Prize Chute.
3. When the Dino makes contact with the Prize
Fence, turn game off or unplug.
Be sure to wrap the dinosaur’s head with foam pad-
ding before moving the game.
IMPORTANT: DO NOT FASTEN THE DINOSAUR
TO THE PRIZE CHUTE OR ANY PART OF THE
GAME.
DINO IN LOWERED POSITION
IF YOU HAVE ANY QUESTIONS ABOUT
INSTALLATION OR PROPER FUNCTION OF
YOUR GAME, PLEASE CALL OUR CUSTOMER
SERVICE DEPARTMENT AT (716) 759-0360.
DIP SWITCH SETTINGS
#1 OFF & #2 OFF - 1 Quarter per game
#1 ON & #2 OFF — 2 Quarters per game
#1 OFF & #2 ON — 3 Quarters per game
#1 ON & #2 ON — 4 Quarters per game
#3 OFF & #4 OFF - 1 Play per Dollar
#3 ON & #4 OFF — 2 Plays per Dollar
#3 OFF & #4 ON — 3 Plays per Dollar
#3 ON & #4 ON — 4 Plays per Dollar
#5 ON - Play till win
#5 OFF - Normal Play with credit debit after each
game
#6 ON - Two Button Operation
#6 OFF - Normal Single Button Operation - Tub Stop
#7 On - Disable Prize Drop Checking
#7 OFF - Enable Prize Drop Checking
#8 ON - Disable Attract Mode
#8 OFF - Enable Attract Mode
DIP SWITCHES

10
QUICK TROUBLESHOOTING
PROBLEM
The dinosaur does not move side
to side smoothly
The dinosaur does not drop when
“Drop Dino” button is pushed
The dinosaur’s mouth does not
open or close when the handle is
pushed or pulled
The dinosaur does not rise up out
of the prize tub after grabbing
prize
Prize tub does not spin
Prize tub does not stop when the
“Drop Dino” button is pushed
Door will not lock properly or door
locks with difficulty
SOLUTION
Replace harness
Replace connectors
Replace fuse
Replace door switch
Replace button
Replace harness
Replace cable
Re-attach cable
Replace cable
Replace linear actuator
Re-program
Replace motor
Replace harness
Replace connectors
Replace door switch
Re-program
Lubricate lock rod guides with
molly grease
File lock rod guides so that door
closes. Do not file off too much
material - door must still close
tightly
CAUSE
Bad harness
Bad connectors
Blown fuse
Bad door interconnect switch
Bad button
Bad harness
Cable binding
Cable unattached
Cable broken
Bad linear actuator
Programming option
Bad motor
Bad connectors
Bad harnessing
Bad door interconnect switch
Programming option
Lock does not rotate smoothly
Lock rods binding on the lock cam
or lock rod guides

11
GAME REPAIR
WARNING: ALWAYS REMOVE POWER TO THE
GAME BEFORE ATTEMPTING ANY SERVICE,
UNLESS NEEDED FOR SPECIFIC TESTING.
FAILURE TO OBSERVE THIS PRECAUTION
COULD RESULT IN SERIOUS INJURY TO
YOURSELF OR OTHERS.
OPERATIONAL
BACKGROUND
The MIGHTY MINI™ coin operated amusement
game has been designed for an absolute minimum
of service.
TROUBLESHOOTING
PHILOSOPHY
To find problems with this game, always first check
what should be obvious. See that the game is
plugged in, and all of the fuses on the game are
good. This includes the fuse that is located INSIDE
the power module.
Next, check to see that all of the connectors are
firmly seated, and that none of the wires have pulled
out of them.
When trying to find out if specific components are
bad or not, try swapping them with components from
another player station to see if the problem moves
with the component, or stays where it was. This will
help you to know if you have a problem with a
specific component, or maybe a problem with either
the wiring or the Main P.C. Board.
Use extreme caution when using probes or volt
meters if the game is powered up. If doing
continuity checks, it is important to disconnect the
harnessing at both ends, as attached they may yield
erroneous results.
If P.C. Boards are suspected as causing problems,
check to see that all I.C. chips are firmly seated on
the boards.
If light bulbs are suspected, swap them with one that
is known to work to narrow the problem down to bulb
or P.C. Board.

12
PARTS LISTINGS
MECHANICAL PARTS
CP2010 LINEAR ACTUATOR
HR1019 LEVELER FOOT - SHORT
MM1052 CASTER
MM1053 BEARING
MM1058-P802 COIN FUNNEL - HALF
MM1070 LINKAGE CABLE
MM3001 TUB
MM3010 PRIZE DEFLECTOR
WF1057 BRASS BUSHING
ELECTRICAL / ELECTRONIC
PARTS
2970 SWITCH - PUSH/PULL
8312 BULB PL-L 40 W
8449 BALLAST
CS2039X PCBA - PRIZE CURTAIN
FP2007 SPEAKER - 4" ROUND
MM2009X PCBA - OPTO SENSOR
HR2005 BUTTON - LARGE ROUND
MM2034X PCBA - MAIN
WF2002 TRANSFORMER
GRAPHICS
MM7001 DECAL - PRIZE DOOR
MM7002 DECAL - REAR GLASS ROCKS
MM7003 DECAL - FOOT PRINT
MM7004 DECAL - FRONT LOWER LOGO
MM7005 DECAL - SIDE LOGO
MM7008 DECAL - DROP DINO
MM7009 DECAL - FRONT GLASS
MM7010 DECAL - TOP LEAVES
MM9001 SERVICE MANUAL

Contacts at SEGA
Machine Sales
Telephone: +44 (0) 208 391 8090
Fax: +44 (0) 208 391 8099
www.sega-amusements.co.uk
SEGA Spares
Telephone: +44 (0) 208 391 8060
Fax: +44 (0) 208 391 8096
www.segatotalsolutions.com
Customer Services
Telephone: +44 (0) 208 391 8065
Fax: +44 (0) 208 391 8096

