Ariens 915075 Users Manual Zoom
915317 to the manual 822df422-853f-4746-9826-302ea2f689d8
2015-01-24
: Ariens Ariens-915075-Users-Manual-232387 ariens-915075-users-manual-232387 ariens pdf
Open the PDF directly: View PDF
.
Page Count: 36
- Decals-Safety
- Decals-Style
- Frame, Hood, Footrest, Casters and Tires
- Frame, Hood, Footrest, Casters and Tires
- Frame, Hood and Footrest
- Frame, Hood and Footrest
- Seat and Seat Support
- Seat and Seat Support
- Front Axle, Tires and Bumper
- Transaxle, Dump Valves and Rear Wheels
- Parking Brake
- Parking Brake
- Steering Controls
- Steering Controls
- Fuel Tank
- Fuel Tank
- Engine, Exhaust, Belts and Idlers
- Engine, Exhaust, Belts and Idlers
- Electrical System
- Electrical System
- Continuity Diagram
- Wiring Diagram
- Wiring Diagram
- Deck Lift
- Mower Deck, Belt, Idlers and Blades
- Mower Deck, Belt, Idlers and Blades
- Baffles and Chute
- Baffles and Chute
- Handle and Stabilizer Brackets
- Notes
- Mower Brackets and Rollers
- Mower Brackets and Rollers

Parts Manual
00696500 10/06
Printed in USA
Zoom
Models
915075 - Zoom 1640
915077 - Zoom 1840
915079 - Zoom 2044
915081 - Zoom 2348
915083 - Zoom 2552
915317 - Zoom 1540
915318 - Zoom 1744

2
THE MANUAL
Before you operate your unit, carefully and completely
read manuals supplied with the unit. The contents will
provide you with an understanding of safety instructions
and controls during normal operation and maintenance.
For your safety and the safety of others always read,
understand, and follow all DANGER, WARNING, and
CAUTION messages found in manuals and on safety
decals.
Hardware descriptions are given in decimals.
SERVICE AND REPLACEMENT
PARTS
When ordering replacement parts or making service
inquiries, know the Model and Serial numbers of your
unit and engine.
Numbers are located on the product registration card in
the unit literature package. They are printed on a serial
number label, located on the frame of your unit.
• Record Unit Model and Serial numbers here:
• Record Engine Model and Serial numbers here:
UNAUTHORIZED REPLACEMENT PARTS
Use only Ariens replacement parts. The replacement of
any part on this vehicle with anything other than an
Ariens authorized replacement part may adversely affect
the performance, durability, or safety of this unit and may
void the warranty. Ariens disclaims liability for any claims
or damages, whether warranty, property damage,
personal injury or death arising out of the use of
unauthorized replacement parts.
Decimals to Fractions
.063 1/16 .563 9/16
.125 1/8 .625 5/8
.188 3/16 .688 11/16
.250 1/4 .750 3/4
.313 5/16 .813 13/16
.375 3/8 .875 7/8
.438 7/16 .938 15/16
.500 1/2 1.00 1
PRODUCT REGISTRATION
The Ariens dealer must register the product at the time of
purchase. Registering the product will help the company
process warranty claims or contact you with the latest
service information. All claims meeting requirements
during the limited warranty period will be honored,
whether or not the product registration card is returned.
Keep a proof of purchase if you do not register your unit.
Customer Note: If Dealer does not register your product,
please fill out, sign and return the product registration
card to Ariens or go to www.ariens.com.
YOUR SATISFACTION IS
IMPORTANT
Questions? Please follow these helpful steps:
1. Refer to the manuals supplied with your unit.
They will guide you through safe and proper
operation and maintenance.
They contain specifications on your unit.
If your questions are not answered in these manuals,
go to step number two.
2. Contact Your Dealer.
Our dealers will be happy to supply any service or
advice required to keep your unit operating at peak
efficiency.
A factory trained staff is available to support your
equipment needs. They stock genuine Ariens parts
and lubricants manufactured with the same precision
and skill as the original.
If your questions are not resolved by the support
staff, ask for the manager or owner.
When contacting your Dealer supply your model and
serial numbers.
TO SPEED PARTS ORDERING:
1. Know the model and serial numbers of your unit.
2. Know the part number required.
3. Know the quantity required.
4. Know the part description.

3
MODELS
Model 915075 (Zoom 1640)
16hp Kohler with 40" Mower Deck
Serial No. 025000 and up
Model 915077 (Zoom 1840)
18hp Kohler with 40" Mower Deck
Serial No. 025000 and up
Model 915079 (Zoom 2044)
20hp Kohler with 44" Mower Deck
Serial No. 025000 and up
Model 915081 (Zoom 2348)
23hp Kohler with 48” Mower Deck
Serial No. 025000 and up
Model 915083 (Zoom 2552)
25hp Kohler with 52” Mower Deck
Serial No. 025000 and up
Model 915317 (Zoom 1540)
15hp Kawasaki with 40" Mower Deck
Serial No. 025000 and up
Model 915318 (Zoom 1744)
17hp Kawasaki with 44” Mower Deck
Serial No. 025000 and up
TABLE OF CONTENTS
DECALS
Decals . . . . . . . . . . . . . . . . . . . . . . . . . . . . . . . . . . . . 4
MAIN FRAME AND TRANSAXLES
Frame, Hood and Footrest. . . . . . . . . . . . . . . . . . . . . 8
Seat and Support . . . . . . . . . . . . . . . . . . . . . . . . . . . 10
Front Axle, Tires and Bumper . . . . . . . . . . . . . . . . . 12
Transaxle, Dump Valves and Rear Wheels . . . . . . . 13
OPERATOR CONTROLS
Parking Brake. . . . . . . . . . . . . . . . . . . . . . . . . . . . . . 14
Steering Controls . . . . . . . . . . . . . . . . . . . . . . . . . . . 16
FUEL TANKS AND ENGINE
Fuel Tank . . . . . . . . . . . . . . . . . . . . . . . . . . . . . . . . . 18
Engine, Exhaust, Belt and Idlers . . . . . . . . . . . . . . . 20
ELECTRICAL SYSTEM
Electrical System . . . . . . . . . . . . . . . . . . . . . . . . . . . 22
Continuity Diagrams. . . . . . . . . . . . . . . . . . . . . . . . . 24
Wiring Diagrams. . . . . . . . . . . . . . . . . . . . . . . . . . . . 25
MOWER DECKS
Mower Deck Lift . . . . . . . . . . . . . . . . . . . . . . . . . . . . 27
Mower Deck, Belt, Idlers and Blades . . . . . . . . . . . . 28
Baffles and Chute. . . . . . . . . . . . . . . . . . . . . . . . . . . 30
Handle and Stabilizer Brackets . . . . . . . . . . . . . . . . 32
Mower Brackets and Rollers . . . . . . . . . . . . . . . . . . 34
© Copyright 2006 Ariens Company

4
DECALS-SAFETY
Model 915075, 077, 079, 081, 083, 317, 318
Item Part No. Qty. Description
1 05305100 1 Decal, American Flag
2 05305000 1 Decal, Trailer Hitch
3 05305200 2 Decal, Transmission Disconnect
4 05301400 1 Decal, Control
5 05233900 1 Decal, Fuel Valve
6 07757600 1 Decal, Instructional Steering
7 07731400 2 Decal, Mower Pan Head Danger
8 07742300 1 Decal, Warning
9 05304900 1 Decal, Cut Height Zoom
10 05301500 1 Decal, Bilingual Danger
11 07757500 1 Decal, Parking Brake Lever
12 07735200 1 Decal, Danger
13 07754100 1 Decal, Hot Surface
14 08088400 1 Decal, Cut Height
15 00290000 1 Decal, Fuel Warning
16 05309700 1 Decal, CE Caution (317, 318)
17 05309800 1 Decal, CE Deck (317, 318)
13
10
PE0792
7
7
11
6
8
4
12
2
1
5
3
3
9
14
15
16
17

5
DECALS-STYLE
Model 915075, 077, 079, 081, 083, 317, 318
Item Part No. Qty. Description
1 05308000 1 Decal-Zoom 1640 (075)
05308100 1 Decal-Zoom 1540 (317)
05308200 1 Decal-Zoom 1840 (077)
05308300 1 Decal-Zoom 2044 (079)
05308400 1 Decal-Zoom 2348 (081)
05308500 1 Decal Zoom 2552 (083)
05308600 1 Decal-Zoom 1744 (318)
2 05303100 1 Decal-Ariens Jewel
3 00370500 2 Decal, Zoom Hood
1
2
PE0800
3

7
FRAME, HOOD, FOOTREST, CASTERS AND TIRES
Model 075, 077
Item Part No. Qty. Description
1 00458351 1 Weldment, Frame (075, 077)
2 07056700 4 Bolt, Shoulder .375-16 x .135
3 06212200 6 Bolt, Round Head Square Neck .31-18 x .62
4 06542000 4 Nut, Locking Top Flange .38-16
5 00454259 1 Engine Hood
6 01605151 2 Brace, Hood
7 06543100 6 Nut, Locking Top Flange .31-18
8 00469351 2 Fork, Caster
9 01588100 2 Assembly, Tire 4 x 11- 4 Ply
10 06436400 2 Washer, Flat Steel .511 x 1.441 x .125
11 00278500 2 Spacer, Wheel
12 05964400 2 Bolt, Hex .50-13 x 6.50 Grade 5
13 06543600 2 Nut, Locking Top Flange .50-13
14 05962200 2 Bolt, Hex .50-13 x 5.00 Grade 5
15 05533600 4 Bushing, Flange 1.00 x 1.25 x 1.50 x 1.50
16 00457859 1 Foot Rest
17 06223600 6 Bolt, Round Head Square Neck .38-16 x 1.00 Grade 5
18 06545500 8 Nut, .38-16 Flange Nyloc
19 00482151 1 Bumper, Zoom
20 00363100 4 Spacer, Caster
21 07411500 4 Screw, Tap .31-18 x .50
22 06220500 2 Bolt, Round Head Square Neck .38-16 x 2.00 Grade 5
23 00363800 2 Hood Snap
24 06425500 2 Washer, Flat Steel .375 x 1.125 x .065
25 06441900 2 Washer, Flat Steel .531 x 1.06 x .095
26 07412000 2 Screw, Tap .25-20 x .50
27 00366700 2 Hood Clip
28 00372700 2 Bracket, Hood Clip
29 00457951 1 Plate, Deck Access
30 00458051 1 Bracket, Deck Access
31 07503100 2 Grommet, Bumper
32 06216100 1 Bolt, Round Head Square Neck .31-18 x 1.0 Grade 5
33 06514900 1 Nut, Push .312
34 07531700 1 Knob, Wing .312-18

9
FRAME, HOOD AND FOOTREST
Model 079, 081, 083, 317, 318
Item Part No. Qty. Description
1 00458151 1 Weldment, Frame (079, 081, 083)
2 00458851 1 Welment, Frame (317, 318)
3 07008100 2 Screw-Cap Button Head .31-18 x .50 Grade 5
4 01588200 2 Assembly, Light (Includes Halogen H3 12 Volt 55 Watt Bulb)
5 00474000 1 Harness, Light
6 01605151 2 Brace, Hood
7 06212200 6 Bolt, Round Head Square Neck .31-18 x .62
8 07056700 4 Bolt, Shoulder .375-16 x .135
9 01603100 2 Bracket, Light
10 06311200 4 Washer, Locking 4MM x 1MM Regular Cone Lock
11 05980400 4 Screw, Socket Head Cap M4 x .07 x 8
12 06543100 6 Nut-Locking-Top-Flange .31-18
13 06545500 4 Nut, .38-16 Flange Nyloc
14 06220500 2 Bolt, Round Head Square Neck .38-16 x 2.00 Grade 5
15 00363800 2 Hood Snap
16 06425500 2 Washer, Flat Steel .375 x 1.125 x .065
17 06441900 2 Washer, Flat Steel .531 x 1.06 x .095
18 07411500 4 Screw, Tap .31-18 x .50
19 07412000 2 Screw, Tap .25-20 x .50
20 00366700 2 Hood Clip
21 00372700 2 Bracket, Hood Clip
22 00454259 1 Hood, Zoom
23 00457859 1 Foot Rest
24 07500010 1 Grommet, Rubber .38 I.D.
25 06308600 2 Washer, Locking .31 x .078
26 06216100 1 Bolt, Round Head Square Neck .31-18 x 1.00 Grade 5
27 00457951 1 Plate, Deck Access
28 06223600 6 Bolt, Round Head Square Neck .38-16 x 1.00 Grade 5
29 00458051 1 Bracket, Deck Access
30 06514900 1 Nut, Push .312
31 07503100 2 Grommet, Bumper
32 07531700 1 Knob, Wing .312-18
33 06542000 4 Nut-Locking-Top-Flange .31-16

11
SEAT AND SEAT SUPPORT
Model 915075, 077, 079, 081, 083, 317, 318
Item Part No. Qty. Description
1 00366300 1 Seat w/Arm (075, 317)
2 00367800 1 Seat w/ Armrests (077, 079, 081, 083, 318)
59205800 AR Armrest Kit (Fits 00367800)
3 00440651 1 Seat Plate
4 00360151 1 Seat Support
5 00174151 1 Bracket, Seat Plate
6 07056700 2 Bolt, Shoulder .375-16 x .135
7 06545500 7 Nut .38-16 Flange Nyloc
8 06223600 7 Bolt, Round Head Square Neck .38-16 x 1.00 Grade 5
9 00456600 1 Hour Meter, LCD (077, 079, 081, 083, 317, 318)
00539300 1 Plug, Headlight Switch (075)
10 07531700 1 Knob, Wing .312-18 (075, 077, 079, 081, 083)
11 06530200 1 Nut, Locking Nylon .312-18 (317, 318)
12 06308600 4 Washer-Locking .31 x .078 Regular
13 06446900 2 Washer-Flat-Steel .347 x 1.254 x .048
14 06542000 2 Nut-Locking-Top-Flange .38-16
15 00337700 2 Hub Cap
16 05946900 2 Bolt-Hex .31-18 x 1.00 Grade 5
17 06437500 3 Washer-Flat-Steel .328 x 1.0 x .094 (075, 077, 079, 081, 083)
06437500 4 Washer-Flat-Steel .328 x 1.0 x .094 (317, 318)
18 08300021 2 Spring, Seat
19 06545400 9 Nut .312-18 Flange Nyloc (077, 079, 081, 083, 318)
06545400 5 Nut .312-18 Flange Nyloc (075, 317)
20 06530400 1 Nut-Spin Lock-Flange .312-18
21 06439200 1 Washer-Flat-Steel .505 x 1.00 x .062
22 06212300 1 Bolt-Round Head Square Neck .31-18 x 2.75 Grade 5
23 00362151 1 Brake Rod Support
24 06216100 2 Bolt, Round Head Square Neck .31-18 x 1.00
25 07506500 2 Grommet
26 03679000 1 Solenoid
27 07411600 2 Screw, Tapping .250-20 x .37
28 00379700 1 Weldment, Park Brake
29 05525200 2 Bushing, Flange .762 x 1.48 x .44
30 09235400 1 Spacer .328 x .76 x 1.01
31 05957400 5 Bolt, Hex .31-18 x 1.75 Grade 5
32 00379400 1 Bracket, Brake Handle Pivot
33 06219900 2 Bolt, Round Head Square Neck .25-20 x .75 Grade 5
34 06543500 2 Nut, Locking Top Flange .25-20
35 00380800 1 Grip
36 06439100 4 Washer, Flat Steel .328 x .87 x .179 (075, 317)
37 00479051 2 Spacer, Seat (075, 317)
38 07533000 1 Bumper, Rubber (077, 079, 081, 083, 318)
39 06534600 1 Nut, Spinlock Flange Nut, .312-24 (077, 079, 081, 083, 318)
40 00166800 4 Caplug, Square 1-14-20 (075, 317)

12
FRONT AXLE, TIRES AND BUMPER
Model 915079, 081, 083, 317, 318
Item Part No. Qty. Description
1 01600851 1 Weldment, Front Axle
2 00482151 1 Bumper, Zoom
3 00469351 2 Fork, Caster
4 01588100 2 Assembly, Tire 4 x 11- 4 Ply
5 05533600 4 Bushing, Flange 1.00 x 1.25 x 1.50 x 1.50
6 00278500 2 Spacer, Rolled Wheel
7 05964400 2 Bolt, Hex .50-13 x 6.50 Grade 5
8 01600400 1 Bushing, Axle Pivot
9 05930700 3 Bolt-Hex .62-11X2.25 Grade 8
10 06543600 4 Nut, Locking Top Flange .50-13
11 05962200 2 Bolt, Hex .50-13 x 5.00 Grade 5
12 06436400 2 Washer, Flat Steel .511 x 1.441 x .125
13 06435200 5 Washer, Flat .64 x 1.81 x .25
14 06223600 4 Bolt, Round Head Square Neck .38-16 x 1.00 Grade 5
15 06545500 4 Nut .38-16 Flange Nyloc
16 06540700 3 Nut, Locking Nylon .625-11
17 06442900 1 Washer, Flat Steel .688 x 1.75 x .134
18 00271800 2 Spacer, .750 D x .558 Long
19 00363100 4 Spacer, Caster
PE0741
1
13
9
16
14
4
5
7
8
6
2
3
16 15
10
9
13
13
17
18
10
12
19
11

13
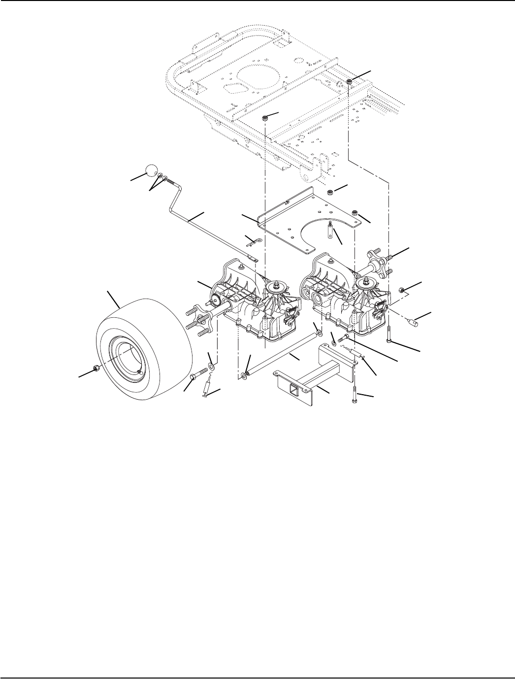
TRANSAXLE, DUMP VALVES AND REAR WHEELS
Model 915075, 077, 079, 081, 083, 317, 318
Item Part No. Qty. Description
1 01578051 1 Bracket, Transmission Axle Support
2 01578151 1 Weldment, Transmission Axle Brace
3 00386300 1 Transaxle, Left Hand
51514300 NS Brake Arm Kit, Left Hand Transaxle
4 00386200 1 Transaxle, Right Hand
51514200 NS Brake Arm Kit, Right Hand Transaxle
5 01581600 2 Rod, Dump IZT
6 07515900 2 Knob
7 06713500 2 Pin, Hair
8 01587800 2 Assembly, Tire 9.5 x 18-2 Ply (079, 081, 083, 318)
01588700 2 Assembly, Tire 8.5 x 18-2 Ply (075, 077, 317)
9 01578200 1 Rod, Axle Brace
10 06535000 8 Nut, Lug .50-20
11 06545500 1 Nut, .38-16 Flange Nyloc
12 01568600 2 Rod Pivot
13 05952600 2 Bolt, Hex .31-18 x 2.50 Grade 5
14 06308600 2 Washer, Locking .31 x .078 Regular
15 06545400 2 Nut .312-18 Flange Nyloc
16 06536100 4 Nut, Jam .312-18
17 03622900 1 Shoulder Stud
18 06439100 2 Washer, Flat Steel .38 x .87 x .179
19 00929200 AR Adhesive Sealant
20 06545400 12 Nut-.31-18 Flange Nyloc
21 05960600 12 Bolt-Hex .31-18 x 2.75 Grade 5
PE0751
1
6
7
5
3
4
2
9
10
12
13
14
15
16
8
13
14
20
20
17
11
19 19
21
18
18
21
20

15
PARKING BRAKE
Model 915075, 077, 079, 081, 083, 317, 318
Item Part No. Qty. Description
1 00361200 1 Weldment, Brake Rod
2 05517400 2 Bushing, Flange .63 x 1.00 x .625 Nylon
3 06714500 2 Pin, Spring Clip
4 00379800 1 Clevis Weldment
5 00183700 1 Bracket, Brake Switch
6 07415800 4 Screw, Tapping 10-24 x .50 Hex Washer Head
7 01589200 2 Rod, Over Center
8 06714800 6 Pin, Hair
9 03606600 1 Switch, Double Pole N.O./N.O.
10 00425300 2 Rod, Park Brake IZT
11 06444000 2 Washer, Flat Steel .406 x 1.00 x .188
12 06437200 6 Washer, Flat Steel .344 x .688 x .065
13 08300028 2 Spring, Compression .063 x .53 x 1.187
14 06530200 2 Nut, Locking Nylon .312-18
15 06436200 2 Washer, Flat Steel .406 x .812 x .065
16 06408900 2 Washer, Flat Steel .627 x .99 x .032
17 06810200 1 Pin, Clevis .037 x 1.50
18 06811900 1 Pin, Clevis .375 x .948

17
STEERING CONTROLS
Model 915075, 077, 079, 081, 083, 317, 318
Item Part No. Qty. Description
1 01533400 1 Battery Rod
2 01554800 1 Battery (12 Volt, 330 CCA, 50 Min. Reserve Cap.)
3 00361751 2 Control Arm
4 00362651 2 Channel, Handlebar Adjustment
5 01581700 2 Spacer
6 00372300 2 Eccentric
7 03461700 2 Rod End, .50 Right Hand
8 01569600 2 Rod, Transaxle Left Hand
9 00362851 2 Handlebar
10 01570000 2 Grip, Handlebar
11 00188700 2 Damper
12 06539500 4 Nut, Jam .50-20 Grade 2
13 06543600 3 Nut, Locking Top Flange .50-13
14 05959900 2 Bolt, Hex .50-13 x 3.00 Grade 5
15 05970600 1 Bolt, Hex .50-13 x 1.75 Grade 5
16 06223600 6 Bolt, Round Head Square Neck .38-16 x 1.00 Grade 5
17 06545500 6 Nut .38-16 Flange Nyloc
18 06537500 1 Nut, Locking Wing .25-20
19 06544000 2 Nut, Jam Nyloc .50-20 Grade 2
20 07533300 2 Caplug, Handlebar
21 00359700 1 Weldment, Control LH
22 00359800 1 Weldment, Control RH
23 00383200 2 Bracket, Neutral Stop
24 00359900 2 Spacer, Neutral Stop
25 05435800 4 Bearing, 1.00 x 1.12 x .75
26 00365100 2 Link, Brake Rod
27 03563100 2 Rod, End .38 RH
28 00371951 2 Weldment, Steering Control
29 06500007 4 Nut, Locking Top Flange 8 x 1.25
30 05957400 6 Bolt, Hex .31-18 x 1.75 Grade 5
31 06545400 8 Nut, .312-18 Flange Nyloc
32 06220200 4 Bolt, Round Head Square Neck .31-18 x 1.75 Grade 5
33 06543100 4 Nut, Locking Top Flange .31-18
34 05964700 2 Bolt, Hex .25-20 x 1.75 Grade 5
35 06531000 2 Nut, Locking Nylon .250-20
36 05513400 2 Bushing, Flange .265 x .437 x .250 x .750
37 05947500 2 Bolt, Hex .31-18 x 1.25 Grade 5
38 05959400 2 Bolt, Hex .38-16 x .75 Grade 5
39 00166800 4 Caplug, Square
40 06713500 2 Pin, Hair .08 x .18 x 1.18
41 05900016 4 Screw, Cap .38-16 x 2
42 00470600 1 Steering Linkage
43 05958900 1 Bolt, Hex .50-13 x 1.25 Grade 5
44 05947100 1 Bolt, Hex .50-13 x 1.00 Grade 5
45 06306600 3 Washer, Lock .50 x .151

19
FUEL TANK
Model 915075, 077, 079, 081, 083, 317, 318
Item Part No. Qty. Description
1 01614100 1 Tank, Fuel - Right Hand
2 01538400 2 Fuel Cap
3 00296751 1 Seat Plate Right Hand
4 01614551 1 Right Hand Console
5 01588400 1 Choke Cable (079, 081, 083)
06942300 1 Choke Cable (317, 318)
00529900 1 Hole Plug, Plastic .44 Hole (075, 077)
6 01588500 1 Throttle Cable (317, 318)
00369200 1 Throttle Cable (079, 081, 083)
00355100 1 Throttle Cable (075, 077)
7 01545600 1 Switch, Clutch
8 01588300 1 Key Switch
9 02460700 1 Key with Cap
10 00924300 1 Gas Line, Bulk .25 I.D. x 34 in. Long
11 00924300 1 Gas Line, Bulk .25 I.D. x 44 in. Long
12 00924300 1 Gas Line, Bulk .25 I.D. x 23 in. Long
00924300 1 Gas Line, Bulk .25 I.D. x 34 in. Long (317, 318)
13 09258200 1 Valve, Fuel
14 06939100 6 Clamp, Hose Wire .490/.510 x .116
15 00296851 1 Seat Plate Left Hand
16 01614000 1 Tank, Fuel - Left Hand
17 06223600 8 Bolt, Round Head Square Neck .38-16 x 1.00 Grade 5
18 07049600 8 Bolt, Serrated Hex Flange Washer Head .312-18 x .75
19 06545500 8 Nut .38-16 Flange Nyloc
20 06536000 3 Nut-Locking-Nylon 10-24 with Insert
21 06100003 4 Screw, Machine 10-24 x .38 Slotted Hex
22 00548400 8 Retainer .38 Push-On
23 06437500 12 Washer, Flat Steel .328 x 1.00 x .094
24 00289200 1 Shim, PTO Switch
25 01614451 1 Console, Left Hand
26 01528500 1 Cup Holder
27 06400004 8 Washer, Fender 3/16 x 3/4
28 06116700 3 Screw-Machine 10-24 x .50 Hex Washer Head
29 00470200 2 Cable Tie
30 00390100 3 Wire Clip

21
ENGINE, EXHAUST, BELTS AND IDLERS
Model 915075, 077, 079, 081, 083, 317, 318
Item Part No. Qty. Description
1 08200103 1 Engine, 16hp Kohler (075)
08200104 1 Engine, 18hp Kohler (077)
08200105 1 Engine, 20hp Kohler (079 s/n 025000 and up)
08200106 1 Engine, 23hp Kohler (081 s/n 025000 and up)
08200107 1 Engine, 25hp Kohler (083)
08200013 1 Engine, 15hp Kawasaki (318)
08200012 1 Engine, 17hp Kawasaki (317)
2 00191700 1 Clutch, Electric (077, 079, 081, 083, 318)
03643100 1 Clutch, Electric (075, 317)
3 06604300 1 Key, Square .25 x 1.50 x .25 SAE 8630 OR SAE 1035
4 00363751 1 Clutch Stop
5 00363200 1 Extension Shaft
6 07241400 1 V-Belt
7 00473500 1 Weldment, Idler
8 05500039 2 Bushing, Flange .075 x .0875 x .625 x 1.125
9 05516400 1 Bushing, Sleeve .50 x .75 x 1.56
10 07312500 2 Pulley, Idler 4.00
11 00186400 1 Spacer
12 08336100 1 Spring, Extension
13 05966700 1 Bolt, Hex .44-20 x 4.50 Grade 8
14 06309300 1 Washer, Locking .44 x .109 Regular
15 06443600 1 Washer, Flat Steel .469 x 2.00 x .25
16 05966600 1 Bolt-Hex .50-13 x 2.50 Grade 5
17 06543600 1 Nut, Locking Top Flange .50-13
18 06224300 1 Bolt-Round Head Square Neck .38-16 x 2.00 Grade 5
19 06224100 1 Bolt-Round Head Square Neck .38-16 x 1.25 Grade 5
20 05948700 1 Bolt-Hex .38-16 x 1.00 Grade 5
21 00276651 1 Heat Shield (079, 081, 083)
22 07414100 1 Screw-Tapping .38-16 x 1.00 Hex Washer Head Thread Rolling YZ (075, 077)
05957400 1 Bolt-Hex .31-18 x 1.75 Grade 5 (317, 318)
05948700 1 Bolt-Hex .38-16 x 1.00 Grade 5 (079, 081, 083)
23 06545400 4 Nut .31-18 Flange Nyloc (317, 318)
24 00595900 1 Tube, Oil Drain
00191400 1 Tube Oil Drain (317, 318)
25 09298000 1 Muffler, Exhaust (317, 318)
26 06537200 2 Nut, Locking, Jam, Center .375-16
27 07412000 3 Screw, Tapping .25-20 x .50 Hex Washer Head (075, 077)
28 00391700 1 Muffler (079, 081, 083)
29 06545500 4 Nut-.38-16 Flange Nyloc (079, 081, 083)
06545500 1 Nut-.38-16 Flange Nyloc (075, 077, 317, 318)
30 00435100 1 Muffler (075, 077)
31 00255400 1 Muffler Clamp (075, 077)
32 00253900 1 Weldment, Manifold (075, 077)
33 00432000 1 Muffler Bracket (075, 077)
34 06308600 1 Washer-Locking .31 x .078 Regular (317, 318)
35 06538600 1 Nut-Hex M8-1.25 (317, 318)
36 00396251 1 Heat Shield (317, 318)
37 07411500 4 Screw, Tapping .31-18 x .50 (317, 318)
38 06437500 4 Washer, Flat Steel .328 x 1.0 x .094 (317, 318)
39 07414100 3 Screw, Tapping .38-16 x 1.00 Hex Washer Head Thread Rolling YZ (075, 077)
07414100 4 Screw, Tapping .38-16 x 1.00 Hex Washer Head Thread Rolling YZ (079, 081, 083)
05957400 3 Bolt-Hex .31-18 x 1.75 Grade 5 (317, 318)
40 07517300 1 Cable Tie, 5.5 Long (317, 318)

23
ELECTRICAL SYSTEM
Model 915075, 077, 079, 081, 083, 317, 318
Item Part No. Qty. Description
1 02460700 1 Key with Cap
2 00432100 3 Relay
3 09351100 2 Fuse, 25 AMP
4 01588300 1 Key Switch
5 03679000 1 Solenoid (075, 077, 083, 317, 318)
6 07415800 2 Screw, Tapping 10- 24 x .50 Hex Washer Head
7 01554800 1 Battery, Filled (075, 077, 079, 081, 083, 317, 318)
8 05946800 2 Bolt, Hex .25-20 x .75 Grade 5
9 06437300 2 Washer, Flat Steel .281 x .62 x .065
10 06308400 2 Washer, Locking .25 x .062 Regular
11 06533200 2 Nut, Hex .25-20
12 07533200 3 Boot, Eyelet Terminal (915075, 077, 079, 081, 083, 317, 318)
13 00145900 1 Starter Cable 6.75” (915075, 077, 079, 081, 083, 317, 318)
14 02727900 1 Starter Cable 16" (915075, 077, 079, 081, 083, 317, 318)
15 03111100 1 Ground Cable
16 01545600 1 Switch, Clutch With Retainer
17 00363400 1 Wire Harness, Zoom
00472800 1 Wire Harness, Zoom CE (317, 318)
18 02754100 1 Switch, Snap Mounting (N.O.)
19 09293500 2 Diode, Connector Shell
20 07505700 1 Insulator
21 00580600 1 Fuse, 20 AMP
22 06310500 4 Washer, Locking .31 (915075, 077, 079, 081, 083, 317, 318)
23 06536700 2 Nut, Jam .31-24 (915075, 077, 079, 081, 083, 317, 318)
24 07517300 1 Cable Tie
25 03606600 1 Switch, Double Pole N.O./N.O. (075, 077, 079, 081, 083)
03657100 1 Switch, Single Pole N.O. (317, 318)
26 04935700 1 Hour Meter
27 00289200 1 Shim, PTO Switch
28 06116700 3 Screw,Machine 10-24 x .50 Slotted Hex
29 06536000 3 Nut-Locking-Nylon 10-24 with Insert
30 07506500 1 Grommet .125 x 1.000 ID
31 00382600 1 Bracket, Relay

24
CONTINUITY DIAGRAM
Model 915075, 077, 079, 081, 083, 317, 318
(01588300)
(01545600) (03042800)
(02754100)
(03679000)
(03606600) (915075, 077, 079, 081, 083)
PE0770
(03657100) (915317, 318)

25
WIRING DIAGRAM
Model 915075, 077, 079, 081, 083
PE2040

26
WIRING DIAGRAM
Model 915317, 318
PARKING
BRAKE
SWITCH

27
DECK LIFT
Model 915075, 077, 079, 081, 083, 317, 318
Item Part No. Qty. Description
1 00270400 2 Rod, Lift
2 00186200 1 Weldment, Front Lift
3 00178700 1 Bushing, Front
4 05503500 6 Bushing-Flange 1.00 x 1.12 x .62 x 1.50 Bronze
5 05961400 1 Bolt, Hex .38-16 x 2.75
6 06545500 1 Nut, .38-16 Flange Nyloc
7 01591800 2 Bushing, Rear
8 01591700 1 Weldment, Lift, Rear Right Hand
9 01591600 1 Weldment, Lift, Rear Left Hand
10 00161600 1 Weldment, Foot Pedal
11 06441900 4 Washer-Flat-Steel .531 x 1.06 x .095
12 05963300 1 Bolt, Hex .38-16 x 2.00 Grade 5
13 06545500 1 Nut .38-16 Flange Nyloc
14 06714900 4 Pin, Hair External
15 05716800 2 Ring, Retaining .82 x 1.50 x .05
16 01593500 1 Pin, Spring Ball .375 O.D. x 1.50
17 00165100 1 Rod, Lift
18 07411600 1 Screw-Tapping .250-20 x .37 Hex Washer Head
19 06927100 1 Hood Cable
20 00165000 1 Tube, Lift Stop
21 00182500 2 Spacer, Rear Lift
PE0223
1
1
2
3
4
4
4
7
8
9
10
11
11
11
13
14
14
14
14
15
12
7
4
11
19 16
18 20 17
5
15
6
4
21
21

28
MOWER DECK, BELT, IDLERS AND BLADES
Model 915075, 077, 079, 081, 083, 317, 318 Serial Number 025000 & up
Item Part No. Qty. Description
1 00428951 1 40" Mower Deck (915075, 077, 317)
00440351 1 44" Mower Deck (079, 318)
00440451 1 48" Mower Deck (081)
00440551 1 52" Mower Deck (083)
2 00429551 1 Plate, 40” Doubler (915075, 077, 317)
3 01520100 2 Cover
PE0872
1
4
35
6
5
7
8
9
10
11
12
14
15
17
19
13
20
21
22
29
23
13
26
25
24
28
28
18
3
6
5
7
39
5
523
5
16
29
13
30
31
5
33
34
32
27
26
38
29
37
36
35
2
40

29
MOWER DECK, BELT, IDLERS AND BLADES
Model 915075, 077, 079, 081, 083, 317, 318 Serial Number 025000 & up
Item Part No.Qty. Description
4 07200037 1 V-Belt (075, 317)
07219600 1 V-Belt (077)
07242900 1 V-Belt (079, 318)
07200022 1 V-Belt (081)
07200023 1 V-Belt (083)
5 06545500 22 Nut .38-16 Flange Nyloc
6 06224100 4 Bolt, Round Head Square Neck .38-16 x 1.25 Grade 5
7 07300006 2 Idler, Flat .38 x 4.00 x 1.06
8 00429900 1 Weldment, Idler Arm
9 01581700 1 Spacer, Powdered Metal
10 07327100 1 Pulley, Idler 4.00
11 01593800 3 Sheave, Spindle 4.00 Dia. (075, 317)
01599400 3 Sheave, Spindle 4.25 Dia. (077)
01599500 3 Sheave, Spindle 4.50 Diameter (079, 318)
01610400 3 Sheave, Spindle 4.25 Diameter (081)
01610300 3 Sheave, Spindle 4.75 Diameter (083)
12 51510000 3 Assembly, Spindle
13 06400006 3 Washer, Flat Steel .406 x 1.50 x .245
14 06445700 3 Washer, Bellville .63 x 1.625 x .140
15 05978900 3 Bolt, Hex .62-18 x 1.75 Grade 8
16 06225000 1 Bolt, Round Head Square Neck .50-13 x 3.50 Grade 5
17 06435200 3 Washer, Flat .64 x 1.81 x .25
18 03498400 3 Blade, Mower (13.88) (075, 077)
01593900 3 Blade, Mower (15.50) (079)
04919100 3 Blade, Mower (16.25) (081)
04916400 3 Blade, Mower (18.00) (083)
00272900 3 Blade, Mulch 15.50" (318)
00272800 3 Blade, Mulch 13.88” (317)
19 05974500 3 Bolt, Hex .38-16 x 1.00 Grade 8 with Epoxy Patch
20 06611100 3 Key, Square .25 x .38 x .25
21 06224200 12 Bolt, Round Head Square Neck .38-16 x 1.50
22 06543600 1 Nut, Locking Top Flange .50-13
23 05435800 2 Bearing, 1.00 x 1.12 x .75
24 06220500 2 Bolt, Round Head Square Neck .38-16 x 2.00 Grade 5
25 06228100 1 Bolt, Round Head Square Neck .38-16 x 3.00 Grade 5
26 06441500 4 Washer, Flat Steel .755 x 1.375 x .062
27 08300020 1 Spring, Extension
28 06442000 2 Washer, Flat Steel .563 x 1.38 x .109
29 06445000 3 Washer, Flat Steel .515 x 1.625 x .25
30 00391900 1 Finger, Belt
31 06444000 1 Washer, Flat Steel .406 x 1.00 x .188
32 06542000 1 Nut, Locking Top Flange .38-16
33 05515800 2 Bushing, Sleeve .752 x .877 x .75 Bronze
34 06543900 1 Nut, Spiral Lock Flange .50-13
35 05959700 1 Bolt, Hex .50-13 x 2.00 Grade 5
36 06537300 1 Nut, Hex .50-13
37 06500013 1 Coupling .50-13 x 1.75
38 06224700 1 Bolt, Round Head Square Neck .50-13 x 1.25 Grade 5
39 06225400 2 Bolt, Round Head Square Neck .38-16 x 2.75 Grade 5
40 00587400 3 Cap, Dust

30
BAFFLES AND CHUTE
Model 915075, 077, 079, 081, 083
Item Part No. Qty. Description
1 01585500 1 Deflector, Chute
2 02709551 1 Hinge, Plate
3 06219900 2 Bolt, Round Head Square Neck .25-20 x .75 Grade 5
4 06713500 1 Pin, Internal .08 x .18 x 1.18
5 08307200 1 Spring, Torsion .095 x .50 x 1.00
6 02202900 1 Bushing, Sleeve
7 00475800 1 Pin, Clevis
8 07049600 6 Bolt, Serrated Hex Flange Washer Head .31-18 x .75
9 06220800 5 Bolt, Round Head Square Neck .31-18 x .75
10 06545400 11 Nut-.312-18 Flange Nyloc
11 01576151 1 Weldment, Upper Left Baffle-40" (075, 077)
01572451 1 Weldment, Upper Left Baffle-44" (079)
01574051 1 Weldment, Upper Left Baffle-48" (081)
01575051 1 Weldment, Upper Left Baffle-52" (083)
12 01576251 1 Weldment, Upper Center Baffle-40" (075, 077)
01572551 1 Weldment, Upper Center Baffle-44" (079)
01574151 1 Weldment, Upper Center Baffle-48" (081)
01575151 1 Weldment, Upper Center Baffle-52" (083)
13 01576351 1 Weldment, Upper Right Baffle-40" (075, 077)
01572651 1 Weldment, Upper Right Baffle-44" (079)
01574251 1 Weldment, Upper Right Baffle-48" (081)
01575251 1 Weldment, Upper Right Baffle-52" (083)
14 01576751 1 Deflector, 40" (075, 077)
01574651 1 Deflector, 44"/48" (079, 081)
01575951 1 Deflector, 52" (083)
15 01597751 1 Flat Spring
16 06543500 4 Nut, Locking Top Flange .25-20
17 06220600 2 Bolt, Round Head Square Neck .25-20 x .50 Grade 5
18 06223600 1 Bolt, Round Head Square Neck .38-16 x 1.00 Grade 5
19 06545500 2 Nut, Flange Nyloc .375-18
20 01599151 1 Bracket, Chute Lock
21 06224200 1 Bolt, Round Head Square Neck .38-16 x 1.50
PE0860
89
9
11
13
1
2
3
16
4
5
6
7
12
8
8
10
10
10
10
9
14
15
16
17 10
10
18
19
19
21
20

31
BAFFLES AND CHUTE
Model 915317, 318
Item Part No. Qty. Description
1 00424951 1 Block-Off Plate
2 07049600 6 Bolt, Serrated Hex Flange Washer Head .31-18 x .75
3 06220800 5 Bolt, Round Head Square Neck .31-18 x .75
4 06545400 13 Nut-.312-18 Flange Nyloc
5 01576651 1 Baffle, Mulch, Right Front-40" (317)
01573251 1 Baffle, Mulch, Right Front-44" (318)
6 01576551 1 Baffle, Mulch, Center Front-40" (317)
01573151 1 Baffle, Mulch, Center Front-44" (318)
7 01576451 1 Baffle, Mulch, Left Front-40" (317)
01573051 1 Baffle, Mulch, Left Front-44" (318)
PE0860
7
6
1
2
2
4
4
4
3
54
4
2
4
2
2
4

32
HANDLE AND STABILIZER BRACKETS
Model 915075, 077, 079, 081, 083, 317, 318
Item Part No. Qty. Description
1 00160000 4 Deck Link
2 06545500 12 Nut .38-16 Flange Nyloc
3 01590251 2 Bracket, Mount, Front
4 01604551 2 Bracket, Rear Mount
5 00451151 2 Bracket, Stabilizer (915075, 077, 079, 081, 083, 317, 318)
6 01590400 4 Trunnion
7 06223600 12 Bolt, Round Head Square Neck .38-16 x 1.00 Grade 5
8 06714900 6 Pin, Hair, External
9 06436400 6 Washer-Flat Steel .511 x 1.441 x .125
10 00270200 2 Rod, Drag Link
PE0880
2
3
6
7
8
9
10
1
4
5
7
1
1
2
2
2
2
2
3
4
56
6
8
8
8
9
98
9
9
10
9

33
NOTES

35
MOWER BRACKETS AND ROLLERS
Model 915075, 077, 079, 081, 083, 317, 318
Item Part No. Qty. Description
1 01574851 2 Bracket, Anti-Scalp ( 079, 081, 083, 318)
00344151 2 Bracket, Anti-Scalp (077)
2 03471700 2 Wheel 5 x 3 ( 079, 081, 083, 318)
02745400 2 Roller (077)
3 07056800 2 Bolt, Shoulder .38-16 x 2.50 Hex Washer Head Grade 5 (079, 081, 083, 318)
05960900 2 Bolt, Shoulder .38-16 x 3.50 Hex Washer Head Grade 5 (077)
4 06545500 13 Nut .38-16 Flange Nyloc (077, 079, 081, 083, 318)
06545500 2 Nut .38-16 Flange Nyloc (075, 317)
5 06223600 13 Bolt-Round Head Square Neck .38-16 x 1.00 Grade 5 (077, 079, 081, 083, 318)
06223600 2 Bolt- Round Head Square Neck .38-16 x 1.00 Grade 5 (075, 317)
6 00355651 2 Bracket, Roller Mount (077, 079, 081, 083, 318)
00355651 1 Bracket, Roller Mount (075, 317)
7 03114100 2 Roller (077, 079, 081, 083, 318)
03114100 1 Roller (075, 317)
8 00356500 2 Pin, Roller (077, 079, 081, 083, 318)
00356500 1 Pin, Roller (075, 317)
9 06714500 2 Pin, Spring Clip (077, 079, 081, 083, 318)
06714500 1 Pin, Spring Clip (075, 317)
10 01577451 1 Bar, Left Hand Retainer Striper (077, 079, 081, 083, 318)
11 01577651 1 Bar, Retaining Striper (079, 318)
01577351 1 Bar, Retaining Striper (081, 083)
01576951 1 Bar, Retaining Striper (077)
12 01577500 1 Striper, Rubber-44" (079, 318)
01577000 1 Striper, Rubber-48" (081)
01577200 1 Striper, Rubber-52" (083)
01576800 1 Striper, Rubber-40" (077)
13 06542000 2 Nut-Locking-Top-Flange .38-16 (077, 079, 081, 083, 318)
14 06436200 4 Washer, Flat Steel .406 x .812 x .065 (077)
15 06537200 2 Nut, Center Lock Jam .375-16 (077)

Ariens Company
655 West Ryan Street
P.O. Box 157
Brillion, WI 54110-0157
920-756-2141
Fax 920-756-2407
www.ariens.com








