BIO CONTROL MEDICAL 0010 Programming Wand User Manual RU 53 001 RevH Physician Programmer IFU
BIO CONTROL MEDICAL (B.C.M.) LTD. Programming Wand RU 53 001 RevH Physician Programmer IFU
Users Manual

B
IO
C
ONTROL
M
EDICAL
BCM
L
TD
I
NSTRUCTIONS
F
OR
U
SE
DOC NO. RU-53-001 REV. H
SUBJECT: UNIFIED PHYSICIAN PROGRAMMER Page 1 of 40
MODIFICATION INSTRUCTION NO.: MODIFICATION DATE: 05/05/2008
MODIFICATION DESCRIPTION: Update to software version 1.105.
ISSUED BY TITLE DATE SIGNATURE
DUDU RIGLER DIRECTOR OF CLINICAL AFFAIRS 28/08/2008
APPROVAL LIST
NAME TITLE DATE SIGNATURE
SHAI AYAL DIRECTOR OF DEVELOPMENT
TAMIR SHEFER DIRECTOR OF QUALITY ASSURANCE
RAMI BIRAN VP REGULATORY & CLINICAL AFFAIRS

VERSION NAME DATE ECO NO: MODIFICATION DESCRIPTION
A ARI KEREN-YAAR 06/08/2006 --- First Issue
B ARI KEREN-YAAR 31/10/2006 --- Editorial Changes
C ARI KEREN-YAAR 11/12/2006 --- Addition of buttons; add
applicable icons and
authorized representative
D YITZHAK SINAI 01/02/2007 136 Update of device and
software to 7.14
E LEVY ITSIK 15/03/2007 --- Changes According TO ITL
Remarks.
F ROMANO AVINOAM 05/05/2008 153 Update to software 1.0.105
G LEVY ITSIK 15/08/2008 KEMA
2103063
Adding battery lifetime
contour; list of
abbreviations; clarification
of terms and warnings
H RIGLER DAVID 28/12/2008 KEMA
2103063-
17.9.08
Addition of follow-up
requirements; RF and FCC
symbols and text Addition of
ICD compliance; updating to
software 1.0.14; updating
troubleshooting and EMC
requirements.

Neurostimulator For Heart Failure Therapy
UNIFIED
PHYSICIAN PROGRAMMER
MODEL 5300
INSTRUCTIONS FOR USE (IFU) & TD
Caution: Limited by Federal Law to Investigational Use
0344
(2008)

Unified Physicain Programmer
IFU
RU-53-001 H 4
Explanation of symbols on package labeling
Symbol Explanation Symbol Explanation
Contents
Warning: Patient
Might Be
Compromised
SN
Serial Number
Caution: possible
damage to device
Product Literature
Note: Important
Information
Consult Instructions
For Use
Do Not Use If Package
Damaged
Type B
Applied Part Manufacturer
European Approval
Mark
Date Of
Manufacturing
On
Storage Temperature
Range
OFF
Storage & Transport
Relative Humidity
Range
Stepping Prohibited
Storage & Transport
Atmospheric
Pressure Range
Sitting Prohibited
Authorized
Representative In The
European Community
Do Not Dispose Of.
Contact BCM For
Recycling.
Complies with FCC
part 15

Unified Physicain Programmer
IFU
RU-53-001 H 5
Contains RF
transmitters

Unified Physicain Programmer
IFU
RU-53-001 H 6
CONTENTS
1.
DESCRIPTION 8
3.
PRECAUTIONS 9
4.
WARNINGs 9
5.
SETTING UP THE SYSTEM 10
5.1
Charging the Physician Programmer 10
5.2
Getting started 10
5.3
General System Interface Description 12
5.3.1
The "General" Tab 12
5.3.2
The "Statistic" tab; Therapy evaluation. 14
5.3.3
The "Setting" Tab 17
6
Therapy Setting and Optimization Program 25
6.1
General 26
6.2
Therapy Optimization Goal 26
6.3
Communication rules with the patient 26
6.4
Visit Activities Flow 26
6.5
Parameter setting process 27
6.6
Instantaneous HRR evaluation and PPB/ON time change 27
7.
INTERACTIONS WITH IMPLANTABLE CARDIOVERTER DEFIBRILLATORS
28
8
MAINTENANCE, HANDLING, AND STORAGE 31
8.1
Maintenance 31
8.2
Handling 31
8.3
Storage 32
9. TROUBLESHOOTING 33
10.
PRODUCT INFORMATION AND SUPPORT 36
11.
DISCLAIMER OF WARRANTY 36
APPENDIX A.
Electromagnetic environment – guidance IEC 60601-1-2 37
Guidance and manufacturer’s declaration – electromagnetic emissions 37
Guidance and manufacturer’s declaration – electromagnetic immunity 37
Guidance and manufacturer’s declaration – electromagnetic immunity 38
Recommended separation distance 38
Recommended separation distances between portable and mobile RF communications equipment and the
Physician Programmer model 5300 & CardioFit-X Ver 8.15 39

Unified Physicain Programmer
IFU
RU-53-001 H 7
List of Abbreviations
Abbreviation Explanation
BCM BioControl Medical
CIS CardioFit™ Implanted Stimulator
CRT-D Cardiac Resynchronization Therapy - Implantable
Cardioverter - Defibrillators
CSL CardioFit™ Stimulation Lead
ECM Electromagnetic protection mode
HR / BPM Heart Rate / Beats Per Minute
ICD Implantable Cardioverter-Defibrillators, Single, or Dual
chamber
IHRR Instantaneous heart rate reduction
ISE Intracardiac Sensing Lead
NYHA New York Heart Association
PPB Pulse Per Beat – The number of pulses provided by
the stimulator per heartbeat
PRI Pulse Repetition Interval – The distance between
pulses when PPT > 1
QTP Quasitrapezoidal Pulse – Shape of the default pulse
TD Technical Dossier
UniPP Unified Physician Programmer
VF Ventricular Fibrillation
VT Ventricular Tachycardia

Unified Physicain Programmer
IFU
RU-53-001 H 8
1. DESCRIPTION
Introduction
The model 5300 Unified Physician Programmer (UniPP) is used to interrogate and
program the BioControl model 5000 CardioFit™ neurostimulator (the stimulator). The
UniPP can retrieve data and set programmable parameters of the CardioFit™ stimulator
via wireless communication. Programming is done using the CardioFit™ Physician
Programmer software installed on a PC compatible laptop, a communication interface
and a programming wand. The wand is the only part of the Programmer that contacts the
patient.
The Physician Programmer software uses the communication interface and the
programming wand to convert digital output from the Laptop PC to wireless signal format
that is required for communication with the stimulator (Figure 1).
Figure 1 – Model 5300 Physician Programmer
Specifications and user information regarding the wireless technology
The CardioFit system uses a short-range (3-6 cm) inductive coupling communication scheme in
frequency of 27kHz. The system is ready to communicate when green light is blinking in 1-2Hz
on the programming wand. See warnings and precautions that should be exercised when using
the system under Sections 3 and 4 below.
Contents of package
The model 5300 Physician Programmer package contains:
a. One Laptop PC installed with BioControl CardioFit™ Unified Physician Programmer
software version 2.0.x;
b. One Communication Interface and Programming Wand (Model 4320);
c. Medical grade power supply Model 4300/MPU100-106;
d. Instructions For Use;
Laptop
PC
Communication
Interface
Programming
Wand

Unified Physicain Programmer
IFU
RU-53-001 H 9
2. INTENDED USE / INDICATION
The model 5300 Physician Programmer is intended for use only with CardioFit™
systems, and is subjected to the same indications for use.
In the US: BioControl’s CardioFit is an investigational device under IDE. It is intended for
the treatment of Heart Failure patients who are in NYHA class II – IV. It is indicated for
patients who have failed to achieve symptomatic improvement through standard
evidence based management. See Investigational Plan for inclusion and exclusion
criteria.
In Europe: BioControl’s CardioFit is intended for the treatment of Heart Failure patients
who are in NYHA class II-III. It is indicated for patients who have failed to achieve
symptomatic improvement through standard evidence based management.
3. PRECAUTIONS
• Do not immerse any part of the Physician Programmer in liquid.
• Laptop PC should be used outside the patient environment
(i.e. not closer than 1.5 m to patient).
• Operator should not touch Laptop PC and patient simultaneously.
• Do not connect the programming wand to external equipment while the battery
compartment of the interface is open.
• The use of non-BioControl components with BioControl components may result in
patient injury, loss of stimulation or components damage.
• Avoid using the Physician Programmer and the BioControl stimulator near sensitive
electronic equipment. The low-level wireless signals transmitted by the two devices
may interfere with the electronic equipment.
• Compatibility with other (non-BioControl) implanted devices should be verified prior to
implantation (see section 7)
• This equipment has been tested and found to comply with the limits for a Class B
digital device, pursuant to Part 15 of the FCC rules. These limits are designed to
provide reasonable protection against harmful interference in a residential installation.
• This equipment generates; uses and can radiate radio frequency energy and, if not
installed and used in accordance with the instructions, may cause harmful
interference to radio communications. However, there is no guarantee that
interference will not occur in a particular installation.
• Modifications not expressly approved by the manufacturer could void the user
authority to operate the equipment under FCC Rules.
• A distance of at least 15cm between the equipment and all persons should be
maintained during the operation of the equipment.
4. WARNINGS

Unified Physicain Programmer
IFU
RU-53-001 H 10
US users:
Please refer to the study protocol for a complete list of eligibility criteria.
• No modification of this equipment is allowed.
• Do not connect any equipment to Laptop except dedicated Communication interface
and medical grade power supply Model 4300/MPU100-106.
• To avoid the risk of electric shock, this equipment must only be connected to a supply
main with protective earth.
• Pediatric use – safety and effectiveness of Physician Programmer for pediatric use,
has not been established.
• When using the programming wand in a sterile field, place it into a sterile sleeve. The
wand is not sterile and cannot be sterilized.
• Wireless signals from the Physician Programmer may interfere with the performance
of other devices.
• Portable and mobile RF communications equipment can affect the CardioFit
• Keep your cellular phone at least 6 inches (15 cm) away from the device. The
cellular phone is a source of EMI and could affect device’s operation.
• Using the programming wand over a metallic field may decrease its operating range.
5. SETTING UP THE SYSTEM
5.1 Charging the Physician Programmer
1. Charge laptop battery prior to use and make sure it is fully charged.
2. Install a 9-volt battery (use only alkaline 9V battery) in the communication interface.
5.2 Getting started
1. Connect the programming wand plug to the communication interface and then,
connect the interface to the parallel port of the PC.
2. Turn “ON” the PC and the communication interface.
CAUTION:
This device complies with Part 15 of the FCC Rules. Operation is subject to
the following two conditions:
(1) This device may not cause harmful interference; and
(2) This device must accept any interference received, including interference
that may cause undesired operation.
FCC WARNINGS:
Modifications not expressly approved by the manufacturer could void the user
authority to operate the equipment under FCC Rules received, including
interference that may cause undesired operation.

Unified Physicain Programmer
IFU
RU-53-001 H 11
3. Run the Physician Programmer program (from the desktop or the program menu. Do
not advance beyond the first, “Welcome”, screen, which shows the ‘interrogate’
button.
Figure 2: Welcome Screen
4. Position the programming wand directly above the stimulator’s area.
WARNING:
Avoid direct contact with patient skin – place above thin clothing or use a
thin wrapper around the wand to reduce the risk of skin irritation and/or
cross contamination between patients
A green light blinks, usually at a constant frequency of 1or 2 Hz (every 1 or 2 seconds
respectively), depending on whether the device is active or sleep mode. Such blinking
verifies proper communication and readiness for receiving and transmitting signals.
NOTE:

Unified Physicain Programmer
IFU
RU-53-001 H 12
If communication difficulties are experienced, reposition the
programming wand at different angles relative to the stimulator.
5.3 General System Interface Description
Select the “I
NTERROGATE
”
(F1)
button. This initial interrogation sets up the Physician
Programmer screen with the panes and programmable buttons relevant to the version of
the device interrogated.
The Programmer interface consists of 4 tabs, which can be freely navigated by pressing
on the tab name on the left.
General tab: Shows general device settings and allows recording of patient and system
information
Statistics tab: Shows device heart rate statistics and allows for statistics counter reset
Settings tab: Main tab used for programming device stimulation parameters.
Technician tab: Shows device technical parameters
5.3.1 The "General" Tab
Figure 3: The General tab following device Interrogation

Unified Physicain Programmer
IFU
RU-53-001 H 13
The general tab is divided into 3 panes:
The left pane includes patient and system information:
• Patient Information
Patient name – An editable text view. Up to 14 characters
Patient date of birth – An editable date field – double click to change date
Date of implantation – An editable date field – double click to change date
• CIS information (automatically recognized by the device)
Serial number - Displays the device’s serial number
Firmware version - Device’s software version
Hardware version - Device’s hardware version
Mechanics version- Device’s mechanical version
• Lead information
Lead serial - An editable text view up to 32 characters
Lead model - An editable text view up to 32 characters
Lead size - An editable text view up to 32 characters
• Sensing lead information
Serial - An editable text view up to 32 characters
Model - An editable text view up to 32 characters
• Notes
An editable text view which can be used at the physician’s discretion
The right pane includes:
• An overview of current device settings including Active, On time, Off time, On cycles,
Off cycles, Duty cycle, PPB, Current
• Battery status and estimated running time.
For a detailed description of these parameters, please see section 5.3.3, The Settings
tab
• Advisory Notes
Advisory notes will appear in case the device has experienced one of the following
conditions:
• Battery voltage is too low
• Indication of insufficient discharge of stimulation electrode was given
• Indication from runaway protection mechanism was given
• CardioFit performed reset
• Bad memory shadow indication was given
• Magnet was applied to disable stimulation
.
Actions that should be taken following each advisory note are described in section 9

Unified Physicain Programmer
IFU
RU-53-001 H 14
Pressing the “Clear Advisory Notes” button will clear advisory notes
The bottom pane includes 4 buttons:
Interrogate [F1]
Device Interrogation provides current device settings.
Interrogation checks the parameters of the device and presenting the current values of
all programmable buttons. The interrogate function does not change parameters stored
in the stimulator
Send [F3]
In order to communicate updates of programmable buttons press this button. It will also
perform interrogation and update output parameters such as counters.
Print Report
Generates a hardcopy report with device parameters.
Create an image file (*.JPG) in which major counters values and the latest display graph
are presented. The image file will be created on a connected external removable drive
(disk-on-key).
After pressing the ‘print report’ a separate window will appear. The image file will be
placed in a subdirectory “NNNN” in the external removable disk where “NNNN” is the
device serial number.
File name: “Report__NNNN_YYYY-MM-DD_hh-mm-ss.jpg”
NNNN is the device serial number.
YYYY-MM-DD is the creation date, in year/month/day format.
hh-mm-ss is the creation time, in 24h format.
Example:
a report was printed on 18 May 2010 at 1:53 pm for device 2812, where the external disk
drive letter is E: The report will be in file:
E:\2812\Report_2812_2010-05-18_13-53-00.jpg
Exit
Exits the Physician Programmer and returns to Windows
These 4 buttons also appear in setting tab and have similar functions
5.3.2 The "Statistic" tab; Therapy evaluation.
The UniPP calculates and analyses the stimulation parameter setting effect on patient
heart, thus enabling evaluation of optimal therapy setting. Measures are presented
numerically and graphically.

Unified Physicain Programmer
IFU
RU-53-001 H 15
Figure 4: The Statistic tab
The Statistic tab is divided into 3 panes:
The left Statistics pane includes the HR numerical information:
• Last reset – Date and time of the last statistical information reset
• Duration – Time period of which the statistic is calculated and presented
• Average HR – the average HR detected (R waves) and calculated by the device
• Average HR at On time - the average HR detected (R waves) and calculated by the
device during stimulation
• Average HR at Off time - the average HR detected (R waves) and calculated by the
device while stimulations are not given
• Low HR events at On time - A counter registering how many detection events (R
waves) are occurring at a rate below that defined as Low HR Threshold. Therefore,
this counter actually registers bradycardia occurring while device is giving
stimulations
• High HR events at On time - A counter registering how many detection events (R
waves) are occurring at a rate above that defined as High HR Threshold. Therefore,
this counter registers tachycardia occurring while device is in giving stimulations

Unified Physicain Programmer
IFU
RU-53-001 H 16
• Low HR events at Off time - A counter registering how many detection events (R
waves) are occurring at a rate below that defined as Low HR Threshold. This
counter registers bradycardia occurring while device does not stimulate
• High HR events at Off time - A counter registering how many detection events (R
waves) are occurring at a rate above that defined as High HR Threshold. Thus, this
counter registers tachycardia occurring while device does not stimulate
• Actual Duty cycle – The ratio (in percentage) between the period while stimulation
was ON and the period while stimulation was OFF
The right HR Reduction pane includes graphical presentation of the average heart rate
reduction for the time duration indicated in the left pane.
HR reduction graph
The graph provides visual evaluation of the effect of stimulation on the heart rate.
The three left points are the HR for the 2 last beats before switching from off to on
and the HR for the first beat after switching from off to on respectively. The three
right points are the HR for the 2 last beats before switching from on to off and the HR
for the first beat after switching from on to off respectively. The heart rates shown are
averaged over all on/off cycles that occurred since the last reset.
Two blue thresholds line are indicated as well demonstrating the
average HR at On
time and average HR at Off time
The bottom Heart rate histogram pane includes graphical presentation of the heart rate
histogram for the time duration indicated in the left pane and the functional button.
Heart Rate Histogram
This is a bar graph presenting the distribution of the patient HR during the evaluated
period.
Last commands
Pressing this button will results with opening a new window, which present most of
the CardioFit parameters, new line will be opened each time the operator has
changed a parameter,
“Last command” will present all the commands given by the operator from the 1
st
interrogation at a specific session.
Retrieve statistic
Present the statistic parameters including update of the HR reduction figure as well
as the HR histogram,
Updating is from the last “retrieve statistics“ or from the last “reset counters”
commands.
Reset counters
Resetting the CardioFit statistic counters.
Low/High HR during On/Off time counters will not be reset by this function.

Unified Physicain Programmer
IFU
RU-53-001 H 17
NOTE:
Pressing “Reset counters” button will not update the screen with reseted
counters; for the updated numbers please use the “retrieve statistic”.
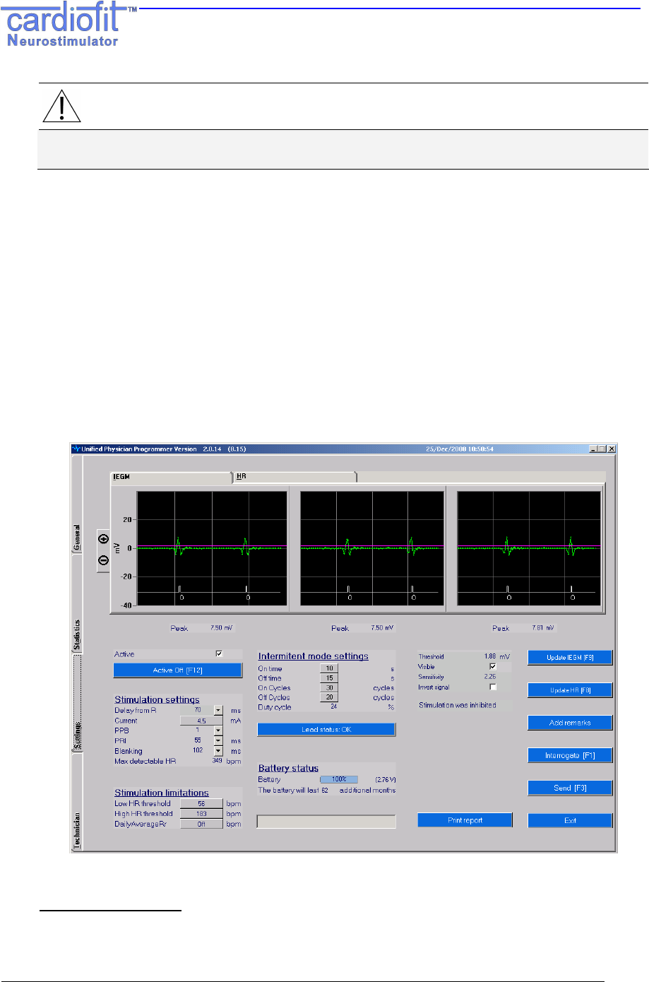
5.3.3 The "Setting" Tab
This screen allows the operator to control the stimulation therapy delivered by the device
to the patient. Adjustment of HR detection and vagal nerve stimulation therapy
programming and changes are performed through the Setting tab.
On the top pane, a switch screen of IEGM and HR streaming is appeared. Clicking the
relevant tab on the top of the screen makes the switch between the screens. Description
of buttons and panes below the switch screen is found under the HR screen.
IEGM screen
The CardioFit detects right ventricle signal in order to synchronize stimulation with
the cardiac cycle. The max detection sensitivity = 2mVolt.
Figure 5: The IEGM Setting tab
Update IEGM (F9)
Button is located at the right pane of the setting screen
Pressing the button will update the three windows that compose the IEGM screen.
Each window represents one second.

Unified Physicain Programmer
IFU
RU-53-001 H 18
Please note: the three windows are not consecutive in time.
Zooming in/out
Buttons are located at the left side of the IEGM screen as + and –.
Pressing the + results in IEGM magnifying, each press will provide higher
magnification, allow better view of the IEGM and ease threshold setting.
Pressing the – button will decrease the IEGM magnification.
Stimulation annotation line
Appears as a white line below the IEGM and the threshold graph,
When stimulation is being delivered tall bar will be presented, when stimulation is
being inhibited a short bar will be presented, in addition, a letter representing the
inhibition cause will appear below the bar as follow:
Inhibition letter legends:
O – Off time, Off cycle
M – Magnet has been applied.
F – Fault (lead status out of range, low battery, bad shadow, device reset)
R – Runaway protection has been activated.
D – Discharge, in case the electrode has not been sufficiently discharged.
H – High HR, short RR.
L – Low HR, Low daily Avg. HR
IEGM max measured amplitude
Below each IEGM window screen, the “Peak” value of the R wave is presented.
Detection Threshold
The threshold for detection appears on the grid of the display as a bright purple line
that can be set higher or lower by left clicking and dragging or by entering the
numeric value. The relative scale for displaying voltage amplitude of the acquired
signal appears in mVolts.
An optimal threshold setting should be at the one-third upper scale of the R wave.
If the “visible” box is not checked, the threshold will not be shown.
Invert signal
Marking the check box will invert the heart signal; use this button when the negative
projection of the signal is much greater then the positive.
HR screen
The HR screen presents the heart rate in bpm during the last 128 RR intervals with
marks for stimulations. The figure enables on-line evaluation of the heart rate
response to stimulation.

Unified Physicain Programmer
IFU
RU-53-001 H 19
Figure 6: The HR Setting tab
View HR storage [F8]
Button is located at the right pane of the setting screen
Pressing this button will display a graph of heart rate of the last 128 RR intervals.
Every such heartbeat is marked by a green dot on the graph. Stimulated R waves
will be marked in bigger dots.
Zooming in/out
Marking the desired area in the graph to be zoom-in while left click in the “mouse”
will provide focused area of interest. Repeat the procedure for higher magnification if
required.
Right click will reset the axis scale.
The bottom pane of the “setting” tab includes stimulation parameters setting:
Stimulation Settings:
Active

Unified Physicain Programmer
IFU
RU-53-001 H 20
Box can be made blank to put device into ‘non active’ mode; not sensing or counting
and not stimulating - or it can be checked to activate the device.
Delay from R
Determines the time between the R wave detection and the first stimulation pulse in
mSec. The range is 8 ~ 1000 msec in 7-8msec steps. The default value is 70msec.
Current
Sets the amplitude of the current provided by the stimulation lead in milliamps (mA).
Value can only be chosen from a table appearing when button is left-clicked, as a
safety measure. Current should not be increased by more than 0.2mA at one time.
The default value is 0mA, max value is 6mA.
PPB
Pulse Per Beat will set a constant number of pulses per single heartbeat. Max PPB
value is 3 in regular use and 8 in implantations (only appear in the CardioFit-X
version).
PRI
Pulse Repetition Interval. Sets the interval between pulses constituting
a single stimulation event. Default value is 55 msec.
Blanking
Determines the duration of blanking period following stimulation. The purpose of
blanking during which there is no detection, is to prevent T wave detection, as well
as to prevent the stimulation itself from causing misdetection. Range: 8 ~ 1000 msec
in 7-8msec steps. It appears in the IEGM as uncolored line area.
The default value is 102msec.
Max detectable heart rate
The number appearing is the maximum regular beats, or more precisely -
Intracardiac signals, per minute that may be detected. This value is the product of
several variables, including: PRI, PPB, blanking and Delay from R. The ‘Max
detectable HR’ field became red if the programmed ‘High HR Threshold’ is greater
than 90% of the max detection rate.
WARNING:
In case the High HR Threshold is higher than the Max detectable HR, the
device may not be able to prevent stimulation when it is resulted from
detection of noisy signal

Unified Physicain Programmer
IFU
RU-53-001 H 21
Stimulation Limits:
High HR Threshold
The heart rate above which no stimulation is provided no matter what the mode, the
cycle or stimulation parameters are. The default value is 150 BPM.
Low HR Threshold
The heart rate below which no stimulation is provided no matter what the mode, the
cycle or stimulation parameters are. The default value is 56 BPM.
Daily Average RR
This feature cancels the stimulation Cycle mode. It automatically use the calculated
last 24 hours average heart rate by the device and enable stimulation only when the
measured heart rate is higher than the average value. The value is updated
automatically every 24 hours.
In the first time used, the value should be set manually.
When the default ‘Off’ value is presented the stimulation limitation ignores this
feature.
Intermittent Mode Settings:
Treatment mode
The CardioFit™ stimulation logic consists of four combined time intervals, the
On/Off Time and the On/Off Cycles.
CardioFit administers stimulation in an intermittent, periodic manner. The period is
determined by the "on time" and "off time" programmable parameters.
A "stimulation cycle" is the time period consisting of a single "off"
period followed by a single "on" period.
The "On cycle" and "Off cycles" programmable parameters give further control of
the intermittent administration of stimulation by allowing a long period in which no
stimulation is administered. CardioFit will administer "On cycle” normal stimulation
cycles, to be followed by a period of "Off cycles" stimulation cycles in which no
stimulations will be administered.
For example: See Figure 7, where the following parameters are programmed:
on time=4 sec, off time=1 sec, on cycle=2, off cycle=3.
Based on these parameters, the stimulation cycle=off time + on time = 5 sec.
Therefore, 10 seconds (2 cycles) of intermittent stimulation are followed by 15
seconds of no stimulations, etc.

Unified Physicain Programmer
IFU
RU-53-001 H 22
Figure 7: On/Off time and On/Off Cycle operation parameters.
Duty Cycle
The duty cycle indicator calculates and present the actual activation time according
to the last programmed settings. The indicator becomes red if the calculated value
exceeds 30%
)()( OffCycleOnCycleOffTimeOnTime
OnCycleOnTime
DutyCycle +⋅+
⋅
=
NOTE:
Values for the treatment mode parameters can only be chosen from a table
appearing when button is left-clicked, as a safety measure
Lead Status
Calculates the CSL lead impedance and provide an indication status: Short, OK,
High or Unknown
WARNING:
Lead status ‘Short’ or ‘High’ may indicate on lead break or damaged
insulation and need to be reported immediately to BioControl
representative

Unified Physicain Programmer
IFU
RU-53-001 H 23
The result will be displayed in the dialog box and on the Lead status button and will
be written in the log files as a comment.
To perform the test press the ‘lead status’, the test take a minute and is part of a
routine On Time cycle, a progress bar indicate on the test status.
In order to perform the test, four conditions must be fulfilled. The conditions are:
On time ≥ 1
On cycle ≥ 1
Active On
R wave detection
NOTE:
If one of the conditions is not fulfilled the results of the lead status test will be
“Lead Status: unknown”
Battery Status
Battery capacity indicator is shown as a blue strip containing a measure percentage of
full capacity, Battery Voltage is provided in Volt units in parenthesis.
Battery expected remaining time is expressed in months.
If less than 3 months remain for battery operation (assuming no change in setting) a
message will appear in the gray space below “Please schedule battery replacement”.
NOTE:
If less than 3 months remain for battery operation (assuming no change in
setting) a message will appear in the gray space below “Please schedule
battery replacement”.

Unified Physicain Programmer
IFU
RU-53-001 H 24
Figure 8: Predicted device life time as function of current and PPT
The nominal predicted lifetime of the CardioFit™ Implantable Stimulator battery in
the maximal therapeutic setting is 5.0 years and the minimum is 3.5 years.
Under the following conditions:
Stimulation electrode Impedance: 1740Ω; Capacity: 4.7µF
Stimulation current: 5mA, 3 pulses per trigger,
Average HR: 100bpm, Stimulation duty cycle: 25%.
Print Report
See section 5.3.1
Add Remarks
Adds a line in the log file, on which user remarks may be written. Remarks could be chosen
from a dropdown list or added as a free text.
Exit
Exits the Physician Programmer and returns to Windows.
NOTE:

Unified Physicain Programmer
IFU
RU-53-001 H 25
When a button is pressed or a new parameter is typed a light blue
box will appear around it, until the button “Send” [F3] has been
pressed. It is possible to program several parameters together and
then press the “Send’ button.
Range and default of programmed parameters list:
Parameter Range Default
On Time [sec] 0…(1)…10…(5)…255 0
Off Time [sec] 0…(1)…10…(5)…255 0
PPB 1, 2, 3 1
Current [mA] 0…(0.1)…6 0
PRI [mSec] 16, 55, 148, 250, 350 55
On Cycles 0…(1)…127 1
Off Cycles 0…(1)…127 0
Low Stimulation Limit [BPM] 30…(4)…320 56
High Stimulation Limit [BPM] Off, 30…(4)…320 150
Daily Average HR Off, 30.1 - 7680 0ff
Blanking [mSec] 8…(8)…1000 102
Delay from R wave 0…(8)…1000mSec 70
Detection Threshold (mV) 1.88 to 39.69 39.69
Detection Thresholds
sensitivity (mV)
≥2 39.69
6 THERAPY SETTING AND OPTIMIZATION PROGRAM
WARNING:
The Physician Programmer should be used only by authorized and
trained personal
NOTE:
Make sure the programming wand is correctly positioned over the
stimulator, and a green blinking light appears. Hold the
programming wand in place until the transmitted parameters had
been programmed.
NOTE:

Unified Physicain Programmer
IFU
RU-53-001 H 26
After each time a button is pressed or a parameter is typed the
“send” button on the screen should be pressed, or alternatively
press the keyboard “F3” button.
6.1 General
This section provides guidance and recommendation regarding use of the CardioFit
Unified Physician Programmer (UniPP) for device activation and parameter setting
optimization in patients implanted with the CardioFit™ System during the adjustment
period that all implanted subjects undergo in order to provide them with optimal
CardioFit therapy. This period is defined as "optimization period". The optimization
period starts at weeks 3-4 post operation (depending on patient recovery from system
implantation and wound healing), and lasts around 4 weeks. In order to optimally set the
therapy, approximately 6 setting sessions are required during that period depends on
patient adjustment and tolerability to the stimulation.
6.2 Therapy Optimization Goal
The goal of the optimization is to adjust the stimulation parameters to the patient specific
physiological characteristics in order to achieve the optimal CardioFit therapy settings.
Optimal setting criteria are:
• Statistically significant Instantaneous Heart Rate Reduction ("iHRR") in an
interval ≥ 24-hour
• Minimal discomfort to the patient
6.3 Communication rules with the patient
• Prior to each session consult with the patient’s physician regarding his or her
condition. Physical examination is required prior to each optimization session.
• Ask the patient for his/her condition - presence of adverse events or unusual
feelings since last visit and during the visit.
• It is recommended to use standard stimulation sensation scale to standardize
patient comfort with the programmed therapy setting level.
6.4 Visit Activities Flow
• Physical examination should be performed prior to parameter change.
• Review the last patient clinical outcome
o Stimulation discomfort characteristic - Interview patient for his response to
therapy and general clinical feeling. Ask patient to determine the
stimulation discomfort level since last visit, if any, using the stimulation
sensation pain scale
o Adverse events
o Electrocardiogram from most updated 12-lead ECG/Holter. Identify any
new significant abnormalities (Heart rate, conduction, arrhythmias, etc.)
• Interrogate the device and review the information appeared in the "General" tab of
the UniPP. Identify any parameter settings discrepancy or system malfunctions.

Unified Physicain Programmer
IFU
RU-53-001 H 27
• Switch to the "Statistic" tab and press the "retrieve statistic" button. Review the
last interval heart rate outcome.
• Set therapy parameters
• After the last parameter setting change, follow the patient for any discomfort for at
least 30 minutes before release.
6.5 Parameter setting process
• Use the "Setting" tab in the UniPP for setting parameters
• Verify that "active" button is marked
• HR wave detection:
Press the IEGM tab to view IEGM and than press the "Update IEGM" [F9]. Verify
correct signal threshold for detection.
Detection thresholds should be set to the 2/3 amplitude of R wave. Minimum
sensitivity is 2 mV.
• At the first activation of the device set the parameters as indicated in following
table.
Parameter Value
On Time [sec] 10
Off Time [sec] 15
PPB 1
Current [mA] 0.1
PRI [mSec] 250
On Cycles 30
Off Cycles 20
Low Stimulation Limit [BPM] 56
High Stimulation Limit [BPM] 130
Daily Average HR Off
Blanking [mSec] 70
Delay from R wave 250
• Increase current in steps of 0.2 mA and press "Send [F3]" button. Allow patient to
adjust the change for 5 minutes.
• When the patient detects stimulation, ask him/her to determine the stimulation
sensation level. If the sensation is intolerable, wait for at least 15 minutes before
proceeding. In case that sensation level does not decrease, reduce current in 0.1
mA steps until comfortable sensation of stimulation is achieved. Set the final
parameters for the optimization session accordingly.
• Continue with the same procedure at each optimization session up to 5.5 mA and
continuously evaluate the effect of the stimulation setting on iHRR.
6.6 Instantaneous HRR evaluation and PPB/ON time change
iHRR can be observed at the "Statistic" tab: HR statistic, HR reduction figure and HR
distribution histogram for the last interval and in the "Setting" tab: HR figure
• ON Time setting change;

Unified Physicain Programmer
IFU
RU-53-001 H 28
o Review the HR reduction figure appears in the "Statistic" tab after pressing
the "Retrieve" button at the beginning of each session.
o Increase ON time, if the HR value at the last measuring point of the
Stimulation ON time is lower or equal to the HR value of the previous
measuring point and the average HR.
o Decrease ON time, if the HR value at the last measuring point of the
Stimulation ON time is higher than the HR value of the previous measuring
point and the average HR.
o Please note that whenever the On time is modified, the Off time should be
modified accordingly in order to keep the overall Duty Cycle constant.
• PPB setting change;
When statistically significant iHRR in an interval ≥ 24-hours is observed switch
setting to 2 PPB.
o The change may require eventually reduction of 0.5mA in pulse current
o Re-evaluate the iHRR in the following visit. In case the measured iHRR
value decreased following the change, revert to the last setting with the 1
PPB.
• It is mandatory to print report at the beginning and completion of visit, all reports
should be reviewed and signed by the patient physician.
7. INTERACTIONS WITH IMPLANTABLE CARDIOVERTER DEFIBRILLATORS
This section provides the procedure to be followed when programming CardioFit in a
patient with an implanted pacemaker and/or implanted Cardioverter defibrillator.
Following this procedure shall minimize the risk of interaction between the two
implanted devices and will allow safe delivery of therapy from both of them.
Programming device parameters
Use the following guidelines to set pacing/sensing parameters in the devices. These
guidelines minimize the possibility of CardioFit and the other device sensing each
other’s stimulations as cardiac events.
• Avoid using atrial sensing if possible
• Set the CardioFit sensing threshold to be between 50% and 70% of the R-wave
amplitude
• Set the other device’s sensitivity to the most un-sensitive setting possible as
recommended by the manufacturer of that device.
• Note that it is possible and common for a device (e.g. a CRT/D) to be both anti-
bradycardia and anti-tachycardia. In this case guidelines for both types of modes
should be followed
• For several parameters below, conversion from beats per minute (bpm) to
milliseconds (ms) is required. Use the following formula:
NOTE:
Press the E
XIT
key after parameter setting is completed

Unified Physicain Programmer
IFU
RU-53-001 H 29
Ms = 1000*60/bpm
Bpm = 1000*60/ms
• The stimulation duration is the time from detection to the end of the last pulse.
The duration is calculated as:
Delay From R + (PPB-1)*PRI + PPB
Example 1:
Delay From R = 50 ms
PPB = 2
PRI = 50 ms
Stimulation duration = 50 + (2-1)*50 + 2 = 102 ms
Example 2:
Delay From R = 50 ms
PPB = 1
PRI = 50 ms (in this case PRI is irrelevant to the calculation since PPB=1)
Stimulation duration = 50 + (1-1)*50 + 1 = 51 ms
• When the other device is using atrial sensing (not recommended)
o The other device’s and CardioFit’s parameters shall be set to values such that
the other device’s parameter governing the atrial refractory period after
ventricular pacing/sensing (e.g. Post-Ventricular Atrial Blanking) is greater than
the CardioFit stimulation duration.
Example:
CardioFit stimulation duration = 150 ms
Other device’s PVARP should be set to be greater than 150 ms.
o The other device’s and CardioFit’s parameters shall be set to values such that
the other device’s parameter governing the maximal delay from sensed atrial
event to paced ventricular event (e.g. Sensed AV interval) is smaller than the
CardioFit delay from R.
Example:
Other device’s Sensed AV interval =150 ms.
CardioFit delay from R should be set larger than 150 ms.
• When the other device is using ventricular sensing
o The other device’s and CardioFit’s parameters shall be set to values such that
the other device’s parameter governing the ventricular refractory period after
ventricular pacing/sensing is greater than the CardioFit stimulation duration.
Example:
Other device’s ventricular refractory period = 130 ms.
CardioFit stimulation duration should be set to smaller than 130 ms.
o When the other device is an anti-bradycardia device:
CardioFit Low HR threshold shall be set to be above the other device’s
basic pacing rate

Unified Physicain Programmer
IFU
RU-53-001 H 30
CAUTION:
In case that CardioFit low HR threshold is set below the other device’s basic
pacing rate, the CardioFit will stimulate on paced beats. The physician should
take this into account when programming CardioFit stimulation parameters, or
should consider abolition of CardioFit implantation
o When the other device is using bi-ventricular pacing
• The other device’s and CardioFit’s parameters shall be set to values in
which the other device’s V-V delay is smaller than the CardioFit maximal
detectable heart rate
Example:
Other device’s V-V delay = 50 ms.
50 ms = 1200 bpm.
CardioFit Maximal detectable heart rate should be smaller than 1200
bpm.
o When the other device is an anti-tachycardia device
The other device’s and CardioFit’s parameters shall be set to values in
which the CardioFit Maximum detectable HR is about 10% above the
other device’s VT zone (to ensure correct CardioFit tracking of the VT)
Example:
Other device’s VT zone = 180 bpm.
CardioFit High Maximum detectable HR threshold should be above 200
bpm.
The other device’s and CardioFit’s parameters shall be set to values in
which the CardioFit High HR threshold is about 10% below the other
device’s VT zone (to ensure no CardioFit stimulation during VT therapy).
Example:
Other device’s VT zone = 180 bpm.
CardioFit High HR threshold should be below 160 bpm.
The other device’s and CardioFit’s parameters shall be set to values in
which the CardioFit High HR threshold is about 10% below the other
device’s anti-tachycardia pacing interval (to ensure no CardioFit
stimulation during ATP therapy).
Example:
Other device’s anti-tachycardia pacing interval= 200 ms.
200 ms = 300 bpm
CardioFit High HR threshold should be below 270 bpm.

Unified Physicain Programmer
IFU
RU-53-001 H 31
Patient follow-up
During patient follow-up special attention should be taken to ensure that the above
guidelines are still in effect.
Also, any irregular events should be scrutinized to ensure that they did not occur due
to device-device interactions. Such events may include:
o Defibrillation shocks.
o Pacemaker detection problems (double-counting).
o CardioFit detection problems.
NOTE:
Both devices, ICD and the CardioFit cannot be interrogated simultaneously
WARNING:
It is advised to ensure proper sensing by the CardioFit of intrinsic and
paced beats
8 MAINTENANCE, HANDLING, AND STORAGE
8.1 Maintenance
Except for periodical battery replacement of the communication interface and PC battery
charging, the Physician Programmer does not require maintenance:
• Use only alkaline 9V battery.
• Remove the 9-volt battery from the communication interface device if the Physician
Programmer will not be used for an extended period.
• Replace the 9-volt battery only after the communication interface has been
disconnected from all external equipment.
• Do not sterilize the programming wand.
• Return the Physician Programmer to BioControl if repair or replacement is required.
• If required, the Physician Programmer components can be cleaned with a moistened
cloth.
8.2 Handling
• Never immerse the programming wand in liquid.
NOTE:
Please note that the term ‘ICD’ refers to: Single chamber Implantable
Cardioverter-Defibrillators, Dual chamber Implantable Cardioverter-Defibrillators
and Cardiac Resynchronization Therapy- Implantable Cardioverter-Defibrillators
(CRT-D)

Unified Physicain Programmer
IFU
RU-53-001 H 32
• Never connect the communication interface to external equipment while the battery
compartment is open.
8.3 Storage
• Do not store the Physician Programmer where it might be exposed to water or other
liquids. Moisture can damage its functionality!
• Store the Physician Programmer between 0ºC and 45ºC. Temperature outside this
range can damage the Physician Programmer.
• Relative Humidity (RH): Between 10% and 95% RH.
• Atmospheric Pressure: Between –400m and 3000m (700-1060 hPa).
• Store the Physician Programmer in a secure place.

Unified Physicain Programmer
IFU
RU-53-001 H 33
9. TROUBLESHOOTING
The following table presents possible errors and suggested solutions:
Error Feature Suggestion
Green light
not blinking
1. Reposition wand.
2. Ask patient to change his/her position.
3. Check physician programmer operation on a
neutral CardioFit™-X device.
4. Check/change the 9-volt battery of the
communication interface device.
5. Verify that the Physician Programmer
components (i.e. PC; communication interface;
and programming wand) are properly
connected.
6. Change the programming wand and the
communication interface.
7. In case green light is, still, not blinking contact
BioControl Medical (BCM).
Communication error
Green light
blinking in
a high
frequency
1. Check if the CardioFit programming wand is
located in the proximity of another
programming wand (ICD, CRT).
2. Try to isolate the CardioFit programming wand
from others electrical devices
3. Contact BioControl Medical (BCM).
Physician Programmer not
responding or a persistent
malfunction not related to
communication.
1. Close the Physician Programmer program and
restart the program.
2. If the problem is not resolved, restart the
laptop.
3. Contact BioControl Medical (BCM).
CAUTION:
In case of unsuccessful Turn-off of the neurostimulator while using the Physician
Programmer, use safety magnet to turn the neurostimulator OFF. Please contact
BioControl Medical personnel, immediately.

Unified Physicain Programmer
IFU
RU-53-001 H 34
The following table presents possible error messages:
Message Description Action
"A different CardioFit was
interrogated, do you wish
to proceed?"
After interrogation,
the serial number of the
device is different from
the last SN.
Press YES in case the new device
(patient) interrogation was scheduled or
press NO and interrogate again the right
device in the case of a mistake.
"Communication battery
voltage too low!" Whenever the battery
voltage is too low.
Turn on the communication interface or
replace the battery, use 9v alkaline battery
only.
"There is no
communication" Indicates a
communication error. See the table above.
"There is no
Communication interface
connected to this
computer, or CP93.Vxd file
is not found in the current
folder."
When a communication
box is missing, or faulty
parallel connection
between the interface
box and the PC.
Connect the communication interface to
the programmer.
"Unfamiliar device or old
device version or
communication error"
Unexpected model or
version was read, may
indicate an old device
version.
Re-
interrogates the device, if the massage
still appears contact BioControl Medical.
"Unable to write to a log
file" In case of an error in
writing to a log file. Make sure all log files are closed.
"Unable to read from the
log file" A problem in reading
the log file. Make sure all log files are closed.
“Disk on key is not
connected, operation
canceled! “
Disk on key should be
connected in order to
perform this action.
Connect a Disk-On-Key to the
programmer.
"The operation cannot be
performed when device is
not active"
The desired action
requires an active
CardioFit.
Appears when updating IEGM or HR while
the device is set to “active off”, set the
device to “Active on”.
"Please schedule device
replacement"
When CardioFit
longevity is less than 3
months. Schedule device replacement.

Unified Physicain Programmer
IFU
RU-53-001 H 35

Unified Physicain Programmer
IFU
RU-53-001 H 36
10. PRODUCT INFORMATION AND SUPPORT
For technical support for the CardioFit™ system Physician Programmer or any of its
accessories, please contact BioControl:
BioControl Medical (B.C.M) Ltd.
3 Geron St.
Yehud, 56100
ISRAEL
TEL: + 972-3-6322126
FAX: +972-3-6322125
Email: info@biocontrol.co.il
11. DISCLAIMER OF WARRANTY
Although the Physician Programmer hereafter referred to as “Product” has been carefully
designed, manufactured and tested prior to use, the Product may fail to perform its
intended function satisfactorily for a variety of reasons. Warnings contained in the
Product labeling provide more detailed information and are considered an integral part of
this disclaimer. BioControl, therefore, disclaims all warranties, both expressed and
implied, with respect to the Product. BioControl shall not be liable for any incidental or
consequential damages caused by any use, defect or failure of the Product, whether the
claim is based on warranty, contract, tort or otherwise.
The exclusions and limitations set out above are not intended to, and should not be
construed so as to, contravene mandatory provisions of applicable law. If any part or
term of this disclaimer of warranty is held by any court of competent jurisdiction to be
illegal, unenforceable or in conflict with applicable law, the validity of the remaining
portion of the disclaimer of warranty shall not be affected and all rights and obligations
shall be construed and enforced as if this disclaimer of warranty did not contain the
particular part or term held to be invalid.

Unified Physicain Programmer
IFU
RU-53-001 H 37
APPENDIX A. Electromagnetic environment – guidance IEC 60601-1-2
Guidance and manufacturer’s declaration – electromagnetic emissions
The Physician Programmer model 5300 & CardioFit-X Ver 8.15 are intended for use in the electromagnetic
environment specified below. The customer or the user of the Physician Programmer model 5300 & CardioFit-X ver
8.15 should assure that it is used in such an environment.
Emissions test Complian
ce Electromagnetic environment - guidance
RF emissions CISPR 11 Group 2 The Physician Programmer model 5300 & CardioFit-X ver 8.15 must
emit electromagnetic energy in order to perform their intended
function. Nearby electronic equipment may be affected.
RF emissions CISPR 11 Class B
Harmonic emissions
IEC 61000-3-2 Class D
Voltage fluctuations/flicker
emissions
IEC 61000-3-3
Complies
The Physician Programmer model 5300 & CardioFit-X ver 8.15 are
suitable for use in all establishments, including domestic
establishments and those directly connected to the public low-
voltage power supply network that supplies buildings used for
domestic purposes.9
Guidance and manufacturer’s declaration – electromagnetic immunity
The Physician Programmer model 5300 & CardioFit-X Ver 8.15 are intended for use in the electromagnetic
environment specified below. The customer or the user of the Physician Programmer model 5300 & CardioFit-X Ver
8.15 should assure that it is used in such an environment.
Immunity Test IEC 60601 test
level Compliance level Electromagnetic environment – guidance
Electrostatic
discharge (ESD)
IEC 61000-4-2
±6 kV contact
±8 kV air
±6 kV contact
±8 kV air
Floors should be wood, concrete or ceramic tile. If
floors are covered with synthetic material, the
relative humidity should be at least 30 %.
Electrical fast
transient/burst
IEC 61000-4-4.
±2 kV for power
supply lines
±1 kV for
input/output lines
±2 kV for power
supply lines
±1 kV for
input/output lines
Mains power quality should be that of a typical
commercial or hospital environment
Surge
IEC 61000-4-5
±1 kV differential
mode
±2 kV common
mode
±1 kV differential
mode
±2 kV common
mode
Mains power quality should be that of a typical
commercial or hospital environment.
Voltage dips, short
interruptions and
voltage variations on
power supply input
lines
IEC 61000-4-11.
<5 % U
T
(>95 % dip in U
T
)
for 0,5 cycle
40 % U
T
(60 % dip in U
T
)
for 5 cycles
70 % U
T
(30 % dip in U
T
)
for 25 cycles
<5 % U
T
(>95 % dip in U
T
)
for 5 sec
<5 % U
T
(>95 % dip in U
T
)
for 0,5 cycle
40 % U
T
(60 % dip in U
T
)
for 5 cycles
70 % U
T
(30 % dip in U
T
)
for 25 cycles
<5 % U
T
(>95 % dip in U
T
)
for 5 sec
Mains power quality should be that of a typical
commercial or hospital environment. If the user of
the Physician Programmer model 5300 &
CardioFit-X Ver 8.15 requires continued operation
during power mains interruptions, it is
recommended that the Physician Programmer
model 5300 & CardioFit-X Ver 8.15 be powered
from an uninterruptible power supply or a battery
Power frequency
(50/60 Hz) magnetic
field
IEC 61000-4-8
3 A/m 3 A/m Power frequency magnetic fields should be at
levels characteristic of a typical location in a typical
commercial or hospital environment.
NOTE U
T
is the a.c. mains voltage prior to application of the test level.

Unified Physicain Programmer
IFU
RU-53-001 H 38
Guidance and manufacturer’s declaration – electromagnetic immunity
The Physician Programmer model 5300 & CardioFit-X Ver 8.15 are intended for use in the electromagnetic
environment specified below. The customer or the user of the Physician Programmer model 5300 & CardioFit-X Ver
8.15 should assure that it is used in such an environment.
Immunity Test IEC 60601 test
level Compliance level Electromagnetic environment – guidance
Portable and mobile RF communications
equipment should be used no closer to any part
of the Physician Programmer model 5300 &
CardioFit-X Ver 8.15, including cables, than the
recommended separation distance calculated
from the equation applicable to the frequency of
the transmitter.
Recommended separation distance
Conducted RF
IEC 61000-4-6 3 Vrms
150 kHz to 80 MHz 3 V d = 1.2 √P
Radiated RF
IEC 61000-4-3 3 V/m
80 MHz to 2,5 GHz 3 V/m d = 1.2 √P 80 MHz to 800 MHz
d = 2.3 √P 800 MHz to 2,5 GHz
where P is the maximum output power rating of
the transmitter in watts (W) according to the
transmitter manufacturer and d is the
recommended separation distance in metres (m).
Field strengths from fixed RF transmitters, as
determined by an electromagnetic site survey,
a
should be less than the compliance level in each
frequency range.
b
Interference may occur in the vicinity of
equipment marked with the following symbol:
NOTE 1 At 80 MHz and 800 MHz, the higher frequency range applies.
NOTE 2 These guidelines may not apply in all situations. Electromagnetic propagation is affected by absorption and
reflection from structures, objects and people.
a
Field strengths from fixed transmitters, such as base stations for radio (cellular/cordless) telephones and land mobile
radios, amateur radio, AM and FM radio broadcast and TV broadcast cannot be predicted theoretically with accuracy.
To assess the electromagnetic environment due to fixed RF transmitters, an electromagnetic site survey should be
considered. If the measured field strength in the location in which the Physician Programmer model 5300 & CardioFit-
X Ver 8.15 are used exceeds the applicable RF compliance level above, the Physician Programmer model 5300 &
CardioFit-X Ver 8.15 should be observed to verify normal operation. If abnormal performance is observed, additional
measures may be necessary, such as reorienting or relocating the Physician Programmer model 5300 & CardioFit-X
Ver 8.15
b
Over the frequency range 150 kHz to 80 MHz, field strengths should be less than [V1] V/m.

Unified Physicain Programmer
IFU
RU-53-001 H 39
Recommended separation distances between portable and mobile RF communications equipment and the
Physician Programmer model 5300 & CardioFit-X Ver 8.15
The Physician Programmer model 5300 & CardioFit-X Ver 8.15 are intended for use in an electromagnetic
environment in which radiated RF disturbances are controlled. The customer or the user of the Physician Programmer
model 5300 & CardioFit-X Ver 8.15can help prevent electromagnetic interference by maintaining a minimum distance
between portable and mobile RF communications equipment (transmitters) and the Physician Programmer model
5300 & CardioFit-X Ver 8.15 as recommended below, according to the maximum output power of the communications
equipment. Separation distance according to frequency of transmitter
m
Rated maximum output power
of transmitter
W 150 kHz to 80 MHz
d = 1.2 √P 80 MHz to 800 MHz
d = 1.2 √P 800 MHz to 2,5 GHz
d = 2.3 √P
0.01 0.12 0.12 0.23
0.1 0.38 0.38 0.73
1 1.2 1.2 2.3
10 3.8 3.8 7.2
100 12 12 23
For transmitters rated at a maximum output power not listed above, the recommended separation distance d in metres
(m) can be estimated using the equation applicable to the frequency of the transmitter, where P is the maximum
output power rating of the transmitter in watts (W) according to the transmitter manufacturer.
NOTE 1 At 80 MHz and 800 MHz, the separation distance for the higher frequency range applies.
NOTE 2 These guidelines may not apply in all situations. Electromagnetic propagation is affected by absorption and
reflection from structures, objects and people.

BioControl Medical BCM Ltd.
3 Geron Street, P.O.B 2713
Yehud 56217, ISRAEL
Tel: +972 3 6322126
Fax: +972 3 6322125
Email: info@biocontrol.co.il
The system and its use for treatment of cardiological
pathologies is protected under one or more of United States patents nos.
6,600,954, 6,684,105, and 7,346,398, as well as corresponding
international patents. Other patents are pending.
IN THE US -
CAUTION - Investigational Device.
Limited By Federal Law To Investigational Use.
Hereby, BioControl Medical BCM Ltd., declares that CardioFit™
Neurostimulator is in compliance with the essential requirements and
other relevant provisions of Directive 1999/5/EC
© BioControl Medical BCM Ltd. All rights reserved
MedNet GmbH
Borkstrasse 10
48163 MÜnster, Germany
Tel: +49 2513 22660, Fax: +49 2513
226622
www.medneteurope.com 0344