Baron Weather XDD-350C X-TREME DIGITAL DEFINITION C-BAND DOPPLER WEATHER User Manual Operational Manual C Band Block Diagram
Baron Services Inc X-TREME DIGITAL DEFINITION C-BAND DOPPLER WEATHER Operational Manual C Band Block Diagram
Contents
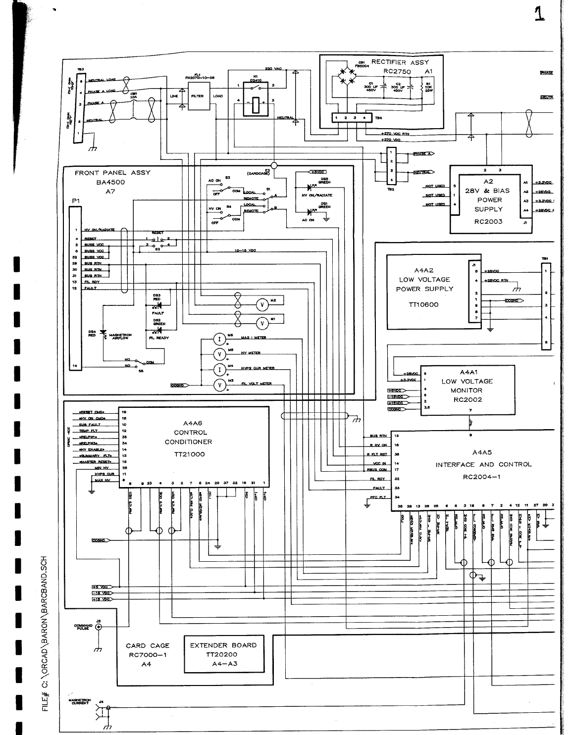
- 1. OPERATIONAL MANUAL PART 1 OF 3
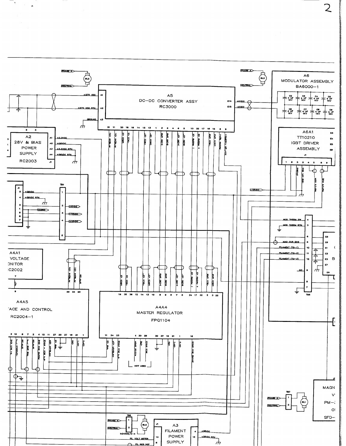
- 2. OPERATIONAL MANUAL X BAND BLOCK DIAGRAM PART 2 OF 3
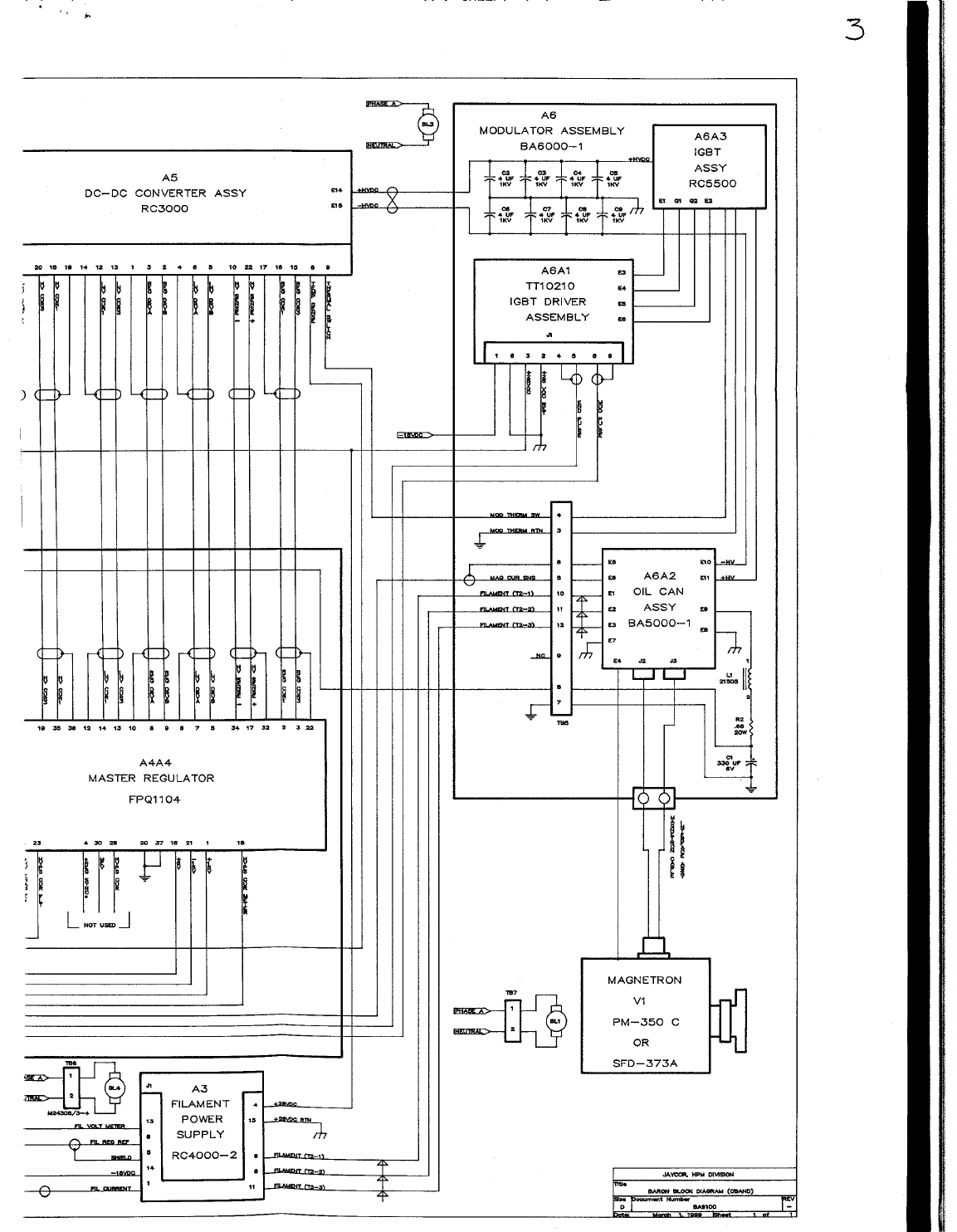
- 3. OPERATIONAL MANUAL C BAND BLOCK DIAGRAM PART 3 OF 3
OPERATIONAL MANUAL C BAND BLOCK DIAGRAM PART 3 OF 3


 [2]

 [3]