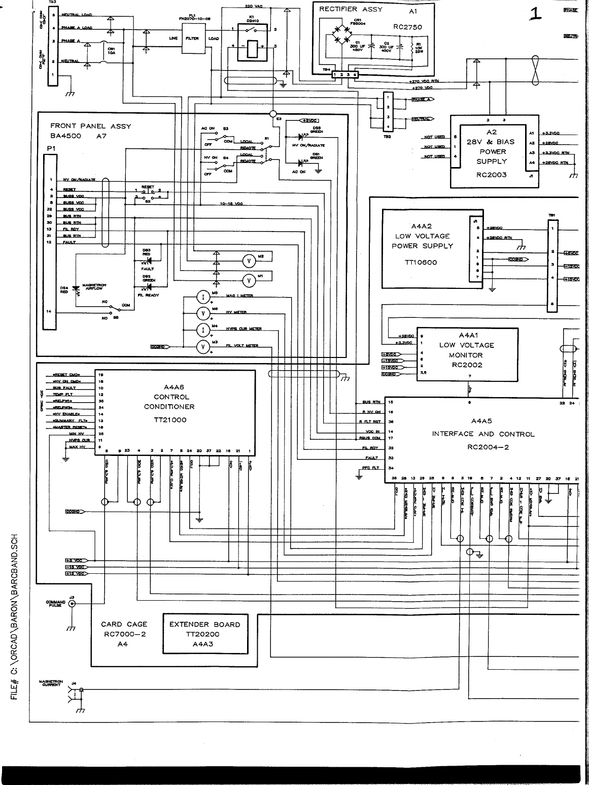
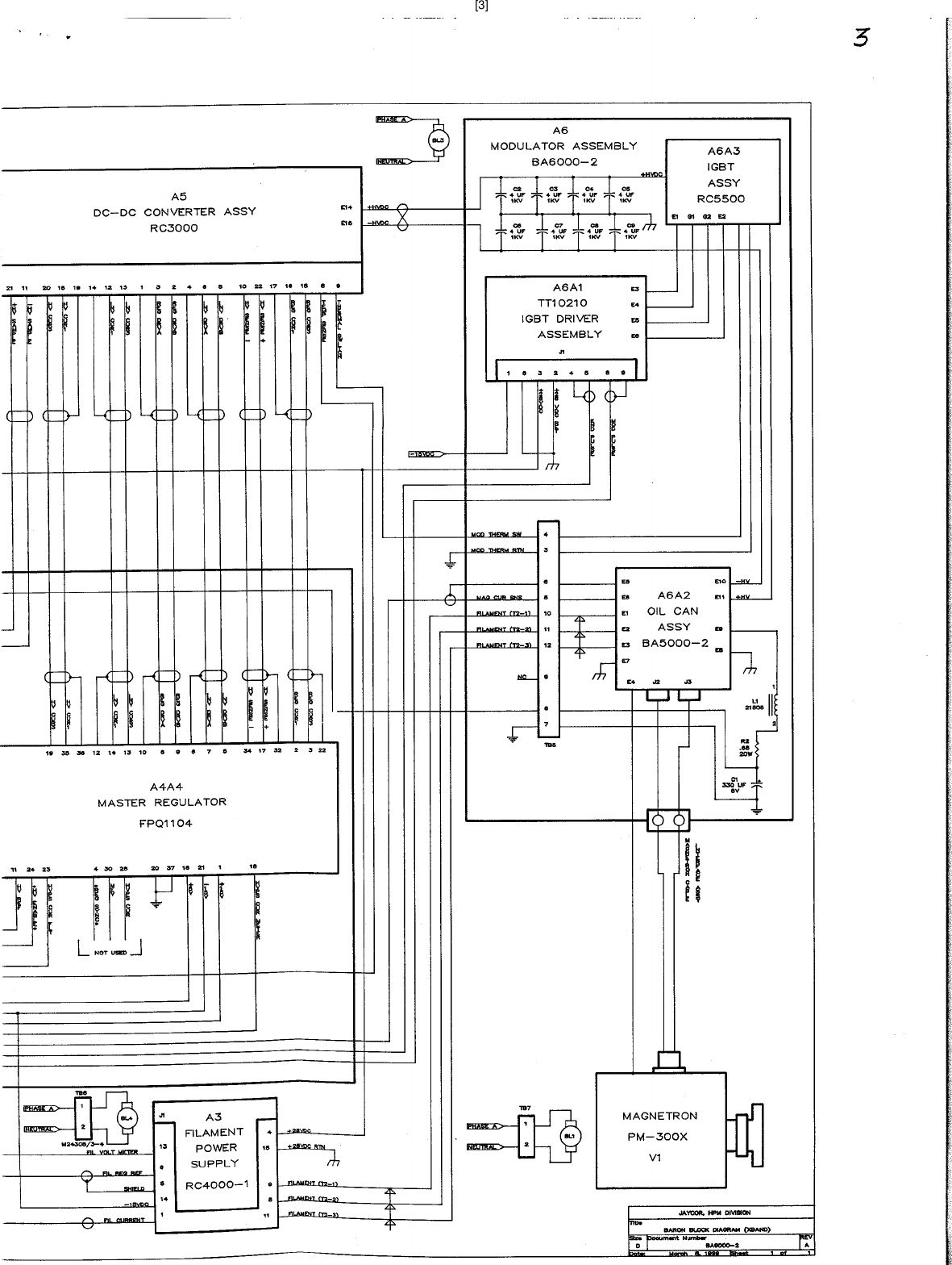
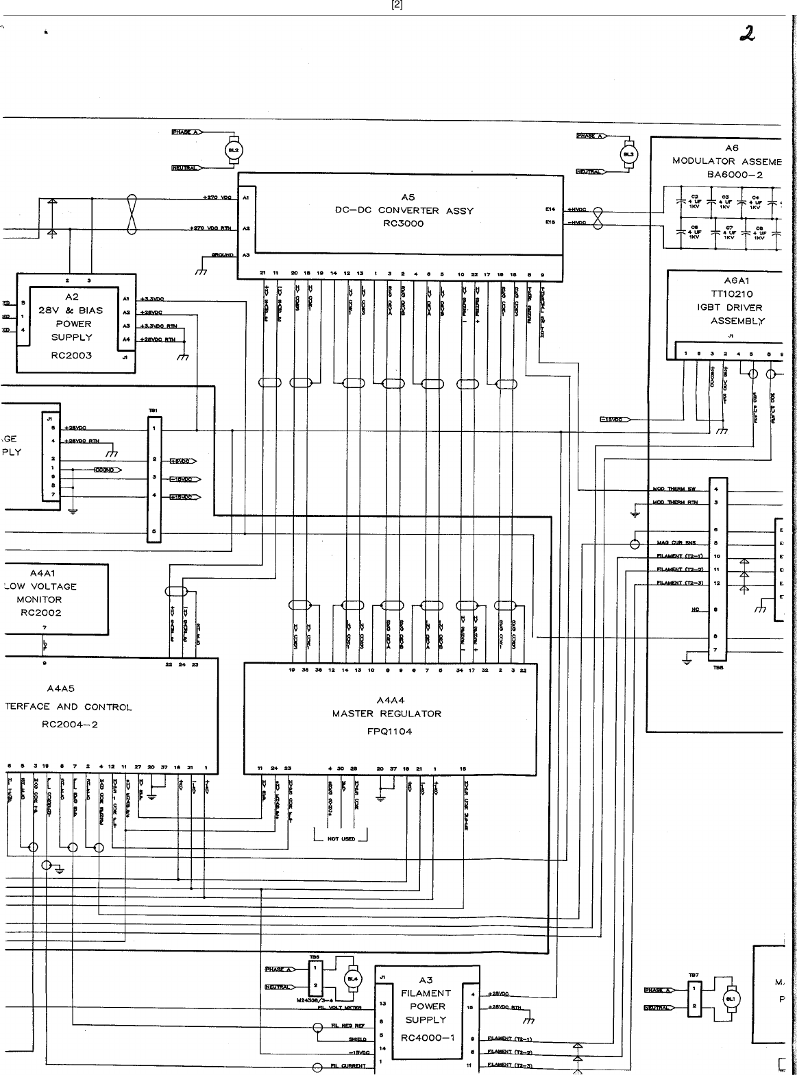
Baron Weather XDD-350C X-TREME DIGITAL DEFINITION C-BAND DOPPLER WEATHER User Manual Operational Manual X Band Block Diagram
Baron Services Inc X-TREME DIGITAL DEFINITION C-BAND DOPPLER WEATHER Operational Manual X Band Block Diagram
Contents
- 1. OPERATIONAL MANUAL PART 1 OF 3
- 2. OPERATIONAL MANUAL X BAND BLOCK DIAGRAM PART 2 OF 3
- 3. OPERATIONAL MANUAL C BAND BLOCK DIAGRAM PART 3 OF 3
OPERATIONAL MANUAL X BAND BLOCK DIAGRAM PART 2 OF 3

![[2]](https://usermanual.wiki/Baron-Weather/XDD-350C.OPERATIONAL-MANUAL-X-BAND-BLOCK-DIAGRAM-PART-2-OF-3/User-Guide-37850-Page-2.png)
![[3]](https://usermanual.wiki/Baron-Weather/XDD-350C.OPERATIONAL-MANUAL-X-BAND-BLOCK-DIAGRAM-PART-2-OF-3/User-Guide-37850-Page-3.png)