Behringer ULB2000 Beltpack Transmitter User Manual DATA MANFULL ULB2000 ENG Rev A pmd
Behringer Beltpack Transmitter DATA MANFULL ULB2000 ENG Rev A pmd
Users Manual

User’s manual
Version 1.0 August 2006
ULTRALINK ULB2000

2
ULTRALINK ULB2000
CAUTION: To reduce the risk of electric shock, do
not remove the top cover (or the rear
section). No user serviceable parts
inside; refer servicing to qualified
personnel.
WARNING: To reduce the risk of fire or electric
shock, do not expose this appliance
to rain and moisture. The apparatus
should not be exposed to dripping or
splashing and no objects filled with
liquids, such as vases, should be
placed on the apparatus.
This symbol, wherever it appears,
alerts you to the presence of
uninsulated dangerous voltage inside
the enclosure—voltage that may be
sufficient to constitute a risk of shock.
This symbol, wherever it appears,
alerts you to important operating and
maintenance instructions in the
accompanying literature. Please read
the manual.
DETAILED SAFETY INSTRUCTIONS:
1) Read these instructions.
2) Keep these instructions.
3) Heed all warnings.
4) Follow all instructions.
5) Do not use this apparatus near water.
6) Clean only with dry cloth.
7) Do not install near any heat sources such as radiators, heat registers, stoves, or other apparatus (including
amplifiers) that produce heat.
8) Only use attachments/accessories specified by the manufacturer.
9) Refer all servicing to qualified service personnel. Servicing is required when the apparatus has been
damaged in any way, such as power supply cord or plug is damaged, liquid has been spilled or objects have
fallen into the apparatus, the apparatus has been exposed to rain or moisture, does not operate normally, or
has been dropped.
IMPORTANT SAFETY INSTRUCTIONS

3
ULTRALINK ULB2000
TABLE OF CONTENTS
1. INTRODUCTION ......................................................................................................... 3
1.1 Before you get started .......................................................................................................... 4
1.1.1 Shipment ....................................................................................................................... 4
1.1.2 Registration .................................................................................................................. 4
1.1.3 Initial operation of the transmitter ................................................................................. 4
1.1.4 Online registration ........................................................................................................ 5
2. CONTROL ELEMENTS ............................................................................................... 5
3. OPERATING THE TRANSMITTER ............................................................................... 6
3.1 Turning the transmitter on ..................................................................................................... 6
3.2 Channel setting ...................................................................................................................... 6
3.3 Setting your own frequency ................................................................................................. 6
3.4 Preset ..................................................................................................................................... 7
3.5 Mic Gain ................................................................................................................................. 8
3.6 Auto Mute ............................................................................................................................... 9
3.7 Turning the transmitter off ................................................................................................... 10
4. STATUS QUERY ....................................................................................................... 10
4.1 Battery condition and transmission channel ....................................................................... 10
4.2 Transmission frequency....................................................................................................... 11
4.3 Preset .................................................................................................................................... 11
4.4 Mic Gain ................................................................................................................................ 11
4.5 Auto Mute .............................................................................................................................. 11
5. ULB2000 LEVEL SETTING ........................................................................................ 11
6. APPLICATION EXAMPLE ......................................................................................... 12
7. INSTALLATION ......................................................................................................... 12
7.1 Operating information .......................................................................................................... 12
7.1.1 Attach the transmitter ................................................................................................. 12
7.1.2 General information .................................................................................................... 12
7.2 Audio connections ............................................................................................................... 13
8. SPECIFICATIONS ..................................................................................................... 14
FEDERAL COMMUNICATIONS COMMISSION COMPLIANCE INFORMATION ............. 15
MICROPHONE QUICK START GUIDE ........................................................................... 16
1. INTRODUCTION
Thank you very much for expressing your confidence in us by purchasing the ULTRALINK ULB2000.
This Transmitter, coupled to the receiver ULR2000 from BEHRINGER, comprises a modern, high-
performance wireless transmission system.
Due to its amazing set of features, you can use the ULB2000 in any situation that requires the
highest quality in sound and freedom of movement for live concerts, events and television productions.
Depending on your local wireless transmission regulations, you can use up to 20 systems
simultaneously.
The IRC compander system guarantees an extremely wide transmission dynamic range.
The headset is holds a high-grade Panasonic® capsule with a cardioid polar pattern. Therefore, it
primarily picks up the sound from the front and less from the sides. The sound that reaches the
backside of the microphone is suppressed as much as possible, allowing it to be less susceptible to
feedback in live situations.
1. INTRODUCTION

4
ULTRALINK ULB2000
The ULTRALINK Series equipment features 3 factory presets, each with 8 permanent, interference-
free channels. This allows you to use several systems in parallel without them influencing one
another. Additionally, you have the option of storing 8 of your own frequencies in a user preset, thus
individually addressing your own needs.
Determining which microphone is assigned to which receiver is done either by observing the
transmission channel in the display or by comparing the transmission frequency. In addition, the
ULTRALINK equipment from BEHRINGER leaves you the option to color-code your gear for easy
identification.
Beyond that, both units feature other useful functions, such as Scan and Auto Mute. This way, no
wishes are left open during practice or in live situations.
The following instructions are intended to familiarize you with the unit’s controls, so that
you can learn all of its functions. After having thoroughly read these instructions, store
them in a safe place for future reference.
1.1 Before you get started
1.1.1 Shipment
The ULB2000 was carefully packed at the factory to assure secure transportation. Should the
condition of the cardboard box suggest that damage may have taken place, please inspect the unit
immediately and look for physical indications of damage.
Damaged units should NEVER be sent directly to us. Please inform the dealer from
whom you acquired the unit immediately as well as the transportation company from
which you took delivery of the unit. Otherwise, all claims for replacement/repair may be
rendered invalid.
Always use the original packaging to avoid damage due to storage or shipment.
Never leave children unsupervised with the unit or its packaging.
Please dispose of all packaging materials in an environmentally friendly manner.
1.1.2 Registration
Before powering up the unit for the first time, you have to register it with your local postal/
telecommunication authority! Additional information is available there.
1.1.3 Initial operation of the transmitter
Prior to taking the ULB2000 into operation for the first time, you need to fit the provided antenna on
the transmitter. Connect the antenna to the designated plug located on the top of the ULB2000 by
means of the screw connector. Ensure that the antenna has been screwed tightly onto the transmitter.
The ULB2000 requires a 9-V battery to operate. The constant glowing of the LED indicates the
operational readiness. When the battery is nearly depleted, the STATUS LED on the transmitter
begins to flash quickly. At the same time, an inaudible signal is sent to the ULR2000 receiver which
then shows "LowBat" on its display. To ensure a reliable operation of the transmitter-receiver system,
change the transmitter's battery as follows:
1. Hold the top of the transmitter with a free hand.
2. Press both latches to the right and left of the casing and, at the same time, slide the cover of
the battery compartment downwards.
3. Remove the old battery by using the provided implement.
4. Insert a new 9-V battery in the compartment. Be sure that the implement is placed underneath
the battery.
5. Slide the cover back onto the battery compartment until it locks into place.
Remove the battery when the ULB2000 is not used for an extended period of time.
Please ensure that only qualified personnel install and operate the ULB2000. During
installation and operation, the user must be sufficiently grounded. Electrostatic charges
might affect the operation of the unit.
1. INTRODUCTION

5
ULTRALINK ULB2000
1.1.4 Online registration
Please do remember to register your new BEHRINGER equipment right after your purchase by visiting
www.behringer.com (alternatively www.behringer.de) and kindly read the terms and conditions of our
warranty carefully.
Should your BEHRINGER product malfunction, our goal is to have it repaired as quickly as possible.
To arrange for warranty service, please contact the retailer from whom the equipment was purchased.
Should your BEHRINGER dealer not be located in your vicinity, you may directly contact one of our
subsidiaries. Corresponding contact information is included in the original equipment packaging
(Global Contact Information/European Contact Information). Should your country not be listed, please
contact the distributor nearest you. A list of distributors can be found in the support area of our website
(www.behringer.com).
Registering your purchase and equipment with us helps us process your repair claims quicker and more
efficiently.
Thank you for your cooperation!
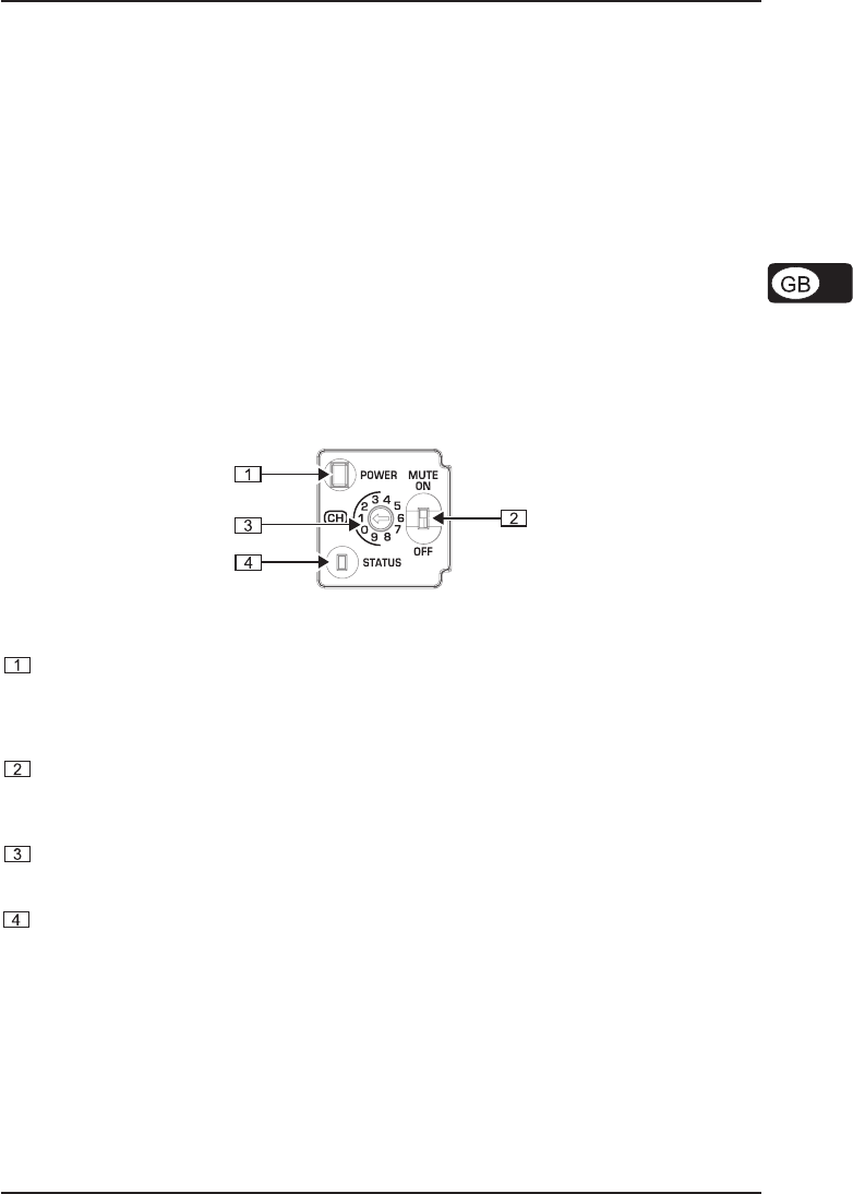
2. CONTROL ELEMENTS
In this chapter, different control elements of your ULB2000 will be described, explained in detail,
and you will get useful information on how to use them.
Fig. 2.1: Controls of the ULB2000
POWER
To power the hand-held transmitter on or off, keep the POWER button pressed for at least 2
seconds. Briefly pressing the POWER button confirms your choices when entering values
(refers to later chapters). Additionally, you can check the current transmitter settings (selected
channel and battery condition).
MUTE switch
Engaging the MUTE switch mutes the microphone. Additionally, the ULB2000 can be switched
to programming mode by selecting the digits 9 or 0; or, you can get a readout of a specific unit
setting.
SELECTION SWITCH
Using a screwdriver, you can select different values on the SELECTION SWITCH. For example,
you can select a channel number and the frequency.
STATUS LED
Through repeated blinking, the status LED gives the account of the current settings for all
parameters. We differentiate between 3 different blinking tempos:
VThe LED flashes slowly when exiting the programming mode, for example.
VTo give the account of the channel number or individual frequency values, the LED
blinks with medium tempo.
VRapid blinking indicates an error, for example an empty battery or a faulty entry.
The costant glowing of the LED indicates the operational readiness of the transmitter.
The SERIAL NUMBER is located on the transmitter battery compartment. To get to the serial
number, please open the battery compartment (see ch. 1.1.3).
2. CONTROL ELEMENTS

6
ULTRALINK ULB2000
3. OPERATING THE TRANSMITTER
A brief overview with the graphic representation on operating the transmitter is found on the last
page of this user manual (QUICK REFERENCE GUIDE).
3.1 Turning the transmitter on
1. Press the transmitter's POWER button for 2 seconds.
2. A blink code indicates the charge level of the battery:
1 = Battery is nearly empty . . . 5 = Battery is fully charged
3. Shortly after, a second blink code indicates the current channel setting for the transmitter:
1 = Channel 1 is selected . . . 8 = Channel 8 is selected
When the blink codes have indicated the operating state, a constant glowing of the LED indicates the
operational readiness. However, the battery is discharged and needs to be replaced when the LED
continues to flash (see Chapter 1.1.3).
3.2 Channel setting
Within a preset, you can easily select a channel by using the select switch . In this case, it is not
relevant whether the transmitter is on or off.
Changing the channel when the transmitter is already powered on
During this procedure, the transmitter may not be set to mute!
1. Turn the selection switch to one of the positions 1 - 8, corresponding to the desired channel
number. If a valid value is selected (i.e. neither 9 nor 0), the LED blinks quickly once as a
confirmation.
2. Press the POWER button briefly. The LED flashes at a medium rate, corresponding to the
channel number (for example, 5 times for channel 5) that has been set by using the select
switch.
If an invalid channel number is selected (0 or 9), the channel selected last remains
selected.
Changing the channel when the transmitter is powered off
1. Turn the selection switch to one of the values (1 - 8), corresponding to the desired channel
number.
2. If you turn on the transmitter, the channel you selected is automatically loaded.
If an invalid channel number was selected (0 or 9), the channel selected last remains
selected.
3.3 Setting your own frequency
A carrier frequency in the range between 798.1 and 805.9 MHz can be freely selected. This frequency
is stored in a self-assignable user preset (Preset 1).
The carrier frequency can only be set in 25-kHz steps. The frequency you select has to
be a multiple of 25 kHz. If you select a frequency that is not a multiple of 25 kHz or does
not lie in the frequency range between 798.1 and 805.9 MHz, the ULB2000 gives off an
error message (the LED blinks quickly 5 times).
1. Engage MUTE. The transmitter can now be switched to the programming mode.
2. Turn the selection switch to 9 and confirm your selection by keeping the POWER button
pressed for about 2 seconds. The LED indicates confirmation by blinking once with medium
tempo and blinking once slowly. The transmitter is now in the programming mode and awaits
the entry of a 6-digit frequency.
3. OPERATING THE TRANSMITTER

7
ULTRALINK ULB2000
3. Enter all 6 digits one after another in the following fashion:
VSelect the desired value on the selection switch, for example 4. If a valid value is
selected, the LED blinks quickly once as a confirmation. This way, you can be sure that
a correct value is entered (in regard to the frequency range and divisibility by 25 kHz)
even before confirming your selection.
VConfirm your selection by briefly pressing the POWER button.
VIf the end frequency value you entered is valid, the LED blinks quickly once more. If the
frequency value is invalid, the LED blinks quickly 5 times, and the unit is no longer in the
programming mode. In this case, start anew with step 2.
After a brief interruption, a second blink code is given: the LED blinks corresponding to
the value selected (in this case, 4 times) with medium tempo.
The value 0 is indicated by a very short blink of the LED, and you will easily tell a
0 from a 1.
If no entry is made for more than 5 seconds (either on the selection switch or by
pressing the POWER button), the LED blinks quickly 5 times, and the programming
mode is aborted.
After entering the 6 digits for the frequency value, enter another value to indicate the channel
number under which the frequency will be stored.
4. Select a desired channel number on the selection switch, for example channel 2 (possible
values: 1 - 8). If a valid value is selected, the LED blinks quickly once to confirm. This way, you
can be sure that a correct channel number is being entered even before confirming your
selection.
5. Confirm your selection by briefly pressing the POWER button.
6. When a valid value is selected, the LED blinks briefly again. When an invalid value is
selected, the LED blinks quickly 5 times and the unit is no longer in the programming mode.
In this case, start a new with step 2.
After a brief interruption, a second blink code is given: the LED blinks corresponding to the
value selected (in this case, 2 times) with medium tempo.
7. After a second blink pause, an additional blink code is given as a confirmation:
VA successfully stored frequency is signaled with 2 slow blinks. The transmitter leaves the
programming mode.
VIf the LED blinks quickly 5 times, the frequency was not stored. In this case, start anew with
step 2.
If no entry is made for more than 5 seconds (either on the selection switch or by
pressing the POWER button), the LED blinks quickly 5 times, and the programming
mode is aborted.
8. Disengage the MUTE switch.
A user-assigned frequency is automatically stored in the user preset (Preset 1)!
3.4 Preset
The ULB2000 lets you work with 4 presets, each with 8 channels.
Factory presets (Presets 2, 3 and 4)
In the ULB2000, there are 3 factory presets (each with 8 interference-free channels). That means that
all 8 channels of one preset can run simultaneously with 8 different transmitters and receivers
without causing interference to one another.
The channels in the 3 factory presets are all assigned to different frequencies. This way, you can
always select a frequency range that assures the best signal transmission.
The following table shows which frequencies are stored in the factory presets.
3. OPERATING THE TRANSMITTER

8
ULTRALINK ULB2000
CHANNEL PRESET 2 PRESET 3 PRESET 4
1798,700 MHz 798,400 MHz 798,100 MHz
2799,950 MHz 798,950 MHz 798,650 MHz
3800,650 MHz 799,800 MHz 799,500 MHz
4801,050 MHz 801,450 MHz 801,150 MHz
5802,850 MHz 803,250 MHz 802,950 MHz
6804,500 MHz 803,650 MHz 803,350 MHz
7805,350 MHz 804,350 MHz 804,050 MHz
8805,900 MHz 805,600 MHz 805,300 MHz
Table 3.1: Factory preset frequencies (presets 2,3 and 4)
User preset (Preset 1)
Preset 1 is meant for the user. Frequencies of your own choice can be stored in the 8 storage slots
of this preset.
If you have not stored any of your own frequencies, the frequencies stored in the user preset
(Preset 1) are identical to the frequencies stored in Preset 3.
Loading a preset
1. Engage MUTE. The transmitter can now be switched into the programming mode.
2. Turn the selection switch to 0 and confirm your selection by keeping the POWER button
pressed for 2 seconds. As a confirmation, the LED blinks slowly once and then once again with
medium tempo. The transmitter is now in the programming mode and waits for you to enter a
one-digit number.
3. Select the desired preset number on the selection switch, e.g. 3 (possible choices: 1 - 4). If a
valid selection is made, the LED blinks once quickly to confirm your selection. This way, you
can be sure that a correct value is entered (in regard to the selection of presets, Mic Gain and
Auto Mute) even before confirming your selection.
Selecting 5 or 6 changes the Mic Gain setting (ch. 3.5). Selecting 7 or 8 changes the Auto
Mute settings (ch. 3.6). Values 9 and 0 are invalid.
4. Confirm your selection by briefly pressing the POWER button.
5. If the selection you made is valid, the LED blinks quickly once again. An invalid selection is
indicated with 5 quick blinks, and the unit is immediately no longer in the programming mode.
In this case, start anew with step 2.
After a brief break, a second blink code is given: The LED blinks according to the value
selected (for example, in this case 3 times) with medium tempo.
If no entry is made for more than 5 seconds (either on the selection switch or by
pressing the POWER button), the LED blinks quickly 5 times, and the programming
mode is aborted.
6. After a second brief blink break, an additional blink code is given as a confirmation:
VSuccessful loading of a preset is signaled with two slow blinks. The unit leaves the
programming mode.
VIf the preset could not be loaded, the LED blinks quickly 5 times. In this case, start anew
with step 2.
7. After setting the desired preset, disengage the MUTE switch.
3.5 Mic Gain
You have the option to adjust the ULB2000 to the level of the signal being transmitted. If you talk
very softly into the microphone, we recommend the “High Gain” setting; if the sound is loud, select
“Low Gain.” This way, optimal transmitter drive is achieved.
1. Engage MUTE. The transmitter can now be switched into the programming mode.
3. OPERATING THE TRANSMITTER

9
ULTRALINK ULB2000
2. Turn the selection switch to 0 and confirm your selection by keeping the POWER button
pressed for 2 seconds. As a confirmation, the LED blinks slowly once and then once again with
medium tempo. The transmitter is now in the programming mode and waits for you to enter a
one-digit number.
3. Select one of the following two digits on the selection switch:
VLow Gain: select 5
VHigh Gain: select 6
If a valid selection is made, the LED blinks quickly once to confirm your selection. This way,
you can be sure that a correct value is entered (in regard to preset, MicGain and Auto Mute
selection) even before confirming your selection.
Selecting the values 1 thru 4 changes the preset settings (ch. 3.4). Selecting 7 or 8
changes the Auto Mute settings (ch. 3.6). Values 9 and 0 are invalid.
4. Confirm your selection by briefly pressing the POWER button.
5. If the selection you made is valid, the LED blinks quickly once again. An invalid selection is
indicated with 5 quick blinks, and the unit is immediately no longer in the programming mode.
In this case, start anew with step 2.
After a brief break, a second blink code is given: The LED blinks according to the value
selected (for example, in this case 3 times) with medium tempo.
VLow Gain: the LED blinks once with medium tempo.
VHigh Gain: the LED blinks twice with medium tempo.
If no entry is made for more than 5 seconds (either on the selection switch or by
pressing the POWER button), the LED blinks quickly 5 times, and the programming
mode is aborted.
6. After a second brief blink break, an additional blink code is given as a confirmation:
VSuccessful loading of a preset is signaled with two slow blinks. The transmitter leaves the
programming mode.
VIf the setting for Mic Gain could not be stored, the LED blinks quickly 5 times. In this case,
start anew with step 2.
7. Disengage MUTE.
3.6 Auto Mute
The receiver's incoming signal will contain audible noise and interference should the transmitter be
turned on, off or changed to another channel without having muted the microphone beforehand, or
if the transmission has been interrupted due to a drained battery in the transmitter. Even if the
squelch circuit is turned on at the receiver end, it still requires some time to react, and such noise
can not be suppressed safely.
To bridge this latency time, the ULB2000 offers a practical Auto Mute function:
VWhen the ULB2000 is being turned off, when you are switching channels or during low-battery
indication, an inaudible send signal is being transmitted.
VThe receiver ULR2000 recognizes this signal and automatically mutes the output before the
transmitter is actually turned off, switched to another channel or before it powers down on its
own due to battery charge being too low.
For the Auto Mute function to work, it has to be activated on both the transmitter and the
receiver!
Activating/deactivating the Auto Mute function
1. Engage MUTE. The transmitter can now be switched into the programming mode.
2. Turn the selection switch to 0 and confirm your selection by keeping the POWER switch
pressed for 2 seconds. As a confirmation, the LED blinks slowly once and then once again with
medium tempo. The transmitter is now in the programming mode and waits for you to enter a
one-digit number.
3. OPERATING THE TRANSMITTER

10
ULTRALINK ULB2000
3. Select one of the following two digits on the selection switch:
VActivate Auto Mute: select 7
VDeactivate Auto Mute: select 8
If a valid selection is made, the LED blinks quickly once to confirm your selection. This way,
you can be sure that a correct value is entered (in regard to preset, MicGain and Auto Mute
selection) even before confirming your selection.
Selecting the values 1 through 4 changes the preset settings (ch. 3.4). Selecting 5 or 6
changes the Mic Gain settings (ch. 3.5). Values 9 and 0 are invalid.
4. Confirm your selection by briefly pressing the POWER button.
5. If the selection you made is valid, the LED blinks quickly once again. An invalid selection is
indicated with 5 quick blinks, and the unit is immediately no longer in the programming mode.
In this case, start anew with step 2.
After a brief break, a second blink code is given:
VAuto Mute activated: the LED blinks once at middle tempo.
VAuto Mute engaged: the LED blinks twice at middle tempo.
If no entry is made for more than 5 seconds (either on the selection switch or by
pressing the POWER button), the LED blinks quickly 5 times, and the programming
mode is aborted.
6. After a second brief blink break, an additional blink code is given as a confirmation:
VTwo slow blinks signal that the Auto Mute setting was changed. The transmitter leaves
the programming mode.
VIf the setting for Auto Mute could not be stored, the LED blinks quickly 5 times. In this
case, start anew with step 2.
7. Disengage MUTE.
3.7 Turning the transmitter off
To turn off the transmitter, press the POWER button for 2 seconds. The LED flashes slowly to show
that the microphone is powering down.
The transmitter stores the frequency and the channel settings. These parameters are
restored to these same values the next time you turn the unit on.
4. STATUS QUERY
During operation, the parameters "transmission channel", "battery condition", "transmission
frequency", "preset", "Mic Gain" and "Auto Mute" may need to be checked. The statuses can be
monitored without having to turn the transmitter off and back on.
4.1 Battery condition and transmission channel
1. Turn the selection switch to 0. The position of the MUTE switch does not matter.
2. Briefly press the POWER button.
3. As is this case when turning the transmitter on, the blink codes flash at a medium rate
indicating the current status:
Vbattery condition: 1 = battery is nearly empty . . . 5 = battery is fully loaded
Vselcted channel: 1 = channel 1 is selected. . . 8 = channel 8 is selected
If the receiver is not powered on, no status is indicated. Briefly pressing the POWER
button will neither turn the transmitter on nor off!
4. STATUS QUERY

11
ULTRALINK ULB2000
4.2 Transmission frequency
1. Turn the selection switch to 9. The position of the MUTE switch is irrelevant.
2. Briefly press the POWER button.
3. Just like during programming, 6 blink medium-tempo codes indicate the individual digits that
make up the transmission frequency. Individual codes are separated from one another by brief
pauses.
The value 0 is signaled by a very short blink of the LED, and you will easily tell a
0 from a 1.
If the receiver is not powered on, no status is indicated. Briefly pressing the POWER
button will neither turn the transmitter on nor off!
4.3 Preset
1. Make sure the transmitter is not muted (MUTE switch is set to OFF).
2. Turn the selection switch to 1, 2, 3 or 4 and confirm your selection by briefly pressing the
POWER button.
3. The LED indicates the preset number with the corresponding number of medium-tempo
blinks.
4.4 Mic Gain
1. Make sure the transmitter is not muted (MUTE switch is set to OFF).
2. Turn the selection switch to 5 or 6 and confirm your selection by briefly pressing the POWER
button.
3. The LED indicates the Mic Gain status with the corresponding number of medium-tempo
blinks:
VLow Gain: The LED blinks once with medium tempo.
VHigh Gain: The LED blinks twice with medium tempo.
4.5 Auto Mute
1. Make sure the transmitter is not muted (MUTE switch is set to OFF).
2. Turn the selection switch to 7 or 8 and confirm your selection by briefly pressing the POWER
button.
3. The LED indicates the Auto Mute status with the corresponding number of medium-tempo
blinks::
VAuto Mute turned off: The LED blinks once with middle tempo.
VAuto Mute turned on: The LED blinks twice with middle tempo.
5. ULB2000 LEVEL SETTING
To optimally set the level on your ULB2000, the High Gain or Low Gain setting has to be
set to the level of the signal being transmitted (ch. 3.5).
Adjust the gain control in the microphone channel of your mixing console so that the peak LED
lights up only occasionally or never at all. The EQ controls in the microphone channel should be set
to mid-travel position to start with. To get the sound you want, try changing the mic position relative
to the sound source or even move the microphone around in the recording room of your studio.
Adjusting the angle at which walls face the sound source can also be helpful. Only when the desired
basic sound has been achieved should you start to use equalizers and signal processors, if any at all
(remember: less is often more!)
5. ULB2000 LEVEL SETTING

12
ULTRALINK ULB2000
6. APPLICATION EXAMPLE
Fig. 6.1 shows how easy it is to use the ULB2000. Simply connect the receiver ULR2000 to your
mixing console.
Fig.6.1: Wiring the ULR2000 receiver and the ULB2000 microphone
7. INSTALLATION
7.1 Operating information
The quality of the wireless transmission depends on various local factors as well as the degree of
radiation and reception at transmitter and receiver, unlike the signal transmission over cable. To
minimize the risk of interference, take the following suggestions into account for a smooth operation
of the wireless system.
7.1.1 Attach the transmitter
For optimal operation of the transmitter, please observe the following when attaching the transmitter:
VUse only the provided headset and ensure that the mini XLR-connector is fastened correctly.
VAttach the transmitter to a belt by using the provided clip instead of simply placing it into a
pocket, for instance. The optimal freedom of movement is guaranteed by fastening the transmitter
to one's back or side.
VMake sure the headset's cable is not wrapped around or comes into contact with the antenna; this
would result in an impairment of the transmission.
VAvoid direct body contact with the antenna to attain a maximum range.
VThe headset's microphone capsule should be aligned towards the speaker at approximately 2-
5 cm from the mouth. Ideally, the capsule should be kept off-centered to mouth and nose to
avoid the conveyance of breathing sounds.
7.1.2 General information
VAlways make sure that the devices are not operated in direct proximity of large metallic
surfaces (radiators, metal racks, reinforced concrete walls and similar).
7. INSTALLATION

13
ULTRALINK ULB2000
VThe devices should always be at a height of at least 1 m (3 ft.) off the ground.
VTo assure interference-free reception, ideally there should be no large objects placed between
the transmitter and the receiver. Not only the size but also the type of material play a role in
determining how strong signal interference will be!
VKeep a minimum distance of 5 meters between transmitter and sender to avoid signal
overmodulation.
VWhen using multiple transmitters, the distance between the transmitting units should be at least
20 cm to avoid crosstalk (i.e. intermodulation).
VReplace used batteries ahead of time. A dropout would be unacceptable at a production,
hence, do not wait until the battery indicator warns you that the battery needs to be replaced.
VUse the presets to guarantee an interference-free transmission of multiple transmitters and
receivers on up to 8 channels.
7.2 Audio connections
The transmitter cannot be connected with a cable directly to a mixer, as is the case with wired
microphones. The connection between transmitter and the ULR2000 receiver is wireless. Then, the
receiver passes on the signal over a cable connection.
A cable connection is required to connect the headset to the transmitter. The plug connection is
provided by means of mini XLR connectors, which ensure a secure operation due to their locking
mechanism.
Fig.7.1: Mini XLR connector of the ULB2000
7. INSTALLATION

14
ULTRALINK ULB2000
8. SPECIFICATIONS
RF characteristics
Modulation wideband FM
Frequency range 794 - 810 MHz
Transmission frequencies (for EU/US/CA) 320 frequencies, between 798.1 - 805.9 MHz,
adjustable in 25-kHz increments
Channels 8, freely programmable and switchable
Channel bandwidth < 200 kHz
Channel spacing (min.) 400 kHz
Nominal/peak deviation ± 32 kHz / ± 48 kHz
Frequency stability < ± 15 ppm
Antenna External monopole antenna with screw connector
Operating range 80 m (nominal), when used with receiver ULR2000
under optimal conditions
AF characteristics (coupled to ULR2000)
Noise reduction High-duty IRC compander system, pre/deemphasis
RF system AF frequency response 30 - 19000 Hz (-3dB)
THD (at nom. deviation and 1kHzNF) < 0.4 %
SNR (at peak deviation) > 105 dB (A)
Headset
Type Panasonic® back electret condenser
with FET impendance converter
Pickup pattern Unidirectional (cardioid)
Sensitivity -47 dB (0 dB = 1 V/Pa, 1 kHz)
Frequency resonse curve 100 - 18000 Hz
Max. input sound pressure > 120 dB SPL
SNR > 60 dB
Temperature range 14°F - 122°F (-10°C to +50°C)
In compliance with ETS 300 445, ETS 300 422, FCC
Power supply 1 x 9 V alkaline battery (IEC 6LR61-PP3)
Power consumption typ. 75 mA
Standby current typ. 31 mA
Operating time > 6 hours
Dimensions/Weight
Dimensions (W x H x D) approx. 2 3/4" x 3 3/16" x 1 29/64"
(70 mm x 81 mm x 37 mm)
Weight approx. 0.4 lbs
(0.185 kg)
BEHRINGER makes every effort to ensure the highest standards of quality. Necessary modifications are carried out without notice. Thus,
the specifications and design of the device may differ from the information given in this manual.
Technical specifications and appearance subject to change without notice. The information contained herein is correct at the time of printing. The
names of companies, institutions or publications pictured or mentioned and their respective logos are registered trademarks of their respective
owners. Their use neither constitutes a claim of the trademarks by BEHRINGER nor affiliation of the trademark owners with BEHRINGER.
BEHRINGER accepts no liability for any loss which may be suffered by any person who relies either wholly or in part upon any description,
photograph or statement contained herein. Colors and specification may vary slightly from product. Products are sold through our authorised
dealers only. Distributors and dealers are not agents of BEHRINGER and have absolutely no authority to bind BEHRINGER by any express or
implied undertaking or representation. No part of this manual may be reproduced or transmitted in any form or by any means, electronic or
mechanical, including photocopying and recording of any kind, for any purpose, without the express written permission of BEHRINGER International
GmbH. BEHRINGER® is a registered trademark.
ALL RIGHTS RESERVED. © 2006 BEHRINGER International GmbH,
Hanns-Martin-Schleyer-Str. 36-38, 47877 Willich-Münchheide II, Germany.
Tel. +49 2154 9206 0, Fax +49 2154 9206 4903
8. SPECIFICATIONS

15
ULTRALINK ULB2000
FEDERAL COMMUNICATIONS COMMISSION
COMPLIANCE INFORMATION
Operation of this device is subject to the following two conditions:
(1) this device may not cause interference, and
(2) this device must accept any interference, including interference that may cause undesired
operation of the device.
Notice:
Changes or modifications made to this equipment not expressly approved by BEHRINGER
International GmbH may void the FCC/ IC authorization to operate this equipment.
FEDERAL COMMUNICATIONS COMMISSION COMPLIANCE INFORMATION

16
ULTRALINK ULB2000
MICROPHONE QUICK START GUIDE
MICROPHONE QUICK START GUIDE