Bendix Sd 13 4746S Users Manual 4746 1 12 Spanish
2015-04-02
: Bendix Bendix-Sd-13-4746S-Users-Manual-682584 bendix-sd-13-4746s-users-manual-682584 bendix pdf
Open the PDF directly: View PDF
.
Page Count: 48

1
Información de servicio
Información de servicio
Información de servicio
SD-13-4746S
INTRODUCCION AL ABS GEN 4™ Y GEN 5™
Este manual describe ambas versiones, el montaje en la cabina y el montaje
en el chasis del sistema de Frenos Antibloqueo Bendix® Gen 4™ y Gen 5™ /
Sistemas de control de tracción automática (ABS/ATC).
Tanto la versión de montaje en la cabina como en el chasis, está diseñada
para:
• Tractores
• Camiones
• Buses
• Coches a motor y
• RVs.
Este manual cubre:
• Operación del ABS/ATC
• Componentes del sistema
• Procedimientos de servicio
• Diagnóstico y
• Procedimientos de localización de averías
Para información sobre desmontaje, instalación y reparación relacionados
con el eje y componentes del freno, remítase a sus manuales individuales de
servicio Bendix.
Para ayuda en su área, llame a Bendix al 1-800-247-2725 o a RoadRanger®
al 1-800-826-4357.
Estos controladores ABS y sistemas fueron originalmente comercializados por
Eaton Corporation bajo el nombre de marca Eaton®. Para más información
comuníquese a Bendix, a su representante local autorizado Bendix, o a
RoadRanger®.
Nivel de revisión del documento
Este documento está sujeto a revisión.
Para actualizarse, por favor visite www.bendix.com.
ABS Bendix® Gen 4™ y Gen 5™para camiones, tractores y buses
FIGURA 1 - Montajes del controlador ABS Bendix®
Modelo para montar en la cabina Modelo para montar en el chasis
Tabla de contenido
Operación del ABS. . . . . . . . . . . . . . . . . . . . . . . . . . . . . . . . . . . . . . . . . . . . . . . . . . . . .2
Función del componente ABS . . . . . . . . . . . . . . . . . . . . . . . . . . . . . . . . . . . . . . . . . . . .3
Luz indicadora del ABS . . . . . . . . . . . . . . . . . . . . . . . . . . . . . . . . . . . . . . . . . . . . . . . . .3
Luz indicadora del ABS del remolque. . . . . . . . . . . . . . . . . . . . . . . . . . . . . . . . . . . . . . .3
Sistema de control de tracción automática (ATC) . . . . . . . . . . . . . . . . . . . . . . . . . . . . .4
Perspectica general de los componentes. . . . . . . . . . . . . . . . . . . . . . . . . . . . . . . . . . . .5
Unidades de control electrónica (ECUs) . . . . . . . . . . . . . . . . . . . . . . . . . . . . . . . . . . . .7
Válvulas del ABS . . . . . . . . . . . . . . . . . . . . . . . . . . . . . . . . . . . . . . . . . . . . . . . . . . . . . .9
Modos de operación de la válvula moduladora . . . . . . . . . . . . . . . . . . . . . . . . . . . . . .10
Módulos opcionales del eje delantero . . . . . . . . . . . . . . . . . . . . . . . . . . . . . . . . . . . . .11
Diagnósticos. . . . . . . . . . . . . . . . . . . . . . . . . . . . . . . . . . . . . . . . . . . . . . . . . . . . . . . . .13
Procedimientos de localización de averías . . . . . . . . . . . . . . . . . . . . . . . . . . . . . . . . .13
Confi guraciones del sistema . . . . . . . . . . . . . . . . . . . . . . . . . . . . . . . . . . . . . . . . . . . .15
Software ServiceRanger para PC . . . . . . . . . . . . . . . . . . . . . . . . . . . . . . . . . . . . . . . .16
Equipo de prueba. . . . . . . . . . . . . . . . . . . . . . . . . . . . . . . . . . . . . . . . . . . . . . . . . . . . .16
Lectura de los códigos de confi guración . . . . . . . . . . . . . . . . . . . . . . . . . . . . . . . . . . .18
Recuperando los códigos de diagnósticos de fallas. . . . . . . . . . . . . . . . . . . . . . . . . . .18
Borrando códigos de diagnósticos de fallas y/o
Confi guración del sistema . . . . . . . . . . . . . . . . . . . . . . . . . . . . . . . . . . . . . . . . . . . . . .20
Inhabilitando el ATC para la prueba Dyno .. . . . . . . . . . . . . . . . . . . . . . . . . . . . . . . . .20
Localización de averías del sensor de velocidad. . . . . . . . . . . . . . . . . . . . . . . . . . . . .25
El código de diagnóstico de fallas 17•12 de la memoria del sensor . . . . . . . . . . . . . .26
Reparación del sensor de velocidad en el extremo de la rueda. . . . . . . . . . . . . . . . . .28
Localización de averías en la válvula moduladora de presión (PMV) . . . . . . . . . . . . .30
Válvula moduladora del ABS . . . . . . . . . . . . . . . . . . . . . . . . . . . . . . . . . . . . . . . . . . . .33
Localización de averías en la válvula de control de tracción
automática (ATC) . . . . . . . . . . . . . . . . . . . . . . . . . . . . . . . . . . . . . . . . . . . . . . . . . . . .34
Prueba de rendimiento de la válvula relé. . . . . . . . . . . . . . . . . . . . . . . . . . . . . . . . . . .34
Remoción de la válvula ATC. . . . . . . . . . . . . . . . . . . . . . . . . . . . . . . . . . . . . . . . . . . . .36
Identifi cación de la patilla en la ECU para montar en la cabina. . . . . . . . . . . . . . . . . .39
Identifi cación de la patilla en la ECU para montar en el chasis . . . . . . . . . . . . . . . . . .43
Eaton®, RoadRanger®, y ServiceRanger® son marcas registradas de Eaton
Corporation.

2
FIGURA 2 - Perspectiva general de la operación del ABS
SISTEMA DE FRENO ANTIBLOQUEO (ABS)
El frenado controlado por el ABS asegura una óptima estabilidad del vehículo,
mientras minimiza la distancia de parada. Durante la operación del vehículo,
la unidad de control electrónica (ECU) del ABS, continuamente vigila todos
los sensores de velocidad de la rueda. Los datos de la señal de los sensores
de velocidad de la rueda, permiten a la ECU:
• Detectar el inminente bloqueo de la rueda.
• Mantener un óptimo deslizamiento de la rueda, durante el frenado.
• Maximizar la estabilidad del vehículo, mientras mantiene la efectividad
del frenado.
Operación del ABS
El ABS controla el frenado operando las válvulas moduladoras de presión.
La ECU hace una nueva evaluación de las condiciones y actualiza la señal
de control a las válvulas moduladoras de presión a razón de 100 veces por
segundo.
Cuando se inactiva, las válvulas moduladoras de presión le dan paso directo
al aire de suministro para las cámaras del freno. Durante la operación del
ABS (un “evento” ABS), la unidad de control opera las válvulas para anular el
suministro de aire a las cámaras. Durante una liberación del ABS, el aire de
suministro es detenido, mientras las cámaras son descargadas a la atmósfera.
En el modo de retención, el aire de suministro es detenido y el aire de la
cámara es mantenido constante. Cuando sea requerido, el aire es aplicado a
la cámara en una proporción controlada, modulando el lado de retención de
la válvula moduladora.
El sistema ABS por sí mismo, no aplica fuerza adicional al frenado. Más bien, el
propósito del ABS es limitar el par de torsión del freno para prevenir el bloqueo
que resulta en pérdida de estabilidad lateral e incrementa las distancias de
parada. Precauciones habituales al conducir, tales como mantener distancias
adecuadas con el vehículo que va adelante, son todavía esenciales para la
operación segura del vehículo.
1
2
3
4
5
Sensores de velocidad
que vigilan la rotación
de la rueda
Señal de velocidad a la ECU
Unidad de control electrónica
(ECU) que interpreta las señales
de velocidad y activa las válvulas
La fuerza de frenado
permanece en un nivel
óptimo
Solenoides de retención y
liberación que controlan
la presión de aire en las
cámaras del freno
Sensores en todas las ruedas
confi guradas señalan la
posición a la ECU

3
FIGURA 3 - Luces indicadoras del ABS
Función del componente ABS
El sistema ABS opera como sigue (Vea Figura 2).
1. Los sensores de velocidad en cada rueda, vigilan la rotación de la
rueda.
2. Cada sensor de velocidad comunica los pulsos de rotación de la rueda, a
la unidad de control electrónica (ECU) central.
3. La ECU recibe señal del sensor de velocidad, interpreta los pulsos de la
señal y calcula los valores de velocidad y aceleración para las ruedas y
el vehículo.
4. Basada en la señal del sensor con los frenos aplicados, la ECU detecta el
inminente bloqueo de la rueda y opera las válvulas moduladoras del ABS,
como se requiere para un control apropiado. Las válvulas moduladoras
pueden ser operadas, ya sea en el modo de liberación o en el modo de
retención, para regular la presión del aire en las cámaras del freno.
5. La fuerza del frenado es aplicada a un nivel que minimiza la distancia de
parada mientras mantiene la estabilidad lateral, tanto como sea posible.
Luz indicadora del ABS
Esta lámpara es el indicador primario del estado del ABS.
• La luz del ABS ilumina constantemente durante una revisión del bombillo
de dos segundos, siempre que la ignición esté conectada. La lámpara
del ABS se apaga después de la revisión del bombillo, si no hay un mal
funcionamiento del ABS.
• La luz del ABS se prende y se apaga continuamente, cuando el modo
carretera destapada es seleccionado. (Opción especial para vehículos
militares y para terreno destapado.)
• Si la lámpara de advertencia permanece encendida después de revisar
el bombillo, hay una falla en el ABS que requiere servicio.
NOTA: En el caso de una falla en un sensor de velocidad, la cual ha sido
corregida, la luz de advertencia permanecerá encendida hasta que la salida
del sensor haya sido verifi cada por la unidad de control. En este caso es
necesario mover el vehículo a más de 5 mph antes de que la luz de advertencia
se apague.
Luz indicadora del ABS del remolque
Los tractores/ vehículos para remolcar fabricados en o después del primero de
marzo de 2001 están equipados con una luz de advertencia “ABS del remolque”
montada en la cabina.
Cuando un remolque equipado con ABS, con capacidad de comunicaciones
por portadora sobre línea de energía (PLC), es conectado al tractor, la luz de
advertencia del ABS del remolque se iluminará para una revisión del bombillo
de dos segundos, después de que se conecta la ignición. La lámpara del
ABS se apaga después de la revisión del bombillo si no hay presencia de mal
funcionamiento del ABS, en el ABS del remolque.
Si el remolque no está equipado con ABS o ABS con capacidad de PLC , la luz
de advertencia del ABS del remolque en la cabina, no se iluminará.

4
FIGURA 4 - Luz indicadora del ATC.
Sistema de control de tracción
automática(ATC)
El sistema ATC está disponible en todas las ECU del ABS estándar. El ATC
no está disponible en las ECU del básico. El ATC ayuda a mejorar la tracción
sobre superfi cies de conducción deslizantes o inestables, previniendo excesivo
giro de la rueda. El ATC también mejora la estabilidad del vehículo, previniendo
la fuerza con que patina.
El ATC requiere:
1. Válvula ATC - Se puede usar ya sea una válvula independiente o un
ensamblaje de una válvula del eje trasero con solenoide integral al ATC.
2. La conexión de datos SAE J1922 o J1939 funciona en conjunto con el
motor (el funcionamiento en conjunto de los datos en serie de la ECU del
ABS debe concordar con el funcionamiento en conjunto del controlador
del motor).
3. Entrada al interruptor de la luz del freno.
4. Luz indicadora del ATC.
La unidad de control electrónica (ECU) debe ser confi gurada para la operación
del ATC, ya sea usando el interruptor de diagnóstico, un probador manual MPSI
ProLink® o un software ServiceRanger para PC de la Eaton.
Operación del ATC
Durante los periodos de deslizamiento de la rueda, la unidad de control
electrónica entra a un modo de control de tracción automática. Hay varios
modos de control de tracción automática.
Sistema de operación:
• A velocidades sobre 25 mph, el motor es de nuevo regulado por medio de
la conexión de datos SAE J1922 o SAE J1939 para controlar el patinaje
de la rueda.
• A velocidades por debajo de 25 mph, tanto el control del motor como
el control del freno diferencial, son activados como es requerido para
controlar el deslizamiento de la rueda. Una vez accionado, el modo de
frenado diferencial permanece activo sin tener en cuenta la velocidad del
vehículo.
• Un interruptor opcional para lodo y nieve permite mayor giro de la rueda
(más torsión) cuando es activado. Está destinado para condiciones
adversas, usualmente en carreteras destapadas. Excepto en casos
especiales, el interruptor es programado para operación momentánea.
El ATC vuelve a la operación normal cuando el interruptor es accionado
por segunda vez y cuando el sistema vaya a través de un ciclo de pre-
encendido.
Función del componente
Cuando el control del freno es utilizado, la válvula del ATC es activada,
desviando el suministro de aire del tanque a las válvulas moduladoras en
el eje(s) conductor. La unidad de control electrónica activa entonces las
solenoides apropiadas para aplicar la fuerza del freno a la rueda giratoria. El
sistema de control de tracción automática no puede aumentar la tracción a una
rueda en particular; puede únicamente utilizar la tracción disponible.
Protección térmica (Calor del freno)
Para prevenir una excesiva temperatura en el freno y el tambor del freno debido
a la actividad del freno, el ATC incorpora un algoritmo de estimación de la
temperatura del freno, para determinar cuándo el modo de frenado diferencial
deba ser suspendido. La función de frenado diferencial es rehabilitada después
de un periodo de enfriamiento.
Luz indicadora del ATC
La luz indicadora del ATC funciona cuando el vehículo está equipado con el
sistema opcional de tracción automática.
• ABS Gen 4™ – Las luces se ENCIENDEN y permanecen encendidas con
el ATC inactivo, hasta que el conductor presione el pedal del freno.
• ABS Gen 5™ – Las luces se ENCIENDEN y se apagan después de 2
segundos de revisión de la lámpara. El ATC se activa después de la
revisión de la lámpara.
• Destella rápidamente para indicar que el ATC está activo.
• Destella lentamente cuando el modo “lodo y nieve” es seleccionado y
luego destella más rápidamente cuando funciona el sistema de control
de tracción automática.
• Permanece ENCENDIDA si ocurre una falla en la conexión de los datos
del motor.
NOTA: Algunos vehículos no equipados con el ATC tienen una luz de
ATC que es rotulada como luz de giro. Indica cuando se ha encontrado
baja tracción. No se toma ninguna acción.
5
Perspectiva general de los componentes
Los componentes del ABS Bendix incluyen:
• Unidad de control electrónica (ECU): La ECU vigila y
controla el ABS. También diagnostica el mal funcionamiento del ABS y
almacena los códigos específi cos de fallas.
• Válvula moduladora de presión (PMV): Este componente
regula la presión del aire en la cámara del freno. Aloja las solenoides de
retención y liberación. La válvula moduladora está localizada cerca de
cada cámara del freno o de un par de cámaras del freno, que constituye
un sitio de la rueda controlado por el ABS.
• Montaje de la válvula del eje trasero: Un montaje
compuesto de dos válvulas moduladoras de presión y una válvula relé.
• Sensor de velocidad en el extremo de la rueda:
Sensor (magnético) de reluctancia variable, que genera una señal de
voltaje alterno, en respuesta al movimiento de los dientes de una rueda
dentada.
• Luz del ABS (Amarilla): Esta lámpara indicadora, localizada
en el tablero de instrumentos del conductor, advierte al conductor del
mal funcionamiento del ABS. Es también capaz de mostrar los códigos
intermitentes de diagnóstico de fallas, cuando la ECU está en el modo
de auto-diagnóstico.
• Luz del ABS del remolque en la cabina: Esta lámpara
indicadora, localizada en el tablero de instrumentos del conductor,
advierte al conductor del mal funcionamiento del ABS del remolque.
No es apta para códigos intermitentes de diagnóstico de fallas.
• Válvula del ATC: La válvula de control de tracción aplica
presión total del sistema a la válvula relé durante la operación del
control de tracción, para proveer frenado diferencial (lado a lado)
a los ejes motrices controlados.
• Luz del ATC: Esta lámpara indicadora, localizada en el tablero
de instrumentos del conductor, alumbra para indicar pérdida de
tracción, la cual es manejada por el sistema de control de tracción
automática.
• Relé/ Tablero de interruptor automático: Los fabricantes
del equipo original proveen dos circuítos de interruptores
automáticos y uno o dos relés como parte del ABS. Un relé es
usado para controlar la luz de advertencia. Un segundo relé
(optional) puede ser usado para controlar un retardador y/o
asegurar el convertidor de torsión.
• Puerto del conectador de diagnóstico: El puerto
del conectador de diagnóstico es un conectador estándar en la
industria, que se usa para la conexión del diagnóstico J1587.
Este conectador también provee energía y conexión a tierra para
el equipo de prueba de diagnóstico.

6
FIGURA 5 - Componentes del ABS
Sensor de velocidad
Conectador manual
del puerto de
diagnóstico y
diagnóstico basado
en PC Interruptor de diagnóstico
Relé/ Tablero de interruptores
automáticos
Interruptor de balancín
montado en el tablero
o
Ensamblaje de la válvula
del eje trasero
Válvula moduladora
de presión del eje
delantero
Lámparas indicadoras del ABS/ ATC
(Barra de luz típica)
Por favor,
remítase a la
fi gura 9 para las
confi guraciones
de la ECU
Versión ATC del ensamblaje
de la válvula del eje trasero
Válvula de control
de tracción
o
(La confi guración varía según el
fabricante del equipo original)

7
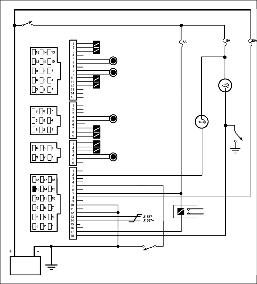
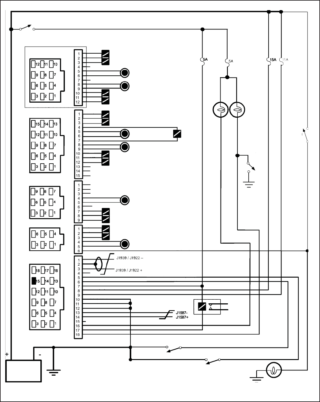
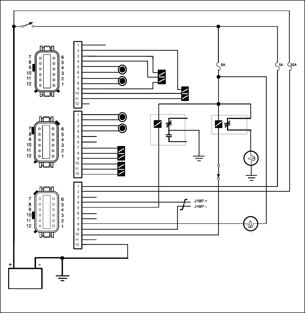
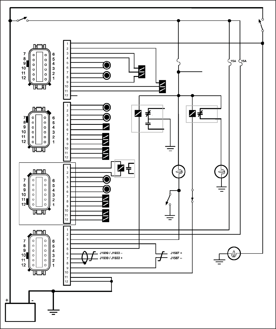
Unidades de control electrónica (ECUs)
Identifi cación
Las ECUs para montar en el chasis son versiones empacadas para el
medio ambiente, relacionadas con las unidades para montar en cabina
del ABS Gen 4™ y Gen 5™ (Estándar, Básico). El sistema de circuitos
y el software es el mismo. Las unidades con ABS Gen 5™ incorporan
el hardware para comunicación por portadora sobre línea de energía
(PLC). Las ECUs están disponibles en versiones de 4 y 6 canales con
conexión de datos ya sea J1922 o J1939. Hay también una versión
de 24-voltios. Información de servicio adicional está disponible en
www.bendix.com.
FIGURA 6 - Etiquetas de identifi cación de la unidad de control electrónica
Montaje en el chasis
Montaje en la cabina
Número de parte Bendix
Número de serie Código de la fecha
Número de parte Bendix
Número de serie
Código de la fecha

8
FIGURA 7 - Unidades de control electrónicas disponibles para ABS Bendix
300XXX
Designed and Manufactured by
BOSCH
MFOEO798O313862
0486 104036 Madein Germany
300XXX
Designed andManufacturedby
BOSCH
MFOEO798O313862
0486104036Madein Germany
ABS Gen 4” y Gen 5” - Básico para montar en la cabina
ABS Gen 5” – Estándar para montar en la cabina ABS Gen 4” - Estándar para montar en la cabina
Conectador vacío
Seguro deslizante
Cubierta de la ECU
Conectador de la ECU
(1 de 4)
ABS Gen 5”
(PLC - Básico para montar en el chasis)
ABS Gen 4” y Gen 5” - Estándar para montar en el chasis

9
FIGURA 8 - Válvula moduladora
FIGURA 9 - Ensamblajes de la válvula del eje trasero, vista de las versiones del ABS de 4 puertos y ABS/ATC
Válvulas del ABS
La válvula moduladora del ABS controla la presión del aire a los
ensamblajes del freno individual. Dependiendo de la confi guración
particular del ABS, un sistema puede utilizar tres, cuatro o seis válvulas
moduladoras. Vea Figura 8.
Cada válvula moduladora contiene dos solenoides de control de aire,
las cuales actúan como pilotos para los diafragmas de retención y
liberación. La solenoide de retención bloquea la entrada de aire a las
cámaras del freno; la solenoide de liberación elimina la presión del freno.
El conectador roscado de 3-patillas tiene patillas para las solenoides de
retención y liberación, y una tercera como terminal común.
Ensamblajes de la válvula del eje trasero
Los ensamblajes de la válvula del eje trasero están disponibles para
algunas aplicaciones dependiendo de las preferencias del fabricante
del equipo original. Son combinaciones de dos válvulas moduladoras y
una válvula relé. Los ensamblajes están disponibles en versiones para
4.0 y 5.5 PSIG, con o sin una solenoide integral del ATC.
Versión estándar
Versión ATC
Orifi cio de
entrada de
½ NPT
Orifi cio de
entrada de
½ NPT
Orifi cio de salida
de ½ NPT
Orifi cio de salida
de ½ NPT
Conectador con
seguro de enroscar
Orifi cio de escape
Conectador
roscado
Orifi cio de
escape

10
FIGURA 12 - Retención del ABS/ ATC
FIGURA 10 - Aplicación normal y aplicación del ABS/ ATC
FIGURA 13 - Liberación del ABS/ ATC
FIGURA 11 - Liberación normal
Modos de operación de la válvula moduladora
1. Aplicaciónc – El aire fl uye derecho a través de la válvula.
El diafragma de retención es desfogado para permitir el fl ujo del
aire. La presión de entrada alimenta por detrás al diafragma de
liberación para bloquear el puerto de escape. Las solenoides no
son activadas.
2. Liberación normal – Con la función de liberación rápida, el
diafragma de retención es desfogado y no hay presión en el puerto
de entrada. Permite que el aire fl uya de la salida a la entrada. Ya
que el diafragma no está presurizado, el aire fl uye hacia afuera
por el puerto de escape. Las solenoides no son activadas.
3. Retención del ABS/ATC – La solenoide de retención es
activada. Ambos diafragmas son presurizados. El aire no fl uye a
través de la válvula.
4. Liberación del ABS/ATC – Ambas solenoides son activadas.
El diafragma de retención es presurizado, bloqueando la entrada
de aire. El diafragma de liberación es desfogado, permitiendo que
el aire fl uya desde el puerto trasero de salida hasta el puerto de
escape.
Desfogue
Solenoide
Entrada
Diafragma de
retención
Salida
Diafragma de
liberación
Escape Escape
Salida
Entrada Entrada
Salida Salida
Escape
Escape
Entrada a
presión cero

11
Módulos opcional del eje delantero
Un módulo opcional del eje delantero está disponible. Es un ensamblaje de
dos válvulas moduladoras y una válvula de escape rápido. Los tres ajustes de
la presión de apertura disponibles, son:
• 0-1 PSIG
• 3-4 PSIG
• 6-8 PSIG.
FIGURA 14 - Módulo del eje delantero
FIGURA 15 - Ensamblaje del sensor
Sensores de velocidad
Cada rueda de un eje bajo control directo del ABS, está controlada por un
sensor de velocidad. Los sensores de velocidad para los ejes motrices
y ejes de la dirección, pueden ser de estilos diferentes e instalados en
diferentes puntos.
Sensores en el extremo de la rueda
Para la mayoría de aplicaciones, los ABS Bendix usan sensores
estándar en el extremo de la rueda (vea fi gura 15). El sensor del frente
es accesible por el lado interior de la articulación de la dirección. El
sensor del eje motriz trasero es accesible quitando el ensamblaje de la
rueda y el tambor del freno.
Los sensores en el extremo de la rueda son sensores convencionales,
de una punta, de reluctancia variable. Estos son a menudo mencionados
como “sensores magnéticos” o “recuperadores magnéticos.” Estos
sensores constan de una barra o pieza polar, rodeada de una bobina de
alambre. Un imán es acoplado fi rmemente a la pieza polar y un campo
magnético circula a través de la bobina. A medida que los dientes de
la rueda dentada rotan por delante de la pieza polar, la resistencia
(reluctancia) para el campo magnético, varía. La reluctancia variable
causa variaciones en el campo magnético, lo cual a su vez, induce un
voltaje variante en las bobinas que están enrolladas alrededor de la
pieza polar.
Algunas características generales de la reluctancia variable de los
sensores magnéticos, son:
• La salida de voltaje disminuye a medida que aumenta el espacio
intermedio de aire.
• La salida de voltaje aumenta con la velocidad de los dientes por
delante de la pieza polar.
• La salida ondulante de voltaje es independiente de la dirección de
rotación de la rueda.
Los sensores en el extremo de la rueda son protegidos con fundas
metálicas en acero inoxidable. Son diseñados para encajar dentro de los
manguitos de fricción de berilio-cobre, lo cual les da una característica
de auto-ajuste.
Rueda dentada
Sensor del extremo
de la rueda
Estándar
Sensor de velocidad del extremo de la rueda
Ejes direccionales y motrices
Vista de la versión en ángulo recto
La versión derecha también está disponible

12
FIGURA 16 - Esquemas eléctrico y neumático típicos
Esquema eléctrico
Sensor de velocidad Ensamblaje de la válvula
del eje trasero
Luces indicadoras
Luz de advertencia del ABS del tractor (WL)
Luz de advertencia del ABS del remolque
(después del 3/1/01)
Luz del ATC
(cuando está equipado con ATC)
Unidad de Control
Electrónica (ECU) para
montar en la cabina o montar
en el chasis
Válvula moduladora de
presión del eje delantero
Conectador de
diagnóstico
Interruptor de diagnóstico
Interruptor del ABS para carretera
destapada (opcional)
Interruptor del ATC para lodo y
nieve (opcional)
Válvula de control de tracción
sola o integral con el ensamblaje
de la válvula del eje trasero
Esquema neumático
Cámara del freno
Pedal
Válvula relé
Válvula
moduladora de
presión
Válvula
de escape
rápido
Válvula moduladora
del eje direccional
Control
Suministro Cámaras del freno
Válvula del ATC Relé anti-compoundaje /
Válvula de escape rápido

13
DIAGNOSTICOS
Una importante característica del ABS de Bendix es la capacidad del sistema
de diagnóstico. Esta sección describe cómo recuperar la información de la
confi guración y los códigos de error para la localización de averías en el sistema
de fallas del ABS. Hay tres vías para recuperar y mostrar la información de la
confi guración del ABS y los códigos de falla:
• Software ServiceRanger para PC: Muestra la información
de la confi guración y códigos de diagnóstico de fallas en la pantalla del
computador personal (PC). Remítase a la información del software
ServiceRanger para PC que aparece más adelante en esta sección.
• Probador manual ProLink: Muestra la información de la
confi guración y códigos de diagnóstico de fallas en la pantalla del probador
manual. Remítase a la información del probador manual que aparece más
adelante en esta sección.
• Interruptor de diagnóstico: Destella la confi guración del
código y códigos de fallas en la lámpara indicadora del ABS. Remítase
a la página 18 para la operación del interruptor de diagnóstico.
¡ADVERTENCIA! POR FAVOR LEA Y SIGA ESTAS
INSTRUCCIONES PARA EVITAR ACCIDENTES PERSONALES
O LA MUERTE:
Cuando esté trabajando en o alrededor de un vehículo, las
siguientes precauciones generales deben ser observadas
todo el tiempo:
1. Estacione el vehículo sobre una superficie plana,
aplique los frenos de estacionamiento y siempre
bloquee las ruedas. Siempre use gafas de seguridad.
2. Apague el motor y quite la llave de ignición cuando esté
trabajando debajo o alrededor del vehículo. Cuando
esté trabajando en el compartimiento del motor, el motor
debe de estar apagado y se debe de quitar la llave de
ignición. Cuando las circunstancias requieran que el
motor esté en operación, se debe tener PRECAUCION
EXTREMA para prevenir un accidente personal
resultante de componentes en movimiento, rotando,
con fugas, calientes o cargados eléctricamente.
3. No intente instalar, quitar, desarmar o armar
un componente, hasta haber leído y entendido
completamente los procedimientos recomendados.
Use únicamente las herramientas apropiadas y observe
todas las precauciones pertinentes para el uso de estas
herramientas.
4. Si se está haciendo el trabajo en el sistema de frenos
de aire del vehículo u otros sistemas auxiliares
presurizadas con aire, esté seguro de drenar la
presión de aire de todos los tanques antes de empezar
CUALQUIER trabajo en el vehículo. Si el vehículo está
equipado con un sistema de secador de aire AD-IS® o
un módulo de secador de tanque, esté seguro de drenar
la purga del depósito o tanque.
5. Siguiendo los procedimientos recomendados por el
fabricante del vehículo, desactive el sistema eléctrico
en tal forma que quite con seguridad toda la corriente
eléctrica del vehículo.
6. Nunca exceda las presiones recomendadas por el
fabricante.
7. Nunca conecte o desconecte una manguera o tubería
conteniendo presión; puede azotarle. Nunca quite un
componente o tapón, a menos que esté seguro de que
toda la presión del sistema haya sido agotada.
8. Use únicamente repuestos, componentes y juegos
genuinos Bendix®. Accesorios de repuesto, tubos,
mangueras, uniones, etc. deben de ser de un tamaño,
tipo y resistencia equivalente al equipo original, y estar
diseñado específi camente para tales aplicaciones y
sistemas.
9. Componentes con roscas golpeadas o partes dañadas,
se deben cambiar en vez de repararse. No intente
reparaciones que requieran maquinado o soldadura, a
menos que específi camente sea establecido y aprobado
por el fabricante del vehículo y del componente.
10. Antes de regresar el vehículo al servicio, esté seguro
de que todos los componentes y sistemas sean
restablecidos a su condición apropiada de operación.
11. Para vehículos con Control de tracción antibloqueo
(ATC), la función ATC debe ser inhabilitada (la lámpara
indicadora ATC debe estar ENCENDIDA) antes de llevar
a cabo cualquier mantenimiento del vehículo donde una
o más ruedas en el eje de conducción estén levantadas
del suelo y en movimiento.
Procedimientos de localización de averías
La Figura 17 muestra un enfoque organizado para la localización de averías
en las fallas del ABS. Siga los pasos listados abajo para localizar y corregir
los problemas de los componentes y alambrado del ABS.
1. Revise que la confi guración de la ECU del ABS corresponde a los
componentes del ABS instalados en el vehículo. Reconfi gure la ECU si la
confi guración no corresponde a los componentes instalados en el ABS.
2. Entre al código(s) diagnóstico de fallas activo. Las fallas inactivas
(históricas) son también reportadas y pueden proveer información adicional
para ayudar en la localización de averías.
3. Mire la descripción del código, las posibles causas y los procedimientos
de reparación provistos en esta sección.
4. Ejecute los procedimientos de reparación recomendados.
5. Después de terminar todas las reparaciones, borre todos los códigos y
revise si hay códigos adicionales.

14
FIGURA 17 - Tabla de localización de averías del sistema de freno antibloqueo
Ciclo de ignición
APAGADO a
ENCENDIDO
Observe la operación
de la luz de
advertencia del ABS
La luz se APAGA después de
2 segundos de la revisión de
la lámpara
La luz permanece
ENCENDIDA
La luz nunca se
ENCIENDE
El sistema del ABS no genera
fallas – Ejecute la localización
de averías tradicional del freno
de base y repare
Seleccione la
herramienta
de diagnóstico
Eaton del ABS
Revise la energía para la
ECU del ABS.
Revise la luz de advertencia
y el cableado
Active los códigos
intermitentes con el
botón de diagnóstico
Use el software de
diagnóstico Service
Ranger
Use la herramienta
MPSI Prolink
Revise la configuración
de la ECU
¿Se comunica el
probador con la
ECU? NO
SI
Revise el cableado de
la conexión de datos
J1587
NO
SI
NO
SI
NO
SI
Reconfigure la ECU
Revise la configuración
de la ECU
¿Está la
luz de
advertencia intermitente
cuando es activada con
el botón de
diagnóstico?
¿Está la
información de
la configuración
acorde con el
hardware
disponible?
Revise el circuito de
energía de la ECU
Lea los códigos de fallas y las
descripciones
Tome acción y corrija
Borre los códigos de fallas
activos e inactivos
¿Es ésta una
ECU de
remolque?
Reconfigure la ECU
Vuelva a revisar los códigos de fallas
después de borrar.
Si la luz de advertencia permanece
encendida y el código de falla 17•12 está
puesto, maneje el vehículo para borrar y
apagar la luz de advertencia.
Vuelva a revisar los códigos de fallas
después de borrar.
Si la luz de advertencia permanece
encendida y ninguno de los códigos de
fallas está puesto, maneje el vehículo
para apagar la luz de advertencia.

15
CONFIGURACIONES DEL SISTEMA
Confi guraciones disponibles
Una amplia variedad de confi guraciones del sistema están disponibles (remítase
a la Figura 17). Es importante poder leer las confi guraciones del sistema y
poder reconfi gurar apropiadamente un sistema cuando sea necesario.
Cuándo confi gurar
Las ECUs son configuradas en la fábrica para los requerimientos más
comunes. Los sistemas básicos están preparados (setup) para la operación
de 4s-4m con control retardador via relé retardador. Los sistemas estándar
están preparados (setup) para la operación de 6s-4m con control retardador
via conexión de datos al motor. Para otras aplicaciones diferentes a estas
confi guraciones de fábrica (por ejemplo el uso de un relé de control retardador,
operación con 4s-3m, operación con 6s-6m o control de tracción), es necesario
ejecutar una confi guración o proceso de "preparación"( "setup"). Este proceso
prepara la ECU para los componentes que están instalados para que el
control apropiado y la tolerancia a fallas sean implementadas. El interruptor
de diagnóstico, la herramienta MPSI Pro-Link® o el software ServiceRanger
para PC, pueden ser usados para confi gurar a un nivel más alto (añadir
componentes o funcionalidad). Si se desea mover la confi guración hacia abajo
(menos componentes que lo normal), la herramienta ProLink o el software
ServiceRanger para PC debe ser usado.
Cómo confi gurar
Use el menú "SYSTEM SETUP" (“PREPARACIÖN DEL SISTEMA”) con la
herramienta MPSI ProLink®, el interruptor de diagnóstico (remítase a la página
25 para el procedimiento) o el software ServiceRanger para PC. El uso de
la función "SETUP" ("PREPARACION") también borrará los códigos de fallas
inactivos del sistema. Sin embargo, se recomienda que la función "CLEAR
TROUBLE CODES" ("BORRAR CODIGOS DE FALLAS") sea usada para el
borrado de los códigos inactivos.
Verifi cación
Es importante verifi car que la confi guración deseada haya sido obtenida.
Remítase a la Figura 20 (página 17) para la interpretación apropiada de la
confi guración de los códigos intermitentes.
FIGURA 18 - Confi guraciones típicas del ABS
Rueda dentada
Sensor de velocidad
de la rueda (WSS) Ensamblaje de la válvula
del eje trasero
Válvula moduladora de
presión (PMV)
4S-4M Válvula ATC
6S-6M con ATC
6S-4M con ATC

16
Equipo de prueba
Bendix recomienda el uso de los siguientes productos para localizar averías
en el sistema del ABS:
• Un multímetro o volti-ohmímetro (DVOM).
• Software ServiceRanger Eaton para PC o un probador manual MPSI
ProLink®.
Multímetro
Un multímetro puede ser usado para verifi car:
• La resistencia del circuito del sensor de velocidad.
• Las resistencias de las válvulas solenoides de las PMV y el ATC.
• Voltajes en el circuito de energía del ABS.
• Voltajes en la conexión de datos del motor.
• El relé del control retardador.
• Fallas en los cables preformados.
Software ServiceRanger para PC
El software ServiceRanger para PC puede ser usado para leer y borrar los
códigos de error y obtener una corta descripción de las fallas. El software
puede iniciar las secuencias de pruebas de las salidas del controlador y puede
también leer los datos del sistema, tales como el voltaje en la ECU, velocidades
de la rueda y velocidades de corte.
ADVERTENCIA: El software ServiceRanger Eaton para PC puede activar
las pruebas de salida para todos los dispositivos de salida. Puesto que estas
pruebas pueden afectar la operación del sistema de frenado del vehículo, la
ECU incorpora una protección especial de seguridad. Un eje debe mostrar
velocidad cero o la prueba será detenida.
FIGURA 19 - Menús del ServiceRanger y hardware para alistarlo
PC INTERFACE
Conectador
Deutsch HD-10 Al conectador de
diagnóstico
Interfase del
comunicador en serie
PC portátil
Software
ServiceRanger
en DC
Opciones principales del menú del
ServiceRanger
1. Datos del monitor
2. Recuperar códigos de fallas
3. Funciones avanzadas del producto
4. Descargar producto
1. Datos del monitor
Velocidades de la rueda
Velocidades de corte
Voltajes de entrada
Estados del interruptor
2. Recuperar códigos de fallas
Recuperar códigos de fallas
Borrar códigos de falla
3. Funciones avanzadas del
producto
Prueba de las válvulas
Prueba de las luces
Prueba del control retardador
4. Descargar producto
Leer la confi guración de la ECU
Confi gurar la ECU
Inhabilitar el ATC

17
FIGURA 20 - Menús del probador manual y montaje
Probador manual
Un probador manual MPSI ProLink® con cartucho de propiedad de Bendix
puede ser usado para leer y borrar los códigos de error y obtener una corta
descripción de las fallas. El probador puede iniciar la secuencia de pruebas
de las salidas del controlador y puede también leer los datos del sistema, tales
como el voltaje en la ECU, velocidades de las ruedas y velocidades de corte.
Un cartucho normal para camión de trabajo pesado puede ser usado, pero no
puede iniciar las secuencias de prueba.
ADVERTENCIA: El probador manual Prolink puede activar las pruebas de
salida para todos los dispositivos de salida. Puesto que estas pruebas pueden
afectar la operación del sistema de frenado del vehículo, la ECU incorpora
una protección especial de seguridad. Un eje debe mostrar velocidad cero o
la prueba será detenida.
EatonApplications
Al conectador de
diagnóstico
Conectador
Deutch H-10
Cable de energía y
diagnóstico
MPSI Pro-Link
Cartucho MPC™
Botón de
liberación
Tarjeta de aplicaciones
Bendix
Eaton ABS
presione enter
1. Información del sistema
2. Códigos de fallas
3. Datos del monitor
4. Prueba del componente
5. Montaje del sistema
6. Inhabilitar el ATC
7. Inglés / Métrico
8. Salida
1. Información del
sistema
No. de parte
Fecha
No. de serie
No. del software
Confi guración del sistema
- ABS
- ATC
Tamaño de la rueda de la
dirección
Tamaño de la rueda trasera
Tamaño de la rueda atrás de
la trasera
Parámetro MIC
2. Códigos de fallas 3. Datos del
monitor
Velocidades de la
rueda
Velocidades de corte
Voltajes del sistema
Interruptores de
entrada
4. Prueba del
componente
Rutinas de válvula
TCV
WL
TCL
RET
Interfase
5. Montaje del
sistema
6. Inhabilitar
el ATC
7. Inglés /
Métrico
8. Salida
Códigos de falla
Códigos de falla
prolongados
Memoria borrada
Confi guración
del sistema
Para prueba
dinamométrica

18
Interruptor de diagnóstico
Códigos intermitentes – Confi guración del sistema y fallas del sistema.
Los codigos de confi guración y los códigos de fallas pueden ser recuperados
como secuencias intermitentes en la luz de advertencia del ABS manipulando
correctamente el botón de diagnóstico ABS. Los códigos de confi guración
son secuencias de cuatro dígitos intermitentes, mientras los códigos de
fallas se presentan como dos números intermitentes. Remítase a las tablas
empezando en la página 19 para una descripción de estos códigos. Para
ejecutar cualquiera de las actividades listadas abajo, simplemente siga los
pasos dados. Si comete un error durante uno de los pasos, pare y empiece
otra vez del procedimiento.
Todos los códigos intermitentes son mostrados únicamente por la luz de
advertencia del ABS. La luz del ATC no muestra los códigos intermitentes.
Nota: Antes de intentar cualquier reparación:
1. Recupere los códigos de configuración y los códigos de fallas
(escríbalos).
2. Reconfi gure la ECU si la confi guración no está de acuerdo con el hardware
instalado. La ECU no puede ser confi gurada de modo descendente
(quitando componentes) con el botón de diagnóstico. Por ejemplo, un
6S-4M no puede ser confi gurado a un 4S-4M. Las confi guraciones
descendentes requieren el uso de una herramienta ProLink o del software
ServiceRanger.
3. Si la confi guración es correcta, borre los códigos de fallas. El proceso
para borrar los códigos de fallas y reconfi gurar la ECU, es el mismo que
cuando se usa el botón de diagnóstico.
4. Recupere otra vez los códigos de fallas. Unicamente los códigos activos
serán mostrados.
Lectura de los códigos de confi guración
• "PRENDA" el motor.
• Presione y retenga por dos segundos el botón de diagnóstico y suelte.
• Sin pausa, presione el botón de diagnóstico por 2da. vez por dos segundos
y suelte.
• El código de confi guración de cuatro dígitos es recuperado y mostrado.
Recuperando los códigos de diagnósticos de
fallas
• "PRENDA" el motor.
• Si el vehículo está equipado con ATC, aplique y libere los frenos una vez antes de
proseguir.
• Presione y retenga el botón de diagnóstico por dos segundos y suelte.
• Los códigos intermitentes de dos números son recuperados y mostrados.
2 Segundos 2 Segundos
< 1S
2 Segundos

19
FIGURA 21 - Lectura de los códigos de confi guración del ABS
Secuencia del código
intermitente Confi guraciones del voltaje
1°
Destellos
1
2
Descripción
Sistema de 12 voltios
Sistema de 24 voltios
Destellos
2
3
6
8
9
Destellos
1 (5)
2 (6)
3 (7)
4 (8)
Descripción
4 Sensores/4 Válvulas moduladoras
4 Sensores/3 Válvulas moduladoras
6 Sensores/4 Válvulas moduladoras
8 Sensores/6 Válvulas moduladoras
6 Sensores/5 Válvulas moduladoras
- Seleccione conducir despacio
Confi guraciones del ABS
Pausa de 1.5
segundos
2°
Pausa de 4.5
segundos
3°
4°
Confi guraciones del retardador/ Interdiferencial
Interfase con el
motor
Control del relé
retardador
Control de bloqueo del
interdiferencial
No No No (Sí)
Sí No No (Sí)
No Sí No (Sí)
Sí Sí No (Sí)
Confi guraciones del ATC
Pausa de 1.5
segundos
Destellos
2
3
4
5
Control del motor Control del freno
No No
N/A N/A
N/A N/A
Sí Sí

20
FIGURA 22 - Informe típico del código intermitente
Borrando códigos de diagnóstico de fallas y/ o
confi guración del sistema
• Con la ignición “APAGADA” presione y retenga el botón de diagnóstico.
• “ENCIENDA” la ignición mientras presiona el botón de diagnóstico.
• Espere dos segundos y suelte el botón de diagnóstico.
• Presione y libere el pedal del freno.
• La ECU es reconfi gurada para que concuerde con los componentes
conectados y que los códigos de falla sean borrados.
• Repita el procedimiento “Recuperando los códigos de diagnóstico de
fallas” para verifi car que los códigos estén borrados.
Inhabilitando el ATC para la prueba Dyno
• “ENCIENDA” la ignición.
• Presione y retenga el botón de diagnóstico por lo menos 3 segundos
y suelte.
• La luz del ATC se “PRENDE” y la luz del ABS destella el código
17•8 indicando que el ATC está inhabilitado.
• En el siguiente ciclo de ignición, el ATC será reactivado.
2 + Segundos
3 + Segundos
Código de la primera falla
Código de la primera mitad
Pausa de 1.5 segundos
Pausa de 45
segundos
Código de la segunda mitad
Códigos de fallas adicionales
La secuencia
continúa hasta que
todos los códigos de
falla sean reportados.
Código de la primera mitad
Pausa de 1.5 segundos
Código de la segunda mitad
Pausa de 45
segundos

21
Códigos intermitentes MID 136
SID/FMI Descripción Ubicación
1° 2°
1 1 –/– No se encuentran averías
2 1 001/000 El espacio intermedio de aire del sensor es muy grande
Sensor de la dirección izquierdo
2 2 001/008 Espacio intermedio de aire muy grande o sensor en corto circuito.
2 3 001/010 La señal del sensor de velocidad es ruidosa.
2 4 001/008 Rueda bloqueada mucho tiempo durante un ciclo del ABS.
2 5 001/008 Ritmo de desaceleración alta en la rueda o sensor en corto circuito.
2 6 001/012 Sensor en corto circuito a tierra o voltaje o sensor abierto.
2 7 001/012 Error interno en el puerto del sensor de la ECU.
2 8 001/002 Sensor en la ubicación errada para la confi guración del sistema.
3 1 002/000 El espacio intermedio de aire del sensor es muy grande
Sensor de la dirección derecho
3 2 002/008 Espacio intermedio de aire muy grande o sensor en corto circuito.
3 3 002/010 La señal del sensor de velocidad es ruidosa.
3 4 002/008 Rueda bloqueada mucho tiempo durante un ciclo del ABS.
3 5 002/008 Ritmo de desaceleración alta en la rueda o sensor en corto circuito.
3 6 002/012 Sensor en corto circuito a tierra o voltaje o sensor abierto.
3 7 002/012 Error interno en el puerto del sensor de la ECU.
3 8 002/002 Sensor en la ubicación errada para la confi guración del sistema.
4 1 003/000 El espacio intermedio de aire del sensor es muy grande
Sensor trasero izquierdo
4 2 003/008 Espacio intermedio de aire muy grande o sensor en corto circuito
4 3 003/010 La señal del sensor de velocidad es ruidosa.
4 4 003/008 Rueda bloqueada mucho tiempo durante un ciclo del ABS.
4 5 003/008 Ritmo de desaceleración alta en la rueda o sensor en corto circuito.
4 6 003/012 Sensor en corto circuito a tierra o voltaje o sensor abierto.
4 7 003/012 Error interno en el puerto del sensor de la ECU.
4 8 003/002 Sensor en la ubicación errada para la confi guración del sistema.
5 1 004/000 El espacio intermedio de aire del sensor es muy grande
Sensor trasero derecho
5 2 004/008 Espacio intermedio de aire muy grande o sensor en corto circuito
5 3 004/010 La señal del sensor de velocidad es ruidosa.
5 4 004/008 Rueda bloqueada mucho tiempo durante un ciclo del ABS.
5 5 004/008 Ritmo de desaceleración alta en la rueda o sensor en corto circuito.
5 6 004/012 Sensor en corto circuito a tierra o voltaje o sensor abierto.
5 7 004/012 Error interno en el puerto del sensor de la ECU.
5 8 004/002 Sensor en la ubicación errada para la confi guración del sistema.

22
Códigos intermitentes MID 136
SID/FMI Descripción Ubicación
1° 2°
6 1 005/000 El espacio intermedio de aire del sensor es muy grande.
Sensor trasero izquierdo
6 2 005/008 Espacio intermedio de aire muy grande o sensor en corto circuito.
6 3 005/010 La señal del sensor de velocidad es ruidosa.
6 4 005/008 Rueda bloqueada mucho tiempo durante un ciclo del ABS.
6 5 005/008 Ritmo de desaceleración alta en la rueda o sensor en cortocircuito.
6 6 005/012 Sensor en corto circuito a tierra o voltaje o sensor abierto.
6 7 005/012 Error interno en el puerto del sensor de la ECU.
6 8 005/002 Sensor en la ubicación errada para la confi guración del sistema.
7 1 006/000 El espacio intermedio de aire del sensor es muy grande.
Sensor trasero derecho
7 2 006/008 Espacio intermedio de aire muy grande o sensor en corto circuito.
7 3 006/010 La señal del sensor de velocidad es ruidosa.
7 4 006/008 Rueda bloqueada mucho tiempo durante un ciclo del ABS.
7 5 006/008 Ritmo de desaceleración alta en la rueda o sensor en corto circuito.
7 6 006/012 Sensor en corto circuito a tierra o voltaje o sensor abierto.
7 7 006/012 Error interno en el puerto del sensor de la ECU.
7 8 006/002 Sensor en la ubicación errada para la confi guración del sistema.
8 1 007/003 Corto circuito de la solenoide de liberación a voltaje.
PMV a izq. del eje de la dirección
8 2 007/004 Corto circuito de la solenoide de liberación a tierra.
8 3 007/005 Circuito abierto en la solenoide de liberación.
8 4 007/005 Circuito abierto en la línea común a la válvula.
8 5 007/003 Corto circuito de la solenoide de retención a voltaje.
8 6 007/004 Corto circuito de la solenoide de retención a tierra.
8 7 007/005 Circuito abierto en la solenoide de retención.
8 8 007/002 La confi guración del sistema es incorrecta.
8 10 151/014 Control de interdiferencial con corto circuito a corriente. Circuito IAD.
8 10 151/014 Control de interdiferencial con corto circuito a tierra o abierto.
9 1 008/003 Corto circuito de la solenoide de liberación a voltaje.
PMV a der. del eje de la dirección
9 2 008/004 Corto circuito de la solenoide de liberación a tierra.
9 3 008/005 Circuito abierto en la solenoide de liberación.
9 4 008/005 Circuito abierto en la línea común a la válvula.
9 5 008/003 Corto circuito de la solenoide de retención a voltaje.
9 6 008/004 Corto circuito de la solenoide de retención a tierra.
9 7 008/005 Circuito abierto en la solenoide de retención.
9 8 008/002 La confi guración del sistema es incorrecta.

23
Códigos intermitentes MID 136
SID/FMI Descripción Ubicación
1° 2°
10 1 009/003 Corto circuito de la solenoide de liberación a voltaje.
PMV del eje trasero izquierdo
10 2 009/004 Corto circuito de la solenoide de liberación a tierra.
10 3 009/005 Circuito abierto en la solenoide de liberación.
10 4 009/005 Circuito abierto en la línea común a la válvula.
10 5 009/003 Corto circuito de la solenoide de retención a voltaje.
10 6 009/004 Corto circuito de la solenoide de retención a tierra.
10 7 009/005 Circuito abierto en la solenoide de retención.
10 8 009/002 La confi guración del sistema es incorrecta.
10 ó 11 9 014/003 Lado común de las válvulas – pérdida de voltaje detectada.
PMV Comunes.10 ó11 10 014/003 Lado común de las válvulas en corto circuito a corriente.
10 ó 11 11 014/004 Lado común de las válvulas en corto circuito a tierra.
11 1 010/003 Corto circuito de la solenoide de liberación a voltaje.
PMV del eje trasero derecho
11 2 010/004 Corto circuito de la solenoide de liberación a tierra.
11 3 010/005 Circuito abierto en la solenoide de liberación.
11 4 010/005 Circuito abierto en la línea común a la válvula.
11 5 010/003 Corto circuito de la solenoide de retención a voltaje.
11 6 010/004 Corto circuito de la solenoide de retención a tierra.
11 7 010/005 Circuito abierto en la solenoide de retención.
11 8 010/002 La confi guración del sistema es incorrecta.
12 1 011/003 Corto circuito de la solenoide de liberación a voltaje.
PMV del eje trasero izquierdo
12 2 011/004 Corto circuíto de la solenoide de liberación a tierra.
12 3 011/005 Circuito abierto en la solenoide de liberación.
12 4 011/005 Circuito abierto en la línea común a la válvula
12 5 011/003 Corto circuito de la solenoide de retención a voltaje.
12 6 011/004 Corto circuito de la solenoide de retención a tierra.
12 7 011/005 Circuito abierto en la solenoide de retención.
12 8 011/005 La confi guración del sistema es incorrecta.
13 1 012/003 Corto circuito de la solenoide de liberación a voltaje.
PMV del eje trasero derecho
13 2 012/004 Corto circuito de la solenoide de liberación a tierra.
13 3 012/005 Circuito abierto en la solenoide de liberación.
13 4 012/005 Circuito abierto en la línea común a la válvula.
13 5 012/003 Corto circuito de la solenoide de retención a voltaje.
13 6 012/004 Corto circuito de la solenoide de retención a tierra.
13 7 012/005 Circuito abierto en la solenoide de retención.
13 8 012/002 La confi guración del sistema es incorrecta.

24
Códigos intermitentes MID 136
SID/FMI Descripción Ubicación
1° 2°
14 5 018/003 Solenoide en la válvula ATC en corto circuito a corriente.
Válvula ATC.
14 6 018/004 Solenoide en la válvula ATC en corto circuito a tierra.
14 7 018/005 Circuito abierto en la válvula ATC.
14 8 018/002 Encuentra la válvula ATC cuando no debería estar presente.
14 12 249/002 ó
231/002 Cancelación o sin conexión al vínculo del motor(J1922/1939). Conexión de datos.
15 1 254/012 Código de falla interna en la ECU.
ECU.
15 2 253/012 Código de falla interna en la ECU.
15 3 253/013 Código de falla interna en la ECU.
15 4 253/012 Código de falla interna en la ECU.
15 5 254/002 Código de falla interna en la ECU.
15 6 254/002 Código de falla interna en la ECU.
15 7 254/002 Código de falla interna en la ECU.
15 8 253/013 Código de falla interna en la ECU.
15 9 231/012 Código de falla interna en la ECU.
15 10 254/012 Código de falla interna en la ECU.
15 11 254/012 Código de falla interna en la ECU.
16 1 ó 5 251/004 Voltaje excesivo en la energía de la PMV.
Circuitos de energía.
16 2 ó 6 251/003 Bajo voltaje encontrado en la energía de la PMV.
16 3 ó 7 251/005 Ningún voltaje encontrado en la energía de la PMV.
16 4 ó 8 251/005 Circuito abierto encontrado a tierra de la PMV.
16 9 251/004 Excesivo voltaje encontrado en la energía de la ECU.
16 10 251/003 Bajo voltaje encontrado en la energía de la ECU.
16 11 251/002 La diferencia de volt. entre las entradas de energía de la PMV es muy alta.
17 1 013/003 Control del relé retard. en corto circuito a corriente o circuito abierto.
17 2 013/004 Control del relé retardador en corto circuito a tierra.
17 3 249/002 ó
231/002 La conexión de datos J1922/1939 no está funcionando.
17 4 249/002 ó
231/002 Cancelación de la conexión de datos J1922/1939.
17 5 253/013 Tamaño de la llanta, delantera a trasera fuera de límites.
17 6 253/013 Tamaño de la llanta fuera de límites o falla del parámetro .
17 7 — Interruptor de luz del freno no es pulsado a este ciclo de energía.
17 8 — El sistema ATC es inhabilitado para la prueba dinamométrica.
17 10 023/014 El circuíto de la luz de advertencia está fallando.
17 12 151/014 Sensor del paquete de bits de memoria, (Una falla en el sensor ha ocurrido,
la ECU debe de leer las velocidades en todas las ruedas para borrar esta
falla.)

25
FIGURA 24 - Descripciones del circuito preformado del sensor de velocidad de la rueda y la prueba de resistencia
FIGURA 23 - Circuito típico del sensor de velocidad de la
rueda
Localización de averías del sensor de velocidad
Siga los pasos listados abajo, para localizar y corregir las fallas del sensor
relacionadas con el ABS.
1. Entre al código(s) de falla activo usando ya sea el procedimiento de código
intermitente, con el ServiceRanger o el procedimiento del probador de
manual.
2. Mire la descripción del código, las posibles causas y los procedimientos
de reparación provistos en esta sección.
3. Ejecute los procedimientos de reparación recomendados.
4. Después de que las reparaciones estén terminadas, borre todos los códigos
y revise si hay códigos adicionales.
5. Si ha ocurrido una falla relacionada con el sensor, el código 17•12
permanecerá en el sistema hasta que el vehículo haya sido conducido.
ECU
Conectador
preformado
del sensor de
velocidad de la
rueda
Sensor de
velocidad
de la rueda
(1 de 4 ó 6)
X2 X3 X4
X1
7
8
9
10
11
12
6
5
4
3
2
1
7
8
9
10
11
12
6
5
4
3
2
1
7
8
9
10
11
12
6
5
4
3
2
1
7
8
9
10
11
12
6
5
4
3
2
1
10
11
12
7
8
9
4
5
6
1
2
3
10
11
12
13
14
15
13
14
15
16
17
18
7
8
9
4
5
6
1
2
3
10
11
12
7
8
9
4
5
6
1
2
3
7
8
9
4
5
6
1
2
3
4
5
6
1
2
3
ABCDE
Conectador
preformado Patilla Descripción del circuito
B (6-Vías) 4 Sensor de velocidad (+) Dirección izquierda
5 Sensor de velocidad (-) Dirección izquierda
C (9-Vías) 4 Sensor de velocidad (+) Dirección derecha
5 Sensor de velocidad (-) Dirección derecha
D (15-Vías) 5 Sensor de velocidad (+) Trasero izquierdo
6 Sensor de velocidad (-) Trasero izquierdo
8 Sensor de velocidad (+) Trasero derecho
9 Sensor de velocidad (-) Trasero derecho
E (12-Vías)
6- canales
únicamente
5 Sensor de velocidad (+) Atrás del trasero izquierdo*
6 Sensor de velocidad (-) Atrás del trasero izquierdo*
8 Sensor de velocidad (+) Atrás del trasero derecho*
9 Sensor de velocidad (-) Atrás del trasero derecho*
Gris Negro Verde Café
Conectador
preformado Patilla Descripción del circuito
X2 (Negro)5 Sensor de velocidad (-) Dirección derecha
6 Sensor de velocidad (+) Dirección derecha
7 Sensor de velocidad (-) Dirección izquierda
8 Sensor de velocidad (+) Dirección izquierda
X3 (Verde)1 Sensor de velocidad (-) Trasero izquierdo
2 Sensor de velocidad (+) Trasero izquierdo
3 Sensor de velocidad (-) Trasero derecho
4 Sensor de velocidad (+) Trasero derecho
X4 (Café)
6- canales
únicamente
3 Sensor de velocidad (-) Atrás del trasero izquierdo*
4 Sensor de velocidad (+) Atrás del trasero izquierdo*
5 Sensor de velocidad (-) Atrás del trasero derecho*
6 Sensor de velocidad (+) Atrás del trasero derecho*
*No se usa en el sistema básico *No se usa en el sistema básico
Prueba de resistencia del sensor de velocidad
La resistencia correcta para el circuito del sensor de velocidad está entre 950 ohmios y 1900 ohmios.
Mida la resistencia en la ubicación de la rueda para revisar el sensor de velocidad.
Mida la resistencia en las patillas apropiadas del conectador preformado de la ECU para revisar el cable y el sensor de velocidad.
Nota: Remítase a la tabla para la identifi cación de la patilla.
Parte superior- Mirando dentro del conectador preformado
26
El código de diagnóstico de fallas 17•12 de la
memoria del sensor
La indicación de la luz de advertencia del ABS y el código de fallas
17•12 son provistos para recordar al técnico de servicio, la necesidad
de verifi car el funcionamiento de los sensores de velocidad de la rueda
del ABS, manejando el vehículo después del mantenimiento a los
sensores. Los sensores de velocidad de la rueda del ABS no generan
señales, a menos que las ruedas estén girando. Debido a esto, ciertas
fallas del sensor pueden únicamente ser detectadas cuando el vehículo
está en movimiento.
El código de fallas 17•12 es generado
después de que las fallas iniciales
del sensor sean borradas
.
La luz de advertencia del ABS permanece
prendida. Los códigos de fallas deben ser revisados de nuevo después
de borrar las fallas del sensor, con el fi n de ver el informe del 17•12.
Un código de fallas 17•12 y la señal de la luz de advertencia del ABS
para falla en el sensor
no se puede
borrar usando un ProLink, un
software ServiceRanger o el botón de diagnóstico.
Estos se pueden
borrar únicamente manejando el vehículo
. La ECU del ABS borrará
el código intermitente 17•12 y apagará la luz de advertencia del ABS
cuando todos los problemas de la falla activa del sensor sean resueltos
y el vehículo sea manejado a más de 5 mph. La ECU del ABS debe
detectar las velocidades en todas las ruedas controladas para que el
problema se solucione.
Procedimiento:
1. Reviselos códigos de falla.
2. Localice averías y elimine las causas para todas las fallas.
3. Borre los códigos de fallas.
4. Revise otra vez los códigos de fallas (El 17•12 será generado si
se borran las fallas del sensor).
5. Si el código de error 17•12 es generado, maneje el vehículo a más
de 5 mph (La luz de advertencia del ABS se apagará y el código
de falla 17•12 será borrado después de un corto periodo, si todas
las señales del sensor son aceptables).
Nota: Si existen todavía fallas en el sensor, la luz de advertencia
del ABS permanecerá prendida. Las fallas serán registradas varias
veces después de manejar el vehículo. Si más de un sitio del sensor
es afectado, las fallas pueden no ser registradas otra vez por la ECU,
hasta que el vehículo haya sido manejado y mantenido a más de 20
mph por 3-5 minutos.
Para una localización de averías más detallada, siga de cerca las
velocidades de las ruedas y velocidades de corte con el ServiceRanger
o una herramienta manual ProLink. Localice averías y repare cualquier
sensor de velocidad que no esté informando una velocidad de la rueda
o mostrando la velocidad de corte máxima.
Las velocidades de corte máximas son un indicador de la intensidad
de la señal del sensor a la ECU y son proporcionales al espacio de
aire. Las velocidades de corte deben estar en la escala de 3-8 mph.
Números más bajos indican una señal más fuerte y mejor que los
números más altos. Los valores altos indican un sensor con una señal
no confi able o no existente.

27
FIGURA 25 - Guía para la localización de averías en el código de fallas del sensor de velocidad
3
2
7
6
3
2
5
4
Secuencia del código
intermitente
1°
Destellos
2
3
4
5
6
7
Pausa de 1.5
segundos
2°
Ubicación
Dirección izquierda
Dirección derecha
Trasera izquierda
Trasera derecha
Atrás de trasera izquierda
Atrás de trasera derecha
Destellos Condición Acción
1 Espacio intermedio de aire del
sensor, muy grande Si es necesario, limpie y lubrique el sensor. Presiónelo dentro del hueco de montaje
hasta que la parte inferior toque la rueda dentada. Borre el código de falla y
verifi que que la falla sea corregida haciendo una prueba de manejo del vehículo.
La luz de advertencia permanecerá encendida hasta que la salida apropiada del
sensor sea detectada, aún cuando la falla haya sido borrada
2 Espacio intermedio de aire muy
grande o sensor en corto circuito Revise la resistencia del sensor. Si la resistencia del sensor está fuera de límites,
reemplace el sensor. Limpie y lubrique el sensor. Presiónelo dentro del hueco de
montaje hasta que la parte inferior toque la rueda dentada. Borre el código de falla
y verifi que que la falla sea corregida haciendo una prueba de manejo del vehículo.
La luz de advertencia permanecerá encendida hasta que la salida apropiada del
sensor sea detectada, aún cuando la falla haya sido borrada. Use un lubricante
aprobado.
3 La señal del sensor de velocidad
es ruidosa. Examine si la rueda dentada tiene daños. Reemplace la rueda dentada y/ o el
cubo, si es necesario. Revise el ajuste de los rodamientos de la rueda. Ajuste
los rodamientos de la rueda, si es necesario. Borre el código de fallas y verifi que
que la falla sea corregida haciendo una prueba de manejo del vehículo. La luz de
advertencia permanecerá encendida hasta que la salida apropiada del sensor sea
detectada, aún cuando la falla haya sido borrada.
4 Rueda bloqueada por un excesivo
periodo de tiempo, durante un
ciclo del ABS
Revise la función mecánica del freno. Revise si hay mangueras retorcidas u
obstruidas. Borre el código de fallas y verifi que que la falla sea corregida haciendo
una prueba de manejo del vehículo. La luz de advertencia permanecerá encendida
hasta que la salida apropiada del sensor sea detectada, aún cuando la falla haya
sido borrada.
5 Excesivo ritmo de desaceleración
se encuentra en un punto de la
rueda.
Revise si hay daños en la rueda dentada o excesivo desgaste. Repare la rueda
dentada y/ o ajuste los rodamientos. Borre el código de fallas y pruebe manejando
el vehículo. La luz de advertencia permanecerá encendida hasta que la salida
apropiada del sensor sea detectada, aún cuando la falla haya sido borrada.
6 Conexión del sensor en corto
circuito a tierra o a corriente o el
sensor está abierto
Use un ohmímetro para verifi car la resistencia apropiada del sensor (Fig. 24).
Revise si hay corto circuito o roturas en el cable preformado. Repare el cable
preformado y/ o reemplace el sensor si es necesario. Borre el código de la falla y
verifi que que la falla sea corregida haciendo una prueba de manejo del vehículo.
La luz de advertencia permanecerá encendida hasta que la salida apropiada del
sensor sea detectada, aún cuando la falla haya sido borrada.
7 Hay un error interno en el puerto
del sensor de la ECU. Borre el código de falla y haga una prueba manejando el vehículo. La luz de
advertencia permanecerá encendida hasta que la salida apropiada del sensor sea
detectada, aún cuando la falla haya sido borrada. Si la falla vuelve a ocurrir o no se
puede borrar, reemplace la ECU.
8 Se ha encontrado un sensor en
la ubicación errada. Revise la confi guración de la unidad de control y verifi que que los sensores estén
cableados en la ubicación apropiada para la confi guración (Remítase al esquema).

28
FIGURA 26 - Componentes del sensor delantero de
velocidad
Reparación del Sensor de velocidad en el
extremo de la rueda
Sensor de velocidad del eje delantero
El sensor de velocidad del eje delantero está localizado en el lado interior de
la junta de la dirección.
ADVERTENCIA: Bloquee las ruedas antes de empezar este
procedimiento. Siga todos los procedimientos de seguridad estándar,
delineados, pero no limitados al listado de precauciones generales listadas
en la página13 de este documento.
ADVERTENCIA: No trabaje debajo de un vehículo apoyado por un
gato.
Remoción
1. Desconecte el cable del sensor del preformado.
2. Quite el sensor del buje del sensor. (No hale del cable.)
3. Quite el manguito de fricción del sensor de velocidad de la junta de la
dirección.
Instalación
1. Instale el buje del sensor con el borde de parada hacia el lado interno del
vehículo.
2. Aplique grasa en base a silicona para alta temperatura, al cuerpo del
sensor de velocidad.
3. Empuje el sensor de velocidad completamente dentro del buje del sensor
con la mano, hasta que pare contra la rueda dentada. El sensor de
velocidad está correctamente instalado y ajustado cuando está tocando
la rueda dentada.
NOTA: El sensor de velocidad debe deslizarse libremente entrando y
saliendo del agujero central del manguito de montaje. Operar el vehículo con
componentes ajustados dañará el sensor de velocidad y la rueda dentada.
4. Haga una prueba de la instalación.
5. Verifi que la ruta del cable y conexiones.
6. Borre los códigos que estén fallando. El código 17•12 permanecerá en
el sistema hasta que el vehículo haya sido manejado.
7. Ensaye manejar el vehículo y verifi que que la lámpara de advertencia del
ABS funcione correctamente.
FIGURA 27 - Instalación del sensor de velocidad de la
rueda
Sensor
Manguito de fricción
Buje del sensor
del ABS
Sensor
Empuje

29
FIGURA 28 - Componentes del sensor trasero de velocidad
Sensor de velocidad del eje trasero
El sensor de velocidad del eje trasero está ubicado dentro del tambor del freno
y es únicamente accesible quitando el ensamblaje de la rueda y del tambor.
NOTA: Para el diagnóstico e información de servicio sobre los sensores de
velocidad en el eje, contacte a Dana Corporation
ADVERTENCIA: Bloquee las ruedas antes de empezar este
procedimiento. Siga todos los procedimientos de seguridad estándar,
delineados, pero no limitados al listado de precauciones generales listadas
en la página13 de este documento.
ADVERTENCIA: No trabaje debajo de un vehículo sostenido por un
gato.
Remoción
1. Retroceda el tensor de ajuste para liberar las zapatas del freno.
2. Quite el ensamblaje de la rueda y la llanta del eje.
3. Quite el tambor del freno.
4. Quite el sensor de velocidad con el buje del bloque de montaje en la
carcaza del eje. Use un movimiento de giro y evite halar del cable.
5. Desconecte los sujetadores que retienen el cable del sensor a
otros componentes y desconecte el sensor de velocidad del cable
preformado.
Instalación
1. Instale el buje del sensor con el borde de parada hacia el lado interno del
vehículo.
2. Aplique una grasa lubricante no conductora al cuerpo del sensor de
velocidad.
3. Empuje el sensor de velocidad completamente dentro del buje con la
mano, hasta que pare contra la rueda dentada. El sensor de velocidad
está correctamente instalado y ajustado cuando está tocando la rueda
dentada.
NOTA: El sensor de velocidad debe deslizarse libremente entrando y
saliendo del agujero central del manguito de montaje. Operar el vehículo con
componentes ajustados dañará el sensor de velocidad y la rueda dentada.
4. Lleve el cable al chasis.
5. Conecte el cable del sensor al preformado e instale los sujetadores para
mantener el cable del sensor en posición.
6. Instale el tambor del freno en el cubo de la rueda.
7. Ajuste los frenos del eje trasero.
8. Instale el ensamblaje de la rueda y la llanta y apriete las tuercas de la
rueda.
9. Haga una prueba de la instalación.
10. Verifi que las conexiones del cable.
11. Borre los códigos que estén fallando. El código 17•12 permanecerá en
el sistema hasta que el vehículo haya sido manejado.
12. Ensaye manejar el vehículo y verifi que que la lámpara de advertencia del
ABS funcione correctamente.
Sensor Manguito de
fricción Bloque del
sensor

30
1
32
1
32
ECU
Mida Mida Límites de
de: a: la resistencia:
Común Retención 3-8 Ohmios
Común Liberación 3-8 Ohmios
Retención Liberación 6-16 Ohmios
Prueba de resistencia de la PMV
Mida la resistencia en la ubicación de la PMV para verifi car la
válvula.
Mida la resistencia en las patillas apropiadas del conectador
preformado de la ECU para verifi car el cable y la válvula.
Nota: Remítase a la tabla para la identifi cación de la patilla.
FIGURA 30 - Descripciones del circuito preformado de la PMV y prueba de la resistencia
FIGURA 29 - Circuito típico de la PMV
Localización de averías en la válvula moduladora
de presión (PMV)
Siga los pasos listados abajo para localizar y corregir los problemas de la
válvula moduladora del ABS.
1. Entre al código(s) de falla activo usando ya sea el procedimiento del
código intermitente o el procedimiento del probador manual.
2. Mire la descripción del código, las posibles causas y los procedimientos
de reparación provistos en esta sección.
3. Ejecute los procedimientos de reparación recomendados.
4. Después de que las reparaciones estén completas, borre todos los códigos
y verifi que si hay códigos adicionales.
Relé
Válvula
Conectador
con seguro de
enroscar
Sin
conexión Liberación
Retención
Común
Conectador roscado
Mirando dentro de la válvula
Conectador con
seguro de enroscar
Retención
Común
Liberación
Conectador
roscado

31
FIGURA 31 - Descripciones del circuito preformado de la PMV y prueba de la resistencia
X2 X3
7
8
9
10
11
12
6
5
4
3
2
1
7
8
9
10
11
12
6
5
4
3
2
1
X4
7
8
9
10
11
12
6
5
4
3
2
1
X1
7
8
9
10
11
12
6
5
4
3
2
1
ABCDE
10
11
12
7
8
9
4
5
6
1
2
3
10
11
12
13
14
15
13
14
15
16
17
18
7
8
9
4
5
6
1
2
3
10
11
12
7
8
9
4
5
6
1
2
3
7
8
9
4
5
6
1
2
3
4
5
6
1
2
3
Conectador
preformado Patilla Descripción del circuito
B (6-Vías) 1 PMV 1 (Liberación) Dirección izquierda
2 PMV 1 (Retención) Dirección izquierda
3 PMV 1 Común dirección izquierda
C (9-Vías) 7 PMV 2 (Liberación) Dirección derecha
8 PMV 2 (Retención) Dirección derecha
9 PMV 2 Común dirección derecha
D (15-Vías) 1 PMV 3 (Liberación) Trasera izquierda
2 PMV 3 (Retención) Trasera izquierda
3 PMV 3 Común trasera izquierda
D (15-Vías) 10 PMV 4 (Liberación) Trasera derecha
11 PMV 4 (Retención) Trasera derecha
12 PMV 4 Común trasera derecha
E (12-Vías)
6- canales
únicamente
1 PMV 5 (Liberación) Atrás de trasera izquierda*
2 PMV 5 (Retención) Atrás de trasera izquierda*
3 PMV 5 Común atrás de trasera izquierda*
E (12-Vías)
6- canales
únicamente
10 PMV 6 (Liberación) Atrás de trasera derecha*
11 PMV 6 (Retención) Atrás de trasera derecha*
12 PMV 6 Común atrás de trasera derecha*
Gris Negro Verde Café
*No se usa en el sistema básico
Conectador
preformado Patilla Descripción del circuito
X2 (Negro) 2 PMV 1 (Retención) Dirección izquierda
10 PMV 1 (Liberación) Dirección izquierda
11 PMV 1 Común dirección izquierda
X2 (Negro) 3 PMV 2 (Liberación) Dirección derecha
4 PMV 2 (Retención) Dirección derecha
9 PMV 2 Común dirección derecha
X3 (Verde) 10 PMV 3 (Liberación) Trasera izquierda
12 PMV 3 (Retención) Trasera izquierda
11 PMV 3 Común trasera izquierda
X3 (Verde) 7 PMV 4 (Liberación) Trasera derecha
9 PMV 4 (Retención) Trasera derecha
8 PMV 4 Común trasera derecha
X4 (Café)
6- canales
únicamente
10 PMV 5 (Liberación) Atrás de trasera izquierda*
12 PMV 5 (Retención) Atrás de trasera izquierda*
11 PMV 5 Común atrás de trasera izquierda*
X4 (Café)
6- canales
únicamente
7 PMV 6 (Liberación) Atrás de trasera derecha*
9 PMV 6 (Retención) Atrás de trasera derecha*
8 PMV 6 Común atrás de trasera derecha*
*No se usa en el sistema básico
Montaje en la cabina
Parte superior- Mirando dentro del conectador preformado
Montaje en el chasis

32
FIGURA 32 - Guía de localización de averías del código de falla de la PMV
Secuencia del código
intermitente
1°
Destellos
8
9
10
Pausa de 1.5
segundos
2°
Destellos
11
12
13
1°
Pausa de 1.5
segundos
2°
Ubicación
PMV 1 Dirección izquierda
PMV 2 Dirección derecha
PMV 3 Trasera izquierda
Ubicación
PMV 4 Trasera derecha
PMV 5 Atrás de trasera izquierda
PMV 6 Trasera derecha
Destellos Condición Acción
1 Hay un corto circuito entre la solenoide
de liberación y el voltaje de suministro.
Use el multímetro para revisar que las resistencias de la válvula sean
correctas. Si la válvula está bien, revise si hay corto circuito en los
alambres del cable preformado.
2 Hay un corto circuito entre la solenoide
de liberación y tierra.
3 Hay un circuito abierto en la solenoide de
liberación.
4 Hay un circuito abierto en la línea común
a la válvula
5 Hay un corto circuito entre la solenoide
de retención y el voltaje de suministro.
6 Hay un corto circuito entre la solenoide
de retención y tierra.
7 Hay un circuito abierto en la solenoide de
retención.
8 Se encuentra una válvula alambrada en
la ubicación errada.
Revise la confi guración de la unidad de control y verifi que que las válvulas
estén alambradas en la ubicación apropiada para la confi guración
(Remítase al esquema).
Destellos
10 ó 11
Ubicación
Comunes de la PMV
Destellos Condición Acción
9 El voltaje perdido ha sido encontrado
en la línea común de una o más
válvulas.
Desenchufe la ECU y revise el voltaje en las patillas de la PMV. Si se encuentra
voltaje, repare el cable preformado. Si no hay problema en el cable preformado,
reemplace la ECU. Nota: Antes de reemplazar la ECU, borre los códigos de falla y
verifi que si la falla está todavía presente (Remítase al esquema)
10 Se ha encontrado un corto circuito
en el voltaje de suministro en la línea
común de una o más válvulas.
Desenchufe la ECU y revise si hay corto circuito a 12 voltios en las patillas del
común de la PMV. Si alguna está en corto circuito con suministro, repare el cable
preformado. Si ningún corto circuito es encontrado en el cable preformado,
reemplace la ECU.
Nota: Antes de reemplazar la ECU, borre los códigos de fallas y verifi que si la falla
está todavía presente. (Remítase al esquema)
11 Un corto circuito a tierra ha sido
encontrado en la línea común de una o
más válvulas.
Desenchufe la ECU y revise si hay corto circuito a tierra en las patillas del común de
la PMV. Si alguna está en corto circuito a tierra, repare el cable preformado. Si no se
encuentra corto circuito en el cable preformado, reemplace la ECU.
Nota: Antes de reemplazar la ECU, borre los códigos de falla y verifi que si la falla
está todavía presente (Remítase al esquema)

33
FIGURA 33 - Ensamblajes de la válvula del eje trasero – Vista general de la versión normal y ATC
Válvula moduladora del ABS
Remoción
1. Con el interruptor de ignición en la posición de APAGADO aplique el freno
de estacionamiento.
ADVERTENCIA: Bloquee las ruedas antes de empezar este
procedimiento. Siga todos los procedimientos de seguridad estándar,
delineados, pero no limitados al listado de precauciones generales listadas
en la página13 de este documento.
2. Desconecte el conectador de la válvula del ABS.
3. Desconecte las líneas de aire de los puertos de suministro y descarga de
la válvula del ABS.
4. Desconecte los sujetadores de montaje de la válvula.
5. Quite la válvula del ABS.
NOTA: Para el servicio ya sea, de la válvula moduladora o la válvula
relé, quite el ensamblaje completo y entonces reemplace los componentes
individuales (válvula).
Instalación
1. Instale la válvula. Apriete los sujetadores según la especifi cación del
fabricante.
2. Conecte las líneas de aire.
• Suministre al puerto 1 de la válvula.
• Revise la cámara del freno al puerto de entrega 2.
3. Conecte el conectador a la válvula del ABS.
4. Pruebe la instalación:
• Prueba de fuga de la válvula moduladora—Aplique y mantenga la
aplicación del freno. Fugas audibles de aire no son permitidas.
• Prueba del componente de la válvula moduladora con la herramienta
manual de diagnóstico.—Seleccione la válvula de rutina. Verifi que la
ubicación apropiada de la válvula y la operación con la herramienta.
Maneje el vehículo y verifi que que la lámpara de advertencia del ABS
opere correctamente.
5. Haga varias aplicaciones del freno y revise si hay prontas aplicaciones
en la cámara del freno y liberación en todas las ruedas. Revise las
conexiones del cable.
6. Borre los códigos.
7. Maneje el vehículo y verifi que que la lámpara de advertencia del ABS
opera correctamente.
Ensamblaje de la válvula del
eje trasero estándar
Ensamblaje de la válvula del
eje trasero del ATC

34
FIGURA 34 - Válvula ATC
Prueba de rendimiento de la válvula relé
ADVERTENCIA: Bloquee las ruedas antes de empezar este
procedimiento. Siga todos los procedimientos de seguridad estándar,
delineados, pero no limitados al listado de precauciones generales listadas
en la página13 de este documento.
1. Estacione el vehículo sobre una superfi cie plana y bloquee las ruedas.
2. Libere el freno de estacionamiento y cargue completamente el sistema
de aire (punto de presión máxima).
3. Apague el motor. Aplique el freno de servicio varias veces, luego retenga
y revise si hay una pronta aplicación en la cámara de aire del freno y
liberación de todas las ruedas.
4. Aplique el freno, luego retenga. Cubra con una solución jabonosa el exterior
de la válvula relé (donde la cobertura se une con el cuerpo) y la conexión
entre la válvula moduladora y la válvula relé. Ninguna fuga es permitida.
5. Si se nota una lenta respuesta en todas las ruedas, inspeccione si las líneas
de aire que entran o salen de la válvula están dobladas u obstruídas.
6. Aumente la presión de aire en el sistema a la presión de corte. Con los
frenos liberados, cubra el puerto de escape de la válvula relé con una
solución jabonosa. Un escape que forme una burbuja de una pulgada en
cinco segundos es permitida.
7. Presione la válvula de pié y manténgala presionada. Cubra el puerto de
escape con una solución jabonosa. Un escape que forme una burbuja
de una pulgada en tres segundos, es permitida.
Localización de averías de la válvula de control
de tracción automática (ATC)
La siguiente página sobre localización de averías del ATC provee información
básica necesaria para: identifi car el código de falla; localizar el problema; revisar
la posible causa(s); seleccionar la solución correcta y utilizar los procedimientos
de reparación apropiados.
Siga los pasos listados abajo para localizar y corregir los problemas del ATC.
1. Entre al código(s) de falla activo usando, ya sea el procedimiento del
código intermitente o el procedimiento del probador manual.
2. Mire la descripción del código, las posibles causas y los procedimientos
de reparación provistos en esta sección.
3. Ejecute los procedimientos de reparación recomendados.
4. Después de que las reparaciones estén completas, borre todos los códigos
y verifi que si hay códigos adicionales.
Ya sea que la válvula ATC sea usada como una válvula solo, como se muestra
en la Figura 34, o sea integrada dentro de la cubierta de la válvula relé como
se muestra en la Figura 33, el procedimiento de localización de averías es el
mismo.
(1) Aire del tanque (2) Tubería de control de la
válvula relé
(3) Pedal

35
FIGURA 36 - Guía de localización de averías del código de diagnóstico de fallas del ATC
FIGURA 35 - Descripciones del circuito preformado del ATC y prueba de la resistencia
X2 X3
7
8
9
10
11
12
6
5
4
3
2
1
7
8
9
10
11
12
6
5
4
3
2
1
X4
7
8
9
10
11
12
6
5
4
3
2
1
X1
7
8
9
10
11
12
6
5
4
3
2
1
ABCDE
10
11
12
7
8
9
4
5
6
1
2
3
10
11
12
13
14
15
13
14
15
16
17
18
7
8
9
4
5
6
1
2
3
10
11
12
7
8
9
4
5
6
1
2
3
7
8
9
4
5
6
1
2
3
4
5
6
1
2
3
Montaje en la cabina
Montaje en el chasis
PARTE SUPERIOR- Mirando dentro del conectador preformado
Conectador
preformado Patilla Descripción del circuito
A (18-Vías) 6 Interruptor para lodo y nieve del ATC
16 ATCL (Luz del ATC)
D (15-Vías) 4 Válvula del ATC +
7 Válvula del ATC -
Conectador
preformado Patilla Descripción del circuito
X1 (Gris)3 ATCL (Luz del ATC/ Interruptor del ATC)
X3 (Verde)5 Válvula del ATC -
6 Válvula del ATC +
Gris Negro Verde Café
Prueba de la resistencia de la válvula del ATC
La resistencia correcta para el circuito de la válvula del 9 ohms and 15 ohms ATC está en 9 y 15 ohmios.
Mida la resistencia de la válvula ATC para revisar la válvula.
Mida la resistencia en las patillas apropiadas del conectador preformado de la ECU para revisar el cable y la válvula.
Nota: Remítase a la tabla para identifi cación de la patilla.
1°
Pausa de 1.5
segundos
2°
Destellos
14
Ubicación
Válvula del ATC
Destellos Condición Acción
5 Solenoide de la válvula del ATC en
corto circuito a corriente
Use el multímetro para revisar que las resistencias de la válvula sean correctas
(fi g. 34)
6 Solenoide de la válvula del ATC en
corto circuito a tierra.
7 Circuito de la válvula del ATC abierto
8 La válvula del ATC se encuentra donde
no debe estar presente
Verifi que la confi guración apropiada del sistema y componentes. Borre las fallas.
Secuencia del
código intermitente

36
Remoción de la válvula ATC
ADVERTENCIA: Bloquee las ruedas antes de empezar este
procedimiento. Siga todos los procedimientos de seguridad estándar,
delineados, pero no limitados al listado de precauciones generales listadas
en la página 13 de este documento.
1. Desconecte el conectador de la válvula ATC.
2. Desconecte las líneas de aire del puerto de suministro (puerto 1) y puerto
de entrega (puerto 2) y del pedal (puerto 3) de la válvula ATC.
3. Desconecte los sujetadores de montaje de la válvula y quite la válvula.
Instalación
1. Instale la válvula ATC. Apriete los sujetadores según la especifi cación del
fabricante.
2. Conecte las líneas de aire de suministro (puerto 1), puerto de entrega
(puerto 2) y del pedal (puerto 3) de la válvula ATC.
FIGURA 37 - Sistema y guía de localización de averías de los códigos de fallas de la ECU
3. Instale el conectador a la válvula ATC.
4. Pruebe la instalación.
• Válvula de control de tracción – Prueba de fuga:
Aplique y mantenga la aplicación del freno. Fugas audibles de aire no son
permitidas.
• Prueba del componente de la válvula de control de tracción con la
herramienta manual de diagnóstico:
Seleccione la válvula de control de tracción
Verifi que la operación de la luz del control de tracción.
Maneje el vehículo y verifi que que la lámpara de advertencia del ABS
funcione correctamente.
ADVERTENCIA: No arranque y engrane la transmisión con una rueda
levantada del piso. Con el ATC, la fuerza irá a la rueda sobre el piso y hará
que el vehículo se mueva. Vea la página 20 para inhabilitar el ATC para la
prueba Dino.
1°
Pausa de 1.5
segundos
2°
Destellos
14
Ubicación
ECU, interfase del motor
Destellos Condición Acción
12 No se encuentra enlace con la
conexión de datos del motor
Remítase al esquema eléctrico. Revise que haya una conexión apropiada de enlace
de datos a la ECU. Verifi que que la polaridad esté correcta.
Desenchufe el conectador de la ECU. Debe haber un voltaje entre 0 y 2.5 voltios en
J1922/J1939(-) y un voltaje entre 2.5 y 5 voltios en J1922/ J1939(+).
Si el vehículo no está equipado con conexión al motor J1922/J1939,
use la herramienta de diagnóstico para reconfi gurar la ECU.
Secuencia del
código intermitente
1°
Pausa de 1.5
segundos
2°
Destellos
15
Ubicación
ECU
Destellos Condición Acción
1-11 Falla interna de la ECU Si la falla no se puede borrar, reemplace la ECU

37
FIGURA 38 - Guía de localización de averías de los códigos de fallas en el circuito de energía
1°
Pausa de 1.5
segundos
2°
Destellos
16
Ubicación
Circuitos de energía
Destellos Condición Acción
1 ó 5 Voltaje excesivo en la energía de la
PMV Verifi que que el sistema de voltaje del vehículo esté bien (p.e. 9 a 16 voltios). Si
el voltaje está fuera de límites, corrija el problema del sistema. Desenchufe
el conectador de la ECU y encienda el interruptor de ignición. Si el voltaje en
la energía de la PMV es diferente del voltaje del sistema, repare la instalación
eléctrica. Borre las fallas y verifi que que la luz de advertencia aparezca después de
revisar el bombillo.
2 ó 6 Voltaje bajo en la energía de la PMV
3 ó 7 No se encontró voltaje en la energía
de la PMV
4 ó 8 Circuito abierto en la conexión a tierra
de la PMV
Desenchufe el conectador de la ECU y revise la continuidad a tierra de la conexión
a tierra de la PMV. Si no hay continuidad a tierra, repare el cable preformado.
9 Se encontró voltaje excesivo en la
energía de la ECU.
Verifi que que el sistema de voltaje del vehículo esté bien (p.e. 9 a 16 voltios).
Si el voltaje está fuera de límites, corrija el problema del sistema. Desenchufe el
conectador de la ECU y encienda el interruptor de ignición. Si el voltaje en la patilla
A-8 es diferente del voltaje del sistema, repare la instalación eléctrica. Borre las
fallas y verifi que que la luz de advertencia aparezca después de revisar el bombillo.
10 Se encontró voltaje bajo en la energía
de la ECU.
Verifi que que el sistema de voltaje del vehículo esté bien (p.e. 9 a 16 voltios). Si
el voltaje está fuera de límites, corrija el problema del sistema. Desenchufe
el conectador de la ECU y encienda el interruptor de ignición. Si el voltaje en
la energía de la PMV es diferente del voltaje del sistema, repare la instalación
eléctrica. Borre las fallas y verifi que que la luz de advertencia aparezca después de
revisar el bombillo.
11 La diferencia de voltaje entre las
entradas de energía de la PMV es
muy alta.
Verifi que que el sistema de voltaje del vehículo esté bien (p.e. 9 a 16 voltios).
Si el voltaje está fuera de límites, corrija el problema del sistema. Desenchufe el
conectador de la ECU y encienda el interruptor de ignición. Si el voltaje en una
patilla de energía de la PMV difi ere por más de 0.5 voltios, repare la instalación
eléctrica. (Revise el circuito de los interruptores automáticos y/ o fusibles sobre la
línea diagonal de suministro). Borre las fallas y verifi que que la luz de advertencia
aparezca después de revisar el bombillo.
Secuencia del
código intermitente

38
FIGURA 39 - Guía de localización de averías de códigos de fallas misceláneos
1°
Pausa de 1.5
segundos
2°
Destellos
17
Ubicación
Circuitos de energía
Destellos Condición Acción
1 Relé de control retardador en corto
circuito a voltaje o circuito abierto
Use el multímetro para verifi car el voltaje apropiado en el relé de control retardador.
2Relé de control retardador en corto
circuito a tierra o circuito abierto.
3Conexión de datos J1922/J1939 no
funciona (Retardador) Desenchufe el conectador de la ECU. Debe haber un voltaje entre 0 y 2.5 voltios en
J1939/J1922(-) y un voltaje entre 2.5 y 5.0 voltios en J1939/J1922(+). Remítase al
esquema y corrija los cables preformados según lo requerido.
4Interrupción de la conexión de datos
de J1922/J1939
5
Tamaño de la llanta delantera a
trasera, fuera de límites Hay una gran diferencia en el radio de rodamiento de las llantas delanteras y
traseras. El radio de las llantas en el eje de la dirección no puede ser mayor del
20% ni menor del 10% de las traseras. Si el radio estático de las llantas traseras
cargadas está fuera de los límites de 15.9 a 21.5 pulgadas, la ECU debe ser
recalibrada usando una herramienta de diagnóstico.
6
Tamaño de la llanta fuera de límites o
falla del parámetro.
7
El interruptor de la luz del freno no es
activado en este ciclo de energía.
Presione el pedal del freno. Si la falla no se borra, revise si hay conexiones erradas
en el interruptor de la luz del freno. Si el freno no está aplicado, debe medir la
resistencia del bombillo de la luz del freno (bombillo roto?). Si el freno está aplicado,
debe medir el voltaje del sistema del vehículo (p.e. 9…16v).
8El sistema ATC es inhabilitado, para la
prueba dinamométrica. El interruptor del ciclo de ignición y el ATC deben ser rehabilitados.
10
Luz de advertencia en corto circuito a
tierra o abierto
El interruptor de diagnóstico puede haber sido presionado, por un período
excesivo de tiempo (> 30 segundos). Si nó, revise la instalación eléctrica asociada
con la luz de advertencia.
12
Bit de memoria del sensor fi jo Esta falla debe borrarse cuando el vehículo se maneje y la ECU pueda leer el
voltaje de salida del sensor. Si esto no sucede, verifi que que los sensores estén
correctamente ajustados (presione por completo en la rueda dentada.)
Nota: Para los códigos 17•3 y 17• 4 el problema puede estar en el interior
del controlador del motor, otro controlador en la conexión de datos o en el
interior del cableado o conectadores.
Secuencia del
código intermitente

39
FIGURA 40 - Planos del conectador de la ECU para montar en la cabina
Identifi cación de la patilla en ECU para montar en la
cabina
Esta sección muestra cómo identifi car los conectadores preformados y la
ubicación de las patillas de la ECU para montar en la cabina. Las tablas
proveen una breve descripción de la señal que lleva cada patilla.
18
17
16
15
14
13
12
11
10
96
1
852
74
3
A
B
CDE
A
B
CDE
A
B
CDE
A
B
CDE
A
B
CDE
63
52
41
963
852
741
15
14
13
12
11
10
963
852
741
12
11
10
963
852
741
Mirando dentro del conectador preformado
Parte superior
Parte superior
Parte superior
Parte superior
Parte superior
Conectador A
18-Vías
Conectador B
6-Vías
Conectador C
9-Vías
Conectador D
15-Vías
Conectador E
12-Vías

40
CONECTADOR
DE LA ECU Patilla DESCRIPCION
D (15-Vías) 1 PMV3 (Trasera izquierda), Solenoide liberación
2 PMV3 (Trasera izquierda), Solenoide retención
3 PMV3 (Trasera izquierda), Común
4 Válvula ATC -
5 Sensor de velocidad 4 (Trasero izquierdo) +
6 Sensor de velocidad 4 (Trasero izquierdo) -
7 Válvula ATC +
8 Sensor de velocidad 5 (Trasero derecho) +
9 Sensor de velocidad 5 (Trasero derecho) -
10 PMV4 (Trasera derecha), Solenoide liberación
11 PMV4 (Trasera derecha), Solenoide retención
12 PMV4 (Trasera derecha), Común
13 NC
14 NC
15 NC
E (12-Vías) 1 PMV5 (Atrás trasera izquierda), Solenoide liberación
2 PMV5 (Atrás trasera izquierda), Solenoide retención
3 PMV5 (Atrás trasera izquierda), Común
4 NC
5 Sensor de velocidad 6 (Atrás trasero izquierdo) +
6 Sensor de velocidad 6 (Atrás trasero izquierdo) -
7 NC
8 Sensor de velocidad 7 (Atrás trasero der.) +
9 Sensor de velocidad 7 (Atrás trasero der.) -
10 PMV6 (Atrás trasera derecha, Solenoide liberación.
11 PMV6 (Atrás trasera derecha),Solenoide retención
12 PMV6 (Atrás trasera derecha, Común
CONECTADOR
DE LA ECU PATILLA DESCRIPCION
A (18-Vías) 1 J1922/J1939 -
2 ABSGen 4™ J1939 Shld/ABSGen 5™ TWL
3 J1922/J1939 +
4 NC
5 ABS Interruptor carretera destapada (ORS)
6 ATC Interruptor de lodo y nieve
7 Ignición, Conmutada
8 V Bat 2
9 V Bat 1
10 Tierra - ECU
11 Tierra - Diagonal 2
12 Tierra - Diagonal 1
13 SAE J1587-
14 SAE J1587+
15 NC, Intercierre
16 Luz del ATC
17 Relé Retardador
18 Luz de advertencia/ Interruptor de diagnóstico
B (6-Vías) 1 PMV1 (Direccional izq.), Solenoide liberación
2 PMV1 (Direccional izq.), Solenoide retención
3 PMV1 (Direccional izq.), Común
4 Sensor de velocidad 2 (Direccional izquierda) +
5 Sensor de velocidad 2 (Direccional izquierda) -
6 Interruptor de la luz del freno
C (9-Vías) 1 NC
2 NC
3 NC
4 Sensor de veloc. 3 (Direccional derecho) +
5 Sensor de veloc 3 (Direccional derecho) -
6 NC
7 PMV2 (Direccional der.), Solenoide liberación
8 PMV2 (Direccional der.), Solenoide retención
9 PMV2 (Direccional der.), Común
FIGURA 41 - ECU para montar en la cabina – Tabla para identifi cación de la patilla

41
FIGURA 42 - Esquema eléctrico del ABS Básico Gen 4™ y Gen 5™ para montar en cabina
Interruptor de ignición
Mirando dentro del
preformado
15 conductos del eje conductor
9- vías Eje conductor derecho
6- vías Eje conductor izquierdo
18- vías
Batería
PMV – Válvula moduladora de presión
Relé interruptor
del retardador
(opcional)
Lámpara indicadora
Dispositivo de seguridad de la
lámpara indicadora
Sin conexión
Sin conexión
Sin conexión
Sin conexión
Sin conexión
Sin conexión
Sin conexión
Sin conexión
Sin conexión
Sin conexión
Sin conexión
Sin conexión
Sin conexión
Sin conexión
Sin conexión
Sin conexión
Liberación
Liberación
Liberación
Liberación
Retención
Común
Válvula moduladora de presión
PMV trasera izquierda
Sensor trasero izquierdo
Sensor trasero derecho
Válvula moduladora de presión
PMV trasera derecha
Sensor delantero derecho
Sensor delantero izquierdo
PMV delantera derecha
PMV delantera izquierda
Energía de la ECU
Energía de la PMV
Interruptor de carretera destapada del ABS
Lámpara indicadora del remolque (Gen 5” únicamente)
Conexión a tierra
de la ECU
Conexión a tierra
de la PMV
Retención
Común
Retención
Común
Retención
Común
Lámpara
indicadora
del ABS del
remolque
Lámpara indicadora
del ABS
Interruptor de
diagnóstico
(contacto
momentáneo)
Sin conexión
Interruptor de diagnóstico
normalmente cerrado

42
FIGURA 43 - Esquema eléctrico del ABS estándar Gen 4™ y Gen 5™ para montar en cabina
Interruptor de ignición
Mirando dentro del
preformado
15 - vías conductos del eje
conductor
9 - vías Eje conductor derecho
6 - vías Eje conductor izquierdo
18- vías
Batería
TIL – Lámpara indicadora del remolque
PMV – Válvula moduladora de presión
Relé interruptor
del retardador
(opcional)
Lámpara indicadora
Dispositivo de seguridad de la
lámpara indicadora
Sin
conexión
Sin conexión
Sin conexión
Sin conexión
Sin conexión
Sin conexión
Sin conexión
Sin conexión
Sin conexión
Liberación
Liberación
Liberación
Liberación
Retención
Común
Sensor trasero izquierdo
Sensor trasero derecho
Sensor delantero derecho
Sensor delantero izquierdo
PMV delantera derecha
PMV delantera izquierda
Interruptor de carretera
destapada del ABS
Energía de la ECU
Energía de la PMV
Interruptor
de la luz del
freno
Conexión a tierra de la ECU
Conexión a tierra de la PMV
Retención
Común
Retención
Común
Retención
Común Lámpara indicadora
del ABS
Interruptor de
diagnóstico
(contacto
momentáneo)
Sin conexión
Sin conexión
Sin conexión
Liberación
Retención
Común
Liberación
Retención
Común
6 canales opcional
12 - vías opcional
PMV atrás de la trasera izquierda
Sensor atrás del trasero izquierdo
Sensor atrás del trasero derecho
PMV atrás de la trasera derecha
PMV trasera izquierda
Válvula del
ATC
PMV trasera derecha
Luz del ATC
Luz del freno
Lodo y Nieve del ATC
Luz del ATC
Interruptor de carretera destapada del ABS (ORS)
Lodo y nieve del ATC
Conexión a tierra de la PMV
Energía de la PMV
Protector J1939 Gen4 / TIL Gen 5

43
FIGURA 44 - Tabla de identicación de la patilla de la ECU para montar en el chassis
Identicación de la patilla en ECU para montar en el
chasis
Esta sección muestra cómo identicar los conectadores preformados y la
ubicación de las patillas de la ECU para montar en el chasis. Las tablas proveen
una breve descripción de la señal que lleva cada patilla.
7
8
9
10
11
12
6
5
4
3
2
1
7
8
9
10
11
12
6
5
4
3
2
1
7
8
9
10
11
12
6
5
4
3
2
1
7
8
9
10
11
12
6
5
4
3
2
1
X3 Verde
X2 Negro
X4 Café X1 Gris

44
Patilla Señal Descripción
X2-1 BLS Interruptor de la luz del freno
X2-2 HLDLS Solenoide de retención, direccional izquierda
X2-3 RELRS Solenoide de liberación, direccional derecha
X2-4 HLDRS Solenoide de retención, direccional derecha
X2-5 SSRS Sensor de veloc, direccional derecha-
X2-6 SSBS Sensor de velocidad, direccional derecha+
X2-7 SSLS Sensor de velocidad, direccional izquierda-
X2-8 SSLS Sensor de velocidad, direccional izquierda+
X2-9 CMNRS Común, válvula direccional derecha
X2-10 RELLS Liberación, válvula direccional izquierda
X2-11 CMNLS Común, válvula direccional izquierda
X2-12 ORS Interruptor de carretera destapada
Patilla Señal Descripción
X3-1 SSLR Sensor de velocidad trasero izquierdo-
X3-2 SSLR Sensor de velocidad trasero izquierdo+
X3-3 SSRR Sensor de velocidad trasero derecho-
X3-4 SSRR Sensor de velocidad trasero derecho+
X3-5 ATCV- Válvula de control de tracción-
X3-6 ATCV+ Válvula de control de tracción+
X3-7 RELRR Solenoide de liberación, trasera derecha
X3-8 CMNRR Común, trasero derecho
X3-9 HLDRR Solenoide de retención, trasera derecha
X3-10 RELLR Solenoide de liberación, trasera izquierda
X3-11 CMNLR Común, trasero izquierdo
X3-12 HLDLR Solenoide de retención, trasera izquierda
X1 Gris X3 Verde
X2 Negro X4 Café
FIGURA 45 - ECU para montar en el chasis – Tabla de identifi cación de la patilla
Patilla Señal Descripción
X1-1 IGN1 Ignición-1
X1-2 IGN2 Ignición-2
X1-3 ATCL Luz del ATC/ Interruptor del ATC
X1-4 1587+ J1587+
X1-5 RET Control retardador
X1-6 ENG– Conexión de control del motor J1922/1939 -
X1-7 ENG+ Conexión de control del motor J1922/1939 +
X1-8 SHLD/TWL ABS Gen 4™ J1939 Shield/ABS Gen 5™ TWL
X1-9 1587– J1587-
X1-10 WL ABS WL/ Interruptor de diagnóstico
X1-11 GND2 Tierra
X1-12 GND1 Tierra
Patilla Señal Descripción
X4-1 DLC- Control del seguro diferente-
X4-2 DLC+ Control del seguro diferente+
X4-3 SSLRR Sensor de velocidad atrás trasero izquierdo-
X4-4 SSLRR Sensor de velocidad atrás trasero izquierdo+
X4-5 SSRRR Sensor de velocidad atrás trasero derecho -
X4-6 SSRRR Sensor de velocidad atrás trasero derecho+
X4-7 RELRRR Solenoide de liberación, atrás trasera derecha
X4-8 CMNC+ Común, atrás trasera derecha
X4-9 HLDRRR Solenoide de retención, atrás trasera derecha
X4-10 RELLRR Solenoide de liberación, atrás trasera izquierda
X4-11 CMNLRR Común, Atrás trasera izquierda
X4-12 HLDLRR Solenoide de retención, atrás trasera izquierda

45
FIGURA 46 - Esquema eléctrico del ABS Básico Gen 5™ para montar en el chasis
Interruptor de ignición
Mirando dentro del
preformado
X2 Negro
X3 Verde
X1 Gris
Batería
PMV – Válvula moduladora de presión
Sin conexión
Sin conexión
Sin conexión
Sin conexión
Sensor delantero izquierdo +
Sensor delantero derecho -
Sin conexión
Sin conexión
Sin conexión
Retención delantera izquierda
Liberación delantera derecha
Retención delantera derecha
Interruptor de diagnóstico
normalmente cerrado
Relé de la lámpara
indicadora del ABS
Lámpara indicadora
del ABS
Sensor delantero derecho +
Liberación delantera izquierda
Común lateral derecho
Sensor delantero izquierdo -
Común delantero izquierdo
Interruptor de carretera destapada
PMV
delantera
derecha
Sensor trasero izquierdo -
Sensor trasero derecho -
PMV
delantera
izquierda
Sensor trasero izquierdo +
Sensor trasero derecho +
Liberación trasera derecha
Común trasero derecho
Retención trasera derecha
Liberación trasera izquierda
Común trasero izquierdo
Retención trasera derecha
Energía de la ECU
Energía de la PMV
Retención trasera derecha
Conexión a tierra de la ECU/PMV
Lámpara
indicadora del
remolque
Normalmente
cerrado
Normalmente
abierto
Convertidor del par
de torsión
*Relé retardador
Normalmente
cerrado
PMV trasera
derecha
PMV trasera
izquierda
Al retardador

46
FIGURA 47 - Esquema eléctrico del ABS estándar Gen 4™ y Gen 5™ para montar en el chasis
Interruptor de ignición
Mirando dentro del
preformado
Batería TIL – Lámpara indicadora del remolque
PMV – Válvula moduladora de presión
*Relé retardador
PMV trasera derecha
Sensor delantero derecho -
Retención lateral derecha
Interruptor de la luz del freno
Sensor trasero izquierdo +
Retención lateral izquierda
Liberación lateral derecha
Interruptor de
diagnóstico
normalmente
cerrado,
momentáneamente
Interruptor
de la luz del
freno
Sensor atrás del trasero izquierdo -
Común lateral izquierdo
Común lateral derecho
Liberación trasera derecha
Luces del tablero
Sensor trasero derecho -
Válvula del ATC -
Interruptor de carretera destapada
PMV
delantera
derecha
PMV
delantera
izquierda
Luz del
ATC
Luz indicadora
del ABS
Opcional
Conexión a tierra de la ECU/PMV
Conexión a tierra de la PMV
X2 Negro
X3 Verde
X1 Gris
X4 Café
Sensor delantero derecho +
Sensor trasero izquierdo -
Liberación lateral izquierda
Sensor trasero derecho +
Sensor delantero derecho +
Sensor delantero derecho -
Válvula del ATC +
Común trasero derecho
Retención trasera derecha
Liberación trasera derecha
Común trasero derecho
Retención trasera derecha
PMV trasera izquierda
Luz del freno (La
entrada de la luz del
freno es requerida para
el ATC)
Relé de la lámpara
indicadora del ABS
Interruptor del ATC
normalmente abierto,
momentáneamente
Normalmente
cerrado
Normalmente
abierto
Convertidor del par
de torsión
Normalmente
cerrado
Protector J1939 Gen 4/ TIL Gen 5
Sensor atrás del trasero izquierdo -
Sensor atrás del trasero derecho -
Sensor atrás del trasero derecho +
Energía de la ECU /PMV
Energía de la PMV
Común atrás del trasero derecho
Liberación atrás de la trasera derecha
Liberación atrás de la trasera derecha
Retención de la trasera derecha
Común atrás del trasero izquierdo
Retención atrás de la trasera izquierda
Control del seguro diferente
PMV atrás de la
trasera derecha
PMV atrás de la
trasera izquierda
Interruptor de diagnóstico
normalmente cerrado

47
ABS — Sistema de freno antibloqueo.
Evento ABS — Situación inminente de la rueda bloqueada, que hace que
el controlador del ABS active la válvula(s) moduladora.
Espacio de aire — Distancia entre el sensor y la rueda dentada.
Válvula anticompoundaje — Previene la aplicación de los frenos de
servicio y de resorte al mismo tiempo. Dependiendo del diseño del vehículo, la
válvula anticompoundaje puede ser instalada en combinación con una válvula
relé o una válvula de escape rápido.
Control de la aplicación — El tiempo desde el movimiento del control
del freno de servicio para que cada cámara del freno alcance 60 psi, con una
presión inicial en el depósito de servicio de 100 PSI.
ASR — Regulación automática de deslizamiento. Otro nombre para el control
de tracción.
ATC — Control de tracción automática. Una función adicional del ABS en
la cual el par de torsión del motor es controlado y los frenos son aplicados
diferencialmente para mejorar la tracción del vehículo.
Luz del ATC — Una luz que indica cuando el ATC está funcionando.
Canal — Un sitio controlado de la rueda.
CAN — Red de conexiones del área controladora. J1939 es una versión SAE
de la conexión CAN.
Borrar códigos — Sistema para borrar las fallas históricas de la ECU,
ya sea desde el botón de diagnóstico o desde una herramienta manual de
diagnóstico (únicamente las fallas reparadas pueden ser borradas).
Coefi ciente de fricción — La fuerza horizontal requerida para mover
un cuerpo (sobre una superfi cie plana relativamente suave) dividida por el
peso del cuerpo.
Confi guración — El objetivo primario es identifi car un conjunto "normal"
de sensores y moduladores por la unidad de control electrónica, para que
identifi que en el futuro los sensores y moduladores perdidos.
Presión de apertura — La presión de entrada ascendente o fuerza de
entrada a una válvula de aire, requerida para iniciar la presión de salida de
fl ujo.
Control diagonal — El ABS es confi gurado con dos circuitos diagonales.
El control diagonal permite a cada circuito de control proveer un control eléc.
a las válv. modul. en los lados opuestos del vehículo.
Conectador de diagnóstico — Receptáculo de diagnóstico en la cabina
del vehículo para la conexión manual de J1587 o del equipo de prueba basado
en PC. El probador puede iniciar la secuencia de pruebas y puede también
leer los parámetros del sistema.
Interruptor de diagnóstico — Un interruptor usado para activar los
códigos intermitentes.
Código de diagnóstico de fallas — Una condición que interfi ere con
la generación o transmisión de respuestas o señales de control en el sistema
ABS del vehículo que puede llevar a que el funcionamiento del sistema ABS
se vuelva inoperable completa o parcialmente.
Diferencial de frenado — Aplicación de la fuerza del freno a una rueda
patinando, para que ese par de torsión pueda ser aplicado a ruedas que no
estén patinando.
ECU — Unidad de control electrónica.
FMVSS-121 — Norma Federal de seguridad de los vehículos motorizados,
la cual regula los sistemas del freno de aire.
Manguito de fricción — Un manguito de cobre berilio con puntas. Es
presionado entre un sensor del ABS y el hueco de montaje para mantener al
sensor en su lugar.
IR — Regulación independiente. Un método de control en el cual una rueda es
controlada a deslizamiento óptimo, un punto donde la retardación y la estabilidad
son maximizadas. La presión del freno que es mejor para la rueda en cuestión,
es dirigida individualmente en cada cámara del freno.
J1587 — Conexión fuerte de datos de diagnóstico estándar SAE .
J1708 — Un estándar SAE que defi ne el protocolo del hardware y el software
para la implementación de la conexión de datos de 9600 baudios para vehículo
pesado. Tanto la J1587 como la J1922 son versiones de la conexión de datos
J1708.
J1922 — Conexión de datos SAE para vehículo pesado que funciona de
acuerdo al protocolo J1708. Es generalmente usado para ATC o interfase de
la transmisión automática a un motor.
J1939 — Una conexión de datos de alta velocidad 250,000 baudios, que se
espera reemplace al J1922.
MIR — Regulación independiente modifi cada. Un método de controlar los
lados opuestos de un eje direccional durante la operación del ABS para que
la torsión en el timón y la distancia de parada sean minimizadas. Usualmente
se inicia mediante la selección de control baja y se mueve hacia el control
independiente a medida que el ciclo progresa.
PLC — Portadora sobre la línea de energía. El protocolo de comunicación
en serie usado para comunicarse con el remolque todo el tiempo sobre el
cable de energía azul.
PMV — Válvula moduladora de presión. Una válvula neumática la cual es
usada para desfogar o bloquear el aire en las cámaras del freno, para limitar
o reducir el par de torsión del freno.
QR — Escape rápido. Las válvulas de escape rápido permiten liberar muy
rápido el aire de la cámara del freno después de una aplicación del freno. Para
balancear el sistema las válvulas de escape rápido tienen resortes que las
mantienen cerradas, esto produce presiones de apertura más altas (cuando
las válvulas abren).
Válvula relé — Aumenta la velocidad de aplicación del freno de servicio.
Instalada cerca a los frenos con cámaras de aire más grandes (tipo 24 o 30).
La válvula del pedal activa la válvula relé con una señal de aire. La válvula
relé conecta entonces su puerto de suministro a sus puertos de descarga.
Mangueras de igual longitud deben conectar los puertos de entrega de la
válvulal relé a las cámaras del freno.
Tiempol de liberación — Medida en tiempo desde el movimiento inicial
del freno para alcanzar 5 psi con presión inicial de 95 psi en las cámaras del
freno.
Relé retardador — Un relé usado para inhabilitar un retardador cuando
al ABS es disparado.
Selección alta — Un método de control del ABS en el cual el par de
torsión del freno es liberado en varias ruedas, cuando la útima rueda empieza
a trabarse.
Selección baja — El nivel de presión del freno es el mismo en ambas
ruedas de un eje dado. El nivel de presión está basado en la rueda que está
funcionando al menor coefi ciente de fricción.
Selección inteligente — La diferencia en presión entre la cámara del
freno izquierdo y derecho no excede una cierta cantidad. Esto conduce a que
la rueda que está funcionando a un coefi ciente de fricción alto, sea frenada
con menos fuerza.
Buje del sensor — Un buje que es presionado dentro de los ejes
direccionales para retener el sensor de velocidad y el manguito de fricción.
Fallas almacenadas — una falla que ha ocurrido.
TCS — Sistema de control de tracción, otro nombre para el ATC o ASR.
Rueda dentada— Una rueda que es usualmente presionada dentro del
cubo de la rueda que tiene una serie de dientes (usualmente 100) y hace actuar
al sensor de velocidad. Nota: el desgaste máximo es .008.
Luz de advertencia — Una luz ámbar la cual indica el estado de operación
de un sistema antibloqueo. Cuando la lámpara de advertencia está encendida,
el ABS se inhabilita y el vehículo regresa a la operación normal del freno.
Glosario

48
BW2261S © 2006 Bendix Commercial Vehicle Systems, LLC. Todos los derechos reservados. 5/2006 Impreso en los. Estados Unidos