Bosch Automotive Service Solutions 576253 WiFi/BT Module Card User Manual
Bosch Automotive Service Solutions Inc WiFi/BT Module Card
Contents
User Manual

Bosch Automotive Service Solutions Inc
USER’S MANUAL - Module PN 576253
Description
The product is a WiFi and BlueTooth Module that requires an external antenna through a U.FL
connector.
Features include:
• Murata WiFi/BT combo module LBEH5HMZPC on the board with the Broadcom BCM4339
utilized inside the Murata part.
• Compliant with IEEE802.11a/b/g/n/ac.
• Compliant with BlueTooth specification v4.1.
• WLAN supported through standard SDIO v3.0 host interface.
• BT is supported through Host Controller Interface (HCI).
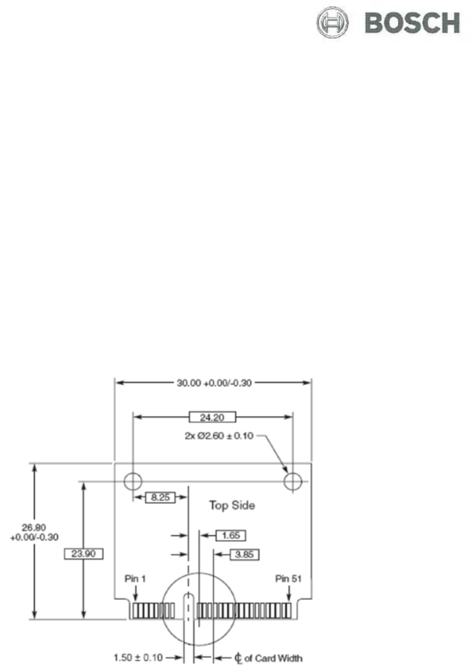
Mechanical Dimension
Module has dimensions of a PCIE mini card, with 1mm nominal thickness. See below for dimensions.

Bosch Automotive Service Solutions Inc
Pinout Table
Please note: For more information on interface signals and timing, see the Murata specification sheet
LBEH5HMZPC.
Pin Number
Signal Name
I/O
Description
1
DI_PCM_SYNC
I/O
BT PCM SYNC, can be master or slave
2
N/C
--
--
3
DI_PCM_RX
IN
BT PCM data input
4
GND
--
--
5
DI_PCM_CLK
I/O
BT PCM Clock, can be master or slave
6
N/C
--
--
7
DO_PCM_TX
I/O
BT PCM data output
8
DI_UART_4MBPS_CTS
IN
BT UART clear to send signal. Active-low.
9
GND
--
--
10
DO_UART_4MBPS_RTS
OUT
BT UART request to send signal. Active-low.
11
N/C
--
--
12
DI_UART_4MBPS_RX
IN
BT UART serial data input.
13
N/C
--
--
14
DO_UART_4MBPS_TX
OUT
BT UART serial data output.
15
GND
--
--
16
VBAT
IN
POWER VBAT (5.0V)
17
VIO
IN
I/O POWER SUPPLY (1.8V)
18
GND
--
--
19
N/C
--
--
20
VBAT
IN
POWER VBAT (5.0V)
21
GND
--
--
22
N/C
--
--
23
N/C
--
--
24
N/C
--
--
25
N/C
--
--
26
GND
--
--
27
GND
--
--
28
N/C
--
--
29
GND
--
--
30
DI_WL_REG_ON
IN
WLAN regulator on signal. Used to power up or power
down the internal WLAN regulators. When deasserted,
the WLAN section is held in reset.
31
N/C
--
--
32
DI_BT_REG_ON
IN
BT regulator on signal. Used to power up or power
down the internal BT regulators. When deasserted, the
BT section is held in reset.
33
N/C
--
--
34
GND
--
--
35
GND
--
--
36
N/C
--
--

Bosch Automotive Service Solutions Inc
37
DIO_SD_CMD
I/O
WLAN SDIO Command Line
38
N/C
--
--
39
DI_SD_CLK
IN
WLAN SDIO Clock Input
40
GND
--
--
41
DIO_SD_DATA0
I/O
WLAN SDIO Data Line 0
42
DO_WL_HOST_WAKE
I/O
WLAN host wake up output indicates that a host wake-
up should be performed. Can also be programmed to be
a WLAN GPIO.
43
DIO_SD_DATA1
I/O
WLAN SDIO Data Line 0
44
DO_BT_HOST_WAKE
I/O
HOST_WAKE of general purpose I/O signal.
45
DIO_SD_DATA2
I/O
WLAN SDIO Data Line 0
46
DI_BT_DEV_WAKE
I/O
DEV_WAKE of general purpose I/O signal.
47
DIO_SD_DATA3
I/O
WLAN SDIO Data Line 0
48
N/C
--
--
49
N/C
--
--
50
GND
--
--
51
N/C
--
--
52
N/C
--
--

Bosch Automotive Service Solutions Inc
Specifications
• Standards
o 802.11a/b/g/n/ac
o Bluetooth 4.1LE/2.1+EDR (Class 1)
• Chipset
o Murata LBEH5HMZPC (Utilizing Broadcom BCM4339)
• Host Interface
o WLAN: SDIO v3.0
o BT: Host Controller Interface (HCI)
• Radio
o Antenna
Dual Band 2.4GHz/5.0GHz
Single U.FL connector
o Operating Frequency
WiFi b/g/n Band 2.400GHz – 2.4835GHz
WiFi a/n/ac Band 5.180GHz – 5.825GHz
Bluetooth: 2402MHz – 2480MHz
o Modulation
WiFi 802.11a OFDM
WiFi 802.11b DSSS/CCK
WiFi 802.11g OFDM
WiFi 802.11n OFDM
WiFi 802.11ac OFDM
Bluetooth Header: GFSK
Bluetooth Payload: 4-DQPSK
Bluetooth Payload: 8-DPSK
o Output Power
WiFi 802.11a 14 +/- 2 dBm
WiFi 802.11b 19 +/- 2 dBm
WiFi 802.11g 16 +/- 2 dBm
WiFi 802.11n 15 +/- 2 dBm
WiFi 802.11ac 12 +/- 2 dBm
Bluetooth 2.1: 11 +/-4 dBm
Bluetooth LE: 10 dBm
o Receive Sensiivity
WiFi 802.11a -65 dBm
WiFi 802.11b -76 dBm
WiFi 802.11g -65 dBm
WiFi 802.11n -64 dBm
WiFi 802.11ac -54 dBm

Bosch Automotive Service Solutions Inc
Bluetooth 2.1: -80 dBm
Bluetooth LE: -70 dBm
• Power Consumption
o Continuous TX 350mA
o Continuous RX 160mA
• Operating Voltage
o VBAT: 5.0VDC +/- 5%
o VIO: 1.8VDC +/- 5%
• Environmental
o Storage: -20C to 70C
o Operating: 0C to 60C
NOTE: For more detailed specifications, Consult the Murata part specification for p/n
LBEH5HMZPC.

Bosch Automotive Service Solutions Inc
Regulatory Statements
This device complies with part 15 of the FCC Rules. Operation is subject to the following two conditions:
(1) This device may not cause harmful interference, and (2) this device must accept any interference
received, including interference that may cause undesired operation.
This device complies with Industry Canada license-exempt RSS standard(s). Operation is subject to the
following two conditions: (1) this device may not cause interference, and (2) this device must accept any
interference, including interference that may cause undesired operation of the device.
Cet appareil est conforme à Industrie Canada exempts de licence standard RSS (s ) . Le fonctionnement
est soumis aux deux conditions suivantes : ( 1 ) ce dispositif ne peut pas provoquer d'interférences et (
2) cet appareil doit accepter toute interférence , y compris les interférences qui peuvent causer un
mauvais fonctionnement de l'appareil.
IMPORTANT! Changes or modifications not expressly approved by Bosch Automotive Service Solutions
Inc could void the user’s authority to operate the equipment.
Note: This equipment has been tested and found to comply with the limits for a Class A digital device,
pursuant to part 15 of the FCC Rules. These limits are designed to provide reasonable protection against
harmful interference when the equipment is operated in a commercial environment. This equipment
generates, uses, and can radiate radio frequency energy and, if not installed and used in accordance
with the instruction manual, may cause harmful interference to radio communications. Operation of this
equipment in a residential area is likely to cause harmful interference in which case the user will be
required to correct the interference at his own expense.
CAN ICES-3 (A)/NMB-3(A)
This equipment complies with radiation exposure limits set forth for uncontrolled environment. The
antenna(s) used for this transmitter must be installed to provide a separation distance of at least 20 cm
from all persons and must not be collocated or operating in conjunction with any other antenna or
transmitter.
Cet équipement est conforme aux limites d'exposition aux rayonnements définies pour un
environnement non contrôlé. L'antenne (s ) utilisée pour ce transmetteur doit être installé pour fournir
une distance de séparation d'au moins 20 cm de toute personne et ne doit pas être colocalisé ou
fonctionner conjointement avec une autre antenne ou émetteur.