Broadcast Warehouse TX25-50 FM Broadcast Transmitter type TX25-50 User Manual tx25500905 qxp

Broadcast Warehouse Limited FM Broadcast Transmitter type TX25-50 tx25500905 qxp

User Manual

Broadcast WarehouseTX 25/50 FM BROADCAST TRANSMITTERNo part of this manual may be re-produced in any form without prior written permission from Broadcast Warehouse. The information and specifications contained in this document is subject to change at any time without notice.Copyright 2001 Broadcast WarehouseFor the latest contact information for Broadcast Warehouse please visit our website at,www.broadcastwarehouse.comTechnical manual
TX25/50 FM Transmitter technical manual page 2CONTENTS1. Introduction1.1 TX FM Transmitter1.2 Safety1.3 Front And Rear Panels1.4 Control And Monitor LCD2. Installation And Setup2.1 Frequency Setup2.2 R.F. Power Setup2.3 Alarms2.4 RS232 Control & Monitoring2.41 RS232 Interface board2.42 Windows application 2.43 Terminal control2.5 Modes Of Operation2.51 A guide to the jumpers2.52 Multiplex / Broadband Input2.53 Stereo With Limiters 2.54 Stereo With Limiters Disabled2.55 Mono From Two Channels2.56 Mono From One Channel2.6 Other Setup Considerations3. Technical data3.1 Specifications3.2 Circuit Description3.3 Block Diagram3.4 Internal Wiring / Case Overview3.5 Schematics3.51 LCD Control Section3.52 Power Amplifier Section3.53 All In One Exciter Section3.531 Limiter Section3.532 Coder  Section3.533 Exciter Section3.6 Parts List3.61 LCD Control board parts list3.62 Power Amplifier board parts list3.63 Combo board parts list
TX25/50 FM Transmitter technical manual page 3Introduction1.1 TX 25/50 FM TRANSMITTERThe Broadcast Warehouse TX 25/50 is a high specification FM broadcast transmitter. Its broadband “no-tune”design allows 87.5-108 Mhz operation from internal direct reading rotary switches or the front panel LCD frequen-cy control system if enabled. Digital PWM techniques provide an easily adjustable and accurate automatic levelcontrolled R.F. output of the Mos-Fet power amplifier stage.R.F., Audio and other parameters are shown on the LCD graphics display. This display offers a very easy methodof transmitter parameter monitoring and a new level of ease for setup and installation, with metering accuracy nor-mally only found on expensive test equipment. Local and remote personal computer control and metering areachievable via the innovative dual method RS232 interface.The FM modulator section employs a dual speed “virtual VFO” system for extremely low audio distortion andexcellent stereo performance.A built in high specification stereo encoder provides crystal clear stereo sound and combined with the internal lim-iter a fully compliant “plug and play” all in one low power broadcast transmitter.For future compatibility all settings are switchable with on board jumpers. The stereo and/or limiter settings can beswitched in and out to suit the requirements of any external broadcast equipment you may have now and in thefuture.The lightweight universal mains input design ensures a high reliability efficient design compatabile with any mainssystem in the world.
TX25/50 FM Transmitter technical manual page 4Introduction1.2 SAFETYMAINS VOLTAGE.This  equipment operates from an AC power source of between 90 and 265 volts. There are hazardousvoltages present internally. PLEASE OBSERVE CAUTION WITH THE COVER REMOVED.SWITCHED MODE POWER SUPPLY HAZARDPlease note that the power supply units in this equipment is of the switched mode variety and have lethalvoltages present internally. The switched mode supplies are universal input fully approved type. They arenon serviceable modules and should be fully replaced should they fail.FUSESOnly use fuses with the specified voltage and current ratings as stated on the back panel. Failure to do somay increase the risk of equipment failure, shock and fire hazard.R.F.The N type R.F. power output socket contains R.F. voltages which may burn or present a shock. Pleasemake sure that the equipment is connected to an adequately rated load or antenna system while in opera-tion.TOXIC HAZARDThis equipment includes R.F. components that may contain Beryllium oxide which is a highly toxic sub-stance that could be hazardous to health if inhaled or ingested. Care should be taken when replacing ordiscarding such devices. Seek expert advice from the manufacturer should you physically damage a devicethat contains Berillyium Oxide.The main R.F. output power transistor contains Beryllium oxide.OTHER SAFETY CONSIDERATIONSDo not operate this equipment in the presence of flammable gases, fumes or liquidsDo not expose this equipment to rain or water.
TX25/50 FM Transmitter technical manual page 5Introduction1.3 FRONT AND REAR PANELSFUSE1234567 8 9 11 131210TX25/50 FM TRANSMITTER1. Left audio input2. Left Input gain3. Right input gain4. Right audio input5. MPX output6. MPX level control7. MPX Input8. Control / Logic9. R.F. output10 LCD display11. Power socket12. Up / Down frequency buttons13. Chassis ground post.Control / logic D-type pin outPin 1 PLL failure alarm (O/C)Pin 2 ReservedPin 3 ReservedPin 4 R.F. failure alarm (O/C)Pin 5 R.F. failure alarm (TTL)Pin 6 Mod failure alarm (TTL)Pin 7 PLL failure alarm (TTL)Pin 8 R.F. Mute (Connect to GND for mute)Pin 9 Mod failure alarm (O/C)Pin 10 RS232 TXDPin 11 RS232 RXDPin 12 ReservedPin 13 ReservedPin 14 +18 VDC 200mAPin 15 GNDXLR Audio input connectorsPin 1 GroundPin 2 HotPin 3 Cold32115  14  13  12  11  10  9 8   7   6   5   4   3   2   1 Front panel:R.F. MONITOR: -50dBC ( Not suitable for harmonic measurements )MOD. MONITOR: ( Buffered multiplex, Nominally 3 V peak to peak for 75 KHz )
TX25/50 FM Transmitter technical manual page 6Introduction1.4 CONTROL AND MONITOR LCDThe front panel LCD graphics display has seven screens (shown below). These allow monitoring of the transmit-ter’s R.F., audio and other parameters and the adjustment (if internally allowed) of the transmitter’s power and fre-quency. You can move through the screens by pressing the NEXT button, which will display them in the followingorder.Main parameter screen.This shows together the three most important transmitterparameters. Frequency,  R.F. output power and the peakdeviation.Frequency display and controlThis screen will display the frequency and PLL locked condi-tion. The up and down buttons will allow 100 KHz frequencysteps from 87.5 to 108Mhz if the internal switches are set to4440. If the frequency is set internally with the rotary switch-es then the up / down buttons will give a ‘not allowed’ mes-sageR.F. powerThe forward and reverse R.F. powers are displayed. Theup/down buttons will allow power control if internally allowed.The maximum output power is governed by the maximumpower set adjustment (see R.F. pwr control section). If thefrequency is set internally with the rotary switches then theup / down buttons will give a ‘not allowed’ messagePeak deviationThis display indicates the peak and average deviation. Peakdeviation is shown both numerically and as a moving singlepixel wide bar. Average deviation is shown with the solidblack bar. Over-deviation will display an exclamation ( ! )Gain reductionThis display indicates the amount of gain reduction of theinternal audio limiter. The range is 0 to 24 decibels of gainreduction.Power supplyPower amplifier voltage is shown together with the transmit-ters secondary supply that feeds the exciter section. Thepower amplifier voltage will vary depending on set outputpower and the presence of any fault conditions which alsocut the voltage back and with it the R.F. output.P.A. temperatureThis display indicates the temperature of the heatsink thatthe R.F. power transistor is bolted to. The normal operatingtemperature range is 40-60 degrees at full R.F. power out-put.
TX25/50 FM Transmitter technical manual page 7Installation and setup2.1 FREQUENCY SETUPThe Frequency can be set on the transmitter in one of two ways:1. From internal direct reading decimal switches on the main board2. From the front panel LCD display and front panel buttons.Many radio regulatory bodies stipulate that the transmitters parameters including the frequency must not be easilychanged from the front panel. To meet this requirement you will need to set the frequency internally with the dialswitches.The switches have a silkscreen diagram next to them on the board (see diagram below) clearly indicating whateach switch represents.The top dial switch represents the value selected x 10 Mhz with the exception of ‘0’ which represents 10 so whenselected would equal 100 Mhz.The second dial switch represents the value selected x 1 Mhz. The third dial switch represent the value selected x .1 Mhz (100 KHz)The bottom switch represents the value selected x .0125 Mhz (12.5 KHz)For example:FREQ SWITCHES (MHZ)X10      X1 X.1 X.012587.90 ‘8’ ‘7’ ‘9’ ‘0’98.75 ‘9’ ‘8’ ‘7’ ‘4’100.00 ‘0’ ‘0’ ‘0’ ‘0’104.225 ‘0’ ‘4’ ‘2’ ‘2’108.00 ‘0’ ‘8’ ‘0’ ‘0’As you can see, the switches directly read the frequency with the exception offrequencies above 100 Mhz, where the top switch being set at ‘0’ represents‘10’. The X0.125 ‘offset’ switch is only used when you want to provide a shift tothe carrier of between 12.5 KHz and 112.5 KHz. Note that setting the switchon 8 or 9 will have the same effect as setting the previous switch (100 KHz) 1position higher, as 8 represents 100 KHz on the 12.5 KHz switch. 8  x 0.125MHz = 0.1MHz = 100KHzThe LCD display on the front panel will display the frequency that you have set on the internal switches. If you tryto adjust the frequency with the front panel up / down buttons you will get a ‘ NOT ALLOWED ‘  message appear-ing on the LCD display. This protects against unauthorized front panel frequency changes when the frequencyhas been set internally with the dial switches.The TX will load the switch values at power up. You will need to remove the mains power to the transmitterand then reapply it if you want to change the frequency by using the direct reading switchesLCD front panel frequency selection.If you want to control the frequency from the front panel LCD controlsystem you will need to set the internal switches to 4440. The trans-mitter will pass frequency control to the LCD control system and thefrequency can be moved up and down by pressing the NEXT buttonuntil the frequency menu is displayed. The other two buttons controlthe UP and DOWN frequency selection. PLL lock status is also dis-played on this screen.The LCD readout will only display frequencies in 100Khz steps. Any frequency offsets derived from theinternal 12.5KHz offset switch will not show on the LCD. Consult a frequency counter if using offsets.Note that some pcb’s have “set to 4444 forfront panel LCD control”. This is an error thatwill cause a +50KHz offset to the frequencyset on the LCD screen. Please set to 4440unless you specifically want the offset.Frequency selection switches on main boardFine frequency control. Do not adjust unless youknow what you are doing. Consult advanced setupsection of manual for more information.
TX25/50 FM Transmitter technical manual page 8Installation and setup2.2 R.F. POWER SETUPThe R.F. power output from the transmitter can be controlled by an analogue potentiometer (POT) or from thefront panel LCD screen or a combination of both.ANALOGUE POWER CONTROLIf the frequency is set internally with the dial switches you will not be able to adjust the power from the LCDscreen. This is to comply with regulatory body’s that stipulate that the transmitter is not to have it’s parametersadjustable from the front panel. In this case you must use the maximum power set control to set the transmitterspower. This control will give the full power range adjustment. If the transmitter has been internally set to 4440 with the dial switches then you can also control the power fromthe LCD screen’s R.F. power menu’s up and down buttons. A “not allowed” message will be displayed to the userif the dial switches are not set to 4440RS232 power control will over-ride the power control restrictions caused by having the frequency setinternally (not set to 4440). DIGITAL POWER CONTROLWhen the power is to be controlled from the front panel the max power set POT takes on a new role of setting themaximum power of the transmitter. If you want the LCD screen to have full power range control of the transmitteryou will need to ensure that the max power set control is at maximum power. Otherwise your control range maybe limited. This feature enables you to limit the transmitters maximum power to a fixed level but to still allow theLCD screen to provide adjustment of the R.F. power down from that maximum power set point. This can be desir-able in transmitter hire situations where you wish to govern the maximumoutput to a fixed level but to allow the customer (hirer of the transmitter) torun the power of the transmitter at a lower level if they so decide.The maximum power set is positioned to the lower left of the LCD screen onsome models, other models may not have the hole in the front panel and youwill need to remove the lid of the transmitter to access the adjustment which will be in the same position but onthe other side of the PCB. You will need a small ‘tweaker style’ flathead screwdriver to adjust the pot. This controlis quite delicate so try to not be too heavy handed in it’s adjustment.Please note that the VSWR and temperature protection circuitry will turn back the R.F. power if a fault con-dition exists. Make sure that you have a good VSWR (low reverse power reading) before setting the R.F.power as the removal of a fault condition may cause the R.F. power to increase.RF POWER MUTE (analogue)There is a pin (8) on the back panel D-type that can be pulled low to mute thetransmitters RF power. The RS232 interface board also has a connection to mutethe RF this way. Consult the RS232 section of this manual for more information.RF POWER MUTE (digital/RS232)The transmitters RF power output can be muted via the RS232 control system.Terminal software can mute/unmute the RF power with the ‘o’ and ‘f’ commandsrespectively. The windows application has a button that can toggle the RF output of the trans-mitter.please consult the RS232 section of this manual for more information on controlling the transmitter remotely.
TX25/50 FM Transmitter technical manual page 9Installation and setup2.3 ALARMSThe Transmitter has three alarms that can alert the broadcaster if one of the following fails: R.F. POWER, PLL LOCK, MODULATIONThe alarms when set are available on the back panel D-type. Each alarm has an Open collector  and a TTL levelcontact on the D-type. The alarm induced active open collectors can pull down any external signals and the TTLoutputs will provide a 5 Volt indication. The alarm is also visible if any RS232 monitoring is employed.For the alarms to function correctly the transmitter must be left on the default menu screen. This is the screen thatdisplays frequency, R.F. power and peak deviation. To ensure that the alarm system functions correctly the trans-mitter will return to the default menu screen if the LCD is left on another menu screen for more than 5 minutes.R.F. POWER.The R.F. power alarm will be set if the R.F. power falls below a threshold level during normal operation.This threshold is set below the normal operating lowest wattage available from the transmitter. If yourequire a different setting for the alarm, contact our tech dept. The alarm will only be set if the fault condi-tion exists for sixty seconds or more. You will need to reset the transmitter to clear the alarm/s.( also seeRS232)PLL LOCK. The PLL lock alarm will be set if the transmitters falls out of frequency lock during normal operation. Thealarm will only be set if the fault condition exists for sixty seconds or more. You will need to reset the trans-mitter to clear the alarm/s.( also see RS232)MODULATION FAILURE.The Modulation failure alarm will be set if during normal operation the peak deviation of the transmitterdrops and remains below 16 KHz. The 16 KHz alarm level allows  the alarm to be set if the audio feed tothe transmitter fails even if the stereo pilot internal to the transmitter is still modulating the transmitter. Thealarm will only be set if the fault condition exists for sixty seconds or more. You will need to reset the trans-mitter to clear the alarm/s.( also see RS232)MORE INFO ON ALARMSThe three alarms are available on the back panel D-type connector. The pin-outs are shown on the rearpanel diagram. The three alarms are available as TTL level and as open collector outputs. The TTL leveloutputs are  active high in the event of an alarm. The open collector outputs are ON in the event of analarm and will pull down any external levels. The open collectors can sink 100mA MAX with an absolutemaximum switched voltage of 25 volts.The D-type connector can also supply 18 volts at 200mA that can be used for pull-ups on the open collectoralarm outputs and for your own external switching circuitry. Broadcast warehouse can also supply customplug in PCB’s for the D-type that will allow N+1 control. Two transmitters can be installed in the same rackand in the event of an alarm being set  the external PCB will switch between the main and standby trans-mitters and if needed switch a coaxial relay.The RS232 interface provides the ability to reset the alarms. More info is found in the RS232 section ofmanual.Broadcast warehouse can also customise the alarm / fault software to meet the requirements of majorbroadcasters and networks. More information on this and other custom features can be obtained from ourtechnical department.
TX25/50 FM Transmitter technical manual page 10Installation and setup2.4 RS232 CONTROL AND MONITORINGThe TX range of transmitters can be monitored or controlled from a personal computer either locally or remotely.The Transmitters can “chat” either by a windows application or via a standard serial terminal program. The win-dows application is the more versatile option and is to be preferred but the ability to use a terminal program canprove useful in the absence of the windows application or a computer that runs windows.2.41 RS232 interface boardTo connect your TX series transmitter to your serial cable you will need the optional BW TX series RS232 inter-face board (shown). This board providesthe level conversion required for RS232.The board also provides an interface tothe various control and alarm signalspresent on the transmitters 15 way D-type connector. For further details of thealarms please see the back panel con-nection page of this manual.The Interface board will push into thetransmitters D-type connector and youcan then break out your other signals viathe push/snap terminals. a 9 way seriallead from your computer can be pluggedinto the expansion boards 9 way D-typesocket..The above item is an optional extra andis available from broadcast warehouse and it’s distributors2.42 Windows application (TXCTRL.EXE)The latest version of TXCTRL.EXE can be downloaded from...http://www.broadcastwarehouse.com/downloadsInstallationThe windows application is a single file executable thatcan be simply run by clicking on it’s ICON. The pro-gram doesn’t require a setup program and can simplybe copied to the desktop and run as neccessary. Setup and connection.Once opened the application will resemble the pictureto the right. Connect a serial cable between the RS232 board that plugs into the i-o D-type on the rear of the transmitter andone of your computers COM ports. If you are using a codec or other device then you may be able to connect thatdevice in line to act as part of the serial link. The application can connect to either COM port 1 or 2 on the computer that is running the application. Select theTRANSMITTERO/C Mod failO/C PLL failO/C R.F. failTTL R.F. failTTL Mod failTTL PLL failR.F. MUTE (PULL LOW FOR MUTE)GNDCOMPUTERTX SERIES RS232 INTERFACE BOARDTXCTRL startup screen
TX25/50 FM Transmitter technical manual page 11Installation and setupCOM port you want to use and then click the Connect button.If the application is able to connect to the trans-mitter then you will be presented with a screensimilar to the one on the right. Once connectedyou should be able to view all the parameters ofthe transmitter as well as being able to mute theR.F., change the frequency, change the R.F.power and reset any alarm flags that have beenset.2.43 Terminal control of the transmitterInstallationPlease see the instructions for your terminal software package to find out howto connect to a remote serial device. The transmitter is internally set to com-municate at 9600 bps, no parity with 1 stop bit. This is commonly known as9600 8N1. If your using windows then you can use the pre bundled terminalprogram “hyper-terminal”. This is located in the accessories/communicationsfolder accessible from the start menu. Select direct to com port x where x isthe com port that the transmitter is connected to. You will be presented with adialog box like the one shown to the right. Select 9600, 8 , none ,1 with hard-ware flow control and then click ok.If you are using another terminal program then you may need to consult thedocumentation for that software but it should be pretty much straight forward. OperationThe transmitter will respond to certain key presses and each one has a certain function. See the list below fordetails of what key to press for each function.The most important key press is the ‘enter’ key. This will need to bepushed as soon as you connect to the transmitter so you can get the trans-mitter to refresh your terminal window with  the transmitters status andparameters. (shown on next page)The transmitter won’t respond to any of the other key presses until itdetects the ‘enter’ key is pressed. Once the enter key is pressed the trans-mitter will listen out for other key presses for 60 seconds. This Initial ‘enter’key validation and time window is a safety feature to prevent the transmit-ter from detecting an erroneous key press such as r.f. mute and causing aservice affecting problem. After performing a function you may need to press the ‘enter’ key to see a response to your function. For exam-ple, If you pressed ‘o’ for R.F. Mute you would not see the effect of the R.F. power change until you refreshed thescreen again because the terminal window would still be showing the transmitters R.F. power from the previous‘enter’ (screen refresh) command, prior to you performing the R.F. mute command.‘1’ Frequency up‘2’ Frequency down‘3’ R.F. power up‘4’ R.F. power down‘5’ reserved‘6’ Reset alarms (all to 0 / off)‘o’ Mute R.F.‘f’ Unmute R.F.‘ENTER’ Refresh screenHyper Terminal connectionTXCTRL when connected
TX25/50 FM Transmitter technical manual page 12Installation and setupThe frequency change key’s will perform an automatic screen refresh on there execution but the other keys willrequire a refresh command to be sent to the transmitter for you to visibly be able to see the effect of your com-mand. In some circumstances you may need to press the refresh screen key several times in order to see what’shappening. Take the R.F. mute function again as an example. You press the R.F. mute key (‘o’) and then pressrefresh screen key (‘ENTER’) to get a status update. The transmitters power control circuitry may not have hadtime to turn the r.f. power down into full R.F. mute by the time it has sent back to you the status requested by therefresh screen command. It does no harm to wait a second or two before asking for a refresh screen or by askingfor several refresh screens by pressing the ‘enter’ key a few times in succession.FREQUENCYFWD R.F. PWRREV R.F. PWRPEAK MODLIMITER G.R.P.A. VOLTSAUX VOLTSP.A. TEMPALARMSR.F. FAIL PLL FAIL MOD FAIL1=alarm set, 0=no alarm setHyper Terminal window
TX25/50 FM Transmitter technical manual page 13Installation and setupJ1 MPX loopthroughJ12 Mono from leftJ2 Right pre-emphasisJ4 Right Loud/ClarityVR3-4 Limiter offset trimJ3 Left Pre-emphasisJ5 Left Loud/ClarityJ7 Left Lim. ClipperJ6 Right Lim. ClipperJ8 Limiter On/OffJ9 Left filter ClipperJ10 Right filter ClipperVR6 Pilot level controlJ11 Pilot On/Off (stereo)2.5 MODES OF OPERATIONThe transmitter is fully configurable and can be set up to support various modes of operation. The mode of opera-tion is set by the configuration of the internal jumpers.This chapter provides a guide to the various jumpers, followed by a brief description of the main modes of opera-tion. The advanced setup procedure pages that follow provide a little more information on each mode as well asproviding some information on setting the equipment up accurately if you have access to some test equipment.2.51 A guide to the jumpersMain combo board
TX25/50 FM Transmitter technical manual page 14Installation and setupThere are altogether twelve jumpers on the board which can be set - at the time of installation - to establish the waythe board operates.The board leaves the factory with default settings which should be suitable for most locations and requirements.Nevertheless, it is worth familiarizing yourself with all the options available, and checking that the settings are appro-priate, as part of the installation process.Jumper 1:  MPX loopthroughThe default position is ON.This is where you want the audio left and right XLR sockets on the back of the board to be the signal source,duly limited and stereo coded internally.  Only when you want to use the rear BNC socket for a complete mul-tiplex (MPX) input for the broadcast should you change the position of this link. If the link is in the OFF position, only signals from an external coder or processor will be accepted, unless theinternal coder has been ‘loop-throughed’ (see later).  Jumpers 2 and 3:  Pre-emphasis   0 /  50 / 75uSThe default position is 50 uS (75 US/Japan).What is pre-emphasis?Pre-emphasis is the treble boost that must be applied to all FM broadcasts to compensate for the treble cut(de-emphasis) present in every receiver. The aim of this process is to reduce noise in the broadcast path with-out degrading the audio.The precise nature of the treble boost is defined by a time-constant in microseconds, which describes theresistor/capacitor network that will produce the appropriate 6dB per octave treble boost curve. There are two different standards in use worldwide.In Europe and Africa, the standard is normally 50uS.  This represents a lift of about 3dB at 3 KHz, and10dB at 10 KHz.  In the Americas, and in Japan, more boost is in use with a network of 75uS, about 3dBup at 2 KHz. Jumpers 2 & 3 may either link the 50uS pins, the 75uS pins, or not link any pins, but be fixed to just one ofthem for safekeeping, producing no pre-emphasis -  ‘0’.The effects of pre-emphasisThe absence of any pre-emphasis  will result in a broadcast sounding noticeably lacking in treble.  Applying50uS pre-emphasis will correct the situation in European receivers (75uS in US/Japan).  If you apply 75uSpre-emphasis when 50 is called for, the received sound will have some 3dB shelved treble boost above 3KHz.This is undesirable. Conversely, if you only apply 50 where 75 is required, there will be 3dB treble loss, whichis also undesirable. You should not have to change the pre-emphasis setting from 50 to 75 or back unlessyou are relocating the installation abroad where the standard is different.However, whenever pre-emphasis is  deliberately applied to your audio at some point before it enters the XLRsockets on the back of the board, by an external processor for example, then you must set the pre-emphasisto ‘0’, because pre-emphasis must only be applied once.  Double pre-emphasis must be avoided because itwill make a signal sound far too bright and toppy.Both Jumper 2 and Jumper 3 should be in the same position at all times because both left and right audiochannels should have the same treatment. These jumpers do not affect the operation of the board whenexternal MPX is used with Jumper 1 off.Jumpers 4 and 5:  Limiter loud/pureThe default position is ‘Loud’ (hard limiting).
TX25/50 FM Transmitter technical manual page 15Installation and setupThis option affects the character of the sound passing through the limiters inside the board.  The sound canbe either (a) processed to be competitively loud, with some sacrifice in fidelity (hard limiting, the Loud posi-tion) or (b) treated more gently, with high fidelity, but some loss in volume (soft limiting, the Pure position).It’s instructive to listen to and compare the options while passing a representative selection of typical pro-gramme material through the board.  This will help you establish which sound you prefer.As before, both jumpers 4 and 5 should always be in the same position. These jumpers, like all the followingones, do not affect the operation of the board when external MPX is used with Jumper 1 off.Jumpers 6 and 7:  Limiter clippers on/offThe default position for these jumpers is ON.If they are to be switched off when external audio processing is used, careful monitoring of deviation is rec-ommended.  The 15 KHz post-filter clippers must be switched off at the same time (J9/10).These jumpers control the clippers applied to the signal after the limiter but before the 15KHz low-pass filterson the way into the stereo coder. Again, these jumpers work as a pair and do not affect external MPX inputs.Jumper 8:  Limiter on/offThe default position for this jumper is ON, i.e. limiter active.If you are using a pre-processed and limited signal and do not want the additional protection of the internallimiters, their action can be disabled by putting Jumper 8 in the OFF position.  This one jumper controls bothchannels, because the gain-reduction control voltage (which this jumper disables) is common to left and right.Even with the limiter disabled you may still wish to use the pre-filter clippers (J6/7) and post-filter clippers (seebelow, J9/10) for protection.  Always observe the deviation produced very carefully for excesses above 75KHz if you ever remove the action of the limiter or clippers.Jumpers 9 and 10: 15KHz filter clippers on/offThe default position for these clippers, placed after the 15KHz filters on the input to the coder, is ON.These clippers protect against over-deviation caused by signals which ‘ring’ in the 15KHz filter, even after hav-ing been caught by the clipper before the filter.  With certain pre-processed and filtered inputs, however, theymay be switched out of circuit.  But keep a close eye on the deviation.Don’t have these clippers switched on unless you also have the limiter clippers active.  Otherwise, your sig-nal could go out of specification.These jumpers work as a pair and don’t affect external MPX drives.Jumper 11:  Mono / StereoThe default position is STEREO, pilot tone on.This option allows you to remove or restore the stereo pilot tone, at a frequency of 19 KHz, normally sittingat a level between 8 and 10% of total deviation.It is this tone which alerts stereo FM receivers to the need to switch on their stereo decoders.  The presenceof a pilot tone is all that is required for the ‘stereo’ beacon to light on a receiver.  If no 19KHz tone is received,the receiver will operate in mono. It will not decode any L-R information modulated on the 38 KHz subcarri-er, even when it is still present.To make sure that no 38 KHz energy is generated during mono operation even from stereo inputs, operate
TX25/50 FM Transmitter technical manual page 16Installation and setupjumper 12, the ‘bridge’ link (see below).  This jumper does not affect the mono/stereo status of externally-coded MPX inputs (J1 off).Jumper 12:  Mono bridgeThe default position is OFF.When the board is operating in mono, the bridge should be set to ON.  This ensures that when the board isoperating in mono, no stereo information is broadcast, and that a mono drive to either left or right inputs, ora stereo input applied simultaneously to L and R inputs, will produce proper summed mono operation and nospurious 38KHz signals. Modes of operationMultiplex / broadband input.The Internal stereo encoder and audio limiter are not used. Wideband modulation is fed into the rear panelBNC multiplex input socket.  Allows external processors, encoders and rebroadcast receivers to be pluggedstraight into the transmitter. JUMPERS. J1 (OFF), J2-12 (N/A)Stereo with internal limiter. ( factory setting )Left and Right audio are fed to the back panel balanced inputs and are pre-emphasized, peak limited, fil-tered and then fed to the internal stereo encoder for multiplex generation. The multiplex signal is then fedthrough to the exciter module and to the back panel multiplex output BNC socket. See loopthrough modebelow *JUMPERS. J1 (ON), J2-3 (50 or 75), J4-5 (LOUD or CLARITY), J6-7 (ON), J8 (ON), J9-10 (ON), J11 (ST),J12 (OFF)Stereo with internal limiter disabled. As the above stereo with limiter mode except the limiter section is disabled. This mode can be used whenyou want an external limiter / processor to provide all the peak limiting and protection. Clippers at the out-put of the limiter module can be left in or out  subject to your requirements. See loopthrough below *JUMPERS. J1 (ON), J2-3 (0 or 50 or 75), J4-5 (LOUD or CLARITY), J6-7 (ON or OFF), J8 (OFF), J9-10(ON or OFF), J11 (ST), J12 (OFF)Mono from two independent channels.Essentially the same as the stereo with limiter mode except the stereo pilot is disabled which will enablereceivers to receive you in mono. See loopthrough mode below *JUMPERS. J1 (ON), J2-3 (50 or 75), J4-5 (LOUD or CLARITY), J6-7 (ON), J8 (ON), J9-10 (ON), J11 (MO),J12 (OFF)Mono from one channel input.You can provide one audio feed to the transmitter via the left balanced input. Setting the internal bridgejumper J12 to ON will join the left and right audio signals internally to maintain the same volume from thetransmitter and forces the stereo encoder section to replicate true mono. See loopthrough mode below *JUMPERS. J1 (ON), J2-3 (50 or 75), J4-5 (LOUD or CLARITY), J6-7 (ON), J8 (ON), J9-10 (ON), J11 (MO),J12 (ON)Other configurations
TX25/50 FM Transmitter technical manual page 17Installation and setupOther configurations can be set by setting the jumpers in certain ways. For example: Mono with limiter off.We have illustrated what we feel to be the most popular options. JUMPERS. To suit application* Loopthrough modeThe transmitter has been provided with a multiplex output socket to present the output of the internal audiostages to the outside world. This allows you to connect the signal from the internal limiter and stereoencoder to an external piece of equipment before being reinjected back into the transmitter via the multiplexinput socket. The most common application is for RDS encoders which nearly always have a loopthrough connection forthis purpose. Other applications include SCA generators and composite clippers. You will need to set theinternal jumper to off for external loopthrough. This is to stop the internal stereo encoder’s multiplex outputsignal from being fed to the exciter section internally.More information on loopthrough setup is provided at the end of the advanced setup procedure section
TX25/50 FM Transmitter technical manual page 18Installation and setupADVANCED SETUP PROCEDUREThe front panel LCD metering is accurate enough to set up the transmitter in the absence of external test equip-ment. If you have access to a modulation meter and RF power meter then substitute those for references to therelevant LCD display menu.You will most likely need the following pieces of test equipment:Audio signal generator capable of -10dbu to +10dbuVoltmeter2.52 Multiplex input only.Open the lid of the transmitter and make sure that jumper J1 on the main board is configured so that MPXLoopthrough is OFF. This makes sure that the internal stereo encoder is not connected through to the modulator.Connect your wideband audio source (processor, coder or rebroadcast receiver) to the multiplex input on the backpanel. Setup your external equipment for its correct output level making sure that it falls into the range of -6 to+10 dbu. Adjust the multiplex input level control on the back panel for a peak deviation of +/- 75KHz. The peakdeviation can be shown on the LCD system.The factory setting for the multiplex input level is +6dBu. This corresponds to the output level of our internalstereo encoder module. We recommend feeding this level input to the multiplex input socket if it is available fromthe external equipment. 2.53 Stereo with internal limiters.The transmitter will come set to this mode and from factory with the following settings. Input Gain at maximum,limiter active and in loud mode, limiter clippers on and 15KHz filter clippers on. This provides the loudest mostcompetitive settings available with the transmitter without using an external multiband processor to significantlyboost loudness.The gain controls on the back panel control the input drive to the limiter module and can be set so that limitingoccurs for a given input level. Factory setting is at maximum to enable maximum compression / limiting so that aloud commercial sound is obtained. You can reduce your input level to suit the amount of compression required.The Limiter ON jumper is set so that the limiter is enabled. The limiter clippers are on to define the maximum out-put from the limiter under any conditions. The Limiter has two modes of limiting, Loud and Clarity. Loud will give amore processed brighter sound and Clarity will retain a sound more true to the original audio input. If you want amore punchy commercial sound leave the limiter in Loud mode. The 15KHz filters have overshoot clippers afterthem. These if activated remove any overshoots caused by ringing in the filters. These are best left active if youwant the loudest sound for a peak deviation of +/- 75 KHz. (See note on 15KHz filters at the end of the section)Advanced setup procedure. 1. Firstly make sure that the exciter is set to your chosen operating frequency. If you have not already done sothen remove the top cover from the transmitter.2. Connect the transmitter to a dummy load.3. Turn on the transmitter and  within 15 seconds it should lock to frequency.4. Set the internal limiter to OFF with jumper J8. Set the limiter clippers to ON with jumpers J6 and J7. Set the15KHz filter clipper jumpers J9 and J10 to ON. Remove the pre-emphasis jumpers from J2 and J3 completely fornow. Make sure the loopthrough jumper J1 is switched to LOOPTHROUGH and the MONO FROM LEFT jumperJ12 is set to the OFF position. Disable the stereo pilot by setting jumper J11 to MONO. Set the limiter modejumper J4 and J5 to LOUD.These settings will allow any audio straight through the limiter and into the limiter clippers that set our final peaklevel.
TX25/50 FM Transmitter technical manual page 19Installation and setup5. We should check that any offsets internal to the limiter are nulled out to keep distortion to a minimum.  Connecta multimeter set to millivolts to testpoint TP1 which is located next to the right clipper jumper. You will also needan earth point for the meter. The bolt on REG2 is a good earth. The case of the transmitter is not a good earthdue to the allo-chrome finish on the case.  Adjust the blue multiturn pot VR3 in the center of the limiter section forthe minimum voltage reading on the meter. Aim for below 10 millivolts. Repeat for the left channel with VR4 andby taking the reading from test point TP2.6. Connect an audio source to both channels and apply a 400hz tone with a level of  +6 dbu. Make sure the gaincontrols are set to maximum (Fully clockwise). These are multiturn so make sure you  hear / feel the pots clickindicating end of travel.7. Work out the the pilot level you intend to use. It is usually between 8 and 10 percent of the modulation with 9percent being standard in most countries. 9 percent corresponds to 6.75 KHz deviation so for a total peak devia-tion of  75 KHz (the industry standard for 100 percent modulation) we need to adjust the multiplex level for a peakdeviation of 68.25 KHz (91 percent modulation). This corresponds to the total minus the intended pilot level thatwe will  re-introduce in a moment. We recommend further backing off the deviation by 4 % which equates to 3KHz deviation. This 4 % acts as a guard-band for any small overshoots that may occur in the limiter and thestereo encoder filters. You should at this point with your tones applied have a peak deviation of 75 KHz - 6.75KHz(or intended pilot level) - 3 KHz = 65.25KHz. If you have not already done so, adjust the multiplex input level onthe back panel to this level. If you are using the LCD display metering then 65 KHz would be an acceptable set-ting.8. Reinstate the pilot by setting jumper J11 to stereo. Now adjust the pilot level control VR6 for a peak deviation ofThe previous setting plus the intended pilot level. In our example this would mean setting the deviation at 72KHz.This equates to our modulation and pilot leaving 3 KHz for our guard-band.9. Set the limiter to ON with jumper J8. Decide on Clarity or loud mode for the limiter and set jumpers J4 and J5accordingly. The transmitter should now have the multiplex and pilot setup at the correct level. All that is left to do is to set theinput gain controls to your desired settings. For most applications where you require a compressed loud competi-tive sound we recommend setting the gain controls at maximum. But if you are supplying a very high level feedyou may have to turn the gain controls down to stop internal clipping occurring prior to the limiter.  (Please seenote on pre-emphasis at the end of the section). You may also wish the limiter to start to limit for a given level ofinput. To set the limiters input controls up for a given input level consult step 10. Otherwise leave the input gaincontrols at maximum and skip to step 12.10. Apply your audio feed to the left channel input socket on the rear panel at the desired level you want limitingto commence. This will need to be a minimum of 0dbu. The limiter inputs will need at least a 0dbu input toachieve limiting even with the rear panel gain controls set at maximum. Read the pre-emphasis note at the end ofthe section for more info on input level restrictions. Set the LCD display to limiter gain reduction and with audio applied to the left channel reduce the left channelinput gain control until the display flickers from 0dB to 2dB gain reduction.This is the onset of limiting. 11. Remove the left channel audio and repeat the procedure for the right channel.  This procedure also ensuresthat both inputs to the internal limiter are driven equally.12. Set the pre-emphasis jumpers J2 and J3 to the correct setting for your region, 75uS for the Americas andJapan and 50uS for the rest of the world. If your audio feed has gone through an external processor prior to thistransmitter then check to see if that unit has pre-emphasis capability and if it is switched on. If it has pre-empha-sis and it is enabled then you should remove the pre-emphasis jumpers J2 and J3 to ensure that only one set ofpre-emphasis has been applied throughout the broadcast chain. 13. Connect your studio feed to the transmitter. Turn the power off to the transmitter, connect your externalantenna, reconnect the power and you’re on the air!14. Monitor your total peak deviation with your real world audio material and check with the deviation display thatyour peak deviation does not exceed 75 KHz. If you have set up the transmitter as per the instructions in this sec-tion then you should be within 1 KHz or so of this figure. If your deviation does exceed 75 KHz   then adjust theback panel multiplex control to keep your maximum deviation at 75 KHz.
TX25/50 FM Transmitter technical manual page 20Technical data2.54 Stereo with internal limiters disabled.The limiter can be disabled internally if you do not require it. This effectively allows any audio input signalsstraight through to the stereo encoder unaltered. You may wish to disable the limiter when you have an externalprocessor or limiter that may be of a higher performance than the internal limiter in this transmitter. You can stillhave the limiter active even with external limiters in operation, as the limiter will not discolor the sound when fedwith pre-processed audio. We leave that up to you. For safety purposes you may wish to leave the clippers on thelimiter and the 15KHz filters in to provide extra protection when you are unsure of the peak output characteristicsof the external piece of equipment. When you know that the piece of audio processing equipment is band-limitedto 15KHz and peak limited  you can leave out the clippers safe in the assumption that the external processor willbe able to handle the level control completely. Advanced setup procedure. 1. Firstly make sure that the exciter is set to your chosen operating frequency.  If you have not already done sothen remove the top cover from the transmitter.2. Connect the transmitter to a dummy load.3. Turn on the transmitter and  within 15 seconds it should lock to frequency.4. Set the internal limiter to OFF with jumper J8. Set the limiter clippers to ON with jumpers J6 and J7. Set the15KHz filter clipper jumpers J9 and J10 to ON. Remove the pre-emphasis jumpers from J2 and J3 completely fornow. Make sure the loopthrough jumper J1 is switched to loopthrough and the mono from left jumper J12 is set tothe OFF position. Disable the stereo pilot by setting jumper J11 to mono. Set the limiter mode jumper J4 and J5 toCLARITYThese settings will allow any audio straight through the limiter and into the stereo encoder without any form oflevel control apart from the peak level clippers, so we can set the system internal levels correctly.5. We should check that any offsets internal to the limiter are nulled out to keep distortion to a minimum.  Connecta multimeter set to millivolts to testpoint TP1 which is located next to the right clipper jumper. You will also needan earth point for the meter. The bolt on REG2 is a good earth. The case of the transmitter is not a good earthdue to the allo-chrome finish on the case.  Adjust the blue multiturn pot VR3 in the center of the limiter section forthe minimum voltage reading on the meter. Aim for below 10 millivolts. Repeat for the left channel with VR4 andby taking the reading from test point TP2.  6. Connect an audio source to both channels and apply a 400Hz tone with a level of +6dBu. Make sure the gaincontrols are set to maximum (Fully clockwise). These are multi-turn so make sure you  hear / feel the pots clickindicating end of travel.7. Work out the the pilot level you intend to use. It is usually between 8 and 10 percent of the modulation with 9percent being standard in most countries. 9 percent corresponds to 6.75 KHz deviation so for a total peak devia-tion of  75 KHz (the industry standard for 100 percent modulation) we need to adjust the multiplex level for a peakdeviation of 68.25 KHz (91 percent modulation). This corresponds to the total minus the intended pilot level thatwe will  re-introduce in a moment. We recommend further backing off the deviation by 4 % which equates to 3KHz deviation. This 4 % acts as a guard-band for any small overshoots that may occur in the limiter and thestereo encoder filters. You should at this point with your tones applied have a peak deviation of 75 KHz - 6.75KHz(or intended pilot level) - 3 KHz = 65.25KHz. If you have not already done so, adjust the multiplex input level onthe back panel to this level. If you are using the LCD display metering then 65 KHz would be an acceptable set-ting.8. Re-instate the pilot by setting jumper J11 to STEREO. Now adjust the pilot level control VR6 for a peak devia-tion of 75KHz peak deviation (100 percent modulation)
TX25/50 FM Transmitter technical manual page 21Installation and setupThe transmitter should now have the total multiplex and the pilot setup at the correct level. All that is left to do isto set the input gain controls to suit your external equipment.9. Set the limiter clippers J6 and J7 to OFF and set the filter clippers J10 and J11 to OFF.  10. Connect a 400 Hz tone at your desired level to the left channel and adjust the left channel gain control on therear panel for a peak deviation of 75 KHz. Remove the left channel audio lead.11. Connect a 400 Hz tone at your desired level to the right channel and adjust the right channel gain control onthe rear panel for a peak deviation of 75 KHz.It is a good idea to check that both of the audio input gain controls are set to provide equal gain to both channels.To do this connect an oscilloscope to the  multiplex output socket. Connect an identical 400Hz tone to both audioinputs and set the pilot to off by setting J11 to MONO. Adjust one of the audio input gain controls slightly to mini-mize any distortion of the 400Hz tone observed on the scope. The distortion is 38 KHz switching informationsuperimposed onto the sine wave. When you have adjusted the input gain control to provide the same gain as theother channel you will observe a pure sine wave with no switching information present. This is because if R=Lthen L-R=0 and the subcarrier is L-R, so no gain difference between R and L equates to no 38 KHz subcarrier.Reinstate the Pilot by setting jumper J11 to STEREO.You can set the limiter clippers and the 15KHz filter clippers back to ON if you require. These will prevent over-modulation no matter what input level you apply. 12. If you wish to employ pre-emphasis  within the transmitter then you will need to setup the transmitter for apeak deviation of 75KHz with 15KHz tones instead of 400Hz. This is to prevent overmodulation of the transmitterfrom high frequencies, which would be the case if we set the transmitter up for 75KHz peak deviation at 400Hz.The pre-emphasis filter can put the 15KHz audio 17db higher than 400Hz. We strongly advise you to ensure pre-emphasis is built into any external equipment if you decide not to use the internal limiter. If you do need to use theinternal pre-emphasis then you can set the pre-emphasis jumpers J2 and J3 to the correct setting for your region:75uS for the Americas and Japan and 50uS for the rest of the world.13. Connect your studio feed to the transmitter. Turn the power off to the transmitter, connect your externalantenna, reconnect the power and your on the air!14. Monitor your total peak deviation with your real world audio material and check with the deviation display thatyour peak deviation does not exceed 75 KHz. If you have set up the transmitter as per the instructions in this sec-tion then you should be within 1 KHz or so of this figure. If your deviation does exceed 75 KHz  then adjust theback panel multiplex control to keep your maximum deviation at 75 KHz.2.55 Mono from two independent channels.This is essentially the same as the stereo with limiter mode except the stereo pilot is disabled which will enablereceivers to receive you in mono. A stereo feed can be supplied to the transmitter’s left and right inputs. Thesewill be mixed in the stereo encoder as normal to produce a multiplex signal. The absence of the pilot will forcetuners to decode the broadcast in mono. If both the right and left channels have the same content then  no stereosubcarrier will be created and the multiplex signal will resemble true mono. However we recommend mono fromone channel input mode if both channels are identical to ensure that the subcarrier content is kept to a minimum.This mode is for when you want to broadcast in mono but have a stereo sound source that can’t be supplied as asingle mono feed, such as a stereo mixer with no mono button.Advanced setup procedure. 1. Firstly make sure that the exciter is set to your chosen operating frequency. If you have not already done sothen remove the top cover from the transmitter.2. Connect the transmitter to a dummy load.3. Turn on the transmitter and  within 10 seconds it should lock to frequency.
TX25/50 FM Transmitter technical manual page 22Installation and setup4. Set the internal limiter to OFF with jumper J8. Set the limiter clippers to ON with jumpers J6 and J7. Set the15KHz filter clipper jumpers J10 and J11 to ON. Remove the pre-emphasis jumpers from J2 and J3 completelyfor now. Make sure the loopthrough jumper J1 is switched to LOOPTHROUGH and the MONO FROM LEFTjumper J12 is set to the OFF position. Disable the stereo pilot by setting jumper J11 to MONO. Set the limitermode jumper J4 and J5 to LOUD.These settings will allow any audio straight through the limiter and into the limiter clippers that set our final peaklevel. 5. We should check that any offsets internal to the limiter are nulled out to keep distortion to a minimum. Connecta multimeter set to millivolts to testpoint TP1 which is located next to the right clipper jumper. You will also need an earth point for the meter. The bolt on REG2 is a good earth. The case of the transmitter is not agood earth due to the allo-chrome finish on the case.  Adjust the blue multiturn pot VR3 in the center of the limitersection for the minimum voltage reading on the meter. Aim for below 10 millivolts. Repeat for the left channel withVR4 and by taking the reading from test point TP2.6. Connect an audio source to both channels and apply a 400Hz tone with a level of  +6 dbu Make sure the gaincontrols are set to maximum (Fully clockwise). These are multiturn so make sure you  hear / feel the pots clickindicating end of travel.7.  Adjust the multiplex gain control on the back panel for a peak deviation of 72 KHz. This allows a 3 KHz guard-band for slight overshoots that may occur in limiter and filters inside the system.8. Set the limiter to ON with jumper J8. Decide on Clarity or loud mode for the limiter and set Jumpers Jx and Jxaccordingly. All that is left to do is to set the input gain controls to your desired settings. For most applications where yourequire a loud competitive sound we recommend setting the gain controls at maximum, however if you are sup-plying a very high level feed you may have to turn the gain controls down to stop internal clipping occurring priorto the limiter.  (Please see note on pre-emphasis at the end of the section). You may also wish the limiter to startto limit for a given level of input. To set the limiters input controls up for a given input level consult step 9.Otherwise leave the input gain controls at maximum and skip to step 11.9. Apply your audio feed to the left channel input socket on the rear panel at the desired level you want limiting tocommence. This will need to be a minimum of 0dbu. The limiters inputs will need at least a 0dbu input to achievelimiting even with the rear panel gain controls set at maximum. Read the pre-emphasis note at the end of the sec-tion for more info on input level restrictions. Set the LCD display to limiter gain reduction and with audio applied to the left channel reduce the left channelinput gain control until the display flickers from 0dB to 2dB gain reduction.This is the onset of limiting. 10. Remove the left channel audio and repeat the procedure for the right channel.  This procedure also ensuresthat both inputs to the internal limiter are driven equally.11. Set the pre-emphasis jumpers J2 and J3 to the correct setting for your region, 75uS for the Americas andJapan and 50uS for the rest of the world. If your audio feed has gone through an external processor prior to thistransmitter then check to see if that unit has pre-emphasis capability and if it is switched on. If it has pre-empha-sis and it is enabled then you should remove the pre-emphasis jumpers J2  and J3 to ensure that only one set ofpre-emphasis has been applied throughout the broadcast chain. 12. Connect as before. Turn the power off to the transmitter, connect your external antenna , reconnect yourpower and your on the air!13. Monitor your total peak deviation with your real world audio material and check with the deviation display thatyour peak deviation does not exceed 75 KHz. If you have set up the transmitter as per the instructions in this sec-tion then you should be within 1 KHz or so of this figure. If your deviation does exceed 75 KHz   then adjust theback panel multiplex control to keep your maximum deviation at 75 KHz.2.56 Mono from one channel input.
TX25/50 FM Transmitter technical manual page 23Installation and setupYou can provide one audio feed to the transmitter via the left balanced input. This has the advantage of supplyingtwo exact audio signals to the stereo encoder section that will in turn cancel the stereo subcarrier leaving only apure mono signal with content falling to zero above 15KHz.Advanced setup procedure. 1. Follow the advanced setup procedure for the ‘mono from two independent channels’ mode completely as if youwould be using that mode. Set all the jumpers and levels correctly as if you would be using that mode.   Bothinput gain controls must be set equally and correctly for the this mode to work correctly and create a true monosignal. Any gain difference would create L-R subcarrier information which is not neccessary and wastes band-width. Following the ‘mono from two independent channels’ advanced setup procedure should have you set upthe two channels input gain controls at the same level.2. Set the MONO FROM LEFT bridge jumper J12 to ON. this disconnects the right channel socket internally andfeeds the left information to the internal right channel circuitry.3. Apply your audio feed to the left channel input.4. Connect your studio feed to the transmitter. Turn the power off to the transmitter, connect your external  anten-na, reconnect your power and your on the air!5. Monitor your total peak deviation with your real world audio material and check with the deviation display thatyour peak deviation does not exceed 75 KHz. If you have set up the transmitter as per the instructions in this sec-tion then you should be within 1 KHz or so of this figure. If your deviation does exceed 75 KHz then adjust theback panel multiplex control to keep your maximum deviation at 75 KHz.2.6 OTHER SETUP CONSIDERATIONSPRE EMPHASISpre-emphasis note: With pre-emphasis active the input level required to achieve limiting is frequency dependentdue to the characterisTics of the pre-emphasis curve. There is 17dB more gain into the limiter with a 15KHz inputsignal compared to a frequency which is below the start point of the pre-emphasis curve. The pre-emphasis curveprovides a 6db per octave boost from the 50 or 75uS breakpoint. For this reason we have used 400Hz for ourtests because it is below the pre-emphasis filter  curve. With pre-emphasis active the maximum usable input levelto the limiter is 10dBu when the gain controls are at maximum. Anything above this may cause high frequencycontent to hit the internal supply rails, clipping the audio and introducing distortion. To ensure  you can reduceyour input level or reduce the rear panel gain controls.15KHZ FILTER CLIPPERSPLEASE NOTE: In some situations clipping after 15KHz filters can cause degradation of the pilot and stereo sub-carrier.  Our tests have concluded that when the limiter and limiter clippers are active any overshoots caused byringing in the filters when clipped will not contribute any significant harmonics to make the transmitter non compli-ant. The 15KHz clippers are set to clip at the same amplitude as the limiter clippers. In effect the 15 KHz filterclippers are out of circuit except for instances where the 15 KHz filters overshoot caused by ringing in the filters.The overshoots from the filters will increase the amplitude of the audio material past that of the limiter clippers clippoint and the 15 KHz clippers will clip them back down to almost the same amplitude. This setup only allows asmall amount of clipping to be applied to post 15 KHz filtered audio keeping the spectral output to an acceptablelevel.You can safely use the clippers and still conform to the fm broadcast specifications set out by the FCC and CCIT.This  is not an issue if you are using an external processor that has band-limited (15 KHz) processed audio as thefilters will not overshoot. We don’t advise ever to use the 15 KHz clippers without the limiter clippers.LOOPTHROUGH
TX25/50 FM Transmitter technical manual page 24Installation and setupThe  rear panel BNC sockets provide an easy interface to the multiplex path. You can insert an external piece ofequipment between the multiplex output of the internal stereo encoder and the modulator section.To connect an external piece of equipment consult the external equipments documentation. It should be as easyas configuring the transmitter as per normal and then simply setting the internal Loopthrough jumper to OFF andtaking the multiplex output to the input of the external equipment and the output of the external equipment backinto the multiplex input socket. If the external equipment is not unity gain you may have to readjust the multiplexinput gain slightly to take account for any gain differences. Most loopthrough designed equipment is unity gain tomake setup and use as simple as possible.FREQUENCY FINE TUNE ( WARNING, ADVANCED TECHNICIANS ONLY)While the frequency is controlled by the phase locked loop system, the stability is governed by the stability of thereference. A quartz crystal is used for the reference for its high stability however component ageing can affect thefrequency slightly over time. The frequency can be finely adjusted via VC2. This provides a small adjustment ofthe VCO frequency when locked. This will have been adjusted at factory to the correct setting and the transmittershould remain within 1KHz of the channel required. If however the frequency does  move off slightly due to com-ponent ageing then you can adjust VC2 to trim the unmodulated carrier back onto channel. You will need a fre-quency counter to monitor the output frequency of the un modulated transmitter when adjusting VC2.LCD SYSTEM METERING ACCURACYDISPLAY Measurement AccuracyPOWER SUPPLY Volts +/-1 VoltTEMPERATURE Degrees Centigrade +/-1 Degree PEAK DEVIATION KHz +/-1 KHzLIMITER GAIN REDUCTION Decibels +/-1 dBRF POWER Watts 5 %
TX25/50 FM Transmitter technical manual page 25Technical dataRF  PowerConnector Harmonics Spurious Frequency rangeFrequency steps Frequency selection Frequency control type Frequency stabilityMPX input MPX input level  MPX input response ModulationSTEREO Subcarrier generation Pilot pilot generation Output level (BNC)  15 KHz filtering 15KHz overshoot filter clipping Spurious > 80 KHz  >160 KHz Stereo separation LIMITERAudio input levels Audio input connectors Input cmrr Audio distortion ToneProgram materialFrequency responseLimiter control rangeInput impedance  pre-emphasis  Process modes Clipping OTHER  Control system External control/monitor Size Weight Voltage input Current input Power connector Switched mode approvals3-25W (TX25) 5-50W (TX50)N type 50 ohm better than 65 dbc < -75 dbc 87.5 - 108 MHz 100KHz from LCD or 12.5 KHz from internal switchesInternal switches or LCD system Dual speed Phase locked loop < +/- 500 Hz (fine adjustment available) BNC MPX input level -10dB to +10dB (adjustable)MPX input response +/- 0.3 dB, 5 Hz to 100 KHz Modulation direct frequency modulation Microprocessor generated 8x over-sampled 19KHz +/- 1 Hz (adjustable) Microprocessor generated 16x over-sampled (BNC) 0dB >40db at 19KHz On or off > -60dBr > -80dBr >55db (20hz-15KHz) -10db - +18dB for limiting XLR balanced (RF shielded) >60dB <.1% at limiting 1 KHz (clarity mode)program dependent20 Hz to 20KHz +/- 0.5dB (pre-emphasis off) Limiter control range >24dB (pre-emphasis off) 10k 50uS,75uS and 0uS(off) Clarity and loud On or off 3 buttons, 122x32 graphics display 15 way D-type, Female475mm x 44mm x 300mm 1.5kg 85-260 VAC 110V-4A / 220V-2AIEC,FUSED and switchable UL / TUV / CE 3.1 SPECIFICATIONS
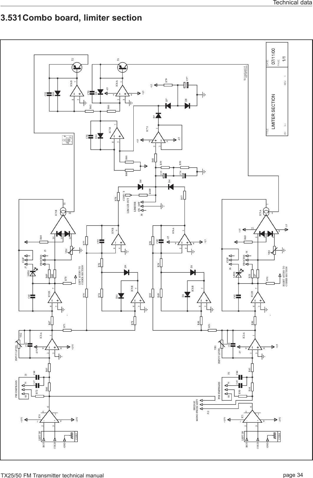
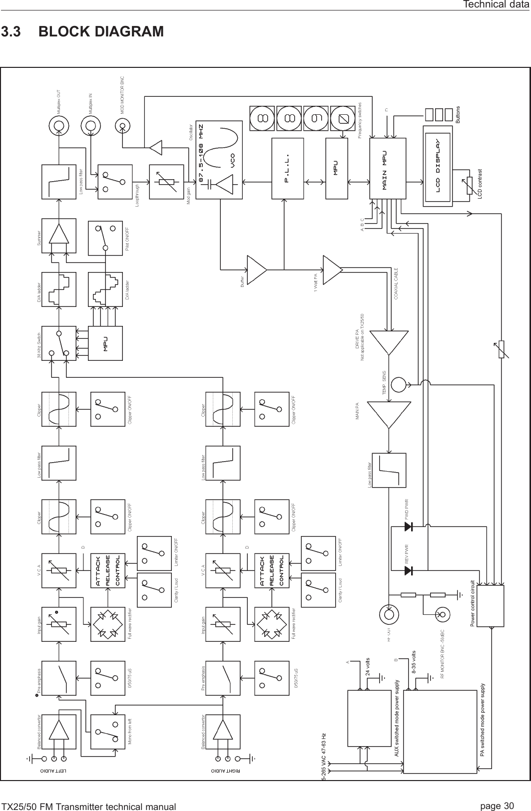
TX25/50 FM Transmitter technical manual page 26Technical data3.2 CIRCUIT DESCRIPTIONThe transmitter consists of three circuit boards, two power supply modules and the associated wiring and connec-tors. Both of the power supplies are fully approved bought in modules and won’t be discussed electrically exceptfor the connections to the other boards where appropriate.The three PCB’s previously mentioned are the combo board, the power amplifier board and the control / LCDboard. The wiring and connection between the boards can be seen in the internal case diagram.The combo board contains1. Audio limiter with pre-emphasis capability 2. High spec over-sampled digital stereo encoder3. High spec low distortion PLL exciter4. Power supply circuitry to supply various voltages to the different sections5. A logic / control section to interface to external equipment6. Control connections to the LCD control boardThe Power amplifier board contains1. A single stage 25/50 watt fm amplifier2. Low pass harmonic filter3. VSWR bridge / coupler  and power sniff circuitry4. Temperature sensing circuitryThe Control / LCD board contains1. A 122x32 LCD graphics display2. Three front panel buttons for LCD control3. Power control adjustment and transmitter fault / protection circuitry4. An 8 bit microcontroller to control all the LCD functions, metering and alarm monitoringWe will describe the electrical workings of the transmitter from the audio input through to the RF output and  willattempt to explain how the three boards tie together and form the complete unit.We will start at the audio input sockets on the back panel which are part of the combo board.COMBO BOARDThe description of the circuitry describes the right channel path where stereo sections are mentioned. The compo-nent for the left channel is bracketed next to the right channel component.Audio limiter descriptionLeft and Right audio signals are applied to balanced input XLR sockets on the back panel. The balanced audiosignals are fed to IC1(IC4) which are configured as differential amplifiers to convert the balanced inputs to unbal-anced for the rest of the limiters circuitry. The output from the differential op-amps feed a pre-emphasis filterwhich can be switched in or out of circuit via the on board jumpers J2(J3). The audio is then fed from the pre-emphasis filters to one half of dual op-amps IC2(IC3) where input gain can be adjusted through the rear panelinput gain control VR1(VR2) which forms the feedback path for the op-amp. The audio is then fed into the otherhalf of IC2(IC3). These dual op-amps are also the limiter gain control and output for the limiter.The output of the input gain op-amps also feed  the full wave rectifier circuitry which provides a DC representationof the audio signal. This DC voltage is applied to a time constant circuit which provides the attack and releaseparameters for the limiter. The time constant capacitors C14 and C15 together with R16 and R17 provide a pro-gramme dependent interactive time constant for clear punchy sound at all levels of limiting. After passing throughthe time constant filter the DC signal is buffered  by IC7 and then fed to IC8 which drives PNP transistors T1(T2)which controls the current passing through the gain control element, transconductance amplifier IC5. Transconductance amplifier IC5 is configured as a variable resistor which is placed in the feedback path of thegain control op-amps. IC5 varys its resistance in accordance with the level of audio drive so that the output of thegain control op-amps is fixed at 0dB. LED1(LED2) provide clipping of any overshoots that get through thelimiter.This clipper can be switched in and out of circuit by jumper J6(J7). This provides significantly more loud-ness than can be obtained by making the attack time quicker to catch the overshoots. The amount of clipping canbe controlled by J2( J3). These provide more drive to the gain control op-amps by putting resistor R8(R29) in par-
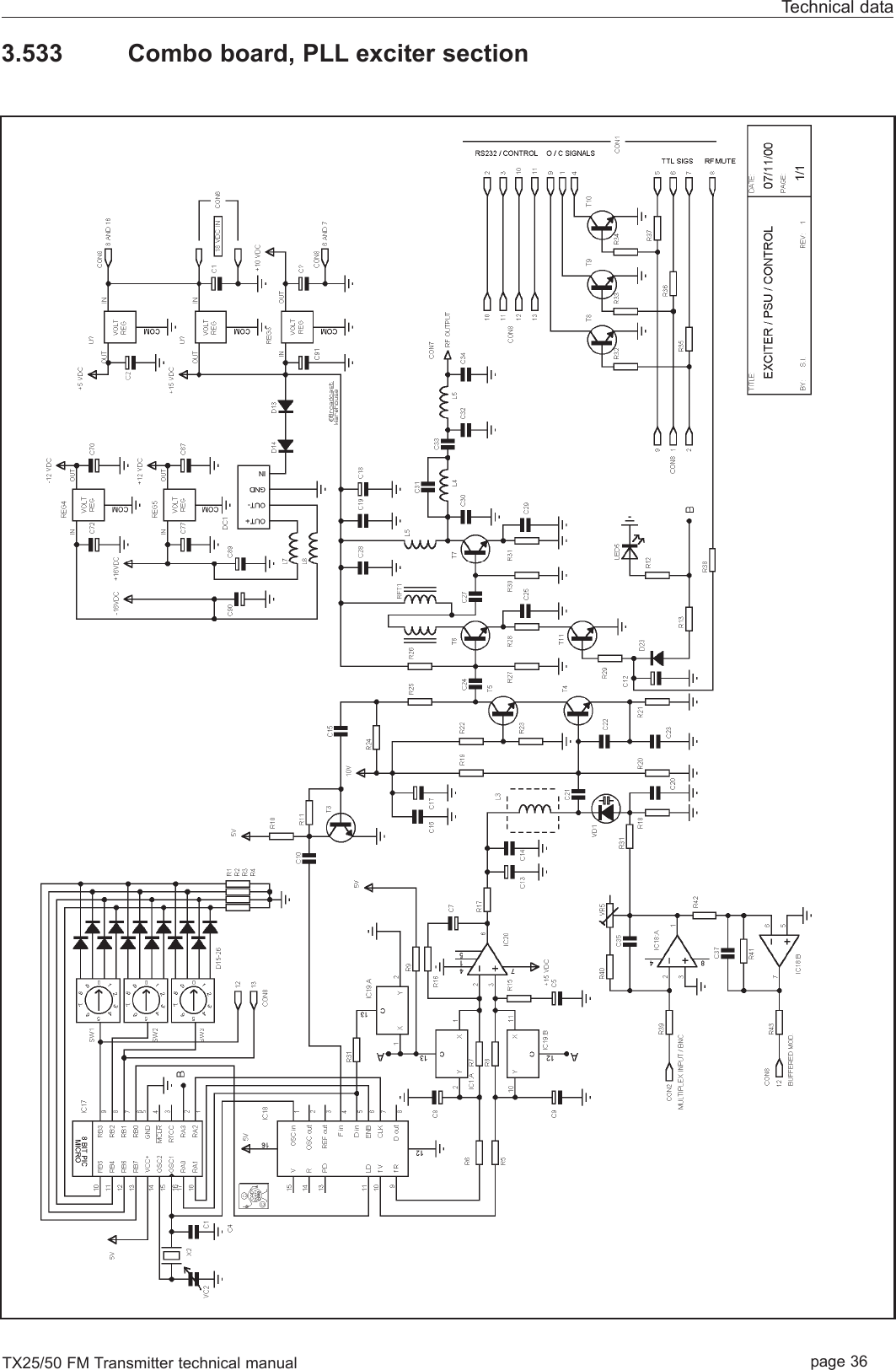
TX25/50 FM Transmitter technical manual page 27Technical dataallel with R4(R33) . This has the effect of a more “commercial loud sound” when in loud mode compared to amore true to the original sound when in clarity mode due to less clipping taking place. VR3(VR4) is connectedacross the inputs of the transconductance amplifier and provide offset adjustment to null any distortions intro-duced by offsets inherent in the op-ampsStereo encoder descriptionThe stereo encoder section is based around a high speed switch which is used to generate the multiplex at38KHz. The switch is controlled by microcontroller IC13 which supplies the timing signals to the switch at 304KHz.The high speed enables an over-sampled 38KHz subcarrier to be generated that is rock steady and spectrallyclean. As the signal is generated digitally no adjustments or setups are required for the encoder. The only adjust-ments on the encoder section are the stereo/mono control and the level of the stereo subcarrier. The 19KHz pilottone is also generated by the microcontroller and because of this the stereo separation is excellent due to the per-fect timing between the pilot and the subcarrier. The 19KHz pilot is also generated by over-sampling techniques toproduce a very low distortion pilot tone. The audio path through the encoder starts at 15KHz brickwall filter FIL1(FIL2). These provide over 40 db of pro-tection by 17 KHz, 50 dB by 20 KHz  as well as a notch at 19KHz to protect the pilot signal even further. the out-put from the filters are buffered by op-amp IC10(IC11). These buffer op-amps can also be used as clippers, whichcan be used to remove any overshoots introduced by ringing in the 15KHz filters. The buffer op-amps drive intothe analogue switches. The switches are controlled by the microcontroller IC17 and the output from the switchesfeed into three resistors R100,101,102 to provide a d/a type function producing the multiplex signal. The resistorsare carefully chosen to provide sine weighting for the reconstruction, which keeps the lower order harmonic con-tent down to almost zero. These three resistors are combined in virtual earth mixer op-amp IC14. The stereo pilottone emerges from the microcontroller as a 4 bit word which has sine weighting applied to it by resistors R93 toR98.  At this point, apart from 19KHz, the pilot has no significant energy below 304 KHz . The pilot is fed throughVR4 for adjustment of the pilot level before being combined with the sucarrier at the virtual earth mixer op-ampIC14. The complete stereo multiplex signal emerges from IC14 and is fed into a low-pass filter formed by L1,L2and C78 to C84. This filter removes any high frequency products due to the sample rate. The filter is buffered byoutput op-amp IC15 which also provides a fixed output level of +6dbu, which is fed to the multiplex output BNCsocket on the back panel, as well as to one side of the loopthrough jumper J1.Exciter descriptionThe frequency determining elements are inductor L3 and varicap diode VD1 together with capacitors C20 - C23.These components, together with transistors T4 and T5,  form a cascode oscillator  whose output is then bufferedby RF transistor T6. The RF output from T6 is impedance matched to the base of P.A. transistor T7  by RFT1, a 4to 1 matching transformer. The one watt power output from P.A. transistor T7 is impedance matched by coils L4and L5 and associated capacitors C30-34 to the 50 ohm output socket CON7. These components also provideharmonic filtering. A coaxial cable carries the RF output from this socket to the RF input connector on the mainpower amplifier PCB.The PLL circuit is primarily IC18 which is a serially programmable PLL chip. The microcontroller IC17 reads thedial switches at  power up and outputs a serial code to the PLL chip in a format that determines the output fre-quency that the PLL will lock the transmitter to. If the microcontroller IC17 detects that the switches are set to4440 then the microcontroller IC17 will talk to the microcontroller on the control / LCD board to request the LCDdisplay control system stored frequency.  The PLL chip delivers raw control pulses to the loop filter built aroundop-amp IC20. The loop filter is a low-pass filter that takes the raw rectangular differential outputs from the PLLchip and creates a DC voltage to apply to the frequency determining component, varicap diode VD1. The maintime constant in the loop filter is formed by resistor R7 driving C7 and R5 driving C5.  The high resistance of R5and R7 allows slow charging of C5 and C7 from the PLL chip. The DC voltage derived from the output of the op-amp will be slow to change in response to the raw PLL pulses due to the slow charging of those capacitors. Thisslow DC voltage change is converted to slow frequency change by the varicap diode. IC19 is an analogue switchthat shorts out the two high resistance resistors in the loop filter to allow faster charging of C5 and C7, and so, afaster change of the output DC voltage from the filter. This faster changing voltage can allow the transmitter to geton frequency faster. When the transmitter is on frequency the analogue switch stops shorting out the high resist-ance resistors and the slow loop takes control, which greatly improves the audio response of  the transmitter. Themicrocontroller IC17 determines when to switch the analog switch in and out by reading the lock detect signalsfrom the PLL chip. The microcontroller can also use this information to switch off transistor T6 with open collectorconfigured T11 which mutes the RF output when the transmitter is out of lock. LED5 provides visual indication of
TX25/50 FM Transmitter technical manual page 28Technical datathe PLL locked condition. The front panel control system will also display the locked condition when in the fre-quency display screen.Audio is fed into the modulation input of the exciter from external multiplex input connector CON2 which is a BNCtype or from the internal stereo encoder section by having jumper J1 set to loopthrough. The modulation level canbe adjusted from the back panel by the adjustment of variable resistor VR5 which is in the feedback loop of op-amp IC16. The output of the op-amp feeds the modulation element, varicap diode VD1, via potential divider  R31and R18.CON8 provides an interface to the control / LCD board. This ribbon cable interface provides connections for thealarm signals to the back panel D-type from the microcontroller on the LCD board together with connections forthe modulation, the limiter gain reduction level and a serial interface which provides frequency and status informa-tion between the PLL microcontroller on the combo board and the main system microcontroller on the LCD board. POWER AMPLIFIER BOARDThe RF signal from the exciter section of the combo board arrives at the MCX RF input connector CON1 via acoaxial cable. From here the 50 ohm input impedance is matched to the gate of the FET transistor T1 by theimpedance matching network formed by C2/L1 and C3, C4 and L2. R27 and C5 form a zobel network to aid sta-blity. R1, R2 and VR2 provide bias control to the gate of T1 derived from the 18 volt output of REG1. This regula-tor is powered from the 24 Volt line of the AUX power supply module.C6 and C7 provide decoupling for the regu-lator. The value of R2 is selected on test to restrict the bias volts from VR2 .L3 feeds the varying supply to T1’sdrain with the ferrite bead (damped by a low value parallel resistor) rf choke. The DC power applied to the drain ofT1 comes from the main adjustable power supply module which can control the RF power output by having it’soutput voltage adjusted over approx 1 to 28 volt range.The RF output side of L4 and its network of series and shunt capactiors, consisting of C18-21 provide impedancematching to the input of the elliptical low pass filter C23-30 and L5 to 7.These components reduce the level of any harmonic products generated by the power amplifier. The output of thelow pass filter feeds into the VSWR sensor which generates our forward and reverse RF power measurements formetering and for VSWR fault  protection and alarms. The RF line passes through ferrite ring RFT1. This ring has14 turns of wire as a secondary winding.IC2 and associated resistors buffer the sensors outputs and provide a level suitable for the control / LCD boardsmicrocontroller and protection circuitry.The RF output sniff for the front panel is formed by a potential divider from the RF output line. This potentialdivider is formed by resistors R15 and R16. A coaxial cable connects the potentially divided RF output to the frontpanel.A temperature sensor circuit is located close to the main RF transistor T1. This temperature sensor is mountedinto the heatsink and consists of the sensor itself TS1 which is located under the board and an op-amp circuit forlevel adjustment. The op-amp IC1 converts the output signal from the sensor itself to a level more suitable for themicrocontroller and protection circuitry on the Control / LCD board.CON3 connection block provides an interface to the board for the power connections from the two power supplymodules. CON5 provides an interface to the LCD control board. This connector carrys readings for the forwardand reverse power,  temperature, PA voltage, 18 volts from the regulator off the AUX power line to power theLCD control board and the combo board,  and last but not least the PA power modules control line which controlsit’s output voltage. This control signal is derived from the LCD / control board and is wired through the poweramplifier PCB and out through CON3 to the power supply module.LCD CONTROL BOARDThe LCD control board is the heart of the transmitter. The board contains an eight bit microcontroller, LCD display,a voltage regulator and a dual op-amp together with a few passive components.
TX25/50 FM Transmitter technical manual page 29Technical dataCON1 provides a 10 way interface to the power amplifier board and its sensors. Some of the connections ofCON1 are routed around to the power supply modules. CON2 provides a 16 way interface to the combo boardproviding power to the combo board as well as routing signals to the back panel D-type socket for alarms/RS232and returning modulation and limiter gain reduction signals to the main microcontroller.The voltage regulator REG1 and decoupling capacitors C1 and C2 takes the 18 volt auxillary supply from CON1and regulate it down to 5 volts for the microcontroller and LCD circuitry. The microcontroller is a 40 pin 8 bit typerunning at 8 MHz. The microcontroller has several ports that have various functions and connect to external com-ponents.PORTA (6 bits) is primarily used for the analogue voltage inputs. Bit 0 is the limiter gain reduction, Bit 1 the modu-lation, Bit 2 the AUX volts and Bit 3 the Fwd RF power. Bit 4 is not used and bit 5 of PORTA has a control con-nection to the LCD display. PORTB (8 bits) has a few different functions. Bits 7,6 and 3 of the port are the alarm signal outputs and are rout-ed off via CON2 to the D-type on the back of the combo board. Bit's 5,4 and 2 are connected to the front panelbuttons to allow navigation of the LCD functions. Bits 1 and 0 provide a 2 wire interface to the PLL microcontrolleron the combo board. PORTC (8 bits) bits 0 and 1 are used to write information to the LCD display. Bit 2 is the pulse width modulatoroutput (PWM) and connects into unity gain DC amplifier op-amp IC2A. The voltage generated by the PWM is setby the software in the microcontroller. This PWM level is then fed through potentiometer VR2 and smoothed byC13 before being buffered by the aforementioned op-amp. PORTC bits 3-5 are not used. Bit’s 6 and 7 of PORTCare used by the UART inside the microcontroller. These pins are RXD and TXD for the RS232 interface. They arerouted via Con2 to the back panel D-type. PORTD's 8 bit's are interfaced to the 8 bit data bus of the LCD display. The data byte on PORTD can be latchedinto the LCD display by the LCD control bits on PORTC. PORTE (3 bits) has the remaining A/D inputs. Bit 0 is the PA volts, Bit 1 is the Rev RF power and bit 2 is for thePA temperature.The Microcontrollers software reads all the analogue voltages, converts and displays them where neccessary andoutputs alarm signals in the event of a transmitter error.There are various passive components associated with IC1. Each A/D port has input current limiting resistors R1-11 and decoupling capacitors C5-11. X1, C1 and C2 provide the 8 MHz signal for the clock of the microcontroller.R12 and R13 provide pull downs for correct operation of the inter processor communications channel. C12 pro-vides supply decoupling for the microcontroller and VR1 sets the contrast of the LCD display.IC2 is a dual op-amp whose purpose is to control the output power of the transmitter. Side a of the op-amp is con-figured as a unity gain buffer for the PWM and was described previously. VR2 provides an adjustable DC level toside B of the op-amp. Side B is configured as a DC amplifier with the gain set by R17, R18, R19, R20 and R25.The larger the DC signal provided by side A and the larger the DC signal at the output of Side B. This DC signalis used to turn down the output of the Power amplifiers power supply and with it the RF power output level.LED3 and R20 provide a connection from the reverse rf power sensor into the input the non inverting input of sideB of the op-amp. LED3 only allows DC through above a certain level. Any DC above this level will increase theoutput voltage from the op-amp and the RF power level will decrease. This forms the VSWR protection for thetransmitter. LED1 and LED2 also provide the same function but with the DC level this time being supplied by thetemperature sensor on the PA board. Too high a temperature will cause the DC level to exceed the turn on pointof the two diodes and voltage will once again turn up the op-amps voltage and turn down the RF power levelwhich should lower the temperature of the transmitter. The output from side B is fed to the switched mode powersupply of the power amplifier via R21 and CON1. R22 and C15 provide supply decoupling for the op-amp.C14,15,16,17,18 provide further decoupling and feedback for the power control feedback loop formed around sideB of the op-amp.
TX25/50 FM Transmitter technical manual page 30Technical data3.3 BLOCK DIAGRAM
TX25/50 FM Transmitter technical manual page 31Technical dataCombo boardPA boardLCD board3.4 WIRING AND INTERNAL OVERVIEWWiring detailsW1 yellow / green 16 / 0..2W2 blue 24 / 0.2W3 brown 24 / 0.2W4 red 24 /0.2 tri-ratedW5 yellow 24 / 0.2W6 black 24 / 0.2 tri ratedW7 black 24 / 0.2W8 red 24 / 0.2FILTERED IEC MAINS SOCKETRF & MOD MON BNC’SRG316 -’N’ BLKHD16 WY RIBBON10 WY RIBBONRG316 MCX-MCX15 WY ‘D’ TYPEBNC BNCXLRXLRW5W4W6W2W1W6W1W1W7W8W4W3W2 W3W4W6W5W7W8
TX25/50 FM Transmitter technical manual page 32Technical data3.51 LCD control board
TX25/50 FM Transmitter technical manual page 33Technical data3.52 Power amplifier board
TX25/50 FM Transmitter technical manual page 34Technical data3.531Combo board, limiter section
TX25/50 FM Transmitter technical manual page 35Technical data3.532 Combo board, stereo encoder section
TX25/50 FM Transmitter technical manual page 36Technical data3.533 Combo board, PLL exciter section
TX25/50 FM Transmitter technical manual page 37Technical data3.6 PARTS LIST3.61 LCD control boardRESISTORSR1 33K 1/8 Watt Carbon FilmR2 33K 1/8 Watt Carbon FilmR3 820R 1/8 Watt Carbon FilmR4 390R 1/8 Watt Carbon FilmR5 390R 1/8 Watt Carbon FilmR6 10K 1/8 Watt Carbon FilmR7 820R 1/8 Watt Carbon FilmR8 820R 1/8 Watt Carbon FilmR9 820R 1/8 Watt Carbon FilmR10 820R 1/8 Watt Carbon FilmR11 820R 1/8 Watt Carbon FilmR12 1K8` 1/8 Watt Carbon FilmR13 1K8 1/8 Watt Carbon FilmR14 1K8 1/8 Watt Carbon FilmR15 100R 1/8 Watt Carbon FilmR16 33K 1/8 Watt Carbon FilmR17 620R 1/8 Watt Carbon FilmR18 100R 1/8 Watt Carbon FilmR19 100K 1/8 Watt Carbon FilmR20 100R 1/8 Watt Carbon FilmR21 4K7 1/8 Watt Carbon FilmR22 100R 1/8 Watt Carbon FilmR23 10K 1/8 Watt Carbon FilmR24 10K 1/8 Watt Carbon FilmR25 - not fittedR26 - not fittedCAPACITORSC1 47U Miniature Radial ElectrolyticC2 47U Miniature Radial ElectrolyticC3 33PF Ceramic Plate 2.5 pitch (680)C4 33PF Ceramic Plate 2.5 pitch (680)C5-11 560PF Ceramic Plate 2.5 pitch (680)C12 100N Monolithic Ceramic 2.5 pitchC13 2U2 Miniature Radial ElectrolyticC14 560PF Ceramic Plate 2.5 pitch (680)C15 100N Monolithic Ceramic 2.5 pitchC16 560PF Ceramic Plate 2.5 pitch (680)C17 560PF Ceramic Plate 2.5 pitch (680)C18 2U2 Miniature Radial ElectrolyticMISCVR1 5K 5mm MiniPotVR2 100K 5mm MiniPotD1 - LINKED ON PCBD2 - WIRE LINKLED1 1N4148 400mW Glass AxialLED2 GREEN 3MM GREEN LEDLED3 RED 3MM RED LEDX1 8MHZ HC49/U microprocessor crystalREG1 7805 TO220 1A 5 V regulatorIC1 PIC16F877 40 pin 8 Bit micro ControllerIC2 CA3240 op-ampT1 TIP32A PNP TransistorSW1-3 BUTTONS Blue buttonsCON1 10W IDC IDC boxed headerCON2 16W IDC IDC boxed headerLCD1 122x32 NAN YA LMD62S042JM3.62 Power amplifier boardRESISTORSR1 3K3 1/4 Watt Metal OxideR2 S.O.T 1/4 Watt Metal OxideR3 - NOT FITTEDR4 3K3 1/4 Watt Metal OxideR5 13K 1/4 Watt Metal OxideR6 10K 1/4 Watt Metal OxideR7 10K 1/4 Watt Metal OxideR8 18K 1/4 Watt Metal OxideR9 18K 1/4 Watt Metal OxideR10 75R 1/4 Watt Metal OxideR11 560R 3 WattR12 3R3 2 WattR13 6K8 1/4 Watt Metal OxideR14 560R 1/4 Watt Metal OxideR15 150R 1 WattR16 150R 1 WattR17 51R 1/4 Watt Metal OxideR18 - NOT FITTEDR19 10R 1/4 Watt Metal OxideR20 820R 1/4 Watt Metal OxideR21 820R 1/4 Watt Metal OxideR22 470R 1/4 Watt Metal OxideR23 10K 1/4 Watt Metal OxideR24 10K 1/4 Watt Metal OxideR25 10K 1/4 Watt Metal OxideR26 - NOT FITTEDR20 820R 1/4 Watt Metal OxideR21 820R 1/4 Watt Metal OxideR22 470R 1/4 Watt Metal Oxide R23 10K 1/4 Watt Metal OxideR24 470R 1/4 Watt Metal OxideR25 10K 1/4 Watt Metal OxideR26 12R 1/4 Watt Metal OxideR27 12R 1/4 Watt Metal OxideR28 - NOT FITTEDR29 330R 1/4 Watt Metal OxideR30 470R 1/4 Watt Metal OxideR31 10K 1/4 Watt Metal OxideR32 470R 1/4 Watt Metal OxideR33 1K 1/4 Watt Metal OxideR34 1K 1/4 Watt Metal OxideR35 39R SMD 2512VR1 10K potVR2 1K potVR3 1K potCAPACITORSC1 470PF 5mm pitchC2 47PF Disc Ceramic 2.5mm pitchC3 120PF Disc Ceramic 2.5mm pitchC4 100PF Disc Ceramic 2.5mm pitchC5 10N Disc Ceramic 2.5mm pitchC6 0.1U Min PolyesterC7 330PF Disc Ceramic 2.5mm pitchC8 22U Electrolytic 63V RadialC9 22U Electrolytic 63V RadialC10 10N Disc Ceramic 2.5mm pitchC11 100U Electrolytic 63V Radial
TX25/50 FM Transmitter technical manual page 38Technical dataC12 100U Electrolytic 63V RadialC13 10N Disc Ceramic 2.5mm pitchC14 10N Disc Ceramic 2.5mm pitchC15 10N Disc Ceramic 2.5mm pitchC16 2N2 SMDC17 2N2 SMDC18 47PF Disc Ceramic 2.5mm pitchC19 47PF Disc Ceramic 2.5mm pitchC20 47PF Disc Ceramic 2.5mm pitchC21 39PF Minature low K 2.5mm pitchC22 - NOT FITTEDC23 47PF Disc Ceramic 2.5mm pitchC24 39PF Minature low K 2.5mm pitchC25 8P2 Ceramic 2.5 pitchC26 18P Minature low K 2.5mm pitchC27 22P Disc Ceramic 2.5mm pitchC28 12P Minature low K 2.5mm pitchC29 22P Disc Ceramic 2.5mm pitchC30 3.3P Disc Ceramic 2.5mm pitchC31 1N High VoltageC32 100U Electrolytic 63V RadialC33 100U Electrolytic 63V RadialC34 10N Disc Ceramic 2.5mm pitchC35 10N Disc Ceramic 2.5mm pitchC36 10N Disc Ceramic 2.5mm pitchC37 10N Disc Ceramic 2.5mm pitchC38 10N Disc Ceramic 2.5mm pitchC39 10N Disc Ceramic 2.5mm pitchC40 10N Disc Ceramic 2.5mm pitchINDUCTORSL1 4 TURN COIL 0.9mm silvered copper wireL2 2 TURN COIL 0.9mm silvered copper wireL3 COIL S18 Orange TokoL4 2 TURN COIL 18 Gauge silvered copper wireL5 2 TURN COIL 18 Gauge silvered copper wireL6 COIL S18 Red TokoL7 COIL S18 Red TokoL8 FB Axial Ferrite beadMISCREG1 7818 18 V 1A RegulatorIC1 CA3240 op-ampIC2 CA3240 op-ampT1 SRFE1130P RF Power TransistorD1 BAT42 Rectifier DiodeD2 BAT42 Rectifier DiodeTS1 LM335Z Temperature sensorCON1 PCB MCX MCX connectorCON2 PCB MCX MCX connectorCON3 5Term 5 Way Screwless TerminalCON4 4Term 4 Way Screwless TerminalCON5 10Way IDC Box Header 90 degreeRFT1 RFT VSWR Coupler Toroid3.63 Combo boardCAPACITORSC1 2.2 uF 16V Miniature Radial ElectrolyticC2 2.2 uF 16V Miniature Radial ElectrolyticC3 100n Y5V Monolithic Ceramic 2.5 pitchC4 39pF  Ceramic Plate 2.5 pitch (680)C5 2.2 uF 16V Miniature Radial ElectrolyticC6 470uF 16V Radial Electrolytic C7 470uF 16V Radial Electrolytic C8 2.2 uF 16V Miniature Radial ElectrolyticC9 2.2 uF 16V Miniature Radial ElectrolyticC10 82pF Ceramic Plate 2.5 pitch (680)C11 100n Y5V Monolithic Ceramic 2.5 pitchC12 100uF 16V Monolithic Ceramic 2.5 pitchC13 2.2 uF 16V Miniature Radial ElectrolyticC14 100n Y5V Monolithic Ceramic 2.5 pitchC15 82pF Ceramic Plate 2.5 pitch (680)C16 100n Y5V Monolithic Ceramic 2.5 pitchC17 100uF 16V Radial ElectrolyticC18 100uF 16V Radial ElectrolyticC19 1n Gen. Pur. Ceramic Disc 2.5 pitchC20 220pF Ceramic Plate 2.5 pitch (680)C21 4p7 Ceramic Plate 2.5 pitch (680)C22 27pF Ceramic Plate 2.5 pitch (680)C23 56pF Ceramic Plate 2.5 pitch (680)C24 82pF Ceramic Plate 2.5 pitch (680)C25 1n Gen. Pur. Ceramic Disc 2.5 pitchC26 100n Y5V Monolithic Ceramic 2.5 pitchC27 82pF Ceramic Plate 2.5 pitch (680)C28 100n Y5V Monolithic Ceramic 2.5 pitchC29 100n Y5V Monolithic Ceramic 2.5 pitchC30 27pF Ceramic Plate 2.5 pitch (680)C31 12pF Ceramic Plate 2.5 pitch (680)C32 56pF Ceramic Plate 2.5 pitch (680)C33 1n Gen. Pur. Ceramic Disc 2.5 pitchC34 33pF Ceramic Plate 2.5 pitch (680)C35 Not UsedC36 100n Y5V Monolithic Ceramic 2.5 pitchC37 Not UsedC38 47pF Ceramic Plate 2.5 pitch (680)C39 47pF Ceramic Plate 2.5 pitch (680)C40 100n Y5V Monolithic Ceramic 2.5 pitchC41 100n Y5V Monolithic Ceramic 2.5 pitchC42 47pF Ceramic Plate 2.5 pitch (680)C43 47pF Ceramic Plate 2.5 pitch (680)C44 100n Y5V Monolithic Ceramic 2.5 pitchC45 4n7 Polycarbonate 5mm PitchC46 6n8 Polycarbonate 5mm PitchC47 6n8 Polycarbonate 5mm PitchC48 4n7 Polycarbonate 5mm PitchC49 27pF Ceramic Plate 2.5 pitch (680)C50 47pF Ceramic Plate 2.5 pitch (680)C51 100n Y5V Monolithic Ceramic 2.5 pitchC52 47pF Ceramic Plate 2.5 pitch (680)C53 27pF Ceramic Plate 2.5 pitch (680)C54 47uF 16V Miniature Radial ElectrolyticC55 10uF 16v Miniature Radial ElectrolyticC56 47pF Ceramic Plate 2.5 pitch (680)C57 47uF 16V Miniature Radial ElectrolyticC58 27pF Ceramic Plate 2.5 pitch (680)C59 27pF Ceramic Plate 2.5 pitch (680)C60 100n Y5V Monolithic Ceramic 2.5 pitchC61 100n Y5V Monolithic Ceramic 2.5 pitchC62 47uF 16V Miniature Radial ElectrolyticC63 47uF 16V Miniature Radial ElectrolyticC64 330pF Ceramic Plate 2.5 pitch (680)C65 330pF Ceramic Plate 2.5 pitch (680)C66 100n Y5V Monolithic Ceramic 2.5 pitchC67 47uF 16 Miniature Radial ElectrolyticC68 100n Y5V Monolithic Ceramic 2.5 pitchC69 100n Y5V Monolithic Ceramic 2.5 pitchC70 47uF 16V Miniature Radial ElectrolyticC71 100n Y5V Monolithic Ceramic 2.5  pitch
TX25/50 FM Transmitter technical manual page 39Technical dataC72 2.2uF 16V Miniature Radial ElectrolyticC73 39pF Ceramic Plate 2.5 pitch (680)C74 2.2uF 16V Miniature Radial ElectrolyticC75 12pF Ceramic Plate 2.5 pitch (680)C76 100n Y5V Monolithic Ceramic 2.5  pitchC77 2.2uF 16V Miniature Radial ElectrolyticC78 330pF Ceramic Plate 2.5 pitch (680)C79 100n Y5V Monolithic Ceramic 2.5 pitchC80 100pF Ceramic Plate 2.5 pitch (680)C81 330pF Ceramic Plate 2.5 pitch (680)C82 330pF Ceramic Plate 2.5 pitch (680)C83 - Not Used C84 330pF Ceramic Plate 2.5 pitch (680)C85 100n Y5V Monolithic Ceramic 2.5  pitchC86 12pF Ceramic Plate 2.5 pitch (680)C87 100n Y5V Monolithic Ceramic 2.5  pitchC88 47uF 16V Miniature Radial ElectrolyticC89 470uf 16V Radial Electrolytic C90 470uf 16V Radial Electrolytic C91 2.2uF 16V Miniature Radial ElectrolyticC92 100n Y5V Monolithic Ceramic 2.5 pitchC93 10uF 35V Miniature Radial ElectrolyticC94 39pFVC1 5-65pF Variable capacitor MISCIC1 TL071 Low noise Op-AmpIC2-3 TL072 Low noise Dual Op-AmpIC4 TL071 Low noise Op-AmpIC5 LM13600 Transconductance AmplifierIC6-7 TL072 Low noise Dual Op-AmpIC8-9 TL072 Low noise Op-AmpIC10-11 TL071 Low noise Op-AmpIC12 DG201-HS Analog SwitchIC13 16C620A-04P 8 Bit MicrocontrollerIC14 TL071 Low noise Op-AmpIC15 TL071 Low noise Op-AmpIC16 TL072 Low noise Op-AmpIC17 PIC16CE623-20P8 Bit MicrocontrollerIC18 MC145170-P PLL synth. ChipIC19 4066 Analog SwitchIC20 LF351 Bi-Fet op-ampT1-2 BC327 PNP General PurposeT3-6 MPHS10 High Speed SwitchingT7 2N4427 High Speed SwitchingT8-10 BC337 NPN General PurposeT11 MPSH10 High Speed SwitchingJ1-12 3 PIN  3 Pin Jumper HeaderFIL1-2 5085 15KHz Block FiltersX1 4.864MHz HC49 Microprocessor crystalX2 8.000MHz HC49 Microprocessor crystalDC1 NMH1215S Newport 2W dual output DC convertorRFT1 4 to 1 Tx 4 Turns Blue / Yellow Ferrite/Ring)SW1-4 DEC ROTA. Decimal Rotary PCB switchesFB FB Axial Ferrite BeadHEATS. TO5 SINK Push On T05 Heatsink8 PIN 8PIN 8 Pin IC Holders X 1414 PIN 14 PIN 14 Pin IC Holders X 116 PIN 16 PIN 16 Pin IC Holders X 318 PIN 18 PIN 18 Pin IC Holders X 2INDUCTORSL1 3.9mH 10RB Radial InductorL2 4.7mH 10RB Radial InductorL3 MC120 075 Screened Variable InductorL4 S18 2.5T Moulded Variable InductorL5 S18 3.5T Moulded Variable InductorL6 .15uH Axial InductorL7-8 220uH Axial InductorRESISTORSR1 10K 1/8 Watt Carbon FilmR2 10K 1/8 Watt Carbon FilmR3 10K 1/8 Watt Carbon FilmR4 10K 1/8 Watt Carbon FilmR5 10K 1/8 Watt Carbon FilmR6 10K 1/8 Watt Carbon FilmR7 330K 1/8 Watt Carbon FilmR8 330K 1/8 Watt Carbon FilmR9 10K 1/8 Watt Carbon FilmR10 470R 1/8 Watt Carbon FilmR11 33K 1/8 Watt Carbon FilmR12 1K2 1/8 Watt Carbon FilmR13 1K2 1/8 Watt Carbon FilmR14 330K 1/8 Watt Carbon FilmR15 330R 1/8 Watt Carbon FilmR16 330R 1/8 Watt Carbon FilmR17 1K2 1/8 Watt Carbon FilmR18 100R 1/4 Watt Metal OxideR19 12K 1/8 Watt Carbon FilmR20 4K7 1/8 Watt Carbon Film R21 220R 1/8 Watt Carbon Film R22 1K2 1/8 Watt Carbon Film R23 1K2 1/8 Watt Carbon Film R24 68R 1/8 Watt Carbon Film R25 180R 1/8 Watt Carbon Film R26 4K7 1/8 Watt Carbon Film R27 470R 1/8 Watt Carbon Film R28 10R 1/8 Watt Carbon Film R29 4K7 1/8 Watt Carbon Film R30 220R 1/8 Watt Carbon Film R31 2R2 1/8 Watt Carbon Film R32 1K2 1/8 Watt Carbon Film R33 1K2 1/8 Watt Carbon Film R34 1K2 1/8 Watt Carbon Film R35 1K2 1/8 Watt Carbon Film R36 1K2 1/8 Watt Carbon Film R37 1K2 1/8 Watt Carbon Film R38 10R 1/8 Watt Carbon Film R39 2K2 1/4 Watt Metal OxideR40 1K 1/4 Watt Metal OxideR41 560R 1/4 Watt Metal OxideR42 820R 1/4 Watt Metal OxideR43 75R 1/4 Watt Metal OxideR44 12K 1/4 Watt Metal OxideR45 1K 1/4 Watt Metal OxideR46 36K 1/4 Watt Metal OxideR47 7K5 1/4 Watt Metal OxideR48 24K 1/4 Watt Metal OxideR49 24K 1/4 Watt Metal OxideR50 470R 1/4 Watt Metal OxideR51 1K 1/4 Watt Metal OxideR52 3K3 1/4 Watt Metal OxideR53 100K 1/4 Watt Metal OxideR54 12K 1/4 Watt Metal OxideR55 24K 1/4 Watt Metal OxideR56 24K 1/4 Watt Metal OxideR57 200R 1/4 Watt Metal OxideR58 24K 1/4 Watt Metal OxideR59 3K3 1/4 Watt Metal OxideR60 12K 1/4 Watt Metal OxideR61 7K5 1/4 Watt Metal OxideR62 7K5 1/4 Watt Metal Oxide
TX25/50 FM Transmitter technical manual page 40Technical dataR63 16K 1/4 Watt Metal OxideR64 16K 1/4 Watt Metal OxideR65 1K 1/4 Watt Metal OxideR66 12K 1/4 Watt Metal OxideR67 36K 1/4 Watt Metal OxideR68 7K5 1/4 Watt Metal OxideR69 100K 1/4 Watt Metal OxideR70 3K3 1/4 Watt Metal OxideR71 1K 1/4 Watt Metal OxideR72 470R 1/4 Watt Metal OxideR73 24K 1/4 Watt Metal OxideR74 24K 1/4 Watt Metal OxideR75 24K 1/4 Watt Metal OxideR76 12K 1/4 Watt Metal OxideR77 24K 1/4 Watt Metal OxideR78 200R 1/4 Watt Metal OxideR79 12K 1/4 Watt Metal OxideR80 470K 1/4 Watt Metal OxideR81 470K 1/4 Watt Metal OxideR82 3K3 1/4 Watt Metal OxideR83 6k8 1/4 Watt Metal OxideR84 10R 1/4 Watt Metal OxideR85 470R 1/4 Watt Metal OxideR86 12K 1/4 Watt Metal OxideR87 3K3 1/4 Watt Metal OxideR88 6K8 1/4 Watt Metal OxideR89 10R 1/4 Watt Metal OxideR90 5K6 1/4 Watt Metal OxideR91 12K 1/4 Watt Metal Oxide R92 47K 1/4 Watt Metal Oxide R93 120K 1/4 Watt Metal Oxide R94 1K 1/4 Watt Metal Oxide R95 4K3 1/4 Watt Metal Oxide R96 12K 1/4 Watt Metal Oxide R97 3K3 1/4 Watt Metal Oxide R98 1K 1/4 Watt Metal Oxide R99 6K8 1/4 Watt Metal Oxide R100 1M 1/4 Watt Metal Oxide R101 10K 1/4 Watt Metal Oxide R102 24K 1/4 Watt Metal Oxide R103 5K1 1/4 Watt Metal Oxide R104 5K3 1/4 Watt Metal Oxide R105 100R 1/4 Watt Metal Oxide R106 3K6 1/4 Watt Metal Oxide R107 11K 1/4 Watt Metal Oxide R108 75R 1/4 Watt Metal Oxide R109 10K 1/4 Watt Metal Oxide R110 10K 1/4 Watt Metal Oxide R111 SOR SORT ON TESTR112 10K 1/4 Watt Metal Oxide R113 10K 1/4 Watt Metal Oxide R114 10K 1/4 Watt Metal Oxide R115 10K 1/4 Watt Metal Oxide R116 10K 1/4 Watt Metal Oxide R117 10K 1/4 Watt Metal Oxide R118 10K 1/4 Watt Metal Oxide R119 10K 1/4 Watt Metal Oxide R120 10R 1/4 Watt Metal Oxide R121 75R 1/4 Watt Metal Oxide VR1-2 10K Horizontal MultiturnVR3-4 1K Vertical MultiturnVR5 10K Horizontal MultiturnVR6 10K Horizontal 5MM PitchDIODESD1-12 1N4148 Glass axial general purpose DiodeD13 1N4001 Axial 1 amp silicon rectifier diodeD14 4R7 4R7 OHM RESISTORD15-30 1N4148 Glass axial general purpose DiodeVD1 BB809 VHF varicap DiodeLED1-4 GREEN BI Bi directional 5mm Green LEDLED5 RED 5mm Standard RED LEDREG1 7815 1 A TO220 15 V Linear RegREG2 7805 1 A TO220 5 V Linear RegREG3 78L10 100 mA TO92 10 V Linear RegREG4 79L12 100 mA TO92 -12 V Linear RegREG5 78L12 100 mA TO92 +12 V Linear RegCON 1 15 WAY D Right Angled Female 15 D PCB CON 2-3R/A BNC Right Angled PCB BNC CON 4-5R/A XLR Right Angled XLR CON6 2 TERM 2 Way Screwless TerminalCON7 R/A RCA Pcb mount RCA SocketCON8 IDC HEAD 10 or 16 way IDC straight headerCON9 2 TERM 2 Way Screwless Terminal

Navigation menu