Brunswick Bowling and Billiards 57-863756-400 Brunswick Sync Tablet User Manual DVB T indd

Brunswick Bowling & Billiards Corporation Brunswick Sync Tablet DVB T indd

User manual

OPERATION MANUALBRUNSWICK 10.4 SYNC TABLET57-863756
3IMPORTANT SAFETY INSTRUCTIONS CAUTION: Any changes or modifi cations to this equipment could void the product    warranty. DANGER: To reduce the risk of electrical shock, always unplug this Brunswick  product     before cleaning or attempting any maintenance activity. WARNING: To reduce the risk of burns, fi re, electric shock, or injury, it is imperative to        connect each product to a properly grounded electrical outlet. WARNING: To prevent injury, this product must be securely attached in accordance with   the installation instructions. Never operate a Brunswick product if it has a damaged power cord or electrical plug, or if it has been dropped, damaged, or even partially immersed in water. If this occurs, contact Brun-swick Customer Support Services. Position this product so that the AC power cord plug is accessible to the user. Keep the power cord away from heated surfaces. Do not pull the equipment by the power cord or use the cord as a handle. If the electrical supply cord is damaged, it must be replaced by the manufacturer, an authorized service agent, or a similarly qualifi ed person to avoid a hazard. Always follow the product instructions for proper operation. Never insert objects into any opening of the Brunswick product. If an object should drop in-side, unplug this Brunswick product and carefully retrieve it while the unit is not in use. If the object cannot be reached, contact Life Fitness Customer Support Services. Do not use this product outdoors, near swimming pools or in areas of high humidity. Do not expose this product to dripping or splashing liquids. If the product should be exposed to liquid, contact Brunswick Customer Support Services. Never operate a Brunswick product with the air openings blocked. Keep air openings free of lint, hair, or any obstructing material. Use this product only for its intended use as described in this manual. Do not use attachments that have not been recommended by the manufacturer.SAVE THESE INSTRUCTIONS FOR FUTURE REFERENCE.
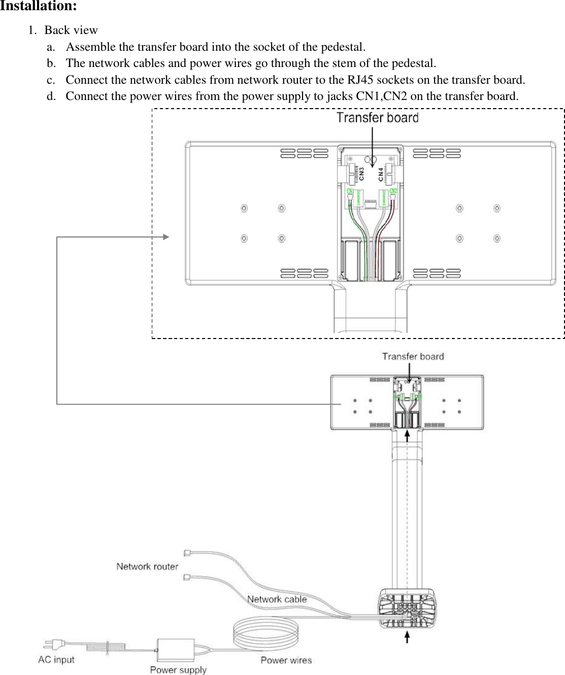
       Installation: 1. Back view a. Assemble the transfer board into the socket of the pedestal. b. The network cables and power wires go through the stem of the pedestal. c. Connect the network cables from network router to the RJ45 sockets on the transfer board. d. Connect the power wires from the power supply to jacks CN1,CN2 on the transfer board.
2. Front view a. Put the Sync tablets into the trays of the pedestal. b. Connect the cables from tablets to CN3, CN4 on the transfer board.
 Tablet: 1. Outline   2. Specification Dimension: 253.6mm*202.7mm*24mm Power supply: DC 12V 1.5A Screen: 10.4 inch Camera: 0.2 Megapixels Resolution: 1280 x 1024 pixels  3. Turn on/ Turn off a.   Supply AC power to the pedestal, the tablet will automatically turn on. b.   Disconnect AC power to the pedestal, the tablet will be turned off.             4. In the main menu, choose the APK to operate.Camera Touch panel
Note: This equipment has been tested and found to comply with the limitsfor a Class B digital device, pursuant to Part 15 of the FCC Rules. Theselimits are designed to provide reasonable protection against harmfulinterference in a residential installation. This equipment generates, uses,and can radiate radio frequency energy, and if not installed and used inaccordance with the instructions, may cause harmful interference to radiocommunications. However, there is no guarantee that interference will notoccur in a particular installation. If this equipment does cause harmfulinterference to radio or television reception, which can be determined byturning the equipment off and on, the user is encouraged to try to correctthe interference by one or more of the following measures:– Reorient or relocate the receiving antenna.– Increase the separation between the equipment and receiver.– Connect the equipment into an outlet on a circuit different from that towhich the receiver is connected.– Consult the dealer or an experienced radio/TV technician for help.You are cautioned that changes or modifications not expressly approvedby the party responsible for compliance could void your authority tooperate the equipment.This equipment complies with FCC radiation exposure limits set forth for an uncontrolled  environment. This equipment should be installed and operated with a minimum distance of 20cm  between the radiator & your body. This transmitter must not be co-located or operating in  conjunction with any other antenna or transmitter.

Navigation menu