Brunswick Bowling and Billiards 57-863756-400 Brunswick Sync Tablet User Manual DVB T indd
Brunswick Bowling & Billiards Corporation Brunswick Sync Tablet DVB T indd
User manual

OPERATION MANUAL
BRUNSWICK 10.4 SYNC TABLET
57-863756

3
IMPORTANT SAFETY INSTRUCTIONS
CAUTION:
Any changes or modifi cations to this equipment could void the product
warranty.
DANGER: To reduce the risk of electrical shock, always unplug this Brunswick product
before cleaning or attempting any maintenance activity.
WARNING: To reduce the risk of burns, fi re, electric shock, or injury, it is imperative to
connect each product to a properly grounded electrical outlet.
WARNING: To prevent injury, this product must be securely attached in accordance with
the installation instructions.
Never operate a Brunswick product if it has a damaged power cord or electrical plug, or if it
has been dropped, damaged, or even partially immersed in water. If this occurs, contact Brun-
swick Customer Support Services.
Position this product so that the AC power cord plug is accessible to the user.
Keep the power cord away from heated surfaces. Do not pull the equipment by the power cord
or use the cord as a handle.
If the electrical supply cord is damaged, it must be replaced by the manufacturer, an authorized
service agent, or a similarly qualifi ed person to avoid a hazard.
Always follow the product instructions for proper operation.
Never insert objects into any opening of the Brunswick product. If an object should drop in-
side, unplug this Brunswick product and carefully retrieve it while the unit is not in use. If the
object cannot be reached, contact Life Fitness Customer Support Services.
Do not use this product outdoors, near swimming pools or in areas of high humidity. Do not
expose this product to dripping or splashing liquids. If the product should be exposed to liquid,
contact Brunswick Customer Support Services.
Never operate a Brunswick product with the air openings blocked. Keep air openings free of
lint, hair, or any obstructing material.
Use this product only for its intended use as described in this manual. Do not use attachments
that have not been recommended by the manufacturer.
SAVE THESE INSTRUCTIONS FOR FUTURE REFERENCE.

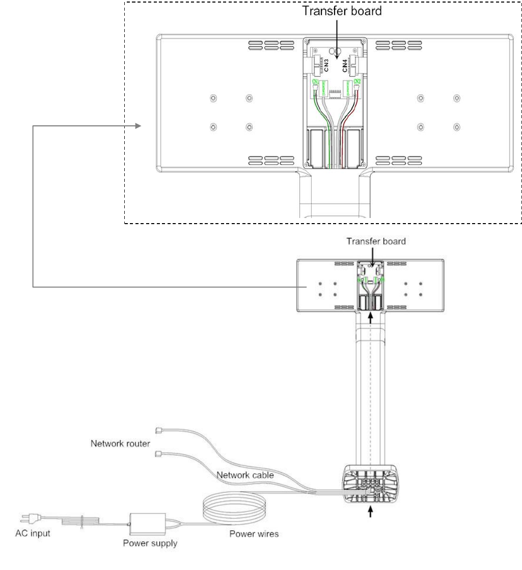
Installation:
1. Back view
a. Assemble the transfer board into the socket of the pedestal.
b. The network cables and power wires go through the stem of the pedestal.
c. Connect the network cables from network router to the RJ45 sockets on the transfer board.
d. Connect the power wires from the power supply to jacks CN1,CN2 on the transfer board.

2. Front view
a. Put the Sync tablets into the trays of the pedestal.
b. Connect the cables from tablets to CN3, CN4 on the transfer board.

Tablet:
1. Outline
2. Specification
Dimension: 253.6mm*202.7mm*24mm
Power supply: DC 12V 1.5A
Screen: 10.4 inch
Camera: 0.2 Megapixels
Resolution: 1280 x 1024 pixels
3. Turn on/ Turn off
a. Supply AC power to the pedestal, the tablet will automatically turn on.
b. Disconnect AC power to the pedestal, the tablet will be turned off.
4. In the main menu, choose the APK to operate.
Camera
Touch panel

Note: This equipment has been tested and found to comply with the limits
for a Class B digital device, pursuant to Part 15 of the FCC Rules. These
limits are designed to provide reasonable protection against harmful
interference in a residential installation. This equipment generates, uses,
and can radiate radio frequency energy, and if not installed and used in
accordance with the instructions, may cause harmful interference to radio
communications. However, there is no guarantee that interference will not
occur in a particular installation. If this equipment does cause harmful
interference to radio or television reception, which can be determined by
turning the equipment off and on, the user is encouraged to try to correct
the interference by one or more of the following measures:
– Reorient or relocate the receiving antenna.
– Increase the separation between the equipment and receiver.
– Connect the equipment into an outlet on a circuit different from that to
which the receiver is connected.
– Consult the dealer or an experienced radio/TV technician for help.
You are cautioned that changes or modifications not expressly approved
by the party responsible for compliance could void your authority to
operate the equipment.
This equipment complies with FCC radiation exposure limits set forth for an
uncontrolled environment. This equipment should be installed and operated with
a minimum distance of 20cm between the radiator & your body. This transmitter must
not be co-located or operating in conjunction with any other antenna or transmitter.