Bryant Induced Combustion 333Bav Users Manual

333BAV to the manual 8ca49f5c-ef96-441e-9838-f20643908d6f

2015-02-02

: Bryant Bryant-Induced-Combustion-333Bav-Users-Manual-411954 bryant-induced-combustion-333bav-users-manual-411954 bryant pdf

Open the PDF directly: View PDF PDF.
Page Count: 12

NOTE: Read the entire instruction manual before performing any
service or maintenance.
This symbol indicates a change since the last issue.
These procedures are for size 60,000 through 120,000 Btuh units.
Index Page
SAFETY CONSIDERATIONS.....................................................1
ELECTROSTATIC DISCHARGE (ESD) PRECAUTIONS
PROCEDURE...........................................................................2
CARE AND MAINTENANCE..................................................2-5
Air Filter Arrangement..........................................................2-3
Blower Motor and Wheel.........................................................3
Cleaning Heat Exchanger......................................................3-5
Electrical Controls and Wiring.................................................5
Troubleshooting ........................................................................5
Application Wiring Diagrams ..................................................6
Unit Wiring Diagram................................................................7
Service Label ............................................................................8
Troubleshooting Guide .............................................................9
SAFETY CONSIDERATIONS
Installing and servicing heating equipment can be hazardous due to
gas and electrical components. Only trained and qualified person-
nel should install, repair, or service heating equipment.
Untrained personnel can perform basic maintenance functions
such as cleaning and replacing air filters. All other operations must
be performed by trained service personnel. When working on
heating equipment, observe precautions in the literature, tags, and
labels attached to or shipped with the unit and other safety
precautions that may apply.
Follow all safety codes. In the United States, follow all safety
codes including the National Fuel Gas Code NFPA No. 54-
1996/ANSI Z223.1-1996. In Canada, refer to the current edition of
the National Standard of Canada CAN/CGA-B149.1- and .2-M95
Natural Gas and Propane Gas Installation Codes. Wear safety
glasses and work gloves. Have fire extinguisher available during
start-up and adjustment procedures and service calls.
Recognize safety information. This is the safety-alert symbol .
When you see this symbol on the furnace and in instructions or
manuals, be alert to the potential for personal injury.
Understand the signal words DANGER, WARNING, and CAU-
TION. These words are used with the safety-alert symbol. DAN-
GER identifies the most serious hazards which will result in severe
personal injury or death. WARNING signifies a hazard which
could result in personal injury or death. CAUTION is used to
identify unsafe practices which would result in minor personal
injury or product and property damage.
WARNING: The ability to properly perform mainte-
nance on this equipment requires certain expertise, me-
chanical skills, tools, and equipment. If you do not
possess these items, do not attempt to perform any
maintenance on this equipment other than those proce-
dures recommended in the User’s Manual. A FAILURE
TO FOLLOW THIS WARNING COULD RESULT IN
POSSIBLE DAMAGE TO THIS EQUIPMENT, SERI-
OUS PERSONAL INJURY, OR DEATH.
Fig. 2—Model 333BAV or
333JAV Upflow
A94085
Fig. 1—Model 333BAV or 333JAV Horizontal
A95137
®
ama
CANADIAN GAS ASSOCIATION
APPROVED
R
CERTIFICATION OF
MANUFACTURING SITE
service and
maintenance procedures
UPFLOW/HORIZONTAL,
VARIABLE-SPEED, 2-STAGE,
INDUCED-COMBUSTION FURNACES
Cancels: SP04-43 SP04-50
10-97
333BAV
333JAV
Series B
—1—
ELECTROSTATIC DISCHARGE (ESD) PRECAUTIONS
PROCEDURE
CAUTION: Electrostatic discharge can affect electronic
components. Take precautions during furnace installation
and servicing to protect the furnace electronic control and
motor. Precautions will prevent electrostatic discharges
from personnel and hand tools which are held during the
procedure. These precautions will help to avoid exposing
the control to electrostatic discharge by putting the
furnace, the control, the motor, and the person at the same
electrostatic potential.
1. Disconnect all power to the furnace. DO NOT TOUCH
THE CONTROLS OR ANY WIRE CONNECTED TO
THE CONTROLS PRIOR TO DISCHARGING YOUR
BODY’S ELECTROSTATIC CHARGE TO GROUND.
2. Firmly touch a clean, unpainted, metal surface of the
furnace chassis which is close to the controls. Tools held in
a person’s hand during grounding will be satisfactorily
discharged.
3. After touching the chassis you may proceed to service the
controls, motor, or connecting wires as long as you do
nothing that recharges your body with static electricity (for
example; DO NOT move or shuffle your feet, DO NOT
touch ungrounded objects, etc.).
4. If you touch ungrounded objects (recharge your body with
static electricity), firmly touch furnace again before touch-
ing control or wires.
5. Use this procedure for installed and uninstalled (un-
grounded) furnaces.
6. Before removing a new control or motor from its container,
discharge your body’s electrostatic charge to ground to
protect the control or motor from damage. If the control or
motor is to be installed in a furnace, follow items 1 through
5 before bringing the control, or motor, or yourself into
contact with the furnace. Put all used AND new controls
and motors into containers before touching ungrounded
objects.
7. An ESD service kit (available from commercial sources)
may also be used to prevent ESD damage.
CARE AND MAINTENANCE
For continuing high performance and to minimize possible equip-
ment failure, it is essential that periodic maintenance be performed
on this equipment. Consult your local dealer as to the proper
frequency of maintenance and the availability of a maintenance
contract.
WARNING: Never store anything on, near, or in contact
with the furnace, such as: 1. Spray or aerosol cans, rags,
brooms, dust mops, vacuum cleaners, or other cleaning
tools.
2. Soap powders, bleaches, waxes or other cleaning
compounds, plastic or plastic containers, gasoline, kero-
sene, cigarette lighter fluid, dry cleaning fluids, or other
volatile fluids.
3. Paint thinners and other painting compounds, paper
bags or other paper products.
A failure to follow this warning could result in corrosion
of the heat exchanger, fire, personal injury, or death.
WARNING: Turn off the gas and electrical supplies to
the unit before performing any maintenance or service on
it. Follow the operating instructions on the label attached
to the furnace. A failure to follow this warning could
result in personal injury.
CAUTION: As with any mechanical equipment, per-
sonal injury can result from sharp metal edges, etc.;
therefore, be careful when removing parts.
The minimum maintenance that should be performed on this
equipment is as follows:
1. Check and clean air filter each month or more frequently if
required. Replace if torn.
2. Check blower motor and wheel for cleanliness each heating
and cooling season. Clean as necessary.
3. Check electrical connections for tightness and controls for
proper operation each heating season. Service as necessary.
CAUTION: If motor is removed from blower assembly,
the motor MUST be reinstalled so arrow on end of the
motor is pointing in the direction of airflow through the
furnace. The belly band MUST be the specified distance
from the motor end shield surface at the shaft end. (See
Fig. 3.)
A. Air Filter Arrangement
The air filter arrangement may vary depending on the application.
Refer to Table 1 for filter size information.
WARNING: Never operate unit without a filter or with
filter access door removed. A failure to follow this
warning could result in fire, personal injury, or death.
1. Upflow and horizontal.
Each furnace requires 1 or 2 filters which are installed in the
blower compartment. (See Fig. 4.) To remove filters for
cleaning or replacement, proceed as follows:
Fig. 3—Motor Belly Band Location
DIMENSIONS (IN.)
FURNACE SIZE D
036060 1
048080 1-1/2
060100 3
060120 3
A95268
D
—2—
a. Turn off electrical supply before removing blower and
control access doors.
b. Release filter retainer from clip at front of furnace
casing. (See Fig. 4.) For side return, clips may be used
on either or both sides of the furnace.
c. Slide filter out.
d. Clean filters by spraying tap water through filter from
opposite direction of airflow.
e. Rinse and let dry. Oiling or coating of filter is not
recommended or required.
f. Place filter in furnace.
g. Replace blower and control access doors and turn on
electrical supply to furnace.
B. Blower Motor and Wheel
For long life, economy, and high efficiency, clean accumulated dirt
and grease from the blower wheel and motor annually.
The following steps should be performed by a qualified service
technician:
The motors have prelubricated sealed bearings and require no
lubrication.
Remember to disconnect the electrical supply before removing
access doors.
Clean as follows:
1. Remove blower access door.
2. Disconnect blower electrical leads from motor. Squeeze
latches to remove connectors from motor. Disconnect green
ground wire from screw. Note location of wires for reas-
sembly.
3. Remove control.
4. Remove screws holding blower assembly to blower deck
and slide blower assembly out of furnace.
5. Mark blower wheel, motor, and motor support in relation to
blower housing before disassembly to ensure proper reas-
sembly.
6. Loosen setscrew(s) holding blower wheel on motor shaft.
7. Remove bolts holding motor and motor mount to blower
housing and slide motor and mount out of housing. Motor
mount belly band need not be removed unless motor is to be
replaced.
CAUTION: The blower wheel should not be dropped or
bent as balance will be affected.
8. Remove blower wheel from housing.
a. Mark cutoff plate location to ensure proper reassembly.
b. Remove screws holding cutoff plate and remove cutoff
plate from housing.
c. Lift blower wheel from housing through opening.
9. Clean blower wheel and motor using a vacuum with soft
brush attachment. Do not remove or disturb balance weights
(clips) on blower wheel blades.
10. Reinstall blower wheel by reversing items 8 a through c. Be
sure wheel is positioned for proper rotation.
11. Reassemble motor and blower by reversing items 4 through
7.
CAUTION: Be sure the motor is properly positioned in
the blower housing. The motor arrow must point in the
direction of airflow through the furnace after the blower
assembly has been reinstalled in the furnace.
12. Reinstall blower assembly in furnace.
13. Reinstall control. If motor has ground wire, be sure it is
connected as before.
14. Connect blower electrical leads to motor. Please note that
connections are polarized for assembly. DO NOT FORCE.
15. If power choke is attached to blower housing, ensure it is
connected in series with black power lead to motor.
C. Cleaning Heat Exchanger
The following steps should be performed by a qualified service
technician:
NOTE: Deposits of soot and carbon indicate the existence of a
problem which needs to be corrected. Take action to correct the
problem.
If it becomes necessary to clean the heat exchanger because of
carbon deposits, soot, etc., proceed as follows:
1. Turn gas and power to furnace to OFF.
2. Remove control and blower access doors.
3. Disconnect wires to the following components. Mark wires
to aid in reconnection of:
TABLE 1—UPFLOW/HORIZONTAL FILTER SIZE INFOR-
MATION (IN.)
FURNACE
CASING WIDTH FILTER SIZE† FILTER
TYPE
Side Return Bottom Return
14-3/16 (1) 16 X 25 X 1* (1) 14 X 25 X 1 Cleanable
21 (1) 16 X 25 X 1 (1) 20 X 25 X 1* Cleanable
24-1/2 (2) 16 X 25 X 1* (1) 24 X 25 X 1 Cleanable
* Factory-provided with the furnace.
† Filters may be field modified as required by cutting and folding the frame as
indicated on the filter.
Fig. 4—Upflow/Horizontal Component Identification
A95270
DRAFT
SAFEGUARD
SWITCH
PRESSURE
SWITCHES
FILTER
RETAINER
WASHABLE
FILTER
MOUNTING
SCREWS
MAIN
LIMIT
SWITCH
RELIEF
BOX
MANUAL
RESET
LIMIT
SWITCHES
CONTROL
AIRFLOW
SELECTOR
—3—
a. Draft safeguard switch.
b. Inducer motor.
c. Pressure switch(es).
d. Limit overtemperature switch(es).
e. Gas valve.
f. Hot surface ignitor.
g. Flame-sensing electrode.
h. Wiring connectors leading to control.
4. Remove 2 screws that secure relief box. (See Fig. 4.)
5. Remove 8 screws that secure flue collector box to center
panel. Be careful not to damage sealant.
6. Remove complete inducer assembly from furnace, exposing
flue openings.
7. Using field-provided small wire brush, steel spring cable,
reversible electric drill, and vacuum cleaner, clean cells as
follows:
a. Assemble wire brush and steel spring cable.
(1.) Use 48 in. of 1/4-in. diameter high-grade steel
spring cable (commonly known as drain clean-out
or Roto-Rooter cable).
(2.) Use 1/4-in. diameter wire brush (commonly known
as 25-caliber rifle cleaning brush).
NOTE: The materials needed in items (1.) and (2.) can usually be
purchased at local hardware stores.
(3.) Insert twisted wire end of brush into end of spring
cable, and crimp tight with crimping tool or strike
with ball-peen hammer. TIGHTNESS IS VERY
IMPORTANT.
(4.) Remove metal screw fitting from wire brush to
allow insertion into cable.
b. Clean each heat exchanger cell.
(1.) Attach variable-speed, reversible drill to end of
spring cable (end opposite brush).
(2.) Remove cell outlet plates. IMPORTANT: Replace
screws in center panel to secure heat exchanger
cells before cleaning.
(3.) Insert brush end of cable into upper opening of cell
and slowly rotate with drill. DO NOT force cable.
Gradually insert at least 36 in. of cable into 2 upper
passes of cell. (See Fig. 5.)
(4.) Work cable in and out of cell 3 or 4 times to obtain
sufficient cleaning. DO NOT pull cable with great
force. Reverse drill and gradually work cable out.
(5.) Remove burner assembly and cell inlet plates.
NOTE: Be very careful when removing the burner assembly to
avoid breaking the ignitor. See Fig. 6 for the correct ignitor
location.
(6.) IMPORTANT: Replace screws in center panel to
secure heat exchanger cells before cleaning.
(7.) Insert brush end of cable in lower opening of cell,
and proceed to clean 2 lower passes of cell in same
manner as 2 upper passes.
(8.) Repeat foregoing procedures until each cell in
furnace has been cleaned.
(9.) Using vacuum cleaner, remove residue from each
cell.
(10.) Using vacuum cleaner with soft brush attachment,
clean burner assembly.
(11.) Reinstall cell outlet plates and screws FIRST;
then, reinstall cell inlet plates and burner assem-
bly. Care must be exercised to center the burners
in the cell openings.
8. After cleaning flue openings, clean flue collector. Check
sealant on flue collector to ensure that it has not been
damaged. If new sealant is needed, contact your dealer or
distributor.
9. Replace flue collector assembly, making sure all 8 screws
are secure.
10. Reinstall relief box.
11. Reconnect wires to the following components:
a. Draft safeguard switch.
b. Inducer motor.
c. Pressure switches.
d. Limit overtemperature switch(es).
e. Gas valve.
f. Hot surface ignitor.
Fig. 5—Cleaning Heat Exchanger Cell
A91252
Fig. 6—Position of Ignitor to Burner A93347
BURNER
IGNITOR
11 32"
78"
C
L
C
L
IGNITOR
ASSEMBLY
CELL
PANEL
BURNER
13 32"
HOT
SURFACE
IGNITOR
ASSEMBLY
—4—
g. Flame-sensing electrode.
h. Wiring connectors leading to control.
12. Reconnect vent pipe to relief box.
13. Replace blower door only.
14. Turn power and gas to ON.
15. Set thermostat and check furnace for proper operation.
16. Verify blower airflow and that airflow rate changes between
heating and cooling.
17. Check for gas leaks.
18. Replace control door.
WARNING: Never use a match or other open flame to
check for gas leaks. Use a soap-and-water solution. A
failure to follow this warning could result in fire, personal
injury, or death.
D. Electrical Controls and Wiring
NOTE: There may be more than 1 electrical supply to unit.
The electrical ground and polarity for 115-v wiring must be
maintained properly. Refer to Fig. 7 and 8 for field wiring
information and to Fig. 9 for unit wiring information. If the
polarity is NOT correct, the furnace control will display rapid
flashing on the status LED and prevent heat operation. The control
system also requires an earth ground for proper operation of the
microprocessor and variable-speed motor.
NOTE: Be aware that measurement of current (amperes) and
power (watts) for the ICM2+ variable-speed motor will be accurate
only when the meter provides true root-mean-square (RMS)
measurements.
With power disconnected from unit, check all electrical connec-
tions for tightness. Tighten all screws on electrical connections. If
any smoky or burned connections are noticed, disassemble the
connection, clean all parts and stripped wire, and reassemble
properly and securely. Electrical controls are difficult to check
without proper instrumentation; therefore, reconnect electrical
power to unit and observe unit through 1 complete operating cycle.
The 24-v circuit contains an automotive-type, 3-amp fuse located
on the main control. Any 24-v electrical shorts during installation,
service, or maintenance could cause this fuse to blow. If fuse
replacement is required, use ONLY a 3-amp fuse. The control will
display code 24 when the fuse needs replacement.
The control in this furnace is equipped with an LED status light to
aid in installation, servicing, and troubleshooting. It can be viewed
through the sight glass or window on the blower access door. The
control indicates status with the LED on continuously, rapid
flashing, or a code composed of 2 digits. (The first digit is the
number of short flashes, the second is the number of longs flashes.)
Refer to the service label on the blower compartment door for code
explanations and useful troubleshooting suggestions. (See Fig. 10.)
It is important to note that power to the furnace must not be
interrupted and the furnace blower door must not be removed until
the LED status code(es) is recorded. When power to the control is
interrupted, the status memory is erased.
The control will store up to 5 previous codes but will not store
non-current codes longer than 48 hr. To retrieve previous codes, if
present, no thermostat inputs to the control must be present and all
time delays must expire. Remove 1 of the red main limit wires 1
to 4 sec until the LED light goes out, then reconnect it. (See Fig.
4.) (Do not leave red wire disconnected for longer than 4 sec as the
control will assume an overtemperature condition exits and will
respond with indoor blower operation.) This places the control in
the status recall mode and displays the first code stored in memory.
Record the code and repeat the disconnect and reconnect of the red
wire, recording each code until code 11 is displayed indicating no
additional faults. After the last code is displayed or after 2 minutes
in the code recall mode, the control will return to normal standby
mode.
Use any recorded status codes, the service label, and the trouble-
shooting diagram on the following pages to diagnose and correct
any problem condition.
E. Troubleshooting
Refer to the service label. (See Fig. 10.) Page 9 contains a
troubleshooting guide. This guide can be a useful tool in isolating
furnace operation problems. Beginning with the word "Start,"
answer each question and follow the appropriate arrow to the next
item.
The guide will help to identify the problem or failed component.
After replacing any component, verify correct operation sequence.
More information is available in a separate Troubleshooting Guide
for 2-stage gas-fired induced-combustion furnaces.
—5—
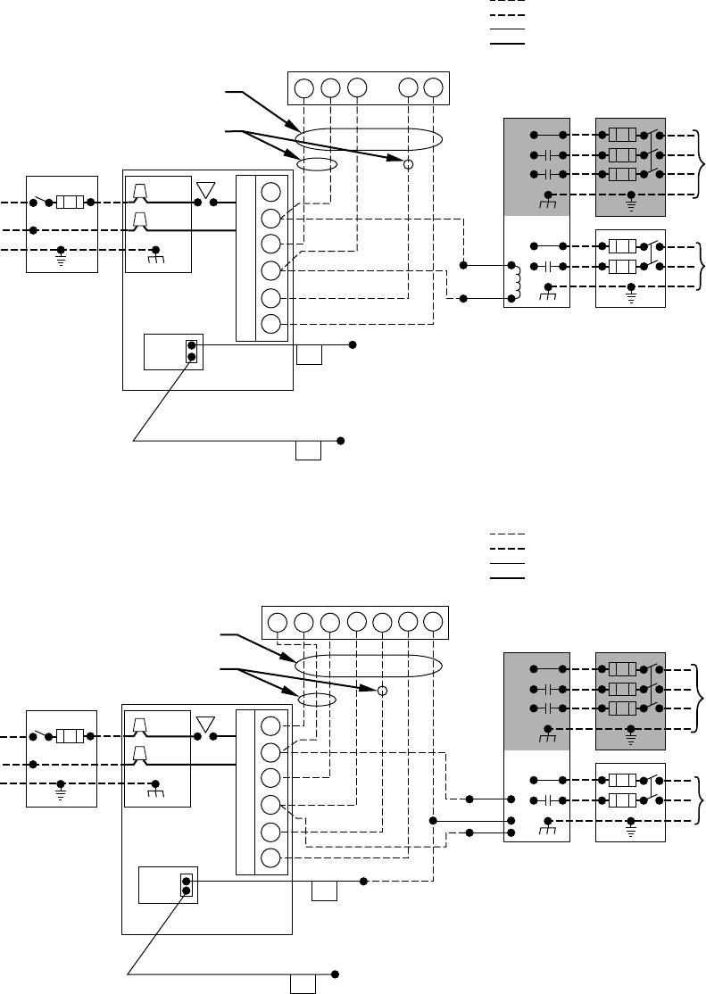
Fig. 8—Heating and Cooling Application Wiring Diagram
for 2-Stage Thermostats and/or 2-Speed Condensing Units
A97589
115-V FIELD-
SUPPLIED
FUSED
DISCONNECT
JUNCTION
BOX CONTROL
BOX
24-V
TERMINAL
BLOCK
FOUR-WIRE
HEATING-
ONLY
SEVEN
WIRE
2-STAGE
THERMOSTAT
TERMINALS
FIELD-SUPPLIED
FUSED DISCONNECT
2-SPEED
CONDENSING
UNIT
FURNACE
G
R
W2 Y2 G Y1
GND
GND
FIELD 24-V WIRING
FIELD 115-, 208/230-, 460-V WIRING
FACTORY 24-V WIRING
FACTORY 115-V WIRING
208/230- OR
460-V
THREE
PHASE
208/230-V
SINGLE
PHASE
 
Y2
Y1
C
WHT
BLK
WHT
BLK
W1CR
W2
COM
W/W1
Y/Y2
Y1
AFS
NOTE 2
NOTE 1
Connect Y1 and Y/Y2 as shown for proper operation.
Some thermostats require a "C" terminal connection as shown.
If any of the original wire, as supplied, must be replaced, use
same type or equivalent wire.
Connect O to thermostat-O only for heat pump applications.
NOTES: 1.
2.
3.
4.
NOTE 4
O
Fig. 7—Heating and Cooling Application Wiring Diagram
for Single-Stage Thermostats and/or Single-Speed Condensing Units
A97588
115-V FIELD-
SUPPLIED
FUSED
DISCONNECT
JUNCTION
BOX CONTROL
BOX
24-V
TERMINAL
BLOCK
THREE-WIRE
HEATING-
ONLY
FIVE
WIRE
NOTE 2
NOTE 1
1-STAGE
THERMOSTAT
TERMINALS
FIELD-SUPPLIED
FUSED DISCONNECT
CONDENSING
UNIT
FURNACE
NOTE 4
NOTE 5
Y1
AFS
COM
R
WCY RG
GND
GND
FIELD 24-V WIRING
FIELD 115-, 208/230-, 460-V WIRING
FACTORY 24-V WIRING
FACTORY 115-V WIRING
Connect Y/Y2-terminal as shown for proper operation.
Some thermostats require a "C" terminal connection as shown.
If any of the original wire, as supplied, must be replaced, use
same type or equivalent wire.
Y1 is not to be connected.
Connect O to thermostat-O only for heat pump applications.
208/230- OR
460-V
THREE
PHASE
208/230-V
SINGLE
PHASE
WHT
BLK
WHT
BLK
W/W1
W2
Y/Y2
G
NOTES: 1.
2.
3.
4.
5.
O
—6—
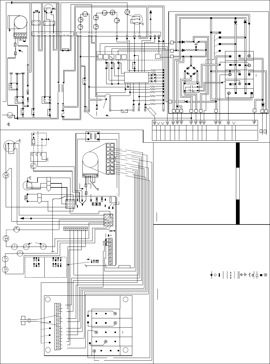
Fig. 9—Unit Wiring Diagram
A97587
RED
LS FRS2
RED
RED
FRS1
(WHEN USED)
ALS2
DSS
ORN
LGPS
YEL
NOTE 9
LPS
NOTE 9
(WHEN USED)
RED
YEL
ORN
(WHEN USED)
NOTE 7
ALS1
ORN
SWITCH
12
HEAT
SET-UP
SWITCH
NORM
HI HT
LO HT
*
ON
OFF
OFF
ON
BLOWER-
OFF DELAY
(SEC.) SWITCH
34
90 SEC
135 SEC *
180 SEC
225 SEC
ON
OFF
OFF
ON
2-STAGE
FURNACE
CONTROL
FACTORY
SETTINGS
123 4
ON
OFF
321
BLU
BLOWER-OFF DELAY
BLOWER-OFF DELAY
LOW-HEAT ONLY
HIGH-HEAT ONLY
*
RED
RED
ORN
W2 Com
24V W/W1 Y/Y2 R G HUM LED S
M
TJ
TWIN
TEST
12 11 10
GRN
BRN
PL1
WHT
BLK
GRY
YEL
321
987
WHT FSE
BLK
GRY
BRN
HPS BRN HI
P
BLU
GRN
M
IDM
HSI
GRN
ILK JB
L1
WHT
PL6
RED
BLK
WHT
BLK
WHT
12
123
PL3
WHT
BLK
RED
PL2
PR1 PR2
L1 L2
COMMON
HI-COOL
HI-GAS
HEAT EAC-2
EAC-1
LO-GAS
HEAT
SPARE
SEC1 FU1
SEC2
RED
BLU
BLWM
WHT
BLK
TRAN
RED
BLU
WHT
BLK
GV
C
GRN
FUSED DISCONNECT
SWITCH (WHEN REQ’D)
NOTE #1
BLK
WHT
GRN
L2
GRN
FU2
CONNECTION DIAGRAM
ORN
16
YEL
BLU
BLK
BRN
RED
YEL
YEL
BLU
BLK
WHT
BLK
BLK
BLK
GRN
BLU
RED
RED
CFM
PER
TON
AC
HP GAS
HEAT
TEMP
RISE
CONTINUOUS - FAN
CFM
COOL
SIZE
COOL
GRY
5
4
3
2
1
BLK
WHT
YEL
9
1
16
8
ORN
BLKGRN
WHTVIO
BLKRED
BRNYEL
YEL BLU
GRNBLK
ORN
BLU
Y1
O
YEL
AFS
BLU REDORN GRN
GRN
RED
BLU
ORN
YEL
AB CD
14
VIO
DEHUM
PL4
GRN
PL8
PL9
NOTE 15
PL5 PL5
IND
PL7
1
SCHEMATIC DIAGRAM (NATURAL GAS & PROPANE)
BK/PWM 10
OUT +16
OUT -8
EM/W2 13
R12
C1 1
C2 3
W/W1 2
ADJ 7
G15
HEAT 11
Y/Y2 14
O9
COOL 5
DELAY 4
Y1 6
Y1
O
BLWM-CTL
PL9
LEGEND
AFS AIRFLOW SELECTOR
ALS1 AUXILIARY LIMIT SWITCH, OVERTEMP. MANUAL RESET, SPST (N.C.)
ALS2 AUXILIARY LIMIT SWITCH, OVERTEMP. AUTO RESET, SPST (N.C.)
BHI / LOR BLOWER MOTOR SPEED CHANGE RELAY, SPDT
BHT / CLR BLOWER MOTOR SPEED CHANGE RELAY, SPDT
BLWM BLOWER MOTOR, ICM2
+
-
CTL
=
CONTROL
-
PWR
=
POWER
BLWR BLOWER MOTOR RELAY, SPST (N.O.)
CPU MICROPROCESSOR AND CIRCUITRY
DSS DRAFT SAFEGUARD SWITCH (N.C.)
EAC-1 ELECTRONIC AIR CLEANER CONNECTION (115 VAC, 1 AMP MAX.)
EAC-2 ELECTRONIC AIR CLEANER CONNECTION (COMMON)
FRS1 FLAME ROLLOUT SWITCH OVERTEMP. MANUAL RESET, SPST (N.C.)
FRS2 FLAME ROLLOUT SWITCH OVERTEMP. MANUAL RESET, SPST (N.C.)
FSE FLAME-PROVING SENSOR ELECTRODE
FU1 FUSE, 3 AMP, AUTOMOTIVE BLADE TYPE, FACTORY INSTALLED
FU2 FUSE, FIELD INSTALLED
GV GAS VALVE, REDUNDANT LOW-HEAT OPERATORS, 2-STAGE
HPS HIGH-HEAT PRESSURE SWITCH, SPST (N.O.)
HPSR HIGH-HEAT PRESSURE SWITCH RELAY, SPST (N.C.)
HSI HOT-SURFACE IGNITER (115 VAC)
HSIR HOT-SURFACE IGNITOR RELAY, SPST (N.O.)
HUM 24VAC HUMIDIFIER CONNECTION (0.5 AMP. MAX.)
IDM INDUCED DRAFT MOTOR, 2-SPEED, SHADED-POLE
IDR INDUCER MOTOR RELAY, SPST (N.O.)
IHI / LOR INDUCER MOTOR SPEED CHANGE RELAY, SPDT
ILK BLOWER DOOR INTERLOCK SWITCH, SPST (N.O.)
IND INDUCTOR (NOTE 16)
JB JUNCTION BOX
LED LIGHT-EMITTING DIODE FOR STATUS CODES
LGPS LOW GAS-PRESSURE SWITCH, SPST (N.O.)
LPS LOW-HEAT PRESSURE SWITCH, SPST (N.O.)
LS LIMIT SWITCH, OVERTEMPERATURE-AUTO RESET, SPST (N.C.)
MGVR MAIN GAS VALVE RELAY DPST (N.O.)
-
1 = VALVE
-
2 = HUMIDIFIER
N / A NOT APPLICABLE
PL1 12-CIRCUIT CONNECTOR
PL2 9-CIRCUIT CONNECTOR
PL3 3-CIRCUIT IDM CONNECTOR
PL4 6-CIRCUIT CONNECTOR
PL5 1-CIRCUIT CONNECTOR (NOTE 16)
PL6 2-CIRCUIT HSI CONNECTOR
PL7 14-CIRCUIT CONNECTOR
PL8 5-CIRCUIT CONNECTOR
PL9 16-CIRCUIT CONNECTOR
SW1 HIGH-HEAT-ONLY SWITCH, SPST (MANUAL)
*
SW2 LOW-HAT-ONLY SWITCH, SPST (MANUAL)
*
SW3 & 4 BLOWER-OFF DELAY SETTING SWITCHES,
SPST (MANUAL)
*
TJ TWINNING JUMPER,
SPDT(MANUAL CHANGE-OVER). (NOTE 17)
TRAN TRANSFORMER-115VAC/24VAC
TWIN/TEST 1-CIRCUIT TWINNING BUSS CONNECTOR,
ALSO STATUS CODE RECALL. (NOTE 17)
JUNCTION
TERMINAL
CONTROL TERMINAL
FACTORY POWER WIRING (115VAC)
FACTORY CONTROL WIRING (24VAC)
FIELD POWER WIRING (115VAC)
FIELD CONTROL WIRING (24VAC)
CONDUCTOR ON CONTROL
FIELD WIRING SCREW TERMINAL
FIELD GROUND
EQUIPMENT GROUND
FIELD SPLICE
PLUG RECEPTACLE
AIRFLOW SELECTOR JUMPER PINS
AIRFLOW SELECTOR FACTORY SETTING
NOTES:
1. Use only copper wire between the disconnect switch and the furnace.
2. If any of the original wire, must be replaced, use the same or equivalent type.
3. Inducer (IDM) motor contains internal auto-reset thermal overload switch.
4. Blower motor airflow selections are for nominal conditions. See Installation
Instructions for details on optimum airflow selections.
5. Blower motor (BLWM) is locked-rotor overload protected by redundant
electronic control circuits. Restart is attempted every 15 seconds for 2 minutes,
after which it locks OFF. Reset by turning OFF all control and/or power inputs.
6. Replace only with a 3-AMP fuse.
7. Auxiliary limit switches (ALS1 & 2) used on some horizontal and some
downflow models.
8. This wire must be connected to furnace sheet metal for control to prove flame.
9. Factory connected when LGPS not used.
10. Symbols are an electrical representation only.
11. BLOWER-ON DELAY: Gas heating 45 seconds, Cooling/Heat Pump 2 sec.
12. Cooling/Heat Pump BLOWER-OFF DELAY is 90 seconds.
13. IGNITION-LOCKOUT will occur after four consecutive unsuccessful
trials-for-ignition. Control will automatically reset after three hours.
14. Control must be grounded at pin 10 of 12-pin connector.
15. Inductor is used on 060 or
-
20 cooling airflow size furnaces only.
PL5 connectors are joined without IND on other furnace sizes.
16. Twinning is not permitted with ICM2
+
blower motors. Keep twinning jumper in
MASTER position.
17. Terminals (HI-COOL, HI-GAS-HEAT, and LO-GAS-HEAT) are not used for
ICM2
+
BLWM. Do not remove electrical insulators.
COMPONENT TEST
To initiate the component test sequence with no thermostat inputs and
with all inducer Post-Purge and Blower-Off Delay periods completed,
short the "TWIN/TEST" terminal to the "
C
OM" terminal for about two
seconds. The control will turn ON the inducer motor Low-Speed, inducer
motor High-Speed, HSI, blower motor Continuous-Fan Speed, blower
motor High-Gas-Heat Speed, and blower motor High-Cool Speed for
7-15 seconds each. Neither the gas valve nor the humidifier will be
turned ON.
HI
M-HI
M-LO
LO 315
350
400
AC
HP
EFFY
HP
CMFT
MID HI
M-HI MED
LO
HI
WHT
WHT
GRN
NOTE 4
NOTE 17
322293-101 REV. C
L1
BLWR
TO 115VAC FIELD DISCONNECT SWITCH
NOTE 1
EQUIPMENT
GROUND
LO-GAS-HEAT
HI-GAS-HEAT
SPARE
COMMON
HSIR EAC-1 EAC-2
31HSI
2
9
PL2
PR2
115VAC
PR1
TRAN
24VAC
IDR
L2
ILK
IDM
BHI / LOR
BHT / CLR
PL6
IHI / LOR
SEC1
FU1
NOTE 6
1
2
3
HI
COM
HPSR 1
5
6
2
N/A
N/A
HI-COOL
PL3
4
7
SEC2
8
LS
ALS1
DSS
ALS2
FRS1
(WHEN
USED)
FRS2
N/A
12
2
3
MGVR-2
9
6
NOTE 9
(WHEN USED)
TWIN
TEST SLAVE
MASTER
W/W1
R
HUM
W2
Y/Y2
G
MGVR-1
NOTE 9
HPS
5
4
1
10
7
8N/A
N/A
FSE
11
HI
M
P
C
NOTE 8
PL1
CPU
LGPS
LO
SW1
GV
SEE BLWM-CTL
PL5
PL8
BLWM-PWR
PL5
IND
NOTE 15
5
4
3
2
1
YY2
24
VAC
G
W2
5
6
4
1
2
PL4
BLWR
BHT / CLR
JUMPER
TJ
TWINNING
C1 3
BHI / LOR
PL7
10 12 13
2
SW4
SW3
SW2
14
9
8
6
5
11
1
3
4
7
HI
M-HI
M-LO
LO
400
350
315
AC
HP
EFFY
HP
CMFT HI
M-HI
MID HI
MED
LO
CFM
PER
TON
AC
HP
GAS
HEAT
TEMP
RISE
CONTINUOUS - FAN
CFM
COOL
SIZE
AB CD
C
OM
DEHUM
COOL
AFS
NOTE
16
NOTE 4
LPS
NOTE 17
Connect VIO wire to pin
A, B, C, or D as
designated on furnace
rating plate as "PIN".
(WHEN USED)
SPARE
—7—
Fig. 10—Service Label
A94169
SERVICE
EACH OF THE FOLLOWING STATUS CODES IS A TWO-DIGIT NUMBER WITH
THE FIRST DIGIT DETERMINED BY THE NUMBER OF SHORT FLASHES AND
THE SECOND DIGIT BY THE NUMBER OF LONG FLASHES.
11 NO PREVIOUS CODE - Stored status codes are erased when power (115V or
24V) to control is interrupted or 48 hours after each fault is cleared.
12 BLOWER ON AFTER POWER UP - Blower runs for 90 seconds, if unit is
powered up during a call for heat (R-W/W1 closed). Note: 2-sec. ON-delay.
13 LIMIT OR FLAME ROLL-OUT (FRS) SWITCH LOCKOUT - Auto-reset after
three hours. FRS switch requires manual-reset.
Check for: - Refer to #33
14 IGNITION LOCKOUT - Control will auto-reset after three hours. Refer to #34.
21 GAS HEATING LOCKOUT - Control will NOT auto-reset.
Check for: - Mis-wired gas valve - Defective control (valve relay)
22 ABNORMAL FLAME-PROVING SIGNAL - Flame is proved while gas valve is
de-energized. Inducer will run until fault is cleared.
Check for: - Leaky gas valve - Stuck-open gas valve
23 LOW- OR HIGH-HEAT PRESSURE SWITCH DID NOT OPEN
Check for: - Obstructed pressure tubing
- Defective pressure switch (stuck closed)
24 SECONDARY VOLTAGE FUSE IS OPEN
Check for: - Short-circuit in secondary voltage (24V) wiring
31 HIGH-HEAT PRESSURE SWITCH OR RELAY DID NOT CLOSE OR
REOPENED
Check for: -Control relay may be defective - Refer to #32
32 LOW-HEAT PRESSURE, DRAFT SAFEGUARD , OR AUX-LIMIT
(DOWNFLOW ONLY*) SWITCH DID NOT CLOSE OR REOPENED
Check for: - Proper vent sizing (and condensate pitch with side-wall vent)
- Low inducer voltage (115v) * Blower motor and capacitor
- Defective inducer motor - Defective pressure switch
- Excessive wind - Restricted vent
- Inadequate combustion air supply
- Disconnected or obstructed pressure tubing
33 LIMIT OR FLAME ROLL-OUT (FRS) SWITCH IS OPEN - FRS switch
requires manual-reset.
Check for: - Inadequate combustion air supply (FRS switch only)
- Dirty filter or restricted duct system - Loose blower wheel
- Defective switch or connections
- Blower motor or capacitor failure
34 IGNITION-PROVING FAULT - Control will retry three times before lockout #14.
Check for: - Oxide buildup on flame-proving sensor (clean with fine sandpaper).
- Proper flame-proving microamps (0.5 minimum)
- Proper control ground continuity
- Flame-proving sensor must be ungrounded
- Smooth flame carryover and ignition - Manual valve(s) OFF
43 LOW-HEAT PRESSURE, DRAFT SAFEGUARD, OR AUXILIARY LIMIT
SWITCH OPEN WHILE HIGH-HEAT PRESSURE SWITCH IS CLOSED
Check for: - Disconnected or obstructed pressure tubing
- Defective pressure switch (stuck open)
- Refer to #32 and #33
45 REPLACE CONTROL
CONTINUOUS OFF Check for 115V at L1 and L2, and 24V at SEC1 and SEC2.
CONTINUOUS ON Control has 24V power.
RAPID FLASHING Line voltage polarity reversed. If twinned, 24V power
to one furnace may be out of phase with power to other furnace.
320893-101 REV. A
LED CODE STATUS
WARNING
Service should be performed only by qualified persons.
If status code recall is needed, do not remove power or blower door.
—8—
A96062
If inducer and burners continue to operate, check for 24v at the
gas valve. If 24v are present, verify that the thermostat is open
across R and W. If no voltage is present, turn the gas valve
control knob to the OFF position. Replace gas valve.
Is indoor blower on ?
24v should be present across C and W. If not, check for:
1. Open thermostat.
2. Open 24-v fuse (FU1) – Code 24.
3. Failed transformer.
If Code 23 is displayed, the pressure switch(es) is stuck closed.
Replace switch and/or check pressure tube for blockage.
System malfunction – Code 21.
115v should be present at the inducer motor. If so, replace inducer
motor. If not, check 115-v wiring.
Is Code 31 (high-gas-heat only), 32, 33, or 34 displayed? Check
code information label to diagnose.
Check polarity of 115-v power at J-box and control – Rapid
flashing LED.
Check ground continuity from J-box to control.
Check flame sensor microamps (4.0 nominal; 0.5 minimum for
control to recognize flame).
24v should be present across R and C. If not, check for:
1. Open limit switch (LS) – Code 13 or 33.
2. Open flame rollout switch (FRS) – Code 13 or 33.
24v should not be present across R and G. If so, turn thermostat
FAN switch to AUTO.
If not, check for:
1. Satisfied thermostat.
2. Open inlet gas pressure switch (when used).
3. Open pressure switch (LPS) – Code 32.
4. Open draft safeguard switch (DSS) – Code 32.
5. Open auxiliary limit (ALS)(downflow only) – Code 32.
6. Open 24-v fuse (FU1) – Code 24.
7. Open limit switch (LS) – Code 13 or 33.
8. Open flame rollout switch (FRS) – Code 13 or 33.
9. Check 115-v line voltage – LED off.
Check for sources of electrical noise interference (electronic air
cleaners, nearby TV, or radio antennas).
If Code 32 is displayed check for:
1. Open gas inlet pressure switch (when used).
2. Open pressure switch (LPS) and/or tube – Code 32.
3. Open draft safeguard switch (DSS) – Code 32.
4. Open auxiliary switch (ALS)(downflow only) – Code 32.
5. Check all low-voltage wiring connections.
115v should be present at the ignitor. If so, replace the ignitor; if not,
check 115-vac wiring to ignitor.
LPS, DSS, or ALS open while HPS is closed (high-gas-heat only) –
Code 43.
Is the gas valve control knob in the OPEN or ON position?
24v should be present across the gas valve terminals C and M/P
(and C and HI for high-stage test) during the 7 sec ignition trial. If
not, check all low-voltage wiring connections to valve.
If 24v are present, and main gas does not flow:
1. Is supply pressure between 4.5- and 13.6-in. wc? If not,
adjust supply pressure.
2. If supply pressure is between 4.5- and 13.6-in. wc, replace
gas valve.
Check ignitor position.
Check burner carryover gap.
Check manifold pressure (1.3- to 1.7-in. wc for low-stage gas
heat; 3.2- to 3.8-in. wc for high-stage gas heat).
Check for proper orifice size.
Control will attempt to light burners 4 times (approximately 1 minute
between attempts – Code 34). Voltage is present at the gas valve for 7
sec during each ignition trial. System will lockout after 4 attempts.
See 2-Stage Gas-Fired Induced-Combustion Furnaces
Troubleshooting Guide (PSC and ICM Blower Motors).
Cycle 115-v power
off for 3 sec, then on.
Continuous LED?
Draft inducer motor starts.
Is Code 22 displayed?
15-sec inducer pre-purge.
Set thermostat to call for heat.
Set FAN to AUTO.
Turn thermostat OFF.
On furnace control, note current
settings for setup switches 1 (SW-1)
and 2 (SW-2) then set SW-1 to OFF
and SW-2 to ON.
If LED is flashing rapidly, check line voltage polarity.
If Code 24 is displayed, check for blown fuse.
If LED is OFF, check line voltage and 24-v transformer.
If Code 45 is displayed, replace control.
TROUBLESHOOTING
GUIDE
NOTES: WARNING
ELECTRICAL SHOCK HAZARD
ONLY QUALIFIED AND TRAINED
SERVICE PERSONNEL SHOULD
PERFORM THIS PROCEDURE
!
Flame present when not normal.
Replace gas valve.
Ignitor warms up and glows
orange/yellow; 17-sec warm-up.
START
Yes
No
Yes
Main burners ignite.
Yes
No
Yes
Main burners stay on.
Turn thermostat to OFF; gas valve
shuts off burners; 5-sec inducer 
post purge.
Indoor blower motor stops after
90, 135, 180, or 225 sec.
Yes
Yes
Furnace runs until call for
heat ends.
Yes
No
No
No
No
No
No
No
Indoor blower motor starts on
heating speed after 45-sec
warm-up period.
No
Yes
Yes
Yes
Yes
Yes
No
Replace control only if all checks
are OK.
No
Replace control only if Code 45 is
displayed, or if all checks are OK.
No
No
Replace control if Code 45 is dis-
played, or if all checks are OK.
Clean flame sensor if microamps
are below nominal.
No
Replace control only if Code 45 is
displayed, or if all checks are OK.
No
Replace control only if Code 45 is
displayed, or if all checks are OK.
No
Replace control only if Code 45 is
displayed, or if all checks are OK.
No
Refer to information label on blower compartment door
for procedure for use of LED status codes and problem
solving suggestions.
LED indicator is viewed through window in blower
compartment door.
If 115-vac power is de-energized or interrupted during
a call for heat, the indoor blower will run for 90 sec
before a gas heating cycle begins – Code 12.
After replacing any component, verify correct operating
sequence.
1.
2.
3.
4.
Heating sequence of operation
complete. Remove blower door,
move setup switch 1 (SW-1) to ON
position and repeat process to check
high-stage gas heat operation.
(When finished return SW-1
and
SW-2 to original desired settings.)
No
24v should be present across R
and C. If not, check for:
Open flame rollout switch
(FRS) – Code 33.
Open limit switch (LS) –
Code 33.
Check all low-voltage wiring
connections.
1.
2.
3.
Replace control only if Code 45 is
displayed, or if all checks are OK.
—9—
—10—
—11—
A94328
SERVICE TRAINING
Packaged Service Training programs are an excellent way to increase your
knowledge of the equipment discussed in this manual, including:
 • Unit Familiarization • Maintenance
 • Installation Overview • Operating Sequence
A large selection of product, theory, and skills programs is available, using popular
video-based formats and materials. All include video and/or slides, plus companion
book.
Classroom Service Training plus "hands-on" the products in our labs can mean
increased confidence that really pays dividends in faster troubleshooting, fewer
callbacks. Course descriptions and schedules are in our catalog.
CALL FOR FREE CATALOG 1-800-962-9212
[ ] Packaged Service Training [ ] Classroom Service Training
© 1997 Bryant Heating & Cooling Systems 7310 W. Morris St. Indianapolis, IN 46231 —12— Printed in U.S.A. sp0450 Catalog No. 5333-301

Navigation menu