Budderfly S0311010 RF Switch User Manual
Budderfly LLC RF Switch
User Manual

Part No S0311010
Description:
Installing a Budderfly adapter transforms your building’s existing wiring into the “Budderfly Open Network” and allows the adapter
to monitor energy consumption and communicate the data to a facility controller.
The Budderfly RF switch presents a battery powered solution to replace installed switches that lack the presence of a neutral , for
operation it will use the RF to communicate with the installed the plug and play Budderfly RF outlet that uses the power line
communication and thus require no re-wiring. The RF switch requires to be installed within a range of 15 meters of Budderfly RF
outlet. The Budderfly RF switch is designed with battery saving features to prolong the battery life.
The Budderfly lighting RF switch is a component of the Budderfly system and designed to work with all other Budderfly devices. It
is a plug-and-play replacement for your existing lighting switch.
NOTE: For remote control applications using the Budderfly software, the Budderfly RF switch needs to installed in a range of 15 meter of a
Budderfly RF outlet
This device is designed for use only with permanently installed fixtures.
WARNING –ELECTRICAL SHOCK HAZARD
The Budderfly RF Light Switch is intended for installation in accordance
with the National Electric Code and local regulations in the United States.
If you are not knowledgeable or comfortable with electrical circuitry, you
should have a qualified electrician to install the Budderfly Switch for you.

Installation:
The Budderfly switch may be used in new installations or to replace an existing wall switch. It is intended to be used only as a 2-
way switch.
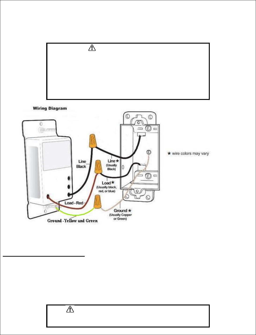
The wiring schematic will be as per below:
Warning
RISK OF FIRE
RISK OF ELECTRICAL SHOCK
RISK OF BURNS
Exercise extreme caution when using Budderfly switching devices to control appliances.
To avoid the risk of Fire, Electrical Shock, Burns or other hazards we recommend the
following:
Install the Budderfly switches indoor only.
Never use the Budderfly switches to control medical and/or life support
equipment.
Do not use the Budderfly switches to control electric heaters or any other
appliances which may present a hazardous condition due to unattended or
unintentional power on control.
Never use the Budderfly switches with loads that exceed the maximum rating
specified.
WARNING –ELECTRICAL SHOCK HAZARD
Turn OFF the power to the branch circuit for the switch and lighting
fixture at the service panel.
All wiring connections must be made with the POWER OFF to avoid
personal injury and/or damage to the switch.

1. Before installing the Budderfly RF switch make sure that a Budderfly RF plug will be installed within range 15 meter.
2. At the circuit breaker or fuse panel, disconnect the power for all of the circuits in the switch junction box.
3. Double Check that the power is OFF to the switch box before continuing by trying to turn on the controlled load.
4. Remove the wall plate from the switch you are replacing. Then, unscrew the switch itself and pull it out from the junction
box.
5. Disconnect the wires from the switch you are replacing.
6. Follow the Wiring information provided below to connect the wires as follows:
o Connect the GROUND wire (usually Bare Copper or Green) to the Ground wire of Budderfly Switch (Yellow &
Green).
o Connect the LOAD wire (usually Black) that goes to the light to the LOAD wire of Budderfly Switch (Red).
o Connect the LINE wire (usually Black) that comes from the electrical service panel to the HOT wire of Budderfly
Switch (Black).
7. After you have connected all of the wires, ensure that all of the wire connectors are firmly attached and that there is no
exposed copper except for the GROUND wire.
8. Gently place Budderfly switch into the junction box, orienting the unit with the LED bar on the left. Then, screw the switch
into place.
9. Place the batteries in the battery compartment and close it:
a. Remove the rocker
b. Insert the batteries as shown in the picture
c. Put the rocker back on

10. Reinstall the wall plate
11. Enable power to the switch from the circuit breaker or fuse panel
12. After the Enabling the power wait for 1 min, the Statues LED will turn ON for 10 seconds then is turned OFF indicating that
a connection with RF plug was established
13. Add the device address to the Budderfly web application.
“Power Cut-Off” mode:
- The Budderfly switches have the ability to completely disconnect the power from the load.
- Pressing the top of the rocker for 15 seconds will activate the “Power Cut-off” feature; the load will be turned off.
- The Status LED will start blinking to indicate that the load is disconnected and the switch is in the Power Cut-off mode.
- When the “Power Cut-off” mode is activated, the switch cannot be turned on through software and cannot be turned on
physically.
- Pressing the Bottom of the rocker again for 15 seconds will de-activate the “Power Cut-off” mode, and the device will go
back to the normal state.
Wiring Information
Important: Budderfly Switch is rated for and intended to only be used
with copper wire.
Use 12 AWG or larger wires suitable for 80o.
Remove 3/4" (1.9 cm) of insulation from each wire.
Connect as follows: Twist strands of each end tightly together. Hold bare
ends of wires together and push firmly into wire Nut. Screw Nut
clockwise making sure that no bare conductor shows below the
connector.
WARNING –ELECTRICAL SHOCK HAZARD
When replacing the Bulbs, make sure to enable the “Power Cut-off” mode. If the
power LED does not start blinking, please consult a qualified electrician.
WARNING: If you are not sure about any
part of the above instructions, consult a
qualified electrician.

Features:
- Remote On/Off control
- Manual On/Off control
- No neutral required
On/Off Control:
- Remote Control:
o The Budderfly switches can be controlled remotely thru the Budderfly software.
o The Budderfly software will inform you that the action was successful. In case the action failed, please repeat
the procedure
- Manual Control: In addition to the Remote control, the Budderfly switches can be controlled manually.
o Tap the top of the rocker to turn the connected load ON.
o Tap the again top of the rocker to turn the connected load Off.
Battery saving:
Budderfly RF switch is designed with battery saving features to minimize battery replacement. Battery life depends on the sleep
time, by default the devices are shipped with sleep time of 2 seconds; this value can be changed as desired using Budderfly
software. Noting that the response time of the device for a command coming from the Budderfly software is less than or equal the
sleep time, the device will immediately respond with no delay when the rocker is pressed.
LED Indicator:
The Budderfly switches are equipped with 1 LED that indicates the different s of the device.
- Status LED:
o Color: Green
o State:
Blinking: Budderfly switch is powered, but the “Power Cut-off” mode is activated.
ON for 10 seconds: RF connection was successfully established with an RF plug.
Reset:
If the device stops responding, it can be restarted by pushing the Reset Button. A non-metallic pin should be used to push the reset
button.
None of the stored parameters are affected.
WARNING –ELECTRICAL SHOCK HAZARD
Use only the plastic (non-metallic) pin provided with the device to press the reset
button.
Never use a metallic pin to press the reset button.
Communication:
The Budderfly RF Switches use the radio frequency to communicate with the Budderfly RF plugs which use the power line to
communicate with the “Facility Controller”.
The switches can reply to the following commands:
Direct Turn On/Off command: the switch will turn the connected load On/Off.
Set sleep Time command: set’s the device sleep time.

Warranty:
Budderfly LLC warrants to the original consumer purchaser and not for the benefit of anyone else that this product at the time
of its sale by Budderfly is free of defects in material and workmanship under normal and proper use for a period of three (3)
years from date of delivery to you. Budderfly’s only obligation is to correct such defects by repair or replacement, at its option,
if within such three year period the product is returned prepaid via Budderfly’s Returned Materials Authorization (RMA) process
to Budderfly LLC, Att: Quality Assurance Department, 4 Corporate Drive, Suite 387, Shelton, CT 06484. In no case is product to
be returned without first obtaining an RMA.
This warranty excludes and there is disclaimed liability for labor for removal of this product or reinstallation. This warranty is
void if this product is installed improperly or in an improper environment, overloaded, misused, opened, abused, or altered in
any manner, or is not used under normal operating conditions or not in accordance with any labels or instructions. There are no
other or implied warranties of any kind, including merchantability and fitness for a particular purpose, but if any implied
warranty is required by the applicable jurisdiction, the duration of any such implied warranty is required by the applicable
jurisdiction, the duration of any such implied warranty, including merchantability and fitness for a particular purpose, is limited
to three years. Budderfly is not liable for incidental, indirect, special, or consequential damages, including without limitation,
damage to, or loss of use of, any equipment, lost sales or profits or delay or failure to perform this warranty obligation.
Budderfly’s liability on any claim for damages arising out of in connection with the manufacture, sales, installation delivery, or
use of the product shall never exceed the purchase price of the product. The remedies provided herein are the exclusive
remedies under this warranty, whether based on contract, tort or otherwise.
Specifications:
Power: 120V - 277V AC/ 60Hz
Maximum Loads:
120VAC, 60 Hertz:
o 1600W for Tungsten
o 1400W for Electronic ballast
o 800W for Standard ballast
277VAC, 60 Hertz:
o 3300W for Electronic ballast
o 1200W for Standard ballast.
RF Operating Range:
o 20 meters
Battery:
o 3V- 2 x 1.5V AAA Energizer Ultimate Lithium
Frequency:
o 915Mhz
Neutral Line: NOT Required
Operating Temperature: 10 oC to +40oC
Certification: UL certification is in progress
For indoor use only
Specifications subject to change without notice due to continuing product improvement

FCC ID: QCV S0311010
Made in China
WARNING
Changes or modifications not expressly approved by the party responsible for compliance could void the user’s authority to operate
this equipment
FCC Compliance Statement
This device complies with Part 15 of the FCC Rules. Operation is subject to the following two conditions:
(1) This device may not cause harmful interference and
(2) This device must accept any interference received, including interference that may cause undesired operation.
This equipment has been tested and found to comply with the limits for a class B digital device, pursuant to part 15 of the FCC Rules.
These limits are designed to provide reasonable protection against harmful interference in a residential installation. This equipment
generates, uses and can radiate radio frequency energy and if not installed and used in accordance with the instructions, may cause
harmful interference to radio communications. However, there is no guarantee that interference will not occur in a particular
installation. If this equipment does cause harmful interference to radio or television reception, which can be determined by turning
the equipment off and on, the user is encouraged to try to correct the interference by one or more of the following measures:
Reorient or relocate the receiving antenna.
Increase the separation between the equipment and receiver.
Connect the equipment into an outlet on a circuit different from that to which the receiver is connected.
Consult the dealer or an experienced radio/TV technician for help.
The user is cautioned that changes and modifications made to the equipment without the approval of manufacturer could void the
user's authority to operate this equipment.