Buhler Allied Fk314 Users Manual
snowblower 46e61c16-8133-46ab-9df3-1f6f4c61c41f Buhler Snow Blower FK314 User Guide |
2015-02-02
: Buhler Buhler-Allied-Fk314-Users-Manual-485765 buhler-allied-fk314-users-manual-485765 buhler pdf
Open the PDF directly: View PDF
.
Page Count: 23


85” Snowblower
TABLE OF CONTENTS
DESCRIPTION PAGE
Warranty ......................................................................1
Safety Instructions .......................................................2
Safety Sign Locations ..................................................3
Assembly Instructions..................................................4
Operating Instructions..................................................5
85” Allied Snowblower Drawings..................................6
85” Allied Snowblower Parts List..................................8
Manual Chute Control Instructions & Drawing .............10
Manual Chute Control Parts List ..................................11
Hydraulic Chute Control Instructions & Drawing ..........12
Hydraulic Chute Control Parts List ...............................13
85” Allied Snowblower PTO Drawing...........................14
85” Allied Snowblower PTO Parts Lists .......................15
Gearbox Assembly Drawing.........................................17
Gearbox Assembly Parts List.......................................18
Cylinder Assembly Drawings & Parts Lists ..................19
Shipping Bundles .........................................................20

85” Snowblower
- 1 -
WARRANTY POLICY
Buhler Manufacturing products are warranted for a period of twelve (12) months (90 days for
commercial application) from original date of purchase, by original purchaser, to be free from
defects in material and workmanship under correct, normal agricultural use and proper
applications.
Buhler Manufacturing’s obligations under this warranty shall be limited to the repair or
exchange, at Buhler Manufacturing’s option, of any Buhler Manufacturing product or part which
proves to be defective as provided. Buhler Manufacturing reserves the right to either inspect
the product at the buyer’s location or have it returned to the factory for inspection.
The above warranty does not extend to goods damaged or subject to accident, abuse or misuse
after shipment from Buhler Manufacturing’s factory, nor to goods altered or repaired by anyone
other than an authorized Buhler Manufacturing representative.
Buhler Manufacturing makes no Express Warranties other than those, which are specifically
described. Any description of goods, including any references and specifications in catalogues,
circulars and other written material published, is for the sole purpose of identifying goods and
shall conform to such descriptions. Any sample or model is for illustrative purposes only and
does not create an Express Warranty that the goods conform to sample or model shown.
The purchaser is solely responsible for determining suitability of goods sold. This warranty is
expressly in lieu of all other warranties expressed or implied. Buhler Manufacturing will in no
event be liable for any incidental or consequential damages whatsoever. Nor for any sum in
excess of the price received for the goods for which liability is claimed.
WARRANTY CLAIMS:
Warranty requests must be prepared on Buhler Manufacturing Warranty Claim Forms with all
requested information properly completed. Warranty Claims must be submitted within a thirty
(30) day period from date of failure repair.
WARRANTY LABOR:
Any labor subject to warranty must be authorized by Buhler Manufacturing. The labor rate for
replacing defective parts, where applicable, will be credited at 100% of the dealer’s posted shop
rate. Defective parts will receive an extra 10% discount to assist with freight or other incidental
costs.
GOVERNMENT LEGISLATION:
Warranty terms and conditions are subject to Provincial or State legislation.
IMPORTANT FACTS:
Buckets and Bucket Tines Carry No Warranty
Bent Spears Carry No Warranty
Snowblower Fan Shafts Carry No Warranty
Mower Blades Carry No Warranty
Portable Auger Parts Have Two (2) Year Warranty
Loader Parts Have Two (2) Year Warranty
IMPORTANT NOTE: This warranty does not apply to rentals

85” Snowblower
- 2 -
CAUTION
1. Always review operator’s manual before starting new machine.
2. Do not let inexperienced operators or children run this equipment.
3. Never service or clean unit while it is running.
4. Do not remove shields.
5. Stay clear of augers.
6. Stay clear of discharge chute. Rocks can be picked up and thrown.
7. Poor judgment results in accidents. Always be careful.
8. Remember a careful operator is the best insurance.
THIS SYMBOL MEANS
STAY ALERT! WATCH FOR IT!

85” Snowblower
- 3 -
SNOWBLOWER
This manual covers the 85” model snowblower. When ordering parts, be sure to list the
serial number of your unit and blower width. The snowblower is the push type and will
mount to a tractor with a category 1 or 2 three point hitch and 540 rpm PTO. The 85"
model has a single auger and comes with a hydraulic control for the chute with a
manual control available as an option.
The auger and the blower are equipped with shear bolts to protect the machine from
damage in case a large object is picked up. Any gravel picked up in the snow will be
thrown with it and could cause serious injury. Be careful when operating the
snowblower. Do not let children play behind the tractor or in the area of the discharged
snow.
#
#2
#3

85” Snowblower
- 4 -
BASIC ASSEMBLY INSTRUCTIONS
STEP 1. Assemble the snow chute, referring to instructions under the appropriate
heading for “manual chute” or “hydraulic chute”.
STEP 2. Check the gearbox and fill to the lower level with a winter grade
transmission oil.
STEP 3. The snowblower is shipped with lower three point hitch pins for a category
2 hitch.
STEP 4. Using tape or bright colored marking pen, mark on the outer shields of the
PTO, the position where the shaft is completely pushed together and the
position where you have a 4” overlap. Watch these marks when moving
the blower through all possible operating angles to see that the PTO shaft
stays within this range.
STEP 5. With the engine on the tractor shut off, attach the PTO shaft. The tractor
end has a standard 6-spline end with a spring loaded locking collar. The
snowblower end has a clamp style yoke with a 3/8” keyway. Slide the
yoke onto the gearbox shaft with the 3/8” shaft supplied. Lock the yoke in
place with a ½” x 3” hex bolt and lock nut fitted through the groove in the
gearbox shaft. After tightening the bolt, insert and tighten the 3/8” socket
set screw supplied. CAUTION: Always check to see that
both ends of the PTO shaft are securely attached every time the
snowblower is used. This should always be done with the tractor shut off.
STEP 6. Check that the PTO shaft does not bottom or separate with the
snowblower in the extreme high and low positions. A longer optional PTO
shaft is available if the standard shaft is too short. Check for free
movement of all parts in various raised positions: particularly the PTO
shaft.
STEP 7. NOTE: Excessive u-joint wear and shear pin failure may result if the
PTO angle exceeds 20°. The drawing below gives an approximate way to
check this angle. With the PTO half extended, the tractor output should
not be over 28 inches high. Use 30 inches if the PTO is nearly fully
extended and 26 inches if it is nearly compressed.

85” Snowblower
- 5 -
OPERATING INSTRUCTIONS
1. Adjust the top link of the tractor hitch so that the snowblower is level when
resting on the ground.
2. Adjust the lower link sway chains or blocks on the tractor to restrict side
movement of the blower when operating.
3. Run the blower at low RPM to check operation.
4. The snowblower has two shear bolts to protect the tractor and blower in
case a large object enters the blower. PTO shear bolt – two 5/16" x 1"
(grade 5), auger shear bolt - 5/16" x 1 ¼” (grade 5). These bolts must be
checked every five operating hours and kept tight to prevent wear of the
bolts and bolt holes.
5. Daily check the auger bearing bolts on each side of the snowblower, the
drive sprocket bearings and the bolt holding the blower fan on the gearbox
shaft.
6. Grease the PTO and bearings every 40 hours of operation.
7. A little engine oil applied to the chain daily can double the life of the drive
chain.
8. Occasionally apply a light winter grade oil to the chute bottom ring to ease
turning.
9. Always disengage the PTO before dismounting from the tractor.
10. CAUTION: Always check to see that both ends of the PTO shaft
are securely attached as per instructions every time you are preparing to
use the snowblower.
11. Shear sprocket: The shear sprocket (#6) should be checked at the
beginning of every season to make sure it will spin freely. With time this
sprocket could corrode and seize which will not allow the shear bolt to
break if something jams in the snowblower auger. Clean to loosen if
necessary.
12. Gearbox: Use any 80-90 gear oil or multigrade with 80 minimum.
13. When replacing bearings or tightening a loose bearing collar, always
tighten collar in the direction of shaft rotation using a center punch or
similar tool.

85” Snowblower
- 6 -
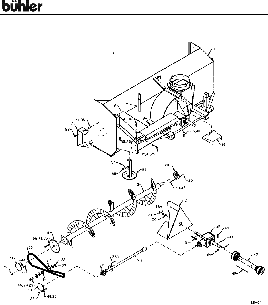
85" ALLIED SNOWBLOWER

85” Snowblower
- 7 -

85” Snowblower
- 8 -
WHEN ORDERING PARTS
Always give your dealer the Model, Color and Serial Number of your machine to assist
him in ordering and obtaining the correct parts. Use the exploded view and tabular
listing of the area of interest to exactly identify the required part.
85'' ALLIED SNOWBLOWER PARTS LIST
Item # Part # Description
1 905612 Snowblower Main Weldment
2 21598 Fan Weldment
3 965418 Auger Weldment
4 965420 Drive Shaft
5 965912 40T Sprocket, #60 1 3/8'' Bore
6 965914 13T Sprocket, #60 1 1/4'' Bore
7 965962 Idler Sprocket, 13T, #60, 5/8'' Bore
8 23393 Shear Pin Shield
9 23395 Drive Shaft Shield
10 109585 PTO Gearbox Shield
11 965969 Idler Spacer
12 22695 Chain Cover
13 965423 Roller Chain (#60 x 98 Link w/ Conn)
14 FX9700 Hitch Weldment
15 965966 Quick Hitch Lift Pin (Cat. 2)
16 965910 Top Link Pin (Cat. 2)
17 101528 Drive Shaft Key (3/8'' x 1 5/8'')
18 902377 Key (Fan) (3/8'' x 4 3/4'')
19 965433 1 1/4'' Bearing Assembly (UCF207-20)
961676 1 1/4'' Bearing Only
810754 Flange Housing
20 965426 1 3/8'' Bearing Assembly
965430 1 3/8'' Bearing Only
21 84336 3/4'' x 4'' Hex Bolt (pl)
22 84467 3/4'' x 2'' Hex Bolt (pl)
23 81671 5/8'' x 4'' Hex Bolt (pl)
24 84268 5/8'' x 1 1/2'' Hex Bolt (pl)
25 84277 1/2'' x 1 1/2'' Hex Bolt (pl)
26 81619 1/2'' x 1'' Hex Bolt (pl)
27 81627 1/2'' x 3'' Hex Bolt (pl)
28 86170 3/8'' x 1'' Hex Bolt (pl)
29 84072 3/8'' x 3/4'' Hex Bolt (pl)
30 81552 5/16'' x 1 1/4'' Gr. 5 Hex Bolt (pl)
31 81700 3/4'' Hex Nut (pl)
32 81676 5/8'' Hex Nut (pl)

85” Snowblower
- 9 -
33 81636 1/2'' Hex Nut (pl)
34 812364 1/2'' Lock Nut (pl)
35 81592 3/8'' Hex Nut (pl)
36 84217 3/8'' Wing Nut (pl)
37 812362 5/16'' Lock Nut (pl)
38 81701 3/4'' Lock Washer (pl)
39 81678 5/8'' B.S. Flat Washer (pl)
40 81637 1/2'' Lock Washer (pl)
41 81593 3/8'' Lock Washer (pl)
42 936402 PTO Safety Chain
43 965911 7/16'' Linch Pin
44 988999 3/8'' x 3/8'' Socket Set Screw
45 BU50505 Gearbox w/o Oil
46 81677 5/8'' Lock Washer (pl)
47 F842 PTO Assembly (#242-16216)
48 965648 Spout Weldment
49 965970A Spout Clamp
50 961658 1/4'' Cable Clamp
51 965646 Spout Adjustment Bar
52 961876 1/2'' x 1 1/2'' Clevis Pin (pl)
53 903523 Adjustment Pin Weld't
54 961012 #16 Hair Pin Clip
55 81569 5/16'' Lock Washer (pl)
56 81568 5/16'' Hex Nut GR2 (pl)
57 24930 Cylinder 1.75''Dia x 5.0 - 9/16'' ORB
58 115370 3/8'' x 108 Hyd Hoses C/W Fittings
59 902407 Skid Plate Weldment
60 900712 Skid Pin Weldt (pl)
61 967164 Pound-In Grease Nipple
62 108979 Swivel Arm
63 107780 Chute Cable 1/4'' x 71''
64 967140 1'' x 10ga Rim Washer (pl)
65 81210 1/4'' x 2'' Cotter Pin (pl)
66 86171 3/8'' x 1 1/4'' Hex Bolt (pl)
67 812026 5/16'' x 1'' Hex Bolt (pl)

85” Snowblower
- 10 -
MANUAL CHUTE CONTROL
1. Remove spout clamp and install chute.
2. Mount handle brackets to snowblower & hitch.
3. Insert handle extension, placing a 1” flat washer on both sides of the front
handle bracket; secure with 3/16 cotter pin.
4. Attach handle to handle extension.
5. Turn chute away from handle.
6. Attach end of cable with cable bolt.
7. Wrap cable clockwise around chute and attach cable to tab on chute with
cable clamp.
8. Wrap cable around handle extension 5 complete turns. Then secure other
cable bolt.

85” Snowblower
- 11 -
85'' Manual Chute Control
Item # Part # Description
1 965648 Spout Weldment
2 965970A Spout Clamp
3 102157 Crank Handle
4 108014 Handle Extension
5 108015 Handle Bracket
6 108020 Handle Bracket
7 108019 Cable Bolt
8 108265 Chute Cable 3/16'' x 66''
9 81207 3/16'' x 2'' Cotter Pin
10 811631 1/4'' x 1 1/2'' Hex Bolt (pl)
11 961658 1/4'' Cable Clamp
12 812363 3/8'' Lock Nut (pl)
13 81552 5/16'' x 1 1/4'' Hex Bolt (pl)
14 81568 5/16'' Hex Nut (pl)
15 81569 5/16'' Lock Washer (pl)
16 84522 1'' SAE Flat Washer (pl)
17 84498 1/4'' Lock Nut (pl)
18 965646 Spout Adjustment Bar
19 961876 1/2'' x 1 1/2'' Clevis Pin
20 961012 #16 Hair Pin Clip
21 903523 Adjustment Pin Weld't

85” Snowblower
- 12 -
HYDRAULIC SNOW CHUTE
NOTE: Before mounting chute, apply a heavy coating of light grease to chute ring.
1. Remove spout clamp and mount chute.
2. Mount pivot arm. NOTE: Flat Washers are supplied for height spacer if
required.
3. Connect one end of cable to pivot arm with cable clamp.
4. Wrap cable completely around chute ring. Then return to pivot arm and
connect with cable clamp.
5. Turn chute 90° from position illustrated so opening of chute is facing
opposite direction of pivot arm.
6. Attach cable to tab with ¼” cable clamp.
7. Connect 8” stroke hydraulic cylinder between hitch and pivot arm.
8. NOTE: A hydraulic cylinder and hose kit to control the spout deflector is
available as an option.

85” Snowblower
- 13 -
85'' Hydraulic Chute Control
Item # Part # Description
1 965648 Discharge Chute
2 965970A Spout Clamp
3 108979 Cable Pivot Arm
4 107780 Chute Cable
5 961658 1/4'' Cable Clamp
6 965646 Spout Adjustment Bar
7 961876 1/2'' x 1 3/8'' Clevis Pin
8 961012 #16 Hair Pin Clip
9 967140 1'' Flat Washer
10 812435 1/4'' x 1 3/4'' Cotter Pin
11 81552 5/16'' x 1 1/4'' Hex Bolt (pl)
12 81569 5/16'' Lock Washer (pl)
13 81568 5/16'' Hex Nut (pl)
14 903523 Adjustment Pin Weldment

85” Snowblower
- 14 -
85” ALLIED SNOWBLOWER PTO

85” Snowblower
- 15 -
SNOWBLOWER PTO (STANDARD)
Item # Part # Description
F842 Shaft Complete
936263 Tractor Half of PTO (Shear)
936264 Implement Half of PTO (Clamp Yoke)
1 936277 Shear Assembly
2 936199 Safety Slide Lock Repair Kit
(Collar, Spring, Ret. Ring, 2-Pawls)
3 936249 Shear Assembly Repair Kit (3/8'' x 1/2'' Bolt,
Lube, Blank, 31 - 1/4'' Balls)
4 903296 Shear Bolt - 5/16" x 1" (Grade 5) (Pack of 10)
5 812362 5/16'' Lock Nut
6 936025 Repair Kit (Option)
906504 Extended Life Repair Kit (Std)
7 936270 Yoke & Tube
8 936319 Bearing & Snap Ring Kit
9 936272 Inner Shield
10 936273 Outer Shield
11 936274 Yoke & Shaft
12 936269 Clamp Yoke
13 81627 1/2'' x 3'' Hex Bolt (pl)
14 812364 1/2'' Lock Nut (pl)

85” Snowblower
- 16 -
SNOWBLOWER PTO (OPTIONAL LONG)
Item # Part # Description
F844 Shaft Complete
936285 Tractor Half of PTO (Shear)
936280 Implement Half of PTO (Clamp Yoke)
1 936277 Shear Assembly
2 936199 Safety Slide Lock Repair Kit
(Collar, Spring, Ret. Ring, 2-Pawls)
3 936249 Shear Assembly Repair Kit
(3/8'' x 1/2'' Bolt, Lube, Blank, 31-1/4'' Balls)
4 903296 Shear Bolt - 5/16" x 1" (Grade 5) (Pack of 10)
5 812362 5/16'' Lock Nut
6 936025 Repair Kit (Option)
906504 Extended Life Repair Kit (Std)
7 936281 Yoke & Tube
8 936319 Bearing & Snap Ring Kit
9 936282 Inner Shield
10 936283 Outer Shield
11 936284 Yoke & Shaft
12 936269 Clamp Yoke
13 81627 1/2'' x 3'' Hex Bolt (pl)
14 812364 1/2'' Lock Nut (pl)

85” Snowblower
- 17 -
GEAR BOX ASSEMBLY

85” Snowblower
- 18 -
GEARBOX ASSEMBLY PARTS LIST - BU50505
Item # Part # Description
1 BU575901 Bearing Cone (13687)
2 BU575902 Bearing Cup (13620)
3 BU50444 Staking Lock Nut
4 BU50417-1 Key
5 BU50310 Gear Box Casting
6 BU50502 Pinion Shaft
7 BU50507 Cross Shaft
8 BU50422-1 Oil Seal
9 BU50415 Retaining Ring
10 BU50414-1 0.005 Shim
11 BU50414-2 0.010 Shim
12 BU50414-3 0.020 Shim
13 BU50458 Gasket
14 BU500397-6 5/16'' x 5/8'' Hex Bolt
15 BU50429 Key
16 BU50329 Bevel Gear
17 BU50457 Cover Plate
18 BU500089-3 3/8'' Pipe Plug
19 BU500167-1 1/8'' Relief Valve
20 BU50428 Staking Lock Nut
21 BU50331 Bevel Gear
22 BU575906 Bearing Cone (14137A)
23 BU575907 Bearing Cup (14276)
24 BU278811 Retaining Ring

85” Snowblower
- 19 -
1.75 X 5 CYLINDER ASSEMBLY
Item # Part # Description
24930 Cyl Complete
1 115367 Tube Weldt
2 112104 Shaft Weldt 1.0 Dia
3 X2669 Seal Kit
3.5 x 8 CYLINDER ASSEMBLY
Item # Part # Description
24803 Cyl Complete
1 24804 Tube Weldt
2 113934 Piston Rod 1.5 Dia
3 X2098 Seal Kit

85” Snowblower
- 20 -
85" ALLIED SNOWBLOWER BUNDLES
QUANTITY BUNDLE NO. DESCRIPTION
85" SNOWBLOWER W/HYDRAULIC CONTROL - YC8520
1 FX0091 Body Assembly
1 FX9700 Quick Hitch
OPTIONS AVAILABLE
FX8044 - Hand Crank Kit for 85” only
FX7880 - Hydraulic Chute Control Kit (85")
F842 - Standard PTO for 85” only
F844 - 36" Optional Long PTO
F9116 - Hydraulic Cylinder & Hose Kit
F9117 - Spout Deflector Cylinder & Hose Kit

Buhler Manufacturing
“
a partnership”
301 Mountain Street S.
Morden MB.
R6M 1X7
Ph.: (204) 822-4467
Fax: (204) 822-6348
www.buhler.com
Printed in Canada
Farm King Division
301 Mountain Street S.
Morden, MB R6M 1X7
Ph.: (204) 822-4467
Fax: (204) 822-6348
Allied Division
1201 Regent Ave. W.
Box 1003
Winnipeg, MB R2C 3B2
Ph.: (204) 661-8711
Fax: (204) 654-2503
Inland Division
675 Washington Ave.
Winnipeg, MB R2K 1M4
Ph: (204) 667-7854
Fax: (204) 669-2599
B.I.I. Division
1330 43rd Street N.W.
Fargo, ND 58102
Ph: (701) 282-7014
Fax: (701) 282-5865
B.C., Abbotsford
(604) 864-2665
AB, Edmonton
(403) 962-6991
SK, Regina
(306) 781-2300
ON, Woodstock
(519) 539-0435
ON, Jasper
(613) 283-1758
QC, Dorion
(450) 455-4840
AR, West Memphis
(870) 732-3132
GA, Stone Mountain
(770) 908-9439
IA, Lakeview
(712) 657-8585
ID, Meridian
(208) 887-6006
IN, Clarksville
(812) 284-3376
KS, Wichita
(316) 265-9577
MN, Lakeville
(952) 469-5267
MT, Billings
(406) 248-7771
Burando Hill
Katanning
W. Australia
011-618-98-214422
Chihuahua, Mexico
011-52-158-90306
ND, Bismarck
(701) 223-1886
ND, Fargo
(701) 282-7003
NY, Syracuse
(315) 463-5276
OH, Youngstown
(330) 793-0862
OR, Portland
(503) 234-0378
SD, Huron
(605) 352-8616
TX, Houston
(713) 928-2632
UT, Salt Lake City
(801) 972-4321
WI, Portage
(608) 742-1370
John Kerr Equipment Ltd.
Wilcoxholm Farm
Linlithgow, W. Lothian
Scotland
011-441-506-842280
Skovde, Sweden
011-46-500-452651
Naestved, Denmark
011-45-557-29511
CANADIAN WAREHOUSES
U.S. WAREHOUSES
OFFSHORE WARE
HOUSES
DIVISION LOCATIONS