Bury and Co KG CC9048 Handsfree Car Kit User Manual manual
Bury GmbH & Co KG Handsfree Car Kit manual
manual

CC 9048 / CC 9058
KURZANLEITUNG
QUICK USER GUIDE
GUIDE RAPIDE
GUÍA RÁPIDA
PIKAOPAS
OVERSIGTSVEJLEDNING
BEKNOPTE HANDLEIDING
BREVE MANUAL
GHID RAPID
КРАТКАЯ ИНСТРУКЦИЯ
ÖZET KILAVUZ
ÖVERSIKTSINSTRUKTION
HURTIGVEILEDNING
KRÓTKA INSTRUKCJA
STRUČNÝ NÁVOD
GUIDA RAPIDA КОРОТКА ІНСТРУКЦІЯ
KRATKA UPUTA
STRUČNÝ NÁVOD
RÖVID ÚTMUTATÓ

2
2Introductory information
Introductory information
Chère cliente, cher client,
Vous venez d’acheter un kit mains-libres de la marque BURY et avez ainsi choisi un produit de haute
qualité ainsi que de confort d’utilisation le plus élevé.
Gentile clientela,
Avete acquistato un dispositivo vivavoce di marca BURY, optando così per un prodotto di grande qualità
e di massimo comfort di utilizzo.
Estimado Cliente:
Usted ha adquirido un kit de telefonía manos libres de la marca BURY, optando con ello por un producto
de alta calidad y máximo confort de manejo.
Sehr geehrte Kundin, sehr geehrter Kunde,
Sie haben eine Freisprecheinrichtung der Marke BURY erworben und sich so für ein Produkt mit hoher
Qualität sowie höchstem Bedienungskomfort entschieden.
Dear customer,
Congratulations on purchasing a BURY hands-free car kit. You have chosen a high quality product that is
extremely easy to use.
Arvoisa Asiakas,
Olette hankkineet BURY-merkkisen hands-free-laitteen, mikä kertoo Teidän arvostavan korkeaa laatua ja
erinomaista käyttömukavuutta.
Kære kunde,
Du har erhvervet et håndfrit installationssæt af mærket BURY og dermed bestemt dig for et produkt af
høj kvalitet med maksimal betjeningskomfort.
Poštovani kupci,
Vi ste stekli spikerfon marke BURY i time ste se odlučili za jedan proizvod visoke kakvoće kao i najvećeg
komfora posluživanja.
Vážená zákaznice, vážený zákazníku,
Zakoupili jste si zařízení hands free značky BURY a rozhodli jste se tak pro výrobek vysoké kvality
s nejkomfortnější obsluhou.
Kedves Vásárlónk!
Köszönjük, hogy a BURY autós (handsfree) kihangosítóját választotta. Ez a készülék kiváló minőségű, és
rendkívül egyszerű használni.

3
3
Estimado/a cliente,
Adquiriu um dispositivo de mãos livres da marca BURY e decidiu-se por um produto com elevada quali-
dade, bem como por um grande conforto de operação.
Уважаемые Клиенты!
Вы приобрели автомобильный комплект громкой связи марки BURY и тем самым Вы выбрали
высококачественный продукт, гарантирующий пользователю высокий комфорт обслуживания.
Szanowna Klientko, szanowny Kliencie,
kupując zestaw głośnomówiący marki BURY zdecydowali się Państwo na produkt wysokiej jakości, ce-
chujący się komfortową obsługą.
Bästa kund!
Du har köpt en handsfree av märket BURY och därmed bestämt dig för en produkt av hög kvalitet med
maximal användningskomfort.
Kjære kunde,
du har kjøpt et håndfrisett for bil fra BURY og dermed valgt et produkt med høy kvalitet og meget enkel
betjening.
Mult stimată clientă, mult stimate client,
Aţi achiziţionat un dispozitiv „mâini libere” marca BURY şi v-aţi decis astfel pentru un produs de înaltă
calitate care oferă cel mai înalt confort la utilizare.
Geachte klant,
U heeft een handsfreeset van het merk BURY gekocht en dus gekozen voor een product met hoge kwa-
liteit alsmede maximaal bedieningsgemak.
Vážený zákazník,
Blahoželáme Vám k zakúpeniu BURY hands-free telefónnej sady. Vybrali ste si produkt vysokej kvality
s jednoduchou obsluhou.
Sayın müşterimiz,
BURY marka eller serbest araç kiti satın alarak yüksek kalite ve kullanım konforu sunan bir ürün satın
almış bulunmaktasınız.
Шановне Панство!
Ви придбали автомобільний комплект гучного зв´язку BURY. Цим самим Ви отримали високоякісний
продукт, ґарантируючий користувачу високий комфорт обслуговування.

4
4
Installation of the hands-free car kit
Installation of the hands-free car kit
Lieferumfang
Leveringsomfang
Scope of supply
Alcance de suministro
Toimituksen laajuus
Fourniture
Opseg isporuke
Contenuto della fornitura
CC 9048
8
Leveringsomvang
Levering
Âmbito de fornecimento
Zawartość
Scopul ambalarii
Комплектность
Leveransomfattning
Obsah balenia
Sevkiyatın İçeriği
Комлектність
Rozsah dodávky
A csomag tartalma

5
5
CC 9058
8

6
6
Installation of the hands-free car kit
Installation of the hands-free car kit
Beschreibung der Komponenten:
1. Elektronikbox
2. Fernbedienung / Multifunktionsdisplay mit
Halterung und Montagefuß, Schraube für
Halterung und Gummiabdeckung,
Klebestreifen
3. Mikrofon
4. ISO-Kabelbaum
5. Verlängerungskabel
6. AUX-In-Kabel
7. Micro-USB-Ladekabel
8. Kurzanleitung
Scope of delivery:
1. Electronic box
2. Illuminated remote control / Multifunction
display with cradle and mount, screws for the
holder and rubber cover, adhesive tape
3. Microphone
4. ISO cable harness
5. Extension cord
6. AUX-In cable
7. Micro USB charging cable
8. Quick user guide
Medfølger:
1. Elektronikboks
2. Oplyst fjernbetjening / Multifunktionsdis-
play med holder og monteringsfod, skrue
til holder og gummipakning, tape
3. Mikrofon
4. ISO kabelsæt
5. Forlængerledning
6. AUX-In-kabel
7. Mikro-USB-opladningskabel
8. Oversigtsvejledning
Obsah dodávky:
1. Elektronický box
2. Dálkové ovládání / Multifunkční displej
s držákem a montážním podstavcem, šroub
pro držák a gumový kryt, lepicí páska
3. Mikrofon
4. Svazek ISO kabelů
5. Prodlužovací kabel
6. AUX-In-Kabel
7. Nabíjecí kabel pro Micro USB
8. Stručnŷ návod

7
7
Toimituksen sisältö:
1. Keskusyksikkö
2. Taustavalaistu kaukosäädin CC9048. Mallissa
CC9058 on monitoiminäyttö, jonka mukana
on näytön pidike, asennusjalka ja pidikkeen
kumisuojuksen mutterit sekä jalan kiinnitys/
tarrateippi
3. Mikrofoni
4. ISO-kaapelisarja
5. Jatkokaapeli
6. AUX-In-kaapeli
7. Mikro-USB-latauskaapeli
8. Pikaopas
Contenido:
1. Caja electrónica
2. Mando a distancia iluminado / Pantalla
multifuncional con soporte y pie de montaje,
tornillo para el soporte y cubierta de caucho,
cinta adhesiva
3. Micrófono
4. Mazo de cables ISO
5. Cable de prolongación
6. Cable AUX-In
7. Cable de carga micro USB
8. Guía rápida
Contenu de la livraison :
1. Boîtier électronique
2. Télécommande / Écran multifonctionnel avec
support et pied de montage, vis pour le
support et cache en caoutchouc, ruban adhésif
3. Microphone
4. Faisceau de câble ISO
5. Rallonge
6. Câble d’entrée auxiliaire
7. Câble de charge micro-USB
8. Guide rapide
Opseg isporuke
1. Elektronička kutija
2. Daljinski upravljač / Multifunkcionalni display
sa držačem & montažnom nogom, vijaci za
držač i gumenu pokrivnu ploču, ljepljive trake
3. Mikrofon
4. ISO rasplet kraja kabela
5. Produžni kabel
6. AUX-In kabel
7. Mikro USB kabel za punjenje
8. Kratka uputa

8
8
Installation of the hands-free car kit
Installation of the hands-free car kit
Innhold i leveransen
1. Elektronikkboks
2. Opplyst fjernkontroll / Multifunksjonsdisply
med holder og monteringsfot, skruer for
holder og gummideksel, tape
3. Mikrofon
4. ISO-ledningsnett
5. Forlengelseskabel
6. AUX-In-kabel
7. Mikro-USB-ladekabel
8. Hurtigveiledning
Leveringsomvang:
1. Elektronicabox
2. Verlichte afstandsbediening / Multifunctio-
neel display met houder en montagevoet,
schroef voor houder en rubberafdekking,
plakstrip
3. Microfoon
4. ISO-kabelboom
5. Verlengsnoer
6. Aux-In-kabel
7. Micro-USB-laadkabel
8. Beknopte handleiding
Contenuto della confezione:
1. Centralina elettronica
2. Telecomando illuminato / Display multifunzio
nale con supporto e piede di montaggio, vite
per il supporto e copertura in gomma, strisce
adesive
3. Microfono
4. Fascio di cavi ISO
5. Cavo di prolunga
6. Cavo di AUX-In
7. Cavo di ricarica micro-USB
8. Guida rapida
A kiszállítás tartalma:
1. Elektronikai doboz
2. Távirányító háttérvilágítással / Multifunkciós
kijelző tartóval és rögzítőlábakkal, csavar a
tartókhoz, gumiborítás, ragasztószalag
3. Mikrofon
4. ISO kábelköteg
5. Hosszabbítókábel
6. JELBEMENETI kábel
7. Micro USB kábel
8. Rövid útmutató

9
9
Volumul de livrare:
1. Cutia electronică
2. Telecomanda / Ecran multifuncţional cu
suport şi picior de montaj, şurub pentru
suport şi masca de cauciuc, bandă adezivă
3. Microfon
4. Fascicul de cabluri ISO
5. Cablu prelungitor
6. Cablu AUX-In
7. Cablu de încărcare Micro-USB
8. Ghid rapid
W komplecie:
1. Centralka elektroniczna
2. Podświetlany pilot / Monitor wielofunkcyjny
z uchwytem i stopką montującą, śruba do
uchwytu i nakładka gumowa, taśma
mocująca
3. Mikrofon
4. Wiązka połączeniowa (ISO)
5. Przedłużacz
6. Kabel AUX-In
7. Kabel do ładowania Micro-USB
8. Skrócona instrukcja obsługi
Material fornecido:
1. Caixa electrónica
2. Telecomando iluminado / Visor multifunções
com suporte & pé de montagem, parafuso
para o suporte e cobertura de borracha, fita
adesiva
3. Microfone
4. Feixe de cabos ISO
5. Cabo de extensão
6. Cabo AUX-In
7. Cabo de carregamento micro USB
8. Guia rápido
В комплекте:
1. Электронный блок
2. Пульт дистанционного управления /
Мультифункциональный дисплей с
креплением и монтажной опорой, винт для
крепления и резиновая накладка, клейкая
лента
3. Микрофон
4. Кабельный жгут ISO
5. Удлинительный кабель
6. Кабель AUX-In
7. Зарядный кабель Micro-USB
8. Краткое руководство

10
10
Installation of the hands-free car kit
Installation of the hands-free car kit
Obsah dodávky:
1. Elektronický box
2. Diaľkové ovládanie / Multifunkčný displej s
držiakom a montážnym podstavcom, skrutka
držiaku a gumového krytu, lepiaci páska
3. Mikrofón
4. Káblový zväzok ISO
5. Predlžovací kábel
6. Kábel AUX-In
7. Nabíjací kábel pre Micro USB
8. Stručný návod
Paket kapsamı:
1. Elektronik kutusu
2. Uzaktan kumanda / Çok amaçlı ekran,
tutuculu ve montaj ayaklı, sabitleme
civatası, tutma elemanı ve lastik kapak
civatası, Yapışkan şerit
3. Mikrofon
4. ISO Kablo grubu
5. Uzatma kablosu
6. AUX-In kablosu
6. Micro-USB şarj kablosu
8. Özet kılavuz
Об’єм поставки
1. Електронна коробка
2. Пульт дистанційного керування /
Багатофункціональний дисплей з тримачем
та монтажною підставкою, гвинт для
тримача та гумова кришка, клейка стрічка
3. Мікрофон
4. Джгут електропроводів ISO
5. Подовжувальний кабель
5. Кабель AUX-In
6. Зарядний кабель Мікро-USB
8. Коротка інструкція
Leveransens omfattning:
1. Elektronisk box
2. Upplyst fjärrkontroll / Multifunktionsdisplay
med hållare & monteringsfot, skruvar för
hållaren och gummihöljet, klistertejp
3. Mikrofon
4. ISO kabelträd
5. Förlängningskabel
6. AUX-in-kabel
7. Mikro-USB-laddningskabel
8. Kort bruksanvisning

11
11
Anschlüsse an der Elektronikbox:
1 Mini-USB
2 Stromversorgung/Stummschaltung
über ISO-Kabelbaum
3 Mikrofon
4 LINE-IN
5 Multifunktionsdisplay
6 RJ45-Fernbedienung
Connections on the electronics box:
1 Mini-USB
2 Power supply/muting using Mute via
ISO cable tree
3 Microphone
4 LINE-IN
5 Multifunction display
6 RJ45-remote control
Tilslutning af elektronikboks:
1 Mini-USB
2 Strømforsyning/Stille radio på lydløs
via ISO-kabelnettet
3 Mikrofon
4 LINE-IN
5 Multifunktionsdisplay
6 RJ45-Oplyst fjernbetjening
Připojení elektronické skříňky:
1 Mini USB
2 Napájení proudem/Ztlumení zvuku
přes svazek kabelů ISO
3 Mikrofon
4 LINE-IN
5 Multifunkční displej
6 RJ45-Dálkové ovládání

12
12
Installation of the hands-free car kit
Installation of the hands-free car kit
Keskusyksikön liitännät:
1 Mini USB
2 Virta- ja kytkentäjohdot / Mykistys
ISO-johtosarjan kautta
3 Mikrofoni
4 LINE-IN
5 Monitoiminäyttö
6 RJ45-Valaistu kaukosäädin
Csatlakoztatás az Elektromos Dobozhoz:
1 Mini USB
2 Áramellátás/Elnémítás az ISO kábelkötegen
keresztül
3 Mikrofon
4 LINE-IN
5 Multifunkciós kijelző
6 RJ45-Távirányító háttérvilágítással
Conexiones en la caja electrónica:
1 Mini USB
2 Suministro de corriente/Silenciamiento
a través del mazo de cables ISO
3 Micrófono
4 LINE-IN
5 Pantalla multifuncional
6 RJ45-Mando a distancia
Connexions au boîtier électronique :
1 Mini-USB
2 Alimentation/Mise en sourdine via le
harnais de câbles ISO
3 Microphone
4 LINE-IN
5 Écran multifonctionnel
6 RJ45-Télécommande
Attacchi della scatola elettronica:
1 Mini-USB
2 Alimentazione di corrente /Attivazione
funzione Mute tramite cablaggio ISO
3 Microfono
4 LINE-IN
5 Display multifunzionale
6 RJ45-Telecomando illuminato
Priključenja na elektroničku kutiju:
1 Mini USB
2 Opskrba energijom/Prigušenje preko
ISO raspleta kraja kabela
3 Mikrofon
4 LINE-IN
5 Multifunkcionalni display
6 RJ45-Daljinski upravljač

13
13
Tilkoblinger på elektronikkboksen:
1 Mini-USB
2 Strømforsyning / Demp lyden med Demp via
ISO kabeltre
3 Mikrofon
4 LINE-IN
5 Multifunksjonsdisply
6 RJ45-Opplyst fjernkontroll
Podłączenie do boksu elektronicznego:
1 Mini USB
2 Zasilanie/Wyciszanie przez wiązkę kabli
ISO
3 Mikrofon
4 LINE-IN
5 Monitor wielofunkcyjny
6 RJ45-pilot
Aansluitingen aan de elektronicabox:
1 Mini-USB
2 Stroomvoorziening / Volumedemping
via ISO-kabelboom
3 Microfoon
4 LINE-IN
5 Multifunctioneel display
6 RJ45-Verlichte afstandsbediening
Ligação da caixa electrónica:
1 Mini-USB
2 Alimentação de corrente /Modo silencioso
através da cablagem ISO
3 Microfone
4 LINE-IN
5 Visor multifunções
6 RJ45-Telecomando iluminado
Racorduri la centrala electronică:
1 Mini-USB
2 Alimentare cu curent electric/Comutare
pe „mut” prin fascicul de cabluri ISO
3 Microfon
4 LINE-IN
5 Ecran multifuncţional
6 RJ45-Telecomanda
Возможности подключения:
1 Мини-USB
2 Электропитание/Отключение звука
с помощью кабельной разводки
согласно ISO
3 Микрофон
4 LINE-IN
5 Мультифункциональный дисплей
6 RJ45-Пульт дистанционного управления

14
14
Installation of the hands-free car kit
Installation of the hands-free car kit
Pripojenia k elektronickému boxu:
1 Mini-USB
2 Napájanie prúdom/Stiahnutie zvuku
cez káblový zväzok ISO
3 Mikrofón
4 LINE-IN
5 Multifunkčný displej
6 RJ45-Diaľkové ovládanie
Elektronik Kutusundaki Bağlantılar:
1 Mini USB
2 Elektrik beslemesi/‘ISO kablo demeti
yoluyla sessize ayarlama
3 Mikrofon
4 LINE-IN
5 Çok amaçlı ekran
6 RJ45-Uzaktan kumanda
Підключення до електронної коробки:
1 Mini-USB
2 Електроживлення/Схема безшумної
настройки через кабельний джгут ISO
3 Мікрофон
4 LINE-IN
5 Багатофункціональний дисплей
6 RJ45-Пульт дистанційного керування
Anslutningsmöjligheter:
1 Mini-USB
2 Strömförsörjning/
Ljudlösinställning via ISO-kabel
3 Mikrofon
4 LINE-IN
5 Multifunktionsdisplay
6 RJ45-Upplyst fjärrkontroll

15
15
Montage des Systems
Installation af systemet
Installation of the system
Laitteen asennus
Montage du système
A rendszer telepítése
Montaggio del sistema
Montage van het systeem
Montere systemet
Montagem do sistema
Montaż systemu
Montarea sistemului
Монтаж системы
Montering av handsfree-enheten
Montáž systému
Eller serbest araç kitinin montajı
Монтаж системи
Montaje del sistema
1 2 3 4
Montáž systému
Montaža sustava

16
16
Installation of the hands-free car kit
Installation of the hands-free car kit
1 2 3
4 5 6

17
17
PWR/LSP/LINE OUT
Schritt 1:
Ziehen Sie die ISO-Stecker hinten am Radio ab und ersetzen Sie diese durch die Stecker des ISO-Kabelbaums.
Die nun freien ISO-Stecker verbinden Sie bitte mit den beiden Buchsen vom ISO-Kabelbaum (siehe Abbildung).

18
18
Installation of the hands-free car kit
Installation of the hands-free car kit
Möchten Sie die Musik oder die Sprache über die vier LINE-Kabel übertragen, dann sind diese entsprechend an
das jeweilige Radio und dessen Anschlüsse (PHONE-IN bzw. AUX-IN) zu adaptieren. Entsprechende Adapter sind
im Fachhandel erhältlich.
Schritt 2:
Die FSE unterstützt die Radio-Stummschaltfunktion, falls diese ebenfalls vom Radio unterstützt wird. Das
Stummschaltsignal wird über das gelbe Kabel des ISO-Kabelbaums an das Radio ausgegeben. Das Kabel ist mit
„mute“ gekennzeichnet und muss an einer der drei Buchsen (mute 1, mute 2, mute 3) angeschlossen werden.
Beachten Sie bitte diesbezüglich die Hinweise im Bedienungshandbuch des Radios zum Thema „Pin-Belegung für
Mute / Radiostummschaltung“. Verbinden Sie anschließend das Mute-Kabel mit der entsprechenden Buchse.
Schritt 3:
Stecken Sie den 24poligen Molexstecker (A) in den Anschluss
der Elektronikbox (siehe Abbildung).

19
19
- 12V Power
- 12/24V Ignition
- Ground
- Line-out 1 - Line-out 2
1-Line L + / Phone L + 1-Line R + / Phone R +
2-Line L - / Phone L - 2-Line R - / Phone R -
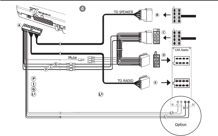
Anschlussplan für ISO-Kabelbaum

20
20
Installation of the hands-free car kit
Installation of the hands-free car kit
- Micro Molex 24 - ISO - connection to the electronic box (HFCK)
- connection to the vehicle’s speakers
- connection to the vehicle’s power supply
- connection to the car radio
- connection to the car radio
1 - Mute 3
2 - Mute 2
3 - Mute 1
4 - Ignition
5 - Antenna
6 - Illumination
7 - Power
8 - Ground
1 - C RR-
2 - C RF-
3 - C LF-
4 - C LR-
5 - R LR-
6 - R LF-
7 - R RF-
8 - R RR-
9 - LINE R+
10 - LINE L+
11 - R-Mute
12 - Ground
13 - C RR+
14 - C RF+
15 - C LF+
16 - C LR+
17 - R LR+
18 - R LF+
19 - R RF+
20 - R RR+
21 - LINE R-
22 - LINE L-
23 - Ignition
24 - Power

21
21
Step 1:
Pull the ISO jacks at the back of the radio off and replace them with the jacks at the ISO cable harness. Connect
the now free ISO jacks with both sockets from the ISO cable harness (see picture). 17
If you want music or voice signals to be fed via the four LINE cables, you must adjust them accordingly to the
respective type of radio and its connections (PHONE-IN or AUX-IN). Appropriate adapters are available from
specialists shops.
Step 2:
The hands-free car kit supports the radio mute function, if this function is also supported by the radio. The mute
signal is then fed to the radio via the yellow cable of the ISO cable harness. The cable is labelled with “mute”
and must be connected to one of the three sockets (mute1, mute2, mute3). Please observe the notes on this
topic in the instruction manual of the radio concerning “Pin allocation for mute / radio mute”. Then, connect the
mute cable to the corresponding socket. 18
Step 3:
Insert the 24-pole molex jack (A) into the connection of the electronic box (see picture). 18
Connection diagram for ISO cable harness 19
PWR/LSP/LINE OUT

22
22
Installation of the hands-free car kit
Installation of the hands-free car kit
Krok 1:
Odpojte konektor ISO na zadní straně rádia a místo něj připojte konektor z kabelového svazku ISO. Nyní volný
konektor ISO připojte k oběma zdířkám kabelového svazku ISO (viz obrázek). 17
Pokud chcete přenášet hudbu nebo hlas po čtyřech kabelech LINE, musíte je upravit podle daného rádia a jeho
připojení (PHONE-IN nebo AUX-IN). Příslušný adaptér zakoupíte v odborném obchodě.
Krok 2:
Handsfree zařízení podporuje funkci ztlumení rádia, pokud tuto funkci podporuje také samotné rádio. Signál ke
ztlumení se do rádia přenáší žlutým kabelem v kabelovém svazku ISO. Kabel je označen nápisem „mute“ (ztlu-
mení) a musí být připojen k jedné ze tří zdířek (mute 1, mute 2, mute 3). V této věci se řiďte návodem k obsluze
rádia, částí pojednávající o „Zapojení pinů pro ztlumení rádia“. Pak propojte kabel mute k příslušné zdířce.
18
Krok 3:
Připojte 24pólový konektor Molex (A) do připojení elektronického boxu (viz obrázek). 18
Schéma zapojení pro kabelový svazek ISO 19
PWR/LSP/LINE OUT

23
23
Trin 1:
Træk ISO-stikket ud bag på radioen, og udskift dette med stikket fra ISO-kabelsættet. Det nu ledige ISO-stik
skal du forbinde med de to bøsninger fra ISO-kabelsættet (se figur). 17
Hvis du vil overføre musik eller tale gennem de fire LINE-kabler, skal disse forsynes med adaptere, der passer til
den pågældende radio og dennes tilslutninger (PHONE-IN eller AUX-IN). Passende adaptere fås i specialforret-
ninger.
Trin 2:
Det håndfri installationssæt understøtter deaktivering af lyd på radioen, hvis radioen også understøtter denne
funktion. Signalet til deaktivering af lyd (mute) sendes til radioen gennem det gule kabel i ISO-kabelsættet.
Kablet er mærket med ”mute” og skal sluttes til en af de tre bøsninger (mute 1, mute 2, mute 3). Læs i denne
forbindelse anvisningerne for ”Benkonfiguration for Mute / deaktivering af lyd på radioen” i brugsanvisningen til
radioen. Forbind derefter Mute-kablet med den korrekte bøsning. 18
Trin 3:
Sæt det 24-polede Molex-stik (A) i tilslutningen på elektronikboksen (se figur). 18
Tilslutningsskema for ISO-kabelsæt 19
PWR/LSP/LINE OUT

24
24
Installation of the hands-free car kit
Installation of the hands-free car kit
Paso 1:
Retire el conector ISO de detrás de la radio y sustitúyalo por el conector del arnés de cables ISO. Conecte el
conector ISO que ha quedado libre con las dos hembrillas del arnés de cables ISO (véase figura). 17
Si desea transferir música o voz a través de los cuatro cables LINE, estos deberán adaptarse a la radio corres-
pondiente y a sus conectores (PHONE-IN o AUX-IN). Puede adquirir los adaptadores correspondientes en los
comercios especializados.
Paso 2:
El kit de manos libres soporta la función de silencio de la radio, siempre que la radio también la soporte. La señal
de silencio se reproduce en la radio a través del cable amarillo del arnés de cables ISO. El cable está marcado
con “mute” y se debe conectar a una de las tres hembrillas (mute 1, mute 2, mute 3). Observe las indicaciones
en el manual de uso de la radio sobre “Asignación de pines para mute / Silencio de la radio”. A continuación,
conecte el cable de silencio (mute) a la hembrilla correspondiente. 18
Paso 3:
Conecte el conector Molex de 24 pines (A) en la conexión de la caja electrónica (véase figura). 18
Esquema de conexiones para el arnés de cables ISO 19
PWR/LSP/LINE OUT

25
25
PWR/LSP/LINE OUT
1. vaihe:
Vedä radion takaosassa oleva ISO-pistoke irti ja vaihda se ISO-johdinnipun pistokkeeseen. Yhdistä nyt vapaana
olevat ISO-pistokkeet ISO-johdinnipun molempiin liitäntöihin (katso kuva). 17
Mikäli autoradiossa ei ole ISO-liitäntää, kannattaa hankkia väliadapterijohto, joka muuttaa BURY- johtosarjan
ISO-liitännän oikeaksi. On myös mahdollista kytkeä johdot huolellisesti juottamalla.
Mikäli autoradiossa ei ole perinteisiä kaiutinliitäntöjä, voidaan myös käyttää erilliskaiutinta, tai yhdistää laitteen
johdot autossa valmiina oleviin kaiuttimiin.
Jos haluat siirtää musiikkia tai puheen neljää LINE-kaapelia pitkin, ne on liitettävä asianmukaista adapteria
käyttäen kyseiseen radioon ja sen liitäntöihin (PHONE-IN tai AUX-IN). Adaptereita saa alan liikkeistä.
2. vaihe:
Keskusyksikkö ohjaa autoradion mykistystoimintoa, mikäli radiokin tulee sitä. Mykistyssignaali lähetetään ISO-
johdinnipun keltaista kaapelia pitkin radioon. Kaapeli on merkitty tunnuksella ”mute” ja se on liitettävä yhteen
kolmesta liitännästä (mute 1, mute 2, mute 3). Huomioi tässä yhteydessä myös kuinka autoradion mykistys toimii
tai mitkä ovat siihen tehtävät kytkennät. Katso autoradion käyttö/kytkentäohjetta, jossa usein kerrotaan kuinka
radion mykistäminen kytketään tai kuinka mykistystoiminto toimii. Yhdistä mute-johto oikeaan liitäntään.
18
3. vaihe:
Työnnä 24-napainen Molex-liitäntäjohto huolella (A) keskusyksikössä olevaan liitäntään. Huolehdi, että liitos lu-
kittuu kunnolla (katso kuva). 18
ISO-johdinnipun liitäntäkaavio 19

26
26
Installation of the hands-free car kit
Installation of the hands-free car kit
Étape 1 :
Retirez le connecteur ISO à l’arrière de l’autoradio et remplacez-le avec le connecteur du faisceau de câbles ISO.
Le connecteur ISO est maintenant libre. Veuillez le connecter avec les deux ports du faisceau de câbles ISO (voir
la figure). 17
Si vous souhaitez transférer la musique ou la parole de votre interlocuteur par le câble à quatre LINE, alors il faut
les faire correspondre à l’autoradio donné et les adapter à ses ports de connexion (PHONE-IN ou AUX-IN). Les
adaptateurs appropriés sont disponibles auprès votre revendeur.
Étape 2 :
Le kit mains-libres supporte la fonction de mise en sourdine de l’autoradio si elle est également supportée par
l’autoradio. Le signal de mise en sourdine est transmis via le câble jaune du faisceau de câbles ISO à l’autoradio.
Le câble est identifié avec « mute » et doit être connecté à l’un des trois ports (mute 1, mute 2 ou mute 3). Dans
ce cas, veuillez tenir compte des instructions dans le chapitre « Configuration des broches pour mute/mise en
sourdine de l’autoradio » du manuel de l’utilisateur de l’autoradio. Ensuite, branchez le câble Mute au port de
connexion correspondant. 18
Étape 3 :
Branchez le connecteur Molex à 24 broches (A) dans le port de connexion du boîtier électronique (voir la figure).
18
Schéma de câblage pour le faisceau de câbles ISO. 19
PORT PWR/LSP/LINE OUT

27
27
PWR/LSP/LINE OUT
Korak 1:
Izvucite ISO utikač na stražnjoj strani radija i zamijenite ga utikačima ISO snopa kabela. Sada slobodne ISO
utikače spojite na dva ulaza ISO snopa kabela (vidi sliku). 17
Ukoliko želite prenositi glazbu ili govor preko četiri LINE kabela, odgovarajuće ih prilagodite na dotični radio i
njegove priključke (PHONE-IN odn. AUX-IN). Odgovarajuće adaptere možete nabaviti u specijaliziranoj trgovini.
Korak 2:
Uređaj za razgovaranje slobodnih ruku podupire mute funkciju radija, ukoliko radio također podupire tu funkciju.
Mute signal izdaje se preko žutog kabla ISO snopa kabela na radio. Kabel ima oznaku “mute” te se mora priklju-
čiti na jedan od triju utora (mute 1, mute 2, mute 3). Molimo pridržavajte se u svezi s time napomena u uputama
radija na temu “Dodjela pinova za mute funkciju / automatsko stišavanje radija”. Nakon toga spojite mute kabel
na odgovarajući ulaz. 18
Korak 3:
Umetnite 24polni Molex utikač (A) u priključak elektroničke kutije (vidi sliku). 18
Priključna shema za ISO snop kabela 19

28
28
Installation of the hands-free car kit
Installation of the hands-free car kit
PWR/LSP/LINE OUT
1. lépés:
Húzza le a rádió hátuljáról az ISO csatlakozót, és helyettesítse azt az ISO kábelköteg csatlakozójával. A sza-
baddá tett ISO csatlakozót kérjük, csatlakoztassa az ISO kábelköteg mindkét kapcsolóhüvelyéhez (lásd a képet).
17
Ha a zenét vagy a beszédhangot a négy LINE kábelen keresztül szeretné továbbítani, akkor ezeket az adott rádió
csatlakozóihoz kell adaptálni (PHONE-IN ill. AUX-IN). A megfelelő adaptert a szakboltban szerezheti be.
2. lépés:
A telefonkihangosító támogatja a rádió-némítás funkciót, ha azt a rádió maga is támogatja. A némítás jelet az
ISO kábelköteg sárga vezetéke adja át a rádiónak. A kábelt a „mute” (némítás) szóval jelöltük meg; azt a három
kapcsolóhüvely (mute 1, mute 2, mute 3) egyikéhez kell csatlakoztatni. Kérjük, vegye figyelembe a rádió
használati útmutatójában az „PIN kiosztás a némításhoz / rádiónémításhoz” résznél megadott idevonatkozó
utasításokat. Végül csatlakoztassa a némítókábelt a megfelelő kapcsolóhüvelyhez. 18
3. lépés:
Csatlakoztassa a 24 eres Molex csatlakozódugót (A) az elektromos doboz csatlakozójához (lásd az ábrát).
18
ISO kábelköteg csatlakoztatási rajz 19

29
29
Fase 1:
Estrarre i connettori ISO dietro alla radio e sostituirli con i connettori del fascio di cavi ISO. Collegare quindi
i connettori ISO con le due prese del fascio di cavi ISO (v. figura). 17
Se volete trasmettere musica o voce attraverso i quattro cavi LINE, questi devono essere adatti alla vostra radio
e alle relative prese di collegamento (PHONE-IN o AUX-IN). Adattatori adeguati sono disponibili presso i rivendi-
tori specializzati.
Fase 2:
Il kit vivavoce supporta la funzione di silenziamento della radio, a condizione che anche la radio la preveda.
Il segnale di silenziamento viene trasmesso alla radio attraverso il cavo giallo del fascio di cavi ISO. Il cavo è
contrassegnato con l’indicazione “mute” e deve essere collegato a una delle tre prese (mute 1, mute 2, mute 3).
Leggete a proposito le indicazioni nel manuale d’uso della radio al capitolo “Occupazione dei pin per la funzione
mute / il silenziamento della radio”. Inserite quindi il cavo mute nella presa corrispondente. 18
Fase 3:
Inserite il connettore Molex a 24 poli (A) nella presa di collegamento sulla centralina elettronica (v. figura).
18
Piano di connessione per fascio di cavi ISO 19
PWR/LSP/LINE OUT

30
30
Installation of the hands-free car kit
Installation of the hands-free car kit
Stap 1:
Trek de ISO-stekers achter op de radio eruit en vervang deze door de stekers van de ISO-bedrading. De nu vrije
ISO-stekers verbindt u met de beide bussen van de ISO-bedrading (zie afbeelding). 17
Mocht u de muziek of de spraak via de vier LINE-kabels willen overdragen, dan moeten deze dienovereenkomstig
aan de betreffende radio en de aansluitingen ervan (PHONE-IN resp. AUX-IN) worden aangepast. Geschikte
adapters zijn in de speciaalzaak verkrijgbaar.
Stap 2:
De vrijspreekinrichting ondersteunt de radio-stilschakelfunctie, mits deze eveneens door de radio wordt onder-
steund. Het stilschakel-signaal wordt via de gele kabel van de ISO-bedrading naar de radio geleid. De kabel is
met “mute” aangeduid en moet op een van de drie bussen (mute 1, mute 2, mute 3) worden aangesloten. Let
wat dit betreft in het bijzonder op de aanwijzingen in het bedieningshandboek van de radio over de “Pin-bezet-
ting voor mute / radio-stilschakeling”. Sluit vervolgens de mute-kabel aan op de betreffende bus. 18
Stap 3:
Steek de 24-polige Molexsteker (A) in de aansluiting van de elektronicabox (zie afbeelding). 18
Aansluitschema voor ISO-bedrading 19
PWR/LSP/LINE OUT

31
31
PWR/LSP/LINE OUT
Trinn 1:
Trekk ut ISO-pluggen bak på radioen, og erstatt den med pluggen på ISO-kabelbunten. Den ledige ISO-pluggen
forbinder du med de to kontaktene på ISO-kabelbunten (se illustrasjon). 17
Hvis du vil overføre musikk eller tale via de fire LINE-kablene, må disse tilpasses til den aktuelle radioen og de
tilhørende tilkoblingene (PHONE-IN eller AUX-IN). Riktig type adapter får du i spesialforretninger.
Trinn 2:
Håndfrisettet støtter radioens lydløsfunksjon, hvis radioen støtter denne funksjonen. Lydløssignalet overføres
via den gule kabelen fra ISO-kabelbunten til radioen. Kabelen er merket med “mute” og må kobles til en av de
tre kontaktene (mute 1, mute 2, mute 3). Du finner mer informasjon om “stiftefordeling for mute/lydløsfunksjon”
i bruksanvisningen for radioen. Forbind deretter Mute-kabelen med den tilhørende kontakten. 18
Trinn 3:
Sett den 24-polede Molex-pluggen (A) i tilkoblingen til elektronikkboksen (se illustrasjon). 18
Tilkoblingsskjema for ISO-kabelbunt 19

32
32
Installation of the hands-free car kit
Installation of the hands-free car kit
Krok 1:
Proszę wyciągnąć wtyczki ISO podłączone do radia, na tylnej ściance i zastąpić je wtyczkami od wiązki kabla
ISO. Wolne wtyczki ISO proszę połączyć z obydwoma gniazdami od wiązki kabla ISO (patrz rysunek).
17
Jeśli muzyka i głos mają być transmitowane poprzez 4 kable LINE, to należy je podłączyć za pomocą adaptera
do radia i jego gniazd (PHONE-IN lub AUX-IN). Odpowiednie adaptery są dostępne w punktach specjalistycz-
nych.
Krok 2:
Urządzenie głośnomówiące wspomaga funkcję wyciszania radia (MUTE), jeśli radio jest w nie wyposażone. Sy-
gnał MUTE jest transmitowany do radia za pomocą żółtego kabla wiązki kabla ISO. Kabel jest oznaczony „MUTE”
i musi być podłączony do jednego z trzech gniazd (mute 1, mute 2, mute 3). Proszę zapoznać się ze wskazówka-
mi w instrukcji obsługi radia odnośnie „ułożenia pinów dla MUTE/Wyciszanie radia”. Na koniec proszę połączyć
kabel MUTE z odpowiednim gniazdem. 18
Krok 3:
24 pinową wtyczkę typu Molex (A) proszę podłączyć do gniazda centralki elektronicznej (patrz rysunek)
18
Plan podłączenia wiązki kabla ISO 19
PWR/LSP/LINE OUT

33
33
Passo 1:
Retirar a ficha ISO da parte de trás do rádio e substituí-la pela ficha da cablagem ISO. Ligar as fichas ISO agora
livres aos dois conectores da cablagem ISO (ver figura). 17
Caso deseje transferir música e voz pelos quatro cabos LINE, deve adaptar os cabos correspondentes ao res-
pectivo rádio e suas portas (PHONE-IN adequado a AUX-IN). Os respectivos adaptadores estão disponíveis em
lojas especializadas.
Passo 2:
O dispositivo de mãos livres comporta a função de desactivação de áudio do rádio, caso esta também seja
comportada pelo rádio. O sinal de desactivação do áudio será emitido para o rádio através do cabo amarelo da
cablagem ISO. O cabo está marcado com “mute” e tem de estar conectado a um dos três conectores (mute 1,
mute 2, mute 3). Tenha em atenção as indicações relacionadas com este tópico no manual de utilização sob
“Configuração de PIN para Mute/desactivação do áudio do rádio”. Em seguida, ligar o cabo Mute ao conector
correspondente. 18
Passo 3:
Ligar a ficha Molex de 24 pólos (A) à porta da caixa electrónica (ver figura). 18
Esquema de conexão para a cablagem ISO 19
PWR/LSP/LINE OUT

34
34
Installation of the hands-free car kit
Installation of the hands-free car kit
Шаг 1:
Извлеките штекеры ISO на задней панели радиоприемника и вставьте вместо них штекеры кабельного
жгута ISO. Отсоединенные штекеры ISO вставьте в оба гнезда кабельного жгута ISO (см. рисунок).
17
Для передачи аудио или голоса по четырем кабелям с маркировкой LINE подсоедините их к соответ-
ствующим разъемам (PHONE-IN или AUX-IN) радиоприемника. Необходимые переходники можно приоб-
рести в специализированных магазинах.
Шаг 2:
Вы можете использовать функцию отключения на автомобильной гарнитуре, если аналогичная функция
предусмотрена на радиоприемнике. Сигнал об отключении звука передается на радиоприемник по жел-
тому кабельному жгуту ISO. На кабеле имеется маркировка «mute», и его необходимо подсоединить
к одному из трех гнезд (mute 1, mute 2, mute 3). См. соответствующие указания руководства по эксплуа-
тации радиоприемника в разделе «Разводка контактов для отключения звука радиоприемника». После
этого подсоедините кабель с маркировкой «mute» к соответствующему гнезду. 18
Шаг 3:
Вставьте 24-контактный штекер типа «Molex» (A) в разъем электронного блока (см. рисунок). 18
Схема соединений кабельного жгута ISO 19
PWR/LSP/LINE OUT

35
35
Steg 1:
Dra ur ISO-anslutningen på radions baksida och ersätt den med kontakten för ISO-kablaget. Den nu lösa ISO-
anslutningen kopplar du ihop med de båda anslutningarna från ISO-kablaget (se bild). 17
Om du vill överföra musik eller tal över de fyra LINE-kablarna skall dessa anslutas på motsvarande sätt till den
aktuella radion och dess anslutningar (PHONE-IN resp. AUX-IN). Lämplig adapter finns att köpa i fackhandeln.
Steg 2:
Högtalarenheten stöder radio-ljudlösfunktion, om denna funktion även stöds av radion. Ljudlöskopplingssig-
nalen sänds ut över den gula kabeln i ISO-kablaget på radion. Kabeln är markerad med ”mute” och måste anslu-
tas till en av de tre anslutningarna (mute 1, mute 2, mute 3). Beakta informationen gällande detta under rubriken
”Pin-beläggning för ljud av / koppling radio ljudlös” i radions användarmanual. Anslut därefter mute-kabeln med
motsvarande anslutning. 18
Steg 3:
Sätt i den 24 poliga molexkontakten (A) i anslutningen på den elektroniska boxen (se bild). 18
Anslutningsritning för ISO-kablage 19
PWR/LSP/LINE OUT

36
36
Installation of the hands-free car kit
Installation of the hands-free car kit
PWR/LSP/LINE OUT
Krok 1:
Vytiahnite ISO konektor vzadu z rádia a nahraďte ho konektormi ISO káblového zväzku. Voľné ISO konektory
spojte, prosím, s obidvoma portami ISO káblového zväzku (pozri obrázok). 17
Ak chcete prenášať hudbu alebo hovorené slovo cez štyri káble LINE, tak sa musia tieto príslušne prispôsobiť
dotyčnému rádiu a jeho prípojkám (PHONE-IN, resp. AUX-IN). Príslušné adaptéry sú dostupné v špecializovanom
obchode.
Krok 2:
HFZ podporuje funkciu stlmenia zvuku rádia, ak túto funkciu podporuje aj rádio. Prepínací signál stlmenia sa
prenáša do rádia cez žltý kábel ISO káblového zväzku. Kábel je označený slovom „mute” a musí byť pripojený
k jednému z troch portov (mute 1, mute 2, mute 3). Rešpektujte, prosím, ohľadne tohto pokyny v užívateľskej
príručke rádia k téme „Obsadenie Pin pre Mute/Stlmenie zvuku rádia”. Následne prepojte kábel Mute s prísluš-
ným portom. 18
Krok 3:
Zasuňte 24-pólový konektor Molec (A) do prípojky elektronického boxu (pozri obrázok). 18
Plán pripojenia pre ISO káblový zväzok 19

37
37
1. adım:
Radyonun arkasında bulunan ISO fişlerini çıkartın ve bunları ISO kablo demetinde bulunan fişler ile değiştirin.
Açıkta bulunan ISO fişlerini, ISO kablo demetinde bulunan iki yuvaya bağlayın (bkz. resim). 17
Müziği ya da konuşma sesini dört adet LINE kablosu üzerinden aktarmak istiyorsanız, bunları ilgili radyoya ve
radyo bağlantılarına uygun bir şekilde bağlayın (PHONE-IN veya AUX-IN). İlgili adaptörler, perakendeciler aracı-
lığıyla temin edilebilir.
2. adım:
FSE, radyoyu sessize alma fonksiyonunu destekler (radyo da bu fonksiyonu desteklediği sürece). Sessize alma
sinyali, ISO kablo demetinde bulunan sarı kablo üzerinden radyoya iletilir. Bu kablo “mute” (sessiz) işaretini taşır
ve üç adet yuvadan (sessiz 1, sessiz 2, sessiz 3) birine bağlanmalıdır. Lütfen radyonun kullanım kılavuzunda bu-
lunan “Sessiz için Pin atama / Radyoyu sessize alma” bölümündeki talimatları dikkate alın. Daha sonra sessiz
kablosunu ilgili yuvaya bağlayın. 18
3. adım:
24 kutuplu Molex fişini (A) elektronik kutuda bulunan bağlantı noktasına bağlayın (bkz. resim). 18
ISO Kablo Demetinin Bağlantı Şeması 19
PWR/LSP/LINE OUT

38
38
Installation of the hands-free car kit
Installation of the hands-free car kit
PWR/LSP/LINE OUT
Крок 1:
Витягніть штекери ISO на задній панелі радіоприймача, вставте замість них штекери кабельного джгута
ISO. Від’єднані штекери ISO вставте в обидва гнізда кабельного джгута ISO (див. малюнок). 17
Для передачі аудіо або голосу по чотирьох кабелях LINE під’єднайте їх до відповідних рознімів радіоприй-
мача (PHONE-IN або AUX-IN). Необхідні перехідники можна придбати у спеціалізованих магазинах.
Крок 2:
Ви можете скористатись функцією відключення звуку на автомобільній гарнітурі, якщо цю функцію пе-
редбачено на радіоприймачі. Сигнал про відключення звуку передається на радіоприймач через жовтий
кабель джгута ISO. На кабелі є маркування «mute», і його необхідно під’єднати до одного з трьох гнізд
(mute 1, mute 2, mute 3). Див. відповідні вказівки керівництва з експлуатації радіоприймача у розділі «Роз-
ведення контактів для відключення звуку радіоприймача». Після цього під‘єднайте кабель з маркуванням
«mute» до відповідного гнізда. 18
Крок 3:
Вставте 24-контактний штекер типу «Molex» (A) у рознім електронного блоку (див. малюнок). 18
Схема з’єднань кабельного джгута ISO 19

39
39
Operating guideline
Operating guideline
Eine
Bluetooth
Verbindung herstellen
Oprettelse af
Bluetooth
-forbindelse
Establishing a
Bluetooth
connection
Establecer una conexión
Bluetooth
Bluetooth
-yhteyden muodostaminen
Etablir une connexion
Bluetooth
Bluetooth
kapcsolat létrehozása
Stabilire un attacco
Bluetooth
Het totstandbrengen van een
Bluetooth
verbinding
Opprette en
Bluetooth
-forbindelse
Estabelecer uma ligação
Bluetooth
Nawiązanie połączenia
Bluetooth
Realizarea unei conexiuni
Bluetooth
Создать соединение
Bluetooth
Ansluta
Bluetooth
Vytvoriť spojenie
Bluetooth
Bluetooth
bağlantısı kurma
Встановлення з’єднання
Bluetooth
123
456
79
*
#
PIN: 1234
„CC 9048 ...“
„CC 9058“
Navázání spojení pomocí technologie
Bluetooth
Uspostavljanje
Bluetooth
konekcije

40
40
Operating guidelines CC 9048
Operating guidelines CC 9048
Sprache auswählen
Nachdem die Stromversorgung der Freisprecheinrichtung (FSE) erfolgreich angeschlossen wurde, akti-
viert sich die FSE, wenn die Zündung eingeschaltet wird. Um die Voice Prompts zu benutzen, sollten
diese eingeschaltet werden, indem die Plus-Taste 10 Sek. gedrückt gehalten wird. Danach muss die Spra-
che der Voice Prompts ausgewählt werden, worüber das Gerät mit „Sprache auswählen“ informiert. Ver-
fügbare Sprachen (Englisch, Deutsch, Französisch, Spanisch, Russisch, Polnisch, Tschechisch und Nieder-
ländisch) werden vom Gerät aufgerufen. Durch ein einmaliges Drücken der Mitteltaste wird die Auswahl
der jeweils aufgerufenen Sprache bestätigt. Die Liste der verfügbaren Sprachen wird dreimal vom Gerät
aufgerufen. Wurde keine Sprache ausgewählt, wird Englisch automatisch geladen.
Um die ausgewählte Sprache zu ändern, sollte das Gerät auf die Werkseinstellungen zurückgesetzt wer-
den, indem die Minus –Taste 10 Sek. gedrückt gehalten wird. Das Gerät wird zurückgesetzt und der
Sprachauswahlvorgang wiederholt.
Um die Voice Prompts auszuschalten, sollte die Plus-Taste etwa 10 Sek. gedrückt gehalten werden.
Language selection
After properly connecting the HFCK to the power supply, the device will start with the launch of the car
ignition. To use voice prompts, activate them by pressing and holding the Plus button for 10 seconds.
Then select the language for voice prompts after the device informs about it by emitting „Choose lan-
guage“. Available languages will be read out (English, German, French, Spanish, Russian, Polish, Czech
and Dutch), a single press of the middle button during wanted language presentation confirms the choice.
The list of available languages will be read three times, in the absence of selection, English will be loaded
automatically.
To change the language selection, restore the factory settings by holding the Minus button for 10 sec-
onds. The device will reset, then the voice prompts have to be activated and the system will repeat the
procedure of language selection from the beginning.
To turn off the voice prompts just press and hold the Plus button for 10 seconds.

41
41
Valg af sprog
Når det håndfri installationssæt er blevet sluttet til strømforsyningen, aktiveres det håndfri installations-
sæt, når tændingen slås til. For at anvende stemmekommandoerne skal disse aktiveres ved at holde
plusknappen inde i 10 sekunder. Derefter skal du vælge sprog for stemmekommandoerne, hvilket appara-
tet informerer om med kommandoen ”Choose language”. Tilgængelige sprog (engelsk, tysk, fransk,
spansk, russisk, polsk, tjekkisk og hollandsk) læses op af apparatet. Med et tryk på den midterste tast
bekræftes valget af det ønskede sprog. Listen over tilgængelige sprog læses op tre gange af apparatet.
Hvis der ikke vælges noget sprog, indlæses engelsk automatisk.
Hvis du vil ændre det valgte sprog, skal apparatets standardindstillinger gendannes ved at holde mi-
nusknappen inde i 10 sekunder. Apparatets standardindstillinger gendannes, og proceduren for valg af
sprog gentages.
Hvis stemmekommandoerne skal deaktiveres, skal du holde plusknappen inde i ca. 10 sekunder.
Výběr jazyka
Když k handsfree zařízení připojíte napájení, handsfree zařízení se bude aktivovat vždy po zapnutí zapa-
lování. Chcete-li používat hlasové výzvy, musíte je zapnout tak, že přidržíte tlačítko plus stisknuté po dobu
10 sekund. Potom musíte zvolit jazyk hlasových výzev, o čemž vás bude zařízení informovat slovy „Vyber-
te jazyk“. Zařízení bude uvádět jazyky, které jsou k dispozici (angličtina, němčina, francouzština, španěl-
ština, ruština, polština, čeština a nizozemština). Jedním stisknutím středového tlačítka můžete potvrdit
volbu právě uvedeného jazyka. Zařízení přehraje dostupné jazyky třikrát. Pokud nezvolíte žádný jazyk,
automaticky bude zvolena angličtina.
Pokud chcete zvolit jiný jazyk, musíte zařízení resetovat na tovární nastavení tak, že 10 sekund přidržíte
stisknuté tlačítko mínus. Zařízení bude resetováno a jazyk bude možné zvolit znovu.
Pokud chcete hlasové výzvy vypnout, přidržte cca 10 sekund stisknuté tlačítko plus.

42
42
Operating guidelines CC 9048
Operating guidelines CC 9048
Seleccionar el idioma
El dispositivo de manos libres se activa al encenderse el contacto del vehículo, siempre y cuando se haya
realizado correctamente la conexión de alimentación eléctrica del dispositivo. Para utilizar los mensajes
de voz, estos deben activarse manteniendo pulsada durante 10 s la tecla de más. A continuación debe
seleccionarse el idioma de los mensajes de voz, sobre los cuales el aparato le informará mediante “Selec-
cionar idioma”. El aparato le mostrará los idiomas disponibles (inglés, alemán, francés, español, ruso,
polaco, checo y neerlandés). Para seleccionar el idioma pulse una vez la tecla central. El aparato le mos-
trará tres veces la lista de idiomas disponibles. En caso de no seleccionar ningún idioma, se cargará el
inglés de manera automática.
Para modificar el idioma seleccionado, restaure el aparato a los ajustes de fábrica manteniendo pulsada
durante 10 s la tecla de menos. El aparato se restaura al estado de fábrica y se repite el proceso de se-
lección de idioma.
Para desactivar los mensajes de voz, mantenga pulsada la tecla de más durante aprox. 10 s.
Kielen valitseminen
Kun kaiutinpuhelimen virransyöttö on liitetty onnistuneesti, kaiutinpuhelin aktivoituu sytytyksen päällekytke-
misen yhteydessä. Jotta voisit käyttää ääniohjeita, ne on kytkettävä päälle pitämällä pluspainiketta painettu-
na 10 sekunnin ajan. Tämän jälkeen sinun on valittava ääniohjeiden kieli, mistä ilmoitukseksi näytölle tulee
ilmoitus ”Choose language”. Laite hakee käytettävissä olevat kielet (englanti, saksa, ranska, espanja, venäjä,
puola, tsekki ja hollanti). Kulloinkin haetun kielen valinta vahvistetaan painamalla keskipainiketta kerran.
Laite hakee käytettävissä olevien kielten luettelon kolme kertaa. Jos mitään kieltä ei valita, järjestelmä lataa
kieleksi automaattisesti englannin.
Jos haluat muuttaa valitun kielen, laite on palautettava takaisin tehdasasetuksiin pitämällä miinuspainiketta
painettuna 10 sekunnin ajan. Laite palautetaan takaisin tehdasasetuksiin ja toimenpiteet kielen valitsemisek-
si toistetaan.
Jos haluat kytkeä ääniohjeet pois päältä, pidä pluspainiketta painettuna noin 10 sekunnin ajan.

43
43
Sélection de la langue
Après avoir branché avec succès le cordon d’alimentation du kit mains libres, le kit mains libres sera ac-
tivé lorsque vous mettrez le contact d’allumage. Pour utiliser les instructions vocales, activez cette fonc-
tion en appuyant sur la touche Plus pendant environ 10 secondes. Ensuite, vous devez sélectionner la
langue des instructions vocales en réglant le paramètre « Sélectionner la langue » de l’appareil. Les lan-
gues disponibles (anglais, allemand, français, espagnol, russe, polonais, tchèque et néerlandais) sont
énumérées par l’appareil. Confirmez la langue de votre choix en appuyant une fois sur la touche centrale.
La liste des langues disponibles est énumérée trois fois par l’appareil. Si aucune langue n’est sélectionnée,
l’anglais est automatiquement choisi par défaut.
Pour modifier la langue sélectionnée, réinitialisez l’appareil aux réglages d’usine en appuyant sur la tou-
che Moins pendant 10 secondes. L’appareil est réinitialisé et la procédure de sélection de la langue est
à nouveau répétée.
Pour désactiver les instructions vocales, appuyez sur la touche Plus pendant environ 10 secondes.
Odabir jezika
Nakon uspješnog priključenja opskrbe električnom energijom uređaja za razgovaranje slobodnih ruku, isti
se aktivira kada uključite paljenje. Da biste koristili Glasovne upute, morate ih uključiti tako da tipku plus
držite pritisnutom 10 sekundi. Nakon toga morate odabrati jezik funkcije Glasovne upute, o čemu vas
uređaj informira prikazom „Choose language”. Uređaj poziva raspoložive jezike (engleski, njemački, fran-
cuski, španjolski, ruski, poljski, češki i nizozemski). Odabir dotičnog jezika potvrđuje se jednim pritiskom
srednje tipke. Uređaj triput poziva popis dostupnih jezika. Ako se ne odabere nijedan jezik, automatski se
učitava engleski.
Da biste promijenili odabrani jezik, uređaj morate vratiti na tvorničke postavke tako da tipku minus držite
pritisnutom 10 sekundi. Uređaj se vraća na početne postavke i ponavlja se postupak odabira jezika.
Da biste isključili Glasovne upute, tipku plus držite pritisnutom otprilike 10 sekundi.

44
44
Operating guidelines CC 9048
Operating guidelines CC 9048
Selezione della lingua
Dopo aver correttamente collegato il dispositivo vivavoce all’alimentazione elettrica, esso si attiva se
è stato acceso. Per utilizzare i prompt vocali, essi devono essere attivati tenendo premuto il tasto Più per
circa 10 sec. Successivamente occorre selezionare la lingua dei prompt vocali, dei quali il dispositivo in-
forma mediante “Choose language”. Il dispositivo richiama le lingue disponibili (inglese, tedesco, france-
se, spagnolo, russo, polacco, ceco e olandese). Premendo una volta il tasto centrale si conferma la sele-
zione della lingua richiamata. Il dispositivo richiama per tre volte l’elenco delle lingue disponibili. Se non
si seleziona alcuna lingua, viene caricata automaticamente la lingua inglese.
Per modificare la lingua selezionata, resettare il dispositivo alle impostazioni iniziali tenendo premuto il
tasto Meno per 10 sec. Il dispositivo viene resettato e il processo di selezione della lingua viene ripetuto.
Per disattivare i prompt vocali, tenere premuto per circa 10 sec. il tasto Più.
Nyelvválasztás
Ha a kihangosítót sikeresen csatlakoztatta az áramellátáshoz, akkor az a gyújtás bekapcsolásakor auto-
matikusan aktiválódik. A hangutasítások használat a Plusz gomb 10 másodperces lenyomásával be kell
kapcsolni. Ezután ki kell választani a hangjelzések nyelvét, amelyről a készülék a „Choose language” tá-
jékoztat. Megjelennek a készüléken rendelkezésre álló nyelvek (angol, német, francia, spanyol, orosz,
lengyel, cseh és holland). A kiválasztott nyelvet a középső gomb egyszeri megnyomásával erősítheti meg.
A rendelkezésre álló nyelvek listáját az eszköz háromszor jeleníti meg. Ha nem választ nyelvet, a készülék
automatikusan az angolra áll.
A kiválasztott nyelv módosításához állítsa vissza a készülék alapállapotát úgy, hogy a mínusz - gombot 10
másodpercig nyomva tartja. A készülék alaphelyzetbe áll, majd újra felkínálja a nyelvválasztás lehetőségét.
A hangjelzéseket a plusz + gomb 10 másodperces nyomva tartásával lehet kikapcsolni.

45
45
Taal selecteren
Nadat de voeding van de handsfreeset succesvol is aangesloten, gaat de handsfreeset aan zodra het
contactsleuteltje wordt omgedraaid. Om gesproken opdrachten te gebruiken dient u deze in te schakelen
door de plus-toets gedurende 10 seconden in te drukken. Vervolgens meldt het apparaat: ,,Taal selecte-
ren’’, waarna de taal van de gesproken opdrachten geselecteerd moet worden. Beschikbare talen (Engels,
Duits, Frans, Spaans, Russisch, Pools, Tsjechisch en Nederlands) worden door het apparaat weergege-
ven. Door één keer op de middelste toets te drukken, wordt de keuze van de op dat moment weergege-
ven taal bevestigd. De lijst met beschikbare talen wordt drie keer door het apparaat weergegeven. Indien
er geen taal wordt gekozen, wordt automatisch de Engelse taal geladen.
Voor het wijzigen van de gekozen taal moet het apparaat teruggezet worden naar fabrieksinstellingen,
door de min-toets gedurende 10 seconden in te drukken. Het apparaat wordt teruggezet en de taalkeuze
wordt herhaald.
Om de gesproken opdrachten uit te schakelen, houdt u de plus-toets ongeveer 10 seconden ingedrukt.
Velge språk
Hvis strømforsyningen til den håndfrie enheten er riktig tilkoblet, aktiveres den håndfrie enheten når ten-
ningen slås på. For å kunne benytte talemeldinger må disse slås på ved å holde plusstasten inntrykt i ti
sekunder. Deretter må du velge språk for talemeldingene ved hjelp av „Choose language”. Tilgjengelige
språk (engelsk, tysk, fransk, spansk, russisk, polsk, tsjekkisk og nederlandsk) vises på displayet. Ved
å trykke én gang på midttasten bekreftes språkvalget. Listen over tilgjengelige språk vises tre ganger.
Hvis du ikke velger noe språk, velges engelsk automatisk.
For å endre det valgte språket må apparatet tilbakestilles til fabrikkinnstillingene ved å holde minustasten
inntrykt i ti sekunder. Apparatet tilbakestilles, og prosedyren for valg av språk gjentas.
For å slå av talemeldingene holder du plusstasten inntrykt i 10 sekunder.

46
46
Operating guidelines CC 9048
Operating guidelines CC 9048
Selecção de idioma
Após a fonte de alimentação do dispositivo mãos-livres (DML) ter sido correctamente conectada, o DML
activa-se quando a ignição for ligada. Para utilizar as instruções por voz, deve-se ligar estas mantendo
a tecla Mais premida durante 10 seg. Em seguida, deve seleccionar o idioma das instruções por voz, que
o aparelho irá informar com “Choose language”. Idiomas disponíveis (inglês, alemão, francês, espanhol,
russo, polaco, checo e neerlandês) são acedidos pelo aparelho. Ao pressionar uma vez na tecla central,
a selecção do idioma acedido é accionada. A lista dos idiomas disponíveis é acedida três vezes pelo apa-
relho. Se nenhum idioma tiver sido seleccionado então o inglês é automaticamente carregado.
Para alterar o idioma seleccionado deve-se restaurar o aparelho para as configurações de fábrica, man-
tendo a tecla Menos pressionada durante 10 seg. O aparelho é restaurado e o processo de selecção de
idioma é repetido.
Para desligar as instruções por voz deve-se manter a tecla Mais pressionada durante cerca de 10 segundos.
Wybór języka
Po prawidłowym podłączeniu zestawu głośnomówiącego do zasilania uruchomi się on wraz z uruchomie-
niem zapłonu silnika samochodu. Aby korzystać z podpowiedzi głosowych należy je włączyć przytrzymu-
jąc przycisk Plus przez 10 sekund. Następnie należy wybrać język podpowiedzi głosowych, o czym poin-
formuje urządzenie emitując: „Wybierz język”. Zostaną wyczytane dostępne języki (angielski, niemiecki,
francuski, hiszpański, rosyjski, polski, czeski i niderlandzki), pojedyncze naciśnięcie środkowego przycisku
w trakcie prezentowania danego języka potwierdza jego wybór. Lista dostępnych języków zostanie prze-
czytana trzy razy, w przypadku braku wyboru automatycznie zostanie wczytany język angielski.
Aby zmienić wybrany język należy przywrócić ustawienia fabryczne trzymając przycisk Minus przez 10
sekund. Urządzenie zresetuje się, po czym należy włączyć podpowiedzi głosowe i urządzenie powtórzy
procedurę wyboru języka od początku.
Aby wyłączyć podpowiedzi głosowe należy przytrzymać przycisk Plus przez 10 sekund.

47
47
Selectarea limbii
După ce alimentarea cu energie electrică a sistemului handsfree a fost încheiată cu succes, se activează
sistemul handsfree, după cuplarea cheii de contact. Pentru a utiliza mesajele vocale, acestea trebuie acti-
vate prin apăsarea tastei Plus timp de 10 secunde. Apoi trebuie să selectaţi limba pentru Mesajele vocale,
aspect semnalizat de aparat prin opţiunea „Choose language”. Limbile disponibile (engleză, germană, fran-
ceză, spaniolă, rusă, polonă, cehă şi olandeză) sunt apelate de către aparat. Apăsând o singură dată pe
tasta centrală se confirmă selectarea limbii apelate. Lista limbilor disponibile este apelată de trei ori de către
aparat. Dacă nu a fost selectată nicio limbă, se încarcă automat varianta în limba engleză.
Pentru a modifica limba selectată, aparatul trebuie resetat la reglajele din fabrică, apăsând tasta Minus timp
de 10 sec. Aparatul este resetat iar procesul de selectare a limbii se repetă.
Pentru a deconecta Mesajele vocale, apăsaţi tasta Plus timp de aproximativ 10 secunde.
Выбор языка
Гарнитура Hands Free, подключенная к сети питания, активируется в момент включения зажига-
ния. Чтобы воспользоваться голосовыми подсказками, необходимо их включить, нажав кнопку
«плюс» и удерживая ее 10 сек. После включения необходимо выбрать язык голосовых подсказок,
о чем устройство информирует пользователя сообщением «Выберите язык». Устройство перечис-
ляет возможные языки (английский, немецкий, французский, испанский, русский, польский, чеш-
ский и голландский). Выбор одного из перечисленных языков подтверждается однократным на-
жатием средней кнопки. Список имеющихся языков устройство повторяет три раза. Если не вы-
бирается ни один из языков, автоматически загружается английский язык.
Чтобы поменять выбранный язык, устройство нужно вернуть к заводским настройкам, нажав кноп-
ку «минус» и удерживая ее 10 сек. Настройки устройства возвращаются в исходное состояние,
и процесс выбора языка повторяется.
Чтобы выключить голосовые подсказки, необходимо нажать кнопку «плюс» и удерживать ее около
10 сек.

48
48
Operating guidelines CC 9048
Operating guidelines CC 9048
Výber jazyka
Potom, ako sa úspešne pripojilo napájanie handsfree zariadenia (HFZ), HFZ sa aktivuje, keď sa zapne
zapaľovanie. Aby sa mohli využívať hlasové pokyny, mali by sa tieto zapnúť tak, že sa 10 sekúnd podrží
stlačené tlačidlo Plus. Potom sa musí zvoliť jazyk hlasových pokynov, o čom bude zariadenie informovať
pomocou výzvy „Choose language”. Zariadenie vyvolá dostupné jazyky (angličtina, nemčina, francúzšti-
na, španielčina, ruština, poľština, čeština a holandčina). Jedným stlačením stredného tlačidla sa potvrdí
výber príslušného vyvolaného jazyka. Zariadenie vyvolá zoznam dostupných jazykov trikrát. Ak sa nevy-
berie žiadny jazyk, automaticky sa načíta angličtina.
Aby sa zmenil zvolený jazyk, malo by sa zariadenie vrátiť naspäť do pôvodného nastavenia od výroby
tým, že sa 10 sekúnd podrží stlačené tlačidlo Mínus. Zariadenie sa vráti do pôvodného stavu a postup
výberu jazyka sa zopakuje.
Aby sa vypli hlasové pokyny, malo by sa podržať stlačené tlačidlo Plus približne 10 sekúnd.
Språkval
När strömförsörjningen till högtalarenheten har anslutits aktiveras enheten så snart som tändningen har
slagits till. Om uppmaningarna är avstängda, sätt på dem genom att trycka på plusknappen i ungefär 10
sekunder. Du måste då välja språk för röstuppmaningarna genom att ställa in ”Choose language” på en-
heten. Tillgängliga språk (engelska, tyska, franska, spanska, ryska, polska, tjeckiska och nederländska)
öppnas av enheten. Tryck en gång på mittenknappen för att bekräfta valet av språk. Listan över tillgäng-
liga språk öppnas tre gånger av enheten. Om inget språk väljs kommer engelska att öppnas automatiskt.
För att ändra inställt språk ska enheten återställas till fabriksinställningarna genom att minusknappen
hålls intryckt i 10 sekunder. Enheten återställs och valet av språk upprepas.
För att stänga av röstuppmaningarna, håll plusknappen intryckt i ca. 10 sekunder.

49
49
Dil seçimi
Eller serbest sisteminin (ESS) güç kaynağını başarılı bir şekilde bağladıktan sonra, kontağı açtığınızda ESS
aktifleştirilir. Sesli Uyarıları kullanmak için artı (+) tuşunu 10 saniye boyunca basılı tutarak açmanız gerekir.
Cihaz “Choose language” ile bilgilendirileceği için ardından Sesli Uyarılar dilini seçmeniz gerekir. Geçerli
diller (İngilizce, Almanca, Fransızca, İspanyolca, Rusça, Polonyaca, Çekçe ve Flemenkçe) cihaz tarafından
çağrılır. Ortadaki tuşa bir kez bastığınızda çağrılan dilin seçimi onaylanır. Geçerli dillerin listesi cihaz tara-
fından üç kez çağrılır. Herhangi bir dil seçmediğinizde, nihayetinde otomatik olarak İngilizce yüklenir.
Seçilen dili değiştirmek isterseniz, eksi (–) tuşunu 10 saniye boyunca basılı tutarak cihazı fabrika ayarları-
na geri döndürmeniz gerekir. Cihaz fabrika ayarlarına geri döndürülür ve dil seçim işlemi tekrarlanır.
Sesli Uyarıları kapatmak için artı (+) tuşunu 10 saniye boyunca basılı tutmanız gerekir.
Вибір мови
Гарнітура Hands Free, під’єднана до мережі живлення, активується в момент включення запалення.
Для використання голосових підказок необхідно їх увімкнути, натиснувши кнопку «плюс» і утриму-
ючи її 10 сек. Після цього необхідно обрати мову голосових підказок, про що пристрій проінформує
Вас за допомогою повідомлення «Choose language». Пристрій послідовно пропонує наявні мови
(англійська, німецька, французька, іспанська, російська, польська, чеська та нідерландська). Вибір
однієї з перерахованих мов підтверджується, якщо натиснути один раз на середню кнопку. Перелік
наявних мов пристрій повторює тричі. Якщо не вибрана жодна з мов, автоматично завантажується
англійська.
Щоб змінити вибрану мову, потрібно повернути пристрій до заводських налаштувань, натиснувши
кнопку «мінус» і утримуючи її 10 сек. Після повернення пристрою до вихідного стану процес вибору
мови повторюється.
Для вимкнення голосових підказок необхідно натиснути кнопку «плюс» і утримувати її біля 10 сек.

50
50
Operating guidelines CC 9048
Operating guidelines CC 9048
CC 9048
Status Statusbe-
schreibung
Plus-
Taste
1x kurz
drücken
Minus-
Taste 1x
drücken
Mitteltaste
1x drücken
Mitteltaste
für 2 Sekunden
gedrückt
halten
Mitteltaste
2x drücken
Plus- und
Minus-Taste
4 Sekunden
gedrückt
halten
Plus-Taste für
10 Sekunden
gedrückt
halten
Minus-
Taste für 10
Sekunden
gedrückt
halten
Plus- und
Mitteltaste
4 Sekunden
gedrückt
halten
Minus- und
Mitteltaste
4 Sekunden
gedrückt
halten
Stand-by
Wenn FSE nicht
mit dem Handy
verbunden ist
Lautstärke
lauter
Lautstärke
leiser
Auto
Verbindung
an/aus
Multipoint an/aus
(1 Beep = aus,
2 Beep = an)
-
Audio-Option
(1 Beep,
2 Beep,
4 Beep)
Voice-Tags
an/aus
(1 Beep = aus,
2 Beep = an)
Auf Werksein-
stellungen
zurücksetzen
AUX-IN
an/aus
(1 Beep = aus,
2 Beep = an)
Telefon Audio
(1 Beep = aus,
2 Beep = an)
Sprache
wählen
Nach Zurück-
setzen auf
Werkeinstel-
lungen
- -
Aktuelle
Sprache
auswählen
- - - - - - -
Verbunden
Wenn FSE mit
einem Handy
(oder mit zwei
Handys) ver-
bunden ist
Lautstärke
lauter
Lautstärke
leiser
Im Handy
gespeicherte
Voice-Tags
aufrufen
(Sprachwahl)
Verbindung
zwischen FSE
und Handy
(Handys) trennen
Wahlwieder-
holung
DSP* im Handy
ein- und aus-
schalten
(1 Beep = aus,
2 Beep = an)
- -
AUX-IN
an/aus
(1 Beep = aus,
2 Beep = an)
Telefon Audio
(1 Beep = aus,
2 Beep = an)
Ankommende
Anrufe
Lautstärke
lauter
Lautstärke
leiser
Anruf
annehmen Anruf ablehnen - - - - - -
Ankommende
Anrufe
Wenn FSE mit
dem Handy
verbunden ist
und ein Ge-
spräch aktiv ist
(Multipoint)
Lautstärke
lauter
Lautstärke
leiser
Erstes
Gespräch
beenden und
ankommen-
den Anruf
annehmen
Zweiten ankom-
menden
Anruf ablehnen
- - - - - -
Aktives
Gespräch
Lautstärke
lauter
Lautstärke
leiser
Gespräch
beenden
Umschaltung
vom Freisprech-
modus in den
Privatmodus und
umgekehrt
Mikrofon
der FSE muten
/ deaktivieren
(diese Funktion
ist aktiv, falls
DSP aktiv ist)
DSP in der FSE
ein- und aus-
schalten
(1 Beep = aus,
2 Beep = an)
- - - -
* handyabhängig
Übersicht über die Funktionen der Tasten

51
51
CC 9048
Status Status
description Press Plus
key once
Press Minus
key once
Press Middle
key once
Hold Middle
key for
2 seconds
Press Middle
key twice
Hold Plus and
Minus key for
4 seconds
Hold Plus
key for
10 seconds
Hold Minus
key for
10 seconds
Hold Plus
and Middle
key for
4 seconds
Hold Minus
and Middle
key for
4 seconds
Stand-by
When HFCK is
not connected
with phone
Volume up Volume
down
Auto connect
on/off
Multipoint
on/off
(1 beep is off,
2 beeps is on)
-
Audio option
(1 beep,
2 beeps,
4 beeps)
Voice Prompts
on/off
(1 beep is off,
2 beeps is on)
Factory
reset
AUX-In
on/off
(1 beep is off,
2 beeps is on)
Mobile audio
on/off
(1 beep is off,
2 beeps is on)
Language
selection
After
factory reset - - Choose current
language - - - - - - -
Connected
When HFCK
is connected
with phone
(or two phones)
Volume up Volume
down
Calls phone
voice tags
Disconnect
HFCK and
phone (phones)
Redial
Turn on/off DSP*
in the phone
(1 beep is off,
2 beeps is on)
- -
AUX-In
on/off
(1 beep is off,
2 beeps is on)
Mobile audio
on/off
(1 beep is off,
2 beeps is on)
Incoming
call Volume up Volume
down Accept call Rejects call - - - - - -
Incoming
call
When HFCK
is connected
with phones
and call
is active
(Multipoint)
Volume up Volume
down
End rst call
and make
incoming call
active on device
Reject
second call - - - - - -
Active call Volume up Volume
down Quit call
Change car kit
mode to privat
mode or privat
mode to car kit
mode
Mute micro-
phone of HFCK
(function is
active if DSP
in the HFCK
is active)
Turn on/off DSP
in the HFCK
(1 beep is off,
2 beeps is on)
- - - -
* depending on mobile phone
Overview of the key functions

52
52
Operating guidelines CC 9048
Operating guidelines CC 9048
CC 9048
Status Popis
statusu
1x krátce
stiskněte
tlačítko
plus
1x krátce
stiskněte
tlačítko
mínus
1x stiskněte
střední
tlačítko
Střední tlačítko
držte stisknuté
po dobu
2 sekund
2x stiskně-
te střední
tlačítko
Tlačítko plus
a mínus držte
stlačené
po dobu
4 sekund
Tlačítko plus
držte stlače-
né po dobu
10 sekund
Tlačítko
mínus držte
stlačené
po dobu
10 sekund
Tlačítko plus
a střední
držte stlače-
né po dobu
4 sekund
Tlačítko mí-
nus a střední
držte stlače-
né po dobu
4 sekund
Stand-by
Když není
handsfree
s mobilním
telefonem
spojeno
Zesílení
hlasitosti Snížení
hlasitosti
Automatické
spojení
zap/vyp
Multipoint
zap/vyp
(1 pípnutí = vyp,
2 pípnutí = zap)
-
Audio-Option
(1 pípnutí,
2 pípnutí,
4 pípnutí)
Voice-Tags
zap/vyp
(1 pípnutí =
vyp, 2 pípnutí
= zap)
Reset na
výchozí
nastavení
AUX-In
zap/vyp
(1 pípnutí =
vyp, 2 pípnutí
= zap)
Mobile Audio
(1 pípnutí =
vyp, 2 pípnutí
= zap)
Zvolit
jazyk
Po resetu
původních
nastavení - - Vybrat aktuální
jazyk - - - - - - -
Spojeno
Když je
handsfree
s mobilním
telefonem
(telefony)
spojeno
Zesílení
hlasitosti Snížení
hlasitosti
Vyvolání voice
tags uložených
v mobilním
telefonu
(Volba jazyka)
Přerušit spojení
mezi handsfree
sadou a mobilním
telefonem
(telefony)
Zopakování
vytočení čísla
Zapnutí a vypnutí
DSP* v mobilu
(1 pípnutí = vyp,
2 pípnutí = zap)
- -
AUX-In
zap/vyp
(1 pípnutí =
vyp, 2 pípnutí
= zap)
Mobile Audio
(1 pípnutí =
vyp, 2 pípnutí
= zap)
Příchozí
hovory Zesílení
hlasitosti Snížení
hlasitosti Přijmout hovor Odmítnout hovor - - - - - -
Příchozí
hovory
Když je
handsfree
s mobilním
telefonem
spojeno
a probíhá
aktivní hovor
(Multipoint)
Zesílení
hlasitosti Snížení
hlasitosti
První hovor
ukončit a
příchozí hovor
přijmout
Odmítnout druhý
příchozí hovor - - - - - -
Aktivní
hovor Zesílení
hlasitosti Snížení
hlasitosti Ukončit hovor
Přepnutí
z handsfree
režimu do
soukromého
režimu a opačně
Mikrofon
handsfree
vypnout /
deaktivovat
(Tato funkce
je aktivní,
když je aktivní
DSP)
Zapnutí a vypnutí
DSP v handsfree
(1 pípnutí = vyp,
2 pípnutí = zap)
- - - -
* závisí od telefonu
Přehled funkcí talčítek

53
53
CC 9048
Status Statusbeskrivelse Tryk i kort
tid 1 gang
på plus-
tasten
Tryk i kort
tid 1 gang
på minus-
tasten
Tryk
1 gang på
midtertasten
Hold
midtertasten
nede
i 2 sekunder
Tryk
2 gange på
midtertasten
Hold plus- og
minustasten
nede
i 4 sekunder
Hold
plustasten
nede i 10
sekunder
Hold
minustasten
nede i 10
sekunder
Hold plus-
og midter-
tasten nede
i 4 sekunder
Hold minus-
og midter-
tasten nede
i 4 sekunder
Stand-by Når headset ikke er
tilsluttet telefonen
Lydstyrke
højere
Lydstyrke
lavere
Automatisk
forbindelse
til/fra
Multipoint til/fra
(1 bip fra,
2 bip = til)
-
Lyd-valg
(1 bip,
2 bip,
4 bip)
Voice-tags
til/fra
(1 bip= fra,
2 bip = til)
Factory
reset
AUX-In
til/fra
(1 bip= fra,
2 bip = til)
Mobil audio
(1 bip= fra,
2 bip = til)
Vælg sprog Efter nulstilling til
fabriksindstillinger - - Vælg aktuelt
sprog - - - - - - -
Tilsluttet
Når headsettet
er tilsluttet en
mobiltelefon (eller
to mobiltelefoner)
Lydstyrke
højere
Lydstyrke
lavere
Ring til voice-
tags, der
er gemt på
mobiltelefonen
(sprogvalg)
Afbryd
forbindelse
mellem
headset og
mobiltelefon(er)
Gentag valg
Slå DSP*
i mobilen
til og fra
(1 bip = fra,
2 bip = til)
- -
AUX-In
til/fra
(1 bip= fra,
2 bip = til)
Mobil audio
(1 bip= fra,
2 bip = til)
Indgående
opkald
Lydstyrke
højere
Lydstyrke
lavere Besvar opkald Afvis opkald - - - - - -
Indgående
opkald
Når headset er
tilsluttet telefonen
og en samtale er
aktiv (multipoint)
Lydstyrke
højere
Lydstyrke
lavere
Afslut første
samtale
og besvar
indgående opkal
Afvis andet
indkommende
opkald
- - - - - -
Aktiv
samtale
Lydstyrke
højere
Lydstyrke
lavere Afslut samtale
Omkobling
fra headset til
privattilstand
og omvendt
Stil headset-
mikrofonen på
lysløs/deaktiver
den (denne
funktion er
aktiv, hvis DSP
er aktiv)
Kobl DSP*-en
i headsettet til
og fra
(1 bip = fra,
2 bip = til)
- - - -
* depending on mobile phone
Oversigt over tastfunktioner

54
54
Operating guidelines CC 9048
Operating guidelines CC 9048
Vista general de las funciones de las teclas
CC 9048
Estado Descripción
del estado Pulsar
1 vez la
tecla de
suma
Pulsar
1 vez la
tecla de
resta
Pulsar 1 vez
la tecla
central
Mantener
pulsada la
tecla central
durante 2 seg.
Pulsar
2 veces la
tecla central
Mantener pul-
sadas las teclas
de suma y resta
durante 4 seg.
Mantener
pulsada la
tecla de suma
durante
10 seg.
Mantener
pulsada
la tecla
de resta
durante
10 seg.
Mantener
pulsadas las
teclas de suma
y central du-
rante 4 seg.
Mantener
pulsadas las
teclas de resta
y central du-
rante 4 seg.
Stand-by
Cuando el
manos libres no
está conectado
con el móvil
Volumen
más alto Volumen
más bajo
Conexión
automática
CON/DES
Multipoint
CON/DES
(1 pitido = DES;
2 pitidos = CON
-
Opción de audio
(1 pitido,
2 pitidos,
4 pitidos)
Indicaciones
de voz
CON/DES
(1 pitido = DES;
2 pitidos = CON)
Ajustes de
fábrica
Entrada AUX
CON/DES
(1 pitido = DES;
2 pitidos = CON)
Audio del teléfono
CON/DES
(1 pitido = DES;
2 pitidos = CON)
Selección
de idioma
Después de
ajustes de
fábrica - - Elija idioma
actual - - - - - - -
Conectado
Cuando el ma-
nos libres está
conectado con
el móvil
(o dos móviles)
Volumen
más alto Volumen
más bajo
Consultar las
etiquetas de voz
guardadas en el
móvil (marca-
ción por voz)
Cortar conexión
entre el manos
libres y el móvil
(móviles)
Rellamada
Conectar y des-
conectar DSP* en
el móvil
(1 pitido = DES;
2 pitidos = CON)
- -
Entrada AUX
CON/DES
(1 pitido = DES;
2 pitidos = CON)
Audio del teléfono
CON/DES
(1 pitido = DES;
2 pitidos = CON)
Llamada
entrante Volumen
más alto Volumen
más bajo Contestar una
llamada Rechazar una
llamada - - - - - -
Llamada
entrante
Cuando el
manos libres
está conec-
tado con el
móvil y hay una
llamada activa
(Multipoint)
Volumen
más alto Volumen
más bajo
Poner n a la
primera llamada
y hacer
llamada entran-
te activa en el
dispositivo
Rechazar
la segunda
llamada
entrante
- - - - - -
Llamada
activa Volumen
más alto Volumen
más bajo Finalizar
la llamada
Cambio del
modo manos
libres al modo
privado y vice-
versa
Silenciar /
desactivar el
micrófono del
manos libres
(función está
activa si DSP
en el kit manos
libres está
activo)
Conectar y desco-
nectar DSP en el
manos libres
(1 pitido = DES;
2 pitidos = CON)
- - - -
* depende del teléfono móvil

55
55
Näppäintoimintojen yleiskatsaus
CC 9048
Tila Tilakuvaus Paina plus-
painiketta
1x lyhyesti
Paina
miinus-pai-
niketta 1x
lyhyesti
Paina keskipaini-
ketta 1x
Pidä
keskipainiketta
2 sekuntia alas
painettuna
Paina keskipaini-
ketta 2x
Pidä plus- ja
miinus-
painiketta 4
sekuntia alas
painettuina
Pidä plus-
painiketta 10
sekuntia alas
painettuna
Pidä miinus-
painiketta
10 sekuntia alas
painettuna
Pidä plus- ja
keski-painiket-
ta 4 sekuntia
alas painet-
tuina
Pidä miinus- ja
keski-painiket-
ta 4 sekuntia
alas
painettuina
Stand-by
Kun handsfree ei
ole yhdistettynä
kännykkään
Äänenvoi-
makkuus
kovemmalle
Äänenvoi-
makkuus
hiljaisem-
malle
Automaattinen
yhteys päälle/pois
Multipoint päälle/
pois
(1 piippaus = pois,
2 piippausta =
päälle)
-
Äänivalinnat
(1 piippaus,
2 piippausta,
4 piippausta)
Äänitallenteet
päälle/pois päältä
(1 piippaus =
pois päältä,
2 piippausta)
Oletusasetusten
palauttaminen
AUX-In päälle/
pois päältä
(1 piippaus =
pois päältä,
2 piippausta =
päälle)
Mobile Audio
päälle/pois
(1 piippaus =
pois päältä,
2 piippausta =
päälle)
Kielen
valinta
Tehdasasetus-
ten palautuk-
sen jälkeen
- - Valitse käytettävä
kieli - - - - - - -
Yhdistetty
Kun handsfree
on yhdistettynä
yhteen
kännykkään
(tai kahteen
kännykkään)
Äänenvoi-
makkuus
kovemmalle
Äänenvoi-
makkuus
hiljaisem-
malle
Toista kännykkään
tallennetut
äänitallenteet
(kielen valinta)
Katkaise yhteys
handsfreen
ja kännykän
(kännyköiden)
välillä
Uudelleenvalinta
Kytke DSP*
kännykästä päälle
ja pois päältä
(1 piippaus =
pois päältä,
2 piippausta =
päälle)
- -
AUX-In päälle/
pois päältä
(1 piippaus =
pois päältä,
2 piippausta =
päälle)
Mobile Audio
(1 piippaus =
pois päältä,
2 piippausta =
päälle)
Saapuva
puhelu
Äänenvoi-
makkuus
kovemmalle
Äänenvoi-
makkuus
hiljaisem-
malle
Vastaa puheluun Hylkää puhelu - - - - - -
Saapuva
puhelu
Kun handsfree
on yhdistettynä
kännykkään
ja puhelu on
aktiivinen
(Multipoint)
Äänenvoi-
makkuus
kovemmalle
Äänenvoi-
makkuus
hiljaisem-
malle
Lopeta ensimmäinen
puhelu ja vastaa
tulevaan puheluun
Hylkää toinen
saapuva puhelu - - - - - -
Aktiivinen
puhelu
Äänenvoimak-
kuus
kovemmalle
Äänenvoi-
makkuus
hiljaisem-
malle
Lopeta puhelu
Vaihto
handsfree-tilasta
normaalitilaan ja
päinvastoin
Mykistä / poista
käytöstä hands-
freen mikrofoni
(toiminto on akti-
ivinen, jos DSP on
aktiivinen)
Kytke DSP
handsfreestä
päälle ja pois
päältä
(1 piippaus =
pois päältä,
2 piippausta =
päälle)
- - - -
* kännykästä riippuvainen * DSP = Digitaalinen taustakohinan suodatustoiminto * MULTIPOINT = Kahden puhelimen samanaikainen käyttö

56
56
Operating guidelines CC 9048
Operating guidelines CC 9048
Aperçu des fonctions des touches
CC 9048
Statut Description
du statut Appuyer
1x sur la
touche
plus
Appuyer
1x sur la
touche
moins
Appuyer 1x
sur la touche
milieu
Maintenir la
touche milieu
appuyée
2 secondes
Appuyer
2x sur la
touche milieu
Maintenir les
touches plus
et moins
appuyées
4 secondes
Maintenir
la touche plus
appuyée 10
secondes
Maintenir
la touche
moins
appuyée 10
secondes
Maintenir les
touches plus
et milieu
appuyées
4 secondes
Maintenir les
touches moi-
ns et milieu
appuyées
4 secondes
Mise
en veille
Lorsque DML
n’est pas
connecté au
mobile
Volume
plus fort Volume
moins fort
Connexion
automatique
marche/arrêt
Multipoint
arrêt/marche
(1 bip = arrêt,
2 bips = marche)
-
Option audio
(1 bip,
2 bips,
4 bips)
Voice Prompts
arrêt/marche
(1 bip = arrêt,
2 bips = marche)
Réglages
d’usine
Entrée AUX
arrêt/marche
(1 bip = arrêt,
2 bips =
marche)
Audio
du téléphone
arrêt/marche
(1 bip = arrêt,
2 bips = marche)
Sélection
de la
langue
Après réinitiali-
sation d’usine - - Choisissez la
langue actuelle - - - - - - -
Connexion
Lorsque DML
est connecte
au mobile
(ajout)
(ou deux
mobile)
Volume
plus fort Volume
moins fort
Appeler les
voice-tags
mémorisés dans
le téléphone
mobile (numé-
rotation vocale)
Déconnecter
DML et mobile
(mobiles)
Répétition du
dernier appel
Activer et
désactiver DSP*
dans le téléphone
mobile
(1 bip = arrêt,
2 bips = marche)
- -
Entrée AUX
arrêt/marche
(1 bip = arrêt,
2 bips =
marche)
Audio
du téléphone
arrêt/marche
(1 bip = arrêt,
2 bips = marche)
Appel
entrant Volume
plus fort Volume
moins fort Prendre l’appel Ne pas prendre/
refuser l’appel - - - - - -
Appel
entrant
Lorsque
DML est
connecté au
mobile et une
conversation
est active
(Multipoint)
Volume
plus fort Volume
moins fort
Fin du premier
appel et de faire
appel entrant
actif sur le
périphérique
Rejeter deuxième
appel - - - - - -
Appel Volume
plus fort Volume
moins fort Terminer
la conversation
Commutation du
mode mains-libres
en mode privé
et inversement
Mettre sur
secret/désacti-
ver le micro du
DML (fonction
est active si
DSP dans le kit
mains libres
est actif)
Activer
et désactiver DSP
dans DML
(1 bip = arrêt,
2 bips = marche)
- - - -
* varie selon les téléphones portables

57
57
Pregled o funkcijama tipaka
CC 9048
Status Opis statusa Pritisnuti
jednom
tipku Plus
Pritisnuti
jednom
tipku
Minus
Pritisnuti
jednom
središnju
tipku
Držati
središnju
tipku
pritisnutom
2 sekunde
Pritisnuti
središnju
tipku dva
puta
Držati pritisnute
tipke Plus i minus
4 sekunde
Držati
pritisnutom
tipku Plus
10 sekundi
Držati
pritisnutom
tipku Minus
na 10
sekundi
Držati
pritisnute
tipke Plus
i središnju
4 sekunde
Držati
pritisnute
tipke Minus
i središnju
4 sekunde
Stand-by
Kada spikerfon
nije spojen
sa mobilnim
telefonom
Povećati
glasnoću
Smanjiti
glasnoću
Auto veza
uklj/isklj
Multipoint
uklj/isklj
(1 Beep = isklj,
2 Beep = uklj)
-
Audio opcija
(1 Beep,
2 Beep,
4 Beep)
Uklj/isklj
Voice tagova
(1 Beep = isklj,
2 Beep = uklj)
Vratiti na
standardna
namještanja
AUX-In
uklj/isklj
(1 Beep = isklj,
2 Beep = uklj)
Mobile Audio
(1 Beep = isklj,
2 Beep = uklj)
Biranje
jezika
Nakon vraćanja
na tvornička
namještanja
- - Odabrati
aktualni jezik - - - - - - -
Spojeno
Kada je spikerfon
spojen sa
jednim mobilnim
telefonom (ili
sa dva mobilna
telefona)
Povećati
glasnoću
Smanjiti
glasnoću
Pozvati
Voice tagove
memorirane
u mobilnom
telefonu
(izbor jezika)
Ukinuti vezu
između
spikerfonaa
i mobilnog
telefona
(mobilnih
telefona)
Ponavljanje
biranja
Uključiti i isključiti
DSP* u mobilnom
telefonu
(1 Beep = isklj,
2 Beep = uklj)
- -
AUX-In
uklj/isklj
(1 Beep = isklj,
2 Beep = uklj)
Mobile Audio
(1 Beep = isklj,
2 Beep = uklj)
Ulazni
pozivi
Povećati
glasnoću
Smanjiti
glasnoću
Prihvatiti
poziv Odbiti poziv - - - - - -
Ulazni
pozivi
Kada je spikerfon
spojen sa mobil-
nim telefonom
i kada je jedan
razgovor aktivan
(Multipoint)
Povećati
glasnoću
Smanjiti
glasnoću
Završiti prvi
razgovor
i prihvatiti
ulazne pozive
Odbiti drugi
ulazni poziv - - - - - -
Aktivan
razgovor
Povećati
glasnoću
Smanjiti
glasnoću
Završiti
razgovor
Preklapanje sa
modusa spiker-
fona na
privatni modus
i obrnuto
Postaviti
mikrofon
spikerfona
na nijemo /
deaktivirati
(ova funkcija
je aktivna,
ukoliko je DSP
aktivan)
Uključiti i isključiti
DSP u spikerfonu
(1 Beep = isklj,
2 Beep = uklj)
- - - -
* zavisno o mobilnom telefonu

58
58
Operating guidelines CC 9048
Operating guidelines CC 9048
A gombok funkcióinak áttekintése
CC 9048
Állapot Állapot
leírása
Nyomja
meg
röviden
a plusz
gombot
Nyomja
meg
röviden
a mínusz
gombot
Nyomja
meg a
középső
gombot
egyszer
Az első
beszélgetés
befejezése és a
beérkező hívás
fogadása
Nyomja meg
a középső
gombot
kétszer
Tartsa lenyomva
a plusz és mínusz
gombokat 4
másodpercen át
Tartsa
lenyomva
a plusz
gombot 10
másodpercen
át
Tartsa
lenyomva
a mínusz
gombot 10
másodpercen
át
Tartsa lenyomva
a plusz és
középső
gombokat 4
másodpercen át
Tartsa lenyomva
a mínusz
és középső
gombokat 4
másodpercen át
Stand-
by
Ha a
kihangosító be-
rendezés nem
csatlakozik a
mobiltelefonhoz
Hangerő
növelése Hangerő
csökkentése
Automata
csatlakozás
be/ki
Multipoint be/ki
(1 csipogás = ki,
2 csipogás = be)
-
Audio opciók
(1 csipogás,
2 csipogás,
4 csipogás)
Hangvezérlés
be/ki
(1 csipogás = ki,
2 csipogás = be)
Gyári
beállítások
visszaállítása
Jelbemenet
(AUX-IN)
be/ki
(1 csipogás = ki,
2 csipogás = be)
Mobil audio
(1 csipogás = ki,
2 csipogás = be)
Állapot Gyári beállítá-
sok visszaállítá-
sa után
- -
Aktuális
nyelv
kiválasztása
- - - - - - -
Csatla-
koztat-
va
Ha a
kihangosító
berendezés
csatlakozik egy
mobiltelefonhoz
(vagy két mo-
biltelefonhoz)
Hangerő
növelése Hangerő
csökkentése
A mobiltele-
fonban tárolt
hangvezérlő
parancsok
lehívása
(nyelv vá-
lasztása)
A kihangosító
berendezés és
a mobiltelefon
(mobiltelefonok)
csatlakozásának
bontása
Hívásismétlés
DSP* be- és
kikapcsolása a
mobiltelefonban
(1 csipogás = ki,
2 csipogás = be)
- -
Jelbemenet
(AUX-IN)
be/ki
(1 csipogás = ki,
2 csipogás = be)
Mobil audio
(1 csipogás = ki,
2 csipogás = be)
Bejövő
hívások Hangerő
növelése Hangerő
csökkentése Hívás
fogadása Hívás elutasítása - - - - - -
Bejövő
hívások
Ha a
kihangosító
berendezés
mobiltelefonok-
hoz csatlako-
zik és aktív
beszélgetés van
folyamatban
(multipoint)
Hangerő
növelése Hangerő
csökkentése
Az első
beszélgetés
befejezése
és a
beérkező
hívás
fogadása
Második beérkező
hívás elutasítása - - - - - -
Aktív
beszél-
getés
Hangerő
növelése Hangerő
csökkentése Hívás
fogadása
Átkapcsolás
kihangosított
üzemmódból pri-
vát üzemmódba,
vagy vissza
A kihangosító
berendezés
mikrofonjának
elnémítása /
deaktiválása
(ez a funkció
akkor aktív,
ha a DSP is
aktív)
A DSP és a
kihangosító
berendezés be- és
kikapcsolása
(1 csipogás = ki,
2 csipogás = be)
- - - -
* a mobiltelefontól függően

59
59
Panoramica delle funzioni dei tasti
CC 9048
Status Stato
descrizione Premere
1 volta
pulsante
più (+)
Premere
1 volta
pulsante
meno (-)
Premere
1 volta
pulsante
centro
Tenere pre-
muto
il pulsante
centro per
2 secondi
Premere
2 volte il
pulsante
centro
Tenere
premuti
i pulsanti più
(+) e meno (-)
per 4 secondi
Tenere
premuto
il pulsante
più (+) per
10 secondi
Tenere
premuto
il pulsante
meno (-)
per 10
secondi
Tenere
premuti i pul-
santi più (+)
e centro per
4 secondi
Tenere
premuti i pul-
santi meno (-)
e centro per
4 second
Stand-by
Se il viva voce
(FSE) non è
collegato al
cellulare
Volume
audio più
alto
Volume audio
più basso
Collegamento
autom.
on/off
Multipoint
on/off
(1 bip = spento,
2 bip = acceso)
-
L’opzione Audio
(1 bip,
2 bip,
4 bip)
Istruzioni vocali
on/off
(1 bip = spento,
2 bip = acceso)
Impostazioni
defaults
AUX ingresso
on/off
(1 bip = spento,
2 bip = acceso)
Audio cellulare
on/off
(1 bip = spento
2 bip = acceso)
Scelta
della
lingua
Dopo
reset di fabbrica - - Scegli la lingua
corrente - - - - - - -
Collegato
Se il viva voce
(FSE) è collega-
to al cellulare
(o due cellulari)
Volume
audio più
alto
Volume audio
più basso
Richiamare
i Voice Tags
memorizzati sul
cellulare
Interrompere
collegamento
fra viva voce
(FSE) e cellu-
lare (cellulari)
Riselezione
Accendere e
spegnere il DSP*
nel cellulare
(1 bip = spento
2 bip = acceso)
- -
AUX ingresso
on/off
(1 bip = spento,
2 bip = acceso)
Audio cellulare
on/off
(1 beep is off,
2 beeps is on)
Chiamata
in entrata
Volume
audio più
alto
Volume audio
più basso Accettare
chiamata Riutare
chiamata - - - - - -
Chiamata
in entrata
Se il viva
voce (FSE) è
collegato al cel-
lulare e vi è una
chiamata attiva
(Multipoint)
Volume
audio più
alto
Volume audio
più basso
Fine prima
convocazione
e rendere
chiamata attiva
sul dispositivo
Riutare secon-
da chiamata - - - - - -
Chiamata Volume
audio più
alto
Volume audio
più basso Concludere
chiamata
Commutazione
da modalità
viva voce a
modalità privata
e viceversa
Silenziare /
disattivare
il microfono del
viva voce (FSE)
(funzione è
attiva se DSP
nel FSE
è attivo)
Accendere e
spegnere il DSP
del viva voce
(FSE)
(1 bip = spento
2 bip = acceso)
- - - -
* a seconda del cellulare

60
60
Operating guidelines CC 9048
Operating guidelines CC 9048
Overzicht over de functies van de toetsen
CC 9048
Status Status-
beschrijving Plus-
toets 1x
drukken
M i n - t o e t s
1x
drukken
Middelste-
toets
1x drukken
Middelste-
toets
2 seconden
gedrukt
houden
Middelste-
toets
2x drukken
Plus- en min-
toets 4 seconden
gedrukt houden
Plus-toets
10 secon-
den gedrukt
houden
Min-toets
10 seconden
gedrukt
houden
Plus- en Mid-
delste-toets
4 seconden
gedrukt
houden
Min- en Mid-
delste-toets
4 seconden
gedrukt
houden
Stand-by
Als de hands-
freeset niet
met de mobiele
telefoon
is verbonden
Volume
omhoog Volume
omlaag
Automatische
verbinding
aan/uit
Multipoint
aan/uit
(1 beep = uit,
2 beep = aan)
-
Audio optie
(1 beep,
2 beep,
4 beep)
Voice tags
aan/uit
(1 beep = uit,
2 beep = aan)
Fabrieksinstel-
lingen
LINE-IN
aan/uit
(1 beep = uit,
2 beep = aan)
Telefoon audio
aan/uit
(1 beep = uit,
2 beep = aan)
Taal
selecteren
Na het reset-
ten naar de
fabrieksinstel-
lingen
- - Kiezen voor
huidige taal - - - - - - -
Verbonden
Als de hands-
freeset met
de mobiele
telefoon (of
twee telefoons)
is verbonden
Volume
omhoog Volume
omlaag
In de mobiele
telefoon opge-
slagen voice-
tags oproepen
(stemgestuurd
kiezen)
Verbinding tus-
sen handsfreeset
en mobiele
telefoon (mobiele
telefoons)
verbreken
Herkiezen van
het laatste
nummer
DSP* in de mobiele
telefoon in- en
uitschakelen
(1 beep = uit,
2 beep = aan)
- -
LINE-IN
aan/uit
(1 beep = uit,
2 beep = aan)
Telefoon audio
aan/uit
(1 beep = uit,
2 beep = aan)
Inkomende
oproep Volume
omhoog Volume
omlaag Telefoontje
aannemen Telefoontje
afwijzen - - - - - -
Inkomende
oproep
Als de hands-
freeset met
de mobiele
telefoon is ver-
bonden en een
gesprek actief is
(Multipoint)
Volume
omhoog Volume
omlaag
Beëindigen
van het eerste
gesprek en
accepteer
inkomende
gesprekken
Tweede
gesprek
afwijzen - - - - - -
Actief
oproep Volume
omhoog Volume
omlaag Gesprek
beëindigen
Omschakelen van
de handsfree-
modus in de
private modus en
andersom
Microfoon
van de
handsfreeset
mute zetten
/ deactiveren
(Deze functie
is actief als
DSP actief is)
DSP in de FSE
in- en uitschakelen
(1 beep = uit,
2 beep = aan)
- - - -
* afhankelijk van de mobiele telefoon

61
61
Oversikt over nøkkelfunksjoner
CC 9048
Status Statusbeskri-
velse
Trykk
1x kort på
pluss-
tasten
Trykk
1x kort på
minus-
tasten
Trykk 1x på
den midter-
ste tasten
Hold den
midterste
tasten trykket
i 2 sekunder
Trykk 2x på
den midterste
tasten
Hold pluss- og
minus-tasten
trykket
i 4 sekunder
Hold pluss-
tasten
trykket
i 10 sekunder
Hold minus-
tasten
trykket i 10
sekunder
Hold pluss- og
midterste-
tasten trykket
i 4 sekunder
Hold minus-
og midterste-
tasten trykket
i 4 sekunder
Stand-by
Når den
håndfrie
enheten ikke
er tilkoblet
mobiltelefonen
Lydstyrke
høyere
Lydstyrke
lavere
Auto-tilkobling
på/av
Multipoint på/av
(1 pip = av,
2 pip = på)
-
Audio-valg
(1 pip,
2 pip,
4 pip)
Voice-tags
på/av
(1 pip = av,
2 pip = på)
Tilbakestille
til fabrikkinn-
stillinger
AUX-In på/av
(1 pip = av,
2 pip = på)
Mobil audio
(1 pip = av,
2 pip = på)
Velg
språk
Etter tilbakestil-
ling til fabrik-
kinnstillinger - - Velg aktuelt
språk - - - - - - -
Tilkoblet
Når den hånd-
frie enheten
er tilkoblet en
mobiltelefon
(én eller to mo-
biltelefoner)
Lydstyrke
høyere
Lydstyrke
lavere
Hente
Voice-tags som
er lagret på
mobiltelefonen
(språkvalg)
Bryte forbindelsen
mellom den
håndfrie
enheten og
mobiltelefonen(e)
Repetisjons-
funksjon
Slå av og
på DSP* på
mobiltelefonen
(1 pip = av,
2 pip = på)
- -
AUX-In på/av
(1 pip = av,
2 pip = på)
Mobil audio
(1 pip = av,
2 pip = på)
Innkom-
mende
anrop
Lydstyrke
høyere
Lydstyrke
lavere Motta anrop Avvise anrop - - - - - -
Innkom-
mende
anrop
Når den hånd-
frie enheten er
tilkoblet en mo-
biltelefon og en
samtale er aktiv
(Multipoint)
Lydstyrke
høyere
Lydstyrke
lavere
Avslutte
første samtale
og motta
innkommende
anrop
Avvise andre
innkommende
anrop
- - - - - -
Aktiv
samtale
Lydstyrke
høyere
Lydstyrke
lavere
Avslutte
samtale
Veksle fra håndfri
telefoni til
privatmodus og
omvendt
Mute/
deaktivere
mikrofonen til
den håndfrie
enheten (denne
funksjonen er
aktiv hvis DSP
er aktiv)
Slå av og på
DSP på den
håndfrie en-
heten
(1 pip = av,
2 pip = på)
- - - -
* avhengig av mobiltelefonen

62
62
Operating guidelines CC 9048
Operating guidelines CC 9048
Przegląd funkcji przycisków
CC 9048
Status Opis statusu Przycisk
Plus
wcisnąć 1x
Przycisk
Minus
wcisnąć 1x
Przycisk
Środkowy
wcisnąć 1x
Przycisk
Środkowy trzy-
mać wciśnięty
przez
2 sekundy
Przycisk
Ś r o d k o w y
wcisnąć 2x
Przyciski
Plus i Minus
trzymać
wciśnięte
przez
4 sekundy
Przycisk
Plus trzymać
wciśnięty
przez
10 sekund
Przycisk
Minus
trzymać
wciśnięty
przez
10 sekund
Przyciski
Plus
i Środkowy
trzymać wci-
śnięte przez
4 sekundy
Przyciski
Minus
i Środkowy
trzymać wci-
śnięte przez
4 sekundy
Stand-by
Gdy SZG
nie jest połączony
z telefonem
komórkowym
Zwiększenie
głośności Zmniejszenie
głośności
Automatyczne
połączenie
włączone/
wyłączone
Multipoint
(1 dźwięk =
wyłączony,
2 dźwięki =
włączony)
-
Opcja audio
(1 dźwięk,
2 dźwięki,
4 dźwięki)
Podpowiedzi
głosowe
(1 dźwięk =
wyłączone,
2 dźwięki =
włączone)
Ustawienia
fabryczne
Wejście
liniowe
(1 dźwięk =
wyłączone,
2 dźwięki =
włączone)
Audio
z telefonu
(1 dźwięk =
wyłączone,
2 dźwięki =
włączone)
Wybór języka Po ustawieniach
fabrycznych - - Wybierz
aktualny język - - - - - - -
Połączony
Gdy SZG jest
połączony z telefo-
nem komórkowym
(lub dwoma tele-
fonami komórko-
wymi)
Zwiększenie
głośności Zmniejszenie
głośności
Wywołanie
zapamiętanych
w telefonie
Voice Tags
Przerwanie połą-
czenia pomiędzy
SZG i telefonem
komórkowym
(telefonami
komórkowymi)
Ponowne
wybieranie
Włączenie
i wyłączenie
DSP w telefonie
komórkowym*
(1 dźwięk =
wyłączone,
2 dźwięki =
włączone)
- -
Wejście
liniowe
(1 dźwięk =
wyłączone,
2 dźwięki =
włączone)
Audio
z telefonu
(1 dźwięk =
wyłączone,
2 dźwięki =
włączone)
Rozmowa
przychodząca Zwiększenie
głośności Zmniejszenie
głośności Odebranie
rozmowy
Odrzucenie
połączenia
przychodzącego - - - - - -
Rozmowa
przychodząca
Gdy SZG jest połą-
czony z telefonem
komórkowym
i jest aktywna
rozmowa
(Multipoint)
Zwiększenie
głośności Zmniejszenie
głośności
Zakończenie
pierwszego
połączenia
i odebranie
przychodzącego
połączenia na
urządzeniu
Odrzucenie
drugiego
połączenia
przychodzącego
- - - - - -
Rozmowa
aktywna Zwiększenie
głośności Zmniejszenie
głośności Zakończenie
rozmowy
Przełączenie
z trybu głośno-
mówiącego na
tryb prywatny
i na odwrót
Wyciszenie
mikrofonu
SZG (funkcja
jest aktywna
gdy DSP
w SZG jest
aktywne)
Włączenie i wy-
łączenie DSP w
SZG (1 dźwięk
= wyłączone,
2 dźwięki =
włączone)
- - - -
* w zależności od telefonu

63
63
Visão geral das funções das teclas
CC 9048
Estado Descrição
do Estado
Premir
a tecla
mais
1 vez
Premir
a tecla
menos
1 vez
Premir a tecla
central 1 vez
Manter
a tecla central
premido
durante
2 segundos
Premir
a tecla central
2 vezes
Manter as teclas
mais e menos
premidas duran-
te 4 segundos
Manter a tecla
mais premida
durante
10 segundos
Manter
a tecla me-
nos premida
durante
10 segundos
Manter as
teclas mais
e central pre-
midas durante
4 segundos
Manter as
teclas menos
e central pre-
midas durante
4 segundos
Stand-by
Quando o kit de
mãos livres não
está ligado ao
telemóvel
Volume
mais alto Volume
mais baixo Ligação Auto
ligada/desligada
Multipoint ligado/
desligado
(1 beep = deli-
gado, 2 beeps =
ligado)
-
Opção áudio
(1 beep,
2 beeps,
4 beeps)
Etiquetas de voz
ligado/desligado
(1 beep =
desligado,
2 beeps = ligado)
Repor
congurações
padrão
AUX-In ligado/
desligado
(1 beep =
desligado,
2 beeps =
ligado)
Mobile Áudio
(1 beep =
desligado,
2 beeps =
ligado)
Seleccionar
idioma
Após reposição
para congura-
ção da fábrica
- - Seleccionar
idioma actual - - - - - - -
Ligado
Quando
o kit de mãos
livre estiver
ligado com
um telemóvel
(ou com dois
telemóveis)
Volume
mais alto Volume
mais baixo
Chamar etiquetas
de voz gravadas
no telemóvel
(selecção de voz)
Desligar a ligação
entre o kit de
mãos livres
e o telemóvel
(telemóveis)
Remarcar
Attivare / disatti-
vare il DSP* del
cellulare (1 beep =
desligado,
2 beeps = ligado)
- -
AUX-In ligado/
desligado
(1 beep =
desligado,
2 beeps =
ligado)
Mobile Áudio
(1 beep =
desligado,
2 beeps =
ligado)
Chamada
de entrada Volume
mais alto Volume
mais baixo Aceitar
chamada Rejeitar
chamada - - - - - -
Chamada
de entrada
Quando o kit
de mãos livres
estiver ligado
com telemóveis
e uma chamada
estiver activa
(Multipoint)
Volume
mais alto Volume
mais baixo
Terminar
a primeira
chamada
e aceitar
chamada
de entrada
Rejeitar
a segunda
chamada de
entrada
- - - - - -
Chamada
activa Volume
mais alto Volume
mais baixo Terminar
chamada
Mudar do modo
de mãos livres
para modo
privado e vice-
versa
Desactivar/
Tirar o som do
microfone do kit
de mãos livres
(esta função
está activa, se
o DSP estiver
activo)
Ligar e desligar
o DSP no kit de
mãos livres
(1 beep = desli-
gado,
2 beeps = ligado)
- - - -
* depende do telemóvel

64
64
Operating guidelines CC 9048
Operating guidelines CC 9048
Privire generală a funcţiilor tastelor
CC 9048
Stare Descriere
stare
Apăsaţi
scurt
1 dată
tasta plus
Apăsaţi
scurt 1 dată
tasta minus
Apăsaţi o dată
tasta mijlocie
Menţineţi
apăsată tasta
mijlocie
timp de
2 secunde
Apăsaţi de
2 ori tasta
mijlocie
Ţ i n e ţ i a p ă s a t ă
timp de
4 secunde
tasta minus
şi tasta plus
Ţ i n e ţ i
a p ă s a t ă
t i m p d e 1 0
s e c u n d e
tasta plus
Ţ i n e ţ i
a p ă s a t ă
t i m p d e 1 0
s e c u n d e
tasta minus
Ţ i n e ţ i a p ă s a t ă
timp de
4 secunde
tasta plus şi
tasta mijlocie
Ţ i n e ţ i a p ă s a t ă
timp de
4 secunde
tasta minus şi
tasta mijlocie
Stand-by
Dacă dispo-
zitivul „mâini
libere” nu
este legat cu
telefonul mobil
Volum
sonor mai
mare
Volum sonor
mai mic
Legătura auto-
mată conectată/
deconectată
Multipoint
conectat/deco-
nectat (1 bip =
deconectat,
2 bipuri =
conectat)
-
O p ţ i u n e a u d i o
( 1 b i p ,
2 b i p u r i ,
4 bipuri)
Voice-tag-urile
conectate/
deconectate
(1 bip =
deconectate,
2 bipuri =
conectate)
Revenire
l a s e t ă r i l e
standard
A U X - I n
conectat/
d e c o n e c t a t
(1 bip =
d e c o n e c t a t ,
2 bipuri = co-
nectat)
A u d i o m o b i l
(1 bip = deco-
nectat,
2 bipuri =
conectat)
Alegerea
limbii
După reveni-
rea la setările
din fabrică
- - Selectarea limbii
actuale - - - - - - -
Conectat
După
revenirea la
setările din
fabrică
Volum
sonor mai
mare
Volum sonor
mai mic
Apelarea
voice-tag-urilor
memorate în
telefonul mobil
(apelare vocală)
Întreruperea
legăturii între
dispozitivul mâini
libere şi
telefonul mobil
(telefoanele
mobile)
Repetarea
formării
numărului
Conectare şi de-
conectare DSP*
în telefonul mobil
(1 bip = oprit,
2 bipuri= pornit)
- -
A U X - I n
conectat/
d e c o n e c t a t
(1 bip =
d e c o n e c t a t ,
2 bipuri = co-
nectat)
A u d i o m o b i l
(1 bip = deco-
nectat,
2 bipuri =
conectat)
Apeluri
sosite
Volum
sonor mai
mare
Volum sonor
mai mic Preluarea
apelului Respingere apel - - - - - -
Apeluri
sosite
Dacă dispo-
zitivul “mâini
libere” este
legat cu un
telefon mobil
şi este activă
o convorbire
(Multipoint)
Volum
sonor mai
mare
Volum sonor
mai mic
Terminarea pri-
mei convorbiri şi
preluarea apelu-
lui nou-sosit
Respingerea
celui de-al doilea
apel nou-venit
- - - - - -
Con-
vorbire
activă
Volum
sonor mai
mare
Volum sonor
mai mic Terminarea
convorbirii
Change car kit
mode to privat
mode or privat
mode to car kit
mode
Activarea/
dezactivarea
microfonului
„mâini libere”
(această
funcţie este
activă, dacă
DSP este
activ)
Conectare şi
deconectare DSP
în dispozitivul
„ m â i n i l i b e r e ”
( 1 b i p = o p r i t ,
2 bipuri= pornit)
- - - -
* în funcţie de telefonul mobil

65
65
Обзор функций клавиш
CC 9048
Статус Описание
состояния Нажать
1 раз
клавишу
Плюс
Нажать
1 раз
клавишу
Минус
Нажать
1 раз
среднюю
кнопку
Среднюю
кнопку
удерживать
нажатой
2 секунды
Нажать
2 раза
среднюю
кнопку
Удерживать
нажатыми
клавиши
Плюс
и Минус
4 секунды
Удерживать
нажатой кла-
вишу Плюс
10 секунд
Удерживать
нажатой
клавишу
Минус
10 секунд
Удерживать
нажатыми
клавиши Плюс
и среднюю
4 секунды
Удерживать
нажатыми
клавиши Минус
и среднюю
4 секунды
Готовность
Когда FSE не
соединено
с мобильным
телефоном
Увеличить
громкость Уменьшить
громкость
Автосоеди-
нение вкл./
выкл.
Multipoint
вкл./выкл.
(1 сигнал =
выкл., 2 сигна-
ла = вкл.)
-
Опция аудио
(1 сигнал,
2 сигнала,
4 сигнала)
Голосовые
метки вкл./выкл.
(1 сигнал =
выкл., 2 сигнала
= вкл.)
Сбросить на
стандартные
настройки
AUX-In
вкл./выкл.
(1 сигнал = выкл.,
2 сигнала = вкл.)
Аудио мобильного
телефона
вкл./выкл.
(1 сигнал = выкл.,
2 сигнала = вкл.)
Выбрать
язык
После сброса
на заводские
настройки - - Выбрать
текущий язык - - - - - - -
Соединение
установлено
Когда устрой-
ство громкой
связи соеди-
нено с
мобильным
телефоном
(или с двумя
мобильными
телефонами)
Увеличить
громкость Уменьшить
громкость
Вызвать голо-
совые метки,
записанные
в памяти
мобильного
телефона
(голосовой
набор)
Разъединить
соединение
между устрой-
ством
громкой связи
и мобильным
телефоном
(мобильными
телефонами)
Повтор
набора
Включить
и выключить
DSP*
в мобильном
телефоне
(1 сигнал =
выкл.,
2 сигнала =
вкл.)
- -
AUX-In
вкл./выкл.
(1 сигнал = выкл.,
2 сигнала = вкл.)
Аудио мобильного
телефона
вкл./выкл.
(1 сигнал = выкл.,
2 сигнала = вкл.)
Соединение
установлено Увеличить
громкость Уменьшить
громкость Ответить
на вызов Отклонить
вызов - - - - - -
Входящие
вызовы
Когда устрой-
ство громкой
связи соеди-
нено с
мобильными
телефонами
и есть актив-
ный разгово
(Multipoint)
Увеличить
громкость Уменьшить
громкость
Закончить
первый раз-
говор
и принять
входящий
вызов
Отклонить
второй
входящий
вызов
- - - - - -
Идет вызов Увеличить
громкость Уменьшить
громкость Закончить
разговор
Переключение
из режима
громкой связи
в режим теле-
фонной трубки
и наоборот
Отключить /
деактивиро-
вать
микрофон
устройства
громкой
связи
(эта функ-
ция активна,
если актив-
но DSP)
Включить
и выключить
DSP в устрой-
стве громкой
связи
(1 сигнал =
выкл.,
2 сигнала =
вкл.)
- - - -
* зависит от мобильного телефона

66
66
Operating guidelines CC 9048
Operating guidelines CC 9048
Översikt över knapparnas funktioner
CC 9048
Status Statusbe-
skrivning
Tryck
snabbt på
plusknap-
pen en gång
Tryck
snabbt på
minusknap-
pen en gång
Tryck en
gång på mit-
tenknappen
Håll mit-
tenknappen
nedtryckt i två
sekunder
Tryck två
gånger på
mittenknap-
pen
Håll plus- och
minusknappar-
na nedtrycka
i fyra sekunder
Håll plus-
knappen
nedtryckt
i tio
sekunder
Håll minus-
knappen
nedtryckt
i tio
sekunder
Håll plus-
och mitten-
knapparna
nedtrycka
i fyra
sekunder
Håll minus-
och mitten-
knapparna
nedtrycka
i fyra
sekunder
Standby
När headsetet
inte är ansluten
till telefonen
Ljudstyrka
högre
Ljudstyrka
lägre
Automatisk
anslutning
på/av
Multipoint
av/på
(1 pip = av,
2 pip = på)
-
Ljudval
(1 pip,
2 pip,
4 pip)
Voicetags
på/av
(1 pip = av,
2 pip = på)
Återställ till
standardin-
ställningar
AUX-In
på/av
(1 pip = av,
2 pip = på)
Mobil audio
på/av
(1 pip = av,
2 pip = på)
Välj språk
Efter nollställ-
ning till fabriks-
inställningar
- - Välj aktuellt
språk - - - - - - -
Ansluten
När headsetet
är ansluten till
en mobiltelefon
(eller två mobil-
telefoner)
Ljudstyrka
högre
Ljudstyrka
lägre
Ring till voice-
tags som är
sparade i mo-
biltelefonen
(språkval)
Avbryt anslut-
ningen mellan
headset och
mobiltelefon(er)
Upprepa val
Slå av och på
DSP* i mobilen
(1 pip = av,
2 pip = på)
- -
AUX-In
på/av
(1 pip = av,
2 pip = på)
Mobil audio
på/av
(1 pip = av,
2 pip = på)
Inkom-
mande
samta
Ljudstyrka
högre
Ljudstyrka
lägre
Besvara
samtal Avvisa samtal - - - - - -
Inkom-
mande
samta
När headsetet
är ansluten
till telefonen
och ett samtal
är aktivt
(multipoint)
Ljudstyrka
högre
Ljudstyrka
lägre
Avsluta första
samtalet
och besvara
inkommande
samtal
Avvisa annat
inkommande
samtal
- - - - - -
Aktivt
samtal
Ljudstyrka
högre
Ljudstyrka
lägre
Avsluta
samtal
Omkoppling
från headset till
privatläge och
vice versa
Ställ headset-
mikrofonen
på ljudlöst/
avaktivera
den (denna
funktion är
aktiv om DSP
är aktiv)
Koppla av och på
headsetets DSP
(1 pip = av,
2 pip = på)
- - - -
* beroende av mobiltelefon

67
67
Prehľad funkcií tlačidiel
CC 9048
Status Popis statusu 1x krátko
stlačte
tlačidlo plus
1x krátko
stlačte
tlačidlo mínus
1x stlačte
stredné
tlačidlo
Stredné tlačidlo
držte stlačené
po dobu
2 sekúnd
2x stlačte
stredné tlačidlo
Tlačidlo plus
a mínus držte
stlačené po
dobu 4 sekúnd
Tlačidlo
plus držte
stlačené
po dobu
10 sekúnd
Tlačidlo
mínus držte
stlačené
po dobu
10 sekúnd
Tlačidlo plus
a stredné
držte stlačené
po dobu
4 sekúnd
Tlačidlo mí-
nus a stredné
držte stlačené
po dobu
4 sekúnd
Stand-by
Keď nie je
handsfree
spojené
s mobilným
telefónom
Zvýšenie
hlasitosti
Zníženie
hlasitosti
Automatické
spojenie
zap/vyp
Multipoint
zap/vyp
(1 pípnutie = vyp,
2 pípnutia = zap)
-
Audio-Option
(1 pípnutie,
2 pípnutia,
4 pípnutia)
Voice-Tags
zap/vyp
(1 pípnutie =
vyp, 2 pípnutie
= zap)
Reset na
pôvodné
nastavenia
AUX-In
zap/vyp
(1 pípnutie =
vyp, 2 pípnutia
= zap)
Mobile Audio
(1 pípnutie =
vyp, 2 pípnutia
= zap)
Zvoliť
jazyk
Po resete pôvod-
ných nastavení - - Vybrať
aktuálny jazyk - - - - - - -
Spojené
Keď je handsfree
spojené
s mobilným
telefónom
(telefóny)
Zvýšenie
hlasitosti
Zníženie
hlasitosti
Vyvolanie voice
tags uložených
v mobilnom
telefóne
(Voľba jazyka)
Prerušiť
spojenie medzi
handsfree sadou
a mobilným
telefónom
(telefóny)
Zopakovanie
vytočenia čísla
Zapnutie
a vypnutie DSP*
v mobilnom
telefóne
(1 pípnutie =
vyp, 2 pípnutia
= zap)
- -
AUX-In
zap/vyp
(1 pípnutie =
vyp,
2 pípnutia =
zap)
Mobile Audio
(1 pípnutie =
vyp,
2 pípnutia =
zap)
Prichá-
dzajúci
hovor
Zvýšenie
hlasitosti
Zníženie
hlasitosti Prijať hovor Odmietnuť hovor - - - - - -
Prichá-
dzajúci
hovor
Keď je handsfree
spojené s mobil-
ným telefónom
a prebieha
aktívny hovor
(Multipoint)
Zvýšenie
hlasitosti
Zníženie
hlasitosti
Prvý hovor
ukončiť
a prichádzajúci
hovor prijať
Odmietnuť druhý
prichádzajúci
hovor
- - - - - -
Aktívny
hovor
Zvýšenie
hlasitosti
Zníženie
hlasitosti Ukončiť hovor
Prepnutie
z handsfree
režimu do súk-
romného režimu
a opačne
Mikrofón
handsfree
vypnúť /
deaktivovať
(Táto funkcia je
aktívna, keď je
aktívne DSP)
Zapnutie
a vypnutie DSP
v handsfree
(1 pípnutie =
vyp, 2 pípnutie
= zap)
- - - -
* záleží na telefóne

68
68
Operating guidelines CC 9048
Operating guidelines CC 9048
Tuşların fonksiyonlarına genel bakış
CC 9048
Durum Durum
açıklaması
Artı
tuşuna
bir kere
basın
Eksi
tuşuna
bir kere
basın
Orta tuşa bir
kere basın
Orta tuşa
2 saniye
süreyle basın
Orta tuşa
2 kere basın
Artı ve eksi
tuşlarını 4 saniye
süreyle basılı
tutun
Artı tuşunu
10 saniye
süreyle
basılı tutun
Eksi tuşunu
10 saniye
süreyle
basılı tutun
Artı ve orta
tuşlarını 4 saniye
süreyle basılı tutun
Eksi ve orta
tuşlarını 4 saniye
süreyle basılı tutun
Bekle-
me
Eller serbest
sistemi cep
telefonuna bağlı
değilken
Sesi
yükselt Sesi azalt
Otomatik
bağlanma
açık/kapalı
Multipoint açık/
kapalı
(1 bip sesi =
kapalı,
2 bip sesi = açık)
-
Ses seçeneği
(1 bip sesi,
2 bip sesi,
4 bip sesi)
Sesli etiketleri
açma
ve kapama
(1 bip sesi =
kapalı, 2 bip
sesi = açık)
Fabrika
ayarlarına
dönüş
AUX-In girişini
açma ve kapama
(1 bip sesi = kapalı,
2 bip sesi = açık)
Cep telefoınu
radyosunu açma
ve kapama
(1 bip sesi = kapalı,
2 bip sesi = açık)
Dil
seçimi
Fabrika ayarları-
na geri döndük-
ten sonra
- - Geçerli dili
seçimi - - - - - - -
Bağlı
Eller serbest
sistem bir (ya
da iki) cep
telefonuna
bağlıyken
Sesi
yükselt Sesi azalt
Telefonda
kayıtlı ses eti-
ketlerini kullan
(dil seçimi)
Eller serbest
sistemini cep
telefonundan
(cep telefonların-
dan) ayır
Tekrar ara
Telefonda DSP*
özelliğini açma/
kapa ma
(1 bip sesi = kapalı,
2 bip sesi = açık)
- -
AUX-In girişini
açma ve kapama
(1 bip sesi = kapalı,
2 bip sesi = açık)
Cep telefoınu
radyosunu açma
ve kapama
(1 bip sesi = kapalı,
2 bip sesi = açık)
Gelen
çağrı
Sesi
yükselt Sesi azalt Çağrıyı
cevapla
Çağrıyı
reddet - - - - - -
Gelen
çağrı
Eller serbest
sistem cep
telefonlarına
bağlı ve bir
çağrı etkin
durumdayken
(multipoint)
Sesi
yükselt Sesi azalt
İlk çağrıyı
sonlandır ve
gelen çağrıyı
cevapla
İkinci gelen
çağrıyı reddet - - - - - -
Etkin
çağrı
Sesi
yükselt Sesi azalt Çağrıyı
sonlandır
Eller serbest
modundan gizlilik
moduna geçiş
ve tersi
Eller serbest
sistem mikro-
fonunu devre
dışı bırakma /
etkinleştirme
(DSP etkin ise,
bu fonksiyon
da etkindir)
Eller serbest
sistemde DSP
özelliğini açma
ve kapama
(1 bip sesi = kapalı,
2 bip sesi = açık)
- - - -
* Cep telefonu modeline bağlı

69
69
Огляд функцій кнопок
CC 9048
Статус Опис стану 1x коротко
натиснути
на кнопку
Плюс
1x коротко
натиснути
на кнопку
Мінус
1 х натиснути
на середню
кнопку
Потримати
середню кнопку
протягом 2 се-
кунд натиснутою
2 x на-
тиснути на
середню
кнопку
Потримати
кнопки Плюс
та Мінус
протягом
4 секунд
натиснутими
Потримати кнопку
Плюс протягом
10 секунд
натиснутою
Потримати
кнопку Мінус
протягом
10 секунд
натиснутою
Потримати
кнопки Плюс
та середню
протягом
4 секунд
натиснутими
Потримати
кнопки Мінус
та середню
протягом
4 секунд
натиснутими
Режим
очікуван-
ня
Якщо бездротовий
комплект гучного
зв’язку не підключе-
ний до мобільного
телефону
Гучність
голосніше Гучність
тихіше Автозв’язок
вкл. / викл.
Multipoint
вкл./викл.
(1 Звук.сигнал
= викл., 2 Звук.
сигнал = вкл.)
-
Опція Аудіо
(1 Звук. сигнал,
2 Звук. сигнал,
4 Звук. сигнал)
Голосові мітки
Voice-Tags вкл./викл.
(1 Звук. сигнал =
викл., 2 Звук. сигнал
= вкл.)
Скидання до
стандартних
налаштувань
AUX-In
вкл./викл.
(1 Звук. сиг-
нал = викл.,
2 Звук. сигнал
= вкл.)
Мобільний
аудіо
(1 Звук. сиг-
нал = викл.,
2 Звук. сигнал
= вкл.)
Виберіть
мову
Після скидання до
заводських нала-
штувань - - Виберіть
актуальну мову - - - - - - -
З’єднано
Якщо бездротовий
комплект гучного
зв’язку підключений
до одного або до
двох мобільних
телефонів
Гучність
голосніше Гучність
тихіше
Викликати збе-
режені в мобіль-
ному телефоні
голосові мітки
Voice-Tags (сис-
тема голосового
набору номера
телефону)
Роз’єднати зв’язок
між бездрото-
вим комплектом
гучного зв’язку та
мобільним телефо-
ном (мобільними
телефонами)
Повторний
набір
Включити та
виключити
DSP* в мобіль-
ному телефоні
(1 Звук. сигнал
= викл.,
2 Звук. сигнал
= вкл.)
- -
AUX-In
вкл./викл.
(1 Звук. сиг-
нал = викл.,
2 Звук. сигнал
= вкл.)
Мобільний
аудіо
(1 Звук. сиг-
нал = викл.,
2 Звук. сигнал
= вкл.)
Вхідні
дзвінки Гучність
голосніше Гучність
тихіше Прийняти
виклик Відхилити дзвінок - - - - - -
Вхідні
дзвінки
Якщо бездротовий
комплект гучного
зв’язку підключений
до мобільних теле-
фонів і знаходиться
в активному режимі
розмови (функція
Multipoint)
Гучність
голосніше Гучність
тихіше
Закінчити
першу розмову
і прийняти вхід-
ний дзвінок
Відхилити другий
вхідний дзвінок - - - - - -
Активний
режим
розмови
Гучність
голосніше Гучність
тихіше Закінчити
розмову
Перемикання
з режиму гучного
зв’язку в приват-
ний режим
і навпаки
Відключити
/ деактувати
мікрофон
режиму гуч-
ного зв’язку
(ця функція
залиша-
ється бути
активною,
якщо буде
активним
процесор
цифрової
обробки сиг-
налів DSP)
Включити та
виключити DSP
в режимі
гучного зв’язку
(1 Звук. сигнал
= викл., 2 Звук.
сигнал = вкл.)
- - - -
* в залежності від мобільного телефону

70
70
Operating guidelines CC 9058
Operating guidelines CC 9058
Bedienung via Touchscreen
Die Navigation erfolgt über die verschiedenen Tasten. Mit der Endetaste können Sie Aktionen abbrechen
oder einen Schritt zurückgehen. Wenn Sie lange auf das Zielvisier (die Mitteltaste) drücken, gelangen Sie
direkt ins Hauptmenü zurück. Mit der Anruftaste werden Aktionen bestätigt oder ausgeführt. Nutzen Sie
die Punkteleiste, um innerhalb der Menüs zu navigieren.
Handling via Touch screen
The operation can be carried out via the keys. With the end call button you can cancel an action or go
a step back. If you press down the middle button you will return to the main menu. With the call but-
ton you can confirm actions. Use the horizontal buttons to navigate around the menus.
Betjening via touchscreen
Navigationen foregår med de forskellige taster. Med afsluttasten kan man afbryde handlinger eller gå et
trin tilbage. Hvis man trykker længe på navigationstasten (tasten i midten) , kommer man direkte tilbage
til hovedmenuen. Med opkaldstasten bekræftes og udføres handlinger. Den horisontale punktliste skal
kun bruges til at navigere inde i menuerne med.
Manejo mediante la pantalla táctil
La navegación se realiza mediante las teclas, con los el botón de finalizar llamada podrá cancelar ac-
ciones o retrocer o, si los el botón de centro , ir directamente al menú principal. Con los el botón de
llamada podrá confirmar o realizar acciones. Utilice los la barra de puntos horizontal para navegar por
los menús.
Ovládání prostřednictvím dotekové obrazovky
Navigace probíhá prostřednictvím různých tlačítek. Tlačítkem pro ukončení můžete operace přerušit,
nebo se vrátit o krok zpět. Pokud dlouze stisknete hledáček (střední tlačítko) , dostanete se přímo zpět do
hlavního menu. Tlačítkem pro volání se operace potvrzují nebo realizují. Pro navigaci v rámci menu
použijte horizontální bodovou lištu.

71
71
Utilizzo mediante touch screen
La navigazione avviene attraverso gli tasti, con le pulsante “Fine” è possibile interrompere delle ope-
razioni o tornare indietro di un passo. Premere brevemente sul tasto si torna indietro al menù princi-
pale. Con le tasto chiamata , è possibile confermare o eseguire delle operazioni. Utilizzare una barra
orizzontale a punti per navigare tra i menu.
Käyttö kosketusnäytöllä
Toiminnot suoritetaan eri painikkeiden avulla. Lopetuspainikkeella voit keskeyttää toiminnon tai siirtyä
askeleen taaksepäin. Painamalla pitkään navigointipainiketta (keskipainiketta) , pääset suoraan takai-
sin päävalikkoon. Luuripainikkeella vahvistat tai toteutat toiminnon. Käytä vaakasuora painikkeita va-
likoissa liikkumiseen.
Posluživanje preko Touchscreen-a
Navigacija uslijedi preko različitih tipki. Sa tipkom završiti razgovor možete prekinuti akcijz ili vratiti se za
jedan korak. Ako dugo pritišćete središnju tipku , stižete direktno nazad u glavni meni. Sa pozivnom tip-
kom se akcije potvrđuju. Koristite horizontalne tipke da bi navigirali unutar menia.
Commande via l’écran tactile
La navigation s’effectue via les touches fléchées ; avec la touche raccrocher , vous pouvez annuler les
actions ou reculer d’une étape et si vous appuyez brièvement sur la touche au milieu , vous retournez
directement au menu principal. Le touche d’appel vous permet de confirmer vos actions. Utilisez la
barre pointillée horizontale de naviguer dans les menus.
Vezérlés az érintőképernyőn keresztül
A navigáció különböző billentyűkön keresztül történik. A hívás befejezése gombbal szakítható meg egy
művelet, vagy visszaléphet egy lépéssel. Ha hosszú ideig tartja lenyomva a célmezőt (a középső gombot)
, úgy visszatér a főmenübe. A hívás gombbal erősíthető meg, vagy végezhető el egy művelet.
Használja a pontozott sort a menün belüli navigáláshoz.

72
72
Operating guidelines CC 9058
Operating guidelines CC 9058
Operação via touchscreen
A navegação é feita a partir das teclas. Com a tecla fim pode cancelar acções ou recuar e ao pressio-
nar esta tecla , voltará directamente para o menu principal. Com a tecla de chamada confirma ou
realiza acções. Use a barra horizontal para navegar nos menus.
Obsługa za pomocą ekranu dotykowego
Nawigacja odbywa się za pomocą przycisków. Za pomocą przycisku zakończenia połączenia można
anulować działanie lub cofnąć się wstecz. Naciśnięcie celownika spowoduje powrót do menu główne-
go. Za pomocą przycisku nawiązywania połączenia można potwierdzić działanie. Do nawigacji po
menu służą poziome przyciski.
Betjening via berøringsskjerm
Du navigerer med de forskjellige tastene. Med avsluttasten kan du avbryte handlinger eller gå et skritt
tilbake. Hvis du trykker lenge på navigasjonstasten (tasten i midten) , kommer du rett tilbake til hoved-
menyen. Med anropstasten bekrefter eller utfører du handlinger. Bruk den horisontale punktlisten for
å navigere i menyene.
Operare prin touch screen
Navigaţia se efectuează prin diferite taste. Prin tasta de sfârşit puteţi întrerupe acţiuni sau puteţi să
reveniţi cu un pas înapoi. Dacă apăsaţi lung pe vizieră (tasta mijlocie) , reveniţi direct în meniul princi-
pal. Cu tasta de apelare sunt confirmate sau executate acţiuni. Utilizaţi bara punctată orizontală
pentru a naviga în interiorul meniului.
Bediening via touchscreen
Navigeren kunt u via de knoppen. Met de toets Einde kunt u handelingen afbreken of een stap terug-
gaan. Door te drukken op de middelste knop , komt u direct terug in het hoofdmenu. Met de oproep-
toets worden handelingen bevestigd of uitgevoerd. Druk op de horizontaal puntenbalk om te navige-
ren in de menu’s.

73
73
Dokunmatik ekran üzerinden kullanım
Navigasyon işlemi gerektiğinde mevcut tuşları ile yapılabilir. Için kapat butonuna ile işlemleri iptal
edebilir veya bir işlem geri gidebilir veya sembole direkt olarak ana menüye geri dönebilirsiniz. Için ara
butonuna bastığınızda işlemler onaylanır veya uygulanır. Menülerde gezinmek için seviyesi düğmeleri-
ni kullanın.
Управление с помощью сенсорного экрана
Навигация по меню осуществляется с помощью различных кнопок. С помощью кнопки завершения
Вы можете прерывать действия или возвращаться на шаг назад. При длительном нажатии на
визир (средняя кнопка) , Вы попадете назад непосредственно в главное меню. С помощью
кнопки вызовов . действия подтверждаются или выполняются. Используйте горизонтальную
полоску точек, чтобы выполнять навигацию в пределах меню.
Användning via pekskärm
Navigationen görs över de olika tangenterna. Med avsluta-tangenten . kan du avbryta aktioner eller gå
tillbaka ett steg. När du trycker länge på målvisiret (mittentangenten) återgår du direkt till huvud-
menyn. Med lurtangenten bekräftas eller utförs aktioner. Använd den horisontella punktlisten för att
navigera inom menyerna.
Управління за допомогою сенсорного екрану
Навігація відбувається за допомогою різних кнопок. Кінцевою кнопкою Ви можете переривати дії
або відступати на один крок назад. Якщо Ви будете довго натискувати на передбачений приціл (се-
редня кнопка) , то відразу перейдете в головне меню. Кнопкою виклику підтверджуються або
виконуються операції (дії). Користуйтеся точками навігації, щоб навігувати у межах меню.
Ovládanie cez dotykovú obrazovku
Navigácia prebieha pomocou rôznych tlačidiel. Pomocou ukončovacieho tlačidla môžete procesy pre-
rušiť alebo sa vrátiť o krok späť. Keď podržíte cieľnik (prostredné tlačidlo) , dostanete sa priamo späť
do hlavnej ponuky. Tlačidlom pre telefonovanie sa procesy potvrdzujú alebo realizujú. Použite bodovú
lištu pre navigáciu v rámci jednotlivých ponúk.

74
74
Further Information
Further Information
A detailed instructions manual for the CC 9048, CC 9058 is available on our website under
the following address: www.bury.com
Have a good trip!
Eine ausführliche Bedienungsanleitung für die CC 9048, CC 9058 nden Sie auf unserer Web-
seite unter der Adresse: www.bury.com
Wir wünschen Ihnen eine gute Fahrt.
Une notice d’utilisation détaillée pour CC 9048, CC 9058 est disponible sur notre site Inter-
net à l’adresse : www.bury.com
Nous vous souhaitons un bon voyage !
Encontrará un manual de instrucciones más detallado sobre el CC 9048, CC 9058 de BURY en
nuestra página web con la dirección: www.bury.com
Le deseamos un buen viaje.
Du nder en udførlig brugsanvisning til CC 9048, CC 9058 på vores webseite på adressen:
www.bury.com
BURY ønsker dig god køretur.
Löydät CC 9048, CC 9058 -laitteen koko oppaan nettisivustoltamme osoitteesta www.bury.com
BURY toivottaa Teille hyvää matkaa.
Podrobný návod k obsluze pro CC 9048, CC 9058 naleznete na naší internetové stránce na
adrese: www.bury.com
Přejeme Vám příjemnou jízdu.

75
75
Le istruzioni per l’uso complete per il CC 9048, CC 9058 sono contenute nel nostro sito in-
ternet, all’indirizzo: www.bury.com
Vi auguriamo buon viaggio.
Een uitvoerige handleiding voor de CC 9048, CC 9058 vindt u op onze website: www.bury.com
Wij wensen u een goede reis.
Encontra instruções de utilização detalhadas para o CC 9048, CC 9058 na nossa página Web
em: www.bury.com
Desejamos-lhe boa viagem!
En mer utførlig betjeningsveiledning for CC 9048, CC 9058 nner du på nettsiden vår under
adressen: www.bury.com
Vi ønsker deg en god reise.
Opširnu uputu o posluživanju za CC 9048, CC 9058 ćete pronaći na našoj web stranici na adresi:
www.bury.com
Želimo Vam sretan put.
Dokładna instrukcja obsługi CC 9048, CC 9058 dostępna jest na naszej stronie interneto-
wej: www.bury.com
Życzymy Państwu szerokiej drogi.
A CC 9048, CC 9058 kezelési útmutatóit weboldalunkon töltheti le a www.bury.com címen.
Kellemes utat kívánunk Önnek.

76
76
Further Information
Further Information
Детальна інструкція з обслуговування для CC 9048, CC 9058 знаходиться на нашому сайті
за адресою: www.bury.com
Бажаємо Вам приємної подорожі.
CC 9048, CC 9058 cihazı ile ilgili ayrıntılı kullanım kılavuzunu yandaki internet adresinde
bulabilirsiniz: www.bury.com
İyi yolculuklar dileriz.
Подробную инструкцию по эксплуатации CC 9048, CC 9058 можно найти на нашем веб-
сайте: www.bury.com
Фирма BURY желает Вам счастливого пути!
Du hittar en utförlig bruksanvisning för CC 9048, CC 9058 på vår webbplats under adressen:
www.bury.com
BURY önskar dig mycket glädje med din handsfree.
Manualul de utilizare CC 9048, CC 9058 este disponibil pe site-ul nostru la urmatoarea adresa:
www.bury.com
Vă dorim drum bun.
Podrobný návod na obsluhu pre CC 9048, CC 9058 nájdete na našej internetovej stránke na
adrese: www.bury.com
Prajeme Vám príjemnú cestu.


78
78
Further Information
Further Information
Approvals and declaration of conformity
Federal Communications Commission (FCC) Compliance Statement - United States
This device complies with part 15 of the FCC Rules. Operation is subject to the following two conditions:
1 This device may not cause harmful interference, and
2 the device must accept any interference received, including interference that may cause undesired operation.
Changes or modifications not expressly approved by the party responsible for compliance could void the user’s
authority to operate the equipment.
FCC ID: QZ9-CC9048
Remark:
The CC9048 FCC Label mark is placed on to the electronics box.
Note:
This equipment has been tested and found to comply with the limits for a Class B digital device, pursuant to Part
15 of the FCC Rules. These limits are designed to provide reasonable protection against harmful interference in
a residential installation. This equipment generates, uses and can radiate radio frequency energy and, if not
installed and used in accordance with the instructions, may cause harmful interference to radio communications.
However, there is no guarantee that interference will not occur in a particular installation. If this equipment does
cause harmful interference to radio or television reception, which can be determined by turning the equipment
off and on, the user is encouraged to try to correct the interference by one or more of the following measures:
Reorient or relocate the receiving antenna.• Increase the separation between the equipment and receiver.• Connect the equipment into an outlet on a circuit different from that to which the receiver is •
connected.
Consult the dealer or an experienced radio/TV technician for help.•
Version 07/2016
60.0796.0-08-150716