Canon Production Printing Netherlands OCE01085 pba rfid_reader ( model oce01085 ) User Manual RFID READER User Manualx
Oce Technologies B.V. pba rfid_reader ( model oce01085 ) RFID READER User Manualx
rfid_reader_user_manual

R4 - Public
author
page
1 / 4 , 16 December 2015
User_Manual_RFID_READER
version: 01

R4 - Public
page User_Manual_RFID_READER
2 / 4 version
Table of content
1Description 3
2Used frequencies 3
3Installation 3
4FCC rules 4

R4 - Public
page User_Manual_RFID_READER
3 / 4 version
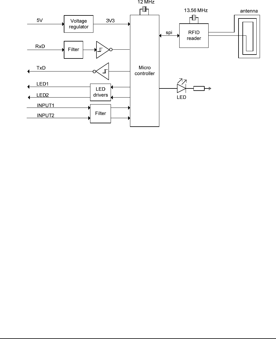
1 Description
The PBA RFID reader is designed to exchange information with a RFID sticker tag.
The block diagram is shown in the next figure:
2 Used frequencies
RFID part: operates at 13.56MHz.
Microcontroller part: operates at 12 MHz.
3 Installation
Contact the manufacturer for details about connection and use.

R4 - Public
page User_Manual_RFID_READER
4 / 4 version
4 FCC rules
According to FCC 15.19:
NOTICE:
This device complies with Part 15 of the FCC Rules [and with Industry Canada licence-exempt RSS
standard(s)].
Operation is subject to the following two conditions:
(1) this device may not cause harmful interference, and
(2) this device must accept any interference received, including interference that may cause
undesired operation.
Le présent appareil est conforme aux CNR d'Industrie Canada applicables aux appareils radio
exempts de licence. L'exploitation est autorisée aux deux conditions suivantes:
(1) l'appareil ne doit pas produire de brouillage, et
(2) l'utilisateur de l'appareil doit accepter tout brouillage radioélectrique subi, même si le
brouillage est susceptible d'en compromettre le fonctionnement.
According to FCC 15.21:
NOTICE:
Changes or modifications made to this equipment not expressly approved by (manufacturer name)
may void the FCC authorization to operate this equipment.
According to FCC 15.105:
NOTE: This equipment has been tested and found to comply with the limits for a Class A digital
device, pursuant to Part 15 of the FCC Rules. These limits are designed to provide reasonable
protection against harmful interference when the equipment is operated in a commercial environment.
This equipment generates, uses, and can radiate radio frequency energy and, if not installed and used
in accordance with the instruction manual, may cause harmful interference to radio communications.
Operation of this equipment in a residential area is likely to cause harmful interference in which case
the user will be required to correct the interference at his own expense.
END OF DOCUMENT