Carrier 48Tjd008 014 Users Manual
48TJD008-014 to the manual 65502210-aae7-4197-8138-d825bcd38a1e
2015-01-24
: Carrier Carrier-48Tjd008-014-Users-Manual-310484 carrier-48tjd008-014-users-manual-310484 carrier pdf
Open the PDF directly: View PDF
.
Page Count: 40

Installation, Start-Up and
Service Instructions
CONTENTS Page
SAFETY CONSIDERATIONS ...................1
INSTALLATION .............................1-22
Step 1 — Provide Unit Support ...............1
• ROOF CURB
• SLAB MOUNT
Step 2 — Field Fabricate Ductwork ............2
Step 3 — Install External Trap for
Condensate Drain ..........................2
Step 4 — Rig and Place Unit ..................2
• POSITIONING
Step 5 — Install Flue Hood ...................8
Step 6 — Install Gas Piping ...................8
Step 7 — Make Electrical Connections ........8
• FIELD POWER SUPPLY
• FIELD CONTROL WIRING
• HEAT ANTICIPATOR SETTINGS
Step 8 — Adjust Factory-Installed Options ...11
• APOLLO CONTROL
• MANUAL OUTDOOR-AIR DAMPER
• OPTIONAL DURABLADE ECONOMIZER
• OPTIONAL PARABLADE ECONOMIZER
Step 9 — Adjust Evaporator-Fan Speed ......16
START-UP .................................23,24
SERVICE ..................................25-30
TROUBLESHOOTING ......................31-36
START-UP CHECKLIST .................... CL-1
SAFETY CONSIDERATIONS
Installation and servicing of air-conditioning equipment
can be hazardous due to system pressure and electrical com-
ponents. Only trained and qualified service personnel should
install, repair, or service air-conditioning equipment.
Untrained personnel can perform basic maintenance func-
tions of cleaning coils and filters and replacing filters. All
other operations should be performed by trained service per-
sonnel. When working on air-conditioning equipment, ob-
serve precautions in the literature, tags and labels attached
to the unit, and other safety precautions that may apply.
Follow all safety codes. Wear safety glasses and work gloves.
Use quenching cloth for unbrazing operations. Have fire ex-
tinguishers available for all brazing operations.
Disconnect gas piping from unit when leak
testing at pressure greater than
1
⁄
2
psig. Pres-
sures greater than
1
⁄
2
psig will cause gas
valve damage resulting in hazardous con-
dition. If gas valve is subjected to pres-
sure greater than
1
⁄
2
psig, it must be replaced
before use. When pressure testing field-
supplied gas piping at pressures of
1
⁄
2
psig
or less, a unit connected to such piping must
be isolated by manually closing the gas
valve(s).
Before performing service or maintenance operations on
unit, turn off main power switch to unit. Electrical shock
could cause personal injury.
INSTALLATION
Unit is shipped in the vertical discharge configuration. To
convert to horizontal configuration, remove screws from side
duct opening covers and remove covers. Using the same screws,
install covers on vertical duct openings with the insulation-
side down. Seals around duct openings must be tight. See
Fig. 1.
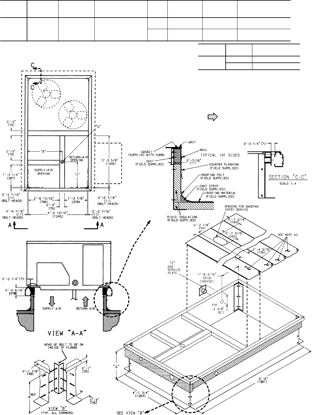
Step 1 — Provide Unit Support
ROOF CURB — Assemble and install accessory roof curb
in accordance with instructions shipped with curb. See
Fig. 2. Install insulation, cant strips, roofing felt, and counter
flashing as shown. Ductwork must be attached to curb. If
gas is to be routed through the curb, attach the accessory
thru-the-curb service connection plate to the roof curb in ac-
cordance with the accessory installation instructions. Con-
nection plate must be installed before unit is set in roof curb.
IMPORTANT: The gasketing of the unit to the roof
curb is critical for a watertight seal. Install gasket sup-
plied with the roof curb as shown in Fig. 2. Improp-
erly applied gasket can also result in air leaks and poor
unit performance.
Curb should be level. Unit leveling tolerances are shown
in Fig. 3. This is necessary for unit drain to function prop-
erly. Refer to Accessory Roof Curb Installation Instructions
for additional information as required.
48TJD008-014
48TJE008-014
48TJF008-012
Single-Package Rooftop Heating/Cooling Units
Manufacturer reserves the right to discontinue, or change at any time, specifications or designs without notice and without incurring obligations.
Book 1 4
Tab 1a 6a
PC 111 Catalog No. 564-934 Printed in U.S.A. Form 48TJ-13SI Pg 1 9-96 Replaces: 48TJ-10SI

SLAB MOUNT (Horizontal Units Only) — Provide a level
concrete slab that extends a minimum of 6 in. beyond unit
cabinet. Install a gravel apron in front of condenser coil air
inlet to prevent grass and foliage from obstructing airflow.
NOTE: Horizontal units may be installed on a roof curb if
required.
Step 2 — Field Fabricate Ductwork — Secure all
ducts to roof curb and building structure on vertical units.
Do not connect ductwork to unit. For horizontal applica-
tions, field-supplied flanges should be attached to horizontal
discharge openings and all ductwork secured to the flanges.
Insulate and weatherproof all external ductwork, joints, and
roof openings with counter flashing and mastic in accor-
dance with applicable codes.
Ducts passing through an unconditioned space must be
insulated and covered with a vapor barrier.
If a plenum return is used on a vertical unit, the return
should be ducted through the roof deck to comply with ap-
plicable fire codes.
A minimum clearance is not required around ductwork.
Cabinet return-air static shall not exceed −.35 in. wg with
Durablade or PARABLADE economizer or .45 in. wg with-
out economizer.
These units are designed for a minimum continuous return-
air temperature of 50 F (dry bulb), or an intermittent opera-
tion down to 45 F (dry bulb), such as when used with a night
set-back thermostat.
Step 3 — Install External Trap for Condensate
Drain — The unit’s
3
⁄
4
-in. condensate drain connections
are located at the bottom and side of the unit. Unit discharge
connections do not determine the use of drain connections;
either drain connection can be used with vertical or hori-
zontal applications.
When using the standard side drain connection, make sure
the plug in the alternate bottom connection is tight before
installing the unit.
To use the bottom drain connection for a roof curb in-
stallation, relocate the factory-installed plug from the
bottom connection to the side connection. See Fig. 4. The
piping for the condensate drain and external trap can be com-
pleted after the unit is in place.
All units must have an external trap for condensate drain-
age. Install a trap at least 4-in. deep and protect against freeze-
up. See Fig. 5. If drain line is installed downstream from the
external trap, pitch the line away from the unit at 1 in. per
10 ft of run. Do not use a pipe size smaller than the unit
connection.
Step 4 — Rig and Place Unit — Inspect unit for trans-
portation damage. File any claim with transportation agency.
Keep unit upright and do not drop. Spreader bars are not
required if top crating is left on unit. Rollers may be used to
move unit across a roof. Level by using unit frame as a ref-
erence. See Table 1 and Fig. 6 for additional information.
Operating weight is shown in Table 1 and Fig. 6.
Lifting holes are provided in base rails as shown in
Fig. 6 and 7. Refer to rigging instructions on unit.
All panels must be in place when rigging.
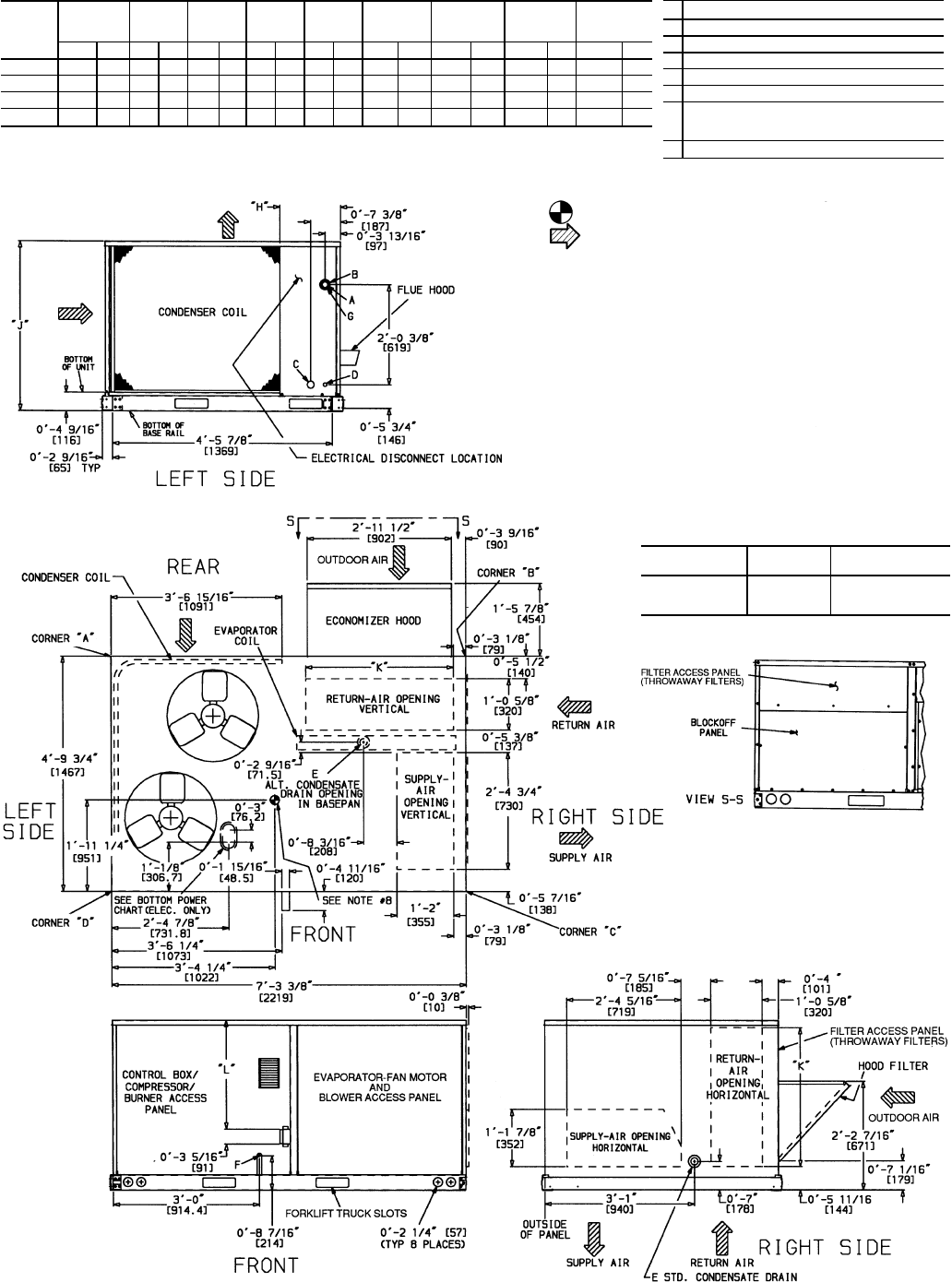
POSITIONING — Maintain clearance around and above unit
to provide minimum distance from combustible materials,
proper airflow, and service access. See Fig. 7.
Do not install unit in an indoor location. Do not locate
unit air inlets near exhaust vents or other sources of con-
taminated air.
Be sure that unit is installed so that snow will not block
the combustion intake or flue outlet.
Unit may be installed directly on wood flooring or on Class
A, B, or C roof-covering material when roof curb is used.
Although unit is weatherproof, guard against water from
higher level runoff and overhangs.
Position unit on roof curb so that the following clearances
are maintained:
1
⁄
4
-in. clearance between roof curb and base
rails on each side and front of unit; 1
5
⁄
32
-in. clearance be-
tween roof curb and rear of unit. (See Fig. 2, section C-C.)
Fig. 1 — Horizontal Conversion Panels
2

UNIT SIZE ‘‘A’’ ROOF CURB
48TJ ACCESSORY
008-014 18-29[356] CRRFCURB003A00
28-09[610] CRRFCURB004A00
UNIT SIZE
48TJ ‘‘B’’ ‘‘C’’ ‘‘D’’ ALT DRAIN HOLE ‘‘E’’
GAS POWER
CONNECTION CONTROL
CONNECTION
CONNECTOR
ACCESSORY
PACKAGE
008-014 28-8
7
⁄
16
9[827] 18-10
15
⁄
16
9[583] 1
3
⁄
4
9[45]
3
⁄
4
9NPT
3
⁄
4
9NPT
1
⁄
2
9NPT CRBTMPWR00A100
(THRU-THE-BOTTOM)
3
⁄
4
9NPT 1
1
⁄
4
9NPT
1
⁄
2
9NPT CRBTMPWR00A200
(THRU-THE-BOTTOM)
NOTES:
1. Roof curb accessory is shipped unassembled.
2. Insulated panels.
3. Dimensions in [ ] are in millimeters.
4. Roof curb: galvanized steel.
5. Attach ductwork to curb (flanges of duct rest on
curb).
6. Service clearance 4 ft on each side.
7. Direction of airflow.
8. Either accessory connector package can be used
with either roof curb.
Fig. 2 — Roof Curb Details
3

Locate mechanical draft system flue assembly at least
48 in. from any opening through which combustion prod-
ucts could enter the building, and at least 48 in. from an ad-
jacent building or combustible material. When unit is located
adjacent to public walkways, flue assembly must be at least
7 ft above grade.
Flue vent discharge must have a minimum horizontal clear-
ance of 48 in. from electric and gas meters, gas regulators,
and gas relief equipment.
Flue gas can deteriorate building materials. Orient unit so
that flue gas will not affect building materials.
Adequate combustion-air space must be provided for proper
operation of this equipment. Be sure that installation com-
plies with all local codes and Section 5.3, Air for Combus-
tion and Ventilation, NFGC (National Fuel Gas Code), ANSI
(American National Standards Institute) Z223.1-latest year
and addendum Z223.1A-latest year. In Canada, installation
must be in accordance with the CAN1. B149.1 and
CAN1.B149.2 installation codes for gas burning appliances.
MAXIMUM ALLOWABLE
DIFFERENCE (in.)
A-B B-C A-C
0.5 1.0 1.0
Fig. 3 — Unit Leveling Tolerances
NOTE: Drain plug is shown in factory-installed position.
Fig. 4 — Condensate Drain Pan
NOTES:
1. Dimension in ( ) is in millimeters.
2. Hook rigging shackles through holes in base rail as shown in detail ‘‘A.’’
Holes in base rails are centered around the unit center of gravity. Use wooden
top skid when rigging to prevent rigging straps from damaging unit.
3. Weights include base unit without economizer. See Table 1 for economizer
weights.
All panels must be in place when rigging.
UNIT MAX
WEIGHT DIMENSIONS
‘‘A’’ ‘‘B’’ ‘‘C’’
lb kg in. mm in. mm in. mm
48TJD/TJE/TJF008 870 395 87.38 2219 40.25 1022 41.31 1050
48TJD/TJE/TJF009 880 399 87.38 2219 40.25 1022 41.31 1050
48TJD/TJE/TJF012 1035 469 87.38 2219 40.25 1022 49.31 1253
48TJD/TJE014 1050 476 87.38 2219 40.25 1022 49.31 1253
Fig. 6 — Rigging Details
NOTE: Trap should be deep enough to offset maximum unit static
difference. A 4-in. trap is recommended.
Fig. 5 — External Trap Condensate Drain
4

Table 1 — Physical Data
UNIT SIZE 48TJ 008D/E/F 009D/E/F 012D/E/F 014D/E
NOMINAL CAPACITY (tons) 7
1
⁄
2
8
1
⁄
2
10 12
1
⁄
2
OPERATING WEIGHT (lb)
Unit
Al/Al* 870 880 1035 1050
Al/Cu* 881 896 1057 1077
Cu/Cu* 893 907 1080 1100
Durablade Economizer 44 44 44 44
PARBLADE Economizer 62 62 62 62
Roof Curb 143 143 143 143
COMPRESSOR Reciprocating Scroll
Quantity 2222
Oil (oz) 50 ea 50 ea 50 ea 54 ea
REFRIGERANT TYPE R-22
Operating Charge (lb-oz)
Circuit 1 4-13 6-14 5-13 8-10
Circuit 2 4-14 6-3 5-14 8- 6
CONDENSER COIL Enhanced Copper Tubes, Aluminum Lanced Fins
Rows...Fins/in. 1...17 2...17 2...17 2...17
Total Face Area (sq ft) 20.50 18.00 17.42 25.00
CONDENSER FAN Propeller Type
Nominal Cfm 6500 6500 7000 7000
Quantity...Diameter (in.) 2...22 2...22 2...22 2...22
Motor Hp...Rpm
1
⁄
4
...1100
1
⁄
4
...1100
1
⁄
4
...1100
1
⁄
4
...1100
Watts Input (Total) 600 600 600 600
EVAPORATOR COIL Enhanced Copper Tubes, Aluminum Double-Wavy Fins, Acutrol™ Feed Device
Rows...Fins/in. 3...15 3...15 3...15 4...15
Total Face Area (sq ft) 8.0 8.0 10.0 11.1
EVAPORATOR FAN Centrifugal Type
Quantity...Size (in.) Std 1...15 x 15 1...15 x 15 1...15 x 15 1...15 x 15
Alt 1...15 x 15 — 1...15 x 15 1...15 x 15
Type Drive Std Belt Belt Belt Belt
Alt Belt — Belt Belt
Nominal Cfm 3000 3400 4000 5000
Motor Hp Std ————
Alt ————
Maximum Continuous Bhp Std 2.40 2.40 2.40 4.20
Alt — — 2.90 5.25
Motor Frame Size Std 56 56 56 56
Alt — — 56 56
Nominal Rpm High/Low ————
Fan Rpm Range Std 590-840 685-935 685-935 860-1080
Alt 685-935 — 835-1085 900-1260
Motor Bearing Type Ball Ball Ball Ball
Maximum Allowable Rpm 2100 2100 2100 2100
Motor Pulley Pitch Diameter Min/Max (in.) Std 2.4/3.4 2.8/3.8 2.8/3.8 4.0/5.0
Alt 2.8/3.8 — 3.4/4.4 3.1/4.1
Nominal Motor Shaft Diameter (in.) Std
5
⁄
85
⁄
85
⁄
87
⁄
8
Alt ——
7
⁄
87
⁄
8
Fan Pulley Pitch Diameter (in.) Std 7.0 7.0 7.0 8.0
Alt 7.0 — 7.0 5.9
Nominal Fan Shaft Diameter (in.) ————
Belt, Quantity...Type...Length (in.) Std 1...A...48 1...A...48 1...A...51 1...A...51
Alt 1...A...51 — 1...A...57 1...BX...46
Pulley Center Line Distance (in.) Std 16.75-19.25 16.75-19.25 15.85-17.50 15.85-17.50
Alt 16.75-19.25 — 15.85-17.50 15.85-17.50
Speed Change per Full Turn of Std 50 50 50 44
Movable Pulley Flange (rpm) Alt 50—5050
Movable Pulley Maximum Full Turns Std 5555
From Closed Position Alt 5—5 6
Factory Setting Std 5555
Alt 5—5 6
Factory Speed Setting (rpm) Std 590 685 685 860
Alt 685 — 835 960
Fan Shaft Diameter at Pulley (in.) 1111
(See legend and notes on page 6.)
5

Table 1 — Physical Data (cont)
UNIT SIZE 48TJ 008D/E/F 009D/E/F 012D/E/F 014D/E
FURNACE SECTION
Rollout Switch Cutout
Temp (F) 195 195 195 195
Burner Orifice Diameter
(in. ...drill size)
Natural Gas Std .120...31 .120...31 .120...31/.120...31/.129...30 .120...31/.129...30
Liquid Propane Alt .096...41 .096...41 .096...41/.096...41/.102...38 .096...41/.102...38
Pilot Orifice Diameter
(Quantity) in. ...drill size
Natural Gas Std —— ——
Liquid Propane Alt —— ——
Thermostat Heat Anticipator
Setting (amps)
208/230 v Stage 1 .14 .14 .14 .14
Stage 2 .20 .20 .20 .20
460 v Stage 1 .14 .14 .14 .14
Stage 2 .20 .20 .20 .20
Gas Input (Btuh) Stage 1 125,000/120,000/180,000 125,000/120,000/180,000 120,000/180,000/200,000 180,000/200,000
Stage 2 —/180,000/224,000 —/180,000/224,000 180,000/224,000/250,000 224,000/250,000
Efficiency (Steady
State) (%) 80 80 80 80
Temperature Rise Range 20-50/35-65/45-75 20-50/35-65/45-75 35-65/35-65/40-70 35-65/40-70
Manifold Pressure (in. wg)
Natural Gas Std 3.5 3.5 3.5 3.5
Liquid Propane Alt 3.5 3.5 3.5 3.5
Gas Valve Quantity 11 11
Field Gas Connection
Size (in.)
1
⁄
2
/
3
⁄
4
/
3
⁄
41
⁄
2
/
3
⁄
4
/
3
⁄
43
⁄
4
/
3
⁄
4
/
3
⁄
43
⁄
4
/
3
⁄
4
HIGH-PRESSURE SWITCH (psig)†
Standard Compressor
Internal Relief (Differential) 450±50 500±50
Cutout 428 428
Reset (Auto.) 320 320
LOW-PRESSURE SWITCH (psig)†
Cutout 7±3
Reset (Auto.) 22±7
FREEZE PROTECTION
THERMOSTAT (F)†
Opens 30±5
Closes 45±5
OUTDOOR-AIR INLET SCREENS Cleanable
Quantity...Size (in.) 1...20 x 25 x 1
1...16 x 25 x 1
RETURN-AIR FILTERS Throwaway
Quantity...Size (in.) 4...16 x 20 x 2 4...16 x 20 x 2 4...20 x 20 x 2 4...20 x 20 x 2
LEGEND
Al — Aluminum
Bhp — Brake Horsepower
Cu — Copper
*Evaporator coil fin material/condenser coil fin material.
†Requires an optional or accessory controls kit.
NOTE: The 48TJ008-014 units have a loss-of-charge/low-pressure
switch (accessory) located in the liquid line.
6

UNIT
48TJ
STANDARD
UNIT
WEIGHT
CORNER
WEIGHT
(A)
CORNER
WEIGHT
(B)
CORNER
WEIGHT
(C)
CORNER
WEIGHT
(D) ‘‘H’’ ‘‘J’’ ‘‘K’’ ‘‘L’’
Lb Kg Lb Kg Lb Kg Lb Kg Lb Kg ft-in. mm ft-in. mm ft-in. mm ft-in. mm
D/E/F008 870 395 189 86 161 73 239 109 280 127 1-2
7
⁄
8
378 3-5
5
⁄
16
1050 2-9
11
⁄
16
856 2- 2
7
⁄
16
672
D/E/F009 880 399 191 87 163 74 242 110 284 129 3-3
7
⁄
8
1013 3-5
5
⁄
16
1050 2-9
11
⁄
16
856 2- 2
7
⁄
16
672
D/E/F012 1035 469 225 102 192 87 285 129 333 151 2-5
7
⁄
8
759 4-1
5
⁄
16
1253 3-0
3
⁄
8
924 2-10
7
⁄
16
875
D/E014 1050 476 228 103 195 88 289 131 338 153 1-2
7
⁄
8
378 4-1
5
⁄
16
1253 3-0
3
⁄
8
924 2-10
7
⁄
16
875
NOTES:
1. Dimensions in [ ] are in millimeters.
2. Center of gravity.
3. Direction of airflow.
4. On vertical discharge units, ductwork to be attached to accessory roof curb only. For
horizontal discharge units field-supplied flanges should be attached to horizontal dis-
charge openings, and all ductwork should be attached to the flanges.
5. Minimum clearance (local codes or jurisdiction may prevail):
a. Between unit (flue side) and combustible surfaces, 48 inches.
b. Bottom of unit to combustible surfaces (when not using curb) 1 inch.
Bottom of base rail to combustible surfaces (when not using curb) 0 inches.
c. Condenser coil, for proper airflow, 36 in. one side, 12 in. the other. The side get-
ting the greater clearance is optional.
d. Overhead, 60 in. to assure proper condenser fan operation.
e. Between units, control box side, 42 in. per NEC (National Electrical Code).
f. Between unit and ungrounded surfaces, control box side, 36 in. per NEC.
g. Between unit and block or concrete walls and other grounded surfaces, control
box side, 42 in. per NEC.
h. Horizontal supply and return end, 0 inches.
6. With the exception of the clearance for the condenser coil and combustion side as
stated in Notes 5a, b, and c, a removable fence or barricade requires no clearance.
7. Units may be installed on combustible floors made from wood or Class A, B, or C
roof covering material if set on base rail.
8. The vertical center of gravity is 18-79[483] up from the bottom of the base rail. Hori-
zontal center of gravity is shown.
CONNECTION SIZES
A1
3
⁄
8
9Dia [35] Field Power Supply Hole
B2-
1
⁄
2
9Dia [64] Power Supply Knock-Out
C1
3
⁄
4
9Dia [44] Charging Port Hole
D
7
⁄
8
9Dia [22] Field Control Wiring Hole
E
3
⁄
4
9—14 NPT Condensate Drain
F
1
⁄
2
9—14 NPT Gas Connection 48TJD008 & 009
3
⁄
4
9—14 NPT Gas Connection 48TJE/F008 & 009;
48TJD/E012,014, 48TJF012
G29Dia [51] Power Supply Knock-Out
Fig. 7 — Base Unit Dimensions
BOTTOM POWER CHART, THESE HOLES
REQUIRED FOR USE WITH ACCESSORY
PACKAGES — CRBTMPWR001A00,
OR CRBTMPWR002A00
THREADED
CONDUIT SIZE WIRE SIZE REQUIRED HOLE
SIZES (MAX)
1
⁄
2
(24 V
7
⁄
8
9[22.2]
3
⁄
4
(Power* 1
1
⁄
8
9[28.4]
1
1
⁄
4
(Power* 1
3
⁄
4
9[44.4]
*Select either
3
⁄
4
9or 1
1
⁄
4
9for power, depending on wire size.
7

Step 5 — Install Flue Hood — Flue hood is shipped
screwed to the burner compartment access panel. Remove
from shipping location and, using screws provided, install
flue hood and screen in location shown in Fig. 8.
Step 6 — Install Gas Piping — Unit is equipped for
use with type of gas shown on nameplate. Refer to local build-
ing codes, or in the absence of local codes, to ANSI Z223.1-
latest year and addendum Z223.1A-latest year entitled
National Fuel Gas Code. In Canada, installation must be in
accordance with the CAN1.B149.1 and CAN1.B149.2 in-
stallation codes for gas burning appliances.
For natural gas applications, gas pressure at unit gas con-
nection must not be less than 4.0 in. wg (5.0 in. wg in high
heat units) or greater than 13.0 in. wg while unit is operat-
ing. For liquid propane applications, the gas pressure must
not be less than 5.0 in. wg or greater than 13.0 in. wg at the
unit connection.
Size gas supply piping for 0.5 in. wg maximum pres-
sure drop. Do not use supply pipe smaller than unit gas
connection.
Support gas piping as shown in the table in Fig. 9. For
example, a
3
⁄
4
-in. gas pipe must have one field-fabricated sup-
port beam every 8 ft. Therefore, an 18-ft long gas pipe would
have a minimum of 2 support beams, and a 48-ft long pipe
would have a minimum of 6 support beams.
See Fig. 9 for typical pipe guide and locations of external
manual gas shutoff valve.
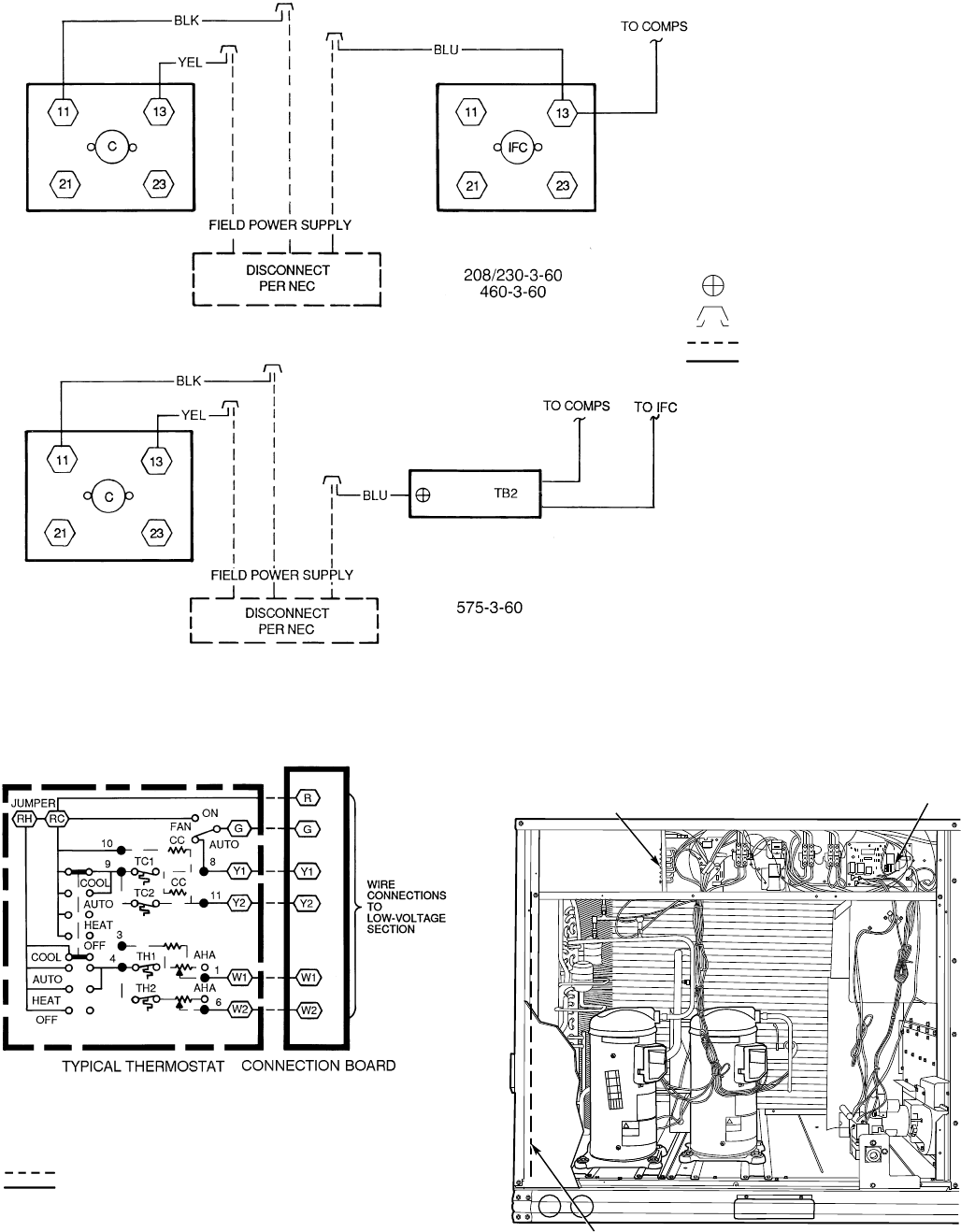
Step 7 — Make Electrical Connections
Unit cabinet must have an uninterrupted, unbroken elec-
trical ground to minimize the possibility of personal in-
jury if an electrical fault should occur. This ground may
consist of electrical wire connected to unit ground lug
in control compartment, or conduit approved for elec-
trical ground when installed in accordance with NEC
(National Electrical Code), ANSI/NFPA (National Fire
Protection Association), latest edition, and local elec-
trical codes. Do not use gas piping as an electrical ground.
Failure to follow this warning could result in the in-
staller being liable for personal injury of others.
FIELD POWER SUPPLY — All units except 208/230-v units
are factory wired for the voltage shown on the nameplate. If
the 208/230-v unit is to be connected to a 208-v power sup-
ply, the transformer must be rewired by moving the black
wire from the 230-v red wire on the transformer and con-
necting it to the 200-v blue wire from the transformer. The
red wire then must be insulated.
Refer to unit label diagram for additional information. Pig-
tails are provided for field service.
When installing units, provide a disconnect per NEC. Use
copper conductors only when splice connectors are used.
All field wiring must comply with NEC and local require-
ments. In Canada, electrical connections must be in accor-
dance with CSA (Canadian Standards Association) C22.1
Canadian Electrical Code Part One.
Install conduit through side panel openings indicated in
Fig. 7. Route power lines through connector to terminal con-
nections as shown in Fig. 10.
On 3-phase units, voltages between phases must be bal-
anced within 2% and the current within 10%. Use the for-
mula shown in Table 2, Note 2 to determine the percentage
of voltage imbalance. Operation on improper line voltage or
excessive phase imbalance constitutes abuse and may cause
damage to electrical components. Such operation would in-
validate any applicable Carrier warranty.
NOTE: If field-installed thru-the-bottom connections are used,
refer to the accessory installation instructions for power wir-
ing. Refer to Fig. 7 for drilling holes in basepan.
FIELD CONTROL WIRING — Install a Carrier-approved
accessory thermostat assembly according to installation in-
structions included with the accessory. Locate thermostat as-
sembly on a solid wall in the conditioned space to sense av-
erage temperature in accordance with thermostat installation
instructions.
NOTE: For wire runs up to 50 ft, use no. 18 AWG (Ameri-
can Wire Gage) insulated wire (35 C minimum). For 50 to
75 ft, use no. 16 AWG insulated wire (35 C minimum). For
over 75 ft, use no. 14 AWG insulated wire (35 C minimum).
All wire larger than no. 18 AWG cannot be directly con-
nected to the thermostat and will require a junction box and
splice at the thermostat.
Fig. 8 — Flue Hood Details
LEGEND
NFGC — National Fuel Gas Code
*Field supplied.
NOTE: Follow all local codes.
SPACING OF SUPPORTS
STEEL PIPE
NOMINAL
DIAMETER
(in.)
X
DIMENSION
(feet)
1
⁄
2
6
3
⁄
4
or 1 8
1
1
⁄
4
or larger 10
Fig. 9 — Gas Piping Guide (With Accessory
Thru-the-Curb Service Connections)
8

Route thermostat cable or equivalent single leads of col-
ored wire from subbase terminals to low-voltage connec-
tions on unit (shown in Fig. 11) as described in Steps1-4
below.
1. If unit is mounted on roof curb and accessory thru-the-
curb service plate connection is used, route wire through
connection plate.
2. Pass control wires through the hole provided on unit
(see connection D in Connection Sizes table in Fig. 7).
3. Feed wires through the raceway built into the corner post
to the 24-v barrier located on the left side of the control
box. See Fig. 12. The raceway provides the UL-required
(Underwriters’Laboratories) clearance between high- and
low-voltage wiring.
4. Connect thermostat wires to screw terminals on low-
voltage connection board.
HEAT ANTICIPATOR SETTINGS — Set heat anticipator
settings at .14 amp for the first stage and .20 amp for second-
stage heating.
Table 2 — Electrical Data
UNIT
48TJ
NOMINAL
VOLTAGE
(60 Hz)
IFM
TYPE
VOLTAGE
RANGE COMPR
(ea) OFM
(ea) IFM COMBUSTION
FAN MOTOR POWER SUPPLY DISCONNECT
SIZE*
Min Max RLA LRA Hp FLA FLA FLA MCA MOCP† FLA LRA
008
(7
1
⁄
2
Tons)
208/230
(3 phase) Std 187 254 13.6 73.4
1
⁄
4
1.4 5.8 .57 39.2/39.2 45/45 41/41 194/194
460
(3 phase) Std 414 508 6.2 37.7
1
⁄
4
0.8 2.6 .30 18.0 25 19 99
575
(3 phase) Std 518 632 4.9 31.0
1
⁄
4
0.8 2.6 .30 14.2 20 15 81
009
(8
1
⁄
2
Tons)
208/230
(3 phase) Std 187 254 15.8 92.0
1
⁄
4
1.4 5.8 .57 44.2/44.2 50/50 46/46 231/231
460
(3 phase) Std 414 508 7.4 46.0
1
⁄
4
0.8 2.6 .30 20.7 25 22 116
575
(3 phase) Std 518 632 5.9 44.0
1
⁄
4
0.8 2.6 .30 16.5 20 17 107
012
(10 Tons)
208/230
(3 phase) Std 187 254 17.9 110.0
1
⁄
4
1.4 5.8 .57 48.9/48.9 60/60 51/51 267/267
Alt 7.5 50.6/50.6 60/60 53/53 286/286
460
(3 phase) Std 414 508 8.6 55.0
1
⁄
4
0.8 2.6 .30 23.4 30 24 134
Alt 3.4 24.2 30 25 173
575
(3 phase) Std 518 632 6.4 44.0
1
⁄
4
0.8 2.6 .30 17.6 20 18 107
Alt 3.4 18.2 20 19 139
014
(12
1
⁄
2
Tons)
208/230
(3 phase) Std 187 254 23.0 146.0
1
⁄
4
1.4 10.6 .57 65.2/65.2 80/80 68/68 383/383
Alt 15.0 69.6/69.6 80/80 73/73 406/406
460
(3 phase) Std 414 508 10.4 73.0
1
⁄
4
0.8 4.8 .30 29.6 35 31 192
Alt 7.4 32.2 35 34 203
575
(3 phase) Std 518 632 8.3 58.4
1
⁄
4
0.8 4.8 .30 23.6 30 25 154
Alt 7.4 25.7 35 27 163
LEGEND
FLA — Full Load Amps
HACR — Heating, Air Conditioning and Refrigeration
IFM — Indoor (Evaporator) Fan Motor
LRA — Locked Rotor Amps
MCA — Minimum Circuit Amps
MOCP — Maximum Overcurrent Protection
NEC — National Electrical Code
OFM — Outdoor (Condenser) Fan Motor
RLA — Rated Load Amps
UL — Underwriters’ Laboratories
*Used to determine minimum disconnect size per NEC.
†Fuse or HACR circuit breaker.
NOTES:
1. In compliance with NEC requirements for multimotor and combi-
nation load equipment (refer to NEC Articles 430 and 440), the
overcurrent protective device for the unit shall be fuse or HACR
breaker. Canadian units may be fuse or circuit breaker.
2. Unbalanced 3-Phase Supply Voltage
Never operate a motor where a phase imbalance in supply volt-
age is greater than 2%.
Use the following formula to determine
the percent voltage imbalance.
% Voltage Imbalance
max voltage deviation from average voltage
= 100 x average voltage
EXAMPLE: Supply voltage is 460-3-60.
AB = 452 v
BC = 464 v
AC = 455 v
452 + 464 + 455
Average Voltage = 3
1371
=3
= 457
NOTE: The 575-v 48TJ008-014 units are UL, Canada, only.
Determine maximum deviation from average voltage.
(AB) 457 - 452=5v
(BC) 464 - 457=7v
(AC) 457 - 455=2v
Maximum deviation is 7 v.
Determine percent voltage imbalance.
7
% Voltage Imbalance = 100 x 457
= 1.53%
This amount of phase imbalance is satisfactory as it is below the
maximum allowable 2%.
IMPORTANT: If the supply voltage phase imbalance is
more than 2%, contact your local electric utility company
immediately.
9

Fig. 10 — Power Wiring Connections
LEGEND
C—Contactor
COMPS — Compressors
IFC — Indoor (Evaporator) Fan
Contactor
NEC — National Electrical Code
TB — Terminal Block
Terminal Block Connection
Splice Connection
(Factory Supplied)
Field Wiring
Factory Wiring
LEGEND
AHA — Adjustable Heat Anticipator
CC — Cooling Compensator
TC — Thermostat-Cooling
TH — Thermostat-Heating
Field Wiring
Factory Wiring
Fig. 11 — Low-Voltage Connections
UNIT
CONNECTION
BOARD
INTEGRATED
GAS UNIT
CONTROLLER
(IGC)
RACEWAY
Fig. 12 — Field Control Wiring Raceway
10

Step 8 — Adjust Factory-Installed Options
APOLLO CONTROL — The optionalApollo control is used
to actively monitor all modes of operation as well as indoor
(evaporator) fan status, filter status, and indoor-air quality.
The Apollo control is designed to work with Carrier TEMP
and VVTtsystems.
The thermostat must be wired to the Apollo control before
starting the unit. Refer to the Apollo control installation in-
structions for information on installing the thermostat. See
Fig. 13 for Apollo location.
MANUAL OUTDOOR-AIR DAMPER — The outdoor-air
hood and screen are attached to the basepan at the bottom of
the unit for shipping.
Assembly:
1. Determine quantity of ventilation required for building.
Record amount for use in Step 8.
2. Remove filter access panel by raising panel and swing-
ing panel outward. Panel is now disengaged from track
and can be removed. No tools are required to remove
the filter access panel. Remove outdoor-air opening panel.
Save panels and screws. See Fig. 14.
3. Separate hood and screen from basepan by removing the
screws and brackets securing them. Save all screws and
discard brackets.
4. Replace outdoor air opening panel with screws saved
from Step 2.
5. Place hood on front of outdoor-air opening panel. See
Fig. 15 for hood details. Secure top of hood with the
6 screws removed in Step 3. See Fig. 16.
6. Remove and save 8 screws (4 on each side) from sides
of the manual outdoor-air damper.
7. Align screw holes on hood with screw holes on side of
manual outdoor-air damper. See Fig. 15 and 16. Secure
hood with 8 screws from Step 6.
8. Adjust minimum position setting of the damper blade
by adjusting the manual outdoor-air adjustment screws
on the front of the damper blade. See Fig. 14. Slide blade
vertically until it is in the appropriate position deter-
mined by Fig. 17. Tighten screws.
CONTROL
WIRING
APOLLO
CONTROL
WIRING TO
THERMOSTAT
Fig. 13 — Apollo Control Factory-Installed
in Typical Unit
OUTDOOR
AIR OPENING
PANEL
Fig. 14 — Damper Panel with Manual
Outdoor-Air Damper Installed
Fig. 15 — Outdoor-Air Hood Details
HOOD
NOT
SHOWN)
Fig. 16 — Damper with Hood Attached
11

9. Remove and save screws currently on sides of hood.
Insert screens. Secure screens to hood using the screws.
See Fig. 16.
10. Replace filter access panel. Ensure filter access panel
slides along the tracks and is securely engaged.
OPTIONAL DURABLADE ECONOMIZER — The op-
tional economizer hood assembly is packaged and shipped
in the filter section. Damper blades and control boards are
installed at the factory and the economizer is shipped in the
vertical discharge position.
NOTE: Horizontal discharge block-off plate is shipped with
the air hood package. If unit is to be used for vertical dis-
charge application, discard this plate.
Assembly
1. Determine if ventilation air is required in building. If
so, determine the minimum amount to be supplied by
each unit and record quantity of ventilation air needed
for use in Step 8.
2. Remove filter access panel by raising panel and swing-
ing panel outward. Panel is now disengaged from track
and can be removed. No tools are required to remove
filter access panel. Remove outdoor-air opening panel.
Save panels and screws. See Fig. 18. Remove optional
economizer and outdoor-air damper hood package from
filter section.
3. Assemble outdoor-air hood top and side plates as shown
in Fig. 19. Install seal strips on hood top and sides. Put
aside screen retainer and retainer screw for later assem-
bly. Do not attach hood to unit at this time.
4. On 012 and 014 units, install vertical discharge block-
off plate over duct openings. See Fig. 20.
5. Slide economizer into unit and secure with screws. See
Fig. 21.
NOTE: Be sure to engage rear economizer flange under
tabs in vertical return-air opening.
6. To convert to horizontal discharge application:
a. Rotate the economizer 90 degrees until the econo-
mizer motor faces the condenser section (see
Fig. 22).
b. Rotate the barometric relief damper hinge
90 degrees. Barometric relief damper should open ver-
tically to operate properly.
c. Install horizontal discharge block-off plate over the
opening on the access panel. (Block-off plate MUST
be installed before installing hood assembly.) See
Fig. 23.
7. Insert economizer plug into economizer harness. Re-
move tape from barometric relief damper. See Fig. 21.
8. If ventilation air is not required, proceed to Step 9. If
ventilation air is required, determine the minimum po-
sition setting for required airflow. See Fig. 24. Adjust
minimum position setting by adjusting the screws on the
position setting bracket. See Fig. 25. Slide bracket until
the top screw is in the position determined by
Fig. 24. Tighten screws.
9. Remove tape from outdoor-air thermostat (OAT). Fas-
ten OAT to inside of hood using screws and speed clips
provided. See Fig. 26. Make sure OAT terminals are po-
sitioned up.
10. Replace outdoor-air opening panel using screws from
Step 2. Replace filter access panel. Ensure the filter ac-
cess panel slides along the tracks and is securely
engaged.
11. Fasten hood top and side plate assembly to outdoor-air
opening panel with screws provided.
12. Place knob supplied with economizer on OAT. See
Fig. 26. Set for 3° F below indoor room thermostat set-
ting. If accessory enthalpy control (EC) is used in place
of OAT, see instructions shipped with EC for installa-
tion and adjustment. See Fig. 26.
13. Connect OAT per Fig. 27.
14. Slide outdoor-air inlet screens into screen track on hood
side plate. While holding screens in place, fasten screen
retainer to hood using screws provided.
NOTE: Refer to Fig. 28 for Durablade economizer baromet-
ric relief damper characteristics.
Fig. 17 — Position Setting
OUTDOOR-AIR
OPENING PANEL FILTER ACCESS
PANEL
Fig. 18 — Access Panel Locations
12

Fig. 19 — Outdoor-Air Hood Details
Fig. 20 — Vertical Discharge Block-Off Plate
(Sizes 120,150 only)
ECONOMIZER
CONTROL BOARD ECONOMIZER
PLUG ECONOMIZER
MOTOR TOP
SCREW
Fig. 21 — Durablade Economizer Installed in Unit
ECONOMIZER CONTROL BOARD ECONOMIZER MOTOR
POSITION SETTING BRACKET
Fig. 22 — Horizontal Durablade Economizer
Installation (90 Degree Rotation)
BLOCK-OFF PLATE
Fig. 23 — Horizontal Discharge Block-Off Plate
13

Example:
Given —
Negative Pressure .......................0.1in.wg
Outdoor Airflow ........................1100cfm
Determine —
Setting = 69
Fig. 24 — Durablade Economizer Damper
Minimum Position Setting
43210
5
6
7
8
9
Fig. 25 — Durablade Economizer Minimum
Position Damper Setting
MINIMUM
POSITION
OPEN
3
1
T
P
P1
T1
4
2
5
S
S
O
D
C
TR
B
REV. B
198818A
%
H
U
M
I
D
I
T
Y
90
70
60
30
10
DCBA
60 65 70
75
55
50 85
80
DAMPER
DAMPER
CLOSED
OPEN
OUTDOOR TEMP. °F
REV.
97-3672
CW–SETPOINTS–CCW
CONTACTS SHOWN IN HIGH ENTHALPY
RUSH AT 24VAC
3 mA MIN. AT 11 VDC
CONTACT RATINGS: 1.5A RUN, 3.5A IN
OR UNPOWERED STATE
1
2
3
TR
TR1
24VAC
ENTHALPY CONTROL
Fig. 26 — Outdoor-Air Thermostat/
Enthalpy Control Installation
Fig. 27 — Wiring Connections for
Outdoor-Air Thermostat
14

OPTIONAL PARABLADE ECONOMIZER — The op-
tional PARABLADE economizer hood assembly is pack-
aged and shipped in the filter section. Damper blades and
control boards are installed at the factory and the econo-
mizer is shipped in the vertical discharge position.
NOTE: Horizontal discharge block-off plate is shipped with
the air hood package. The PARABLADE economizer can
only be used for vertical discharge applications. Discard this
plate.
Assembly
1. Determine if ventilation air is required in building. If
so, determine the minimum amount to be supplied by
each unit and record quantity of ventilation air needed
for use in Step 7.
2. Remove filter access panel by raising panel and swing-
ing panel outward. Panel is now disengaged from track
and can be removed. No tools are required to remove
filter access panel. Remove outdoor-air opening panel.
See Fig. 18. Save panels and screws. Remove optional
economizer so the outdoor-air damper hood package can
be removed from the filter section.
3. Assemble outdoor-air hood top and side plates as shown
in Fig. 19. Install seal strips on hood top and sides. Put
aside screen retainer and retainer screw for later assem-
bly. Do not attach hood to unit at this time.
4. On 012 and 014 units, install vertical discharge block-
off plate over duct openings. See Fig. 20.
5. Slide economizer into unit and secure with screws. See
Fig. 29.
NOTE: Be sure to engage rear economizer flange under
tabs in vertical return-air opening.
6. Insert economizer plug into economizer harness. Re-
move tape from barometric relief damper. See Fig. 29.
7. If ventilation air is not required, proceed to Step 8. If
ventilation air is required, perform the following:
a. Make sure the factory-installed jumper is in place across
terminals P and P1 on the economizer logic module.
T and T1 should be disconnected during adjustment.
b. The 2 potentiometers with slots for adjustment are
located on the face of the economizer logic module.
Turn the lower potentiometer fully clockwise. The
dampers should be fully closed. Turn the potentiom-
eter gradually counterclockwise until the desired po-
sition is reached.
c. Connect T and T1 to the 24 v power supply.
d. After installation is complete, calculate the mini-
mum airflow across the economizer. To calculate the
minimum airflow, the following data is needed: total
cfm (cfm
3
), temperature of the total cfm (T
3
), tem-
perature of the return air (T
1
), and temperature of the
entering outside air (T
2
). Cfm
1
is the return air cfm,
which will be the minimum airflow.
Insert the data into the following equations:
T
1
(cfm
1
)+T
2
(cfm
2
)=T
3
cfm
3
cfm
2
= (cfm
3
– cfm
1
)
Therefore:
T
1
(cfm
1
)+T
2
(cfm
3
– cfm
1
)=T
3
cfm
3
Use this equation to determine cfm
1
, which is the mini-
mum airflow across the economizer.
(T
3
–T
2
) cfm
3
cfm
1
=(T
1
–T
2
)
If cfm
1
does not match the desired minimum airflow
from Step 1, re-adjust the minimum position setting
screw.
8. Determine the enthalpy changeover set point from
Fig. 30. The enthalpy changeover set point should be
set to return the outdoor air damper to the minimum po-
sition when enthalpy rises above the set point. The set-
tings are A, B, C, and D. Set the enthalpy changeover
per the setting in Fig. 30.
9. Replace outdoor-air opening panel using screws from
Step 2. Replace filter access panel. Ensure the filter ac-
cess panel slides along the tracks and is securely en-
gaged. See Fig. 31.
10. Fasten hood top and side plate assembly (Fig. 32) to
outdoor-air opening panel with screws provided.
11. Slide outdoor-air inlet screens into screen track on hood
side plate. While holding screens in place, fasten screen-
retainer to hood using screws provided. See Fig. 33.
Fig. 28 — Durablade Economizer Barometric Relief
Damper Characteristics
ECONOMIZER CONTROL
MODULE/DAMPER ACTUATOR
WIRING
HARNESS ENTHALPY
SENSOR BAROMETRIC
RELIEF DAMPER
Fig. 29 — PARABLADE Economizer Installed in Unit
15

Step 9 — Adjust Evaporator-Fan Speed — Ad-
just evaporator-fan speed to meet jobsite conditions.
Table 3 shows fan rpm at motor pulley settings, Table 4
shows motor efficiencies and Table 5 gives accessory static
pressure drops. Table 6 shows motor performance. Refer to
Tables 7-14 to determine fan speed settings. Fan motor pul-
leys are factory set for speed shown in Table 1.
To change fan speed:
1. Shut off unit power supply.
2. Loosen belt by loosening fan motor mounting plate nuts
(see Fig. 34 and 35).
3. Loosen movable pulley flange setscrew (see Fig. 36).
4. Screw movable flange toward fixed flange to increase speed
and away from fixed flange to decrease speed. Increasing
fan speed increases load on motor. Do not exceed maxi-
mum speed specified in Table 1.
5. Set movable flange at nearest keyway of pulley hub and
tighten setscrew (see Table 1 for speed change for each
full turn of pulley flange).
To align fan and motor pulleys:
1. Loosen fan pulley setscrews.
2. Slide fan pulley along fan shaft.
3. Make angular alignment by loosening motor from mount-
ing plate.
To adjust belt tension (see Fig. 34 and 35):
1. Loosen fan motor mounting plate nuts.
2. Units 008,009 — Slide motor mounting plate away from
fan scroll for proper belt tension (
1
⁄
2
-in. deflection with
one finger) and tighten mounting nuts (see Fig. 34).
Units 012,014 — Slide motor mounting plate downward
to tighten belt tension. Secure motor mounting plate nuts.
See Fig. 35.
3. Adjust bolt and nut on mounting plate to secure motor in
fixed position.
RH — Relative Humidity
Fig. 30 — Enthalpy Settings for
PARABLADE Economizer
Fig. 31 — Panels Reinstalled on Unit
Fig. 32 — Outdoor-Air Hood Installed on Unit
CONTROL
CURVE
CONTROL POINT
F (C) (APPROX)
AT 50% RH
A73 [23]
B70 [21]
C67 [19]
D63 [17]
Fig. 33 — Filter Installed on Outdoor-Air Hood
16

Table 3 — Fan Rpm at Motor Pulley Settings*
UNIT
48TJ MOTOR PULLEY TURNS OPEN
0
1
⁄
2
11
1
⁄
2
22
1
⁄
2
33
1
⁄
2
44
1
⁄
2
55
1
⁄
2
6
008† 840 815 790 765 740 715 690 665 640 615 590 — —
008** 935 910 885 860 835 810 785 760 735 710 685 — —
009† 935 910 885 860 835 810 785 760 735 710 685 — —
012† 935 910 885 860 835 810 785 760 735 710 685 — —
012†† 1085 1060 1035 1010 985 960 935 910 885 860 835 — —
014† 1080 1060 1035 1015 990 970 950 925 905 880 860 — —
014†† 1260 1220 1185 1155 1130 1100 1075 1045 1015 990 960 930 900
*Approximate rpm shown.
†Indicates standard motor and drive.
**Indicates alternate drive.
††Indicates alternate motor and drive.
MOTOR MOUNTING
PLATE NUTS
Fig. 34 — Typical Belt-Drive Motor Mounting
for Sizes 008,009
Fig. 35 — Typical Belt-Drive Motor Mounting
for Sizes 012,014
Fig. 36 — Evaporator-Fan Pulley Adjustment
17

Table 4 — Evaporator-Fan Motor Efficiency
MOTOR EFFICIENCY (%)
48TJD/TJE/TJF008,009 80
48TJD/TJE/TJF012 (Std) 80
48TJD/TJE/TJF012 (Alt) 83
48TJD/TJE014 (Std) 85
48TJD/TJE014 (Alt) 87
NOTE: Convert watts to bhp using the following formula:
watts input x motor efficiency
bhp = 746
Table 5 — Economizer Static Pressure Drop (in. wg)
UNIT
48TJ CFM
2200 2500 3000 3500 4000 4500 5000 5500 6000
Durablade Economizer .02 .02 .03 .04 .05 .06 .07 .08 .09
PARABLADE Economizer .21.25.35.49.61————
Table 6 — Motor Data
UNIT
48TJ EVAPORATOR-
FAN MOTOR
MAXIMUM
CONTINUOUS
BHP*
MAXIMUM
OPERATING
WATTS*
UNIT
VOLTAGE MAXIMUM
AMP DRAW
008 Std 2.40 2120
208/230 6.1
460 2.7
575 2.7
009 Std 2.40 2120
208/230 6.1
460 2.7
575 2.7
012
Std 2.40 2120
208/230 6.1
460 2.7
575 2.7
Alt 2.90 2615
208/230 7.9
460 3.6
575 3.6
014
Std 4.20 3775
208/230 11.1
460 5.0
575 5.0
Alt 5.25 4400
208/230 15.0
460 7.4
575 7.4
LEGEND
Bhp — Brake Horsepower
*Extensive motor and electrical testing on these units ensures that the full horsepower and watts range of the
motors can be utilized with confidence. Using your fan motors up to the ratings shown in this table will not result
in nuisance tripping or premature motor failure. Unit warranty will not be affected.
18

Table 7 — Fan Performance, 48TJ008 — Vertical Discharge Units
AIRFLOW
(Cfm)
EXTERNAL STATIC PRESSURE (in. wg)
0.2 0.4 0.6 0.8 1.0 1.2 1.4 1.6
Rpm Bhp Rpm Bhp Rpm Bhp Rpm Bhp Rpm Bhp Rpm Bhp Rpm Bhp Rpm Bhp
2200 506 0.52 586 0.72 656 0.95 718 1.18 776 1.43 838 1.78 898 2.21 935 2.58
2250 514 0.55 593 0.76 662 0.99 724 1.22 781 1.78 841 1.81 902 2.25 939 2.60
2300 521 0.57 600 0.79 668 1.02 730 1.26 786 1.50 843 1.83 905 2.28 943 2.62
2400 536 0.63 613 0.85 680 1.09 741 1.34 796 1.59 849 1.88 910 2.31 952 2.74
2500 551 0.69 626 0.93 693 1.17 753 1.43 808 1.69 859 1.96 912 2.31 963 2.81
2550 559 0.72 634 0.97 700 1.21 759 1.48 814 1.74 864 2.01 915 2.34 968 2.81
2600 567 0.75 641 1.00 706 1.25 764 1.52 819 1.79 869 2.06 918 2.37 973 2.81
2700 582 0.83 655 1.08 719 1.34 776 1.61 831 1.89 880 2.17 927 2.47 976 2.84
2800 598 0.90 670 1.17 732 1.43 789 1.71 842 2.00 892 2.29 938 2.58 983 2.92
2900 614 0.98 684 1.25 745 1.53 802 1.81 854 2.11 903 2.42 949 2.71 993 3.03
3000 630 1.07 699 1.35 759 1.63 815 1.92 866 2.23 915 2.54 961 2.85 1003 3.17
3100 646 1.16 714 1.45 773 1.74 828 2.04 878 2.35 926 2.67 972 3.00 1015 3.32
3200 662 1.26 729 1.55 787 1.86 841 2.16 891 2.48 938 2.81 983 3.14 1026 3.47
3300 679 1.36 744 1.66 801 1.98 854 2.29 904 2.61 950 2.95 995 3.30 — —
3400 695 1.47 759 1.78 816 2.10 867 2.42 917 2.75 963 3.10 1007 3.45 — —
3500 712 1.59 774 1.90 830 2.23 881 2.56 930 2.90 976 3.25 ————
3600 729 1.71 790 2.03 845 2.37 895 2.71 943 3.05 988 3.41 ————
3700 745 1.84 805 2.17 860 2.52 909 2.87 956 3.22 — —————
3750 754 1.91 813 2.24 868 2.59 917 2.95 963 3.30 — —————
LEGEND
Bhp — Brake Horsepower Input to Fan
NOTES:
1. Boldface indicates field-supplied drive required. (See Note 4.)
2. indicates alternate drive required.
3. indicates field-supplied motor and drive required.
4. Standard drive range is 590 to 840 rpm. Alternate drive range is
685 to 935 rpm. All other rpms require a field-supplied drive.
5. Values include losses for filters, unit casing, and wet coils.
6. Maximum continuous bhp is 2.4. Extensive motor and electrical
testing on these units ensures that the full range of the motor can
be utilized with confidence. Using your fan motors up to the rat-
ings shown will not result in nuisance tripping or premature motor
failure. Unit warranty will not be affected.
7. Use of a field-supplied motor may affect wire sizing. Contact your
Carrier representative to verify.
8. Interpolation is permissible. Do not extrapolate.
Table 8 — Fan Performance, 48TJ009 — Vertical Discharge Units
AIRFLOW
(Cfm)
EXTERNAL STATIC PRESSURE (in. wg)
0.2 0.4 0.6 0.8 1.0 1.2 1.4 1.6
Rpm Bhp Rpm Bhp Rpm Bhp Rpm Bhp Rpm Bhp Rpm Bhp Rpm Bhp Rpm Bhp
2550 559 0.72 634 0.97 700 1.21 759 1.48 814 1.74 864 2.01 915 2.34 968 2.81
2600 567 0.75 641 1.00 706 1.25 764 1.52 819 1.79 869 2.06 918 2.37 973 2.81
2700 582 0.83 655 1.08 719 1.34 776 1.61 831 1.89 880 2.17 927 2.47 976 2.84
2800 598 0.90 670 1.17 732 1.43 789 1.71 842 2.00 892 2.29 938 2.58 983 2.92
2900 614 0.98 684 1.25 745 1.53 802 1.81 854 2.11 903 2.42 949 2.71 993 3.03
3000 630 1.07 690 1.35 759 1.63 815 1.92 866 2.23 915 2.54 961 2.85 1003 3.17
3100 646 1.16 714 1.45 773 1.74 828 2.04 878 2.35 926 2.67 972 3.00 1016 3.32
3200 662 1.26 729 1.55 787 1.86 841 2.16 891 2.48 938 2.81 983 3.14 1026 3.47
3300 679 1.36 744 1.66 801 1.98 854 2.29 904 2.61 950 2.95 995 3.30 — —
3400 695 1.47 759 1.78 816 2.10 867 2.42 917 2.75 963 3.10 1007 3.45 — —
3500 712 1.59 774 1.90 830 2.23 881 2.56 930 2.90 976 3.25 ————
3600 729 1.71 790 2.03 845 2.37 895 2.71 943 3.05 988 3.41 ————
3700 745 1.84 805 2.17 860 2.52 909 2.87 956 3.22 — —————
3750 754 1.91 813 2.24 868 2.59 917 2.95 963 3.30 — —————
3800 762 1.98 821 2.31 875 2.66 924 3.03 970 3.38 — —————
3900 779 2.12 836 2.46 890 2.82 938 3.19 ————————
4000 796 2.27 852 2.61 905 2.98 953 3.37 ————————
4100 813 2.42 868 2.78 920 3.15 ——————————
4200 830 2.59 884 2.95 935 3.33 ——————————
4250 839 2.68 890 3.04 ————————————
4300 847 2.76 900 3.13 ————————————
LEGEND
Bhp — Brake Horsepower Input to Fan
NOTES:
1. Boldface indicates field-supplied drive required. (See Note 3.)
2. indicates field-supplied motor and drive required.
3. Standard drive range is 685 to 935 rpm. All other rpms require a
field-supplied drive.
4. Values include losses for filters, unit casing, and wet coils.
5. Maximum continuous bhp is 2.4. Extensive motor and electrical
testing on these units ensures that the full range of the motor can
be utilized with confidence. Using your fan motors up to the rat-
ings shown will not result in nuisance tripping or premature motor
failure. Unit warranty will not be affected.
6. Use of a field-supplied motor may affect wire sizing. Contact your
Carrier representative to verify.
7. Interpolation is permissible. Do not extrapolate.
19

Table 9 — Fan Performance, 48TJ012 — Vertical Discharge Units
AIRFLOW
(Cfm)
EXTERNAL STATIC PRESSURE (in. wg)
0.2 0.4 0.6 0.8 1.0 1.2 1.4 1.6 1.8 2.0
Rpm Bhp Rpm Bhp Rpm Bhp Rpm Bhp Rpm Bhp Rpm Bhp Rpm Bhp Rpm Bhp Rpm Bhp Rpm Bhp
3000 592 0.76 661 0.93 722 1.09 779 1.26 829 1.42 880 1.58 924 1.73 970 1.89 1019 2.00 1066 2.30
3100 607 0.83 676 1.01 734 1.17 791 1.34 840 1.51 890 1.68 935 1.84 977 2.00 1026 2.17 1070 2.44
3200 622 0.90 690 1.09 746 1.25 803 1.43 852 1.60 900 1.77 946 1.95 987 2.11 1029 2.28 1075 2.51
3300 638 0.98 705 1.17 759 1.33 815 1.52 864 1.70 910 1.88 957 2.06 998 2.23 1037 2.40 1082 2.58
3400 653 1.06 719 1.26 772 1.43 826 1.62 876 1.81 921 1.98 967 2.17 1009 2.35 1047 2.53 1087 2.70
3500 669 1.15 733 1.35 786 1.53 838 1.72 888 1.91 933 2.10 976 2.29 1020 2.48 1058 2.66 1095 2.84
3600 684 1.24 747 1.44 800 1.64 850 1.82 900 2.03 945 2.22 986 2.41 1030 2.61 1069 2.80 1106 2.98
3700 700 1.33 760 1.54 814 1.75 863 1.92 912 2.14 957 2.34 998 2.54 1039 2.74 1081 2.94 1117 3.13
3800 715 1.43 774 1.64 828 1.86 875 2.04 924 2.26 969 2.47 1010 2.67 1049 2.87 1091 3.08 1128 3.29
3900 731 1.54 787 1.74 843 1.98 888 2.16 936 2.38 981 2.60 1022 2.81 1060 3.02 1100 3.23 — —
4000 747 1.64 801 1.85 857 2.10 902 2.30 948 2.51 993 2.74 1034 2.96 1072 3.17 1110 3.38 — —
4100 763 1.76 816 1.97 872 2.23 916 2.44 960 2.64 1005 2.88 1046 3.11 1084 3.32 ————
4200 778 1.88 831 2.10 886 2.36 929 2.58 972 2.78 1016 3.03 1058 3.26 ——————
4300 794 2.00 846 2.23 900 2.50 943 2.73 985 2.93 1028 3.17 ————————
4400 810 2.13 861 2.37 913 2.64 958 2.89 999 3.09 1040 3.32 ————————
4500 826 2.27 876 2.52 927 2.78 973 3.04 1012 3.26 ——————————
4600 842 2.41 892 2.67 940 2.92 987 3.21 ————————————
4700 858 2.55 907 2.83 954 3.08 1002 3.38 ————————————
4800 874 2.70 922 2.99 968 3.24 ——————————————
4900 890 2.86 938 3.16 — ———————————————
5000 906 3.03 953 3.33 — ———————————————
LEGEND
Bhp — Brake Horsepower Input to Fan
NOTES:
1. Boldface indicates field-supplied drive required. (See Note 4.)
2. indicates alternate motor and/or drive required.
3. indicates field-supplied motor and drive required.
4. Standard drive range is 685 to 935 rpm. Alternate drive range is
835 to 1085 rpm. All other rpms require a field-supplied drive.
5. Values include losses for filters, unit casing, and wet coils.
6. Maximum continuous bhp is 2.4 for the standard motor and 2.9 for
the alternate motor. Extensive motor and electrical testing on these
units ensures that the full range of the motor can be utilized with
confidence. Using your fan motors up to the ratings shown will not
result in nuisance tripping or premature motor failure. Unit war-
ranty will not be affected.
7. Use of a field-supplied motor may affect wire sizing. Contact your
Carrier representative to verify.
8. Interpolation is permissible. Do not extrapolate.
Table 10 — Fan Performance, 48TJ014 — Vertical Discharge Units
AIRFLOW
(Cfm)
EXTERNAL STATIC PRESSURE (in. wg)
0.2 0.4 0.6 0.8 1.0 1.2 1.4 1.6 1.8 2.0
Rpm Bhp Rpm Bhp Rpm Bhp Rpm Bhp Rpm Bhp Rpm Bhp Rpm Bhp Rpm Bhp Rpm Bhp Rpm Bhp
3700 729 1.36 790 1.58 847 1.79 902 2.06 955 2.29 1008 2.55 1060 2.80 1108 3.05 1152 3.27 1190 3.46
3800 745 1.46 805 1.69 861 1.89 915 2.17 967 2.41 1019 2.67 1070 2.94 1118 3.19 1163 3.44 1203 3.65
3900 761 1.56 820 1.80 875 2.01 928 2.29 979 2.55 1029 2.80 1079 3.07 1128 3.34 1173 3.60 1214 3.83
4000 777 1.67 836 1.92 889 2.14 941 2.40 991 2.68 1040 2.94 1089 3.22 1137 3.49 1183 3.76 1225 4.00
4100 793 1.79 851 2.05 904 2.27 955 2.52 1004 2.82 1052 3.08 1100 3.36 1147 3.65 1193 3,93 1236 4.19
4200 810 1.91 867 2.18 918 2.41 968 2.65 1017 2.96 1064 3.23 1110 3.51 1157 3.81 1202 4.09 1245 4.38
4300 826 2.04 883 2.32 933 2.55 982 2.79 1030 3.11 1076 3.40 1121 3.67 1167 3.97 1212 4.27 1255 4.56
4400 842 2.17 898 2.46 948 2.70 996 2.93 1043 3.25 1088 3.56 1133 3.84 1178 4.14 1222 4.44 1265 4.74
4500 859 2.31 914 2.60 962 2.85 1010 3.09 1056 3.40 1101 3.73 1144 4.00 1188 4.31 1232 4.62 1274 4.93
4600 876 2.45 930 2.76 977 3.01 1024 3.26 1070 3.55 1114 3.90 1157 4.19 1199 4.49 1242 4.81 1284 5.13
4700 892 2.60 945 2.91 992 3.18 1039 3.43 1083 3.71 1126 4.07 1169 4.38 1210 4.68 1252 5.00 1294 5.33
4800 909 2.77 961 3.07 1008 3.36 1053 3.61 1097 3.88 1140 4.25 1181 4.58 1222 4.87 1263 5.20 — —
4900 926 2.93 977 3.24 1024 3.54 1068 3.80 1111 4.06 1153 4.41 1194 4.77 1234 5.09 1274 5.40 — —
5000 942 3.11 993 3.41 1039 3.73 1080 3.99 1125 4.25 1166 4.59 1207 4.97 1247 5.30 1286 5.62 — —
5100 959 3.29 1009 3.60 1055 3.92 1097 4.19 1139 4.46 1180 4.78 1220 5.18 1259 5.52 ————
5200 976 3.47 1025 3.78 1071 4.12 1112 4.40 1153 4.67 1194 4.98 1233 5.38 1272 5.74 ————
5300 993 3.67 1041 3.98 1086 4.33 1127 4.61 1168 4.90 1208 5.19 1246 5.58 ——————
5400 1010 3.87 1057 4.18 1102 4.54 1142 4.84 1182 5.13 1221 5.41 ————————
5500 1027 4.07 1073 4.39 1118 4.76 1157 5.07 1197 5.36 1235 5.64 ————————
5600 1043 4.29 1090 4.61 1133 4.99 1173 5.31 1211 5.61 ——————————
5700 1060 4.51 1106 4.83 1149 5.22 1189 5.55 ————————————
5800 1077 4.74 1122 5.07 1165 5.45 ——————————————
5900 1094 4.98 1139 5.31 1181 5.70 ——————————————
6000 1111 5.22 1155 5.55 ————————————————
6100 1128 5.48 ——————————————————
6200 1145 5.74 ——————————————————
LEGEND
Bhp — Brake Horsepower Input to Fan
NOTES:
1. Boldface indicates field-supplied drive required. (See Note 4.)
2. indicates alternate motor and/or drive required.
3. indicates field-supplied motor and drive required.
4. Standard drive range is 860 to 1080 rpm. Alternate drive range is
900 to 1260 rpm. All other rpms require a field-supplied drive.
5. Values include losses for filters, unit casing, and wet coils.
6. Maximum continuous bhp is 4.2 for the standard motor and 5.25
for the alternate motor. Extensive motor and electrical testing on
these units ensures that the full range of the motor can be utilized
with confidence. Using your fan motors up to the ratings shown
will not result in nuisance tripping or premature motor failure. Unit
warranty will not be affected.
7. Use of a field-supplied motor may affect wire sizing. Contact your
Carrier representative to verify.
8. Interpolation is permissible. Do not extrapolate.
20

Table 11 — Fan Performance, 48TJ008 — Horizontal Discharge Units
AIRFLOW
(Cfm)
EXTERNAL STATIC PRESSURE (in. wg)
0.2 0.4 0.6 0.8 0.9 1.0 1.2 1.4 1.6
Rpm Bhp Rpm Bhp Rpm Bhp Rpm Bhp Rpm Bhp Rpm Bhp Rpm Bhp Rpm Bhp Rpm Bhp
2200 499 0.50 580 0.70 652 0.94 717 1.17 748 1.30 779 1.43 839 1.78 905 2.21 951 2.57
2250 507 0.53 586 0.73 658 0.97 722 1.22 752 1.34 783 1.46 843 1.81 908 2.25 955 2.59
2300 513 0.55 592 0.76 663 1.00 727 1.26 756 1.38 786 1.49 846 1.84 910 2.25 959 2.61
2400 528 0.60 606 0.83 674 1.06 738 1.34 766 1.46 795 1.58 853 1.88 912 2.31 967 2.68
2500 542 0.66 619 0.90 686 1.13 748 1.41 777 1.55 806 1.68 859 1.94 919 2.37 971 2.73
2550 550 0.69 627 0.94 692 1.17 754 1.45 783 1.60 812 1.74 864 1.99 920 2.39 974 2.76
2600 557 0.72 634 0.97 698 1.21 759 1.49 787 1.64 816 1.79 868 2.04 921 2.41 976 2.78
2700 573 0.79 648 1.05 711 1.29 770 1.58 798 1.73 827 1.88 878 2.16 928 2.45 983 2.88
2800 588 0.86 662 1.13 723 1.38 782 1.66 809 1.82 837 1.98 889 2.29 937 2.57 986 2.91
2900 604 0.94 676 1.21 737 1.48 794 1.76 821 1.92 848 2.08 900 2.41 947 2.70 993 3.01
3000 620 1.02 690 1.30 750 1.58 806 1.86 832 2.02 849 2.18 910 2.52 958 2.85 1002 3.15
3100 636 1.11 704 1.39 764 1.69 818 1.97 844 2.13 870 2.29 920 2.64 968 2.99 1012 3.30
3200 652 1.21 718 1.49 778 1.80 831 2.09 856 2.25 882 2.40 931 2.76 979 3.13 1023 3.47
3300 668 1.31 732 1.59 793 1.92 844 2.21 869 2.37 894 2.53 942 2.89 989 3.26 1034 3.63
3400 684 1.41 747 1.70 807 2.04 857 2.35 882 2.51 907 2.66 954 3.02 1000 3.40 1044 3.79
3500 701 1.53 762 1.82 821 2.16 871 2.48 895 2.64 919 2.80 966 3.15 1011 3.55 1054 3.94
3600 717 1.65 777 1.94 835 2.29 885 2.63 908 2.79 932 2.95 978 3.30 1022 3.69 1065 4.10
3700 733 1.77 792 2.07 849 2.42 899 2.78 922 2.95 945 3.11 990 3.45 1034 3.84 1076 4.26
3750 742 1.84 800 2.14 856 2.49 907 2.86 929 3.03 952 3.20 997 3.54 1040 3.93 1082 5.27
LEGEND
Bhp — Brake Horsepower Input to Fan
NOTES:
1. Boldface indicates field-supplied drive required. (See Note 4.)
2. indicates alternate drive required.
3. indicates field-supplied motor and drive required.
4. Standard drive range is 590 to 840 rpm. Alternate drive range is
685 to 935 rpm. All other rpms require a field-supplied drive.
5. Values include losses for filters, unit casing, and wet coils.
6. Maximum continuous bhp is 2.4. Extensive motor and electrical
testing on these units ensures that the full range of the motor can
be utilized with confidence. Using your fan motors up to the rat-
ings shown will not result in nuisance tripping or premature motor
failure. Unit warranty will not be affected.
7. Use of a field-supplied motor may affect wire sizing. Contact your
Carrier representative to verify.
8. Interpolation is permissible. Do not extrapolate.
Table 12 — Fan Performance, 48TJ009 — Horizontal Discharge Units
AIRFLOW
(Cfm)
EXTERNAL STATIC PRESSURE (in. wg)
0.2 0.4 0.6 0.8 0.9 1.0 1.2 1.4 1.6
Rpm Bhp Rpm Bhp Rpm Bhp Rpm Bhp Rpm Bhp Rpm Bhp Rpm Bhp Rpm Bhp Rpm Bhp
2550 550 0.69 627 0.94 692 1.17 754 1.45 783 1.60 812 1.74 864 1.99 920 2.39 974 2.76
2600 557 0.72 634 0.97 698 1.21 759 1.49 787 1.64 816 1.79 868 2.04 921 2.41 976 2.78
2700 573 0.79 648 1.05 711 1.29 770 1.58 798 1.73 827 1.88 878 2.16 928 2.45 983 2.88
2800 588 0.86 662 1.13 723 1.38 782 1.66 809 1.82 837 1.98 889 2.29 937 2.57 986 2.91
2900 604 0.94 676 1.21 737 1.48 794 1.76 821 1.92 848 2.08 900 2.41 947 2.70 993 3.01
3000 620 1.02 690 1.30 750 1.58 806 1.86 832 2.02 849 2.18 910 2.52 958 2.85 1002 3.15
3100 636 1.11 704 1.39 764 1.69 818 1.97 844 2.13 870 2.29 920 2.64 968 2.99 1012 3.30
3200 652 1.21 718 1.49 778 1.80 831 2.09 856 2.25 882 2.40 931 2.76 979 3.13 1023 3.47
3300 668 1.31 732 1.59 793 1.92 844 2.21 869 2.37 894 2.53 942 2.89 989 3.26 1034 3.63
3400 684 1.41 747 1.70 807 2.04 857 2.35 882 2.51 907 2.66 954 3.02 1000 3.40 1044 3.79
3500 701 1.53 762 1.82 821 2.16 871 2.48 895 2.64 919 2.80 966 3.15 1011 3.55 1054 3.94
3600 717 1.65 777 1.94 835 2.29 885 2.63 908 2.79 932 2.95 978 3.30 1022 3.69 1065 4.10
3700 733 1.77 792 2.07 849 2.42 899 2.78 922 2.95 945 3.11 990 3.45 1034 3.84 1076 4.26
3750 742 1.84 800 2.14 856 2.49 907 2.86 929 3.03 952 3.20 997 3.54 1040 3.93 1082 5.27
3800 750 1.90 807 2.21 863 2.56 914 2.93 936 3.11 958 3.28 1003 3.62 1045 4.01 1087 4.43
3900 767 2.04 822 2.35 877 2.71 928 3.09 950 3.27 972 3.45 1015 3.80 1057 4.18 1098 4.60
4000 783 2.18 838 2.50 891 2.86 942 3.26 964 3.45 986 3.63 1028 3.99 1070 4.36 1110 4.78
4100 800 2.34 854 2.66 905 3.02 956 2.43 978 3.62 1000 3.81 1042 4.18 1082 4.56 1122 4.97
4200 817 2.49 869 2.82 920 3.19 970 3.60 992 3.80 1015 4.00 1055 4.38 1095 4.76 1134 5.16
4250 826 2.58 877 2.91 928 3.28 977 3.69 999 3.90 1022 4.10 1062 4.49 1102 4.87 1140 5.27
4300 834 2.66 885 3.00 935 3.37 984 3.78 1006 3.99 1029 4.20 1069 4.59 1108 4.98 1147 5.38
LEGEND
Bhp — Brake Horsepower Input to Fan
NOTES:
1. Boldface indicates field-supplied drive required. (See Note 3.)
2. indicates field-supplied motor and drive required.
3. Standard drive range is 685 to 935 rpm. All other rpms require a
field-supplied drive.
4. Values include losses for filters, unit casing, and wet coils.
5. Maximum continuous bhp is 2.4. Extensive motor and electrical
testing on these units ensures that the full range of the motor can
be utilized with confidence. Using your fan motors up to the rat-
ings shown will not result in nuisance tripping or premature motor
failure. Unit warranty will not be affected.
6. Use of a field-supplied motor may affect wire sizing. Contact your
Carrier representative to verify.
7. Interpolation is permissible. Do not extrapolate.
21

Table 13 — Fan Performance, 48TJ012 — Horizontal Discharge Units
AIRFLOW
(Cfm)
EXTERNAL STATIC PRESSURE (in. wg)
0.2 0.4 0.6 0.8 1.0 1.2 1.4 1.6 1.8 2.0
Rpm Bhp Rpm Bhp Rpm Bhp Rpm Bhp Rpm Bhp Rpm Bhp Rpm Bhp Rpm Bhp Rpm Bhp Rpm Bhp
3000 552 0.68 632 0.87 701 1.05 761 1.22 816 1.36 871 1.54 918 1.67 967 1.89 1010 2.09 1063 2.46
3100 565 0.74 644 0.93 711 1.12 772 1.31 825 1.45 879 1.63 928 1.78 973 1.94 1018 2.17 1070 2.51
3200 578 0.81 656 1.00 723 1.20 782 1.39 835 1.55 887 1.71 937 1.90 981 2.04 1026 2.26 1075 2.57
3300 591 0.88 668 1.08 734 1.28 793 1.47 845 1.65 895 1.80 946 2.00 991 2.16 1032 2.32 1080 2.64
3400 605 0.96 680 1.16 745 1.36 803 1.56 856 1.75 904 1.91 953 2.10 1000 2.29 1041 2.44 1083 2.65
3500 619 1.04 691 1.23 755 1.44 813 1.65 867 1.86 914 2.03 961 2.20 1009 2.41 1051 2.57 1090 2.74
3600 633 1.13 703 1.31 766 1.52 824 1.74 877 1.97 924 2.15 970 2.32 1017 2.53 1061 2.72 1099 2.88
3700 648 1.23 714 1.39 777 1.61 835 1.85 887 2.07 935 2.28 980 2.45 1024 2.64 1069 2.87 1109 3.03
3800 662 1.33 726 1.51 789 1.72 846 1.95 897 2.18 946 2.40 989 2.58 1033 2.76 1077 2.99 1118 3.20
3900 677 1.44 738 1.61 801 1.82 857 2.06 908 2.29 956 2.53 1000 2.73 1042 2.91 1085 3.12 1127 3.36
4000 692 1.55 750 1.73 813 1.94 868 2.17 918 2.40 967 2.66 1010 2.87 1052 3.06 1093 3.24 — —
4100 707 1.67 762 1.84 825 2.05 878 2.28 929 2.53 977 2.78 1021 3.02 1062 3.22 1102 3.41 — —
4200 722 1.80 775 1.97 837 2.16 889 2.40 941 2.66 987 2.91 1032 3.17 1072 3.38 ————
4300 737 1.94 787 2.09 848 2.27 900 2.52 952 2.80 999 3.04 1042 3.32 ——————
4400 752 2.08 800 2.21 860 2.39 912 2.66 962 2.93 1008 3.19 ————————
4500 768 2.24 814 2.35 871 2.51 924 2.80 973 3.07 1019 3.34 ————————
4600 783 2.40 827 2.50 883 2.64 937 2.95 983 3.21 ——————————
4700 799 2.56 841 2.64 894 2.77 949 3.10 994 3.36 ——————————
4800 814 2.74 855 2.80 906 2.91 961 3.26 ————————————
4900 — — 868 2.90 918 3.05 972 3.40 ————————————
5000 — — 883 3.10 931 3.21 — —————————————
LEGEND
Bhp — Brake Horsepower Input to Fan
NOTES:
1. Boldface indicates field-supplied drive required. (See Note 4.)
2. indicates alternate motor and/or drive required.
3. indicates field-supplied motor and drive required.
4. Standard drive range is 685 to 935 rpm. Alternate drive range is
835 to 1085 rpm. All other rpms require a field-supplied drive.
5. Values include losses for filters, unit casing, and wet coils.
6. Maximum continuous bhp is 2.4 for the standard motor and 2.9 for
the alternate motor. Extensive motor and electrical testing on these
units ensures that the full range of the motor can be utilized with
confidence. Using your fan motors up to the ratings shown will not
result in nuisance tripping or premature motor failure. Unit war-
ranty will not be affected.
7. Use of a field-supplied motor may affect wire sizing. Contact your
Carrier representative to verify.
8. Interpolation is permissible. Do not extrapolate.
Table 14 — Fan Performance, 48TJ014 — Horizontal Discharge Units
AIRFLOW
(Cfm)
EXTERNAL STATIC PRESSURE (in. wg)
0.2 0.4 0.6 0.8 1.0 1.2 1.4 1.6 1.8 2.0
Rpm Bhp Rpm Bhp Rpm Bhp Rpm Bhp Rpm Bhp Rpm Bhp Rpm Bhp Rpm Bhp Rpm Bhp Rpm Bhp
3700 677 1.20 748 1.43 810 1.65 869 1.89 928 2.17 984 2.43 1036 2.68 1080 2.90 1114 3.07 1135 3.17
3800 691 1.28 761 1.52 822 1.75 880 1.98 937 2.28 993 2.55 1046 2.81 1092 3.05 1129 3.25 1156 3.39
3900 705 1.37 773 1.62 834 1.86 891 2.08 947 2.39 1002 2.66 1055 2.94 1102 3.20 1143 3.42 1174 3.59
4000 720 1.47 786 1.71 847 1.97 902 2.19 957 2.50 1011 2.79 1064 3.07 1112 3.34 1155 3.59 1190 3.80
4100 734 1.56 800 1.82 860 2.09 914 2.31 967 2.60 1021 2.91 1072 3.20 1121 3.49 1165 3.76 1203 3.99
4200 749 1.66 813 1.92 873 2.21 926 2.44 978 2.71 1030 3.04 1081 3.34 1130 3.64 1175 3.92 1215 4.18
4300 764 1.77 826 2.04 886 2.33 938 2.57 989 2.83 1040 3.18 1090 3.48 1139 3.79 1185 4.08 1226 4.36
4400 779 1.88 840 2.16 899 2.46 951 2.71 1000 2.96 1050 3.31 1100 3.63 1148 3.94 1194 4.25 1236 4.54
4500 793 1.99 854 2.28 912 2.59 963 2.86 1012 3.09 1061 3.43 1109 3.78 1157 4.09 1203 4.42 1246 4.72
4600 808 2.11 868 2.42 925 2.73 975 3.00 1024 3.25 1071 3.56 1119 3.93 1166 4.26 1212 4.58 1255 4.91
4700 822 2.24 882 2.56 937 2.86 988 3.16 1036 3.42 1082 3.70 1129 4.09 1175 4.43 1221 4.76 1264 5.09
4800 837 2.37 896 2.71 950 3.00 1001 3.32 1048 3.59 1093 3.86 1139 4.24 1185 4.60 1230 4.93 1273 5.28
4900 852 2.51 910 2.86 963 3.15 1014 3.48 1060 3.76 1105 4.02 1150 4.38 1194 4.77 1239 5.12 1282 5.47
5000 867 2.65 924 3.01 977 3.30 1027 3.65 1073 3.94 1117 4.20 1161 4.54 1204 4.95 1248 5.31 1291 5.66
5100 882 2.79 938 3.17 990 3.46 1040 3.82 1085 4.12 1129 4.40 1172 4.71 1214 5.13 1257 5.51 — —
5200 896 2.95 952 3.33 1003 3.63 1053 4.00 1098 4.30 1141 4.60 1183 4.91 1225 5.29 1267 5.70 — —
5300 911 3.11 967 3.50 1017 3.80 1066 4.18 1111 4.50 1153 4.80 1194 5.08 1236 5.47 ————
5400 926 3.27 981 3.68 1030 3.98 1079 4.35 1124 4.70 1166 5.01 1206 5.29 1247 5.65 ————
5500 940 3.44 995 3.86 1044 4.17 1092 4.54 1137 4.91 1178 5.22 1218 5.52 ——————
5600 955 3.62 1010 4.04 1058 4.38 1105 4.73 1150 5.12 1190 5.44 1230 5.75 ——————
5700 970 3.80 1024 4.23 1072 4.59 1118 4.93 1163 5.34 1203 5.67 ————————
5800 985 3.99 1039 4.42 1086 4.80 1131 5.14 1176 5.56 ——————————
5900 1000 4.18 1053 4.62 1100 5.02 1144 5.36 ————————————
6000 1015 4.39 1068 4.83 1114 5.25 1158 5.58 ————————————
6100 1030 4.59 1083 5.04 1128 5.48 ——————————————
6200 1046 4.81 1097 5.26 1142 5.71 ——————————————
LEGEND
Bhp — Brake Horsepower Input to Fan
NOTES:
1. Boldface indicates field-supplied drive required. (See Note 4.)
2. indicates alternate motor and/or drive required.
3. indicates field-supplied motor and drive required.
4. Standard drive range is 860 to 1080 rpm. Alternate drive range is
900 to 1260 rpm. All other rpms require a field-supplied drive.
5. Values include losses for filters, unit casing, and wet coils.
6. Maximum continuous bhp is 4.2 for the standard motor and 5.25
for the alternate motor. Extensive motor and electrical testing on
these units ensures that the full range of the motor can be utilized
with confidence. Using your fan motors up to the ratings shown
will not result in nuisance tripping or premature motor failure. Unit
warranty will not be affected.
7. Use of a field-supplied motor may affect wire sizing. Contact your
Carrier representative to verify.
8. Interpolation is permissible. Do not extrapolate.
22
START-UP
Unit Preparation — Make sure that unit has been in-
stalled in accordance with these installation instructions and
applicable codes. Make sure that Start-Up Checklist has been
completed and filled out.
Return-Air Filters — Make sure correct filters are in-
stalled in filter tracks (see Table 1). Do not operate unit with-
out return-air filters.
Outdoor-Air Inlet Screens — Outdoor-air inlet screens
must be in place before operating unit.
Compressor Mounting — Compressors are inter-
nally spring mounted. Do not loosen or remove compressor
holddown bolts. On 48TJ014 units, remove the tiedown bands
that hold the compressors together.
Internal Wiring — Check all electrical connections in
unit control boxes. Tighten as required.
Refrigerant Service Ports — Each refrigerant sys-
tem has 4 Schrader-type service gage ports: one on the suc-
tion line, one on the liquid line, and two on the compressor
discharge line. Be sure that caps on the ports are tight. One
Schrader-type valve is located under both the high-pressure
switch and the low-pressure switch when ordered as an option.
Compressor Rotation — On 3-phase units with scroll
compressors, it is important to be certain compressor is
rotating in the proper direction. To determine whether or not
compressor is rotating in the proper direction:
1. Connect service gages to suction and discharge pressure
fittings.
2. Energize the compressor.
3. The suction pressure should drop and the discharge pres-
sure should rise, as is normal on any start-up.
If the suction pressure does not drop and the discharge
pressure does not rise to normal levels:
1. Note that the evaporator fan is probably also rotating in
the wrong direction.
2. Turn off power to the unit.
3. Reverse any two of the unit power leads.
4. Reapply power to the compressor.
The suction and discharge pressure levels should now move
to their normal start-up levels.
NOTE: When the compressor is rotating in the wrong
direction, the unit will make an elevated level of noise and
will not provide cooling.
Cooling — To start unit, turn on main power supply. Set
system selector switch at COOL position and fan switch at
AUTO. position. Adjust thermostat to a setting below room
temperature. Compressor starts on closure of contactor.
Check unit charge. Refer to Service, Refrigerant Charge
section, page 26.
Reset thermostat at a position above room temperature.
Compressor will shut off. Evaporator fan will shut off after
30-second delay.
TO SHUT OFF UNIT — Set system selector switch at OFF
position. Resetting thermostat at a position above room tem-
perature shuts unit off temporarily until space temperature
exceeds thermostat setting.
Main Burners — Main burners are factory set and should
require no adjustment.
TO CHECK ignition of main burners and heating controls,
move thermostat set point above room temperature and verify
that the burners light and evaporator fan is energized. After
ensuring that the unit continues to heat the building, lower
the thermostat setting below the room temperature and verify
that the burners and evaporator fan turn off (fan will turn off
only if fan selector switch is in the AUTO. position). Refer
to Table 15 for the correct orifice to use at high altitudes.
NOTE: Upon a call for heat, the main burners will remain
on for a minimum of 60 seconds.
Heating
1. Purge gas supply line of air by opening union ahead of
gas valve. When gas odor is detected, tighten union and
wait 5 minutes before proceeding.
2. Turn on electrical supply and open manual gas valve.
3. Set system switch selector at HEAT position and fan switch
at AUTO. or ON position. Set heating temperature lever
above room temperature.
4. The induced-draft motor will start.
5. After a call for heating, the main burners should light within
5 seconds. If the burners do not light, then there is a
22-second delay before another 5-second try. If the burn-
ers still do not light, the time delay is repeated. If the
burners do not light within 15 minutes, there is a lockout.
To reset the control, break the 24 v power to W1.
6. The evaporator-fan motor will turn on 45 seconds after
the burners are ignited.
7. The evaporator-fan motor will turn off 45 seconds after
the thermostat temperature is satisfied.
8. Adjust airflow to obtain a temperature rise within the range
specified on the unit nameplate and in Table 1.
NOTE: The default value for the evaporator-fan motor
ON and OFF delay is 45 seconds. The Integrated Gas Unit
Controller (IGC) modifies this value when abnormal limit
switch cycles occur. Based upon unit operating condi-
tions, the ON delay can be reduced to 0 seconds and the
OFF delay can be extended to 180 seconds.
When one flash of the LED (light-emitting diode) is ob-
served, the evaporator-fan ON/OFF delay has been modi-
fied. If the limit switch trips at the start of the heating
cycle during the evaporator ON delay, the time period of
the ON delay for the next cycle will be 5 seconds less
than the time at which the switch tripped. (Example: If
the limit switch trips at 30 seconds, the evaporator-fan
ON delay for the next cycle will occur at 25 seconds.) To
prevent short-cycling, a 5-second reduction will only oc-
cur if a minimum of 10 minutes has elapsed since the last
call for heating.
The evaporator-fan OFF delay can also be modified. Once
the call for heating has ended, there is a 10-minute period
during which the modification can occur. If the limit switch
trips during this period, the evaporator-fan OFF delay will
increase by 15 seconds. A maximum of 9 trips can occur,
extending the evaporator-fan OFF delay to 180 seconds.
To restore the original default value, reset the power to
the unit.
TO SHUT OFF UNIT — Set system selector switch at OFF
position. Resetting heating selector lever below room tem-
perature will shut unit off temporarily until space tempera-
ture falls below thermostat setting.
23

Table 15 — Altitude Compensation*
ELEVATION
(Ft)
125,000, 180,000, AND
224,000 BTUH
NOMINAL INPUT
250,000 BTUH
NOMINAL INPUT
Natural
Gas
Orifice
Size†
Liquid
Propane
Orifice
Size†
Natural
Gas
Orifice
Size†
Liquid
Propane
Orifice
Size†
0-2,000 31 41 30 38
2,000 32 42 30 39
3,000 32 42 31 40
4,000 32 42 32 41
5,000 33 43 33 42
6,000 34 43 34 43
7,000 35 44 35 43
8,000 36 44 36 44
9,000 37 45 37 44
10,000 38 46 38 45
11,000 39 47 39 45
12,000 40 47 40 46
13,000 41 48 41 47
14,000 42 48 42 47
*As the height above sea level increases, there is less oxygen per
cubic foot of air. Therefore, heat input rate should be reduced at
higher altitudes.
†Orifice available through your local distributor.
Safety Relief — A soft-solder joint at the suction line
Schrader port provides pressure relief under abnormal tem-
perature and pressure conditions.
Ventilation (Continuous Fan) — Set fan and sys-
tem selector switches at ON and OFF positions, respec-
tively. Evaporator fan operates continuously to provide con-
stant air circulation. When the evaporator-fan selector switch
is turned to the OFF position, there is a 30-second delay be-
fore the fan turns off.
Operating Sequence
COOLING, UNITS WITHOUT ECONOMIZER — When
thermostat calls for cooling, terminals G and Y1 are ener-
gized. The indoor (evaporator) fan contactor (IFC) and com-
pressor contactor no. 1 (C1) are energized, and evaporator-
fan motor, compressor no. 1, and condenser fan start. The
condenser-fan motor runs continuously while unit is
cooling. If the thermostat calls for a second stage of cooling
by energizing Y2, compressor contactor no. 2 (C2) is ener-
gized and compressor no. 2 starts.
When the thermostat is satisfied, C1 and C2 are deener-
gized and the compressors and outdoor (condenser) fan mo-
tor (OFM) shut off. After a 30-second delay, the indoor
(evaporator) fan motor (IFM) shuts off. If the thermostat fan
selector switch is in the ON position, the evaporator motor
will run continuously.
HEATING, UNITS WITHOUT ECONOMIZER — When
the thermostat calls for heating, terminal W1 is energized. In
order to prevent thermostat short-cycling, the unit is locked
into the Heating mode for at least 1 minute when W1 is en-
ergized. The induced-draft motor (IDM) is then energized
and the burner ignition sequence begins. The indoor (evapo-
rator) fan motor (IFM) is energized 45 seconds after a flame
is ignited. On units equipped for two stages of heat, when
additional heat is needed, W2 is energized and the high-fire
solenoid on the main gas valve (MGV) is energized. When
the thermostat is satisfied and W1 and W2 are
deenergized, the IFM stops after a 45-second time-off delay.
COOLING, UNITS WITH DURABLADE ECONOMIZER
— When the outdoor-air temperature is above the OAT
(outdoor-air thermostat) setting and the room thermostat calls
for cooling, compressor contactor no. 1 is energized to start
compressor no. 1 and the outdoor (condenser) fan motor (OFM).
The indoor (evaporator) fan motor (IFM) is energized and
the economizer damper moves to the minimum position. Upon
a further call for cooling, compressor contactor no. 2 will be
energized, starting compressor no. 2. After the thermostat is
satisfied, the damper moves to the fully closed position when
using an auto fan or to the minimum position when using a
continuous fan.
When the outdoor-air temperature is below the OAT set-
ting and the thermostat calls for cooling, the economizer damp-
ers move to the minimum position. If the supply-air temperature
is above 57 F, the damper continues to open until it reaches
the fully open position or until the supply-air temperature
drops below 52 F.
When the supply-air temperature falls to between 57 F
and 52 F, the damper will remain at an intermediate open
position. If the supply-air temperature falls below 52 F, the
damper will modulate closed until it reaches the minimum
position or until the supply-air temperature is above 52 F.
When the thermostat is satisfied, the damper will move to
the fully closed position when using an auto fan or to the
minimum position when using a continuous fan.
If the outdoor air alone cannot satisfy the cooling require-
ments of the conditioned space, economizer cooling is in-
tegrated with mechanical cooling, providing second-stage
cooling. Compressor no. 1 and the condenser fan will be en-
ergized and the position of the economizer damper will be
determined by the supply-air temperature. Compressor no. 2
is locked out.
When the second stage of cooling is satisfied, the com-
pressor and OFM will be deenergized. The damper position
will be determined by the supply-air temperature.
After a 30-second delay, the IFM shuts off. If the ther-
mostat fan selector switch is in the ON position, the IFM
will run continuously.
COOLING UNITS WITH PARABLADE ECONOMIZER
— When the outdoor air is above the enthalpy control set-
ting, and the room thermostat calls for cooling, the compres-
sor contactor no. 1 is energized to start compressor no. 1 and
the outdoor (condenser) fan motor. The indoor (evaporator)
fan motor is energized and the economizer damper moves to
the minimum position. Upon further call for cooling, com-
pressor contactor no. 2 is energized, starting compressor
no. 2. After the room thermostat is satisfied the damper will
spring return to the fully closed position.
When the outdoor air is below the enthalpy control setting
and the thermostat calls for cooling, the economizer outdoor
air damper is opened proportionally to maintain between 50
and 56 F at the mixed air sensor. If outside air alone cannot
satisfy the cooling requirements, economizer cooling is in-
tegrated with mechanical cooling and the second compres-
sor is locked out. When the room thermostat is satisfied, the
damper will spring return to the fully closed position.
HEATING, UNITS WITH ECONOMIZER — When the ther-
mostat calls for heating, terminal W1 is energized. In order
to prevent thermostat short-cycling, the unit is locked into
the Heating mode for at least 1 minute when W1 is ener-
gized. The induced-draft motor is then energized and the burner
ignition sequence begins. The indoor (evaporator) fan motor
(IFM) is energized 45 seconds after a flame is ignited and
the damper moves to the minimum position. On units equipped
for two stages of heat, when additional heat is needed, W2
is energized and the high-fire solenoid on the main gas valve
(MGV) is energized. When the thermostat is satisfied and
W1 and W2 are deenergized, the IFM stops after a 45 sec-
ond time-off delay. The economizer damper then moves to
the fully closed position. When using continuous fan, the
damper will remain in the minimum position.
24

SERVICE
When servicing unit, shut off all electrical power to unit
to avoid shock hazard or injury from rotating parts.
Cleaning — Inspect unit interior at the beginning of each
heating and cooling season and as operating conditions
require.
EVAPORATOR COIL — Clean coil as required. Inspect coil
at beginning of heating and cooling seasons.
1. Turn unit power off. Remove evaporator coil access panel.
2. If economizer is installed, remove economizer by
disconnecting Molex plug and removing economizer mount-
ing screws. Refer to Accessory Economizer Installation
Instructions or Optional Economizer sections on
pages 12 and 15 for more details.
3. Slide filters out of unit.
4. Clean coil using a commercial coil cleaner or dishwasher
detergent in a pressurized spray canister. Wash both sides
of coil and flush with clean water. For best results, back-
flush toward return-air section to remove foreign
material.
5. Flush condensate pan after completion.
6. Reinstall economizer and filters.
7. Reconnect wiring.
8. Replace access panels.
CONDENSER COIL — Inspect coil monthly. Clean con-
denser coil annually, and as required by location and outdoor-
air conditions.
One-Row Coils — Wash coil with commercial cleaner. Clean
outer surfaces with a stiff brush in the normal manner. It is
not necessary to remove top panel.
2-Row Coils — Clean coil as follows:
1. Turn off unit power.
2. Remove top panel screws on condenser end of unit.
3. Remove condenser coil corner post. See Fig. 37. To hold
top panel open, place coil corner post between top panel
and center post. See Fig. 38.
4. Remove screws securing coil to center post.
5. Remove fastener holding coil sections together at return
end of condenser coil. Carefully separate the outer coil
section 3 to 4 in. from the inner coil section. See
Fig. 39.
6. Use a water hose or other suitable equipment to flush down
between the 2 coil sections to remove dirt and debris. Clean
the outer surfaces with a stiff brush in the normal manner.
7. Secure inner and outer coil rows together with a field-
supplied fastener.
8. Reposition the outer coil section and remove the coil cor-
ner post from between the top panel and center post.
9. Reinstall the coil corner post and replace all screws.
CONDENSATE DRAIN — Check and clean each year at
start of cooling season. In winter, keep drain dry or protect
against freeze-up.
FILTERS — Clean or replace at start of each heating and
cooling season, or more often if operating conditions require
it. Replacement filters must be same dimensions as original
filters.
Lubrication
COMPRESSORS — Each compressor is charged with the
correct amount of oil at the factory.
FAN-MOTOR BEARINGS — Fan-motor bearings are of
the permanently lubricated type. No further lubrication is
required. No lubrication of condenser- or evaporator-fan
motors is required.
Fig. 37 — Cleaning Condenser Coil
Fig. 38 — Propping Up Top Panel
Fig. 39 — Separating Coil Sections
25

Condenser-Fan Adjustment (Fig. 40)
1. Shut off unit power supply.
2. Remove condenser-fan assembly (grille, motor, motor cover,
and fan) and loosen fan hub setscrews.
3. Adjust fan height as shown in Fig. 40.
4. Tighten setscrews and replace condenser-fan assembly.
Manual Outdoor-Air Damper — If outdoor-air damper
blade is required, see Manual Outdoor-Air Damper section
on page 11.
EconomizerAdjustment — Refer to Optional Econo-
mizer sections on pages 12 and 15.
Condenser Coil Grille — Condenser coil grille is shipped
factory-installed. No adjustments are required.
Refrigerant Charge — Amount of refrigerant charge
is listed on unit nameplate (also refer to Table 1). Refer to
Carrier GTAC 2-5 Charging, Recovery, Recycling, and Rec-
lamation training manual and the following procedures.
Unit panels must be in place when unit is operating dur-
ing charging procedure.
NO CHARGE — Use standard evacuating techniques. After
evacuating system, weigh in the specified amount of refrig-
erant (refer to Table 1).
LOW CHARGE COOLING — Using Cooling Charging
Charts, Fig. 41-44, vary refrigerant until the conditions of
the appropriate chart are met. Note the charging charts are
different from the type normally used. The charts are based
on charging the units to the correct superheat for the various
operating conditions. Accurate pressure gage and tempera-
ture sensing device are required. Connect the pressure gage
to the service port on the suction line. Mount the tempera-
ture sensing device on the suction line and insulate it so that
outdoor ambient temperature does not affect the reading. Indoor-
air cfm must be within the normal operating range of the
unit.
TO USE COOLING CHARGING CHART — Take the out-
door ambient temperature and read the suction pressure gage.
Refer to appropriate chart to determine what suction tem-
perature should be. If suction temperature is high, add re-
frigerant. If suction temperature is low, carefully recover some
of the charge. Recheck the suction pressure as charge is ad-
justed. Example (Fig. 44, Circuit 2):
Outdoor Temperature ..........................85F
Suction Pressure ...........................74psig
Suction Temperature should be ..................56F
(Suction temperature may vary±5F.)
If Chargemastertcharging device is used, temperature and
pressure readings must be accomplished using the charging
charts.
48TJ UNIT VOLTAGE FAN HEIGHT ‘‘A’’ (in.)
208/230 V 2.75
460 V and 575 V 3.50
Fig. 40 — Condenser-Fan Adjustment
Fig. 41 — Cooling Charging Chart; 48TJ008
26

Fig. 42 — Cooling Charging Chart; 48TJ009
Fig. 43 — Cooling Charging Chart; 48TJ012
27

Flue Gas Passageways — To inspect the flue col-
lector box and upper areas of the heat exchanger:
1. Remove the combustion blower wheel and motor assem-
bly according to directions in Combustion-Air Blower sec-
tion below.
2. Remove the flue cover to inspect the heat exchanger.
3. Clean all surfaces as required using a wire brush.
Combustion-Air Blower — Clean periodically to as-
sure proper airflow and heating efficiency. Inspect blower
wheel every fall and periodically during heating season. For
the first heating season, inspect blower wheel bimonthly to
determine proper cleaning frequency.
To inspect blower wheel, shine a flashlight into drafthood
opening. If cleaning is required, remove motor and wheel as
follows:
1. Slide burner access panel out.
2. Remove the 6 screws that attach induced-draft motor hous-
ing to vestibule plate (Fig. 45).
3. The blower wheel can be cleaned at this point. If
additional cleaning is required, continue with Steps 4
and 5.
4. To remove blower from the motor shaft, remove 2
setscrews.
5. To remove motor, remove the 4 screws that hold blower
housing to mounting plate. Remove the motor cooling fan
by removing one setscrew. Then remove nuts that hold
motor to mounting plate.
6. To reinstall, reverse the procedure outlined above.
Limit Switch — Remove blower access panel (Fig. 7).
Limit switch is located on the fan deck.
Burner Ignition — Unit is equipped with a direct spark
ignition 100% lockout system. Integrated Gas Unit Control-
ler (IGC) is located in the control box (Fig. 12). Module con-
tains a self-diagnostic LED. A single LED on the IGC pro-
vides a visual display of operational or sequential problems
when the power supply is interrupted. When a break in power
occurs, the module will be reset (resulting in a loss of fault
history) and the indoor (evaporator) fan ON/OFF times will
be reset. For additional information, refer to the Start-Up,
Heating section on page 23. The LED error code can be ob-
served through the viewport. See Fig. 12. During servicing
refer to the label on the control box cover or Table 16 for an
explanation of LED error code descriptions.
If lockout occurs, unit may be adjusted by interrupting power
supply to unit for at least 5 seconds.
Table 16 — LED Error Code Description*
LED INDICATION ERROR CODE DESCRIPTION
ON Normal Operation
OFF Hardware Failure
1 Flash† Evaporator Fan On/Off Delay Modified
2 Flashes Limit Switch Fault
3 Flashes Flame Sense Fault
4 Flashes 4 Consecutive Limit Switch Faults
5 Flashes Ignition Lockout Fault
6 Flashes Induced-Draft Motor Fault
7 Flashes Rollout Switch Fault
8 Flashes Internal Control Fault
LED — Light-Emitting Diode
*A 3-second pause exists between LED error code flashes. If more
than one error code exists, all applicable codes will be displayed in
numerical sequence.
†Indicates a code that is not an error. The unit will continue to op-
erate when this code is displayed.
IMPORTANT: Refer to Troubleshooting Tables 17-21 for additional
information.
Main Burners — At the beginning of each heating sea-
son, inspect for deterioration or blockage due to corrosion or
other causes. Observe the main burner flames and adjust if
necessary.
When working on gas train, do not hit or plug orifice
spuds.
Fig. 44 — Cooling Charging Chart; 48TJ014
28

REMOVAL AND REPLACEMENT OF GAS TRAIN
(Fig. 45 and 46)
1. Shut off manual gas valve.
2. Shut off power to unit.
3. Slide out burner section side panel (not shown).
4. Disconnect gas piping at unit gas valve.
5. Remove wires connected to gas valve. Mark each wire.
6. Remove wires from ignitor and sensor wires at the Inte-
grated Gas Unit Controller (IGC).
7. Remove the 2 screws that attach the burner rack to the
vestibule plate.
8. Slide the burner tray out of the unit (Fig. 46).
9. To reinstall, reverse the procedure outlined above.
CLEANING AND ADJUSTMENT
1. Remove burner rack from unit as described in Removal
and Replacement of Gas Train section, above.
2. Inspect burners; if dirty, remove burners from rack.
3. Using a soft brush, clean burners and cross-over port as
required.
4. Adjust spark gap. See Fig. 47.
5. Reinstall burners on rack.
6. Reinstall burner rack as described in Removal and Re-
placement of Gas Train section, this page.
Replacement Parts — A complete list of replace-
ment parts may be obtained from any Carrier distributor upon
request.
BURNER
SECTION
ROLLOUT
SWITCH
INDUCED-DRAFT
MOTOR
FLUE
EXHAUST
FLUE
EXHAUST
VESTIBULE
PLATE
MANIFOLD
PRESSURE TAP
GAS VALVE
Fig. 45 — Burner Section Details
Fig. 46 — Burner Tray Details
29

NOTE: Dimensions in ( ) are millimeters. Fig. 47 — Spark Gap Adjustment
125,000 BTUH INPUT
48TJD008,009
120,000-180,000 BTUH INPUT
48TJD012, 48TJE008,009
48TJD014; 48TJE012
48TJF008,009
48TJE014; 48TJF012
180,000-224,000 BTUH INPUT
200,000-250,000 BTUH INPUT
30

TROUBLESHOOTING
Table 17 — LED Error Code Service Analysis
PROBLEM CAUSE REMEDY
Hardware failure.
(LED OFF) Loss of power to control module (IGC). Check 5-amp fuse on IGC, power to unit, 24-v circuit
breaker, and transformer. Units without a 24-v circuit
breaker have an internal overload in the 24-v trans-
former. If the overload trips, allow 10 minutes for auto-
matic reset.
Limit switch fault.
(LED 2 flashes) High temperature limit switch is open. Check the operation of the indoor (evaporator) fan mo-
tor. Ensure that the supply-air temperature rise is in ac-
cordance with the range on the unit nameplate.
Flame sense fault.
(LED 3 flashes) The IGC sensed flame that should not be present. Reset unit. If problem persists, replace control board.
4 consecutive limit
switch trips.
(LED 4 flashes)
Inadequate airflow to unit. Check operation of indoor (evaporator) fan motor and
that supply-air temperature rise agrees with range on
unit nameplate information.
Ignition lockout.
(LED 5 flashes) Unit unsuccessfully attempted ignition for 15 minutes. Check ignitor and flame sensor electrode spacing, gaps,
etc. Ensure that flame sense and ignition wires are prop-
erly terminated. Verify that unit is obtaining proper
amount of gas.
Induced-draft motor
fault.
(LED 6 flashes)
IGC does not sense that induced-draft motor is
operating. Check for proper voltage. If motor is operating, check
the speed sensor plug/IGC Terminal J2 connection.
Proper connection: PIN 1 — White, PIN 2 — Red, PIN 3
— Black.
Rollout switch fault.
(LED 7 flashes) Rollout switch has opened. Rollout switch will automatically reset, but IGC will con-
tinue to lock out unit. Check gas valve operation. Ensure
that induced-draft blower wheel is properly secured to
motor shaft. Reset unit at unit disconnect.
Internal control fault.
(LED 8 flashes) Microprocessor has sensed an error in the software or
hardware. If error code is not cleared by resetting unit power, re-
place the IGC.
LEGEND
IGC — Integrated Gas Unit Controller
LED — Light-Emitting Diode
If the IGC must be replaced, be sure to ground yourself to dis-
sipate any electrical charge that may be present before han-
dling new control board. The IGC is sensitive to static electricity
and may be damaged if the necessary precautions are not taken.
IMPORTANT: Refer to Table 21 — Heating Service Troubleshoot-
ing for additional troubleshooting information.
31

Table 18 — Durablade Economizer Troubleshooting
PROBLEM CAUSE REMEDY
Damper does not
open. Indoor (evaporator) fan is off. 1. Check to ensure that 24 vac is present at terminal C1 on the IFC or
that 24 vac is present at the IFO terminal. Check whether 24 vac is
present at PL6-1 (red wire) and/or PL6-3 (black wire). If 24 vac is
not present, check wiring (see unit label diagram).
2. Check proper thermostat connection to G on the connection board.
No power to economizer motor. 1. Check that SW3 is properly making contact with the damper
blade. Check that SW1 is in the NC (normally closed) position.
2. Check diode D1. If diode is not functioning properly, replace D1.
3. Confirm that the economizer control board is grounded properly at
PL6-4 (brown wire) and at brown terminal of the economizer control
board (brown wire). The economizer motor must also be grounded
properly at the negative motor terminal (brown wire).
4. Verify SW1 and SW3 are working and wired properly (see unit label
diagram).
5. Check for 24 vac input at both PL6-1 (red wire) and PL6-3 (black
wire). If 24 vac not present, check unit wiring (see unit label dia-
gram). If 24 vac is found in both places, check for 24 vac at the yel-
low terminal of the economizer control board (yellow wire). If
24 vac power is not present, replace the economizer control board.
Economizer motor failure. If the indoor (evaporator) fan and economizer motor are energized,
verify that there is a minimum of 18 vdc at the positive motor terminal.
If the motor is not operating, replace the motor.
Economizer operation
limited to minimum
position.
OAT or EC set too high. 1. Set at correct temperature (3 F below indoor space temperature).
2. Check OAT or EC by setting above outdoor temperature or humidity
level. If the OAT or EC switches do not close, replace OAT or EC.
Verify economizer control board is correctly wired
and works properly. 1. Perform the following tests when OAT or EC is closed, Y1 is called
for and damper is at minimum position. Confirm 24 vac on gray ter-
minal of the economizer control board (gray wire). If 24 vac is not
present, check wiring (see unit label diagram).
2. Verify that SW1 and SW3 are wired correctly and working properly
(see unit label diagram).
3. Check to ensure that 24 vac exists at PL6-2 (blue wire). If
24 vac is not present, check wiring (see unit wiring label diagram).
4. Check 24 vac output at PL6-10 (white wire). If 24 vac is not
present, replace economizer control board.
Check SAT. 1. After verifying that the OAT and EC settings and the economizer
control board wiring are correct, check to ensure that the 24 vac
terminal of the SAT has 24 vac (white wire). If OAT, EC, and control
board are functioning and wired properly and no 24 vac exists,
check wiring (see unit label diagram).
2. If supply-air temperature is greater than 57 F, 24 vac should be
found at terminal T2 on the SAT (pink wire). If 24 vac is not present,
replace SAT.
Damper does not
close. Incorrect wiring of economizer. 1. Verify that SW2 and SW4 are wired and working properly (see unit
label diagram).
2. Check diode D2. If diode is not functioning properly, replace D2.
Verify economizer control board is functioning
properly. 1. After verifying that the wiring is correct, modulate the damper to the
minimum position. Remove the call for G (evaporator fan).
2. If the damper does not move, check for 24 vac at PL6-1 (red wire).
If 24 vac is not present, check wiring (see unit label diagram).
3. If damper still does not move, check for 24 vac at blue terminal of
economizer control board (blue wire). If 24 vac is not present, re-
place the economizer circuit board.
Check SAT. 1. After verifying that the wiring is correct and the economizer control
board is functioning properly, place the OAT or EC switch in the
closed position. Place a call for Y1 and open the damper to the fully
open position. Confirm that the 24 vac terminal of the SAT has
24 vac (white wire). If 24 vac is not present, check wiring (see unit
label diagram).
2. If supply-air temperature is less than 52 F, 24 vac should be found
at terminal T1 on the SAT (violet wire). If 24 vac not found, replace
SAT.
Economizer motor failure. If economizer control board and SAT are functioning properly, verify
that there is a minimum of 18 vdc at the positive motor terminal. If a
minimum if 18 vdc is present and the motor is still not operating, re-
place the motor.
Economizer damper
does not close on
power loss.
Verify that close-on-power-loss and economizer
control board are functioning properly. 1. Check voltage potential across batteries. If lower than 14 vdc, re-
place close-on-power-loss power supply (9-v alkaline batteries). It is
recommended that you check this emergency power supply on a
regular basis or whenever the filters are changed.
2. If the close-on-power-loss and economizer control board are func-
tioning properly, check for 14 vdc or higher at the blue terminal of
the economizer control board (blue wire) when power is discon-
nected from unit. If 14 vdc is not present, replace the control board.
LEGEND
C1 — Common Power
EC — Enthalpy Control
IFC — Indoor (Evaporator) Fan Contactor
IFO — Indoor (Evaporator) Fan On
OAT — Outdoor-Air Thermostat
PL — Plug
SAT — Supply-Air Thermostat
SW — Economizer Position Switch
32

Table 19 — PARABLADE Economizer Service Troubleshooting
PROBLEM CAUSE REMEDY
Damper does not
open. Evaporator fan not on. Check wiring between G on connection board and indoor (evaporator)
fan contactor.
No power to economizer motor. 1. Disconnect power at TR and TR1. Disconnect jumper across P
and P1.
2. Connect jumper across TR and 1.
3. Connect jumper across T1 and T.
4. If connected, remove enthalpy sensor from terminals S
o
and +.
Factory-installed 620 ohm resistor should be connected to termi-
nals S
R
and +.
5. Apply power (24 vac) to terminals TR and TR1. The LED should
be off and the damper should be in the closed position.
6. Disconnect the factory-installed 620 ohm resistor from terminals
S
R
and +. The LED should light up and the motor should drive to-
wards open. If this does not happen, replace the economizer con-
trol module.
Economizer motor failure. If the indoor (evaporator) fan and economizer motor are energized,
verify that there is a minimum of 24 vac at terminals TR and TR1. If
the motor is not operating, replace the motor.
Economizer opera-
tion limited to mini-
mum position.
Economizer control module
failure. 1. To simulate high or low enthalpy, reconnect the factory-installed
620 ohm resistor across terminals S
R
and +.
2. Connect 1.2 Kohm checkout resistor across terminals S
o
and +.
Turn the enthalpy set point to ‘‘A.’’ The LED should turn on, indi-
cating low enthalpy. The motor should drive towards open. If LED
does not light, replace module. If motor does not drive open, check
motor operation.
3. Turn the enthalpy set point to ‘‘D.’’ The LED should turn off, indi-
cating high enthalpy. The motor should drive towards closed. If
these actions do not occur, replace module.
4. Disconnect 1.2 Kohm checkout resistor before resuming operation.
Damper does not
close. No power to economizer. 1. Disconnect power at TR and TR1. Disconnect jumper across P
and P1.
2. Connect jumper across TR and 1.
3. Connect jumper across T1 and T.
4. If connected, remove enthalpy sensor from terminals S
o
and +.
Factory-installed 620 ohm resistor should be connected to termi-
nals S
R
and +.
5. Apply power (24 vac) to terminals TR and TR1. The LED should
be off and the damper should be in the closed position.
6. Disconnect the factory-installed 620 ohm resistor from terminals
S
R
and +. The LED should light up and the motor should drive to-
wards open. If this does not happen, replace the economizer con-
trol module.
Spring return failure. If power to unit is off and damper does not close, check for a bound
linkage. If linkage is not bound, then internal spring may be broken.
Replace actuator.
Economizer motor failure. If the economizer control module is functioning properly, verify that
there is a minimum of 24 vac at terminals TR and TR1. If the motor is
not operating, replace the motor.
Damper does not
open or
close according to
enthalpy
readings.
Sensor incorrectly wired or bad. To verify sensor operation, reconnect the + lead of the outdoor en-
thalpy sensor to the + terminal of the economizer control module.
Connect a DC milliammeter between terminals S
o
of the economizer
control module and terminal S of the enthalpy sensor. The milliamme-
ter should indicate between 3 and 25 mA if the sensor is operating
properly. If the milliammeter indicates 0, the sensor may be wired
backwards. If any other readings are shown, replace the sensor.
LEGEND
LED — Light-Emitting Diode
33

Table 20 — Cooling Service Troubleshooting
PROBLEM CAUSE REMEDY
Compressor and
condenser fan
will not start.
Power failure. Call power company.
Fuse blown or circuit breaker tripped. Replace fuse or reset circuit breaker.
Defective thermostat, contactor, transformer, or control
relay. Replace component.
Insufficient line voltage. Determine cause and correct.
Incorrect or faulty wiring. Check wiring diagram and rewire correctly.
Thermostat setting too high. Lower thermostat setting below room temperature.
Compressor will not start
but condenser fan runs. Faulty wiring or loose connections in compressor circuit. Check wiring and repair or replace.
Compressor motor burned out, seized, or internal
overload open. Determine cause. Replace compressor.
Defective run/start capacitor, overload, or start relay. Determine cause and replace.
One leg of 3-phase power dead. Replace fuse or reset circuit breaker.
Determine cause.
Compressor cycles
(other than normally
satisfying thermostat).
Refrigerant overcharge or undercharge. Recover refrigerant, evacuate system, and recharge
to nameplate.
Defective compressor. Replace and determine cause.
Insufficient line voltage. Determine cause and correct.
Blocked condenser. Determine cause and correct.
Defective run/start capacitor, overload, or start relay. Determine cause and replace.
Defective thermostat. Replace thermostat.
Faulty condenser-fan motor or capacitor. Replace.
Restriction in refrigerant system. Locate restriction and remove.
Compressor makes
excessive noise
(48TJ014 scroll only)
Compressor rotating in wrong direction. Reverse the 3-phase power leads as described
on page 23.
Compressor operates
continuously. Dirty air filter. Replace filter.
Unit undersized for load. Decrease load or increase unit size.
Thermostat set too low. Reset thermostat.
Low refrigerant charge. Locate leak, repair, and recharge.
Leaking valves in compressor. Replace compressor.
Air in system. Recover refrigerant, evacuate system, and recharge.
Condenser coil dirty or restricted. Clean coil or remove restriction.
Excessive head pressure. Dirty air filter. Replace filter.
Dirty condenser coil. Clean coil.
Refrigerant overcharged. Remove excess refrigerant.
Air in system. Recover refrigerant, evacuate system, and recharge.
Condenser air restricted or air short-cycling. Determine cause and correct.
Head pressure too low. Low refrigerant charge. Check for leaks, repair, and recharge.
Compressor valves leaking. Replace compressor.
Restriction in liquid tube. Remove restriction.
Excessive suction
pressure. High heat load. Check for source and eliminate.
Compressor valves leaking. Replace compressor.
Refrigerant overcharged. Recover excess refrigerant.
Suction pressure too low. Dirty air filter. Replace filter.
Low refrigerant charge. Check for leaks, repair, and recharge.
Metering device or low side restricted. Remove source of restriction.
Insufficient evaporator airflow. Increase air quantity. Check filter and replace if
necessary.
Temperature too low in conditioned area. Reset thermostat.
Field-installed filter drier restricted. Replace.
Compressor no. 2
will not run. Unit in economizer mode. Proper operation; no remedy necessary.
34

Table 21 — Heating Service Troubleshooting
PROBLEM CAUSE REMEDY
Burners will not
ignite. Misaligned spark electrodes. Check flame ignition and sensor electrode positioning.
Adjust as needed.
No gas at main burners. Check gas line for air purge as necessary. After purging
gas line of air, allow gas to dissipate for at least 5 min-
utes before attempting to relight unit.
Check gas valve.
Water in gas line. Drain water and install drip leg to trap water.
No power to furnace. Check power supply, fuses, wiring, and circuit breaker.
No 24 v power supply to control circuit. Check transformer. Transformers with internal overcur-
rent protection require a cool down period before
resetting.
Miswired or loose connections Check all wiring and wirenut connections.
Burned-out heat anticipator in thermostat. Replace thermostat.
Broken thermostat wires. Run continuity check. Replace wires, if necessary.
Inadequate heating. Dirty air filter. Clean or replace filter as necessary.
Gas input to unit too low. Check gas pressure at manifold. Clock gas meter for
input. If too low, increase manifold pressure, or replace
with correct orifices.
Unit undersized for application. Replace with proper unit or add additional unit.
Restricted airflow. Clean filter, replace filter, or remove any restrictions.
Blower speed too low. Use high speed tap, increase fan speed, or install op-
tional blower, as suitable for individual units.
Limit switch cycles main burners. Check rotation of blower, thermostat heat anticipator set-
tings, and temperature rise of unit. Adjust as needed.
Too much outdoor air. Adjust minimum position.
Check economizer operation.
Poor flame
characteristics. Incomplete combustion (lack of combustion air)
results in:
Aldehyde odors, CO, sooting flame, or floating flame.
Check all screws around flue outlets and burner com-
partment. Tighten as necessary.
Cracked heat exchanger.
Overfired unit — reduce input, change orifices, or adjust
gas line or manifold pressure.
Check vent for restriction. Clean as necessary.
Check orifice to burner alignment.
Burners will not
turn off. Unit is locked into Heating mode for a one minute
minimum. Wait until mandatory one minute time period has
elapsed or power to unit.
LEGEND AND NOTES FOR FIG. 48
IMPORTANT: Refer to unit wiring label for actual unit
wiring information.
NOTES:
1. If any of the original wire furnished must be replaced, it must be
replaced with type 90 C wire or its equivalent.
2. Three-phase motors are protected under primary single phasing
conditions.
3. Thermostat: HH07AT170, 172, 174 and P272-2783
Subbase: HH93AZ176, 178 and P272-1882, 1883
4. Set heat anticipator for first stage at 0.14 amp, second stage at
0.2 amp.
5. Use copper conductors only.
6. TRAN is wired for 230 v unit. If unit is to be run with 208 v power
supply, disconnect BLK wire from 230 v tap (RED) and connect to
200 v tap (BLU). Insulate end of 230 v tap.
7. When economizer assembly is installed move GRA wire from con-
nection board (Y1) to GRA wire from PL6,5; move ORN wire from
connection board (Y2) to ORN wire from PL6,9, on economizer
assembly.
AHA — Adjustable Heat Anticipator
BR — Burner Relay
C—Contactor, Compressor
CAP — Capacitor
CB — Circuit Breaker
CC — Cooling Compensator
COMP — Compressor Motor
CR — Control Relay
D—Diode
EC — Enthalpy Control
EPS — Economizer Pressure Switch
EQUIP — Equipment
FPT — Freeze-Protection
Thermostat
GND — Ground
GVR — Gas Valve Relay
HPS — High-Pressure Switch
HS — Hall Effect Sensor
I—Ignitor
IDM — Induced-Draft Motor
IFC — Indoor (Evaporator) Fan
Contactor
IFM — Indoor (Evaporator) Fan Motor
IGC — Integrated Gas Unit
Controller
LED — Light Emitting Diode
LPS — Low-Pressure/Loss-of-Charge
Switch
LS — Limit Switch
MGV — Main Gas Valve
MTR — Motor
OAT — Outdoor Air Thermostat
OFM — Outdoor-Fan Motor
PL — Plug Assembly
QT — Quadruple Terminal
R—Relay
RS — Rollout Switch
SAT — Supply Air Thermostat
SEN — Sensor
TC — Thermostat-Cooling
TH — Thermostat-Heating
TRAN — Transformer
Field Splice
Marked Wire
Terminal (Marked)
Terminal (Unmarked)
Terminal Block
Splice
Splice (Marked)
Factory Wiring
Field Control Wiring
Field Power Wiring
Accessory or Optional Wiring
To indicate common potential
only, not to represent wiring
35

Fig. 48 — Typical Wiring Schematic and Component Arrangement
36

Copyright 1996 Carrier Corporation
Manufacturer reserves the right to discontinue, or change at any time, specifications or designs without notice and without incurring obligations.
Book 1 4
Tab 1a 6a
PC 111 Catalog No. 564-934 Printed in U.S.A. Form 48TJ-13SI Pg 38 9-96 Replaces: 48TJ-10SI

START-UP CHECKLIST
(Remove and Store in Job File)
I. PRELIMINARY INFORMATION
MODEL NO.:
DATE:
SERIAL NO.:
TECHNICIAN:
II. PRE-START-UP (insert checkmark in box as each item is completed)
MVERIFY THAT ALL PACKING MATERIALS HAVE BEEN REMOVED FROM UNIT
MREMOVE SHIPPING TIE DOWN BANDS ON COMPRESSOR (SIZE 014 ONLY) PER INSTALLATION
INSTRUCTIONS
MVERIFY THAT CONDENSATE CONNECTION IS INSTALLED PER INSTALLATION INSTRUCTIONS
MCHECK ALL ELECTRICAL CONNECTIONS AND TERMINALS FOR TIGHTNESS
MCHECK GAS PIPING FOR LEAKS
MCHECK THAT INDOOR-AIR FILTERS ARE CLEAN AND IN PLACE
MVERIFY THAT UNIT INSTALLATION IS LEVEL
MCHECK FAN WHEELS AND PROPELLERS FOR LOCATION IN HOUSING/ORIFICE AND SETSCREW
TIGHTNESS
III. START-UP
ELECTRICAL
SUPPLY VOLTAGE L1-L2 L2-L3 L3-L1
COMPRESSOR AMPS L1 L2 L3
COMPRESSOR AMPS L1 L2 L3
INDOOR-FAN AMPS L1 L2 L3
TEMPERATURES
OUTDOOR-AIR TEMPERATURE DB
RETURN-AIR TEMPERATURE DB WB
COOLING SUPPLY AIR DB
GAS HEAT SUPPLY AIR DB
PRESSURES
GAS INLET PRESSURE IN. WG
GAS MANIFOLD PRESSURE IN. WG (HI FIRE)
REFRIGERANT SUCTION PSIG — CIRCUIT NO. 1 PSIG — CIRCUIT NO. 2
REFRIGERANT DISCHARGE PSIG — CIRCUIT NO. 1 PSIG — CIRCUIT NO. 2
MVERIFY REFRIGERANT CHARGE USING CHARGING TABLES
MVERIFY THAT 3-PHASE SCROLL COMPRESSOR ROTATING IN CORRECT DIRECTION (48TJ014 ONLY)
----------------------------------------------------------------------------------------
CUT ALONG DOTTED LINE CUT ALONG DOTTED LINE
Copyright 1996 Carrier Corporation
Manufacturer reserves the right to discontinue, or change at any time, specifications or designs without notice and without incurring obligations.
Book 1 4
Tab 1a 6a
PC 111 Catalog No. 564-934 Printed in U.S.A. Form 48TJ-13SI Pg CL-1 9-96 Replaces: 48TJ-10SI