Carrier 50Tfq008 012 Users Manual
50TFQ008-012 to the manual 8109643d-3fdb-4527-ae38-6cf01a39272b
2015-01-24
: Carrier Carrier-50Tfq008-012-Users-Manual-310868 carrier-50tfq008-012-users-manual-310868 carrier pdf
Open the PDF directly: View PDF
.
Page Count: 56

Manufacturer reserves the right to discontinue, or change at any time, specifications or designs without notice and without incurring obligations.
Catalog No. 04-53500019-01 Printed in U.S.A. Form 50TFQ-9SI Pg 1 9-05 Replaces: 50TFQ-7SI
Book 1 4
Tab 5a 5 a
Installation, Start-Up and
Service Instructions
CONTENTS
Page
SAFETY CONSIDERATIONS .........................1
INSTALLATION ...................................1-43
Step 1— Provide Unit Support .......................1
• ROOF CURB
• SLAB MOUNT
• ALTERNATE UNIT SUPPORT
Step 2 — Field Fabricate Ductwork ..................3
Step 3 — Install Condensate Drain Line
and External Trap .................................3
Step 4 — Rig and Place Unit .........................3
• POSITIONING
Step 5 — Make Electrical Connections ..............7
• FIELD POWER SUPPLY
• FIELD CONTROL WIRING
• DEFROST BOARD
• HEAT ANTICIPATOR SETTINGS
Step 6 — Adjust Factory-Installed Options .........12
• DISCONNECT SWITCH
• CONVENIENCE OUTLET
• NOVAR CONTROLS
• MANUAL OUTDOOR-AIR DAMPER
• PREMIERLINK™ CONTROL
• OPTIONAL ECONOMI$ER IV AND ECONOMI$ER2
• ECONOMI$ER IV STANDARD SENSORS
• ECONOMI$ER IV CONTROL MODES
Step 7 — Adjust Indoor-Fan Speed .................25
PRE-START-UP .....................................44
START-UP .......................................44-47
SERVICE ........................................47-49
TROUBLESHOOTING ............................49-53
INDEX ..............................................54
START-UP CHECKLIST .......................... CL-1
SAFETY CONSIDERATIONS
Installation and servicing of air-conditioning equipment can
be hazardous due to system pressure and electrical compo-
nents. Only trained and qualified service personnel should
install, repair, or service air-conditioning equipment.
Untrained personnel can perform basic maintenance func-
tions of cleaning coils and filters and replacing filters. All other
operations should be performed by trained service personnel.
When working on air-conditioning equipment, observe precau-
tions in the literature, tags and labels attached to the unit, and
other safety precautions that may apply.
Follow all safety codes. Wear safety glasses and work
gloves. Use quenching cloth for unbrazing operations. Have
fire extinguisher available for all brazing operations.
INSTALLATION
Unit is shipped in the vertical configuration. To convert to
horizontal configuration, remove side duct opening covers. Us-
ing the same screws, install covers on vertical duct openings
with the insulation-side down. Seals around duct openings
must be tight.
Step 1 — Provide Unit Support
ROOF CURB — Assemble and install the accessory roof curb
in accordance with instructions shipped with the curb. See
Fig. 1. Install insulation, cant strips, roofing felt, and counter
flashing as shown. Ductwork must be attached to curb. If
electric or control power will be routed through the basepan,
use the proper accessory kit listed in Fig. 1, available from your
local distributor. Attach the accessory thru-the-bottom service
connections to the basepan in accordance with the accessory
installation instructions. Connections must be installed before
the unit is set on the roof curb.
The roof curb should be level. Unit leveling tolerances are
shown in Fig. 2. This is necessary for the unit drain to function
properly. Refer to Accessory Roof Curb Installation Instruc-
tions for additional information as required.
Before performing service or maintenance operations on
unit, turn off main power switch to unit and install lockout
tag. Ensure voltage listed on unit data plate agrees with
electrical supply provided for the unit. Electrical shock
could cause personal injury.
IMPORTANT: The gasketing of the unit to the roof curb is
critical for a water-tight seal. Install gasket supplied with
the roof curb as shown in Fig. 1. Improperly applied gasket
can also result in air leaks and poor unit performance.
50TFQ008-012
Single-Package Rooftop
Heat Pump Units

2
Fig. 1 — Roof Curb Details

3
SLAB MOUNT (Horizontal Units Only) — Provide a level
concrete slab that extends a minimum of 6 in. beyond the unit
cabinet on all sides. Install a gravel apron in front of the
outdoor coil air inlet to prevent grass and foliage from obstruct-
ing airflow.
NOTE: Horizontal units may be installed on a roof curb if
required.
ALTERNATE UNIT SUPPORT — When the curb or
adapter cannot be used, support unit with sleeper rails using
unit curb or adapter support area. If sleeper rails cannot be
used, support the long sides of the unit with a minimum of
3 equally spaced 4-in. x 4-in. pads on each side.
Step 2 — Field Fabricate Ductwork — On verti-
cal discharge units, secure all ducts to the roof curb and building
structure. Do not connect ductwork to the unit. For horizontal
applications, field-supplied flanges should be attached to
horizontal discharge openings and all ductwork attached to the
flanges. Insulate and weatherproof all external ductwork, joints,
and roof openings with counter flashing and mastic in accor-
dance with applicable codes.
Ducts passing through an unconditioned space must be
insulated and covered with a vapor barrier.
If a plenum return is used on a vertical unit, the return
should be ducted through the roof deck to comply with applica-
ble fire codes.
A minimum clearance is not required around ductwork.
Cabinet return-air static pressure (a negative condition) should
not exceed 0.35 in. wg with economizer, or 0.45 in. wg without
economizer.
Step 3 — Install Condensate Drain Line and
External Trap — Condensate drain connections are locat-
ed at the bottom and end of the unit. Unit discharge connec-
tions do not determine the use of drain connections;
either drain connection can be used in vertical or horizontal
applications.
When using the standard end drain connection, make sure
the plug in the alternate bottom connection is tight before in-
stalling the unit.
To use the bottom drain connection for a roof curb installa-
tion, relocate the factory-installed plug from the bottom connec-
tion to the end connection. The center drain plug looks like a star
connection, but can be removed with a 1/2-in. socket drive exten-
sion. See Fig. 3. The piping for the condensate drain and external
trap can be completed after the unit is in place.
All units must have an external trap for condensate drain-
age. Install a trap at least 4-in. deep and protect against freeze-
up. If drain line is installed downstream from the external trap,
pitch the line away from the unit at 1/4-in. per ft of run. Do not
use a pipe size smaller than the unit connection. See Fig. 4.
Step 4 — Rig and Place Unit — Inspect the unit for
transportation damage. File any claim with the transportation
agency. Keep the unit upright and do not drop it. Spreader bars
are not required if top crating is left on the unit. Rollers may be
used to move the unit across a roof. Level by using the unit
frame as a reference. See Table 1 and Fig. 5 for additional
information. Operating weight is shown in Table 1 and Fig. 5.
Lifting holes are provided in the base rails as shown in
Fig. 5 and 6. Refer to rigging instructions on the unit.
POSITIONING — Maintain clearance around and above the
unit to provide proper airflow and service access. See Fig. 6.
Position the unit on the roof curb so that the following clear-
ances are maintained: 1/4-in. clearance between the roof curb
and base rails on each side and in front of the unit; 35/16-in.
clearance between the roof curb and the outdoor fan end of the
unit (see Fig. 1, section C-C).
Do not install the unit indoors. Do not locate the unit air
inlet near exhaust vents or other sources of contaminated air.
Although the unit is weatherproof, guard against water from
higher level runoff and overhangs.
After the unit is in position, remove the polyethylene ship-
ping wrapper and rigging skid.
MAXIMUM ALLOWABLE
DIFFERENCE (in.)
A-B B-C A-C
0.5 1.0 1.0
Fig. 2 — Unit Leveling Tolerances
DRAIN PLUGHORIZONTAL
DRAIN OUTLET
NOTE: Drain plug is shown in factory-installed position.
Fig. 3 — Condensate Drain Pan (Side View)
NOTE: Trap should be deep enough to offset maximum unit static
difference. A 4-in. trap is recommended.
Fig. 4 — Condensate Drain Piping Details

4
NOTES:
1. Dimension in ( ) is in millimeters.
2. Hook rigging shackles through holes in base rail, as shown in detail “A.”
Holes in base rails are centered around the unit center of gravity. Use
wooden top skid when rigging to prevent rigging straps from damaging
unit.
3. Unit weights do not include economizer. See Table 1 for economizer
weights.
All panels must be in place when rigging. Unit is not designed for handling
by a fork truck. Damage to unit may result.
Fig. 5 — Rigging Details
50TFQ WEIGHT A B C
Lb Kg in. mm in. mm in. mm
008 940 426 77.42 1966.5 41.5 1054 42.12 1070
009 965 438 77.42 1966.5 41.5 1054 42.12 1070
012 1015 460 77.42 1966.5 41.5 1054 42.12 1070

5
Table 1 — Physical Data
LEGEND
Bhp — Brake Horsepower
*Weightof14-in.roofcurb.
UNIT SIZE 50TFQ 008 009 012
NOMINAL CAPACITY (tons) 71/281/210
OPERATING WEIGHT (lb)
Unit 940 965 1015
Economizer
EconoMi$er IV 75 75 75
Roof Curb* 143 143 143
COMPRESSOR (Hermetic) Reciprocating Scroll
Quantity 222
Oil (oz) 45 ea 54 ea 54 ea
REFRIGERANT TYPE R-22
Operating Charge (lb-oz)
Circuit 1 5-14 8- 6 7-14
Circuit 2 5-13 8-13 8- 3
OUTDOOR COIL Enhanced Copper Tubes, Aluminum Lanced Fins, Acutrol™ Feed Device
Rows...Fins/in. 1...17 2...17 2...17
Total Face Area (sq ft) 20.50 18.00 18.30
OUTDOOR FAN Propeller Type
Nominal Cfm 6500 6500 6500
Quantity...Diameter (in.) 2...22 2...22 2...22
Motor Hp...Rpm 1/4...1100 1/4...1100 1/4...1100
Watts Input (Total) 500 500 500
INDOOR COIL Enhanced Copper Tubes, Aluminum Double-Wavy Fins, Acutrol Feed Device
Rows...Fins/in. 3...15 3...15 3...15
Total Face Area (sq ft) 8.0 8.0 11.1
INDOOR FAN Centrifugal Type
Quantity...Size (in.) Std 1...15 x 15 1...15 x 15 1...15 x 15
Alt 1...15 x 15 — 1...15 x 15
High-Static 1...15 x 15 1...15 x 15 1...15 x 15
Type Drive Std Belt Belt Belt
Alt Belt — Belt
High-Static Belt Belt Belt
Nominal Cfm 3000 3600 4000
Maximum Continuous Bhp Std 2.40 2.40 2.40
Alt 2.40 — 2.90
High-Static 3.70 3.70 5.25
Motor Frame Size Std 56 56 56
Alt 56 — 56
High-Static 56 56 56
Nominal Rpm Std ———
Alt ———
High-Static 1725 1725 1725
Fan Rpm Range Std 590- 840 685- 935 685- 935
Alt 685- 935 — 835-1085
High-Static 860-1080 860-1080 830-1130
Motor Bearing Type Ball Ball Ball
Maximum Allowable Rpm 2100 2100 2100
Motor Pulley Pitch Diameter Min/Max (in.) Std 2.4/3.4 2.8/3.8 2.8/3.8
Alt 2.8/3.8 — 3.4/4.4
High-Static 4.0/5.0 4.0/5.0 2.8/3.8
Nominal Motor Shaft Diameter (in.) Std 5/85/85/8
Alt 5/8—7/8
High-Static 7/87/87/8
Fan Pulley Pitch Diameter (in.) Std 7.0 7.0 7.0
Alt 7.0 — 7.0
High-Static 8.0 8.0 5.8
Belt, Quantity...Type...Length (in.) Std 1...A...53 1...A...48 1...A...49
Alt 1...A...49 — 1...A...51
High-Static 1...A...65 1...A...53 1...BX...48
Pulley Center Line Distance (in.) Std 16.75-19.25 16.75-19.25 15.85-17.50
Alt 16.75-19.25 — 15.85-17.50
High-Static 16.75-19.25 16.75-19.25 15.85-17.50
Speed Change per Full Turn of
Moveable Pulley Flange (rpm)
Std 50 50 50
Alt 50 — 50
High-Static 60 60 60
Moveable Pulley Maximum Full Turns
From Closed Position
Std 555
Alt 5—5
High-Static 556
Factory Setting Std 555
Alt 5—5
High-Static 555
Factory Speed Setting (rpm) Std 590 685 685
Alt 685 — 835
High-Static 860 880 887
Fan Shaft Diameter at Pulley (in.) 111
HIGH-PRESSURE SWITCH (psig)
Standard Compressor Internal Relief (Differential) 450 ± 50
Cutout 428
Reset (Auto.) 320
LOSS-OF-CHARGE (LOW-PRESSURE) SWITCH (psig)
Cutout 7±3
Reset (Auto.) 22 ± 5
FREEZE PROTECTION THERMOSTAT (F)
Opens 30 ± 5
Closes 45 ± 5
OUTDOOR-AIR INLET SCREENS Cleanable.
Screen quantity and size vary based on options selected.
RETURN-AIR FILTERS Throwaway
Quantity...Size (in.) 4...16 x 20 x 2 4...16 x 20 x 2 4...20 x 20 x 2

6
Fig. 6 — Base Unit Dimensions

7
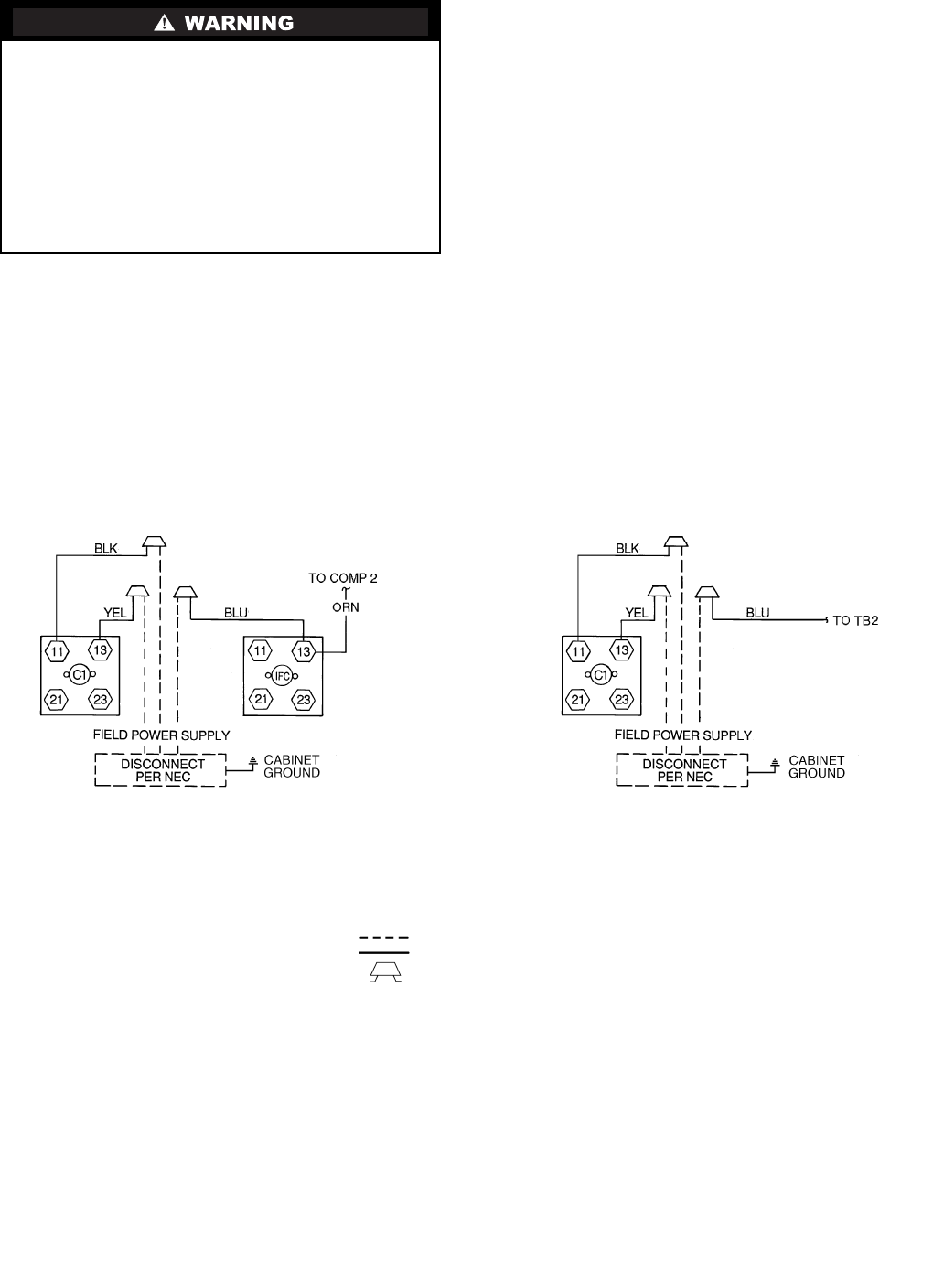
Step 5 — Make Electrical Connections
FIELD POWER SUPPLY — All units except 208/230-v
units are factory-wired for the voltage shown on the unit name-
plate. If the 208/230-v unit is to be connected to a 208-v power
supply, the transformer must be rewired by disconnecting the
black wire from the 230-v 1/4-in. male spade terminal on the
transformer and connecting it to the 208-v 1/4-in. male spade
terminal from the transformer.
Refer to the unit label diagram for additional information.
Pigtails are provided for field wire connections. Use factory-
supplied splices or a UL (Underwriters’ Laboratories) approved
copper/aluminum connector.
When installing units, provide a disconnect per the NEC.
All field wiring must comply with the NEC and local re-
quirements. In Canada, electrical connections must be made in
accordance with CSA (Canadian Standards Association) C22.1
Canadian Electrical Code Part One.
Install field wiring as follows:
1. Install conduit through the side panel openings. For units
without electric heat, install conduit between the discon-
nect and control box.
2. Install power lines to terminal connections as shown in
Fig. 7.
3. For units with electric heat, refer to Table 2 and Accessory
Installation Instructions.
During operation, voltage to compressor terminals must be
within range indicated on unit nameplate (see Tables 3A and
3B). On 3-phase units, voltages between phases must be bal-
anced within 2%, and the current within 10%. Use the formula
shown in Tables 3A and 3B, Note 2 on page 11 to determine
the percentage of voltage imbalance. Operation on improper
line voltage or excessive phase imbalance constitutes abuse
and may cause damage to electrical components. Such opera-
tion would invalidate any applicable Carrier warranty.
Unit cabinet must have an uninterrupted, unbroken electri-
cal ground to minimize the possibility of personal injury if
an electrical fault should occur. This ground may consist of
electrical wire connected to unit ground lug in control com-
partment, or conduit approved for electrical ground when
installed in accordance with NEC (National Electrical
Code) ANSI (American National Standards Institute)/
NFPA (National Fire Protection Association) 70 latest year
and local electrical codes. Failure to follow this warning
could result in the installer being liable for personal injury
of others.
LEGEND
Fig. 7 — Power Wiring Connections
C—Contactor
COMP — Compressor
IFC — Indoor-Fan Contactor
NEC — National Electrical Code
TB — Terminal Block
Field Wiring
Factory Wiring
Splice Connection
(Factory-Supplied)
208/230-3-60
460-3-60
575-3-60

8
Table 2 — Electric Heating Capacities
*Two heater packages required to provide kW indicated.
†Use CRSINGLE008A00 for units with an electrical convenience outlet.
NOTES:
1. The rated heater voltage is 240, 480, and 575 v. If power distribution voltage varies from rated heater voltage, heater kW will vary accordingly.
2. To determine heater kW at voltages other than those shown in table, use the following formula:
Heater kW new = Heater kW rated x (unit power distribution voltage/rated heater voltage)2
As an example:
For a 16 kW heater rated at 240 v with a power distribution voltage of 215 v
kW new = 16 kW (215/240)2
kW new = 12.8 kW (rating at 215 v)
Table 3A — Electrical Data (Units Without Electrical Convenience Outlet)
NOTE: Legend and Notes for Electrical Data are on page 11.
50TFQ
UNIT SIZE
UNIT VOLTAGE
(60 Hz)
ACCESSORY
kW
ELECTRIC HEATER
PART NUMBER
CRHEATER---A00
SINGLE POINT BOX
PAC KAGE NO.
CRSINGLE---A00
008, 009
208/230/240
(3 phase)
7.8/ 9.6/10.4
12.0/14.7/16.0
18.6/22.8/24.8
24.0/29.4/32.0
31.8/39.0/42.4*
017
010
011
012
012 and 017
007
007
009
009
013
460/480
(3 phase)
12.8/13.9
15.2/16.5
25.6/27.8
30.4/33.0
38.4/41.7*
016
013
014
015
014 and 016
006
006
008
008
010
575
(3 phase)
17.0
34.0
018
019
006
006†
012
208/230/240
(3 phase)
7.8/ 9.6/10.4
12.0/14.7/16.0
24.0/29.4/32.0
31.8/39.0/42.4*
37.6/46.2/50.0*
017
010
012
012 and 017
010 and 012
012
012
015
017
017
460/480
(3 phase)
15.2/16.5
25.6/27.8
30.4/33.0
38.4/41.7*
45.9/50.0*
013
014
015
014 and 016
013 and 015
011
014
014
016
016
575
(3 phase)
17.0
34.0
51.0*
018
019
018 and 019
011
014
016
50TFQ
UNIT SIZE
NOMINAL
V-PH-Hz
IFM
TYPE
VOLTAGE
RANGE
COMPRESSOR
(each) OFM
FLA
IFM
FLA
ELECTRIC HEAT* POWER SUPPLY DISCONNECT
SIZE†
Min Max RLA LRA Nominal
kW** FLA MCA MOCP FLA LRA
008
(71/2Tons)
208/230-3-60
STD 187 254 13.4 91.0 1.4 5.8
— — 38.8/ 38.8 40/ 40†† 41/ 41 229/229
7.8/10.4 21.7/ 25.0 65.9/ 70.0 70/ 70 66/ 69 251/254
12.0/16.0 33.3/ 38.5 80.4/ 86.9 90/ 90 79/ 85 262/268***
18.6/24.8 51.6/ 59.7 103.3/113.4 110/125 100/109 281/289***
24.0/32.0 66.6/ 77.0 122.0/135.0 125/150 117/129 296/306***
31.8/42.4 88.3/102.0 149.1/166.3 150/175 142/158 317/331***
HIGH-STATIC 187 254 13.4 91.0 1.4 10.6
— — 43.6/ 43.6 45/ 45†† 46/ 46 273/273
7.8/10.4 21.7/ 25.0 70.7/ 74.8 80/ 80 71/ 75 294/298
12.0/16.0 33.3/ 38.5 85.2/ 91.7 90/100 85/ 91 306/311***
18.6/24.8 51.6/ 59.7 108.1/118.2 110/125 106/115 324/332***
24.0/32.0 66.6/ 77.0 126.8/139.8 150/150 123/135 339/350***
31.8/42.4 88.3/102.0 153.9/171.1 175/175 148/164 361/375***
460-3-60
STD 414 508 6.7 42.0 0.7 2.6
— — 19.1 20†† 20 108
13.9 16.7 40.0 40†† 39 124
16.5 19.8 43.8 45†† 43 128
27.8 33.4 60.8 70 58 141
33.0 39.7 68.7 70 66 147
41.7 50.2 81.8 90 78 158
HIGH-STATIC 414 508 6.7 42.0 0.7 4.8
— — 21.3 25†† 23 130
13.9 16.7 42.2 45†† 42 146
16.5 19.8 46.0 50†† 45 149
27.8 33.4 63.0 70 61 163
33.0 39.7 70.9 80 68 169
41.7 50.2 84.0 90 80 180***
575-3-60
STD
518 632 5.4 39.0 0.7
2.6
— — 15.4 20†† 16 97
17.0 17.1 36.7 40†† 36 114
34.0 34.1 58.0 60†† 55 131
HIGH-STATIC 4.8
— — 17.1 20†† 18 114
17.0 17.1 38.5 40†† 38 132
34.0 34.1 59.7 60†† 57 149

9
Table 3A — Electrical Data (Units Without Electrical Convenience Outlet) (cont)
NOTE: Legend and Notes for Electrical Data are on page 11.
50TFQ
UNIT SIZE
NOMINAL
V-PH-Hz
IFM
TYPE
VOLTAGE
RANGE
COMPRESSOR
(each) OFM
FLA
IFM
FLA
ELECTRIC HEAT* POWER SUPPLY DISCONNECT
SIZE†
Min Max RLA LRA Nominal
kW** FLA MCA MOCP FLA LRA
009
(81/2Tons)
208/230-3-60
STD 187 254 16.0 137.0 1.4 5.8
— — 44.6/ 44.6 45/ 45†† 47/ 47 321/321
7.8/10.4 21.7/ 25.0 71.7/ 75.9 80/ 80 72/ 75 343/346
12.0/16.0 33.3/ 38.5 86.2/ 92.7 90/100 85/ 91 354/360***
18.6/24.8 51.6/ 59.7 109.1/119.2 110/125 106/115 373/381***
24.0/32.0 66.6/ 77.0 127.9/140.9 150/150 123/135 388/398***
31.8/42.4 88.3/102.0 155.0/172.1 175/175 148/164 409/428***
HIGH-STATIC 187 254 16.0 137.0 1.4 10.6
— — 49.4/ 49.4 50/ 50†† 52/ 52 365/365
7.8/10.4 21.7/ 25.0 76.5/ 80.7 80/ 90 77/ 81 386/390***
12.0/16.0 33.3/ 38.5 91.0/ 97.5 100/100 91/ 96 398/403***
18.6/24.8 51.6/ 59.7 113.9/124.0 125/125 112/121 416/424***
24.0/32.0 66.6/ 77.0 132.7/145.7 150/150 129/141 431/442***
31.8/42.4 88.3/102.0 159.8/176.9 175/200 154/170 453/467***
460-3-60
STD 414 508 8.3 69.0 0.7 2.6
— — 22.7 25†† 24 162
13.9 16.7 43.6 45†† 43 178
16.5 19.8 47.4 50†† 46 182
27.8 33.4 64.4 70 62 195
33.0 39.7 72.3 80 69 201
41.7 50.2 85.4 90 81 212***
HIGH-STATIC 414 508 8.3 69.0 0.7 4.8
— — 24.9 25†† 26 184
13.9 16.7 45.8 50†† 45 200
16.5 19.8 49.6 50†† 49 203
27.8 33.4 66.6 70 65 217
33.0 39.7 74.5 80 72 223
41.7 50.2 87.6 90 84 234***
575-3-60
STD
518 632 6.4 58.0 0.7
2.6
— — 17.6 20†† 18 135
17.0 17.1 39.0 40†† 38 152
34.0 34.1 60.2 70†† 58 169
HIGH-STATIC 4.8
— — 19.4 20†† 20 152
17.0 17.1 40.7 45†† 40 170
34.0 34.1 62.0 70 60 187
012
(10 Tons)
208/230-3-60
STD 187 254 17.2 124.0 1.4 5.8
— — 47.3/ 47.3 50/ 50†† 49/ 49 295/295
7.8/10.4 21.7/ 25.0 74.4/ 78.6 80/ 80 74/ 78 317/320
12.0/16.0 33.3/ 38.5 88.9/ 95.4 90/100 88/ 94 328/334***
24.0/32.0 66.6/ 77.0 130.6/143.6 150/150 126/138 362/372***
31.8/42.4 88.3/102.0 157.7/174.8 175/175 151/167 383/397***
37.6/50.0 104.4/120.3 177.8/167.6 200/175 170/188 399/415***
ALT 187 254 17.2 124.0 1.4 7.5
— — 49.0/ 49.0 50/ 50†† 51/ 51 314/314
7.8/10.4 21.7/ 25.0 76.1/ 80.8 80/ 90 76/ 80 336/389***
12.0/16.0 33.3/ 38.5 90.6/ 97.1 100/100 90/ 96 347/353***
24.0/32.0 66.6/ 77.0 132.3/145.3 150/150 128/140 381/391***
31.8/42.4 88.3/102.0 159.4/176.5 175/200 153/169 402/416***
37.6/50.0 104.4/120.3 179.5/169.3 200/200 171/190 418/434***
HIGH-STATIC 187 254 17.2 124.0 1.4 15.0
— — 56.5/ 56.5 60/ 60†† 60/ 60 362/362
7.8/10.4 21.7/ 25.0 83.6/ 87.8 90/ 90 85/ 89 384/387***
12.0/16.0 33.3/ 38.5 98.1/104.6 100/110 98/104 395/401***
24.0/32.0 66.6/ 77.0 139.8/152.8 150/175 137/149 429/439***
31.8/42.4 88.3/102.0 166.9/184.0 175/200 162/177 450/464***
37.6/50.0 104.4/120.3 187.0/176.8 200/200 180/198 466/482***
460-3-60
STD 414 508 8.6 59.6 0.7 2.6
— — 23.4 25†† 24 143
16.5 19.8 48.1 50†† 47 163
27.8 33.4 65.1 70 63 176
33.0 39.7 73.0 80 70 183
41.7 50.2 86.1 90 82 193***
50.0 60.1 83.5 90 93 203***
ALT 414 508 8.6 59.6 0.7 3.4
— — 24.2 25†† 25 182
16.5 19.8 48.9 50†† 48 202
27.8 33.4 65.9 70 64 216
33.0 39.7 73.8 80 71 222
41.7 50.2 86.9 90 83 233***
50.0 60.1 84.3 90 94 243***
HIGH-STATIC 414 508 8.6 59.6 0.7 7.4
— — 28.2 30†† 30 176
16.5 19.8 52.9 60†† 53 196
27.8 33.4 69.9 70 68 210
33.0 39.7 77.8 80 76 216
41.7 50.2 90.9 100 88 227***
50.0 60.1 88.3 100 99 237***
575-3-60
STD 518 632 6.9 49.4 0.7 2.6
— — 18.7 20†† 20 118
17.0 17.1 40.1 45†† 39 135
34.0 34.1 61.4 70 59 152
51.0 51.2 69.9 70 78 169
ALT 518 632 6.9 49.4 0.7 3.4
— — 19.4 20†† 20 149
17.0 17.1 40.7 45†† 40 166
34.0 34.1 62.0 70 60 183
51.0 51.2 70.6 80 79 201***
HIGH-STATIC 518 632 6.9 49.4 0.7 7.4
— — 22.6 25†† 24 145
17.0 17.1 43.9 45†† 44 162
34.0 34.1 65.2 70 63 179
51.0 51.2 73.8 80 83 196***

10
Table 3B — Electrical Data (Units With Electrical Convenience Outlet)
NOTE: Legend and Notes for Electrical Data are on page 11.
50TFQ
UNIT SIZE
NOMINAL
V-PH-Hz
IFM
TYPE
VOLTAGE
RANGE
COMPRESSOR
(each) OFM
FLA
IFM
FLA
ELECTRIC
HEAT* POWER SUPPLY DISCONNECT
SIZE†
Min Max RLA LRA Nominal
kW** FLA MCA MOCP FLA LRA
008
(71/2Tons)
208/230-3-60
STD 187 254 13.4 91.0 1.4 5.8
— — 43.6/ 43.6 45/ 45†† 46/ 46 234/234
7.8/10.4 21.7/ 25.0 70.7/ 74.8 80/ 80 71/ 75 256/259
12.0/16.0 33.3/ 38.5 85.2/ 91.7 90/100 85/ 91 267/272***
18.6/24.8 51.6/ 59.7 108.1/118.2 110/125 106/115 285/294***
24.0/32.0 66.6/ 77.0 126.8/139.8 150/150 123/135 300/311***
31.8/42.4 88.3/102.0 153.9/171.1 175/175 148/164 322/336***
HIGH-STATIC 187 254 13.4 91.0 1.4 10.6
— — 48.4/ 48.4 50/ 50†† 52/ 52 277/277
7.8/10.4 21.7/ 25.0 75.5/ 79.6 80/ 80 77/ 81 299/302***
12.0/16.0 33.3/ 38.5 90.0/ 96.5 90/100 90/ 96 311/316***
18.6/24.8 51.6/ 59.7 112.9/123.0 125/125 111/120 329/337***
24.0/32.0 66.6/ 77.0 131.6/144.6 150/150 128/140 344/354***
31.8/42.4 88.3/102.0 158.7/175.9 175/200 153/169 366/379***
460-3-60
STD 414 508 6.7 42.0 0.7 2.6
— — 21.3 25†† 23 110
13.9 16.7 42.1 45†† 42 127
16.5 19.8 46.0 50†† 45 130
27.8 33.4 63.0 70 61 143
33.0 39.7 70.9 80 68 150
41.7 50.2 84.0 90 80 160***
HIGH-STATIC 414 508 6.7 42.0 0.7 4.8
— — 23.5 25†† 25 132
13.9 16.7 44.3 45†† 44 148
16.5 19.8 48.2 50†† 48 151
27.8 33.4 65.2 70 63 165
33.0 39.7 73.1 80 71 171
41.7 50.2 86.2 90 83 182***
575-3-60
STD 518 632 5.4 39.0 0.7 2.6
— — 17.1 20†† 18 99
17.0 17.1 38.5 40†† 38 116
34.0 34.1 59.7 60†† 57 133
HIGH-STATIC 518 632 5.4 39.0 0.7 4.8
— — 18.9 20†† 20 116
17.0 17.1 40.2 45†† 40 133
34.0 34.1 61.5 70 59 150
009
(81/2Tons)
208/230-3-60
STD 187 254 16.0 137.0 1.4 5.8
— — 49.4/ 49.4 50/ 50†† 52/ 52 326/326
7.8/10.4 21.7/ 25.0 76.5/ 80.7 80/ 90 77/ 81 348/351
12.0/16.0 33.3/ 38.5 91.0/ 97.5 100/100 91/ 96 359/364
18.6/24.8 51.6/ 59.7 113.9/124.0 125/125 112/121 377/386
24.0/32.0 66.6/ 77.0 132.7/145.7 150/150 129/141 392/403
31.8/42.4 88.3/102.0 154.8/176.9 175/200 154/170 414/428
HIGH-STATIC 187 254 16.0 137.0 1.4 10.6
— — 54.2/ 54.2 60/ 60†† 58/ 58 369/369
7.8/10.4 21.7/ 25.0 81.3/ 85.5 90/ 90 83/ 86 391/394***
12.0/16.0 33.3/ 38.5 95.8/102.3 100/110 96/102 403/408***
18.6/24.8 51.6/ 59.7 118.7/128.8 125/150 117/126 421/429***
24.0/32.0 66.6/ 77.0 137.5/150.5 150/175 134/146 436/446***
31.8/42.4 88.3/102.0 164.6/181.7 175/200 159/175 458/471***
460-3-60
STD 414 508 8.3 69.0 0.7 2.6
— — 24.9 25†† 26 164
13.9 16.7 45.7 50†† 45 181
16.5 19.8 49.6 50†† 49 184
27.8 33.4 66.6 70 65 197
33.0 39.7 74.5 80 72 204
41.7 50.2 87.6 90 84 214***
HIGH-STATIC 414 508 8.3 69.0 0.7 4.8
— — 27.1 30†† 29 186
13.9 16.7 47.9 50†† 48 202
16.5 19.8 51.8 60†† 51 205
27.8 33.4 68.8 70 67 219
33.0 39.7 76.7 80 74 225
41.7 50.2 89.8 90 86 236***
575-3-60
STD 518 632 6.4 58.0 0.7 2.6
— — 19.3 20†† 20 137
17.0 17.1 40.7 45†† 40 154
34.0 34.1 62.0 70 60 171
HIGH-STATIC 518 632 6.4 58.0 0.7 4.8
— — 21.1 25†† 22 154
17.0 17.1 42.5 45†† 42 171
34.0 34.1 63.7 70 62 188

11
Table 3B — Electrical Data (Units With Electrical Convenience Outlet) (cont)
LEGEND
*Heaters are field installed only.
†Used to determine minimum disconnect size per NEC.
**Heater capacity (kW) is based on heater voltage of 208 v, 240 v, 480 v, and 575 v. If
power distribution voltage to unit varies from rated heater voltage, heater kW will vary
accordingly.
††Fuse or HACR circuit breaker.
***Optional disconnect switch is unavailable.
NOTES:
1. In compliance with NEC requirements for multimotor and combination load equipment
(refer to NEC Articles 430 and 440), the overcurrent protective device for the unit shall
be fuse or HACR breaker.
2. Unbalanced 3-Phase Supply Voltage
Never operate a motor where a phase imbalance in supply voltage is greater than 2%.
Use the following formula to determine the percent of voltage imbalance.
%Voltage Imbalance
Example: Supply voltage is 460-3-60.
AB = 452 v
BC = 464 v
AC = 455 v
= 457
Determine maximum deviation from average voltage.
(AB)457–452=5v
(BC) 464 – 457 = 7 v
(AC) 457 – 455 = 2 v
Maximum deviation is 7 v.
Determine percent of voltage imbalance.
%Voltage Imbalance = 100 x
=1.53%
This amount of phase imbalance is satisfactory as it is below the maximum allowable
2%.
50TFQ
UNIT SIZE
NOMINAL
V-PH-Hz
IFM
TYPE
VOLTAGE
RANGE
COMPRESSOR
(each) OFM
FLA
IFM
FLA
ELECTRIC
HEAT* POWER SUPPLY DISCONNECT
SIZE†
Min Max RLA LRA Nominal
kW** FLA MCA MOCP FLA LRA
012
(10 Tons)
208/230-3-60
STD 187 254 17.2 124.0 1.4 5.8
— — 52.1/ 52.1 60/ 60†† 55/ 55 300/300
7.8/10.4 21.7/ 25.0 79.2/ 83.4 80/ 90 80/ 84 322/325***
12.0/16.0 33.3/ 38.5 93.7/100.2 100/110 93/ 99 333/338***
24.0/32.0 66.6/ 77.0 135.4/148.4 150/150 132/144 366/377***
31.8/42.4 88.3/102.0 162.5/179.6 175/200 157/172 388/402***
37.6/50.0 104.4/120.3 182.6/172.4 200/200 175/193 404/420***
ALT 187 254 17.2 124.0 1.4 7.5
— — 53.8/ 53.8 60/ 60†† 57/ 57 319/319
7.8/10.4 21.7/ 25.0 80.9/ 85.1 90/ 90 82/ 86 341/344***
12.0/16.0 33.3/ 38.5 95.4/101.9 100/110 95/101 352/357***
24.0/32.0 66.6/ 77.0 137.1/150.1 150/175 134/145 385/396***
31.8/42.4 88.3/102.0 164.2/181.3 175/200 158/174 407/421***
37.6/50.0 104.4/120.3 184.3/174.1 200/200 177/195 423/439***
HIGH-STATIC 187 254 17.2 124.0 1.4 15.0
— — 61.3/ 61.3 70/ 70 66/ 66 367/367
7.8/10.4 21.7/ 25.0 88.4/ 92.6 90/100 91/ 94 389/392***
12.0/16.0 33.3/ 38.5 102.9/109.4 110/110 104/110 400/405***
24.0/32.0 66.6/ 77.0 144.6/157.6 150/175 142/154 433/444***
31.8/42.4 88.3/102.0 171.7/188.8 175/200 167/183 455/459***
37.6/50.0 104.4/120.3 191.8/181.6 200/200 186/204 471/487***
460-3-60
STD 414 508 8.6 59.6 0.7 2.6
— — 25.5 30†† 27 145
16.5 19.8 50.3 60†† 50 165
27.8 33.4 67.3 70 65 178
33.0 39.7 75.2 80 73 185
41.7 50.2 88.3 90 85 195***
50.0 60.1 85.6 90 96 205***
ALT 414 508 8.6 59.6 0.7 3.4
— — 26.3 30†† 28 185
16.5 19.8 51.1 60†† 51 204
27.8 33.4 68.1 70 66 218
33.0 39.7 76.0 80 73 224
41.7 50.2 89.1 90 86 235***
50.0 60.1 86.4 90 97 245***
HIGH-STATIC 414 508 8.6 59.6 0.7 7.4
— — 30.3 35†† 32 179
16.5 19.8 55.1 60†† 55 198
27.8 33.4 72.1 80 71 212
33.0 39.7 80.0 80 78 218
41.7 50.2 93.1 100 90 229***
50.0 60.1 90.4 100 102 239***
575-3-60
STD 518 632 6.9 49.4 0.7 2.6
— — 20.5 25†† 22 120
17.0 17.1 41.8 45†† 41 137
34.0 34.1 63.1 70 61 154
51.0 51.2 71.7 80 80 171***
ALT 518 632 6.9 49.4 0.7 3.4
— — 21.1 25†† 22 151
17.0 17.1 42.5 45†† 42 168
34.0 34.1 63.7 70 62 185
51.0 51.2 72.3 80 81 202***
HIGH-STATIC 518 632 6.9 49.4 0.7 7.4
— — 24.3 25†† 26 146
17.0 17.1 45.7 50†† 46 163
34.0 34.1 66.9 70 65 180
51.0 51.2 75.5 80 85 198***
FLA — Full Load Amps
HACR — Heating, Air Conditioning and Refrigeration
IFM — Indoor Fan Motor
LRA — Locked Rotor Amps
MCA — Minimum Circuit Amps
MOCP — Maximum Overcurrent Protection
NEC — National Electrical Code
OFM — Outdoor Fan Motor
RLA — Rated Load Amps
= 100 x max voltage deviation from average voltage
average voltage
Average Voltage = 452 +464 +455
3
=1371
3
IMPORTANT: If the supply voltage phase imbalance is more than 2%, contact your local
electric utility company immediately.
7
457

12
FIELD CONTROL WIRING — Install a Carrier-approved
accessory thermostat assembly according to the installation
instructions included with the accessory. Locate the thermostat
assembly on a solid wall in the conditioned space to sense aver-
age temperature in accordance with the thermostat installation
instructions.
NOTE: If using a Carrier electronic thermostat, set the thermo-
stat configuration for “non-heat pump operation.” This family
of products does not require an O terminal to energize the
reversing valve.
Route the thermostat cable or equivalent single leads of
colored wire from the subbase terminals to the low-voltage
connections on the unit (shown in Fig. 8A and 8B) as described
in Steps 1 through 4 below.
NOTE: For wire runs up to 50 ft, use no. 18 AWG (American
Wire Gage) insulated wire (35 C minimum). For 51 to 75 ft,
use no. 16 AWG insulated wire (35 C minimum). For over
75 ft, use no. 14 AWG insulated wire (35 C minimum). All
wire larger than no. 18 AWG cannot be directly connected to
the thermostat and will require a junction box and splice at the
thermostat.
1. If the unit is mounted on the roof curb and the accessory
thru-the-curb service plate connection is used, route wire
through the connection plate.
2. Pass control wires through the hole provided on the unit
(see connection D in Connection Sizes table in Fig. 6).
3. Feed wire through the raceway built into the corner post to
the 24-v barrier located on the left side of the control box.
See Fig. 9. The raceway provides the UL required clear-
ance between the high-voltage and low-voltage wiring.
4. Connect the thermostat wires to the screw terminals of
the low-voltage connector (see Fig. 8A and 8B).
NOTE: If the unit is mounted on a roof curb and electrical
power will be run up “thru-the-bottom,” use accessory kit
number CRBTMPWR002A01. This kit, available from your
local distributor, ensures a watertight seal. Refer to the acces-
sory installation instructions for information on power wiring.
Refer to Fig. 6 for drilling holes in basepan.
DEFROST BOARD — The defrost board timer cycle is set to
30 minutes. To change the cycle time, turn off power to the
unit and install lockout tag. Remove the wire from defrost
board connected to the 30 minute quick-connect. See Fig. 10.
Connect the wire to the 50 or 90 minute quick-connects on the
defrost board, depending on the desired defrost time.
HEAT ANTICIPATOR SETTINGS — For units with electric
heat, set heat anticipator settings as shown in Table 4.
Step 6 — Adjust Factory-Installed Options
DISCONNECT SWITCH — The optional disconnect switch
is non-fused. The switch can be locked in place for safety
purposes.
WIRE
CONNECTIONS
TO
LOW-VOLTAGE
SECTION
(CONNECTION
BOARD)
COOL STAGE 1
FAN
HEAT STAGE 1
COOL STAGE 2
HEAT STAGE 2
24 VAC HOT
24 VAC COM
N/A
OUTDOOR AIR
SENSOR
Y1/W2
G
W/W1
Y/Y2
O/W2
R
C
S1
S2
THERMOSTAT DIPSWITCH SETTINGS
R
G
Y1
Y2
W1
W2
C
IPD/X
ON
OFF
ABCD
LEGEND
NOTE: Underlined letter indicates active thermostat output when
configured for A/C operation.
Fig. 8A — Low-Voltage Connections With or
Without Economizer or Two-Position Damper
Field Wiring
COMPRESSOR
NO. 2
DISCONNECT
BOARD
DISCONNECT
SWITCH
(OPTIONAL)
RACEWAY
HOLE IN
END
PANEL
COMPRESSOR NO. 1
CONVENIENCE
OUTLET
W2
C
Y1
G
R
Y2
W1
C
G
R
Y2
W1
X
W2
C
Y1
G
R
Y2
W1
X
24 VAC
RMTOCC
CMPSAFE
FSD
NOT USED
C
X
SFS
THERMOSTAT CONTROL
CONNECTION
BOARD
BOARD
CONNECTION
CONTROL
Fig. 9 — Typical Field Control Wiring Raceway
Fig. 8B — Low Voltage Connections
(Units with PremierLink™ Controls)

13
Table 4 — Heat Anticipator Settings
*kW is based on 240, 480, or 575 v.
CONVENIENCE OUTLET — An optional convenience out-
let provides power for rooftop use. For maintenance personnel
safety, the convenience outlet power is off when the unit dis-
connect is off. Adjacent unit outlets may be used for service
tools. An optional “Hot Outlet” is available from the factory as
a special order item.
NOVAR CONTROLS — Optional Novar controls (ETM 3051)
are available for replacement or new construction jobs.
MANUAL OUTDOOR-AIR DAMPER — The outdoor-air
hood and screen are attached to the basepan at the bottom of
the unit (for shipping).
Assembly:
1. Determine the amount of ventilation required for build-
ing. Record the amount for use in Step 8.
2. Remove the filter access panel by raising the panel and
swinging it outward. The panel is now disengaged from
the track and can be removed. No tools are required to re-
move the filter access panel. Remove the outdoor-air
opening panel. Save the panels and screws. See Fig. 11.
3. Separate the hood and screen from the basepan by remov-
ing the screws and brackets securing them. Save all
screws and discard the brackets.
4. Replace the outdoor air opening panel.
5. Place the hood on the front of the outdoor air opening
panel. See Fig. 12 for hood details. Secure the top of the
hood with the 6 screws removed in Step 3. See Fig. 13.
6. Remove and save the 8 screws (4 on each side) from the
sides of the manual outdoor-air damper.
7. Align the screw holes on the hood with the screw holes
on the side of the manual outdoor-air damper. See Fig. 12
and 13. Secure the hood with the 8 screws from Step 6.
8. Adjust the minimum position setting of the damper blade
by adjusting the manual outdoor-air adjustment screws on
the front of the damper blade. See Fig. 11. Slide the blade
vertically until it is in the appropriate position determined
by Fig. 14. Tighten the screws.
9. Remove and save the screws currently on the sides of
hood. Insert the screen. Secure the screen to the hood
using the screws. See Fig. 13.
10. Replace the filter access panel. Ensure that the filter
access panel slides along the tracks and is securely
engaged.
UNIT
UNIT VOLTAGE
208/230 460 575
Heater
kW*
Configuration Heater
kW*
Configuration Heater
kW*
Configuration
1-Stage 2-Stage 1-Stage 2-Stage 1-Stage 2-Stage
Stage 1 Stage 2 Stage 1 Stage 2 Stage 1 Stage 2
50TFQ
10.4, 16.0 0.3 NA NA 13.9, 16.5
27.8, 33.0 0.3 NA NA 17.0, 34.0 0.3 NA NA
24.8, 32.0 0.6 0.3 0.3
42.4, 50.0 0.9 0.6 0.3 41.7, 50.0 0.6 0.3 0.3 51.0 0.6 0.3 0.3
Fig. 10 — Defrost Board
SCREWS
(SIDE)
MANUAL
OUTDOOR-AIR
ADJUSTMENT
SCREWS DAMPER
BLADE
FILTER
ACCESS
PANEL
OUTDOOR AIR
OPENING
PANEL
Fig. 11 — Damper Panel with Manual
Outdoor-Air Damper Installed

14
PREMIERLINK™ CONTROL — The PremierLink control-
ler is compatible with Carrier Comfort Network® (CCN)
devices. This control is designed to allow users the access and
ability to change factory-defined settings, thus expanding
the function of the standard unit control board. Carrier’s diag-
nostic standard tier display tools such as Navigator™ module
or Scrolling Marquee can be used with the PremierLink
controller.
The PremierLink controller (see Fig. 15A and 15B) requires
a Carrier electronic thermostat or a CCN connection for time
broadcast to initiate its internal timeclock. This is necessary for
broadcast of time of day functions (occupied/unoccupied). Re-
fer to Fig. 16. The PremierLink control may be mounted in the
control panel or an area below the control panel.
NOTE: PremierLink versions 1.3 and later are shipped in Sen-
sor mode. If used with a thermostat, the PremierLink control
must be configured to Thermostat mode.
The PremierLink control includes a supply-air temperature
sensor (SAT) and an outdoor-air temperature sensor (OAT) as
standard. An indoor-air quality (CO2) sensor can be added as
an option. Refer to Table 5 for sensor usage.
Install the Supply Air Temperature (SAT) Sensor —When
the unit is supplied with a factory-mounted PremierLink con-
trol, the supply-air temperature (SAT) sensor (33ZCSENSAT)
is factory-supplied and wired. The wiring is routed from the
PremierLink control over the control box, through a grommet,
into the fan section, down along the back side of the fan, and
along the fan deck over to the supply-air opening.
The SAT probe is wire-tied to the supply-air opening (on the
horizontal opening end) in its shipping position. Remove the
sensor for installation. Re-position the sensor for installation.
Re-position the sensor in the flange of the supply-air opening
or in the supply air duct (as required by local codes). Drill or
punch a 1/2-in. hole in the flange or duct. Use two field-
supplied, self-drilling screws to secure the sensor probe in a
horizontal orientation.
NOTE: The sensor must be mounted in the discharge airstream
downstream of the cooling coil and any heating devices. Be
sure that the probe tip does not come in contact with any of the
unit or heat surfaces.
Outdoor Air Temperature (OAT) Sensor — When the unit is
supplied with a factory-mounted PremierLink control, the
outdoor-air temperature (OAT) sensor is factory-supplied and
wired.
Install the Indoor Air Quality (CO2)Sensor — Mount the
optional indoor air quality (CO2) sensor according to manufac-
turer specifications.
A separate field-supplied transformer must be used to pow-
er the CO2sensor.
Wire the CO2sensor to the COM and IAQI terminals of J5
on the PremierLink controller. Refer to the PremierLink Instal-
lation, Start-up, and Configuration Instructions for detailed
wiring and configuration information.
Fig. 12 — Outdoor-Air Hood Details
SCREW
HOLES
(TOP)
HOOD
HOOD
SCREEN
LOCATION
(SCREEN
NOT
SHOWN)
Fig. 13 — Optional Manual Outdoor-Air
Damper with Hood Attached
Fig. 14 — Outdoor Air Damper Position Setting

15
Table 5 — PremierLink™ Sensor Usage
*PremierLink control requires Supply Air Temperature sensor 33ZCSENSAT and
Outdoor Air Temperature Sensor HH79NZ017 — Included with factory-installed PremierLink control;
field-supplied and field-installed with field-installed PremierLink control.
NOTES:
1. CO2Sensors (Optional):
33ZCSENCO2 — Room sensor (adjustable). Aspirator box is required for duct mounting of the sensor.
33ZCASPCO2 — Aspirator box used for duct-mounted CO2room sensor.
33ZCT55CO2 — Space temperature and CO2room sensor with override.
33ZCT56CO2 — Space temperature and CO2room sensor with override and set point.
2. All units include the following Standard Sensors:
Outdoor-Air Sensor — 50HJ540569 — Opens at 67 F, closes at 52 F, not adjustable.
Mixed-Air Sensor — HH97AZ001 — (PremierLink control requires Supply Air Temperature sensor 33ZCSENSAT
and Outdoor Air Temperature Sensor HH79NZ017)
Compressor Lockout Sensor — 50HJ540570 — Opens at 35 F, closes at 50 F.
APPLICATION OUTDOOR AIR
TEMPERATURE SENSOR
RETURN AIR
TEMPERATURE SENSOR
OUTDOOR AIR
ENTHALPY SENSOR
RETURN AIR
ENTHALPY SENSOR
Dry Bulb
Temperature with
PremierLink™*
(PremierLink
requires4-20mA
Actuator)
Included —
HH79NZ017 ———
Differential Dry Bulb
Temperature with
PremierLink*
(PremierLink
requires4-20mA
Actuator)
Included —
HH79NZ017
Required —
33ZCT55SPT
or Equivalent
——
Single Enthalpy with
PremierLink*
(PremierLink
requires4-20mA
Actuator)
Included —
Not Used —Required —
HH57AC077 —
Differential Enthalpy
with PremierLink*
(PremierLink
requires4-20mA
Actuator)
Included —
Not Used —Required —
HH57AC077
Required —
HH57AC078
Fig. 15A — PremierLink Controller

16
TB-1
R
Y1
Y2
W1
W2
G
C
X
1
2
3
4
5
6
7
8
TB-3
1
2
3
4
5
6
7
8
TB-2
1
2
3
4
5
6
7
8
J6
ANAL OG
J5
0-20mAIN
J4
DISCRETE
J1
PWR
J2
COMMS
J9
0-20 mA
J8
Relays
HK50AA039
BRN
BRN WHT
WHT
RED
PNK
PNK
ORNORN
ORN
ORN
GRA
GRA
ORN
RED
J7
PP/MP
WHT
BLK
RED
RED
PNK
WHT
BLK
PNK
WHT
BLU
ORN
YEL
GRN
BRN
BRN
RED
RED
BRN
BRN
BLK
BLK
BRN
BRN
BLU
BLU
1
2
3
4
5
6
7
8
9
10
11
12
1
2
3
4
5
6
7
8
9
10
11
12
PNK
PNK
VIO
VIO
GRA
ORN
PNK
PNK
GRA
GRA
GRA
SAT
BRN
ORN
BLK
RED
Space Temp./ Set
Point Adjustment
Indoor Air
Quality Sensor
OAT
PNK
VIO
YEL
YEL
BLU
BLU
Economi$er2
4 - 20mA
BLK
RED
WHT
PremierLink
GRN
YEL
BLU
BLU
BLU
Outdoor Air
Quality Sensor
Power Exhaust/Energy Recycler
CCN
Comm.
RMTOCC
SFS
CMPSAFE
FSD
RTU Terminal
Board
TR TR1
SR
23
+
+
S
RED
BRN
BLK
RED
GRAY
GRAY
OUTDOOR AIR
ENTHALPY SENSOR
RETURN AIR
ENTHALPY
SENSOR
PREMIERLINK
CONTROL
PREMIERLINK
COVER
HINGED
DOOR
PANEL
LEGEND
COMMS — Communications
OAT — Outdoor Air Temperature Sensor
PWR — Power
SAT — Supply Air Temperature Sensor
Fig. 16 — Typical PremierLink Controls Wiring
Fig. 15B — PremierLink™ Controller (Installed)

17
Enthalpy Sensors and Control — The enthalpy control
(HH57AC077) is supplied as a field-installed accessory to be
used with the economizer damper control option. The outdoor
air enthalpy sensor is part of the enthalpy control. The separate
field-installed accessory return air enthalpy sensor
(HH57AC078) is required for differential enthalpy control.
NOTE: The enthalpy control must be set to the “D” setting for
differential enthalpy control to work properly.
The enthalpy control receives the indoor and return
enthalpy from the outdoor and return air enthalpy sensors and
provides a dry contact switch input to the PremierLink™
controller. Locate the controller in place of an existing econo-
mizer controller or near the actuator. The mounting plate may
not be needed if existing bracket is used.
A closed contact indicates that outside air is preferred to the
return air. An open contact indicates that the economizer
should remain at minimum position.
Outdoor Air Enthalpy Sensor/Enthalpy Controller
(HH57AC077) — To wire the outdoor air enthalpy sensor,
perform the following (see Fig. 17 and 18):
NOTE: The outdoor air sensor can be removed from the back
of the enthalpy controller and mounted remotely.
1. Use a 4-conductor, 18 or 20 AWG cable to connect the
enthalpy control to the PremierLink controller and power
transformer.
2. Connect the following 4 wires from the wire harness
located in rooftop unit to the enthalpy controller:
a. Connect the BRN wire to the 24 vac terminal (TR1)
on enthalpy control and to pin 1 on 12-pin harness.
b. Connect the RED wire to the 24 vac GND terminal
(TR) on enthalpy sensor and to pin 4 on 12-pin
harness.
c. Connect the GRAY/ORN wire to J4-2 on Premier-
Link controller and to terminal (3) on enthalpy
sensor.
d. Connect the GRAY/RED wire to J4-1 on Premier-
Link controller and to terminal (2) on enthalpy sensor.
NOTE: If installing in a Carrier rooftop, use the two gray wires
provided from the control section to the economizer to connect
PremierLink controller to terminals 2 and 3 on enthalpy sensor.
If NOT using Carrier equipment, wires may need to be field
supplied and installed.
Return Air Enthalpy Sensor — Mount the return-air enthalpy
sensor (HH57AC078) in the return-air duct. The return air
sensor is wired to the enthalpy controller (HH57AC077). The
outdoor enthalpy changeover set point is set at the controller.
To wire the return air enthalpy sensor, perform the follow-
ing (see Fig. 17):
1. Use a 2-conductor, 18 or 20 AWG, twisted pair cable to
connect the return air enthalpy sensor to the enthalpy
controller.
2. At the enthalpy control remove the factory-installed
resistor from the (SR) and (+) terminals.
3. Connect the field-supplied RED wire to (+) spade
connector on the return air enthalpy sensor and the (SR+)
terminal on the enthalpy controller. Connect the BLK
wire to (S) spade connector on the return air enthalpy
sensor and the (SR) terminal on the enthalpy controller.
BRACKET
+
C7400A1004
Fig. 18 — Differential Enthalpy Control,
Sensor and Mounting Plate (33AMKITENT006)
HH57AC077
ENTHALPY
CONTROL AND
OUTDOOR AIR
ENTHALPY
SENSOR
HH57AC078 ENTHALPY
SENSOR (USED WITH
ENTHALPYCONTROL
FOR DIFFERENTIAL
ENTHALPYOPERATION)
MOUNTING PLATE
LED
ABC
D
TR TR1
SO
SR
2
3
1
+
+
BRN
RED
GRAY/ORN
GRAY/RED
WIRE HARNESS
IN UNIT
BLK
RED
S
+
(RETURN AIR
ENTHALPY
SENSOR)
S
+
(OUTDOOR
AIR
ENTHALPY
SENSOR)
ENTHALPY CONTROLLER
NOTES:
1. Remove factory-installed jumper across SR and +before con-
necting wires from return air sensor.
2. Switches shown in high outdoor air enthalpy state. Terminals 2
and 3 close on low outdoor air enthalpy relative to indoor air
enthalpy.
3. Remove sensor mounted on back of control and locate in out-
door airstream.
Fig. 17 — Outdoor and Return Air Sensor Wiring
Connections for Differential Enthalpy Control

18
OPTIONAL ECONOMI$ER IV AND ECONOMI$ER2 —
See Fig. 19 for EconoMi$er IV component locations. See
Fig. 20 for EconoMi$er2 component locations.
NOTE: These instructions are for installing the optional
EconoMi$er IV and EconoMi$er2 only. Refer to the accessory
EconoMi$er IV or EconoMi$er2 installation instructions when
field installing an EconoMi$er IV or EconoMi$er2 accessory.
1. To remove the existing unit filter access panel, raise the
panel and swing the bottom outward. The panel is now
disengaged from the track and can be removed. See
Fig. 21.
2. The box with the economizer hood components is
shipped in the compartment behind the economizer. The
EconoMi$er IV controller is mounted on top of the
EconoMi$er IV in the position shown in Fig. 19. The
optional EconoMi$er2 with 4 to 20 mA actuator signal
control does not include the EconoMi$er IV controller.
To remove the component box from its shipping position,
remove the screw holding the hood box bracket to the top
of the economizer. Slide the hood box out of the unit. See
Fig. 22.
3. The indoor coil access panel will be used as the top of the
hood. Remove the screws along the sides and bottom of
the indoor coil access panel. See Fig. 23.
4. Swing out indoor coil access panel and insert the hood
sides under the panel (hood top). Use the screws provided
to attach the hood sides to the hood top. Use screws pro-
vided to attach the hood sides to the unit. See Fig. 24.
5. Remove the shipping tape holding the economizer baro-
metric relief damper in place.
IMPORTANT: If the power exhaust accessory is to be
installed on the unit, the hood shipped with the unit will not
be used and must be discarded. Save the aluminum filter
for use in the power exhaust hood assembly.
ECONOMI$ER2
PLUG
BAROMETRIC
RELIEF
DAMPER
OUTDOOR
AIR HOOD
HOOD
SHIPPING
BRACKET
GEAR DRIVEN
DAMPER
Fig. 19 — EconoMi$er IV Component Locations
ECONOMI$ER IV
CONTROLLER
OUTSIDE AIR
TEMPERATURE SENSOR
LOW AMBIENT
SENSOR
ACTUATOR
WIRING
HARNESS
Fig. 20 — EconoMi$er2 Component Locations
FILTER ACCESS PANEL
INDOOR COIL ACCESS PANEL
Fig. 21 — Typical Access Panel Locations
HoodBox
HOOD BOX
BRACKET
Fig. 22 — Hood Box Removal
SIDE
PANEL
INDOOR
COIL
ACCESS
PANEL
INDOOR
COIL
ACCESS
PANEL
CAULK
HERE
TOP
SIDE
PANEL
Fig. 23 — Indoor Coil Access Panel Relocation

19
6. Insert the hood divider between the hood sides. See
Fig. 24 and 25. Secure hood divider with 2 screws on
each hood side. The hood divider is also used as the bot-
tom filter rack for the aluminum filter.
7. Open the filter clips which are located underneath the
hood top. Insert the aluminum filter into the bottom filter
rack (hood divider). Push the filter into position past the
open filter clips. Close the filter clips to lock the filter into
place. See Fig. 25.
8. Caulk the ends of the joint between the unit top panel and
the hood top. See Fig. 23.
9. Replace the filter access panel.
10. Install all EconoMi$er IV accessories. EconoMi$er IV
wiring is shown in Fig. 26. EconoMi$er2 wiring is shown
in Fig. 27.
Barometric flow capacity is shown in Fig. 28. Outdoor air
leakage is shown in Fig. 29. Return air pressure drop is shown
in Fig. 30.
B
TOP
PANEL
INDOOR COIL
ACCESS PANEL
24 9/16”
SCREW
HOOD DIVIDER
LEFT
HOOD
SIDE
40 3/8”
Fig. 24 — Outdoor-Air Hood Construction
22 1/4”
DIVIDER
BAROMETRIC
RELIEF
CLEANABLE
ALUMINUM
FILTER FILTER
HOOD
FILTER
CLIP
OUTSIDE
AIR
Fig. 25 — Filter Installation
FOR OCCUPANCY CONTROL
REPLACE JUMPER WITH
FIELD-SUPPLIED TIME CLOCK
LEGEND
DCV— Demand Controlled Ventilation
IAQ — Indoor Air Quality
LA — Low Ambient Lockout Device
OAT — Outdoor-Air Temperature
POT— Potentiometer
RAT — Return-Air Temperature
Potentiometer Defaults Settings:
Power Exhaust Middle
Minimum Pos. Fully Closed
DCVMax. Middle
DCVSet Middle
Enthalpy C Setting
NOTES:
1. 620 ohm, 1 watt 5%resistor should be removed only when using differential
enthalpy or dry bulb.
2. If a separate field-supplied 24 v transformer is used for the IAQ sensor power
supply, it cannot have the secondary of the transformer grounded.
3. For field-installed remote minimum position POT, remove black wire jumper
between P and P1 and set control minimum position POT. to the minimum
position.
Fig. 26 — EconoMi$er IV Wiring

20
4
3
5
2
8
6
7
1
10
11
9
12
PINK
VIOLET
BLACK
BLUE
YELLOW
NOTE 1
NOTE 3
RUN
500 OHM
RESISTOR
-
+
OPTIONAL CO
SENSOR4-20mA
OUTPUT
50HJ540573
ACTUATOR
ASSEMBLY
RED
WHITE
ECONOMISER2 PLUG
DIRECT DRIVE
ACTUATOR
2
NOTES:
1. Switch on actuator must be in run position for economizer to operate.
2. PremierLink™ control requires that the standard 50HJ540569 outside-air sensor be replaced by either the CROASENR001A00 dry bulb sensor or HH57A077
enthalpy sensor.
3. 50HJ540573 actuator consists of the 50HJ540567 actuator and a harness with 500-ohm resistor.
Fig. 27 — EconoMi$er2 with 4 to 20 mA Control Wiring
Fig. 28 — Barometric Flow Capacity
Fig. 29 — Outdoor-Air Damper Leakage
Fig. 30 — Return-Air Pressure Drop
0
500
1000
1500
2000
2500
0.05 0.15 0.25
STATIC PRESSURE (in. wg)
FLOW IN CUBIC FEET PER MINUTE (cfm)
0
5
10
15
20
25
30
0.13 0.20 0.22 0.25 0.30 0.35 0.40 0.45 0.50
STATIC PRESSURE (in. wg)
FLOW IN CUBIC FEET PER MINUTE (cfm)
0
1000
2000
3000
4000
5000
6000
0.05 0.10 0.15 0.20 0.25 0.30 0.35
STATIC PRESSURE (in. wg)
FLOW IN CUBIC FEET PER MINUTE (cfm)

21
ECONOMI$ER IV STANDARD SENSORS
Outdoor Air Temperature (OAT) Sensor — The outdoor air
temperature sensor (HH57AC074) is a 10 to 20 mA device
used to measure the outdoor-air temperature. The outdoor-air
temperature is used to determine when the EconoMi$er IV can
be used for free cooling. The sensor is factory-installed on the
EconoMi$er IV in the outdoor airstream. See Fig. 19. The op-
erating range of temperature measurement is 40 to 100 F.
Supply Air Temperature (SAT) Sensor — The supply air
temperature sensor is a 3 K thermistor located at the inlet of the
indoor fan. See Fig. 31. This sensor is factory installed. The op-
erating range of temperature measurement is 0° to 158 F. See
Table 6 for sensor temperature/resistance values.
The temperature sensor looks like an eyelet terminal with
wires running to it. The sensor is located in the “crimp end”
and is sealed from moisture.
Table 6 — Supply Air Sensor Temperature/
Resistance Values
Outdoor Air Lockout Sensor — The Economi$er IV is
equipped with an ambient temperature lockout switch located
in the outdoor air stream which is used to lockout the compres-
sors below a 42 F ambient temperature. See Fig. 19.
ECONOMI$ER IV CONTROL MODES
Determine the EconoMi$er IV control mode before set up of
the control. Some modes of operation may require different sen-
sors. Refer to Table 7. The EconoMi$er IV is supplied from the
factory with a supply air temperature sensor and an outdoor air
temperature sensor. This allows for operation of the
EconoMi$er IV with outdoor air dry bulb changeover control.
Additional accessories can be added to allow for different types
of changeover control and operation of the EconoMi$er IV and
unit.
Table 7 — EconoMi$er IV Sensor Usage
*CRENTDIF004A00 and CRTEMPSN002A00 accessories are
used on many different base units. As such, these kits may con-
tain parts that will not be needed for installation.
†33ZCSENCO2 is an accessory CO2sensor.
**33ZCASPCO2 is an accessory aspirator box required for duct-
mounted applications.
††CRCBDIOX005A00 is an accessory that contains both
33ZCSENCO2 and 33ZCASPCO2 accessories.
Outdoor Dry Bulb Changeover — The standard controller is
shipped from the factory configured for outdoor dry bulb
changeover control. The outdoor air and supply air temperature
sensors are included as standard. For this control mode, the
outdoor temperature is compared to an adjustable set point
selected on the control. If the outdoor-air temperature is above
the set point, the EconoMi$er IV will adjust the outdoor air
dampers to minimum position. If the outdoor-air temperature is
below the set point, the position of the outdoor air dampers will
be controlled to provide free cooling using outdoor air. When
in this mode, the LED next to the free cooling set point potenti-
ometer will be on. The changeover temperature set point is
controlled by the free cooling set point potentiometer located
on the control. See Fig. 32. The scale on the potentiometer is A,
B, C, and D. See Fig. 33 for the corresponding temperature
changeover values.
TEMPERATURE (F) RESISTANCE (ohms)
–58 200,250
–40 100,680
–22 53,010
–4 29,091
14 16,590
32 9,795
50 5,970
68 3,747
77 3,000
86 2,416
104 1,597
122 1,080
140 746
158 525
176 376
185 321
194 274
212 203
230 153
248 116
257 102
266 89
284 70
302 55
IMPORTANT: The optional EconoMi$er2 does not
include a controller. The EconoMi$er2 is operated by a 4 to
20 mA signal from an existing field-supplied controller
(such as PremierLink™ control). See Fig. 27 for wiring
information.
APPLICATION
ECONOMI$ER IV WITH OUTDOOR AIR
DRY BULB SENSOR
Accessories Required
Outdoor Air
Dry Bulb
None. The outdoor air dry bulb sensor
is factory installed.
Differential
Dry Bulb CRTEMPSN002A00*
Single Enthalpy HH57AC078
Differential
Enthalpy
HH57AC078
and
CRENTDIF004A00*
CO2for DCV
Control using a
Wall-Mounted
CO2Sensor
33ZCSENCO2
CO2for DCV
Control using a
Duct-Mounted
CO2Sensor
33ZCSENCO2†
and
33ZCASPCO2**
OR
CRCBDIOX005A00††
SUPPLY AIR
TEMPERATURE
SENSOR
MOUNTING
LOCATION
SUPPLY AIR
TEMPERATURE
SENSOR
Fig. 31 — Supply Air Sensor Location

22
Differential Dry Bulb Control — For differential dry bulb
control the standard outdoor dry bulb sensor is used in conjunc-
tion with an additional accessory dry bulb sensor (part number
CRTEMPSN002A00). The accessory sensor must be mounted
in the return airstream. See Fig. 34. Wiring is provided in the
EconoMi$er IV wiring harness. See Fig. 26.
In this mode of operation, the outdoor-air temperature is
compared to the return-air temperature and the lower tempera-
ture airstream is used for cooling. When using this mode of
changeover control, turn the enthalpy set point potentiometer
fully clockwise to the D setting. See Fig. 32.
Outdoor Enthalpy Changeover — For enthalpy control, ac-
cessory enthalpy sensor (part number HH57AC078) is re-
quired. Replace the standard outdoor dry bulb temperature sen-
sor with the accessory enthalpy sensor in the same mounting
location. See Fig. 19. When the outdoor air enthalpy rises
above the outdoor enthalpy changeover set point, the outdoor-
air damper moves to its minimum position. The outdoor
enthalpy changeover set point is set with the outdoor enthalpy
set point potentiometer on the EconoMi$er IV controller. The
set points are A, B, C, and D. See Fig. 35. The factory-installed
620-ohm jumper must be in place across terminals SR and SR+
on the EconoMi$er IV controller. See Fig. 19 and 36.
Differential Enthalpy Control — For differential enthalpy
control, the EconoMi$er IV controller uses two enthalpy sen-
sors (HH57AC078 and CRENTDIF004A00), one in the out-
side air and one in the return air duct. The EconoMi$er IV
controller compares the outdoor air enthalpy to the return air
enthalpy to determine EconoMi$er IV use. The controller
selects the lower enthalpy air (return or outdoor) for cooling.
For example, when the outdoor air has a lower enthalpy than
the return air, the EconoMi$er IV opens to bring in outdoor air
for free cooling.
Replace the standard outside air dry bulb temperature sen-
sor with the accessory enthalpy sensor in the same mounting
location. See Fig. 19. Mount the return air enthalpy sensor in
the return air duct. See Fig. 34. Wiring is provided in the
EconoMi$er IV wiring harness. See Fig. 26. The outdoor en-
thalpy changeover set point is set with the outdoor enthalpy set
point potentiometer on the EconoMi$er IV controller. When
using this mode of changeover control, turn the enthalpy set-
point potentiometer fully clockwise to the D setting.
Indoor Air Quality (IAQ) Sensor Input — The IAQ input
can be used for demand control ventilation control based on the
level of CO2measured in the space or return air duct.
Mount the accessory IAQ sensor according to manufacturer
specifications. The IAQ sensor should be wired to the AQ and
AQ1 terminals of the controller. Adjust the DCV potentiome-
ters to correspond to the DCV voltage output of the indoor air
quality sensor at the user-determined set point. See Fig. 37.
If a separate field-supplied transformer is used to power the
IAQ sensor, the sensor must not be grounded or the
EconoMi$er IV control board will be damaged.
Fig. 32 — EconoMi$er IV Controller Potentiometer
and LED Locations
LED ON
LED ON
LED ON
LED ON
LED OFF
19
18
LED OFF
LED OFF
LED OFF
17
16
15
14
13
12
11
10
9
40 45 50 55 60 65 70 75 80 85 90 95 100
DEGREES FAHRENHEIT
mA
D
C
B
A
Fig. 33 — Outside Air Temperature
Changeover Set Points
ECONOMI$ER IV
ECONOMI$ER IV
CONTROLLER
GROMMET
RETURN AIR
SENSOR
RETURN DUCT
(FIELD-PROVIDED)
Fig. 34 — Return Air Temperature or Enthalpy
Sensor Mounting Location

23
CONTROL
CURVE
A
B
C
D
CONTROL POINT
APPROX. °F (°C)
AT 50% RH
73 (23)
70 (21)
67 (19)
63 (17)
12 14 16 18 20 22 24 26 28 30 32 34 36 38 40 42 44 46
90
100
80
70
60
50
40
30
20
10
ENTHALPY—BTU PER POUND DRY AIR
85
(29) 90
(32) 95
(35) 100
(38) 105
(41) 110
(43)
35
(2)
35
(2)
40
(4)
40
(4)
105
(41) 110
(43)
45
(7)
45
(7)
50
(10)
50
(10)
55
(13)
55
(13)
60
(16)
60
(16)
65
(18)
65
(18)
70
(21)
70
(21)
75
(24)
75
(24)
80
(27)
80
(27)
85
(29) 90
(32) 95
(35) 100
(38)
APPROXIMATE DRY BULB TEMPERATURE— °F (°C)
A
A
B
B
C
C
D
D
RELATIVE HUMIDITY (%)
HIGH LIMIT
CURVE
TR1
24 Vac
COM
TR
24
Vac
HOT
12
34
5
EF EF1
+_
P1
T1
P
T
N
EXH
2V 10V
EXH
Set
Set
2V 10V
2V 10V
DCV
DCV
Free
Cool
BC
AD
SO+
SR+
SR
SO
AQ1
AQ
DCV
Min
Pos
Open
Max
N1
0
1000
2000
3000
4000
5000
6000
2345678
800 ppm
900 ppm
1000 ppm
1100 ppm
RANGE CONFIGURATION (ppm)
DAMPER VOLTAGE FOR MAX VENTILATION RATE
CO SENSOR MAX RANGE SETTING
2
Fig. 35 — Enthalpy Changeover Set Points
Fig. 36 — EconoMi$er IV Control
Fig. 37 — CO2Sensor Maximum Range Setting

24
Exhaust Set Point Adjustment — The exhaust set point will
determine when the exhaust fan runs based on damper position
(if accessory power exhaust is installed). The set point is modi-
fied with the Exhaust Fan Set Point (EXH SET) potentiometer.
See Fig. 32. The set point represents the damper position above
which the exhaust fans will be turned on. When there is a call
for exhaust, the EconoMi$er IV controller provides a 45 ± 15
second delay before exhaust fan activation to allow the damp-
ers to open. This delay allows the damper to reach the appro-
priate position to avoid unnecessary fan overload.
Minimum Position Control — There is a minimum damper
position potentiometer on the EconoMi$er IV controller. See
Fig. 32. The minimum damper position maintains the mini-
mum airflow into the building during the occupied period.
When using demand ventilation, the minimum damper po-
sition represents the minimum ventilation position for VOC
(volatile organic compound) ventilation requirements. The
maximum demand ventilation position is used for fully occu-
pied ventilation.
When demand ventilation control is not being used, the
minimum position potentiometer should be used to set the oc-
cupied ventilation position. The maximum demand ventilation
position should be turned fully clockwise.
Adjust the minimum position potentiometer to allow the
minimum amount of outdoor air, as required by local codes, to
enter the building. Make minimum position adjustments with
at least 10 F temperature difference between the outdoor and
return-air temperatures.
To determine the minimum position setting, perform the
following procedure:
1. Calculate the appropriate mixed air temperature using the
following formula:
TO= Outdoor-Air Temperature
OA = Percent of Outdoor Air
TR= Return-Air Temperature
RA = Percent of Return Air
TM= Mixed-Air Temperature
As an example, if local codes require 10% outdoor air
during occupied conditions, outdoor-air temperature is
60 F, and return-air temperature is 75 F.
(60 x .10) + (75 x .90) = 73.5 F
2. Disconnect the supply air sensor from terminals T and
T1.
3. Ensure that the factory-installed jumper is in place across
terminals P and P1. If remote damper positioning is being
used, make sure that the terminals are wired according to
Fig. 26 and that the minimum position potentiometer is
turned fully clockwise.
4. Connect 24 vac across terminals TR and TR1.
5. Carefully adjust the minimum position potentiometer
until the measured mixed-air temperature matches the
calculated value.
6. Reconnect the supply air sensor to terminals T and T1.
Remote control of the EconoMi$er IV damper is desirable
when requiring additional temporary ventilation. If a
field-supplied remote potentiometer (Honeywell part number
S963B1128) is wired to the EconoMi$er IV controller, the
minimum position of the damper can be controlled from a re-
mote location.
To control the minimum damper position remotely, remove
the factory-installed jumper on the P and P1 terminals on the
EconoMi$er IV controller. Wire the field-supplied potentiome-
ter to the P and P1 terminals on the EconoMi$er IV controller.
See Fig. 36.
Damper Movement — Damper movement from full open to
full closed (or vice versa) takes 21/2minutes.
Thermostats — The EconoMi$er IV control works with con-
ventional thermostats that have a Y1 (cool stage 1), Y2 (cool
stage 2), W1 (heat stage 1), W2 (heat stage 2), and G (fan). The
EconoMi$er IV control does not support space temperature
sensors. Connections are made at the thermostat terminal con-
nection board located in the main control box.
Occupancy Control — The factory default configuration for
the EconoMi$er IV control is occupied mode. Occupied status
is provided by the black jumper from terminal TR to terminal
N. When unoccupied mode is desired, install a field-supplied
timeclock function in place of the jumper between TR and N.
See Fig. 26. When the timeclock contacts are closed, the
EconoMi$er IV control will be in occupied mode. When the
timeclock contacts are open (removing the 24-v signal from
terminal N), the EconoMi$er IV will be in unoccupied mode.
Demand Controlled Ventilation (DCV) — When using the
EconoMi$er IV for demand controlled ventilation, there are
some equipment selection criteria which should be considered.
When selecting the heat capacity and cool capacity of the
equipment, the maximum ventilation rate must be evaluated for
design conditions. The maximum damper position must be cal-
culated to provide the desired fresh air.
Typically the maximum ventilation rate will be about 5 to
10% more than the typical cfm required per person, using
normal outside air design criteria.
A proportional anticipatory strategy should be taken with
the following conditions: a zone with a large area, varied occu-
pancy, and equipment that cannot exceed the required ventila-
tion rate at design conditions. Exceeding the required ventila-
tion rate means the equipment can condition air at a maximum
ventilation rate that is greater than the required ventilation rate
for maximum occupancy. A proportional-anticipatory strategy
will cause the fresh air supplied to increase as the room CO2
level increases even though the CO2set point has not been
reached. By the time the CO2level reaches the set point, the
damper will be at maximum ventilation and should maintain
the set point.
In order to have the CO2sensor control the economizer
damper in this manner, first determine the damper voltage out-
put for minimum or base ventilation. Base ventilation is the
ventilation required to remove contaminants during unoccu-
pied periods. The following equation may be used to determine
the percent of outside-air entering the building for a given
damper position. For best results there should be at least a
10 degree difference in outside and return-air temperatures.
TO= Outdoor-Air Temperature
OA = Percent of Outdoor Air
TR= Return-Air Temperature
RA = Percent of Return Air
TM= Mixed-Air Temperature
Once base ventilation has been determined, set the mini-
mum damper position potentiometer to the correct position.
The same equation can be used to determine the occupied or
maximum ventilation rate to the building. For example, an out-
put of 3.6 volts to the actuator provides a base ventilation rate
of 5% and an output of 6.7 volts provides the maximum venti-
lation rate of 20% (or base plus 15 cfm per person). Use Fig. 37
to determine the maximum setting of the CO2sensor. For ex-
ample, a 1100 ppm set point relates to a 15 cfm per person de-
sign. Use the 1100 ppm curve on Fig. 37 to find the point when
the CO2sensor output will be 6.7 volts. Line up the point on the
graph with the left side of the chart to determine that the range
configuration for the CO2sensor should be 1800 ppm. The
EconoMi$er IV controller will output the 6.7 volts from the
(TOxOA )+(TRxRA )=T
M
100 100
(TOxOA )+(TRxRA )=T
M
100 100

25
CO2sensor to the actuator when the CO2concentration in the
space is at 1100 ppm. The DCV set point may be left at 2 volts
since the CO2sensor voltage will be ignored by the
EconoMi$er IV controller until it rises above the 3.6 volt set-
ting of the minimum position potentiometer.
Once the fully occupied damper position has been deter-
mined, set the maximum damper demand control ventilation
potentiometer to this position. Do not set to the maximum posi-
tion as this can result in over-ventilation to the space and poten-
tial high-humidity levels.
CO2Sensor Configuration —TheCO
2sensor has preset
standard voltage settings that can be selected anytime after the
sensor is powered up. See Table 8.
Use setting 1 or 2 for Carrier equipment. See Table 8.
1. Press Clear and Mode buttons. Hold at least 5 seconds
until the sensor enters the Edit mode.
2. Press Mode twice. The STDSET Menu will appear.
3. Use the Up/Down button to select the preset number. See
Table 8.
4. Press Enter to lock in the selection.
5. Press Mode to exit and resume normal operation.
The custom settings of the CO2sensor can be changed any-
time after the sensor is energized. Follow the steps below to
change the non-standard settings:
1. Press Clear and Mode buttons. Hold at least 5 seconds
until the sensor enters the Edit mode.
2. Press Mode twice. The STDSET Menu will appear.
3. Use the Up/Down button to toggle to the NONSTD menu
and press Enter.
4. Use the Up/Down button to toggle through each of the
nine variables, starting with Altitude, until the desired set-
ting is reached.
5. Press Mode to move through the variables.
6. Press Enter to lock in the selection, then press Mode to
continue to the next variable.
Dehumidification of Fresh Air with DCV Control — Infor-
mation from ASHRAE indicates that the largest humidity load
on any zone is the fresh air introduced. For some applications,
a device such as a 62AQ energy recovery unit is added to re-
duce the moisture content of the fresh air being brought into the
building when the enthalpy is high. In most cases, the normal
heating and cooling processes are more than adequate to re-
move the humidity loads for most commercial applications.
If normal rooftop heating and cooling operation is not ade-
quate for the outdoor humidity level, an energy recovery unit
and/or a dehumidification option should be considered.
Step 7 — Adjust Indoor-Fan Speed — Adjust the
indoor-fan speed to meet jobsite conditions.
For units with electric heat, required minimum cfm is 2250
for 50TFQ008, 2550 for 50TFQ009 and 3000 for 50TFQ012
with the following exceptions:
Table 9 shows indoor-fan motor data. Table 10 shows fan
rpm at motor pulley settings for standard and alternate motors.
Tables 11A and 11B show static pressure for accessories. Refer
to Tables 12-27 to determine fan speed settings. Fan motor
pulleys are factory set for speed shown in Table 1.
To change fan speeds:
1. Shut off the unit power supply and tag disconnect.
2. Loosen the belt by loosening the fan motor mounting
nuts. See Fig. 38 and 39.
3. Loosen the movable pulley flange setscrew (see Fig. 40).
4. Screw the movable flange toward the fixed flange to
increase speed or away from the fixed flange to decrease
speed. Increasing the fan speed increases the load on the
motor. Do not exceed the maximum speed specified in
Table 1.
5. Set the movable flange at nearest keyway of the pulley
hub and tighten the setscrew. (See Table 1 for speed
change for each full turn of the pulley flange.)
Table 8 — CO2Sensor Standard Settings
LEGEND
ppm — Parts Per Million
UNIT UNIT
VOLTAGE
HEATER
kW
UNIT
CONFIG-
URATION
REQUIRED
MINIMUM
CFM
50TFQ012
208/230 42.4 Horizontal 3200
208/230 50.0 Horizontal 3200
460 50.0 Horizontal or
Vertical 3200
575 17.0 Horizontal or
Vertical
2800
51.0 2350
SETTING EQUIPMENT OUTPUT
VENTILATION
RATE
(cfm/Person)
ANALOG
OUTPUT
CO2
CONTROL RANGE
(ppm)
OPTIONAL
RELAY SETPOINT
(ppm)
RELAY
HYSTERESIS
(ppm)
1
Interface w/Standard
Building Control System
Proportional Any 0-10V
4-20 mA 0-2000 1000 50
2Proportional Any 2-10V
7-20 mA 0-2000 1000 50
3Exponential Any 0-10V
4-20 mA 0-2000 1100 50
4
Economizer
Proportional 15 0-10V
4-20 mA 0-1100 1100 50
5Proportional 20 0-10V
4-20 mA 0- 900 900 50
6Exponential 15 0-10V
4-20 mA 0-1100 1100 50
7Exponential 20 0-10V
4-20 mA 0- 900 900 50
8Health &Safety Proportional — 0-10V
4-20 mA 0-9999 5000 500
9Parking/Air Intakes/
Loading Docks Proportional — 0-10V
4-20 mA 0-2000 700 50

26
To align the fan and motor pulleys:
1. Loosen the fan pulley setscrews.
2. Slide the fan pulley along the fan shaft.
3. Make angular alignment by loosening the motor from the
mounting plate.
To adjust belt tension:
1. Loosen the fan motor mounting nuts.
2. Sizes 008 and 009 — Slide the motor mounting plate
away from the fan scroll for proper belt tension (1/2-in.
deflection with 5 to 10 lb of force) and tighten the mount-
ing nuts (see Fig. 38).
Size 012 — Slide the motor mounting plate downward to
tighten belt tension (1/2-in. deflection with 5 to 10 lb of
force). Secure the motor mounting plate nuts. See Fig. 39.
3. Adjust the bolt and nut on the mounting plate to secure
the motor in fixed position.
Table 9 — Fan Motor Performance
LEGEND
BHP — Brake Horsepower
*Extensive motor and electrical testing on these units ensures that the full horsepower range of the
motors can be utilized with confidence. Using fan motors up to the horsepower ratings shown in
this table will not result in nuisance tripping or premature motor failure. Unit warranty will not be
affected.
UNIT
50TFQ
INDOOR-FAN
MOTOR
UNIT
VOLTAGE
MAXIMUM ACCEPTABLE
CONTINUOUS BHP*
MAXIMUM ACCEPTABLE
OPERATING WATTS
MAXIMUM
AMP DRAW
008
Standard,
Alternate
208/230
2.40 2120
6.0
460 3.0
575 3.0
High Static
208/230
3.70 3313
11.7
460 5.5
575 5.5
009
Standard
208/230
2.40 2120
6.0
460 3.0
575 3.0
High Static
208/230
3.70 3313
11.7
460 5.5
575 5.5
012
Standard
208/230
2.40 2120
6.0
460 3.0
575 3.0
Alternate
208/230
2.90 2615
8.6
460 3.9
575 3.9
High Static
208/230
5.25 4400
17.3
460 8.5
575 8.5
MOTOR MOUNTING
PLATE NUTS
Fig. 38 — Typical Belt-Drive Motor Mounting for
Size 008 and 009
Fig. 39 — Typical Belt-Drive Motor Mounting for
Size 012
Fig. 40 — Indoor-Fan Pulley Adjustment

27
Table 10 — Fan Rpm at Motor Pulley Settings*
*Approximate fan rpm shown.
†Indicates standard motor and drive package.
**Indicates alternate drive package only.
††Indicates high-static motor and drive package.
Table 11A — Electric Heater Static Pressure* (in. wg) — 50TFQ008-012
*The static pressure must be added to external static pressure. The sum and the evaporator
entering-air cfm should then be used in conjunction with the Fan Performance tables to deter-
mine blower rpm and watts.
Table 11B — EconoMi$er IV and EconoMi$er2 Static Pressure* (in. wg) — 50TFQ008-012
*The static pressure must be added to external static pressure. The sum and the outdoor
entering-air cfm should then be used in conjunction with the Fan Performance tables to
determine blower rpm and watts.
UNIT
50TFQ
MOTOR PULLEY TURNS OPEN
01/211
1/222
1/233
1/244
1/255
1/26
008† 840 815 790 765 740 715 690 665 635 615 590 — —
008** 935 910 885 860 835 810 785 760 735 710 685 — —
008†† 1080 1025 1007 988 970 952 933 915 897 878 860 — —
009† 935 910 885 860 835 810 785 760 735 710 685 — —
009†† 1080 1025 1007 988 970 952 933 915 897 878 860 — —
012† 935 910 885 860 835 810 785 760 735 710 685 — —
012** 1085 1060 1035 1010 985 960 935 910 885 860 835 — —
012†† 1130 1112 1087 1062 1037 1012 987 962 937 912 887 862 830
COMPONENT CFM
2250 2500 3000 3500 4000 4500 5000 5500 6000 6250
1 Heater Module 0.02 0.03 0.05 0.07 0.08 0.10 0.12 0.14 0.16 0.17
2 Heater Modules 0.03 0.05 0.07 0.09 0.12 0.14 0.16 0.19 0.21 0.20
COMPONENT CFM
2250 2500 2750 3000 3250 3500 3750 4000 4250 4500 4750 5000 5250 6250
Vertical EconoMi$er IV and EconoMi$er2 0.06 0.075 0.09 0.115 0.13 0.15 0.17 0.195 0.22 0.25 0.285 0.325 0.36 —
Horizontal EconoMi$er IV and EconoMi$er2 — 0.1 0.125 0.15 0.18 0.21 0.25 0.275 0.3 0.34 0.388 — — —

28
Table 12 — Fan Performance, 50TFQ008 — Vertical Discharge Units; Standard Motor and Drive*
LEGEND
*Motor drive range: 590 to 840 rpm. All other rpms require field-
supplied drive.
Refer to page 43 General Fan Performance Notes.
NOTES:
1. Boldface indicates field-supplied drive is required.
2. Maximum continuous bhp is 2.40.
AIRFLOW
(Cfm)
EXTERNAL STATIC PRESSURE (in. wg)
0.2 0.4 0.6 0.8 1.0
Rpm Bhp Watts Rpm Bhp Watts Rpm Bhp Watts Rpm Bhp Watts Rpm Bhp Watts
2250 511 0.58 538 591 0.75 697 660 0.93 864 722 1.12 1041 779 1.32 1228
2300 519 0.61 567 597 0.78 729 666 0.97 900 727 1.16 1079 784 1.36 1268
2400 534 0.68 630 611 0.86 798 678 1.04 974 739 1.24 1158 794 1.45 1352
2500 550 0.75 698 624 0.93 872 690 1.13 1053 750 1.33 1243 805 1.55 1441
2550 557 0.79 733 631 0.98 910 697 1.17 1095 756 1.38 1287 811 1.60 1488
2600 565 0.83 770 638 1.02 950 703 1.22 1138 762 1.43 1333 816 1.65 1536
2700 581 0.91 848 652 1.11 1034 716 1.32 1228 774 1.53 1428 828 1.75 1636
2800 597 1.00 932 667 1.21 1124 729 1.42 1323 786 1.64 1529 839 1.87 1742
2900 613 1.09 1020 681 1.31 1220 743 1.53 1425 799 1.75 1636 851 1.99 1855
3000 629 1.20 1115 696 1.42 1321 756 1.64 1532 812 1.88 1749 863 2.12 1973
3100 646 1.30 1217 711 1.53 1428 770 1.76 1645 825 2.00 1869 875 2.25 2098
3200 662 1.42 1324 726 1.65 1542 784 1.89 1765 838 2.14 1994 888 2.39 2229
3300 679 1.54 1438 741 1.78 1663 798 2.03 1892 851 2.28 2126 —— —
3400 695 1.67 1558 756 1.92 1790 812 2.17 2025 — — — — — —
3500 712 1.81 1686 772 2.06 1923 827 2.32 2165 — — — — — —
3600 729 1.95 1820 787 2.21 2065 — — — — — — — — —
3700 746 2.10 1962 803 2.37 2213 — — — — — — — — —
3750 754 2.18 2036 — — — — — — — — — — — —
AIRFLOW
(Cfm)
EXTERNAL STATIC PRESSURE (in. wg)
1.2 1.4 1.6 1.8 2.0
Rpm Bhp Watts Rpm Bhp Watts Rpm Bhp Watts Rpm Bhp Watts Rpm Bhp Watts
2250 831 1.53 1423 880 1.74 1627 927 1.97 1840 971 2.21 2061 —— —
2300 836 1.57 1465 885 1.79 1671 931 2.02 1886 975 2.26 2109 —— —
2400 846 1.67 1554 895 1.89 1764 941 2.13 1982 984 2.37 2209 —— —
2500 856 1.77 1647 905 2.00 1862 950 2.24 2085 —— — —— —
2550 862 1.82 1697 910 2.05 1913 955 2.29 2138 —— — —— —
2600 867 1.87 1747 915 2.11 1966 960 2.35 2193 —— — —— —
2700 878 1.99 1852 925 2.23 2076 —— — —— — —— —
2800 889 2.11 1963 936 2.35 2192 —— — —— — —— —
2900 900 2.23 2080 ————————————
3000 912 2.36 2204 ————————————
3100 ————— — —— — —— — —— —
3200 ————— — —— — —— — —— —
3300 ————— — —— — —— — —— —
3400 ————— — —— — —— — —— —
3500 ————— — —— — —— — —— —
3600 ————— — —— — —— — —— —
3700 ————— — —— — —— — —— —
3750 ————— — —— — —— — —— —
Bhp — Brake Horsepower Input to Fan
Watts — Input Watts to Motor

29
Table 13 — Fan Performance, 50TFQ008 — Vertical Discharge Units; Alternate Motor and Drive*
LEGEND
*Motor drive range: 685 to 935 rpm. All other rpms require field-
supplied drive.
Refer to page 43 General Fan Performance Notes.
NOTES:
1. Boldface indicates field-supplied drive is required.
2. Maximum continuous bhp is 2.40.
AIRFLOW
(Cfm)
EXTERNAL STATIC PRESSURE (in. wg)
0.2 0.4 0.6 0.8 1.0
Rpm Bhp Watts Rpm Bhp Watts Rpm Bhp Watts Rpm Bhp Watts Rpm Bhp Watts
2250 511 0.58 538 591 0.75 697 660 0.93 864 722 1.12 1041 779 1.32 1228
2300 519 0.61 567 597 0.78 729 666 0.97 900 727 1.16 1079 784 1.36 1268
2400 534 0.68 630 611 0.86 798 678 1.04 974 739 1.24 1158 794 1.45 1352
2500 550 0.75 698 624 0.93 872 690 1.13 1053 750 1.33 1243 805 1.55 1441
2550 557 0.79 733 631 0.98 910 697 1.17 1095 756 1.38 1287 811 1.60 1488
2600 565 0.83 770 638 1.02 950 703 1.22 1138 762 1.43 1333 816 1.65 1536
2700 581 0.91 848 652 1.11 1034 716 1.32 1228 774 1.53 1428 828 1.75 1636
2800 597 1.00 932 667 1.21 1124 729 1.42 1323 786 1.64 1529 839 1.87 1742
2900 613 1.09 1020 681 1.31 1220 743 1.53 1425 799 1.75 1636 851 1.99 1855
3000 629 1.20 1115 696 1.42 1321 756 1.64 1532 812 1.88 1749 863 2.12 1973
3100 646 1.30 1217 711 1.53 1428 770 1.76 1645 825 2.00 1869 875 2.25 2098
3200 662 1.42 1324 726 1.65 1542 784 1.89 1765 838 2.14 1994 888 2.39 2229
3300 679 1.54 1438 741 1.78 1663 798 2.03 1892 851 2.28 2126 — — —
3400 695 1.67 1558 756 1.92 1790 812 2.17 2025 — — — — — —
3500 712 1.81 1686 772 2.06 1923 827 2.32 2165 — — — — — —
3600 729 1.95 1820 787 2.21 2065 — — — — — — — — —
3700 746 2.10 1962 803 2.37 2213 — — — — — — — — —
3750 754 2.18 2036 — — — — — — — — — — — —
AIRFLOW
(Cfm)
EXTERNAL STATIC PRESSURE (in. wg)
1.2 1.4 1.6 1.8 2.0
Rpm Bhp Watts Rpm Bhp Watts Rpm Bhp Watts Rpm Bhp Watts Rpm Bhp Watts
2250 831 1.53 1423 880 1.74 1627 927 1.97 1840 971 2.21 2061 —— —
2300 836 1.57 1465 885 1.79 1671 931 2.02 1886 975 2.26 2109 —— —
2400 846 1.67 1554 895 1.89 1764 941 2.13 1982 984 2.37 2209 —— —
2500 856 1.77 1647 905 2.00 1862 950 2.24 2085 —— — —— —
2550 862 1.82 1697 910 2.05 1913 955 2.29 2138 —— — —— —
2600 867 1.87 1747 915 2.11 1966 960 2.35 2193 —— — —— —
2700 878 1.99 1852 925 2.23 2076 — — — — — — — — —
2800 889 2.11 1963 936 2.35 2192 —— — —— — —— —
2900 900 2.23 2080 — — — — — — — — — — — —
3000 912 2.36 2204 — — — — — — — — — — — —
3100 ————— — —— — —— — —— —
3200 ————— — —— — —— — —— —
3300 ————— — —— — —— — —— —
3400 ————— — —— — —— — —— —
3500 ————— — —— — —— — —— —
3600 ————— — —— — —— — —— —
3700 ————— — —— — —— — —— —
3750 ————— — —— — —— — —— —
Bhp — Brake Horsepower Input to Fan
Watts — Input Watts to Motor

30
Table 14 — Fan Performance, 50TFQ008 — Vertical Discharge Units; High-Static Motor and Drive*
LEGEND
*Motor drive range: 860 to 1080 rpm. All other rpms require field-
supplied drive.
Refer to page 43 General Fan Performance Notes.
NOTES:
1. Boldface indicates field-supplied drive is required.
2. Maximum continuous bhp is 3.70.
AIRFLOW
(Cfm)
EXTERNAL STATIC PRESSURE (in. wg)
0.2 0.4 0.6 0.8 1.0
Rpm Bhp Watts Rpm Bhp Watts Rpm Bhp Watts Rpm Bhp Watts Rpm Bhp Watts
2250 511 0.58 538 591 0.75 697 660 0.93 864 722 1.12 1041 779 1.32 1228
2300 519 0.61 567 597 0.78 729 666 0.97 900 727 1.16 1079 784 1.36 1268
2400 534 0.68 630 611 0.86 798 678 1.04 974 739 1.24 1158 794 1.45 1352
2500 550 0.75 698 624 0.93 872 690 1.13 1053 750 1.33 1243 805 1.55 1441
2550 557 0.79 733 631 0.98 910 697 1.17 1095 756 1.38 1287 811 1.60 1488
2600 565 0.83 770 638 1.02 950 703 1.22 1138 762 1.43 1333 816 1.65 1536
2700 581 0.91 848 652 1.11 1034 716 1.32 1228 774 1.53 1428 828 1.75 1636
2800 597 1.00 932 667 1.21 1124 729 1.42 1323 786 1.64 1529 839 1.87 1742
2900 613 1.09 1020 681 1.31 1220 743 1.53 1425 799 1.75 1636 851 1.99 1855
3000 629 1.20 1115 696 1.42 1321 756 1.64 1532 812 1.88 1749 863 2.12 1973
3100 646 1.30 1217 711 1.53 1428 770 1.76 1645 825 2.00 1869 875 2.25 2098
3200 662 1.42 1324 726 1.65 1542 784 1.89 1765 838 2.14 1994 888 2.39 2229
3300 679 1.54 1438 741 1.78 1663 798 2.03 1892 851 2.28 2126 901 2.54 2367
3400 695 1.67 1558 756 1.92 1790 812 2.17 2025 865 2.43 2266 913 2.69 2512
3500 712 1.81 1686 772 2.06 1923 827 2.32 2165 878 2.59 2412 926 2.86 2664
3600 729 1.95 1820 787 2.21 2065 841 2.48 2312 892 2.75 2565 940 3.03 2823
3700 746 2.10 1962 803 2.37 2213 856 2.65 2467 906 2.92 2726 953 3.21 2990
3750 754 2.18 2036 811 2.46 2290 864 2.73 2548 913 3.01 2809 960 3.30 3076
AIRFLOW
(Cfm)
EXTERNAL STATIC PRESSURE (in. wg)
1.2 1.4 1.6 1.8 2.0
Rpm Bhp Watts Rpm Bhp Watts Rpm Bhp Watts Rpm Bhp Watts Rpm Bhp Watts
2250 831 1.53 1423 880 1.74 1627 927 1.97 1840 971 2.21 2061 1013 2.46 2289
2300 836 1.57 1465 885 1.79 1671 931 2.02 1886 975 2.26 2109 1017 2.51 2340
2400 846 1.67 1554 895 1.89 1764 941 2.13 1982 984 2.37 2209 1026 2.62 2443
2500 856 1.77 1647 905 2.00 1862 950 2.24 2085 993 2.48 2315 1035 2.74 2553
2550 862 1.82 1697 910 2.05 1913 955 2.29 2138 998 2.54 2370 1039 2.80 2611
2600 867 1.87 1747 915 2.11 1966 960 2.35 2193 1003 2.60 2427 1044 2.86 2669
2700 878 1.99 1852 925 2.23 2076 970 2.47 2307 1012 2.73 2545 1053 2.99 2791
2800 889 2.11 1963 936 2.35 2192 980 2.60 2427 1022 2.86 2670 1063 3.13 2920
2900 900 2.23 2080 946 2.48 2314 990 2.74 2554 1032 3.00 2800 1072 3.28 3055
3000 912 2.36 2204 957 2.62 2442 1001 2.88 2687 1043 3.15 2938 1082 3.43 3196
3100 923 2.50 2334 969 2.76 2577 1012 3.03 2826 1053 3.31 3082 1093 3.59 3345
3200 935 2.65 2471 980 2.92 2718 1023 3.19 2973 1064 3.47 3233 — — —
3300 947 2.80 2613 992 3.07 2867 1034 3.35 3126 1074 3.64 3391 — — —
3400 960 2.96 2764 1003 3.24 3022 1045 3.52 3286 — — — — — —
3500 972 3.13 2921 1015 3.42 3185 1057 3.70 3454 — — — — — —
3600 985 3.31 3086 1028 3.60 3355 — — — — — — — — —
3700 997 3.49 3259 — — — — — — — — — — — —
3750 1004 3.59 3347 — — — — — — — — — — — —
Bhp — Brake Horsepower Input to Fan
Watts — Input Watts to Motor

31
Table 15 — Fan Performance, 50TFQ009 — Vertical Discharge Units; Standard Motor and Drive*
LEGEND
*Motor drive range: 685 to 935 rpm. All other rpms require field-
supplied drive.
Refer to page 43 General Fan Performance Notes.
NOTES:
1. Boldface indicates field-supplied drive is required.
2. Maximum continuous bhp is 2.40.
AIRFLOW
(Cfm)
EXTERNAL STATIC PRESSURE (in. wg)
0.2 0.4 0.6 0.8 1.0
Rpm Bhp Watts Rpm Bhp Watts Rpm Bhp Watts Rpm Bhp Watts Rpm Bhp Watts
2550 557 0.79 733 631 0.98 910 697 1.17 1095 756 1.38 1287 811 1.60 1488
2600 565 0.83 770 638 1.02 950 703 1.22 1138 762 1.43 1333 816 1.65 1536
2700 581 0.91 848 652 1.11 1034 716 1.32 1228 774 1.53 1428 828 1.75 1636
2800 597 1.00 932 667 1.21 1124 729 1.42 1323 786 1.64 1529 839 1.87 1742
2900 613 1.09 1020 681 1.31 1220 743 1.53 1425 799 1.75 1636 851 1.99 1855
3000 629 1.20 1115 696 1.42 1321 756 1.64 1532 812 1.88 1749 863 2.12 1973
3100 646 1.30 1217 711 1.53 1428 770 1.76 1645 825 2.00 1869 875 2.25 2098
3200 662 1.42 1324 726 1.65 1542 784 1.89 1765 838 2.14 1994 888 2.39 2229
3300 679 1.54 1438 741 1.78 1663 798 2.03 1892 851 2.28 2126 — — —
3400 695 1.67 1558 756 1.92 1790 812 2.17 2025 — — — — — —
3500 712 1.81 1686 772 2.06 1923 827 2.32 2165 — — — — — —
3600 729 1.95 1820 787 2.21 2065 — — — — — — — — —
3700 746 2.10 1962 803 2.37 2213 — — — — — — — — —
3750 754 2.18 2036 — — — — — — — — — — — —
3800 763 2.26 2112 — — — — — — — — — — — —
3900 ———————— ———————
4000 ———————— ———————
4100 ———————— ———————
4200 ———————— ———————
4250 ———————— ———————
AIRFLOW
(Cfm)
EXTERNAL STATIC PRESSURE (in. wg)
1.2 1.4 1.6 1.8 2.0
Rpm Bhp Watts Rpm Bhp Watts Rpm Bhp Watts Rpm Bhp Watts Rpm Bhp Watts
2550 862 1.82 1697 910 2.05 1913 955 2.29 2138 —— — —— —
2600 867 1.87 1747 915 2.11 1966 960 2.35 2193 —— — —— —
2700 878 1.99 1852 925 2.23 2076 — — — — — — — — —
2800 889 2.11 1963 936 2.35 2192 —— — —— — —— —
2900 900 2.23 2080 — — — — — — — — — — — —
3000 912 2.36 2204 — — — — — — — — — — — —
3100 ————— — —— — —— — —— —
3200 ————— — —— — —— — —— —
3300 ————— — —— — —— — —— —
3400 ————— — —— — —— — —— —
3500 ————— — —— — —— — —— —
3600 ————— — —— — —— — —— —
3700 ————— — —— — —— — —— —
3750 ————— — —— — —— — —— —
3800 ————— — —— — —— — —— —
3900 ————— — —— — —— — —— —
4000 ————— — —— — —— — —— —
4100 ————— — —— — —— — —— —
4200 ————— — —— — —— — —— —
4250 ————— — —— — —— — —— —
Bhp — Brake Horsepower Input to Fan
Watts — Input Watts to Motor

32
Table 16 — Fan Performance, 50TFQ009 — Vertical Discharge Units; High-Static Motor and Drive*
LEGEND
*Motor drive range: 860 to 1080 rpm. All other rpms require field-
supplied drive.
Refer to page 43 General Fan Performance Notes.
NOTES:
1. Boldface indicates field-supplied drive is required.
2. Maximum continuous bhp is 3.70.
AIRFLOW
(Cfm)
EXTERNAL STATIC PRESSURE (in. wg)
0.2 0.4 0.6 0.8 1.0
Rpm Bhp Watts Rpm Bhp Watts Rpm Bhp Watts Rpm Bhp Watts Rpm Bhp Watts
2550 557 0.79 733 631 0.98 910 697 1.17 1095 756 1.38 1287 811 1.60 1488
2600 565 0.83 770 638 1.02 950 703 1.22 1138 762 1.43 1333 816 1.65 1536
2700 581 0.91 848 652 1.11 1034 716 1.32 1228 774 1.53 1428 828 1.75 1636
2800 597 1.00 932 667 1.21 1124 729 1.42 1323 786 1.64 1529 839 1.87 1742
2900 613 1.09 1020 681 1.31 1220 743 1.53 1425 799 1.75 1636 851 1.99 1855
3000 629 1.20 1115 696 1.42 1321 756 1.64 1532 812 1.88 1749 863 2.12 1973
3100 646 1.30 1217 711 1.53 1428 770 1.76 1645 825 2.00 1869 875 2.25 2098
3200 662 1.42 1324 726 1.65 1542 784 1.89 1765 838 2.14 1994 888 2.39 2229
3300 679 1.54 1438 741 1.78 1663 798 2.03 1892 851 2.28 2126 901 2.54 2367
3400 695 1.67 1558 756 1.92 1790 812 2.17 2025 865 2.43 2266 913 2.69 2512
3500 712 1.81 1686 772 2.06 1923 827 2.32 2165 878 2.59 2412 926 2.86 2664
3600 729 1.95 1820 787 2.21 2065 841 2.48 2312 892 2.75 2565 940 3.03 2823
3700 746 2.10 1962 803 2.37 2213 856 2.65 2467 906 2.92 2726 953 3.21 2990
3750 754 2.18 2036 811 2.46 2290 864 2.73 2548 913 3.01 2809 960 3.30 3076
3800 763 2.26 2112 819 2.54 2369 871 2.82 2630 920 3.10 2895 966 3.39 3164
3900 780 2.43 2269 835 2.72 2533 886 3.00 2800 934 3.29 3070 980 3.59 3346
4000 797 2.61 2434 851 2.90 2705 901 3.19 2978 949 3.49 3255 — — —
4100 814 2.80 2607 867 3.09 2884 916 3.39 3164 963 3.70 3447 — — —
4200 831 2.99 2788 883 3.29 3072 932 3.60 3358 — — — — — —
4250 840 3.09 2883 891 3.40 3170 — — — — — — — — —
AIRFLOW
(Cfm)
EXTERNAL STATIC PRESSURE (in. wg)
1.2 1.4 1.6 1.8 2.0
Rpm Bhp Watts Rpm Bhp Watts Rpm Bhp Watts Rpm Bhp Watts Rpm Bhp Watts
2550 862 1.82 1697 910 2.05 1913 955 2.29 2138 998 2.54 2370 1039 2.80 2611
2600 867 1.87 1747 915 2.11 1966 960 2.35 2193 1003 2.60 2427 1044 2.86 2669
2700 878 1.99 1852 925 2.23 2076 970 2.47 2307 1012 2.73 2545 1053 2.99 2791
2800 889 2.11 1963 936 2.35 2192 980 2.60 2427 1022 2.86 2670 1063 3.13 2920
2900 900 2.23 2080 946 2.48 2314 990 2.74 2554 1032 3.00 2800 1072 3.28 3055
3000 912 2.36 2204 957 2.62 2442 1001 2.88 2687 1043 3.15 2938 1082 3.43 3196
3100 923 2.50 2334 969 2.76 2577 1012 3.03 2826 1053 3.31 3082 1093 3.59 3345
3200 935 2.65 2471 980 2.92 2718 1023 3.19 2973 1064 3.47 3233 — — —
3300 947 2.80 2613 992 3.07 2867 1034 3.35 3126 1074 3.64 3391 — — —
3400 960 2.96 2764 1003 3.24 3022 1045 3.52 3286 — — — — — —
3500 972 3.13 2921 1015 3.42 3185 1057 3.70 3454 — — — — — —
3600 985 3.31 3086 1028 3.60 3355 — — — — — — — — —
3700 997 3.49 3259 — — — — — — — — — — — —
3750 1004 3.59 3347 — — — — — — — — — — — —
3800 1010 3.69 3438 — — — — — — — — — — — —
3900 ————— — —— — —— — —— —
4000 ————— — —— — —— — —— —
4100 ————— — —— — —— — —— —
4200 ————— — —— — —— — —— —
4250 ————— — —— — —— — —— —
Bhp — Brake Horsepower Input to Fan
Watts — Input Watts to Motor

33
Table 17 — Fan Performance, 50TFQ012 — Vertical Discharge Units; Standard Motor and Drive*
LEGEND
*Motor drive range: 685 to 935 rpm. All other rpms require field-
supplied drive.
Refer to page 43 General Fan Performance Notes.
NOTES:
1. Boldface indicates field-supplied drive is required.
2. Maximum continuous bhp is 2.40.
AIRFLOW
(Cfm)
EXTERNAL STATIC PRESSURE (in. wg)
0.2 0.4 0.6 0.8 1.0
Rpm Bhp Watts Rpm Bhp Watts Rpm Bhp Watts Rpm Bhp Watts Rpm Bhp Watts
3000 556 0.65 604 623 0.80 748 684 0.95 891 738 1.11 1034 789 1.26 1177
3100 569 0.70 656 636 0.86 805 695 1.02 953 749 1.18 1100 799 1.34 1249
3200 583 0.76 712 648 0.93 865 707 1.09 1018 760 1.26 1170 809 1.42 1323
3300 597 0.83 770 661 1.00 929 718 1.17 1086 771 1.33 1244 820 1.50 1401
3400 611 0.89 832 674 1.07 996 730 1.24 1158 782 1.42 1320 831 1.59 1483
3500 625 0.96 898 687 1.14 1066 742 1.32 1233 794 1.50 1400 841 1.68 1567
3600 639 1.04 967 700 1.22 1140 754 1.41 1312 805 1.59 1484 852 1.78 1656
3700 654 1.11 1040 713 1.31 1218 767 1.50 1395 817 1.69 1571 863 1.87 1748
3800 668 1.20 1116 726 1.39 1299 779 1.59 1481 828 1.78 1662 874 1.98 1844
3900 683 1.28 1197 739 1.48 1385 792 1.69 1572 840 1.88 1758 886 2.08 1943
4000 697 1.37 1281 753 1.58 1474 804 1.79 1666 852 1.99 1857 897 2.20 2048
4100 712 1.47 1370 766 1.68 1567 817 1.89 1764 864 2.10 1960 909 2.31 2155
4200 726 1.57 1462 780 1.79 1665 830 2.00 1866 876 2.22 2067 — — —
4300 741 1.67 1559 794 1.89 1767 843 2.12 1973 889 2.34 2179 — — —
4400 755 1.78 1660 807 2.01 1873 856 2.23 2084 — — — — — —
4500 770 1.89 1766 821 2.13 1984 869 2.36 2200 — — — — — —
4600 785 2.01 1876 835 2.25 2099 — — — — — — — — —
4700 800 2.14 1991 849 2.38 2219 — — — — — — — — —
4800 815 2.26 2111 — — — — — — — — — — — —
4900 829 2.40 2235 — — — — — — — — — — — —
5000 ———————— ———————
AIRFLOW
(Cfm)
EXTERNAL STATIC PRESSURE (in. wg)
1.2 1.4 1.6 1.8 2.0
Rpm Bhp Watts Rpm Bhp Watts Rpm Bhp Watts Rpm Bhp Watts Rpm Bhp Watts
3000 836 1.42 1322 881 1.57 1467 923 1.73 1613 963 1.89 1761 1001 2.05 1909
3100 846 1.50 1398 890 1.66 1547 932 1.82 1698 972 1.98 1849 1010 2.15 2002
3200 856 1.58 1477 899 1.75 1631 941 1.92 1786 980 2.08 1942 1018 2.25 2099
3300 866 1.67 1559 909 1.84 1718 950 2.01 1878 989 2.19 2038 1027 2.36 2199
3400 876 1.76 1645 919 1.94 1808 960 2.12 1972 998 2.29 2137 —— —
3500 886 1.86 1734 929 2.04 1902 969 2.22 2071 1008 2.40 2240 —— —
3600 897 1.96 1827 939 2.14 2000 979 2.33 2173 —— — —— —
3700 907 2.06 1924 949 2.25 2101 —— — —— — —— —
3800 918 2.17 2025 959 2.37 2207 —— — —— — —— —
3900 929 2.28 2130 — — — — — — — — — — — —
4000 940 2.40 2238 ————————————
4100 ————— — —— — —— — —— —
4200 ————— — —— — —— — —— —
4300 ————— — —— — —— — —— —
4400 ————— — —— — —— — —— —
4500 ————— — —— — —— — —— —
4600 ————— — —— — —— — —— —
4700 ————— — —— — —— — —— —
4800 ————— — —— — —— — —— —
4900 ————— — —— — —— — —— —
5000 ————— — —— — —— — —— —
Bhp — Brake Horsepower Input to Fan
Watts — Input Watts to Motor

34
Table 18 — Fan Performance, 50TFQ012 — Vertical Discharge Units; Alternate Motor and Drive*
LEGEND
*Motor drive range: 835 to 1085 rpm. All other rpms require field-
supplied drive.
Refer to page 43 General Fan Performance Notes.
NOTES:
1. Boldface indicates field-supplied drive is required.
2. Maximum continuous bhp is 2.90.
AIRFLOW
(Cfm)
EXTERNAL STATIC PRESSURE (in. wg)
0.2 0.4 0.6 0.8 1.0
Rpm Bhp Watts Rpm Bhp Watts Rpm Bhp Watts Rpm Bhp Watts Rpm Bhp Watts
3000 556 0.65 604 623 0.80 748 684 0.95 891 738 1.11 1034 789 1.26 1177
3100 569 0.70 656 636 0.86 805 695 1.02 953 749 1.18 1100 799 1.34 1249
3200 583 0.76 712 648 0.93 865 707 1.09 1018 760 1.26 1170 809 1.42 1323
3300 597 0.83 770 661 1.00 929 718 1.17 1086 771 1.33 1244 820 1.50 1401
3400 611 0.89 832 674 1.07 996 730 1.24 1158 782 1.42 1320 831 1.59 1483
3500 625 0.96 898 687 1.14 1066 742 1.32 1233 794 1.50 1400 841 1.68 1567
3600 639 1.04 967 700 1.22 1140 754 1.41 1312 805 1.59 1484 852 1.78 1656
3700 654 1.11 1040 713 1.31 1218 767 1.50 1395 817 1.69 1571 863 1.87 1748
3800 668 1.20 1116 726 1.39 1299 779 1.59 1481 828 1.78 1662 874 1.98 1844
3900 683 1.28 1197 739 1.48 1385 792 1.69 1572 840 1.88 1758 886 2.08 1943
4000 697 1.37 1281 753 1.58 1474 804 1.79 1666 852 1.99 1857 897 2.20 2048
4100 712 1.47 1370 766 1.68 1567 817 1.89 1764 864 2.10 1960 909 2.31 2155
4200 726 1.57 1462 780 1.79 1665 830 2.00 1866 876 2.22 2067 920 2.43 2268
4300 741 1.67 1559 794 1.89 1767 843 2.12 1973 889 2.34 2179 932 2.56 2384
4400 755 1.78 1660 807 2.01 1873 856 2.23 2084 901 2.46 2295 944 2.69 2505
4500 770 1.89 1766 821 2.13 1984 869 2.36 2200 914 2.59 2415 956 2.82 2630
4600 785 2.01 1876 835 2.25 2099 882 2.49 2320 926 2.72 2541 — — —
4700 800 2.14 1991 849 2.38 2219 895 2.62 2445 939 2.86 2670 — — —
4800 815 2.26 2111 863 2.51 2344 909 2.76 2575 — — — — — —
4900 829 2.40 2235 877 2.65 2473 — — — — — — — — —
5000 844 2.54 2365 891 2.80 2608 — — — — — — — — —
AIRFLOW
(Cfm)
EXTERNAL STATIC PRESSURE (in. wg)
1.2 1.4 1.6 1.8 2.0
Rpm Bhp Watts Rpm Bhp Watts Rpm Bhp Watts Rpm Bhp Watts Rpm Bhp Watts
3000 836 1.42 1322 881 1.57 1467 923 1.73 1613 963 1.89 1761 1001 2.05 1909
3100 846 1.50 1398 890 1.66 1547 932 1.82 1698 972 1.98 1849 1010 2.15 2002
3200 856 1.58 1477 899 1.75 1631 941 1.92 1786 980 2.08 1942 1018 2.25 2099
3300 866 1.67 1559 909 1.84 1718 950 2.01 1878 989 2.19 2038 1027 2.36 2199
3400 876 1.76 1645 919 1.94 1808 960 2.12 1972 998 2.29 2137 1036 2.47 2303
3500 886 1.86 1734 929 2.04 1902 969 2.22 2071 1008 2.40 2240 1045 2.58 2410
3600 897 1.96 1827 939 2.14 2000 979 2.33 2173 1017 2.52 2347 1054 2.70 2521
3700 907 2.06 1924 949 2.25 2101 989 2.44 2279 1027 2.63 2457 1063 2.83 2636
3800 918 2.17 2025 959 2.37 2207 999 2.56 2389 1036 2.76 2571 — — —
3900 929 2.28 2130 970 2.48 2316 1009 2.68 2502 1046 2.88 2690 — — —
4000 940 2.40 2238 980 2.61 2429 1019 2.81 2620 — — — — — —
4100 951 2.52 2351 991 2.73 2547 — — — — — — — — —
4200 962 2.65 2468 1002 2.86 2668 — — — — — — — — —
4300 973 2.78 2589 — — — — — — — — — — — —
4400 ————— — —— — —— — —— —
4500 ————— — —— — —— — —— —
4600 ————— — —— — —— — —— —
4700 ————— — —— — —— — —— —
4800 ————— — —— — —— — —— —
4900 ————— — —— — —— — —— —
5000 ————— — —— — —— — —— —
Bhp — Brake Horsepower Input to Fan
Watts — Input Watts to Motor

35
Table 19 — Fan Performance, 50TFQ012 — Vertical Discharge Units; High-Static Motor and Drive*
LEGEND
*Motor drive range: 830 to 1130 rpm. All other rpms require field-
supplied drive.
Refer to page 43 General Fan Performance Notes.
NOTES:
1. Boldface indicates field-supplied drive is required.
2. Maximum continuous bhp is 5.25.
AIRFLOW
(Cfm)
EXTERNAL STATIC PRESSURE (in. wg)
0.2 0.4 0.6 0.8 1.0
Rpm Bhp Watts Rpm Bhp Watts Rpm Bhp Watts Rpm Bhp Watts Rpm Bhp Watts
3000 556 0.65 604 623 0.80 748 684 0.95 891 738 1.11 1034 789 1.26 1177
3100 569 0.70 656 636 0.86 805 695 1.02 953 749 1.18 1100 799 1.34 1249
3200 583 0.76 712 648 0.93 865 707 1.09 1018 760 1.26 1170 809 1.42 1323
3300 597 0.83 770 661 1.00 929 718 1.17 1086 771 1.33 1244 820 1.50 1401
3400 611 0.89 832 674 1.07 996 730 1.24 1158 782 1.42 1320 831 1.59 1483
3500 625 0.96 898 687 1.14 1066 742 1.32 1233 794 1.50 1400 841 1.68 1567
3600 639 1.04 967 700 1.22 1140 754 1.41 1312 805 1.59 1484 852 1.78 1656
3700 654 1.11 1040 713 1.31 1218 767 1.50 1395 817 1.69 1571 863 1.87 1748
3800 668 1.20 1116 726 1.39 1299 779 1.59 1481 828 1.78 1662 874 1.98 1844
3900 683 1.28 1197 739 1.48 1385 792 1.69 1572 840 1.88 1758 886 2.08 1943
4000 697 1.37 1281 753 1.58 1474 804 1.79 1666 852 1.99 1857 897 2.20 2048
4100 712 1.47 1370 766 1.68 1567 817 1.89 1764 864 2.10 1960 909 2.31 2155
4200 726 1.57 1462 780 1.79 1665 830 2.00 1866 876 2.22 2067 920 2.43 2268
4300 741 1.67 1559 794 1.89 1767 843 2.12 1973 889 2.34 2179 932 2.56 2384
4400 755 1.78 1660 807 2.01 1873 856 2.23 2084 901 2.46 2295 944 2.69 2505
4500 770 1.89 1766 821 2.13 1984 869 2.36 2200 914 2.59 2415 956 2.82 2630
4600 785 2.01 1876 835 2.25 2099 882 2.49 2320 926 2.72 2541 968 2.96 2760
4700 800 2.14 1991 849 2.38 2219 895 2.62 2445 939 2.86 2670 980 3.10 2895
4800 815 2.26 2111 863 2.51 2344 909 2.76 2575 952 3.01 2805 993 3.25 3034
4900 829 2.40 2235 877 2.65 2473 922 2.91 2709 965 3.16 2944 1005 3.41 3178
5000 844 2.54 2365 891 2.80 2608 936 3.06 2849 978 3.31 3089 1018 3.57 3328
AIRFLOW
(Cfm)
EXTERNAL STATIC PRESSURE (in. wg)
1.2 1.4 1.6 1.8 2.0
Rpm Bhp Watts Rpm Bhp Watts Rpm Bhp Watts Rpm Bhp Watts Rpm Bhp Watts
3000 836 1.42 1322 881 1.57 1467 923 1.73 1613 963 1.89 1761 1001 2.05 1909
3100 846 1.50 1398 890 1.66 1547 932 1.82 1698 972 1.98 1849 1010 2.15 2002
3200 856 1.58 1477 899 1.75 1631 941 1.92 1786 980 2.08 1942 1018 2.25 2099
3300 866 1.67 1559 909 1.84 1718 950 2.01 1878 989 2.19 2038 1027 2.36 2199
3400 876 1.76 1645 919 1.94 1808 960 2.12 1972 998 2.29 2137 1036 2.47 2303
3500 886 1.86 1734 929 2.04 1902 969 2.22 2071 1008 2.40 2240 1045 2.58 2410
3600 897 1.96 1827 939 2.14 2000 979 2.33 2173 1017 2.52 2347 1054 2.70 2521
3700 907 2.06 1924 949 2.25 2101 989 2.44 2279 1027 2.63 2457 1063 2.83 2636
3800 918 2.17 2025 959 2.37 2207 999 2.56 2389 1036 2.76 2571 1073 2.95 2755
3900 929 2.28 2130 970 2.48 2316 1009 2.68 2502 1046 2.88 2690 1082 3.09 2877
4000 940 2.40 2238 980 2.61 2429 1019 2.81 2620 1056 3.02 2812 1092 3.22 3004
4100 951 2.52 2351 991 2.73 2547 1029 2.94 2743 1066 3.15 2939 1102 3.36 3136
4200 962 2.65 2468 1002 2.86 2668 1040 3.08 2869 1076 3.29 3070 1112 3.51 3271
4300 973 2.78 2589 1013 3.00 2794 1050 3.22 2999 1087 3.44 3205 1122 3.66 3411
4400 985 2.91 2715 1024 3.14 2924 1061 3.36 3134 1097 3.59 3345 1132 3.81 3555
4500 996 3.05 2845 1035 3.28 3059 1072 3.51 3274 1108 3.74 3489 1142 3.97 3704
4600 1008 3.20 2979 1046 3.43 3199 1083 3.67 3418 1118 3.90 3638 1152 4.14 3857
4700 1020 3.34 3119 1058 3.58 3343 1094 3.83 3567 1129 4.07 3792 1163 4.31 4016
4800 1032 3.50 3263 1069 3.74 3492 1105 3.99 3721 1140 4.24 3950 1174 4.48 4179
4900 1044 3.66 3413 1081 3.91 3646 1117 4.16 3880 1151 4.41 4113 1184 4.66 4347
5000 1056 3.82 3566 1093 4.08 3805 1128 4.34 4044 1162 4.59 4282 1195 4.85 4520
Bhp — Brake Horsepower Input to Fan
Watts — Input Watts to Motor

36
Table 20 — Fan Performance, 50TFQ008 — Horizontal Discharge Units; Standard Motor and Drive*
LEGEND
*Motor drive range: 590 to 840 rpm. All other rpms require field-
supplied drive.
Refer to page 43 General Fan Performance Notes.
NOTES:
1. Boldface indicates field-supplied drive is required.
2. Maximum continuous bhp is 2.40.
AIRFLOW
(Cfm)
EXTERNAL STATIC PRESSURE (in. wg)
0.2 0.4 0.6 0.8 1.0
Rpm Bhp Watts Rpm Bhp Watts Rpm Bhp Watts Rpm Bhp Watts Rpm Bhp Watts
2250 465 0.49 459 555 0.67 621 629 0.84 786 694 1.03 959 752 1.22 1138
2300 471 0.52 483 560 0.69 648 634 0.88 817 698 1.06 992 757 1.26 1174
2400 483 0.57 534 570 0.76 705 644 0.94 880 708 1.14 1061 765 1.34 1248
2500 495 0.63 588 581 0.82 767 653 1.02 948 717 1.22 1134 774 1.42 1327
2550 501 0.66 617 586 0.86 799 658 1.05 983 722 1.26 1173 779 1.47 1368
2600 507 0.69 647 592 0.89 832 663 1.09 1020 727 1.30 1212 784 1.51 1410
2700 519 0.76 709 603 0.97 902 674 1.18 1096 736 1.39 1294 793 1.61 1498
2800 532 0.83 775 614 1.05 976 684 1.26 1176 746 1.48 1381 802 1.71 1590
2900 544 0.91 846 625 1.13 1054 694 1.35 1261 756 1.58 1472 812 1.81 1687
3000 557 0.99 922 637 1.22 1137 705 1.45 1351 766 1.68 1568 821 1.92 1789
3100 570 1.07 1002 648 1.31 1224 716 1.55 1445 776 1.79 1669 831 2.03 1896
3200 582 1.17 1087 660 1.41 1317 727 1.66 1545 786 1.90 1774 841 2.15 2008
3300 595 1.26 1177 671 1.52 1414 738 1.77 1649 797 2.02 1885 851 2.28 2125
3400 608 1.36 1271 683 1.63 1517 749 1.89 1759 807 2.15 2002 — — —
3500 622 1.47 1372 695 1.74 1625 760 2.01 1874 818 2.28 2124 — — —
3600 635 1.58 1477 707 1.86 1738 771 2.14 1995 — — — — — —
3700 648 1.70 1588 720 1.99 1857 783 2.27 2121 — — — — — —
3750 655 1.77 1646 726 2.06 1918 788 2.34 2187 — — — — — —
AIRFLOW
(Cfm)
EXTERNAL STATIC PRESSURE (in. wg)
1.2 1.4 1.6 1.8 2.0
Rpm Bhp Watts Rpm Bhp Watts Rpm Bhp Watts Rpm Bhp Watts Rpm Bhp Watts
2250 806 1.42 1326 855 1.63 1521 902 1.85 1723 946 2.07 1932 988 2.30 2148
2300 810 1.46 1363 859 1.67 1561 906 1.89 1765 950 2.12 1976 991 2.35 2194
2400 818 1.55 1443 868 1.76 1644 914 1.99 1853 958 2.22 2068 —— —
2500 827 1.64 1527 876 1.86 1733 922 2.09 1946 966 2.32 2165 —— —
2550 832 1.68 1570 880 1.91 1779 926 2.14 1994 970 2.38 2215 —— —
2600 836 1.73 1615 885 1.96 1826 931 2.19 2043 —— — —— —
2700 845 1.83 1708 893 2.06 1923 939 2.30 2146 —— — —— —
2800 854 1.94 1805 902 2.17 2026 —— — —— — —— —
2900 863 2.05 1907 911 2.29 2134 —— — —— — —— —
3000 872 2.16 2015 ————————————
3100 882 2.28 2127 ————————————
3200 ————— — —— — —— — —— —
3300 ————— — —— — —— — —— —
3400 ————— — —— — —— — —— —
3500 ————— — —— — —— — —— —
3600 ————— — —— — —— — —— —
3700 ————— — —— — —— — —— —
3750 ————— — —— — —— — —— —
Bhp — Brake Horsepower Input to Fan
Watts — Input Watts to Motor

37
Table 21 — Fan Performance, 50TFQ008 — Horizontal Discharge Units; Alternate Motor and Drive*
LEGEND
*Motor drive range: 685 to 935 rpm. All other rpms require field-
supplied drive.
Refer to page 43 General Fan Performance Notes.
NOTES:
1. Boldface indicates field-supplied drive is required.
2. Maximum continuous bhp is 2.40.
AIRFLOW
(Cfm)
EXTERNAL STATIC PRESSURE (in. wg)
0.2 0.4 0.6 0.8 1.0
Rpm Bhp Watts Rpm Bhp Watts Rpm Bhp Watts Rpm Bhp Watts Rpm Bhp Watts
2250 465 0.49 459 555 0.67 621 629 0.84 786 694 1.03 959 752 1.22 1138
2300 471 0.52 483 560 0.69 648 634 0.88 817 698 1.06 992 757 1.26 1174
2400 483 0.57 534 570 0.76 705 644 0.94 880 708 1.14 1061 765 1.34 1248
2500 495 0.63 588 581 0.82 767 653 1.02 948 717 1.22 1134 774 1.42 1327
2550 501 0.66 617 586 0.86 799 658 1.05 983 722 1.26 1173 779 1.47 1368
2600 507 0.69 647 592 0.89 832 663 1.09 1020 727 1.30 1212 784 1.51 1410
2700 519 0.76 709 603 0.97 902 674 1.18 1096 736 1.39 1294 793 1.61 1498
2800 532 0.83 775 614 1.05 976 684 1.26 1176 746 1.48 1381 802 1.71 1590
2900 544 0.91 846 625 1.13 1054 694 1.35 1261 756 1.58 1472 812 1.81 1687
3000 557 0.99 922 637 1.22 1137 705 1.45 1351 766 1.68 1568 821 1.92 1789
3100 570 1.07 1002 648 1.31 1224 716 1.55 1445 776 1.79 1669 831 2.03 1896
3200 582 1.17 1087 660 1.41 1317 727 1.66 1545 786 1.90 1774 841 2.15 2008
3300 595 1.26 1177 671 1.52 1414 738 1.77 1649 797 2.02 1885 851 2.28 2125
3400 608 1.36 1271 683 1.63 1517 749 1.89 1759 807 2.15 2002 — — —
3500 622 1.47 1372 695 1.74 1625 760 2.01 1874 818 2.28 2124 — — —
3600 635 1.58 1477 707 1.86 1738 771 2.14 1995 — — — — — —
3700 648 1.70 1588 720 1.99 1857 783 2.27 2121 — — — — — —
3750 655 1.77 1646 726 2.06 1918 788 2.34 2187 — — — — — —
AIRFLOW
(Cfm)
EXTERNAL STATIC PRESSURE (in. wg)
1.2 1.4 1.6 1.8 2.0
Rpm Bhp Watts Rpm Bhp Watts Rpm Bhp Watts Rpm Bhp Watts Rpm Bhp Watts
2250 806 1.42 1326 855 1.63 1521 902 1.85 1723 946 2.07 1932 988 2.30 2148
2300 810 1.46 1363 859 1.67 1561 906 1.89 1765 950 2.12 1976 991 2.35 2194
2400 818 1.55 1443 868 1.76 1644 914 1.99 1853 958 2.22 2068 —— —
2500 827 1.64 1527 876 1.86 1733 922 2.09 1946 966 2.32 2165 —— —
2550 832 1.68 1570 880 1.91 1779 926 2.14 1994 970 2.38 2215 —— —
2600 836 1.73 1615 885 1.96 1826 931 2.19 2043 — — — — — —
2700 845 1.83 1708 893 2.06 1923 939 2.30 2146 —— — —— —
2800 854 1.94 1805 902 2.17 2026 — — — — — — — — —
2900 863 2.05 1907 911 2.29 2134 — — — — — — — — —
3000 872 2.16 2015 — — — — — — — — — — — —
3100 882 2.28 2127 — — — — — — — — — — — —
3200 ————— — —— — —— — —— —
3300 ————— — —— — —— — —— —
3400 ————— — —— — —— — —— —
3500 ————— — —— — —— — —— —
3600 ————— — —— — —— — —— —
3700 ————— — —— — —— — —— —
3750 ————— — —— — —— — —— —
Bhp — Brake Horsepower Input to Fan
Watts — Input Watts to Motor

38
Table 22 — Fan Performance, 50TFQ008 — Horizontal Discharge Units; High-Static Motor and Drive*
LEGEND
*Motor drive range: 860 to 1080 rpm. All other rpms require field-
supplied drive.
Refer to page 43 General Fan Performance Notes.
NOTES:
1. Boldface indicates field-supplied drive is required.
2. Maximum continuous bhp is 3.70.
AIRFLOW
(Cfm)
EXTERNAL STATIC PRESSURE (in. wg)
0.2 0.4 0.6 0.8 1.0
Rpm Bhp Watts Rpm Bhp Watts Rpm Bhp Watts Rpm Bhp Watts Rpm Bhp Watts
2250 465 0.49 459 555 0.67 621 629 0.84 786 694 1.03 959 752 1.22 1138
2300 471 0.52 483 560 0.69 648 634 0.88 817 698 1.06 992 757 1.26 1174
2400 483 0.57 534 570 0.76 705 644 0.94 880 708 1.14 1061 765 1.34 1248
2500 495 0.63 588 581 0.82 767 653 1.02 948 717 1.22 1134 774 1.42 1327
2550 501 0.66 617 586 0.86 799 658 1.05 983 722 1.26 1173 779 1.47 1368
2600 507 0.69 647 592 0.89 832 663 1.09 1020 727 1.30 1212 784 1.51 1410
2700 519 0.76 709 603 0.97 902 674 1.18 1096 736 1.39 1294 793 1.61 1498
2800 532 0.83 775 614 1.05 976 684 1.26 1176 746 1.48 1381 802 1.71 1590
2900 544 0.91 846 625 1.13 1054 694 1.35 1261 756 1.58 1472 812 1.81 1687
3000 557 0.99 922 637 1.22 1137 705 1.45 1351 766 1.68 1568 821 1.92 1789
3100 570 1.07 1002 648 1.31 1224 716 1.55 1445 776 1.79 1669 831 2.03 1896
3200 582 1.17 1087 660 1.41 1317 727 1.66 1545 786 1.90 1774 841 2.15 2008
3300 595 1.26 1177 671 1.52 1414 738 1.77 1649 797 2.02 1885 851 2.28 2125
3400 608 1.36 1271 683 1.63 1517 749 1.89 1759 807 2.15 2002 861 2.41 2248
3500 622 1.47 1372 695 1.74 1625 760 2.01 1874 818 2.28 2124 871 2.55 2376
3600 635 1.58 1477 707 1.86 1738 771 2.14 1995 829 2.41 2252 881 2.69 2510
3700 648 1.70 1588 720 1.99 1857 783 2.27 2121 839 2.56 2385 892 2.84 2650
3750 655 1.77 1646 726 2.06 1918 788 2.34 2187 845 2.63 2454 897 2.92 2722
AIRFLOW
(Cfm)
EXTERNAL STATIC PRESSURE (in. wg)
1.2 1.4 1.6 1.8 2.0
Rpm Bhp Watts Rpm Bhp Watts Rpm Bhp Watts Rpm Bhp Watts Rpm Bhp Watts
2250 806 1.42 1326 855 1.63 1521 902 1.85 1723 946 2.07 1932 988 2.30 2148
2300 810 1.46 1363 859 1.67 1561 906 1.89 1765 950 2.12 1976 991 2.35 2194
2400 818 1.55 1443 868 1.76 1644 914 1.99 1853 958 2.22 2068 999 2.46 2290
2500 827 1.64 1527 876 1.86 1733 922 2.09 1946 966 2.32 2165 1007 2.56 2391
2550 832 1.68 1570 880 1.91 1779 926 2.14 1994 970 2.38 2215 1011 2.62 2444
2600 836 1.73 1615 885 1.96 1826 931 2.19 2043 974 2.43 2267 1015 2.68 2497
2700 845 1.83 1708 893 2.06 1923 939 2.30 2146 982 2.55 2374 1023 2.80 2609
2800 854 1.94 1805 902 2.17 2026 948 2.42 2253 991 2.67 2486 1031 2.92 2725
2900 863 2.05 1907 911 2.29 2134 956 2.54 2366 999 2.79 2603 1040 3.05 2847
3000 872 2.16 2015 920 2.41 2246 965 2.66 2483 1008 2.92 2726 1048 3.19 2974
3100 882 2.28 2127 929 2.54 2365 974 2.80 2607 1016 3.06 2854 1057 3.33 3107
3200 891 2.41 2245 938 2.67 2488 983 2.93 2735 1025 3.20 2988 1065 3.48 3246
3300 901 2.54 2369 948 2.81 2617 992 3.08 2869 1034 3.35 3127 1074 3.64 3390
3400 911 2.68 2497 957 2.95 2751 1001 3.23 3010 1043 3.51 3273 — — —
3500 921 2.82 2632 967 3.10 2891 1011 3.38 3155 1052 3.67 3424 — — —
3600 930 2.97 2772 977 3.26 3038 1020 3.55 3307 — — — — — —
3700 941 3.13 2918 986 3.42 3190 1030 3.72 3465 — — — — — —
3750 946 3.21 2994 991 3.50 3268 — — — — — — — — —
Bhp — Brake Horsepower Input to Fan
Watts — Input Watts to Motor

39
Table 23 — Fan Performance, 50TFQ009 — Horizontal Discharge Units; Standard Motor and Drive*
LEGEND
*Motor drive range: 685 to 935 rpm. All other rpms require field-
supplied drive.
Refer to page 43 General Fan Performance Notes.
NOTES:
1. Boldface indicates field-supplied drive is required.
2. Maximum continuous bhp is 2.40.
AIRFLOW
(Cfm)
EXTERNAL STATIC PRESSURE (in. wg)
0.2 0.4 0.6 0.8 1.0
Rpm Bhp Watts Rpm Bhp Watts Rpm Bhp Watts Rpm Bhp Watts Rpm Bhp Watts
2550 501 0.66 617 586 0.86 799 658 1.05 983 722 1.26 1173 779 1.47 1368
2600 507 0.69 647 592 0.89 832 663 1.09 1020 727 1.30 1212 784 1.51 1410
2700 519 0.76 709 603 0.97 902 674 1.18 1096 736 1.39 1294 793 1.61 1498
2800 532 0.83 775 614 1.05 976 684 1.26 1176 746 1.48 1381 802 1.71 1590
2900 544 0.91 846 625 1.13 1054 694 1.35 1261 756 1.58 1472 812 1.81 1687
3000 557 0.99 922 637 1.22 1137 705 1.45 1351 766 1.68 1568 821 1.92 1789
3100 570 1.07 1002 648 1.31 1224 716 1.55 1445 776 1.79 1669 831 2.03 1896
3200 582 1.17 1087 660 1.41 1317 727 1.66 1545 786 1.90 1774 841 2.15 2008
3300 595 1.26 1177 671 1.52 1414 738 1.77 1649 797 2.02 1885 851 2.28 2125
3400 608 1.36 1271 683 1.63 1517 749 1.89 1759 807 2.15 2002 — — —
3500 622 1.47 1372 695 1.74 1625 760 2.01 1874 818 2.28 2124 — — —
3600 635 1.58 1477 707 1.86 1738 771 2.14 1995 — — — — — —
3700 648 1.70 1588 720 1.99 1857 783 2.27 2121 — — — — — —
3750 655 1.77 1646 726 2.06 1918 788 2.34 2187 — — — — — —
3800 662 1.83 1705 732 2.13 1982 — — — — — — — — —
3900 675 1.96 1828 744 2.26 2112 — — — — — — — — —
4000 689 2.10 1957 — — — — — — — — — — — —
4100 702 2.24 2092 — — — — — — — — — — — —
4200 716 2.40 2234 — — — — — — — — — — — —
4250 ———————— ———————
AIRFLOW
(Cfm)
EXTERNAL STATIC PRESSURE (in. wg)
1.2 1.4 1.6 1.8 2.0
Rpm Bhp Watts Rpm Bhp Watts Rpm Bhp Watts Rpm Bhp Watts Rpm Bhp Watts
2550 832 1.68 1570 880 1.91 1779 926 2.14 1994 970 2.38 2215 —— —
2600 836 1.73 1615 885 1.96 1826 931 2.19 2043 — — — — — —
2700 845 1.83 1708 893 2.06 1923 939 2.30 2146 —— — —— —
2800 854 1.94 1805 902 2.17 2026 — — — — — — — — —
2900 863 2.05 1907 911 2.29 2134 — — — — — — — — —
3000 872 2.16 2015 — — — — — — — — — — — —
3100 882 2.28 2127 — — — — — — — — — — — —
3200 ————— — —— — —— — —— —
3300 ————— — —— — —— — —— —
3400 ————— — —— — —— — —— —
3500 ————— — —— — —— — —— —
3600 ————— — —— — —— — —— —
3700 ————— — —— — —— — —— —
3750 ————— — —— — —— — —— —
3800 ————— — —— — —— — —— —
3900 ————— — —— — —— — —— —
4000 ————— — —— — —— — —— —
4100 ————— — —— — —— — —— —
4200 ————— — —— — —— — —— —
4250 ————— — —— — —— — —— —
Bhp — Brake Horsepower Input to Fan
Watts — Input Watts to Motor

40
Table 24 — Fan Performance, 50TFQ009 — Horizontal Discharge Units; High-Static Motor and Drive*
LEGEND
*Motor drive range: 860 to 1080 rpm. All other rpms require field-
supplied drive.
Refer to page 43 General Fan Performance Notes.
NOTES:
1. Boldface indicates field-supplied drive is required.
2. Maximum continuous bhp is 3.70.
AIRFLOW
(Cfm)
EXTERNAL STATIC PRESSURE (in. wg)
0.2 0.4 0.6 0.8 1.0
Rpm Bhp Watts Rpm Bhp Watts Rpm Bhp Watts Rpm Bhp Watts Rpm Bhp Watts
2550 501 0.66 617 586 0.86 799 658 1.05 983 722 1.26 1173 779 1.47 1368
2600 507 0.69 647 592 0.89 832 663 1.09 1020 727 1.30 1212 784 1.51 1410
2700 519 0.76 709 603 0.97 902 674 1.18 1096 736 1.39 1294 793 1.61 1498
2800 532 0.83 775 614 1.05 976 684 1.26 1176 746 1.48 1381 802 1.71 1590
2900 544 0.91 846 625 1.13 1054 694 1.35 1261 756 1.58 1472 812 1.81 1687
3000 557 0.99 922 637 1.22 1137 705 1.45 1351 766 1.68 1568 821 1.92 1789
3100 570 1.07 1002 648 1.31 1224 716 1.55 1445 776 1.79 1669 831 2.03 1896
3200 582 1.17 1087 660 1.41 1317 727 1.66 1545 786 1.90 1774 841 2.15 2008
3300 595 1.26 1177 671 1.52 1414 738 1.77 1649 797 2.02 1885 851 2.28 2125
3400 608 1.36 1271 683 1.63 1517 749 1.89 1759 807 2.15 2002 861 2.41 2248
3500 622 1.47 1372 695 1.74 1625 760 2.01 1874 818 2.28 2124 871 2.55 2376
3600 635 1.58 1477 707 1.86 1738 771 2.14 1995 829 2.41 2252 881 2.69 2510
3700 648 1.70 1588 720 1.99 1857 783 2.27 2121 839 2.56 2385 892 2.84 2650
3750 655 1.77 1646 726 2.06 1918 788 2.34 2187 845 2.63 2454 897 2.92 2722
3800 662 1.83 1705 732 2.13 1982 794 2.42 2253 850 2.71 2524 902 3.00 2796
3900 675 1.96 1828 744 2.26 2112 806 2.56 2392 861 2.86 2669 913 3.16 2948
4000 689 2.10 1957 757 2.41 2249 817 2.72 2536 873 3.02 2820 924 3.33 3106
4100 702 2.24 2092 769 2.57 2392 829 2.88 2686 884 3.19 2978 935 3.51 3271
4200 716 2.40 2234 782 2.73 2541 841 3.05 2843 895 3.37 3143 945 3.69 3442
4250 723 2.47 2307 788 2.81 2619 847 3.14 2924 901 3.46 3227 — — —
AIRFLOW
(Cfm)
EXTERNAL STATIC PRESSURE (in. wg)
1.2 1.4 1.6 1.8 2.0
Rpm Bhp Watts Rpm Bhp Watts Rpm Bhp Watts Rpm Bhp Watts Rpm Bhp Watts
2550 832 1.68 1570 880 1.91 1779 926 2.14 1994 970 2.38 2215 1011 2.62 2444
2600 836 1.73 1615 885 1.96 1826 931 2.19 2043 974 2.43 2267 1015 2.68 2497
2700 845 1.83 1708 893 2.06 1923 939 2.30 2146 982 2.55 2374 1023 2.80 2609
2800 854 1.94 1805 902 2.17 2026 948 2.42 2253 991 2.67 2486 1031 2.92 2725
2900 863 2.05 1907 911 2.29 2134 956 2.54 2366 999 2.79 2603 1040 3.05 2847
3000 872 2.16 2015 920 2.41 2246 965 2.66 2483 1008 2.92 2726 1048 3.19 2974
3100 882 2.28 2127 929 2.54 2365 974 2.80 2607 1016 3.06 2854 1057 3.33 3107
3200 891 2.41 2245 938 2.67 2488 983 2.93 2735 1025 3.20 2988 1065 3.48 3246
3300 901 2.54 2369 948 2.81 2617 992 3.08 2869 1034 3.35 3127 1074 3.64 3390
3400 911 2.68 2497 957 2.95 2751 1001 3.23 3010 1043 3.51 3273 — — —
3500 921 2.82 2632 967 3.10 2891 1011 3.38 3155 1052 3.67 3424 — — —
3600 930 2.97 2772 977 3.26 3038 1020 3.55 3307 — — — — — —
3700 941 3.13 2918 986 3.42 3190 — — — — — — — — —
3750 946 3.21 2994 991 3.50 3268 — — — — — — — — —
3800 951 3.29 3071 996 3.59 3348 — — — — — — — — —
3900 961 3.46 3229 — — — — — — — — — — — —
4000 971 3.64 3393 — — — — — — — — — — — —
4100 ————— — —— — —— — —— —
4200 ————— — —— — —— — —— —
4250 ————— — —— — —— — —— —
Bhp — Brake Horsepower Input to Fan
Watts — Input Watts to Motor

41
Table 25 — Fan Performance, 50TFQ012 — Horizontal Discharge Units; Standard Motor and Drive*
LEGEND
*Motor drive range: 685 to 935 rpm. All other rpms require field-
supplied drive.
Refer to page 43 General Fan Performance Notes.
NOTES:
1. Boldface indicates field-supplied drive is required.
2. Maximum continuous bhp is 2.40.
AIRFLOW
(Cfm)
EXTERNAL STATIC PRESSURE (in. wg)
0.2 0.4 0.6 0.8 1.0
Rpm Bhp Watts Rpm Bhp Watts Rpm Bhp Watts Rpm Bhp Watts Rpm Bhp Watts
3000 523 0.58 541 592 0.73 680 657 0.88 825 718 1.05 977 775 1.22 1135
3100 536 0.63 587 603 0.78 730 666 0.94 879 726 1.11 1035 783 1.28 1196
3200 549 0.68 637 614 0.84 783 676 1.00 936 735 1.17 1096 790 1.35 1260
3300 562 0.74 689 626 0.90 839 686 1.07 996 743 1.24 1159 798 1.42 1328
3400 575 0.80 744 637 0.96 898 696 1.14 1059 752 1.31 1226 806 1.50 1398
3500 588 0.86 802 649 1.03 961 707 1.21 1125 762 1.39 1296 815 1.58 1472
3600 601 0.93 864 661 1.10 1026 717 1.28 1194 771 1.47 1369 823 1.66 1548
3700 614 1.00 929 673 1.17 1095 728 1.36 1267 781 1.55 1445 832 1.75 1629
3800 628 1.07 997 685 1.25 1167 739 1.44 1343 791 1.64 1525 841 1.84 1712
3900 641 1.15 1069 697 1.33 1243 750 1.53 1423 801 1.72 1608 850 1.93 1799
4000 655 1.23 1144 709 1.42 1322 761 1.61 1506 812 1.82 1695 860 2.03 1890
4100 668 1.31 1223 722 1.51 1405 773 1.71 1593 822 1.92 1786 870 2.13 1984
4200 682 1.40 1305 734 1.60 1492 784 1.80 1683 833 2.02 1880 880 2.23 2082
4300 696 1.49 1392 747 1.70 1582 796 1.91 1777 844 2.12 1979 890 2.34 2184
4400 710 1.59 1482 760 1.80 1677 808 2.01 1876 855 2.23 2081 — — —
4500 723 1.69 1577 773 1.90 1775 820 2.12 1978 866 2.35 2187 — — —
4600 737 1.80 1675 785 2.01 1877 832 2.24 2085 — — — — — —
4700 751 1.91 1778 798 2.13 1984 844 2.35 2195 — — — — — —
4800 765 2.02 1885 812 2.25 2095 — — — — — — — — —
4900 779 2.14 1996 825 2.37 2210 — — — — — — — — —
5000 793 2.26 2112 — — — — — — — — — — — —
AIRFLOW
(Cfm)
EXTERNAL STATIC PRESSURE (in. wg)
1.2 1.4 1.6 1.8 2.0
Rpm Bhp Watts Rpm Bhp Watts Rpm Bhp Watts Rpm Bhp Watts Rpm Bhp Watts
3000 830 1.39 1298 883 1.57 1466 934 1.76 1638 982 1.95 1815 1029 2.14 1996
3100 837 1.46 1363 889 1.65 1534 938 1.83 1710 986 2.03 1891 1033 2.23 2075
3200 843 1.53 1431 894 1.72 1606 944 1.91 1785 991 2.11 1969 1037 2.31 2157
3300 850 1.61 1502 901 1.80 1680 949 2.00 1863 996 2.20 2051 1041 2.40 2242
3400 858 1.69 1576 907 1.88 1758 955 2.09 1944 1001 2.29 2135 —— —
3500 865 1.77 1653 914 1.97 1838 961 2.18 2029 1007 2.38 2223 —— —
3600 873 1.86 1733 921 2.06 1922 967 2.27 2116 —— — —— —
3700 881 1.95 1816 928 2.16 2010 974 2.37 2207 —— — —— —
3800 889 2.04 1904 936 2.25 2100 —— — —— — —— —
3900 898 2.14 1995 944 2.35 2195 —— — —— — —— —
4000 907 2.24 2089 — — — — — — — — — — — —
4100 916 2.35 2187 — — — — — — — — — — — —
4200 ————— — —— — —— — —— —
4300 ————— — —— — —— — —— —
4400 ————— — —— — —— — —— —
4500 ————— — —— — —— — —— —
4600 ————— — —— — —— — —— —
4700 ————— — —— — —— — —— —
4800 ————— — —— — —— — —— —
4900 ————— — —— — —— — —— —
5000 ————— — —— — —— — —— —
Bhp — Brake Horsepower Input to Fan
Watts — Input Watts to Motor

42
Table 26 — Fan Performance, 50TFQ012 — Horizontal Discharge Units; Alternate Motor and Drive*
LEGEND
*Motor drive range: 835 to 1085 rpm. All other rpms require field-
supplied drive.
Refer to page 43 General Fan Performance Notes.
NOTES:
1. Boldface indicates field-supplied drive is required.
2. Maximum continuous bhp is 2.90.
AIRFLOW
(Cfm)
EXTERNAL STATIC PRESSURE (in. wg)
0.2 0.4 0.6 0.8 1.0
Rpm Bhp Watts Rpm Bhp Watts Rpm Bhp Watts Rpm Bhp Watts Rpm Bhp Watts
3000 523 0.58 541 592 0.73 680 657 0.88 825 718 1.05 977 775 1.22 1135
3100 536 0.63 587 603 0.78 730 666 0.94 879 726 1.11 1035 783 1.28 1196
3200 549 0.68 637 614 0.84 783 676 1.00 936 735 1.17 1096 790 1.35 1260
3300 562 0.74 689 626 0.90 839 686 1.07 996 743 1.24 1159 798 1.42 1328
3400 575 0.80 744 637 0.96 898 696 1.14 1059 752 1.31 1226 806 1.50 1398
3500 588 0.86 802 649 1.03 961 707 1.21 1125 762 1.39 1296 815 1.58 1472
3600 601 0.93 864 661 1.10 1026 717 1.28 1194 771 1.47 1369 823 1.66 1548
3700 614 1.00 929 673 1.17 1095 728 1.36 1267 781 1.55 1445 832 1.75 1629
3800 628 1.07 997 685 1.25 1167 739 1.44 1343 791 1.64 1525 841 1.84 1712
3900 641 1.15 1069 697 1.33 1243 750 1.53 1423 801 1.72 1608 850 1.93 1799
4000 655 1.23 1144 709 1.42 1322 761 1.61 1506 812 1.82 1695 860 2.03 1890
4100 668 1.31 1223 722 1.51 1405 773 1.71 1593 822 1.92 1786 870 2.13 1984
4200 682 1.40 1305 734 1.60 1492 784 1.80 1683 833 2.02 1880 880 2.23 2082
4300 696 1.49 1392 747 1.70 1582 796 1.91 1777 844 2.12 1979 890 2.34 2184
4400 710 1.59 1482 760 1.80 1677 808 2.01 1876 855 2.23 2081 900 2.46 2290
4500 723 1.69 1577 773 1.90 1775 820 2.12 1978 866 2.35 2187 910 2.57 2400
4600 737 1.80 1675 785 2.01 1877 832 2.24 2085 877 2.46 2297 921 2.70 2514
4700 751 1.91 1778 798 2.13 1984 844 2.35 2195 889 2.59 2412 932 2.82 2633
4800 765 2.02 1885 812 2.25 2095 856 2.48 2310 900 2.71 2531 — — —
4900 779 2.14 1996 825 2.37 2210 869 2.61 2430 912 2.85 2654 — — —
5000 793 2.26 2112 838 2.50 2330 881 2.74 2554 — — — — — —
AIRFLOW
(Cfm)
EXTERNAL STATIC PRESSURE (in. wg)
1.2 1.4 1.6 1.8 2.0
Rpm Bhp Watts Rpm Bhp Watts Rpm Bhp Watts Rpm Bhp Watts Rpm Bhp Watts
3000 830 1.39 1298 883 1.57 1466 934 1.76 1638 982 1.95 1815 1029 2.14 1996
3100 837 1.46 1363 889 1.65 1534 938 1.83 1710 986 2.03 1891 1033 2.23 2075
3200 843 1.53 1431 894 1.72 1606 944 1.91 1785 991 2.11 1969 1037 2.31 2157
3300 850 1.61 1502 901 1.80 1680 949 2.00 1863 996 2.20 2051 1041 2.40 2242
3400 858 1.69 1576 907 1.88 1758 955 2.09 1944 1001 2.29 2135 1046 2.50 2331
3500 865 1.77 1653 914 1.97 1838 961 2.18 2029 1007 2.38 2223 1051 2.60 2422
3600 873 1.86 1733 921 2.06 1922 967 2.27 2116 1012 2.48 2314 1056 2.70 2516
3700 881 1.95 1816 928 2.16 2010 974 2.37 2207 1019 2.58 2409 1062 2.80 2615
3800 889 2.04 1904 936 2.25 2100 981 2.47 2302 1025 2.69 2507 — — —
3900 898 2.14 1995 944 2.35 2195 988 2.57 2399 1032 2.80 2608 — — —
4000 907 2.24 2089 952 2.46 2293 996 2.68 2501 — — — — — —
4100 916 2.35 2187 960 2.57 2395 1004 2.80 2607 — — — — — —
4200 925 2.45 2289 969 2.68 2500 — — — — — — — — —
4300 934 2.57 2395 978 2.80 2610 — — — — — — — — —
4400 944 2.69 2504 — — — — — — — — — — — —
4500 954 2.81 2618 — — — — — — — — — — — —
4600 ————— — —— — —— — —— —
4700 ————— — —— — —— — —— —
4800 ————— — —— — —— — —— —
4900 ————— — —— — —— — —— —
5000 ————— — —— — —— — —— —
Bhp — Brake Horsepower Input to Fan
Watts — Input Watts to Motor

43
Table 27 — Fan Performance, 50TFQ012 — Horizontal Discharge Units; High-Static Motor and Drive*
LEGEND
*Motor drive range: 830 to 1130 rpm. All other rpms require field-
supplied drive.
Refer to General Fan Performance Notes below.
NOTES:
1. Boldface indicates field-supplied drive is required.
2. Maximum continuous bhp is 5.25.
GENERAL NOTES FOR FAN PERFORMANCE DATA TABLES
1. Fan performance is based on clean filters and wet coil data.
2. Extensive motor and electrical testing on these units ensures
that the full range of the motor can be utilized with confidence.
Using fan motors up to the wattage ratings shown will not result
in nuisance tripping or premature motor failure. Unit warranty
will not be affected. For additional information on motor perfor-
mance Table 9.
3. Values include losses for filters, unit casing, and wet coils. See
Tables 11A and 11B for static pressure information.
4. Use of a field-supplied motor may affect wire sizing. Contact
your Carrier representative for details.
5. Interpolation is permissible. Do not extrapolate.
AIRFLOW
(Cfm)
EXTERNAL STATIC PRESSURE (in. wg)
0.2 0.4 0.6 0.8 1.0
Rpm Bhp Watts Rpm Bhp Watts Rpm Bhp Watts Rpm Bhp Watts Rpm Bhp Watts
3000 523 0.58 541 592 0.73 680 657 0.88 825 718 1.05 977 775 1.22 1135
3100 536 0.63 587 603 0.78 730 666 0.94 879 726 1.11 1035 783 1.28 1196
3200 549 0.68 637 614 0.84 783 676 1.00 936 735 1.17 1096 790 1.35 1260
3300 562 0.74 689 626 0.90 839 686 1.07 996 743 1.24 1159 798 1.42 1328
3400 575 0.80 744 637 0.96 898 696 1.14 1059 752 1.31 1226 806 1.50 1398
3500 588 0.86 802 649 1.03 961 707 1.21 1125 762 1.39 1296 815 1.58 1472
3600 601 0.93 864 661 1.10 1026 717 1.28 1194 771 1.47 1369 823 1.66 1548
3700 614 1.00 929 673 1.17 1095 728 1.36 1267 781 1.55 1445 832 1.75 1629
3800 628 1.07 997 685 1.25 1167 739 1.44 1343 791 1.64 1525 841 1.84 1712
3900 641 1.15 1069 697 1.33 1243 750 1.53 1423 801 1.72 1608 850 1.93 1799
4000 655 1.23 1144 709 1.42 1322 761 1.61 1506 812 1.82 1695 860 2.03 1890
4100 668 1.31 1223 722 1.51 1405 773 1.71 1593 822 1.92 1786 870 2.13 1984
4200 682 1.40 1305 734 1.60 1492 784 1.80 1683 833 2.02 1880 880 2.23 2082
4300 696 1.49 1392 747 1.70 1582 796 1.91 1777 844 2.12 1979 890 2.34 2184
4400 710 1.59 1482 760 1.80 1677 808 2.01 1876 855 2.23 2081 900 2.46 2290
4500 723 1.69 1577 773 1.90 1775 820 2.12 1978 866 2.35 2187 910 2.57 2400
4600 737 1.80 1675 785 2.01 1877 832 2.24 2085 877 2.46 2297 921 2.70 2514
4700 751 1.91 1778 798 2.13 1984 844 2.35 2195 889 2.59 2412 932 2.82 2633
4800 765 2.02 1885 812 2.25 2095 856 2.48 2310 900 2.71 2531 942 2.95 2756
4900 779 2.14 1996 825 2.37 2210 869 2.61 2430 912 2.85 2654 953 3.09 2883
5000 793 2.26 2112 838 2.50 2330 881 2.74 2554 923 2.98 2782 965 3.23 3014
AIRFLOW
(Cfm)
EXTERNAL STATIC PRESSURE (in. wg)
1.2 1.4 1.6 1.8 2.0
Rpm Bhp Watts Rpm Bhp Watts Rpm Bhp Watts Rpm Bhp Watts Rpm Bhp Watts
3000 830 1.39 1298 883 1.57 1466 934 1.76 1638 982 1.95 1815 1029 2.14 1996
3100 837 1.46 1363 889 1.65 1534 938 1.83 1710 986 2.03 1891 1033 2.23 2075
3200 843 1.53 1431 894 1.72 1606 944 1.91 1785 991 2.11 1969 1037 2.31 2157
3300 850 1.61 1502 901 1.80 1680 949 2.00 1863 996 2.20 2051 1041 2.40 2242
3400 858 1.69 1576 907 1.88 1758 955 2.09 1944 1001 2.29 2135 1046 2.50 2331
3500 865 1.77 1653 914 1.97 1838 961 2.18 2029 1007 2.38 2223 1051 2.60 2422
3600 873 1.86 1733 921 2.06 1922 967 2.27 2116 1012 2.48 2314 1056 2.70 2516
3700 881 1.95 1816 928 2.16 2010 974 2.37 2207 1019 2.58 2409 1062 2.80 2615
3800 889 2.04 1904 936 2.25 2100 981 2.47 2302 1025 2.69 2507 1068 2.91 2716
3900 898 2.14 1995 944 2.35 2195 988 2.57 2399 1032 2.80 2608 1074 3.03 2821
4000 907 2.24 2089 952 2.46 2293 996 2.68 2501 1038 2.91 2713 1080 3.14 2930
4100 916 2.35 2187 960 2.57 2395 1004 2.80 2607 1046 3.03 2822 1087 3.26 3042
4200 925 2.45 2289 969 2.68 2500 1011 2.91 2716 1053 3.15 2935 1094 3.39 3159
4300 934 2.57 2395 978 2.80 2610 1020 3.03 2828 1061 3.27 3052 1101 3.52 3279
4400 944 2.69 2504 986 2.92 2723 1028 3.16 2946 1068 3.40 3173 1108 3.65 3403
4500 954 2.81 2618 996 3.05 2840 1037 3.29 3067 1076 3.54 3297 1115 3.79 3531
4600 963 2.93 2736 1005 3.18 2962 1045 3.42 3192 1085 3.67 3426 1123 3.93 3664
4700 974 3.07 2858 1014 3.31 3088 1054 3.56 3322 1093 3.82 3560 1131 4.08 3801
4800 984 3.20 2985 1024 3.45 3219 1063 3.71 3456 1102 3.96 3697 1139 4.23 3943
4900 994 3.34 3116 1034 3.60 3353 1073 3.85 3594 1111 4.12 3839 1148 4.38 4088
5000 1005 3.49 3251 1044 3.74 3492 1082 4.01 3737 1119 4.27 3986 1156 4.55 4238
Bhp — Brake Horsepower Input to Fan
Watts — Input Watts to Motor

44
PRE-START-UP
Proceed as follows to inspect and prepare the unit for initial
start-up:
1. Remove all access panels.
2. Read and follow instructions on all WARNING, CAU-
TION, and INFORMATION labels attached to or
shipped with unit.
3. Make the following inspections:
a. Inspect for shipping and handling damages such
as broken lines, loose parts, or disconnected wires.
b. Inspect for oil at all refrigerant tubing connections
and on the unit base. Detecting oil generally indi-
cates a refrigerant leak. Leak-test all refrigerant
tubing connections using an electronic leak detec-
tor, halide torch, or liquid-soap solution.
c. Inspect all field-wiring and factory-wiring con-
nections. Be sure that connections are completed
and tight. Ensure that electrical wires do not
contact refrigerant tubing.
d. Inspect the coil fins. If damaged during shipping
and handling, carefully straighten the fins with a
fin comb.
4. Verify the following conditions:
a. Make sure that the outdoor-fan blades are
correctly positioned in the fan orifice. Refer to
Outdoor-Fan Adjustment section on page 48 for
more details.
b. Make sure that an air filter(s) is in place.
c. Make sure that the condensate drain trap is filled
with water to ensure proper drainage.
d. Make sure that all tools and miscellaneous loose
parts have been removed.
START-UP
Unit Preparation — Make sure that the unit has been
installed in accordance with installation instructions and
applicable codes.
Return-Air Filters — Make sure that the correct filters
are installed in the unit (see Table 1). Do not operate the unit
without return-air filters.
Outdoor-Air Inlet Screen — The outdoor-air inlet screen
must be in place before operating the unit.
Compressor Mounting — Compressors are internally
spring mounted. Do not loosen or remove the compressor hold-
down bolts.
Internal Wiring — Check all electrical connections in
unit control boxes; tighten as required.
Refrigerant Service Ports — Each refrigerant system
has 3 Schrader-type service gage ports: One on the suction line,
one on the cooling mode liquid line, and one on the compressor
discharge line. Be sure that the caps on the ports are tight.
The port on the cooling mode liquid line and one port on the
discharge line have protective devices installed on them.
HIGH FLOW REFRIGERANT VALVES — Two high flow
valves may be located on the hot gas tube coming out of the
compressor and the suction tube going into the compressor.
Large black plastic caps identify these valves with O-rings
inside screwing the cap and onto a brass body. No field access
to these valves is available at this time. Ensure the plastic caps
remain on the valves and are tight or the possibility of refriger-
ant leakage could occur.
Compressor Rotation — It is important to be certain
that the scroll compressor (size 012 only) is rotating in the
proper direction. To determine whether or not the compressor
is rotating in the proper direction:
1. Connect service gages to the suction and discharge pres-
sure fittings.
2. Energize the compressor.
3. The suction pressure should drop and the discharge pres-
sure should rise, as is normal on any start-up.
If the suction pressure does not drop and the discharge pres-
sure does not rise to normal levels:
1. Note that the indoor fan is probably also rotating in the
wrong direction.
2. Turn off power to the unit and tag disconnect.
3. Reverse any two of the unit power leads.
4. Turn on power to the unit. Re-energize compressor.
The suction and discharge pressure levels should now move
to their normal start-up levels.
NOTE: When the compressor is rotating in the wrong
direction, the unit makes more noise and does not provide
heating/cooling.
Cooling — To start the unit, turn on main power supply. Set
the system selector switch at COOL position and the fan switch
at AUTO position. Adjust the thermostat to a setting below room
temperature. The compressor starts on closure of the contactor.
Check the unit charge. Refer to Refrigerant Charge section
on page 48.
Reset the thermostat at a position above room temperature.
The compressor will shut off.
TO SHUT OFF UNIT — Set the system selector switch at
OFF position. Resetting the thermostat at a position above
room temperature shuts the unit off temporarily until the space
temperature exceeds the thermostat setting.
The compressor restart is accomplished by manual reset at
the thermostat by turning the selector switch to OFF position
and then ON position.
Failure to observe the following warnings could result in
serious personal injury:
1. Follow recognized safety practices and wear protec-
tive goggles when checking or servicing refrigerant
system.
2. Do not operate the compressor or provide any electric
power to the unit unless the compressor terminal
cover is in place and secured.
3. Do not remove the compressor terminal cover until all
electrical sources are disconnected.
4. Relieve all pressure from the system before touching
or disturbing anything inside the compressor terminal
box if a refrigerant leak is suspected around the com-
pressor terminals. Use accepted methods to recover
refrigerant.
5. Never attempt to repair a soldered connection while
the refrigerant system is under pressure.
6. Do not use a torch to remove any component. The
system contains oil and refrigerant under pressure. To
remove a component, wear protective goggles and
proceed as follows:
a. Shut off electrical power to the unit and tag
disconnect.
b. Relieve all pressure from the system using both
the high and low-pressure ports. Use accepted
methods to recover refrigerant.
c. Cut the component connection tubing with tubing
cutter, and remove the component from the unit.
d. Carefully unsweat the remaining tubing stubs
when necessary. Oil can ignite when exposed
to a torch flame.

45
Heating — To start the unit, turn on the main power supply.
Set the thermostat at HEAT position at a setting above room
temperature, the fan at AUTO position.
The first stage of the thermostat energizes the indoor-fan
motor, compressor, and outdoor fan; the second stage energizes
electric heater elements, if installed. Check the heating effects
at the air supply grille(s).
If the accessory electric heaters do not energize, reset limit
switch (located on indoor-fan scroll) by pressing the button
located between terminals on the switch.
TO SHUT OFF UNIT — Set the system selector switch at
OFF position. Resetting the heating selector lever below room
temperature temporarily shuts the unit off until the space
temperature falls below the thermostat setting.
Safety Relief — A soft solder joint on the suction line at
the loss-of-charge/low-pressure fitting provides pressure relief
under abnormal temperature and pressure conditions.
Ventilation (Continuous Fan) — Set the fan and system
selector switches at ON and OFF positions, respectively. The in-
door fan operates continuously to provide constant air circulation.
Operating Sequence
COOLING, UNITS WITHOUT ECONOMIZER — When
thermostat calls for cooling, terminals G and Y1 are energized.
The indoor-fan contactor (IFC), reversing valve solenoid
(RVS1) and compressor contactor no. 1 (C1) are energized and
indoor-fan motor, compressor no. 1, and outdoor fan starts. The
outdoor-fan motor(s) run continuously while unit is cooling. If
the thermostat calls for a second stage of cooling by energizing
Y2, compressor contactor no. 2 (C2) and reversing valve sole-
noid (RVS2) are energized and compressor no. 2 starts.
HEATING, UNITS WITHOUT ECONOMIZER — Upon a
request for heating from the space thermostat, terminal W1 will
be energized with 24 v. The IFC, outdoor-fan contactor (OFC),
C1, and C2 will be energized. The reversing valves switch po-
sition and the indoor fan, outdoor fan, compressor no. 1, and
compressor no. 2 are energized.
If the space temperature continues to fall while W1 is ener-
gized, W2 will be energized with 24 v, and the heater contac-
tor(s) (HC) will be energized, which will energize the electric
heater(s).
When the space thermostat is satisfied, W2 will be deener-
gized first, and the electric heater(s) will be deenergized.
Upon a further rise in space temperature, W1 will be
deenergized, and the reversing valve solenoids (RVS1 and
RVS2) will be energized.
COOLING, UNITS WITH ECONOMI$ER IV — When free
cooling is not available, the compressors will be controlled by
the zone thermostat. When free cooling is available, the
outdoor-air damper is modulated by the EconoMi$er IV con-
trol to provide a 50 to 55 F supply-air temperature into the
zone. As the supply-air temperature fluctuates above 55 or
below 50 F, the dampers will be modulated (open or close)
to bring the supply-air temperature back within set point limits.
For EconoMi$er IV operation, there must be a thermostat
call for the fan (G). This will move the damper to its minimum
position during the occupied mode.
Above 50 F supply-air temperature, the dampers will modu-
late from 100% open to the minimum open position. From 50 F
to 45 F supply-air temperature, the dampers will maintain at
the minimum open position. Below 45 F the dampers will be
completely shut. As the supply-air temperature rises, the damp-
ers will come back open to the minimum open position once
the supply-air temperature rises to 48 F.
If optional power exhaust is installed, as the outdoor-air
damper opens and closes, the power exhaust fans will be ener-
gized and deenergized.
If field-installed accessory CO2sensors are connected to the
EconoMi$er IV control, a demand controlled ventilation strate-
gy will begin to operate. As the CO2level in the zone increases
above the CO2set point, the minimum position of the damper
will be increased proportionally. As the CO2level decreases
because of the increase in fresh air, the outdoor-air damper will
be proportionally closed. Damper position will follow the high-
er demand condition from DCV mode or free cooling mode.
Damper movement from full closed to full open (or vice
versa) will take between 11/2and 21/2minutes.
If free cooling can be used as determined from the appropri-
ate changeover command (switch, dry bulb, enthalpy curve,
differential dry bulb, or differential enthalpy), a call for cooling
(Y1 closes at the thermostat) will cause the control to modulate
the dampers open to maintain the supply-air temperature set
point at 50 to 55 F.
As the supply-air temperature drops below the set point
range of 50 to 55 F, the control will modulate the outdoor-air
dampers closed to maintain the proper supply-air temperature.
HEATING, UNITS WITH ECONOMI$ER IV — When the
room temperature calls for heat, the heating controls are ener-
gized as described in the Heating, Units Without Economizer
section. When the thermostat is satisfied, the economizer
damper moves to the minimum position.
COOLING, UNITS WITH ECONOMI$ER2, PREMIER-
LINK™ CONTROL AND A THERMOSTAT — When free
cooling is not available, the compressors will be controlled by
the PremierLink control in response to the Y1 and Y2 inputs
from the thermostat.
The PremierLink control will use the following information
to determine if free cooling is available:
• Indoor fan has been on for at least 30 seconds.
• The SPT, SAT, and OAT inputs must have valid readings.
• OAT must be less than 75 F.
• OAT must be less than SPT.
• Enthalpy must be LOW (may be jumpered if an enthalpy
sensor not available).
• Economizer position is NOT forced.
Pre-cooling occurs when the is no call from the thermostat
except G. Pre-cooling is defined as the economizer modulates
to provide 70 F supply air.
When free cooling is available the PremierLink control will
control the compressors and economizer to provide a supply-
air temperature determined to meet the Y1 and Y2 calls from
the thermostat using the following three routines. The three
control routines are based on OAT, where:
SASP = Supply Air Set Point
DXCTLO = Direct Expansion Cooling Lockout Set Point
Routine 1 —(OAT<DXCTLO)
• Y1 energized — economizer maintains a SASP =
(SATLO1 + 3).
• Y2 energized — economizer maintains a SASP =
(SATLO2 + 3).
Routine 2 —(DXCTLO<OAT<68F)
• If only Y1 energized, the economizer maintains a SASP
=(SATLO1+3).
• If SAT > SASP + 5 and economizer position > 80%,
economizer will go to minimum position for 3 minutes or
until SAT > 68 F.
• First stage of mechanical cooling will be energized.
• Integrator resets.
• Economizer opens again and controls to current SASP
after stage one on for 90 seconds.
• With Y1 and Y2 energized Economizer maintains an
SASP = SATLO2 + 3.

46
• If SAT > SASP + 5 and economizer position >80%,
economizer will go to minimum position for 3 minutes or
until SAT > 68 F.
• If compressor no. 1 is on then second stage of mechani-
cal cooling will be energized. Otherwise the first stage
will be energized.
• Integrator resets.
• Economizer opens again and controls to SASP after
stage one on for 90 seconds.
Routine 3 — (OAT > 68)
• Economizer is opened 100%.
• Compressors 1 and 2 are cycled based on Y1 and Y2
using minimum on and off times and watching the sup-
ply air temperature as compared to SATLO1 and
SATLO2 set points.
If optional power exhaust is installed, as the outdoor-air
damper opens and closes, the power exhaust fans will be ener-
gized and deenergized.
If field-installed accessory CO2sensors are connected to the
PremierLink™ control, a PID-controlled demand ventilation
strategy will begin to operate. As the CO2level in the zone
increases above the CO2set point, the minimum position of the
damper will be increased proportionally. As the CO2level
decreases because of the increase in fresh air, the outdoor-air
damper will be proportionally closed.
HEATING, UNITS WITH ECONOMI$ER2, PREMIER-
LINK CONTROL AND A THERMOSTAT — When the
thermostat calls for heating, terminal W1 is energized. The
PremierLink control will move the economizer damper to the
minimum position if there is a call for G and closed if there is a
call for W1 without G. In order to prevent thermostat from short
cycling, the unit is locked into the heating mode for at least
10 minutes when W1 is energized.
COOLING, UNITS WITH ECONOMI$ER2, PREMIER-
LINK CONTROL AND A ROOM SENSOR — When free
cooling is not available, the compressors will be controlled by
the PremierLink controller using a PID (proportional integral)
Error reduction calculation as indicated by Fig. 41.
The PremierLink controller will use the following informa-
tion to determine if free cooling is available:
• Indoor fan has been on for at least 30 seconds.
• The SPT, SAT, and OAT inputs must have valid readings.
• OAT must be less than 75 F.
• OAT must be less than SPT.
• Enthalpy must be LOW (may be jumpered if and
enthalpy sensor is not available).
• Economizer position is NOT forced.
When free cooling is available, the outdoor-air damper is
positioned through the use of a Proportional Integral (PID)
control process to provide a calculated supply-air temperature
into the zone. The supply air will maintain the space tempera-
ture between the heating and cooling set points as indicated in
Fig. 42.
The PremierLink control will integrate the compressor
stages with the economizer based on similar logic as the three
routines listed in the previous section. The SASP will float up
and down based on the error reduction calculations that com-
pare space temperature and space set point.
When outside-air temperature conditions require the econo-
mizer to close for a compressor stage-up sequence, the econo-
mizer control integrator is reset to zero after the stage-up se-
quence is completed. This prevents the supply-air temperature
from dropping too quickly and creating a freeze condition that
would make the compressor turn off prematurely.
The high space set point is used for DX (direct expansion)
cooling control, while the economizer space set point is a
calculated value between the heating and cooling set points.
The economizer set point will always be at least one degree
below the cooling set point, allowing for a smooth transition
from mechanical cooling with economizer assist, back to
economizer cooling as the cooling set point is achieved.
The compressors may be used for initial cooling then the
PremierLink controller will modulate the economizer using an
error reduction calculation to hold the space temperature
between the heating and cooling set points. See Fig. 42.
The controller uses the following conditions to determine
economizer cooling:
• Enthalpy is Low
• SAT reading is available
• OAT reading is available
• SPT reading is available
•OAT≤SPT
• Economizer Position is NOT forced
If any of the above conditions are not met, the economizer
submaster reference (ECSR) is set to maximum limit and the
damper moves to minimum position. The operating sequence
is complete. The ECSR is recalculated every 30 seconds.
If an optional power exhaust is installed, as the outdoor-air
damper opens and closes, the power exhaust fans will be
energized and deenergized.
If field-installed accessory CO2sensors are connected to
the PremierLink control, a PID-controlled demand ventilation
strategy will begin to operate. As the CO2level in the zone
increases above the CO2set point, the minimum position of the
damper will be increased proportionally. As the CO2level
decreases because of the increase in fresh air, the outdoor-air
damper will be proportionally closed.
68
69
70
71
72
73
74
75
SPACE TEMPERATURE
TIME
TEMPERATURE CONTROL
SET POINT
TEMPERATURE
NOTE: PremierLink control performs smart staging of 2 stages of DX
cooling and up to 3 stages of heat.
Fig. 41 — DX Cooling Temperature
Control Example
68
69
70
71
72
73
74
75
SPACE TEMPERATURE
TIME
TEMPERATURE CONTROL
COOL SETPOINT
TEMPERATURE
HEAT SETPOINT
Fig. 42 — Economizer Temperature
Control Example

47
HEATING, UNIT WITH ECONOMI$ER2, PREMIERLINK™
CONTROL AND A ROOM SENSOR — Every 40 seconds
the controller will calculate the required heat stages (maximum
of 3) to maintain supply air temperature (SAT) if the following
qualifying conditions are met:
• Indoor fan has been on for at least 30 seconds.
• COOL mode is not active.
• OCCUPIED, TEMP.COMPENSATED START or HEAT
mode is active.
• SAT reading is available.
• Fire shutdown mode is not active.
If all of the above conditions are met, the number of heat
stages is calculated; otherwise the required number of heat
stages will be set to 0.
If the PremierLink controller determines that heat stages are
required, the economizer damper will be moved to minimum
position if occupied and closed if unoccupied.
SERVICE
Cleaning — Inspect the unit interior at the beginning of each
heating and cooling season or as operating conditions require.
INDOOR COIL
1. Turn off the unit power and tag disconnect. Remove the
filter access panel and indoor coil access panel.
2. If an economizer or accessory two-position damper is
installed, remove the economizer or two-position damper
by disconnecting the economizer plug and removing the
mounting screws.
3. Slide the filters out of the unit.
4. Clean the coil using a commercial coil cleaner or dish-
washer detergent in a pressurized spray canister. Wash
both sides of the coil and flush with clean water. For best
results, backflush toward the return-air section to remove
foreign material.
5. Flush the condensate pan after completion.
6. Reinstall the economizer/two-position damper and filters.
7. Reconnect the wiring.
8. Replace the access panels.
OUTDOOR COILS — Inspect the coils monthly. Clean
condenser coils annually, and as required by location and
outdoor-air conditions.
Clean 2-row coils as follows:
1. Turn off the unit power and tag disconnect.
2. Remove the top panel screws on the outdoor end of the
unit.
3. Remove the outdoor coil corner post. See Fig. 43. To hold
the top panel open, place the coil corner post between the
top panel and the center post. See Fig. 44.
4. Remove the device holding the coil sections together at
the return end of the outdoor coil. Carefully separate the
outer coil section 3 to 4 in. from the inner coil section.
See Fig. 45.
5. Use a water hose or other suitable equipment to flush
down between the 2 coil sections to remove dirt and
debris. Clean the outer surfaces with a stiff brush in the
normal manner.
6. Secure the sections together. Reposition the coil sections,
and remove the coil corner post from between the top
panel and center post. Install the coil corner post and coil
center post, and replace all screws.
CONDENSATE DRAIN — Check and clean each year at the
start of cooling season. In winter, keep the drain dry or protect
it against freeze-up.
When servicing the unit, shut off all electrical power to the
unit to avoid shock hazard or injury from rotating parts.
Fig. 43 — Cleaning Outdoor Coil
Fig. 44 — Propping Up Top Panel
Fig. 45 — Separating Coil Sections

48
FILTERS — Clean or replace at the start of each heating and
cooling season, or more often if operating conditions require it.
Replacement filters must be the same dimensions as original
filters.
OUTDOOR-AIR INLET SCREEN — Clean the screen with
steam or hot water and a mild detergent. Do not use disposable
filters in place of screens.
Lubrication
COMPRESSORS — Each compressor is charged with correct
amount of oil at the factory.
FAN MOTOR BEARINGS — Fan motor bearings are per-
manently lubricated. No further lubrication of outdoor or
indoor-fan motors is required.
Outdoor Fan Adjustment (Fig. 46)
1. Shut off the unit power supply and tag disconnect.
2. Remove the outdoor-fan assembly (grille, motor, motor
cover, and fan) and loosen the fan hub setscrews.
3. Adjust the fan height as shown in Fig. 46.
4. Tighten the setscrews and replace the outdoor-fan assembly.
Blower Belt Adjustment — Inspect the blower belt
for wear, proper belt tension, and pulley alignment as condi-
tions require or at the beginning of each heating and air condi-
tioning season.
Refer to Step 7 — Adjust Indoor-Fan Speed on page 25 for
adjustment and alignment procedures.
High-Pressure Switch — Located on the compressor
hot gas line is a high-pressure switch, which contains a
Schrader core depressor. This switch opens at 428 psig and
closes at 320 psig. No adjustment is necessary. Refer to
Table 1.
Loss-of-Charge Switch — Located on the outdoor liq-
uid line is a low-pressure switch which functions as a loss-of-
charge switch. This switch contains a Schrader core depressor.
This switch opens at 7 psig and closes at 22 psig. No adjust-
ment is necessary. Refer to Table 1.
Freezestat — Located on the “hair pin” end of the indoor
coil is a bimetal temperature sensing switch. This switch pro-
tects the evaporator coil from freeze-up due to lack of airflow.
The switch opens at 30 F and closes at 45 F. No adjustment is
necessary. Refer to Table 1.
Refrigerant Charge — The amount of refrigerant charge
is listed on the unit nameplate (also refer to Table 1). Refer to
Carrier Refrigerant Service Techniques Manual, Refrigerants
section.
Unit panels must be in place when the unit is operating
during charging procedure.
NO CHARGE — Use standard evacuating techniques. After
evacuating the system, weigh in the specified amount of refrig-
erant (refer to Table 1).
LOW CHARGE COOLING — Use the Cooling Charging
Charts, Fig. 47-49. Vary the refrigerant until the conditions of
the appropriate chart are met. Note that the charging charts are
different from the type normally used. Charts are based on
charging the units to the correct superheat for the various oper-
ating conditions. An accurate pressure gage and temperature
sensing device are required. Connect the pressure gage to the
service port on the suction line. Mount the temperature sensing
device on the suction line and insulate it so that outdoor ambi-
ent temperature does not affect the reading. Indoor-air cfm
must be within the normal operating range of the unit.
TO USE COOLING CHARGING CHARTS — Take the out-
door ambient temperature and read the suction pressure gage.
Refer to the appropriate chart to determine what the suction
temperature should be. If the suction temperature is high, add
refrigerant. If the suction temperature is low, carefully recover
some of the charge. Recheck the suction pressure as charge is
adjusted.
EXAMPLE: (Fig. 47)
Outdoor Temperature . . . . . . . . . . . .................. 85F
SuctionPressure ...............................70psig
Suction Temperature should be . . . .................. 49F
(Suction Temperature may vary ±5° F.)
HEATING CHARGE — Do not attempt to adjust refrigerant
charge while the unit is operating in the heating mode. If the
charge amount is believed to be incorrect, recover refrigerant
and weigh in the amount listed on the unit rating plate.
Replacement Parts — A complete list of replacement
parts can be obtained from any Carrier distributor.
Fig. 46 — Outdoor Fan Adjustment
UNIT
VOLTAGE
“A”
in.
208/230 V 2.75
460 V and 575 V 3.50
Fig. 47 — Cooling Charging Chart, 50TFQ008

49
TROUBLESHOOTING
Unit Troubleshooting — For unit troubleshooting, re-
fer to Fig. 50 and Table 28.
EconoMi$er IV Troubleshooting — See Table 29
for EconoMi$er IV logic.
A functional view of the EconoMi$er IV is shown in
Fig. 51. Typical settings, sensor ranges, and jumper positions
are also shown. An EconoMi$er IV simulator program is avail-
able from Carrier to help with EconoMi$er IV training and
troubleshooting.
ECONOMI$ER IV PREPARATION — This procedure is
used to prepare the EconoMi$er IV for troubleshooting. No
troubleshooting or testing is done by performing the following
procedure.
NOTE: This procedure requires a 9-v battery, 1.2 kilo-ohm
resistor, and a 5.6 kilo-ohm resistor which are not supplied
with the EconoMi$er IV.
1. Disconnect power at TR and TR1. All LEDs should be
off. Exhaust fan contacts should be open.
2. Disconnect device at P and P1.
3. Jumper P to P1.
4. Disconnect wires at T and T1. Place 5.6 kilo-ohm resistor
across T and T1.
5. Jumper TR to 1.
6. Jumper TR to N.
7. If connected, remove sensor from terminals SOand +.
Connect 1.2 kilo-ohm 4074EJM checkout resistor across
terminals SOand +.
8. Put 620-ohm resistor across terminals SRand +.
9. Set minimum position, DCV set point, and exhaust
potentiometers fully CCW (counterclockwise).
10. Set DCV maximum position potentiometer fully CW
(clockwise).
11. Set enthalpy potentiometer to D.
12. Apply power (24 vac) to terminals TR and TR1.
DIFFERENTIAL ENTHALPY — To check differential
enthalpy:
1. Make sure EconoMi$er IV preparation procedure has
been performed.
2. Place 620-ohm resistor across SOand +.
3. Place 1.2 kilo-ohm resistor across SRand +. The Free
Cool LED should be lit.
4. Remove 620-ohm resistor across SOand +. The Free
Cool LED should turn off.
5. Return EconoMi$er IV settings and wiring to normal
after completing troubleshooting.
SINGLE ENTHALPY — To check single enthalpy:
1. Make sure EconoMi$er IV preparation procedure has
been performed.
2. Set the enthalpy potentiometer to A (fully CCW). The
Free Cool LED should be lit.
3. Set the enthalpy potentiometer to D (fully CW). The Free
Cool LED should turn off.
4. Return EconoMi$er IV settings and wiring to normal
after completing troubleshooting.
DCV (DEMAND CONTROLLED VENTILATION) AND
POWER EXHAUST — To check DCV and Power Exhaust:
1. Make sure EconoMi$er IV preparation procedure has
been performed.
2. Ensure terminals AQ and AQ1 are open. The LED for
both DCV and Exhaust should be off. The actuator
should be fully closed.
3. Connect a 9-v battery to AQ (positive node) and AQ1
(negative node). The LED for both DCV and Exhaust
should turn on. The actuator should drive to between 90
and 95% open.
4. Turn the Exhaust potentiometer CW until the Exhaust
LED turns off. The LED should turn off when the
potentiometer is approximately 90%. The actuator should
remain in position.
IMPORTANT: Be sure to record the positions of all poten-
tiometers before starting troubleshooting.
Fig. 49 — Cooling Charging Chart, 50TFQ012
Fig. 48 — Cooling Charging Chart, 50TFQ009
50
5. Turn the DCV set point potentiometer CW until the DCV
LED turns off. The DCV LED should turn off when the
potentiometer is approximately 9 v. The actuator should
drive fully closed.
6. Turn the DCV and Exhaust potentiometers CCW until
the Exhaust LED turns on. The exhaust contacts will
close 30 to 120 seconds after the Exhaust LED turns on.
7. Return EconoMi$er IV settings and wiring to normal
after completing troubleshooting.
DCV MINIMUM AND MAXIMUM POSITION — To check
the DCV minimum and maximum position:
1. Make sure EconoMi$er IV preparation procedure has
been performed.
2. Connect a 9-v battery to AQ (positive node) and AQ1
(negative node). The DCV LED should turn on. The
actuator should drive to between 90 and 95% open.
3. Turn the DCV Maximum Position potentiometer to mid-
point. The actuator should drive to between 20 and 80%
open.
4. Turn the DCV Maximum Position potentiometer to fully
CCW. The actuator should drive fully closed.
5. Turn the Minimum Position potentiometer to midpoint.
The actuator should drive to between 20 and 80% open.
6. Turn the Minimum Position Potentiometer fully CW. The
actuator should drive fully open.
7. Remove the jumper from TR and N. The actuator should
drive fully closed.
8. Return EconoMi$er IV settings and wiring to normal
after completing troubleshooting.
SUPPLY-AIR INPUT — To check supply-air input:
1. Make sure EconoMi$er IV preparation procedure has
been performed.
2. Set the Enthalpy potentiometer to A. The Free Cool LED
turns on. The actuator should drive to between 20 and
80% open.
3. Remove the 5.6 kilo-ohm resistor and jumper T to T1.
The actuator should drive fully open.
4. Remove the jumper across T and T1. The actuator should
drive fully closed.
5. Return EconoMi$er IV settings and wiring to normal
after completing troubleshooting.
ECONOMI$ER IV TROUBLESHOOTING COMPLE-
TION — This procedure is used to return the EconoMi$er IV
to operation. No troubleshooting or testing is done by perform-
ing the following procedure.
1. Disconnect power at TR and TR1.
2. Set enthalpy potentiometer to previous setting.
3. Set DCV maximum position potentiometer to previous
setting.
4. Set minimum position, DCV set point, and exhaust
potentiometers to previous settings.
5. Remove 620-ohm resistor from terminals SRand +.
6. Remove 1.2 kilo-ohm checkout resistor from terminals
SOand +. If used, reconnect sensor from terminals SOand
+.
7. Remove jumper from TR to N.
8. Remove jumper from TR to 1.
9. Remove 5.6 kilo-ohm resistor from T and T1. Reconnect
wires at T and T1.
10. Remove jumper from P to P1. Reconnect device at P and
P1.
11. Apply power (24 vac) to terminals TR and TR1.

51
Fig. 50 — Typical Unit Wiring Schematic (208/203-3-60 Unit Shown)
LEGEND
C—Contactor, Compressor
CAP — Capacitor
CB — Circuit Breaker
CLO — Compressor Lockout
COMP — Compressor Motor
DB — Defrost Board
DFT — Defrost Thermostat
EQUIP — Equipment
FPT — Freeze Protection Thermostat
HC — Heater Contactor
HPS — High-Pressure Switch
HR — Heater Relay
IFC — Indoor-Fan Contactor
IFM — Indoor-Fan Motor
IFMOVL — Indoor-Fan Motor Overload Switch
LPS — Low-Pressure Switch
LSM — Limit Switch (Manual Reset)
MCA — Minimum Circuit Amps
MTR — Motor
OFC — Outdoor-Fan Contactor
OFM — Outdoor-Fan Motor
P—Plug
PL — Plug Assembly
QT — Quadruple Terminal
SAT — Supply Air Thermostat
RVS — Reversing Valve Solenoid
TRAN — Transformer
Field Splice
Marked Wire
Terminal (Marked)
Terminal (Unmarked)
Terminal Block
Splice
Splice (Marked)
Factory Wiring
Field Control Wiring
Field Power Wiring
Accessory or Optional Wiring
To indicate common potential only,
not to represent wiring

52
Table 28 — Heating and Cooling Troubleshooting
PROBLEM CAUSE REMEDY
Compressor and Outdoor Fan
Will Not Start.
Power failure. Call power company.
Fuse blown or circuit breaker tripped. Replace fuse or reset circuit breaker.
Defective thermostat, contactor, transformer, or
control relay.
Replace component.
Insufficient line voltage. Determine cause and correct.
Incorrect or faulty wiring. Check wiring diagram and rewire correctly.
Thermostat setting too high. Lower thermostat setting below room
temperature.
High-pressure switch tripped. See problem ‘‘Excessive Head Pressure.’’
Low-pressure switch tripped. Check for leaks, repair, and recharge.
Freeze-up protection thermostat tripped. See problem ‘‘Suction Pressure Too Low.’’
Compressor Will Not Start But
Outdoor Fan Runs.
Faulty wiring or loose connections in compressor
circuit.
Check wiring and repair or replace.
Compressor motor burned out, seized, or internal
overload open.
Determine cause. Replace compressor.
Defective overload. Determine cause and replace.
One leg of 3-phase power dead. Replace fuse or reset circuit breaker.
Determine cause.
Compressor Cycles (Other Than
Normally Satisfying Thermostat).
Refrigerant overcharge or undercharge. Recover refrigerant, evacuate system, and
recharge to nameplate.
Defective compressor. Replace and determine cause.
Insufficient line voltage. Determine cause and correct.
Blocked outdoor coil or dirty air filter. Determine cause and correct.
Defective overload. Determine cause and replace.
Defective thermostat. Replace thermostat.
Faulty outdoor-fan (cooling) or indoor-fan (heating)
motor or capacitor.
Replace.
Restriction in refrigerant system. Locate restriction and remove.
Compressor Operates Continuously. Dirty air filter. Replace filter.
Unit undersized for load. Decrease load or increase unit size.
Thermostat set too low. Reset thermostat.
Low refrigerant charge. Locate leak, repair, and recharge.
Leaking valves in compressor. Replace compressor.
Air in system. Recover refrigerant, evacuate system, and
recharge.
Outdoor coil dirty or restricted. Clean coil or remove restriction.
Dirty air filter. Replace filter.
Excessive Head Pressure. Dirty outdoor coil. Clean coil.
Refrigerant overcharged. Remove excess refrigerant.
Air in system. Recover refrigerant, evacuate system, and
recharge.
Condensing air restricted or air short-cycling. Determine cause and correct.
Head Pressure Too Low. Low refrigerant charge. Check for leaks, repair, and recharge.
Compressor valves leaking. Replace compressor.
Restriction in liquid tube. Remove restriction.
Excessive Suction Pressure. High heat load. Check for source and eliminate.
Compressor valves leaking. Replace compressor.
Refrigerant overcharged. Recover excess refrigerant.
Suction Pressure Too Low. Dirty air filter (cooling) or dirty outdoor coil
(heating).
Replace filter or clean coil.
Low refrigerant charge. Check for leaks, repair, and recharge.
Metering device or low side restricted Remove source of restriction.
Insufficient indoor airflow (cooling mode). Increase air quantity. Check filter and replace if
necessary.
Temperature too low in conditioned area. Reset thermostat.
Field-installed filter drier restricted. Replace.
Outdoor ambient temperature below 25 F. Install low-ambient kit.
Compressor No. 2 Will Not Run. Unit in economizer mode. Proper operation;no remedy necessary.

53
Table 29 — EconoMi$er IV Input/Output Logic
*For single enthalpy control, the module compares outdoor
enthalpy to the ABCD set point.
†Power at N terminal determines Occupied/Unoccupied setting:
24 vac (Occupied), no power (Unoccupied).
**Modulation is based on the supply-air sensor signal.
††Modulation is based on the DCVsignal.
***Modulation is based on the greater of DCVand supply-air sen-
sor signals, between minimum position and either maximum
position (DCV) or fully open (supply-air signal).
†††Modulation is based on the greater of DCVand supply-air sen-
sor signals, between closed and either maximum position (DCV)
or fully open (supply-air signal).
INPUTS OUTPUTS
Demand Control
Ventilation (DCV)
Enthalpy*
Y1 Y2
Compressor N Terminal†
Outdoor Return Stage
1
Stage
2
Occupied Unoccupied
Damper
Below set
(DCVLED Off)
High
(Free Cooling LED Off)
Low On On On On Minimum position Closed
On Off On Off
Off Off Off Off
Low
(Free Cooling LED On)
High On On On Off Modulating** (between min.
position and full-open)
Modulating** (between
closed and full-open)
On Off Off Off
Off Off Off Off Minimum position Closed
Above set
(DCVLED On)
High
(Free Cooling LED Off)
Low On On On On Modulating†† (between min.
position and DCVmaximum)
Modulating†† (between
closed and DCV
maximum)
On Off On Off
Off Off Off Off
Low
(Free Cooling LED On)
High On On On Off Modulating*** Modulating†††
On Off Off Off
Off Off Off Off
Fig. 51 — EconoMi$er IV Functional View

Manufacturer reserves the right to discontinue, or change at any time, specifications or designs without notice and without incurring obligations.
Catalog No. 04-53500019-01 Printed in U.S.A. Form 50TFQ-9SI Pg 54 9-05 Replaces: 50TFQ-7SI
Book 1 4
Tab 5a 5 a
Copyright 2005 Carrier Corporation
INDEX
Access panels 18
Barometric flow capacity 20
Carrier Comfort Network 14
Charging chart, refrigerant 48, 49
Clearance 3, 6
CO2sensor
Configuration 25
Settings 23, 25
Compressor
Mounting 44
Rotation 44
Condensate drain
Cleaning 47
Location 3
Control circuit
Wiring 12
Wiring raceway 12
Convenience outlet 10, 11, 13
Defrost board 12, 13
Demand control ventilation 24
Dehumidification 25
Dimensions 2, 6
Ductwork 3
EconoMi$er2 18
Components 18
4to20mAcontrol 20
Wiring 20
EconoMi$er IV 18-25
Components 18
Damper 24
Dry bulb changeover 21
Enthalpy changeover 22
Inputs and outputs 53
Troubleshooting 49, 50
Wiring 19
Electrical connections 7
Electrical data 8-11
Electric heat 8
Enthalpy changeover set points 23
Factory-installed options 12-25
Convenience outlet 13
EconoMi$er2 18-20
EconoMi$er IV 18-25
Manual outdoor air damper 13
Novar controls 13
PremierLink™ controls 14-16
Filter
Cleaning 48
Installation 19
Size 5
Freeze protection thermostat 5, 48
Heat anticipator settings 12, 13
High flow valves 44
High pressure switch 5, 48
Horizontal units 3
Indoor air quality 14, 22
Indoor coil 5
Cleaning 47
Indoor fan motor 5
Lubrication 48
Motor data 26
Performance 28-43
Pulley adjustment 26
Pulley setting 5, 27
Speed 5
Low pressure switch 5, 48
Manual outdoor air damper 13
Mounting
Compressor 44
Unit 3
Novar controls 13
Operating sequence
Cooling 45
EconoMi$er2 45-47
EconoMi$er IV 45
Heating 45
Outdoor air hood 14, 19
Outdoor air inlet screens 44
Cleaning 48
Outdoor coil 5
Cleaning 47
Outdoor fan 5
Adjustment 48
Physical data 5
Potentiometer 22
Power supply
Wiring 7
PremierLink controls 14-16
Pressure, drop
Electric heat 27
Return air 20
Outdoor air 20
Pre-start-up 44
Pressure switches
High pressure 5
Low pressure 5
Refrigerant
Charge 5, 48, 49
Type 5
Refrigerant service ports 44
Replacement parts 48
Return air filter 5, 44
Return air temperature sensor 22
Rigging unit 3, 4
Roof curb
Assembly 1
Dimensions 2
Connector package 2
Leveling tolerances 3
Weight 5
Safety considerations 1
Safety relief 45
Service 47-49
Service ports 44
Slab mount 3
Start-up 44-47
Start-up checklist CL-1
Supply-air temperature sensor 14, 21
Thermostat 12, 24
Troubleshooting 49-53
Ventilation 45
Weight
Corner 6
EconoMi$er IV 5, 6
Unit 4-6
Wiring
4to20mAcontrol 20
EconoMi$er2 20
EconoMi$er IV 19
Power connections 7
PremierLink 16
Thermostat 12
Unit 51

Manufacturer reserves the right to discontinue, or change at any time, specifications or designs without notice and without incurring obligations.
Catalog No. 04-53500019-01 Printed in U.S.A. Form 50TFQ-9SI Pg CL-1 9-05 Replaces: 50TFQ-7SI
Book 1 4
Tab 5a 5 a
Copyright 2005 Carrier Corporation
-
-------------------------------------------------------------------------------------------------------------------------------------------------------------------------------------------------
CUT ALONG DOTTED LINE CUT ALONG DOTTED LINE
START-UP CHECKLIST
(Remove and Store in Job File)
I. PRELIMINARY INFORMATION
MODEL NO.: __________________________________ SERIAL NO.: ______________________________________
DATE: ________________________________________ TECHNICIAN: _____________________________________
BUILDING LOCATION: _________________________
II. PRE-START-UP (insert checkmark in box as each item is completed)
VERIFY THAT CONDENSATE CONNECTION IS INSTALLED PER INSTALLATION INSTRUCTIONS
CHECK ALL ELECTRICAL CONNECTIONS AND TERMINALS FOR TIGHTNESS
CHECK THAT RETURN (INDOOR) AIR FILTERS ARE CLEAN AND IN PLACE
VERIFY THAT UNIT INSTALLATION IS LEVEL
CHECK FAN WHEEL AND PROPELLER FOR LOCATION IN HOUSING/ORIFICE AND SETSCREW
TIGHTNESS
CHECK PULLEY ALIGNMENT AND BELT TENSION PER INSTALLATION INSTRUCTIONS
VERIFY INSTALLATION OF ECONOMIZER HOOD (IF EQUIPPED)
III. START-UP:
ELECTRICAL
TEMPERATURES
PRESSURES (COOLING MODE)
VERIFY THAT 3-PHASE SCROLL COMPRESSOR IS ROTATING IN THE CORRECT DIRECTION (SIZE 012 ONLY)
VERIFY REFRIGERANT CHARGE USING COOLING CHARGING CHARTS ON PAGES 48 AND 49.
GENERAL
SET ECONOMIZER MINIMUM VENT AND CHANGEOVER SETTINGS TO MATCH JOB REQUIREMENTS
(IF EQUIPPED)
SUPPLY VOLTAGE L1-L2 L2-L3 L3-L1
CIRCUIT 1 COMPRESSOR AMPS L1 L2 L3
CIRCUIT 2 COMPRESSOR AMPS L1 L2 L3
INDOOR-FAN AMPS L1 L2 L3
OUTDOOR-AIR TEMPERATURE DB WB
RETURN-AIR TEMPERATURE DB WB
COOLINGSUPPLYAIR DB WB
REFRIGERANT SUCTION, CIRCUIT 1 PSIG F
REFRIGERANT SUCTION, CIRCUIT 2 PSIG F
REFRIGERANT DISCHARGE, CIRCUIT 1 PSIG F
REFRIGERANT DISCHARGE, CIRCUIT 2 PSIG F