Carrier Aquaforce 30Xw150 400 Users Manual 30xw 1t Reprint 210
30XW150-400 to the manual db6f7276-cd6f-459f-b122-5b0f36fc8166
2015-01-24
: Carrier Carrier-Aquaforce-30Xw150-400-Users-Manual-311028 carrier-aquaforce-30xw150-400-users-manual-311028 carrier pdf
Open the PDF directly: View PDF
.
Page Count: 148 [warning: Documents this large are best viewed by clicking the View PDF Link!]

Manufacturer reserves the right to discontinue, or change at any time, specifications or designs without notice and without incurring obligations.
Catalog No. 04-53300024-01 Printed in U.S.A. Form 30XW-1T Pg 1 11-09 Replaces: New
Controls, Start-Up, Operation, Service
and Troubleshooting
CONTENTS
Page
SAFETY CONSIDERATIONS . . . . . . . . . . . . . . . . . . . . . . 2
GENERAL . . . . . . . . . . . . . . . . . . . . . . . . . . . . . . . . . . . . . . 3-9
Conventions Used in This Manual. . . . . . . . . . . . . . . . 3
Display Module Usage . . . . . . . . . . . . . . . . . . . . . . . . . . . 3
• TOUCH PILOT™ DISPLAY
• NAVIGATOR™ DISPLAY MODULE
CONTROLS . . . . . . . . . . . . . . . . . . . . . . . . . . . . . . . . . . . 9-18
General . . . . . . . . . . . . . . . . . . . . . . . . . . . . . . . . . . . . . . . . . . 9
Main Base Board (MBB) . . . . . . . . . . . . . . . . . . . . . . . . . . 9
Compressor Protection Module (CPM) . . . . . . . . . . 10
Electronic Expansion Valve (EXV) Board . . . . . . . . 13
MLV/Condenser Board . . . . . . . . . . . . . . . . . . . . . . . . . . 15
Enable-Off-Remote Contact Switch (SW1). . . . . . . 16
Emergency On/Off Switch (SW2) . . . . . . . . . . . . . . . . 16
Energy Management Module (EMM) . . . . . . . . . . . . . 16
Local Equipment Network. . . . . . . . . . . . . . . . . . . . . . . 17
Board Addresses. . . . . . . . . . . . . . . . . . . . . . . . . . . . . . . . 17
Touch Pilot Display. . . . . . . . . . . . . . . . . . . . . . . . . . . . . . 17
Control Module Communication. . . . . . . . . . . . . . . . . 17
•RED LED
• GREEN LED
• YELLOW LED
Carrier Comfort Network® (CCN) Interface. . . . . . . 18
Remote Alarm and Alert Relays . . . . . . . . . . . . . . . . . 18
CONFIGURATION . . . . . . . . . . . . . . . . . . . . . . . . . . . . 18-46
Touch Pilot Operation Configuration Tables . . . . . 18
Machine Control Methods . . . . . . . . . . . . . . . . . . . . . . . 20
Machine On/Off Control . . . . . . . . . . . . . . . . . . . . . . . . . 20
• TOUCH PILOT MACHINE CONTROL
• NAVIGATOR DISPLAY MACHINE CONTROL
Entering Fluid Control Option . . . . . . . . . . . . . . . . . . . 25
Cooling Set Point Selection . . . . . . . . . . . . . . . . . . . . . 25
• SET POINT OCCUPANCY
Chilled Water Fluid Type Selection . . . . . . . . . . . . . . 27
• FRESH WATER
• BRINE OR GLYCOL OPERATION
Cooler Pump Control. . . . . . . . . . . . . . . . . . . . . . . . . . . . 28
• COOLER PUMP CONTROL CONFIRGURATIONS
Machine Start Delay . . . . . . . . . . . . . . . . . . . . . . . . . . . . . 29
Circuit/Compressor Staging and Loading . . . . . . . 29
• CIRCUIT/COMPRESSOR STAGING
• CIRCUIT/COMPRESSOR LOADING
Minimum Load Control . . . . . . . . . . . . . . . . . . . . . . . . . . 29
Dual Chiller Control . . . . . . . . . . . . . . . . . . . . . . . . . . . . . 29
• DUAL CHILLER CONTROL FOR PARALLEL
APPLICATIONS
• DUAL CHILLER PUMP CONTROL FOR PARALLEL
CHILLER APPLICATIONS
• DUAL CHILLER CONTROL FOR SERIES
APPLICATIONS
• DUAL CHILLER PUMP CONTROL FOR SERIES
CHILLER APPLICATIONS
Page
Ramp Loading . . . . . . . . . . . . . . . . . . . . . . . . . . . . . . . . . . 35
Temperature Reset . . . . . . . . . . . . . . . . . . . . . . . . . . . . . . 35
• RETURN WATER RESET
• SPACE TEMPERATURE RESET
• 4-20 mA TEMPERATURE RESET
Demand Limit . . . . . . . . . . . . . . . . . . . . . . . . . . . . . . . . . . . 39
• SWITCH CONTROLLED DEMAND LIMIT
• EXTERNALLY POWERED CAPACITY BASED
DEMAND LIMIT
• EXTERNALLY POWERED CURRENT BASED
DEMAND LIMIT
• CCN LOADSHED CONTROLLED DEMAND LIMIT
Ice Storage Operation . . . . . . . . . . . . . . . . . . . . . . . . . . . 41
Broadcast Configuration . . . . . . . . . . . . . . . . . . . . . . . . 41
•ACTIVATE
• BROADCAST ACKNOWLEDGER
Alarm Control . . . . . . . . . . . . . . . . . . . . . . . . . . . . . . . . . . . 42
• ALARM ROUTING CONTROL
• ALARM EQUIPMENT PRIORITY
• COMMUNICATION FAILURE RETRY TIME
• RE-ALARM TIME
• ALARM SYSTEM NAME
Daylight Saving Time Configuration. . . . . . . . . . . . . 43
Capacity Control Overrides . . . . . . . . . . . . . . . . . . . . . 43
Head Pressure Control . . . . . . . . . . . . . . . . . . . . . . . . . . 46
• LOW CONDENSER FLUID TEMPERATURE HEAD
PRESSURE CONTROL OPTION
PRE-START-UP. . . . . . . . . . . . . . . . . . . . . . . . . . . . . . . .46,47
System Check. . . . . . . . . . . . . . . . . . . . . . . . . . . . . . . . . . . 46
START-UP . . . . . . . . . . . . . . . . . . . . . . . . . . . . . . . . . . . . 47-53
Actual Start-Up. . . . . . . . . . . . . . . . . . . . . . . . . . . . . . . . . . 47
Operating Limitations . . . . . . . . . . . . . . . . . . . . . . . . . . . 47
• TEMPERATURES
•VOLTAGE
• MINIMUM FLUID LOOP VOLUME
• FLOW RATE REQUIREMENTS
OPERATION. . . . . . . . . . . . . . . . . . . . . . . . . . . . . . . . . . 54-59
Sequence of Operation. . . . . . . . . . . . . . . . . . . . . . . . . . 54
Dual Chiller Sequence of Operation . . . . . . . . . . . . . 54
•PUMP OPERATION
Operating Modes. . . . . . . . . . . . . . . . . . . . . . . . . . . . . . . . 54
Sensors . . . . . . . . . . . . . . . . . . . . . . . . . . . . . . . . . . . . . . . . . 56
• THERMISTORS
• TRANSDUCERS
SERVICE . . . . . . . . . . . . . . . . . . . . . . . . . . . . . . . . . . . . . 59-67
Economizer Assembly . . . . . . . . . . . . . . . . . . . . . . . . . . 59
Electronic Expansion Valve (EXV) . . . . . . . . . . . . . . . 59
• MAIN EXV CONTROL
• ECONOMIZER EXV CONTROL
• EXV TROUBLESHOOTING PROCEDURE
Compressor Assembly . . . . . . . . . . . . . . . . . . . . . . . . . . 63
• COMPRESSOR OIL SYSTEM
AQUAFORCE®
30XW150-400
Water-Cooled Liquid Chillers

2
CONTENTS (cont)
Cooler . . . . . . . . . . . . . . . . . . . . . . . . . . . . . . . . . . . . . . . . . . . 64
• SUCTION SERVICE VALVE
• LOW FLUID TEMPERATURE
• LOSS OF FLUID FLOW PROTECTION
• TUBE PLUGGING
•RETUBING
• TIGHTENING COOLER HEAD BOLTS
• INSPECTING/CLEANING HEAT EXHANGERS
• WATER TREATMENT
• CHILLED WATER FLOW SWITCH
Refrigerant Circuit. . . . . . . . . . . . . . . . . . . . . . . . . . . . . . . 67
• LEAK TESTING
• REFRIGERANT CHARGE
Safety Devices . . . . . . . . . . . . . . . . . . . . . . . . . . . . . . . . . . 67
• COMPRESSOR PROTECTION
• COOLER PROTECTION
Relief Devices . . . . . . . . . . . . . . . . . . . . . . . . . . . . . . . . . . . 67
• PRESSURE RELIEF VALVES
MAINTENANCE. . . . . . . . . . . . . . . . . . . . . . . . . . . . . . . . . . 67
Recommended Maintenance Schedule . . . . . . . . . . 67
TROUBLESHOOTING. . . . . . . . . . . . . . . . . . . . . . . . . 67-85
Alarms and Alerts . . . . . . . . . . . . . . . . . . . . . . . . . . . . . . . 68
• DIAGNOSTIC ALARM CODES AND POSSIBLE
CAUSES
Service Test . . . . . . . . . . . . . . . . . . . . . . . . . . . . . . . . . . . . . 83
APPENDIX A — TOUCH PILOT™
DISPLAY TABLES . . . . . . . . . . . . . . . . . . . . . . . . . . 86-104
APPENDIX B — NAVIGATOR™ DISPLAY
TABLES . . . . . . . . . . . . . . . . . . . . . . . . . . . . . . . . . . 105-117
APPENDIX C — CCN TABLES . . . . . . . . . . . . . . 118-132
APPENDIX D — 30XW150-400 CPM
DIP SWITCH ADDRESSES. . . . . . . . . . . . . . . . 133,134
APPENDIX E — PIPING AND
INSTRUMENTATION . . . . . . . . . . . . . . . . . . . . . . 135, 136
APPENDIX F — GLOBAL TIME SCHEDULE
CONFIGURATION FOR i-Vu® DEVICE AND CSM
CONTROLLER . . . . . . . . . . . . . . . . . . . . . . . . . . . 137-139
INDEX . . . . . . . . . . . . . . . . . . . . . . . . . . . . . . . . . . . . . . . . . . 140
START-UP CHECKLIST
FOR 30XW LIQUID CHILLERS . . . . . . . . CL-1 to CL-7
SAFETY CONSIDERATIONS
Installing, starting up, and servicing this equipment can be
hazardous due to system pressures, electrical components, and
equipment location. Only trained, qualified installers and ser-
vice technicians should install, start up, and service this equip-
ment. When working on this equipment, observe precautions in
the literature, on tags, stickers, and labels attached to the equip-
ment, and any other safety precautions that apply. Follow all
safety codes. Wear safety glasses and work gloves. Use care in
handling, rigging, and setting this equipment, and in handling
all electrical components.
WARNING
Electrical shock can cause personal injury and death. Shut
off all power to this equipment during installation and ser-
vice. There may be more than one disconnect switch. Tag
all disconnect locations to alert others not to restore power
until work is completed.
WARNING
DO NOT VENT refrigerant relief valves within a building.
Outlet from relief valves must be vented in accordance
with the latest edition of ANSI/ASHRAE (American
National Standards Institute/American Society of Heating,
Refrigerating and Air Conditioning Engineers) 15 (Safety
Code for Mechanical Refrigeration). The accumulation of
refrigerant in an enclosed space can displace oxygen and
cause asphyxiation. Provide adequate ventilation in
enclosed or low overhead areas. Inhalation of high concen-
trations of vapor is harmful and may cause heart irregulari-
ties, unconsciousness or death. Misuse can be fatal. Vapor
is heavier than air and reduces the amount of oxygen avail-
able for breathing. Product causes eye and skin irritation.
Decomposition products are hazardous.
WARNING
DO NOT attempt to unbraze factory joints when servicing
this equipment. Compressor oil is flammable and there is
no way to detect how much oil may be in any of the refrig-
erant lines. Cut lines with a tubing cutter as required when
performing service. Use a pan to catch any oil that may
come out of the lines and as a gage for how much oil to add
to system. DO NOT re-use compressor oil.
CAUTION
This unit uses a microprocessor-based electronic control
system. Do not use jumpers or other tools to short out
components, or to bypass or otherwise depart from rec-
ommended procedures. Any short-to-ground of the con-
trol board or accompanying wiring may destroy the
electronic modules or electrical components.
CAUTION
To prevent potential damage to heat exchanger tubes,
always run fluid through heat exchanger when adding or
removing refrigerant charge. Use appropriate antifreeze
solutions in evaporator and condenser fluid loops to pre-
vent the freezing of heat exchangers or interconnecting pip-
ing when the equipment is exposed to temperatures below
32 F (0° C). Proof of flow switch is factory installed on all
models. Do NOT remove power from this chiller during
winter shut down periods without taking precaution to
remove all water from heat exchangers. Failure to properly
protect the system from freezing may constitute abuse and
may void warranty.
CAUTION
Compressors require specific rotation. Swap any two
incoming power leads to correct compressor rotation.

3
GENERAL
This publication contains controls, operation, start-up, ser-
vice and troubleshooting information for the 30XW150-400
water-cooled liquid chillers with electronic controls. The
30XW chillers are equipped with ComfortLink™ controls and
electronic expansion valves. The AquaForce® 30XW chillers
offer two different user interface devices, the Touch Pilot™
display and the Navigator ™ display.
Conventions Used in This Manual — The follow-
ing conventions for discussing configuration points for the
Navigator module and Touch Pilot display will be used in this
manual.
Point names for the Touch Pilot display will be shown in
bold. See Appendix A for a complete list of point names. Item
names for the Navigator module will be shown in bold italics.
See Appendix B for the complete path name preceding the item
name. The point and item names in Appendices A and B will
be listed in alphabetical order and the path name for each will
be written with the mode name first, then any sub-modes, each
separated by an arrow symbol ( .
This path name will show the user how to navigate through the
Navigator module or the Touch Pilot display to reach the desired
configuration. The user would scroll through the modes and sub-
modes using the and keys on the Navigator display. For
the Touch Pilot display, the user would simply touch the menu
item on the screen. The arrow symbol in the path name represents
pressing to move into the next level of the menu struc-
ture for the Navigator module, or touching the menu item on the
screen for the Touch Pilot display.
When a value is included as part of the point name, it will be
shown after the point name after an equals sign. If the value
represents a configuration setting, an explanation will be
shown in parentheses after the value. The Touch Pilot name
will be shown first with the Navigator name following. As an
example,
(Staged Loading Sequence = 1, LLCS = Circuit A leads).
Press the and keys simultaneously on
the Navigator module to display an expanded text description of
the point name or value. The expanded description is shown in the
Navigator display tables (Appendix B) but will not be shown with
the path names in text. The Touch Pilot display will show an ex-
panded description of the point name. To view the expanded point
name for the Touch Pilot display go to Appendix A.
The Touch Pilot display configures the unit via the CCN
(Carrier Comfort Network®) Tables, which are located in Ap-
pendix C of this manual.
Display Module Usage
TOUCH PILOT DISPLAY — The Touch Pilot display is the
standard user interface for the AquaForce 30XW chillers with
the ComfortLink control system. The display includes a large
LCD (liquid crystal display) touch screen for display and user
configuration, a Start/Stop button, and an Alarm Indicator LED
(light-emitting diode). See Fig. 1.
The Touch Pilot display can be used to access various
Carrier Comfort Network® devices. For operation under these
circumstances, contact your Carrier representative.
Operation of the Touch Pilot display is driven from the
displays on the touch screen. The Touch Pilot display uses the
following screen “buttons” to allow the user to operate the dis-
play and navigate within and between screens.
“BACK” returns to the next higher screen in the
hierarchy.
“HOME” displays the Default Group Display screen
for Touch Pilot display. The Default Screen is a user-
configured display of up to 9 points on each of 8 screens. This
allows for quick access to various, frequently viewed points,
without navigating through the Main Menu structure. This but-
ton is available at all menu levels and returns the user to the
first Default Group Display screen.
“MAIN MENU” displays the Main Menu screen. This
allows access for viewing and configuration, where
possible, of all points supported by the controller. This includes
points such as set point and operational configuration. This
button is available at all menu levels and returns the user to the
Main Menu screen.
“PREVIOUS” moves the user to the next earlier
screen in a group of sequential screens of the same
type.
“NEXT” advances the user to the next screen in a
group of sequential screens of the same type.
“OK” agrees with, or says “yes” to a prompt and per-
forms the appropriate processing.
“NO” rejects, or says “no” to a prompt and performs
the appropriate processing.
“CANCEL” terminates an ongoing action and returns
to the current screen without any other processing.
“CLEAR DATA” clears the data value in a data entry
dialog box. This button is used to clear incorrect data.
“RESET DATA” zeros the data value in a data entry
dialog box.
“ADD” adds the active point to a Group Display
screen.
“REMOVE” deletes a point from a Group Display
screen.
“INCREASE” modifies the value of a field within its
defined limits or “SCROLL UP” and shifts the screen
view up by one item.
“DECREASE” modifies the value of a field within its
defined limits or “SCROLL DOWN” and shifts the
screen view down by one item.
“PAGE DOWN” will replace the items currently on
the screen with the next group of items if the current
table or list has more data than will fit on the screen.
“PAGE UP” will replace the items currently on the
screen with the previous group of items if the current
table or list has more data than will fit on the screen.
“FORCE” begins the process of forcing or overriding
the value of a point.
“AUTO” begins the process of removing a force from
a point.
“MODIFY” begins the process of modifying a config-
uration value.
ENTER
ESCAPE
ENTER
ALARM
INDICATOR
LIGHT
STA R T- STOP
BUTTON
LCD TOUCH
SCREEN
Fig. 1 — Touch Pilot™ Display
a30-4456 (b&w)

4
“ALARM INDICATOR LIGHT” activates when a
new alarm condition occurs. The alarm indicator light
LED, located on the right side of the display, remains
activated until it is manually reset using the Reset button on the
Main menu.
“START/STOP BUTTON” enables the user to start
or stop the chiller from the Touch Pilot™ display.
See Enable-Off-Remote Contact Switch (SW1) on
page 16 for additional information.
Several items are password protected. When required, a
Password dialog box will be displayed for field input of the
password. The default password is 3333. The password can be
changed if desired.
Power-Up Display — When the Touch Pilot display is pow-
ered up, it displays an initialization progress bar and attaches
(initiates communication) to the Main Base Board. The Touch
Pilot display then shows that controller’s default Group Dis-
play screen. See Fig. 2. This is a user-configured display screen
with up to 9 points on 8 separate screens. For more information
on adding or removing points from the Group Display screen,
see the Group Display Screens section on page 7.
Touch any of the screen point buttons and Point Data Dialog
box will be displayed with expanded information. In the exam-
ple shown, the CTRL_PNT button in the bottom left corner
was selected. See Fig. 2 and 3.
To exit the box, press .
Main Menu Display — The default screen for the Touch Pilot
controller is the Group Display screen. To access the Main
Menu, press the button. The screen shown in Fig. 4 will be
displayed. Selecting a button will display the screens associat-
ed with that category. The user can also access the login screen
from the Main Menu if needed.
Touch Pilot Menu Structure — The user can navigate through
the Touch Pilot display screens by selecting the buttons that ap-
pear on the screen. When a button is selected, either a sub-
menu or a list of point names and values will be shown. Sub-
menus will display a list of associated point names. See Fig. 5
for the Touch Pilot menu structure.
If the list of point names and values are shown, the top line
of the display is the table name. The line and total line counter
is displayed in the upper right corner of the display. Selecting
an item will cause a Point Data dialog box to appear.
Setup Menu Screen — The Setup Menu screen, shown in
Fig. 6, is accessed by pressing the Setup button from the Main
Menu. This configuration allows the user to configure the basic
operation and look of the display. Table 1 summarizes the Set-
up Menu functions.
Fig. 2 — Group Display Screen
Fig. 3 — Point Data Dialog Box
Fig. 4 — Main Menu Display
a30-4910.ep
a30-4471
a30-4472
PDS-XAXQXWPDS-XAXQXW

5
User interface
Group display x 8 Main menu
Status
GENUNIT
CIRCA_AN
CIRCA_D
CIRCB_AN
CIRCB_D
CIRCC_D
CIRCC_AN
STATEGEN
RECLAIM
MODES
STRTHOUR
FANHOURS
FREECOOL
QCK_TST1
QCK_TST2
SERV_TST
Setpoint Schedule
OCC1PO1S
OCC2PO2S
Service
FACTORY
FACTORY2
SERVICE1
CP_UNABL
UPDTHOUR
UPDHRFAN
MAINTCFG
Maint
LOADFACT
FANCTRL
M_MSTSLV
DEFROSTM
LAST_POR
PR_LIMIT
BOARD_PN
SERMAINT
EXV_CTRL
CUR_PHAS
OCCDEFCFM
Config
Ctrl-ID
DISPCONF
USER
MST_SLV
CFG_TAB1
…
…
CFG_TAB8
BRODEFS
OCCDEFCS
HOLIDAY
ALARMDEF
Alarms
ALARHIST
ALARHIS2
ALAM_CUR
Reset Time Attach Setup
Regional
Language
Contrast
Backlight
Calibrate
Password
Display
CCN
Login
Fig. 5 — Touch Pilot™ Display Menu Structure
a30-4829

6
Table 1 — Setup Menu
SETUP MENU BUTTON FUNCTION
REGIONAL
This button specifies the time and date format and the base unit of measure. Time display can be configured as
12-hour AM/PM setting or as a 24-hour setting. The date can be formatted in one of 3 settings, MM-DD-YYYY (Month-
Day-Year), DD-MM-YYYY (Day-Month-Year), or YYYY-MM-DD (Year-Month-Day). Units of measure can be either US
(English) or Metric (SI).
LANGUAGE
This button selects the active language and font of the display. Available languages are English and Spanish (Espanol).
If a preferred language is not available, additional software for the Main Base Board (MBB) and the Touch Pilot™ dis-
play are required. Contact your Carrier representative for instructions and software.
CONTRAST
This button adjusts the LCD contrast. Press and hold the [MOON] button to increase/darken the contrast or the [STAR]
button to decrease/lighten the current contrast.
NOTE: Touching the screen anywhere for 5 seconds while powering-up will prompt the user to restore contrast and
calibration settings to factory defaults.
BACKLIGHT This button specifies whether backlighting should be kept on at all times or turned off during inactive periods.
CALIBRATE This button is used to adjust the LCD touch screen calibration. Touch the screen in the circular targets located first in
the upper left and then in the lower right corner of the screen to adjust.
PASSWORDS
This button is used to configure the limited and full logged-in access system passwords. In order to change passwords,
the user must be logged in with full access to view and change the passwords. All passwords must consist of 4-digits,
which can be entered using the numeric keypad. Access levels and associated privileges are as follows:
Limited Logged-in Access - Provides the user with read/write access to all available tables (except service configura-
tion tables, where the user will not be permitted to modify point data, and Group Display tables, where the user will not
be permitted to add points.) This access level also provides read/write access to all Touch Pilot display setup properties
except Display, CCN, and Password.
Full Logged-in Access - Provides user with read/write access to all available tables for the attached device and all
Touch Pilot display properties.
If the user does not log in, read-only access to all tables is allowed. The user will be prompted to log in when attempting
to access password-required functions.
DISPLAY
This button is used to view the description data and part number from the Ctlr-ID Table and to specify the Operating
Mode. The Operating mode can be configured for Equipment mode or Network mode. For Touch Pilot displays that are
standard with the unit, Operating mode should not be changed from Equipment mode. Equipment mode provides
access only to the chiller’s MBB via the Local Equipment Network (LEN) Bus. For remote access, a remote Touch Pilot
display can be set to Network mode. Network mode provides access to all devices on the CCN (Carrier Comfort Net-
work®) bus.
NOTE: When changing the operating mode, a power cycle is required in order for the new operating mode to take
effect. The user should view and correct the following CCN data: address and baud rate, alarm acknowledger, and
broadcast acknowledger designation.
CCN This button is used to configure the bus and element numbers and the baud rate of the control on the network.
Fig. 6 — Setup Menu Display
a30-4474

7
Setting the Time and Date — The ComfortLink™ control has
a time and date function. This can be useful for diagnostics to
determine when alarms occur. The control is factory config-
ured for the proper date and is set for the Eastern Time Zone.
The date and time zone must be checked and corrected if nec-
essary, to allow the machine to function on an internal time
schedule and to display a proper time and date stamp for
alarms. The time and date is displayed on the Group Display
Screen.
To change the Time and Date, press the Main Menu
button. Select Time. On the display, a day and date box
with a time box will be shown. To change the day and date,
press the day and date box. A calendar will be displayed. If the
correct month is displayed, touch the correct date. If the wrong
month is displayed, use the or to change to the correct
month and select the correct date. The date will highlighted.
Press to accept the change. The previous screen will be
displayed with the corrected day and date shown. To correct
the time, use the or on the left to change the hour. Use
the or on the left to change the minutes. Continuously
touching the or will sequence the numbers. The time is
shown in a 24-hour format. To accept the changes, press the
or buttons. A “Save” dialog box is displayed with the
words, “Do you wish to save changes?” Press to accept
the changes.
Group Display Screens — The Touch Pilot™ display sup-
ports up to eight Group Display screens. Group Display
screens show status information along the top of the screens
and 9 buttons that display 9 point names and point values that
are chosen by the user. All Group Display screen points are
user configurable. The bottom line of the screen contains navi-
gation buttons that can be used to move between the Group
Display screens.
Pressing a point button will show that point’s Point Data
dialog box. See Fig. 2 and 3. This box contains buttons that
remove the point from the group display and apply or remove a
force (point override). When touching any button in the display
screen, the button will be outlined to acknowledge input. There
may be a delay in response to input, but if the button is out-
lined, do NOT press any other button until the previous input
has been processed.
If there is a communication failure with the MBB (Main
Base Board), all point buttons will be displayed in inverse vid-
eo and the message Communication Failure will be displayed
in the top left line of the screen.
Default Group Designation — The default group is the first of
the 8 Group Display screens. This is the default screen of the
display. Information on this screen as well as the other 7
screens can be user-modified to meet the needs of the site.
To Add A Point To A Group Display — From the Main Menu,
press the desired menu button (Status, Setpoint, Service,
Maint, or Config) and, if necessary, the sub-menu button to
access the point to be added. Press the point button to show the
source point’s Point Data dialog box. See Fig. 3. From the
Point Data dialog box, press the ADD button. The display will
show the last Group Display accessed. Use the navigation but-
tons to access the destination Group Display. Press an existing
point button or a blank button to update the highlighted button
with the source point’s name. Press to add the highlighted
point to the group and return to the table display.
To Remove A Point From A Group Display — From the Point
Data Dialog box, press the REMOVE button and follow the
prompts. The display will return to the Group Display screen
from which the point was removed, and the button correspond-
ing to the deleted point will be blank and disabled.
NAVIGATOR™ DISPLAY MODULE — The Navigator dis-
play module provides a mobile user interface to the
ComfortLink control system. The display has up and down ar-
row keys, an key, and an key. These keys
are used to navigate through the different levels of the display
structure. Press the key until ‘Select a Menu Item’ is
displayed. Use the up and down arrow keys to move through
the top 11 mode levels indicated by LEDs on the left side of the
display. See Fig. 7. See Table 2 and Appendix B for more de-
tails about the display menu structure.
Once within a mode or sub-mode, a “>” indicates the
currently selected item on the display screen. Pressing the
and keys simultaneously will put the
Navigator module into expanded text mode where the full
meaning of all sub-modes, items, and their values can be dis-
played. Pressing the and keys when the
display says ‘Select Menu Item’ (Mode LED level) will return
the Navigator module to its default menu of rotating display
items (those items in Run StatusVIEW). In addition, the
password will be disabled, requiring that it be entered again be-
fore changes can be made to password protected items. Press
the key to exit out of the expanded text mode.
When a specific item is located, the item name appears on
the left of the display, the value will appear near the middle of
the display and the units (if any) will appear on the far right of
the display. Press the key at a changeable item and
the value will begin to flash. Use the up and down arrow keys
to change the value, and confirm the value by pressing the
key.
Changing item values or testing outputs is accomplished in
the same manner. Locate and display the desired item. Press
so that the item value flashes. Use the arrow keys to
change the value or state and press the key to accept
it. Press the key to return to the next higher level of
structure. Repeat the process as required for other items.
Items in the Configuration and Service Test modes are pass-
word protected. The words Enter Password will be displayed
when required, with 1111 also being displayed. The default
password is 0111. Use the arrow keys to change each number
and press to accept the digit. Continue with the
remaining digits of the password. The password can only be
changed through CCN operator interface software such as
ComfortWORKS®, ComfortVIEW™ and Service Tool.
Power-Up Display — When the Navigator display is powered
up it will display:
ComfortLink
Navigator
By
Carrier
ENTER
ESCAPE
ESCAPE
ENTER
ESCAPE
ENTER
ESCAPE
ESCAPE
ENTER
ENTER
ENTER
ENTER
ESCAPE
ENTER

8
This indicates an initialization period while the Navigator™
display initiates communication with the Main Base Board.
Once communication is established, the default rotating dis-
play will be shown. If communication is not established, the
Navigator module will display:
Communication
Failure
If the Navigator module is connected to a Main Base Board
without software loaded, the display will remain at the
powered-up initialization display.
Setting the Time and Date — The ComfortLink control has a
time and date function. This can be useful for diagnostics to de-
termine when alarms occur. The control is factory configured
for the proper date and for use in the Eastern Time Zone. The
control must be checked and corrected if necessary. The correct
time is important if the machine is to function on an internal
time schedule and display a proper time and date stamp for
alarms. The time and date will be displayed on the default ro-
tating display of the Navigator module. The time and date can
also be checked and changed under the Time Clock mode as
described below.
To change the time, press the arrow key to move to the cor-
rect hour and press . The minutes can be changed in a
similar manner.
To check or change the date, the following items must be
checked and changed if necessary.
NOTE: WW is the current month of the controller, (01=January,
02=February, etc.).
XX is the current day of the month
YY is the day of the week, (01=Monday, 02-Tuesday, etc.)
ZZ is the year of the century, (06=2006, 07=2007)
Changing the Unit of Measure — The Navigator display has
two options for unit of measure on the display, English or SI
(metric). The factory default for the units of measure is
English. To change the unit of measure, the following item
must be changed.
Changing the Display Language — The Navigator display
has five language options to select from, English, Espanol,
Francais, Portugues, and Translated. The “Translated” option is
not supported at this time. The factory default language is
English. To change the display language, the following item
must be changed.
NOTE: When the Language Selection (Configuration
DISP LANG) variable is changed, all appropriate display
expansions will immediately change to the new language. The
four letter/digit code will not change. No power-off or control
reset is required when reconfiguring languages.
Adjusting the Contrast — The contrast of the display can be
adjusted to suit ambient conditions. To adjust the contrast, enter
the LED Test mode of the device.
Pressing will access the TEST point. Pressing
again will cause the “OFF” to flash. Use the up or
down arrow to change “OFF” to “ON.” Pressing will
illuminate all LEDs and display all pixels in the view screen.
Pressing and simultaneously allows the
user to adjust the display contrast. The display will read:
Adjust Contrast
- - - -+ - - - - - - - - - - - - - - -
Use the up or down arrows to adjust the contrast. The
screen’s contrast will change with the adjustment. Press
to accept the change. The Navigator module will
keep this setting as long as it is plugged in to the LEN (Local
Equipment Network) bus.
Adjusting the Backlight Brightness — The backlight of the
display can be adjusted to suit ambient conditions. The factory
default is set to the highest level. To adjust the backlight of the
Navigator module, enter the LED Test mode of the device.
Pressing will access the TEST point. Pressing
again will cause the “OFF” to flash. Use the up or
down arrow to change “OFF” to “ON.” Pressing will
illuminate all LEDs and display all pixels in the view screen.
Pressing the up and down arrow keys simultaneously allows
the user to adjust the display brightness. The display will read:
Adjust Brightness
- - - - - - - - - - - - - - - - - +
Use the up or down arrow keys to adjust screen brightness.
Press to accept the change. The Navigator module
will keep this setting as long as it is plugged in to the LEN bus.
ITEM ITEM EXPANSION PATH VALUE
HH.MM Time of Day Time Clock TIME XX.XX
ITEM ITEM EXPANSION PATH VALUE
MNTH Month of Year Time Clock DATE WW
DOM Day of Month Time Clock DATE XX
DAY Day of Week Time Clock DATE YY
YEAR Year of Century Time Clock DATE ZZ
ITEM ITEM EXPANSION PATH VALUE
METR Metric Display Configuration DISP OFF – English
ON – SI (Metric)
ITEM ITEM EXPANSION PATH VALUE
LANG Language Selection Configuration DISP
English
Espanol
Francais
Portugues
Translated
ENTER
ITEM ITEM EXPANSION PATH VALUE
TEST Test Display LEDs Configuration DISP
ITEM ITEM EXPANSION PATH VALUE
TEST Test Display LED’s Configuration Mode DISP
ENTER
ENTER
ENTER
ENTER
ESCAPE
ENTER
ENTER
ENTER
ENTER
ENTER
Run Status
Service Test
Temperatures
Pressures
Setpoints
Inputs
Outputs
Configuration
Time Clock
Operating Modes
Alarms
ENTER
ESC
MODE
Alarm Status
ComfortLink
Fig. 7 — Navigator Display Module
a30-3924

9
Table 2 — ComfortLink™ Navigator™ Display Menu Structure
CONTROLS
General — The 30XW water-cooled liquid chillers contain
the ComfortLink™ electronic control system that controls and
monitors all operations of the chiller. The control system is
composed of several components as listed in the following sec-
tions. All machines have a Main Base Board (MBB), Touch Pi-
lot™ module or Navigator™ device, electronic expansion
valve board (EXV), auxiliary board, Compressor Protection
board, Emergency On/Off switch, and an Enable-Off-Remote
Contact switch.
Main Base Board (MBB) — The MBB is the core of
the ComfortLink control system. It contains the major portion
of operating software and controls the operation of the
machine. See Fig. 8. The MBB continuously monitors input/
output channel information received from its inputs and from
all other modules. The MBB receives inputs from status and
feedback switches, pressure transducers and thermistors. The
MBB also controls several outputs. Some inputs and outputs
that control the chiller are located on other boards, but are
transmitted to or from the MBB via the internal communica-
tions bus. Information is transmitted between modules via a
3-wire communication bus or LEN (Local Equipment Net-
work). The CCN (Carrier Comfort Network®) bus is also sup-
ported. Connections to both LEN and CCN buses are made at
TB3. For a complete description of Main Base Board inputs
and outputs and their channel identifications, see Table 3.
MODE
RUN
STATUS
SERVICE
TEST TEMPERATURES PRESSURES SET
POINTS INPUTS OUTPUTS CONFIGURATION TIME
CLOCK
OPERATING
MODES ALARMS
Auto Display
(VIEW)
Manual
Test Mode
(TEST)
Unit
Temperatures
(UNIT)
Circuit A
Pressures
(PRC.A)
Cooling
Setpoints
(COOL)
General
Inputs
(GEN.I)
Circuit A
Outputs
(CIR.A)
Display
Configuration
(DISP)
Time of Day
(TIME)
Operating
Control Type
(SLCT)
Reset Current
Alarms
(R.ALM)
Machine
Starts/Hours
(RUN)
Quick
Test Mode
(QUIC)
Circuit A
Temperatures
(CIR.A)
Circuit B
Pressures
(PRC.B)
Heating
Setpoints
(HEAT)
Circuit B
Outputs
(CIR.B)
Unit
Configuration
(UNIT)
Day, Date
(DATE)
Operating
Modes
(MODE)
Current
Alarms
(ALRM)
Compressor
Run Hours
(HOUR)
Circuit B
Temperatures
(CIR.B)
Circuit C
Pressures
(PRC.C)
Misc.
Setpoints
(MISC)
Circuit C
Outputs
(CIR.C)
Service
Configurations
(SERV)
Schedule 1
(SCH1)
Alarm
History
(H.ALM)
Compressor
Starts
(STRT)
Circuit C
Temperatures
(CIR.C)
General
Outputs
(GEN.O)
Options
Configuration
(OPTN)
Schedule 2
(SCH2)
Fan Run
Hours
(FAN)
Reset,
Demand Limit,
Master/Slave
(RSET)
Holidays
(HOLI)
Compressor
Disable
(CP.UN)
Service
Maintenance
Configuration
(MCFG)
Predictive
Maintenance
(MAIN)
Software Versions
(VERS)
221
221
221
221
195
195
195
195
195
195
195
CH1 CH2 CH3 CH4
CH11 CH12
LOCATION OF
SERIAL NUMBER
CH13 CH14 CH
15A
J4
ANALOG
INPUTS
J3
J2C
J2B
24 VAC
J1A
+ G –
DISCRETE
INPUTS
J5A
CH
15a
11 C16
J2A
TR1 TR2 TR3 TR4 TR5
CH19 CH20 CH21 CH22 CH23 CH24 CH25 CH26
J8
CH17 CH18
J5B J5C
THERMISERS PRESSURES
CH5 CH6 CH7 CH8 CH9
J7A J7B J7C J7D
RELAY
OUTPUTS
MOV1
C41 C42 C43
C32 C33 C34 C35
12/11 12/11
J10
LEN
+ G -
STATUS
J9A
K1 K2
D15
J6
CCN
CH10
+ G –
SIO
(LEN)
J9C J9B
+ G –
LEN LEN
CCN J13 J9D
+
C
+
C
CH
16a
+
C
CH
16b
Fig. 8 — Main Base Board
a30-4255

10
Table 3 — Main Base Board Inputs and Outputs
LEGEND
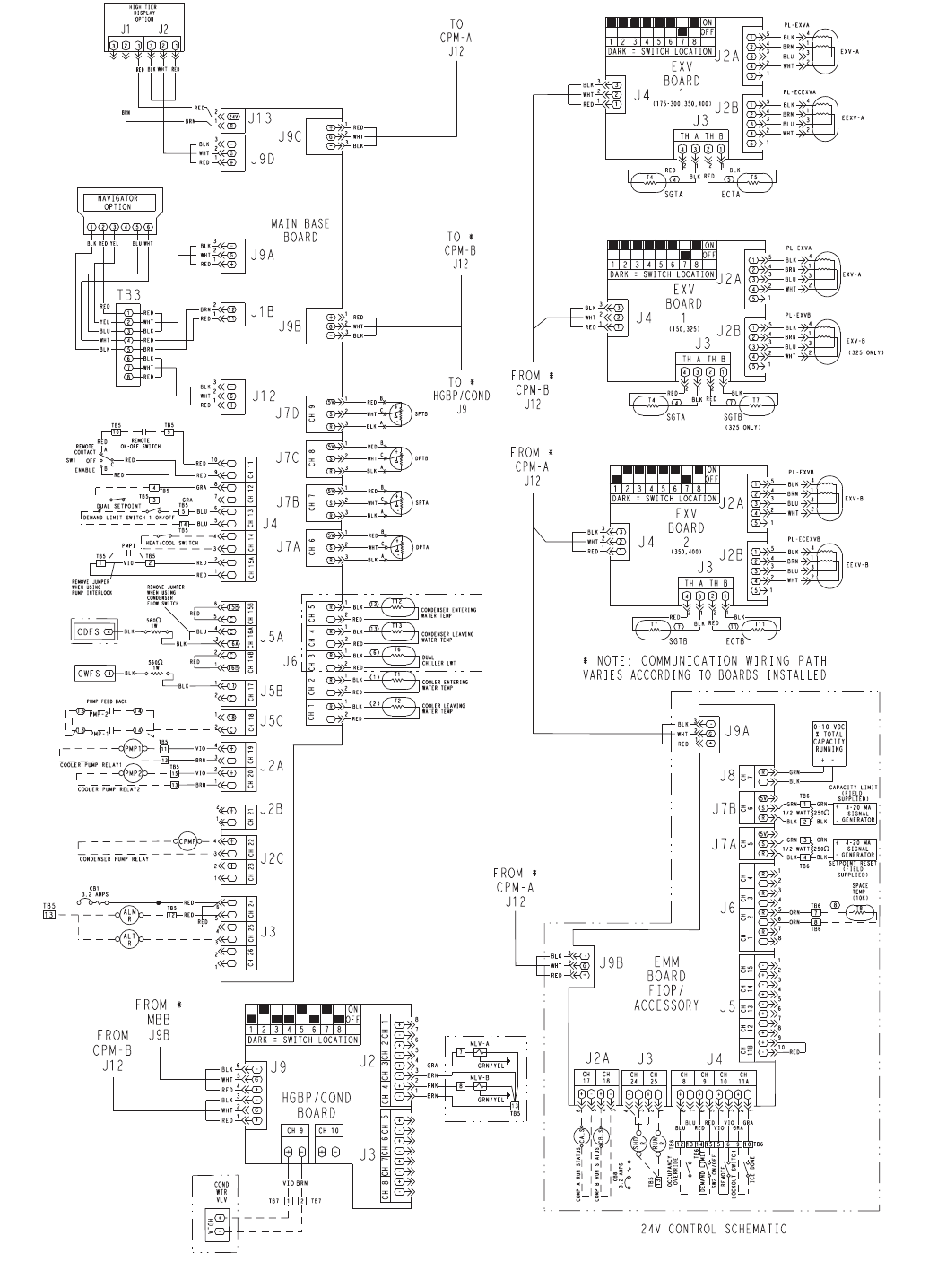
Compressor Protection Module (CPM) — There
is one CPM per compressor. See Fig. 9. The device controls the
compressor contactors, oil solenoid, and loading/unloading the
solenoid. The CPM also monitors the compressor motor tem-
perature, high pressure switch, oil level switch, discharge gas
temperature, oil pressure transducer, motor current, MTA
(must trip amps) setting and economizer pressure transducer
(sizes 175,200,350,400 only). The CPM responds to com-
mands from the MBB (Main Base Board) and sends the MBB
the results of the channels it monitors via the LEN (Local
Equipment Network). The CPM has three DIP switch input
banks, Switch 1 (S1), Switch 2 (S2), and Switch 3 (S3). The
CPM board DIP switch (S1) configures the board for the type
of starter, the location and type of the current transformers and
contactor failure instructions. See Table 4 for description of
DIP switch 1 (S1) inputs. See Appendix D for DIP switch
settings.
DESCRIPTION INPUT/OUTPUT I/O TYPE DISPLAY MODULE POINT NAME CONNECTION POINT
Pin Notation
Power (24 vac supply) —— —
MBB-J1, MBB-J1A,
MBB-J1B
11 24 vac
12 Ground
Local Equipment Network —— —
MBB-J9A, MBB-J9B,
MBB-J9C, MBBJ9D
+ RS485 Port (D+)
G RS485 Port (Gnd)
- RS485 Port (D-)
Carrier Communication
Network —— —
MBB-J12
+ RS485 Port (D+)
G RS485 Port (Gnd)
- RS485 Port (D-)
Chilled Water Flow Switch CWFS Switch Cooler Flow Switch, LOCK MBB-J5B-CH17
17
Demand Limit Switch No. 1 Demand Limit SW1 Switch Limit Switch 1 Status, DLS1 MBB-J4-CH13
Condenser Flow Switch CDFS Switch Condenser Flow Switch, COND 16A MBB-J5A-CH16A
Circuit A Discharge
Pressure Transducer DPTA Pressure Transducer Discharge Pressure, DP.A
MBB-J7A-CH6
5V +5 vdc Ref.
SSignal
R Return
Circuit B Discharge
Pressure Transducer DPTB Pressure Transducer Discharge Pressure, DP.B
MBB-J7C-CH8
5V +5 vdc Ref.
SSignal
R Return
Dual Chiller
LWT Thermistor DUAL 5k Thermistor CHWS Temperature, CHWS MBB-J6-CH3
Dual Set Point Input Dual Set Point Switch Remote Setpoint Switch, DUAL MBB-J4-CH12
Heat/Cool Switch HC_SW Switch Heat/Cool Select Contact, HC_SW MBB-J4-CH14
Entering Water Thermistor EWT 5k Thermistor Cooler Entering Fluid, EWT MBB-J6-CH2
Leaving Water Thermistor LWT 5k Thermistor Cooler Leaving Fluid, LWT MBB-J6-CH1
Condenser Entering Water
Thermistor CEWT 5k Thermistor Condenser Entering Fluid, CEWT MBB-J6-CH5
Condenser Leaving Water
Thermistor CLWT 5k Thermistor Condenser Leaving Fluid, CLWT MBB-J6-CH4
External Chilled
Water Pump Interlock PMPI Switch Electrical Box Interlock, ELEC MBB-J4-CH15A
Circuit A Suction
Pressure Transducer SPTA Pressure Transducer Suction Pressure, SP.A
MBB-J7B-CH7
5V +5 vdc Ref.
SSignal
R Return
Circuit B Suction
Pressure Transducer SPTB Pressure Transducer Suction Pressure, SP.B
MBB-J7D-CH9
5V +5 vdc Ref.
SSignal
R Return
Unit Status Remote Contact-Off-Enable Switch On/Off Remote Switch, ONOF MBB-J4-CH11
Alarm Relay ALM R Relay Alarm Relay Output, ALRM MBB-J3-CH24
Alert Relay ALT R Relay Alert Relay Output, ALRT MBB-J3-CH25
Cooler Pump Relay 1 PMP1 Contactor Cooler Pump 1, CPUMP_1 MBB-J2A-CH19
Cooler Pump Relay 2 PMP2 Contactor Cooler Pump 2, CPUMP_2 MBB-J2A-CH20
Condenser Pump Relay CPMP Contactor Condenser Pump, COND_PMP MBB-J2C-CH22
Pump #1 Interlock
Pump #2 Interlock
PMP_1
PMP_2 Switch Cooler Pump Run Status, PUMP MBB-J5C-CH18
I/O — Input or Output
LWT — Leaving Water Temperature

11
Table 4 — DIP Switch 1 (S1) Inputs
The CPM board DIP switch S2 setting determines the must
trip amps (MTA) setting. See Appendix D for DIP switch set-
tings. The MTA setting which is calculated using the settings
S2 must match the MTA setting in the software or an MTA
alarm will be generated.
See below for CPM board DIP switch S3 address informa-
tion. See Table 5 for CPM inputs and outputs.
DIP SWITCH POSITION FUNCTION SETTING MEANING
1Starter Configuration OFF Across-the-line Start
ON Wye-Delta Start
2, 3
Current Transformer (CT) Position OFF (2), OFF (3) CT is located in the main line
ON (2), OFF (3) CT is located in the Delta of the motor
OFF (2), ON (3) Reserved for future use
ON (2), ON (3) Invalid; will cause MTA configuration alarm
4, 5, 6
Current Transformer (CT) Selection OFF (4), OFF (5), OFF (6) 100A/1V CT1
ON (4), OFF (5), OFF (6) 100A/0.503V CT2
OFF (4), ON (5), OFF (6) 100A/0.16V CT3
ON (4), ON (5), OFF (6) Invalid; will cause MTA configuration alarm
OFF (4), OFF (5), ON (6) Invalid; will cause MTA configuration alarm
ON (4), OFF (5), ON (6) Invalid; will cause MTA configuration alarm
OFF (4), ON (5), ON (6) Invalid; will cause MTA configuration alarm
ON (4), ON (5), ON (6) Invalid; will cause MTA configuration alarm
7Contactor Failure Action OFF All units should be off
ON Used when Shunt Trip is available in the unit
8Not Used — —
CPM-A DIP Switch 3 1 2 3 4
Address: OFF OFF OFF OFF
CPM-B DIP Switch 3 1 2 3 4
Address: OFF OFF ON OFF
12345678
0N
40
K
12345678
0N
40
K
1234
0N
102
151
102
102
101
101
101
101
100 K
620
561
2x
151 151 151 151 151 151
151
151
151
561
561
2
2x
2
CH
05
CH
06
CC
CH
10
CH
11
CH
12
CH
13
CH
14
J2 J11
11 12
J9 J10A J10B
24 VDC/OLL
HPS
1
LOADERSOLS MOTOR COOLING
OIL
PRESS
CH01 CH02 CH03CH04 SMT
MOT
TMP
DG
TMP
R
RRR
S5S5
AUX
102
102
100 K
CH
08
CH
07
01 02
J3
J5
J12 J1
151
151
R20
102
– G +
3 2 1
– G +
3 2 1
100K
101
PRESS
ECO
SI0 STAT U S
CT1 CT2 CT3
J8
151 151 151 151 151
561
151
151
151
151
151
151
J4
CH
09
(LEN)
MTA
DIP
SWITCH 3
(S3)
S1
S2
S3
DIP
SWITCH 2
(S2)
DIP
SWITCH 1
(S1)
LOCATION OF
SERIAL NUMBER
STAT U S
SIO
(LEN)
Fig. 9 — Compressor Protection Module
a30-4215

12
Table 5 — Compressor Protection Module Inputs and Outputs*
*“X” denotes the circuit, A or B.
†See Appendix D for MTA settings.
DESCRIPTION INPUT/OUTPUT I/O TYPE DISPLAY MODULE POINT NAME CONNECTION POINT
Pin Notation
Power (24 vac supply) —— —
CPM-X-J1
11 24 vac
12 Ground
Local Equipment Network —— —
CPM-X-JP12
1 RS485 Port (D+)
2 RS485 Port (Gnd)
3 RS485 Port (D-)
CPM-X-J12
1 RS485 Port (D+)
2 RS485 Port (Gnd)
3 RS485 Port (D-)
Circuit X High Pressure Switch HPS-X Switch Not available
CPM-X-J7-CH05
1
2
Oil Level Switch Oil LS X Switch Circuit X Oil Solenoid, OLS.X
CPM-X-J6-CH06
1
2
Must Trip Amps† MTA (S2) 8-Pin DIP Switch Must Trip Amps, MTA.X
Configuration Switch† S1 8-Pin DIP Switch S1 Config Switch, C.SW.X
Compressor X Motor Temperature MTR-X NTC Thermistor Motor Temperature, CTP.X
CPM-X-J9-CH01
1
2
Compressor X Discharge Gas Temperature DGT X NTC Thermistor Discharge Gas Temp, DGT.X
CPM-X-J9-CH02
1
2
Oil Pressure Transducer OPT X Pressure Transducer Oil Pressure, OP.X
CPM-X-J10B-CH04
5V + 5 vdc ref
S Signal
RReturn
Economizer Pressure Transducer
(sizes 175,200,350,400 only) EPT X Pressure Transducer Economizer Pressure, ECP.X
CPM-X-J10A
5V + 5 vdc ref
S Signal
RReturn
Compressor Current X Phase A Current Sensor CUR.A
CPM-X-J8-CH01
1
2
Compressor Current X Phase B Current Sensor CUR.B
CPM-X-J8-CH02
1
2
Compressor Current X Phase C Current Sensor CUR.C
CPM-X-J8-CH3
1
2
Compressor X 1M Contactor C X 1M Contactor Compressor Output, CP.X
CPM-X-J1-CH07
1
2
Compressor X 2M Contactor C X 2M Contactor Not available
CPM-X-J2-CH8
1
2
Compressor X S Contactor C X S Contactor Not available
CPM-X-J2-CH9
1
2
Oil Solenoid X Oil solenoid-X Solenoid Oil Solenoid Output, OLS.X
CPM-X-J2-CH12
1
2
Load Solenoid X Loading Solenoid-X Solenoid Slide Valve 1 Output, SL1.X CPM-X-J2-CH13
1
Unload Solenoid X Unloading Solenoid-X Solenoid Slide Valve 2 Output, SL2.X
CPM-X-J2-CH14
1
2

13
Electronic Expansion Valve (EXV) Board —
The 30XW150-325 units have one EXV board. The
30XW350,400 units have one EXV board per circuit. See
Fig. 10. The board is responsible for monitoring the suction gas
temperature and economizer gas temperature thermistors. The
board also signals the main EXV and economizer EXV
(ECEXV) motors to open or close. The electronic expansion
valve board responds to commands from the MBB and sends
the MBB the results of the channels it monitors via the LEN
(Local Equipment Network). See below for DIP switch infor-
mation. See Tables 6 and 7 for EXV inputs and outputs.
EXV BOARD 1
(150-400)
DIP SWITCH
123456 7 8
Address: ON ON ON ON ON ON OFF ON
EXV BOARD 2
(350,400)
DIP SWITCH
1 23456 7 8
Address: OFF ON ON ON ON ON OFF ON
12345678
ON
100
100
257-01
712
100K
100K
100
12345
321
-G+
J3
12345
J2A EXVA J2B EXVB
24VAC
STATUS
MOV1
LOCATION OF
SERIAL NUMBER
4321
THA THB
D4
D6
J1
C15
C16
D5
U5
Q2 Q1
L4
U4
12/11
C17
+
Q45
Q42Q37
G2
Q35
Q25
Q27
Q30
Q20 Q22
Q17 Q15
Q12
Q10
C10
Q7
S1
C11
U2
D2
L1
U1
C37C39
SB
D15
U6
C25
C49
Q4
Q5
L2 R2
R3 L3 D1
R9
TEMP
D29 D9 D8
SI0
(LEN)
COMM J4
DIP
SWITCH
Fig. 10 — EXV Board
a30-4216

14
Table 6 — EXV1 Board Inputs and Outputs (30XW150-325)
Table 7 — EXV1,2 Board Inputs and Outputs* (30XW350,400)
*“X” denotes the circuit: 1 = Circuit A; 2 = Circuit B.
DESCRIPTION INPUT/OUTPUT I/O TYPE DISPLAY MODULE POINT NAME CONNECTION POINT
Pin Notation
Power (24 vac supply) —— —
EXVA-J1
11 24 vac
12 Ground
Local Equipment Network —— —
EXVA-J4
1 RS485 Port (D+)
2 RS485 Port (Gnd)
3 RS485 Port (D–)
Circuit A Suction Gas Thermistor SGTA 5k Thermistor Compressor Suction Temp, SGT.A
EXVA-J3
TH
A
Circuit B Suction Gas Thermistor SGTB 5k Thermistor Compressor Suction Temp, SGT.B
EXVA-J3
TH
B
Circuit A EXV EXV-A Stepper Motor EXV Position, EXV.A
EXVA-J2A
1
2
3
4
Circuit B EXV
(size 325 only) EXV-B Stepper Motor EXV Position, EXV.B
EXVA-J2B
1
2
3
4
DESCRIPTION INPUT/OUTPUT I/O TYPE DISPLAY MODULE POINT NAME CONNECTION POINT
Pin Notation
Power (24 vac supply) —— —
EXVX-J1
11 24 vac
12 Ground
Local Equipment Network —— —
EXVX-J4
1 RS485 Port (D+)
2 RS485 Port (Gnd)
3 RS485 Port (D–)
Circuit X Suction Gas Thermistor SGT X 5k Thermistor Compressor Suction Temp, SGT.X
EXVX-J3
TH
A
Circuit X Economizer Gas Thermistor ECT X 5k Thermistor Economizer Gas Temp, ECT.X
EXVX-J3
TH
B
Circuit X EXV EXV-X Stepper Motor EXV Position, EXV.X
EXVX-J2A
1
2
3
4
Circuit X Economizer EXV ECEXV-X Stepper Motor Cir X Economizer EXV Pos, ECO.X
EXVX-J2A
1
2
3
4

15
MLV/Condenser Board — One auxiliary board is op-
tionally installed in each unit. See Fig. 11. The auxiliary board
contains an analog output for head pressure control and dis-
crete outputs for minimum load control. The auxiliary board
responds to commands from the MBB and sends the MBB the
results of the channels it monitors via the Local Equipment
Network (LEN). See below for auxiliary board A, B and C DIP
switch addresses. See Table 8 for inputs and outputs.
Table 8 — Auxiliary Board Outputs
AUX BOARD
DIP SWITCH 123 45678
Address: OFF ON OFF OFF ON OFF ON OFF
DESCRIPTION INPUT/OUTPUT I/O TYPE DISPLAY MODULE POINT NAME CONNECTION POINT
Pin Notation
Power (24 vac supply) —— —
AUX-J1
11 24 vac
12 Ground
Local Equipment Network —— —
AUX-J9
+ RS485 Port (D+)
G RS485 Port (Gnd)
-RS485 Port (D-)
+ RS485 Port (D+)
G RS485 Port (Gnd)
-RS485 Port (D-)
Condenser Head Pressure Control
Speed Signal HD_A 0-10 VDC Head Press Actuator Pos, SPD.A
AUX-CH9
+ Signal
- Ground
Minimum Load Valve A MLV-A Solenoid Minimum Load Valve Circuit A, MLV.A AUX-J2-CH3
Minimum Load Valve B MLV-B Solenoid Minimum Load Valve Circuit B, MLV.B AUX-J2-CH4
12345678
ON
100K
100K
100K
CH1 CH2 CH3CH4 CH5 CH6 CH7 CH8
TR1 TR2 TR3TR4 TR5 TR6 TR7 TR8
STAT U S SIO (LEN)
LOCATION OF
SERIAL NUMBER
24 VAC
CH13CH14
J9
J1
CH9 CH10 CH11 CH12
JP2
C61
CH13
D12 JP1
L3
L5
U21
L2
D6
D5
Q5 Y1
D7
D8
S1
D3
U1
Q1
U5
U6
U7
U8
U9
Q10
Q11
U10
J4
J3
J2
U4
U2
Q12
Q60
3 2 1
– G +
3 2 1
– G +
DIP SWITCH
Fig. 11 — Auxiliary Board with Optional Minimum Load Control or Head Pressure Control
a30-4046

16
Enable-Off-Remote Contact Switch (SW1) —
This switch is installed in all units and provides the owner and
service person with a local means of enabling or disabling the
machine. It is a 3-position switch and it is used to control the
chiller. When switched to the Enable position, the chiller will
be under its own control. When switched to the Off position,
the chiller will shut down. When switched to the Remote Con-
tact position, a field-installed dry contact can be used to start
the chiller. The contacts must be capable of handling a 24-vac,
50-mA load. In the Enable and Remote Contact (dry contacts
closed) positions, the chiller is allowed to operate and respond
to the scheduling configuration, CCN configuration, and set
point data.
For units with a Touch Pilot™ display, the position of the
Enable/Off/Remote contact switch is ignored except when the
Remote Mode operating type is selected. Refer to the Machine
Control Methods section on page 20 for more details.
Emergency On/Off Switch (SW2) — This switch is
installed in all units. The Emergency On/Off switch should
only be used when it is required to shut the chiller off immedi-
ately. Power to all modules is interrupted when this switch is
off and all outputs from these modules will be turned off.
Energy Management Module (EMM) — The EMM
is available as a factory-installed option or as a field-installed
accessory. See Fig. 12. The EMM receives 4 to 20 mA inputs
for the temperature reset, cooling set point and demand limit
functions. The EMM also receives the switch inputs for the
field-installed second stage 2-step demand limit and ice done
functions. The EMM communicates the status of all inputs
with the MBB, and the MBB adjusts the control point, capacity
limit, and other functions according to the inputs received. See
Table 9.
CAUTION
Care should be taken when interfacing with other manufac-
turer’s control systems due to possible power supply differ-
ences, full wave bridge versus half wave rectification,
which could lead to equipment damage. The two different
power supplies cannot be mixed. ComfortLink™ controls
use half wave rectification. A signal isolation device should
be utilized if incorporating a full wave bridge rectifier sig-
nal generating device is used.
Fig. 12 — Energy Management Module
221
221
221
221
100K
100K
100K
100K
100K
CH
17 CH
17
CH
16
CH CH
18CH
19 CH
20 CH
22
CH
21 CH
23
24 VAC
12 11
CH
11bCH
12 CH
13CH
14 CH
15 CH
1CH
2CH
3CH
4CH 5 CH 6 CH 7
SIO LEN
+ G - + G -
SIO LEN
J8
J7B
J7A
J6
J5
J4J3J2B
J2A
J1
J9A
J9B
a30-4911

17
Table 9 — Energy Management Module (EMM) Inputs and Outputs
* A field-supplied 1/2 watt 250 ohm resistor is required across terminals TB6-1,2 (CH6) and/or TB6-3, 4 (CH5).
Local Equipment Network — Information is trans-
mitted between modules via a 3-wire communication bus or
LEN (Local Equipment Network). External connection to the
LEN bus is made at TB3.
Board Addresses — All boards (except the Main Base
Board and Energy Management Module Board) have
8-position DIP switches.
Touch Pilot™ Display — The Touch Pilot display port
connections are shown in Table 10. Wiring is shown in Fig. 13.
Control Module Communication
RED LED — Proper operation of the control boards can be
visually checked by looking at the red status LEDs (light-
emitting diodes). When operating correctly, the red status
LEDs will blink in unison at a rate of once every 2 seconds. If
the red LEDs are not blinking in unison, verify that correct
power is being supplied to all modules. Be sure that the Main
Base Board (MBB) is supplied with the current software. If
necessary, reload current software. If the problem still persists,
replace the MBB. A red LED that is lit continuously or blink-
ing at a rate of once per second or faster indicates that the board
should be replaced.
GREEN LED — All boards have a green LEN (SIO) LED
which should be blinking whenever power is on. If the LEDs
are not blinking as described check LEN connections for
potential communication errors at the board connectors. See
input/output Tables 3-10 for LEN connector designations. A
3-wire bus accomplishes communication between modules.
These 3 wires run in parallel from module to module. The J9A
connector on the MBB provides communication directly to the
Navigator™ display module.
YELLOW LED — The MBB has one yellow LED. The
Carrier Comfort Network® (CCN) LED will blink during times
of network communication.
Table 10 — Touch Pilot™ Display Port
Connections
INPUT/OUTPUT DESCRIPTION I/O TYPE DISPLAY MODULE POINT NAME CONNECTION POINT
4-20 mA Demand Limit 4-20 mA Demand Limit 4-20 mA* Limit 4-20 mA Signal, DMD EMM-J7B-CH6
4-20 mA Temperature
Reset/Cooling Setpoint
4-20 mA Temperature Reset/
Cooling Set point
4-20 mA* Reset/Setpnt 4-20 mA Signal, RSET EMM-J7A-CH5
Demand Limit SW2 Demand Limit Step 2 Switch Input Switch Limit Setpoint 2, DLS2 EMM-J4-CH9
Ice Done Ice Done Switch Switch Input Ice Done Storage Switch, ICE.D EMM-J4-CH11A
Occupancy Override Occupied Schedule Override Switch Input Occupied Override Switch, OCCS EMM-J4-CH8
Remote Lockout Switch Chiller Lockout Switch Input Remote Interlock Switch, RLOC EMM-J4-CH10
SPT Space Temperature Thermistor 10k Thermistor Optional Space Temp, SPT EMM-J6-CH2
% Total Capacity Percent Total Capacity Output 0-10 vdc Chiller Capacity Signal, CATO EMM-J8-CH7
RUN R Run Relay Relay Running Status, RUN EMM-J3-CH25
SHD R Shutdown Relay Relay Shutdown Indicator State, SHUT EMM-J3-CH24
CA_S Run Status for Circuit A Relay Compressor A Run Status, Q_RUN_A EMM-J2A-CH17
CB_S Run Status for Circuit B Relay Compressor B Run Status, Q_RUN_B EMM-J2A-CH18
CONNECTOR PIN FUNCTION
J1 (Power)
124VAC +
224VAC -
3 Earth Ground
J2 (COM1)
1 RS485 Port (D+)
2 RS485 Port (GND)
3 RS485 Port (D-)
J3 (RJ11)
124VAC (+)
2 RS485 Port (D+)
3 RS485 Port (GND)
4 Unused (no connect)
5 RS485 Port (D-)
624VAC(-)
Fig. 13 — Touch Pilot™ Display Wiring

18
Carrier Comfort Network® (CCN) Interface —
All 30XW units can be connected to a CCN system, if desired.
The communication bus wiring is a shielded, 3-conductor cable
with drain wire and is field supplied and installed. The system
elements are connected to the communication bus in a daisy
chain arrangement. The positive pin of each system element
communication connector must be wired to the positive pins of
the system elements on either side of it. The negative and sig-
nal ground pins of each system element must also be wired in
the same manner. Wiring connections for CCN should be made
at TB3. Consult the CCN Contractor’s Manual for further in-
formation. See Fig. 14.
NOTE: Conductors and drain wire must be 20 AWG (Ameri-
can Wire Gage) minimum stranded, tinned copper. Individual
conductors must be insulated with PVC, PVC/nylon, vinyl,
Teflon, or polyethylene. An aluminum/polyester 100% foil
shield and an outer jacket of PVC, PVC/nylon, chrome vinyl,
or Teflon with a minimum operating temperature range of
–20 C to 60 C is required. See Table 11 for recommended wire
manufacturers and part numbers.
Table 11 — CCN Communication Bus Wiring
It is important when connecting to a CCN communication
bus that a color-coding scheme be used for the entire network
to simplify the installation. It is recommended that red be used
for the signal positive, black for the signal negative, and white
for the signal ground. Use a similar scheme for cables contain-
ing different colored wires.
At each system element, the shields of its communication
bus cables must be tied together. If the communication bus is
entirely within one building, the resulting continuous shield
must be connected to a ground at one point only. If the commu-
nication bus cable exits from one building and enters another,
the shields must be connected to grounds at the lightning
suppressor in each building where the cable enters or exits the
building (one point per building only). To connect the unit to
the network:
1. Turn off power to the control box.
2. Cut the CCN wire and strip the ends of the red (+), white
(ground), and black (–) conductors. (Substitute appropri-
ate colors for different colored cables.)
3. Connect the red wire to (+) terminal on TB3 of the plug,
the white wire to COM terminal, and the black wire to the
(–) terminal.
4. The RJ14 CCN connector on TB3 can also be used, but is
only intended for temporary connection (for example, a
laptop computer running Service Tool).
Remote Alarm and Alert Relays — The 30XW
chiller can be equipped with a remote alert and remote alarm
annunciator contacts. Both relays connected to these contacts
must be rated for a maximum power draw of 10 va sealed,
25 va inrush at 24 volts. The alarm relay, indicating that the
complete unit has been shut down, can be connected to TB5-12
and TB5-13. Refer to unit wiring diagrams. For an alert relay,
indicating that at least 1 circuit is off due to the alert, a field-
supplied and installed relay must be connected between MBB-
J3-CH25-3 and TB5-13. The action of the alarm and alert re-
lays can be reversed from normally open to normally closed by
using the Reverse Alarms Relay configuration (Reverse
Alarms Relay, RV.AL).
CONFIGURATION
Touch Pilot™ Operation Configuration
Tables — The Touch Pilot display operation is controlled by
configuration information entered in the following configura-
tion tables. These tables are accessible by using Network Ser-
vice Tool or ComfortVIEW™ software. The tables are the
CtrlID (Controller Identification) configuration table and the
USERCONF (User Configuration) table. See Tables 12 and 13.
NOTE: Always perform an Upload to obtain the latest config-
uration before making configuration table changes.
MANUFACTURER PART NU MB ER
Regular Wiring Plenum Wiring
Alpha 1895 —
American A21451 A48301
Belden 8205 884421
Columbia D6451 —
Manhattan M13402 M64430
Quabik 6130 —
IMPORTANT: A shorted CCN bus cable will prevent
some routines from running and may prevent the unit
from starting. If abnormal conditions occur, discon-
nect the CCN bus. If conditions return to normal,
check the CCN connector and cable. Run new cable if
necessary. A short in one section of the bus can cause
problems with all system elements on the bus.
Fig. 14 — ComfortLink™ CCN Communication Wiring
(+) (COM) (-) SHIELD
CCN
RED
WHT
BLK
CCNLEN
(+) (COM) (-) SHIELD
CCN
RED
WHT
BLK
CCNLEN
TO NEXT
DEVICE
(+) (COM) (-) SHIELD
CCN
RED
WHT
BLK
CCN
LEN
SHIELD
LEGEND
CCN — Carrier Comfort Network®
LEN — Local Equipment Network
a30-4706

19
Table 12 — Touch Pilot Controller Identification Configuration Table
Table 13 — Touch Pilot™ User Configuration (USERCONF) Table
BACKLIGHT ALWAYS ON? — This configuration is used
to keep the backlight on continuously or to turn it off after 60
seconds with no activity.
Allowable Entries: No/Yes (No=0 or Yes=1)
Default Value: No
FULL ACCESS PASSWORD — This configuration is used
to specify the full access password. Refer to Table 1, Setup
Menu, for additional information on passwords.
Allowable Entries: 0 through 9999
Default Value: 3333
CONTROLLER ID DATA BLOCK NO. VALUE AND RANGE QUALIFIERS
Device Name 1CHILLDSP
8 character Name field
Default
Optional
Local address 2 115 Default
Bus number 2 0 Default
Device (driver) type 20 = Non-bridge
3 = Broadcast Acknowledger
Default
Optional
Primary baud rate 3 38400 Default
Secondary baud rate 3 38400 Fixed
Device description 4Global Chiller Display
24 character text field
Default
Optional
Device location 4(Blank)
24 character text field
Default
Optional
Software part number 4 CESR-131363-01 Fixed
Model number 4 (Blank) Fixed
Serial number 4 (Blank) Fixed
Reference number 4 Version 1.0 Fixed
Broadcast address processing list (primary) 5241-251, 254, 255 enabled
241-255 enabled/disabled
Defaults
Optional
Broadcast address processing list (secondary) 5 none Not applicable
DESCRIPTION LIMITS UNITS NAME DEFAULT
Backlight always on? No
Ye s BACKLITE No
Full access password 0
9999 PSWDFULL 3333
Limited access password 0
9999 PSWDLMTD 2222
Active language 0
1 ACTLANG 0
Time format 0
1TIMEFMT 0
Date format 0
2DATEFMT 0
Units base US
Metric UNITBASE US
Contrast control Manual
Auto CONTRAST Auto
Network mode 0
1NETWORK 0
Network settings
Alarm acknowledger No
Ye s ALARMACK No
Broadcast acknowledger No
Ye s BROADACK No
Equipment CCN address
Bus number 0
239 EQUIPBUS 0
Element number 1
239 EQUIPELE 1
Control variables
Equipment status (Not Used) Name
char 8 EQSTATUS NOT USED
Equipment start/stop (Not Used) Name
char 8 STARSTOP NOT USED
Alarm status (Not Used) Name
char 8 ALSTATUS NOT USED
Alarm reset (Not Used) Name
char 8 ALRESET NOT USED

20
LIMITED ACCESS PANEL — This configuration is used to
specify the limited access password.
Allowable Entries: 0 through 9999
Default Value: 2222
ACTIVE LANGUAGE — This configuration is used to spec-
ify the display’s active language. All translatable text will be
displayed in this language.
Allowable Entries: 0 (English), 1 (alternate, installed by user)
Default Value: 0
TIME FORMAT — This configuration is used to specify the
format for display of time.
Allowable Entries: 0 = H:MM AM/PM without leading zero
1 = HH:MM with leading zero when
necessary
Default Value: 0
DATE FORMAT — This configuration is used to specify the
format for display of date.
Allowable Entries: 0 = MM-DD-YYYY with leading zero
when necessary
1 = DD-MM-YYYY with leading zero
when necessary
2 = YYYY-MM-DD
Default Value: 0
UNITS BASE — This configuration is used to specify the for-
mat of the units of measure.
Allowable Entries: U.S.
Metric
Default Value: U.S.
CONTRAST CONTROL — This configuration is used to en-
able or disable the display’s auto contrast adjustment feature.
When enabled, the display’s contrast will be automatically ad-
justed as required, based on temperature.
Allowable Entries: Manual
(Auto Contrast Adjustment Disabled)
Auto
(Auto Contrast Adjustment Enabled)
Default Value: Auto
NETWORK MODE — This configuration is used to set the
display’s operating mode. For additional information on oper-
ating mode, refer to Display in the Table Setup Menu. This de-
cision will be ignored and the mode will default to Equipment
when the display is connected to a device (the LEN Bus).
NOTE: A power cycle is required for this decision to take
effect.
Allowable Entries: Disable = Equipment Mode
Enable = Network Mode
Default Value: Disable
ALARM ACKNOWLEDGER — This configuration is used
to specify whether the Touch Pilot™ display will act as the
alarm acknowledger for the CCN. There can be only one alarm
acknowledger per CCN. Therefore, if another CCN device
such as ComfortVIEW™ software, the Autodial Gateway or
TeLINK is already set as the alarm acknowledger for the CCN
network then this decision should be set to No.
NOTE: The display must be in Network mode and connected
to the primary CCN bus and this decision set to Yes for alarm
acknowledgement to be enabled.
Allowable Entries: No
Yes
Default Value: No
BROADCAST ACKNOWLEDGER — This configuration
is used to indicate whether the Touch Pilot display will act as
the broadcast acknowledger for its CCN bus. There can be only
one broadcast acknowledger per CCN bus.
NOTE: The display must be in Network mode and this deci-
sion set to Yes for broadcast acknowledgement to be enabled.
Allowable Entries: No
Yes
Default Value: 0
EQUIPMENT CCN ADDRESS — When in equipment
mode (USERCONF Table’s Network Mode decision is set to
Disable), the Bus Number and Element Number decisions are
used to specify the CCN address of the piece of equipment to
communicate with. An Attach or power cycle must be
performed for changes to take effect. These decisions will be
ignored when the display is connected to the LEN bus or in
Network mode. In Network mode, specify the bus and element
number of the equipment communicate with using the dis-
play’s Attach function.
NOTE: In Network mode, these configurations will be over-
written with the default device address if it is changed through
the Attach process.
BUS NUMBER — This configuration is used to specify the
Equipment Controller bus number.
Allowable Entries: 0 through 239
Default Value: 0
ELEMENT NUMBER — This configuration is used to speci-
fy the Equipment Controller element number.
Allowable Entries: 1 through 239
Default Value: 1
Machine Control Methods — Three variables con-
trol how the machine operates. These variables control the
On-Off function, set point operation, and Heat-Cool operation.
Machine On/Off Control — Machine On/Off control
depends on which interface display is used. The control is dif-
ferent for Touch Pilot™ or Navigator™ displays. Select the
correct configuration procedure below based on which inter-
face is being used.
TOUCH PILOT MACHINE CONTROL — Machine On/Off
control is determined locally by pushing the Start/Stop button
on the Touch Pilot display. Pressing this button will cause the
Equipment Start screen to be displayed. See Fig. 15.
Fig. 15 — Equipment Start Screen

21
Table 14 summarizes the unit control type and stop or go
status with regard to the following parameters:
• Operating type: this is selected by using the start/stop button
on the front of the user interface.
• Remote start/stop contacts: these contacts are used when the
unit is in remote operating type (Remote mode).
• CHIL_S_S: this network command variable relates to the
chiller start/stop when the unit is in CCN control (CCN
mode). When this variable forced to Disable, then the unit is
stopped. When this variable is forced to Enable, then the
unit runs in accordance with schedule 1.
• Start/Stop schedule: occupied or unoccupied status of the
unit as determined by the chiller start/stop program (Sched-
ule 1).
• Master control type: This parameter is used when the unit is
the master unit in a two chiller lead/lag arrangement. The
master control type determines whether the unit is to be
controlled locally, remotely or through CCN (this parameter
is a Service configuration).
• CCN emergency shutdown: if this CCN command is acti-
vated, it shuts the unit down whatever the active operating
type.
• General alarm: the unit is totally stopped due to failure.
Local Mode — To start the machine in local mode, press the
Start/Stop button on the Touch Pilot display. The Equipment
Start screen will be displayed. Select Local On. The control
will ignore the position of Enable/Off/Remote Contact switch
and all CCN network force commands, except an Emergency
Stop Command. The Run Status variable, indicating the cur-
rent status of the machine, will change to RUNNING, DELAY
or READY. The Chiller Occupied? variable will change to
YES. The Control Type variable indicates the type of control.
For this configuration, Control Type will be Local. The Oper-
ating Type variable will change to L-On (Local On).
Local Schedule — To start the machine with a local schedule,
press the Start/Stop button on the Touch Pilot display. The
Equipment Start screen will be displayed. Select Local Sched-
ule. The unit will start and stop according to the schedule de-
fined in the Time Schedule menu. Two Internal Time Sched-
ules are available and must be field programmed. Time
Schedule 1 is used for single set point On-Off control. Time
Schedule 2 is used for Dual Set Point/Occupied-Unoccu-
pied set point control. The control will ignore the position of
Enable/Off/Remote Contact switch and all CCN network force
commands, except the Emergency Stop Command.
The Run Status variable will indicate the current status of
the machine — OFF, RUNNING, DELAY, or READY. The
Chiller Occupied? variable will indicate the occupied state of
the machine according to Time Schedule 1 and will be either
YES (occupied) or NO (unoccupied). The Control Type vari-
able will indicate the type of control. For this configuration,
Control Type will be Local. The Operating Type variable
will change to L-Sched (Local Schedule).
The schedules consist of 8 user-configurable occupied time
periods. The control supports time schedules for local control,
remote control, and ice building. These time periods can be
flagged to be in effect or not in effect on each day of the week.
The day begins at 00.00 and ends at 24.00. The machine will be
in unoccupied mode unless a scheduled time period is in effect.
If an occupied period extends past midnight, the occupied
period will automatically end at 24:00 hours (midnight) and the
new occupied period must be programmed to begin at 00:00
hours.
In the following example, the occupied period starts at 6:00
AM, Monday through Friday and 10:00 AM on Saturday and
Sunday. The occupied time ends at 6:30 PM on Monday
through Friday and 2:00 PM on Saturday and Sunday. See
Fig. 16.
NOTE: This schedule was designed to illustrate the program-
ming of the schedule function and is not intended as a
recommended schedule for chiller operation.
If the chiller is to be controlled to a single set point, use
Schedule 1 (OCCPC01S). This will start and stop the machine.
During the unoccupied times, the chiller will be off. If the chill-
er is to be controlled to 2 set points, occupied and unoccupied,
use Schedule 2 (OCCPC02S). This will cause the chiller to
control to an occupied set point and an unoccupied set point.
The machine will be able to provide cooling at any time.
To configure this option on the Touch Pilot™ display see
Table 15.
Table 14 — Touch Pilot™ Start/Stop Control
ACTIVE OPERATING TYPE PARAMETER STATUS
CONTROL
TYPE
UNIT
STATUS
Local
On
Local
On
Local
Schedule
Remote
Mode
CCN
Mode
Master
Mode
CHIL_S_S
Variable
Remote
Start/Stop
Contact
Master Unit
Control Type
Start/Stop
Schedule
Mode
CCN
Emergency
Shutdown
General
Alarm
-- - - - - - - - - Active - - Off
-- - - - - - - - - - Yes - Off
Active - - - - - - - - - - - Local Off
- - Active - - - - - - Unoccupied - - Local Off
- - - Active - - - Off - - - - Remote Off
- - - Active - - - - - Unoccupied - - Remote Off
- - - - Active - Off - - - - - CCN Off
- - - - Active - - - - - - - CCN Off
- - - - - Active - - Local Unoccupied - - Local Off
- - - - - Active - Off Remote - - - Remote Off
- - - - - Active - - Remote Unoccupied - - Remote Off
- - - - - Active Off - CCN - - - CCN Off
- - - - - Active - - CCN Unoccupied - - CCN Off
- Active - - - - - - - - Disabled No Local On
- - Active - - - - - - Occupied Disabled No Local On
- - - Active - - - On Cool - Occupied Disabled No Remote On
- - - - Active - On - - Occupied Disabled No CCN On
- - - - - Active - - Local Occupied Disabled No Local On
- - - - - Active - On Cool Remote Occupied Disabled No Remote On
- - - - - Active On - CCN Occupied Disabled No CCN On

22
Table 15 — Configuring the Schedule with
Touch Pilot Display
Holiday Schedule — For the Touch Pilot display, the control
allows up to 16 holiday periods. All holidays are entered with
numerical values. To configure, first change the month (Holi-
day Start Month), then the day (Holiday Start Day), then the
duration (Holiday Duration) of the holiday period in days. If a
holiday in included in one of the Occupied Time Periods of the
schedule, the machine will follow that operating condition for
the holiday. In the following examples, the holidays July 4 and
December 25-26 are programmed for Holiday 1 and Holiday 2,
respectively. To configure these holidays with the Touch Pilot
display, see Table 16. To configure Holidays with the Naviga-
tor display, check the H (holiday) schedule on the Schedule
screen and program in the desired occupied times. See Fig. 16.
Table 16 — Programming Holiday Schedules with
Touch Pilot Display
Timed Override — With the Touch Pilot display only, each
time schedule can be overridden to keep the chiller in an
Occupied mode (Timed Override Hours) for 1, 2, 3 or 4 hours
on a one-time basis. To configure this option for the Touch
Pilot display:
If configured for a timed override, the override can be can-
celled by changing the Timed Override Hours to 0.
CCN Global Time Schedule — A CCN global schedule can
be used if desired. The schedule number can be set anywhere
from 65 to 99 for operation under a CCN global schedule. The
30XW chillers can be configured to follow a CCN Global
Time Schedule broadcast by another system element. The
ComfortVIEW™ Network Manager’s Configure and Modify
commands or the Service Tool’s Modify/Names function must
be used to change the number of the Occupancy Equipment
Part Table Name (OCC1P01E) to the Global Schedule Num-
ber. The Schedule Number can be set from 65 to 99
(OCC1P65E to OCC1P99E).
The Occupancy Supervisory Part table name (OCC1P01S)
number must be changed to configure the unit to broadcast a
Global Time Schedule. The Schedule Number can be set from
65 to 99 (OCC1P65S to OCC1P99S). When OCC1PxxS is set
to a value greater than 64, an occupancy flag is broadcast over
the CCN every time it transitions from occupied to unoccupied
or vice-versa. By configuring their appropriate Time Schedule
decisions to the same number, other devices on the network can
follow this same schedule. The Enable/Off/Remote Contact
must be in the Enable position or the Remote Contact position
with the contacts closed for the unit to operate. The Unit Run
Status (STAT) will indicate the current status of the machine
(OFF, RUNNING, STOPPING or DELAY), depending on the
schedule. The unit Occupied status (OCC) will indicate the
current occupied schedule according to the schedule, either NO
or YES. The Status Unit Control Type (CTRL) will be LOCAL
OFF when the switch is Off. The Status Unit Control Type will
be CCN when the Enable/Off/Remote Contact switch input is
On.
Refer to Appendix F for more detailed instructions regard-
ing global schedules and the i-Vu® device.
CCN Mode — To allow machine control by CCN commands,
press the Start/Stop button on the Touch Pilot™ display. The
Equipment Start screen will be displayed. Select CCN Mode.
The unit will be controlled by a CCN command to the CCN
Chiller Start/Stop variable. An external CCN device, such as
Chillervisor, controls the On/Off state of the machine. When
controlled by a Chillervisor, it is recommended that the Auto
Start When SM Lost configuration be set to Yes. In the event
of a loss of communication with the network, the machine will
start and be controlled locally.
Careful evaluation of chilled water plant control should be
reviewed. In the event local control is established, be sure that
all pumps, valves, and other devices are capable of operating
properly. The control will ignore the position of Enable/Off/
Remote Contact switch. The Run Status variable will indicate
the current status of the machine — OFF, RUNNING, DELAY,
or READY. The Control Type variable will change to CCN.
The Operating Type variable will change to CCN.
For dual chiller control applications, the slave chiller must
be enabled using the CCN Mode button.
Remote Mode — To allow machine to start and stop via a
remote contact closure, press the Start/Stop button on the
Touch Pilot display. The Equipment Start screen will be dis-
played. Select Remote Mode. The unit will be controlled by the
Enable/Off/Remote Contact switch (SW1). Switching the En-
able/Off/Remote Contact switch to the Enable or Remote
Contact position (external contacts closed) will force the unit
into an occupied state. In this mode, all CCN network force
DISPLAY NAME PATH LINE NO. VALUE
Period 1 DOW (MTWTFSSH)
Config\
OCCDEFCS\
OCC1P01S
or OCC1P02S
2 10000000
Occupied from 3 00:00
Occupied to 4 03:00
Period 2 DOW (MTWTFSSH) 5 11000000
Occupied from 6 07:00
Occupied to 7 18:00
Period 3 DOW (MTWTFSSH) 8 00100000
Occupied from 9 07:00
Occupied to 10 21:30
Period 4 DOW (MTWTFSSH) 11 00011000
Occupied from 12 07:00
Occupied to 13 17:00
Period 5 DOW (MTWTFSSH) 14 00000100
Occupied from 15 07:00
Occupied to 16 12:00
DISPLAY NAME PATH LINE NO. VALUE
Holiday Start Month
Config\HOLIDAY\HOLDY_01
17
Start Day 24
Duration (days) 31
Holiday Start Month
Config\HOLIDAY\HOLDY_02
112
Start Day 225
Duration (days) 32
DISPLAY NAME PATH LINE
NO. VALUE
Timed Override
Hours
Config\OCCDEFCS\
OCC1P01S or OCC1P02S 1Range: 0 to 4
Default: 0
Fig. 16 — Chiller Schedule Screen

23
commands, except the Emergency Stop Command will be
ignored. The Run Status variable will indicate the current sta-
tus of the machine (OFF, RUNNING, DELAY, or READY),
depending on the position of the Remote/Off/Enable Switch
closure. The Chiller Occupied? variable will change to YES.
The Control Type variable will change to Remote. The Oper-
ating Type variable will change to Remote.
Master Mode — To activate Dual Chiller Control, each ma-
chine must be individually configured for Dual Chiller Control.
To operate the machines in Dual Chiller Mode, one machine
must be designated as the master unit and one machine as the
slave unit. On the master unit, press the Start/Stop button on the
Touch Pilot display. The Equipment Start screen will be dis-
played. Select Master Mode. Failure to start the Master unit in
this manner will cause both machines to operate in local mode.
The Master Unit Control can be done locally, remotely or
through CCN commands per the master/slave configuration
(Master Control Type). The control will ignore the position of
Enable/Off/Remote Contact switch if the Master Control
Type is configured for Local Control or CCN Control. The
Run Status variable, Chiller Occupied? variable, and Con-
trol Type variable will change based on the Master Control
Type configured above and the Machine On/Off Control de-
fined above. The Operating Type variable will change to
Master.
To Turn Machine Off — To turn the machine off, press the
Start/Stop button on the Touch Pilot display. See Fig. 17. The
machine will shut down. While the unit is in Local Off, it will
remain shut down and ignore all CCN commands as well as
the position of Enable/Off/Remote Contact switch. The Run
Status variable, indicating the current status of the machine,
will change to OFF. The Chiller Occupied? variable will
change to NO. The Control Type variable will indicate
Local. The Operating Type variable will change to L-OFF
(Local Off).
NAVIGATOR™ DISPLAY MACHINE CONTROL — Ma-
chine On/Off control with the Navigator display is determined
by the configuration of the Operating Type Control (OPER).
Options to control the machine locally via a switch, from a lo-
cal Time Schedule, or via a Carrier Comfort Network® com-
mand are offered. See Table 17.
The schedules consist of 8 user-configurable occupied time
periods. The control supports time schedules for local control,
remote control, and ice building. These time periods can be
flagged to be in effect or not in effect on each day of the week.
The day begins at 00.00 and ends at 24.00. The machine is in
unoccupied mode unless a scheduled time period is in effect. If
an occupied period is to extend past midnight, the occupied
period must end at 24:00 hours (midnight) and a new occupied
period must be programmed to begin at 00:00 hours.
In the following example, a early morning pulldown time
period is scheduled for Monday morning from 12:00 AM to
3:00 AM. The occupied period starts at 7:00 AM, Monday
through Saturday. The occupied time ends at 6:00 PM on Mon-
day and Tuesday, 9:30 PM on Wednesday, 5:00 PM on Thurs-
day and Friday, and 12:00 PM on Saturday.
NOTE: This schedule was designed to illustrate the program-
ming of the schedule function and is not intended as a recom-
mended schedule for chiller operation.
Switch Control — In the Switch Control operating type, the
Enable/Off/Remote Contact switch controls the machine local-
ly. All models are factory configured with Operating Type
Control (OPER) set to SWITCH CTRL (Switch Control).
With SWITCH CTRL, switching the Enable/Off/Remote
Contact switch to the Enable or Remote Contact position (ex-
ternal contacts closed) will put the chiller in an occupied state.
The Unit Run Status (STAT) will indicate the current status of
the machine and will change from OFF to RUNNING or
DELAY. The unit Occupied Status (OCC) will change from
NO to YES. The Status Unit Control Type (CTRL) will change
from LOCAL OFF when the switch is Off to LOCAL ON
when in the Enable position or in the Remote Contact position
with external contacts closed.
Table 17 — Navigator Start/Stop Control
Fig. 17 — Equipment Stop Screen
ITEM ITEM EXPANSION PATH VALUE
OPER Operating Control
Ty p e
Operating
Modes SLCT OPER
SWITCH
CTRL
CONTROL
METHOD
(OPER)
ACTIVE
OPERATING
TYPE
REMOTE/OFF/ENABLE
SWITCH
REMOTE ON/OFF
SWITCH TIME SCHEDULE 1
CCN CHILLER
START/STOP
(CHIL_S_S)
EMERGENCY
STOP
(EMSTOP)
ALARM
REMOTE
LOCKOUT
SWITCH
UNIT
STATUS
All Local Off
Off — — — — — —Off
Remote Open — — — — — Off
————Enable——Off
—————Yes—Off
— — — — — — Closed Off
Switch
Control Local On Enable — — — Disable — — On
Remote Closed — — Disable — — On
Time
Schedule
Local
Schedule
Enable — Occupied — Disable — — On
Remote Closed Occupied — Disable — — On
— — Unoccupied — Disable — — Off
CCN
Control CCN
Remote Closed — Enable Disable — — On
Remote Closed — Disable Disable — — Off
Enable — — Enable Disable — — On
Enable — — Disable Disable — — Off

24
Time Schedule — With Time Schedule Operating Type con-
trol, the machine operates under a local schedule programmed
by the user as long as the Enable/Off/Remote Contact switch is
in the Enable or Remote Contact position (external contacts
closed). To operate under this Operating Type Control (OPER)
must be set to TIME SCHED (Time Schedule). Two Internal
Time Schedules are available and must be field programmed.
Time Schedule 1 (SCH1) is used for single set point On-Off
control. Time Schedule 2 (SCH2) is used for dual set point
On-Off and Occupied-Unoccupied set point control. The
control will use the operating schedules as defined under the
Time Clock mode in the Navigator display module.
If the chiller is to be controlled to a single set point, use
Schedule 1 (SCH1). This type of schedule will start and stop
the machine only. During the unoccupied times, the chiller will
be off. If the chiller is to be controlled to 2 set points, occupied
and unoccupied, use Schedule 2 (SCH2). This will cause the
chiller to control to an occupied set point and an unoccupied set
point. The machine will be able to provide cooling at any time.
To configure this option while using the Navigator™ dis-
play, see Table 18.
Holiday Schedule — The unit control allows up to 16 holiday
periods. All holidays are entered with numerical values. First
enter the month (MON.x), then the day (DAY.x), then the
duration (DUR.x) of the holiday period in days. If a holiday in
included in one of the Occupied Time Periods of the schedule,
the machine will follow that operating condition for the
holiday. In the following examples, the holidays July 4 and
December 25-26 are programmed for Holiday 1 and Holiday 2
respectively.
To configure this option for the Navigator display, see
Table 19.
CCN Global Time Schedule — A CCN global schedule can
be used if desired. The schedule number can be set anywhere
from 65 to 99 for operation under a CCN global schedule. The
30XW chillers can be configured to follow a CCN Global
Time Schedule broadcast by another system element. The
ComfortVIEW™ Network Manager’s Configure and Modify
commands or the Service Tool’s Modify/Names function must
be used to change the number of the Occupancy Equipment
Part Table Name (OCC1P01E) to the Global Schedule Num-
ber. The Schedule Number can be set from 65 to 99
(OCC1P65E to OCC1P99E).
The Occupancy Supervisory Part table name (OCC1P01S)
number must be changed to configure the unit to broadcast a
Global Time Schedule. The Schedule Number can be set from
65 to 99 (OCC1P65S to OCC1P99S). When OCC1PxxS is set
to a value greater than 64, an occupancy flag is broadcast over
the CCN every time it transitions from occupied to unoccupied
or vice-versa. By configuring their appropriate Time Schedule
decisions to the same number, other devices on the network can
follow this same schedule. The Enable/Off/Remote Contact
must be in the Enable position or the Remote Contact position
with the contacts closed for the unit to operate. The Unit Run
Status (STAT) will indicate the current status of the machine
(OFF, RUNNING, STOPPING or DELAY), depending on the
schedule. The unit Occupied status (OCC) will indicate the
current occupied schedule according to the schedule, either NO
or YES. The Status Unit Control Type (CTRL) will be LOCAL
OFF when the switch is Off. The Status Unit Control Type will
be CCN when the Enable/Off/Remote Contact switch input is
On.
Refer to Appendix F for more detailed instructions regard-
ing global schedules and the i-Vu® device.
Table 18 — Configuring Schedules with
Navigator™ Display
Table 19 — Configuring Holiday Schedules
for Navigator Display
ITEM ITEM EXPANSION PATH VALUE
OPER Operating Control
Type
Operating
Modes SLCT OPER
TIME
SCHED
ITEM ITEM EXPANSION PATH VALUE
OCC.1 Occupied Time
Time
Clock SCH1 PER.1
or Time
Clock SCH2 PER.1
00:00
UNO.1 Unoccupied Time 03:00
MON.1 Monday Select Yes
TUE.1 Tuesday Select No
WED.1 Wednesday Select No
THU.1 Thursday Select No
FRI.1 Friday Select No
SAT.1 Saturday Select No
SUN.1 Sunday Select No
HOL.1 Holiday Select No
OCC.2 Occupied Time
Time
Clock SCH1 PER.2
or Time
Clock SCH2 PER.2
07:00
UNO.2 Unoccupied Time 18:00
MON.2 Monday Select Yes
TUE.2 Tuesday Select Yes
WED.2 Wednesday Select No
THU.2 Thursday Select No
FRI.2 Friday Select No
SAT.2 Saturday Select No
SUN.2 Sunday Select No
HOL.2 Holiday Select No
OCC.3 Occupied Time
Time
Clock SCH1 PER.3
or Time
Clock SCH2 PER.3
07:00
UNO.3 Unoccupied Time 21:30
MON.3 Monday Select No
TUE.3 Tuesday Select No
WED.3 Wednesday Select Yes
THU.3 Thursday Select No
FRI.3 Friday Select No
SAT.3 Saturday Select No
SUN.3 Sunday Select No
HOL.3 Holiday Select No
OCC.4 Occupied Time
Time
Clock SCH1 PER.4
or Time
Clock SCH2 PER.4
07:00
UNO.4 Unoccupied Time 17:00
MON.4 Monday Select No
TUE.4 Tuesday Select No
WED.4 Wednesday Select No
THU.4 Thursday Select Yes
FRI.4 Friday Select Yes
SAT.4 Saturday Select No
SUN.4 Sunday Select No
HOL.4 Holiday Select No
OCC.5 Occupied Time
Time
Clock SCH1 PER.5
or Time
Clock SCH2 PER.5
07:00
UNO.5 Unoccupied Time 12:00
MON.5 Monday Select No
TUE.5 Tuesday Select No
WED.5 Wednesday Select No
THU.5 Thursday Select No
FRI.5 Friday Select No
SAT.5 Saturday Select Yes
SUN.5 Sunday Select No
HOL.5 Holiday Select No
ITEM ITEM EXPANSION PATH VALUE
MON.1 Holiday Start Month Time
Clock HOLI HOL.1
7
DAY.1 Holiday Start Day 4
DUR.1 Holiday Duration in Day 1
MON.2 Holiday Start Month Time
Clock HOLI HOL.2
12
DAY.2 Holiday Start Day 25
DUR.2 Holiday Duration in Day 2

25
CCN Control — With CCN Operating Type control, the ma-
chine operates under CCN control as long as the Enable/Off/
Remote Contact Switch is in the Enable or Remote Contact
position (external contacts closed.) To operate under this
Operating Control, OPER must be set to CCN CONTROL. An
external CCN device, such as Chillervisor, controls the On/Off
state of the machine. When controlled by a Chillervisor, it is
recommended that the Auto Start When SM Lost (AU.SM) be
set to Yes.
Careful evaluation of Chilled Water Plant control should be
reviewed. In the event Local Control is established, be sure that
all pumps, valves, and other devices are capable of operating
properly. In the event of a loss of communication with the net-
work, the machine will start and be controlled locally. The
CCN device forces the variable CHIL_S_S to control the chill-
er. The Unit Run Status (STAT) will indicate the current status
of the machine (OFF, RUNNING, STOPPING or DELAY),
depending on the CCN command. The unit Occupied status
(OCC) will indicate the current occupied state according to the
CCN command and will be displayed as either NO or YES.
The Status Unit Control Type (CTRL) will be LOCAL OFF
when the Enable/Off/Remote Contact switch is Off. The Status
Unit Control Type will be CCN when the Enable/Off/Remote
Contact switch input is Closed and the CHIL_S_S variable is
Stop or Start.
For Dual Chiller Control applications, the Slave Chiller
must be enabled using the CCN CONTROL option.
Entering Fluid Control Option — The factory de-
fault for the chilled water fluid set point is controlling to the
leaving water temperature. An option to configure the machine
for entering water control is available. The control operation
remains the same except the control point is focused on the
entering water temperature, rather than the leaving water tem-
perature when configured.
To configure this option for the Touch Pilot™ display:
To configure this option for the Navigator™ display:
Cooling Set Point Selection — Several options for
controlling the Leaving Chilled Water Set Point are offered and
are configured by the Cooling Set Point Select (Setpoint Se-
lect, SP.SE) variable. In addition to the Cooling Set Point Se-
lect, Ice Mode Enable discussed later in this book, and Heat
Cool Select (Heat/Cool Select, HC.SE) variables also have a
role in determining the set point of the machine. All units are
shipped from the factory with the Heat Cool Select set to 0.
All default set points are based on Leaving Water Control
(Entering Fluid Control, EWTO) set to No. Values must be
confirmed for the individual set points. Limits for the set points
are listed in the configurations noted below.
To configure these options for the Touch Pilot display, see
Table 20A. To configure these options for the Navigator dis-
play, see Table 20B.
Table 20A — Cooling Set Point Selection
with Touch Pilot Display
Table 20B — Cooling Set Point Selection
with Navigator Display
In all cases, there are limits on what values are allowed for
each set point. These values depend on the Cooler Fluid Type
and the Brine Freeze Set point, discussed later. See Table 21.
Table 21 — Configuration Set Point Limits
*The minimum set point for Medium Temperature Brine applications
is related to the Brine Freeze Point. The set point is limited to be no
less than the Brine Freeze Point +5° F (2.8° C).
The Setpoint Select configuration can be set to five different
control options: Set Point Occupancy, Set Point 1, Set Point 2,
4-20 mA Input, and Dual Switch.
SET POINT OCCUPANCY — Set Point Occupancy is the
default configuration for the Setpoint Select variable. When
Setpoint Select (Setpoint Select, SP.SE) is configured to 0
(Setpoint Occ), the unit’s active set point is based on Cooling
Set Point 1 (Cooling Setpoint 1, CSP.1) during the occupied
period while operating under Time Schedule 1 (SCH1). If the
Time Schedule 2 (SCH2) is in use, the unit’s active set point is
based on Cooling Set Point 1 (Cooling Setpoint 1, CSP.1) dur-
ing the occupied period and Cooling Set Point 2 (Cooling Set-
point 2, CSP.2) during the unoccupied period. See Tables 22
and 23.
To configure this option while using a Touch Pilot display:
To change this value, a Control Point Force must be applied.
When configured correctly, Setpoint Control (Setpoint Con-
trol, SP.SE) will indicate Auto.
To configure this option while using a Navigator display:
ITEM ITEM EXPANSION PATH VALUE
OPER Operating Control
Ty p e
Operating
Modes SLCT OPER
CCN
CONTROL
AU.SM Auto Start when
SM Lost Configuration SERV YES
DISPLAY NAME PATH LINE
NO. VALUE
Entering Fluid
Control
Service\
SERVICE1 5No = Leaving Water Control
Yes = Entering Water Control
ITEM ITEM EXPANSION PATH VALUE
EWTO Entering Water
Control
Configuration SERV No = Leaving
Water Control
Yes = Entering
Water Control
DISPLAY NAME PATH LINE NO. VALUE
Cooling Setpoint 1 Setpoint 2 Range: 14 to 70 F
(–10.0 to 21.1 C)
Default: 44 F (6.6 C)
Cooling Setpoint 2 Setpoint 3 Range: 14 to 70 F
(–10.0 to 21.1 C)
Default: 44 F (6.6 C)
Cooling Ice Setpoint Setpoint 4 Range: -20 to 32 F
(–28.9 to 0 C)
Default: 44 F (6.6 C)
ITEM ITEM EXPANSION PATH VALUE
CSP.1 Cooling Setpoint 1 Setpoints COOL
Range: 14 to 70 F
(–10.0 to 21.1 C)
Default: 44 F (6.6 C)
CSP.2 Cooling Setpoint 2 Setpoints COOL
Range: 14 to 70 F
(–10.0 to 21.1 C)
Default: 44 F (6.6 C)
CSP.3 Ice Setpoint Setpoints COOL
Range: -20 to 32 F
(–28.9 to 0 C)
Default: 44 F (6.6 C)
SET POINT LIMITS
COOLER FLUID TYPE
(COOLER FLUID TYPE, FLUD)
1, Water 2, Brine
Minimum * 38 F (3.3 C) 14 F (–10.0 C)
Maximum 60 F (15.5 C)
CAUTION
Brine duty application (below 40 F [4.4 C] LCWT) for
chiller normally requires factory modification. Contact a
Carrier Representative for details regarding specific
applications. Operation below 40 F (4.4 C) LCWT with-
out modification can result in compressor failure.
DISPLAY NAME PATH LINE NO. VALUE
Setpoint select Status GENUNIT 25 0 (Setpoint Occupied)
ITEM ITEM EXPANSION PATH VALUE
SP.SE Setpoint Select Operating Modes SLCT Setpoint Occ

26
Table 22 — Cooling Set Point Selection Touch Pilot™ Parameters
Table 23 — Cooling Set Point Selection Navigator™ Parameters
Set Point 1 — When Set Point Select (Setpoint Select, SP.SE)
is configured to 1 (Setpoint 1), the unit’s active set point is
based on Cooling Set Point 1 (Cooling Setpoint 1, CSP.1).
To configure this option with the Touch Pilot display:
To change this value, a Control Point Force must be applied.
When configured correctly, Setpoint Control will indicate
Setp 1.
To configure this option with the Navigator™ display:
Set Point 2 — When Set Point Select (Setpoint Select, SP.SE)
is configured to 2 (Setpoint 2), the unit’s active set point is
based on Cooling Set Point 2 (Cooling Setpoint 2, CSP.2).
To configure this option with the Touch Pilot™ display:
To change this value, a Control Point Force must be applied.
When configured correctly, Setpoint Control (Status
GENUNIT) will indicate Setp 2.
To configure this option with the Navigator display:
4 to 20 mA Input — When Set Point Select (Setpoint Select,
SP.SE) is configured to 3 (4-20 mA Setp), the unit’s active set
point is based on an field supplied, external 4 to 20 mA signal
input to the Energy Management Module (EMM). Care should
be taken when interfacing with other manufacturer’s control
systems, due to power supply differences of full wave bridge
versus half wave rectification. The two different power sup-
plies cannot be mixed. ComfortLink™ controls use half wave
rectification. A signal isolation device should be utilized if a
full wave bridge signal generating device is used.
The following equation is used to control the set point. See
Fig. 18.
Fahrenheit Set Point = 10 + 70(mA – 4)/16 (deg F)
Celsius Set Point = –12.2 + 38.9(mA – 4)/16 (deg C)
To configure this option while using a Touch Pilot display:
To change this value, a Control Point Force must be applied.
When configured correctly, Setpoint Control will indicate
4-20 mA.
SET POINT
CONFIGURATION
(Setpoint Select)
ICE MODE
ENABLE
(ice_cnfg)
DUAL SET
POINT INPUT
(SETP_SW)
ICE DONE INPUT
(ICE_SW)
TIME
SCHEDULE 2
ACTIVE
SET POINT
0
(Auto)
NO — — Occupied Cooling Setpoint 1
— — Unoccupied Cooling Setpoint 2
YES
— Open Unoccupied Cooling Ice Setpoint
— Closed Unoccupied Cooling Setpoint 2
— — Occupied Cooling Setpoint 1
1 (Setp 1) — — — — Cooling Setpoint 1
2 (Setp 2) — — — — Cooling Setpoint 2
3 (4-20 mA) — — — — 4 to 20 mA Input
4 (Setp Sw)
NO Open — — Cooling Setpoint 1
Closed — — Cooling Setpoint 2
YES
Open — — Cooling Setpoint 1
Closed Open — Cooling Ice Setpoint
Closed Closed — Cooling Setpoint 2
PARAMETER STATUS
ACTIVE
SET POINT
Control Method
(OPER)
Heat/Cool
Select (HC.SE)
Setpoint
Select (SP.SE)
Ice Mode
Enable (ICE.M)
Ice Done
(ICE.D)
Dual Setpoint
Switch (DUAL)
Setpoint
Occupied
(SP.OC)
LOCAL COOL
Setpoint Occ — — — Occupied CSP.1
Setpoint Occ — — — Unoccupied CSP.2
Setpoint Occ Enable Open — Unoccupied CSP.3
Setpoint 1 — — — — CSP.1
Setpoint 2 — — — — CSP.2
4-20mA Setp — — — — 4_20mA
— Enable Open Closed — CSP.3
— Enable Closed Closed — CSP.2
— — — Open — CSP.1
Dual Setp Sw — — Closed — CSP.2
CCN COOL — — — — Occupied CSP.1
— — — — Unoccupied CSP.2
DISPLAY NAME PATH LINE
NO. VALUE
Setpoint Select Status GENUNIT 25 1 (Set Point 1)
ITEM ITEM EXPANSION PATH VALUE
SP.SE Setpoint Select Operating Modes SLCT Setpoint 1
DISPLAY NAME PATH LINE
NO. VALUE
Setpoint Select Status GENUNIT 25 2 (Set Point 2)
ITEM ITEM EXPANSION PATH VALUE
SP.SE Setpoint Select Operating Modes SLCT Setpoint 2
DISPLAY NAME PATH LINE
NO. VALUE
Setpoint Select Status GENUNIT 25 3 (4-20 mA Input)

27
To configure this option while using a Navigator display:
Dual Switch — When Set Point Select (Setpoint Select,
SP.SE) is configured to 4 (Dual Setp Sw), the unit’s active set
point is based on Cooling Set Point 1 (Cooling Setpoint 1,
CSP.1) when the Dual Set Point switch contact is open and
Cooling Set Point 2 (Cooling Setpoint 2, CSP.2) when it is
closed.
To configure this option while using a Touch Pilot display:
To change this value, a Control Point Force must be applied.
When configured correctly, Setpoint Control will indicate
Setp Sw.
To configure this option while using a Navigator display:
Chilled Water Fluid Type Selection — The chilled
water fluid must be configured. The fluid type must be config-
ured to obtain the proper leaving water set point control range
and freeze protection. The Cooler Fluid Type (Cooler Fluid
Type, FLUD) can be set to water or brine.
FRESH WATER — Configure the unit for Cooler Fluid Type
(Cooler Fluid Type, FLUD) to water for units without brine or
glycol installed in the chilled water loop. The factory default
fluid type is fresh water. Use this option for fresh water sys-
tems. This will allow for a water temperature set point of 38 to
60 F (3.3 to 15.5 C). With water as the selection, the Freeze
Point is fixed at 34 F (1.1 C).
To configure this option with the Touch Pilot display:
To configure this option with the Navigator display:
BRINE OR GLYCOL OPERATION — Configure the unit
for Cooler Fluid Type (Cooler Fluid Type, FLUD) to brine for
brine or glycol chilled water loops. This option will allow for a
set point temperature range of 14 to 60 F (–10.0 to 15.5 C).
Before configuring this selection, confirm that a suitable anti-
freeze has been added and is at a sufficient concentration to
protect the loop. Additionally, the Brine Freeze Set Point
(Brine Freeze Setpoint, LOSP) must be set for proper freeze
protection operation. Set the Brine Freeze Set Point to the burst
protection provided by the glycol concentration. This value
will be Freeze Point for the fluid.
To configure this option with the Touch Pilot display:
To configure this option with the Navigator display:
ITEM ITEM EXPANSION PATH VALUE
SP.SE Setpoint Select Operating Modes SLCT 4-20 mA Setp
DISPLAY NAME PATH LINE
NO. VALUE
Setpoint Select Status GENUNIT 25 4 (Dual
Setpoint Switch)
ITEM ITEM EXPANSION PATH VALUE
SP.SE Setpoint Select Operating Modes SLCT Dual
Setp Sw
DISPLAY
NAME PATH LINE
NO. VALUE
Cooler
Fluid Type Main Menu Service SERVICE1 1 1 = Water
ITEM ITEM EXPANSION PATH VALUE
FLUD Cooler Fluid Type Configuration SERV Water
DISPLAY
NAME PATH LINE
NO. VALUE
Cooler Fluid
Type
Main Menu
Service SERVICE1 12 = Brine
Brine Freeze
Setpoint
Main Menu
Service SERVICE1 3Dependent on
fluid concentration
ITEM ITEM EXPANSION PATH VALUE
FLUD Cooler Fluid Type Configuration SERV Brine
LOSP Brine Freeze
Setpoint Configuration SERV Dependent on
fluid concentration
Fig. 18 — 4 to 20 mA Set Point Control
0
10
20
30
40
50
60
70
80
90
10 12 14 16 1820
mA Signal
Set Point
Min LWT, Cooler Fluid Type = 1, FLUD=Brine
Min LWT, Cooler Fluid Type = 1, FLUD=Water
02468
Max LWT
A30-4830

28
Cooler Pump Control — It is required for all chillers
that the cooler pump control be utilized unless the chilled water
pump runs continuously or the chilled water system contains a
suitable concentration of antifreeze solution. When the Cooler
Pumps Sequence is configured, the cooler pump output will be
energized when the chiller enters an "ON" mode. The cooler
pump output is also energized when certain alarms are generat-
ed. The cooler pump output should be used as an override to
the external pump control if cooler pump control is not utilized.
The cooler pump output is energized if a P.01 Water Exchanger
Freeze Protection alarm is generated, which provides addition-
al freeze protection if the system is not protected with a suitable
antifreeze solution.
The 30XW units can be configured for external cooler
pump control. Cooler Pumps Sequence is the variable that
must be confirmed in the field. Proper configuration of the
cooler pump control is required to provide reliable chiller oper-
ation. The factory default setting for Cooler Pumps Sequence is
0 (No Pump). The configuration settings for Cooler Pumps Se-
quence are 1 (1 pump only) for single pump control and 2 (2
pumps auto). Configuration settings 3 (PMP 1 Manual) and 4
(PMP 2 Manual) are for dual pump control only.
If the Cooler Pumps Sequence (PUMP) is set to 1, the con-
trol will start the pump. If a flow failure is detected, the unit
will shut down and must be manually reset. If the Cooler
Pumps Sequence (PUMP) is set to 2, the control will start the
lead pump and automatically alternate the operation of the
pumps to even the wear. If a flow failure is detected, the unit
will shut down and the lag pump will attempt to start. If flow is
established within the Unit Off to On Delay (DELY) period the
unit will restart automatically.
Two manual control options are also available. When the
Cooler Pumps Sequence (PUMP) is set to 3, Cooler Pump 1
will always operate. If a flow failure is detected, the unit will
shut down and must be manually reset. When the Cooler
Pumps Sequence (PUMP) is set to 4, Cooler Pump 2 will al-
ways operate. If a flow failure is detected, the unit will shut
down and must be manually reset.
For all Cooler Pumps Sequence (PUMP) settings (including
0), closure of both the chilled water flow switch (CWFS) and
the chilled water pump interlock contact (connected across
TB5 terminals 1 and 2) are required. In addition, for Cooler
Pumps Sequence settings of PUMP = 1, 2, 3, 4, normally open
auxiliary contacts for Pump 1 and Pump 2 (wired in parallel)
must be connected to the violet and pink wires located in the
harness from the MBB-J5C-CH18 connector. The wires in the
harness are marked "PMP1-13" and "PMP1-14". See the field
wiring diagram in the 30XW Installation Instructions.
Regardless of the cooler pump control option selected, if the
chilled water flow switch/interlock does not close within the
Unit Off to On Delay period after the unit is enabled and in an
ON mode, alarm P.91 will be generated. Other conditions
which will trigger this alarm include:
• Cooler pump interlock is open for at least 15 seconds during
chiller operation.
• Lag chiller in Master/Slave Control pump interlock does not
close after 1 minute of the pump start command.
• Cooler pump control is enabled and the chilled water flow
switch/interlock is closed for more than 2 minutes following
a command to shut down the pump.
The last alarm criterion can be disabled. If Flow Checked if
Pmp Off (Configuration OPTN P.LOC) is set to NO, the con-
trol will ignore the pump interlock input if the cooler pump
output is OFF.
The ComfortLink™ controls have the ability to periodically
start the pumps to maintain the bearing lubrication and seal in-
tegrity. If Pump Sticking Protection (Configuration OPTN
PM.PS) is set to YES, and if the unit is off at 2:00 PM, a pump
will be started once each day for 2 seconds. If the unit has
2 pumps, Pump 1 will be started on even days (such as day 2, 4,
or 6 of the month); Pump 2 will be started on odd days. The de-
fault for this option is PM.PS=NO.
The pump will continue to run for 60 seconds after an off
command is issued.
COOLER PUMP CONTROL CONFIGURATIONS
No Pump Control — To configure cooler pump control op-
tions with the Touch Pilot™ display:
To configure cooler pump control options with the Naviga-
tor™ display:
Single Pump Control — To configure cooler pump control
options with the Touch Pilot display:
To configure cooler pump control options with the Naviga-
tor display:
Dual Pump and Manual Control — To configure cooler
pump control options with the Touch Pilot™ display:
To configure cooler pump control options with the Naviga-
tor™ display:
DISPLAY NAME PATH LINE
NO. VALUE
Cooler Pumps
Sequence
Main
Menu Config USER 80 (No Pump
Control)
ITEM ITEM EXPANSION PATH VALUE
PUMP Cooler Pumps
Sequence Configuration OPTN No Pump
DISPLAY NAME PATH LINE
NO. VALUE
Cooler Pumps
Sequence
Main
Menu Config USER 81 (Single
Pump Control)
Pump Sticking
Protection
Main
Menu Config USER 15
Default = No
No = Disabled
Yes = Enabled
Flow Checked
if C Pump Off
Main
Menu Config USER 17
Default = Yes
No = Disabled
Yes = Enabled
ITEM ITEM EXPANSION PATH VALUE
PUMP Cooler Pumps
Sequence Configuration OPTN 1 Pump Only
PM.PS Periodic Pump
Start Configuration OPTN
Default = No
No = Disabled
Yes = Enabled
P. L O C Flow Checked
if Pmp Off Configuration OPTN
Default = Yes
No = Disabled
Yes = Enabled
DISPLAY NAME PATH LINE
NO. VALUE
Cooler Pumps
Sequence
Main Menu
Config USER 8
2 (2 Pumps Automatic)
3 (Pump 1 Manual)
4 (Pump 2 Manual)
Pump Auto
Rotation Delay
Main Menu
Config USER 14 Default = 48 hours
Pump Sticking
Protection
Main Menu
Config USER 15
Default = No
No = Disabled
Yes = Enabled
Flow Checked
if C Pump Off
Main Menu
Config USER 17
Default = Yes
No = Disabled
Yes = Enabled
ITEM ITEM EXPANSION PATH VALUE
PUMP Cooler Pumps
Sequence Configuration OPTN
2 Pumps Auto
PMP1 Manual
PMP2 Manual
ROT.P Pump Rotation
Delay Configuration OPTN Default =
48 hours
PM.PS Periodic Pump
Start Configuration OPTN
Default = No
No = Disabled
Yes = Enabled
P. L O C Flow Checked
if Pmp Off Configuration OPTN
Default = Yes
No = Disabled
Yes = Enabled

29
Machine Start Delay — An option to delay the start of
the machine is also available. This parameter is useful in keep-
ing multiple machines from starting at the same time in case of
a power failure. The parameter has a factory default of
1 minute. This parameter also has a role in the timing for a
chilled water flow switch alarm. The flow switch status is not
checked until the delay time has elapsed.
To configure this option with the Touch Pilot display:
To configure this option with the Navigator display:
Circuit/Compressor Staging and Loading —
The AquaForce® 30XW chillers employ one compressor per
circuit. As a result, circuit and compressor staging are the
same. The control has several control option parameters to load
the compressors. The circuit/compressor start can be config-
ured as well as the loading of each circuit/compressor.
CIRCUIT/COMPRESSOR STAGING — The control can be
configured to decide which circuit/compressor starts first, by
configuring Lead/Lag Circuit Select (Staged Loading
Sequence, LLCS). Three options for this variable are allowed:
Automatic Lead-Lag, Circuit A Leads or Circuit B Leads. The
factory default is Automatic Lead-Lag.
The automatic lead-lag function determines which circuit/
compressor starts. When enabled, the control will determine
which circuit/compressor starts to even the wear of the com-
pressor. The compressor wear factor (combination of starts and
run hours) is used to determine which compressor starts.
Compressor Wear Factor = (Compressor Starts) + 0.1 (Com-
pressor Run Hours)
The circuit/compressor with the lowest compressor wear
factor is the circuit that starts first.
If starting a particular circuit/compressor first is desired, that
can also be configured with the same variable.
To configure this option with the Touch Pilot display:
To configure this option with the Navigator display:
CIRCUIT/COMPRESSOR LOADING — The control can
be configured to stage the circuit/compressors. The Loading
Sequence Select (Circuit Loading Sequence, LOAD) setting
determines how the control will perform loading. The configu-
ration can be set to Equal or Staged.
Equal Loading — With Equal loading, the circuit which starts
first will maintain the minimum stage of capacity with the slide
valve fully unloaded. When additional capacity is required, the
next circuit with the lowest compressor wear factor is started
with its slide valve at minimum position. As additional capaci-
ty is required, the slide valve for a circuit will be adjusted in
approximately 5% increments to match capacity requirements.
The control will alternate between circuits to maintain the same
percentage of capacity on each circuit.
Staged Loading — If staged loading is selected, the circuit
which starts first will gradually load its slide valve to match
capacity requirements until the circuit is fully loaded. Once the
circuit is fully loaded and additional capacity is required, the
control will start an additional circuit fully unloaded. The con-
trol will gradually unload the circuit which was fully loaded to
match capacity requirements.
To configure this option with the Touch Pilot™ display:
To configure this option with the Navigator™ display:
Minimum Load Control — Minimum Load Control
can be a factory-installed option or a field-installed accessory.
If installed, and its operation is desired, the Minimum Load
Control must be enabled. Once enabled, the valve will be oper-
ational only during the first stage of cooling.
To configure this option with the Touch Pilot display:
A power cycle is required for the values to take effect.
To configure this option with the Navigator display:
A power cycle is required for the values to take effect.
Dual Chiller Control — The dual chiller routine is
available for the control of two units installed in series or paral-
lel supplying chilled fluid on a common loop. One chiller must
be configured as the master chiller, the other as the slave chill-
er. An additional leaving fluid temperature thermistor (dual
chiller LWT) must be installed in the common chilled water
piping as described in the Installation Instructions for both the
master and slave chillers. See the Field Wiring section in the
30XW Installation Instructions for dual chiller LWT sensor
control wiring.
The control algorithm relies on several parameters that must
be field configured for operation. Both chillers must be on the
same Carrier Comfort Network® bus with different addresses.
On both chillers, Master/Slave Select (Master/Slave Select,
MSSL) must be enabled. The water piping arrangement, Chill-
ers in Series (Chiller in Series, SERI), must be configured.
The master chiller must be programmed with the Slave Chiller
Address (Slave Address, SLVA). Additional optional pro-
gramming parameters may be configured to meet application
requirements.
Lead/Lag Balance Select (Lead Lag Select, LLBL) deter-
mines which chiller is the lead machine. The options are Al-
ways Lead, Lag if Fail, and Runtime Select. Under Runtime
Select control, the lead chiller will change based on the time in-
crement selected in the Lead/Lag Balance Delta configuration
(Lead/Lag Balance Data, LLBD). If the run hour difference
DISPLAY NAME PATH LINE
NO. VALUE
Unit Off to
On Delay
Main Menu
Config USER 6 Default = 1 Minute
ITEM ITEM EXPANSION PATH VALUE
DELY Minutes Off Time Configuration OPTN Default =
1 Minute
DISPLAY NAME PATH LINE
NO. VALUE
Circuit Loading
Sequence
Main Menu
Config USER 1
0 (Automatic Lead-lag)
1 (Circuit A Leads)
2 (Circuit B Leads)
Default = 0
(Automatic Lead-lag)
ITEM ITEM EXPANSION PATH VALUE
LLCS Lead/Lag
Circuit Select
Configuration
OPTN
Range: Automatic,
Cir A Leads,
Cir B Leads,
Cir C Leads
Default – Automatic
DISPLAY NAME PATH LINE
NO. VALUE
Staged Loading
Sequence
Main
Menu Config USER 4
Default = No
No (Equal)
Yes (Staged)
ITEM ITEM EXPANSION PATH VALUE
LOAD Loading Sequence
Select Configuration OPTN
Default = Equal
Equal
Staged
DISPLAY NAME PATH LINE
NO. VALUE
Hot Gas
Bypass Select
Main
Menu Service
FACTORY
14
Default = No
No (No Minimum
Load Control)
Yes (Minimum Load
Control Installed)
ITEM ITEM
EXPANSION PATH VALUE
HGBP Hot Gas
Bypass Select Configuration UNIT
No = No Minimum
Load Control
Yes = Minimum Load
Control Installed
30
between the master and the slave remains less than the Lead/
Lag Balance Delta, the chiller designated as the lead will
remain the lead chiller. The Lead/Lag changeover between the
master and the slave chiller due to hour balance will occur dur-
ing chiller operating odd days, such as day 1, day 3, and day 5
of the month, at 12:00 a.m. If a lead chiller is not designated,
the master chiller will always be designated the lead chiller.
The dual chiller control algorithm has the ability to delay
the start of the lag chiller in two ways. The Lead Pulldown
Time parameter (Lead Pulldown Type, LPUL) is a one-time
time delay initiated after starting the lead chiller, before
checking whether to start an additional chiller. This time delay
gives the lead chiller a chance to remove the heat that the
chilled water loop picked up while being inactive during an un-
occupied period. The second time delay, Lead/Lag Delay (Lag
Start Timer, LLDY) is a time delay imposed between the last
stage of the lead chiller and the start of the lag chiller. This pre-
vents enabling the lag chiller until the lead/lag delay timer has
expired.
A quicker start of the lag chiller can be accomplished by
configuring the Start if Error Higher parameter (Start if Error
Higher, LL.ER). If the difference between the common leav-
ing water temperature and the set point is greater than the con-
figured value, then the lag chiller will start.
A minimum on time for the lag chiller can be programmed
with the Lag Minimum Running Time configuration (Lag
Minimum Running Time, LAG.M). This parameter causes
the control to run the lag chiller for the programmed minimum
on time. The Lag Unit Pump Select (Lag Unit Pump Control,
LAGP) can be configured such that the pump can be on or off
while the chiller is off. This parameter is only active in Parallel
Chiller Operation.
For units with a Touch Pilot display, two additional steps
must be completed to start the machine. On the master chiller,
the Master Control Type must be configured for the start con-
trol defined in the Machine Control configuration. To start the
machines, the master chiller must be started with the Start/Stop
button and Master Mode selected. The slave chiller must be
started with the CCN Mode selected.
Each application, Parallel and Series, are described sepa-
rately below.
DUAL CHILLER CONTROL FOR PARALLEL APPLI-
CATIONS — To configure the master chiller for parallel
applications using the Touch Pilot display, see Table 24. To
configure the master chiller for parallel applications using the
Navigator display, see Table 25. A power cycle is required for
the values to take effect.
To configure the slave chiller for parallel applications using
the Touch Pilot display, see Table 26. To configure the slave
chiller for parallel applications using the Navigator display, see
Table 27.

31
Table 24 — Dual Master Chiller Control Parameters for Parallel Applications with Touch Pilot™ Display
DISPLAY NAME PATH LINE NO. VALUE
Master/Slave Select Main Menu Config MST_SLV 3 1 (Master)
Default: 0 (Disable)
Master Control Type Main Menu Config MST_SLV 7
1=Local Control
2=Remote Control
3=CCN Control
Default: 1
Configure for proper control type.
Slave Address Main Menu Config MST_SLV 11
Must be set to the Slave Chiller’s address.
The master and slave chiller must have
different addresses and be on the same
Bus Number
Default: 2
Lead Lag Select Main Menu Config MST_SLV 12
0 (Master Always Leads)
1 (Lag Once Failed Only)
2 (Lead/Lag Runtime Select)
Default: 0 (Master Always Leads)
Lead/Lag Balance Delta Main Menu Config MST_SLV 16 Range: 40 to 400 hours
Default: 168 hours
Lag Start Timer Main Menu Config MST_SLV 17 Range: 2 to 30 minutes
Default: 10 minutes
Lead Pulldown Time Main Menu Config MST_SLV 18 Range: 0 to 60 minutes
Default: 0 minutes
Start If Error Higher Main Menu Config MST_SLV 19 Range: 3.0 to 18 F (1.7 to 10.0 C)
Default: 4.0 F (2.2 C)
Lag Minimum Running Time Main Menu Config MST_SLV 20 Range: 0 to 150 minutes
Default: 0 minutes
Lag Unit Pump Control Main Menu Config MST_SLV 21
0 (Stop If Unit Stops)
1 (Run If Unit Stops)
Default: 0 (Stop If Unit Stops)
Chiller In Series Main Menu Config MST_SLV 22 Default: No
Value: No

32
Table 25 — Dual Master Chiller Control Parameters for Parallel Applications with Navigator™ Display
Table 26 — Dual Slave Chiller Control Parameters for Parallel Applications with Touch Pilot™ Display
ITEM ITEM EXPANSION PATH VALUE
MSSL Master/Slave Select Configuration RSET Master
Default: Disable
SLVA Slave Address Configuration RSET
Must be set to the Slave Chiller’s address.
The master and slave chiller must have
different addresses and be on the same
Bus Number
Default: 2
LLBL Master Lead Lag Select Configuration RSET Range: Always Lead, Lag if Fail, Runtime Sel
Default: Always Lead
LLBD Lead/Lag Balance Delta Configuration RSET Range: 40 to 400 hours
Default: 168 hours
LLDY Lag Start Delay Configuration RSET Range: 2 to 30 minutes
Default: 10 minutes
LL.ER Start If Error Higher Configuration RSET Range: 3.0 to 18 F (1.7 to 10.0 C)
Default: 4.0 F (2.2 C)
LAG.M Lag Unit Pump Select Configuration RSET Range: Off If U Stp, On If U Stop
Default: Off If U Stp
LPUL Lead Pulldown Time Configuration RSET Range: 0 to 60 minutes
Default: 0 minutes
SERI Chillers in Series Configuration RSET No
Default: No
OPER Operating Control Type Operating Modes SLCT Set to desired control
DISPLAY NAME PATH LINE NO. VALUE
Master/Slave Select Main Menu Config MST_SLV 3 2 (Slave)
Default: 0 (Disable)
Master Control Type Main Menu Config MST_SLV 7
1 (Local Control)
2 (Remote Control)
3 (CCN Control)
Default: 1
Configure for proper control type.
Slave Address Main Menu Config MST_SLV 11
Must be set to the Slave Chiller’s address.
The master and slave chiller must have
different addresses and be on the same
Bus Number
Default: 2
Lead Lag Select Main Menu Config MST_SLV 12
0 (Master Always Leads)
1 (Lag Once Failed Only)
2 (Lead/Lag Runtime Select)
Default: 0 (Master Always Leads)
Lead/Lag Balance Delta Main Menu Config MST_SLV 16 Range: 40 to 400 hours
Default: 168 hours
Lag Start Timer Main Menu Config MST_SLV 17 Range: 2 to 30 minutes
Default: 10 minutes
Lead Pulldown Time Main Menu Config MST_SLV 18 Range: 0 to 60 minutes
Default: 0 minutes
Start If Error Higher Main Menu Config MST_SLV 19 Range: 3.0 to 18 F (1.7 to 10.0 C)
Default: 4.0 F (2.2 C)
Lag Minimum Running Time Main Menu Config MST_SLV 20 Range: 0 to 150 minutes
Default: 0 minutes
Lag Unit Pump Control Main Menu Config MST_SLV 21
0 (Stop If Unit Stops)
1 (Run If Unit Stops)
Default: 0 (Stop If Unit Stops)
Chiller In Series Main Menu Config MST_SLV 22 No
Default: No

33
DUAL CHILLER PUMP CONTROL FOR PARALLEL
CHILLER APPLICATIONS — It is recommended that a
dedicated pump be used for each unit. The chiller must start
and stop its own water pump located on its own piping. If
pumps are not dedicated for each chiller, chiller isolation
valves are required and each chiller must open and close its
own isolation valve.
DUAL CHILLER CONTROL FOR SERIES APPLICA-
TIONS — To configure the master chiller for series applica-
tions using the Touch Pilot™ display, see Table 28. To
configure the master chiller for series applications using the
Navigator™ display, see Table 29. A power cycle is required
for the values to take effect.
To configure the slave chiller for series applications using
the Touch Pilot™ display, see Table 30. To configure the slave
chiller for series applications using the Navigator™ display,
see Table 31.
Table 27 — Dual Slave Chiller Control Parameters for Parallel Applications with Navigator™ Display
Table 28 — Dual Master Chiller Control Parameters for Series Applications with Touch Pilot Display
ITEM ITEM EXPANSION PATH VALUE
MSSL Master/Slave Select Configuration RSET Slave
Default: Disable
SLVA Slave Address Configuration RSET
Must be set to the Slave Chiller’s address.
The master and slave chiller must have
different addresses and be on the same
Bus Number
Default: 2
LLBL Master Lead Lag Select Configuration RSET Range: Always Lead, Lag if Fail, Runtime Sel
Default: Always Lead
LLBD Lead/Lag Balance Delta Configuration RSET Range: 40 to 400 hours
Default: 168 hours
LLDY Lag Start Delay Configuration RSET Range: 2 to 30 minutes
Default: 10 minutes
LL.ER Start If Error Higher Configuration RSET Range: 3.0 to 18 F (1.7 to 10.0 C)
Default: 4.0 F (2.2 C)
LAG.M Lag Unit Pump Select Configuration RSET Range: Off If U Stp, On If U Stop
Default: Off If U Stp
LPUL Lead Pulldown Time Configuration RSET Range: 0 to 60 minutes
Default: 0 minutes
SERI Chillers in Series Configuration RSET No,
Default: No
OPER Operating Control Type Operating Modes SLCT CCN Control
DISPLAY NAME PATH LINE NO. VALUE
Master/Slave Select Main Menu Config MST_SLV 3 1 (Master)
Default: 0 (Disable)
Master Control Type Main Menu Config MST_SLV 7
1 (Local Control)
2 (Remote Control)
3 (CCN Control)
Default: 1 (Local Control)
Value: Configure for proper control type.
Slave Address Main Menu Config MST_SLV 11
Must be set to the Slave Chiller’s address.
The master and slave chiller must have
different addresses and be on the same
Bus Number
Default: 2
Lead Lag Select Main Menu Config MST_SLV 12
0 (Master Always Leads)
1 (Lag Once Failed Only)
2 (Lead/Lag Runtime Select)
Default: 0 (Master Always Leads)
Lead/Lag Balance Delta Main Menu Config MST_SLV 16 Range: 40 to 400 hours
Default: 168 hours
Lag Start Timer Main Menu Config MST_SLV 17 Range: 2 to 30 minutes
Default: 10 minutes
Lead Pulldown Time Main Menu Config MST_SLV 18 Range: 0 to 60 minutes
Default: 0 minutes
Start If Error Higher Main Menu Config MST_SLV 19 Range: 3.0 to 18 F (1.7 to 10.0 C)
Default: 4.0 F (2.2 C)
Lag Minimum Running Time Main Menu Config MST_SLV 20 Range: 0 to 150 minutes
Default: 0 minutes
Lag Unit Pump Control Main Menu Config MST_SLV 21
0 (Stop If Unit Stops)
1 (Run If Unit Stops)
Default: 0 (Stop If Unit Stops)
Chiller In Series Main Menu Config MST_SLV 22 Ye s
Default: No

34
Table 29 — Dual Master Chiller Control Parameters for Series Applications with Navigator™ Display
Table 30 — Dual Slave Chiller Control Parameters for Series Applications with Touch Pilot™ Display
ITEM ITEM EXPANSION PATH VALUE
MSSL Master/Slave Select Configuration RSET Master
Default: Disable
SLVA Slave Address Configuration RSET
Must be set to the Slave Chiller’s address.
The master and slave chiller must have
different addresses and be on the same
Bus Number
Default: 2
LLBL Master Lead Lag Select Configuration RSET Range: Always Lead, Lag if Fail, Runtime Sel
Default: Always Lead
LLBD Lead/Lag Balance Delta Configuration RSET Range: 40 to 400 hours
Default: 168 hours
LLDY Lag Start Delay Configuration RSET Range: 2 to 30 minutes
Default: 10 minutes
LL.ER Start If Error Higher Configuration RSET Range: 3.0 to 18 F (1.7 to 10.0 C)
Default: 4.0 F (2.2 C)
LAG.M Lag Unit Pump Select Configuration RSET Range: Off If U Stp, On If U Stop
Default: Off If U Stp
LPUL Lead Pulldown Time Configuration RSET Range: 0 to 60 minutes
Default: 0 minutes
SERI Chillers in Series Configuration RSET YES
Default: NO
OPER Operating Control Type Operating Modes SLCT Set to desired value
DISPLAY NAME PATH LINE NO. VALUE
Master/Slave Select Main Menu Config MST_SLV 3 2 (Slave)
Default: 0 (Disable)
Master Control Type Main Menu Config MST_SLV 7
1 (Local Control)
2 (Remote Control)
3 (CCN Control)
Default: 1 (Local Control)
Value: Configure for proper control type.
Slave Address Main Menu Config MST_SLV 11
Must be set to the Slave Chiller’s address.
The master and slave chiller must have
different addresses and be on the same
Bus Number
Default: 2
Lead Lag Select Main Menu Config MST_SLV 12
0 (Master Always Leads)
1 (Lag Once Failed Only)
2 (Lead/Lag Runtime Select)
Default: 0 (Master Always Leads)
Lead/Lag Balance Delta Main Menu Config MST_SLV 16 Range: 40 to 400 hours
Default: 168 hours
Lag Start Timer Main Menu Config MST_SLV 17 Range: 2 to 30 minutes
Default: 10 minutes
Lead Pulldown Time Main Menu Config MST_SLV 18 Range: 0 to 60 minutes
Default: 0 minutes
Start If Error Higher Main Menu Config MST_SLV 19 Range: 3.0 to 18 F (1.7 to 10.0 C)
Default: 4.0 F (2.2 C)
Lag Minimum Running Time Main Menu Config MST_SLV 20 Range: 0 to 150 minutes
Default: 0 minutes
Lag Unit Pump Control Main Menu Config MST_SLV 21
0 (Stop If Unit Stops)
1 (Run If Unit Stops)
Default: 0 (Stop If Unit Stops)
Chiller In Series Main Menu Config MST_SLV 22 Ye s
Default: No

35
Table 31 — Dual Slave Chiller Control Parameters for Series Applications with Navigator Display
DUAL CHILLER PUMP CONTROL FOR SERIES
CHILLER APPLICATIONS — Pump control for series chill-
er applications is controlled by the master chiller only. The
control of the slave chiller is directed through commands emit-
ted by the master chiller. The slave chiller has no action in
master/slave operations. The slave chiller only verifies that
CCN communication with the master chiller is present. See the
Dual Chiller Sequence of Operation section on page 54.
Ramp Loading — Ramp Loading limits the rate of
change of the leaving fluid temperature. If the unit is in a Cool-
ing mode and configured for Ramp Loading Select (Ramp
Loading Select, RL.S), the control makes two comparisons
before deciding to increase capacity. First, the control calcu-
lates the temperature difference between the control point and
leaving fluid temperature. If the difference is greater than 4° F
(2.2° C) and the rate of change (°F or °C per minute) is more
than the configured Cool Ramp Loading rate (Cooling Ramp
Loading, CRMP), then the control does not allow any increase
of capacity.
To configure this option with the Touch Pilot display:
To configure this option with the Navigator display:
Temperature Reset — Temperature reset is a value
added to the basic leaving fluid temperature set point and the
resulting sum of these values is the new control point. When a
non-zero temperature reset is applied, the chiller controls to the
new control point, not the set point. The type of temperature re-
set is configured with the Cooling Reset Type (Cooling Reset
Select, CRST) variable. Types of temperature reset are avail-
able: Return Water Reset, Space Temperature Reset, and 4-20
mA Temperature Reset.
Under normal operation, the chiller will maintain a constant
entering or leaving fluid temperature, based on the configura-
tion, approximately equal to the chilled fluid set point. As the
cooler load varies, the cooler fluid temperature difference will
change in proportion to the load. For example, if the chiller was
selected for a Entering to Leaving Water Temperature
difference of 10 F (5.5 C) at full load, at 50% load the tempera-
ture difference would be 5 F (2.2 C). See Fig. 19. Because the
change in temperature through the cooler is a measure of the
building load, the temperature difference reset is the average
building load. Usually the chiller size and fluid temperature set
point are selected based on a full-load condition. At part load,
the fluid temperature set point may be lower than required. If
the fluid temperature were allowed to increase at part load, the
efficiency of the machine would increase. The chiller can also
be set for return water temperature control. See Fig. 20.
Other indirect means of estimating building load and con-
trolling temperature reset are also available and are discussed
below.
To verify that reset is functioning correctly, subtract the Set-
point Select (Current Setpoint, SETP) from the Control Point
(Control Point, CTPT) to determine the degrees reset.
RETURN WATER RESET — The control system is capable
of performing fluid temperature reset based on cooler fluid
temperature difference. Because the change in temperature
through the cooler is a measure of the building load, the tem-
perature difference reset is, in effect, an average building load
reset method.
Return Water Temperature Reset allows for the chilled
water temperature set point to be reset upward as a function of
the fluid temperature difference (building load).
NOTE: Return Water Temperature Reset should not be used
with variable cooler flow rate systems.
To use Return Water Temperature Reset, four variables
must be configured. Cooling Reset Type (Cooling Reset
Select, CRST) must be enabled. The variable Delta T No Reset
Temp (Delta T No Reset Value, CRT1) should be set to the
cooler temperature difference (T) where no chilled water tem-
perature reset should occur. The variable Delta T Full Reset
Temp (Delta T Full Reset Value, CRT2) should be set to the
cooler temperature difference where the maximum chilled
water temperature reset should occur. The variable Degrees
Cool Reset (Cooling Reset Deg. Value, DGRC) should be set
to the maximum amount of reset desired.
ITEM ITEM EXPANSION PATH VALUE
MSSL Master/Slave Select Configuration RSET Slave
Default: Disable
SLVA Slave Address Configuration RSET
Must be set to the Slave Chiller’s address.
The master and slave chiller must have
different addresses and be on the same
Bus Number
Default: 2
LLBL Master Lead Lag Select Configuration RSET
Range: Always Lead, Lag if Fail,
Runtime Sel
Default: Always Lead
LLBD Lead/Lag Balance Delta Configuration RSET Range: 40 to 400 hours
Default: 168 hours
LLDY Lag Start Delay Configuration RSET Range: 2 to 30 minutes
Default: 10 minutes
LL.ER Start If Error Higher Configuration RSET Range: 3.0 to 18 F (1.7 to 10.0 C)
Default: 4.0 F (2.2 C)
LAG.M Lag Unit Pump Select Configuration RSET Range: Off If U Stp, On If U Stop
Default: Off If U Stp
LPUL Lead Pulldown Time Configuration RSET Range: 0 to 60 minutes
Default: 0 minutes
SERI Chillers in Series Configuration RSET YES
Default: NO
OPER Operating Control Type Operating Modes SLCT CCN Control
DISPLAY NAME PATH LINE NO. VALUE
Ramp Loading
Select
Main Menu
Config USER 5Yes
Cooling Ramp
Loading
Main Menu
Setpoint 14
Range: 0.2 to 2.0 °F
(0.1 to 1.1 °C)
Default: 1.0 °F (0.5 °C)
ITEM ITEM
EXPANSION PATH VALUE
RL.S Ramp Load
Select Configuration OPTN Yes
CRMP Cool Ramp
Loading Setpoints COOL
Range: 0.2 to 2.0 °F
(0.1 to 1.1 °C)
Default: 1.0 °F (0.5 °C)

36
To configure this option with the Touch Pilot™ display:
To configure this option with the Navigator™ display:
In the example in Fig. 21 using Return Water Temperature
Reset, the chilled water temperature will be reset by 5° F
(2.8° C) when the Fluid Temperature Difference is 2° F
(1.1° C) and 0° F (0° C) reset when the Temperature Difference
is 10° F.
SPACE TEMPERATURE RESET — The control system is
also capable of temperature reset based on space temperature
(SPT). An accessory sensor must be used for SPT reset
(33ZCT55SPT). The Energy Management Module (EMM) is
also required for temperature reset using space temperature.
To use Space Temperature Reset, four variables must be
configured. Cooling Reset Type (Cooling Reset Select, CRST)
must be enabled. The space temperature at which no tempera-
ture reset is required, Space T No Reset Temp (Space T No
Reset Value, CRS1) must be set. The space temperature at
which full temperature reset is required, Space T Full Reset
Temp (Space T Full Reset Value, CRS2) must be set. Finally,
the amount of temperature reset desired, Degrees Cool Reset
(Cooling Reset Deg. Value, DRGC), must be set.
To configure this option with the Touch Pilot display:
To configure this option with the Navigator display:
In the space temperature reset example in Fig. 22, 0° F
(0° C) chilled water set point reset at 72 F (22.2 C) space
temperature and 6° F (3.3° C) reset at 68 F (20.0 C) space
temperature.
4-20 mA TEMPERATURE RESET — The control system is
also capable of temperature reset based on an externally pow-
ered 4 to 20 mA signal. The Energy Management Module
(EMM) is required for temperature reset using a 4 to 20 mA
signal.
To use 4-20 mA Temperature Reset, four variables must be
configured. Cooling Reset Type (Cooling Reset Select, CRST)
must be enabled. The milliamp signal at which no temperature
reset is required, Current No Reset Value (Current No Reset
Value, CRV1), must be set. The milliamp signal at which full
temperature reset is required, Current Full Reset Value (Cur-
rent Full Reset Value, CRV2), must be set. Finally, the
amount of temperature reset desired, Degrees Cool Reset
(Cooling Reset Deg. Value, DRGC), must be set.
To configure this option with the Touch Pilot™ display:
To configure this option with the Navigator™ display:
In the example in Fig. 23, at 4 mA no reset takes place and
at 20 mA, 5° F (2.8° C) chilled water set point reset is required.
DISPLAY NAME PATH LINE NO. VALUE
Cooling Reset
Select
Main
Menu Config USER 19
Default =0
(No Reset)
2 (Delta T)
Delta T No
Reset Temp
Main
Menu Setpoint SETPOINT 7Default =
0 F (0 C)
Delta T Full
Reset Temp
Main
Menu Setpoint SETPOINT 8Default =
0 F (0 C)
Cooling Reset
Deg. Value
Main
Menu Setpoint SETPOINT 13 Default =
0 F (0 C)
ITEM ITEM EXPANSION PATH VALUE
CRST Cooling Reset
Ty p e Configuration RSET
Default =
No Reset
Delta T Temp
CRT1 Delta T No
Reset Temp Setpoints COOL Default =
0 F (0 C)
CRT2 Delta T Full
Reset Temp Setpoints COOL Default =
0 F (0 C)
DGRC Degrees Cool
Reset Setpoints COOL Default =
0 F (0 C)
DISPLAY NAME PATH LINE
NO. VALUE
Cooling Reset
Select
Main Menu
Config USER 19
Default =0
(No Reset)
4 (Space Temp)
Space T No
Reset Value
Main Menu
Setpoint SETPOINT 11 Default =
14 F (–10 C)
Space T Full
Reset Value
Main Menu
Setpoint SETPOINT 12 Default =
14 F (–10 C)
Cooling Reset
Deg. Value
Main Menu
Setpoint SETPOINT 13 Default =
0 F (0 C)
ITEM ITEM EXPANSION PATH VALUE
CRST Cooling Reset Type Configuration RSET
Default =
No Reset
Space Temp
CRS1 Space T No Reset
Te m p Setpoints COOL Default =
14 F (–10 C)
CRS2 Space T Full Reset
Te m p Setpoints COOL Default =
14 F (–10 C)
DGRC Degrees Cool Reset Setpoints COOL Default =
0 F (0 C)
CAUTION
Care should be taken when interfacing with other control
systems due to possible power supply differences such as a
full wave bridge versus a half wave rectification. Connec-
tion of control devices with different power supplies may
result in permanent damage. The ComfortLink™ controls
incorporate power supplies with half wave rectification. A
signal isolation device should be utilized if the signal gen-
erator incorporates a full wave bridge rectifier.
DISPLAY NAME PATH LINE NO. VALUE
Cooling Reset
Select
Main Menu
Config USER 19
Default =0
(No Reset)
3 (4-20mA
Control)
Current No
Reset Value
Main Menu
Setpoint SETPOINT 9 Default = 0.0
Current Full
Reset Value
Main Menu
Setpoint SETPOINT 10 Default = 0.0
Cooling Reset
Deg. Value
Main Menu
Setpoint SETPOINT 13 Default =
0.0 F (0.0 C)
ITEM ITEM EXPANSION PATH VALUE
CRST Cooling Reset
Ty p e Configuration RSET
Default =
No Reset
4-20mA Input
CRV1 Current No
Reset Temp Setpoints COOL Default = 0.0
CRV2 Current Full
Reset Temp Setpoints COOL Default = 0.0
DGRC Degrees Cool
Reset Setpoints COOL Default = 0.0

37
40
42
44
46
48
50
52
54
56
100908070605040
302010
0
% Load
Fluid Temperature (degF)
EWT
LWT
Design
Rise
(typical)
Fig. 20 — Return Water Temperature Control Load Profile
a30-4478
Load%
Fluid Temperature (degF)
EWT
LWT
40
42
44
46
48
50
52
54
56
100908070605040
302010
0
Design
Rise
(typical)
Fig. 19 — Leaving Chilled Water Temperature Control
a30-4066

38
0
1
2
3
4
5
6
0
Entering-Leaving Water Temperature (deg F)
Degrees Reset (deg F)
Cooling
Reset
Deg. Value,
DGRC Delta T No Reset Temp,
CRT1
Delta T Full Reset Temp,
CRT2
24 6810
Fig. 21 — Return Water Reset
a30-4479
0
1
2
3
4
5
6
7
60 65 70 75 80
Space Temperature (deg F)
Degrees Reset (deg F)
Cooling Reset
Deg. Value,
DGRC
Space T Full Reset Value,
CRS2
Space T No Reset Value,
CRS1
Fig. 22 — Space Temperature Reset
a30-4481

39
Demand Limit — Demand limit is a feature that allows
the unit capacity to be limited during periods of peak energy
usage. This allows the owner to keep energy costs down. There
are three types of demand limiting that can be configured. The
first type is through 2-step switch control, which will reduce
the maximum capacity to 2 user configurable percentages. The
second type is by 4 to 20 mA signal input which will reduce the
maximum capacity linearly between 100% at a 4 mA input
signal (no reduction) down to the user-configurable level at a
20 mA input signal. The third type uses the CCN Loadshed
module and has the ability to limit the current operating capaci-
ty to maximum and further reduce the capacity if required. De-
mand limit control can be based on a calculated capacity level
or by compressor current level.
NOTE: If using the compressor current level for demand limit,
take into account the other power draws such as the condenser-
fan motors when determining the limit value desired.
SWITCH CONTROLLED DEMAND LIMIT — The con-
trol system is capable of demand limit based on a field-sup-
plied switch for 1-step demand limit or 2 switches for 2-step
demand limit. One-step demand limit is standard. The 2-step
switch control of demand limiting requires the Energy Man-
agement Module (EMM). Demand limit steps are controlled
by two relay switch inputs field wired to TB5-5 and TB5-14
for Switch 1 and TB6-14 and TB6-15 for Switch 2.
For demand limit by switch control, closing the first de-
mand limit contact will put the unit on the first demand limit
level, either by capacity or compressor current. The unit will
not exceed the percentage of capacity or compressor current
entered as Demand Limit Switch 1 set point. Closing contacts
on the second demand limit switch prevents the unit from ex-
ceeding the demand limit entered as Demand Limit Switch 2
set point. The demand limit percent capacity or compressor
current that is set to the lowest demand takes priority if both de-
mand limit inputs are closed. If the demand limit percentage
does not match unit operation, the unit will limit capacity or
current to the closest step without exceeding the value.
To use demand limit, select the type of demand limiting to
use by configuring the Demand Limit Select variable (De-
mand Limit Type Select, DMDC) to Switch. Configure the
Demand Limit set points based on the type selected.
Switch Controlled (Capacity Based) — If using 2-step de-
mand limit control, an energy management module must be in-
stalled. One-step demand limit control does not require the en-
ergy management module. To configure Demand Limit for
switch control, three parameters for 1-step switch control must
be configured. For 2-step control, four parameters must be
configured. The parameters are: the type of Demand Limit
Selection (Demand Limit Type Select, DMDC), the setting
for Switch Limit Set Point 1 (Switch Limit Setpoint 1, DLS1),
The setting for Switch Limit Set Point 2 (Switch Limit Set-
point 2, DLS2), and Current Limit Select (Current Limit Se-
lect, CUR.S). Current Limit Select must be set to NO.
To configure this option with the Touch Pilot™ display:
To configure this option with the Navigator™ display:
DISPLAY NAME PATH LINE NO. VALUE
Demand Limit
Type Select Config USER 24 1 (Switch Control)
Default = 0 (None)
Switch Limit
Setpoint 1 Setpoints SETPOINT 33 Default = 100%
Switch Limit
Setpoint 2 Setpoints SETPOINT 34
(Not required
for 1-Step)
Default = 100%
Current Limit
Select Config USER 30 No
Default = No
ITEM ITEM EXPANSION PATH VALUE
DMDC Demand Limit
Select Configuration RSET SWITCH
Default = NONE
DLS1 Switch Limit
Setpoint 1 Setpoints MISC Default = 100%
DLS2 Switch Limit
Setpoint 2 Setpoints MISC
(Not required
for 1-Step)
Default = 100%
CUR.S Current Limit
Select Configuration OPTN NO
Default: NO
Fig. 23 — 4 to 20 mA Temperature Reset
0
1
2
3
4
5
6
0101420
mA Signal
Degrees Reset (deg F)
2
Cooling Reset
Deg. Value,
DGRC
Current No Reset Value,
CRV1
Current Full Reset Value,
CRV2
46 8
12 16 18
a30-4482

40
In the following example, 2-step demand limit based on
capacity is desired with the first switch closure limiting the
capacity to 60%. The second switch closure is to limit the
capacity to 40%. Demand Limit Switch 1 is 60% and Demand
Limit Switch 2 is 40%.
Switch Controlled (Current Based) — If using 2-step de-
mand limit control, an energy management module must be
installed. One-step demand limit control does not require the
energy management module. Four parameters for 1-step switch
control must be configured. For 2-step control, five parameters
must be configured. The parameters are: the type of Demand
Limit Selection (Demand Limit Type Select, DMDC), the
setting for Switch Limit Set Point 1 (Switch Limit Setpoint 1,
DLS1), the setting for Switch Limit Set Point 2 (Switch Limit
Setpoint 2, DLS2), the Current Limit Select (Current Limit
Select, CUR.S), and the Compressor Current limit at 100%
signal, (Current Limit at 100%, CUR.F).
To configure this option with the Touch Pilot display:
To configure this option with the Navigator™ display:
EXTERNALLY POWERED (4 to 20 mA) CAPACITY
BASED DEMAND LIMIT — The energy management
module is required for 4 to 20 mA demand limit control. An
externally powered 4 to 20 mA signal must be connected to
TB6-1 and TB6-2. To configure demand limit for 4 to 20 mA
control based on unit capacity, four parameters must be config-
ured. The parameters are: the type of Demand Limit Selection
(Demand Limit Type Select, DMDC), the current at which
100% capacity limit takes place (mA For 100% Demand
Limit, DMMX), the current at which 0% capacity limit takes
place (mA For 0% Demand Limit, DMZE), and the Current
Limit Selection (Current Limit Select, CUR.S).
To configure this option with the Touch Pilot™ display:
To configure this option with the Navigator display:
In the following example, a 4 mA signal is Demand Limit
100% and a 20 mA Demand Limit signal is 0%. The 4 to
20 mA signal is connected to TB6-1 and TB6-2. The demand
limit is a linear interpolation between the two values entered. In
Fig. 24, if the machine receives a 12 mA signal, the machine
controls will limit the capacity to 50%.
EXTERNALLY POWERED (4 to 20 mA) CURRENT
BASED DEMAND LIMIT — The energy management
module is required for 4 to 20 mA demand limit control. An
externally powered 4 to 20 mA signal must be connected to
TB6-1 and TB6-2. To configure demand limit for 4 to 20 mA
control based on compressor current, five parameters must be
configured. The parameters are: the type of Demand Limit
Selection (Demand Limit Type Select, DMDC), the current at
which 100% capacity limit takes place (mA For 100%
Demand Limit, DMMX), the current at which 0% capacity
limit takes place (mA For 0% Demand Limit, DMZE), the
Current Limit Selection (Current Limit Select, CUR.S), and
the Compressor Current limit at 100% signal (Current Limit
at 100%, CUR.F).
To configure this option with the Touch Pilot display:
TOUCH PILOT DISPLAY NAVIGATOR DISPLAY
Display Name Value Item Value
Demand Limit Type Select 1DMDC SWITCH
Switch Limit Setpoint 1 60% DSL1 60%
Switch Limit Setpoint 2 40% DSL2 40%
Current Limit Select No CUR.S NO
DISPLAY NAME PATH LINE
NO. VALUE
Demand Limit
Type Select Config USER 24
1 (Switch Control)
Default = 0
(None)
Switch Limit
Setpoint 1 Setpoints SETPOINT 33 Default = 100%
Switch Limit
Setpoint 2 Setpoints SETPOINT 34
(Not required
for 1-Step)
Default = 100%
Current Limit
Select Config USER 30 Ye s
Default = No
Current Limit
at 100% Config USER 31 Default =
2000.0 Amps
ITEM ITEM EXPANSION PATH VALUE
DMDC Demand Limit
Select Configuration RSET
SWITCH
Default =
NONE
DSL1 Switch Limit
Setpoint 1 Setpoints MISC Default =
100%
DSL2 Switch Limit
Setpoint 2 Setpoints MISC
(Not required
for 1-Step)
Default =
100%
CUR.S Current Limit
Select Configuration OPTN NO
Default: NO
CUR.F Current Limit
at 100% Configuration OPTN Default =
2000
CAUTION
Care should be taken when interfacing with other control
systems due to possible power supply differences such as a
full wave bridge versus a half wave rectification. Connec-
tion of control devices with different power supplies may
result in permanent damage. ComfortLink™ controls
incorporate power supplies with half wave rectification. A
signal isolation device should be utilized if the signal gen-
erator incorporates a full wave bridge rectifier.
DISPLAY NAME PATH LINE NO. VALUE
Demand Limit
Type Select Config USER 24 2 (4-20mA Control)
Default = 0 (None)
mA For 100%
Demand Limit Config USER 28 Default = 0.0 mA
mA For 0%
Demand Limit Config USER 29 Default = 10.0 mA
Current Limit
Select Config USER 30 No
Default = No
ITEM ITEM EXPANSION PATH VALUE
DMDC Demand Limit
Select Configuration RSET 4-20MA INPUT
Default = NONE
DMMX mA for 100%
Demand Lim Configuration RSET Default =
0.0 mA
DMZE mA for 0%
Demand Limit Configuration RSET Default =
10.0 mA
CUR.S Current Limit
Select Configuration OPTN NO
Default: NO
DISPLAY NAME PATH LINE NO. VALUE
Demand Limit
Type Select Config USER 24 2 (4-20mA Control)
Default = 0 (None)
mA For 100%
Demand Limit Config USER 28 Default = 0.0 mA
mA For 0%
Demand Limit Config USER 29 Default = 10.0 mA
Current Limit
Select Config USER 30 Ye s
Default = No
Current Limit
at 100% Config USER 31 Default = 2000.0 Amps

41
To configure this option with the Navigator display:
In the following example, a 4 mA signal is Demand Limit
for compressor current is 2000 amps and a 20 mA Demand
Limit signal corresponds with a compressor current of 0 amps.
The 4 to 20 mA signal is connected to TB6-1 and TB6-2. The
demand limit is a linear interpolation between the two values
entered. If the machine receives a 12 mA signal, the machine
controls will limit the total compressor current capacity to
1000 amps. See Fig. 25.
CCN LOADSHED CONTROLLED DEMAND LIMIT —
To configure Demand Limit for CCN Loadshed control, the
unit Operating Type Control must be in CCN control. With the
Touch Pilot™ display, the machine must be started with CCN
Control. For the Navigator™ display, the Operating Control
Type (I/O Button, OPER) must be CCN CONTROL.
The unit must be controlled by a Chillervisor module. The
Chillervisor module can force the demand limit variable and
directly control the capacity of the machine. Additionally, the
unit’s set point will be artificially lowered to force the chiller to
load to the demand limit value.
Ice Storage Operation — Chiller operation can be
configured to make and store ice. The energy management
module and an Ice Done Switch are required for operation in
the Ice Mode. In this configuration, the machine can operate
with up to three cooling set points: Cooling Set Point 1 (Cool-
ing Setpoint 1, CSP.1) is used during the Occupied period;
Cooling Set Point 2 (Cooling Setpoint 2, CSP.2) is used dur-
ing the Unoccupied period when the ice build is complete (Ice
Done Switch is closed); and Cooling Ice Set Point (Cooling
Ice Setpoint, CSP.3) is used during the unoccupied period
while ice is building (Ice Done Switch is open).
To configure this option with the Touch Pilot display:
To configure this option with the Navigator display:
A power cycle is required for the values to take effect.
Broadcast Configuration — The 30XW chiller is ca-
pable of broadcasting time, date, and holiday status to all ele-
ments in the CCN system. In the stand-alone mode, broadcast
must be activated to utilize holiday schedules and adjust for
daylight saving time. If the chiller is to be connected to a CCN
system, determine which system element is to be the network
broadcaster to all other system elements. Broadcast is activated
and deactivated in the BRODEFS Table. It is accessible from
Touch Pilot display (Config BRODEFS) or through Network
Service Tool. It is not accessible through Navigator display.
Only one element should be configured as a broadcaster. If
a broadcast is activated by a device that has been designated as
a network broadcaster, then broadcasted time, date, and holiday
status will be updated over the CCN system. If broadcast is en-
abled, a broadcast acknowledger must also be enabled. The ac-
knowledger cannot be the same machine as the broadcasting
machine.
ACTIVATE — The Activate variable enables the broadcast
function of the ComfortLink controls. If this variable is set to 0,
this function is not used and holiday schedules and daylight
savings compensation are not possible. Setting this variable to
1 allows the machine to broadcast and receive broadcasts on
the network. The following information is broadcast: the time
with compensation for daylight savings, date, and holiday flag.
ITEM ITEM EXPANSION PATH VALUE
DMDC Demand Limit
Select Configuration RSET
4-20MA INPUT
Default =
NONE
DMMX mA for 100%
Demand Lim Configuration RSET Default =
0.0 mA
DMZE mA for 0%
Demand Limit Configuration RSET Default =
10.0 mA
CUR.S Current Limit
Select Configuration OPTN YES
Default: NO
CUR.F Current Limit
at 100% Configuration OPTN Default =
2000
DISPLAY NAME PATH LINE NO. VALUE
Ice Mode Enable Config USER 42 Yes
ITEM ITEM EXPANSION PATH VALUE
ICE.M Ice Mode Enable Configuration OPTN ENBL
0
10
20
30
40
50
60
70
80
90
100
12 14 16 1820
mA Demand Limit Signal
% Demand Limit
mA For 0% Demand Limit,
DMZE
mA For 100% Demand Limit,
DMMX
0246810
Fig. 24 — 4 to 20 mA Demand Limit (Capacity)
a30-4831

42
Set this variable to 2 for stand-alone units that are not con-
nected to a CCN. With this configuration, daylight saving time
and holiday determination will be done without broadcasting
through the bus. This variable can only be changed when using
the Touch Pilot display, ComfortVIEW™ software, or
Network Service Tool. This variable cannot be changed with
the Navigator display.
To configure this option with the Touch Pilot display:
BROADCAST ACKNOWLEDGER — This configuration
defines if the chiller will be used to acknowledge broadcast
messages on the CCN bus. One broadcast acknowledger is
required per bus, including secondary buses created by the use
of a bridge. This variable can only be changed with the Touch
Pilot display, ComfortVIEW software, or Network Service
Tool. This variable cannot be changed with the Navigator
display.
To configure this option with the Touch Pilot display:
Alarm Control
ALARM ROUTING CONTROL — Alarms recorded on the
chiller can be routed through the CCN. To configure this op-
tion, the ComfortLink control must be configured to determine
which CCN elements will receive and process alarms. Input for
the decision consists of eight digits, each of which can be set to
either 0 or 1. Setting a digit to 1 specifies that alarms will be
sent to the system element that corresponds to that digit. Set-
ting all digits to 0 disables alarm processing. The factory de-
fault is 00000000. See Fig. 26. The default setting is is based
on the assumption that the unit will not be connected to a net-
work. If the network does not contain a ComfortVIEW, Com-
fortWORKS®, TeLink, DataLINK™, or BAClink module, en-
abling this feature will only add unnecessary activity to the
CCN communication bus.
This option can be modified by the Touch Pilot display. It
cannot be modified with the Navigator display.
Typical configuration of the Alarm Routing variable is
11010000. This Alarm Routing status will transmit alarms to
ComfortVIEW software, TeLink, BAClink, and DataLINK.
To configure this option with the Touch Pilot display:
ALARM EQUIPMENT PRIORITY — The ComfortVIEW
device uses the equipment priority value when sorting alarms
by level. The purpose of the equipment priority value is to de-
termine the order in which to sort alarms that have the same
level. A priority of 0 is the highest and would appear first when
sorted. A priority of 7 would appear last when sorted. For ex-
ample, if two chillers send out identical alarms, the chiller with
the higher priority would be listed first. The default is 4. This
variable can only be changed when using the Touch Pilot dis-
play, ComfortVIEW software, or Network Service Tool. This
variable cannot be changed with the Navigator™ display. To
configure this option with the Touch Pilot™ display:
COMMUNICATION FAILURE RETRY TIME — This vari-
able specifies the amount of time that will be allowed to elapse
between alarm retries. Retries occur when an alarm is not
acknowledged by a network alarm acknowledger, which may
be either a ComfortVIEW software or TeLink. If acknowledge-
ment is not received, the alarm will be re-transmitted after the
number of minutes specified in this decision. This variable can
only be changed with the Touch Pilot display, ComfortVIEW,
or Network Service Tool. This variable cannot be changed with
the Navigator display. To configure this option with the Touch
Pilot display:
DISPLAY NAME PATH LINE NO. VALUE
Activate Config BRODEFS 1 Range = 0 to 2
Default = 2
DISPLAY NAME PATH LINE NO. VALUE
Broadcast acknowledger Config Ctlt-ID 10 Yes
DISPLAY NAME PATH LINE NO. VALUE
Alarm Routing
Control Config ALARMDEF 1 Default = 00000000
DISPLAY NAME PATH LINE NO. VALUE
Alarm Equipment
Priority Config ALARMDEF 2 Range = 0 to 7
Default = 4
DISPLAY NAME PATH LINE NO. VALUE
Comm Failure
Retry Time Config ALARMDEF 3
Range =
1 to 240 minutes
Default =
10 minutes
200
0
400
600
800
1000
1200
1400
1600
1800
2000
0
mA Signal
Compressor Current
mA For 100% Demand Limit,
DMMX
mA For 0% Demand Limit,
DMZE
24 6 810 12 14 16 1820
Fig. 25 — 4 to 20 mA Demand Limit (Compressor Current) a30-4832

43
RE-ALARM TIME — This variable specifies the amount of
time that will be allowed to elapse between re-alarms. A re-
alarm occurs when the conditions that caused the initial alarm
continue to persist for the number of minutes specified in this
decision. Re-alarming will continue to occur at the specified in-
terval until the condition causing the alarm is corrected. This
variable can only be changed with the Touch Pilot display,
ComfortVIEW, or Network Service Tool. This variable cannot
be changed with the Navigator display. To configure this option
with the Touch Pilot display:
ALARM SYSTEM NAME — This variable specifies the
system element name that will appear in the alarms generated
by the unit control. The name can be up to 8 alphanumeric
characters in length. This variable can only be changed when
using the Touch Pilot display, ComfortVIEW, or Network
Service Tool. This variable cannot be changed with the
Navigator display.
To configure this option with the Touch Pilot display:
Daylight Saving Time Configuration — The
30XW chiller control contains software which can automati-
cally correct for daylight saving time. This software is accessi-
ble from the Touch Pilot display, ComfortVIEW, or Network
Service Tool. It is not accessible through the Navigator display.
To enable this feature, Daylight Saving Select must be set to
1. The start of Daylight Saving must be configured by setting
the Month, Day of Week, and Week of Month. The end for
Daylight Saving must also be configured. To configure this op-
tion with the Touch Pilot display, see Table 32.
Table 32 — Daylight Savings Time Configuration
Capacity Control Overrides — The following ca-
pacity control overrides (Active Capacity Override, CAP.S)
will modify the normal operation routine. If any of the override
conditions listed below are satisfied, the override will deter-
mine the capacity change instead of the normal control. Over-
rides are listed by priority order and are often linked to unit op-
erating modes. See Table 33 for a list of overrides. See the Op-
erating Modes section on page 54 for more information
regarding operating modes.
Override #1: Cooler Freeze Protection — This override at-
tempts to avoid the freeze protection alarm. If the Leaving
Water Temperature is less than Brine Freeze Set Point (Brine
Freeze Setpoint, LOSP) + 2.0° F (1.1º C) then a stage of
capacity is removed.
NOTE: The freeze set point is 34 F (1.1 C) for fresh water
systems (Cooler Fluid Type, FLUD=1). The freeze set point
is Brine Freeze Set Point (Brine Freeze Setpoint, LOSP), for
Medium Temperature Brine systems (Cooler Fluid Type,
FLUD=2).
DISPLAY
NAME PATH LINE NO. VALUE
Realarm
Time Config ALARMDEF 4
Range = 1 to 254 minutes
255 = Re-Alarm Disabled
Default = 30 minutes
DISPLAY NAME PATH LINE NO. VALUE
Alarm System
Name Config ALARMDEF 5 Default =
PRO_XAXQ
DISPLAY NAME PATH LINE NO. VALUE
Activate Config BRODEFS 1 1 or 2
Default = 2
Daylight
Saving Select Config BRODEFS 7 Enable
Default = Dsble
Entering Config BRODEFS 8
Month Config BRODEFS 9
Enter Starting
Month for
Daylight Saving
Day of Week
(1=Monday) Config BRODEFS 10
Enter the Day of
the Week Daylight
Saving Starts
Week of Month Config BRODEFS 11
Enter Week of
the Month Daylight
Saving Starts
Leaving Config BRODEFS 12
Month Config BRODEFS 13
Enter Ending
Month for
Daylight Saving
Day of Week
(1=Monday) Config BRODEFS 14
Enter the Day of
the Week Daylight
Saving ends
Week of Month Config BRODEFS 15
Enter Week of
the Month Daylight
Saving ends
DESCRIPTION STATUS POINT
Alarm Routing 0 0 0 0 0 0 0 0 ALRM_CNT
ComfortView™, or ComfortWorks
TeLink
Unused
BacLink or DataLink™
Unused
®
Fig. 26 — Alarm Routing Control
a30-4485

44
Override #2: Circuit A Low Saturated Suction Temperature
in Cooling
Override #3: Circuit B Low Saturated Suction Temperature
in Cooling
These overrides attempt to avoid the low suction temperature
alarms and are active only when the compressor is running
beyond the fully unloaded level. The slide valve in the affected
circuit will be decreased in position if the Saturated Suction
Temperature is less than Brine Freeze Set Point (Brine Freeze
Setpoint, LOSP) –18.0 F (–10 C) for 90 seconds, or the Satu-
rated Suction Temperature is less than –4 F (–20 C).
Override #5: Low Temperature Cooling and High Tempera-
ture Heating — This override decreases capacity when the dif-
ference between the Control Point (Control Point, CTPT) and
the Leaving Water Temperature (Cooler Leaving Fluid, LWT)
reaches a predetermined limit and the rate of change of the wa-
ter is 0º F per minute or still decreasing.
Override #6: Low Temperature Cooling and High Temperature
Heating — This override decreases capacity (approximately
5% of circuit capacity) when the Entering Water Temperature
(Cooler Entering Fluid, EWT) is less than the Control Point
(Control Point, CTPT).
Override #7: Ramp Loading — No capacity stage increase
will be made if the unit is configured for ramp loading (Ramp
Loading Select, RL.S=ENBL) and the difference between the
Leaving Water Temperature and the Control Point is greater
than 4º F (2.2º C) and the rate of change of the leaving water is
greater than Cool Ramp Loading Rate (Cooling Ramp Load-
ing, CRMP). Operating mode 5 (MD05) will be in effect.
Override #8: Service Manual Test Override — This over-
ride mode indicates the unit has been placed into Service Test
mode. The user can then use Service Test functions to test the
unit. All safeties and higher priority overrides are monitored
and acted upon.
NOTE: The user cannot activate this override mode.
Override # 9: Demand Limit — This override mode is active
when a command to limit the capacity is received. If the
current unit capacity is greater than the active capacity limit
value, a stage is removed. If the current capacity is lower than
the capacity limit value, the control will not add a stage that
will result in the new capacity being greater then the capacity
limit value. Operating mode 4 (MD04) will be in effect.
Override #10: Cooler Interlock Override — This override
prohibits compressor operation until the Cooler Interlock
(Cooler Flow Switch, LOCK) is closed.
Override #11: High Temperature Cooling and Low Temper-
ature Heating — This override algorithm runs once when the
unit is switched to ON. If the difference between the Leaving
Water Temperature (Cooler Leaving Fluid, LWT) and the
Control Point (Control Point, CTPT) exceeds a calculated
value and the rate of change of the water temperature is greater
than –0.1º F/min, a stage will be added.
Override #12: High Temperature Cooling and Low Temper-
ature Heating — This override runs only when Minimum
Load Control is Enabled, (Hot Gas Bypass Select, HGBP)
and is set to 1, 2 or 3. This override will add a stage of capacity
if the next stage is Minimum Load Control, when the differ-
ence between the Leaving Water Temperature (Cooler Leav-
ing Fluid, LWT) and the Control Point (Control Point, CTPT)
exceeds a calculated value and the rate of change of the water
temperature is greater than a fixed value.
Override #13: Minimum On/Off and Off/On Time Delay —
Whenever a capacity change has been made, the control will
remain at this capacity stage for the next 90 seconds. During
this time, no capacity control algorithm calculations will be
made. If the capacity step is a compressor, an additional
90-second delay is added to the previous hold time (see Over-
ride #22). This override allows the system to stabilize before
another capacity stage is added or removed. If a condition of a
higher priority override occurs, the higher priority override will
take precedence. Operating Mode 10 (MD10) will be in effect.
Table 33 — Capacity Control Overrides
CAPACITY CONTROL OVERRIDES
1Cooler Freeze Protection
2Circuit A Low Saturated Suction Temperature in Cooling
3Circuit B Low Saturated Suction Temperature in Cooling
4—
5Low Temperature cooling and High Temperature Heating (LWT)
6Low Temperature cooling and High Temperature Heating (EWT)
7Ramp Loading
8Service Manual Test Override
9Demand Limit
10 Cooler Interlock Override
11 High Temperature Cooling and Low Temperature Heating
12 High Temperature Cooling and Low Temperature Heating
(minimum load control in effect)
13 Minimum On/Off and Off/On Time Delay
14 Slow Change Override
15 System Manager Capacity Control
16 Circuit A High Pressure Override
17 Circuit B High Pressure Override
18 —
19 Standby Mode
20 —
21 —
22 Minimum On Time Delay
23 Circuit A Low Saturated Suction Temperature in Cooling
24 Circuit B Low Saturated Suction Temperature in Cooling
25 —
26 —
27 —
28 —
29 —
30 —
31 —
32 —
33 —
34 Circuit A Low Refrigerant Charge
35 Circuit B Low Refrigerant Charge
36 —
37 —
38 —
39 —
40 —
41 Circuit A High Current Override
42 Circuit B High Current Override
43 —
44 Circuit A High Suction Superheat at Part Load
45 Circuit B High Suction Superheat at Part Load
46 —
47 —
48 —
49 —
50 —
51 —
52 —
53 Circuit A Delay for Unloading the Slide Valve
54 Circuit B Delay for Unloading the Slide Valve
55 —
56 —
57 —
58 —
59 Circuit A Low Oil Level
60 Circuit B Low Oil Level
61 —
62 Circuit A High Motor Temperature Override
63 Circuit B High Motor Temperature Override
64 —
65 —
66 Circuit A High Discharge Gas Override
67 Circuit B High Discharge Gas Override

45
Override #14: Slow Change Override — This override pre-
vents compressor stage changes when the leaving temperature
is close to the control point and slowly moving towards it.
Override #15: System Manager Capacity Control — If a
Chillervisor module is controlling the unit and multiple chill-
ers, the unit will increase capacity to attempt to load to the de-
mand limited value.
Override #16: Circuit A High Pressure Override
Override #17: Circuit B High Pressure Override — This
override attempts to avoid a high pressure failure. The algo-
rithm is run every 4 seconds. If the Saturated Condensing Tem-
perature for the circuit is above the High Pressure Threshold
(High Pressure Threshold, HP.TH) then the position of slide
valve will be unloaded.
Override #19: Standby Mode — This override algorithm will
not allow a compressor to run if the unit is in Standby mode,
(Heat/Cool Status, HC.ST=2).
Override #22: Minimum On Time Delay — In addition to
Override #13 Minimum On/Off and Off/On Time Delay, for
compressor capacity changes, an additional 90-second delay
will be added to Override #13 delay. No compressor will be
deenergized until 3 minutes have elapsed since the last com-
pressor has been turned ON. When this override is active, the
capacity control algorithm calculations will be performed, but
no capacity reduction will be made until the timer has expired.
A control with higher precedence will override the Minimum
On Time Delay.
Override #23: Circuit A Low Saturated Suction Tempera-
ture in Cooling
Override #24: Circuit B Low Saturated Suction Tempera-
ture in Cooling — If the circuit is operating close to the opera-
tional limit of the compressor, the circuit capacity will remain at
the same point or unload to raise the saturated suction tempera-
ture. This algorithm will be active if at least 1 compressor in the
circuit is on and one of the following conditions is true:
1. Saturated Suction Temperature is less than the Brine
Freeze Setpoint (Brine Freeze Setpoint, LOSP) –6º F
(3.3º C).
2. Saturated Suction Temperature is less than the Brine
Freeze Setpoint (Brine Freeze Setpoint, LOSP) and the
circuit approach (Leaving Water Temperature – Saturated
Suction Temperature) is greater than 15º F (8.3º C) and
the Circuit Superheat (Discharge Gas Temperature – Sat-
urated Discharge Temperature) is greater than 25º F
(13.9º C).
NOTE: The freeze set point is 34 F (1.1 C) for fresh
water systems (Cooler Fluid Type, FLUD=1). The
freeze set point is Brine Freeze Set Point (Brine Freeze
Setpoint, LOSP), for Medium Temperature Brine
systems (Cooler Fluid Type, FLUD=2).
If any of these conditions are met, the appropriate operating
mode, 21 (Circuit A) or 22 (Circuit B) will be in effect.
Override #34: Circuit A Low Refrigerant Charge
Override #35: Circuit B Low Refrigerant Charge — The ca-
pacity override attempts to protect the compressor from start-
ing with no refrigerant in the circuit. This algorithm runs only
when the circuit is not operational (compressors is OFF). There
are several criteria that will enable this override:
1. The saturated suction temperature or saturated discharge
temperature is less than –13 F (–25 C).
2. All of these conditions must be true:
a. The saturated suction temperature or saturated
discharge temperature is less than leaving fluid
temperature by more than 5.4º F (3.0º C).
b. Saturated suction temperature or saturated dis-
charge temperature is less than 41 F (5 C).
c. Outdoor air temperature is less than 32 F (0º C).
d. Saturated suction temperature or saturated discharge
temperature is less than the outdoor air temperature
by more than 5.4º F (3.0º C).
3. All of these conditions must be true:
a. The saturated suction temperature or saturated
discharge temperature is less than leaving fluid
temperature by more than 5.4º F (3.0º C).
b. Saturated suction temperature or saturated dis-
charge temperature is less than 41 F (5 C).
c. Saturated suction temperature or saturated dis-
charge temperature is less than the brine freeze
point (Brine Freeze Setpoint, LOSP) by more
than 6º F (3.3º C).
NOTE: The freeze set point is 34 F (1.1 C)
for fresh water systems (Brine Freeze Setpoint,
FLUD=1). The freeze set point is brine freeze set
point (Brine Freeze Setpoint, LOSP), for medium
temperature brine systems (Cooler Fluid Type,
FLUD=2).
4. All of these conditions must be true:
a. The saturated suction temperature or saturated
discharge temperature is less than leaving water
temperature by more than 5.4º F (3.0º C).
b. Saturated suction temperature or saturated discharge
temperature is less than 41 F (5 C).
c. Saturated suction temperature or saturated discharge
temperature is less than the outdoor-air temperature
by more than 9º F (5º C).
If any of these conditions 1, 2, 3 or 4 are met, the appropri-
ate operating mode, 21 (Circuit A) or 22 (Circuit B) will be in
effect.
Override #41: Circuit A High Current Override
Override #42: Circuit B High Current Override — This
override attempts to avoid an overcurrent failure. The algo-
rithm is run every 4 seconds. If the compressor current is great-
er than 79% of must trip amps (MTA) but less than 85% MTA
then the capacity will be held at current capacity. If the com-
pressor current is greater than 85% MTA then capacity will be
reduced by repositioning the slide valve until the current is less
than 85% MTA (Must Trip Amps, MTA.X).
Override #44: Circuit A High Suction Superheat at Part
Load
Override #45: Circuit B High Suction Superheat at Part
Load — If the compressor of the circuit is on, the compressor
current is no more than 30% of the MTA, main EXV is more
than 90% open and the suction superheat is higher than the
superheat control point for more than 5 minutes, then the cir-
cuit will be shut down.
Override #53: Circuit A Delay for Unloading the Slide
Val ve
Override #54: Circuit B Delay for Unloading the Slide
Val ve — This override prevents the compressor from re-start-
ing with locked rotor failure after being shutdown due to an
alarm or power cycle. The delay varies depending on the size
of the compressor. Refer to Table 34 for compressor nominal
capacities. A delay of 20 minutes will elapse for 182 and
204 ton compressors. The delay allows the slide valve of the
compressor to move back to its fully unloaded position. The
delay is adjusted according to the percent of the compressor
running capacity before it is shut down. If the compressor is
stopped normally, no delay will be applied. If the compressor is
shut down by the locked rotor alarm, a full delay will be ap-
plied before the compressor is allowed to re-start.

46
Table 34 — 30XW Compressor Nominal Capacity
Override #59: Circuit A Low Oil Level
Override #60: Circuit B Low Oil Level — This override is
only effective when the circuit is not running. The override will
prevent the circuit from starting up with a low oil level. If this
override occurs three times, the low oil level alarm will be
tripped.
Override #62: Circuit A High Motor Temperature Override
Override #63: Circuit B High Motor Temperature Override
— This override prevents the compressor motor temperature
from rising above the high temperature limit, but still allows
the chiller to run close to the high temperature limit by unload-
ing the compressor. If the motor temperature is greater than
214 F (101.1 C), the compressor will not load. This override
will remain active until the temperature drops below 214 F
(101.1 C). If the motor temperature is greater than 225 F
(107.2 C) for 60 seconds, the circuit capacity will decrease by
one stage. If the motor temperature is greater than 228 F
(108.9), the circuit capacity will decrease by one stage
immediately.
Override #66: Circuit A High Discharge Gas Override
Override #67: Circuit B High Discharge Gas Override —
When the temperature is above the limit minus 2° F (1.1° C) in-
crease in capacity will not be allowed. This override will re-
main active until the discharge gas temperature drops below
the limit by –3° F (–1.7° C).
Head Pressure Control — The Main Base Board
(MBB) uses the saturated condensing temperature input from
the discharge pressure transducer to control the head pressure
control signal. Head pressure control is maintained through a
calculated set point which is automatically adjusted based on
actual saturated condensing and saturated suction temperatures
so that the compressor(s) is (are) always operating within the
manufacturer’s specified envelope. The control will automati-
cally reduce the unit capacity as the saturated condensing tem-
perature approaches an upper limit. See capacity overrides
#16-18. The control will indicate through an operating mode
that high ambient unloading is in effect. If the saturated con-
densing temperature in a circuit exceeds the calculated maxi-
mum, the circuit will be stopped. For these reasons, there are
no head pressure control methods or set points to enter. The
control will modulate the 0 to 10v head pressure control output
signal when condensing temperature is below the minimum
head pressure requirement for the compressor. See Table 34 for
compressor nominal capacity.
LOW CONDENSER FLUID TEMPERATURE HEAD
PRESSURE CONTROL OPTION — Units will start and op-
erate down to 65 F (18.3 C) entering condenser water tempera-
ture as standard. Operation with entering condenser water tem-
peratures below 65 F (18.3 C) requires a field supplied and in-
stalled condenser fluid control valve.
Sequence of Operation — Valve position is controlled
through a 0 to 10 vdc signal provided by the MLV/COND
board, channel 9, to maintain the head pressure set point. Unit
sizes 325-400 use a common condenser so the MBB uses the
highest saturated condensing temperature of either circuit. As a
safety feature, if the circuit is on and if the saturated condens-
ing temperature reaches the condensing set point +10° F, the
valve is opened to its maximum position to avoid a high pres-
sure alarm. The water valve is fully closed when the circuit is
OFF on unit sizes 150-200 and if both circuits are off on unit
sizes 325-400.
If the unit is configured as a heat machine, the valve will be
maintained fully open when the unit operates in heating mode
and when the condenser leaving water temperature becomes
greater than the head pressure set point.
Maximum and minimum condenser valve position is con-
figurable. The minimum condenser valve position is very im-
portant to avoid condenser freeze risks as condenser freeze pro-
tection is ensured by the condenser pump.
To configure this option with the Touch Pilot™ display:
To configure this option with the Navigator™ display:
NOTE: Operation of the head pressure control valve can be
verified by entering Quick Test. From the Navigator display,
go to Service Test\QUIC\FAN.A. From the Touch Pilot dis-
play, go to MAIN MENU\Status\QCK_TST1\Q_VFANA.
PRE-START-UP
Do not attempt to start the chiller until the following checks
have been completed.
System Check
1. Check to ensure the unit is level per the installation
instructions.
2. Electrical power source must agree with unit nameplate.
3. Check that auxiliary components, such as the chilled fluid
and condenser fluid circulating pumps, air-handling
equipment, or any other equipment to which the chiller
supplies liquid are operational. Consult manufacturer's in-
structions. If the unit has field-installed accessories, be
sure all are properly installed and wired correctly. Refer
to unit wiring diagrams.
4. Open compressor suction service valves (if equipped).
5. Open discharge, liquid line, oil line, and economizer (if
equipped) service valves.
30XW UNIT SIZE 150 175 200 325 350 400
Compressor Nominal Capacity (tons)
Circuit A 182 182 204 182 182 204
Circuit B — — — 182 182 204
DISPLAY NAME PATH LINE NO. VALUE
Condenser Water
Val Sel Service FACTORY 13 YES
Water Val
Condensing Stp Setpoint 38
Range: 80 to120 F
(26.7 to 48.9 C)
Default: 86 F (30 C)
Recl Valve Min
Position Service SERVICE1 19 Range: 0 to 50%
Default: 20%
Recl Valve Max
Position Service SERVICE1 20 Range: 20 to 100%
Default: 100%
Prop PID Gain
Varifan Service SERVICE1 6 Range: -20 to 20
Default: 2.0
Int PID Gain
Varifan Service SERVICE1 7 Range: -5.0 to 5.0
Default: 0.2
Deri PID Gain
Varifan Service SERVICE1 8 Range: -20 to 20
Default: 0.4
ITEM ITEM EXPANSION PATH VALUE
CON.V Condenser Valve
Select Configuration UNIT YES
W.SCT Water Val Cond Stp Setpoint MISC
Range: 80 to140 F
(26.7 to 60 C)
Default: 86 F (30 C)
HR.MI Reclaim Water Valve
Min Configuration SERV Range: 0 to 50%
Default: 20%
HR.MA Reclaim Water Valve
Max Configuration SERV Range: 20 to 100%
Default: 100%
HD.PG Varifan Proportion
Gain Configuration SERV Range: –10 to 10
Default: 2.0
HD.DG Varifan Derivative
Gain Configuration SERV Range: –10 to 10
Default: 0.4
HD.IG Varifan Integral Gain Configuration SERV Range: –10 to 10
Default: 0.2
IMPORTANT: Complete the Start-Up Checklist
for 30XW Liquid Chillers at the end of this publication.
The checklist assures proper start-up of a unit, and
provides a record of unit condition, application
requirements, system information, and operation at
initial start-up.

47
6. Fill the chiller fluid circuit with clean water (with recom-
mended inhibitor added) or other non-corrosive fluid to
be cooled. Bleed all air out of high points of system. If
unit is exposed to temperatures below 32 F (0° C), suffi-
cient inhibited propylene glycol or other suitable corro-
sion inhibited antifreeze should be added to the chiller
water and condenser water circuit to prevent possible
freeze-up. The chilled water loop must be cleaned before
the unit is connected. To set the maintenance time for
cleaning and inspecting loop strainers, go to Water Filter
Ctrl (days), W.FIL. Values for this item are counted as
days. Refer to the system pump package literature for
specific internal inspection/cleaning requirements.
7. Check tightness of all electrical connections.
8. Verify power supply phase sequence. The phase sequence
should be A-B-C for proper compressor rotation.
START-UP
Actual Start-Up — Actual start-up should be done only
under supervision of a qualified refrigeration technician.
1. Be sure all discharge, oil, and suction valves (if equipped)
and liquid line service valves are open.
2. Using the unit control, set leaving-fluid set point (Cool-
ing Setpoint 1, CSP.1). No cooling range adjustment is
necessary.
3. If optional control functions or accessories are being
used, the unit must be properly configured. Refer to
Configuration Options section for details.
4. Start the chilled fluid and condenser pumps, if unit is not
configured for pump control. (Cooler Pumps Sequence,
PUMP=0; Condenser Pump Sequence, HPUM = No)
5. Complete the Start-Up Checklist to verify all components
are operating properly.
6. Check the cooler flow switch for proper operation. En-
sure that the flow switch input indicates closed when the
pump is on and open when the pump is off.
7. Turn Enable/Off/Remote contact switch to Enable position.
8. Allow unit to operate and confirm that everything is
functioning properly. Check to see that leaving fluid
temperature agrees with leaving set point Control Point
(Control Point, CTPT).
Operating Limitations
TEMPERATURES — Unit operating temperature limits are
listed in Table 35.
Low Condenser Water Temperature Operation — For con-
denser entering water temperatures between 33 F (0.6 C) and
65 F (18.3 F), field installed accessory head pressure control
valve is required. Contact your Carrier representative for
details.
Table 35 — Temperature Limits for Standard Units
LEGEND
*Temperature limit for high condensing/heat reclaim option units are
140 F (60 C).
†For sustained operation, EWT should not exceed 85 F (29.4 C).
**Unit requires brine modification for operation below this
temperature.
VOLTAGE
Main Power Supply — Minimum and maximum acceptable
supply voltages are listed in the Installation Instructions.
Unbalanced 3-Phase Supply Voltage — Never operate a motor
where a phase imbalance between phases is greater than 2%.
To determine percent voltage imbalance:
The maximum voltage deviation is the largest difference
between a voltage measurement across 2 legs and the average
across all 3 legs.
Example: Supply voltage is 240-3-60.
AB = 243v
BC = 236v
AC = 238v
1. Determine average voltage:
2. Determine maximum deviation from average voltage:
(AB) 243 – 239 = 4 v
(BC) 239 – 236 = 3 v
(AC) 239 – 238 = 1 v
Maximum deviation is 4 v.
3. Determine percent voltage imbalance:
= 1.7%
This voltage imbalance is satisfactory as it is below the
maximum allowable of 2%.
MINIMUM FLUID LOOP VOLUME — To obtain proper
temperature control, loop fluid volume must be at least 3 gal-
lons per ton (3.25 L per kW) of chiller nominal capacity for air
conditioning and at least 6 gallons per ton (6.5 L per kW) for
CAUTION
Do not manually operate contactors. Serious damage to the
machine may result.
CAUTION
Brine duty application (below 40 F [4.4 C] LCWT) for
chiller normally requires factory modification. Contact a
Carrier Representative for details regarding specific
applications. Operation below 40 F (4.4 C) LCWT with-
out modification can result in compressor failure.
TEMPERATURE F C
Maximum Condenser EWT 110 43.3
Minimum Condenser EWT 65 18.3
Maximum Condenser LWT* 118 47.8
Maximum Cooler EWT† 70 21.1
Maximum Cooler LWT 60 15.6
Minimum Cooler LWT** 40 4.4
EWT — Entering Fluid (Water) Temperature
LWT — Leaving Fluid (Water) Temperature
% Voltage Imbalance = 100 x
max voltage deviation from
avg voltage
average voltage
Average voltage = 243+236+238
3
= 717
3
= 239
% Voltage Imbalance = 100 x 4
239
IMPORTANT: If the supply voltage phase imbal-
ance is more than 2%, contact the local electric
utility company immediately. Do not operate unit
until imbalance condition is corrected.

48
process applications. Refer to application information in Prod-
uct Data literature for details.
FLOW RATE REQUIREMENTS — Standard chillers should
be applied with nominal flow rates within those listed in the
Evaporator and Condenser Flow Rates table. Higher or lower
flow rates are permissible to obtain lower or higher tempera-
ture rises. Minimum flow rates must be exceeded to assure
turbulent flow and proper heat transfer in the cooler. See Table
36. See Fig. 27-37 for cooler pressure drop curves.
Consult application data section in the Product Data
literature and job design requirements to determine flow rate
requirements for a particular installation.
Table 36 — Evaporator and Condenser Flow Rates
*Maximum condenser fluid temperature shown for standard condensing
option. High condensing or heat machine option may have leaving fluid tem-
peratures up to 140 F (60 C) and entering up to 128 F (53.3 C).
CAUTION
Operation below minimum flow rate could generate
alarms, which could result in damage to the cooler.
30XW UNIT
EVAPORATOR CONDENSER NOMINAL
Leaving Fluid/Entering Fluid Leaving Fluid/Entering Fluid
Evaporator Condenser
Minimum Maximum Minimum Maximum*
40 F (4.4 C)/
45 F (7.2 C)
60 F (15.6 C)/
70 F (21.1 C)
70 F (21.1 C)/
65 F (18.3 C)
118 F (47.8 C)/
110 F (43.3 C)
Minimum
Flow Rate
Maximum
Flow Rate
Minimum
Flow Rate
Maximum
Flow Rate
Nominal
Flow Rate
Nominal
Flow Rate
GPM L/s GPM L/s GPM L/s GPM L/s GPM L/s GPM L/s
150
Two pass 200 12.6 720 45.4 240 15.1 960 60.6 384 24.2 480 30.3
One pass 384 24.2 1520 95.9 480 30.3 1600 100.9 384 24.2 480 30.3
Three pass 1207.648030.3————38424.2——
175
Two pass 213 13.4 765 48.3 255 16.1 1020 64.4 408 25.7 510 32.2
One pass 408 25.7 1615 101.9 510 32.2 1700 107.3 408 25.7 510 32.2
Three pass 1288.051032.2————40825.7——
200
Two pass 241 15.2 869 54.8 290 18.3 1158 731.0 463 29.2 579 36.5
One pass 463 29.2 1834 115.7 579 36.5 1930 121.8 463 29.2 579 36.5
Three pass 1459.157936.5————46329.2——
325
Two pass 403 25.4 1149 91.4 483 30.5 1932 121.9 773 48.8 966 60.9
One pass 773 48.8 3059 193.0 966 60.9 3220 203.2 773 48.8 966 60.9
Three pass 24215.296660.9————77348.8——
350
Two pass 429 27.0 1544 97.4 515 32.5 2058 129.8 823 51.9 1029 64.9
One pass 823 51.9 3259 205.6 1029 64.9 3430 216.4 823 51.9 1029 64.9
Three pass 257 16.2 1029 64.9 ————82351.9——
400
Two pass 481 30.4 1733 109.3 578 36.4 2310 145.7 924 58.3 1155 72.9
One pass 924 58.3 3658 230.8 1155 72.9 3850 242.9 924 58.3 1155 72.9
Three pass 289 18.2 1155 72.9 ————92458.3——
Fig. 27 — 30XW150-200 Evaporator Marine Waterbox
0.00
5.00
10.00
15.00
20.00
25.00
30.00
35.00
40.00
(0)
(14.9)
(29.8)
(44.8)
(59.7)
(74.6)
(89.5)
(104.4)
(119.4)
ft wg(kPa)
0 500 1000 1500 2000 gpm
(0) (31.5) (63.1) (94.6) (126.2) (L/s)
Evaporator Flow Rate
Pressure Drop
3 pass
2 pass
1 pass
a30-4833
NOTE: The table above represents pressure drops only. The table does not imply that the chiller can be properly applied over
the entire range of evaporator water flow rates represented.

49
Fig. 28 — 30XW325-400 Evaporator Marine Waterbox
0 500 1000 1500 2000 2500 3000
(0) (31.5) (63.1) (94.6) (126.2) (157.7) (189.3)
3
2
1
pass
pass
pass
gpm
(L/s)
Evaporator Flow Rate
0.00
5.00
10.00
15.00
20.00
25.00
30.00
35.00
40.00
ft wg
(0)
(14.9)
(29.8)
(44.8)
(59.7)
(74.6)
(89.5)
(104.4)
(119.4)
(kPa)
Pressure Drop
NOTE: The table above represents pressure drops only. The table does not imply that the chiller can be properly applied over
the entire range of evaporator water flow rates represented. A30-4691
Fig. 29 — 30XW150-200 Evaporator NIH Flange and NIH Victaulic
0 500 1000 1500 2000 gpm
(0) (31.5) (63.1) (94.6) (126.2) (L/s)
2 pass
1 pass
3 pass
0.00
5.00
10.00
15.00
20.00
25.00
30.00
35.00
40.00
(0)
(14.9)
(29.8)
(44.8)
(59.7)
(74.6)
(89.5)
(104.4)
(119.4)
ft wg
(kPa)
Pressure Drop
Evaporator Flow Rate
A30-4834
LEGEND
NOTE: The table above represents pressure drops only. The table does not imply that the chiller can be properly applied over the
entire range of evaporator water flow rates represented.
NIH — Nozzle-In-Head

50
0 500 1000 1500 2000
(0) (31.5) (63.1) (94.6) (126.2)
Evaporator Flow Rate
3
2
1 pass
pass
pass
0.00
5.00
10.00
15.00
20.00
25.00
30.00
35.00
40.00
ft wg
gpm
(L/s)
(0)
(14.9)
(29.8)
(44.8)
(59.7)
(74.6)
(89.5)
(104.4)
(119.4)
(kPa)
Pressure Drop
LEGEND
NOTE: The table above represents pressure drops only. The table does not imply that the chiller can be properly applied over the
entire range of evaporator water flow rates represented.
NIH — Nozzle-In-Head
A30-4692
Fig. 30 — 30XW325-400 Evaporator NIH Flange
3
0 500 1000 1500 2000 2500 3000
(0) (31.5) (63.1) (94.6) (126.2) (157.7) (189.3)
Evaporator Flow Rate
21
pass
pass pass
0.00
5.00
10.00
15.00
20.00
25.00
30.00
35.00
40.00
ft wg
(0)
(14.9)
(29.8)
(44.8)
(59.7)
(74.6)
(89.5)
(104.4)
(119.4)
(kPa)
Pressure Drop
gpm
(L/s)
LEGEND
NOTE: The table above represents pressure drops only. The table does not imply that the chiller can be properly applied over the
entire range of evaporator water flow rates represented.
NIH — Nozzle-In-Head A30-4693
Fig. 31 — 30XW325-400 Evaporator NIH Victaulic

51
Fig. 32 — 30XW150-200 Condenser Marine Waterbox A30-4835
NOTE: The table above represents pressure drops only. The table does not imply that the chiller can be properly applied over the
entire range of condenser water flow rates represented.
0 500 1000 1500 2000 gpm
(0) (31.5) (63.1) (94.6) (126.2) (L/s)
0.00
5.00
10.00
15.00
20.00
25.00
30.00
35.00
40.00
Condenser Flow Rate
2 pass
1 pass
(0)
(14.9)
(29.8)
(44.8)
(59.7)
(74.6)
(89.5)
(104.4)
(119.4)
ft wg
(kPa)
Pressure Drop
Fig. 33 — 30XW325-400 Condenser Marine Waterbox
NOTE: The table above represents pressure drops only. The table does not imply that the chiller can be properly applied over the
entire range of condenser water flow rates represented. A30-4694
0.00
5.00
10.00
15.00
20.00
25.00
30.00
35.00
40.00
ft wg
gpm
(L/s)
(0)
(14.9)
(29.8)
(44.8)
(59.7)
(74.6)
(89.5)
(104.4)
(119.4)
(kPa)
0 500 1000 1500 2000 2500 3000 3500
(0) (31.5) (63.1) (94.6) (126.2) (157.7) (189.3) (220.8)
Condenser Flow Rate
Pressure Drop
2 pass 1
p
ass

52
Fig. 34 — 30XW150-200 Condenser NIH Flange A30-4836
LEGEND
NOTE: The table above represents pressure drops only. The table does not imply that the chiller can be properly applied over the entire
range of evaporator water flow rates represented.
NIH — Nozzle-In-Head
0 500 1000 1500 2000 gpm
(0) (31.5) (63.1) (94.6) (126.2) (L/s)
2 pass
1 pass
0.00
5.00
10.00
15.00
20.00
25.00
30.00
35.00
40.00
Condenser Flow Rate
(0)
(14.9)
(29.8)
(44.8)
(59.7)
(74.6)
(89.5)
(104.4)
(119.4)
ft wg
(kPa)
Pressure Drop
LEGEND
NOTE: The table above represents pressure drops only. The table does not imply that the chiller can be properly applied over the entire
range of evaporator water flow rates represented.
NIH — Nozzle-In-Head
A30-4695
Fig. 35 — 30XW325-400 Condenser NIH Flange
0.00
5.00
10.00
15.00
20.00
25.00
30.00
35.00
40.00
ft wg
(0)
(14.9)
(29.8)
(44.8)
(59.7)
(74.6)
(89.5)
(104.4)
(119.4)
(kPa)
0 500 1000 1500 2000 2500
(0) (31.5) (63.1) (94.6) (126.2) (157.7)
Condenser Flow Rate
Pressure Drop
2 pass 1 pass
gpm
(L/s)

53
Fig. 36 — 30XW150-200 Condenser NIH Victaulic A30-4837
LEGEND
NOTE: The table above represents pressure drops only. The table does not imply that the chiller can be properly applied over the entire
range of evaporator water flow rates represented.
NIH — Nozzle-In-Head
0 500 1000 1500 2000 gpm
(0) (31.5) (63.1) (94.6) (126.2) (L/s)
2 pass
0.00
5.00
10.00
15.00
20.00
25.00
30.00
35.00
40.00
Condenser Flow Rate
(0)
(14.9)
(29.8)
(44.8)
(59.7)
(74.6)
(89.5)
(104.4)
(119.4)
ft wg
(kPa)
Pressure Drop
Fig. 37 — 30XW325-400 Condenser NIH Victaulic
LEGEND
NOTE: The table above represents pressure drops only. The table does not imply that the chiller can be properly applied over the
entire range of evaporator water flow rates represented.
NIH — Nozzle-In-Head A30-4696
2 pass
0.00
5.00
10.00
15.00
20.00
25.00
30.00
35.00
40.00
ft wg
gpm
(L/s)
(0)
(14.9)
(29.8)
(44.8)
(59.7)
(74.6)
(89.5)
(104.4)
(119.4)
(kPa)
0 500 1000 1500 2000 2500 3000 3500
(0) (31.5) (63.1) (94.6) (126.2) (157.7) (189.3) (220.8)
Condenser Flow Rate
Pressure Drop

54
OPERATION
Sequence of Operation — With a command to start
the chiller, the cooler and condenser pumps will start. After
verifying water flow, the control will monitor the entering and
leaving water temperatures. If the need for mechanical cooling
is determined, the control decides which circuit and compres-
sor to start. The control will start the required compressor com-
pletely unloaded. The control will continue to load this circuit
by moving the slide valve to satisfy cooling requirements.
Once fully loaded, the control will start an additional circuit to
satisfy the load as required. Shutdown of each circuit under
normal conditions occurs in the opposite sequence to loading.
Once the circuit is fully unloaded the compressor is shut off
and the EXV will close completely.
Dual Chiller Sequence of Operation — With a
command to start the chiller, the master chiller determines
which chiller will become the lead chiller based on the configu-
ration of Lead Lag Select, LLBL and Lead/Lag Balance Da-
ta, LLBD. The lead chiller is always started first and the lag
chiller is held at zero percent capacity by the master chiller
forcing the lag demand limit value to 0%. If Lead Pulldown
Time (Lead Pulldown Time, LPUL) has been configured, the
lead chiller will continue to operate alone for that specified
time. After the Lead Pulldown Time timer has elapsed and
when the lead chiller is fully loaded, either all available com-
pression is on or at the master demand limit value, then the lag
start timer (Lag Start Timer, LLDY) is initiated. When the
pulldown timer and lag start timer has elapsed and the Com-
bined Leaving Chilled Water Temperature is more than 3° F
(1.7° C) above the set point, then the lag chiller is started. If the
lag chiller’s water pump was not started when the machines
went into occupied mode, the lag chiller water pump will be
started. The lag chiller will start with the master chiller forcing
the lag chiller demand limit value (LAG_LIM) to the master’s
demand limit value. If lead/lag capacity balance is selected,
once the lag chiller has started, the master shall try to keep the
difference in capacity between lead and lag less than 20%. The
master shall then be responsible for water loop capacity
calculation, and will determine which chiller, the lead or lag,
will increase or decrease capacity. When the load reduces, the
lag chiller will be the first chiller to unload. To accomplish this,
the lead chiller set point is decreased by 4° F (2.2° C) until the
lag chiller unloads.
PUMP OPERATION — For parallel chiller pump operation,
the lead chiller’s water pump will be started. The lag chiller’s
water pump will be maintained off if Lag Unit Pump Control,
LAGP=0. The internal algorithm of lead chiller will control ca-
pacity of the lead chiller.
For series chiller operation, the pump is always controlled
by the master chiller.
Operating Modes — Operating modes are override
modes that affect normal operation of the equipment. More
than one operating mode can be in effect at the same time.
Some operating modes have corresponding capacity control
overrides in the Capacity Control Overrides section on
page 43.
For the Touch Pilot display, the status of the operating
modes can be found in the MODES submenu, which is under
the STATUS menu. Each operating mode and its status (Yes =
active, No = inactive) is listed.
For the Navigator display, the status of the operating modes
can be found in the MODE submenu under the OPERATING
MODES menu. The 6 top priority operating modes are dis-
played in MD01 through MD06. To view the modes with the
Navigator display:
See Table 37 for a list of operating modes.
Table 37 — 30XW Operating Modes
ITEM ITEM EXPANSION PATH VALUE
MD01 First Active Mode Operating modes MODE 0-32
MD02 Second Active Mode Operating modes MODE 0-32
MD03 Third Active Mode Operating modes MODE 0-32
MD04 Fourth Active Mode Operating modes MODE 0-32
MD05 Fifth Active Mode Operating modes MODE 0-32
MD06 Sixth Active Mode Operating modes MODE 0-32
NAVIGATOR OPERATING
MODE NUMBER NAVIGATOR EXPANSION TOUCH PILOT DISCRIPTION TOUCH PILOT
LINE NUMBER
TOUCH PILOT
VALUE
01 Startup Delay in Effect Startup Delay in Effect 2 Yes/No
02 Second Setpoint in Use Second Setpoint in Use 3 Yes/No
03 Reset in Effect Reset in Effect 4 Yes/No
04 Demand Limit Active Demand Limit Active 5 Yes/No
05 Ramp Loading Active Ramp Loading Active 6 Yes/No
06 Cooler Heater Active Cooler Heater Active 7 Yes/No
07 Cooler Pumps Rotation Cooler Pumps Rotation 8 Yes/No
08 Pump Periodic Start Pump Periodic Start 9 Yes/No
09 Night Low Noise Active Night Low Noise Active 10 Yes/No
10 System Manager Active System Manager Active 11 Yes/No
11 Mast Slave Ctrl Active Mast Slave Active 12 Yes/No
12 Auto Changeover Active Auto Changeover Active 13 Yes/No
13 Free Cooling Active Free Cooling Active 14 Yes/No
14 Reclaim Active Reclaim Active 15 Yes/No
15 Electric Heat Active Electric Heat Active 16 Yes/No
16 Heating Low EWT Lockout Heating Low EWT Lockout 17 Yes/No
17 Condenser Pumps Rotation Condenser Pumps Rotation 18 Yes/No
18 Ice Mode in Effect Ice Mode in Effect 19 Yes/No
19 Defrost Active on Cir A Defrost Active on Cir A 20 Yes/No
20 Defrost Active on Cir B Defrost Active on Cir B 21 Yes/No
21 Low Suction Circuit A Low Suction Circuit A 22 Yes/No
22 Low Suction Circuit B Low Suction Circuit B 23 Yes/No
24 High DGT Circuit A High DGT Circuit A 25 Yes/No
25 High DGT Circuit B High DGT Circuit B 26 Yes/No
27 High Pres Override Cir A High Pres Override Cir A 28 Yes/No
28 High Pres Override Cir B High Pres Override Cir B 29 Yes/No
30 Low Superheat Circuit A Low Superheat Circuit A 31 Yes/No
31 Low Superheat Circuit B Low Superheat Circuit B 32 Yes/No
55
STARTUP DELAY IN EFFECT — This mode is checked
for when the unit is started. This mode is active when the Min-
utes Off Time (Unit Off to On Delay, DELY) timer is active.
The unit will not start until the timer has expired. The mode
will terminate when the timer expires.
SECOND SETPOINT IN USE — This mode is checked for
when the unit is ON. The mode is active when Cooling Set-
point 2 (Cooling Setpoint 2, CSP.2) or Ice Setpoint (Cooling
Ice Setpoint, CSP.3) is in use. While in this mode, the Active
Setpoint (Current Setpoint, SETP) will show the CSP.2 or
CSP.3 value.
While in this mode, the unit will operate to the Cooling Set-
point 2 (CSP.2) or Ice Setpoint (CSP.3). The mode will termi-
nate when the Cooling Setpoint 2 (CSP.2) or Ice Setpoint
(CSP.3) is no longer in use.
RESET IN EFFECT — This mode is checked for when the
unit is ON. The mode will be active when Temperature Reset
(Cooling Reset Select, CRST) is enabled either by CRST=1
(Outside Air Temperature), CRST=2 (Return Water), CRST=3
(4-20 mA Input), or CRST=4 (Space Temperature) and reset is
active.
While in this mode, the Active Setpoint (Current Setpoint,
SETP) will be modified according to the programmed infor-
mation and will be displayed as the Control Point (Control
Point, CTPT). The mode will terminate when the Temperature
Reset is not modifying the active leaving water set point, caus-
ing SETP to be the same as CTPT.
DEMAND LIMIT ACTIVE — This mode is checked for
when the unit is ON. The mode is active when Demand Limit
(Demand Limit Type Select, DMDC) is enabled either by
DMDC=1 (Switch), DMDC=2 (4-20 mA Input), or the Night
Time Low Sound Capacity Limit (Capacity Limit, LS.LT).
The Active Demand Limit Value (Active Demand Limit
Val, LIM) will display the current demand limit according to
the programmed information and the unit’s capacity will be re-
duced to the amount shown or lower. The mode will terminate
when the Demand Limit command has been removed.
RAMP LOADING ACTIVE — This mode is checked for
when the unit is ON. The mode is active when Ramp Loading
(Ramp Loading Select, RL.S) is enabled and the following
conditions are met:
1. The leaving water temperature is more than 4° F (2.2° C)
from the Control Point (Control Point, CTPT), and
2. The rate of change of the leaving water temperature is
greater than the Cool Ramp Loading (Cooling Ramp
Loading, CRMP).
The control will limit the percent capacity increase until one
of the two conditions above are no longer met, then the mode
will terminate.
COOLER PUMPS ROTATION — This mode is checked for
whether the unit is ON or OFF. The mode is active when the
Cooler Pump Sequence (Cooler Pump Run Status,
PUMP=2) (2 Pumps Automatic Changeover) and the Pump
Rotation Delta Timer (Pump Auto Rotation Delay, ROT.P)
have expired.
The control will switch the operation of the pumps. The
lead pump will operate normally. The lag pump will be started,
becoming the lead, and then the original lead pump will be shut
down. This mode will terminate when the pump operation has
been completed.
PUMP PERIODIC START — This mode is active when the
cooler pump is started due to the Periodic Pump Start configu-
ration (Pump Sticking Protection, PM.PS=YES). If the pump
has not run that day, a pump will be started and will run for 2
seconds at 2:00 PM. If the machine is equipped with dual
pumps, Pump no. 1 will run on even days (such as day 2, 4, 6
of the month). Pump no. 2 will run on odd days (such as day 1,
3, 5 of the month). The mode will terminate when the pump
shuts down.
SYSTEM MANAGER ACTIVE — This mode is checked
when the unit is ON or OFF. This mode is active if a System
Manager such as Building Supervisor, Chillervisor System
Manager, or another CCN device is controlling the machine.
When this mode is active, the machine will respond to the
specific commands received from the System Manager. The
mode will be terminated if the System Manager control is
released.
MASTER SLAVE CONTROL ACTIVE — This mode is
checked for if the machine is ON. This mode is active if Master
Slave Control has been enabled. This occurs when two ma-
chines are programmed, one as the master (Master/Slave Se-
lect, MSSL=1 [Master]) and the other as a slave (Master/
Slave Select, MSSL=2 [Slave]).
Both the master and slave machines will respond to the ca-
pacity control commands issued by the master controller. This
may include control point changes and demand limit com-
mands. This mode will terminate when Master Slave Control
has been disabled.
AUTO CHANGEOVER ACTIVE — This mode is not
supported.
FREE COOLING ACTIVE — This mode is not supported.
RECLAIM ACTIVE — This mode is not supported.
ELECTRIC HEAT ACTIVE — This mode is not supported.
HEATING LOW EWT LOCKOUT — This mode is not
supported.
CONDENSER PUMPS ROTATION — This mode is
checked for whether the unit is ON or OFF. The mode is active
when the condenser pump sequence (Condenser Pump
Sequence, HPUM = Yes) and the pump rotation delta timer
(Pump Auto Rotation Delay, ROT.P) have expired.
ICE MODE IN EFFECT — This mode is checked for when
the unit is ON. This mode is active when Ice Setpoint (Cooling
Ice Setpoint, CSP.3) is in use. While in this mode, the Active
Setpoint (Current Setpoint, SETP) will show the Cooling Ice
Setpoint, CSP.3 value and the unit will operate to the Ice Set-
point (CSP.3). This mode will terminate when the Ice Setpoint
(CSP.3) is no longer in use.
DEFROST ACTIVE ON CIR A — This mode is not supported.
DEFROST ACTIVE ON CIR B — This mode is not supported.
LOW SUCTION CIRCUIT A
LOW SUCTION CIRCUIT B
These modes are checked when the circuit is ON. The
appropriate circuit mode will be active if one of the follow-
ing conditions is true:
1. If the circuit’s saturated suction temperature (SST) is
more than 6° F (3.3° C) less than the freeze point and
both the cooler approach (Leaving Water Temperature –
SST) and superheat (Suction Gas Temperature – SST) are
greater than 15° F (8.3° C).
2. If the circuit is ON and the circuit’s SST is more than
18º F (10.0º C) below the freeze point for more than
90 seconds.
3. If the circuit’s saturated suction temperature is more
than 6° F (3.3° C) below the freeze point for more than
3 minutes.
For a fresh water system (Cooler Fluid Type, FLUD =1),
the freeze point is 34° F (1.1° C). For medium temperature
brine systems, (Cooler Fluid Type, FLUD=2), the freeze point
is Brine Freeze Set Point (Brine Freeze Setpoint, LOSP).
For criterion 1, no additional capacity will be added. For cri-
teria 2 and 3 capacity will be decreased on the circuit. The
mode will terminate when the circuit’s SST is greater than the
freeze point minus 6° F (3.3° C) or the circuit has alarmed.

56
If this condition is encountered, see Possible Causes for
Alarms 56 and 57 on page 75.
HIGH DGT CIRCUIT A
HIGH DGT CIRCUIT B — The capacity of the affected
circuit may be increased to reduce circuit discharge gas
temperature.
HIGH PRES OVERRIDE CIR A
HIGH PRES OVERRIDE CIR B — This mode is checked
for when the circuit is ON. The appropriate circuit mode will
be active if the discharge pressure for the circuit, Discharge
Pressure Circuit A (Discharge Pressure, DP.A), Discharge
Pressure Circuit B (Discharge Pressure, DP.B), or Discharge
Pressure Circuit C (Discharge Pressure, DP.C), is greater than
the High Pressure Threshold (High Pressure Threshold,
HP.TH).
The capacity of the affected circuit will be reduced. Two
minutes following the capacity reduction, the circuit’s saturated
condensing temperature (SCTt+2) is calculated and stored. The
affected circuit will not be allowed to add capacity for at least 5
minutes following the capacity reduction. If after 5 minutes,
the circuit’s saturated condensing temperature is less than
SCTt+2 –3° F (1.7° C), and then if required, percent capacity
will be added. If additional capacity is required, the control will
look for other circuits to add capacity.
This mode will terminate once the circuit’s saturated con-
densing temperature is less than SCTt+2 –3° F (1.7° C).
If this condition is encountered, see Possible Causes for
Alarm A1.03. on page 81.
LOW SUPERHEAT CIRCUIT A
LOW SUPERHEAT CIRCUIT B — This mode is checked
for when the circuit is ON. The appropriate circuit mode will
be active if the circuit’s superheat (discharge gas temperature
— SCT) is less than 18° F (10° C).
No additional capacity will be added until the circuit’s su-
perheat is greater than 18° F (10° C). The control will look for
other circuits to add capacity if additional steps of capacity are
required. This mode will terminate once the affected circuit’s
superheat is greater than 18° F (10° C).
If this condition is encountered, see Possible Causes for
Alarms P.11 and P.12 on page 77.
Sensors — The electronic control uses up to 13 thermistors
to sense temperatures and up to 8 transducers to sense pressure
for controlling chiller operation. These sensors are outlined
below. See Fig. 38 for thermistor and transducer locations.
THERMISTORS (Tables 38-39B) — Thermistors that are
monitoring the chiller’s operation include: Cooler Entering
Water, Cooler Leaving Water, Condenser Entering Water,
Condenser Leaving Water, Dual Chiller Leaving Water, Com-
pressor Suction Gas Temperature, Compressor Discharge Gas
Temperature, Economizer Temperature, and Compressor Motor
Temperature. These thermistors are 5 kat 77 F (25 C) and are
identical in temperature versus resistance. The Space Tempera-
ture Thermistor is 10 kat 77 F (25 C) and has a different tem-
perature vs. resistance. See Fig. 38 for thermistor locations.
Cooler Leaving Water Sensor — On all sizes, this thermistor
is installed in a well in the leaving water nozzle of the cooler.
See Fig. 39 and 40.
Cooler Entering Water Sensor — On all sizes, this thermis-
tor is factory-installed in a well in the entering water nozzle of
the cooler.
Condenser Leaving Water Sensor — On all sizes with heat
machine options, this thermistor is installed in a well in the
leaving water nozzle of the condenser. See Fig. 39 and 40.
Condenser Entering Water Sensor — On all sizes with heat
machine options, this thermistor is factory-installed in a well in
the entering water nozzle of the condenser.
Compressor Suction Gas Temperature — On all sizes, this
thermistor is factory-installed in a well located on the compres-
sor of each circuit. There is one thermistor for each circuit.
Compressor Discharge Gas Temperature — On all sizes, this
thermistor is factory-installed in a well located in the discharge
end of the compressor for the circuit. There is one thermistor
for each circuit.
Economizer Temperature (sizes 175,200,350,400 only) —
On all sizes, this thermistor is factory-installed in a friction fit
well located in the economizer line for the circuit. There is one
thermistor for each circuit.
Compressor Motor Temperature — On all sizes, this therm-
istor is embedded in the motor windings. There are two therm-
istors in each compressor. One spare is provided.
Remote Space Temperature — This sensor (part no.
33ZCT55SPT) is a field-installed accessory mounted in the in-
door space and is used for water temperature reset. The sensor
should be installed as a wall-mounted thermostat would be (in
the conditioned space where it will not be subjected to either a
cooling or heating source or direct exposure to sunlight, and 4
to 5 ft above the floor).
Space temperature sensor wires are to be connected to
terminals in the unit main control box. The space temperature
sensor includes a terminal block (SEN) and a RJ11 female con-
nector. The RJ11 connector is used to access the Carrier Com-
fort Network® (CCN) system at the sensor. See Fig. 39 and 40.
To connect the space temperature sensor (see Fig. 41):
1. Using a 20 AWG twisted pair conductor cable rated for
the application, connect one wire of the twisted pair to
one SEN terminal and connect the other wire to the other
SEN terminal located under the cover of the space
temperature sensor.
2. Connect the other ends of the wires to terminals 7 and 8
on TB6 located in the unit control box.
Units on the CCN can be monitored from the space at the
sensor through the RJ11 connector, if desired. To wire the RJ11
connector into the CCN:
1. Cut the CCN wire and strip ends of the red (+), white
(ground), and black (–) conductors. (If another wire color
scheme is used, strip ends of appropriate wires.)
2. Insert and secure the red (+) wire to terminal 5 of the
space temperature sensor terminal block.
3. Insert and secure the white (ground) wire to terminal 4 of
the space temperature sensor.
4. Insert and secure the black (–) wire to terminal 2 of the
space temperature sensor.
5. Connect the other end of the communication bus cable to
the remainder of the CCN communication bus.
NOTE: The Energy Management Module (EMM) is required
for this accessory.
TRANSDUCERS — There are four pressure transducers per
circuit (3 per circuit for sizes 150,325), and two different types
of transducers: low pressure (green connector) and high pres-
sure (black connector). See Fig. 38 for transducer locations.
Low-pressure type:
• Suction pressure transducer (SPT)
• Economizer pressure transducer (EPT)
High-pressure type:
• Discharge pressure transducer (DPT)
• Oil pressure transducer (OPT)
IMPORTANT: The cable selected for the RJ11
connector wiring MUST be identical to the CCN
communication bus wire used for the entire network.
Refer to Table 11 for acceptable wiring.

57
HPSB
DGTA
HPSA
DGTB
EPTB
(350, 400 ONLY)
ECTB
(350, 400 ONLY)
EPTA
(175, 200, 350, 400 ONLY)
ECTA
(175, 200, 350, 400 ONLY)
A30-4838
LEGEND
*Not visible from angle shown.
DGT — Discharge Gas Thermistor
DPT — Discharge Pressure Transducer
ECT — Economizer Gas Thermistor
EPT — Economizer Pressure Transducer
HPS — High-Pressure Switch
OPT — Oil Pressure Transducer
SGT — Suction Gas Thermistor
SPT — Suction Pressure Transducer
Fig. 38 — Thermistor and Transducer Locations A30-4839
SGTA
DPTA
DPTB
SGTB
SPTA*
SPTB*
OPTA
OPTB

58
Table 38 — Thermistor Identification
*SGTA and SGTB for 30XW150-325 units are connected to the EXV1 board.
Table 39A — 5K Thermistor Temperature (°F) vs Resistance
THERMISTOR ID DESCRIPTION RESISTANCE AT 77 F (25 C) CONNECTION POINT
EWT Evaporator Entering Water Thermistor 5k MBB-J6-CH2
LWT Evaporator Leaving Water Thermistor 5k MBB-J6-CH1
CEWT Condenser Entering Water Thermistor 5k MBB-J6-CH4
CLWT Condenser Leaving Water Thermistor 5k MBB-J6-CH5
SGTA* Circuit A Suction Gas Thermistor 5k EXV1-J3-THA
SGTB* Circuit B Suction Gas Thermistor 5k EXV2-J3-THA
DGTA Circuit A Discharge Gas Thermistor 5k CPM-A-J9-CH02
DGTB Circuit B Discharge Gas Thermistor 5k CPM-B-J9-CH02
ECTA Circuit A Economizer Thermistor 5k EXV1-J3-THB
ECTB Circuit B Economizer Thermistor 5k EXV2-J3-THB
DUAL Dual Chiller LWT Thermistor 5k MBB-J6-CH3
CAMT Circuit A Motor Temperature 5k CPM-A-J9-CH01
CBMT Circuit B Motor Temperature 5k CPM-B-J9-CH01
SPT Space Temperature Thermistor 10k EMM-J6-CH2
TEMP
(F)
RESISTANCE
(Ohms)
–25 98,010
–24 94,707
–23 91,522
–22 88,449
–21 85,486
–20 82,627
–19 79,871
–18 77,212
–17 74,648
–16 72,175
–15 69,790
–14 67,490
–13 65,272
–12 63,133
–11 61,070
–10 59,081
–9 57,162
–8 55,311
–7 53,526
–6 51,804
–5 50,143
–4 48,541
–3 46,996
–2 45,505
–1 44,066
042,679
141,339
240,047
338,800
437,596
536,435
635,313
734,231
833,185
932,176
10 31,202
11 30,260
12 29,351
13 28,473
14 27,624
15 26,804
16 26,011
17 25,245
18 24,505
19 23,789
20 23,096
21 22,427
22 21,779
23 21,153
24 20,547
25 19,960
26 19,393
27 18,843
28 18,311
29 17,796
30 17,297
31 16,814
32 16,346
33 15,892
34 15,453
35 15,027
36 14,614
37 14,214
TEMP
(F)
RESISTANCE
(Ohms)
38 13,826
39 13,449
40 13,084
41 12,730
42 12,387
43 12,053
44 11,730
45 11,416
46 11,112
47 10,816
48 10,529
49 10,250
50 9,979
51 9,717
52 9,461
53 9,213
54 8,973
55 8,739
56 8,511
57 8,291
58 8,076
59 7,686
60 7,665
61 7,468
62 7,277
63 7,091
64 6,911
65 6,735
66 6,564
67 6,399
68 6,238
69 6,081
70 5,929
71 5,781
72 5,637
73 5,497
74 5,361
75 5,229
76 5,101
77 4,976
78 4,855
79 4,737
80 4,622
81 4,511
82 4,403
83 4,298
84 4,196
85 4,096
86 4,000
87 3,906
88 3,814
89 3,726
90 3,640
91 3,556
92 3,474
93 3,395
94 3,318
95 3,243
96 3,170
97 3,099
98 3,031
99 2,964
100 2,898
TEMP
(F)
RESISTANCE
(Ohms)
101 2,835
102 2,773
103 2,713
104 2,655
105 2,597
106 2,542
107 2,488
108 2,436
109 2,385
110 2,335
111 2,286
112 2,239
113 2,192
114 2,147
115 2,103
116 2,060
117 2,018
118 1,977
119 1,937
120 1,898
121 1,860
122 1,822
123 1,786
124 1,750
125 1,715
126 1,680
127 1,647
128 1,614
129 1,582
130 1,550
131 1,519
132 1,489
133 1,459
134 1,430
135 1,401
136 1,373
137 1,345
138 1,318
139 1,291
140 1,265
141 1,240
142 1,214
143 1,190
144 1,165
145 1,141
146 1,118
147 1,095
148 1,072
149 1,050
150 1,029
151 1,007
152 986
153 965
154 945
155 925
156 906
157 887
158 868
159 850
160 832
161 815
162 798
163 782
TEMP
(F)
RESISTANCE
(Ohms)
164 765
165 750
166 734
167 719
168 705
169 690
170 677
171 663
172 650
173 638
174 626
175 614
176 602
177 591
178 581
179 570
180 561
181 551
182 542
183 533
184 524
185 516
186 508
187 501
188 494
189 487
190 480
191 473
192 467
193 461
194 456
195 450
196 445
197 439
198 434
199 429
200 424
201 419
202 415
203 410
204 405
205 401
206 396
207 391
208 386
209 382
210 377
211 372
212 367
213 361
214 356
215 350
216 344
217 338
218 332
219 325
220 318
221 311
222 304
223 297
224 289
225 282

59
Table 39B — 5K Thermistor Temperature (°C) vs Resistance
SERVICE
Economizer Assembly — Each circuit on
30XW175,200,350,400 units has an economizer assembly. The
30XW150,325 units do not have an economizer and have one
main electronic expansion valve. The 30XW150,325 units are
controlled the same way as units with a separate economizer
assembly. See Fig. 42.
Electronic Expansion Valve (EXV) — See Fig. 43
for a cutaway view of the EXV. High-pressure liquid refriger-
ant enters valve through the top. As refrigerant passes through
the orifice, pressure drops and refrigerant changes to a 2-phase
condition (liquid and vapor). The electronic expansion valve
operates through an electronically controlled activation of a
stepper motor. The stepper motor stays in position unless pow-
er pulses initiate the two discrete sets of motor stator windings
for rotation in either direction. The direction depends on the
phase relationship of the power pulses.
The motor directly operates the spindle, which has rotating
movements that are transformed into linear motion by the
transmission in the cage assembly. The valve cone is a V-port
type which includes a positive shut-off when closed.
The large number of steps and long stroke results in very ac-
curate control of the refrigerant flow. The stepper motor has ei-
ther 4260 (main) or 2785 (economizer) steps.
MAIN EXV CONTROL — Each circuit has a thermistor lo-
cated in a well in the discharge line of the compressor (DGT)
and another one located in the compressor motor cavity (SGT).
Each circuit also has discharge and suction pressure transducer.
Discharge and suction pressure as measured by the transducers
are converted to saturated temperatures. The main control logic
for the EXV uses discharge superheat to control the position of
the EXV. The difference between the temperature of the
discharge gas and the saturated discharge temperature is the
superheat. The EXV module controls the position of the elec-
tronic expansion valve stepper motor to maintain the discharge
superheat set point.
TEMP
(C)
RESISTANCE
(Ohms)
314,026
413,342
512,696
612,085
711,506
810,959
910,441
10 9,949
11 9,485
12 9,044
13 8,627
14 8,231
15 7,855
16 7,499
17 7,161
18 6,840
19 6,536
20 6,246
21 5,971
22 5,710
23 5,461
24 5,225
25 5,000
26 4,786
27 4,583
28 4,389
29 4,204
30 4,028
31 3,861
32 3,701
33 3,549
34 3,404
35 3,266
36 3,134
37 3,008
TEMP
(C)
RESISTANCE
(Ohms)
38 2,888
39 2,773
40 2,663
41 2,559
42 2,459
43 2,363
44 2,272
45 2,184
46 2,101
47 2,021
48 1,944
49 1,871
50 1,801
51 1,734
52 1,670
53 1,609
54 1,550
55 1,493
56 1,439
57 1,387
58 1,337
59 1,290
60 1,244
61 1,200
62 1,158
63 1,118
64 1,079
65 1,041
66 1,006
67 971
68 938
69 906
70 876
71 836
72 805
TEMP
(C)
RESISTANCE
(Ohms)
–32 100,260
–31 94,165
–30 88,480
–29 83,170
–28 78,125
–27 73,580
–26 69,250
–25 65,205
–24 61,420
–23 57,875
–22 54,555
–21 51,450
–20 48,536
–19 45,807
–18 43,247
–17 40,845
–16 38,592
–15 38,476
–14 34,489
–13 32,621
–12 30,866
–11 29,216
–10 27,633
–9 26,202
–8 24,827
–7 23,532
–6 22,313
–5 21,163
–4 20,079
–3 19,058
–2 18,094
–1 17,184
016,325
115,515
214,749
TEMP
(C)
RESISTANCE
(Ohms)
73 775
74 747
75 719
76 693
77 669
78 645
79 623
80 602
81 583
82 564
83 547
84 531
85 516
86 502
87 489
88 477
89 466
90 456
91 446
92 436
93 427
94 419
95 410
96 402
97 393
98 385
99 376
100 367
101 357
102 346
103 335
104 324
105 312
106 299
107 285
6" MINIMUM
CLEARANCE FOR
THERMISTOR
REMOVAL
1.188 in.
2.315 in.
1/4-18 NPT
Fig. 40 — Dual Leaving Water Thermistor Well
(00PPG000008000A)
a30-4080
Fig. 41 — Typical Remote Space Temperature
Sensor (33ZCT55SPT) Wiring
7
8
TB6
SEN
SEN
SENSOR
a30-4081
O-RING BRASS NUT 3/8 - 24 FOR
ASSEMBLY ON BRASS WELL
Fig. 39 — 5K Thermistor
(30RB660036 Thermistor Kit)
a30-4079

60
The EXV control logic has several overrides, which are also
used to control the position of the EXV.
• Approach between SST and LWT
• Maximum Operating Pressure (MOP)
Approach — If the approach (pinch), which is the difference
between leaving fluid temperature and saturated suction tem-
perature, is equal to or less than the pinch set point then the
EXV will not open any further even though discharge super-
heat set point is not met. Pinch set point is calculated using
suction superheat, discharge superheat and pinch offset. Pinch
offset is used to adjust calculated pinch set point do to accuracy
of transducers and thermistors.
MOP — The EXV is also used to limit cooler saturated suction
temperature to 55 F (12.8 C). This makes it possible for the
chiller to start at higher cooler fluid temperatures without over-
loading the compressor. This is commonly referred to as MOP
(maximum operating pressure). If the SST is equal to or greater
than the MOP set point then the MBB will try to control the
EXV position to maintain the MOP set point.
The discharge superheat leaving the compressor is main-
tained between approximately 18 and 25 F (10 and 14 C), or
less. Because EXV status is communicated to the Main Base
Board (MBB) and is controlled by the EXV modules, it is pos-
sible to track the valve position. The unit is then protected
against loss of charge and a faulty valve. During initial start-up,
the EXV is fully closed. After an initialization period, valve
position is tracked by the EXV module by constantly monitor-
ing the amount of valve movement.
ECONOMIZER EXV CONTROL — The economizer EXV
is controlled by the circuit EXV board. There is an economizer
gas temperature thermistor and economizer pressure transducer
located in the line, which runs from the economizer assembly to
the compressor. The economizer pressure is converted to satu-
rated temperature and is used to calculate economizer superheat.
Economizer superheat equals economizer temperature minus
saturated economizer temperature. The economizer EXV only
operates during normal conditions when the capacity of the
circuit is greater than 70%. Once the capacity of the circuit is
greater than 70% the MBB will start controlling the economizer
EXV to maintain economizer superheat set point, which is ap-
proximately 8° to 12° F (4.4° to 6.7° C). If the circuit capacity is
less than 70%, the economizer EXV will be closed.
The economizer EXV has one override. If the discharge gas
temperature exceeds 195 F (90.6 C) the economizer EXV will
start to open. The EXV will be controlled to maintain discharge
gas temperature at approximately 195 F (90.6 C).
If it appears that main EXV or economizer EXV is not
properly controlling circuit operation to maintain correct super-
heat, there are a number of checks that can be made using test
functions and initialization features built into the microproces-
sor control. See the Service Test section to test EXVs.
Fig. 42 — Economizer Assembly
MAIN EXV CONNECTOR
ECONOMIZER
EXV CONNECTOR
NAME PLATE
1
6
4
5
1
2
3
LEGEND
EXV — Electronic Expansion Valve
1—Fuse Plug Adaptor
2—High Flow Access Fitting
3—Filter Drier
4—Main Expansion Valve
5—Economizer Expansion Valve
6—Brazed Plate Heat Exchanger
Fig. 43 — Cutaway Views of the Electronic Expansion Valve
1. Cable
2. Glass Seal
3. Motor Housing
4. Stepper Motor
5. Bearing
6. Lead Screw
7. Insert
8. Valve Piston
9. Valve Seat
10. Valve Port
a30-4241

61
EXV TROUBLESHOOTING PROCEDURE — There are
two different economizer EXVs. Both of the economizer
EXVs have a total of 2785 steps. There are three different main
EXVs, which all have a total of 4260 steps. The EXV motor
moves at 150 steps per second. Commanding the valve to
either 0% or 100% will add an additional 160 steps to the
move, to ensure the valve is open or closed completely.
Follow the steps below to diagnose and correct EXV
problems. Check EXV motor operation first. Switch the
Enable/Off/Remote (EOR) Contact switch to the Off position.
Check the appropriate circuit EXV, Circuit A EXV % Open
(Circuit A EXV Position, EXV.A) or Circuit B EXV % Open
(Circuit B EXV Position, EXV.B). The current value of 0 will
be displayed. Increase the EXV position to select 100% valve
position. The actuator should be felt moving through the EXV.
To close the valve, select 0%. The actuator should knock when
it reaches the bottom of its stroke. See Table 40 for a list of
EXV modes and submodes.
If the valve is not working properly, continue with the fol-
lowing test procedure:
Check the 8-position DIP switch on the board for the proper
address (Fig. 10). Check the EXV output signals at appropriate
terminals on the EXV module. For 30XW150,325 units, con-
nect the positive test lead to EXV-J2A terminal 5 for Circuit A
and to EXV-J2B terminal 5 for Circuit B.
For 30XW175,200,350,400 units connect positive test lead
to EXV(X)-J2A terminal 5 for EXV(X) and EXV(X)-J2B ter-
minal 5 for Economizer EXV(X). Using the Service Test pro-
cedure on page 83, move the valve output under test to 100%.
DO NOT short meter leads together or pin 5 to any other pin,
as board damage will occur. During the next several seconds,
carefully connect the negative test lead to pins 1,2,3 and 4 in
succession. Digital voltmeters will average this signal and
display approximately 6 vdc. If the output remains at a constant
voltage other than 6 vdc or shows 0 volts, remove the connec-
tor to the valve and recheck.
Select 0% to close the valve.
NOTE: When the valve is stationary, the output from the EXV
board is 12-vdc.
See Tables 6 and 7. If a problem still exists, replace the
EXV board. If the reading is correct, the expansion valve and
EXV wiring should be checked. Check the EXV connector and
interconnecting wiring.
1. Check color-coding and wire connections. Make sure
they are connected to the correct terminals at the EXV
board and EXV plug and that the cables are not crossed.
2. Check for continuity and tight connection at all pin
terminals.
Check the resistance of the EXV motor windings. For
30XW150,325 units remove the EXV module plug EXV-J2A
for Circuit A EXV and EXV-J2B for Circuit B EXV. For
30XW175,200,350,400 units remove the EXV module plug
EXV(X)-J2A for main EXV and EXV(X)-J2B for economizer
EXV. Check the resistance of the two windings between pins 1
and 3 for one winding and pins 2 and 4 for the other winding.
The resistance should be 52 ohms (± 5.2 ohms). Also check
pins 1-4 for any shorts to ground.
Inspecting/Opening Electronic Expansion Valves
To check the physical operation of an EXV, the following
steps must be performed.
1. Close the liquid line service valve of the circuit to be
checked. Put the Enable/Off/Remote Contact (EOR)
switch in the Off position. Enter the Service Test mode
and change Service Test Enable, T.REQ from OFF to
ON. A password may be required. Switch the EOR
switch to the Enable position. Under the COMP sub-
mode, enable one of the compressors (CP.xn) for the cir-
cuit. Let compressor run until gage on suction pressure
port reads 10 psig (68.9 kPa). Turn the compressor off.
The compressor will turn off. Immediately after the com-
pressor shuts off, manually close the actuated ball valve
(ABV). If the unit is equipped with suction service valves
and economizer service valves, close both valves. Clos-
ing the valves will minimize the amount of charge that
will have to be removed from the system after pump
down.
2. Remove any remaining refrigerant from the system low
side using proper recovering techniques. The economizer
assembly has a 1/4-in. access connection which can be
used to remove charge from the inlet of the EXVs. Turn
off the line voltage power supply to the compressors.
3. The expansion valve motor is hermetically sealed inside
the top portion of the valve. See Fig. 43. Disconnect the
EXV plug. Carefully unscrew the motor portion from the
body of the valve. The EXV operator will come out with
the motor portion of the device. Reconnect the EXV plug.
4. Enter the appropriate EXV test step under the (QUIC)
Service Test mode Locate the desired item Circuit A
EXV Position, EXV.A or Circuit B EXV Position,
EXV.B. Change the position to 100%. Observe the opera-
tion of the lead screw. See Fig. 43. The motor should be
turning, raising the operator closer to the motor. Motor
actuator movement should be smooth and uniform from
fully closed to fully open position. Select 0% and check
open to closed operation. If the valve is properly connect-
ed to the processor and receiving correct signals, yet does
not operate as described above, the sealed motor portion
of the valve should be replaced.
Installing EXV Motor
If re-installing the motor, be sure to use a new gasket in the
assembly. See Fig. 44. It is easier to install the motor assembly
with the piston in the fully closed position. Insert the motor into
the body of the EXV. Tighten the motor to the body to 36 ft-lb
(50 N-m) and then tighten the valve another 30 degrees.
Moisture Liquid Indicator — Clear flow of liquid refrigerant
indicates sufficient charge in system. Bubbles in the sight glass
indicate undercharged system or presence of noncondensables.
Moisture in system, measured in parts per million (ppm),
changes color of indicator. See Table 41. Change filter drier at
first sign of moisture in system.
Filter Drier — Whenever moisture-liquid indicator shows
presence of moisture, replace filter drier(s). There is one filter
drier assembly on each circuit with two cores. Refer to the Car-
rier Standard Service Techniques Manual, Chapter 1, Refriger-
ants, for details on servicing filter driers.
IMPORTANT: Obtain replacement gaskets before
opening EXV. Do not re-use gaskets.
CAUTION
Ensure refrigerant is removed from both the inlet and outlet
of EXV assemblies. Equipment damage could result.
IMPORTANT: Obtain replacement gasket before
opening EXV. Do not re-use gaskets.
IMPORTANT: Unit must be in operation at least
12 hours before moisture indicator can give an accu-
rate reading.
With unit running, indicating element must be in con-
tact with liquid refrigerant to give true reading.

62
Table 40 — EXV Modes and Submodes
Table 41 — Color Indicators when
Moisture is Present in Refrigerant
Liquid Line Service Valve — This valve is located immediately
ahead of filter drier, and has a 1/4-in. access connection for field
charging. In combination with compressor discharge service
valve, each circuit can be pumped down into the high side for
servicing.
EXV TYPE AND CIRCUIT TOUCH PILOT™ PATH NAVIGATOR™ PATH
EXV, Circuit A Main Menu Status QCK_TST1 Q_EXVA Service Test Mode QUIC EXV.A
EXV, Circuit B Main Menu Status QCK_TST1 Q_EXVB Service Test Mode QUIC EXV.B
Economizer EXV, Circuit A Main Menu Status QCK_TST1 Q_ECO_A Service Test Mode QUIC ECO.A
Economizer EXV, Circuit B Main Menu Status QCK_TST1 Q_ECO_B Service Test Mode QUIC ECO.B
COLOR INDICATOR
R-134a,
75 F (24 C)
(ppm)
R-134a,
125 F (52 C)
(ppm)
Green — Dry <30 <45
Yellow-green — Caution 30-100 45-170
Yellow — Wet >100 >170
CLOSED
OPEN
CLOSED
OPEN
GASKET
OPEN VALVE IN QUICK TEST SUB-MODE BEFORE DISASSEMBLING
EF05BD271 NV 32.5mm
EF05BD331 NV 36mm
50Nm (36 ft-lb)+ 30° 27mm / 11/16''
27mm / 11/16''
DISASSEMBLY
ASSEMBLY
NOTES:
1. Push down on valve piston to close valve before assembling.
2. After valve is assembled close valve in Quick Test sub-mode or cycle power before opening service valve.
Fig. 44 — Disassembly and Assembly of EXV Motor
NOTE: Open valve in Quick Test sub-mode before disassembling.
A30-4072ef

63
Compressor Assembly — The 30XW units utilize
screw compressors with a modulating slide valve which varies
capacity from 15% to 100% of compressor capacity for each
circuit. See Fig. 45 for a view of a typical 06T compressor.
The slide valve position is varied by opening and closing the
2 solenoid valves located on the compressor. To unload the
compressor, both solenoids are deenergized. To increase in
capacity both solenoid valves are energized together which
will cause the slide valve to slide towards the fully loaded posi-
tion. To stop the loading process solenoid 2 is energized and
solenoid 1 is deenergized. This will cause the slide valve to
maintain its current position. There is no feedback for the posi-
tion of the slide valve. The control utilizes compressor current
as an indicator of the slide valve position. Once the calculated
position of the slide valve reaches 100% circuit capacity, the
control will try to increase capacity again if the compressor
current continues to increase. The control will continue to load
the compressor until the compressor current no longer
increases. At that time the control will energize both solenoids
and the circuit will be considered fully loaded.
COMPRESSOR OIL SYSTEM — Each compressor/circuit
has its own oil system which includes an oil filter, oil solenoid,
check valve, oil level switch, oil pressure transducer, and an oil
shut-off valve. A typical oil system is shown in Fig. 46. See
Table 42.
Table 42 — Unit Oil Quantities
30XW UNIT SIZE OIL CHANGE (gal, [liters])
Circuit A Circuit B
150-200 6.0 [22.7] —
325-400 5.0 [18.9] 5.0 [18.9]
Fig. 45 — Typical 06T Compressor
SOLENOID 1
SOLENOID 2
HIGH PRESSURE
SWITCH
MOTOR TEMPERATURE
SENSOR 2
COMMON
MOTOR TEMPERATURE
SENSOR 1
t e x t
C o m p r e s s i o n
P r o c e s
s
H i g h P r e s s u r e O i l
D e - e n e r g i z e d
F L O W
V a l v e # 2 ( N O )
D e - e n e r g i z e d
N O F L O W
V a l v e # 1 ( N C )
B l e e d L i n e t o L o w P r e s s u r e S u c t i o n
l
D i s c h a r g e
P o r
t
U n l o a d e r P i s t o n
C h a m b e
r
t e x t
C o m p r e s s i o n
P r o c e s s
L o a d e d P o s i t i o
n
H i g h P r e s s u r e O i l
E n e r g i z e d
N O F L O W
V a l v e # 2 ( N O )
E n e r g i z e d
F L O W
V a l v e # 1 ( N C )
B l e e d L i n e t o L o w P r e s s u r e S u c t i o n
S l i d e V a l v e
D i s c h a r g e
P o r
t
U n l o a d e r P i s t o n
C h a m b e
r
Loaded Position
High with
High
Pressure
Oil
Drain to
Low Pressure
Unloaded Position
Slide Valve
t e x t
H i g h P r e s s u r e O i l
T r a p p e d
O i l a t
H i g h
P r e s s u r
e
C o m p r e s s i o n
P r o c e s s
P a r t L o a d P o s i t i o n
E n e r g i z e d
N O F L O W
V a l v e # 2 ( N O )
D e - e n e r g i z e d
N O F L O W
V a l v e # 1 ( N C )
B l e e d L i n e t o L o w P r e s s u r e S u c t i o n
S l i d e V a l v e
D i s c h a r g e
P o r t
U n l o a d e r P i s t o n
C h a m b e
r
Slide Valve
FULLY LOADED OPERATION FULLY UNLOADED OPERATION MAINTAIN POSITION
DISCHARGE
GAS THERMISTOR
ACCESS
FITTING
SUCTION
TEMPERATURE
A30-4841
1
2
3
4
5
6
7
8
Fig. 46 — Typical Oil System
A30-4842
LEGEND
1—Oil Pressure Transducer
2—Oil Solenoid
3—Oil Filter
4—1/4 in. FL (Female) Access Fitting
5—Shut-Off Valve
6—Oil Level Sight Glass
7—Oil Level Switch
8—1/4 in. FL (Female) Access Fitting

64
Oil Charge — When additional oil or a complete charge is
required it must meet the following specifications:
• Manufacturer . . . . . . . . . . . . . . . . . . . . . Emkarate RL220XL
• Oil Type . . . . . . . . . . . . . . . . . . . Inhibited polyolester-based
synthetic compressor lubricant for use with screw compressors.
• ISO Viscosity Grade . . . . . . . . . . . . . . . . . . . . . . . . . . . . . 220
Do not reuse drained oil or any oil that has been exposed to
the atmosphere.
Oil is available in the following quantities from your local
Carrier representative:
If unsure if there is low oil charge in the system, follow the
steps below:
1. If the unit shuts off repeatedly from a low oil level alert it
may be an indication of inadequate oil charge; however, it
could also indicate that the oil is not being recovered from
the low-side of the system.
2. Begin running the unit at full load for 11/2 hours. Use the
manual Test Mode feature of Service Test if the unit does
not normally run at full load.
NOTE: An adequate load must be available.
3. After running the unit for 11/2 hours at full load, allow the
unit to restart and run normally. If low oil alarms persist,
continue with the following steps.
4. Close the liquid line service valve and place a pressure
gage on top of the cooler. Enable the Service Test feature
and turn the Enable/Off/Remote switch to the enable po-
sition. Start the desired circuit by turning it on under the
TEST function: CP.A for compressor A, CP.B for com-
pressor B, or CP.C for compressor C.
5. When the compressor starts successfully observe the
cooler pressure when the pressure reads 10 psig
(68.9 kPa), turn the Emergency Switch (SW2) to the OFF
position. The compressor should stop.
6. Open the liquid line service valve and allow the unit to
restart normally. If low oil level alarms persist, continue
with the following steps.
7. If none of the previous steps were successful, the unit is
low on oil charge. Add oil to the oil separator using the
1/4 in. access fitting that the discharge pressure transducer
is mounted to.
8. To facilitate the oil charging process, ensure that the unit
is not running when adding oil. The system is under pres-
sure even when the unit is not running, so it is necessary
to use a suitable pump to add oil to the system.
9. Using a suitable pump, add 1/2 gal (1.9 l) of oil to the
system. Continue adding oil in 1/2 gal (1.9 l) increments
until the problem is resolved, up to a maximum of 1.5 gal
(5.7 l). If it is necessary to add factory oil charge levels to
the system contact your local Carrier representative.
Oil Filter Maintenance — Each circuit has one oil filter locat-
ed externally to the compressor. Oil line pressure drop is
monitored by the control. Oil line pressure drop is calculated
by subtracting oil pressure (OP) from discharge pressure (DP).
If the oil line pressure drop exceeds 30 psi (206.8 kPa) for
5 minutes the control will generate a High Oil Filter Pressure
Drop alert. The High Oil Filter Pressure Drop alert will
not shut down the compressor, but instead indicates that the
oil filter is dirty. If oil pressure line losses exceed 50 psi
(344.7 kPa) then the control will shut down the circuit on
Maximum Oil Filter Differential Pressure Failure.
Replacing the Oil Filter — Close the oil line ball valve locat-
ed in front of the oil filter. Connect a charging hose to the 1/4-in.
access fitting port located downstream of the valve and bleed
off oil trapped between the service valve and the oil solenoid
valve. A quart of oil is typically what is removed during this
process. Remove the charging hose. Unscrew the nuts from
both ends of the oil filter and remove the oil filter. Remove the
protective caps from the new oil filter and install, being careful
not to lose or damage the new O-ring located on the new oil fil-
ter. Draw a vacuum at the Schrader port. Remove the charging
hose and open the oil line ball valve. Check both fittings for
leaks.
Cooler
SUCTION SERVICE VALVE — The suction service valve
is a factory-installed option for 30XW units. It is located in the
suction outlet of the cooler. The suction service valve is bolted
between the cooler outlet and the suction flange piping. The
suction service valve shaft has a locking device located on the
shaft to lock the valve in either a fully open position or a fully
closed position. The locking device must be pulled out prior to
moving the valve handle to a fully open or a fully closed posi-
tion. See Fig. 47A and 47B.
QUANTITY TOTALINE PART NO.
1 Quart P903-2325
1 Gallon P903-2301
5 Gallon P903-2305
CAUTION
Compressor oil is pressurized. Use proper safety precau-
tions when relieving pressure.
CLOSED AND UNLOCKED
SUCTION SERVICE VALVE
OPENED AND LOCKED
SUCTION SERVICE VALVE
Fig. 47A — Suction Service Valve Locking Device,
Closed and Unlocked
Fig. 47B — Suction Service Valve Locking Device,
Open and Locked
A30-4843
A30-4844

65
LOW FLUID TEMPERATURE — Main Base Board is pro-
grammed to shut chiller down if leaving fluid temperature
drops below 34 F (1.1 C) for cooler fluid type water or below
Brine Freeze Setpoint (Brine Freeze Setpoint, LOSP) for
cooler fluid type brine. The unit will shut down without a
pumpout. When fluid temperature rises to 6° F (3.3° C) above
the leaving fluid set point, safety resets and chiller restarts.
Reset is automatic as long as this is the first occurrence.
LOSS OF FLUID FLOW PROTECTION — All 30XW ma-
chines include an integral flow switch that protects the cooler
against loss of cooler flow. In addition, all models ordered for
heat reclaim duty have factory installed condenser water sen-
sors and an integral flow switch.
TUBE PLUGGING — A leaky tube can be plugged until
retubing can be done. The number of tubes plugged determines
how soon the cooler must be retubed. All tubes in the cooler
may be removed. Loss of unit capacity and efficiency as well
as increased pump power will result from plugging tubes.
Failed tubes should be replaced as soon as possible. Up to 10%
of the total number of tubes per pass can be plugged before
retubing is necessary. Fig. 48 shows an Elliott tube plug and a
cross-sectional view of a plug in place. See Tables 43-46 for
plug components. If the tube failure occurs in both circuits
using tube plugs will not correct the problem. Contact your
local Carrier representative for assistance.
Table 43 — Condenser (Sizes 150-200) and
Evaporator Plug Component Parts
*Order directly from Elliot Tube Company, Dayton, OH or RCD.
†Can be obtained locally.
Table 44 — Condenser (Sizes 150-200) and
Evaporator Tube Components
LEGEND
NOTE: Tubes replaced along heat exchanger head partitions must
be flush with tube sheet (both ends).
Table 45 — Condenser (Sizes 325-400) Plug
Component Parts
*Order directly from Elliot Tube Company, Dayton, OH or RCD.
†Can be obtained locally.
Table 46 — Condenser (Sizes 325-400) Tube
Components
LEGEND
NOTE: Tubes replaced along heat exchanger head partitions must
be flush with tube sheet (both ends).
RETUBING — When retubing is required, obtain service of
qualified personnel experienced in boiler maintenance and
repair. Most standard procedures can be followed when retub-
ing the coolers. An 8% crush is recommended when rolling
replacement tubes into the tubesheet.
Place one drop of Loctite No. 675 or equivalent on top of
tube prior to rolling. This material is intended to “wick” into the
area of the tube that is not rolled into the tube sheet, and prevent
fluid from accumulating between the tube and the tube sheet.
New tubes must also be rolled into the center tubesheet to
prevent circuit to circuit leaks.
TIGHTENING COOLER HEAD BOLTS
Preparation — When reassembling cooler heads, always
check the condition of the O-rings first. The O-ring should be
replaced if there is visible signs of deterioration, cuts or
damage. Apply a thin film of grease to the O-ring before
installation. This will aid in holding the O-ring in the groove
while the head is installed. Torque all bolts to the following
specification and in sequence:
3/4-in. Diameter Perimeter Bolts (Grade 5) . . . 200 to 225 ft-lb
(271 to 305 N-m)
1. Install all bolts finger tight.
2. Bolt tightening sequence is outlined in Fig. 49. Follow
the numbering or lettering sequence so that pressure is
evenly applied to O-ring.
3. Apply torque in one-third steps until required torque is
reached. Load all bolts to each one-third step before pro-
ceeding to next one-third step.
4. No less than one hour later, retighten all bolts to required
torque values.
5. After refrigerant is restored to system, check for refriger-
ant leaks using recommended industry practices.
6. Replace cooler insulation.
CAUTION
Use extreme care when installing plugs to prevent damage
to the tube sheet section between the holes.
COMPONENT PART NUMBER
For Tubes
Brass Pin 853103-1*
Brass Ring 853002-657 or 670* (Measure inside
diameter of tube before ordering.)
For Holes without Tubes
Brass Pin 853103-1A*
Brass Ring 853002-738*
Loctite No. 675†
Locquic “N”†
COMPONENT SIZE
in. mm
Tube Sheet Hole Diameter 0.752 to 0.757 19.10 to 19.23
Tube OD 0.742 to 0.748 18.85 to 19.00
Tube ID after Rolling
(includes expansion due to
clearance.)
0.666 to 0.681 16.92 to 17.30
ID — Inside Diameter
OD — Outside Diameter
COMPONENT PART NUMBER
For Tubes
Brass Pin 853103-2A*
Brass Ring 853002-918*
For Holes without tubes
Brass Pin 853103-3*
Brass Ring 853002-988*
Loctite No. 675†
Locquic “N”†
COMPONENT SIZE
in. mm
Tube Sheet Hole Diameter 1.000 to 1.008 25.40 to 25.60
Tube OD 0.992 to 0.998 25.20 to 25.35
Tube ID after Rolling
(includes expansion due to
clearance.)
0.918 to 0.935 23.32 to 23.75
ID — Inside Diameter
OD — Outside Diameter
Fig. 48 — Elliott Tube Plug
a30-4083

66
INSPECTING/CLEANING HEAT EXCHANGERS — In-
spect and clean cooler tubes at the end of the first operating
season. Because these tubes have internal ridges, a rotary-type
tube cleaning system is necessary to fully clean the tubes. Tube
condition in the cooler will determine the scheduled frequency
for cleaning, and will indicate whether water treatment is
adequate in the chilled water/brine circuit. Inspect the entering
and leaving water thermistor wells for signs of corrosion or
scale. Replace the well if corroded or remove any scale if
found.
WATER TREATMENT — Untreated or improperly treated
water may result in corrosion, scaling, erosion or algae. The
services of a qualified water treatment specialist should be
obtained to develop and monitor a treatment program.
CHILLED WATER FLOW SWITCH — A factory-installed
flow switch is installed in the entering water nozzle for all ma-
chines. See Fig. 50 and 51. This is a thermal-dispersion flow
switch. Figure 50 shows typical installation. If nuisance trips of
the sensor are occurring, follow the steps below to correct:
When power is supplied to the device, a warm-up period is
initiated. The warm-up period may take up to 30 seconds.
When enough flow is detected, the switch contacts will close.
The switch closure does not indicate minimum flow require-
ments have been met for the machine.
1. Check to confirm that all strainers are clean, valves are
open and pumps are running. For the case of variable
frequency drive (VFD) controlled pumps, ensure the
minimum speed setting has not been changed.
2. Measure the pressure drop across the cooler (evaporator).
Use the cooler pressure drop curves in Fig. 27-37 to cal-
culate the flow and compare this to system requirements.
3. If the contacts do not close with sufficient flow, then
check the wiring connection to the MBB. If the input sig-
nal is not closed, then the switch needs to be replaced.
CAUTION
Hard scale may require chemical treatment for its preven-
tion or removal. Consult a water treatment specialist for
proper treatment procedures.
CAUTION
Water must be within design flow limits, clean and treated
to ensure proper machine performance and reduce the
potential of tubing damage due to corrosion, scaling, and
algae. Carrier assumes no responsibility for cooler damage
resulting from untreated or improperly treated water.
Fig. 51 — Flow Switch (Typical)
LEGEND
CEWT — Condenser Entering Water Thermistor
CLWT — Condenser Leaving Water Thermistor
CWFS — Chilled Water Flow Switch
EWT — Entering Water Thermistor
LWT — Leaving Water Thermistor
OUT
OUT
IN
IN
LWT
EWT
CLWT
CWFS
CEWT
A30-4846
Fig. 49 — Cooler Head Recommended
Bolt Torque Sequence
1
20
8
6
19 16 15
3
23
10
12
24
14 13 17
5
7
18
2
4
21
9
11
22
A30-4845
Fig. 50 — Chilled Water Flow Switch
WIRING
a30-4708

67
Refrigerant Circuit
LEAK TESTING — Units are shipped with complete operat-
ing charge of refrigerant R-134a or nitrogen (see Physical Data
tables supplied in the 30XW installation instructions) and
should be under sufficient pressure to conduct a leak test. If
there is no pressure in the system, introduce enough nitrogen to
search for the leak. Repair the leak using good refrigeration
practices. After leaks are repaired, system must be evacuated
and dehydrated.
REFRIGERANT CHARGE — Refer to Physical Data tables
supplied in the 30XW installation instructions. Immediately
ahead of filter drier in each circuit is a factory-installed liquid
line service valve. Each valve has a 1/4-in. access connection
for charging liquid refrigerant.
Charging with Unit Off and Evacuated — Close liquid line
service valve before charging. Weigh in charge shown on unit
nameplate. Open liquid line service valve; start unit and allow
it to run several minutes fully loaded. Check for a clear sight
glass. Be sure clear condition is liquid and not vapor.
Charging with Unit Running — If charge is to be added while
unit is operating, loop water temperatures should be near the
ARI rating point (54/44 F evaporator; 85/95 F condenser). At
these conditions and with the circuit at full load, charge to a
clear sightglass and a liquid line temperature of 90 to 93 F (32.2
to 33.9 C).
Add 5 lb (2.3 kg) of liquid charge into the fitting located on
the tube entering the bottom of the cooler. This fitting is located
between the electronic expansion valve (EXV) and the cooler.
Allow the system to stabilize and then recheck the liquid
temperature. If needed, add additional liquid charge, 5 lb
(2.3 kg) at a time, allowing the system to stabilize between
each charge addition. Slowly add charge as the sight glass
begins to clear to avoid overcharging.
Safety Devices — The 30XW chillers contain many
safety devices and protection logic built into the electronic
control. Following is a description of the major safeties.
COMPRESSOR PROTECTION
Motor Overload — The compressor protection modules
(CPM) protect each compressor against overcurrent. Do not
bypass the current transducers or make any changes to the
factory-installed and configured headers. The configuration of
these headers defines the Must Trip Amps (MTA) at which the
CPM will turn the compressors off. Determine the cause for
trouble and correct the problem before resetting the CPM. See
Appendix D for MTA settings and configuration headers.
Each CPM board also reads the status of each compressor’s
high-pressure switch. All compressors have factory-installed
high-pressure switches. See Table 47.
Table 47 — High-Pressure Switch Settings
If the switch opens during operation, the compressor will be
shut down. The CPM will reset automatically when the switch
closes, however, a manual reset of the control is required to
restart the compressor.
COOLER PROTECTION
Low Water Temperature — Microprocessor is programmed
to shut the chiller down if the leaving fluid temperature drops
below 34 F (1.1 C) for water or more than 8 F (4.4 C) below
set point for Fluid Type = brine. When the fluid temperature
rises 6 F (3.3 C) above the leaving fluid set point, the safety
resets and the chiller restarts. Reset is automatic as long as this
is the first occurrence of the day.
Relief Devices — Fusible plugs are located in each cir-
cuit between the condenser and the liquid line shutoff valve.
PRESSURE RELIEF VALVES — Valves are installed in each
circuit and are located on all coolers and condensers. These
valves are designed to relieve if an abnormal pressure condition
arises. Relief valves on all coolers relieve at 220 psi (1517 kPa).
These valves should not be capped. If a valve relieves, it should
be replaced. If the valve is not replaced, it may relieve at a lower
pressure, or leak due to trapped dirt from the system which may
prevent resealing. Valves on standard condensers relieve at
220 psi (1517 kPa). Valves on high condensing and heat reclaim
units relieve at 300 psi (2068 kPa).
Pressure relief valves located on shells have 3/4-in. NPT
connections for relief. Some local building codes require that
relieved gases be exhausted to a specific location. This connec-
tion allows conformance to this requirement. Refer to Installa-
tion Instructions for details.
MAINTENANCE
Recommended Maintenance Schedule — The fol-
lowing are only recommended guidelines. Jobsite conditions
may dictate that maintenance schedule is performed more often
than recommended.
Every month:
• Check moisture indicating sight glass for possible refriger-
ant loss and presence of moisture.
Every 3 months:
• Check refrigerant charge.
• Check all refrigerant joints and valves for refrigerant leaks;
repair as necessary.
• Check chilled water and condenser flow switch operation.
• Check oil filter pressure drop.
Every 12 months:
• Check all electrical connections; tighten as necessary.
• Inspect all contactors and relays; replace as necessary.
• Check accuracy of thermistors; replace if greater than ±2° F
(1.2° C) variance from calibrated thermometer.
• Check accuracy of transducers; replace if greater than ±5 psi
(34.47 kPa) variance.
• Check to be sure that the proper concentration of antifreeze
is present in the chilled water and condenser loops, if
applicable.
• Verify that the chilled water loop is properly treated.
• Check refrigerant filter driers for excessive pressure drop;
replace as necessary.
• Check chilled water and condenser strainers, clean as
necessary.
• Perform Service Test to confirm operation of all components.
• Check for excessive cooler approach (Leaving Chilled
Water Temperature – Saturated Suction Temperature) which
may indicate fouling. Clean cooler vessel if necessary.
• Obtain oil analysis; change as necessary.
TROUBLESHOOTING
See Table 48 for an abbreviated list of symptoms, possible
causes and possible remedies.
IMPORTANT: When adjusting refrigerant charge, circu-
late fluid through cooler and condenser continuously to
prevent freezing and possible damage to both. Do not
overcharge, and never charge liquid into the low-pressure
side of system.
30XW UNIT SWITCH SETTING
psig kPa
STD 217.6 +7.25, –14.5 1500 +50, –100
HIGH COND 304.5 +7.25, –14.5 2099 +50, –100
IMPORTANT: If unit is installed in an area where
ambient temperatures fall below 32 F (0° C), a suit-
able corrosion-inhibited antifreeze solution must be
used in the chilled water and condenser water circuit.

68
Table 48 — Troubleshooting
LEGEND
Alarms and Alerts — The integral control system con-
stantly monitors the unit and generates warnings when abnor-
mal or fault conditions occur. Alarms may cause either a circuit
(Alert) or the whole machine (Alarm) to shut down. Alarms
and Alerts are assigned codes as described in Fig. 52. The
alarm/alert indicator LED on the Navigator™ module is
illuminated when any alarm or alert condition is present. If an
Alert is active, the Alarm Indicator LED will blink. If an Alarm
is active, the Alarm Indicator LED will remain on. Currently
active Alerts and Alarms can be found in (Current Alarm,
ALRM).
The controller generates two types of alarms. Automatic
reset alarms will reset without any intervention if the condition
that caused the alarm corrects itself. Manual reset alarms
require the service technician to check for the alarm cause and
reset the alarm. The following method must be followed to
reset manual alarms:
Before resetting any alarm, first determine the cause of the
alarm and correct it. To reset the alarm, set R.ALM to YES.
The alarms will be reset. Indicator light will be turned off when
switched correctly. Do not reset the chiller at random without
first investigating and correcting the cause(s) of the failure.
Each alarm is described by a three or four-digit code. The
first one or two digits indicate the alarm source and are listed in
Fig. 52. The last two digits pinpoint the problem. See Table 49.
SYMPTOM POSSIBLE CAUSE POSSIBLE REMEDY
Unit Does Not Run Check for power to unit • Check overcurrent protection device.
• Check non-fused disconnect (if equipped).
• Restore power to unit.
Wrong or incorrect unit configuration Check unit configuration.
Active alarm Check Alarm status. See the Alarms and Alerts section and follow
troubleshooting instructions.
Active operating mode Check for Operating Modes. See the Operating Modes section and follow trouble-
shooting instructions
Unit Operates too Long or
Continuously
Low refrigerant charge Check for leak and add refrigerant.
Compressor or control contacts welded Replace contactor or relay.
Air in chilled water loop Purge water loop.
Non-condensables in refrigerant circuit. Remove refrigerant and recharge.
Inoperative EXV • Check EXV, clean or replace.
• Check EXV cable, replace if necessary.
• Check EXV board for output signal.
Load too high Unit may be undersized for application
Circuit Does Not Run Active alarm Check Alarm status. See the Alarms and Alerts section and follow
troubleshooting instructions.
Active operating mode Check for Operating Modes. See the Operating Modes section and follow trouble-
shooting instructions.
Circuit Does Not Load Active alarm Check Alarm status. See the Alarms and Alerts section and follow
troubleshooting instructions.
Active operating mode Check for Operating Modes. See the Operating Modes section and follow trouble-
shooting instructions.
Low saturated suction temperature See Operating Modes 21 and 22.
High circuit suction superheat The circuit capacity is not allowed increase if circuit superheat is greater than 36 F
(20 C). See Alarms 74 and 75 for potential causes.
Low suction superheat The circuit capacity is not allowed to increase if the circuit superheat is less than
18° F (10° C). See Alarms 74 and 75 for potential causes.
Compressor Does Not Run Active alarm Check Alarm status. See the Alarms and Alerts section and follow
troubleshooting instructions.
Active operating mode Check for Operating Modes. See the Operating Modes section and follow trouble-
shooting instructions.
Inoperative compressor contactor • Check control wiring.
• Check scroll protection module.
• Check contactor operation, replace if necessary.
Chilled Water Pump is ON, but
the Machine is OFF
Cooler freeze protection Chilled water loop temperature too low. Check cooler heater.
EXV — Electronic Expansion Valve
Alarm Suffix
Code Number to identify source
Alarm Descriptor th .01
Alarm Prefix
A1 – Compressor A1 Failure
B1 – Compressor B1 Failure
Co – Communication Failure
FC – Factory Configuration Error
MC – Master Chiller Configuration Error
P – Process Failure
Pr – Pressure Transducer Failure
Sr – Service Notification
th – Thermistor Failure
Alarm
Fig. 52 — Alarm Description
A30-4847

69
Table 49 — Alarm Codes
LEGEND
PREFIX
CODE
SUFFIX
CODE
ALARM
NUMBER ALARM DESCRIPTION REASON FOR ALARM ACTION TAKEN
BY CONTROL
RESET
TYPE PROBABLE CAUSE
th 01 1 Cooler Entering Fluid
Thermistor
Temperature measured
by the controller is
outside of the range
of –40 F to 245 F
Unit be shut down or
not allowed to start
Automatic Faulty Sensor,
wiring error or failed
main base board
02 2 Cooler Leaving Fluid
Thermistor
03 3 Circuit A Defrost Thermistor None Automatic Configuration error
04 4 Circuit B Defrost Thermistor
06 5 Condenser Entering
Fluid Thermistor
07 6 Condenser Leaving
Fluid Thermistor
08 7 Reclaim Condenser
Entering Thermistor
09 8 Reclaim Condenser
Leaving Thermistor
11 10 Master/Slave Common Fluid
Thermistor
Dual chiller deacti-
vated. Master and
slave machines
operate in stand-
alone mode
Automatic Faulty Sensor,
wiring error or failed
main base board
12 11 Circuit A Suction Gas
Thermistor
Circuit shut down or
not allowed to start Automatic Faulty Sensor,
wiring error, failed
EXV or CPM board
13 12 Circuit B Suction Gas
Thermistor
15 14 Circuit A Discharge Gas
Thermistor
16 15 Circuit B Discharge Gas
Thermistor
18 17 Circuit A Condenser Sub-
cooling Liquid Thermistor
Not supported Automatic Configuration error
19 18 Circuit B Condenser Sub-
cooling Liquid Thermistor
21 19 Space Temperature
Thermistor
Alarm tripped Automatic Faulty Sensor, wiring
error, failed EMM
board
23 20 Cooler heater feedback
thermistor
None Automatic Configuration error
24 21 Circuit A Economizer Gas
Thermistor
Circuit economizer
function disabled Automatic Faulty Sensor,
wiring error, failed
EXV board
25 22 Circuit B Economizer Gas
Thermistor
Pr 01 26 Circuit A Discharge
Transducer
Measured voltage is
0 vdc or SST > EWT and
EXV < 50% for 1 minute
Circuit shut down or
not allowed to start
Automatic Faulty transducer,
wiring error, failed
main base board or
fan board
02 27 Circuit B Discharge
Transducer
04 29 Circuit A Suction Transducer
05 30 Circuit B Suction Transducer
07 32 Circuit A Reclaim Pump-
down Pressure Transducer
None Automatic Configuration error
08 33 Circuit B Reclaim Pump-
down Pressure Transducer
10 34 Circuit A Oil Pressure
Transducer
Circuit shut down or
not allowed to start Automatic Faulty transducer,
wiring error, failed
CPM board
11 35 Circuit B Oil Pressure
Transducer
13 37 Circuit A Economizer
Pressure Transducer
Measured voltage is
0 vdc
14 38 Circuit B Economizer
Pressure Transducer
CCN — Carrier Comfort Network®MLV — Minimum Load Valve
CPM — Compressor Protection Module MOP — Maximum Operating Pressure
EMM — Energy Management Module MTA — Must Trip Amps
EWT — Entering Water Temperature SST — Saturated Suction Temperature
EXV — Electronic Expansion Valve UL — Underwriters Laboratories
HPS — High Pressure Switch

70
Table 49 — Alarm Codes (cont)
LEGEND
PREFIX
CODE
SUFFIX
CODE
ALARM
NUMBER ALARM DESCRIPTION REASON FOR ALARM ACTION TAKEN
BY CONTROL
RESET
TYPE PROBABLE CAUSE
Co A1 53 Loss of communication with
Compressor Board A
No communication
with CPM board
Affected
compressor shut
down
Automatic Wrong CPM address,
wrong unit configura-
tion, wiring error, power
loss, failed
CPM board
B1 54 Loss of communication with
Compressor Board B
E1 56 Loss of communication with
EXV Board 1
No communication with
EXV board
Affected
compressor
shut down
Automatic Wrong EXV board
address, wrong unit
configuration, wiring
error, power loss,
failed EXV board
E2 57 Loss of communication with
EXV Board 2
03 64 Loss of communication with
Energy Management Board
No communication with
EMM board
Disable or not allow
EMM functions
3 step and 4-20 mA
and space tempera-
ture reset, occu-
pancy override and
ice build)
Automatic Wrong board
address, wrong unit
configuration, wiring
error, power loss to
module, failed module
05 66 Loss of communication with
AUX Board 6 No communication
with MLV/COND Board
Unit shut down or
not allowed to start
Automatic Wrong board
address, wrong unit
configuration, wiring
error, power loss to
module, failed module
P01 67 Cooler Freeze Protection Entering or leaving therm-
istor sensed a tempera-
ture at or below freeze
point
Unit shut down or
not allowed to start
Automatic, first
occurrence in
24 hours;
manual if
multiple alarms
within 24 hours
Faulty thermistor, faulty
wiring, low water flow,
low loop volume, fouled
cooler, or freeze
conditions
02 68 Condenser Freeze Protection
Circuit A
— None Automatic Configuration error
03 69 Condenser Freeze Protection
Circuit B
05 71 Circuit A Low Suction
Temperature
Low saturated suction
temperatures detected for
a period of time
Circuit shut down Automatic, first
occurrence in
24 hours;
manual if
multiple alarms
within 24 hours
Faulty thermistor, faulty
wiring, low water flow,
low loop volume, fouled
cooler, or freeze
conditions
06 72 Circuit B Low Suction
Temperature
08 74 Circuit A High Suction
Superheat
EXV>98%,
suction superheat > 30 F,
and SST<MOP for more
than 5 minutes
Circuit shut down Manual Faulty transducer,
faulty wiring, faulty
thermistor, faulty EXV,
low refrigerant charge,
plugged or restricted
liquid line
09 75 Circuit B High Suction
Superheat
CCN — Carrier Comfort Network®MLV — Minimum Load Valve
CPM — Compressor Protection Module MOP — Maximum Operating Pressure
EMM — Energy Management Module MTA — Must Trip Amps
EWT — Entering Water Temperature SST — Saturated Suction Temperature
EXV — Electronic Expansion Valve UL — Underwriters Laboratories
HPS — High Pressure Switch

71
Table 49 — Alarm Codes (cont)
LEGEND
PREFIX
CODE
SUFFIX
CODE
ALARM
NUMBER ALARM DESCRIPTION REASON FOR ALARM ACTION TAKEN
BY CONTROL
RESET
TYPE PROBABLE CAUSE
P11 77 Circuit A Low Suction
Superheat
EXV<5% and either the
suction superheat is less
than the set point by at
least 5 F or the suction
temperature is greater
than MOP set point for
more than 5 minutes
Circuit shut down Manual Faulty transducer,
faulty wiring, faulty
thermistor, faulty EXV,
or incorrect
configuration
12 78 Circuit B Low Suction
Superheat
14 80 Interlock Failure Lockout Switch Closed Unit shut down or
not allowed to start
Automatic Lockout Switch Closed
on EMM board
28 81 Electrical Box Thermostat
Failure/Reverse Rotation
External pump interlock
open
Unit shut down or
not allowed to start
Automatic External pump off.
Faulty jumper wiring
when channel not used
29 82 Loss of communication with
System Manager
Loss of communication
with an external control
device for more than
2 minutes
Unit change to
stand-alone
operation
Automatic Faulty communication
wiring, no power
supply to the external
controller
30 83 Master/Slave communication
Failure
Communication between
the master and slave
machines lost
Unit change to
stand-alone
operation
Automatic Faulty communication
wiring, no power or
control power to the
main base board of
either module
67 84 Circuit A Low Oil Pressure Oil pressure and suction
pressure differential is
less than the set point
Circuit shut down Automatic, first
occurrence in
24 hours;
manual if
multiple alarms
within 24 hours
Plugged oil filter, faulty
oil transducer, oil check
valve stuck, plugged oil
strainer
68 85 Circuit B Low Oil Pressure
70 87 Circuit A Max Oil Filter Differ-
ential Pressure
Difference between dis-
charge pressure and oil
pressure is greater than
50 psi for more than
30 seconds
Circuit shut down Manual Plugged oil filter,
closed oil valve, bad oil
solenoid, oil check
valve stuck, faulty oil
pressure transducer
71 88 Circuit B Max Oil Filter Differ-
ential Pressure
84 90 Circuit A High Oil Filter Drop
Pressure
Difference between dis-
charge pressure and oil
pressure is greater than
30 psi for more than
5 minutes
Alert generated Manual Plugged oil filter
85 91 Circuit B High Oil Filter Drop
Pressure
75 93 Circuit A Low Oil Level Oil level switch open Circuit shut down or
not allowed to start
Automatic, first
occurrence in
24 hours;
manual if
multiple alarms
within 24 hours
Low oil level, faulty
switch, wiring error,
failed CPM board, oil
solenoid stuck open
76 94 Circuit B Low Oil Level
MC nn 96 Master chiller configuration
error Number 01 to nn
Wrong or incompatible
configuration data
Unit not allowed to
start in Master-slave
control
Automatic Configuration error
FC n0 97 No factory configuration No Configuration Unit not allowed to
start
Automatic Configuration error
nn 98 Illegal factory configuration
Number 01 to 04
Wrong or incompatible
configuration data
Unit not allowed to
start
Automatic Configuration error
P31 99 Unit is in CCN emergency
stop
Emergency stop com-
mand has been received
Unit shut down or
not allowed to start
Automatic Carrier Comfort
Network® Emergency
Stop command
received
32 100 Cooler pump #1 fault Pump interlock status
does not match pump
status
Unit shuts down, if
available, another
pump will start
Manual Faulty contacts, wiring
error or low control
voltage. Configuration
error.
33 101 Cooler pump #2 fault
15 102 Condenser Flow Switch
Failure
— None Manual Configuration error,
faulty wiring or external
pump off
34 103 Circuit A Reclaim Operation
Failure
— None Manual Configuration error
35 104 Circuit B Reclaim Operation
Failure
37 105 Circuit A — High condensing
temperature out of compres-
sor envelope
Multiple capacity over-
rides due to high
saturated discharge
temperature
Circuit shut down Automatic Low or restricted
condenser water flow.
Fouled condenser
tubes.
38 106 Circuit B — High condensing
temperature out of compres-
sor envelope
CCN — Carrier Comfort Network®MLV — Minimum Load Valve
CPM — Compressor Protection Module MOP — Maximum Operating Pressure
EMM — Energy Management Module MTA — Must Trip Amps
EWT — Entering Water Temperature SST — Saturated Suction Temperature
EXV — Electronic Expansion Valve UL — Underwriters Laboratories
HPS — High Pressure Switch

72
Table 49 — Alarm Codes (cont)
LEGEND
PREFIX
CODE
SUFFIX
CODE
ALARM
NUMBER ALARM DESCRIPTION REASON FOR ALARM ACTION TAKEN
BY CONTROL
RESET
TYPE PROBABLE CAUSE
P40 108 Circuit A — Repeated low
suction temp overrides
Multiple capacity
overrides due to low satu-
rated suction temperature
Circuit shut down Automatic Inaccurate
transducer, faulty EXV,
low refrigerant charge,
plugged or restricted
liquid line filter drier.
41 109 Circuit B — Repeated low
suction temp overrides
43 111 Low entering water tempera-
ture in heating
Not supported — — —
73 112 Condenser pump #1 default — None Manual Faulty contacts, wiring
error or low control
voltage. Configuration
error.
74 113 Condenser pump #2 default
78 114 Circuit A High Discharge
Temperature
Discharge gas tempera-
ture is higher than 212 F
for more than 90 seconds
Circuit shut down Manual Faulty transducer/high
pressure switch, low/
restricted condenser
flow
79 115 Circuit B High Discharge
Temperature
81 117 Circuit A Low Economizer
Pressure
The economizer pressure
is below the suction pres-
sure more than 14.5 psi
for more than 10 seconds
Circuit shut down Manual Faulty transducer,
faulty main base board,
faulty wiring, closed
suction service valve,
faulty EXV
82 118 Circuit B Low Economizer
Pressure
87 120 Circuit A Slide Valve Control
Unverifiable
If 100% load current is
less than 1.1 times of
30% load current, or for
1 minute when active
cooling setpoint is
greater than 32 F.
None Manual Slide valve stuck, inac-
curate initial current
reading
88 121 Circuit B Slide Valve Control
Unverifiable
90 123 Cooler flow switch set point
configuration failure
— None Manual Configuration error
91 124 Cooler flow switch failure Flow switch open Unit shut down Manual if unit
is running,
automatic
otherwise
Faulty flow switch, low
cooler flow, faulty
wiring, faulty cooler
pump, faulty main base
board
Sr nn 128 Service maintenance alert
Number # nn
Field programmed
elapsed time has expired
for maintenance time
None Manual Maintenance required
A1, B1 01 132-01,
133-01
Compressor Motor tempera-
ture too high
Compressor temperature
higher than 232 F for
more than 90 seconds
Circuit shut down Manual Economizer EXV fail-
ure (350,400 only),
faulty CPM board,
low refrigerant charge
02 132-02,
133-02
Compressor Motor tempera-
ture out of range
Compressor temperature
reading out of the range of
–40 F to 245 F
Circuit shut down Manual Faulty thermistor, faulty
wiring, faulty CPM
board
03 132-03,
133-03
Compressor High pressure
switch protection
HPS input on CPM board
open
Circuit shut down Manual, press
reset button on
HPS
Loss of condenser air
flow, operation beyond
compressor envelope,
faulty high pressure
switch, faulty wiring,
faulty CPM board
04 132-04,
133-04
Compressor Over current CPM board detects high
motor current compared
with MTA setting
Circuit shut down Manual Operating beyond
compressor envelope,
incorrect configuration
05 132-05,
133-05
Compressor Locked rotor CPM board detects locked
rotor current compared
with MTA setting
Circuit shut down Manual Compressor motor fail-
ure, unloader slide
valve failure, compres-
sor mechanical failure
06 132-06,
133-06
Compressor Phase loss L1 CPM board detects cur-
rent unbalance greater
than 65% for more than
1 second
Circuit shut down Manual Blown fuse, wiring
error, loose terminals
07 132-07,
133-07
Compressor Phase loss L2
08 132-08,
133-08
Compressor Phase loss L3
09 132-09,
133-09
Compressor Low current
alarm
CPM detects motor cur-
rent less than a certain
percentage of the MTA
setting, compressor not
operating
Circuit shut down Manual Power supply discon-
nected, blown fuse,
wiring error, contact
deenergized, faulty
current toroid high
pressure switch trip.
CCN — Carrier Comfort Network®MLV — Minimum Load Valve
CPM — Compressor Protection Module MOP — Maximum Operating Pressure
EMM — Energy Management Module MTA — Must Trip Amps
EWT — Entering Water Temperature SST — Saturated Suction Temperature
EXV — Electronic Expansion Valve UL — Underwriters Laboratories
HPS — High Pressure Switch

73
Table 49 — Alarm Codes (cont)
LEGEND
DIAGNOSTIC ALARM CODES AND POSSIBLE
CAUSES
Thermistor Failure
Alarm 1 — Cooler Fluid Entering (th.01)
Alarm 2 — Cooler Fluid Leaving (th.02)
Criteria for Trip — This alarm criterion is tested whether the
unit is on or off if the temperature as measured by the thermis-
tor is outside of the range –40 to 245 F (–40 to 118.3 C).
Action to be Taken — The unit shuts down normally, or is not
allowed to start.
Reset Method — Automatic, the alarm will reset once the
thermistor reading is within the expected range.
Possible Causes — If this condition is encountered, check the
following items:
• sensor wiring to the Main Base Board
• sensor accuracy
See the Thermistors section on page 56 for thermistor de-
scription, identifiers and connections.
Defrost Thermistor Failure
Alarm 3 — Circuit A (th.03)
Alarm 4 — Circuit B (th.04)
NOTE: Alarms 3 and 4 are not used or supported. If this condi-
tion is encountered, confirm machine configuration.
Thermistor Failure
Alarm 5 — Condenser Entering Fluid (th.06)
Alarm 6 — Condenser Leaving Fluid (th.07)
NOTE: Alarms 5 and 6 are not used or supported. If this condi-
tion is encountered, confirm machine configuration.
Condenser Reclaim Thermistor
Alarm 7— Reclaim Entering Fluid (th.08)
Alarm 8 — Reclaim Leaving Fluid (th.09)
NOTE: Alarms 7 and 8 are not used or supported. If this condi-
tion is encountered, confirm machine configuration.
PREFIX
CODE
SUFFIX
CODE
ALARM
NUMBER ALARM DESCRIPTION REASON FOR ALARM ACTION TAKEN
BY CONTROL
RESET
TYPE PROBABLE CAUSE
A1, B1 10 132-10,
133-10
Compressor Y delta starter
current increase failure alarm
If the delta mode current
is not 25% greater than
the current in Y mode
Circuit shut down Manual Power supply to delta
contactor not
connected, faulty delta
contactor or wiring,
faulty CPM board
11 132-11,
133-11
Compressor Contactor failure CPM board detects
greater than 15% of MTA
current for 10 seconds
after shutting off the com-
pressor contactor. Oil
solenoid is energized.
Circuit shut down Manual Faulty contactor, con-
tactor welded, wiring
error
12 132-12,
133-12
Compressor Unable to stop
motor
CPM board detects
greater than 15% of MTA
current for 10 seconds
after three attempts
Circuit shut down Manual Faulty contactor,
contactor welded,
wiring error
13 132-13,
133-13
Compressor Phase reversal CPM board detects phase
reversal from current
toroid
Circuit shut down Manual Terminal block power
supply lead not in
correct phase. Power
supply leads going
through toroid crossed
14 132-14,
133-14
Compressor MTA configura-
tion fault
MTA setting is out of the
allowed MTA range
Circuit shut down Manual Incorrect MTA setting,
faulty CPM board
15 132-15,
133-15
Compressor Configuration
switch mismatch
CPM board MTA setting
do not match factory
configuration
Circuit shut down Manual Incorrect CPM dip-
switch setting,
incorrect factory MTA
setting, faulty CPM
board
16 132-16,
133-16
Compressor Unexpected
switch setting change
CPM board dipswitch S1
setting changed
Circuit shut down Manual Incorrect CPM dip-
switch setting, faulty
CPM board
17 132-17,
133-17
Compressor Power on reset CPM board detects a
power failure
Circuit shut down Manual Power supply
interruption
18 132-18,
133-18
Compressor UL 1998 critical
section software error
Software error Circuit shut down Manual Electric noise, faulty
CPM board
19 132-19,
133-19
Compressor UL 1998 current
measure dual channel
mismatch
Software error Circuit shut down Manual Electric noise, faulty
CPM board
CCN — Carrier Comfort Network®MLV — Minimum Load Valve
CPM — Compressor Protection Module MOP — Maximum Operating Pressure
EMM — Energy Management Module MTA — Must Trip Amps
EWT — Entering Water Temperature SST — Saturated Suction Temperature
EXV — Electronic Expansion Valve UL — Underwriters Laboratories
HPS — High Pressure Switch

74
Alarm 10 — Master/Slave Common Fluid Thermistor
(th.11)
Criteria for Trip — This alarm criterion is tested whether the
unit is ON or OFF. The alarm will be tripped if the unit is
configured as a master or a slave (Master/Slave Select,
MSSL), leaving temperature control is selected (Entering
Fluid Control, EWTO), and if the temperature measured by
the CHWS (chilled water sensor) fluid sensor is outside the
range of –40 to 245 F (–40 to 118.3 C).
Action to be Taken — Master/slave operation is disabled and
the chiller returns to stand alone mode.
Reset Method — Reset is automatic when the thermistor read-
ing is inside the range of –40 to 245 F (–40 to 118.3 C).
Possible Causes — If this condition is encountered, check the
following items:
• sensor wiring to the Main Base Board
• a faulty thermistor
See the Thermistors section on page 56 for thermistor de-
scription, identifiers and connections.
Suction Gas Thermistor
Alarm 11 — Circuit A (th.12)
Alarm 12 — Circuit B (th.13)
Criteria for Trip — This alarm criterion is tested whether the
unit is ON or OFF. If the suction gas temperature as measured
by the thermistor is outside of the range –40 to 245 F (–40 to
118.3 C).
Action to be Taken — The affected circuit shuts down
normally.
Reset Method — Automatic, once the thermistor reading is
within the expected range. The affected circuit will restart once
the alarm has cleared.
Possible Causes — If this condition is encountered, check the
following items:
• sensor wiring to the EXV board
• board for a faulty channel
• a faulty thermistor
See the Thermistors section on page 56 for thermistor de-
scription, identifiers and connections.
Circuit Discharge Gas Thermistor Sensor Failure
Alarm 14 — Circuit A (th.15)
Alarm 15 — Circuit B (th.16)
Criteria for Trip — This alarm criterion is tested whether the
unit is ON or OFF. The alarm is tripped if the temperature
measured by the Outdoor Air Thermistor sensor is outside the
range of –40 to 245 F (–40 to 118.3 C).
Action to be Taken — The unit shuts down normally, or is not
allowed to start.
Reset Method — Automatic, the alarm will reset once the
thermistor reading is within the expected range.
Possible Causes — If this condition is encountered, check the
following items:
• sensor wiring to the CPM board
• a faulty thermistor
• a faulty channel on the board
See the Thermistors section on page 56 for thermistor descrip-
tion, identifiers and connections.
Condenser Subcooling Liquid Thermistor
Alarm 17 — Circuit A (th.18)
Alarm 18 — Circuit B (th.19)
NOTE: Alarms 17 and 18 are not used or supported. If this
condition is encountered, confirm machine configuration.
Alarm 19 — Space Temperature Sensor Failure (th.21)
Criteria for Trip — This alarm criterion is checked whether the
unit is ON or OFF and if Space Temperature Reset has been
enabled. This alarm is generated if the outdoor-air temperature
as measured by the thermistor is outside of the range –40 to
245 F (–40 to 118.3 C).
Action to be Taken — Unit operates under normal control.
Temperature Reset based on Space Temperature is disabled.
Reset Method — Automatic, once the thermistor reading is
within the expected range. The Space Temperature Reset will
resume once the alarm has cleared.
Possible Causes — If this condition is encountered, check the
following items:
• sensor wiring to the Energy Management Module
• board for a faulty channel
• a faulty thermistor
For thermistor descriptions, identifiers and connections, see
the Thermistors section.
Alarm 20 — Cooler Heater Feedback Sensor Thermistor
(th.23)
NOTE: Alarm 20 is not used or supported. If this condition is
encountered, confirm machine configuration.
Economizer Gas Thermistor
Alarm 21 — Circuit A (th.24)
Alarm 22 — Circuit B (th.25)
Criteria for Trip — This alarm criterion is tested whether the
unit is ON or OFF. The alarm is tripped if the Economizer gas
reading is outside the range of –40 to 245 F (–40 to 118.3 C).
Action to be Taken — The unit shuts down normally, or is not
allowed to start.
Reset Method — Automatic, the alarm will reset once the
thermistor reading is within the expected range.
Possible Causes — If this condition is encountered, check the
following items:
• sensor wiring to the EXV board
• a faulty thermistor
• a faulty channel on the board
See the Thermistors section on page 56 for thermistor descrip-
tion, identifiers and connections.
Discharge Transducer
Alarm 26 — Circuit A (Pr.01)
Alarm 27 — Circuit B (Pr.02)
Criteria for Trip — The criterion is tested whether the circuit is
ON or OFF. This alarm is generated if the voltage as sensed by
the MBB or Fan Board C (FBC) is 0 vdc, which corresponds
to the Navigator™ display of –7 psi (–48.3 kPa).
Action to be Taken — The circuit is shut down normally, or not
allowed to start.
Reset Method — Automatic, once the transducer voltage is
greater than 0 vdc, which corresponds to the Navigator display
of a value greater than –7 psi (–48.3 kPa).
Possible Causes — If this condition is encountered, check the
following items:
• sensor wiring to Main Base Board (Alarms 24 and 25)
• sensor wiring to Fan Board C (Alarm 26)
• board for a faulty channel
• for a faulty transducer
• confirm unit configuration
Suction Pressure Transducer Failure
Alarm 29 — Circuit A (Pr.04)
Alarm 30 — Circuit B (Pr.05)

75
Criteria for Trip — The criteria are tested whether the circuit is
ON or OFF. The alarm is generated if one of the following
criteria is met:
1. If the voltage as sensed by the MBB is 0 vdc, which
corresponds to the Navigator™ display of –7 psi
(–48.3 kPa).
2. The circuit is ON in cooling mode and the Saturated
Suction Temperature (Saturated Suction Temp, SST)
for the circuit is greater than the Entering Water Tempera-
ture and EXV opening is less than 50% for more than
60 seconds.
Action to be Taken — The circuit is shut down immediately, or
not allowed to start.
Reset Method
1. Automatic, once the transducer voltage is greater than
0 vdc, which corresponds to the Navigator display of a
value greater than –7 psi (–48.3 kPa).
2. Automatic once the circuit’s saturated suction tempera-
ture is lower than the Entering Water Temperature by 3° F
(1.6° C). If this criterion trips the alarm 3 times within a
24-hour period, the alarm changes to a manual reset.
Possible Causes — If this condition is encountered, check the
following items:
• sensor wiring to Main Base Board
• board for a faulty channel
• faulty transducer
• faulty entering water temperature sensor
Reclaim Pumpdown Pressure Transducer
Alarm 32 — Circuit A (Pr.07)
Alarm 33 — Circuit B (Pr.08)
NOTE: Alarms 30 and 31 are not used or supported. If this
condition is encountered, confirm machine configuration.
Oil Pressure Transducer
Alarm 34 — Circuit A (Pr.10)
Alarm 35 — Circuit B (Pr.11)
Criteria for Trip — The criteria are tested whether the circuit is
ON or OFF. The alarm is generated if one of the following cri-
teria is met:
1. If the voltage as sensed by the CPM board is 0 vdc,
which corresponds to the Navigator display of –7 psi
(–48.3 kPa).
2. The circuit is OFF and outside air temperature is below
35.6 F (2 C).
3. The circuit is OFF and the fluid type is brine.
Action to be Taken — The circuit is shut down immediately, or
not allowed to start.
Reset Method — Automatic, once the transducer voltage is
greater than 0 vdc.
Possible Causes — If this condition is encountered, check the
following items:
• sensor wiring to CPM board
• board for a faulty channel
• faulty transducer
• plugged oil filter
• faulty oil solenoid valve coil
• stuck oil solenoid valve
• confirm unit configuration
Economizer Pressure Transducer Failure (sizes
175,200,350,400 only)
Alarm 37 — Circuit A (Pr. 13)
Alarm 38 — Circuit B (Pr. 14)
Criteria for Trip — The criteria are tested whether the circuit is
ON or OFF. The alarm is generated if the voltage as sensed by
the MBB or Fan Board C is 0 vdc, which corresponds to the
Navigator display of –7 psi (–48.3 kPa).
Action to be Taken — The circuit is shut down immediately, or
not allowed to start.
Reset Method — Automatic, once the transducer voltage is
greater than 0 vdc, which corresponds to the Navigator display
of a value greater than –7 psi (–48.3 kPa).
Possible Causes — If this condition is encountered, check the
following items:
• sensor wiring to EXV Board
• EXV board for a faulty channel
• faulty transducer
• faulty economizer EXV or EXV wiring
• faulty economizer EXV channel on the board
• closed or partially closed suction service valve
• confirm unit configuration
Loss of Communication with Compressor Board
Alarm 53 — Compressor Board A (Co.A1)
Alarm 54 — Compressor Board B (Co.B1)
Criteria for Trip — The alarm criterion is tested whether the
unit is ON or OFF. If communication with the Compressor
Protection Module Board (CPM) is lost for a period of 10 sec-
onds, the alarm will be generated.
Action to be Taken — The affected compressor will be shut
down.
Reset Method — Automatic, if communication is established.
If called for, the compressor will start normally.
Possible Causes — If this condition is encountered, check the
following items:
• power supply to the affected CPM board
• address of the CPM
• local equipment network (LEN) wiring
• confirm unit configuration
Loss of Communication with EXV Board
Alarm 56 — Circuit A, EXV Board 1 (Co.E1)
Alarm 57 — Circuit B, EXV Board 2 (Co.E2)
Criteria for Trip — The alarm criterion is tested whether the
unit is ON or OFF. If communication with EXV1 or 2 is lost
for a period of 10 seconds, the alarm will be triggered.
Action to be Taken — If running, Circuit A or B will shut
down normally. If Circuit A or B is not operating, it will not be
allowed to start.
Reset Method — Automatic, if communication is established,
the unit will start normally.
Possible Causes — If this condition is encountered, check the
following items:
• power supply to EXV1 or 2
• address of the EXV board
• local equipment network (LEN) wiring
• confirm unit configuration

76
Alarm 64 — Loss of Communication with Energy Manage-
ment Module Board (Co.03)
Criteria for Trip — The criterion is tested whether the unit is
ON or OFF and when a function that requires the Energy
Management Module (EMM) is configured. If communication
with the EMM is lost for a period of 10 seconds, the alarm will
be triggered.
Action to be Taken — If any function controlled by the EMM
(3-Step and 4-20 mA Demand Limit, 4-20 mA and Space
Temperature Reset, Occupancy Override, and Ice Build) is
active, that function will be terminated. If an EMM function is
programmed, and communication is lost, the function will not
be allowed to start.
Reset Method — Automatic, if communication is established,
the functions will be enabled.
Possible Causes — If this condition is encountered, check the
following items:
• The EMM is installed, (EMM NRCP2 Board, EMM). If
EMM NRCP2 Board, EMM=YES, then check for a con-
trol option that requires the EMM that may be enabled (cor-
rect configuration if not correct).
• power supply to EMM
• address of the EMM
• local equipment network (LEN) wiring
• confirm unit configuration to be sure that no options that
require the EMM are enabled
Alarm 66 — Loss of Communication with AUX Board 6
(Co.05)
Criteria for Trip — The alarm criteria are checked whether the
unit is ON or OFF. If units are configured for minimum load
control or head pressure control (Hot Gas Bypass Select,
HGBP=Yes or Condenser Valve Select, CON.V=Yes). If
communication with the AUX board is lost then the alarm will
be generated.
Action to be Taken — Unit shut down or not allowed to start.
Reset Method — Automatic, if communication is established,
the unit will start normally.
Possible Causes — If this condition is encountered, check the
following items:
• power supply to the MLV/COND board
• address of the MLV/COND board
• local equipment network (LEN) wiring
• confirm network configuration
Alarm 67 — Cooler Freeze Protection (P.01)
Criteria for Trip — The alarm criteria are checked whether the
unit is ON or OFF. If the entering or leaving water thermistor
senses a temperature at the freeze point or less, the alarm will
be generated. For a fresh water system (Cooler Fluid Type,
FLUD=1), the freeze point is 34 F (1.1 C). For medium tem-
perature brine systems (Cooler Fluid Type, FLUD=2), the
freeze point is Brine Freeze Set Point (Brine Freeze Setpoint,
LOSP).
Action to be Taken — Unit shut down or not allowed to start.
Chilled water pump will be started.
Reset Method — Automatic, first occurrence in 24 hours if
LWT rises to 6° F (3° C) above set point. Manual, if more than
one occurrence in 24 hours.
Possible Causes — If this condition is encountered, check the
following items:
• entering and leaving fluid thermistors for accuracy
•water flow rate
• loop volume — low loop volume at nominal flow rates can
in extreme cases bypass cold water to the cooler
• freezing conditions
• freeze protection items for proper operation
• glycol concentration and adjust LOSP accordingly
• If the Leaving Water Set Point is above 40 F (4.4 C) and
there is glycol in the loop, consider using the Medium
Temperature Brine option (Cooler Fluid Type, FLUD=2)
to utilize the brine freeze point instead of 34 F (1.1 C)
Condenser Freeze Protection
Alarm 68 — Circuit A (P.02)
Alarm 69 — Circuit B (P.03)
NOTE: Alarms 53-55 are not used or supported. If this condi-
tion is encountered, confirm machine configuration.
Low Saturated Suction Temperature
Alarm 71 — Circuit A (P.05)
Alarm 72 — Circuit B (P.06)
Criteria for Trip — The criteria are tested only when the
circuit is ON. This alarm is generated if one of the following
criteria is met:
• If the circuit Saturated Suction Temperature is below –13 F
(–25 C) for more than 30 seconds or 40 seconds if OAT is
less than 14 F (–10 C) or LWT is less than 36 F (2.2 C).
• If the circuit Saturated Suction Temperature is below –22 F
(–30 C) for more than 10 seconds, or 20 seconds if OAT less
than 50 F (10 C).
Action to be Taken — The circuit is shut down immediately.
Prior to the alarm trip, the control will take action to avoid
the alarm. See Operating Modes 21 and 22 on page 54.
Reset Method — Automatic, first occurrence in 24 hours.
Manual, if more than one occurrence in 24 hours.
Possible Causes — If this condition is encountered, check the
following items:
• sensor wiring to Main Base Board
• board for a faulty channel
• faulty suction transducer
• cooler water flow
• loop volume
• EXV operation
• liquid line refrigerant restriction, filter drier, service valve,
etc
• refrigerant charge
• If the Leaving Water Set Point is above 40 F (4.4 C) and
there is glycol in the loop, consider using the Medium
Temperature Brine option (Cooler Fluid Type, FLUD=2)
to utilize the brine freeze point instead of 34 F (1.1 C).
High Suction Superheat
Alarm 74 — Circuit A (P.08)
Alarm 75 — Circuit B (P.09)
Criteria for Trip — The criteria are tested only when the cir-
cuit is ON. This alarm is generated if all of the following crite-
ria are met:
• The EXV position is equal to or greater than 98%.
• The circuit’s Suction Superheat (Suction Gas Temperature –
Saturated Suction Temperature) is greater than the super-
heat control set point.
• The circuit’s Saturated Suction Temperature is less than
Maximum Operating Pressure (MOP) set point (EXV
MOP Setpoint, MOP) for more than 5 minutes.
Action to be Taken — The circuit is shut down normally.
Reset Method — Manual.
Possible Causes — If this condition is encountered, check the
following items:
• suction pressure transducer wiring to Main Base Board
• board for a faulty channel
• a faulty suction transducer
• suction gas thermistor wiring to EXV Board 1 or to EXV
Board 2
• suction gas thermistor sensor for accuracy
• for EXV Board 1 or EXV Board 2 faulty channel
• EXV operation

77
• a liquid line refrigerant restriction, filter drier, service valve,
etc.
• refrigerant charge
Low Suction Superheat
Alarm 77 — Circuit A (P.11)
Alarm 78 — Circuit B (P.12)
Criteria for Trip — The criteria are tested when the circuit is
ON. This alarm is generated if the following criterion is met:
The EXV position is equal to or less than 5% and the cir-
cuit’s Suction Superheat (Suction Gas Temperature – Saturated
Suction Temperature) is less than the Suction Superheat Set
Point (EXVA Superheat Setpoint, SHP.A, EXVB Superheat
Setpoint, SHP.B, or EXVC Superheat Setpoint, SHP.C) by at
least 5° F (2.8° C) or the circuit Saturated Suction Temperature
is greater than Maximum Operating Pressure (MOP) set point
(EXV MOP Setpoint, MOP) for more than 5 minutes.
Action to be Taken — The circuit is shut down normally.
Reset Method — Automatic, first occurrence in 24 hours.
Manual, if more than one occurrence in 24 hours.
Possible Causes — If this condition is encountered, check the
following items:
• suction pressure transducer wiring to Main Base Board
• board for a faulty channel
• faulty suction transducer
• suction gas thermistor wiring to EXV Board 1 or to EXV
Board 2
• suction gas thermistor sensor for accuracy
• EXV Board 1 or EXV Board 2 faulty channel
• EXV operation
• confirm maximum operating pressure set point
• refrigerant charge level
Alarm 80 — Interlock Failure (P.14)
Criteria for Trip — The criteria are tested whether the unit is
ON or OFF. This alarm is generated if the lockout switch
(located in the Energy Management Module) is closed during
normal operation.
Action to be Taken — All compressors are shut down immedi-
ately without going through pumpdown. and is not allowed to
start.
Reset Method — Automatic, first occurrence in 24 hours.
Manual, if more than one occurrence in 24 hours.
Possible Causes — If this condition is encountered, check the
following items:
• chilled water flow switch operation
• water flow. Be sure all water isolation valves are open and
check water strainer for a restriction
• interlock wiring circuit
• power supply to the pump
• control signal to the pump controller
• chilled water pump operation
• cooler pump contactor for proper operation
Alarm 81 — Electrical Box Thermostat Failure/Reverse
Rotation (P.28)
Criteria for Trip — The alarm criteria are checked whether the
unit is ON or OFF. If channel 15A on the MBB, which is used
for field wired external pump interlock, is open then the alarm
will be generated.
Action to be Taken — Unit shut down or note allowed to start.
Reset Method — Automatic, if the channel is closed, the unit
will start normally.
Possible Causes — If this condition is encountered, check the
following items:
• jumper wiring on TB5-1 and TB5-2 when channel is not in
use
• external pump interlock open
• field wiring for the external pump interlock open
Alarm 82 — Loss of Communication with System Manager
(P.29)
Criteria for Trip — The criterion is tested whether the unit is
ON or OFF. This alarm is generated if the System Manager
had established communications with the machine and is then
lost for more than 2 minutes.
Action to be Taken — The action to be taken by the control
depends on the configuration. If Auto Start when SM lost is
enabled, (Cooler Heater Delta Spt, AU.SM=YES), then the
unit will force the CCN Chiller Start Stop to ENBL and clear
all forced points from the System Manager. The unit will revert
to stand-alone operation.
Reset Method — Automatic, once communication is
re-established.
Possible Causes — If this condition is encountered, check the
following items:
• communication wiring
• power supply to the System Manager and unit controls
Alarm 83 — Master/Slave Communication Failure (P.30)
Criteria for Trip — The criterion is tested whether the units are
ON or OFF and a master and slave machine has been config-
ured, (Master/Slave Select, MSSL=1 and Master/Slave
Select, MSSL=2). If communication is lost for more than 3
minutes, this alarm is generated.
Action to be Taken — Dual chiller control will be disabled and
each unit will operate in Stand-Alone mode.
Reset Method — Automatic, once communication is
re-established.
Possible Causes — If this condition is encountered, check the
following items:
• CCN wiring
• control power to each Main Base Board, master and slave
• confirm correct configuration
Low Oil Pressure
Alarm 84 — Circuit A (P.67)
Alarm 85 — Circuit B (P.68)
Criteria for Trip — The criteria are tested only when the com-
pressor is ON. The alarm is generated if one of the following
occurs, where:
oil = oil pressure transducer reading for the appropriate com-
pressor
sp = suction pressure reading for the affected circuit
dp = discharge pressure reading for the affected circuit
oil_sp1 = 0.7 x (dp-sp) + sp
oil_sp2 = sp + 7.2 psi (15 seconds after start)
oil_sp2 = sp + 14.5 psi (45 seconds after start)
• If the compressor starts with the ambient temperature
(OAT less than 36° F [2° C] the oil pressure monitoring
is delayed by 30 seconds.
Action to be Taken — The affected compressor will be
stopped. The other compressors will continue to operate.
Reset Method — Manual.
Possible Causes — If this condition is encountered, check the
following items:
• sensor wiring to the CPM Board
• board for a faulty channel
• faulty transducer
• plugged oil filter
• faulty oil solenoid valve coil
• stuck oil solenoid valve
• stuck check valve
• manual shut off valve to ensure it is not fully open
• confirm unit configuration

78
Max Oil Filter Differential Pressure Failure
Alarm 87 — Circuit A (P.70)
Alarm 88 — Circuit B (P.71)
Criteria for Trip — The criterion is tested when the compres-
sor has been operating for at least 5 seconds. The alarm is
generated if the difference between the Circuit Discharge Pres-
sure and the Compressor Oil Pressure is greater than 50 psi
(345 kPa) for more than 30 seconds.
Action to be Taken — The affected compressor will be turned
off.
Reset Method — Manual
Possible Causes — If this condition is encountered, check the
following items:
• check the discharge and oil sensor wiring to the Main Base
Board and CPM board
• boards for a faulty channel
• faulty transducer
• plugged oil filter
• faulty oil solenoid valve coil
• stuck oil solenoid valve
• stuck check valve
• manual shut off valve to ensure it is not fully open
Check the power supply to the System Manager and unit
controls.
High Oil Filter Pressure Drop
Alarm 90 — Circuit A (P.84)
Alarm 91 — Circuit B (P.85)
Criteria for Trip — The criterion is tested when the compres-
sor has been operating for at least 5 seconds. The alarm is gen-
erated if the difference between the Circuit Discharge Pressure
and the Compressor Oil Pressure is greater than 30 psi for
more than 5 minutes.
Action to be Taken — The compressor will continue to run.
Reset Method — Manual
Possible Causes — If this condition is encountered, check the
following items:
• discharge and oil sensor wiring to the Main Base Board and
CPM board
• boards for a faulty channel
• faulty transducer
• plugged oil filter
• faulty oil solenoid valve coil
• stuck oil solenoid valve
• stuck check valve
• manual shut off valve to ensure it is not fully open
Check the power supply to the System Manager and unit
controls.
Low Oil Level Failure
Alarm 93 — Circuit A (P.75)
Alarm 94 — Circuit B (P.76)
Criteria for Trip — The criteria are tested whether the com-
pressor is on or off. The alarm is generated if:
• The compressor is not running and an increase in capacity is
required and the compressor is not started.
• The compressor is running and the oil level switch is open
for more than 45 seconds.
Action to be Taken — The affected compressor will be turned
off.
Reset Method — Automatic, when the oil level is elevated,
first three times the alarm is tripped in a 24-hour period. Man-
ual if alarm is tripped more than three times in a 24-hour
period.
Possible Causes — If this condition is encountered, check the
following items:
• oil level in the oil separator
• oil level switch wiring to the CPM board
• CPM board for a faulty channel
• faulty oil level switch
• oil solenoid valve stuck open
Alarm 96 — Master Chiller Configuration Error (MC.nn)
Criteria for Trip — The criterion is tested whether the unit is
ON or OFF. The units must be configured as a Master and
Slave machine (Master/Slave Select, MSSL=1 and Master/
Slave Select, MSSL=2), and one of the following configura-
tion errors has been found. The “nn” refers to the error code
listed in Table 50.
Action to be Taken — Unit not allowed to start in Master Slave
control.
Reset Method — Automatic
Possible Causes — If this condition is encountered, check the
following:
• CCN wiring.
• Control power to each Main Base Board, master and slave.
• Move to first position.
• Confirm unit configuration.
Alarm 97 — Initial Factory Configuration Required (FC.n0)
Criteria for Trip — The criterion is tested whether the unit is
ON or OFF. The alarm will be generated if the Unit Capacity
Model, TONS=0.
Action to be Taken — The unit is not allowed to start.
Reset Method — Automatic after factory configuration is com-
plete. The configuration must be manually completed.
Possible Causes — If this condition is encountered, confirm
the unit configuration.
Alarm 98 — Illegal Configuration (FC.nn)
Criteria for Trip — The criterion is tested whether the unit is
ON or OFF. The alarm will be generated if the one of the
following configuration errors is detected by the control. The
“nn” refers to the error code listed in Table 51.
Action to be Taken — The unit is not allowed to start.
Reset Method — Automatic after reconfiguration is completed.
Possible Causes — If this condition is encountered, confirm
the unit configuration (None, UNIT).
Alarm 99 — Unit is in Emergency Stop (P.31)
Criteria for Trip — The criterion is tested whether the units are
ON or OFF and when the machine receives a Carrier Comfort
Network® (CCN) command for an Emergency Stop.
Action to be Taken — Unit will stop, or will not allowed to
start.
Reset Method — Automatic, once a return to normal command
is received.
Possible Causes — If this condition is encountered, check for
CCN Emergency Stop command.

79
Table 50 — Master/Slave Alarm Code
LEGEND
Table 51 — Illegal Configuration Alarm Code
Cooler Pump Fault
Alarm 100 — Pump 1 Fault (P.32)
Alarm 101 — Pump 2 Fault (P.33)
Criteria for Trip — The criterion is tested whether the units are
ON or OFF. This alarm will be generated if the cooler pump
interlock opens. When starting the pump, the control must
read an open circuit for 3 consecutive reads. If the pump is
operating and the circuit opens, the alarm will be generated
immediately.
Action to be Taken — The pump and machine will be shut
down. If there is another pump available, the control will start
that pump, restart the machine and clear the alarm. If no other
pump is available, the unit will remain OFF.
Reset Method — Manual.
Possible Causes — If this condition is encountered, check the
following items:
• interlock wiring circuit
• control signal to the pump controller
• cooler pump contactor for proper operation
• control voltage for proper voltage (on 208-volt systems, be
sure the proper tap on TRAN1 is utilized)
Alarm 102 — Condenser Flow Switch Failure (P.15)
Criteria for Trip — The criteria are tested whether the unit is
ON or OFF. This alarm is generated if the lockout switch
(located in the Energy Management Module) is closed during
normal operation.
Action to be Taken — All compressors are shut down immedi-
ately without going through pumpdown, and unit is not
allowed to start.
Reset Method — Automatic, first occurrence in 24 hours.
Manual, if more than one occurrence in 24 hours.
Possible Causes — If this condition is encountered, check the
following items:
• chilled water flow switch operation
• water flow. Be sure all water isolation valves are open and
check water strainer for a restriction
• interlock wiring circuit
• power supply to the pump
• control signal to the pump controller
• condenser water pump operation
• condenser pump contactor for proper operation
Reclaim Operation Failure
Alarm 103 — Circuit A (P.34)
Alarm 104 — Circuit B (P.35)
NOTE: Alarms 103 and 104 are not used or supported. If this
condition is encountered, confirm machine configuration.
High Condensing Temperature — Out of Compressor
Envelope
Alarm 105 — Circuit A (P.37)
Alarm 106 — Circuit B (P.38)
Criteria for Trip — The criterion is tested when the circuit is
ON. This alarm will be tripped if the circuit capacity is reduced
more than 8 times in 30 minutes due to high discharge gas tem-
peratures. If no override occurs in a 30-minute period, the
counter is reset.
Action to be Taken — The affected circuit will be shut down.
Reset Method — Automatic, after 30 minutes. If the alarm is
cleared via the Manual method, the counter will be reset to
zero.
Possible Causes — If this condition is encountered, check the
following items:
• Maximum Condensing Temperature (MCT) for the proper
setting
• noncondensables in the refrigerant circuit
• low condenser water flow
• refrigerant charge (overcharged)
• condenser tubes fouled
• discharge service valve to be sure that it is open. Check the
discharge pressure transducer for accuracy
• unit configuration
MC
ERROR
CODE
MASTER SLAVE DESCRIPTION
01 XX
The master or slave water pump is not configured while the control of the lag unit pump is required
(lag_pump = 1)
02 X Master and slave units have the same network address.
03 X There is no slave configured at the slave address
04 XSlave pump_seq incorrect configuration
05 XThere is a conflict between the master and the slave LWT option: the master is configured for EWT control
while the slave is configured for LWT control.
06 XThere is a conflict between the master and the slave LWT option: the master is configured for LWT control
while the slave is configured for EWT control.
07 XThere is a conflict between the master and the slave pump option: the master is configured for lag pump
control while the slave is not configured for lag pump control.
08 XThere is a conflict between the master and the slave pump option: the master is not configured for lag pump
control while the slave is configured for lag pump control.
09 X X The slave chiller is in local or remote control (chilstat = 3)
10 X X The slave chiller is down due to fault (chilstat = 5)
11 X The master chiller operating type is not Master: master_oper_typ
12 X X No communication with slave.
13 X Master and slave heat cool status are not the same.
EWT — Entering Water Temperature
LWT — Leaving Water Temperature
FC
ERROR
CODE
DESCRIPTION
01 Unit size is unknown.
02 Reclaim option selected for Heat Pump machine.
03 Hot Gas Bypass configured for a Heat Pump machine.

80
Repeated Low Suction Temperature Protection
Alarm 108 — Circuit A (P.40)
Alarm 109 — Circuit B (P.41)
Criteria for Trip — The criterion is tested when the circuit is
ON. If the circuit operates and if more than 8 successive circuit
capacity decreases (stop the compressor) have occurred because
of low suction temperature protection overrides, the circuit
alarm will be tripped. If no override has occurred for more than
30 minutes, the override counter will be reset to zero.
Action to be Taken — ALARM_LED will be set to blinking.
Alert relay will be energized.
Reset Method — Automatic, when the override counter returns
to zero. If the alarm is cleared via the Manual method, the
counter will be forced to zero.
Possible Causes — If this condition is encountered, check the
following items:
• suction transducer for accuracy
• suction transducer wiring
• EXV operation
• refrigerant charge (undercharged)
• evaporator loop for low water flow
• evaporator leaving water temperature
• suction service valve to be sure it is open. Discharge pres-
sure transducer for accuracy
• unit configuration
Alarm 111 — Low Entering Water Temperature in Heating
(P.43)
NOTE: Alarm 111 is not used or supported. If this condition is
encountered, confirm machine configuration.
Condenser Default
Alarm 112 — Pump 1 (P.73)
Alarm 113 — Pump 2 (P.74)
NOTE: Alarms 112 and 113 are not used or supported. If this
condition is encountered, confirm machine configuration.
High Discharge Temperature
Alarm 114 — Circuit A (P.78)
Alarm 115 — Circuit B (P.79)
Criteria for Trip — The criterion is tested when the compressor
is operating. This alarm will be tripped if the discharge gas tem-
perature is higher than 212 F (100 C) for more than 90 seconds.
Action to be Taken — The affected compressor will be
stopped.
Reset Method — Manual.
Possible Causes — If this condition is encountered, check the
following items:
• Maximum Condensing Temperature (MCT) for the proper
setting
• noncondensables in the refrigerant circuit
• refrigerant charge (overcharged)
• condenser tubes fouled
• the discharge service valve to be sure that it is open, check
the discharge pressure transducer for accuracy
• unit configuration
Low Economizer Pressure
Alarm 117 — Circuit A (P.81)
Alarm 118 — Circuit B (P.82)
Criteria for Trip — The criterion is tested when the compres-
sor is operating to prevent pumpdown conditions when the
suction service valve is closed. This alarm will be tripped if the
economizer pressure is below the suction pressure more than
1 bar (14.5 psi) for more than 10 seconds.
Action to be Taken — The affected compressor will be
stopped.
Reset Method — Manual.
Possible Causes — If this condition is encountered, check the
following items:
• suction service valve is closed
• sensor wiring to the EXV boards
• boards for faulty channels
• faulty transducer
• economizer EXV operation
Slide Valve Control Unverifiable
Alarm 120 — Circuit A (P.87)
Alarm 121 — Circuit B (P.88)
Criteria for Trip — The criteria are tested when the compres-
sor is operating and the active cooling set point is greater than
32° F (0° C). This alarm will be tripped if:
• The circuit is operating at 100% of capacity and the mea-
sured current is less than 1.1 times the current at fully
unloaded 30% for more than one minute.
Action to be Taken — The affected compressor will continue to
run.
Reset Method — Manual.
Possible Causes — If this condition is encountered, check the
following items:
• faulty unloader solenoid valves
• faulty unloader solenoid coils
• wiring of the unloader solenoid valves
• CPM board for faulty channels
• current transformer reading for accuracy
Alarm 123 — Cooler Flow Switch Setpoint Configuration
Failure (P.90)
NOTE: Alarm 123 is not used or supported. If this condition is
encountered, confirm machine configuration.
Alarm 124 — Cooler Flow Switch Failure (P.91)
Criteria for Trip — The criteria are tested when the unit is on
or off. This alarm will be tripped when the unit is on if:
• The flow switch fails to close after the Off/On delay.
• If the master/slave control is active, the unit is the lag chiller
and if the cooler flow switch fails to close within one minute
after the cooler pump was restarted. The alarm is ignored if
the lag cooler pump is stopped as a result of master/slave
control.
• The flow switch is opened during normal operation.
The alarm will be tripped when the unit is off if:
• The cooler pump control is enabled (Cooler Pumps
Sequence, PUMP=0)
and the cooler flow switch is checked
when the pump is enabled (Flow Checked if C Pump Off,
P. L O C ) and the cooler flow switch is closed after the cooler
pump is commended OFF for more than 2 minutes.
• The flow switch fails to close after the Off/On delay after
the cooler pump has been turned on to protect the cooler
from freezing (Cooler Pumps Sequence, PUMP=0).
Action to be Taken — For criteria for trip A1 and A2, the com-
pressors will not be started.
For criteria for trip A3, all compressors will be stopped without
going through pumpdown. Cooler pump will be stopped with
no delay.
For criteria for trip B1, the unit will not start.
Reset Method — Manual if at least one compressor is operat-
ing. Automatic if no compressors are operating.
Possible Causes — If this condition is encountered, check the
following items:
• a faulty flow switch
• flow switch wiring
• Main Base Board for a faulty channel
Alarm 128 — Service Maintenance Alert (Sr.nn)
Criteria for Trip — This alert is tested whether the unit is ON
or OFF and when the Servicing Alert decisions listed under
Time Clock MCFG have been enabled. The alarm will be

81
generated if the one of the following configuration errors is
detected by the control. The “nn” refers to the error code listed
in Table 52.
Table 52 — Service Maintenance Alert Codes
Action to be Taken — None.
Reset Method — Manual, after the service has been completed.
Possible Causes — If the Sr-01, 02, or 03 conditions are
encountered, check the following items:
• sensor wiring to the Main Base Board
• sensor for accuracy
Compressor Motor Temperature Too High
Alarm 132-01 — Circuit A (A1.01)
Alarm 133-01 — Circuit B (B1.01)
Criteria for Trip — The alarm criteria are checked when the
compressor is ON. This alarm will be generated if:
• The temperature is greater than 245 F (118 C) and it has
been greater than 212 F (100 C) for 10 consecutive seconds.
• The compressor temperature is greater than 232 F (111 C)
for 90 seconds (but less than 250 F [120 C]).
Action to be Taken — The circuit shuts down immediately.
Reset Method — Manual
Possible Causes — If this condition is encountered, check the
following items:
• faulty wiring and loose plugs
• faulty CPM board
Compressor Motor Temperature Out of Range
Alarm 132-02 — Circuit A (A1.02)
Alarm 133-02 — Circuit B (B1.02)
Criteria for Trip — The alarm criterion is checked when the
compressor is ON. This alarm will be generated if: the temper-
ature is greater than 245 F (118 C) and it has NOT been greater
than 212 F (100 C) for 10 consecutive seconds.
Action to be Taken — The compressor will be stopped.
Reset Method — Manual
Possible Causes — If this condition is encountered, check the
following items:
• faulty compressor temperature thermistor
• faulty wiring and loose plugs
• faulty CPM board
Compressor High Pressure Switch Protection
Alarm 132-03 — Circuit A (A1.03)
Alarm 133-03 — Circuit B (B1.03)
Criteria for Trip — The alarm criterion is checked when the
compressor is ON. This alarm will be generated if the circuit
high-pressure switch (HPS) opens for more than 2 seconds.
The CPM board monitors the HPS switch.
Action to be Taken — The compressor will be stopped.
Reset Method — Manual (reset button on switch)
Possible Causes — If this condition is encountered, check the
following items:
• loss of condenser water flow
• condenser pump failure
• compressor operating beyond the operation envelope
• faulty high pressure switch or wiring
• faulty CPM board
Compressor Overcurrent
Alarm 132-04 — Circuit A (A1.04)
Alarm 133-04 — Circuit B (B1.04)
Criteria for Trip — The alarm criterion is checked when the
compressor is ON. This alarm will be generated if the CPM
board detects a motor current greater than 93% MTA (must
trip amps) and less than 2 times that for more than 1.7 seconds.
Action to be Taken — The compressor will be stopped.
Reset Method — Manual
Possible Causes — If this condition is encountered, check the
following items:
• Compressor operating beyond the operation envelope.
• Incorrect MTA setting.
Compressor Locked Rotor
Alarm 132-05 — Circuit A (A1.05)
Alarm 133-05 — Circuit B (B1.05)
Criteria for Trip — The alarm criterion is checked during
start-up when the compressor is ON. This alarm will be gener-
ated if the CPM board detects a high motor current compared
with the MTA (must trip amps) setting for more than 450 ms.
Action to be Taken — The compressor will be stopped.
Reset Method — Manual
Possible Causes — If this condition is encountered, check the
following items:
• compressor mechanical failure
• unloader slide valve failure
• compressor motor failure
Compressor Phase Loss
Alarm 132-06 — Circuit A L1 (A1.06)
Alarm 133-06 — Circuit B L1 (B1.06)
Alarm 132-07 — Circuit A L2 (A1.07)
Alarm 133-07 — Circuit B L2 (B1.07)
Alarm 132-08 — Circuit A L3 (A1.08)
Alarm 133-08 — Circuit B L3 (B1.08)
Criteria for Trip — The alarm criteria are checked during
startup when the compressor is ON. This alarm will be gener-
ated if:
• The current unbalance on any of the 3 phases is greater than
48% for more than 1 second continuously during start-up.
• The current unbalance on any of the 3 phases is greater than
48% for more than 2 seconds continuously during runtime.
Action to be Taken — The compressor will be stopped.
Reset Method — Manual
Possible Causes — If this condition is encountered, check the
following items:
• power failure
• blown fuse or tripped circuit breaker
• power wiring errors or loose terminals
Compressor Low Current
Alarm 132-09 — Circuit A (A1.09)
Alarm 133-09 — Circuit B (B1.09)
Criteria for Trip — The alarm criteria are checked when the
compressor is ON. This alarm will be generated if:
• The current is less than 15% MTA on all three legs for more
than 1 second for Wye-Delta start units.
• If the current is less than 15% of MTA on all three legs for
more than 1 second for direct start units.
CODE DESCRIPTION
Sr.01 Circuit A Loss of Refrigerant Charge
Sr.02 Circuit B Loss of Refrigerant Charge
Sr.04 Water Loop Size Warning
Sr.05 Air Exchanger Cleanliness Warning
Sr.06 Cooler Pump 1 Servicing Required
Sr.07 Cooler Pump 2 Servicing Required
Sr.08 Condenser Pump 1 Servicing Required
Sr.09 Condenser Pump 2 Servicing Required
Sr.10 Water Filter Servicing Required
Sr.11 Compressor A Oil Filter Servicing Required
Sr.12 Compressor B Oil Filter Servicing Required

82
Action to be Taken — The compressor will be stopped.
Reset Method — Manual
Possible Causes — If this condition is encountered, check the
following items:
• power failure
• blown fuse or tripped circuit breaker
• deenergized contactor
• faulty current toroid
• high pressure switch (HPS) trip (when auto reset HPS is
used)
Compressor Wye-Delta Starter Current Increase Failure
Alarm 132-10 — Circuit A (A1.10)
Alarm 133-10 — Circuit B (B1.10)
Criteria for Trip — The alarm criterion is checked during
compressor start-up. This alarm will be generated if the current
in Delta mode is not more than 25% greater than the current in
Y mode within 550 ms.
Action to be Taken — The compressor will be stopped.
Reset Method — Manual
Possible Causes — If this condition is encountered, check the
following items:
• power supply failure to the delta contactor
• faulty wiring to the delta contactor
• faulty CPM board
• faulty current toroid
Compressor Contactor Failure
Alarm 132-11 — Circuit A (A1.11)
Alarm 133-11 — Circuit B (B1.11)
Criteria for Trip — The alarm criterion is checked during
compressor shut-down. This alarm will be generated if the cur-
rent is greater than 15% of the MTA on at least one phase for
10 continuous seconds.
Action to be Taken — The compressor will be stopped.
Reset Method — Manual
Possible Causes — If this condition is encountered, check the
following items:
• faulty or welded contactor
• faulty wiring
• faulty CPM board
Compressor Unable to Stop Motor
Alarm 132-12 — Circuit A (A1.12)
Alarm 133-12 — Circuit B (B1.12)
Criteria for Trip — The alarm criterion is checked during
compressor shut-down. This alarm will be generated if after
three attempts to turn off the compressor outputs and the cur-
rent is still greater than 15% of the MTA on at least one phase
for 10 continuous seconds.
Action to be Taken — The compressor will be stopped.
Reset Method — Manual
Possible Causes — If this condition is encountered, check the
following items:
• faulty or welded contactor
• faulty wiring
Compressor Phase Reversal
Alarm 132-13 — Circuit A (A1.13)
Alarm 133-13 — Circuit B (B1.13)
Criteria for Trip — The alarm criterion is checked during
compressor start-up. This alarm will be generated if the CPM
board detects a phase reversal from the current toroid.
Action to be Taken — The compressor will be stopped.
Reset Method — Manual
Possible Causes — If this condition is encountered, check the
following items:
• if power supply lead at the terminal block is not operating at
the correct phase
• if power supply is crossed when going through the current
toroid
Compressor MTA Configuration Fault
Alarm 132-14 — Circuit A (A1.14)
Alarm 133-14 — Circuit B (B1.14)
Criteria for Trip — The alarm criterion is checked whether the
compressor is ON or OFF. This alarm will be generated if the
MTA setting is out of the allowed MTA range.
Action to be Taken — The compressor will be stopped.
Reset Method — Manual
Possible Causes — If this condition is encountered, check the
following items:
• incorrect MTA settings
• faulty CPM board
Compressor Configuration Switch Mismatch
Alarm 132-15 — Circuit A (A1.15)
Alarm 133-15 — Circuit B (B1.15)
Criteria for Trip — The alarm criterion is checked whether the
compressor is ON or OFF. This alarm will be generated if
the CPM board S1 and S2 setting does not match software
configuration.
Action to be Taken — The compressor will be stopped.
Reset Method — Manual
Possible Causes — If this condition is encountered, check the
following items:
• incorrect CPM board settings
• faulty CPM board
Compressor Unexpected Switch Setting Change
Alarm 132-16 — Circuit A (A1.16)
Alarm 133-16 — Circuit B (B1.16)
Criteria for Trip — The alarm criterion is checked when the
compressor is ON. This alarm will be generated if the CPM
board S1 setting has changed.
Action to be Taken — The compressor will be stopped.
Reset Method — Manual
Possible Causes — If this condition is encountered, check the
following items:
• incorrect CPM board settings
• faulty CPM board
Compressor Power on Reset
Alarm 132-17 — Circuit A (A1.17)
Alarm 133-17 — Circuit B (B1.17)
Criteria for Trip — The alarm criterion is checked when the
compressor is ON. This alarm will be generated if the CPM
board detects a power failure.
Action to be Taken — The compressor will be stopped.
Reset Method — Manual
Possible Causes — If this condition is encountered, check for
power interruptions.
Compressor UL 1998 Critical Section Software Error
Alarm 132-18 — Circuit A (A1.18)
Alarm 133-18 — Circuit B (B1.18)
Criteria for Trip — The alarm criterion is checked when the
compressor is ON. This alarm will be generated if the CPM
board detects a software error.
Action to be Taken — The compressor will be stopped.
Reset Method — Manual

83
Possible Causes — If this condition is encountered, check the
following items:
• electrical noise
• faulty CPM board
Compressor UL 1998 Current Measure Dual Channel Mismatch
Alarm 132-19 — Circuit A (A1.19)
Alarm 133-19 — Circuit B (B1.19)
Criteria for Trip — The alarm criterion is checked when the
compressor is ON. This alarm will be generated if the CPM
board detects a software error.
Action to be Taken — The compressor will be stopped.
Reset Method — Manual
Possible Causes — If this condition is encountered, check the
following items:
• electrical noise
• faulty CPM board
Service Test — Main power and control circuit power
must be on for Service Test.
The Service Test function is used to verify proper operation
of various devices within the chiller, such as compressors, min-
imum load valve solenoid (if installed), cooler pump(s) and re-
mote alarm relay. This is helpful during the start-up procedure
to determine if devices are installed correctly. See Fig. 53 for
30XW wiring diagram.
SERVICE TEST WITH NAVIGATOR™ DISPLAY — To
use the Service Test mode, the Enable/Off/Remote Contact
switch must be in the OFF position. Use the display keys to
move to the Service Test mode. The items are described in the
Service Test table. There are two sub-modes available. Service
Test Enable, T.REQ allows for manual control of the compres-
sors and minimum load control. In this mode the compressors
will operate only on command. The capacity control, head
pressure control, and EXV control algorithms will be active.
There must be a load on the chiller to operate for an extended
period of time. All circuit safeties will be honored during the
test. Quick Test Enable, Q.REQ allows for test of EXVs,
pumps, oil solenoids, unloader solenoids and status points
(alarm relays, running status and chiller capacity). If there are
no keys pressed for 5 minutes, the active test mode will be
disabled.
To enter the Manual Control mode with the Navigator™
display, the Enable/Off/Remote Contact switch must be in the
OFF position. Move the LED to the Service Test mode. Press
to access TEST. Press to access T.REQ.
Press and the display will show OFF. Press
and OFF will flash. Enter the password if required.
Use either arrow key to change the T.REQ value to ON and
press . Place the Enable/Off/Remote Switch in the
enable position. Manual Control mode is now active. Press the
arrow keys to move to the appropriate item. To activate an item
locate the item, press and the display will show OFF.
Press and OFF will flash. Use either arrow key to
change the value to ON and press . The item should
be active. To turn the item off, locate the item, press
and the display will show ON. The chiller must be enabled by
turning the Enable/Off/Remote Contact switch to Enable. Press
and ON will flash. Use either arrow key to change
the value to OFF and press . The item should be
inactive.
To enter the Quick Test mode, the Enable/Off/Remote
Contact switch must be in the OFF position. Move the LED to
the Service Test mode. Press to access TEST. Use
the key until the display reads QUIC. Press to
access Q.REQ. Press and the display will show OFF.
Press and OFF will flash. Enter the password if
required. Use either arrow key to change the QUIC value to
ON and press . Quick Test mode is now active. Fol-
low the same instructions for the Manual Control mode to acti-
vate a component.
Example — Test the oil solenoid circuit A (see Table 53).
Power must be applied to the unit. Enable/Off/Remote
Contact switch must be in the OFF position.
Test the cooler pump(s) and alarm relay by changing the
item values from OFF to ON. These discrete outputs are then
turned off if there is no keypad activity for 10 minutes. Test the
compressor and minimum load valve solenoid (if installed)
outputs in a similar manner. The minimum load valve sole-
noids will be turned off if there is no keypad activity for
10 minutes. Compressors will stay on until the operator turns
them off. The Service Test mode will remain enabled for as
long as there is one or more compressors running. All safeties
are monitored during this test and will turn a compressor, cir-
cuit or the machine off if required. Any other mode or sub-
mode can be accessed, viewed, or changed during the Manual
Control mode only. The STAT item (Run Status VIEW) will
display “0” as long as the Service mode is enabled. The TEST
sub-mode value must be changed back to OFF before the chill-
er can be switched to Enable or Remote contact for normal
operation.
NOTE: There may be up to a one-minute delay before the
selected item is energized.
SERVICE TEST WITH TOUCH PILOT™ DISPLAY —
To enter the Manual Control mode with the Touch Pilot dis-
play, the unit Operating Type must be Local OFF. Use the
START/STOP button on the Touch Pilot display to stop the
machine if necessary. To place the unit the Service Test mode,
select Main Menu STATUS Page Down SERV_TST
and configure Service Test Enable to YES. Enter the pass-
word if required. Configure the desired compressor output to
ON. Then press the START/STOP button on the Touch Pilot
dispaly and select Local on. Return to the SERV_TST screen
to start and stop compressors or manually operate the compres-
sor slide valve.
To enter the Quick Test mode, the unit Operating Type must
be Local OFF. Use the START/STOP button on the Touch Pilot
display to stop the machine if necessary. To place the unit in
Quick Test mode select Main Menu STATUS Page
Down QCK_TST1 and configure Quick Test Enable to Yes.
Enter the password if required. Configure the desired output to
ON, percent output or stage to confirm operation of the
component.
ENTER
ENTER
ENTER
ENTER
ENTER
ENTER
ENTER
ENTER
ENTER
ENTER
ENTER
ENTER
ENTER
ENTER
ENTER
ENTER

84
Table 53 — Testing Circuit A Oil Solenoid
LEGEND FOR FIG. 53
MODE
(Red LED) SUB-MODE KEYPAD
ENTRY ITEM DISPLAY
EXPANSION
VALUE
DESCRIPTION
(Units)
COMMENT
SERVICE TEST Service Test Mode
TEST Manual Sequence
QUIC Q.REQ
PASS WORD Password may be required
0111
Each will lock in the next
digit. If 0111 is not the password,
use the arrow keys to change the
password digit and press
when correct.
Q.REQ Returns to the original field
OFF
OFF OFF will flash
ON The Enable/Off/Remote Contact
switch must be in the OFF
position.
Q.REQ
EXV.A
Press 15 times.
OLS.A Oil Solenoid cir.A
OFF
OFF OFF will flash
ON
ON OLS.A will turn on.
ON 1 will flash
OFF
OFF OLS.A will turn off.
ALM — Isolation FIOP — Factory-Installed Option
ALT — Alert HGBP — Hot Gas Bypass
CB — Circuit Breaker LWT — Leaving Water Temperature
CDFS — Condenser Flow Switch MBB — Main Base Board
CPM — Compressor Protection Module MLV — Minimum Load Valve
CPMP — Condenser Pump Relay PL — Plug
CWFS — Chilled Water Flow Switch PMP — Pump
DPT — Discharge Pressure and Temperature SGT — Saturated Gas Temperature
ECEXV — Economizer Electronic Expansion Valve SHD — Loadshed
ECT — Entering Cooler Temperature SPT — Suction Pressure Transducer
EMM — Energy Management Module TB — Terminal Block
EXV — Electronic Expansion Valve
ENTER
ENTER
ENTER
ENTER
ENTER
ENTER
ENTER
ENTER
ENTER
ENTER
ENTER
ENTER
ESCAPE
ENTER
ENTER
ENTER
ENTER
ENTER

85
Fig. 53 — 30XW Low Voltage Control Wiring Schematic A30-4848

86
APPENDIX A — TOUCH PILOT DISPLAY TABLES
The Touch Pilot™ display tables are formatted in alphabetical order based on the point
name description. The line number corresponds to the line number from the top the Touch
Pilot screen. A cross reference to the CCN tables in Appendix C is provided. Please refer
to Appendix C for range and configuration default information.
NOTE: In places where duplicated point name descriptions were used, the headers were
added to the point name description to differentiate them. For example, the description
Compressor Output is used three times for circuits A, B, and C. In this table, the descrip-
tions include Cir A, Cir B, and Cir C.
LEGEND
TOUCH PILOT DESCRIPTION TOUCH PILOT
POINT NAME TOUCH PILOT PATH LINE READ/
WRITE CCN TABLE NAME
1 Elec Stage for backup ehs_back MAIN MENU\Config\USER 35 RW Configuration Tables\USER
3 Way Valve Position Q_3W_VLV MAIN MENU\Status\QCK_TST2 11 RW Status Display Tables\QCK_TST2
3 Way Valve Position
Circuit A fc_vlv_a MAIN MENU\Status\FREECOOL 14 RO Status Display Tables\FREECOOL
Circuit B fc_vlv_b MAIN MENU\Status\FREECOOL 24 RO Status Display Tables\FREECOOL
Circuit C fc_vlv_c MAIN MENU\Status\FREECOOL 34 RO Status Display Tables\FREECOOL
3 Way Valve Status
Circuit A FC_VLV_A MAIN MENU\Status\FREECOOL 15 RO Status Display Tables\FREECOOL
Circuit B FC_VLV_B MAIN MENU\Status\FREECOOL 25 RO Status Display Tables\FREECOOL
Circuit C FC_VLV_C MAIN MENU\Status\FREECOOL 35 RO Status Display Tables\FREECOOL
4 way Valve Circuit A Q_RV_A MAIN MENU\Status\QCK_TST2 13 RW Status Display Tables\QCK_TST2
4 way Valve Circuit B Q_RV_B MAIN MENU\Status\QCK_TST2 14 RW Status Display Tables\QCK_TST2
4 Way Refrigerant Valve
Circuit A RV_A MAIN MENU\Status\CIRCA_D 24 RO Status Display Tables\CIRCA_D
Circuit B RV_B MAIN MENU\Status\CIRCB_D 24 RO Status Display Tables\CIRCB_D
Circuit C RV_C MAIN MENU\Status\CIRCC_D 23 RO Status Display Tables\CIRCC_D
Activate ccnbroad MAIN MENU\Config\BRODEFS 1 RW Configuration Tables\BRODEFS\BROCASTS
Active Capacity Override over_cap MAIN MENU\Maint\LOADFACT 20 RO Maintenance Display Tables\LOADFACT
Active Demand Limit Val DEM_LIM MAIN MENU\Status\GENUNIT 21 RO Status Display Tables\GENUNIT
Actual Capacity cap_t MAIN MENU\Maint\LOADFACT 8 RO Maintenance Display Tables\LOADFACT
Actual Capacity Limit cap_lim MAIN MENU\Maint\LOADFACT 9 RO Maintenance Display Tables\LOADFACT
Actual Chiller Current TOT_CURR MAIN MENU\Maint\LOADFACT 10 RO Maintenance Display Tables\LOADFACT
Actual Chiller Current TOT_CURR MAIN MENU\Status\GENUNIT 23 RO Status Display Tables\GENUNIT
Air Cond Enter Valve A Q_HREA_A MAIN MENU\Status\QCK_TST2 3 RW Status Display Tables\QCK_TST2
Air Cond Enter Valve B Q_HREA_B MAIN MENU\Status\QCK_TST2 7 RW Status Display Tables\QCK_TST2
Air Cond Entering Valv A hr_ea_a MAIN MENU\Status\RECLAIM 15 RO Status Display Tables\RECLAIM
Air Cond Entering Valv B hr_ea_b MAIN MENU\Status\RECLAIM 25 RO Status Display Tables\RECLAIM
Air Cond Leaving Valv A Q_HRLA_A MAIN MENU\Status\QCK_TST2 4 RW Status Display Tables\QCK_TST2
Air Cond Leaving Valv B Q_HRLA_B MAIN MENU\Status\QCK_TST2 8 RW Status Display Tables\QCK_TST2
Air Cond Leaving Valve A hr_la_a MAIN MENU\Status\RECLAIM 17 RO Status Display Tables\RECLAIM
Air Cond Leaving Valve B hr_la_b MAIN MENU\Status\RECLAIM 27 RO Status Display Tables\RECLAIM
Air Cooled Reclaim Sel recl_opt MAIN MENU\Service\FACTORY 10 RW Service Configuration Tables\FACTORY
Alarm Equipment Priority EQP_TYP MAIN MENU\Config\ALARMDEF 2 RW Configuration Tables\ALARMDEF\ALARMS01
Alarm Relay Output Q_ALARM MAIN MENU\Status\QCK_TST1 48 RW Status Display Tables\QCK_TST1
Alarm Relay Status ALARMOUT MAIN MENU\Status\STATEGEN 28 RO Status Display Tables\STATEGEN
Alarm Routing Control ALRM_CNT MAIN MENU\Config\ALARMDEF 1 RW Configuration Tables\ALARMDEF\ALARMS01
Alarm State ALM MAIN MENU\Status\GENUNIT 13 RO Status Display Tables\GENUNIT
Alarm System Name ALRM_NAM MAIN MENU\Config\ALARMDEF 5 RW Configuration Tables\ALARMDEF\ALARMS01
Alert Relay Output Q_ALERT MAIN MENU\Status\QCK_TST1 49 RW Status Display Tables\QCK_TST1
Alert Relay Status ALERT MAIN MENU\Status\STATEGEN 29 RO Status Display Tables\STATEGEN
Auto Changeover Active Mode_12 MAIN MENU\Status\MODES 13 RO Status Display Tables\MODES
Auto Changeover Select auto_sel MAIN MENU\Config\USER 18 RW Configuration Tables\USER
Auto Start When SM Lost auto_sm MAIN MENU\Service\SERVICE1 18 RW Service Configuration Tables\SERVICE1
AUX Board #1 Part Number AUX_BRD1 MAIN MENU\Maint\BOARD_PN 4 RO Maintenance Display Tables\BOARD_PN
AUX Board #2 Part Number AUX_BRD2 MAIN MENU\Maint\BOARD_PN 5 RO Maintenance Display Tables\BOARD_PN
AUX Board #3 Part Number AUX_BRD3 MAIN MENU\Maint\BOARD_PN 6 RO Maintenance Display Tables\BOARD_PN
AUX Board #4 Part Number AUX_BRD4 MAIN MENU\Maint\BOARD_PN 7 RO Maintenance Display Tables\BOARD_PN
AUX Board #5 Part Number AUX_BRD5 MAIN MENU\Maint\BOARD_PN 8 RO Maintenance Display Tables\BOARD_PN
Average Ctrl Water Temp ctrl_avg MAIN MENU\Maint\LOADFACT 2 RO Maintenance Display Tables\LOADFACT
RO — Read Only
RW — Read/Write

87
APPENDIX A — TOUCH PILOT™ DISPLAY TABLES (cont)
LEGEND
TOUCH PILOT DESCRIPTION TOUCH PILOT
POINT NAME TOUCH PILOT PATH LINE READ/
WRITE CCN TABLE NAME
Ball Valve Closing Out
Circuit A ISO_CL_A MAIN MENU\Status\CIRCA_D 22 RO Status Display Tables\CIRCA_D
Circuit B ISO_CL_B MAIN MENU\Status\CIRCB_D 22 RO Status Display Tables\CIRCB_D
Circuit C ISO_CL_C MAIN MENU\Status\CIRCC_D 22 RO Status Display Tables\CIRCC_D
Ball Valve Opening Out
Circuit A ISO_OP_A MAIN MENU\Status\CIRCA_D 23 RO Status Display Tables\CIRCA_D
Circuit B ISO_OP_B MAIN MENU\Status\CIRCB_D 23 RO Status Display Tables\CIRCB_D
Circuit C ISO_OP_C MAIN MENU\Status\CIRCC_D 23 RO Status Display Tables\CIRCC_D
Ball Valve Position
Circuit A ISO_REFA MAIN MENU\Status\CIRCA_D 21 RO Status Display Tables\CIRCA_D
Circuit B ISO_REFB MAIN MENU\Status\CIRCB_D 21 RO Status Display Tables\CIRCB_D
Circuit C ISO_REFC MAIN MENU\Status\CIRCC_D 21 RO Status Display Tables\CIRCC_D
Baud rate Baud rate MAIN MENU\Config\Ctlr-ID 9 RO Configuration Tables\!CtlrID\PD5_XAXQ
Brine flow Switch SP flow_sp MAIN MENU\Service\SERVICE1 2 RW Service Configuration Tables\SERVICE1
Brine Freeze Setpoint lowestsp MAIN MENU\Service\SERVICE1 3 RW Service Configuration Tables\SERVICE1
Broadcast acknowledger Broadcast MAIN MENU\Config\Ctlr-ID 10 RO Configuration Tables\!CtlrID\PD5_XAXQ
Bus Bus MAIN MENU\Config\Ctlr-ID 7 RO Configuration Tables\!CtlrID\PD5_XAXQ
CCN Chiller Start/Stop CHIL_S_S MAIN MENU\Status\GENUNIT 5 RO Status Display Tables\GENUNIT
Chiller Capacity in0-10v Q_CATO MAIN MENU\Status\QCK_TST1 46 RW Status Display Tables\QCK_TST1
Chiller Capacity Signal CAPT_010 MAIN MENU\Status\STATEGEN 43 RO Status Display Tables\STATEGEN
Chiller Current Limit CURR_LIM MAIN MENU\Maint\LOADFACT 11 RO Maintenance Display Tables\LOADFACT
Chiller Current Limit CURR_LIM MAIN MENU\Status\GENUNIT 24 RO Status Display Tables\GENUNIT
Chiller in Series ll_serie MAIN MENU\Config\MST_SLV 24 RW Configuration Tables\MST_SLV
Chiller Occupied? CHIL_OCC MAIN MENU\Status\GENUNIT 6 RO Status Display Tables\GENUNIT
Chiller Ready Output Q_READY MAIN MENU\Status\QCK_TST1 41 RW Status Display Tables\QCK_TST1
Chiller Running Output Q_RUN MAIN MENU\Status\QCK_TST1 42 RW Status Display Tables\QCK_TST1
CHWS Temperature CHWSTEMP MAIN MENU\Status\STATEGEN 40 RO Status Display Tables\STATEGEN
Circuit C Heater Temp T_HEAT_C MAIN MENU\Status\STATEGEN 38 RO Status Display Tables\STATEGEN
Circuit Loading Sequence lead_cir MAIN MENU\Config\USER 1 RW Configuration Tables\USER
Comm Failure Retry Time RETRY_TM MAIN MENU\Config\ALARMDEF 3 RW Configuration Tables\ALARMDEF\ALARMS01
Comp A Must Trip Amps cpa_mtac MAIN MENU\Service\FACTORY2 2 RW Service Configuration Tables\FACTORY2
Comp A S1 Config Switch (8->1) cpa_s1_c MAIN MENU\Service\FACTORY2 3 RW Service Configuration Tables\FACTORY2
Comp B Must Trip Amps cpb_mtac MAIN MENU\Service\FACTORY2 6 RW Service Configuration Tables\FACTORY2
Comp B S1 Config Switch (8->1) cpb_s1_c MAIN MENU\Service\FACTORY2 7 RW Service Configuration Tables\FACTORY2
Comp C Must Trip Amps cpc_mtac MAIN MENU\Service\FACTORY2 10 RW Service Configuration Tables\FACTORY2
Comp C S1 Config Switch (8->1) cpc_s1_c MAIN MENU\Service\FACTORY2 11 RW Service Configuration Tables\FACTORY2
Compressor A Disable un_cp_a MAIN MENU\Service\CP_UNABL 2 RW Service Configuration\CP_UNABL
Compressor A Hours hr_cp_a MAIN MENU\Service\UPDTHOUR 7 RW Service Configuration Tables\UPDTHOUR
Compressor A Hours HR_CP_A MAIN MENU\Status\STRTHOUR 3 RO Status Display Tables\STRTHOUR
Compressor A Output Q_CPA MAIN MENU\Status\SERV_TST 3 RW Status Display Tables\SERV_TST
Compressor A Starts st_cp_a MAIN MENU\Service\UPDTHOUR 8 RW Service Configuration Tables\UPDTHOUR
Compressor A Starts st_cp_a MAIN MENU\Status\STRTHOUR 4 RO Status Display Tables\STRTHOUR
Compressor B Disable un_cp_b MAIN MENU\Service\CP_UNABL 3 RW Service Configuration\CP_UNABL
Compressor B Hours hr_cp_b MAIN MENU\Service\UPDTHOUR 9 RW Service Configuration Tables\UPDTHOUR
Compressor B Hours HR_CP_B MAIN MENU\Status\STRTHOUR 5 RO Status Display Tables\STRTHOUR
Compressor B Output Q_CPB MAIN MENU\Status\SERV_TST 5 RW Status Display Tables\SERV_TST
Compressor B Starts st_cp_b MAIN MENU\Service\UPDTHOUR 10 RW Service Configuration Tables\UPDTHOUR
Compressor B Starts st_cp_b MAIN MENU\Status\STRTHOUR 6 RO Status Display Tables\STRTHOUR
Compressor C Disable un_cp_c MAIN MENU\Service\CP_UNABL 4 RW Service Configuration\CP_UNABL
Compressor C Hours hr_cp_c MAIN MENU\Service\UPDTHOUR 11 RW Service Configuration Tables\UPDTHOUR
Compressor C Hours HR_CP_C MAIN MENU\Status\STRTHOUR 7 RO Status Display Tables\STRTHOUR
Compressor C Output Q_CPC MAIN MENU\Status\SERV_TST 7 RW Status Display Tables\SERV_TST
Compressor C Starts st_cp_c MAIN MENU\Service\UPDTHOUR 12 RW Service Configuration Tables\UPDTHOUR
Compressor C Starts st_cp_c MAIN MENU\Status\STRTHOUR 8 RO Status Display Tables\STRTHOUR
RO — Read Only
RW — Read/Write

88
APPENDIX A — TOUCH PILOT™ DISPLAY TABLES (cont)
LEGEND
TOUCH PILOT DESCRIPTION TOUCH PILOT
POINT NAME TOUCH PILOT PATH LINE READ/
WRITE CCN TABLE NAME
Compressor Output
Circuit A COMP_A MAIN MENU\Status\CIRCA_D 2 RO Status Display Tables\CIRCA_D
Circuit B COMP_B MAIN MENU\Status\CIRCB_D 2 RO Status Display Tables\CIRCB_D
Circuit C COMP_C MAIN MENU\Status\CIRCC_D 2 RO Status Display Tables\CIRCC_D
Compressor Suction Temp
Circuit A SUCT_T_A MAIN MENU\Status\CIRCA_AN 14 RO Status Display Tables\CIRCA_AN
Circuit B SUCT_T_B MAIN MENU\Status\CIRCB_AN 14 RO Status Display Tables\CIRCB_AN
Circuit C SUCT_T_C MAIN MENU\Status\CIRCC_AN 14 RO Status Display Tables\CIRCC_AN
Condenser Entering Fluid COND_EWT MAIN MENU\Status\STATEGEN 35 RO Status Display Tables\STATEGEN
Condenser Flow Status CONDFLOW MAIN MENU\Status\STATEGEN 14 RO Status Display Tables\STATEGEN
Condenser Fluid Type cond_typ MAIN MENU\Service\SERVICE1 4 RW Service Configuration Tables\SERVICE1
Condenser Leaving Fluid COND_LWT MAIN MENU\Status\STATEGEN 36 RO Status Display Tables\STATEGEN
Condenser Pump #1 Command HPUMP_1 MAIN MENU\Status\STATEGEN 23 RO Status Display Tables\STATEGEN
Condenser Pump #1 Hours hr_hpum1 MAIN MENU\Service\UPDTHOUR 15 RW Service Configuration Tables\UPDTHOUR
Condenser Pump #1 Hours hr_hpum1 MAIN MENU\Status\STRTHOUR 11 RO Status Display Tables\STRTHOUR
Condenser Pump #2 Command HPUMP_2 MAIN MENU\Status\STATEGEN 24 RO Status Display Tables\STATEGEN
Condenser Pump #2 Hours hr_hpum2 MAIN MENU\Service\UPDTHOUR 16 RW Service Configuration Tables\UPDTHOUR
Condenser Pump #2 Hours hr_hpum2 MAIN MENU\Status\STRTHOUR 12 RO Status Display Tables\STRTHOUR
Condenser Pump 1 Q_HPMP1 MAIN MENU\Status\QCK_TST1 39 RW Status Display Tables\QCK_TST1
Condenser Pump 2 Q_HPMP2 MAIN MENU\Status\QCK_TST1 40 RW Status Display Tables\QCK_TST1
Condenser Pumps Rotation Mode_17 MAIN MENU\Status\MODES 18 RO Status Display Tables\MODES
Condenser Pumps Sequence hpump_seq MAIN MENU\Config\USER 7 RW Configuration Tables\USER
Condenser Water Val Sel cond_val MAIN MENU\Service\FACTORY 13 RW Service Configuration Tables\FACTORY
Control Point CTRL_PNT MAIN MENU\Maint\LOADFACT 5 RO Maintenance Display Tables\LOADFACT
Control Point CTRL_PNT MAIN MENU\Status\GENUNIT 28 RO Status Display Tables\GENUNIT
Control Type ctr_type MAIN MENU\Status\GENUNIT 3 RO Status Display Tables\GENUNIT
Controlled Temp Error tp_error MAIN MENU\Maint\LOADFACT 7 RO Maintenance Display Tables\LOADFACT
Controlled Water Temp CTRL_WT MAIN MENU\Status\GENUNIT 29 RO Status Display Tables\GENUNIT
Cool Changeover Setpt cauto_sp MAIN MENU\Setpoint\SETPOINT 29 RW Setpoint Configuration Tables\SETPOINT
Cooler Entering Fluid COOL_EWT MAIN MENU\Status\STATEGEN 33 RO Status Display Tables\STATEGEN
Cooler Entering Fluid COOL_EWT MAIN MENU\Status\STATEGEN 33 RO Status Display Tables\STATEGEN
Cooler Exchange DT Cir A pinch_a MAIN MENU\Maint\EXV_CTRL 6 RO Maintenance Display Tables\EXV_CTRL
Cooler Exchange DT Cir B pinch_b MAIN MENU\Maint\EXV_CTRL 13 RO Maintenance Display Tables\EXV_CTRL
Cooler Exchange DT Cir C pinch_c MAIN MENU\Maint\EXV_CTRL 20 RO Maintenance Display Tables\EXV_CTRL
Cooler Flow Setpoint Out SET_FLOW MAIN MENU\Status\STATEGEN 18 RO Status Display Tables\STATEGEN
Cooler Flow Switch FLOW_SW MAIN MENU\Status\STATEGEN 12 RO Status Display Tables\STATEGEN
Cooler Fluid Type flui_typ MAIN MENU\Service\SERVICE1 1 RW Service Configuration Tables\SERVICE1
Cooler Heater Active Mode_06 MAIN MENU\Status\MODES 7 RO Status Display Tables\MODES
Cooler Heater Command COOLHEAT MAIN MENU\Status\STATEGEN 26 RO Status Display Tables\STATEGEN
Cooler Heater Delta Spt heatersp MAIN MENU\Service\SERVICE1 17 RW Service Configuration Tables\SERVICE1
Cooler Heater Output Q_CL_HT MAIN MENU\Status\QCK_TST1 36 RW Status Display Tables\QCK_TST1
Cooler Heater Select heat_sel MAIN MENU\Service\FACTORY 12 RW Service Configuration Tables\FACTORY
Cooler Heater Temp T_HEATER MAIN MENU\Status\STATEGEN 37 RO Status Display Tables\STATEGEN
Cooler Leaving Fluid COOL_LWT MAIN MENU\Status\STATEGEN 34 RO Status Display Tables\STATEGEN
Cooler Leaving Fluid COOL_LWT MAIN MENU\Status\STATEGEN 34 RO Status Display Tables\STATEGEN
Cooler Pinch Ctl Point A pinch_spa MAIN MENU\Maint\EXV_CTRL 7 RO Maintenance Display Tables\EXV_CTRL
Cooler Pinch Ctl Point B pinch_spb MAIN MENU\Maint\EXV_CTRL 14 RO Maintenance Display Tables\EXV_CTRL
Cooler Pinch Ctl Point C pinch_spc MAIN MENU\Maint\EXV_CTRL 21 RO Maintenance Display Tables\EXV_CTRL
Cooler Pump #1 Command CPUMP_1 MAIN MENU\Status\STATEGEN 20 RO Status Display Tables\STATEGEN
Cooler Pump #1 Hours hr_cpum1 MAIN MENU\Status\STRTHOUR 9 RO Status Display Tables\STRTHOUR
Cooler Pump #2 Command CPUMP_2 MAIN MENU\Status\STATEGEN 21 RO Status Display Tables\STATEGEN
Cooler Pump #2 Hours hr_cpum2 MAIN MENU\Status\STRTHOUR 10 RO Status Display Tables\STRTHOUR
RO — Read Only
RW — Read/Write

89
APPENDIX A — TOUCH PILOT™ DISPLAY TABLES (cont)
LEGEND
TOUCH PILOT DESCRIPTION TOUCH PILOT
POINT NAME TOUCH PILOT PATH LINE READ/
WRITE CCN TABLE NAME
Cooler Pump Run Status CPUMPDEF MAIN MENU\Status\STATEGEN 13 RO Status Display Tables\STATEGEN
Cooler Pumps Rotation Mode_07 MAIN MENU\Status\MODES 8 RO Status Display Tables\MODES
Cooler Pumps Sequence cpump_seq MAIN MENU\Config\USER 8 RW Configuration Tables\USER
Cooling Ice Setpoint ice_sp MAIN MENU\Setpoint\SETPOINT 4 RW Setpoint Configuration Tables\SETPOINT
Cooling Ramp Loading cramp_sp MAIN MENU\Setpoint\SETPOINT 14 RW Setpoint Configuration Tables\SETPOINT
Cooling Reset Deg. Value cr_deg MAIN MENU\Setpoint\SETPOINT 13 RW Setpoint Configuration Tables\SETPOINT
Cooling Reset Select cr_sel MAIN MENU\Config\USER 19 RW Configuration Tables\USER
Cooling Setpoint 1 csp1 MAIN MENU\Setpoint\SETPOINT 2 RW Setpoint Configuration Tables\SETPOINT
Cooling Setpoint 2 csp2 MAIN MENU\Setpoint\SETPOINT 3 RW Setpoint Configuration Tables\SETPOINT
Cooling/FreeCool Timeout fc_tmout MAIN MENU\Status\FREECOOL 7 RO Status Display Tables\FREECOOL
CPump 1 Ctl Delay (days) cpump1_c MAIN MENU\Service\MAINTCFG 5 RW Service Configuration Tables\MAINTCFG
CPump 2 Ctl Delay (days) cpump2_c MAIN MENU\Service\MAINTCFG 6 RW Service Configuration Tables\MAINTCFG
Current Alarm 1 alarm_1 MAIN MENU\Status\GENUNIT 14 RO Status Display Tables\GENUNIT
Current Alarm 2 alarm_2 MAIN MENU\Status\GENUNIT 15 RO Status Display Tables\GENUNIT
Current Alarm 3 alarm_3 MAIN MENU\Status\GENUNIT 16 RO Status Display Tables\GENUNIT
Current Alarm 4 alarm_4 MAIN MENU\Status\GENUNIT 17 RO Status Display Tables\GENUNIT
Current Alarm 5 alarm_5 MAIN MENU\Status\GENUNIT 18 RO Status Display Tables\GENUNIT
Current At 100% Load A cur100_a MAIN MENU\Maint\LOADFACT 15 RO Maintenance Display Tables\LOADFACT
Current At 100% Load B cur100_b MAIN MENU\Maint\LOADFACT 16 RO Maintenance Display Tables\LOADFACT
Current At 100% Load C cur100_c MAIN MENU\Maint\LOADFACT 17 RO Maintenance Display Tables\LOADFACT
Current At 30% Load A cur_30_a MAIN MENU\Maint\LOADFACT 12 RO Maintenance Display Tables\LOADFACT
Current At 30% Load B cur_30_b MAIN MENU\Maint\LOADFACT 13 RO Maintenance Display Tables\LOADFACT
Current At 30% Load C cur_30_c MAIN MENU\Maint\LOADFACT 14 RO Maintenance Display Tables\LOADFACT
Current Control on_ctrl MAIN MENU\Status\STATEGEN 4 RO Status Display Tables\STATEGEN
Current Cooling Power cool_pwr MAIN MENU\Status\FREECOOL 4 RO Status Display Tables\FREECOOL
Current Full Reset Value v_cr_fu MAIN MENU\Setpoint\SETPOINT 10 RW Setpoint Configuration Tables\SETPOINT
Current Full Reset Value v_hr_fu MAIN MENU\Setpoint\SETPOINT 24 RW Setpoint Configuration Tables\SETPOINT
Current Limit at 100% curr_ful MAIN MENU\Config\USER 31 RW Configuration Tables\USER
Current Limit Select curr_sel MAIN MENU\Config\USER 30 RW Configuration Tables\USER
Current Mode (1=occup.) MODE MAIN MENU\Maint\OCCDEFCM\OCC1PO1S 1 RO Maintenance Display Tables\OCCDEFCM\OCC1PO1S
Current Mode (1=occup.) MODE MAIN MENU\Maint\OCCDEFCM\OCC2PO2S 1 RO Maintenance Display Tables\OCCDEFCM\OCC2PO2S
Current No Reset Value v_cr_no MAIN MENU\Setpoint\SETPOINT 9 RW Setpoint Configuration Tables\SETPOINT
Current No Reset Value v_hr_no MAIN MENU\Setpoint\SETPOINT 23 RW Setpoint Configuration Tables\SETPOINT
Current Occup Period # PER-NO MAIN MENU\Maint\OCCDEFCM\OCC1PO1S 2 RO Maintenance Display Tables\OCCDEFCM\OCC1PO1S
Current Occup Period # PER-NO MAIN MENU\Maint\OCCDEFCM\OCC2PO2S 2 RO Maintenance Display Tables\OCCDEFCM\OCC2PO2S
Current Occupied Time STRTTIME MAIN MENU\Maint\OCCDEFCM\OCC1PO1S 5 RO Maintenance Display Tables\OCCDEFCM\OCC1PO1S
Current Occupied Time STRTTIME MAIN MENU\Maint\OCCDEFCM\OCC2PO2S 5 RO Maintenance Display Tables\OCCDEFCM\OCC2PO2S
Current Phase 1 Comp A cpa_cur1 MAIN MENU\Maint\CUR_PHAS 1 RO Maintenance Display Tables\CUR_PHASE
Current Phase 1 Comp B cpb_cur1 MAIN MENU\Maint\CUR_PHAS 4 RO Maintenance Display Tables\CUR_PHASE
Current Phase 1 Comp C cpc_cur1 MAIN MENU\Maint\CUR_PHAS 7 RO Maintenance Display Tables\CUR_PHASE
Current Phase 2 Comp A cpa_cur2 MAIN MENU\Maint\CUR_PHAS 2 RO Maintenance Display Tables\CUR_PHASE
Current Phase 2 Comp B cpb_cur2 MAIN MENU\Maint\CUR_PHAS 5 RO Maintenance Display Tables\CUR_PHASE
Current Phase 2 Comp C cpc_cur2 MAIN MENU\Maint\CUR_PHAS 8 RO Maintenance Display Tables\CUR_PHASE
Current Phase 3 Comp A cpa_cur3 MAIN MENU\Maint\CUR_PHAS 3 RO Maintenance Display Tables\CUR_PHASE
Current Phase 3 Comp B cpb_cur3 MAIN MENU\Maint\CUR_PHAS 6 RO Maintenance Display Tables\CUR_PHASE
Current Phase 3 Comp C cpc_cur3 MAIN MENU\Maint\CUR_PHAS 9 RO Maintenance Display Tables\CUR_PHASE
RO — Read Only
RW — Read/Write

90
APPENDIX A — TOUCH PILOT™ DISPLAY TABLES (cont)
LEGEND
TOUCH PILOT DESCRIPTION TOUCH PILOT
POINT NAME TOUCH PILOT PATH LINE READ/
WRITE CCN TABLE NAME
Current Setpoint SP MAIN MENU\Status\GENUNIT 31 RW Status Display Tables\GENUNIT
Current Unoccupied Time ENDTIME MAIN MENU\Maint\OCCDEFCM\OCC1PO1S 6 RO Maintenance Display Tables\OCCDEFCM\OCC1PO1S
Current Unoccupied Time ENDTIME MAIN MENU\Maint\OCCDEFCM\OCC2PO2S 6 RO Maintenance Display Tables\OCCDEFCM\OCC2PO2S
Current Z Multiplier Val zm MAIN MENU\Maint\LOADFACT 18 RO Maintenance Display Tables\LOADFACT
Customer Shutdown Out Q_SHUT MAIN MENU\Status\QCK_TST1 47 RW Status Display Tables\QCK_TST1
Daylight Sav Ent Day of Week (1=Monday) startdow MAIN MENU\Config\BRODEFS 10 RW Configuration Tables\BRODEFS\BROCASTS
Daylight Sav Ent Month startmon MAIN MENU\Config\BRODEFS 9 RW Configuration Tables\BRODEFS\BROCASTS
Daylight Sav Ent Week of Month startwom MAIN MENU\Config\BRODEFS 11 RW Configuration Tables\BRODEFS\BROCASTS
Daylight Sav Leaving Day of Week (1=Monday) stopdow MAIN MENU\Config\BRODEFS 14 RW Configuration Tables\BRODEFS\BROCASTS
Daylight Sav Leaving Month stopmon MAIN MENU\Config\BRODEFS 13 RW Configuration Tables\BRODEFS\BROCASTS
Daylight Sav Leaving Week of Month stopwom MAIN MENU\Config\BRODEFS 15 RW Configuration Tables\BRODEFS\BROCASTS
Daylight Saving Select dayl_sel MAIN MENU\Config\BRODEFS 7 RW Configuration Tables\BRODEFS\BROCASTS
Decription DevDesc MAIN MENU\Config\Ctlr-ID 1 RW Configuration Tables\!CtlrID\PD5_XAXQ
Defrost Active On Cir A Mode_19 MAIN MENU\Status\MODES 20 RO Status Display Tables\MODES
Defrost Active On Cir B Mode_20 MAIN MENU\Status\MODES 21 RO Status Display Tables\MODES
Defrost Active?
Circuit A mode[19] MAIN MENU\Maint\DEFROSTM 4 RO Maintenance Display Tables\DEFROSTM
Circuit B mode[20] MAIN MENU\Maint\DEFROSTM 21 RO Maintenance Display Tables\DEFROSTM
Defrost Duration
Circuit A defr_dua MAIN MENU\Maint\DEFROSTM 6 RO Maintenance Display Tables\DEFROSTM
Circuit B defr_dub MAIN MENU\Maint\DEFROSTM 23 RO Maintenance Display Tables\DEFROSTM
Defrost Fan Offset Cal A def_of_a MAIN MENU\Maint\DEFROSTM 16 RO Maintenance Display Tables\DEFROSTM
Defrost Fan Offset Cal B def_of_b MAIN MENU\Maint\DEFROSTM 33 RO Maintenance Display Tables\DEFROSTM
Defrost Fan Start Cal A def_ca_a MAIN MENU\Maint\DEFROSTM 15 RO Maintenance Display Tables\DEFROSTM
Defrost Fan Start Cal B def_ca_b MAIN MENU\Maint\DEFROSTM 32 RO Maintenance Display Tables\DEFROSTM
Defrost Number
Circuit A nb_def_a MAIN MENU\Service\UPDHRFAN 6 RW Service Configuration Tables\UPDHRFAN
Circuit B nb_def_b MAIN MENU\Service\UPDHRFAN 7 RW Service Configuration Tables\UPDHRFAN
Defrost Number
Circuit A nb_def_a MAIN MENU\Status\FANHOURS 3 RO Status Display Tables\FANHOURS
Circuit B nb_def_b MAIN MENU\Status\FANHOURS 4 RO Status Display Tables\FANHOURS
Defrost Temperature
Circuit A DEFRT_A MAIN MENU\Maint\DEFROSTM 5 RO Maintenance Display Tables\DEFROSTM
Circuit B DEFRT_B MAIN MENU\Maint\DEFROSTM 22 RO Maintenance Display Tables\DEFROSTM
Delta - Reference Delta
Circuit A delt_v_a MAIN MENU\Maint\DEFROSTM 13 RO Maintenance Display Tables\DEFROSTM
Circuit B delt_v_b MAIN MENU\Maint\DEFROSTM 30 RO Maintenance Display Tables\DEFROSTM
Delta: OAT - Mean SST
Circuit A delt_a MAIN MENU\Maint\DEFROSTM 11 RO Maintenance Display Tables\DEFROSTM
Circuit B delt_b MAIN MENU\Maint\DEFROSTM 28 RO Maintenance Display Tables\DEFROSTM
Delta T Full Reset Value dt_cr_fu MAIN MENU\Setpoint\SETPOINT 8 RW Setpoint Configuration Tables\SETPOINT
Delta T Full Reset Value dt_hr_fu MAIN MENU\Setpoint\SETPOINT 22 RW Setpoint Configuration Tables\SETPOINT
Delta T No Reset Value dt_cr_no MAIN MENU\Setpoint\SETPOINT 7 RW Setpoint Configuration Tables\SETPOINT
Delta T No Reset Value dt_hr_no MAIN MENU\Setpoint\SETPOINT 21 RW Setpoint Configuration Tables\SETPOINT
Demand Limit Active Mode_04 MAIN MENU\Status\MODES 5 RO Status Display Tables\MODES
Demand Limit Type Select lim_sel MAIN MENU\Config\USER 24 RW Configuration Tables\USER
Deri PID Gain Varifan hd_dg MAIN MENU\Service\SERVICE1 8 RW Service Configuration Tables\SERVICE1
DGT Cool Solenoid
Circuit A Q_CDGT_A MAIN MENU\Status\QCK_TST1 21 RW Status Display Tables\QCK_TST1
Circuit B Q_CDGT_B MAIN MENU\Status\QCK_TST1 28 RW Status Display Tables\QCK_TST1
Circuit C Q_CDGT_C MAIN MENU\Status\QCK_TST1 9 RO Status Display Tables\QCK_TST1
RO — Read Only
RW — Read/Write

91
APPENDIX A — TOUCH PILOT™ DISPLAY TABLES (cont)
LEGEND
TOUCH PILOT DESCRIPTION TOUCH PILOT
POINT NAME TOUCH PILOT PATH LINE READ/
WRITE CCN TABLE NAME
DGT Cooling Solenoid
Circuit A GASCOOLA MAIN MENU\Status\CIRCA_D 8 RO Status Display Tables\CIRCA_D
Circuit B GASCOOLB MAIN MENU\Status\CIRCB_D 8 RO Status Display Tables\CIRCB_D
Circuit C GASCOOLC MAIN MENU\Status\CIRCC_D 8 RO Status Display Tables\CIRCC_D
Discharge Gas Temp
Circuit A DGT_A MAIN MENU\Status\CIRCA_AN 10 RO Status Display Tables\CIRCA_AN
Circuit B DGT_B MAIN MENU\Status\CIRCB_AN 10 RO Status Display Tables\CIRCB_AN
Circuit C DGT_C MAIN MENU\Status\CIRCC_AN 10 RO Status Display Tables\CIRCC_AN
Discharge Pressure
Circuit A DP_A MAIN MENU\Status\CIRCA_AN 3 RO Status Display Tables\CIRCA_AN
Circuit B DP_B MAIN MENU\Status\CIRCB_AN 3 RO Status Display Tables\CIRCB_AN
Circuit C DP_C MAIN MENU\Status\CIRCC_AN 3 RO Status Display Tables\CIRCC_AN
Differential Water Temp diff_wt MAIN MENU\Maint\LOADFACT 3 RO Maintenance Display Tables\LOADFACT
Discharge A Gas Limit sdtlim_a MAIN MENU\Maint\PR_LIMIT 3 RO Maintenance Display Tables\PR_LIMIT
Discharge A Temp Average sdt_m_a MAIN MENU\Maint\PR_LIMIT 1 RO Maintenance Display Tables\PR_LIMIT
Discharge A Temp Rate sdt_mr_a MAIN MENU\Maint\PR_LIMIT 2 RO Maintenance Display Tables\PR_LIMIT
Discharge B Gas Limit sdtlim_b MAIN MENU\Maint\PR_LIMIT 7 RO Maintenance Display Tables\PR_LIMIT
Discharge B Temp Average sdt_m_b MAIN MENU\Maint\PR_LIMIT 5 RO Maintenance Display Tables\PR_LIMIT
Discharge B Temp Rate sdt_mr_b MAIN MENU\Maint\PR_LIMIT 6 RO Maintenance Display Tables\PR_LIMIT
Discharge C Gas Limit sdtlim_c MAIN MENU\Maint\PR_LIMIT 11 RO Maintenance Display Tables\PR_LIMIT
Discharge C Temp Average sdt_m_c MAIN MENU\Maint\PR_LIMIT 9 RO Maintenance Display Tables\PR_LIMIT
Discharge C Temp Rate sdt_mr_c MAIN MENU\Maint\PR_LIMIT 10 RO Maintenance Display Tables\PR_LIMIT
Discharge Superheat A DSH_A MAIN MENU\Maint\EXV_CTRL 3 RO Maintenance Display Tables\EXV_CTRL
Discharge Superheat B DSH_B MAIN MENU\Maint\EXV_CTRL 10 RO Maintenance Display Tables\EXV_CTRL
Discharge Superheat C DSH_C MAIN MENU\Maint\EXV_CTRL 17 RO Maintenance Display Tables\EXV_CTRL
DLY 3 - Cooler Pump 1 (days) cpump1_m MAIN MENU\Maint\SERMAINT 10 RO Maintenance Display Tables\SERMAINT
DLY 4 - Cooler Pump 2 (days) cpump2_m MAIN MENU\Maint\SERMAINT 11 RO Maintenance Display Tables\SERMAINT
DLY 5 - Condenser Pump 1 (days) hpump1_m MAIN MENU\Maint\SERMAINT 12 RO Maintenance Display Tables\SERMAINT
DLY 6 - Condenser Pump 2 (days) hpump2_m MAIN MENU\Maint\SERMAINT 13 RO Maintenance Display Tables\SERMAINT
DLY 7 - Water Filter (days) wfilte_m MAIN MENU\Maint\SERMAINT 14 RO Maintenance Display Tables\SERMAINT
DLY 8 - Cp A Oil Filter (days) ofilta_m MAIN MENU\Maint\SERMAINT 15 RO Maintenance Display Tables\SERMAINT
DLY 9 - Cp B Oil Filter (days) ofiltb_m MAIN MENU\Maint\SERMAINT 16 RO Maintenance Display Tables\SERMAINT
DLY 10 - Cp C Oil Filter (days) ofiltc_m MAIN MENU\Maint\SERMAINT 17 RO Maintenance Display Tables\SERMAINT
Economizer A Steps Numb eco_cnfa MAIN MENU\Service\FACTORY2 22 RW Service Configuration Tables\FACTORY2
Economizer B Steps Numb eco_cnfb MAIN MENU\Service\FACTORY2 23 RW Service Configuration Tables\FACTORY2
Economizer C Steps Numb eco_cnfc MAIN MENU\Service\FACTORY2 24 RW Service Configuration Tables\FACTORY2
Economizer Position A EXV_EC_A MAIN MENU\Maint\EXV_CTRL 25 RO Maintenance Display Tables\EXV_CTRL
Economizer Position B EXV_EC_B MAIN MENU\Maint\EXV_CTRL 29 RO Maintenance Display Tables\EXV_CTRL
Economizer Position C EXV_EC_C MAIN MENU\Maint\EXV_CTRL 33 RO Maintenance Display Tables\EXV_CTRL
Economizer SH Setpoint A ecsh_spa MAIN MENU\Maint\EXV_CTRL 27 RO Maintenance Display Tables\EXV_CTRL
Economizer SH Setpoint A esh_sp_a MAIN MENU\Service\SERVICE1 21 RW Service Configuration Tables\SERVICE1
Economizer SH Setpoint B ecsh_spb MAIN MENU\Maint\EXV_CTRL 31 RO Maintenance Display Tables\EXV_CTRL
Economizer SH Setpoint B esh_sp_b MAIN MENU\Service\SERVICE1 22 RW Service Configuration Tables\SERVICE1
Economizer SH Setpoint C ecsh_spc MAIN MENU\Maint\EXV_CTRL 35 RO Maintenance Display Tables\EXV_CTRL
Economizer SH Setpoint C esh_sp_c MAIN MENU\Service\SERVICE1 23 RW Service Configuration Tables\SERVICE1
Economizer Superheat A eco_sha MAIN MENU\Maint\EXV_CTRL 26 RO Maintenance Display Tables\EXV_CTRL
Economizer Superheat B eco_shb MAIN MENU\Maint\EXV_CTRL 30 RO Maintenance Display Tables\EXV_CTRL
Economizer Superheat C eco_shc MAIN MENU\Maint\EXV_CTRL 34 RO Maintenance Display Tables\EXV_CTRL
Economizer EXV Pos
Circuit A Q_ECO_A MAIN MENU\Status\QCK_TST1 6 RW Status Display Tables\QCK_TST1
Circuit B Q_ECO_B MAIN MENU\Status\QCK_TST1 7 RW Status Display Tables\QCK_TST1
Circuit C Q_ECO_C MAIN MENU\Status\QCK_TST1 8 RW Status Display Tables\QCK_TST1
RO — Read Only
RW — Read/Write

92
APPENDIX A — TOUCH PILOT™ DISPLAY TABLES (cont)
LEGEND
TOUCH PILOT DESCRIPTION TOUCH PILOT
POINT NAME TOUCH PILOT PATH LINE READ/
WRITE CCN TABLE NAME
Economizer Gas Temp
Circuit A ECO_TP_A MAIN MENU\Status\CIRCA_AN 11 RO Status Display Tables\CIRCA_AN
Circuit B ECO_TP_B MAIN MENU\Status\CIRCB_AN 11 RO Status Display Tables\CIRCB_AN
Circuit C ECO_TP_C MAIN MENU\Status\CIRCC_AN 11 RO Status Display Tables\CIRCC_AN
Economizer Pressure
Circuit A ECON_P_A MAIN MENU\Status\CIRCA_AN 5 RO Status Display Tables\CIRCA_AN
Circuit B ECON_P_B MAIN MENU\Status\CIRCB_AN 5 RO Status Display Tables\CIRCB_AN
Circuit C ECON_P_C MAIN MENU\Status\CIRCC_AN 5 RO Status Display Tables\CIRCC_AN
EHS Ctrl Override over_ehs MAIN MENU\Maint\LOADFACT 22 RO Maintenance Display Tables\LOADFACT
Elec Stage OAT Threshold ehs_th MAIN MENU\Config\USER 34 RW Configuration Tables\USER
Electric Heat Active Mode_15 MAIN MENU\Status\MODES 16 RO Status Display Tables\MODES
Electrical Box Interlock ELEC_BOX MAIN MENU\Status\STATEGEN 16 RO Status Display Tables\STATEGEN
Electrical Heat Stage EHS_STEP MAIN MENU\Status\STATEGEN 19 RO Status Display Tables\STATEGEN
Electrical Heat Stages ehs_sel MAIN MENU\Service\FACTORY 16 RW Service Configuration Tables\FACTORY
Electrical Pulldown Time ehs_pull MAIN MENU\Config\USER 36 RW Configuration Tables\USER
Electrical Pulldown? ehspulld MAIN MENU\Maint\LOADFACT 24 RO Maintenance Display Tables\LOADFACT
Element Element MAIN MENU\Config\Ctlr-ID 8 RO Configuration Tables\!CtlrID\PD5_XAXQ
Emergency Stop EMSTOP MAIN MENU\Status\GENUNIT 32 RO Status Display Tables\GENUNIT
EMM NRCP2 Board EMM_NRCP MAIN MENU\Maint\BOARD_PN 9 RO Maintenance Display Tables\BOARD_PN
Energy Management Module emm_nrcp MAIN MENU\Service\FACTORY 17 RW Service Configuration Tables\FACTORY
Entering Fluid Control ewt_opt MAIN MENU\Service\SERVICE1 5 RW Service Configuration Tables\SERVICE1
Estimated FreeCool Power fc_pwr MAIN MENU\Status\FREECOOL 5 RO Status Display Tables\FREECOOL
Exchanger Frost Factor
Circuit A frost_a MAIN MENU\Maint\DEFROSTM 2 RO Maintenance Display Tables\DEFROSTM
Circuit B frost_b MAIN MENU\Maint\DEFROSTM 19 RO Maintenance Display Tables\DEFROSTM
External Temperature OAT MAIN MENU\Status\GENUNIT 30 RO Status Display Tables\GENUNIT
EXV A Maximum Steps Numb exva_max MAIN MENU\Service\FACTORY2 18 RW Service Configuration Tables\FACTORY2
EXV A Superheat Setpoint sh_sp_a MAIN MENU\Service\SERVICE1 9 RW Service Configuration Tables\SERVICE1
EXV B Maximum Steps Numb exvb_max MAIN MENU\Service\FACTORY2 19 RW Service Configuration Tables\FACTORY2
EXV B Superheat Setpoint sh_sp_b MAIN MENU\Service\SERVICE1 10 RW Service Configuration Tables\SERVICE1
EXV Board Circuit A EXV_BRD1 MAIN MENU\Maint\BOARD_PN 1 RO Maintenance Display Tables\BOARD_PN
EXV Board Circuit B EXV_BRD2 MAIN MENU\Maint\BOARD_PN 2 RO Maintenance Display Tables\BOARD_PN
EXV Board Circuit C EXV_BRD3 MAIN MENU\Maint\BOARD_PN 3 RO Maintenance Display Tables\BOARD_PN
EXV C Maximum Steps Numb exvc_max MAIN MENU\Service\FACTORY2 20 RW Service Configuration Tables\FACTORY2
EXV C Superheat Setpoint sh_sp_c MAIN MENU\Service\SERVICE1 11 RW Service Configuration Tables\SERVICE1
EXV MOP Setpoint mop_sp MAIN MENU\Service\SERVICE1 15 RW Service Configuration Tables\SERVICE1
EXV Override Circuit A oc_eco_a MAIN MENU\Maint\EXV_CTRL 28 RO Maintenance Display Tables\EXV_CTRL
EXV Override Circuit A ov_exv_a MAIN MENU\Maint\EXV_CTRL 8 RO Maintenance Display Tables\EXV_CTRL
EXV Override Circuit B oc_eco_b MAIN MENU\Maint\EXV_CTRL 32 RO Maintenance Display Tables\EXV_CTRL
EXV Override Circuit B ov_exv_b MAIN MENU\Maint\EXV_CTRL 15 RO Maintenance Display Tables\EXV_CTRL
EXV Override Circuit C oc_eco_c MAIN MENU\Maint\EXV_CTRL 36 RO Maintenance Display Tables\EXV_CTRL
EXV Override Circuit C ov_exv_c MAIN MENU\Maint\EXV_CTRL 22 RO Maintenance Display Tables\EXV_CTRL
EXV Position Circuit A EXV_A MAIN MENU\Maint\EXV_CTRL 2 RO Maintenance Display Tables\EXV_CTRL
EXV Position Circuit B EXV_B MAIN MENU\Maint\EXV_CTRL 9 RO Maintenance Display Tables\EXV_CTRL
EXV Position Circuit C EXV_C MAIN MENU\Maint\EXV_CTRL 16 RO Maintenance Display Tables\EXV_CTRL
EXV Position
Circuit A Q_EXVA MAIN MENU\Status\QCK_TST1 3 RW Status Display Tables\QCK_TST1
Circuit B Q_EXVB MAIN MENU\Status\QCK_TST1 4 RW Status Display Tables\QCK_TST1
Circuit C Q_EXVC MAIN MENU\Status\QCK_TST1 5 RW Status Display Tables\QCK_TST1
EXV Position
Circuit A EXV_A MAIN MENU\Status\CIRCA_AN 15 RO Status Display Tables\CIRCA_AN
Circuit B EXV_B MAIN MENU\Status\CIRCB_AN 15 RO Status Display Tables\CIRCB_AN
Circuit C EXV_C MAIN MENU\Status\CIRCC_AN 15 RO Status Display Tables\CIRCC_AN
RO — Read Only
RW — Read/Write

93
APPENDIX A — TOUCH PILOT™ DISPLAY TABLES (cont)
LEGEND
TOUCH PILOT DESCRIPTION TOUCH PILOT
POINT NAME TOUCH PILOT PATH LINE READ/
WRITE CCN TABLE NAME
EXV Position
Circuit A EXV_A MAIN MENU\Status\FREECOOL 20 RO Status Display Tables\FREECOOL
Circuit B EXV_B MAIN MENU\Status\FREECOOL 30 RO Status Display Tables\FREECOOL
Circuit C EXV_C MAIN MENU\Status\FREECOOL 40 RO Status Display Tables\FREECOOL
Factory Password fac_pass MAIN MENU\Service\FACTORY 19 RW Service Configuration Tables\FACTORY
Fan #1 Hours
Circuit A hr_fana1 MAIN MENU\Service\UPDHRFAN 8 RW Service Configuration Tables\UPDHRFAN
Circuit B hr_fanb1 MAIN MENU\Service\UPDHRFAN 18 RW Service Configuration Tables\UPDHRFAN
Circuit C hr_fanc1 MAIN MENU\Service\UPDHRFAN 28 RW Service Configuration Tables\UPDHRFAN
Fan #1 Hours
Circuit A hr_fana1 MAIN MENU\Status\FANHOURS 5 RO Status Display Tables\FANHOURS
Circuit B hr_fanb1 MAIN MENU\Status\FANHOURS 15 RO Status Display Tables\FANHOURS
Circuit C hr_fanc1 MAIN MENU\Status\FANHOURS 25 RO Status Display Tables\FANHOURS
Fan #2 Hours
Circuit A hr_fana2 MAIN MENU\Service\UPDHRFAN 9 RW Service Configuration Tables\UPDHRFAN
Circuit B hr_fanb2 MAIN MENU\Service\UPDHRFAN 19 RW Service Configuration Tables\UPDHRFAN
Circuit C hr_fanc2 MAIN MENU\Service\UPDHRFAN 29 RW Service Configuration Tables\UPDHRFAN
Fan #2 Hours
Circuit A hr_fana2 MAIN MENU\Status\FANHOURS 6 RO Status Display Tables\FANHOURS
Circuit B hr_fanb2 MAIN MENU\Status\FANHOURS 16 RO Status Display Tables\FANHOURS
Circuit C hr_fanc2 MAIN MENU\Status\FANHOURS 26 RO Status Display Tables\FANHOURS
Fan #3 Hours
Circuit A hr_fana3 MAIN MENU\Service\UPDHRFAN 10 RW Service Configuration Tables\UPDHRFAN
Circuit B hr_fanb3 MAIN MENU\Service\UPDHRFAN 20 RW Service Configuration Tables\UPDHRFAN
Circuit C hr_fanc3 MAIN MENU\Service\UPDHRFAN 30 RW Service Configuration Tables\UPDHRFAN
Fan #3 Hours
Circuit A hr_fana3 MAIN MENU\Status\FANHOURS 7 RO Status Display Tables\FANHOURS
Circuit B hr_fanb3 MAIN MENU\Status\FANHOURS 17 RO Status Display Tables\FANHOURS
Circuit C hr_fanc3 MAIN MENU\Status\FANHOURS 27 RO Status Display Tables\FANHOURS
Fan #4 Hours
Circuit A hr_fana4 MAIN MENU\Service\UPDHRFAN 11 RW Service Configuration Tables\UPDHRFAN
Circuit B hr_fanb4 MAIN MENU\Service\UPDHRFAN 21 RW Service Configuration Tables\UPDHRFAN
Circuit C hr_fanc4 MAIN MENU\Service\UPDHRFAN 31 RW Service Configuration Tables\UPDHRFAN
Fan #4 Hours
Circuit A hr_fana4 MAIN MENU\Status\FANHOURS 8 RO Status Display Tables\FANHOURS
Circuit B hr_fanb4 MAIN MENU\Status\FANHOURS 18 RO Status Display Tables\FANHOURS
Circuit C hr_fanc4 MAIN MENU\Status\FANHOURS 28 RO Status Display Tables\FANHOURS
Fan #5 Hours
Circuit A hr_fana5 MAIN MENU\Service\UPDHRFAN 12 RW Service Configuration Tables\UPDHRFAN
Circuit B hr_fanb5 MAIN MENU\Service\UPDHRFAN 22 RW Service Configuration Tables\UPDHRFAN
Circuit C hr_fanc5 MAIN MENU\Service\UPDHRFAN 32 RW Service Configuration Tables\UPDHRFAN
Fan #5 Hours
Circuit A hr_fana5 MAIN MENU\Status\FANHOURS 9 RO Status Display Tables\FANHOURS
Circuit B hr_fanb5 MAIN MENU\Status\FANHOURS 19 RO Status Display Tables\FANHOURS
Circuit C hr_fanc5 MAIN MENU\Status\FANHOURS 29 RO Status Display Tables\FANHOURS
Fan #6 Hours
Circuit A hr_fana6 MAIN MENU\Service\UPDHRFAN 13 RW Service Configuration Tables\UPDHRFAN
Circuit B hr_fanb6 MAIN MENU\Service\UPDHRFAN 23 RW Service Configuration Tables\UPDHRFAN
Circuit C hr_fanc6 MAIN MENU\Service\UPDHRFAN 33 RW Service Configuration Tables\UPDHRFAN
Fan #6 Hours
Circuit A hr_fana6 MAIN MENU\Status\FANHOURS 10 RO Status Display Tables\FANHOURS
Circuit B hr_fanb6 MAIN MENU\Status\FANHOURS 20 RO Status Display Tables\FANHOURS
Circuit C hr_fanc6 MAIN MENU\Status\FANHOURS 30 RO Status Display Tables\FANHOURS
RO — Read Only
RW — Read/Write

94
APPENDIX A — TOUCH PILOT™ DISPLAY TABLES (cont)
LEGEND
TOUCH PILOT DESCRIPTION TOUCH PILOT
POINT NAME TOUCH PILOT PATH LINE READ/
WRITE CCN TABLE NAME
Fan #7 Hours
Circuit A hr_fana7 MAIN MENU\Service\UPDHRFAN 14 RW Service Configuration Tables\UPDHRFAN
Circuit B hr_fanb7 MAIN MENU\Service\UPDHRFAN 24 RW Service Configuration Tables\UPDHRFAN
Circuit C hr_fanc7 MAIN MENU\Service\UPDHRFAN 34 RW Service Configuration Tables\UPDHRFAN
Fan #7 Hours
Circuit A hr_fana7 MAIN MENU\Status\FANHOURS 11 RO Status Display Tables\FANHOURS
Circuit B hr_fanb7 MAIN MENU\Status\FANHOURS 21 RO Status Display Tables\FANHOURS
Circuit C hr_fanc7 MAIN MENU\Status\FANHOURS 31 RO Status Display Tables\FANHOURS
Fan #8 Hours
Circuit A hr_fana8 MAIN MENU\Service\UPDHRFAN 15 RW Service Configuration Tables\UPDHRFAN
Circuit B hr_fanb8 MAIN MENU\Service\UPDHRFAN 25 RW Service Configuration Tables\UPDHRFAN
Circuit C hr_fanc8 MAIN MENU\Service\UPDHRFAN 35 RW Service Configuration Tables\UPDHRFAN
Fan #8 Hours
Circuit A hr_fana8 MAIN MENU\Status\FANHOURS 12 RO Status Display Tables\FANHOURS
Circuit B hr_fanb8 MAIN MENU\Status\FANHOURS 22 RO Status Display Tables\FANHOURS
Circuit C hr_fanc8 MAIN MENU\Status\FANHOURS 32 RO Status Display Tables\FANHOURS
Fan #9 Hours
Circuit A hr_fana9 MAIN MENU\Service\UPDHRFAN 16 RW Service Configuration Tables\UPDHRFAN
Circuit B hr_fanb9 MAIN MENU\Service\UPDHRFAN 26 RW Service Configuration Tables\UPDHRFAN
Circuit C hr_fanc9 MAIN MENU\Service\UPDHRFAN 36 RW Service Configuration Tables\UPDHRFAN
Fan #9 Hours
Circuit A hr_fana9 MAIN MENU\Status\FANHOURS 13 RO Status Display Tables\FANHOURS
Circuit B hr_fanb9 MAIN MENU\Status\FANHOURS 23 RO Status Display Tables\FANHOURS
Circuit C hr_fanc9 MAIN MENU\Status\FANHOURS 33 RO Status Display Tables\FANHOURS
Fan #10 Hours
Circuit A hrfana10 MAIN MENU\Service\UPDHRFAN 17 RW Service Configuration Tables\UPDHRFAN
Circuit B hrfanb10 MAIN MENU\Service\UPDHRFAN 27 RW Service Configuration Tables\UPDHRFAN
Circuit C hrfanc10 MAIN MENU\Service\UPDHRFAN 37 RW Service Configuration Tables\UPDHRFAN
Fan #10 Hours
Circuit A hrfana10 MAIN MENU\Status\FANHOURS 14 RO Status Display Tables\FANHOURS
Circuit B hrfanb10 MAIN MENU\Status\FANHOURS 24 RO Status Display Tables\FANHOURS
Circuit C hrfanc10 MAIN MENU\Status\FANHOURS 34 RO Status Display Tables\FANHOURS
Fan Cycle Counter
Circuit A fancyc_a MAIN MENU\Maint\FANCTRL 3 RO Maintenance Display Tables\FANCTRL
Circuit B fancyc_b MAIN MENU\Maint\FANCTRL 7 RO Maintenance Display Tables\FANCTRL
Circuit C fancyc_c MAIN MENU\Maint\FANCTRL 11 RO Maintenance Display Tables\FANCTRL
Fan Output DO #1
Circuit A fan_a1 MAIN MENU\Status\CIRCA_D 11 RO Status Display Tables\CIRCA_D
Circuit B fan_b1 MAIN MENU\Status\CIRCB_D 11 RO Status Display Tables\CIRCB_D
Circuit C fan_c1 MAIN MENU\Status\CIRCC_D 11 RO Status Display Tables\CIRCC_D
Fan Output DO #2
Circuit A fan_a2 MAIN MENU\Status\CIRCA_D 12 RO Status Display Tables\CIRCA_D
Circuit B fan_b2 MAIN MENU\Status\CIRCB_D 12 RO Status Display Tables\CIRCB_D
Circuit C fan_c2 MAIN MENU\Status\CIRCC_D 12 RO Status Display Tables\CIRCC_D
Fan Output DO #3
Circuit A fan_a3 MAIN MENU\Status\CIRCA_D 13 RO Status Display Tables\CIRCA_D
Circuit B fan_b3 MAIN MENU\Status\CIRCB_D 13 RO Status Display Tables\CIRCB_D
Circuit C fan_c3 MAIN MENU\Status\CIRCC_D 13 RO Status Display Tables\CIRCC_D
Fan Output DO #4
Circuit A fan_a4 MAIN MENU\Status\CIRCA_D 14 RO Status Display Tables\CIRCA_D
Circuit B fan_b4 MAIN MENU\Status\CIRCB_D 14 RO Status Display Tables\CIRCB_D
Circuit C fan_c4 MAIN MENU\Status\CIRCC_D 14 RO Status Display Tables\CIRCC_D
RO — Read Only
RW — Read/Write

95
APPENDIX A — TOUCH PILOT™ DISPLAY TABLES (cont)
LEGEND
TOUCH PILOT DESCRIPTION TOUCH PILOT
POINT NAME TOUCH PILOT PATH LINE READ/
WRITE CCN TABLE NAME
Fan Output DO #5
Circuit A fan_a5 MAIN MENU\Status\CIRCA_D 15 RO Status Display Tables\CIRCA_D
Circuit B fan_b5 MAIN MENU\Status\CIRCB_D 15 RO Status Display Tables\CIRCB_D
Circuit C fan_c5 MAIN MENU\Status\CIRCC_D 15 RO Status Display Tables\CIRCC_D
Fan Output DO #6
Circuit A fan_a6 MAIN MENU\Status\CIRCA_D 16 RO Status Display Tables\CIRCA_D
Circuit B fan_b6 MAIN MENU\Status\CIRCB_D 16 RO Status Display Tables\CIRCB_D
Circuit C fan_c6 MAIN MENU\Status\CIRCC_D 16 RO Status Display Tables\CIRCC_D
Fan Output DO #7
Circuit A fan_a7 MAIN MENU\Status\CIRCA_D 17 RO Status Display Tables\CIRCA_D
Circuit B fan_b7 MAIN MENU\Status\CIRCB_D 17 RO Status Display Tables\CIRCB_D
Circuit C fan_c7 MAIN MENU\Status\CIRCC_D 17 RO Status Display Tables\CIRCC_D
Fan Output DO #8
Circuit A fan_a7 MAIN MENU\Status\CIRCA_D 17 RO Status Display Tables\CIRCA_D
Circuit B fan_b7 MAIN MENU\Status\CIRCB_D 17 RO Status Display Tables\CIRCB_D
Circuit C fan_c7 MAIN MENU\Status\CIRCC_D 17 RO Status Display Tables\CIRCC_D
Fan Sequence Started?
Circuit A def_fa_a MAIN MENU\Maint\DEFROSTM 7 RO Maintenance Display Tables\DEFROSTM
Circuit B def_fa_b MAIN MENU\Maint\DEFROSTM 24 RO Maintenance Display Tables\DEFROSTM
Fan Stages
Circuit A Q_FAN_A MAIN MENU\Status\QCK_TST1 9 RW Status Display Tables\QCK_TST1
Circuit B Q_FAN_B MAIN MENU\Status\QCK_TST1 10 RW Status Display Tables\QCK_TST1
Circuit C Q_FAN_C MAIN MENU\Status\QCK_TST1 11 RW Status Display Tables\QCK_TST1
Fan Staging Number
Circuit A FAN_ST_A MAIN MENU\Status\CIRCA_D 19 RO Status Display Tables\CIRCA_D
Circuit B FAN_ST_B MAIN MENU\Status\CIRCB_D 19 RO Status Display Tables\CIRCB_D
Circuit C FAN_ST_C MAIN MENU\Status\CIRCC_D 19 RO Status Display Tables\CIRCC_D
Fan Staging Number
Circuit A FAN_ST_A MAIN MENU\Status\FREECOOL 13 RO Status Display Tables\FREECOOL
Circuit B FAN_ST_B MAIN MENU\Status\FREECOOL 23 RO Status Display Tables\FREECOOL
Circuit C FAN_ST_C MAIN MENU\Status\FREECOOL 33 RO Status Display Tables\FREECOOL
Flow Checked if C Pump Off pump_loc MAIN MENU\Config\USER 17 RW Configuration Tables\USER
Free Cool A Ball Valve Q_FCBVL_A MAIN MENU\Status\QCK_TST2 18 RO Status Display Tables\QCK_TST2
Free Cool A EXV Position Q_FCEXVA MAIN MENU\Status\QCK_TST2 16 RO Status Display Tables\QCK_TST2
Free Cool B Ball Valve Q_FCBVL_B MAIN MENU\Status\QCK_TST2 19 RO Status Display Tables\QCK_TST2
Free Cool B EXV Position Q_FCEXVB MAIN MENU\Status\QCK_TST2 17 RO Status Display Tables\QCK_TST2
Free Cool Conditions OK? fc_ready MAIN MENU\Status\FREECOOL 8 RO Status Display Tables\FREECOOL
Free Cool Pump A Hours hr_fcm_a MAIN MENU\Status\FANHOURS 1 RO Status Display Tables\FANHOURS
Free Cool Pump B Hours hr_fcm_b MAIN MENU\Status\FANHOURS 2 RO Status Display Tables\FANHOURS
Free Cool Request? fc_reqst MAIN MENU\Status\FREECOOL 9 RO Status Display Tables\FREECOOL
Free Cooling A Pump Hours hr_fcp_a MAIN MENU\Service\UPDHRFAN 4 RW Service Configuration Tables\UPDHRFAN
Free Cooling Active Mode_13 MAIN MENU\Status\MODES 14 RO Status Display Tables\MODES
Free Cooling Active
Circuit A FC_ON_A MAIN MENU\Status\FREECOOL 12 RO Status Display Tables\FREECOOL
Circuit B FC_ON_B MAIN MENU\Status\FREECOOL 22 RO Status Display Tables\FREECOOL
Circuit C FC_ON_C MAIN MENU\Status\FREECOOL 32 RO Status Display Tables\FREECOOL
Free Cooling B Pump Hours hr_fcp_b MAIN MENU\Service\UPDHRFAN 5 RW Service Configuration Tables\UPDHRFAN
Free Cooling Disable FC_DSBLE MAIN MENU\Status\GENUNIT 12 RW Status Display Tables\GENUNIT
Free Cooling Disable Sw FC_SW MAIN MENU\Status\STATEGEN 6 RO Status Display Tables\STATEGEN
Free Cooling Disable? FC_DSBLE MAIN MENU\Status\FREECOOL 2 RO Status Display Tables\FREECOOL
Free Cooling Heater Q_FC_HTR MAIN MENU\Status\QCK_TST2 15 RO Status Display Tables\QCK_TST2
Free Cooling OAT Limit free_oat MAIN MENU\Config\USER 33 RW Configuration Tables\USER
Free Cooling Select freecool MAIN MENU\Service\FACTORY 11 RW Service Configuration Tables\FACTORY
RO — Read Only
RW — Read/Write

96
APPENDIX A — TOUCH PILOT™ DISPLAY TABLES (cont)
LEGEND
TOUCH PILOT DESCRIPTION TOUCH PILOT
POINT NAME TOUCH PILOT PATH LINE READ/
WRITE CCN TABLE NAME
Frost Integrator Gain
Circuit A fr_int_a MAIN MENU\Maint\DEFROSTM 14 RO Maintenance Display Tables\DEFROSTM
Circuit B fr_int_b MAIN MENU\Maint\DEFROSTM 31 RO Maintenance Display Tables\DEFROSTM
Head Press Speed
Circuit A Q_VFANA MAIN MENU\Status\QCK_TST1 12 RW Status Display Tables\QCK_TST1
Circuit B Q_VFANB MAIN MENU\Status\QCK_TST1 13 RW Status Display Tables\QCK_TST1
Circuit C Q_VFANC MAIN MENU\Status\QCK_TST1 14 RW Status Display Tables\QCK_TST1
HEAT RECLAIM CIRCUIT A — MAIN MENU\Status\RECLAIM 9 RO Status Display Tables\RECLAIM
HEAT RECLAIM CIRCUIT B — MAIN MENU\Status\RECLAIM 19 RO Status Display Tables\RECLAIM
Heat Reclaim Select RECL_SEL MAIN MENU\Status\RECLAIM 1 RO Status Display Tables\RECLAIM
Heat Reclaim Select RECL_SET MAIN MENU\Status\GENUNIT 11 RW Status Display Tables\GENUNIT
Heat/Cool Select HC_SEL MAIN MENU\Status\GENUNIT 9 RW Status Display Tables\GENUNIT
Heat/Cool Status HEATCOOL MAIN MENU\Status\GENUNIT 8 RO Status Display Tables\GENUNIT
Heating Changeover Setpt hauto_sp MAIN MENU\Setpoint\SETPOINT 30 RW Setpoint Configuration Tables\SETPOINT
Heating Low EWT Lockout Mode_16 MAIN MENU\Status\MODES 17 RO Status Display Tables\MODES
Heating OAT Threshold heat_th MAIN MENU\Config\USER 32 RW Configuration Tables\USER
Heating Ramp Loading hramp_sp MAIN MENU\Setpoint\SETPOINT 26 RW Setpoint Configuration Tables\SETPOINT
Heating Reset Deg. Value hr_deg MAIN MENU\Setpoint\SETPOINT 25 RW Setpoint Configuration Tables\SETPOINT
Heating Reset Select hr_sel MAIN MENU\Config\USER 20 RW Configuration Tables\USER
Heating Setpoint 1 hsp1 MAIN MENU\Setpoint\SETPOINT 17 RW Setpoint Configuration Tables\SETPOINT
Heating Setpoint 2 hsp2 MAIN MENU\Setpoint\SETPOINT 18 RW Setpoint Configuration Tables\SETPOINT
High DGT Circuit A Mode_24 MAIN MENU\Status\MODES 25 RO Status Display Tables\MODES
High DGT Circuit B Mode_25 MAIN MENU\Status\MODES 26 RO Status Display Tables\MODES
High DGT Circuit C Mode_26 MAIN MENU\Status\MODES 27 RO Status Display Tables\MODES
High Pres Override Cir A Mode_27 MAIN MENU\Status\MODES 28 RO Status Display Tables\MODES
High Pres Override Cir B Mode_28 MAIN MENU\Status\MODES 29 RO Status Display Tables\MODES
High Pres Override Cir C Mode_29 MAIN MENU\Status\MODES 30 RO Status Display Tables\MODES
High Pressure Threshold hp_th MAIN MENU\Service\SERVICE1 16 RW Service Configuration Tables\SERVICE1
High Tiers Display Selec highdisp MAIN MENU\Service\FACTORY 18 RW Service Configuration Tables\FACTORY
Holiday Duration (days) HOL-LEN MAIN MENU\Config\HOLIDAY\HOLDY_01 3 RW Configuration Tables\HOLIDAY\HOLDY_01
Holiday Start Day HOL-DAY MAIN MENU\Config\HOLIDAY\HOLDY_01 2 RW Configuration Tables\HOLIDAY\HOLDY_01
Holiday Start Month HOL-MON MAIN MENU\Config\HOLIDAY\HOLDY_01 1 RW Configuration Tables\HOLIDAY\HOLDY_01
Hot Gas Bypass Select hgbp_sel MAIN MENU\Service\FACTORY 14 RW Service Configuration Tables\FACTORY
Head Press Actuator Pos
Circuit A hd_pos_a MAIN MENU\Status\CIRCA_AN 16 RO Status Display Tables\CIRCA_AN
Circuit B hd_pos_b MAIN MENU\Status\CIRCB_AN 16 RO Status Display Tables\CIRCB_AN
Circuit C hd_pos_c MAIN MENU\Status\CIRCC_AN 16 RO Status Display Tables\CIRCC_AN
Heater Ball Valve
Circuit A Q_BVL_A MAIN MENU\Status\QCK_TST1 19 RW Status Display Tables\QCK_TST1
Circuit B Q_BVL_B MAIN MENU\Status\QCK_TST1 26 RW Status Display Tables\QCK_TST1
Circuit C Q_BVL_C MAIN MENU\Status\QCK_TST1 33 RW Status Display Tables\QCK_TST1
Hot Gas Bypass Output
Circuit A HGBP_A MAIN MENU\Status\CIRCA_D 9 RO Status Display Tables\CIRCA_D
Circuit B HGBP_B MAIN MENU\Status\CIRCB_D 9 RO Status Display Tables\CIRCB_D
Circuit C HGBP_C MAIN MENU\Status\CIRCC_D 9 RO Status Display Tables\CIRCC_D
Hot Gas Bypass
Circuit A Q_HGBP_A MAIN MENU\Status\QCK_TST1 20 RW Status Display Tables\QCK_TST1
Circuit B Q_HGBP_B MAIN MENU\Status\QCK_TST1 27 RW Status Display Tables\QCK_TST1
Circuit C Q_HGBP_C MAIN MENU\Status\QCK_TST1 34 RW Status Display Tables\QCK_TST1
HPump 1 Ctl Delay (days) hpump1_c MAIN MENU\Service\MAINTCFG 7 RW Service Configuration Tables\MAINTCFG
HPump 2 Ctl Delay (days) hpump2_c MAIN MENU\Service\MAINTCFG 8 RW Service Configuration Tables\MAINTCFG
HR Condenser Heater Q_CD_HT MAIN MENU\Status\QCK_TST2 12 RW Status Display Tables\QCK_TST2
Ice Done Storage Switch ICE_SW MAIN MENU\Status\STATEGEN 11 RO Status Display Tables\STATEGEN
Ice Mode Enable ice_cnfg MAIN MENU\Config\USER 42 RW Configuration Tables\USER
Ice Mode in Effect Mode_18 MAIN MENU\Status\MODES 19 RO Status Display Tables\MODES
RO — Read Only
RW — Read/Write

97
APPENDIX A — TOUCH PILOT™ DISPLAY TABLES (cont)
LEGEND
TOUCH PILOT DESCRIPTION TOUCH PILOT
POINT NAME TOUCH PILOT PATH LINE READ/
WRITE CCN TABLE NAME
Int PID Gain Varifan hd_ig MAIN MENU\Service\SERVICE1 7 RW Service Configuration Tables\SERVICE1
Lag Capacity Limit Value LAG_LIM MAIN MENU\Status\GENUNIT 22 RO Status Display Tables\GENUNIT
Lag Minimum Running Time lag_mini MAIN MENU\Config\MST_SLV 20 RW Configuration Tables\MST_SLV
Lag Start Delay l_strt_d MAIN MENU\Maint\M_MSTSLV 8 RO Maintenance Display Tables\MSTSLAVE
Lag Start Timer lstr_tim MAIN MENU\Config\MST_SLV 17 RW Configuration Tables\MST_SLV
Lag Unit Pump Control lag_pump MAIN MENU\Config\MST_SLV 21 RW Configuration Tables\MST_SLV
Language Selection LANGUAGE MAIN MENU\Config\DISPCONF 2 RW Configuration Tables\DISPCONF
Lead Lag Select lead_sel MAIN MENU\Config\MST_SLV 12 RW Configuration Tables\MST_SLV
Lead Pulldown Time lead_pul MAIN MENU\Config\MST_SLV 18 RW Configuration Tables\MST_SLV
Lead Pulldown? ll_pull MAIN MENU\Maint\M_MSTSLV 11 RO Maintenance Display Tables\MSTSLAVE
Lead Unit is the: lead_sel MAIN MENU\Maint\M_MSTSLV 5 RO Maintenance Display Tables\MSTSLAVE
Lead/Lad Changeover? ll_chang MAIN MENU\Maint\M_MSTSLV 10 RO Maintenance Display Tables\MSTSLAVE
Lead/Lag Balance Delta ll_bal_d MAIN MENU\Config\MST_SLV 16 RW Configuration Tables\MST_SLV
Lead/Lag Hours Delta ll_hr_d MAIN MENU\Maint\M_MSTSLV 9 RO Maintenance Display Tables\MSTSLAVE
Limit 4-20mA Signal LIM_ANAL MAIN MENU\Status\STATEGEN 42 RO Status Display Tables\STATEGEN
Limit Switch 1 Status LIM_SW1 MAIN MENU\Status\STATEGEN 8 RO Status Display Tables\STATEGEN
Limit Switch 2 Status LIM_SW2 MAIN MENU\Status\STATEGEN 9 RO Status Display Tables\STATEGEN
Load/Unload Factor smz MAIN MENU\Maint\LOADFACT 19 RO Maintenance Display Tables\LOADFACT
Location Location MAIN MENU\Config\Ctlr-ID 2 RO Configuration Tables\!CtlrID\PD5_XAXQ
Low Suction Circuit A Mode_21 MAIN MENU\Status\MODES 22 RO Status Display Tables\MODES
Low Suction Circuit B Mode_22 MAIN MENU\Status\MODES 23 RO Status Display Tables\MODES
Low Suction Circuit C Mode_23 MAIN MENU\Status\MODES 24 RO Status Display Tables\MODES
Low Superheat Circuit A Mode_30 MAIN MENU\Status\MODES 31 RO Status Display Tables\MODES
Low Superheat Circuit B Mode_31 MAIN MENU\Status\MODES 32 RO Status Display Tables\MODES
Low Superheat Circuit C Mode_32 MAIN MENU\Status\MODES 33 RO Status Display Tables\MODES
LWT-OAT Delta fc_delta MAIN MENU\Status\FREECOOL 3 RO Status Display Tables\FREECOOL
mA For 0% Demand Limit lim_ze MAIN MENU\Config\USER 29 RW Configuration Tables\USER
mA For 100% Demand Limit lim_mx MAIN MENU\Config\USER 28 RW Configuration Tables\USER
Machine Operating Hours hr_mach MAIN MENU\Service\UPDTHOUR 5 RW Service Configuration Tables\UPDTHOUR
Machine Operating Hours HR_MACH MAIN MENU\Status\STRTHOUR 1 RO Status Display Tables\STRTHOUR
Machine Starts st_mach MAIN MENU\Service\UPDTHOUR 6 RW Service Configuration Tables\UPDTHOUR
Machine Starts Number st_mach MAIN MENU\Status\STRTHOUR 2 RO Status Display Tables\STRTHOUR
Master Control Type ms_ctrl MAIN MENU\Config\MST_SLV 7 RW Configuration Tables\MST_SLV
Master Control Type ms_ctrl MAIN MENU\Maint\M_MSTSLV 3 RO Maintenance Display Tables\MSTSLAVE
Master Slave Active Mode_11 MAIN MENU\Status\MODES 12 RO Status Display Tables\MODES
Master/Slave Ctrl Active ms_activ MAIN MENU\Maint\M_MSTSLV 4 RO Maintenance Display Tables\MSTSLAVE
Master/Slave Error ms_error MAIN MENU\Maint\M_MSTSLV 12 RO Maintenance Display Tables\MSTSLAVE
Master/Slave Select ms_sel MAIN MENU\Config\MST_SLV 3 RW Configuration Tables\MST_SLV
Max Available Capacity? cap_max MAIN MENU\Maint\M_MSTSLV 13 RO Maintenance Display Tables\MSTSLAVE
MCHX Exchanger Select mchx_sel MAIN MENU\Service\FACTORY 15 RW Service Configuration Tables\FACTORY
Metric Display on STDU DISPUNIT MAIN MENU\Config\DISPCONF 1 RW Configuration Tables\DISPCONF
Minutes Left for Start min_left MAIN MENU\Status\GENUNIT 7 RO Status Display Tables\GENUNIT
Model Number ModelNum MAIN MENU\Config\Ctlr-ID 4 RO Configuration Tables\!CtlrID\PD5_XAXQ
Must Trip Amps cpa_mtam MAIN MENU\Maint\BOARD_PN 12 RO Maintenance Display Tables\BOARD_PN
Must Trip Amps cpb_mtam MAIN MENU\Maint\BOARD_PN 16 RO Maintenance Display Tables\BOARD_PN
Must Trip Amps cpc_mtam MAIN MENU\Maint\BOARD_PN 20 RO Maintenance Display Tables\BOARD_PN
Mean SST Calculation
Circuit A sst_dm_a MAIN MENU\Maint\DEFROSTM 10 RO Maintenance Display Tables\DEFROSTM
Circuit B sst_dm_b MAIN MENU\Maint\DEFROSTM 27 RO Maintenance Display Tables\DEFROSTM
Motor Current
Circuit A CURREN_A MAIN MENU\Status\CIRCA_AN 8 RO Status Display Tables\CIRCA_AN
Circuit B CURREN_B MAIN MENU\Status\CIRCB_AN 8 RO Status Display Tables\CIRCB_AN
Circuit C CURREN_C MAIN MENU\Status\CIRCC_AN 8 RO Status Display Tables\CIRCC_AN
RO — Read Only
RW — Read/Write

98
APPENDIX A — TOUCH PILOT™ DISPLAY TABLES (cont)
LEGEND
TOUCH PILOT DESCRIPTION TOUCH PILOT
POINT NAME TOUCH PILOT PATH LINE READ/
WRITE CCN TABLE NAME
Motor Temperature
Circuit A CP_TMP_A MAIN MENU\Status\CIRCA_AN 9 RO Status Display Tables\CIRCA_AN
Circuit B CP_TMP_B MAIN MENU\Status\CIRCB_AN 9 RO Status Display Tables\CIRCB_AN
Circuit C CP_TMP_C MAIN MENU\Status\CIRCC_AN 9 RO Status Display Tables\CIRCC_AN
Next Sequence Allowed in
Circuit A def_se_a MAIN MENU\Maint\DEFROSTM 20 RO Maintenance Display Tables\DEFROSTM
Circuit B def_se_b MAIN MENU\Maint\DEFROSTM 20 RO Maintenance Display Tables\DEFROSTM
Oil Heater
Circuit A Q_HT_A MAIN MENU\Status\QCK_TST1 15 RW Status Display Tables\QCK_TST1
Circuit B Q_HT_B MAIN MENU\Status\QCK_TST1 22 RW Status Display Tables\QCK_TST1
Circuit C Q_HT_C MAIN MENU\Status\QCK_TST1 29 RW Status Display Tables\QCK_TST1
Oil Heater Output
Circuit A OIL_HT_A MAIN MENU\Status\CIRCA_D 5 RO Status Display Tables\CIRCA_D
Circuit B OIL_HT_B MAIN MENU\Status\CIRCB_D 5 RO Status Display Tables\CIRCB_D
Circuit C OIL_HT_C MAIN MENU\Status\CIRCC_D 5 RO Status Display Tables\CIRCC_D
Oil Level Input
Circuit A OIL_L_A MAIN MENU\Status\CIRCA_D 7 RO Status Display Tables\CIRCA_D
Circuit B OIL_L_B MAIN MENU\Status\CIRCB_D 7 RO Status Display Tables\CIRCB_D
Circuit C OIL_L_C MAIN MENU\Status\CIRCC_D 7 RO Status Display Tables\CIRCC_D
Oil Pressure
Circuit A OP_A MAIN MENU\Status\CIRCA_AN 6 RO Status Display Tables\CIRCA_AN
Circuit B OP_B MAIN MENU\Status\CIRCB_AN 6 RO Status Display Tables\CIRCB_AN
Circuit C OP_C MAIN MENU\Status\CIRCC_AN 6 RO Status Display Tables\CIRCC_AN
Oil Pressure Difference
Circuit A DOP_A MAIN MENU\Status\CIRCA_AN 7 RO Status Display Tables\CIRCA_AN
Circuit B DOP_B MAIN MENU\Status\CIRCB_AN 7 RO Status Display Tables\CIRCB_AN
Circuit C DOP_C MAIN MENU\Status\CIRCC_AN 7 RO Status Display Tables\CIRCC_AN
Oil Solenoid
Circuit A Q_OILS_A MAIN MENU\Status\QCK_TST1 16 RW Status Display Tables\QCK_TST1
Circuit B Q_OILS_B MAIN MENU\Status\QCK_TST1 23 RW Status Display Tables\QCK_TST1
Circuit C Q_OILS_C MAIN MENU\Status\QCK_TST1 30 RW Status Display Tables\QCK_TST1
Oil Solenoid Output
Circuit A OIL_SL_A MAIN MENU\Status\CIRCA_D 6 RO Status Display Tables\CIRCA_D
Circuit B OIL_SL_B MAIN MENU\Status\CIRCB_D 6 RO Status Display Tables\CIRCB_D
Circuit C OIL_SL_C MAIN MENU\Status\CIRCC_D 6 RO Status Display Tables\CIRCC_D
Optimal Fan Count
Circuit A fancop_a MAIN MENU\Maint\FANCTRL 4 RO Maintenance Display Tables\FANCTRL
Circuit B fancop_b MAIN MENU\Maint\FANCTRL 8 RO Maintenance Display Tables\FANCTRL
Circuit C fancop_c MAIN MENU\Maint\FANCTRL 12 RO Maintenance Display Tables\FANCTRL
Override State
Circuit A over_d_a MAIN MENU\Maint\DEFROSTM 8 RO Maintenance Display Tables\DEFROSTM
Circuit B over_d_b MAIN MENU\Maint\DEFROSTM 25 RO Maintenance Display Tables\DEFROSTM
Percent Total Capacity
Circuit A CAPA_T MAIN MENU\Status\CIRCA_AN 2 RO Status Display Tables\CIRCA_AN
Circuit B CAPB_T MAIN MENU\Status\CIRCB_AN 2 RO Status Display Tables\CIRCB_AN
Circuit C CAPC_T MAIN MENU\Status\CIRCC_AN 2 RO Status Display Tables\CIRCC_AN
Pump Differential Press.
Circuit A fc_dp_a MAIN MENU\Status\FREECOOL 19 RO Status Display Tables\FREECOOL
Circuit B fc_dp_b MAIN MENU\Status\FREECOOL 29 RO Status Display Tables\FREECOOL
Circuit C fc_dp_c MAIN MENU\Status\FREECOOL 39 RO Status Display Tables\FREECOOL
Pump Inlet Pressure
Circuit A fc_inp_a MAIN MENU\Status\FREECOOL 17 RO Status Display Tables\FREECOOL
Circuit B fc_inp_b MAIN MENU\Status\FREECOOL 27 RO Status Display Tables\FREECOOL
RO — Read Only
RW — Read/Write

99
APPENDIX A — TOUCH PILOT™ DISPLAY TABLES (cont)
LEGEND
TOUCH PILOT DESCRIPTION TOUCH PILOT
POINT NAME TOUCH PILOT PATH LINE READ/
WRITE CCN TABLE NAME
Pump Inlet Pressure
Circuit A fc_inp_a MAIN MENU\Status\FREECOOL 17 RO Status Display Tables\FREECOOL
Circuit B fc_inp_b MAIN MENU\Status\FREECOOL 27 RO Status Display Tables\FREECOOL
Circuit C fc_inp_c MAIN MENU\Status\FREECOOL 37 RO Status Display Tables\FREECOOL
Pump Outlet Pressure
Circuit A fc_oup_a MAIN MENU\Status\FREECOOL 18 RO Status Display Tables\FREECOOL
Circuit B fc_oup_b MAIN MENU\Status\FREECOOL 28 RO Status Display Tables\FREECOOL
Circuit C fc_oup_c MAIN MENU\Status\FREECOOL 38 RO Status Display Tables\FREECOOL
NB Fans on Varifan Cir A varfan_a MAIN MENU\Service\FACTORY 5 RW Service Configuration Tables\FACTORY
NB Fans on Varifan Cir B varfan_b MAIN MENU\Service\FACTORY 6 RW Service Configuration Tables\FACTORY
NB Fans on Varifan Cir C varfan_c MAIN MENU\Service\FACTORY 7 RW Service Configuration Tables\FACTORY
Next Occupied Day NXTOCDAY MAIN MENU\Maint\OCCDEFCM\OCC1PO1S 7 RO Maintenance Display Tables\OCCDEFCM\OCC1PO1S
Next Occupied Day NXTOCDAY MAIN MENU\Maint\OCCDEFCM\OCC2PO2S 7 RO Maintenance Display Tables\OCCDEFCM\OCC2PO2S
Next Occupied Time NXTOCTIM MAIN MENU\Maint\OCCDEFCM\OCC1PO1S 8 RO Maintenance Display Tables\OCCDEFCM\OCC1PO1S
Next Occupied Time NXTOCTIM MAIN MENU\Maint\OCCDEFCM\OCC2PO2S 8 RO Maintenance Display Tables\OCCDEFCM\OCC2PO2S
Next Session Allowed In fc_next MAIN MENU\Status\FREECOOL 6 RO Status Display Tables\FREECOOL
Next Unoccupied Day NXTUNDAY MAIN MENU\Maint\OCCDEFCM\OCC1PO1S 9 RO Maintenance Display Tables\OCCDEFCM\OCC1PO1S
Next Unoccupied Day NXTUNDAY MAIN MENU\Maint\OCCDEFCM\OCC2PO2S 9 RO Maintenance Display Tables\OCCDEFCM\OCC2PO2S
Next Unoccupied Time NXTUNTIM MAIN MENU\Maint\OCCDEFCM\OCC1PO1S 10 RO Maintenance Display Tables\OCCDEFCM\OCC1PO1S
Next Unoccupied Time NXTUNTIM MAIN MENU\Maint\OCCDEFCM\OCC2PO2S 10 RO Maintenance Display Tables\OCCDEFCM\OCC2PO2S
Night Control Capacity Limit nh_limit MAIN MENU\Config\USER 41 RW Configuration Tables\USER
Night Control End Hour nh_end MAIN MENU\Config\USER 40 RW Configuration Tables\USER
Night Control Start Hour nh_start MAIN MENU\Config\USER 39 RW Configuration Tables\USER
Night Low Noise Active Mode_09 MAIN MENU\Status\MODES 10 RO Status Display Tables\MODES
OAT Broadcast Bus # oatbusnm MAIN MENU\Config\BRODEFS 4 RW Configuration Tables\BRODEFS\BROCASTS
OAT Broadcast Element # oatlocad MAIN MENU\Config\BRODEFS 5 RW Configuration Tables\BRODEFS\BROCASTS
OAT Full Reset Value oatcr_fu MAIN MENU\Setpoint\SETPOINT 6 RW Setpoint Configuration Tables\SETPOINT
OAT Full Reset Value oathr_fu MAIN MENU\Setpoint\SETPOINT 20 RW Setpoint Configuration Tables\SETPOINT
OAT No Reset Value oatcr_no MAIN MENU\Setpoint\SETPOINT 5 RW Setpoint Configuration Tables\SETPOINT
OAT No Reset Value oathr_no MAIN MENU\Setpoint\SETPOINT 19 RW Setpoint Configuration Tables\SETPOINT
RO — Read Only
RW — Read/Write

100
APPENDIX A — TOUCH PILOT™ DISPLAY TABLES (cont)
LEGEND
TOUCH PILOT DESCRIPTION TOUCH PILOT
POINT NAME TOUCH PILOT PATH LINE READ/
WRITE CCN TABLE NAME
Occupied From OCCTOD# MAIN MENU\Schedule\OCCPC01S 3 RO Configuration Tables\OCCPC01S
Occupied Override Switch OCC_OVSW MAIN MENU\Status\STATEGEN 10 RO Status Display Tables\STATEGEN
Occupied To UNOCTOD# MAIN MENU\Schedule\OCCPC01S 4 RO Configuration Tables\OCCPC01S
Oil Filter A Ctrl (days) oilfil_a MAIN MENU\Service\MAINTCFG 10 RW Service Configuration Tables\MAINTCFG
Oil Filter B Ctrl (days) oilfil_b MAIN MENU\Service\MAINTCFG 11 RW Service Configuration Tables\MAINTCFG
Oil Filter C Ctrl (days) oilfil_c MAIN MENU\Service\MAINTCFG 12 RW Service Configuration Tables\MAINTCFG
On/Off - Remote Switch ONOFF_SW MAIN MENU\Status\STATEGEN 2 RO Status Display Tables\STATEGEN
OP WARN 1- Refrigerant Charge charge_m MAIN MENU\Maint\SERMAINT 6 RO Maintenance Display Tables\SERMAINT
OP WARN 2 - Water Loop Size wloop_m MAIN MENU\Maint\SERMAINT 7 RO Maintenance Display Tables\SERMAINT
Operating Type OPER_TYP MAIN MENU\Status\GENUNIT 2 RO Status Display Tables\GENUNIT
Optional Space temp SPACETMP MAIN MENU\Status\STATEGEN 39 RO Status Display Tables\STATEGEN
Pass for All User Config all_pass MAIN MENU\Config\USER 44 RW Configuration Tables\USER
Percent Total Capacity CAP_T MAIN MENU\Status\GENUNIT 20 RO Status Display Tables\GENUNIT
Period # DOW (MTWTFSSH) DOW# MAIN MENU\Schedule\OCCPC01S 2 RO Configuration Tables\OCCPC01S
Pinch offset circuit A p_ofst_a MAIN MENU\Service\SERVICE1 12 RW Service Configuration Tables\SERVICE1
Pinch offset circuit B p_ofst_b MAIN MENU\Service\SERVICE1 13 RW Service Configuration Tables\SERVICE1
Pinch offset circuit C p_ofst_c MAIN MENU\Service\SERVICE1 14 RW Service Configuration Tables\SERVICE1
Power Down 1: day-mon-year date_of1 MAIN MENU\Maint\LAST_POR 3 RO Maintenance Display Tables\LAST_POR
Power Down 1: hour-minute time_of1 MAIN MENU\Maint\LAST_POR 4 RO Maintenance Display Tables\LAST_POR
Power Down 2: day-mon-year date_of2 MAIN MENU\Maint\LAST_POR 7 RO Maintenance Display Tables\LAST_POR
Power Down 2: hour-minute time_of2 MAIN MENU\Maint\LAST_POR 8 RO Maintenance Display Tables\LAST_POR
Power Down 3: day-mon-year date_of3 MAIN MENU\Maint\LAST_POR 11 RO Maintenance Display Tables\LAST_POR
Power Down 3: hour-minute time_of3 MAIN MENU\Maint\LAST_POR 12 RO Maintenance Display Tables\LAST_POR
Power Down 4: day-mon-year date_of4 MAIN MENU\Maint\LAST_POR 15 RO Maintenance Display Tables\LAST_POR
Power Down 4: hour-minute time_of4 MAIN MENU\Maint\LAST_POR 16 RO Maintenance Display Tables\LAST_POR
Power Down 5: day-mon-year date_of5 MAIN MENU\Maint\LAST_POR 19 RO Maintenance Display Tables\LAST_POR
Power Down 5: hour-minute time_of5 MAIN MENU\Maint\LAST_POR 20 RO Maintenance Display Tables\LAST_POR
Power Frequency 60HZ Sel freq_60H MAIN MENU\Service\FACTORY 3 RW Service Configuration Tables\FACTORY
RO — Read Only
RW — Read/Write

101
APPENDIX A — TOUCH PILOT™ DISPLAY TABLES (cont)
LEGEND
TOUCH PILOT DESCRIPTION TOUCH PILOT
POINT NAME TOUCH PILOT PATH LINE READ/
WRITE CCN TABLE NAME
Power On 1: day-mon-year date_on1 MAIN MENU\Maint\LAST_POR 1 RO Maintenance Display Tables\LAST_POR
Power On 1: hour-minute time_on1 MAIN MENU\Maint\LAST_POR 2 RO Maintenance Display Tables\LAST_POR
Power On 2: day-mon-year date_on2 MAIN MENU\Maint\LAST_POR 5 RO Maintenance Display Tables\LAST_POR
Power On 2: hour-minute time_on2 MAIN MENU\Maint\LAST_POR 6 RO Maintenance Display Tables\LAST_POR
Power On 3: day-mon-year date_on3 MAIN MENU\Maint\LAST_POR 9 RO Maintenance Display Tables\LAST_POR
Power On 3: hour-minute time_on3 MAIN MENU\Maint\LAST_POR 10 RO Maintenance Display Tables\LAST_POR
Power On 4: day-mon-year date_on4 MAIN MENU\Maint\LAST_POR 13 RO Maintenance Display Tables\LAST_POR
Power On 4: hour-minute time_on4 MAIN MENU\Maint\LAST_POR 14 RO Maintenance Display Tables\LAST_POR
Power On 5: day-mon-year date_on5 MAIN MENU\Maint\LAST_POR 17 RO Maintenance Display Tables\LAST_POR
Power On 5: hour-minute time_on5 MAIN MENU\Maint\LAST_POR 18 RO Maintenance Display Tables\LAST_POR
Power Supply Voltage voltage MAIN MENU\Service\FACTORY 4 RW Service Configuration Tables\FACTORY
Prev unoccupied Day PRVUNDAY MAIN MENU\Maint\OCCDEFCM\OCC1PO1S 11 RO Maintenance Display Tables\OCCDEFCM\OCC1PO1S
Prev unoccupied Day PRVUNDAY MAIN MENU\Maint\OCCDEFCM\OCC2PO2S 11 RO Maintenance Display Tables\OCCDEFCM\OCC2PO2S
Prev unoccupied Time PRVUNTIM MAIN MENU\Maint\OCCDEFCM\OCC1PO1S 12 RO Maintenance Display Tables\OCCDEFCM\OCC1PO1S
Prev unoccupied Time PRVUNTIM MAIN MENU\Maint\OCCDEFCM\OCC2PO2S 12 RO Maintenance Display Tables\OCCDEFCM\OCC2PO2S
Prop PID Gain Varifan hd_pg MAIN MENU\Service\SERVICE1 6 RW Service Configuration Tables\SERVICE1
Pump Auto Rotation Delay pump_del MAIN MENU\Config\USER 14 RW Configuration Tables\USER
Pump Periodic Start Mode_08 MAIN MENU\Status\MODES 9 RO Status Display Tables\MODES
Pump Sticking Protection pump_per MAIN MENU\Config\USER 15 RW Configuration Tables\USER
Pumpdown Pressure Cir A PD_P_A MAIN MENU\Status\RECLAIM 11 RO Status Display Tables\RECLAIM
Pumpdown Pressure Cir B PD_P_B MAIN MENU\Status\RECLAIM 21 RO Status Display Tables\RECLAIM
Pumpdown Saturated Tmp A hr_sat_a MAIN MENU\Status\RECLAIM 13 RO Status Display Tables\RECLAIM
Pumpdown Saturated Tmp B hr_sat_b MAIN MENU\Status\RECLAIM 23 RO Status Display Tables\RECLAIM
Quick EHS for Defrost ehs_defr MAIN MENU\Config\USER 37 RW Configuration Tables\USER
Quick Test Enable Q_TSTRQ MAIN MENU\Status\QCK_TST1 1 RW Status Display Tables\QCK_TST1
Quick Test Enable Q_TSTRQ MAIN MENU\Status\QCK_TST2 1 RW Status Display Tables\QCK_TST2
Ramp Loading Active Mode_05 MAIN MENU\Status\MODES 6 RO Status Display Tables\MODES
Ramp Loading Select ramp_sel MAIN MENU\Config\USER 5 RW Configuration Tables\USER
Ready or Running Status READY MAIN MENU\Status\STATEGEN 30 RO Status Display Tables\STATEGEN
Realarm Time RE_ALARM MAIN MENU\Config\ALARMDEF 4 RW Configuration Tables\ALARMDEF\ALARMS01
Recl Valve Max Position max_3w MAIN MENU\Service\SERVICE1 20 RW Service Configuration Tables\SERVICE1
Recl Valve Min Position min_3w MAIN MENU\Service\SERVICE1 19 RW Service Configuration Tables\SERVICE1
Reclaim Active Mode_14 MAIN MENU\Status\MODES 15 RO Status Display Tables\MODES
Reclaim Condenser Flow CONDFLOW MAIN MENU\Status\RECLAIM 3 RO Status Display Tables\RECLAIM
Reclaim Condenser Heater cond_htr MAIN MENU\Status\RECLAIM 4 RO Status Display Tables\RECLAIM
Reclaim Condenser Pump HPUMP_1 MAIN MENU\Status\RECLAIM 2 RO Status Display Tables\RECLAIM
RO — Read Only
RW — Read/Write

102
APPENDIX A — TOUCH PILOT™ DISPLAY TABLES (cont)
LEGEND
TOUCH PILOT DESCRIPTION TOUCH PILOT
POINT NAME TOUCH PILOT PATH LINE READ/
WRITE CCN TABLE NAME
Reclaim Deadband hr_deadb MAIN MENU\Setpoint\SETPOINT 37 RW Setpoint Configuration Tables\SETPOINT
Reclaim Entering Fluid HR_EWT MAIN MENU\Status\RECLAIM 5 RO Status Display Tables\RECLAIM
Reclaim Fluid Setpoint RSP MAIN MENU\Status\RECLAIM 7 RO Status Display Tables\RECLAIM
Reclaim Leaving Fluid HR_LWT MAIN MENU\Status\RECLAIM 6 RO Status Display Tables\RECLAIM
Reclaim NRCP2 Board REC_NRCP MAIN MENU\Maint\BOARD_PN 10 RO Maintenance Display Tables\BOARD_PN
Reclaim Setpoint rsp MAIN MENU\Setpoint\SETPOINT 36 RW Setpoint Configuration Tables\SETPOINT
Reclaim Status Circuit A hrstat_a MAIN MENU\Status\RECLAIM 10 RO Status Display Tables\RECLAIM
Reclaim Status Circuit B hrstat_b MAIN MENU\Status\RECLAIM 20 RO Status Display Tables\RECLAIM
Reclaim Valve Position hr_v_pos MAIN MENU\Status\RECLAIM 8 RO Status Display Tables\RECLAIM
Reference Number RefNum MAIN MENU\Config\Ctlr-ID 6 RO Configuration Tables\!CtlrID\PD5_XAXQ
Refrigerant Charge Ctrl charge_c MAIN MENU\Service\MAINTCFG 3 RW Service Configuration Tables\MAINTCFG
Remote Heat/Cool Switch HC_SW MAIN MENU\Status\STATEGEN 3 RO Status Display Tables\STATEGEN
Remote Interlock Status REM_LOCK MAIN MENU\Status\STATEGEN 15 RO Status Display Tables\STATEGEN
Remote Reclaim Switch RECL_SW MAIN MENU\Status\STATEGEN 5 RO Status Display Tables\STATEGEN
Remote Setpoint Switch SETP_SW MAIN MENU\Status\STATEGEN 7 RO Status Display Tables\STATEGEN
Requested Electric Stage eh_stage MAIN MENU\Maint\LOADFACT 23 RO Maintenance Display Tables\LOADFACT
Reset Amount reset MAIN MENU\Maint\LOADFACT 6 RO Maintenance Display Tables\LOADFACT
Reset in Effect Mode_03 MAIN MENU\Status\MODES 4 RO Status Display Tables\MODES
Reset Maintenance Alert S_RESET MAIN MENU\Maint\SERMAINT 1 RO Maintenance Display Tables\SERMAINT
Reset/Setpnt 4-20mA Sgnl SP_RESET MAIN MENU\Status\STATEGEN 41 RO Status Display Tables\STATEGEN
Reverse Alarms Relay al_rever MAIN MENU\Config\USER 43 RW Configuration Tables\USER
Rotate Condenser Pumps? ROTHPUMP MAIN MENU\Status\STATEGEN 25 RO Status Display Tables\STATEGEN
Rotate Cooler Pumps? ROTCPUMP MAIN MENU\Status\STATEGEN 22 RO Status Display Tables\STATEGEN
Run Status STATUS MAIN MENU\Status\GENUNIT 4 RO Status Display Tables\GENUNIT
Running Status RUNNING MAIN MENU\Status\STATEGEN 31 RO Status Display Tables\STATEGEN
Reference Delta
Circuit A delt_r_a MAIN MENU\Maint\DEFROSTM 12 RO Maintenance Display Tables\DEFROSTM
Circuit B delt_r_b MAIN MENU\Maint\DEFROSTM 29 RO Maintenance Display Tables\DEFROSTM
Refrigerant Pump Out
Circuit A FC_PMP_A MAIN MENU\Status\FREECOOL 16 RO Status Display Tables\FREECOOL
Circuit B FC_PMP_B MAIN MENU\Status\FREECOOL 26 RO Status Display Tables\FREECOOL
Circuit C FC_PMP_C MAIN MENU\Status\FREECOOL 36 RO Status Display Tables\FREECOOL
Running Output
Circuit A Q_RUN_A MAIN MENU\Status\QCK_TST1 43 RW Status Display Tables\QCK_TST1
Circuit B Q_RUN_B MAIN MENU\Status\QCK_TST1 44 RW Status Display Tables\QCK_TST1
Circuit C Q_RUN_C MAIN MENU\Status\QCK_TST1 45 RW Status Display Tables\QCK_TST1
Saturated Condensing Tmp
Circuit A SCT_A MAIN MENU\Status\CIRCA_AN 12 RO Status Display Tables\CIRCA_AN
Circuit B SCT_B MAIN MENU\Status\CIRCB_AN 12 RO Status Display Tables\CIRCB_AN
Circuit C SCT_C MAIN MENU\Status\CIRCC_AN 12 RO Status Display Tables\CIRCC_AN
Saturated Suction Temp
Circuit A SST_A MAIN MENU\Status\CIRCA_AN 13 RO Status Display Tables\CIRCA_AN
Circuit B SST_B MAIN MENU\Status\CIRCB_AN 13 RO Status Display Tables\CIRCB_AN
Circuit C SST_C MAIN MENU\Status\CIRCC_AN 13 RO Status Display Tables\CIRCC_AN
Circuit C Q_SLI_1C MAIN MENU\Status\QCK_TST1 31 RW Status Display Tables\QCK_TST1
RO — Read Only
RW — Read/Write

103
APPENDIX A — TOUCH PILOT™ DISPLAY TABLES (cont)
LEGEND
TOUCH PILOT DESCRIPTION TOUCH PILOT
POINT NAME TOUCH PILOT PATH LINE READ/
WRITE CCN TABLE NAME
SCT Candidate
Circuit A sct_fu_a MAIN MENU\Maint\FANCTRL 2 RO Maintenance Display Tables\FANCTRL
Circuit B sct_fu_b MAIN MENU\Maint\FANCTRL 6 RO Maintenance Display Tables\FANCTRL
Circuit C sct_fu_c MAIN MENU\Maint\FANCTRL 10 RO Maintenance Display Tables\FANCTRL
SCT Control Point
Circuit A sct_sp_a MAIN MENU\Maint\FANCTRL 1 RO Maintenance Display Tables\FANCTRL
Circuit B sct_sp_b MAIN MENU\Maint\FANCTRL 5 RO Maintenance Display Tables\FANCTRL
Circuit C sct_sp_c MAIN MENU\Maint\FANCTRL 9 RO Maintenance Display Tables\FANCTRL
Slide Valve 1
Circuit A Q_SLI_1A MAIN MENU\Status\QCK_TST1 17 RW Status Display Tables\QCK_TST1
Circuit B Q_SLI_1B MAIN MENU\Status\QCK_TST1 24 RW Status Display Tables\QCK_TST1
Circuit C Q_SLI_1C MAIN MENU\Status\QCK_TST1 31 RW Status Display Tables\QCK_TST1
Slide Valve 2
Circuit A Q_SLI_2A MAIN MENU\Status\QCK_TST1 18 RW Status Display Tables\QCK_TST1
Circuit B Q_SLI_2B MAIN MENU\Status\QCK_TST1 25 RW Status Display Tables\QCK_TST1
Circuit C Q_SLI_2C MAIN MENU\Status\QCK_TST1 32 RW Status Display Tables\QCK_TST1
Slide Valve 1 Output
Circuit A SLID_1_A MAIN MENU\Status\CIRCA_D 3 RO Status Display Tables\CIRCA_D
Circuit B SLID_1_B MAIN MENU\Status\CIRCB_D 3 RO Status Display Tables\CIRCB_D
Circuit C SLID_1_C MAIN MENU\Status\CIRCC_D 3 RO Status Display Tables\CIRCC_D
Slide Valve 2 Output
Circuit A SLID_2_A MAIN MENU\Status\CIRCA_D 4 RO Status Display Tables\CIRCA_D
Circuit B SLID_2_B MAIN MENU\Status\CIRCB_D 4 RO Status Display Tables\CIRCB_D
Circuit C SLID_2_C MAIN MENU\Status\CIRCC_D 4 RO Status Display Tables\CIRCC_D
Suction Pressure
Circuit A SP_A MAIN MENU\Status\CIRCA_AN 4 RO Status Display Tables\CIRCA_AN
Circuit B SP_B MAIN MENU\Status\CIRCB_AN 4 RO Status Display Tables\CIRCB_AN
Circuit C SP_C MAIN MENU\Status\CIRCC_AN 4 RO Status Display Tables\CIRCC_AN
S1 Config Switch (8 ->1) cpa_s1_m MAIN MENU\Maint\BOARD_PN 13 RO Maintenance Display Tables\BOARD_PN
S1 Config Switch (8 ->1) cpb_s1_m MAIN MENU\Maint\BOARD_PN 17 RO Maintenance Display Tables\BOARD_PN
S1 Config Switch (8 ->1) cpc_s1_m MAIN MENU\Maint\BOARD_PN 21 RO Maintenance Display Tables\BOARD_PN
Second Setpoint in Use Mode_02 MAIN MENU\Status\MODES 3 RO Status Display Tables\MODES
Serial Number SerialNo MAIN MENU\Config\Ctlr-ID 5 RO Configuration Tables\!CtlrID\PD5_XAXQ
Service Test Enable Q_STREQ MAIN MENU\Status\SERV_TST 1 RW Status Display Tables\SERV_TST
Servicing Alert s_alert MAIN MENU\Service\MAINTCFG 2 RW Service Configuration Tables\MAINTCFG
Setpoint Control sp_ctrl MAIN MENU\Status\GENUNIT 27 RO Status Display Tables\GENUNIT
Setpoint Occupied? SP_OCC MAIN MENU\Status\GENUNIT 26 RO Status Display Tables\GENUNIT
Setpoint select sp_sel MAIN MENU\Status\GENUNIT 25 RW Status Display Tables\GENUNIT
Shutdown Indicator State SHUTDOWN MAIN MENU\Status\STATEGEN 27 RO Status Display Tables\STATEGEN
Slave Address slv_addr MAIN MENU\Config\MST_SLV 11 RW Configuration Tables\MST_SLV
Slave Chiller State slv_stat MAIN MENU\Maint\M_MSTSLV 6 RO Maintenance Display Tables\MSTSLAVE
Slave Chiller Total Cap slv_capt MAIN MENU\Maint\M_MSTSLV 7 RO Maintenance Display Tables\MSTSLAVE
Slave lagstat lagstat MAIN MENU\Maint\M_MSTSLV 14 RO Maintenance Display Tables\MSTSLAVE
Slide Valve Capacity A Q_SLIA MAIN MENU\Status\SERV_TST 4 RW Status Display Tables\SERV_TST
Slide Valve Capacity B Q_SLIB MAIN MENU\Status\SERV_TST 6 RW Status Display Tables\SERV_TST
Slide Valve Capacity C Q_SLIC MAIN MENU\Status\SERV_TST 8 RW Status Display Tables\SERV_TST
Soft Starter Select softstar MAIN MENU\Service\FACTORY 8 RW Service Configuration Tables\FACTORY
Software Part Number PartNum MAIN MENU\Config\Ctlr-ID 3 RO Configuration Tables\!CtlrID\PD5_XAXQ
Space T Full Reset Value spacr_fu MAIN MENU\Setpoint\SETPOINT 12 RW Setpoint Configuration Tables\SETPOINT
Space T No Reset Value spacr_no MAIN MENU\Setpoint\SETPOINT 11 RW Setpoint Configuration Tables\SETPOINT
Staged Loading Sequence seq_typ MAIN MENU\Config\USER 4 RW Configuration Tables\USER
Start if Error Higher start_dt MAIN MENU\Config\MST_SLV 19 RW Configuration Tables\MST_SLV
Startup Delay in Effect Mode_01 MAIN MENU\Status\MODES 2 RO Status Display Tables\MODES
Stop Pump During Standby pump_sby MAIN MENU\Config\USER 16 RW Configuration Tables\USER
RO — Read Only
RW — Read/Write

104
APPENDIX A — TOUCH PILOT™ DISPLAY TABLES (cont)
LEGEND
TOUCH PILOT DESCRIPTION TOUCH PILOT
POINT NAME TOUCH PILOT PATH LINE READ/
WRITE CCN TABLE NAME
Sub Condenser Temp Cir A hr_subta MAIN MENU\Status\RECLAIM 12 RO Status Display Tables\RECLAIM
Sub Condenser Temp Cir B hr_subtb MAIN MENU\Status\RECLAIM 22 RO Status Display Tables\RECLAIM
Subcooling Temperature A hr_subca MAIN MENU\Status\RECLAIM 14 RO Status Display Tables\RECLAIM
Subcooling Temperature B hr_subcb MAIN MENU\Status\RECLAIM 24 RO Status Display Tables\RECLAIM
Suction A Temp Average sst_m_a MAIN MENU\Maint\PR_LIMIT 4 RO Maintenance Display Tables\PR_LIMIT
Suction B Temp Average sst_m_b MAIN MENU\Maint\PR_LIMIT 8 RO Maintenance Display Tables\PR_LIMIT
Suction C Temp Average sst_m_c MAIN MENU\Maint\PR_LIMIT 12 RO Maintenance Display Tables\PR_LIMIT
Suction SH Control Pt A sh_sp_a MAIN MENU\Maint\EXV_CTRL 5 RO Maintenance Display Tables\EXV_CTRL
Suction SH Control Pt B sh_sp_b MAIN MENU\Maint\EXV_CTRL 12 RO Maintenance Display Tables\EXV_CTRL
Suction SH Control Pt C sh_sp_c MAIN MENU\Maint\EXV_CTRL 19 RO Maintenance Display Tables\EXV_CTRL
Suction Superheat A SH_A MAIN MENU\Maint\EXV_CTRL 4 RO Maintenance Display Tables\EXV_CTRL
Suction Superheat B SH_B MAIN MENU\Maint\EXV_CTRL 11 RO Maintenance Display Tables\EXV_CTRL
Suction Superheat C SH_C MAIN MENU\Maint\EXV_CTRL 18 RO Maintenance Display Tables\EXV_CTRL
Switch Limit Setpoint 1 lim_sp1 MAIN MENU\Setpoint\SETPOINT 33 RW Setpoint Configuration Tables\SETPOINT
Switch Limit Setpoint 2 lim_sp2 MAIN MENU\Setpoint\SETPOINT 34 RW Setpoint Configuration Tables\SETPOINT
Switch Limit Setpoint 3 lim_sp3 MAIN MENU\Setpoint\SETPOINT 35 RW Setpoint Configuration Tables\SETPOINT
System Manager Active Mode_10 MAIN MENU\Status\MODES 11 RO Status Display Tables\MODES
TCPM Board Comp A cpa_vers MAIN MENU\Maint\BOARD_PN 11 RO Maintenance Display Tables\BOARD_PN
TCPM Board Comp B cpb_vers MAIN MENU\Maint\BOARD_PN 15 RO Maintenance Display Tables\BOARD_PN
TCPM Board Comp C cpc_vers MAIN MENU\Maint\BOARD_PN 19 RO Maintenance Display Tables\BOARD_PN
Timed Overrider Hours OVR_EXT Configuration Tables\OCCPC01S 1 RO Configuration Tables\OCCPC01S
Timed Overrider Hours OVR_EXT MAIN MENU\Schedule\OCCPC02S 1 RO Configuration Tables\OCCPC02S
Timed-Override Duration OVE_HRS MAIN MENU\Maint\OCCDEFCM\OCC1PO1S 4 RO Maintenance Display Tables\OCCDEFCM\OCC1PO1S
Timed-Override Duration OVE_HRS MAIN MENU\Maint\OCCDEFCM\OCC2PO2S 4 RO Maintenance Display Tables\OCCDEFCM\OCC2PO2S
Timed-Override in Effect OVERLAST MAIN MENU\Maint\OCCDEFCM\OCC1PO1S 3 RO Maintenance Display Tables\OCCDEFCM\OCC1PO1S
Timed-Override in Effect OVERLAST MAIN MENU\Maint\OCCDEFCM\OCC2PO2S 3 RO Maintenance Display Tables\OCCDEFCM\OCC2PO2S
Total Fans NB
Circuit A nb_fan_a MAIN MENU\Service\FACTORY2 14 RW Service Configuration Tables\FACTORY2
Circuit B nb_fan_b MAIN MENU\Service\FACTORY2 15 RW Service Configuration Tables\FACTORY2
Circuit C nb_fan_c MAIN MENU\Service\FACTORY2 16 RW Service Configuration Tables\FACTORY2
Unit Capacity Model unitsize MAIN MENU\Service\FACTORY 2 RW Service Configuration Tables\FACTORY
Unit is Master or Slave mstslv MAIN MENU\Maint\M_MSTSLV 2 RO Maintenance Display Tables\MSTSLAVE
Unit Off to On Delay off_on_d MAIN MENU\Config\USER 6 RW Configuration Tables\USER
Unit Type (Heat Pump=2) unit_typ MAIN MENU\Service\FACTORY 1 RW Service Configuration Tables\FACTORY
Use Password use_pass MAIN MENU\Service\SERVICE1 24 RW Service Configuration Tables\SERVICE1
Valve Actuators Heaters FC_HTR MAIN MENU\Status\FREECOOL 10 RO Status Display Tables\FREECOOL
Water Cond Enter Valv A Q_HREW_A MAIN MENU\Status\QCK_TST2 5 RW Status Display Tables\QCK_TST2
Water Cond Enter Valv B Q_HREW_B MAIN MENU\Status\QCK_TST2 9 RW Status Display Tables\QCK_TST2
Water Cond Enter Valve A hr_ew_a MAIN MENU\Status\RECLAIM 16 RO Status Display Tables\RECLAIM
Water Cond Enter Valve B hr_ew_b MAIN MENU\Status\RECLAIM 26 RO Status Display Tables\RECLAIM
Water Cond Leav Valve B Q_HRLW_B MAIN MENU\Status\QCK_TST2 10 RW Status Display Tables\QCK_TST2
Water Cond Leaving Valve A hr_lw_a MAIN MENU\Status\RECLAIM 18 RO Status Display Tables\RECLAIM
Water Cond Leaving Valve B hr_lw_b MAIN MENU\Status\RECLAIM 28 RO Status Display Tables\RECLAIM
Water Delta T delta_t MAIN MENU\Maint\LOADFACT 4 RO Maintenance Display Tables\LOADFACT
Water Exchanger Pump 1 Q_PMP1 MAIN MENU\Status\QCK_TST1 37 RW Status Display Tables\QCK_TST1
Water Exchanger Pump 2 Q_PMP2 MAIN MENU\Status\QCK_TST1 38 RW Status Display Tables\QCK_TST1
Water Filter Ctrl (days) wfilte_c MAIN MENU\Service\MAINTCFG 9 RW Service Configuration Tables\MAINTCFG
Water Loop Control wloop_c MAIN MENU\Service\MAINTCFG 4 RW Service Configuration Tables\MAINTCFG
Water Pump #1 Hours hr_cpum1 MAIN MENU\Service\UPDTHOUR 13 RW Service Configuration Tables\UPDTHOUR
Water Pump #2 Hours hr_cpum2 MAIN MENU\Service\UPDTHOUR 14 RW Service Configuration Tables\UPDTHOUR
Water Val Condensing Stp w_sct_sp MAIN MENU\Setpoint\SETPOINT 38 RW Setpoint Configuration Tables\SETPOINT
Watre Cond Leav Valve A Q_HRLW_A MAIN MENU\Status\QCK_TST2 6 RW Status Display Tables\QCK_TST2
Wye Delta Start Select wye_delt MAIN MENU\Service\FACTORY 9 RW Service Configuration Tables\FACTORY
RO — Read Only
RW — Read/Write

105
APPENDIX B — NAVIGATOR™ DISPLAY TABLES
MODE — RUN STATUS
*As data in all of these categories can exceed 9999 the following display strategy is used:
From 0-9999 display as 4 digits.
From 9999-99999 display xx.xK
From 99900-999999 display as xxxK.
ITEM EXPANSION UNITS RANGE COMMENT WRITE
STATUS CCN TABLE CCN POINT PAGE
NO.
VIEW AUTO DISPLAY
EWT Entering Fluid Temp XXXX.X
(deg F/deg C)
0-100 STATEGEN COOL_EWT 44
LWT Leaving Fluid Temp XXX.X
(deg F/deg C)
0-100 STATEGEN COOL_LWT 44
SETP Active Setpoint XXX.X
(deg F/deg C)
0-100 GENUNIT SP 35, 55
CTPT Control Point XXX.X
(deg F/deg C)
0-100 GENUNIT CTRL_PNT 35
STAT Unit Run Status Off
Running
Stopping
Delay
GENUNIT STATUS 22-25
OCC Occupied NO/YES GENUNIT CHIL_OCC 22-25
CTRL Status Unit Control Type Local Off
Local On
CCN
Remote
GENUNIT ctr_type 22-25
CAP Percent Total Capacity XXX (%) 0-100 GENUNIT CAP_T
CAP. A Percent Capacity Cir A XXX (%) 0-100 GENUNIT CAPA_T
CAP. B Percent Capacity Cir B XXX (%) 0-100 GENUNIT CAPB_T
CAP. C Percent Capacity Cir C XXX (%) 0-100 GENUNIT CAPC_T
CAP. S Capacity Indicator XX 0-32 MAINT OVER_CAP 43
LIM Active Demand Limit Val XXX (%) 0-100 GENUNIT DEM-LIM
CURR Actual Chiller Current XXX (amps) 0-4000 GENUNIT TOT_CURR
CUR.L Chiller Current Limit XXX (amps) 0-4000 GENUNIT CURR_LIM
ALRM Alarm State 0=Normal
1=Partial
2=Shutdown
GENUNIT ALM 68
EMGY Emergency Stop DSBL/ENBL GENUNIT EMSTOP
CH.SS CCN Chiller Start Stop DSBL/ENBL GENUNIT CHILL_S_S
HC.ST Heat Cool Status 0=Cooling
1=Heating
2=Standby
Heating and
Standby not
supported.
GENUNIT HEATCOOL 45
RC.ST Reclaim Select Status NO/YES Not supported. GENUNIT reclaim_sel
TIME Time of Day XX.XX 00:00-23:59 N/A TIME
MNTH Month of Year 1=January
2=February
3=March
4=April
6=May
6=June
7=July
8=August
9=September
10=October
11=November
12=December
N/A moy
DATE Day of Month XX 1-31 N/A dom
YEAR Year of Century XX 00-99 N/A yoc
RUN MACHINE STARTS/HOURS
HRS.U Machine Operating Hours XXXX (hours) 0-999000* forcible hr_mach
STR.U Machine Starts XXXX 0-9999* forcible STRTHOUR st_mach
HR.P1 Water Pump 1 Run Hours XXXX (hours) 0-999000* Not supported. forcible FANHOURS hr_cpum1
HR.P2 Water Pump 2 Run Hours XXXX (hours) 0-999000* Not supported. forcible FANHOURS hr_cpum2
HR.P3 Condenser Pump 1 Hours XXXX (hours) 0-999999* Not supported. forcible FANHOURS hr_hpump1
HOUR COMPRESSOR RUN HOURS
HR.A Compressor A Run Hours XXXX (hours) 0-999000* forcible STRTHOUR hr_cp_a
HR.B Compressor B Run Hours XXXX (hours) 0-999000* forcible STRTHOUR hr_cp_b
HR.C Compressor C Run Hours XXXX (hours) 0-999000* forcible STRTHOUR hr_cp_c
STRT COMPRESSOR STARTS
ST.A Compressor A Starts XXXX 0-999000* forcible STRTHOUR st_cp_a
ST.B Compressor B Starts XXXX 0-999000* forcible STRTHOUR st_cp_b
ST.C Compressor C Starts XXXX 0-999000* forcible STRTHOUR st_cp_c

106
APPENDIX B — NAVIGATOR™ DISPLAY TABLES (cont)
MODE — RUN STATUS
*As data in all of these categories can exceed 9999 the following display strategy is used:
From 0-9999 display as 4 digits.
From 9999-99999 display xx.xK
From 99900-999999 display as xxxK.
ITEM EXPANSION UNITS RANGE COMMENT WRITE
STATUS CCN TABLE CCN POINT PAGE
NO.
FAN FAN RUN HOURS
FR.A1 Fan 1 Run Hours Cir A XXXX (hours) 0-999999* forcible FANHOURS hr_fana1
FR.A2 Fan 2 Run Hours Cir A XXXX (hours) 0-999999* forcible FANHOURS hr_fana2
FR.A3 Fan 3 Run Hours Cir A XXXX (hours) 0-999999* forcible FANHOURS hr_fana3
FR.A4 Fan 4 Run Hours Cir A XXXX (hours) 0-999999* forcible FANHOURS hr_fana4
FR.A5 Fan 5 Run Hours Cir A XXXX (hours) 0-999999* forcible FANHOURS hr_fana5
FR.A6 Fan 6 Run Hours Cir A XXXX (hours) 0-999999* forcible FANHOURS hr_fana6
FR.A7 Fan 7 Run Hours Cir A XXXX (hours) 0-999999* forcible FANHOURS hr_fana7
FR.A8 Fan 8 Run Hours Cir A XXXX (hours) 0-999999* forcible FANHOURS hr_fana8
FR.A9 Fan 9 Run Hours Cir A XXXX (hours) 0-999999* forcible FANHOURS hr_fana9
F.A 10 Fan 10 Run Hours Cir A XXXX (hours) 0-999999* forcible FANHOURS hrfana10
FR.B1 Fan 1 Run Hours Cir B XXXX (hours) 0-999999* forcible FANHOURS hr_fanb1
FR.B2 Fan 2 Run Hours Cir B XXXX (hours) 0-999999* forcible FANHOURS hr_fanb2
FR.B3 Fan 3 Run Hours Cir B XXXX (hours) 0-999999* forcible FANHOURS hr_fanb3
FR.B4 Fan 4 Run Hours Cir B XXXX (hours) 0-999999* forcible FANHOURS hr_fanb4
FR.B5 Fan 5 Run Hours Cir B XXXX (hours) 0-999999* forcible FANHOURS hr_fanb5
FR.B6 Fan 6 Run Hours Cir B XXXX (hours) 0-999999* forcible FANHOURS hr_fanb6
FR.B7 Fan 7 Run Hours Cir B XXXX (hours) 0-999999* forcible FANHOURS hr_fanb7
FR.B8 Fan 8 Run Hours Cir B XXXX (hours) 0-999999* forcible FANHOURS hr_fanb8
FR.B9 Fan 9 Run Hours Cir B XXXX (hours) 0-999999* forcible FANHOURS hr_fanb9
F.B 10 Fan 10 Run Hours Cir B XXXX (hours) 0-999999* forcible FANHOURS hrfanb10
FR.C1 Fan 1 Run Hours Cir C XXXX (hours) 0-999999* forcible FANHOURS hr_fanc1
FR.C2 Fan 2 Run Hours Cir C XXXX (hours) 0-999999* forcible FANHOURS hr_fanc2
FR.C3 Fan 3 Run Hours Cir C XXXX (hours) 0-999999* forcible FANHOURS hr_fanc3
FR.C4 Fan 4 Run Hours Cir C XXXX (hours) 0-999999* forcible FANHOURS hr_fanc4
FR.C5 Fan 5 Run Hours Cir C XXXX (hours) 0-999999* forcible FANHOURS hr_fanc5
FR.C6 Fan 6 Run Hours Cir C XXXX (hours) 0-999999* forcible FANHOURS hr_fanc6
FR.C7 Fan 7 Run Hours Cir C XXXX (hours) 0-999999* forcible FANHOURS hr_fanc7
FR.C8 Fan 8 Run Hours Cir C XXXX (hours) 0-999999* forcible FANHOURS hr_fanc8
FR.C9 Fan 9 Run Hours Cir C XXXX (hours) 0-999999* forcible FANHOURS
F.C 10 Fan 10 Run Hours Cir C XXXX (hours) 0-999999* forcible FANHOURS
CP.UN COMPRESSOR DISABLE
A.UN Compressor A Disable NO/YES forcible CP_UNABL un_cp_a
B.UN Compressor B Disable NO/YES forcible CP_UNABL un_cp_b
C.UN Compressor C Disable NO/YES forcible CP_UNABL un_cp_c
MAIN PREDICTIVE MAINTENANCE
CHRG Refrigerant Charge NO/YES SERMAINT charge_m
WATE Water Loop Size NO/YES SERMAINT wloop_m
PMP.1 Pump 1 (Days) (days) SERMAINT cpump1_m
PMP.2 Pump 2 (Days) (days) SERMAINT cpump2_m
PMP.3 Cond Pump 1 (Days) Not supported. SERMAINT hpump1_m
PMP.4 Cond Pump 1 (Days) SERMAINT hpump2_m
W.FIL Water Filter (days) SERMAINT wfilte_m 47
A.FIL Comp A OIl Filter (days) SERMAINT ofilta_m
B.FIL Comp B Oil Filter (days) SERMAINT ofiltb_m
C.FIL Comp C Oil Filter (days) SERMAINT ofiltc_m
VERS SOFTWARE VERSIONS Press ENTER
and ESCAPE
simultaneously
to read version
information
APPL CSA-XXXXXXXXX PD5_APPL
MARQ XXXXXX-XX-XX STDU
NAVI XXXXXX-XX-XX Navigator
EXVA XXXXXX-XX-XX EXV_BRDA 77
EXVB XXXXXX-XX-XX EXV_BRDB 77
EXVC XXXXXX-XX-XX EXV_BRDC 77
AUX1 XXXXXX-XX-XX AUX_BRD1
AUX2 XXXXXX-XX-XX AUX_BRD2
AUX3 XXXXXX-XX-XX AUX_BRD3
AUX4 XXXXXX-XX-XX AUX_BRD4
AUX5 XXXXXX-XX-XX AUX_BRD5
AUX6 XXXXXX-XX-XX AUX_BRD6
CPMA XXXXXX-XX-XX SPM_CPA
CPMB XXXXXX-XX-XX SPM_CPB
CPMC XXXXXX-XX-XX SPM_CPC
EMM XXXXXX-XX-XX EMM_NRCP 76
R.BRD XXXXXX-XX-XX REC_NRCP

107
APPENDIX B — NAVIGATOR™ DISPLAY TABLES (cont)
MODE — SERVICE TEST
ITEM EXPANSION UNITS RANGE COMMENT WRITE
STATUS CCN TABLE CCN POINT PAG E
NO.
TEST MANUAL TEST MODE Remote-Off-
Enable Switch
must be set to
OFF Position
Remote-Off-
Enable Switch
must be set to
ENABLE
Position
N/A
T.REQ Manual Sequence OFF/ON forcible N/A service_test 61, 83
CP.A Compressor A Output
OFF/ON
forcible N/A comp_serv_a 64
SLI.A Slide Valve Capacity A unchanged
increase
decrease
forcible comp_ser_sid_a
CP.B Compressor B Output OFF/ON forcible N/A comp_serv_b 64
SLI.B Slide Valve Capacity B unchanged
increase
decrease
forcible comp_ser_sid_b
CP.C Compressor C Output OFF/ON forcible N/A comp_serv_c 64
SLI.C Slide Valve Capacity C unchanged
increase
decrease
forcible comp_ser_sid_c
QUIC QUICK TEST MODE Remote-Off-
Enable Switch
must be set to
OFF Position
N/A
Q.REQ OFF/ON forcible N/A 61
EXV.A Circuit A EXV % Open XXX (%) 0-100 forcible N/A 61
EXV.B Circuit B EXV % Open XXX (%) 0-100 forcible N/A 61
EXV.C Circuit C EXV % Open XXX (%) 0-100 forcible N/A
ECO.A Circ A ECO EXV % XXX (%) 0-100 forcible
ECO.B Circ B ECO EXV % XXX (%) 0-100 forcible
ECO.C Circ C ECO EXV % XXX (%) 0-100 forcible
FAN.A Circuit A Fan Stages X 0-8 forcible N/A
FAN.B Circuit B Fan Stages X 0-8 forcible N/A
FAN.C Circuit C Fan Stages X 0-8 forcible N/A
SPD.A Cir A Varifan position XXX (%) 0-100 forcible N/A
SPD.B Cir B Varifan position XXX (%) 0-100 forcible N/A
SPD.C Cir C Varifan position XXX (%) 0-100 forcible N/A
HT.A Oil Heater Circuit A OFF/ON forcible
SL1.A Slide Valve 1 Cir A OFF/ON forcible
SL2.A Slide Valve 2 Cir B OFF/ON forcible
HGP.A Hot Gas Bypass A Output OFF/ON forcible
OLS.A Oil Solenoid Cir A OFF/ON forcible
DGT.A DGT Cool Solenoid A OFF/ON forcible
HT.B Oil Heater Circuit B OFF/ON forcible
SL1.B Slide Valve 1 Cir B OFF/ON forcible
SL2.B Slide Valve 2 Cir B OFF/ON forcible
HGP.B Hot Gas Bypass B Output OFF/ON forcible
OLS.B Oil Solenoid Cir A OFF/ON forcible
DGT.B DGT Cool Solenoid B OFF/ON forcible
HT.C Oil Heater Circuit C OFF/ON forcible
SL1.C Slide Valve 1 Cir C OFF/ON forcible
SL2.C Slide Valve 2 Cir C OFF/ON forcible
HGP.C Hot Gas Bypass C Output OFF/ON forcible
OLS.C Oil Solenoid Cir A OFF/ON forcible
DGT.C DGT Cool Solenoid C OFF/ON forcible
PMP.1 Water Exchanger Pump 1 OFF/ON Not supported. forcible N/A
PMP.2 Water Exchanger Pump 2 OFF/ON Not supported. forcible N/A
PMP.3 Condenser Pump 1 OFF/ON Not supported. forcible
CL.HT Cooler Heater Output OFF/ON N/A
BVL.A Ball Valve Position A OPEN/CLSE
BVL.B Ball Valve Position B OPEN/CLSE
BVL.C Ball Valve Position C OPEN/CLSE
Q.RDY Chiller Ready Status OFF/ON forcible N/A
Q.RUN Chiller Running Status OFF/ON forcible N/A
SHUT Customer Shutdown Stat OFF/ON forcible N/A
CATO Chiller Capacity in 0-10v XX.X (vdc) forcible N/A
ALRM Alarm Relay OFF/ON forcible N/A 68
ALRT Alert Relay OFF/ON forcible N/A

108
APPENDIX B — NAVIGATOR™ DISPLAY TABLES (cont)
MODE — TEMPERATURE
ITEM EXPANSION UNITS RANGE COMMENT WRITE
STATUS CCN TABLE CCN POINT PAGE
NO.
UNIT UNIT TEMPERATURES
CEWT Cooler Entering Fluid XXX.X
(deg F/deg C)
–40-245 F
(–40-118 C)
STATEGEN COOL_EWT
CLWT Cooler Leaving Fluid XXX.X
(deg F/deg C)
–40-245 F
(–40-118 C)
STATEGEN COOL_LWT
CD.LT Condenser Entering Fluid XXX.X
(deg F/deg C)
–40-245 F
(–40-118 C)
Not supported.
Not supported.
COND_LWT
CD.ET Condenser Leaving Fluid XXX.X
(deg F/deg C)
–40-245 F
(–40-118 C)
COND_EWT
OAT Outside Air Temperature XXX.X
(deg F/deg C)
–40-245 F
(–40-118 C)
GENUNIT OAT
CHWS Lead/Lag Leaving Fluid XXX.X
(deg F/deg C)
–40-245 F
(–40-118 C)
STATEGEN CHWS
SPT Optional Space Temp XXX.X
(deg F/deg C)
–40-245 F
(–40-118 C)
STATEGEN SPACETMP
THHR Cooler Heater Temp XXX.X
(deg F/deg C)
–40-245 F
(–40-118 C)
TH_HEATER
THR.C Cooler Heat Temp Cir C XXX.X
(deg F/deg C)
–40-245 F
(–40-118 C)
T_HEAT_C
CIR.A CIRCUIT A TEMPERATURES
SCT.A Sat Cond Temp Circ A XXX.X
(deg F/deg C)
–40-245 F
(–40-118 C)
CIRCA_AN SCT_A
SST.A Sat Suction Temp Circ A XXX.X
(deg F/deg C)
–40-245 F
(–40-118 C)
CIRCA_AN SST_A
DGT.A Discharge Gas Temp Cir A XXX.X
(deg F/deg C)
–40-245 F
(–40-118 C)
DGT_A
SGT.A Suction Gas Temp Circ A XXX.X
(deg F/deg C)
–40-245 F
(–40-118 C)
CIRCA_AN SUCT_T_A
SUP.A Superheat Temp Circ A XXX.X (F/C) CIRCA_AN SH_A
ECT.A Economizer Gas Temp A XXX.X
(deg F/deg C)
–40-245 F
(–40-118 C)
ECO_TP_A
ESH.A Economizer Superheat A XXX.X
(deg F/deg C)
–40-245 F
(–40-118 C)
ECO_SH_A
CTP.A Motor Temperature Cir A XXX.X
(deg F/deg C)
–40-245 F
(–40-118 C)
CP_TMP_A
CIR.B CIRCUIT B TEMPERATURES
SCT.B Sat Cond Temp Circ B XXX.X
(deg F/deg C)
–40-245 F
(–40-118 C)
CIRCB_AN SCT_B
SST.B Sat Suction Temp Circ B XXX.X
(deg F/deg C)
–40-245 F
(–40-118 C)
CIRCB_AN SST_B
DGT.B Discharge Gas Temp Cir B XXX.X
(deg F/deg C)
–40-245 F
(–40-118 C)
DGT_B
SGT.B Suction Gas Temp Circ B XXX.X
(deg F/deg C)
–40-245 F
(–40-118 C)
CIRCB_AN SUCT_T_B
SUP.B Superheat Temp Circ B XXX.X (F/C) CIRCB_AN SH_B
ECT.B Economizer Gas Temp B XXX.X
(deg F/deg C)
–40-245 F
(–40-118 C)
ECO_TP_B
ESH.B Economizer Superheat B XXX.X
(deg F/deg C)
–40-245 F
(–40-118 C)
ECO_SH_B
CTP.B Motor Temperature Cir B XXX.X
(deg F/deg C)
–40-245 F
(–40-118 C)
CP_TMP_B
CIR.C CIRCUIT C TEMPERATURES CIRCC_AN
SCT.C Sat Cond Temp Circ C XXX.X
(deg F/deg C)
–45-245 F
(–43-118 C)
CIRCC_AN SCT_C
SST.C Sat Suction Temp Circ C XXX.X
(deg F/deg C)
–45-245 F
(–43-118 C)
CIRCC_AN SST_C
DGT.C Discharge Gas Temp Cir C XXX.X
(deg F/deg C)
–40-245 F
(–40-118 C)
DGT_C
SGT.C Suction Gas Temp Circ C XXX.X
(deg F/deg C)
–45-245 F
(–43-118 C)
CIRCC_AN SUCT_T_C
SUP.C Superheat Temp Circ C XXX.X (F/C) CIRCC_AN SH_C
ECT.C Economizer Gas Temp C XXX.X
(deg F/deg C)
ECO_TP_C
ESH.C Economizer Superheat C XXX.X
(deg F/deg C)
ECO_SH_C
CTP.C Motor Temperature Cir C XXX.X
(deg F/deg C)
CP_TMP_C

109
APPENDIX B — NAVIGATOR™ DISPLAY TABLES (cont)
MODE — SET POINTS
ITEM EXPANSION UNITS RANGE COMMENT WRITE
STATUS CCN TABLE CCN POINT PAG E
NO.
COOL COOLING SETPOINTS
CSP.1 Cooling Setpoint 1 XXXX.X
(deg F/deg C)
–20-70 F
(–29-21 C),
Default = 44.0
forcible SETPOINT csp1 25, 41,
55
CSP.2 Cooing Setpoint 2 XXXX.X
(deg F/deg C)
–20-70 F
(–29-21 C),
Default = 44.0
forcible SETPOINT csp2 25, 41,
55
CSP.3 Ice Setpoint XXXX.X
(deg F/deg C)
–20-70 F
(–29-21 C),
Default = 44.0
forcible SETPOINT ice_sp 25, 41,
55
CRV1 Current No Reset Val XX.X (mA) 0-20,
Default = 0
forcible SETPOINT v_cr_no 36
CRV2 Current Full Reset Val XX.X (mA) 0-20,
Default = 0
forcible SETPOINT v_cr_fu 36
CRT1 Delta T No Reset Temp XXX.X (F/C) 0-125 F
(0-69.4 C),
Default = 0
forcible SETPOINT dt_cr_no 35, 36
CRT2 Delta T Full Reset Temp XXX.X (F/C) 0-125 F
(0-69.4 C),
Default = 0
forcible SETPOINT dt_cr_fu 35, 36
CRO1 OAT No Reset Temp XXX.X
(deg F/deg C)
0-125 F
(–18-52 C),
Default = 14.0
forcible SETPOINT oatcr_no
CRO2 OAT Full Reset Temp XXX.X
(deg F/deg C)
0-25 F
(–18-52 C),
Default = 14.0
forcible SETPOINT oatcr_fu
CRS1 Space T No Reset Temp XXX.X
(deg F/deg C)
0-125 F
(–18-52 C),
Default = 14.0
forcible SETPOINT spacr_no 36
CRS2 Space T Full Reset Temp XXX.X
(deg F/deg C)
0-125 F
(–18-52 C),
Default = 14.0
forcible SETPOINT spacr_fu 36
DGRC Degrees Cool Reset XX.X (F/C) –30-30 F
(–16.7-16.7 C),
Default = 0
forcible SETPOINT cr_deg 35, 36
CAUT Cool Changeover Setpt XX.X
(deg F/deg C)
Default = 75.0 Not supported. forcible SETPOINT cauto_sp
CRMP Cool Ramp Loading X.X 0.2-2.0 F
(0.1-1.1 C),
Default = 1.0
forcible SETPOINT cramp_sp 35
HEAT HEATING SETPOINTS
HSP.1 Heating Setpoint 1 XXX.X
(deg F/deg C)
Default = 100 Not supported. forcible SETPOINT HSP.1
HSP.2 Heating Setpoint 2 XXX.X
(deg F/deg C)
Default = 100 Not supported. forcible SETPOINT HSP.2
HRV1 Current to Reset Val XX.X (mA) Default = 0 Not supported. forcible SETPOINT v_hr_no
HRV2 Current Full Reset Val XX.X (mA) Default = 0 Not supported. forcible SETPOINT v_hr_fu
HRT1 Delta T No Reset Temp XXX.X (F/C) Default = 0 Not supported. forcible SETPOINT dt_hr_no
HRT2 Delta T Full Reset Temp XXX.X (F/C) Default = 0 Not supported. forcible SETPOINT dt_hr_fu
HRO1 OAT No Reset Temp XXX.X
(deg F/deg C)
Default = 14.0 Not supported. forcible SETPOINT oathr_no
HRO2 OAT Full Reset Temp XXX.X
(deg F/deg C)
Default = 14.0 Not supported. forcible SETPOINT oathr_fu
DGRH Degrees Heat Reset XX.X (F/C) Default = 0 Not supported. forcible SETPOINT DGRH
HAUT Heat Changeover Setpt XX.X
(deg F/deg C)
Default = 64 Not supported. forcible SETPOINT hauto_sp
HRMP Heat Ramp Loading X.X Default = 1.0 Not supported. forcible SETPOINT hramp_sp
MISC MISC SETPOINTS
DLS1 Switch Limit Setpoint 1 XXX (%) 0-100,
Default = 100
forcible SETPOINT lim_sp1 39, 40
DLS2 Switch Limit Setpoint 2 XXX (%) 0-100,
Default = 100
forcible SETPOINT lim_sp2 39, 40
DLS3 Switch Limit Setpoint 3 XXX (%) 0-100,
Default = 100
forcible SETPOINT lim_sp3
W.SCT Water Val Cond Stp XXX.X
(deg F/deg C)
80-140 F
(26.7-60 C)
Not supported. SETPOINT w_sct_sp 46

110
APPENDIX B — NAVIGATOR™ DISPLAY TABLES (cont)
MODE — PRESSURE
MODE — INPUTS
ITEM EXPANSION UNITS RANGE COMMENT WRITE
STATUS CCN TABLE CCN POINT PAGE
NO.
PRC.A CIRCUIT A PRESSURES
DP.A Discharge Pressure Cir A XXX.X
(psig/kPa)
CIRCA_AN DP_A 56
SP.A Suction Pressure Circ A XXX.X
(psig/kPa)
CIRCA_AN SP_A
OP.A Oil Pressure Circ A XXX.X
(psig/kPa)
OP_A
DOP.A Oil Pressure Diff A XXX.X
(psig/kPa)
DOP_A
ECP.A Economizer Pressure A XXX.X
(psig/kPa)
ECON_P_A
PRC.B CIRCUIT B PRESSURES
DP.B Discharge Pressure Cir B XXX.X
(psig/kPa)
CIRCB_AN DP_B 56
SP.B Suction Pressure Circ B XXX.X
(psig/kPa)
CIRCB_AN SP_B
OP.B Oil Pressure Circ B XXX.X
(psig/kPa)
OP_B
DOP.B Oil Pressure Diff B XXX.X
(psig/kPa)
DOP_B
ECP.B Economizer Pressure B XXX.X
(psig/kPa)
ECON_P_B
PRC.C CIRCUIT A PRESSURES
DP.C Discharge Pressure Cir C XXX.X
(psig/kPa)
CIRCC_AN DP_C 56
SP.C Suction Pressure Circ C XXX.X
(psig/kPa)
CIRCC_AN SP_C
OP.C Oil Pressure Circ C XXX.X
(psig/kPa)
OP_C
DOP.C Oil Pressure Diff C XXX.X
(psig/kPa)
DOP_C
ECP.C Economizer Pressure C XXX.X
(psig/kPa)
ECON_P_C
ITEM EXPANSION UNITS RANGE COMMENT WRITE
STATUS CCN TABLE CCN POINT PAGE
NO.
GEN.I GENERAL INPUTS
ONOF On Off Switch OPEN/CLSE STATEGEN ONOF
LOCK Cooler Interlock OPEN/CLSE STATEGEN LOCK_1 44
COND Condenser Flow Switch OPEN/CLSE Not supported. STATEGEN CONFLOW
DLS1 Demand Limit Switch 1 OPEN/CLSE STATEGEN LIM_SW1 39, 40
DLS2 Demand Limit Switch 2 OPEN/CLSE STATEGEN LIM_SW2 39, 40
ICE.D Ice Done OFF/ON STATEGEN ICE_SW
DUAL Dual Setpoint Switch OFF/ON STATEGEN SETP_SW
ELEC Electrical Box Safety OPEN/CLSE Not supported. STATEGEN ELEC_BOX
PUMP Pump Run Feedback OPEN/CLSE Not supported. STATEGEN PUMP_DEF
OCCS Occupancy Override Swit OFF/ON STATEGEN OCC_OVSW
HC.SW Heat Cool Switch Status OFF/ON STATEGEN HC_SW
RLOC Remote Interlock Switch OPEN/CLSE STATEGEN REM-LOCK
OIL.A Oil Level Circuit A LOW/HIGH STATEGEN OIL_L_A
OIL.B Oil Level Circuit B LOW/HIGH STATEGEN OIL_L_B
OIL.C Oil Level Circuit C LOW/HIGH STATEGEN OIL_L_C
CUR.A Motor Current Circuit A XXX.X (amps) 0-600 STATEGEN CURR_A
CUR.B Motor Current Circuit B XXX.X (amps) 0-600 STATEGEN CURR_B
CUR.C Motor Current Circuit C XXX.X (amps) 0-600 STATEGEN CURR_C
DMND 4-20 mA Demand Signal XXX.X (mA) 4 to 20 STATEGEN LIM_ANAL
RSET 4-20 mA Reset/Setpoint XXX.X (mA) 4 to 20 STATEGEN SP_RESET

111
APPENDIX B — NAVIGATOR™ DISPLAY TABLES (cont)
MODE — OUTPUTS
MODE — CONFIGURATION
ITEM EXPANSION UNITS RANGE COMMENT WRITE
STATUS CCN TABLE CCN POINT PAGE
NO.
CIR.A CIRCUIT A OUTPUTS
CP.A Compressor A Relay OFF/ON CIRCA_D CP_A
HT.A Oil Heater Circuit A OFF/ON OIL_HT_A
SL1.A Slide Valve 1 Cir A OFF/ON SLID1_A
SL2.A Slide Valve 2 Cir A OFF/ON SLID2_A
OLS.A Oil Solenoid Cir A OFF/ON OIL_SL_A
HGB.A Hot Gas Bypass Cir A OFF/ON
FAN.A Circuit A Fan Stages X 0-6 CIRCA_D FAN_ST_A
SPD.A Circ A Varifan Position XXX (%) 0-100 CIRCA_AN hd_pos_a
EXV.A Circuit A EXV % Open XXX (%) 0-100 CIRCA_AN EXV_A 61
ECO.A Circ A EXV ECO % Open XXX (%) 0-100 EXV_EC_A
DGT.A DGT Cool Solenoid A OFF/ON dgt_gascool_a
CIR.B CIRCUIT B OUTPUTS
CP.B Compressor B Relay OFF/ON CIRCB_D CP_B
HT.B Oil Heater Circuit B OFF/ON CIRCB_D OIL_HT_B
SL1.B Slide Valve 1 Cir B OFF/ON SLID1_B
SL2.B Slide Valve 2 Cir B OFF/ON SLID2_B
OLS.B Oil Solenoid Cir B OFF/ON OIL_SL_B
HGB.B Hot Gas Bypass Cir B OFF/ON
FAN.B Circuit B Fan Stages X 0-6 CIRCB_D FAN_ST_B
SPD.B Circ B Varifan Position XXX (%) 0-100 CIRCB_AN hd_pos_b
EXV.B Circuit B EXV % Open XXX (%) 0-100 CIRCB_AN EXV_B 61
ECO.B Circ B EXV ECO % Open XXX (%) 0-100 EXV_EC_B
DGT.B DGT Cool Solenoid B OFF/ON dgt_gascool_b
CIR.C CIRCUIT C OUTPUTS
CP.C Compressor C Relay OFF/ON CIRCC_D CP_C
HT.C Oil Heater Circuit C OFF/ON CIRCC_D OIL_HT_C
SL1.C Slide Valve 1 Cir C OFF/ON SLID1_C
SL2.C Slide Valve 2 Cir C OFF/ON SLID2_C
OLS.C Oil Solenoid Cir C OFF/ON OIL_SL_C
HGB.C Hot Gas Bypass Cir C OFF/ON
FAN.C Circuit C Fan Stages X 0-6 CIRCC_D FAN_ST_C
SPD.C Circ C Varifan Position XXX (%) 0-100 CIRCC_AN hd_pos_c
EXV.C Circuit C EXV % Open XXX (%) 0-100 CIRCC_AN EXV_C
ECO.C Circ C EXV ECO % Open XXX (%) 0-100 EXV_EC_C
DGT.C DGT Cool Solenoid C OFF/ON dgt_gascool_c
GEN.O GENERAL OUTPUTS
PMP.1 Water Exchanger Pump 1 OFF/ON STATEGEN CPUMP_1
PMP.2 Water Exchanger Pump 2 OFF/ON STATEGEN CPUMP_2
PMP.3 Condenser Pump 1 OFF/ON STATEGEN HPUMP_1
CO.HT Cooler Heater Output OFF/ON STATEGEN COOLHEAT
BVL.A Ball Valve Position A OPEN/CLOSE ref_iso_a
BVL.B Ball Valve Position B OPEN/CLOSE ref_iso_b
BVL.C Ball Valve Position C OPEN/CLOSE ref_iso_c
CN.HT Condenser Heat Output OFF/ON Not supported. RECLAIM cond_htr
REDY Chiller Ready Status OFF/ON forcible RECLAIM READY
RUN Chiller Running Status OFF/ON forcible STATEGEN RUNNING
SHUT Customer Shutdown Stat OFF/ON forcible STATEGEN SHUTDOWN
CATO Chiller Capacity 0-10 v XX.X forcible STATEGEN CAPT_010
ALRM Alarm Relay OFF/ON STATEGEN ALARM
ALRT Alert Relay OFF/ON STATEGEN ALERT
ITEM EXPANSION UNITS RANGE COMMENT DEFAULT CCN
TABLE
CCN
POINT PAGE NO.
DISP DISPLAY CONFIGURATION
TEST Test Display LEDs OFF/ON OFF N/A display_test
METR Metric Display US/METR US DISPCONF DISPUNIT
LANG Language Selection English
Espanol
Francais
Portugues
Translated
English DISPCONF LANGUAGE 8

112
APPENDIX B — NAVIGATOR™ DISPLAY TABLES (cont)
MODE — CONFIGURATION (cont)
ITEM EXPANSION UNITS RANGE COMMENT DEFAULT CCN
TABLE
CCN
POINT PAGE NO.
UNIT UNIT CONFIGURATION
TYPE Unit Type 3 = Water-Cooled
4 = Heat Machine
Air cooled FACTORY unit_typ
TONS Unit Size XXX 0 to 1800
(nominal size)
FACTORY unitsize
VAR.A Nb Fan on Varifan Cir A X 0-8 Not supported. 0: No low ambient
temperature head
pressure control
1:low ambient
temperature head
pressure control
FACTORY varfan_a
VAR.B Nb Fan on Varifan Cir B X 0-8 Not supported. 0: No low ambient
temperature head
pressure control
1: low ambient
temperature head
pressure control
FACTORY varfan_b
VAR.C Nb Fan on Varifan Cir C X 0-8 Not supported. 0: No low ambient
temperature head
pressure control
1: low ambient
temperature head
pressure control
FACTORY varfan_c
VOLT Power Supply Voltage XXX (volt) 200-690 Acceptable values
200, 230, 380, 460,
and 575
FACTORY voltage
60HZ 60 Hz Frequency NO/YES YES FACTORY freq_60H
STAR Soft Starter Select NO/YES softstar
Y.D. Wye Delta T Start Select NO/YES wye_delt
MTA.A Must Trip Amps Cir A XXX (amps) 0 to 1500 cpa_mtac
R.MT.A Read Must Trip Amps A XXX (amps) 0 to 1500 cpa_mtam
MTA.B Must Trip Amps Cir B XXX (amps) 0 to 1500 cpb_mtac
R.MT.B Read Must Trip Amps B XXX (amps) 0 to 1500 cpb_mtam
MTA.C Must Trip Amps Cir C XXX (amps) 0 to 1500 Not supported. cpc_mtac
R.MT.C Read Must Trip Amps C XXX (amps) 0 to 1500 Not supported. cpb_mtam
C.SW.A S1 Config Switch Cir A XXX (amps) 0 to 255 cpa_s1_c
R.CSA Read S1 Config Switch A XXX (amps) 0 to 255 cpa_s1_m
C.SW.B S1 Config Switch Cir B XXX (amps) 0 to 255 cpb_s1_c
R.CSB Read S1 Config Switch B XXX (amps) 0 to 255 cpb_s1_m
C.SW.C S1 Config Switch Cir C XXX (amps) 0 to 255 Not supported. cpc_s1_c
R.CSC Read S1 Config Switch C XXX (amps) 0 to 255 Not supported. cpc_s1_m
RECL Heat Reclaim Select NO/YES Not supported. NO FACTORY recl_opt
BOIL Boiler Command Select NO/YES Not supported. NO FACTORY ehs_sel
EMM EMM Module Installed NO/YES NO FACTORY emm_nrcp
PAS. E Password Enable ENBL/DSBL FACTORY pass_enb
PASS Factory Password XXX 1 to 0150 0111 FACTORY fac_pass
CO.HT Cooler Heater Select NO/YES Not supported. heat_sel
CON.V Condenser Valve Select NO/YES NO cond_val 46, 76
HGBP Hot Gas Bypass Select NO/YES Not supported. NO FACTORY hgbp_sel 29, 76
MCHX MCHX Exchanger Select NO/YES Not supported. NO FACTORY mchx_sel
HI.TI High Tiers Display Select NO/YES highdisp
H.KIT Hydronic Kit Selection NO/YES NO
PA.N B Cooler Pass Number 1-3 2
VLT VLT Fan Drive Select Not supported. NONE
RPM VLT Fan Drive RPM Not supported. 0
H.CON High Condensing Select NO/YES NO
SERV SERVICE CONFIGURATIONS
FLUD Cooler Fluid Type Water
Brine
Water SERVICE1 flui_typ 27, 43, 45, 55
CFLU Condenser Fluid Type WATER
BRINE
cond_typ
MOP EXV MOP Setpoint XX.X
(deg F/deg C)
40-60 F
(4.4-15.6 C)
62.0 SERVICE1 mop_sp
HP.TH High Pressure Threshold XXX.X (psi/kPa) 250-280 psi
(1724-1930 kPa)
290 SERVICE1 hp_th
SHP.A Cir A Superheat Setp XX.X (F/C) 3-14 F
(1.7-7.8 C)
14.4 SERVICE1 sh_sp_a
SHP.B Cir B Superheat Setp XX.X (F/C) 3-14 F
(1.7-7.8 C)
14.4 SERVICE1 sh_sp_b
SHP.C Cir C Superheat Setp XX.X (F/C) 3-14 F
(1.7-7.8 C)
14.4 SERVICE1 sh_sp_c
HTR Cooler Heater DT Setp XX.X (F/C) 0.5-9 F
(0.3-5.0 C)
2.0
38.0
SERVICE1 heatersp
EWTO Entering Water Control NO/YES NO SERVICE1 ewt_opt 25
AU.SM Auto Start When SM Lost NO/YES NO SERVICE1 auto_sm 25
LLWT Brine Minimum Fluid Temp XX.X
(deg F/deg C)
–20-38 F
(–28.9-3.3 C)
Not supported.
LOSP Brine Freeze Setpoint XX.X
(deg F/deg C)
–20-50 F
(–20-10 C)
34 SERVICE1 lowestsp 27, 43-45, 55
FL.SP Brine Flow Switch Setp 0-60 Not supported. 1 SERVICE flow_sp
HD.PG Varifan Proportion Gain XX.X –10-10 Not supported. 2.0 SERVICE1 hd_pg 46
HD.DG Varifan Derivative Gain XX.X –10-10 Not supported. 0.4 SERVICE1 hd_dg 46
HD.IG Varifan Integral Gain XX.X –10-10 Not supported. 0.2 SERVICE1 hd_ig 46
F.L OA Fast Load Select 0-4 0 fastload
AVFA Fan A Drive Attach NO/YES Not supported. NO
AVFB Fan B Drive Attach NO/YES Not supported. NO
AVFC Fan C Drive Attach NO/YES Not supported. NO
EWT.S EWT Probe on Cir A Side NO/YES YES ewt_cirA
MAXL Max Condenser LWT 45DC NO/YES NO max_clwt

113
APPENDIX B — NAVIGATOR™ DISPLAY TABLES (cont)
MODE — CONFIGURATION (cont)
ITEM EXPANSION UNITS RANGE COMMENT DEFAULT CCN TABLE CCN POINT PAGE NO.
OPTN OPTIONS CONFIGURATION
CCNA CCN Address XXX 1-239 1 N/A CCNA
CCNB CCN Bus Number XXX 0-239 0 N/A CCNB
BAUD CCN Baud Rate 2400
4800
9600
19200
38400
9600 N/A BAUD
LOAD Loading Sequence Select Equal
Staged
EQUAL USER lead_cir 29
LLCS Lead/Lag Circuit Select Automatic
Cir A Leads
Cir B Leads
Cir C Leads
AUTOMATIC USER seq_typ 29, 55
RL.S Ramp Load Select ENBL/DSBL DSBL USER ramp_sel 35
DELY Minutes Off Time XX (Minutes) 1 to 15 1 USER off_on_d 29
ICE.M Ice Mode Enable ENBL/DSBL DSBL USER ice_cnfg 41
HPUM Condenser Pumps Sequence X No Pump
1 Pump Only
2 Pumps Auto
PMP 1 Manual
PMP 2 Manual
Not supported. NO PUMP hpum_seq 47
PUMP Cooler Pumps Sequence No Pump
1 Pump Only
2 Pumps Auto
PMP 1 Manual
PMP 2 Manual
NO PUMP USER pump_seq 28, 47
ROT.P Pump Rotation Delay XXXX (hours) 24 to 3000 Not supported. 48 USER pump_del 28, 55
PM.PS Periodic Pump Start NO-YES Not supported. NO USER pump_per 28, 55
P. S B Y Stop Pump In Standby NO-YES Not supported. NO USER pump_sby
P. L O C Flow Checked if Pmp Off NO-YES Not supported. YES USER pump_loc 28
LS.ST Night Low Noise Start XX.XX 00.00-23.59 00.00 USER nh_start
LS.ND Night Low Noise End XX.XX 00-00-23.59 00.00 USER nh_end
LS.LT Low Noise Capacity Lim XXX (%) 0-100 100 USER nh_limit 55
RV.AL Reverse Alarms Relay NO-YES NO USER al_rever
OA.TH Heat Mode OAT Threshold XX.X
(deg F/deg C)
Not supported. 5 F USER heat_th
FREE Free Cooling OAT Limit XX.X
(deg F/deg C)
Not supported. 32.0 USER free_oat
CUR.S Current Limit Select NO/YES NO curr_sel 39-41
CUR.F Current Limit at 100% XXXX 0 to 5000 2000 curr_ful 40-41
RSET RESET, DEMAND LIMIT, MASTER/SLAVE
CRST Cooling Reset Type No Reset
Out Air Temp
Delta T Temp
4-20 mA Input
Space Temp
NO RESET USER cr_sel 33, 36, 55
HRST Heating Reset Type No Reset
Out Air Temp
Delta T Temp
4-20 mA Input
Not supported. NO RESET USER hr_sel
DMDC Demand Limit Select None
Switch
4-20 mA Input
NONE USER lim_sel 39-41, 55
DMMX mA for 100% Demand Limit XX.X (mA) 0.0 USER lim_mx 40, 41
DMZE mA for 0% Demand Limit XX.X (mA) 0.0 USER lim_ze 40, 41
MSSL Master/Slave Select Disable
Master
Slave
DISABLE MST_SLV ms_sel 32-35, 55
SLVA Slave Address XXX 1-236 2 MST_SLV slv_addr 29, 32-35
LLBL Lead/Lag Balance Select Always Lead
Lag if Fail
Runtime Sel
Always
Lead
MST_SLV ll_bal 29, 32-35,
54
LLBD Lead/Lag Balance Delta XXX (hours) 40-400 168 MST_SLV ll_bal_d 29, 32-35
LLDY Lead/Lag Delay XX (minutes) 2-30 10 MST_SLV lsrt_tim 30, 32-35,
54
LL.ER Start if Error Higher XX.X
(deg F/deg C)
3-18 4 MST_SLV start_dt 30, 32-35
LAG.M Lag Minimum Running Time XXX
(min)
0-150 0 MST_SLV lag_mini 30, 32-35
LAGP Lag Unit Pump Select OFF if U stp
ON if U stp
OFF if U stp MST_SLV lag_pump 30, 32-35,
54
LPUL Lead Pulldown Time XX (minutes) 0-60 0 MST_SLV lead_pul 30, 32-35,
54
SERI Chillers in Series NO/YES ll_serie 29, 32-35

114
APPENDIX B — NAVIGATOR™ DISPLAY TABLES (cont)
MODE — TIMECLOCK
*Password protected.
ITEM EXPANSION UNITS RANGE COMMENT WRITE
STATUS CCN TABLE CCN POINT PAGE
NO.
TIME TIME OF DAY
HH.MM Hour and Minute XX.XX 00.00-23.59 forcible* N/A HH.MM
DATE DAY, DATE
MNTH Month 1=January
2=February
3=March
4=April
5=May
6=June
7=July
8=August
9=September
10=October
11=November
12=December
forcible* N/A MNTH
DOM Day of Month XX 1-31 forcible* N/A DOM
DAY Day of Week 1=Monday
2=Tuesday
3=Wednesday
4=Thursday
5=Friday
6=Saturday
7=Sunday
forcible* N/A DAY
YEAR Year of Century XX 00-99 forcible* N/A YEAR
SCH1 SCHEDULE 1
PER.1 Period 1 Occ/Unocc Sel
PER.1 OCC.1 Occupied Time XX.XX 00:00-23:59 forcible OCC1P01S OCCTOD1 24
PER.1 UNO.1 Unoccupied Time XX.XX 00:00-23:59 forcible OCC1P01S UNOCTOD1 24
PER.1 MON.1 Monday Select NO/YES forcible OCC1P01S DOW1 24
PER.1 TUE.1 Tuesday Select NO/YES forcible OCC1P01S DOW1 24
PER.1 WED.1 Wednesday Select NO/YES forcible OCC1P01S DOW1 24
PER.1 THU.1 Thursday Select NO/YES forcible OCC1P01S DOW1 24
PER.1 FRI.1 Friday Select NO/YES forcible OCC1P01S DOW1 24
PER.1 SAT.1 Saturday Select NO/YES forcible OCC1P01S DOW1 24
PER.1 SUN.1 Sunday Select NO/YES forcible OCC1P01S DOW1 24
PER.1 HOL.1 Holiday Select NO/YES forcible OCC1P01S DOW1 24
PER.2 Period 2 Occ/Unocc Sel OCC1P01S
PER.2 OCC.2 Occupied Time XX.XX 00:00-23:59 forcible OCC1P01S OCCTOD2 24
PER.2 UNO.2 Unoccupied Time XX.XX 00:00-23:59 forcible OCC1P01S UNOCTOD2 24
PER.2 MON.2 Monday Select NO/YES forcible OCC1P01S DOW2 24
PER.2 TUE.2 Tuesday Select NO/YES forcible OCC1P01S DOW2 24
PER.2 WED.2 Wednesday Select NO/YES forcible OCC1P01S DOW2 24
PER.2 THU.2 Thursday Select NO/YES forcible OCC1P01S DOW2 24
PER.2 FRI.2 Friday Select NO/YES forcible OCC1P01S DOW2 24
PER.2 SAT.2 Saturday Select NO/YES forcible OCC1P01S DOW2 24
PER.2 SUN.2 Sunday Select NO/YES forcible OCC1P01S DOW2 24
PER.2 HOL.2 Holiday Select NO/YES forcible OCC1P01S DOW2 24
PER.3 Period 3 Occ/Unocc Sel OCC1P01S
PER.3 OCC.3 Occupied Time XX.XX 00:00-23:59 forcible OCC1P01S OCCTOD3 24
PER.3 UNO.3 Unoccupied Time XX.XX 00:00-23:59 forcible OCC1P01S UNOCTOD3 24
PER.3 MON.3 Monday Select NO/YES forcible OCC1P01S DOW3 24
PER.3 TUE.3 Tuesday Select NO/YES forcible OCC1P01S DOW3 24
PER.3 WED.3 Wednesday Select NO/YES forcible OCC1P01S DOW3 24
PER.3 THU.3 Thursday Select NO/YES forcible OCC1P01S DOW3 24
PER.3 FRI.3 Friday Select NO/YES forcible OCC1P01S DOW3 24
PER.3 SAT.3 Saturday Select NO/YES forcible OCC1P01S DOW3 24
PER.3 SUN.3 Sunday Select NO/YES forcible OCC1P01S DOW3 24
PER.3 HOL.3 Holiday Select NO/YES forcible OCC1P01S DOW3 24
PER.4 Period 4 Occ/Unocc Sel
PER.4 OCC.4 Occupied Time XX.XX 00:00-23:59 forcible OCC1P01S OCCTOD4 24
PER.4 UNO.4 Unoccupied Time XX.XX 00:00-23:59 forcible OCC1P01S UNOCTOD4 24
PER.4 MON.4 Monday Select NO/YES forcible OCC1P01S DOW4 24
PER.4 TUE.4 Tuesday Select NO/YES forcible OCC1P01S DOW4 24
PER.4 WED.4 Wednesday Select NO/YES forcible OCC1P01S DOW4 24
PER.4 THU.4 Thursday Select NO/YES forcible OCC1P01S DOW4 24
PER.4 FRI.4 Friday Select NO/YES forcible OCC1P01S DOW4 24
PER.4 SAT.4 Saturday Select NO/YES forcible OCC1P01S DOW4 24
PER.4 SUN.4 Sunday Select NO/YES forcible OCC1P01S DOW4 24
PER.4 HOL.4 Holiday Select NO/YES forcible OCC1P01S DOW4 24
PER.5 Period 5 Occ/Unocc Sel
PER.5 OCC.5 Occupied Time XX.XX 00:00-23:59 forcible OCC1P01S OCCTOD5 24
PER.5 UNO.5 Unoccupied Time XX.XX 00:00-23:59 forcible OCC1P01S UNOCTOD5 24
PER.5 MON.5 Monday Select NO/YES forcible OCC1P01S DOW5 24
PER.5 TUE.5 Tuesday Select NO/YES forcible OCC1P01S DOW5 24
PER.5 WED.5 Wednesday Select NO/YES forcible OCC1P01S DOW5 24
PER.5 THU.5 Thursday Select NO/YES forcible OCC1P01S DOW5 24
PER.5 FRI.5 Friday Select NO/YES forcible OCC1P01S DOW5 24
PER.5 SAT.5 Saturday Select NO/YES forcible OCC1P01S DOW5 24
PER.5 SUN.5 Sunday Select NO/YES forcible OCC1P01S DOW5 24
PER.5 HOL.5 Holiday Select NO/YES forcible OCC1P01S DOW5 24
PER.6 Period 6 Occ/Unocc Sel
PER.6 OCC.6 Occupied Time XX.XX 00:00-23:59 forcible OCC1P01S OCCTOD6
PER.6 UNO.6 Unoccupied Time XX.XX 00:00-23:59 forcible OCC1P01S UNOCTOD6
PER.6 MON.6 Monday Select NO/YES forcible OCC1P01S DOW6
PER.6 TUE.6 Tuesday Select NO/YES forcible OCC1P01S DOW6
PER.6 WED.6 Wednesday Select NO/YES forcible OCC1P01S DOW6
PER.6 THU.6 Thursday Select NO/YES forcible OCC1P01S DOW6
PER.6 FRI.6 Friday Select NO/YES forcible OCC1P01S DOW6
PER.6 SAT.6 Saturday Select NO/YES forcible OCC1P01S DOW6
PER.6 SUN.6 Sunday Select NO/YES forcible OCC1P01S DOW6
PER.6 HOL.6 Holiday Select NO/YES forcible OCC1P01S DOW6

115
APPENDIX B — NAVIGATOR™ DISPLAY TABLES (cont)
MODE — TIMECLOCK (cont)
ITEM EXPANSION UNITS RANGE COMMENT WRITE
STATUS CCN TABLE CCN POINT PAGE
NO.
SCH1 SCHEDULE 1
PER.7 Period 7 Occ/Unocc Sel
PER.7 OCC.7 Occupied Time XX.XX 00:00-23:59 forcible OCCP01S OCCTOD7
PER.7 UNO.7 Unoccupied Time XX.XX 00:00-23:59 forcible OCCP01S UNOCTOD7
PER.7 MON.7 Monday Select NO/YES forcible OCCP01S DOW7
PER.7 TUE.7 Tuesday Select NO/YES forcible OCCP01S DOW7
PER.7 WED.7 Wednesday Select NO/YES forcible OCCP01S DOW7
PER.7 THU.7 Thursday Select NO/YES forcible OCCP01S DOW7
PER.7 FRI.7 Friday Select NO/YES forcible OCCP01S DOW7
PER.7 SAT.7 Saturday Select NO/YES forcible OCCP01S DOW7
PER.7 SUN.7 Sunday Select NO/YES forcible OCCP01S DOW7
PER.7 HOL.7 Holiday Select NO/YES forcible OCCP01S DOW7
PER.8 Period 8 Occ/Unocc Sel OCCP01S
PER.8 OCC.8 Occupied Time XX.XX 00:00-23:59 forcible OCCP01S OCCTOD8
PER.8 UNO.8 Unoccupied Time XX.XX 00:00-23:59 forcible OCCP01S UNOCTOD8
PER.8 MON.8 Monday Select NO/YES forcible OCCP01S DOW8
PER.8 TUE.8 Tuesday Select NO/YES forcible OCCP01S DOW8
PER.8 WED.8 Wednesday Select NO/YES forcible OCCP01S DOW8
PER.8 THU.8 Thursday Select NO/YES forcible OCCP01S DOW8
PER.8 FRI.8 Friday Select NO/YES forcible OCCP01S DOW8
PER.8 SAT.8 Saturday Select NO/YES forcible OCCP01S DOW8
PER.8 SUN.8 Sunday Select NO/YES forcible OCCP01S DOW8
PER.8 HOL.8 Holiday Select NO/YES forcible OCCP01S DOW8
SCH2 SCHEDULE 2
PER.1 Period 1 Occ/Unocc Sel
PER.1 OCC.1 Occupied Time XX.XX 00:00-23:59 forcible OCC2P02S OCCTOD1 24
PER.1 UNO.1 Unoccupied Time XX.XX 00:00-23:59 forcible OCC2P02S UNOCTOD1 24
PER.1 MON.1 Monday Select NO/YES forcible OCC2P02S DOW1 24
PER.1 TUE.1 Tuesday Select NO/YES forcible OCC2P02S DOW1 24
PER.1 WED.1 Wednesday Select NO/YES forcible OCC2P02S DOW1 24
PER.1 THU.1 Thursday Select NO/YES forcible OCC2P02S DOW1 24
PER.1 FRI.1 Friday Select NO/YES forcible OCC2P02S DOW1 24
PER.1 SAT.1 Saturday Select NO/YES forcible OCC2P02S DOW1 24
PER.1 SUN.1 Sunday Select NO/YES forcible OCC2P02S DOW1 24
PER.1 HOL.1 Holiday Select NO/YES forcible OCC2P02S DOW1 24
PER.2 Period 2 Occ/Unocc Sel
PER.2 OCC.2 Occupied Time XX.XX 00:00-23:59 forcible OCC2P02S OCCTOD 24
PER.2 UNO.2 Unoccupied Time XX.XX 00:00-23:59 forcible OCC2P02S UNOCTOD2 24
PER.2 MON.2 Monday Select NO/YES forcible OCC2P02S DOW2 24
PER.2 TUE.2 Tuesday Select NO/YES forcible OCC2P02S DOW2 24
PER.2 WED.2 Wednesday Select NO/YES forcible OCC2P02S DOW2 24
PER.2 THU.2 Thursday Select NO/YES forcible OCC2P02S DOW2 24
PER.2 FRI.2 Friday Select NO/YES forcible OCC2P02S DOW2 24
PER.2 SAT.2 Saturday Select NO/YES forcible OCC2P02S DOW2 24
PER.2 SUN.2 Sunday Select NO/YES forcible OCC2P02S DOW2 24
PER.2 HOL.2 Holiday Select NO/YES forcible OCC2P02S DOW2 24
PER.3 Period 3 Occ/Unocc Sel
PER.3 OCC.3 Occupied Time XX.XX 00:00-23:59 forcible OCC2P02S OCCTOD 24
PER.3 UNO.3 Unoccupied Time XX.XX 00:00-23:59 forcible OCC2P02S UNOCTOD3 24
PER.3 MON.3 Monday Select NO/YES forcible OCC2P02S DOW3 24
PER.3 TUE.3 Tuesday Select NO/YES forcible OCC2P02S DOW3 24
PER.3 WED.3 Wednesday Select NO/YES forcible OCC2P02S DOW3 24
PER.3 THU.3 Thursday Select NO/YES forcible OCC2P02S DOW3 24
PER.3 FRI.3 Friday Select NO/YES forcible OCC2P02S DOW3 24
PER.3 SAT.3 Saturday Select NO/YES forcible OCC2P02S DOW3 24
PER.3 SUN.3 Sunday Select NO/YES forcible OCC2P02S DOW3 24
PER.3 HOL.3 Holiday Select NO/YES forcible OCC2P02S DOW3 24
PER.4 Period 4 Occ/Unocc Sel
PER.4 OCC.4 Occupied Time XX.XX 00:00-23:59 forcible OCC2P02S OCCTOD4 24
PER.4 UNO.4 Unoccupied Time XX.XX 00:00-23:59 forcible OCC2P02S UNOCTOD4 24
PER.4 MON.4 Monday Select NO/YES forcible OCC2P02S DOW4 24
PER.4 TUE.4 Tuesday Select NO/YES forcible OCC2P02S DOW4 24
PER.4 WED.4 Wednesday Select NO/YES forcible OCC2P02S DOW4 24
PER.4 THU.4 Thursday Select NO/YES forcible OCC2P02S DOW4 24
PER.4 FRI.4 Friday Select NO/YES forcible OCC2P02S DOW4 24
PER.4 SAT.4 Saturday Select NO/YES forcible OCC2P02S DOW4 24
PER.4 SUN.4 Sunday Select NO/YES forcible OCC2P02S DOW4 24
PER.4 HOL.4 Holiday Select NO/YES forcible OCC2P02S DOW4 24
PER.5 Period 5 Occ/Unocc Sel
PER.5 OCC.5 Occupied Time XX.XX 00:00-23:59 forcible OCC2P02S OCCTOD5 24
PER.5 UNO.5 Unoccupied Time XX.XX 00:00-23:59 forcible OCC2P02S UNOCTOD5 24
PER.5 MON.5 Monday Select NO/YES forcible OCC2P02S DOW5 24
PER.5 TUE.5 Tuesday Select NO/YES forcible OCC2P02S DOW5 24
PER.5 WED.5 Wednesday Select NO/YES forcible OCC2P02S DOW5 24
PER.5 THU.5 Thursday Select NO/YES forcible OCC2P02S DOW5 24
PER.5 FRI.5 Friday Select NO/YES forcible OCC2P02S DOW5 24
PER.5 SAT.5 Saturday Select NO/YES forcible OCC2P02S DOW5 24
PER.5 SUN.5 Sunday Select NO/YES forcible OCC2P02S DOW5 24
PER.5 HOL.5 Holiday Select NO/YES forcible OCC2P02S DOW5 24
PER.6 Period 6 Occ/Unocc Sel
PER.6 OCC.6 Occupied Time XX.XX 00:00-23:59 forcible OCC2P02S OCCTOD6
PER.6 UNO.6 Unoccupied Time XX.XX 00:00-23:59 forcible OCC2P02S UNOCTOD6
PER.6 MON.6 Monday Select NO/YES forcible OCC2P02S DOW6
PER.6 TUE.6 Tuesday Select NO/YES forcible OCC2P02S DOW6
PER.6 WED.6 Wednesday Select NO/YES forcible OCC2P02S DOW6
PER.6 THU.6 Thursday Select NO/YES forcible OCC2P02S DOW6
PER.6 FRI.6 Friday Select NO/YES forcible OCC2P02S DOW6
PER.6 SAT.6 Saturday Select NO/YES forcible OCC2P02S DOW6
PER.6 SUN.6 Sunday Select NO/YES forcible OCC2P02S DOW6
PER.6 HOL.6 Holiday Select NO/YES forcible OCC2P02S DOW6

116
APPENDIX B — NAVIGATOR™ DISPLAY TABLES (cont)
MODE — TIMECLOCK (cont)
*Holidays range from 1-16. Item has same structure, with the only difference being the two-number identifier.
ITEM EXPANSION UNITS RANGE COMMENT WRITE
STATUS CCN TABLE CCN POINT PAGE
NO.
PER.7 Period 7 Occ/Unocc Sel
PER.7 OCC.7 Occupied Time XX.XX 00:00-23:59 forcible OCC2P02S OCCTOD7
PER.7 UNO.7 Unoccupied Time XX.XX 00:00-23:59 forcible UNOCTOD7
PER.7 MON.7 Monday Select NO/YES forcible DOW7
PER.7 TUE.7 Tuesday Select NO/YES forcible DOW7
PER.7 WED.7 Wednesday Select NO/YES forcible DOW7
PER.7 THU.7 Thursday Select NO/YES forcible DOW7
PER.7 FRI.7 Friday Select NO/YES forcible DOW7
PER.7 SAT.7 Saturday Select NO/YES forcible DOW7
PER.7 SUN.7 Sunday Select NO/YES forcible DOW7
PER.7 HOL.7 Holiday Select NO/YES forcible DOW7
PER.8 Period 8 Occ/Unocc Sel
PER.8 OCC.8 Occupied Time XX.XX 00:00-23:59 forcible OCCTOD8
PER.8 UNO.8 Unoccupied Time XX.XX 00:00-23:59 forcible UNOCTOD8
PER.8 MON.8 Monday Select NO/YES forcible DOW8
PER.8 TUE.8 Tuesday Select NO/YES forcible DOW8
PER.8 WED.8 Wednesday Select NO/YES forcible DOW8
PER.8 THU.8 Thursday Select NO/YES forcible DOW8
PER.8 FRI.8 Friday Select NO/YES forcible DOW8
PER.8 SAT.8 Saturday Select NO/YES forcible DOW8
PER.8 SUN.8 Sunday Select NO/YES forcible DOW8
PER.8 HOL.8 Holiday Select NO/YES forcible DOW8
HOLI HOLIDAYS*
HOL.1 Holiday 1 Configuration
HOL.1 MON.1 Holiday Start Month 1=January
2=February
3=March
4=April
5=May
6=June
7=July
8=August
9=September
10=October
11=November
12=December
forcible HOLDY_01 HOL_MON 24
HOL.1 DAY.1 Holiday Start Day XX 1 to 31 forcible HOLDY_01 HOL_DAY 24
HOL.1 DUR.1 Holiday Duration in Days XX 1 to 99 forcible HOLDY_01 HOL_LEN 24
HOL.1 HOL.2 Holiday 2 Configuration 24
HOL.1 MON.2 Holiday Start Month See
HOL.1 MON.1
forcible HOLDY_02 HOL_MON 24
HOL.2 DAY.2 Holiday Start Day See
HOL.1 DAY.1
forcible HOLDY_02 HOL_DAY 24
HOL.2 DUR.2 Holiday Duration in Days See
HOL.1 DUR.1
forcible HOLDY_02 HOL_LEN 24
HOL.16 HO.16 Holiday 16 Configuration
HOL.16 MO.16 Holiday Start Month See
HOL.1 MON.1
forcible HOLDY_16
HOL.16 DA.16 Holiday Start Day See
HOL.1 DAY.1
forcible HOLDY_16
HOL.16 DU.16 Holiday Duration in Days See
HOL.1 DUR.1
forcible HOLDY_16
MCFG SERVICE MAINTENANCE CONFIGURATION
AL.SV Service Warning Select NO/YES DEFAULT=NO forcible MAINTCFG s_alert
CHRG Refrigerant Charge NO/YES DEFAULT=NO forcible MAINTCFG charge_a
WATE Water Loop Size NO/YES DEFAULT=NO forcible MAINTCFG wloop_c
PMP.1 Pump 1 (days) XXXX (days) 0-65,500 DEFAULT=0 forcible MAINTCFG pump1_c
PMP.2 Pump 2 (days) XXXX (days) 0-65,500 DEFAULT=0 forcible MAINTCFG pump2_c
PMP.3 Cond Pump 1 (days) XXXX (days) 0-65,500 DEFAULT=0 forcible MAINTCFG hpump1_c
PMP.4 Cond Pump 2 (days) XXXX (days) 0-65,500 DEFAULT=0 forcible MAINTCFG hpump2_c
W.FIL Water Filter (days) XXXX (days) 0-65,500 DEFAULT=0 forcible MAINTCFG wfilte_c
A.FIL Comp A Oil Filter (days) XXXX (days) 0-65,500 DEFAULT=0 forcible MAINTCFG ofilta_c
B.FIL Comp B Oil Filter (days) XXXX (days) 0-65,500 DEFAULT=0 forcible MAINTCFG ofiltb_c
C.FIL Comp C Oil Filter (days) XXXX (days) 0-65,500 DEFAULT=0 forcible MAINTCFG ofiltc_c
RS.SV Servicing Alert Reset 0=Default
1=Refrigerant Charge
2=Water loop size
3=Not used
4=Pump 1
5=Pump 2
6=Reclaim Pump (not used)
7=Reclaim Pump (not used)
8=Water Filter
9=Compressor A Oil Filter
10=Compressor B Oil Filter
11=Compressor C Oil Filter
12=Reset All
DEFAULT=0 forcible SERMAINT s_reset

117
APPENDIX B — NAVIGATOR™ DISPLAY TABLES (cont)
MODE — OPERATING MODE
*Up to six current operating modes will be displayed.
NOTE: See Operating Modes starting on page 54.
MODE — ALARMS
*Expanded display will be actual alarm description.
†History of up to five past alarms will be displayed.
**History of fifty past alarms will be displayed.
ITEM EXPANSION* UNITS RANGE COMMENT WRITE
STATUS CCN TABLE CCN POINT PAGE
NO.
SLCT OPERATING CONTROL TYPE
OPER Operating Control Type Switch Ctrl
Time Sched
CCN Control
Default = Switch
Ctrl
forcible N/A N/A 24, 25
SP.SE Setpoint Select Setpoint Occ
Setpoint1
Setpoint2
4-20mA Setp
Dual Setp Sw
Default =
Setpoint Occ
forcible N/A N/A 25-27,
32
HC.SE Heat Cool Select Cooling
Heating
Auto Chgover
Heat Cool Sw
Default = Cooling
Not supported.
Not supported.
Not supported.
forcible GENUNIT HC_SEL 25
MODE* OPERATING MODES
MD01 First Active Mode 0-32 MODES
MD02 Second Active Mode 0-32 MODES
MD03 Third Active Mode 0-32 MODES
MD04 Fourth Active Mode 0-32 MODES
MD05 Fifth Active Mode 0-32 MODES
MD06 Sixth Active Mode 0-32 MODES
ITEM EXPANSION* UNITS RANGE COMMENT WRITE
STATUS CCN TABLE CCN POINT PAGE
NO.
R.ALM RESET ALL CURRENT ALARM NO/YES forcible N/A N/A
ALRM† CURRENTLY ACTIVE ALARMS
Current Alarm 1 GENUNIT alarm_1
Current Alarm 2 GENUNIT alarm_2
Current Alarm 3 GENUNIT alarm_3
Current Alarm 4 GENUNIT alarm_4
Current Alarm 5 GENUNIT alarm_5
H.ALM** ALARM HISTORY
Alarm History #1 ALRMHIST alm_history_01
Alarm History #2 ALRMHIST alm_history_02
Alarm History #49 ALRMHIST alm_history_49
Alarm History #50 ALRMHIST alm_history_50

118
APPENDIX C — CCN TABLES
STATUS DISPLAY TABLES
*Not supported.
TABLE DISPLAY NAME RANGE UNITS POINT NAME WRITE STATUS
CIRCA_AN CIRCUIT A ANALOG VALUES
Percent Total Capacity 0 - 100 % CAPA_T
Discharge Pressure nnn.n psi DP_A
Suction Pressure nnn.n psi SP_A
Economizer Pressure nnn.n psi ECON_P_A
Oil Pressure nnn.n psi OP_A
OIl Pressure Difference nnn.n psi DOP_A
Motor Current nnn.n AMPS CURREN_A
Motor Temperature nnnn °F CP_TMP_A
Discharge Gas Temp nnnn °F DGT_A
Economizer Gas Temp nnnn °F ECO_TP_A
Saturated Condensing Tmp ±nnn.n °F SCT_A
Saturated Suction Temp ±nnn.n °F SST_A
Compressor Suction Temp ±nnn.n °F SUCT_T_A
EXV Position 0 - 100 % EXV_A
Head Press Actuator Pos 0 - 100 % hd_pos_a
CIRCA_D CIRCUIT A DISCRETE
Compressor Output ON/OFF COMP_A
Slide Valve 1 Output ON/OFF SLID_1_A
Slide Valve 2 Output ON/OFF SLID_2_A
Oil Heater Output ON/OFF OIL_HT_A
Oil Solenoid Output ON/OFF OIL_SL_A
Oil Level Input Low/High OIL_L_A
DGT Cooling Solenoid ON/OFF GASCOOLA
Hot Gas Bypass Output ON/OFF HGBP_A
FANS OUTPUT
Fan Output DO # 1 ON/OFF fan_a1
Fan Output DO # 2 ON/OFF fan_a2
Fan Output DO # 3 ON/OFF fan_a3
Fan Output DO # 4 ON/OFF fan_a4
Fan Output DO # 5 ON/OFF fan_a5
Fan Output DO # 6 ON/OFF fan_a6
Fan Output DO # 7 ON/OFF fan_a7
Fan Output DO # 8 ON/OFF fan_a8
Fan Staging Number 0-10 FAN_ST_A
MISCELLANEOUS
Ball Valve Position OPEN/CLSE ISO_REFA
Ball Valve Closing Out ON/OFF ISO_CL_A
Ball Valve Opening Out ON/OFF ISO_OP_A
4 Way Refrigerant Valve* ON/OFF RV_A
CIRCB_AN CIRCUIT B ANALOG VALUES
Percent Total Capacity 0 - 100 % CAPB_T
Discharge Pressure nnn.n psi DP_B
Suction Pressure nnn.n psi SP_B
Economizer Pressure nnn.n psi ECON_P_B
Oil Pressure nnn.n psi OP_B
Oil Pressure Difference nnn.n psi DOP_B
Motor Current nnn.n AMPS CURREN_B
Motor Temperature nnnn °F CP_TMP_B
Discharge Gas Temp nnnn °F DGT_B
Economizer Gas Temp nnnn °F ECO_TP_B
Saturated Condensing Tmp ±nnn.n °F SCT_B
Saturated Suction Temp ±nnn.n °F SST_B
Compressor Suction Temp ±nnn.n °F SUCT_T_B
EXV Position 0-100 % EXV_B
Head Press Actuator Pos 0-100 % hd_pos_b
CIRCB_D CIRCUIT B DISCRETE
Compressor Output ON/OFF COMP_B
Slide Valve 1 Output ON/OFF SLID_1_B
Slide Valve 2 Output ON/OFF SLID_2_B
Oil Heater Output ON/OFF OIL_HT_B
Oil Solenoid Output ON/OFF OIL_SL_B
Oil Level Input Low/High OIL_L_B
DGT Cooling Solenoid ON/OFF GASCOOLB
Hot Gas Bypass Output ON/OFF HGBP_B
FANS OUTPUT
Fan Output DO # 1 ON/OFF fan_b1
Fan Output DO # 2 ON/OFF fan_b2
Fan Output DO # 3 ON/OFF fan_b3
Fan Output DO # 4 ON/OFF fan_b4
Fan Output DO # 5 ON/OFF fan_b5
Fan Output DO # 6 ON/OFF fan_b6
Fan Output DO # 7 ON/OFF fan_b7
Fan Output DO # 8 ON/OFF fan_b8
Fan Staging Number 0-10 FAN_ST_B
MISCELLANEOUS
Ball Valve Position OPEN/CLSE ISO_REFB
Ball Valve Closing Out ON/OFF ISO_CL_B
Ball Valve Opening Out ON/OFF ISO_OP_B
4 Way Refrigerant Valve* ON/OFF RV_B

119
APPENDIX C — CCN TABLES (cont)
STATUS DISPLAY TABLES (cont)
*Not supported.
TABLE DISPLAY NAME RANGE UNITS POINT NAME WRITE STATUS
CIRCC_AN CIRCUIT C ANALOG VALUES
Percent Total Capacity 0-100 % CAPC_T
Discharge Pressure nnn.n psi DP_C
Suction Pressure nnn.n psi SP_C
Economizer Pressure nnn.n psi ECON_P_C
Oil Pressure nnn.n psi OP_C
Oil Pressure Difference nnn.n psi DOP_C
Motor Current nnn.n AMPS CURREN_C
Motor Temperature nnnn °F CP_TMP_C
Discharge Gas Temp nnnn °F DGT_C
Economizer Gas Temp nnnn °F ECO_TP_C
Saturated Condensing Tmp ±nnn.n °F SCT_C
Saturated Suction Temp ±nnn.n °F SST_C
Compressor Suction Temp ±nnn.n °F SUCT_T_C
EXV Position 0-100 % EXV_C
Head Press Actuator Pos 0-100 % hd_pos_c
CIRCC_D CIRCUIT C DISCRETE
Compressor Output ON/OFF COMP_C
Slide Valve 1 Output ON/OFF SLID_1_C
Slide Valve 2 Output ON/OFF SLID_2_C
Oil Heater Output ON/OFF OIL_HT_C
Oil Solenoid Output ON/OFF OIL_SL_C
Oil Level Input Low/High OIL_L_C
DGT Cooling Solenoid ON/OFF GASCOOLC
Hot Gas Bypass Output ON/OFF HGBP_C
FANS OUTPUT
Fan Output DO # 1 ON/OFF fan_c1
Fan Output DO # 2 ON/OFF fan_c2
Fan Output DO # 3 ON/OFF fan_c3
Fan Output DO # 4 ON/OFF fan_c4
Fan Output DO # 5 ON/OFF fan_c5
Fan Output DO # 6 ON/OFF fan_c6
Fan Output DO # 7 ON/OFF fan_c7
Fan Output DO # 8 ON/OFF fan_c8
Fan Staging Number 0-10 FAN_ST_C
MISCELLANEOUS
Ball Valve Position OPEN/CLSE ISO_REFC
Ball Valve Closing Out ON/OFF ISO_CL_C
Ball Valve Opening Out ON/OFF ISO_OP_C
FAN HOURS
Free Cool A Pump Hours* nnnnn hours hr_fem_a
Free Cool B Pump Hours* nnnnn hours hr_fem_b
Circuit A Defrost Number* nnnnn — ub_def_a
Circuit B Defrost Number* nnnnn — ub_def_b
Circuit A Fan #1 Hours nnnnn hours hr_fana1
Circuit A Fan #2 Hours nnnnn hours hr_fana2
Circuit A Fan #3 Hours nnnnn hours hr_fana3
Circuit A Fan #4 Hours nnnnn hours hr_fana4
Circuit A Fan #5 Hours nnnnn hours hr_fana5
Circuit A Fan #6 Hours nnnnn hours hr_fana6
Circuit A Fan #7 Hours nnnnn hours hr_fana7
Circuit A Fan #8 Hours nnnnn hours hr_fana8
Circuit A Fan #9 Hours nnnnn hours hr_fana9
Circuit A Fan #10 Hours nnnnn hours hrfana10
Circuit B Fan #1 Hours nnnnn hours hr_fanb1
Circuit B Fan #2 Hours nnnnn hours hr_fanb2
Circuit B Fan #3 Hours nnnnn hours hr_fanb3
Circuit B Fan #4 Hours nnnnn hours hr_fanb4
Circuit B Fan #5 Hours nnnnn hours hr_fanb5
Circuit B Fan #6 Hours nnnnn hours hr_fanb6
Circuit B Fan #7 Hours nnnnn hours hr_fanb7
Circuit B Fan #8 Hours nnnnn hours hr_fanb8
Circuit B Fan #9 Hours nnnnn hours hr_fanb9
Circuit B Fan #10 Hours nnnnn hours hrfanb10
Circuit C Fan #1 Hours nnnnn hours hr_fanc1
Circuit C Fan #2 Hours nnnnn hours hr_fanc2
Circuit C Fan #3 Hours nnnnn hours hr_fanc3
Circuit C Fan #4 Hours nnnnn hours hr_fanc4
Circuit C Fan #5 Hours nnnnn hours hr_fanc5
Circuit C Fan #6 Hours nnnnn hours hr_fanc6
Circuit C Fan #7 Hours nnnnn hours hr_fanc7
Circuit C Fan #8 Hours nnnnn hours hr_fanc8

120
APPENDIX C — CCN TABLES (cont)
STATUS DISPLAY TABLES (cont)
*Not supported.
†The forced value will be used.
TABLE DISPLAY NAME RANGE UNITS POINT NAME WRITE STATUS
GENUNIT Operating Type
Control Type
L-Off-Local Off
(ComfortLink Controls= On/Off Switch=Opened)
L-On-Local On
L-Sched-Local On/Off State based on Time Schedules
CCN-Unit is in CCN Control
Remote-On/Off Based on Remote Contact
(not applied to ComfortLink Display)
Master-Unit Operation in Lead/Lag and it is a Master
Local
CCN
Remote
OPER_TYP
ctr_type
Run Status 0 = Off
1 = Running
2 = Stopping
3 = Delay
4 = Tripout
5 = Ready
6 = Override
7 = Defrost
8 = Run Test
9 = Test
STATUS
CCN Chiller Start/Stop Enable/Disable CHIL_S_S forcible
Chiller Occupied? Yes/No CHIL_OCC forcible
Minutes Left for Start 0-15 min min_left
Heat/Cool Status 0 = Cool
1 = Heat
2 = Stand-by
3 = Both
HEATCOOL
Heat/Cool Select 0 = Cool
1 = Heat
2 = Auto
HC_SEL forcible
Heat Reclaim Select
Free Cooling Selct
Ye s / N o
Ye s / N o
RECL_SEL
FC_DSBLE
forcible*
forcible
Alarm State 0 = Normal
1 = Partial
2 = Shutdown
ALM
Current Alarm 1 nnnnn alarm_1
Current Alarm 2 nnnnn alarm_2
Current Alarm 3 nnnnn alarm_3
Current Alarm 4 nnnnn alarm_4
Current Alarm 5 nnnnn alarm_5
Percent Total Capacity nnn % CAP_T
Active Demand Limit Val nnn % DEM_LIM forcible*
Lag Capacity Limit Value nnn % LAG_LIM
Actual Chiller Current nnn amps TOT_CURR forcible†
Chiller Current Limit nnn amps CURR_LIM forcible
Current Setpoint ±nnn.n °F SP
Setpoint Occupied? Yes/No SP_OCC forcible
Setpoint Control Setpt 1
Setpt 2
Ice_sp
4-20mA
Auto
sp_ctrl
Control Point ±nnn.n °F CTRL_PNT forcible*
Controlled Water Temp ±nnn.n °F CTRL_WT
External Temperature ±nnn.n °F OAT
Emergency Stop Enable/Disable EMSTOP forcible
MODES Startup Delay in Effect Yes/No — Mode_01
Second Setpoint in Use Yes/No — Mode_02
Reset in Effect Yes/No — Mode_03
Demand Limit Active Yes/No — Mode_04
Ramp Loading Active Yes/No — Mode_05
Cooler Heater Active Yes/No — Mode_06
Cooler Pumps Rotation Yes/No — Mode_07
Pump Periodic Start Yes/No — Mode_08
Night Low Noise Active Yes/No — Mode_09
System Manager Active Yes/No — Mode_10
Master Slave Active Yes/No — Mode_11
Auto Changeover Active Yes/No — Mode_12
Free Cooling Active Yes/No — Mode_13
Reclaim Active Yes/No — Mode_14
Electric Heat Active Yes/No — Mode_15
Heating Low EWT Lockout Yes/No — Mode_16
Condenser Pumps Rotation Yes/No — Mode_17
Ice Mode in Effect Yes/No — Mode_18
Defrost Active On Cir A Yes/No — Mode_19
Defrost Active On Cir B Yes/No — Mode_20
Low Suction Circuit A Yes/No — Mode_21
Low Suction Circuit B Yes/No — Mode_22
Low Suction Circuit C Yes/No — Mode_23
High DGT Circuit A Yes/No — Mode_24
High DGT Circuit B Yes/No — Mode_25
High DGT Circuit C Yes/No — Mode_26
High Pres Override Cir A Yes/No — Mode_27
High Pres Override Cir B Yes/No — Mode_28
High Pres Override Cir C Yes/No — Mode_29
Low Superheat Circuit A Yes/No — Mode_30
Low Superheat Circuit B Yes/No — Mode_31
Low Superheat Circuit C Yes/No — Mode_32

121
APPENDIX C — CCN TABLES (cont)
STATUS DISPLAY TABLES (cont)
*Not supported.
NOTE: Disable quick test: all the quick test parameters shall be reset to 0.
*Not supported.
NOTE: Disable quick test: all the quick test parameters shall be reset to 0.
*Yes = service test function enable.
†0 = capacity frozen (unchanged).
1 = capacity increase.
2 = capacity decrease.
TABLE DISPLAY NAME RANGE UNITS POINT NAME WRITE STATUS
QCK_TST1 Quick Test Enable no/Yes — Q_TSTRQ forcible
Circuit A EXV Position 0 - 100 % Q_EXVA forcible
Circuit B EXV Position 0 - 100 % Q_EXVB forcible
Circuit C EXV Position 0 - 100 % Q_EXVC forcible
Cir A Economizer EXV Pos 0 - 100 % Q_ECO_A forcible
Cir B Economizer EXV Pos 0 - 100 % Q_ECO_B forcible
Cir C Economizer EXV Pos 0 - 100 % Q_ECO_C forcible
Circuit A Fan Stages 0-10 — Q_FAN_A forcible
Circuit B Fan Stages 0-10 — Q_FAN_B forcible
Circuit C Fan Stages 0-10 — Q_FAN_C forcible
Circuit A Head Press Speed 0 - 100 % Q_VFANA forcible
Circuit B Head Press Speed 0 - 100 % Q_VFANB forcible
Circuit C Head Press Speed 0 - 100 % Q_VFANC forcible
Circuit A Oil Heater Off/On — Q_HT_A forcible
Circuit A Oil Solenoid Off/On — Q_OILS_A forcible
Circuit A Slide Valve 1 Off/On — Q_SLI_1A forcible
Circuit A Slide Valve 2 Off/On — Q_SLI_2A forcible
Cir A Heater Ball Valve Off/On — Q_BVL_A forcible
Cir A Hot Gas Bypass Off/On — Q_HGBP_A forcible
Cir A DGT Cool Solenoid Off/On — Q_CDGT_B forcible
Circuit B Oil Heater Off/On — Q_HT_B forcible
Circuit B Oil Solenoid Off/On — Q_OILS_B forcible
Circuit B Slide Valve 1 Off/On — Q_SLI_1B forcible
Circuit B Slide Valve 2 Off/On — Q_SLI_2B forcible
Cir A Heater Ball Valve Off/On — Q_BVL_B forcible
Cir B Hot Gas Bypass Off/On — Q_HGBP_B forcible
Cir B DGT Cool Solenoid Off/On — Q_CDGT_B forcible
Circuit C Oil Heater Off/On — Q_HT_C forcible
Circuit C Oil Solenoid Off/On — Q_OILS_C forcible
Circuit C Slide Valve 1 Off/On — Q_SLI_1C forcible
Circuit C Slide Valve 2 Off/On — Q_SLI_2C forcible
Cir C Heater Ball Valve Off/On — Q_BVL_C forcible
Cir C Hot Gas Bypass Off/On — Q_HGBP_C forcible
Cooler Heater Output Off/On — Q_CL_HT forcible
Water Exchanger Pump 1 Off/On — Q_PMP1 forcible
Water Exchanger Pump 2 Off/On — Q_PMP2 forcible
Condenser Pump 1 Off/On — Q_HPMP1 forcible
Condenser Pump 2* Off/On — Q_HPMP2 forcible
Chiller Ready Output Off/On — Q_READY forcible
Chiller Running Output Off/On — Q_RUN forcible
Cir A Running Output Off/On — Q_RUN_A forcible
Cir B Running Output Off/On — Q_RUN_B forcible
Cir C Running Output* Off/On — Q_RUN_C forcible
Chiller Capacity in 0-10v 0 – 10.0 volt Q_CATO forcible
Customer Shutdown Out Off/On — Q_SHUT forcible
Alarm Relay Output Off/On — Q_ALARM forcible
Alert Relay Output Off/On — Q_ALERT forcible
TABLE DISPLAY NAME RANGE UNITS POINT NAME WRITE STATUS
QCK_TST2* Quick Test Enable no/Yes — Q_TSTRQ forcible
Air Cond Enter Valve A Off/On — Q_HREA_A forcible
Air Cond Leaving Valv A Off/On — Q_HRLA_A forcible
Water Cond Enter Valv A Off/On — Q_HREW_A forcible
Water Cond Leav Valve A Off/On — Q_HRLW_A forcible
Air Cond Enter Valve B Off/On — Q_HREA_B forcible
Air Cond Leaving Valv B Off/On — Q_HRLA_B forcible
Water Cond Enter Valv B Off/On — Q_HREW_B forcible
Water Cond Leav Valve B Off/On — Q_HRLW_B forcible
HR Condenser Heater Off/On — Q_CD_HT forcible
4 way Valve Circuit A Off/On — Q_RV_A forcible
4 way Valve Circuit B Off/On — Q_RV_B forcible
Free Cooling Heater On/Off — Q_FC_HTR forcible
Free Cool A EXV Position 0 - 100 % Q_FCEXVA forcible
Free Cool B EXV Position 0 - 100 % Q_FCEXVB forcible
Free Cool A Ball Valve Off/On — Q_FCBVL_A forcible
Free Cool B Ball Valve Off/On — Q_FCBVL_B forcible
TABLE DISPLAY NAME RANGE UNITS POINT NAME WRITE STATUS
SERV_TST Service Test Enable* no/Yes — Q_STREQ forcible
Compressor A Output Off/On — Q_CPA forcible
Slide Valve Capacity A 0 - 2† — Q_SLIA forcible
Compressor B Output Off/On — Q_CPB forcible
Slide Valve Capacity B 0 - 2† — Q_SLIB forcible
Compressor C Output Off/On — Q_CPC forcible
Slide Valve Capacity C 0 - 2† — Q_SLIC forcible

122
APPENDIX C — CCN TABLES (cont)
STATUS DISPLAY TABLES (cont)
*Not supported.
TABLE DISPLAY NAME RANGE UNITS POINT NAME
FREECOOL* GENERAL PARAMETERS
Free Cooling Disable ? Yes/No — FC_DSBLE
LWT – OAT Delta ±nnn.n °F fc_delta
Current Cooling Power nnn °F cool_pwr
Estimated FreeCoo Power nnn °F fc_pwr
Next Session Allowed In nn minutes fc_next
Cooling/FreeCool Timeout nn minutes fc_tmout
Free Cool Conditions OK ? Yes/No — fc_ready
Free Cool Request ? Yes/No — fc_reqst
Valve Actuators Heaters ? On/Off - FC_HTR
CIRCUIT A
Free Cooling Active Yes/No — fc_on_a
Fan Staging Number 1 to 6 — FAN_ST_A
3 Way Valve Position nnn % fc_vlv_a
3 Way Valve Status Opening/Closing/... — FC_VLV_A
Refrigerant Pump Out On/Off — fc_pmp_a
Pump Inlet Pressure ±nnn kPa fc_inp_a
Pump Outlet Pressure ±nnn kPa fc_oup_a
Pump Differential Pressure ±nnn kPa fc_dp_a
EXV Position nnn.n % EXV_A
CIRCUIT B
Free Cooling Active Yes/No — fc_on_b
Fan Staging Number 1 to 6 — FAN_ST_B
3 Way Valve Position nnn % fc_vlv_b
3 Way Valve Status Opening/Closing/... — FC_VLV_B
Refrigerant Pump Out On/Off — fc_pmp_b
Pump Inlet Pressure ±nnn kPa fc_inp_b
Pump Outlet Pressure ±nnn kPa fc_oup_b
Pump Differential Pressure ±nnn kPa fc_dp_b
EXV Position nnn.n % EXV_B
CIRCUIT C
Free Cooling Active Yes/No — fc_on_c
Fan Staging Number 1 to 6 — FAN_ST_C
3 Way Valve Position nnn % fc_vlv_c
3 Way Valve Status Opening/Closing/... — FC_VLV_C
Refrigerant Pump Out On/Off — fc_pmp_c
Pump Inlet Pressure ±nnn kPa fc_inp_c
Pump Outlet Pressure ±nnn kPa fc_oup_c
Pump Differential Pressure ±nnn kPa fc_dp_c
EXV Position nnn.n % EXV_C

123
APPENDIX C — CCN TABLES (cont)
STATUS DISPLAY TABLES (cont)
*Not supported.
TABLE DISPLAY NAME RANGE UNITS POINT NAME WRITE STATUS
RECLAIM* Heat Reclaim Select Yes/no RECL_SEL
Reclaim Condenser Pump On/Off CONDPUMP
Reclaim Condenser Flow On/Off CONDFLOW
Reclaim Condenser Heater On/Off cond_htr
Reclaim Entering Fluid ±nnn.n °F HR_EWT
Reclaim Leaving Fluid ±nnn.n °F HR_LWT
Reclaim Fluid Setpoint ±nnn.n °F RSP forcible
Reclaim Valve Position ±nnn.n % hr_v_pos
HEAT RECLAIM CIRCUIT A
Reclaim Status Circuit A n hrstat_a
Pumpdown Pressure Cir A ±nnn.n psi PD_P_A
Sub Condenser Temp Cir A ±nnn.n °F hr_subta
Pumpdown Saturated Tmp A ±nnn.n °F hr_sat_a
Subcooling Temperature A ±nnn.n ^F hr_subca
Air Cond Entering Valv A On/Off hr_ea_a
Water Cond Enter Valve A On/Off hr_ew_a
Air Cond Leaving Valve A On/Off hr_la_a
Water Cond Leaving Val A On/Off hr_lw_a
HEAT RECLAIM CIRCUIT B
Reclaim Status Circuit B n hrstat_b
Pumpdown Pressure Cir B ±nnn.n psi PD_P_B
Sub Condenser Temp Cir B ±nnn.n °F hr_subtb
Pumpdown Saturated Tmp B ±nnn.n °F hr_sat_b
Subcooling Temperature B ±nnn.n ^F hr_subcb
Air Cond Entering Valv B On/Off hr_ea_b
Water Cond Enter Valve B On/Off hr_ew_b
Air Cond Leaving Valve B On/Off hr_la_b
Water Cond Leaving Val B On/Off hr_lw_b
STATEGEN UNIT DISCRETE IN
On/Off – Remote Switch Open/Clse ONOFF_SW
Remote Heat/Cool Switch Open/Clse HC_SW
Current Control Off, On Cool, On Heat,
On Auto
on_ctrl
Remote Reclaim Switch Open/Clse RECL_SW
Free Cooling Disable Switch* Open/Clse FC_SW
Remote Setpoint Switch Open/Clse SETP_SW
Limit Switch 1 Status Open/Clse LIM_SW1
Limit Switch 2 Status Open/Clse LIM_SW2
Occupied Override Switch Open/Clse OCC_OVSW
Ice Done Storage Switch Open/Clse ICE_SW
Cooler Flow Switch Open/Clse FLOW_SW
Cooler Pump Run Status Open/Clse CPUMPDEF
Condenser Flow Status On/Off CONDFLOW
Remote Interlock Status Open/Clse REM_ LOCK
Electrical Box Interlock* Open/Clse ELEC_BOX
UNIT DISCRETE OUT
Cooler Flow Setpoint Out* On/Off SET_FLOW
Electrical Heat Stage* 0-4/Off EHS_STEP
Cooler Pump #1 Command On/Off CPUMP_1 forcible
Cooler Pump #2 Command On/Off CPUMP_2 forcible
Rotate Cooler Pumps ? Yes/No ROTCPUMP forcible
Condenser Pump #1 Out On/Off HPUMP_1 forcible
Condenser Pump #2 Out* On/Off HPUMP_2 forcible
Rotate Condenser Pumps?* Yes/No ROTHPUMP forcible
Cooler Heater Command* On/Off COOLHEAT
Shutdown Indicator State On/Off SHUTDOWN
Alarm Relay Status On/Off ALARMOUT
Alert Relay Status On/Off ALERT
Ready or Running Status* On/Off READY
Running Status On/Off RUNNING
UNIT ANALOG
Cooler Entering Fluid ±nnn.n °F COOL_EWT
Cooler Leaving Fluid ±nnn.n °F COOL_LWT
Condenser Entering Fluid ±nnn.n °F COND_EWT
Condenser Leaving Fluid ±nnn.n °F COND_LWT
Cooler Heater Temp* ±nnn.n °F HEATER
Circuit C Heater Temp* ±nnn.n °F T_HEAT_C
Optional Space Temp ±nnn.n °F SPACETMP
CHWS Temperature ±nnn.n °F CHWSTEMP
Reset /Setpnt 4-20mA Sgnl ±nn.n ma SP_RESET
Limit 4-20mA Signal ±nn.n ma LIM_ANAL
Chiller Capacity Signal ±nn.n volts CAPT_010
STRTHOUR Machine Operating Hours nnnnn hours HR_MACH
Machine Starts Number nnnnn st_mach
Compressor A Hours nnnnn hours HR_CP_A
Compressor A Starts nnnnn st_cp_a
Compressor B Hours nnnnn hours HR_CP_B
Compressor B Starts nnnnn st_cp_b
Compressor C Hours nnnnn hours HR_CP_C
Compressor C Starts nnnnn st_cp_c
WATER PUMPS
Cooler Pump #1 Hours nnnnn hours hr_cpum1
Cooler Pump #2 Hours nnnnn hours hr_cpum2
Condenser Pump #1 Hours nnnnn hours hr_hpum1
Condenser Pump #2 Hours* nnnnn hours hr_hpum2

124
APPENDIX C — CCN TABLES (cont)
CONFIGURATION TABLES
*Day of week where daylight savings time will occur in the morning (at
2:00 am). Daylight savings time occurs on Sunday (7) morning, 1 hour shall
be added when entering and 1 hour subtracted when leaving.
†Date once selected (from 1) shall occur in the week number entered. 1: If day
of week selected is 7 (Sunday) time change will occur the first Sunday (week
number 1) in the month. 5: If day of week selected is 7 (Sunday) time change
will occur the last Sunday of the month (week number 4 or 5).
NOTE: nn is software version.
TABLE DISPLAY NAME RANGE DEFAULT UNITS POINT NAME
!CtlrID/PD5_XAXQ Device Name 8 chars 30XW
Description 24 chars PRO-DIALOG 5
30XA XQ XW
DevDesc
Location 24 chars Location
Software Part Number 16 chars CSA-SR-20C47nnnn PartNum
Model Number 20 chars ModelNum
Serial Number 12 chars SerialNo
Reference Number 24 chars RefNum
CCN Bus Number 0-239 0 CCNB
CCN Element Number 1-239 1 CCNA
CCN Baud Rate 9600 9600 BAUD
19200
38400
ALARMDEF/
ALARMS01
Alarm Routing Control 0-11111111 00000000 ALRM_CNT
Alarm Equipment Priority 0-7 4 EQP_TYP
Comm Failure Retry Time 1-240 10 min RETRY_TM
Realarm Time 1-255 30 min RE_ALARM
Alarm System Name 8 chars PRO_XAXQ ALRM_NAM
BRODEFS/
BROCASTS
Activate 0=Unused
1=Broadcast time,
date, holiday flag and
OAT.
2=For Standalone
chiller. Daylight savings
time & holiday determi-
nation will be done
without broadcasting
through the bus.
2 — ccnbroad
OAT Broadcast
Bus # 0 to 239 0 oatbusnm
Element # 0 to 239 0 oatlocad
DAYLIGHT SAVING SELECT Disable/Enable Disable dayl_sel
ENTERING
Month 1 to 12 3 startmon
Day of week* (1=Monday) 1 to 7 7 startdow
Week Number of Month† 1 to 5 5 startwom
LEAVING
Month 1 to 12 10 Stopmon
Day of week* (1=Monday) 1 to 7 7 Stoptdow
Week Number of Month† 1 to 5 5 stopwom
HOLIDAY/HOLDY_nn
nn = 01 to 16
Holiday Start Month 0-12 0 HOL_MON
Start Day 0-31 0 HOL_DAY
Duration (days) 0-99 0 HOL_LEN
OCCDEFCS/
OCCnP0nS
n = 1 or 2
Timed Override Hours 0-4 0 OVR_EXT
Period 1 DOW (MTWTFSSH) 0/1 11111111 DOW1
Occupied From 00:00-24:00 00:00 OCCTOD1
Occupied To 00:00-24:00 24:00 UNOCTOD1
Period 2 DOW (MTWTFSSH) 0/1 11111111 DOW2
Occupied From 00:00-24:00 00:00 OCCTOD2
Occupied To 00:00-24:00 00:00 UNOCTOD2
Period 3 DOW (MTWTFSSH) 0/1 00000000 DOW3
Occupied From 00:00-24:00 00:00 OCCTOD3
Occupied To 00:00-24:00 00:00 UNOCTOD3
Period 4 DOW (MTWTFSSH) 0/1 00000000 DOW4
Occupied From 00:00-24:00 00:00 OCCTOD4
Occupied To 00:00-24:00 00:00 UNOCTOD4
Period 5 DOW (MTWTFSSH) 0/1 00000000 DOW5
Occupied From 00:00-24:00 00:00 OCCTOD5
Occupied To 00:00-24:00 00:00 UNOCTOD5
Period 6 DOW (MTWTFSSH) 0/1 00000000 DOW6
Occupied From 00:00-24:00 00:00 OCCTOD6
Occupied To 00:00-24:00 00:00 UNOCTOD6
Period 7 DOW (MTWTFSSH) 0/1 00000000 DOW7
Occupied From 00:00-24:00 00:00 OCCTOD7
Occupied To 00:00-24:00 00:00 UNOCTOD7
Period 8 DOW (MTWTFSSH) 0/1 00000000 DOW8
Occupied From 00:00-24:00 00:00 OCCTOD8
Occupied To 00:00-24:00 00:00 UNOCTOD8

125
APPENDIX C — CCN TABLES (cont)
CONFIGURATION TABLES (cont)
TABLE DISPLAY NAME RANGE DEFAULT UNITS POINT NAME
CFG_TABn
(n = 1 to 8)
Display x table number 1 85 tab_nb_1
Display n var number 1 4 var_nb_1
Display n table number 2 85 tab_nb_2
Display n var number 2 20 var_nb_2
Display n table number 3 85 tab_nb_3
Display n var number 3 21 var_nb_3
Display n table number 4 85 tab_nb_4
Display n var number 4 28 var_nb_4
Display n table number 5 85 tab_nb_5
Display n var number 5 29 var_nb_5
Display n table number 6 85 tab_nb_6
Display n var number 6 30 var_nb_6
Display n table number 7 92 tab_nb_7
Display n var number 7 33 var_nb_7
Display n table number 8 92 tab_nb_8
Display n var number 8 34 var_nb_8
Display n table number 9 0 tab_nb_9
Display n var number 9 0 var_nb_9
DISPCONF Metric Display on STDU Yes/No No DISPUNIT
Language Selection 0=English
1=Espanol
2=Francais
3=Portugues
4=Translated
0LANGUAGE
MST_SLV MASTER SLAVE CONTROL
Master/Slave Select 0=Disable
1=Master
2=Slave
0 ms_sel
Master Control Type 1=Local Control
2=Remote Control
3=CCN Control
1 ms_ctrl
Slave Address 1 to 236 2 slv_addr
Lead Lag Select 0=Always Lead
1=Lag Once
Failed Only
2=Lead/Lag
Runtime Sel
0 lead_sel
Lead/Lag Balance Delta 40 to 400 168 hours ll_bal_d
Lag Start Timer 2 to 30 10 min lstr_tim
Lead Pulldown Time 0 to 60 0 min lead_pul
Start if Error Higher 4 ^F start_dt
Lag Minimum Running Time 0 min lag_mini
Lag Unit Pump Control 0=Stop if Unit Stops
1=Run if Unit Stops
0 lag_pump
Chiller in Series Yes/No No II_serie

126
APPENDIX C — CCN TABLES (cont)
CONFIGURATION TABLES (cont)
*Not supported.
†Only condenser pump sequence 1 is supported.
NOTES:
1. Flow checked if pump off needed when a command is sent to the primary
pump to prevent cooler from freezing in winter conditions. Command will
set the cooler flow switch to closed while the controls stop the cooler
pump. The controls may then generate an alarm. If this decision is active,
the cooler flow switch is not checked when the cooler pump is stopped.
2. If cooling reset select set point has been selected the set point based on
4-20mA input signal through ComfortLink™ control, then a 4-20 mA reset
function shall be ignored. Configuration 3 (4-20mA Control) and 4 (Space
Temperature) shall require an Energy Management Module.
3. Configuration 2 (4-20mA Control) shall require an Energy Management
Module. Configuration 1 Switch Demand limit provides 3 step demand limit
if an Energy Management Module is present. Otherwise, only one step is
allowed.
4. Reverse Alarms Relay configuration will be deenergized when an alarm
and alert relay is present and will be energized when no alarm is present.
TABLE DISPLAY NAME RANGE DEFAULT UNITS POINT NAME
USER Circuit Loading Sequence 0-3
0=Auto,
1=A Lead
2=B Lead,
3 =C Lead
0 lead_cir
Staged Loading Sequence No/Yes No seq_typ
Ramp Loading Select No/Yes No ramp_sel
Unit Off to On Delay 1-15 1 min off_on_d
Condenser Pumps Sequence 0-4† 0 hpumpseq
Cooler Pumps Sequence 0-4
0=No Pump
1=One Pump Only
2=Two Pumps Auto
3=Pump#1 Manual
4=Pump#2 Manual
0 cpumpseq
Pump Auto Rotation Delay 24-3000 48 hours pump_del
Pump Sticking Protection No/Yes No pump_per
Stop Pump During Standby No/Yes No pump_sby
Flow Checked if Pump Off No/Yes No pump_loc
Auto Changeover Select* No/Yes No auto_sel
Cooling Reset Select 0-4 0 cr_sel
Heating Reset Select* 0-4
1 =OAT*,
0=None
2=Delta T,
3=4-20mA Control
4=Space Temp
0 hr_sel
Demand Limit Type Select 0-2
0=None
1=Switch Control
2=4-20mA Control
0 lim_sel
mA For 100% Demand Limit 0-20 0 ma lim_mx
mA For 0% Demand Limit 0-20 10 ma lim_ze
Current Limit Select No/Yes No curr_sel
Current Limit at 100% 0 to 2000 2000 amps curr_ful
Heating OAT Threshold* -4-32 5 °F heat_th
Free Cooling Delta T Th* 14.4-27 18 °F free_dt
Full Load Timeout 20-300 30 min fc_tmout
HSM Both Command Select No/Yes No both_sel
NIGHT CONTROL
Start Hour 00:00-24:00 00:00 nh_start
End Hour 00:00-24:00 00:00 nh_end
Capacity Limit 0-100 100 % nh_limit
Ice Mode Enable No/Yes No ice_cnfg
Reverse Alarms Relay No/Yes No al_rever
Cooler pump off in heat No/Yes No stopheat
Cond pump off in cool No/Yes No stopcool

127
APPENDIX C — CCN TABLES (cont)
SETPOINT CONFIGURATION TABLES
*Not supported.
MAINTENANCE DISPLAY TABLES
*Not supported.
NOTES: Tables for display only. Forcing shall not be supported on this maintenance screen.
TABLE DISPLAY NAME RANGE DEFAULT UNITS POINT NAME
SETPOINT COOLING
Cooling Setpoint 1 –20-70 44.0 °F csp1
Cooling Setpoint 2 –20-70 44.0 °F csp2
Cooling Ice Setpoint –20-70 44.0 °F ice_sp
OAT No Reset Value 14-125 14.0 °F oatcr_no
OAT Full Reset Value 14-125 14.0 °F oatcr_fu
Delta T No Reset Value 0-25 0.0 ^F dt_cr_no
Delta T Full Reset Value 0-25 0.0 ^F dt_cr_fu
Current No Reset Value 0-20 0.0 ma v_cr_no
Current Full Reset Value 0-20 0.0 ma v_cr_fu
Space T No Reset Value 14-125 14.0 °F spacr_no
SpaceT Full Reset Value 14-125 14.0 °F spacr_fu
Cooling Reset Deg. Value –30-30 0.0 ^F cr_deg
Cooling Ramp Loading 0.2-2.0 1.0 ^F cramp_sp
HEATING*
Heating Setpoint 1 80-140 100.0 °F hsp1
Heating Setpoint 2 80-140 100.0 °F hsp2
OAT No Reset Value 14-125 14.0 °F oathr_no
OAT Full Reset Value 14-125 14.0 °F oathr_fu
Delta T No Reset Value 0-25 0.0 ^F dt_hr_no
Delta T Full Reset Value 0- 25 0.0 ^F dt_hr_fu
Current No Reset Value 0-20 0.0 ma v_hr_no
Current Full Reset Value 0-20 0.0 ma v_hr_fu
Heating Reset Deg. Value –30-30 0.0 ^F hr_deg
Heating Ramp Loading 0.2-2.0 1.0 ^F hramp_sp
AUTO CHANGEOVER*
Cool Changeover Setpt 39-122 75.0 °F cauto_sp
Heat Changeover Setpt 32-115 64.0 °F hauto_sp
MISCELLANEOUS
Switch Limit Setpoint 1 0-100 100 % lim_sp1
Switch Limit Setpoint 2 0-100 100 % lim_sp2
Switch Limit Setpoint 3 0-100 100 % lim_sp3
Reclaim Setpoint* 95-140 122.0 °F rsp
Reclaim Deadband* 5-27 9.0 °F hr_deadb
Water Val Condensing Stp 80 to 120 86 °F w_sct_sp
TABLE DISPLAY NAME RANGE UNITS POINT NAME WRITE STATUS
BOARD_PN EXV Board Circuit A XXXXXXXX exv_brda
EXV Board Circuit B XXXXXXXX exv_brdb
EXV Board Circuit C XXXXXXXX exv_brdc
AUX Board #1 Part Number XXXXXXXX aux_brd1
AUX Board #2 Part Number XXXXXXXX aux_brd2
AUX Board #3 Part Number XXXXXXXX aux_brd3
AUX Board #4 Part Number XXXXXXXX aux_brd4
AUX Board #5 Part Number XXXXXXXX aux_brd5
EMM NRCP2 Board XXXXXXXX emm_nrcp
Reclaim NRCP2 Board XXXXXXXX rec_nrcp
TCPM Board Comp A XXXXXXXX cpa_vers
Must Trip Amps 0-600 amps cpa_mtam
S1 Config Switch (8 to 1) 00000000 0 cpa_s1_m
TCPM Board Comp B nnnn cpb_vers
Must Trip Amps 0-600 amps cpb_mtam
S1 Config Switch (8 to 1) 00000000 0 cpb_s1_m
TCPM Board Comp C XXXXXXXX cpc_vers
Must Trip Amps 0-600 amps cpc_mtam
S1 Config Switch (8 to 1) 00000000 0 cpc_s1_m
CUR_PHASE Current Phase 1 Comp A 0-600 amps cpa_cur1
Current Phase 2 Comp A 0-600 amps cpa_cur2
Current Phase 3 Comp A 0-600 amps cpa_cur3
Current Phase 1 Comp B 0-600 amps cpb_cur1
Current Phase 2 Comp B 0-600 amps cpb_cur2
Current Phase 3 Comp B 0-600 amps cpb_cur3
Current Phase 1 Comp C 0-600 amps cpc_cur1
Current Phase 2 Comp C 0-600 amps cpc_cur2
Current Phase 3 Comp C 0-600 amps cpc_cur3
DEFROSTM* CIR A DEFROST CONTROL
Exchanger Frost Factor 0-100 % frost_a
Next Sequence Allowed in nnn minutes def_se_a
Defrost Active? True/False mode[19]
Defrost Temperature ±nnn.n °F DEFRT_A
Defrost Duration nnn minutes defr_dua
Fan Sequence Started ? n def_fa_a
Override State nn over_d_a
Mean SST Calculation ±nnn.n °F sst_dm_a
Delta: OAT - Mean SST ±nnn.n ^F delt_a
Reference Delta ±nnn.n ^F delt_r_a
Delta - Reference Delta ±nnn.n °F del_v_a
Frost Integrator Gain n.n fr_int_a
Defrost Fan Start Cal A 0.00 psi def_ca_a
Defrost Fan Offset Cal A 0.00 psi def_of_a
CIR B DEFROST CONTROL
Exchanger Frost Factor 0-100 % frost_b
Next Sequence Allowed in nnn minutes def_se_b
Defrost Active? True/False mode[20]
Defrost Temperature ±nnn.n °F DEFRT_B
Defrost Duration nnn minutes defr_dub
Fan Sequence Started? n def_fa_b
Override State nn over_d_b
Mean SST calculation ±nnn.n °F sst_dm_b
Delta: OAT - Mean SST ±nnn.n ^F delt_b
Reference Delta ±nnn.n ^F delt_r_b
Delta - Reference Delta ±nnn.n ^F del_v_b
Frost Integrator Gain n.n fr_int_b
Defrost Fan Start Cal B 0.00 psi def_ca_b
Defrost Fan Offset Cal B 0.00 psi def_of_b

128
APPENDIX C — CCN TABLES (cont)
MAINTENANCE DISPLAY TABLES (cont)
*Not supported.
TABLE DISPLAY NAME RANGE UNITS POINT NAME WRITE STATUS
FANCTRL* Cir A SCT Control Point ±nnn.n °F sct_sp_a
Cir A SCT Candidate ±nnn.n °F sct_fu_a
Cir A Fan Cycle Counter ±nnn.n fancyc_a
Cir A Optimal Fan Count ±nnn.n fancop_a
Cir B SCT Control Point ±nnn.n °F sct_sp_b
Cir B SCT Candidate ±nnn.n °F sct_fu_b
Cir B Fan Cycle Counter ±nnn.n fancyc_b
Cir B Optimal Fan Count ±nnn.n fancop_b
Cir C SCT Control Point ±nnn.n °F sct_sp_c
Cir C SCT Candidate ±nnn.n °F sct_fu_c
Cir C Fan Cycle Counter ±nnn.n fancyc_c
Cir C Optimal Fan Count ±nnn.n fancop_c
LAST_POR Power On 1: day-mon-year nnnnnn ddmmyy date_on1
Power On 1: hour-minute nnnn hhmm time_on1
PowerDown 1:day-mon-year nnnnnn ddmmyy date_of1
PowerDown 1:hour-minute nnnn hhmm time_of1
Power On 2: day-mon-year nnnnnn ddmmyy date_on2
Power On 2: hour-minute nnnn hhmm time_on2
PowerDown 2:day-mon-year nnnnnn ddmmyy date_of2
PowerDown 2:hour-minute nnnn hhmm time_of2
Power On 3: day-mon-year nnnnnn ddmmyy date_on3
Power On 3: hour-minute nnnn hhmm time_on3
PowerDown 3:day-mon-year nnnnnn ddmmyy date_of3
PowerDown 3:hour-minute nnnn hhmm time_of3
Power On 4: day-mon-year nnnnnn ddmmyy date_on4
Power On 4: hour-minute nnnn hhmm time_on4
PowerDown 4:day-mon-year nnnnnn ddmmyy date_of4
PowerDown 4:hour-minute nnnn hhmm time_of4
Power On 5: day-mon-year nnnnnn ddmmyy date_on5
Power On 5: hour-minute nnnn hhmm time_on5
PowerDown 5:day-mon-year nnnnnn ddmmyy date_of5
PowerDown 5:hour-minute nnnn hhmm time_of5
LOADFACT CAPACITY CONTROL
Average Ctrl Water Temp ±nnn.n °F ctrl_avg
Differential Water Temp ±nnn.n °F diff_wt
Water Delta T ±nnn.n ^F delta_t
Control Point ±nnn.n °F CTRL_PNT
Reset Amount ±nnn.n ^F reset
Controlled Temp Error ±nnn.n ^F tp_error
Actual Capacity nnn % cap_t
Actual Capacity Limit nnn % cap_lim
Actual Chiller Current nnnn amps TOT_CURR
Chiller Current Limit nnnn amps CURR_LIM
Current At 30% Load A nnnn amps cur_30_a
Current At 30% Load B nnnn amps cur_30_b
Current At 30% Load C nnnn amps cur_30_c
Current At 100% Load A nnnn amps cur100_a
Current At 100% Load B nnnn amps cur100_b
Current At 100% Load C nnnn amps cur100_c
Current Z Multiplier Val ±n.n zm
Load/Unload Factor ±nnn.n 0/0 smz
Active Capacity Override nn over_cap
EHS CAPACITY CONTROL
EHS Ctrl Override nn over_ehs
Requested Electric Stage nn eh_stage
Electrical Pulldown? True/False ehspulld
EXV_CTRL EXV CONTROL
EXV Position Circuit A nnn.n % EXV_A
Discharge Superheat A nnn.n % DSH_A
Suction Superheat A nn.n ^F SH_A
Suction SH Control Pt A nn.n ^F sh_sp_a
Cooler Exchange DT Cir A nn.n ^F pinch_a
Cooler Pinch Ctl Point A nn.n ^F pinch_spa
EXV Override Circuit A nn ov_exv_a
EXV Position Circuit B nnn.n % EXV_B
Discharge Superheat B nnn.n % DSH_B
Suction Superheat B nn.n ^F SH_B
Suction SH Control Pt B nn.n ^F sh_sp_b
Cooler Exchange DT Cir B nn.n ^F pinch_b
Cooler Pinch Ctl Point B nn.n ^F pinch_spb
EXV Override Circuit B nn ov_exv_b
EXV Position Circuit C nnn.n % EXV_C
Discharge Superheat C nnn.n % DSH_C
Suction Superheat C nn.n ^F SH_C
Suction SH Control Pt C nn.n ^F sh_sp_c
Cooler Exchange DT Cir C nn.n ^F pinch_c
Cooler Pinch Ctl Point C nn.n ^F pinch_spc
EXV Override Circuit C nn ov_exv_c
ECONOMIZER CONTROL
Economizer Position A nnn.n % EXV_EC_A
Economizer Superheat A nn.n ^F eco_sha
Economizer SH Setpoint A nn.n ^F ecsh_spa
EXV Override Circuit A nn ov_eco_a
Economizer Position B nnn.n % EXV_EC_B
Economizer Superheat B nn.n ^F eco_shb
Economizer SH Setpoint B nn.n ^F ecsh_spb
EXV Override Circuit B nn ov_eco_b
Economizer Position C nnn.n % EXV_EC_C
Economizer Superheat C nn.n ^F eco_shc
Economizer SH Setpoint C nn.n ^F ecsh_spc
EXV Override Circuit C nn ov_eco_c

129
APPENDIX C — CCN TABLES (cont)
MAINTENANCE DISPLAY TABLES (cont)
*Always CCN for the slave chiller.
†Slave chiller chillstat value
**This decision is consistent for master chiller only. It shall be set by default to 0 for the slave chiller.
††This item is true when chiller has loaded its total available capacity tonnage.
NOTE: Table for display only. Used for Cooling and Heat Pump Compressor Envelope.
TABLE DISPLAY NAME RANGE UNITS POINT NAME WRITE STATUS
MSTSLAVE MASTER/SLAVE CONTROL
Unit is Master or Slave Disable/Master/Slave mstslv
Master Control Type* Local/Remote/CCN ms_ctrl
Master/Slave Ctrl Active True/False ms_activ
Lead Unit is the: Master/Slave lead_sel
Slave Chiller State† 0=Chiller is off
1=Valid Run State in
CCN Mode
2=Unused for this control
3=Chiller is in local mode
4=Power fail restart in
progress
5=Shudown due to fault
6=Communication failure
slv_stat
Slave Chiller Total Cap 0-100 % slv_capt
Lag Start Delay** 1-30 minutes l_strt_d
Lead/Lag Hours Delta* ±nnnnn hours ll_hr_d
Lead/Lag Changeover?** Yes/No ll_chang
Lead Pulldown? Yes/No ll_pull
Master/Slave Error nn ms_error
Max Available Capacity?†† True/False cap_max
Slave Lagstat 0=Unit not configured
as a slave chiller
1=Slave pump
configuration error
(ms_error=1)
2=Unit configured as
slave chiller with
lwt_opt=no (entering
water control) with
pump control
(lag_pump=0)
3=Unit configured as slave
chiller with lwt_opt=yes
(leaving water control)
with pump control
(lag_pump=0)
4=Unit Configured as slave
chiller with lwt_opt=no
(entering water control)
with no pump control
(lag_pump=1)
5=Unit configured as slave
chiller with lwt_opt=yes
(leaving water control)
with no pump control
(lag_pump=1)
lagstat
TABLE DISPLAY NAME RANGE UNITS POINT NAME WRITE STATUS
OCCMAINT Current Mode (1=occup.) 0/1 MODE
Current Occp Period # 1 to 8 PER_NO
Timed-Override in Effect Yes/No OVERLAST
Timed-Override Duration 0-4 hours OVR_HRS
Current Occupied Time 00:00-23:59 STRTTIME
Current Unoccupied Time 00:00-23:59 ENDTIME
Next Occupied Day Mon-Sun NXTOCDAY
Next Occupied Time 00:00-23:59 NXTOCTIM
Next Unoccupied Day Mon-Sun NXTUNDAY
Next Unoccupied Time 00:00-23:59 NXTUNTIM
Prev Unoccupied Day Mon-Sun PRVUNDAY
Prev Unoccupied Time 00:00-23:59 PRVUNTIM
TABLE DISPLAY NAME RANGE UNITS POINT NAME WRITE STATUS
PR_LIMIT Discharge A Temp Average ±nnn.n °F sdt_m_a
Discharge A Temp Rate ±nnn.n ^F sdt_mr_a
Discharge A Gas Limit ±nnn.n °F sdtlim_a
Suction A Temp Average ±nnn.n °F sst_m_a
Discharge B Temp Average ±nnn.n °F sdt_m_b
Discharge B Temp Rate ±nnn.n ^F sdt_mr_b
Discharge B Gas Limit ±nnn.n °F sdtlim_b
Suction B Temp Average ±nnn.n °F sst_m_b
Discharge C Temp Average ±nnn.n °F sdt_m_c
Discharge C Temp Rate ±nnn.n ^F sdt_mr_c
Discharge C Gas Limit ±nnn.n °F sdtlim_c
Suction C Temp Average ±nnn.n °F sst_m_c
TABLE DISPLAY NAME RANGE UNITS POINT NAME WRITE STATUS
SERMAINT Reset Maintenance Alert
1 to 11: reset individually
12: reset all
nn S_RESET forcible
OPERATION WARNINGS
1 — Refrigerant Charge Normal/Low/Disable charge_m
2 — Water Loop Size Normal/Low/Disable wloop_m
GENERAL SERVICING DELAYS
3 — Cooler Pump 1 (days) 0-1000/Alert/Disable cpump1_m
4 — Cooler Pump 2 (days) 0-1000/Alert/Disable cpump2_m
5 — Condenser Pump 1 (days) 0-1000/Alert hpump1_m
6 — Condenser Pump 2 (days) 0-1000/Alert hpump2_m
7 — Water Filter (days) 0-1000/Alert/Disable wfilte_m
8 — Cp A Oil Filter (days) 0-1000/Alert oilfa_m
9 — Cp B Oil Filter (days) 0-1000/alert oilfilb_m
10 — CP.C Oil Filter (days) 0-1000/Alert oilfic_m

130
APPENDIX C — CCN TABLES (cont)
SERVICE CONFIGURATION TABLES
*Not supported.
†0 = No economizer.
NOTES:
1. Table used to disable compressors for maintenance purposes. The
capacity control will consider that these compressors (once set to YES)
are failed manually (no alarm will appear).
2. Enter unit size. This item allows the controls to determine capacity of each
compressor and the total number of fans on each circuit based on a com-
pressor arrangement array (can be viewed in table FACTORY2). It is not
necessary to enter compressor capacity and number of fans on each cir-
cuit. See the 30XW Installation Instructions for more information.
3. Number of fans controlled directly by a variable speed fan actuator using
0 to 10 vdc signal. This will enable the controls to determine the remaining
discrete fan staging outputs from the total fans on each circuit.
4. Used for extra functions with the purpose of energy management such as
occupancy override switch, ice storage, setpoint reset, and demand limit.
5. Compressor capacity will be automatically determined if unit size entered
in FACTORY table matches the values in the unit compressor configura-
tion table.
6. Total number of fans includes fans controlled by a variable speed fan. This
value will be automatically populated if unit size entered in FACTORY
table matches the values in the unit compressor configuration table.
TABLE DISPLAY NAME RANGE DEFAULT UNITS POINT NAME WRITE
STATUS
TABLE USED FOR DISABLE COMPRESSORS (see notes)
CP_UNABL
(See Notes)
Compressor A Disable No/Yes No un_cp_a
Compressor B Disable No/Yes No un_cp_b
Compressor C Disable No/Yes No un_cp_c
FACTORY
(See Notes)
Unit Type 1 (Cooling Only)
2 (Heat Pump)*
3 (Water Cooled)
4 (Heat Machine)
1 unit_typ
Unit Capacity 0 to 1800 Nominal Unit Size unitsize
Power Frequence 60HZ Sel Yes/No Yes freq_60H
Power Supply Voltage 200 to 660 460 volts voltage
NB Fans on Varifan Cir A 0 to 6 1 varfan_a
NB Fans on Varifan Cir B 0 to 6 1 varfan_b
NB Fans on Varifan Cir C 0 to 6 0 varfan_c
Soft Starter Select Yes/No No softstar
Wye Delta Start Select Yes/No No wye_delt
Air Cooled Reclaim Sel Yes/No No recl_opt
Free Cooling Select Yes/No No freecool
Cooler Heater Select Yes/No Yes heat_sel
Condenser Water Val Sel* Yes/No No cond_val
Hot Gas Bypass Select Yes/No No hgbp_sel
MCHX Exchanger Select Yes/No Yes mchx_sel
Boiler Command Select Yes/No No boil_sel
Energy Management Module Yes/No No emm_nrcp
High Tiers Display Selec No = Use Navigator™
display as user interface
(factory installed)
Yes = Use Touch Pilot™
Display as user interface
(factory installed)
No highdisp
Factory Password 0 to 9999 111 fac_pass
Hydraulic Transducer Kit Yes/No No kithydro
Cooler Pass Number 1 to 3 2 cpass_nb
VLT Fan Drive Select* 0 vlt_sel
VLT Fan Drive rpm* 0 vlt_rpm
High Condensing Select Yes/No No highcond
Max Condenser LWT=45degC Yes/No No max_clwt
FACTORY2 Compressor A Config
Must Trip Amps 0 to 600 Refer to Appendix D cpa_mtac
S1 Config Switch (8 to 1) 00000000 (8 position dip
switch configuration)
Refer to Appendix D cpa_s1_c
Compressor B Config
Must Trip Amps 0 to 600 Refer to Appendix D cpb_mtac
S1 Config Switch (8 to 1) 00000000 (8 position dip
switch configuration)
Refer to Appendix D cpb_s1_c
Compressor C Config
Must Trip Amps 0 to 600 0 cpc_mtac
S1 Config Switch (8 to 1) 00000000 (8 position dip
switch configuration)
0 cpc_s1_c
Circuit A Total Fans NB 2 to 8 0 nb_fan_a
Circuit B Total Fans NB 2 to 8 0 nb_fan_b
Circuit C Total Fans NB 0 to 8 0 nb_fan_c
EXV A Maximum Steps Numb 0/15000 4260 exva_max
EXV B Maximum Steps Numb 0/15000 4260 exvb_max
EXV C Maximum Steps Numb 0/15000 0 exvc_max
Economizer A Steps Numb 0/15000 2785† eco_cnfa
Economizer B Steps Numb 0/15000 2785† eco_cnfb
Economizer C Steps Numb 0/15000 0 eco_cnfc

131
APPENDIX C — CCN TABLES (cont)
SERVICE CONFIGURATION TABLES (cont)
*Not supported.
*Not supported. Must be configured at default.
NOTE: This table shall be downloadable at any time. However, modified value shall not be used by tasks until the unit is in OFF state. This shall not apply to the Varifan
gains that shall be modified at any time and used immediately by the head pressure control tasks even if the unit is in operation.
*Not supported.
NOTE: This table shall be used for purposes of transplanting the devices on time in the event of a module hardware failure or software upgrade via downloading. It shall
be usable only if all items are still null. Afterwards, its access shall be denied.
TABLE DISPLAY NAME RANGE DEFAULT UNITS POINT NAME WRITE STATUS
MAINTCFG MAINTENANCE CONFIG
Servicing Alert Enable/Disable Disable s_alert
Refrigerant Charge Ctrl Enable/Disable Disable charge_c
Water Loop Control Enable/Disable Disable wloop_c
CPump 1 Ctl Delay (days) 0-1000 0 cpump1_c
CPump 2 Ctl Delay (days) 0-1000 0 cpump2_c
HPump 1 Ctrl Delay (days)* 0-1000 0 hpump1_c
HPump 2 Ctrl Delay (days)* 0-1000 0 hpump2_c
Water Filter Ctrl (days) 0-1000 0 wfilte_c
Oil Filter A Ctrl (days) 0 to 1000 0 oilfia_c
Oil Filter B Ctrl (days) 0 to 1000 0 oilfib_c
Oil Filter C Ctrl (days) 0 to 1000 0 oilfic_c
TABLE DISPLAY NAME RANGE DEFAULT UNITS POINT NAME WRITE STATUS
SERVICE1 Cooler Fluid Type 1/2
1=Water
2=Brine
1 flui_typ
Flow Switch SP* 0-60 1 flow_sp
Brine Freeze Setpoint –20.0-34.0 34 °F freezesp
Brine Minimum Fluid Temp 10.0-34.0 38 °F mini_lwt
Condenser Fluid Type 1/2
1=Water
2=Brine
1 cond_typ
Entering Fluid Control Yes/No No ewt_opt
Prop PID Gain Varifan –20.0-20.0 2.0 hd_pg
Int PID Gain Varifan –5.0-5.0 0.2 hd_ig
Deri PID Gain Varifan –20.0-20.0 0.4 hd_dg
Maximum Ducted Fan Speed 20-100 100 % fan_max
EXV A Superheat Setpoint 12.6-44 14.4 ^F sh_sp_a
EXV B Superheat Setpoint 12.6-44 14.4 ^F sh_sp_b
EXV C Superheat Setpoint 12.6-44 14.4 ^F sh_sp_c
Pinch offset circuit A –3.0-3.0 0 ^F p_ofst_a
Pinch offset circuit B –3.0-3.0 0 ^F p_ofst_b
Pinch offset circuit C –3.0-3.0 –3.6 ^F p_ofst_c
EXV MOP Setpoint 40-55 62 °F mop_sp
High Pressure Threshold 200-290 275.5 psi hp_th
Cooler Heater Delta Spt 1-6 2 ^F heatersp
Auto Start When SM Lost Enable/Disable Disable auto_sm
3way Valve Min Position 0-50 0 % min_3w
3way Valve Max Position 20-100 100 % max_3w
Economizer SH Setpoint A 5-15 10.8 ^F esh_sp_a
Economizer SH Setpoint B 5-15 10.8 ^F esh_sp_b
Economizer SH Setpoint C 5-15 10.8 ^F esh_sp_c
Fast Loading Sequence 0-4 0 fastload
EWT Probe on Cir A Side Yes/No Yes ewt_cirA
TABLE DISPLAY NAME RANGE UNITS POINT NAME WRITE STATUS
TABLE TO BE USED FOR RUN TIMES UPDATE IN CASE OF CONTROL RETROFIT
UPDHRFAN*
Free Cooling A Pump Hours 0 hours hr_fcp_a
Free Cooling B Pump Hours 0 hours hr_fcp_b
Circuit A Defrost Number 0 nb_def_a
Circuit B Defrost Number 0 nb_def_b
Circuit A Fan #1 Hours 0 hours hr_fana1
Circuit A Fan #2 Hours 0 hours hr_fana2
Circuit A Fan #3 Hours 0 hours hr_fana3
Circuit A Fan #4 Hours 0 hours hr_fana4
Circuit A Fan #5 Hours 0 hours hr_fana5
Circuit A Fan #6 Hours 0 hours hr_fana6
Circuit A Fan #7 Hours 0 hours hr_fana7
Circuit A Fan #8 Hours 0 hours hr_fana8
Circuit A Fan #9 Hours 0 hours hr_fana9
Circuit A Fan #10 Hours 0 hours hrfana10
Circuit B Fan #1 Hours 0 hours hr_fanb1
Circuit B Fan #2 Hours 0 hours hr_fanb2
Circuit B Fan #3 Hours 0 hours hr_fanb3
Circuit B Fan #4 Hours 0 hours hr_fanb4
Circuit B Fan #5 Hours 0 hours hr_fanb5
Circuit B Fan #6 Hours 0 hours hr_fanb6
Circuit B Fan #7 Hours 0 hours hr_fanb7
Circuit B Fan #8 Hours 0 hours hr_fanb8
Circuit B Fan #9 Hours 0 hours hr_fanb9
Circuit B Fan #10 Hours 0 hours hrfanb10
Circuit C Fan #1 Hours 0 hours hr_fanc1
Circuit C Fan #2 Hours 0 hours hr_fanc2
Circuit C Fan #3 Hours 0 hours hr_fanc3
Circuit C Fan #4 Hours 0 hours hr_fanc4
Circuit C Fan #5 Hours 0 hours hr_fanc5
Circuit C Fan #6 Hours 0 hours hr_fanc6
Circuit C Fan #7 Hours 0 hours hr_fanc7
Circuit C Fan #8 Hours 0 hours hr_fanc8

132
APPENDIX C — CCN TABLES (cont)
SERVICE CONFIGURATION TABLES (cont)
NOTE: This table shall be used for purposes of transplanting the devices on time in the event of a module hardware failure or software upgrade via downloading. It shall
be usable only if all items are still null. Afterwards, its access shall be denied.
TABLE DISPLAY NAME RANGE UNITS POINT NAME WRITE STATUS
TABLE TO BE USED FOR RUN TIMES UPDATE IN CASE OF CONTROL RETROFIT
UPDTHOUR Machine Operating Hours 0 hours hr_mach
Machine Starts 0 st_mach
Compressor A Hours 0 hours hr_cp_a
Compressor A Starts 0 st_cp_a
Compressor B Hours 0 hours hr_cp_b
Compressor B Starts 0 st_cp_b
Compressor C Hours 0 hours hr_cp_c
Compressor C Starts 0 st_cp_c
Water Pump #1 Hours 0 hours hr_cpum1
Water Pump #2 Hours 0 hours hr_cpum2
Condenser Pump #1 Hours 0 hours hr_hpum1
Condenser Pump #2 Hours 0 hours hr_hpum2

133
APPENDIX D — 30XW150-400 CPM DIP SWITCH ADDRESSES
ACROSS-THE-LINE START — STANDARD CONDENSING
ACROSS-THE-LINE START — HIGH CONDENSING/HEAT MACHINE
LEGEND
NOTE: Sizes 150-200 are Circuit A only.
30XW
UNIT SIZE
VOLTAGE
(3 ph, 60Hz)
CPM DIP
SWITCHES
CIRCUIT A CIRCUIT B MTA
SETTING
CIRCUIT A
MTA
SETTING
CIRCUIT B
1234567812345678
150,325
575 S1 OFF ON OFF ON OFF OFF OFF OFF OFF ON OFF ON OFF OFF OFF OFF 220 220
S2 OFF ON OFF ON ON OFF ON OFF OFF ON OFF ON ON OFF ON OFF
460 S1 OFF ON OFF OFF ON OFF OFF OFF OFF ON OFF OFF ON OFF OFF OFF 278 278
S2 ON ON ON OFF OFF OFF OFF OFF ON ON ON OFF OFF OFF OFF OFF
380 S1 OFF ON OFF OFF ON OFF OFF OFF OFF ON OFF OFF ON OFF OFF OFF 338 338
S2 OFF ON ON OFF ON OFF OFF OFF OFF ON ON OFF ON OFF OFF OFF
175,350
575 S1 OFF ON OFF ON OFF OFF OFF OFF OFF ON OFF ON OFF OFF OFF OFF 220 220
S2 OFF ON OFF ON ON OFF ON OFF OFF ON OFF ON ON OFF ON OFF
460 S1 OFF ON OFF OFF ON OFF OFF OFF OFF ON OFF OFF ON OFF OFF OFF 278 278
S2 ON ON ON OFF OFF OFF OFF OFF ON ON ON OFF OFF OFF OFF OFF
380 S1 OFF ON OFF OFF ON OFF OFF OFF OFF ON OFF OFF ON OFF OFF OFF 338 338
S2 OFF ON ON OFF ON OFF OFF OFF OFF ON ON OFF ON OFF OFF OFF
200,400
575 S1 OFF ON OFF OFF ON OFF OFF OFF OFF ON OFF OFF ON OFF OFF OFF 254 254
S2 ON OFF OFF OFF OFF OFF OFF OFF ON OFF OFF OFF OFF OFF OFF OFF
460 S1 OFF ON OFF OFF ON OFF OFF OFF OFF ON OFF OFF ON OFF OFF OFF 314 314
S2 OFF OFF OFF OFF ON OFF OFF OFF OFF OFF OFF OFF ON OFF OFF OFF
380 S1 OFF ON OFF OFF ON OFF OFF OFF OFF ON OFF OFF ON OFF OFF OFF 378 378
S2 OFF OFF OFF OFF OFF ON OFF OFF OFF OFF OFF OFF OFF ON OFF OFF
30XW
UNIT SIZE
VOLTAG E
(3 ph, 60Hz)
CPM DIP
SWITCHES
CIRCUIT A CIRCUIT B MTA
SETTING
CIRCUIT A
MTA
SETTING
CIRCUIT B
1234567812345678
150,325
575 S1 OFF ON OFF OFF ON OFF OFF OFF OFF ON OFF OFF ON OFF OFF OFF 282 282
S2 OFF OFF OFF ON OFF OFF OFF OFF OFF OFF OFF ON OFF OFF OFF OFF
460 S1 OFF ON OFF OFF ON OFF OFF OFF OFF ON OFF OFF ON OFF OFF OFF 354 354
S2 OFF ON OFF ON ON OFF OFF OFF OFF ON OFF ON ON OFF OFF OFF
380 S1 OFF ON OFF OFF ON OFF OFF OFF OFF ON OFF OFF ON OFF OFF OFF 426 426
S2 OFF OFF ON ON OFF ON OFF OFF OFF OFF ON ON OFF ON OFF OFF
175,350
575 S1 OFF ON OFF OFF ON OFF OFF OFF OFF ON OFF OFF ON OFF OFF OFF 282 282
S2 OFF OFF OFF ON OFF OFF OFF OFF OFF OFF OFF ON OFF OFF OFF OFF
460 S1 OFF ON OFF OFF ON OFF OFF OFF OFF ON OFF OFF ON OFF OFF OFF 354 354
S2 OFF ON OFF ON ON OFF OFF OFF OFF ON OFF ON ON OFF OFF OFF
380 S1 OFF ON OFF OFF ON OFF OFF OFF OFF ON OFF OFF ON OFF OFF OFF 426 426
S2 OFF OFF ON ON OFF ON OFF OFF OFF OFF ON ON OFF ON OFF OFF
200,400
575 S1 OFF ON OFF OFF ON OFF OFF OFF OFF ON OFF OFF ON OFF OFF OFF 322 322
S2 OFF ON OFF OFF ON OFF OFF OFF OFF ON OFF OFF ON OFF OFF OFF
460 S1 OFF ON OFF OFF ON OFF OFF OFF OFF ON OFF OFF ON OFF OFF OFF 402 402
S2 OFF ON ON OFF OFF ON OFF OFF OFF ON ON OFF OFF ON OFF OFF
380 S1 OFF ON OFF OFF ON OFF OFF OFF OFF ON OFF OFF ON OFF OFF OFF 486 486
S2 ON ON OFF ON ON ON OFF OFF ON ON OFF ON ON ON OFF OFF
CPM — Compressor Protection Module
DIP — Dual In-Line Package
MTA — Must Trip Amps

134
APPENDIX D — 30XW150-400 CPM DIP SWITCH ADDRESSES (cont)
WYE-DELTA START — STANDARD CONDENSING
WYE-DELTA START — HIGH CONDENSING/HEAT MACHINE
LEGEND NOTE: Sizes 150-200 are Circuit A only.
30XW UNIT
SIZE
VOLTAGE
(3 ph, 60Hz)
CPM DIP
SWITCHES
CIRCUIT A CIRCUIT B MTA
SETTING
CIRCUIT A
MTA
SETTING
CIRCUIT B
1234567812345678
150,325
575 S1 ON OFF OFF ON OFF OFF OFF OFF ON OFF OFF ON OFF OFF OFF OFF 220 220
S2 OFF ON OFF ON ON OFF ON OFF OFF ON OFF ON ON OFF ON OFF
460 S1 ON OFF OFF ON OFF OFF OFF OFF ON OFF OFF ON OFF OFF OFF OFF 278 278
S2 ON ON ON OFF ON ON ON OFF ON ON ON OFF ON ON ON OFF
380 S1 ON OFF OFF ON OFF OFF OFF OFF ON OFF OFF ON OFF OFF OFF OFF 338 338
S2 ON OFF ON OFF ON OFF OFF ON ON OFF ON OFF ON OFF OFF ON
230 S1 ON OFF OFF OFF ON OFF OFF OFF ON OFF OFF OFF ON OFF OFF OFF 554 554
S2 OFF OFF ON ON OFF OFF ON OFF OFF OFF ON ON OFF OFF ON OFF
200 S1 ON OFF OFF OFF ON OFF OFF OFF ON OFF OFF OFF ON OFF OFF OFF 638 638
S2 ON OFF OFF OFF OFF ON ON OFF ON OFF OFF OFF OFF ON ON OFF
175,350
575 S1 ON OFF OFF ON OFF OFF OFF OFF ON OFF OFF ON OFF OFF OFF OFF 220 220
S2 OFF ON OFF ON ON OFF ON OFF OFF ON OFF ON ON OFF ON OFF
460 S1 ON OFF OFF ON OFF OFF OFF OFF ON OFF OFF ON OFF OFF OFF OFF 278 278
S2 ON ON ON OFF ON ON ON OFF ON ON ON OFF ON ON ON OFF
380 S1 ON OFF OFF ON OFF OFF OFF OFF ON OFF OFF ON OFF OFF OFF OFF 338 338
S2 ON OFF ON OFF ON OFF OFF ON ON OFF ON OFF ON OFF OFF ON
230 S1 ON OFF OFF OFF ON OFF OFF OFF ON OFF OFF OFF ON OFF OFF OFF 554 554
S2 OFF OFF ON ON OFF OFF ON OFF OFF OFF ON ON OFF OFF ON OFF
200 S1 ON OFF OFF OFF ON OFF OFF OFF ON OFF OFF OFF ON OFF OFF OFF 638 638
S2 ON OFF OFF OFF OFF ON ON OFF ON OFF OFF OFF OFF ON ON OFF
200,400
575 S1 ON OFF OFF ON OFF OFF OFF OFF ON OFF OFF ON OFF OFF OFF OFF 254 254
S2 ON ON OFF ON OFF ON ON OFF ON ON OFF ON OFF ON ON OFF
460 S1 ON OFF OFF ON OFF OFF OFF OFF ON OFF OFF ON OFF OFF OFF OFF 314 314
S2 ON OFF OFF ON OFF OFF OFF ON ON OFF OFF ON OFF OFF OFF ON
380 S1 ON OFF OFF ON OFF OFF OFF OFF ON OFF OFF ON OFF OFF OFF OFF 378 378
S2 ON OFF OFF ON OFF ON OFF ON ON OFF OFF ON OFF ON OFF ON
230 S1 ON OFF OFF OFF ON OFF OFF OFF ON OFF OFF OFF ON OFF OFF OFF 626 626
S2 OFF ON ON ON ON OFF ON OFF OFF ON ON ON ON OFF ON OFF
200 S1 ON OFF OFF OFF ON OFF OFF OFF ON OFF OFF OFF ON OFF OFF OFF 722 722
S2 OFF ON ON OFF ON ON ON OFF OFF ON ON OFF ON ON ON OFF
30XW
UNIT SIZE
VOLTAGE
(3 ph, 60Hz)
CPM DIP
SWITCHES
CIRCUIT A CIRCUIT B MTA
SETTING
CIRCUIT A
MTA
SETTING
CIRCUIT B
1234567812345678
150,325
575 S1 ON OFF OFF ON OFF OFF OFF OFF ON OFF OFF ON OFF OFF OFF OFF 282 282
S2 ON OFF OFF ON ON ON ON OFF ON OFF OFF ON ON ON ON OFF
460 S1 ON OFF OFF ON OFF OFF OFF OFF ON OFF OFF ON OFF OFF OFF OFF 354 354
S2 ON OFF ON ON ON OFF OFF ON ON OFF ON ON ON OFF OFF ON
380 S1 ON OFF OFF ON OFF OFF OFF OFF ON OFF OFF ON OFF OFF OFF OFF 426 426
S2 ON OFF OFF OFF OFF OFF ON ON ON OFF OFF OFF OFF OFF ON ON
230 S1 ON OFF OFF OFF ON OFF OFF OFF ON OFF OFF OFF ON OFF OFF OFF 706 706
S2 OFF ON OFF OFF ON ON ON OFF OFF ON OFF OFF ON ON ON OFF
200 S1 ON OFF OFF OFF ON OFF OFF OFF ON OFF OFF OFF ON OFF OFF OFF 810 810
S2 OFF OFF ON ON OFF OFF OFF ON OFF OFF ON ON OFF OFF OFF ON
175,350
575 S1 ON OFF OFF ON OFF OFF OFF OFF ON OFF OFF ON OFF OFF OFF OFF 282 282
S2 ON OFF OFF ON ON ON ON OFF ON OFF OFF ON ON ON ON OFF
460 S1 ON OFF OFF ON OFF OFF OFF OFF ON OFF OFF ON OFF OFF OFF OFF 354 354
S2 ON OFF ON ON ON OFF OFF ON ON OFF ON ON ON OFF OFF ON
380 S1 ON OFF OFF ON OFF OFF OFF OFF ON OFF OFF ON OFF OFF OFF OFF 426 426
S2 ON OFF OFF OFF OFF OFF ON ON ON OFF OFF OFF OFF OFF ON ON
230 S1 ON OFF OFF OFF ON OFF OFF OFF ON OFF OFF OFF ON OFF OFF OFF 706 706
S2 OFF ON OFF OFF ON ON ON OFF OFF ON OFF OFF ON ON ON OFF
200 S1 ON OFF OFF OFF ON OFF OFF OFF ON OFF OFF OFF ON OFF OFF OFF 810 810
S2 OFF OFF ON ON OFF OFF OFF ON OFF OFF ON ON OFF OFF OFF ON
200,400
575 S1 ON OFF OFF ON OFF OFF OFF OFF ON OFF OFF ON OFF OFF OFF OFF 322 322
S2 ON OFF ON ON OFF OFF OFF ON ON OFF ON ON OFF OFF OFF ON
460 S1 ON OFF OFF ON OFF OFF OFF OFF ON OFF OFF ON OFF OFF OFF OFF 402 402
S2 ON OFF ON OFF ON ON OFF ON ON OFF ON OFF ON ON OFF ON
380 S1 ON OFF OFF ON OFF OFF OFF OFF ON OFF OFF ON OFF OFF OFF OFF 486 486
S2 ON ON ON ON ON OFF ON ON ON ON ON ON ON OFF ON ON
230 S1 ON OFF OFF OFF ON OFF OFF OFF ON OFF OFF OFF ON OFF OFF OFF 802 802
S2 OFF ON OFF ON OFF OFF OFF ON OFF ON OFF ON OFF OFF OFF ON
200 S1 ON OFF OFF OFF ON OFF OFF OFF ON OFF OFF OFF ON OFF OFF OFF 922 922
S2 OFF OFF OFF ON OFF ON OFF ON OFF OFF OFF ON OFF ON OFF ON
CPM — Compressor Protection Module
DIP — Dual In-Line Package
MTA — Must Trip Amps

135
APPENDIX E — PIPING AND INSTRUMENTATION
30XW UNIT ECONOMIZED PIPING
A30-4849

136
APPENDIX E — PIPING AND INSTRUMENTATION
30XW UNIT NON-ECONOMIZED PIPING
A30-4850

137
APPENDIX F — GLOBAL TIME SCHEDULE CONFIGURATION FOR i-Vu® DEVICE
AND CSM CONTROLLER
The following is intended to assist a Carrier technician in
configuring a 30XW chiller so either the i-Vu® 4.0 or 4.2 de-
vice, CCN Global Schedule Master, or a CSM controller can
Start and Stop the chiller. The 30XW chiller has unique table
naming convention for its Time Schedules that are different
than what is used today in CCN. The five steps outlined in the
procedures below must be followed in order to have the i-Vu
device and CCN products control the chiller.
Step 1 — Chiller Configuration
1. Make sure the chiller is shut down and that the Emergen-
cy On/Off Switch (SW2) is in the Off Position and the
Enable-Off-Remote (SW1) is in the Disable position.
2. Next, UPLOAD the chiller to assure the configuration is
current.
NOTE: This must be done in both NSTV and CVIEW.
3. Change the chiller’s Time Schedule Table Name from
OCCyP0xx to OCCPC0xx. See descriptions below.
LOCAL AND NETWORK TIME SCHEDULE
DESCRIPTIONS
OCCPC01S — The i-Vu 4.2 device will write to this Time
Schedule Table.
OCC2P02S — This is for Dual Setpoint Control and MUST
be Configured for 24/7 Occupied when the i-Vu device is writ-
ing to OCCPC01S.
OCCPC65E — Used with the i-Vu device or another CCN
Global Schedule Master with Single Setpoint Control.
OCC2P02E — This will only be used with Dual Setpoint Con-
trol. This is not applicable in this application.
TIME SCHEDULE TABLE NAME CHANGE
NSTV — When using NSTV to edit a Time Schedule Name,
the process is the same for both Local (S) or Network (E) Time
Schedules.
1. Highlight the chiller, then (at the top menu bar) click on
Configure Names…
2. When the dialog box opens, scroll down to find the four
time schedules (as seen in Fig. A for Local Schedule or
Fig. B for Network Time Schedule). Highlight the desired
Time Schedule to edit.
3. At the bottom where it says New name, double click on
OCC1P01x and rename it with OCCPC01x click Save
click OK.
4. Download the new configuration to the chiller.
5. Cycle power to the MBB (main base board) using SW2
emergency stop.
CVIEW — If using CVIEW to edit a Time Schedule Name,
the process is the same for both Local (S) or Network (E) Time
Schedules.
1. Highlight the chiller and click Configure Table Names.
2. When the dialog box opens, scroll down to find the six
OCC tables.
NOTE: Only the "S" and "E" Schedules are editable.
3. Highlight the Time Schedule OCC1P01x then click Mod-
ify…
4. In the new dialog box, rename the schedule OCCPC01x
(as seen in Fig. C for Local Schedule or Fig. D for Net-
work Time Schedule) then click OK to close this dialog
box.
5. Click Close to close the Table Names dialog box.
6. Download the new configuration to the chiller.
7. Cycle power to the MBB (main base board) using SW2
emergency stop.
Fig. A — NTSV Table Name (Local Schedule)
A30-4851
Fig. B — NTSV Table Name (Network Schedule)
30-4852
Fig. C — CVIEW Table Name (Local Schedule)
-4853
Fig. D — CVIEW Table Name (Network Schedule)
0-4854

138
APPENDIX F — GLOBAL TIME SCHEDULE CONFIGURATION FOR i-Vu® DEVICE
AND CSM CONTROLLER (cont)
Step 2 — Chiller Mode Selection — There are
3 different mode selections for the chiller which are described
below. In order to change the mode from the default configura-
tion, a scrolling marquee or handheld Navigator™ device must
be used.
1. Using a Navigator device, select Operating Modes
SLCT OPER, then enter the password.
2. The screen defaults to SWITCH Mode. If using an i-Vu
device or CCN Global Scheduling, use the up arrow to
select Time Sched and then press Enter.
or
Click the up arrow and select CCN to control the chiller
using a CCN Network Command of "CHIL_S_S".
MODE DESCRIPTIONS
Switch — The chiller will be running 24/7 (no time schedule
involved). DO NOT use for the i-Vu device or CCN Global
Scheduling.
Time Sched — This mode will allow the user to configure a
local schedule and control the chiller by either Local Time
Schedule or by setpoint tables 1 or 2. This mode needs to be se-
lected if i-Vu will be writing to either a Local (S) or Network
(E) Time Schedule.
NOTE: The i-Vu CCN 4.0 device can only write to Network
schedules.
CCN — This will be used when a CCN controller, like a CSM,
Translator, or CC will be writing to the chiller's CCN point
name CHIL_S_S for starting and stopping the equipment.
Step 3 — Chiller Cooling Set Point Selec-
tion — There are several options for controlling the Leaving
Chilled Water temperature. For the purpose of having i-Vu able
to start stop the chiller through the Time Schedule MODE the
chiller's "Cooling Set Point Select" decision needs to be con-
figured for SETPOINT 1 using a scrolling marquee or Naviga-
tor device.
1. Using a Navigator device, select Operating Modes
SLCT SP.SE, then enter the password.
2. Click the arrow up and select SETPOINT 1 then push
Enter.
Step 4 — Chiller Switch Setup
1. Set the Emergency On/Off Switch (SW2) switch to the
On Position.
2. Set the Enable-Off-Remote (SW1) switch to the Enable
position. (If Remote is used, external contacts will need
to be closed or a jumper needs to be installed on TB-5
no. 9, 10.) The chiller will run off either the Switch,
Time Schedule, or CCN Mode (see Mode Descriptions
in Step 2).
This completes the configuration decisions needed in a
30XW unit to enable i-Vu device scheduling to control the
chiller start/stop.
Step 5 — i-Vu Device Scheduling Setup
CONFIGURING THE i-Vu 4.2 DEVICE (LOCAL AND
GLOBAL SCHEDULING)
1. After chiller has been scanned into the database, check
the Schedule number. To do this, click on the Schedules
Tab CCN Tab. The CCN Schedule Number needs to
be the same number that the user edited in Fig. A or C for
local or Fig. B or D for global (see Fig. E).
2. Next, create a Schedule by highlighting the chiller.
3. Click on Schedules Configure Add.
4. Then select the type of schedule from the drop down
menu.
Example: Select Normal Weekly and the schedule
should look like Fig. F.
5. Configure the schedule.
NOTE: Refer to the i-Vu Installation and Startup manual for
more information on creating a schedule in i-Vu.
CONFIGURING THE i-Vu 4.0 DEVICE (GLOBAL
SCHEDULING)
1. After chiller has been scanned into the database, check
the Schedule number. To do this, expand the Chiller
on the left-hand navigation pane click the on the
"Schedule" point Properties tab Summary Tab.
Enter CCN Global Schedule Number. It needs to be
the same number that the user edited in Fig. B or D (see
Fig. G).
2. Follow Steps 2 through 5 in the Configuring the i-Vu 4.2
device (Local and Global Scheduling) section.
This completes configuring a 30XW Chiller, i-Vu, and
CCN Network Time Schedules.
Fig. E — CCN Tab
A30-4855

139
APPENDIX F — GLOBAL TIME SCHEDULE CONFIGURATION FOR i-Vu® DEVICE
AND CSM CONTROLLER (cont)
Fig. F — Schedule Type Example (Weekly) A30-4856
Fig. G — CCN Global Schedule Number A30-4857

Manufacturer reserves the right to discontinue, or change at any time, specifications or designs without notice and without incurring obligations.
Catalog No. 04-53300024-01 Printed in U.S.A. Form 30XW-1T Pg 140 11-09 Replaces: New
Copyright 2009 Carrier Corporation
INDEX
4-20 mA temperature reset 36
Actual start-up 47
Alarms and alerts 68
Alarm control 42
Equipment priority 42
Routing control 42
System name 43
Board addresses 17
Brine or glycol operation 27
Broadcast acknowledger 20, 42
Broadcast configuration 41
Capacity control overrides 43
Carrier Comfort Network® (CCN) 18
Interface 18
Loadshed controlled demand limit 41
Tables 118-132
Chilled water flow switch 66
Chilled water fluid type selection 27
Circuit/compressor staging
and loading 29
Loading 29
Staging 29
Communication failure retry time 42
Compressor
Assembly 63
Oil system 63
Protection 10,67
Compressor protection
module (CPM) 10
Configuration 18-46
Control module communication 17
Controls 9-18
Conventions used in this manual 3
Cooler 64
Pump control 28
Cooling set point selection 25
CPM DIP switch addresses 133,134
Daylight saving time configuration 43
Demand limit 39
Externally powered capacity based 40
Externally powered current based 40
Switch controlled 39
Diagnostic alarm codes
and possible causes 73
Display module usage 3
Dual chiller control 29
For parallel applications 30
For series applications 33
Pump control for parallel
chiller applications 33
Pump control for series
chiller applications 35
Dual chiller sequence of operation 54
Dual pump and manual control 28
Economizer assembly 59
Electronic expansion valve (EXV) 59
EXV board 13
EXV control 60
Main EXV control 59
Troubleshooting procedure 61
Emergency on/off switch (SW2) 16
Enable-off-remote contact
switch (SW1) 16
Energy Management Module (EMM) 16
Entering fluid control option 25
Flow rate requirements 47
Freeze protection 43,76
Fresh water 27
General (Controls) 9
Green LED 17
Head pressure control 46
Heat exchangers, inspecting/cleaning 66
Ice storage operation 41
Leak testing 67
Local equipment network 17
Loss of fluid flow protection 65
Low condenser fluid temperature
head pressure control 46
Operating instructions 46
Option 46
Low fluid temperature 65
Machine control methods 20
Machine on/off control 20
Machine start delay 29
Main Base Board (MBB) 9
Maintenance 67
Minimum fluid loop volume 47
Minimum load control 29
MLV/condenser board 15
Navigator™ display module 7
Machine control 23
Navigator display tables 105-117
No pump control 28
Operating limitations 47
Operating modes 54
Operation 54-59
Piping and instrumentation 135, 136
Pressure relief valves 67
Pre-start-up 46
Pump operation 54
Ramp loading 35
Re-alarm time 43
Recommended maintenance schedule 67
Red LED 17
Refrigerant charge 67
Refrigerant circuit 67
Relief devices 67
Remote alarm and alert relays 18
Retubing 65
Return water reset 35
Safety considerations 2
Safety devices 67
Sensors 56
Sequence of operation 54
Service 59-67
Service test 83
Set point occupancy 25
Single pump control 28
Space temperature reset 36
Start-up 47-53
Start-up checklist for
30XW liquid chillers CL-1 to CL-7
Suction service valve 64
System check 46
Temperature reset 35
Thermistors 56
Tightening cooler head bolts 65
Touch Pilot display 3,17
Display tables 86-104
Machine control 20
Operation configuration tables 18
Transducers 56
Troubleshooting 67-85
Tube plugging 65
Vo l t a g e 47
Water treatment 66
Yellow LED 17

Manufacturer reserves the right to discontinue, or change at any time, specifications or designs without notice and without incurring obligations.
Catalog No. 04-53300024-01 Printed in U.S.A. Form 30XW-1T CL-1 11-09 Replaces: New
START-UP CHECKLIST FOR 30XW LIQUID CHILLERS
A. PROJECT INFORMATION
Job Name ________________________________________________________________________________________
Address __________________________________________________________________________________________
City ________________________________ State ________________________ Zip ___________________________
Installing Contractor ________________________________________________________________________________
Sales Office _______________________________________________________________________________________
Start-up Performed By ______________________________________________________________________________
Design Information
Unit
Model _______________________________________ Serial ______________________________________
Compressors
Compressor A
Model _______________________________________ Serial ______________________________________
Compressor B
Model _______________________________________ Serial ______________________________________
Evaporator
Model _______________________________________ Serial ______________________________________
Condenser
Model _______________________________________ Serial ______________________________________
B. PRELIMINARY EQUIPMENT CHECK (This section to be completed by installing contractor)
1. Is there any physical damage? Yes No
Will this prevent start-up? Yes No
Description
___________________________________________________________________________________________
___________________________________________________________________________________________
2. Unit is installed level as per the installation instructions. Ye s No
3. Power supply agrees with the unit nameplate. Yes No
4. Correct control voltage ________vac. Yes No
5. Electrical power wiring is installed properly. Yes No
6. Unit is properly grounded. Yes No
7. Electrical circuit protection has been sized and installed properly. Yes No
8. All terminals are tight. Yes No
9. All plug assemblies are tight. Yes No
10. All cables, thermistors and transducers have been inspected for cross wires. Yes No
11. All thermistors are fully inserted into wells. Yes No
12. Relief valve vent piping per local codes. Ye s No
13. Mechanical room temperature maintained above 50 F (10 C). Yes No
Chilled Water System Check
1. All chilled water valves are open. Yes No
2. All piping is connected properly. Yes No
3. All air has been purged from the system. Yes No
4. Chilled water pump is operating with the correct rotation. Ye s No
5. Chilled water pump starter interlocked with chiller. Yes No
6. Chilled water flow switch operational. Yes No
7. Inlet piping to evaporator includes a 20 mesh strainer within 10 ft. Yes No
8. Water loop volume greater than 3 gal/ton for air conditioning
or 6 gal/ton for process cooling and low ambient operation. Yes No
9. Proper loop freeze protection provided to ____ F (C) for brine applications. Yes No
Antifreeze type__________________ Concentration _____%. Ye s No
10. Outdoor piping wrapped with electric heater tape. Yes No
CAPACITY EWT LWT FLUID TYPE FLOW RATE P.D.
Evaporator
Condenser
CL-2
-
- - - - - - - - - - - - - - - - - - - - - - - - - - - - - - - - - - - - - - - - - - - - - - - - - - - - - - - - - - - - - - - - - - - - - - - - - - - - - - - - - - - - - - - - - - - - - - - - - - - - - - - - - - - - - - - - - - - - - - - - - - - - - - - - - - - - - - - - - - - - - - - - - - - - - - - - - - - - - - - - - - - - - - - - - - - - -- - - - - - - - - - - - - - - - - - - -
CUT ALONG DOTTED LINE CUT ALONG DOTTED LINE
Condenser Water System Check
1. All condenser water valves are open. Yes No
2. All piping is connected properly. Yes No
3. All air has been purged from the system. Yes No
4. Condenser water pump is operating with the correct rotation. Ye s No
5. Condenser water pump starter interlocked with chiller. Yes No
6. Condenser water flow switch operational. Yes No
7. Inlet piping to condenser includes a 20 mesh strainer within 10 ft. Ye s No
8. Outdoor piping wrapped with electric heater tape. Yes No
9. Is system equipped with head pressure control?
(Required for entering condenser water below 68 F (20 C).) Ye s No
C. UNIT START-UP
1. All liquid line service valves are open. Yes No
2. All discharge service valves are open. Yes No
3. All suction service valves are open. Yes No
4. Economizer service valves open. Yes No
5. Oil service valves open. Yes No
6. Leak check unit. Locate, repair and report any refrigerant leaks. Ye s No
7. Voltage at terminal block is within unit nameplate range. Ye s No
Check voltage imbalance: A-B______ A-C______B-C______
Average voltage = __________ (A-B + A-C + B-C)/3
Maximum deviation from average voltage = _______
Voltage imbalance = ______% (max. deviation / average voltage) X 100
Is voltage imbalance less than 2%. Yes No
(DO NOT start chiller if voltage imbalance is greater than 2%.
Contact local utility for assistance.)
8. Verify evaporator flow rate
Pressure entering evaporator _____ psig
Pressure leaving evaporator _____ psig
Evaporator pressure drop _____ psig
psig x 2.31 ft./psi = _____ ft of water
kpa x 0.334 m/psi = _____ mm of water
Evaporator flow rate _____ gpm (l/s) (See Evaporator Pressure Drop Curve)
9. Verify condenser flow rate
Pressure entering condenser _____ psig
Pressure leaving condenser _____ psig
Condenser pressure drop _____ psig
psig x 2.31 ft./psi = _____ ft of water
kpa x 0.334 m/psi = _____ mm of water
Condenser flow rate _____ gpm (l/s) (See Condenser Pressure Drop Curve)
Start and Operate Machine
1. Complete component test utilizing Quick Test Mode
2. Check refrigerant and oil charge. Record charge information.
3. Record compressor motor current.
4. Record operating data.
5. Provide operating instructions to owner’s personnel.
Circuit A Circuit B
Refrigerant Charge
Additional charge required __________ ___________
Oil Charge
Additional charge required __________ ___________

CL-3
Record Software Versions
(Press ENTER & ESCAPE simultaneously to obtain software versions)
Record Configuration Information
*Not supported.
TOUCH PILOT™ DESRIPTION NAVIGATOR ITEM NAVIGATOR™ SUB-MODE ITEM EXPANSION
Software Part Number APPL Run Status VERS CSA-SR- __ __ __ __ __ __
TOUCH PILOT
DESCRIPTION
NAVIGATOR
ITEM
NAVIGATOR
SUBMODE
RANGE DEFAULT ENTRY
Metric Display on STDU METR Configuration DISP US-METR US
Language Selection LANG Configuration DISP x English
Unit Type TYPE Configuration UNIT x Water-Cooled
Unit Capacity Model TONS Configuration UNIT XXX
Power Supply Voltage VOLT Configuration UNIT 200-690 200, 230, 380, 460, and 575
Power Frequency 60HZ Sel 60HZ Configuration UNIT NO-YES YES
Soft Starter Select STAR Configuration UNIT NO-YES NO
Wye Delta Start Select Y.D Configuration UNIT NO-YES NO
Must Trip Amps (Circuit A) MTA.A Configuration UNIT XXX
Must Trip Amps (Read Circuit A) R.MT.A Configuration UNIT XXX
Must Trip Amps (Circuit B) MTA.B Configuration UNIT XXX
Must Trip Amps (Read Circuit B) R.MT.B Configuration UNIT XXX
S1 Config Switch (Circuit A) C.SW.A Configuration UNIT XXX
S1 Config Switch
(Read Circuit A)
R.CSA Configuration UNIT XXX
S1 Config Switch (Circuit B) C.SW.B Configuration UNIT XXX
S1 Config Switch
(Read Circuit B)
R.CSB Configuration UNIT XXX
Energy Management Module EMM Configuration UNIT NO-YES NO
Password Enable PAS.E Configuration UNIT ENBL/DSBL ENBL
Factory Password PASS Configuration UNIT XXX 0111
Condenser Water Val Sel CON.V Configuration UNIT NO-YES NO*
Free Cooling Select FREE Configuration UNIT NO-YES NO*
Hot Gas Bypass Select HGBP Configuration UNIT NO-YES NO
MCHX Exchanger Select MCHX Configuration UNIT NO-YES NO
High Tier Display Selec HI.TI Configuration UNIT NO-YES NO
Cooler Fluid Type FLUD Configuration SERV WATER-BRINE WATER
Condenser Fluid Type CFLU Configuration SERV WATER-BRINE WATER
EXV MOP Setpoint MOP Configuration SERV XX.X 62
High Pressure Threshold HP.TH Configuration SERV XXX.X 290
EXV A Superheat Setpoint SHP.A Configuration SERV XX.X 14.4
EXV B Superheat Setpoint SHP.B Configuration SERV XX.X 14.4
EXV C Superheat Setpoint SHP.C Configuration SERV XX.X 14.4

CL-4
-
- - - - - - - - - - - - - - - - - - - - - - - - - - - - - - - - - - - - - - - - - - - - - - - - - - - - - - - - - - - - - - - - - - - - - - - - - - - - - - - - - - - - - - - - - - - - - - - - - - - - - - - - - - - - - - - - - - - - - - - - - - - - - - - - - - - - - - - - - - - - - - - - - - - - - - - - - - - - - - - - - - - - - - - - - - - - -- - - - - - - - - - - - - - - - - - - -
CUT ALONG DOTTED LINE CUT ALONG DOTTED LINE
Record Configuration Information
*Not supported.
TOUCH PILOT™
DESCRIPTION
NAVIGATOR
ITEM
NAVIGATOR™
SUBMODE
RANGE DEFAULT ENTRY
Cooler Heater Delta Spt HTR Configuration SERV XX.X 2.0*
Entering Fluid Control EWTO Configuration SERV NO-YES NO
Auto Start When SM Lost AU.SM Configuration SERV NO-YES NO
Brine Freeze Setpoint LOSP Configuration SERV XX.X 34
Brine Flow Switch SP FL.SP Configuration SERV XX.X 1*
Element CCNA Configuration OPTN XXX 1
Bus CCNB Configuration OPTN XXX 0
Baud Rate BAUD Configuration OPTN X 3/9600
Circuit Loading Sequence LOAD Configuration OPTN X EQUAL
Staged Loading Sequence LLCS Configuration OPTN X AUTOMATIC
Ramp Loading Select RL.S Configuration OPTN ENBL-DSBL DSBL
Unit Off to On Delay DELY Configuration OPTN XX 1
Ice Mode Enable ICE.M Configuration OPTN ENBL-DSBL DSBL
Condenser Pumps Sequence HPUM Configuration OPTN X 0/NO PUMP
Cooler Pumps Sequence PUMP Configuration OPTN X 0/NO PUMP
Pump Auto Rotation Delay ROT.P Configuration OPTN XX 48
Pump Sticking Protection PM.PS Configuration OPTN NO-YES NO
Stop Pump During Standby P.SBY Configuration OPTN NO-YES NO
Flow Checked if C Pump On P.LOC Configuration OPTN NO-YES NO
Start Hour (Night Control) LS.ST Configuration OPTN XX.XX 00.00
End Hour (Night Control) LS.ND Configuration OPTN XX.XX 00.00
Capacity Limit (Night Control) LS.LT Configuration OPTN XXX 100
Reverse Alarms Relay RV.AL Configuration OPTN NO-YES NO
Heating OAT Threshold OA.TH Configuration OPTN XX.X 5 F
Current Limit Select CUR.S Configuration OPTN NO-YES NO
Current Limit at 100% CUR.F Configuration OPTN XXXX 2000
Auto Changeover Select AUTO Configuration OPTN NO-YES NO
Cooling Reset Select CRST Configuration RSET X 0
Heating Reset Select HRST Configuration RSET X 0
Demand Limit Type Select DMDC Configuration RSET X 0
mA for 100% Demand Limit DMMX Configuration RSET XX.X 0.0
mA for 0% Demand Limit DMZE Configuration RSET XX.X 0.0
Master/Slave Select MSSL Configuration RSET X 0
Slave Address SLVA Configuration RSET XXX 2
Lead/Lag Select LLBL Configuration RSET X DSBL
Lead/Lag Balance Delta LLBD Configuration RSET XXX 168
Lag Start Timer LLDY Configuration RSET XX 10
Start if Error Higher LL.ER Configuration RSET XX.X 4
Lag Minimum Running Time LAG.M Configuration RSET XXX 0
Lag Unit Pump Control LAGP Configuration RSET X 0
Lead Pulldown Time LPUL Configuration RSET XX 0
Chiller in Series SERI Configuration RSET NO-YES NO

CL-5
Record Configuration Information
*Not supported.
TOUCH PILOT™
DESCRIPTION
NAVIGATOR
ITEM
NAVIGATOR™
SUBMODE
RANGE DEFAULT ENTRY
Cooling Setpoint 1 CSP.1 Set Point COOL XXX.X 44.0° F
Cooling Setpoint 2 CSP.2 Set Point COOL XXX.X 44.0° F
Cooling Ice Setpoint CSP.3 Set Point COOL XXX.X 44.0° F
Current No Reset Value (Cooling) CRV1 Set Point COOL XXX.X 0
Current Full Reset Value (Cooling) CRV2 Set Point COOL XXX.X 0
Delta T No Reset Value (Cooling) CRT1 Set Point COOL XXX.X 0
Delta T Full Reset Value (Cooling) CRT2 Set Point COOL XXX.X 0
OAT No Reset Value (Cooling) CRO1 Set Point COOL XXX.X 14.0° F
OAT Full Reset Value (Cooling) CRO2 Set Point COOL XXX.X 14.0° F
Space T No Reset Value CRS1 Set Point COOL XXX.X 14.0° F
Space T Full Reset Value CRS2 Set Point COOL XXX.X 14.0° F
Cooling Reset Deg. Value DGRC Set Point COOL XX.X 0
Cool Changeover Setpoint CAUT Set Point COOL XXX.X 75° F
Cooling Ramp Loading CRMP Set Point COOL X.X 1.0
Heating Setpoint 1 HSP.1 Set Point HEAT XXX.X 100.0° F
Heating Setpoint 2 HSP.2 Set Point HEAT XXX.X 100.0° F
Current No Reset Value (Heating) HRV1 Set Point HEAT XXX.X 0
Current Full Reset Value (Heating) HRV2 Set Point HEAT XXX.X 0
Delta T No Reset Value (Heating) HRT1 Set Point HEAT XXX.X 0
Delta T Full Reset Value (Heating) HRT2 Set Point HEAT XXX.X 0
OAT No Reset Value (Heating) HRO1 Set Point HEAT XXX.X 14.0° F
OAT Full Reset Value (Heating) HRO2 Set Point HEAT XXX.X 14.0° F
Heating Reset Deg. Value DGRH Set Point HEAT XX.X 0
Heating Changeover Setpoint HAUT Set Point HEAT XX.X 64.0° F
Heat Ramp Loading HRMP Set Point HEAT X.X 1.0
Switch Limit Setpoint 1 DLS1 Set Point MISC XXX 100
Switch Limit Setpoint 2 DLS2 Set Point MISC XXX 100
Switch Limit Setpoint 3 DLS3 Set Point MISC XXX 100
Water Val Condensing Stp W.SCT Set Point MISC XXX.X 95.0° F
None (I/O Button) OPER Operating Modes SLCT X —
Setpoint Select SP.SE Operating Modes SLCT X —
Heal/Cool Select HC.SE Operating Modes SLCT X COOLING

CL-6
-
- - - - - - - - - - - - - - - - - - - - - - - - - - - - - - - - - - - - - - - - - - - - - - - - - - - - - - - - - - - - - - - - - - - - - - - - - - - - - - - - - - - - - - - - - - - - - - - - - - - - - - - - - - - - - - - - - - - - - - - - - - - - - - - - - - - - - - - - - - - - - - - - - - - - - - - - - - - - - - - - - - - - - - - - - - - - -- - - - - - - - - - - - - - - - - - - -
CUT ALONG DOTTED LINE CUT ALONG DOTTED LINE
Component Test — Complete the following tests to make sure all peripheral components are
operational before the compressors are started.
TOUCH PILOT™ DESCRIPTION NAVIGATOR ITEM NAVIGATOR™
SUBMODE
RANGE CHECK WHEN COMPLETE
Service Test Enable T.REQ Service Test TEST OFF-ON
Compressor A Output CP.A Service Test TEST OFF-ON
Slide Valve Capacity A SLI.A Service Test TEST 0-2
Compressor B Output CP.B Service Test TEST OFF-ON
Slide Valve Capacity B SLI.B Service Test TEST 0-2
Quick Test Enable Q.REQ Service Test QUIC OFF-ON
Circuit A EXV Position EXV.A Service Test QUIC XXX
Circuit B EXV Position EXV.B Service Test QUIC XXX
Cir A Economizer EXV Position ECO.A Service Test QUIC XXX
Cir B Economizer EXV Position ECO.B Service Test QUIC XXX
Circuit A Oil Heater HT.A Service Test QUIC OFF-ON
Circuit A Slide Valve 1 SL1.A Service Test QUIC OFF-ON
Circuit A Slide Valve 2 SL2.A Service Test QUIC OFF-ON
Circuit A Hot Gas Bypass HGP.A Service Test QUIC OFF-ON
Circuit A Oil Solenoid OLS.A Service Test QUIC OFF-ON
Circuit A DGT Cool Solenoid DGT.A Service Test QUIC OFF-ON
Circuit B Oil Heater HT.B Service Test QUIC OFF-ON
Circuit B Slide Valve 1 SL1.B Service Test QUIC OFF-ON
Circuit B Slide Valve 2 SL2.B Service Test QUIC OFF-ON
Circuit B Hot Gas Bypass HGP.B Service Test QUIC OFF-ON
Circuit B Oil Solenoid OLS.B Service Test QUIC OFF-ON
Circuit B DGT Cool Solenoid DGT.B Service Test QUIC OFF-ON
Water Exchanger Pump 1 PMP.1 Service Test QUIC OFF-ON
Water Exchanger Pump 2 PMP.2 Service Test QUIC OFF-ON
Cooler Heater Output CL.HT Service Test QUIC OFF-ON
Cir A Heater Ball Valve BVL.A Service Test QUIC OPEN-CLSE
Cir B Heater Ball Valve BVL.B Service Test QUIC OPEN-CLSE
Chiller Running Output Q.RUN Service Test QUIC OFF-ON
Customer Shutdown Out SHUT Service Test QUIC OFF-ON
Chiller Capacity in 0-10V CATO Service Test QUIC nn.n
Alarm Relay Output ALRM Service Test QUIC OFF-ON
Alert Relay Output ALRT Service Test QUIC OFF-ON
CL-7
Operating Data:
Record the following information from the Run Status, Temperatures and Outputs Modes when machine is in a
stable operating condition.
TEMPERATURES
COOLER ENTERING FLUID EWT _______________
COOLER LEAVING FLUID LWT _______________
CONDENSER ENTERING FLUID EWT _______________
CONDENSER LEAVING FLUID LWT _______________
CONTROL POINT CTPT _______________
CAPACITY CAP _______________
LEAD/LAG LEAVING FLUID CHWS_______________ (Dual Chiller Control Only)
CIRCUIT A CIRCUIT B
SCT.A __________ SCT.B __________
SST.A __________ SST.B __________
DGT.A __________ DGT.B __________
SGT.A __________ SGT.B __________
SUP.A __________ SUP.B __________
ECT.A __________ ECT.B __________
ESH.A __________ ESH.B __________
CTP.A __________ CTP.B __________
EXV.A__________ EXV.B __________
ECO.A__________ ECO.B __________
NOTE: EXV A and B positions are found in the output mode.
COMPRESSOR MOTOR CURRENT
L1 L2 L3
COMPRESSOR A1 ______ ______ ______
COMPRESSOR B1 ______ ______ ______
COMMENTS:
________________________________________________________________________________________________________
________________________________________________________________________________________________________
________________________________________________________________________________________________________
________________________________________________________________________________________________________
________________________________________________________________________________________________________
________________________________________________________________________________________________________
________________________________________________________________________________________________________
________________________________________________________________________________________________________
________________________________________________________________________________________________________
________________________________________________________________________________________________________
________________________________________________________________________________________________________
________________________________________________________________________________________________________
________________________________________________________________________________________________________
________________________________________________________________________________________________________
________________________________________________________________________________________________________
________________________________________________________________________________________________________
________________________________________________________________________________________________________
________________________________________________________________________________________________________
SIGNATURES:
Start-up
Technician _____________________________________ Date ________________________________________________
Customer
Representative __________________________________ Date ________________________________________________

Manufacturer reserves the right to discontinue, or change at any time, specifications or designs without notice and without incurring obligations.
Catalog No. 04-53300024-01 Printed in U.S.A. Form 30XW-1T CL-8 2-10A 11-09 Replaces: New
Copyright 2009 Carrier Corporation
-
- - - - - - - - - - - - - - - - - - - - - - - - - - - - - - - - - - - - - - - - - - - - - - - - - - - - - - - - - - - - - - - - - - - - - - - - - - - - - - - - - - - - - - - - - - - - - - - - - - - - - - - - - - - - - - - - - - - - - - - - - - - - - - - - - - - - - - - - - - - - - - - - - - - - - - - - - - - - - - - - - - - - - - - - - - - - -- - - - - - - - - - - - - - - - - - - -
CUT ALONG DOTTED LINE CUT ALONG DOTTED LINE