Carrier Weathermaster 48 50Z030 105 Users Manual 48_50z 5t
WEATHERMASTER 48ZT 48_50z-5t
4850Z030-105 to the manual 4782251c-06fc-4ab9-9284-ac84b4e092ae
2015-01-24
: Carrier Carrier-Weathermaster-48-50Z030-105-Users-Manual-310461 carrier-weathermaster-48-50z030-105-users-manual-310461 carrier pdf
Open the PDF directly: View PDF  .
.
Page Count: 180 [warning: Documents this large are best viewed by clicking the View PDF Link!]

Manufacturer reserves the right to discontinue, or change at any time, specifications or designs without notice and without incurring obligations.
Catalog No. 04-53480039-01                          Printed in U.S.A.                Form 48/50Z-5T                    Pg 1              7-08 Replaces: 48/50Z-4T
Controls, Start-Up, Operation,
Service and Troubleshooting
CONTENTS
Page
SAFETY CONSIDERATIONS . . . . . . . . . . . . . . . . . . . . . .  2
GENERAL . . . . . . . . . . . . . . . . . . . . . . . . . . . . . . . . . . . . . . .3,4
Conventions Used in this Manual  . . . . . . . . . . . . . . . . 3
BASIC CONTROL USAGE . . . . . . . . . . . . . . . . . . . . . .  4-7
ComfortLink Controls . . . . . . . . . . . . . . . . . . . . . . . . . . . . 4
Scrolling Marquee. . . . . . . . . . . . . . . . . . . . . . . . . . . . . . . . 4
Accessory Navigator™ Display  . . . . . . . . . . . . . . . . . .  4
Operation . . . . . . . . . . . . . . . . . . . . . . . . . . . . . . . . . . . . . . . . 5
System Pilot™ Interface. . . . . . . . . . . . . . . . . . . . . . . . . . 5
CCN Tables and Display. . . . . . . . . . . . . . . . . . . . . . . . . . 5
• GENERIC STATUS DISPLAY TABLE
START-UP . . . . . . . . . . . . . . . . . . . . . . . . . . . . . . . . . . . . .  7-32
Unit Preparation. . . . . . . . . . . . . . . . . . . . . . . . . . . . . . . . . . 7
Unit Setup. . . . . . . . . . . . . . . . . . . . . . . . . . . . . . . . . . . . . . . .  7
Internal Wiring . . . . . . . . . . . . . . . . . . . . . . . . . . . . . . . . . . . 7
Accessory Installation  . . . . . . . . . . . . . . . . . . . . . . . . . . . 7
Crankcase Heaters . . . . . . . . . . . . . . . . . . . . . . . . . . . . . . . 7
Evaporator Fan. . . . . . . . . . . . . . . . . . . . . . . . . . . . . . . . . . .  7
Controls. . . . . . . . . . . . . . . . . . . . . . . . . . . . . . . . . . . . . . . . . .  7
Gas Heat . . . . . . . . . . . . . . . . . . . . . . . . . . . . . . . . . . . . . . . . . 7
CONTROLS QUICK START . . . . . . . . . . . . . . . . . . .  33-36
Two-Stage Constant Volume Units with 
Mechanical Thermostat . . . . . . . . . . . . . . . . . . . . . . . 33
Two-Stage Constant Volume Units with 
Space Sensor . . . . . . . . . . . . . . . . . . . . . . . . . . . . . . . . . 33
Variable Air Volume Units Using Return Air 
Sensor or Space Temperature Sensor. . . . . . . . . 33
Multi-Stage Constant Volume Units with 
Mechanical Thermostat . . . . . . . . . . . . . . . . . . . . . . . 33
Multi-Stage Constant Volume Units with 
Space Sensor . . . . . . . . . . . . . . . . . . . . . . . . . . . . . . . . . 34
Economizer Options  . . . . . . . . . . . . . . . . . . . . . . . . . . . . 34
Indoor Air Quality Options . . . . . . . . . . . . . . . . . . . . . . 34
Exhaust Options . . . . . . . . . . . . . . . . . . . . . . . . . . . . . . . . 34
Set Clock on VFD (if installed). . . . . . . . . . . . . . . . . . . 35
Programming Operating Schedules . . . . . . . . . . . . . 36
SERVICE TEST . . . . . . . . . . . . . . . . . . . . . . . . . . . . . . .  36-38
General  . . . . . . . . . . . . . . . . . . . . . . . . . . . . . . . . . . . . . . . . . 36
Service Test Mode Logic . . . . . . . . . . . . . . . . . . . . . . . . 38
Independent Outputs. . . . . . . . . . . . . . . . . . . . . . . . . . . . 38
Fans  . . . . . . . . . . . . . . . . . . . . . . . . . . . . . . . . . . . . . . . . . . . . 38
Actuators  . . . . . . . . . . . . . . . . . . . . . . . . . . . . . . . . . . . . . . . 38
Cooling  . . . . . . . . . . . . . . . . . . . . . . . . . . . . . . . . . . . . . . . . . 38
Heating. . . . . . . . . . . . . . . . . . . . . . . . . . . . . . . . . . . . . . . . . . 38
THIRD PARTY CONTROL . . . . . . . . . . . . . . . . . . . . . 39, 40
Thermostat. . . . . . . . . . . . . . . . . . . . . . . . . . . . . . . . . . . . . . 39
Alarm Output. . . . . . . . . . . . . . . . . . . . . . . . . . . . . . . . . . . . 39
Remote Switch . . . . . . . . . . . . . . . . . . . . . . . . . . . . . . . . . . 39
VFD Control. . . . . . . . . . . . . . . . . . . . . . . . . . . . . . . . . . . . . 39
Supply Air Reset . . . . . . . . . . . . . . . . . . . . . . . . . . . . . . . . 39
Demand Limit Control . . . . . . . . . . . . . . . . . . . . . . . . . . . 39
Economizer/Outdoor Air Damper Control  . . . . . . . 39
Page
CONTROLS OPERATION . . . . . . . . . . . . . . . . . . . . .  40-83
Modes. . . . . . . . . . . . . . . . . . . . . . . . . . . . . . . . . . . . . . . . . . . 40
• SYSTEM MODES
•HVAC MODES
Unit Configuration Submenu . . . . . . . . . . . . . . . . . . . . 42
Cooling Control . . . . . . . . . . . . . . . . . . . . . . . . . . . . . . . . . 45
• SETTING UP THE SYSTEM
• MACHINE DEPENDENT CONFIGURATIONS
•SET POINTS
• SUPPLY AIR RESET CONFIGURATION
• COOLING CONFIGURATION
• COOL MODE SELECTION PROCESS
• COOL MODE DIAGNOSTIC HELP
• SUMZ COOLING ALGORITM
• DEMAND LIMIT CONTROL
• HEAD PRESSURE CONTROL
• ECONOMIZER INTEGRATION WITH 
MECHANICAL COOLING
Heating Control . . . . . . . . . . . . . . . . . . . . . . . . . . . . . . . . . 54
• SETTING UP THE SYSTEM
• HEAT MODE SELECTION PROCESS
• TEMPERATURE DRIVEN HEAT MODE 
EVALUATION
• HEAT MODE DIAGNOSTIC HELP
• TWO-STAGE GAS AND ELECTRIC HEAT 
CONTROL
• HYDRONIC HEATING CONTROL
• STAGED GAS HEATING CONTROL
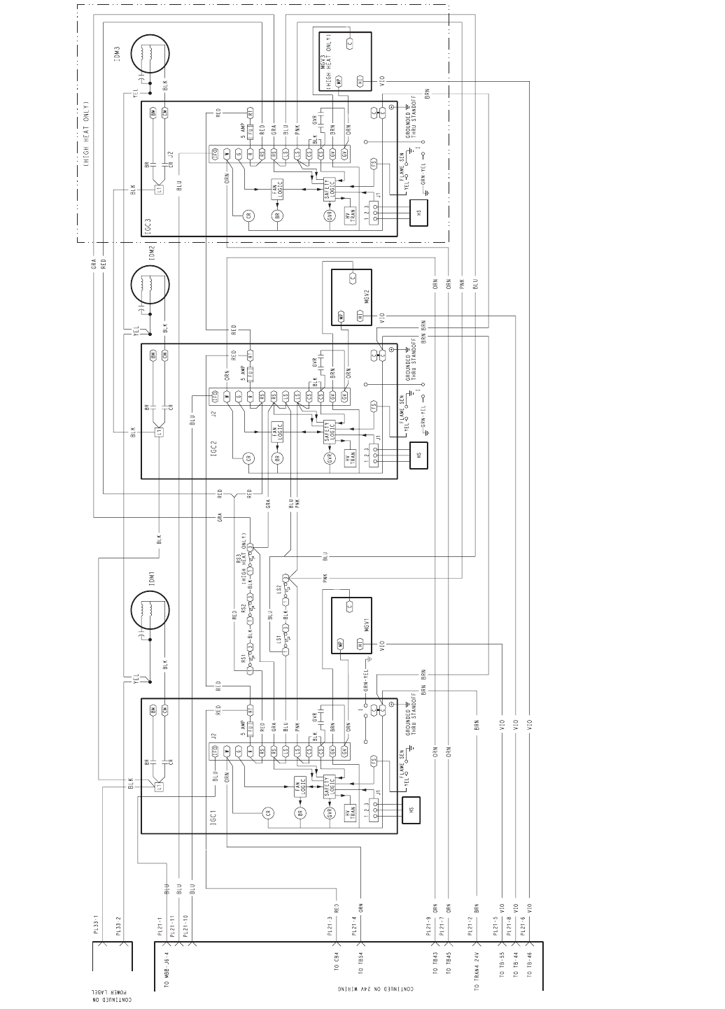
• INTEGRATED GAS CONTROL BOARD LOGIC
• RELOCATE SAT FOR HEATING-LINKAGE SYSTEM
• TEMPERING MODE
Static Pressure Control  . . . . . . . . . . . . . . . . . . . . . . . . . 61
•OPERATION
• SETTING UP THE SYSTEM
• STATIC PRESSURE RESET
• RELATED POINTS
Fan Status Monitoring. . . . . . . . . . . . . . . . . . . . . . . . . . . 64
• GENERAL
• SETTING UP THE SYSTEM
• SUPPLY FAN STATUS MONITORING LOGIC
Dirty Filter Switch . . . . . . . . . . . . . . . . . . . . . . . . . . . . . . . 64
Economizer . . . . . . . . . . . . . . . . . . . . . . . . . . . . . . . . . . . . . 65
• SETTING UP THE SYSTEM
• ECONOMIZER OPERATION
• ECONOMIZER CHANGEOVER SELECT
• UNOCCUPIED ECONOMIZER FREE COOLING
• OUTDOOR AIR CFM CONTROL
• ECONOMIZER OPERATION CONFIGURATION
• ECONOMIZER DIAGNOSTIC HELP
Building Pressure Control. . . . . . . . . . . . . . . . . . . . . . . 69
• BUILDING PRESSURE CONFIGURATION
• BUILDING PRESSURE CONTROL OPERATION
• CONFIGURING THE BUILDING PRESSURE 
ACTUATORS TO COMMUNICATE VIA ACTUATOR 
SERIAL NUMBER
• CONTROL ANGLE ALARM CONFIGURATION
WEATHERMASTER®
48/50Z030-105
Single Package Large Rooftop Units with
COMFORTLINK™ Version 4.X Controls

2
CONTENTS (cont)
Page
Smoke Control Modes . . . . . . . . . . . . . . . . . . . . . . . . . . . 72
• FIRE SMOKE INPUTS
• AIRFLOW CONTROL DURING THE FIRE/SMOKE 
MODES
• RELEVANT ITEMS
Indoor Air Quality Control . . . . . . . . . . . . . . . . . . . . . . . 73
•OPERATION
• SETTING UP THE SYSTEM
• PRE-OCCUPANCY PURGE
• OPTIONAL AIRFLOW STATION
Humidification. . . . . . . . . . . . . . . . . . . . . . . . . . . . . . . . . . . 76
• SETTING UP THE SYSTEM
•OPERATION
• CONFIGURING THE HUMIDIFIER ACTUATOR
Dehumidification and Reheat . . . . . . . . . . . . . . . . . . . . 77
• SETTING UP THE SYSTEM
•OPERATION
Temperature Compensated Start . . . . . . . . . . . . . . . . 78
• SETTING UP THE SYSTEM
• TEMPERATURE COMPENSATED START LOGIC
Carrier Comfort Network® (CCN). . . . . . . . . . . . . . . . . 79
Alert Limit Configuration . . . . . . . . . . . . . . . . . . . . . . . . 80
Sensor Trim Configuration  . . . . . . . . . . . . . . . . . . . . . . 81
Discrete Switch Logic Configuration . . . . . . . . . . . . 81
Display Configuration . . . . . . . . . . . . . . . . . . . . . . . . . . . 82
Remote Control Switch Input . . . . . . . . . . . . . . . . . . . . 83
Hot Gas Bypass . . . . . . . . . . . . . . . . . . . . . . . . . . . . . . . . . 83
Space Temperature Offset. . . . . . . . . . . . . . . . . . . . . . . 83
TIME CLOCK CONFIGURATION  . . . . . . . . . . . . . . 84, 85
TROUBLESHOOTING. . . . . . . . . . . . . . . . . . . . . . . . 85-102
Complete Unit Stoppage  . . . . . . . . . . . . . . . . . . . . . . . . 85
Single Circuit Stoppage . . . . . . . . . . . . . . . . . . . . . . . . . 85
Service Analysis  . . . . . . . . . . . . . . . . . . . . . . . . . . . . . . . . 85
Restart Procedure . . . . . . . . . . . . . . . . . . . . . . . . . . . . . . . 85
Thermistor Troubleshooting . . . . . . . . . . . . . . . . . . . . . 85
Transducer Troubleshooting. . . . . . . . . . . . . . . . . . . . . 86
Forcing Inputs and Outputs . . . . . . . . . . . . . . . . . . . . . 90
Run Status Menu . . . . . . . . . . . . . . . . . . . . . . . . . . . . . . . . 90
• AUTO VIEW OF RUN STATUS
• ECONOMIZER RUN STATUS
• COOLING INFORMATION
• MODE TRIP HELPER
• CCN/LINKAGE DISPLAY TABLE
• COMPRESSOR RUN HOURS DISPLAY TABLE
• COMPRESSOR STARTS DISPLAY TABLE
• SOFTWARE VERSION NUMBERS DISPLAY TABLE
Alarms and Alerts . . . . . . . . . . . . . . . . . . . . . . . . . . . . . . . 94
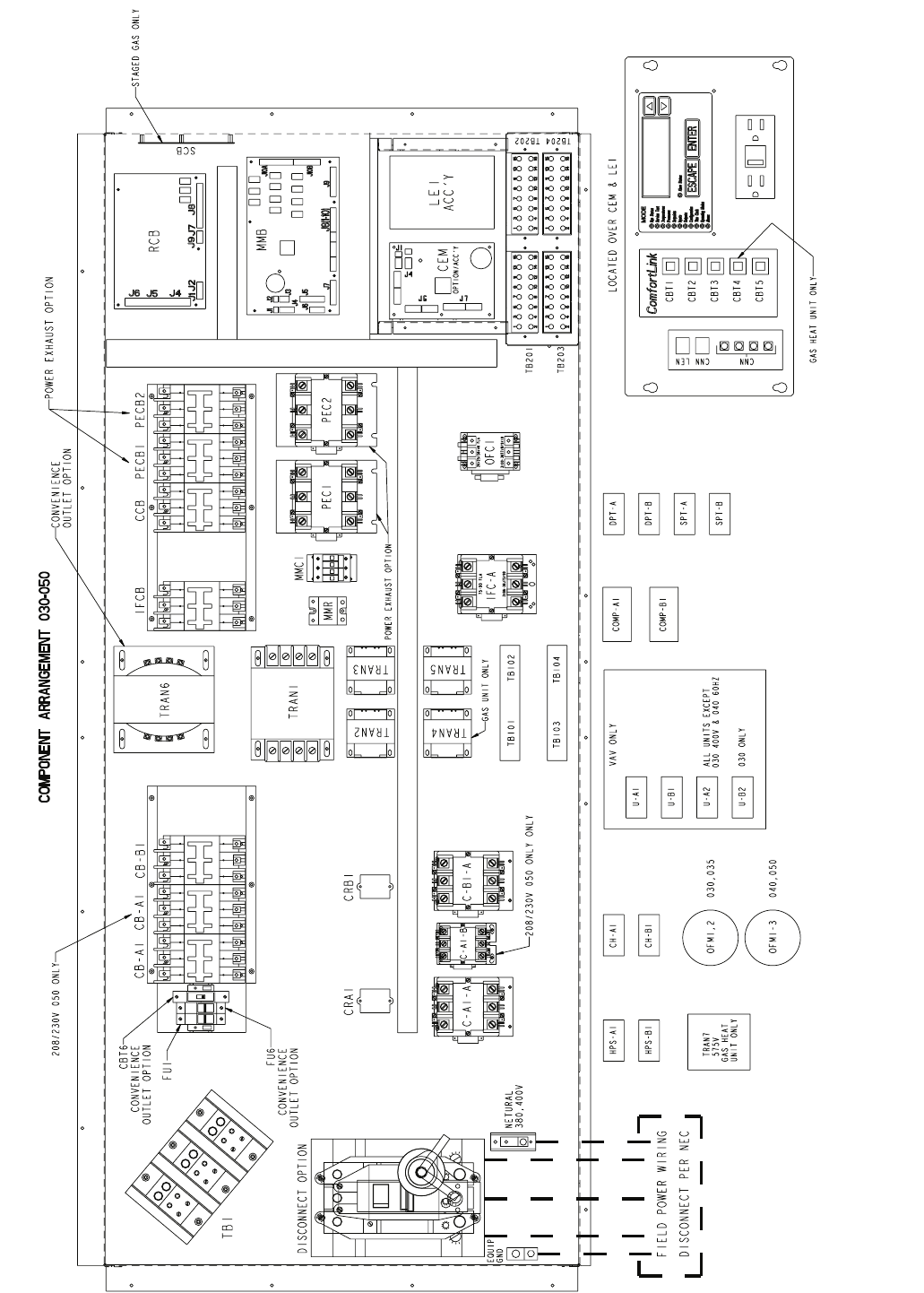
MAJOR SYSTEM COMPONENTS . . . . . . . . . . . 102-124
General. . . . . . . . . . . . . . . . . . . . . . . . . . . . . . . . . . . . . . . . . 102
Factory-Installed Components  . . . . . . . . . . . . . . . . . 102
Accessory Control Components. . . . . . . . . . . . . . . . 122
SERVICE  . . . . . . . . . . . . . . . . . . . . . . . . . . . . . . . . . . . 125-132
Service Access. . . . . . . . . . . . . . . . . . . . . . . . . . . . . . . . . 125
Adjustments. . . . . . . . . . . . . . . . . . . . . . . . . . . . . . . . . . . . 128
Cleaning. . . . . . . . . . . . . . . . . . . . . . . . . . . . . . . . . . . . . . . . 129
Lubrication . . . . . . . . . . . . . . . . . . . . . . . . . . . . . . . . . . . . . 130
Refrigerant Feed Components. . . . . . . . . . . . . . . . . . 130
Thermostatic Expansion Valve (TXV) . . . . . . . . . . . 130
Refrigeration Circuits. . . . . . . . . . . . . . . . . . . . . . . . . . . 130
Oil Charge. . . . . . . . . . . . . . . . . . . . . . . . . . . . . . . . . . . . . . 130
Gas System Adjustment (48Z Only). . . . . . . . . . . . . 131
Moisture/Liquid Indicator. . . . . . . . . . . . . . . . . . . . . . . 131
Filter Drier. . . . . . . . . . . . . . . . . . . . . . . . . . . . . . . . . . . . . . 131
Liquid Line Service Valve. . . . . . . . . . . . . . . . . . . . . . . 131
Compressor Discharge Service Valve  . . . . . . . . . . 131
Compressor Suction Service Valve. . . . . . . . . . . . . 131
Protective Devices  . . . . . . . . . . . . . . . . . . . . . . . . . . . . . 131
Relief Devices . . . . . . . . . . . . . . . . . . . . . . . . . . . . . . . . . . 132
Page
Control Circuit, 115 V. . . . . . . . . . . . . . . . . . . . . . . . . . . 132
Control Circuit, 24 V . . . . . . . . . . . . . . . . . . . . . . . . . . . . 132
Gas Heat (48Z Only) . . . . . . . . . . . . . . . . . . . . . . . . . . . . 132
Compressor Removal  . . . . . . . . . . . . . . . . . . . . . . . . . . 132
Compressor Replacement. . . . . . . . . . . . . . . . . . . . . . 132
APPENDIX A — LOCAL DISPLAY TABLES. . 133-141
APPENDIX B — CCN TABLES . . . . . . . . . . . . . . 142-156
APPENDIX C — UNIT STAGING TABLES. . . . 156-159
APPENDIX D — VFD INFORMATION . . . . . . . . 160-168
APPENDIX E — MODE SELECTION 
PROCESS . . . . . . . . . . . . . . . . . . . . . . . . . . . . . . . . 169, 170
INDEX . . . . . . . . . . . . . . . . . . . . . . . . . . . . . . . . . . . . . . . . . . 171
CONTROLS SET POINT AND 
CONFIGURATION LOG . . . . . . . . . . . . . . . . CL-1 - CL-6
UNIT START-UP CHECKLIST  . . . . . . . . . . . . . . . . . .CL-7
SAFETY CONSIDERATIONS
Installation and servicing of air-conditioning equipment can
be hazardous due to system pressure and electrical compo-
nents. Only trained and qualified service personnel should
install, repair, or service air-conditioning equipment. Untrained
personnel can perform the basic maintenance functions of
replacing filters. Trained service personnel should perform all
other operations.
When working on air-conditioning equipment, observe pre-
cautions in the literature, tags and labels attached to the unit,
and other safety precautions that may apply. Follow all safety
codes. Wear safety glasses and work gloves. Use quenching
cloth for unbrazing operations. Have fire extinguishers avail-
able for all brazing operations.    
WARNING
Before performing service or maintenance operation on
unit turn off and lock off main power switch to unit.
Electrical shock can cause personal injury and death.
Shut off all power to this equipment during installation
and service. The unit may have an internal non-fused
disconnect or a field-installed disconnect.
CAUTION
This unit uses a microprocessor-based electronic control
system. Do not use jumpers or other tools to short out com-
ponents or to bypass or otherwise depart from recom-
mended procedures. Any short-to-ground of the control
board or accompanying wiring may destroy the electronic
modules or electrical components.
WARNING
1. Improper installation, adjustment, alteration, service,
or maintenance can cause property damage, personal
injury, or loss of life. Refer to the User’s Information
Manual provided with this unit for more details.
2. Do not store or use gasoline or other flammable
vapors and liquids in the vicinity of this or any other
appliance. 
What to do if you smell gas:
1. DO NOT try to light any appliance.
2. DO NOT touch any electrical switch, or use any
phone in your building.
3. IMMEDIATELY call your gas supplier from a neigh-
bor’s phone. Follow the gas supplier’s instructions.
4. If you cannot reach your gas supplier call the fire
department.

3
GENERAL
This book contains Start-Up, Controls, Operation, Trouble-
shooting and Service information for the 48/50Z Series
rooftop units. See Table 1. These units are equipped with
ComfortLink™ controls version 4.X or higher. Use this guide
in conjunction with the separate installation instructions pack-
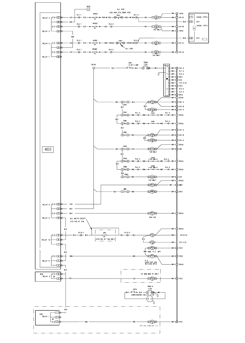
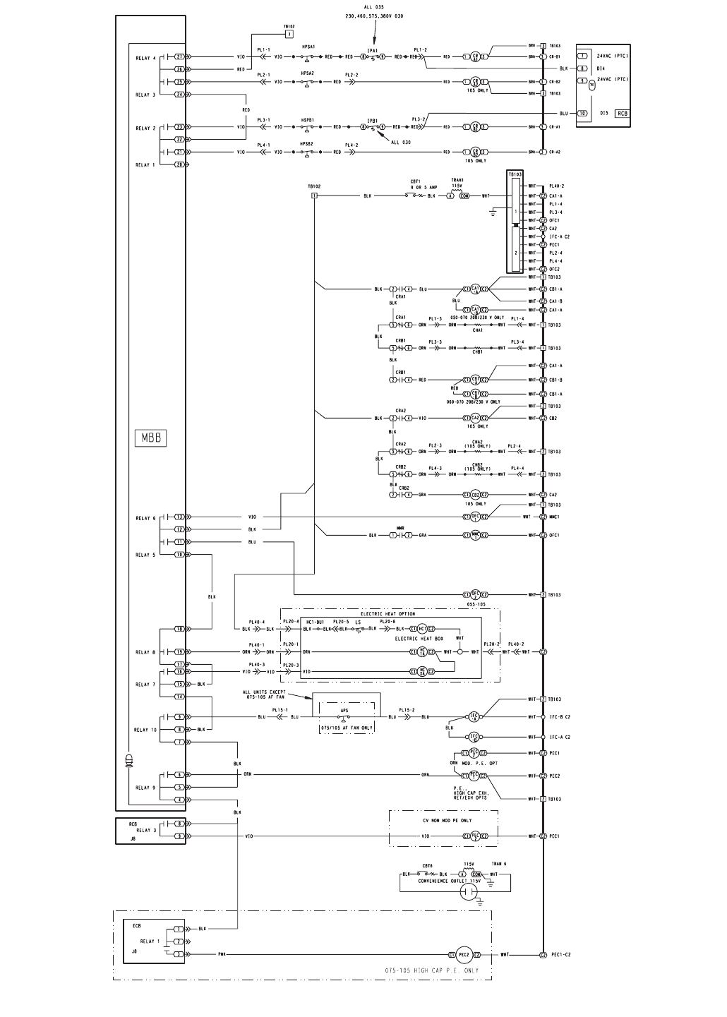
aged with the unit. Refer to the Wiring Diagrams literature for
more detailed wiring information.
The 48/50Z Series units provide ventilation, cooling, and
heating (when equipped) in variable air volume (VAV) and
constant volume (CV) applications.
Table 1 — Z Series Product Line
                          LEGEND
The 48/50Z units contain the factory-installed ComfortLink
control system which provides full system management. The
main base board (MBB) stores hundreds of unit configuration
settings and 8 time of day schedules. The MBB also performs
self diagnostic tests at unit start-up, monitors the operation of
the unit, and provides alarms and alert information. The system
also contains other optional boards that are connected to the
MBB through the Local Equipment Network (LEN). Informa-
tion on system operation and status are sent to the MBB pro-
cessor by various sensors and optional board that are located at
the unit and in the conditioned space. Access to the unit con-
trols for configuration, set point selection, schedule creation,
and service can be done through a unit-mounted scrolling mar-
quee. Access can also be done through the Carrier Comfort
Network® using ComfortVIEW™ software, Network Service
Tool, or the accessory Navigator™ device.
The ComfortLink system controls all aspects of the rooftop.
It controls the supply-fan motor, compressors, and economizers
to maintain the proper temperature conditions. The controls
also cycle condenser fans to maintain suitable head pressure.
All VAV units can be equipped with optional IGV (inlet guide
vanes) or VFD (variable frequency drive) for supply duct pres-
sure control. The ComfortLink™ controls can directly control
the speed of the VFD based on a static pressure sensor input. In
addition the ComfortLink controls can adjust (but not control
on CV and non-modulating power exhaust units) the building
pressure using multiple power exhaust fans controlled from
damper position or from a building pressure sensor. The control
safeties are continuously monitored to prevent the unit from
operating under abnormal conditions. Sensors include suction
pressure transducers and saturated discharge pressure transduc-
ers which allow for display of the unit’s operational pressures.
A scheduling function, programmed by the user, controls
the unit occupied/unoccupied schedule. Up to 8 different
schedules can be programmed. 
The controls also allow the service person to operate a quick
test so that all the controlled components can be checked for
proper operation.
Conventions Used in This Manual — The follow-
ing conventions for discussing configuration points for the lo-
cal display (scrolling marquee or Navigator™ accessory) will
be used in this manual.
Point names will be written with the Mode name first, then
any submodes, then the point name, each separated by an
arrow symbol (→). Names will also be shown in bold and
italics. As an example, the IAQ Economizer Override Position
which is located in the Configuration mode, Indoor Air Quality
Configuration sub-mode, and the Air Quality Set Points
sub-sub-mode, would be written as Configuration
→
IAQ
→
IAQ.SP
→
IQ.O.P.
This path name will show the user how to navigate through
the local display to reach the desired configuration. The user
would scroll through the modes and submodes using the
UP ARROW and DOWN ARROW keys. The arrow symbol
in the path name represents pressing ENTER to move into the
next level of the menu structure.
When a value is included as part of the path name, it will be
shown at the end of the path name after an equals sign. If the
value represents a configuration setting, an explanation will be
shown in parenthesis after the value. As an example, Configu-
ration
→
IAQ
→
AQ.CF
→
IQ.AC = 1 (IAQ Analog Input).
Pressing the ESCAPE and ENTER keys simultaneously
will scroll an expanded text description of the point name
across the display. The expanded description is shown in the
local display tables but will not be shown with the path names
in text.
The CCN point names are also referenced in the local
display tables for users configuring the unit with CCN software
UNIT SIZE APPLICATION
48ZG All Gas Heat, Vertical Supply
CV 2-Stage
48ZN All Gas Heat, Vertical Supply
VAV and CV Multi
50ZG All
Vertical Supply, 
Optional Electric Heat
CV 2-Stage
50ZN All
Vertical Supply, 
Optional Electric Heat
VAV and CV Multi
50Z2 All Horizontal Supply
CV 2-Stage
50Z3 All Horizontal Supply
VAV and CV Multi
48ZT 075-105
Gas Heat, Vertical Supply
High-Capacity Power Exhaust
CV 2-Stage
48ZW 075-105
Gas Heat, Vertical Supply
High-Capacity Power Exhaust
VAV and CV Multi
50ZT 075-105
Vertical Supply, 
Optional Electric Heat
High-Capacity Power Exhaust
CV 2-Stage
50ZW 075-105
Vertical Supply, 
Optional Electric Heat
High-Capacity Power Exhaust
VAV and CV Multi
50ZX 075-105
Horizontal Supply, 
Optional Electric Heat
High-Capacity Power Exhaust
CV 2-Stage
50ZZ 075-105
Horizontal Supply, 
Optional Electric Heat
High-Capacity Power Exhaust
VAV and CV Multi
48Z6 075-105
Gas Heat, Vertical Supply
Return/Exhaust Fan
CV 2-Stage
48Z8 075-105
Gas Heat, Vertical Supply
Return/Exhaust Fan
VAV and CV Multi
50Z6 075-105
Vertical Supply, 
Optional Electric Heat
Return/Exhaust Fan
CV 2-Stage
50Z7 075-105
Horizontal Supply, Vertical Return Optional 
Electric Heat
Return/Exhaust Fan
CV 2-Stage
50Z8 075-105
Vertical Supply, 
Optional Electric Heat
Return/Exhaust Fan
VAV and CV Multi
50Z9 075-105
Horizontal Supply, Vertical Return
Optional Electric Heat
Return/Exhaust Fan
VAV and CV Multi
CV 2-Stage — Constant Volume, 2-Stage
CV Multi — Constant Volume, Multiple Adaptive Demand
VAV — Variable Air Volume

4
instead of the local display. The CCN tables are located in
Appendix B of this manual.
BASIC CONTROL USAGE
ComfortLink™ Controls — The  ComfortLink con-
trols are a comprehensive unit-management system. The con-
trol system is easy to access, configure, diagnose and trouble-
shoot.
The controls are flexible, providing two types of constant
volume cooling control sequences, two variable air volume
cooling control sequences, and heating control sequences for
two-stage electric and gas systems, for multiple-stage gas heat-
ing, and hydronic heat in both Occupied and Unoccupied
schedule modes. This control also manages:
• VAV duct pressure (through optional VFD or inlet guide
vanes), with reset
• Building pressure through four different power exhaust
systems
• Return fan applications using fan tracking
• Condenser fan cycling for low ambient head pressure
control
• Dehumidification (with reheat) and humidifier sequences
• Space ventilation control, in Occupied and Unoccupied
periods, using CO2 sensors or external signals, with ven-
tilation defined by damper position or ventilation airflow
measurement
• Smoke control functions
• Occupancy schedules
• Occupancy or start/stop sequences based on third party
signals
• Alarm status and history and run time data
• Management of a complete unit service test sequence
System diagnostics are enhanced by the use of multiple
external sensors for air temperatures, air pressures and refriger-
ant pressures. Unit-mounted actuators provide digital feedback
data to the unit control.
The ComfortLink™ controller is fully communicating and
cable-ready for connection to the Carrier Comfort Network®
(CCN) building management system. The control provides
high-speed communications for remote monitoring via the
Internet. Multiple 48/50Z Series units can be linked together
(and to other ComfortLink controller equipped units) using a
3-wire communication bus.
The ComfortLink control system is easy to access through
the use of a unit-mounted display module. There is no need to
bring a separate computer to this unit for start-up. Access to
control menus is simplified by the ability to quickly select from
11 menus. A scrolling readout provides detailed explanations
of control information. Only four, large, easy-to-use buttons are
required to maneuver through the entire controls menu. The
display readout is designed to be visible even in bright sunlight.
For added service flexibility, an accessory hand-held
Navigator™ module is also available. This portable device has
an extended communication cable that can be plugged into the
unit’s communication network either at the main control box or
at the opposite end of the unit, at a remote modular plug. The
Navigator display provides the same menu structure, control
access and display data as is available at the unit-mounted
scrolling marquee display.
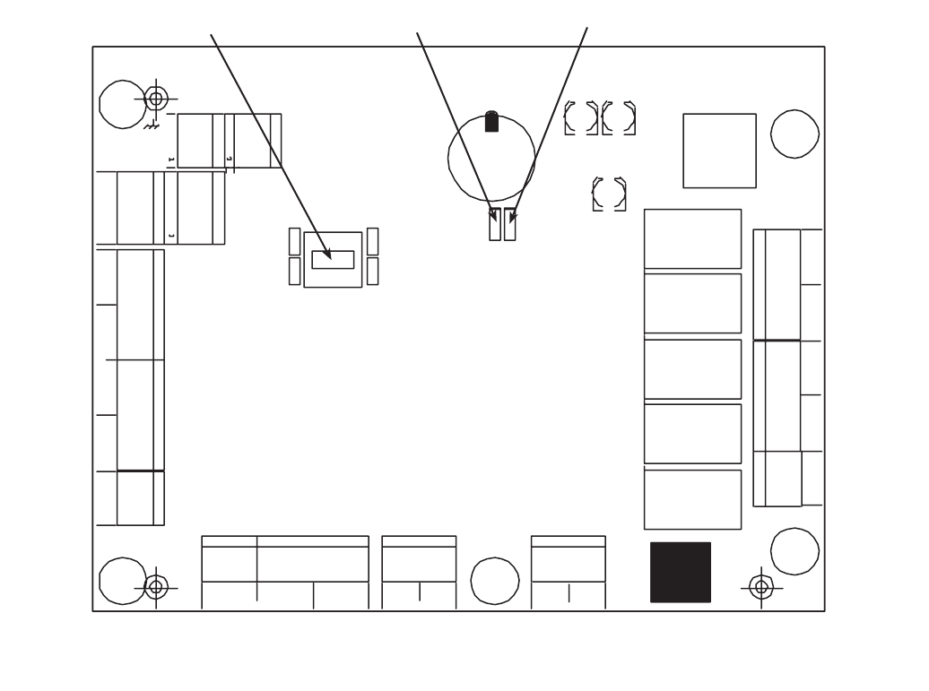
Scrolling Marquee — This device is the keypad inter-
face used to access the control information, read sensor values,
and test the unit. The scrolling marquee is located in the main
control box and is standard on all units. The scrolling marquee
display is a 4-key, 4-character, 16-segment LED (light-emitting
diode) display module. The display also contains an Alarm Sta-
tus LED. See Fig. 1. The display is easy to operate using
4 buttons and a group of 11 LEDs that indicate the following
menu structures:
• Run Status
• Service Test
• Temperatures
• Pressures
• Set points
• Inputs
• Outputs
• Configuration
• Timeclock
• Operating Modes
•Alarms
Through the scrolling marquee, the user can access all of the
inputs and outputs to check on their values and status, config-
ure operating parameters plus evaluate the current decision sta-
tus for operating modes. Because the 48/50Z Series units are
equipped with suction pressure and discharge pressure trans-
ducers, the scrolling marquee can also display refrigerant
circuit pressures typically obtained from service gages. The
control also includes an alarm history which can be accessed
from the display. In addition, through the scrolling marquee,
the user can access a built-in test routine that can be used at
start-up commissioning and to diagnose operational problems
with the unit.
Accessory Navigator™ Display — The accessory
hand-held Navigator display can be used with the 48/50Z
Series units. See Fig. 2. The Navigator display operates the
same way as the scrolling marquee device. The Navigator
display is plugged into the RJ-11 jack in the main control box
on the COMM board. The Navigator display can also be
plugged into the RJ-11 jack located on the unit corner post
located at the economizer end of the unit.
Run Status
Service Test
Temperature
Pressures
Setpoints
Inputs
Outputs
Configuration
Time Clock
Operating Modes
Alarms
Alarm Status
ENTER
MODE
ESCAPE
Fig. 1 — Scrolling Marquee
Run Status
Service Test
Temperatures
Pressures
Setpoints
Inputs
Outputs
Configuration
Time Clock
Operating Modes
Alarms
ENTER
ESC
MODE
Alarm Status
TIME
EWT
LWT
SETP
12.58
54.6F
44.1 F
44.0F
NAVIGATOR
ComfortLink
Fig. 2 — Accessory Navigator Display

5
Operation — All units are shipped from the factory with
the scrolling marquee display, which is located in the main con-
trol box. See Fig. 1. In addition, the ComfortLink™ controls
also supports the use of the handheld Navigator™ display.
Both displays provide the user with an interface to the
ComfortLink control system. The displays have        and        ar-
row keys, an  key and an  key. These keys
are used to navigate through the different levels of the display
structure. The Navigator and the scrolling marquee operate in
the same manner, except that the Navigator display has multi-
ple lines of display and the scrolling marquee has a single line.
All further discussions and examples in this document will be
based on the scrolling marquee display. See Table 2 for the
menu structure.
The four keys are used to navigate through the display
structure, which is organized in a tiered mode structure. If the
buttons have not been used for a period, the display will default
to the AUTO VIEW display category as shown under the RUN
STATUS category. To show the top-level display, press the
key until a blank display is shown. Then use the
  and arrow keys to scroll through the top-level catego-
ries. These are listed in Appendix A and will be indicated on
the scrolling marquee by the LED next to each mode listed on
the face of the display.
When a specific mode or sub-mode is located, push the
key to enter the mode. Depending on the mode, there
may be additional tiers. Continue to use the      and  keys
and the  keys until the desired display item is found.
At any time, the user can move back a mode level by pressing
the  key. Once an item has been selected the display
will flash showing the item, followed by the item value and
then followed by the item units (if any).
Items in the Configuration and Service Test modes are
password protected. The display will flash PASS and WORD
when required. Use the  and arrow keys to enter the
four digits of the password. The default password is 1111.
Pressing the  and  keys simultaneously
will scroll an expanded text description across the display indi-
cating the full meaning of each display point. Pressing the
and  keys when the display is blank
(MODE LED level) will return the display to its default menu
of rotating AUTO VIEW display items. In addition, the
password will need to be entered again before changes can be
made.
Changing item values or testing outputs is accomplished in
the same manner. Locate and display the desired item. If the
display is in rotating auto-view, press the  key to stop
the display at the desired item. Press the  key again so
that the item value flashes. Use the arrow keys to change the
value of state of an item and press the  key to accept
it. Press the  key and the item, value or units display
will resume. Repeat the process as required for other items.
If the user needs to force a variable, follow the same process
as when editing a configuration parameter. A forced variable
will be displayed with a blinking “f” following its value. For
example, if supply fan requested (FAN. F) is forced, the display
shows “YESf”, where the “f” is blinking to signify a force on
the point. Remove the force by selecting the point that is forced
with the  key and then pressing the   and
arrow keys simultaneously.
Depending on the unit model, factory-installed options and
field-installed accessories, some of the items in the various
mode categories may not apply.
System Pilot™ Interface — The System Pilot inter-
face (33PILOT-01) is a component of the 3V™ system and
serves as a user-interface and configuration tool for all Carrier
communicating devices. The System Pilot interface can be
used to install and commission a 3V zoning system, linkage
compatible air source, universal controller, and all other devic-
es operating on the Carrier communicating network.
Additionally, the System Pilot interface can serve as a wall-
mounted temperature sensor for space temperature measure-
ment. The occupant can use the System Pilot interface to
change set points. A security feature is provided to limit access
of features for unauthorized users. See Fig. 3 for System Pilot
interface details.
CCN Tables and Display — In addition to the unit-
mounted scrolling marquee display, the user can also access the
same information through the CCN tables by using the Service
Tool or other CCN programs. Details on the CCN tables are
summarized in Appendix B. The variable names used for the
CCN tables and the scrolling marquee tables may be different
and more items are displayed in the CCN tables. As a refer-
ence, the CCN variable names are included in the scrolling
marquee tables and the scrolling marquee names are included
in the CCN tables in Appendix B.
GENERIC STATUS DISPLAY TABLE — The  GENERICS
points table allows the service/installer the ability to create a
custom table in which up to 20 points from the 5 CCN
categories (Points, Config, Service-Config, Set Point, and
Maintenance) may be collected and displayed.
In the Service-Config table section, there is a table named
“generics”. This table contains placeholders for up to 20 CCN
point names and allows the user to decide which points are dis-
played in the GENERIC points table. Each one of these place-
holders allows the input of an 8-character ASCII string. Go into
the Edit mode for the Service-Config table “generics” and enter
the CCN name for each point to be displayed in the custom
points table in the order they will be displayed. When done enter-
ing point names, download the table to the rooftop unit control.
ESCAPE ENTER
ESCAPE
ENTER
ENTER
ESCAPE
ENTER
ESCAPE ENTER
ESCAPE ENTER
ENTER
ENTER
ENTER
ESCAPE
SCROLL +
-
NAVIGATE/
EXIT
MODIFY/
SELECT
PAGE
Fig. 3 — System Pilot User Interface
ENTER

6
Table 2 — Scrolling Marquee Menu Display Structure
RUN
STATUS
SERVICE
TEST TEMPERATURES PRESSURES SETPOINTS INPUTS OUTPUTS CONFIGURATION TIME
CLOCK
OPERATING
MODES ALARMS
Auto View of 
Run Status
(VIEW)
Econ
Run Status
(ECON)
Cooling
Information
(COOL)
Mode
Trip Helper
(TRIP)
CCN
Linkage
(LINK)
Compressor
Run Hours
(HRS)
Compressor
Starts
(STRT)
Software
Version
Numbers
(VERS)
Service Test Mode
(TEST)
Software
Command
Disable
(STOP)
Soft Stop
Request
(S.STP)
Supply Fan
Request
(FAN.F)
Test Independent
Outputs
(INDP)
Te s t Fa n s
(FANS)
Calibrate Test
Actuators
(ACT.C)
Test Cooling
(COOL)
Test Heating
(HEAT)
Air
Temperatures
(AIR.T)
Refrigerant
Temperatures
(REF.T)
Air Pressures
(AIR.P)
Refrigerant
Pressures
(REF.P)
Occupied Heat
Setpoint 
(OHSP)
Occupied Cool
Setpoint 
(OCSP)
Unoccupied
Heat Setpoint
(UHSP)
Unoccupied
Cool Setpoint
(UCSP)
Heat - Cool
Setpoint
(GAP)
VAV Occ
Cool On
(V.C.ON)
VAV Occ
Cool Off
(V.C.OF)
Supply Air
Setpoint
(SASP)
Supply Air
Setpoint Hi
(SA.HI)
Supply Air
Setpoint Lo
(SA.LO)
Heating Supply
Air Setpoint
(SA.HT)
Te m p e r i n g
Purge SASP
(T.PRG)
Tempering in
Cool SASP
(T.CL)
Tempering in
Vent Occ SASP
(T.V.OC)
Tempering in
Vent Unocc.
SASP
(T.V.UN)
General Inputs
(GEN.I)
Compressor
Feedback
(FD.BK)
Thermostat
Inputs
 (STAT) 
Fire-Smoke
Modes
(FIRE)
Relative
Humidity
(REL.H)
Air Quality
Sensors
(AIR.Q)
CFM Sensors
(CFM)
Reset Inputs
(RSET)
4-20 Milliamp
Inputs
(4-20)
Fans
(FANS)
Cooling
(COOL)
Heating
(HEAT)
Actuators
(ACTU)
General
Outputs
(GEN.O)
Unit
Configuration
(UNIT)
Cooling
Configuration
(COOL)
Evap/Discharge
Temp. Reset
(EDT.R)
Heating
Configuration
(HEAT)
Supply Static
Press. Config.
(SP)
Economizer
Configuration
(ECON)
Building Press.
Configs
(BP)
Cool/Heat
Setpt. Offsets
(D.L.V.T)
Demand Limit
Config.
(DMD.L)
Indoor Air
Quality Cfg.
(IAQ)
Humidity
Configuration
(HUMD)
Dehumidification
Config.
(DEHU)
CCN
Configuration
(CCN)
Alert Limit
Config.
(ALLM)
Sensor Trim
Config.
(TRIM)
Switch
Logic
(SW.LG)
Display
Configuration
(DISP)
Time of Day
(TIME)
Month, Date,
Day and Year
(DATE)
Local Time
Schedule
(SCH.L)
Local
Holiday
Schedules
(HOL.L)
Daylight
Savings
Time
(DAY.S)
System
Mode
(SYS.M)
HVAC Mode
(HVAC)
Control Type
(CTRL)
Mode
Controlling
Unit
(MODE)
Currently
Active
Alarms
(CURR)
Reset All
Current
Alarms
(R.CUR)
Alarm
History
(HIST)
↓
↓
↓
↓
↓
↓
↓
↓
↓
↓
↓
↓
↓
↓
↓
↓
↓
↓
↓
↓
↓
↓
↓
↓
↓
↓
↓
↓
↓
↓
↓
↓
↓
↓
↓
↓
↓
↓
↓
↓
↓
↓
↓
↓
↓
↓
↓
↓
↓
↓
↓
↓
↓
↓
↓
↓
↓
↓
↓
↓
↓
↓
↓
↓
↓
↓
↓

7
START-UP
Unit Preparation — Check that unit has been installed in
accordance with the installation instructions and applicable
codes.
Unit Setup — Make sure that the economizer hood has
been installed and that the outdoor filters are properly installed. 
Internal Wiring — Ensure that all electrical connections
in the control box are tightened as required. If the unit has
staged gas heat make sure that the LAT sensors have been
routed to the supply ducts as required.
Accessory Installation — Check to make sure that all
accessories including space thermostats and sensors have been
installed and wired as required by the instructions and unit
wiring diagrams.
Crankcase Heaters — Crankcase heaters are energized
as long as there is power to the unit, except when the compres-
sors are running.
Evaporator Fan — Fan belt and fixed pulleys are factory-
installed. See Tables 3-25 for fan performance. Remove tape
from fan pulley, and be sure that fans rotate in the proper
direction. See Tables 26-28 for motor limitations. See Table 29
for air quantity limits. Static pressure drop is shown in
Tables 30A-30C.
FIELD-SUPPLIED FAN DRIVES — Supply fan and power
exhaust fan drives are fixed-pitch, non-adjustable selections, for
maximum reliability and long belt life. If the factory drive sets
must be changed to obtain other fan speeds, consult the nearest
Browning Manufacturing Co. sales office with the required new
wheel speed and the data from Physical Data and Supply Fan
Drive Data tables (center distances, motor and fan shaft diame-
ters, motor horsepower) in Installation Instructions for a modi-
fied drive set selection. For minor speed changes, the fan sheave
size should be changed. (Do not reduce the size of the motor
sheave; this will result in reduced belt horsepower ratings and
reduced belt life.) See page 128 for belt installation procedure.
Controls — Use the following steps for the controls:
1. Set any control configurations that are required (field-
installed accessories, etc.). The unit is factory configured
for all appropriate factory-installed options.
2. Enter unit set points. The unit is shipped with the set point
default values. If a different set point is required, use the
scrolling marquee, Navigator display, ComfortVIEW™
software or Service Tool to change the configuration
values.
3. If the internal time schedules are going to be used, config-
ure the Occupancy schedule.
4. Verify that the control time periods programmed meet
current requirements.
5. Start unit using Service Test mode to verify operation of
all major components.
6. If the unit is a VAV unit make sure to configure the static
pressure set point. To check out the VFD, use the VFD in-
structions shipped with the unit.
Gas Heat — Verify gas pressure before turning on gas heat
as follows:
1. Turn off field-supplied manual gas stop, located external
to the unit.
2. Connect pressure gages to supply gas tap, located at field-
supplied manual shutoff valves.
3. Connect pressure gages to manifold pressure tap on unit
gas valve.
4. Supply gas pressure must not exceed 13.5 in. wg. Check
pressure at field-supplied shut-off valve.
5. Turn on manual gas stop and initiate a heating demand.
Jumper R to W1 in the control box to initiate heat.
6. Use the Service Test procedure to verify heat operation.
7. After the unit has run for several minutes, verify that
incoming pressure is 5.0 in. wg or greater and that the
manifold pressure is 3.5 in wg. If manifold pressure must
be adjusted refer to Gas Valve Adjustment section.
IMPORTANT: The computer system software
(ComfortVIEW™, Service Tool, etc.) that is used to
interact with CCN controls always saves a template of
items it considers as static (e.g., limits, units, forcibil-
ity, 24-character text strings, and point names) after
the software uploads the tables from a control. There-
after, the software is only concerned with run time
data like value and hardware/force status. With this in
mind, it is important that anytime a change is made to
the Service-Config table “generics” (which in turn
changes the points contained in the GENERIC point
table), that a complete new upload be performed. This
requires that any previous table database be
completely removed first. Failure to do this will not
allow the user to display the new points that have been
created and the software will have a different table
database than the unit control.
IMPORTANT: Do not attempt to start unit, even
momentarily, until all items on the Start-Up Checklist
(in installation instructions) and the following steps
have been completed.
IMPORTANT: Unit power must be on for 24 hours
prior to start-up of compressors. Otherwise damage to
compressors may result.

8
Table 3 — Fan Performance — 48ZG,ZN030 and 50ZG,ZN030 Units Without Discharge Plenum*
LEGEND
*If calculating static pressure for a 48 Series unit, be sure to add gas
heat pressure drop from Table 30A on page 32.
NOTES:
1. Fan performance is based on wet coils and clean 2-in. filters.
2. See Table 30A before using Fan Performance tables.
3. Conversion — Bhp to kW:
See Tables 26-28 for motor efficiency.
AIRFLOW
(Cfm)
AVAILABLE EXTERNAL STATIC PRESSURE (in. wg)
0.2 0.4 0.6 0.8 1.0 1.2 1.4 1.6
Rpm Bhp Rpm Bhp Rpm Bhp Rpm Bhp Rpm Bhp Rpm Bhp Rpm Bhp Rpm Bhp
6,000 222 0.59 284 0.91 339 1.27 388 1.66 430 2.07 469 2.50 504 2.93 536 3.38
7,500 248 0.94 300 1.28 350 1.68 395 2.11 437 2.57 475 3.05 511 3.54 544 4.05
9,000 278 1.46 323 1.80 366 2.22 407 2.69 446 3.19 483 3.71 517 4.25 550 4.81
10,500 311 2.16 349 2.52 387 2.95 424 3.43 459 3.96 493 4.51 526 5.10 558 5.70
12,000 344 3.08 378 3.44 412 3.89 445 4.39 477 4.93 508 5.51 539 6.12 569 6.75
13,500 379 4.25 410 4.62 440 5.07 469 5.58 498 6.13 527 6.73 555 7.36 583 8.02
15,000 415 5.69 442 6.06 470 6.52 496 7.04 523 7.61 549 8.22 575 8.87 601 9.55
AIRFLOW
(Cfm)
AVAILABLE EXTERNAL STATIC PRESSURE (in. wg)
1.8 2.0 2.2 2.4 2.6 2.8 3.0 3.2
Rpm Bhp Rpm Bhp Rpm Bhp Rpm Bhp Rpm Bhp Rpm Bhp Rpm Bhp Rpm Bhp
6,000 567 3.84 595 4.30 622 4.78 647 5.26 671 5.75 695 6.25 717 6.76 738 7.27
7,500 575 4.57 604 5.10 632 5.63 658 6.18 683 6.73 707 7.29 730 7.86 752 8.43
9,000 581 5.38 611 5.97 639 6.56 665 7.16 691 7.78 715 8.40 739 9.03 761 9.66
10,500 588 6.31 617 6.95 645 7.59 672 8.25 697 8.92 722 9.59 746 10.28 769 10.97
12,000 598 7.41 625 8.08 652 8.77 679 9.47 704 10.19 728 10.91 752 11.65 775 12.39
13,500 610 8.71 637 9.41 662 10.14 687 10.88 712 11.63 736 12.40 759 13.18 782 13.98
15,000 626 10.25 651 10.98 675 11.74 699 12.51 723 13.30 746 14.10 768 14.92 790 15.75
AIRFLOW
(Cfm)
AVAILABLE EXTERNAL STATIC PRESSURE (in. wg)
3.4 3.6 3.8 4.0
Rpm Bhp Rpm Bhp Rpm Bhp Rpm Bhp
6,000 759 7.79 779 8.32 799 8.85 817 9.39
7,500 773 9.01 794 9.60 814 10.20 833 10.80
9,000 783 10.30 805 10.95 825 11.60 845 12.26
10,500 791 11.67 812 12.38 833 13.09 854 13.81
12,000 797 13.15 819 13.91 840 14.68 860 15.45
13,500 804 14.77 825 15.59 846 16.41 867 17.23
15,000 812 16.59 833 17.45 853 18.31 874 19.19
48/50ZN units only.
Bhp — Brake Horsepower Kilowatts = Bhp x .746
Motor efficiency

9
Table 4 — Fan Performance — 48ZG,ZN035 and 50ZG,ZN035 Units Without Discharge Plenum*
LEGEND
*If calculating static pressure for a 48 Series unit, be sure to add gas
heat pressure drop from Table 30A on page 32.
NOTES:
1. Fan performance is based on wet coils and clean 2-in. filters.
2. See Table 30A before using Fan Performance tables.
3. Conversion — Bhp to kW:
See Tables 26-28 for motor efficiency.
AIRFLOW
(Cfm)
AVAILABLE EXTERNAL STATIC PRESSURE (in. wg)
0.2 0.4 0.6 0.8 1.0 1.2 1.4 1.6
RpmBhpRpmBhpRpmBhpRpmBhpRpmBhpRpmBhpRpmBhpRpmBhp
7,000 246 0.84 301 1.19 352 1.58 398 2.01 440 2.46 479 2.93 514 3.40 547 3.90
8,000 266 1.14 315 1.50 362 1.92 406 2.37 447 2.85 484 3.35 519 3.87 552 4.39
10,000 310 1.98 350 2.36 389 2.80 427 3.30 464 3.83 499 4.38 532 4.96 564 5.55
12,000 357 3.20 390 3.60 424 4.06 457 4.58 489 5.15 520 5.74 551 6.36 580 7.01
14,000 406 4.87 435 5.28 463 5.76 492 6.30 520 6.89 548 7.52 576 8.18 603 8.86
15,000 430 5.89 458 6.31 485 6.80 511 7.35 538 7.95 564 8.59 590 9.26 616 9.96
AIRFLOW
(Cfm)
AVAILABLE EXTERNAL STATIC PRESSURE (in. wg)
1.8 2.0 2.2 2.4 2.6 2.8 3.0 3.2
Rpm Bhp Rpm Bhp Rpm Bhp Rpm Bhp Rpm Bhp Rpm Bhp Rpm Bhp Rpm Bhp
7,000 577 4.40 606 4.91 633 5.43 659 5.95 684 6.49 707 7.03 730 7.58 752 8.14
8,000 583 4.94 612 5.49 640 6.05 666 6.62 691 7.19 715 7.78 738 8.37 760 8.97
10,000 594 6.16 623 6.79 651 7.42 677 8.07 703 8.73 727 9.39 751 10.06 774 10.74
12,000 609 7.67 636 8.36 663 9.05 689 9.77 714 10.49 738 11.22 762 11.97 785 12.72
14,000 629 9.57 655 10.30 680 11.04 704 11.81 728 12.59 751 13.38 774 14.18 796 14.99
15,000 641 10.69 666 11.44 690 12.20 714 12.99 737 13.79 760 14.61 782 15.44 804 16.28
AIRFLOW
(Cfm)
AVAILABLE EXTERNAL STATIC PRESSURE (in. wg)
3.4 3.6 3.8 4.0
Rpm Bhp Rpm Bhp Rpm Bhp Rpm Bhp
7,000 773 8.70 793 9.27 813 9.85 832 10.43
8,000 782 9.57 802 10.18 823 10.80 842 11.43
10,000 796 11.42 817 12.11 838 12.81 858 13.52
12,000 807 13.48 828 14.25 849 15.02 869 15.80
14,000 818 15.82 840 16.66 860 17.50 880 18.35
15,000 825 17.13 846 18.00 866 18.87 886 19.76
48/50ZN units only.
Bhp — Brake Horsepower Kilowatts = Bhp x .746
Motor efficiency

10
Table 5 — Fan Performance — 48ZG,ZN040 and 50ZG,ZN040 Units Without Discharge Plenum*
LEGEND
*If calculating static pressure for a 48 Series unit, be sure to add gas
heat pressure drop from Table 30A on page 32.
NOTES:
1. Fan performance is based on wet coils and clean 2-in. filters.
2. See Table 30A before using Fan Performance tables.
3. Conversion — Bhp to kW:
See Tables 26-28 for motor efficiency.
AIRFLOW
(Cfm)
AVAILABLE EXTERNAL STATIC PRESSURE (in. wg)
0.20.40.60.81.01.21.41.6
Rpm Bhp Rpm Bhp Rpm Bhp Rpm Bhp Rpm Bhp Rpm Bhp Rpm Bhp Rpm Bhp
8,000 252 0.98 303 1.33 350 1.72 394 2.14 434 2.58 472 3.06 507 3.55 540 4.07
10,000 290 1.67 333 2.11 373 2.55 412 3.01 448 3.51 483 4.03 517 4.58 549 5.16
12,000 330 2.65 369 3.18 404 3.70 438 4.23 470 4.78 501 5.35 532 5.94 562 6.56
14,000 372 3.96 407 4.61 439 5.22 469 5.83 498 6.44 526 7.07 554 7.72 581 8.38
16,000 415 5.67 447 6.44 476 7.15 504 7.85 530 8.54 556 9.24 581 9.95 605 10.67
18,000 459 7.84 488 8.72 515 9.55 541 10.34 565 11.12 589 11.91 612 12.69 634 13.47
20,000 503 10.51 530 11.51 555 12.46 579 13.36 602 14.24 624 15.11 645 15.98 666 16.84
AIRFLOW
(Cfm)
AVAILABLE EXTERNAL STATIC PRESSURE (in. wg)
1.82.02.22.42.62.83.03.2
Rpm Bhp Rpm Bhp Rpm Bhp Rpm Bhp Rpm Bhp Rpm Bhp Rpm Bhp Rpm Bhp
8,000 571 4.60 600 5.14 628 5.70 654 6.27 679 6.85 703 7.44 726 8.04 748 8.65
10,000 579 5.75 608 6.36 636 6.98 662 7.62 688 8.28 712 8.94 736 9.62 758 10.30
12,000 590 7.21 618 7.87 645 8.55 671 9.25 696 9.96 720 10.69 744 11.43 766 12.19
14,000 607 9.07 633 9.78 658 10.51 683 11.25 707 12.02 730 12.80 753 13.60 775 14.41
16,000 629 11.41 653 12.16 676 12.94 699 13.73 722 14.54 744 15.37 766 16.22 787 17.08
18,000 656 14.28 678 15.09 700 15.91 721 16.76 742 17.62 762 18.49 783 19.39 803 20.29
20,000 687 17.71 707 18.60 727 19.48 747 20.38 766 21.30 785 22.22 804 23.17 — —
AIRFLOW
(Cfm)
AVAILABLE EXTERNAL STATIC PRESSURE (in. wg)
3.43.63.84.0
Rpm Bhp Rpm Bhp Rpm Bhp Rpm Bhp
8,000 770 9.27 791 9.90 811 10.54 830 11.18
10,000 780 11.00 802 11.71 822 12.43 842 13.15
12,000 789 12.96 810 13.73 831 14.52 851 15.32
14,000 797 15.24 818 16.07 839 16.93 859 17.79
16,000 808 17.95 828 18.85 849 19.75 868 20.67
18,000 823 21.21 842 22.15 862 23.11 — —
20,000 ————————
48/50ZN units only.
Bhp — Brake Horsepower Kilowatts = Bhp x .746
Motor efficiency

11
Table 6 — Fan Performance — 48ZG,ZN050 and 50ZG,ZN050 Units Without Discharge Plenum*
LEGEND
*If calculating static pressure for a 48 Series unit, be sure to add gas
heat pressure drop from Table 30A on page 32.
NOTES:
1. Fan performance is based on wet coils and clean 2-in. filters.
2. See Table 30A before using Fan Performance tables.
3. Conversion — Bhp to kW:
See Tables 26-28 for motor efficiency.
AIRFLOW
(Cfm)
AVAILABLE EXTERNAL STATIC PRESSURE (in. wg)
0.20.40.60.81.01.21.41.6
Rpm Bhp Rpm Bhp Rpm Bhp Rpm Bhp Rpm Bhp Rpm Bhp Rpm Bhp Rpm Bhp
9,000 276 1.34 323 1.73 366 2.15 407 2.60 445 3.08 482 3.58 516 4.11 549 4.66
10,000 296 1.74 339 2.17 379 2.62 418 3.09 454 3.59 489 4.12 522 4.68 554 5.26
12,000 339 2.76 376 3.29 411 3.81 445 4.35 477 4.91 509 5.49 539 6.09 568 6.71
14,000 382 4.15 416 4.79 448 5.40 478 6.01 506 6.63 535 7.26 562 7.92 589 8.60
16,000 427 5.96 458 6.71 487 7.42 514 8.11 540 8.81 565 9.52 590 10.23 615 10.97
18,000 473 8.26 501 9.12 527 9.93 552 10.72 576 11.50 600 12.29 623 13.08 645 13.88
20,000 519 11.10 545 12.06 570 12.99 593 13.88 615 14.76 637 15.63 658 16.50 679 17.38
AIRFLOW
(Cfm)
AVAILABLE EXTERNAL STATIC PRESSURE (in. wg)
1.82.02.22.42.62.83.03.2
Rpm Bhp Rpm Bhp Rpm Bhp Rpm Bhp Rpm Bhp Rpm Bhp Rpm Bhp Rpm Bhp
9,000 579 5.23 608 5.81 636 6.41 662 7.02 687 7.64 712 8.27 735 8.91 757 9.57
10,000 584 5.85 613 6.47 641 7.10 667 7.74 692 8.40 717 9.07 740 9.75 763 10.44
12,000 597 7.36 625 8.03 651 8.72 677 9.42 702 10.14 726 10.88 750 11.63 772 12.39
14,000 615 9.29 641 10.01 666 10.74 690 11.50 714 12.27 738 13.06 760 13.87 783 14.69
16,000 639 11.71 663 12.48 686 13.27 709 14.07 731 14.89 753 15.73 775 16.58 796 17.45
18,000 667 14.69 689 15.51 711 16.35 732 17.20 753 18.07 773 18.96 793 19.86 813 20.78
20,000 699 18.25 719 19.14 739 20.04 759 20.95 778 21.88 797 22.82 816 23.77 — —
AIRFLOW
(Cfm)
AVAILABLE EXTERNAL STATIC PRESSURE (in. wg)
3.4 3.6 3.8 4.0
Rpm Bhp Rpm Bhp Rpm Bhp Rpm Bhp
9,000 779 10.23 800 10.90 821 11.58 840 12.27
10,000 785 11.14 806 11.85 826 12.57 846 13.30
12,000 794 13.16 816 13.94 836 14.73 857 15.54
14,000 804 15.52 825 16.37 846 17.22 866 18.10
16,000 817 18.34 837 19.24 857 20.15 877 21.08
18,000 833 21.71 853 22.66 872 23.62 — —
20,000 ————————
48/50ZN units only.
Bhp — Brake Horsepower Kilowatts = Bhp x .746
Motor efficiency

12
Table 7 — Fan Performance — 48ZG,ZN055 and 50ZG,ZN055 Units Without Discharge Plenum*
LEGEND
*If calculating static pressure for a 48 Series unit, be sure to add gas
heat pressure drop from Table 30B on page 32.
NOTES:
1. Fan performance is based on wet coils and clean 2-in. filters.
2. See Table 30B before using Fan Performance tables.
3. Conversion — Bhp to kW:
See Tables 26-28 for motor efficiency.
AIRFLOW
(Cfm)
AVAILABLE EXTERNAL STATIC PRESSURE (in. wg)
0.2 0.4 0.6 0.8 1.0 1.2 1.4 1.6
Rpm Bhp Rpm Bhp Rpm Bhp Rpm Bhp Rpm Bhp Rpm Bhp Rpm Bhp Rpm Bhp
10,000 207 1.04 253 1.50 295 2.03 334 2.66 371 3.41 405 4.26 438 5.20 468 6.20
12,500 235 1.69 276 2.23 312 2.78 346 3.40 379 4.10 410 4.88 440 5.75 469 6.70
15,000 265 2.59 302 3.23 335 3.85 365 4.51 394 5.20 422 5.96 449 6.78 476 7.67
17,500 295 3.78 331 4.52 361 5.24 389 5.97 415 6.71 440 7.48 465 8.30 489 9.17
20,000 327 5.31 360 6.15 388 6.98 414 7.79 439 8.60 462 9.43 485 10.28 507 11.17
22,500 359 7.23 390 8.16 417 9.09 442 10.00 465 10.90 487 11.81 508 12.72 528 13.65
25,000 392 9.59 421 10.60 447 11.62 470 12.64 492 13.64 513 14.63 533 15.62 552 16.62
AIRFLOW
(Cfm)
AVAILABLE EXTERNAL STATIC PRESSURE (in. wg)
1.82.02.22.42.62.83.03.2
Rpm Bhp Rpm Bhp Rpm Bhp Rpm Bhp Rpm Bhp Rpm Bhp Rpm Bhp Rpm Bhp
10,000 497 7.27 523 8.39 549 9.55 573 10.75 596 11.98 618 13.23 639 14.51 659 15.81
12,500 497 7.73 523 8.83 549 10.00 573 11.22 597 12.49 619 13.81 641 15.16 662 16.55
15,000 501 8.63 526 9.67 550 10.77 574 11.94 597 13.17 619 14.46 641 15.80 662 17.19
17,500 512 10.09 535 11.07 557 12.11 579 13.21 601 14.38 622 15.60 643 16.88 663 18.21
20,000 528 12.09 549 13.06 570 14.07 590 15.12 610 16.24 630 17.40 649 18.62 668 19.89
22,500 548 14.60 567 15.59 587 16.61 605 17.66 624 18.75 642 19.88 660 21.06 678 22.28
25,000 571 17.63 589 18.66 607 19.71 624 20.78 642 21.89 659 23.02 676 24.19 692 25.39
AIRFLOW
(Cfm)
AVAILABLE EXTERNAL STATIC PRESSURE (in. wg)
3.4 3.6 3.8 4.0
Rpm Bhp Rpm Bhp Rpm Bhp Rpm Bhp
10,000 679 17.13 697 18.46 715 19.81 733 21.17
12,500 682 17.98 702 19.43 721 20.90 739 22.40
15,000 682 18.63 702 20.10 721 21.62 740 23.17
17,500 683 19.60 702 21.04 721 22.53 740 24.06
20,000 687 21.20 706 22.57 724 24.00 742 25.46
22,500 696 23.55 713 24.86 731 26.22 748 27.62
25,000 709 26.62 725 27.91 741 29.22 — —
48/50ZN units only.
Bhp — Brake Horsepower Kilowatts = Bhp x .746
Motor efficiency

13
Table 8 — Fan Performance — 48ZG,ZN060 and 50ZG,ZN060 Units Without Discharge Plenum*
LEGEND
*If calculating static pressure for a 48 Series unit, be sure to add gas
heat pressure drop from Table 30B on page 32.
NOTES:
1. Fan performance is based on wet coils and clean 2-in. filters.
2. See Table 30B before using Fan Performance tables.
3. Conversion — Bhp to kW:
See Tables 26-28 for motor efficiency.
AIRFLOW
(Cfm)
AVAILABLE EXTERNAL STATIC PRESSURE (in. wg)
0.20.40.60.81.01.21.41.6
Rpm Bhp Rpm Bhp Rpm Bhp Rpm Bhp Rpm Bhp Rpm Bhp Rpm Bhp Rpm Bhp
12,000 234 1.54 276 2.03 312 2.57 348 3.20 382 3.93 415 4.74 446 5.63 476 6.58
15,000 271 2.65 309 3.27 341 3.88 370 4.53 399 5.24 428 6.04 455 6.91 482 7.85
18,000 308 4.22 344 5.00 374 5.73 400 6.46 426 7.22 450 8.02 474 8.88 498 9.81
21,000 348 6.36 380 7.29 408 8.18 434 9.04 457 9.88 479 10.74 501 11.64 522 12.58
24,000 390 9.19 417 10.24 444 11.29 469 12.29 491 13.27 512 14.23 532 15.21 551 16.20
27,000 433 12.80 456 13.93 481 15.14 504 16.30 526 17.44 546 18.53 565 19.62 583 20.71
30,000 476 17.29 497 18.50 519 19.82 541 21.15 562 22.45 581 23.70 599 24.93 617 26.14
AIRFLOW
(Cfm)
AVAILABLE EXTERNAL STATIC PRESSURE (in. wg)
1.82.02.22.42.62.83.03.2
Rpm Bhp Rpm Bhp Rpm Bhp Rpm Bhp Rpm Bhp Rpm Bhp Rpm Bhp Rpm Bhp
12,000 504 7.56 530 8.57 555 9.61 578 10.66 600 11.73 621 12.81 641 13.91 660 15.01
15,000 509 8.87 535 9.95 559 11.07 583 12.25 606 13.45 628 14.68 650 15.95 670 17.23
18,000 521 10.79 544 11.85 567 12.97 590 14.14 612 15.38 633 16.66 654 17.99 675 19.36
21,000 543 13.56 563 14.60 583 15.69 603 16.84 623 18.05 643 19.31 662 20.63 682 21.99
24,000 570 17.22 588 18.28 607 19.39 625 20.53 642 21.72 660 22.95 678 24.24 695 25.58
27,000 601 21.81 618 22.93 635 24.07 651 25.25 667 26.46 684 27.70 700 28.98 715 30.31
30,000 634 27.34 650 28.56 666 29.78 681 31.02 696 32.28 711 33.56 726 34.88 —- —
AIRFLOW
(Cfm)
AVAILABLE EXTERNAL STATIC PRESSURE (in. wg)
3.4 3.6 3.8 4.0
Rpm Bhp Rpm Bhp Rpm Bhp Rpm Bhp
12,000 679 16.11 697 17.23 714 18.35 730 19.49
15,000 690 18.52 709 19.84 727 21.15 745 22.49
18,000 695 20.76 714 22.20 733 23.66 — —
21,000 701 23.41 719 24.87 738 26.38 — —
24,000 713 26.97 730 28.40 747 29.89 — —
27,000 731 31.67 747 33.08 —- — — —
30,000 ————————
48/50ZN units only.
Bhp — Brake Horsepower Kilowatts = Bhp x .746
Motor efficiency

14
Table 9 — Fan Performance — 48ZG,ZN070 and 50ZG,ZN070 Units Without Discharge Plenum*
LEGEND
*If calculating static pressure for a 48 Series unit, be sure to add gas
heat pressure drop from Table 30B on page 32.
NOTES:
1. Fan performance is based on wet coils and clean 2-in. filters.
2. See Table 30B before using Fan Performance tables.
3. Conversion — Bhp to kW:
See Tables 26-28 for motor efficiency.
AIRFLOW
(Cfm)
AVAILABLE EXTERNAL STATIC PRESSURE (in. wg)
0.20.40.60.81.01.21.41.6
Rpm Bhp Rpm Bhp Rpm Bhp Rpm Bhp Rpm Bhp Rpm Bhp Rpm Bhp Rpm Bhp
14,000 258 2.23 297 2.80 330 3.38 362 4.02 392 4.73 422 5.53 451 6.42 480 7.37
17,500 302 3.92 338 4.67 368 5.39 395 6.10 421 6.84 446 7.64 471 8.50 495 9.42
21,000 348 6.36 380 7.29 408 8.18 434 9.04 457 9.88 479 10.74 501 11.64 522 12.57
24,500 397 9.74 424 10.80 450 11.88 475 12.91 497 13.91 517 14.89 537 15.88 556 16.89
28,000 447 14.18 470 15.35 494 16.60 516 17.82 538 19.01 558 20.16 576 21.29 594 22.41
30,000 476 17.29 497 18.50 519 19.82 541 21.15 562 22.45 581 23.70 599 24.93 617 26.14
AIRFLOW
(Cfm)
AVAILABLE EXTERNAL STATIC PRESSURE (in. wg)
1.82.02.22.42.62.83.03.2
Rpm Bhp Rpm Bhp Rpm Bhp Rpm Bhp Rpm Bhp Rpm Bhp Rpm Bhp Rpm Bhp
14,000 507 8.39 533 9.46 558 10.57 582 11.71 605 12.89 627 14.08 648 15.29 668 16.52
17,500 519 10.42 542 11.48 565 12.60 588 13.78 610 15.02 632 16.30 653 17.62 674 18.99
21,000 543 13.56 563 14.60 583 15.69 603 16.84 623 18.05 643 19.31 662 20.63 682 21.99
24,500 575 17.93 593 18.99 611 20.10 629 21.24 646 22.43 664 23.67 681 24.96 698 26.29
28,000 612 23.55 628 24.69 645 25.86 661 27.05 677 28.27 692 29.53 708 30.82 723 32.15
30,000 634 27.34 650 28.56 666 29.78 681 31.02 696 32.28 711 33.56 726 34.88 — —
AIRFLOW
(Cfm)
AVAILABLE EXTERNAL STATIC PRESSURE (in. wg)
3.4 3.6 3.8 4.0
Rpm Bhp Rpm Bhp Rpm Bhp Rpm Bhp
14,000 687 17.76 706 19.01 724 20.27 741 21.54
17,500 694 20.38 713 21.79 732 23.24 — —
21,000 701 23.41 719 24.87 738 26.38 — —
24,500 715 27.67 732 29.10 749 30.58 — —
28,000 739 33.51 — — — — — —
30,000 ————————
48/50ZN units only.
Bhp — Brake Horsepower Kilowatts = Bhp x .746
Motor efficiency

15
Table 10 — Fan Performance — 50ZG,ZN030 Units With Discharge Plenum and 50Z2,Z3030 Units
LEGEND
NOTES:
1. Fan performance is based on wet coils and clean 2-in. filters.
2. See Table 30A before using Fan Performance tables.
3. Conversion — Bhp to kW:
See Tables 26-28 for motor efficiency.
AIRFLOW
(Cfm)
AVAILABLE EXTERNAL STATIC PRESSURE (in. wg)
0.2 0.4 0.6 0.8 1.0 1.2 1.4 1.6
Rpm Bhp Rpm Bhp Rpm Bhp Rpm Bhp Rpm Bhp Rpm Bhp Rpm Bhp Rpm Bhp
6,000 255 0.95 313 1.35 364 1.82 411 2.35 454 2.92 494 3.52 530 4.14 563 4.78
7,500 291 1.51 340 1.93 386 2.41 428 2.94 468 3.51 505 4.13 541 4.78 574 5.46
9,000 330 2.28 372 2.73 413 3.22 451 3.76 487 4.34 522 4.96 555 5.61 587 6.30
10,500 371 3.28 408 3.76 444 4.28 479 4.84 512 5.43 544 6.06 574 6.71 604 7.40
12,000 413 4.56 447 5.07 479 5.61 510 6.19 540 6.80 570 7.44 598 8.11 626 8.80
13,500 456 6.12 487 6.66 516 7.23 544 7.83 572 8.46 599 9.12 626 9.81 651 10.51
15,000 500 7.99 528 8.58 555 9.18 581 9.80 606 10.45 631 11.13 656 11.83 680 12.56
AIRFLOW
(Cfm)
AVAILABLE EXTERNAL STATIC PRESSURE (in. wg)
1.8 2.0 2.2 2.4 2.6 2.8 3.0 3.2
Rpm Bhp Rpm Bhp Rpm Bhp Rpm Bhp Rpm Bhp Rpm Bhp Rpm Bhp Rpm Bhp
6,000 594 5.43 623 6.09 651 6.75 676 7.41 701 8.08 725 8.75 747 9.42 769 10.10
7,500 605 6.16 635 6.88 664 7.62 691 8.36 716 9.11 741 9.88 765 10.64 787 11.41
9,000 617 7.02 646 7.76 674 8.52 702 9.31 728 10.11 753 10.93 777 11.76 800 12.60
10,500 633 8.12 660 8.86 687 9.64 713 10.43 739 11.25 764 12.09 788 12.95 811 13.82
12,000 652 9.52 679 10.27 704 11.04 729 11.84 753 12.66 777 13.50 800 14.37 823 15.26
13,500 676 11.25 701 12.00 725 12.78 748 13.58 771 14.40 794 15.24 816 16.11 838 16.99
15,000 703 13.30 726 14.07 749 14.86 771 15.66 793 16.49 814 17.34 835 18.20 856 19.09
AIRFLOW
(Cfm)
AVAILABLE EXTERNAL STATIC PRESSURE (in. wg)
3.4 3.6 3.8 4.0
Rpm Bhp Rpm Bhp Rpm Bhp Rpm Bhp
6,000 789 10.77 809 11.45 829 12.13 848 12.81
7,500 809 12.18 830 12.96 851 13.73 870 14.51
9,000 823 13.44 844 14.29 866 15.15 886 16.01
10,500 833 14.71 856 15.61 877 16.52 898 17.44
12,000 845 16.16 867 17.08 888 18.01 — —
13,500 859 17.90 880 18.82 — — — —
15,000 876 20.00 896 20.92 — — — —
50ZN,Z3 units only.
Bhp — Brake Horsepower Kilowatts = Bhp x .746
Motor efficiency

16
Table 11 — Fan Performance — 50ZG,ZN035 Units With Discharge Plenum and 50Z2,Z3035 Units
LEGEND
NOTES:
1. Fan performance is based on wet coils and clean 2-in. filters.
2. See Table 30A before using Fan Performance tables.
3. Conversion — Bhp to kW:
See Tables 26-28 for motor efficiency.
AIRFLOW
(Cfm)
AVAILABLE EXTERNAL STATIC PRESSURE (in. wg)
0.2 0.4 0.6 0.8 1.0 1.2 1.4 1.6
Rpm Bhp Rpm Bhp Rpm Bhp Rpm Bhp Rpm Bhp Rpm Bhp Rpm Bhp Rpm Bhp
7,000 285 1.35 337 1.78 384 2.26 428 2.80 469 3.38 507 4.00 542 4.66 576 5.34
8,000 311 1.81 358 2.25 402 2.75 442 3.29 481 3.87 517 4.50 551 5.16 584 5.86
10,000 367 3.04 406 3.52 443 4.05 479 4.61 512 5.21 545 5.84 576 6.51 606 7.21
12,000 426 4.74 459 5.26 491 5.82 522 6.42 552 7.05 581 7.70 609 8.38 637 9.09
14,000 486 6.98 515 7.55 543 8.15 570 8.78 597 9.44 623 10.12 649 10.83 674 11.55
15,000 517 8.33 544 8.92 570 9.54 596 10.18 621 10.85 646 11.55 671 12.27 694 13.01
AIRFLOW
(Cfm)
AVAILABLE EXTERNAL STATIC PRESSURE (in. wg)
1.82.02.22.42.62.83.03.2
Rpm Bhp Rpm Bhp Rpm Bhp Rpm Bhp Rpm Bhp Rpm Bhp Rpm Bhp Rpm Bhp
7,000 607 6.03 637 6.74 665 7.46 691 8.18 717 8.91 741 9.65 764 10.39 786 11.13
8,000 615 6.58 645 7.32 673 8.07 700 8.84 726 9.62 751 10.41 775 11.20 797 12.00
10,000 636 7.94 664 8.70 691 9.48 717 10.29 743 11.11 768 11.96 792 12.82 815 13.69
12,000 663 9.83 689 10.59 715 11.38 739 12.19 764 13.03 787 13.88 810 14.76 833 15.66
14,000 698 12.31 722 13.08 745 13.88 768 14.69 791 15.53 813 16.39 834 17.27 856 18.17
15,000 718 13.78 741 14.56 763 15.36 785 16.19 807 17.03 828 17.90 849 18.78 869 19.69
AIRFLOW
(Cfm)
AVAILABLE EXTERNAL STATIC PRESSURE (in. wg)
3.4 3.6 3.8 4.0
Rpm Bhp Rpm Bhp Rpm Bhp Rpm Bhp
7,000 807 11.88 828 12.62 848 13.37 867 14.12
8,000 819 12.80 841 13.61 861 14.42 881 15.23
10,000 837 14.57 859 15.47 881 16.37 —- —
12,000 855 16.57 876 17.51 897 18.45 — —
14,000 876 19.10 897 20.04 — — — —
15,000 890 20.61 — — — — — —
50ZN,Z3 units only.
Bhp — Brake Horsepower Kilowatts = Bhp x .746
Motor efficiency

17
Table 12 — Fan Performance — 50ZG,ZN040 Units With Discharge Plenum and 50Z2,Z3040 Units
LEGEND
NOTES:
1. Fan performance is based on wet coils and clean 2-in. filters.
2. See Table 30A before using Fan Performance tables.
3. Conversion — Bhp to kW:
See Tables 26-28 for motor efficiency.
AIRFLOW
(Cfm)
AVAILABLE EXTERNAL STATIC PRESSURE (in. wg)
0.20.40.60.81.01.21.41.6
Rpm Bhp Rpm Bhp Rpm Bhp Rpm Bhp Rpm Bhp Rpm Bhp Rpm Bhp Rpm Bhp
8,000 293 1.62 344 2.10 390 2.62 432 3.18 470 3.76 507 4.36 541 4.97 573 5.60
10,000 343 2.66 385 3.19 425 3.76 463 4.36 498 4.99 532 5.64 563 6.31 594 7.00
12,000 395 4.09 431 4.68 466 5.29 500 5.93 532 6.60 562 7.30 592 8.01 620 8.75
14,000 449 5.97 481 6.62 512 7.28 541 7.96 570 8.67 598 9.40 626 10.16 652 10.93
16,000 504 8.32 533 9.06 560 9.77 587 10.50 613 11.25 638 12.02 663 12.81 688 13.62
18,000 559 11.20 586 12.04 611 12.82 635 13.59 659 14.38 682 15.19 705 16.01 727 16.86
20,000 615 14.66 640 15.59 663 16.44 685 17.28 707 18.11 728 18.96 749 19.83 770 20.71
AIRFLOW
(Cfm)
AVAILABLE EXTERNAL STATIC PRESSURE (in. wg)
1.82.02.22.42.62.83.03.2
Rpm Bhp Rpm Bhp Rpm Bhp Rpm Bhp Rpm Bhp Rpm Bhp Rpm Bhp Rpm Bhp
8,000 603 6.23 632 6.87 659 7.50 685 8.14 710 8.78 734 9.43 757 10.07 779 10.71
10,000 623 7.70 651 8.41 678 9.13 703 9.86 728 10.60 752 11.33 776 12.08 798 12.82
12,000 648 9.50 674 10.26 699 11.04 724 11.83 748 12.63 772 13.44 794 14.25 817 15.07
14,000 677 11.73 702 12.54 726 13.35 750 14.19 772 15.04 795 15.89 817 16.76 838 17.64
16,000 712 14.45 735 15.30 757 16.16 779 17.03 801 17.92 822 18.82 843 19.73 863 20.65
18,000 749 17.73 771 18.61 792 19.50 813 20.42 833 21.34 853 22.27 873 23.23 — —
20,000 79021.6181122.5283023.45——————————
AIRFLOW
(Cfm)
AVAILABLE EXTERNAL STATIC PRESSURE (in. wg)
3.4 3.6 3.8 4.0
Rpm Bhp Rpm Bhp Rpm Bhp Rpm Bhp
8,000 800 11.35 821 12.00 841 12.64 860 13.28
10,000 820 13.57 841 14.31 862 15.06 882 15.81
12,000 838 15.90 859 16.73 880 17.57 900 18.40
14,000 859 18.53 879 19.42 899 20.32 — —
16,000 883 21.58 — — — — — —
18,000 ————————
20,000 ————————
50ZN,Z3 units only.
Bhp — Brake Horsepower Kilowatts = Bhp x .746
Motor efficiency

18
Table 13 — Fan Performance — 50ZG,ZN050 Units With Discharge Plenum and 50Z2,Z3050 Units
LEGEND
NOTES:
1. Fan performance is based on wet coils and clean 2-in. filters.
2. See Table 30A before using Fan Performance tables.
3. Conversion — Bhp to kW:
See Tables 26-28 for motor efficiency.
AIRFLOW
(Cfm)
AVAILABLE EXTERNAL STATIC PRESSURE (in. wg)
0.20.40.60.81.01.21.41.6
Rpm Bhp Rpm Bhp Rpm Bhp Rpm Bhp Rpm Bhp Rpm Bhp Rpm Bhp Rpm Bhp
9,000 324 2.15 369 2.67 412 3.23 452 3.83 488 4.44 523 5.08 556 5.73 587 6.40
10,000 349 2.74 392 3.28 431 3.87 469 4.48 504 5.12 537 5.78 569 6.46 599 7.16
12,000 403 4.23 439 4.82 474 5.45 507 6.11 539 6.80 570 7.51 599 8.23 627 8.98
14,000 459 6.17 490 6.83 521 7.50 550 8.20 579 8.93 607 9.69 634 10.46 660 11.25
16,000 515 8.63 544 9.34 571 10.07 597 10.82 623 11.59 649 12.38 674 13.20 698 14.03
18,000 573 11.65 599 12.44 623 13.21 647 14.00 671 14.82 694 15.65 716 16.50 739 17.37
20,000 630 15.28 654 16.14 677 16.97 699 17.81 720 18.66 741 19.53 762 20.43 783 21.34
AIRFLOW
(Cfm)
AVAILABLE EXTERNAL STATIC PRESSURE (in. wg)
1.82.02.22.42.62.83.03.2
Rpm Bhp Rpm Bhp Rpm Bhp Rpm Bhp Rpm Bhp Rpm Bhp Rpm Bhp Rpm Bhp
9,000 617 7.08 645 7.77 672 8.47 698 9.18 723 9.90 747 10.62 770 11.34 793 12.07
10,000 628 7.87 656 8.59 682 9.33 708 10.07 733 10.82 757 11.58 780 12.35 802 13.12
12,000 654 9.74 680 10.51 706 11.30 730 12.10 754 12.90 778 13.73 800 14.56 822 15.39
14,000 686 12.06 710 12.88 734 13.71 757 14.55 780 15.41 802 16.27 824 17.15 845 18.04
16,000 721 14.88 744 15.74 767 16.62 789 17.51 810 18.41 831 19.32 852 20.24 872 21.17
18,000 761 18.27 782 19.17 803 20.09 824 21.02 844 21.96 864 22.92 884 23.88 — —
20,000 80322.2782323.21————————————
AIRFLOW
(Cfm)
AVAILABLE EXTERNAL STATIC PRESSURE (in. wg)
3.4 3.6 3.8 4.0
Rpm Bhp Rpm Bhp Rpm Bhp Rpm Bhp
9,000 814 12.79 835 13.52 855 14.25 875 14.99
10,000 824 13.89 845 14.67 866 15.45 886 16.23
12,000 844 16.24 865 17.09 885 17.95 — —
14,000 866 18.94 886 19.85 — — — —
16,000 892 22.12 — — — — — —
18,000 ————————
20,000 ————————
50ZN,Z3 units only.
Bhp — Brake Horsepower Kilowatts = Bhp x .746
Motor efficiency

19
Table 14 — Fan Performance — 50ZG,ZN055 Units With Discharge Plenum and 50Z2,Z3055 Units
LEGEND
NOTES:
1. Fan performance is based on wet coils and clean 2-in. filters.
2. See Table 30B before using Fan Performance tables.
3. Conversion — Bhp to kW:
See Tables 26-28 for motor efficiency.
AIRFLOW
(Cfm)
AVAILABLE EXTERNAL STATIC PRESSURE (in. wg)
0.20.40.60.81.01.21.41.6
Rpm Bhp Rpm Bhp Rpm Bhp Rpm Bhp Rpm Bhp Rpm Bhp Rpm Bhp Rpm Bhp
10,000 217 1.21 258 1.71 296 2.29 334 2.97 371 3.76 407 4.63 440 5.56 471 6.51
12,500 248 2.01 286 2.63 319 3.26 349 3.95 380 4.71 410 5.58 440 6.52 469 7.54
15,000 281 3.13 317 3.90 347 4.64 374 5.38 400 6.18 425 7.03 450 7.95 476 8.95
17,500 315 4.64 348 5.55 378 6.43 403 7.29 426 8.16 449 9.05 471 10.00 493 10.99
20,000 351 6.64 381 7.64 409 8.68 433 9.68 456 10.66 477 11.64 497 12.65 516 13.68
22,500 389 9.20 414 10.25 440 11.43 464 12.59 486 13.71 506 14.81 525 15.91 543 17.03
25,000 427 12.39 449 13.48 473 14.75 496 16.06 517 17.34 537 18.59 555 19.82 573 21.04
AIRFLOW
(Cfm)
AVAILABLE EXTERNAL STATIC PRESSURE (in. wg)
1.82.02.22.42.62.83.03.2
Rpm Bhp Rpm Bhp Rpm Bhp Rpm Bhp Rpm Bhp Rpm Bhp Rpm Bhp Rpm Bhp
10,000 500 7.48 527 8.46 552 9.45 576 10.44 598 11.42 619 12.41 639 13.41 659 14.41
12,500 498 8.63 525 9.76 552 10.93 577 12.12 601 13.32 624 14.54 646 15.76 667 16.99
15,000 501 10.03 526 11.17 550 12.38 575 13.65 598 14.97 621 16.32 644 17.71 666 19.11
17,500 514 12.05 536 13.17 557 14.35 579 15.60 600 16.91 621 18.28 643 19.70 663 21.18
20,000 535 14.76 554 15.88 573 17.06 592 18.29 611 19.58 630 20.91 649 22.31 668 23.77
22,500 561 18.17 579 19.34 596 20.54 613 21.78 629 23.06 646 24.40 663 25.78 680 27.20
25,000 590 22.27 606 23.51 622 24.78 637 26.07 653 27.39 668 28.75 683 30.13 699 31.56
AIRFLOW
(Cfm)
AVAILABLE EXTERNAL STATIC PRESSURE (in. wg)
3.4 3.6 3.8 4.0
Rpm Bhp Rpm Bhp Rpm Bhp Rpm Bhp
10,000 677 15.40 695 16.40 712 17.40 728 18.41
12,500 687 18.22 706 19.45 725 20.69 742 21.92
15,000 687 20.54 707 21.98 727 23.43 746 24.89
17,500 684 22.69 704 24.24 724 25.83 743 27.43
20,000 686 25.27 705 26.84 723 28.44 742 30.09
22,500 697 28.68 713 30.21 730 31.79 747 33.42
25,000 714 33.04 729 34.55 — — — —
50ZN,Z3 units only.
Bhp — Brake Horsepower Kilowatts = Bhp x .746
Motor efficiency

20
Table 15 — Fan Performance — 50ZG,ZN060 Units With Discharge Plenum and 50Z2,Z3060 Units
LEGEND
NOTES:
1. Fan performance is based on wet coils and clean 2-in. filters.
2. See Table 30B before using Fan Performance tables.
3. Conversion — Bhp to kW:
See Tables 26-28 for motor efficiency.
AIRFLOW
(Cfm)
AVAILABLE EXTERNAL STATIC PRESSURE (in. wg)
0.20.40.60.81.01.21.41.6
Rpm Bhp Rpm Bhp Rpm Bhp Rpm Bhp Rpm Bhp Rpm Bhp Rpm Bhp Rpm Bhp
12,000 241 1.82 280 2.41 314 3.04 346 3.72 376 4.47 405 5.26 433 6.11 460 7.01
15,000 281 3.14 316 3.87 346 4.61 374 5.38 400 6.19 426 7.05 450 7.95 474 8.90
18,000 323 5.03 355 5.92 382 6.80 408 7.68 431 8.58 454 9.53 476 10.50 498 11.52
21,000 366 7.61 395 8.66 421 9.69 444 10.71 466 11.73 487 12.78 507 13.85 527 14.94
24,000 410 10.97 437 12.20 460 13.39 482 14.55 503 15.71 523 16.88 541 18.07 560 19.27
27,000 455 15.23 479 16.65 501 18.00 522 19.33 542 20.64 560 21.95 578 23.26 595 24.58
30,000 500 20.52 522 22.11 543 23.64 563 25.14 581 26.61 599 28.06 616 29.52 632 30.97
AIRFLOW
(Cfm)
AVAILABLE EXTERNAL STATIC PRESSURE (in. wg)
1.82.02.22.42.62.83.03.2
Rpm Bhp Rpm Bhp Rpm Bhp Rpm Bhp Rpm Bhp Rpm Bhp Rpm Bhp Rpm Bhp
12,000 486 7.94 511 8.91 535 9.91 559 10.94 581 11.99 603 13.07 624 14.16 645 15.28
15,000 498 9.90 520 10.93 543 12.01 564 13.11 586 14.26 606 15.43 627 16.63 646 17.86
18,000 518 12.57 539 13.66 559 14.78 579 15.95 598 17.15 617 18.39 636 19.65 654 20.95
21,000 546 16.07 564 17.23 583 18.42 600 19.64 618 20.90 635 22.19 653 23.51 669 24.86
24,000 577 20.49 594 21.74 611 23.00 628 24.31 644 25.63 660 26.99 676 28.38 691 29.77
27,000 611 25.91 628 27.26 643 28.63 659 30.03 674 31.44 689 32.87 703 34.33 718 35.82
30,000 64832.4366333.9067835.38——————————
AIRFLOW
(Cfm)
AVAILABLE EXTERNAL STATIC PRESSURE (in. wg)
3.4 3.6 3.8 4.0
Rpm Bhp Rpm Bhp Rpm Bhp Rpm Bhp
12,000 664 16.40 683 17.55 702 18.70 720 19.87
15,000 666 19.12 685 20.39 703 21.69 721 23.01
18,000 672 22.28 690 23.64 708 25.02 725 26.44
21,000 686 26.25 703 27.67 719 29.11 735 30.59
24,000 707 31.23 722 32.71 737 34.20 — —
27,000 ————————
30,000 ————————
50ZN,Z3 units only.
Bhp — Brake Horsepower Kilowatts = Bhp x .746
Motor efficiency

21
Table 16 — Fan Performance — 50ZG,ZN070 Units With Discharge Plenum and 50Z2,Z3070 Units
LEGEND
NOTES:
1. Fan performance is based on wet coils and clean 2-in. filters.
2. See Table 30B before using Fan Performance tables.
3. Conversion — Bhp to kW:
See Tables 26-28 for motor efficiency.
AIRFLOW
(Cfm)
AVAILABLE EXTERNAL STATIC PRESSURE (in. wg)
0.20.40.60.81.01.21.41.6
Rpm Bhp Rpm Bhp Rpm Bhp Rpm Bhp Rpm Bhp Rpm Bhp Rpm Bhp Rpm Bhp
14,000 268 2.64 304 3.32 335 4.02 364 4.76 391 5.55 418 6.39 444 7.27 468 8.20
17,500 316 4.67 348 5.54 376 6.39 402 7.25 426 8.14 449 9.06 472 10.03 493 11.03
21,000 366 7.61 395 8.66 421 9.69 444 10.71 466 11.73 487 12.78 507 13.85 527 14.94
24,500 417 11.61 444 12.87 467 14.09 489 15.28 509 16.47 529 17.66 547 18.86 565 20.08
28,000 470 16.88 493 18.35 515 19.77 536 21.15 555 22.51 573 23.87 590 25.22 607 26.59
30,000 500 20.52 522 22.11 543 23.64 563 25.14 581 26.61 599 28.06 616 29.52 632 30.97
AIRFLOW
(Cfm)
AVAILABLE EXTERNAL STATIC PRESSURE (in. wg)
1.82.02.22.42.62.83.03.2
Rpm Bhp Rpm Bhp Rpm Bhp Rpm Bhp Rpm Bhp Rpm Bhp Rpm Bhp Rpm Bhp
14,000 493 9.17 516 10.19 539 11.24 562 12.33 583 13.45 605 14.60 625 15.77 645 16.96
17,500 515 12.07 535 13.14 556 14.26 576 15.42 595 16.61 615 17.84 634 19.09 652 20.39
21,000 546 16.07 564 17.23 583 18.42 600 19.64 618 20.90 635 22.19 653 23.51 669 24.86
24,500 583 21.32 600 22.59 616 23.87 633 25.18 649 26.53 664 27.89 680 29.29 695 30.71
28,000 623 27.96 639 29.35 655 30.75 670 32.18 685 33.63 699 35.09 — — — —
30,000 64832.4366333.9067835.38——————————
AIRFLOW
(Cfm)
AVAILABLE EXTERNAL STATIC PRESSURE (in. wg)
3.4 3.6 3.8 4.0
Rpm Bhp Rpm Bhp Rpm Bhp Rpm Bhp
14,000 665 18.18 684 19.42 703 20.68 721 21.95
17,500 671 21.70 689 23.05 706 24.42 724 25.82
21,000 686 26.24 703 27.67 719 29.11 735 30.59
24,500 711 32.17 726 33.65 741 35.16 — —
28,000 ————————
30,000 ————————
50ZN,Z3 units only.
Bhp — Brake Horsepower Kilowatts = Bhp x .746
Motor efficiency

22
Table 17 — Fan Performance — 48ZG,ZN,ZT,ZW,Z6,Z8 and 50ZG,ZN,ZT,ZW,ZX,ZZ,Z2,Z3,Z6,Z7,Z8,Z9075
Units With Forward-Curved Fan*
LEGEND
*If calculating static pressure for a 48 Series unit, be sure to add gas
heat pressure drop from Table 30C.
NOTES:
1. Fan performance is based on wet coils and clean 2-in. filters.
2. For return fan (48Z6,Z8 and 50Z6,Z7,Z8,Z9) and high-capacity
power exhaust (48ZT,ZW and 50ZT,ZW,ZX,ZZ) units, add com-
ponent pressure drop for economizer. Do not add component
pressure drop for power exhaust.
3. See Table 30C before using Fan Performance tables.
4. Conversion — Bhp to kW:
See Tables 26-28 for motor efficiency.
AIRFLOW
(Cfm)
AVAILABLE EXTERNAL STATIC PRESSURE (in. wg)
0.2 0.4 0.6 0.8 1.0 1.2 1.4 1.6
Rpm Bhp Rpm Bhp Rpm Bhp Rpm Bhp Rpm Bhp Rpm Bhp Rpm Bhp Rpm Bhp
14,000 211 2.35 243 3.06 272 3.80 299 4.59 325 5.43 349 6.30 372 7.21 395 8.15
16,000 232 3.27 261 4.06 288 4.88 313 5.74 337 6.65 360 7.59 381 8.57 402 9.58
18,000 253 4.42 281 5.31 305 6.21 329 7.14 351 8.11 372 912 393 10.17 413 11.25
20,000 275 5.83 301 6.82 324 7.81 346 8.82 366 9.86 386 10.94 406 12.05 425 13.20
22,000 298 7.53 321 8.62 343 9.70 364 10.80 383 11.92 402 13.07 420 14.25 438 15.46
24,000 320 9.55 342 10.75 363 11.93 383 13.11 401 14.31 419 15.54 436 16.79 453 18.07
26,000 343 11.91 364 13.22 384 14.50 402 15.78 420 17.07 437 18.37 453 19.70 469 21.05
28,000 367 14.65 386 16.06 405 17.45 422 18.83 439 20.20 455 21.59 471 23.00 486 24.43
30,000 390 17.78 408 19.31 426 20.80 443 22.28 459 23.75 474 25.24 489 26.73 504 28.24
AIRFLOW
(Cfm)
AVAILABLE EXTERNAL STATIC PRESSURE (in. wg)
1.8 2.0 2.2 2.4 2.6 2.8 3.0 3.2
Rpm Bhp Rpm Bhp Rpm Hp Rpm Hp Rpm Hp Rpm Hp Rpm Hp Rpm Hp
14,000 416 9.12 437 10.10 457 11.10 476 12.13 495 13.17 513 14.22 531 15.29 548 16.38
16,000 423 10.62 442 11.68 462 12.77 480 13.88 498 15.00 516 16.15 533 17.31 550 18.48
18,000 432 12.36 450 13.50 469 14.66 486 15.84 504 17.05 521 18.27 537 19.53 553 20.78
20,000 443 14.38 460 15.58 478 16.82 495 18.07 511 19.35 527 20.65 543 21.98 559 23.32
22,000 455 16.70 472 17.98 489 19.28 505 20.60 521 21.96 536 23.33 551 24.72 566 26.14
24,000 470 19.38 486 20.72 501 22.08 517 23.48 532 24.89 547 26.34 561 27.80 576 29.29
26,000 485 22.43 500 23.83 515 25.27 530 26.73 544 28.22 559 29.72 573 31.26 586 32.81
28,000 501 25.89 516 27.36 530 28.86 544 30.38 558 31.94 572 33.51 585 35.11 599 36.74
30,000 518 29.76 533 31.32 546 32.89 560 34.48 573 36.10 586 37.74 599 39.41 612 41.11
AIRFLOW
(Cfm)
AVAILABLE EXTERNAL STATIC PRESSURE (in. wg)
3.4 3.6 3.8 4.0
Rpm Hp Rpm Hp Rpm Hp Rpm Hp
14,000 564 17.47 581 18.58 596 19.71 612 20.84
16,000 566 19.68 582 20.88 597 22.10 613 23.33
18,000 569 22.06 585 23.36 600 24.66 615 25.99
20,000 574 24.68 589 26.06 604 27.45 618 28.85
22,000 581 27.57 596 29.04 610 30.51 624 31.99
24,000 590 30.80 604 32.33 617 33.88 631 35.44
26,000 600 34.39 613 35.99 627 37.61 640 39.24
28,000 612 38.38 624 40.05 637 41.74 650 43.44
30,000 624 42.81 637 44.54 649 46.29 661 48.06
48/50ZN,ZW,ZZ,Z3,Z8,Z9 units only.
Bhp — Brake Horsepower
Kilowatts = Bhp x .746
Motor efficiency

23
Table 18 — Fan Performance — 48ZG,ZN,ZT,ZW,Z6,Z8 and 50ZG,ZN,ZT,ZW,ZX,ZZ,Z2,Z3,Z6,Z7,Z8,Z9075
Units With Airfoil Fan*
LEGEND
*If calculating static pressure for a 48 Series unit, be sure to add gas
heat pressure drop from Table 30C.
NOTES:
1. Fan performance is based on wet coils and clean 2-in. filters.
2. For return fan (48Z6,Z8 and 50Z6,Z7,Z8,Z9) high-capacity power
exhaust (48ZT,ZW and 50ZT,ZW,ZX,ZZ) units, add component
pressure drop for economizer. Do not add component pressure
drop for power exhaust.
3. See Table 30C before using Fan Performance tables.
4. Conversion — Bhp to kW:
See Tables 26-28 for motor efficiency.
AIRFLOW
(Cfm)
AVAILABLE EXTERNAL STATIC PRESSURE (in. wg)
0.30 0.60 0.90 1.20 1.50 1.80 2.10 2.40
Rpm Bhp Rpm Bhp Rpm Bhp Rpm Bhp Rpm Bhp Rpm Bhp Rpm Bhp Rpm Bhp
15,000 622 3.32 673 4.27 721 5.24 768 6.27 815 7.33 859 8.44 903 9.57 945 10.63
16,000 657 3.86 705 4.85 751 5.87 795 6.93 839 8.02 882 9.15 924 10.32 965 11.43
18,000 727 5.11 771 6.20 812 7.30 853 8.42 892 9.58 931 10.66 970 11.92 1008 13.22
20,000 798 6.60 838 7.80 876 8.98 913 10.18 950 11.31 985 12.59 1021 13.91 1056 15.28
22,000 870 8.37 907 9.66 942 10.83 977 12.14 1010 13.47 1043 14.83 1076 16.22 1108 17.65
24,000 942 10.42 977 11.73 1010 13.13 1042 14.54 1073 15.96 1103 17.40 1134 18.87 1163 20.37
26,000 1015 12.73 1047 14.26 1078 15.77 1108 17.28 1137 18.79 1166 20.32 1194 21.87 1222 23.44
28,000 1088 15.52 1118 17.15 1147 18.77 1176 20.38 1203 21.99 1230 23.61 1257 25.25 1283 26.90
30,000 1162 18.68 1190 20.43 1218 22.15 1244 23.87 1270 25.58 1296 27.29 1321 29.01 1345 30.75
AIRFLOW
(Cfm)
AVAILABLE EXTERNAL STATIC PRESSURE (in. wg)
2.70 3.00 3.30 3.60 3.90 4.20 4.50 4.80
Rpm Bhp Rpm Bhp Rpm Bhp Rpm Bhp Rpm Bhp Rpm Bhp Rpm Bhp Rpm Bhp
15,000 985 11.83 1024 13.05 1062 14.29 1098 15.54 1132 16.80 1166 18.07 1199 19.34 1230 20.63
16,000 1004 12.68 1042 13.95 1079 15.24 1114 16.55 1149 17.86 1182 19.19 1215 20.52 1246 21.87
18,000 1045 14.54 1081 15.90 1116 17.28 1150 18.69 1184 20.11 1216 21.54 1248 22.99 1279 24.45
20,000 1090 16.67 1124 18.10 1157 19.56 1190 21.05 1222 22.56 1253 24.09 1284 25.63 1314 27.19
22,000 1140 19.11 1171 20.61 1202 22.14 1233 23.69 1263 25.28 1293 26.88 1323 28.51 1352 30.16
24,000 1193 21.90 1222 23.45 1252 25.04 1280 26.67 1309 28.31 1337 29.99 1365 31.69 1393 33.42
26,000 1250 25.04 1277 26.67 1304 28.33 1331 30.01 1358 31.72 1385 33.46 1411 35.22 1437 37.01
28,000 1309 28.57 1335 30.27 1360 32.00 1386 33.75 1411 35.52 1436 37.32 1461 39.15 1486 40.99
30,000 1370 32.50 1394 34.28 1418 36.08 1442 37.89 1466 39.74 1490 41.60 1513 43.49 1537 45.40
AIRFLOW
(Cfm)
AVAILABLE EXTERNAL STATIC PRESSURE (in. wg)
5.10 5.40 5.70 6.00
Rpm Bhp Rpm Bhp Rpm Bhp Rpm Bhp
15,000 1261 21.92 1291 23.22 1320 24.52 1348 25.84
16,000 1276 23.22 1306 24.58 1335 25.95 1363 27.32
18,000 1309 25.92 1338 27.40 1367 28.88 1395 30.37
20,000 1343 28.77 1372 30.35 1400 31.94 1428 33.55
22,000 1380 31.82 1408 33.50 1435 35.20 1462 36.90
24,000 1420 35.16 1447 36.92 1473 38.70 1499 40.49
26,000 1463 38.82 1489 40.66 1514 42.51 1539 44.38
28,000 1510 42.87 1535 44.77 1559 46.69 1583 48.63
30,000 1560 47.34 1583 49.30 1606 51.28 1629 53.28
48/50ZN,ZW,ZZ,Z3,Z8,Z9 units only.
Bhp — Brake Horsepower
Kilowatts = Bhp x .746
Motor efficiency

24
Table 19 — Fan Performance — 48ZG,ZN,ZT,ZW,Z6,Z8 and 50ZG,ZN,ZT,ZW,ZX,ZZ,Z2,Z3,Z6,Z7,Z8,Z9090
Units With Forward-Curved Fan*
LEGEND
*If calculating static pressure for a 48 Series unit, be sure to add gas
heat pressure drop from Table 30C.
NOTES:
1. Fan performance is based on wet coils and clean 2-in. filters.
2. For return fan (48Z6,Z8 and 50Z6,Z7,Z8,Z9) and high-capacity
power exhaust (48ZT,ZW and 50ZT,ZW,ZX,ZZ) units, add com-
ponent pressure drop for economizer. Do not add component
pressure drop for power exhaust.
3. See Table 30C before using Fan Performance tables.
4. Conversion — Bhp to kW:
See Tables 26-28 for motor efficiency.
AIRFLOW
(Cfm)
AVAILABLE EXTERNAL STATIC PRESSURE (in. wg)
0.2 0.4 0.6 0.8 1.0 1.2 1.4 1.6
Rpm Bhp Rpm Bhp Rpm Bhp Rpm Bhp Rpm Bhp Rpm Bhp Rpm Bhp Rpm Bhp
16,000 232 3.27 261 4.06 288 4.88 313 5.74 337 6.65 360 7.59 381 8.57 402 9.58
18,000 253 4.42 281 5.31 305 6.21 329 7.14 351 8.11 372 9.12 393 10.17 413 11.25
20,000 275 5.83 301 6.82 324 7.81 346 8.82 366 9.86 386 10.94 406 12.05 425 13.20
22,000 298 7.53 321 8.62 343 9.70 364 10.80 383 11.92 402 13.07 420 14.25 438 15.46
24,000 320 9.55 342 10.75 363 11.93 383 13.11 401 14.31 419 15.54 436 16.79 453 18.07
26,000 343 11.91 364 13.22 384 14.50 402 15.78 420 17.07 437 18.37 453 19.70 469 21.05
28,000 367 14.65 386 16.06 405 17.45 422 18.83 439 20.20 455 21.59 471 23.00 486 24.43
30,000 390 17.78 408 19.31 426 20.80 443 22.28 459 23.75 474 25.24 489 26.73 504 28.24
32,000 414 21.36 431 22.99 448 24.59 464 26.17 479 27.75 494 29.32 508 30.90 523 32.49
34,000 437 25.39 454 27.13 470 28.84 485 30.53 500 32.20 514 33.87 528 35.55 542 37.23
AIRFLOW
(Cfm)
AVAILABLE EXTERNAL STATIC PRESSURE (in. wg)
1.8 2.0 2.2 2.4 2.6 2.8 3.0 3.2
Rpm Bhp Rpm Bhp Rpm Bhp Rpm Bhp Rpm Bhp Rpm Bhp Rpm Bhp Rpm Bhp
16,000 423 10.62 442 11.68 462 12.77 480 13.88 498 15.00 516 16.15 533 17.31 550 18.48
18,000 432 12.36 450 13.50 469 14.66 486 15.84 504 17.05 521 18.27 537 19.53 553 20.78
20,000 443 14.38 460 15.58 478 16.82 495 18.07 511 19.35 527 20.65 543 21.98 559 23.32
22,000 455 16.70 472 17.98 489 19.28 505 20.60 521 21.96 536 23.33 551 24.72 566 26.14
24,000 470 19.38 486 20.72 501 22.08 517 23.48 532 24.89 547 26.34 561 27.80 576 29.29
26,000 485 22.43 500 23.83 515 25.27 530 26.73 544 28.22 559 29.72 573 31.26 586 32.81
28,000 501 25.89 516 27.36 530 28.86 544 30.38 558 31.94 572 33.51 585 35.11 599 36.74
30,000 518 29.76 533 31.32 546 32.89 560 34.48 573 36.10 586 37.74 599 39.41 612 41.11
32,000 536 34.11 550 35.73 563 37.38 576 39.04 589 40.73 601 42.45 614 44.18 626 45.94
34,000 555 38.92 568 40.63 581 42.36 593 44.10 605 45.87 618 47.64 630 49.45 641 51.27
AIRFLOW
(Cfm)
AVAILABLE EXTERNAL STATIC PRESSURE (in. wg)
3.4 3.6 3.8 4.0 
Rpm Bhp Rpm Bhp Rpm Bhp Rpm Bhp
16,000 566 19.68 582 20.88 597 22.10 613 23.33
18,000 569 22.06 585 23.36 600 24.66 615 25.99
20,000 574 24.68 589 26.06 604 27.45 618 28.85
22,000 581 27.57 596 29.04 610 30.51 624 31.99
24,000 590 30.80 604 32.33 617 33.88 631 35.44
26,000 600 34.39 613 35.99 627 37.61 640 39.24
28,000 612 38.38 624 40.05 637 41.74 650 43.44
30,000 624 42.81 637 44.54 649 46.29 661 48.06
32,000 638 47.72 650 49.51 662 51.33 674 53.17
34,000 653 53.12 665 54.98 676 56.87 — —
48/50ZN,ZW,ZZ,Z3,Z8,Z9 units only.
Bhp — Brake Horsepower
Kilowatts = Bhp x .746
Motor efficiency

25
Table 20 — Fan Performance — 48ZG,ZN,ZT,ZW,Z6,Z8 and 50ZG,ZN,ZT,ZW,ZX,ZZ,Z2,Z3,Z6,Z7,Z8,Z9090
Units With Airfoil Fan*
LEGEND
*If calculating static pressure for a 48 Series unit, be sure to add gas
heat pressure drop from Table 30C.
NOTES:
1. Fan performance is based on wet coils and clean 2-in. filters.
2. For return fan (48Z6,Z8 and 50Z6,Z7,Z8,Z9) and high-capacity
power exhaust (48ZT,ZW and 50ZT,ZW,ZX,ZZ) units, add com-
ponent pressure drop for economizer. Do not add component
pressure drop for power exhaust.
3. See Table 30C before using Fan Performance tables.
4. Conversion — Bhp to kW:
See Tables 26-28 for motor efficiency.
AIRFLOW
(Cfm)
AVAILABLE EXTERNAL STATIC PRESSURE (in. wg)
0.30 0.60 0.90 1.20 1.50 1.80 2.10 2.40
Rpm Bhp Rpm Bhp Rpm Bhp Rpm Bhp Rpm Bhp Rpm Bhp Rpm Bhp Rpm Bhp
17,000 692 4.45 737 5.50 781 6.56 824 7.64 865 8.77 906 9.93 946 11.03 985 12.29
18,000 727 5.11 771 6.20 812 7.30 853 8.42 892 9.58 931 10.66 970 11.92 1008 13.22
20,000 798 6.60 838 7.80 876 8.98 913 10.18 950 11.31 985 12.59 1021 13.91 1056 15.28
22,000 870 8.37 907 9.66 942 10.83 977 12.14 1010 13.47 1043 14.83 1076 16.22 1108 17.65
24,000 942 10.42 977 11.73 1010 13.13 1042 14.54 1073 15.96 1103 17.40 1134 18.87 1163 20.37
26,000 1015 12.73 1047 14.26 1078 15.77 1108 17.28 1137 18.79 1166 20.32 1194 21.87 1222 23.44
28,000 1088 15.52 1118 17.15 1147 18.77 1176 20.38 1203 21.99 1230 23.61 1257 25.25 1283 26.90
30,000 1162 18.68 1190 20.43 1218 22.15 1244 23.87 1270 25.58 1296 27.29 1321 29.01 1345 30.75
32,000 1235 22.25 1262 24.12 1288 25.94 1313 27.76 1338 29.57 1362 31.38 1386 33.20 1409 35.02
34,000 1309 26.26 1335 28.23 1359 30.17 1383 32.09 1407 34.00 1430 35.91 1452 37.82 1475 39.73
AIRFLOW
(Cfm)
AVAILABLE EXTERNAL STATIC PRESSURE (in. wg)
2.70 3.00 3.30 3.60 3.90 4.20 4.50 4.80
Rpm Bhp Rpm Bhp Rpm Bhp Rpm Bhp Rpm Bhp Rpm Bhp Rpm Bhp Rpm Bhp
17,000 1024 13.58 1061 14.90 1097 16.24 1132 17.59 1166 18.96 1199 20.35 1231 21.74 1262 23.14
18,000 1045 14.54 1081 15.90 1116 17.28 1150 18.69 1184 20.11 1216 21.54 1248 22.99 1279 24.45
20,000 1090 16.67 1124 18.10 1157 19.56 1190 21.05 1222 22.56 1253 24.09 1284 25.63 1314 27.19
22,000 1140 19.11 1171 20.61 1202 22.14 1233 23.69 1263 25.28 1293 26.88 1323 28.51 1352 30.16
24,000 1193 21.90 1222 23.45 1252 25.04 1280 26.67 1309 28.31 1337 29.99 1365 31.69 1393 33.42
26,000 1250 25.04 1277 26.67 1304 28.33 1331 30.01 1358 31.72 1385 33.46 1411 35.22 1437 37.01
28,000 1309 28.57 1335 30.27 1360 32.00 1386 33.75 1411 35.52 1436 37.32 1461 39.15 1486 40.99
30,000 1370 32.50 1394 34.28 1418 36.08 1442 37.89 1466 39.74 1490 41.60 1513 43.49 1537 45.40
32,000 1433 36.87 1456 38.72 1479 40.58 1501 42.48 1524 44.38 1546 46.32 1568 48.27 1591 50.25
34,000 1497 41.66 1519 43.60 1540 45.55 1562 47.52 1583 49.50 1605 51.50 1626 53.52 1647 55.56
AIRFLOW
(Cfm)
AVAILABLE EXTERNAL STATIC PRESSURE (in. wg)
5.10 5.40 5.70 6.00
Rpm Bhp Rpm Bhp Rpm Bhp Rpm Bhp
17,000 1292 24.55 1322 25.97 1351 27.40 1379 28.83
18,000 1309 25.92 1338 27.40 1367 28.88 1395 30.37
20,000 1343 28.77 1372 30.35 1400 31.94 1428 33.55
22,000 1380 31.82 1408 33.50 1435 35.20 1462 36.90
24,000 1420 35.16 1447 36.92 1473 38.70 1499 40.49
26,000 1463 38.82 1489 40.66 1514 42.51 1539 44.38
28,000 1510 42.87 1535 44.77 1559 46.69 1583 48.63
30,000 1560 47.34 1583 49.30 1606 51.28 1629 53.28
32,000 1613 52.25 1635 54.27 1657 56.31 1678 58.37
34,000 1668 57.63 1689 59.70 1710 61.80 1730 63.93
48/50ZN,ZW,ZZ,Z3,Z8,Z9 units only.
Bhp — Brake Horsepower
Kilowatts = Bhp x .746
Motor efficiency

26
Table 21 — Fan Performance — 48ZG,ZN,ZT,ZW,Z6,Z8 and 50ZG,ZN,ZT,ZW,ZX,ZZ,Z2,Z3,Z6,Z7,Z8,Z9105
Units With Forward-Curved Fan*
LEGEND
*If calculating static pressure for a 48 Series unit, be sure to add gas
heat pressure drop from Table 30C.
NOTES:
1. Fan performance is based on wet coils and clean 2-in. filters.
2. For return fan (48Z6,Z8 and 50Z6,Z7,Z8,Z9) and high-capacity
power exhaust (48ZT,ZW and 50ZT,ZW,ZX,ZZ) units, add com-
ponent pressure drop for economizer. Do not add component
pressure drop for power exhaust.
3. See Table 30C before using Fan Performance tables.
4. Conversion — Bhp to kW:
See Tables 26-28 for motor efficiency.
AIRFLOW
(Cfm)
AVAILABLE EXTERNAL STATIC PRESSURE (in. wg)
0.2 0.4 0.6 0.8 1.0 1.2 1.4 1.6
Rpm Bhp Rpm Bhp Rpm Bhp Rpm Bhp Rpm Bhp Rpm Bhp Rpm Bhp Rpm Bhp
20,000 275 5.83 301 6.82 324 7.81 346 8.82 366 9.86 386 10.94 406 12.05 425 13.20
22,000 298 7.53 321 8.62 343 9.70 364 10.80 383 11.92 402 13.07 420 14.25 438 15.46
24,000 320 9.55 342 10.75 363 11.93 383 13.11 401 14.31 419 15.54 436 16.79 453 18.07
26,000 343 11.91 364 13.22 384 14.50 402 15.78 420 17.07 437 18.37 453 19.70 469 21.05
28,000 367 14.65 386 16.06 405 17.45 422 18.83 439 20.20 455 21.59 471 23.00 486 24.43
30,000 390 17.78 408 19.31 426 20.80 443 22.28 459 23.75 474 25.24 489 26.73 504 28.24
32,000 414 21.36 431 22.99 448 24.59 464 26.17 479 27.75 494 29.32 508 30.90 523 32.49
34,000 437 25.39 454 27.13 470 28.84 485 30.53 500 32.20 514 33.87 528 35.55 542 37.23
36,000 461 29.92 477 31.77 492 33.58 506 35.38 521 37.16 534 38.93 548 40.69 561 42.47
38,000 485 34.96 500 36.91 514 38.85 528 40.74 542 42.63 555 44.50 568 46.36 581 48.23
40,000 509 40.54 523 42.61 537 44.65 550 46.66 563 48.64 576 50.62 589 52.59 601 54.56
AIRFLOW
(Cfm)
AVAILABLE EXTERNAL STATIC PRESSURE (in. wg)
1.8 2.0 2.2 2.4 2.6 2.8 3.0 3.2
Rpm Bhp Rpm Bhp Rpm Bhp Rpm Bhp Rpm Bhp Rpm Bhp Rpm Bhp Rpm Bhp
20,000 443 14.38 460 15.58 478 16.82 495 18.07 511 19.35 527 20.65 543 21.98 559 23.32
22,000 455 16.70 472 17.98 489 19.28 505 20.60 521 21.96 536 23.33 551 24.72 566 26.14
24,000 470 19.38 486 20.72 501 22.08 517 23.48 532 24.89 547 26.34 561 27.80 576 29.29
26,000 485 22.43 500 23.83 515 25.27 530 26.73 544 28.22 559 29.72 573 31.26 586 32.81
28,000 501 25.89 516 27.36 530 28.86 544 30.38 558 31.94 572 33.51 585 35.11 599 36.74
30,000 518 29.76 533 31.32 546 32.89 560 34.48 573 36.10 586 37.74 599 39.41 612 41.11
32,000 536 34.11 550 35.73 563 37.38 576 39.04 589 40.73 601 42.45 614 44.18 626 45.94
34,000 555 38.92 568 40.63 581 42.36 593 44.10 605 45.87 618 47.64 630 49.45 641 51.27
36,000 574 44.25 586 46.03 599 47.85 611 49.67 623 51.51 634 53.37 646 55.25 657 57.14
38,000 593 50.10 605 51.98 617 53.87 629 55.77 640 57.71 652 59.63 663 61.59 674 63.54
40,000 61356.5262558.4963660.4864862.4665964.47——————
AIRFLOW
(Cfm)
AVAILABLE EXTERNAL STATIC PRESSURE (in. wg)
3.4 3.6 3.8 4.0 
RpmBhpRpmBhpRpmBhpRpmBhp
20,000 574 24.68 589 26.06 604 27.45 618 28.86
22,000 581 27.57 596 29.04 610 30.51 624 31.99
24,000 590 30.80 604 32.33 617 33.88 631 35.44
26,000 600 34.39 613 35.99 627 37.61 640 39.24
28,000 612 38.38 624 40.05 637 41.74 650 43.44
30,000 624 42.81 637 44.54 649 46.29 661 48.06
32,000 638 47.72 650 49.51 662 51.33 674 53.17
34,000 653 53.12 665 54.98 676 56.87 — —
36,000 669 59.06 680 60.98 — — — —
38,000 ————————
40,000 ————————
48/50ZN,ZW,ZZ,Z3,Z8,Z9 units only.
Bhp — Brake Horsepower
Kilowatts = Bhp x .746
Motor efficiency

27
Table 22 — Fan Performance — 48ZG,ZN,ZT,ZW,Z6,Z8 and 50ZG,ZN,ZT,ZW,ZX,ZZ,Z2,Z3,Z6,Z7,Z8,Z9105
Units With Airfoil Fan*
LEGEND
*If calculating static pressure for a 48 Series unit, be sure to add gas
heat pressure drop from Table 30C.
NOTES:
1. Fan performance is based on wet coils and clean 2-in. filters.
2. For return fan (48Z6,Z8 and 50Z6,Z7,Z8,Z9) and high-capacity
power exhaust (48ZT,ZW and 50ZT,ZW,ZX,ZZ) units, add com-
ponent pressure drop for economizer. Do not add component
pressure drop for power exhaust.
3. See Table 30C before using Fan Performance tables.
4. Conversion — Bhp to kW:
See Tables 26-28 for motor efficiency.
AIRFLOW
(Cfm)
AVAILABLE EXTERNAL STATIC PRESSURE (in. wg)
0.30 0.60 0.90 1.20 1.50 1.80 2.10 2.40
Rpm Bhp Rpm Bhp Rpm Bhp Rpm Bhp Rpm Bhp Rpm Bhp Rpm Bhp Rpm Bhp
20,000 798 6.60 838 7.80 876 8.98 913 10.18 950 11.31 985 12.59 1021 13.91 1056 15.28
22,000 870 8.37 907 9.66 942 10.83 977 12.14 1010 13.47 1043 14.83 1076 16.22 1108 17.65
24,000 942 10.42 977 11.73 1010 13.13 1042 14.54 1073 15.96 1103 17.40 1134 18.87 1163 20.37
26,000 1015 12.73 1047 14.26 1078 15.77 1108 17.28 1137 18.79 1166 20.32 1194 21.87 1222 23.44
28,000 1088 15.52 1118 17.15 1147 18.77 1176 20.38 1203 21.99 1230 23.61 1257 25.25 1283 26.90
30,000 1162 18.68 1190 20.43 1217 22.15 1244 23.87 1270 25.58 1296 27.29 1321 29.01 1345 30.75
32,000 1235 22.25 1262 24.12 1288 25.94 1313 27.76 1338 29.57 1362 31.38 1386 33.20 1409 35.02
34,000 1309 26.26 1335 28.23 1359 30.17 1383 32.09 1407 34.00 1430 35.91 1452 37.82 1475 39.73
36,000 1383 30.73 1407 32.80 1431 34.85 1454 36.87 1476 38.89 1498 40.89 1520 42.90 1541 44.90
38,000 1457 35.67 1480 37.85 1503 40.00 1525 42.13 1546 44.24 1567 46.36 1588 48.46 1608 50.56
40,000 1532 41.12 1554 43.40 1575 45.65 1596 47.88 1616 50.10 1637 52.31 1657 54.51 1676 56.71
AIRFLOW
(Cfm)
AVAILABLE EXTERNAL STATIC PRESSURE (in. wg)
2.70 3.00 3.30 3.60 3.90 4.20 4.50 4.80
Rpm Bhp Rpm Bhp Rpm Bhp Rpm Bhp Rpm Bhp Rpm Bhp Rpm Bhp Rpm Bhp
20,000 1090 16.67 1124 18.10 1157 19.56 1190 21.05 1222 22.56 1253 24.09 1284 25.63 1314 27.19
22,000 1140 19.11 1171 20.61 1202 22.14 1233 23.69 1263 25.28 1293 26.88 1323 28.51 1352 30.16
24,000 1193 21.90 1222 23.45 1252 25.04 1280 26.67 1309 28.31 1337 29.99 1365 31.69 1393 33.42
26,000 1250 25.04 1277 26.67 1304 28.33 1331 30.01 1358 31.72 1385 33.46 1411 35.22 1437 37.01
28,000 1309 28.57 1335 30.27 1360 32.00 1386 33.75 1411 35.52 1436 37.32 1461 39.15 1486 40.99
30,000 1370 32.50 1394 34.28 1418 36.08 1442 37.89 1466 39.74 1490 41.60 1513 43.49 1537 45.40
32,000 1433 36.87 1456 38.72 1479 40.58 1501 42.48 1524 44.38 1546 46.32 1568 48.27 1591 50.25
34,000 1497 41.66 1519 43.60 1540 45.55 1562 47.52 1583 49.50 1605 51.50 1626 53.52 1647 55.56
36,000 1562 46.92 1583 48.94 1604 50.97 1624 53.02 1645 55.08 1665 57.15 1685 59.25 1705 61.35
38,000 1628 52.66 1648 54.78 1668 56.89 1688 59.02 1707 61.16 1727 63.31 1746 65.47 1765 67.65
40,000 1696 58.91 1715 61.10 1734 63.31 1752 65.52 1771 67.74 1790 69.97 — — — —
AIRFLOW
(Cfm)
AVAILABLE EXTERNAL STATIC PRESSURE (in. wg)
5.10 5.40 5.70 6.00
Rpm Bhp Rpm Bhp Rpm Bhp Rpm Bhp
20,000 1343 28.77 1372 30.35 1400 31.94 1428 33.55
22,000 1380 31.82 1408 33.50 1435 35.20 1462 36.90
24,000 1420 35.16 1447 36.92 1473 38.70 1499 40.49
26,000 1463 38.82 1489 40.66 1514 42.51 1539 44.38
28,000 1510 42.87 1535 44.77 1559 46.69 1583 48.63
30,000 1560 47.34 1583 49.30 1606 51.28 1629 53.28
32,000 1613 52.25 1635 54.27 1657 56.31 1678 58.37
34,000 1668 57.63 1689 59.70 1710 61.80 1730 63.93
36,000 1725 63.48 1745 65.63 1765 67.79 1785 69.97
38,000 1784 69.85 — — ————
40,000 ————————
48/50ZN,ZW,ZZ,Z3,Z8,Z9 units only.
Bhp — Brake Horsepower
Kilowatts = Bhp x .746
Motor efficiency

28
Table 23 — Fan Performance — Standard Capacity Power Exhaust
Size 030-050 Units
Size 055-155 Units
Bhp — Brake Horsepower
Table 24 — Fan Performance — Return/Exhaust Fan (48Z6,Z8 and 50Z6,Z7,Z8,Z9075-105 Units)
NOTE: The 48Z6,Z8 and 50Z6,Z7,Z8,Z9 units come standard with economizer and exhaust/return power exhaust.
AIRFLOW
(Cfm)
AVAILABLE EXTERNAL STATIC PRESSURE (in. wg)
0.20 0.40 0.60 0.80 1.00 1.20 1.40 1.60 1.80 2.00
Rpm Bhp Rpm Bhp Rpm Bhp Rpm Bhp Rpm Bhp Rpm Bhp Rpm Bhp Rpm Bhp Rpm Bhp Rpm Bhp
6,000 380 0.95 468 1.47 543 2.01 612 2.60 676 3.24 738 3.92 796 4.64 852 5.39 905 6.17 956 6.98
8,000 440 1.69 523 2.40 591 3.08 651 3.77 706 4.49 759 5.23 810 6.01 859 6.82 907 7.66 953 8.53
10,000 504 2.73 582 3.68 647 4.55 703 5.38 754 6.22 802 7.06 847 7.92 891 8.80 933 9.70 975 10.52
12,000 575 4.17 643 5.33 705 6.42 760 7.45 809 8.44 854 9.41 896 10.38 937 11.27 976 12.29 — —
14,000 650 6.09 708 7.42 766 8.73 819 9.97 867 11.05 910 12.22 951 13.38 990 14.53 — — — —
16,000 729 8.57 778 10.02 829 11.43 879 12.93 926 14.37 969 15.76 — — — — — — — —
18,000 809 11.57 851 13.19 896 14.90 942 16.61 987 18.29 — — — — — — — — — —
20,000 891 15.47 927 17.22 967 19.08 — — — — — — — — — — — — — —
AIRFLOW
(Cfm)
AVAILABLE EXTERNAL STATIC PRESSURE (in. wg)
0.2 0.4 0.6 0.8 1.0 1.2 1.4 1.6 1.8 2.0
Rpm Bhp Rpm Bhp Rpm Bhp Rpm Bhp Rpm Bhp Rpm Bhp Rpm Bhp Rpm Bhp Rpm Bhp Rpm Bhp
10,000 416 1.65 469 2.03 522 2.47 574 2.97 624 3.51 673 4.08 720 4.66 765 5.26 808 5.86 850 6.47
12,000 480 2.67 524 3.09 568 3.56 612 4.09 656 4.67 699 5.29 741 5.94 782 6.61 822 7.30 861 8.00
14,000 546 4.09 584 4.55 621 5.05 659 5.61 697 6.21 735 6.87 772 7.56 809 8.28 845 9.03 881 9.80
16,000 613 5.95 647 6.46 680 7.00 713 7.59 746 8.22 779 8.90 812 9.62 845 10.37 878 11.16 910 11.98
18,000 682 8.32 712 8.88 741 9.47 771 10.10 800 10.76 830 11.47 859 12.21 889 13.00 918 13.81 — —
20,000 752 11.27 779 11.89 805 12.53 832 13.19 858 13.90 885 14.63 911 15.41 — — — — — —
22,000 821 14.86 846 15.53 871 16.23 895 16.94 919 17.69 — — — — — — — — — —
24,000 892 19.16 915 19.89 — — — — — — — — — — — — — — — —
AIRFLOW
(Cfm)
AVAILABLE EXTERNAL STATIC PRESSURE (in. wg)
0.2 0.4 0.6 0.8 1.0 1.2 1.4 1.6 1.8 2.0
Rpm Bhp Rpm Bhp Rpm Bhp Rpm Bhp Rpm Bhp Rpm Bhp Rpm Bhp Rpm Bhp Rpm Bhp Rpm Bhp
14,000 594 3.61 594 3.61 617 4.02 646 4.58 674 5.16 700 5.75 725 6.36 749 6.99 772 7.62 795 8.25
16,000 619 4.09 652 4.76 681 5.40 708 6.02 733 6.65 757 7.29 781 7.94 803 8.61 825 9.30 847 9.99
18,000 687 5.57 718 6.35 746 7.07 771 7.76 795 8.45 817 9.14 839 9.85 860 10.56 881 11.20 901 11.96
20,000 756 7.37 786 8.25 812 9.06 836 9.84 858 10.59 879 11.25 900 12.03 920 12.82 939 13.62 958 14.43
22,000 825 9.50 853 10.50 878 11.31 901 12.20 923 13.06 943 13.90 962 14.75 981 15.60 1000 16.46 1018 17.33
24,000 895 11.94 922 13.08 945 14.12   967 15.10 988 16.05 1007 16.99 1026 17.91 1044 18.83 1061 19.76 1079 20.69
26,000 965 14.94 990 16.21 1013 17.36 1034 18.46 1054 19.51 1073 20.53 1091 21.54 1108 22.54 1125 23.54 1141 24.54
28,000 1035 18.43 1059 19.81 1081 21.09 1101 22.29 1120 23.45 1138 24.57 1156 25.67 1172 26.76 1189 27.83 1204 28.91
30,000 1105 22.42 1128 23.93 1149 25.33 1169 26.65 1187 27.92 1205 29.14 1222 30.34 1238 31.51 1253 32.67 1269 33.83
32,000 1176 26.96 1198 28.59 1218 30.11 1237 31.55 1255 32.93 1272 34.26 1288 35.56 1304 36.83 1319 38.08 1333 39.32
34,000 1246 32.09 1267 33.83 1287 35.47 1305 37.03 1322 38.53 1339 39.97 1355 41.38 1370 42.75 1385 44.10 1399 45.43
36,000 1317 37.83 1337 39.69 1356 41.46 1374 43.14 1391 44.75 1407 46.31 — — — — — — — —
38,000 1388 44.22 1407 46.21 — — — — — — — — — — — — — — — —
40,000 ————————————————————
AIRFLOW
(Cfm)
AVAILABLE EXTERNAL STATIC PRESSURE (in. wg)
2.2 2.4 2.6 2.8 3.0 3.2 3.4 3.6 3.8 4.0
Rpm Bhp Rpm Bhp Rpm Bhp Rpm Bhp Rpm Bhp Rpm Bhp Rpm Bhp Rpm Bhp Rpm Bhp Rpm Bhp
14,000 816 8.89 836 9.52 856 10.15 874 10.67 892 11.31 910 11.94 926 12.57 942 13.19 958 13.80 973 14.42
16,000 867 10.59 887 11.31 907 12.05 926 12.78 944 13.52 961 14.25 978 14.98 995 15.71 1011 16.44 1026 17.16
18,000 921 12.74 940 13.52 959 14.33 977 15.13 995 15.95 1012 16.77 1029 17.59 1046 18.42 1062 19.24 1078 20.07
20,000 977 15.25 995 16.10 1013 16.96 1031 17.82 1048 18.70 1065 19.59 1081 20.49 1097 21.39 1113 22.30 1129 23.21
22,000 1035 18.21 1052 19.10 1069 20.01 1086 20.93 1103 21.86 1119 22.81 1135 23.76 1150 24.73 1166 25.71 1181 26.69
24,000 1095 21.62 1112 22.58 1128 23.54 1144 24.51 1159 25.49 1175 26.49 1190 27.50 1205 28.52 1220 29.55 1234 30.58
26,000 1157 25.54 1173 26.55 1188 27.57 1203 28.59 1218 29.64 1233 30.68 1247 31.74 1262 32.81 1276 33.89 1290 34.98
28,000 1220 29.98 1235 31.06 1249 32.14 1264 33.23 1278 34.32 1292 35.42 1306 36.53 1320 37.65 1334 38.78 1347 39.93
30,000 1283 34.98 1298 36.13 1312 37.28 1326 38.42 1340 39.58 1353 40.74 1367 41.92 1380 43.09 1393 44.27 1406 45.46
32,000 1348 40.55 1362 41.78 1375 43.00 1389 44.22 1402 45.45 1415 46.67 — — — — — — — —
34,000 1413 46.75 — — — — — — — — — — — — — — — — — —
36,000 ————————————————————
38,000 ————————————————————
40,000 ————————————————————

29
Table 25 — Fan Performance — High-Capacity Power Exhaust
(48ZT,ZW075-105 and 50ZT,ZW,ZX,ZZ)
LEGEND
Bhp — Brake Horsepower
AIRFLOW
(Cfm)
AVAILABLE EXTERNAL STATIC PRESSURE (in. wg)
0.2 0.4 0.6 0.8 1.0
Rpm Bhp Rpm Bhp Rpm Bhp Rpm Bhp Rpm Bhp
14,000 436 3.79 480 4.28 520 4.86 557 5.48 592 6.11
16,000 486 5.37 526 5.86 563 6.47 597 7.12 629 7.80
18,000 536 7.37 574 7.84 608 8.45 639 9.14 670 9.86
20,000 588 9.81 622 10.26 654 10.87 684 11.57 712 12.32
22,000 639 12.75 671 13.16 701 13.76 730 14.46 757 15.23
24,000 692 16.21 722 16.59 750 17.16 777 17.86 802 18.65
26,000 745 20.24 772 20.58 799 21.13 824 21.82 849 22.60
28,000 798 24.87 824 25.18 849 25.70 873 26.37 896 27.14
30,000 851 30.15 875 30.43 899 30.91 922 31.55 944 32.31
32,000 905 36.10 928 36.35 950 36.80 972 37.41 993 38.14
34,000 959 42.76 980 42.98 1001 43.40 1022 43.98 1042 44.69
36,000 1013 50.17 1033 50.37 1053 50.75 1072 51.30 1092 51.98
38,000 1067 58.36 1086 58.53 1105 58.89 1124 59.40 1142 60.05
40,000 1121 67.37 1139 67.52 1157 67.84 ————
AIRFLOW
(Cfm)
AVAILABLE EXTERNAL STATIC PRESSURE (in. wg)
1.2 1.4 1.6 1.8 2.0
Rpm Bhp Rpm Bhp Rpm Bhp Rpm Bhp Rpm Bhp
14,000 626 6.76 659 7.42 691 8.09 722 8.77 752 9.45
16,000 660 8.50 690 9.22 720 9.94 749 10.68 777 11.42
18,000 698 10.60 726 11.36 754 12.14 780 12.93 806 13.73
20,000 739 13.10 765 13.91 791 14.73 816 15.57 840 16.41
22,000 782 16.05 807 16.89 831 17.75 854 18.63 877 19.52
24,000 827 19.48 850 20.35 873 21.25 895 22.16 917 23.10
26,000 872 23.44 894 24.33 916 25.26 937 26.21 958 27.17
28,000 918 27.99 940 28.89 961 29.83 981 30.81 1001 31.81
30,000 965 33.15 986 34.06 1006 35.01 1026 36.00 1045 37.02
32,000 1013 38.98 1033 39.88 1053 40.84 1071 41.84 1090 42.88
34,000 1062 45.50 1081 46.39 1100 47.35 1118 48.36 1136 49.41
36,000 1111 52.77 1129 53.65 1147 54.59 1165 55.60 — —
38,000 116060.81————————
40,000 ——————————
AIRFLOW
(Cfm)
AVAILABLE EXTERNAL STATIC PRESSURE (in. wg)
2.2 2.4 2.6 2.8 3.0
Rpm Bhp Rpm Bhp Rpm Bhp Rpm Bhp Rpm Bhp
14,000 782 10.14 811 10.83 839 11.53 866 12.23 892 12.93
16,000 805 12.18 832 12.93 858 13.69 884 14.46 910 15.23
18,000 832 14.53 858 15.35 882 16.17 907 16.99 931 17.82
20,000 864 17.27 888 18.14 911 19.01 934 19.89 957 20.78
22,000 900 20.43 922 21.34 944 22.26 966 23.20 987 24.14
24,000 938 24.04 959 25.00 980 25.98 1000 26.95 1020 27.94
26,000 979 28.17 998 29.16 1018 30.17 1037 31.20 1057 32.23
28,000 1020 32.83 1040 33.86 1058 34.91 1077 35.98 1095 37.05
30,000 1064 38.07 1082 39.14 1100 40.23 1118 41.33 1135 42.44
32,000 1108 43.95 1126 45.05 1143 46.16 1160 47.29 — —
34,000 1153 50.49 1170 51.61 ——————
36,000 ——————————
38,000 ——————————
40,000 ——————————
AIRFLOW
(Cfm)
AVAILABLE EXTERNAL STATIC PRESSURE (in. wg)
3.2 3.4 3.6 3.8 4.0
Rpm Bhp Rpm Bhp Rpm Bhp Rpm Bhp Rpm Bhp
14,000 918 13.64 943 14.34 967 15.05 990 15.75 1013 16.46
16,000 934 16.00 959 16.77 983 17.55 1006 18.33 1029 19.11
18,000 955 18.66 978 19.50 1001 20.34 1024 21.19 1046 22.04
20,000 979 21.67 1001 22.57 1023 23.47 1045 24.38 1066 25.29
22,000 1008 25.08 1029 26.03 1050 26.99 1070 27.96 1090 28.92
24,000 1040 28.93 1060 29.94 1080 30.94 1099 31.96 1118 32.98
26,000 1075 33.27 1094 34.32 1113 35.37 1131 36.44 1149 37.51
28,000 1113 38.14 1131 39.23 1148 40.33 1166 41.44 — —
30,000 1152 43.56 1169 44.69 ——————
32,000 ——————————
34,000 ——————————
36,000 ——————————
38,000 ——————————
40,000 ——————————

30
Table 26 — Supply Fan Motor Limitations (Sizes 030-070)
                LEGEND
NOTES:
1. Extensive motor and electrical testing on the Carrier units has
ensured that the full horsepower range of the motor can be uti-
lized with confidence. Using your fan motors up to the horse-
power ratings shown in the Motor Limitations table will not
result in nuisance tripping or premature motor failure. Unit war-
ranty will not be affected.
2. All motors comply with Energy Policy Act (EPACT) Standards
effective October 24, 1997.
Table 27 — Supply Fan Motor Limitations (Sizes 075-105)
LEGEND
NOTES:
1. Extensive motor and electrical testing on the Carrier units has ensured that the full horsepower
range of the motor can be utilized with confidence. Using your fan motors up to the horsepower
ratings shown in the Motor Limitations table will not result in nuisance tripping or premature motor
failure. Unit warranty will not be affected.
2. All motors comply with Energy Policy Act (EPACT) Standards effective October 24, 1997.
HIGH-EFFICIENCY MOTORS
Nominal Maximum Maximum Amps Rated
Efficiency
Bhp BkW Bhp BkW 230 v 380 v 460 v 575 v
7.5 5.60 8.7 6.49 22.0 — — — 84.1
9.5 7.09 — 15.0 12.0 10.0 88.5
10 7.46 10.2 7.61 28.0 — — — 89.5
11.8 8.80 — 20.7 14.6 12.0 89.5
15 11.19 15.3 11.41 43.8 — — - 91.0
18.0 13.43 — 27.0 21.9 19.0 91.0
20 14.92 22.4 16.71 62.0 — — — 91.0
23.4 17.46 — 37.4 28.7 23.0 91.0
25 18.65 28.9 21.56 72.0 — — — 91.7
29.4 21.93 — 43.8 37.4 31.0 91.7
30 22.38 35.6 26.56 95.0 — — — 92.4
34.7 25.89 — N/A 48.0 47.0 92.4
40 29.80 42.0 31.30 N/A N/A 55.0 N/A 93.0
Bhp — Brake Horsepower
BkW — Brake Kilowatts
PREMIUM-EFFICIENCY MOTORS
Nominal Maximum Maximum Amps Rated
Efficiency
Bhp BkW Bhp BkW 230 v 460 v
7.5 5.60 8.7 6.49 22.0 — 91.7
9.5 7.09 — 12.0 91.7
10 7.46 10.2 7.61 28.0 — 91.7
11.8 8.80 — 15.0 91.7
15 11.19 15.3 11.41 43.8 — 93.0
18.0 13.43 21.9 93.0
20 14.92 22.4 16.71 58.2 — 93.6
23.4 17.46 — 28.7 93.6
25 18.65 28.9 21.56 73.0 — 93.6
29.4 21.93 — 36.3 93.6
30 22.38 35.6 26.56 82.6 — 93.6
34.7 25.89 — 41.7 93.6
40 29.84 42.0 31.33 — 55.0 94.5
HIGH-EFFICIENCY MOTORS
Nominal
HP BkW Max Bhp Max BkW Max Amps Rated
Efficiency
460 V 575 V
30 22.4 34.7 25.9 48.0 47.0 92.4
40 29.8 42.0 31.3 55.0 48.8 93.0
50 37.3 57.5 42.9 71.0 52.8 93.0
60 44.8 69.0 51.5 82.6 60.5 93.6
75 59.5 86.25 64.3 99.5 N/A 94.1
PREMIUM-EFFICIENCY MOTORS
Nominal
HP BkW Max Bhp Max BkW Max Amps Rated
Efficiency
460 V 575 V
30 22.4 34.7 25.9 48.0 N/A 93.6
40 29.8 42.0 31.3 55.0 N/A 94.5
50 37.3 57.5 42.9 71.0 N/A 94.5
60 44.8 69.0 51.5 75.0 N/A 95.4
75 59.5 86.25 64.3 95.5 N/A 95.4
Bhp — Brake Horsepower
BkW — Brake Kilowatts

31
Table 28 — High-Capacity Power Exhaust Systems Motor Limitations (48ZT,ZW and 50ZT,ZW,ZX,ZZ Units)
LEGEND
NOTES:
1. Extensive motor and electrical testing on the Carrier units has ensured that the full
horsepower range of the motor can be utilized with confidence. Using your fan
motors up to the horsepower ratings shown in the Motor Limitations table will not
result in nuisance tripping or premature motor failure. Unit warranty will not be
affected.
2. All motors comply with Energy Policy Act (EPACT) Standards effective October 24,
1997.
Table 29 — Unit Design Airflow Limit
  LEGEND
HIGH-EFFICIENCY MOTORS
Nominal
HP BkW Max Bhp Max 
BkW
Max Amps (ea) Rated
Efficiency
460 V 575 V
20 14.9 23.6 17.6 14.6 12.0 89.5
30 22.4 36.0 26.9 21.9 19.0 91.0
40 29.8 46.8 34.9 28.7 23.0 91.0
50 37.3 58.8 43.9 37.4 31.0 91.7
60 44.8 69.0 51.5 48.0 47.0 92.4
PREMIUM-EFFICIENCY MOTORS
Nominal
HP BkW Max Bhp Max 
BkW
Max Amps (ea) Rated
Efficiency
460 V 575 V
20 14.9 23.6 17.6 15.0 N/A 91.7
30 22.4 36.0 26.9 21.9 N/A 93.0
40 29.8 46.8 34.9 28.7 N/A 93.6
50 37.3 58.8 43.9 36.3 N/A 93.6
60 44.8 69.0 51.5 41.7 N/A 93.6
Bhp — Brake Horsepower
BkW — Brake Kilowatts
UNIT SIZE UNIT TYPE MINIMUM COOLING CFM MAXIMUM CFM
030
48ZG,ZN Low Heat 6,000 15,000
48ZG,ZN High Heat 6,000 15,000
50ZG,ZN,Z2,Z3 6,000 15,000
035
48ZG,ZN Low Heat 7,000 15,000
48ZG,ZN High Heat 7,000 15,000
50ZG,ZN,Z2,Z3 7,000 15,000
040
48ZG,ZN Low Heat 8,000 20,000
48ZG,ZN High Heat 8,000 20,000
50ZG,ZN,Z2,Z3 8,000 20,000
050
48ZG,ZN Low Heat 9,000 20,000
48ZG,ZN High Heat 9,000 19,500
50ZG,ZN,Z2,Z3 9,000 20,000
055
48ZG,ZN Low Heat 10,000 25,000
48ZG,ZN High Heat 10,000 25,000
50ZG,ZN,Z2,Z3 10,000 25,000
060
48ZG,ZN Low Heat 12,000 30,000
48ZG,ZN High Heat 12,000 30,000
50ZG,ZN,Z2,Z3 12,000 30,000
070
48ZG,ZN Low Heat 14,000 30,000
48ZG,ZN High Heat 14,000 30,000
50ZG,ZN,Z2,Z3 14,000 30,000
075
48ZG,ZN,ZT,ZW,Z6,Z8 Low Heat 15,000 30,000
48ZG,ZN,ZT,ZW,Z6,Z8 High Heat 15,000 (VAV) 22,000 (CV) 30,000
50ZG,ZN,ZT,ZW,ZX,ZZ,Z2,Z3,Z6,Z7,Z8,Z9 15,000 (VAV) 22,000 (CV) 30,000
090
48ZG,ZN,ZT,ZW,Z6,Z8 Low Heat 17,000 (VAV) 22,000 (CV) 34,000
48ZG,ZN,ZT,ZW,Z6,Z8 High Heat 17,000 (VAV) 26,000 (CV) 34,000
50ZG,ZN,ZT,ZW,ZX,ZZ,Z2,Z3,Z6,Z7,Z8,Z9 17,000 (VAV) 26,000 (CV) 34,000
105
48ZG,ZN,ZT,ZW,Z6,Z8 Low Heat 20,000 (VAV) 30,000 (CV) 44,000
48ZG,ZN,ZT,ZW,Z6,Z8 High Heat 20,000 (VAV) 30,000 (CV) 36,500
50ZG,ZN,ZT,ZW,ZX,ZZ,Z2,Z3,Z6,Z7,Z8,Z9 20,000 (VAV) 30,000 (CV) 44,000
CV — Constant Volume
VAV — Variable Air Volume

32
Table 30A — Component Pressure Drops (in. wg)
(Size 030-050 Units)
*Bag filter cfm limit is 25,000.
†Available on vertical return and discharge units only.
Table 30B — Component Pressure Drops (in. wg)
(Size 055-070 Units)
*Bag filter cfm limit is 25,000.
†Available on vertical return and discharge units only.
Table 30C — Component Pressure Drops (in. wg)
(Size 075-105 Units)
*The 48ZT,ZW and 50ZT,ZW,ZX,ZZ units come standard with econ-
omizer and high-capacity power exhaust.
†Available on vertical return and discharge units only.
NOTE: Power exhaust pressure drop does not need to be added to
supply fan static pressure on return fan units (48Z6,Z8 and
50Z6,Z7,Z8,Z9075-105) and on high-capacity power exhaust units
(48ZT,ZW and 50ZT,ZW,ZX,ZZ075-105).
COMPONENT CFM
6,000 8,000 10,000 12,000 14,000 16,000 18,000 20,000
ECONOMIZER 0.06 0.09 0.12 0.16 0.21 0.25 0.29 0.35
INLET GUIDE VANES 0.01 0.02 0.03 0.04 0.05 0.06 0.08 0.10
FILTERS
Pleated (2-in.)
Bags With Prefilters*
0.01
0.36
0.01
0.38
0.01
0.41
0.02
0.51
0.04
0.64
0.04
0.77
0.03
0.91
0.02
1.01
POWER EXHAUST 0.07 0.08 0.09 0.13 0.18 0.24 0.32 0.41
LOW GAS HEAT 0.04 0.09 0.27 0.45 0.68 0.91 1.17 1.45
HIGH GAS HEAT 0.13 0.21 0.31 0.50 0.73 1.02 1.32 1.64
ELECTRIC HEAT†
36 kW
72 kW
108 kW
0.03
0.03
0.09
0.04
0.06
0.12
0.07
0.12
0.18
0.11
0.18
0.26
0.17
0.25
0.34
0.25
0.35
0.45
0.35
0.46
0.59
0.47
0.64
0.78
HIGH CAP COIL (040) 0.05 0.08 0.12 0.16 0.21 0.27 0.33 0.40
HIGH CAP COIL (050) 0.03 0.05 0.08 0.11 0.14 0.19 0.23 0.29
COMPONENT CFM
10,000 12,000 14,000 16,000 18,000 20,000 22,000 24,000 26,000 28,000 30,000
ECONOMIZER 0.05 0.07 0.08 0.10 0.12 0.14 0.16 0.19 0.21 0.24 0.26
INLET GUIDE VANES 0.01 0.02 0.03 0.04 0.05 0.06 0.08 0.10 0.11 0.13 0.15
FILTERS
Pleated (2-in.)
Bags With Prefilters*
0.00
0.45
0.00
0.57
0.00
0.68
0.01
0.80
0.02
0.94
0.03
1.07
0.03
1.23
0.04
1.38
0.04
—
0.05
—
0.05
—
VERTICAL POWER EXHAUST 0.02 0.04 0.06 0.10 0.13 0.17 0.21 0.25 0.29 0.33 0.38
HORIZONTAL POWER EXHAUST* 0.12 0.16 0.21 0.27 0.34 0.41 0.49 0.58 0.68 0.78 0.89
LOW GAS HEAT 0.22 0.24 0.27 0.33 0.33 0.35 0.37 0.41 0.44 0.51 0.61
HIGH GAS HEAT 0.25 0.28 0.30 0.35 0.41 0.47 0.54 0.58 0.68 0.81 0.94
ELECTRIC HEAT†
36 kW
72 kW
108 kW
0.04
0.05
0.07
0.05
0.07
0.09
0.07
0.10
0.13
0.09
0.13
0.17
0.12
0.17
0.22
0.15
0.20
0.27
0.18
0.24
0.32
0.21
0.29
0.38
0.24
0.34
0.44
0.28
0.39
0.51
0.33
0.46
0.59
HIGH CAP COIL (055) 0.05 0.07 0.09 0.12 0.14 0.17 0.21 0.24 0.28 0.32 0.37
HIGH CAP COIL (060,070) 0.03 0.05 0.06 0.08 0.10 0.13 0.15 0.18 0.21 0.25 0.28
COMPONENT CFM
15,000 18,000 20,000 22,000 24,000 26,000 28,000 30,000 34,000 36,000 38,000 40,000
ECONOMIZER* 0.10 0.12 0.14 0.16 0.19 0.21 0.23 0.26 0.31 0.34 0.37 0.40
INLET GUIDE VANES 0.04 0.05 0.06 0.08 0.10 0.11 0.13 0.15 0.20 0.22 0.24 0.27
VERTICAL POWER EXHAUST* 0.08 0.13 0.17 0.21 0.25 0.29 0.33 0.38 0.46 0.51 0.55 0.60
HORIZONTAL POWER EXHAUST* 0.24 0.34 0.41 0.49 0.58 0.68 0.78 0.89 1.13 1.26 1.40 1.55
LOW GAS HEAT 0.09 0.14 0.19 0.23 0.29 0.35 0.42 0.49 0.67 0.76 0.86 0.97
HIGH GAS HEAT 0.27 0.37 0.46 0.55 0.65 0.77 0.89 1.03 1.33 1.50 1.68 1.87
108 kW ELECTRIC HEAT† 0.05 0.07 0.09 0.11 0.13 0.15 0.17 0.20 0.26 0.29 0.32 0.36
216 kW ELECTRIC HEAT† 0.08 0.12 0.14 0.17 0.20 0.24 0.28 0.32 0.41 0.46 0.51 0.57
30% PLEATED FILTER 0.01 0.01 0.01 0.02 0.02 0.03 0.03 0.04 0.05 0.06 0.06 0.07
65% PLEATED FILTER 0.14 0.14 0.15 0.15 0.16 0.16 0.17 0.17 0.18 0.19 0.20 0.20
HIGH CAP COIL (075) 0.08 0.11 0.13 0.15 0.18 0.21 0.23 0.26 0.33 0.36 0.40 0.43
HIGH CAP COIL (090,105) 0.01 0.02 0.03 0.04 0.05 0.07 0.08 0.10 0.14 0.16 0.19 0.21
33
CONTROLS QUICK START
The following section will provide a quick user guide to set-
ting up and configuring the Z Series units with ComfortLink™
controls. See Basic Control Usage section on page 4 for infor-
mation on operating the control.
Two-Stage Constant Volume Units with
Mechanical Thermostat — To configure the unit, per-
form the following:
1. The type of control is configured under Configuration
→
UNIT
→
C.TYP. Set C.TYP to 4 (TSTAT 2 STG).
2. Remove jumpers from R-W2 and W2-W1 on TB202 in
the control box.
3. See Economizer Options section on page 34 for addition-
al economizer option configurations.
4. See Exhaust Options section on page 34 for additional
exhaust option configurations.
Two-Stage Constant Volume Units with Space
Sensor — To configure the unit, perform the following:
1. The type of control is configured under Configuration
→
UNIT
→
C.TYP. Set C.TYP to 6 (SPT 2 STG).
2. Under Configuration
→
SENS
→
SPT.S, enable the space
sensor by setting SPT.S to ENBL (enable).
3. The space temperature set points are configured under the
Setpoints menu. The heating and cooling set points must
be configured. See the Heating Control and Cooling
Control sections on pages 54 and 45 for further descrip-
tion on these configurations. Configure the following set
points:
4. The degrees of demand from the space temperature set
points are configured under the Configuration
→
D.LV.T
submenu. See the Heating Control and Cooling Control
sections for further description on these configurations.
Configure the following set points:
5. Install jumpers between R-W2 and W2-W1.
6. Under Configuration
→
UNIT
→
CV.FN, set CV.FN to 1
for continuous fan or 0 for automatic fan.
7. To program time schedules, set SCH.N=1 under Config-
uration
→
CCN
→
SC.OV
→
SCH.N to configure the con-
trol to use local schedules.
8. Under the Timeclock
→
SCH.L submenu, enter the
desired schedule. See Time Clock section for further
descriptions of these configurations.
9. Under the Configuration
→
CCN
→
SC.OV submenu, the
following schedules and overrides should be configured:
10. See Economizer Options section on page 34 for addition-
al economizer option configurations.
11. See Exhaust Options section on page 34 for additional
exhaust option configurations.
Variable Air Volume Units Using Return Air
Sensor or Space Temperature Sensor — To
configure the unit, perform the following:
1. The type of control is configured under Configuration
→
UNIT
→
C.TYP. Set C.TYP to 1 (VAV-RAT) for return
air sensor. Set C.TYP to 2 (VAV-SPT) for space tempera-
ture sensor.
NOTE: For VAV with a space sensor (VAV-SPT), under
Configuration
→
UNIT
→
SENS
→
SPT.S, enable the
space sensor by setting SPT.S to ENBL.
2. The space temperature set points and the supply air set
points are configured under the Setpoints menu. The
heating and cooling set points must be configured. See
the Heating Control and Cooling Control sections for
further description on these configurations. Configure the
following set points:
3. To program time schedules, make sure SCH.N=1 under
Configuration
→
CCN
→
SC.OV
→
SCH.N to configure
the control to use local schedules.
4. Under the Timeclock
→
SCH.L submenu, enter the de-
sired schedule. See Time Clock section for further
descriptions of these configurations.
5. Under  Configuration
→
SP
→
SP.SP, the Supply Duct
Static Pressure set point should be configured.
6. If supply air temperature reset is desired, under the
Configuration
→
EDT.R submenu, the following set
points should be configured:
NOTE: Configure either RTIO and LIMT or RES.S. All three
are not used.
7. See the Economizer Options section on page 34 for addi-
tional economizer option configurations.
8. See the Exhaust Options section on page 34 for addition
exhaust option configurations.
Multi-Stage Constant Volume Units with
Mechanical Thermostat — To configure the unit, per-
form the following:
1. Under  Configuration
→
UNIT
→
C.TYP, set C.TYP to 3
(TSTAT MULTI).
2. Remove jumpers from R-W2 and W2-W1 on TB202 in
the control box.
3. Under the Setpoints menu, set the following
configurations:
OHSP Occupied Heat Setpoint
OCSP Occupied Cool Setpoint
UHSP Unoccupied Heat Setpoint
UCSP Unoccupied Cool Setpoint
GAP Heat-Cool Setpoint Gap
L.H.ON Demand Level Lo Heat On
H.H.ON Demand Level Hi Heat On
L.H.OF Demand Level Lo Heat Off
L.C.ON Demand Level Lo Cool On
H.C.ON Demand Level Hi Cool On
L.C.OF Demand Level Lo Cool Off
O.T.L. Override time limit
SPT.O SPT override enabled? 
T58.O T58 override enabled? 
OHSP Occupied Heat Set point
OCSP Occupied Cool Set point
UHSP Unoccupied Heat Set point
UCSP Unoccupied Cool Set point
GAP Heat-Cool Set point Gap
SP.SP Static Pressure Set point
RS.CF EDT Reset Configuration
RTIO Reset Ratio
LIMT Reset Limit
RES.S EDT 4-20 mA Reset Input
SA.HI Supply Air Set Point Hi
SA.LO Supply Air Set Point Lo

34
4. See the Economizer Options section on this page for ad-
ditional economizer option configurations.
5. See the Exhaust Options section on this page for addition-
al exhaust option configurations.
Multi-Stage Constant Volume Units with
Space Sensor — To configure the unit, perform the
following:
1. Under  Configuration
→
UNIT
→
C.TYP, set C.TYP to 5
(SPT MULTI).
2. Install jumpers between R-W2 and W2-W1.
3. Under the Setpoints menu, the following configurations
should be set:
4. Under the Setpoints submenu, the heating and cooling set
points must be configured:
5. Under  Configuration
→
UNIT
→
SENS
→
SPT.S, enable
the space sensor by setting SPT.S to ENBL.
6. Under Configuration
→
UNIT
→
CV.FN, set CV.FN to 1
for continuous fan or 0 for automatic fan.
7. To program time schedules, set SCH.N=1 under Config-
uration
→
CCN
→
SC.OV
→
SCH.N to configure the con-
trol to use local schedules.
8. Under the Timeclock
→
SCH.L submenu, enter the de-
sired schedule. See Time Clock section for further
descriptions of these configurations.
9. See the Economizer Options section below for addition
economizer option configurations.
10. See the Exhaust Options section below for addition
exhaust option configurations.
Economizer Options — Under the Configuration
→
ECON submenu, the following set points should be configured:
Configuration
→
ECON
→
EC.MN should always be set for
the minimum damper position.
If the unit is equipped with an outdoor air flow station, the
following points in Configuration
→
ECON
→
CFM.C need to
be set.
If equipped with an outdoor flow station, make sure
Configuration
→
ECON
→
OCF.S is enabled. If an outdoor
air cfm station is used, then the economizer will control to
cfm, not a position, as long as the sensor is valid. Therefore,
Configuration
→
ECON
→
O.C.MX supersedes Configura-
tion
→
ECON
→
EC.MN.
Indoor Air Quality Options
DEMAND CONTROL VENTILATION — Under Configu-
ration
→
IAQ
→
DCV.C, the following configuration parame-
ters should be set to establish the minimum and maximum
points for outdoor air damper position during demand control
ventilation (DCV):
EC.MN Economizer Min.Position
IAQ.M IAQ Demand Vent Min.Pos.
O.C.MX Economizer Min.Flow
O.C.MN IAQ Demand Vent Min.Flow
Configuration
→
IAQ
→
DCV.C
→
IAQ.M is used to set the
absolute minimum vent position (or maximum reset) under
DCV.
Configuration
→
IAQ
→
DCV.C
→
EC.MN is used to set the
minimum damper position (or with no DCV reset). This is also
referenced in the economizer section.
Configuration
→
IAQ
→
DCV.C
→
O.C.MX is used only
with the outdoor air flow station and will supersede Configura-
tion
→
IAQ
→
DCV.C
→
EC.MN as long as the outdoor air cfm
sensor is valid.
Configuration
→
IAQ
→
DCV.C
→
O.C.MN is used only
with the outdoor air flow station and will supersede Configura-
tion
→
IAQ
→
DCV.C
→
IAQ.M as long as the outdoor air cfm
sensor is valid.
Exhaust Options — The following exhaust options
should be configured.
                     LEGEND
*Single VFD controlling both fan motors.
†Single VFD controlling one fan motor and staging the second fan
motor.
Configuration
→
BP
→
BF.CF=1  (Two-Stage Exhaust
Option) — For two-stage exhaust, under the Configuration-
→
BP submenu, configure the following:
SA.HI Supply Air Set Point Hi
SA.LO Supply Air Set Point Lo
OHSP Occupied Heat Setpoint
OCSP Occupied Cool Setpoint
UHSP Unoccupied Heat Setpoint
UCSP Unoccupied Cool Setpoint
GAP Heat-Cool Setpoint Gap
D.LV.T Cool/Heat Set Point Offsets
EC.EN Economizer Enabled?
EC2.E Econ Act.2 Installed?
EC.MN Economizer Min.Position
EC.MX Economizer Maximum Position
E.TRM Economizer Trim for SumZ? 
E.SEL Econ Changeover Select
OA.E.C OA Enthalpy Change Over Select
OA.EN Outdoor Enthalpy Compare Value
OAT.L High OAT Lockout Temp
O.DEW OA Dew Point Temp Limit
ORH.S Outside Air RH Sensor
OCF.S Outdoor Air CFM Sensor
O.C.MX Economizer Minimum Flow
O.C.DB Economizer Minimum Flow Deadband
UNIT
EXHAUST TYPE
Constant
Volume
2-Stage
Modulating
Power
Exhaust
S.O. 
VFD*
High-
Capacity
Power
Exhaust†
Return
Exhaust†
48ZG
50ZG,Z2 X X S.O. NA NA
48ZN
50ZN,Z3 NA X S.O. NA NA
48ZT,ZW
50ZT,ZW,ZX,ZZ NA NA NA STD NA
48Z6,Z8
50Z6,Z7,Z8,Z9 NA NA NA NA STD
X—Available as Factory Option
S.O. — Available as Special Order
NA — Not Available on this Unit
STD — Standard Feature on this Unit
BP.P1 Power Exhaust On Setp.1
BP.P2 Power Exhaust On Setp.2

35
Configuration
→
BP
→
BF.CF=2  (Modulating Power
Exhaust with Two LEN Actuators Option) — For modulat-
ing exhaust, the Configuration
→
BP submenu, configure the
following:
Under Configuration
→
BP
→
B.V.A the following configu-
rations may be adjusted:
BP.FS VFD/Act. Fire Speed/Pos.
BP.MN VFD/Act. Min. Speed/Pos.
BP.1M BP 1 Actuator Max Pos.
BP.2M BP 2 Actuator Max Pos.
Configuration
→
BP
→
BP.CF=3  (VFD Power Exhaust
Option) — Under Configuration
→
BP the following configu-
rations may be adjusted:
Under Configuration
→
BP
→
B.V.A the following configu-
rations may be adjusted:
BP.FS VFD/Act. Fire Speed/Pos.
BP.MN VFD/Act. Min. Speed/Pos.
BP.MX VFD Maximum Speed
Configuration
→
BP
→
BP.CF=4  (High-Capacity VFD
Power Exhaust) — Under Configuration
→
BP the following
configurations may be adjusted:
Under Configuration
→
BP
→
B.V.A the following configu-
rations may be adjusted:
BP.FS VFD/Act. Fire Speed/Pos.
BP.MN VFD/Act. Min. Speed/Pos.
BP.MX VFD Maximum Speed
BP.CL BP Hi Cap VFD Clamp Val.
BP.WT BP Hi Cap VFD Clamp Time
Configuration
→
BP
→
BP.CF=5  (Return/Exhaust — Fan
Tracking Control) — Under Configuration
 →
 BP the follow-
ing configurations may be adjusted:
BP.SP Building Pressure Setpt. (see note below)
Under Configuration
→
BP
→
B.V.A the following configu-
rations may be adjusted:
BP.FS VFD/Act. Fire Speed/Pos.
BP.MN VFD/Act. Min. Speed/Pos.
BP.MX VFD Maximum Speed
Under Configuration
→
BP
→
FAN.T  the following config-
urations may be adjusted:
FT.CF Fan Track Learn Enable (see note below)
FT.TM Fan Track Learn Rate (see note below, not
used when Fan Track Learning is disabled)
FT.ST Fan Track Initial DCFM
FT.MX Fan Track Max Clamp (see note below, not
used when Fan Track Learning is disabled)
FT.AD Fan Track Max Correction (see note below,
not used when Fan Track Learning is disabled)
FT.OF Fan Track Internl EEPROM (see note below,
not used when Fan Track Learning is disabled)
FT.RM Fan Track Internal Ram (see note below, not
used when Fan Track Learning is disabled)
FT.RS Fan Track Reset Internal (see note below, not
used when Fan Track Learning is disabled)
SCF.C Supply Air CFM Config (see note below, not
used when Fan Track Learning is disabled)
NOTE: These configurations are used only if Fan Tracking
learning is enabled. When fan tracking learning is enabled,
the control will add an offset to the Fan Track Initial DCFM
(Configuration
→
BP
→
FAN.T
→
FT.ST) if the building pres-
sure deviates from the Building Pressure Set Point (BP.SP).
Periodically, at the rate set by the Fan Track Learn Rate
(FT.TM) the delta cfm is adjusted upward or downward with a
maximum adjustment at a given instance to be no greater than
Fan Track Max correction (FT.AD). The delta cfm can not
ever be adjusted greater than or less than the Fan Track Max
Clamp (FT.MX).
Set Clock on VFD (If Installed) — The clock set
mode is used for setting the date and time for the internal clock
of the VFD. In order to use the timer functions of the VFD
control, the internal clock must be set. The date is used to deter-
mine weekdays and is visible in the fault logs. Refer to the
VFD section in Appendix D on page 160 for information on
operating the VFD and using the keypad.
To set the clock, perform the following procedure from the
VFD keypad:
1. Select MENU (SOFT KEY 2). The Main menu will be
displayed.
2. Use the UP or DOWN keys to highlight CLOCK SET on
the display screen and press ENTER (SOFT KEY 2). The
clock set parameter list will be displayed.
3. Use the UP or DOWN keys to highlight CLOCK VISI-
BILITY and press SEL (SOFT KEY 2). This parameter
is used to display or hide the clock on the screen. Use the
UP or DOWN keys to change the parameter setting. Press
OK (SOFT KEY 2) to save the configuration and return
to the Clock Set menu.
4. Use the UP or DOWN keys to highlight SET TIME and
press SEL (SOFT KEY 2). Use the UP or DOWN keys to
change the hours and minutes. Press OK (SOFT KEY 2)
to save the configuration and return to the Clock Set
menu.
5. Use the UP or DOWN keys to highlight TIME FORMAT
and press SEL (SOFT KEY 2). Use the UP or DOWN
keys to change the parameter setting. Press OK (SOFT
KEY 2) to save the configuration and return to the Clock
Set menu.
6. Use the UP or DOWN keys to highlight SET DATE and
press SEL (SOFT KEY 2). Use the UP or DOWN keys to
change the day, month, and year. Press OK (SOFT KEY
2) to save the configuration and return to the Clock Set
menu.
7. Use the UP or DOWN keys to highlight DATE FOR-
MAT and press SEL (SOFT KEY 2). Use the UP or
DOWN keys to change the parameter setting. Press OK
(SOFT KEY 2) to save the configuration and return to the
Clock Set menu.
8. Press EXIT (SOFT KEY 1) twice to return to the main
menu.
BP.SP Building Pressure Set point
BP.SO BP Set point Offset
BP.SP Building Pressure Set point
BP.SO BP Set point Offset
BP.SP Building Pressure Set point
BP.SO BP Set point Offset
36
Programming Operating Schedules — The
ComfortLink™ controls will accommodate up to eight differ-
ent schedules (Periods 1 through 8), and each schedule is
assigned to the desired days of the week. Each schedule
includes an occupied on and off time. As an example, to set an
occupied schedule for 8 AM to 5 PM for Monday through
Friday, the user would set days Monday through Friday to ON
for Period 1. Then the user would configure the Period 1
Occupied From point to 08:00 and the Period 1 Occupied To
point to 17:00. To create a different weekend schedule, the user
would use Period 2 and set days Saturday and Sunday to ON
with the desired Occupied On and Off times.
NOTE: By default, the time schedule periods are programmed
for 24 hours of occupied operation.
To create a schedule, perform the following procedure:
1. Scroll to the Configuration mode, and select CCN
CONFIGURATION (CCN). Scroll down to the Schedule
Number (Configuration
→
CCN
→
SC.OV=SCH.N). If
password protection has been enabled, the user will be
prompted to enter the password before any new data is
accepted. SCH.N has a range of 0 to 99. The default val-
ue is 1. A value of 0 is always occupied, and the unit will
control to its occupied set points. A value of 1 means the
unit will follow a local schedule, and a value of 65 to 99
means it will follow a CCN schedule. Schedules 2-64 are
not used as the control only supports one internal/local
schedule. If one of the 2-64 schedules is configured, then
the control will force the number back to 1. Make sure the
value is set to 1 to use a local schedule.
2. Enter the Time Clock mode. Scroll down to the LOCAL
TIME SCHEDULE (SCH.L) sub-mode, and press
ENTER. Period 1 (PER.1) will be displayed.
3. Scroll down to the MON point. This point indicates if
schedule 1 applies to Monday. Use the ENTER command
to go into Edit mode, and use the UP or DOWN key to
change the display to YES or NO. Scroll down through
the rest of the days and apply schedule 1 where desired.
The schedule can also be applied to a holiday.
4. Configure the beginning of the occupied time period for
Period 1 (OCC). Press ENTER to go into Edit mode, and
the first two digits of the 00.00 will start flashing. Use the
UP or DOWN key to display the correct value for hours,
in 24-hour (military) time. Press ENTER and hour value
is saved and the minutes digits will start flashing. Use the
same procedure to display and save the desired minutes
value.
5. Configure the unoccupied time for period 1 (UNC). Press
ENTER to go into Edit mode, and the first two digits of
the 00.00 will start flashing. Use the UP or DOWN key to
display the correct value for hours, in 24-hour (military)
time. Press ENTER and hour value is saved and the min-
utes digits will start flashing. Use the same procedure to
display and save the desired minutes value.
6. The first schedule is now complete. If a second schedule
is needed, such as for weekends or holidays, scroll down
and repeat the entire procedure for period 2 (PER.2). If
additional schedules are needed, repeat the process for as
many as are needed. Eight schedules are provided.
SERVICE TEST
General — The units are equipped with a Service Test fea-
ture, which is intended to allow a service person to force the
unit into different modes of operation. To use this feature, enter
the Service Test category on the local display and place the unit
into the test mode by changing Service Test
→
TEST from OFF
to ON. The display will prompt for the password before allow-
ing any change. The deffault password is 1111. Once the unit
enters the Service Test mode, the unit will shut down all current
modes.
TEST — The  TEST command turns the unit off (hard stop)
and allows the unit to be put in a manual control mode.
STOP — The  STOP command completely disables the unit
(all outputs turn off immediately). Once in this mode, nothing
can override the unit to turn it on. The controller will ignore all
inputs and commands.
S.STP — Setting Soft Stop to YES turns the unit off in an
orderly way, honoring any timeguards currently in effect.
FAN.F — By turning the FAN FORCE on, the supply fan is
turned on and will operate as it normally would, controlling
duct static pressure on VAV applications or just energizing the
fan on CV applications. To remove the force, press ENTER
and then press the UP and DOWN arrows simultaneously.
The remaining categories: INDP, FANS, ACT.C, COOL,
and HEAT are sub-menus with separate items and functions.
See Table 31.

37
Table 31 — Service Test
ITEM EXPANSION RANGE UNITS POINT WRITE STATUS
TEST Service Test Mode ON/OFF MAN_CTRL
STOP Local Machine Disable YES/NO UNITSTOP config
S.STP Soft Stop Request YES/NO SOFTSTOP forcible
FAN.F Supply Fan Request YES/NO SFANFORC forcible
INDP TEST INDEPENDENT OUTPUTS
→HUM.R Humidifier Relay ON/OFF HUMR_TST
→ALRM Remote Alarm/Aux Relay ON/OFF ALRM_TST
FANS TEST FANS
→F.M O D Fan Test Automatic? YES/NO FANAUTO
→E.POS Econo Damper Command Pos % ECONFANS
→S.FAN Supply Fan Relay ON/OFF SFAN_TST
→I.POS IGV Actuator Command Pos 0-100 % IGVFNTST
→S.VFD Supply Fan VFD Speed 0-100 % SGVFDTST
→P. E . 1 Power Exhaust Relay 1 ON/OFF PE1_TST
→P. E . 2 Power Exhaust Relay 2 ON/OFF PE2_TST
→BP1.P BP 1 Command Position 0-100 % BLDPTST1
→BP2.P BP 2 Command Position 0-100 % BLDPTST2
→E.VFD Exhaust Fan VFD Speed 0-100 % EFVFDTST
→CD.F.A Condenser Fan Circuit A ON/OFF CNDA_TST
→CD.F.B Condenser Fan Circuit B ON/OFF CNDB_TST
→CD.MM Motormaster Condenser Fan ON/OFF PCFABTST
ACT.C CALIBRATE TEST-ACTUATORS
→ECN.C Economizer Act.Cmd.Pos. 0-100 % ECONOTST
→E.CAL Economizer Calibrate Cmd YES/NO ECONOCAL
→ECN.A Econ Act. Control Angle read only ECONCANG
→EC2.C Economzr 2 Act.Cmd.Pos. 0-100 % ECON2TST
→E2.CL Economzr 2 Calibrate Cmd YES/NO ECON2CAL
→EC2.A Econ2 Act.Control Angle read only ECN2CANG
→IGV.C IGV Actuator Command Pos 0-100 % SPIGVTST
→I.CAL IGV Act. Calibrate Cnd YES/NO IGV_CAL
→IGV.A IGV Act. Control Angle read only IGC_CANG
→IGV.M VFD-IGV Maximum Speed 0-100 % STATPMAX
→BP1.C BP 1 Command Position 0-100 % BLDG1TST
→B1.CL BP 1 Actuator Cal Cmd YES/NO BLDG1CAL
→BP1.A BP Act.1 Control Angle read only BP1_CANG
→BP1.M BP 1 Actuator Max Pos. 0-100 % BP1SETMX
→BP2.C BP 2 Command Position 0-100 % BLDG2TST
→B2.CL BP 2 Actuator Cal Cmd YES/NO BLDG2CAL
→BP2.A BP Act.2 Control Angle read only BP2_CANG
→BP2.M BP 2 Actuator Max Pos. 0-100 % BP2SETMX
→HTC.C Ht.Coil Command Position 0-100 % HTCLACTC
→HT.CL Heating Coil Act. Cal.Cmd YES/NO HCOILCAL
→HTC.A Heat Coil Act.Ctl.Angle read only HTCLCANG
→HMD.C Humidifier Command Pos. 0-100 % HUMD_TST
→HM.CL Humidifier Act. Cal.Cmd YES/NO HUMIDCAL
→HMD.A Humidifier Act.Ctrl.Ang. read only HUMDCANG
COOL TEST COOLING
→E.POS Econo Damper Command Pos 0-100 % ECONCOOL
→SP.SP Static Pressure Setpoint 0-5 "H2O SPSP_TST
→CL.ST Requested Cool Stage 0-n CLST_TST
→LD.LG Lead/Lag Select Test LEAD/LAG LL_TST
→A1 Compressor A1 Relay ON/OFF CMPA1TST
→U1.A1 Unloader 1 - Comp A1 ON/OFF UNL1_TST
→U2.A1 Unloader 2 - Comp A1 ON/OFF UNL2_TST
→A2 Compressor A2 Relay ON/OFF CMPA2TST
→B1 Compressor B1 Relay ON/OFF CMPB1TST
→U1.B1 Unloader 1 - Comp B1 ON/OFF UNL3_TST
→U2.B1 Unloader 2 - Comp B1 ON/OFF UNL4_TST
→B2 Compressor B2 Relay ON/OFF CMPB2TST
HEAT TEST HEATING
→HT.ST Requested Heat Stage 0-n HTST_TST
→HT.1 Heat Relay 1 ON/OFF HS1_TST
→HT.2 Heat Relay 2 ON/OFF HS2_TST
→HT.3 Relay 3 W1 Gas Valve 2 ON/OFF HS3_TST
→HT.4 Relay 4 W2 Gas Valve 2 ON/OFF HS4_TST
→HT.5 Relay 5 W1 Gas Valve 3 ON/OFF HS5_TST
→HT.6 Relay 6 W2 Gas Valve 3 ON/OFF HS6_TST
→H.I.R Heat Interlock Relay ON/OFF HIR_TST
→HTC.C Ht.Coil Command Position 0-100 % HTCLHEAT
38
Service Test Mode Logic — Operation in the Service
Test mode is sub-menu specific except for the INDP sub-
menu. Leaving the sub-menu while a test is being performed
and attempting to start a different test in the new sub-menu will
cause the previous test to terminate. When this happens, the
new request will be delayed for 5 seconds. For example, if
compressors were turned on under the COOL sub-menu, any
attempt to turn on heating stages within the HEAT sub-menu
would immediately turn off the compressors and 5 seconds lat-
er the controller would honor the requested heat stages.
However, it is important to note that the user can leave a
Service Test mode to view any of the local display menus (Run
Status,  Temperatures,  Pressures,  Setpoints, Inputs,  Outputs,
Configuration,  Time Clock,  Operating Modes, and Alarms)
and the control will remain in the Service Test mode. 
Independent Outputs — The  INDP sub-menu items
can be turned on and off regardless of the other category states.
For example, the humidifier relay or remote alarm/auxiliary re-
lay can be forced on in the INDP sub-menu and will remain on
if compressor stages were requested in the COOL sub-menu.
Fans — Upon entering the FANS sub-menu, the user will be
able to enact either a manual or automatic style of test opera-
tion. The first item in the sub-menu, Fan Test Mode Automatic
(Service Test
→
FANS
→
F. M O D ), allows the fan and the con-
figured static pressure or building pressure control to begin as
in the application run mode. During this automatic mode, it is
possible to manually control condenser fans A and B.
If Fan Test Mode Automatic (Service Test
→
FANS
→
F. M O D ), is set to NO, then the user will have individual con-
trol over duct static pressure (VFD speed or IGV position),
building pressure and condenser fan control. Additionally, the
controller will protect the system from developing too much
static pressure. If the static pressure during manual control
rises above 3 in. wg or if the Static Pressure Set Point
(Setpoints
→
SPSP) is greater than 2.5 in. wg and static pres-
sure is 0.5 in. wg higher than SPSP, then all options in the
FANS menu will be cleared back to their default OFF states.
The power exhaust dampers can be individually energized
or together and their damper positions can be forced to any
position.
Actuators — In the ACT.C sub-menu, it will be possible to
control and calibrate actuators. Calibration is a mode in which
the actuator moves from 0% to the point at which the actuator
stalls, and it will then use this angular travel range as its
“control angle”. It will also be possible to view the “control
angle” adopted by the actuator after a calibration.
Within this sub-menu, the user may calibrate and control
economizer actuators 1 and 2, the inlet guide vane actuator, the
building pressure actuators 1 and 2, the hydronic heating coil
actuator, and the humidifier steam valve control actuator.
NOTE: Once a calibration has been started, the user cannot
exit test mode or select any other test mode operation until
complete.
Cooling — The cooling sub-menu offers many different
service tests. 
•Service Test
→
Cool
→
E.POS (Econo Damper Command
Pos). It is possible to manually move the actuator during
the cooling test mode at all times, regardless if econo-
mizer cooling is suitable or not.
•Service Test
→
COOL
→
SP.SP (Static Pressure Setpoint).
Upon entering the cooling sub-menu, the static pressure
control item will default to the unit's static pressure set
point. Thereafter, as mechanical cooling commences and
the fan starts, the static pressure can be manually
adjusted during the cool mode without affecting the con-
figured set point for normal runtime operation. By
adjusting the static pressure set point, the user can
increase or decrease the supply airflow. Do not use a
static pressure that will exceed the system limits.
•Service Test
→
COOL
→
CL.ST (Requested Cool Stage).
If this item is set to a non-zero value, the current
assigned compression stage for this unit will be selected
and enacted. Thereafter, the individual compressor and
unloaders items will be “read-only” and reflect the cur-
rent staging state. In addition, this item will automati-
cally clamp the cooling stages to its pre-configured
maximum.
•Service Test
→
COOL
→
LD.LG (Lead/Lag Select Test).
This item may only be adjusted when the cooling stage
pattern request item is set to zero. If the request pattern is
zero, then the user may select whether the cooling stage
request is based on lead or lag staging.
• Manual relay control of individual compressors and
unloaders. If the cooling stage pattern request is set to
zero, the user will have the ability to manually control
compressors and unloaders. If the user energizes
mechanical cooling, the supply fan and the outdoor fans
will be started automatically. During mechanical cooling,
the unit will protect itself. Compressor diagnostics are
active, monitoring for high discharge pressure, low suc-
tion pressure, etc.
Heating — If unit has a thermostat connected (C.TYP = 3
or 4), install the RED jumper wires between TB202, terminals
R (1), W2 (3) and W1 (4). Terminal block TB202 is located in
the unit control box. Remember to disconnect these jumpers
when Test Mode is completed. The Heat Test Mode sub-menu
will offer automatic fan start-up if not a gas fired heat unit. On
gas heat units, the IGC feedback from the gas control units will
bring the fan on as required.
Within this sub-menu, control of the following is possible:
•Service Test
→
HEAT
→
HT.ST (Requested Heat Stage).
When this item is non-zero, the currently configured heat
type will energize the corresponding heat relay pattern
that reflects the requested stage. In addition the upper
limit will be clamped to reflect the maximum configured
number of stages. When non-zero, the heat relays will be
“read-only” and reflect the currently selected pattern.
•Service Test
→
HEAT
→
HT.1-6,  Service Test
→
HEAT
→
H.I.R (Manual Heat Relay Control). If the “Heat Stage
Request” item is set to zero, it will be possible to individ-
ually control the heat relays, including the heat interlock
relay.
•Service Test
→
HEAT
→
HTC.C (Ht Coil Command Posi-
tion). If configured for this heat type, the user will be
able to manually control the positioning of the actuator
which controls hot water (0 to 100%).
NOTE: When service test has been completed, if unit has a
thermostat connected (C.TYP = 3 or 4), remove the RED
jumper wires at TB202, terminals R (1), W2 (3) and W1 (4).
Terminal block TB202 is located in the unit control box. Store
these jumpers in the unit control box for future use.

39
THIRD PARTY CONTROL
Thermostat  — The method of control would be through
the thermostat inputs:
Y1 = first stage cooling
Y1 and Y2 = first and second stage cooling
W1 = first stage heating
W1 and W2 = first and second stage heating
G = supply fan
Alarm Output — The alarm output (not available when
the unit is configured for hot gas reheat), TB201-12 and
TB201-11, will provide relay closure whenever the unit is
under an alert or alarm condition. 
Remote Switch — The remote switch may be configured
for three different functions. Under Configuration
→
UNIT, set
RM.CF to one of the following:
0 = no remote switch
1 = occupied/unoccupied switch
2 = start/stop switch
3 = occupancy override switch
Under  Configuration
→
SW.LG,  RMI.L, the remote occu-
pancy switch can be set to either a normally open or normally
closed switch input. Normal is defined as either unoccupied,
start or “not currently overridden,” respective to the RM.CF
configuration.
With RM.CF set to 1, no time schedules are followed and
the unit follows the remote switch only in determining the state
of occupancy.
With RM.CF set to 2, the remote switch can be used to shut
down and disable the unit, while still honoring timeguards on
compressors. Time schedules, internal or external, may be run
simultaneously with this configuration. 
With  RM.CF set to 3, the remote input may override an
unoccupied state and force the control to go occupied mode. As
with the start/stop configuration, an internal or external time
schedule may continue to control occupancy when the switch
is not in effect.
VFD Control — On VFD equipped supply fans, supply
duct static pressure control may be left under unit control or be
externally controlled. To control a VFD externally with a 4 to
20 mA signal, set SP.CF to 0, under the Configuration
→
SP
menu. This will disable the ComfortLink™ controls from vary-
ing the VFD speed in response to duct pressure with its 4 to
20 mA output.
See Appendix D and the VFD literature supplied with the
unit for VFD configurations and field wiring connections to the
VFD. 
Supply Air Reset — With the installation of the Control
Expansion Module (CEM), the ComfortLink controls are capa-
ble of accepting a 4 to 20 mA signal, to reset the supply-air
temperature up to a maximum of 20 F. 
Under Configuration
→
EDT.R set RS.CF to 3 (external 4
to 20 mA supply air reset control). The 4 to 20 mA input to the
control system (TB203-4 and TB203-5), will be linearized and
range from 0º to 20 F. For example, 4 mA = 0º F reset, 12 mA
= 10º F reset and 20 mA = 20º F reset.
Demand Limit Control — The term Demand Limit
Control refers to the restriction of the machine’s mechanical
cooling capacity to control the amount of power that a machine
may use.
Demand Limiting is possible via two means:
Two discrete inputs tied to demand limit set point percentages.
OR
A 4 to 20 mA input that can reduce or limit capacity linearly to
a set point percentage.
In either case, it will be necessary to install a controls expan-
sion module (CEM).
DEMAND LIMIT DISCRETE INPUTS — First,  set  DM.L.S
in Configuration
→
DMD.L to 1 (2 switches).
When Inputs
→
GEN.I
→
DL.S1 (Demand Switch no. 1) is
OFF, the control will not set any limit to the capacity, and
when ON, the control sets a capacity limit to the Configura-
tion
→
DMD.L
→
D.L.S1 set point. 
Likewise, when Inputs
→
GEN.I
→
DL.S2 (Demand Switch
no. 2) is OFF, the control will not set any limit to the capacity,
and when ON, the control sets a capacity limit to the Configu-
ration
→
DMD.L
→
D.L.S2 set point. 
If both switches are ON, Inputs
→
GEN.I
→
DL.S2 is used
as the limiter of capacity.
Under Configuration
→
SW.LG, set the logic state appropri-
ately for the action desired. Set the DL1.L and DL2.L configu-
rations. They can be set normally open or normally closed. For
example, if DL1.L is set to OPEN, the user will need to close
the switch to cause the control to limit capacity to the demand
limit 1 set point. Likewise, if DL1.L is set to CLSE (closed),
the user will need to open the switch to cause the control to
limit capacity to the demand limit 1 set point.
DEMAND LIMIT 4 TO 20 mA INPUT — Under  Configu-
ration
→
DMD.L, set configuration DM.L.S to 2 (2 = 4 to
20 mA control). Under the same menu, set D.L.20 to a value
from 0 to 100 to set the demand limit range. For example, with
D.L.20 set to 50, a 4 mA signal will result in no limit to the
capacity and 20 mA signal will result in a 50% reduction in
capacity.
Economizer/Outdoor Air Damper Control —
There are multiple methods for externally controlling the econ-
omizer damper.
IAQ DISCRETE INPUT CONFIGURATION —   The  IAQ
(indoor air quality) discrete input configuration requires a
CEM module (optional) to be installed and an interface to a
switch input at TB204-11 and TB204-12. The state of the input
on the display can be found at Inputs
→
AIR.Q
→
IAQ.I.
Before configuring the switch functionality, first determine
how the switch will be read. A closed switch can indicate either
a low IAQ condition or a high IAQ condition. This is set at
Configuration
→
SW.LG and IAQ.L. The user can set what a
low reading would mean based on the type of switch being
used. Setting IAQ.L to OPEN means that when the switch is
open the input will read LOW. When the switch is closed, the
input will read HIGH. Setting IAQ.L to CLSE (closed) means
that when the switch is closed the input will read LOW, and
therefore, when the switch is open the switch will read HIGH.
There are two possible configurations for the IAQ discrete
input. Select item Configuration
→
IAQ
→
AQ.CF
→
IQ.I.C
and configure for either 1 (IAQ Discrete) or 2 (IAQ Discrete
Override). 
IQ.I.C = 1 (IAQ Discrete) — If the user sets IQ.I.C to 1 (IAQ
Discrete), and the switch logic (Configuration
→
SW.LG
→
IAQ.L) is set to OPEN, then an open switch reads low and a
closed switch reads high.
If the switch is open, the economizer will be commanded to
the IAQ Demand Vent Minimum Position. If the outdoor flow
station is installed and outdoor air cfm can be read, the econo-
mizer will move to the IAQ Demand Vent Minimum Flow
CFM control setting. 
These settings may be adjusted and are located here:
Configuration
→
IAQ
→
DCV.C
→
IAQ.M
Configuration
→
IAQ
→
DCV.C
→
O.C.MN

40
If the switch is closed, the IAQ reading will be high and the
economizer will be commanded to the Economizer Minimum
Position. If the outdoor airflow station is installed and outdoor
air cfm can be read, the economizer will move to the Econo-
mizer Minimum Flow CFM control setting.
These settings may be adjusted and are located here:
Configuration
→
IAQ
→
DCV.C
→
EC.MN
Configuration
→
IAQ
→
DCV.C
→
O.C.MX
IQ.I.C = 2 (IAQ Discrete Override) — If the user sets IQ.I.C
to 2 (IAQ Discrete Override), and Configuration
→
SW.LG
→
IAQ.L is set to OPEN, then an open switch reads low and a
closed switch reads high.
If the switch reads low, no action will be taken. If the switch
reads high, the economizer will immediately be commanded to
the IAQ Economizer Override Position. This can be set from 0
to 100% and can be found at Configuration
→
IAQ
→
AQ.SP
→
IQ.O.P.
FAN CONTROL FOR THE IAQ DISCRETE INPUT  —
Under  Configuration
→
IAQ
→
AQ.CF, the IQ.I.F (IAQ Dis-
crete Input Fan Configuration) must also be set. There are
three configurations for IQ.I.F. Select the configuration which
will be used for fan operation. This configuration allows the
user to decide (if the supply fan is not already running),
whether the IAQ discrete switch will start the fan, and in which
state of occupancy the fan will start.
IAQ ANALOG INPUT CONFIGURATION — This input is
an analog input located on the main base board (MBB). There
are 4 different functions for this input. The location of this con-
figuration is at Configuration
→
IAQ
→
AQ.CF
→
IQ.A.C.
The functions possible for IQ.A.C are:
• 0 = no IAQ analog input
• 1 = IAQ analog input
• 2 = IAQ analog input used to override to a set position
• 3 = 4 to 20 mA 0 to 100% economizer minimum position
control
• 4 = 0 to 10 kilo-ohms 0 to 100% economizer minimum
position control
Options 2, 3, and 4 are dedicated for third party control.
IQ.A.C = 2 (IAQ Analog Input Used to Override) — Under
Configuration
→
IAQ
→
AQ.SP, set IQ.O.P (IAQ Economizer
Override Position). The IQ.O.P configuration is adjustable
from 0 to 100%. These configurations are also used in conjunc-
tion with Configuration
→
IAQ
→
AQ.CF
→
IQ.A.F (IAQ 4 to
20 mA Fan Configuration). There are three configurations for
IQ.A.F and they follow the same logic as for the discrete input.
This configuration allows the user to decide (if the supply fan is
not already running), if the IAQ Analog Minimum Position
Override input will start the fan, and in which state of occupan-
cy the fan will start.
If  IQ.A.F is configured to request the supply fan, then
configurations  D.F.ON and D.F.OF need to be set. These
configuration settings are located under Configuration
→
IAQ
→
AQ.SP and configure the fan override operation based
on the differential air quality (DAQ). If DAQ rises above
D.F.ON, the control will request the fan on until DAQ falls be-
low D.F.OF.
NOTE: If D.F.ON is configured below DAQ.H, the unit is in
occupied mode, and the fan was off, then DAQ rose above
D.F.ON and the fan came on, the economizer will go to the
economizer minimum position (EC.MN).
The 4 to 20 mA signal from the sensor wired to TB12 and
TB11 is scaled to an equivalent indoor CO2 (IAQ) by the
parameters IQ.R.L and IQ.R.H located under the Configura-
tion
→
IAQ
→
AQ.SR  menu. The parameters are defined such
that 4 mA = IQ.R.L and 20 mA = IQ.R.H. When the differen-
tial air quality DAQ (IAQ – OAQ.U) exceeds the DAQ.H set
point (Configuration
→
IAQ
→
AQ.SP  menu) and the supply
fan is on, the economizer minimum vent position (Configura-
tion
→
IAQ
→
DCV.C
→
EC.MN) is overridden and the damper
is moved to the IQ.P.O configuration. When the DAQ falls be-
low the DAQ.L set point (Configuration
→
IAQ
→
AQ.SP
menu), the economizer damper is moved back to the minimum
vent position (EC.MN).
NOTE: Configuration OAQ.U is used in the calculation of the
trip point for override and can be found under Configura-
tion
→
 IAQ
→
AQ.SP.
IQ.A.C = 3 (4 to 20 mA Damper Control) — This configura-
tion will provide full 4 to 20 mA remotely controlled analog in-
put for economizer minimum damper position. The 4 to 20 mA
signal is connected to terminals TB12 and TB11. The input is
processed as 4 mA = 0% and 20 mA = 100%, thereby giving
complete range control of the effective minimum position.
The economizer sequences can be disabled by removing the
enthalpy switch input at TB201-4 and not enabling any other
economizer changeover sequence at Configuration
→
ECON
→
E.SEL. Complete control of the economizer damper
position is then possible by using a 4 to 20 mA economizer
minimum position control or a 0 to 10 kilo-ohm 0 to 100%
economizer minimum position control via configuration deci-
sions at Configuration
→
IAQ
→
IQ.A.C.
To disable the standard enthalpy control input function,
remove the enthalpy switch input connection at TB201-4 and
provide a jumper from TB201-3 to TB201-4 (see wiring
diagrams in Major System Components section on page 102).
IQ.A.C = 4 (10 Kohm Potentiometer Damper Control) —
This configuration will provide input for a 10 kilo-ohm linear
potentiometer that acts as a remotely controlled analog input
for economizer minimum damper position. The input is pro-
cessed as 0 ohms = 0% and 10,000 ohms = 100%, thereby giv-
ing complete range control of the effective minimum position.
NOTE: For complete economizer control, the user can make
the economizer inactive by removing the enthalpy switch
connection from terminal TB201-4.
CONTROLS OPERATION
Modes — The  ComfortLink™ controls operate under a
hierarchy of command structure as defined by three essential
elements: the System mode, the HVAC mode and the Control
mode. The System mode is the top level mode that defines three
essential states for the control system: OFF, RUN and TEST.
The HVAC mode is the functional level underneath the
System mode which further defines the operation of the
control.
The Control mode is essentially the control type of the unit
(Configuration
→
UNIT
→
C.TYP). This defines from where
the control looks to establish a cooling or heating mode and
whether 2 stages or multiple stages of cooling capacity opera-
tion are controlled.
Furthermore, there are a number of modes which operate
concurrently when the unit is running. The operating modes of
IQ.I.F = 0 Minimum Position Override Switch input
will not start fan
IQ.I.F = 1 Minimum Position Override Switch input
will start fan in occupied mode only
IQ.I.F = 2 Minimum Position Override Switch input
will start fan in both occupied and unoccu-
pied modes
IQ.A.F = 0 IAQ analog sensor input cannot start the
supply fan
IQ.A.F = 1 IAQ analog sensor input can start the supply
fan in occupied mode only
IQ.A.F = 2 IAQ analog sensor input can start the supply
fan in both occupied and unoccupied modes

41
the control are located at the local displays under Operating
Modes. See Table 32.
Table 32 — Operating Modes Display Table
Currently Occupied (OCC) — This variable displays the cur-
rent occupied state of the unit.
Timed Override in Effect (T.OVR ) — This variable displays
if the state of occupancy is currently occupied due to an
override.
DCV Resetting Minimum Position (DCV) — This variable
displays if the economizer position has been lowered from its
maximum vent position.
Supply Air Reset (SA.R) — This variable displays if the sup-
ply air set point that the rooftop is attempting to maintain is
currently being reset upwards. This applies to cooling only.
Demand Limit in Effect (DMD.L) — This variable displays
if the mechanical cooling capacity is currently being limited or
reduced by an outside third party.
Temperature Compensated Start (T.C.ST) — This variable
displays if Heating or Cooling has been initiated before the
occupied period to pre-condition the space.
IAQ Pre-Occupancy Purge Active (IAQ.P) — This variable
displays if the economizer is open and the fan is on to pre-
ventilate the building before occupancy.
Linkage Active CCN (LINK) — This variable displays if a
linkage master in a zoning system has established “linkage”
with this air source (rooftop).
Mechanical Cooling Locked Out (LOCK) — This variable
displays if mechanical cooling is currently being locked due to
low outside air temperature.
HVAC Mode Numerical Form (H.NUM) — This is a numer-
ical representation of the HVAC modes which may be read via
a point read.
SYSTEM MODES (Operating Modes
→
SYS.M)
System Mode Off — When the system mode is OFF, all out-
puts are to be shut down and no machine control is possible.
The following list displays the text assigned to the System
Mode when in the OFF mode and the conditions that may
cause this mode are checked in the following hierarchal order:
1. Wake up timer on a power reset.
(“Initializing System ...”)
2. System in the process of shutting down compressors and
waiting for timeguards to expire.
(“Shutting Down ...”)
3. Factory shut down (internal factory control level —
SHUTDOWN).
(“Factory Shut Down”)
4. Unit Stop (software application level variable that acts as
a hard shut down — Service Test
→
STOP).
(“Local Machine Stop”)
5. Fire Shut Down (traumatic fire shutdown condition based
on the Fire Shutdown Input (Inputs
→
FIRE
→
FSD).
(“Fire-Shutdown Mode”)
6. Emergency Stop, which is forced over the CCN through
the Emergency Stop Variable (EMSTOP).
(“CCN Emergency Stop”)
7. Start-up Delay.
(“Startup Delay = 0-900 secs”)
8. Service test ending transition timer.
(“Service Test Ending”)
9. Unexplained internal software failure.
(“Internal Failure”)
System Mode Test — When the system mode is Test, the
control is limited to the Test mode and is controllable via the
local displays (scrolling marquee and Navigator™ display) or
through the factory service test control. The System Test
modes are Factory Test Enabled and Service Test Enabled. See
the Service Test section on page 36 for details on test control in
this mode.
1. Factory Test mode
(“Factory test enabled”)
2. Service Test mode
(“Service test enabled”)
System Mode Run — When the system mode is Run, the soft-
ware application in the control is free to run the HVAC control
routines by which cooling, heating, IAQ, etc., is possible.
There are two possible text displays for this mode, one is
normal run mode and the other occurs if one of the following
fire-smoke modes is present: smoke purge, pressurization or
evacuation.
1. Normal run time state
(“Unit Operation Enabled”)
2. Fire-Smoke control mode
(“Fire-Smoke Control”)
HVAC MODES (Operating Mode
→
HVAC) — The  HVAC
mode is dependant on the system mode to allow it to further
determine the operational state of the rooftop unit. The actual
determination of an HVAC mode is based on a hierarchal
decision making process whereby certain overrides may inter-
fere with normal temperature/humidity control. The decision
making process that determines the HVAC mode is shown in
Fig. 4 and Appendix E.
Each HVAC mode is described below. The HVAC mode
number is shown in the parenthesis after the mode.
HVAC Mode — OFF (01) — The unit is off and no operating
modes are active.
HVAC Mode — STARTING UP (02) — The unit is transi-
tioning from the OFF mode to a different mode.
HVAC Mode — SHUTTING DOWN (03) — The unit is
transitioning from a mode to the OFF mode.
HVAC Mode — DISABLED (04) — The unit is shut down
due to a software command disable through the scrolling mar-
quee, a CCN emergency stop command, a service test end, or a
control-type change delay.
HVAC Mode — SOFTSTOP REQUEST (05) — The unit is
off due to a soft stop request from the control.
HVAC Mode — REM SW.DISABLE (06) — The unit is off
due to the remote switch.
HVAC Mode — COMP.STUCK ON (07) — The unit is shut
down because there is an indication that a compressor is run-
ning even though it has been commanded off.
HVAC Mode — TEST (08) — The unit is in the self test
mode which is entered through the Service Test menu.
ITEM EXPANSION RANGE CCN POINT
SYS.M ascii string n/a
HVAC ascii string  n/a
CTRL ascii string n/a
MODE MODES CONTROLLING UNIT
  OCC Currently Occupied ON/OFF MODEOCCP
  T.OVR Timed Override in Effect ON/OFF MODETOVR
  DCV DCV Resetting Min Pos ON/OFF MODEADCV
  SA.R Supply Air Reset ON/OFF MODESARS
  DMD.L Demand Limit in Effect ON/OFF MODEDMLT
  T.C.ST Temp.Compensated Start ON/OFF MODETCST
  IAQ.P IAQ Pre-Occ Purge Active ON/OFF MODEIQPG
  LINK Linkage Active — CCN ON/OFF MODELINK
  LOCK Mech.Cooling Locked Out ON/OFF MODELOCK
  H.NUM HVAC Mode Numerical Form number MODEHVAC

42
HVAC Mode — VENT (09) — This is a normal operation
mode where no heating or cooling is required and outside air is
being delivered to the space to control IAQ levels.
HVAC Mode — HIGH COOL (10) — This is a normal cool-
ing mode where a high cooling demand is required.
HVAC Mode — LOW COOL (11) — This is a normal cool-
ing mode where a low cooling demand is required.
HVAC Mode — UNOCC. FREE COOL (12) — In this
mode the unit will operate in cooling but will be using the
economizer for free cooling. Entering this mode will depend on
the status of the outside air. The unit can be configured for out-
side air changeover, differential dry bulb changeover, outside
air enthalpy changeover, differential enthalpy changeover, or a
custom arrangement of enthalpy/dewpoint and dry bulb. See
the Economizer section for further details.
HVAC Mode — TEMPERING HICOOL (13) — The econ-
omizer is at minimum vent position but the combination of the
outside-air temperature and the economizer position has
dropped the supply-air temperature below the tempering cool
set point. Staged gas heat or hydronic heat is used to temper the
ventilation air.
HVAC Mode — TEMPERING LOCOOL (14) — The econ-
omizer is at minimum vent position but the combination of the
outside-air temperature and the economizer position has
dropped the supply-air temperature below the tempering cool
set point. Staged gas heat or hydronic heat is used to temper the
ventilation air.
HVAC Mode — TEMPERING VENT (15) — The econo-
mizer is at minimum vent position but the supply-air tempera-
ture has dropped below the tempering vent set point. Staged
gas heat or hydronic heat is used to temper the ventilation air.
HVAC Mode — LOW HEAT (16) — The unit will be in low
heating demand mode using either gas or electric heat.
HVAC Mode — HIGH HEAT (17) — The unit will be in
high heating demand mode using either gas or electric heat.
HVAC Mode — FREEZESTAT TRIP (18) — If the Freez-
estat trips, the unit enters the Freezestat Trip HVAC mode. The
supply fan will run, the hydronic heat valve will be wide open,
and the economizer damper will be at minimum.
HVAC Mode — STATIC PRESSURE FAIL (19) — The
unit is off due to failure of the static pressure sensor.
HVAC Mode — PLENUM PRESSURE FAIL (20) — The
unit is off due to a plenum pressure switch trip.
HVAC Mode — FIRE SHUT DOWN (21) — The unit has
been stopped due to a fire shutdown input (FSD) or two or
more of the fire control modes, purge, evacuation, or pressur-
ization have been requested simultaneously.
HVAC Mode — PRESSURIZATION (22) — The unit is in
the special fire pressurization mode where the supply fan is on,
the economizer damper is open and the power exhaust fans are
off. This mode is invoked by the Fire Pressurization (PRES)
input which can be found in the INPUT
→
FIRE submenu.
HVAC Mode — EVACUATION (23) — The unit is in the
special Fire Evacuation mode where the supply fan is off, the
economizer damper is closed and the power exhaust fans are
on. This mode is invoked by the Fire Evacuation (EVAC) input
which can be found in the INPUT
→
FIRE submenu.
HVAC Mode — SMOKE PURGE (24) — The unit is in the
special Fire Purge mode where the supply fan is on, the econo-
mizer damper is open and the power exhaust fans are on. This
mode is invoked by the Fire Evacuation (PURG) input which
can be found in the INPUT
→
FIRE submenu.
HVAC Mode — DEHUMIDIFICATION (25) — The unit is
operating in the Dehumidification mode.
HVAC Mode — RE-HEAT (26) — The unit is operating in
Reheat mode.
Unit Configuration Submenu — The  UNIT sub-
menu under the Configuration mode of the local display
contains general unit configuration items. This section will
define all of these configurations here for easy reference. The
sub-menu which contains these configurations is located at the
local display under Configuration
→
UNIT. See Table 33.
Machine Control Type (C.TYP) — This configuration de-
fines the technique and control source responsible for selecting
a cooling, heating, or vent mode and in determining the method
by which compressors are staged. The control types are:
•C.TYP = 1 (VAV-RAT) and C.TYP =  2  ( VAV- S PT )
Both of these configurations refer to standard VAV opera-
tion. If the control is occupied, the supply fan is run
continuously and return-air temperature will be used in the
determination of the selection of a cooling mode. VAV-SPT
differs from VAV-RAT only in that during the unoccupied
period, space temperature will be used instead of return-air
temperature to start the fan for 10 minutes to establish an
accurate return-air temperature before the return-air temper-
ature is allowed to call out any mode.
•C.TYP = 3 (TSTAT – MULTI)
This configuration will force the control to monitor the ther-
mostat inputs to make a determination of mode. Unlike
traditional 2-stage thermostat control, the unit is allowed to
use multiple stages of cooling control and perform VAV-
type operation. The control will be able to call out a LOW
COOL or a HIGH COOL mode and maintain a low or high
cool supply air set point.
•C.TYP = 4 (TSTAT- 2 STG)
This configuration will force the control to monitor the ther-
mostat inputs to make a determination of mode and allow
only 2 stages of control for both heating and cooling.
•C.TYP = 5 (SPT – MULTI)
This configuration will force the control to monitor a space
temperature sensor to make a determination of mode.
Unlike traditional 2-stage space temperature control, the
unit is allowed to use multiple stages of cooling control and
perform VAV-type operation. The control will be able to call
out a LOW COOL or a HIGH COOL mode and maintain a
low or high cool supply air set point.
•C.TYP = 6 (SPT- 2 STG)
This configuration will force the control to monitor the
space temperature sensor to make a determination of mode
and allow 2 stages of control for both heating and cooling.

43
System Mode =
OFF?
Inputs -> FIRE ->
FSD in alarm?
HVAC Mode = OFF
(Fire Shutdown)
HVAC Mode = OFF
(Disabled)
Unit not in factory
test AND  fire-smoke
control mode is
alarming?
Inputs -> FIRE ->
PRES in alarm?
HVAC Mode = OFF
(Pressurization)
Inputs -> FIRE ->
EVAC in alarm?
HVAC Mode = OFF
(Evacuation)
HVAC Mode = OFF
(Purge)
Config->UNIT->
C.TYP changed
while unit running?
15-second delay
HVAC Mode = OFF
(Disabled)
System Mode =
TEST?
HVAC Mode = TEST
Service Test ->
S.STP = YES?
HVAC Mode = SoftStop
Request
Config->UNIT->
RM.CF =2 AND
Inputs->GEN.I->
REMT = ON
HVAC Mode = OFF
(Rem. Sw. Disable)
(Config->HEAT->
HT.TY=4 OR Config->
DEHU->D.SEL=1) AND
(Inputs ->GEN.I->
FRZ.S=ALRM?)
HVAC Mode = Freeze
Stat Trip
Config->SP-> SP.CF
= 1 OR 2
HVAC Mode = OFF
(Static Pres. Fail)
Config->UNIT->
SFS.M=1 OR  2 AND
Config->UNIT->
SFS.S=YES?
HVAC Mode = OFF
(Fan Status Fail)
Unit just waking up
from power reset?
HVAC Mode = OFF
(Starting Up)
Unit shutting down?
HVAC Mode = Shutting
Down
Compressor
contactor welded
on?
HVAC Mode = Comp.
Stuck On
Unit control free to select
normal heating/cooling
HVAC mode
HVAC Mode = OFF
HVAC Mode =
Tempering Vent
HVAC Mode =
Tempering LoCool
HVAC Mode =
Tempering HiCool
HVAC Mode = Re-Heat
HVAC Mode =
Dehumidification
HVAC Mode = Vent
HVAC Mode = Low Cool
HVAC Mode = High Cool
HVAC Mode = Low Heat
HVAC Mode = High Heat
HVAC Mode = Unocc.
Free Cool
No No No No No
No
No
No No
No
No
Yes
Yes
Yes
Yes
Yes
YesYesYesYesYes
System
Mode
Fire-
Smoke
Control
Exceptions
Unit
control free
to choose
HVAC
Mode
and static pressure
sensor has failed
and supply fan
 has failed
Config->BP->
BP.CF=5    
AND
HVAC Mode = OFF
(Plenum Pressure Trip)
There is a plenum
pressure switch
error
Yes Yes Yes Yes Yes Yes
No No No No No
Fig. 4 — Mode Selection

44
Table 33 — Unit Configuration
Fan Mode (CV.FN) — The Fan Mode configuration can be
used for machine control types (Configuration
→
UNIT
→
C.TYP) 3, 4, 5, and 6. The Fan Mode variable
establishes the operating sequence for the supply fan during
occupied periods. When set to 1 (Continuous), the fan will
operate continuously during occupied periods. When set to 0
(Automatic), the fan will run only during a heating or cooling
mode.
Remote Switch Config (RM.CF) — The remote switch input
is connected to TB201 terminals 1 and 2. This switch can be
used for several remote control functions. Please refer to the
Remote Control Switch Input section for details on its use and
operation.
CEM Module Installed (CEM) — This configuration instructs
the control to communicate with the controls expansion module
(CEM) over the local equipment network (LEN) when set to
Yes. When the unit is configured for certain sensors and configu-
rations, this option will be set to Yes automatically.
The sensors and configurations that automatically turn on
this board are:
Configuration
→
UNIT
→
SENS
→
SRH.S = Enable (Space
Relative Humidity Sensor Enable)
Configuration
→
UNIT
→
SENS
→
RRH.S = Enable (Return
Air Relative Humidity Sensor Enable)
Configuration
→
EDT.R
→
RES.S = Enable (4 to 20 mA Sup-
ply Air Reset Sensor Enable)
Configuration
→
ECON
→
ORH.S = Enable (Outside Air Rel-
ative Humidity Sensor Enable)
Configuration
→
ECON
→
CFM.C
→
OCF.S = Enable (Out-
door Air CFM Sensor Enable)
Configuration
→
DEHU
→
D.SEN = 3 (DISCR.INPUT)
(Dehumidification Sensor – Discrete Input Select)
Configuration
→
DMD.L
→
DM.L.S = 1 (2 SWITCHES)
(Demand Limiting using 2 discrete switches)
Configuration
→
DMD.L
→
DM.L.S = 2 (4-20 MA CTRL)
(Demand Limiting using a 4 to 20 mA sensor)
Configuration
→
IAQ
→
AQ.CF
→
IQ.I.C = 1 (IAQ DISCRETE)
(IAQ discrete switch control)
Configuration
→
IAQ
→
AQ.CF
→
IQ.I.C = 2 (IAQ DISC.OVR)
(IAQ discrete switch “override” control)
Configuration
→
IAQ
→
AQ.CF
→
OQ.A.C = 1 (OAQ SENS-
DAQ) (Outdoor Air Quality Sensor)
Configuration
→
IAQ
→
AQ.CF
→
OQ.A.C = 2 (4-20 NO
DAQ) (4 to 20 mA sensor, no DAQ)
Temperature Compensated Start Cooling Factor (TCS.C) —
This factor is used in the equation of the Temperature Compen-
sated Start Time Bias for cooling. Refer to the Temperature
Compensated Start section for more information. A setting of
0 minutes indicates Temperature Compensated Start in Cooling
is not permitted.
Temperature Compensated Start Cooling Factor (TCS.H) —
This factor is used in the equation of the Temperature Compen-
sated Start Time Bias for heating. Refer to the Temperature
Compensated Start section for more information. A setting of
0 minutes indicates Temperature Compensated Start in Heating
is not permitted.
Fan Fail Shuts Downs Unit (SFS.S) — This configuration
will determine whether the unit should shut down on a supply
fan status fail or simply alert the condition and continue to run.
If set to YES, then the control will shut down the unit and send
out an alarm if supply fan status monitoring fails. If set to NO,
the control will not shut down the unit if supply fan status mon-
itoring fails but the control will send out an alert.
Fan Status Monitoring (SFS.M) — This configuration selects
the type of fan status monitoring to be performed.
0 - NONE — No switch or monitoring
1 - SWITCH — Use of the fan status switch
2 - SP RISE — Monitoring of the supply duct pressure.
VAV Unoccupied Fan Retry Time (VAV.S) — Machine con-
trol types 1 and 2 (VAV-RAT,VAV-SPT) include a process for
sampling the return-air temperature during unoccupied periods
to prove a valid demand for heating or cooling before initiating
an unoccupied heating or cooling mode. If the sampling rou-
tine runs but concludes a valid demand condition does not ex-
ist, the sampling process will not be permitted for the period of
time defined by this configuration. Reducing this value allows
a more frequent re-sampling process. Setting this value to zero
will prevent any sampling sequence.
Unit Size (SIZE) — There are several unit sizes (tons) for the
Z Series control. Make sure this configuration matches the size
called out by the model number of the unit. This is important as
the cooling stage tables are directly determined based on both
the SIZE and 50.HZ configurations.
ITEM EXPANSION RANGE UNITS CCN POINT DEFAULTS
UNIT UNIT CONFIGURATION
  C.TYP Machine Control Type 1 - 6 CTRLTYPE 4
  CV.FN Fan Mode (0=Auto, 1=Cont) 0 - 1 FAN_MODE 1
  RM.CF Remote Switch Config 0 - 3 RMTINCFG 0
  CEM CEM Module Installed Yes/No CEM_BRD No
  TCS.C Temp.Cmp.Strt.Cool Factr 0 - 60 min TCSTCOOL 0
  TCS.H Temp.Cmp.Strt.Heat Factr 0 - 60 min TCSTHEAT 0
  SFS.S Fan Fail Shuts Down Unit Yes/No SFS_SHUT No
  SFS.M Fan Stat Monitoring Type 0 - 2  SFS_MON 0
  VAV.S VAV Unocc.Fan Retry Time 0 - 720 min SAMPMINS 50
  SIZE Unit Size (30-105) 30 - 105 UNITSIZE 30
  50.HZ 50 Hertz Unit ? Yes/No UNIT_HZ No
  MAT.S MAT Calc Config 0 - 2 MAT_SEL 1
  MAT.R Reset MAT Table Entries? Yes/No MATRESET No
  MAT.D MAT Outside Air Default 0 - 100 % MATOADOS 20
  ALTI Altitude……..in feet: 0 - 60000 ALTITUDE 0
  DLAY Startup Delay Time 0 -900 sec DELAY 0
  AUX.R Auxiliary Relay Config 0 - 3 AUXRELAY 0
  SENS INPUT SENSOR CONFIG
    SPT.S Space Temp Sensor Enable/Disable SPTSENS Disable
    SP.O.S Space Temp Offset Sensor Enable/Disable SPTOSENS Disable
    SP.O.R Space Temp Offset Range 1 - 10 SPTO_RNG 5
    SRH.S Space Air RH Sensor Enable/Disable SPRHSENS Disable
    RRH.S Return Air RH Sensor Enable/Disable RARHSENS Disable
    FLT.S Filter Stat.Sw.Enabled ? Enable/Disable FLTS_ENA Disable

45
50 Hertz Unit? (50.HZ) — Some units are designed to run at
50 Hertz instead of 60 Hertz. Make sure this configuration
matches the frequency called out by the model number of the
unit. This is important as the cooling stage tables are directly
determined based on both the SIZE and 50.HZ configurations.
MAT Calc Config (MAT.S) — This configuration gives the
user three options in the processing of the mixed-air tempera-
ture (MAT) calculation:
•MAT.S = 0
The control will not attempt to learn MAT over time. The
control will simply calculate MAT based on the position of
the economizer, outside and return air temperature, linearly.
•MAT.S = 1
The control will attempt to learn MAT over time. Any time
the system is in a vent mode and the economizer stays at a
particular position for long enough, MAT = EDT (evapora-
tor discharge temperature). Using this, the control has an in-
ternal table whereby it can more closely determine the true
MAT value.
•MAT.S = 2
The control will stop learning and use whatever the control
has already learned. Using this setting infers that the control
has spent some time set to MAT.S = 1.
First set MAT.S = 1, then go into the Service Test mode.
Turn on the fan and open the economizer to a static position for
5 minutes. Move to several positions (20%,40%,60%,80%). It
is important that the difference between return and outside tem-
perature be greater than 5 degrees. (The greater the delta, the
better.) When done, set MAT.S = 2 and the system has been
commissioned.
Reset MAT Table Entries? (MAT.R) — This configuration
allows the user to reset the internally stored MAT learned con-
figuration data back to the default values. The defaults are set
to a linear relationship between the economizer damper posi-
tion and OAT and RAT in the calculation of MAT.
MAT Outside Air Position Default (MAT.D) — This config-
uration is used to calculate MAT when the economizer option
is disabled. The configuration is adjustable from 0 to 100%
outside air. This defines the fixed ventilation position that will
be used to correctly calculate MAT.
Altitude……..In Feet: (ALTI) — As the control does not in-
clude a barometric pressure sensor to define the calculation of
enthalpy and cfm, the control does include an altitude parame-
ter which will serve to set up a default barometric pressure for
use with calculations. The effect of barometric pressure in
these calculations is not great, but could have an effect depend-
ing on the installed elevation of the unit. If the rooftop is
installed at a particularly high altitude and enthalpy or cfm are
being calculated, set this configuration to the current elevation
of the installed rooftop.
Start Up Delay Time (DLAY) — This option inhibits the unit
from operating after a power reset. The configuration may be
adjusted from 0 to 900 seconds of delay.
Auxiliary Relay Configuration (AUX.R) — This configura-
tion allows the user to configure the function of the auxiliary
relay. The configuration can be set from 0 to 3. If AUX.R is set
to 0, the auxiliary relay will be energized during an alarm. The
relay can be used to turn on an indicator light or sound an alarm
in a mechanical room. If AUX.R is set to 1, the auxiliary relay
will energize when the controls determine dehumidification/re-
heat is needed. The relay would be wired to a third party dehu-
midification/reheat device and would energize the device when
needed. If AUX.R is set to 2, the auxiliary relay will energize
when the unit is in the occupied state. The relay could then be
used to control lighting or other functions that need to be on
during the occupied state. If AUX.R is set to 3, the auxiliary re-
lay will energize when the supply fan is energized (and, if
equipped with a VFD, the VFD output is not 0%). The default
is 0.
Space Temp Sensor (SPT.S) — If a space temperature sensor
is installed (T55/T56), enable this configuration.
Space Temp Offset Sensor (SP.O.S) — If a T56 sensor is in-
stalled with the space temperature offset slider, enable this con-
figuration.
Space Temp Offset Range (SP.O.R) — If a space tempera-
ture offset sensor is installed, it is possible to configure the
range of the slider by adjusting this range configuration.
Space Air RH Sensor (SRH.S) — If a space relative humidity
sensor is installed, enable this configuration.
Return RH Sensor (RRH.S) — If a return air relative humidi-
ty sensor is installed, enable this configuration.
Filter Status Switch Enabled? (FLT.S) — If a filter status
switch is installed, enable this configuration to begin the moni-
toring of the filter status input (Inputs
→
GEN.I
→
 FLT.S). See
the Dirty Filter Switch section for more details on installation
and operation.
Cooling Control — The Z Series ComfortLink™ con-
trols offer two basic control approaches to mechanical cooling:
2-stage cooling (CV) and multiple stages of cooling (VAV). In
addition, the ComfortLink control offers the ability to run
multiple stages of cooling for either a space temperature sensor
or thermostat by controlling the unit to either a low or high cool
supply air set point. The control type (Configuration
→
UNIT
→
C.TYP) determines the selection of the type of cooling
control as well as the technique for selecting a cooling mode.
Unit staging tables are shown in Appendix C.
NOTE: Whether a unit has a VFD, inlet guide vanes, or a
supply fan installed for static pressure control has no effect on
configuration of the machine control type (C.TYP). No matter
what the control type, it is possible to run the unit in either CV
or VAV mode provided there are enough stages to accommo-
date lower air volumes for VAV operation. Refer to the section
on static pressure control on page 61 for information on how to
set up the unit for the type of supply fan control desired.
SETTING UP THE SYSTEM
Machine Control Type (Configuration
→
UNIT
→
C.TYP) —
The most fundamental cooling control configuration is located
under Configuration
→
UNIT.
*This default is model number dependent.
This configuration defines the technique and control source
responsible for selecting a cooling mode and in determining the
method by which compressors are staged. The control types
are:
•C.TYP = 1 (VAV-RAT) and C.TYP =  2  ( VAV- S PT )
Both of these configurations refer to standard VAV opera-
tion. If the control is occupied, the supply fan is run continu-
ously and return-air temperature will be used for both in the
determination of the selection of a cooling mode. VAV-SPT
differs from VAV-RAT only in that during the unoccupied
period, space temperature will be used instead of return-air
temperature to start the fan for ten minutes before the
return-air temperature is allowed to call out any mode.
•C.TYP = 3 (TSTAT – MULTI)
This configuration will force the control to monitor the ther-
mostat inputs to make a determination of mode. Unlike tra-
ditional 2-stage thermostat control, the unit is allowed to use
multiple stages of cooling control and perform VAV style
operation. The control will be able to call out a LOW
ITEM EXPANSION RANGE CCN 
POINT DEFAULTS
UNIT UNIT CONFIGURATION
  C.TYP Machine Control Type 1 - 6 CTRLTYPE *

46
COOL or a HIGH COOL mode and maintain a low or high
cool supply air set point.
•C.TYP = 4 (TSTAT – 2 STG)
This configuration will force the control to monitor the ther-
mostat inputs to make a determination of mode.
•C.TYP = 5 (SPT – MULTI)
This configuration will force the control to monitor a space
temperature sensor to make a determination of mode. Un-
like traditional 2-stage space temperature control, the unit is
allowed to use multiple stages of cooling control and per-
form VAV style operation. The control will be able to call
out a LOW COOL or a HIGH COOL mode and maintain a
low or high cool supply air set point.
•C.TYP = 6 (SPT – 2 STG)
This configuration will force the control to monitor the
space temperature sensor to make a determination of mode and
allow two stages of cooling.
MACHINE DEPENDENT CONFIGURATIONS — Some
configurations are linked to the physical unit and must not be
changed. The configurations are provided in case a field
replacement of a board occurs and the settings are not
preserved by the download process of the new software. The
following configurations apply to all machine control types
(C.TYP) except 4 and 6. These configurations are located at the
local display under Configuration
→
UNIT. See Table 34.
Table 34 — Machine Dependent Configurations
*Dependent on unit.
Unit Size (SIZE) — There are several unit sizes (tons) for the
Z Series control. Make sure this configuration matches the size
called out by the model number of the unit. This is important as
the cooling stage tables are directly determined based on both
the SIZE and 50.HZ configurations.
50 Hertz Unit? (50.HZ) — Some units are designed to run at
50 Hertz instead of 60 Hertz. Make sure this configuration
matches the frequency called out by the model number of the
unit. This is important as the cooling stage tables are directly
determined based on both the SIZE and 50.HZ configurations.
SET POINTS — The set points for both cooling and heating
are located at the local display under Setpoints. See Table 35.
SUPPLY AIR RESET CONFIGURATION — Supply  air
reset can be used to modify the current cooling supply air set
point. Supply air reset is applicable to control types, C.TYP =
1,2,3, and 5. The configurations for reset can be found at the
local display under Configuration
→
EDT.R. See Table 36.
EDT Reset Configuration (RS.CF) — This configuration ap-
plies to several machine control types (Configuration 
→
UNIT
→
C.TYP = 1,2,3, and 5).
•0 = NO RESET
No supply air reset is in effect
•1 = SPT RESET
Space temperature will be used as the reset control variable
along with both RTIO and LIMT in the calculation of the
final amount of reset to be applied (Inputs
→
RSET
→
SA.S.R).
• 2 = RAT RESET
Return-air temperature will be used as the reset control vari-
able along with both RTIO and LIMT in the calculation of
the final amount of reset to be applied (Inputs
→
RSET
→
SA.S.R).
• 3 = 3RD PARTY RESET
The reset value is determined by a 4 to 20 mA third party
input. An input of 4 mA would correspond to 0º F reset. An
input of 20 mA would correspond to 20º F reset. Configur-
ing the control for this option will cause RES.S to become
enabled automatically with the CEM board. To avoid
alarms make sure the CEM board and third party input are
connected first before enabling this option.
Reset Ratio (RTIO) — This configuration is used when
RS.CF is set to 1 or 2. For every degree that the controlling
temperature (space/return) falls below the occupied cooling set
point (OCSP), the calculated value of the supply air reset will
rise by the number of degrees as specified by this parameter.
Reset Limit (LIMT) — This configuration is used when
RS.CF is set to 1 or 2. This configuration places a clamp on the
amount of supply air reset that can be applied.
EDT 4-20 mA Reset Input (RES.S) — This configuration is
automatically enabled when Configuration
→
EDT.R
→
RS.CF is set to 3 (third party reset).
COOLING CONFIGURATION — Relevant configurations for
mechanical cooling are located at the local display under
Configuration
→
COOL. See Table 37.
Capacity Threshold Adjust (Z.GN) — This configuration is
used for units using the “SumZ” algorithm for cooling capacity
control (Configuration
→
UNIT
→
C.TYP = 1, 2, 3 or 5). The
configuration affects the cycling rate of the cooling stages by
raising or lowering the threshold that demand must build to in
order to add or subtract a stage of cooling.
Normally this configuration should not require any tuning or
adjustment. If there is an application where the unit may be sig-
nificantly oversized and there are indications of high compres-
sor cycles then the Capacity Threshold Adjust (Z.GN) can be
used to adjust the overall logic gain. Normally this is set to 1.0,
but it can be adjusted from 0.5 to 4.0. As the value of Z.GN is
increased, the cycling of cooling stages will be slowed.
Compressor Lockout Temperature (MC.LO) — This config-
uration is the outdoor air temperature setting below which
mechanical cooling is locked out.
Lead/Lag Operation? (L.L.EN) — This configuration allows
for lead/lag compressor operation for the unit. If this configura-
tion is set to Yes, every time cooling capacity drops to 0%, on
the next call for cooling, the control will start up the first
compressor on the circuit which did not start the previous
cooling cycle. If set to No, circuit A will always start first.
Motormaster Control? (M.M.) — The condenser head pressure
control for the unit is managed directly by the ComfortLink™
controls. There is no physical motormaster device in the unit.
This configuration allows the head pressure control sequence to
permit additional cycling control of the condenser fans. Setting
this configuration to YES permits mechanical cooling operation
down to 0° F (–18 C) outdoor temperature. If this configuration
is set to NO, the mechanical cooling system is not suited for
operation below 35 F (1.8 C) outdoor temperature.
Head Pressure Set Point (HPSP) — This is the head pressure
set point used by the ComfortLink controls during condenser
fan, head pressure control.
Enable Compressor A1 (A1.EN) — This configuration is
used to disable the A1 compressor in case of failure. 
Enable Compressor A2 (A2.EN) — This configuration is
used to disable the A2 compressor in case of failure.
Enable Compressor B1 (B1.EN) — This configuration is
used to disable the B1 compressor in case of failure.
Enable Compressor B2 (B2.EN) — This configuration is
used to disable the B2 compressor in case of failure.
CSB A1 Feedback Alarm (CS.A1) — This configuration is
used to enable or disable the compressor A1 feedback alarm
(105 ton size units only). This configuration must be enabled at
all times for 105 ton units.
ITEM EXPANSION RANGE CCN 
POINT DEFAULTS
UNIT UNIT CONFIGURATION
SIZE Unit Size (30-105) 30 - 105 UNITSIZE *
50.HZ 50 Hertz Unit ? Yes/No UNIT_HZ *

47
Table 35 — Setpoints
Table 36 — Supply Air Reset Configuration
Table 37 — Cooling Configuration
CSB A2 Feedback Alarm (CS.A2) — This configuration is
used to enable or disable the compressor A2 feedback alarm
(105 ton size units only). This configuration must be enabled at
all times for 105 ton units.
CSB B1 Feedback Alarm (CS.B1) — This configuration is
used to enable or disable the compressor B1 feedback alarm
(105 ton size units only). This configuration must be enabled at
all times for 105 ton units.
CSB B2 Feedback Alarm (CS.B2) — This configuration is
used to enable or disable the compressor B2 feedback alarm
(105 ton size units only). This configuration must be enabled at
all times for 105 ton units.
Compressor A1 High Pressure Switch Trip (HPS.A) — This
configuration is used when high-pressure switches are used.
This is true for all units except the 105 ton size units which
incorporate current sensor boards (CSB). In the case of a high-
pressure switch trip on compressor A1, the control will sample
the discharge pressure on circuit A and store this value minus
3 psig and attempt to catch this failure the next time before the
switch trips. The value is modifiable by the user but will still
get overriden if the control does not catch a high pressure
condition before the switch trips.
Compressor B1 High Pressure Switch Trip (HPS.B) — This
configuration is used when high-pressure switches are used.
This is true for all units except the 105 ton size units which
incorporate current sensor boards (CSB). In the case of a
high-pressure switch trip on compressor B1, the control will
sample the discharge pressure on circuit B and store this value
minus 3 psig and attempt to catch this failure the next time
before the switch trips. The value is modifiable by the user but
will still get overriden if the control does not catch a high
pressure condition before the switch trips.
High SST Alert Delay Time (H.SST) — This option allows
the low saturated suction temperature alert timing delay to be
adjusted.
COOL MODE SELECTION PROCESS  — The  Z  Series
ComfortLink™ controls offer three distinct methods by which
they may select a cooling mode.
1. Thermostat (C.TYP=3 and 4): The thermostat does not
depend upon the state of occupancy or temperature and
the modes are called out directly by the discrete inputs
(Inputs
→
STAT
→
Y1 and Y2).
2. VAV cooling types (C.TYP=1 and 2) are called out
in the occupied period (Operating Modes
→
MODE
→
OCC=ON).
3. VAV cooling types (C.TYP=1 and 2) are called out in the
unoccupied period (Operating Modes
→
MODE
→
OCC=OFF). They are also used for space sensor control
types (C.TYP=5 and 6) in both the occupied and unoccu-
pied periods.
This section is devoted to the process of cooling mode
determination for the three types outlined above.
ITEM EXPANSION RANGE UNITS CCN POINT DEFAULT
OHSP Occupied Heat Setpoint 40-99 dF OHSP 68
OCSP Occupied Cool Setpoint 40-99 dF OCSP 75
UHSP Unoccupied Heat Setpoint 40-99 dF UHSP 55
UCSP Unoccupied Cool Setpoint 40-110 dF UCSP 90
GAP Heat-Cool Setpoint Gap 2-10 deltaF HCSP_GAP 5
V. C . O N VAV Occ. Cool On Delta 0-25 deltaF VAVOCON 3.5
V. C . O F VAV Occ. Cool Off Delta 1-25 deltaF VAVOCOFF 2
SASP Supply Air Setpoint 45-75 dF SASP 55
SA.HI Supply Air Setpoint Hi 45-75 dF SASP_HI 55
SA.LO Supply Air Setpoint Lo 45-75 dF SASP_LO 60
SA.HT Heating Supply Air Setpt 90-145 dF SASPHEAT 85
T.PRG Tempering Purge SASP –20-80 dF TEMPPURG 50
T.CL Tempering in Cool SASP 5-75 dF TEMPCOOL 5
T.V.OC Tempering Vent Occ SASP –20-80 dF TEMPVOCC 65
T.V.UN Tempering Vent Unocc. SASP –20-80 dF TEMPVUNC 50
ITEM EXPANSION RANGE UNITS CCN POINT DEFAULT
EDT.R EVAP.DISCHRGE TEMP RESET
  RS.CF EDT Reset Configuration 0 - 3  EDRSTCFG 2
  RTIO Reset Ratio 0 - 10 RTIO 2
  LIMT Reset Limit 0 - 20 deltaF LIMT 10
  RES.S EDT 4-20 ma Reset Input Enable/Disable EDTRSENS Disable
ITEM EXPANSION RANGE UNITS CCN POINT DEFAULT
COOL COOLING CONFIGURATION
  Z.GN Capacity Threshold Adjst –10 - 10 Z_GAIN 1
  MC.LO Compressor Lockout Temp –25 - 55 dF OATLCOMP 40
  L.L.EN Lead/Lag Operation ? Yes/No LLENABLE No
  M.M. Motor Master Control ? Yes/No MOTRMAST No
  HPSP Head Pressure Setpoint 80 - 150 dF HPSP 113
  A1.EN Enable Compressor A1 Enable/Disable CMPA1ENA Enable
  A2.EN Enable Compressor A2 Enable/Disable CMPA2ENA Enable
  B1.EN Enable Compressor B1 Enable/Disable CMPB1ENA Enable
  B2.EN Enable Compressor B2 Enable/Disable CMPB2ENA Enable
  CS.A1 CSB A1 Feedback Alarm Enable/Disable CSB_A1EN Enable
  CS.A2 CSB A2 Feedback Alarm Enable/Disable CSB_A2EN Enable
  CS.B1 CSB B1 Feedback Alarm Enable/Disable CSB_B1EN Enable
  CS.B2 CSB B2 Feedback Alarm Enable/Disable CSB_B2EN Enable
  HPS.A CMPA1 Hi.Pr.Sw. Trip 365 - 415 PSIG HPSATRIP 415
  HPS.B CMPB1 Hi.Pr.Sw. Trip 365 - 415 PSIG HPSBTRIP 415
  H.SST Hi SST Alert Delay Time 5 - 30 min HSSTTIME 10

48
VAV Cool Mode Selection during the Occupied Period
(C.TYP = 1,2 and Operating Modes
→
MODE
→
OCC =ON)
— There is no difference in the selection of a cooling mode for
either VAV-RAT or VAV-SPT in the occupied period. The actual
selection of a cool mode, for both control types, is based upon
the controlling return-air temperature (Temper atu res
→
AIR.T
→
CTRL
→
R.TMP). Typically this is the same as the re-
turn air temperature thermistor (Tem per atures
→
AIR.T
→
 RAT)
except when under CCN Linkage.
VAV Occupied Cool Mode Evaluation Configuration — There
are VAV occupied cooling offsets under Setpoints. 
Cool Mode Determination — If the machine control type
(Configuration
→ 
UNIT
→
C.TYP) = 1 (VAV-RAT) or 2 (VAV-
SPT) and the control is occupied (Operating Modes
→
MODE
→
OCC=ON), then the unit will not follow the occu-
pied cooling set point (OCSP). Instead, the control will follow
two offsets in the determination of an occupied VAV cooling
mode (Setpoints
→
V. C . O N  and Setpoints
→
V. C . O F ), applying
them to the low-heat off trip point and comparing the resulting
temperature to the return-air temperature.
The  Setpoints
→
V. C . O N  (VAV cool mode on offset) and
Setpoints
→
V. C . O F  (VAV cool mode off offset) offsets are
used in conjunction with the low heat mode off trip point to
determine when to bring cooling on and off and in enforcing a
true “vent” mode between heating and cooling. See Fig. 5. The
occupied cooling set point is not used in the determination of
the cool mode. The occupied cooling set point is used for sup-
ply air reset only.
The advantage of this offset technique is that the control can
safely enforce a vent mode without worrying about crossing set
points. Even more importantly, under CCN linkage, the
occupied heating set point may drift up and down and as such
this technique of using offsets ensures a guaranteed separation
in degrees F between the calling out of a heating or cooling
mode at all times.
NOTE: There is a sub-menu at the local display (Run Status
→
TRIP) that allows the user to see the exact trip points for
both the heating and cooling modes without having to calcu-
late them. Refer to the Cool Mode Diagnostic Help section on
page 50 for more information.
To enter into a VAV Occupied Cool mode, the controlling
temperature must rise above [OHSP minus L.H.ON plus
L.H.OF plus V. C . O N ].
To exit out of a VAV Occupied Cool Mode, the controlling
temperature must fall below [OHSP minus L.H.ON plus
L.H.OF plus V. C . O N  minus V. C . O F ].
NOTE: With vent mode, it is possible to exit out of a cooling
mode during the occupied period if the return-air temperature
drops low enough. When supply-air temperature reset is not
configured, this capability will work to prevent over-cooling
the space during the occupied period.
Supply Air Set Point Control and the Staging of Compressors
— Once the control has determined that a cooling mode is in
effect, the cooling control point (Run Status
→
VIEW
→
CL.C.P) is calculated and is based upon the supply air set
point (Setpoints
→
SASP) plus any supply air reset being
applied (Inputs
→
RSET
→
SA.S.R).
Refer to the SumZ Cooling Algorithm section on page 50
for a discussion of how the Z Series ComfortLink™ controls
manage the staging of compressors to maintain supply-air
temperature.
VAV Cool Mode Selection during the Unoccupied Period
(C.TYP = 1,2; Operating Modes
→
MODE
→
OCC=OFF)
and Space Sensor Cool Mode Selection (C.TYP=5 & 6)  —
The machine control types that utilize this technique of mode
selection are:
•C.TYP = 1 (VAV-RAT) in the unoccupied period
•C.TYP = 2 (VAV-SPT) in the unoccupied period
•C.TYP = 5 (SPT-MULTI) in both the occupied and
unoccupied period
•C.TYP = 6 (SPT- 2 STG) in both the occupied and
unoccupied period
These particular control types operate differently than the
VAV types in the occupied mode in that there is both a LOW
COOL and a HIGH COOL mode. For both of these modes, the
control offers two independent set points, Setpoints
→
SA.LO
(for LOW COOL mode) and Setpoints
→
SA.HI (for HIGH
COOL mode). The occupied and unoccupied cooling set points
can be found under Setpoints.
The heat/cool set point offsets are found under Configura-
tion
→
D.LV.T. See Table 38.
Table 38 — Cool/Heat Set Point Offsets Configuration
ITEM EXPANSION RANGE UNITS CCN 
POINT DEFAULT
V. C . O N VAV Occ. 
Cool On Delta
0-25 deltaF VAVOCON 3.5
V. C . O F VAV Occ. 
Cool Off Delta
1-25 deltaF VAVOCOFF 2
ITEM EXPANSION RANGE UNITS CCN 
POINT DEFAULT
OCSP Occupied 
Cool Setpoint
55-80 dF OCSP 75
UCSP Unoccupied 
Cool Setpoint
75-95 dF UCSP 90
ITEM EXPANSION RANGE UNITS CCN 
POINT DEFAULT
D.LV.T COOL/HEAT SETPT. OFFSETS
  L.H.ON Dmd Level    Lo Heat On -1 - 2 ^F DMDLHON 1.5
  H.H.ON Dmd Level(+) Hi Heat On 0.5 - 20.0 ^F DMDHHON 0.5
  L.H.OF Dmd Level(-) Lo Heat Off 0.5 - 2.0 ^F DMDLHOFF 1
  L.C.ON Dmd Level    Lo Cool On -1 - 2 ^F DMDLCON 1.5
  H.C.ON Dmd Level(+) Hi Cool On 0.5 - 20.0 ^F DMDHCON 0.5
  L.C.OF Dmd Level(-) Lo Cool Off 0.5 - 2 ^F DMDLCOFF 1
  C.T.LV Cool Trend Demand Level 0.1 - 5 ^F CTRENDLV 0.1
  H.T.LV Heat Trend Demand Level 0.1 - 5 ^F HTRENDLV 0.1
  C.T.TM Cool Trend Time 30 - 600 sec CTRENDTM 120
  H.T.TM Heat Trend Time 30 - 600 sec HTRENDTM 120
L.H.OF
DMDLHOFF
L.H.ON
DMDLHON
V.C. ON
VAVOCON V.C. OF
VAVOCOFF
OHSP
Fig. 5 — VAV Occupied Period Trip Logic
a48-8414

49
Operating modes are under Operating Modes
→
MODE.
Cool Mode Evaluation Logic — The first thing the control
determines is whether the unit is in the occupied mode (OCC)
or is in the temperature compensated start mode (T.C .ST ). If
the unit is occupied or in temperature compensated start mode,
the occupied cooling set point (OCSP) is used. For all other
modes, the unoccupied cooling set point (UCSP) is used. For
further discussion and simplification this will be referred to as
the “cooling set point.” See Fig. 6.
Demand Level Low Cool On Offset (L.C.ON) — This is the
cooling set point offset added to the cooling set point at which
point a Low Cool mode starts.
Demand Level High Cool On Offset (H.C.ON) — This is the
cooling set point offset added to the “cooling set point plus
L.C.ON” at which point a High Cool mode begins.
Demand Level Low Cool Off Offset (L.C.OF) — This is the
cooling set point offset subtracted from “cooling set point plus
L.C.ON” at which point a Low Cool mode ends.
NOTE: The “high cool end” trip point uses the “low cool off”
(L.C.OF) offset divided by 2.
To enter into a LOW COOL mode, the controlling tempera-
ture must rise above [the cooling set point plus L.C.ON.]
To enter into a HIGH COOL mode, the controlling temper-
ature must rise above [the cooling set point plus L.C.ON plus
H.C.ON.]
To exit out of a LOW COOL mode, the controlling temper-
ature must fall below [the cooling set point plus L.C.ON minus
L.C.OF.]
To exit out of a HIGH COOL mode, the controlling temper-
ature must fall below [the cooling set point plus L.C.ON minus
L.C.OF/2.]
Comfort Trending — In addition to the set points and offsets
which determine the trip points for bringing on and bringing
off cool modes, there are 2 configurations which work to hold
off the transitioning from a low cool to a high cool mode if the
space is cooling down quickly enough. This technique is
referred to as comfort trending and the configurations of
interest are C.T.LV and C.T.TM. 
Cool Trend Demand Level (C.T.LV) — This is the change in
demand that must occur within the time period specified by
C.T.TM in order to hold off a HIGH COOL mode regardless
of demand. This is not applicable to VAV control types
(C.TYP=1 and 2) in the occupied period. As long as a LOW
COOL mode is making progress in cooling the space, the con-
trol will hold off on the HIGH COOL mode. This is especially
true for the space sensor machine control types (C.TYP) = 5
and 6, because they may transition into the occupied mode and
see an immediate large cooling demand when the set points
change.
Cool Trend Time (C.T.TM) — This is the time period upon
which the cool trend demand level (C.T.LV) operates and may
hold off staging or a HIGH COOL mode. This is not applica-
ble to VAV control types (C.TYP=1 and 2) in the occupied
period. See the Cool Trend Demand Level section for more
details.
Timeguards — In addition to the set points and offsets which
determine the trip points for bringing on and bringing off cool
modes there is a timeguard which enforces a time delay
between the transitioning from a low cool to a high cool mode.
This time delay is 8 minutes. There is a timeguard which
enforces a time delay between the transitioning from a heat
mode to a cool mode. This time delay is 5 minutes.
Supply Air Set Point Control — Once the control has deter-
mined that a cooling mode is in effect, the cooling control
point (Run Status
→
VIEW
→
CL.C.P) is calculated and is
based upon either Setpoints
→
SA.HI or Setpoints
→
SA.LO,
depending on whether a high or a low cooling mode is in
effect, respectively. In addition, if supply air reset is config-
ured, it will also be added to the cooling control point.
Refer to the SumZ Cooling Algorithm section for a discus-
sion of how the Z Series ComfortLink™ controls manage
supply-air temperature and the staging of compressors for these
control types.
C.TYP = 3 and 4  (Thermostat  Cool  Mode  Selection) —
When a thermostat type is selected, the decision making pro-
cess involved in determining the mode is straightforward.
Upon energizing the Y1 input only, the unit HVAC mode will
be LOW COOL. Upon the energizing of both Y1 and Y2 in-
puts, the unit HVAC mode will be HIGH COOL. If just input
G is energized the unit HVAC mode will be VENT and the
supply fan will run.
Selecting the C.TYP = 3 (TSTAT – MULTI) control type
will cause the control to do the following:
• The control will read both the Configuration
→
UNIT
→
SIZE and Configuration
→
UNIT
→
50.HZ configura-
tion parameters to determine the number of cooling
stages and the pattern for each stage. 
• An HVAC mode equal to LOW COOL will cause the
unit to select the Setpoints
→
SA.LO set point to control
to. An HVAC mode equal to HIGH COOL will cause the
unit to select the Setpoints
→
SA.HI set point to control
to. Supply air reset (if configured) will be added to either
the low or high cool set point.
• The control will utilize the SumZ cooling algorithm and
control cooling to a supply air set point. See the section
for the SumZ Cooling Algorithm section for information
on controlling to a supply air set point and compressor
staging.
Selecting the C.TYP = 4 (TSTAT – 2 STG) control type
means that only two stages of cooling will be used. An HVAC
mode of LOW COOL will energize one circuit and an HVAC
mode of HIGH COOL will energize both circuits provided the
economizer is not able to provide adequate free cooling. Refer
to the section on Economizer Integration with Mechanical
Cooling for more information.
ITEM EXPANSION RANGE CCN POINT
MODE MODES CONTROLLING UNIT
  OCC Currently Occupied ON/OFF MODEOCCP
  T.C.ST Temp.Compensated Start ON/OFF MODETCST
H.C.ON
L.C. OF/2
L.C.ON
Cooling Setpoint (OCSP,UCSP)
L.C. OF
Lo Cool End
Hi Cool End
Lo Cool Start
Hi Cool Start
Fig. 6 — Cool Mode Evaluation

50
COOL MODE DIAGNOSTIC HELP — To  quickly  deter-
mine the current trip points for the cooling modes, the Run
Status sub-menu at the local display allows the user to view the
calculated start and stop points for both the cooling and heating
trip points. The following sub-menu can be found at the local
display under Run Status
→
TRIP. See Table 39.
Table 39 — Run Status Mode Trip Helper
The controlling temperature is “TEMP” and is in the middle
of the table for easy reference. The HVAC mode can also be
viewed at the bottom of the table.
SUMZ COOLING ALGORITHM — The SumZ cooling algo-
rithm is an adaptive PID (proportional, integral, derivative)
which is used by the control whenever more than 2 stages of
cooling are present (C.TYP = 1,2,3, and 5). This section will de-
scribe its operation and define the pertinent parameters. It is gen-
erally not necessary to modify parameters in this section. The
information is presented primarily for reference and may be
helpful for troubleshooting complex operational problems.
The only configuration parameter for the SumZ algorithm is
located at the local display under Configuration
→
COOL
→
Z.GN. See Table 37.
Capacity Threshold Adjust (Z.GN) — This configuration is
used on units using the “SumZ” algorithm for cooling capacity
control (Configuration
→
UNIT
→
C.TYP = 1, 2, 3 and 5). It
affects the cycling rate of the cooling stages by raising or
lowering the threshold that capacity must build to in order to
add or subtract a stage of cooling.
The cooling algorithm’s run-time variables are located at
the local display under Run Status
→
COOL. See Table 40.
Current Running Capacity (C.CAP) — This variable repre-
sents the amount of capacity currently running in percent.
Current Cool Stage (CUR.S) — This variable represents the
cool stage currently running.
Requested Cool Stage (REQ.S) — This variable represents
the requested cool stage. Cooling relay timeguards in place
may prevent the requested cool stage from matching the cur-
rent cool stage.
Maximum Cool Stages (MAX.S) — This variable is the max-
imum number of cooling stages the control is configured for
and capable of controlling. 
Active Demand Limit (DEM.L) — If demand limit is active,
this variable will represent the amount of capacity that the
control is currently limited to.
Capacity Load Factor (SMZ) — This factor builds up or
down over time (–100 to +100) and is used as the means of
adding or subtracting a cooling stage during run time. It is a
normalized representation of the relationship between “Sum”
and “Z”.
Next Stage EDT Decrease (ADD.R) — This variable repre-
sents (if adding a stage of cooling) how much the temperature
should drop in degrees depending on the R.PCT calculation
and exactly how much additional capacity is to be added.
ADD.R = R.PCT * (C.CAP — capacity after adding a cooling
stage)
For example: If R.PCT = 0.2 and the control would be
adding 20% cooling capacity by taking the next step up,
0.2 times 20 = 4 F (ADD.R)
Next Stage EDT Increase (SUB.R) — This variable repre-
sents (if subtracting a stage of cooling) how much the tempera-
ture should rise in degrees depending on the R.PCT calculation
and exactly how much capacity is to be subtracted.
SUB.R = R.PCT * (C.CAP — capacity after subtracting a
cooling stage)
For Example: If R.PCT = 0.2 and the control would be sub-
tracting 30% capacity by taking the next step down, 0.2 times
–30 = –6 F (SUB.R)
Rise Per Percent Capacity (R.PCT) — This is a real time cal-
culation that represents the amount of degrees of drop/rise
across the evaporator coil versus percent of current running
capacity.
R.PCT = (MAT – EDT)/ C.CAP
Cap Deadband Subtracting (Y.MIN) — This is a control vari-
able used for Low Temp Override (L.TMP) and Slow Change
Override (SLOW).
Y.MIN = -SUB.R*0.4375
Cap Deadband Adding (Y.PLU) — This is a control variable
used for High Temp Override (H.TMP) and Slow Change
Override (SLOW).
Y.PLU = -ADD.R*0.4375
Cap Threshold Subtracting (Z.MIN) — This parameter is
used in the calculation of SMZ and is calculated as follows:
Z.MIN = Configuration
→
COOL
→
Z.GN * (–10 + (4*
(–SUB.R))) * 0.6
Cap Threshold Adding (Z.PLU) — This parameter is used in
the calculation of SMZ and is calculated as follows:
Z.PLU  =  Configuration
→
COOL
→
Z.GN * (10 + (4*
(–ADD.R))) * 0.6
High Temp Cap Override (H.TMP) — If stages of mechani-
cal cooling are on and the error is greater than twice Y.PLU,
and the rate of change of error is greater than 0.5° F per minute,
then a stage of mechanical cooling will be added every 30 sec-
onds. This override is intended to react to situations where the
load rapidly increases.
Low Temp Cap Override (L.TMP) — If the error is less than
twice  Y.MIN, and the rate of change of error is less than
–0.5° F per minute, then a mechanical stage will be removed
every 30 seconds. This override is intended to quickly react to
situations where the load is rapidly reduced.
Pull Down Cap Override (PULL) — If the error from set
point is above 4° F, and the rate of change is less than –1° F per
minute, then pulldown is in effect, and “SUM” is set to 0. This
keeps mechanical cooling stages from being added when the
error is very large, but there is no load in the space. Pulldown
for units is expected to rarely occur, but is included for the rare
situation when it is needed. Most likely pulldown will occur
when mechanical cooling first becomes available shortly after
the control goes into an occupied mode (after a warm unoccu-
pied mode).
Slow Change Cap Override (SLOW) — With a rooftop unit,
the design rise at 100% total unit capacity is generally around
30°  F. For a unit with 4 stages, each stage represents about
7.5° F of change to EDT. If stages could reliably be cycled at
very fast rates, the set point could be maintained very precisely.
Since it is not desirable to cycle compressors more than 6 cy-
cles per hour, slow change override takes care of keeping the
PID under control when “relatively” close to set point.
ITEM EXPANSION UNITS CCN 
POINT
TRIP MODE TRIP HELPER
  UN.C.S Unoccup. Cool Mode Start dF UCCLSTRT
  UN.C.E Unoccup. Cool Mode End dF UCCL_END
  OC.C.S Occupied Cool Mode Start dF OCCLSTRT
  OC.C.E Occupied Cool Mode End dF OCCL_END
  TEMP Ctl.Temp RAT,SPT or Zone dF CTRLTEMP
  OC.H.E Occupied Heat Mode End dF OCHT_END
  OC.H.S Occupied Heat Mode Start dF OCHTSTRT
  UN.H.E Unoccup. Heat Mode End dF UCHT_END
  UN.H.S Unoccup. Heat Mode Start dF UCHTSTRT
  HVAC the current HVAC MODE String

51
Table 40 — Run Status Cool Display
SumZ Operation — The SumZ algorithm is an adaptive PID
style of control. The PID is programmed within the control and
the relative speed of staging can only be influenced by the user
through the adjustment of the Z.GN configuration, described in
the reference section. The capacity control algorithm uses a
modified PID algorithm, with a self adjusting gain which
compensates for varying conditions, including changing flow
rates across the evaporator coil.
Previous implementations of SumZ made static assump-
tions about the actual size of the next capacity jump up or
down. This control uses a “rise per percent capacity” technique
in the calculation of SumZ, instead of the previous “rise per
stage” method. For each jump, up or down in capacity, the
control will know beforehand the exact capacity change
brought on. Better overall staging control can be realized with
this technique.
SUM Calculation — The PID calculation of the “SUM” is
evaluated once every 80 seconds.
SUM = Error + “SUM last time through” + (3 * Error Rate)
Where:
SUM = the PID calculation
Error = EDT – Cooling Control Point
Error Rate = Error – “Error last time through”
NOTE: “Error” is clamped between –10 and +50 and “Error
rate” is clamped between –5 and +5.
This “SUM” will be compared against the “Z” calculations
in determining whether cooling stages should be added or
subtracted.
Z Calculation — For the “Z” calculation, the control attempts
to determine the entering and the leaving-air temperature of the
evaporator coil and based upon the difference between the two
during mechanical cooling, determines whether to add or
subtract a stage of cooling. This is the adaptive element.
The entering-air temperature is referred to as MAT
(mixed-air temperature) and the leaving-air temperature of the
evaporator coil is referred to as EDT (evaporator discharge
temperature). They are found at the local display under the
Temperatures
→
CTRL sub-menu.
The main elements to be calculated and used in the calcula-
tion of SumZ are:
1) the rise per percent capacity (R.PCT)
2) the amount of expected rise for the next cooling stage
addition
3) the amount of expected rise for the next cooling stage
subtraction
The calculation of “Z” requires two variables, Z.PLU used
when adding a stage and Z.MIN used when subtracting a stage.
They are calculated with the following formulas:
Z.PLU = Z.GN * (10 + (4*(–ADD.R))) * 0.6
Z.MIN = Z.GN * (–10 + (4*(–SUB.R))) * 0.6
Where:
Z.GN = configuration used to modify the threshold levels used
for staging (Configuration
→
COOL
→
Z.GN)
ADD.R = R.PCT * (C.CAP – capacity after adding a cooling
stage)
SUB.R = R.PCT * (C.CAP – capacity after subtracting a cool-
ing stage)
Both of these terms, Z.PLU and Z.MIN, represent a thresh-
old both positive and negative upon which the “SUM” calcula-
tion must build up to in order to cause the compressor to stage
up or down.
Comparing SUM and Z — The “SUM” calculation is com-
pared against Z.PLU and Z.MIN. 
• If “SUM” rises above Z.PLU, a cooling stage is added.
• If “SUM” falls below Z.MIN, a cooling stage is subtracted.
There is a variable called SMZ which is described in the
reference section and which can simplify the task of watching
the demand build up or down over time. It is calculated as
follows:
If SUM is positive: SMZ = 100*(SUM/Z.PLU)
If SUM is negative: SMZ = –100*(SUM/Z.MIN)
Mixed Air Temperature Calculation (MAT) — The mixed-
air temperature is calculated and is a function of the economiz-
er position. Additionally there are some calculations in the con-
trol which can zero in over time on the relationship of return
and outside air as a function of economizer position. There are
two configurations which relate to the calculation of “MAT”.
These configurations can be located at the local display under
Configuration
→
UNIT.
ITEM EXPANSION RANGE UNITS CCN POINT WRITE STATUS
COOL COOLING INFORMATION
  C.CAP Current Running Capacity % CAPTOTAL
  CUR.S Current Cool Stage COOL_STG
  REQ.S Requested Cool Stage CL_STAGE
  MAX.S Maximum Cool Stages CLMAXSTG
  DEM.L Active Demand Limit % DEM_LIM forcible
  SUMZ COOL CAP. STAGE CONTROL
    SMZ Capacity Load Factor -100 – +100 SMZ
    ADD.R Next Stage EDT Decrease ^F ADDRISE
    SUB.R Next Stage EDT Increase ^F SUBRISE
    R.PCT Rise Per Percent Capacity RISE_PCT
    Y.MIN Cap Deadband Subtracting Y_MINUS
    Y.PLU Cap Deadband Adding Y_PLUS
    Z.MIN Cap Threshold Subtracting Z_MINUS
    Z.PLU Cap Threshold Adding Z_PLUS
    H.TMP High Temp Cap Override HI_TEMP
    L.TMP Low Temp Cap Override LOW_TEMP
    PULL Pull Down Cap Override PULLDOWN
    SLOW Slow Change Cap Override SLO_CHNG
ITEM EXPANSION RANGE CCN 
POINT DEFAULTS
UNIT UNIT CONFIGURATION
  MAT.S MAT Calc Config 0 - 2  MAT_SEL 1
  MAT.R Reset MAT Table 
Entries?
Yes/No MATRESET No

52
MAT Calc Config (MAT.S) — This configuration gives the
user three options in the processing of the mixed-air tempera-
ture (MAT) calculation:
•MAT.S = 0
The control will not attempt to learn MAT over time. The
control will simply calculate MAT based on the position of
the economizer, outside and return air temperature, linearly.
•MAT.S = 1
The control will attempt to learn MAT over time. Any time
the system is in a vent mode and the economizer stays at a
particular position for long enough, MAT = EDT. Using
this, the control has an internal table whereby it can more
closely determine the true MAT value.
•MAT.S = 2
The control will stop learning and use whatever the control
has already learned. Using this setting infers that the control
has spent some time set to MAT.S = 1.
First set MAT.S = 1. Then go into the Service Test mode,
turn on the fan and open the economizer to a static position for
5 minutes. Move to several positions (20%,40%,60%,80%). It
is important that the difference between return and outside
temperature be greater than 5 degrees. (The greater the delta,
the better). When done, set MAT.S = 2 and the system has been
commissioned.
Reset MAT Table Entries? (MAT.R) — This configuration
allows the user to reset the internally stored MAT learned
configuration data back to the default values. The defaults are
set to a linear relationship between the economizer damper
position and OAT and RAT in the calculation of MAT. 
SumZ Overrides — There are a number of overrides to the
SumZ algorithm which may add or subtract stages of cooling. 
• High Temp Cap Override (H.TMP)
• Low Temp Cap Override (L.TMP)
• Pull Down Cap Override (PULL)
• Slow Change Cap Override (SLOW)
Economizer Trim Override — The unit may drop stages of
cooling when the economizer is performing free cooling and
the configuration Configuration
→
ECON
→
E.TRM is set to
Yes. The economizer controls to the same supply air set point
as mechanical cooling does for SumZ when E.TRM = Yes.
This allows for much tighter temperature control as well as cut-
ting down on the cycling of compressors.
For a long cooling session where the outside-air tempera-
ture may drop over time, there may be a point at which the
economizer has closed down far enough were the unit could
remove a cooling stage and open up the economizer further to
make up the difference.
Mechanical Cooling Lockout (Configuration
→
COOL
→
MC.LO) — This configuration allows a configurable outside-
air temperature set point below which mechanical cooling will
be completely locked out.
DEMAND LIMIT CONTROL — Demand  Limit  Control
may override the cooling algorithm and clamp or shed
cooling capacity during run time. The term Demand Limit
Control refers to the restriction of the machine capacity
to control the amount of power that a machine will use.
Demand limit control is intended to interface with an external
Loadshed Device either through CCN communications, exter-
nal switches, or 4 to 20 mA input.
The control has the capability of loadshedding and limiting
in 3 ways:
• Two discrete inputs tied to configurable demand limit set
point percentages.
• An external 4 to 20 mA input that can reset capacity back
linearly to a set point percentage.
• CCN loadshed functionality.
NOTE: It is also possible to force the demand limit variable
(Run Status
→
COOL
→
DEM.L).
To use Demand Limiting, select the type of demand limiting
to use. This is done with the Demand Limit Select configura-
tion (Configuration
→
DMD.L
→
DM.L.S).
To view the current demand limiting currently in effect,
look at Run Status
→
COOL
→
DEM.L.
The configurations associated with demand limiting can be
viewed at the local display at Configuration
→
DMD.L.  See
Table 41.
Demand Limit Select (DM.L.S) — This configuration deter-
mines the type of demand limiting.
• 0 = NONE — Demand Limiting not configured.
• 1 = 2 SWITCHES — This will enable switch input
demand limiting using the switch inputs connected to the
CEM board. Connections should be made to TB204
terminals 1, 2, 3, and 4.
• 2 = 4 to 20 mA — This will enable the use of a remote 4
to 20 mA demand limit signal. The CEM module must
be used. The 4 to 20 mA signal must come from an exter-
nally sourced controller and should be connected to
TB203 terminals 2 and 3.
• 3 = CCN LOADSHED — This will allow for loadshed
and red lining through CCN communications.
Two-Switch Demand Limiting (DM.L.S = 1) — This type of
demand limiting utilizes two discrete inputs:
Demand Limit Switch 1 Setpoint (D.L.S1) — Dmd Limit
Switch Setpoint 1 (0-100% total capacity)
Demand Limit 2 Setpoint (D.L.S2) — Dmd Limit Switch
Setpoint 2 (0-100% total capacity)
The state of the discrete switch inputs can be found at the lo-
cal display:
Inputs
→
GEN.I
→
DL.S1
Inputs
→
GEN.I
→
DL.S2
The following table illustrates the demand limiting (Run
Status
→
COOL
→
DEM.L) that will be in effect based on the
logic of the applied switches:
4-20 mA Demand Limiting (DM.L.S = 2) — If the unit has
been configured for 4 to 20 mA demand limiting, then the
Inputs
→
4-20
→
DML.M value is used to determine the
amount of demand limiting in effect (Run Status
→
COOL
→
DEM.L). The Demand Limit at 20 mA (D.L.20) configuration
must be set. This is the configured demand limit correspond-
ing to a 20 mA input (0 to 100%).
The value of percentage reset is determined by a linear
interpolation from 0% to “D.L.20”% based on the Inputs
→
4-20
→
DML.M input value. 
The following examples illustrate the demand limiting
(Run Status
→
COOL
→
DEM.L) that will be in effect based on
amount of current seen at the 4 to 20 mA input, DML.M.
Switch Status Run Status
→
COOL
→
DEM.L = 1
Inputs
→
GEN.I
→
DL.S1 = OFF 
Inputs
→
GEN.I
→
DL.S2 = OFF
100%
Inputs
→
GEN.I
→
DL.S1= ON 
Inputs
→
GEN.I
→
DL.S2 = OFF
Configuration
→
DMD.L
→
D.L.S1
Inputs
→
GEN.I
→
DL.S1= ON 
Inputs
→
GEN.I
→
DL.S2 = ON
Configuration
→
DMD.L
→
D.L.S2
Inputs
→
GEN.I
→
DL.S1= OFF 
Inputs
→
GEN.I
→
DL.S2 = ON
Configuration
→
DMD.L
→
D.L.S2
D.L.20 = 80% D.L.20 = 80% D.L.20 = 80%
DML.M = 4mA DML.M = 12 mA DML.M = 20mA
DEM.L = 100% DEM.L = 90% DEM.L = 80%

53
Table 41 — Demand Limit Configuration
CCN Loadshed Demand Limiting (DM.L.S = 3) — If the unit
has been configured for CCN Loadshed Demand Limiting,
then the demand limiting variable (Run Status
→
COOL
→
DEM.L) is controlled via CCN commands.
The relevant configurations for this type of demand limiting
are:
Loadshed Group Number (SH.NM) — CCN Loadshed Group
number
Loadshed Demand Delta (SH.DL) — CCN Loadshed
Demand Delta
Maximum Loadshed Time (SH.TM) — CCN Maximum
Loadshed time
The Loadshed Group Number (SH.NM) corresponds to
the loadshed supervisory device that resides elsewhere on the
CCN network and broadcasts loadshed and redline com-
mands to its associated equipment parts. The SH.NM variable
will default to zero which is an invalid group number. This
allows the loadshed function to be disabled until configured.
Upon reception of a redline command, the machine will be
prevented from starting if it is not running. If it is running,
then DEM.L is set equal to the current running cooling capac-
ity (Run Status
→
COOL
→
C.CAP).
Upon reception of a loadshed command, the DEM.L vari-
able is set to the current running cooling capacity (Run Status
→
COOL
→
C.CAP) minus the configured Loadshed Demand
Delta (SH.DL).
A redline command or loadshed command will stay in
effect until a Cancel redline or Cancel loadshed command is
received, or until the configurable Maximum Loadshed time
(SH.TM) has elapsed.
HEAD PRESSURE CONTROL — Condenser head pressure
for the 48/50Z series is managed directly by the ComfortLink™
controls. The controls are able to cycle two stages of outdoor
fans to maintain acceptable head pressure. Fan stages will react
to discharge pressure sensors with the pressure converted to the
corresponding saturated condensing temperature. Unit size is
used to determine if the second stage fans are configured to
respond to a particular circuit (independent control) or both
circuits (common control).
An option to allow fan cycling on the first stage is config-
ured by setting Configuration
→
COOL
→
M.M = Yes.
NOTE: The term Motormaster is used in the software to refer
to a fan cycling on the first stage. An actual Motormaster®
device is not used or required. Cycling is done by the
ComfortLink controls.
There are two configurations provided for head pressure
control that can be found at the local display:
Configuration
→
COOL
→
M.M. — Motormaster enable
Configuration
→
COOL
→
HPSP — Head Pressure Set point
There are three outputs provided to control head pressure:
Outputs
→
FANS
→
CD.F.A — Condenser Fan A
Outputs
→
FANS
→
CD.F.B — Condenser Fan B
Outputs
→
FANS
→
CD.MM — “Motor master” or the fan
cycling output
Fan Stage 1 Operation  — If Stage 1 Cycling (Motormaster)
is not selected, the stage 1 fan output will be ON whenever
mechanical cooling is ON (either circuit) and OFF when
mechanical cooling is OFF (both circuits).
If Stage 1 Cycling (Motormaster) is selected, the first stage
operates as follows:
The fan stage turns ON whenever either saturated condens-
ing temperature (SCT) is greater than 138 F.
The fan stage 1 turns OFF whenever both SCTs are less
than the HPSP – 37 F for 90 seconds and fan stage is 1.
Fan Stage 2 Operation (Sizes 030-050) — The control ener-
gizes fan CD.F.A when either of the SCTs exceeds HPSP and
the Stage 1 Fan (CD.MM) has been energized for 60 seconds.
Fan CD.F.A is turned OFF when both SCTs have been less
than the set point – 35 F for a period of 2 minutes. Fan stage 2
will turn OFF if both circuits are turned off.
Fan Stage 2 Operation (Sizes 055-105) — There are two
conditions that may request the second stage fan for indepen-
dent control:
• the control energizes fan stage 2 when the SCT for that
circuit exceeds HPSP and the Stage 1 fan has been ener-
gized for 60 seconds. 
• the control energizes fan stage 2 if the SCT for the partic-
ular circuit exceeds 143 F during the first 60 seconds
after fan stage 1 has been turned on.
Fan stage 2 turns OFF when the SCT for the particular cir-
cuit has been less than HPSP – 35 F for a period of 2 minutes.
Head Pressure Control Exceptions — For size 105 units, cur-
rent sensor boards are able to diagnose a compressor stuck on
condition. If any of the current sensor boards for the four-
compressor unit detects a compressor stuck on, then the first
stage fan is turned on immediately (CD.MM). If compressors
A1 or A2 are diagnosed as stuck on, the second stage fan for
that circuit will be turned on (CD.F.A). If compressors B1 or
B2 are diagnosed as stuck on, the second stage fan for that
circuit will be turned on (CD.F.B).
If no compressors are stuck on, the next check will deter-
mine whether compressors are on or not. If any compressor has
not been commanded on, the first stage fan is not allowed on.
This is also true for the second stage fan and units configured
for unit sizes 030-050. For unit sizes 055-105, if no compres-
sors in a circuit are commanded on, the corresponding second
stage fan is not allowed on (CD.F.A, CD.F.B).
ECONOMIZER INTEGRATION WITH MECHANICAL
COOLING — When the economizer is able to provide free
cooling (Run Status
→
ECON
→
ACTV = YES), mechanical
cooling may be delayed or even held off indefinitely.
NOTE: Once mechanical cooling has started, this delay logic
is no longer relevant.
Multi-Stage Cooling Economizer Mechanical Cooling
Delay — This type of mechanical cooling delay is relevant to
the following machine control types:
C.TYP = 1 VAV-RAT
C.TYP = 2 VAV-SPT
C.TYP = 3 TSTAT-MULTI
C.TYP = 5 SPT-MULTI
ITEM EXPANSION RANGE UNITS CCN POINT DEFAULT
DMD.L DEMAND LIMIT CONFIG.
  DM.L.S Demand Limit Select 0 - 3 DMD_CTRL 0
  D.L.20 Demand Limit at 20 ma 0 - 100 % DMT20MA 100
  SH.NM Loadshed Group Number 0 - 99 SHED_NUM 0
  SH.DL Loadshed Demand Delta 0 - 60 % SHED_DEL 0
  SH.TM Maximum Loadshed Time 0 - 120 min SHED_TIM 60
  D.L.S1 Demand Limit Sw.1 Setpt. 0 - 100 % DLSWSP1 80
  D.L.S2 Demand Limit Sw.2 Setpt. 0 - 100 % DLSWSP2 50

54
If the economizer is able to provide free cooling at the start
of a cooling session, the mechanical cooling algorithm
(SumZ), checks the economizer’s current position (Run Status
→
ECON
→
ECN.P) and compares it to the economizer’s
maximum position (Configuration
→
ECON
→
EC.MX) – 5%.
Once the economizer has opened beyond this point a 150 sec-
ond timer starts. If the economizer stays beyond this point for
2.5 minutes continuously, the mechanical cooling algorithm is
allowed to start computing demand and stage compressors and
unloaders.
2-Stage Cooling Economizer Mechanical Cooling Delay —
This type of mechanical cooling delay is relevant to the follow-
ing machine control types:
C.TYP = 4 TSTAT-2 STG
C.TYP = 6 SPT-2 STG
If the economizer is able to provide free cooling at the start
of a cooling session (for either a low cool or a high cool mode),
the 2-stage cooling algorithm will start a 10-minute hold off
timer on staging. Once this timer has expired, the 2-stage
cooling algorithm will qualify both the temperature of the
evaporator discharge temperature (EDT) and the outside-air
temperature (OAT).
If either of these temperatures are less than the current cool-
ing control point (Run Status
→
VIEW
→
CL.C.P) plus 1.5° F,
mechanical cooling will be held off. But if both of these
temperatures are above CL.C.P + 1.5° F, the first compressor
will be requested and a 5-minute hold off timer will be started
that will give the first compressor time to run before the second
compressor may be started.
At this point, if the 5-minute timer expires and the cooling
mode request is high or the cooling mode request is low and
dehumidification is active (Operating Modes
→
MODE
→
DEHU=ON), the 2-stage cooling algorithm checks whether
EDT is 1.5° F greater than the current cooling control point
(CL.C.P) and if it is, the second compressor will be requested.
Heating Control — The Z Series ComfortLink™ con-
trols offers control for four different types of heating systems to
satisfy general space heating requirements: 2-stage gas heat,
2-stage electric heat, multiple-stage gas heat and hydronic heat.
Heating control also provides tempering and reheat functions.
These functions are discussed in separate sections.  Reheat is dis-
cussed under Dehumidification function on page 77.
Variable air volume (VAV) type applications (C.TYP = 1, 2,
3, or 5) require that the space terminal positions be commanded
to open to minimum heating positions when gas or electric heat
systems are active, to provide for the unit heating system’s
Minimum Heating Airflow rate.
Also, for VAV applications, the heat interlock relay (HIR)
function provides the switching of a control signal intended for
use by the VAV terminals. This signal must be used to com-
mand the terminals to open to their Heating Open positions.
The HIR is energized whenever the Heating mode is active, an
IAQ pre-occupied force is active, or if fire smoke modes, pres-
surization, or smoke purge modes are active.
Hydronic heating applications that use the unit’s control
require the installation of a Local Equipment Network (LEN)
communicating actuator on the hydronic heating coil’s control
valve. This actuator (with or without matching control valve)
may be separately shipped for field installation.
All heating systems are available as factory-installed
options. The hydronic heating coil may also be field-supplied
and field-installed; the LEN actuator is still required if unit
control will be used to manage this heating sequence.
SETTING UP THE SYSTEM — The  essential  heating  con-
figurations located at the local display under Configuration
→
HEAT. See Table 42.
Table 42 — Heating Configuration
*Some defaults are model number dependent. 
ITEM EXPANSION RANGE UNITS CCN POINT DEFAULT
HEAT HEATING CONFIGURATION
  HT.CF Heating Control Type 0 - 4 HEATTYPE 0*
  HT.SP Heating Supply Air Setpt 80 - 120 dF SASPHEAT 85
  OC.EN Occupied Heating Enabled Yes/No HTOCCENA No
  LAT.M MBB Sensor Heat Relocate Yes/No HTLATMON No
  SG.CF STAGED GAS CONFIGS
    HT.ST Staged Gas Heat Type 0 - 4 HTSTGTYP 0*
    CAP.M Max Cap Change per Cycle 5 - 45 HTCAPMAX 45*
    M.R.DB S.Gas DB min.dF/PID Rate 0 - 5 HT_MR_DB 0.5
    S.G.DB St.Gas Temp. Dead Band 0 - 5 ^F HT_SG_DB 2
    RISE Heat Rise dF/sec Clamp 0.05 - 0.2 HTSGRISE 0.06
    LAT.L LAT Limit Config 0 - 20 ^F HTLATLIM 10
    LIM.M Limit Switch Monitoring? Yes/No HTLIMMON Yes
    SW.H.T Limit Switch High Temp 110 - 180 dF HT_LIMHI 170*
    SW.L.T Limit Switch Low Temp 100 - 170 dF HT_LIMLO 160*
    HT.P Heat Control Prop. Gain 0 - 1.5 HT_PGAIN 1
    HT.D Heat Control Derv. Gain 0 - 1.5 HT_DGAIN 1
    HT.TM Heat PID Rate Config 60 - 300 sec HTSGPIDR 90
  HH.CF HYDRONIC HEAT CONFIGS
    HW.P Hydronic Ctl.Prop. Gain 0 - 1.5 HW_PGAIN 1
    HW.I Hydronic Ctl.Integ. Gain 0 - 1.5 HW_IGAIN 1
    HW.D Hydronic Ctl.Derv. Gain 0 - 1.5 HW_DGAIN 1
    HW.TM Hydronic PID Rate Config 15 - 300 sec HOTWPIDR 90
    ACT.C HYDR.HEAT ACTUATOR CFGS.
      SN.1 Hydronic Ht.Serial Num.1 0 - 255 HTCL_SN1 0
      SN.2 Hydronic Ht.Serial Num.2 0 - 255 HTCL_SN2 0
      SN.3 Hydronic Ht.Serial Num.3 0 - 255 HTCL_SN3 0
      SN.4 Hydronic Ht.Serial Num.4 0 - 255 HTCL_SN4 0
      SN.5 Hydronic Ht.Serial Num.5 0 - 255 HTCL_SN5 0
      C.A.LM Hydr.Ht.Ctl.Ang.Lo Limit 0-90 HTCLCALM 85

55
Heating Control Type (HT.CF) — The heating control types
available are selected/configured with this variable.
0 = No Heat
1 = Electric Heat
2 = 2 Stage Gas Heat
3 = Staged Gas Heat
4 = Hydronic Heat
Heating Supply Air Set Point (HT.SP) — In a low heat mode
for either staged gas or hydronic heat, this is the supply air set
point for heating.
Occupied Heating Enable (OC.EN) — This configuration
only applies when the unit’s control type (Configuration
→
UNIT
→
C.TYP) is configured for 1 (VAV-RAT) or 2 (VAV-
SPT). If the user wants to have the capability of performing
heating throughout the entire occupied period, then this
configuration needs to be set to “YES”. Most installations do
not require this capability, and if heating is installed, it is used
to heat the building up in the morning. In this case set OC.EN
to “NO”.
NOTE: This unit des not support simultaneous heating and
cooling. If significant simultaneous heating and cooling
demand is expected, it may be necessary to provide additional
heating or cooling equipment and a control system to provide
occupants with proper comfort.
MBB Sensor Heat Relocate (LAT.M) — This option allows
the user additional performance benefit when under CCN
Linkage for the 2-stage electric and gas heating types. As two-
stage heating types do not “modulate” to a supply air set point,
no leaving air thermistor is required and none is provided. The
evaporator discharge thermistor, which is initially installed up-
stream of the heater, can be repositioned downstream and the
control can expect to sense this heat. While the control does not
need this to energize stages of heat, the control can wait for a
sufficient temperature rise before announcing a heating mode
to a CCN Linkage system (ComfortID™). 
If the sensor is relocated, the user will now have the
capability to view the leaving-air temperature at all times at
Temperatures
→
AIR.T
→
CTRL
→
LAT.
NOTE: If the user does not relocate this sensor for the 2-stage
electric or gas heating types and is under CCN Linkage, then
the control will send a heating mode (if present) uncondition-
ally to the linkage coordinator in the CCN zoning system
regardless of the leaving-air temperature.
HEAT MODE SELECTION PROCESS — There  are  two
possible heat modes that the control will call out for heating
control: HVAC Mode = LOW HEAT and HVAC Mode =
HIGH HEAT. These modes will be called out based on control
type (C.TYP).
VAV- R AT  (C.TYP = 1) and VAV-SPT (C.TYP = 2) — There
is no difference in the selection of a heating mode for either
VAV-RAT or VAV-SPT, except that for VAV-SPT, space
temperature is used in the unoccupied period to turn on the
supply fan for 10 minutes before checking return-air tempera-
ture. The actual selection of a heat mode, LOW or HIGH for
both control types, will be based upon the controlling return-air
temperature.
With sufficient heating demand, there are still conditions
that will prevent the unit from selecting a heat mode. First, the
unit must be configured for a heat type (Configuration
→
HEAT
→
HT.CF not equal to “NONE”). Second, the unit has a
configuration which can enable or disable heating in the
occupied period except for a standard morning warmup cycle
(Configuration
→
HEAT
→
OC.EN). See descriptions above in
the Setting Up the System section for more information.
If the unit is allowed to select a heat mode, then the next
step is an evaluation of demand versus set point. At this point,
the logic is the same as for control types SPT Multi-Stage and
SPT-2 Stage, (C.TYP = 5,6) except for the actual temperature
compared against set point. See Temperature Driven Heat
Mode Evaluation section.
Tstat-Multi-Stage (C.TYP = 3) and Tstat-2 Stage (C.TYP =
4) — There is no difference to consider for selecting a heat
mode whether the control type is for TSTAT 2-stage or TSTAT
multi-stage as this only refers to how cooling will be handled.
With thermostat control the W1 and W2 inputs determine
whether the HVAC Mode is LOW or HIGH HEAT. 
W1 = ON, W2 = OFF: HVAC MODE = LOW HEAT*
W2 = ON, W2 = ON: HVAC MODE = HIGH HEAT
*If the heating type is either 2-stage electric or 2-stage gas, the
unit may promote a low heat mode to a high heat mode.
NOTE: If W2 = ON and W1 is OFF, a “HIGH HEAT” HVAC
Mode will be called out but an alert (T422) will be generated.
See Alarms and Alerts section on page 94.
SPT Multi-Stage (C.TYP = 5) and SPT 2 Stage (C.TYP = 6)
— There is no difference to consider for selecting a heat mode
whether the control type is for SPT 2-stage or SPT multi-stage as
this only refers to how cooling will be handled. So, for a valid
heating type selected (HT.CF not equal to zero) the unit is free
to select a heating mode based on space temperature (SPT).
If the unit is allowed to select a heat mode, then the next
step is an evaluation of demand versus set point. At this point,
the logic is the same as for control types VAV-RAT and
VAV- S PT,  ( C.TYP = 1,2) except for the actual temperature
compared against set point. See Temperature Driven Heat
Mode Evaluation section below.
TEMPERATURE DRIVEN HEAT MODE EVALUATION —
This section discusses the technique for selecting a heating
mode based on temperature. Regardless of whether the unit is
configured for return air or space temperature the logic is ex-
actly the same. For the rest of this discussion, the temperature
in question will be referred to as the “controlling temperature.”
First, the occupied and unoccupied heating set points under
Setpoints must be configured.
Then, the heat/cool set point offsets under Configuration
→
D.LV.T should be set. See Table 43.
Table 43 — Heat/Cool Set Point Offsets
ITEM EXPANSION RANGE UNITS CCN
POINT DEFAULT
OHSP Occupied Heat
Setpoint 55-80 dF OHSP 68
UHSP Unoccupied
Heat Setpoint 40-80 dF UHSP 55
ITEM EXPANSION RANGE UNITS CCN POINT DEFAULT
D.LV.T COOL/HEAT SETPT. OFFSETS
  L.H.ON Dmd Level    Lo Heat On -1 - 2 ^F DMDLHON 1.5
  H.H.ON Dmd Level(+) Hi Heat On 0.5 - 2.0 ^F DMDHHON 0.5
  L.H.OF Dmd Level(-) Lo Heat Off 0.5 - 2 ^F DMDLHOFF 1
  L.C.ON Dmd Level    Lo Cool On -1 - 2 ^F DMDLCON 1.5
  H.C.ON Dmd Level(+) Hi Cool On 0.5 - 2 ^F DMDHCON 0.5
  L.C.OF Dmd Level(-) Lo Cool Off 0.5 - 2 ^F DMDLCOFF 1
 C.T.LV Cool Trend Demand Level 0.1 - 5 ^F CTRENDLV 0.1
 H.T.LV Heat Trend Demand Level 0.1 - 5 ^F HTRENDLV 0.1
 C.T.TM Cool Trend Time 30 - 600 sec CTRENDTM 120
 H.T.TM Heat Trend Time 30 - 600 sec HTRENDTM 120

56
Related operating modes are under Operating Modes
→
MODE.
The first thing the control determines is whether the unit
is in the occupied mode (OCC) or in the temperature compen-
sated start mode (T.C.ST). If the unit is occupied or in tempera-
ture compensated start mode, the occupied heating set point
(OHSP) is used. In all other cases, the unoccupied heating
setpoint (UHSP) is used.
The control will call out a low or high heat mode by
comparing the controlling temperature to the heating set point
and the heating set point offset. The set point offsets are used as
additional help in customizing and tweaking comfort into the
building space.
Demand Level Low Heat on Offset (L.H.ON) — This is the
heating set point offset below the heating set point at which
point Low Heat starts.
Demand Level High Heat on Offset (H.H.ON) — This is the
heating set point offset below [the heating set point minus
L.H.ON] at which point high heat starts.
Demand Level Low Heat Off Offset (L.H.OF) — This is the
heating set point offset above [the heating set point minus
L.H.ON] at which point the Low Heat mode ends.
See Fig. 7 for an example of offsets.
To enter into a LOW HEAT mode, if the controlling temper-
ature falls below [the heating set point minus L.H.ON], then
HVAC mode = LOW HEAT.
To enter into a HIGH HEAT mode, if the controlling tem-
perature falls below [the heating set point minus L.H.ON mi-
nus H.H.ON], then HVAC mode = HIGH HEAT.
To get out of a LOW HEAT mode, the controlling tempera-
ture must rise above [the heating set point minus L.H.ON plus
L.H.OF].
To get out of a HIGH HEAT mode, the controlling tempera-
ture must rise above [the heating set point minus L.H.ON plus
L.H.OF/2].
The Run Status table in the local display allows the user to
see the exact trip points for both the heating and cooling modes
without doing the calculations.
Heat Trend Demand Level (H.T.LV) — This is the change in
demand that must be seen within the time period specified by
H.T.TM in order to hold off a HIGH HEAT mode regardless of
demand. This is not applicable to VAV control types (C.TYP=1
and 2) in the occupied period. This technique has been referred
to as “Comfort Trending.” As long as a LOW HEAT mode is
making progress in warming the space, the control will hold off
on a HIGH HEAT mode. This is relevant for the space sensor
machine control types (C.TYP = 5 and 6) because they may
transition into the occupied mode and see an immediate and
large heating demand when the set points change.
Heat Trend Time (H.T.TM) — This is the time period upon
which the heat trend demand level (H.T.LV) operates and may
work to hold off staging or a HIGH HEAT mode. This is not
applicable to VAV control types (C.TYP=1 and 2) in the
occupied period. See “Heat Trend Demand Level” section for
more details.
HEAT MODE DIAGNOSTIC HELP — To  quickly  deter-
mine the current trip points for the low and high heat modes,
there is a menu in the local display which lets the user quickly
view the state of the system. This menu also contains the cool
trip points as well. See Table 44 at the local display under Run
Status
→
TRIP.
Table 44 — Mode Trip Helper Table
The controlling temperature is “TEMP” and is in the middle
of the table for easy reference. Also, the “HVAC” mode can be
viewed at the bottom of the table.
TWO-STAGE GAS AND ELECTRIC HEAT CONTROL
(HT.CF = 1,2) — If the HVAC mode is LOW HEAT:
• If electric heat is configured, then the control will request
the supply fan ON
• If gas heat is configured, then the IGC IFO input controls
the supply fan request
• The control will turn on Heat Relay 1 (HS1)
• If evaporator discharge temperature is less than 50 F,
then the control will turn on Heat Relay 2 (HS2)*
If the HVAC mode is HIGH HEAT: 
• If electric heat is configured, then the control will request
the supply fan ON
• If gas heat is configured, then the IGC IFO input controls
the supply fan request
• The control will turn on Heat Relay 1 (HS1)
• The control will turn on Heat Relay 2 (HS2)
*The logic for this “low heat” override is that one stage of
heating will not be able to raise the temperature of the supply
airstream sufficient to heat the space.
HYDRONIC HEATING CONTROL (HT.CF = 4)  —   Hy-
dronic heating in Z Series units refers to a hot water coil con-
trolled by an actuator. This actuator is a Local Equipment Net-
work (LEN) communicating actuator and may be field sup-
plied. When Configuration
→
HEAT
→
HT.CF=4, there is a
thermistor array called Tem pe ratures
→
AIR.T
→
CCT, that is
connected to the RCB, that serves as the evaporator discharge
temperature (EDT). The leaving-air temperature (LAT) is as-
signed the thermistor that is normally assigned to EDT and is
located at the supply fan housing (Temperatures
→
AIR.T
→
SAT).
The configurations for hydronic heating are located at
the local displays under Configuration
→
HEAT
→
HH.CF.
See Table 45.
ITEM EXPANSION RANGE CCN POINT
MODE MODES CONTROLLING UNIT
  OCC Currently Occupied ON/OFF MODEOCCP
  T.C.ST Temp.Compensated Start ON/OFF MODETCST ITEM EXPANSION UNITS CCN POINT
TRIP MODE TRIP HELPER
  UN.C.S Unoccup. Cool Mode Start dF UCCLSTRT
  UN.C.E Unoccup. Cool Mode End dF UCCL_END
  OC.C.S Occupied Cool Mode Start dF OCCLSTRT
  OC.C.E Occupied Cool Mode End dF OCCL_END
  TEMP Ctl.Temp RAT,SPT or Zone dF CTRLTEMP
  OC.H.E Occupied Heat Mode End dF OCHT_END
  OC.H.S Occupied Heat Mode Start dF OCHTSTRT
  UN.H.E Unoccup. Heat Mode End dF UCHT_END
  UN.H.S Unoccup. Heat Mode Start dF UCHTSTRT
  HVAC the current HVAC MODE String
H.H.ON
L.H.OF L.H.OF/2
L.H.ON
HEATING SET POINT
66.5 F
67.5 F
66.0 F
68.0 F
Fig. 7 — Heating Offsets
a48-8407

57
Table 45 — Hydronic Heat Configuration
Hydronic Heating Control Proportional Gain (HW.P) — This
configuration is the proportional term for the PID which runs in
the HVAC mode LOW HEAT.
Hydronic Heating Control Integral Gain (HW.I) — This
configuration is the integral term for the PID which runs in the
HVAC mode LOW HEAT.
Hydronic Heating Control Derivative Gain (HW.D) — This
configuration is the derivative term for the PID which runs in
the HVAC mode LOW HEAT.
Hydronic  Heating  Control  Run  Time  Rate  (HW.TM) —
This configuration is the PID run time rate which runs in the
HVAC mode LOW HEAT.
Hydronic Heating Logic
If the HVAC mode is LOW HEAT:
• The control will command the supply fan on
• The control will modulate the hot water coil actuator to
the heating control point (Run Status
→
VIEW
→
HT.C.P). The heating control point for hydronic heat is
the heating supply air set point (Setpoints
→
SA.HT).
If the HVAC mode is HIGH HEAT: 
• The control will command the supply fan on
• The control will command the hot water coil actuator to
100%
Hydronic Heating PID Process — If the HVAC mode is
LOW HEAT, then the hydronic heating actuator will modulate
to the heating control point (Run Status
→
VIEW
→
HT.C.P).
Control is performed with a generic PID loop where: 
Error = Heating Control Point (HT.C.P) – Leaving Air Tem-
perature (LAT)
The PID terms are calculated as follows:
P = K * HW.P * error
I = K * HW.I * error + “I” last time through
D = K * HW.D * (error – error last time through)
Where K = HW.TM/60 to normalize the effect of changing the
run time rate.
NOTE: The PID values should be not be modified without
approval from Carrier.
Freeze Status Switch Logic (Inputs
→
GEN.I
→
FRZ.S) — If
the freezestat input (FRZ) alarms, indicating that the coil is
freezing, normal heat control is overridden and the following
actions will be taken:
1. Command the hot water coil actuator to 100%.
2. Command the economizer damper to 0%.
3. Command the supply fan on.
Configuring Hydronic Heat to Communicate Via Actuator
Serial Number — Every actuator used in the Z Series control
system has its own unique serial number. The rooftop control
uses this serial number to communicate with the actuator over
the local equipment network (LEN). These serial numbers are
programmed at the factory and should not need changing.
Should field replacement of an actuator become necessary, it
will be required to configure the serial numbers of the new
actuator. Five individual numbers make up this serial number
and these can be programmed to match the serial number of the
actuator in its Hydronic Heating Actuator Configs group,
ACT.C (SN.1, SN.2, SN.3, SN.4, SN.5).
NOTE: The serial numbers for all LEN actuators can be found
inside the control doors of the unit as well as on the actuator
itself. If an actuator is replaced in the field, it is a good idea to
remove the additional peel off serial number sticker on the
actuator and cover up the old one inside the control doors.
STAGED GAS HEATING CONTROL (HT.CF = 3) — As
an option, the units with gas heat can be equipped with staged
gas heat controls that will provide from 5 to 11 stages of heat
capacity. This is intended for tempering mode and tempering
economizer air when in a cooling mode and the dampers
are fully closed. Tempering can also be used during a pre-
occupancy purge to prevent low temperature air from being
delivered to the space. Tempering for both staged gas and
hydronic heat will be discussed in its own section. This section
will focus on heat mode control, which ultimately is relevant to
tempering, minus the consideration of the supply air heating
control point.
The staged gas configurations are located at the local
display under Configuration
→
HEAT
→
SG.CF. See Table 46.
Staged Gas Heat Type (HT.ST) — This configuration in-
structs the control how many stages and in what order are they
staged.
Max Cap Change per Cycle (CAP.M) — This configura-
tion limits the maximum change in capacity per PID run time
cycle.
S.Gas DB Min.dF/PID Rate (M.R.DB) — This configuration
is a deadband minimum temperature per second rate. See
capacity calculation logic on next page for more details.
St.Gas Temp.Dead Band (S.G.DB) — This configuration is a
deadband delta temperature. See capacity calculation logic on
next page for more details.
Heat  Rise  in  dF/Sec  Clamp  (RISE) — This configuration
clamps heat staging up when the leaving-air temperature is
rising too fast. 
LAT Limit Config (LAT.L) — This configuration senses
when leaving air temperature is outside a delta temperature
band around set point and allows staging to react quicker.
Limit Switch Monitoring? (LIM.M) — This configuration
allows the operation of the limit switch monitoring routine.
This is always enabled for Z Series as a limit switch tempera-
ture sensor is always present for staged gas operation.
Limit Switch High Temp (SW.H.T) — This configuration is
the temperature limit above which stages of heat will be shed.
Limit Switch Low Temp (SW.L.T) — This configuration is
the temperature limit above which no additional stages of heat
will be allowed.
Heat Control Prop. Gain (HT.P) — This configuration is the
proportional term for the PID which runs in the HVAC mode
LOW HEAT.
ITEM EXPANSION RANGE UNITS CCN POINT DEFAULT
  HH.CF HYDRONIC HEAT CONFIGS
    HW.P Hydronic Ctl.Prop. Gain 0 - 1.5 HW_PGAIN 1
    HW.I Hydronic Ctl.Integ. Gain 0 - 1.5 HW_IGAIN 1
    HW.D Hydronic Ctl.Derv. Gain 0 - 1.5 HW_DGAIN 1
    HW.TM Hydronic PID Rate Config 15 - 300 sec HOTWPIDR 90
    ACT.C HYDR.HEAT ACTUATOR CFGS.
      SN.1 Hydronic Ht.Serial Num.1 0 - 255 HTCL_SN1 0
      SN.2 Hydronic Ht.Serial Num.2 0 - 255 HTCL_SN2 0
      SN.3 Hydronic Ht.Serial Num.3 0 - 255 HTCL_SN3 0
      SN.4 Hydronic Ht.Serial Num.4 0 - 255 HTCL_SN4 0
      SN.5 Hydronic Ht.Serial Num.5 0 - 255 HTCL_SN5 0
      C.A.LM Hydr.Ht.Ctl.Ang.Lo Limit 0-90 HTCLCALM 85

58
Table 46 — Staged Gas Configuration
*Some configurations are model number dependent.
Heat Control Derv. Gain (HT.D) — This configuration is the
derivative term for the PID which runs in the HVAC mode
LOW HEAT.
Heat PID Rate Config (HT.TM) — This configuration is the
PID run time rate.
Staged Gas Heating Logic
If the HVAC mode is HIGH HEAT: 
• The supply fan for staged gas heating is controlled by the
48Z Integrated Gas Control (IGC) boards and unless the
supply fan is on for a different reason, will be controlled
by the IGC IFO input.
• Command all stages of heat ON
If the HVAC mode is LOW HEAT:
• The supply fan for staged gas heating is controlled by the
integrated gas control (IGC) boards and unless the
supply fan is on for a different reason, will be controlled
by the IGC IFO input.
• The unit will control stages of heat to the heating control
point (Run Status
→
VIEW
→
HT.C.P). The heating con-
trol point in a LOW HEAT HVAC mode for staged gas is
the heating supply air set point (Setpoints
→
SA.HT).
Staged Gas Heating PID Logic — The heat control loop is a
PID design with exceptions, overrides and clamps. Capacity
rises and falls based on set point and supply-air temperature.
When the staged gas control is in Low Heat or Tempering
Mode (HVAC mode), the algorithm calculates the desired heat
capacity. The basic factors that govern the controlling tech-
nique are:
• how fast the algorithm is run.
• the amount of proportional and derivative gain applied.
• the maximum allowed capacity change each time this
algorithm is run.
• deadband hold-off range when rate is low.
This routine is run once every “HT.TM” seconds. Every
time the routine is run, the calculated sum is added to the con-
trol output value. In this manner, integral effect is achieved.
Every time this algorithm is run, the following calculation is
performed:
Error = HT.C.P – LAT
Error_last = error calculated previous time
P = HT.P*(Error)
D = HT.D*(Error – Error_last)
The P and D terms are overridden to zero if:
Error < S.G.DB AND Error > – S.G.DB AND D < M.R.DB
AND D > – M.R.DB “P + D” are then clamped based on
CAP.M. This sum can be no larger or no smaller than +CAP.M
or –CAP.M.
Finally, the desired capacity is calculated:
Staged Gas Capacity Calculation = “P + D” + old Staged Gas
Capacity Calculation
NOTE: The PID values should not be modified without
approval from Carrier.
Staged Gas Heat Staging — Different unit sizes will control
heat stages differently based on the amount of heating capacity
included. These staging patterns are selected based on the mod-
el number. The selection of a set of staging patterns is con-
trolled via the heat stage type configuration parameter (HT.ST).
As the heating capacity rises and falls based on demand, the
staged gas control logic will stage the heat relay patterns up and
down, respectively. The Heat Stage Type configuration selects
one of 5 staging patterns that the stage gas control will use. In
addition to the staging patterns, the capacity for each stage
is also determined by the staged gas heating PID control. There-
fore, choosing the heat relay outputs is a function of the capaci-
ty desired, the heat staging patterns based on the heat stage type
(HT.ST) and the capacity presented by each staging pattern. As
the staged gas control desired capacity rises, it is continually
checked against the capacity of the next staging pattern.
When the desired capacity is greater than or equal to the
capacity of the next staging pattern, the next heat stage is se-
lected (Run Status
→
VIEW
→
HT.ST = Run Status
→
VIEW
→
HT.ST + 1). Similarly, as the capacity of the control drops, the
desired capacity is continually checked against the next lower
stage. When the desired capacity is less than or equal to the
next lower staging pattern, the next lower heat stage pattern
is selected (Run Status
→
VIEW
→
HT.ST = Run Status
→
VIEW
→
 HT.ST – 1). The first two staged gas heat outputs
are located on the MBB board and outputs 3, 4, 5, and 6 are
located on the SCB board. These outputs are used to yield from
2 to 9 stages as shown in Table 47. The heat stage selected
(Run Status
→
VIEW
→
HT.ST) is clamped between 0 and the
maximum number of stages possible (Run Status
→
VIEW
→
H.MAX) for the chosen set of staging patterns. See
Tables 48-50.
ITEM EXPANSION RANGE UNITS CCN POINT DEFAULT
SG.CF STAGED GAS CONFIGS
  HT.ST Staged Gas Heat Type 0 - 4 HTSTGTYP 0*
  CAP.M Max Cap Change per Cycle 5 - 45 HTCAPMAX 45*
  M.R.DB S.Gas DB min.dF/PID Rate 0 - 5 HT_MR_DB 0.5
  S.G.DB St.Gas Temp. Dead Band 0 - 5 ^F HT_SG_DB 2
  RISE Heat Rise dF/sec Clamp 0.05 - 0.2 HTSGRISE 0.06
  LAT.L LAT Limit Config 0 - 20 ^F HTLATLIM 10
  LIM.M Limit Switch Monitoring? Yes/No HTLIMMON Yes
  SW.H.T Limit Switch High Temp 110 - 180 dF HT_LIMHI 170*
  SW.L.T Limit Switch Low Temp 100 - 170 dF HT_LIMLO 160*
  HT.P Heat Control Prop. Gain 0 - 1.5 HT_PGAIN 1
  HT.D Heat Control Derv. Gain 0 - 1.5 HT_DGAIN 1
  HT.TM Heat PID Rate Config 60 - 300 sec HTSGPIDR 90
IMPORTANT: When gas or electric heat is used in a VAV
application with third party terminals, the HIR relay output
must be connected to the VAV terminals in the system in
order to enforce a minimum heating cfm. The installer is
responsible to ensure the total minimum heating cfm is not
below limits set for the equipment. Failure to do so will
result in limit switch tripping and may void warranty.

59
Limit Switch Temperature Monitoring (LIM.M) — Variable
air volume applications in the low heat or tempering mode can
experience low airflow and as a result it is possible for nuisance
trips of the gas heat limit switch, thereby shutting off all gas
stages. In order to achieve consistent heating in a tempering
mode, a thermistor (Tempe ratur es
→
AIR.T
→
S.G.LS) is placed
next to the limit switch and monitored for overheating. In order
to control a tempering application where the limit switch
temperature has risen above either the upper or lower configu-
ration parameters (SW.L.T, SW.H.T), the staged gas control
will respond to clamp or drop all gas stages.
If the Limit Switch Monitoring configuration parameter
(LIM.M) is set to YES, all the modes will be monitored. If set
to NO, then only LAT Cutoff mode and Capacity Clamp mode
for RISE will be monitored.
If S.G.LS rises above SW.L.T or if (LAT – LAT last time
through the capacity calculation) is greater than (RISE)
degrees F per second, the control will not allow the capacity
routine to add stages and will turn on the Capacity Clamp
mode.
If S.G.LS rises above SW.H.T the control will run the capac-
ity routine immediately and drop all heat stages and will turn
on the Limiting mode.
If S.G.LS falls below SW.L.T the control will turn off both
Capacity Clamp mode and Limiting mode with one exception.
If (LAT – LAT last time through the capacity calculation) is
greater than “RISE” degrees F per second, the control will stay
in the Capacity Clamp mode.
If control is in the Limiting mode and then S.G.LS falls
below SW.L.T, and LAT is not rising quickly, the control will
run the capacity calculation routine immediately and allow a
full stage to come back on if desired this first time through
upon recovery. This will effectively override the “max capacity
stage” clamp.
In addition to the above checks, it is also possible at low cfm
for the supply-air temperature to rise and fall radically between
capacity calculations, thereby impacting the limit switch tem-
perature. In the case where supply-air temperature (LAT) rises
above the control point (HT.C.P) + the cutoff point (LAT.L) the
control will run the capacity calculation routine immediately
and drop a stage of heat. Thereafter, every time the capacity
calculation routine runs, provided the control is still in the LAT
cutoff mode condition, a stage will drop each time through.
Falling back below the cutoff point will turn off the LAT cutoff
mode.
INTEGRATED GAS CONTROL BOARD LOGIC — All gas
heat units are equipped with one or more integrated gas control
(IGC) boards. This board provides control for the ignition sys-
tem for the gas heat sections. On size 030-050 low heat units
there will be one IGC board. On size 030-050 high heat units
and 055-105 low heat units there are two IGC boards. On size
055-105 high heat units there are three IGC boards. When a
call for gas heat is initiated, power is sent to W on the IGC
boards. For standard 2-stage heat, all boards are wired in paral-
lel. For staged gas heat, each board is controlled separately.
When energized, an LED on the IGC board will be turned on.
See Table 51 for LED explanations. Each board will ensure
that the rollout switch and limit switch are closed. The induced-
draft motor is then energized. When the speed of the motor is
proven with the Hall Effect sensor on the motor, the ignition
activation period begins. The burners ignite within 5 seconds.
If the burners do not light, there is a 22-second delay before an-
other 5-second attempt is made. If the burners still do not light,
this sequence is repeated for 15 minutes. After 15 minutes have
elapsed and the burners have not ignited then heating is locked
out. The control will reset when the request for W (heat) is tem-
porarily removed. When ignition occurs, the IGC board will
continue to monitor the condition of the rollout switch, limit
switches, Hall Effect sensor, and the flame sensor. Forty-five
seconds after ignition has occurred, the IGC will request that
the indoor fan be turned on. The IGC fan output (IFO) is
connected to the indoor fan input on the MBB which will
indicate to the controls that the indoor fan should be turned on
(if not already on). If for some reason the overtemperature limit
switch trips prior to the start of the indoor fan blower, on the
next attempt the 45-second delay will be shortened by 5 sec-
onds. Gas will not be interrupted to the burners and heating will
continue. Once modified, the fan delay will not change back to
45 seconds unless power is reset to the control. The IGC boards
only control the first stage of gas heat on each gas valve. The
second stages are controlled directly from the MBB board. The
IGC board has a minimum on-time of 1 minute. In modes such
as Service Test where long minimum on times are not
enforced, the 1-minute timer on the IGC will still be followed
and the gas will remain on for a minimum of 1 minute.
Table 47 — Staged Gas Heat
Table 48 — Staged Gas Heat Control Steps (HT.ST = 0)
NUMBER OF 
STAGES
HT.ST
CONFIGURATION
UNIT SIZE
48Z HEAT SIZE
20 030-050 Low
51030-050 High
055-105 Low
93 055-105 High
STAGE
RELAY OUTPUT
CAPACITY
%
Heat 1 Heat 2 Heat 3 Heat 4 Heat 5 Heat 6
MBB-RLY8 MBB-RLY7 SCB-RLY1 SCB-RLY2 SCB-RLY3 SCB-RLY4
IGC1 MGV1 IGC2 MGV2 IGC3 MGV3
0OFF OFF OFF OFF OFF OFF 0
1ON OFF OFF OFF OFF OFF 75
2ON ON OFF OFF OFF OFF 100

60
Table 49 — Staged Gas Heat Control Steps (HT.ST = 1)
Table 50 — Staged Gas Heat Control Steps (HT.ST = 3)
Table 51 — IGC LED Indicators
NOTES:
1. There is a 3-second pause between error code displays.
2. If more than one error code exists, all applicable error codes will
be displayed in numerical sequence.
3. Error codes on the IGC will be lost if power to the unit is
interrupted.
RELOCATE SAT FOR HEATING-LINKAGE APPLICA-
TIONS — If Configuration
→
HEAT
→
LAT.M is set to YES,
the supply air temperature thermistor (Temperatures
→
AIR.T
→
 SAT) must be relocated downstream of the installed heating
device. This only applies to two-stage gas or electric heating
types (Configuration
→
HEAT
→
 HT.CF=1 or 2).
Determine a location in the supply duct that will provide a
fairly uniform airflow. Typically this would be a minimum of
5 equivalent duct diameters downstream of the unit. Also, care
should be taken to avoid placing the thermistor within a direct
line-of-sight of the heating element to avoid radiant effects.
Run a new two-wire conductor cable from the control box
through the low voltage conduit into the space inside the build-
ing and route the cable to the new sensor location.
Installing a New Sensor — Procure a duct-mount temperature
sensor (Carrier P/N 33ZCSENPAT or equivalent 10-kilo-ohm
at 25C NTC [negative temperature coefficient] sensor). Install
the sensor through the side wall of the duct and secure.
Re-Using the Factory SAT Sensor — The factory sensor is
attached to the left-hand side of the supply fan housing. Dis-
connect the sensor from the factory harness. Fabricate a mount-
ing method to insert the sensor through the duct wall and se-
cure in place.
Attach the new conductor cable to the sensor leads and ter-
minate in an appropriate junction box. Connect the opposite
end inside the unit control box at the factory leads from MBB
J8 terminals 11 and 12 (PNK) leads. Secure the unattached
PNK leads from the factory harness to ensure no accidental
contact with other terminals inside the control box.
TEMPERING MODE  — In a vent or cooling mode, the
economizer at minimum position may send extremely cold
outside air down the ductwork of the building. Therefore it
may be necessary to bring heat on to counter-effect this low
supply-air temperature. This is referred to as the tempering
mode.
STAGE
RELAY OUTPUT
CAPACITY
%
Heat 1 Heat 2 Heat 3 Heat 4 Heat 5 Heat 6
MBB-RLY8 MBB-RLY7 SCB-RLY1 SCB-RLY2 SCB-RLY3 SCB-RLY4
IGC1 MGV1 IGC2 MGV2 IGC3 MGV3
0OFF OFF OFF OFF OFF OFF 0
1ON OFF OFF OFF OFF OFF 37
2ON ON OFF OFF OFF OFF 50
3ON OFF ON OFF OFF OFF 75
4ON ON ON OFF OFF OFF 87
5ON ON ON ON OFF OFF 100
STAGE
RELAY OUTPUT
CAPACITY
%
Heat 1 Heat 2 Heat 3 Heat 4 Heat 5 Heat 6
MBB-RLY8 MBB-RLY7 SCB-RLY1 SCB-RLY2 SCB-RLY3 SCB-RLY4
IGC1 MGV1 IGC2 MGV2 IGC3 MGV3
0OFF OFF OFF OFF OFF OFF 0
1ON OFF OFF OFF OFF OFF 25
2ON ON OFF OFF OFF OFF 33
3ON OFF ON OFF OFF OFF 50
4ON ON ON OFF OFF OFF 58
5ON ON ON ON OFF OFF 67
6ON OFF ON OFF ON OFF 75
7ON OFF ON ON ON OFF 83
8ON ON ON ON ON OFF 92
9ON ON ON ON ON ON 100
ERROR CODE LED INDICATION
Normal Operation On
Hardware Failure Off
Fan On/Off Delay Modified 1 Flash
Limit Switch Fault 2 Flashes
Fame Sense Fault 3 Flashes
Five Consecutive Limit Switch Faults 4 Flashes
Ignition Lockout Fault 5 Flashes
Ignition Switch Fault 6 Flashes
Rollout Switch Fault 7 Flashes
Internal Control Fault 8 Flashes
Software Lockout 9 Flashes

61
Setting up the System — The relevant set points for temper-
ing are located at the local display under Setpoints:
Operation — First, the unit must be in a vent mode, a low cool,
or a high cool HVAC mode to be considered for a tempering
mode. Secondly, the tempering mode is only allowed when the
rooftop is configured for staged gas or hydronic heating (Con-
figuration
→
HEAT
→
HT.CF=3 or 4). 
If the control is configured for staged gas or hydronic heat-
ing and the control is in a vent, low cool, or high cool HVAC
mode, and the rooftop control is in a situation where the econo-
mizer must maintain a minimum position/minimum cfm, then
the evaporator discharge temperature (EDT) will be monitored.
If the EDT falls below a particular trip point then the tempering
mode may be called out:
HVAC mode = “Tempering Vent”
HVAC mode = “Tempering LoCool” 
HVAC mode = “Tempering HiCool”
The decision making/selection process for the tempering
trip set point is as follows:
• If an HVAC cool mode is in effect, then the vent trip
point is T.CL .
• If in a pre-occupied purge mode (Operating Modes
→
MODE
→
IAQ.P=ON), then the trip point is T.PRG.
• If in an occupied mode (Operating Modes
→
MODE
→
IAQ.P=ON), then the trip point is TEMPVOCC.
• For all other cases, the trip point is TEMPVUNC.
NOTE: The unoccupied economizer free cooling does not
qualify as a HVAC cool mode as it is an energy saving feature
and has its own OAT lockout already. The unoccupied free
cooling mode (HVAC mode = Unocc. Free Cool) will override
any unoccupied vent mode from triggering a tempering mode.
If OAT is above the chosen tempering set point, tempering
will not be allowed. Additionally, tempering mode is locked
out if any stages of mechanical cooling are present.
A minimum amount of time must pass before calling out
any tempering mode. In effect, the EDT must fall below the
trip point value –1° F continuously for a minimum of 2 min-
utes. Also, at the end of a mechanical cooling cycle, there must
be a minimum 10 minutes of delay allowed before considering
a tempering during vent mode in order to allow any residual
cooling to dissipate from the evaporator coil. 
If the above conditions are met, the algorithm is free to
select the tempering mode (MODETEMP).
If a tempering mode becomes active, the modulating heat
source (staged gas or hot water) will attempt to maintain
leaving-air temperature (LAT) at the tempering set point used
to trigger the tempering mode. The technique for modulation of
set point for staged gas and hydronic heat is the same as in a
heat mode. More information regarding the operation of heat-
ing can be referenced in the Heating Control section.
Recovery from a tempering mode (MODETEMP) will
occur when the EDT rises above the trip point. On any change
in HVACMODE, the tempering routine will re-assess the tem-
pering set point which may cause the control to continue or exit
tempering mode.
Static Pressure Control — Variable air volume (VAV)
air-conditioning systems must provide varying amounts of air
to the conditioned space. As air terminals downstream of the
unit modulate their flows, the unit must simply maintain
control over duct static pressure in order to accommodate the
needs of the terminals, and therefore to meet the varying
combined airflow requirement. The unit design includes two
alternative optional means of accommodating this requirement.
This section describes the technique by which this control takes
place.
A unit intended for use in a VAV system can be equipped
with either an optional variable frequency drive (VFD) or inlet
guide vanes (IGV) for the supply fan. The speed of the fan or
the position of the IGV can be controlled directly by the
ComfortLink™ controls. A transducer is used to measure duct
static pressure. The signal from the transducer is received by
the RCB board and is then used in a PID control routine that
outputs a 4 to 20 mA signal to the VFD, or a digital LEN signal
to the IGV.
Generally only VAV systems utilize static pressure control.
It is required because as the system VAV terminals modulate
closed when less air is required, there must be a means of
controlling airflow from the unit, thereby effectively prevent-
ing overpressurization and its accompanying problems.
The three most fundamental configurations for most appli-
cations are Configuration
→
SP
→
SP.CF, which is the static
pressure control type, Configuration
→
SP
→
SP.S, used to
enable the static pressure sensor, and Configuration
→
SP
→
SP.SP, the static pressure set point to be maintained.
OPERATION — On units equipped with either VFD or IGV
and a proper static pressure sensor, when SP.CF, SP.S and
SP.SP are configured, a PID routine periodically measures the
duct static pressure and calculates the error from set point. This
error at any point in time is simply the duct static pressure set
point minus the measured duct static. The error becomes the
basis for the Proportional term of the PID. The routine also cal-
culates the integral of the error over time, and the derivative
(rate of change) of the error. A value is calculated as a result of
this PID routine, and this value is then used to create an output
signal used to adjust the IGV or VFD to maintain the static
pressure set point.
Static pressure reset is the ability to force a lowering of the
static pressure set point through an external control signal.
Explained in detail further below, the control supports this in
two separate ways; through a 4 to 20 mA signal input wired to
TB203 terminals 6 and 7 (thereby facilitating third party
control), or via CCN.
In the latter case, this feature leverages the communications
capabilities of VAV systems employing ComfortID™ termi-
nals under linkage. The system dynamically determines and
maintains an optimal duct static pressure set point based on
the actual load conditions in the space. This can result in a
significant reduction in required fan energy by lowering the set
point to only the level required to maintain adequate airflow
throughout the system.
SETTING UP THE SYSTEM — The  options  for  static
pressure control are found under the Local Display Mode
Configuration
→
SP. See Table 52.
ITEM EXPANSION RANGE UNITS CCN 
POINT DEFAULT
T.PRG Tempering 
Purge SASP
–20-80 dF TEMPPURG 50
T.CL Tempering in 
Cool SASP
5-75 dF TEMPCOOL 5
T.V.OC Tempering Vent 
Occ SASP
–20-80 dF TEMPVOCC 65
T.V.UN Tempering Vent 
Unocc. SASP
–20-80 dF TEMPVUNC 50

62
Table 52 — Static Pressure Control Configuration
Static Pressure Configuration (SP.CF) — This variable is
used to configure the use of ComfortLink™ controls for static
pressure control. It has the following options:
0 (None) — No static pressure control by ComfortLink
controls. This would be used for a constant volume (CV)
application when static pressure control is not required or for a
VAV application if there will be third-party control of the VFD
or IGV. In this latter case, a suitable means of control must be
field installed.
1 (VFD Control) — This will enable the use of ComfortLink
controls for static pressure control via a supply fan VFD.
2 (IGV Control) — This will enable the use of ComfortLink
controls for static pressure control via supply fan inlet guide
vanes (IGV).
Static Pressure Sensor (SP.S) — This variable enables the use
of a supply duct static pressure sensor. This must be enabled to
use ComfortLink controls for static pressure control. If using a
third-party control for the VFD or IGV, this should be disabled.
Static Pressure Low Range (SP.LO) — This is the minimum
static pressure that the sensor will measure. For most sensors
this will be 0 in. wg. The ComfortLink controls will map this
value to a  4 mA sensor input.
Static Pressure High Range (SP.HI) — This is the maximum
static pressure that the sensor will measure. Commonly this
will be 5 in. wg. The ComfortLink controls will map this value
to a 20 mA sensor input.
Static Pressure Set Point (SP.SP) — This is the static pres-
sure control point. It is the point against which the
ComfortLink controls compares the actual measured supply
duct pressure for determination of the error that is used for PID
control. Generally one would set SP.SP to the minimum value
necessary for proper operation of air terminals in the condi-
tioned space at all load conditions. Too high of a value will
cause unnecessary fan motor power consumption at part-load
conditions and/or noise problems. Too low a value will result in
insufficient airflow. Additional information will be found on
page 63, under Static Pressure Reset.
VFD-IGV Minimum Speed (SP.MN) — This is the mini-
mum speed for the supply fan VFD or the minimum opening
for the supply fan IGV. Typically the value is chosen to main-
tain a minimum level of ventilation. 
NOTE: Most VFDs have a built-in minimum speed adjustment
which must be configured for 0% when using ComfortLink
controls for static pressure control.
VFD-IGV Maximum Speed (SP.MX) — This is the maxi-
mum speed for the supply fan VFD or the maximum opening
for the supply fan IGV. This is usually set to 100%.
VFD-IGV Fire Speed Override (SP.FS) — This is the speed
that the supply fan VFD or the supply fan IGV will use during
the fire modes; pressurization, evacuation and purge. This is
usually set to 100%.
Static Pressure Reset Configuration (SP.RS) — This option
is used to configure the static pressure reset function. When
SP.RS = 0, there is no static pressure reset via an analog input.
When  SP.RS = 1, there is static pressure reset based on the
CEM 4-20MA input and ranged from 0 to 3 in. wg. When
SP.RS = 2, there is static pressure reset based on RAT and
defined by SP.RT and SP.LM. When SP.RS = 3, there is
static pressure reset based on SPT and defined by SP.RT and
SP.LM. When SP.RS = 4, there is VFD speed control where
0 mA = 0% speed and 20 mA = 100% (SP.MN and SP.MX will
override).
Static Pressure Reset Ratio (SP.RT) — This option defines
the reset ratio in terms of static pressure versus temperature.
The reset ratio determines how much is the static pressure
reduced for every degree below set point for RAT or SPT.
Static Pressure Reset Limit (SP.LM) — This option defines
the maximum amount of static pressure reset that is allowed.
This is sometimes called a “clamp.”
NOTE: Resetting static pressure via RAT and SPT is primarily
a constant volume application which utilizes a VFD. The rea-
soning is that there is significant energy savings in slowing
down a supply fan as opposed to running full speed with
supply air reset. Maintaining the supply air set point and
ITEM EXPANSION RANGE UNITS CCN POINT DEFAULT
SP SUPPLY STATIC PRESS.CFG.
→SP.CF Static Pressure Config 0, 1, 2 STATICFG 0
→SP.S Static Pressure Sensor Enable/Disable SPSENS Disable
→SP.LO Static Press. Low Range –10 - 0 in. W.C. SP_LOW 0
→SP.HI Static Press. High Range 0 - 10 in. W.C. SP_HIGH 5
→SP.SP Static Pressure Setpoint 0 - 5 in. W.C. SPSP 1.5
→SP.MN VFD-IGV Minimum Speed 0 - 100 % STATPMIN 20
→SP.MX VFD-IGV Maximum Speed 0 - 100 % STATPMAX 100
→SP.FS VFD-IGV Fire Speed Over. 0 - 100 % STATPFSO 100
→SP.RS Stat. Pres. Reset Config 0 - 4 SPRSTCFG 0
→SP.RT SP Reset Ratio (″/dF) 0 - 2.00 SPRRATIO 0.2
→SP.LM SP Reset Limit in iwc (″) 0 - 2.00 SPRLIMIT 0.75
→SP.EC SP Reset Econo.Position 0 - 100 % ECONOSPR 5
→S.PID STAT.PRESS.PID CONFIGS
→S.PID→SP.TM Static Press. PID Run Rate 5 - 120 sec SPIDRATE 15
→S.PID→SP.P Static Press. Prop. Gain 0 - 5 STATP_PG 0.5
→S.PID→SP.I Static Pressure Intg. Gain 0 - 2 STATP_IG 0.5
→S.PID→SP.D Static Pressure Derv. Gain 0 - 5 STATP_DG 0.3
→ACT.C IGV ACTUATOR CONFIGS
→ACTC→SN.1 IGV Serial Number 1 0 - 255 IGV_SN1 0
→ACTC→SN.2 IGV Serial Number 2 0 - 255 IGV_SN2 0
→ACTC→SN.3 IGV Serial Number 3 0 - 255 IGV_SN3 0
→ACTC→SN.4 IGV Serial Number 4 0 - 255 IGV_SN4 0
→ACTC→SN.5 IGV Serial Number 5 0 - 255 IGV_SN5 0
→ACTC→C.A.LM IGV Cntrl Angle Lo Limit 0-90 deg IGV_CALM 25

63
slowing down the fan has the additional benefit of working
around dehumidification concerns.
Static Pressure Reset Economizer Position (SP.EC) — This
option effectively resets ECONOMIN to fully occupied venti-
lation position, to account for the drop in static pressure during
static pressure reset control. The static pressure reset for the
calculation cannot be larger than the supply air static set point
(SPSP).
The calculation is as follows:
(Static Pressure Reset/SPSP) x (ECONOSPR – ECONOMIN)
As an example, the static pressure set point (SPSP) =
1.5 in. wg. The current static pressure reset is set to 0.5 in. wg.
The settings for ECONOSPR = 50% and ECONOMIN = 20%.
Therefore, the amount to add to the economizer’s
ECONOMIN configuration is: (0.5/1.5) x (50-20) = 10%. In
effect, for the positioning of the economizer, ECONOMIN
would now be replaced by ECONOMIN + 10%.
Static Pressure PID Config (S.PID) — Static pressure PID
configuration can be accessed under this heading in the Con-
figuration
→
SP submenu. Under most operating conditions the
control PID factors will not require any adjustment and the
factory defaults should be used. If persistent static pressure
fluctuations are detected, small changes to these factors may
improve performance. Decreasing the factors generally reduce
the responsiveness of the control loop, while increasing the
factors increase its responsiveness. Note the existing settings
before making changes, and seek technical assistance from
Carrier before making significant changes to these factors.
Static Pressure PID Run Rate (S.PID
→
SP.TM) — This is the
number of seconds between duct static pressure readings taken
by the ComfortLink PID routine.
Static Pressure Proportional Gain (S.PID
→
SP.P) — This is
the proportional gain for the static pressure control PID control
loop.
Static Pressure Integral Gain (S.PID
→
SP.I) — This is the
integral gain for the static pressure control PID control loop.
Static Pressure Derivative Gain (S.PID
→
SP.D) — This is the
derivative gain for the static pressure control PID control loop.
IGV Actuator Configs (ACT.C) — Every actuator used in the
Z Series control system has its own unique serial number. The
rooftop control uses this serial number to communicate with
the actuator over the local equipment network (LEN). These
serial numbers are programmed at the factory and should not
need changing. Should field replacement of an actuator
become necessary, it will be necessary to configure the serial
numbers of the new actuator. Five individual numbers make up
this serial number and these can be programmed to match the
serial number of the actuator in its “IGV Actuator Configs”
group, ACT.C (SN.1, SN.2, SN.3, SN.4, SN.5).
NOTE: The serial numbers for all LEN actuators can be found
inside the control doors of the unit as well as on the actuator
itself. If an actuator is replaced in the field, it is a good idea
to remove the additional peel-off serial number sticker on
the actuator and use it to replace the old one inside the
control panel doors. The format for the overall serial number
is 111-222-333-444-555, where each of these segments can
be 1, 2 or 3 digits in length. Valid numbers are in the range
1-255.
IGV Serial Number 1 (ACT.C
→
SN.1) — This variable records
the first of the five segments of the IGV digital LEN actuator
serial number. The complete serial number is used by the
ComfortLink controls to communicate with the actuator.
IGV Serial Number 2 (ACT.C
→
SN.2) — This variable records
the second segment of the IGV actuator serial number.
IGV Serial Number 3 (ACT.C
→
SN.3) — This variable records
the third segment of the IGV actuator serial number.
IGV Serial Number 4 (ACT.C
→
SN.4) — This variable records
the fourth segment of the IGV actuator serial number.
IGV Serial Number 5 (ACT.C
→
SN.5) — This variable records
the fifth segment of the IGV actuator serial number.
IGV Control Angle Low Limit (ACT.C
→
C.A.LM) — The IGV
actuator learns what its end stops are though a calibration at the
factory. Field-installed actuators may be calibrated in the
Service Test mode. When an actuator learns its end stops
through this internal calibration, it remembers what its “control
angle range” is. From then on, the actuator will resolve this
control angle and express its operation in a percentage (%) of
this learned range.
If the IGV has not learned a sufficient control angle range
during calibration, it will be unable to control itself properly.
For this reason the IGV actuator used in the Z Series control
system has a configurable control angle alarm low limit in its
“Economizer Actuator Configs” group, ACT.C. (C.A.LM). If
the control angle learned through calibration is less than
Configuration
→
SP
→
ACT.C
→
C.A.LM, an alert will occur
and the actuator will not function.
NOTE: This configuration does not typically need adjustment.
It is configurable for the small number of jobs which may
require a custom solution or workaround.
STATIC PRESSURE RESET — The configuration for Static
Pressure Reset is found under Configuration
→
UNIT. 
Static Pressure Reset Sensor (SP.RS) — If the outdoor air
quality sensor is not configured (Configuration
→
IAQ
→
AQ.CF
→
OQ.A.C=0), then it is possible to use the outdoor
air quality sensor location on the CEM board to perform static
pressure reset via an external 4-20 mA input. Enabling this
sensor will give the user the ability to reset from 0 to 3-in. wg
of static pressure. The reset will apply to the supply static
pressure set point (Configuration
→
SP
→
SP.SP), where 4 mA
= 0-in. wg and 20 mA = 3-in. wg.
As an example, the static pressure reset input is measuring
6 mA, and the input is resetting 2 mA of its 16 mA control
range. The 4 to 20 mA range corresponds directly to the 0 to
3 in. wg of reset. Therefore 2 mA reset is 2/16 * 3-in. wg =
0.375-in. wg of reset. If the static pressure set point (SP.SP) =
1.5-in. wg, then the static pressure control point for the system
will be reset 1.5 – 0.375 = 1.125-in. wg.
For third party 4 to 20 mA SP reset, wire the input to TB203
terminals 6 and 7.
For reset via a connected ComfortID™ system, the Linkage
Coordinator terminal monitors the primary-air damper position
of all the terminals in the system. It then calculates the amount of
supply static pressure reduction necessary to cause the most
open damper in the system to open more than the minimum
value (60%) but not more than the maximum value (90% or neg-
ligible static pressure drop). This is a dynamic calculation, which
occurs every two minutes whenever the system is operating. It
ensures that the supply static is sufficient to supply the required
airflow at the worst case terminal but not more than necessary, so
that the air terminals do not have to operate with a pressure drop
greater than required to maintain the airflow set point of each
individual terminal in the system. As the system operates, if the
most open damper opens more than 90%, the system recalcu-
lates the pressure reduction variable and Configuration
→
UNIT
→
SENS
→
SP.RS, the amount of reset, is reduced. If the most
open damper closes to less than 60%, the system recalculates the
pressure reduction variable and SP.RS is increased.
With this system, one needs to enter as the static pressure set
point SP.SP either a maximum duct design pressure or maxi-
mum equipment pressure, whichever is less. The system will
ITEM EXPANSION RANGE CCN POINT DEFAULT
→SENS→SP.RS Static Press.
Reset Sensor.
Enable/
Disable SPRSTSEN Disable

64
determine the actual set point required and deliver the required
airflow to every terminal under the current load conditions. As
the conditions and airflow requirements at each terminal
change throughout the operating period, so will SP.RS and the
unit’s effective static pressure set point.
In the unlikely chance that both static pressure reset control
signals are simultaneously present, the CCN signal will take
precedence.
RELATED POINTS — These points represent static pressure
control and static pressure reset inputs and outputs. See Table 53.
Static Pressure mA (SP.M) — This variable reflects the value
of the static pressure sensor signal received by the
ComfortLink™ controls. It may in some cases be helpful in
troubleshooting.
Static Pressure mA Trim (SP.M.T) — This input allows a
modest amount of trim to the 4 to 20 mA static pressure trans-
ducer signal, and can be used to calibrate a transducer.
Static Pressure Reset mA (SP.R.M) — This input reflects the
value of a 4 to 20 mA static pressure reset signal applied to
TB203 terminals 6 and 7, from a third party control system.
Static Pressure Reset (SP.RS) — This variable reflects the
value of a static pressure reset signal applied from a CCN sys-
tem. The means of applying this reset is by forcing the value of
the variable SPRESET through CCN.
Supply Fan VFD Speed (S.VFD) — This output can be used
to check on the actual speed of the VFD. This may be helpful
in some cases for troubleshooting.
IGV Actuator Current Pos (IGV.P) — This output reflects
the current position of the supply fan inlet guide vanes. This
may be helpful in some cases for troubleshooting.
IGV Act. Commanded Pos (IGV.C) — This output reflects
the commanded position of the supply fan inlet guide vanes.
By comparing this to the actual position of the guide vanes, this
may be helpful in some cases for troubleshooting.
Fan Status Monitoring
GENERAL — The  Z  Series  ComfortLink controls offer the
capability to detect a failed supply fan through either a duct
static pressure transducer or an accessory discrete switch. The
fan status switch is an accessory that allows for the monitoring
of a discrete switch, which trips above a differential pressure
drop across the supply fan. For any unit with a factory-installed
duct static pressure sensor, it is possible to measure duct
pressure rise directly, which removes the need for a differential
switch. Any unit with an installed supply fan VFD or inlet
guide vanes will have the duct static pressure sensor as
standard.
SETTING UP THE SYSTEM — The  fan  status  monitoring
configurations are located in Configuration
→
UNIT.  See
Table 54.
Table 54 — Fan Status Monitoring Configuration
Fan Stat Monitoring Type (SFS.M) — This configuration se-
lects the type of fan status monitoring to be performed.
0 - NONE — No switch or monitoring
1 - SWITCH — Use of the fan status switch
2 - SP RISE — Monitoring of the supply duct pressure.
Fan Fail Shuts Down Unit (SFS.S) — This configuration
will configure the unit to shut down on a supply fan status fail
or simply alert the condition and continue to run. When config-
ured to YES, the control will shut down the unit if supply fan
status monitoring fails and send out an alarm. If set to no, the
control will not shut down the unit if supply fan status monitor-
ing fails but send out an alert.
SUPPLY FAN STATUS MONITORING LOGIC — Regard-
less of whether the user is monitoring a discrete switch or is
monitoring static pressure, the timings for both techniques are
the same and rely upon the configuration of static pressure
control. The configuration that determines static pressure
control is Configuration
→
SP
→
SP.CF. If this configuration is
set to 0 (none), a fan failure condition must wait 60 continuous
seconds before taking action. If this configuration is 1 or 2
(VFD or IGV), a fan failure condition must wait 3 continuous
minutes before taking action.
If the unit is configured to monitor a fan status switch
(SFS.M = 1), and if the supply fan commanded state does not
match the supply fan status switch for 3 continuous minutes,
then a fan status failure has occurred.
If the unit is configured for supply duct pressure monitoring
(SFS.M = 2), then
• If the supply fan is requested ON and the static pressure
reading is not greater than 0.2 in. wg for 3 continuous
minutes, a fan failure has occurred. 
• If the supply fan is requested OFF and the static pressure
reading is not less than 0.2-in. wg for 3 continuous min-
utes, a fan failure has occurred.
Dirty Filter Switch — The unit can be equipped with a
field-installed accessory dirty filter switch. The switch is located
in the filter section. If a dirty filter switch is not installed, the
switch input is configured to read “clean” all the time.
To enable the sensor for dirty filter monitoring set
Configuration
→
UNIT
→
SENS
→
FLT.S to ENABLE. The
state of the filter status switch can be read at Inputs
→
GEN.I
→
FLT.S. See Table 55.
Table 53 — Static Pressure Reset Related Points
ITEM EXPANSION RANGE CCN POINT
SFS.S Fan Fail Shuts Down Unit Yes/No SFS_SHUT
SFS.M Fan Stat Monitoring Type 0 - 2 SFS_MON
ITEM EXPANSION RANGE UNITS CCN POINT DEFAULT
Inputs
→ 4-20 → SP.M Static Pressure mA 4-20 mA SP_MA
→ 4-20 → SP.M.T Static Pressure mA Trim -2.0 → +2.0 mA SPMATRIM
→ 4-20 →SP.R.M Static Pressure Reset mA 4-20 mA SPRST_MA 0.0
→ RSET →SP.RS Static Pressure Reset 0.0-3.0 in. wg SPRESET 0.0
Outputs
→ Fans → S.VFD Supply Fan VFD Speed 0-100 % SFAN_VFD
→ ACTU → IGV.P IGV Actuator Current Pos 0-100 % IGV_RPOS
→ ACTU → IGV.C IGV Act. Commanded Pos 0-100 % IGV_CPOS

65
Table 55 — Dirty Filter Switch Points
Monitoring of the filter status switch is disabled in the
Service Test mode and when the supply fan is not commanded
on. If the fan is on and the unit is not in a test mode and the
filter status switch reads “dirty” for 2 continuous minutes, an
alert is generated. Recovery from this alert is done through a
clearing of all alarms or after cleaning the filter and the switch
reads “clean” for 30 seconds.
NOTE: The filter switch should be adjusted to allow for the
operating cfm and the type of filter. Refer to the accessory
installation instructions for information on adjusting the switch.
Economizer — The economizer control is used to manage
the outside and return air dampers of the unit to provide venti-
lation air as well as free cooling based on several configuration
options. This section contains a description of the economizer
and its ability to provide free cooling. See the section on indoor
air quality for more information on setting up and using the
economizer to perform demand controlled ventilation (DCV).
See the Third Party Control section for a description on how to
take over the operation of the economizer through external
control.
The economizer system also permits this unit to perform
smoke control functions based on external control switch
inputs. Refer to the Smoke Control Modes section for detailed
discussions.
Economizer control can be based on automatic control
algorithms using unit-based set points and sensor inputs. This
economizer control system can also be managed through exter-
nal logic systems.
The economizer system is a factory-installed option. This
option includes a factory-installed enthalpy control device to
determine the changeover condition that permits free cooling
operation. This unit can also have the following devices
installed to enhance economizer control:
• Outside air humidity sensor
• Return air humidity sensor
• Outside airflow control
NOTE: All these options require the controls expansion mod-
ule (CEM).
The Z Series economizer damper is managed by a commu-
nicating actuator motor(s) over the unit’s Local Equipment
Network (LEN). This provides the ability of the control system
to monitor, diagnose and report the health and operation of the
actuator and damper system to the local display and CCN
network, thus providing extensive diagnostic tools to servicers.
SETTING UP THE SYSTEM — The economizer configura-
tion options are under the Local Display Mode Configuration
→
ECON. See Table 56.
Economizer Installed? (EC.EN) — If an economizer is not
installed or is to be completely disabled the configuration
option EC.EN may be set to No. Otherwise in the case of an in-
stalled economizer, this option must be set to Yes.
Economizer Actuator 2 Installed? (EC2.E) — For 48/50Z055-
105 units, a second economizer actuator is required. For sizes
055-105, set this configuration to Yes.
Economizer Minimum Position (EC.MN) — The configura-
tion option EC.MN is the economizer minimum position. See
the section on indoor air quality for further information on how
to reset the economizer further to gain energy savings and to
more carefully monitor IAQ problems.
Economizer Maximum Position (EC.MX) — The upper lim-
it of the economizer may be limited by setting EC.MX. It de-
faults to 98% to avoid problems associated with slight changes
in the economizer damper’s end stop over time. Typically this
will not need to be adjusted.
Economizer Trim for Sum Z? (E.TRM) — Sum Z is the
adaptive cooling control algorithm used for multiple stages
of mechanical cooling capacity. The configuration option,
E.TRM is typically set to Yes, and allows the economizer to
modulate to the same control point (Sum Z) that is used to
control capacity staging. The advantage is lower compressor
cycling coupled with tighter temperature control. Setting this
option to No will cause the economizer, if it is able to provide
free cooling, to open to the Economizer Max. Position
(EC.MX) during mechanical cooling.
ECONOMIZER OPERATION — There  are  four  potential
elements which are considered concurrently which determine
whether the economizer is able to provide free cooling:
1. Dry bulb changeover (outside-air temperature qualification)
2. Enthalpy switch (discrete control input monitoring)
3. Economizer changeover select (E.SEL economizer
changeover select configuration option)
4. Outdoor dewpoint limit check (requires an installed out-
door relative humidity sensor installed)
Dry Bulb Changeover — Outside-air temperature may be
viewed under Temperatures
→
AIR.T
→
OAT. The control
constantly compares its outside-air temperature reading against
the high temperature OAT lockout (OAT.L). If the temperature
reads above OAT.L, the economizer will not be allowed to per-
form free cooling.
NOTE: If the user wishes to disable the enthalpy switch from
running concurrently, a field-supplied jumper must be installed
between TB201 terminals 3 and 4.
Enthalpy Switch — The state of the enthalpy switch can be
viewed under Inputs
→
GEN.I
→
ENTH. Enthalpy switches are
installed as standard on all Z Series rooftops. When the switch
reads high, free cooling will be disallowed. 
The enthalpy switch opens (reads high) when the outdoor
enthalpy is above 24 Btu/lb or dry bulb temperature is above
70 F and will close when the outdoor enthalpy is below
23 Btu/lb or the dry bulb temperature is below 69.5 F. 
NOTE: The enthalpy switch has both a low and a high output.
To use this switch as designed the control must be connected to
the low output. Additionally there is a switch logic setting for
the enthalpy switch under Configuration
→
SW.LG
→
ENT.L.
This setting must be configured to closed (CLSE) to work prop-
erly when connected to the low output of the enthalpy switch.
There are two jumpers under the cover of the enthalpy
switch. One jumper determines the mode of the enthalpy
switch/receiver. The other is not used. For the enthalpy switch,
the factory setting is M1 and should not need to be changed. See
Fig. 8 for a diagram showing the settings on the enthalpy switch.
ITEM EXPANSION RANGE CCN
POINT
Configuration→UNIT
→SENS→FLT.S
Filter 
Stat.Sw.Enabled ?
Enable/
Disable
FLTS_ENA
Inputs→GEN.I
→FLT.S
Filter Status Input DRTY/CLN FLTS
M3
M2
M1
OFF
100%
50%
0%
Fig. 8 — Enthalpy Switch Jumper Positions

66
Table 56 — Economizer Configuration Table
The enthalpy switch may also be field converted to a differ-
ential enthalpy switch by field installing an enthalpy sensor
(33CSENTSEN or HH57ZC001). The enthalpy switch/receiv-
er remains installed in its factory location to sense outdoor air
enthalpy. The additional enthalpy sensor (33CSENTSEN) is
mounted in the return airstream to measure return air enthalpy.
The enthalpy control jumper must be changed from M1 to M2
for differential enthalpy control. For the 2-wire return air en-
thalpy sensor, connect power to the Vin input and signal to the
4-20 loop input. See Fig. 8 for diagram showing the settings
and inputs on the enthalpy switch.
There is another way to accomplish differential enthalpy
control when both an outdoor and return air relative humidity
sensor are present. See Economizer Changeover Select section
below for further information.
ECONOMIZER CHANGEOVER SELECT (E.SEL) — The
control is capable of performing any one of the following
changeover types in addition to both the dry bulb lockout and
the standard external input:
E.SEL = 0 none
E.SEL = 1 Differential Dry Bulb Changeover
E.SEL = 2 Outdoor Enthalpy Changeover
E.SEL = 3 Differential Enthalpy Changeover
Differential Dry Bulb Changeover — As both return air and
outside air temperature sensors are installed as standard on
these units, the user may select this option, E.SEL = 1, to
perform a qualification of return and outside air in the enabling/
disabling of free cooling. If this option is selected and outside-
air temperature is greater than return-air temperature, free
cooling will not be allowed.
Outdoor Enthalpy Changeover — This option should be used
in climates with higher humidity conditions. The Z Series
control can use an enthalpy switch or enthalpy sensor, or the
standard installed outdoor dry bulb sensor and an accessory
relative humidity sensor to calculate the enthalpy of the air.
Setting Configuration
→
ECON
→
E.SEL = 2 requires that
the user configure Configuration
→
ECON
→
OA.E.C, the
Outdoor Enthalpy Changeover Select, and install an outdoor
relative humidity sensor. A control expansion module (CEM)
is required. Once the sensor and board are installed, enable
Configuration
→
ECON
→
ORH.S, the outdoor relative humid-
ity sensor configuration option. This will automatically enable
the CEM board, if it is not enabled already.
If the user selects one of the Honeywell curves, A,B,C or D,
then OA.E.C options 1-4 should be selected. See Fig. 9 for a
diagram of these curves on a psychrometric chart.
OA.E.C = 1 Honeywell A Curve
OA.E.C = 2 Honeywell B Curve
OA.E.C = 3 Honeywell C Curve
OA.E.C = 4 Honeywell D Curve
OA.E.C = 5 custom enthalpy curve
If the user selects OA.E.C = 5, a direct compare of outdoor
enthalpy versus an enthalpy set point is done. This outdoor
enthalpy set point limit is configurable, and is called
Configuration
→
ECON
→
OA.EN.
Depending on what Configuration
→
ECON
→
OA.E.C is
configured for, if the outdoor enthalpy exceeds the Honeywell
curves or the outdoor enthalpy compare value (Configuration
→
ECON
→
OA.EN), then free cooling will not be allowed.
NOTE: If the user wishes to disable the standard enthalpy
control from running concurrently, a field-supplied jumper
must be installed between TB201 terminals 3 and 4.
Differential Enthalpy Changeover — This option compares
the outdoor-air enthalpy to the return air enthalpy and chooses
the option with the lowest enthalpy. This option should be
used in climates with high humidity conditions. This option
uses both humidity sensors and dry bulb sensors to calculate
the enthalpy of the outdoor and return air. An accessory
outdoor air humidity sensor (ORH.S) and return air humidity
sensor (RRH.S) are used. The outdoor air relative humidity
sensor config (ORH.S) and return air humidity sensor config
(Configuration
→
SENS
→
RRH.S) must be enabled.
NOTE: If the user wishes to disable the standard enthalpy
control from running concurrently, a field-supplied jumper
must be installed between TB201 terminals 3 and 4.
Outdoor Dewpoint Limit Check — If an outdoor relative
humidity sensor is installed, the control is able to calculate the
ITEM EXPANSION RANGE UNITS CCN POINT DEFAULT
EC.EN Economizer Installed? Yes/No ECON_ENA Yes
EC2.E Econ.Act.2 Installed? Yes/No ECON_TWO No
EC.MN Economizer Min.Position 0 - 100 % ECONOMIN 5
EC.MX Economizer Max.Position 0 - 100 % ECONOMAX 98
E.TRM Economzr Trim For SumZ ? Yes/No ECONTRIM Yes
E.SEL Econ ChangeOver Select 0 - 3 ECON_SEL 0
OA.E.C OA Enthalpy ChgOvr Selct 1 - 5 OAEC_SEL 4
OA.EN Outdr.Enth Compare Value 18 - 28 OAEN_CFG 24
OAT.L High OAT Lockout Temp -40 - 120 dF OAT_LOCK 60
O.DEW OA Dewpoint Temp Limit 50 - 62 dF OADEWCFG 55
ORH.S Outside Air RH Sensor Enable/Disable OARHSENS Disable
CFM.C OUTDOOR AIR CFM CONTROL
  OCF.S Outdoor Air CFM Sensor Enable/Disable OCFMSENS Disable
  O.C.MX Economizer Min.Flow 0 - 20000 CFM OACFMMAX 2000
  O.C.MN IAQ Demand Vent Min.Flow 0 - 20000 CFM OACFMMIN 0
  O.C.DB Econ.Min.Flow Deadband 200 - 1000 CFM OACFM_DB 400
E.CFG ECON.OPERATION CONFIGS
  E.P.GN Economizer Prop.Gain 0.7 - 3.0 EC_PGAIN 1
  E.RNG Economizer Range Adjust 0.5 - 5 ^F EC_RANGE 2.5
  E.SPD Economizer Speed Adjust 0.1 - 10 EC_SPEED 0.75
  E.DBD Economizer Deadband 0.1 - 2 ^F EC_DBAND 0.5
UEFC UNOCC.ECON.FREE COOLING
  FC.CF Unoc Econ Free Cool Cfg 0-2 UEFC_CFG 0
  FC.TM Unoc Econ Free Cool Time 0 - 720 min UEFCTIME 120
  FC.L.O Un.Ec.Free Cool OAT Lock 40 - 70 dF UEFCNTLO 50
ACT.C ECON.ACTUATOR CONFIGS
  SN.1.1 Econ Serial Number 1 0 - 255 ECON_SN1 0
  SN.1.2 Econ Serial Number 2 0 - 255 ECON_SN2 0
  SN.1.3 Econ Serial Number 3 0 - 255 ECON_SN3 0
  SN.1.4 Econ Serial Number 4 0 - 255 ECON_SN4 0
  SN.1.5 Econ Serial Number 5 0 - 255 ECON_SN5 0
  C.A.L1 Econ Ctrl Angle Lo Limit 0 - 90 ECONCALM 85
  SN.2.1 Econ 2 Serial Number 1 0 - 255 ECN2_SN1 0
  SN.2.2 Econ 2 Serial Number 2 0 - 255 ECN2_SN2 0
  SN.2.3 Econ 2 Serial Number 3 0 - 255 ECN2_SN3 0
  SN.2.4 Econ 2 Serial Number 4 0 - 255 ECN2_SN4 0
  SN.2.5 Econ 2 Serial Number 5 0 - 255 ECN2_SN5 0
  C.A.L2 Econ 2 Ctrl Angle Lo Limit 0 - 90 ECN2CALM 85

67
outdoor air dewpoint temperature and will compare this
temperature against the outside air dewpoint temperature
limit configuration (Configuration
→
ECON
→
O.DEW). If the
outdoor air dewpoint temperature is greater than O.DEW, free
cooling will not be allowed. Fig. 10 shows a horizontal limit
line in the custom curve of the psychrometric chart. This is the
outdoor air dewpoint limit boundary.
Custom Psychrometric Curves — Refer to the psychrometric
chart and the standard Honeywell A-D curves in Fig. 9. The
curves start from the bottom and rise vertically, angle to the left
and then fold over. This corresponds to the limits imposed by
dry bulb changeover, outdoor enthalpy changeover and
outdoor dewpoint limiting respectively. Therefore, it is now
possible to create any curve desired with the addition of one
outdoor relative humidity sensor and the options for
changeover now available. See Fig. 10 for an example of a
custom curve constructed on a psychrometric chart.
Configuring the Economizer to Communicate Via Actuator
Serial Number — Every actuator used in the Z Series control
system has its own unique serial number. The rooftop control
uses this serial number to communicate with the actuator over
the local equipment network (LEN). These serial numbers are
programmed at the factory and should not need changing.
Should field replacement of an actuator become necessary, it
will be required to configure the serial numbers of the new
actuator. Five individual numbers make up this serial number
and these can be programmed to match the serial number of the
actuator in its Economizer Actuator Configs group, ACT.C
(SN1.1, SN1.2, SN1.3, SN1.4, SN1.5, SN2.1, SN2.2, SN2.3,
SN2.4, SN2.5).
NOTE: The serial numbers for all LEN actuators can be found
inside the control doors of the unit as well as on the actuator
itself. If an actuator is replaced in the field, it is a good idea to
remove the additional peel-off serial number sticker on the
actuator and cover up the old one inside the control doors.
Fig. 10 — Custom Changeover Curve Example
Fig. 9 — Psychrometric Chart for
Enthalpy Control
CONTROL CURVE CONTROL POINT
(approx Deg) AT 50% RH
A73
B68
C63
D58

68
Control Angle Alarm Configuration — The economizer ac-
tuator determines its end stops through a calibration at the
factory. Field-installed actuators may be calibrated in the
Service Test mode. When an actuator learns its end stops
through calibration, it also determines its control angle. The
actuator will resolve this control angle and express its operation
in a percent (%) of this learned range.
If the economizer has not learned a sufficient control angle
during calibration, the economizer damper will be unable
to control ventilation and free cooling. For this reason the
economizer actuator used in the Z Series control system has a
configurable control angle alarm low limit (Configuration
→
ECON
→
ACT.C
→
C.A.L1  or C.A.L2). If the control angle
learned through calibration is less than C.A.L1 or C.A.L2, an
alert will occur and the actuator will not function.
NOTE: This configuration does not typically need adjustment.
It is configurable for the small number of jobs which may
require a custom solution or workaround.
UNOCCUPIED ECONOMIZER FREE COOLING — This
Free Cooling function is used to start the supply fan and use
the economizer to bring in outside air when the outside
temperature is cool enough to pre-cool the space. This is done
to delay the need for mechanical cooling when the system
enters the occupied period. This function requires the use of a
space temperature sensor.
When configured, the economizer will modulate during an
unoccupied period and attempt to maintain space temperature
to the occupied cooling set point. Once the need for cooling has
been satisfied during this cycle, the fan will be stopped.
Configuring the economizer for Unoccupied Economizer
Free Cooling is done in the UEFC group. There are three
configuration options, FC.CF, FC.TM and FC.LO.
Unoccupied Economizer Free Cooling Configuration
(FC.CF)  — This option is used to configure the type of unoc-
cupied economizer free cooling control that is desired. 
0 = disable unoccupied economizer free cooling
1 = perform unocc. economizer free cooling as available dur-
ing the entire unoccupied period.
2 = perform unocc. economizer free cooling as available,
FC.TM minutes before the next occupied period.
Unoccupied Economizer Free Cooling Time Configuration
(FC.TM) — This option is a configurable time period, prior to
the next occupied period, that the control will allow unoccu-
pied economizer free cooling to operate. This option is only
applicable when FC.CF = 2.
Unoccupied Economizer Free Cooling Outside Lockout
Temperature (FC.LO) — This configuration option allows
the user to select an outside-air temperature below which unoc-
cupied free cooling is not allowed. This is further explained in
the logic section.
Unoccupied Economizer Free Cooling Logic — The follow-
ing qualifications that must be true for unoccupied free cooling
to operate:
• Unit configured for an economizer
• Space temperature sensor enabled and sensor reading
within limits
• Unit in the unoccupied mode
•FC.CF set to 1 or FC.CF set to 2 and control is within
FC.TM minutes of the next occupied period
• Not in the Temperature Compensated Start mode
• Not in a cooling mode
• Not in a heating mode
• Not in a tempering mode
• Outside-air temperature sensor reading within limits
• Economizer would be allowed to cool if the fan were
requested and in a cool mode
•OAT > FC.LO (1.0° F hysteresis applied)
• Unit not in a fire smoke mode
• No fan failure when configured to for unit to shut down
on a fan failure
If all of the above conditions are satisfied:
Unoccupied Economizer Free Cooling will start when both of
the following conditions are true:
{SPT > (OCSP + 2)} AND {SPT > (OAT + 8)}
The Unoccupied Economizer Free Cooling Mode will stop
when either of the following conditions are true:
{SPT < OCSP} OR {SPT < (OAT + 3)} where SPT = Space
Temperature and OCSP = Occupied Cooling Set Point.
When the Unoccupied Economizer Free Cooling mode is
active, the supply fan is turned on and the economizer damper
modulated to control to the supply air set point (Setpoints
→
SASP) plus any supply air reset that may be applied (Inputs
→
RSET
→
SA.S.R).
OUTDOOR AIR CFM CONTROL — If an outdoor air cfm
flow station has been installed, the economizer is able to
provide minimum ventilation based on cfm, instead of
damper position. The outdoor air cfm reading can be found in
Inputs
→
CFM
→
O.CFM. During cfm control, the economizer
must guarantee a certain amount of cfm at any time for ventila-
tion purposes. If the outdoor air cfm measured is less than the
current calculated cfm minimum position, then the economizer
will attempt to open until the outdoor air cfm is greater than or
equal to this cfm minimum position. The following options are
used to program outside air cfm control.
Outdoor Air Cfm Sensor Enable (OCF.S) — If this option is
enabled, the outdoor air cfm sensor will be read and outside air
cfm control will be enabled. 
Economizer Minimum Flow Rate (O.C.MX) — This option
replaces the Economizer Minimum Position (Configuration
→
ECON
→
EC.MN) when the outdoor air cfm sensor is
enabled.
IAQ Demand Vent Minimum Flow Rate (O.C.MN) — This
option replaces the IAQ Demand Ventilation Minimum
Position (Configuration
→
IAQ
→
DCV.C
→
IAQ.M) when the
outdoor air cfm sensor is enabled.
Economizer Minimum Flow Deadband (O.C.DB) — This
option defines the deadband of the cfm control logic. 
The configurable deadband is added to the economizer’s
minimum cfm position and creates a range (ECMINCFM to
ECMINCFM ± OACFM_DB) where the economizer will not
attempt to adjust to maintain the minimum cfm position.
Increasing this deadband value may help to slow down exces-
sive economizer movement when attempting to control to a
minimum position at the expense of bringing in more ventila-
tion air than desired.
ECONOMIZER OPERATION CONFIGURATION — The
configuration items in the E.CFG menu group affect how
the economizer modulates when attempting to follow an
economizer cooling set point. Typically, they will not need
adjustment. In fact, it is strongly advised not to adjust these
configuration items from their default settings without first
consulting a service engineering representative.
In addition, the economizer cooling algorithm is designed to
automatically slow down the economizer actuator’s rate of
travel as outside air temperature decreases. 
ECONOMIZER DIAGNOSTIC HELP — Because there are
so many conditions which might disable the economizer from
being able to provide free cooling, the control has a display
table to identify these potentially disabling sources. The user
can check ACTV, the “Economizer Active” flag. If this flag is
set to Yes there is no reason to check DISA (Economizer
Disabling Conditions). If the flag is set to No, this means that at
least one or more of the flags under the group DISA are set
to Yes and the user can discover what is preventing the econo-
mizer from performing free cooling by checking the table.

69
The economizer’s reported and commanded positions
are also viewable, as well as outside air temperature, relative
humidity, enthalpy and dew point temperature.
The following information can be found under the Local
Display Mode Run Status
→
ECON. See Table 57.
Economizer Control Point Determination Logic — Once the
economizer is allowed to provide free cooling, the economizer
must determine exactly what set point it should try to maintain.
The set point the economizer attempts to maintain when “free
cooling” is located at Run Status
→
VIEW
→
EC.C.P. This is
the economizer control point. 
The control selects set points differently, based on the
control type of the unit. This control type can be found at
Configuration
→
UNIT
→
C.TYP. There are 6 types of control. 
C.TYP = 1  VAV-RAT
C.TYP = 2  VAV-SPT
C.TYP = 3  TSTAT Multi-Staging
C.TYP = 4  TSTAT 2 Stage
C.TYP = 5  SPT Multi-Staging
C.TYP = 6  SPT 2 Stage
If the economizer is not allowed to do free cooling, then
EC.C.P = 0. 
If the economizer is allowed to do free cooling and the
Unoccupied Free Cooling Mode is ON, then EC.C.P =
Setpoints
→
SASP + Inputs
→
RSET
→
SA.S.R.
If the economizer is allowed to do free cooling and the
Dehumidification mode is ON, then EC.C.P = the Cooling
Control Point (Run Status
→
VIEW
→
CL.C.P).
If the C.TYP is either 4 or 6, and the unit is in a cool mode,
then:
If Stage = 0 EC.C.P = the Cooling Control Point (Run
Status
→
VIEW
→
CL.C.P)
If Stage = 1 53.0 + economizer suction pressure reset
If Stage = 2 48.0 + economizer suction pressure reset
NOTE: To check the current cooling stage go to Run Status
→
Cool
→
CUR.S.
If the C.TYP is either 1,2,3 or 5, and the unit is in a cool
mode, then EC.C.P = the Cooling Control Point (Run Status
→
VIEW
→
CL.C.P).
Economizer Suction Pressure Reset for Two-Stage
Cooling — If the unit’s control type is set to either 2-stage ther-
mostat or 2-stage space temperature control, then there is no
cooling control point. Stages 1 and 2 are brought on based on
demand, irrespective of the evaporator discharge temperature.
In this case, the economizer monitors suction pressure and
resets the economizer control point accordingly in order to
protect the unit from freezing. For those conditions when the
economizer opens up fully but is not able to make set point, and
then a compressor comes on, it is conceivable that the coil
might freeze. This can be indirectly monitored by checking suc-
tion pressure. Rather than fail a circuit, the control will attempt
to protect the unit by resetting the economizer control point
until the suction pressure rises out of freezing conditions.
If either circuit’s suction pressure drops to within 5 psig
of the low suction pressure trip point, the control will start
adding reset to the economizer control point if it is active. It
will be possible to reset the control point upwards, 10 degrees
(2 degrees per psig), between the low suction pressure trip
point of 48 psig and 5 psig above it. If this does not work, and if
the suction pressure drops below the trip point, then the control
will further reset the control point 1 degree every 15 seconds
up to a maximum of 10 degrees. The resulting effect will be to
warm up the mixed air entering the evaporator, thereby raising
the suction pressure.
Building Pressure Control — This control sequence
provides control of the building pressure through the modulat-
ing flow rate functions of one of the modulating power exhaust
options or through management of the return fan option. This
function also provides control of the constant volume 2-stage
power exhaust option. See below for available power exhaust
options for each unit model.
                     LEGEND
Table 57 — Economizer Run Status Table
UNIT
CONSTANT
VOLUME
2-STAGE
MODULATING
POWER
EXHAUST
S.O. 
VFD*
HIGH 
CAPACITY
POWER
EXHAUST†
RETURN/
EXHAUST†
48ZG, 50ZG,Z2 X X S.O. NA NA
48ZN, 50ZN,Z3 NA X S.O. NA NA
48ZT,ZW
50ZT,ZW,ZX,ZZ NA NA NA STD NA
48Z6,Z8
50Z6,Z7,Z8,Z9 NA NA NA NA STD
X—Available as Factory Option
S.O. — Available as Special Order
NA — Not Available on this Unit
STD — Standard Feature on this Unit
ITEM EXPANSION RANGE UNITS CCN POINT WRITE STATUS
ECN.P Economizer Act.Curr.Pos. 0-100 % ECONOPOS
EC2.P Economzr 2 Act.Curr.Pos. 0-100 % ECON2POS
ECN.C Economizer Act.Cmd.Pos. 0-100 % ECONOCMD forcible
ACTV Economizer Active ? YES/NO ECACTIVE
DISA ECON DISABLING CONDITIONS
 UNV.1 Econ Act. Unavailable? YES/NO ECONUNAV
 UNV.2 Econ2 Act. Unavailable? YES/NO ECN2UNAV
  ENTH Enth. Switch Read High ? YES/NO ENTH
  DBC DBC - OAT Lockout? YES/NO DBC_STAT
  DEW DEW - OA Dewpt.Lockout? YES/NO DEW_STAT
  DDBC DDBD- OAT > RAT Lockout? YES/NO DDBCSTAT
  OAEC OAEC- OA Enth Lockout? YES/NO OAECSTAT
  DEC DEC - Diff.Enth.Lockout? YES/NO DEC_STAT
  EDT EDT Sensor Bad? YES/NO EDT_STAT
  OAT OAT Sensor Bad ? YES/NO OAT_STAT
  FORC Economizer Forced ? YES/NO ECONFORC
  SFON Supply Fan Not On 30s ? YES/NO SFONSTAT
  CLOF Cool Mode Not In Effect? YES/NO COOL_OFF
  OAQL OAQ Lockout in Effect ? YES/NO OAQLOCKD
  HELD Econ Recovery Hold Off? YES/NO ECONHELD
  DH.DS Dehumid. Disabled Econ.? YES/NO DHDISABL
O.AIR OUTSIDE AIR INFORMATION
  OAT Outside Air Temperature dF OAT forcible
  OA.RH Outside Air Rel. Humidity % OARH forcible
  OA.E Outside Air Enthalpy OAE
  OA.D.T Outside Air Dewpoint Temp dF OADEWTMP
*Single VFD controlling both fan
motors.
†Single VFD controlling one fan
motor and staging of the second
fan motor.

70
BUILDING PRESSURE CONFIGURATION — The build-
ing pressure configurations are found at the local display under
Configuration
→
BP. See Table 58.
Building Pressure Config (BP.CF) — This configuration se-
lects the type of building pressure control.
•BP.CF = 0, No building pressure control
•BP.CF = 1, constant volume two-stage exhaust based on
economizer position
•BP.CF = 2, Modulating building pressure control based
on building pressure sensor
•BP.CF = 3, VFD controlling two exhaust fan motors
•BP.CF = 4, VFD control of one of the two exhaust fan
motors (sizes 075-105 with high-capacity exhaust option)
•BP.CF = 5, used on sizes 075-105 with return/exhaust
fan option
Building Pressure Sensor (BP.S) — This configuration al-
lows the reading of a building pressure sensor when enabled.
This is automatically enabled when BP.CF = 2, 3, 4 or 5.
Building Pressure (+/–) Range (BP.R) — This configuration
establishes the range in in. wg that a 4 to 20 mA sensor will be
scaled to. The control only allows sensors that measure both
positive and negative pressure.
Building Pressure SETP (BP.SP) — This set point is the
building pressure control set point. If the unit is configured for
a type of modulating building pressure control, then this is the
set point that the control will control to.
BP Setpoint Offset (BP.SO) — For building pressure config-
urations BP.CF=2, 3, and 4, this is the offset below the building
pressure set point that the building pressure must fall below to
turn off power exhaust control.
Power Exhaust on Setp.1 (BP.P1) — When configured for
building pressure control type BP.CF = 1 (constant volume
two-stage control), the control will turn on the first power
exhaust fan when the economizer’s position exceeds this set
point.
Power Exhaust on Setp.2 (BP.P2) — When configured for
building pressure control type BP.CF = 1 (constant volume
two-stage control), the control will turn on the second power
exhaust fan when the economizer’s position exceeds this set
point.
VFD/Act. Fire Speed/Pos (BP.FS) — For BP.CF = 2, 3, 4,
and 5, this configuration is the VFD speed position override
when the control is in the purge and evacuation smoke control
modes.
VFD/Act. Min Speed/Pos (BP.MN) — For BP.CF = 2, 3, 4,
and 5, this configuration is the minimum VFD speed/actuator
position during building pressure control.
VFD Maximum Speed/Pos (BP.MX) — For BP.CF = 3 and
5, this configuration is the maximum VFD speed during build-
ing pressure control.
BP 1 Actuator Max Pos. (BP.1M) — For BP.CF = 2, this
configuration is the maximum actuator no. 1 position during
building pressure control.
BP 2 Actuator Max Pos. (BP.2M) — For BP.CF = 2, this
configuration is the maximum actuator no. 2 position during
building pressure control.
BP Hi Cap VFD Clamp Val. (BP.CL) — For BP.CF = 4, this
configuration is a limit which creates a deadband which con-
trols the action of the second power exhaust relay.
Fan Track Learn Enable (FT.CF) — For BP.CF = 5, this
return/exhaust control configuration selects whether the fan
tracking algorithm will make corrections over time and add a
learned offset to FT.ST. If this configuration is set to No, the
unit will try to control the delta cfm value between the supply
and return VFDs only based on FT.ST. 
Fan Track Learn Rate (FT.TM) — For BP.CF = 5, this return/
exhaust control configuration is a timer that affects corrections
to the delta cfm operation. The smaller this value, the more of-
ten corrections may be made based on building pressure error.
This configuration is only valid when FT.CF = Yes.
Fan Track Initial DCFM (FT.ST) — For BP.CF = 5, this
return/exhaust control configuration is the start point upon
which corrections (offset) are made over time when FT.CF =
Yes. It is the constant control point for delta cfm control when
FT.CF = No.
Fan Track Max Clamp (FT.MX) — For BP.CF = 5, this
return/exhaust control configuration is the maximum positive
delta cfm control value allowed unless outdoor air cfm control
is available and then the delta cfm control value would
be clamped to the outdoor air cfm value directly (see the
Economizer section for a description of outdoor air cfm
configuration).
Fan Track Max Correction (FT.AD) — For BP.CF = 5, this
return/exhaust control configuration is the maximum correc-
tion allowed every time a correction is made based on FT.TM.
This configuration is only valid when FT.CF = Yes.
Fan Track Internal EEPROM (FT.OF) — For BP.CF = 5,
this return/exhaust control internal EEPROM value is a learned
correction that is stored in non-volatile RAM and adds to the
offset when FT.CF = Yes. This value is stored once per day
after the first correction. This configuration is only valid when
FT.CF = Yes.
Fan Track Internal Ram (FT.RM) — For BP.CF = 5, this
return/exhaust control internal value is not a configuration but a
run time correction that adds to the offset throughout the day
when  FT.CF = Yes. This value is only valid when FT.CF =
Yes .
Fan Track Reset Internal (FT.RS) — This option is a one
time reset of the internal RAM and internal EEPROM stored
offsets. If the system is not set up correctly and the offsets are
incorrect, this learned value can be reset. 
Supply Air Cfm Config (SCF.C) — For BP.CF = 5, this con-
figuration is set at the factory depending on whether an air foil
or forward curve supply air fan is being used. This information
is then used by the control to determine the correct cfm tables
to be used when measuring supply air cfm.
Building Pressure Run Rate (BP.TM) — For BP.CF = 2,3,4,
and 5, this configuration is the PID run time rate. 
Building Pressure Proportional Gain (BP.P) — For BP.CF =
2,3,4, and 5, this configuration is the PID Proportional Gain.
Building Pressure Integral Gain (BP.I) — For BP.CF =
2,3,4, and 5, this configuration is the PID Integral Gain.
Building Pressure Derivative Gain (BP.D) — For BP.CF =
2,3,4, and 5, this configuration is the PID Derivative Gain.
BUILDING PRESSURE CONTROL OPERATION
Configuration
→
BP
→
BP.CF = 1 (Constant Volume 2-Stage
Control) — Two exhaust fan relays will be turned on and off
based on economizer position to maintain building pressure
control. The two trip set points are Configuration
→
BP
→
BP.P1 and Configuration
→
BP
→
BP.P2. If the economiz-
er position is greater than or equal to BP.P1, then power exhaust
relay 1 is energized, turning on the first stage. A 60-second tim-
er is initialized. If the economizer falls 5% below the BP.P1,
then the power exhaust fan relay is turned off. If the economizer
position is less than BP.P1 and the 60-second timer has expired,
the power exhaust fan relay is turned off. The same logic applies
to the second power exhaust fan relay, except the BP.P2 trip
point is monitored. If the economizer position is greater than or
equal to BP.P2, then power exhaust relay 2 is energized, turning
on the second stage. A 60-second timer is initialized. If the
economizer is 5% below the BP.P2 the second power exhaust
fan relay is turned off. If the economizer is less than BP.P2 and
the 60-second timer has expired, the power exhaust fan relay is
turned off.

71
Table 58 — Building Pressure Configuration
*Some configurations are model number dependent.
Configuration
→
BP
→
BP.CF = 2 (Modulating Power Exhaust)
— Control is accomplished with two LEN communicating
actuators in tandem and one exhaust fan relay. If building
pressure (Pressures
→
AIR.P
→
BP) rises above the building
pressure set point (BP.SP) and the supply fan is on, building
pressure control is initialized. Thereafter, if the supply fan relay
goes off or if the building pressure drops below the BP.SP
minus the building pressure set point offset (BP.SO) for 5
continuous minutes, building pressure control will be stopped.
Any time building pressure control becomes active, the exhaust
fan relay turns on, starting the dual exhaust fan motors. After
the exhaust fan relay turns on, control is performed with a PID
loop where:
Error = BP – BP.SP
K = 1000 * BP.TM / 60 (normalize the PID control for run rate)
P = K * BP.P * (error)
I = K * BP.I * (error) + “I” calculated last time through the PID
D = K * BP.D * (error – error computed last time through the
PID)
Power exhaust control signal (limited between BP.MN and
(BP.1M/BP.2M) %) = P + I + D
Configuration
→
BP
→
BP.CF = 3 (VFD Controlling Exhaust
Fan Motors) — The VFD controlling high-capacity power
exhaust consists of an exhaust fan VFD (Outputs
→
FANS
→
E.VFD) enabled by one power exhaust relay (Outputs
→
FANS
→
P. E . 1 ). If building pressure (Pressures
→
AIR.P
→
BP) rises
above the building pressure set point (BP.SP) and the supply fan
is on, then building pressure control is initialized. Thereafter, if
the supply fan relay goes off or if the building pressure drops be-
low the BP.SP minus the building pressure set point offset
(BP.SO) for 5 continuous minutes, building pressure control
will be stopped. The 5-minute timer will continue to re-initialize
while the VFD is commanded to a position > 0%. If the building
pressure falls below the set point, the VFD will slow down auto-
matically. Any time building pressure control becomes active,
the exhaust fan relay turns on which energizes the exhaust fan
VFD. Control is performed with a PID loop where:
Error = BP – BP.SP
K = 1000 * BP.TM/60 (normalize the PID control for run rate)
P = K * BP.P * (error)
I = K * BP.I * (error) + “I” calculated last time through the PID
D = K * BP.D * (error – error computed last time through the
PID)
VFD control signal (clamped between BP.MN and BP.MX%)
= P + I + D
NOTE: Do not change values of PID set point without
approval from Carrier.
BP.CF = 4 (High-Capacity Exhaust Control) — Control is
accomplished with a VFD and two exhaust fan relays. High-
capacity power exhaust consists of an exhaust fan VFD
(Outputs
→
FANS
→
E.VFD) enabled by one power exhaust
relay (Outputs
→
FANS
→
P. E . 1 ) and a second power exhaust
relay (Outputs
→
FANS
→
P. E . 2 ) which controls a single speed
fan which is equal in capacity to the VFD running at full speed.
ITEM EXPANSION RANGE UNITS CCN POINT DEFAULT
BP BUILDING PRESS. CONFIGS
  BP.CF Building Press. Config 0 - 5 BLDG_CFG 0*
  BP.S Building Pressure Sensor Enable/Disable BPSENS Disable*
  BP.R Bldg. Press. (+/-) Range 0.10 - 0.25 "H2O BP_RANGE 0.25
  BP.SP Building Pressure Setp. -0.25 - 0.25 "H2O BPSP 0.05
  BP.SO BP Setpoint Offset 0 - 0.5 "H2O BPSO 0.05
  BP.P1 Power Exhaust On Setp.1 0 - 100 % PES1 25
  BP.P2 Power Exhaust On Setp.2 0 - 100 % PES2 75
  B.V.A VFD/ACTUATOR  CONFIG
    BP.FS VFD/Act. Fire Speed/Pos. 0 - 100 % BLDGPFSO 100
    BP.MN VFD/Act. Min.Speed/Pos. 0 - 50 % BLDGPMIN 10
    BP.MX VFD Maximum Speed 50 - 100 % BLDGPMAX 100
    BP.1M BP 1 Actuator Max Pos. 85 - 100 % BP1SETMX 100
    BP.2M BP 2 Actuator Max Pos. 85 - 100 % BP2SETMX 100
    BP.CL BP Hi Cap VFD Clamp Val. 5 - 25 % BLDGCLMP 10
  FAN.T FAN TRACKING CONFIG
    FT.CF Fan Track Learn Enable Yes/No DCFM_CFG No
    FT.TM Fan Track Learn Rate 5-60 min DCFMRATE 15
    FT.ST Fan Track Initial DCFM -20000 - 20000 CFM DCFMSTRT 2000
    FT.MX Fan Track Max Clamp 0 - 20000 CFM DCFM_MAX 4000
    FT.AD Fan Track Max Correction 0 -20000 CFM DCFM_ADJ 1000
    FT.OF Fan Track Internl EEPROM -20000 - 20000 CFM DCFM_OFF 0
    FT.RM Fan Track Internal RAM -20000 - 20000 CFM DCFM_RAM 0
    FT.RS Fan Track Reset Internal Yes/No DCFMRSET No
    SCF.C Supply Air CFM Config 1 - 2 SCFM_CFG 1
  B.PID BLDG.PRESS.PID CONFIGS
    BP.TM Bldg.Pres.PID Run Rate 5 - 120 sec BPIDRATE 10
    BP.P Bldg.Press. Prop. Gain 0 - 5 BLDGP_PG 0.5
    BP.I Bldg.Press. Integ. Gain 0 - 2 BLDGP_IG 0.5
    BP.D Bldg.Press. Deriv. Gain 0 - 5 BLDGP_DG 0.3
  ACT.C BLDG.PRES. ACTUATOR CFGS
    BP.1 BLDG.PRES. ACT.1 CONFIGS
      SN.1 BP 1 Serial Number 1 0 - 255 BP_1_SN1 0
      SN.2 BP 1 Serial Number 2 0 - 255 BP_1_SN2 0
      SN.3 BP 1 Serial Number 3 0 - 255 BP_1_SN3 0
      SN.4 BP 1 Serial Number 4 0 - 255 BP_1_SN4 0
      SN.5 BP 1 Serial Number 5 0 - 255 BP_1_SN5 0
      C.A.LM BP1 Cntrl Angle Lo Limit 0-90 BP1_CALM 35
    BP.2 BLDG.PRES. ACT.2 CONFIGS
      SN.1 BP 2 Serial Number 1 0 - 255 BP_2_SN1 0
      SN.2 BP 2 Serial Number 2 0 - 255 BP_2_SN2 0
      SN.3 BP 2 Serial Number 3 0 - 255 BP_2_SN3 0
      SN.4 BP 2 Serial Number 4 0 - 255 BP_2_SN4 0
      SN.5 BP 2 Serial Number 5 0 - 255 BP_2_SN5 0
      C.A.LM BP2 Cntrl Angle Lo Limit 0-90 BP2_CALM 35

72
Controlling high-capacity power exhaust differs from nor-
mal power exhaust in the following ways:
• The integral term is not used. The percentile commanded
position of the VFD is used instead.
• A “clamp percent” configuration is added (BP.CL) to
create a deadband that will assist the algorithm in
controlling the second power exhaust relay.
If building pressure (BP) rises above the building pressure
set point (BP.SP) and the supply fan is on, building pressure
control is initiated. Thereafter if the supply fan relay goes off or
if the building pressure drops below the BP.SP minus the
building pressure set point offset (BP.SO) for 5 continuous
minutes, building pressure control will be stopped. The
5-minute timer will continue to reset while the VFD is com-
manded to a position > 0%. If the building pressure falls below
the set point, the VFD will shut down automatically. Any time
building pressure control becomes active, the exhaust fan relay
turns on which energizes the exhaust fan VFD.
After the exhaust fan relay turns on, PID control ensues with-
out an “I” term:
Error = BP – BP.SP
K = 1000 * BP.TM / 60 (normalize the PID control for run rate)
P = K * BP.P * (error)
D = K * BP.D * (error - error computed last time through the
PID)
VFD control signal (clamped between 0 and 100%) = VFD
Output last time through + (P + D)
NOTE: The sum of P + D will be clamped on any timed calcu-
lation to an internally calculated value which guarantees the
VFD is not commanded more or less an amount, than it cannot
achieve before the next time VFD capacity is again calculated.
Bringing the single speed fan (P. E . 2 ) ON and OFF is coordi-
nated with the VFD speed. When building pressure first
becomes active, P. E . 2  is OFF, P. E . 1  is ON and the VFD is
allowed to climb to 100%. BP.CL will be used to act as hyster-
esis so that when the P + D term is evaluated and it exceeds
BP.CL, the control will go through a one-minute period hold
off time where the VFD is commanded to BP.CL, and P. E . 2  is
brought on. After the transition to P. E . 2  ON is complete, the
control will continue to control the VFD from BP.CL%. If BP
rises, the control will speed up the VFD. Should the VFD drop
to 0%, and the next time through the PID the P + D term calcu-
lation is less than – BP.CL, the control will go through another
one-minute PID hold off period where P. E . 2  is commanded
OFF and the VFD is commanded to 100 – BP.CL.
Configuration
→
BP
→
BP.CF =5 (Return/Exhaust Control)
— Fan tracking is the method of control used on plenum return
fan option. The fan tracking algorithm controls the exhaust/
return fan VFD and the exhaust fan relay. The ComfortLink™
controls use a flow station to measure the flow of both the sup-
ply and the return fans. The speed of the return fan is controlled
by maintaining a delta cfm (usually with supply airflow being
greater of the two) between the two fans. The building pressure
is controlled by maintaining this delta cfm between the two
fans. In general, the greater the delta between supply airflow
and return airflow, the higher the building pressure will be.
Conversely, as the return airflow quantity increases above
the supply airflow, the lower the building pressure will be.
Whenever there is a request for the supply fan (or there is the
presence of the IGC feedback on gas heat   units), the return fan
is started. The delta cfm is defined as S.CFM – R.CFM. The
return fan VFD is controlled by a PID on the error of delta cfm
actual from delta cfm set point. If the error is positive the drive
will increase speed. If the error is negative the drive will
decrease speed.
NOTE: These configurations are used only if Fan Tracking
Learning is enabled. When Fan Tracking Learning is enabled,
the control will adjust the delta cfm (FT.ST) between the
supply and return fan if the building pressure deviates from the
Building Pressure Set Point (BP.SP). Periodically, at the rate
set by the fan track learn rate (FT.TM), the delta cfm is
adjusted upward or downward with a maximum adjustment
at a given instance to be no greater than fan track max
correction (FT.AD). The delta cfm can not ever be adjusted
greater than or less than the fan track initial delta cfm (FT.ST)
than by the Fan Track Max Clamp (FT.MX).
CONFIGURING THE BUILDING PRESSURE ACTUA-
TORS (BP.CF = 2) TO COMMUNICATE VIA ACTUATOR
SERIAL NUMBER — Every actuator used in the Z Series
control system has its own unique serial number. The rooftop
control uses this serial number to communicate with the
actuator over the local equipment network (LEN). These serial
numbers are programmed at the factory and should not need
changing. Should field replacement of an actuator become
necessary, it will be necessary to configure the serial numbers
of the new actuator. Five individual numbers make up each se-
rial number and these can be programmed to match the serial
number of the actuators in the building pressure actuator
configurations group, ACT.C.
→
BP.1 and BP.2 (SN.1, SN.2,
SN.3, SN.4, SN.5).
NOTE: The serial numbers for all LEN actuators can be found
inside the control doors of the unit as well as on the actuator
itself. If an actuator is replaced in the field, it is a good idea to
remove the additional peel-off serial number sticker on the
actuator and cover up the old one inside the control doors.
CONTROL ANGLE ALARM CONFIGURATION C.ALM
(BP.CF = 2) — The building pressure actuators learn what its
end stops are though a calibration at the factory. Field-installed
actuators may be calibrated in the Service Test mode. When an
actuator learns its end stops through calibration, it stores the
control angle. The actuator will resolve this control angle and
express its operation in a percent (%) of this learned range.
If a building pressure actuator has not learned a sufficient
control angle during calibration, the actuator will be unable to
control building pressure. For this reason the building pressure
actuators used in the Z Series control system have configurable
control angle alarm low limits in the Building Pressure Actua-
tor Configurations group, ACT.C
→
BP.1 and BP.2. (C.A.LM).
If the control angle learned through calibration is less than
C.A.LM, an alert will occur and the actuator will not function.
NOTE: This configuration does not typically need adjustment.
It is configurable for the small number of jobs which may
require a custom solution or workaround.
Smoke Control Modes — There are four smoke con-
trol modes that can be used to control smoke within areas ser-
viced by the unit: Pressurization mode, Evacuation mode,
Smoke Purge mode, and Fire Shutdown. Evacuation, Pressur-
ization and Smoke Purge modes require the controls expansion
board (CEM). The Fire Shutdown input is located on the main
board (MBB) on terminals TB201-5 and 6. The unit may also
be equipped with a factory-installed return air smoke detector
that is wired to TB201-5,6 and will shut the unit down if a
smoke condition is determined. Field-monitoring wiring can be
connected to terminal TB201-13 and 14 to monitor the smoke
detector. Inputs on the CEM board can be used to put the unit
in the Pressurization, Evacuation, and Smoke Purge modes.
These switches or inputs are connected to TB204 as shown be-
low. Refer to Major System Components section on page 102
for wiring diagrams.
Pressurization — TB204-5 and 6
Evacuation — TB204-7 and 8
Smoke Purge — TB204-9 and 10
Each mode must be energized individually on discrete in-
puts and the corresponding alarm is initiated when a mode is
activated. The fire system provides a normally closed dry

73
contact closure. Multiple smoke control inputs, sensed by the
control will force the unit into a Fire Shutdown mode.
FIRE SMOKE INPUTS — These discrete inputs can be
found on the local display under Inputs
→
FIRE.
Fire Shutdown Mode — This mode will cause an immediate
and complete shutdown of the unit.
Pressurization Mode — This mode attempts to raise the pres-
sure of a space to prevent smoke infiltration from an adjacent
space. Opening the economizer (thereby closing the return air
damper), shutting down power exhaust and turning the indoor
fan on will increase pressure in the space.
Evacuation Mode — This mode attempts to lower the pres-
sure of the space to prevent infiltrating an adjacent space with
its smoke. Closing the economizer (thereby opening the return-
air damper), turning on the power exhaust and shutting down
the indoor fan decrease pressure in the space.
Smoke Purge Mode — This mode attempts to draw out
smoke from the space after the emergency condition. Opening
the economizer (thereby closing the return-air damper), turning
on both the power exhaust and indoor fan will evacuate smoke
and bring in fresh air.
AIRFLOW CONTROL DURING THE FIRE/SMOKE
MODES — All non-smoke related control outputs will get
shut down in the fire/smoke modes. Those related to airflow
will be controlled as explained below. The following matrix
specifies all actions the control shall undertake when each
mode occurs (outputs are forced internally with CCN priority
number 1 - “Fire”):
*“FSO” refers to the supply and exhaust VFD/IGV fire speed over-
ride configurable speed.
RELEVANT ITEMS:
The economizer’s commanded output can be found in
Outputs
→
ECON
→
ECN.C.
The configurable fire speed override for supply fan VFD/IGV
is in Configuration
→
SP
→
SP.FS.
The supply fan relay’s commanded output can be found in
Outputs
→
FANS
→
S.FAN.
The supply fan VFD’s commanded speed can be found in
Outputs
→
FANS
→
S.VFD.
The inlet guide vane’s commanded position can be found in
Outputs
→
ACTU
→
IGV.C.
The configurable fire speed override for exhaust VFD/actuator
is in Configuration
→
BP
→
B.V.A
→
BP.FS.
The exhaust fan VFD’s commanded speed can be found in
Outputs
→
FANS
→
E.VFD.
The power exhaust actuators command positions can be found
in Outputs
→
ACTU
→
BPx.C.
Indoor Air Quality Control — The indoor air quality
(IAQ) function will admit fresh air into the space whenever
space air quality sensors detect high levels of CO2.
When a space or return air CO2 sensor is connected to the
unit control, the unit’s IAQ routine allows a demand-based
control for ventilation air quantity, by providing a modulating
outside air damper position that is proportional to CO2 level.
The ventilation damper position is varied between a minimum
ventilation level (based on internal sources of contaminants
and CO2 levels other than from the effect of people) and the
maximum design ventilation level (determined at maximum
populated status in the building). Demand Control Ventilation
(DCV) is also available when the ComfortLink™ unit is con-
nected to a CCN system using ComfortID™ terminal controls.
This function also provides alternative control methods for
controlling the amount of ventilation air being admitted,
including fixed outdoor air ventilation rates (measured as cfm),
external discrete sensor switch input and externally generated
proportional signal controls.
The IAQ function requires the installation of the factory-
option economizer system. The DCV sequences also require
the connection of accessory (or field-supplied) space or return
air CO2 sensors. Fixed cfm rate control requires the factory-
installed outdoor air cfm option. External control of the
ventilation position requires supplemental devices, including a
4 to 20 mA signal, a 10-kilo-ohm potentiometer, or a discrete
switch input, depending on the method selected. Outside air
CO2 levels may also be monitored directly and high CO2
economizer restriction applied when an outdoor air CO2 sensor
is connected. (The outdoor CO2 sensor connection requires
installation of the controls expansion module [CEM].)
The ComfortLink controls have the capability of DCV us-
ing an IAQ sensor. The indoor air quality (IAQ) is measured
using a CO2 sensor whose measurements are displayed in parts
per million (ppm). The IAQ sensor can be field-installed in the
return duct. There is also an accessory space IAQ sensor that
can be installed directly in the occupied space. The sensor must
provide a 4 to 20 mA output signal and must include its own
24-v supply. The sensor connects to TB202 terminals 11 and
12. Be sure to leave the 182-ohm resistor in place on terminals
11 and 12.
OPERATION — The unit’s indoor air quality algorithm mod-
ulates the position of the economizer damper between two user
configurations depending upon the relationship between the
IAQ and the outdoor air quality (OAQ). Both of these values
can be read at the Inputs
→
AIR.Q submenu. The lower of these
two configurable positions is referred to as the IAQ Demand
Vent Min Position (IAQ.M), while the higher is referred to as
Economizer Minimum Position (EC.MN). The IAQ.M should
be set to an economizer position that brings in enough fresh air
to remove contaminants and CO2 generated by sources other
than people. The EC.MN value should be set to an economizer
position that brings in enough fresh air to remove contaminants
and CO2 generated by all sources including people. The
EC.MN value is the design value for maximum occupancy.
The logic that is used to control the dampers in response to
IAQ conditions is shown in Fig. 11. The ComfortLink controls
will begin to open the damper from the IAQ.M position when
the IAQ level begins to exceed the OAQ level by a config-
urable amount, which is referred to as Differential Air Quality
Low Limit (DAQ.L).
If OAQ is not being measured, OAQ can be manually con-
figured. It should be set at around 400 to 450 ppm or measured
with a handheld sensor during the commissioning of the unit.
The OAQ reference level can be set using the OAQ Reference
Set Point (OAQ.U). When the differential between IAQ and
OAQ reaches the configurable Diff. Air Quality Hi Limit
(DAQ.H), then the economizer position will be EC.MN.
When the IAQ–OAQ differential is between DAQ.L and
DAQ.H, the control will modulate the damper between IAQ.M
and EC.MN as shown in Fig. 11. The relationship is a linear
relationship but other non-linear options can be used. The
ITEM EXPANSION RANGE CCN 
POINT
WRITE 
STATUS
FIRE FIRE-SMOKE INPUTS
  FSD Fire Shutdown Input ALRM/NORM FSD forcible
  PRES Pressurization Input ALRM/NORM PRES forcible
  EVAC Evacuation Input ALRM/NORM EVAC forcible
  PURG Smoke Purge Input ALRM/NORM PURG forcible
 DEVICE PRESSURIZATION PURGE EVACUATION FIRE 
SHUTDOWN
Economizer 100% 100% 0% 0%
Indoor Fan — 
VFD/IGV ON/FSO* ON/FSO* OFF OFF
Power Exhaust 
VFD-Actuator OFF ON/FSO* ON/FSO* OFF
Heat Interlock 
Relay ON ON OFF OFF

74
damper position will never exceed the bounds specified by
IAQ.M and EC.MN during IAQ control.
If the building is occupied and the indoor fan is running and
the differential between IAQ and OAQ is less than DAQ.L, the
economizer will remain at IAQ.M. The economizer will not
close completely. The damper position will be 0 when the fan
is not running or the building is unoccupied. The damper posi-
tion may exceed EC.MN in order to provide free cooling. 
The ComfortLink™ controls are configured for air quality
sensors which provide 4 mA at 0 ppm and 20 mA at 2000 ppm.
If a sensor has a different range, these bounds must be
reconfigured. These pertinent configurations for ranging the air
quality sensors are IQ.R.L, IQ.R.H, OQ.R.L and OQ.R.H. The
bounds represent the PPM corresponding to 4 mA (low) and
20 mA (high) for IAQ and OAQ, respectively.
If OAQ exceeds the OAQ Lockout Value (OAQ.L), then the
economizer will remain at IAQ.M. This is used to limit the use
of outside air which outdoor air CO2 levels are above the
OAQ.L limit. Normally a linear control of the damper vs. the
IAQ control signal can be used, but the control also supports
non-linear control. Different curves can be used based on the
Diff.IAQ Responsiveness Variable (IAQ.R). See Fig. 12.
SETTING UP THE SYSTEM — The IAQ configuration op-
tions are under the Local Display Mode Configuration
→
IAQ.
See Table 59.
IAQ Analog Sensor Config (Configuration
→
IAQ
→
AQ.CF
→
IQ.A.C) — This is used to configure the type of
IAQ position control. It has the following options:
•IQ.A.C = 0 (No analog input). If there is no other mini-
mum position control, the economizer minimum position
will be Configuration
→
IAQ
→
EC.MN and there will be
no IAQ control.
•IQ.A.C = 1 (IAQ analog input). An indoor air (space or
return air) CO2 sensor is installed. If an outdoor air CO2
sensor is also installed, or OAQ is broadcast on the CCN,
or if a default OAQ value is used, then the unit can per-
form IAQ control.
•IQ.A.C = 2 (IAQ analog input with minimum position
override) — If the differential between IAQ and OAQ
is above Configuration
→
IAQ
→
AQ.SP
→
DAQ.H, the
economizer minimum position will be the IAQ override
position (Configuration
→
IAQ
→
AQ.SP
→
IQ.O.P).
•IQ.A.C = 3 (4 to 20 mA minimum position) — With a 4
to 20 mA signal connected to TB202 terminal 11 and 12,
the economizer minimum position will be scaled linearly
from 0% (4 mA) to EC.MN (20 mA).
•IQ.A.C = 4 (10K potentiometer minimum position) — With
a 10K linear potentiometer connected to TB202 terminal 11
and 12, the economizer minimum position will be scaled
linearly from 0% (0 kilo-ohms) to EC.MN (10 kilo-ohms).
IAQ Analog Fan Config (Configuration
→
IAQ
→
AQ.CF
→
IQ.A.F) — This configuration is used to configure the control
of the indoor fan. If this option is used then the IAQ sensor
must be in the space and not in the return duct. It has the fol-
lowing configurations:
•IQ.A.F = 0 (No Fan Start) — IAQ demand will never
override normal indoor fan operation during occupied or
unoccupied period and turn it on.
•IQ.A.F = 1 (Fan On If Occupied) — IAQ demand will
override normal indoor fan operation and turn it on (if
off) only during the occupied period (CV operation with
automatic fan).
•IQ.A.F = 2 (Fan On Occupied/Unoccupied) — IAQ
demand will always override normal indoor fan operation
and turn it on (if off) during both the occupied and unoccu-
pied period. For IQ.A.F = 1 or 2, the fan will be turned on as
described above when DAQ is above the DAQ Fan On Set
Point (Configuration
→
IAQ
→
AQ.SP
→
D.F.ON). The fan
will be turned off when DAQ is below the DAQ Fan Off Set
Point (Configuration
→
IAQ
→
AQ.SP
→
D.F.OF). The con-
trol can also be set up to respond to a discrete IAQ input.
The discrete input is connected to TB204 terminal 11 and
12.
Table 59 — Indoor Air Quality Configuration
ITEM EXPANSION RANGE UNITS CCN POINT DEFAULT
  DCV.C DCV ECONOMIZER SETPOINTS
    EC.MN Economizer Min.Position 0 - 100 % ECONOMIN 5
    IAQ.M IAQ Demand Vent Min.Pos. 0 - 100 % IAQMINP 0
    O.C.MX Economizer Min.Flow 0 - 20000 CFM OACFMMAX 2000
    O.C.MN IAQ Demand Vent Min.Flow 0 - 20000 CFM OACFMMIN 0
    O.C.DB Econ.Min.Flow Deadband 200 - 1000 CFM OACFM_DB 400
  AQ.CF AIR QUALITY CONFIGS
    IQ.A.C IAQ Analog Sensor Config 0 - 4 IAQANCFG 0
    IQ.A.F IAQ 4-20 ma Fan Config 0 - 2 IAQANFAN 0
    IQ.I.C IAQ Discrete Input Config 0 - 2 IAQINCFG 0
    IQ.I.F IAQ Disc.In. Fan Config 0 - 2 IAQINFAN 0
    OQ.A.C OAQ 4-20ma Sensor Config 0 - 2 OAQANCFG 0
  AQ.SP AIR QUALITY SETPOINTS
    IQ.O.P IAQ Econo Override Pos. 0 - 100 % IAQOVPOS 100
    IQ.O.C IAQ Override Flow  0 - 31000 CFM IAQOVCFM 10000
    DAQ.L Diff.Air Quality LoLimit 0 - 1000 DAQ_LOW 100
    DAQ.H Diff. Air Quality HiLimit 100 - 2000 DAQ_HIGH 700
    D.F.OF DAQ PPM Fan Off Setpoint 0 - 2000 DAQFNOFF 200
    D.F.ON DAQ PPM Fan On Setpoint 0 - 2000 DAQFNON 400
    IAQ.R Diff. AQ Responsiveness -5 - 5 IAQREACT 0
    OAQ.L OAQ Lockout Value 0 - 2000 OAQLOCK 0
    OAQ.U User Determined OAQ 0 - 5000 OAQ_USER 400
  AQ.S.R AIR QUALITY SENSOR RANGE
    IQ.R.L IAQ Low Reference 0 - 5000 IAQREFL 0
    IQ.R.H IAQ High Reference 0 - 5000 IAQREFH 2000
    OQ.R.L OAQ Low Reference 0 - 5000 OAQREFL 0
    OQ.R.H OAQ High Reference 0 - 5000 OAQREFH 2000
  IAQ.P IAQ PRE-OCCUPIED PURGE
    IQ.PG IAQ Purge Yes/No IAQPURGE No
    IQ.P.T IAQ Purge Duration 5 - 60 min IAQPTIME 15
    IQ.P.L IAQ Purge LoTemp Min Pos 0 - 100 % IAQPLTMP 10
    IQ.P.H IAQ Purge HiTemp Min Pos 0 - 100 % IAQPHTMP 35
    IQ.L.O IAQ Purge OAT Lockout 35 - 70 dF IAQPNTLO 50

75
IAQ Discrete Input Config (Configuration
→
IAQ
→
AQ.CF
→
IQ.I.C) — This configuration is used to set the type of IAQ
sensor. The following are the options:
•IQ.I.C = 0 (No Discrete Input) — This is used to indicate
that no discrete input will be used and the standard IAQ
sensor input will be used.
•IQ.I.C = 1 (IAQ Discrete Input) — This will indicate
that the IAQ level (high or low) will be indicated by
the discrete input. When the IAQ level is low, the
economizer minimum position will be Configuration
→
IAQ
→
DCV.C
→
IAQ.M.
•IQ.I.C = 2 (IAQ Discrete Input with Minimum Position
Override. This will indicate that the IAQ level (high or
low) will be indicated by the discrete input and the econ-
omizer minimum position will be the IAQ override posi-
tion, IQ.P.O (when high).
It is also necessary to configure how the fan operates when
using the IAQ discrete input.
IAQ Discrete Fan Config (Configuration
→
IAQ
→
AQ.CF
→
IQ.I.F) — This is used to configure the operation of the
fan during an IAQ demand condition. It has the following
configurations:
•IQ.I.F = 0 (No Fan Start) — IAQ demand will never
override normal indoor fan operation during occupied or
unoccupied period and turn it on.
•IQ.I.F = 1 (Fan On If Occupied) — IAQ demand will
override normal indoor fan operation and turn it on (if
off) only during the occupied period (CV operation with
automatic fan).
•IQ.I.F = 2 (Fan On Occupied/Unoccupied) — IAQ
demand will always override normal indoor fan opera-
tion and turn it on (if off) during both the occupied and
unoccupied period.
Economizer Min Position (Configuration
→
IAQ
→
DCV.C
→
EC.MN) — This is the fully occupied minimum economizer
position.
IAQ Demand Vent Min Pos. (Configuration
→
IAQ
→
DCV.C
→
IAQ.M) — This configuration will be used to set the
minimum damper position in the occupied period when there
is no IAQ demand.
IAQ Econo Override Pos (Configuration
→
IAQ
→
AQ.SP
→
IQ.O.P) — This configuration is the position that the econo-
mizer goes to when override is in effect.
OAQ 4-20 mA Sensor Config (Configuration
→
IAQ
→
AQ.CF
→
OQ.A.C) — This is used to configure the type of
outdoor sensor that will be used for OAQ levels. It has the fol-
lowing configuration options:
•OQ.A.C = 0 (No Sensor) — No sensor will be used and
the internal software reference setting will be used.
•OQ.A.C = 1 (OAQ Sensor with DAQ) — An outdoor
CO2 sensor will be used.
•OQ.A.C = 2 (4 to 20 mA Sensor without DAQ).
OAQ Lockout Value (Configuration
→
IAQ
→
AQ.SP
→
OAQ.L) — This is the maximum OAQ level above which de-
mand ventilation will be disabled.
Diff. Air Quality Lo Limit (Configuration
→
IAQ
→ 
AQ.SP
→
DAQ.L) — This is the differential CO2 level at which IAQ
control of the dampers will be initiated.
Diff. Air Quality Hi Limit (Configuration
→
IAQ
→ 
AQ.SP
→
DAQ.H) — This is the differential CO2 level at which IAQ
control of the dampers will be at maximum and the dampers
will be at the Configuration
→
 IAQ
→
DCV.C
→
EC.MN.
DAQ ppm Fan On Set Point (Configuration
→
IAQ
→
AQ.SP
→
D.F.ON) — This is the CO2 level at which
the indoor fan will be turned on.
DAQ ppm Fan Off Set Point (Configuration
→
IAQ
→
AQ.SP
→
D.F.OF) — This is the CO2 level at which the
indoor fan will be turned off.
IAQ Low Reference (Configuration
→
IAQ
→
AQ.S.R
→
IQ.R.L) — This is the reference that will be used with a to
non-Carrier IAQ sensor that may have a different characteristic
curve. It represents the CO2 level at 4 mA.
IAQ High Reference (Configuration
→
IAQ
→
AQ.SR
→
IQ.R.H) — This is the reference that will be used with a
non-Carrier IAQ sensor that may have a different characteristic
curve. It represents the CO2 level at 4 mA.
NOTE: Calculating the IAQ.M and EC.MN damper position based
on differential IAQ measurement.
Based on the configuration parameter IAQREACT, the reaction to
damper positioning based on differential air quality ppm can be
adjusted.
IAQREACT = 1 to 5 (more responsive)
IAQREACT = 0 (linear)
IAQREACT = –1 to –5 (less responsive)
Fig. 12 — IAQ Response Curve
100
500
700
1000
INSIDE/OUTSIDE CO2 DIFFERENTIAL
INSIDE CO2 CONCENTRATION
AQ
DIFFERENTIAL
LOW (DAQ.L)
AQ
DIFFERENTIAL
HIGH (DAQ.H)
MINIMUM
IAQ
DAMPER
POSITION
ECONOMIZER
MINIMUM
DAMPER
POSITION
INCREASING VENTILATION
VENTILATION FOR PEOPLE
VENTILATION FOR SOURCES
Fig. 11 — IAQ Control

76
OAQ Low Reference (Configuration
→
IAQ
→
AQ.S.R
→
OQ.R.L) — This is the reference that will be used with a
non-Carrier OAQ sensor that may have a different characteris-
tic curve. It represents the CO2 level at 4 mA.
OAQ High Reference (Configuration
→
IAQ
→
AQ.S.R
→
OQ.R.H) — This is the reference that will be used with a non-
Carrier OAQ sensor that may have a different characteristic
curve. It represents the CO2 level at 4 mA.
Diff. IAQ Responsiveness (Configuration
→
IAQ
→
AQ.SP
→
IAQ.R) — This is the configuration that is used to select the
IAQ response curves as shown in Fig. 12.
PRE-OCCUPANCY PURGE — The control has the option
for a pre-occupancy purge to refresh the air in the space prior to
occupancy.
This feature is enabled by setting Configuration
→
IAQ
→
IAQ.P
→
IQ.PG to Yes.
The IAQ Purge will operate under the following conditions:
•IQ.PG is enabled
• the unit is in the unoccupied state
• Current Time is valid
• Next Occupied Time is valid
• time is within two hours of the next occupied period
• time is within the purge duration (Configuration
→
IAQ
→
IAQ.P
→
IQ.P.T)
If all of the above conditions are met, the following logic is
used:
If OAT >= IQ.L.O and OAT <= OCSP and economizer is
available then purge will be enabled and the economizer
will be commanded to 100%.
Else, if OAT < IQ.L.O then the economizer will be posi-
tioned to the IAQ Purge LO Temp Min Pos (Configuration
→
IAQ
→
IAQ.P
→
IQ.P.L)
If neither of the above are true then the dampers will be
positioned to the IAQ Purge HI Temp Min Pos (Configuration
→
IAQ
→
IAQ.P
→
IQ.P.H)
If this mode is enabled the indoor fan and heat interlock
relay (VAV) will be energized.
IAQ Purge (Configuration
→
IAQ
→
IAQ.P
→
IQ.PG) — This
is used to enable IAQ pre-occupancy purge.
IAQ Purge Duration (Configuration
→
IAQ
→
IAQ.P
→
IQ.P.T) — This is the maximum amount of time that a purge
can occur.
IAQ Purge Lo Temp Min Pos (Configuration
→
IAQ
→
IAQ.P
→
IQ.P.L) — This is used to configure a low limit for
damper position to be used during the purge mode.
IAQ Purge Hi Temp Min Pos (Configuration
→
IAQ
→
IAQ.P
→
IQ.P.H) — This is used to configure a maximum po-
sition for the dampers to be used during the purge cycle.
IAQ Purge OAT Lockout Temp (Configuration
→
IAQ
→
IAQ.P
→
IQ.L.O) — Nighttime lockout temperature below
which the purge cycle will be disabled.
OPTIONAL AIRFLOW STATION  —  The ComfortLink™
controls are capable of working with a factory-installed option-
al airflow station that measures the amount of outdoor air enter-
ing the economizer. This flow station is intended to measure
ventilation airflows and has a limitation as to the maximum
flow rate it can measure. The limits are 18,000 cfm for sizes
030-050 and 31,000 cfm for sizes 055-105.
All configurations for the outdoor airflow station can be
found in the Configuration
→
ECON
→
CFM.C, sub-menu.
For this algorithm to function, the Outdoor Air Cfm Sensor
Configuration (OCF.S.) must be enabled.
There are three set point configurations:
O.C.MN — Econ OACFM DCV Min Flow
O.C.MX — Econ OACFM DCV Max Flow
O.C.DB — Econ OACFM MinPos Deadbd
When the outdoor air cfm sensor is enabled, the Economizer
Min.Position (Configuration
→
IAQ
→
DCV.C
→
EC.MN) and
the IAQ Demand Vent Min.Pos (Configuration
→
IAQ
→
DCV.C
→
IAQ.M) will no longer be used. During vent periods,
the control will modulate the damper to maintain the outdoor
air intake quantity between O.C.MX and O.C.MN. The indoor
air quality algorithm will vary the cfm between these two
values depending on Configuration
→
IAQ
→
AQ.SP
→
DAQ.L
and the Configuration
→
IAQ
→
AQ.SP
→
DAQ.H set points
and upon the relationship between the IAQ and the outdoor air
quality (OAQ).
The economizer’s OA CFM Minimum Position Deadband
(O.C.DB) is the deadband range around the outdoor cfm
control point at where the damper control will stop, indicating
the control point has been reached. See the Economizer section
for more information.
Humidification — The Z Series ComfortLink controls
can control a field-supplied and installed humidifier device.
The ComfortLink controls provide two types of humidification
control: A discrete stage control (via a relay contact) and a pro-
portional control type (communicating to a LEN actuator). The
discrete stage control is used to control a single-stage humidifi-
er, (typically a spray pump). The proportional control type is
typically used to control a proportional steam valve serving a
steam grid humidifier.
The ComfortLink controls must be equipped with a controls
expansion module and an accessory space or return air relative
humidity sensor.
If a humidifier using a proportional steam valve is selected,
the Carrier LEN actuator (Carrier Part No. HF23BJ049) must
be adapted to the humidifier manufacturer’s steam valve. Con-
tact Belimo Aircontrols for information on actuator linkage
adapter packages required to mount the LEN actuator on the
specific brand and type of steam valve mounted by the humidi-
fier manufacturer.
The LEN actuator address must be programmed into the
ComfortLink unit’s humidifier actuator serial number variables.
NOTE: If the unit has the IGV option installed, it will be nec-
essary to fabricate a LEN harness extension to connect the
humidifier LEN actuator to the unit’s LEN harness.
SETTING UP THE SYSTEM — These humidity configura-
tion are located in the local displays under Configuration
→
HUMD. See Table 60. Related points are shown in Table 61.
Humidifier Control Configuration (HM.CF) — The humidi-
fier control can be set to the following configurations:
•HM.CF = 0 — No humidity control.
•HM.CF = 1 — Discrete control based on space relative
humidity.
•HM.CF = 2 — Discrete control based on return air rela-
tive humidity.
•HM.CF = 3 — Analog control based on space relative
humidity.
•HM.CF = 4 — Analog control based on return air rela-
tive humidity.
Humidity Control Set Point (HM.SP) — The humidity con-
trol set point has a range of 0 to 100%.
Humidifier PID Run Rate (HM.TM) — This is the PID run
time rate.
Humidifier Proportional Gain (HM.P) — This configuration
is the PID Proportional Gain.
Humidifier Integral Gain (HM.I) — This configuration is the
PID Integral Gain.
Humidifier Derivative Gain (HM.D) — This configuration is
the PID Derivative Gain.

77
Table 60 — Humidity Configuration
Table 61 — Related Humidity Points
OPERATION — For operation, PID control will be utilized.
The process will run at the rate defined by the Configuration
→
HUMD
→
H.PID
→
HM.TM.  The first part of humidity
control tests the humidity control configuration and will turn
on corresponding configurations to read space or return air rel-
ative humidity. If the supply fan has been ON for 30 seconds
and the space is occupied, then the humidification is started.
Actuator Control — Control is performed with a generic PID
loop where:
Error = HM.SP – humidity sensor value (SP.RH or RA.RH,
depending on configuration). 
The PID terms are calculated as follows:
P = K * HM.P * error
I = K * HM.I * error + “I” last time through
D = K * HM.D * (error – error last time through)
Where K = HM.TM/60 to normalize the effect of changing the
run time rate
Relay Output Control — If the humidity sensor reading is
greater than the humidity set point then the humidity relay
(Outputs
→
GEN.O
→
HUM.R) is closed. The relay will open
when the humidity is 2% less than the humidity set point.
CONFIGURING THE HUMIDIFIER ACTUATOR —
Every actuator used in the Z Series control system has its own
unique serial number. The rooftop control uses this serial
number to communicate with the actuator over the local equip-
ment network (LEN). The actuator serial number is located on
a two-part sticker affixed to the side of the actuator housing.
Remove one of the actuator’s serial number labels and paste it
onto the actuator serial number records label located inside
the left-hand access panel at the unit’s control panel. Five
individual numbers make up this serial number. Program the
serial number of the actuator in its Humidifier Actuator
Configurations group, ACT.C (SN.1, SN.2, SN.3, SN.4, SN.5)
NOTE: The serial numbers for all LEN actuators can be found
inside the control doors of the unit as well as on the actuator
itself. If an actuator is replaced in the field, it is a good idea to
remove the additional peel-off serial number sticker on the
actuator and cover up the old one inside the control doors.
Control Angle Alarm (Configuration
→
HUMD
→
ACTC
→
C.A.LM) — The humidifier actuator learns what its end stops
are though a calibration at the factory. Field-installed actuators
may be calibrated in the Service Test mode. When an actuator
learns its end stops through calibration, it determines its control
angle. The actuator will resolve this control angle and express
its operation in a percent (%) of this learned range.
If the humidifier actuator has not learned a sufficient control
angle during calibration, the actuator will be unable to control
humidity. For this reason, the humidifier actuator has a config-
urable control angle alarm low limit (C.A.LM). If the control
angle learned through calibration is less than C.A.LM, an alert
will occur and the actuator will not function.
NOTE: This configuration does not typically need adjustment.
It is configurable for the small number of jobs which may
require a custom solution or workaround.
Dehumidification and Reheat — The Dehumidifi-
cation function will override comfort condition set points
based on dry bulb temperature and deliver cooler air to the
space in order to satisfy a humidity set point at the space or
return air humidity sensor. The Reheat function will energize a
suitable heating system concurrent with dehumidification
sequence should the dehumidification operation result in
excessive cooling of the space condition.
The dehumidification sequence requires the installation of a
space or return air humidity sensor or a discrete switch input. A
CEM (option or accessory) is required to accommodate an RH
(relative humidity) sensor connection. Reheat is possible when
multiple-step staged gas control option or hydronic heat (op-
tion or field-installed coil) is installed. Reheat is also possible
using a heat reclaim coil (field-supplied and installed) or a hot
gas reheat coil (special order, factory-installed).
Dehumidification and reheat control are allowed during
Cooling and Vent modes in the Occupied period.
On constant volume units using thermostat inputs (C.TYP =
3 or 4), the discrete switch input must be used as the dehumidi-
fication control input. The commercial Thermidistat™ device
is the recommended accessory device.
SETTING UP THE SYSTEM — The settings for dehumidi-
fication can be found at the local display at Configuration
→
DEHU. See Table 62.
Dehumidification Configuration (D.SEL) — The dehumidi-
fication configuration can be set for the following settings:
•D.SEL = 0 — No dehumidification and reheat.
ITEM EXPANSION CCN POINT RANGE UNITS DEFAULT
HUMD HUMIDITY CONFIGURATION
  HM.CF Humidifier Control Cfg. HUMD_CFG 0 - 4 0
  HM.SP Humidifier Setpoint HUSP 0 - 100 % 40
  H.PID HUMIDIFIER PID CONFIGS
    HM.TM Humidifier PID Run Rate HUMDRATE 10 - 120 sec 30
    HM.P Humidifier Prop. Gain HUMID_PG 0 - 5 1
    HM.I Humidifier Integral Gain HUMID_IG 0 - 5 0.3
    HM.D Humidifier Deriv. Gain HUMID_DG 0 - 5 0.3
  ACT.C HUMIDIFIER ACTUATOR CFGS
    SN.1 Humd Serial Number 1 HUMD_SN1 0 - 255 0
    SN.2 Humd Serial Number 2 HUMD_SN2 0 - 255 0
    SN.3 Humd Serial Number 3 HUMD_SN3 0 - 255 0
    SN.4 Humd Serial Number 4 HUMD_SN4 0 - 255 0
    SN.5 Humd Serial Number 5 HUMD_SN5 0 - 255 0
    C.A.LM Humd Ctrl Angle Lo Limit HUMDCALM 0-90 85
ITEM EXPANSION UNITS CCN POINT WRITE STATUS
Config→UNIT→SENS→SRH.S Space Air RH Sensor SPRHSENS
Config→UNIT→SENS→RRH.S Return Air RH Sensor RARHSENS
Inputs→REL.H→RA.RH Return Air Rel. Humidity % RARH forcible
Inputs→REL.H→SP.RH Space Relative Humidity % SPRH forcible
Outputs→ACTU→HMD.P Humidifier Act.Curr.Pos. % HUMDRPOS
Outputs→ACTU→HMD.C Humidifier Command Pos. % HUMDCPOS
Outputs→GEN.O→HUM.R Humidifier Relay HUMIDRLY

78
Table 62 — Dehumidification Configuration
•D.SEL = 1 — The control will perform both dehumidifi-
cation and reheat with modulating valve (hydronic).
•D.SEL = 2 — The control will perform dehumidification
and reheat with staged gas only.
•D.SEL = 3 — The control will perform both dehumidifi-
cation and reheat with third party heat via an alarm relay.
In the case of D.SEL=3, during dehumidification, the
alarm relay will close to convey the need for reheat. A
typical application might be to energize a 3-way valve to
perform hot gas reheat.
Dehumidification Sensor (D.SEN) — The sensor can be con-
figured for the following settings:
•D.SEN = 1 — Initiated by return air relative humidity
sensor.
•D.SEN = 2 — Initiated by space relative humidity sensor.
•D.SEN = 3 — Initiated by discrete input.
Economizer Disable in Dehum Mode (D.EC.D) — This
configuration determines economizer operation during Dehu-
midification mode.
•D.EC.D = YES — Economizer disabled during dehu-
midification (default).
•D.EC.D = NO — Economizer not disabled during dehu-
midification.
Vent Reheat Set Point Select (D.V.CF) — This configuration
determines how the vent reheat set point is selected.
•D.V.CF = 0 — Reheat follows an offset subtracted from
return air temperature (D.V.RA).
•D.V.CF = 1 — Reheat follows a dehumidification heat
set point (D.V.HT).
Vent Reheat RAT Offset (D.V.RA) — Set point offset used
only during the vent mode. The air will be reheated to return-
air temperature less this offset. 
Vent Reheat Set Point (D.V.HT) — Set point used only dur-
ing the vent mode. The air will be reheated to this set point.
Dehumidify Cool Set Point (D.C.SP) — This is the dehu-
midification cooling set point.
Dehumidity RH Set Point (D.RH.S) — This is the dehumidi-
fication relative humidity trip point.
OPERATION — Dehumidification and reheat can only occur
if the unit is equipped with either staged gas or hydronic heat.
Dehumidification without reheat can be done on any unit but
Configuration
→
DEHU
→
D.SEL must be set to 2.
If the machine’s control type is a TSTAT type (Configura-
tion
→
UNIT
→
C.TYP=3 or 4) and the discrete input selection
for the sensor is not configured (D.SEN not equal to 3),
dehumidification will be disabled.
If the machine’s control type is a TSTAT type (Configura-
tion
→
UNIT
→
C.TYP=3 or 4) and the economizer is able to
provide cooling, a dehumidification mode may be called out,
but the control will not request mechanical cooling.
If a 2-stage control type is selected (Configuration
→
UNIT
→
C.TYP = 4 or 6), then the economizer, if active, locks out
mechanical cooling during the Dehumidification mode.
NOTE: Configuring Configuration
→
DEHU
→
D.SEN to 1,2
or 3 will enable the CEM board along with the sensor selected
for control.
NOTE: If Configuration
→
DEHU
→
D.SEL = 1 or 2, then
either staged gas or hot water valve control will be automati-
cally enabled (Configuration
→
HEAT
→
HT.CF will be set to
either 3 or 4).
If a tempering, unoccupied or “mechanical cooling locked
out” HVAC mode is present, dehumidification will be disabled.
An HVAC: Off, Vent or Cool mode must be in effect to launch
either a Reheat or Dehumidification mode.
If an associated sensor responsible for dehumidification
fails, dehumidification will not be attempted (SPRH, RARH).
Initiating a Reheat or Dehumidification Mode — To call out
a Reheat mode in the Vent or the Off HVAC mode, or to call
out a Dehumidification mode in a Cool HVAC mode, one of
the following conditions must be true:
• The space is occupied and the humidity is greater than
the relative humidity trip point (D.RH.S).
• The space is occupied and the discrete humidity input is
closed.
Dehumidification and Reheat Control — If a dehumidifica-
tion mode is initiated, the rooftop will attempt to lower
humidity as follows:
• Economizer Cooling — The economizer, if allowed to
perform free cooling, will have its control point (Run
Status
→
VIEW
→
EC.C.P) set to Configuration
→
DEHU
→
D.C.SP. If Configuration
→
DEHU
→
D.EC.D is dis-
abled, the economizer will always be disabled during
dehumidification.
• Cooling — For all cooling control types: A High Cool
HVAC mode will be requested internally to the control to
maintain diagnostics, although the end user will see a
Dehumidification mode at the display. In addition, for
multi-stage cooling units the cooling control point will
be set to Configuration
→
DEHU
→
D.C.SP (no SASP
reset is applied).
• Reheat When Cooling Demand is Present — For reheat
control during dehumidification: If reheat follows an
offset subtracted from return-air temperature (Configu-
ration
→
DEHU
→
D.SEL = 2), then no heating will be
initiated and the alarm relay will be energized. If
Configuration
→
DEHU
→
D.SEL = 1 and Configura-
tion
→
HEAT
→
HT.CF = staged gas or hot water valve,
then the selected heating control type will operate in the
low heat/modulating mode.
• The heating control point will be whatever the actual
cooling set point would have been (without any supply
air reset applied).
• Reheat During Vent Mode — If configured (Configura-
tion
→
DEHU
→
D.V.CF = 0), the heating control point
will be equal to RAT - D.V.RA. If configured (Configu-
ration
→
DEHU
→
D.V.CF=1), the heating control point
will be equal to the D.V.HT set point.
Ending Dehumidification and Reheat Control — When ei-
ther the humidity sensor fall 5% below the set point (Configu-
ration
→
DEHU
→
D.RH.S)  or the discrete input reads
“LOW”, the Dehumidification mode will end.
Temperature Compensated Start — This logic is
used when the unit is in the unoccupied state. The control will
calculate early Start Bias time based on Space Temperature
ITEM EXPANSION RANGE UNITS CCN POINT DEFAULT
DEHU DEHUMIDIFICATION CONFIG.
  D.SEL Dehumidification Config 0-3 DHSELECT 0
  D.SEN Dehumidification Sensor 1-3 DHSENSOR 1
  D.EC.D Econ disable in DH mode? Yes/No DHECDISA Yes
  D.V.CF Vent Reheat Setpt Select 0-1 DHVHTCFG 0
  D.V.RA Vent Reheat RAT offset 0-8 deltaF DHVRAOFF 0
  D.V.HT Vent Reheat Setpoint 55-95 dF DHVHT_SP 70
  D.C.SP Dehumidify Cool Setpoint 40-55 dF DHCOOLSP 45
  D.RH.S Dehumidify RH Setpoint 10-90 % DHRELHSP 55

79
deviation from the occupied cooling and heating set points.
This will allow the control to start the unit so that the space is at
conditioned levels when the occupied period starts. This is
required for ASHRAE 90.1 compliance. A space sensor is re-
quired for non-linkage applications.
SETTING UP THE SYSTEM — The  settings for tempera-
ture compensated start can be found in the local display under
Configuration
→
UNIT. 
TCST-Cool Factor (TCS.C) — This is the factor for the start
time bias equation for cooling.
TCST-Heat Factor (TCS.H) — This is the factor for the start
time bias equation for heating.
NOTE: Temperature compensated start is disabled when these
factors are set to 0.
TEMPERATURE COMPENSATED START LOGIC — The
following conditions must be met for the algorithm to run:
• Unit is in unoccupied state.
• Next occupied time is valid.
• Current time of day is valid.
• Valid space temperature reading is available (sensor or
DAV-Linkage).
The algorithm will calculate a Start Bias time in minutes us-
ing the following equations:
If (space temperature > occupied cooling set point) 
Start Bias Time = (space temperature – occupied cooling set
point)* TCS.C
If (space temperature < occupied heating set point)
Start Bias Time = (occupied heating set point – space
temperature)*TCS.H
When the Start Bias Time is greater than zero the algorithm
will subtract it from the next occupied time to calculate the new
start time. When the new start time is reached, the Temperature
Compensated Start mode is set (Operating Modes
→
MODE
→
T.C.ST ), the fan is started and the unit controlled as in an occu-
pied state. Once set, Temperature Compensated mode will stay
on until the unit goes into the Occupied mode. The Start Bias
Time will be written into the CCN Linkage Equipment Table if
the unit is controlled in DAV mode. If the Unoccupied Econo-
mizer Free Cool mode is active (Operating Modes
→
HVAC =
“UNOCC FREE COOL”) when temperature compensated
start begins, the Unoccupied Free Cool mode will be stopped.
Carrier Comfort Network® (CCN) — It is possible
to configure the ComfortLink™ controls to participate as an el-
ement of the Carrier Comfort Network (CCN) system directly
from the local display. This section will deal with explaining
the various programmable options which are found under the
CCN sub-menu in the Configuration mode.
The major configurations for CCN programming are locat-
ed in the local displays at Configuration
→
CCN. See Table 63.
CCN Address (CCNA) — This configuration is the CCN ad-
dress the rooftop is assigned.
CCN Bus Number (CCNB) — This configuration is the CCN
bus the rooftop is assigned.
CCN Baud Rate (BAUD) — This configuration is the CCN
baud rate.
CCN Time/Date Broadcast (TM.DT) — If this configuration
is set to ON, the control will periodically send the time and date
out onto the CCN bus once a minute. If this device is on a CCN
network then it will be important to make sure that only one
device on the bus has this configuration set to ON. If more than
one time broadcaster is present, problems with the time will
occur.
NOTE: Only the time and date broadcaster can perform
daylight savings time adjustments. Even if the rooftop is stand
alone, the user may want to set this to ON to accomplish the
daylight/savings function.
CCN OAT Broadcast (OAT.B) — If this configuration is set
to ON, the control will periodically broadcast its outside-air
temperature at a rate of once every 30 minutes.
CCN OARH Broadcast (ORH.B) — If this configuration is
set to ON, the control will periodically broadcast its outside air
relative humidity at a rate of once every 30 minutes.
CCN OAQ Broadcast (OAQ.B) — If this configuration is set
to ON, the control will periodically broadcast its outside air
quality reading at a rate of once every 30 minutes.
Global Schedule Broadcast (G. S . B ) — If this configuration is
set to ON and the schedule number (SCH.N) is between 65 and
99, then the control will broadcast the internal time schedule
once every 2 minutes.
CCN Broadcast Acknowledger (B.ACK) — If this configu-
ration is set to ON, then when any broadcasting is done on the
bus, this device will respond to and acknowledge. Only one de-
vice per bus can be configured for this option.
Schedule Number (SCH.N) — This configuration determines
what schedule the control may follow.
SCH.N = 0 The control is always occupied.
SCH.N = 1 The control follows its internal time sched-
ules. The user may enter any number
between 1 and 64 but it will be overwritten
to “1” by the control as it only has one
internal schedule.
SCH.N = 65-99 The control is either set up to receive to a
broadcasted time schedule set to this
number or the control is set up to broadcast
its internal time schedule (G. S . B ) to the
network and this is the global schedule
number it is broadcasting. If this is the case,
then the control still follows its internal time
schedules.
Accept Global Holidays? (HOL.T) — If a device is broad-
casting the time on the bus, it is possible to accept the time yet
not accept the global holiday from the broadcast message.
Override Time Limit (O.T.L) — This configuration allows
the user to decide how long an override occurs when it is initi-
ated. The override may be configured from 1 to 4 hours. If the
time is set to 0, the override function will become disabled.
Timed Override Hours (OV.EX) — This displays the current
number of hours left in an override. It is possible to cancel an
override in progress by writing “0” to this variable, thereby
removing the override time left.
SPT Override Enabled? (SPT.O) — If a space sensor is
present, then it is possible to override an unoccupied period by
pushing the override button on the T55 or T56 sensor. This
option allows the user to disable this function by setting this
configuration to NO.
T58 Override Enabled? (T58.O) — The T58 sensor is a CCN
device that allows cooling/heating set points to be adjusted,
space temperature to be written to the rooftop unit, and the abil-
ity to initiate a timed override. This option allows the user to
disable the override initiated from the T58 sensor by setting
this option to NO.
Global Schedule Override? (GL.OV) — If the control is set
to receive global schedules then it is also possible for the global
schedule broadcaster to call out an override condition as well.
This configuration allows the user to disable the global sched-
ule broadcaster from overriding the control.
ITEM EXPANSION RANGE UNITS CCN POINT
  TCS.C Temp.Cmp.Strt.Cool Factr 0 - 60 min TCSTCOOL
  TCS.H Temp.Cmp.Strt.Heat Factr 0 - 60 min TCSTHEAT

80
Table 63 — CCN Configuration
Alert Limit Configuration — The ALLM submenu is
used to configure the alert limit set points. A list is shown in
Table 64.
SPT Low Alert Limit/Occ (SP.L.O) — If the space tempera-
ture is below the configurable occupied SPT Low Alert Limit
(SP.L.O), then Alert 300 will be generated and the unit will be
stopped. The alert will automatically reset.
SPT High Alert Limit/Occ (SP.H.O) — If the space tempera-
ture is above the configurable occupied SPT High Alert Limit
(SP.H.O), then Alert 301 will be generated and the unit will be
stopped. The alert will automatically reset.
SPT Low Alert Limit/Unocc (SP.L.U) — If the space tem-
perature is below the configurable unoccupied SPT Low Alert
Limit (SP.L.U), then Alert 300 will be generated and the unit
will be stopped. The alert will automatically reset.
SPT High Alert Limit/Unocc (SP.H.U) — If the space tem-
perature is above the configurable unoccupied SPT High Alert
Limit (SP.H.U), then Alert 301 will be generated and the unit
will be stopped. The alert will automatically reset.
EDT Low Alert Limit/Occ (SA.L.O) — If the space tempera-
ture is below the configurable occupied evaporator discharge
temperature (EDT) Low Alert Limit (SA.L.O), then Alert 302
will be generated and cooling operation will be stopped but
heating operation will continue. The alert will automatically
reset.
EDT High Alert Limit/Occ (SA.H.O) — If the space temper-
ature is above the configurable occupied EDT High Alert Limit
(SA.H.O), then Alert 303 will be generated and heating opera-
tion will be stopped but cooling operation will continue. The
alert will automatically reset.
EDT Low Alert Limit/Unocc (SA.L.U) — If the space tem-
perature is below the configurable unoccupied EDT Low Alert
Limit (SA.L.U), then Alert 302 will be generated and cooling
operation will be stopped but heating operation will continue.
The alert will automatically reset.
EDT High Alert Limit/Unocc (SA.H.U) — If the space tem-
perature is above the configurable unoccupied EDT High Alert
Limit (SA.H.U), then Alert 303 will be generated and heating
operation will be stopped but cooling operation will continue.
The alert will automatically reset.
RAT Low Alert Limit/Occ (RA.L.O) — If the return-air tem-
perature is below the configurable occupied RAT Low Alert
Limit (RA.L.O), then Alert 304 will be generated and internal
routines will be modified. Unit operation will continue but
VAV heating operation will be disabled. The alert will automat-
ically reset.
RAT High Alert Limit/Occ (RA.H.O) — If the return-air
temperature is above the configurable occupied RAT High
Alert Limit (RA.H.O), then Alert 305 will be generated and
operation will continue. The alert will automatically reset.
RAT Low Alert Limit/Unocc (RA.L.U) — If the return-air
temperature is below the configurable unoccupied RAT Low
Alert Limit (RA.L.U), then Alert 304 will be generated. Unit
operation will continue but VAV heating operation will be dis-
abled. The alert will automatically reset.
RAT High Alert Limit/Unocc (RA.H.U) — If the   return-air
temperature is above the configurable unoccupied RAT High
Alert Limit (RA.H.U), then Alert 305 will be generated. Oper-
ation will continue. The alert will automatically reset.
OAT Low Alert Limit (OAT.L) — If the outside-air tempera-
ture measured by the OAT thermistor is below the configurable
OAT Low Alert Limit (OAT.L) then alert T316 will be
generated.
OAT High Alert Limit (OAT.H) — If the outside-air temper-
ature measured by the OAT thermistor is above the config-
urable OAT High Alert Limit (OAT.H) then alert T317 will be
generated
RARH Low Alert Limit (R.RH.L) — If the unit is config-
ured to use a return air relative humidity sensor (Configura-
tion
→
UNIT
→
SENS
→
RRH.S), and the measured level is
below the configurable RH Low Alert Limit (R.RH.L), then
Alert 308 will occur. The unit will continue to run and the alert
will automatically reset.
RARH High Alert Limit (R.RH.H) — If the unit is config-
ured to use a return air relative humidity sensor (Configura-
tion
→
UNIT
→
SENS
→
RRHS), and the measured level is
above the configurable RARH High Alert Limit (R.RH.H),
then Alert 309 will occur. The unit will continue to run and the
alert will automatically reset.
OARH Low Alert Limit (O.RH.L) — If the unit is config-
ured to use an outdoor air relative humidity sensor (Configura-
tion
→
ECON
→
ORH.S) and the measured level is below the
configurable OARH Low Alert Limit (O.RH.L), then econo-
mizer operation will be disabled. The unit will continue to run
and the alert will automatically reset.
OARH High Alert Limit (O.RH.H) — If the unit is config-
ured to use a return air relative humidity sensor (Configura-
tion
→
ECON
→
ORH.S) and the measured level is above the
configurable OARH High Alert Limit (O.RH.H), then econo-
mizer operation will be disabled. The unit will continue to run
and the alert will automatically reset.
Supply Duct Pressure Low Alert Limit (SP.L) — If the unit
is a VAV unit with a supply duct pressure sensor and the mea-
sured supply duct static pressure is below the configurable SP
Low Alert Limit (DP.L), then Alert 310 will occur. The unit
will continue to run and the alert will automatically reset.
ITEM EXPANSION RANGE UNITS POINT DEFAULT
CCN CCN CONFIGURATION
  CCNA CCN Address 1 - 239 CCNADD 1
  CCNB CCN Bus Number 0 - 239 CCNBUS 0
  BAUD CCN Baud Rate 1 - 5 CCNBAUDD 3
  BROD CCN BROADCST DEFINITIONS
    TM.DT CCN Time/Date Broadcast ON/OFF CCNBC On
    OAT.B CCN OAT Broadcast ON/OFF OATBC Off
    ORH.B CCN OARH Broadcast ON/OFF OARHBC Off
    OAQ.B CCN OAQ Broadcast ON/OFF OAQBC Off
    G.S.B Global Schedule Broadcst ON/OFF GSBC Off
    B.ACK CCN Broadcast Ack'er ON/OFF CCNBCACK Off
  SC.OV CCN SCHEDULES-OVERRIDES
    SCH.N Schedule Number 0 - 99 SCHEDNUM 1
    HOL.T Accept Global Holidays? YES/NO HOLIDAYT No
    O.T.L. Override Time Limit 0 - 4 HRS OTL 1
    OV.EX Timed Override Hours 0 - 4 HRS OVR_EXT 0
    SPT.O SPT Override Enabled ? YES/NO SPT_OVER Yes
    T58.O T58 Override Enabled ? YES/NO T58_OVER Yes
    GL.OV Global Sched. Override ? YES/NO GLBLOVER No

81
Table 64 — Alert Limit Configuration
Supply Duct Pressure High Alert Limit (SP.H) — If the unit
is a VAV unit with a supply duct pressure sensor and the mea-
sured supply duct static pressure is above the configurable SP
High Alert Limit (SP.H), then Alert 311 will occur. The unit
will continue to run and the alert will automatically reset.
Building Pressure Low Alert Limit (BP.L) — If the unit is
configured to use modulating power exhaust then a building
static pressure limit can be configured using the BP Low Alert
Limit (BP.L). If the measured pressure is below the limit then
Alert 312 will occur.
Building Pressure High Alert Limit (BP.H) — If the unit is
configured to use modulating power exhaust then a building
static pressure limit can be configured using the BP Hi Alert
Limit (BP.H). If the measured pressure is above the limit, then
Alert 313 will occur.
Indoor Air Quality High Alert Limit (IAQ.H) — If the unit
is configured to use a CO2 sensor and the level is above the
configurable IAQ High Alert Limit (IAQ.H) then the alert will
occur. The unit will continue to run and the alert will automati-
cally reset.
Sensor Trim Configuration — The TRIM submenu
is used to calibrate the sensor trim settings. The trim settings
are used when the actual measured reading does not match the
sensor output. The sensor can be adjusted to match the actual
measured reading with the trim function. A list is shown in
Table 65.
Air Temperature Leaving Supply Fan Sensor (SAT.T) — This
variable is used to adjust the supply fan temperature sensor
reading. The sensor reading can be adjusted ± 10° F to match
the actual measured temperature.
Return Air Temperature Sensor Trim (RAT.T) — This vari-
able is used to adjust the return air temperature sensor reading.
The sensor reading can be adjusted ± 10° F to match the actual
measured temperature.
Outdoor Air Temperature Sensor Trim (OAT.T) — This vari-
able is used to adjust the outdoor air temperature sensor read-
ing. The sensor reading can be adjusted ± 10° F to match the
actual measured temperature.
Space Temperature Sensor Trim (SPT.T) — This variable is
used to adjust the space temperature sensor reading. The sensor
reading can be adjusted ± 10° F to match the actual measured
temperature.
Limit Switch Trim (L.SW.T) — This variable is used to ad-
just the limit switch temperature sensor reading. The sensor
reading can be adjusted ± 10° F to match the actual measured
temperature.
Air Temperature Leaving Evaporator Trim (CCT.T) — This
variable is used to adjust the leaving evaporator temperature
sensor reading. The sensor reading can be adjusted ± 10° F to
match the actual measured temperature.
Suction Pressure Circuit A Trim (SP.A.T) — This variable is
used to adjust the suction pressure sensor reading for circuit A.
The sensor reading can be adjusted ± 50 psig to match the actu-
al measured pressure.
Suction Pressure Circuit B Trim (SP.B.T) — This variable is
used to adjust the suction pressure sensor reading for circuit B.
The sensor reading can be adjusted ± 50 psig to match the actu-
al measured pressure.
Discharge Pressure Circuit A Trim (DP.A.T) — This vari-
able is used to adjust the discharge pressure sensor reading for
circuit A. The sensor reading can be adjusted ± 50 psig to
match the actual measured pressure.
Discharge Pressure Circuit B Trim (DP.B.T) — This vari-
able is used to adjust the discharge pressure sensor reading for
circuit B. The sensor reading can be adjusted ±50 psig to match
the actual measured pressure.
4 to 20 mA Inputs — There are a number of 4 to 20 mA in-
puts which may be calibrated. These inputs are located in
Inputs
→
4-20. They are:
•SP.M.T — static pressure milliamp trim
•BP.M.T — building pressure milliamp trim
•OA.M.T — outside air cfm milliamp trim
•RA.M.T — return air cfm milliamp trim
•SA.M.T — supply air cfm milliamp trim
Discrete Switch Logic Configuration — The  SW.LG
submenu is used to configure the normally open/normally closed
settings of switches and inputs. This is used when field-supplied
switches or input devices are used instead of Carrier devices. The
normally open or normally closed setting may be different on a
field-supplied device. These points are used to match the control
logic to the field-supplied device.
ITEM EXPANSION RANGE UNITS POINT DEFAULT
SP.L.O SPT lo alert limit/occ -10-245 dF SPLO 60
SP.H.O SPT hi alert limit/occ -10-245 dF SPHO 85
SP.L.U SPT lo alert limit/unocc -10-245 dF SPLU 45
SP.H.U SPT hi alert limit/unocc -10-245 dF SPHU 100
SA.L.O EDT lo alert limit/occ -40-245 dF SALO 40
SA.H.O EDT hi alert limit/occ -40-245 dF SAHO 100
SA.L.U EDT lo alert limit/unocc -40-245 dF SALU 40
SA.H.U EDT hi alert limit/unocc -40-245 dF SAHU 100
RA.L.O RAT lo alert limit/occ -40-245 dF RALO 60
RA.H.O RAT hi alert limit/occ -40-245 dF RAHO 90
RA.L.U RAT lo alert limit/unocc -40-245 dF RALU 40
RA.H.U RAT hi alert limit/unocc -40-245 dF RAHU 100
OAT.L OAT lo alert limit -40-245 dF OATL -40
OAT.H OAT hi alert limit -40-245 dF OATH 150
R.RH.L RARH low alert limit 0-100 % RRHL 0
R.RH.H RARH high alert limit 0-100 % RRHH 100
O.RH.L OARH low alert limit 0-100 % ORHL 0
O.RH.H OARH high alert limit 0-100 % ORHH 100
SP.L SP low alert limit 0-5 "H2O SPL 0
SP.H SP high alert limit 0-5 "H2O SPH 2
BP.L BP lo alert limit -0.25-0.25 "H2O BPL -0.25
BP.H BP high alert limit -0.25-0.25 "H2O BPH 0.25
IAQ.H IAQ high alert limit 0-5000 IAQH 1200
IMPORTANT: Sensor trim must not be used to extend
unit operation past the allowable operating range.
Doing so may void the warranty.

82
Table 65 — Sensor Trim Configuration
The defaults for this switch logic section will not normally
need changing. However, if a field-installed switch is used that
is different from the Carrier switch, these settings may need
adjustment.
Settings for switch logic are found at the local displays
under the Configuration
→
SW.LG submenu. See Table 66.
Filter Status Input — Clean (FTS.L) — The filter status in-
put for clean filters is set for normally open. If a field-supplied
filter status switch is used that is normally closed for a clean
filter, change this variable to closed.
IGC Feedback — Off (IGC.L) — The input for IGC feed-
back is set for normally open for off. If a field-supplied IGC
feedback switch is used that is normally closed for feedback
off, change this variable to closed.
Remote Switch — Off (RMI.L) — The remote switch is set
for normally open when off. If a field-supplied control switch
is used that is normally closed for an off signal, change this
variable to closed.
Enthaply Input — Low (ENT.L) — The enthalpy input is set
for normally closed when low. If a field-supplied enthalpy
switch is used that is normally open when low, change this
variable to open.
Fan Status Switch — Off (SFS.L) — The fan status switch
input is set for normally open for off. If a field-supplied fan
status switch is used that is normally closed, change this
variable to closed.
Demand Limit Switch 1 — Off (DL1.L) — The demand
limit switch no. 1 input is set for normally open for off. If a
field-supplied demand limit switch is used that is normally
closed, change this variable to closed.
Demand Limit Switch 2 — Off (DL2.L) — The demand
limit switch no. 2 input is set for normally open for off. If a
field-supplied demand limit switch is used that is normally
closed, change this variable to closed.
IAQ Discrete Input — Low (IAQ.L) — The IAQ discrete in-
put is set for normally open when low. If a field-supplied IAQ
discrete input is used that is normally closed, change this vari-
able to closed.
Fire Shutdown — Off (FSD.L) — The fire shutdown input is
set for normally open when off. If a field-supplied fire shut-
down input is used that is normally closed, change this variable
to closed.
Pressurization Switch — Off (PRS.L) — The pressurization
input is set for normally open when off. If a field-supplied pres-
surization input is used that is normally closed, change this
variable to closed.
Evacuation Switch — Off (EVC.L) — The evacuation input
is set for normally open when off. If a field-supplied evacua-
tion input is used that is normally closed, change this variable
to closed.
Smoke Purge — Off (PRG.L) — The smoke purge input is
set for normally open when off. If a field-supplied smoke purge
input is used that is normally closed, change this variable to
closed.
Dehumidify Switch — Off (DH.LG) — The dehumidify in-
put is set for normally open when off. If a field-supplied
dehumidify input is used that is normally closed, change this
variable to closed.
Display Configuration — The DISP submenu is used
to configure the local display settings. A list is shown in
Table 67.
Test Display LEDs (TEST) — This is used to test the opera-
tion of the ComfortLink™ display.
Metric Display (METR) — This variable is used to change
the display from English units to Metric units.
Language Selection (LANG) — This variable is used to
change the language of the ComfortLink display. At this time,
only English is available.
Password Enable (PAS.E) — This variable enables or dis-
ables the use of a password. The password is used to restrict
use of the control to change configurations.
Service Password (PASS) — This variable is the 4-digit nu-
meric password that is required if enabled.
Table 66 — Switch Logic Configuration
ITEM EXPANSION RANGE UNITS POINT DEFAULT
TRIM SENSOR TRIM CONFIG.
SAT.T Air Temp Lvg SF Trim -10 - 10 ^F SAT_TRIM 0
RAT.T RAT Trim -10 - 10 ^F RAT_TRIM 0
OAT.T OAT Trim -10 - 10 ^F OAT_TRIM 0
SPT.T SPT Trim -10 - 10 ^F SPT_TRIM 0
L.SW.T Limit Switch Trim -10 - 10 ^F LSW_TRIM 0
CCT.T Air Temp Lvg Evap Trim -10 - 10 ^F CCT_TRIM 0
SP.A.T Suct.Press.Circ.A Trim -50 - 50 PSIG SPA_TRIM 0
SP.B.T Suct.Press.Circ.B Trim -50 - 50 PSIG SPB_TRIM 0
DP.A.T Dis.Press.Circ.A Trim -50 - 50 PSIG DPA_TRIM 0
DP.B.T Dis.Press.Circ.B Trim -50 - 50 PSIG DPB_TRIM 0
IMPORTANT: Many of the switch inputs to the control
can be configured to operate as normally open or nor-
mally closed.
ITEM EXPANSION RANGE CCN POINT DEFAULT
SW.LG SWITCH LOGIC: NO / NC
  FTS.L Filter Status Inpt-Clean Open/Close FLTSLOGC Open
  IGC.L IGC Feedback - Off Open/Close GASFANLG Open
  RMI.L RemSw Off-Unoc-Strt-NoOv Open/Close RMTINLOG Open
  ENT.L Enthalpy Input - Low Open/Close ENTHLOGC Close
  SFS.L Fan Status Sw. - Off Open/Close SFSLOGIC Open
  DL1.L Dmd.Lmt.Sw.1 - Off Open/Close DMD_SW1L Open
  DL2.L Dmd.Lmt.Sw.2 - Off Open/Close DMD_SW2L Open
  IAQ.L IAQ Disc.Input - Low Open/Close IAQINLOG Open
  FSD.L Fire Shutdown - Off Open/Close FSDLOGIC Open
  PRS.L Pressurization Sw. - Off Open/Close PRESLOGC Open
  EVC.L Evacuation Sw. - Off Open/Close EVACLOGC Open
  PRG.L Smoke Purge Sw. - Off Open/Close PURGLOGC Open
  DH.LG Dehumidify Sw. - Off Open/Close DHDISCLG Open

83
Table 67 — Display Configuration
Remote Control Switch Input — The remote switch
input is located on the RCB board and connected to TB201
terminals 1 and 2. The switch can be used for several remote
control functions. See Table 68.
Table 68 — Remote Switch Configuration
Remote Input State (Inputs
→
GEN.I
→
REMT) — This is
the actual real time state of the remote input.
Remote Switch Config (Configuration
→
UNIT
→
 RM.CF)
— This is the configuration that allows the user to assign dif-
ferent types of functionality to the remote discrete input.
• 0 — NO REMOTE SW — The remote switch will not be
used.
• 1 — OCC-UNOCC SW — The remote switch input will
control the occupancy state. When the remote switch
input is ON, the unit will forced into the occupied mode.
When the remote switch is OFF, the unit will be forced
into the unoccupied mode.
• 2 — STRT/STOP — The remote switch input will start
and stop the unit. When the unit is commanded to stop,
any timeguards in place on compressors will be honored
first. When the remote switch is ON, the unit will be
commanded to stop. When the remote switch is OFF the
unit will be enabled to operate.
• 3 — OVERRIDE SW — The remote switch can be used
to override any internal or external time schedule being
used by the control and force the unit into an occupied
mode when the remote input state is ON. When the
remote switch is ON, the unit will be forced into an occu-
pied state. When the remote switch is OFF, the unit will
use its internal or external time schedules.
Remote Switch Logic Configuration (Configuration
→
SW.LG
→
RMI.L) — The control allows for the configuration
of a normally open/closed status of the remote input switch via
RMI.L. If this variable is configured OPEN, then when the
switch is open, the remote input switch perceives the logic state
as OFF. Correspondingly, if RMI.L is set to CLOSED, the re-
mote input switch will perceive a closed switch as meaning
OFF. See Table 69.
Hot Gas Bypass — Hot gas bypass is an automatically
operating system used to limit evaporator suction pressure
during periods of low evaporator loading. This system is not
controlled by the ComfortLink™ control system and it is
available to operate whenever circuit A is running.
The hot gas bypass option consists of a pressure regulating
valve, a manual service valve and tubing connecting the circuit
A hot gas refrigerant line to the circuit A evaporator distribu-
tors (one distributor on sizes 030-035, two distributors on sizes
040-105). The pressure regulating valve opens the bypass
circuit as the evaporator suction pressure decreases into a range
that might generate frost formation on the evaporator surface
if sustained compressor operation occurs. The hot gas refriger-
ant enters the evaporator coil and adds refrigeration load to the
compressor circuit to offset a low load situation in the mixed
air temperature condition. Total bypass capacity is approxi-
mately 5 tons.
The hot gas bypass system is a factory-installed option,
installed on circuit A only. When this option is provided, the
control function for Lead-Lag sequencing must be disabled
(Configuration
→
 Cool
→
 L.L.EN is set to No).
Space Temperature Offset — Space Temperature Off-
set corresponds to a slider on a T56 sensor that allows the occu-
pant to adjust the space temperature by a configured range
during an occupied period. This sensor is only applicable to
units that are configured as either 2-Stage SPT or Multi-Stage
SPT control (Configuration
→
UNIT
→
C.TYP = 5 and 6).
Space Temperature Offset Sensor (Configuration
→
UNIT
→
SENS
→
SP.O.S) — This configuration disables the reading
of the offset slider.
Space Temperature Offset Range (Configuration
→
UNIT
→
SENS
→
SP.O.R) — This configuration establishes
the range, in degrees F, that the T56 slider can affect SPTO
when adjusting the slider from the far left (-SP.O.R) to the far
right (+SP.O.R). The default is 5° F.
Space Temperature Offset Value (Temperatures
→
AIR.T
→
SPTO) — The Space Temperature Offset Value is the read-
ing of the slider potentiometer in the T56 that is resolved to
delta degrees based on SP.O.R.
Table 69 — Remote Switch Logic Configuration
ITEM EXPANSION RANGE UNITS POINT DEFAULT
TEST Test Display LEDs ON/OFF TEST Off
METR Metric Display ON/OFF DISPUNIT Off
LANG Language Selection 0-1(multi-text strings) LANGUAGE 0
PAS. E Password Enable ENABLE/DISABLE PASS_EBL Enable
PASS Service Password 0000-9999 PASSWORD 1111
ITEM EXPANSION RANGE UNITS CCN 
POINT
REMT Remote 
Input State
ON/OFF RMTIN
RM.CF Remote Switch 
Config
0 - 3 RMTINCFG
RMI.L RemSw 
Off-Unoc-Strt-NoOv
Open/Close RMTINLOG
ITEM EXPANSION RANGE UNITS CCN 
POINT
SP.O.S Space Temp 
Offset Sensor
Enable/
Disable
SPTOSENS
SP.O.R Space Temp 
Offset Range
1 - 10 SPTO_RNG
SPTO Space Temperature 
Offset
+- SP.O.R ^F SPTO
REMOTE
SWITCH LOGIC 
CONFIGURATION
(RMI.L)
SWITCH 
STATUS
REMOTE INPUT STATE
(REMT)
REMOTE SWITCH CONFIGURATION (RM.CF)
0123
No Remote Switch Occ-Unocc Switch Start/Stop Override
OPEN OPEN OFF (0) xxxxx Unoccupied Start No Override
CLOSED ON (1) xxxxx Occupied Stop Override
CLOSED OPEN ON (0) xxxxx Occupied Stop Override
CLOSED OFF (1) xxxxx Unoccupied Start No Override

84
TIME CLOCK CONFIGURATION
This section describes each Time Clock menu item. Not
every point will need to be configured for every unit. Refer to
the Controls Quick Start section for more information on what
set points need to be configured for different applications. The
Time Clock menu items are discussed in the same order that
they are displayed in the Time Clock table. The Time Clock
table is shown in Table 70.
Hour and Minute (HH.MM) — The hour and minute
of the time clock are displayed in 24-hour, military time. Time
can be adjusted manually by the user.
When connected to the CCN, the unit can be configured to
transmit time over the network or receive time from a network
device. All devices on the CCN should use the same time. Only
one device on the CCN should broadcast time or problems will
occur.
Month of Year (MNTH) — This variable is the current
month of the calendar year.
Day of Month (DOM) —  This variable is the current
day (1 to 31) of the month.
Day of Week (DAY) — This variable is the current day
of the week (Monday through Sunday).
Year (YEAR) — This variable is the current year (for ex-
ample, 2005).
Local Time Schedule (SCH.L) — This submenu is
used to program the time schedules. There are 8 periods
(PER.1 through PER.8). Each time period can be used to set
up a local schedule for the unit. Refer to the Programming
Operating Schedules section on page 36 for more information.
MONDAY IN PERIOD (PER.X
→
DAYS
→
MON) — This vari-
able is used to include or remove Monday from the schedule.
Each period is assigned an occupied on and off time. If this
variable is set to YES, then Monday will be included in that peri-
od’s occupied time schedule. If this variable is set to NO, then
the period’s occupied time schedule will not be used on Monday.
This variable can be set for Periods 1 through 8.
TUESDAY IN PERIOD (PER.X
→
DAYS
→
TUE) — This vari-
able is used to include or remove Tuesday from the schedule.
Each period is assigned an occupied on and off time. If this
variable is set to YES, then Tuesday will be included in that pe-
riod’s occupied time schedule. If this variable is set to NO, then
the period’s occupied time schedule will not be used on Tues-
day. This variable can be set for Periods 1 through 8.
WEDNESDAY IN PERIOD (PER.X
→
DAYS
→
WED) —
This variable is used to include or remove Wednesday from the
schedule. Each period is assigned an occupied on and off time.
If this variable is set to YES, then Wednesday will be included
in that period’s occupied time schedule. If this variable is set to
NO, then the period’s occupied time schedule will not be used
on Wednesday. This variable can be set for Periods 1 through 8.
THURSDAY IN PERIOD (PER.X
→
DAYS
→
THU) — This
variable is used to include or remove Thursday from the sched-
ule. Each period is assigned an occupied on and off time. If this
variable is set to YES, then Thursday will be included in that
period’s occupied time schedule. If this variable is set to NO,
then the period’s occupied time schedule will not be used on
Thursday. This variable can be set for Periods 1 through 8.
FRIDAY IN PERIOD (PER.X
→
DAYS
→
FRI) — This vari-
able is used to include or remove Friday from the schedule.
Each period is assigned an occupied on and off time. If this
variable is set to YES, then Friday will be included in that peri-
od’s occupied time schedule. If this variable is set to NO, then
the period’s occupied time schedule will not be used on Friday.
This variable can be set for Periods 1 through 8.
SATURDAY IN PERIOD (PER.X
→
DAYS
→
SAT) — This
variable is used to include or remove Saturday from the sched-
ule. Each period is assigned an occupied on and off time. If this
variable is set to YES, then Saturday will be included in that
period’s occupied time schedule. If this variable is set to NO,
then the period’s occupied time schedule will not be used on
Saturday. This variable can be set for Periods 1 through 8.
SUNDAY IN PERIOD (PER.X
→
DAYS
→
SUN) — This vari-
able is used to include or remove Sunday from the schedule.
Each period is assigned an occupied on and off time. If this
variable is set to YES, then Sunday will be included in that pe-
riod’s occupied time schedule. If this variable is set to NO, then
the period’s occupied time schedule will not be used on Sun-
day. This variable can be set for Periods 1 through 8.
HOLIDAY  IN  PERIOD   (PER.X
→
DAYS
→
HOL)   —   This
variable is used to include or remove a Holiday from the sched-
ule. Each period is assigned an occupied on and off time. If this
variable is set to YES, then holidays will be included in that pe-
riod’s occupied time schedule. If this variable is set to NO, then
the period’s occupied time schedule will not be used on holi-
days. This variable can be set for Periods 1 through 8.
OCCUPIED FROM (PER.X
→
OCC) — This variable is used
to configure the start time of the Occupied period. All days in
the same period set to YES will enter into Occupied mode at
this time.
OCCUPIED TO (PER.X
→
UNC) — This variable is used to
configure the end time of the Occupied period. All days in the
same period set to YES will exit Occupied mode at this time.
Local Holiday Schedules (HOL.L) — This submenu
is used to program the local holiday schedules. Up to 30 holi-
days can be configured. When a holiday occurs, the unit will
follow the occupied schedules that have the HOLIDAY IN
PERIOD point set to YES.
Holiday Start Month (HD.01 to HD.30
→ 
MON)  — This is
the start month for the holiday. The numbers 1 to 12 corre-
spond to the months of the year (e.g., January = 1).
Holiday Start Day (HD.01 to HD.30
→
DAY) — This is the
start day of the month for the holiday. The day can be set from
1 to 31.
Holdiay Duration (HD.01 to HD.30
→
LEN) — This is the
length in days of the holiday. The holiday can last up to 99
days.
Daylight Savings Time (DAY.S) — The daylight sav-
ings time function is used in applications where daylight
savings time occurs. The function will automatically correct
the clock on the days configured for daylight savings time.
DAYLIGHT SAVINGS START (DS.ST) — This  submenu
configures the start date and time for daylight savings.
Daylight Savings Start Month (DS.ST
→
ST.MN) — This is
the start month for daylight savings time. The numbers 1 to 12
correspond to the months of the year (e.g., January = 1).
Daylight Savings Start Week (DS.ST
→
ST.WK) — This is
the start week of the month for daylight savings. The week can
be set from 1 to 5.
Daylight Savings Start Day (DS.ST
→
ST.DY) — This is the
start day of the week for daylight savings. The day can be set
from 1 to 7 (Sunday=1, Monday=2, etc.).
Daylight Savings Minutes To Add (DS.ST
→
MIN.A) — This
is the amount of time that will be added to the time clock for
daylight savings.
DAYLIGHT SAVINGS STOP (DS.SP) — This submenu con-
figures the end date and time for daylight savings.
Daylight Savings Stop Month (DS.SP
→
SP.MN) — This is
the stop month for daylight savings time. The numbers 1 to 12
correspond to the months of the year (e.g., January = 1).

85
Table 70 — Time Clock Menu
Daylight Savings Stop Week (DS.SP
→
SP.WK) — This is
the stop week of the month for daylight savings. The week can
be set from 1 to 5.
Daylight Savings Stop Day (DS.SP
→
SP.DY) — This is the
stop day of the week for daylight savings. The day can be set
from 1 to 7 (Sunday=1, Monday=2, etc.).
Daylight Savings Minutes To Subtract (DS.SP
→
MIN.S) —
This is the amount of time that will be removed from the time
clock after daylight savings ends.
TROUBLESHOOTING
The scrolling marquee display shows the actual operating
conditions of the unit while it is running. If there are alarms or
there have been alarms, they will be displayed in either the cur-
rent alarm list or the history alarm list. The Service Test mode
allows operation of the compressors, fans, and other compo-
nents to be checked while the unit is not operating.
Complete Unit Stoppage — There are several condi-
tions that can cause the unit to not provide heating or cooling.
If an alarm is active which causes the unit to shut down,
diagnose the problem using the information provided in
the Alarms and Alerts section on page 94, but also check for
the following:
• Cooling and heating loads are satisfied.
• Programmed schedule.
• General power failure.
• Tripped control circuit transformers circuit breakers.
• Tripped compressor circuit breakers.
• Unit is turned off through the CCN network.
Single Circuit Stoppage — If a single circuit stops
incorrectly, there are several possible causes. The problem
should be investigated using information from the alarm and
alert list.
Service Analysis — Detailed service analysis can be
found in Tables 71-73 and Fig. 13.
Restart Procedure — Before attempting to restart the
machine, check the alarm list to determine the cause of the
shutdown. If a shutdown alarm for a particular circuit has
occurred, determine and correct the cause before allowing the
unit to run under its own control again. When there is problem,
the unit should be diagnosed in Service Test mode. The alarms
must be reset before the circuit can operate in either Normal
mode or Service Test mode.
Thermistor Troubleshooting — The EDT, OAT,
RAT, LAT, T55, T56, and T58 space temperature sensors use
10K thermistors. Resistances at various temperatures are listed
in Tables 74 and 75. 
THERMISTOR/TEMPERATURE SENSOR CHECK — A
high quality digital volt-ohmmeter is required to perform this
check.
1. Connect the digital voltmeter across the appropriate ther-
mistor terminals at the J8 terminal strip on the main base
board.
2. Using the voltage reading obtained, read the sensor tem-
perature from Tables 74 and 75.
3. To check thermistor accuracy, measure temperature at
probe location with an accurate thermocouple-type
temperature-measuring instrument. Insulate thermocou-
ple to avoid ambient temperatures from influencing
reading. Temperature measured by thermocouple and
temperature determined from thermistor voltage reading
should be within 5° F (3° C) if care was taken in applying
thermocouple and taking readings. 
If a more accurate check is required, unit must be shut down
and thermistor removed and checked at a known temperature
(freezing point or boiling point of water) using either voltage
drop measured across thermistor at the J8 terminal, or by
ITEM EXPANSION RANGE POINT DEFAULT
TIME TIME OF DAY
HH.MM Hour and Minute 00:00 TIME
DATE MONTH,DATE,DAY AND YEAR
MNTH Month of Year multi-text strings MOY
DOM Day of Month 0-31 DOM
DAY Day of Week multi-text strings DOWDISP
YEAR Year e.g. 2003 YOCDISP
SCH.L LOCAL TIME SCHEDULE
PER.1 PERIOD 1
PER.1→DAYS DAY FLAGS FOR PERIOD 1 Period 1 only
PER.1→DAYS→MON Monday in Period YES/NO PER1MON Yes
PER.1→DAYS→TUE Tuesday in Period YES/NO PER1TUE Yes
PER.1→DAYS→WED Wednesday in Period YES/NO PER1WED Yes
PER.1→DAYS→THU Thursday in Period YES/NO PER1THU Yes
PER.1→DAYS→FRI Friday in Period YES/NO PER1FRI Yes
PER.1→DAYS→SAT Saturday in Period YES/NO PER1SAT Yes
PER.1→DAYS→SUN Sunday in Period YES/NO PER1SUN Yes
PER.1→DAYS→HOL Holiday in Period YES/NO PER1HOL Yes
PER.1→OCC Occupied from 00:00 PER1_OCC 00:00
PER.1→UNC Occupied to 00:00 PER1_UNC 24:00
Repeat for periods 2-8
HOL.L LOCAL HOLIDAY SCHEDULES
HD.01 HOLIDAY SCHEDULE 01
HD.01→MON Holiday Start Month 0-12 HOL_MON1
HD.01→DAY                Start Day 0-31 HOL_DAY1
HD.01→LEN                Duration (Days) 0-99 HOL_LEN1
Repeat for holidays 2-30
DAY.S DAYLIGHT SAVINGS TIME
DS.ST DAYLIGHT SAVINGS START
DS.ST→ST.MN Month 1 - 12 STARTM 4
DS.ST→ST.WK Week 1 - 5 STARTW 1
DS.ST→ST.DY Day 1 - 7 STARTD 7
DS.ST→MIN.A Minutes to Add 0 - 90 MINADD 60
DS.SP DAYLIGHTS SAVINGS STOP
DS.SP→SP.MN Month 1 - 12 STOPM 10
DS.SP→SP.WK Week 1 - 5 STOPW 5
DS.SP→SP.DY Day 1 - 7 STOPD 7
DS.SP→MIN.S Minutes to Subtract 0 - 90 MINSUB 60

86
determining the resistance with unit shut down and thermistor
disconnected from J8. Compare the values determined with the
value read by the control in the Temperatures mode using the
scrolling marquee display. 
Transducer Troubleshooting — The electronic con-
trol uses 2 suction pressure transducers to measure the suction
pressure of circuits A and B. The pressure/voltage characteris-
tics of these transducers are in shown in Tables 76 and 77. The
accuracy of these transducers can be verified by connecting an
accurate pressure gage to the second refrigerant port in the
suction line.
Table 71 — Cooling Service Analysis
LEGEND
PROBLEM CAUSE REMEDY
Compressor and Fan Will Not 
Start.
Power failure. Call power company.
Fuse blown or circuit breaker tripped. Check CB1, 
CB2, and CB3.
Replace fuse or reset circuit breaker.
Disconnect off. Power disconnect.
Compressor time guard to prevent short cycling. Check using ComfortLink™ scrolling marquee.
Thermostat or occupancy schedule set point not call-
ing for Cooling.
Check using ComfortLink scrolling marquee.
Outdoor temperature too low. Check Compressor Lockout Temperature (MC.LO) 
using ComfortLink scrolling marquee.
Active alarm. Check active alarms using ComfortLink scrolling 
marquee.
Compressor Cycles (Other Than 
Normally Satisfying Thermostat).
Insufficient line voltage. Determine cause and correct.
Active alarm. Check active alarms using ComfortLink scrolling 
marquee.
Compressors Operates 
Continuously.
Unit undersized for load. Decrease load or increase of size of unit.
Thermostat or occupancy schedule set point too low. Reset thermostat or schedule set point.
Dirty air filters. Replace filters.
Low refrigerant charge. Check pressure, locate leak, repair evacuate, and 
recharge.
Condenser coil dirty or restricted. Clean coil or remove restriction.
Excessive Head Pressures. Loose condenser thermistors. Tighten thermistors.
Dirty condenser coil. Clean coil.
Refrigerant overcharge. Recover excess refrigerant.
Faulty TXV. 1. Check TXV bulb mounting and secure tightly to
suction line and insulate.
2. Replace TXV (and filter drier) if stuck open or
closed.
Condenser air restricted or air short cycling. Determine cause and correct.
Restriction in liquid tube. Remove restriction.
Condenser Fans Not Operating. No Power to contactors. Fuse blown or plug at motor loose.
Excessive Suction Pressure. High heat load. Check for sources and eliminate
Faulty TXV. 1. Check TXV bulb mounting and secure tightly to
suction line and insulate.
2. Replace TXV (and filter drier) if stuck open or
closed.
Refrigerant overcharged. Recover excess refrigerant.
Suction Pressure Too Low. Dirty air filters. Replace air filters.
Low refrigerant charge. Check for leaks, repair, and recharge.
Faulty TXV. 1. Check TXV bulb mounting and secure tightly to
suction line and insulate.
2. Replace TXV (and filter drier) if stuck open or
closed.
Insufficient evaporator airflow. Check belt tension. Check for other restrictions.
Temperature too low in conditioned area (low return-
air temperature).
Reset thermostat or occupancy schedule.
CB — Circuit Breaker
TXV — Thermostatic Expansion Valve

87
Table 72 — Gas Heating Service Analysis
Table 73 — Electric Heat Service Analysis
PROBLEM CAUSE REMEDY
Burners Will Not Ignite. Active alarm. Check active alarms using ComfortLink™ scrolling
marquee.
No power to unit. Check power supply, fuses, wiring, and circuit breakers.
No power to IGC (Integrated Gas Control). Check fuses and plugs.
Heaters off due to time guard to prevent short 
cycling.
Check using ComfortLink scrolling marquee.
Thermostat or occupancy schedule set point not 
calling for Cooling.
Check using ComfortLink scrolling marquee.
No gas at main burners. Check gas line for air and purge as necessary. After purg-
ing gas line of air, allow gas to dissipate for at least 5 min-
utes before attempting to re-light unit.
Water in gas line. Drain water and install drip.
Inadequate Heating. Dirty air filters. Replace air filters.
Gas input too low. Check gas pressure at manifold. Refer to gas valve adjust-
ment in Installation, Start-up, and Service Manual.
Thermostat or occupancy schedule set point only 
calling for W1.
Allow time for W2 to energize.
Unit undersized for load. Decrease load or increase of size of unit.
Restricted airflow. Remove restriction.
Too much outdoor air. Check economizer position and configuration. Adjust mini-
mum position using ComfortLink scrolling marquee.
Limit switch cycles main burners. Check rotation of blower, thermostat heat anticipator set-
tings, and temperature rise of unit. Adjust as needed.
Poor Flame Characteristics. Incomplete combustion (lack of combustion air) 
results in: Aldehyde odors, CO, sooting flame, or 
floating flame.
Check all screws around flue outlets and burner compart-
ment. Tighten as necessary.
Cracked heat exchanger, replace.
Unit is over-fired, reduce input. Adjust gas line or manifold 
pressure.
Check vent for restriction. Clean as necessary.
Check orifice to burner alignment.
Burners Will Not Turn Off. Unit is in Minimum on-time. Check using ComfortLink scrolling marquee.
Unit running in Service Test Mode. Check using ComfortLink scrolling marquee.
PROBLEM CAUSE REMEDY
No Heat. Power failure. Call power company.
Fuse blown or circuit breaker tripped. Check CB1, 
CB2, and CB3.
Replace fuse or reset circuit breaker.
Thermostat occupancy schedule set point not call-
ing for Heating.
Check using ComfortLink scrolling marquee.
No 24 vac at primary contactor. Check transformer and circuit breaker.
No power (high voltage) to L2 of primary contactor. Check safety switches “one-shot” backup and auto limit.
Bad electrical elements. Power off unit and remove high voltage wires. Check resis-
tance of heater, replace if open.

88
Table 74 — 10K Thermistor vs Resistance (T55, T56, OAT, RAT, EDT, LAT Sensors) (F)
TEMP
(F)
VOLTAGE
DROP (V)
RESISTANCE
(Ohms)
–25 4.758 196,453
–24 4.750 189,692
–23 4.741 183,300
–22 4.733 177,000
–21 4.724 171,079
–20 4.715 165,238
–19 4.705 159,717
–18 4.696 154,344
–17 4.686 149,194
–16 4.676 144,250
–15 4.665 139,443
–14 4.655 134,891
–13 4.644 130,402
–12 4.633 126,183
–11 4.621 122,018
–10 4.609 118,076
–9 4.597 114,236
–8 4.585 110,549
–7 4.572 107,006
–6 4.560 103,558
–5 4.546 100,287
–4 4.533 97,060
–3 4.519 94,020
–2 4.505 91,019
–1 4.490 88,171
04.476 85,396
14.461 82,729
24.445 80,162
34.429 77,662
44.413 75,286
54.397 72,940
64.380 70,727
74.363 68,542
84.346 66,465
94.328 64,439
10 4.310 62,491
11 4.292 60,612
12 4.273 58,781
13 4.254 57,039
14 4.235 55,319
15 4.215 53,693
16 4.195 52,086
17 4.174 50,557
18 4.153 49,065
19 4.132 47,627
20 4.111 46,240
21 4.089 44,888
22 4.067 43,598
23 4.044 42,324
24 4.021 41,118
25 3.998 39,926
26 3.975 38,790
27 3.951 37,681
28 3.927 36,610
29 3.903 35,577
30 3.878 34,569
31 3.853 33,606
32 3.828 32,654
33 3.802 31,752
34 3.776 30,860
35 3.750 30,009
36 3.723 29,177
37 3.697 28,373
38 3.670 27,597
39 3.654 26,838
40 3.615 26,113
41 3.587 25,396
42 3.559 24,715
43 3.531 24,042
44 3.503 23,399
45 3.474 22,770
46 3.445 22,161
47 3.416 21,573
48 3.387 20,998
49 3.357 20,447
50 3.328 19,903
51 3.298 19,386
52 3.268 18,874
53 3.238 18,384
54 3.208 17,904
55 3.178 17,441
56 3.147 16,991
57 3.117 16,552
58 3.086 16,131
59 3.056 15,714
60 3.025 15,317
TEMP
(F)
VOLTAGE
DROP (V)
RESISTANCE
(Ohms)
61 2.994 14,925
62 2.963 14,549
63 2.932 14,180
64 2.901 13,824
65 2.870 13,478
66 2.839 13,139
67 2.808 12,814
68 2.777 12,493
69 2.746 12,187
70 2.715 11,884
71 2.684 11,593
72 2.653 11,308
73 2.622 11,031
74 2.592 10,764
75 2.561 10,501
76 2.530 10,249
77 2.500 10,000
78 2.470 9,762
79 2.439 9,526
80 2.409 9,300
81 2.379 9,078
82 2.349 8,862
83 2.319 8,653
84 2.290 8,448
85 2.260 8,251
86 2.231 8,056
87 2.202 7,869
88 2.173 7,685
89 2.144 7,507
90 2.115 7,333
91 2.087 7,165
92 2.059 6,999
93 2.030 6,838
94 2.003 6,683
95 1.975 6,530
96 1.948 6,383
97 1.921 6,238
98 1.894 6,098
99 1.867 5,961
100 1.841 5,827
101 1.815 5,698
102 1.789 5,571
103 1.763 5,449
104 1.738 5,327
105 1.713 5,210
106 1.688 5,095
107 1.663 4,984
108 1.639 4,876
109 1.615 4,769
110 1.591 4,666
111 1.567 4,564
112 1.544 4,467
113 1.521 4,370
114 1.498 4,277
115 1.475 4.185
116 1.453 4,096
117 1.431 4,008
118 1.409 3,923
119 1.387 3,840
120 1.366 3,759
121 1.345 3,681
122 1.324 3,603
123 1.304 3,529
124 1.284 3,455
125 1.264 3,383
126 1.244 3,313
127 1.225 3,244
128 1.206 3,178
129 1.187 3,112
130 1.168 3,049
131 1.150 2,986
132 1.132 2,926
133 1.114 2,866
134 1.096 2,809
135 1.079 2,752
136 1.062 2,697
137 1.045 2,643
138 1.028 2,590
139 1.012 2,539
140 0.996 2,488
141 0.980 2,439
142 0.965 2,391
143 0.949 2,343
144 0.934 2,297
145 0.919 2,253
146 0.905 2,209
TEMP
(F)
VOLTAGE
DROP (V)
RESISTANCE
(Ohms)
147 0.890 2,166
148 0.876 2,124
149 0.862 2,083
150 0.848 2,043
151 0.835 2,003
152 0.821 1,966
153 0.808 1,928
154 0.795 1,891
155 0.782 1,855
156 0.770 1,820
157 0.758 1,786
158 0.745 1,752
159 0.733 1,719
160 0.722 1,687
161 0.710 1,656
162 0.699 1,625
163 0.687 1,594
164 0.676 1,565
165 0.666 1,536
166 0.655 1,508
167 0.645 1,480
168 0.634 1,453
169 0.624 1,426
170 0.614 1,400
171 0.604 1,375
172 0.595 1,350
173 0.585 1,326
174 0.576 1,302
175 0.567 1,278
176 0.558 1,255
177 0.549 1,233
178 0.540 1,211
179 0.532 1,190
180 0.523 1,169
181 0.515 1,148
182 0.507 1,128
183 0.499 1,108
184 0.491 1,089
185 0.483 1,070
186 0.476 1,052
187 0.468 1,033
188 0.461 1,016
189 0.454 998
190 0.447 981
191 0.440 964
192 0.433 947
193 0.426 931
194 0.419 915
195 0.413 900
196 0.407 885
197 0.400 870
198 0.394 855
199 0.388 841
200 0.382 827
201 0.376 814
202 0.370 800
203 0.365 787
204 0.359 774
205 0.354 762
206 0.349 749
207 0.343 737
208 0.338 725
209 0.333 714
210 0.328 702
211 0.323 691
212 0.318 680
213 0.314 670
214 0.309 659
215 0.305 649
216 0.300 639
217 0.296 629
218 0.292 620
219 0.288 610
220 0.284 601
221 0.279 592
222 0.275 583
223 0.272 574
224 0.268 566
225 0.264 557

89
Table 75 — 10K Thermistor vs Resistance (T55, T56, OAT, RAT, EDT, LAT Sensor) (C)
Table 76 — Suction Pressure Transducer Pressure (psig) vs Voltage (SSP-A, SSP-B)
PRESSURE
(PSIG)
VOLTAGE
DROP (V)
PRESSURE
(PSIG)
VOLTAGE
DROP (V)
PRESSURE
(PSIG)
VOLTAGE
DROP (V)
PRESSURE
(PSIG)
VOLTAGE
DROP (V)
00.290 34 1.436 68 2.582 102 3.728
10.324 35 1.470 69 2.615 103 3.761
20.357 36 1.503 70 2.649 104 3.795
30.391 37 1.537 71 2.683 105 3.829
40.425 38 1.571 72 2.717 106 3.862
50.458 39 1.604 73 2.750 107 3.896
60.492 40 1.638 74 2.784 108 3.930
70.526 41 1.672 75 2.818 109 3.964
80.560 42 1.705 76 2.851 110 3.997
90.593 43 1.739 77 2.885 111 4.031
10 0.627 44 1.773 78 2.919 112 4.065
11 0.661 45 1.807 79 2.952 113 4.098
12 0.694 46 1.840 80 2.986 114 4.132
13 0.728 47 1.874 81 3.020 115 4.166
14 0.762 48 1.908 82 3.054 116 4.200
15 0.795 49 1.941 83 3.087 117 4.233
16 0.829 50 1.975 84 3.121 118 4.267
17 0.863 51 2.009 85 3.155 119 4.301
18 0.897 52 2.042 86 3.188 120 4.334
19 0.930 53 2.076 87 3.222 121 4.368
20 0.964 54 2.110 88 3.256 122 4.402
21 0.998 55 2.144 89 3.290 123 4.435
22 1.031 56 2.177 90 3.323 124 4.469
23 1.065 57 2.211 91 3.357 125 4.503
24 1.099 58 2.245 92 3.391 126 4.537
25 1.132 59 2.278 93 3.424 127 4.570
26 1.166 60 2.312 94 3.458 128 4.604
27 1.200 61 2.346 95 3.492 129 4.638
28 1.234 62 2.380 96 3.525 130 4.671
29 1.267 63 2.413 97 3.559 131 4.705
30 1.301 64 2.447 98 3.593 132 4.739
31 1.335 65 2.481 99 3.627 133 4.772
32 1.368 66 2.514 100 3.660 134 4.806
33 1.402 67 2.548 101 3.694 135 4.840
TEMP
(C)
VOLTAGE
DROP (V)
RESISTANCE
(Ohms)
–32 4.762 200,510
–31 4.748 188,340
–30 4.733 177,000
–29 4.716 166,342
–28 4.700 156,404
–27 4.682 147,134
–26 4.663 138,482
–25 4.644 130,402
–24 4.624 122,807
–23 4.602 115,710
–22 4.580 109,075
–21 4.557 102,868
–20 4.533 97,060
–19 4.508 91,588
–18 4.482 86,463
–17 4.455 81,662
–16 4.426 77,162
–15 4.397 72,940
–14 4.367 68,957
–13 4.335 65,219
–12 4.303 61,711
–11 4.269 58,415
–10 4.235 55,319
–9 4.199 52,392
–8 4.162 49,640
–7 4.124 47,052
–6 4.085 44,617
–5 4.044 42,324
–4 4.003 40,153
–3 3.961 38,109
–2 3.917 36,182
–1 3.873 34,367
03.828 32,654
13.781 31,030
23.734 29,498
33.686 28,052
43.637 26,686
53.587 25,396
63,537 24,171
73.485 23,013
83.433 21,918
93.381 20,883
10 3.328 19,903
11 3.274 18,972
12 3.220 18,090
13 3.165 17,255
14 3.111 16,474
TEMP
(C)
VOLTAGE
DROP (V)
RESISTANCE
(Ohms)
15 3.056 15,714
16 3.000 15,000
17 2.944 14,323
18 2.889 13,681
19 2.833 13,071
20 2.777 12,493
21 2.721 11,942
22 2.666 11,418
23 2.610 10,921
24 2.555 10,449
25 2.500 10,000
26 2.445 9,571
27 2.391 9,164
28 2.337 8,776
29 2.284 8,407
30 2.231 8,056
31 2.178 7,720
32 2.127 7,401
33 2.075 7,096
34 2.025 6,806
35 1.975 6,530
36 1.926 6,266
37 1.878 6,014
38 1.830 5,774
39 1.784 5,546
40 1.738 5,327
41 1.692 5,117
42 1.648 4,918
43 1.605 4,727
44 1.562 4,544
45 1.521 4,370
46 1.480 4,203
47 1.439 4,042
48 1.400 3,889
49 1.362 3,743
50 1.324 3,603
51 1.288 3,469
52 1.252 3,340
53 1.217 3,217
54 1.183 3,099
55 1.150 2,986
56 1.117 2,878
57 1.086 2,774
58 1.055 2,675
59 1.025 2,579
60 0.996 2,488
61 0.968 2,400
TEMP
(C)
VOLTAGE
DROP (V)
RESISTANCE
(Ohms)
62 0.940 2,315
63 0.913 2,235
64 0.887 2,157
65 0.862 2,083
66 0.837 2,011
67 0.813 1,943
68 0.790 1,876
69 0.767 1,813
70 0.745 1,752
71 0.724 1,693
72 0.703 1,637
73 0.683 1,582
74 0.663 1,530
75 0.645 1,480
76 0.626 1,431
77 0.608 1,385
78 0.591 1,340
79 0.574 1,297
80 0.558 1,255
81 0.542 1,215
82 0.527 1,177
83 0.512 1,140
84 0.497 1,104
85 0.483 1,070
86 0.470 1,037
87 0.457 1,005
88 0.444  974
89 0.431  944
90 0.419  915
91 0.408  889
92 0.396  861
93 0.386  836
94 0.375  811
95 0.365  787
96 0.355  764
97 0.345  742
98 0.336  721
99 0.327  700
100 0.318  680
101 0.310  661
102 0.302  643
103 0.294  626
104 0.287  609
105 0.279  592
106 0.272  576
107 0.265  561

90
Table 77 — Discharge Pressure 
Transducer Pressure (psig) vs Voltage
Forcing Inputs and Outputs — Many of variables
may be forced both from the CCN and directly at the local
display. This can be useful during diagnostic testing and also
during operation, typically as part of an advanced third party
control scheme. Please see Appendix A and B.
NOTE: In the case of a power reset, any force levels in effect
at the time of the power reset will be cleared.
CONTROL LEVEL FORCING — If  any  of  the  following
points are forced with a priority level of 7 (consult CCN litera-
ture for a description of priority levels), the software clears the
force from the point if it has not been written to or forced again
within the timeout periods defined below:
Run Status Menu — The Run Status menu provides the
user important information about the unit. The Run Status table
can be used to troubleshoot problems and to help determine
how and why the unit is operating.
AUTO VIEW OF RUN STATUS — The Auto View of Run
Status display table provides the most important unit informa-
tion. The HVAC Mode (Run Status
→
VIEW
→
 HVAC) in-
forms the user what HVAC mode the unit is currently in. Refer
to the Modes section on page 40 for information on HVAC
modes. The occupied status, unit temperatures, unit set points,
and stage information can also be shown. See Table 78.
Run Status
→
VIEW
→
HVAC — Displays the current HVAC
Mode(s) by name. HVAC Modes include:
OFF VENT HIGH HEAT
STARTING UP HIGH COOL FIRE SHUT DOWN
SHUTTING DOWN LOW COOL PRESSURIZATION
DISABLED UNOCC FREE COOL EVACUATION
SOFTSTOP REQUEST TEMPERING HICOOL SMOKE PURGE
REM SW DISABLE TEMPERING LOCOOLDEHUMIDIFICATION
COMP STUCK ON TEMPERING VENT RE-HEAT
TEST LOW HEAT
Run Status
→
VIEW
→
OCC — Displays the current occupan-
cy status of the control.
Run Status
→
VIEW
→
MAT — Displays the current value for
mixed-air temperature. This value is calculated based on
return-air and outside-air temperatures and economizer damper
position. 
Run Status
→
VIEW
→
EDT — Displays the current evapora-
tor discharge air temperature during Cooling modes. This value
is read at the supply air thermistor location (or at cooling coil
thermistor array if unit is equipped with hydronic heating coil).
Run Status
→
VIEW
→
LAT — Displays the current leaving-
air temperature during Vent and Hydronic Heating modes. This
value is read at the supply air thermistor location.
Run Status
→
VIEW
→
EC.C.P — Displays the current econo-
mizer control point value (a target value for air temperature
leaving the evaporator coil location).
Run Status
→
VIEW
→
ECN.P — Displays the current actual
economizer position (in percentage open).
Run Status
→
VIEW
→
EC2.P — Displays the current posi-
tion of actuator no. 2 (in percentage open).
Run Status
→
VIEW
→
CL.C.P — Displays the current cool-
ing control point (a target value for air temperature leaving the
evaporator coil location).
Run Status
→
VIEW
→
C.CAP — Displays the current
amount of unit cooling capacity (in percent of maximum).
Compare to staging tables in Appendix C.
Run Status
→
VIEW
→
CL.ST — Displays the current number
of requested cooling stages. Compare to staging tables in
Appendix C and to C.CAP above.
Run Status
→
VIEW
→
HT.C.P — Displays the current heat-
ing control point, for use with staged gas control option only (a
target value for air temperature leaving the supply duct).
Run Status
→
VIEW
→
HT.ST — Displays the current number
of heating stages active (for staged gas control option only).
Compare to following point.
Run Status
→
VIEW
→
H.MAX — Displays the maximum
number of heat stages available for this model.
PRESSURE 
(psig)
VOLTAGE DROP
(v)
00.466
10 0.564
20 0.663
30 0.761
40 0.860
50 0.958
60 1.056
70 1.155
80 1.253
90 1.352
100 1.450
110 1.549
120 1.647
130 1.745
140 1.844
150 1.942
160 2.041
170 2.139
180 2.238
190 2.336
200 2.434
210 2.533
220 2.631
230 2.730
240 2.828
250 2.927
260 3.025
270 3.124
280 3.222
290 3.320
300 3.419
310 3.517
320 3.616
330 3.714
340 3.813
350 3.911
360 4.009
370 4.108
380 4.206
390 4.305
400 4.403
410 4.502
420 4.600
Temperatures
→
AIR.T
→
OAT Outside Air Temperature 30 minutes
Temperatures
→
AIR.T
→
RAT Return Air Temperature 3 minutes
Temperatures
→
AIR.T
→
SPT Space Temperature 3 minutes
Inputs
→
RSET
→
SP.RS Static Pressure Reset 30 minutes
Inputs
→
REL.H
→
OA.RH Outside Air Relative Humidity 30 minutes
Inputs
→
AIR.Q
→
OAQ Outside Air Quality 30 minutes

91
Fig. 13 — IGC Service Analysis Logic
                    LEGEND
NOTE: Thermostat Fan Switch in the
“AUTO” position.
IDM — Induced-Draft Motor
IGC — Integrated Gas Unit Controller

92
Table 78 — Auto View of Run Status Display Table
ECONOMIZER RUN STATUS — The Economizer Run Status
display table provides information about the economizer and can
be used to troubleshoot economizer problems. See Table 79. The
current position, commanded position, and whether the econo-
mizer is active can be displayed. All the disabling conditions
for the economizer and outside air information is also displayed.
COOLING INFORMATION — The Cooling Information run
status display table provides information on the cooling opera-
tion of the unit. See Table 80. 
Current Running Capacity (C.CAP) — This variable repre-
sents the amount of capacity currently running as a percent.
Current Cool Stage (CUR.S) — This variable represents the
cool stage currently running.
Requested Cool Stage (REQ.S) — This variable represents
the requested cool stage. Cooling relay timeguards in place
may prevent the requested cool stage from matching the
current cool stage.
Maximum Cool Stages (MAX.S) — This variable is the max-
imum number of cooling stages the control is configured for
and capable of controlling. 
Active Demand Limit (DEM.L) — If demand limit is active,
this variable will represent the amount of capacity that the
control is currently limited to.
Capacity Load Factor (SMZ) — This factor builds up or
down over time (–100 to +100) and is used as the means of add-
ing or subtracting a cooling stage during run time. It is a nor-
malized representation of the relationship between “Sum” and
“Z”. See the SUMZ Cooling Algorithm section on page 50.
Next Stage EDT Decrease (ADD.R) — This variable repre-
sents (if adding a stage of cooling) how much the temperature
should drop in degrees depending on the R.PCT calculation
and how much additional capacity is to be added.
ADD.R = R.PCT * (C.CAP – capacity after adding a cool-
ing stage)
For example: If R.PCT = 0.2 and the control would be add-
ing 20% cooling capacity by taking the next step up, 0.2 times
20 = 4 F ADD.R
Next Stage EDT Increase (SUB.R) — This variable repre-
sents (if subtracting a stage of cooling) how much the tempera-
ture should rise in degrees depending on the R.PCT calculation
and how much capacity is to be subtracted.
SUB.R = R.PCT * (C.CAP – capacity after subtracting a
cooling stage)
For Example: If R.PCT = 0.2 and the control would be
subtracting 30% capacity by taking the next step down,
0.2 times –30 = –6 F SUB.R.
Rise Per Percent Capacity (R.PCT) — This is a real time cal-
culation that represents the amount of degrees of drop/rise
across the evaporator coil versus percent of current running
capacity.
R.PCT = (MAT – EDT)/C.CAP
Cap Deadband Subtracting (Y.MIN) — This is a control vari-
able used for Low Temp Override (L.TMP) and Slow Change
Override (SLOW).
Y.MIN = –SUB.R*0.4375
Cap Deadband Adding (Y.PLU) — This is a control variable
used for High Temp Override (H.TMP) and Slow Change
Override (SLOW).
Y.PLU = –ADD.R*0.4375
Cap Threshold Subtracting (Z.MIN) — This parameter is
used in the calculation of SMZ and is calculated as follows:
Z.MIN = Configuration
→
COOL
→
Z.GN * (–10 + (4*
(–SUB.R))) * 0.6
Cap Threshold Adding (Z.PLU) — This parameter is used in
the calculation of SMZ and is calculated as follows:
Z.PLU =  Configuration
→
COOL
→
Z.GN * (10 + (4*
(–ADD.R))) * 0.6
High Temp Cap Override (H.TMP) — If stages of mechani-
cal cooling are on and the error is greater than twice Y.PLU,
and the rate of change of error is greater than 0.5° F, then a
stage of mechanical cooling will be added every 30 seconds.
This override is intended to react to situations where the load
rapidly increases.
Low Temp Cap Override (L.TMP) — If the error is less than
twice  Y.MIN, and the rate of change of error is less than
–0.5° F, then a mechanical stage will be removed every 30 sec-
onds. This override is intended to quickly react to situations
where the load is rapidly reduced.
Pull Down Cap Override (PULL) — If the error from set
point is above 4° F, and the rate of change is less than –1° F per
minute, then pulldown is in effect, and “SUM” is set to 0. This
keeps mechanical cooling stages from being added when the
error is very large, but there is no load in the space. Pulldown
for units is expected to rarely occur, but is included for the rare
situation when it is needed. Most likely pulldown will occur
when mechanical cooling first becomes available shortly after
the control goes into an occupied mode (after a warm unoccu-
pied mode).
Slow Change Cap Override (SLOW) — With a rooftop unit,
the design rise at 100% total unit capacity is generally around
30°  F. For a unit with 4 stages, each stage represents about
7.5° F of change to EDT. If stages could reliably be cycled at
very fast rates, the set point could be maintained very precisely.
Since it is not desirable to cycle compressors more than 6 cy-
cles per hour, slow change override takes care of keeping the
PID under control when “relatively” close to set point.
MODE TRIP HELPER — The Mode Trip Helper table pro-
vides information on the unit modes and when the modes start
and stop. See Table 81. This information can be used to help
determine why the unit is in the current mode.
ITEM EXPANSION RANGE UNITS POINT WRITE STATUS
VIEW AUTO VIEW OF RUN STATUS
→HVAC ascii string spelling out the hvac modes string
→OCC Occupied ? YES/NO OCCUPIED forcible
→MAT Mixed Air Temperature dF MAT
→EDT Evaporator Discharge Tmp dF EDT
→LAT Leaving Air Temperature dF LAT
→EC.C.P Economizer Control Point dF ECONCPNT
→ECN.P Economizer Act.Curr.Pos. 0-100 % ECONOPOS
→EC2.P Economzr2 Act.Curr.Pos. 0-100 % ECON2POS
→CL.C.P Cooling Control Point dF COOLCPNT
→C.CAP Current Running Capacity CAPTOTAL
→CL.ST Requested Cool Stage CL_STAGE
→HT.C.P Heating Control Point dF HEATCPNT
→HT.ST Requested Heat Stage HT_STAGE
→H.MAX Maximum Heat Stages HTMAXSTG

93
Table 79 — Economizer Run Status Display Table
Table 80 — Cooling Information Display Table
Table 81 — Mode Trip Helper Display Table
CCN/LINKAGE DISPLAY TABLE — The  CCN/Linkage
display table provides information on unit linkage. See Table 82.
COMPRESSOR RUN HOURS DISPLAY TABLE — The
Compressor Run Hours Display Table displays the number of
run time hours for each compressor. See Table 83.
COMPRESSOR STARTS DISPLAY TABLE — The  Com-
pressor Starts Display Table displays the number of starts for
each compressor. See Table 84.
SOFTWARE VERSION NUMBERS DISPLAY TABLE —
The Software Version Numbers Display Table displays the
software version numbers of the unit boards and devices. See
Table 85.
ITEM EXPANSION RANGE UNITS POINT WRITE STATUS
ECON ECONOMIZER RUN STATUS
→ECN.P Economizer Act.Curr.Pos. 0-100 % ECONOPOS
→EC2.P Economzr2 Act.Curr.Pos. 0-100 % ECON2POS
→ECN.C Economizer Act.Cmd.Pos. 0-100 % ECONOCMD forcible
→ACTV Economizer Active ? YES/NO ECACTIVE
→DISA ECON DISABLING CONDITIONS
→DISA→UNV.1 Econ Act. Unavailable? YES/NO ECONUNAV
→DISA→UNV.2 Econ2 Act. Unavailable? YES/NO ECN2UNAV
→DISA→ENTH Enth. Switch Read High ? YES/NO ENTH
→DISA→DBC DBC - OAT Lockout? YES/NO DBC_STAT
→DISA→DEW DEW - OA Dewpt.Lockout? YES/NO DEW_STAT
→DISA→DDBC DDBD- OAT > RAT Lockout? YES/NO DDBCSTAT
→DISA→OAEC OAEC- OA Enth Lockout? YES/NO OAECSTAT
→DISA→DEC DEC - Diff.Enth.Lockout? YES/NO DEC_STAT
→DISA→EDT EDT Sensor Bad? YES/NO EDT_STAT
→DISA→OAT OAT Sensor Bad ? YES/NO OAT_STAT
→DISA→FORC Economizer Forced ? YES/NO ECONFORC
→DISA→SFON Supply Fan Not On 30s ? YES/NO SFONSTAT
→DISA→CLOF Cool Mode Not In Effect? YES/NO COOL_OFF
→DISA→OAQL OAQ Lockout in Effect ? YES/NO OAQLOCKD
→DISA→HELD Econ Recovery Hold Off? YES/NO ECONHELD
→DISA→DH.DS Dehumid. Disabled Econ.? YES/NO DHDISABL
→O.AIR OUTSIDE AIR INFORMATION
→O.AIR→OAT Outside Air Temperature dF OAT forcible
→O.AIR→OA.RH Outside Air Rel. Humidity % OARH forcible
→O.AIR→OA.E Outside Air Enthalpy OAE
→O.AIR→OA.D.T OutsideAir Dewpoint Temp dF OADEWTMP
ITEM EXPANSION RANGE UNITS POINT WRITE STATUS
COOL COOLING INFORMATION
→C.CAP Current Running Capacity % CAPTOTAL
→CUR.S Current Cool Stage COOL_STG
→REQ.S Requested Cool Stage CL_STAGE
→MAX.S Maximum Cool Stages CLMAXSTG
→DEM.L Active Demand Limit % DEM_LIM forcible
→SUMZ COOL CAP. STAGE CONTROL
→SUMZ→SMZ Capacity Load Factor -100 → +100 SMZ
→SUMZ→ADD.R Next Stage EDT Decrease ^F ADDRISE
→SUMZ→SUB.R Next Stage EDT Increase ^F SUBRISE
→SUMZ→R.PCT Rise Per Percent Capacity RISE_PCT
→SUMZ→Y.M IN Cap Deadband Subtracting Y_MINUS
→SUMZ→Y.P LU Cap Deadband Adding Y_PLUS
→SUMZ→Z.MIN Cap Threshold Subtracting Z_MINUS
→SUMZ→Z.PLU Cap Threshold Adding Z_PLUS
→SUMZ→H.TMP High Temp Cap Override HI_TEMP
→SUMZ→L.TMP Low Temp Cap Override LOW_TEMP
→SUMZ→PULL Pull Down Cap Override PULLDOWN
→SUMZ→SLOW Slow Change Cap Override SLO_CHNG
ITEM EXPANSION RANGE UNITS POINT WRITE STATUS
TRIP MODE TRIP HELPER
→UN.C.S Unoccup. Cool Mode Start UCCLSTRT
→UN.C.E Unoccup. Cool Mode End UCCL_END
→OC.C.S Occupied Cool Mode Start OCCLSTRT
→OC.C.E Occupied Cool Mode End OCCL_END
→TEMP Ctl.Temp RAT,SPT or Zone CTRLTEMP
→OC.H.E Occupied Heat Mode End OCHT_END
→OC.H.S Occupied Heat Mode Start OCHTSTRT
→UN.H.E Unoccup. Heat Mode End UCHT_END
→UN.H.S Unoccup. Heat Mode Start UCHTSTRT
→HVAC ascii string spelling out the hvac modes string

94
Table 82 — CCN/Linkage Display Table
Table 83 — Compressor Run Hours Display Table
Table 84 — Compressor Starts Display Table
Table 85 — Software Version Numbers Display Table
Alarms and Alerts — There are a variety of different
alerts and alarms in the system.
T — Alert: Part of the unit is down, but the unit is still par-
tially able to provide cooling or heating.
A — Alarm: The unit is down and is unable to provide cool-
ing or heating.
All alarms are displayed with a code of AXXX or TXXX
where XXX is the alarm/alert number. All alerts start with “T”
and all alarms start with “A”. The response of the control sys-
tem to various alerts and alarms depends on the seriousness of
the particular alert or alarm. In the mildest case, an alert does
not affect the operation of the unit in any manner. 
In addition, the compressors have several diagnostics
monitoring the safety of the system which may cause a
number of attempts to be re-tried before locking out the system
from operation. This feature reduces the likelihood of false
alarms causing a properly working system to be shutdown in-
correctly.
For the compressor and circuit diagnostics, some of these
alerts/alarms will not broadcast an initial failure to the CCN
network until all attempts to recover have occurred and failed.
These alerts will be accessible in the alarm history of the
control (Alarms
→
HIST).
All the alarms and alerts are summarized in Table 86.
ITEM EXPANSION RANGE UNITS POINT WRITE STATUS
LINK CCN - LINKAGE
→MODE Linkage Active - CCN ON/OFF MODELINK
→L.Z.T Linkage Zone Control Tmp dF LZT
→L.C.SP Linkage Curr. Cool Setpt dF LCSP
→L.H.SP Linkage Curr. Heat Setpt dF LHSP
ITEM EXPANSION RANGE UNITS POINT WRITE STATUS
HRS COMPRESSOR RUN HOURS
→HR.A1 Compressor A1 Run Hours 0-999999 HRS HOURS_A1 config
→HR.A2 Compressor A2 Run Hours 0-999999 HRS HOURS_A2 config
→HR.B1 Compressor B1 Run Hours 0-999999 HRS HOURS_B1 config
→HR.B2 Compressor B2 Run Hours 0-999999 HRS HOURS_B2 config
ITEM EXPANSION RANGE UNITS POINT WRITE STATUS
STRT COMPRESSOR STARTS
→ST.A1 Compressor A1 Starts 0-999999 CY_A1 config
→ST.A2 Compressor A2 Starts 0-999999 CY_A2 config
→ST.B1 Compressor B1 Starts 0-999999 CY_B1 config
→ST.B2 Compressor B2 Starts 0-999999 CY_B2 config
ITEM EXPANSION RANGE UNITS POINT WRITE STATUS
VERS SOFTWARE VERSION NUMBERS
→MBB CESR131292-xx-xx string
→RCB CESR131249-xx-xx string
→ECB CESR131249-xx-xx string
→SCB CESR131226-xx-xx string
→CEM CESR131174-xx-xx string
→ECON xx-xx-xxx-xxx-xx string
→IGV xx-xx-xxx-xxx-xx string
→HUMD xx-xx-xxx-xxx-xx string
→HEAT xx-xx-xxx-xxx-xx string
→BP1 xx-xx-xxx-xxx-xx string
→BP2 xx-xx-xxx-xxx-xx string
→MARQ CESR131171-xx-xx string
→NAVI CESR130227-xx-xx string

95
Table 86 — Alert and Alarm 
C
odes
ALARM OR 
ALERT NUMBER DESCRIPTION ACTION TAKEN BY CONTROL RESET METHOD
T051 Circuit A, Compressor 1 Failure Compressor locked off (after 3 strikes) Automatic then manual after 3 strikes
A051 Circuit A, Compressor 1 Stuck On Failure Compressor locked off Manual
T052 Circuit A, Compressor 2 Failure Compressor locked off (after 3 strikes) Automatic then manual after 3 strikes
A052 Circuit A, Compressor 2 Stuck On Failure Compressor locked off Manual
T055 Circuit B, Compressor 1 Failure Compressor locked off (after 3 strikes) Automatic then manual after 3 strikes
A055 Circuit B, Compressor 1 Stuck On Failure Compressor locked off Manual
T056 Circuit B, Compressor 2 Failure Compressor locked off (after 3 strikes) Automatic then manual after 3 strikes
A056 Circuit B, Compressor 2 Stuck On Failure Compressor locked off Manual
T057 Circuit A, High Pressure Switch Failure Compressor locked off Automatic then manual
T058 Circuit B, High Pressure Switch Failure Compressor locked off Automatic then manual
T072 Evap. Discharge Reset Sensor Failure No supply air reset applied Automatic
T073 Outside Air Temperature Thermistor Failure No OAT functions allowed Automatic
T074 Space Temperature Thermistor Failure No SPT functions allowed Automatic
T075 Return Air Thermistor Failure No RAT functions allowed Automatic
T076 Outside Air Relative Humidity Sensor Fail No outside air RH functions allowed Automatic
T077 Space Relative Humidity Sensor Failure No space RH functions allowed Automatic
T078 Return Air Relative Humidity Sensor Fail No return air RH functions allowed Automatic
T082 Space Temperature Offset Sensor Failure No space temperature offset applied Automatic
T090 Circ A Discharge Press Transducer Failure Circuit shut down Automatic
T091 Circ B Discharge Press Transducer Failure Circuit shut down Automatic
T092 Circ A Suction Press Transducer Failure Circuit shut down Automatic
T093 Circ B Suction Press Transducer Failure Circuit shut down Automatic
T094 Circ A Discharge Press exceeded 440 psig Circuit shut down Manual
T095 Circ B Discharge Press exceeded 440 psig Circuit shut down Manual
T130 Low Suction Pressure Circuit A Circuit staged down Automatic then manual after 3 strikes
T131 Low Suction Pressure Circuit B Circuit staged down Automatic then manual after 3 strikes
T132 High Suction Pressure Circuit A Circuit shut down Automatic then manual after 3 strikes
T133 High Suction Pressure Circuit B Circuit shut down Automatic then manual after 3 strikes
T134 High Discharge Pressure Circuit A Circuit staged down Automatic then manual after 3 strikes
T135 High Discharge Pressure Circuit B Circuit staged down Automatic then manual after 3 strikes
T136 Compressor A1 low differential pressure Circuit shut down Manual
T137 Compressor A2 low differential pressure Circuit shut down Manual
T138 Compressor B1 low differential pressure Circuit shut down Manual
T139 Compressor B2 low differential pressure Circuit shut down Manual
T140 Circ A Max Diff Operating Press Exceeded Circuit shut down Manual
T141 Circ B Max Diff Operating Press Exceeded Circuit shut down Manual
A150 Unit is in Emergency Stop Unit shut down Manual
A152 Unit Down due to Failure No mechanical cooling available Automatic
T153 Real Time Clock Hardware Failure Unit shut down Automatic
A154 Serial EEPROM Hardware Failure Unit shut down Automatic
T155 Serial EEPROM Storage Failure Error Alert only Automatic
A156 Critical Serial EEPROM Storage Fail Error Unit shut down Automatic
A157 A/D Hardware Failure Unit shut down Automatic
A171 Staged Gas Control Board Comm Failure Staged gas control disabled Automatic
T172 Control Expansion Module Comm Failure All CEM board functions disabled Automatic
A173 RCB board Communication Failure Unit shut down Automatic
A174 ECB board Communication Failure Unit shut down Automatic
T177 4-20 mA Demand Limit Failure No demand limiting Automatic
T178 4-20 mA Static Pressure Reset Fail No static pressure reset Automatic
A200 Linkage Timeout Error - Comm Failure Resorts to local unit setpoints  Automatic
T210 Building Pressure Transducer Failure No building pressure control function Automatic
T211 Static Pressure Transducer Failure No static pressure control Automatic
T220 Indoor Air Quality Sensor Failure No IAQ control Automatic
T221 Outdoor Air Quality Sensor Failure  OAQ defaults to 400 ppm Automatic
T229 Economizer Min Pos Override Input Failure Operate without override Automatic
T245 Outside Air Cfm Sensor Failure No OA CFM control Automatic
T246 Supply Air Cfm Sensor Failure Unit shut down Automatic
T247 Return Air Cfm Sensor Failure Unit shut down Automatic
T300 Space Temperature Below Limit Alert only Automatic
T301 Space Temperature Above Limit Alert only Automatic
T302 Supply Temperature Below Limit Alert only Automatic
T303 Supply Temperature Above Limit Alert only Automatic
T304 Return Temperature Below Limit Alert only Automatic
T305 Return Temperature Above Limit Alert only Automatic
T308 Return Air Relative Humidity Below Limit Alert only Automatic
T309 Return Air Relative Humidity Above Limit Alert only Automatic

96
Table 86 — Alert and Alarm Codes (cont)
ALARM OR 
ALERT NUMBER DESCRIPTION ACTION TAKEN BY CONTROL RESET METHOD
T310 Supply Duct Static Pressure Below Limit Alert only Automatic
T311 Supply Duct Static Pressure Above Limit Alert only Automatic
T312 Building Static Pressure Below Limit Alert only Automatic
T313 Building Static Pressure Above Limit Alert only Automatic
T314 IAQ Above Limit Alert only Automatic
T316 OAT Below Limit Alert only Automatic
T317 OAT Above Limit Alert only Automatic
A400 Hydronic Freeze Stat Trip Unit in emergency mode Automatic
A404 Fire Shut Down Emergency Mode (fire-smoke) Unit shut down Automatic
A405 Evacuation Emergency Mode Run evacuation mode Automatic
A406 Pressurization Emergency Mode Run pressurization mode Automatic
A407 Smoke Purge Emergency Mode Run smoke purge mode Automatic
T408 Dirty Air Filter Alert only Automatic
T409 Supply Fan Status Failure Alert only Manual
A409 Supply Fan Status Failure Unit shut down Manual
T421 Thermostat Y2 Input On without Y1 On Run on Y2 Automatic
T422 Thermostat W2 Input On without W1 On Run on W2 Automatic
T423 Thermostat Y and W Inputs On No cooling or heating Automatic
T424 Thermostat G Input Off On a Cooling Call Turn fan on and cool Automatic
T430 Plenum Pressure Safety Switch Trip Alert only Automatic
A430 Plenum Pressure Safety Switch Trip Unit shut down Manual
T500 Current Sensor Board Failure - A1 Alert only Automatic
T501 Current Sensor Board Failure - A2  Alert only Automatic
T502 Current Sensor Board Failure - B1 Alert only Automatic
T503 Current Sensor Board Failure - B2 Alert only Automatic
T610 Economizer Actuator Out of Calibration Alert only Automatic
T611 Economizer Actuator Comm Failure No economizer functions Automatic
T612 Economizer Actuator Control Range Increased Alert only Automatic
T613 Econ Actuator Overload, Setpt Not Reached Alert only Automatic
T614 Econ Actuator Comm Fail, Daughter Brd-MFT No economizer functions Automatic
A620 IGV Actuator Out of Calibration Alarm only Automatic
A621 IGV Actuator Communication Failure No IGV functions Automatic
T622 IGV Actuator Control Range Increased Alert only Automatic
A623 IGV Actuator Overload, Setpnt Not Reached Alarm only Automatic
A624 IGV Actuator Comm Fail, Daughter Board-MFT No IGV functions Automatic
T630 Humidifier Actuator Out of Calibration Alert only Automatic
T631 Humidifier Actuator Communication Failure No humidifer functions Automatic
T632 Humidifier Actuator Control Range Increased Alert only Automatic
T633 Humidifier Act Overload, Setpt Not Reached Alert only Automatic
T634 Humidifier Act Comm Fail, Daughter Brd-MFT No humidifer functions Automatic
A640 Heating Coil Actuator Out of Calibration Alarm only Automatic
A641 Heating Coil Actuator Comm Fail No heating coil functions Automatic
T642 Heat Coil Actuator Control Range Increased Alert only Automatic
A643 Ht Coil Act Ovrload, Setpt Pos Not Reached Alarm only Automatic
A644 Heat Coil Act Com Fail, Daughter Board-MFT No heating coil functions Automatic
A650 Bldg.Press. Actuator 1 Out of Calibration Alarm only Automatic
A651 Bldg.Press. Actuator 1 Comm Failure No building pressure control Automatic
T652 Bldg.Press. Act. 1 Control Range Increased Alert only Automatic
A653 BP Act. 1 Overload, Setpnt Pos Not Reached Alarm only Automatic
A654 BP Actuator 1 Com Fail, Daughter Board-MFT No building pressure control Automatic
A660 Bldg.Press. Actuator 2 Out of Calibration Alarm only Automatic
A661 Bldg.Press. Actuator 2 Comm Failure No building pressure control Automatic
T662 Bldg.Press. Act. 2 Control Range Increased Alert only Automatic
A663 BP Act. 2 Overload, Setpnt Pos Not Reached Alarm only Automatic
A664 BP Actuator 2 Com Fail, Daughter Board-MFT No building pressure control Automatic
T670 Economizer 2 Actuator Out of Calibration Alert only Automatic
T671 Economizer 2 Actuator Comm Failure No economizer functions Automatic
T672 Economizer 2 Actuator Control Range Increased Alert only Automatic
T673 Econ2 Overload, Setpt Not Reached Alert only Automatic
T674 Econ2 Actuator Comm Fail, Daughter Brd-MFT No economizer functions Automatic
A700 Air Temp Lvg Supply Fan Thermistor Failure Unit shut down Automatic
T701 Staged Gas 1 Thermistor Failure Average remaning sensors Automatic
T702 Staged Gas 2 Thermistor Failure Average remaning sensors Automatic
T703 Staged Gas 3 Thermistor Failure Average remaning sensors Automatic
A704 Staged Gas Lvg Air Temp Sum Total Failure No staged gas function Automatic
T705 Limit Switch Thermistor Failure No software limit switch function Automatic
A706 Hydronic Evap Discharge Thermistor Failure Unit shut down Automatic

97
DIAGNOSTIC ALARM CODES AND POSSIBLE
CAUSES
T051 (Circuit A, Compressor 1 Failure)
T052 (Circuit A, Compressor 2 Failure)
T055 (Circuit B, Compressor 1 Failure)
T056 (Circuit B, Compressor 2 Failure)
NOTE: These alerts only occur on units with a current sensor
board (CSB) (48/50Z105 only). 
If the current sensor board reads OFF while the compressor
relay has been commanded ON for a period of 4 continuous
seconds, an alert is generated.
Any time this alert occurs, a strike will be called out on the
affected compressor. If three successive strikes occur the com-
pressor will be locked out requiring a manual reset or power re-
set of the circuit board. The clearing of strikes during compres-
sor operation is a combination of 3 complete cycles or 15 con-
tinuous minutes of run time operation. So, if there are one or
two strikes on the compressor and three short cycles (ON-
OFF,ON-OFF, ON-OFF) occur in less than 15 minutes, the
strikes will be reset to zero for the affected compressor. Also, if
the compressor turns on and runs for 15 minutes straight with
no compressor failure, the compressor's strikes are cleared as
well.
NOTE: Until the compressor is locked out, for the first two
strikes, the alert will not be broadcast to the network, nor will
the alarm relay be closed.
The possible causes are:
• High-pressure switch (HPS) open. The high-pressure switch
is wired in series with the compressor relays off of the
MBB. If the high-pressure switch opens while the MBB is
commanding the compressor on, the compressor stops and
the CSB no longer detects current, causing the control to
activate the alert.
• Circuit breaker trip.
• Wiring error.
To check out alerts T051, T052, T055, T056: 
1. Turn on the compressor in question using Service Test
mode. If the compressor does not start, then most likely
the problem is one of the following: HPS open, circuit
breaker trip, incorrect safety wiring, or incorrect com-
pressor wiring.
2. If the compressor starts, verify that the indoor and
outdoor fans are operating properly.
3. If the CSB is always detecting current, then verify that the
compressor is on. If the compressor is on, check the
contactor and the relay on the MBB. If the compressor is
off and there is no current, verify CSB wiring and replace
if necessary.
4. Return to Normal mode and observe compressor opera-
tion to verify that compressor current sensor is working
and condenser fans are energized after compressor starts.
A051 (Circuit A, Compressor 1 Stuck On Failure)
A052 (Circuit A, Compressor 2 Stuck On Failure)
A055 (Circuit B, Compressor 1 Stuck On Failure)
A056 (Circuit B, Compressor 2 Stuck On Failure)
NOTE: These alarms only occur on units with a current sensor
board (CSB) (48/50Z105 only).
If the current sensor board reads ON while the compressor
relay has been commanded OFF for a period of 4 continuous
seconds, an alarm is generated. These alarms are only moni-
tored for a period of 10 seconds after the compressor relay has
been commanded OFF. This is done to facilitate a service tech-
nician forcing a relay to test a compressor.
In addition, if a compressor stuck failure occurs and the cur-
rent sensor board reports the compressor and the request off,
certain diagnostics will take place.
1. As A1 and B1 both have 1 unloader, the control will ener-
gize the particular unloader for these compressors if the
failure occurs.
2. If any of the 4 compressors are diagnosed as stuck on and
the current sensor board is on and the request is off, the
control will request the supply fan which will automati-
cally start building air flow control.
3. Heating will be disabled while any one of the compres-
sors has this problem. 
The reset method will be manual for these alarms.
The possible causes are:
• Welded contact on compressor relay or contactor.
• Frozen compressor relay on MBB.
To check out alerts A051, A052, A055, A056: 
1. Place the unit in Service Test mode. All compressors
should be Off.
2. Verify that there is not 24v at the contactor coil. If there is
24v at the contactor, check relay on MBB and wiring.
3. Check for welded contactor.
4. Verify CSB wiring.
5. Return to Normal mode and observe compressor opera-
tion to verify that compressor current sensor is working
and condenser fans are energized after compressor starts.
T057 (Circuit A, High Pressure Switch Failure)
T058 (Circuit B, High Pressure Switch Failure) — These
alerts occur on all units except the 48/50Z105 units (current
sensor board units).
If the high-pressure switch trips on a circuit with compres-
sors commanded on, the discharge pressure is sampled. If the
discharge pressure is between 368 and 418 psig, then the
discharge pressure trip point (Configuration
→
Cool
→
HPS.A,
HPS.B) is adjusted to the previously sampled trip point minus
3 psig. This is done to make a rough calibration of the high
pressure trip point which is used by the high discharge pressure
diagnostics.
When the trip happens, all mechanical cooling on the circuit
is shut down for 15 minutes. After 15 minutes, the circuit will
be allowed to come back on. An internal flag is set which needs
to sense the lead compressor on a circuit go from on to off, in-
dicating the circuit came back on after the 15-minute delay and
successfully completed a cooling cycle. If the high-pressure
switch trips again, the high pressure alarm occurs which will
then require a manual reset of the unit.
T072 (Evaporator Discharge Reset Sensor Failure) — This
sensor is responsible for third party reset of the cooling supply
air set point. If the unit is configured for “third party reset”
(Configuration
→
EDT.R
→
RS.CF=3) and this alert occurs, no
reset will be applied to the cooling supply air set point. Recov-
ery from this alert is automatic. Reason for error is either a
faulty sensor, wiring error, or damaged input on the CEM
board.

98
T073 (Outside Air Temperature Thermistor Failure) — Fail-
ure of this thermistor (Temper atu res
→
AIR.T
→
OAT) will dis-
able any elements of the control which requires its use. Econo-
mizer control beyond the vent position and the calculation of
mixed air temperature for the SumZ algorithm will not be pos-
sible. Recovery from this alert is automatic. Reason for error is
either a faulty thermistor, wiring error, or damaged input on the
MBB control board.
T074 (Space Temperature Thermistor Failure) — Failure of
this thermistor (Temp era tur es
→
AIR.T
→
SPT) will disable
any elements of the control which requires its use. If the unit is
configured for SPT 2 stage or SPT multi-stage operation and
the sensor fails, no cooling or heating mode may be chosen.
Recovery from this alert is automatic. Reason for error is either
a faulty thermistor in the T55, T56 or T58 device, wiring error,
or damaged input on the MBB control board.
T075 (Return Air Thermistor Failure) — Failure of this ther-
mistor (Tempe rat ure s
→
AIR.T
→
RAT) will disable any ele-
ments of the control which    requires its use. Elements of fail-
ure include:
• the calculation of mixed air temperature for sumZ control
• the selection of a mode for VAV units
• economizer differential enthalpy or dry bulb control
• RAT offset control for dehumidification
• return air temperature supply air reset
• fan tracking for building pressure control.
Recovery from this alert is automatic. Reason for error is
either a faulty thermistor, wiring error, or damaged input on the
MBB control board.
T076 (Outside Air Relative Humidity Sensor Failure) —
Failure of this sensor (Inputs
→
REL.H
→
OA.RH) will disable
any elements of the control which requires its use. Elements of
failure include: economizer outdoor and differential enthalpy
control. Recovery from this alert shall be automatic. Reason for
error is either a faulty sensor, wiring error or damaged input on
the CEM control board.
T077 (Space Relative Humidity Sensor Failure) — Failure
of this sensor (Inputs
→
REL.H
→
SP.RH) will disable any ele-
ments of the control which requires its use. Elements of failure
include humidification and dehumidification. Recovery from
this alert is automatic. Reason for error is either a faulty sensor,
wiring error, or damaged input on the CEM control board.
T078 (Return Air Relative Humidity Sensor Fail) — Failure
of this sensor (Inputs
→
REL.H
→
RA.RH) will disable any ele-
ments of the control which requires its use. Elements of failure
include economizer differential enthalpy control, humidifica-
tion, and dehumidification. Recovery from this alert is auto-
matic. Reason for error is either a faulty sensor, wiring error, or
damaged input on the CEM control board.
T082 (Space Temperature Offset Sensor Failure) — When
this failure occurs, there is no offset available that may be ap-
plied to space temperature. Recovery from this alert is automat-
ic. Reason for error is either a faulty slider potentiometer, wir-
ing error, or damaged input on the MBB control board.
T090 (Circ A Discharge Press Transducer Failure)
T091 (Circ B Discharge Press Transducer Failure) — The
associated circuit becomes disabled whenever this transducer
(Pressures
→
REF.P
→
DP.A, DP.B) fails. Recovery from this
alert is automatic. Reason for error is either a faulty sensor, wir-
ing error, or damaged input on the MBB control board.
T092 (Circ A Suction Press Transducer Failure)
T093 (Circ B Suction Press Transducer Failure) — The as-
sociated circuit becomes disabled whenever this transducer
(Pressures
→
REF.P
→
SP.A, SP.B) fails. Recovery from this
alert is automatic. Reason for error is either a faulty sensor, wir-
ing error, or damaged input on the MBB control board.
T094 (Circ A Discharge Press exceeded 440 psig)
T095 (Circ B Discharge Press exceeded 440 psig) — Should
the discharge pressure read by a discharge pressure transducer
exceed 440 psig for any reason, the circuit will be stopped
which requires a manual reset for recovery. The unit high-
pressure switch should trip before the discharge pressure
reaches this value. Check for failed a high-pressure switch or a
discharge pressure transducer out of calibration.
T130 (Low Suction Pressure Circuit A)
T131 (Low Suction Pressure Circuit B) — If a circuit is
equipped with unloaders and the suction pressure drops below
48 psig for 15 seconds, then that circuit is staged down until ei-
ther the pressure remains above 48 psig or the compressor is
staged off naturally, due to lessening demand. Each subsequent
circuit stage will then be turned off every 15 seconds.
There will be a start-up delay if the outside-air temperature
is too low. When the outdoor ambient is below 60 F, during
initial start-up, suction pressure is ignored for a period of
5 minutes.
The alarm and recovery of the low pressure condition will
follow the basic three strike methodology.
If a low suction pressure condition is detected while the cir-
cuit is ON and action has been taken to lower capacity, a
“strike” is called out (only if the circuit is staged off in this con-
dition). If less than three strikes have occurred, the alarm will
show up in alarm history and locally at the display, but will not
be broadcast (just as in the high discharge pressure condition).
To recover (if the alarm is not manual), both a 10-minute
timer must expire and the suction pressure must recover above
54 psig. If recovery occurs, staging will be allowed on the cir-
cuit once again. A strike is tied to the circuit going off entirely,
not reducing capacity and recovering. Therefore it is possible
that multiple alerts may be stored but not broadcast in this con-
dition. If all compressors in the circuit go down twice due to
low suction pressure, the next low suction pressure condition is
a manual alarm and the circuit is locked out and the alarm
broadcast to the network.
If the circuit operates with capacity for 15 continuous min-
utes and the low discharge pressure alarm condition is not man-
ual, all strikes will be cleared. 
T132 (High Suction Pressure Circuit A)
T133 (High Suction Pressure Circuit B) — During opera-
tion, the suction pressure cannot exceed 100 psig (60 F saturat-
ed). If after 5 minutes of operation, suction pressure exceeds
this value, then all compressors in that circuit are stopped and
the alarm is tripped. Reset method is automatic after time
guards have expired. The three strike rule applies which means
the third time is a manual reset and CCN broadcast for the
alert/alarm.
T134 (High Discharge Pressure Circuit A)
T135 (High Discharge Pressure Circuit B) — There is a con-
figuration for each circuit which monitors high discharge pres-
sure (Configuration
→
Cool
→
HPS.A, HPS.B). This configura-
tion is adjusted to compensate for calibration whenever a high
pressure switch fault occurs. If discharge pressure rises above
this trip point, the individual circuit starts staging down 1 stage
every 5 seconds. To recover, both a 10-minute timer must expire
and the discharge pressure must fall 25 psig below the trip point.
If the circuit recovers, the circuit will stage back up (if the alarm
is not manual), allowing one stage every 5 seconds. The timer
starts 10 minutes since the last circuit stage was decreased. The
alarming and recovery of the high discharge pressure condition
will follow the basic three strike methodology. A strike is tied to
the circuit going off entirely, not reducing capacity and recover-
ing. Therefore it is possible, multiple alerts may be stored but
not broadcast in this condition.
If the circuit operates with capacity for 15 continuous min-
utes and the high discharge pressure alarm condition is not
manual, all strikes will be cleared.

99
T136 (Compressor A1 Low Differential Pressure)
T137 (Compressor A2 Low Differential Pressure)
T138 (Compressor B1 Low Differential Pressure)
T139 (Compressor B2 Low Differential Pressure) — If the
pressure differential between the discharge and suction pres-
sure transducers is less than 50 psig for more than 15 minutes
when the circuit is running, an alert will be issued and the cir-
cuit shut down. Any compressor that is currently on at the time
of the alert will have its own individual alarm sent. Reset is
manual.
T140 (Circ A Max Diff Operating Press Exceeded)
T141 (Circ B Max Diff Operating Press Exceeded) — De-
pending on the compressor loading, after 5 minutes of opera-
tion if the discharge versus suction pressure ratios exceed
the curves in Fig. 14, then all compressors in that circuit are
stopped and the alert tripped. Reset is manual.
A150 (Unit is in Emergency Stop) — If the CCN point name
“EMSTOP” in the System table is set to emergency stop, the
unit will shut down immediately and broadcast an alarm back
to the CCN indicating that the unit is down. This alarm will
clear when the variable is set back to “enable”.
A152 (Unit Down Due to Failure) — This alarm occurs
whenever both cooling circuits are unavailable to cool. Me-
chanical cooling is impossible due to a failure in the system ex-
plained through other current alarms.
Possible problems are:
• plenum pressure switch trips on a return fan tracking unit
• the supply fan status alarms have been instructed to shut
down the unit
• both circuits incapable of cooling due to multiple alerts of
compressors and/or pressure alerts
• a hardware failure of the main board's analog to digital con-
verter or EEPROM chip
• a critical storage failure in EEPROM has rendered the unit
inoperable
• the unit is configured for inlet guide vanes and the actuator
controlling the vanes is in fault.
Reset is automatic.
T153 (Real Time Clock Hardware Failure) — The RTC
clock chip on the MBB is not responding. Recovery is auto-
matic but typically board replacement may be necessary.
A154 (Serial EEPROM Hardware Failure) — The unit will
be completely shut down. The serial EEPROM chip on the
MBB which stores the unit's configurations is not responding.
Recovery is automatic but typically board replacement is
necessary.
T155 (Serial EEPROM Storage Failure Error) — Configura-
tion data in the serial EEPROM chip can not be verified which
may mean MBB replacement. It is possible a re-initialization
of the database or particular storage area(s) may clean up this
problem. Reset is automatic.
A156 (Critical Serial EEPROM Storage Fail Error) — The
unit is completely shut down. Critical configuration data in the
serial EEPROM chip can not be verified which may mean
MBB replacement. Recovery is automatic but typically board
replacement is necessary. 
NOTE: The machine will shut down. This may happen after
downloading via the CCN if the device code was corrupted.
Try downloading again or use the LEN connection to
download.
A157 (A/D Hardware Failure) — The unit will be completely
shut down. The analog to digital conversion chip on the MBB
has failed. Recovery is automatic but typically board replace-
ment is necessary. 
A171 (Staged Gas Control Board Comm Failure) — Staged
Gas Heating is disabled until communication with the staged
gas control board is re-established. Recovery is automatic.
Reason for failure may be due to incorrect wiring, power loss
to the staged gas control board, or damage to the RS-485 driv-
ers on the LEN bus. 
T172 (Control Expansion Module Comm Failure) — Any
function associated with a sensor configured for use that re-
sides on the controls expansion module will be disabled until
communication is re-established. Recovery is automatic. Rea-
son for failure may be due to incorrect wiring, power loss to the
control expansion module, or damage to the RS-485 drivers on
the LEN bus. 
A173 (RCB Board Communication Failure) — As the RCB
board is integral to all Z series units, the error will cause a sys-
tem shutdown until communication is re-established. Recovery
is automatic. Reason for failure may be due to incorrect wiring,
power loss to the RCB board, or damage to the RS-485 drivers
on the LEN bus.
A174 (ECB Board Communication Failure) — The ECB
board is responsible for building pressure control. Building
Pressure control configurations that require this board will
cause a complete system shut down when communication fail-
ure occurs. Recovery is automatic. Reason for failure may be
due to incorrect wiring, power loss to the ECB board, or dam-
age to the RS-485 drivers on the LEN bus.
T177 (4-20 mA Demand Limit Failure) — If this transducer
fails, and the unit is configured to perform demand limiting
with this transducer, no capacity limiting will be performed and
an alert will be generated. Recovery is automatic. Reason for
error is either a faulty sensor, wiring error, or damaged input on
the CEM control board.
T178 (4-20 mA Static Pressure Reset Fail) — If this trans-
ducer fails, and the unit is configured to perform static pressure
reset with this transducer, no static pressure reset will be per-
formed and an alert will be generated. Recovery is automatic.
Reason for error is either a faulty sensor, wiring error, or dam-
aged input on the CEM control board.
A200 (Linkage Timeout Error — Comm Failure) — If link-
age is established via the CCN with ComfortID™ terminals, a
5-minute timeout on loss of communication will be monitored.
If 5 minutes expires since the last communication from a VAV
Linkage Master, the unit will remove the link and flag the alert.
When the rooftop loses its link, the temperature and set points
are derived locally. Recovery is automatic on re-establishment
of communications. Reason for failure may be wiring error, too
much bus activity, or damaged RS-485 drivers.
T210 (Building Pressure Transducer Failure) — If the build-
ing pressure transducer (Pressures
→
AIR.P
→
BP) fails, build-
ing pressure control fails also. Recovery is automatic. Reason
for error is either a faulty sensor, wiring error, or damaged in-
put on the RCB control board.
T211 (Static Pressure Transducer Failure) — If the static
pressure transducer (Pressures
→
AIR.P
→
SP) fails, static pres-
sure control fails also. Recovery is automatic. Reason for error
is either a faulty sensor, wiring error, or damaged input on the
RCB control board.
T220 (Indoor Air Quality Sensor Failure) — If the indoor air
quality sensor (Inputs
→
AIR.Q
→
IAQ) fails, demand control
ventilation is not possible. The control defaults to the max vent
position. Recovery is automatic. Reason for error is either a
faulty sensor, wiring error, or damaged input on the MBB con-
trol board.
T221 (Outdoor Air Quality Sensor Failure) — If the out-
door air quality sensor (Inputs
→
AIR.Q
→
OAQ) fails, OAQ
defaults to 400 ppm and demand control ventilation will
continue. Recovery is automatic. Reason for error is either a
faulty sensor, wiring error, or damaged input on the CEM
control board.
T229 (Economizer Min Pos Override Input Failure) — If
the economizer minimum position override input fails, the
economizer will operate as if it were not configured for

100
override. Recovery is automatic. Reason for error is either a
faulty sensor, wiring error, or damaged input on the MBB con-
trol board. This error only occurs when the unit is configured
for minimum position override and a 4-20 mA signal is not
present.
T245 (Outside Air Cfm Sensor Failure) — If the outside air cfm
sensor (Inputs
→
CFM
→
O.CFM) fails, the economizer will de-
fault to discrete positioning of the economizer (Configuration
→
IAQ
→
DCV.C
→
IAQ.M, Configuration
→
Econ
→ 
EC.MN).
Recovery is automatic. Reason for error is either a faulty sensor,
wiring error, or damaged input on the CEM control board.
T246 (Supply Air Cfm Sensor Failure) — If the supply air
cfm sensor (Inputs
→
CFM
→
S.CFM) fails, fan tracking is not
possible and the system will shut down. Recovery is automatic.
Reason for error is either a faulty sensor, wiring error, or dam-
aged input on the ECB control board.
T247 (Return Air Cfm Sensor Failure) — If the return air
cfm sensor (Inputs
→
CFM
→
R.CFM) fails, fan tracking is not
possible and the system will shut down. Recovery is automatic.
Reason for error is either a faulty sensor, wiring error, or dam-
aged input on the ECB control board.
T300 (Space Temperature Below Limit) — If the space tem-
perature is below the configurable SPT Low Alert Limits (occu-
pied [Configuration
→
ALLM
→
SP.L.O] for 5 minutes or
unoccupied [Configuration
→
ALLM
→
SP.L.U] for 10 min-
utes), then an alert will be broadcast. The alert will automatically
reset.
T301 (Space Temperature Above Limit) — If the space tem-
perature is above the configurable SPT High Alert Limits
(occupied [Configuration
→
ALLM
→
SP.H.O] for 5 minutes or
unoccupied [Configuration
→
ALLM
→
SP.H.U] for 10 min-
utes), then an alert will be broadcast. The alert will automati-
cally reset.
T302 (Supply Temperature Below Limit) — If the supply-air
temperature measured by the supply temperature sensor is below
the configurable SAT LO Alert Limit/Occ (Configuration
→
ALLM
→
SA.L.O) for 5 minutes or the Low Supply air tempera-
ture alert limit unoccupied mode (Configuration
→
ALLM
→
SA.L.U) for 10 minutes, then an alert will be broadcast.
T303 (Supply Temperature Above Limit) — If the supply
temperature is above the configurable SAT HI Alert Limit Occ
(Configuration
→
ALLM
→
SAH.O) for 5 minutes or the SAT
HI Alert Limit/Unocc (Configuration
→
ALLM
→
SA.H.U) for
10 minutes, then an alert will be broadcast. The alert will auto-
matically reset.
T304 (Return Air Temperature Below Limit) — If the re-
turn air temperature measured by the RAT sensor is below the
configurable RAT LO Alert Limit/Occ (Configuration
→
ALLM
→
RA.L.O) for 5 minutes or RAT HI Alert Limit/Occ
(Configuration
→
ALLM
→
RA.L.U) for 10 minutes, then an
alert will be broadcast.
T305 (Return Air Temperature Above Limit) — If the return
air temperature is below the RAT HI Alert Limit/Occ (Configu-
ration
→
ALLM
→
RA.H.O) for 5 minutes or RAT HI Alert
Limit/Occ (Configuration
→
ALLM
→
RA.H.U) for 10 minutes,
then an alert will be broadcast. The alert will automatically reset.
T308 (Return Air Relative Humidity Below Limit) — If the
unit is configured to use a return air relative humidity sensor
through the Return Air RH Sensor (Configuration
→
UNIT
→
SENS
→
RRH.S) setting, and the measured level is below the
configurable RH Low Alert Limit (Configuration
→
ALLM
→
R.RH.L) for 5 minutes, then the alert will occur. The unit will
continue to run and the alert will automatically reset.
T309 (Return Air Relative Humidity Above Limit) — If the
unit is configured to use a return air relative humidity sensor
through the Return Air RH Sensor (Configuration
→
UNIT
→
SENS
→
RRH.S) setting, and the measured level is above the
configurable RH High Alert Limit (Configuration
→
ALLM
→
R.RH.H) for 5 minutes, then the alert will occur. Unit will con-
tinue to run and the alert will automatically reset.
T310 (Supply Duct Pressure Below Limit) — If the unit is a
VAV unit with a supply duct pressure sensor and the measured
supply duct static pressure (Pressures
→
AIR.P
→
SP) is below
the configurable SP Low Alert Limit (Configuration
→
ALLM
→
SP.L) for 5 minutes, then the alert will occur. The unit will
continue to run and the alert will automatically reset.
T311 (Supply Duct Pressure Above Limit) — If the unit is a
VAV unit with a supply duct pressure sensor and the measured
supply duct static pressure (Pressures
→
AIR.P
→
SP) is above
the configurable SP Low Alert Limit (Configuration
→
ALLM
→
SP.H) for 5 minutes, then the alert will occur. The unit will
continue to run and the alert will automatically reset.
T312 (Building Static Pressure Below Limit) — If the unit
is configured to use modulating power exhaust then a
building static pressure limit can be configured using the BP
Low Alert Limit (Configuration
→
ALLM
→
BP.L). If the mea-
sured pressure (Pressures
→
AIR.P
→
BP) is below the limit for
5 minutes then the alert will occur.
T313 (Building Static Pressure Above Limit) — If the unit
is configured to use modulating power exhaust then a
building static pressure limit can be configured using the BP HI
Alert Limit (Configuration
→
ALLM
→
BP.H). If the measured
pressure (Pressures
→
AIR.P
→
BP) is above the limit for
5 minutes, then the alert will occur.
T314 (IAQ Above Limit) — If the unit is configured to use a
CO2 sensor and the level (Inputs
→
AIR.Q
→
IAQ) is above the
configurable IAQ High Alert Limit (Configuration
→
ALLM
→
 IAQ.H) for 5 minutes then the alert will occur. The unit will
continue to run and the alert will automatically reset.
FULL
2/3
1/2
1/3
UNTIL CHARGE
450
400
350
300
250
200
150
20 40 60 80 100
SUCTION PRESSURE (PSIG)
DISCHARGE PRESSURE (PSIG)
Fig. 14 — Differential Pressure Chart

101
T316 (OAT Below Limit) — If the outside-air temperature
measured by the OAT thermistor (Temperatures
→
AIR.T
→
OAT) is below the configurable OAT Low Alert Limit (Con-
figuration
→
ALLM
→
OAT.L) for 5 minutes then the alert will
be broadcast.
T317 (OAT Above Limit — If the outside-air temperature
measured by the OAT thermistor (Temperatures
→
AIR.T
→
OAT) is above the configurable OAT High Alert Limit
(Configuration
→
ALLM
→
OAT.H) for 5 minutes then the alert
will be broadcast.
A400 (Hydronic Freezestat Trip) — If the freezestat for the
hydronic coil trips, the unit goes into emergency mode and
does not allow cooling or heating. The economizer goes to 0%
open. Supply fan operation is enabled. Recovery is automatic
when the switch goes off.
A404 (Fire Shut Down Emergency Mode [fire-smoke]) —
If the fire shutdown input is energized (fire shutdown is in ef-
fect), or if two fire smoke modes are incorrectly energized at
the same time, a Fire Shutdown mode will occur. This is an
emergency mode requiring the complete shutdown of the unit.
Recovery is automatic when the inputs are no longer on.
A405 (Evacuation Emergency Mode) — If the evacuation in-
put on the CEM is energized, an evacuation mode occurs
which flags an alarm. This mode attempts to lower the pressure
of the space to prevent smoke from moving into another space.
This is the reverse of the Pressurization Mode. Closing the
economizer, opening the return-air damper, turning on the
power exhaust, and shutting down the indoor fan will decrease
pressure in the space. Recovery is automatic when the input is
no longer on.
A406 (Pressurization Emergency Mode) — If the pressuriza-
tion input on the CEM is energized, a pressurization mode
occurs which flags an alarm. This mode attempts to raise the
pressure of a space to prevent smoke infiltration from another
space. The space with smoke should be in an Evacuation Mode
attempting to lower its pressure. Opening the economizer, clos-
ing the return air damper, shutting down power exhaust, and
turning the indoor fan on will increase pressure in the space.
Recovery is automatic when the input is no longer on.
A407 (Smoke Purge Emergency Mode) — If the smoke
purge input on the CEM is energized, a smoke purge mode
occurs which flags an alarm. This mode attempts to draw out
smoke from the space after the emergency condition. Opening
the economizer, closing the return-air damper, and turning on
both the power exhaust and indoor fan will evacuate smoke
and bring in fresh air. Recovery is automatic when the input is
no longer on.
T408 (Dirty Air Filter) — If no dirty filter switch is installed,
the switch will read “clean filter” all the time. Therefore the
dirty filter routine runs continuously and diagnoses the input.
Because of the different possible times it takes to generate
static pressure, this routine waits 2 minutes after the fan starts
before the dirty filter switch is monitored. If the dirty filter
switch reads “dirty filter” for 2 continuous minutes, an alert is
generated. No system action is taken. This is a reminder that it
is time to change the filters in the unit. Recovery from this alert
is through a clearing of all alarms (manual) or after the dirty fil-
ter switch reads clean for 30 continuous seconds (automatic).
T409 (Supply Fan Commanded On, Sensed Off Failure)
T409 (Supply Fan Commanded Off, Sensed On Failure)
A409 (Supply Fan Commanded On, Sensed Off Failure)
A409 (Supply Fan Commanded Off, Sensed On Failure) —
Both the alert and the alarm refer to the same failure. The only
difference between the alarm and alert is that in the case where
the supply fan status configuration to shut down the unit is set
to YES (Configuration
→
UNIT
→
SFS.S), the alarm will be
generated AND the unit will be shut down. It is possible to
configure  Configuration
→
UNIT
→
SFS.M to either a switch
or to monitor a 0.2-in. wg rise in duct pressure if the unit is
VAV with duct pressure control (IGV or VFD).
The timings for failure for both are the same and are illus-
trated in the following table:
Recovery is manual. Reason for failure may be a broken fan
belt, failed fan relay or failed supply fan status switch.
T421 (Thermostat Y2 Input On without Y1 On) — If Y2 is
on and Y1 is off then this alert condition is initiated. The
control continues as if both Y1 and Y2 were requested. Alert
recovery will not occur until Y1 is seen. This handles some
conditions of an incorrectly wired thermostat and may prevent
multiple alerts and recoveries from clogging the alarm
histories.
T422 (Thermostat W2 Input On without W1 On) — If W2
is on and W1 is off then this alert condition is initiated.
The control continues as if both W1 and W2 were requested.
Alert recovery will not occur until W1 is seen. This handles
some conditions of an incorrectly wired thermostat and may
prevent multiple alerts and recoveries from clogging the alarm
histories.
T423 (Thermostat Y and W Inputs On) — Simultaneous calls
for heating and cooling are illegal and will be alarmed. Cooling
and heating will be locked out. Recovery is automatic when the
condition no longer exists.
T424 (Thermostat G Input Off On a Cooling Call) — If G is
off and there is a cooling request (Y1 or Y2), then it is possible
the G connection has not been made to the unit terminal block.
An alert is initiated for this condition as continuous fan opera-
tion and manual fan control may not be possible. Cooling is
started, if allowed, and the fan is turned on. The controls do not
diagnose the fan if a heat request (W1 or W2) is in progress.
T430 (Plenum Pressure Safety Switch Trip)
A430 (Plenum Pressure Safety Switch Trip) — If the unit is
configured for fan tracking and the plenum pressure switch
trips, the unit will be instructed to shut down immediately. The
first 2 times the switch trips, the unit will automatically start up
and clear the alert 3 minutes after the switch recovers. The third
time the switch trips, the unit shuts down and calls out the
alarm. Manual reset of the switch (located in the auxiliary con-
trol panel) is required. Software reset is automatic when switch
has been reset. Possible causes are blocked exhaust or return
dampers causing high pressure at the plenum fan.
T500 (Current Sensor Board Failure - A1)
T501 (Current Sensor Board Failure - A2)
T502 (Current Sensor Board Failure - B1)
T503 (Current Sensor Board Failure - B2)
NOTE: These alerts are only applicable to size 105 units.
If the current sensor board malfunctions or is not properly
connected to its assigned digital input, an alert will be generat-
ed. It takes 2 to 4 seconds to log the alert. If the alert is logged,
it stays active for a minimum of 15 seconds to provide the ap-
plication a reasonable time to catch the failure. Compressors
will be not be inhibited by this failure. Recovery is automatic.
Reason for failure may be a faulty current sensor board, incor-
rect wiring, or a damaged input on the MBB control board.
UNIT TYPE/MODE MINIMUM ON 
TIME WAIT
MINIMUM OFF 
TIME WAIT
CV (no gas heat) 30 seconds 1 minute
CV (gas heat) 2 minutes 4 minutes
VAV (IGV/no gas heat) 2 minutes 4 minutes
VAV (VFD/no gas heat) 1 minute 1 minute
VAV (IGV/gas heat) 4 minutes 4 minutes
VAV (VFD/gas heat) 3 minutes 4 minutes

102
T610 (Economizer Actuator Out of Calibration)
A620 (IGV Actuator Out of Calibration)
T630 (Humidifier Actuator Out of Calibration)
A640 (Heating Coil Actuator Out of Calibration)
A650 (Bldg.Press. Actuator 1 Out of Calibration)
A660 (Bldg.Press. Actuator 2 Out of Calibration)
T670 (Economizer 2 Actuator Out of Calibration — Each of
the Belimo LEN communicating actuators must have a mini-
mum control range to operate. If the actuator, after a calibra-
tion, has not learned a control range appropriate for the applica-
tion, this alarm/alert will be sent. No action will be taken on
this error. Recovery is automatic. Reason for failure may be an
obstruction or stuck linkage that prevents full range calibration.
T611 (Economizer Actuator Comm Failure)
A621 (IGV Actuator Communication Failure)
T631 (Humidifier Actuator Communication Failure)
A641 (Heating Coil Actuator Comm Fail)
A651 (Bldg.Press. Actuator 1 Comm Failure)
A661 (Bldg.Press. Actuator 2 Comm Failure)
T671 (Economizer 2 Actuator Comm Failure) — Each of
the actuators communicates over the local equipment network
(LEN). If this error occurs, then it is impossible to control the
actuator. Depending on the function of the actuator, the control
will shut down any process associated with this actuator.
Recovery is automatic. Reason for failure may be incorrect
wiring, incorrect serial number configuration, or damaged
RS-485 drivers on the LEN bus.
T612 (Economizer Actuator Control Range Increased)
T622 (IGV Actuator Control Range Increased)
T632 (Humidifier Actuator Control Range Increased)
T642 (Heat Coil Actuator Control Range Increased)
T652 (Bldg.Press. Act. 1 Control Range Increased)
T662 (Bldg.Press. Act. 2 Control Range Increased)
T672 (Economizer 2 Actuator Control Range Increased) —
The actuators, once properly calibrated, learn their end stops for
movement. During normal operation, if the actuator perceives
that the actuator is able to go farther than its learned range of op-
eration, this error will be broadcast. Reason for failure may be a
slipping of the linkage and therefore this error may mean that
the actuator cannot perform its assigned function. Recovery re-
quires a fix of any slipped linkage and/or a re-calibration.
T613 (Econ Actuator Overload, Setpt Not Reached)
A623 (IGV Actuator Overload, Setpnt Not Reached)
T633 (Humidifier Act Overload, Setpt Not Reached)
A643 (Ht Coil Act Ovrload, Setpt Pos Not Reached)
A653 (BP Act. 1 Overload, Setpnt Pos Not Reached)
A663 (BP Act. 2 Overload, Setpnt Pos Not Reached)
T673 (Econ2 Actuator Overload, Setpt Not Reached) — If
an actuator is unable to achieve a commanded position within a
reasonable period of time, this alarm or alert will be broadcast.
This may be an indication of a stuck actuator. No action is
taken. Recovery is automatic.
T614 (Econ Actuator Comm Fail, Daughter Brd-MFT)
A624 (IGV Actuator Comm Fail, Daughter Board-MFT)
T634 (Humidifier Act Comm Fail, Daughter Brd-MFT)
A644 (Heat Coil Act Com Fail, Daughter Board-MFT)
A654 (BP Actuator 1 Com Fail, Daughter Board-MFT)
A664 (BP Actuator 2 Com Fail, Daughter Board-MFT)
T674 (Econ2 Actuator Comm Fail, Daughter Brd-MFT) —
Each of the actuators has an internal daughter card, which
translates communications from the LEN bus to Belimo’s MFT
(Multi-Function Technology®) communication bus and back.
If communication breaks down between the actuator and its
internal daughter card, this alarm/alert will result. This makes
the actuator unusable and any functions associated with the
particular actuator are shut down. Recovery is automatic, but
this error will probably require actuator replacement as this
problem is internal to the Belimo actuator itself.
A700 (Air Temp Lvg Supply Fan Thermistor Failure) —
The failure of this sensor will shut the system down and gener-
ate an alarm as this thermistor is a critical component to funda-
mental operation and diagnosis of the rooftop unit. Recovery is
automatic. Reason for failure may be incorrect wiring, a faulty
thermistor, or a damaged input on the MBB control board.
T701 (Staged Gas 1 Thermistor Failure)
T702 (Staged Gas 2 Thermistor Failure)
T703 (Staged Gas 3 Thermistor Failure) — If any of the
staged gas thermistors (Temperatures
→
AIR.T
→
S.G.L1-3)
fails, an alert will be generated and the remaining thermistors
will be averaged together (Temperatures
→
AIR.T
→
S.G.LS)
without the failed thermistor. Recovery is automatic. Reason
for failure may be incorrect wiring, faulty thermistor, or a dam-
aged input on the staged gas control board (SCB).
A704 (Staged Gas Lvg Air Temp Sum Total Failure) — If all
three staged gas thermistors (Temperatures
→
AIR.T
→
S.G.L1,2,3) fail, staged gas will be shut down and this alarm
will be generated. Recovery is automatic. Reason for failure
may be faulty wiring, faulty thermistors, or damaged inputs on
the staged gas control board (SCB).
T705 (Limit Switch Thermistor Failure) — A failure of this
thermistor (Temp era ture s
→
AIR.T
→
S.G.LM) will cause an
alert to occur and a disabling of the limit switch monitoring
function for the staged gas control board (SCB). Recovery is
automatic. Reason for failure may be due to faulty wiring, a
faulty thermistor, or a damaged input on the staged gas control
board (SCB).
A706 (Hydronic Evap Discharge Thermistor Failure) — If
the unit is configured for hot water heating (hydronic), then the
unit has a thermistor (Temperat ur es
→
AIR.T
→
CCT) installed
between the evaporator coil and the hot water coils that func-
tions as the evaporator discharge temperature thermistor for
cooling. If this thermistor fails, an alarm will be generated and
the system will be shut down. Recovery is automatic. Reason
for failure may be due to faulty wiring, a faulty thermistor, or a
damaged input on the ECB control board.
MAJOR SYSTEM COMPONENTS
General — The 48/50Z Series package rooftop units with
electric cooling and with gas heating (48Z units) or electric cool-
ing and electric or hydronic heating (50Z Units) contain the
ComfortLink™ electronic control system that monitors all oper-
ations of the rooftop. The control system is composed of several
components as listed below. See Fig. 15-22 for typical control
and power component schematics. Figures 23-25 show the
layout of the control box.
Factory-Installed Components
MAIN BASE BOARD (MBB) — See  Fig  26.  The  MBB  is
the center of the ComfortLink control system. The MBB con-
tains the major portion of the operating software and controls
the operation of the unit. The MBB has 22 inputs and 11 out-
puts. See Table 87 for the inputs and output assignments. The
MBB also continuously monitors additional data from the
ECB, RCB, SCB, and CEM boards through the LEN commu-
nications port. The MBB also communicates with and controls
the actuator motors, economizer, power exhaust dampers,
VFDs, IGVs, hydronic valves, and humidifier valves. The
MBB also interfaces with the Carrier Comfort Network® sys-
tem through the CCN communications port located on the
COMM3 board. The COMM3 board has permanent terminals
as well as a J11 jack for temporary connections. The board is
located in the main control box. 

103
Fig. 15 — Typical Power Schematic (Sizes 030-050 Shown)
a48-8408

104
Fig. 16 — Main Base Board Input/Output Connections
a48-8409

105
Fig. 17 — RCB, ECB, CEM, SCB Input/Output Connections
a48-8410

106
Fig. 18 — Typical Gas Heat Unit Control Wiring (48Z055-105 Units Shown)
a48-8411

107
Fig. 19 — Typical Electric Heat Unit Control Wiring (50Z055-105 Units Shown)
a50-8248

108
Fig. 20 — Typical Power Wiring (115-V) (48Z Units)
a48-8412

109
Fig. 21 — Typical Power Wiring (115-V) (50Z Units)
a50-8249

110
Fig. 22 — Typical Gas Heat Section (Size 055-105 Units Shown)
a48-8413

111
Fig. 23 — Component Arrangement (Size 030-050 Units)

112
Fig. 24 — Component Arrangement (Size 055-070 Units)

113
Fig. 25 — Component Arrangement (Size 075-105 Units)

114
LEGEND FOR FIG. 15-25
ROOFTOP CONTROL BOARD (RCB) — The  RCB  has
additional inputs and outputs required for the control of the
unit. All units have an RCB board. See Fig. 27. The board has
9 inputs and 8 outputs. Details can be found in Table 88. The
RCB board is located in the main control box.
ECONOMIZER CONTROL BOARD (ECB) — The  ECB
is used on size 075-105 units with high-capacity power exhaust
or return/exhaust fan. See Fig. 27. The ECB board sends a 4 to
20 mA signal to the VFD to control the exhaust fan speed. The
board also has inputs to sense the return fan cfm and supply fan
cfm. This board is located in the main control box. Input and
output assignments are summarized in Table 89.
STAGED GAS HEAT BOARD (SCB) — When  optional
staged gas heat is used, the SCB board is installed and controls
additional stages of gas heat. See Fig. 28. The SCB also pro-
vides additional sensors for monitoring of the supply-air and
limit switch temperatures. This board is located in the main
unit control box. The inputs and outputs are summarized in
Table 90.
ACCSY — Accessory
ACC’Y — Accessory
AF — Airfoil
AN — Analog
APS — Air Pressure Switch
BM — Blower Motor
BR — Blower Relay
C—Compressor Contactor
CB — Compressor Circuit Breaker
CBT — Circuit Breaker, Transformer
CCB — Control Circuit Breaker
CCN — Carrier Comfort Network®
CCT — Cooling Coil Thermistor
CEM — Controls Expansion Module
CH — Crankcase Heater
CM — Combustion Motor
COMP — Compressor
CR — Control Relay
CSB — Current Sensor Board
CV — Constant Volume
DI — Digital Input
DPT — Discharge Pressure Transducer
ECB — Economizer Control Board
ECON — Economizer
EQUIP — Equipment
FU — Fuse
GND — Ground
GVR — Gas Valve Relay
HC — Heater Contactor
HIR — Heat Interlock Relay
HPS — High-Pressure Switch
HS — Hall Effect Sensor
HV — High Voltage
I—Ignitor
IAQ — Indoor Air Quality
IDM — Induced Draft Motor
IFC — Indoor Fan Contactor
IFCB — Indoor Fan Circuit Breaker
IFM — Indoor Fan Motor
IGC — Integrated Gas Controller
IGV — Inlet Guide Vane
IP — Internal Protector
LEI — Local Equipment Interface
LEN — Local Equipment Network
LS — Limit Switch
MBB — Main Base Board
MGV — Main Gas Valve
MMC — Motormaster® Contactor
MMR — Motormaster Relay
MOD PE — Modulating Power Exhaust
NEC — National Electrical Code
OA — Outdoor Air
OAQ — Outdoor Air Quality
OAT — Outdoor-Air Thermostat
OD — Outdoor
OFC — Outdoor Fan Contactor
OFM — Outdoor Fan Motor
OPT — Option
PE — Power Exhaust
PEC — Power Exhaust Contactor
PECB — Power Exhaust Circuit Breaker
PEM — Power Exhaust Motor
PL — Plug Assembly
PTC — Positive Temperature Coefficient 
Power Reference
RA — Return Air
RAT — Return Air Thermistor
RCB — Rooftop Control Board
RF — Return Fan
RS — Rollout Switch
SAT — Supply Air Thermistor
SCB — Staged Gas Control Board
SEN — Sensor
SPT — Suction Pressure Transducer
STDU — Standard Tier Display Unit
TB — Terminal Block
TRAN — Transformer
U—Unloader
VAV — Variable Air Volume
VFD — Variable Frequency Drive
Terminal Block
Terminal (Unmarked)
Terminal (Marked)
Splice
Factory Wiring
Field Wiring
To indicate common potential 
only, not to represent wiring.
To indicate factory-installed 
option or accessory
CEPL130346-01 HK 50AA029 CE BO 430346
STATUS
LEN
J1 J2
J4 J3
J5
J6
J7 J8J9
J10
RED LED - STATUS
GREEN LED - LEN (LOCAL EQUIPMENT NETWORK)
YELLOW LED -
CCN (CARRIER COMFORT NETWORK)
INSTANCE JUMPER (SET TO 1)
Fig. 26 — Main Base Board (MBB)

115
Table 87 — Main Control Board (MBB) Inputs and Outputs
POINT 
NAME POINT DESCRIPTION
I/O 
POINT 
NAME
PLUG AND PIN 
REFERENCE SIGNAL PIN(S) PORT STATE
INPUTS
IGCIFO IGC IFO input DI1 J6, 3-4 4 0 = 24vac, 1= 0vac
FSD Fire Shutdown Switch DI2 J6, 5-6 6 0 = 24vac, 1= 0vac
GThermostat G input DI3 J7, 1-2 2 0 = 24vac, 1= 0vac
W2 Thermostat W2 input DI4 J7, 3-4 4 0 = 24vac, 1= 0vac
W1 Thermostat W1 input DI5 J7, 5-6 6 0 = 24vac, 1= 0vac
Y2 Thermostat Y2 input DI6 J7, 7-8 8 0 = 24vac, 1= 0vac
Y1 Thermostat Y1 input DI7 J7, 9-10 10 0 = 24vac, 1= 0vac
CSB_A1 Compressor A1 Feedback DIG1 J9, 10-12 10=5v,   11=Vin, 12=GND 0 = 5vdc, 1 = 0vdc
CSB_B1 Compressor B1 Feedback DIG2 J9, 7-9 7=5v,   8=Vin,   9=GND 0 = 5vdc, 1 = 0vdc
CSB_A2 Compressor A2 Feedback DIG3 J9, 4-6 4=5v,   5=Vin,   6 =GND 0 = 5vdc, 1 = 0vdc
CSB_B2 Compressor B2 Feedback DIG4 J9, 1-3 1=5v,   2=Vin,   3=GND 0 = 5vdc, 1 = 0vdc
DP_A Cir A Discharge Pressure AN1 J8, 21-23 21=5v, 22=Vin, 23=GND (thermistor 21-22) (0-5VDC, thermistor, ohms)
DP_B Cir B Discharge Pressure AN2 J8, 24-26 24=5v, 25=Vin, 26=GND (thermistor 24-25) (0-5VDC, thermistor, ohms)
SP_A Cir A Suction Pressure AN3 J8, 15-17 15=5v, 16=Vin, 17=GND (thermistor 15-16) (0-5VDC, thermistor, ohms)
SP_B Cir B Suction Pressure AN4 J8, 18-20 18=5v, 19=Vin, 20=GND (thermistor 18-20) (0-5VDC, thermistor, ohms)
RAT Return Air Temperature AN5 J8, 9-10 9  (thermistor, ohms)
SAT Air Temp Lvg Supply Fan AN6 J8, 11-12 11  (thermistor, ohms)
OAT Outside Air Temperature AN7 J8, 13-14 13  (thermistor, ohms)
SPT Space Temperature AN8 J8, 1-2 1  (thermistor, ohms)
SPTO Space Temperature Offset AN9 J8, 3-4 3  (thermistor, ohms)
IAQ IAQ - PPM Return CO2 (IAQANCFG = 1,2) AN10 J8, 5-6 5  (thermistor, ohms)
IAQINMOV 4-20ma/10k pot MinPosOver(IAQANCFG = 3,4) AN10 J8, 5-6 5  (thermistor, ohms)
FLTS Filter Status Switch AN11 J8, 7-8 7  (thermistor, ohms)
OUTPUTS
CMPB2 Compressor B2 RLY 1 J10, 20-21 20 = RLY1A (=RLY2A),   21 = RLY1B 1 = Closes RLY1A / RLY1B
CMPB1 Compressor B1 RLY 2 J10, 22-23 22 = RLY2A (=RLY1A),     23 = RLY2B 1 = Closes RLY2A / RLY2B
CMPA2 Compressor A2 RLY 3 J10, 24-25 24 = RLY3A (=RLY4A),    25 = RLY3B 1 = Closes RLY3A / RLY3B
CMPA1 Compressor A1 RLY 4 J10, 26-27 26 = RLY4A (=RLY3A),    27 = RLY4B 1 = Closes RLY4A / RLY4B
CONDFANB Condenser Fan Circuit B RLY 5 J10, 10-11 10 = RLY5A (=RLY6A),    11 = RLY5B 1 = Closes RLY5A / RLY5B
CONDFANA Condenser Fan Circuit A RLY 6 J10, 12-13 12 = RLY6A (=RLY5A),   13 = RLY6B 1 = Closes RLY6A / RLY6B
HS2 Heat Relay 2 RLY7 J10, 14-16 14 = 15 = RLY7A,    16 = RLY7B 1 = Closes RLY7A / RLY7B
HS1 Heat Relay 1 RLY 8 J10, 17-19 17 = 18 = RLY8A,    19 = RLY8B 1 = Closes RLY8A / RLY8B
PE1 Power Exhaust Relay 1 RLY 9 J10, 4-6 4 = 5 = RLY9A,     6 = RLY9B 1 = Closes RLY9A / RLY9B
SFAN Supply Fan Relay RLY 10 J10, 7-9 7 = 8 = RLY10A,    9 = RLY10B 1 = Closes RLY10A / RLY10B
ALRM Remote Alarm Relay RLY 11 J10, 1-3 1 = 2 = RLY11A,     3 = RLY11B 1 = Closes RLY11A / RLY11B
Fig. 27 — Economizer Control Board (ECB) and Rooftop Control Board (RCB)

116
Table 88 — Rooftop Control Board (RCB) Inputs and Outputs
Table 89 — Economizer Control Board (ECB) Inputs and Outputs
Table 90 — Staged Gas Control Board (SCB) Inputs and Outputs
POINT 
NAME POINT DESCRIPTION
I/O 
POINT 
NAME
PLUG AND PIN 
REFERENCE SIGNAL PIN(S) PORT STATE
INPUTS
RMTIN Remote Input State DI1 J4, 1-2 2 24VAC = 1,     0VAC = 0
ENTH Enth. Switch Read High ? DI2 J4, 3-4 4 24VAC = 1,     0VAC = 0
SFS Supply Fan Status Switch DI3 J4, 5-6 6 24VAC = 1,     0VAC = 0
CIRCAHPS Circ A High Press.Switch DI4 J4, 7-8 8 24VAC = 1,     0VAC = 0
CIRCBHPS Circ B High Press.Switch DI5 J4, 9-10 10 24VAC = 1,     0VAC = 0
FRZ Freeze Status Switch DI6 J4, 11-12 12 24VAC = 1,     0VAC = 0
BP Building Pressure AN1 J5, 1-3 1=24VDC, 2=0-20mA in, 3=GND  0-20mA
SP Static Pressure AN2 J5, 4-6 4=24VDC, 5=0-20mA in, 6=GND  0-20mA
CCT Air Temp Lvg Evap Coil AN3 J6, 1-2 1 (thermistor, ohms)
 AN4 J6, 3-4 3 (thermistor, ohms)
 AN5 J6, 5-6 5 (thermistor, ohms)
 AN6 J6, 7-8 7 (thermistor, ohms)
OUTPUTS
SFAN_VFD Supply Fan VFD Speed AO1 J9, 1-2 1=0-20mA,   2=GND 0-20mA OUT
PULSCFAB Pulsed Condenser Fan A-B PP/MP J7, 1-3 1=PP/MP Data, 2=24VAC, 3=GND Belimo PP/MP Protocol
UNL_1_A1 Unloader 1 - Comp A1 RLY1 J8, 1-3 1 = 2 = RLY1A,     3 = RLY1B 1 = Closes RLY1A / RLY1B
UNL_2_A1 Unloader 2 - Comp A1 RLY 2 J8, 4-6 4 =5 = RLY2A,      6 = RLY2B 1 = Closes RLY2A / RLY2B
PE2 Power Exhaust Relay 2 (BLDG_CFG = 1) RLY 3 J8, 7-9 7 = 8 = RLY3A,     9 = RLY3B 1 = Closes RLY3A / RLY3B
HIR Heat Interlock Relay (BLDG_CFG not 1) RLY 3 J8, 7-9 7 = 8 = RLY3A,     9 = RLY3B 1 = Closes RLY3A / RLY3B
UNL_1_B1 Unloader 1 - Comp B1 RLY 4 J8, 10-12 10 = 11 = RLY4A,   12 = RLY4B 1 = Closes RLY4A / RLY4B
HUMIDRLY Humidifier Relay RLY 5 J8, 13-15 13 = 14 = RLY5A,    15 = RLY5B 1 = Closes RLY5A / RLY5B
UNL_2_B1 Unloader 2 - Comp B1 RLY 6 J8, 16-18 16 = 17 = RLY6A,    18 = RLY6B 1 = Closes RLY6A / RLY6B
POINT 
NAME POINT DESCRIPTION
I/O 
POINT 
NAME
PLUG AND PIN 
REFERENCE SIGNAL PIN(S) PORT STATE
INPUTS
PPS Plenum Press.Safety Sw. DI1 J4, 1-2 2 24VAC = 1,     0VAC = 0
DI2 J4, 3-4 4 24VAC = 1,     0VAC = 0
NA DI3 J4, 5-6 6 24VAC = 1,     0VAC = 0
NA DI4 J4, 7-8 8 24VAC = 1,     0VAC = 0
NA DI5 J4, 9-10 10 24VAC = 1,     0VAC = 0
NA DI6 J4, 11-12 12 24VAC = 1,     0VAC = 0
SACFM Supply Air CFM AN1 J5, 1-3 1=24VDC, 2=0-20mA in, 3=GND  0-20mA
RACFM Return Air CFM AN2 J5, 4-6 4=24VDC, 5=0-20mA in, 6=GND  0-20mA
  NA AN3 J6, 1-2 1 (thermistor, ohms)
  NA AN4 J6, 3-4 3 (thermistor, ohms)
  NA AN5 J6, 5-6 5 (thermistor, ohms)
  NA AN6 J6, 7-8 7 (thermistor, ohms)
OUTPUTS
EFAN_VFD Exhaust Fan VFD Speed AO1 J9, 1-2 1=0-20mA,   2=GND 0-20mA OUT
PP/MP J7, 1-3 1=PP/MP Data, 2=24VAC, 3=GND Belimo PP/MP Protocol
PE2 Power Exh. VFD Stage 2 (BLDG_CFG = 4) RLY1 J8, 1-3 1 = 2 = RLY1A,     3 = RLY1B 1 = Closes RLY1A / RLY1B
  RLY 2 J8, 4-6 4 =5 = RLY2A,      6 = RLY2B 1 = Closes RLY2A / RLY2B
  RLY 3 J8, 7-9 7 = 8 = RLY3A,     9 = RLY3B 1 = Closes RLY3A / RLY3B
  NA RLY 4 J8, 10-12 10 = 11 = RLY4A,   12 = RLY4B 1 = Closes RLY4A / RLY4B
  NA RLY 5 J8, 13-15 13 = 14 = RLY5A,    15 = RLY5B 1 = Closes RLY5A / RLY5B
  RLY 6 J8, 16-18 16 = 17 = RLY6A,    18 = RLY6B 1 = Closes RLY6A / RLY6B
POINT 
NAME POINT DESCRIPTION
I/O 
POINT 
NAME
PLUG AND PIN 
REFERENCE SIGNAL PIN(S) PORT STATE
INPUTS
LIMSWTMP Limit Switch Temperature AN1 J5, 1-3 1=5v, 2=Vin, 3=GND    (thermistor 1-2) (0-5VDC, thermistor, ohms)
LAT1SGAS Staged Gas LAT 1 AN2 J5, 4-6 4=5v, 5=Vin, 6=GND    (thermistor 4-5) (0-5VDC, thermistor, ohms)
LAT2SGAS Staged Gas LAT 2 AN3 J5, 7-9 7=5v, 8=Vin, 9=GND    (thermistor 7-8) (0-5VDC, thermistor, ohms)
LAT3SGAS Staged Gas LAT 3 AN4 J5, 10-12 10=5v, 11=Vin, 12=GND    (thermistor 10-11) (0-5VDC, thermistor, ohms)
  AN5 J5, 13-15 13=5v, 14=Vin, 15=GND    (thermistor 13-14) (0-5VDC, thermistor, ohms)
    AN6 J6, 1-3 1=5v, 2=Vin, 3=GND    (thermistor 1-2) (0-5VDC, thermistor, ohms)
    AN7 J6, 4-6 4=5v, 5=Vin, 6=GND    (thermistor 4-5) (0-5VDC, thermistor, ohms)
AN8 J6, 7-9 7=5v, 8=Vin, 9=GND    (thermistor 7-8) (0-5VDC, thermistor, ohms)
AN9 J7, 1-2 1  (thermistor, ohms)
    AN10 J7, 3-4 3  (thermistor, ohms)
OUTPUTS
HTSGCALC Staged Gas Capacity Calc AO1 J8, 1-2 1=0-20mA,   2=GND 0-20mA OUT
AO2 J8, 3-4 3=0-20mA,   4=GND 0-20mA OUT
HS3 Relay 3 W1 Gas Valve 2 RLY1 J9, 1-3 1 = 2 = RLY1A,     3 = RLY1B 1 = Closes RLY1A / RLY1B
HS4 Relay 4 W2 Gas Valve 2 RLY2 J9, 4-6 4 =5 = RLY2A,      6 = RLY2B 1 = Closes RLY2A / RLY2B
HS5 Relay 5 W1 Gas Valve 3 RLY3 J9, 7-9 7 = 8 = RLY3A,     9 = RLY3B 1 = Closes RLY3A / RLY3B
HS6 Relay 6 W2 Gas Valve 3 RLY4 J9, 10-12 10 = 11 = RLY4A,   12 = RLY4B 1 = Closes RLY4A / RLY4B
    RLY5 J9, 13-15 13 = 14 = RLY5A,    15 = RLY5B 1 = Closes RLY5A / RLY5B

117
CONTROL EXPANSION MODULE (CEM) — The  optional
CEM is used to provide inputs for demand limiting, remote set
point and other optional inputs typically needed for energy
management systems. See Fig. 29. On CCN systems these
inputs can be interfaced to through the CCN communications.
It is located in the main control box. The CEM also has inputs
for accessory relative humidity sensors. This board is also used
on units equipped with optional outdoor air CFM monitoring.
The inputs and outputs are summarized in Table 91.
The optional (or accessory) CEM is used to accept inputs
for additional sensors or control sequence switches, including:
• Smoke control mode field switches
• VAV supply air set point reset using an external 4 to
20 mA signal
• Outdoor air CO2 sensor
• Space, return and/or outdoor air relative humidity
sensors
• IAQ function discrete switch
• Demand limit sequence proportional signals or discrete
switches
The CEM is factory-installed when the outdoor air cfm con-
trol option is installed.
LOW VOLTAGE TERMINAL STRIP — This  circuit  board
provides a connection point between the major control boards
and a majority of the field-installed accessories. See Table 92.
The circuit breakers for the low voltage control transformers,
interface connection for the Carrier Comfort Network® (CCN)
communication, and interface connection for the Local Equip-
ment Network (LEN) communication are also located on the
low voltage terminal strip.
INTEGRATED GAS CONTROL (IGC) — One IGC is pro-
vided with each bank of gas heat exchangers. One is used on
low heat size 030-050 units. Two are used on high heat size
030-050 units and low heat 055-105 units. Three are used on
high heat 055-105 units. The IGC controls the direct spark ig-
nition system and monitors the rollout switch, limit switches,
and induced-draft motor Hall Effect switch. The IGC is
equipped with an LED (light-emitting diode) for diagnostics.
See Table 93.
COMPRESSOR PROTECTION BOARD (CSB) (Size 105
Units Only) — This board monitors the status of the compres-
sor by sensing the current flow to the compressors and then
provides digital status signal to the MBB.
ADDRESS DIP
SWITCHES ALL ON
RED LED-
STATUS
GREEN LED-
LEN (LOCAL EQUIPMENT NETWORK)
J2
J1
PWR
J4
LEN
LEN
J3
4-POSITION
DIP SWITCH
PWR
113 10 7
XDCR/THERM
41
J6
J5
7413131
J8
0-20mA OUT
J7
THERMXDCR/THERM
1
4
13 10 7RELAYS
J9
CEBD430427           HK50AA032                     CEPL130427
Fig. 28 — Staged Gas Heat Control Board (SCB)

118
Table 91 — Control Expansion Module (CEM) Inputs and Outputs
POINT 
NAME POINT DESCRIPTION
I/O 
POINT 
NAME
PLUG AND PIN 
REFERENCE SIGNAL PIN(S) PORT STATE
INPUTS
DHDISCIN Dehumidify Switch Input DI 1 J7, 1-2 2 0 = 24vac, 1= 0vac
DMD_SW1 Demand Limit Switch 1 DI 2 J7, 3-4 4 0 = 24vac, 1= 0vac
DMD_SW2 Demand Limit Switch 2 DI 3 J7, 5-6 6 0 = 24vac, 1= 0vac
PRES Pressurization DI 4 J7, 7-8 8 0 = 24vac, 1= 0vac
EVAC Evacuation DI 5 J7, 9-10 10 0 = 24vac, 1= 0vac
PURG Smoke Purge DI 6 J7, 11-12 12 0 = 24vac, 1= 0vac
IAQIN IAQ - Discrete Input DI 7 J7, 13-14 14 0 = 24vac, 1= 0vac
OACFM Outside Air CFM AN7 J6, 1-3 2 (1 = loop power) (0-20mA input)
OARH Outside Air Rel.Humidity AN8 J6, 4-6 5 (4 = loop power) (0-20mA input)
SPRH Space Relative Humidity AN9 J6, 7-9 8 (7 = loop power) (0-20mA input)
RARH Return Air Rel.Humidity AN10 J6, 10-12 11 (10 = loop power) (0-20mA input)
DMDLMTMA 4-20ma Demand Signal AN1 J5, 1-2 1 (thermistor, ohms)
EDTRESMA EDT Reset milliampere AN2 J5, 3-4 3 (thermistor, ohms)
OAQ OAQ - PPM Return CO2 AN3 J5, 5-6 5 (thermistor, ohms)
SPRESET SP Reset milliamps AN3 J5, 5-6 5 (thermistor, ohms)
AN4 J5, 7-8 7 (thermistor, ohms)
AN5 J5, 9-10 9 (thermistor, ohms)
AN6 J5, 11-12 11 (thermistor, ohms)
CEBD430351
TEST 1
CEPL130351-01
PWR
TEST 2
J1 J2
J4 J3
J5
J6
J7
LEN
STATUS
RED LED - STATUS GREEN LED -
LEN (LOCAL EQUIPMENT NETWORK) ADDRESS
DIP SWITCH (ALL ON)
Fig. 29 — Controls Expansion Board (CEM)

119
Table 92 — Field Terminal Connections
               LEGEND
BOARD 
NO.
TERMINAL 
NUMBER DESCRIPTION TYPE
TB-1 - POWER CONNECTION OR DISCONNECT (in Main Control Box)
11 L1 power supply 208-230/460/575/380/-3-60, 400-3-50
TB1 12 L2 power supply 208-230/460/575/380/-3-60, 400-3-50
13 L3 power supply 208-230/460/575/380/-3-60, 400-3-50
NEUTRAL (in Main Control Box)
Neutral 1 Neutral Power
CCN COMMUNICATIONS (in Main Control Box)
Comm Port
1 LEN + 5 vdc, logic
2 LEN C 5 vdc, logic
3 LEN – 5 vdc, logic
4 24 vac 24 vac
5 CCN + 5 vdc, logic
7 CCN c 5 vdc, logic
7 CCN – 5 vdc, logic
8 Grd ground
TB201 - FIELD CONNECTIONS (in Main Control Box)
TB201
1 Remote Occupied/Economizer Enable 24 vac out external contact (maximum 24 vac, 3 A)
2 Remote Occupied/Economizer Enable 24 vac in external contact (maximum 24 vac, 3 A)
3 Not Used —
4 OD Enthalpy Switch in 24 vac
5 Fire Shut Down external contact (maximum 24 vac, 3 A)
6 Fire Shut Down external contact (maximum 24 vac, 3 A)
7 VAV Heater Interlock Relay external contact (maximum 24 vac, 3 A)
8 VAV Heater Interlock Relay external contact (maximum 24 vac, 3 A)
9 Humidifier Output, Ground external contact (maximum 24 vac, 3 A)
10 Humidifier Output, 24 VAC external contact (maximum 24 vac, 3 A)
11 Unit Alarm Output external contact (maximum 24 vac, 3 A)
12 Unit Alarm Output external contact (maximum 24 vac, 3 A)
13 Smoke Detector Alarm Input external contact (maximum 24 vac, 3 A)
14 Smoke Detector Alarm Input external contact (maximum 24 vac, 3 A)
15 Not Used —
16 Not Used —
TB202 - THERMOSTAT CONNECTIONS (in Main Control Box)
TB202
1 Thermostat R 24 vac output
2 Thermostat G 24 vac input
3 Thermostat W2 24 vac input
4 Thermostat W1 24 vac input
5 Thermostat Y2 24 vac input
6 Thermostat Y1 24 vac input
7 Not Used —
8 Space Sensor TH Thermistor input
9 Space Sensor COM Thermistor input
10 Space Sensor Offset SW Thermistor input
11 Indoor Air IAQ Remote Sensor/Remote 
Pot/Remote 4-20 mA
Thermistor input or externally powered 4 to 20 mA when used with 
180 ohm resistor
12 Indoor Air IAQ Remote Sensor/Remote 
Pot/Remote 4-20 mA
Thermistor input or externally powered 4 to 20 mA when used with 
180 ohm resistor
13 Not Used
14 Not Used
15 Not Used
16 Not Used
TB203 - FIELD CONNECTIONS (in Main Control Box)
TB203
1 Ground ground
2 Demand Limit 4-20 mA (+) 4 to 20 mA loop power
3 Demand Limit 4-20 mA (-) 4 to 20 mA loop power
4 Supply Air Reset 4-20 mA (+) 4 to 20 mA loop power
5 Supply Air Reset 4-20 mA (-) 4 to 20 mA signal
6 Outdoor Air IAQ 4-20 mA (+) 4 to 20 mA loop power
7 Outdoor Air IAQ 4-20 mA (-) 4 to 20 mA signal
8 Space Humidity 4-20 mA (+) 4 to 20 mA loop power
9 Space Humidity 4-20 mA (-) 4 to 20 mA signal
10 Not Used —
11 Not Used —
12 Not Used —
13 Not Used —
14 Not Used —
15 Not Used —
16 Not Used —
IAQ — Indoor Air Quality
VAV — Variable Air Volume

120
Table 92 — Field Terminal Connections (cont)
               LEGEND
Table 93 — IGC Board Inputs and Outputs
SCROLLING MARQUEE — This device is the keypad in-
terface used to access the control information, read sensor
values, and test the unit. The scrolling marquee display is a
4-key, 4-character, 16-segment LED display as well as an
Alarm Status LED. See Fig. 30. The display is easy to operate
using 4 buttons and a group of 11 LEDs that indicate the
following menu structures:
• Run Status
•Service Test
• Temperatures
•Pressures
• Set points
• Inputs
• Outputs
• Configuration
• Timeclock
• Operating Modes
•Alarms
Through the scrolling marquee, the user can access all the
inputs and outputs to check on their values and status. Because
the unit is equipped with suction pressure transducers and
discharge saturation temperature sensors, the scrolling marquee
can also display pressures typically obtained from gages. The
control includes a full alarm history, which can be accessed
from the display. In addition, through the scrolling marquee the
user can access a built-in test routine that can be used at start-
up commission and to diagnose operational problems with the
unit. The scrolling marquee is located in the main control box
and is standard on all units.
SUPPLY FAN — The 48/50Z030-050 units are equipped with
a single 25 x 25-in. forward-curved fan. The 48/50Z055-070
units are equipped with a single 30 x 27-in. forward-curved
fan. The 48/50Z075-105 units are equipped with either a single
36 x 30-in. forward-curved fan or a 36-in. airfoil fan. The fan
sleds are spring isolated and driven by a single, 3-phase motor.
The fan is controlled directly by the ComfortLink™ controls.
VARIABLE FREQUENCY DRIVE (VFD) — On  variable
air volume units with optional VFD, the supply fan speed is
controlled by a 3-phase VFD. The VFD is located in the supply
fan section (030-050 units) or mixing box section (055-105
units) behind an access door. The VFD speed is controlled di-
rectly by the ComfortLink™ controls through a 4 to 20 mA
signal based on a supply duct pressure sensor. The VFD has a
display, which can be used for service diagnostics, but setup of
the building pressure and control loop factors should be done
through the scrolling marquee display. The VFD is powered
during normal operation to prevent condensation from forming
on the boards during the off mode and is stopped by driving the
speed to 0 (by sending a 4 mA signal to the VFD). 
The Z Series units use ABB VFDs. The interface wiring for
the VFDs is shown in Fig. 31. Terminal designations are shown
in Table 94.
BOARD 
NO.
TERMINAL 
NUMBER DESCRIPTION TYPE
TB204 - FIELD CONNECTIONS (in Main Control Box)
TB204
1 Demand Limit Redline 24 vac out external contact (maximum 24 vac, 3 A)
2 Demand Limit Redline 24 vac in external contact (maximum 24 vac, 3 A)
3 Demand Limit Loadshed 24 vac out external contact (maximum 24 vac, 3 A)
4 Demand Limit Loadshed 24 vac in external contact (maximum 24 vac, 3 A)
5 Fire Pressuration 24 vac out external contact (maximum 24 vac, 3 A)
6 Fire Pressuration 24 vac in external contact (maximum 24 vac, 3 A)
7 Fire Evacuation 24 vac out external contact (maximum 24 vac, 3 A)
8 Fire Evacuation 24 vac in external contact (maximum 24 vac, 3 A)
9 Fire Smoke Purge 24 vac out external contact (maximum 24 vac, 3 A)
10 Fire Smoke Purge 24 vac in external contact (maximum 24 vac, 3 A)
11 IAQ Switch 24 vac out external contact (maximum 24 vac, 3 A)
12 IAQ Switch 24 vac in external contact (maximum 24 vac, 3 A)
13 Not Used —
14 Not Used —
15 Not Used —
16 Not Used —
IAQ — Indoor Air Quality
VAV — Variable Air Volume
POINT NAME POINT DESCRIPTION CONNECTOR
PIN NO.
INPUTS
RT 24 Volt Power Supply RT,C
W Heat Demand 2
GFan 3
LS Limit Switch 7,8
RS Rollout Switch 5,6
SS Hall Effect Sensor 1,2,3
CS Centrifugal Switch (Not Used) 9,10
FS Flame Sense FS
OUTPUTS
CM Induced Draft Motor CM
IFO Indoor Fan IFO
R 24 Volt Power Output (Not Used) R 
SPARK Sparker —
LED Display LED
Run Status
Service Test
Temperature
Pressures
Setpoints
Inputs
Outputs
Configuration
Time Clock
Operating Modes
Alarms
Alarm Status
ENTER
MODE
ESCAPE
Fig. 30 — Scrolling Marquee

121
Table 94 — VFD Terminal Designations
POWER EXHAUST — The units can be equipped with an
optional power exhaust system. The power exhaust fans are
two belt-drive forward-curved fans. On non-modulating sys-
tems, the fans are staged by the ComfortLink™ controls based
on the economizer damper position. For modulating (CV or
VAV) applications, the fans are turned on by the ComfortLink
control based on building pressure sensed by the building pres-
sure transducer. The fan output is modulated via discharge
dampers with LEN communicating actuators to maintain the
building pressure set point.
HIGH CAPACITY POWER EXHAUST (Sizes 075-105
Only) — The power exhaust fans are two belt-driven forward-
curved fans. Operation of the power exhaust is a combination
modulating/staged control. The lead fan is controlled by a VFD
and provides 0 to 50% of total exhaust capability. The second
fan is staged On/Off (for a step of 50% of total exhaust capabil-
ity) according to the VFD output level on fan no. 1.
RETURN/EXHAUST FAN (Sizes 075-105 Only) — The
return/exhaust fan power exhaust assembly consists of one
belt-drive plenum fan. The plenum fan pressurizes the plenum
fan section so that the air can either be discharged horizontally
out the back of the unit or discharged through the return air
section of the economizer.
ECONOMIZER MOTOR(S) — The economizer outside air
and return air dampers are gear-driven dampers without linkag-
es. An LEN communicating economizer motor(s) controls
their position. The motor position is controlled by the MBB
through the LEN communication bus. This allows for accurate
control of the motors as well as feedback information and diag-
nostics information. The control has a self-calibration routine
that allows the motor position to be configured at initial unit
start-up. The motor(s) is located on the economizer and can be
reached through the filter access door.
THERMISTORS AND PRESSURE TRANSDUCERS —
The unit is equipped with several thermistors for measurement
of temperatures. The thermistors are summarized in Table 95.
The units have two pressure transducers that are connected
to the low side of the system. These two pressure transducers
measure the low side pressure and are used for low pressure
protection and coil freeze protection.
The units also have two pressure transducers that are con-
nected to the high side of the system. These two pressure trans-
ducers measure the discharge pressure and are used to cycle the
condenser fans to maintain head pressure.
By using the high and low side pressure transducers, the
ComfortLink controls display the high and low side pressures
and saturation temperatures and a normal gage set is not
required.
SMOKE DETECTOR — The units can be equipped with an
accessory smoke detector located in the return air. The detector
is wired to the ComfortLink controls and, if activated, will stop
the unit by means of a special fire mode. The smoke detector
can also be wired to an external alarm system through TB201
terminals 5 and 6. The sensor is located in the return air section.
FILTER STATUS SWITCH — The  units  can  be  equipped
with an optional filter status switch. The switch measures the
pressure drop across the filters and closes when an adjustable
pressure set point is exceeded. The sensor is located in the re-
turn air section behind the filter access door.
TERMINAL FUNCTION
U1
V1
W1 Three-Phase Main Circuit Input Power Supply
U2
V2 Three-Phase AC Output to Motor, 0 V to
W2 Maximum Input Voltage Level
X1-11 (GND)
X1-12 (COMMON) Factory-supplied jumper
X1-10 (24 VDC)
X1-13 (DI-1) Run (factory-supplied jumper)
X1-10 (24 VDC) Start Enable 1 (factory-supplied jumper). When
X1-16 (DI-4) opened the drive goes to emergency stop.
X1-2 (AI-1)
X1-3 (AGND) Factory wired for 4 to 20 mA remote input
Fig. 31 — VFD Wiring
+–

122
Table 95 — Thermistors and Unit Operation Control Pressure Transducers
               LEGEND
FAN STATUS SWITCH — The units can be equipped with
an optional fan status switch that will monitor the pressure rise
across the indoor fans.
RETURN AIR CO2 SENSOR — The  unit  can  be  equipped
with a return air IAQ CO2 sensor that is used for the demand
control ventilation. The sensor is located in the return air sec-
tion and can be accessed from the filter access door. 
BOARD ADDRESSES — Each board in the system has an
address. The MBB has a default address of 1 but it does have
an instance jumper that should be set to 1 as shown in Fig. 26.
For the other boards in the system there is a 4-dip switch head-
er on each board that should be set as shown below.
0 = On; 1 = Off
Accessory Control Components — In addition to
the factory-installed options, the units can also be equipped
with several field-installed accessories that expand the control
features of the unit. The following hardware components can
be used as accessories.
ROOM THERMOSTATS — The  ComfortLink™ controls
support a conventional electro-mechanical or electronic ther-
mostat that uses the Y1, Y2, W1, W2, and G signals. The
control also supports an additional input for an occupied/
unoccupied command that is available on some new thermo-
stats. The ComfortLink controls can be configured to run with
up to 6 stages of capacity. Although the unit can be configured
for normal 2-stage control, it is recommended that the multi-
stage control be used. The room thermostat is connected to
TB202.
The  ComfortLink controls also support the use of space
temperature sensors and can be used with the T55 and T56
sensors. The controls can also be used with CCN communicat-
ing T58 room sensor. The T55 and T56 sensors are connected
to TB202 terminals 8, 9, and 10. The T58 sensor is connected
to the CCN connections on COMM board. Whenever a unit
equipped with heat is operated without a thermostat, the user
must install the red jumpers from R to W1, and W2 on TB202
for the heat function to work correctly.
SPACE CO2 SENSORS — The  ComfortLink controls also
support a CO2 IAQ sensor that can be located in the space for
use in demand ventilation. The sensor must be a 4 to 20 mA
sensor and should be connected to TB202 terminals 11 and 12.
ECONOMIZER HUMIDITY CHANGEOVER SEN-
SORS — The  ComfortLink controls support 5 different
changeover systems for the economizer. These are:
• Outdoor enthalpy switch
• Outdoor air dry bulb
• Differential dry bulb
• Outdoor air enthalpy curves
• Differential enthalpy
• Custom curves (a combination of an enthalpy/dewpoint
curve and a dry bulb curve).
The units are equipped as standard with an outdoor air
enthalpy control. Outside air and return air dry bulb sensors
which support the dry bulb changeover method are also
supplied as standard. If the other methods are to be used, then a
field-installed humidity sensor must be installed for outdoor air
enthalpy and customer curve control and two humidity sensors
must be installed for differential enthalpy. Installation holes are
pre-drilled and wire harnesses are installed in every unit for
connection of the humidity sensors. The ComfortLink controls
have the capability to convert the measured humidity and
dry bulb temperature into enthalpy.
SENSOR DESCRIPTION AND LOCATION PART NO.
Thermistors
CCT Cooling Coil Thermistor input. Provided with factory-option hydronic heat. Located on face of the 
hydronic heating coil. Consists of 4 thermistors wired into a 2x2 array.
HH79NZ039 (4)
LST Limit Switch Thermistor. Provided with Staged Gas Control option. Located in the heating 
compartment.
HH79NZ034
OAT Outside Air Thermistor. Located in top of the return plenum, attached to roof pole. HH79NZ039
RAT
Return Air Thermistor.
Without Economizer: Located on left side base rail in the return plenum.
With Economizer: Located on left side face of return damper section in the return plenum.
HH79NZ039
SAT Supply Air Thermistor. Located in the Supply Fan section, on left side of the fan housing. 
(May be relocated or replaced when unit is used with CCN Linkage systems; see page 60.)
HH79NZ039
LAT 1,2,3 Leaving Air Thermistors, provided with Staged Gas Control option. Shipped in the heating 
compartment. Installer must pull out and mount in the supply duct.
HH79NZ034 (3)
Control Pressure Transducers
BP
Building Pressure. Provided with Modulating Power Exhaust, High-Capacity Power Exhaust 
and Return Fan options. Located in the auxiliary control box (left-hand side of unit near return 
plenum).
HK05ZG018
DPA Discharge Pressure (refrigerant), Circuit A. Located on compressor A1 high-side connections. HK05YZ007
DPB Discharge Pressure (refrigerant), Circuit B. Located on compressor B1 high-side connections. HK05YZ007
SPA Suction Pressure (refrigerant), Circuit A. Located on compressor A1 low-side connections. HK05YZ001
SPB Suction Pressure (refrigerant), Circuit B. Located on compressor B1 low-side connections. HK05YZ001
DSP Duct Static Pressure. Provided with VAV models equipped with VFD or Inlet Guide Vane options. 
Located in the auxiliary control box (right-hand side of unit near return plenum).
HK05ZG010
FT_SF Supply Air Cfm (velocity pressure). Provided with factory-option return fan system 
(sizes 075-105 only). Located in the supply fan compartment, on right side, on vertical post. 
HK05ZG015
FT_RF Return Air Cfm (velocity pressure). Provided with factory-option return fan system 
(sizes 075-105 only). Located in auxiliary control box (right-hand side, filter access panel).
HK05ZG07
Outside Air CFM 
Control
Outside Air Cfm Monitor (velocity pressure). Provided with the Outside Air Cfm Control option. 
Located in auxiliary control box (right-hand side, filter access panel).
50ZZ400290 (030-070)
50ZZ400289 (075-105)
VAV — Variable Air Volume
BOARD SW1 SW2 SW3 SW4
RCB0000
ECB1000
SCB0000
CEM0000

123
ACCESSORY NAVIGATOR™ DISPLAY — The  accesso-
ry handheld Navigator display can be used with the 48/50Z
series units. See Fig. 32. The Navigator display operates the
same way as the scrolling marquee device. The RCB and ECB
boards contain a second LEN port than can be used with the
handheld Navigator display.
CONTROL MODULE COMMUNICATIONS
Red LED — Proper operation of the control boards can be
visually checked by looking at the red status LEDs as shown
on Fig. 26-29. When operating correctly, the red status LEDs
should blink in unison at a rate of once every 2 seconds. If the
red LEDs are not blinking in unison, verify that correct power
is being supplied to all modules. Also, be sure that the main
base board is supplied with the current software and that all
boards are configured on. If necessary, reload current software.
If the problem still persists, a board may need to be replaced. A
board LED that is lit continuously or blinking at a rate of once
per second or faster indicates that the board should be replaced.
Green LED — The boards also have a green LED, which is
the indicator of the operation of the LEN communications,
which is used for communications between the boards. On the
MBB board the Local Equipment Network (LEN) LED should
always be blinking whenever power is on. All other boards
have a LEN LED that will blink whenever power is on and
there is communication occurring. If LEN LED is not blinking,
check LEN connections for potential communication errors (J3
and J4 connectors). A 3-wire sensor bus accomplishes commu-
nication between modules. These 3 wires run in parallel from
module to module. 
Yellow LED — The MBB has one yellow LED. The Carrier
Comfort Network® (CCN) LED will blink during times of
network communication. The other boards do not have a CCN
communications port.
CARRIER COMFORT NETWORK INTERFACE — The
48/50Z Series units can be connected to the CCN if desired.
See Fig. 33. The communication bus wiring is a shielded,
3-conductor cable with drain wire and is field supplied and in-
stalled. See the Installation Instructions for wiring information.
The system elements are connected to the communication
bus in a daisy chain arrangement. The positive pin of each
system element communication connector must be wired to the
positive pins of the system elements on either side of it. This is
also required for the negative and signal ground pins of each
system element. Wiring connections for CCN should be made
at the COMM board. See Fig. 16. Consult the CCN Contrac-
tor’s Manual for further information.
NOTE: Conductors and drain wire must be 20-AWG
(American Wire Gage) minimum stranded, tinned copper.
Individual conductors must be insulated with PVC, PVC/
nylon, vinyl, Teflon, or polyethylene. An aluminum/polyester
100% foil shield and an outer jacket of PVC, PVC/nylon,
chrome vinyl, or Teflon with a minimum operating tempera-
ture range of –20 C to 60 C is required.
It is important when connecting to a CCN communication
bus that a color-coding scheme be used for the entire network
to simplify the installation. It is recommended that red be used
for the signal positive, black for the signal negative and white
for the signal ground. Use a similar scheme for cables contain-
ing different colored wires.
At each system element, the shields of its communication
bus cables must be tied together. If the communication bus is
entirely within one building, the resulting continuous shield
must be connected to a ground at one point only. If the commu-
nication bus cable exits from one building and enters another,
the shields must be connected to grounds at the lightning
suppressor in each building where the cable enters or exits the
building (one point per building only). To connect the unit to
the network: 
1. Turn off power to the control box. 
2. Cut the CCN wire and strip the ends of the red (+), white
(ground), and black (–) conductors. (Substitute appropri-
ate colors for different colored cables.) 
3. Connect the red wire to (+) terminal on the COMM
board, the white wire to COM terminal on the COMM
board, and the black wire to the (–) terminal on the
COMM board. 
4. The RJ14 CCN connector on the COMM board can also
be used, but is only intended for temporary connection
(for example, a laptop computer running Service Tool). 
5. Restore power to unit. 
IMPORTANT: A shorted CCN bus cable will prevent
some routines from running and may prevent the unit
from starting. If abnormal conditions occur, unplug the
connector. If conditions return to normal, check the
CCN connector and cable. Run new cable if necessary.
A short in one section of the bus can cause problems
with all system elements on the bus. 
Run Status
Service Test
Temperatures
Pressures
Setpoints
Inputs
Outputs
Configuration
Time Clock
Operating Modes
Alarms
ENTER
ESC
MODE
Alarm Status
TIME
EWT
LWT
SETP
12.58
54.6F
44.1 F
44.0F
NAVIGATOR
ComfortLink
Fig. 32 — Accessory Navigator Display

124
NETWORK
 OPTIONS
REMOTE
CCN SITE
AUTODIAL
GATEWAY
NON CARRIER
        HVAC
  EQUIPMENT
TERMINAL
  SYSTEM
MANAGER
TCU
ROOFTOP
    UNIT
  DAV AIR
TERMINAL
TCU TCU
  DAV AIR
TERMINAL
AIR DISTRIBUTION-DIGITAL AIR VOLUME CONTROL (DAV)
DAV FAN
POWERED
MIXING
BOX
TO
ADDITIONAL
TERMINALS
HEATING/COOLING UNITS
BUILDING SUPERVISOR
ROOFTOP
    UNIT
CL
ROOFTOP
    UNIT
CL
ROOFTOP
    UNIT
CL
ROOFTOP
    UNIT
CL
CCN BUS
CL
COMFORT
CONTROLLER
LEGEND
CCN — Carrier Comfort Network®
CL — ComfortLink™ Controls
DAV — Digital Air Volume
HVAC — Heating, Ventilation, and Air Conditioning
TCU — Terminal Control Unit
Fig. 33 — CCN System Architecture

125
SERVICE
Service Access — All unit components can be reached
through clearly labeled hinged access doors. These doors are
not equipped with tiebacks, so if heavy duty servicing is need-
ed, either remove them or prop them open to prevent accidental
closure.
Each door is held closed with 3 latches. The latches are
secured to the unit with a single 1/4-in. –20 x 1/2-in. long bolt.
See Fig. 34.
To open, loosen the latch bolt using a 7/16-in. wrench. Pivot
the latch so it is not in contact with the door. Open the door. To
shut, reverse the above procedure.
NOTE: Disassembly of the top cover may be required under
special service circumstances. It is very important that the ori-
entation and position of the top cover be marked on the unit
prior to disassembly. This will allow proper replacement of the
top cover onto the unit and prevent rainwater from leaking into
the unit.
COMPRESSORS
Sizes 030-050 — Access to the compressors is through the
doors on the condenser end of the unit. This door also provides
access to the discharge and suction service valves, the crank-
case heaters, and the high-pressure and low-pressure switches.
Compressor no. 1 is always the compressor on the left when
facing main control box.
Sizes 055-105 — The oil pump end (compressor access) of
each compressor is readily accessible from sides of unit. Access
the motor end of the compressor through the condenser end of the
unit or by removing compressor.
LIQUID SERVICE VALVES, FILTER DRIERS, AND
SIGHT GLASSES
Sizes 030-050 — Access to these components is through the
access panel on the right side of the unit. See Fig. 35. There is
also a Schrader port in each suction line that is accessible
through this same panel. When charging unit, route service line
through the round holes and replace panel to minimize air
bypass.
Sizes 055-105 — Access to these components is from the side
of the unit.
SUPPLY-FAN MOTORS, PULLEYS, AND BELTS — Ac-
cess to these components is through the 2 doors labeled FAN
SECTION on each side of the unit.
POWER EXHAUST MOTORS, PULLEYS, AND BELTS —
Access to these components is through the door below the side
economizer hoods on both sides of the unit. See Fig. 36.
RETURN AIR FILTERS — Access to these filters is through
the door marked FILTER SECTION.
UNIT CONTROL BOX — Access to this component is
through the doors marked ELECTRICAL SECTION on the
condenser end of the unit.
GAS HEAT SECTION (48Z Only) — Access to the gas heat
section is through the door labeled HEAT SECTION on the
right side of the unit (when facing return air end). See Fig. 37
and 38.
All gas system components are in the gas section.
MAIN BURNERS (48Z Only) — At  the  beginning  of  each
heating season, inspect for deterioration due to corrosion or
other causes. Observe the main burner flames and adjust if nec-
essary. See Gas System Adjustment section on page 131.
FLUE GAS PASSAGEWAYS (48Z Only) — The  flue  col-
lector box and heat exchanger cells may be inspected by
removing heat exchanger access panel, flue box cover, and
main burner assembly (Fig. 39). Refer to Main Burners
Removal and Replacement section on page 131 for burner
removal sequence. If cleaning is required, remove heat
exchanger baffles and clean tubes with a wire brush.
Use caution with ceramic heat exchanger baffles. When in-
stalling retaining clip, be sure the center leg of the clip extends
inward toward baffle. See Fig. 40.
COMBUSTION-AIR BLOWERS (48Z Only) — Clean  peri-
odically to assure proper airflow and heating efficiency.
Inspect blower wheel every fall and periodically during heat-
ing season. For the first heating season, inspect blower wheel
bi-monthly to determine proper cleaning frequency.
To inspect blower wheel, remove heat exchanger access
panel. Shine a flashlight into opening to inspect wheel. If clean-
ing is required, remove motor and wheel assembly by remov-
ing screws holding motor mounting plate to top of combustion
fan housing (Fig. 41). The motor and wheel assembly will slide
up and out of the fan housing. Remove the blower wheel from
the motor shaft and clean with a detergent or solvent. Replace
motor and wheel assembly.
ECONOMIZER DAMPER MOTOR(S) — On  units  so
equipped, the economizer motor(s) is located in the mixing
box section. Access to it is through the door labeled FILTER
SECTION.
CONDENSER FANS AND FAN MOTORS — Remove  the
wire fan guard on top of the unit to gain access to the condenser
fans and motors.
INLET GUIDE VANE MOTOR — The inlet guide vane mo-
tor is located on the evaporator-fan sled on the side opposite the
fan motor. See Fig. 42A and 42B. Access is through the door
labeled FAN SECTION.
25% OUTDOOR-AIR DAMPER — Access to adjust the
damper is through the hoods. Remove filters to gain access into
unit to adjust linkage arms.
MODULATING POWER EXHAUST DAMPER MOTOR —
The modulating power exhaust damper motor is located in the
return-air end of the unit.
The motor is accessed through the small door below the side
economizer hoods on the left side of the unit. See Fig. 36.
RETURN-AIR FILTERS — Access to these filters is through
the door marked FILTER SECTION. Filters in upper and low-
er bag filter tracks can only be removed from the right side of
the unit.
IMPORTANT: After servicing is completed, make sure
door is closed and relatched properly, and that the
latches are tight. Failure to do this can result in water
leakage into the indoor-air section of the unit.
IMPORTANT: When replacing panel, be sure to prop-
erly secure it in order to prevent water from being drawn
into the unit.

126
Fig. 35 — Typical Filter Drier and Liquid Service
Valve Access
Fig. 34 — Door Latch
Fig. 36 — Modulating Power Exhaust
Motor Access (Both Sides)
NOTE: High heat consists of sections 1 and 2. Low heat consists of
section 1 only.
Fig. 37 — Gas Section Detail, Sizes 030-050
NOTE: High heat consists of sections 1-3. Low heat consists of sec-
tions 1 and 2 only.
Fig. 38 — Gas Section Detail, Sizes 055-105

127
CERAMIC
BAFFLE
CLIP
HEAT EXCHANGER
TUBES
Fig. 39 — Burner Section Detail
NOTE: One baffle and clip will be in each upper tube of the heat
exchanger.
Fig. 40 — Removing Heat Exchanger Ceramic
Baffles and Clips
INLET GUIDE
VANE MOTOR
Fig. 41 — Combustion Blower Removal
Fig. 42A — Inlet Guide Vane Motor (Sizes 055-070)
Fig. 42B — Inlet Guide Vane Motor
(Sizes 075-105)

128
Adjustments
RETURN/EXHAUST FAN MOTOR PLATE
Adjust using a 3/4-in. wrench on the adjusting bolts:
1. Loosen holddown bolts. (See Fig. 43).
2. Turn the adjusting bolts to move the motor mounting
plate toward or away from the fan to loosen or tighten the
belts. Make the same number of turns to each bolt.
3. Retighten holddown bolts.
SUPPLY FAN AND POWER EXHAUST MOTOR
PLATE — Adjust  using  a  15/16-in. wrench on the adjusting
bolts:
1. Loosen holddown bolts. (See Fig. 44.)
2. Turn the adjusting bolts to move the motor mounting
plate toward or away from the fan to loosen or tighten the
belts. Make the same number of turns to each bolt.
3. Retighten holddown bolts.
BELT INSTALLATION AND TENSIONING
1. Turn off unit power.
2. Adjust motor plate so belts can be installed without
stretching over the grooves of the pulley. (Forcing the
belts can result in uneven belt stretching and a mis-
matched set of belts.)
3. Before tensioning the belts, equalize belt slack so that it is
on the same side of the belt for all belts. Failure to do so
may result in uneven belt stretching.
4. Tighten belts using the motor plate adjusting bolts.
5. Adjust until proper belt tension (1/2-in. [13 mm] deflec-
tion with one finger centered between pulleys) is
obtained. Be sure to adjust both adjusting bolts the same
number of turns.
NOTE: Check the tension at least twice during the first
day of operation, as there is normally a rapid decrease in
tension until the belts have run in. Check tension periodi-
cally thereafter and keep it at the recommended tension.
With the correct belt tension, belts may slip and squeal mo-
mentarily on start-up. This slippage is normal and disappears
after wheel reaches operating speed. Excessive belt tension
shortens belt life and may cause bearing and shaft damage.
PULLEY ALIGNMENT — For proper belt life, the motor
and fan pulleys must be properly aligned. To check, first turn
off unit power. Place a straightedge against the motor and fan
pulleys. See Fig. 45. If the pulleys are properly aligned, the
straightedge should be parallel to the belts.
If they are not parallel, check that the motor shaft and fan
shaft are parallel. If they are not, adjust the motor plate adjust-
ing bolts until they are.
After verifying that the shafts are parallel, loosen the set-
screws on the motor pulley. Move pulley on the shaft until the
pulleys are parallel. To move the sheave on the shaft, loosen the
belts. If necessary, blower sheave can also be moved on the
shaft.
INSTALLING REPLACEMENT MOTOR PULLEY (Supply
Fan Only) — To install a field-supplied replacement pulley:
1. Turn off unit power.
2. Loosen belts using motor adjusting bolts until belts can
be removed without stretching them over the grooves of
the pulley.
3. Remove belts.
4. Loosen setscrews on motor pulley.
5. Slide pulley off motor shaft. Make sure setscrews on new
pulley are loose.
6. Slide new pulley onto fan shaft and align it with the fan
pulley as described in Pulley Alignment section above.
7. Tighten setscrews.
8. Install belts and tension properly as described in Pulley
Alignment section above.
CONDENSER FAN ADJUSTMENT (All Units Except
050, 070, 075 Units with High-Capacity Evaporator Coil)
1. Turn off unit power.
2. Remove fan guard and loosen fan hub setscrew.
3. See Fig. 46 and adjust fan height using a straight edge
laid across the fan deck.
4. Tighten setscrew and replace rubber hubcap to prevent
hub from rusting to the motor shaft. Fill hub recess with
Permagum if hub has no rubber hubcap.
5. Replace fan guard.
IMPORTANT: When installing or replacing belts,
always use a complete set of new, matched belts to pre-
vent potential vibration problems. Mixing belts often
results in premature breakage of the new belts.
HOLDDOWN BOLTS
HOLD-
DOWN
BOLTS
Fig. 43 — Return/Exhaust Fan Motor 
Plate Adjustment
Fig. 44 — Motor Plate Adjustment

129
CONDENSER FAN ADJUSTMENT (Sizes 050,070,075
With High-Capacity Evaporator Coil Option) — Each fan is
supported by a formed wire mount bolted to a fan deck and
covered with a wire guard. The exposed end of the fan motor
shaft is protected from weather by grease. If the fan motor must
be removed for service or replacement, be sure to regrease fan
shaft and reinstall fan cover, retaining clips, and fan guard. For
proper performance, the fans should be positioned as shown in
Fig. 47. Tighten setscrews to 14 ± 1 ft-lb (18 ± 1.3 N-m).
Check for proper rotation of the fan(s) once reinstalled
(counterclockwise viewed from above). If necessary to reverse,
switch leads at contactor(s) in control box.
AIR PRESSURE TRANSDUCER FIELD ADJUST-
MENT — All  transducers  have  been factory calibrated and
should not require field adjustment. If field adjustment is
necessary, follow the instructions below. To re-calibrate a
transducer:
1. Shut the unit power off.
2. Take the wiring and pressure tubing off the transducer.
Take the transducer out of the unit.
3. Connect a 24-vdc power supply to transducer terminals
EXC(+) and COM(–). See Fig. 48.
4. Using a digital multimeter measure the current between
terminals EXC(+) and OUT.
5. With both pressure ports open to atmosphere adjust the
Zero (Z) screw potentiometer on the transducer and read
the multimeter until the desired current output at 0 in. wg
pressure is obtained (see Fig. 48).
6. Reinstall the transducer in the unit.
7. Restore power to the unit.
Cleaning — Inspect unit at the beginning of each heating
and cooling season and during each season as operating condi-
tions may require.
Clean condenser coil with a vacuum cleaner, fresh water,
compressed air, or a bristle brush (not wire). Coil cleaning
should be a part of the planned maintenance program. Clean
evaporator coil with a stiff bristle brush (not wire), vacuum
cleaner, or compressed air.
Check and clean condensate drain annually at the start of
the cooling season.
Replace return-air filters at the start of each heating and
cooling season or as often as necessary during each season, de-
pending on operating conditions.
1. Remove economizer outdoor-air filters from the hoods by
removing the filter retainers.
2. Clean filters with steam or hot water and mild detergent.
3. Reinstall filters in hoods after cleaning. Never replace
cleanable filters with throwaway filters.
PLASTIC FAN
PROPELLER
CLEARANCE OF 0.25 INCHES
(6.4 MM) FOR STANDARD
CONDENSER FANS
FAN DECK
SURFACE
FAN ORIFICE
Fig. 47 — Condenser Fan Position (Units with High 
Capacity Evaporator Coil Option)
Fig. 45 — Pulley Alignment
Fig. 46 — Condenser-Fan Adjustment 
(Standard Units)

130
Lubrication
COMPRESSORS — Each compressor is correctly charged at
the factory. Refer to 06D and 06E Compressor Service Manu-
als if additional information regarding compressor lubrication
system is required.
FAN SHAFT BEARINGS — Lubricate fan shaft bearings at
least once a year with suitable bearing grease. Extended grease
lines are provided on pulley side of blower. Typical lubricants
are given below:
*Preferred lubricant because it contains rust and oxidation inhibitors.
INLET GUIDE VANE BEARINGS (Units With Optional
Inlet Guide Vanes) — These  bearings  are  oil  impregnated.
Lubricate annually with a few drops of nondetergent SAE
(Society of Automotive Engineers) 20 oil.
FAN  MOTOR  BEARINGS  —   The  condenser-fan  and
evaporator-fan motors have sealed bearings so no field lubrication
is required.
DOOR HINGES — All door hinges should be lubricated at
least once a year.
Refrigerant Feed Components — Each refrigerant
circuit (2 per unit) has all the necessary refrigerant controls.
Thermostatic Expansion Valve (TXV) — On sizes
030 and 035, each circuit has one TXV. On size 040 and 050,
each circuit has 2. The superheat is nonadjustable. On sizes
055-105, each circuit has 2 TXVs on which superheat may be
adjusted if necessary. Adjustment is not normally required or
recommended.
The TXV is set to maintain 10 to 13 F superheat leaving the
evaporator coil. It controls the flow of refrigerant to the evapo-
rator coils.
Refrigeration Circuits
LEAK TESTING — Units are shipped with a full operating
charge of R-22 (see unit nameplate). If there is no pressure in
the system, introduce enough nitrogen to search for the leak.
Repair the leak using good refrigeration practices. After leaks
are repaired, system must be evacuated and dehydrated
using methods described in GTAC II, Module 4, System
Dehydration.
REFRIGERANT CHARGE (Refer to Unit Nameplate) — At
the liquid line connection point on each circuit is a factory-
installed liquid line service valve. On each valve is a 1/4-in.
Schrader connection for charging liquid refrigerant.
All units are shipped with a complete operating charge of
R-22. See unit nameplate and for amount of charge. When
adding a complete charge, evacuate system using standard
evacuating procedures and weigh in the specified amount of
charge. All units use the same charging chart. See Fig. 49.
Charging with Unit Off and Evacuated — Close liquid line
service valve before charging. Weigh in charge shown in
unit nameplate. Open liquid line service valve; start unit and
allow it to run several minutes fully loaded. Check for a clear
sight glass. Be sure clear condition is liquid and not vapor.
Complete charging the unit.
Charging with Unit Running — If charge is to be added while
unit is operating, it is necessary to have all condenser fans and
compressors operating. It may be necessary to block condenser
coils at low-ambient temperatures to raise condensing pressure
to approximately 280 psig to turn all condenser fans on. Do not
totally block a coil to do this. Partially block all coils in uni-
form pattern. Charge vapor into compressor low-side service
port located above oil pump crankshaft housing. Charge each
circuit until sight glass shows clear liquid.
Oil Charge — All units are factory charged with oil. Ac-
ceptable oil level for each compressor is shown in Table 96.
When additional oil or a complete charge is required, use
only Carrier-approved compressor oil.
Approved oils are:
Petroleum Specialties, Inc. — Cryol 150A (factory oil charge)
Texaco, Inc.  — Capella WF-32-150
Witco Chemical Co.  — Suniso 3GS
Do not reuse drained oil, and do not use any oil that has
been exposed to atmosphere as oil is highly hygroscopic and
rapidly absorbs moisture.
ADD OIL — Close suction shutoff valve and pump down
crankcase to 2 psig. (Low-pressure cutout must be jumpered.)
Wait a few minutes and repeat until pressure remains steady at
2 psig. Remove oil fill plug above the oil level sight glass, add
oil through plug hole, and replace plug. Run compressor for
20 minutes and check oil level.
REMOVE OIL — Pump down compressor to 2 psig. Loosen
the 1/4-in. pipe plug at the compressor base and allow the oil to
seep out past the threads of the plug.
NOTE: The crankcase will be slightly pressurized. Do not
remove the plug, or the entire oil charge will be lost.
Small amounts of oil can be removed through the oil pump
discharge connection while the compressor is running.
Table 96 — Oil Charge
MANUFACTURER LUBRICANT
Texaco Regal AFB-2*
Mobil Mobilplex EP No. 1
Sunoco Prestige 42
Texaco Multifak 2
Fig. 48 — Transducer Details
TRANSDUCER
PART 
NUMBER
INPUT 
RANGE
(in. wg)
OUTPUT 
RANGE
OUTPUT
AT 0 IN. WG USAGE
HK05ZG019 0-5 4-20 mA 4 mA
Supply Duct/
Air Foil 
Fan Cfm
HK05ZG020 0-1 4-20 mA 4 mA
Forward 
Curved 
Fan Cfm
HK05ZG021 0-15 4-20 mA 4 mA
Return/
Exhaust
Fan Cfm
HK05ZG022 –0.25-0.25 4-20 mA 12 mA Building
Pressure
PRESSURE PORTS
LOW
HIGH
S
Z
COM             OUT              EXC
COMPRESSOR OIL CHARGE (Pints)
06D 10.0
06E 299 19.0
All other 06E 20.0

131
Gas System Adjustment (48Z Only)
GAS VALVE ADJUSTMENT — The  gas  valve  opens  and
closes in response to the unit control.
When power is supplied to valve terminals D1 and C2, the
main valve opens to its preset position.
The regular factory setting is stamped on the valve body
(3.3 in. wg).
To adjust regulator:
1. Set thermostat at setting for no call for heat.
2. Switch main gas valve to OFF position.
3. Remove  1/8-in. pipe plug from manifold or gas valve
pressure tap connection. Install a suitable pressure-
measuring device.
4. Switch main gas valve to ON position.
5. Set thermostat at setting to call for heat.
6. Remove screw cap covering regulator adjustment
screw (see Fig. 50).
7. Turn adjustment screw clockwise to increase pressure
or counterclockwise to decrease pressure.
8. Once desired pressure is established, set thermostat
setting for no call for heat, turn off main gas valve,
remove pressure-measuring device, and replace 1/8-in.
pipe plug and screw cap.
MAIN BURNERS — For all applications, main burners are
factory set and should require no adjustment.
MAIN BURNER REMOVAL AND REPLACEMENT
1. Shut off (field-supplied) manual main gas valve.
2. Shut off power to unit.
3. Remove gas section access door, door frame, and corner
post.
4. Disconnect gas piping from gas valve inlet.
5. Remove wires from gas valve.
6. Remove wires from rollout switch.
7. Remove sensor wire and ignitor cable form IGC board.
8. Remove 2 screws securing manifold bracket to basepan.
9. Remove 2 screws that hold the burner support plate
flange to the vestibule plate.
10. Lift burner assembly out of unit.
11. Replace burner assembly. Reinstall by reversing Steps 1
to 10.
Moisture/Liquid Indicator — A clear flow of liquid
refrigerant indicates sufficient charge in the system. Bubbles
indicate undercharged system or the presence of noncondens-
ables. Moisture in the system measured in parts per million
(ppm) changes the color of the indicator:
Green — moisture below 45 ppm (dry)
Chartreuse — 45 to 130 ppm (caution!)
Yellow — moisture above 130 ppm (wet)
Change filter driers at the first sign of moisture in the sys-
tem. See Carrier Charging Handbook for more information.
Filter Drier — Replace whenever the moisture/liquid indi-
cator shows moisture in the system.
Liquid Line Service Valve — Located immediately
ahead of the filter drier, this valve has a 1/4-in. flare connection
for field charging. With the liquid circuit shut, the compressor
can be used to pump the refrigerant down into the high side.
The refrigerant can then be stored there by closing the com-
pressor discharge valve.
Compressor Discharge Service Valve — Each
compressor has one.
Compressor Suction Service Valve — Each com-
pressor has one.
Protective Devices
COMPRESSOR PROTECTION
Overcurrent — Each compressor has one manual reset,
calibrated trip, magnetic circuit breaker. Do not bypass connec-
tions or increase the size of the circuit breaker to correct trou-
ble. Determine the cause and correct it before resetting the
breaker.
Overtemperature — Each 06D compressor has an internal
protector to protect it against excessively high discharge gas
temperatures. Each 06E compressor has an external discharge
gas thermostat. See Fig. 51. They will reset, but the circuit will
automatically be locked out by the control board. Unit must be
manually reset by interrupting control power.
Crankcase Heater — Each compressor has a crankcase heater
to prevent absorption of liquid refrigerant by oil in the crank-
case when the compressor is idle. Since 115-v power for the
crankcase heaters is drawn from the unit control circuit, main
unit power must be on for the heaters to be energized.
Liquid Pressure at Liquid Valve (PSIG)
CHARGING CHART
BOTH CIRCUITS
ALL OUTDOOR FANS MUST BE OPERATING
Liquid Temperature at Liquid Valve (deg F)
140
120
100
80
60
40
50 100 150 200 250 300 350 400
Add Charge if Above Curve
Reduce Charge if Below Curve
Fig. 49 — Charging Chart — 48/50Z030-105 Units
IMPORTANT: Unit must be in operation at least
12 hours before moisture indicator can give an accurate
reading. With unit running, indicating element must be
in contact with liquid refrigerant to give a true reading.
INLET PRESSURE
TAP (ON SIDE)
1/8-IN. 27 NPT
OUTLET PRESSURE
TAP (ON SIDE)
1/8-IN. 27 NPT
HIGH-FIRE REGULATOR
ADJUSTMENT SCREW
LOW-FIRE REGULATOR
ADJUSTMENT SCREW
Fig. 50 — Gas Valve

132
EVAPORATOR-FAN MOTOR PROTECTION — A manu-
al reset, calibrated trip, magnetic circuit breaker protects
against overcurrent. Do not bypass connections or increase the
size of the breaker to correct trouble. Determine the cause and
correct it before resetting the breaker.
CONDENSER-FAN MOTOR PROTECTION — Each
condenser-fan motor is internally protected against over-
temperature. They are also protected against a severe over-
current condition by manual reset, calibrated trip, magnetic cir-
cuit breakers on a common circuit. As with the circuit breakers,
do not bypass connections or increase breaker size to correct
trouble. Determine the cause and correct it before resetting the
breaker.
HIGH-PRESSURE SWITCHES — See Fig. 51 for compres-
sor mounting locations. Settings for these switches are shown
in Tables 97A and 97B. If either switch trips, that refrigerant
circuit will be automatically locked out by the controls. To re-
set, recycle control power to unit.
Table 97A — Pressure Switch Settings (psig)
Table 97B — Pressure Switch Settings (Pa)
Relief Devices — All units have relief devices to protect
against damage from excessive pressures (i.e., fire). These de-
vices protect the high and low side.
Control Circuit, 115 V — This control circuit is protect-
ed against overcurrent by a 5-amp (sizes 030-090) or 9-amp
(size 105) circuit breaker. Breaker can be reset. If it trips, deter-
mine cause of trouble before resetting.
Control Circuit, 24 V — This control circuit is protected
against overcurrent by a 3.2-amp circuit breaker. Breaker can be
reset. If it trips, determine cause of trouble before resetting.
Gas Heat (48Z Only)
LIMIT SWITCHES — The maximum supply-air temperature
is controlled by a limit switch located in the gas section. The
limit is designed to trip at 100 F above the maximum tempera-
ture rise.
When the limit trips, 2 flashes occur on the IGC board. The
gas valve is deenergized. After cooling, the system will reset
and fires gas again. If four trips occur, the system shuts down
into Lockout and 4 flashes occur on the IGC board. The system
must then be manually reset by power down and power up of
the unit.
LIMIT SWITCH THERMISTOR (Staged Gas Unit
Only) — The limit switch thermistor is a factory-installed
component. It is located next to the lower limit switch. The
limit switch thermistor senses temperature at limit switch loca-
tion and prevents the limit from tripping while the unit is oper-
ating at low airflow.
ROLLOUT SWITCH — This switch senses any flame or ex-
cessive heat in the main burner compartment and deenergizes
the gas valve. If this occurs, the gas heating system is locked
out (7 flashes on IGC board) until the rollout switch is reset
manually. Reset rollout switch manually by powering down
and powering up of the unit.
When the rollout switch trips, it usually indicates a flue
blockage. Inspect the unit for any obstruction in the flue sys-
tem, for holes in the flue box, a defective hall effect sensor, a
defective inducer motor, or a loose combustion blower.
Compressor Removal — Access to the pump end of
the compressor is from the compressor side of the unit. Access
to the motor end of the compressor is from the inside of the
unit. All compressors can be removed from the compressor
side of the unit.
1. Disconnect power to unit; lockout power to compressor.
2. Close suction and discharge service valves.
3. Relieve refrigerant pressure into a refrigerant recovery
system.
4. Remove:
a. Fan-cycling pressure switch (FCPS)
b. High-pressure switch
5. Disconnect power wires at terminal box and disconnect
conduit.
6. Disconnect wires from crankcase heater.
7. Disconnect service valves from compressor.
8. Remove 4 locknuts securing compressor to the spring
assemblies.
9. Lift compressor off mounting bolts and remove.
Compressor Replacement — Perform the following:
1. Reverse procedure in Compressor Removal section to
end of Step 4.
2. Reinstall service valves and safety switches, and tighten
to torques as listed:
3. Leak-check and evacuate system, recover refrigerant.
4. Recharge system per pre-start-up and start-up sequences.
Recheck oil levels.
5. Energize crankcase heater for 24 hours prior to restart of
system.
IMPORTANT: After a prolonged shutdown or service
job, energize the crankcase heaters for 24 hours before
starting the compressor.
SWITCH CUTOUT CUT-IN
High 426 ± 7 320 ± 20
SWITCH CUTOUT CUT-IN
High 2937 ± 48 2206 ± 138
Fig. 51 — Typical Compressor Overtemperature 
and High-Pressure Switch Locations
IMPORTANT: All compressor mounting hardware and
support brackets removed during servicing must be rein-
stalled prior to start-up.
TORQUE COMPRESSOR(S)
Tighten discharge valves to —
20-25 ft-lb (27- 34 N-m)
80-90 ft-lb (109-122 N-m)
06E-250, 06D-537
06E-265,275,299
Tighten suction valves to —
80- 90 ft-lb (109-122 N-m)
90-120 ft-lb (122-163 N-m)
06E-250, 06D-537
06E-265,275,299
Tighten the following fittings as specified —
120 in.-lb (13.5 N-m) High-Pressure Switch

133
APPENDIX A — LOCAL DISPLAY TABLES
MODE — RUN STATUS
ITEM EXPANSION RANGE UNITS CCN POINT WRITE STATUS PAGE NO.
VIEW AUTO VIEW OF RUN STATUS
→HVAC ascii string spelling out the hvac modes string 90,92
→OCC Occupied ? YES/NO OCCUPIED forcible 90,92
→MAT Mixed Air Temperature dF MAT 90,92
→EDT Evaporator Discharge Tmp dF EDT 90,92
→LAT Leaving Air Temperature dF LAT 90,92
→EC.C.P Economizer Control Point dF ECONCPNT 90,92
→ECN.P Economizer Act.Curr.Pos. 0-100 % ECONOPOS 90,92
→EC2.P Economzr Act.Curr.Pos. 0-100 % ECON2POS 90,92
→CL.C.P Cooling Control Point dF COOLCPNT 90,92
→C.CAP Current Running Capacity CAPTOTAL 90,92
→CL.ST Requested Cool Stage CL_STAGE 90,92
→HT.C.P Heating Control Point dF HEATCPNT 90,92
→HT.ST Requested Heat Stage HT_STAGE 90,92
→H.MAX Maximum Heat Stages HTMAXSTG 90,92
ECON ECONOMIZER RUN STATUS
→ECN.P Economizer Act.Curr.Pos. 0-100 % ECONOPOS 69,93
→EC2.P Economzr 2 Act.Curr.Pos. 0-100 % ECON2POS 69,93
→ECN.C Economizer Act.Cmd.Pos. 0-100 % ECONOCMD forcible 69,93
→ACTV Economizer Active ? YES/NO ECACTIVE 69,93
→DISA ECON DISABLING CONDITIONS
→DISA→UNV.1 Econ Act. Unavailable? YES/NO ECONUNAV 69,93
→DISA→UNV.2 Econ2 Act. Unavailable? YES/NO ECN2UNAV 69,93
→DISA→ENTH Enth. Switch Read High ? YES/NO ENTH 69,93
→DISA→DBC DBC - OAT Lockout? YES/NO DBC_STAT 69,93
→DISA→DEW DEW - OA Dewpt.Lockout? YES/NO DEW_STAT 69,93
→DISA→DDBC DDBD- OAT > RAT Lockout? YES/NO DDBCSTAT 69,93
→DISA→OAEC OAEC- OA Enth Lockout? YES/NO OAECSTAT 69,93
→DISA→DEC DEC - Diff.Enth.Lockout? YES/NO DEC_STAT 69,93
→DISA→EDT EDT Sensor Bad? YES/NO EDT_STAT 69,93
→DISA→OAT OAT Sensor Bad ? YES/NO OAT_STAT 69,93
→DISA→FORC Economizer Forced ? YES/NO ECONFORC 69,93
→DISA→SFON Supply Fan Not On 30s ? YES/NO SFONSTAT 69,93
→DISA→CLOF Cool Mode Not In Effect? YES/NO COOL_OFF 69,93
→DISA→OAQL OAQ Lockout in Effect ? YES/NO OAQLOCKD 69,93
→DISA→HELD Econ Recovery Hold Off? YES/NO ECONHELD 69,93
→DISA→DH.DS Dehumid. Disabled Econ.? YES/NO DHDISABL 69,93
→O.AIR OUTSIDE AIR INFORMATION 69,93
→O.AIR→OAT Outside Air Temperature dF OAT forcible 69,93
→O.AIR→OA.RH Outside Air Rel. Humidity % OARH forcible 69,93
→O.AIR→OA.E Outside Air Enthalpy OAE 69,93
→O.AIR→OA.D.T OutsideAir Dewpoint Temp dF OADEWTMP 69,93
COOL COOLING INFORMATION
→C.CAP Current Running Capacity % CAPTOTAL 92,93
→CUR.S Current Cool Stage COOL_STG 92,93
→REQ.S Requested Cool Stage CL_STAGE 92,93
→MAX.S Maximum Cool Stages CLMAXSTG 92,93
→DEM.L Active Demand Limit % DEM_LIM forcible 92,93
→SUMZ COOL CAP. STAGE CONTROL
→SUMZ→SMZ Capacity Load Factor -100 → +100 SMZ 92,93
→SUMZ→ADD.R Next Stage EDT Decrease ^F ADDRISE 92,93
→SUMZ→SUB.R Next Stage EDT Increase ^F SUBRISE 92,93
→SUMZ→R.PCT Rise Per Percent Capacity RISE_PCT 92,93
→SUMZ→Y.M I N Cap Deadband Subtracting Y_MINUS 92,93
→SUMZ→Y.PL U Cap Deadband Adding Y_PLUS 92,93
→SUMZ→Z.MIN Cap Threshold Subtracting Z_MINUS 92,93
→SUMZ→Z.PLU Cap Threshold Adding Z_PLUS 92,93
→SUMZ→H.TMP High Temp Cap Override HI_TEMP 92,93
→SUMZ→L.TMP Low Temp Cap Override LOW_TEMP 92,93
→SUMZ→PULL Pull Down Cap Override PULLDOWN 92,93
→SUMZ→SLOW Slow Change Cap Override SLO_CHNG 92,93
TRIP MODE TRIP HELPER
→UN.C.S Unoccup. Cool Mode Start UCCLSTRT 93
→UN.C.E Unoccup. Cool Mode End UCCL_END 93
→OC.C.S Occupied Cool Mode Start OCCLSTRT 93
→OC.C.E Occupied Cool Mode End OCCL_END 93
→TEMP Ctl.Temp RAT,SPT or Zone CTRLTEMP 93
→OC.H.E Occupied Heat Mode End OCHT_END 93
→OC.H.S Occupied Heat Mode Start OCHTSTRT 93
→UN.H.E Unoccup. Heat Mode End UCHT_END 93
→UN.H.S Unoccup. Heat Mode Start UCHTSTRT 93
→HVAC ascii string spelling out the hvac modes string 93
LINK CCN - LINKAGE
→MODE Linkage Active - CCN ON/OFF MODELINK 94
→L.Z.T Linkage Zone Control Tmp dF LZT 94
→L.C.SP Linkage Curr. Cool Setpt dF LCSP 94
→L.H.SP Linkage Curr. Heat Setpt dF LHSP 94
HRS COMPRESSOR RUN HOURS
→HR.A1 Compressor A1 Run Hours 0-999999 HRS HOURS_A1 config 94
→HR.A2 Compressor A2 Run Hours 0-999999 HRS HOURS_A2 config 94
→HR.B1 Compressor B1 Run Hours 0-999999 HRS HOURS_B1 config 94
→HR.B2 Compressor B2 Run Hours 0-999999 HRS HOURS_B2 config 94
STRT COMPRESSOR STARTS
→ST.A1 Compressor A1 Starts 0-999999 CY_A1 config 94
→ST.A2 Compressor A2 Starts 0-999999 CY_A2 config 94
→ST.B1 Compressor B1 Starts 0-999999 CY_B1 config 94
→ST.B2 Compressor B2 Starts 0-999999 CY_B2 config 94
VERS SOFTWARE VERSION NUMBERS
→MBB CESR131292-xx-xx string 94
→RCB CESR131249-xx-xx string 94
→ECB CESR131249-xx-xx string 94
→SCB CESR131226-xx-xx string 94
→CEM CESR131174-xx-xx string 94
→ECON xx-xx-xxx-xxx-xx string 94
→IGV xx-xx-xxx-xxx-xx string 94
→HUMD xx-xx-xxx-xxx-xx string 94
→HEAT xx-xx-xxx-xxx-xx string 94
→BP1 xx-xx-xxx-xxx-xx string 94
→BP2 xx-xx-xxx-xxx-xx string 94
→MARQ CESR131171-xx-xx string 94
→NAVI CESR130227-xx-xx string 94

134
APPENDIX A — LOCAL DISPLAY TABLES (cont)
MODE — SERVICE TEST
ITEM EXPANSION RANGE UNITS CCN POINT WRITE STATUS PAGE NO.
TEST Service Test Mode ON/OFF MAN_CTRL 36,37
STOP Local Machine Disable YES/NO UNITSTOP config 36,37
S.STP Soft Stop Request YES/NO SOFTSTOP forcible 36,37
FAN.F Supply Fan Request YES/NO SFANFORC forcible 36,37
INDP TEST INDEPENDENT OUTPUTS
→HUM.R Humidifier Relay ON/OFF HUMR_TST 37
→ALRM Remote Alarm / Aux Relay ON/OFF ALRM_TST 37
FANS TEST FANS
→F.MO D Fan Test Automatic? YES/NO FANAUTO 37,38
→E.POS Econo Damper Command Pos % ECONFANS 37
→S.FAN Supply Fan Relay ON/OFF SFAN_TST 37
→I.POS IGV Actuator Command Pos 0-100 % IGVFNTST 37
→S.VFD Supply Fan VFD Speed 0-100 % SGVFDTST 37
→P. E . 1 Power Exhaust Relay 1 ON/OFF PE1_TST 37
→P. E . 2 Power Exhaust Relay 2 ON/OFF PE2_TST 37
→BP1.P BP 1 Command Position 0-100 % BLDPTST1 37
→BP2.P BP 2 Command Position 0-100 % BLDPTST2 37
→E.VFD Exhaust Fan VFD Speed 0-100 % EFVFDTST 37
→CD.F.A Condenser Fan Circuit A ON/OFF CNDA_TST 37
→CD.F.B Condenser Fan Circuit B ON/OFF CNDB_TST 37
→CD.MM Motormaster Condensr Fan ON/OFF PCFABTST 37
ACT.C CALIBRATE TEST-ACTUATORS
→ECN.C Economizer Act.Cmd.Pos. 0-100 % ECONOTST 37
→E.CAL Economizer Calibrate Cmd YES/NO ECONOCAL 37
→ECN.A Econ Act. Control Angle read only ECONCANG 37
→EC2.C Economzr 2 Act.Cmd.Pos. 0-100 % ECON2TST 37
→E2.CL Economzr 2 Calibrate Cmd YES/NO ECON2CAL 37
→EC2.A Econ2 Act. Control Angle read only ECN2CANG 37
→IGV.C IGV Actuator Command Pos 0-100 % SPIGVTST 37
→I.CAL IGV Act. Calibrate Cnd YES/NO IGV_CAL 37
→IGV.A IGV Act. Control Angle read only IGC_CANG 37
→IGV.M VFD-IGV Maximum Speed 0-100 % STATPMAX 37
→BP1.C BP 1 Command Position 0-100 % BLDG1TST 37
→B1.CL BP 1 Actuator Cal Cmd YES/NO BLDG1CAL 37
→BP1.A BP Act.1 Control Angle read only BP1_CANG 37
→BP1.M BP 1 Actuator Max Pos. 0-100 % BP1SETMX 37
→BP2.C BP 2 Command Position 0-100 % BLDG2TST 37
→B2.CL BP 2 Actuator Cal Cmd YES/NO BLDG2CAL 37
→BP2.A BP Act.2 Control Angle read only BP2_CANG 37
→BP2.M BP 2 Actuator Max Pos. 0-100 % BP2SETMX 37
→HTC.C Ht.Coil Command Position 0-100 % HTCLACTC 37
→HT.CL Heating Coil Act. Cal.Cmd YES/NO HCOILCAL 37
→HTC.A Heat Coil Act.Ctl.Angle read only HTCLCANG 37
→HMD.C Humidifier Command Pos. 0-100 % HUMD_TST 37
→HM.CL Humidifier Act. Cal.Cmd YES/NO HUMIDCAL 37
→HMD.A Humidifier Act.Ctrl.Ang. read only HUMDCANG 37
COOL TEST COOLING
→E.POS Econo Damper Command Pos 0-100 % ECONCOOL 37,38
→SP.SP Static Pressure Setpoint 0-5 "H2O SPSP_TST 37,38
→CL.ST Requested Cool Stage 0-n CLST_TST 37,38
→LD.LG Lead/Lag Select Test LEAD/LAG LL_TST 37,38
→A1 Compressor A1 Relay ON/OFF CMPA1TST 37,38
→U1.A1 Unloader 1 - Comp A1 ON/OFF UNL1_TST 37
→U2.A1 Unloader 2 - Comp A1 ON/OFF UNL2_TST 37
→A2 Compressor A2 Relay ON/OFF CMPA2TST 37
→B1 Compressor B1 Relay ON/OFF CMPB1TST 37
→U1.B1 Unloader 1 - Comp B1 ON/OFF UNL3_TST 37
→U2.B1 Unloader 2 - Comp B1 ON/OFF UNL4_TST 37
→B2 Compressor B2 Relay ON/OFF CMPB2TST 37
HEAT TEST HEATING
→HT.ST Requested Heat Stage 0-n HTST_TST 37,38
→HT.1 Heat Relay 1 ON/OFF HS1_TST 37,38
→HT.2 Heat Relay 2 ON/OFF HS2_TST 37,38
→HT.3 Relay 3 W1 Gas Valve 2 ON/OFF HS3_TST 37,38
→HT.4 Relay 4 W2 Gas Valve 2 ON/OFF HS4_TST 37,38
→HT.5 Relay 5 W1 Gas Valve 3 ON/OFF HS5_TST 37,38
→HT.6 Relay 6 W2 Gas Valve 3 ON/OFF HS6_TST 37,38
→H.I.R Heat Interlock Relay ON/OFF HIR_TST 37,38
→HTC.C Ht.Coil Command Position 0-100 % HTCLHEAT 37,38

135
APPENDIX A — LOCAL DISPLAY TABLES (cont)
MODE — TEMPERATURES
MODE — PRESSURES
MODE — SETPOINTS
ITEM EXPANSION RANGE UNITS CCN POINT WRITE STATUS
AIR.T AIR TEMPERATURES
→CTRL CONTROL TEMPS
→CTRL→EDT Evaporator Discharge Tmp dF EDT
→CTRL→LAT Leaving Air Temperature dF LAT
→CTRL→MAT Mixed Air Temperature dF MAT
→CTRL→R.TMP Controlling Return Temp dF RETURN_T forcible
→CTRL→S.TMP Controlling Space Temp dF SPACE_T forcible
→SAT Air Tmp Lvg Supply Fan dF SAT
→OAT Outside Air Temperature -40 - 240 dF OAT forcible
→RAT Return Air Temperature dF RAT forcible
→SPT Space Temperature -40 - 240 dF SPT forcible
→SPTO Space Temperature Offset ^F SPTO forcible
→CCT Air Temp Lvg Evap Coil dF CCT
→S.G.LS Staged Gas LAT Sum dF LAT_SGAS
→S.G.L1 Staged Gas LAT 1 dF LAT1SGAS
→S.G.L2 Staged Gas LAT 2 dF LAT2SGAS
→S.G.L3 Staged Gas LAT 3 dF LAT3SGAS
→S.G.LM Staged Gas Limit Sw.Temp dF LIMSWTMP
REF.T REFRIGERANT TEMPERATURES
→SCT.A Cir A Sat.Condensing Tmp dF SCTA
→SST.A Cir A Sat.Suction Temp. dF SSTA
→SCT.B Cir B Sat.Condensing Tmp dF SCTB
→SST.B Cir B Sat.Suction Temp. dF SSTB
ITEM EXPANSION RANGE UNITS CCN POINT WRITE STATUS
AIR.P AIR PRESSURES
→SP Static Pressure "H2O SP
→BP Building Pressure "H2O BP
REF.P REFRIGERANT PRESSURES
→DP.A Cir A Discharge Pressure PSIG DP_A
→SP.A Cir A Suction Pressure PSIG SP_A
→DP.B Cir B Discharge Pressure PSIG DP_B
→SP.B Cit B Suction Pressure PSIG SP_B
ITEM EXPANSION RANGE UNITS CCN POINT DEFAULT
OHSP Occupied Heat Setpoint 40-99 dF OHSP 68
OCSP Occupied Cool Setpoint 40-99 dF OCSP 75
UHSP Unoccupied Heat Setpoint 40-99 dF UHSP 55
UCSP Unoccupied Cool Setpoint 40-110 dF UCSP 90
GAP Heat-Cool Setpoint Gap 2-10 deltaF HCSP_GAP 5
V. C . O N VAV Occ. Cool On Delta 0-25 deltaF VAVOCON 3.5
V. C . O F VAV Occ. Cool Off Delta 1-25 deltaF VAVOCOFF 2
SASP Supply Air Setpoint 45-75 dF SASP 55
SA.HI Supply Air Setpoint Hi 45-75 dF SASP_HI 55
SA.LO Supply Air Setpoint Lo 45-75 dF SASP_LO 60
SA.HT Heating Supply Air Setpt 80-120 dF SASPHEAT 85
T.PRG Tempering Purge SASP -20-80 dF TEMPPURG 50
T.CL Tempering in Cool SASP 5-75 dF TEMPCOOL 5
T.V.OC Tempering Vent Occ SASP -20-80 dF TEMPVOCC 65
T.V.UN Tempering Vent Unocc. SASP -20-80 dF TEMPVUNC 50

136
APPENDIX A — LOCAL DISPLAY TABLES (cont)
MODE — INPUTS
*The display text changes depending on the remote switch configuration (Configuration
→
UNIT
→
RM.CF). If RM.CF is set to 0 (No Remote Switch), then the display
text will be “On” or “Off.” If RM.CF is set to 1 (Occupied/Unoccupied Switch), then the display text will be “Occupied” or “Unoccupied.” If RM.CF is set to 2 (Start/Stop),
then the display text will be “Stop” or “Start.” If RM.CF is set to 3 (Override Switch), then the display text will be “No Override” or “Override.”
ITEM EXPANSION RANGE UNITS CCN POINT WRITE STATUS
GEN.I GENERAL INPUTS
→FLT.S Filter Status Input DRTY/CLN FLTS forcible
→G.FAN Fan Request From IGC ON/OFF IGCFAN
→REMT Remote Input State * RMTIN forcible
→ENTH Enth. Switch Read High ? YES/NO ENTH forcible
→S.FN.S Supply Fan Status Switch ON/OFF SFS forcible
→FRZ.S Freeze Status Switch ALRM/NORM FRZ forcible
→PP.SW Plenum Press.Safety Sw. HIGH/LOW PPS forcible
→DL.S1 Demand Limit Switch 1 ON/OFF DMD_SW1 forcible
→DL.S2 Demand Limit Switch 2 ON/OFF DMD_SW2 forcible
→DH.IN Dehumidify Switch Input ON/OFF DHDISCIN forcible
FD.BK COMPRESSOR FEEDBACK
→HPS.A Circ A High Press. Switch HIGH/LOW CIRCAHPS
→HPS.B Circ B High Press. Switch HIGH/LOW CIRCBHPS
→CS.A1 Compressor A1 Feedback ON/OFF CSB_A1
→CS.A2 Compressor A2 Feedback ON/OFF CSB_A2
→CS.B1 Compressor B1 Feedback ON/OFF CSB_B1
→CS.B2 Compressor B2 Feedback ON/OFF CSB_B2
STAT THERMOSTAT INPUTS
→GThermostat G Input ON/OFF G forcible
→W1 Thermostat W1 Input ON/OFF W1 forcible
→W2 Thermostat W2 Input ON/OFF W2 forcible
→Y1 Thermostat Y1 Input ON/OFF Y1 forcible
→Y2 Thermostat Y2 Input ON/OFF Y2 forcible
FIRE FIRE-SMOKE INPUTS
→FSD Fire Shutdown Input ALRM/NORM FSD forcible
→PRES Pressurization Input ALRM/NORM PRES forcible
→EVAC Evacuation Input ALRM/NORM EVAC forcible
→PURG Smoke Purge Input ALRM/NORM PURG forcible
REL.H RELATIVE HUMIDITY
→OA.RH Outside Air Rel. Humidity % OARH forcible
→OA.EN Outdoor Air Enthalpy OAE
→OA.DP OutsideAir Dewpoint Temp dF OADEWTMP
→RA.RH Return Air Rel. Humidity % RARH forcible
→RA.EN Return Air Enthalpy RAE
→SP.RH Space Relative Humidity % SPRH forcible
→SP.EN Space Enthalpy SPE
AIR.Q AIR QUALITY SENSORS
→IAQ.I IAQ - Discrete Input HIGH/LOW IAQIN forcible
→IAQ IAQ - PPM Return CO2 IAQ forcible
→OAQ OAQ - PPM Return CO2 OAQ forcible
→DAQ Diff.Air Quality in PPM DAQ
→IQ.P.O IAQ Min.Pos. Override % IAQMINOV forcible
CFM CFM SENSORS
→O.CFM Outside Air CFM CFM OACFM
→R.CFM Return Air CFM CFM RACFM
→S.CFM Supply Air CFM CFM SACFM
→D.CFM Fan Track Control D.CFM CFM DELTACFM
RSET RESET INPUTS
→SA.S.R Supply Air Setpnt. Reset ^F SASPRSET forcible
→SP.RS Static Pressure Reset SPRESET forcible
4-20 4-20 MILLIAMP INPUTS
→IAQ.M IAQ Milliamps ma IAQ_MA
→OAQ.M OAQ Milliamps ma OAQ_MA
→SP.R.M SP Reset milliamps ma SPRST_MA
→DML.M 4-20 ma Demand Signal ma DMDLMTMA forcible
→EDR.M EDT Reset Milliamps ma EDTRESMA
→ORH.M OARH Milliamps ma OARH_MA
→SRH.M SPRH Milliamps ma SPRH_MA
→RRH.M RARH Milliamps ma RARH_MA
→SAC.M SACFM Milliamps ma SACFM_MA
→SA.M.T Supply Air CFM Trim (ma) -2.0 → 2.0 SAMATRIM
→RAC.M RACFM Milliamps ma RACFM_MA
→RA.M.T Return Air CFM Trim (ma) -2.0 → 2.0 RAMATRIM config
→OAC.M OACFM Milliamps ma OACFM_MA
→OA.M.T Outside Air CFM Trim(ma) -2.0 → 2.0 OAMATRIM config
→BP.M BP Milliamps ma BP_MA
→BP.M.T Bldg. Pressure Trim (ma) -2.0 → 2.0 BPMATRIM config
→SP.M SP Milliamps ma SP_MA
→SP.M.T Static Press. Trim (ma) -2.0 → 2.0 SPMATRIM config

137
APPENDIX A — LOCAL DISPLAY TABLES (cont)
MODE — OUTPUTS
MODE — CONFIGURATION
ITEM EXPANSION RANGE UNITS CCN POINT WRITE STATUS
FANS FANS
→S.FAN Supply Fan Relay ON/OFF SFAN
→S.VFD Supply Fan VFD Speed 0-100 % SFAN_VFD
→E.VFD Exhaust Fan VFD Speed 0-100 % EFAN_VFD
→P. E . 1 Power Exhaust Relay 1 ON/OFF PE1
→P. E . 2 Power Exhaust Relay 2 ON/OFF PE2
→CD.F.A Condenser Fan Circuit A ON/OFF CONDFANA
→CD.F.B Condenser Fan Circuit B ON/OFF CONDFANB
→CD.MM Motormaster Condensr Fan ON/OFF PULSCFAB
COOL COOLING
→A1 Compressor A1 Relay ON/OFF CMPA1
→U1.A1 Unloader 1 - Comp A1 ON/OFF UNL_1_A1
→U2.A1 Unloader 2 - Comp A1 ON/OFF UNL_2_A1
→A2 Compressor A2 Relay ON/OFF CMPA2
→B1 Compressor B1 Relay ON/OFF CMPB1
→U1.B1 Unloader 1 - Comp B1 ON/OFF UNL_1_B1
→U2.B1 Unloader 2 - Comp B1 ON/OFF UNL_2_B1
→B2 Compressor B2 Relay ON/OFF CMPB2
HEAT HEATING
→HT.1 Heat Relay 1 ON/OFF HS1
→HT.2 Heat Relay 2 ON/OFF HS2
→HT.3 Relay 3 W1 Gas Valve 2 ON/OFF HS3
→HT.4 Relay 4 W2 Gas Valve 2 ON/OFF HS4
→HT.5 Relay 5 W1 Gas Valve 3 ON/OFF HS5
→HT.6 Relay 6 W2 Gas Valve 3 ON/OFF HS6
→H.I.R Heat Interlock Relay ON/OFF HIR forcible
→HTC.P Ht.Coil Act.Current Pos. 0-100 % HTCLRPOS
ACTU ACTUATORS
→ECN.P Economizer Act.Curr.Pos. 0-100 % ECONRPOS
→EC2.P Economzr 2 Act.Curr.Pos. 0-100 % ECON2POS
→ECN.C Economizer Act.Cmd.Pos. 0-100 % ECONOCMD forcible
→IGV.P IGV Actuator Current Pos 0-100 % IGV_RPOS
→IGV.C IGV Actuator Command Pos 0-100 % IGV_CPOS
→BP1.P BP 1 Actuator Curr.Pos. 0-100 % BP1_RPOS
→BP1.C BP 1 Command Position 0-100 % BP1_CPOS
→BP2.P BP 2 Actuator Curr.Pos. 0-100 % BP2_RPOS
→BP2.C BP 2 Command Position 0-100 % BP2_CPOS
→HTC.P Ht.Coil Act.Current Pos. 0-100 % HTCLRPOS
→HTC.C Ht.Coil Command Position 0-100 % HTCLCPOS
→HMD.P Humidifier Act.Curr.Pos. 0-100 % HUMDRPOS
→HMD.C Humidifier Command Pos. 0-100 % HUMDCPOS
GEN.O GENERAL OUTPUTS
→HUM.R Humidifier Relay ON/OFF HUMIDRLY
→ALRM Remote Alarm / Aux Relay ON/OFF ALRM forcible
ITEM EXPANSION RANGE UNITS CCN POINT DEFAULT PAGE NO.
UNIT UNIT CONFIGURATION
→C.TYP Machine Control Type 1 - 6 (multi-text strings) CTRLTYPE 4 42,44
→CV.FN Fan Mode (0=Auto, 1=Cont) 0 - 1 (multi-text strings) FAN_MODE 1 44
→RM.CF Remote Switch Config 0 - 3  (multi-text strings) RMTINCFG 0 44
→CEM CEM Module Installed Yes/No CEM_BRD No 44
→TCS.C Temp.Cmp.Strt.Cool Factr 0 - 60 min TCSTCOOL 0 44
→TCS.H Temp.Cmp.Strt.Heat Factr 0 - 60 min TCSTHEAT 0 44
→SFS.S Fan Fail Shuts Down Unit Yes/No SFS_SHUT No 44
→SFS.M Fan Stat Monitoring Type 0 - 2 (multi-text strings) SFS_MON 0 44
→VAV.S VAV Unocc.Fan Retry Time 0 - 720 min SAMPMINS 50 44
→SIZE Unit Size (30-105) 30 - 105 UNITSIZE 30 44
→50.HZ 50 Hertz Unit ? Yes/No UNIT_HZ No 44,45
→MAT.S MAT Calc Config 0 -  2 (multi-text strings) MAT_SEL 1 44,45
→MAT.R Reset MAT Table Entries? Yes/No MATRESET No 44,45
→MAT.D MAT Outside Air Default 0 -100 % MATOAPOS 20 44,45
→ALTI Altitude……..in feet: 0 - 60000 ALTITUDE 0 44,45
→DLAY Startup Delay Time 0 -900 secs DELAY 0
→AUX.R Auxiliary Relay Config 0 - 3 (multi-text strings) AUXRELAY 0
→SENS INPUT SENSOR CONFIG
→SENS→SPT.S Space Temp Sensor Enable/Disable SPTSENS Disable 44,45
→SENS→SP.O.S Space Temp Offset Sensor Enable/Disable SPTOSENS Disable 44,45
→SENS→SP.O.R Space Temp Offset Range 1 - 10 SPTO_RNG 5 44,45
→SENS→SRH.S Space Air RH Sensor Enable/Disable SPRHSENS Disable 44,45
→SENS→RRH.S Return Air RH Sensor Enable/Disable RARHSENS Disable 44,45
→SENS→FLT.S Filter Stat.Sw.Enabled ? Enable/Disable FLTS_ENA Disable 44,45
COOL COOLING CONFIGURATION
→Z.GN Capacity Threshold Adjst -10 - 10 Z_GAIN 1 46,47
→MC.LO Compressor Lockout Temp -25 - 55 dF OATLCOMP 40 46,47
→L.L.EN Lead/Lag Operation ? Yes/No LLENABLE No 46,47
→M.M. Motor Master Control ? Yes/No MOTRMAST No 46,47
→HPSP Head Pressure Setpoint 80 - 150 dF HPSP 113 46,47
→A1.EN Enable Compressor A1 Enable/Disable CMPA1ENA Enable 46,47
→A2.EN Enable Compressor A2 Enable/Disable CMPA2ENA Enable 46,47
→B1.EN Enable Compressor B1 Enable/Disable CMPB1ENA Enable 46,47
→B2.EN Enable Compressor B2 Enable/Disable CMPB2ENA Enable 46,47
→CS.A1 CSB A1 Feedback Alarm Enable/Disable CSB_A1EN Enable 46,47
→CS.A2 CSB A2 Feedback Alarm Enable/Disable CSB_A2EN Enable 47
→CS.B1 CSB B1 Feedback Alarm Enable/Disable CSB_B1EN Enable 47
→CS.B2 CSB B2 Feedback Alarm Enable/Disable CSB_B2EN Enable 47
→HPS.A CMPA1 Hi.Pr.Sw. Trip 365 - 415 PSIG HPSATRIP 415 47
→HPS.B CMPB1 Hi.Pr.Sw. Trip 365 - 415 PSIG HPSBTRIP 415 47
→H.SST Hi SST Alert Delay Time 5 - 30 min HSSTTIME 10 47

138
APPENDIX A — LOCAL DISPLAY TABLES (cont)
MODE — CONFIGURATION (cont)
ITEM EXPANSION RANGE UNITS CCN POINT DEFAULT PAGE NO.
EDT.R EVAP.DISCHRGE TEMP RESET
→RS.CF EDT Reset Configuration 0 - 3 (multi-text strings) EDRSTCFG 2 46,47
→RTIO Reset Ratio 0 - 10 RTIO 3 46,47
→LIMT Reset Limit 0 - 20 deltaF LIMT 10 46,47
→RES.S EDT 4-20 ma Reset Input Enable/Disable EDTRSENS Disable 46,47
HEAT HEATING CONFIGURATION
→HT.CF Heating Control Type 0 - 4 HEATTYPE 0 54,55
→HT.SP Heating Supply Air Setpt 80 - 120 dF SASPHEAT 85 54,55
→OC.EN Occupied Heating Enabled Yes/No HTOCCENA No 54,55
→LAT.M MBB Sensor Heat Relocate Yes/No HTLATMON No 54,55
→SG.CF STAGED GAS CONFIGS
→SG.CF→HT.ST Staged Gas Heat Type 0 - 4 HTSTGTYP 0 54,57,58
→SG.CF→CAP.M Max Cap Change per Cycle 5 - 45 HTCAPMAX 45 54,57,58
→SG.CF→M.R.DB S.Gas DB min.dF/PID Rate 0 - 5 HT_MR_DB 0.5 54,57,58
→SG.CF→S.G.DB St.Gas Temp. Dead Band 0 - 5 ^F HT_SG_DB 2 54,57,58
→SG.CF→RISE Heat Rise dF/sec Clamp 0.05 - 0.2 HTSGRISE 0.06 54,57,58
→SG.CF→LAT.L LAT Limit Config 0 - 20 ^F HTLATLIM 10 54,57,58
→SG.CF→LIM.M Limit Switch Monitoring? Yes/No HTLIMMON Yes 54,57,58
→SG.CF→SW.H.T Limit Switch High Temp 110 - 180 dF HT_LIMHI 170 54,57,58
→SG.CF→SW.L.T Limit Switch Low Temp 100 - 170 dF HT_LIMLO 160 54,57,58
→SG.CF→HT.P Heat Control Prop. Gain 0 - 1.5 HT_PGAIN 1 54,57,58
→SG.CF→HT.D Heat Control Derv. Gain 0 - 1.5 HT_DGAIN 1 54,58
→SG.CF→HT.TM Heat PID Rate Config 60 - 300 sec HTSGPIDR 90 54,58
→HH.CF HYDRONIC HEAT CONFIGS
→HH.CF→HW.P Hydronic Ctl.Prop. Gain 0 - 1.5 HW_PGAIN 1 54,57
→HH.CF→HW.I Hydronic Ctl.Integ. Gain 0 - 1.5 HW_IGAIN 1 54,57
→HH.CF→HW.D Hydronic Ctl.Derv. Gain 0 - 1.5 HW_DGAIN 1 54,57
→HH.CF→HW.TM Hydronic PID Rate Config 15 - 300 sec HOTWPIDR 90 54,57
→HH.CF→ACT.C HYDR.HEAT ACTUATOR CFGS.
→HH.CF→ACTC→SN.1 Hydronic Ht.Serial Num.1 0 - 255 HTCL_SN1 0 54,57
→HH.CF→ACTC→SN.2 Hydronic Ht.Serial Num.2 0 - 255 HTCL_SN2 0 54,57
→HH.CF→ACTC→SN.3 Hydronic Ht.Serial Num.3 0 - 255 HTCL_SN3 0 54,57
→HH.CF→ACTC→SN.4 Hydronic Ht.Serial Num.4 0 - 255 HTCL_SN4 0 54,57
→HH.CF→ACTC→SN.5 Hydronic Ht.Serial Num.5 0 - 255 HTCL_SN5 0 54,57
→HH.CF→ACTC→C.A.LM Hydr.Ht.Ctl.Ang.Lo Limit 0-90 HTCLCALM 85 54,57
SP SUPPLY STATIC PRESS.CFG.
→SP.CF Static Pressure Config 0-2 (multi-text strings) STATICFG 0 62
→SP.S Static Pressure Sensor Enable/Disable SPSENS Disable 62
→SP.LO Static Press. Low Range -10 - 0 SP_LOW 0 62
→SP.HI Static Press. High Range 0 - 10 SP_HIGH 5 62
→SP.SP Static Pressure Setpoint 0 - 5 SPSP 1.5 62
→SP.MN VFD-IGV Minimum Speed 0 - 100 STATPMIN 20 62
→SP.MX VFD-IGV Maximum Speed 0 - 100 STATPMAX 100 62
→SP.FS VFD-IGV Fire Speed Over. 0 - 100 STATPFSO 100 62
→SP.RS Stat. Pres. Reset Config 0 - 4 (multi-text strings) SPRSTCFG 0 62
→SP.RT SP Reset Ratio 0.00 - 2.00 SPRRATIO 0.20 62
→SP.LM SP Reset Limit 0.00 - 2.00 SPRLIMIT 0.75 62
→SP.EC SP Reset Econo. Position 0 - 100 % ECONOSPR 5 62,63
→S.PID STAT.PRESS.PID CONFIGS
→S.PID→SP.TM Stat.Pres.PID Run Rate 5 - 120 SPIDRATE 15 62,63
→S.PID→SP.P Static Press. Prop. Gain 0 - 5 STATP_PG 0.5 62,63
→S.PID→SP.I Static Pressure Intg. Gain 0 - 2 STATP_IG 0.5 62,63
→S.PID→SP.D Static Pressure Derv. Gain 0 - 5 STATP_DG 0.3 62,63
→ACT.C IGV ACTUATOR CONFIGS
→ACTC→SN.1 IGV Serial Number 1 0 - 255 IGV_SN1 0 62,63
→ACTC→SN.2 IGV Serial Number 2 0 - 255 IGV_SN2 0 62,63
→ACTC→SN.3 IGV Serial Number 3 0 - 255 IGV_SN3 0 62,63
→ACTC→SN.4 IGV Serial Number 4 0 - 255 IGV_SN4 0 62,63
→ACTC→SN.5 IGV Serial Number 5 0 - 255 IGV_SN5 0 62,63
→ACTC→C.A.LM IGV Cntrl Angle Lo Limit 0-90 IGV_CALM 25 62,63
ECON ECONOMIZER CONFIGURATION
→EC.EN Economizer Installed? Yes/No ECON_ENA Yes 65,66
→EC2.E Econ.Act.2 Installed? Yes/No ECON_TWO No 65,66
→EC.MN Economizer Min.Position 0 - 100 % ECONOMIN 5 65,66
→EC.MX Economizer Max.Position 0 - 100 % ECONOMAX 98 65,66
→E.TRM Economzr Trim For SumZ ? Yes/No ECONTRIM Yes 65,66
→E.SEL Econ ChangeOver Select 0 - 3 (multi-text strings) ECON_SEL 0 66
→OA.E.C OA Enthalpy ChgOvr Selct 1 - 5 (multi-text strings) OAEC_SEL 4 66
→OA.EN Outdr.Enth Compare Value 18 - 28 OAEN_CFG 24 66
→OAT.L High OAT Lockout Temp -40 - 120 dF OAT_LOCK 60 66
→O.DEW OA Dewpoint Temp Limit 50 - 62 dF OADEWCFG 55 66,67
→ORH.S Outside Air RH Sensor Enable/Disable OARHSENS Disable 66
→CFM.C OUTDOOR AIR CFM CONTROL
→CFM.C→OCF.S Outdoor Air CFM Sensor Enable/Disable OCFMSENS Disable 66,68
→CFM.C→O.C.MX Economizer Min.Flow 0 - 20000 CFM OACFMMAX 2000 66,68
→CFM.C→O.C.MN IAQ Demand Vent Min.Flow 0 - 20000 CFM OACFMMIN 0 66,68
→CFM.C→O.C.DB Econ.Min.Flow Deadband 200 - 1000 CFM OACFM_DB 400 66,68
→E.CFG ECON.OPERATION CONFIGS
→E.CFG→E.P.GN Economizer Prop.Gain 0.7 - 3.0 EC_PGAIN 1 66
→E.CFG→E.RNG Economizer Range Adjust 0.5 - 5 ^F EC_RANGE 2.5 66
→E.CFG→E.SPD Economizer Speed Adjust 0.1 - 10 EC_SPEED 0.75 66
→E.CFG→E.DBD Economizer Deadband 0.1 - 2 ^F EC_DBAND 0.5 66
→UEFC UNOCC.ECON.FREE COOLING
→UEFC→FC.CF Unoc Econ Free Cool Cfg 0-2 (multi-text strings) UEFC_CFG 0 66,68
→UEFC→FC.TM Unoc Econ Free Cool Time 0 - 720 min UEFCTIME 120 66,68
→UEFC→FC.L.O Un.Ec.Free Cool OAT Lock 40 - 70 dF UEFCNTLO 50 66,68
→ACT.C ECON.ACTUATOR CONFIGS
→ACTC→SN.1.1 Econ Serial Number 1 0 - 255 ECON_SN1 0 66,67
→ACTC→SN.1.2 Econ Serial Number 2 0 - 255 ECON_SN2 0 66,67
→ACTC→SN.1.3 Econ Serial Number 3 0 - 255 ECON_SN3 0 66,67
→ACTC→SN.1.4 Econ Serial Number 4 0 - 255 ECON_SN4 0 66,67
→ACTC→SN.1.5 Econ Serial Number 5 0 - 255 ECON_SN5 0 66,67
→ACTC→C.A.L1 Econ Ctrl Angle Lo Limit 0 - 90 ECONCALM 85 66
→ACTC→SN.2.1 Econ 2 Serial Number 1 0 - 255 ECN2_SN1 0 66,67
→ACTC→SN.2.2 Econ 2 Serial Number 2 0 - 255 ECN2_SN2 0 66,67
→ACTC→SN.2.3 Econ 2 Serial Number 3 0 - 255 ECN2_SN3 0 66,67
→ACTC→SN.2.4 Econ 2 Serial Number 4 0 - 255 ECN2_SN4 0 66,67
→ACTC→SN.2.5 Econ 2 Serial Number 5 0 - 255 ECN2_SN5 0 66,67
→ACTC→C.A.L2 Ecn2 Ctrl Angle Lo Limit 0 - 90 ECN2CALM 85 66

139
APPENDIX A — LOCAL DISPLAY TABLES (cont)
MODE — CONFIGURATION (cont)
ITEM EXPANSION RANGE UNITS CCN POINT DEFAULT PAGE NO.
BP BUILDING PRESS. CONFIGS
→BP.CF Building Press. Config 0 - 5 (multi-text strings) BLDG_CFG 0 70,71
→BP.S Building Pressure Sensor Enable/Disable BPSENS Disable 70,71
→BP.R Bldg. Press. (+/-) Range 0.10 - 0.25 "H2O BP_RANGE 0.25 70,71
→BP.SP Building Pressure Setp. -0.25 - 0.25 "H2O BPSP 0.05 70,71
→BP.SO BP Setpoint Offset 0 - 0.5 "H2O BPSO 0.05 70,71
→BP.P1 Power Exhaust On Setp.1 0 - 100 % PES1 25 70,71
→BP.P2 Power Exhaust On Setp.2 0 - 100 % PES2 75 70,71
→B.V.A VFD/ACTUATOR  CONFIG
→B.V.A→BP.FS VFD/Act. Fire Speed/Pos. 0 - 100 % BLDGPFSO 100 70,71
→B.V.A→BP.MN VFD/Act. Min.Speed/Pos. 0 - 50 % BLDGPMIN 0 70,71
→B.V.A→BP.MX VFD Maximum Speed 50 - 100 % BLDGPMAX 100 70,71
→B.V.A→BP.1M BP 1 Actuator Max Pos. 85 - 100 % BP1SETMX 100 70,71
→B.V.A→BP.2M BP 2 Actuator Max Pos. 85 - 100 % BP2SETMX 100 70,71
→B.V.A→BP.CL BP Hi Cap VFD Clamp Val. 5 - 25 % BLDGCLMP 10 70,71
→FAN.T FAN TRACKING CONFIG
→FAN.T→FT.CF Fan Track Learn Enable Yes/No DCFM_CFG No 70,71
→FAN.T→FT.TM Fan Track Learn Rate 5-60 min DCFMRATE 15 70,71
→FAN.T→FT.ST Fan Track Initial DCFM -20000 - 20000 CFM DCFMSTRT 2000 70,71
→FAN.T→FT.MX Fan Track Max Clamp 0 - 20000 CFM DCFM_MAX 4000 70,71
→FAN.T→FT.AD Fan Track Max Correction 0 -20000 CFM DCFM_ADJ 1000 70,71
→FAN.T→FT.OF Fan Track Internl EEPROM -20000 - 20000 CFM DCFM_OFF 0 70,71
→FAN.T→FT.RM Fan Track Internal RAM -20000 - 20000 CFM DCFM_RAM 0 70,71
→FAN.T→FT.RS Fan Track Reset Internal Yes/No DCFMRSET No 70,71
→FAN.T→SCF.C Supply Air CFM Config 1 - 2 (multi-text strings) SCFM_CFG 1 70,71
→B.PID BLDG.PRESS.PID CONFIGS
→B.PID→BP.TM Bldg.Pres.PID Run Rate 5 - 120 sec BPIDRATE 10 70,71
→B.PID→BP.P Bldg.Press. Prop. Gain 0 - 5 BLDGP_PG 0.5 70,71
→B.PID→BP.I Bldg.Press. Integ. Gain 0 - 2 BLDGP_IG 0.5 70,71
→B.PID→BP.D Bldg.Press. Deriv. Gain 0 - 5 BLDGP_DG 0.3 70,71
→ACT.C BLDG.PRES. ACTUATOR CFGS
→ACT.C→BP.1 BLDG.PRES. ACT.1 CONFIGS
→ACT.C→BP.1→SN.1 BP 1 Serial Number 1 0 - 255 BP_1_SN1 0 70-72
→ACT.C→BP.1→SN.2 BP 1 Serial Number 2 0 - 255 BP_1_SN2 0 70-72
→ACT.C→BP.1→SN.3 BP 1 Serial Number 3 0 - 255 BP_1_SN3 0 70-72
→ACT.C→BP.1→SN.4 BP 1 Serial Number 4 0 - 255 BP_1_SN4 0 70-72
→ACT.C→BP.1→SN.5 BP 1 Serial Number 5 0 - 255 BP_1_SN5 0 70-72
→ACT.C→BP.1→C.A.LM BP1 Cntrl Angle Lo Limit 0-90 BP1_CALM 35 70-72
→ACT.C→BP.2 BLDG.PRES. ACT.2 CONFIGS
→ACT.C→BP.2→SN.1 BP 2 Serial Number 1 0 - 255 BP_2_SN1 0 70-72
→ACT.C→BP.2→SN.2 BP 2 Serial Number 2 0 - 255 BP_2_SN2 0 70-72
→ACT.C→BP.2→SN.3 BP 2 Serial Number 3 0 - 255 BP_2_SN3 0 70-72
→ACT.C→BP.2→SN.4 BP 2 Serial Number 4 0 - 255 BP_2_SN4 0 70-72
→ACT.C→BP.2→SN.5 BP 2 Serial Number 5 0 - 255 BP_2_SN5 0 70-72
→ACT.C→BP.2→C.A.LM BP2 Cntrl Angle Lo Limit 0-90 BP2_CALM 35 70-72
D.LV.T COOL/HEAT SETPT. OFFSETS
→L.H.ON Dmd Level    Lo Heat On -1 - 2 ^F DMDLHON 1.5 48,55,56
→H.H.ON Dmd Level(+) Hi Heat On 0.5 - 20.0 ^F DMDHHON 0.5 48,55,56
→L.H.OF Dmd Level(-) Lo Heat Off 0.5 - 2.0 ^F DMDLHOFF 1 48,55,56
→L.C.ON Dmd Level    Lo Cool On -1 - 2 ^F DMDLCON 1.5 48,49,55
→H.C.ON Dmd Level(+) Hi Cool On 0.5 - 20.0 ^F DMDHCON 0.5 48,49,55
→L.C.OF Dmd Level(-) Lo Cool Off 0.5 - 2.0 ^F DMDLCOFF 1 48,49,55
→C.T.LV Cool Trend Demand Level 0.1 - 5.0 ^F CTRENDLV 0.1 48,49,55
→H.T.LV Heat Trend Demand Level 0.1 - 5.0 ^F HTRENDLV 0.1 48,55,56
→C.T.TM Cool Trend Time 30 - 600 sec CTRENDTM 120 48,49,55
→H.T.TM Heat Trend Time 30 - 600 sec HTRENDTM 120 48,55,56
DMD.L DEMAND LIMIT CONFIG.
→DM.L.S Demand Limit Select 0 - 3 (multi-text strings) DMD_CTRL 0 52,53
→D.L.20 Demand Limit at 20 ma 0 - 100 % DMT20MA 100 53
→SH.NM Loadshed Group Number 0 - 99 SHED_NUM 0 53
→SH.DL Loadshed Demand Delta 0 - 60 % SHED_DEL 0 53
→SH.TM Maximum Loadshed Time 0 - 120 min SHED_TIM 60 53
→D.L.S1 Demand Limit Sw.1 Setpt. 0 - 100 % DLSWSP1 80 53
→D.L.S2 Demand Limit Sw.2 Setpt. 0 - 100 % DLSWSP2 50 53
IAQ INDOOR AIR QUALITY CFG.
→DCV.C DCV ECONOMIZER SETPOINTS
→DCV.C→EC.MN Economizer Min.Position 0 - 100 % ECONOMIN 5 74-76
→DCV.C→IAQ.M IAQ Demand Vent Min.Pos. 0 - 100 % IAQMINP 0 74,75
→DCV.C→O.C.MX Economizer Min.Flow 0 - 20000 CFM OACFMMAX 2000 74
→DCV.C→O.C.MN IAQ Demand Vent Min.Flow 0 - 20000 CFM OACFMMIN 0 74
→DCV.C→O.C.DB Econ.Min.Flow Deadband 200 - 1000 CFM OACFM_DB 400 74
→AQ.CF AIR QUALITY CONFIGS
→AQ.CF→IQ.A.C IAQ Analog Sensor Config 0 - 4 (multi-text strings) IAQANCFG 0 74
→AQ.CF→IQ.A.F IAQ 4-20 ma Fan Config 0 - 2 (multi-text strings) IAQANFAN 0 74
→AQ.CF→IQ.I.C IAQ Discrete Input Config 0 - 2 (multi-text strings) IAQINCFG 0 74,75
→AQ.CF→IQ.I.F IAQ Disc.In. Fan Config 0 - 2 (multi-text strings) IAQINFAN 0 74,75
→AQ.CF→OQ.A.C OAQ 4-20ma Sensor Config 0 - 2 (multi-text strings) OAQANCFG 0 74,75
→AQ.SP AIR QUALITY SETPOINTS
→AQ.SP→IQ.O.P IAQ Econo Override Pos. 0 - 100 % IAQOVPOS 100 74,75
→AQ.SP→IQ.O.C IAQ Override Flow  0 - 31000 CFM IAQOVCFM 10000 74
→AQ.SP→DAQ.L Diff.Air Quality LoLimit 0 - 1000 DAQ_LOW 100 74-76
→AQ.SP→DAQ.H Diff. Air Quality HiLimit 100 - 2000 DAQ_HIGH 700 74-76
→AQ.SP→D.F.OF DAQ PPM Fan Off Setpoint 0 - 2000 DAQFNOFF 200 74,75
→AQ.SP→D.F.ON DAQ PPM Fan On Setpoint 0 - 2000 DAQFNON 400 74,75
→AQ.SP→IAQ.R Diff. AQ Responsiveness -5 - 5 IAQREACT 0 74,76
→AQ.SP→OAQ.L OAQ Lockout Value 0 - 2000 OAQLOCK 0 74,75
→AQ.SP→OAQ.U User Determined OAQ 0 - 5000 OAQ_USER 400 74
→AQ.S.R AIR QUALITY SENSOR RANGE
→AQ.S.R→IQ.R.L IAQ Low Reference 0 - 5000 IAQREFL 0 74,75
→AQ.S.R→IQ.R.H IAQ High Reference 0 - 5000 IAQREFH 2000 74,75
→AQ.S.R→OQ.R.L OAQ Low Reference 0 - 5000 OAQREFL 0 74,76
→AQ.S.R→OQ.R.H OAQ High Reference 0 - 5000 OAQREFH 2000 74,76
→IAQ.P IAQ PRE-OCCUPIED PURGE
→IAQ.P→IQ.PG IAQ Purge Yes/No IAQPURGE No 74,76
→IAQ.P→IQ.P.T IAQ Purge Duration 5 - 60 min IAQPTIME 15 74,76
→IAQ.P→IQ.P.L IAQ Purge LoTemp Min Pos 0 - 100 % IAQPLTMP 10 74,76
→IAQ.P→IQ.P.H IAQ Purge HiTemp Min Pos 0 - 100 % IAQPHTMP 35 74,76
→IAQ.P→IQ.L.O IAQ Purge OAT Lockout 35 - 70 dF IAQPNTLO 50 74,76

140
APPENDIX A — LOCAL DISPLAY TABLES (cont)
MODE — CONFIGURATION (cont)
ITEM EXPANSION RANGE UNITS CCN POINT DEFAULT PAGE NO.
HUMD HUMIDITY CONFIGURATION
→HM.CF Humidifier Control Cfg. 0 - 4 HUMD_CFG 0 76,77
→HM.SP Humidifier Setpoint 0 - 100 % HUSP 40 76,77
→H.PID HUMIDIFIER PID CONFIGS
→H.PID→HM.TM Humidifier PID Run Rate 10 - 120 sec HUMDRATE 30 76,77
→H.PID→HM.P Humidifier Prop. Gain 0 - 5 HUMID_PG 1 76,77
→H.PID→HM.I Humidifier Integral Gain 0 - 5 HUMID_IG 0.3 76,77
→H.PID→HM.D Humidifier Deriv. Gain 0 - 5 HUMID_DG 0.3 76,77
→ACT.C HUMIDIFIER ACTUATOR CFGS
→ACTC→SN.1 Humd Serial Number 1 0 - 255 HUMD_SN1 0 77
→ACTC→SN.2 Humd Serial Number 2 0 - 255 HUMD_SN2 0 77
→ACTC→SN.3 Humd Serial Number 3 0 - 255 HUMD_SN3 0 77
→ACTC→SN.4 Humd Serial Number 4 0 - 255 HUMD_SN4 0 77
→ACTC→SN.5 Humd Serial Number 5 0 - 255 HUMD_SN5 0 77
→ACTC→C.A.LM Humd Ctrl Angle Lo Limit 0-90 HUMDCALM 85 77
DEHU DEHUMIDIFICATION CONFIG.
→D.SEL Dehumidification Config 0-3(multi-text strings) DHSELECT 0 77,78
→D.SEN Dehumidification Sensor 1-3(multi-text strings) DHSENSOR 1 78
→D.EC.D Econ disable in DH mode? Yes/No DHECDISA Yes 78
→D.V.CF Vent Reheat Setpt Select 0-1(multi-text strings) DHVHTCFG 0 78
→D.V.RA Vent Reheat RAT offset 0-8 ^F DHVRAOFF 0 78
→D.V.HT Vent Reheat Setpoint 55-95 dF DHVHT_SP 70 78
→D.C.SP Dehumidify Cool Setpoint 40-55 dF DHCOOLSP 45 78
→D.RH.S Dehumidify RH Setpoint 10-90 % DHRELHSP 55 78
CCN CCN CONFIGURATION
→CCNA CCN Address 1 - 239 CCNADD 1 79,80
→CCNB CCN Bus Number 0 - 239 CCNBUS 0 79,80
→BAUD CCN Baud Rate 1 - 5 (multi-text strings) CCNBAUDD 3 79,80
→BROD CCN BROADCST DEFINITIONS
→BROD→TM.DT CCN Time/Date Broadcast ON/OFF CCNBC On 79,80
→BROD→OAT.B CCN OAT Broadcast ON/OFF OATBC Off 79,80
→BROD→ORH.B CCN OARH Broadcast ON/OFF OARHBC Off 79,80
→BROD→OAQ.B CCN OAQ Broadcast ON/OFF OAQBC Off 79,80
→BROD→G.S.B Global Schedule Broadcst ON/OFF GSBC Off 79,80
→BROD→B.ACK CCN Broadcast Ack'er ON/OFF CCNBCACK Off 79,80
→SC.OV CCN SCHEDULES-OVERRIDES
→SC.OV→SCH.N Schedule Number 0 - 99 SCHEDNUM 1 79,80
→SC.OV→HOL.T Accept Global Holidays? YES/NO HOLIDAYT No 79,80
→SC.OV→O.T.L. Override Time Limit 0 - 4 HRS OTL 1 79,80
→SC.OV→OV.EX Timed Override Hours 0 - 4 HRS OVR_EXT 0 79,80
→SC.OV→SPT.O SPT Override Enabled ? YES/NO SPT_OVER Yes 79,80
→SC.OV→T58.O T58 Override Enabled ? YES/NO T58_OVER Yes 79,80
→SC.OV→GL.OV Global Sched. Override ? YES/NO GLBLOVER No 79,80
ALLM ALERT LIMIT CONFIG.
→SP.L.O SPT lo alert limit/occ -10-245 dF SPLO 60 80,81
→SP.H.O SPT hi alert limit/occ -10-245 dF SPHO 85 80,81
→SP.L.U SPT lo alert limit/unocc -10-245 dF SPLU 45 80,81
→SP.H.U SPT hi alert limit/unocc -10-245 dF SPHU 100 80,81
→SA.L.O EDT lo alert limit/occ -40-245 dF SALO 40 80,81
→SA.H.O EDT hi alert limit/occ -40-245 dF SAHO 100 80,81
→SA.L.U EDT lo alert limit/unocc -40-245 dF SALU 40 80,81
→SA.H.U EDT hi alert limit/unocc -40-245 dF SAHU 100 80,81
→RA.L.O RAT lo alert limit/occ -40-245 dF RALO 60 80,81
→RA.H.O RAT hi alert limit/occ -40-245 dF RAHO 90 80,81
→RA.L.U RAT lo alert limit/unocc -40-245 dF RALU 40 80,81
→RA.H.U RAT hi alert limit/unocc -40-245 dF RAHU 100 80,81
→OAT.L OAT lo alert limit -40-245 dF OATL -40 80,81
→OAT.H OAT hi alert limit -40-245 dF OATH 150 80,81
→R.RH.L RARH low alert limit 0-100 % RRHL 0 80,81
→R.RH.H RARH high alert limit 0-100 % RRHH 100 80,81
→O.RH.L OARH low alert limit 0-100 % ORHL 0 80,81
→O.RH.H OARH high alert limit 0-100 % ORHH 100 80,81
→SP.L SP low alert limit 0-5 "H2O SPL 0 80,81
→SP.H SP high alert limit 0-5 "H2O SPH 2 81
→BP.L BP lo alert limit -0.25-0.25 "H2O BPL -0.25 81
→BP.H BP high alert limit -0.25-0.25 "H2O BPH 0.25 81
→IAQ.H IAQ high alert limit 0-5000 IAQH 1200 81
TRIM SENSOR TRIM CONFIG.
→SAT.T Air Temp Lvg SF Trim -10 - 10 ^F SAT_TRIM 0 81,82
→RAT.T RAT Trim -10 - 10 ^F RAT_TRIM 0 81,82
→OAT.T OAT Trim -10 - 10 ^F OAT_TRIM 0 81,82
→SPT.T SPT Trim -10 - 10 ^F SPT_TRIM 0 81,82
→L.SW.T Limit Switch Trim -10 - 10 ^F LSW_TRIM 0 81,82
→CCT.T Air Temp Lvg Evap Trim -10 - 10 ^F CCT_TRIM 0 81,82
→SP.A.T Suct.Press.Circ.A Trim -50 - 50 PSIG SPA_TRIM 0 81,82
→SP.B.T Suct.Press.Circ.B Trim -50 - 50 PSIG SPB_TRIM 0 81,82
→DP.A.T Dis.Press.Circ.A Trim -50 - 50 PSIG DPA_TRIM 0 81,82
→DP.B.T Dis.Press.Circ.B Trim -50 - 50 PSIG DPB_TRIM 0 81,82
SW.LG SWITCH LOGIC: NO / NC
→FTS.L Filter Status Inpt-Clean Open/Close FLTSLOGC Open 82
→IGC.L IGC Feedback - Off Open/Close GASFANLG Open 82
→RMI.L RemSw Off-Unoc-Strt-NoOv Open/Close RMTINLOG Open 82
→ENT.L Enthalpy Input - Low Open/Close ENTHLOGC Close 82
→SFS.L Fan Status Sw. - Off Open/Close SFSLOGIC Open 82
→DL1.L Dmd.Lmt.Sw.1 - Off Open/Close DMD_SW1L Open 82
→DL2.L Dmd.Lmt.Sw.2 - Off Open/Close DMD_SW2L Open 82
→IAQ.L IAQ Disc.Input - Low Open/Close IAQINLOG Open 82
→FSD.L Fire Shutdown - Off Open/Close FSDLOGIC Open 82
→PRS.L Pressurization Sw. - Off Open/Close PRESLOGC Open 82
→EVC.L Evacuation Sw. - Off Open/Close EVACLOGC Open 82
→PRG.L Smoke Purge Sw. - Off Open/Close PURGLOGC Open 82
→DH.LG Dehumidify Sw. - Off Open/Close DHDISCLG Open 82
DISP DISPLAY CONFIGURATION
→TEST Test Display LEDs ON/OFF TEST Off 82,83
→METR Metric Display ON/OFF DISPUNIT Off 82,83
→LANG Language Selection 0 - 1 (multi-text strings) LANGUAGE 0 82,83
→PAS .E Password Enable ENABLE/DISABLE PASS_EBL Enable 82,83
→PAS S Service Password 0000 - 9999 PASSWORD 1111 82,83

141
APPENDIX A — LOCAL DISPLAY TABLES (cont)
MODE — TIMECLOCK
MODE — OPERATING MODES
MODE — ALARMS
ACRONYM NAME RANGE UNITS CNN POINT DEFAULTS PAGE NO.
TIME TIME OF DAY
→HH.MM Hour and Minute 00:00 TIME 84,85
DATE MONTH,DATE,DAY AND YEAR
→MNTH Month of Year multi-text strings MOY 84,85
→DOM Day of Month 0-31 DOM 84,85
→DAY Day of Week multi-text strings DOWDISP 84,85
→YEAR Year e.g. 2003 YOCDISP 84,85
SCH.L LOCAL TIME SCHEDULE
→PER.1 PERIOD 1 84,85
→PER.1→DAYS DAY FLAGS FOR PERIOD 1 Period 1 only 84,85
→PER.1→DAYS→MON Monday in Period YES/NO PER1MON Yes 84,85
→PER.1→DAYS→TUE Tuesday in Period YES/NO PER1TUE Yes 84,85
→PER.1→DAYS→WED Wednesday in Period YES/NO PER1WED Yes 84,85
→PER.1→DAYS→THU Thursday in Period YES/NO PER1THU Yes 84,85
→PER.1→DAYS→FRI Friday in Period YES/NO PER1FRI Yes 84,85
→PER.1→DAYS→SAT Saturday in Period YES/NO PER1SAT Yes 84,85
→PER.1→DAYS→SUN Sunday in Period YES/NO PER1SUN Yes 84,85
→PER.1→DAYS→HOL Holiday in Period YES/NO PER1HOL Yes 84,85
→PER.1→OCC Occupied from 00:00 PER1_OCC 00:00 84,85
→PER.1→UNC Occupied to 00:00 PER1_UNC 24:00 84,85
Repeated for periods 2 to 8
HOL.L LOCAL HOLIDAY SCHEDULES
→HD.01 HOLIDAY SCHEDULE 01 84,85
→HD.01→MON Holiday Start Month 0-12 HOL_MON1 84,85
→HD.01→DAY                Start Day 0-31 HOL_DAY1 84,85
→HD.01→LEN                Duration (Days) 0-99 HOL_LEN1 84,85
Repeated for holidays 2 to 30 84,85
DAY.S DAYLIGHT SAVINGS TIME
DS.ST DAYLIGHT SAVINGS START 84,85
DS.ST→ST.MN Month 1 - 12 STARTM 4 84,85
DS.ST→ST.WK Week 1 - 5 STARTW 1 84,85
DS.ST→ST.DY Day 1 - 7 STARTD 7 84,85
DS.ST→MIN.A Minutes to Add 0 - 90 MINADD 60 84,85
DS.SP DAYLIGHTS SAVINGS STOP
DS.SP→SP.MN Month 1 - 12 STOPM 10 84,85
DS.SP→SP.WK Week 1 - 5 STOPW 5 85
DS.SP→SP.DY Day 1 - 7 STOPD 7 85
DS.SP→MIN.S Minutes to Subtract 0 - 90 MINSUB 60 85
ITEM EXPANSION RANGE UNITS CCN POINT
SYS.M ascii string spelling out the system mode string
HVAC ascii string spelling out the hvac modes string
CTRL ascii string spelling out the "control type" string
MODE MODES CONTROLLING UNIT
→OCC Currently Occupied ON/OFF MODEOCCP
→T.OVR Timed Override in Effect ON/OFF MODETOVR
→DCV DCV Resetting Min Pos ON/OFF MODEADCV
→SA.R Supply Air Reset ON/OFF MODESARS
→DMD.L Demand Limit in Effect ON/OFF MODEDMLT
→T.C.ST Temp.Compensated Start ON/OFF MODETCST
→IAQ.P IAQ Pre-Occ Purge Active ON/OFF MODEIQPG
→LINK Linkage Active - CCN ON/OFF MODELINK
→LOCK Mech.Cooling Locked Out ON/OFF MODELOCK
→H.NUM HVAC Mode Numerical Form number MODEHVAC
ITEM EXPANSION RANGE UNITS CCN POINT WRITE STATUS
CURR CURRENTLY ACTIVE ALARMS
this is a dynamic list of active alarms strings
R.CUR Reset All Current Alarms YES/NO ALRESET ram config
HIST ALARM HISTORY
this is a record of the last 20 alarms strings

142
APPENDIX B — CCN TABLES
All Z series units with ComtfortLink™ controls have a port
for interface with the Carrier Comfort Network® (CCN) sys-
tem. On TB3 there is a J11 jack which can be used for tempo-
rary connection to the CCN network or to computers equipped
with CCN software like the Service Tool. Also on TB3 there
are screw connections that can be used for more permanent
CCN connections.
In the following tables the structure of the tables which are
used with the Service Tool as well as the names and data that are
included in each table are shown. There are several CCN vari-
ables that are not displayed through the scrolling marquee and
are used for more extensive diagnostics and system evaluations.
STATUS DISPLAY TABLES
TABLE DISPLAY NAME RANGE UNITS POINT NAME WRITE STATUS
COOLING
HVAC Mode…………..: ascii text strings
Control Mode………..: ascii text strings
Current Running Capacity % CAPTOTAL
Curr.Calc. Cool Capacity % COOLCALC
Current Cool Stage COOL_STG
Requested Cool Stage CL_STAGE
Maximum Cool Stages CLMAXSTG
Cooling Control Point dF COOLCPNT
Evaporator Discharge Tmp dF EDT
Mixed Air Temperature dF MAT
Next capacity step down % CAPNXTDN
Next capacity step up % CAPNXTUP
COOL_A
Current Cool Stage COOL_STG
Current Cool Stage A CLSTAGEA
Cir A Discharge Pressure PSIG DP_A
Cir A Suction Pressure PSIG SP_A
Cir A Sat.Condensing Tmp dF SCTA
Cir A Sat.Suction Temp. dF SSTA
Compressor A1 Relay CMPA1
Unloader 1 - Comp A1 UNL_1_A1
Unloader 2 - Comp A1 UNL_2_A1
Compressor A2 Relay CMPA2
Compressor A1 Feedback CSB_A1
Compressor A2 Feedback CSB_A2
Circ A High Press.Switch CIRCAHPS
Circuit A Stage Inhibit CIRAFAIL
COOL_B
Current Cool Stage COOL_STG
Current Cool Stage B CLSTAGEB
Cir B Discharge Pressure PSIG DP_B
Cir B Suction Pressure PSIG SP_B
Cir B Sat.Condensing Tmp dF SCTB
Cir B Sat.Suction Temp. dF SSTB
Compressor B1 Relay CMPB1
Unloader 1 - Comp B1 UNL_1_B1
Unloader 2 - Comp B1 UNL_2_B1
Compressor B2 Relay CMPB2
Compressor B1 Feedback CSB_B1
Compressor B2 Feedback CSB_B2
Circ B High Press.Switch CIRCBHPS
Circuit B Stage Inhibit CIRBFAIL
ECONDIAG
Economizer Active ? Yes/No ECACTIVE
Conditions which prevent
economizer being active:
Econ Act. Unavailable? Yes/No ECONUNAV
Econ2 Act. Unavailable Yes/No ECN2UNAV
Enth.Switch Read High ? Yes/No ENTH
DBC - OAT lockout? Yes/No DBC_STAT
DEW - OA Dewpt. lockout? Yes/No DEW_STAT
DDBC- OAT > RAT lockout? Yes/No DDBCSTAT
OAEC- OA Enth Lockout? Yes/No OAECSTAT
DEC - Diff.Enth.Lockout? Yes/No DEC_STAT
EDT Sensor Bad ? Yes/No EDT_STAT
OAT Sensor Bad ? Yes/No OAT_STAT
Economizer forced ? Yes/No ECONFORC
Supply Fan not on 30s ? Yes/No SFONSTAT
Cool Mode not in effect? Yes/No COOL_OFF
OAQ lockout in effect ? Yes/No OAQLOCKD
Econ recovery hold off? Yes/No ECONHELD
Dehumid. Disabled Econ.? Yes/No DHDISABL

143
APPENDIX B — CCN TABLES (cont)
STATUS DISPLAY TABLES (cont)
TABLE DISPLAY NAME RANGE UNITS POINT NAME WRITE STATUS
ECONOMZR
Economizer Act.Curr.Pos. % ECONOPOS
Economizer 2 Act.Curr.Pos. % ECON2POS
Economizer Act.Cmd.Pos. % ECONOCMD forcible
Economizer Active ? ECACTIVE
Economizer Control Point dF ECONCPNT
Outside Air Temperature dF OAT forcible
Evaporator Discharge Tmp dF EDT
Controlling Return Temp dF RETURN_T forcible
Econo Current Min. Pos. % ECMINPOS
Econo Current Min. CFM CFM ECMINCFM
Outside Air CFM CFM OACFM
GENERAL
Occupied ? YES/NO OCCUPIED forcible
Static Pressure "H2O SP
Building Pressure "H2O BP
Outside Air CFM CFM OACFM
Return Air CFM CFM RACFM
Supply Air CFM CFM SACFM
Outside Air Rel.Humidity % OARH forcible
Return Air Rel.Humidity % RARH forcible
Space Relative Humidity % SPRH forcible
Space Temperature Offset ^F SPTO forcible
Supply Air Setpnt. Reset ^F SASPRSET forcible
Static Pressure Reset SPRESET forcible
IAQ - PPM Return CO2 IAQ forcible
OAQ - PPM Return CO2 OAQ forcible
IAQ Min.Pos.Override % IAQMINOV forcible
GENERIC
20 points dependent upon
the configuration of the
"generics" table in the
Service-Config section on page 150
HEATING
HVAC Mode…………..: ascii text strings
Control Mode………..: ascii text strings
Heat Control Type……: ascii text strings
Re-Heat Control Type...: ascii text strings
Heating Mode………..: ascii text strings
Requested Heat Stage HT_STAGE
Ht.Coil Act.Current Pos. % HTCLRPOS
Heating Control Point dF HEATCPNT
Heat Relay 1 HS1
Heat Relay 2 HS2
Relay 3 W1 Gas Valve 2 HS3
Relay 4 W2 Gas Valve 2 HS4
Relay 5 W1 Gas Valve 3 HS5
Relay 6 W2 Gas Valve 3 HS6
Heat Interlock Relay HIR forcible
MODEDISP
System Mode…………: ascii text strings
HVAC Mode…………..: ascii text strings
Control Mode………..: ascii text strings
Currently Occupied On/Off MODEOCCP
Timed Override in effect On/Off MODETOVR
DCV resetting min pos On/Off MODEADCV
Supply Air Reset On/Off MODESARS
Demand Limit in Effect On/Off MODEDMLT
Temp.Compensated Start On/Off MODETCST
IAQ pre-occ purge active On/Off MODEIQPG
Linkage Active - DAV On/Off MODELINK
Mech.Cooling Locked Out On/Off MODELOCK
HVAC Mode Numerical Form number MODEHVAC
MODETRIP
Unoccup. Cool Mode Start UCCLSTRT
Unoccup. Cool Mode End UCCL_END
Occupied Cool Mode Start OCCLSTRT
Occupied Cool Mode End OCCL_END
Ctl.Temp RAT,SPT or Zone CTRLTEMP
Occupied Heat Mode End OCHT_END
Occupied Heat Mode Start OCHTSTRT
Unoccup. Heat Mode End UCHT_END
Unoccup. Heat Mode Start UCHTSTRT
HVAC Mode…………..: ascii text strings string
TEMPCTRL
Evaporator Discharge Tmp dF EDT
Leaving Air Temperature dF LAT
Mixed Air Temperature dF MAT
Controlling Return Temp dF RETURN_T forcible
Controlling Space Temp dF SPACE_T forcible

144
APPENDIX B — CCN TABLES (cont)
STATUS DISPLAY TABLES (cont)
TABLE DISPLAY NAME RANGE UNITS POINT NAME WRITE STATUS
TEMPS
Air Temp Lvg Supply Fan dF SAT
Return Air Temperature dF RAT forcible
Outside Air Temperature dF OAT forcible
Space Temperature dF SPT forcible
Space Temperature Offset ^F SPTO forcible
Staged Gas LAT Sum dF LAT_SGAS
Staged Gas LAT 1 dF LAT1SGAS
Staged Gas LAT 2 dF LAT2SGAS
Staged Gas LAT 3 dF LAT23SGAS
Staged Gas Limit Sw.Temp dF LIMSWTMP
Air Temp Lvg Evap Coil dF CCT
Cir A Sat.Condensing Tmp dF SCTA
Cir B Sat.Condensing Tmp dF SCTB
Cir A Sat.Suction Temp. dF SSTA
Cir B Sat.Suction Temp. dF SSTB
TSTAT
Control Mode………..: ascii text strings
Thermostat Y1 Input On/Off Y1 forcible
Thermostat Y2 Input On/Off Y2 forcible
Thermostat W1 Input On/Off W1 forcible
Thermostat W2 Input On/Off W2 forcible
Thermostat G Input On/Off G forcible
UINPUTS
Filter Status Input Dirty/Clean FLTS forcible
Fan request from IGC On/Off IGCFAN
Fire Shutdown Input Alarm/Normal FSD forcible
Thermostat G Input On/Off G forcible
Thermostat W2 Input On/Off W2 forcible
Thermostat W1 Input On/Off W1 forcible
Thermostat Y2 Input On/Off Y2 forcible
Thermostat Y1 Input On/Off Y1 forcible
Remote Input State On/Off RMTIN forcible
Enth. Switch Read High ? Yes/No ENTH forcible
Supply Fan Status Switch On/Off SFS forcible
Circ A High Press.Switch On/Off CIRCAHPS
Circ B High Press.Switch On/Off CIRCBHPS
Freeze Status Switch Alarm/Normal FRZ forcible
Plenum Press.Safety Sw. High/Low PPS forcible
Demand Limit Switch 1 On/Off DMD_SW1 forcible
Demand Limit Switch 2 On/Off DMD_SW2 forcible
Pressurization Input Alarm/Normal PRES forcible
Evacuation Input Alarm/Normal EVAC forcible
Smoke Purge Input Alarm/Normal PURG forcible
IAQ - Discrete Input High/Low IAQIN forcible
Dehumidify Switch Input On/Off DHDISCIN forcible
UOUTPUTS
FANS   
Supply Fan Relay On/Off SFAN
Supply Fan VFD Speed 0-100 % SFAN_VFD
Supply Fan Request Yes/No SFANFORC forcible
Exhaust Fan VFD Speed 0-100 % EFAN_VFD
Power Exhaust Relay 1 On/Off PE1
Power Exhaust Relay 2 On/Off PE2
Condenser Fan Circuit A On/Off CONDFANA
Condenser Fan Circuit B On/Off CONDFANB
MotorMaster Condensr Fan On/Off PULSCFAB
COOLING
Compressor A1 Relay On/Off CMPA1
Unloader 1 - Comp A1 On/Off UNL_1_A1
Unloader 2 - Comp A1 On/Off UNL_2_A1
Compressor A2 Relay On/Off CMPA2
Compressor B1 Relay On/Off CMPB1
Unloader 1 - Comp B1 On/Off UNL_1_B1
Unloader 2 - Comp B1 On/Off UNL_2_B1
Compressor B2 Relay On/Off CMPB2
HEATING
Heat Relay 1 On/Off HS1
Heat Relay 2 On/Off HS2
Relay 3 W1 Gas Valve 2 On/Off HS3
Relay 4 W2 Gas Valve 2 On/Off HS4
Relay 5 W1 Gas Valve 3 On/Off HS5
Relay 6 W2 Gas Valve 3 On/Off HS6
Heat Interlock Relay On/Off HIR forcible
ACTUATORS
Economizer Act.Curr.Pos. 0-100 % ECONOPOS
Economzr 2 Act.Curr.Pos. 0-100 % ECON2POS
Economizer Act.Cmd.Pos. 0-100 % ECONOCMD forcible
IGV Actuator Current Pos 0-100 % IGV_RPOS
IGV Actuator Command Pos 0-100 % IGV_CPOS
Humidifer Act.Curr.Pos. 0-100 % HUMDRPOS
Humidifier Command Pos. 0-100 % HUMDCPOS
Ht.Coil Act.Current Pos. 0-100 % HTCLRPOS
Ht.Coil Command Position 0-100 % HTCLCPOS
BP 1 Actuator Curr.Pos. 0-100 % BP1_RPOS
BP 1 Command Position 0-100 % BP1_CPOS
BP 2 Actuator Curr.Pos. 0-100 % BP2_RPOS
BP 2 Command Position 0-100 % BP2_CPOS
GENERAL OUTPUTS
Humidifier Relay On/Off HUMIDRLY
Remote Alarm / Aux Relay On/Off ALRM forcible

145
APPENDIX B — CCN TABLES (cont)
SET POINT TABLE
CONFIG TABLES
TABLE DISPLAY NAME RANGE UNITS POINT NAME DEFAULT
SET_PNT
Occupied Heat Setpoint 40-99 dF OHSP 68
Occupied Cool Setpoint 40-99 dF OCSP 75
Unoccupied Heat Setpoint 40-99 dF UHSP 55
Unoccupied Cool Setpoint 40-110 dF UCSP 90
Heat-Cool Setpoint Gap 2-10 deltaF HCSP_GAP 5
VAV Occ. Cool On Delta 0-25 deltaF VAVOCON 3.5
VAV Occ. Cool Off Delta 1-25 deltaF VAVOCOFF 2
Supply Air Setpoint 45-75 dF SASP 55
Supply Air Setpoint Hi 45-75 dF SASP_HI 55
Supply Air Setpoint Lo 45-75 dF SASP_LO 60
Heating Supply Air Setpt 90-145 dF SASPHEAT 85
Tempering Purge SASP -20-80 dF TEMPPURG 50
Tempering in Cool SASP 5-75 dF TEMPCOOL 5
Tempering in Vent Occ SASP -20-80 dF TEMPVOCC 65
Tempering Vent Unocc. SASP -20-80 dF TEMPVUNC 50
TABLE DISPLAY NAME RANGE UNITS POINT NAME DEFAULT
ALARMDEF
Alarm Routing Control 00000000-11111111 ALRM_CNT 1100000
Equipment Priority 0 - 7 EQP_TYPE 5
Comm Failure Retry Time 1 - 240 min RETRY_TM 10
Re-Alarm Time 1 - 255 min RE-ALARM 30
Alarm System Name up to 8 alphanum ALRM_NAM Z-SERIES
BRODEFS
CCN Time/Date Broadcast Off/On CCNBC Off
CCN OAT Broadcast Off/On OATBC Off
CCN OARH Broadcast Off/On OARHBC Off
CCN OAQ Broadcast Off/On OAQBC Off
Global Schedule Broadcst Off/On GSBC Off
Daylight Savings Start:
   Month 1 - 12 STARTM 4
   Week 1 - 5 STARTW 1
   Day 1 - 7 STARTD 7
   Minutes to Add 0 - 90 MINADD 60
Daylight Savings Stop:
   Month 1 - 12 STOPM 10
   Week 1 - 5 STOPW 5
   Day 1 - 7 STOPD 7
   Minutes to Subtract 0 - 90 MINSUB 60
Ctlr-ID
Device Name: Z-Series
Description: Z Series Rooftop
Location:
Software Part Number: CESR131292-XX-XX
Model Number:
Serial Number:
Reference Number:
HOLIDAY Broadcast Supervisory
HOLDY01S Holiday Start Month 1-12 HOL-MON 0
to             Start Day 1-31 HOL-DAY 0
HOLDY30S             Duration (days) 1-99 HOL-LEN 0
OCCDEFCS Occupancy Supervisory
Timed Override Hours 0 OVR-EXT
Period 1 DOW (MTWTFSSH) 00000000 DOW1
    Occupied From 0:00 OCCTOD1
    Occupied To 0:00 UNOCTOD1
Period 2 DOW (MTWTFSSH) 00000000 DOW2
    Occupied From 0:00 OCCTOD2
    Occupied To 0:00 UNOCTOD2
Period 3 DOW (MTWTFSSH) 00000000 DOW3
    Occupied From 0:00 OCCTOD3
    Occupied To 0:00 UNOCTOD3
Period 4 DOW (MTWTFSSH) 00000000 DOW4
    Occupied From 0:00 OCCTOD4
    Occupied To 0:00 UNOCTOD4
Period 5 DOW (MTWTFSSH) 00000000 DOW5
    Occupied From 0:00 OCCTOD5
    Occupied To 0:00 UNOCTOD5
Period 6 DOW (MTWTFSSH) 00000000 DOW6
    Occupied From 0:00 OCCTOD6
    Occupied To 0:00 UNOCTOD6
Period 7 DOW (MTWTFSSH) 00000000 DOW7
    Occupied From 0:00 OCCTOD7
    Occupied To 0:00 UNOCTOD7
Period 8 DOW (MTWTFSSH) 00000000 DOW8
    Occupied From 0:00 OCCTOD8
    Occupied To 0:00 UNOCTOD8

146
APPENDIX B — CCN TABLES (cont)
CONFIG TABLES (cont)
SERVICE-CONFIG TABLES
TABLE DISPLAY NAME RANGE UNITS POINT NAME DEFAULT
SCHEDOVR
Schedule Number 0-99 SCHEDNUM 0
Accept Global Holidays? Yes/No HOLIDAYT No
Override Time Limit 0-4 hours OTL 1
Timed Override Hours 0-4 hours OVR_EXT 0
Accepting an Override:
  SPT Override Enabled ? Yes/No SPT_OVER Yes
  T58 Override Enabled ? Yes/No T58_OVER Yes
Allowed to Broadcast a
Global Sched. Override ? Yes/No GLBLOVER No
SET_PNT
Occupied Heat Setpoint 55-80 dF OHSP 68
Occupied Cool Setpoint 55-80 dF OCSP 75
Unoccupied Heat Setpoint 40-80 dF UHSP 55
Unoccupied Cool Setpoint 75-95 dF UCSP 90
Heat-Cool Setpoint Gap 2-10 deltaF HCSP_GAP 5
VAV Occ. Cool On Delta 0-25 deltaF VAVOCON 3.5
VAV Occ. Cool Off Delta 1-25 deltaF VAVOCOFF 2
Supply Air Setpoint 45-75 dF SASP 55
Supply Air Setpoint Hi 45-75 dF SASP_HI 55
Supply Air Setpoint Lo 45-75 dF SASP_LO 60
Heating Supply Air Setpt 90-145 dF SASPHEAT 85
Tempering Purge SASP -20-80 dF TEMPPURG 50
Tempering in Cool SASP 5-75 dF TEMPCOOL 5
Tempering in Vent Occ SASP -20-80 dF TEMPVOCC 65
Tempering Vent Unocc. SASP -20-80 dF TEMPVUNC 50
TABLE DISPLAY NAME RANGE UNITS POINT NAME DEFAULT
ALLM
SPT lo alert limit/occ -10-245 dF SPLO 60
SPT hi alert limit/occ -10-245 dF SPHO 85
SPT lo alert limit/unocc -10-245 dF SPLU 45
SPT hi alert limit/unocc -10-245 dF SPHU 100
EDT lo alert limit/occ -40-245 dF SALO 40
EDT hi alert limit/occ -40-245 dF SAHO 100
EDT lo alert limit/unocc -40-245 dF SALU 40
EDT hi alert limit/unocc -40-245 dF SAHU 100
RAT lo alert limit/occ -40-245 dF RALO 60
RAT hi alert limit/occ -40-245 dF RAHO 90
RAT lo alert limit/unocc -40-245 dF RALU 40
RAT hi alert limit/unocc -40-245 dF RAHU 100
OAT lo alert limit -40-245 dF OATL -40
OAT hi alert limit -40-245 dF OATH 150
RARH low alert limit 0-100 % RRHL 0
RARH high alert limit 0-100 % RRHH 100
OARH low alert limit 0-100 % ORHL 0
OARH high alert limit 0-100 % ORHH 100
SP low alert limit 0-5 "H2O SPL 0
SP high alert limit 0-5 "H2O SPH 2
BP lo alert limit -0.25-0.25 "H2O BPL -0.25
BP high alert limit -0.25-0.25 "H2O BPH 0.25
IAQ high alert limit 0-5000 IAQH 1200
BP__
Building Press. Config 0-5 BLDG_CFG 0
Building Pressure Sensor Enable/Disable BPSENS Disable
Bldg. Press. (+/-) Range 0.10 - 0.25 "H2O BP_RANGE 0.25
Building Pressure Setp. -0.25 - 0.25 "H2O BPSP 0.05
BP Setpoint Offset 0 - 0.5 ^"H2O BPSO 0.05
Power Exhaust On Setp.1 0 - 100 % PES1 25
Power Exhaust On Setp.2 0 - 100 % PES2 75
Bldg.Pressure Fire Speed 0 - 100 % BLDGPFSO 100
Bldg.Pressure Min. Speed 0 - 100 % BLDGPMIN 10
Bldg.Pressure Max. Speed 0 - 100 % BLDGPMAX 100
BP 1 Actuator Max Pos. 85 - 100 % BP1SETMX 100
BP 2 Actuator Max Pos. 85 - 100 % BP2SETMX 100
BP Hi Cap VFD Clamp Val. 5 - 25 % BLDGCLMP 10
BP Hi Cap VFD Clamp Time 30 - 255 sec BLDGWAIT 60
Fan Track Learn Enable Yes/No DCFM_CFG NO
Fan Track Learn Rate 5-60 min DCFMRATE 15
Fan Track Initial DCFM -20000 - 20000 CFM DCFMSTRT 2000
Fan Track Max Clamp 0 - 20000 CFM DCFM_MAX 4000
Fan Track Max Correction 0 -20000 CFM DCFM_ADJ 1000
Fan Track Internl EEPROM -20000 - 20000 CFM DCFM_OFF 0
Fan Track Internal RAM -20000 - 20000 CFM DCFM_RAM 0
Fan Track Reset Internal Yes/No DCFMRSET No
Supply Air CFM Config 1 - 2 (multi-text strings) SCFM_CFG 1

147
APPENDIX B — CCN TABLES (cont)
SERVICE-CONFIG TABLES (cont)
TABLE DISPLAY NAME RANGE UNITS POINT NAME DEFAULT
BP__ (cont)
Bldg.Pres.PID Run Rate 5 - 120 sec BPIDRATE 10
Bldg.Press. Prop. Gain 0 - 5 BLDGP_PG 1
Bldg.Press. Integ. Gain 0 - 2 BLDGP_IG 1
Bldg.Press. Deriv. Gain 0 - 5 BLDGP_DG 0.5
BP 1 Serial Number 1 0 - 255 BP_1_SN1 0
BP 1 Serial Number 2 0 - 255 BP_1_SN2 0
BP 1 Serial Number 3 0 - 255 BP_1_SN3 0
BP 1 Serial Number 4 0 - 255 BP_1_SN4 0
BP 1 Serial Number 5 0 - 255 BP_1_SN5 0
BP1 Cntrl Angle Lo Limit 0-90 BP1_CALM 35
BP 2 Serial Number 1 0 - 255 BP_2_SN1 0
BP 2 Serial Number 2 0 - 255 BP_2_SN2 0
BP 2 Serial Number 3 0 - 255 BP_2_SN3 0
BP 2 Serial Number 4 0 - 255 BP_2_SN4 0
BP 2 Serial Number 5 0 - 255 BP_2_SN5 0
BP2 Cntrl Angle Lo Limit 0-90 BP2_CALM 35
COOL
Capacity Threshold Adjst -10 - 10 Z_GAIN 1
Compressor Lockout Temp -25 - 55 dF OATLCOMP 40
Lead/Lag Operation ? Yes/No LLENABLE No
Motor Master Control ? Yes/No MOTRMAST No
Head Pressure Setpoint 80 - 150 dF HPSP 113
Enable Compressor A1 Enable/Disable CMPA1ENA Enable
Enable Compressor A2 Enable/Disable CMPA2ENA Enable
Enable Compressor B1 Enable/Disable CMPB1ENA Enable
Enable Compressor B2 Enable/Disable CMPB2ENA Enable
CSB A1 Feedback Alarm Enable/Disable CSB_A1EN Enable
CSB A2 Feedback Alarm Enable/Disable CSB_A2EN Enable
CSB B1 Feedback Alarm Enable/Disable CSB_B1EN Enable
CSB B2 Feedback Alarm Enable/Disable CSB_B2EN Enable
CMPA1 Hi.Pr.Sw. Trip 365-415 PSIG HPSATRIP 415
CMPB1 Hi.Pr.Sw. Trip 365-415 PSIG HPSBTRIP 415
Hi SST Alert Delay Time 5 - 30 min HSSTTIME 10
DEHU
Dehumidification Config 0-3 DHSELECT 0
Dehumidification Sensor 1-3 DHSENSOR 1
Econ disable in DH mode? Yes/No DHECONEN No
Vent Reheat Setpt Select 0-1 DHVHTCFG 0
Vent Reheat RAT offset 0-8 ^F DHVRAOFF 0
Vent Reheat Setpoint 55-95 dF DHVHT_SP 70
Dehumidify Cool Setpoint 40-55 dF DHCOOLSP 45
Dehumidify RH Setpoint 10-90 % DHRELHSP 55
DISP
Metric Display Off/On DISPUNIT Off
Language Selection 0-1 LANGUAGE 0
Password Enable Enable/Disable PASS_EBL Enable
Service Password 0000-9999 PASSWORD 1111
Contrast Adjustment 0-255 CNTR_ADJ 0
Brightness Adjustment 0-255 BRTS_ADJ 0
DLVT
Dmd Level    Lo Heat On -1 - 2 ^F DMDLHON 1.5
Dmd Level(+) Hi Heat On 0.5 - 20.0 ^F DMDHHON 0.5
Dmd Level(-) Lo Heat Off 0.5 - 2.0 ^F DMDLHOFF 1
Dmd Level    Lo Cool On -1 - 2 ^F DMDLCON 1.5
Dmd Level(+) Hi Cool On 0.5 - 20.0 ^F DMDHCON 0.5
Dmd Level(-) Lo Cool Off 0.5 - 2.0 ^F DMDLCOFF 1
Cool Trend Demand Level 0.1 - 5.0 ^F CTRENDLV 0.1
Heat Trend Demand Level 0.1 - 5.0 ^F HTRENDLV 0.1
Cool Trend Time 30 - 600 sec CTRENDTM 120
Heat Trend Time 30 - 600 sec HTRENDTM 120
DMDL
Demand Limit Select 0 - 3 DMD_CTRL 0
Demand Limit at 20 ma 0 - 100 % DMT20MA 100
Loadshed Group Number 0 - 99 SHED_NUM 0
Loadshed Demand Delta 0 - 60 % SHED_DEL 0
Maximum Loadshed Time 0 - 120 min SHED_TIM 60
Demand Limit Sw.1 Setpt. 0 - 100 % DLSWSP1 80
Demand Limit Sw.2 Setpt. 0 - 100 % DLSWSP2 50

148
APPENDIX B — CCN TABLES (cont)
SERVICE-CONFIG TABLES (cont)
TABLE DISPLAY NAME RANGE UNITS POINT NAME DEFAULT
ECON
Economizer Installed ? Yes/No ECON_ENA Yes
Econ. Act.2 Installed ? Yes/No ECON_TWO No
Economizer Min.Position 0 - 100 % ECONOMIN 5
Economizer Max.Position 0 - 100 % ECONOMAX 98
Economzr trim for sumZ ? Yes/No ECONTRIM Yes
Econ ChangeOver Select 0 - 3 ECON_SEL 0
OA Enthalpy ChgOvr Selct 1 - 5 OAEC_SEL 4
Outdr.Enth Compare Value 18 - 28 BTU/LBM OAEN_CFG 24
High OAT Lockout Temp 55 - 120 dF OAT_LOCK 60
OA Dewpoint Temp Limit 50 - 62 dF OADEWCFG 55
Outside Air RH Sensor Enable/Disable OARHSENS Disable
Outdoor Air CFM Sensor Enable/Dsable OCFMSENS Dsable
Economizer Min.Flow 0 - 20000 CFM OACFMMAX 2000
IAQ Demand Vent Min.Flow 0 - 20000 CFM OACFMMIN 0
Econ.Min.Flow Deadband 200 - 1000 CFM OACFM_DB 400
Economizer Prop.Gain 0.7 - 3.0 EC_PGAIN 1
Economizer Range Adjust 0.5 - 5 ^F EC_RANGE 2.5
Economizer Speed Adjust 0.1 - 10 EC_SPEED 0.75
Economizer Deadband 0.1 - 2 ^F EC_DBAND 0.5
Unoc Econ Free Cool Cfg 0-2 UEFC_CFG 0
Unoc Econ Free Cool Time 0-720 min UEFCTIME 120
Un.Ec.Free Cool OAT Lock 40-70 dF UEFCNTLO 50
Econ Serial Number 1 0-255 ECON_SN1
Econ Serial Number 2 0-255 ECON_SN2
Econ Serial Number 3 0-255 ECON_SN3
Econ Serial Number 4 0-255 ECON_SN4
Econ Serial Number 5 0-255 ECON_SN5
Econ Ctrl Angle Lo Limit 0-90 ECONCALM 85
EDTR
EDT Reset Configuration 0 - 3 EDRSTCFG 2
Reset Ratio 0 - 10 RTIO 3
Reset Limit 0 - 20 ^F LIMT 10
EDT 4-20 ma Reset Input Enable/Disable EDTRSENS Disable
HEAT
Heating Control Type 0 - 4 HEATTYPE 0
Heating Supply Air Setpt 80-120 dF SASPHEAT 85
Occupied Heating Enabled Yes/No HTOCCENA No
MBB Sensor Heat Relocate Yes/No HTLATMON No
Staged Gas Heat Type 0 - 4 HTSTGTYP 0
Max Cap Change per Cycle 5 - 45 HTCAPMAX 45
S.Gas DB min.dF/PID Rate 0 - 5 HT_MR_DB 0.5
St.Gas Temp. Dead Band 0 - 5 ^F HT_SG_DB 2
Heat Rise dF/sec Clamp 0.05 - 0.2 HTSGRISE 0.06
LAT Limit Config 0 - 20 ^F HTLATLIM 10
Limit Switch Switch Monitoring? Yes/No HTLIMMON Yes
Limit Switch High Temp 110 - 180 dF HT_LIMHI 170
Limit Switch Low Temp 100 - 170 dF HT_LIMLO 160
Heat Control Prop. Gain 0 - 1.5 HT_PGAIN 1
Heat Control Derv. Gain 0 - 1.5 HT_DGAIN 1
Heat PID Rate Config 60 - 300 sec HTSGPIDR 90
Hydronic Ctl.Prop. Gain 0 - 1.5 HW_PGAIN 1
Hydronic Ctl.Integ. Gain 0 - 1.5 HW_IGAIN 1
Hydronic Ctl.Derv. Gain 0 - 1.5 HW_DGAIN 1
Hydronic PID Rate Config 15 - 300 sec HOTWPIDR 90
Hydronic Ht.Serial Num.1 0 - 255 HTCL_SN1 0
Hydronic Ht.Serial Num.2 0 - 255 HTCL_SN2 0
Hydronic Ht.Serial Num.3 0 - 255 HTCL_SN3 0
Hydronic Ht.Serial Num.4 0 - 255 HTCL_SN4 0
Hydronic Ht.Serial Num.5 0 - 255 HTCL_SN5 0
Hydr.Ht.Ctl.Ang.Lo Limit 0-90 HTCLCALM 85
HUMD
Humidifier Control Cfg. 0 - 4 HUMD_CFG 0
Humidifier Setpoint 0 - 100 % HUSP 40
Humidifier PID Run Rate 10 - 120 sec HUMDRATE 30
Humidifier Prop. Gain 0 - 5 HUMID_PG 1
Humidifier Integral Gain 0 - 5 HUMID_IG 0.3
Humidifier Deriv. Gain 0 - 5 HUMID_DG 0.3
Humd Serial Number 1 0 - 255 HUMD_SN1 0
Humd Serial Number 2 0 - 255 HUMD_SN2 0
Humd Serial Number 3 0 - 255 HUMD_SN3 0
Humd Serial Number 4 0 - 255 HUMD_SN4 0
Humd Serial Number 5 0 - 255 HUMD_SN5 0
Humd Ctrl Angle Lo Limit 0-90 HUMDCALM 85

149
APPENDIX B — CCN TABLES (cont)
SERVICE-CONFIG TABLES (cont)
TABLE DISPLAY NAME RANGE UNITS POINT NAME DEFAULT
IAQ_
Economizer Min.Position 0 - 100 % ECONOMIN 5
IAQ Demand Vent Min.Pos. 0 - 100 % IAQMINP 0
Economizer Min.Flow 0 - 20000 CFM OACFMMAX 2000
IAQ Demand Vent Min.Flow 0 - 20000 CFM OACFMMIN 0
Econ.Min.Flow Deadband 200 - 1000 CFM OACFM_DB 400
IAQ Analog Sensor Config 0 - 4 IAQANCFG 0
IAQ 4-20 ma Fan Config 0 - 2 IAQANFAN 0
IAQ Discrete Input Config 0 - 2 IAQINCFG 0
IAQ Disc.In. Fan Config 0 - 2 IAQINFAN 0
OAQ 4-20ma Sensor Config 0 - 2 OAQANCFG 0
IAQ Econo Override Pos. 0 - 100 % IAQOVPOS 100
IAQ Override flow  0 - 31000 CFM IAQOVCFM 10000
Diff.Air Quality LoLimit 0 - 1000 DAQ_LOW 100
Diff. Air Quality HiLimit 100 - 2000 DAQ_HIGH 700
DAQ PPM Fan Off Setpoint 0 - 2000 DAQFNOFF 200
DAQ PPM Fan On Setpoint 0 - 2000 DAQFNON 400
Diff. AQ Responsiveness -5 - 5 IAQREACT 0
OAQ Lockout Value 0 - 2000 OAQLOCK 0
User determined OAQ 0 - 5000 OAQ_USER 400
IAQ Low Reference 0 - 5000 IAQREFL 0
IAQ High Reference 0 - 5000 IAQREFH 2000
OAQ Low Reference 0 - 5000 OAQREFL 0
OAQ High Reference 0 - 5000 OAQREFH 2000
IAQ Purge Yes/No IAQPURGE No
IAQ Purge Duration 5-60 min IAQPTIME 15
IAQ Purge LoTemp Min Pos 0-100 % IAQPLTMP 10
IAQ Purge HiTemp Min Pos 0-100 % IAQPHTMP 35
IAQ Purge OAT Lockout 35-70 dF IAQPNTLO 50
SP__
Static Pressure Config 0 - 2 STATICFG 0
Static Pressure Sensor Enable/Disable SPSENS Disable
Static Press. Low Range -10 - 0 SP_LOW 0
Static Press. High Range 0 - 10 SP_HIGH 5
Static Pressure Setpoint 0 - 5 "H2O SPSP 1.5
VFD-IGV Minimum Speed 0 - 100 % STATPMIN 10
VFD-IGV Maximum Speed 0 - 100 % STATPMAX 100
VFD-IGV Fire Speed Over. 0 - 100 % STATPFSO 100
Stat. Pres. Reset Config 0 - 4 (multi-text strings) SPRSTCFG 0
SP Reset Ratio 0.00 - 2.00 SPRRATIO 0.20
SP Reset Limit 0.00 - 2.00 SPRLIMIT 0.75
SP Reset Econo. Position 0 - 100 % ECONOSPR 5
Stat.Pres.PID Run Rate 5 - 120 sec SPIDRATE 15
Static Press. Prop. Gain 0 - 5 STATP_PG 0.5
Static Press. Intg. Gain 0 - 2 STATP_IG 0.5
Static Press. Derv. Gain 0 - 5 STATP_DG 0.3
IGV Serial Number 1 0 - 255 IGV_SN1 0
IGV Serial Number 2 0 - 255 IGV_SN2 0
IGV Serial Number 3 0 - 255 IGV_SN3 0
IGV Serial Number 4 0 - 255 IGV_SN4 0
IGV Serial Number 5 0 - 255 IGV_SN5 0
IGV Cntrl Angle Lo Limit 0-90 IGV_CALM 25
SWLG
Filter Status Inpt-Clean Open/Close FLTSLOGC Open
IGC Feedback - Off Open/Close GASFANLG Open
RemSw Off-Unoc-Strt-NoOv Open/Close RMTINLOG Open
Enthalpy Input - Low Open/Close ENTHLOGC Close
Fan Status Sw. - Off Open/Close SFSLOGIC Open
Dmd.Lmt.Sw.1 - Off Open/Close DMD_SW1L Open
Dmd.Lmt.Sw.2 - Off Open/Close DMD_SW2L Open
IAQ Disc.Input - Low Open/Close IAQINLOG Open
Fire Shutdown - Off Open/Close FSDLOGIC Open
Pressurization Sw. - Off Open/Close PRESLOGC Open
Evacuation Sw. - Off Open/Close EVACLOGC Open
Smoke Purge Sw. - Off Open/Close PURGLOGC Open
Dehumidify Sw. - Off Open/Close DHDISCLG Open
TRIM
Air Temp Lvg SF Trim -10 - 10 ^F SAT_TRIM 0
RAT Trim -10 - 10 ^F RAT_TRIM 0
OAT Trim -10 - 10 ^F OAT_TRIM 0
SPT Trim -10 - 10 ^F SPT_TRIM 0
Limit Switch Trim -10 - 10 ^F LSW_TRIM 0
Air Temp Lvg Evap Trim -10 - 10 ^F CCT_TRIM 0
Suct.Press.Circ.A Trim -50 - 50 SPA_TRIM 0
Suct.Press.Circ.B Trim -50 - 50 SPB_TRIM 0
Dis.Press.Circ.A Trim -50 - 50 DPA_TRIM 0
Dis.Press.Circ.B Trim -50 - 50 DPB_TRIM 0
Static Press. Trim (ma) -2 - 2 SPMATRIM 0
Bldg. Pressure Trim (ma) -2 - 2 BPMATRIM 0
Outside Air CFM Trim (ma) -2 - 2 OAMATRIM 0
Supply Air CFM Trim (ma) -2 - 2 SAMATRIM 0
Return Air CFM (ma) -2 - 2 RAMATRIM 0

150
APPENDIX B — CCN TABLES (cont)
SERVICE-CONFIG TABLES (cont)
MAINTENANCE DISPLAY TABLES
TABLE DISPLAY NAME RANGE UNITS POINT NAME DEFAULT
UNIT
Machine Control Type 1-6 CTRLTYPE 4
Fan Mode (0=auto, 1=cont) 0-1 FAN_MODE 1
Remote Switch Config 0 - 3 RMTINCFG 0
CEM Module Installed  Yes/No CEM_BRD No
Temp.Cmp.Strt.Cool Factr 0-60 min TCSTCOOL 0
Temp.Cmp.Strt.Heat Factr 0-60 min TCSTHEAT 0
Fan fail shuts down unit Yes/No SFS_SHUT No
Fan Stat Monitoring Type 0-2 SFS_MON 0
VAV Unocc.Fan Retry time 0-720 min SAMPMINS 50
Unit Size (30-105) 30-105 UNITSIZE 30
50 Hertz Unit ? Yes/No UNIT_HZ No
MAT Calc Config Type 0-2 MAT_SEL 1
Reset MAT Table Entries? Yes/No MATRESET No
MAT Outside Air Default 0 - 100 % MATOAPOS 20
Altitude……..in feet: 0-60000 ALTITUDE 0
Startup Delay Time 0 - 900 secs DELAY 0
Auxiliary Relay Config 0 - 3 (multi-text strings) AUXRELAY 0
Space Temp Sensor Enable/Disable SPTSENS Disable
Space Temp Offset Sensor Enable/Disable SPTOSENS Disable
Space Temp Offset Range 1 - 10 SPTO_RNG 5
Space Air RH Sensor Enable/Disable SPRHSENS Disable
Return Air RH Sensor Enable/Disable RARHSENS Disable
Filter Stat.Sw.Enabled ? Enable/Disable FLTS_ENA Disable
Stat. Pres. Reset Sensor Enable/Disable SPRSTSEN Disable
generics
POINT_01 Definition 8 CHAR ASCII POINT_01
POINT_02 Definition 8 CHAR ASCII POINT_02
POINT_03 Definition 8 CHAR ASCII POINT_03
POINT_04 Definition 8 CHAR ASCII POINT_04
POINT_05 Definition 8 CHAR ASCII POINT_05
POINT_06 Definition 8 CHAR ASCII POINT_06
POINT_07 Definition 8 CHAR ASCII POINT_07
POINT_08 Definition 8 CHAR ASCII POINT_08
POINT_09 Definition 8 CHAR ASCII POINT_09
POINT_10 Definition 8 CHAR ASCII POINT_10
POINT_11 Definition 8 CHAR ASCII POINT_11
POINT_12 Definition 8 CHAR ASCII POINT_12
POINT_13 Definition 8 CHAR ASCII POINT_13
POINT_14 Definition 8 CHAR ASCII POINT_14
POINT_15 Definition 8 CHAR ASCII POINT_15
POINT_16 Definition 8 CHAR ASCII POINT_16
POINT_17 Definition 8 CHAR ASCII POINT_17
POINT_18 Definition 8 CHAR ASCII POINT_18
POINT_19 Definition 8 CHAR ASCII POINT_19
POINT_20 Definition 8 CHAR ASCII POINT_20
TABLE DISPLAY NAME RANGE UNITS POINT NAME WRITE STATUS
ALARMS01
Active Alarm ascii  ALARM_01
------------------------ ascii 
Active Alarm ascii  ALARM_02
------------------------ ascii 
Active Alarm ascii ALARM_03
------------------------ ascii
Active Alarm ascii ALARM_04
------------------------ ascii
follow same format for…
ALARMS02 to ALARMS05
COMPRESR
Compressor A1 Relay On/Off CMPA1
Circ A High Press.Switch On/Off CIRCAHPS
Compressor A1 Feedback On/Off CSB_A1
Curr.Sens.Brd. A1 Status ascii CSBA1ASC
CSB A1 Feedback Alarm Enable/Disable CSB_A1EN config
Comp A1 Locked Out ? Yes/No CMPA1LOK
Compressor A1 Strikes CMPA1STR
Enable Compressor A1 Enable/Disable CMPA1ENA config
Compressor A2 Relay On/Off CMPA2
Compressor A2 Feedback On/Off CSB_A2
Curr.Sens.Brd. A2 Status ascii CSBA2ASC
CSB A2 Feedback Alarm Enable/Disable CSB_A2EN config
Comp A2 Locked Out ? Yes/No CMPA2LOK
Compressor A2 Strikes CMPA2STR
Enable Compressor A2 Enable/Disable CMPA2ENA config
Compressor B1 Relay On/Off CMPB1
Circ B High Press.Switch On/Off CIRCBHPS
Compressor B1 Feedback On/Off CSB_B1
Curr.Sens.Brd. B1 Status ascii CSBB1ASC
CSB B1 Feedback Alarm Enable/Disable CSB_B1EN config
Comp B1 Locked Out ? Yes/No CMPB1LOK
Compressor B1 Strikes CMPB1STR

151
APPENDIX B — CCN TABLES (cont)
MAINTENANCE DISPLAY TABLES (cont)
TABLE DISPLAY NAME RANGE UNITS POINT NAME WRITE STATUS
COMPRESR (cont)
Enable Compressor B1 Enable/Disable CMPB1ENA config
Compressor B2 Relay On/Off CMPB2
Compressor B2 Feedback On/Off CSB_B2
Curr.Sens.Brd. B2 Status ascii CSBB2ASC
CSB B2 Feedback Alarm Enable/Disable CSB_B2EN config
Comp B2 Locked Out ? Yes/No CMPB2LOK
Compressor B2 Strikes CMPB2STR
Enable Compressor B2 Enable/Disable CMPB2ENA config
COMPTRIP
Comp. Security Password 0-10000 COMPPASS config
Low SP Circ.A Trip 48.0 LSPATRIP config
Low SP Circ.B Trip 48.0 LSPBTRIP config
MOP 1/3 Lo SP Trip 28.0 PSIG SP13L_T config
MOP 1/3 Lo DP Trip 242.7 PSIG DP13L_T config
MOP 1/3 Hi SP Trip 75.0 PSIG SP13H_T config
MOP 1/3 Hi DP Trip 430.0 PSIG DP13H_T config
MOP 1/3 Mm DP Trip 3.985 DP13Mm_T config
MOP 1/3 Mb DP Tr 131.117 DP13Mb_T config
MOP 1/2 Lo SP Trip 28.0 PSIG SP12L_T config
MOP 1/2 Lo DP Trip 242.7 PSIG DP12L_T config
MOP 1/2 Hi SP Trip 61.5 PSIG SP12H_T config
MOP 1/2 Hi DP Trip 430.0 PSIG DP12H_T config
MOP 1/2 Mm DP Trip 5.591 DP12Mm_T config
MOP 1/2 Mb DP Trp 156.55 DP12Mb_T config
MOP 2/3 Lo SP Trip 28.0 PSIG SP23L_T config
MOP 2/3 Lo DP Trip 316.2 PSIG DP23L_T config
MOP 2/3 Hi SP Trip 57.4 PSIG SP23H_T config
MOP 2/3 Hi DP Trip 430.0 PSIG DP23H_T config
MOP 2/3 Mm DP Trip 3.871 DP23Mm_T config
MOP 2/3 Mb DP Trp 207.82 DP23Mb_T config
MOP Ful Lo SP Trip 28.0 PSIG SPFLL_T config
MOP Ful Lo DP Trip 340.0 PSIG DPFLL_T config
MOP Ful Hi SP Trip 52.4 PSIG SPFLH_T config
MOP Ful Hi DP Trip 430.0 PSIG DPFLH_T config
MOP Ful Mm DP Trip 3.689 DPFLMm_T config
MOP Ful Mb DP Trp 103.28 DPFLMb_T config
DMANDLIM
Active Demand Limit 0-100 % DEM_LIM forcible
Percent Total Capacity 0-100 % CAPTOTAL
Demand Limit Select 0-3 DMD_CTRL config
Demand Limit Switch 1 On/Off DMD_SW1 forcible
Demand Limit Switch 2 On/Off DMD_SW2 forcible
Demand Limit Sw.1 Setpt. 0-100 % DLSWSP1 config
Demand Limit Sw.2 Setpt. 0-100 % DLSWSP2 config
4-20 ma Demand Signal 4-20 ma DMDLMTMA forcible
Demand Limit at 20 ma 0-100 % DMT20MA config
CCN Loadshed Signal 0-99 DL_STAT
Loadshed Group Number 0-99 SHED_NUM config
Loadshed Demand Delta 0-60 % SHED_DEL config
Maximum Loadshed Time 0-120 min SHED_TIM config
ECON_MIN
Economizer Act.Cmd.Pos. % ECONOCMD forcible
Economizer Act.Curr.Pos. % ECONOPOS
Economzr 2 Act.Curr.Pos. % ECON2POS
Econo Current Min. Pos. % ECMINPOS
Econo Current Min. CFM CFM ECMINCFM
Outside Air CFM CFM OACFM
Diff.Air Quality in PPM DAQ
IAQ Min.Pos.Override % IAQMINOV forcible
Econ Remote 10K Pot Val. ECON_POT forcible
IAQ - PPM Return CO2 IAQ forcible
OAQ - PPM Return CO2 OAQ forcible
IAQ - Discrete Input IAQIN forcible
IAQ Demand Vent Min.Pos. % IAQMINP config
Economizer Min.Position % ECONOMIN config
IAQ Demand Vent Min.Flow CFM OACFMMIN config
Economizer Min.Flow CFM OACFMMAX config
Econ OACFM MinPos Deadbd CFM OACFM_DB config
IAQ Analog Sensor Config IAQANCFG config
IAQ 4-20 ma Fan Config IAQANFAN config
IAQ Discrete Input Confg IAQINCFG config
IAQ Disc.In. Fan Config IAQINFAN config
IAQ Econo Override Pos. % IAQOVPOS config
Diff.Air Quality LoLimit DAQ_LOW config
Diff.Air Quality HiLimit DAQ_HIGH config
DAQ PPM Fan Off Setpoint DAQFNOFF config
DAQ PPM Fan On Setpoint DAQFNON config
Diff. AQ Responsiveness IAQREACT config
IAQ Low Reference IAQREFL config
IAQ High Reference IAQREFH config
OAQ Lockout Value OAQLOCK config
OAQ 4-20ma Sensor Config ma OAQANCFG config
IAQ milliamps ma IAQ_MA
OAQ milliamps OAQ_MA

152
APPENDIX B — CCN TABLES (cont)
MAINTENANCE DISPLAY TABLES (cont)
TABLE DISPLAY NAME RANGE UNITS POINT NAME WRITE STATUS
EC_DIAG
Economizer Active ? Yes/No ECACTIVE
Conditions which prevent
economizer being active:
Econ Act. Unavailable? Yes/No ECONUNAV
Econ 2 Act. Unavailable? Yes/No ECN2UNAV
Enth.Switch Read High ? Yes/No ENTH
DBC - OAT lockout? Yes/No DBC_STAT
DEW - OA Dewpt. lockout? Yes/No DEW_STAT
DDBC- OAT > RAT lockout? Yes/No DDBCSTAT
OAEC- OA Enth Lockout? Yes/No OAECSTAT
DEC - Diff.Enth.Lockout? Yes/No DEC_STAT
EDT Sensor Bad ? Yes/No EDT_STAT
OAT Sensor Bad ? Yes/No OAT_STAT
Economizer forced ? Yes/No ECONFORC
Supply Fan not on 30s ? Yes/No SFONSTAT
Cool Mode not in effect? Yes/No COOL_OFF
OAQ lockout in effect ? Yes/No OAQLOCKD
Econ recovery hold off? Yes/No ECONHELD
Dehumid. Disabled Econ.? Yes/No DHDISABL
Outside Air Temperature dF OAT forcible
OutsideAir DewPoint Temp dF OADEWTMP
Outside Air Rel.Humidity % OARH forcible
Outdoor Air Enthalpy OAE
Return Air Temperature dF RAT forcible
Return Air Rel.Humidity % RARH forcible
Return Air Enthalpy RAE
High OAT Lockout Temp dF OAT_LOCK config
Econ ChangeOver Select ECON_SEL config
OA Enthalpy ChgOvr Selct OAEC_SEL config
Outdr.Enth Compare Value OAEN_CFG config
OA Dewpoint Temp Limit dF OADEWCFG config
Supply Fan Relay SFAN
Economizer Act.Cmd.Pos. % ECONOCMD forcible
Economizer Act.Curr.Pos. % ECONOPOS
Economzr 2 Act.Curr.Pos. % ECON2POS
Evaporator Discharge Tmp dF EDT
Economizer Control Point dF ECONCPNT
EDT Trend in degF/minute ^F EDTTREND
Economizer Prop.Gain EC_PGAIN config
Economizer Range Adjust ^F EC_RANGE config
Economizer Speed Adjust   EC_SPEED config
Economizer Deadband ^F EC_DBAND config
Economizer Timer sec ERATETMR config
ENTHALPY
Outdoor Air Enthalpy OAE
Outside Air Temperature dF OAT forcible
Outside Air Rel.Humidity % OARH forcible
Outside Air RH Sensor OARHSENS config
OA Dewpoint Temp Limit dF OADEWCFG forcible
OutsideAir DewPoint Temp dF OADEWTMP
OutsideAir Humidty Ratio OA_HUMR
OA H2O Vapor Sat.Pressur "Hg OA_PWS
OA H2O Partial.Press.Vap "Hg OA_PWS
Space Enthalpy SPE
Space Temperature dF SPT forcible
Controlling Space Temp dF SPACE_T forcible
Space Relative Humidity % SPRH forcible
Space Temp Sensor SPTSENS config
Space Air RH Sensor SPRHSENS config
Return Air Enthalpy RAE
Return Air Temperature dF RAT forcible
Controlling Return Temp dF RETURN_T forcible
Return Air Rel.Humidity % RARH forcible
Return Air RH Sensor RARHSENS config
Altitude……..in feet: ALTITUDE config
Atmospheric Pressure "Hg ATMOPRES config
HUMIDITY
Space Relative Humidity % SPRH forcible
Return Air Rel.Humidity % RARH forcible
Humidifier Relay HUMIDRLY
Humidifier Act.Curr.Pos. % HUMDRPOS
Humidifier Command Pos. % HUMDCPOS
Humidifier Setpoint % HUSP config
Humidifier Control Config HUMD_CFG config
Humidifier Prop. Gain HUMID_PG config
Humidifier Integral Gain HUMID_IG config
Humidifier Deriv. Gain HUMID_DG config
Humidifier PID Run Rate sec HUMDRATE config
Space Air RH Sensor Enable/Disable SPRHSENS config
Return RH Sensor Enable/Disable RARHSENS config

153
APPENDIX B — CCN TABLES (cont)
MAINTENANCE DISPLAY TABLES (cont)
TABLE DISPLAY NAME RANGE UNITS POINT NAME WRITE STATUS
LEN_ACTU
Economizer Act.Curr.Pos. 0-100 % ECONOPOS
Economzr 2 Act.Curr.Pos. 0-100 % ECON2POS
Economizer Act.Cmd.Pos. 0-100 % ECONOCMD forcible
IGV Actuator Current Pos. 0-100 % IGV_RPOS
IGV Actuator Command Pos 0-100 % IGV_CPOS
Humidifier Act.Curr.Pos. 0-100 % HUMDRPOS
Humidifier Command Pos. 0-100 % HUMDCPOS
Ht.Coil Act.Curr.Pos. 0-100 % HTCLRPOS
Ht.Coil Command Position 0-100 % HTCLCPOS
BP 1 Actuator Curr.Pos. 0-100 % BP1_RPOS
BP 1 Command Position 0-100 % BP1_CPOS
BP 2 Actuator Curr.Pos. 0-100 % BP2_RPOS
BP 2 Command Position 0-100 % BP2_CPOS
Find LEN bus actuator ? Yes/No BELSERCH config
BELx       Serial Number- BELXSNUM
LINKDATA
Supervisory Element # SUPE-ADR
Supervisory Bus SUPE-BUS
Supervisory Block Number BLOCKNUM
Average Occup. Heat Stp. dF AOHS
Average Occup. Cool Stp. dF AOCS
Average Unocc. Heat Stp. dF AUHS
Average Unocc. Cool Stp. dF AUCS
Average Zone Temperature dF AZT
Average Occup. Zone Temp dF AOZT
Linkage System Occupied? LOCC
Next Occupied Day LNEXTOCD
Next Occupied Time LNEXTOCC
Next Unoccupied Day LNEXTUOD
Next Unoccupied Time LNEXTUNC
Last Unoccupied Day LLASTUOD
Last Unoccupied Time LLASTUNC
MILLIAMP
IAQ milliamps ma IAQ_MA
OAQ milliamps ma OAQ_MA
SP Reset milliamps ma SPRST_MA
4-20 ma Demand Signal ma DMDLMTMA forcible
EDT Reset milliamps ma EDTRESMA
OARH milliamps ma OARH_MA
SPRH milliamps ma SPRH_MA
RARH milliamps ma RARH_MA
SACFM milliamps ma SACFM_MA
RACFM milliamps ma RACFM_MA
OACFM milliamps ma OACFM_MA
BP milliamps ma BP_MA
SP milliamps ma SP_MA
MODES
System Mode…………: ascii text strings
HVAC Mode…………..: ascii text strings
Control Mode………..: ascii text strings
Currently Occupied On/Off MODEOCCP
Timed Override in effect On/Off MODETOVR
DCV resetting min pos On/Off MODEADCV
Supply Air Reset On/Off MODESARS
Demand Limit in Effect On/Off MODEDMLT
Temp.Compensated Start On/Off MODETCST
IAQ pre-occ purge active On/Off MODEIQPG
Linkage Active - DAV On/Off MODELINK
Mech.Cooling Locked Out On/Off MODELOCK
HVAC Mode Numerical Form number MODEHVAC
OCCDEFME
Current Day, Time & Date: ascii date & time TIMEDATE
Occupancy Controlled By: ascii text OCDFTXT1
ascii text OCDFTXT2
ascii text OCDFTXT3
Currently Occupied Yes/No MODE_OCC
Current Occupied Time STRTTIME
Current Unoccupied Time ENDTIME
Next Occupied Day & Time NXTOC_DT
Next Unocc. Day & Time NXTUN_DT
Last Unocc. Day & Time PRVUN_DT
Current Occup. Period # PER_NO
Timed-Override in Effect Yes/No OVERLAST
Timed-Override Duration hours OVR_HRS

154
APPENDIX B — CCN TABLES (cont)
MAINTENANCE DISPLAY TABLES (cont)
TABLE DISPLAY NAME RANGE UNITS POINT NAME WRITE STATUS
PRESBLDG
Building Pressure "H2O BP
Return Air CFM CFM RACFM
Supply Air CFM CFM SACFM
Power Exhaust Relay 1 On/Off PE1
Power Exhaust Relay 2 On/Off PE2
BP 1 Actuator Curr.Pos. % BP1_RPOS
BP 1 Command Position % BP1_CPOS
BP 2 Actuator Curr.Pos. % BP2_RPOS
BP 2 Command Position % BP2_CPOS
Exhaust Fan VFD Speed % EFAN_VFD
Building Pressure Setp. "H2O BPSP config
BP Setpoint Offset ^"H2O BPSO config
Fan Track Learn Enable Yes/No DCFM_CFG config
Fan Track Learn Rate min DCFMRATE config
Fan Track Initial DCFM CFM DCFMSTRT config
Fan Track Max Clamp CFM DCFM_MAX config
Fan Track Max Correction CFM DCFM_ADJ config
Fan Track Internl EEPROM CFM DCFM_OFF config
Fan Track Reset Internal DCFMRSET config
Fan Track Internal RAM CFM DCFM_RAM
Fan Track Control D.CFM CFM DELTACFM
PRESDUCT
Static Pressure "H2O SP
Supply Fan VFD Speed % SFAN_VFD
IGV Actuator Current Pos % IGV_RPOS
IGV Actuator Command Pos % IGV_CPOS
Static Pressure Setpoint "H2O SPSP config
Static Pressure Reset SPRESET forcible
STAGEGAS
Heating Mode………..: ascii text strings
Requested Heat Stage HT_STAGE
Heating Control Point HEATCPNT
Staged Gas LAT Sum dF LAT_SGAS
Staged Gas LAT 1 dF LAT1SGAS
Staged Gas LAT 2 dF LAT2SGAS
Staged Gas LAT 3 dF LAT3SGAS
Staged Gas Limit Sw.Temp dF LIMSWTMP
Heat PID Timer sec HTSGTIMR
Staged Gas Capacity Calc % HTSGCALC
Current Running Capacity % HTSG_CAP
Proportional Cap. Change HTSG_P
Derivative Cap. Change HTSG_D
Maximum Heat Stages HTMAXSTG
Hi Limit Switch Tmp Mode LIMTMODE
LAT Cutoff Mode LATCMODE
Capacity Clamp Mode CAPMODE
STRTHOUR
 Compressor A1 Run Hours hours HR_A1 config
 Compressor A2 Run Hours hours HR_A2 config
 Compressor B1 Run Hours hours HR_B1 config
 Compressor B2 Run Hours hours HR_B2 config
 Compressor A1 Starts CY_A1 config
 Compressor A2 Starts CY_A2 config
 Compressor B1 Starts CY_B1 config
 Compressor B2 Starts CY_B2 config
SUMZ
Cooling Control Point dF COOLCPNT
Mixed Air Temperature dF MAT
Evaporator Discharge Tmp dF EDT
Return Air Temperature dF RAT forcible
Outside Air Temperature dF OAT forcible
Econo Damper Current Pos % ECONOPOS
Economzr 2 Act.Curr.Pos. % ECON2POS
Capacity Threshold Adjst Z_GAIN config
Capacity Load Factor SMZ
Next Stage EDT Decrease ADDRISE
Next Stage EDT Increase SUBRISE
Rise Per Percent Capacity RISE_PCT
Cap Deadband Subtracting Y_MINUS
Cap Deadband Adding Y_PLUS
Cap Threshold Subtracting Z_MINUS
Cap Threshold Adding Z_PLUS
High Temp Cap Override On/Off HI_TEMP
Low Temp Cap Override On/Off LOW_TEMP
Pull Down Cap Override On/Off PULLDOWN
Slow Change Cap Override On/Off SLO_CHNG

155
APPENDIX B — CCN TABLES (cont)
MAINTENANCE DISPLAY TABLES (cont)
TABLE DISPLY NAME RANGE UNITS POINT NAME WRITE STATUS
SYSTEM
Reset All Current Alarms Yes/No ALRESET config
Reset Alarm History Yes/No ALHISCLR config
Reset the Device Yes/No RESETDEV config
Local Machine Disable Yes/No UNITSTOP config
Soft Stop Request Yes/No SOFTSTOP forcible
Emergency Stop Enable/Disable EMSTOP forcible
CEM AN4 10K temp J5, 7-8 CEM10K1 forcible
CEM AN5 10K temp J5, 9-10 CEM10K2 forcible
CEM AN6 10K temp J5, 11-12 CEM10K3 forcible
CEM AN1 10K temp J5, 1-2 CEM10K4 forcible
CEM AN4 4-20 ma J5, 7-8 CEM4201 forcible
CEM AN5 4-20 ma J5, 9-10 CEM4202 forcible
CEM AN6 4-20 ma J5, 11-12 CEM4203 forcible
CEM AN1 4-20 ma J5, 1-2 CEM4204 forcible
TESTACTC
Economizer Act.Cmd.Pos. 0-100 % ECONOTST
Economizer Calibrate Cmd YES/NO ECONOCAL
Econ Act. Control Angle read only ECONCANG
Economzr 2 Act.Cmd.Pos. 0-100 % ECON2TST
Economzr 2 Calibrate Cmd YES/NO ECON2CAL
Econ2 Act. Control Angle read only ECN2CANG
IGV Actuator Command Pos 0-100 % SPIGVTST
IGV Act. Calibrate Cnd YES/NO IGV_CAL
IGV Act. Control Angle read only IGC_CANG
VFD-IGV Maximum Speed 0-100 % STATPMAX
BP 1 Command Position 0-100 % BLDG1TST
BP 1 Actuator Cal Cmd YES/NO BLDG1CAL
BP Act.1 Control Angle read only BP1_CANG
BP 1 Actuator Max Pos. 0-100 % BP1SETMX
BP 2 Command Position 0-100 % BLDG2TST
BP 2 Actuator Cal Cmd YES/NO BLDG2CAL
BP Act.2 Control Angle read only BP2_CANG
BP 2 Actuator Max Pos. 0-100 % BP2SETMX
Ht.Coil Command Position 0-100 % HTCLACTC
Heating Coil Act. Cal.Cmd YES/NO HCOILCAL
Heat Coil Act.Ctl.Angle read only HTCLCANG
Humidifier Command Pos. 0-100 % HUMD_TST
Humidifier Act. Cal.Cmd YES/NO HUMIDCAL
Humidifier Act.Ctrl.Ang. read only HUMDCANG
TESTCOOL
Econo Damper Command Pos 0-100 % ECONCOOL
Static Pressure Setpoint 0-5 "H2O SPSP_TST
Requested Cool Stage 0-n CLST_TST
Lead/Lag Select Test LEAD/LAG LL_TST
Compressor A1 Relay ON/OFF CMPA1TST
Unloader 1 - Comp A1 ON/OFF UNL1_TST
Unloader 2 - Comp A1 ON/OFF UNL2_TST
Compressor A2 Relay ON/OFF CMPA2TST
Compressor B1 Relay ON/OFF CMPB1TST
Unloader 1 - Comp B1 ON/OFF UNL3_TST
Unloader 2 - Comp B1 ON/OFF UNL4_TST
Compressor B2 Relay ON/OFF CMPB2TST
TESTFANS
Fan Test Automatic? YES/NO FANAUTO
Econo Damper Command Pos % ECONFANS
Supply Fan Relay ON/OFF SFAN_TST
IGV Actuator Command Pos 0-100 % IGVFNTST
Supply Fan VFD Speed 0-100 % SGVFDTST
Power Exhaust Relay 1 ON/OFF PE1_TST
Power Exhaust Relay 2 ON/OFF PE2_TST
BP 1 Command Position 0-100 % BLDPTST1
BP 2 Command Position 0-100 % BLDPTST2
Exhaust Fan VFD Speed 0-100 % EFVFDTST
Condenser Fan Circuit A ON/OFF CNDA_TST
Condenser Fan Circuit B ON/OFF CNDB_TST
Motormaster Condensr Fan ON/OFF PCFABTST
TESTHEAT
Requested Heat Stage 0-n HTST_TST
Heat Relay 1 ON/OFF HS1_TST
Heat Relay 2 ON/OFF HS2_TST
Relay 3 W1 Gas Valve 2 ON/OFF HS3_TST
Relay 4 W2 Gas Valve 2 ON/OFF HS4_TST
Relay 5 W1 Gas Valve 3 ON/OFF HS5_TST
Relay 6 W2 Gas Valve 3 ON/OFF HS6_TST
Heat Interlock Relay ON/OFF HIR_TST
Ht.Coil Command Position 0-100 % HTCLHEAT
TESTINDP
Humidifier Relay ON/OFF HUMR_TST
Remote Alarm / Aux Relay ON/OFF ALRM_TST
VERSIONS
MBB        CESR131292- ascii version# MBB_SW
RCB        CESR131249- ascii version# RCB_SW
ECB        CESR131249- ascii version# ECB_SW
SCB        CESR131226- ascii version# SCB_SW
CEM        CESR131174- ascii version# CEM_SW
Economizr Serial Number- ascii serial num ECONSNUM
IGV          Serial Number- ascii serial num IGV_SNUM
Humidfier  Serial Number- ascii serial num HUMDSNUM
Heat Coil  Serial Number- ascii serial num HTCLSNUM
BP #1      Serial Number- ascii serial num BP1_SNUM
BP #2      Serial Number- ascii serial num BP2_SNUM
MARQUEE    CESR131171- ascii version# MARQ_SW
NAVIGATOR  CESR130227- ascii version# NAVI_SW

156
APPENDIX B — CCN TABLES (cont)
TIME SCHEDULE CONFIG TABLE
Allowable Entries: Day not selected = 0 Day selected = 1
APPENDIX C — UNIT STAGING TABLES
STAGING SEQUENCE — SIZE 030 UNITS — 60 Hz
                             LEGEND
STAGING SEQUENCE — SIZE 030 UNITS — 50 Hz
                             LEGEND
STAGING SEQUENCE — SIZE 035 UNITS
                            LEGEND
DAY FLAGS
MTWTFSSH
OCCUPIED
TIME
UNOCCUPIED
TIME
Period 1: 00000000 00:00 00:00
Period 2: 00000000 00:00 00:00
Period 3: 00000000 00:00 00:00
Period 4: 00000000 00:00 00:00
Period 5: 00000000 00:00 00:00
Period 6: 00000000 00:00 00:00
Period 7: 00000000 00:00 00:00
Period 8: 00000000 00:00 00:00
CIRCUIT A STAGE COMPRESSOR OR UNLOADER PERCENT
a1 u1 u2 a2 b1 u3 u4 b2
Lead 0 00000000 0%
1 11100000 16%
2 11000000 32%
3 10000000 50%
4 10001110 66%
5 10001100 82%
6 1 0 0 0 1 0 0 0 100%
Lag 0 00000000 0%
1 00001110 16%
2 00001100 32%
3 00001000 50%
4 11101000 66%
5 11001000 82%
6 1 0 0 0 1 0 0 0 100%
0—Off a,b — Compressor Circuit Designation
1—On u—Unloader
CIRCUIT A STAGE COMPRESSOR OR UNLOADER PERCENT
a1 u1 u2 a2 b1 u3 u4 b2
Lead 0 00000000 0%
1 11000000 29%
2 11001110 43%
3 11001100 57%
4 10001110 71%
5 10001100 85%
6 1 0 0 0 1 0 0 0 100%
Lag 0 00000000 0%
1 00001110 14%
2 00001100 28%
3 11001110 43%
4 11001100 57%
5 10001110 71%
6 10001100 85%
7 1 0 0 0 1 0 0 0 100%
0—Off a,b — Compressor Circuit Designation
1—On u—Unloader
CIRCUIT A STAGE COMPRESSOR OR UNLOADER PERCENT
a1 u1 u2 a2 b1 u3 u4 b2
Lead 0 00000000 0%
1 11100000 14%
2 11000000 28%
3 11101100 43%
4 11001100 57%
5 11101000 71%
6 11001000 85%
7 1 0 0 0 1 0 0 0 100%
Lag 0 00000000 0%
1 00001100 29%
2 11101100 43%
3 11001100 57%
4 11101000 71%
5 11001000 85%
6 1 0 0 0 1 0 0 0 100%
0—Off a,b — Compressor Circuit Designation
1—On u—Unloader

157
APPENDIX C — UNIT STAGING TABLES (cont)
STAGING SEQUENCE — SIZE 040 UNITS — 60 Hz
                            LEGEND
STAGING SEQUENCE — SIZE 040 UNITS — 50 Hz
                            LEGEND
STAGING SEQUENCE — SIZE 050 UNITS
                            LEGEND
STAGING SEQUENCE — SIZE 055 UNITS — 60 Hz
                            LEGEND
CIRCUIT A STAGE COMPRESSOR OR UNLOADER PERCENT
a1 u1 u2 a2 b1 u3 u4 b2
Lead 0 00000000 0%
1 11000000 25%
2 10000000 50%
3 10001100 75%
4 1 0 0 0 1 0 0 0 100%
Lag 0 00000000 0%
1 00001100 25%
2 00001000 50%
3 11001000 75%
4 1 0 0 0 1 0 0 0 100%
0—Off a,b — Compressor Circuit Designation
1—On u—Unloader
CIRCUIT A STAGE COMPRESSOR OR UNLOADER PERCENT
a1 u1 u2 a2 b1 u3 u4 b2
Lead 0 00000000 0%
1 11100000 19%
2 11000000 37%
3 11101100 41%
4 11001100 59%
5 11101000 62%
6 11001000 80%
7 10001100 89%
8 1 0 0 0 1 0 0 0 100%
Lag 0 00000000 0%
1 00001100 22%
2 00001000 43%
3 11001100 59%
4 11101000 62%
5 11001000 80%
6 10001100 89%
7 1 0 0 0 1 0 0 0 100%
0—Off a,b — Compressor Circuit Designation
1—On u—Unloader
CIRCUIT A STAGE COMPRESSOR OR UNLOADER PERCENT
a1 u1 u2 a2 b1 u3 u4 b2
Lead 0 00000000 0%
1 11100000 19%
2 11000000 37%
3 10000000 57%
4 11101000 62%
5 11001000 80%
6 1 0 0 0 1 0 0 0 100%
Lag 0 00000000 0%
1 00001100 22%
2 11101100 41%
3 11001100 59%
4 11101000 62%
5 11001000 80%
6 1 0 0 0 1 0 0 0 100%
0—Off a,b — Compressor Circuit Designation
1—On u—Unloader
CIRCUIT A STAGE COMPRESSOR OR UNLOADER PERCENT
a1 u1 u2 a2 b1 u3 u4 b2
Lead 0 00000000 0%
1 11100000 20%
2 11000000 40%
3 10000000 60%
4 10001100 80%
5 1 0 0 0 1 0 0 0 100%
Lag 0 00000000 0%
1 00001100 20%
2 00001000 40%
3 11101000 60%
4 11001000 80%
5 1 0 0 0 1 0 0 0 100%
0—Off a,b — Compressor Circuit Designation
1—On u—Unloader

158
APPENDIX C — UNIT STAGING TABLES (cont)
STAGING SEQUENCE — SIZE 055 UNITS — 50 Hz
                            LEGEND
STAGING SEQUENCE — SIZE 060 UNITS — 60 Hz
                            LEGEND
STAGING SEQUENCE — SIZE 060 UNITS — 50 Hz
                            LEGEND
CIRCUIT A STAGE COMPRESSOR OR UNLOADER PERCENT
a1 u1 u2 a2 b1 u3 u4 b2
Lead 0 00000000 0%
1 11100000 19%
2 11000000 37%
3 11101100 48%
4 11001110 51%
5 11101000 62%
6 11001100 66%
7 10001110 71%
8 11001000 80%
9 10001100 86%
10 1 0 0 0 1 0 0 0 100%
Lag 0 00000000 0%
1 00001110 14%
2 00001100 29%
3 11101110 33%
4 11101100 48%
5 11001110 51%
6 11101000 62%
7 11001100 66%
8 10001110 71%
9 11001000 80%
10 10001100 86%
11 1 0 0 0 1 0 0 0 100%
0—Off a,b — Compressor Circuit Designation
1—On u—Unloader
CIRCUIT A STAGE COMPRESSOR OR UNLOADER PERCENT
a1 u1 u2 a2 b1 u3 u4 b2
Lead 0 00000000 0%
1 11100000 17%
2 11000000 33%
3 10000000 50%
4 10001110 67%
5 10001100 83%
6 1 0 0 0 1 0 0 0 100%
Lag 0 00000000 0%
1 00001110 17%
2 00001100 33%
3 00001000 50%
4 11101000 67%
5 11001000 83%
6 1 0 0 0 1 0 0 0 100%
0—Off a,b — Compressor Circuit Designation
1—On u—Unloader
CIRCUIT A STAGE COMPRESSOR OR UNLOADER PERCENT
a1 u1 u2 a2 b1 u3 u4 b2
Lead 0 00000000 0%
1 11100000 17%
2 11000000 33%
3 10000000 50%
4 10001110 67%
5 10001100 83%
6 1 0 0 0 1 0 0 0 100%
Lag 0 00000000 0%
1 00001110 17%
2 00001100 33%
3 00001000 50%
4 11101000 67%
5 11001000 83%
6 1 0 0 0 1 0 0 0 100%
0—Off a,b — Compressor Circuit Designation
1—On u—Unloader

159
APPENDIX C — UNIT STAGING TABLES (cont)
STAGING SEQUENCE — SIZE 070 AND 075 UNITS
                            LEGEND
STAGING SEQUENCE — SIZE 090 UNITS
                            LEGEND
STAGING SEQUENCE — SIZE 105 UNITS
                             LEGEND
CIRCUIT A STAGE COMPRESSOR OR UNLOADER PERCENT
a1 u1 u2 a2 b1 u3 u4 b2
Lead 0 00000000 0%
1 11100000 14%
2 11000000 29%
3 10000000 43%
4 11101100 51%
5 11001100 66%
6 11101000 71%
7 11001000 86%
8 1 0 0 0 1 0 0 0 100%
Lag 0 00000000 0%
1 00001110 19%
2 11101110 33%
3 11001110 48%
4 11101100 51%
5 11001100 66%
6 11101000 71%
7 11001000 86%
8 1 0 0 0 1 0 0 0 100%
0—Off a,b — Compressor Circuit Designation
1—On u—Unloader
CIRCUIT A STAGE COMPRESSOR OR UNLOADER PERCENT
a1 u1 u2 a2 b1 u3 u4 b2
Lead 0 00000000 0%
1 11100000 17%
2 11000000 33%
3 10000000 50%
4 10001110 67%
5 10001100 83%
6 1 0 0 0 1 0 0 0 100%
Lag 0 00000000 0%
1 00001110 17%
2 00001100 33%
3 00001000 50%
4 11101000 67%
5 11001000 83%
6 1 0 0 0 1 0 0 0 100%
0—Off a,b — Compressor Circuit Designation
1—On u—Unloader
CIRCUIT A STAGE COMPRESSOR OR UNLOADER PERCENT
a1 u1 u2 a2 b1 u3 u4 b2
Lead 0 00000000 0%
1 11000000 20%
2 10000000 30%
3 11010000 40%
4 10010000 50%
5 11011100 60%
6 10011100 70%
7 10011000 80%
8 10011101 90%
9 1 0 0 1 1 0 0 1 100%
Lag 0 00000000 0%
1 00001100 20%
2 00001000 30%
3 00001101 40%
4 00001001 50%
5 11001101 60%
6 11001001 70%
7 10001001 80%
8 11011001 90%
9 1 0 0 1 1 0 0 1 100%
0—Off a,b — Compressor Circuit Designation
1—On u—Unloader

160
APPENDIX D — VFD INFORMATION
On variable air volume units with optional VFD, the supply
fan speed is controlled by a 3-phase VFD. The VFD is located
in the supply fan section (030-050 units) or mixing box section
(055-105 units) behind an access door. The VFD speed is
controlled directly by the ComfortLink™ controls through a
4 to 20 mA signal based on a supply duct pressure sensor.
The VFD has a display, which can be used for service diagnos-
tics, but setup of the building pressure and control loop
factors should be done through the scrolling marquee display.
The VFD is powered during normal operation to prevent
condensation from forming on the boards during the off mode
and is stopped by driving the speed to 0 (by sending a 4 mA
signal to the VFD).
The Z Series units use ABB VFDs. The interface wiring for
the VFDs is shown in Fig. A. The VFD connects through
an isolation board to the 4 to 20 mA RCB board. Terminal
designations are shown in Table A. Configurations are shown
in Table B.
Table A — VFD Terminal Designations
TERMINAL FUNCTION
U1
V1
W1 Three-Phase Main Circuit Input Power Supply
U2
V2 Three-Phase AC Output to Motor, 0 V to
W2 Maximum Input Voltage Level
X1-11 (GND)
X1-12 (COMMON) Factory-supplied jumper
X1-10 (24 VDC)
X1-13 (DI-1) Run (factory-supplied jumper)
X1-10 (24 VDC) Start Enable 1 (Factory-supplied jumper). When
X1-16 (DI-4) opened the drive goes to emergency stop.
X1-2 (AI-1)
X1-3 (AGND) Factory wired for 4 to 20 mA remote input
Fig. A — VFD Wiring

161
APPENDIX D — VFD INFORMATION (cont)
Table B — VFD Configurations
VFD Operation — The VFD keypad is shown in Fig. B.
The function of SOFT KEYS 1 and 2 change depending on
what is displayed on the screen. The function of SOFT KEY 1
matches the word in the lower left-hand box on the display
screen. The function of SOFT KEY 2 matches the word in the
lower right-hand box on the display screen. If the box is empty,
then the SOFT KEY does not have a function on that specific
screen. The UP and DOWN keys are used to navigate through
the menus. The OFF key is used to turn off the VFD. The
AUTO key is used to change control of the drive to automatic
control. The HAND key is used to change control of the drive
to local (hand held) control. The HELP button is used to access
the help screens.
PARAMETER GROUP PARAMETER TITLE PARAMETER INDEX CARRIER DEFAULT
Start-Up Data
LANGUAGE 9901 ENGLISH
APPLIC MACRO 9902 USER 1
MOTOR CTRL MODE 9904 SCALAR: FREQ
MOTOR NOM VOLT 9905 460v
MOTOR NOM CURR 9906 *TBD*
MOTOR NOM FREQ 9907 60 Hz
MOTOR NOM SPEED 9908 1750 rpm
Start/Stop/Dir EXT1 COMMANDS 1001 DI-1
DIRECTION 1003 REVERSE
Analog Inputs MINIMUM AI1 1301 20.0 %
MAXIMUM AI1 1302 100.0 %
Relay Outputs
RELAY OUTPUT 1 1401 STARTED
RELAY OUTPUT 2 1402 RUN
RELAY OUTPUT 3 1403 FAULT (-1)
System Controls RUN ENABLE 1601 NOT SELECTED
START ENABLE 1 1608 DI-4
OVER RIDE
OVERRIDE SEL 1701 DI-3
OVERRIDE FREQ 1702 60 Hz
OVERRIDE SPEED 1703 1750 rpm
OVER PASS CODE 1704 ENTERED
OVERRIDE 1705 ON
STOP FUNCTION 2102 RAMP
Accel/Decel ACCELER TIME 1 2202 30.0s
DECELER TIME 1 2203 30.0s
MOTOR SWITCHING FREQ 2606 8 kHz
Fig. B — VFD Keypad
162
APPENDIX D — VFD INFORMATION (cont)
START UP WITH ASSISTANT — Initial  start-up  has  been
performed at the factory. To start up the VFD with the Start-Up
Assistant or reset the VFD with the Carrier defaults, perform
the following procedure:
1. Select MENU (SOFT KEY 2). The Main menu will be
displayed.
2. Use the UP or DOWN keys to highlight ASSISTANTS
on the display screen and press ENTER (SOFT KEY 2).
3. Use the UP or DOWN keys to highlight Carrier Assistant
and press SEL (SOFT KEY 2).
4. The Carrier Assistant will ask questions to determine the
correct parameters for the VFD. Select the desired values
and press SAVE (SOFT KEY 2) after every change. The
process will continue until all the parameters are set.
a. The Carrier Assistant will ask “Is this an Air
Handler or Rooftop?” Select “Rooftop.”
b. The Carrier Assistant will ask “Is this a High E or
Premium E motor?” Select the correct efficiency
type.
c. If the VFD can be used with two different size
(HP) motors, then the Carrier Assistant will ask the
user to choose the proper HP. Select the correct
motor horsepower.
START UP BY CHANGING PARAMETERS INDIVIDU-
ALLY — Initial start-up is performed at the factory. To start up
the VFD with by changing individual parameters, perform the
following procedure:
1. Select MENU (SOFT KEY 2). The Main menu will be
displayed.
2. Use the UP or DOWN keys to highlight PARAMETERS
on the display screen and press ENTER (SOFT KEY 2).
3. Use the UP or DOWN keys to highlight the desired
parameter group and press SEL (SOFT KEY 2).
4. Use the UP or DOWN keys to highlight the desired
parameter and press EDIT (SOFT KEY 2).
5. Use the UP or DOWN keys to change the value of the
parameter.
6. Press SAVE (SOFT KEY 2) to store the modified value.
Press CANCEL (SOFTKEY 1) to keep the previous value.
Any modifications that are not saved will not be changed.
7. Choose another parameter or press EXIT (SOFT KEY 1)
to return to the listing of parameter groups. Continue until
all the parameters have been configured and then press
EXIT (SOFT KEY 1) to return to the main menu.
NOTE: The current parameter value appears above the high-
light parameter. To view the default parameter value, press the
UP and DOWN keys simultaneously. To restore the default
factory settings, select the application macro “HVAC Default.”
VFD Modes — The VFD has several different modes for
configuring, operating, and diagnosing the VFD. The modes
are:
• Standard Display mode — shows drive status informa-
tion and operates the drive
• Parameters mode — edits parameter values individually
• Start-up Assistant mode — guides the start up and
configuration
• Changed Parameters mode — shows all changed
parameters
• Drive Parameter Backup mode — stores or uploads the
parameters
• Clock Set mode — sets the time and date for the drive
• I/O Settings mode — checks and edits the I/O settings
STANDARD DISPLAY MODE — Use the standard display
mode to read information on the drive status and operate the
drive. To reach the standard display mode, press EXIT until the
LCD display shows status information as described below. See
Fig. C.
The top line of the LCD display shows the basic status
information of the drive. The HAND icon indicates that the
drive control is local from the control panel. The AUTO icon
indicates that the drive is in remote control mode, such as the
basic I/O (X1) or field bus.
The arrow icon indicates the drive and motor rotation status.
A rotating arrow (clockwise or counterclockwise) indicates
that the drive is running and at set point and the shaft direction
is forward or reverse. A rotating blinking arrow indicates that
the drive is running but not at set point. A stationary arrow
indicates that the drive is stopped. For Carrier rooftop units, the
correct rotation is counterclockwise.
The upper right corner shows the frequency set point that
the drive will maintain.
Using parameter group 34, the middle of the LCD display
can be configured to display 3 parameter values. The default
display shows parameters 0103 (OUTPUT FREQ) in percent-
ages, 0104 (CURRENT) in amperes, and 0120 (AI1) in
milliamperes.
The bottom corners of the LCD display show the functions
currently assigned to the two soft keys. The lower middle
displays the current time (if configured to show the time).
The first time the drive is powered up, it is in the OFF mode.
To switch to local hand-held control and control the drive using
the control panel, press and hold the HAND button. Pressing
the HAND button switches the drive to hand control while
keeping the drive running. Press the AUTO button to switch to
remote input control. To start the drive press the HAND or
AUTO buttons, to stop the drive press the OFF button.
To adjust the speed in HAND mode, press the UP or
DOWN buttons (the reference changes immediately). The
reference can be modified in the local control (HAND) mode,
and can be parameterized (using Group 11 reference select) to
also allow modification in the remote control mode.
PARAMETERS MODE — The  Parameters  mode  is  used
to change the parameters on the drive. To change parameters,
perform the following procedure:
1. Select MENU (SOFT KEY 2). The Main menu will be
displayed.
2. Use the UP or DOWN keys to highlight PARAMETERS
on the display screen and press ENTER (SOFT KEY 2).
3. Use the UP or DOWN keys to highlight the desired
parameter group and press SEL (SOFT KEY 2).
4. Use the UP or DOWN keys to highlight the desired
parameter and press EDIT (SOFT KEY 2).
5. Use the UP or DOWN keys to change the value of the
parameter.
6. Press SAVE (SOFT KEY 2) to store the modified value.
Press CANCEL (SOFT KEY 1) to keep the previous
value. Any modifications that are not saved will not be
changed.
7. Choose another parameter or press EXIT (SOFT KEY 1)
to return to the listing of parameter groups. Continue until
all the parameters have been configured and then press
EXIT (SOFT KEY 1) to return to the main menu.
NOTE: The current parameter value appears above the high-
light parameter. To view the default parameter value, press the
UP and DOWN keys simultaneously. To restore the default
factory settings, select the Carrier application macro.

163
APPENDIX D — VFD INFORMATION (cont)
START-UP ASSISTANT MODE — To  use  the  Start-Up
Assistant, perform the following procedure:
1. Select MENU (SOFT KEY 2). The Main menu will be
displayed.
2. Use the UP or DOWN keys to highlight ASSISTANTS
on the display screen and press ENTER (SOFT KEY 2).
3. Use the UP or DOWN keys to highlight Commission
Drive and press SEL (SOFT KEY 2).
4. The Start-Up Assistant will display the parameters that
need to be configured. Select the desired values and press
SAVE (SOFT KEY 2) after every change. The process
will continue until all the parameters are set. The assistant
checks to make sure that entered values are in range.
The assistant is divided into separate tasks. The user can
activate the tasks one after the other or independently. The
tasks are typically done in this order: Application, References
1 and 2, Start/Stop Control, Protections, Constant Speeds, PID
Control, Low Noise Setup, Panel Display, Timed Functions,
and Outputs.
CHANGED PARAMETERS MODE — The Changed Param-
eters mode is used to view and edit recently changed parameters
on the drive. To view the changed parameters, perform the
following procedure:
1. Select MENU (SOFT KEY 2). The Main menu will be
displayed.
2. Use the UP or DOWN keys to highlight CHANGED
PAR on the display screen and press ENTER (SOFT
KEY 2). A list of the recently changed parameters will be
displayed.
3. Use the UP or DOWN keys to highlight the desired pa-
rameter group and press EDIT (SOFT KEY 2) to change
the parameter if desired.
4. Press EXIT (SOFT KEY 1) to exit the Changed Parame-
ters mode.
DRIVE PARAMETER BACKUP MODE — The drive param-
eter back up mode is used to export the parameters from one
drive to another. The parameters can be uploaded from a VFD
to the removable control panel. The control panel can then be
transferred to another drive and the parameters downloaded into
memory.
Depending on the motor and application, there are two
options available. The first option is to download all parame-
ters. This copies both application and motor parameters to the
drive from the control panel. This is recommended when using
the same application for drives of the same size. This can also
be used to create a backup of the parameters group for the
drive.
The second option downloads only the application parame-
ters to the drive. This is recommended when using the same ap-
plication for drives of different sizes. Parameters 9905, 9906,
9907, 9908, 9909, 1605, 1607, 5201, and group 51 parameters
and internal motor parameters are not copied.
Upload All Parameters — To upload and store parameters in
the control panel from the VFD, perform the following
procedure:
1. Select MENU (SOFT KEY 2). The Main menu will be
displayed.
2. Use the UP or DOWN keys to highlight PAR BACKUP
on the display screen and press ENTER (SOFT KEY 2).
3. Use the UP or DOWN keys to highlight UPLOAD TO
PANEL and press SEL (SOFT KEY 2).
4. The text “Copying Parameters” will be displayed with a
progress indicator. To stop the process, select ABORT
(SOFT KEY 1).
5. When the upload is complete, the text “Parameter upload
successful” will be displayed.
6. The display will then return to the PAR BACKUP menu.
Select EXIT (SOFT KEY 1) to return to the main menu.
7. The control panel can now be disconnected from the
drive.
Download All Parameters — To download all parameters
from the control panel to the VFD, perform the following
procedure:
1. Install the control panel with the correct parameters onto
the VFD.
2. Select MENU (SOFT KEY 2). The Main menu will be
displayed.
3. Use the UP or DOWN keys to highlight PAR BACKUP
on the display screen and press ENTER (SOFT KEY 2).
4. Use the UP or DOWN keys to highlight DOWNLOAD
TO DRIVE ALL and press SEL (SOFT KEY 2).
5. The text “Restoring Parameters” will be displayed with a
progress indicator. To stop the process, select ABORT
(SOFT KEY 1).
6. When the download is complete, the text “Parameter
download successful” will be displayed.
7. The display will then return to the PAR BACKUP menu.
Select EXIT (SOFT KEY 1) to return to the main menu.
8. The control panel can now be disconnected from the
drive.
Download Application Parameters — To download applica-
tion parameters only to the control panel from the VFD,
perform the following procedure:
1. Install the control panel with the correct parameters onto
the VFD.
2. Select MENU (SOFT KEY 2). The Main menu will be
displayed.
3. Use the UP or DOWN keys to highlight PAR BACKUP
on the display screen and press ENTER (SOFT KEY 2).
4. Use the UP or DOWN keys to highlight DOWNLOAD
APPLICATION and press SEL (SOFT KEY 2).
5. The text “Downloading Parameters (partial)” will be
displayed with a progress indicator. To stop the process,
select ABORT (SOFT KEY 1).
6. When the download is complete, the text “Parameter
download successful” will be displayed.
7. The display will then return to the PAR BACKUP menu.
Select EXIT (SOFT KEY 1) to return to the main menu.
8. The control panel can now be disconnected from the
drive.
Fig. C — Standard Display Example
164
APPENDIX D — VFD INFORMATION (cont)
CLOCK SET MODE — The clock set mode is used for
setting the date and time for the internal clock of the VFD. In
order to use the timer functions of the VFD control, the internal
clock must be set. The date is used to determine weekdays and
is visible in the fault logs.
To set the clock, perform the following procedure:
1. Select MENU (SOFT KEY 2). The Main menu will be
displayed.
2. Use the UP or DOWN keys to highlight CLOCK SET on
the display screen and press ENTER (SOFT KEY 2). The
clock set parameter list will be displayed.
3. Use the UP or DOWN keys to highlight CLOCK VISI-
BILITY and press SEL (SOFT KEY 2). This parameter
is used to display or hide the clock on the screen. Use the
UP or DOWN keys to change the parameter setting. Press
OK (SOFT KEY 2) to save the configuration and return
to the Clock Set menu.
4. Use the UP or DOWN keys to highlight SET TIME and
press SEL (SOFT KEY 2). Use the UP or DOWN keys to
change the hours and minutes. Press OK (SOFT KEY 2)
to save the configuration and return to the Clock Set
menu.
5. Use the UP or DOWN keys to highlight TIME FORMAT
and press SEL (SOFT KEY 2). Use the UP or DOWN
keys to change the parameter setting. Press OK (SOFT
KEY 2) to save the configuration and return to the Clock
Set menu.
6. Use the UP or DOWN keys to highlight SET DATE and
press SEL (SOFT KEY 2). Use the UP or DOWN keys to
change the day, month, and year. Press OK (SOFT KEY
2) to save the configuration and return to the Clock Set
menu.
7. Use the UP or DOWN keys to highlight DATE FOR-
MAT and press SEL (SOFT KEY 2). Use the UP or
DOWN keys to change the parameter setting. Press OK
(SOFT KEY 2) to save the configuration and return to the
Clock Set menu.
8. Press EXIT (SOFT KEY 1) twice to return to the main
menu.
I/O SETTINGS MODE —  The I/O Settings mode is used for
viewing and editing the I/O settings.
To configure the I/O settings, perform the following
procedure:
1. Select MENU (SOFT KEY 2). The Main menu will be
displayed.
2. Use the UP or DOWN keys to highlight I/O SETTINGS
on the display screen and press ENTER (SOFT KEY 2).
The I/O Settings parameter list will be displayed.
3. Use the UP or DOWN keys to highlight the desired I/O
setting and press SEL (SOFT KEY 2).
4. Use the UP or DOWN keys to select the parameter to
view. Press OK (SOFT KEY 2).
5. Use the UP or DOWN keys to change the parameter
setting. Press SAVE (SOFT KEY 2) to save the configu-
ration. Press CANCEL (SOFT KEY 1) to keep the previ-
ous value. Any modifications that are not saved will not
be changed.
6. Press EXIT (SOFT KEY 1) twice to return to the main
menu.
Third Party Controls — For conversion to third party
control of the VFD, perform the following procedure:
1. Remove the factory-installed jumper between X1-10 and
X1-13 (control of VFD start/stop).
2. Remove the factory-installed jumper between X1-10 and
X1-16 and replace with a normally closed safety contact
for control of VFD start enable.
3. Install speed signal wires to AI-1 and AGND. This input
is set at the factory for a 4 to 20 mA signal. If a 0 to
10 vdc signal is required, change DIP switch J1 (located
above the VFD control terminal strip) to OFF (right
position to left position) and change parameter 1301 to
0% from 20%.
VFD Diagnostics — The drive detects error situations
and reports them using:
• the green and red LEDs on the body of the drive (located
under the keypad)
• the status LED on the control panel
• the control panel display
• the Fault Word and Alarm Word parameter bits (parame-
ters 0305 to 0309)
The form of the display depends on the severity of the error.
The user can specify the severity for many errors by directing
the drive to ignore the error situation, report the situation as an
alarm, or report the situation as a fault.
FAULTS (RED LED LIT) — The VFD signals that it has
detected a severe error, or fault, by:
• enabling the red LED on the drive (LED is either steady
or flashing)
• setting an appropriate bit in a Fault Word parameter
(0305 to 0307)
• overriding the control panel display with the display of a
fault code
• stopping the motor (if it was on)
• sets an appropriate bit in Fault Word parameter 0305-
0307.
The fault code on the control panel display is temporary.
Pressing the MENU, ENTER, UP button or DOWN buttons
removes the fault message. The message reappears after a few
seconds if the control panel is not touched and the fault is still
active.
ALARMS (GREEN LED FLASHING) — For  less  severe
errors, called alarms, the diagnostic display is advisory. For
these situations, the drive is simply reporting that it had detect-
ed something unusual. In these situations, the drive:
• flashes the green LED on the drive (does not apply to
alarms that arise from control panel operation errors)
• sets an appropriate bit in an Alarm Word parameter
(0308 or 0309)
• overrides the control panel display with the display of an
alarm code and/or name
Alarm messages disappear from the control panel display
after a few seconds. The message returns periodically as long
as the alarm condition exists.
CORRECTING FAULTS — The  recommended  corrective
action for faults is shown in the Fault Codes Table C. The VFD
can also be reset to remove the fault. If an external source for a
start command is selected and is active, the VFD may start im-
mediately after fault reset.

165
APPENDIX D — VFD INFORMATION (cont)
Table C — Fault Codes
FAULT
 CODE
FAULT NAME
 IN PANEL DESCRIPTION AND RECOMMENDED CORRECTIVE ACTION
1OVERCURRENT Output current is excessive. Check for excessive motor load, insufficient acceleration time (parameters 2202 ACCELER TIME 1, default 30 sec-
onds), or faulty motor, motor cables or connections.
2DC OVERVOLT Intermediate circuit DC voltage is excessive. Check for static or transient over voltages in the input power supply, insufficient deceleration time 
(parameters 2203 DECELER TIME 1, default 30 seconds), or undersized brake chopper (if present).
3DEV OVERTEMP Drive heat sink is overheated. Temperature is at or above 115 C (239 F). Check for fan failure, obstructions in the air flow, dirt or dust coating on 
the heat sink, excessive ambient temperature, or excessive motor load.
4SHORT CIRC Fault current. Check for short-circuit in the motor cable(s) or motor or supply disturbances.
5OVERLOAD Inverter overload condition. The drive output current exceeds the ratings.
6DC UNDERVOLT Intermediate circuit DC voltage is not sufficient. Check for missing phase in the input power supply, blown fuse, or under voltage on main circuit.
7AI1 LOSS Analog input 1 loss. Analog input value is less than AI1 FLT LIMIT (3021). Check source and connection for analog input and parameter settings 
for AI1 FLT LIMIT (3021) and 3001 AI<MIN FUNCTION.
8AI2 LOSS Analog input 2 loss. Analog input value is less than AI2 FLT LIMIT (3022). Check source and connection for analog input and parameter settings 
for AI2 FLT LIMIT (3022) and 3001 AI<MIN FUNCTION.
9MOT OVERTEMP Motor is too hot, as estimated by the drive. Check for overloaded motor. Adjust the parameters used for the estimate (3005 through 3009). 
Check the temperature sensors and Group 35 parameters.
10 PANEL LOSS
Panel communication is lost and either drive is in local control mode (the control panel displays LOC), or drive is in remote control mode (REM) 
and is parameterized to accept start/stop, direction or reference from the control panel. To correct check the communication lines and connec-
tions. Check parameter 3002 PANEL COMM ERROR, parameters in Group 10: Command Inputs and Group 11:Reference Select (if drive oper-
ation is REM).
11 ID RUN FAIL The motor ID run was not completed successfully. Check motor connections.
12 MOTOR STALL Motor or process stall. Motor is operating in the stall region. Check for excessive load or insufficient motor power. Check parameters 3010 
through 3012.
13 RESERVED Not used.
14 EXT FAULT 1 Digital input defined to report first external fault is active. See parameter 3003 EXTERNAL FAULT 1.
15 EXT FAULT 2 Digital input defined to report second external fault is active. See parameter 3004 EXTERNAL FAULT 2.
16 EARTH FAULT The load on the input power system is out of balance. Check for faults in the motor or motor cable. Verify that motor cable does not exceed max-
imum specified length.
17 UNDERLOAD Motor load is lower than expected. Check for disconnected load. Check parameters 3013 UNDERLOAD FUNCTION through 3015 UNDER-
LOAD CURVE.
18 THERM FAIL Internal fault. The thermistor measuring the internal temperature of the drive is open or shorted. Contact Carrier.
19 OPEX LINK Internal fault. A communication-related problem has been detected between the OMIO and OINT boards. Contact Carrier.
20 OPEX PWR Internal fault. Low voltage condition detected on the OINT board. Contact Carrier.
21 CURR MEAS Internal fault. Current measurement is out of range. Contact Carrier.
22 SUPPLY PHASE Ripple voltage in the DC link is too high. Check for missing main phase or blown fuse.
23 RESERVED Not used.
24 OVERSPEED
Motor speed is greater than 120% of the larger (in magnitude) of 2001 MINIMUM SPEED or 2002 MAXIMUM SPEED parameters. Check 
parameter settings for 2001 and 2002. Check adequacy of motor braking torque. Check applicability of torque control. Check brake chopper and 
resistor.
25 RESERVED Not used.
26 DRIVE ID Internal fault. Configuration block drive ID is not valid.
27 CONFIG FILE Internal configuration file has an error. Contact Carrier.
28 SERIAL 1 ERR Field bus communication has timed out. Check fault setup (3018 COMM FAULT FUNC and 3019 COMM FAULT TIME). Check communication 
settings (Group 51 or 53 as appropriate). Check for poor connections and/or noise on line.
29 EFB CON FILE Error in reading the configuration file for the field bus adapter.
30 FORCE TRIP Fault trip forced by the field bus. See the field bus reference literature.
31 EFB 1 Fault code reserved for the EFB protocol application. The meaning is protocol dependent.
32 EFB 2 Fault code reserved for the EFB protocol application. The meaning is protocol dependent.
33 EFB 3 Fault code reserved for the EFB protocol application. The meaning is protocol dependent.
34 MOTOR PHASE Fault in the motor circuit. One of the motor phases is lost. Check for motor fault, motor cable fault, thermal relay fault (if used), or internal fault.
35 OUTP WIRING Error in power wiring suspected. Check that input power wired to drive output. Check for ground faults.
101-105 SYSTEM ERROR Error internal to the drive. Contact Carrier and report the error number.
201-206 SYSTEM ERROR Error internal to the drive. Contact Carrier and report the error number.
1000 PAR HZRPM
Parameter values are inconsistent. Check for any of the following: 
2001 MINIMUM SPEED > 2002 MAXIMUM SPEED 
2007 MINIMUM FREQ > 2008 MAXIMUM FREQ 
2001 MINIMUM SPEED / 9908 MOTOR NOM SPEED is outside of the range: -128/+128
2002 MAXIMUM SPEED / 9908 MOTOR NOM SPEED is outside of the range: -128/+128
2007 MINIMUM FREQ / 9907 MOTOR NOM FREQ is outside of the range: -128/+128
2008 MAXIMUM FREQ / 9907 MOTOR NOM FREQ is outside of the range: -128/+128
1001 PAR PFA REFNG Parameter values are inconsistent. Check that 2007 MINIMUM FREQ is negative, when 8123 PFA ENABLE is active.
1002 PAR PFA IOCNF
Parameter values are inconsistent. The number of programmed PFA relays does not match with Interlock configuration, when 8123 PFA 
ENABLE is active. Check consistency of RELAY OUTPUT parameters 1401 through 1403, and 1410 through 1412. Check 8117 NR OF AUX 
MOTORS, 8118 AUTOCHANGE INTERV, and 8120 INTERLOCKS.
1003 PAR AI SCALE Parameter values are inconsistent. Check that parameter 1301 AI 1 MIN > 1302 AI 1 MAX and that parameter 1304 AI 2 MIN > 1305 AI 2 MAX.
1004 PA R A O  S C A L E Parameter values are inconsistent. Check that parameter 1504 AO 1 MIN > 1505 AO 1 MAX and that parameter 1510 AO 2 MIN > 1511 AO 2 
MAX.
1005 PAR PCU 2
Parameter values for power control are inconsistent: Improper motor nominal kVA or motor nominal power. Check the following parameters:
1.1 < (9906 MOTOR NOM CURR * 9905 MOTOR NOM VOLT * 1.73 / PN) < 2.6
Where: PN = 1000 * 9909 MOTOR NOM POWER (if units are kW) or PN = 746
* 9909 MOTOR NOM POWER (if units are HP, e.g., in US)
1006 PAR EXT RO Parameter values are inconsistent. Check the extension relay module for connection and 1410 through 1412 RELAY OUTPUTS 4 through 6 
have non-zero values.
1007 PAR FBUS Parameter values are inconsistent. Check that a parameter is set for field bus control (e.g., 1001 EXT1 COMMANDS = 10 (COMM)), but 9802 
COMM PROT SEL = 0.
1008 PAR PFA MODE Parameter values are inconsistent. The 9904 MOTOR CTRL MODE must be = 3 (SCALAR SPEED), when 8123 PFA ENABLE is   activated.
1009 PAR PCU 1
Parameter values for power control are inconsistent or improper motor nominal frequency or speed. Check for both of the following:
1 < (60 * 9907 MOTOR NOM FREQ / 9908 MOTOR NOM SPEED < 16
0.8 < 9908 MOTOR NOM SPEED / (120 * 9907 MOTOR NOM FREQ / Motor poles) < 0.992
1010 OVERRIDE/PFA
CONFLICT
Override mode is enabled and PFA is activated at the same time. This cannot be done because PFA interlocks cannot be observed in the over-
ride mode.

166
APPENDIX D — VFD INFORMATION (cont)
To reset a fault indicated by a flashing red LED, turn off the
power for 5 minutes. To reset a fault indicated by a red LED
(not flashing), press RESET from the control panel or turn off
the power for 5 minutes. Depending on the value of parameter
1604 (FAULT RESET SELECT), digital input or serial com-
munication could also be used to reset the drive.When the fault
has been corrected, the motor can be started.
HISTORY — For reference, the last three fault codes are
stored into parameters 0401, 0412, 0413. For the most recent
fault (identified by parameter 0401), the drive stores additional
data (in parameters 0402 through 0411) to aid in troubleshoot-
ing a problem. For example, a parameter 0404 stores the motor
speed at the time of the fault. To clear the fault history (all of
Group 04, Fault History parameters), follow these steps:
1. In the control panel, Parameters mode, select parameter
0401.
2. Press EDIT.
3. Press the UP and DOWN buttons simultaneously.
4. Press SAVE.
CORRECTING ALARMS — To  correct  alarms,  first  deter-
mine if the Alarm requires any corrective action (action is not
always required). Use Table D below to find and address the
root cause of the problem.
Table D — Alarm Codes
*This alarm is not indicated by a relay output, even when the relay output is configured to indicate alarm conditions (parameter 1401 RELAY OUT-
PUT = 5 (ALARM) or 16 (FLT/ALARM).
ALARM
 CODE
ALARM NAME
 IN PANEL DESCRIPTION AND RECOMMENDED CORRECTIVE ACTION
2001 —Reserved
2002 —Reserved
2003 —Reserved
2004 DIR LOCK The change in direction being attempted is not allowed. Do not attempt to change the direction of motor rota-
tion, or Change parameter 1003 DIRECTION to allow direction change (if reverse operation is safe).
2005 I/O COMM
Field bus communication has timed out. Check fault setup (3018 COMM FAULT FUNC and 3019 COMM 
FAULT TIME). Check communication settings (Group 51 or 53 as appropriate). Check for poor connections 
and/or noise on line.
2006 AI1 LOSS Analog input 1 is lost, or value is less than the minimum setting. Check input source and connections. Check 
the parameter that sets the minimum (3021) and the parameter that sets the Alarm/Fault operation (3001).
2007 AI2 LOSS Analog input 2 is lost, or value is less than the minimum setting. Check input source and connections. Check 
parameter that sets the minimum (3022) and the parameter that sets the Alarm/Fault operation (3001).
2008 PANEL LOSS
Panel communication is lost and either the VFD is in local control mode (the control panel displays HAND), or 
the VFD is in remote control mode (AUTO) and is parameterized to accept start/stop, direction or reference 
from the control panel. To correct, check the communication lines and connections, Parameter 3002 PANEL 
LOSS, and parameters in groups 10 COMMAND INPUTS and 11 REFERENCE SELECT (if drive operation 
is REM).
2009 —Reserved
2010 MOT OVERTEMP
Motor is hot, based on either the VFD estimate or on temperature feedback. This alarm warns that a Motor 
Overload fault trip may be near. Check for overloaded motor. Adjust the parameters used for the estimate 
(3005 through 3009). Check the temperature sensors and Group 35 parameters.
2011 UNDERLOAD
Motor load is lower than expected. This alarm warns that a Motor Underload fault trip may be near. Check 
that the motor and drive ratings match (motor is NOT undersized for the drive). Check the settings on param-
eters 3013 to 3015.
2012 MOTOR STALL Motor is operating in the stall region. This alarm warns that a Motor Stall fault trip may be near.
2013* AUTORESET This alarm warns that the drive is about to perform an automatic fault reset, which may start the motor. To 
control automatic reset, use parameter group 31 (AUTOMATIC RESET).
2014* AUTOCHANGE This alarm warns that the PFA autochange function is active. To control PFA, use parameter group 81 (PFA) 
and the Pump Alternation macro.
2015 PFA INTERLOCK This alarm warns that the PFA interlocks are active, which means that the drive cannot start any motor (when 
Autochange is used), or a speed regulated motor (when Autochange is not used).
2016 — Reserved
2017* OFF BUTTON This alarm indicates that the OFF button has been pressed.
2018* PID SLEEP
This alarm warns that the PID sleep function is active, which means that the motor could
accelerate when the PID sleep function ends. To control PID sleep, use parameters
4022 through 4026 or 4122 through 4126.
2019 ID RUN The VFD is performing an ID run.
2020 OVERRIDE Override mode is activated.
2021 START ENABLE 1
MISSING
This alarm warns that the Start Enable 1 signal is missing. To control Start Enable 1 function, use parameter 
1608. To correct, check the digital input configuration and the communication settings.
2022 START ENABLE 2
MISSING
This alarm warns that the Start Enable 2 signal is missing. To control Start Enable 2 function, use parameter 
1609. To correct, check the digital input configuration and the communication settings.
2023 EMERGENCY STOP Emergency stop is activated.

167
APPENDIX D — VFD INFORMATION (cont)
If diagnostics troubleshooting has determined that the
drive is defective during the warranty period, contact
ABB Automation Inc., at 1-800-435-7365, option 4, option 3.
A qualified technician will review the problem with the caller
and make a determination regarding how to proceed. This may
involve dispatching a designated service station (DSS) repre-
sentative from an authorized station, dispatching a replacement
unit, or advising return for repair.
VFD Maintenance — If installed in an appropriate envi-
ronment, the VFD requires very little maintenance.
Table E lists the routine maintenance intervals recommend-
ed by Carrier.
Table E — Maintenance Intervals
HEAT SINK — The heat sink fins accumulate dust from the
cooling air. Since a dusty sink is less efficient at cooling the
drive, overtemperature faults become more likely. In a normal
environment check the heat sink annually, in a dusty environ-
ment check more often.
Check the heat sink as follows (when necessary):
1. Remove power from drive.
2. Remove the cooling fan.
3. Blow clean compressed air (not humid) from bottom to top
and simultaneously use a vacuum cleaner at the air outlet
to trap the dust. If there a risk of the dust entering adjoining
equipment, perform the cleaning in another room.
4. Replace the cooling fan.
5. Restore power.
MAIN FAN REPLACEMENT — The  main  cooling  fan  of
the VFD has a life span of about 60,000 operating hours at
maximum rated operating temperature and drive load. The
expected life span doubles for each 18 F drop in the fan
temperature (fan temperature is a function of ambient tempera-
tures and drive loads).
Fan failure can be predicted by the increasing noise from
fan bearings and the gradual rise in the heat sink temperature in
spite of heat sink cleaning. If the drive is operated in a critical
part of a process, fan replacement is recommended once these
symptoms start appearing. Replacement fans are available
from Carrier.
To replace the main fan for frame sizes R1 through R4,
perform the following (see Fig. D):
1. Remove power from drive.
2. Remove drive cover.
3. For frame sizes R1 and R2, press together the retaining
clips on the fan cover and lift. For frame sizes R3 and R4,
press in on the lever located on the left side of the fan
mount, and rotate the fan up and out.
4. Disconnect the fan cable.
5. Install the new fan by reversing Steps 2 to 4.
6. Restore power.
To replace the main fan for frame sizes R5 and R6, perform
the following (see Fig. E):
1. Remove power from drive.
2. Remove the screws attaching the fan.
3. Disconnect the fan cable.
4. Install the fan in reverse order.
5. Restore power.
INTERNAL ENCLOSURE FAN REPLACEMENT — The
VFD IP 54 / UL Type 12 enclosures have an additional internal
fan to circulate air inside the enclosure.
To replace the internal enclosure fan for frame sizes R1 to
R4, perform the following (see Fig. F):
1. Remove power from drive.
2. Remove the front cover.
MAINTENANCE INTERVAL
Heat Sink Temperature 
Check and Cleaning
Every 6 to 12 months (depending 
on the dustiness of the environment)
Main Cooling Fan 
Replacement
Every five years
Internal Enclosure Cooling 
Fan Replacement
Every three years
Capacitor Change 
(Frame Size R5 and R6)
Every ten years
HVAC Control Panel 
Battery Change
Every ten years
3
3
4
2
3
2
Bottom View (R5)
2
3
Bottom View (R6)
Fig. D — Main Fan Replacement 
(Frame Sizes R1-R4)
Fig. E — Main Fan Replacement 
(Frame Sizes R5 and R6)

168
APPENDIX D — VFD INFORMATION (cont)
3. The housing that holds the fan in place has barbed retain-
ing clips at each corner. Press all four clips toward the
center to release the barbs.
4. When the clips/barbs are free, pull the housing up to re-
move from the drive.
5. Disconnect the fan cable.
6. Install the fan in reverse order, noting the following: the
fan airflow is up (refer to arrow on fan); the fan wire
harness is toward the front; the notched housing barb is
located in the right-rear corner; and the fan cable connects
just forward of the fan at the top of the drive.
To replace the internal enclosure fan for frame sizes R5 or
R6, perform the following:
1. Remove power from drive.
2. Remove the front cover.
3. Lift the fan out and disconnect the cable.
4. Install the fan in reverse order.
5. Restore power.
CONTROL PANEL CLEANING — Use  a  soft  damp  cloth
to clean the control panel. Avoid harsh cleaners which could
scratch the display window.
BATTERY REPLACEMENT — A battery is only used in as-
sistant control panels that have the clock function available and
enabled. The battery keeps the clock operating in memory
during power interruptions. The expected life for the battery is
greater than ten years. To remove the battery, use a coin to
rotate the battery holder on the back of the control panel.
Replace the battery with type CR2032.
Fig. F — Internal Enclosure Fan Replacement
A48-7716
169
APPENDIX E — MODE SELECTION PROCESS
The following section is to be used in conjunction with
Fig. 4 on page 43. To help determine why the unit controls are
in a certain mode, the programming logic is provided below.
The software will proceed, step by step, until a mode is
reached. If an “If” statement is true, then that mode will be en-
tered. The “Else” statement refers to other possible choices.
If the System Mode is OFF:
{
If the fire shut down input (Inputs
→
FIRE
→
FSD) 
is in “alarm”:
HVAC mode: ("Fire Shut Down  ") OFF
Else
HVAC mode: ("Disabled        ") OFF
}
Else If: The rooftop is not in “factory test” and a fire 
smoke-control mode is “alarming”:
{
If the pressurization input (Inputs
→
FIRE
→
PRES) 
is in “alarm”:
HVAC mode: ("Pressurization  ")
Else If the evacuation input (Inputs
→
FIRE
→
EVAC) 
is in “alarm”:
HVAC mode: ("Evacuation      ")
Else If the smoke purge input (Inputs
→
FIRE
→
PURG) 
is in “alarm”:
HVAC mode: ("Smoke Purge     ")
}
Else If: Someone changed the machine’s 
control type (Configuration
→
UNIT
→
C.TYP) during 
run time, a 15 second delay is called out:
{
HVAC mode: ("Disabled        ") OFF
}
Else If: The System Mode is TEST:
{
HVAC mode: ("Test            ")
}
Else If: The “soft stop” command (Service Test
→
S.STP) 
is forced to YES:
{
HVAC mode: ("SoftStop Request")
}
Else If: The remote switch config (Configuration
→
UNIT
→
RM.CF)=2; “start/stop”, and the remote 
input state (Inputs
→
GEN.I
→
REMT)=ON:
{
HVAC mode: ("Rem. Sw. Disable") OFF
}
Else If: Configured for hydronic heat (Configuration
→
HEAT
→
HT.CF=4) or configured for dehumidification 
with modulating valve reheat (Configuration
→
DEHU
→
D.SEL=1) and the freeze stat switch trips 
(Inputs
→
GEN.I
→
FRZ.S = ALRM) 
{
HVAC mode: ("Freeze Stat Trip")
}
Else If: Configured for static pressure control 
(Configuration
→
SP
→
SP.CF = 1,2) and the static 
pressure sensor (Pressures
→
AIR.P
→
SP) fails:
{
HVAC mode: ("Static Pres.Fail") OFF
}
Else If: Configured for supply fan status monitoring 
(Configuration
→
UNIT
→
SFS.M = 1,2) and 
configured to shut the unit down on fan status fail 
(Configuration
→
UNIT
→
SFS.S = YES)
{
HVAC mode: ("Fan Status Fail ") OFF
Else If: Configured for return fan tracking
(Configuration
→
BP
→
BP.CF = 5) and there is a
plenum pressure switch error
HVAC mode: ("Plen.Press.Fail ") OFF
}
Else If: The unit is just waking up from a power reset
{
HVAC mode: ("Starting Up     ") OFF
}
Else If: A compressor is diagnosed as being “Stuck On”
{
HVAC mode: ("Comp. Stuck On  ")
Else  The control is free to select the normal heating/
cooling HVAC modes:
{
HVAC mode: ("Off             ")
—   The unit is off and no operating modes are active.
HVAC mode: ("Tempering Vent  ")
—   The economizer is at minimum vent position but 
the supply air temperature has dropped below the 
tempering vent set point. Gas or hydronic heat is 
used to temper the ventilation air.
HVAC mode: ("Tempering LoCool")
—   The economizer is at minimum vent position but 
the combination of the outside-air temperature and 
the economizer position has dropped the supply-air 
temperature below the tempering cool set point. 
Gas or hydronic heat is used to temper the 
ventilation air.
HVAC mode: ("Tempering HiCool")
—   The economizer is at minimum vent position but 
the combination of the outside air temperature and 
the economizer position has dropped the supply air 
temperature below the tempering cool set point. 
Gas or hydronic heat is used to temper the 
ventilation air.
HVAC mode: ("Re-Heat         ")
—   The unit is operating in dehumidification with a      
reheat device.
HVAC mode: ("Dehumidification")
—  The unit is operating in the Dehumidification 
mode.
170
APPENDIX E — MODE SELECTION PROCESS (cont)
HVAC mode: ("Vent            ")
—  This is a normal operation mode where no heating 
or cooling is required and outside air is being 
delivered to the space to control IAQ levels.
HVAC mode: ("Low Cool        ")
—  This is a normal cooling mode when a low cooling 
demand exists.
HVAC mode: ("High Cool       ")
—  This is a normal cooling mode when a high 
cooling demand exists.
HVAC mode: ("Low Heat        ")
—  This is a normal heating mode when a low 
heating demand exists.
HVAC mode: ("High Heat       ")
—  This is a normal heating mode when a low 
heating demand exists.
HVAC mode: ("Unocc. Free Cool")
—  In this mode the unit will operate in cooling but 
will be using the economizer for free cooling. 
Entering this mode will depend on the status of the 
outside air. The unit can be configured for outside 
air changeover, differential dry bulb changeover, 
outside air enthalpy changeover, differential
enthalpy changeover, or a custom arrangement 
of enthalpy/dewpoint and dry bulb. See the 
Economizer section for further details.
}
NOTE: There is also a transitional mode whereby the machine
may be waiting for relay timeguards to expire before shutting
the machine completely down:
HVAC mode: ("Shutting Down   ")
171
INDEX
Accessory control components     122
Accessory installation     7
Accessory Navigator™ display     4, 123
Actuators     38
Adjustments     128
Airflow control during 
Fire/smoke modes     73
Alarm output     39
Alarms and alerts     94
Alert limit configuration     80
Auto view of run status     90
Basic control usage     4-7
Building pressure configuration     70
Building pressure control     69
Carrier Comfort Network® (CCN)     79
CCN tables and display     5, 142-156
CCN/Linkage display table     93, 94
Cleaning     129
ComfortLink™ controls    4
Complete unit stoppage     85
Compressor discharge service valve     131
Compressor removal     132
Compressor replacement     132
Compressor run hours display table     93, 94
Compressor starts display table     93, 94
Compressor suction service valve     131
Configuring building pressure actuators     72
Configuring the humidifier actuator     77
Control circuit, 115 v     132
Control circuit, 24 v     132
Controls     7
Controls operation     5, 40-83
Controls quick start     33-36
Controls set point and configuration 
log     CL-1 to CL-6
Conventions used in this manual     3
Cool mode selection process     47
Cooling     38
Cooling control     45
Cooling mode diagnostic help     50
Crankcase heaters     7
Dehumidification and reheat     77
Demand limit control     39, 52
Dirty filter switch     64
Discrete switch logic configuration     81
Display configuration     82
Economizer     65
Economizer diagnostic help     68
Economizer integration with 
mechanical cooling     53
Economizer operation     65
Economizer options     34
Economizer run status     92
Economizer/outdoor air damper control     39
Evacuation mode     73
Evaporator fan     7
Exhaust options     34
Factory-installed components     102
Fan status monitoring     64
Fans     38
Filter drier     131
Fire shutdown mode     73
Fire-smoke inputs     73
Forcing inputs and outputs     90
Gas heat (48Z only)     7, 132
Gas system adjustment (48Z only)     131
Generics table     5
Head pressure control     53
Heat mode diagnostic help     56
Heat mode selection process     55
Heating     38
Heating control     54
Hot gas bypass     83
Humidification     76
HVAC modes     41
Hydronic heating control     56
Independent outputs     38
Indoor air quality control     73
Indoor air quality options     34
Internal wiring     7
Liquid line service valve     131
Local display tables     133-141
Lubrication     130
Major system components     102-124
Mode selection process     169, 170
Mode trip helper     92
Modes     40
Moisture/liquid indicator     131
Multi-stage constant volume units with 
mechanical thermostat     33
Multi-stage constant volume units 
with space sensor     34
Oil charge     130
Optional airflow station     76
Outdoor air cfm control     68
Pre-occupancy purge     76
Pressurization mode     73
Programming operating schedules     36
Protective devices     131
Refrigerant feed components     130
Refrigeration circuits     130
Relief devices     132
Remote control switch input     83
Remote switch     39
Restart procedure     85
Run status menu     90
Safety considerations     2
Scrolling marquee     4, 120
Sensor trim configuration     81
Service     125-132
Service access     125
Service analysis     85
Service test     36-38
Service test mode logic     38
Set clock on VFD (if installed)     35
Single circuit stoppage     85
Smoke control modes     72
Smoke purge mode     73
Software version numbers 
display table     93, 94
Space temperature offset     83
Staged gas heating control     57
Start up     7-32
Static pressure control     61
Static pressure reset     63
SUMZ cooling algoritm     50
Supply air reset     39
Supply fan status monitoring logic     64
System modes     41
System Pilot™     5
Temperature compensated start     78
Temperature compensated start logic     79
Thermistor troubleshooting     85
Thermostat     39
Thermostatic expansion valve (TXV)     130
Third party control     39, 40
Time clock configuration     84, 85
Transducer troubleshooting     86
Troubleshooting     85-102
Two-stage constant volume units 
with mechanical thermostat     33
Two-stage constant volume units 
with space sensor     33
Two-stage gas and electric heat control     56
Unit Configuration (unit) submenu     42
Unit preparation     7
Unit setup     7
Unit staging tables     156-159
Unit start-up checklist     CL-7
Unoccupied economizer free cooling     68
Variable air volume units using return air 
sensor or space temperature sensor     33
VFD control     39
VFD information     160-168

Manufacturer reserves the right to discontinue, or change at any time, specifications or designs without notice and without incurring obligations.
Catalog No. 04-53480039-01                           Printed in U.S.A.                       Form 48/50Z-5T                 Pg 172              7-08 Replaces: 48/50Z-4T
Copyright 2008 Carrier Corporation

Manufacturer reserves the right to discontinue, or change at any time, specifications or designs without notice and without incurring obligations.
Catalog No. 04-53480039-01                      Printed in U.S.A.                          Form 48/50Z-5T                             CL-1            7-08 Replaces: 48/50Z-4T
ITEM EXPANSION RANGE DEFAULT SETTING
UNIT UNIT CONFIGURATION
→C.TYP Machine Control Type 1 - 6 (multi-text strings) 4
→CV.FN Fan Mode (0=Auto, 1=Cont) 0 - 1 (multi-text strings) 1
→RM.CF Remote Switch Config 0 - 3 (multi-text strings) 0
→CEM CEM Module Installed Yes/No No
→TCS.C Temp.Cmp.Strt.Cool Factr 0 - 60 min 0
→TCS.H Temp.Cmp.Strt.Heat Factr 0 - 60 min 0
→SFS.S Fan Fail Shuts Down Unit Yes/No No
→SFS.M Fan Stat Monitoring Type 0 - 2 (multi-text strings) 0
→VAV.S VAV Unocc.Fan Retry Time 0 - 720 min 50
→SIZE Unit Size (30-105) 30 - 105 30
→50.HZ 50 Hertz Unit ? Yes/No No
→MAT.S MAT Calc Config 0 - 2 (multi-text strings) 1
→MAT.R Reset MAT Table Entries? Yes/No No
→MAT.D MAT Outside Air Default 0 - 100‘% 20
→ALTI Altitude……..in feet: 0 - 60000 0
→DLAY Startup Delay Time 0 - 900 secs 0
→AUX.R Auxiliary Relay Config 0 - 3 (multi-text strings) 0
→SENS INPUT SENSOR CONFIG
→SENS→SPT.S Space Temp Sensor Enable/Disable Disable
→SENS→SP.O.S Space Temp Offset Sensor Enable/Disable Disable
→SENS→SP.O.R Space Temp Offset Range 1 - 10 5
→SENS→SRH.S Space Air RH Sensor Enable/Disable Disable
→SENS→RRH.S Return Air RH Sensor Enable/Disable Disable
→SENS→FLT.S Filter Stat.Sw.Enabled ? Enable/Disable Disable
COOL COOLING CONFIGURATION
→Z.GN Capacity Threshold Adjst -10 - 10 1
→MC.LO Compressor Lockout Temp -25 - 55 dF 40
→L.L.EN Lead/Lag Operation ? Yes/No No
→M.M. Motor Master Control ? Yes/No No
→HPSP Head Pressure Setpoint 80 - 150 dF 113
→A1.EN Enable Compressor A1 Enable/Disable Enable
→A2.EN Enable Compressor A2 Enable/Disable Enable
→B1.EN Enable Compressor B1 Enable/Disable Enable
→B2.EN Enable Compressor B2 Enable/Disable Enable
→CS.A1 CSB A1 Feedback Alarm Enable/Disable Enable
→CS.A2 CSB A2 Feedback Alarm Enable/Disable Enable
→CS.B1 CSB B1 Feedback Alarm Enable/Disable Enable
→CS.B2 CSB B2 Feedback Alarm Enable/Disable Enable
→HPS.A CMPA1 Hi.Pr.Sw. Trip 365 - 415 PSIG 415
→HPS.B CMPB1 Hi.Pr.Sw. Trip 365 - 415 PSIG 415
→H.SST Hi SST Alert Delay Time 5 - 30 min 10
EDT.R EVAP.DISCHRGE TEMP RESET
→RS.CF EDT Reset Configuration 0 - 3 (multi-text strings) 2
→RTIO Reset Ratio 0 - 10 3
→LIMT Reset Limit 0 - 20 ^F 10
→RES.S EDT 4-20 ma Reset Input Enable/Disable Disable
CONTROLS SET POINT AND CONFIGURATION LOG
MODEL NUMBER: Software Version
SERIAL NUMBER: MBB CESR131292--
DATE: RCB CESR131249--
TECHNICIAN: ECB CESR131249--
NAVI CESR131227--
SCB CESR131226--
CEM CESR131174--
MARQ CESR131171--

CL-2
-
 - - - - - - - - - - - - - - - - - - - - - - - - - - - - - - - - - - - - - - - - - - - - - - - - - - - - - - - - - - - - - - - - - - - - - - - - - - - - - - - - - - - - - - - - - - - - - - - - - - - - - - - - - - - - - - - - - - - - - - - - - - - - - - - - - - - - - - - - - - - - - - - - - - - - - - - - - - - - - - - - - - - - - - - - - - - - -- - - - - - - - - - - - - - - - - - - - 
CUT ALONG DOTTED LINE CUT ALONG DOTTED LINE
CONTROLS SET POINT AND CONFIGURATION LOG (cont)
ITEM EXPANSION RANGE DEFAULT SETTING
HEAT HEATING CONFIGURATION
→HT.CF Heating Control Type 0 - 4 0
→HT.SP Heating Supply Air Setpt 80 - 120 dF 85
→OC.EN Occupied Heating Enabled Yes/No No
→LAT.M MBB Sensor Heat Relocate Yes/No No
→SG.CF STAGED GAS CONFIGS
→SG.CF→HT.ST Staged Gas Heat Type 0 - 4 0
→SG.CF→CAP.M Max Cap Change per Cycle 5 - 45 45
→SG.CF→M.R.DB S.Gas DB min.dF/PID Rate 0 - 5 0.5
→SG.CF→S.G.DB St.Gas Temp. Dead Band 0 - 5 ^F 2
→SG.CF→RISE Heat Rise dF/sec Clamp 0.05 - 0.2 0.06
→SG.CF→LAT.L LAT Limit Config 0 - 20 ^F 10
→SG.CF→LIM.M Limit Switch Monitoring? Yes/No Yes
→SG.CF→SW.H.T Limit Switch High Temp 110 - 180 dF 170
→SG.CF→SW.L.T Limit Switch Low Temp 100 - 170 dF 160
→SG.CF→HT.P Heat Control Prop. Gain 0 - 1.5 1
→SG.CF→HT.D Heat Control Derv. Gain 0 - 1.5 1
→SG.CF→HT.TM Heat PID Rate Config 60 - 300 sec 90
→HH.CF HYDRONIC HEAT CONFIGS
→HH.CF→HW.P Hydronic Ctl.Prop. Gain 0 - 1.5 1
→HH.CF→HW.I Hydronic Ctl.Integ. Gain 0 - 1.5 1
→HH.CF→HW.D Hydronic Ctl.Derv. Gain 0 - 1.5 1
→HH.CF→HW.TM Hydronic PID Rate Config 15 - 300 sec 90
→HH.CF→ACT.C HYDR.HEAT ACTUATOR CFGS.
→HH.CF→ACTC→SN.1 Hydronic Ht.Serial Num.1 0 - 255 0
→HH.CF→ACTC→SN.2 Hydronic Ht.Serial Num.2 0 - 255 0
→HH.CF→ACTC→SN.3 Hydronic Ht.Serial Num.3 0 - 255 0
→HH.CF→ACTC→SN.4 Hydronic Ht.Serial Num.4 0 - 255 0
→HH.CF→ACTC→SN.5 Hydronic Ht.Serial Num.5 0 - 255 0
→HH.CF→ACTC→C.A.LM Hydr.Ht.Ctl.Ang.Lo Limit 0-90 85
SP SUPPLY STATIC PRESS.CFG.
→SP.CF Static Pressure Config 0-2 (multi-text strings) 0
→SP.S Static Pressure Sensor Enable/Disable Disable
→SP.LO Static Press. Low Range -10 - 0 0
→SP.HI Static Press. High Range 0 - 10 5
→SP.SP Static Pressure Setpoint 0 - 5 1.5
→SP.MN VFD-IGV Minimum Speed 0 - 100 20
→SP.MX VFD-IGV Maximum Speed 0 - 100 100
→SP.FS VFD-IGV Fire Speed Over. 0 - 100 100
→SP.RS Stat. Pres. Reset Config 0 - 4 (multi-text strings) 0
→SP.RT SP Reset Ratio 0.00 - 2.00 0.20
→SP.LM SP Reset Limit 0.00 - 2.00 0.75
→SP.EC SP Reset Econo Position 0 - 100% 5
→S.PID STAT.PRESS.PID CONFIGS
→S.PID→SP.TM Stat.Pres.PID Run Rate 5 - 120 15
→S.PID→SP.P Static Press. Prop. Gain 0 - 5 0.5
→S.PID→SP.I Static Pressure Intg. Gain 0 - 2 0.5
→S.PID→SP.D Static Pressure Derv. Gain 0 - 5 0.3
→ACT.C IGV ACTUATOR CONFIGS
→ACTC→SN.1 IGV Serial Number 1 0 - 255 0
→ACTC→SN.2 IGV Serial Number 2 0 - 255 0
→ACTC→SN.3 IGV Serial Number 3 0 - 255 0
→ACTC→SN.4 IGV Serial Number 4 0 - 255 0
→ACTC→SN.5 IGV Serial Number 5 0 - 255 0
→ACTC→C.A.LM IGV Cntrl Angle Lo Limit 0-90 25

CL-3
CONTROLS SET POINT AND CONFIGURATION LOG (cont)
ITEM EXPANSION RANGE DEFAULT SETTING
ECON ECONOMIZER CONFIGURATION
→EC.EN Economizer Installed? Yes/No Yes
→EC2.E Econ.Act.2 Installed? Yes/No No
→EC.MN Economizer Min.Position 0 - 100% 5
→EC.MX Economizer Max.Position 0 - 100% 98
→E.TRM Economzr Trim For SumZ ? Yes/No Yes
→E.SEL Econ ChangeOver Select 0 - 3 (multi-text strings) 0
→OA.E.C OA Enthalpy ChgOvr Selct 1 - 5 (multi-text strings) 4
→OA.EN Outdr.Enth Compare Value 18 - 28 24
→OAT.L High OAT Lockout Temp -40 - 120 dF 60
→O.DEW OA Dewpoint Temp Limit 50 - 62 dF 55
→ORH.S Outside Air RH Sensor Enable/Disable Disable
→CFM.C OUTDOOR AIR CFM CONTROL
→CFM.C→OCF.S Outdoor Air CFM Sensor Enable/Disable Disable
→CFM.C→O.C.MX Economizer Min.Flow 0 - 20000 CFM 2000
→CFM.C→O.C.MN IAQ Demand Vent Min.Flow 0 - 20000 CFM 0
→CFM.C→O.C.DB Econ.Min.Flow Deadband 200 - 1000 CFM 400
→E.CFG ECON.OPERATION CONFIGS
→E.CFG→E.P.GN Economizer Prop.Gain 0.7 - 3.0 1
→E.CFG→E.RNG Economizer Range Adjust 0.5 - 5 ^F 2.5
→E.CFG→E.SPD Economizer Speed Adjust 0.1 - 10 0.75
→E.CFG→E.DBD Economizer Deadband 0.1 - 2 ^F 0.5
→UEFC UNOCC.ECON.FREE COOLING
→UEFC→FC.CF Unoc Econ Free Cool Cfg 0-2 (multi-text strings) 0
→UEFC→FC.TM Unoc Econ Free Cool Time 0 - 720 min 120
→UEFC→FC.L.O Un.Ec.Free Cool OAT Lock 40 - 70 dF 50
→ACT.C ECON.ACTUATOR CONFIGS
→ACTC→SN.1.1 Econ Serial Number 1 0 - 255 0
→ACTC→SN.1.2 Econ Serial Number 2 0 - 255 0
→ACTC→SN.1.3 Econ Serial Number 3 0 - 255 0
→ACTC→SN.1.4 Econ Serial Number 4 0 - 255 0
→ACTC→SN.1.5 Econ Serial Number 5 0 - 255 0
→ACTC→C.A.L1 Econ Ctrl Angle Lo Limit 0 - 90 85
→ACTC→SN.2.1 Econ 2 Serial Number 1 0 - 255 0
→ACTC→SN.2.2 Econ 2 Serial Number 2 0 - 255 0
→ACTC→SN.2.3 Econ 2 Serial Number 3 0 - 255 0
→ACTC→SN.2.4 Econ 2 Serial Number 4 0 - 255 0
→ACTC→SN.2.5 Econ 2 Serial Number 5 0 - 255 0
→ACTC→C.A.L2 Econ 2 Ctrl Angle Lo Limit 0 - 90 85
BP BUILDING PRESS. CONFIGS
→BP.CF Building Press. Config 0 - 5 (multi-text strings) 0
→BP.S Building Pressure Sensor Enable/Disable Disable
→BP.R Bldg. Press. (+/-) Range 0.10 - 0.25 "H2O 0.25
→BP.SP Building Pressure Setp. -0.25 - 0.25 "H2O 0.05
→BP.SO BP Setpoint Offset 0 - 0.5 "H2O 0.05
→BP.P1 Power Exhaust On Setp.1 0 - 100% 25
→BP.P2 Power Exhaust On Setp.2 0 - 100% 75
→B.V.A VFD/ACTUATOR  CONFIG
→B.V.A→BP.FS VFD/Act. Fire Speed/Pos. 0 - 100% 100
→B.V.A→BP.MN VFD/Act. Min.Speed/Pos. 0 - 50% 0
→B.V.A→BP.MX VFD Maximum Speed 50 - 100% 100
→B.V.A→BP.1M BP 1 Actuator Max Pos. 85 - 100% 100
→B.V.A→BP.2M BP 2 Actuator Max Pos. 85 - 100% 100
→B.V.A→BP.CL BP Hi Cap VFD Clamp Val. 5 - 25% 10

CL-4
-
 - - - - - - - - - - - - - - - - - - - - - - - - - - - - - - - - - - - - - - - - - - - - - - - - - - - - - - - - - - - - - - - - - - - - - - - - - - - - - - - - - - - - - - - - - - - - - - - - - - - - - - - - - - - - - - - - - - - - - - - - - - - - - - - - - - - - - - - - - - - - - - - - - - - - - - - - - - - - - - - - - - - - - - - - - - - - -- - - - - - - - - - - - - - - - - - - - 
CUT ALONG DOTTED LINE CUT ALONG DOTTED LINE
CONTROLS SET POINT AND CONFIGURATION LOG (cont)
ITEM EXPANSION RANGE DEFAULT SETTING
BP (cont)
→FAN.T FAN TRACKING CONFIG
→FAN.T→FT.CF Fan Track Learn Enable Yes/No No
→FAN.T→FT.TM Fan Track Learn Rate 5-60 min 15
→FAN.T→FT.ST Fan Track Initial DCFM -20000 - 20000 CFM 2000
→FAN.T→FT.MX Fan Track Max Clamp 0 - 20000 CFM 4000
→FAN.T→FT.AD Fan Track Max Correction 0 -20000 CFM 1000
→FAN.T→FT.OF Fan Track Internl EEPROM -20000 - 20000 CFM 0
→FAN.T→FT.RM Fan Track Internal RAM -20000 - 20000 CFM 0
→FAN.T→FT.RS Fan Track Reset Internal Yes/No No
→FAN.T→SCF.C Supply Air CFM Config 1 - 2 (multi-text strings) 1
→B.PID BLDG.PRESS.PID CONFIGS
→B.PID→BP.TM Bldg.Pres.PID Run Rate 5 - 120 sec 10
→B.PID→BP.P Bldg.Press. Prop. Gain 0 - 5 0.5
→B.PID→BP.I Bldg.Press. Integ. Gain 0 - 2 0.5
→B.PID→BP.D Bldg.Press. Deriv. Gain 0 - 5 0.3
→ACT.C BLDG.PRES. ACTUATOR CFGS
→ACT.C→BP.1 BLDG.PRES. ACT.1 CONFIGS
→ACT.C→BP.1→SN.1 BP 1 Serial Number 1 0 - 255 0
→ACT.C→BP.1→SN.2 BP 1 Serial Number 2 0 - 255 0
→ACT.C→BP.1→SN.3 BP 1 Serial Number 3 0 - 255 0
→ACT.C→BP.1→SN.4 BP 1 Serial Number 4 0 - 255 0
→ACT.C→BP.1→SN.5 BP 1 Serial Number 5 0 - 255 0
→ACT.C→BP.1→C.A.LM BP1 Cntrl Angle Lo Limit 0-90 35
→ACT.C→BP.2 BLDG.PRES. ACT.2 CONFIGS
→ACT.C→BP.2→SN.1 BP 2 Serial Number 1 0 - 255 0
→ACT.C→BP.2→SN.2 BP 2 Serial Number 2 0 - 255 0
→ACT.C→BP.2→SN.3 BP 2 Serial Number 3 0 - 255 0
→ACT.C→BP.2→SN.4 BP 2 Serial Number 4 0 - 255 0
→ACT.C→BP.2→SN.5 BP 2 Serial Number 5 0 - 255 0
→ACT.C→BP.2→C.A.LM BP2 Cntrl Angle Lo Limit 0-90 35
D.LV.T COOL/HEAT SETPT. OFFSETS
→L.H.ON Dmd Level    Lo Heat On -1 - 2 ^F 1.5
→H.H.ON Dmd Level(+) Hi Heat On 0.5 - 20.0 ^F 0.5
→L.H.OF Dmd Level(-) Lo Heat Off 0.5 - 2.0 ^F 1.0
→L.C.ON Dmd Level    Lo Cool On -1 - 2 ^F 1.5
→H.C.ON Dmd Level(+) Hi Cool On 0.5 - 20.0 ^F 0.5
→L.C.OF Dmd Level(-) Lo Cool Off 0.5 - 2.0 ^F 1.0
→C.T.LV Cool Trend Demand Level 0.1 - 5.0 ^F 0.1
→H.T.LV Heat Trend Demand Level 0.1 - 5.0 ^F 0.1
→C.T.TM Cool Trend Time 30 - 600 sec 120
→H.T.TM Heat Trend Time 30 - 600 sec 120
DMD.L DEMAND LIMIT CONFIG.
→DM.L.S Demand Limit Select 0 - 3 (multi-text strings) 0
→D.L.20 Demand Limit at 20 ma 0 - 100% 100
→SH.NM Loadshed Group Number 0 - 99 0
→SH.DL Loadshed Demand Delta 0 - 60% 0
→SH.TM Maximum Loadshed Time 0 - 120 min 60
→D.L.S1 Demand Limit Sw.1 Setpt. 0 - 100% 80
→D.L.S2 Demand Limit Sw.2 Setpt. 0 - 100% 50
IAQ INDOOR AIR QUALITY CFG.
→DCV.C DCV ECONOMIZER SETPOINTS
→DCV.C→EC.MN Economizer Min.Position 0 - 100% 5
→DCV.C→IAQ.M IAQ Demand Vent Min.Pos. 0 - 100% 0
→DCV.C→O.C.MX Economizer Min.Flow 0 - 20000 CFM 2000
→DCV.C→O.C.MN IAQ Demand Vent Min.Flow 0 - 20000 CFM 0
→DCV.C→O.C.DB Econ.Min.Flow Deadband 200 - 1000 CFM 400
→AQ.CF AIR QUALITY CONFIGS
→AQ.CF→IQ.A.C IAQ Analog Sensor Config 0 - 4 (multi-text strings) 0
→AQ.CF→IQ.A.F IAQ 4-20 ma Fan Config 0 - 2 (multi-text strings) 0
→AQ.CF→IQ.I.C IAQ Discrete Input Config 0 - 2 (multi-text strings) 0
→AQ.CF→IQ.I.F IAQ Disc.In. Fan Config 0 - 2 (multi-text strings) 0
→AQ.CF→OQ.A.C OAQ 4-20ma Sensor Config 0 - 2 (multi-text strings) 0

CL-5
CONTROLS SET POINT AND CONFIGURATION LOG (cont)
ITEM EXPANSION RANGE DEFAULT SETTING
IAQ (cont)
→AQ.SP AIR QUALITY SETPOINTS
→AQ.SP→IQ.O.P IAQ Econo Override Pos. 0 - 100% 100
→AQ.SP→IQ.O.C IAQ Override Flow  0 - 31000 CFM 10000
→AQ.SP→DAQ.L Diff.Air Quality LoLimit 0 - 1000 100
→AQ.SP→DAQ.H Diff. Air Quality HiLimit 100 - 2000 700
→AQ.SP→D.F.OF DAQ PPM Fan Off Setpoint 0 - 2000 200
→AQ.SP→D.F.ON DAQ PPM Fan On Setpoint 0 - 2000 400
→AQ.SP→IAQ.R Diff. AQ Responsiveness -5 - 5 0
→AQ.SP→OAQ.L OAQ Lockout Value 0 - 2000 0
→AQ.SP→OAQ.U User Determined OAQ 0 - 5000 400
→AQ.S.R AIR QUALITY SENSOR RANGE
→AQ.S.R→IQ.R.L IAQ Low Reference 0 - 5000 0
→AQ.S.R→IQ.R.H IAQ High Reference 0 - 5000 2000
→AQ.S.R→OQ.R.L OAQ Low Reference 0 - 5000 0
→AQ.S.R→OQ.R.H OAQ High Reference 0 - 5000 2000
→IAQ.P IAQ PRE-OCCUPIED PURGE
→IAQ.P→IQ.PG IAQ Purge Yes/No No
→IAQ.P→IQ.P.T IAQ Purge Duration 5 - 60 min 15
→IAQ.P→IQ.P.L IAQ Purge LoTemp Min Pos 0 - 100% 10
→IAQ.P→IQ.P.H IAQ Purge HiTemp Min Pos 0 - 100% 35
→IAQ.P→IQ.L.O IAQ Purge OAT Lockout 35 - 70 dF 50
HUMD HUMIDITY CONFIGURATION
→HM.CF Humidifier Control Cfg. 0 - 4 0
→HM.SP Humidifier Setpoint 0 - 100% 40
→H.PID HUMIDIFIER PID CONFIGS
→H.PID→HM.TM Humidifier PID Run Rate 10 - 120 sec 30
→H.PID→HM.P Humidifier Prop. Gain 0 - 5 1
→H.PID→HM.I Humidifier Integral Gain 0 - 5 0.3
→H.PID→HM.D Humidifier Deriv. Gain 0 - 5 0.3
→ACT.C HUMIDIFIER ACTUATOR CFGS
→ACTC→SN.1 Humd Serial Number 1 0 - 255 0
→ACTC→SN.2 Humd Serial Number 2 0 - 255 0
→ACTC→SN.3 Humd Serial Number 3 0 - 255 0
→ACTC→SN.4 Humd Serial Number 4 0 - 255 0
→ACTC→SN.5 Humd Serial Number 5 0 - 255 0
→ACTC→C.A.LM Humd Ctrl Angle Lo Limit 0-90 85
DEHU DEHUMIDIFICATION CONFIG.
→D.SEL Dehumidification Config 0-3(multi-text strings) 0
→D.SEN Dehumidification Sensor 1-3(multi-text strings) 1
→D.EC.D Econ disable in DH mode? Yes/No Yes
→D.V.CF Vent Reheat Setpt Select 0-1(multi-text strings) 0
→D.V.RA Vent Reheat RAT offset 0-8 delta F 0
→D.V.HT Vent Reheat Setpoint 55-95 dF 70
→D.C.SP Dehumidify Cool Setpoint 40-55 dF 45
→D.RH.S Dehumidify RH Setpoint 10-90% 55
CCN CCN CONFIGURATION
→CCNA CCN Address 1 - 239 1
→CCNB CCN Bus Number 0 - 239 0
→BAUD CCN Baud Rate 1 - 5 (multi-text strings) 3
→BROD CCN BROADCST DEFINITIONS
→BROD→TM.DT CCN Time/Date Broadcast ON/OFF On
→BROD→OAT.B CCN OAT Broadcast ON/OFF Off
→BROD→ORH.B CCN OARH Broadcast ON/OFF Off
→BROD→OAQ.B CCN OAQ Broadcast ON/OFF Off
→BROD→G.S.B Global Schedule Broadcst ON/OFF Off
→BROD→B.ACK CCN Broadcast Ack'er ON/OFF Off
→SC.OV CCN SCHEDULES-OVERRIDES
→SC.OV→SCH.N Schedule Number 0 - 99 1
→SC.OV→HOL.T Accept Global Holidays? YES/NO No
→SC.OV→O.T.L. Override Time Limit 0 - 4 HRS 1
→SC.OV→OV.EX Timed Override Hours 0 - 4 HRS 0

CL-6
-
 - - - - - - - - - - - - - - - - - - - - - - - - - - - - - - - - - - - - - - - - - - - - - - - - - - - - - - - - - - - - - - - - - - - - - - - - - - - - - - - - - - - - - - - - - - - - - - - - - - - - - - - - - - - - - - - - - - - - - - - - - - - - - - - - - - - - - - - - - - - - - - - - - - - - - - - - - - - - - - - - - - - - - - - - - - - - -- - - - - - - - - - - - - - - - - - - - 
CUT ALONG DOTTED LINE CUT ALONG DOTTED LINE
CONTROLS SET POINT AND CONFIGURATION LOG (cont)
ITEM EXPANSION RANGE DEFAULT SETTING
CCN (cont)
→SC.OV→SPT.O SPT Override Enabled ? YES/NO Yes
→SC.OV→T58.O T58 Override Enabled ? YES/NO Yes
→SC.OV→GL.OV Global Sched. Override ? YES/NO No
ALLM ALERT LIMIT CONFIG.
→SP.L.O SPT lo alert limit/occ -10-245 dF 60
→SP.H.O SPT hi alert limit/occ -10-245 dF 85
→SP.L.U SPT lo alert limit/unocc -10-245 dF 45
→SP.H.U SPT hi alert limit/unocc -10-245 dF 100
→SA.L.O EDT lo alert limit/occ -40-245 dF 40
→SA.H.O EDT hi alert limit/occ -40-245 dF 100
→SA.L.U EDT lo alert limit/unocc -40-245 dF 40
→SA.H.U EDT hi alert limit/unocc -40-245 dF 100
→RA.L.O RAT lo alert limit/occ -40-245 dF 60
→RA.H.O RAT hi alert limit/occ -40-245 dF 90
→RA.L.U RAT lo alert limit/unocc -40-245 dF 40
→RA.H.U RAT hi alert limit/unocc -40-245 dF 100
→OAT.L OAT lo alert limit -40-245 dF -40
→OAT.H OAT hi alert limit -40-245 dF 150
→R.RH.L RARH low alert limit 0-100% 0
→R.RH.H RARH high alert limit 0-100% 100
→O.RH.L OARH low alert limit 0-100% 0
→O.RH.H OARH high alert limit 0-100% 100
→SP.L SP low alert limit 0-5 "H2O 0
→SP.H SP high alert limit 0-5 "H2O 2
→BP.L BP lo alert limit -0.25-0.25 "H2O -0.25
→BP.H BP high alert limit -0.25-0.25 "H2O 0.25
→IAQ.H IAQ high alert limit 0-5000 1200
TRIM SENSOR TRIM CONFIG.
→SAT.T Air Temp Lvg SF Trim -10 - 10 ^F 0
→RAT.T RAT Trim -10 - 10 ^F 0
→OAT.T OAT Trim -10 - 10 ^F 0
→SPT.T SPT Trim -10 - 10 ^F 0
→L.SW.T Limit Switch Trim -10 - 10 ^F 0
→CCT.T Air Temp Lvg Evap Trim -10 - 10 ^F 0
→SP.A.T Suct.Press.Circ.A Trim -50 - 50 PSIG 0
→SP.B.T Suct.Press.Circ.B Trim -50 - 50 PSIG 0
→DP.A.T Dis.Press.Circ.A Trim -50 - 50 PSIG 0
→DP.B.T Dis.Press.Circ.B Trim -50 - 50 PSIG 0
SW.LG SWITCH LOGIC: NO / NC
→FTS.L Filter Status Inpt-Clean Open/Close Open
→IGC.L IGC Feedback - Off Open/Close Open
→RMI.L RemSw Off-Unoc-Strt-NoOv Open/Close Open
→ENT.L Enthalpy Input - Low Open/Close Close
→SFS.L Fan Status Sw. - Off Open/Close Open
→DL1.L Dmd.Lmt.Sw.1 - Off Open/Close Open
→DL2.L Dmd.Lmt.Sw.2 - Off Open/Close Open
→IAQ.L IAQ Disc.Input - Low Open/Close Open
→FSD.L Fire Shutdown - Off Open/Close Open
→PRS.L Pressurization Sw. - Off Open/Close Open
→EVC.L Evacuation Sw. - Off Open/Close Open
→PRG.L Smoke Purge Sw. - Off Open/Close Open
→DH.LG Dehumidify Sw. - Off Open/Close Open
DISP DISPLAY CONFIGURATION
→TEST Test Display LEDs ON/OFF Off
→METR Metric Display ON/OFF Off
→LANG Language Selection 0 - 1 (multi-text strings) 0
→PAS.E Password Enable ENABLE/DISABLE Enable
→PASS Service Password 0000 - 9999 1111
CL-7
UNIT START-UP CHECKLIST
MODEL NO.: _________________________________ SERIAL NO.: ______________________________________
SOFTWARE VERSION _________________________ TECHNICIAN: ____________________________________
DATE: _______________________________________
PRE-START-UP:
VERIFY THAT DIP SWITCH SETTINGS ARE CORRECT
VERIFY THAT ALL PACKING MATERIALS HAVE BEEN REMOVED FROM UNIT
REMOVE ALL COMPRESSOR SHIPPING HOLDDOWN BOLTS AND BRACKETS PER INSTRUCTIONS
VERIFY INSTALLATION OF ECONOMIZER HOOD
VERIFY INSTALLATION OF ALL OPTIONS AND ACCESSORIES
VERIFY THAT ALL ELECTRICAL CONNECTIONS AND TERMINALS ARE TIGHT
CHECK GAS PIPING FOR LEAKS (48Z ONLY)
CHECK THAT RETURN-AIR FILTER AND OUTDOOR-AIR FILTERS ARE CLEAN AND IN PLACE
VERIFY THAT UNIT IS LEVEL WITHIN TOLERANCES FOR PROPER CONDENSATE DRAINAGE
CHECK FAN WHEELS AND PROPELLERS FOR LOCATION IN HOUSING/ORIFICE, AND SETSCREW IS TIGHT
VERIFY THAT FAN SHEAVES ARE ALIGNED AND BELTS ARE PROPERLY TENSIONED
VERIFY THAT SUCTION, DISCHARGE, AND LIQUID SERVICE VALVES ON EACH CIRCUIT ARE OPEN
VERIFY THAT CRANKCASE HEATERS HAVE BEEN ON 24 HOURS BEFORE START-UP.
START-UP:
ELECTRICAL
SUPPLY VOLTAGE  L1-L2 __________ L2-L3  __________ L3-L1 __________
COMPRESSOR AMPS — COMPRESSOR NO. 1  L1 __________ L2 __________ L2  _________
COMPRESSOR AMPS — COMPRESSOR NO. 2  L1 __________ L2 __________ L2  _________
SUPPLY FANS AMPS (CV) ________ EXHAUST FAN AMPS __________
(VAV) ________ *
*VAV fan supply amps reading must be taken with a true RMS meter for accurate readings.
TEMPERATURES
OUTDOOR-AIR TEMPERATURE __________ F  DB (Dry Bulb)
RETURN-AIR TEMPERATURE __________ F  DB__________ F  WB (Wet Bulb) 
COOLING SUPPLY AIR __________ F
GAS HEAT SUPPLY AIR __________ F (48Z ONLY)
ELECTRIC HEAT SUPPLY AIR __________ F (50Z ONLY, IF EQUIPPED)
PRESSURES
GAS INLET PRESSURE __________ IN. WG (48Z ONLY)
GAS MANIFOLD PRESSURE STAGE NO. 1 __________  IN. WG  STAGE NO. 2 __________IN. WG (48Z ONLY)
REFRIGERANT SUCTION CIRCUIT NO. 1 __________ PSIG  CIRCUIT NO. 2__________ PSIG
REFRIGERANT DISCHARGE CIRCUIT NO. 2 __________ PSIG CIRCUIT NO. 2__________ PSIG
______________________ VERIFY REFRIGERANT CHARGE.

Manufacturer reserves the right to discontinue, or change at any time, specifications or designs without notice and without incurring obligations.
Catalog No. 04-53480039-01                       Printed in U.S.A.                         Form 48/50Z-5T                          CL-8            7-08 Replaces: 48/50Z-4T
Copyright 2008 Carrier Corporation
-
 - - - - - - - - - - - - - - - - - - - - - - - - - - - - - - - - - - - - - - - - - - - - - - - - - - - - - - - - - - - - - - - - - - - - - - - - - - - - - - - - - - - - - - - - - - - - - - - - - - - - - - - - - - - - - - - - - - - - - - - - - - - - - - - - - - - - - - - - - - - - - - - - - - - - - - - - - - - - - - - - - - - - - - - - - - - - -- - - - - - - - - - - - - - - - - - - - 
CUT ALONG DOTTED LINE CUT ALONG DOTTED LINE